Sony Hcd Sd1 Users Manual
hcdsd1_11 hcdsd1_11
hcd-sd1 to the manual 8686a19f-b442-4175-8ba9-f38f0808b876
2015-01-23
: Sony Sony-Sony-Hcd-Sd1-Users-Manual-288011 sony-sony-hcd-sd1-users-manual-288011 sony pdf
Open the PDF directly: View PDF
.
Page Count: 50

– 1 –
MICROFILM
HCD-SD1
SPECIFICATIONS
SERVICE MANUAL
COMPACT DISC RECEIVER
— Continued on next page —
AEP Model
UK Model
E Model
HCD-SD1 is the amplifier, CD and
tuner section in CMT-SD1.
Model Name Using Similar Mechanism HCD-MD313
Mechanism Type CDM13B-5BD19
Base Unit Type BU-5BD19
Optical Pick-up Type KSS-213B/K-N
CD
SECTION

– 2 –
CAUTION
Use of controls or adjustments or performance of procedures
other than those specified herein may result in hazardous ra-
diation exposure.
Notes on chip component replacement
• Never reuse a disconnected chip component.
• Notice that the minus side of a tantalum capacitor may be
damaged by heat.
Flexible Circuit Board Repairing
• Keep the temperature of soldering iron around 270˚C
during repairing.
• Do not touch the soldering iron on the same conductor of the
circuit board (within 3 times).
• Be careful not to apply force on the conductor when soldering
or unsoldering.
Laser component in this product is capable of emitting radiation
exceeding the limit for Class 1.
This appliance is classified as
a CLASS 1 LASER product.
The CLASS 1 LASER PROD-
UCT MARKING is located on
the rear exterior.
This caution
label is located
inside the unit.
SAFETY-RELATED COMPONENT WARNING !!
COMPONENTS IDENTIFIED BY MARK ! OR DOTTED LINE
WITH MARK ! ON THE SCHEMATIC DIAGRAMS AND IN
THE PARTS LIST ARE CRITICAL TO SAFE OPERATION.
REPLACE THESE COMPONENTS WITH SONY PARTS
WHOSE PART NUMBERS APPEAR AS SHOWN IN THIS
MANUAL OR IN SUPPLEMENTS PUBLISHED BY SONY.
PARTS No.
4-212-711-0π
4-212-712-0π
MODEL
AEP, UK model
SP, HK model
• Abbreviation
HK : Hong Kong model
SP : Singapore model
Parts No.
MODEL NO. HCD-SD1
MODEL IDENTIFICATION
– Specification Label –

– 3 –
TABLE OF CONTENTS
1. SERVICING NOTE .......................................................... 4
2. GENERAL .......................................................................... 7
3. DISASSEMBLY
3-1. Loading Panel ....................................................................... 8
3-2. Glass ASSY........................................................................... 8
3-3. Front Panel ........................................................................... 9
3-4. Main Board and Tuner Unit .................................................. 9
3-5. CD Mechanism Deck .......................................................... 10
3-6. Back Panel ......................................................................... 10
3-7. Disc Table .......................................................................... 11
3-8. Optical Pick-up ................................................................... 11
4. SERVICE MODE ............................................................. 12
5. TEST MODE ..................................................................... 13
6. ELECTRICAL ADJUSTMENTS ............................... 14
7. DIAGRAMS
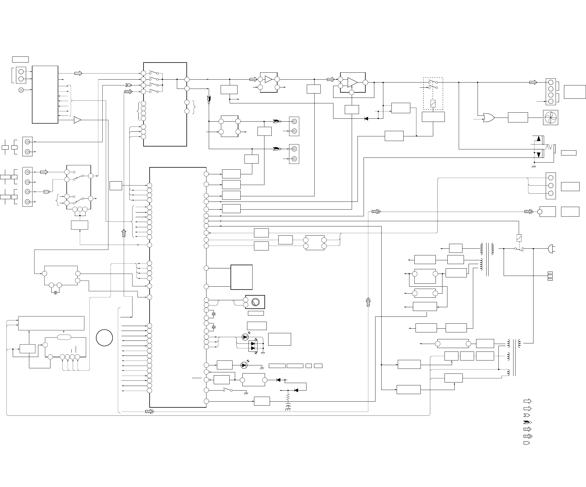
7-1. Circuit Boards Location ...................................................... 16
7-2. Block Diagrams
• BD Section ....................................................................... 17
• Main Section .................................................................... 19
7-3. Schematic Diagram – BD Section – ................................... 23
7-4. Printed Wiring Board – BD Section –................................. 25
7-5. Schematic Diagram – Main (1/2) Section –........................ 27
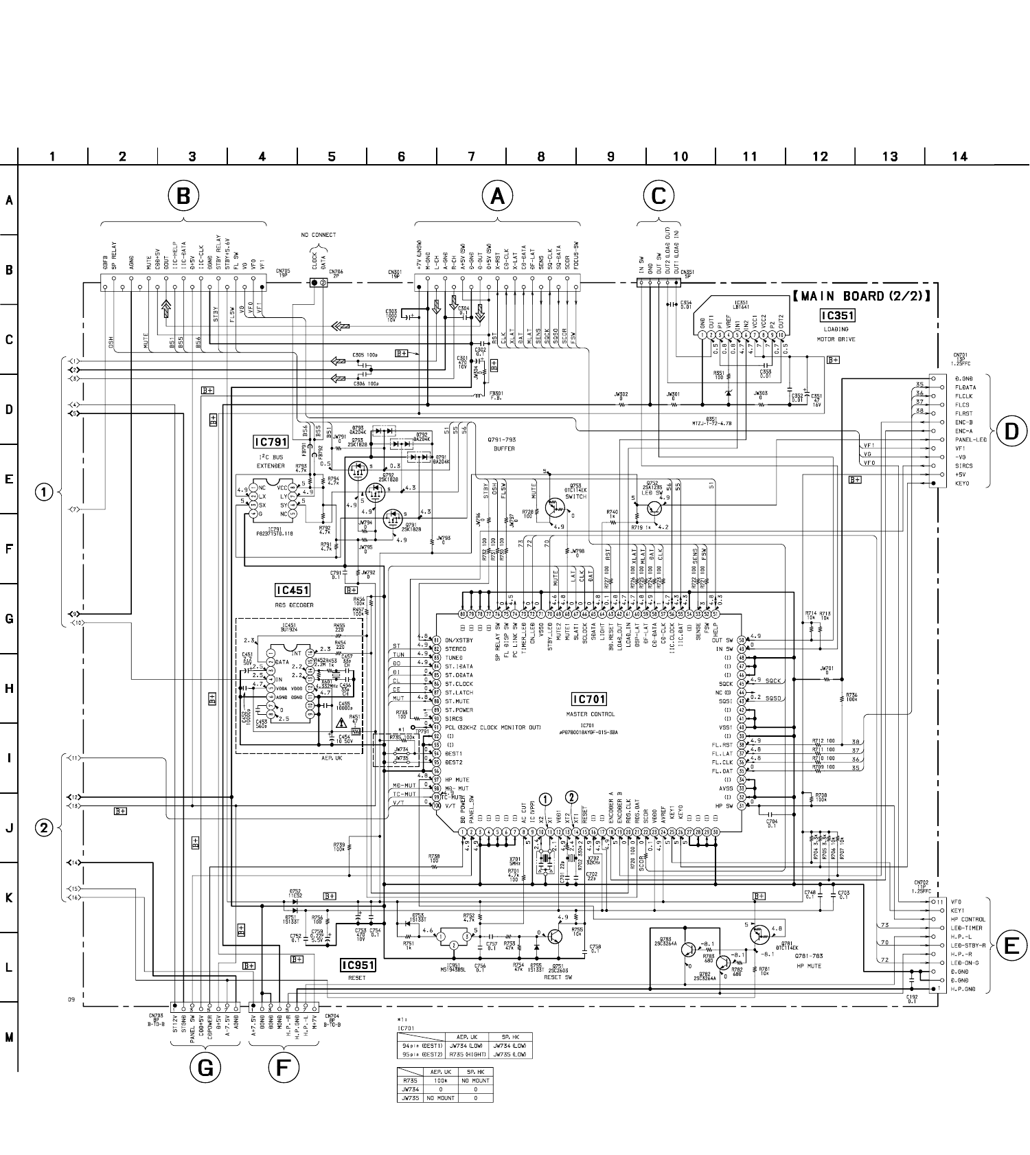
7-6. Schematic Diagram – Main (2/2) Section – ........................ 29
7-7. Printed Wiring Board – Main Section – .............................. 31
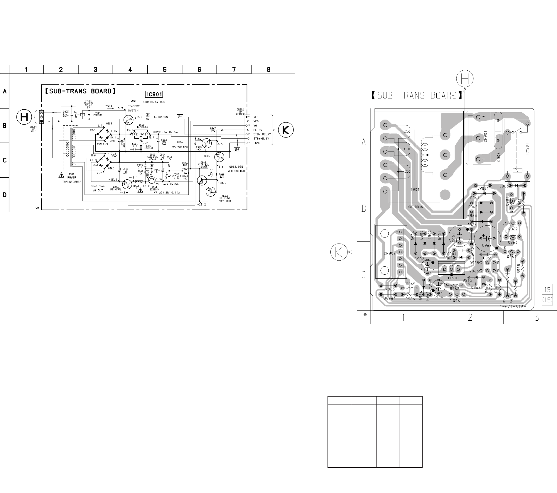
7-8. Schematic Diagram – Sub Trans Section – ......................... 33
7-9. Printed Wiring Board – Sub Trans Section – ...................... 34
7-10. Schematic Diagram – Panel Section – ............................. 35
7-11. Printed Wiring Board – Panel Section – ........................... 37
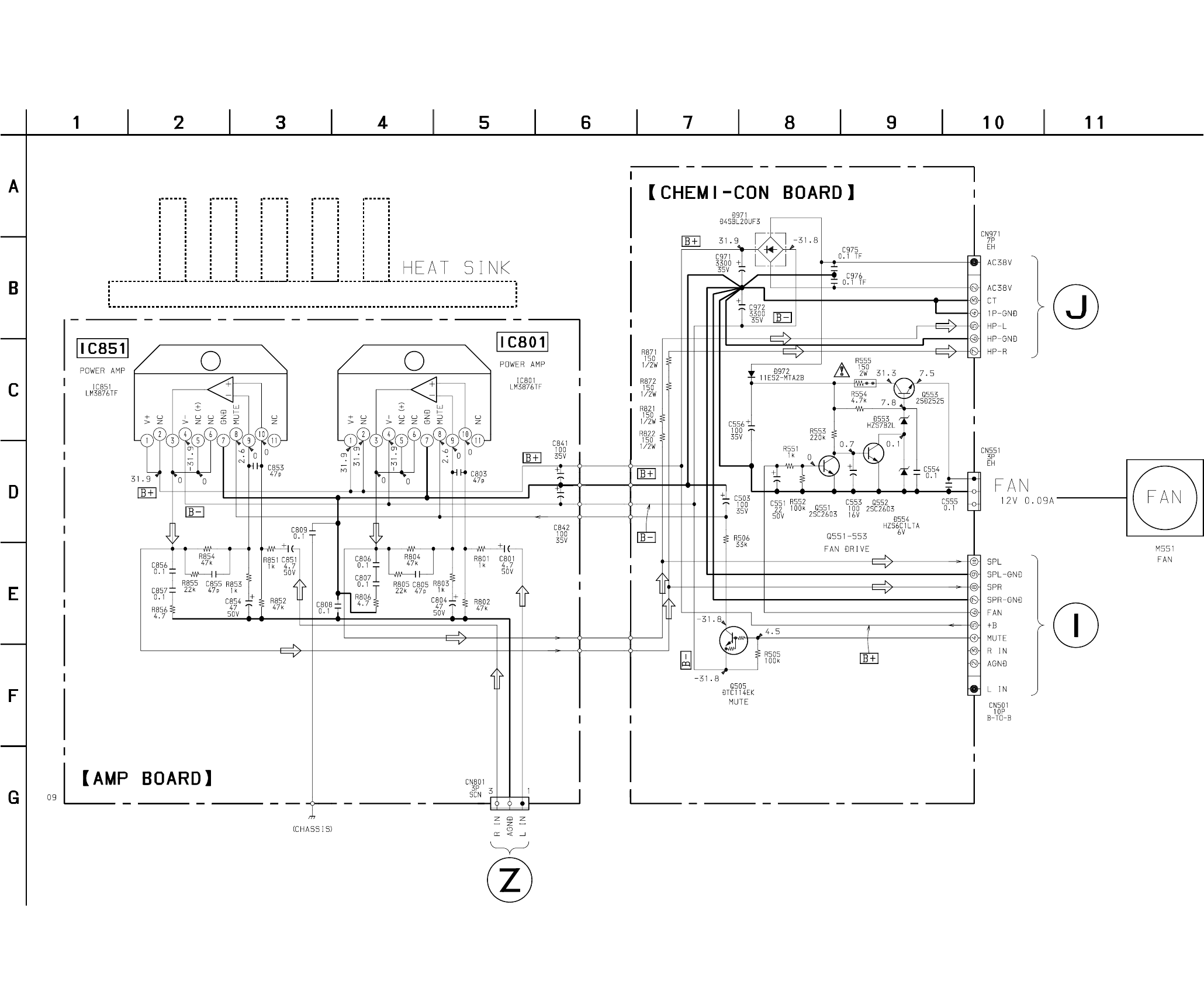
7-12. Schematic Diagram – AMP Section – .............................. 39
7-13. Printed Wiring Board – AMP Section – ........................... 41
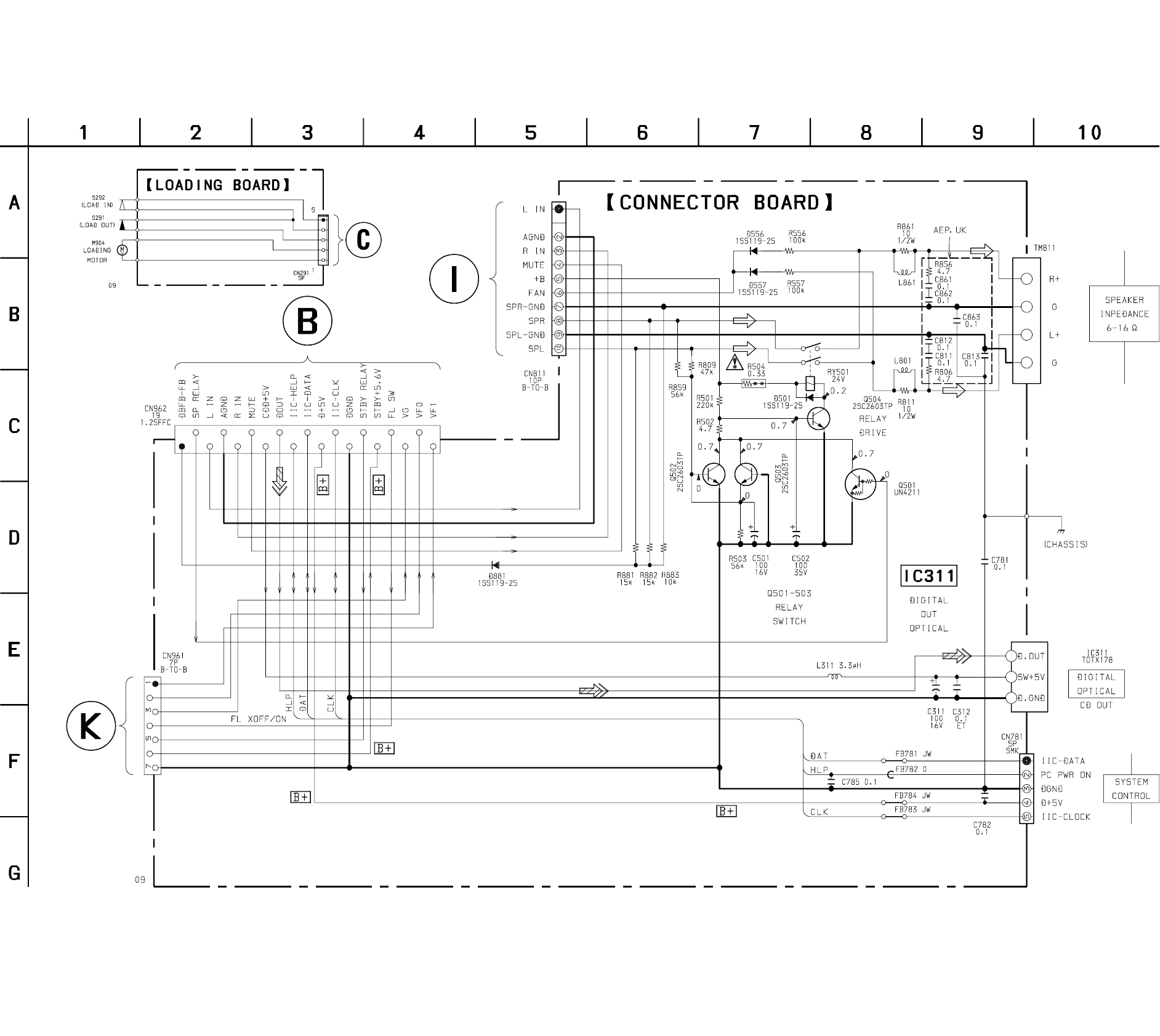
7-14. Schematic Diagram – Connector Section –...................... 43
7-15. Printed Wiring Board – Connector Section – ................... 45
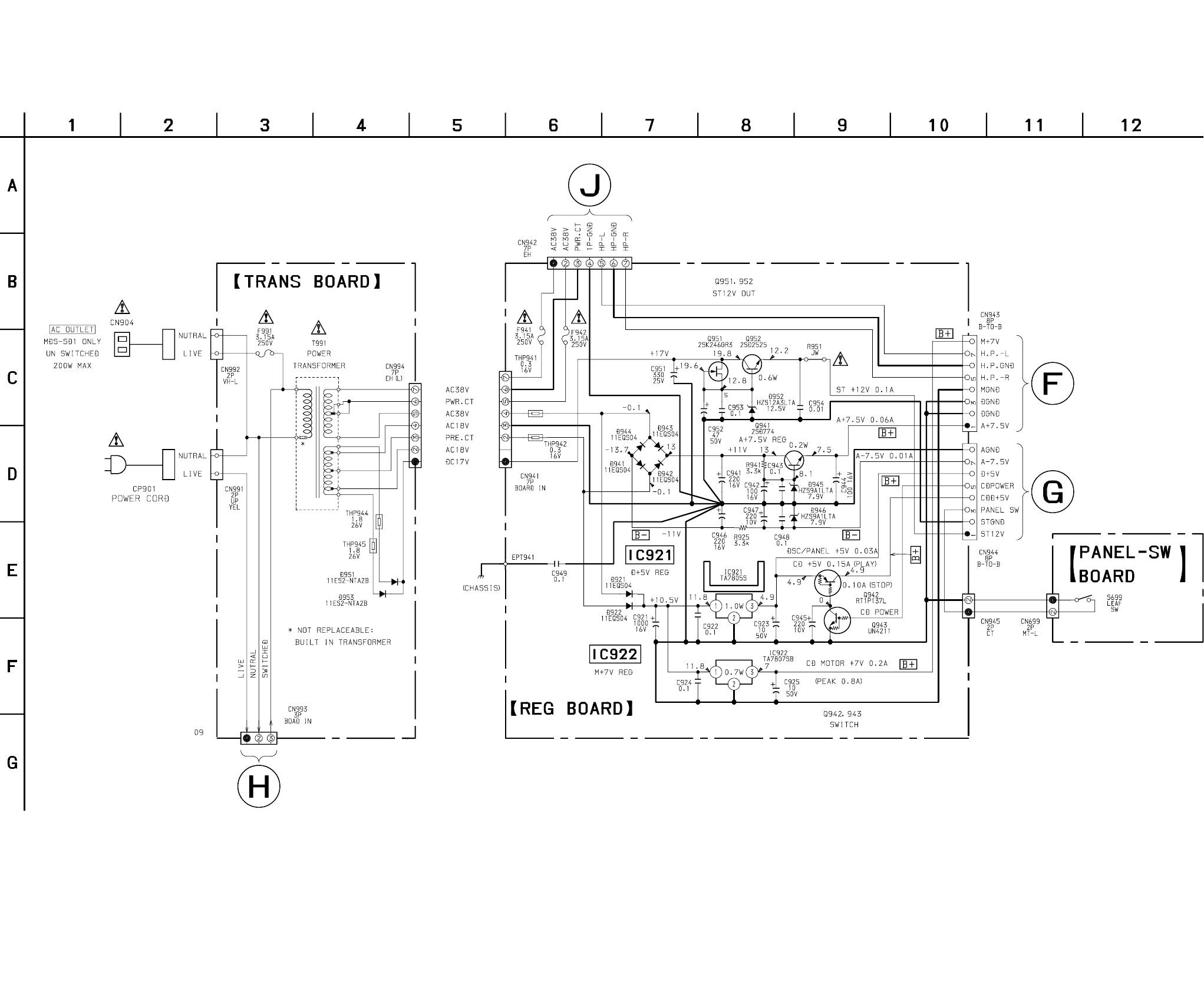
7-16. Schematic Diagram – REG Section – .............................. 47
7-17. Printed Wiring Board – REG Section –............................ 49
7-18. IC Block Diagrams ........................................................... 51
7-19. IC Pin Functions ............................................................... 54
8. EXPLODED VIEWS
8-1. Front Panel Section ............................................................. 56
8-2. Chassis Section ................................................................... 57
8-3. Mechanism Deck Section (CDM13B-5BD19) ................... 58
8-4. Base Unit Section (BU-5BD19).......................................... 59
9. ELECTRICAL PARTS LIST ........................................ 60
NOTES ON HANDLING THE OPTICAL PICK-UP BLOCK
OR BASE UNIT
The laser diode in the optical pick-up block may suffer electrostatic
break-down because of the potential difference generated by the
charged electrostatic load, etc. on clothing and the human body.
During repair, pay attention to electrostatic break-down and also
use the procedure in the printed matter which is included in the
repair parts.
The flexible board is easily damaged and should be handled with
care.
NOTES ON LASER DIODE EMISSION CHECK
The laser beam on this model is concentrated so as to be focused on
the disc reflective surface by the objective lens in the optical pick-
up block. Therefore, when checking the laser diode emission, ob-
serve from more than 30 cm away from the objective lens.
LASER DIODE AND FOCUS SEARCH OPERATION
CHECK
Carry out the “S curve check” in “CD section adjustment” and check
that the S curve waveform is output two times.

– 4 –
SECTION 1
SERVICING NOTE
OPENING THE DISC TRAY WHEN POWER IS OFF
1
Using a thin screwdriver, rotate the internal cam
in the arrow direction completely.
2
Open the glass door, and pull out the loading panel.
1
2
Pull up the glass door,
in the arrow direction.
4
Screw (PTP 2.6x6)
3
Bracket (shaft)
(Bottom side)
1
When securing this part, position at the
center to allow some play. Open and close
the glass window several times, and check
that the parts do not touch each other.
ATTACHING THE GLASS ASSEMBLY
• Attach according to steps 1 to 4.

– 5 –
POSITIONS FOR SERVICING THE CONNECTOR
BOARD, SUB-TRANS BOARD, CHEMI-CON BOARD,
AND AMP BOARD
1Remove the four screws securing the upper cover, and remove
the upper cover.
2Remove the loading panel. (Refer to SECTION 3 DISASSEM-
BLY.)
3Remove the four screws A securing the MAIN board, five screws
B securing the rear panel, two flat cables (CN701, CN702),
and open the MAIN board as shown in the figure.
4Remove the two screws C securing the heat sink, and remove
the AMP board and CHEMI-CON board.
5Remove the two screws D securing the SUB-TRANS board
and four screws E securing the CONNECTOR board, and re-
move the SUB-TRANS board and CONNECTOR board.
6Return the MAIN board to its original position.
7Insulate these boards and the MAIN board with paper, etc., and
assemble the CONNECTOR board, SUB-TRANS board,
CHEMI-CON board, and AMP board on these boards.
Should be insulatable
with paper, etc.
A
A
C
D
B
B
E
Heat sink
SUB-TRANS board
AMP board
CHEMI-CON board
CONNECTOR board
MAIN boar
d
Flat type wire (CN701)
Flat type wire (CN702)

– 6 –
POSITION FOR SERVICING THE CD MECHANISM
DECK
1Remove the four screws securing the upper cover, and remove
the upper cover.
2Remove the loading panel. (Refer to SECTION 3 DISASSEM-
BLY.)
3Remove the four screws A securing the MAIN board, five screws
B of the rear panel, and flat cables (CN701, CN702), and re-
move the MAIN board.
4Remove the two screws D securing the SUB-TRANS board,
and remove the SUB-TRANS board.
5Remove the two screws F securing the REG board.
6Remove the three screws G securing the CDM cover, and re-
move the CDM cover.
7Remove the two screws H securing the CDM, move the CDM
backwards by about 5 mm horizontally, and then lift upwards.
8Rotate the CDM in the counterclockwise direction by about 30˚
to remove.
9Return the MAIN and SUB-TRANS boards to their original
positions.
G
H
CDM cove
r
A
A
B
B
D
F
SUB-TRANS board
MAIN board
Flat type wire (CN702)
Flat type wire (CN701)

– 7 –
Location of Parts and Controls
11/u (Power) button
2CD disc tray
3§ button
4VOLUME dial
5±/)/TUNING + button
SECTION 2
GENERAL
Front Panel
15
12
13
11
14
78910
23
5
6
1
4
6≠/0/TUNING – button
7π button
8fl button
9TUNER/BAND button
10 FUNCTION button
11 DISPLAY button
12 PHONES jack
13 t indicator
14 u indicator
15 Display window
This section is extracted from
instruction manual.

– 8 –
SECTION 3
DISASSEMBLY
Note: Follow the disassembly procedure in the numerical order given.
3-1. LOADING PANEL
3-2. GLASS ASSY
1Turn ON the power, and press the EJECT button to open the
tray.
2Remove the loading panel in the arrow direction.
3Press the EJECT button to close the tray.
• If the power cannot be turned ON, refer to “Opening the Disc
Tray When the Power is OFF” of “Service Note”, and open the
tray.
Power button
Loading panel
Eject butto
n
1
Screw (PTP2.6x6)
2
Bracket (shaft)
3
4
4
(Bottom side)

– 9 –
3-3. FRONT PANEL
3-4. MAIN BOARD AND TUNER UNIT
1
Three screws
(BVTP3x8)
2
Three claws
4
Flat type wire (11core)
(CN702)
5
Flat type wire (13core)
(CN701)
6
Front panel
3
1
Four screws
(BVTP3x8)
2
Six screws
(BVTP3x8)
4
Flat type wire (19core)
(CN301)
6
Flat type wire
(19core) (CN705)
5
Connector (CN351)
8
Connector (CN706)
7
MAIN board and Tuner unit
3

– 10 –
3-6. BACK PANEL
3-5. CD MECHANISM DECK
1
Two screws
(BVTP3x8)
8
Two screws
(BVTP3x8)
5
REG board
2
Connector
(CN945)
4
Connector
(CN994)
3
Connector
(CN942)
9
CD mechanism deck
6
Three screws
(BVTP3x8)
7
Dust cove
r
1
Six screws
(BVTP3X8)
2
Four screws
(BVTT3X8)
3
Connector
(CN992)
5
Connector
(CN901)
7
Back panel
6
Connector
(CN551)
8
PC board block
4
Connector
(CN991)

– 11 –
3-7. DISC TABLE
3-8. OPTICAL PICK-UP
1
Screw (BV3x8)
2
Screw (BV3x8
)
3
Holder (MG) assembly
4
Pull out the disc table.
C
B
A
3
Flat type wire (16 core)
(CNU101)
1
Move the claw
in the arrow
A
direction.
2
Remove the sled shaft in the
arrow direction
B
.
4
Remove the optical pickup in the arrow direction
C
.
BD board

– 12 –
SECTION 4
SERVICE MODE
Key Check Mode for Complete Lighting of LED/Fluorescent Display Tube
• Perform this mode to analyze and check malfunctions such as display defects and when buttons do not work.
Procedure:
1. Press the 1/u button to turn on the power.
2. Press the DISPLAY button and ^ button together.
3. All LEDs and the fluorescent display tube will light up completely.
4. Pressing the FUNCTION button here will light the fluorescent display tube in the following order; Partial lighting 1 n Partial lighting
2 n Complete lighting n Partial lighting 1······
Turning the VOLUME dial will switch the lighting order of the LED.
To end without shifting to the key check mode, press the 1/u button to end.
5. Pressing the p button sets the key check mode.
6. During the key check mode, “KEY=0 JOG=0” will be displayed on the fluorescent display tube.
Pressing a button will increase the value of “KEY=”. However the value will not increase for buttons which have already been pressed
once.
Rotating the VOLUME knob in the clockwise direction increases the value of “JOG=” in the order of 1, 2, 3.... and rotating in the
counterclockwise direction decreases in order of 10, 9, and 8.
7. To end the check mode, press all buttons (8 buttons). “KEY-OK” will be displayed.
Then press any button, and disconnect the power cord from the outlet.
Checking the Sub-Clock
• Perform this mode to check clock operations.
Procedure:
1. Connect an oscilloscope and frequency counter between the pin (TP791) and ground of IC701 of the MAIN board.
2. Press the § and 1/u buttons together to display “91P = 32.768k” on the fluorescent display tube.
3. Check that the signal on the oscilloscope becomes a 32 kHz rectangular waveform and the reading of the frequency counter becomes
32.768 kHz.
4. Press the 1/u button to end.
Sled Servo Mode
• In this mode, the CD sled motor can be operated freely.
Execute it when cleaning the pick-up.
Round holes can be seen on the topmost board when the case is opened. Move the pick-up and clean off the dirt in these round holes using
a cotton swab.
Procedure:
1. Press the DISPLAY and § buttons with the power of the unit OFF.
2. When the sled servo is set, “MANUAL” is displayed on the fluorescent display tube.
3. Pressing the +/TUNING/) button when the CD is in the stop state moves the pick-up to the outer track. Pressing the =/
TUNING/0 button moves it to the inner track.
4. To end this mode, perform the following steps.
1) Move the If not, the disc cannot be removed.
2) Press the DISPLAY and § buttons together.
Note:
• When ending this mode, be sure to move the pick-up to the innermost circumference. If not, the disc cannot be removed.
• Do not move the sled motor more than required as this will damage the gears.
Round holes for cleaning
Initializing (Forced Reset)
• Perform this mode when resetting the unit or when returning the unit to the customer.
• The preset frequency of the tuner, etc. will be the settings at shipment.
Procedure:
While pressing the 1/u button, insert the power cord into the outlet.

– 13 –
SECTION 5
TEST MODE
AGING MODE
This unit is equipped with an aging mode.
Use this mode for analyzing defects and for checks after completing repairs.
After repairs, perform aging 100 times and check that the unit is normal.
The aging mode is executed in the following sequence.
The aging mode will continue as long as the unit is normal.
If the unit becomes abnormal, it will display the state and number of cycles, and operations will stop. (Refer to Table 1.)
Sequence of Aging Mode:
CD TOC OK? NO
YES
OK? NO
OK? NO
NO
YES
OK?
OK?
NO
OK?
NO
YES
NO
YES
YES
YES
OK
YES
NG
Start
Sets the CD function and reads the CD TOC.
Message 1
Message 2
Message 3
Message 4
Message 5
Message 6
Message 4
Pauses first song.
Last song search paused state
Starts last song playback
Is CD playing?
End playback?
Opens the CD tray
Closes the CD tray
Power OFF
Display of number of aging cycles
Power ON
Optical defect, spindle defect (including motor), cannot read
Q data, disc defect (scratches, etc.), bad focus, bad GFS, etc.
Disc defect (scratches, etc.), cannot read Q data, etc.
Optical defect, sled, tracking defect (including motor), cannot
read Q data, disc defect (scratches, etc.).
Optical defect, cannot read Q data, disc defect (scratches, etc.),
etc.
LOAD OUT SW defect
LOAD IN SW defect
No Error Messages Details of Error
1
2
3
4
5
6
CD No Disc NG
CD Pause NG
CD Search NG
CD Play NG
CD Open NG
CD Close NG
Cannot read CD TOC.
Cannot set CD pause in
CD synchro mode.
Cannot search last track on CD.
Cannot play last track on CD.
Cannot open CD tray.
Cannot close CD tray.
Main Causes
Procedure:
1. Press the DISPLAY button and =/TUNING/0 button together.
2. To end aging, press the u button and end.
Table-1 Messages and Main Reasons for Stop of Aging

– 14 –
Procedure:
1. Connect oscilloscope to test point TP (RF).
2. Turned Power switch on.
3. Put disc (YEDS-18) in and playback.
4. Adjust RV101 so that the waveform is clear.
(Clear RF signal waveform means that the shape “◊” can be
clearly distinguished at the center of the waveform.)
5. After adjustment, check the RF signal level.
• RF signal
VOLT/DIV: 200 mV
TIME/DIV: 500 nS
S Curve Check
Procedure :
1. Connect oscilloscope to test point TP (FEO).
2. Connect between test point TP (FOK) and Ground by lead wire.
3. Turn Power switch on.
4. Put disc (YEDS-18) in and turned Power switch on again and
actuate the focus search. (actuate the focus search when disc
table is moving in and out.)
5. Check the oscilloscope waveform (S-curve) is symmetrical be-
tween A and B. And confirm peak to peak level within 2.4 ± 0.7
Vp-p.
S-curve waveform
6. After check, remove the lead wire connected in step 2.
Note: • Try to measure several times to make sure than the ratio of
A : B or B : A is more than 10 : 7.
• Take sweep time as long as possible and light up the bright-
ness to obtain best waveform.
RF Level Check
Procedure :
1. Connect oscilloscope to test point TP (RF) on BD board.
2. Turned Power switch on.
3. Put disc (YEDS-18) in and playback.
4. Confirm that oscilloscope waveform is clear and check RF sig-
nal level is correct or not.
Note: Clear RF signal waveform means that the shape “◊” can be
clearly distinguished at the center of the waveform.
• RF signal
VOLT/DIV: 200 mV
TIME/DIV: 500 nS
CD SECTION
Note:
1. CD Block is basically designed to operate without adjustment.
Therefore, check each item in order given.
2. Use YEDS-18 disc (3-702-101-01) unless otherwise indicated.
3. Use an oscilloscope with more than 10MΩ impedance.
4. Clean the object lens by an applicator with lens cleaning liquid
when the signal level is low than specified value with the fol-
lowing checks.
5. Adjust the focus bias adjustment when optical block is replaced.
Focus Bias Adjustment
Perform this adjustment when the optical pick-up has been replaced
or repaired.
–
+
oscilloscope
BD (CD) board
TP (RF)
TP (VC)
level : 1.3
±
0.3 Vp-p
–
+
oscilloscope
BD (CD) board
TP (FEO)
TP (VC)
symmetry
A
B
within 2.4
±
0.7 Vp-p
–
+
oscilloscope
BD (CD) board
TP (RF)
TP (VC)
SECTION 6
ELECTRICAL ADJUSTMENTS
level : 1.3
±
0.3 Vp-p

– 15 –
Procedure :
1. Connect oscilloscpe to test point TP (TEO) on BD board.
2. Turn Power switch on.
3. Put disc (YEDS-18) in to play the number five track.
4. Press the “P (Pause)” button. (Becomes the 1 track jump mode)
5. Confirm that the oscilloscope waveform is symmetrical on the
top and bottom in relation to 0Vdc, and check this level.
1 track jump waveform
E-F Balance (1 Track Jump) Check
(Without remote commander)
Specified level: • x 100 = less than ± 7%
• A + B = 300 ± 100 mVp-p
Focus/Tracking Gain Adjustment (RV102, RV103)
This gain has a margin, so even if it is slightly off.
There is no problem.
Therfore, do not perform this adjustment.
Please note that it should be fixed to mechanical center position
when you moved and do not know original position.
A – B
2 (A + B)
Adjustment Location:
[BD (CD) BOARD] — Component Side —
–
+
oscilloscope
BD (CD) board
TP (TEO)
TP (VC)
A
B
0
V
LEVEL : 300
±
100 mVp-p
RF
RV101
(Focus Bias Adjust)
RV103
TEO
VC
FEO
RV102
TEI
FEI
FOK
IC101
IC104
GND
PCK
IC102

– 16 –
SECTION 7
DIAGRAMS
7-1. CIRCUIT BOARDS LOCATION
PANEL-SW board
MAIN board
TRANS board
SUB-TRANS board
BD board
LOADING board
PANEL board
REG board
AMP board
CHEMI-CON boar
d
CONNECTOR board
VOLUME board
HP board

HCD-SD1
– 17 – – 18 –
7-2. BLOCK DIAGRAMS
– BD SECTION –
25
SLED MOTOR
DRIVE
26
•
27 16
M
SLO
M102
SLED MOTOR
4
SPINDLE MOTOR
DRIVE
1
•
2
M
M101
SPINDLE
MOTOR
SLED/SPINDLE
MOTOR DRIVE
IC102 (2/2)
14
SL+
SLED
SERVO
IC101 (2/2)
19
TRACKING
COIL DRIVE
18
17
T+
T–
9
FOCUS
COIL DRIVE
12
11
F–
F+
2-AXIS
DEVICE
TRACKING
COIL
FOCUS
COIL
TRACKING/FOCUS
COIL DRIVE
IC102 (1/2)
7
XRST
22
XRST
TRACKING/FOCUS SERVO,
RF AMP
IC101 (1/2)
PD1
PD2
35
36
4
2
1
5
10
6
F
E
38
39
E
A
B C
D
F
B+
K
A
D
C
B
DETECTOR
OPTICAL PICK-UP
(KSS-213B)
FEI
2
FEO
1
RV102
FOCUS
GAIN
TEO
42
TEI
44
RV103
TRACKING
GAIN
LD
33
PHD
34
LD DRIVE
Q101, 102
PD LD
LASER
DIODE
31
RFO
30
RFI
RF
14
23
C.OUT CNIN
55
24
SENS SEIN
54
FE BIAS 37
RV101
FOCUS
BIAS
+5V
6
FE-O
7
FE-M
12
TA-M
13
TAO
21
DATA
20
XLT
19
CLK
4
FGD
25
FOK
FOCUS SW
Q103
DATAO
56
XLTO
57
CLKO
59
MDP
3
FOK
1
XLON
64
09
PCMD
LRCK
DATA
2
LRCK
1
21
20
BCLK BCLK
322
LOUT 16
ROUT 13
A
MAIN
SECTION
(Page 19)
(Page 19)
(Page 19)
DIGITAL FILTER
D/A CONVERTER
IC104
DATA
51
XLAT
52
CLOK
53
SCOR
43
SQSO
46
SQCK
47
SENS
49
XRST
50
D OUT
39
DATA
26
MLAT
28
CLOK
27
A
MAIN
SECTION
D OUT
CD LOUT
CLK
DATA
XRST
SCOR
SENS
SQCK
SQSO
DF LAT
XLAT
FOCUS SW
5
DRIVE
6
M
M904 (CD)
LOADING
MOTOR
MOTOR
DRIVER
IC351
2
10 DRIVE
LOAD-OUT
LOAD-IN
OUT-SW
IN-SW
S292
(LOAD IN)
S291
(LOAD OUT)
A
MAIN
SECTION
DIGITAL SIGNAL PROCESSOR
IC103
XTAI
34
CKO
4
XTI
•
XTO
5 • 6
X101
22.5792 MHz
SPOD
63
S101
(LIMIT)
• SIGNAL PATH
: CD
: Digital out

HCD-SD1
– 19 – – 20 –
– MAIN SECTION –
STBY+5.6V
90
65
66
67
20
21
22
99
98
69
76
39
38
37
36
4
15
8
28
35
5
6
7
82
83
84
85
86
87
88
100
38
37
36
35
22
4
2
16
43
45
52
53
60
63
49
50
61
62
57
58
59
RECTIFIER
D921,922
CDD+5V SW
Q942
RECTIFIER
Q951,953
ST 12V OUT
Q951,952
RECT
D971
SWITCH
Q103
DEFB SW
Q121
MUTE
Q141
RELAY SW
Q502,503
RELAY DRIVE
Q504
RELAY SW
Q501
FAN-DRIVE
Q551–553
SPEAKER
INPEDANCE
6-16Ω
SYSTEM
CONTROL
DIGITAL
OPTICAL
MUTE
Q505
MUTE
Q111
MUTE
Q112
MUTE SW
Q183
MUTE SW
Q182
MUTE SW
Q181
SWITCH
Q753
SWITCH
Q793 SWITCH
Q792
SWITCH
Q791
BUFFER
Q601
SIRCS
IC602
+
–
–
+
1
2
5
VOLUME
S691
TIMER:RED
ON:GREEN
STANDBY:RED
SWITCH
Q752
14
15
12
13
2
1
9 10 11
51
56
5 – 50
63 62 61 60
AC IN
AC OUTLET
CN904
T991
MAIN
TRANSFORMAER
T991
SUB
TRANSFORMER
±B
RECT
D941-944
A±7.5VREG
Q941, 946
RECT
D901-904
RECT
D961-964
VG SWITCH
Q966
VG SW
Q964
VF SW
Q962,963
BS
VF SWITCH
Q965
A±7.5VREG
ST12V
D±5V
M+7V
CDD+5V
10
9
8
3
+
–
16
27 25
18
3
5 7
1
1
2
PANEL SW
S699
31
81
75
56
55
51
26
25
19
18
14
13
11
10
73
72
70
64
8
SWITCH
Q943
TO IC701 VDD
1
RESET
Q751
RESET
IC951
15
2
3 1
68
FAN
L
R
J667
CN781
IC311
3
3
1
1
STBY+5.6V REG
IC901
3 1
DOUT
L-OUT
AM
ANTENNA
FM
75Ω
TUNER
UNIT
R-OUT R-CH
ST
TUN
MUT
DO
CL
DI
CE
R-CH
R-CH
SIRCS
DAT
CLK
LAT
ST
TUN
DO
DI
CL
CE
MUT
TC-MUT
MD-MUT
MUTE2
SP RELAY SW
MUTE1
HPSW
I C.CLOCK
I C.DAT
HELP
KEY2
KEY1
INT
DATA
ENCODERB
ENCODERA
XT1
XT2
BD POWER
PANEL SW
RESET
AC CUT
LIGHT
X2
X1
TIMER LED
ON LED
STBY LED
ON/XSRBY
FLDISP SW
SDATA
SCLOCK
SLAT1
STEREO
TUNED
ST.MUTE
V/T
FL.RST
FL.LAT
FL.SLK
FL.DAT
RDS.CLK
IN
RDS.DAT
SCOR
CD
LOUT
SQSI
SCOR
SQCK
FSW
SENS
CD-CLK
CD-DATA
DF-LAT
DSP-LAT
BD.RESET
IN SW
OUT SW
LOAD IN
LOAD OUT
SQSO
SQCK
FOCUS SW
SENS
CLK
DAT
DF-LAT
XLAT
XRST
IN SW
OUT SW
LOAD IN
LOAD OUT
D OUT
ST.IDATA
ST.ODATA
ST.CLOCK
ST.LATCH
R-CH
BS
R-CH R-CH
STEREO
TUNED
MUTING
DO
CL
DI
CE
FM-DET-OUT
BUFFER
Q450
DISPLAY DRIVER
IC601
VF1
VF0
DAT
G12
CLK
CS
RST
–VG VFL
J101
(1/2)
J102
(1/2)
SWITCH
IC102
FLUORESCENT INDICATOR TUBE
FL601
RDS DECODER
IC451
SOUND PROCESSOR
IC101(1/2)
SOUND PROCESSOR
IC101(2/2)
POWER AMP
IC801
TUNER
BS/CS
MD
CD
BASS/
TREBLE
AMP
• VOLUME
LAT
DAT
CLK
LATCH
DATA
CLOCK
R-CH
R-CH R-CH
R-CH
R-CH
R-CH
R-CH DBFB
AMP
R-CH
R-CH
+8dB AMP
IC103 J101(2/2)
J102(2/2)
L
R
L
R
MD
OUT
TAPE
OUT
R-CH
D881
R-CH
R-CH
R-CH
DAT
HLP
CLK
R-CH
RY501
SPEAKER RELAY
RY901
STANDBY RELAY
76
23
LY
CLK
DAT
HLP
LX
SY
SX
VG
VF1
VF0
I C BUS
EXTENDER
IC791
2
2
X702
32KHz
X701
5MHz
STBY+5.6V
D752 D751
C759 BACK UP
+
D601-604
D605
t
u
D606
A
CD SECTION
(Page 18)
PHONES
MASTER CONTROL
IC701
KEY BOARD
SWITCH
S621-625,631-634
2
TMB11
D+5VREG
IC921
M+7VREG
IC922
D601 D602 D603 D604
)/±0/≠ πfl
MD
IN
L
R
IN
L
R
IN
L
R
CS/BS
TAPE
UG REG
Q961
• R ch is same as L ch
• SIGNAL PATH
: FM
:BS/CS
: PB
: REC
: CD
: Digital out
: TAPE
20
21
X601
4.3 MHz
14
13

HCD-SD1
– 21 – – 22 –
THIS NOTE IS COMMON FOR PRINTED WIRING
BOARDS AND SCHEMATIC DIAGRAMS.
(In addition to this, the necessary note is printed
in each block.)
For schematic diagrams.
Note:
• All capacitors are in µF unless otherwise noted. pF: µµF
50 WV or less are not indicated except for electrolytics
and tantalums.
• All resistors are in Ω and 1/4 W or less unless otherwise
specified.
•¢: internal component.
•2: nonflammable resistor.
•1: fusible resistor.
•C: panel designation.
For printed wiring boards.
Note:
•X: parts extracted from the component side
•p: parts mounted on the conductor side.
•®: Through hole.
•¢: internal component.
•b: Pattern from the side which enables seeing.
(The other layers' patterns are not indicated.)
•S: B+ Line.
•T: B– Line.
•H: adjustment for repair.
• Voltages and waveforms are dc with respect to ground in
service mode.
• Voltages are taken with a VOM (Input impedance 10 MΩ).
Voltage variations may be noted due to normal produc-
tion tolerances.
• Waveforms are taken with a oscilloscope.
Voltage variations may be noted due to normal produc-
tion tolerances.
• Circled numbers refer to waveforms.
Signal path.
F: FM
E: PB (MD)
m: PB (TAPE)
n: REC
J: CD
c: digital out
• Abbreviation
SP : Singapore model.
HK : Hong Kong model.
WAVEFORMS
– BD SECTION –
• Indication of transistor
Caution:
Pattern face side: Parts on the pattern face side seen from the
(Side B) pattern face are indicated.
Parts face side: Parts on the parts face side seen from the
(Side A) parts face are indicated.
C
These are omitted
EB
Q
C
These are omitted
EB
– MAIN SECTION –
1
IC701 !¡ (XI)
1
2
3
IC101 #¡ (RFO) (PLAY Mode)
500 mV/DIV, 500 ns/DIV
IC101 $¢ (TEI) (PLAY Mode)
50 mV/DIV, 1 µs/DIV
4
5
6
7
IC103 3 (MDP) (PLAY Mode)
IC103 @• (RFCK)
IC103 @™ (BCLK)
IC103 @∞ (XPCK)
Approx.
100 mVp-p
IC101 2 (FEI) (PLAY Mode)
50 mV/DIV, 1 µs/DIV
2.6 Vp-p
7.6 µs
5.1 Vp-p
136 µs
5 Vp-p
474 ns
5.1 Vp-p
22.8 µs
8
IC103 @º (LRCK)
9
IC104 6 (XTO)
4.6 Vp-p
16.9344 MHz
2
IC701 !¢ (XI)
2.6 Vp-p
32 kHz
4.3 Vp-p
5 MHz
1.3 ± 0.3 Vp-p
Approx.
150 mVp-p
5.3 Vp-p
14 ns
Note: The components identified by mark ! or dotted line
with mark ! are critical for safety.
Replace only with part number specified.

HCD-SD1
7-3. SCHEMATIC DIAGRAM – BD SECTION –
• See page 22 for Waveforms.
• See page 51 for IC Block Diagrams.
– 23 – – 24 –
(Page 29)
Note on Schematic Diagram:
• Voltages and waveforms are dc with respect to ground
under no-signal (detuned) conditions.
no mark : Stop
( ) : CD (PLAY)
*: Can not be measured.

HCD-SD1
– 25 – – 26 –
7-4. PRINTED WIRING BOARD – BD SECTION –
• See page 16 for Circuit Boards Location.
Ref. No. Location
• Semiconductor
Location • Semiconductor
Location
(Page 32)
OPTICAL PICK-UP
BLOCK
KSS-213BA/S-N
IC103 C-1
Q101 B-3
Q103 C-3
IC101 B-1
IC102 B-1
IC104 C-3
Q102 B-1
Ref. No. Location

HCD-SD1
– 27 – – 28 –
7-5. SCHEMATIC DIAGRAM – MAIN (1/2) SECTION –
• See page 22 for Waveforms.
• See page 31 for Printed Wiring Board.
(Page
29)
(Page 39)
(Page
29)

HCD-SD1
– 29 – – 30 –
7-6. SCHEMATIC DIAGRAM – MAIN (2/2) SECTION –
• See page 22 for Waveforms.
• See page 31 for Printed Wiring Board.
• See page 53 for IC Block Diagrams.
• See page 54 for IC Pin Functions.
(Page 43) (Page 24) (Page 43)
(Page 36)
(Page 35)
(Page 48)
(Page 48)
(Page
28)
(Page
28)

HCD-SD1
– 31 – – 32 –
• Semiconductor
Location
7-7. PRINTED WIRING BOARD – MAIN SECTION –
• See page 16 for Circuit Boards Location.
D351 A-6
D751 G-5
D752 G-5
D753 G-6
D755 G-6
D791 B-5
D792 B-5
D793 B-5
IC101 C-3
IC102 D-2
IC103 A-1
IC351 A-5
IC701 C-6
IC791 B-6
IC951 G-6
Q103 D-2
Q111 B-1
Q112 C-1
Q121 D-4
Q141 C-4
Q181 D-4
Q182 D-4
Q183 D-4
Q211 B-1
Q212 C-1
Q222 B-3
Q241 B-4
Q751 G-7
Q752 B-7
Q753 C-6
Q781 F-8
Q782 F-8
Q783 F-8
Q791 B-6
Q792 B-6
Q793 C-6
Ref. No. Location
(Page 45) (Page 41) (Page 46) (Page 26)
(Page 37)
(Page 38)
(Page 50)(Page 50)
OUT
OUT
IN
IN
IN
R
L
R
L
R
L
R
L
R
L
*1
*1
JW734
JW735
R735
: MOUNT
: NO MOUNT
AEP, UK SP, HK
X601
AEP, UK
AEP, UK

HCD-SD1
(Page 49)
(Page 45)
– 33 – – 34 –
7-8. SCHEMATIC DIAGRAM – SUB SECTION –
• Semiconductor Location
7-9. PRINTED WIRING BOARD – SUB SECTION –
• See page 16 for Circuit Boards Location.
D901 B-2
D902 B-1
D903 B-1
D904 B-1
D905 C-2
D906 B-3
D961 B-2
D962 B-2
D963 B-2
D964 B-2
D965 C-2
D966 C-1
IC901 C-2
Q901 B-3
Q961 C-2
Q962 B-3
Q963 C-3
Q964 C-3
Q965 C-2
Q966 C-2
(Page 47)
(Page 43)
DTC114ESA
DTA114ESA-TP
DTA114ESA-TP
11EQS04
11EQS04
11EQS04
11ES2-
NTA2B
11ES2-
NTA2B
11ES2-NTA2B
11ES2-NTA2B
11EQS04
Ref. No. Location Ref. No. Location

HCD-SD1
– 35 – – 36 –
7-10. SCHEMATIC DIAGRAM – PANEL SECTION –
(Page 30) (Page 30)

HCD-SD1
– 37 – – 38 –
7-11. PRINTED WIRING BOARD – PANEL SECTION –
• See page 16 for Circuit Boards Location.
(Page 32)
(Page 32)
E
AEP, UK
D601 C-3
D602 C-3
D603 C-4
D604 C-5
D605 B-7
D606 B-7
IC601 B-5
IC602 B-2
Q601 C-3
• Semiconductor
Location
Ref. No. Location

HCD-SD1
7-12. SCHEMATIC DIAGRAM – AMP SECTION –
– 39 – – 40 –
(Page 47, 48)
(Page 43)
(Page 28)

HCD-SD1
– 41 – – 42 –
7-13. PRINTED WIRING BOARD – AMP SECTION –
• See page 16 for Circuit Boards Location.
• Semiconductor
Location
(Page 31)
(Page 45)
(Page 50)
Ref. No. Location
D553 A-5
D554 A-5
D971 A-5
D972 A-5
Q505 B-4
Q551 A-5
Q552 A-5
Q553 A-4

HCD-SD1
7-14. SCHEMATIC DIAGRAM – CONNECTOR SECTION –
– 43 – – 44 –
(Page 30)
(Page 29) (Page 40)
(Page 33)

HCD-SD1
– 45 – – 46 –
7-15. PRINTED WIRING BOARD – CONNECTOR SECTION –
• See page 16 for Circuit Boards Location.
• Semiconductor
Location
11
(11)
CN291
S291
(LOAD OUT)
1
2
3
4
5
M904
(LOADING
MOTOR)
M
LOADING BOARD
S292
(LOAD IN)
1-634-461-
(Page 32)
(Page 34)
(Page 31, 32)
(Page 42)
DIGITAL
OPTICAL
CD AUX
SPEAKER
INPEDANCE
SYSTEM
CONTROL
AEP, UK
D501 B-3
D556 B-3
D557 C-3
D881 D-2
IC311 B-5
Q501 B-2
Q502 B-2
Q503 B-3
Q504 B-3
Ref. No. Location

HCD-SD1
7-16. SCHEMATIC DIAGRAM – REG SECTION –
– 47 – – 48 –
(Page 40)
(Page 29)
(Page 29)
(Page 33)

HCD-SD1
– 49 – – 50 –
7-17. PRINTED WIRING BOARD – REG SECTION –
• See page 16 for Circuit Boards Location.
• Semiconductor
Location
(Page 34)
NOT REPLACEABLE:
BUILT IN TRANSFORMER
AC
OUTLET
MDS-SD1
ONLY
UNSWITCHED
200W MAX
(Page 32) (Page 32) (Page 42)
D921 A-4
D922 A-4
D941 A-4
D942 A-4
D943 A-4
D944 A-4
D945 B-2
D946 B-1
D952 B-1
IC921 B-3
IC922 B-3
Q941 B-2
Q942 C-2
Q943 C-2
Q951 A-1
Q952 B-1
Ref. No. Location

HCD-SD1
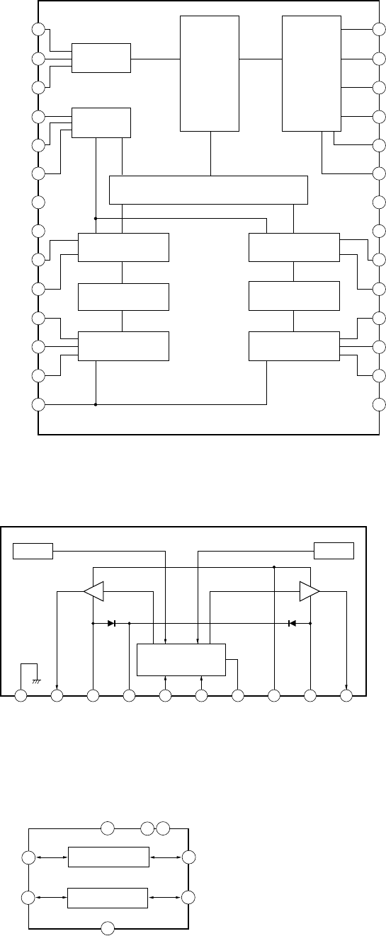
7-18. IC BLOCK DIAGRAMS
• BD section
IC101 CXA1782BQ
– 51 – – 52 –
36
PHD2
PHD1
PHD
33
LD
32
RF M
31
RF O
30
RF I
29
CP
28
CB
27
CC1
26
CC2
25
FOK
24 SENS
23 C. OUT
22 XRST
21 DATA
20 XLT
19 CLK
18 VCC
17 ISET
16 SL 0
15 SL M
14 SL P
13
12
TA O
TA M
11
FSET
10
TG2
9
TGU
8
SRCH
7
FE M
6
FE O
5
FLB
4
FGD
3
FDFCT
2
FEI
1
FEO
48VC
47TDFCT
46TZC
45ATSC
44TEI
43LPFI
42TEO
41VEE
40EI
39E
38F
37FE BIAS
+
+
–
+
+
–
+
–
+
–
+
–
+
–
+
–
+
+
+
–
+
–
+
–
+
–
+
–
+
–
+
–
+
–
–
+
+
–
–
+
+
–
+
–
+
–
+
–
+
–
APC
–
–
–
–
LEVELS
FOK
MIRR
DFCT
RF IV AMP2
RF IV AMP1
FE AMP
F IV AMP
E IV AMP
TE AMP
FZC COMP
BAL1
BAL2
BAL3
TOG1
TOG2
TOG3
TTL
IIL
IIL
TTL
TTL
IIL
• IIL DATA RESISTOR • INPUT SHIFT RESISTOR
• ADDRESS DECODER
• OUTPUT DECODER
HPF COMP LPF COMP
TZC COMP
DFCT
DFCT
TM1
FS4
ATSC
• WINDOW COMP
• FCS PHASE
COMPENSATION
• TRACKING
• PHASE
COMPENSATION
• ISET
FS1
FS2
TM4
TM5
TM6
TM3
TM7
TG2
• F SET
TG1
TM2
+
–
TOG1-3 FS1-4 TG1-2 TM1-7 PS1-4
BAL1-3
35 34
IC102 BA6397FP
1
2
3
4
7
8
9
10
11
12
13
14
28
27
26
24
22
21
20
19
18
17
DRIVE
BUFFER
DRIVE
BUFFER
LEVEL
SHIFT
LEVEL
SHIFT
THERMAL
SHUT DOWN
REGULATOR
DRIVER MUTE
LEVEL
SHIFT
DRIVE
BUFFER
DRIVE
BUFFER
DRIVE
BUFFER
DRIVE
BUFFER
LEVEL
SHIFT
DRIVE
BUFFER DRIVE
BUFFER
15
16
23
25
5
6
OUT1A
OUT1B
IN1A
IN1B
TR-B
REG 0
XRST
GND
IN2A
IN2B
OUT2A
OUT2B
GND
OP-OUT
GND
OUT4
A
OUT4B
IN4A
IN4B
VC
V
CC
V
CC
V
CC
V
CC
IN3B
IN3A
OUT3B
OUT3
A
OP+
OP–
IC103 CXD2507AQ
1
2
3
4
5
6
7
8
9
10
11
12
13
14
15
16
17
18
51
50
49
48
47
46
45
44
43
42
41
40
39
38
37
36
35
34
33
32313029282726252423222120
52535455565758596061626364
19
FOK
MON
MDP
MDS
LOCK
TEST
FILO
FILI
PCO
VSS
AVSS
CLTV
AVDD
RF
BIAS
ASYI
ASYO
ASYE
WDCK
DATA
XRST
SENS
MUTE
SQCK
SQSO
EXCK
SBSO
SCOR
VSS
WFCK
EMPH
DOUT
C4M
FSTT
XTSL
XTAO
XTAI
MNTO
SERVO AUTO
SEQUENCER
CPU
INTERFACE DIGITAL
CLV
SUB CODE
PROCESSOR
EFM
DEMODULATOR
DIGITAL
PLL
ASYMMETRY
CORRECTOR D/A
INTERFACE
ERROR
CORRECTOR
16K
RAM
DIGITAL
OUT
CLOCK
GENERATOR
LRCK
PCMD
BCLK
GTOP
XUGF
XPCK
VDD
GFS
RFCK
CZPO
XROF
MNT3
MNT1
XLON
SPOD
SPOC
SPOB
SPOA
CLKO
VDD
XLTO
DATO
CNIN
SEIN
CLOK
XLAT
3
5
14
4
5
3
6

– 53 –
– MAIN Section –
IC104 PCM1710U-R
IC351 LB1641
IC791 P82B715TD.118
1
2
3
4
5
6
7
8
9
10
11
12
13
14
27
26
25
24
23
22
21
20
19
18
17
16
15
28
INPUT
INTERFACE DIGITAL
FILTER
NOISE
SHAPER
5-LEVEL DAC
RIGHT
LOW-PASS FILTER
RIGHT
3-STAGE AMP
RIGHT
LOW-PASS FILTER
LEFT
3-STAGE AMP
LEFT
5-LEVEL DAC
LEFT
MODE
CONTROL
TIMING
CONTROL
LRCIN
DIN
BCKIN
CLKO
XTI
XTO
DGND
VDD
VCC2R
GND2R
EXT1R
EXT2R
VOUTR
GND1
ML/DSD
MC/DM2
MD/DM1
MUTE
MODE
CKSL
DGND
VDD
VCC2L
VCC1
GND2L
EXT1L
EXT2L
VOUTL
12 3 45 6 7 8 9 10
GND
MOTOR
DRIVE
NOISE
FILTER
CLAMP
FWD.IN
REV.IN
VCC 1
VCC 2
NOISE
FILTER
MOTOR
DRIVE
MOTOR
DRIVE
MOTOR
DRIVE
T.S.D O.C.P
FWD/REV/STOP
CONTROL LOGIC
GND
NC
NC
VCC
LCL
SCL
SDA LDA
BUFFER
BUFFER
15
2
8
7
6
3
4

– 54 –
7-19. IC PIN FUNCTIONS
• IC701 System Control (µPD780018AYGF-015-3BA) (MAIN Board)
1 BD POWER O CD power control pin, “H”:CD POWER ON
2 PANEL SW I Front cover open/close switch, “H”:Open glass door, “L”:Close glass door
3 to 7 – I Not used
8 AC.CUT I AC power connection signal, “L”:Power is disconnected
9 VPP – Normally connected to the ground pin
10 X2 O Main system clock output pin (5 MHz)
11 X1 I Main system clock input pin (5 MHz)
12 VDD1 – Positive power supply (+5V)
13 XT2 O Sub system clock output pin (32 kHz)
14 XT1 I Sub system clock output pin (32 kHz)
15 RESET I System reset input pin, “L”:RESET
16, 17 – I Not used
18 ENCODER A I Encoder input pin for jogging
19 ENCODER B I Encoder input pin for jogging
20 RDSCLK I RDS clock input pin (Not used)
21 RDSDAT I RDS data input pin (Not used)
22 SCOR I SCOR input pin
23 VDD0 – Positive power supply of port (+5V)
24 ADREF – Reference voltage of A/D converter (+5V)
25 KEY1 I Key input pin (Analog input)
26 KEY0 I Key input pin (Analog input)
27 to 30 – I Not used
31 HP-SW I Headphone detection SW, “L”:No HP, “H”:HP
32 – I Not used
33 AVSS – A/D converter ground potential
34 – I Not used
35 FL.DAT O Serial data output for FL tube control IC (MSM9202-02)
36 FL.CLK O Serial clock output for FL tube control IC (MSM9202-02)
37 FL.LAT O Chip select output for FL tube control IC (MSM9202-02)
38 FL.RST O Reset signal output for FL tube control IC (MSM9202-02)
39 – I Not used
40 VSS1 – Ground potential other than port and analog
41, 42 – I Not used
43 SQSI I CD sub code data input
44 – I Not used
45 SQCK O Clock output for reading CD sub code
46 to 48 – I Not used
49 IN-SW I CD tray close completion detection input, “L”:CLOSE
50 OUT-SW I CD tray open completion detection input, “L”:OPEN
51 HELP I Pin requesting power ON from the PC link adapter (optional), Normally “H”
52 FSW O Focus gain switch
53 SENSE I SENSE input pin
54 – I Not used
55 IIC DAT I/O System control communication data input/output pin
56 IIC CLOCK I/O System control communication clock input/output pin
57 CD-CLK O Serial clock for CD control
58 CD-DATA O Serial data for CD control
59 DF-LAT O Chip select signal for DA/DF
60 DSP-LAT O DSP IC and SSP IC chip select
Pin No. Pin Name I/O Function

– 55 –
61 LOAD IN O Tray loading motor control signal, “L”:Loading
62 LOAD OUT O Tray loading motor control signal, “L”:When OPEN
63 BD.RESET O IC reset signal for CD control, “L”:RESET
64 LIGHT O BLUE LED control port of front panel, “L”:LED ON
65 SDATA O Serial data for SOUND PROCESSOR IC101 (M62428AFP)
66 SCLOCK O Serial clock for SOUND PROCESSOR IC101 (M62428AFP)
67 SLAT1 O Chip select for SOUND PROCESSOR IC101 (M62428AFP)
68 MUTE1 O Audio mute signal, “H”:Power amplifier ICs (IC801, IC851) MUTE
69 MUTE2 O Audio mute signal, “L”:Line mute (Q141, Q241) MUTE
70 STANDBY LED O Signal controlling LED which lights when power is OFF, “L”:LED ON
71 VSS0 – Ground potential of port
72 ON LED O Signal controlling LED which lights when power is ON, “L”:LED ON
73 TIMER LED O Signal controlling LED which lights in timer standby, “H”:LED ON
74 – I Not used
75 FL DISP SW O Power ON/OFF signal for FL display, “H”:FL display ON
76 SP RELAY SW O Speaker relay control signal, “L”:Speaker relay ON
77 to 80 – I Not used
81 ON/XSTBY O System power control signal, “H”:Standby relay ON
82 STEREO I Tuner stereo signal, “L”:Stereo
83 TUNED I Tuner selection OK signal, “L”:TUNED
84 ST IDATA I Serial input data for tuner
85 ST ODATA O Serial output data for tuner
86 ST.CLOCK O Serial clock for tuner
87 ST LATCH O Chip select for tuner
88 ST MUTE O Tuner mute output
89 ST POWER O Tuner power signal (Not used)
90 SIRCS I SIRCS code input signal (Remote control signal input)
91 PCL I 32 KHz clock monitor out
32.768 kHz signal is output in the test mode (Refer to page 12.)
92, 93 – I Not used
94 DEST1 I Destination differentiation signal (Fixed at “H”)
95 DEST2 I Destination differentiation signal (Fixed at “L”)
96 – I Not used
97 HP MUTE O HP mute signal output
98 MD-MUTE O MD REC OUT control signal “L”:MD REC OUT MUTE (“L” only for MD function)
99 TC-MUTE O REC OUT control signal of TAPE
“L”:TAPE REC OUT MUTE (“L” only for TAPE function)
100 V/T O Function control signal “H”:TAPE, “L”:CS/BS
Pin No. Pin Name I/O Function

– 56 –
SECTION 8
EXPLODED VIEWS
8-1. FRONT PANEL SECTION
NOTE:
• Items marked “*” are not stocked since they are
seldom required for routine service. Some delay
should be anticipated when ordering these items.
• The mechanical parts with no reference number in
the exploded views are not supplied.
• Hardware (# mark) list and accessories and pack-
ing materials are given in the last of this parts list.
• Abbreviation
HK : Hong Kong model
SP : Singapore model
The components identified by
mark ! or dotted line with mark
! are critical for safety.
Replace only with part number
specified.
Ref. No. Part No. Description Remark Ref. No. Part No. Description Remark
14 4-951-620-01 SCREW (2.6X8), +BVTP
15 1-769-940-11 WIRE (FLAT TYPE) (11 CORE)
16 1-769-972-11 WIRE (FLAT TYPE) (13 CORE)
*17 1-671-609-11 HP BOARD
*18 A-4419-060-A PANEL BOARD, COMPLETE
19 3-363-099-51 SCREW (CASE 3 TP2)
*20 4-212-561-31 CASE
21 4-212-540-11 PANEL (AL-CD), LOADING
22 4-212-541-11 PANEL (CD), LOADING
23 4-212-545-11 PLATE (CD), ORNAMENTAL
*24 4-212-590-11 HOLDER (FL)
FL601 1-517-805-11 INDICATOR TUBE, FLUORESCENT
1 X-4950-580-1 GLASS ASSY (CD)
2 4-212-584-01 BRACKET (SHAFT)
3 4-993-007-01 SCREW (M2.6X6), +P TAPPING
4 4-942-636-21 EMBLEM (NO.3.5), SONY
5 4-212-538-11 PANEL (AL-CD), FRONT
6 X-4950-364-1 KNOB (VOL) ASSY
7 4-212-542-11 RING (VOL)
8 X-4950-995-1 PANEL ASSY (CD), FRONT
9 4-212-580-11 SPRING (GLASS)
10 X-4950-999-1 BRACKET (R) ASSY
*11 1-671-610-11 VOLUME BOARD
12 X-4950-998-1 BRACKET (L) ASSY
*13 1-671-617-11 PANEL-SW BOARD
1
2
2
3
3
4
5
6
22
21
23
7
8
9
10
11
12
13
15
16
18
19
19
20
24
#1
#2
FL601
Supplied with J667
14
14 17
14
14
not supplied
not supplied
not supplied

– 57 –
8-2. CHASSIS SECTION
Ref. No. Part No. Description Remark Ref. No. Part No. Description Remark
*61 A-4419-065-A SUB-TRANS BOARD, COMPLETE
*62 1-671-614-11 CONNECTOR BOARD
63 X-4950-994-1 FOOT ASSY
*64 1-671-611-11 AMP BOARD
!65 1-770-019-11 ADAPTOR, CONVERSION PLUG 3P (UK,HK)
66 3-531-576-01 RIVET
67 3-655-653-01 BAND (TAITON), BINDING
!CN904 1-526-794-11 OUTLET, AC
M551 1-698-997-21 FAN, D.C.
!T991 1-433-478-11 TRANSFORMER, POWER
*51 A-4419-059-A MAIN BOARD, COMPLETE (AEP,UK)
*51 A-4419-070-A MAIN BOARD, COMPLETE (SP,HK)
*52 A-4419-068-A REG BOARD, COMPLETE
53 1-790-305-11 WIRE (FLAT TYPE) (19 CORE)
54 1-693-408-11 TUNER
*55 1-671-615-11 TRANS BOARD
*56 A-4419-064-A CHEMI-CON BOARD, COMPLETE
!57 1-575-651-91 CORD, POWER
*58 3-703-244-00 BUSHING (2104), CORD
*59 4-212-564-11 PANEL (CD), BACK
60 1-773-108-11 WIRE (FLAT TYPE) (19 CORE)(100mm)
The components identified by mark ! or dotted
line with mark ! are critical for safety.
Replace only with part number specified.
63
51
52
53
54
55
66
67
56 57
58
59
60
61
62
T991
M551
CN904
63
not supplied
not supplied
not supplied
not supplied
CDM13B-5BD19
not supplied
not
supplied
not
supplied
#2
#1
#2
#2
#2
#2
#2
#5
#2
#1
#1
#2
#1
#1
#2#4
#4
#2
#1
#1
#2
#2
#2
64 65
(UK,HK
)

– 58 –
8-3. MECHANISM DECK SECTION (CDM13B-5BD19)
Ref. No. Part No. Description Remark Ref. No. Part No. Description Remark
211 4-944-012-01 TABLE, DISC
212 A-4604-752-A HOLDER (MG) ASSY
*213 4-917-583-21 BRACKET, YOKE
214 X-4941-462-1 CHASSIS (MD) ASSY
215 4-933-134-01 SCREW (+PTPWH M2.6X6)
216 4-958-593-01 SPRING (BU), COMPRESSION
217 4-929-747-01 HOLDER (BU)
218 4-929-727-01 CAM (A)
219 4-929-729-01 CAM (B)
M904 A-4660-307-A MOTOR (L) ASSY (LOADING)
*201 1-634-461-11 LOADING BOARD
202 4-927-654-01 WASHER (LIMITER)
203 3-659-338-00 SPRING, COMPRESSION
204 4-929-764-01 SHAFT (TABLE GUIDE)
205 4-927-620-01 GEAR (P)
206 4-944-006-11 BEARING
207 4-927-628-01 GEAR (C)
208 4-927-649-01 BELT
209 4-929-724-01 PULLEY (B)
210 X-4947-265-1 ARM ASSY, SWING
#2
#2
#2
#2
#8
#7
#6
#6
M904
not supplied
not supplied
BU-5BD19
211
204
219
218
202
216
215
215
214
213
210
206
205
207
212
208
209
216
217
203
201

– 59 –
8-4. BASE UNIT SECTION (BU-5BD19)
The components identified by mark ! or dotted
line with mark ! are critical for safety.
Replace only with part number specified.
Ref. No. Part No. Description Remark Ref. No. Part No. Description Remark
257 4-917-567-01 GEAR (M)
258 4-917-564-01 GEAR (P), FLATNESS
259 3-713-786-51 SCREW +P 2X3
M101 X-4917-523-4 MOTOR ASSY (SPINDLE)
M102 X-4917-504-1 MOTOR ASSY (SLED)
251 4-951-620-01 SCREW (2.6X8), +BVTP
*252 A-4673-402-B BD BOARD, COMPLETE
253 4-917-565-01 SHAFT, SLED
254 4-951-940-01 INSULATOR (BU)
!255 8-848-379-31 OPTICAL PICK-UP KSS-213B/S-N
256 1-769-069-11 WIRE (FLAT TYPE) (16 CORE)
255
256
257
259
254
M102
258
251
252
254
M101
253

– 60 –
• SEMICONDUCTORS
In each case, u: µ , for example:
uA...: µ A..., uPA...: µ PA..., uPB...: µ PB...,
uPC...: µ PC..., uPD...: µ PD...
• CAPACITORS
uF : µ F
• COILS
uH : µ H
• Abbreviation
HK : Hong Kong model
SP : Singapore model
• Due to standardization, replacements in the parts list
may be different from the parts specified in the
diagrams or the components used on the set.
• -XX, -X mean standardized parts, so they may have
some difference from the original one.
• Items marked “*” are not stocked since they are
seldom required for routine service. Some delay
should be anticipated when ordering these items.
• RESISTORS
All resistors are in ohms
METAL: Metal-film resistor
METAL OXIDE: Metal Oxide-film resistor
F : nonflammable
SECTION 9
ELECTRICAL PARTS LIST
Note:
When indicating parts by reference
number, please include the board
name.
Ref. No. Part No. Description Remark Ref. No. Part No. Description Remark
The components identified by
mark ! or dotted line with mark
! are critical for safety.
Replace only with part number
specified.
AMP
*1-671-611-11 AMP BOARD
*********
< CAPACITOR >
C801 1-124-720-11 ELECT 4.7uF 20% 50V
C803 1-162-215-31 CERAMIC 47PF 5% 50V
C804 1-124-724-11 ELECT 47uF 20% 50V
C805 1-162-215-31 CERAMIC 47PF 5% 50V
C806 1-164-159-11 CERAMIC 0.1uF 50V
C807 1-164-159-11 CERAMIC 0.1uF 50V
C808 1-164-159-11 CERAMIC 0.1uF 50V
C809 1-163-038-91 CERAMIC 0.1uF 25V
C841 1-126-948-11 ELECT 100uF 20% 35V
C842 1-126-948-11 ELECT 100uF 20% 35V
C851 1-124-720-11 ELECT 4.7uF 20% 50V
C853 1-162-215-31 CERAMIC 47PF 5% 50V
C854 1-124-724-11 ELECT 47uF 20% 50V
C855 1-162-215-31 CERAMIC 47PF 5% 50V
C856 1-164-159-11 CERAMIC 0.1uF 50V
C857 1-164-159-11 CERAMIC 0.1uF 50V
< IC >
IC801 8-759-331-41 IC LM3876TF
IC851 8-759-331-41 IC LM3876TF
< RESISTOR >
R801 1-249-417-11 CARBON 1K 5% 1/4W F
R802 1-249-437-11 CARBON 47K 5% 1/4W
R803 1-249-417-11 CARBON 1K 5% 1/4W F
R804 1-249-437-11 CARBON 47K 5% 1/4W
R805 1-249-433-11 CARBON 22K 5% 1/4W
R806 1-249-389-11 CARBON 4.7 5% 1/4W F
R851 1-249-417-11 CARBON 1K 5% 1/4W F
R852 1-249-437-11 CARBON 47K 5% 1/4W
R853 1-249-417-11 CARBON 1K 5% 1/4W F
R854 1-249-437-11 CARBON 47K 5% 1/4W
R855 1-249-433-11 CARBON 22K 5% 1/4W
R856 1-249-389-11 CARBON 4.7 5% 1/4W F
**************************************************************
*A-4673-402-B BD BOARD, COMPLETE
******************
< CAPACITOR >
C101 1-126-607-11 ELECT CHIP 47uF 20% 4V
C102 1-163-275-11 CERAMIC CHIP 0.001uF 5% 50V
C103 1-164-346-11 CERAMIC CHIP 1uF 16V
C105 1-163-038-91 CERAMIC CHIP 0.1uF 25V
C106 1-164-690-91 CERAMIC CHIP 0.0022uF 5% 50V
C107 1-164-690-91 CERAMIC CHIP 0.0022uF 5% 50V
C108 1-163-021-91 CERAMIC CHIP 0.01uF 10% 50V
C109 1-163-021-91 CERAMIC CHIP 0.01uF 10% 50V
C110 1-163-989-11 CERAMIC CHIP 0.033uF 10% 25V
C111 1-163-038-91 CERAMIC CHIP 0.1uF 25V
C112 1-163-038-91 CERAMIC CHIP 0.1uF 25V
C113 1-164-690-91 CERAMIC CHIP 0.0022uF 5% 50V
C114 1-164-005-11 CERAMIC CHIP 0.47uF 25V
C115 1-126-607-11 ELECT CHIP 47uF 20% 4V
C116 1-163-016-00 CERAMIC CHIP 0.0039uF 10% 50V
C117 1-164-005-11 CERAMIC CHIP 0.47uF 25V
C118 1-107-823-11 CERAMIC CHIP 0.47uF 10% 16V
C119 1-163-038-91 CERAMIC CHIP 0.1uF 25V
C120 1-135-201-11 TANTALUM CHIP 10uF 20% 4V
C121 1-163-038-91 CERAMIC CHIP 0.1uF 25V
C122 1-163-021-91 CERAMIC CHIP 0.01uF 10% 50V
C123 1-163-038-91 CERAMIC CHIP 0.1uF 25V
C124 1-126-607-11 ELECT CHIP 47uF 20% 4V
C125 1-163-021-91 CERAMIC CHIP 0.01uF 10% 50V
C126 1-163-038-91 CERAMIC CHIP 0.1uF 25V
C127 1-164-690-91 CERAMIC CHIP 0.0022uF 5% 50V
C128 1-163-135-00 CERAMIC CHIP 560PF 5% 50V
C129 1-163-038-91 CERAMIC CHIP 0.1uF 25V
C130 1-164-336-11 CERAMIC CHIP 0.33uF 25V
C131 1-163-038-91 CERAMIC CHIP 0.1uF 25V
C132 1-163-037-11 CERAMIC CHIP 0.022uF 10% 25V
C133 1-163-145-00 CERAMIC CHIP 0.0015uF 5% 50V
C134 1-164-346-11 CERAMIC CHIP 1uF 16V
C135 1-163-251-11 CERAMIC CHIP 100PF 5% 50V
C136 1-164-005-11 CERAMIC CHIP 0.47uF 25V
C137 1-163-021-91 CERAMIC CHIP 0.01uF 10% 50V
C139 1-163-235-11 CERAMIC CHIP 22PF 5% 50V
C140 1-163-235-11 CERAMIC CHIP 22PF 5% 50V
C141 1-163-038-91 CERAMIC CHIP 0.1uF 25V
C142 1-163-038-91 CERAMIC CHIP 0.1uF 25V
C145 1-135-201-11 TANTALUM CHIP 10uF 20% 4V
C146 1-135-201-11 TANTALUM CHIP 10uF 20% 4V
C147 1-163-275-11 CERAMIC CHIP 0.001uF 5% 50V
C148 1-163-275-11 CERAMIC CHIP 0.001uF 5% 50V
C149 1-164-346-11 CERAMIC CHIP 1uF 16V
C153 1-135-259-11 TANTAL. CHIP 10uF 20% 6.3V
C154 1-163-235-11 CERAMIC CHIP 22PF 5% 50V
BD

– 61 –
Ref. No. Part No. Description Remark Ref. No. Part No. Description Remark
BD CHEMI-CON
< CONNECTOR >
CNU101 1-770-014-11 CONNECTOR, FFC/FPC 16P
CNU102 1-770-013-11 CONNECTOR, FFC/FPC 19P
< IC >
IC101 8-752-074-34 IC CXA1782BQ
IC102 8-759-291-06 IC BA6397FP
IC103 8-752-372-94 IC CXD2507AQ
IC104 8-759-185-29 IC PCM1710U-B
< TRANSISTOR >
Q101 8-729-010-08 TRANSISTOR MSB710-R
Q102 8-729-424-08 TRANSISTOR UN2111
Q103 8-729-421-22 TRANSISTOR UN2211
< RESISTOR >
R102 1-216-001-00 METAL CHIP 10 5% 1/10W
R103 1-216-049-91 RES,CHIP 1K 5% 1/10W
R104 1-216-097-91 RES,CHIP 100K 5% 1/10W
R105 1-216-093-91 RES,CHIP 68K 5% 1/10W
R106 1-216-093-91 RES,CHIP 68K 5% 1/10W
R107 1-216-093-91 RES,CHIP 68K 5% 1/10W
R108 1-216-093-91 RES,CHIP 68K 5% 1/10W
R109 1-216-097-91 RES,CHIP 100K 5% 1/10W
R112 1-216-083-00 METAL CHIP 27K 5% 1/10W
R113 1-216-083-00 METAL CHIP 27K 5% 1/10W
R114 1-216-101-00 METAL CHIP 150K 5% 1/10W
R115 1-216-101-00 METAL CHIP 150K 5% 1/10W
R116 1-216-061-00 METAL CHIP 3.3K 5% 1/10W
R117 1-216-069-00 METAL CHIP 6.8K 5% 1/10W
R118 1-216-049-91 RES,CHIP 1K 5% 1/10W
R119 1-216-089-91 RES,CHIP 47K 5% 1/10W
R120 1-216-089-91 RES,CHIP 47K 5% 1/10W
R121 1-216-114-00 RES,CHIP 510K 5% 1/10W
R122 1-216-097-91 RES,CHIP 100K 5% 1/10W
R123 1-216-099-00 METAL CHIP 120K 5% 1/10W
R124 1-216-091-00 METAL CHIP 56K 5% 1/10W
R125 1-216-069-00 METAL CHIP 6.8K 5% 1/10W
R126 1-216-063-91 RES,CHIP 3.9K 5% 1/10W
R127 1-216-089-91 RES,CHIP 47K 5% 1/10W
R128 1-216-105-91 RES,CHIP 220K 5% 1/10W
R129 1-216-049-91 RES,CHIP 1K 5% 1/10W
R130 1-216-079-00 METAL CHIP 18K 5% 1/10W
R131 1-216-079-00 METAL CHIP 18K 5% 1/10W
R132 1-216-061-00 METAL CHIP 3.3K 5% 1/10W
R133 1-216-061-00 METAL CHIP 3.3K 5% 1/10W
R134 1-216-065-91 RES,CHIP 4.7K 5% 1/10W
R135 1-216-065-91 RES,CHIP 4.7K 5% 1/10W
R136 1-216-073-00 METAL CHIP 10K 5% 1/10W
R137 1-216-065-91 RES,CHIP 4.7K 5% 1/10W
R138 1-216-049-91 RES,CHIP 1K 5% 1/10W
R139 1-216-033-00 METAL CHIP 220 5% 1/10W
R140 1-216-081-00 METAL CHIP 22K 5% 1/10W
R141 1-216-061-00 METAL CHIP 3.3K 5% 1/10W
R142 1-216-061-00 METAL CHIP 3.3K 5% 1/10W
R143 1-216-121-91 RES,CHIP 1M 5% 1/10W
R144 1-216-073-00 METAL CHIP 10K 5% 1/10W
R145 1-216-097-91 RES,CHIP 100K 5% 1/10W
R146 1-216-097-91 RES,CHIP 100K 5% 1/10W
R147 1-216-049-91 RES,CHIP 1K 5% 1/10W
R148 1-216-049-91 RES,CHIP 1K 5% 1/10W
R149 1-216-049-91 RES,CHIP 1K 5% 1/10W
R150 1-216-037-00 METAL CHIP 330 5% 1/10W
R151 1-216-037-00 METAL CHIP 330 5% 1/10W
R152 1-216-037-00 METAL CHIP 330 5% 1/10W
R153 1-216-082-00 RES,CHIP 24K 5% 1/10W
R154 1-216-065-91 RES,CHIP 4.7K 5% 1/10W
R156 1-216-085-00 METAL CHIP 33K 5% 1/10W
R157 1-216-069-00 METAL CHIP 6.8K 5% 1/10W
R158 1-216-001-00 METAL CHIP 10 5% 1/10W
< VARIABLE RESISTOR >
RV101 1-223-587-11 RES, ADJ, CARBON 22K
RV102 1-223-587-11 RES, ADJ, CARBON 22K
RV103 1-223-587-11 RES, ADJ, CARBON 22K
< SWITCH >
S101 1-572-085-11 SWITCH, LEAF (LIMIT)
< VIBRATOR >
X101 1-579-280-11 VIBRATOR, CRYSTAL (16.9344MHz)
**************************************************************
*A-4419-064-A CHEMI-CON BOARD, COMPLETE
*************************
< CAPACITOR >
C503 1-126-948-11 ELECT 100uF 20% 35V
C551 1-128-131-11 ELECT 22uF 20% 50V
C553 1-126-933-11 ELECT 100uF 20% 16V
C554 1-164-159-11 CERAMIC 0.1uF 50V
C555 1-163-038-91 CERAMIC CHIP 0.1uF 25V
C556 1-126-948-11 ELECT 100uF 20% 35V
C971 1-126-042-11 ELECT 3300uF 20% 35V
C972 1-126-042-11 ELECT 3300uF 20% 35V
C975 1-136-165-00 FILM 0.1uF 5% 50V
C976 1-136-165-00 FILM 0.1uF 5% 50V
< CONNECTOR >
*CN501 1-770-729-11 CONNECTOR, BOARD TO BOARD 10P
*CN551 1-564-506-11 PLUG, CONNECTOR 3P
< DIODE >
D553 8-719-933-47 DIODE HZS7B2L
D554 8-719-933-39 DIODE HZS6C1L
D971 8-719-062-40 DIODE D4SBL20UF3
D972 8-719-024-99 DIODE 11ES2-NTA2B
< TRANSISTOR >
Q505 8-729-900-53 TRANSISTOR DTC114EK
Q551 8-729-620-05 TRANSISTOR 2SC2603-EF
Q552 8-729-620-05 TRANSISTOR 2SC2603-EF
Q553 8-729-026-68 TRANSISTOR 2SD2525(TP)

– 62 –
CONNECTOR
Ref. No. Part No. Description Remark Ref. No. Part No. Description Remark
< RESISTOR >
R505 1-216-097-91 RES,CHIP 100K 5% 1/10W
R506 1-216-085-00 METAL CHIP 33K 5% 1/10W
R551 1-216-049-91 RES,CHIP 1K 5% 1/10W
R552 1-216-097-91 RES,CHIP 100K 5% 1/10W
R553 1-247-887-00 CARBON 220K 5% 1/4W
R554 1-216-065-91 RES,CHIP 4.7K 5% 1/10W
R821 1-260-089-11 CARBON 150 5% 1/2W
R822 1-260-089-11 CARBON 150 5% 1/2W
R871 1-260-089-11 CARBON 150 5% 1/2W
R872 1-260-089-11 CARBON 150 5% 1/2W
**************************************************************
*1-671-614-11 CONNECTOR BOARD
***************
< CAPACITOR >
C311 1-126-933-11 ELECT 100uF 20% 16V
C312 1-164-159-11 CERAMIC 0.1uF 50V
C501 1-126-933-11 ELECT 100uF 20% 16V
C502 1-126-948-11 ELECT 100uF 20% 35V
C781 1-164-159-11 CERAMIC 0.1uF 50V
C782 1-164-159-11 CERAMIC 0.1uF 50V
C785 1-164-159-11 CERAMIC 0.1uF 50V
C811 1-164-159-11 CERAMIC 0.1uF 50V
(AEP,UK)
C812 1-164-159-11 CERAMIC 0.1uF 50V
(AEP,UK)
C813 1-164-159-11 CERAMIC 0.1uF 50V
(AEP,UK)
C861 1-164-159-11 CERAMIC 0.1uF 50V
(AEP,UK)
C862 1-164-159-11 CERAMIC 0.1uF 50V
(AEP,UK)
C863 1-164-159-11 CERAMIC 0.1uF 50V
(AEP,UK)
< CONNECTOR >
*CN781 1-566-856-11 SOCKET, CONNECTOR 5P
CN811 1-766-921-11 CONNECTOR, BOARD TO BOARD 10P
*CN961 1-774-813-11 CONNECTOR, BOARD TO BOARD 7P
CN962 1-695-342-31 PIN, CONNECTOR (PC BOARD) 19P
< DIODE >
D501 8-719-911-19 DIODE 1SS119-25
D556 8-719-911-19 DIODE 1SS119-25
D557 8-719-911-19 DIODE 1SS119-25
D881 8-719-911-19 DIODE 1SS119-25
< FERRITE BEAD >
FB782 1-412-473-21 INDUCTOR 0UH
< IC >
IC311 8-749-923-04 IC TOTX178 (DIGITAL OPTICAL CD AUX)
< COIL >
L311 1-410-322-11 INDUCTOR 3.3uH
L801 1-420-872-00 COIL, AIR-CORE
L861 1-420-872-00 COIL, AIR-CORE
< TRANSISTOR >
Q501 8-729-029-66 TRANSISTOR DTC114ESA
Q502 8-729-620-05 TRANSISTOR 2SC2603-EF
Q503 8-729-620-05 TRANSISTOR 2SC2603-EF
Q504 8-729-620-05 TRANSISTOR 2SC2603-EF
< RESISTOR >
R501 1-247-887-00 CARBON 220K 5% 1/4W
R502 1-249-389-11 CARBON 4.7 5% 1/4W F
R503 1-249-438-11 CARBON 56K 5% 1/4W
!R504 1-219-122-91 FUSIBLE 0.33 5% 1/4W F
R556 1-249-441-11 CARBON 100K 5% 1/4W
R557 1-249-441-11 CARBON 100K 5% 1/4W
R806 1-249-389-11 CARBON 4.7 5% 1/4W F
(AEP,UK)
R809 1-249-437-11 CARBON 47K 5% 1/4W
R811 1-260-076-11 CARBON 10 5% 1/2W
R856 1-249-389-11 CARBON 4.7 5% 1/4W F
(AEP,UK)
R859 1-249-438-11 CARBON 56K 5% 1/4W
R861 1-260-076-11 CARBON 10 5% 1/2W
R881 1-249-431-11 CARBON 15K 5% 1/4W
R882 1-249-431-11 CARBON 15K 5% 1/4W
R883 1-249-425-11 CARBON 4.7K 5% 1/4W F
< RELAY >
RY501 1-515-920-11 RELAY (24V)
< TERMINAL >
TM811 1-537-842-11 TERMINAL BOARD (SPEAKER)
**************************************************************
*1-671-609-11 HP BOARD
********
< CAPACITOR >
C681 1-162-294-31 CERAMIC 0.001uF 10% 50V
C682 1-162-294-31 CERAMIC 0.001uF 10% 50V
C683 1-164-159-11 CERAMIC 0.1uF 50V
(AEP,UK)
C684 1-164-159-11 CERAMIC 0.1uF 50V
< JACK >
J667 1-774-933-11 JACK (LARGE TYPE)(PHONES)
**************************************************************
*1-634-461-11 LOADING BOARD
*************
< CONNECTOR >
*CN291 1-564-498-11 PIN, CONNECTOR 5P
< SWITCH >
S291 1-571-924-11 SWITCH, LEAF (LOAD OUT)
S292 1-571-924-11 SWITCH, LEAF (LOAD IN)
**************************************************************
CHEMI-CON
The components identified by mark ! or dotted
line with mark ! are critical for safety.
Replace only with part number specified.
LOADING
HP

– 63 –
Ref. No. Part No. Description Remark Ref. No. Part No. Description Remark
MAIN
*A-4419-059-A MAIN BOARD, COMPLETE (AEP,UK)
********************
*A-4419-070-A MAIN BOARD, COMPLETE (SP,HK)
********************
*4-212-590-11 HOLDER (FL)
< CAPACITOR >
C100 1-216-295-91 SHORT 0
C101 1-163-251-11 CERAMIC CHIP 100PF 5% 50V
C102 1-163-251-11 CERAMIC CHIP 100PF 5% 50V
C103 1-163-251-11 CERAMIC CHIP 100PF 5% 50V
C104 1-163-251-11 CERAMIC CHIP 100PF 5% 50V
C105 1-163-251-11 CERAMIC CHIP 100PF 5% 50V
C106 1-164-159-11 CERAMIC 0.1uF 50V
C107 1-163-038-91 CERAMIC CHIP 0.1uF 25V
C121 1-126-022-11 ELECT 47uF 20% 10V
C122 1-130-475-00 MYLAR 0.0022uF 5% 50V
C123 1-126-964-11 ELECT 10uF 20% 50V
C126 1-126-963-11 ELECT 4.7uF 20% 50V
C127 1-126-963-11 ELECT 4.7uF 20% 50V
C128 1-126-963-11 ELECT 4.7uF 20% 50V
C129 1-126-964-11 ELECT 10uF 20% 50V
C130 1-136-165-00 FILM 0.1uF 5% 50V
C131 1-126-957-11 ELECT 0.22uF 20% 50V
C132 1-130-479-00 MYLAR 0.0047uF 5% 50V
C134 1-136-165-00 FILM 0.1uF 5% 50V
C135 1-136-165-00 FILM 0.1uF 5% 50V
C137 1-126-961-11 ELECT 2.2uF 20% 50V
C139 1-164-005-11 CERAMIC CHIP 0.47uF 25V
C141 1-126-043-11 ELECT 0.47uF 20% 50V
C142 1-126-963-11 ELECT 4.7uF 20% 50V
C143 1-163-133-00 CERAMIC CHIP 470PF 5% 50V
C191 1-164-159-11 CERAMIC 0.1uF 50V
C192 1-163-038-91 CERAMIC CHIP 0.1uF 25V
C193 1-163-038-91 CERAMIC CHIP 0.1uF 25V
C194 1-163-141-00 CERAMIC CHIP 0.001uF 5% 50V
C195 1-163-141-00 CERAMIC CHIP 0.001uF 5% 50V
C196 1-162-294-31 CERAMIC 0.001uF 10% 50V
C197 1-124-995-11 ELECT 220uF 20% 10V
C198 1-164-159-11 CERAMIC 0.1uF 50V
C199 1-124-995-11 ELECT 220uF 20% 10V
C201 1-163-251-11 CERAMIC CHIP 100PF 5% 50V
C202 1-163-251-11 CERAMIC CHIP 100PF 5% 50V
C203 1-163-251-11 CERAMIC CHIP 100PF 5% 50V
C204 1-163-251-11 CERAMIC CHIP 100PF 5% 50V
C205 1-163-251-11 CERAMIC CHIP 100PF 5% 50V
C221 1-126-022-11 ELECT 47uF 20% 10V
C222 1-130-475-00 MYLAR 0.0022uF 5% 50V
C223 1-130-471-00 MYLAR 0.001uF 5% 50V
C224 1-104-664-11 ELECT 47uF 20% 16V
C226 1-126-963-11 ELECT 4.7uF 20% 50V
C227 1-126-963-11 ELECT 4.7uF 20% 50V
C228 1-126-963-11 ELECT 4.7uF 20% 50V
C229 1-126-964-11 ELECT 10uF 20% 50V
C230 1-136-165-00 FILM 0.1uF 5% 50V
C231 1-126-957-11 ELECT 0.22uF 20% 50V
C232 1-130-479-00 MYLAR 0.0047uF 5% 50V
C234 1-136-165-00 FILM 0.1uF 5% 50V
C235 1-136-165-00 FILM 0.1uF 5% 50V
C237 1-126-961-11 ELECT 2.2uF 20% 50V
C241 1-126-043-11 ELECT 0.47uF 20% 50V
C242 1-126-963-11 ELECT 4.7uF 20% 50V
C243 1-163-133-00 CERAMIC CHIP 470PF 5% 50V
C301 1-124-997-11 ELECT 470uF 20% 10V
C302 1-163-038-91 CERAMIC CHIP 0.1uF 25V
C303 1-124-473-11 ELECT 1000uF 20% 10V
C304 1-163-038-91 CERAMIC CHIP 0.1uF 25V
C305 1-163-251-11 CERAMIC CHIP 100PF 5% 50V
C306 1-163-251-11 CERAMIC CHIP 100PF 5% 50V
C351 1-104-664-11 ELECT 47uF 20% 16V
C352 1-163-031-11 CERAMIC CHIP 0.01uF 50V
C353 1-162-306-11 CERAMIC 0.01uF 20% 16V
C354 1-163-031-11 CERAMIC CHIP 0.01uF 50V
C401 1-162-294-31 CERAMIC 0.001uF 10% 50V
C402 1-162-294-31 CERAMIC 0.001uF 10% 50V
C403 1-162-306-11 CERAMIC 0.01uF 20% 16V
(AEP,UK)
C404 1-162-306-11 CERAMIC 0.01uF 20% 16V
(AEP,UK)
C405 1-163-251-11 CERAMIC CHIP 100PF 5% 50V
C451 1-126-961-11 ELECT 2.2uF 20% 50V
(AEP,UK)
C452 1-162-306-11 CERAMIC 0.01uF 20% 16V
(AEP,UK)
C453 1-162-291-31 CERAMIC 560PF 10% 50V
(AEP,UK)
C454 1-126-964-11 ELECT 10uF 20% 50V
(AEP,UK)
C455 1-162-306-11 CERAMIC 0.01uF 20% 16V
(AEP,UK)
C456 1-163-239-11 CERAMIC CHIP 33PF 5% 50V
(AEP,UK)
C457 1-163-239-11 CERAMIC CHIP 33PF 5% 50V
(AEP,UK)
C701 1-163-102-00 CERAMIC CHIP 24PF 5% 50V
C702 1-163-233-11 CERAMIC CHIP 18PF 5% 50V
C703 1-163-038-91 CERAMIC CHIP 0.1uF 25V
C704 1-163-038-91 CERAMIC CHIP 0.1uF 25V
C748 1-164-159-11 CERAMIC 0.1uF 50V
C751 1-124-589-11 ELECT 47uF 20% 16V
C752 1-163-038-91 CERAMIC CHIP 0.1uF 25V
C753 1-126-925-11 ELECT 470uF 20% 10V
C754 1-163-038-91 CERAMIC CHIP 0.1uF 25V
C755 1-124-589-11 ELECT 47uF 20% 16V
C756 1-164-159-11 CERAMIC 0.1uF 50V
C757 1-164-159-11 CERAMIC 0.1uF 16V
C758 1-164-159-11 CERAMIC 0.1uF 50V
C759 1-104-905-11 CAPACITOR 0.22F 5.5V
C791 1-163-038-91 CERAMIC CHIP 0.1uF 25V
< CONNECTOR >
*CN101 1-564-506-11 PLUG, CONNECTOR 3P
CN301 1-770-067-11 CONNECTOR, FFC/FPC 19P
*CN351 1-564-339-00 PIN, CONNECTOR 5P
CN401 1-774-289-11 PIN, CONNECTOR (PC BOARD) 15P
CN701 1-784-601-11 SOCKET, CONNECTOR (NON ZIF)13P

– 64 –
Ref. No. Part No. Description Remark Ref. No. Part No. Description Remark
MAIN
CN702 1-785-462-11 SOCKET, CONNECTOR (NON-ZIF)11P
CN703 1-770-380-11 CONNECTOR, BOARD TO BOARD 8P
CN704 1-770-380-11 CONNECTOR, BOARD TO BOARD 8P
CN705 1-695-342-31 PIN, CONNECTOR (PC BOARD) 19P
< DIODE >
D351 8-719-921-40 DIODE MTZJ-4.7C
D751 8-719-911-19 DIODE 1SS119-25
D752 8-719-024-99 DIODE 11ES2-NTA2B
D753 8-719-911-19 DIODE 1SS119-25
D755 8-719-911-19 DIODE 1SS119-25
D791 8-719-914-42 DIODE DA204K
D792 8-719-914-42 DIODE DA204K
D793 8-719-914-42 DIODE DA204K
< FERRITE BEAD >
FB301 1-412-473-21 INDUCTOR 0UH
FB791 1-500-445-21 FERRITE 0UH
FB792 1-500-445-21 FERRITE 0UH
< IC >
IC101 8-759-494-40 IC M62428AFP600C
IC102 8-759-300-71 IC HD14053BFP
IC103 8-759-100-96 IC UPC4558G2
IC351 8-759-822-09 IC LB1641
IC451 8-759-560-51 IC BU1924F (AEP,UK)
IC701 8-759-549-47 IC uPD780018AYGF-015-3BA
IC791 8-759-549-80 IC P82B715TD.118
IC951 8-759-635-63 IC M51943BSL
< JACK >
J101 1-766-396-11 JACK, PIN 4P (MD IN/OUT)
J102 1-779-688-11 JACK, PIN 6P (TAPE,CS/BS IN/OUT)
< JUMPER RESISTOR >
JW301 1-216-295-91 SHORT 0
JW302 1-216-295-91 SHORT 0
JW303 1-216-296-91 SHORT 0
JW304 1-216-296-91 SHORT 0
JW412 1-216-295-91 SHORT 0
JW413 1-216-295-91 SHORT 0
JW701 1-216-296-91 SHORT 0
JW734 1-216-295-91 SHORT 0
JW735 1-216-295-91 SHORT 0 (SP, HK)
JW791 1-216-295-91 SHORT 0
JW792 1-216-296-91 SHORT 0
JW793 1-216-296-91 SHORT 0
JW794 1-216-296-91 SHORT 0
JW795 1-216-295-91 SHORT 0
JW796 1-216-296-91 SHORT 0
JW797 1-216-296-91 SHORT 0
JW798 1-216-296-91 SHORT 0
< COIL >
L401 1-410-482-31 INDUCTOR 100uH
L402 1-410-482-31 INDUCTOR 100uH
L403 1-410-482-31 INDUCTOR 100uH
L404 1-410-482-31 INDUCTOR 100uH
L405 1-410-482-31 INDUCTOR 100uH
< TRANSISTOR >
Q103 8-729-900-53 TRANSISTOR DTC114EK
Q111 8-729-107-46 TRANSISTOR 2SC3624A-L15
Q112 8-729-107-46 TRANSISTOR 2SC3624A-L15
Q121 8-729-120-28 TRANSISTOR 2SC1623-L5L6
Q141 8-729-107-46 TRANSISTOR 2SC3624A-L15
Q181 8-729-029-21 TRANSISTOR DTA114ESA-TP
Q182 8-729-029-21 TRANSISTOR DTA114ESA-TP
Q183 8-729-029-21 TRANSISTOR DTA114ESA-TP
Q211 8-729-107-46 TRANSISTOR 2SC3624A-L15
Q212 8-729-107-46 TRANSISTOR 2SC3624A-L15
Q222 8-729-120-28 TRANSISTOR 2SC1623-L5L6
Q241 8-729-107-46 TRANSISTOR 2SC3624A-L15
Q450 8-729-620-05 TRANSISTOR 2SC2603-EF
Q751 8-729-620-05 TRANSISTOR 2SC2603-EF
Q752 8-729-600-22 TRANSISTOR 2SA1235-F
Q753 8-729-027-23 TRANSISTOR DTA114EK
Q781 8-729-027-23 TRANSISTOR DTA114EK
Q782 8-729-107-46 TRANSISTOR 2SC3624A-L15
Q783 8-729-107-46 TRANSISTOR 2SC3624A-L15
Q791 8-729-025-28 TRANSISTOR 2SK1828
Q792 8-729-025-28 TRANSISTOR 2SK1828
< RESISTOR >
R101 1-216-077-00 METAL CHIP 15K 5% 1/10W
R102 1-216-073-00 METAL CHIP 10K 5% 1/10W
R103 1-216-033-00 METAL CHIP 220 5% 1/10W
R104 1-216-049-91 RES,CHIP 1K 5% 1/10W
R105 1-216-105-91 RES,CHIP 220K 5% 1/10W
R106 1-216-033-00 METAL CHIP 220 5% 1/10W
R107 1-216-077-00 METAL CHIP 15K 5% 1/10W
R108 1-216-073-00 METAL CHIP 10K 5% 1/10W
R109 1-216-089-91 RES,CHIP 47K 5% 1/10W
R111 1-216-049-91 RES,CHIP 1K 5% 1/10W
R112 1-216-065-91 RES,CHIP 4.7K 5% 1/10W
R113 1-216-049-91 RES,CHIP 1K 5% 1/10W
R114 1-216-065-91 RES,CHIP 4.7K 5% 1/10W
R115 1-216-097-91 RES,CHIP 100K 5% 1/10W
R116 1-216-093-91 RES,CHIP 68K 5% 1/10W
R117 1-216-089-91 RES,CHIP 47K 5% 1/10W
R123 1-216-055-00 METAL CHIP 1.8K 5% 1/10W
R124 1-216-069-00 METAL CHIP 6.8K 5% 1/10W
R125 1-216-104-00 METAL CHIP 200K 5% 1/10W
R126 1-216-081-00 METAL CHIP 22K 5% 1/10W
R127 1-216-061-00 METAL CHIP 3.3K 5% 1/10W
R128 1-216-081-00 METAL CHIP 22K 5% 1/10W
R129 1-216-121-91 RES,CHIP 1M 5% 1/10W
R130 1-216-073-00 METAL CHIP 10K 5% 1/10W
R139 1-216-121-91 RES,CHIP 1M 5% 1/10W
R141 1-216-057-00 METAL CHIP 2.2K 5% 1/10W
R142 1-216-065-91 RES,CHIP 4.7K 5% 1/10W
R143 1-216-089-91 RES,CHIP 47K 5% 1/10W
R181 1-247-887-00 CARBON 220K 5% 1/4W
R183 1-247-887-00 CARBON 220K 5% 1/4W
R185 1-247-887-00 CARBON 220K 5% 1/4W

– 65 –
Ref. No. Part No. Description Remark Ref. No. Part No. Description Remark
PANEL
MAIN
R191 1-249-413-11 CARBON 470 5% 1/4W F
R192 1-249-413-11 CARBON 470 5% 1/4W F
R193 1-249-413-11 CARBON 470 5% 1/4W F
R201 1-216-077-00 METAL CHIP 15K 5% 1/10W
R202 1-216-073-00 METAL CHIP 10K 5% 1/10W
R203 1-216-033-00 METAL CHIP 220 5% 1/10W
R204 1-216-049-91 RES,CHIP 1K 5% 1/10W
R205 1-216-105-91 RES,CHIP 220K 5% 1/10W
R206 1-216-033-00 METAL CHIP 220 5% 1/10W
R207 1-216-077-00 METAL CHIP 15K 5% 1/10W
R208 1-216-073-00 METAL CHIP 10K 5% 1/10W
R211 1-216-049-91 RES,CHIP 1K 5% 1/10W
R212 1-216-065-91 RES,CHIP 4.7K 5% 1/10W
R213 1-216-049-91 RES,CHIP 1K 5% 1/10W
R214 1-216-065-91 RES,CHIP 4.7K 5% 1/10W
R215 1-216-097-91 RES,CHIP 100K 5% 1/10W
R216 1-216-093-91 RES,CHIP 68K 5% 1/10W
R217 1-216-089-91 RES,CHIP 47K 5% 1/10W
R223 1-216-055-00 METAL CHIP 1.8K 5% 1/10W
R224 1-216-069-00 METAL CHIP 6.8K 5% 1/10W
R225 1-216-104-00 METAL CHIP 200K 5% 1/10W
R227 1-216-061-00 METAL CHIP 3.3K 5% 1/10W
R228 1-216-081-00 METAL CHIP 22K 5% 1/10W
R229 1-216-121-91 RES,CHIP 1M 5% 1/10W
R230 1-216-073-00 METAL CHIP 10K 5% 1/10W
R241 1-249-421-11 CARBON 2.2K 5% 1/4W F
R242 1-216-065-91 RES,CHIP 4.7K 5% 1/10W
R243 1-216-089-91 RES,CHIP 47K 5% 1/10W
R351 1-247-807-31 CARBON 100 5% 1/4W
R401 1-249-417-11 CARBON 1K 5% 1/4W F
R402 1-249-417-11 CARBON 1K 5% 1/4W F
R403 1-216-025-91 RES,CHIP 100 5% 1/10W
R404 1-216-025-91 RES,CHIP 100 5% 1/10W
R405 1-216-025-91 RES,CHIP 100 5% 1/10W
R406 1-216-025-91 RES,CHIP 100 5% 1/10W
R407 1-249-405-11 CARBON 100 5% 1/4W F
(AEP,UK)
R408 1-249-429-11 CARBON 10K 5% 1/4W F
(AEP,UK)
R409 1-249-417-11 CARBON 1K 5% 1/4W F
(AEP,UK)
R410 1-216-073-00 METAL CHIP 10K 5% 1/10W
R411 1-216-073-00 METAL CHIP 10K 5% 1/10W
!R451 1-249-401-11 CARBON 47 5% 1/4W F
(AEP,UK)
R452 1-216-129-00 METAL CHIP 2.2M 5% 1/10W
(AEP,UK)
R453 1-216-049-91 RES,CHIP 1K 5% 1/10W
(AEP,UK)
R454 1-249-409-11 CARBON 220 5% 1/4W F
(AEP,UK)
R455 1-249-409-11 CARBON 220 5% 1/4W F
(AEP,UK)
R456 1-249-441-11 CARBON 100K 5% 1/4W
R457 1-249-441-11 CARBON 100K 5% 1/4W
R701 1-249-425-11 CARBON 4.7K 5% 1/4W F
R702 1-216-109-00 METAL CHIP 330K 5% 1/10W
R704 1-216-061-00 METAL CHIP 3.3K 5% 1/10W
R705 1-216-061-00 METAL CHIP 3.3K 5% 1/10W
R706 1-216-073-00 METAL CHIP 10K 5% 1/10W
R707 1-216-073-00 METAL CHIP 10K 5% 1/10W
R708 1-216-097-91 RES,CHIP 100K 5% 1/10W
R709 1-216-025-91 RES,CHIP 100 5% 1/10W
R710 1-216-025-91 RES,CHIP 100 5% 1/10W
R711 1-216-025-91 RES,CHIP 100 5% 1/10W
R712 1-216-025-91 RES,CHIP 100 5% 1/10W
R713 1-216-073-00 METAL CHIP 10K 5% 1/10W
R714 1-216-073-00 METAL CHIP 10K 5% 1/10W
R719 1-216-049-91 RES,CHIP 1K 5% 1/10W
R720 1-247-807-31 CARBON 100 5% 1/4W
R721 1-247-807-31 CARBON 100 5% 1/4W
R722 1-247-807-31 CARBON 100 5% 1/4W
R723 1-247-807-31 CARBON 100 5% 1/4W
R724 1-247-807-31 CARBON 100 5% 1/4W
R725 1-247-807-31 CARBON 100 5% 1/4W
R726 1-247-807-31 CARBON 100 5% 1/4W
R727 1-247-807-31 CARBON 100 5% 1/4W
R728 1-216-025-91 RES,CHIP 100 5% 1/10W
R730 1-247-807-31 CARBON 100 5% 1/4W
R731 1-247-807-31 CARBON 100 5% 1/4W
R732 1-247-807-31 CARBON 100 5% 1/4W
R733 1-247-807-31 CARBON 100 5% 1/4W
R735 1-216-097-91 RES,CHIP 100K 5% 1/10W
(AEP,UK)
R734 1-216-097-91 RES,CHIP 100K 5% 1/10W
R736 1-216-097-91 RES,CHIP 100K 5% 1/10W
R738 1-247-807-31 CARBON 100 5% 1/4W
R739 1-216-097-91 RES,CHIP 100K 5% 1/10W
R740 1-249-417-11 CARBON 1K 5% 1/4W F
R741 1-216-073-00 METAL CHIP 10K 5% 1/10W
R751 1-249-417-11 CARBON 1K 5% 1/4W F
R752 1-249-425-11 CARBON 4.7K 5% 1/4W F
R753 1-249-437-11 CARBON 47K 5% 1/4W
R754 1-249-437-11 CARBON 47K 5% 1/4W
R755 1-249-429-11 CARBON 10K 5% 1/4W
R756 1-216-025-91 RES,CHIP 100 5% 1/10W
R781 1-216-073-00 METAL CHIP 10K 5% 1/10W
R782 1-216-045-00 METAL CHIP 680 5% 1/10W
R783 1-216-045-00 METAL CHIP 680 5% 1/10W
R791 1-216-065-91 RES,CHIP 4.7K 5% 1/10W
R792 1-216-065-91 RES,CHIP 4.7K 5% 1/10W
R793 1-216-065-91 RES,CHIP 4.7K 5% 1/10W
R794 1-216-065-91 RES,CHIP 4.7K 5% 1/10W
< VIBRATOR >
X601 1-579-900-21 VIBRATOR, CRYSTAL (4.332MHz)(AEP,UK)
X701 1-579-233-11 VIBRATOR, CERAMIC (5MHz)
X702 1-567-098-41 VIBRATOR, CRYSTAL (32kHz)
**************************************************************
*A-4419-060-A PANEL BOARD, COMPLETE
*********************
< CAPACITOR >
C601 1-163-141-00 CERAMIC CHIP 0.001uF 5% 50V
C602 1-163-141-00 CERAMIC CHIP 0.001uF 5% 50V
C603 1-163-141-00 CERAMIC CHIP 0.001uF 5% 50V
The components identified by mark ! or dotted
line with mark ! are critical for safety.
Replace only with part number specified.

– 66 –
Ref. No. Part No. Description Remark Ref. No. Part No. Description Remark
PANEL PANEL-SW
C604 1-163-141-00 CERAMIC CHIP 0.001uF 5% 50V
C605 1-162-290-31 CERAMIC 470PF 10% 50V
C607 1-163-038-91 CERAMIC CHIP 0.1uF 25V
C608 1-164-159-11 CERAMIC 0.1uF 50V
C609 1-164-159-11 CERAMIC 0.1uF 50V
C610 1-162-215-31 CERAMIC 47PF 5% 50V
C611 1-164-159-11 CERAMIC 0.1uF 50V
C612 1-124-589-11 ELECT 47uF 20% 16V
C613 1-128-131-11 ELECT 22uF 20% 50V
< CONNECTOR >
*CN601 1-695-374-31 PIN, CONNECTOR (PC BOARD) 13P
CN603 1-695-372-31 PIN, CONNECTOR (PC BOARD) 11P
< DIODE >
D601 8-719-072-76 DIODE SEL5E23C-TP15 (±/))
D602 8-719-072-76 DIODE SEL5E23C-TP15 (≠/0)
D603 8-719-072-76 DIODE SEL5E23C-TP15 (π)
D604 8-719-072-76 DIODE SEL5E23C-TP15 (fl)
D605 8-719-058-04 DIODE SEL5223S-TP15 (t)
D606 8-719-056-13 DIODE SML72423C-TP4 (u)
< FLUORESCENT INDICATOR >
FL601 1-517-805-11 INDICATOR TUBE, FLUORESCENT
< IC >
IC601 8-759-572-22 IC MSM9202-02GS-KR1
IC602 8-759-459-85 IC NJL63H400A
< TRANSISTOR >
Q601 8-729-900-53 TRANSISTOR DTC114EK
< RESISTOR >
R601 1-216-025-91 RES,CHIP 100 5% 1/10W
R602 1-216-025-91 RES,CHIP 100 5% 1/10W
R603 1-216-025-91 RES,CHIP 100 5% 1/10W
R604 1-216-025-91 RES,CHIP 100 5% 1/10W
R605 1-249-437-11 CARBON 47K 5% 1/4W
R606 1-247-843-11 CARBON 3.3K 5% 1/4W
R607 1-216-029-00 METAL CHIP 150 5% 1/10W
R608 1-216-029-00 METAL CHIP 150 5% 1/10W
R609 1-249-413-11 CARBON 470 5% 1/4W F
R610 1-249-413-11 CARBON 470 5% 1/4W F
R611 1-249-411-11 CARBON 330 5% 1/4W
R612 1-216-029-00 METAL CHIP 150 5% 1/10W
R613 1-216-029-00 METAL CHIP 150 5% 1/10W
R621 1-249-413-11 CARBON 470 5% 1/4W F
R622 1-249-415-11 CARBON 680 5% 1/4W F
R623 1-249-417-11 CARBON 1K 5% 1/4W F
R624 1-249-419-11 CARBON 1.5K 5% 1/4W F
R631 1-249-413-11 CARBON 470 5% 1/4W F
R632 1-249-415-11 CARBON 680 5% 1/4W F
R633 1-249-417-11 CARBON 1K 5% 1/4W F
< SWITCH >
S621 1-762-875-21 SWITCH, KEYBOARD (§)
S622 1-762-875-21 SWITCH, KEYBOARD (±/), TUNING +)
S623 1-762-875-21 SWITCH, KEYBOARD (≠/0, TUNING -)
S624 1-762-875-21 SWITCH, KEYBOARD (π)
S625 1-762-875-21 SWITCH, KEYBOARD (fl)
S631 1-762-875-21 SWITCH, KEYBOARD (1/u)
S632 1-762-875-21 SWITCH, KEYBOARD (DISPLAY)
S633 1-762-875-21 SWITCH, KEYBOARD (FUNCTION)
S634 1-762-875-21 SWITCH, KEYBOARD (TUNER/BAND)
**************************************************************
*1-671-617-11 PANEL-SW BOARD
**************
< SWITCH >
S699 1-771-516-11 SWITCH, PUSH(DETECTION)(1 KEY)
**************************************************************
*A-4419-068-A REG BOARD, COMPLETE
*******************
< FUSE >
!F941 1-532-465-31 FUSE (T3.15AL/250V)
!F942 1-532-465-31 FUSE (T3.15AL/250V)
< CAPACITOR >
C921 1-126-767-11 ELECT 1000uF 20% 16V
C922 1-164-159-11 CERAMIC 0.1uF 50V
C923 1-126-964-11 ELECT 10uF 20% 50V
C924 1-164-159-11 CERAMIC 0.1uF 50V
C925 1-126-964-11 ELECT 10uF 20% 50V
C941 1-126-934-11 ELECT 220uF 20% 16V
C942 1-126-933-11 ELECT 100uF 20% 16V
C943 1-164-159-11 CERAMIC 0.1uF 50V
C944 1-126-933-11 ELECT 100uF 20% 16V
C945 1-124-995-11 ELECT 220uF 20% 10V
C946 1-126-934-11 ELECT 220uF 20% 16V
C947 1-124-995-11 ELECT 220uF 20% 10V
C948 1-164-159-11 CERAMIC 0.1uF 50V
C949 1-164-159-11 CERAMIC 0.1uF 50V
C951 1-126-940-11 ELECT 330uF 20% 25V
C952 1-126-967-11 ELECT 47uF 20% 50V
C953 1-164-159-11 CERAMIC 0.1uF 50V
C954 1-162-306-11 CERAMIC 0.01uF 20% 16V
< CONNECTOR >
*CN942 1-564-522-11 PLUG, CONNECTOR 7P
CN943 1-770-405-11 CONNECTOR, BOARD TO BOARD 8P
CN944 1-770-405-11 CONNECTOR, BOARD TO BOARD 8P
CN945 1-506-481-11 PIN, CONNECTOR 2P
< DIODE >
D921 8-719-210-21 DIODE 11EQS04
D922 8-719-210-21 DIODE 11EQS04
D941 8-719-210-21 DIODE 11EQS04
D942 8-719-210-21 DIODE 11EQS04
D943 8-719-210-21 DIODE 11EQS04
D944 8-719-210-21 DIODE 11EQS04
REG
The components identified by mark ! or dotted
line with mark ! are critical for safety.
Replace only with part number specified.

– 67 –
Ref. No. Part No. Description Remark Ref. No. Part No. Description Remark
SUB-TRANS
D945 8-719-986-04 DIODE HZS9A1LTA
D946 8-719-986-04 DIODE HZS9A1LTA
D952 8-719-986-26 DIODE HZS12A3LTA
< GROUND TERMINAL >
EPT941 1-537-770-21 TERMINAL BOARD, GROUND
< FUSE HOLDER >
FH941 1-533-293-11 FUSE HOLDER
FH942 1-533-293-11 FUSE HOLDER
FH943 1-533-293-11 FUSE HOLDER
FH944 1-533-293-11 FUSE HOLDER
< IC >
IC921 8-759-231-53 IC TA7805S
IC922 8-759-373-82 IC TA7807SB
< TRANSISTOR >
Q941 8-729-140-96 TRANSISTOR 2SD774-34
Q942 8-729-040-20 TRANSISTOR RT1P137L-TP
Q943 8-729-029-66 TRANSISTOR DTC114ESA
Q951 8-729-202-67 TRANSISTOR 2SK246-GR3
Q952 8-729-026-68 TRANSISTOR 2SD2525(TP)
< RESISTOR >
R925 1-249-411-11 CARBON 330 5% 1/4W
R941 1-247-843-11 CARBON 3.3K 5% 1/4W
< THERMISTOR(POSITIVE) >
THP941 1-801-671-11 THERMISTOR, POSITIVE
THP942 1-801-671-11 THERMISTOR, POSITIVE
**************************************************************
*A-4419-065-A SUB-TRANS BOARD, COMPLETE
*************************
< CAPACITOR >
C901 1-126-935-11 ELECT 470uF 20% 16V
C902 1-126-933-11 ELECT 100uF 20% 16V
C903 1-113-925-11 CERAMIC 0.01uF 20% 250V
C904 1-164-159-11 CERAMIC 0.1uF 50V
C962 1-128-576-11 ELECT 100uF 20% 63V
C963 1-164-159-11 CERAMIC 0.1uF 50V
C964 1-126-948-11 ELECT 100uF 20% 35V
< CONNECTOR >
*CN901 1-564-687-11 PIN, CONNECTOR 3P
CN902 1-779-939-11 CONNECTOR, BOARD TO BOARD 7P
< DIODE >
D901 8-719-210-21 DIODE 11EQS04
D902 8-719-210-21 DIODE 11EQS04
D903 8-719-210-21 DIODE 11EQS04
D904 8-719-210-21 DIODE 11EQS04
D905 8-719-911-19 DIODE 1SS119-25
D906 8-719-911-19 DIODE 1SS119-25
D961 8-719-024-99 DIODE 11ES2-NTA2B
D962 8-719-024-99 DIODE 11ES2-NTA2B
D963 8-719-024-99 DIODE 11ES2-NTA2B
D964 8-719-024-99 DIODE 11ES2-NTA2B
D965 8-719-986-67 DIODE HZS33-2LTA
D966 8-719-921-37 DIODE MTZJ-4.7
< IC >
IC901 8-759-373-79 IC TA7805SB
< TRANSISTOR >
Q901 8-729-029-66 TRANSISTOR DTC114ESA
Q961 8-729-118-01 TRANSISTOR 2SB1116-K
Q962 8-729-040-19 TRANSISTOR RT1N137L-TP
Q963 8-729-040-19 TRANSISTOR RT1N137L-TP
Q964 8-729-040-19 TRANSISTOR RT1N137L-TP
Q965 8-729-029-21 TRANSISTOR DTA114ESA-TP
Q966 8-729-029-21 TRANSISTOR DTA114ESA-TP
< RESISTOR >
R901 1-249-429-11 CARBON 10K 5% 1/4W
!R961 1-217-637-00 FUSIBLE 1 5% 1/4W F
R962 1-249-429-11 CARBON 10K 5% 1/4W
R964 1-249-429-11 CARBON 10K 5% 1/4W
R965 1-247-807-31 CARBON 100 5% 1/4W
R966 1-247-807-31 CARBON 100 5% 1/4W
R967 1-247-807-31 CARBON 100 5% 1/4W
R968 1-249-428-11 CARBON 8.2K 5% 1/4W F
R969 1-249-441-11 CARBON 100K 5% 1/4W
< RELAY >
RY901 1-755-276-11 RELAY, POWER
< TRANSFORMER >
!T901 1-433-476-11 TRANSFORMER, POWER
**************************************************************
*1-671-615-11 TRANS BOARD
***********
< CONNECTOR >
*CN991 1-580-230-31 PIN, CONNECTOR (PC BOARD) 2P
*CN992 1-568-226-11 PIN, CONNECTOR 2P
*CN994 1-564-522-11 PLUG, CONNECTOR 7P
< FUSE >
!F991 1-532-465-31 FUSE (T3.15AL/250V)
< DIODE >
D951 8-719-024-99 DIODE 11ES2-NTA2B
D953 8-719-024-99 DIODE 11ES2-NTA2B
< FUSE HOLDER >
FH991 1-533-293-11 FUSE HOLDER
FH992 1-533-293-11 FUSE HOLDER
REG
The components identified by mark ! or dotted
line with mark ! are critical for safety.
Replace only with part number specified.
TRANS

– 68 –
Sony Corporation
Home A&V Products Company
9-922-969-11
98L0953-1
Printed in Japan © 1998. 12
Published by Quality Assurance Dept.
(Shibaura)
HCD-SD1
The components identified by mark ! or dotted
line with mark ! are critical for safety.
Replace only with part number specified.
Ref. No. Part No. Description Remark
< THERMISTOR(POSITIVE) >
THP944 1-801-726-11 THERMISTOR, POSITIVE
THP945 1-801-726-11 THERMISTOR, POSITIVE
**************************************************************
*1-671-610-11 VOLUME BOARD
************
< CAPACITOR >
C691 1-162-306-11 CERAMIC 0.01uF 20% 16V
C692 1-162-306-11 CERAMIC 0.01uF 20% 16V
< CONNECTOR >
*CLP691 1-690-880-31 LEAD (WITH CONNECTOR)
< SWITCH >
S691 1-418-012-11 ENCODER, ROTARY (VOLUME)
**************************************************************
MISCELLANEOUS
*************
15 1-769-940-11 WIRE (FLAT TYPE) (11 CORE)
16 1-769-972-11 WIRE (FLAT TYPE) (13 CORE)
53 1-790-305-11 WIRE (FLAT TYPE) (19 CORE)
54 1-693-408-11 TUNER
!57 1-575-651-91 CORD, POWER
60 1-773-108-11 WIRE (FLAT TYPE) (19 CORE)(100mm)
!65 1-770-019-11 ADAPTOR, CONVERSION PLUG 3P (UK,HK)
!255 8-848-379-31 OPTICAL PICK-UP KSS-213B/S-N
256 1-769-069-11 WIRE (FLAT TYPE) (16 CORE)
!CN904 1-526-794-11 OUTLET, AC
FL601 1-517-805-11 INDICATOR TUBE, FLUORESCENT
M101 X-4917-523-4 MOTOR ASSY (SPINDLE)
M102 X-4917-504-1 MOTOR ASSY (SLED)
M551 1-698-997-21 FAN, D.C.
M904 A-4660-307-A MOTOR (L) ASSY
!T991 1-433-478-11 TRANSFORMER, POWER
**************************************************************
*************
HARDWARE LIST
*************
#1 7-685-871-01 SCREW +BVTT 3X6 (S)
#2 7-685-646-79 SCREW +BVTP 3X8 TYPE2 N-S
#4 7-684-024-04 N 4, TYPE 2
#5 7-682-562-09 SCREW +B 4X10
#6 7-624-105-04 STOP RING 2.3, TYPE -E
#7 7-685-234-19 SCREW +KTP 2.6X8 TYPE2NON-SLIT
#8 7-621-775-10 SCREW +B 2.6X4
VOLUMETRANS