Stanley Security Solutions SDC2K Wireless Electronic Lock User Manual Manual 3

Stanley Security Solutions, Inc. Wireless Electronic Lock Manual 3

Manual 3

201Configure Report SettingsYou can include your company or organization name and logo with any report. AMS supports both .bmp and .jpg image formats. Perform the following steps:1  In the Segment box, select the Segment for which you wish to create the set-ting.2  Select Options>Report Settings. The Set Company Name and Logo for Reports dialog box opens.Figure 147  Setting up a company name for a report3  In the Company Name field, type in the company name you wish to appear on your reports.4  Under Company logo, click the Change link. Use the Select Logo browser to navigate to the file you wish to include. 5  Click Open. The file is now uploaded to the Reports settings.6  Click Finish to save your settings and begin working with Reports.
202Generating a ReportThis section presents steps to create some example reports. Once you are famil-iar with the basic operations, you will be able to create your own reports using the selections available in Reports. First we’ll look at a Users of Readers report with All Users selected. Then we’ll look at a filtered report using the options under the Report Settings categories.Note  The Reports application won’t show much data until you have configured your system added Users and User Groups, and begun collecting transactions. Once this occurs, you can experiment with the options to get the reports that will be most significant for your operation.To Generate a Report1  In the Reports main screen, under the User Reports box, click on Users of Readers. Reports opens at the basic users of Readers Reports generator. 2  In the Segment box, select the Segment you wish to report on.3  Available report settings are listed on the left, and the results are shown on the right. For this particular report, the default will be <All Readers>.Figure 148  Viewing System Reports4  Use the scroll bars to view the data, use menu icons to export, print, scroll through multi-paged reports, or use the Zoom tools to get a closer look. 5  If you have a large number of readers, Click the Toggle Group Tree icon and
203highlight a specific reader to jump to its section in the report.Figure 149  Toggle Group6  Click Run Report (bottom left of screen) to return to the Report Generator screen.Generating Filtered ReportsThe report generator defaults to print all records. For example, when you select the Users of Readers report, report content displays users of all readers in the system. You can filter the report to display the users of only one specific reader, as in the following example.Toggle group button
204To create filtered report1  In the Reports main screen, select the Segment you wish to report on.2  Under the User Reports box, click on Users Entry Log. The report opens (Figure 155). In this report set up, more selections are available for this report than for the Users of Readers report, including Reader, User, and Report Timespans. You can use any or all of these selections to filter your report. Each report type will have different selections available depending on the data available for the report. The defaults are always All.Figure 150  Users of Readers Report3  To select a specific reader for this report, click on the Reader field’s  ellipsis button. The Select Reader dialog box opens.4  Clear the All Readers box just below the drop-down list box.5  Select the reader to filter from the drop-down list.6  Click Finish. The report results will display data for only the reader you select-ed.
205Generating Larger ReportsThe more records you include in your report, the longer the report will take to gen-erate. During report generation, you can use other AMS applications; however, you can generate only one report at a time in the Reports application. If you define a report that will take more than 30 minutes to generate based on the records included, the software will present the following message:In the example, AMS detected that the defined report contains over 30,000 re-cords and will take more than 30 minutes to generate. If this is acceptable, simply select Yes and the report will be generated. Select No if this is an inconvenient time to generate the report, or review your report definitions to see if you can fur-ther filter the report and still get the information you need. When you select Yes, the report begins to generate and AMS displays the Elapsed Time as the report runs.Printing and Exporting ReportsOnce you are satisfied with your report, you can print to a local or networked printer, or export the report in several formats. Your results will be determined by the options you select and how you wish to use the data. For example if you export to a Microsoft Excel file, you may get a different formatting result than if you export to an Adobe Acrobat file or print directly from AMS. However, you may wish to export to an Excel file and use the data in another format. The following example was printed from an Adobe Acrobat .pdf file exported from Reports. It retains all the formatting as displayed in Reports.
206Figure 151  Sample report fileTo print a report1  Create the report using the features described in the previous sections.2  Click the Printer icon in the menu bar.3  Navigate to the printer you wish to use.4  Print using the appropriate actions for the chosen printer.
207To export a report1  Create the report using the features described in the previous sections.2  In the menu bar, click the Export Report option.3  In the Export Report dialog box, select a format type from the drop-down list. The available types are: Crystal Reports (*.rpt) Adobe Acrobat (*.pdf) Microsoft Excel (*.xls) Microsoft Excel Data Only (*.xls) Microsoft Word (*.doc) Rich Test Format (*.rtf)4  Navigate to the location you wish to export to.5  Enter a filename for the file.6  Click Save.Now you can use the report in any manner you wish, depending on the format exported.
2087  Advanced TroubleshootingThis section provides an overview on the Portal Gateway status webpage. You can access the status webpage for a specific Portal Gateway in one of two ways: Inside the Portal Configuration Module, select Scan. Locate the desired Portal in the list and click on its hyperlink. See Figure 43 on page 68.  Type your desired Portal’s IP address directly into your internet browser.Your browser will display the status of your Portal Gateway and associated de-vices. See Figure 157.
209Figure 157  Portal Gateway Status WebpageThe Portal Gateway Status webpage provides the following information:1  Last System Boot Last time Portal Gateway was reset or rebooted.2  Radio and Channel Shows the channel associated with each radio in the Portal.3  Associated Devices List Shows which devices are associated with the Portal.4  MAC Address Column shows the MAC Address of each associated device.5  Associate Time Column shows the time that the Controller last associated with the Portal.6  Beacon Column shows the time of the last Controller beacon.7  % Column shows progress percentage of pending operations.12345 6 7 8 9 10 11 12 13Status Page Generated   03/06/2012-16:18:39Last System Boot   03/05/2012-17:02:45Portal MAC 0014f5201731Radio 1 at channel 20 PAN_id 6401Radio 4 at channel 15 PAN_id 6402Associated Devices 15 Maximum allowed 64  MAC ADDRESS  Stat Associate Time  Beacon  %  F/W     Rev  R  PG_RSS RDR_RSS  -  FLAGS  PEND01 0014f5404e9e 0000 03/05/12-17:04:10  16:18:26  none  003.000.038  1  -28  -19 -  000300043  -|--------|-02 0014f5403854 0000 03/05/12-11:41:38  16:18:30  none  003.000.038  1  -28  -19 -  000300043  -|--------|-03 0014f54010d9 0000 03/05/12-17:04:19  16:17:07  none  003.000.038  4  -19  -19 -  000300043  -|--------|-04 0014f5401241 0000 03/05/12-17:04:19  16:18:10  none  003.000.038  4  -19  -27 -  000300043  -|--------|-05 0014f5201abc 0000 03/06/12-11:26:31  16:17:56  none  003.000.038  1  -28  -28 -  000300043  -|--------|-06 0014f540127e 0000 03/05/12-17:04:24  16:18:08  none  003.000.038  1  -23  -28 -  000300043  -|--------|-07 0014f5404ee1 0000 03/05/12-17:04:27  16:17:39  none  003.000.038  1  -28  -19 -  000300043  -|--------|-08 0014f52001d0 0000 03/05/12-17:04:38  16:18:15  none  003.000.038  1  -22  -26 -  000300043  -|--------|-09 0014f54012c1 0000 03/05/12-17:04:44  16:18:27  none  003.000.038  4  -49  -26 -  000300043  -|--------|-10 0014f5400003 0000 03/05/12-17:04:48  16:17:40  none  003.000.038  1  -27  -38 -  000300043  -|--------|-11 0014f5400002 0000 03/05/12-17:04:53  16:18:32  none  003.000.038  1  -28  -28 -  000300043  -|--------|S12 0014f54010ca 0002 03/06/12-11:28:04  16:16:46  45  003.000.038  1  -28  -19  -  000300043  U|S-------|-13 0014f520173d 0000 03/05/12-18:11:32  16:18:29  none  003.000.038  1  -19  -36 -  000300043  -|--------|-14 0014f5401301 0000 03/05/12-17:05:09  16:17:31  none  003.000.038  1  -28  -19 -  000300043  -|--------|-15 0014f540126d 0000 03/05/12-17:05:26  16:18:31  none  003.000.038  1  -29  -25 -  000300043  -|--------|-
2108  F/W Rev Column shows the firmware version number of associated Controller.9  R Column shows which radio the Controller is connecting to in the Portal Gate-way. Radio 1 is on the right side of the Portal. Radio 4 is on the left side of the Portal.10  PG_RSS Column shows the signal strength of the Controller as received at the Portal. This signal strength ranges from -18 (highest) to -91 (lowest).11  RDR_RSS Column shows the signal strength of the Portal as received at the Controller. This signal strength ranges from -18 (highest) to -91 (lowest).12  FLAGS Column shows the current operational status of the associated device.13  PEND Column shows the abbreviation of the message currently in  operation.
211Status Flags in the FLAGS ColumnThe following is a list of the bits in the FLAGS column and their corresponding Portal Gateway status flags and definitions (Figure 157, item 12). Note  The typical Wi-Q and Omnilock device status code is 00030043. This is the example used in the chart below.Bit Portal Gateway Status Flag DefinitionRight END 3Bit 0 CONTROLLER_IS_ASSOCIATED Set when the Controller is first associated with the Portal.Bit 1 CONTROLLER_IS_VALID Set during association, after the Portal receives a beacon from the Controller.Bit 2 CONTROLLER_CONFIG_REQUIREDSet during association, cleared by Portal Communication Service after Controller  configuration.Bit 3 CONTROLLER_ASSOC_PENDING_LIF Set during association to indicate that Portal requires LIF (Lock Information Frame) data.4Bit 4 CONTROLLER_BEGIN_TRANSMISSION Set when Portal first transmits data to the Controller.Bit 5 CONTROLLER_DEEP_RESET_PENDING Portal must disassociate Controller when it receives the next beacon.Bit 6 CONTROLLER_VALID_INTERVALSSet when Controller interval assignment has been received from the PC Communication Service.Bit 7 NOT USED0Bit 8 CONTROLLER_RETRY_LIMIT_EXCEEDEDSet when the retry limit on any command has been hit; used to limit downloads to firmware only.Bit 9 NOT USEDBit 10 NOT USEDBit 11 NOT USED0Bit 12 NOT USEDBit 13 CONTROLLER_PREFERRED_PG_ENABLED Set when Controller is locked to the Portal.Bit 14 CONTROLLER_FIRMWARE_PENDING_DNSet when the firmware commit has been sent to indicate that the disassociation is pending.Bit 15 CONTROLLER_FIRMWARE_PENDINGSet when firmware update is scheduled for the Controller, cleared when firmware commit is sent.3Bit 16 CONTROLLER_REPORT_TIME _UPDATEDSet during association and when report time is updatedBit 17 CONTROLLER_LIF_IS_VALID Set when a LIF beacon is receivedLeft  END Bit 18-31 NOT USED
212Update Flags in the PEND ColumnFigure 158 is a section of the Associated Devices listed in Figure 157. Notice that items 11 and 12 have letters U and S in the PEND column. These letters are update flags, and they stand for controller information that is being updated. The placement of the update flags within the column denotes update status.Figure 158  PEND Column CodesThe following is a list of the Update Flags that may be visible in PEND column.Associated Devices 15 Maximum allowed 64 MAC ADDRESS  Stat Associate Time  Beacon  %  F/W     Rev  R  PG_RSS RDR_RSS  -  FLAGS  PEND01 0014f5404e9e 0000 03/05/12-17:04:10  16:18:26  none  003.000.038  1  -28  -19  -  000300043 -|--------|-11 0014f5400002 0000 03/05/12-17:04:53  16:18:32  none  003.000.038  1  -28  -28  -  000300043 -|--------|S12 0014f54010ca 0002 03/06/12-11:28:04  16:16:46  45  003.000.038  1  -28  -19  -  000300043 U|S-------|-13 0014f520173d 0000 03/05/12-18:11:32  16:18:29  none  003.000.038  1  -19  -36  -  000300043 -|--------|-14 0014f5401301 0000 03/05/12-17:05:09  16:17:31  none  003.000.038  1  -28  -19  -  000300043 -|--------|-15 0014f540126d 0000 03/05/12-17:05:26  16:18:31  none  003.000.038  1  -29  -25  -  000300043 -|--------|-SSegment (PIN length, DST times)CCard FormatsLController configuration (beacon time, channels, transaction masks, etc.)UUsersTTImezone IntervalsIWAC I/OFFirmwarePPing (missing LIF data after association or update)
213Figure 159 shows the significance of update flag placement between the dividing lines in each entry of the PEND column. Figure 159  Update Flag Placement in PEND ColumnItem 11 in Figure 158 shows that the Controller’s Segment download is complete pending LIF verification.Item 12 in Figure 158 shows that the Controller’s Users are currently downloading, with 45% complete, and the Controller’s segment update is pending.Note  Only one update flag will be positioned at the left or right, but it is possible for more than one flag at a time to be in the center of an entry in the PEND column.Left Center Right–|– – – – – – – –|–Currently downloadingPendingupdatesDownload completepending LIF verification
214A  Glossary 10Base-T The most common Ethernet wiring standard.   access level  An access control relationship made between a controller or controllers and a time zone or time zones. An access level is assigned to a badge ID for the purpose of granting access through a controller or controllers during a specified time.  access panel   A circuit board with on-board memory that is responsible for making most of the decisions in an access control system.  activation/deactivation date  The date that a credential becomes active or expires. antipassback A configuration limiting the ability of consecutive uses for a credential at a reader. Usually, configured with readers installed on both the secure and non-secure side of an opening. Once a credential has been used in a reader to gain access on one side of the opening, the credential cannot be used in the same reader until the credential is used to gain access to a reader from
215the opposite side of the opening.  APB exempt  Antipassback exempt. The cardholder with this privilege is exempt from antipassback rules. badge The credential or token that carries a cardholder’s data.  badge ID  Part of the access control information that is encoded to a token. This information, usually numerical, is unique to a particular credential holder.  card format  The way that data is arranged and ordered on the card. cardholder An individual who is issued a particular credential.  chassis type  The designation that defines the physical lock type. Three types exist: cylindrical, mortise, or exit hardware. See those terms for more information.  common door   A configuration setting that allows for the allocation of duplicate badge ID ranges in separate offline locks.  communication port   The connector on the bottom of a Lock that allows the lock to be connected to a reader.   communication server  The server application designed to provide network services to access panels, controllers, PCs and PDAs. credential A physical token, usually a card or fob, encoded with access control information. cylindrical Lock chassis that installs into a circular bore in the door.  deadbolt override   The ability for an authorized credential to retract both the spring latch and the deadbolt when the deadbolt is engaged  directional antenna  An antenna type optimized to focus signal from point-to-point over longer distances and through obstacles.
216  dual access  The requirement for the presentation of two separate, authorized credentials in order to gain entry through an access controlled opening.  ethernet The most common networking standard in the world, formally known as IEEE 802.3.  exit hardware  Lock chassis type that supports exit hardware trim lock.  extended unlock  The extra period of time the lock will unlock when an authorized credential with extended unlock privileges is presented. guest A feature that enables you to add and delete cardholders to and from a lock without having to go out to a lock to reprogram it. Host The computer on which Wi-Q AMS software is installed and set up to manage Portal Gateways and readers on the network.  IP address  The numeric address (like 192.168.1.1) that identifies each device in a TCP/IP network. input A hardware connection point used for status reporting of a particular sensor.intelligent system controller (ISC)  See access panel.  I/O device  A device, such as an alarm or parking gate that can be configured to operate on the network using a Wireless Access Controller.  issue code  Part of the access control information contained on a credential that allows reuse of the badge ID when a credential is lost, damaged, or stolen. Usually one or two digits in length, this code increments forward when creating a new credential. Access is granted only when the badge ID and the issue code match the current database information.  MAC address  The Media Access Control number (MAC). A unique, 12-digit number assigned by the
217manufacturer of a network device. mortise A lock chassis that installs into a mortised cavity in the edge of a door.  omni-directional antenna  An antenna type optimized to provide signal coverage in all directions. packet A discrete chunk of data, being transferred on a TCP/IP or other addressable network.  passage mode  The ability to double present an authorized credential within the strike time to unlock an opening. The lock is returned to its original status by a second, double presentation of an authorized credential.  portal gateway  The Portal Gateway is a wireless device connected to the Host computer through a secure connection to transfer data signals from Wireless Controller locks to and from the Host computer.  request to exit  A sensor usually installed on the non-secure side of the door that will mask the door position switch upon activation.  segment code  Part of the access control information that can be encoded to a credential. This information, usually numerical, is unique to a group of credentials. Usually this feature is used to authenticate a credential to a particular organization.  sign-on key  Number generated within AMS to establish the connection between the readers and the Portals, and ultimately to a segment in the software.  site survey kit  The Wi-Q Technology Site Survey Kit tool used to determine optimum Portal Gateway location to verify signal strength before permanently installing the hardware.  time interval  A specific range of time, which corresponds to a particular day or days of the week. A time zone can be comprised of several, individual intervals.
218  time zone  A defined range of time for assignment to various access control activities. A time zone may be applied to a reader or readers when creating an access level, to a reader to change the mode of operation, to a relay to activate and deactivate, to an input to mask and unmask, and a host of other operations.  unlock duration  The time that the lock momentarily unlocks.  use limit  A configuration limiting a credential to a defined number of uses.  Web Interface  The software program that allows setup and communication between the Portal Gateway and the Host Computer.  Wi-Q Technology  Provides efficient, online access control decisions at the door.  Wireless Access Controller  Wireless Access Controller provides additional capability to connect stand-alone controllers and locks.
219  wireless reader lock  The wireless reader lock controls user access at the door and grants user requests according to how they are configured in the software.
220B  Lock installation
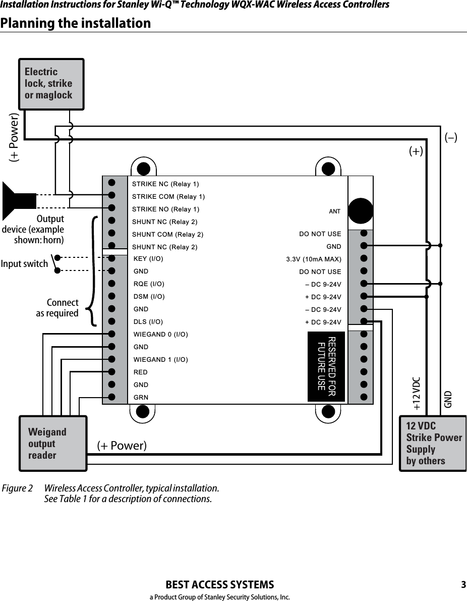
1Planning the installationBEST ACCESS SYSTEMSa Product Group of Stanley Security Solutions, Inc.ContentsThese installation instructions describe how to install your 93KQ Cylindrical Lock. Topics covered include:Planning the installation............................................... 1Preparing the door and door jamb..............................2Installing the lock...........................................................7Completing the installation........................................13PatentsProducts covered by one or more of the following patents:5,590,555   5,794,472   5,083,122   6,720,861Site surveyUse the following survey to record information about the installation site. You need this information to determine how to prepare the door for the lock.Door informationDoor handing and bevel:❑Left hand (LH)❑Left hand, reverse bevel (LHRB)❑Right hand (RH)❑Right hand, reverse bevel (RHRB)Door thickness:                 inches (1 3/4″ to 2 1/4″)Environment informationAmbient temperature:❑Is within specifications. See the tables below.This product meets the following Locked Door Outdoor test requirements for ANSI/BHMA 156.25:This product meets the following Full Indoor test require-ments for ANSI/BHMA 156.25:Side of door RangeOutside –31°F to +151°F (–35°C to +66°C)Side of door RangeInside and out-side+32°F to +120°F (0°C to +49°C)Components checklistUse the following checklist to make sure that you have the items necessary to install your Electronic Wireless Cylin-drical Lock.Components provided in the box:❑Chassis with outside lever and outside rose liner assembly❑Top and bottom inside covers❑Fire plate❑Battery holder with batteries❑Inside rose liner❑Outside escutcheon assembly❑Inside lever❑Throw member package❑Latch❑Hub washers❑Trim hole insert package❑Plastic bushing package❑Escutcheon screw package❑Door status switch assembly ❑Strike package❑Bar code ID sticker (for your records)❑Installation template and instructionsOther components:❑Core and control key❑Temporary operator cardSpecial tools checklistUse the following checklist to make sure that you have the special tools necessary to install your Electronic Wireless Cylindrical Lock.❑KD303 Drill jig❑T20 TORX® bit driver❑KD325 Strike plate locating pin❑KD315 Faceplate marking chiselInstallation Instructions for Wi-Q™ Technology 9KQ Cylindrical Locks
Installation Instructions for Wi-Q™ Technology 9KQ Cylindrical Locks2Preparing the door and door jambBEST ACCESS SYSTEMSa Product Group of Stanley Security Solutions, Inc.1Position template and mark drill pointsNote: If the door is a fabricated hollow metal door, determine whether it is properly reinforced to support the lock. If door reinforcement is not adequate, consult the door manufacturer for information on proper rein-forcement. For dimensions for preparing metal doors, see the Q01 and G02 Templates—Installation Specifi-cations for 93KQ Cylindrical Locks.Note: If the door is a LH or RH door, mark the inside of the door. If the door is a LHRB or RHRB door, mark the outside of the door.For uncut doors and frames1  Measure and mark the horizontal centerline of the lever (the centerline for the chassis hole) on the door and door jamb. Mark the vertical centerline of the door edge.Note: The recommended height from the floor to the centerline of the crossbore or chassis hole is 38”.2  Fold the Q05 Template—Installation Template for 93KQ Cylindrical Locks on the dashed line and carefully place it in position on the high side of the door bevel.Note: For steel frame applications, align the template’s horizontal centerline for the latch with the horizontal centerline of the frame’s strike preparation.3  Tape the template to the door.4  Center punch the necessary drill points. Refer to the instructions on the template.For doors with standard cylindrical preparation1  Fold the Q05 Template—Installation Template for 93KQ Cylindrical Locks on the dashed line. Looking through the hole from the opposite side of the door, align the template so that you see the template outline of the 2 1/8″diameter chassis hole.2  Tape the template to the door.3  Center punch the necessary drill points. Refer to the instructions on the template. Figure 1 Positioning the templateInstallation templateCenterline of lockInstallation Instructions for Wi-Q™ Technology 9KQ Cylindrical Locks3Installation Instructions for Wi-Q™ Technology 9KQ Cylindrical LocksPreparing the door and door jambBEST ACCESS SYSTEMSa Product Group of Stanley Security Solutions, Inc.2Drill holes and mortise for latch face1  Drill the holes listed below:■upper and lower trim holes◆5/8″ diameter◆through door■harness hole◆3/4″ diameter◆through door■motor wire hole◆7/16″ diameter◆through door◆before drilling chassis hole■chassis hole ◆2 1/8″ diameter◆through door◆after drilling motor wire hole■latch hole◆1″ diameter◆meets chassis hole■door status switch hole◆1″ diameter◆meets harness hole■anti-rotational hole, see “Use drill jig to drill through-bolt holes” on page 5.◆5/16” diameter◆through doorNote 1: To locate the center of a hole on the opposite side of the door, drill a pilot hole completely through the door.Note 2: For holes through the door, it is best to drill halfway from each side of the door to prevent the door from splintering.2  Mortise the edge of the door to fit the latch face.3  Drill the holes for the screws used to install the latch. Figure 2 Drilling holes and mortising for the latch faceLatch holeUpper trim holeHarnessholeMotor wire holeChassis holeLower trim holeLatch facemortiseInside of doorDoor status switch holeAnti-rotational holeAnti-rotational hole
Installation Instructions for Wi-Q™ Technology 9KQ Cylindrical Locks3Installation Instructions for Wi-Q™ Technology 9KQ Cylindrical LocksPreparing the door and door jambBEST ACCESS SYSTEMSa Product Group of Stanley Security Solutions, Inc.2Drill holes and mortise for latch face1  Drill the holes listed below:■upper and lower trim holes◆5/8″ diameter◆through door■harness hole◆3/4″ diameter◆through door■motor wire hole◆7/16″ diameter◆through door◆before drilling chassis hole■chassis hole ◆2 1/8″ diameter◆through door◆after drilling motor wire hole■latch hole◆1″ diameter◆meets chassis hole■door status switch hole◆1″ diameter◆meets harness hole■anti-rotational hole, see “Use drill jig to drill through-bolt holes” on page 5.◆5/16” diameter◆through doorNote 1: To locate the center of a hole on the opposite side of the door, drill a pilot hole completely through the door.Note 2: For holes through the door, it is best to drill halfway from each side of the door to prevent the door from splintering.2  Mortise the edge of the door to fit the latch face.3  Drill the holes for the screws used to install the latch. Figure 2 Drilling holes and mortising for the latch faceLatch holeUpper trim holeHarnessholeMotor wire holeChassis holeLower trim holeLatch facemortiseInside of doorDoor status switch holeAnti-rotational holeAnti-rotational hole
Installation Instructions for Wi-Q™ Technology 9KQ Cylindrical Locks4Preparing the door and door jambBEST ACCESS SYSTEMSa Product Group of Stanley Security Solutions, Inc.3Install latch1  Install the latch in the door.Note: The latch tube prongs should be centered and should project into the chassis hole.2  Check that the door swings freely.4Install door status switch and magnet1  On the door jamb, mark the drill point for the 1″diameter magnet hole. This hole should be directly opposite the door status switch reader harness hole when the door is closed.2  Drill a 1″diameter hole for the magnet, at least 1 3/4″ deep.3  Insert the magnet in the hole.4  Insert the door status switch assembly into the door status switch hole in the edge of the door, feeding the connectors out the harness hole to the inside of the door, as shown in Figure 4. Figure 3 Installing the latch in the doorLatchLocation of latchtube prongsChassis holeInside of door Figure 4 Installing the door status switch and magnetMagnetHarness holeInside of doorDoorstatusswitchDoor jamb
Installation Instructions for Wi-Q™ Technology 9KQ Cylindrical Locks5Installation Instructions for Wi-Q™ Technology 9KQ Cylindrical LocksPreparing the door and door jambBEST ACCESS SYSTEMSa Product Group of Stanley Security Solutions, Inc.5Use drill jig to drill through-bolt holes1  Press the drill jig (KD303) onto the door, engaging it with the latch tube prongs (see the close-up in Figure 5). Make sure the front edge of the jig is parallel with the door edge.2  Drill the through-bolt holes (5/16″diameter) halfway into the door.3  Turn over the drill jig and repeat steps 1 and 2 from the opposite side of the door.Note: Replace the drill jig after 10 door preparations. Figure 5 Installing the drill jig and drilling the through-bolt holesLatchtubeprongsDrill upper through-bolt hole.Drill lower through-bolt hole.Inside of door
Installation Instructions for Wi-Q™ Technology 9KQ Cylindrical Locks6Preparing the door and door jambBEST ACCESS SYSTEMSa Product Group of Stanley Security Solutions, Inc.6Install strike box and strike plate1  In alignment with the center of the latchbolt, mortise the door jamb to fit the strike box and strike plate.2  Drill the holes for the screws used to install the strike box and strike plate.3  Insert the strike box and secure the strike with the two screws provided.4  Check the position of the deadlocking plunger against the strike plate.Caution:  The deadlocking plunger of the latchbolt must make contact with the strike plate, as shown in Figure 6b. The plunger deadlocks the latchbolt and helps prevents someone from forcing the latch open when the door is closed. Figure 6a Installing the strike box and strike plateStrike boxStrike plateDoor jamb Figure 6b Aligning the deadlocking plunger with the strike plateStrike plateDeadlocking plungerDoor jamb
Installation Instructions for Wi-Q™ Technology 9KQ Cylindrical Locks7Installation Instructions for Wi-Q™ Technology 9KQ Cylindrical LocksInstalling the lockBEST ACCESS SYSTEMSa Product Group of Stanley Security Solutions, Inc.7Remove outside lever or knob1  Insert the control key into the core and rotate the key 15 degrees to the right.2  Insert a flat blade screwdriver into the figure-8 core hole and into the lever.3  Press the screwdriver blade in the direction of the arrow in Figure 7.Note: You cannot remove the lever if the screwdriver blade is inserted too far past the keeper.4  Slide the lever or knob off of the sleeve.Caution:  Be careful that you do not disconnect the lever keeper spring.8Adjust for door thickness1  Determine the door’s thickness.2  Pull the rose locking pin and rotate the outside rose liner until the proper groove on the through-bolt stud lines up with the hub face.Figure-8core hole Figure 7 Removing the outside lever Insert screwdriverblade here.Lever keeper Figure 8 Adjusting the rose liner for the door thickness 1 3/4″2″2 1/4″ groove Through-bolt studHub faceOutside rose liner Rose locking pinMotor wire
Installation Instructions for Wi-Q™ Technology 9KQ Cylindrical Locks8Installing the lockBEST ACCESS SYSTEMSa Product Group of Stanley Security Solutions, Inc.9Install lock chassis and engage retractor in latchFrom the outside of the door, insert the lock chassis into the 2 1/8″ chassis hole, routing the motor wire through the notch.Caution:  Make sure that the latch tube prongs engage the chassis frame and that the latch tailpiece engages the retractor.10 Install the trim hole insert, bushing, and hub washer on outside of door1  On the outside of the door, insert the trim hole insert into the upper trim hole, as shown in Figure 10.2  Insert the bushing into the harness hole.3  Slide a hub washer over the chassis sleeve so it rests on the hub. Figure 9 Installing the lock chassis and engaging the retractor in the latchLatch tubeprongRetractorLatch tailpieceChassisChassis frameLatch tubeprongNotchInside of door Figure 10 Installing the outside trim hole insert, bushing, and hub washerTrim hole insertBushingHub washerHubOutside of door
Installation Instructions for Wi-Q™ Technology 9KQ Cylindrical Locks9Installation Instructions for Wi-Q™ Technology 9KQ Cylindrical LocksInstalling the lockBEST ACCESS SYSTEMSa Product Group of Stanley Security Solutions, Inc.11 Install fire platePosition the fire plate on the inside of the door so that the chassis fits through the square opening in the fire plate, as shown in Figure 11.12 Install through-bolts andinside rose liner1  Place the inside rose liner on the chassis, aligning the holes in the rose liner with the holes prepared in the door, as shown in Figure 12.Caution:  Make sure that the motor wire is pulled toward the top of the fire plate and avoid routing it over any surface that could damage the sleeving or wire insulation.2  Install the through-bolts through the rose liner and door in the top and bottom holes.Caution:  Make sure that there is clearance for the motor wire between the rose liner and the door.3  Tighten the rose liner to the door and fire plate with the through-bolts.4  Install the hub washer over the rose liner. Figure 11 Installing the fire plateInside of doorFire plate Figure 12 Installing the through-bolts and rose liner(9K shown)Inside of doorMotor wireRose liner with RQEHub washerThrough-boltRQE connector
Installation Instructions for Wi-Q™ Technology 9KQ Cylindrical Locks10Installing the lockBEST ACCESS SYSTEMSa Product Group of Stanley Security Solutions, Inc.13 Route wire harness and position outside escutcheon1  From the outside of the door, feed the motor connector, battery connector, door status switch, and antenna wire, through the harness hole.Caution:  When routing the connectors, make sure the wire harness is not routed across any sharp edges or over any surface that could damage its sleeving or wire insulation.2  On the inside of the door, insert the two countersunk mounting screws into the holes at the top and bottom of the fire plate.3  Tighten the mounting screws until the fire plate is securely mounted to the door.14 Route wires on fire plate1  Route the motor connector wire, RQE connector, and door status connector underneath the side tabs as shown in Figure 14.2  Route the battery connector and antenna wire above the side tabs. See Figure 15 for additional detail. Figure 13 Feeding the wire harness connectors through the harness holeMotor connectorOutside escutcheonOutside of doorBattery connectorDoor status connectorAntenna wireRQE connectorHarness holeRQE connector Figure 14 Routing the wires on the fire plateInside of doorMotor connectorBattery connectorSide tabsDoor status connectorAntenna wireRQE connectorDoor status connector
Installation Instructions for Wi-Q™ Technology 9KQ Cylindrical Locks11Installation Instructions for Wi-Q™ Technology 9KQ Cylindrical LocksInstalling the lockBEST ACCESS SYSTEMSa Product Group of Stanley Security Solutions, Inc.15 Connect motor wires, RQE, and door status switch1  From the inside of the door, make the following connections:◆Motor◆RQE◆Door status switch2  Insert the plastic wire tie through the mounting clip and secure the wires as shown in Figure 15. See Figure 15 for additional detail.Caution:  When making the motor connection, make sure:◆there are no loose wire connections where the wires are inserted into the connectors◆the connectors are firmly mated.Wire connection Color No. of wiresNo. of pinsMotor Yellow-Gray 2 2RQE Orange-Brown 2 3Door status White 22 Figure 15 Routing the wires (view of the inside escutcheon)Route wire harness on the left side of the fire plate.Mounting clip and wire tieDress wires so that wire connec-tors are mated here. Use electric tape to affix them as needed.Antenna wireBattery connector
Installation Instructions for Wi-Q™ Technology 9KQ Cylindrical Locks12Installing the lockBEST ACCESS SYSTEMSa Product Group of Stanley Security Solutions, Inc.16 Install bottom cover(inside escutcheon)1  Making sure that the cover does not pinch the wires, guide the bottom cover over the chassis onto the fire plate.2  Use two cover screws to secure the cover to the side of the fire plate, as shown in Figure 16.Note: Phillips Type 2 and T20 Torx options are available for the cover mounting screws.Caution:  Dress all wires away from possible pinch points before putting the bottom cover in place.17 Install battery holder1  Position the battery wires against the fire plate side wall, as shown in Figure 17.2  Slide the battery holder behind the fire plate side tabs until it rests on the bent battery holding tabs.Caution:  When routing the battery wires, make sure the wires are not routed across any sharp edges or over any surface that could damage their sleeving or wire insulation.3  Connect the battery holder to the battery connector on the wire harness.Caution:  When connecting the battery holder, make sure:◆there are no loose wire connections where the wires are inserted into the connectors.◆the connectors are firmly mated. Figure 16 Installing the bottom coverInside of doorCoverscrewsBottomcover Figure 17 Installing the battery holder, eight-cell Inside of doorBattery holderBattery wiresBattery holdingtabsFire plate sidetabsAntennaInstallation Instructions for Wi-Q™ Technology 9KQ Cylindrical Locks13Installation Instructions for Wi-Q™ Technology 9KQ Cylindrical LocksCompleting the installationBEST ACCESS SYSTEMSa Product Group of Stanley Security Solutions, Inc.18 Install inside and outside levers Note: To use a core and throw member from a manu-facturer other than BEST with a Electronic Stand-alone Lock, see the Installation Instructions for 9K Non-inter-changeable Cores & Throw Members (T56093) and skip task 19.■With the handle pointing toward the door hinges, position a lever on the outside sleeve and push firmly on the lever until it is seated. Repeat, placing the other lever on the inside sleeve.19 Install core and throw member1  Install the blocking plate onto the throw member.Caution:  You must use the blocking plate to prevent unauthorized access.For 6-pin core users only: Install the plastic spacer (not shown, supplied with permanent cores) instead of the blocking plate, on the throw member.2  Insert the control key into the core and rotate the key 15 degrees to the right.3  Insert the throw member into the core.4  Insert the core and throw member into the lever with the control key.5  Rotate the control key 15 degrees to the left and withdraw the key.Caution:  The control key can be used to remove cores and to access doors. Provide adequate security for the control key.  Figure 18 Installing the leversOutside of door Figure 19a Installing the blocking plate and throw memberCoreBlocking plateThrow member Figure 19b Installing the coreCoreControl keyThrow member
Installation Instructions for Wi-Q™ Technology 9KQ Cylindrical Locks12Installing the lockBEST ACCESS SYSTEMSa Product Group of Stanley Security Solutions, Inc.16 Install bottom cover(inside escutcheon)1  Making sure that the cover does not pinch the wires, guide the bottom cover over the chassis onto the fire plate.2  Use two cover screws to secure the cover to the side of the fire plate, as shown in Figure 16.Note: Phillips Type 2 and T20 Torx options are available for the cover mounting screws.Caution:  Dress all wires away from possible pinch points before putting the bottom cover in place.17 Install battery holder1  Position the battery wires against the fire plate side wall, as shown in Figure 17.2  Slide the battery holder behind the fire plate side tabs until it rests on the bent battery holding tabs.Caution:  When routing the battery wires, make sure the wires are not routed across any sharp edges or over any surface that could damage their sleeving or wire insulation.3  Connect the battery holder to the battery connector on the wire harness.Caution:  When connecting the battery holder, make sure:◆there are no loose wire connections where the wires are inserted into the connectors.◆the connectors are firmly mated. Figure 16 Installing the bottom coverInside of doorCoverscrewsBottomcover Figure 17 Installing the battery holder, eight-cell Inside of doorBattery holderBattery wiresBattery holdingtabsFire plate sidetabsAntennaInstallation Instructions for Wi-Q™ Technology 9KQ Cylindrical Locks13Installation Instructions for Wi-Q™ Technology 9KQ Cylindrical LocksCompleting the installationBEST ACCESS SYSTEMSa Product Group of Stanley Security Solutions, Inc.18 Install inside and outside levers Note: To use a core and throw member from a manu-facturer other than BEST with a Electronic Stand-alone Lock, see the Installation Instructions for 9K Non-inter-changeable Cores & Throw Members (T56093) and skip task 19.■With the handle pointing toward the door hinges, position a lever on the outside sleeve and push firmly on the lever until it is seated. Repeat, placing the other lever on the inside sleeve.19 Install core and throw member1  Install the blocking plate onto the throw member.Caution:  You must use the blocking plate to prevent unauthorized access.For 6-pin core users only: Install the plastic spacer (not shown, supplied with permanent cores) instead of the blocking plate, on the throw member.2  Insert the control key into the core and rotate the key 15 degrees to the right.3  Insert the throw member into the core.4  Insert the core and throw member into the lever with the control key.5  Rotate the control key 15 degrees to the left and withdraw the key.Caution:  The control key can be used to remove cores and to access doors. Provide adequate security for the control key.  Figure 18 Installing the leversOutside of door Figure 19a Installing the blocking plate and throw memberCoreBlocking plateThrow member Figure 19b Installing the coreCoreControl keyThrow member
Installation Instructions for Wi-Q™ Technology 9KQ Cylindrical Locks14Completing the installationBEST ACCESS SYSTEMSa Product Group of Stanley Security Solutions, Inc.20 Install top cover(inside escutcheon)1  Connect the antenna to its mating connector.2  Place the top cover against the door and above the fire plate. Slide the top cover down toward the bottom cover as shown in Figure 20b.Caution:  As you slide the top cover onto the fire plate, feed the antenna wire down into the bottom cover. Be sure not to pinch the antenna wire on the bottom cover as you slide the top cover into place.3  Use two cover screws to secure the cover to the side of the fire plate, as shown in Figure 20b.Note: Phillips Type 2 and T20 Torx options are available for the cover mounting screws. Figure 20a Inside view of top coverTop coverAntenna wire Figure 20b Installing the top coverTop coverInside of doorCover screwsAntenna wire
Installation Instructions for Wi-Q™ Technology 9KQ Cylindrical LocksBEST ACCESS SYSTEMSa Product Group of Stanley Security Solutions, Inc.15Installation Instructions for Wi-Q™ Technology 9KQ Cylindrical LocksCompleting the installation21 Test lockFor 9KQ Locks with keypad:To test the lock for proper operation before the lock is pro-grammed, follow these instructions:1 Press 1234.2 Press #.The green light flashes and the locking mechanism unlocks.3  Turn the lever and open the door.For all other locks:To test the lock for proper operation before the lock is pro-grammed, use the temporary operator card that came with the lock. This card is for temporary use only. After permanent cards have been programmed for the lock, the temporary card should be deleted.1  Use the temporary operator card to activate the lock.Note: If the lock has a proximity card reader, it may have already been activated by the presence of an object near the card reader.2  Use the temporary operator card to access the lock.3  The green light flashes and the locking mechanism unlocks.4  Turn the lever or knob and open the door.5  With the door closed, insert and turn the key to unlatch the door.If the mechanism doesn’t unlock, refer to the follow-ing table. For additional troubleshooting instructions, see the Service Manual.LEDs Sounder You shouldSingle red flash— Use the card at a moderate speed.Red flashes3 short tonesUse the temporary operator card provided with the lock.Green flashes— Check the motor connection.— — Check the battery connection.
BEST ACCESS SYSTEMSa Product Group of Stanley Security Solutions, Inc.© 2008–09 Stanley Security Solutions, IncT82619/Rev B  3109013   ER-7991-12   Oct 2009BEST ACCESS SYSTEMSa Product Group of Stanley Security Solutions, Inc1ContentsThese installation instructions describe how to install your 45HQ Mortise Lock. Topics covered include:Preparing the door ........................................................ 1Configuring and installing the mortise case.............. 3Installing the trim.......................................................... 4Completing the installation.......................................... 9PatentsProducts covered by one or more of the following patents:6,720,8611Identify holes to drill1  Determine the lock function to be installed.Caution:  Determine the inside and outside, hand, and bevel of the door.2 See the Holes by Function table and Figure 1 to determine the holes to be drilled for the lock function.FunctionsHoles by FunctionDV TVHoles to drill I/S O/S I/S O/SAForged trim(2 holes)†† Determine trim holes based on trim type.Through doorThrough doorBHarness†Through doorThrough doorCStandard cylinder  ■■DSensor & motor wire     (2 holes) ■ ■FThumb turn ■GTrim mounting (2 holes)‡‡ Because these holes pass through the mortise pocket, it is recommended that each hole be drilled separately rather than straight through.Through doorThrough doorHLever†† Through doorThrough doorJDoor sensing channel (2 holes)DO NOT DRILLSee Figure 1BJBAACFHDDGGJJ Figure 1 Identifying holes to drillFor hole sizes, see the Q06 Template (T82606).Installation Instructions for Wi-Q™ Technology 45HQ Mortise Locks
BEST ACCESS SYSTEMSa Product Group of Stanley Security Solutions, Inc1ContentsThese installation instructions describe how to install your 45HQ Mortise Lock. Topics covered include:Preparing the door ........................................................ 1Configuring and installing the mortise case.............. 3Installing the trim.......................................................... 4Completing the installation.......................................... 9PatentsProducts covered by one or more of the following patents:6,720,8611Identify holes to drill1  Determine the lock function to be installed.Caution:  Determine the inside and outside, hand, and bevel of the door.2 See the Holes by Function table and Figure 1 to determine the holes to be drilled for the lock function.FunctionsHoles by FunctionDV TVHoles to drill I/S O/S I/S O/SAForged trim(2 holes)†† Determine trim holes based on trim type.Through doorThrough doorBHarness†Through doorThrough doorCStandard cylinder  ■■DSensor & motor wire     (2 holes) ■ ■FThumb turn ■GTrim mounting (2 holes)‡‡ Because these holes pass through the mortise pocket, it is recommended that each hole be drilled separately rather than straight through.Through doorThrough doorHLever†† Through doorThrough doorJDoor sensing channel (2 holes)DO NOT DRILLSee Figure 1BJBAACFHDDGGJJ Figure 1 Identifying holes to drillFor hole sizes, see the Q06 Template (T82606).Installation Instructions for Wi-Q™ Technology 45HQ Mortise Locks
Installation Instructions for Wi-Q™ Technology 45HQ Mortise LocksBEST ACCESS SYSTEMSa Product Group of Stanley Security Solutions, IncPreparing the door22Align templatesNote: If the door is a fabricated hollow metal door, determine whether it is properly reinforced to support the lock. If door reinforcement is not adequate, consult the door manufacturer for information on proper reinforcement. For dimensions for preparing metal doors, see the Q03 Template—Installation Specifications for 45HQ Mortise Locks (T82603).1  Separate the four templates provided on the Q06 Template—Installation Template for 45HQ Mortise Locks (T82606).2 Position one of the door edge templates on the door, making sure that the lock case mortise shown on the template aligns with the mortise pocket prepared in the door.3 Using the centerlines on the door edge template as a guide, position the appropriate door template on each side of the door. You need to take the bevel into account. Tape the templates to the door.3Center punch and drill holes1  Center punch the necessary drill points. See the instructions on the template.2 Drill the holes.Note 1: To locate the center of a hole on the opposite side of the door, drill a pilot hole completely through the door.Note 2: For holes through the door, it is best to drill halfway from each side of the door to prevent the door from splintering.4Install door status switch(optional for deadbolt TV function locks only)1  Position the shield on the door status switch with the notch facing downwards (towards the mortise pocket).Caution:  Make sure the wires are not routed across any sharp edges or over any surface that could damage its sleeving. Figure 2 Aligning the templatesInstallationtemplateDoor edgetemplateCenterlineCenterline Figure 3 Installing the door status switch Door statusswitchShield
Installation Instructions for Wi-Q™ Technology 45HQ Mortise LocksBEST ACCESS SYSTEMSa Product Group of Stanley Security Solutions, Inc3Installation Instructions for Wi-Q™ Technology 45HQ Mortise LocksConfiguring & installing the mortise case2 Feed the wires for the door status switch into the door status switch hole and through the channel into the mortise cavity and out through one of the sensor and motor wire holes.3 Press fit the door status switch assembly into the door status switch hole.5Rotate latchbolt (if necessary)Note: If a function specific mortise case was ordered, some steps for configuring the case have already been performed at the factory.1  Determine whether you need to rotate the latchbolt to match the handing of the door.Note: The angled surface of the latchbolt must contact the strike when the door closes.2 If you need to rotate the latchbolt, insert a flat blade screwdriver into the latch access point approximately 1/2″ into the case and press to extend the latch out of the case. See Figure 4.3 Rotate the latchbolt 190 degrees (slightly past 180 degrees) and allow it to retract into the case.6Position hub toggles (if necessary)1  Check whether the hub toggles are in the proper position for the lock. See the table below and Figure 5.Note: For LH & LHRB doors, the inside is the back side of the case and the outside is the cover side of the case. For RH & RHRB doors, the inside is the cover side of the case and the outside is the back side of the case. The cover is mounted to the case with four screws.2 To change the position of a hub toggle, remove the toggle screw, move the toggle into the desired position, and re-tighten the screw.Hub toggle positionsFunction Hub toggle positionsDV, T V Inside down (always unlocked) &outside up (lockable) Figure 4 Rotating the latchboltLatch access point Figure 5 Positioning hub togglesHub toggleHub toggle
Installation Instructions for Wi-Q™ Technology 45HQ Mortise LocksBEST ACCESS SYSTEMSa Product Group of Stanley Security Solutions, IncInstalling the trim47Install mortise case1  Drill the holes for the case mounting screws.2 Insert the mortise case into the mortise cavity, while feeding the sensor and motor wires into the mortise cavity and out the two sensor & motor wire holes to the inside of the door as shown in Figure 6.Note: The armored front of the mortise case self-adjusts to the door bevel.3 Secure the mortise case with the case mounting screws.8Install trim mounting plates1  Insert the outside trim mounting plate through the door and mortise case.2 Position the inside trim mounting plate opposite the outside trim mounting plate and screw them securely in place.Caution:  Do not overtighten the trim mounting plate screws. Overtightening may damage the locking mechanism.3 By temporarily installing a lever, test the lock to make sure that it doesn’t bind. Figure 6 Installing the mortise case (inside of door)Sensor & motor wire holes Mortise caseMortise cavityCasemounting screwsSensor wires and motor wires Figure 7 Installing the trim mounting platesOutsidemountingplateInsidemounting plateInstallation Instructions for Wi-Q™ Technology 45HQ Mortise LocksBEST ACCESS SYSTEMSa Product Group of Stanley Security Solutions, Inc5Installation Instructions for Wi-Q™ Technology 45HQ Mortise LocksInstalling the trim9 Install concealed cylinder & core 1  Use a cylinder wrench to thread the cylinder into the mortise case so that the groove around the cylinder is even with the door surface as shown in Figure 8.Caution:  A malfunction can occur if the cylinder is threaded in too far.2 Secure the cylinder in the mortise case with the cylinder retainer screw.3 Insert the control key into the core and rotate the key 15 degrees to the right.4 With the control key in the core, insert the core into the cylinder.5 Rotate the control key 15 degrees to the left and withdraw the key.Caution:  The control key can be used to remove cores and to access doors. Provide adequate security for the control key.10 Install trim hole insert and bushing1  Insert the trim hole insert into the upper trim hole on the outside of the door, as shown in Figure 9.2 Insert the bushing into the harness hole on the outside of the door, as shown in Figure 9. Figure 8 Installing the concealed cylinderCylinderretainerscrew Figure 9 Installing the trim hole insert and bushingTrim hole insertBushingOutside of door
Installation Instructions for Wi-Q™ Technology 45HQ Mortise LocksBEST ACCESS SYSTEMSa Product Group of Stanley Security Solutions, Inc5Installation Instructions for Wi-Q™ Technology 45HQ Mortise LocksInstalling the trim9 Install concealed cylinder & core 1  Use a cylinder wrench to thread the cylinder into the mortise case so that the groove around the cylinder is even with the door surface as shown in Figure 8.Caution:  A malfunction can occur if the cylinder is threaded in too far.2 Secure the cylinder in the mortise case with the cylinder retainer screw.3 Insert the control key into the core and rotate the key 15 degrees to the right.4 With the control key in the core, insert the core into the cylinder.5 Rotate the control key 15 degrees to the left and withdraw the key.Caution:  The control key can be used to remove cores and to access doors. Provide adequate security for the control key.10 Install trim hole insert and bushing1  Insert the trim hole insert into the upper trim hole on the outside of the door, as shown in Figure 9.2 Insert the bushing into the harness hole on the outside of the door, as shown in Figure 9. Figure 8 Installing the concealed cylinderCylinderretainerscrew Figure 9 Installing the trim hole insert and bushingTrim hole insertBushingOutside of door
Installation Instructions for Wi-Q™ Technology 45HQ Mortise LocksBEST ACCESS SYSTEMSa Product Group of Stanley Security Solutions, IncInstalling the trim611 Route wire harnesses and position outside escutcheon1  From the outside of the door, feed the motor connector, battery connector, and sensor connectors through the harness hole.Caution:  When routing the connectors, make sure the harnesses are not routed across any sharp edges or over any surface that could damage their sleeving or wire insulation.2 Perform these steps:a Firmly press the outside escutcheon in position on the door. The core should be flush with the outer surface of the escutcheon.b If necessary, adjust the cylinder depth plus or minus one turn so that the core is flush with the outer surface of the escutcheon.c Secure the cylinder in the mortise case with the cylinder clamp screw.3 Rest the outside escutcheon on the door by inserting the trim studs into the trim holes.12 Install fire plate1  From the inside of the door, feed the wiring through the fire plate harness hole.2 Position the fire plate on the door so that the inside mounting plate fits through the square opening in the fire plate.3 Insert the two counter sunk mounting screws into the holes at the top and bottom of the fire plate.4 Tighten the mounting screws until the fire plate is securely mounted to the door. Figure 10 Feeding the wire harness connectors through the harness holeMotorconnectorOutside escutcheonOutside of doorSensorconnectorsBatteryconnectorHarnessholeAntenna Figure 11 Installing the fire plateInside of doorMounting screwsAntenna wire
Installation Instructions for Wi-Q™ Technology 45HQ Mortise LocksBEST ACCESS SYSTEMSa Product Group of Stanley Security Solutions, Inc7Installation Instructions for Wi-Q™ Technology 45HQ Mortise LocksInstalling the trim13 Connect wire harnesses1  From the inside of the door, make the following connections:2 Insert the plastic wire tie through the mounting clip and secure the wires as shown in Figure 12.Note: It is physically possible to connect the key override sensor connector from the mortise case to the battery connector from the wire harness. To avoid this mistake, connect only the connectors with matching wire colors.Caution:  When making the motor connection and sensor connections, make sure:◆there are no loose wire connections where the wires are inserted into the connectors◆the connectors are firmly matedWire connection Colors No. ofwiresNo. ofpinsMotor Yellow-gray 2 2Key override sensor Gray 23Deadbolt sensor Blue  23RQE Orange-brown 2 3Door sensing White 22Latchbolt sensing Purple 22 Figure 12 Routing the wiresRoute wire harness on the left side of the fire plate.Mounting clip and wire tieDress wires so that wire connectors are mated here. Use electric tape to affix them as needed.Antenna wire
Installation Instructions for Wi-Q™ Technology 45HQ Mortise LocksBEST ACCESS SYSTEMSa Product Group of Stanley Security Solutions, IncInstalling the trim814 Install bottom cover(inside escutcheon)1  Position the battery wires above the side tabs and against the side of the fire plate, as shown inFigure 13.2Optional for Thumb Turn option only: Make sure that the Thumb Turn is in the upright position, as shown in Figure 13.3Making sure that the cover does not pinch the wires, guide the bottom cover over the chassis onto the fire plate.Note: Phillips Type 2 and T20 Torx options are available for the cover mounting screws. Figure 13 Installing the bottom coverInside of doorBottomcoverCoverscrewsBattery wiresThumb turn(optional)Antenna wire
Installation Instructions for Wi-Q™ Technology 45HQ Mortise LocksBEST ACCESS SYSTEMSa Product Group of Stanley Security Solutions, Inc9Installation Instructions for Wi-Q™ Technology 45HQ Mortise LocksCompleting the installation15 Install battery holder1  Position the battery wires against the fire plate side wall, as shown in Figure 14.2 Slide the battery holder behind the fire plate side tabs until it rests on the bent battery holding tabs.Caution:  When routing the battery wires, make sure the wires are not routed across any sharp edges or over any surface that could damage their sleeving or wire insulation.3 Connect the battery pack to the battery connector on the wire harness.Caution:  When connecting the battery pack, make sure:◆there are no loose wire connections where the wires are inserted into the connectors.◆the connectors are firmly mated.16 Install inside and outside levers1  Unscrew the inside spindle one full turn to allow the spindles to turn freely.2 With the handle pointing toward the door hinges, insert the outside lever and spindles assembly into the lock from the outside of the door.3 Slide the inside lever onto the inside spindle and secure it with the set screw.4 Making sure that the core is positioned properly in the outside escutcheon (DV and TV function Locks only) and the escutcheons are aligned properly on the door, tighten the escutcheon mounting screws.Note: If a core is not available, you can use the cylinder wrench to help you align the core opening in the escutcheon.5 Turn the levers to check that they operate smoothly. Figure 14 Installing the battery holderInside of doorBattery holderBattery wiresBattery wiresBattery holding tabsAntenna wire Figure 15 Installing the leversSpindlesLocationof setscrewOutside of door Inside of doorSpindlesOutside of door
Installation Instructions for Wi-Q™ Technology 45HQ Mortise LocksBEST ACCESS SYSTEMSa Product Group of Stanley Security Solutions, IncCompleting the installation1017 Install top cover(inside escutcheon)1  Connect the antenna to its mating connector.2 Place the top cover against the door and above the fire plate. Slide the top cover down toward the bottom cover as shown in Figure 17.Caution:  As you slide the top cover onto the fire plate, feed the antenna wire down into the bottom cover. Be sure not to pinch the antenna wire on the bottom cover as you slide the top cover into place.3 Use two cover screws to secure the cover to the side of the fire plate, as shown in Figure 17.Note: Phillips Type 2 and T20 Torx options are available for the cover mounting screws.18 Install mortise case faceplate1  Secure the mortise case faceplate to the mortise case with the faceplate mounting screws.2 Check the lock for proper operation. Figure 16 Inside view of top coverTop coverAntenna wire Figure 17 Installing the top coverInside of doorWireless coverCover screwsAntenna wire Figure 18 Installing the mortise case faceplate Outside of doorMortisecasefaceplateFaceplatemounting screws
Installation Instructions for Wi-Q™ Technology 45HQ Mortise LocksBEST ACCESS SYSTEMSa Product Group of Stanley Security Solutions, Inc11Installation Instructions for Wi-Q™ Technology 45HQ Mortise LocksCompleting the installation19 Install strike box and strike plate1  Insert the strike box into the mortise in the door jamb. Place the strike plate over the strike box and secure the strike with the screws provided.2 Check the position of the auxiliary bolt against the strike plate.Caution:  The auxiliary bolt must make contact with the strike plate. The auxiliary bolt deadlocks the latchbolt and prevents someone from forcing the latch open when the door is closed. If the incorrect strike is installed, a lock-in can occur.Note: The recommended gap between the door and jamb is 1/8″. Figure 19a Installing the strike box and strike plateStrike box with magnetStrike plateDoor jambMake sure to position the magnet at the top. Figure 19b Positioning the strikeAuxiliary boltStrike plate
Installation Instructions for Wi-Q™ Technology 45HQ Mortise LocksBEST ACCESS SYSTEMSa Product Group of Stanley Security Solutions, Inc12Testing the lock20 Test lockFor 45HQ Locks with keypad To test the lock for proper operation before the lock is programmed, follow these instructions:1 Press 1234.2 Press #.The green light flashes and the locking mechanism unlocks.3 Turn the lever and open the door.For all other locks:To test the lock for proper operation before the lock is programmed, use the temporary operator card that came with the lock. This card is for temporary use only. After permanent cards have been programmed for the lock, the temporary card should be deleted.1  Use the temporary operator card to activate the lock.Note: If the lock has a proximity card reader, it may have already been activated by the presence of an object near the card reader.2 Use the temporary operator card to access the lock.The green light flashes and the locking mechanism unlocks.3 Turn the lever and open the door.If the mechanism doesn’t unlock, refer to the following table. For additional troubleshooting instructions, see the Service Manual.For all locks1  Insert and turn the key to unlatch the door.For all TV function locks2 From the inside of the door, turn the turn knob and make sure that the deadbolt operates properly.LEDs Sounder You shouldSingle red flash— Use the card at a moderate speed.Red flashes3 short tonesUse the temporary operator card provided with the lock.Green flashes— Check the motor connection.— — Check the battery connection.©2008–2009 Stanley Security Solutions, IncT82623/Rev C   3108931   ER-7991-12   Oct  2009BEST ACCESS SYSTEMSa Product Group of Stanley Security Solutions, Inc.1IntroductionThese installation instructions describe how to install your BEST® Wi-Q Technology™ EXQ Series Exit Hardware Trim. Electronic Stand-Alone Exit Hardware Trim is available for use with the following types of wide stile exit devices:  Precision® brand manufactured by Stanley (2000 Series), Von Duprin® (98/99 Series), and Sargent® (8800 Series).Not all features are available for all exit device configura-tions. The table below details what sensors are available for which exit device configurations:nDevice DSaa. Door position sensingTSbb. Request-to-exit (PHI touchbar monitoring) LScc. Latch sensingPrecisionRim (2100) ■■■Surface Vertical (2200) ■■■Mortise (2300) ■Wood Door Concealed (2700) ■■■Concealed Vertical (2800) ■■■Von Duprindd. Von Duprin is a registered trademark of Von Duprin, Inc.Rim ■ ■Surface Vertical ■Concealed Vertical ■Sargentee. Sargent is a registered trademark of Sargent Mfg. Co.Rimff. Latch must have lift-type trim input (8863)■ContentsThese instructions cover the following topics:Planning the installation................................................ 1Preparing the door.......................................................... 3Installing the exit hardware and trim ........................... 7Completing the installation ......................................... 16Site surveyUse the following survey to record information about the installation site and hardware application.Exit hardware type:Door handing and bevel:❑Left-hand reverse bevel (LHRB)❑Right-hand reverse bevel (RHRB)Door type:Door thickness:                 inches (1-3/4″ to 2-1/4″)Components checklistUse the following checklist to make sure that you have the items necessary to install your EXQ Exit Hardware Trim.❑rim ❑surface vertical rod❑mortise ❑concealed vertical rod❑Wood ❑Metal❑Escutcheon and lever assemblyInstallation Instructions for Wi-Q Technology™ EXQ  Exit Hardware Trim
BEST ACCESS SYSTEMSa Product Group of Stanley Security Solutions, Inc.1IntroductionThese installation instructions describe how to install your BEST® Wi-Q Technology™ EXQ Series Exit Hardware Trim. Electronic Stand-Alone Exit Hardware Trim is available for use with the following types of wide stile exit devices:  Precision® brand manufactured by Stanley (2000 Series), Von Duprin® (98/99 Series), and Sargent® (8800 Series).Not all features are available for all exit device configura-tions. The table below details what sensors are available for which exit device configurations:nDevice DSaa. Door position sensingTSbb. Request-to-exit (PHI touchbar monitoring) LScc. Latch sensingPrecisionRim (2100) ■■■Surface Vertical (2200) ■■■Mortise (2300) ■Wood Door Concealed (2700) ■■■Concealed Vertical (2800) ■■■Von Duprindd. Von Duprin is a registered trademark of Von Duprin, Inc.Rim ■ ■Surface Vertical ■Concealed Vertical ■Sargentee. Sargent is a registered trademark of Sargent Mfg. Co.Rimff. Latch must have lift-type trim input (8863)■ContentsThese instructions cover the following topics:Planning the installation................................................ 1Preparing the door.......................................................... 3Installing the exit hardware and trim ........................... 7Completing the installation ......................................... 16Site surveyUse the following survey to record information about the installation site and hardware application.Exit hardware type:Door handing and bevel:❑Left-hand reverse bevel (LHRB)❑Right-hand reverse bevel (RHRB)Door type:Door thickness:                 inches (1-3/4″ to 2-1/4″)Components checklistUse the following checklist to make sure that you have the items necessary to install your EXQ Exit Hardware Trim.❑rim ❑surface vertical rod❑mortise ❑concealed vertical rod❑Wood ❑Metal❑Escutcheon and lever assemblyInstallation Instructions for Wi-Q Technology™ EXQ  Exit Hardware Trim
Installation Instructions for Wi-Q Technology™ EXQ Exit Hardware Trim2BEST ACCESS SYSTEMSa Product Group of Stanley Security Solutions, Inc.❑Battery bracket❑Door position switch with magnet❑Battery cover with antenna❑Battery pack❑Battery cover screw package❑Bar code ID sticker (for your records)❑Cable ties, butt-splices, and tape❑Installation templates and instructionsBEST ACCESS SYSTEMSa Product Group of Stanley Security Solutions, Inc.1IntroductionThese installation instructions describe how to install your BEST® Wi-Q Technology™ EXQ Series Exit Hardware Trim. Electronic Stand-Alone Exit Hardware Trim is available for use with the following types of wide stile exit devices manufactured by Stanley-Precision Hardware (2000 Series) and VonDuprin® (98/99 Serie s):Not all features are available for all exit device configura-tions. The table below details what sensors are available for which exit device configurations:nContentsThese instructions cover the following topics:Planning the installation................................................1Preparing the door.......................................................... 4Installing the exit hardware and trim............................8Completing the installation..........................................15Device DSaa. Door position sensingTSbb. Request-to-exit (PHI touchbar monitoring) LScc. Latch sensingPrecisionRim (2100)Surface Vertical (2200)Mortise (2300)Wood Door Concealed (2700)Concealed Vertical (2800)Von DuprinRimSurface VerticalConcealed VerticalSite surveyUse the following survey to record information about the installation site and hardware application.Exit hardware type:Door handing and bevel:Left-hand reverse bevel (LHRB)Right-hand reverse bevel (RHRB)Door type:Door thickness:                 inches (1-3/4″ to 2-1/4″)Components checklistUse the following checklist to make sure that you have the items necessary to install your EXQ Exit Hardware Trim.rim surface vertical rodmortise concealed vertical rodWood MetalEscutcheon and lever assemblyBattery bracketInstallation Instructions forWi-Q Technology™ EXQ Exit Hardware TrimTools requiredUse the following checklist to make sure that you have the tools necessary to install your EXQ Exit Hardware Trim.For Precision® Hardware and Sargent installations❑1-3/8” dia hole saw (EV function only)❑1-1/8” dia hole sawFor Von Duprin® installations❑2” dia hole saw❑3/4” dia hole sawFor BEST® cylinders❑BEST ED211 cylinder wrenchFor surface vertical exit devices❑Razor blade❑7-pin core (only included if ordered with trim)❑Cylinder mounting sleeve (for Von Duprin functions only)❑Temporary operator card❑Key cylinder and keys (only included if ordered with trim).❑Electric drill (preferably corded) ❑Straight edge❑Jigsaw ❑Square❑Wire snips ❑Pencil/marker❑Wire strippers ❑7/16” dia drill bit❑Phillips screwdriver ❑7/8” dia drill bit❑Measuring tape ❑1” dia hole sawBESTTemporaryOperatorRim cylinder Mortise cylinderOR
Installation Instructions for Wi-Q Technology™ EXQ Exit Hardware TrimBEST ACCESS SYSTEMSa Product Group of Stanley Security Solutions, Inc.3Installation Instructions for Wi-Q Technology™ EXQ Exit Hardware TrimPreparing the door1Mark centerlinesNote 1: If retrofitting to an existing exit hardware instal-lation, skip this task. Instead, remove the exit hardware from the door.Note 2: If the door is a fabricated hollow metal door, determine whether it is properly reinforced to support the lock. If door reinforcement is not adequate, consult the door manufacturer for information on proper reinforce-ment.1  Prepare the push side of the door according to the exit device manufacturer’s installation instructions.Note: The tape-on template supplied with the EXQ trim will supersede the exit device template in the trim area.2  Transfer horizontal and vertical centerlines to the out-side of the door face.Note: When measuring from the edge of the door, take into account the door bevel (if any).2Determine required door prep1  Determine which template is applicable (Q08 for Preci-sion and Sargent, Q07 for Von Duprin) and discard the other one.2  Based on the kind of exit device you have, use the table below to locate the appropriate door preparation. 3  On the template, circle the holes needed for your instal-lation and cross out those that are not applicable.nDevice FigurePrecisionRim (2100) Figure 2Surface Vertical (2200) Figure 3Mortise (2300) Figure 4Wood Door Concealed (2700) Figure 3Concealed Vertical (2800) Figure 3Von DuprinRim (with RQE) Figure 5Rim (without RQE) Figure 7Surface Vertical Figure 7Concealed Vertical Figure 7Sargent Rim Figure 6 Figure 1 Marking centerlines on outside door faceVertical centerlineHorizontal centerlineStraight edgeNote: Follow the Precision 2300 door preparation for Sargent, ignoring any steps directly per-taining to the mortise lock or key cylinder.
Installation Instructions for Wi-Q Technology™ EXQ Exit Hardware TrimBEST ACCESS SYSTEMSa Product Group of Stanley Security Solutions, Inc.4Preparing the doorHole Description InstructionsABattery bracket hole 7/16″ diameter, thru doorBBattery bracket/har-ness hole7/8″ diameter, thru doorCSensor harness rout-ing hole7/16″ diameter, thru door DDoor sensing switch mounting hole and channel1” diameter hole,  drilled 1-3/4” deep, then  7/16” channel to intersect door sensing wire routing hole.EEscutcheon mount-ing holes7/16″ diameter, thru doorFDoor sensing switch magnet hole (in door frame or opposing door leaf)1” diameter hole,  drilled 1-3/4” deep(NOT SHOWN).GCylinder hole Precision: 1-3/8″ dia-meter, thru door (for 2300, only into mortise cavity) Von Duprin: 2″diameter thru doorHLift finger slot Precision/Sargent: 1-1/8″diameter slot, thru doorVon Duprin: 3/4″diame-ter slot, thru door Figure 2 Outside door prep for use with  Precision exit hardware, 2100 SeriesOutside of RHRB doorOutside of LHRB doorABDECGHE Figure 3 Outside door prep for use with  Precision exit hardware, 2200, 2700,  and 2800 SeriesOutside of RHRB doorOutside of LHRB doorABDECGHE
Installation Instructions for Wi-Q Technology™ EXQ Exit Hardware TrimBEST ACCESS SYSTEMSa Product Group of Stanley Security Solutions, Inc.4Preparing the doorHole Description InstructionsABattery bracket hole 7/16″ diameter, thru doorBBattery bracket/har-ness hole7/8″ diameter, thru doorCSensor harness rout-ing hole7/16″ diameter, thru door DDoor sensing switch mounting hole and channel1” diameter hole,  drilled 1-3/4” deep, then  7/16” channel to intersect door sensing wire routing hole.EEscutcheon mount-ing holes7/16″ diameter, thru doorFDoor sensing switch magnet hole (in door frame or opposing door leaf)1” diameter hole,  drilled 1-3/4” deep(NOT SHOWN).GCylinder hole Precision: 1-3/8″ dia-meter, thru door (for 2300, only into mortise cavity) Von Duprin: 2″diameter thru doorHLift finger slot Precision/Sargent: 1-1/8″diameter slot, thru doorVon Duprin: 3/4″diame-ter slot, thru door Figure 2 Outside door prep for use with  Precision exit hardware, 2100 SeriesOutside of RHRB doorOutside of LHRB doorABDECGHE Figure 3 Outside door prep for use with  Precision exit hardware, 2200, 2700,  and 2800 SeriesOutside of RHRB doorOutside of LHRB doorABDECGHEInstallation Instructions for Wi-Q Technology™ EXQ Exit Hardware Trim5Installation Instructions for Wi-Q Technology™ EXQ Exit Hardware TrimPreparing the doorBEST ACCESS SYSTEMSa Product Group of Stanley Security Solutions, Inc. Figure 4 Outside door prep for use with  Precision exit hardware, 2300 SeriesOutside of RHRB doorOutside of LHRB doorABDEGHEmortise cavity Figure 5 Outside door prep for use with  Von Duprin exit hardware, Rim with RQE only Outside of RHRB doorOutside of LHRB doorEGCDEHAB Figure 6 Outside door prep for use with  Sargent 8863 exit hardware Outside of RHRB doorOutside of LHRB doorABDEHE Figure 7 Outside door prep for use with  Von Duprin exit hardware. Use for all Von Duprin vertical rods and rim without RQEOutside of RHRB doorOutside of LHRB doorEGDEHAB
Installation Instructions for Wi-Q Technology™ EXQ Exit Hardware TrimBEST ACCESS SYSTEMSa Product Group of Stanley Security Solutions, Inc.6Preparing the door3Position trim template and mark drill points1  For new installationsa Cut the applicable template along the dashed lines.b Align the horizontal and vertical centerlines marked on the template with the centerlines marked on the OUTSIDE of the door (from step 1). See Figure 8.For retrofit installationsAlign the mounting holes for the escutcheon and lock stile case shown on the template with the mounting holes already present in the door.Note: The outside escutcheon is mounted using the four lock stile case mounting holes (‘A’ holes); these holes must be 7/16″ in diameter and drilled com-pletely through the door.2  Tape the template to the OUTSIDE of the door in the properly aligned position.3 Center punch the necessary drill points. Refer to the instructions on the template and the figures of the previous step.4Mortise for mortise case and faceplate (mortise exit devices only)Note: If retrofitting the EXQ Exit Hardware Trim to an existing exit hardware installation, skip this task.Mortise the edge of the door for the mortise case and faceplate; follow the instructions provided by the exit hardware manufacturer. Figure 8 Positioning the trim template,  Q08 LHRB shownTrim templateHorizontal centerline of lockVertical centerline of lockOutside of door
Installation Instructions for Wi-Q Technology™ EXQ Exit Hardware TrimBEST ACCESS SYSTEMSa Product Group of Stanley Security Solutions, Inc.7Installation Instructions for Wi-Q Technology™ EXQ Exit Hardware TrimInstalling the exit hardware and trim5Drill holesCaution:  Double-check for the correct lock func-tion, hand, and bevel before drilling.1  Drill the trim holes that are required for your applica-tion; follow the instructions on the trim template and refer to the figures in step 2.Note 1: To locate the  center of a hole on the opposite side of the door, drill a small pilot hole through the door.Note 2: For holes through a wood door, drill halfway from each side of the door to keep the door from splinter-ing.6Install mortise case (mortise exit devices only)Install the mortise case in the door; follow the instruc-tions provided by the exit hardware manufacturer.7Install door sensing switch1  Clip off the purple wires and connector and remove.2  Clip off the connector from the white door sensing harness (with black sleeving) and leave as much wire as possible. See Figure 9. These wires will be butt-spliced to the sensing harness from the trim. See “Route sensor wires” on page 14.3  Route the door sensing switch wires through the chan-nel and out through the wire routing hole to the exit device side. See Figure 9.4  Press-fit the door sensing switch into the 1” diameter hole in the door.5  Mark and drill 1” diameter hole in the frame, aligned with the door position switch (for the magnet).Note: For double-door applications, this hole will be into the edge of the opposing door leaf (not the frame).6  Press-fit the door sensing magnet into the 1” diameter hole in the frame. Figure 9 Installing the door sensing switch and magnet, Precision 2100 shownDoor sensing magnetDoor sensing harnessWire routing holeInside Door FrameSee Q07 and Q08 templates for other door sensing wire routing.Door sensing switch Clip both connectors off hereRoute the door sensing harness to the inside.
Installation Instructions for Wi-Q Technology™ EXQ Exit Hardware TrimBEST ACCESS SYSTEMSa Product Group of Stanley Security Solutions, Inc.8Installing the exit hardware and trim8Re-route sensor harness (if applicable)Looking at the back of the trim, compare it to the pictures in Figure 10. If your trim does not match the proper pic-ture, then follow the applicable steps below to re-route the sensor harness. Figure 10 Variations of EXQ Trim rear viewPHI Rim(2100) PHI Vertical(2200/2700/2800)PHI Mortise (2300) & Sargent (8800)Von DuprinRim (LHRB)Von DuprinRim (RHRB)Von DuprinVerticalsAntenna cablePrimaryharnessSensorharnessAntenna cablePrimaryharnessSensorharnessAntenna cablePrimaryharnessSensorharnessAntenna cablePrimaryharnessSensorharnessAntenna cablePrimaryharnessSensorharnessAntenna cablePrimaryharnessSensorharnessInstallation Instructions for Wi-Q Technology™ EXQ Exit Hardware TrimBEST ACCESS SYSTEMSa Product Group of Stanley Security Solutions, Inc.9Installation Instructions for Wi-Q Technology™ EXQ Exit Hardware TrimInstalling the exit hardware and trim1  Carefully peel the black gasket off of the back of the trim. Set it aside to be re-applied later.2  Remove the backplate from the trim by removing the four screws that attach it.  3  While the gasket and backplate are removed, change the handing of the trim if necessary.Do so by removing the four threaded guide pins and retaining ring as shown in Figure 11, pulling out and flipping the lever 180 degrees, and then reassembling.For Precision 2100 devices4  Re-route the sensor harness out through the alternate wire-routing hole as shown in Figure 12.5  Reattach the backplate ensuring that the springs are properly seated and wires are not pinched.6  Reapply the gasket. Figure 11 Changing the hand of the trim (if needed)Retaining ringGuide pinsLeverYoke finger Figure 12 Re-routing the sensor harness for Precision 2100 exit devicesRoute sensor harness hereBackplateSensor harness
Installation Instructions for Wi-Q Technology™ EXQ Exit Hardware TrimBEST ACCESS SYSTEMSa Product Group of Stanley Security Solutions, Inc.9Installation Instructions for Wi-Q Technology™ EXQ Exit Hardware TrimInstalling the exit hardware and trim1  Carefully peel the black gasket off of the back of the trim. Set it aside to be re-applied later.2  Remove the backplate from the trim by removing the four screws that attach it.  3  While the gasket and backplate are removed, change the handing of the trim if necessary.Do so by removing the four threaded guide pins and retaining ring as shown in Figure 11, pulling out and flipping the lever 180 degrees, and then reassembling.For Precision 2100 devices4  Re-route the sensor harness out through the alternate wire-routing hole as shown in Figure 12.5  Reattach the backplate ensuring that the springs are properly seated and wires are not pinched.6  Reapply the gasket. Figure 11 Changing the hand of the trim (if needed)Retaining ringGuide pinsLeverYoke finger Figure 12 Re-routing the sensor harness for Precision 2100 exit devicesRoute sensor harness hereBackplateSensor harness
Installation Instructions for Wi-Q Technology™ EXQ Exit Hardware TrimBEST ACCESS SYSTEMSa Product Group of Stanley Security Solutions, Inc.10Installing the exit hardware and trimFor Precision 2200, 2700 and 2800 devices4  Re-route the sensor harness around the cylinder hole and around the escutcheon boss, then out through the alternate wire-routing hole as shown in Figure 13.5  Reattach the backplate ensuring that the springs are properly seated and wires are not pinched.6  Reapply the gasket.For Precision 2300 and Sargent 8800 devices4  Re-route the sensor harness toward the top of the escutcheon to the same area as the battery cable, antenna cable and relay shunts. See Figure 14.5  Reattach the backplate ensuring that the springs are properly seated and wires are not pinched.6 Reapply the gasket.For Von Duprin Rim devices with RQE4  Re-route the sensor harness around the cylinder hole and around the escutcheon boss, then out through one of the alternate wire-routing holes (based on handing) as shown in Figure 15.5  Reattach the backplate ensuring that the springs are properly seated and wires are not pinched.6 Reapply the gasket. Figure 13 Re-routing the sensor harness for Precision 2200, 2700 and 2800 exit devicesRoute sensor harness hereBackplateSensor harnessRoute sensor harness hereBackplateSensor harness Figure 14 Re-routing the sensor harness for Precision 2300 and Sargent 8800 exit devicesRoute sensor harness here for LHRBBackplateSensor harness Figure 15 Re-routing the sensor harness for Von Duprin with RQERoute sensor harness here for RHRBInstallation Instructions for Wi-Q Technology™ EXQ Exit Hardware TrimBEST ACCESS SYSTEMSa Product Group of Stanley Security Solutions, Inc.11Installation Instructions for Wi-Q Technology™ EXQ Exit Hardware TrimInstalling the exit hardware and trimFor Von Duprin vertical rod devices and rim without RQE4  Re-route the sensor harness as shown in Figure 16.5  Reattach the backplate ensuring that the springs are properly seated and wires are not pinched.6 Reapply the gasket.9Install cylinder (Von Duprin only)1  To determine the correct spindle length, try the cylin-der in the door while holding the escutcheon and lock stile case in place.Then break off the spindle at the groove where it will engage correctly with the latching mechanism.If necessary break off the mounting screws as shown in Figure 17.2  From the front of the escutcheon, insert the cylinder into the cylinder opening.3  Holding the cylinder in position in the escutcheon, insert the cylinder mounting sleeve through the back of the escutcheon, over the cylinder.4  Orient the cylinder and clamp plate as shown in  Figure 17. From the back of the escutcheon, secure the cylinder and mounting sleeve using the clamp plate and mounting screws. Figure 16 Re-routing the sensor harness for Von Duprin vertical rod and rim without RQE exit devicesRoute sensor harness hereSensor harnessBackplate Figure 17 Installing the cylinder for Von Duprin  rim and rod exit devicesRim cylinderScrewsSpindle Clamp plateBreak off the screws here.Orient the curve toward the cylinder.Mounting sleeveEscutcheon
Installation Instructions for Wi-Q Technology™ EXQ Exit Hardware TrimBEST ACCESS SYSTEMSa Product Group of Stanley Security Solutions, Inc.11Installation Instructions for Wi-Q Technology™ EXQ Exit Hardware TrimInstalling the exit hardware and trimFor Von Duprin vertical rod devices and rim without RQE4  Re-route the sensor harness as shown in Figure 16.5  Reattach the backplate ensuring that the springs are properly seated and wires are not pinched.6 Reapply the gasket.9Install cylinder (Von Duprin only)1  To determine the correct spindle length, try the cylin-der in the door while holding the escutcheon and lock stile case in place.Then break off the spindle at the groove where it will engage correctly with the latching mechanism.If necessary break off the mounting screws as shown in Figure 17.2  From the front of the escutcheon, insert the cylinder into the cylinder opening.3  Holding the cylinder in position in the escutcheon, insert the cylinder mounting sleeve through the back of the escutcheon, over the cylinder.4  Orient the cylinder and clamp plate as shown in  Figure 17. From the back of the escutcheon, secure the cylinder and mounting sleeve using the clamp plate and mounting screws. Figure 16 Re-routing the sensor harness for Von Duprin vertical rod and rim without RQE exit devicesRoute sensor harness hereSensor harnessBackplate Figure 17 Installing the cylinder for Von Duprin  rim and rod exit devicesRim cylinderScrewsSpindle Clamp plateBreak off the screws here.Orient the curve toward the cylinder.Mounting sleeveEscutcheon
Installation Instructions for Wi-Q Technology™ EXQ Exit Hardware TrimBEST ACCESS SYSTEMSa Product Group of Stanley Security Solutions, Inc.12Installing the exit hardware and trim10 Route wire harnesses and position escutcheon1  From the outside of the door, feed the antenna wire and battery connector (with relay shunt) through the battery bracket/harness hole as shown in Figure 18.Caution 1:  When routing the connectors, make sure the harnesses are not routed across any sharp edges or over any surface that could damage their sleeving or wire insulation. Caution 2:  Do not strain the wire harness either by pulling too hard on it or by dangling the escutcheon from it.2  Route the sensor harness through the door (same hole as the door sensing wires).3  Rest the escutcheon on the door by inserting the trim studs into the mounting holes.11 Install cylinder (Precision devices)For rim and vertical rod exit device installations (rim cylinder)1  To determine the correct spindle length, try the cylin-der in the door while holding the escutcheon and lock stile case in place.Then break off the spindle at the groove where it will engage correctly with the latching mechanism.Break off the mounting screws at the groove where they will secure the clamp plate to the cylinder.2  Insert the cylinder through the cylinder opening in the escutcheon and into the door as shown in Figure 19.3  Orient the cylinder and clamp plate as shown in  Figure 20. From the inside of the door, secure the cyl-inder using the clamp plate and mounting screws. Figure 18 Feeding the wires through the doorEscutcheonOutside of doorBattery connectorBattery bracket/ harness holeRelay shunt (Future use)Antenna wireSensor harnessDoor sensing switch and wiresRim  cylinder Figure 19 Installing the cylinderEscutcheonOutside of door
Installation Instructions for Wi-Q Technology™ EXQ Exit Hardware TrimBEST ACCESS SYSTEMSa Product Group of Stanley Security Solutions, Inc.13Installation Instructions for Wi-Q Technology™ EXQ Exit Hardware TrimInstalling the exit hardware and trimFor mortise exit device installations  (mortise cylinder)1  For doors less than 2″ in thickness, place the cylin-der ring provided on the cylinder.2  Rotate the cylinder cam to the 12 o’clock position, as shown in Figure 21.3  Using a cylinder wrench (ED211), insert the cylinder through the cylinder opening in the escutcheon and screw the cylinder into the mortise case. Make sure that the figure-8 hole is in the 12 o’clock position.Caution:  Do not screw the cylinder in too tightly. Doing so may cause users to be locked out.12 Install exit hardware and secure escutcheonFor Precision 2200, 2700 and 2800 exit devices only■Drill a 5/16” hole through the front part of the chassis as shown in Figure 22. (This hole is used to pass the sensor harness and door position switch wires into the chassis area.)For all exit devices1  Make any adjustments to the exit hardware necessary for compatibility with lever function outside trim.2  Install the exit hardware (lock stile case, touch bar assembly, latches and rods [if applicable], and related hardware); follow the instructions provided by the exit hardware manufacturer. Note: The escutcheon is secured on the outside of the door by the screws used to mount the lock stile case on the inside of the door. Caution:  When securing the escutcheon, make sure that it does not pinch any wires. Figure 20 Rim cylinder componentsRim cylinderScrewsSpindleClamp plateOrient the curve toward the cylinder. Figure 21 Mortise cylinder componentsMortise cylinderCam in 12 o’clock positionView of the back of the cylinder Figure 22 Drilling 5/16” hole for Precision 2200, 2700, and 2800 exit devices onlyDrill 5/16” hole thru the face of the chassis here.Drill ONLY for 2200, 2700 and 2800 devices
Installation Instructions for Wi-Q Technology™ EXQ Exit Hardware TrimBEST ACCESS SYSTEMSa Product Group of Stanley Security Solutions, Inc.14Installing the exit hardware and trim13 Route sensor wiresUse the following table to determine sensing wire  functions:1  Pull wires from the sensor harness, door position switch, latchbolt switch, and touchbar switch to the top of the device head as shown in Figure 23.Note: For Precision 2300, Sargent 8800, or any Von Duprin application without RQE, pull the door position switch and sensor harness wires into the battery bracket area rather than the device head.Note: For Von Duprin applications with RQE, touchbar switch wires must be re-routed into the device head in such a way as to avoid any pinching or contact with moving parts. The sensor harness can be routed into the head area through any suitable hole in the chassis.2  Cut the wires to the appropriate length (that is, remove the excess to leave minimal slack after the spliced connections).3  Strip the wire ends for connection using the butt-splices.4  Make wire connections as detailed in Figure 24 or Fig-ure 25 using the butt-splices (provided).Note: For Sargent devices, connect the door position switch to the two white sensor harness wires. Note: In the case of unused wires, be sure to cover the ends with electrical tape.Wire function Colors No. ofwiresTouchbar monitoring (RQE) Orange and tan 2Door sensing White 2Latchbolt sensing Red and blue 2 Figure 23 Pulling sensor harnesses to the top of the device headPull sensor wires to top of device head (shaded area)Wire entry from trim for vertical rod (2200, 2700, 2800) deviceWire entry from trim for rim (2100) deviceRed VioletNOBlue BlueCOMWht WhtRedNCNot usedWht WhtOrg OrgNCTan TanCOMLatchboltswitchEXQ TrimDoorpositionswitchTouchbarswitchYellowNONot used Figure 24 Schematic diagram for connecting Precision sensor harness wires Sensor harnessButt splicesNO = Normally OpenNC = Normally ClosedCOM = Common
Installation Instructions for Wi-Q Technology™ EXQ Exit Hardware TrimBEST ACCESS SYSTEMSa Product Group of Stanley Security Solutions, Inc.15Installation Instructions for Wi-Q Technology™ EXQ Exit Hardware TrimInstalling the exit hardware and trim5  Make sure to route and dress the wires so that they do not interfere with any moving parts.6  Tape the wires to the device head (some tape is pro-vided).Note: For Precision 2200, 2700, and 2800 exit devices, use cable ties in addition to the tape, to hold wires as shown in Figure 26.7  Install the case cover.OrgNCBlueTanCOMRed Wht WhtWht WhtRedBlueTouchbarswitchEXQ TrimDoorpositionswitchNOYellow  Not used Figure 25 Schematic diagram for connecting Von Duprin sensor harness wires Butt splicesSensor harnessNot used}NO = Normally OpenNC = Normally ClosedCOM = CommonTOP Figure 26 Using cable ties to hold wires for Precision 2200, 2700, and 2800 exit devicesUse cable tie here to secure the sensor harnessSensor har-ness coming thru the 5/16” hole described in Figure 17 Cable tie
Installation Instructions for Wi-Q Technology™ EXQ Exit Hardware TrimBEST ACCESS SYSTEMSa Product Group of Stanley Security Solutions, Inc.16Installing the exit hardware and trim14 Install core1  Insert the control key into the core and rotate the key 15 degrees to the right.2  With the control key in the core, insert the core into the cylinder as shown in Figure 27.3  Rotate the control key 15 degrees to the left and with-draw the key.Caution:  The control key can be used to remove cores and to access doors. Provide adequate secu-rity for the control key.15 Install mortise case faceplate (mortise exit devices only)1  Secure the mortise case faceplate to the mortise case; follow the instructions provided by the exit hardware manufacturer.2  Check the lock for proper operation.16 Install strike(s)Note: If retrofitting the trim to an existing exit hardware installation, skip this task.1  Install the strike(s) in the door frame or door stop; fol-low the instructions provided by the exit hardware manufacturer.2  Check the lock for proper alignment between the strike(s) and latch(es). Figure 27 Installing the coreControl keyCoreOutside of doorCylinder
Installation Instructions for Wi-Q Technology™ EXQ Exit Hardware TrimBEST ACCESS SYSTEMSa Product Group of Stanley Security Solutions, Inc.17Installation Instructions for Wi-Q Technology™ EXQ Exit Hardware TrimCompleting the installation17 Install battery bracket on door1  Position the battery bracket on the inside of the door as shown in Figure 28.Note: If installing with a surface rod exit device, the bat-tery bracket is mounted over the upper rod.2  Secure the battery bracket to the door using two of the mounting screws provided.Note: For doors less than 2″ in thickness, use the  1 1/4″ screws. For doors 2″ or greater, use the  1 3/4″ screws.   Caution:  When routing the wire harness, make sure the wires are not routed across any sharp edges or over any surface that could damage their sleeving or wire insulation. Keep away from any moving parts.3  Tape all wires to the bracket using the tape provided.Note: For Precision 2300, Sargent 8800, or any Von Duprin exit device without RQE, sensor harness and door position switch wires will also be run into this area of the battery bracket.  Figure 28 Installing the battery bracket on the doorMounting screwsInside of doorBattery bracketAntenna wireBattery connectorRelay shunt wires
Installation Instructions for Wi-Q Technology™ EXQ Exit Hardware TrimBEST ACCESS SYSTEMSa Product Group of Stanley Security Solutions, Inc.18Completing the installation18 Install battery pack in bracket1  Connect the battery pack to the battery connector on the wire harness as shown in Figure 29.Caution:  When connecting the battery pack,  make sure:—there are no loose wire connections where the wires are inserted into the connectors—the connectors are firmly mated.2  Place the battery pack in the holder inside the battery bracket and dress the wire harness inside the bracket.Caution:  The battery pack fit will be snug. Make sure you do not damage the sleeving on the bat-tery pack. Doing so may cause the batteries to drain.3  If installing with a surface vertical rod device, dress the wire harness inside the bracket to the left of the rod so that the harness will not interfere with the movement of the rods.We recommend that you loosely coil the harness and use a cable tie to secure the coil. To avoid damaging the harness, do not put any sharp bends in it or flex it close to the connectors.Caution:  Failure to dress the wire harness away from the rod could damage the wire harness, causing the lock’s electronics to not work prop-erly. Figure 29 Connecting the battery packBattery packInside of doorBattery bracketAntenna wireRelay shunt wiresInstallation Instructions for Wi-Q Technology™ EXQ Exit Hardware TrimBEST ACCESS SYSTEMSa Product Group of Stanley Security Solutions, Inc.19Installation Instructions for Wi-Q Technology™ EXQ Exit Hardware TrimCompleting the installation19 Install battery/antenna cover1  If installing with a surface vertical rod exit device, carefully use a razor blade to remove the knockouts for the rod from the battery cover. See Figure 30.2  Connect the antenna to its mating connector.3  Coil the antenna wire carefully inside the battery cover.Caution:  Carefully bend, but do not twist or kink the antenna wire. Doing so may significantly reduce or completely interrupt signal transmis-sion.4  Making sure that the battery/antenna cover does not pinch any wires, place the battery/antenna cover over the bracket and battery.5  Secure the battery cover with the provided self-tap-ping screws. Caution:  Tighten screws firmly but do not over-tighten. Over-tightening may strip screw holes or crack the cover. Figure 30 Installing the battery cover over the battery bracket and connecting the antennaBattery/ antenna coverAntenna wireBattery bracketCarefully bend, but DO NOT TWIST OR KINK the antenna wire!Knockout
Installation Instructions for Wi-Q Technology™ EXQ Exit Hardware TrimBEST ACCESS SYSTEMSa Product Group of Stanley Security Solutions, Inc.19Installation Instructions for Wi-Q Technology™ EXQ Exit Hardware TrimCompleting the installation19 Install battery/antenna cover1  If installing with a surface vertical rod exit device, carefully use a razor blade to remove the knockouts for the rod from the battery cover. See Figure 30.2  Connect the antenna to its mating connector.3  Coil the antenna wire carefully inside the battery cover.Caution:  Carefully bend, but do not twist or kink the antenna wire. Doing so may significantly reduce or completely interrupt signal transmis-sion.4  Making sure that the battery/antenna cover does not pinch any wires, place the battery/antenna cover over the bracket and battery.5  Secure the battery cover with the provided self-tap-ping screws. Caution:  Tighten screws firmly but do not over-tighten. Over-tightening may strip screw holes or crack the cover. Figure 30 Installing the battery cover over the battery bracket and connecting the antennaBattery/ antenna coverAntenna wireBattery bracketCarefully bend, but DO NOT TWIST OR KINK the antenna wire!Knockout
Installation Instructions for Wi-Q Technology™ EXQ Exit Hardware Trim20Completing the installationBEST ACCESS SYSTEMSa Product Group of Stanley Security Solutions, Inc.20 Test lockFor EXQ Locks with keypad only:To test the lock for proper operation before the lock is pro-grammed, follow these instructions:1 Press 1234.2 Press #.The green light flashes and the locking mechanism unlocks.3  Turn the lever and open the door.For all other locks:To test the lock for proper operation before the lock is pro-grammed, use the temporary operator card that came with the lock. This card is for temporary use only. After permanent cards have been programmed for the lock, the temporary card should be deleted.1  Use the temporary operator card to activate the lock.2  Use the temporary operator card to access the lock.The green light flashes and the locking mechanism unlocks.3  Turn the lever or knob and open the door.4  With the door closed, insert and turn the key to unlatch the door.If the mechanism doesn’t unlock, refer to the follow-ing table.Important: When the trim and exit hardware  installation is complete, perform all testing specified by the exit hardware manufacturer.LEDs Sounder You shouldSingle red flash1 short toneUse the card at a  moderate speed.Single red flash3 short tonesUse the temporary opera-tor card provided with the lock.orPerform a door reset to restore to the factory default settings (the lock may already be associ-ated/programmed)Alternating red and green flashesnone Check the motor  connection.none none Check the battery  connection.©2008–2009 Stanley Security Solutions, Inc. and Stanley Logistics, Inc.T82621/Rev D   3108554   ER-7991-12   April 2009
1BEST ACCESS SYSTEMSa Product Group of Stanley Security Solutions, Inc.IntroductionThe WQX Wireless Access Controller (WAC) controls access to one door or access point. It runs on four AA batteries, or can be externally powered with a DC power supply. The WAC can be purchased integrated in a box with power supply or can be purchased stand-alone. If purchased as a stand-alone unit the power supply powering the WAC (WQX alone with no other devices connected) must be able to deliver at least 500mA. Figure 1 Wireless Access Controller, shown without coverAntennaMounting holeTerminalsFour AA BatteriesPower terminalMounting holeaSite surveyIf a site survey has not been completed, contact your Stanley Representative.Components checklistUse the following checklist to make sure that you have the items necessary to install your Wireless Access Con-troller.a. Power for WAC device only. Calculate power requirements for attached readers separately.Components provided in the box❑Wireless Access Controller with antenna❑Batteries❑DocumentationOptional components❑Indoor ceiling mount omni-directional antenna ❑Indoor wall mount directional antenna❑Outdoor mount directional antenna❑Outdoor mount omni-directional antenna❑Enclosure1Mount Wireless Access ControllerThe standard WAC comes with a small antenna, but you may need a supplemental antenna for your appli-cation. See the Site Survey Tool Quick Reference Guide for more antenna information.1  Determine the appropriate location for the wireless single door controller, making sure that the antenna will have maximum exposure for signal transmission.2  Mount the Wireless Access Controller box.3  Screw on antenna as shown in Figure 1 so that it’s vertical and upright.4  Install batteries if needed.2Install other hardware as necessaryMake sure all other system components are mounted and installed. System components may include:■Electronic or electric lock or strike■Request-to-exit switch■Power supply for lock or strike■Reader: either magstripe, proximity, keypad or com-bination readers. The default reader is a Weigand, 26-bit, 8-bit word type.Installation Instructions for  Stanley Wi-Q™ Technology  WQX-WAC Wireless Access Controllers
Manufacturer Part numberStanley 909028065Indala FP2511AXceedID XF-1050-BHID 5355AGK00Essex KTP-163-SNInstallation Instructions for Stanley Wi-Q™ Technology WQX-WAC Wireless Access ControllersBEST ACCESS SYSTEMSa Product Group of Stanley Security Solutions, Inc.2Planning the installation■Sensors: door, latch, deadbolt, key, and/or other.Note: Some sensors may be included inside the lock. The BEST 45HW may include door, latch, deadbolt, and key sensors.3Pull wire and make connections to wireless access controller1  Determine what connections you need to make based on your application.2 Using Figure 2 and Table 1 make the connections.Table 1  WAC Connections and descriptionsTerminal DescriptionStrike NCNormally-closed terminal where the locking mechanism connectsStrike COMCommon return path for cur-rent through the locking mech-anismStrike NONormally-open terminal where the locking mechanism con-nectsSHUNT NCNormally-closed relay terminal that shunts door force alarm if access is granted or RQE is acti-vatedSHUNT COM Return path for the shunt relaySHUNT NO Normally-open terminal for the shunt relayKEY Detects and reports a key-over-ride eventGND Return path for the key-over-ride switch and RQERQE Request-to-exit inputDS Door status inputGND Return path for door status and latch statusLS Latch status inputWIEGAND 0 Wiegand D0 terminalGNDGround (the wiegand reader must be grounded at this point)WIEGAND1 Wiegand D1 terminalRED Red LED control input GND LED ground pointGRN Green LED control inputANT Antenna connectionNegative DC terminalPower connectionNegative DC terminalPower connection. Use the extra negative DC terminal to ‘daisy-chain’ power to another wireless access controller or reader.aa. Make sure the power supply is of appropriate wattage to supply enough power.Positive DC 9–24V terminalPower connectionPositive DC 9–24V terminalPower connection. Use the extra positive DC terminal to ‘daisy-chain’ power to another wireless access controller or reader.aImportant note: When using the WAC to daisy-chain other devices, be sure that the other devices will accept the voltage supplied to the WAC.Table 1  WAC Connections and descriptionsTerminal Description
Manufacturer Part numberStanley 909028065Indala FP2511AXceedID XF-1050-BHID 5355AGK00Essex KTP-163-SNInstallation Instructions for Stanley Wi-Q™ Technology WQX-WAC Wireless Access ControllersBEST ACCESS SYSTEMSa Product Group of Stanley Security Solutions, Inc.2Planning the installation■Sensors: door, latch, deadbolt, key, and/or other.Note: Some sensors may be included inside the lock. The BEST 45HW may include door, latch, deadbolt, and key sensors.3Pull wire and make connections to wireless access controller1  Determine what connections you need to make based on your application.2 Using Figure 2 and Table 1 make the connections.Table 1  WAC Connections and descriptionsTerminal DescriptionStrike NCNormally-closed terminal where the locking mechanism connectsStrike COMCommon return path for cur-rent through the locking mech-anismStrike NONormally-open terminal where the locking mechanism con-nectsSHUNT NCNormally-closed relay terminal that shunts door force alarm if access is granted or RQE is acti-vatedSHUNT COM Return path for the shunt relaySHUNT NO Normally-open terminal for the shunt relayKEY Detects and reports a key-over-ride eventGND Return path for the key-over-ride switch and RQERQE Request-to-exit inputDS Door status inputGND Return path for door status and latch statusLS Latch status inputWIEGAND 0 Wiegand D0 terminalGNDGround (the wiegand reader must be grounded at this point)WIEGAND1 Wiegand D1 terminalRED Red LED control input GND LED ground pointGRN Green LED control inputANT Antenna connectionNegative DC terminalPower connectionNegative DC terminalPower connection. Use the extra negative DC terminal to ‘daisy-chain’ power to another wireless access controller or reader.aa. Make sure the power supply is of appropriate wattage to supply enough power.Positive DC 9–24V terminalPower connectionPositive DC 9–24V terminalPower connection. Use the extra positive DC terminal to ‘daisy-chain’ power to another wireless access controller or reader.aImportant note: When using the WAC to daisy-chain other devices, be sure that the other devices will accept the voltage supplied to the WAC.Table 1  WAC Connections and descriptionsTerminal Description Figure 2 Wireless Access Controller, typical installation. See Table 1 for a description of connections.Weigandoutputreader12 VDCStrike PowerSupplyby othersElectriclock, strikeor maglockSTRIKE NC (Relay 1)STRIKE COM (Relay 1)STRIKE NO (Relay 1)SHUNT NC (Relay 2)SHUNT COM (Relay 2)SHUNT NC (Relay 2)KEY (I/O)GNDRQE (I/O)DSM (I/O)GNDDLS (I/O)WIEGAND 0 (I/O)GNDWIEGAND 1 (I/O)REDGNDGRNANTDO NOT USEGND3.3V (10mA MAX)DO NOT USE– DC 9-24V+ DC 9-24V– DC 9-24V+ DC 9-24V+12 VDCConnectas requiredOutputdevice (exampleshown: horn)Input switchGND(–)(+)(+ Power)(+ Power)Installation Instructions for Stanley Wi-Q™ Technology WQX-WAC Wireless Access Controllers3Installation Instructions for Stanley Wi-Q™ Technology WQX-WAC Wireless Access ControllersPlanning the installationBEST ACCESS SYSTEMSa Product Group of Stanley Security Solutions, Inc.
Installation Instructions for Stanley Wi-Q™ Technology WQX-WAC Wireless Access ControllersBEST ACCESS SYSTEMSa Product Group of Stanley Security Solutions, Inc.4Planning the installation4Sign on WACThe process of bringing a WAC into the Stanley Wi-Q™ Access Management System (AMS) is known as signing on. If the connected reader doesn’t have a keypad, a sign-on keypad is required. If no wired keypad is installed, a sign-on keypad is available as accessory WQD-WAC-PAD.Connect the sign-on keypad to the WAC Wireless Access Controller1  Once the WAC is wired, connect the sign-on keypad to the WAC reader terminal.Signing on a WAC Wireless Access Controller2 Enter 5678 on the keypad.This will cause the green LED to blink the on the WAC three times.3  Enter the sign-on key for the facility in the AMS database.Note: The sign-on key can be found under the facility sign-on credential field in the Wi-Q Technology™ Access Management System (AMS). Refer to the Stan-ley Wi-Q AMS User Guide. You should see the red and green LEDs blinking and the blue light turns ON to indicate that the radio on the board is active. Once the reader signs on to one of the portal gateways in your facility, the green LED on the WAC blinks three times. At this point the WAC should appear under the New Facility Item folder in AMS (it may take up to 2 minutes for this to occur).5Test WACFor Wireless Access Controller with keypad only:To test the WAC for proper operation before It’s pro-grammed, follow these instructions:1 Press 1234.2 Press #.The green light flashes and the locking mechanism unlocks or you should hear a relay click.3  Operate the lock and open the door.For Wireless Access Controllers wired to card  readers:To test the lock for proper operation before the lock is programmed, use the temporary operator card that came with the device. This card is for temporary use only. After permanent cards have been programmed into the device, the temporary card will no longer unlock the lock (once users are programmed into the WAC).1  Using the installed reader to access the lock, pres-ent the temporary operator card to gain access.The green light flashes and the locking mechanism unlocks.If the mechanism doesn’t unlock, use the on-board LEDs and refer to the following table.WAC  on-board LEDsYou shouldSingle red flashUse the card at a moderate speed.Three red flashesUse the temporary operator card provided with the lock.orPerform a deep reset to restore to the factory default settings (the lock may already be associated/pro-grammed)Installation Instructions for Stanley Wi-Q™ Technology WQX-WAC Wireless Access Controllers5Installation Instructions for Stanley Wi-Q™ Technology WQX-WAC Wireless Access ControllersPlanning the installationBEST ACCESS SYSTEMSa Product Group of Stanley Security Solutions, Inc.Resetting the WACThe WAC has two reset functions:■Soft reset – restores previous functionality. Use this under normal operation. It will reset the WAC, but DOES NOT ERASE USERS.■Hard reset – restores factory settings. Use this reset only when moving the WAC or after exhausting all other troubleshooting options.none Check the battery connection.no blue lightReset. Sign-on the WAC using the sign-on procedure.LEDs You shouldSingle red flashUse the card at a moderate speed.Three red flashesUse the temporary operator card provided with the lock.WAC  on-board LEDsYou shouldUsing the soft reset function■Hold the reset button until the green LED flashes five times and then release. See Figure 3.Lights will alternate red/green rapidly.The WAC is restored to its previous functionalityUsing the hard reset functionCaution:  Use this procedure only to restore the factory default settings. Performing these steps will erase all user data that may have been  programmed into the WAC.■Hold the reset button for up to 30 seconds — until the green LED flashes and then the red LED flashes three times. Then release. See Figure 3.All users are erased and the WAC is restored to its  factory default settings. Figure 3 Using the reset buttonReset  button
Installation Instructions for Stanley Wi-Q™ Technology WQX-WAC Wireless Access ControllersBEST ACCESS SYSTEMSa Product Group of Stanley Security Solutions, Inc.4Planning the installation4Sign on WACThe process of bringing a WAC into the Stanley Wi-Q™ Access Management System (AMS) is known as signing on. If the connected reader doesn’t have a keypad, a sign-on keypad is required. If no wired keypad is installed, a sign-on keypad is available as accessory WQD-WAC-PAD.Connect the sign-on keypad to the WAC Wireless Access Controller1  Once the WAC is wired, connect the sign-on keypad to the WAC reader terminal.Signing on a WAC Wireless Access Controller2 Enter 5678 on the keypad.This will cause the green LED to blink the on the WAC three times.3  Enter the sign-on key for the facility in the AMS database.Note: The sign-on key can be found under the facility sign-on credential field in the Wi-Q Technology™ Access Management System (AMS). Refer to the Stan-ley Wi-Q AMS User Guide. You should see the red and green LEDs blinking and the blue light turns ON to indicate that the radio on the board is active. Once the reader signs on to one of the portal gateways in your facility, the green LED on the WAC blinks three times. At this point the WAC should appear under the New Facility Item folder in AMS (it may take up to 2 minutes for this to occur).5Test WACFor Wireless Access Controller with keypad only:To test the WAC for proper operation before It’s pro-grammed, follow these instructions:1 Press 1234.2 Press #.The green light flashes and the locking mechanism unlocks or you should hear a relay click.3  Operate the lock and open the door.For Wireless Access Controllers wired to card  readers:To test the lock for proper operation before the lock is programmed, use the temporary operator card that came with the device. This card is for temporary use only. After permanent cards have been programmed into the device, the temporary card will no longer unlock the lock (once users are programmed into the WAC).1  Using the installed reader to access the lock, pres-ent the temporary operator card to gain access.The green light flashes and the locking mechanism unlocks.If the mechanism doesn’t unlock, use the on-board LEDs and refer to the following table.WAC  on-board LEDsYou shouldSingle red flashUse the card at a moderate speed.Three red flashesUse the temporary operator card provided with the lock.orPerform a deep reset to restore to the factory default settings (the lock may already be associated/pro-grammed)Installation Instructions for Stanley Wi-Q™ Technology WQX-WAC Wireless Access Controllers5Installation Instructions for Stanley Wi-Q™ Technology WQX-WAC Wireless Access ControllersPlanning the installationBEST ACCESS SYSTEMSa Product Group of Stanley Security Solutions, Inc.Resetting the WACThe WAC has two reset functions:■Soft reset – restores previous functionality. Use this under normal operation. It will reset the WAC, but DOES NOT ERASE USERS.■Hard reset – restores factory settings. Use this reset only when moving the WAC or after exhausting all other troubleshooting options.none Check the battery connection.no blue lightReset. Sign-on the WAC using the sign-on procedure.LEDs You shouldSingle red flashUse the card at a moderate speed.Three red flashesUse the temporary operator card provided with the lock.WAC  on-board LEDsYou shouldUsing the soft reset function■Hold the reset button until the green LED flashes five times and then release. See Figure 3.Lights will alternate red/green rapidly.The WAC is restored to its previous functionalityUsing the hard reset functionCaution:  Use this procedure only to restore the factory default settings. Performing these steps will erase all user data that may have been  programmed into the WAC.■Hold the reset button for up to 30 seconds — until the green LED flashes and then the red LED flashes three times. Then release. See Figure 3.All users are erased and the WAC is restored to its  factory default settings. Figure 3 Using the reset buttonReset  button
Installation Instructions for Stanley Wi-Q™ Technology WQX-WAC Wireless Access Controllers6BEST ACCESS SYSTEMSa Product Group of Stanley Security Solutions, Inc.
Stanley Omnilocka Product Group of Stanley Security Solutions, Inc.1Planning the installationT83303/Rev C   3132330   ER-7991-12   Mar 2011ContentsThese installation instructions describe how to install your 9KOM Cylindrical Lock. Topics covered include:Planning the installation.............................................. 1Preparing the door and door jamb............................. 2Installing the lock .......................................................... 7Completing the installation......................................... 9Site surveyUse the following survey to record information about the installation site. You need this information to deter-mine how to prepare the door for the lock.Door informationDoor handing and bevel:❐ Left hand (LH)❐ Left hand, reverse bevel (LHRB)❐ Right hand (RH)❐ Right hand, reverse bevel (RHRB)Door thickness: 1-3/4 to 2 inches (44 to 50 mm). If other than 1 3/4” (44 mm), see “Optional: Adjust for door thickness” on page 6.Environment informationa.       See Stanley installation instruction Addendum (T83317) Extreme Weatherized Installation for the extreme weatherized model. Model Side of doorTemperature Range ExposureStandard Outside +32°F to +129°F0°C to +54°CDrip proof. Inad-vertent  water splash accepted.Weatherized Outside -4°F to +129°F -20°C to +54°CDirect exposure to rain and snowExtremeWeatherized aOutside -40°F to +129°F -40°C  to + 54°C Direct exposure to rain and snowInside  +32°F to +129°F0°C to +54°C N/AComponents checklistUse the following checklist to make sure that you have the items necessary to install your Electronic Stand-alone Cylindrical Lock.Components provided in the box:❐ Outside lever❐ Inside lever❐ Throw member package❐ Latch❐ Strike package❐ Through-bolt screws❐ Installation template and instructions❐ Four AA size batteries (or 2 weatherized packs)Other components:❐ Programming Default ID Card (provided with software)Special tools checklistUse the following checklist to make sure that you have the special tools necessary to install your Electronic Stand-alone Cylindrical Lock.❐ KD303 Drill jig❐ KD325 Strike plate locating pin❐ KD315 Faceplate marking chiselInstallation Instructions forStanley Omnilock 9KOMCylindrical Locks
Installation Instructions for Stanley Omnilock 9KOM Cylindrical LocksStanley Omnilocka Product Group of Stanley Security Solutions, Inc.2Preparing the door and door jamb1Position template and mark drill pointsNote: If the door is a fabricated hollow metal door, determine whether it is properly reinforced to support the lock. If door reinforcement is not adequate, consult the door manufacturer for information on proper reinforcement. For dimensions for preparing metal doors for locks with 2 3/4” (70 mm) backset, see Template T56052 or T56053 Door and Frame Preparation for 63K, 73KC, 83K, and 93K Cylindrical Locks.Note 1: If the door is a LH or RH door, mark the inside of the door. If the door is a LHRB or RHRB door, mark the outside of the door. See Figure 2.Note 2: For Extreme Weatherized model template, see Installation Addendum for Stanley Omnilock 9KOM Extreme Weatherized Locks (T83319).For uncut doors and frames1  Measure and mark the horizontal centerline of the lever (the centerline for the chassis hole) on the door and door jamb. Mark the vertical centerline of the door edge.Note: The recommended height from the floor to the centerline of the lock (centerline of 2 1/8” (54 mm) hole) is 40 5/16” (1024 mm).2  Fold the template on the dashed line and carefully place it in position on the high side of the door bevel as shown in Figure 1.Note: For steel frame applications, align the template’s horizontal centerline for the latch with the horizontal centerline of the frame’s strike preparation.3  Tape the template to the door.4  Center punch the necessary drill points. Refer to the instructions on the template.Template for 2 3/4" Backset 6K, 7KC, 8K and 9K Cylindrical Locks with RQE Figure 1 Positioning the templateHigh edge of door bevelOutsideOutsideLeft hand (LH) Right hand (RH)Left handreverse bevel(LHRB)Right handreverse bevel(RHRB) Figure 2 Door handing chartLeft hand (LH) Outside Right Hand (RH)Left handreverse bevel(LHRB)OutsideRight hand(RHRB)reverse bevel
Installation Instructions for Stanley Omnilock 9KOM Cylindrical LocksStanley Omnilocka Product Group of Stanley Security Solutions, Inc.3Installation Instructions for Stanley Omnilock 9KOM Cylindrical LocksPreparing the door and door jambFor doors with standard cylindrical preparation1  Fold the template on the dashed line. Looking through the hole from the opposite side of the door, align the template so that you see the template outline of the 2 1/8” (54 mm) diameter chassis hole.2  Tape the template to the door and enter punch the necessary drill points.2Drill holes and mortise for latch faceNote: To locate the center of a hole on the opposite side of the door, drill a pilot hole completely through the door.1  Drill the holes in order listed below:■ motor wire hole◆ 7/16” (11 mm) diameter through door ◆ always drill before drilling chassis hole■ chassis hole ◆ 2 1/8” (54 mm) diameter through door◆ drill after drilling motor wire hole■ latch hole◆ 1” (25 mm) diameter◆ meets chassis hole■(OPTIONAL) Door Status Switch◆ 1” (25 mm) diameter on door◆ 1” (25 mm) diameter on jamb◆ 1-3/4” (44mm) deep on door◆ 1” (25 mm) deep on jambNote: The latch tube prongs should be centered and should project into the chassis hole.2  Mortise the edge of the door to fit the latch face.3  Drill the holes for the latch screws.4  Install the latch in the door as shown in Figure 4.5  For optional door status switch: Position the bit inside the hole. Then drill a 3/8” (10mm) channel at an angle that will connect the door status switch hole to the chassis hole as shown in Figure 4.6  Press fit both switch pieces as shown in Figure 4.7  Check that the door swings freely. Figure 3 Drilling holes and mortising for the latch faceLatch holeInside of doorOptional door status switch holesMounting holeChassis holeMotor wire notchMounting hole Figure 4 Installing the latch in the doorLocation of latchtube prongsChassis holeInside of doorOptional door status switch Caution: Make sure the wires are not routed across any sharp edges or over any surface that could damage the sleeving. Latch mortiseLatch
Installation Instructions for Stanley Omnilock 9KOM Cylindrical LocksStanley Omnilocka Product Group of Stanley Security Solutions, Inc.4Preparing the door and door jambUse drill jig to drill through-bolt holes1  Press the drill jig (KD303) onto the door, engaging it with the latch tube prongs (see the close-up in Figure 5). Make sure the front edge of the jig is parallel with the door edge.2  Drill the through-bolt holes (5/16(8 mm) diameter) halfway into the door.3  Turn over the drill jig and repeat steps 1 and 2 from the opposite side of the door.Note 2: Replace the drill jig after 10 door preparations. Figure 5 Installing the drill jig and drilling the through-bolt holesLatchtubeprongDrill upper through-bolt hole.Drill lower through-bolt hole.Inside of door
Installation Instructions for Stanley Omnilock 9KOM Cylindrical LocksStanley Omnilocka Product Group of Stanley Security Solutions, Inc.5Installation Instructions for Stanley Omnilock 9KOM Cylindrical LocksPreparing the door and door jamb3Install strike box and strike plate1  Align with the center of the latchbolt, then mortise the door jamb to fit the strike box and strike plate. See Figure 6.2  Drill the holes for the screws used to install the strike box and strike plate.3  Insert the strike box and secure the strike with the two screws provided.4  Check the position of the deadlocking plunger against the strike plate.Caution:  The deadlocking plunger of the latchbolt must make contact with the strike plate, as shown in Figure 7. The plunger deadlocks the latchbolt and helps prevent someone from forcing the latch open when the door is closed. Figure 6 Installing the strike box and strike plateStrike boxStrike plateDoor jamb Figure 7 Aligning the deadlocking plunger with the strike plateStrike plateDeadlocking plungerDoor jamb
Installation Instructions for Stanley Omnilock 9KOM Cylindrical LocksStanley Omnilocka Product Group of Stanley Security Solutions, Inc.6Preparing the door and door jamb4Optional: Adjust for door thicknessNote: The default door thickness is 1 3/4” (44 mm). If your door is thicker than 1 3/4” (44 mm), use the following instructions.1  Determine the door’s thickness.2  Pull the rose locking pin and rotate the outside rose liner until the proper groove on the through-bolt stud lines up with the hub face. See Figure 8.5Optional: Adjust handingNote: This is required only if the lock hand does not meet your application. The lockset is normally preset for a right-hand door. Verify the handing of the lock per Figure 2 and, if required, change the handing of the lock.1  In order: remove the gasket, battery cover, and back plate. See Figure 9.2  Remove the chassis.3  Rotate the chassis 180 degrees clockwise (looking at the back or opposite the latch). Note: Do not pull the wire.4  Pry off the rose that holds the wire in place.5  Re-route the wire back through the opening in the rose.6  Press the rose back on.7  Reinstall the chassis. Figure 8 Adjusting the rose liner for the door 1 3/4” (44 mm)2” (51 mm)2 1/4” (57 mm)groove Through-bolt studHub faceOutside rose liner Rose locking pinMotor wire Figure 9 Adjusting the rose liner for the door GasketBattery coverBack plateRotate chassis 180 degrees clockwiseRoseRe-route wireOpeningInstallation Instructions for Stanley Omnilock 9KOM Cylindrical LocksStanley Omnilocka Product Group of Stanley Security Solutions, Inc.7Installation Instructions for Stanley Omnilock 9KOM Cylindrical LocksInstalling the lock6Install batteriesFour alkaline AA batteries (or two weatherized packs, if installing a weatherized unit) are furnished with your Omnilock system and must be installed before proceeding.Note: For the Extreme Weatherized model, see Installation Addendum for Stanley Omnilock 9KOM Extreme Weatherized Locks (T83319) for battery and escutcheon installation.1  Remove the gasket from the rear of the housing assembly as shown in Figure 10.2  Remove the screw from the battery cover and remove the cover.3  Install batteries with proper polarity as shown in Figure 11. (For weatherized battery packs, simply connect the wires from the battery pack to the circuit board as shown in Figure 12.)Note: Be sure red and black motor wires are connected before attempting step 4. Align the wires together so that the wire colors match.4  Press and hold the reset button on the PC board (as shown in Figure 11) until the green light on the keypad flashes (about three seconds), then release the button. If the green light does not flash see “Troubleshooting” on page 10.5  Replace the battery cover. See Figure 10. Make sure that the tabs on the lower edge of the battery cover are hooked over the edge of the back plate and secure the cover with the screw.6  Replace the gasket. See Figure 10. Make sure that it is inside the edge of the housing.7  A label on the housing assembly battery cover indicates the magnetic card track (track 2 or track 3) that the system is set to read. See Figure 10.Figure 10 Installing batteriesHousing assemblyAA BatteriesBack plateBattery coverGasket Pan headTrack setting labelReset buttonMotor connectorRed wireBlack wireTerminal block Figure 11 Using the reset button  Figure 12 Weatherized battery packs
Installation Instructions for Stanley Omnilock 9KOM Cylindrical LocksStanley Omnilocka Product Group of Stanley Security Solutions, Inc.6Preparing the door and door jamb4Optional: Adjust for door thicknessNote: The default door thickness is 1 3/4” (44 mm). If your door is thicker than 1 3/4” (44 mm), use the following instructions.1  Determine the door’s thickness.2  Pull the rose locking pin and rotate the outside rose liner until the proper groove on the through-bolt stud lines up with the hub face. See Figure 8.5Optional: Adjust handingNote: This is required only if the lock hand does not meet your application. The lockset is normally preset for a right-hand door. Verify the handing of the lock per Figure 2 and, if required, change the handing of the lock.1  In order: remove the gasket, battery cover, and back plate. See Figure 9.2  Remove the chassis.3  Rotate the chassis 180 degrees clockwise (looking at the back or opposite the latch). Note: Do not pull the wire.4  Pry off the rose that holds the wire in place.5  Re-route the wire back through the opening in the rose.6  Press the rose back on.7  Reinstall the chassis. Figure 8 Adjusting the rose liner for the door 1 3/4” (44 mm)2” (51 mm)2 1/4” (57 mm)groove Through-bolt studHub faceOutside rose liner Rose locking pinMotor wire Figure 9 Adjusting the rose liner for the door GasketBattery coverBack plateRotate chassis 180 degrees clockwiseRoseRe-route wireOpeningInstallation Instructions for Stanley Omnilock 9KOM Cylindrical LocksStanley Omnilocka Product Group of Stanley Security Solutions, Inc.7Installation Instructions for Stanley Omnilock 9KOM Cylindrical LocksInstalling the lock6Install batteriesFour alkaline AA batteries (or two weatherized packs, if installing a weatherized unit) are furnished with your Omnilock system and must be installed before proceeding.Note: For the Extreme Weatherized model, see Installation Addendum for Stanley Omnilock 9KOM Extreme Weatherized Locks (T83319) for battery and escutcheon installation.1  Remove the gasket from the rear of the housing assembly as shown in Figure 10.2  Remove the screw from the battery cover and remove the cover.3  Install batteries with proper polarity as shown in Figure 11. (For weatherized battery packs, simply connect the wires from the battery pack to the circuit board as shown in Figure 12.)Note: Be sure red and black motor wires are connected before attempting step 4. Align the wires together so that the wire colors match.4  Press and hold the reset button on the PC board (as shown in Figure 11) until the green light on the keypad flashes (about three seconds), then release the button. If the green light does not flash see “Troubleshooting” on page 10.5  Replace the battery cover. See Figure 10. Make sure that the tabs on the lower edge of the battery cover are hooked over the edge of the back plate and secure the cover with the screw.6  Replace the gasket. See Figure 10. Make sure that it is inside the edge of the housing.7  A label on the housing assembly battery cover indicates the magnetic card track (track 2 or track 3) that the system is set to read. See Figure 10.Figure 10 Installing batteriesHousing assemblyAA BatteriesBack plateBattery coverGasket Pan headTrack setting labelReset buttonMotor connectorRed wireBlack wireTerminal block Figure 11 Using the reset button  Figure 12 Weatherized battery packs
Installation Instructions for Stanley Omnilock 9KOM Cylindrical LocksStanley Omnilocka Product Group of Stanley Security Solutions, Inc.8Installing the lock7Install outside escutcheon and lock chassis and engage retractor in latch1  From the outside of the door, insert the lock chassis and outside escutcheon into the 2 1/8” (54 mm) chassis hole. See Figure 13.2  Make sure that the latch tube prongs engage the chassis frame and that the latch tailpiece engages the retractor. See Figure 14. Figure 13 Installing the outside escutcheon and lock chassisInside of doorOutside escutcheon and chassis Figure 14 Installing the lock chassis and engaging the retractor in the latchLatch tubeprongRetractorLatch tailpieceChassisChassis frameLatch tubeprongNotchInstallation Instructions for Stanley Omnilock 9KOM Cylindrical LocksStanley Omnilocka Product Group of Stanley Security Solutions, Inc.9Installation Instructions for Stanley Omnilock 9KOM Cylindrical LocksInstalling the lock8Install through-bolts, inside rose and lever1  Place the inside rose liner on the chassis, aligning the holes in the rose liner with the holes prepared in the door as shown in Figure 15.2  Install the through-bolts through the rose liner and door in the top and bottom holes.3  Tighten the rose liner on the door with the through-bolts.4  Press the inside rose onto the rose liner.5  Push the inside lever onto the chassis shaft until it clicks in place.9Install outside lever, core and throw memberFor a non-IC lever handle1  Place the cylinder inside the outside lever. See Figure 16.2  Install the retainer into the outside lever.3  Insert the key into the cylinder and rotate the key 90 degrees clockwise. Slide the lever assembly onto the chassis shaft until the lever clicks as it engages against the lever catch.4  Pull on the lever to test that the lever catch is engaged. Turn the key back to the original position and remove it from the cylinder.For interchangeable core handles1  Push the outside lever onto the chassis shaft until the lever clicks as it engages against the lever catch.2  Install the blocking plate onto the throw member, then install the throw member in the core. See Figure 17.Caution:  You must use the blocking plate to prevent unauthorized access.For 6-pin core only: Install the plastic spacer (not shown, supplied with permanent cores), instead of the blocking plate, on the throw member. Figure 15 Installing the through-bolts and rose liner Through-boltInside of doorRose linerInside roseChassis shaft Figure 16 Installing outside lever (applies to both IC and non-IC levers)KeyOutside leverPush pinRetainerCylinder Figure 17 Installing the coreCoreControl keyThrow memberBlocking plate
Installation Instructions for Stanley Omnilock 9KOM Cylindrical LocksStanley Omnilocka Product Group of Stanley Security Solutions, Inc.9Installation Instructions for Stanley Omnilock 9KOM Cylindrical LocksInstalling the lock8Install through-bolts, inside rose and lever1  Place the inside rose liner on the chassis, aligning the holes in the rose liner with the holes prepared in the door as shown in Figure 15.2  Install the through-bolts through the rose liner and door in the top and bottom holes.3  Tighten the rose liner on the door with the through-bolts.4  Press the inside rose onto the rose liner.5  Push the inside lever onto the chassis shaft until it clicks in place.9Install outside lever, core and throw memberFor a non-IC lever handle1  Place the cylinder inside the outside lever. See Figure 16.2  Install the retainer into the outside lever.3  Insert the key into the cylinder and rotate the key 90 degrees clockwise. Slide the lever assembly onto the chassis shaft until the lever clicks as it engages against the lever catch.4  Pull on the lever to test that the lever catch is engaged. Turn the key back to the original position and remove it from the cylinder.For interchangeable core handles1  Push the outside lever onto the chassis shaft until the lever clicks as it engages against the lever catch.2  Install the blocking plate onto the throw member, then install the throw member in the core. See Figure 17.Caution:  You must use the blocking plate to prevent unauthorized access.For 6-pin core only: Install the plastic spacer (not shown, supplied with permanent cores), instead of the blocking plate, on the throw member. Figure 15 Installing the through-bolts and rose liner Through-boltInside of doorRose linerInside roseChassis shaft Figure 16 Installing outside lever (applies to both IC and non-IC levers)KeyOutside leverPush pinRetainerCylinder Figure 17 Installing the coreCoreControl keyThrow memberBlocking plate
Installation Instructions for Stanley Omnilock 9KOM Cylindrical LocksStanley Omnilocka Product Group of Stanley Security Solutions, Inc. 10Installing the lock3  Insert the control key into the core and rotate the key 15 degrees to the right.4  Insert the throw member into the core.5  Insert the core and throw member into the lever with the control key6  Return the control key to the original position and withdraw the key.Caution:  The control key can be used to remove cores and to access doors. Provide adequate security for the control key. 10 Test lockTo test the lock for proper operation before the lock is programmed:For keypad locks1 Press 1234 for the 2000 series, or 5011234 for the 500 series.The green light flashes and the latch unlocks.2  Turn the lever and open the door.During the unlock time, the green light flashes. Then the red light flashes and the latch relocks.For magnetic stripe or proximity card only locksNote: If the lock has a proximity card reader, it may have already been activated by the presence of an object near the card reader.1  Align the magnetic stripe card with the V mark by the card slot.2  Insert and then remove the card.The green light flashes and the latch unlocks. 3  Turn the lever and open the door.During the unlock time, if using the Programming Default ID Card, the green light flashes. Then the red light flashes and the latch relocks.TroubleshootingIf the mechanism does not unlock, remove the bat-tery cover and check for proper orientation and seat-ing of the batteries and motor connector. Ensure that wires are not pinched. Reset the electronics by press-ing and holding the reset button on the circuit board until the light flashes green (approx three seconds), then release. See Figure 12.The system will go through a self-test and the green light will flash five times. You will hear the lock unlock, then relock three times. A red flash indicates a PC board or drive system problem. If a red flash or no flash is observed, check for proper orientation and seating of the batteries and motor connector, ensure that wires are not pinched, then repeat the reset process.
Installation Instructions for Stanley Omnilock 9KOM Cylindrical LocksStanley Omnilocka Product Group of Stanley Security Solutions, Inc.11Installation Instructions for Stanley Omnilock 9KOM Cylindrical LocksInstalling the lockRemoving the levers (when needed)Removing the IC outside lever 1  Insert the control key into the core and rotate the key 15 degrees to the right.2  Remove the core and throw member from the lever.3  Insert a flat blade screwdriver into the figure-8 core hole and against the trapezoid-shaped lever keeper.4  Push the screwdriver blade in the direction of the arrow in Figure 18.Caution:  Use the flat of the screwdriver to push the lever keeper sideways. Using the screwdriver tip to pry the keeper at an angle may result in unseating the retaining spring. For assistance, contact your local Stanley Omnilock dealer.MNote: You will not be able to remove the lever if the screwdriver blade is inserted past the keeper into the center hole. 5  Slide the lever from the sleeve.Removing the non-IC outside lever1  Insert the key into the cylinder and turn it 45 degrees clockwise.2  Depress the lever catch through the hole in the outside lever by using the push pin or other suitable tool. See Figure 19.3  Slide the outside lever off.Removing the inside lever1  Depress the lever catch through the hole in the inside lever by using the push pin or other suitable tool as shown in Figure 20.2  Slide the inside lever off.Note: Reinstall lever(s) according to “Install through-bolts, inside rose and lever” on page 9, or “Install outside lever, core and throw member” on page 9 Figure 18 Push the lever keeper to remove the leverLever keeper Figure 19 Removing the outside non-IC leverPush pinOutside leverTurn key 45 degrees clockwise Figure 20 Removing the inside leverPush pinInside lever
Stanley Omnilocka Product Group of Stanley Security Solutions, Inc.12
Stanley Omnilocka Product Group of Stanley Security Solutions, Inc.1Planning the installationT83312/Rev B   3132456   ER-7991-12   Feb 2011ContentsThese installation instructions describe how to install your 45HOM Mortise Lock. Topics covered include:Planning the installation...........................................1Preparing the door and door jamb..........................4Installing the lock........................................................7Completing the installation......................................9Site surveyUse the following survey to record information about the installation site. You need this information to determine how to prepare the door for the lock.Door informationDoor handing and bevel:If a handing change is required, see “Rotate latchbolt (if necessary)” on page  4.   ❐ Left hand (LH)   ❐ Left hand, reverse bevel (LHRB)   ❐ Right hand (RH)   ❐ Right hand, reverse bevel (RHRB)Door thickness: 1-3/4 to 2 inches (44 to 50 mm). Environment informationa.       See Stanley installation instruction Addendum (T83317) Extreme Weatherized Installation for the extreme weatherized model installation.Model Side of doorTemperature Range ExposureStandard Outside +32°F to +129°F0°C to +54°CDrip proof. Inadvertent splashing of water spray acceptable.Weatherized Outside -4°F to +129°F -20°C to +54°CDirect exposure to rain and snowExtremeWeatherized aOutside -40°F to +129°F -40°C  to + 54°C Direct exposure to rain and snowInside  +32°F to +129°F0°C to +54°C N/AInstallation Instructions forStanley Omnilock 45HOMMortise LocksComponents checklistUse the following checklist to make sure that you have the items necessary to install your Omnilock Mortise Lock.Components provided in the box:❐ Inside and outside trim cassettes❐ Inside and outside rose and rose ring❐ Outside escutcheon assembly❐ Mortise case assembly❐ Mortise cylinder and collar❐ Outside lever and spindle assembly❐ Inside lever❐ Strike package❐ Installation template and instructions❐ Screw package❐ Mortise case faceplate❐ Batteries❐ Torx T15 driver❐ 1/8” hex wrenchOther components:❐ Programming Default ID Card (provided with software)
Installation Instructions for Stanley Omnilock 45HOM Mortise LocksStanley Omnilocka Product Group of Stanley Security Solutions, Inc.2Planning the installation1Identify holes to drill1  Determine the lock function to be installed.2  Determine the inside and outside, hand, and bevel of the door.3  See the Holes by Function table and Figure 3 to determine the holes to be drilled for the lock function.2Position template and mark drill pointsNote: If the door is a fabricated hollow metal door, determine whether it is properly reinforced to support the lock. If door reinforcement is not adequate, consult the door manufacturer for information on proper reinforcement. For dimensions for preparing metal doors, see the OM2 Template — Installation Specifications for 45HOM Mortise Locks (T83318).FunctionsHoles by Function DV TVDoor side In Out In OutACylinder  ■■BThumb turn ■CLever  aThrough doorThrough doorDTrim mounting      (2 holes) aa. Because these holes pass through the mortise pocket, it is recommended that each hole be drilled separately rather than straight through.Through doorThrough doorEGrounding hole ■■FThrough bolt hole  Through doorThrough doorGStandoff hole  ■■HThumb turn mounting screw (2 holes)  ■J  Door Status Switch    (Optional)DoorEdgeABCDEFHHFGGDFor hole sizes, see the OM1 Template T83316 Figure 1 Identifying holes to drillHorizontal center lineof lock3/8 in10 mm7/8in23mmHB1/2 in13 mmHorizontal center lineof leverAlign to edge of doorr.Note:Us e this template for theinsideof a LH or LHRB dooror the outside (keyed side) ofa RH or RHRB door.Detach hereStrike lipLowedge(narrowside)Flat edge –no bevelHighedge(wide side)AEFFDD5/16 in8 mm1/8 in3 mm3/16 in5 mm3/16 in5 mmHole DescriptionsA Cyinder (1)B Thumb turn (1)C Lever (1)D Trim mounting (2)E Grounding(1)F Module bolt(2)G Module sta ndoff(2)H Thumb turnmountingscrew(2)G5/16 in8 mm3/8 in10 mmAG5/16 in8 mmC1 1/4 in32 mmVerticalcenter lineof leverToensureaccuratedoorpreparation,useonlyfactory-printedtemplates.Do notusecopiesorfacsimilies. Figure 2 Aligning the templatesInstallationtemplateDoor edgetemplateCenterlineCenterlineInstallation Instructions for Stanley Omnilock 45HOM Mortise LocksStanley Omnilocka Product Group of Stanley Security Solutions, Inc.3Installation Instructions for Stanley Omnilock 45HOM Mortise LocksPlanning the installation1  Separate the templates provided on the OM1 Template — Installation Template for 45H Mortise Locks (T83316).Note: If installing an Extreme Weatherized model, see Installation Addendum for Stanley Omnilock 45HOM Extreme Weatherized Locks (T83317). This includes the template for locating the extreme weatherized module mounting holes.2  Position one of the door edge templates on the door, making sure that the lock case mortise shown on the template aligns with the mortise pocket prepared in the door. 3  Using the centerlines on the door edge templates as guides, position the appropriate door template on each side of the door. You need to take the bevel into account. Tape the templates to the door.3Center punch and drill holes1  Center punch the necessary drill points. See the instructions on the template.2  Drill the holes.Note 1: To locate the center of a hole on the opposite side of the door, drill a pilot hole completely through the door.Note 2: For holes through the door, it is best to drill halfway from each side of the door to prevent the door from splintering.4Optional: Install door status switch(Optional for TV function wireless locks only)1  Locate the centerpoint for the door status switch 2 1/2” (64mm) above the top of the faceplate mortise on the edge of the door as shown in Figure 4.2  Drill a 1” (25 mm) diameter hole 1 3/4” (44 mm) deep for the door status switch. 3  Position the drill so the tip of the bit is approximately 1”(25 mm) into the hole and the OutsideOutsideLeft hand (LH) Right hand (RH)Left handreverse bevel(LHRB)Right handreverse bevel(RHRB) Figure 3 Door Handing Chart Figure 4 Installing the door status switch Door statusswitchOptional for Wireless TV ModelsDoor statusswitch sensorCenterlineDoor Door Jamb
Installation Instructions for Stanley Omnilock 45HOM Mortise LocksStanley Omnilocka Product Group of Stanley Security Solutions, Inc.3Installation Instructions for Stanley Omnilock 45HOM Mortise LocksPlanning the installation1  Separate the templates provided on the OM1 Template — Installation Template for 45H Mortise Locks (T83316).Note: If installing an Extreme Weatherized model, see Installation Addendum for Stanley Omnilock 45HOM Extreme Weatherized Locks (T83317). This includes the template for locating the extreme weatherized module mounting holes.2  Position one of the door edge templates on the door, making sure that the lock case mortise shown on the template aligns with the mortise pocket prepared in the door. 3  Using the centerlines on the door edge templates as guides, position the appropriate door template on each side of the door. You need to take the bevel into account. Tape the templates to the door.3Center punch and drill holes1  Center punch the necessary drill points. See the instructions on the template.2  Drill the holes.Note 1: To locate the center of a hole on the opposite side of the door, drill a pilot hole completely through the door.Note 2: For holes through the door, it is best to drill halfway from each side of the door to prevent the door from splintering.4Optional: Install door status switch(Optional for TV function wireless locks only)1  Locate the centerpoint for the door status switch 2 1/2” (64mm) above the top of the faceplate mortise on the edge of the door as shown in Figure 4.2  Drill a 1” (25 mm) diameter hole 1 3/4” (44 mm) deep for the door status switch. 3  Position the drill so the tip of the bit is approximately 1”(25 mm) into the hole and the OutsideOutsideLeft hand (LH) Right hand (RH)Left handreverse bevel(LHRB)Right handreverse bevel(RHRB) Figure 3 Door Handing Chart Figure 4 Installing the door status switch Door statusswitchOptional for Wireless TV ModelsDoor statusswitch sensorCenterlineDoor Door Jamb
Installation Instructions for Stanley Omnilock 45HOM Mortise LocksStanley Omnilocka Product Group of Stanley Security Solutions, Inc.4Configuring & installing the mortise bit is close to the top edge of the hole. Then drill a 3/8” (10mm) channel at approximately a 35° angle from the door status switch hole into the mortise cavity as shown in Figure 4.Caution:  Make sure the wires are not routed across any sharp edges or over any surface that could damage the sleeving.4  Press fit the door status switch assembly into the door status switch hole.5  On the door jamb, drill a corresponding hole for the door status switch sensor. Use the door switch centerline as a guide. Press fit the sensor into the jamb.5Rotate latchbolt (if necessary)Note: If a function specific mortise case was ordered, some steps for configuring the case have already been performed at the factory.1  Determine whether you need to rotate the latchbolt to match the handing of the door.Note: The angled surface of the latchbolt must contact the strike when the door closes.2  If you need to rotate the latchbolt, insert a flat blade screwdriver into the latch access point approximately 1/2” (13 mm) into the case and press to extend the latch out of the case. See Figure 5.3  Rotate the latchbolt past 180 degrees, keeping constant pressure on the latch access point. Then allow the latch to rotate back slightly and retract into the case.6Position hub toggles (if necessary)1  Check whether the hub toggles are in the proper position for the lock. See the table below. Hub toggle positionsInside  down (always unlocked)Outside up (lockable) Figure 5 Rotating the latchboltLatch access pointHub toggle Hub toggle Figure 6 Positioning hub toggles Cover side Case (back) side Installation Instructions for Stanley Omnilock 45HOM Mortise LocksStanley Omnilocka Product Group of Stanley Security Solutions, Inc.5Installation Instructions for Stanley Omnilock 45HOM Mortise LocksInstalling the trim2  For LH & LHRB doors, the inside is the case (back) side of the case and the outside is the cover side of the case. For RH and RHRB doors, the inside is the cover side of the case and the outside is the case (back) side of the case. The cover is mounted to the case with four screws.3  To change the position of a hub toggle, loosen the toggle screw, move the toggle into the desired position, and re-tighten the screw.7Install mortise case1  Drill the holes for the case mounting screws.2  Insert the mortise case into the mortise cavity, while feeding the motor wires and any optional sensor wires into the mortise cavity and keyhole to the inside of the door as shown in Figure 7.Note: The armored front of the mortise case self-adjusts to the door bevel.3  Secure the mortise case with the case mounting screws.8Install trim mounting plates1  Insert the outside trim mounting plate through the door and mortise case.Option DV TV Stand Alone WirelessKey Overide Sensor (KOS) ■ ■ ■� ■Request-to-Exit (RQE) ■ ■� ■Door Status Switch (DS) aa. Door status switch is located differently for DV and TV functions.■ ■� ■Latch Status Switch (LS) ■■Mortise caseCasemounting screws Figure 7 Installing the mortise case Door Status Switch(TV location shown)Motor wire DS (white)RQE (org/brown)LS/LSM (purple)KOS (gray)(red/black) Figure 8 Installing the trim mounting platesOutside trimInside trim
Installation Instructions for Stanley Omnilock 45HOM Mortise LocksStanley Omnilocka Product Group of Stanley Security Solutions, Inc.5Installation Instructions for Stanley Omnilock 45HOM Mortise LocksInstalling the trim2  For LH & LHRB doors, the inside is the case (back) side of the case and the outside is the cover side of the case. For RH and RHRB doors, the inside is the cover side of the case and the outside is the case (back) side of the case. The cover is mounted to the case with four screws.3  To change the position of a hub toggle, loosen the toggle screw, move the toggle into the desired position, and re-tighten the screw.7Install mortise case1  Drill the holes for the case mounting screws.2  Insert the mortise case into the mortise cavity, while feeding the motor wires and any optional sensor wires into the mortise cavity and keyhole to the inside of the door as shown in Figure 7.Note: The armored front of the mortise case self-adjusts to the door bevel.3  Secure the mortise case with the case mounting screws.8Install trim mounting plates1  Insert the outside trim mounting plate through the door and mortise case.Option DV TV Stand Alone WirelessKey Overide Sensor (KOS) ■ ■ ■� ■Request-to-Exit (RQE) ■ ■� ■Door Status Switch (DS) aa. Door status switch is located differently for DV and TV functions.■ ■� ■Latch Status Switch (LS) ■■Mortise caseCasemounting screws Figure 7 Installing the mortise case Door Status Switch(TV location shown)Motor wire DS (white)RQE (org/brown)LS/LSM (purple)KOS (gray)(red/black) Figure 8 Installing the trim mounting platesOutside trimInside trim
Installation Instructions for Stanley Omnilock 45HOM Mortise LocksStanley Omnilocka Product Group of Stanley Security Solutions, Inc.6Installing the lock2  Position the inside trim mounting plate opposite the outside trim mounting plate and screw them securely in place.Caution:  Do not overtighten the trim mounting plate screws. Overtightening may damage the locking mechanism.3  Temporarily install a lever and test the lock to make sure that it doesn’t bind.9Install thumb turn (TV function only)1  Orient the thumb turn so it points up when the deadbolt is retracted, and toward the hinge edge of the door when the deadbolt is extended.2  Install the thumb turn using the two screws provided. See Figure 9.10 Install inside and outside levers1  Unscrew the inside spindle one full turn to allow the spindles to turn freely. See Figure 10.2  Remove the label from the inside spindle.3  With the handle pointing toward the door hinges, insert the outside lever and spindle assembly into the lock from the outside of the door. 4  Slide the inside lever onto the inside spindle and secure it with the set screw.5  Turn the levers to check that they operate smoothly. Figure 9 Installing the thumb turn Thumb turnInside door Figure 10  Installing the leversLocationof set screwSpindle Assembly on Outside doorInside spindleOutside spindleInstallation Instructions for Stanley Omnilock 45HOM Mortise LocksStanley Omnilocka Product Group of Stanley Security Solutions, Inc.7Installation Instructions for Stanley Omnilock 45HOM Mortise LocksInstalling the lock11 Install batteriesFour alkaline AA batteries (or two weatherized packs if installing a weatherized unit) are furnished with your Omnilock system and must be installed before proceeding with operation verification and system installation.Note: For the Extreme Weatherized model, see Addendum (T83317) Extreme Weatherized Installation for battery and escrutcheon installation.1  Remove the gasket from the rear of the housing assembly as shown in Figure 11.2  Remove the screw from the battery cover and remove the cover.3  Install batteries with proper polarity as shown in Figure 12. (For weatherized battery packs, simply connect the wires from the battery pack to the circuit board as shown in Figure 13.)Note: Be sure red and black motor wires are connected before attempting step 4. Align the wires together so that the wire colors match.4  Press and hold the reset button on the PC board (as shown in Figure 12) until the green light on the keypad flashes (about three seconds) then release the button. If green light does not flash, see “Troubleshooting” on page 12. 5  Replace the battery cover. See Figure 11. Make sure that the tabs on the lower edge of the battery cover are hooked over the edge of the back plate and secure the cover with the screw.6  Replace the gasket. See Figure 11. Make sure that it is inside the edge of the housing. Figure 11 Installing batteriesHousing assemblyAA BatteriesBack plateBattery coverGasketTrack setting labelScrew Figure 12 Using the reset button Reset button Figure 13 Installing weatherized batteries
Installation Instructions for Stanley Omnilock 45HOM Mortise LocksStanley Omnilocka Product Group of Stanley Security Solutions, Inc.7Installation Instructions for Stanley Omnilock 45HOM Mortise LocksInstalling the lock11 Install batteriesFour alkaline AA batteries (or two weatherized packs if installing a weatherized unit) are furnished with your Omnilock system and must be installed before proceeding with operation verification and system installation.Note: For the Extreme Weatherized model, see Addendum (T83317) Extreme Weatherized Installation for battery and escrutcheon installation.1  Remove the gasket from the rear of the housing assembly as shown in Figure 11.2  Remove the screw from the battery cover and remove the cover.3  Install batteries with proper polarity as shown in Figure 12. (For weatherized battery packs, simply connect the wires from the battery pack to the circuit board as shown in Figure 13.)Note: Be sure red and black motor wires are connected before attempting step 4. Align the wires together so that the wire colors match.4  Press and hold the reset button on the PC board (as shown in Figure 12) until the green light on the keypad flashes (about three seconds) then release the button. If green light does not flash, see “Troubleshooting” on page 12. 5  Replace the battery cover. See Figure 11. Make sure that the tabs on the lower edge of the battery cover are hooked over the edge of the back plate and secure the cover with the screw.6  Replace the gasket. See Figure 11. Make sure that it is inside the edge of the housing. Figure 11 Installing batteriesHousing assemblyAA BatteriesBack plateBattery coverGasketTrack setting labelScrew Figure 12 Using the reset button Reset button Figure 13 Installing weatherized batteries
Installation Instructions for Stanley Omnilock 45HOM Mortise LocksStanley Omnilocka Product Group of Stanley Security Solutions, Inc.8Installing the lock12 Install outside escutcheon1  Ensure that no wires are pinched when attaching the escutcheon to the door.2  Insert the standoffs and grounding spring into the predrilled holes. Use screws and washers to attach the escutcheon from the inside of the door.13 Connecting escutcheon wires1  Connect the red and black motor wire from the mortise case to the red and black escutcheon motor wire. Align the wires together so that the wire colors match.2  Connect the color-coded wires of the escutcheon wiring harness to the corresponding wire options on your mortise case. Some wires may not be used.Note:  Two RQE status switches are installed in the mortise case. However, only the switch for the inside of the lock needs to be connected. You will need to connect the ‘Case Side’ pair of RQE wires for LH and LHRB doors or the ‘Cover Side’ pair of RQE wires for RH and RHRB doors. See Figure 16. Wires are labeled. Figure 14 Installing the outside escutcheon Screws and washersMortise EscutcheonMotorKey OverrideSensorRequest to       ExitDoor Status    SwitchLatch Status     SwitchMotorKey OverrideSensorRequest to       ExitDoor Status    SwitchLatch Status     SwitchRed/black Red/blackGray Gray or YellowWhite WhitePurple PurpleOrange/Brown Orange Figure 15 Simplified wiring diagramOutsideOutsideLeft hand (LH) Right hand (RH)Left handreverse bevel(LHRB)Right handreverse bevel(RHRB) Figure 16 Door Handing ChartInstallation Instructions for Stanley Omnilock 45HOM Mortise LocksStanley Omnilocka Product Group of Stanley Security Solutions, Inc.9Installation Instructions for Stanley Omnilock 45HOM Mortise LocksFinishing the installation14 Install cylinder1  Push any excess wires into the escutcheon housing. Make sure no wires are pinched.1  Make sure cylinder collar is positioned on the cylinder.2  Thread the cylinder into the mortise case. Rotate the cylinder until the cylinder is flush against the collar and the cylinder cam is in the 12 o’clock position. See Figure 17.Caution:  A malfunction can occur if the cylinder is threaded in too far.3  Secure the cylinder in the mortise case with the cylinder retainer screw.15 Install mortise case faceplate1  Secure the mortise case faceplate to the mortise case with the faceplate mounting screws. See Figure 18.2  Check the lock for proper operation. Figure 17  Installing the standard cylinderCylinder Cylinder retainer screwCylinder collar Figure 18 Installing the mortise case faceplateTV FaceplateDV Faceplate
Installation Instructions for Stanley Omnilock 45HOM Mortise LocksStanley Omnilocka Product Group of Stanley Security Solutions, Inc.9Installation Instructions for Stanley Omnilock 45HOM Mortise LocksFinishing the installation14 Install cylinder1  Push any excess wires into the escutcheon housing. Make sure no wires are pinched.1  Make sure cylinder collar is positioned on the cylinder.2  Thread the cylinder into the mortise case. Rotate the cylinder until the cylinder is flush against the collar and the cylinder cam is in the 12 o’clock position. See Figure 17.Caution:  A malfunction can occur if the cylinder is threaded in too far.3  Secure the cylinder in the mortise case with the cylinder retainer screw.15 Install mortise case faceplate1  Secure the mortise case faceplate to the mortise case with the faceplate mounting screws. See Figure 18.2  Check the lock for proper operation. Figure 17  Installing the standard cylinderCylinder Cylinder retainer screwCylinder collar Figure 18 Installing the mortise case faceplateTV FaceplateDV Faceplate
Installation Instructions for Stanley Omnilock 45HOM Mortise LocksStanley Omnilocka Product Group of Stanley Security Solutions, Inc.10Finishing the installation16 Install strike box and strike plate1  If the door jamb has not been mortised for the strike box and strike plate, perform these steps:a On the door jamb, locate the horizontal centerline of the strike (3/8” (10mm) above the centerline of the lock), as well as the vertical centerline of the strike.b Mortise the door jamb to fit the strike box and strike plate.c Drill the holes for the screws used to install the strike box and strike plate.2  Insert the strike box into the mortise in the door jamb. Place the strike plate over the strike box and secure the strike with the screws provided.Note: If installing a DV wireless model with a Door Status Switch, ensure that the magnet is located at thetop of the strike box. See Figure 19.3  Check the position of the auxiliary bolt against the strike plate (or the filled area of the strike box).Note: The recommended gap between the door and jamb is 1/8” (3 mm).17 Install core1  Insert the control key into the core and rotate the key 15 degrees (midway between the 12 o'clock and 1 o'clock positions) to the right.2  With the control key in the core, insert the core into the cylinder.3  Return the control key to the 12 o’clock position and withdraw the key.Caution:  The control key can be used to remove cores and to access doors. Provide adequate security for the control key. Figure 19 Installing the strike box and strike plateStrike boxStrike plateStrike box with DSS magnet Figure 20 Installing the coreControl keyCoreCylinder
Installation Instructions for Stanley Omnilock 45HOM Mortise LocksStanley Omnilocka Product Group of Stanley Security Solutions, Inc.11Installation Instructions for Stanley Omnilock 45HOM Mortise LocksFinishing the installation18 Check operationCheck the operation of the lock. For example, check that:❐ door latches and opens properly❐ deadbolt operates properly❐ key access works❐ door gap is 1/8” (3 mm)❐ auxiliary bolt is held inside the case when the door is closed.For assistance, contact your local Stanley Omnilock dealer.19 Test lockTo test the lock for proper operation before the lock is programmed, follow these instructions:For keypad locks1 Press 1234 for the 2000 series, or 5011234 for the 500 series.The green light flashes and the latch unlock.2  Turn the lever and open the door.During the unlock time, the green light flashes. Then the red light flashes and the latch relocks.For magnetic stripe or proximity card locks onlyNote: If the lock has a proximity card reader, it may have already been activated by the presence of an object near the card reader.1  Align the magnetic stripe card with the V mark by the card slot.2  Insert and then remove the card.The green light flashes and the latch unlocks. 3  Turn the lever and open the door.During the unlock time, if using the Programming Default ID Card, the green light flashes. Then the red light flashes and the latch relocks.
Installation Instructions for Stanley Omnilock 45HOM Mortise LocksStanley Omnilocka Product Group of Stanley Security Solutions, Inc.12Finishing the installation20 TroubleshootingIf the mechanism doesn’t unlock, remove the battery cover and check for proper orientation and seating of the batteries and motor connector. Ensure that wires are not pinched. Reset the electronics by pressing and holding the reset button on the circuit board until the light flashes green (approximately three seconds), then releasing the botton. See Figure 21.Note: The system will go through a self-test and the green light will flash five times. You will hear the lock unlock, then relock three times. A red flash indicates a PC board or drive system problem. If a red flash or no flash is observed, check for proper orientation and seating of the batteries and motor connector, ensure that wires are not pinched, then repeat the reset process.Check operation1 Press 1234 for the 2000 series, or 5011234 for the 500 series.During the unlock time, the green light flashes; then the red light flashes and the latch relocks.2  Turn the lever and open the door.3  If your system has a magnetic card reader, verify proper operation of the system using the magnetic card reader; otherwise, see “Test lock” on page  11.A label on the housing assembly battery cover indi-cates the magnetic card track (track 2 or track 3) that the system is set to read. See Figure 11. Figure 21 Using the reset button Reset buttonMotor connectorRed wireBlack wireTerminal block
Installation Instructions for Stanley Omnilock 45HOM Mortise LocksStanley Omnilocka Product Group of Stanley Security Solutions, Inc.12Finishing the installation20 TroubleshootingIf the mechanism doesn’t unlock, remove the battery cover and check for proper orientation and seating of the batteries and motor connector. Ensure that wires are not pinched. Reset the electronics by pressing and holding the reset button on the circuit board until the light flashes green (approximately three seconds), then releasing the botton. See Figure 21.Note: The system will go through a self-test and the green light will flash five times. You will hear the lock unlock, then relock three times. A red flash indicates a PC board or drive system problem. If a red flash or no flash is observed, check for proper orientation and seating of the batteries and motor connector, ensure that wires are not pinched, then repeat the reset process.Check operation1 Press 1234 for the 2000 series, or 5011234 for the 500 series.During the unlock time, the green light flashes; then the red light flashes and the latch relocks.2  Turn the lever and open the door.3  If your system has a magnetic card reader, verify proper operation of the system using the magnetic card reader; otherwise, see “Test lock” on page  11.A label on the housing assembly battery cover indi-cates the magnetic card track (track 2 or track 3) that the system is set to read. See Figure 11. Figure 21 Using the reset button Reset buttonMotor connectorRed wireBlack wireTerminal block

Navigation menu