Star Micronics Tsp200 Users Manual Technical
TSP200 to the manual 925ce00f-f787-490a-aac8-047a243ace8d
2015-02-02
: Star-Micronics Star-Micronics-Tsp200-Users-Manual-487835 star-micronics-tsp200-users-manual-487835 star-micronics pdf
Open the PDF directly: View PDF
.
Page Count: 72
- COVER
- INTRODUCTION
- CHAPTER 1 SPECIFICATIONS AND OPERATION
- CHAPTER 2 PRINCIPLES OF OPERATION
- CHAPTER 3 PART REPLACEMENT AND RELATED ADJUSTMENT
- CHAPTER 4 MAINTENANCE AND LUBRICATION
- CHAPTER 5 PARTS LIST
THERMAL PRINTER
TSP200 Series
TECHNICAL MANUAL
[SECOND EDITION]
NOTICE
•All rights reserved. Reproduction of any part of this manual in any form whatsoever,
without STAR’s express permission, is strictly forbidden.
•The contents of this manual are subject to change without notice.
•All efforts have been made to ensure the accuracy of the contents of this manual at the time
of printing. However, should any errors be found, STAR would greatly appreciate being
informed of them.
•The above notwithstanding, STAR can assume no responsibility for any errors in this
manual.
© Copyright 1997 Star Micronics Co., LTD.

INTRODUCTION
This manual describes the thermal printer TSP200 series.
It is designed for use as a reference for periodic inspections and maintenance procedures to be executed by
service personnel. It is not intended for the general user. Users of this manual should have a basic knowledge
and understanding of the English language.
• This manual is comprised of the following chapters.
Chapter 1 Specifications and Operation
Chapter 2 Theory of Operation
Chapter 3 Parts Replacement and Related Adjustments
Chapter 4 Maintenance and Lubrication
Chapter 5 Parts Lists
•First edition : Mar. 1997
Second edition : Aug. 1999
■Model Name
TSP 2 1 2 — 120
Voltage
24 : 24VDC
120 : 120VAC
230 : 230VAC
Mechanism type
2: 48 columns
Printer type
1: Standard
4: With auto-cutter
TSP200-series thermal printer
5
1
4
3
2

CHAPTER 1
SPECIFICATIONS AND OPERATION
1. General Specifications..........................................................................................3
2. External Appearance.............................................................................................4
3. DIP-Switch Settings ..............................................................................................5
4. Using the control panel to adjust the sensors, select the head rank, and set
the memory switches............................................................................................6
5. Running a test print ..............................................................................................8
6. HEX dump mode....................................................................................................8
1

– 2 –
SPECIFICATIONS AND OPERATION

– 3 –
SPECIFICATIONS AND OPERATION
158mm
193mm
234mm(TSP242-120/230)
239mm(TSP242-24)
158mm
193mm
234mm(TSP212-120/230)
239mm(TSP212-24)
(TSP212) (TSP242)
Fig. 1-1 External Dimensions
1. General Specifications
Printing method Line thermal direct
Resolution 8 dots/mm (H) × 8 dots/mm (V)
Printable width 72 mm
Printing speeds 50 mm/sec (max.)
Printable characters ANK, International
Bar codes JAN, EAN, UPC, Code 39, ITF, Code 128, Code 93, NW-7
Character matrix 12 × 24 dots
Interfaces RS-232C, Parallel
Dimensions TSP212-120/230 : 158(W) × 234(D) × 193(H) mm
TSP242-120/230 : 158(W) × 234(D) × 193(H) mm
TSP212-24 : 158(W) × 239(D) × 193(H) mm
TSP242-24 : 158(W) × 239(D) × 193(H) mm
Weight TSP212-120/230 : 2.8kg
TSP242-120-230 : 3.0kg
TSP212-24 : 1.8kg
TSP242-24 : 2.0kg
AC adapter : 350g
AC cable : 150g
Power AC120V, AC230V, DC24V
Power consumption Max. 43 W Avg. 19W (During continuous printing of ASCII characters)
Operating environment +5˚C ~ +40˚C
25% ~ 85% RH
Storage environment –20˚C ~ +60˚C
10% ~ 90% RH
Automatic paper cutter
Life 300, 000 cuts
Min. cut length 25.4mm (1 inch)

– 4 –
SPECIFICATIONS AND OPERATION
Features two control
switches and two
indicators to indicate
printer status.
Control panel
Plugs into an outlet of
the specified voltage.
Shape of AC power plug
will vary according to
destinations.
AC power cord
Connects the printer
with host computer.
Interface connector
Connects to peripheral units such
as cash drawers, etc.
Do not connect this to a telephone.
Peripheral unit drive circuit connector
Protects the printer from
dust and reduces noise.
Do not open the cover
while printing.
Printer cover
[ TSP200-120/230 ]
2. External Appearance
Fig. 1-2 External Appearance
For connection of the AC adapter.
Never unplug the AC adapter
while the printer is on.
AC adapter cable connector
[ TSP200-24 ]

– 5 –
SPECIFICATIONS AND OPERATION
8141
ON
OFF DIP switch 1
DIP switch
DIP switch 2
Power off
3. DIP-Switch Settings
Be sure to turn the power to both the printer and host computer off before changing the setting of the DIP
switches.
Fig.1-3 DIP switch array
DIP switch #1
The factory settings of DIP switch 1 are all on.
Switch Contents ON OFF
1-1 Baud Rate
1-2
1-3 Data Length 8 bit 7 bit
1-4 Parity Check Disabled Enabled
1-5 Parity Selection Odd Even
1-6 Handshake DTR/DSR XON/XOFF
1-7 Operating Mode Star ESC/POS
1-8 Interface RS232C Parallel
Baud Rate 1-1 1-2
2400BPS OFF OFF
4800BPS ON OFF
9600BPS ON ON
19200BPS OFF ON
DIP Switch #2
Factory settings: 2-1 and 2-2 are on; 2-3 and 2-4 are off.
Switch Contents ON OFF
2-1 Print Density
2-2
2-3 Serial I/F No. 6 Pin Reset Signal Enabled Disabled
2-4 Serial I/F No. 9 Pin Reset Signal Enabled Disabled
Print Density 2-1 2-2
Light OFF OFF
Standard ON ON
Somewhat Heavy ON OFF
Heavy OFF ON

– 6 –
SPECIFICATIONS AND OPERATION
Buzzer beeps 1 time.
Press both
switches.
Start
Buzzer beeps twice.
Buzzer beeps 3 times.
Buzzer beeps 4 times.
Buzzer beeps 5 times.
Release within 2 seconds.
Enters "Adjust Paper-Out Sensor" mode.
Release within 2 seconds.
Enters "Adjust Paper-Near-End Sensor"
mode.
Continue to
hold down.
Both switches Release within 2 seconds.
Enters "Set Head Rank" mode.
Continue to
hold down.
Both switches Release within 2 seconds.
Resets, then executes test print.
Continue to
hold down.
Both switches. Release within 2 seconds.
Enters "Set Memory Switches" mode.
Continue to
hold down.
Both switches
Continue to
hold down.
4. Using the control panel to adjust the sensors, select the head rank, and set the
memory switches.
Hold down the FEED and ONLINE switches while setting power on, then continue to hold the switches down for the time
necessary to enter the required mode, as indicated below.

– 7 –
SPECIFICATIONS AND OPERATION
(1) “Adjust Paper-Out Sensor” mode.
Adjustment is not necessary if the ONLINE lamp is ON when you enter this mode. If the lamp is OFF, the turn VR1
clockwise until it the lamp comes ON.
To exit this mode, press ONLINE. To move back to the start of the sequence, press both ONLINE and FEED at the same
time.
Please be sure that paper is inserted before entering this mode.
(2) “Adjust Paper-Near-End Sensor” mode
When you enter this mode, the POWER lamp will be lit if the near-end sensor is detecting paper. The lamp will be off
if no paper is detected.
To exit the mode, press ONLINE. To move back to the start of the sequence, press both ONLINE and FEED at the same
time.
(3) “Set Head Rank” mode
When you enter the mode, the ONLINE and POWER lamps will both be OFF. Press the FEED switch as necessary to
select the desired rank. The rank is indicated by the ONLINE and POWER lamp pattern, which changes each time you
press the switch. The change sequence is indicated below. (Note that you can move back to the start of the sequence by
pressing the ONLINE and FEED switches at the same time.)
ONLINE lamp FEED lamp Head Rank
OFF OFF A
OFF ON B
ON OFF C
ON ON C
(4) “Set Memory Switches” mode
1When you first enter this mode, memory switch 0 is selected. You can change the selection by pressing FEED
as many times as necessary. Specifically, the selection cycle is 0 -> 1 -> 2 -> 3 -> 4 -> 0 -> 1 ->... In other words,
press 0 times to select Switch 0, 1 time to select Switch 1, and so on.
2Press ONLINE once to confirm your selection. The buzzer beeps one time in response.
3Set a value for each bit in turn, starting from Bit F and proceeding sequentially to Bit 0. Note that the lamps
indicate each bit’s current value: ONLINE lamp ON means that the current value is “1”, while POWER lamp
ON means that the current value is “1”.
To set to 0: Press FEED. (The buzzer will beep once.)
To set to 1: Press ONLINE. (The buzzer will beep once.)
When you complete setting of Bit 0, the buzzer will beep again.
4When you have set all bit values and are ready to enter the new value, press the ONLINE switch. The buzzer
beeps once and the value is written to memory.
If you wish to cancel your changes, press the FEED switch instead. The buzzer will beep twice and the process
will return to the beginning of Step (3) above.
5Press the ONLINE and FEED switches at the same time to move back to the start of the sequence.

– 8 –
SPECIFICATIONS AND OPERATION
5. Running a test print
To generate a test print, hold down the FEED switch while setting the power on.
6. HEX dump mode
To enter HEX dump mode, hold down the ONLINE switch while setting the power on, and then release the switch after
the buzzer beeps once.
When this mode is active, all data sent from the host will be printed in HEX form.

CHAPTER 2
PRINCIPLES OF OPERATION
This chapter describes the operating principles of the circuitry and printer mechanism.
1. Block Diagram ..................................................................................................... 11
2. Interface ............................................................................................................... 13
2-1. Interface Types ..................................................................................................... 13
2-1-1. RS232 interface ................................................................................................ 13
2-1-2. Parallel interface............................................................................................... 14
2-2. Data Arrangement and Printing........................................................................... 15
2-2-1. Arrangement ..................................................................................................... 15
2-2-2. Thermal printhead ............................................................................................ 15
2-2-3. Head current control ........................................................................................ 16
2-2-4. Head current control ........................................................................................ 18
2-2-5. Head burnout protection ................................................................................. 18
2-3. Feed-Motor Drive Circuit...................................................................................... 19
2-4. Power-On Reset Circuit ....................................................................................... 21
2-5. +5V Line Voltage Detector Circuit ....................................................................... 22
3. Printer Mechanism .............................................................................................. 23
3-1. Thermal Printhead ................................................................................................ 23
3-2. Paper-Feed Mechanism ....................................................................................... 23
3-3. Detectors ............................................................................................................... 24
3-4. Auto-Cutter Drive circuit (on TSP242-24/120/230 only) .................................... 25
2

– 10 –
PRINCIPLES OF OPERATION

– 11 –
PRINCIPLES OF OPERATION
1. Block Diagram
The following diagram illustrates the relation between the main logic board and its peripherals.
Fig. 2-1 Block Diagram
Host computer
Host computer
Parallel I/F
Main Logic Board
RS232C I/F
Gate array
CPU
EEPROM
Head driver
Lamp
Dipswitch
Motor driver
Cutter driver
Sensor circuit
EPROM
256K × 8 bits
PSRAM
128K × 8 bits
Kanji ROM
512K × 8 bits
Peripheral unit
driver
Switch
Thermal
head
Printer mechanism
Paper-feed
motor
Auto-cutter
Sensor
Peripheral unit
5V 24V
Power supply unit

– 12 –
PRINCIPLES OF OPERATION
(1) Main Logic Board
The main logic board’s CPU passes data transmitted from the host computer into the local RAM. It then reads the data
from the RAM, arranges it in accordance with the ROM program, and prints the results by issuing appropriate drive signals
to the printer mechanism.
[Block Descriptions]
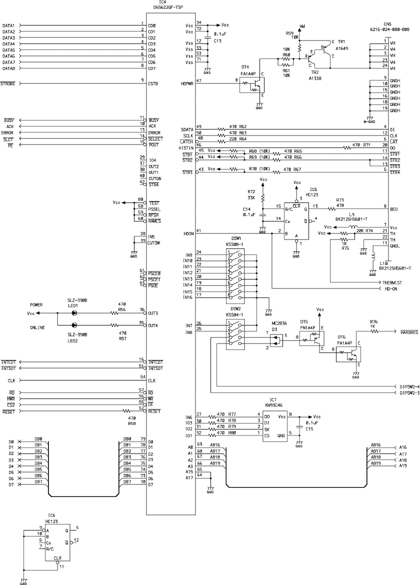
a. CPU: HD6413002F16
CMOS single-chip computer.
Controls overall printer operation.
b. EPROM: 256K × 8 bits
Stores the CPU control program.
c. PSRAM: 128K × 8 bits
Work area and data buffer.
d. EEPROM: 1024 bits
Stores printer settings. Settings can be changed by software. (Used in place of dip switches.)
e. Interface
Interfaces the main board with the host computer.
Two versions available: RS232C and Centronics.
f. Gate array
Handles signal input, output, and conversions.
g. Drivers
The various drivers convert signals received from the CPU and gate array into drive signals that directly control
the printer mechanism.
(2) Printer Mechanism
Comprised of thermal head, platen, paper-feed motor, auto-cutter, and sensor mechanism.
(3) Power Supply Unit
Converts primary power to DC5V, DC24V.
(4) Peripheral Unit
External device (such as cash drawer) driven by signals issued from the main logic board.

– 13 –
PRINCIPLES OF OPERATION
RXD
TXD
DSR
DTR
RTS
FAULT
INIT
CN6 IC10
ADM232LJR
Dipswitch 2-4
IC1 CPU
Dipswitch 2-3
RXD 0
TXD 0
P93
P91
P94
Comparator
TTL
232C
TTL
232C
Comparator
2. Interface
2-1. Interface Types
2-1-1. RS232 interface
Fig. 2-2 Serial Interface
Data flow from host to printer: IC10 receives serial data from the host through RXD, converts the voltage level from
RS232C to TTL, and passes the result to the CPU. The CPU converts the serial data to
parallel form and stores the result into buffer memory.
Data flow from printer to host: The CPU generates the data, converts it into serial form, then passes it to IC10. IC10
converts the level from TTL to RS232C and outputs the result over the TXD line.

– 14 –
PRINCIPLES OF OPERATION
2-1-2. Parallel interface
Fig. 2-3 Parallel interface
When the printer is ready (BUSY is LOW), the host computer transmits eight bits of parallel data (DATA1,...,DATA8)
to CN4. The data passes through the gate array and moves into the CPU.
Printer signals from the CPU (ACK, ERROR, SELECT, PAPER OUT, etc.) pass through the gate array and are output
over the appropriate connector pins.
DATA 1
DATA 2
DARA 3
DATA 4
DATA 5
DARA 6
DATA 7
DATA 8
STROBE
BUSY
ACK
ERROR
SELECT
PAPER OUT
CN4
CPU
IC1
Gate array
IC4
LS05
CD0
CD1
CD2
CD3
CD4
CD5
CD6
CD7
CSTB
BUSY
ACK
ERROR
SELECT
POUT
IC5

– 15 –
PRINCIPLES OF OPERATION
2-2. Data Arrangement and Printing
2-2-1. Arrangement
The CPU reads data sequentially from RAM and arranges this data in accordance with program instructions stored in
EPROM. The arranged data is then converted from parallel to serial form. The gate array then outputs the resulting serial
data to the drive controller in the thermal printhead.
2-2-2. Thermal printhead
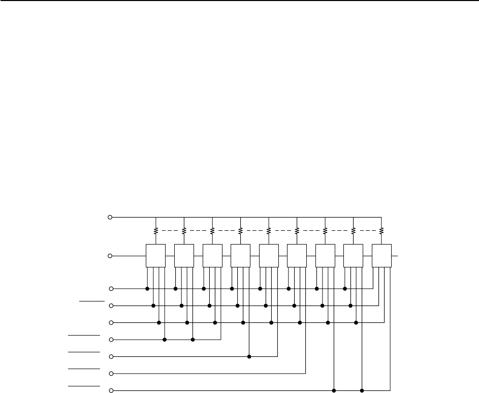
The thermal printhead has 576 heat elements. Printing is executed by switching these elements ON and OFF as required.
The printhead contains a built-in dedicated drive controller. The controller consists of shift register, latch circuit, and
driver circuit, as illustrated below. The controller receives serial data (SI) from the gate array in sync with the CLK signal.
It latches this incoming data (by LATCH signal), then outputs the data to the elements in sync with the falling edge of
the STROBE signal. A data value of LOW corresponds to an element value of ON (generating print).
Fig. 2-4 Drive Circuitry of Thermal Printhead
B. E. O
LATCH
CLOCK
STROBE4
STROBE3
STROBE2
STROBE1
V
H
DATE IN
(SI) SO
R576 R1
1 2 3 4 5 6 7 8 9

– 16 –
PRINCIPLES OF OPERATION
Fig. 2-5 Block Diagram of Drive IC
2-2-3. Head current control
Although the thermal printhead has four different STROBE lines, in fact it uses only three strobe signals to control its 576
elements. Specifically, each signal drives 192 of these elements. The signal/element arrangement is shown below.
Thermal Printhead Elements Strobe Signal
STROBE1 1 – 192 STB1
STROBE2 193 – 256 STB2
STROBE3 257 – 384
STROBE4 385 – 576 STB3
DO1
GND
H
V
DD
SO
DO2
V
DD
GND
L
STB
BEO
D
Q
L
C
Q
D
D
Q
L
C
Q
D
DO3
D
Q
L
C
Q
D
V
DD
CHECKER
LAT
SI
CLK
CTL
DO62 DO63
D
Q
L
C
Q
D
D
Q
L
C
Q
D
DO64
D
Q
L
C
Q
D
BUFFER
LATCH
SHIFT
REGISTER

– 17 –
PRINCIPLES OF OPERATION
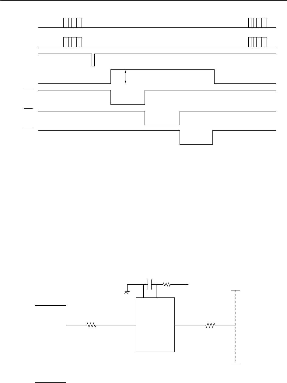
Strobe signals are output in one of five patterns, depending on the number of dot lines that are simultaneously ON.
The following table shows each of the patterns.
Figure 2-7 shows the timing for Pattern (5).
Strobe Signal Output Pattern
STB1 STB2 STB3
0 STB1+STB2+STB3 384
1
193 STB1+STB2+STB3 384
STB1+STB2 192
2
193 STB1+STB2+STB3 384
STB1+STB3 192
3
193 STB1+STB2+STB3 384
STB2+STB3 192
4
385 STB1+STB2+STB3 576
5
STB1: Number of ON elements in element range 1 to 192.
STB2: Number of ON elements in element range 193 to 384.
STB3: Number of ON elements in element range 385 to 576.
Fig. 2-6 Strobe Signal Output Patterns for Different Print Rates
STB1
STB2
STB3
STB1
STB2
STB3
STB1
STB2
STB3
STB1
STB2
STB3
STB1
STB2
STB3
Number of ON Elements per Dot Line

– 18 –
PRINCIPLES OF OPERATION
Fig. 2-7 Timing Chart
2-2-4. Head current control
Heat buildup in the thermal printhead can cause print quality to degrade. To maintain uniform quality, the printer varies
the energizing time (time that STROBE remains LOW) in accordance with the head temperature.
The print head’s surface temperature is calculated based on the resistance value of the attached thermistor, and energizing
time is controlled accordingly.
2-2-5. Head burnout protection
Misoperation of the CPU may cause head current to remain on too long, resulting in burn damage to the elements unless
current is shut off by other means. The printer therefore includes a burnout protection circuit that automatically forces
current off at some fixed time tw following current startup. Control is implemented through the head’s BEO terminal,
which is active on HIGH; setting the terminal LOW forces current off regardless of the STROBE state.
Fig. 2-8 Head Burnout Protection Circuit
24V
CLOCK
LATCH
COMMON
STB1
STB2
STB3
SI
HD ON
+5V
tw=(C
EXT
) (R
EXT
)
IC1
CPU
C
EXT
R
EXT
B BEOQ
IC6
CN6

– 19 –
PRINCIPLES OF OPERATION
Fig. 2-9 Timing Chart
2-3. Feed-Motor Drive Circuit
The printer uses a 4-phase step motor (phase 1-2 excitation) to implement paper feed. The motor rotates through a certain
angle each time it receives a pulse from the drive circuit. The following diagram illustrates the excitation method. Figure
2-11 shows the feed-motor drive circuit.
Fig. 2-10 Motor Control by Phase 1-2 Excitation
Fig. 2-11 Feed-Motor Drive Circuit
1 2 3 4 5 6 7 8
1
2
3
4
ON
ON
ON
ON
ON
Step
Reverse Feed
Forward Feed
PB4
TP8
TP9
TP10
TP11
1
3
2
4
CN7
1
2
3
6
5
4
+24V
TR5
TA1
DT9
M-GND
IC1
CPU
tw
STB1
STB2
STB3
HD ON
(B)
BEO
(Q)
Trigger Retrigger Retrigger

– 20 –
PRINCIPLES OF OPERATION
STB1
STB2
STB3
LF COMMON
T3 T3 T3
STB1
STB2
STB3
LF COMMON
T2 T2 T2
STB1
STB2
STB3
LF COMMON
T1 T1 T1
The feed-motor pulse width varies according to the strobe output pattern (where the output pattern is determined by the
print rate, as described above). The following diagram shows the pulse width for each pattern.
Pattern 1
Pattern 2
Pattern 5
Fig. 2-12 Pulse Width by Pattern

– 21 –
PRINCIPLES OF OPERATION
2-4. Power-On Reset Circuit
The power-on reset signal initializes all elements so as to protect against possible operating errors at power-on. The signal
is held for approximately 160ms when power comes on. The reset circuit is shown below.
Fig. 2-13 Power-On Reset Circuit
Fig. 2-13 Power-On Reset Circuit
1At power-on, voltage detector IC3 (M51953BL) outputs a LOW signal from its OUT terminal. The signal is held
for approximately 160ms by the action of capacitor C9 (0.47µF), in accordance with the following relation:
T = 0.34 × C9 (pF) [µs] = 160ms
2The LOW signal generates reset of the CPU and gate array, and stops operation of the mechanism drive circuitry.
+5V
IC3
CD
C9 GND
+5V
+5V
+5V
VCC
OUT
D1
IC1 : CPU
Drive circuit
RES RESO
RESET
+
Gate
array
RESET IC
IC4
CPU
+5V

– 22 –
PRINCIPLES OF OPERATION
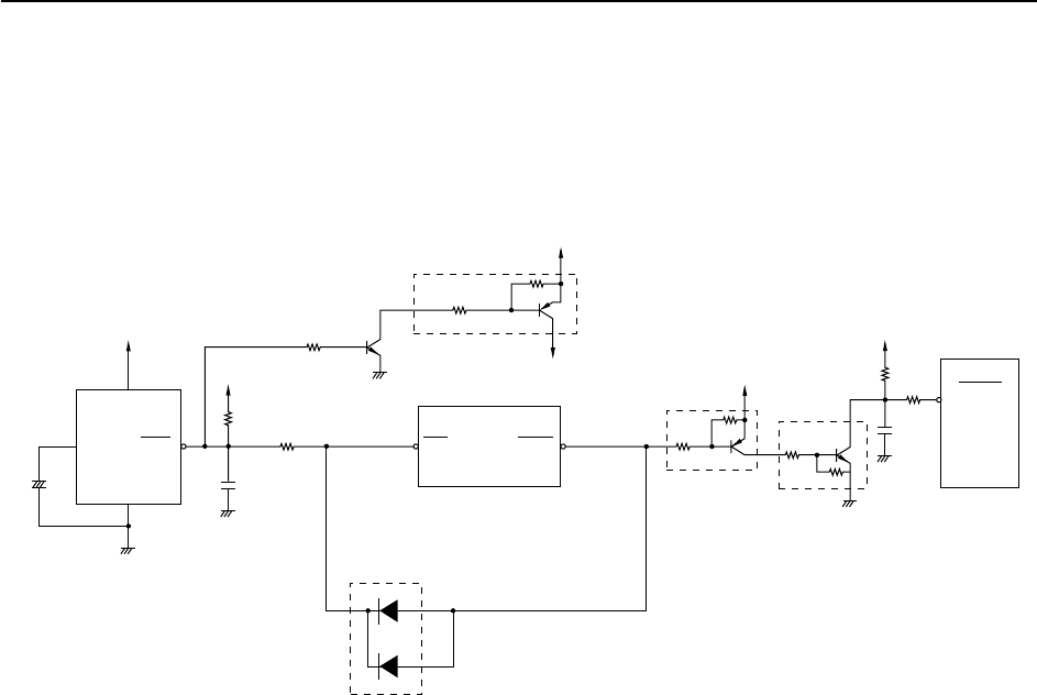
2-5. +5V Line Voltage Detector Circuit
The voltage-detection IC (IC3 in Fig. 2-13) detects momentary drops or unstable levels in the +5V line voltage. The
following shows an IC3-equivalent circuit.
Fig. 2-14 Equivalent Circuit, Voltage Detection IC
Figure 2-15 shows the IC’s operational timing. The IC asserts a reset signal at its output terminal when the -5V line voltage
falls below 4.25V, thereby resetting the CPU and the gate array.
Fig. 2-15 Operation Timing Chart
1.25V
R1
R2
SµA typ
V
CC
1
GND
3Cd4
–OUT
5
–
+
V
CC
Voltage
4.25V
0.8V
Output
Voltage
tdtd
t
t
td = 0.34 × Cd (pF) [µs]

– 23 –
PRINCIPLES OF OPERATION
3. Printer Mechanism
3-1. Thermal Printhead
The TSP400 printers utilize thermal line printing. The thermal printhead consists of a horizontal line of 576 heat elements.
These elements print one line of dots at a time as the paper passes over the head. The printhead is fixed in position; only
the paper moves.
The printer prints a dot by heating the corresponding heat element. The heated element generates a chemical reaction in
the coloring layer of the thermal paper, resulting in the formation of a visible dot.
Fig. 2-16 Principle of Thermal Printing
3-2. Paper-Feed Mechanism
The paper-feed mechanism is comprised of paper-feed motor, gear train, platen, and thermal printhead. The paper-feed
motor drives the gear train, which in turn rotates the platen. The platen carries the thermal paper past the printhead.
The paper-feed motor is a PM (permanent magnet) type, 4-phase 48-pole step motor. 3 steps feed the paper approximately
0.125mm.
Fig. 2-17 Paper-Feed Machanism
Thermal head
Thermal paper
Printed point
Platen
Heat element
Coloring layer
Gear train
Paper-feed motor
Thermal head
Thermal paper
Platen

– 24 –
PRINCIPLES OF OPERATION
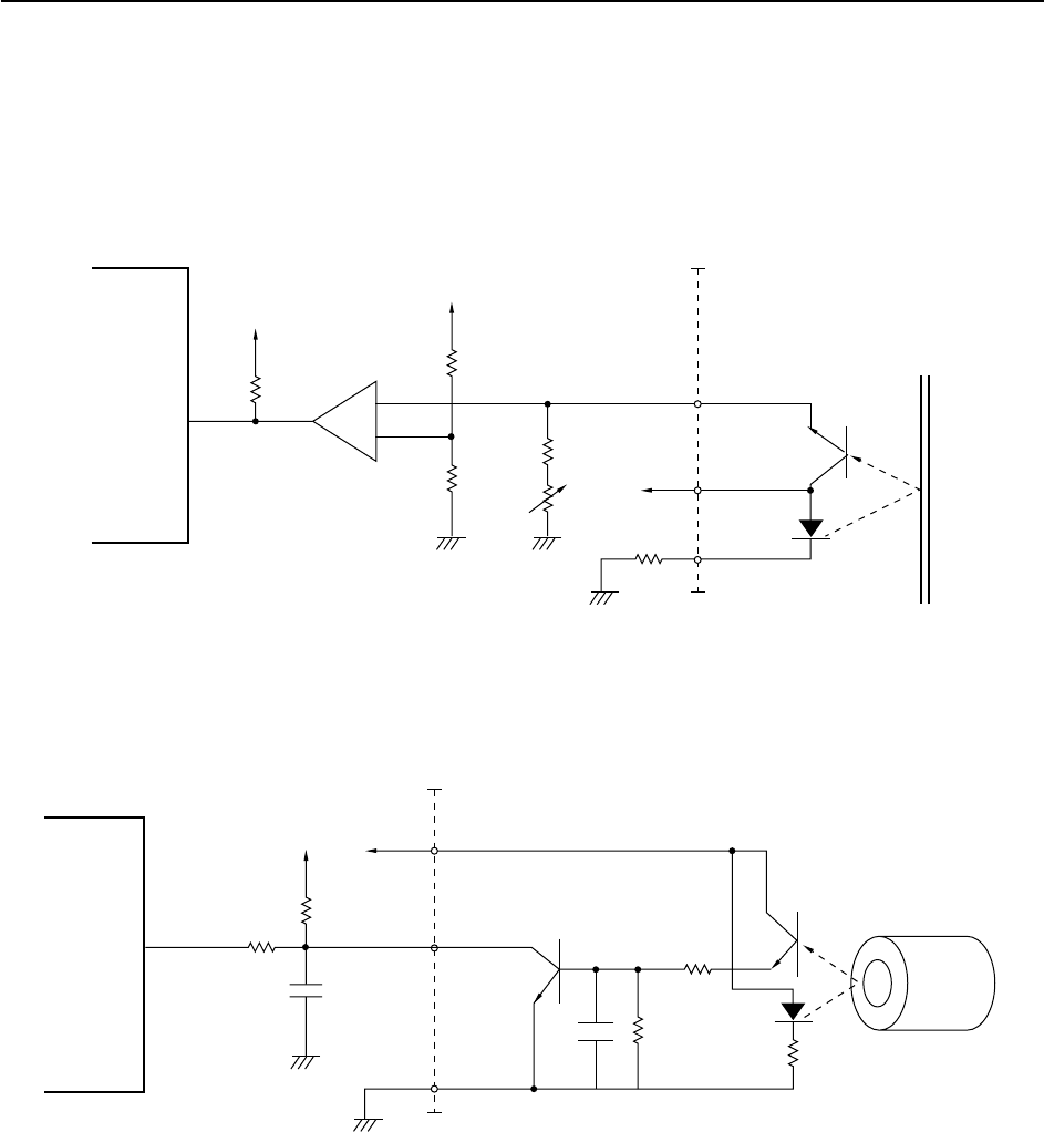
3-3. Detectors
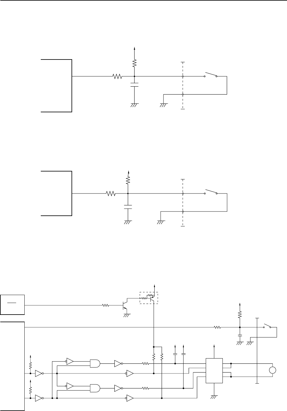
1Paper-Out Detector
The paper-out detector (reflective photosensor) is located at the paper entry slit. The photosensor’s phototransistor
remains ON while paper is present. It goes OFF when paper runs out, generating output of a paper-out signal.
Fig. 2-18 Paper-Out Detector
2Paper-Near-End Detector
The near-end detector is mounted in the paper-roll holder.
Fig. 2-19 Paper-Near-End Detector
–
+
CN2
P45
+5V
+5V
+5V
4
IC1
CPU
Photosensor Paper
5
3
P47
IC1
CPU
CN3
+5V
+5V
2
Paper-roll
3
1

– 25 –
PRINCIPLES OF OPERATION
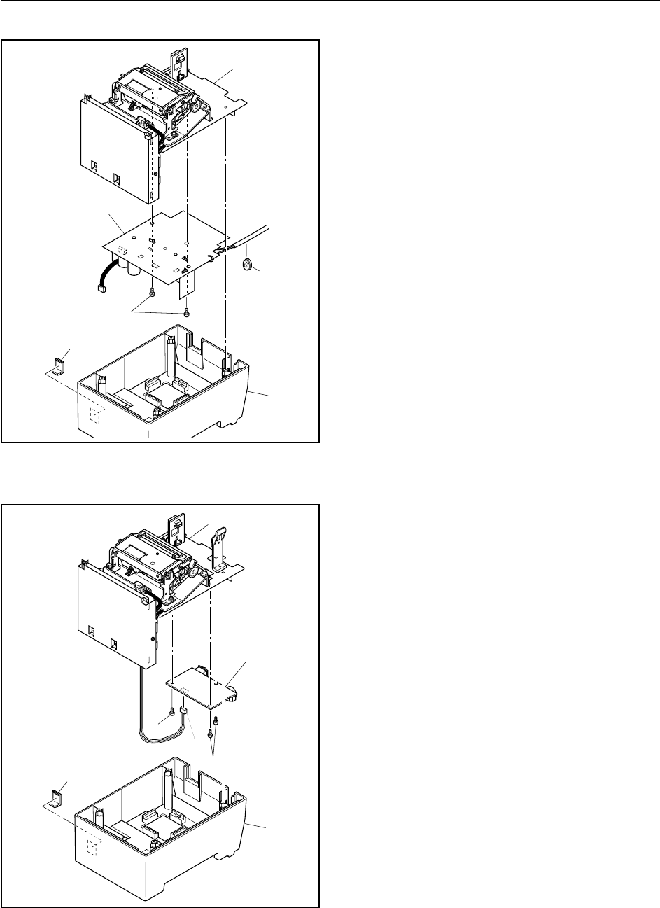
3 Head-Up Detector
This detector senses the position of the thermal printhead. The leaf switch closes when the printhead is in contact
with the platen, and opens when the printhead is separated from the platen.
Fig. 2-20 Head-Up Detector
4Cover-Open Detector
This detector senses whether the upper cover is open or closed. The leaf switch closes when the cover closes,
and opens when the cover opens.
Fig. 2-21 Cover-Open Detector
3-4. Auto-Cutter Drive circuit (on TSP242-24/120/230 only)
The TSP242 includes a guillotine-type cutter. The motor rotation direction determines whether the cutter executes a full
cut or a partial cut. (The partial cut leaves paper attached at one point.)
Note that Memory Switch 2 Bit 8 must be set ON to enable use of the cutter.
Fig. 2-22 Auto-Cutter Drive Circuit
P44
CN7
+5V
2
1
IC1
CPU
Leaf Switch
P46
CN1
+5V
1
2
IC1
CPU
Leaf Switch
CN9
P40
2
3
4
5
6
2
8
4
7
3
9
5
OUT
P42
IC3
IC1
CPU
P41
V
CC
VM
VM
V
CC
Switch
Motor
GND
M-GND
GND
VM
C
C
C
C
E
E
10
1
B
B
B
B
TA2
TH3C10
M

– 26 –
PRINCIPLES OF OPERATION
<Full Cut>
<Partial Cut>
Fig. 2-23 Auto-Cutter Timing Chart
P40
P41
Switch
40ms 100ms Brake
H
L
H
L
ON
OFF
< Full Cut >
P41
P40
Switch
40ms 100ms Brake
H
L
H
L
ON
OFF
< Partial Cut >

CHAPTER 3
PART REPLACEMENT AND RELATED ADJUSTMENT
This chapter presents printer disassembly and reassembly procedures. Please note the following important
points.
1. Always disconnect the power cord from the AC outlet before beginning work.
2. Except where otherwise indicated, the reassembly procedure is the reverse of the disassembly
procedure.
3. Coat screw heads with locking sealant after completing of reassembly.
4. Refer to Chapter 4 Section 2 for information about lubrication. (Chapter 3 does not include any
lubrication information.)
Note: This printer has no adjustment sites.
1. Upper Case Unit ..................................................................................................29
2. Auto-Cutter Unit ..................................................................................................29
3. Printer Mechanism ..............................................................................................30
4. Near-End-Sensor Unit .........................................................................................30
5. Power Unit............................................................................................................31
6. Main Logic Board ................................................................................................32
7. Fuses ....................................................................................................................32
8. Thermal-head Unit...............................................................................................33
3

PARTS REPLACEMENT
– 28 –

PARTS REPLACEMENT
– 29 –
3
2
1
1
2
4
6
5
1
3
1. Upper Case Unit
(1) Switch off the power, and unplug the power cord
from the power outlet.
(2) Remove:
•Cover 1
•Four tapping screws 2
•Upper case unit 3
Remove the upper case unit by lifting it up and
off.
2. Auto-Cutter Unit
<Model TSP242-24/120/230 only>
(1) Remove:
•Upper case unit (See 1. above.)
•Two tapping screws 1
•Wire band 2
•Cutter Holder Plates R,L 3, 4
•Cutter Unit 5
•Connector 6

PARTS REPLACEMENT
– 30 –
4
5
7
1
2
6
3
5
1
2
3
4
3. Printer Mechanism
<TSP212-24/120/230>
(1) Remove the upper case unit (see 1. above), then
proceed to (2) below.
<TSP242-24/120/230>
(1) Remove the auto-cutter unit. (See 2. above.)
(2) Remove:
•Two screws 1
•Sub-chassis 2
•Guide 3
•Two tapping screws 4
•Three tapping screws 5
•Flat cable 6
•Connector
•Printer mechanism 7
4. Near-End-Sensor Unit
(1) Remove the upper case unit. (See 1. above.)
(2) Remove:
•Two screws 1
•Mechanism sub-chassis 2
•One tapping screw 3
•Connectors 4
•Near-end-sensor unit 5

PARTS REPLACEMENT
– 31 –
1
3
5
6
4
2
5. Power Unit (TSP200-120/230)
(1) Remove the upper case unit. (See 1. above.)
(2) Remove the connector cover 1.
(3) Remove the main chassis unit 5 from the lower
casing unit 2.
(4) Remove:
•Two screws 3
•Cord bushing 4
•Connector
•Power unit 6 from main chassis 5
1
3
4
3
6
5
2
Power Unit (TSP200-24)
(1) Remove the upper case unit. (See 1. above.)
(2) Remove the connector cover 1.
(3) Remove the main chassis unit 5 from the lower
casing unit 2.
(4) Remove:
•Three screws 3
•Connector 4
•Power unit 6 from main chassis 5

PARTS REPLACEMENT
– 32 –
2
1
7. Fuses (TSP200-120/230)
(1) Remove the main chassis unit from the lower casing
unit. (See 5. above.)
(2) Check the fuses in the power unit.
•Fuse F1 1
•Fuse F2 2
If fuse is blown, replace it with the fuse type
indicated below.
Destination F1 F2
U.S.A. 5TT1A 5TT3A
EC EAWK630mA EAK3.15A
United Kingdom
EAWK630mA 5TT3A
If the replacement fuse also blows out, replace the
power unit or check the main logic board.
6. Main Logic Board
(1) Remove the upper case unit. (See 1. above.)
(2) Remove the connector cover 1.
(3) Remove the main chassis unit 3 from the lower
casing unit 2.
(4) Remove:
•Two tapping screws 4
•Board chassis unit 5
•Two tapping screws 6
•Two screws 7
•Connector
•Main logic board 8
1
4
4
3
76
6
7
8
2
5

PARTS REPLACEMENT
– 33 –
9
8
4
4
6
6
6
7
7
3
5
4
2
1
2
8. Thermal-head Unit
(1) Remove the printer mechanism. (See 3. above.)
(2) Be sure that the unit is in head-down state (that the
head-lift lever 1 is back).
(3) Press the two head-opening levers 2 and remove the
set cover 3 from the printer mechanism.
(4) Remove:
•Three stop rings 4
•Stay 5
•Three springs 6
•Two screws 7
•Head plate 8
•Thermal head 9
(5) Attach the replacement thermal head. as follows.
(a)Be sure that the unit is in head-open state.
(b)Hold the replacement head in position, and screw
the right end loosely into place with the one of the
screws 7.
(c)Set the unit into head-closed state.
(d)Fit the remaining screw 7 into the left side, and
tighten both of the screws to a torque of 5g-cm.
(6) Caution:
Keep hands clear of the head’s heat elements when
making the replacement.
Fuses (TSP200-24)
(1) Remove the main chassis unit from the lower casing
unit. (See 5. above.)
(2) Check the fuses in the power unit.
•Fuse F1 1
If fuse is blown, replace it with the fuse type
indicated below.
F1
5TT3A
If the replacement fuse also blows out, replace the
power unit or check the main logic board.
1

CHAPTER 4
MAINTENANCE AND LUBRICATION
1. Maintenance......................................................................................................... 35
1-1. Cleaning................................................................................................................. 35
1-2. Checks ................................................................................................................... 35
2. Lubrication........................................................................................................... 36
2-1. Lubricants ............................................................................................................. 36
2-2. Application Method .............................................................................................. 36
2-3. Lubrication Points ................................................................................................ 36
4

– 35 –
MAINTENANCE AND LUBRICATION
1. Maintenance
Proper maintenance is necessary to maintain printer performance and forestall potential problems. Please carry out
maintenance as described below.
1-1. Cleaning
(1) Surface dirt
Clear away dirt with a soft cloth. If necessary, apply a small quantity of alcohol to the cloth to improve cleaning
power. NEVER use thinner, trichlene, or ketone solvents, as these can cause damage to plastic components.
When cleaning, take care to avoid damaging or moistening of electronic parts, mechanical parts, and wires.
(2) Internal dust
For best results, use an electric vacuum cleaning device to remove dust from the inside of the printer. Note that such
cleaning may also remove lubrication; when you have finished cleaning, check lubrication levels and apply
lubricant as necessary.
1-2. Checks
There are two types of maintenance checks. Simple “daily checks” can be performed by users during the course of daily
operation. “Periodic checks” must be carried out by qualified service personnel.
(1) Daily checks
• Check whether dirt or other foreign matter has worked its way into the printer, and remove as necessary.
• Check the thermal head for excessive dirt. If the head is very dirty, clean it with a cotton stick or a soft cloth soaked
in alcohol.
(2) Periodic checks
Periodic checks and lubrication should be carried out once every six months or once every million lines of printing.
• Check the integrity of springs.
• Clear dust from areas around the detectors.
MAINTENANCE AND LUBRICATION

– 36 –
MAINTENANCE AND LUBRICATION
2. Lubrication
Proper lubrication is essential for maintaining the printer’s performance level and preventing breakdowns or other
problems.
2-1. Lubricants
Choice of lubrication can significantly affect the printer’s performance, longevity, and low-temperature characteristics.
We recommend the following lubricant for this printer.
Type Name Manufacturer
Grease Molykote EM Dow Corning
2-2. Application Method
If you are lubricating parts during disassembly or reassembly, be sure to wash or wipe the parts thoroughly to remove all
dirt and dust prior to lubricating.
Remember that cleaning can remove necessary lubrication. Always lubricate after cleaning, disassembly, or replacement.
2-3. Lubrication Points
Apply lubricants at the following locations.
Lubrication points

CHAPTER 5
PARTS LIST
HOW TO USE PARTS LIST
(1) DRWG. NO.
This column shows the drawing number of the illustration.
(2) REVISED EDITION MARK
This column shows a revision number.
Parts that have been added in the revised edition are indicated with “#”.
Parts that have been abolished in the revised edition are indicated with “*”.
#1:First edition → Second edition *1:First edition → Second edition
(3) PARTS NO.
Parts numbers must be notified when ordering replacement parts. Parts described as “NPN” have no parts number and are not
in stock, i.e., unavailable.
(4) PARTS NAME
Parts names must be notified when ordering replacement parts.
(5) Q’TY
This column shows the number of the part used as indicated in the figure.
(6) REMARKS
Where differences in specifications exist depending on location/destination.
(7) RANK
Parts marked “S” are service parts. Service parts are recommended to be in stock for maintenance.
1. Printer Assembly.................................38
1-1. Disassembly Drawing..................... 38
1-2. Parts List ......................................... 41
2. Printer Mechanism ..............................43
2-1. Disassembly Drawing..................... 43
2-2. Parts List ......................................... 45
3. Cutter Unit............................................46
3-1. TSP200-120/230 .............................. 46
3-2. TSP200-24 ....................................... 47
4. Wiring Scheme of Printer ...................48
4-1. TSP212/242 ...................................... 48
4-2. TSP212-24/242-24 ........................... 49
5. Main Logic Board ................................50
5-1. Circuit Diagram ...............................50
5-2. Component Layout .........................56
5-3. Parts List ......................................... 57
6. Power Supple Unit (120VAC/230VAC) ....61
6-1. Circuit Diagram ...............................61
6-2. Parts List .........................................62
7. Power Supple Unit (24VDC) ...................63
7-1. Circuit Diagram ...............................63
7-2. Component Layout .........................63
7-3. Parts List ......................................... 63
8. Paper Near-End Sensor ......................64
8-1. Circuit Diagram ...............................64
8-2. Parts List ......................................... 64
5

– 38 –
1. Printer Assembly
1-1. Disassembly Drawing
1-1-1. TSP212-120/230
17
25
24
22
12
26 7
13
18
29
27
5
34
1
27
4
AE
C
F
G
B
D
D
BCAFG
E
35
31
32
19
11
3
10
9
2
6
23
8
33
21
28
20

– 39 –
1-1-2. TSP242-120/230
17
25
29
27
5
34
21
1
27
4
13
26
8
A
H
E
C
F
G
B
D
D
BCAFG
E
18
22
24
12 11 10
9
2
32
7
3
28
6
H
15
23
16
20
14
20
33
19
30
30

– 40 –
1-1-3. TSP242-24
27
17
25
25
29
27
5
26
28
1
4
13
26
26
8
A
H
E
C
F
G
B
D
D
BCAFGE
18
22 36
36
22
24
12
11 10
9
2
21
32
7
3
6
H
15
23
16
20
14
20
27
19
30
30
26
25
25
34
37
33
20

– 41 –
1 37300011 LOWER CASE UNIT SP2 1 S
2 37309010 POWER SUPPLY UNIT SP2-120 US 1 FOR US S
37309030 POWER SUPPLY UNIT SP2-230 EC 1 FOR EC S
37309040 POWER SUPPLY UNIT SP2-240 UK 1 FOR UK S
3 *1 32010011 MAIN CHASSIS SP2 1
#1 32010012 MAIN CHASSIS SP2 1
4 32010030 BOARD CHASSIS P SP2 1
5 37437010 TBD212-24 UNIT TSP2 1 TSP212 S
37437110 TBD242-24 UNIT TSP2 1 TSP242 S
6 30722000 FLAT CABLE 24X105 TSP2 1 S
7 32010050 SUB-CHASSIS TSP2 1
8 37432200 COVER OPEN SWITCH UNIT TSP2 1 S
9 32043500 DETECTOR HOLDER PLATE TSP2 1
10 33020500 NEAR-END DETECTOR COVER TSP2 1
11 37437400 DETECTOR BOARD ASSY TSP2 1 S
12 33900060 ASSIST GUIDE TSP2 1
13 38420000 TMP212A-24 1 TSP212 S
38420100 TMP212B-24 1 TSP242 S
14 37432000 CUTTER 4022-24V UNIT TSP2 1 TSP242 S
15 32043210 CUTTER HOLDER PLATE R TSP2 1 TSP242
16 32043220 CUTTER HOLDER PLATE L TSP2 1 TSP242
17 33020022 COVER SP2 1 TSP212 S
33020060 COVER TSP2 1 TSP242 S
18 37431000 UPPER CASE UNIT TSP2 1 S
19 83911720 CONNECTOR COVER SP312 1
20 04991204 FASTENER T18S 1 TSP212 S
04991204 FASTENER T18S 2 TSP242 S
21 04991220 CORD BUSHING SR-5N-4 1 S
22 00926603 SCREW TAT 2.6-6 CT 2 S
23 00926803 SCREW TAT 2.6-8 PT 1 S
24 01902618 SCREW TAT 2.6-4 3 S
25 01903058 SCREW TAT 3-10 PT 4 S
26 01903059 SCREW TR 3-5 FL 2 S
27 *1 01903064 SCREW TAT 3-5 CT 2 S
#1 01903101 SCREW TAT 3-6 CT-FL 2 S
28 01903026 SCREW TR 3-5 WB 1 S
29 01903069 SCREW TAT 3-5 ST-FL 2 S
30 01903077 SCREW TAT 3-5 CT-FL 2 TSP242 S
31 00930603 SCREW TAT 3-6 PT 2 TSP212 S
32 01903033 SCREW TR 3-12 2 S
33 *1 01903077 SCREW TAT 3-5 CT-FL 1 S
#1 01903101 SCREW TAT 3-6 CT-FL 1 S
34 01914003 SCREW TR 4-10 WS/WF 2 S
35 32970010 TEAR BAR SP2 1 TSP212
- 04991204 FASTENER T18S 1 FOR EC,UK :ACCESSARY
09990723 FERRITE CORE TFC-23-11-14 1 FOR EC,UK :ACCESSARY
30970030 THERMAL ROLL PAPER 76X35D 1 :ACCESSARY
DRWG.NO. REV. PARTS NO. PARTS NAME Q’TY REMARKS RANK
1-2. Parts List
1-2-1. TSP200-120/230 Printer Assembly(TSP200-120/230)

– 42 –
DRWG.NO. REV. PARTS NO. PARTS NAME Q’TY REMARKS RANK
1-2-2. TSP200-24 Printer Assembly(TSP200-24)
1 37300011 LOWER CASE UNIT SP2 1 S
2 37439000 POWER SUPPLY UNIT TSP2-24 1 S
3 32010130 MAIN CHASSIS TSP2-24 1
4 32010030 BOARD CHASSIS P SP2 1
5 37437010 TBD212-24 UNIT TSP2 1 TSP212-24 S
37437110 TBD242-24 UNIT TSP2 1 TSP242-24 S
6 30722000 FLAT CABLE 24X105 TSP2 1 S
7 32010050 SUB-CHASSIS TSP2 1
8 37432200 COVER OPEN SWITCH UNIT TSP2 1 S
9 32043500 DETECTOR HOLDER PLATE TSP2 1
10 33020500 NEAR-END DETECTOR COVER TSP2 1
11 37437400 DETECTOR BOARD ASSY TSP2 1 S
12 33900070 ASSIST GUIDE A TSP2 1
13 38420400 TMP212E-24 1 TSP212-24 S
38420300 TMP212D-24 1 TSP242-24 S
14 37432010 CUTTER ACS230 UNIT TSP2 1 TSP242-24 S
15 32043210 CUTTER HOLDER PLATE R TSP2 1 TSP242-24
16 32043220 CUTTER HOLDER PLATE L TSP2 1 TSP242-24
17 33020170 COVER B TSP2 1 TSP212-24 S
33020091 COVER A TSP2 1 TSP242-24 S
18 37431050 UPPER CASE UNIT TSP2-24 1 S
19 83911720 CONNECTOR COVER SP312 1
20 04991204 FASTENER T18S 3 S
21 30781130 ADAPTER SET PS48 US 1 FOR US S
30781140 ADAPTER SET PS48 EC 1 FOR EC S
30781150 ADAPTER SET PS48 UK 1 FOR UK S
30781160 ADAPTER SET PS48 AS 1 FOR AS S
22 00926603 SCREW TAT 2.6-6 CT 2 S
23 00926803 SCREW TAT 2.6-8 PT 1 S
24 01902618 SCREW TAT 2.6-4 3 S
25 01903058 SCREW TAT 3-10 PT 4 S
26 01903059 SCREW TR 3-5 FL 5 S
27 01903101 SCREW TAT 3-6 CT-FL 3 S
28 09990713 FERRITE CORE TFC-16-8-16 1 S
29 01903069 SCREW TAT 3-5 ST-FL 2 S
30 01903077 SCREW TAT 3-5 CT-FL 2 TSP242-24 S
31 00930603 SCREW TAT 3-6 PT 2 TSP212-24 S
32 01903033 SCREW TR 3-12 2 S
33 01903055 SCREW TR 3-8 WS/WF 1 S
34 37430300 HOLDER LEVER UNIT TSP2 1
35 32970010 TEAR BAR SP2 1 TSP212-24
36 33900080 ASSIST SPACER TSP2 2
37 33910150 HOLDER SP24 2
- 30970040 THERMAL ROLL PAPER 80X35D 1 ACCESSARY
09990723 FERRITE CORE TFC-23-11-14 1 ACCESSARY

– 43 –
2. Printer Mechanism
2-1. Disassembly Drawing
2-1-1. TSP212
17
20
23
15
22
23
29
29
29
27
27
7
8
23
14
21
19
18
26
26
28
24
9
4
5
12
113
25
6
11 10
24 16
30
28
3
3
2
1113

– 44 –
2-1-2. TSP242
15
22 19
18
26
26
28
24
9
4
5
113
25
6
11 10
24 16
30
28
3
3
2
1113
17
20
23
23
29
29
29
27
27
7
8
23
14
21

– 45 –
1 37440400 FRAME ASSY TMP2 1
2 33910070 PAPER GUIDE A TMP2 1
3 33900050 SUB-GUIDE TMP2 2 TSP212/242
4 33210020 HOLDER ROLLER TMP2 1
5 30365020 HOLDER ROLLER SHAFT TMP2 1
6 37447000 DETECTOR UNIT TMP2 1 S
7 32025030 SET COVER TMP2 1
8 31360000 STAY TMP2 1
9 30375010 PLATEN TMP2 1 S
10 33490020 HEAD-UP LEVER TMP2 1
11 04310403 OILESS BUSHING F4X6X5 2 S
12 33910080 PAPER GUIDE B TMP2 1 TSP212/212-24
13 32490020 HEAD OPEN LEVER TMP2 2 S
14 33020300 MOTOR COVER TMP2 1
15 33101510 PLATEN GEAR TMP2 1 S
16 33990000 PLATEN KNOB TMP2 1 S
17 30905021 THERMAL HEAD M22E 1 TSP212-24/242-24 S
30905030 THERMAL HEAD RJ072-8S63 1 TSP212/242 S
18 33102230 GEAR 20X43X0.35 TMP2 1 S
19 33102220 GEAR 13X44X0.35 TMP2 1 S
20 32042030 HEAD PLATE TMP2 1
21 37442400 MOTOR ASSY TMP2 1 S
22 04020002 STOP RING SE1.5 1 S
23 04020010 STOP RING SE2.0 3 S
24 04020004 STOP RING SE2.5 2 S
25 01901709 SCREW TAT 1.7-5 CT FL 1 S
26 00820304 SCREW TR 2-3 2 S
27 00626404 SCREW TR 2.6-4 2 S
28 30510300 SPRING E032-035-0109 2 S
29 30520040 SPRING C048-054-0110 3 S
30 82500860 WAVE WASHER 834G 1
DRWG.NO. REV. PARTS NO. PARTS NAME Q’TY REMARKS RANK
2-2. Parts List Printer Mechanism

– 46 –
3. Cutter Unit
3-1. TSP200-120/230
DRWG.NO. REV. PARTS NO. PARTS NAME Q’TY REMARKS RANK
1 04991512 CUTTER 4022-24V 1 S
2 32025040 CUTTER EJECT COVER TSP2 1
3 45049930 POLARITY LABEL QMB-06S 1
4 32045430 CUTTER GUIDE A TSP2 1
5 32045440 CUTTER GUIDE B TSP2 1
6 37433500 CUTTER SUPPORT R ASSY TSP2 1
7 37433510 CUTTER SUPPORT L ASSY TSP2 1
8 00820304 SCREW TR 2-3 6 S
9 00626404 SCREW TR 2.6-4 2 S
4
5
1
3
8
8
7
2
6
9
9

– 47 –
3-2. TSP200-24
DRWG.NO. REV. PARTS NO. PARTS NAME Q’TY REMARKS RANK
1 04991516 CUTTER ACS-230STR 1 S
2 30990240 PAPER GUIDE TSP2 1
3 30040020 MOUSE PLATE F2 TSP2 1
4 32045470 CUTTER GUIDE C TSP2 1
5 37433530 CUTTER SUPPORT L ASSY TSP2A 1
6 37433520 CUTTER SUPPORT R ASSY TSP2A 1
7 00926503 SCREW TAT 2.6-5 CT 2 S
8 01902018 SCREW TAT 2-4 4 S
1
5
7
7
2
4
8
8
3
8
6

– 48 –
4. Wiring Scheme of Printer
4-1. TSP200-120/230
1
2
3
4
5
6
7
8
9
10
11
12
13
14
15
16
17
18
19
·
30
31
32
33
34
35
36
1
2
3
4
5
6
7
8
9
1
2
3
4
5
6
7
8
9
10
11
12
13
14
15
16
17
18
19
20
21
22
23
24
VH
VH
VH
DI
VCC
BEO
GNDH
GNDH
GNDL
CLK
GNDH
GNDH
GNDH
GNDH
DO
TH
TH
VH
VH
1
2
3
4
5
6
CMN
CMN
LF#2
LF#4
LF#3
LF#1
1
2
3
4
5
6
F-GND
EXT1
+24V
+24V
EXT2
CSW
1
2
3
4
+24V
M-GND
+5V
GND
1
2
3
4
5
N/C
HP
GND
CUT
CUT
DATA1
DATA2
DATA3
DATA4
DATA5
DATA6
DATA7
DATA8
BUSY
PE
SELECT
NC
NC
GND
F-GND
VCC
GND
·
GND
GND
NC
NC
SLCT IN
CN4
( 36 PIN )
CENTRONICS CONNECTOR
FOR PARALELL I/F
( 9 PIN )
DSUB CONNECTOR
FOR SERIAL I/F
COVER OPEN SW
HEAD UP SW
PAPER END
SENSOR
PAPER NEAR END SENSOR
MAIN LOGIC BOARD
CN6
CN1
CN2
CN3
F-GND
RXD
TXD
DTR
S-GND
DSR
RTS
INIT
FAULT
1
2
COVER-OP
GND
1
2
3
4
5
GND
HEAD-UP
LED(-)
PE
+5V
1
2
3
PNE
+5V
GND
WHT
BLU
GRN
TR(E)
+5V
GND
CN5 1
2
3
4
5
6
7
8
9
10
11
12
13
14
15
16
17
18
19
20
21
22
23
24
VH
VH
VH
DI
VCC
BEO
GNDH
GNDH
GNDL
CLK
GNDH
GNDH
GNDH
GNDH
DO
TH
TH
VH
VH
THERMAL HEAD
CN7
CN9
CN8
CN10
ACK
INIT
ERROR
STROBE
STB4
LAT
STB3
STB2
STB1
STB4
LAT
STB3
STB2
STB1
WHT
WHT
RED
BLK
NC
SENSER
SENSER
MOTOR
MOTOR
AUTO CUTTER
CONNECTOR FOR PERIPHERAL UNIT
PAPER FEED MOTOR
GRN
GRN
RED
WHT
YEL
BLU
CMN
CMN
LF#2
LF#4
LF#3
LF#1
CN1
POWER
SUPPLY
BOARD
+24V
M-GND
+5V
GND
RED
RED
BLU
BLU

– 49 –
4-2. TSP200-24
1
2
3
4
5
6
7
8
9
10
11
12
13
14
15
16
17
18
19
·
30
31
32
33
34
35
36
1
2
3
4
5
6
7
8
9
1
2
3
4
5
6
7
8
9
10
11
12
13
14
15
16
17
18
19
20
21
22
23
24
VH
VH
VH
DI
VCC
BEO
GNDH
GNDH
GNDL
CLK
GNDH
GNDH
GNDH
GNDH
DO
TH
TH
VH
VH
1
2
3
4
5
6
CMN
CMN
LF#2
LF#4
LF#3
LF#1
1
2
3
4
5
6
F-GND
EXT1
+24V
+24V
EXT2
CSW
1
2
3
4
+24V
M-GND
+5V
GND
1
2
3
4
5
N/C
HP
GND
CUT
CUT
DATA1
DATA2
DATA3
DATA4
DATA5
DATA6
DATA7
DATA8
BUSY
PE
SELECT
NC
NC
GND
F-GND
VCC
GND
·
GND
GND
NC
NC
SLCT IN
CN4
( 36 PIN )
CENTRONICS CONNECTOR
FOR PARALELL I/F
( 9 PIN )
DSUB CONNECTOR
FOR SERIAL I/F
COVER OPEN SW
HEAD UP SW
PAPER END
SENSOR
PAPER NEAR END SENSOR
MAIN LOGIC BOARD
CN6
CN1
CN2
CN3
F-GND
RXD
TXD
DTR
S-GND
DSR
RTS
INIT
FAULT
1
2
COVER-OP
GND
1
2
3
4
5
GND
HEAD-UP
LED(-)
PE
+5V
1
2
3
PNE
+5V
GND
WHT
BLU
GRN
TR(E)
+5V
GND
CN5 1
2
3
4
5
6
7
8
9
10
11
12
13
14
15
16
17
18
19
20
21
22
23
24
VH
VH
VH
DI
VCC
BEO
GNDH
GNDH
GNDL
CLK
GNDH
GNDH
GNDH
GNDH
DO
TH
TH
VH
VH
THERMAL HEAD
CN7
CN9
CN8
CN10
ACK
INIT
ERROR
STROBE
STB4
LAT
STB3
STB2
STB1
STB4
LAT
STB3
STB2
STB1
WHT
WHT
RED
BLK
NC
SENSER
SENSER
MOTOR
MOTOR
AUTO CUTTER
CONNECTOR FOR PERIPHERAL UNIT
PAPER FEED MOTOR
GRN
GRN
RED
WHT
YEL
BLU
CMN
CMN
LF#2
LF#4
LF#3
LF#1
CN2
POWER
SUPPLY
BOARD
+24V
M-GND
+5V
GND
RED
RED
BLU
BLU
+24V
GND
N.C. AC
Adapter
1
2
3

– 50 –
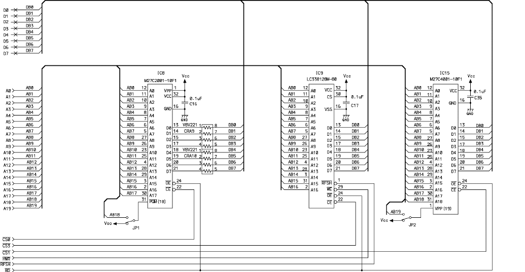
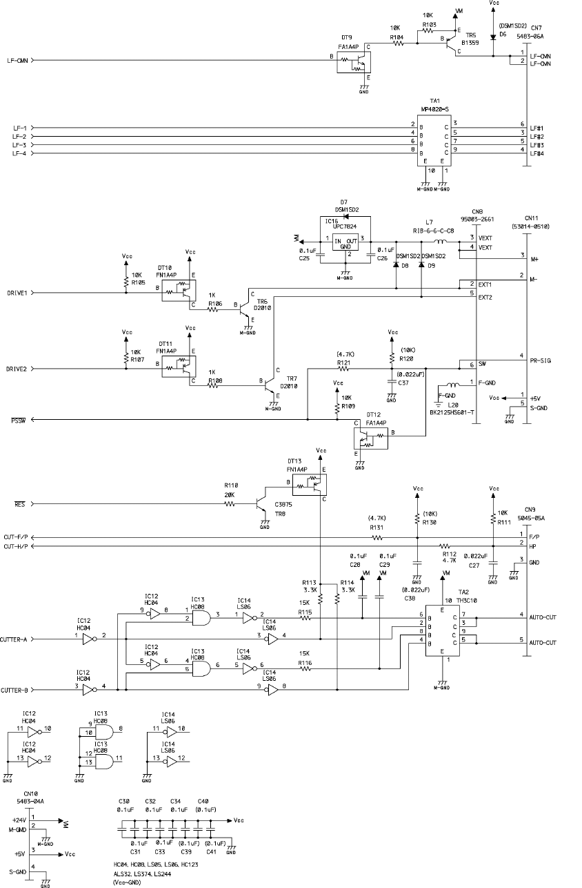
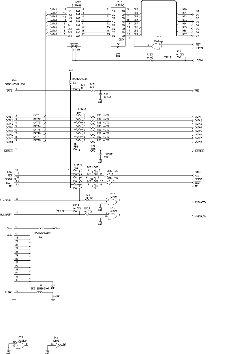
5. Main Logic Board
5-1. Circuit Diagram
Main Logic Board (1/6)

– 51 –
Main Logic Board (2/6)

– 52 –
Main Logic Board (3/6)

– 53 –
Main Logic Board (4/6)

– 54 –
Main Logic Board (5/6)

– 55 –
Main Logic Board (6/6)

– 56 –
5-2. Component Layout

– 57 –
DRWG.NO. REV. PARTS NO. PARTS NAME Q’TY REMARKS RANK
5-3. Parts List Main Logic Board
IC1 08251008 CPU HD6413002F-16MHZ 1 S
IC2 08201013 IC-LIN UPC393G2*T1 1 S
IC3 08200109 IC-RESET M51953BL 1
IC4 08240076 GATE ARRAY D65622GF-TSP 1 S
IC5 08210126 TTL IC 74LS05FP*EL 1 S
IC6 08231054 CMOS 74HC123AFP*EL 1
IC7 08222047 EEPROM KM93C46 1
IC8 08222095 EPROM M27C2001-10F1 1 TS2.** S
09110121 IC SOCKET DILB-32P-8J 1
IC9 *1 08221049 PSRAM LC338128M-80 1 S
#1 08221062 PSRAM LC338128M80*ER 1 S
IC10 08200157 IC-I/F ADM232LJR*SOL16 1 S
IC11 08201013 IC-LIN UPC393G2*T1 1 S
IC12 08231042 CMOS 74HC04FP*EL 1 TSP242/242-24
IC13 08231053 CMOS 74HC08AP*EL 1 TSP242/242-24
IC14 08210127 TTL IC 74LS06FP*EL 1 TSP242/242-24
IC15 NOT MOUNTED
IC16 08202011 IC-REG UPC7824 1
IC17-19 NOT MOUNTED
TA1 07650054 TRANSISTOR ARRAY MP4020 1 S
TA2 07650037 TRANSISTOR ARRAY TH3C10 1 TSP242/242-24 S
TR1 07016492 CHIP TRANSISTOR 2SA1649Z* 1 S
TR2 07013381 CHIP TRANSISTOR 2SA1338-67*TA 1 S
TR3 07238754 CHIP TRANSISTOR 2SC3875S-G*AL 1
TR4 07011793 CHIP TRANSISTOR 2SA1179M6-STR 1
TR5 07113591 TRANSISTOR 2SB1359 1 S
TR6-7 07320101 TRANSISTOR 2SD2010 2
TR8 07238754 CHIP TRANSISTOR 2SC3875S-G*AL 1 TSP242/242-24
TR9 07238754 CHIP TRANSISTOR 2SC3875S-G*AL 1
TR10 07011793 CHIP TRANSISTOR 2SA1179M6-STR 1
ZD1 NOT MOUNTED
DSW1 *1 09090034 DIP SWITCH KSS08-1 1
#1 09090068 DIP SWITCH 210B008MS 1
DSW2 *1 09090033 DIP SWITCH KSS04-1 1
#1 09090039 LEAF SWITCH LSA1119H 1
SW1-2 09010055 PUSH SWITCH SKHHLN 2
LED1-2 08300136 LED SLZ-390B 2
XTAL1 09250064 CERA. OSCILLATOR EFO-EX1605X4 1
C1 05751045 CERA. CAPA. CHIP 0.1UF 50V 1
C2-3 05752236 CERA. CAPA. CHIP 0.022UF 50V 2
C4 05751045 CERA. CAPA. CHIP 0.1UF 50V 1
C5 05752236 CERA. CAPA. CHIP 0.022UF 50V 1
C6-8 05751045 CERA. CAPA. CHIP 0.1UF 50V 3
C9 05054745 CHEM. CAPA. 0.47UF 50V 1
C10-11 05751045 CERA. CAPA. CHIP 0.1UF 50V 2
C12 05751025 CERA. CAPA. CHIP 1000PF 50V 1
C13-17 05751045 CERA. CAPA. CHIP 0.1UF 50V 5
C18-22 05051054 CHEM. CAPA. 1UF 50V 5
C23-24 05752236 CERA. CAPA. CHIP 0.022UF 50V 2
C25-26 05751045 CERA. CAPA. CHIP 0.1UF 50V 2
C27 05752236 CERA. CAPA. CHIP 0.022UF 50V 1 TSP242/242-24
C28-31 05751045 CERA. CAPA. CHIP 0.1UF 50V 4 TSP242/242-24
C32 05751045 CERA. CAPA. CHIP 0.1UF 50V 1
C33 05751045 CERA. CAPA. CHIP 0.1UF 50V 1 TSP242/242-24
C34-35 05751045 CERA. CAPA. CHIP 0.1UF 50V 2

– 58 –
Main Logic Board
DRWG.NO. REV. PARTS NO. PARTS NAME Q’TY REMARKS RANK
C36-41 NOT MOUNTED
CRA1-3 06542211 RESIS. ARRAY CHIP V8V221J 3
CRA4-8 06544711 RESIS. ARRAY CHIP V8V471J 5
CRA9-10 06542211 RESIS. ARRAY CHIP V8V221J 2
D1-2 08000047 DIODE CHIP DCB010 2
D3 08000068 DIODE CHIP MC2836 1
D4-5 08000059 DIODE CHIP MC2840 2
D6 NOT MOUNTED
D7-9 08000091 DIODE DSM1SD2*A 3
DT1 07603017 DIGITAL TRANSISTOR FN1A4P 1
DT2-4 07603016 DIGITAL TRANSISTOR FA1A4P 3
DT5 07603017 DIGITAL TRANSISTOR FN1A4P 1
DT6 07603016 DIGITAL TRANSISTOR FA1A4P 1
DT7 07603017 DIGITAL TRANSISTOR FN1A4P 1
DT8-9 07603016 DIGITAL TRANSISTOR FA1A4P 2
DT10-11 07603017 DIGITAL TRANSISTOR FN1A4P 2
DT12 07603016 DIGITAL TRANSISTOR FA1A4P 1
DT13 07603017 DIGITAL TRANSISTOR FN1A4P 1 TSP242/242-24
DT14 07603017 DIGITAL TRANSISTOR FN1A4P 1
DT15 07603016 DIGITAL TRANSISTOR FA1A4P 1
DT16 07603017 DIGITAL TRANSISTOR FN1A4P 1
L1-6 09990730 BEADS INDUCTOR BK2125HS601 6
L7 09990725 BEADS INDUCTOR RIB-6-6-C-C8 1
L8-10 09990730 BEADS INDUCTOR BK2125HS601 3
L11-17 06750004 CHIP RESISTOR 0 OHM 1/10W 7
L18-20 09990730 BEADS INDUCTOR BK2125HS601 3
VR1 06451035 RP RESISTOR RH0614C-10K 1
RA1 06584729 RESIS. ARRAY 4.7K-OHM 1/8W 8EL 1
RA2 06581824 RESIS. ARRAY 1.8K-OHM 1/8W 6EL 1
R1-3 06754711 CHIP RESISTOR 470 OHM 1/10W 3
R4-7 06753324 CHIP RESISTOR 3.3 K-OHM 1/10W 4
R8-9 06751031 CHIP RESISTOR 10 K-OHM 1/10W 2
R10-14 06754711 CHIP RESISTOR 470 OHM 1/10W 5
R15-17 06751031 CHIP RESISTOR 10 K-OHM 1/10W 3
R18 06754711 CHIP RESISTOR 470 OHM 1/10W 1
R19-20 06752215 CHIP RESISTOR 220 OHM 1/10W 2
R21 06754711 CHIP RESISTOR 470 OHM 1/10W 1
R22-23 NOT MOUNTED
R24 06751031 CHIP RESISTOR 10 K-OHM 1/10W 1
R25 06754721 CHIP RESISTOR 4.7 K-OHM 1/10W 1
R26 06751031 CHIP RESISTOR 10 K-OHM 1/10W 1
R27 06754721 CHIP RESISTOR 4.7 K-OHM 1/10W 1
R28 06752215 CHIP RESISTOR 220 OHM 1/10W 1
R29 06754721 CHIP RESISTOR 4.7 K-OHM 1/10W 1
R30 06751031 CHIP RESISTOR 10 K-OHM 1/10W 1
R31 06754721 CHIP RESISTOR 4.7 K-OHM 1/10W 1
R32 06751824 CHIP RESISTOR 1.8 K-OHM 1/10W 1
R33 06753334 CHIP RESISTOR 33 K-OHM 1/10W 1
R34 06751031 CHIP RESISTOR 10 K-OHM 1/10W 1
R35-39 06754721 CHIP RESISTOR 4.7 K-OHM 1/10W 5
R40 06751525 CHIP RESISTOR 1.5 K-OHM 1/10W 1
R41 06751021 CHIP RESISTOR 1 K-OHM 1/10W 1
R42 06751031 CHIP RESISTOR 10 K-OHM 1/10W 1
R43 *1 06753314 CHIP RESISTOR 330 OHM 1/10W 1
#1 06751014 CHIP RESISTOR 100 OHM 1/10W 1
R44 06751021 CHIP RESISTOR 1 K-OHM 1/10W 1

– 59 –
R45-53 06754721 CHIP RESISTOR 4.7 K-OHM 1/10W 9
R54 06751021 CHIP RESISTOR 1 K-OHM 1/10W 1
R55 06751014 CHIP RESISTOR 100 OHM 1/10W 1
R56-58 06754711 CHIP RESISTOR 470 OHM 1/10W 3
R59 06751031 CHIP RESISTOR 10 K-OHM 1/10W 1
R60-61 06751031 CHIP RESISTOR 10 K-OHM 1/10W 2
R62-63 06754711 CHIP RESISTOR 470 OHM 1/10W 2
R64 06752215 CHIP RESISTOR 220 OHM 1/10W 1
R65-67 06754711 CHIP RESISTOR 470 OHM 1/10W 3
R68-70 NOT MOUNTED
R71 06754711 CHIP RESISTOR 470 OHM 1/10W 1
R72 06753334 CHIP RESISTOR 33 K-OHM 1/10W 1
R73 06754711 CHIP RESISTOR 470 OHM 1/10W 1
R74 06752031 CHIP RESISTOR 20 K-OHM 1/10W 1
R75-76 06751021 CHIP RESISTOR 1 K-OHM 1/10W 2
R77-80 06754711 CHIP RESISTOR 470 OHM 1/10W 4
R81 06751031 CHIP RESISTOR 10 K-OHM 1/10W 1
R82 06753324 CHIP RESISTOR 3.3 K-OHM 1/10W 1
R83 06751021 CHIP RESISTOR 1 K-OHM 1/10W 1
R84 06753334 CHIP RESISTOR 33 K-OHM 1/10W 1
R85-86 06751014 CHIP RESISTOR 100 OHM 1/10W 2
R87-88 06751031 CHIP RESISTOR 10 K-OHM 1/10W 2
R89 06751041 CHIP RESISTOR 100 K-OHM 1/10W 1
R90-91 06751031 CHIP RESISTOR 10 K-OHM 1/10W 2
R92 06751031 CHIP RESISTOR 10 K-OHM 1/10W 1
R93 06753324 CHIP RESISTOR 3.3 K-OHM 1/10W 1
R94-95 06751014 CHIP RESISTOR 100 OHM 1/10W 2
T96-98 06751031 CHIP RESISTOR 10 K-OHM 1/10W 3
R99 06751041 CHIP RESISTOR 100 K-OHM 1/10W 1
R100-101 06751031 CHIP RESISTOR 10 K-OHM 1/10W 2
R102 06752725 CHIP RESISTOR 2.7 K-OHM 1/10W 1
R103-105 06751031 CHIP RESISTOR 10 K-OHM 1/10W 3
R106 06751021 CHIP RESISTOR 1 K-OHM 1/10W 1
R107 06751031 CHIP RESISTOR 10 K-OHM 1/10W 1
R108 06751021 CHIP RESISTOR 1 K-OHM 1/10W 1
R109 06751031 CHIP RESISTOR 10 K-OHM 1/10W 1
R110 06752031 CHIP RESISTOR 20 K-OHM 1/10W 1 TSP242/242-24
R111 06751031 CHIP RESISTOR 10 K-OHM 1/10W 1
R112 06754721 CHIP RESISTOR 4.7 K-OHM 1/10W 1
R113-114 06753324 CHIP RESISTOR 3.3 K-OHM 1/10W 2 TSP242/242-24
R115-116 06751534 CHIP RESISTOR 15 K-OHM 1/10W 2 TSP242/242-24
R117-123 NOT MOUNTED
R124 06751031 CHIP RESISTOR 10 K-OHM 1/10W 1
R125 NOT MOUNTED
R126 06751021 CHIP RESISTOR 1 K-OHM 1/10W 1
R127 06753334 CHIP RESISTOR 33 K-OHM 1/10W 1
R128 06753324 CHIP RESISTOR 3.3 K-OHM 1/10W 1
R129-133 NOT MOUNTED
BZ1 45060201 BUZZER QMB-111P 1
CN1 09100270 CONNECTOR 5483-02A 1
CN2 09100516 CONNECTOR 53014-0510 1
CN3 09100460 CONNECTOR 53014-0310 1
CN4 09100582 CONNECTOR 57GE-40360-751 1
CN5 09100664 CONNECTOR 6216-024-000 1
CN6 09100665 CONNECTOR 17JE-13090-37 1
CN7 09100267 CONNECTOR 5483-06A 1
Main Logic Board
DRWG.NO. REV. PARTS NO. PARTS NAME Q’TY REMARKS RANK

– 60 –
CN8 09100567 CONNECTOR 95003-2661 1
CN9 09100038 CONNECTOR 5045-05A 1 TSP242/242-24
CN10 09100317 CONNECTOR 5483-04A 1
CN11 NOT MOUNTED
Main Logic Board
DRWG.NO. REV. PARTS NO. PARTS NAME Q’TY REMARKS RANK

– 61 –
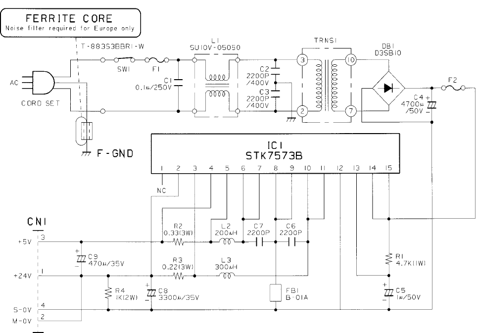
6. Power Supple Unit (120VAC/230VAC)
6-1. Circuit Diagram

– 62 –
IC1 08202025 IC-REG 7573B 1
DB1 08990227 DIODE STACK D3SB20 1
R1 06214721 RN RESISTOR 4.7 K-OHM 1W 1
R2 06230031 RN RESISTOR 0.33 OHM 3W 1
R3 06230021 RN RESISTOR 0.22 OHM 3W 1
R4 06201022 RN RESISTOR 1 K-OHM 2W 1
C1 05291045 FILM CAPA. 0.1UF 275V 1
C2-3 05192224 CERA. CAPA. 2200PF 400V 2
C4 05054782 CHEM. CAPA. 4700UF 50V 1
C5 05051058 CHEM. CAPA. 1UF 50V 1
C6-7 05152223 CERA. CAPA. 2200PF 50V 2
C8 05043385 CHEM. CAPA. 3300UF 35V 1
C9 05044771 CHEM. CAPA. 470UF 35V 1
SW1 *1 09030026 SEESAW SWITCH T-883S3BBR1-W 1
#1 09030036 SEESAW SWITCH SF-W1P1A03BB 1
L1 09251106 LINE FILTER SU10V-05050 1
L2 09251037 CHOKE COIL NM-1-200 1
L3 09251036 CHOKE COIL NM-16-300 1
F1 09990058 FUSE 5TT1A 250V 1 FOR US S
09990021 FUSE EAWK630MA 250V 1 FOR EC,UK S
F2 09991011 FUSE 5TT3A 250V 1 FOR US,UK S
09990050 FUSE EAK3.15A 250V 1 FOR EC S
FB1 09990706 BEADS INDUCTOR B-01AT 1
CN1 80703850 CABLE UNIT 4X120TT SP300II 1
TRNS1 30780010 TRANSFORMER 120V SP200 US 1 FOR US
30780030 TRANSFORMER 230V SP200 EC 1 FOR EC,UK
- *1 09110090 CORD SET US-PN SP300 1 FOR US
#1 09110158 CORD SET US-PN L=1.8M SP3 1 FOR US
09110129 CORD SET EC-PN SP300II 1 FOR EC
09110067 CORD SET UK-PN LC 1 FOR UK
04991204 FASTENER T18S 1 FOR US
04991204 FASTENER T18S 2 FOR EC,UK
82911071 RADIATION PLATE SP312 1
01903087 SCREW TAT 3-14 2
09990023 FUSE HOLDER UF-0033 4
09990708 FERRITE CORE ESD-R-16C 1 FOR EC,UK
09992307 HEAT-SHRINK TUBE F2-18X30 1 FOR EC,UK
DRWG.NO. REV. PARTS NO. PARTS NAME Q’TY REMARKS RANK
6-2. Parts List Power Supply Unit(120VAC/230VAC)

– 63 –
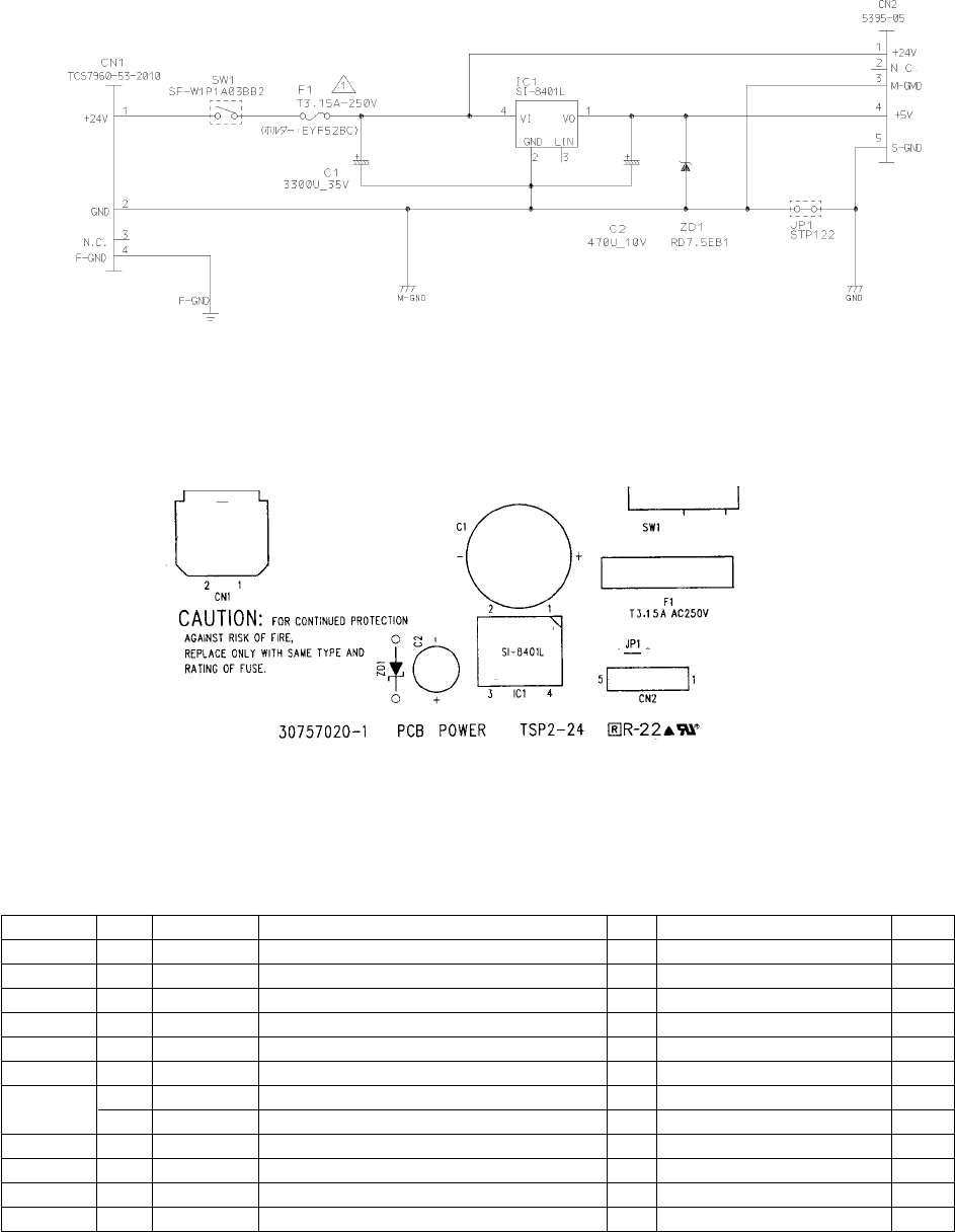
IC1 08202048 IC-REG SI-8401L 1
ZD1 08020090 ZENER DIODE RD7.5EB1T 1
C1 05043387 CHEM. CAPA. 3300UF 35V 1
C2 NOT USED
C3 05014775 CHEM. CAPA. 470UF 10V 1
SW1 09030036 SEESAW SWITCH SF-W1P1A03BB 1
F1 09991011 FUSE 5TT3A 250V 1
09991024 FUSE HOLDER EYF52BC 2
CN1 09100636 CONNECTOR TCS7960-53-2010 1
CN2 30720080 CABLE UNIT 4X200CC SP23 1
JP1 93930006 JUMPER WIRE STP122 1
- 09991910 S/N SEAL KEI-802 1
7. Power Supple Unit (24VDC)
7-1. Circuit Diagram
7-2. Component Layout
7-3. Parts List Power Supply Unit(24VDC)
DRWG.NO. REV. PARTS NO. PARTS NAME Q’TY REMARKS RANK

– 64 –
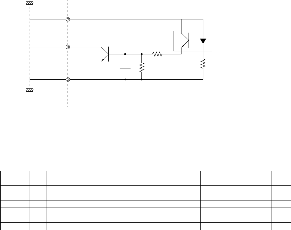
8. Paper Near-End Sensor
8-1. Circuit Diagram
8-2. Parts List
DRWG.NO. REV. PARTS NO. PARTS NAME Q’TY REMARKS RANK
TR1 07227853 TRANSISTOR 2SC1740SE 1
PS1 08300082 PHOTO-INTERRUPTER PS6002A-KS 1
R1 06051235 RD RESISTOR 12 K-OHM 1/6W 1
R2 06057514 RD RESISTOR 750 OHM 1/6W 1
R3 06053324 RD RESISTOR 3.3 K-OHM 1/6W 1
C1 05532234 CAPACITOR 0.022UF 25V 1
- 30721241 CABLE UNIT 3X270C TSP2 1
BLU2
WHT1
GRN3
R3
3.3K
PSI
PS6002A
R1
12K
C1
0.022µF
R2
750
TRI
C1740
CN3

Printed in Japan, 80873016
Distributed by
STAR MICRONICS U.K. LTD.
Star House, Peregrine Business
Park, Gomm Road, High Wycombe,
Bucks, HP13 7DL, U.K.
Tel : 01494-471111
Fax : 01494-473333
OVERSEAS SUBSIDIARY COMPANIES
STAR MICRONICS AMERICA, INC.
70-D Ethel Road West,
Piscataway, NJ 08854 U.S.A
Tel : 732-572-9512
Fax : 732-572-5095
ELECTRONIC PRODUCTS DIVISION
STAR MICRONICS CO., LTD.
536 Nanatsushinya,
Shimizu, Shizuoka, 424-0066 Japan
Tel : 0543-47-0112
Fax : 0543-48-5271
Please access the following URL
http://www.star-micronics.co.jp/service/t_mans_e.htm
for the lastest revision of the manual.