E FANG32T Operator Manual
2016-03-15
: Sweepscrub Fang32T Operator Manual FANG32T_operator_manual 1233 file product_file
Open the PDF directly: View PDF
.
Page Count: 29

REV.02(09-12)

CONGRATULATIONS on your purchase of a
Viper product, and welcome to the V.I.P. family.
We appreciate your business and will do every-
thing in our power to keep you happy with your
purchase for many years to come.
As part of the V.I.P. family, you are entitled to the
best protection by one of the most comprehensive
warranties in the industry.
Thank-you for purchasing Viper products!
Tom VanderBie, CEO
TABLE OF CONTENTS
SAFETY PRECAUTIONS 3
MACHINE COMPONENTS 4
MACHINE SET UP 5
MACHINE INSTALLATION 5-6
MACHINE OPERATION 6
TANK DRAINING 7
BATTERY CHARGING 7-8
PREVENTATIVE MAINTENANCE 8-9
MACHINE STORAGE 10
BASIC TROUBLESHOOTING 11
PARTS BREAKDOWNS AND LISTS 12-32
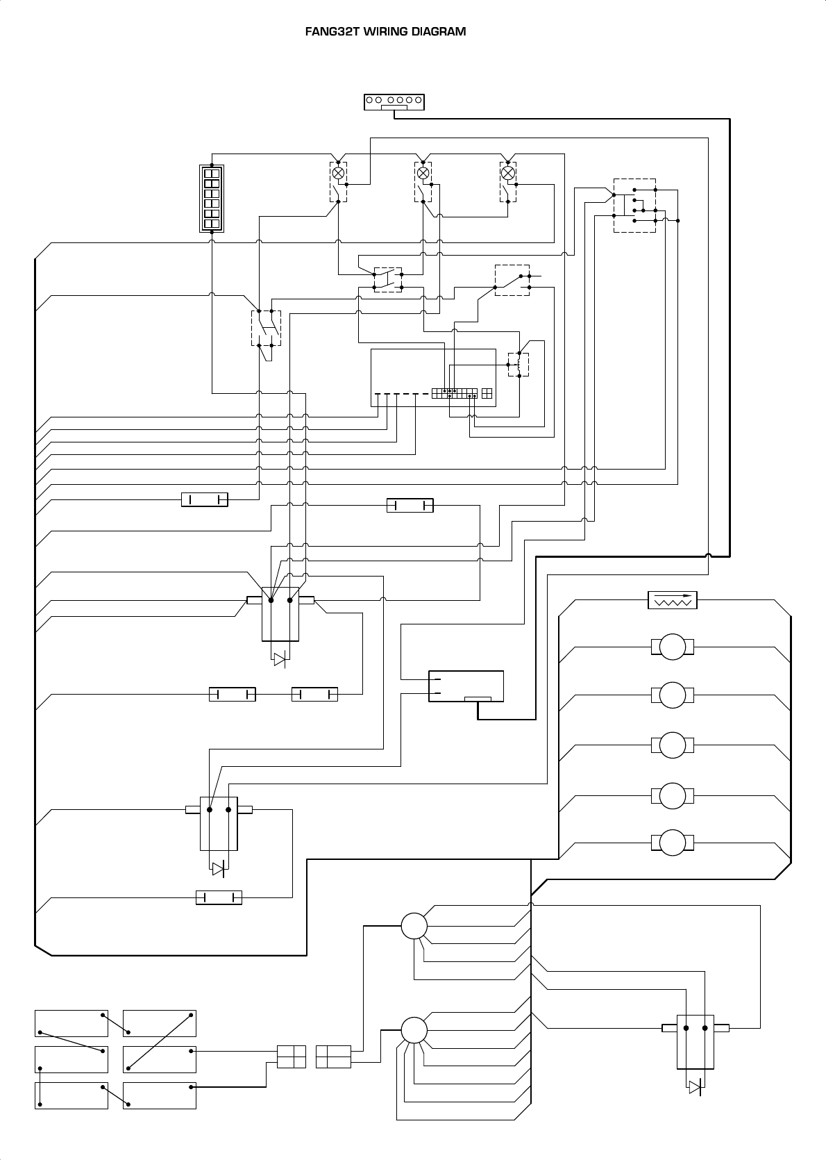
WIRING DIAGRAM 33
2

SAFETY PRECAUTIONS
This machine is intended for commercial use. It is
constructed for use in an indoor environment and
is not intended for any other use. Use only with
recommended accessories.
All operators shall read, understand and exercise
the following safety precautions:
1) DO NOT OPERATE MACHINE:
xUnless trained and authorized.
xUnless you have read and understand the
operators manual.
xIn flammable or explosive areas.
xIf not in proper operating condition.
xIn outdoor areas.
2) BEFORE OPERATING MACHINE:
xMake sure all safety devices are in place
and operate properly.
3) WHEN USING MACHINE:
xGo slow on inclines and slippery surfaces.
xFollow all safety guidelines.
xBe very careful when using the machine
in reverse.
xReport and fix any damage to machine
prior to operating it.
4) BEFORE LEAVING OR SERVICING
MACHINE:
xStop machine on level ground.
xTurn machine off.
5) WHEN SERVICING MACHINE:
xRead operators manual thoroughly prior
to operating or servicing this machine.
xUse manufacturer supplied or approved
replacement parts.
xSecure machine with wheel blocks prior
to jacking the machine up.
xUse approved jack or hoist to safely
elevate the machine.
xDisconnect batteries prior to working on
machine.
xWear gloves when handling batteries or
battery cables.
xAvoid any contact with battery acid.
xAvoid moving parts. Do not wear loose
fitting clothing while servicing machine.
: Batteries emit hydrogen gas. Explosion
or fire can result from hydrogen gas. Keep sparks
and open flames away! Keep battery compartment
open when charging.
: Flammable materials can cause an
explosion or fire. Do not use flammable materials
in tanks.
: Flammable materials or reactive metals
can cause explosion or fire. Do not pick up.
3

4

MACHINE SET UP & INSTALLATION
UNCRATING MACHINE
Be sure and check packing carton for any damage.
Immediately report any damage to carrier. Check
contents of package to ensure that the following
items are included: Machine, batteries (x6),
squeegee assembly, battery charger and pad
drivers. (Batteries and charger may be on separate
skid)
BATTERY CONNECTIONS
The batteries and charger are shipped separately
and will need to be installed and connected as
shown in the diagram below.
: Batteries emit hydrogen gas.
Explosion or fire can result from hydrogen gas.
Keep sparks and open flames away! Keep
battery compartment open while charging.
1.Be sure the power switch is in the "off" position.
2. Open recovery tank to gain access to battery
compartment.
3. Carefully place the six batteries into the
compartment as shown in figure below. Place
the battery brace at the rear of the batteries.
4. Connect battery cables to posts in order as
shown in diagram below. (RED to POSITIVE
and BLACK to NEGATIVE)
5. Apply a coating or protective spray on the
cable connections to prevent battery corrosion.
DO NOT DROP THE BATTERIES INTO
COMPARTMENT!
MACHINE SET UP
PRE-OPERATION CHECKS
1. Sweep or dust mop the surface to be cleaned.
2. Check battery meter to make sure batteries are
fully charged. (SEE BATTERY CHARGING)
3. Ensure squeegee is properly installed.
4. Ensure that brush/pad is properly installed.
INSTALLING PAD DRIVERS OR BRUSHES
1. Ensure the machine is turned off.
2. Raise the brush head assembly off the floor by
pushing on the brush lift button on the control
console.
3. Slide back the viewing window panel on the
aluminum deck housing.
4. If using a pad driver, first attach the
appropriate pad to the bottom of the driver.
5. Slide the pad driver under the deck and look
through the viewing panel and line the three
lugs with the three holes in the drive motor
hub. Once in the holes, rotate the driver
toward the spring clip to lock the driver in
place
MOUNTING THE SQUEEGEE
1. Pull the squeegee lift lever to raise the
squeegee bracket up.
2. Loosen the two knobs on the squeegee and
slide the squeegee into the slots at the rear of
the squeegee bracket. (the wheels on the
squeegee point to the back)
3. Tighten the knobs securely.
4. Secure the vacuum hose on the pick-up tube
of the squeegee.
5

FILLING THE SOLUTION TANK
1. The FANG32T can only be filled in the rear
of the machine. There is a fill cap that can be
removed so the tank can be filled with a hose.
2. Fill the solution tank with up to 30 gallons of
water. (water temperature should not exceed
140 degrees F)
3. The clear tube under the fill port has gallon
markers to help determine the water level in
the solution tank.
: Do not put any flammable materials
into solution tank. This can cause an explosion
or a fire. Only use recommended cleaning
chemicals. Contact your Viper distributor for
recommended chemicals.
MACHINE OPERATION
: Do not operate machine unless you
have read and understand this manual.
1. Before the machine will operate, the key
switch must be turned into the "on" position.
The key is located on the left side of the
control housing. (see machine components,
item #19)
2. Set control housing to a comfortable operating
height by squeezing together the tow thumb
levers directly underneath the housing (see
machine components item #16)
3. Lower squeegee assembly to the floor. There is
a squeegee lift handle located on the back left
of the machine, just under the control housing.
(see machine components, item #14) Slightly
lift up on the handle and move it to the right,
the squeegee is now ready to be lowered to the
floor.
4. Lower the brush head to the floor by pushing
the brush lower button on the control housing.
(see machine components, item #7)
5. Turn vacuum motor switch to "on" position.
(see machine components, item #1)
6. Turn the brush motor switch to "on" position.
(see machine components, item #2)
a. Brushes will not spin until the operating
triggers are pulled.
7. Turn the solution switch to "on" position. (see
machine components, item #3)
a. Solution will not begin to flow until the
operating triggers are pulled.
8. To begin scrubbing, pull on one or both of the
red operating triggers. (see machine
components, item #27) When the triggers are
pulled, the brushes will begin to spin, the
solution will begin to flow, and the machine
will propel itself.
9. This machine is self-propelled. The speed can
be adjusted by a dial located on the right side
of the control housing. (see machine
components, item #9)
10. This machine has reverse. In order to activate
reverse, there is a toggle switch on the left
side of the control housing. (see machine
components, item #20) The toggle switch
must be pulled / pressed to activate reverse
motion.
: Do not keep the machine in the same
position with the pad / brush spinning, or you
could cause damage to the floor.
11. Adjust the amount of solution flow by turning
the solution control knob. Turn the knob to
the right for more solution, or turn left for less
solution. (see machine components, item #8)
12. There is an hour meter located on the top of
the control housing. (see machine components,
item #4) The operator can see the operation
time.
6

WHILE OPERATING MACHINE
1. Occasionally look through the clear recovery
tank lid to see if there is any foam build-up. If
excessive foam is found, add defoamer to the
recovery tank.
: Foam must not enter the float shut-
off screen, or damage can occur to the vacuum
motor. Foam will not activate the machines
float shut-off device.
2. Occasionally view the clear tube at the back
left of the machine to check the amount of
cleaning solution that is left in the machine.
3. Occasionally check the battery level meter.
(see machine components, item #3) When the
meter is in the red, recharge the batteries.
: When battery meter is in the red, do
not continue to operate the machine. Battery
damage may occur.
4. If the squeegee assembly leaves streaks on the
floor, raise the squeegee off the floor and wipe
the blades down with a damp cloth.
: Do not use your fingers to wipe or
remove debris from the blades, as injury may
occur.
5. When the solution tank runs empty, turn off
the brush switch, solution switch, and raise the
brush head. Keep the squeegee down and
continue to vacuum until all the dirty water is
picked up. (see TANK DRAINING section to
learn how to drain recovery and solution tanks)
: The brush motors are circuit breaker
protected to protect them from damage. If a
breaker trips, it can't be reset immediately.
You must first determine what caused the
breaker to trip, and allow the motor to cool
down before you can reset the breaker. The
breakers are located on the rear panel of the
control housing.
TANK DRAINING
1. Turn the power off on the machine
2. With the squeegee and brush head in their
"up" position, transport the machine to an
approved area for draining the tank(s).
DRAINING THE RECOVERY (DIRTY) TANK
: Anytime scrubbing is completed, or
when refilling the solution tank, the recovery
tank should also be drained and cleaned.
: If the recovery tank is not drained
when the solution tank has been refilled, foam
or water may enter the float shut-off
mechanism and cause damage to the vacuum
motor.
1. Remove the drain hose from the holder and
place the drain hose over a floor drain. Twist
off the drain hose plug to begin the draining
process. In order to completely empty the
recovery tank, hinge open the recovery tank
and let it rest on the support stand.
2. Clean the recovery tank after every use. Use a
fresh water hose to rinse out the inside of the
tank. Be careful not to spray water into the
float shut- off mechanism.
: If you are storing the machine for any
period of time, always leave the clear recovery
tank lid off the tank so the tank may dry
completely, and smell fresh.
3. Replace the drain hose plug tightly as soon as
you are done draining the tank.
7

DRAINING THE SOLUTION (CLEAN) TANK
: Anytime scrubbing operation is
completed, the solution tank should be drained
and cleaned.
1. Pull down on the clear tube (back left of the
machine) to remove it from the hose barb.
This will allow the solution to flow freely into
a bucket or floor drain.
2. Rinse the solution tank with clean water after
every use. This will help prevent chemical
buildup and clogging of the solution lines.
3. With clean water in the solution tank, turn
machine power on, solution switch "on" and
pull the operating triggers. This will allow the
clean water to flush through and clean the
solution plumbing.
4. Once the tank is rinsed, flushed and drained,
reconnect the clear tube to the hose barb. Be
sure the tube is pushed all the way up on the
hose barb.
BATTERY CHARGING
: Use only approved chargers with the
following specifications:
xAutomatic shut-off circuit
xDeep cycle charging
xOutput current of 20-30 Amps.
xOutput voltage of 36 volts.
: For the best machine performance,
keep batteries charged at all times. Do not let
them sit in a discharged condition discharged
condition.
: Batteries are dangerous! Batteries
emit hydrogen gas and an explosion or fire can
result. Keep sparks and fire away from
batteries at all times. When charging the
machine, make sure the battery compartment
is left open.
1. Place charger and machine in a well ventilated
area.
2. Turn machine off.
3. Open recovery tank up, exposing battery
compartment.
4. Check fluid level in each battery cell. Do not
charge batteries unless fluid is slightly
covering the battery plates. Do not overfill the
batteries. Overfilling may cause the batteries
to overflow during charging due to expansion.
Replace the caps prior to charging.
5. Plug approved charger into grounded wall
outlet before plugging the charger into the
machine.
6. Plug charger into grey charger receptacle
located in the front left of the battery
compartment.
7. Flip up the recovery tank "kick stand" and
gently lay the recovery tank down until it rests
on the stand.
8. The charger will automatically begin to
charge the batteries, and it will automatically
shut down once the batteries are fully charged.
9. Upon completion of charging, first unplug the
charger from the wall outlet and then
disconnect the charger from the machine.
10. Check the battery fluid level after charging is
completed. If the fluid level is low, add
distilled water to bring the fluid level up to the
bottom of the sight tubes. Replace the caps
and wipe the batteries down with a towel.
8

PREVENTITIVE MAINTENANCE
: Before performing any maintenance
on the machine, be sure that the power is
turned off, or the batteries disconnected.
: Repairs are to be completed by an
authorized Viper service center only. Any
repairs completed by unauthorized persons will
void the warranty.
DAILY MAINTENANCE
1. Remove pad driver / brush and clean with
approved cleaner.
2. Drain recovery and solution tanks completely
and rinse out with clean water. Visually check
the recovery tank for debris and clean out as
necessary.
3. Raise squeegee assembly off the floor and
wipe it down with a damp towel. Be sure to
store the squeegee in the up position.
4. Remove the float shut-off assembly and rinse
it out with clean water.
5. Clean machine with an approved cleaner and a
damp towel.
6. Recharge batteries.
WEEKLY MAINTENANCE
1. Check fluid level in batteries.
2. Check batteries for loose or corroded cables.
3. Keep battery tops clean from corrosion.
MONTHLY MAINTENANCE
1. Check machine for leaks and lose fasteners.
2. Lubricate all grease points and pivot points
with silicon spray and approved grease.
3. Place machine over a floor drain. Flush
solution system by pouring 3 gallons of hot
water and approved alkaline detergent into the
solution tank and running machine (with
solution control on) for 45 seconds. Turn
machine off and let it sit over-night. The
following day, drain the remaining solution
and rinse the solution tank out with clean
water.
VACUUM MOTOR MAINTENANCE
1. Contact your local Viper Distributor for any
motor maintenance.
2. Vacuum motor should have the brushes
checked every 250 hours. Brushes should be
replaced when they are worn to a length of
10mm or less.
BATTERY MAINTENANCE
: For the best machine performance,
keep batteries charged at all times. Do not let
them sit in a discharged condition.
: Batteries are dangerous! Batteries
emit hydrogen gas and an explosion or fire can
result. Keep sparks and fire away from
batteries at all time.
: Whenever servicing batteries, be
sure to wear protective gloves. Avoid contact
with battery acid at all times!
1. Always follow the battery charging directions
as outlined in the BATTERY CHARGING
section of this manual.
9

2. Keep battery tops and terminals free from
corrosion. A strong solution of baking soda
and water is the best way to keep the batteries
corrosion free. DO NOT ALLOW THE
BAKING SODA / WATER SOLUTION
TO ENTER THE BATTERY CELLS.
3. Use a wire brush with the baking soda
solution to properly clean the battery posts
and connections.
4. Check battery connections for wear and loose
terminals. Replace if necessary.
MACHINE STORAGE
1. Always store the machine indoors.
2. Always store the machine in a dry area.
3. Always store the machine with pads brushes
removed.
4. Always store the machine with the squeegee
assembly in up position.
5. If storing in an area which may reach freezing
temperatures, be sure to drain all fluids from
the machine prior to storage. Any damage
caused by freezing temperatures will not be
covered by the warranty. Remove VF82168-2
solution filter cover to drain all fluid form
hoses.
6. Drain the recovery tank and remove the clear
lid on the top of the recovery tank so that it
can "breathe" during storage.
7. Drain the solution tank of all fluid.
10

PROBLEM CAUSE SOLUTION
No power Bad batteries Replace batteries
Key not in "ON" position Turn key "ON"
Main circuit breaker tripped Contact Viper Distributor
Batteries need to be charged Charge batteries (see Battery Charging)
Loose battery cable Tighten loose cable(s)
Batteries not connected properly Follow battery installation instructions
Bad brush switch Contact Viper Distributor
Brush circuit breaker has tripped Check brush motor for obstructions and reset breaker
Bad wiring Contact Viper Distributor
Bad brush motor Contact Viper Distributor
Carbon brushes worn out Contact Viper Distributor
Bad solenoid Contact Viper Distributor
Bad vacuum switch Contact Viper Distributor
Bad wiring Contact Viper Distributor
Bad vacuum motor Contact Viper Distributor
Carbon brushes worn out Contact Viper Distributor
Batteries need to be charged Charge batteries (see Battery Charging)
Short run time Batteries need maintenance See Battery Maintenance in this manual
Bad cell in battery(s) Replace batteries
Bad charger Replace charger
Bad solution switch Contact Viper Distributor
Clogged solution solenoid Contact Viper Distributor
Clogged solution filter Remove filter and clean
Solution line obstructed Remove solution line and clean
Solution flow adjustment knob in need
of adjustment
Increase flow by twisting solution adjustment knob to the
right. Decrease flow by twisting solution adjustment knob
to the left.
Squeegee clogged Clean debris off squeegee with damp towel
Poor water pick up Squeegee blades worn Install new squeegee blades
Squeegee not mounted correctly Confirm that the squeegee assembly is securely fastened
to the machine and not loose fitting.
Vacuum hoses have a hole or are loose Check hose connections and make sure they are firm.
Replace hose if damaged.
Vacuum hose may be clogged Check hose for debris and remove any clog.
Drain hose stopper is loose Tighten drain plug.
Batteries need to be charged Charge batteries (see Battery Charging)
Vacuum motor is loose Tighten vac motor mounting screws. Do not overtighten
or damage will occur.
Recovery tank lid is loose Confirm the clear recovery tank lid is securely in place.
Recovery tank inlet hole is clogged Drain recovery tank and tilt tank on side. Check the inlet
hole for debris and remove debris.
Recovery tank is full Drain recovery tank.
Float shut off is clogged Remove float shut off from inside recovery tank and
remove any debris.
BASIC TROUBLESHOOTING
Brush motor does
not run
Vacuum motor
does not run
Little or no solution
flow
11

12

14 VF84117-1 CASTER, 5" 2
DIA
NO
PART
NUMBER DESCRIPTION NO
REQ'D
1 VF13501A NUT, M12 6
2 VF13541 WASHER, LOCK, M12 6
VF84118 TIRE, FOAM FILLED, BLACK (OPTIONAL) 2
VF84119 TIRE, BLACK (STANDARD) 2
VF84800 TRANSAXLE, 32" 1
ZD13000 TRANSAXLE MOTOR, 36VDC 1
5 VF13503 NUT, LOCK, M8 1
6 VF84112 PLATE, TRANSAXLE 2
7 VF13517 WASHER, PLAIN, M10 X M26 X 2 14
8 VF13504 NUT, LOCK, M10 12
9 VF84122 CHAIN, STATIC 1
10 VF13535 WASHER, PLAIN, M8 X M20 X 2 1
11 VF14235 SCREW, M8 X 35 1
12 VF14123 SCREW, M10 X 25 12
13 VF13517 WASHER, PLAIN, M10 X M20 X 2.5 8
15 VF84103 FRAME 1
16 VF13634 SCREW, M10 X 30 10
17 VF13518 WASHER, LOCK, M10 10
18 VF84125 BATTERY TRAY 1
FANG 32T - MAIN FRAME AND DRIVE ASSEMBLY
3
4
13

14

DIA
NO
PART
NUMBER DESCRIPTION NO
REQ'D
1 VF84316 PIN, M16 X 30 2
2VF84317 PIN, M13 X 51 1
3VF84309 PIN, COTTER, M3 X 60.5 5
4VF84105 ARM, LIFT, LEFT 1
5 VF13501 NUT, LOCK, M12 2
6 VF13538 WASHER, PLAIN, M12 X M22 X 2 2
7VF84116 BUSHING 2
8 VF13535 WASHER, PLAIN, M8 X M20 X 2 7
9 VF13519 WASHER, LOCK, M8 7
10 VV13604 SCREW, M8 X 20 7
11 VF84336 BRACKET, BRUSH LIFT 1
12 VF84332 ACTUATOR, 36VDC 1
13 VF84310 BRACKET, ACTUATOR 1
14 VF84322 PIN, M9.5 X 37 1
15 VF14084 PIN, COTTER, M3.2 X 24 1
16 VF84337 ADJUST NUT 1
17 VF84121 ARM, LIFT, RIGHT 1
18 VF14057A NUT, M12 1
19 VF84338 ADJUST SCREW 1
FANG 32T - SCRUB HEAD LIFT ASSEMBLY
15

16

42 VF84138 TUBING
VF82071 LABEL,RIGHT 1
VF82070 LABEL,LEFT 1
48
47
DIA
NO
PART
NUMBER DESCRIPTION NO
REQ'D
1 VA13477 SCREW, SELF-TAPPING, ST, M4 X 16 4
2VV13664 WASHER, PLAIN, M4 X M12 X 1 2
3VF82154 EXPANSION PLUG 1
4VV13604 SCREW, M8 X 20 8
5 VF13519 WASHER, LOCK, M8 8
6 VF13535 WASHER, PLAIN, M8 X M20 X 2 8
7VF81406 BUSHING 1
8 VF81404 SUPPORT, RECOVERY TANK 1
9 VF46454 FILTER, INTAKE TANK 1
10 VF84340 PLUG,EXPANSION 1
11 VF82029A BRACKET, VAC TUBE 1
12 VF82032 SPRING 1
13 VF82030 ADAPTER, TUBE 1
14 VF82031A GASKET, TUBE ADAPTER 1
15 VF14230 SCREW, M5 X 16 2
16 VV13601 WASHER, LOCK, M5 2
17 VF13532 WASHER, PLAIN, M5 X M11 X 2 2
18 VF84140 BRACKET, DRAIN HOSE 1
19 VF82123 DECAL 1
20 VF84135 WIRE, #4 X 600, RED 1
21 VF84148 WIRE, #4 X 600, BLACK 1
22 VF14232 SCREW, M6 X 10 2
23 VV13607 WASHER, LOCK, M6 8
24 GT13032 WASHER, PLAIN, M6 X M16 X 1.5 8
25 VF84109 BRACKET 1
26 VF81306G CONNECTOR, GREY, 175A 2
27 VF13633 SCREW, M6 X 35 2
28 VF13495 SCREW, M6 X 16 4
29 VF81715 STANDOFF 2
30 VF13502 NUT, LOCK, M6 2
31 VA85003 KNOB, M8 4
32 VF84111 SCREW, M8 X 35 4
33 VF84101 SOLUTION TANK 1
34 VF84127 BATTERY, 6V, 305AMP HOUR 6
35 VF84132 CABLE, BATTERY 5
VF81724 CAP, BATTERY, BLACK 2
VF81724R CAP, BATTERY, RED 2
37 VF84128 CHARGER, 36V, 30AMP 1
38 VF14234 SCREW, M8 X 16 2
39 VF13513 NUT, M8 2
40 VF81408 PLATE, LOCK 2
41 VF82090 CLAMP (16-25) 1
1
43 VF14248 SCREW, M8 X 100, OPTIONAL 1
44 VA13516 WASHER, PLAIN, M10 X M30 X 1.5, OPTIONAL 1
45 VF84224 PU BLADES & FASTEN KIT, OPTIONAL 1
46 VF84137 HOSE BARB, G 1/2 2
FANG 32T - SOLUTION TANK ASSEMBLY
36
17

18

DIA
NO
PART
NUMBER DESCRIPTION NO
REQ'D
1 VF82010 CLEAR COVER, RECOVERY TANK 1
2VF82083 DECAL, BATTERY WARNING 1
3VF82009 ELBOW ADAPTOR, FLOAT 1
4VV13607 WASHER, LOCK, M6 14
5 VF13533 WASHER, PLAIN, M6 X M16 X 2 7
6 VF14233 SCREW, M6 X 20 4
7VF81504 FLOAT 1
8 VF84102 RECOVERY TANK (32") 1
9 VF81509 EXPANSION PLUG 1
10 VF81510-9 STRAP, DRAIN HOSE 1
11 VF81510-2 SLEEVE, DRAIN HOSE 1
12 VF81510-1 DRAIN HOSE 1
13 VF81510A DRAIN HOSE ASSEMBLY 1
14 VV10113 CLAMP, 2" 2
15 VF84124 DECAL, BATTERY INSTALLATION 1
16 VF14235 SCREW, M8 X 35 1
17 VF13535 WASHER, PLAIN, M8 X M20 X 2 2
18 VF84107 BRACKET, DROP ARM 1
19 VF84133 BUSHING 1
20 VF84216 BUSHING 1
21 VA13491 SCREW, M8 X 25 1
22 VF13521 NUT, M6 3
23 ZD60000 MOTOR, VACUUM, 3 STAGE, 36VDC 1
24 VF81508 STUD (24") 3
25 VF13502 NUT, LOCK, M6 3
26 VF81503 SEAT 1
27 GT13032 WASHER, PLAIN, M6 X M16 X 1.5 10
28 VF14200 SCREW, M6 X 16 10
29 VF84113 HINGE, RECOVERY TANK 2
30 VF83143 LOGO (32") 1
31 VA13477 SCREW, SELF-TAPPING, ST, M4 X 16 4
32 VV13664 WASHER, PLAIN, M4 X M12 X 1 4
33 VF82010A RUBBER HINGE 1
34 VF82010B GASKET 1
35 VF82010-X KIT, LID 1
FANG 32T - RECOVERY TANK ASSEMBLY
19

20

11 VF14251 SCREW, M8 X 30 4
DIA
NO
PART
NUMBER DESCRIPTION NO
REQ'D
1 VF84315 BRACKET, SPRING 1
2VF13615 WASHER, PLAIN, M13 X M30 X 2 4
3VF84312 SLEEVE 2
4VF84313 SPRING 2
ZD11000 BRUSH, MOTOR, 36VDC, 1HP 2
ZD45407 KEY, 6.35 X 25 2
6VF84311 BOLT, SHOULDER, 1/4" X 4.25" X 3/8" 2
7 VF84335 BRACKET, BRUSH LIFT 1
8 VF84314 SPRING 2
9 VF84304 BRACKET, SPRING MOUNT 1
10 VF14235 SCREW, M8 X 35 4
12 VF84305A BRACKET, LIFT, RIGHT 1
13 VF82090 CLAMP, (16-25) 2
14 VF84333 TUBING, 17.5mm ID, 145mm 1
15 VF84141 HOSE BARB, TEE 1
16 VF84334 TUBING, 11.5mm ID, 135mm 1
17 VF84345 TUBING, 11.5mm ID, 125mm 1
18 VF84346 TUBING,11.5mm ID, 275mm 1
19 VF84303 BRACKET, LIFT, LEFT 1
20 VV20509 SCREW, M5 X 10 4
21 VF84325 DOOR, SCRUB HEAD 2
22 VF82042 ELBOW 2
23 VF82148 CLAMP, 16mm 6
24 VF82138 TUBING, 11.5mm ID, 75mm 1
25 VF84146 HOSE BARB 2
26 VF84302 COVER, SCRUB HEAD 1
27 VF84323 SKIRT, SCRUB HEAD 1
28 VF14310 SCREW, M5 X 70 1
29 VF84324 CLAMP, SKIRT 1
30 VF84330 BRUSH, 15 INCH 2
31 VF13542 WASHER, PLAIN, M8 X M20 X 2 9
32 GT13022 NUT, LOCK, M5 1
33 VF13503 NUT, LOCK, M8 8
34 VF13537 WASHER, PLAIN, M10 X M26 X 2 8
35 VV13620 WASHER, LOCK, 3/8" 8
36 VF14242 SCREW, 3/8"-1" 10
37 VF13545 SCREW, SELF-TAPPING, ST, M5 X 10 8
38 VV13601 WASHER, LOCK, M5 8
39 VF83134 STOP, DRIVE RELEASE 2
40 VF83130 PLATE, DRIVE 2
41 VF83130A PLATE, DRIVE, ASSY 1
42 VF82058 WASHER 2
43 VV20298 WASHER, LOCK, 5/16" 2
FANG 32T - SCRUB HEAD ASSEMBLY
5
21

DIA
NO
PART
NUMBER DESCRIPTION NO
REQ'D
44 VF14241 SCREW, 5/16" - 1" 2
45 VF84329 PAD DRIVE, 15 INCH 2
46 VA13484 SCREW, SELF-TAPPING, ST, M4 X 12 6
47 VF99003A BIG MOUTH 2
48 MF-VF002-4A SCREW, SELF-TAPPING, 1/4" - 1" 6
49 VF83118 SPACER 2
50 VF83132 SPRING 2
51 VF83131 CLAMP, BRUSH PLATE 2
52 VF13502 NUT, LOCK, M6 6
53 VF83133 STUD 6
54 VF14225A SCREW, M6 X 40 6
55 VF84134 PUSH SCREW 7
56 VF82013 WHEEL, 3" 6
57 VF82055 BUSHING 6
58 VF13514A WASHER, PLAIN, M8 X M16.5 X 1 6
59 VF14248 SCREW, M8 X 100 2
60 VF84104 COVER, FRONT 1
61 VF84326 NUT, LOCK, 3/8" 2
FANG 32T - SCRUB HEAD ASSEMBLY
22

23

14 VF84219 -1
24 VF83150
24
DIA
NO
PART
NUMBER
NO
REQ'D
1 VF13503 2
2 VF84220 1
3 VF13514 1
4 VF48222 2
5 VF84218 1
6 VF82159 1
7 VF14096 1
8 VF82158 1
9 VF13535 5
10 VF14235 1
11 VF84217 1
12 VA13491 1
13 VF48310 1
1
15 VF84226 1
16 VF13637 1
17 VF84229 1
18 VF84223 1
19 VF14547 1
20 VF85336 4
21 VF84225 1
22 VF14527 1
23 VF13521 1
1
25 VF13519 3
26 VV13604 3
27 VF13514A 2
28 VF82055 2
29 VF82013 2
30 VF84202 1
31 VF84208 1
32 VF81218 1
33 VF81209 1
34 VF14310 1
35 VF81208 2
36 GT13022 1
37 VF81222 3
38 VF81219 3
39 VV20203 3
40 VF84206 1
41 VF14236 2
42 VF84206A 1
43 VF84207 1
44 VF84205 1
45 VF82121 6
46 VF84200 1
47 VF13502 1
48 VF13501 1
49 VF84228 2
50 VF84227 1
51 VF81210 2
52 VF13538 1
53 VF14516 2
54 VF13542 2
55 VF85104 1
56 VF85103 1
57 VF14503 2
58 VF85106 1
59 VF84230 1
NUT, M6
WASHER,LOCK,M8
KIT,BACKUP STRIP,SQUEEGEE
BLADE,SQUEEGEE,FRONT,PU (FANG 32T)
SQUEEGEE SUPPORT
KNOB,M8
WASHER,PLAIN, M8 X M16.5 X 1.5
BUSHING
HANDLE, LIFT
FRONT SQUEEGEE SUPPORT
SCREW, M12 X 130
BACK SQUEEGEE SUPPORT
ARM,SQUEEGEE LIFT
PIN, M2 X 20
SHAFT
NUT,LOCK,M10
BOLT,SHOULDER, 5/16" X 1.25"
SQUEEGEE ASSEMBY (FANG 32T)
NUT,LOCK, M6
WHEEL, 3"
BACKUP STRIP,SQUEEGEE,FRONT (FANG 32T)
BACKUP STRIP,SQUEEGEE,REAR (FANG 32T)
NUT,LOCK, 5/16"
WHEEL, 2"
HOUSING,SQUEEGEE (FANG 32T)
BLADE,SQUEEGEE,REAR,NEOPRENE (FANG 32T)
LATCH,HOOD
WASHER,PLAIN, M12 X M26 X 2
KNOB, M6
NUT,LOCK, M12
SEREW,SHOULDER M8
NUT,LOCK,M8
WASHER,PLAIN, M8
HANDWHEEL M8X55
SQUEEGEE SUPPORT PIN
NUT HEX LOW M8
SPACER 8X10X7
KIT,SQUEEGEE BRACKET ASSEMBY
WASHER,PLAIN, M8 X M20 X 2
GRIP,HANDLE
WASHER,PLAIN, M8 X M16.5 X 1
SCREW,M8 X 40
HOSE
BUSHING
HOLDER,"U" HOSE
LOCK SPRING
SCREW,M8 X 20
DESCRIPTION
NUT,LOCK,M8
BRACKET,SQUEEGEE LIFT
BUSHING
WASHER,NYlON
SEREW,SHOULDER M10
FANG 32T - SQUEEGEE AND SQUEEGEE LIFT ASSEMBLY
NUT,LOCK, M5
HOOK,REAR SQUEEGEE BACKUP ADJUSTMENT
SCREW, M5 X 70
RIVET, M4 X 5
SCREW,M8X35
SCREW,M8X25
CABLE,SQUEEGEE,LIFT (32")

25

DIA
NO
PART
NUMBER DESCRIPTION NO
REQ'D
1 VF14245 SCREW, M5 X 6 2
2VF82036 SHAFT 1
3VV13650 SCREW, M4 X 10 1
4VF13532 WASHER, PLAIN, M5 2
5 VV13601 WASHER, LOCK, M5 2
6 VF14230 SCREW, M5 X 15 2
7VF13536 WASHER, PLAIN, M9.8 X M16 X 1 2
8 VF82075 NUT, 3/8" 2
9 VF84123 CABLE, SOLENOID 1
10 VF82148 CLAMP, 16mm 4
11 VF84141 HOSE BARB, TEE 1
12 VF84333 TUBING, 11.5mm ID, 125mm 1
13 VF81403A ELBOW, SOLUTION TANK 2
14 VF84341 TUBING, 17.5mm ID, 50mm 1
15 VF84142 CONNECTOR, NPT 1/2" 1
16 VF84144 BALL VALVE, 15mm DN, NPT 1/2" 1
17 VF82168-3 SEAT, FILTER 1
18 VF82168-4 SCREEN, 80SS, FILTER 1
19 VF82168-5 GASKET, FILTER 1
20 VF82168-2 COVER, FILTER 1
21 VF82168 FILTER, ASSY 1
22 VF84347 TUBING, 17.5mm ID, 185mm 1
23 VF84143 ELBOW 1
24 VF82090 CLAMP 6
25 VF84342 TUBING, 17.5mm ID, 150mm 1
26 VF13495 SCREW, M6 X 16 2
27 VF13533 WASHER, PLAIN, M6 X M16 X 2 2
28 VF84120A SOLUTION VALVE SOLENOID, 36VDC 1
29 VF13502 NUT, LOCK, M6 2
30 VF84348 TUBING, 17.5mm ID, 350mm 1
31 VV20509 SCREW, M5 X 10 2
32 VF81118 CLAMP 2
33 VF13540 WASHER, WAVE, M12 1
34 VF82037 BRACKET, DRAIN HOSE & VALVE 1
35 VF82069 LABEL, VALVE 1
36 VF82074 BUSHING 1
37 VF82038 KNOB, VALVE ADJUST 1
FANG 32T - SOLUTION CONTROL ASSEMBLY
26

27

DIA
NO
PART
NUMBER DESCRIPTION NO
REQ'D
1VF84703 BUSHING 2
2VF13491 SCREW, M4 X 12 7
3 VF14122 WASHER, PLAIN, M10 X M20 X 2 2
4VF14121 SCREW, M10 X 65 2
5 VF13502 NUT, LOCK, M6 10
6 GT13032 WASHER, PLAIN, M6 6
7 VF81781 DIODE, 400V 3
8VF84716A SOLENOID, 36V 3
9 VF13495 SCREW, M6 X 16 12
10 VF84145 TIMER 1
11 VF84701 HOUSING, CONTROL 1
12 VF14078 SCREW, M3 X 10 6
13 VA50477 WASHER, PLAIN, M3 X M10 X 1 6
14 VF84711 GASKET 1
15 VF84717 LIGHTS,BATTERY CAPACITY 1
16 VF81719 SPACER 6
17 VF84702 LABEL, SWITCH (FANG 32T) 1
18 VF84704 PANEL, SWITCH (32") 1
19 VF81727 GAUGE, BRUSH PRESSURE 1
20 VF81725 SWITCH, BRUSH LIFT 1
21 VF84722 SWITCH, LIGHTED ROCKER 3
22 VF14200 SCREW, M6 X 16 12
23 VF81730 KNOB, SPEED CONTROL 1
24 VF82305 LABEL, SPEED CONTROL 1
25 VF84710 PIN, HANDLE LOCK 2
26 VF81716 SPRING 1
27 VF81710 PIN, HANDLE ADJUSTMENT 2
28 VF81729 POTIENTIOMETER, 4.7K 1
29 VF84718 PLATE 1
30 VF84719 BOARD, SPEED CONTROL 1
31 VF84712 LABEL, CIRCUIT BREAKER 1
32 VF84713 SERIAL TAG 1
33 VF84705 PANEL, CONTROL HOUSING 1
34 VF84715 LABEL, CIRCUIT BREAKER 1
35 VF84723 CONTROL BOARD, BATTERY CAPACITY 1
36 VF99012 BREAKER, CIRCUIT, 12 AMP 1
37 VF84708 HANDLE, RIGHT 1
38 VF81711 BOLT, SHOULDER, M8 X 15 X M6 2
39 VF84707 HANDLE, LEFT 1
40 VF81712 SPRING 1
41 VF13514A WASHER, PLAIN, M8 X M16.5 X 1 2
42 VF14212 SCREW, M3 X 25 2
43 VF13511 WASHER, TOOTH, M3 2
44 VF44203 SWITCH ASSEMBLY 1
45 VF84706 BRACKET, SWITCH (32") 1
46 VV13652 NUT, LOCK, M3 2
47 VF84709 TUBE, HANDLE, ADJUSTMENT 1
48 VF82153 KEY SWITCH 1
49 VF82160 LABEL, KEY SWITCH 1
50 VF84721 CORD STRAIN RELIEF 1
51 VF81722 SWITCH, TOGGLE 1
52 VF81734 BREAKER, CIRCUIT, 35 AMP 3
FANG 32T - CONTROL HOUSING
28

20
023
VACUUM
SOLENOID
VACCUM MOTOR
CIRCUIT BREAKER
19
(14AWG RED)
B+
B -
07
BRUSH
SOLENOID
LEFT BRUSH
CIRCUIT BREAKER
11
(12AWG RED) 12
AMMETER
B+ B- M2
19
DRIVING MOTOR
SPEED
CONTROLLER
PCB
DIRECTION
SWITCH
KEY
SWITCH
DOWN
UP
BATTERY CAPACITY LIGHTS
R
F
5
21
56
66
8
1
CIRCUIT BREAKER
1
5
3
3
11
12 11
0
0
0
(16AWG BLU)
(16AWG BLU)
(16AWG BLU)
0
5
5
5
0
0
0
0
17
18
0
0
17
18
14
21
19
8
5
BRUSH
SWITCH
SOLUTION
SWITCH
VACUUM
SWITCH
00
(14AWG RED)
0
(16AWG WHT)
(16AWG GRN)
(16AWG BLU)
(16AWG WHT)
(12AWG RED)
(12AWG RED)
(16AWG WHT)
(16AWG BLU)
(16AWG BLU)
(14AWG RED)
ACTUATOR
0(16AWG BLU)
0(16AWG BLU)
16 (14AWG BLK)
15 (14AWG RED)
01 (14AWG BLK)
13 (14AWG RED)
10
10
12
20
03
MAIN
SOLENOID
SOLUTION SOLENOID
ACTUATOR MOTOR
LEFT BRUSH MOTOR
RIGHT BRUSH MOTOR
VACUUM MOTOR
DRIVE MOTOR
+
_
03 (12AWG BLK)
5 (16AWG WHT)
0 (16AWG BLU)
13 (14AWG RED)
15 (14AWG RED)
20 (14AWG RED)
12 (12AWG RED)
12 (12AWG RED)
17 (16AWG BLU)
8 (16AWG GRN) 2 (16AWG GRN)
18 (16AWG BLU)
03 (12AWG BLK)
03 (12AWG BLK)
04 (14AWG BLK)
16 (14AWG BLK)
03 (12AWG BLK)
04 (14AWG BLK)
0 (16AWG BLU)
TRIGGER SWITCH
12A
35A
35A
RITHT BRUSH CIRCUIT BREAKER
M1
4.7K
2W
HOUR
METER
(4AWG RED)
02 (16AWG GRN)
01 (14AWG BLK)
0 (16AWG BLU)
14 (14AWG RED)
10 (12AWG RED)
10 (12AWG RED)
1 (16AWG WHT)
11 (12AWG RED)
6V BATTERY
_
+
6V BATTERY
_
+
6V BATTERY
+
_
6V BATTERY
_
+
6V BATTERY
_
+
6V BATTERY
+
_
+
_
+
_
9 (14AWG RED)
22
22
(4AWG BLK)
9
12 (12AWG RED)
(4AWG RED)
(4AWG BLK)
35A
(16AWG WHT)
(12AWG RED)
7
(16AWG WHT)
29