983211, 170 El.p65 Minuteman Electric Walk Behind Floor Scrubber Parts And Operator Manual
2018-04-26
: Sweepscrub Minuteman-170-Electric-Walk-Behind-Floor-Scrubber-Parts-And-Operator-Manual minuteman-170-electric-walk-behind-floor-scrubber-parts-and-operator-manual 2712 file product_file
Open the PDF directly: View PDF
.
Page Count: 19

OPERATION SERVICE PARTS CARE
170 Electric
Floor Scrubber
Revised 8/03
Model: MC17115-00
MC17230-00
MC17230-00CE

1
FOR COMMERCIAL USE ONLY
IMPORTANT SAFETY INSTRUCTIONS
When using an electrical appliance, basic precautions should always be followed, including the
following:
READ ALL INSTRUCTIONS BEFORE USING
WARNING - To reduce the risk of fire, electric shock, or injury:
Do not leave appliance when plugged in. Unplug from outlet when not in use and before servicing,
cleaning or maintaining.
WARNING
To reduce the risk of electric shock - Do not expose to rain. Store indoors.
•Do not allow to be used as a toy. Close attention is necessary when used by or near children.
•This machine shall be used only by instructed and authorized persons.
•Use only as described in this manual. Use only manufacturer’s recommended attachments.
•Inspect cord regularly. Do not use with damaged cord or plug. If appliance is not working as it
should, has been dropped, damaged, left outdoors, or dropped into water, return it to a service
center. Use only cord specified by manufacturer.
•Do not pull or carry by cord, use cord as a handle, close a door on cord, or pull cord around sharp
edges or corners. Do not run appliance over cord. Keep cord away from heated surfaces.
•Do not unplug by pulling on cord. To unplug, grasp the plug, not the cord.
•Do not handle plug or appliance with wet hands.
•Do not put any object into openings. Do not use with any opening blocked; keep free of dust, lint,
hair, and anything that may reduce airflow.
•Keep hair, loose clothing, fingers, and all parts of body away from openings and moving parts.
•Do not pick up anything that is burning or smoking, such as cigarettes, matches, or hot ashes.
•Do not use without dustbag and/or filters in place.
•Turn off all controls before unplugging.
•Use extra care when cleaning on stairs.
•Do not use to pick up flammable or combustible liquids such as gasoline or use in areas they may
be present.
•Connect to a properly grounded outlet only. See grounding instructions.
•This machine is not suitable for picking up hazardous dust.
•Close tank and lid before use.
SAVE THESE INSTRUCTIONS

2
INSPECTION
Carefully unpack and inspect your machine for shipping damage. Each unit is tested and thoroughly
inspected before shipment, and any damage is the responsibility of the delivery carrier who should
be notified immediately.
WARNING
•Read Instruction Manual before operating this piece of equipment.
•To reduce the risk of fire use only commercially available floor cleaners and waxes intended for
machine application.
•To reduce the risk of electrical shock, do not expose to rain. Store indoors.
•Do not cross over supply cord, hazard exists when rotating brush crosses over the cord.
•Electrical motors and components can cause an explosion when operated near volatile materials
and vapors. Do not use this machine near flammable materials such a solvents, thinners, fuels,
grain dust, etc.
ELECTRICAL
(Model MC17115-00) This floor machine is designed to operate on a standard 15 amp. 120 volt, 60
hz, AC circuit. Voltages below 105 volt AC or above 125 volts AC could cause serious damage to
the motor.
(Model MC17230-00) This machine is designed to operate on a standard 16 amp type L fused 230
volt, 50 hz, AC circuit. Voltages below 200 volts AC or above 250 volts AC could cause serious
damage to the motor I.E.C. Class 1.
GROUNDING INSTRUCTIONS
•This floor finishing machine should be grounded while in use to protect the operator from electric
shock. The machine is equipped with a three-prong grounding type attachment plug to fit the proper
grounding type receptacle. The green (or green and yellow) conductor in the cord is the grounding
wire. Never connect this wire to other than the grounding blade.
•Floor Finishing Machines Rated Less Than 150 Volts - If the machine is provided with an attach-
ment plug as shown in Sketch A it is intended for use on a 120-volt (nominal) circuit. If a properly
grounded receptacle as shown in Sketch A is not available, an adapter as shown in Sketch C is
available and should be installed as shown in Sketch B if the outlet box that houses the receptacle
is grounded. Be sure to fasten the grounding tab with the faceplate

3
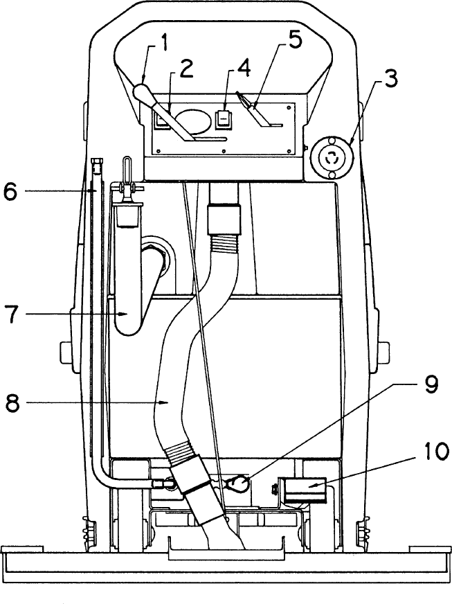
1. Squeegee left lever 6. Drain hose for clean solution tank
2. Vacuum switch 7. Drain hose for recovery tank
3. Power cable hook-up 8. Vacuum recovery hose
4. Brush switch 9. Power assist control
5. Solution control lever 10. Foot pedal for lower/raising brush

4
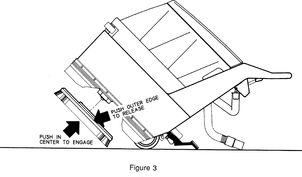
BRUSH REMOVAL
Unplug machine.
Empty solution and recovery tanks.
Remove squeegee assembly.
Lower brush.
Tilt machine as shown (figure 3) until machine rests on foot pedal.
Brush has a snap-on push off clutch plate. Pushing brush away from the machine from
the side, will release brush assembly.
To install: Hold brush in the center and snap on to drive hub.
5
OPERATING INSTRUCTIONS
1. Filling: Fill the solution tank with the desired amount of water and add liquid cleaning solution to
the proper dilution ratio. DO NOT USE powdered cleaning chemicals. Powders are unlikely to
dissolve thoroughly, resulting in clogging the in-line solution filter. This can reduceor stop water
flow to the brush.
2. Lower brush assembly.
- To lower the brush, first push the pedal slightly towards the center of the
machine (unlock it), then release it slowly.
- To lift the brush, press the pedal down until lift mechanism engages.
3. Turn on brush switch.
4. Adjust solution control feed lever.
5. Turn on vacuum switch.
6. Lower squeegee assembly.
After Use:
1. Turn off solution feed.
2. Switch off brush and raise.
3. Raise squeegee assembly.
4. Turn off vacuum motor.
Solution and recovery tanks should be emptied after every use.
MAINTENANCE:
Daily 1. Clean float assembly & squeegee blades.
2. Wipe down outside of machine with damp cloth.
Monthly 1. Check wear on squeegee blades.
2. Grease rear wheels.
3. Grease pivot points on brush motor assembly.
Every 500 hours check condition of carbon brushes on vacuum motor and brush drive motor.

6
7
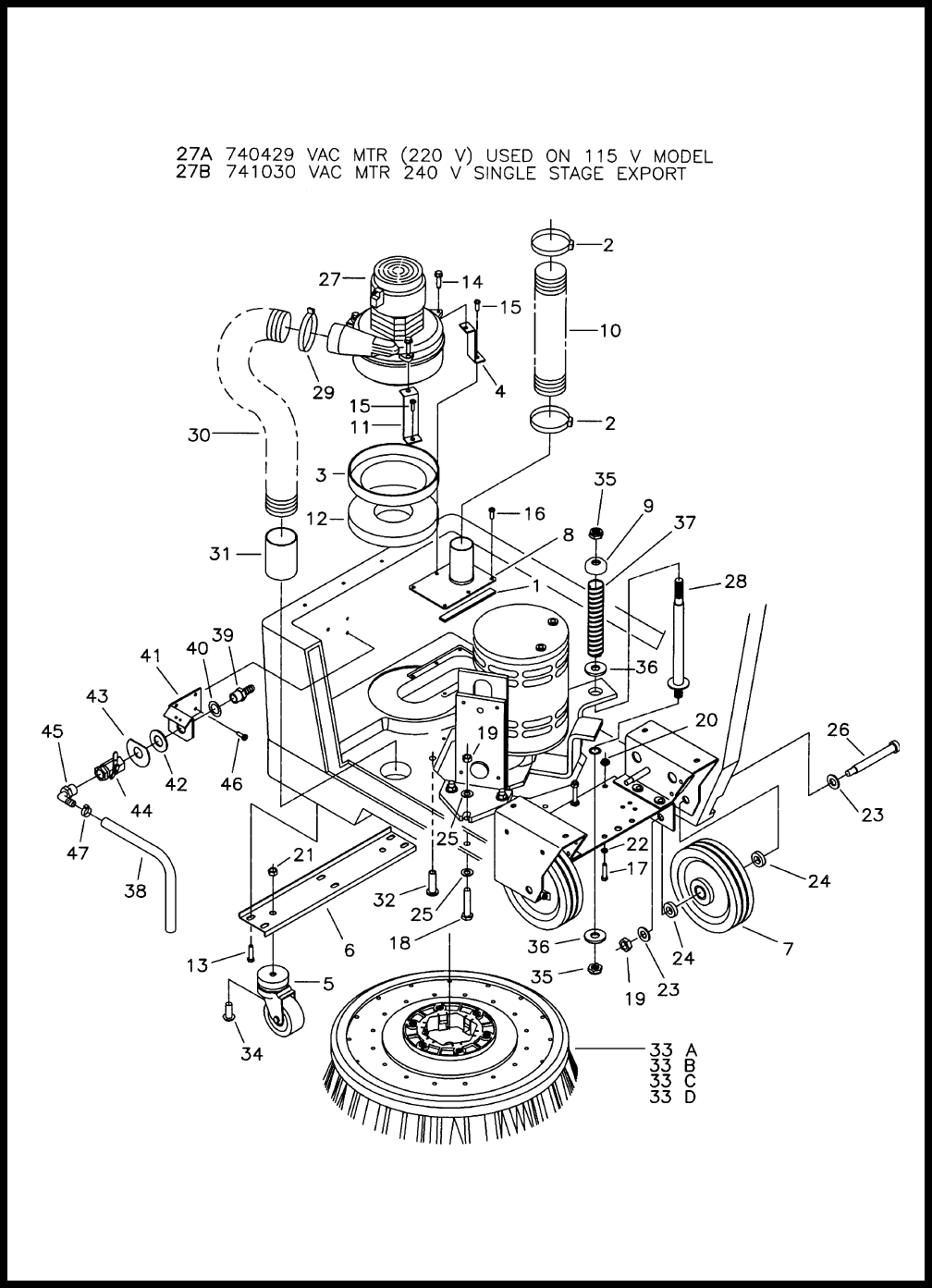
Parts List
Item Part No. Qty. Description
1 430000MCH 1 Base Assy. 17 B/E Machined
2 430001MCH 1 170 Sol./Recovery Tank Assy.
3 430002 1 Cover Poly 170 Burgundy
4 430044 2 Hinge Lid 17 B/E
5 430046 2 Side Skirt Retainer 17
6 430049 1 Splash Skirt 17 B/E
7 430126 2 Hinge Backing Plate
8 430136 1 Gasket Seal Kit (4)
9 430141 1 Splash Skirt 170
10 430142 1 Mounting Bracket
11 450021 1 Hinge
12 711104 3 SCR-ST-A #10 x .50
13 711161 18 SCR-Hi/Lo #10 x 3/4 PL
14 712536 6 SCR-MC 10-24 x .62 SS
15 712560 6 SCR-MC 1/4-20 x .50 SS
16 712822 6 SCR-THMS 10-24 x .50 STPL
17 430126 2 Hinge Backing Plate

8
9
Parts List
Item Part No. Qty. Description
1 130118 1 Solution Strainer
2 200173 1 Float Housing
3 210401 1 Solution Hose
4 210409 2 Fitting Brass 3/8 MPT 3/8 FPT
5 210410 2 Fitting Brass 3/8 FPT 3/8 Barb
6 210414 2 O-Ring 2-113
7 260203 1 Hose Clamp
8 430001MCH 1 170 Sol./Recovery Tank
9 430037 2 Bumper Wheel Axle
10 430038 2 U Bracket Wheel Mount
11 430050 1 Filter Screen 4 x 4
12 430089 1 Float 17B
13 430090 1 Float Valve Weldment
14 430098 1 Vac Recovery Hose 22 C/L
15 430116 1 Hose 3/8 Nylo 34”
16 430121 1 Standpipe Assy. 170/175
17 430199 1 Hose White Wireloc 24”
18 450076 1 Crimp Clamp SS 185R
19 450081 2 WSR SS 1.908 x 2.41 x .03
20 450083 2 Insert Fitting
21 710353 2 SCR-MC 10-32 x .37 STPL
22 710985 2 SCR-SC 3/8-16 x .62
23 711504 1 WSR-Flat 1/4 ID SS
24 711513 2 WF .689 x 1.06 x .029 SS
25 712092 1 SCR Nylon 1/4-20 x 2.5
26 712568 1 SCR-MC 1/4-20 x 2.25 SS
27 712667 1 Nut-Hex 1/4-20 SS Nyloc
28 760343 1 Tjube Hose 24/32B
29 762331 2 Wheel, 2.5D x 1.28W x .38ID
30 762384 2 Bushing SS .277 x .375 x .37
31 828970 1 WSR Neop 1.87 x 2.4 x .125
32 828971 1 Nut 1 1/2 Pipe Thread
33 829559 1 Cable Assy. 170/175
34 830062 2 Fitting Brass 90 3/8 MPT
35 833316 1 Drain Plug

10
11
Parts List
Item Part No. Qty. Description
1 250041 1 Seal, Rubber
2 831001 2 Crimp Clamp 440R
3 290017 1 Molded Vac Mtr. Gasket
4 430018 2 Z Bracket
5 430029 2 Caster
6 430042 1 Caster Mounting Bracket
7 430138-1 2 Wheel 6”
8 430069 1 Vacuum Manifold Assembly
9 828264 1 Spring Washer Cup
10 430099 1 Vacuum Hose
11 450038 1 Z Bracket
12 460019 1 Gasket 3.75 x 5.75 x .75
13 710178 6 SCR-MC 1/4 - 20 x .50 STPL
14 712129 3 SCR-TR 1/4-20 x 1.00 HWH
15 711106 3 SCR-ST-A 10 x .75 PL
16 711161 5 SCR Hi/Lo #10 x 3/4 PL
17 711210 3 BLT-HH 1/4 - 20 x 1.25 STPL
18 711243 6 BLT-HH 3/8 - 16 x 1.5 STPL
19 711380 8 Nut-Nyloc 3/8 - 16
20 711425 3 Nut-Flanged Wizz 1/4 - 20
21 711439 2 Nut-Flanged Wizz 3/8 - 16
22 711506 3 WSR-Flat 5/16 STPL
23 711509 4 WSR-Flat 1/2
24 430149 4 Bushing .531 x 1 x .25 SS
25 711515 6 WSR-Flat .406 x .812 x .062
26 712090 2 Shoulder Blt. 1/2 x 3.5
27A 740429 1 Vac Motor 220V (115V Model Only)
27B 741030 1 Vac Motor 240V
28 210083 1 Adjusting Rod Weldment
29 829067 1 Crimp Clamp 560R
30 762398 1 Hose, Rubber Flex 2 x 13
31 801013 1 Sleeve, Hose
32 832136 1 Nylon Sleeve Sol. Feed
33A 430034 1 Nylon Brush
33B 430108 1 Pad Driver
33C 430108 1 Poly Grit Brush
33D 430108 1 Strato Grit Brush
34 710986 2 SCR-SC 3/8 - 16 x 1.00
35 364-816 1 Nut-Nyloc 1/2
36 711510 2 Washer
37 828301 1 Spring
38 210401 2 Solution Hose
39 342430 1 Fitting Brass 3/8 MPT 3/8 Barb
40 711513 1 WSR-Flat .689 x 1.06 x .029
41 210370 1 Solution Valve Bracket
42 828975 1 WSR-Neo .75 x 1.50 x .09
43 829463 1 WSR-Flat .75 x 2.00 x .05
44 809413MCH 1 Solution Valve
45 450040 1 Elbow 3/8 MPT x 3/8 Barb
46 711106 3 SCR-ST-A 10 x .75 PL
47 450076 1 Crimp Clamp SS 185R

12
13
Part No. Qty. Description
1 100000 1 Mounting Bkt. Quick Disc.
2 430003 1 Motor Mount Weldment
3 430009 2 Motor Brkt. Weldment
4
5 430014 1 Motor Lift Weldment
6 430019 1 Speed Control Weldment
7 430022 1 Control Pivot Weldment
8 430025 1 Speed Control Rod
9 430026 1 Speed Control Weldment
10 430030 1 Squeegee Mount Weldment
11 430035 1 Drive Hub
12 430051 1 Return Spring
13 430054 1 Pivot Cam 17 B/E
14 430055 1 Threaded Connecting Rod
15 430056 1 Compression Spring
16 711579 1 WSR-Flat .56 x 1.00
17 711420 1 Nut-Hex Jam 5/16-18 STPL
18 430064 1 Wheel Mount U Strut Right
19 430065 1 Mtg. Plate Wheel Carriage
20 430066 3 Squeegee Return Spring L
21 430067 1 Squeegee Return Spring S
22 430080 1 Balljoint (SP1002)
23 430081 1 Wheel Mount U Strut Left
24 430088 1 L Bkt. Motor Lift
25 430116 1 Hose 3/8 Nylo x 34"
26 430106 2 Stabilizer Bar Lower
27 430113 1 Hose 3/8 x 1.375
28 430114 1 Nylon Cap 1/4 FPT HC4
29 430118 1 Clear Dump Hose C/L 22"
30 450076 2 Crimp Clamp SS 185R
31 710986 5 SCR-SC 3/8 - 16 x 1.00 STPL
Item Part No. Qty. Description
32 711202 10 BLT-HH 1/4 - 20 x .50 STPL
33 711227 1 BLT-HH 5/16 - 18 x .62
34 711246 1 BLT-HH 3/8 - 16 x .87 STPL
35 711374 1 Nut-Nyloc 5/16 - 18
36 711379 3 Nut-Flanged Wizz 5/16 - 18
37 711380 1 Nut-Nyloc 3/8 - 16
38 711425 4 Nut-Flanged Wizz 1/4 - 20
39 711439 1 Nut-Flanged Wizz 3/8 - 16
40 711506 3 WSR-Flat 5/16 STPL
41 711515 2 WSR-Flat .44 x .87 x .07
42 320268 1 Key 1/4 x 5/16 x 1
43 711517 3 WSR-Flat .77 x 1.37 x .03
44 711523 2 WSR-Wave .37 x .68 x .02
45 711544 9 WSR-Helical 1/4
46 711615 1 Rollpin .12 x .75
47 711803 2 Cotter Pin .06 x .75
48 712042 3 Drive Hub Retainer Bolt
49 712569 3 Bolt-WSR HH 5/16-18 x .62
50 712666 2 Nut-Hex Jam 1/4 - 28 SS
51 740428 1 Gearmotor 115V
51A 740432 1 Gearmotor 230V
53 760592 2 Knob Oval Tapered
54 210142 1 Pedal Pad
55 828952 1 Fitting 1/4 MPT x 3/8 Barb
56 833325 1 Fitting Nylon 90° 1/4 MPT
57 833473 1 Fitting Brass 1/4 FPTx 3/8 Barb
58 715136 1 Decal Diecut Speed Control
59 711505 3 WSR-Flat 1/4
60 711373 1 Nut-Nyloc 1/4-20
61 210066 1 Drive Hub Retainer Bolt
Parts List

14
15
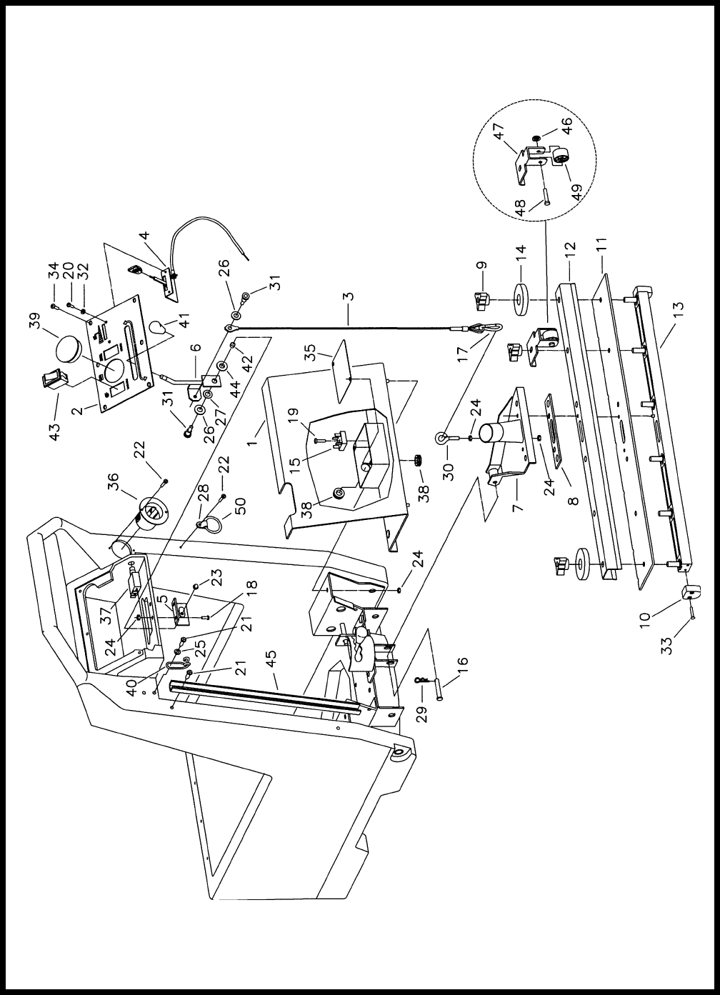
Item Part No. Qty. Description
1 430123 1 Rear Cover
2 430039SP 1 Dashboard 170 Screen Printed
2A 430039CESP 1 Dashboard 170CE Screen Printed
3 430052 1 Squeegee Lift Cable Assy.
4 430053 1 Solution Control Cable A
5 430059 1 Squeegee Lift Brkt. Assy.
6 430060 1 Squeegee Lift Arm Assy.
7 430070 1 Squeegee Mount Assy.
8 430073 1 Gasket Diecut PS Back
9 430074 6 Adjusting Nut 17 B/E
10 430076 2 Nylon Squeegee Insert
11 11-145 1 Squeegee Gum Rubber
12 430078 1 U Profile
13 430079 1 Casting Squeegee Assy.
14 430085 2 Squeegee Bumper Wheel
15 740202 1 Rectifier Bridge 50A 600V
16 430105 1 Clevis Pin .312 x 1.75
17 430103 1 Spring Hook
18 710180 2 SCR-MC 1/4 - 20 x .75 STPL
19 711126 1 SCR-ST-B 10 x .75
20 711124 2 SCR-ST-B #10 x .37 NI
21 711161 6 SCR-Hi/Lo #10 x 3/4 PL
22 711128 3 SCR-ST-B Hi/Lo 8 x .62 PL
23 711352 1 Nut-Acorn 1/4 - 20 ST NI
24 711425 6 Nut-Flanged Wizz 1/4 - 20
25 711503 2 WSR-Flat #10
26 711506 2 WSR-Flat 5/16 STPL
27 711523 1 WSR-Wave .37 x .68 x .02
Item Part No. Qty. Description
28 250038 1 Retainer Clip
29 711808 1 Cotter Pin-Hair #13
30 712026 1 Wire Eye Bolt 1/4 - 20
31 712041 2 Blt-Sder 1/4 - 20 x .44 x .37
32 712320 2 WSR Nylon .22 x .45 x .04
33 712517 4 SCR-MC #8-32 x 1 SS FH
34 712822 6 SCR-THMS 10 - 24 x .50 STPL
35 805634 1 Box Cover
35A 715098CE 1 Decal Dashboard 170CE
36 830540 1 Twist Loc Receptacle
37 740220 1 Circuit Breaker 20 amp (115V)
37B 762299 2 Circuit Breaker 9 amp (120V)
38 762299 2 Grommet .50 x .09 x .75
39 833823 1 Dome Plug 2”
40 760286 1 Wire Formed Hook
41 760592 1 Knob Oval Tapered
42 762058 1 Spacer .319 x .375 x .250
43 809754 2 Switch Rocker
43A 740711CE 2 Switch w/Splashguard
44 829014 1 Flanged Bushing
45 430120 1 U Channel 170 18"
46 370074 2 Hubcap
47 832973 2 Wheel Bracket
48 832974 2 Clevis Pin 1/4 x 1 3/8
49 370031 2 Wheel 1.5 Molded
50 833827 1 O-Ring 1.25 ID x .187
51 830292 1 Cord Assy. 14/3 75’ (115V)
51A 740477 1 Cord Assy. (230V)
Parts List

16

LIMITED WARRANTY
Minuteman International, Inc. warrants to the original purchaser/user that this product is free from defects in workmanship and
materials under normal use and service for a period of three years from date of purchase. In addition, Minuteman International,
Inc. will, at its option, honor labor warranty claims for the first 12 months from date of sale, provided such claims are submitted
through and approved by factory authorized repair stations. Minuteman International, Inc. will, at its option, repair or replace
without charge, except for transportation costs, parts that fail under normal use and service when operated and maintained in
accordance with the applicable operation and instruction manuals.
This warranty does not apply to normal wear, or to items whose life is dependent on their use and care, such as belts, cords,
switches, hoses, rubber parts, electrical motor components or adjustments. Parts not manufactured by Minuteman International,
Inc. such as engines, batteries, battery chargers, hydraulic pumps, and tires are covered by and subject to the warranties and/
or guarantees of their manufacturers. Please contact Minuteman International, Inc. for procedures in warranty claims against
these manufacturers.
Special warning to purchaser — Use of replacement filters and/or prefilters not manufactured by Minuteman International, Inc.
or its designated licensees, will void all warranties expressed or implied.
A potential health hazard exists without exact original equipment replacement.
All warranteed items become the sole property of Minuteman International, Inc. or its original manufacturer, whichever the case
may be.
Minuteman International, Inc. disclaims any implied warranty, including the warranty of merchantability and the warranty of
fitness for a particular purpose. Minuteman International, Inc. assumes no responsibility for any special, incidental or consequential
damages.
This limited warranty is applicable only in the U.S.A. and Canada, and is extended only to the original user/purchaser of this
product. Customers outside the U.S.A. and Canada should contact their local distributor for export warranty policies. Minuteman
International, Inc. is not responsible for costs or repairs performed by persons other than those specifically authorized by Minuteman
International, Inc. This warranty does not apply to damage from transportation, alterations by unauthorized persons, misuse or
abuse of the equipment, use of non-compatible chemicals, or damage to property, or loss of income due to malfunctions of the
product.
If a difficulty develops with this machine, you should contact the dealer from whom it was purchased.
This warranty gives you specific legal rights, and you may have other rights which vary from state to state. Some states do not
allow the exclusion or limitation of special, incidental or consequential damages, or limitations on how long an implied warranty
lasts, so the above exclusions and limitations may not apply to you.
World Headquarters Minuteman Canada, Inc.
Minuteman International, Inc. 2210 Drew Road
111 South Rohlwing Road Mississauga, Ontario
Addison, Illinois 60101 L5S 1B1
(630) 627-6900 (905) 673-3222
FAX (630) 627-1130 FAX (905) 673-5161
983211
Printed in U.S.A.