983300, 240 X Floor Scrubber.p65 Minuteman 240x Walk Behind Scrubber Parts And Operator Manual
2018-04-27
: Sweepscrub Minuteman-240X-Walk-Behind-Floor-Scrubber-Parts-And-Operator-Manual minuteman-240x-walk-behind-floor-scrubber-parts-and-operator-manual 2716 file product_file
Open the PDF directly: View PDF
.
Page Count: 29

240X
Floor Scrubber
Battery
Model:
MC240024QP, CE
Revised 6/02
OPERATION SERVICE PARTS CARE
Table of Contents
Safety instructions................................................ 1
Electrical requirements ........................................ 2
Control panel identification................................... 3
Operating instructions .......................................... 4
Squeegee adjustments........................................ 5
Brush installation/removal .................................... 6
Base assembly .................................................... 7 - 8
Tank assembly ..................................................... 9 - 10
Upper assembly ................................................... 11
Console assembly ............................................... 12
Motor lift assembly ............................................... 13 - 14
Scrudhead assembly ........................................... 15 - 16
Casting assembly ................................................ 17
Motor assembly ................................................... 18
Dashboard & back panel assembly ..................... 19
Squeegee lift & Squeegee mechanism .............. 20
Plastic housing assembly .................................... 21
Squeegee assembly............................................ 22
Wiring diagram, standard ..................................... 23 - 24
Wiring diagram, CE .............................................. 24 – 25
Warranty ............................................................... Back Cover
1
IMPORTANT SAFETY INSTRUCTIONS
CAUTION
Operators must read and understand this manual before operating or maintaining this equipment.
• Keep hands and feet clear of moving parts while machine is in operation.
• All switches must be in the “OFF” position when charging batteries.
• Electrical motors and components can cause an explosion when operated near explosive
materials or vapors. Do not operate this machine nearflammable materials such as solvents,
thinners, fuels, grain dusts, etc.
• Make sure all switches are turned “OFF” and battery connections are removed before
performing any maintenance procedures.
• Store or park this machine on a level surface only.
• These machines are designed for level floor operation only. DO NOT OPERATE on ramps
or inclines.
• Battery acid can cause burns. When working on or around batteries, wear protective clothing
and safety glasses. Remove metal jewelry. Do not laytools or metal objects on top of
batteries.
• This machine is not suitable for picking up hazardous dust.
Charging batteries generates explosive gases. DO NOT CHARGE BATTERIES WHEN OPEN
FLAMES OR SPARKS ARE PRESENT. DO NOT SMOKE. Make sure the charger is turned off
before disconnecting it from the batteries. Charge the batteries in a well-ventilated area.
Maintenance and repairs must be performed by authorized personnel.
SAVE THESE INSTRUCTIONS

2
ELECTRICAL REQUIREMENTS:
This piece of equipment operates on 24 Volt DC.
BATTERY REQUIREMENTS:
2 x 12V 210 Amp Hour 20 Hour Rate Deepcycle P/N 956210
BATTERY SERVICE AND INSTALLATION:
Warning: Battery acid can cause burns. When working on or around batteries, wear protective clothing
and safety glasses. Remove metal jewelry. Do not lay tools or metal objects on top of batteries.
BATTERY INSTALLATION:
1. Raise tank assembly by gripping the front of tank and lift tank backward as shown in Fig. 1.
2. Install batteries as shown in Figure 2.
CHARGING OF BATTERIES:
Charging of batteries generates explosive gases. DO NOT CHARGE BATTERIES WHEN OPEN
FLAMES OR SPARKS ARE PRESENT. DO NOT SMOKE. Make sure the charger is turned off
before disconnecting it from the batteries. Charge the batteries in a well-ventilated area. Fluid levels
should be checked before and after charging and maintained at the proper levels.

3
COMPARISON RECOMMENDED
TYPE DESCRIPTION DURABILITY* COLOR TO PADS USE
Bassine Natural Fiber Short Dark Brown Red Light duty
general cleaning,
acid etching
Nylon Nylon Medium Black Tan/Red General cleaning
& scrubbing vinyl
floors, ceramic tile
& concrete floors
Dyna-Scrub Nylon impregnated Long Light Red General scrubbing,
with 500 Grit vinyl tile, ceramic
Silicon Carbide tile, epoxy floors,
Fine Bristle, urethane finish,
Dense Fill uneven concrete floors
Power-Scrub Nylon impregnated Long Rust Red/Blue Moderate aggressive
with 120 Grit Silicon scrubbing, tile floors,
Carbide Fine Bristle, concrete floors
Dense Fill
Poly-Grit Nylon impregnated Long Green Brown/Black Aggressive stripping
with 80 Grit and scrubbing, tile
Silicon Carbide floors, unfinished
Coarse Bristle concrete floors
Strata-Grit Nylon impregnated Long Dark Blue Black Heavy duty
with 46 Grit stripping/scrubbing
Silicon Carbide unfinished concrete
Coarse Bristle
1. Squeegee lift lever
2. Recovery dump hose
3. Reverse handle
4. Dashboard control panel
5. Forward handle
6. Safety bar switch
7. Solution control lever
8. Solution dump hose
9. Quick disconnect - Aux. out (Deluxe only)
10. Circuit breaker - Brush
11. Circuit breaker - Vac
12. Circuit breaker - System
13. Circuit breaker - Transaxle
14. Keyswitch
15. Main power
16. Emergency button
17. Brush pressure gauge
18. Brush control
19. Pump switch
20. Speed control
21. Battery condition meter
22. Vacuum control switch
AUTO SCRUBBER BRUSH DESCRIPTION
••
••
•
Durability is dependent on floor surface, chemicals used and proper care.
4
OPERATING INSTRUCTIONS
BEFORE STARTING, FAMILIARIZE YOURSELF WITH THE MACHINE AND ITS CONTROLS
(SEE MACHINE OVERVIEW & CONTROL PANEL DIAGRAMS)
1. Filling: Fill the solution tank with the desired amount of water and add liquid cleaning solution to
the proper dilution ratio. DO NOT USE powdered cleaning chemicals. Powders are unlikely to
dissolve thoroughly, resulting in clogging the in-line solution filter. This can reduce or stop
water flow to the brush.
2. Close lid.
3. Turn on machine by lifting the red emergency disconnect button (17) so it is in the up position.
Turn keyswitch (15) clockwise to “on” position and turn on main power switch (16).
4. Adjust main speed control (21) to full counter-clockwise position.
5. Lower brush assembly.
- To lower the brush, first push the pedal (10) slightly outward on the machine (unlock it), and
then release it slowly or by pressing “brush down” switch (19) on Deluxe models.
- To lift the brush, press the pedal (10) down until lift mechanism engages or by pressing
”brush up” switch (19) on Deluxe models.
- Brush will come on automatically when brush in on the floor and “forward” (5) or “reverse” (3)
handles are squeezed and remain on approximately 5 seconds after release.
6. Adjust solution control feed lever.
7. Select vacuum operations:
- “Vacuum On” mode (23) - Vacuum will remain on until switched to the “off” position
- “Vacuum Auto” mode (23) - Vacuum will come on automatically when “forward” or
“reverse” handle is squeezed, and scrubhead is on the floor. The brush and vacuum
will remain on approximately 5 minutes.
8. Lower squeegee assembly by lowering handle (1).
9. Squeeze “forward” handle (5) and adjust forward speed (21) as desired.
After Use:
1. Turn off solution feed.
2. Raise squeegee assembly.
3. Turn off vacuum motor.
Solution and recovery tanks should be emptied after every use.
MAINTENANCE:
Daily 1. Clean float assembly & squeegee blades. Vac filter
2. Recharge batteries (check battery acid levels before and after charging).
Monthly 1. Check wear on squeegee blades.
2. Grease front wheels.
3. Grease pivot points on brush motor assembly.
Every 500 hours check condition of carbon brushes on vacuum motor and brush drive motor.

5
SQUEEGEE ADJUSTMENTS
Squeegee Adjustment
The squeegee set-up is pre-adjusted at the factory. Adjustments may be required to get optimum
performance for different floors and conditions.
Pitch Control Adjustment
1. Ensure that the scrubber is on a
relatively flat surface. Pull the red
emergency button away from the
dashboard to activate power. Turn on the
main power switch and turn the key
switch clockwise to the on position.
Raise the scrubhead off the floor. Turn
the vacuum switch to the “vacuum only”
position.
2. Turn the speed control knob counter-
clockwise to the low speed position.
Lower the squeegee (item 1) to the floor
and squeeze the forward control handle,
move the machine one or two feet
forward to check the rear squeegee
blade for uniform deflection to the floor.
3. If uneven deflection or lay is evident, minor adjustments may be necessary to avoid streaking and
uneven wear on the blade.
4. To correct this, pitch adjustment is necessary. Loosen the pivot screw (item 2) and the pitch
screw (item 3). Move the machine forward and allow the squeegee to level itself or adjust the
angular position accordingly to achieve a uniform blade deflection. Re-tighten screws.
5. In certain applications where a different blade set-up is required, the reinforcement blade (item
4) may be turned upside down. The notch, which is normally on the bottom will now be located on
the topside. This allows the rear squeegee blade a larger deflection than normal.

6
BRUSH INSTALLATION - REMOVAL
INSTALLATION
1. Raise the scrubhead to the “UP” position by pressing the switch “BRUSH UP” (B) switch as
shown on Fig. 2 until the scrubhead stops retracting upwards.
2. Hold brush under the scrubhead casting while lining up the center of brush with the hex drive
hub and pressing the brush up until the brush engages on the hub.
REMOVAL
1. Raise the scrubhead to the “UP” position by pressing the switch “BRUSH UP” (B) switch as
shown on Fig. 2 until the scrubhead stops retracting upwards.
2. Flip the handle up (Fig. 1) located at the middle of the plastic shroud. Push the handle towards
the machine and the bracket underneath the casting will release both brushes at once. Replace
handle in parked position.

7
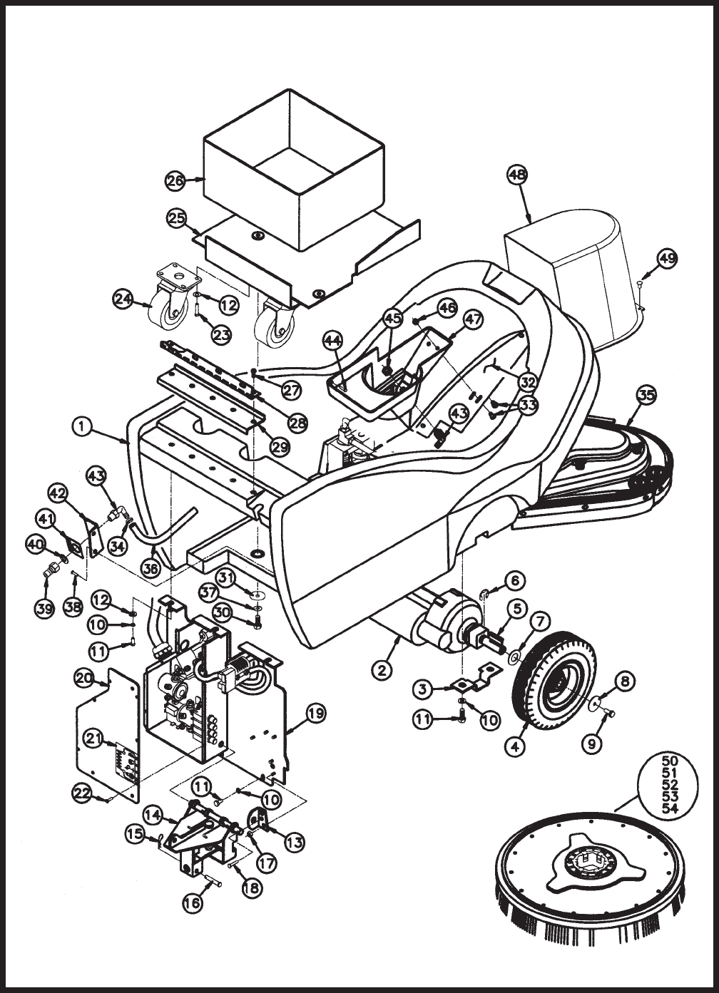
BASE ASSEMBLY
8
Parts List
Item Part No. Qty. Description
1 200102 1 Base
2 743506 1 Transaxle 24V
3 200126 2 Transaxle Mount
4 200172 2 Tire, Pneumatic
5 361233 2 Key 3/16 sq. x 1.50
6 809148 2 E-Ring 3/4
7 712318 2 WSR-Flat 3/4 x 1.12 x .12
8 712759 2 WSR-Flat 5/16 x 1.37 x .06 SS
9 712042 2 Bolt-WSR HH 5/16-18 x .62
10 711544 30 WSR-Helical 1/4
11 711203 19 BLT-HH 1/4-20 x .62
12 711505 11 WSR-Flat 1/4
13 200158 1 Pin Bracket
14 200153 1 Squeegee Mechanism Assy.
15 711808 1 Cotter Pin
16 210415 1 Clevis Pin 5/16
17 260183 3 Nut 1/4 NPT Nyloc
18 712564 1 Bolt-HH 1/4-20 x 1 SS
19 200175 1 Back Panel Assy.
20 200154 1 Electrical Box Cover
21 715286 1 Decal, CB
22 711125 4 SCR-ST-B #10 x 1/2
23 713002 8 BLT-HH 1/4-20 x .75
24 762333 2 Caster, 3 1/2”
25 200125 1 Battery Tray Weldment
26 210048 1 Battery Liner
27 712565 5 SCR-MC 1/4 - 20 x .62 SS
28 200145 1 Hinge
29 200146 1 Hinge Plate
30 711228 4 Bolt-HH 5/16-18 x 3/4
31 711507 4 WSR-Flat .37 x 1.12 x .06
32 200233 1 Bottom Cover
33 712822 5 SCR-THMS 10-24 x 1/2
34 450076 2 Crimp Clamp 185R SS
35 200500 1 Scrubhead Asm 240X
36 200236 1 Auxilliary Hose 48.50
37 711545 4 WSR-Helical 5/16
38 711161 1 Hi/Lo Screw #10 x 3/4
39 828368 1 Male Coupler BH2-61
40 711594 1 WSR-Flat .56 x .88 x .03
41 715144 1 Decal Aux Pump
42 200237 1 Quick Disconnect Bracket
43 833325 2 Barb 90° Elbow 3/8 x 1/4 NPT
44 711160 1 Hi/Lo Screw #10 x 5/8
45 260183 1 Nut-Nylon 1/4 NPT
46 712908 2 Nut-Wizz 10-24
47 200318MCH 1 Reservoir
48 200523 1 240X Motor Cover
49 710178 2 SCR-MC 1/4-20 x .50 Truss
50 260002-1 2 Pad Driver, No Riser
51 260003 2 Bassine Brush
52 260004 2 Nylon Brush
53 260005 2 Poly-Grit Brush
54 260006 2 Strata-Grit Brush

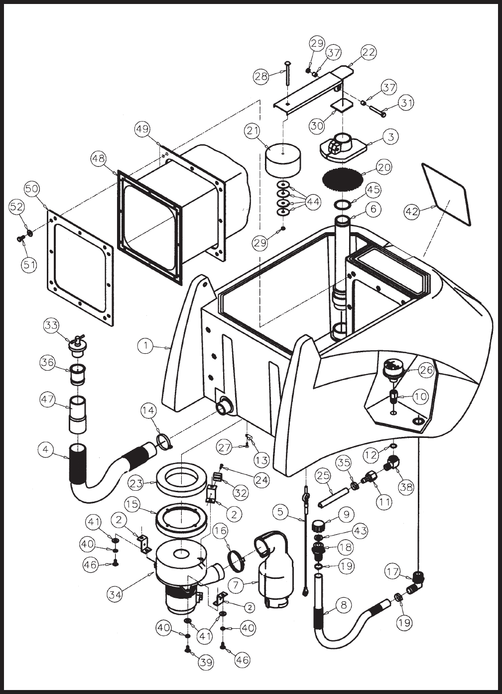
9
BASE ASSEMBLY
10
Parts List
Item Part No. Qty. Description
1 200102MCH 1 Sol/Rec Tank
2 200147 3 Bracket, Vac Motor
3 200173 1 Float, Housing
4 210122 1 Drain Hose, Wirelock
5 200232 1 Cable, Tank
6 200251 1 Stand Pipe Assembly
7 200258 1 Muffler Assembly
8 200270 1 Hose, 3/4 Solution Drain
9 200023 1 Garden Hose Cap
10 210409 1 Fitting, Brass 3/8MPT
11 210410 1 Fitting, Brass 3/8FPT
12 210414 1 “O” Ring 2-113
13 250039 3 Clamp, Plastic 5/16 3305
14 260203 1 Hose Clamp, 102120 Murray
15 290017 1 Gasket, Molded, Vac Motor
16 760859 1 Clamp-Hose
17 383321 1 Elbow 3/4MPT 3/4BARB PP
18 200022 1 3/4” MGHT x Hose Barb
19 829129 2 Clamp, Crimp 3/4 Hose
20 430050 1 Filter Screen 4x4
21 260155 1 Foam Float
22 200320 1 Shut Off Weldment
23 460019 1 Gasket
24 710207 1 SCR-MC 6-32 x .87 ST PL
25 200234 REF Solution Hose
26 130118 1 Solution Strainer
27 712540 3 SCR-MC #10-24 x .375 SS
28 712574 1 CR Bolt SS 1/4-20 x 3”
29 712667 2 Nut-Hex 1/4-20 SS Nyloc
30 200321 1 Gasket, Shut Off
31 712568 1 SCR-MC 1/4-20 x 2.25 SS
32 832996 1 Terminal Black 2 Pole VDE
33 833316 1 Drain Plug
34 740225 1 Vac Motor 6515-13 24V
35 760245 2 Hose Clamp 62P24
36 760343 1 Tube Hose 24/32B
37 762384 2 Bushing .277 x .375 x .37 SS
38 830062 1 Fitting Brass 90 3/8MPT
39 710180 3 SCR-MC 1/4-20 x .75
40 711544 6 Lockwasher-Helical 1/4
41 711505 6 Washer 1/4
42 715295 1 Decal, 240X
43 200024 1 Black Vinyl Washer
44 712759 4 WSR-Flat .31 x 1.37 x .06 SS
45 310008 1 O-Ring
46 712565 3 SCR-MC 1/4-20 x .625 SS
47 805613 1 Hose Cuff, Grey Vinyl
48 200106 1 Bladder Bag
49 200267 1 Gasket, Bladder
50 200189 1 Frame, Bladder
51 712562 12 SCR-MC HH 1/4-20 x .75 SS
52 711504 12 Washer 1/4 SS

11
UPPER ASSEMBLY
Parts List
Item Part No. Qty. Description
1 200275 1 Tank Assy. - Deluxe
2 200178 2 Gasket, Lid
3 200103 1 Tank Lid
4 712120 2 Shoulder Bolt 1/2 x 2
5 710178 6 SCR-MC 1/4-20 x 1/2
6 711503 2 WSR-Flat #10
7 711125 5 SCR-ST-B #10 x 1/2
8 760286 1 Wire Formed Hook
9 200176 1 Dump Hose Bracket
10 200180 1 Console Assy. TD/Deluxe
11 200170 1 Console Assy. - Brush Drive
11A 715284 1 Decal, Solution Control
12 383367 1 Spring Clip
13 430053 1 Solution Control Cable
14 711228 6 Bolt-HH 5/16-18 x 3/4
15 711545 6 WSR-Helical 5/16
16 711575 6 WSR-Flat 5/16
17 200032 1 Console Back Cover Weldment
18 450054 1 Vacuum Recovery Hose
19 740711 1 Switch Dreefs
20 740811 2 Switch Boot
21 740800CE 1 Switch Momentary

12
CONSOLE ASSEMBLY
Parts List
Item Part No. Qty. Description
23 200240 1 Squeegee Lift Assy.
24 200241 1 Squeegee Lift Cable
25 670093 1 Spring, Compression
26 710207 4 SCR-MC 6-32 x .87 ST PL
27 710312 2 SCR-MC 6-32 x 1.75 ST PL
28 711004 2 SCR-SK 1/4-20 x .25 SS
29 712569 1 SCR-MC 1/4-20 x 1.50 SS
30 710534 2 SCR-MC #8-32 x 1”
31 711372 2 Nut, Nyloc #8-32
32 200340 2 Spacer, S-C Board
33 829052 1 Nut, Hex 1/4-20
34 805637 1 SCR Insulator
35 711721 6 Retaining Ring .312
36 829052 4 Bushing Flanged, Nylon
37 710180 2 SCR-MC 1/4-20 x 1”
38 220324 2 Spring
39 711544 6 WSR-Helical 1/4
40 711203 6 Bolt-HH 1/4-20 x .62
41 200039 1 Bail Stop (RH)
42 200040 1 Bail Stop (LH)
43 711160 8 Screw Hi-Lo #10 x 5/8 PL
44 260210 1 Moisture Guard SCR 260TD
Item Part No. Qty. Description
1 200104MCH 1 Console Machined
2 200134 1 Console Bracket Right
3 200135 1 Console Bracket Left
4 200181CTD 2 Handle Wire, Coated
5 200295 1 Dashboard Assy.
6 712320 4 WSR-Nylon .22 x .45 x.04
7 712540 8 SCR-MC #10-24 x .37 SS
8 711575 6 WSR-Flat .31 x .75 x .06
9 711545 6 WSR-Helical 5/16
10 711228 6 Bolt-HH 5/16-18 x .75
11 715258 1 Decal, “Reverse”
12 715257 1 Decal, “Forward”
13 200151 1 Hinge Bracket Weldment
14 711505 2 WSR-Flat 1/4
15 200338 2 Cam Weldment
16 200184 1 Switch Bracket Weldment
17 742472 1 Switch, McGill NC
18 711430 3 Nut-Tinnerman 6-32
19 833329SA 3 Switch, Staggered Action
20 200190CTD 1 Lever, Switch, Coated
21 743240 1 Harness, 200 Console
22 740944 1 Speed Control, 24V 1203A225

13
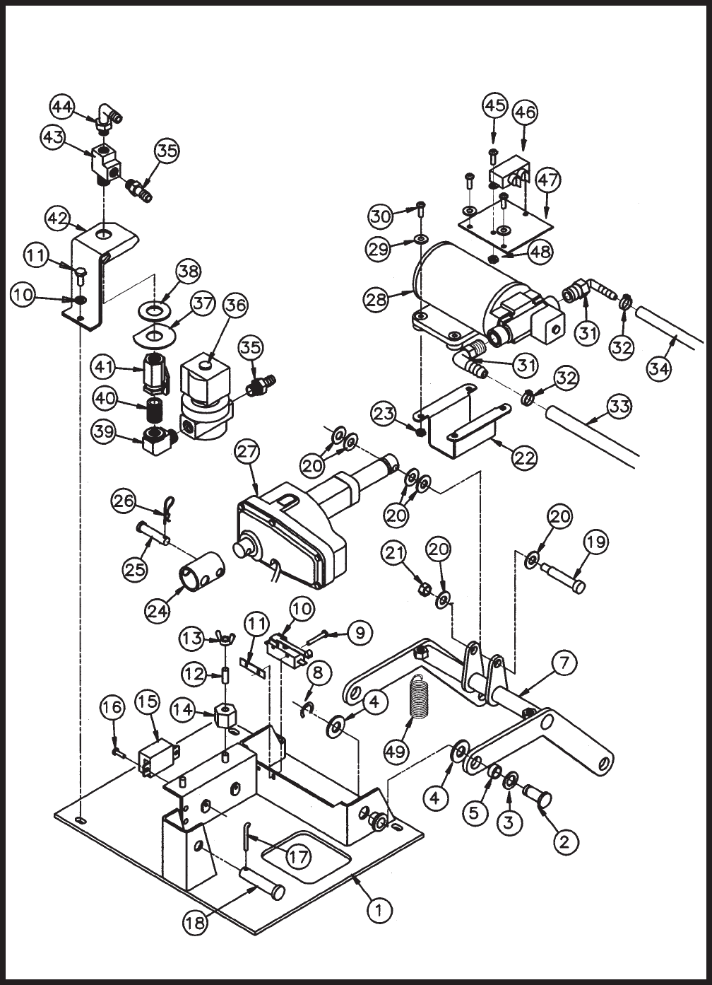
MOTOR LIFT ASSEMBLY
14
Parts List
Item Part No. Qty. Description
1 200249 1 Base Plate Weldment-Deluxe
2 260036 2 Pin Retainer
3 712310 4 WSR-Flat .52 x .88 x .06
4 711527 6 WSR-Flat 5/8 x 1/12 x .12
5 762340 2 Oilite Bushing 1/2
6 260041 4 Oilite Flanged Bushing 1/2
7 200509 1 Lift Arm Weldment-Deluxe
8 711713 2 E-Ring 1/2
9 710207 2 SCR-MC 6-32 x .87
10 740128 1 Microswitch
11 711430 1 Tinnerman Clip
12 833638 2 Brass Stud
13 711368 2 Wing Nut
14 740132 2 Insulator Glastic
15 743032 1 Terminal Block
16 712822 2 SCR-THMS 10-24 x 1/2
17 711807 1 Cotter Hair Pin
18 711672 1 Clevis Pin 1/2
19 712126 1 Shoulder Bolt 5/16 x 1.75
20 711515 6 WSR-Flat .406 x .81 x .063
21 712683 1 Nut-Nyloc 5/16-18 SS
22 200174 1 Pump Mounting Bracket
23 712638 1 Nut-Nyloc 10-24 SS
24 200248 1 Pivot Tube
25 831965 1 Clevis Pin 3/8 x 1.63
26 711808 1 Cotter Pin
27 743503 1 Actuator
28 833299 1 Pump
29 711505 5 WSR-Flat 1/4
30 712532 5 SCR-MC 10-24 x 1 SS
31 833325 2 Elbow 3/8 Barb x 1/4NPT
32 450076 2 Crimp Clamp 185R
33 200282 1 Hose Pump Inlet
34 200281 1 Hose Pump Outlet
35 342430 2 Fitting 3/8 Barb x 3/8 MPT
36 743505 1 Water Solenoid 24V
37 829463 1 WSR-Flat SS
38 828975 1 WSR-Neoprene .75 x 1.5 x .09
39 830062 1 3/8 Street 90 Brass
40 383332 1 3/8 Closed Nipple
41 809413MCH 1 Solution Valve Machined
42 200259 1 Valve Bracket
43 210408 1 Fitting Brass Tee 3/8 NPT
44 450040 1 Elbow 3/8 Barb x 3/8 MPT
45 710329 2 SCR-MC 8-32 x .5
46 742391 1 RFI Fliter
47 200335 1 RFI Bracket
48 711372 2 Nut-Nyloc 8-32
49 760594 2 Spring, Extension

15
SCRUBHEAD ASSEMBLY
16
Parts List
Item Part No. Qty. Description
1 200038 1 Handle Shaft Weldment
2 200509 1 240X Lift Weldment
3 200525 1 Scrubdeck Casting Assy
4 200530 1 Spring Mount
5 200531 1 Belt Idler w/Bushing
6 200545 1 Brush Release Lever Weldment
7 200548 1 Bracket, Brush Release
8 200570 1 Cover Assy - 240X Scrubdeck
9 200574 1 Brush Motor Assy, 240X
10 200579 1 Belt, Brush Drive
11 200586 1 Idler Arm Weldment
12 200588 1 Extension Spring .875 OD x 6.00
13 200589 1 Idler Arm Liner
14 260183 2 Nut 1/4 Npt Nylon, Half
15 260292 1 Spring Catch
16 430051 1 Return Spring 3.00”
17 430074 3 Adjusting Nut 17B/E
18 670117 4 Oilite Flanged Bushing
19 710180 2 SCR-MC 1/4-20 x .75 TR HD
20 711210 2 BLT-HH 1/4-20 x 1.25 STPL
21 711375 1 Nut-Nyloc 3/8-16 x 1/2 Nut
22 711425 3 Nut, Hex 1/4-20 Wiznut
23 711504 10 WSR-Flat 1/4 ID SS
24 711509 1 WSR-Flat 1/2 (.54x 1.082 x .087)
25 711564 2 WSR-External Lock 1/4
26 711642 1 Roll Pin .187 x 1.00
27 712122 2 BOLT-SHLDR 1/2 x 5/8
28 712132 1 BOLT-SHLDR 1/2 x 1-3/4”
29 712301 1 WSR-Flat .87 x .38 x .06
30 712310 2 WSR-Flat .52 x .87 x .06 PL
31 712540 2 SCR-MC 10-24 SS TH
32 712562 4 BLT-HH 1/4-20 x 3/4 SS
33 712564 4 BLT-HH 1/4-20 x 1.00 SS
34 712758 8 WSR-Helical 1/4 SS
35 809311 1 Pin Cotter 7/64 Dia x 1
36 833833 1 Clevis Pin
37 364-816 1 1/2-13 Nyloc Half Nut

17
Parts List
Item Part No. Qty. Description
1 200514 2 Shaft Driven
2 200527 2 Key 1/4 x 1/4 x 1/2
3 200532 2 Bearing
4 200566 1 Idler Pin
5 200578 1 Pulley Bearing Assy
6 210066 2 Drive Hub Retainer Bolt
7 250016 2 Bearing
8 320268 2 Key 1/4 x 5/16 x 1.00
9 430075 3 Threaded Insert
10 711016 4 SCR-SK 1/4-20 x .50 - Cup Pt Set SCR
11 711512 2 WSR-Flat .75 x 1.37 x .08
12 711517 2 WSR-Flat .75 x 1.375 x .09 SS
13 711702 2 Retaining Ring, Int. 1.62
14 711715 5 Retaining Ring, Axt 1.00
15 712564 1 Bolt-HH 1/4-20 x 1.00 SS
16 712758 1 WSR-Helical 1/4 SS
17 712761 1 WSR-Flat .28 x 1.25 x .059SS
18 200501MCH 1 240X Scrubdeck Casting
19 200557MCH 1 Drive Pulley
20 200558MCH 1 Drive Pulley
21 430035-1 2 Drive Hub
CASTING ASSEMBLY

18
DRIVE MOTOR ASSEMBLY
Parts List
Item Part No. Qty. Description
1 200517 1 Drive Pulley Poly V
2 200518 1 240X Motor Plat Weldment
3 200521 1 240X Motor Spacer
4 200528 1 Key 1/4 x 1/4 x 3/4
5 200580 1 Hose Assy, 240X Scrubdeck
6 710975 1 SCR-SC 5/16-18 x .87 ST PL
7 710986 4 SCR-SC 3/8-16 x .87 ST PL
8 711516 1 WSR-Flat .31 x 1.25 x .05
9 711546 4 WSR-Helical 3/8
10 712318 2 WSR-Flat .75 x 1.12 x .12 PL
11 712822 2 SCR-MC 10-24 x .50 TH SS
12 740209 1 Motor 24V 1HP
13 827998 2 Clamp

19
Parts List for 200295
Item Part No. Qty. Description
1 200179 1 Dashboard Plate
2 715280 1 Decal 200 Dashboard
3 809874 1 Knob
4 743501 1 Meter, Hour Battery 24V
5 742102 1 Switch, 23670C4D
6 740811 2 Switch Boot
7 741005 1 Keyswitch On-Off
8 740711 1 Switch Dreefs
9 742202 1 Disconnect Switch 125A
10 743049 1 Gauge, Brush Pressure
11 743240 1 Harness 200X Console
Parts List for 200175-1
Item Part No. Qty. Description
1 200124 1 Backpanel Weldment
2
3 711368 2 Wing Nut, 1/4-20
4 740132 2 Insulator (Glastic)
5 740238 2 Circuit Breaker 18
6 740247 1 Circuit Breaker 30
7 742000 3 Diode Assembly
8 740549 1 Circuit Breaker 50
9 741037 1 5 Sec. True Off Delay Timer
10 740134-1 1 Shunt, Uncalibrated
11 743250 1 Wire Harness, Lower Assy.
12 788147 3 Solenoid 24VDC
13 833638 2 Brass Stud
14 711425 8 Whiz-Nut 1/4-20
15 712823 1 SCR-THMS 10-24 x 1”
16 712320 1 WSR-Nylon .22 x .42 x .04
17 712536 2 SCR 10-24 x .62
18 740159 1 CB175 Red Housing Only
19 711210 2 SCR-HH 1/4-20 x 1 1/4
20 742748 4 Boot, Circuit Breaker
DASHBOARD BACK PANEL

20
Parts List for 200240
Item Part No. Qty. Description
1 200239 1 Panel Cover Weldment
2 715603 1 Decal Squeegee Lift
3 200241 1 Squeegee Lift Cable
4 200261 1 Inner Arm Weldment
5 200017 1 Arm Squeegee, Lift Weldment
6 712070 1 Bolt, Shoulder 5/16 x .75
7 831965 1 Clevis Pin 3/8
8 809311 1 Cotter Pin 7/64 x 1”
9 881009 1 Yoke
10 881002 1 Clevis Pin 5/16
11 711808 1 Cotter Pin #13
12 712041 1 Bolt-Shoulder 5/16 x .44
13 200038 1 Handle Weldment
14 711642 1 3/16 X 1.00 Roll Pin
15 711504 2 WSR-Flat 1/4 SS
Parts List for 200153
Item Part No. Qty. Description
1 200144 1 Spring Housing Weldment
2 200300 1 Yoke Weldment
3 210375 1 Swivel Pin
4 210391 2 Return Spring SS
5 210415 1 Clevis Pin .31 x 1.7 11-097
6 260041 4 Oilite Flange Bushing
7 710180 1 SCR-MC 1/4-20 x .75 ST PL
8 711544 1 WSR-Heliical 1/4
9 711519 1 WSR-Flat .25 x 1.01 x .06
10 711808 1 Cotter Pin - Hair #13
11 712320 2 WSR-Nylon .22 x .45 x .04
12 900080 1 Spring, Torsion RH
13 900081 1 Spring, Torsion LH
14 200159 1 Pin
15 712536 4 SCR-MC 10-24 x .62 SS
16 712564 1 BLT-HH ¼-20 x 1.00 SS
SQUEEGEE LIFT SQUEEGEE MECHANISM

21
Parts List
Item Part No. Qty. Description
1 200535 2 Roller Spacer
2 200551 1 Skirt, Left 240X
3 200552 1 Skirt, Center 240X
4 200553 1 Skirt, Right 240X
5 200554 1 Skirt Retainer, Left 240X
6 200555 1 Skirt Retainer, Center 240X
7 200556 1 Skirt Retainer, Right 240X
8 200571 1 Left Backer Plate, 240X
9 200573 1 Right Backer Plate, 240X
10 430085 2 Squeegee Bumper Wheel
11 710975 2 SCR-SC 5/16-18 x .87 ST PL
12 711160 11 #10 x 5/8 Hi-Lo
13 712759 2 WSR-Flt .31 x 1.37 x .06 SS
14 200522MCH 1 240X Scrubdeck Cover
COVER ASSEMBLY 200570

22
Item Part No. Qty. Description
1 711668 2 Clevis Pin 3/8 x 1
2 711507 7 WSR-Flat .37 x 1.12 x .06
3 711808 2 Cotter Pin - Hair #13
4 210153 2 Roller Wheel
5 762281 2 Bushing .37 x .500 x .25
6 200222 1 Squeegee Casting, 200
7 260203 1 Rear Squeegee Blade
8 260264 1 Reinforcement Blade
9 260272 1 Rear Blade Strap
10 711504 12 WSR-Flat .25 x .56 SS
11 712668 8 Wing Nut 1/4-20 SS
12 712571 2 Bolt-SS Carr 1/4-20 x 1.50
13 712572 2 Bolt-SS Carr 1/4-20 x 2.00
14 712573 2 Bolt-SS Carr 1/4-20 x 2.50
15 712574 2 Bolt-SS Carr 1/4-20 x 3.00
Item Part No. Qty. Description
16 260273 1 Front Blade Strap
17 260322 1 Squeegee Blade 260 Quarry
18 320191 1 Squeegee Mounting Bracket
19 711578 2 WSR-Flat 1/2 Brass
20 220249 2 Wing Bolt 1/2-13 x .75
21 320156 1 Mounting Bracket - Right
22 200169 1 Pitch Control Weldment
23 320157 1 Mounting Bracket - Left
24 712301 1 WSR-Flat .37 x .87 x .07
25 711379 1 Nut- Flanged Wizz 5/16-18
26 711374 1 Nut-Nyloc 5/16-18
27 712562 4 Bolt-HH 1/4-20 x .75 SS
28 712758 4 WSR-Helical 1/4 SS
29 712081 2 Bolt-Shoulder 3/8 x .75
SQUEEGEE ASSEMBLY - 200219
Parts List for 200219

23

24

25
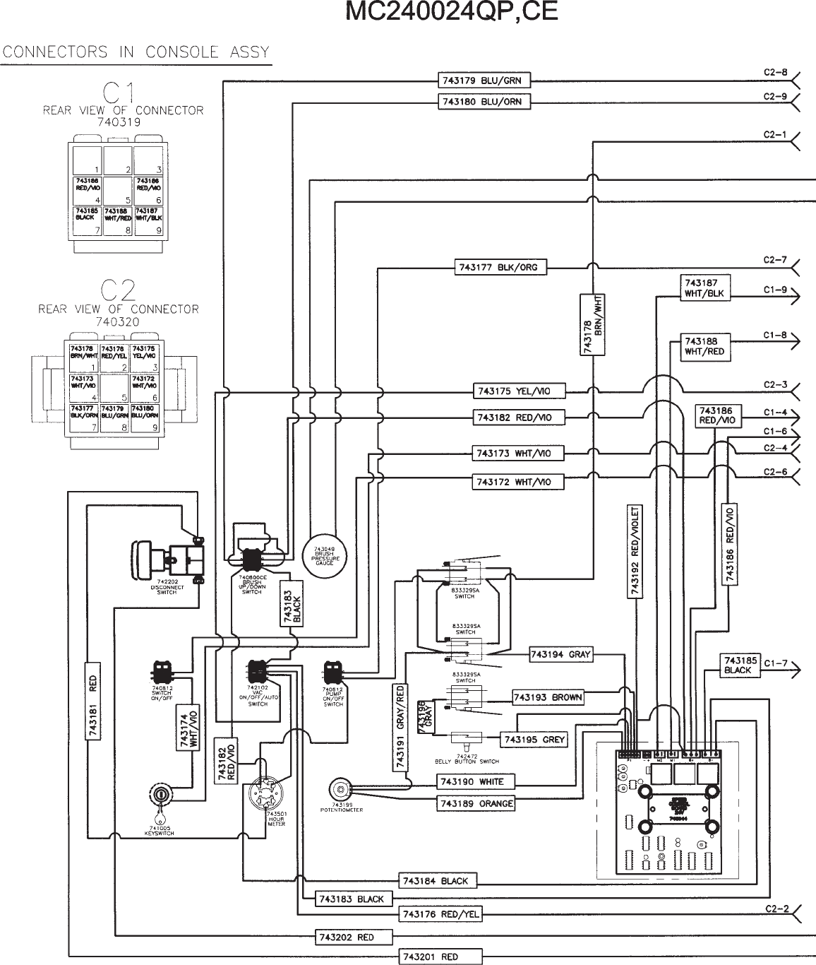
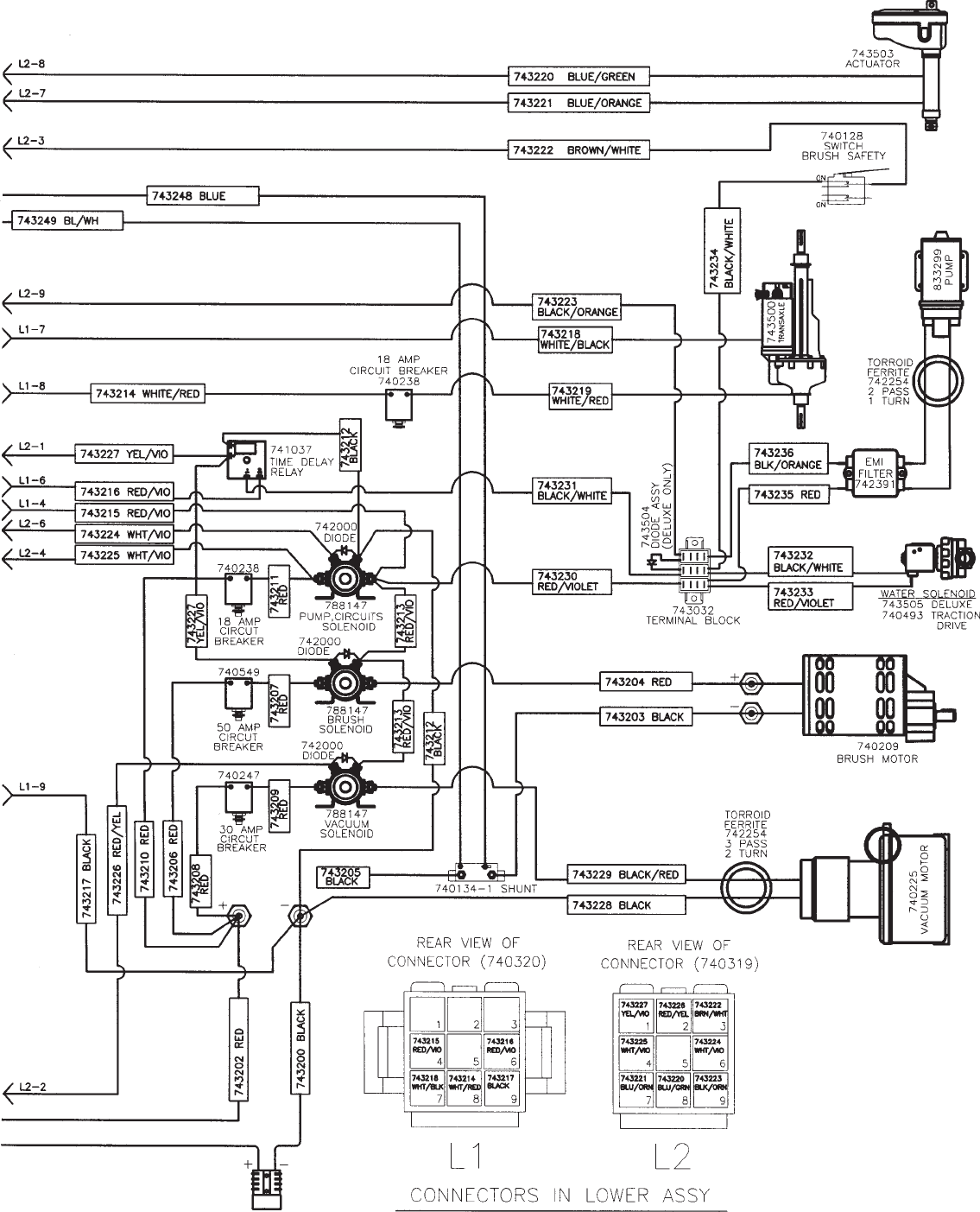
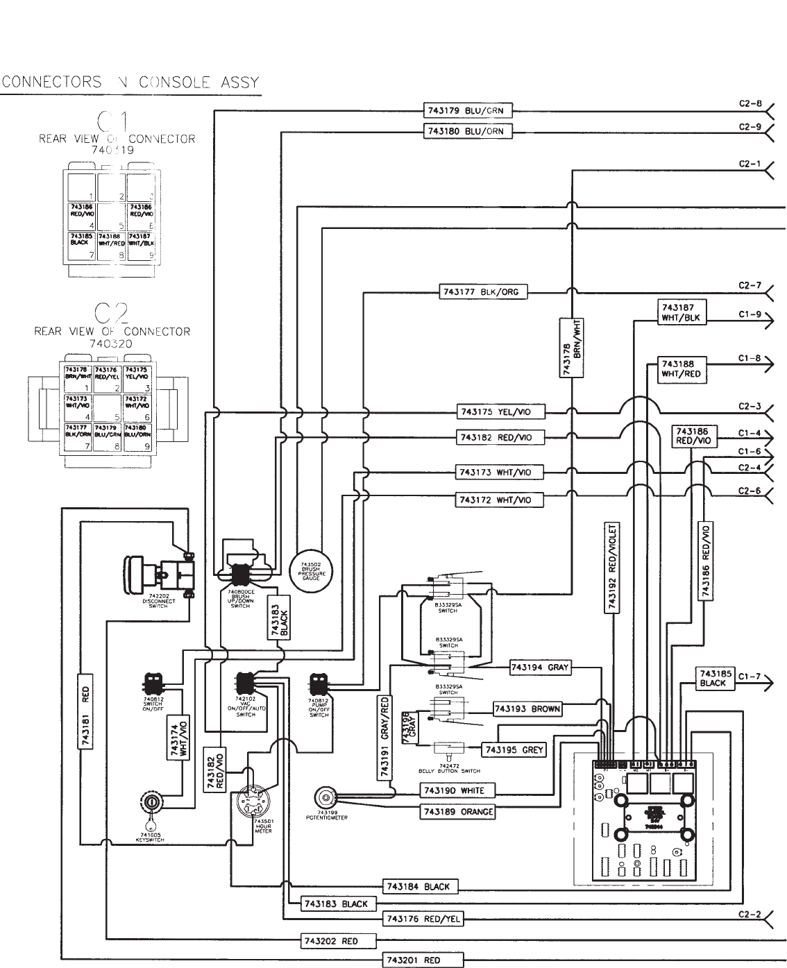
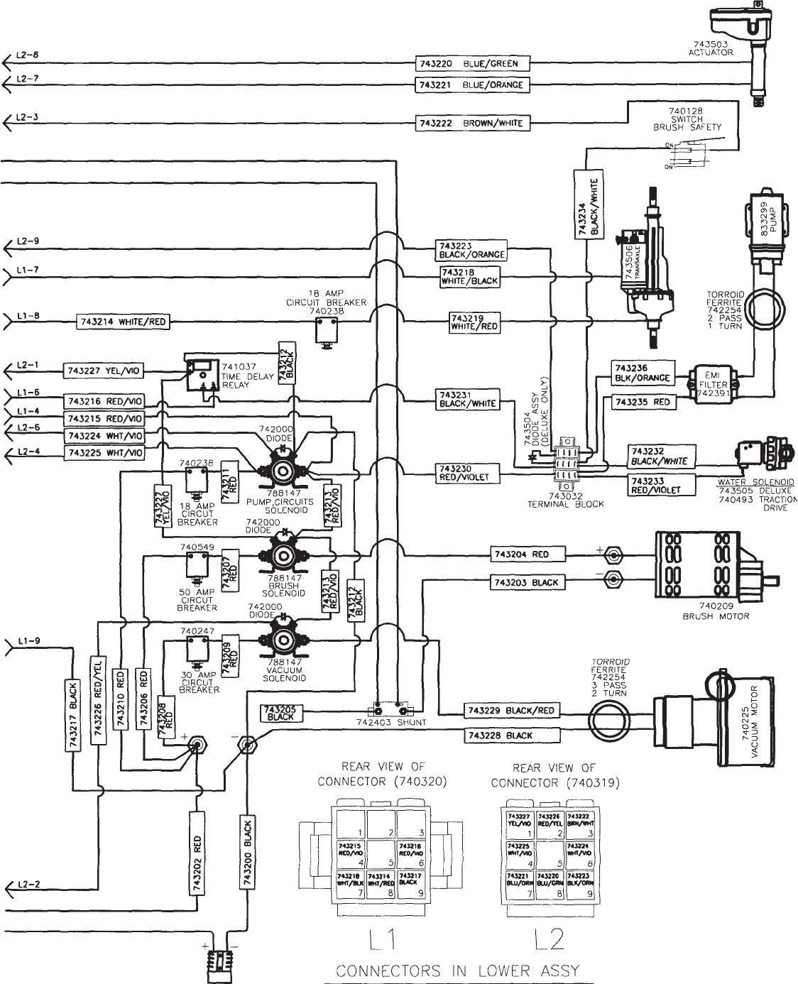
240X WIRING DIAGRAM - MC240024CE

26

LIMITED WARRANTY
Minuteman International, Inc. warrants to the original purchaser/user that this product is free from defects in workmanship and
materials under normal use and service for a period of three years from date of purchase. In addition, Minuteman International,
Inc. will, at its option, honor labor warranty claims for the first 12 months from date of sale, provided such claims are submitted
through and approved by factory authorized repair stations. Minuteman International, Inc. will, at its option, repair or replace
without charge, except for transportation costs, parts that fail under normal use and service when operated and maintained in
accordance with the applicable operation and instruction manuals.
This warranty does not apply to normal wear, or to items whose life is dependent on their use and care, such as belts, cords,
switches, hoses, rubber parts, electrical motor components or adjustments. Parts not manufactured by Minuteman International,
Inc. such as engines, batteries, battery chargers, hydraulic pumps, and tires are covered by and subject to the warranties and/
or guarantees of their manufacturers. Please contact Minuteman International, Inc. for procedures in warranty claims against
these manufacturers.
Special warning to purchaser — Use of replacement filters and/or prefilters not manufactured by Minuteman International,
Inc. or its designated licensees, will void all warranties expressed or implied.
A potential health hazard exists without exact original equipment replacement.
All warranteed items become the sole property of Minuteman International, Inc. or its original manufacturer, whichever the case
may be.
Minuteman International, Inc. disclaims any implied warranty, including the warranty of merchantability and the warranty of
fitness for a particular purpose. Minuteman International, Inc. assumes no responsibility for any special, incidental or
consequential damages.
This limited warranty is applicable only in the U.S.A. and Canada, and is extended only to the original user/purchaser of this
product. Customers outside the U.S.A. and Canada should contact their local distributor for export warranty policies. Minuteman
International, Inc. is not responsible for costs or repairs performed by persons other than those specifically authorized by
Minuteman International, Inc. This warranty does not apply to damage from transportation, alterations by unauthorized persons,
misuse or abuse of the equipment, use of non-compatible chemicals, or damage to property, or loss of income due to
malfunctions of the product.
If a difficulty develops with this machine, you should contact the dealer from whom it was purchased.
This warranty gives you specific legal rights, and you may have other rights which vary from state to state. Some states do not
allow the exclusion or limitation of special, incidental or consequential damages, or limitations on how long an implied
warranty lasts, so the above exclusions and limitations may not apply to you.
World Headquarters Minuteman Canada, Inc.
Minuteman International, Inc. 2210 Drew Road
111 South Rohlwing Road Mississauga, Ontario
Addison, Illinois 60101 L5S 1B1
(630) 627-6900 (905) 673-3222
FAX (630) 627-1130 FAX (905) 673-5161
983300
Printed in U.S.A.