Viper Barracuda Cuda2600 Vacuum Parts And Operator Manual
2016-10-04
: Sweepscrub Viper-Barracuda-Cuda2600-Vacuum-Parts-And-Operator-Manual viper-barracuda-cuda2600-vacuum-parts-and-operator-manual 1279 file product_file
Open the PDF directly: View PDF
.
Page Count: 12

CONGRATULATIONS on your purchase of a Viper product,
and welcome to the V.I.P. family. We appreciate your
business and will do everything in our power to keep you
happy with your purchase for many years to come.
As part of the V.I.P. family, you are entitled to the best
protection by one of the most comprehensive warranties in
the industry.
Thank-you for purchasing Viper products!
Tom Vander Bie, CEO
TABLE OF CONTENTS
Safety Precautions 1
Machine Components 2
Machine Operation 3-4
Machine Maintenance & Storage 4
Troubleshooting 5
Parts Breakdown 6
Parts Lists 7-8
Accessories 9
Wiring Diagram 10

SAFETY PRECAUTIONS
GROUNDING INSTRUCTIONS
General – This carpet vacuum shall be
grounded while in use to protect the
operator from electric shock. The
machine is provided with a three-contact
grounding type attachment plug to fit the
proper grounding type receptacle. The
green (or green & yellow) conductor in
the cord is the grounding wire. Never
connect this wire to other than the
grounding pin of the attachment plug.
This machine is for use on a nominal
120-volt circuit and has a grounding plug
that resembles the plug illustrated in
figure below. Make sure that the
machine is connected to an outlet having
the same configuration as the plug. No
adapter should be used with this machine.
This machine is intended for commercial
use. It is constructed for use in an indoor
environment and is not intended for any
other use. Use only recommended
accessories.
All operators shall read, understand and
exercise the following safety precautions:
1) Do not operate machine:
- Unless trained and authorized
- Unless you have read and
understand operators manual
- In flammable or explosive areas.
- With damaged or modified cord or
plug.
- If not in proper operating condition.
- In outdoor areas.
- In standing water.
- Without bag / filters in place.
- With the use of unapproved
extension cords.
2) Before operating machine:
- Make sure all safety devices are in
place and operate properly.
3) When using machine:
- Do not run machine over cord.
- Do not pull machine by cord or
plug.
- Do not pull cord around sharp
edges or corners.
- Do not unplug by pulling on the
cord.
- Do not stretch cord.
- Do not handle plug with wet hands.
- Keep cord away from heated
surfaces.
- Do not pick up flammable
materials or reactive metals.
- Report machine damage or faulty
operation immediately.
- Do not allow children to operate
machine.
4) Before leaving or servicing machine:
- Turn off machine.
- Unplug power cord from outlet.
5) When servicing machine:
- Unplug cord from outlet.
- Use manufacturer supplied or
approved replacement parts.
- Avoid moving parts. Do not wear
loose clothing.
1

1) Handle
2) Power cord
3) Door latch
4) Power switch
5) Attachment tool intake & cord wrap
6) Vacuum hose
7) Brush housing
8) Brush height adjustment
9) Rear wheels
10) Exhaust vent
11) Handle height adjustment
12) Brush circuit breaker (bottom side)
13) Brush assembly (bottom side)
14) Rear door
MACHINE COMPONENTS
1
2
3
4
5
6
7
8
9
10
11
14
12
13
2

MACHINE OPERATION
PRIOR TO VACUUMING CARPETS
1) Inspect power cable and extension
cable for damage. Replace cable if
damage is found.
2) Ensure filter bag is properly installed
NOTE: Never operate machine
without filter bag installed. This
could cause damage to the vacuum
motor.
3) Set proper height adjustment for
carpet being cleaned.
CARPET VACUUMING
1) Depress foot pedal and lower vacuum
head to floor.
2) Turn on power switch.
3) Operate by using standard vacuuming
procedures.
4) Check bag periodically to see if it is
full. Replace if necessary.
5) To clean under desks or other tight
areas, depress the foot pedal an
additional time to lower the handle
even further.
OPERATING HINTS
1) Overlap cleaning path by approx. 2
inches
2) Work away from power outlet and
power cable in order to avoid damage
to the power cable.
3) Occasionally check the bag for
fullness & replace as necessary.
4) If brush stops spinning, there may be
an obstruction in the brush. Unplug
the power cable, raise the brush off
the floor and check for an obstruction.
Check & reset the brush circuit
breaker located on the bottom of the
brush housing.
USE OF ACCESSORY TOOLS
NOTE: Accessory tools are available as
an option. Kit VA51061 includes:
Dusting brush, crevice tool, upholstery
tool, 8’ vacuum hose, etc.
1) Machine must be in upright position
whenever using attachment tools.
2) Remove vacuum hose on the vacuum
intake port on rear of machine.
3) Connect (optional) 8’vacuum hoses
to intake port & connect desired
accessory tool to end of hose.
4) Turn on vacuum switch and operate
tool using normal vacuuming
procedures.
3

VACUUM BAG INSTALLATION &
REMOVAL
1) Unlock rear door latch, and allow
door to hinge open.
2) Place paper bag / filter into tank
opening.
3) On paper bag / filter, slide rubber
vacuum collar onto vacuum intake
spout.
4) Close rear door and lock into place.
NOTE: Be sure the bag / filter is
properly placed in bag housing to
ensure proper air flow.
5) To remove bag, simply reverse steps
1-4 above.
6) Do not re-use paper bag / filter.
When full, dispose of it and replace
with a new one.
MACHINE MAINTENANCE
To keep the machine performing well
for many years, please follow the
following maintenance procedures.
!!! Always confirm that the
machine is unplugged prior to
performing any maintenance or
repairs!!!
1) Unplug machine as soon as you are
done using it.
NOTE: When unplugging machine, do
not pull cord around sharp edges or
corners & do not unplug by pulling on
the cord.
2) Clean outside of machine with a mild
cleaner.
3) Check power cord for any damage. If
any damage is detected, replace the
cord immediately.
4) Check machine for any loose or
missing nuts and bolts and replace as
necessary.
5) Check paper bag / filter for fullness.
If it is full, replace with a new one.
6) Check vacuum motor filter and
exhaust filter for debris and clean as
needed.
NOTE: Do not clean filters with water
or a cleaning solution. Clean by tapping
of debris or blowing with air.
7) Inspect brush for strands of carpet
and debris and remove as needed.
8) Inspect brush bristles for wear and
damage. Replace brush as needed.
9) Inspect gaskets and seals for air leaks
and replace as needed.
10) Check vacuum hose for clogs and
holes and replace as needed.
11) Check vacuum motor carbon brushes
every 250 hours. Replace brushes
when they are 3/8” or less in length.
NOTE: Vacuum motor damage
caused by worn brushes is not
covered by warranty.
MACHINE STORAGE
1) Prior to storing the machine, wrap up
power cord, check paper bag / filter
for fullness and replace if necessary.
2) Clean and / or replace filters.
3) Store machine in upright position in a
dry area, with the brush head off the
floor.
4

PROBLEM CAUSE SOLUTION
Machine does not work Power switch not in "on" position Turn power switch "on"
Power cord not plugged into outlet Plug power cord into outlet
Power cord is faulty Replace with approved power cord
Building circuit breaker tripped Reset circuit breaker
Faulty wiring Contact Viper Distributor
Faulty on / off switch Contact Viper Distributor
Brush does not work Brush circuit breaker tripped Check brush and belt for obstructions and
remove as needed
Reset circuit breaker
Poor brush pickup Incorrect brush height adjustment Adjust brush height
Clogged brush Remove debris from brush
Brush is worn Contact Viper Distributor
Loose brush drive belt Inspect belt and replace as needed
Low suction Vacuum hose clogged Remove vacuum hose and check for
obstructions
Vacuum hose faulty Check vacuum hose for loose cuffs or holes
and replace as needed
Filters clogged Remove vacuum filter and exhaust filter and
clean
Vacuum bag full Check vacuum bag / filter and relplace as
needed
BASIC TROUBLESHOOTING
5

PARTS LIST
6

DIA
NO
PART
NUMBER
DESCRIPTION
NO
REQ'D
1VA51009 HANDLE HOUSING 1
VA51025 PAPER BAG, DUST, 10.5qt. 1
VA51067 CLOTH BAG, DUST(OPTIONAL)
3VA51007 REAR COVER AND BAG HOLDER 1
4GT13022 NUT, M5, NYLON INSERT 5
5VA51034 GASKET, ADAPTER 1
6 VA51008 ELBOW ADAPTER, HOSE 1
7 VA51022 PLUG AND CORD HOOK 1
8VV20501 SCREW, M5x14 20
9VA13489 NUT, ACORN, M6 1
10 VA51023 HOSE, 2" 1
11 VF13533 WASHER, PLAIN, φ610
12 VV13635 SCREW, M5x20 3
13 VF82028 WIRE ROPE, STAY, REAR COVER 1
14 VF13495 SCREW, HEX, M6x16 5
15 VF13502 NUT, M6, NYLON INSERT 1
16 VA51065 FILTER, EXHAUST 1
17 VA51064 HOUSING, EXHAUST FILTER 1
18 VA51050 GASKET, HANDLE HOUSING, 8x13mm, SBR 1
19 VA51073 LATCH PLATE 1
20 VV13605 SCREW, FLAT, M6x16 2
21 VA51041 NYLON WASHER 4
22 VA51027 AXLE 1
23 VA51059 ECCENTRIC BUSHING 2
24 VV20509 SCREW, M5x10 17
25 VF13520 RETAINING RING, EXTERNAL, φ12 2
26 VF13538 WASHER, PLAIN, φ12xφ24x2 2
27 VF48202 WHEEL, 5" 2
28 VF13666 WASHER, PLAIN, φ12 2
29 VF44012 SCREW, M5x12.7 2
30 VA51038 SPRING, LATCH 1
31 VF14214 SCREW, M5x8 1
32 VA51039 SHOULDER BOLT, LATCH 1
33 VV67504 CIRCUIT BREAKER, 2AMP 1
34 GT13057 SCREW, SELF-TAPPING, ST5x10 14
35 VA51002 BUMPER, 26" 1
36 VF99926-1 RECTIFIER 1
37 VA51066 BLOCK, BRUSH SHAFT, LEFT 1
38 ZD57000 MOTOR, BRUSH, 115V 1
39 VA51011 MOUNT PLATE, MOTOR 1
40 VA51019 PULLEY, MOTOR 1
2
PARTS LIST
7

DIA
NO
PART
NUMBER
DESCRIPTION
NO
REQ'D
41 VA51021 DRIVE BELT 1
42 VF14254 SCREW, HOLDING, M5x8 1
43 VA51018 PULLEY, BRUSH 1
44 VA51035 KNOB, ROLLER ADJUST 1
45 VF13508 SCREW, HOLDING, M4x8 1
46 VA51037 SPRING, ROLLER ADJUST 1
47 VA51036 LOCK PIN, ROLLER ADJUST 1
48 VA51042 ROLLER, 1.5" 2
49 VA51013 CLAMP, ROLLER BRACKET 4
50 VA51043 AXLE, ROLLER 2
51 VA14001 RETAINING RING, EXTERNAL, φ10 4
52 VA51014 ROLLER BRACKET 1
53 VA51004 BOTTOM SHOE PLATE, 26" 1
54 VA51005 BRUSH, 26" 1
55 VA51005A BRUSH, ASSEMBLY, 26" 1
56 VA51047 BRACKET, RECTIFIER 1
57 VA51003 BRUSH HOUSING, 26" 1
58 VA51006 SHAFT, BRUSH, 26" 1
59 VA51015 BEARING 2
60 VA51017 STRING GUARD, BRUSH 1
61 VA51016 BLOCK, BRUSH SHAFT, RIGHT 1
62 VV20502 SCREW, FLAT, M5x16 2
63 VA51048 LABEL, "BARRACUDA" 1
64 VA51001 BASE HOUSING, 26" 1
65 VA51071 LATCH, HANDLE 1
66 VA13476 SCREW, M5x40 1
67 VA51040 SHOULDER BOLT, PIVOT 2
68 VA51052 LABEL 1
69 VA51012 TUBE, BASE HOUSING 1
70 VV10120 CLAMP 1
71 GT13070 SCREW, SELF-TAPPING, ST4.8x25 4
72 VA51032 RETAINER RING, VACUUM MOTOR 1
73 VA51033 GASKET, VACUUM MOTOR 1
74 ZD52000A VACUUM MOTOR, 115V 1
75 VA51049 FILTER, VACUUM MOTOR 1
76 VF82082 LOGO, "VIPER" 1
77 VA65001 POWER CORD, 14/3C, SJTW, 50FT 1
78 VA51044 STRAIN RELIEF, CORD 1
79 VF83109 CATCH 1
80 VV13650 SCREW, M4x10 6
81 VA51026 PLATE, SWITCH 1
82 VF91346 SWITCH, ROCKER 1
PARTS LIST
8

ACCESSORIES
DIA
NO
PART
NUMBER
DESCRIPTION NO
REQ'D
1VA51061 KIT TOOLS (OPTIONAL) 1
2VA51060 HOSE ASSY 1
3 VA20803 DUSTING TOOL 1
4VA20806 CREVICE TOOL 1
5VA20807 UPHOLSTERY TOOL 1
6VA20209 WAND 1
7VA20248 TUBE 2
ACCESSORIES PARTS LIST(OPTIONAL)
9

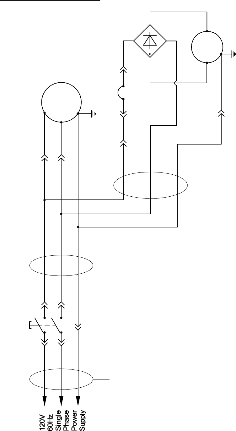
Green
BlackBlack
White
Green
White
Green
Black
BlackWhiteWhite
Yellow/Green
Black Black Motor
Wiring Diagram
CUDA26
SJTW 14/3C
Cord
Supply
Power
Switch
Vacuum
White White
Green
Circuit
Breaker
Green Motor
Brush
RedBlack
White
Black ~
~
+
Rectifier
10
