Windsor Chariot 2 Ivac 24 Atv Vacuum Service Parts Manual
2016-12-28
: Sweepscrub Windsor-Chariot-2-Ivac-24-Atv-Vacuum-Service-Parts-Manual windsor-chariot-2-ivac-24-atv-vacuum-service-parts-manual 1780 file product_file
Open the PDF directly: View PDF
.
Page Count: 141 [warning: Documents this large are best viewed by clicking the View PDF Link!]

86398780-C 04/16/16
Chariot 2 iVac 24 ATV
Vacuum
Operating Instructions (ENG)
MODELS: CV24
1.012-576.0
CVC24
1.012-577.0
From Serial Number (Ref No. 2*)
*See Serial Number page in Spare
Parts List or call manufacturer.

2
Warranty Registration
Thank you for purchasing a Kärcher North America product. Warranty registration is quick
and easy. Your registration will allow us to serve you better over the lifetime of the product.
To register your product go to :
http://warranty.karcherna.com/
For customer assistance:
1-800-444-7654
86398780 Operator Manual iVac 24 ATV
Machine Data Label / Overview
OVERVIEW
The Chariot® iVacuum 24™ is a battery powered, stand-on, wide area vacuum intended for commercial use. The
Chariot® iVacuum 24™ brushes and vacuums debris from indoor hard and carpeted surfaces and deposits the
debris in the debris tray and filter bags.
The unit also has an accessory wand and hose for cleaning small areas and non-floor surfaces.
Warranty Registration
Thank you for purchasing a Kärcher North America product. Warranty registration is quick
and easy. Your registration will allow us to serve you better over the lifetime of the product.
To register your product go to :
http://warranty.karcherna.com/
For customer assistance:
1-800-444-7654

3
Table of Contents
Machine Data Label / Overview . . . . . . . . . . . . . . . 2
Table of Contents. . . . . . . . . . . . . . . . . . . . . . . . . . . 3
How To Use This Manual. . . . . . . . . . . . . . . . . . . . . 4
Safety
IMPORTANT SAFETY INSTRUCTIONS . . . . . . . . 5
HAZARD INTENSITY LEVEL . . . . . . . . . . . . . . . . . 7
Safety Label Locations . . . . . . . . . . . . . . . . . . . . . . 9
Operations
Technical Specifications . . . . . . . . . . . . . . . . . . . . 10
How This Machine Works . . . . . . . . . . . . . . . . . . . 12
Components . . . . . . . . . . . . . . . . . . . . . . . . . . . . . 13
Drive Controls . . . . . . . . . . . . . . . . . . . . . . . . . . . . 14
Vacuum Controls. . . . . . . . . . . . . . . . . . . . . . . . . . 18
Pre-run Machine Inspection . . . . . . . . . . . . . . . . . 19
Emergency Stop Procedures . . . . . . . . . . . . . . . . 19
Normal Vacuuming . . . . . . . . . . . . . . . . . . . . . . . . 20
To Begin Vacuuming. . . . . . . . . . . . . . . . . . . . . . . 20
To Stop Vacuuming. . . . . . . . . . . . . . . . . . . . . . . . 21
Changing Vacuum Bag . . . . . . . . . . . . . . . . . . . . . 21
Maintenance
Service Schedule . . . . . . . . . . . . . . . . . . . . . . . . . 22
Batteries . . . . . . . . . . . . . . . . . . . . . . . . . . . . . . . . 23
Delta Q IC650 Charger Maintenance Instructions. 29
Delta Q IC650 Charger Operating Instructions . . 30
Selecting a Charge Profile. . . . . . . . . . . . . . . . . . . 31
Configuring the IC650 Charger Using a USB Flash
Drive . . . . . . . . . . . . . . . . . . . . . . . . . . . . . . . . . 32
Charge Tracking Data . . . . . . . . . . . . . . . . . . . . . . 33
Circuit Protection. . . . . . . . . . . . . . . . . . . . . . . . . . 34
Vacuum Diverter Valve Maintenance . . . . . . . . . . 35
Brush Removal . . . . . . . . . . . . . . . . . . . . . . . . . . . 37
Brush Installation. . . . . . . . . . . . . . . . . . . . . . . . . . 37
Debris Tray Removal. . . . . . . . . . . . . . . . . . . . . . . 37
Debris Tray Installation . . . . . . . . . . . . . . . . . . . . . 37
Belt Replacement . . . . . . . . . . . . . . . . . . . . . . . . . 37
Remove Brush Deck . . . . . . . . . . . . . . . . . . . . . . . 38
Replace Brush Deck Motor . . . . . . . . . . . . . . . . . . 38
Brush Motor Carbon Brush Replacement . . . . . . . 38
Drive Motor-From Serial Number (3*) . . . . . . . . . . 40
Drive Motor Carbon Brush Replacement . . . . . . . 40
Drive Chain Tension . . . . . . . . . . . . . . . . . . . . . . . 40
Drive Motor-Prior to Serial Number (3*) . . . . . . . . 42
Drive Motor Carbon Brush Replacement . . . . . . . 42
Drive Chain Tension . . . . . . . . . . . . . . . . . . . . . . . 42
Machine Tie-Downs. . . . . . . . . . . . . . . . . . . . . . . . 44
Troubleshooting. . . . . . . . . . . . . . . . . . . . . . . . . . . 45
Battery Discharge Indicator Troubleshooting . . . . 47
Suggested Spare Parts . . . . . . . . . . . . . . . . . . . . . 48
86398780 Operator Manual iVac 24 ATV

4
How To Use This Manual
This manual contains the following sections:
• How to Use This Manual
• Safety
• Operations
• Maintenance
The HOW TO USE THIS MANUAL section will tell you
how to find important information for ordering correct
repair parts.
Parts may be ordered from authorized dealers. When
placing an order for parts, the machine model and
machine serial number are important. Refer to the
MACHINE DATA box which is filled out during the
installation of your machine. The MACHINE DATA box
is located on the inside of the front cover of this manual.
The model and serial number of your machine is
located on the back of the machine.
The SAFETY section contains important information
regarding hazardous or unsafe practices of the
machine. Levels of hazards are identified that could
result in product damage, personal injury, or severe
injury resulting in death.
The OPERATIONS section is to familiarize the operator
with the operation and function of the machine.
The MAINTENANCE section contains preventive main-
tenance to keep the machine and its components in
good working condition. They are listed in this general
order:
• Batteries
• Brush Deck
•Drive Motor
• Service Schedule
• Machine Troubleshooting
NOTE: The manual part number is located on the
lower right corner of the front cover.
Model:
Date of Purchase:
Serial Number:
Dealer:
Address:
Phone Number:
Sales Representative:
86398780 Operator Manual iVac 24 ATV

5
Safety
IMPORTANT SAFETY INSTRUCTIONS
When using this machine, basic precaution
must always be followed, including the following:
READ ALL INSTRUCTIONS BEFORE USING THIS MACHINE.
To reduce the risk of fire, electric shock, or injury:
Use only indoors. Do not use outdoors or expose to rain. This appliance is for dry use only.
Use only as described in this manual. Use only manufacturer's recommended components and attachments.
If the machine is not working properly, has been dropped, damaged, left outdoors, or dropped into water, return it
to an authorized service center.
Do not operate the machine with any openings blocked. Keep openings free of debris that may reduce airflow.
This machine is not suitable for picking up hazardous dust.
Machine can cause a fire when operating near flammable vapors or materials. Do not operate this machine near
flammable fluids, dust or vapors.
This machine is suitable for commercial use, for example in hotels, schools, hospitals, factories, shops and
offices for more than normal housekeeping purposes.
Maintenance and repairs must be done by qualified personnel.
Disconnect battery before cleaning or servicing.
Before the machine is discarded, the batteries must be removed and properly disposed of.
Make sure all warning and caution labels are legible and properly attached to the machine.
During operation, attention shall be paid to other persons, especially children.
Before use all covers and doors shall be put in the positions specified in the instructions.
When leaving unattended, secure against unintentional movement.
The machine shall only be operated by instructed and authorized persons.
When leaving unattended, switch off or lock the main power switch to prevent unauthorized use.
This appliance has been designed for use with the brushes specified by the manufacturer. The fitting of other
brushes may affect its safety.
Do not use on surfaces having a gradient of over 10% (6 degrees).
SAVE THESE INSTRUCTIONS
86398780 Operator Manual iVac 24 ATV

6
Safety
MESURES DE SÉCURITÉ IMPORTANTES
Lors de l'utilisation d'un appareil à batteries, il est nécessaire de respecter systématiquement des mesures de
sécurité de base, comme suit :
NOTE DE TOUTES CES MESURES AVANT D'UTILISER CETTE MACHINE.
Pour réduire les risques d'incendie, de chocs électriques, ou de blessures :
N'utiliser cette machine qu'en intérieur. Ne jamais l'utiliser à l'extérieur ou dans la pluie.
N'utiliser cette machine que comme décrit dans le présent manuel. N'utiliser que les composants et les accessoires
conseillés par le fabricant.
Lorsque la machine ne fonctionnant pas correctement, a fait l'objet d'une chute ou d'une détérioration, a été laissée
à l'extérieur, est tombée dans l'eau, la retourner au centre de service agréé.
Ne pas opérer la machine lorsque les conduits de ventilation sont bloquées. Débarrasser les débris des conduits,
car ils peuvent réduire l'écoulement d'air.
Cette machine n'est pas adaptée au ramassage de poussières dangereuses
Cette machine peut provoquer un incendie lorsqu'elle est utilisée près de vapeurs ou de matériaux inflammables.
Ne pas l'utiliser près de liquides, de poussières ou de vapeurs inflammables.
Cette machine est destinée à un usage commercial. Elle est recommandée davantage pour les domaines hôtelier,
scolaire, hospitalier, industriel ou pour les bureaux, les chaînes de magasin, que pour un usage domestique
normal.
L'entretien et les réparations de la machine doivent être effectuées par un personnel qualifié.
Si de la mousse ou du liquide sort de la machine, la mettre hors tension immédiatement.
Déconnecter les batteries avant de nettoyer la machine ou de la soumettre à un entretien.
Avant de se débarrasser de la machine, il est nécessaire de retirer les batteries et de les jeter correctement.
S'assurer que toutes les plaques d'avertissement ou de précaution sont lisibles et fixées correctement sur la
machine.
Durant la manoeuvre de la machine, prendre garde aux personnes environnantes et notamment aux enfants.
Avant l'utilisation de la machine, veiller à positionner tous les couvercles et portes comme indiqué dans les instruc-
tions.
Lorsque la machine est laissée sans surveillance, s'assurer qu'elle ne se déplace pas de manière accidentelle.
Cette machine ne doit être manoeuvrée que par un personnel expérimenté et qualifié.
Lorsque la machine est laissée sans surveillance, la mettre hors tension ou verrouiller l'interrupteur principal afin
d'empêcher un emploi non autorisé.
Seuls les produits chimiques recommandés par le fabricant doivent être utilisés.
Cette machine a été conçue pour être utilisée avec des brosses spécifiées par le fabricant.
L'utilisation d'autres brosses peut affecter sa sûreté.
N'employez pas sur des surfaces ayant un gradient de plus de 10% (6 degrés).
CONSERVER CES INSTRUCTIONS
86398780 Operator Manual iVac 24 ATV

7
Safety
The following symbols are used throughout this guide as indicated in their descriptions:
HAZARD INTENSITY LEVEL
There are three levels of hazard intensity identified by signal words -WARNING and CAUTION and FOR SAFETY.
The level of hazard intensity is determined by the following definitions:
WARNING - Hazards or unsafe practices which COULD result in severe personal injury or death.
CAUTION - Hazards or unsafe practices which could result in minor personal injury or product or property damage.
FOR SAFETY: To Identify actions which must be followed for safe operation of equipment.
Report machine damage or faulty operation immediately. Do not use the machine if it is not in proper operating
condition. Following is information that signals some potentially dangerous conditions to the operator or the equip-
ment. Read this information carefully. Know when these conditions can exist. Locate all safety devices on the
machine. Please take the necessary steps to train the machine operating personnel.
FOR SAFETY:
DO NOT OPERATE MACHINE:
Unless Trained and Authorized.
Unless Operation Guide is Read and understood.
In Flammable or Explosive areas.
In areas with possible falling objects.
WHEN SERVICING MACHINE:
Avoid moving parts. Do not wear loose clothing; jackets, shirts, or sleeves when working on the machine. Use
Kärcher North America approved replacement parts.
Batteries emit hydrogen gas. Explosion or fire can result. Keep sparks and open flame away. Keep battery
compartment open during charging. Keep sparks and flames away from the batteries. Do not smoke
around batteries.
Disconnect batteries before working on machine. Only qualified personnel should work inside machine.
Always wear eye protection and protective clothing when working on or near batteries. Avoid skin contact
with the acid contained in the batteries.
Never allow metal to lie across battery tops.
86398780 Operator Manual iVac 24 ATV

8
Safety
Les symboles ci-dessous sont utilisés à travers ce manuel comme illustré dans leurs descriptions :
DEGRÉS DE RISQUES EN CAS DE DANGER
Il existe trois degrés de risques identifiés par les termes signalétiques -AVERTISSEMENT et ATTENTION et POUR
VOTRE SÉCURITÉ. Le degré de risque est défini de la manière suivante:
AVERTISSEMENT - Dangers ou méthodes dangereuses qui POURRAIENT provoquer de graves blessures ou
entraîner la mort.
ATTENTION - Dangers ou méthodes dangereuses qui pourraient provoquer des blessures légères ou une détério-
ration du produit ou des biens immobiliers.
POUR VOTRE SÉCURITÉ: ce signe permet d'identifier les mesures de précaution à prendre pour assurer un bon
fonctionnement du matériel.
Rendre compte immédiatement d'une défaillance ou d'une détérioration de la machine. Ne pas utiliser la machine
si celle-ci ne fonctionne pas correctement. Lire soigneusement les informations ci-dessous signalant certains
dangers potentiels pour l'opérateur de la machine. L'opérateur doit être absolument au courant de ces dangers
potentiels. Localiser tous les dispositifs de sécurité sur la machine. Il est conseillé de prendre les mesures néces-
saires pour former le personnel opérateur.
POUR VOTRE SÉCURITÉ:
NE PAS MANOEUVRER LA MACHINE:
Lorsqu'on n'est pas expérimenté ou qualifié.
Lorsque le guide d'utilisation n'est pas été lu ou compris.
Dans des zones inflammables ou explosives.
Dans des zones où des objets peuvent tomber.
LORS DE L'ENTRETIEN DE LA MACHINE:
Éviter les parties amovibles. Ne pas porter de vêtements amples, tels que des vestes, des chemises ou des
vêtements avec manches lors de l'utilisation de la machine. Utiliser les pièces détachées Kärcher North America
homologuées.
Les batteries émettent le gaz d'hydrogène. L'explosion ou le feu peut résulter. Étincelles de subsistance et
flamme nue loin. Compartiment de batterie de subsistance ouvert en chargeant. Étincelles et flammes de
subsistance loin des batteries. Ne fumez pas autour des batteries.
Déconnecter les batteries avant de travailler sur la machine. La machine ne doit être confiée qu'à un
personnel qualifié. Porter systématiquement des lunettes et des vêtements de protection lors d'une inter-
vention sur les batteries ou aux alentours. Éviter tout contact de la peau avec l'acide contenu dans les
batteries.
Ne jamais placer d'objets métalliques sur le dessus des batteries.
86398780 Operator Manual iVac 24 ATV

9
Safety
Safety Label Locations
These drawings indicate the location of safety labels on the machine. If at any time the labels become illegible,
promptly replace them.
EMPLACEMENT DE L'ÉTIQUETTE DE SÉCURITÉ
REMARQUE : Ces dessins indiquent l'emplacement des étiquettes de sécurité sur la machine. Si, à tout moment,
les étiquettes deviennent illisibles, contactez votre représentant autorisé pour un remplacement rapide.
CAUTION
BATTERY
86252520 86385070
WARNING
MOVING PARTS
CAUTION
CAUTION LABEL
86244310
86398780 Operator Manual iVac 24 ATV

10
Operations
Technical Specifications
ITEM DIMENSION/CAPACITY
Nominal power 1224 W
Rated Voltage 36 Volts DC
Rated Amperage 34 amps
Batteries 3 X12 Volt 130 AH @ 20 hr. rate
Battery Compartment Dimensions 20-1/2 in. x 13 in. x 10 in. tall (330mm x 521mm x 254mm)
Propelling Motor .38 HP (280 W)
Cylindrical Brush Motor .5 HP (373 W)
Side Broom Motor .06 HP (47W)
Cylindrical Brushes Two 20 in. (51cm) by 4 in. (10cm) diameter
Side Broom 9 in. (229 mm) diameter
Cylindrical Brush speed 1030 RPM
Side Broom speed 90 RPM
Vacuum Motor .63 HP (470 W)
Maximum flow rate of vacuum motor 72 cfm (33.98 liters per second)
Maximum suction of vacuum motor 47.3 inches of water (11.7 kPa)
Bag Capacity 1100 in³ 18L
Mass (GVW) 613 lbs (280 kg)
Weight empty without batteries 250 lbs (115 kg)
Tires 8 in. (203mm) drive, 6 in. (156mm) rear, polyurethane
Maximum Speed 2.3 mph (3.7 KPH)
Brake Electrical parking brake,sets automatically whenever operator stops.
Minimum aisle u-turn width 51 in. (1295 mm)
Maximum rated climb and descent angle 10% (6 degrees)
Sound power dBA (IEC 60704-1) 80.6 dBA
Sound pressuer dBA (IEC 60704-1) 68.4 dBA
Vibration arms m/s² (ISO 5344) 1.6 m/s²
Vibration feet m/s² (ISO 5344) 0.54 m/s²
Sound power uncertainty dBA 3.00 dBA
Sound pressure uncertainty dBA 3.00 dBA
Vibration uncertainty m/s² 0.50 m/s²
86398780 Operator Manual iVac 24 ATV

11
Operations
This appliance is not intended for use by persons (including children) with reduced physical, sensory or
mental capabilities, or lack of experience and knowledge, unless they have been given supervision or
instruction concerning use of the appliance by a person responsible for their safety. Children should be
supervised to ensure that they do not play with the appliance.
Cet appareil n'est pas prévu à l'usage des personnes (enfants y compris) avec des possibilités physiques,
sensorielles ou mentales réduites, ou le manque d'expérience et de connaissance, à moins qu'ils aient été
donnés la surveillance ou l'instruction au sujet de l'utilisation de l'appareil par une personne chargée de
leur sûreté. Des enfants devraient être dirigés pour s'assurer qu'ils ne jouent pas avec l'appareil.
ITEM MEASURE
Height 51.8 in (1316 mm)
Length 44.0 in (1118 mm)
Width without deck 24.5 in (622 mm)
Width of deck 23.25 in (581 mm)
Width with side broom 25.9 in (658 mm)
LENGTH WIDTH
HEIGHT
86398780 Operator Manual iVac 24 ATV

12
Operations
How This Machine Works
The Chariot® iVacuum 24 ATV™ is a battery powered,
self-propelled, vacuum intended for commercial use.
The appliance vacuums debris and dirt from the carpet
and collects it in a disposable bag.
The machine's primary systems are the brush system,
vacuum system, and operator control system.
The function of the brush system is to brush the carpet.
The brush system consists of two cylindrical type
brushes, side brush, motors, brush deck, and controls.
The right side brush is used to sweep debris from along
edges into the path of the brush deck.The front
cylindrical brush sweeps debris backwards. The rear
brush sweeps debris forwards. Both cylindrical brushes
work to agitate the carpet and to route the debris up
into the debris tray assembly.
The function of the vacuum system is to vacuum fine
dirt and debris into the vacuum bag. The recovery
system consists of the debris tray assembly, vacuum
motor, paper vacuum bag and post filter. The vacuum
draws the dirt off the floor as the machine moves
forward. The vacuum motor provides suction to draw
the fine dirt into the vacuum bag, and the debris tray
holds large debris. The vacuum bag holds the fine dirt.
The function of the operator control system is to control
the direction and speed of the machine. The directional
control system consists of the direction control switch,
throttle pedal, speed control switch, drive reset switch,
emergency stop/brake switch, steering wheel, propel
controller and drive wheel. The directional control
switch signals forward or reverse direction. The
controller interprets signals from the throttle pedal to
command the drive wheel to propel or slow the
machine. The drive reset switch is to make sure the
operator is on platform before machine will propel. The
steering wheel points the drive wheel in the direction
desired by the operator. The parking brake
automatically engages when the operator steps off the
platform. The emergency stop/brake can be used to
hold the machine on slopes.
86398780 Operator Manual iVac 24 ATV

13
Operations
Components
1. Accessory Hose
2. Brush Deck
3. Console
4. Control Panel
5. Main Cover
6. Pedal Platform
7. Rear Cover
8. Side Broom
9. Vacuum Bag
1
2
3
4
5
6
7
8
9
86398780 Operator Manual iVac 24 ATV

14
Operations
Drive Controls
1
2
3
4
5
6
7
89
10
86398780 Operator Manual iVac 24 ATV

15
Operations
1. Key Switch
2. Emergency Stop/Brake Switch
3. Directional Control / Drive Reset Switch
4. Throttle Pedal
5. Horn Button
6. Steering Wheel
7. Speed Control
8. Battery Discharge Indicator Light
9. Hour Meter
10. Operator Presence Switch
1. KEY SWITCH
Controls the power for machine functions.
To turn the machine power on, rotate key clockwise.
To turn the machine off, rotate key counterclockwise.
When the key is turned on the battery discharge indicator light will flash once and stay on continuously.
2. EMERGENCY STOP/BRAKE SWITCH
This safety feature is designed to cut all power to the machine at any time and apply parking brake.
To shut the machine power off, push the Emergency Stop Switch, this will also engage the parking brake and
cause the machine to stop immediately.
To reset the machine, rotate the switch clockwise. The switch will pop-up indicating reset machine.
3. DIRECTIONAL CONTROL / DRIVE RESET SWITCH
This safety feature is designed to ensure safe engagement of propel drive. Each time the machine power is
turned on, or each time an operator steps on to the platform, the Drive Reset Switch must be pushed before
machine will propel.
The switch controls the direction of travel of the vehicle. The lighted arrow on the switch indicates direction of
travel.
To travel forward, press the top of the switch.
To travel in reverse, press the bottom of the switch.
86398780 Operator Manual iVac 24 ATV

16
Operations
4. THROTTLE PEDAL
Controls the speed of the vehicle within the speed control setting selected. Pressing the pedal causes the
machine to travel in the direction selected by the Directional Control Switch.
To increase speed, increase pressure on the pedal.
To decrease speed, decrease pressure on the pedal.
5. HORN BUTTON
The horn is activated by pressing the horn button.
6. STEERING WHEEL
The steering wheel turns the front wheel causing the machine to change direction.
7. SPEED CONTROL
Controls the maximum speed of the machine. There are two travel-only settings, slow and fast.
To change speed, rotate the dial to either slow or fast position. The slow position is to the left (counterclock-
wise), fast to the right (top position).
The throttle pedal will always regulate the speed between 0 and maximum.
86398780 Operator Manual iVac 24 ATV

17
Operations
8. BATTERY DISCHARGE INDICATOR
Indicates the charge level of the batteries.
The indicator will be illuminated if the batteries have a sufficient charge. A slow, continous flash indicates the
batteries require charging.
The Battery Lockout function will activate when the batteries are low.
Once active, the LED status indicator will begin to flash slowly and the controller will inhibit the side broom,
main brushes, and vacuum operation. The drive remains functional. Return the unit to the charging station and
charge the batteries.
NOTE: Continuing usage may damage the batteries.
When the machine is left overnight with less than a full charge, the display may initially indicate a full charge. It
will also indicate a full charge if the batteries are disconnected, then reconnected. After a few minutes of
operation the indicator will give the correct charge level.
9. HOUR METER
Records the number of hours the machine has been in vacuum operation. This information is useful in deter-
mining when to service the machine.
86398780 Operator Manual iVac 24 ATV

18
Operations
Vacuum Controls
1. Function Mode Switch
The first two positions are for transport only. See drive controls section.
Light vacuuming
This mode is used for light vacuuming. In this mode the machine will propel at fast speed. The
‘floating’ brush deck is in the down position. The brushes will agitate, the side broom will bring
debris into the path of the deck. The vacuum will draw the dirt and debris into the debris tray and
the vacuum bag.
Deep vacuuming
This mode is used for deep vacuuming. In this mode the machine will propel at a slow speed. The
‘floating’ brush deck is in the down position. The brushes will agitate, the side broom will bring
debris into the path of the deck. The vacuum will draw the dirt and debris into the debris tray and
the vacuum bag.
Accessory mode
This mode is used for using the accessory hose and attachments only. The brush and vacuum
deck will both be up and off. In this mode the machine will not propel.
2. Vacuum Bag Status Light
Light is green when bag is in place and vacuum operating conditions are good.
Light is red if bag is missing or full or vacuum operating conditions are poor.
1
2
86398780 Operator Manual iVac 24 ATV

19
Operations
Pre-run Machine Inspection
Do a pre-run inspection to find possible problems that
could cause poor performance or lost time from break-
down. Follow the same procedure each time to avoid
missing steps.
NOTE: See Maintenance Service Schedule for pre-
run machine inspection checklist items.
Starting Machine
NOTE: Perform pre-run machine check before
operating machine.
FOR SAFETY: Before starting machine, make sure that
all safety devices are in place and operating properly.
1. Push machine while off to verify parking brake is
functioning correctly.
2. Stand on the operator platform. Throttle pedal must
be in neutral position.
3. Turn the machine power on by turning key switch
clockwise to the “ON” position.
4. Check the position of the Directional Control
Switch to make sure the machine will travel in the
direction intended.
5. Press the Drive Reset Switch.
6. Press lightly on the throttle pedal with right foot.
Emergency Stop Procedures
1. Release the throttle pedal by lifting right foot.
2. Turn machine power off with key switch by turning
key switch counterclockwise.
3. If an electrical problem is suspected, push in
emergency stop button. This will also engage the
parking brake and cause the machine to stop
immediately.
86398780 Operator Manual iVac 24 ATV

20
Operations
Normal Vacuuming
Plan the vacuuming pattern in advance. The longest
track is around the perimeter of the area to be cleaned.
For efficient operation, the runs should be the longest
possible without turning or stopping.
In order to achieve the best possible results, the area
which is to be cleaned should be picked up before
vacuuming. Large debris, strings and wire must be
removed to prevent being caught in brushes.
NOTE: Check and empty debris tray as needed
during operation.
If machine is allowed to stand in neutral with the
vacuum deck down for more than 2 seconds, the brush
motor stops. If either forward or reverse travel is
selected, the brush motor will continue once movement
of machine begins. Overlap the brush path and avoid
transporting over previously cleaned areas.
Recommended Path
To Begin Vacuuming
When operating the machine around people, pay
close attention for unexpected movement. Use
extra caution around children.
Lorsque vous utilisez la machine en présence de
gens, portez une attention particulière aux mouve-
ments inattendus. Soyez plus prudent, surtout en
présence d’enfants.
1. Stand on the operator platform. Throttle pedal must
not be depressed.
2. Turn key switch to turn machine power on.
3. Check position of Directional Control Switch to
ensure that machine is set to travel in direction
intended.
4. Rotate the Speed/Function Control Knob to one of
the two vacuum settings.
5. Drive machine forward to begin vacuuming.
6. Adjust the speed of the machine as necessary.
86398780 Operator Manual iVac 24 ATV

21
Operations
To Stop Vacuuming
1. Remove foot from throttle pedal allowing pedal to
return to neutral.
2. Turn machine power off or switch to transport only
mode.
FOR SAFETY: Before leaving or servicing machine:
stop on level surface, turn off machine and remove key.
FOR SAFETY: When using machine, go slow on
inclines.
Changing Vacuum Bag
A convenient bag storage is built into side of machine.
1. Park machine on level area.
2. Turn the machine power off.
3. Unlatch and open top of machine.
4. Remove backing from vacuum bag’s sealing tag.
Seal top of bag.
5. Remove full vacuum bag from vacuum bag
housing.
6. Clean vacuum bag housing and remove any
debris.
7. Tilt back panel to retrieve a new clean paper bag
from the storage compartment in left side wall of
main cover.
8. Return back panel to operating position.
9. Unfold bag. There is a notch in cardboard on top of
bag. Align notch with housing front edge aligning
tab. Slightly bow cardboard to slide under
housing’s front and rear retaining tabs.
10. Close and latch machine top.
Retaining Clips
Vacuum Bag Storage Compartment
Vacuum Bag Housing Alignment Tab
86398780 Operator Manual iVac 24 ATV

22
Maintenance
Service Schedule
MAINTENANCE
BEFORE
EACH
WORK
PERIOD
AFTER EACH
WORK
PERIOD 50 HRS 100
HRS 200
HRS 250
HRS
Check water level of batteries after
charging; add distilled water if necessary *
Check that the vacuum box lid seal tightly *
Visually check for damaged or worn tires. *
Check vacuum hose connections. *
Check hoses for debris buildup. *
Empty debris tray *
Check pedal(s), brake and steering for
proper operation *
Check vacuum bag fullness and change
if necessary. *
Clean brushes and check wear. *
Remove bearing cap. Clean bearings
and cap. *
Empty debris tray *
Charge batteries. *
Clean off top of batteries. *
Check battery cells with hydrometer.
(Wet cell only) *
Check battery connections are tight. *
Clean battery cases and compartment. *
Clean and check drive tension chain for
wear and tension. *
Clean chains, cables and pulleys for
brush deck lift. *
Check all motors for carbon brush wear. *
Check motor commutators. *
Check steering chain tensioner. *
Replace Filter *
86398780 Operator Manual iVac 24 ATV

23
Maintenance
Batteries
1. Cover Retainer Latch
2. Rear Cover
3. Battery Connector-Machine
4. Batteries
5. Battery Tray
1
23
4
5
86398780 Operator Manual iVac 24 ATV

24
Maintenance
Batteries (Wet Cell)
The batteries provide the power to operate the
machine. The batteries require regular maintenance to
keep them operating at peak efficiency.
The machine batteries will hold their charge for long
periods of time, but they can only be charged a certain
number of times. To get the greatest life from the
batteries, charge them when their charge level reaches
25% of a full charge. Use a hydrometer to check the
charge level.
Do not allow the batteries to remain in a discharged
condition for any length of time. Never expose a
discharged battery to temperatures below freezing.
Discharged batteries will freeze causing cracked
cases. Do not operate the machine if the batteries are
in poor condition or if they have a charge level below
25% (specific gravity below 1.155).
Keep all metallic objects off the top of the batteries, as
they may cause a short circuit. Replace worn or
damaged cables and terminals.
Check the electrolyte level in each battery cell before
and after charging the batteries. Never add acid to the
batteries, use distilled water. Do not allow water level to
fall below the battery plates. Portions of plates exposed
to air will be destroyed. Do not overfill. Keep plugs
firmly in place at all times.
Not all batteries require maintenance. AGM
batteries are maintenance free. Do not attempt to
remove sealed caps from AGM batteries. Warranty
is void if caps are removed from AGM battery.
L’entretien n’est pas nécessaire pour toutes les
batteries. Les batteries AGM ne nécessitent pas
d’entretien. N'essayez pas d'enlever les bouchons
scellés des batteries AGM. La garantie est annulée
si les bouchons sont retirés des batteries AGM.
86398780 Operator Manual iVac 24 ATV

25
Maintenance
When servicing machine, avoid contact with
battery acid.
Lors de l'entretien de la machine, évitez tout
contact avec l'acide de batterie.
Batteries emit hydrogen gas. Explosion or fire can
result. Keep sparks and open flame away. Keep
covers open when charging.
Les batteries émettent du gaz hydrogène. Une
explosion ou un incendie peut en résulter.
Maintenez les étincelles et les flammes nues à
l’écart. Gardez les carters ouverts lors du charge-
ment.
Wear eye protection and protective clothing when
working with batteries.
Portez des lunettes de protection et des vêtements
de protection lorsque vous travaillez avec des
batteries.
Charge batteries in a well ventilated area.
Chargez les batteries dans un endroit bien ventilé
Battery Maintenance
1. When cleaning the batteries, use a solution of
baking soda and water. Do not allow the cleaning
fluid to enter the battery cells, electrolyte will be
neutralized.
2. Maintain the proper electrolyte level in each battery
cell. If a cell should accidentally overflow, clean
immediately.
3. Wipe off the top of the batteries at least once a
week.
4. Test battery condition with a hydrometer at least
once a week.
5. Ensure that all connections are tight and all
corrosion removed.
6. Every 4 to 6 months, remove the batteries from the
machine and clean the battery cases and battery
compartment.
86398780 Operator Manual iVac 24 ATV

26
Maintenance
Checking Battery Specific Gravity
Use a hydrometer to check the battery specific gravity.
CHECKING GRAVITY
a. Hydrometer Battery
b. Battery
NOTE: Do not take readings immediately after adding
distilled water, if the water and acid are not thoroughly
mixed, the reading may not be accurate.
Check the hydrometer readings against this chart.
NOTE: If the readings are taken when the battery
electrolyte is any temperature other than 80°F (27°C),
the reading must be temperature corrected.
To find the corrected specific gravity reading when the
temperature of the battery electrolyte is other than 80°F
(27°C): Add (+) to the specific gravity reading 0.004 (4
points), for each 10°F (6°C) above 80° (27°C). Subtract
(-) from the specific reading 0.004 (4 points), for each
10°F (6°C) below 80°F (27°C).
SPECIFIC GRAVITY
@ 80
°
F (27
°
C) BATTERY CONDITION
1.265 100% CHARGED
1.225 75% CHARGED
1.190 50% CHARGED
1.155 25% CHARGED
1.120 DISCHARGED
86398780 Operator Manual iVac 24 ATV

27
Maintenance
Charging Batteries
When servicing machine, avoid contact with
battery acid.
Lors de l'entretien de la machine, évitez tout
contact avec l'acide de batterie.
Batteries emit hydrogen gas. Explosion or fire can
result. Keep sparks and open flame away. Keep
covers open when charging.
Les batteries émettent du gaz hydrogène. Une
explosion ou un incendie peut en résulter.
Maintenez les étincelles et les flammes nues à
l’écart. Gardez les carters ouverts lors du charge-
ment.
Wear eye protection and protective clothing when
working with batteries.
Portez des lunettes de protection et des vêtements
de protection lorsque vous travaillez avec des
batteries.
Charge batteries in a well ventilated area.
Chargez les batteries dans un endroit bien ventilé
Use a 36 volt, 20 amp maximum output DC charger
which will automatically shut off when the batteries are
fully charged.
1. Stop the machine in a clean, well ventilated area
next to the charger.
2. Turn “OFF” machine.
FOR SAFETY: Before leaving or servicing machine;
stop on level surface, turn off machine and remove
key.
3. Remove rear cover, unplug batteries from
machine.
Batteries emit hydrogen gas. Explosion or fire can
result. Keep sparks and open flame away. Keep
covers open when charging.
Les batteries émettent du gaz hydrogène. Une
explosion ou un incendie peut en résulter.
Maintenez les étincelles et les flammes nues à
l’écart. Gardez les carters ouverts lors du charge-
ment.
4. Check the electrolyte level in each battery cell.
Before charging, add just enough distilled water to
cover the plates. After charging is complete, add
just enough distilled water to bring up the level to
the indicator ring. If the water level is too high
before charging, normal expansion rate of the elec-
trolyte may cause an overflow resulting in a loss of
battery acid balance and damage the machine.
86398780 Operator Manual iVac 24 ATV

28
Maintenance
5. Replace the battery caps, and leave them in place
while charging.
6. Unplug the battery connector from the machine.
FOR SAFETY: When charging, connect the charger
to the batteries before connecting the charger to
the AC wall outlet. Never connect the charger to the
AC wall outlet first. Hazardous sparks may result.
7. Plug the charger connector into the battery
connector. Connect the charger AC plug to a wall
outlet. The charger gauge should indicate that the
batteries are charging.
8. When the batteries are fully charged, disconnect
the charger from the AC wall outlet, then discon-
nect the charger from the batteries.
9. Connect the batteries to the machine connector.
10. Check the electrolyte level. It should be up to the
indicator ring. If necessary, add distilled water.
11. Install the rear cover.
Changing Batteries
1. Stop the machine in a clean area next to the
charger. Turn off machine.
FOR SAFETY: Before leaving or servicing the
machine; stop on level surface, turn off machine
and remove key.
2. Open the console cover.
3. Tilt the rear cover back. The rear cover can also be
removed for better access.
4. If equipped with optional on board charger, tilt
charger mount to rear of machine.
5. Disconnect battery pack from machine.
6. Use the proper size open end wrench to discon-
nect main ground wire first and secure cable
terminal away from batteries.
7. Disconnect main positive lead and secure cable
terminals away from batteries.
8. Loosen both terminals on each jumper cable and
remove one at a time.
9. Prepare a suitable site to place the batteries.
Attach suitable battery lifting device and lift
batteries from the machine. Batteries are a
potential environmental hazard. Consult your
battery suppler for safe disposal methods.
Fixez le dispositif de levage de batterie approprié et
levez les batteries de la machine. Les batteries
constituent un danger potentiel pour l'environne-
ment. Consultez le fournisseur de votre batterie
pour connaître les méthodes d'élimination sûres.
RED
BLACK
REDBLACK
RED
BLACK
REAR OF MACHINE
86398780 Operator Manual iVac 24 ATV

29
Maintenance
Delta Q IC650 Charger Maintenance Instructions
1. Do not expose charger to oil, dirt, mud or direct heavy water spray when cleaning the vehicle or machine.
2. The enclosure of the charger meets IP66, making it dust-tight and protected against powerful water jets. The
AC inlet connection itself, when mated, is rated to IP20, which is not protected against water. Protect the AC
connection if used in wet or dusty environments.
3. If the detachable input power supply cord set is damaged, replace with a cord that is appropriate for your
region:
- North America: UL or CSA listed / approved detachable cord at least 1.8m in length (≥ 6 feet), 3 conductor,
16AWG minimum and rated SJT; terminated in a grounding type IEC 60320 C14 plug rated 250V, 13A
minimum.
- All other regions: Safety approved detachable cord, 3 conductor, 1.5mm² minimum, rated appropriately for
industrial use. The cord set must be terminated on one end with a grounding type input connector appropriate
for use in the country of destination and, on the other end, an output grounding type IEC 60320 C14 plug.
86398780 Operator Manual iVac 24 ATV

30
Maintenance
Delta Q IC650 Charger Operating Instructions
- The charger may become hot during charging. Use hand protection to safely handle the charger during
charging.
- Extension cords must be a 3-wire cord no longer than 30m (100') at 10 AWG or 7.5m (25') at 16 AWG, per UL
guidelines.
1. The USB Host Port allows data to be transferred to and from the charger using a standard USB flash drive,
including the downloading of charge tracking data and updating of the charger’s software and / or charge
profiles.
2. The Charging Output Indicator means that the charger output is active, and there is a potential risk of electric
shock.
3. The Charge Profile / Error Display shows one of four possible codes to indicate different conditions:
- ‘F’ codes meaning that an internal fault condition has caused charging to stop.
- ‘E’ codes meaning that an external error condition has caused charging to stop.
- ‘P’ code meaning that the charger programming mode is active.
- ‘USB’ code meaning that the USB interface is active, and the USB flash drive should not be removed.
The ‘E,’ ‘F’ and ‘P’ codes will appear, then are followed by three numbers and a period to indicate different
conditions (e.g. E-0-0-4). “See the Charger Fault Codes” or “Charger Error Codes” sections for details on
these conditions and their solutions.
4. The Select Charge Profile Button is used to select a charge profile from those stored on the charger. Up to 25
charge profiles can be stored. See the “Selecting A Charge Profile” section for instructions.
Fault / Error / USB Indicator
Battery Charging Indicator
AC Power Indicator
USB Host Port 1
Charging Output Indicator 2
3
4
Solid red = Charger fault
See display panel for details
Flashing amber = External error condition - caution
See display panel for details
Flashing green = USB port active
Solid green = Safe to remove USB ash drive
Flashing green = Low state of charge
Solid green = High state of charge
Flashing green = High state of charge
Solid green = charge completed
Solid blue = AC power available
Charge Prole/Error Display
Select Charge Prole Button
86398780 Operator Manual iVac 24 ATV

31
Maintenance
Selecting a Charge Profile
1. Disconnect AC input from the charger, or from the
wall outlet. Wait 30 seconds for the input relay to
open.
Figure 1:
Disconnect AC
input from the
charger.
2. While reconnecting AC input, press and hold
Select Charge Profile button. Hold the button until
Error Indicator is on and Battery Charging Indicator
starts flashing.
Figure 2:
Reconnect AC
input while
holding the
Select Charge
Profile Button.
3. Press and release the Select charger Profile
Button to advance through charging profiles loaded
on the charger. The selected charging profile will
be displayed up to three times (e.g. “P-0-1-1” for
Profile 11).*
Figure 3:
Press the
Select Charge
Profile Button
to advance
through the
charge
profiles. Hold
the button for
10 seconds to
confirm your
selection.
*Process will time out and profile will remain
unchanged if there is 15 seconds of inactivity, a profile
number is allowed to display three times, or if AC power
is cycled.
4. Once desired charging profile is displayed, press
and hold button for 10 seconds (see Figure 3) to
confirm selection and exit Profile Selection Mode.
5. Press the Select Charge Profile Button to check
that the desired profile is selected.
Use this table to record the charging profiles on
your charger.
Profile Logic
Profiles #42, 62 and 73 are programmed to automati-
cally restart a charge cycle after 14 days or 1.8V/cell
have been reached by the batteries if the charger
remains connected to AC power.
NOTE: Each profile is programmed to optimize the
life and performance of their corresponding battery,
contact the manufacturer before changing battery
charger profiles.
86398780 Operator Manual iVac 24 ATV

32
Maintenance
Configuring the IC650 Charger Using a USB Flash Drive
Using the Delta Q software, USB storage drives can be pre-programmed to certain charger configuration.
To use the USB port, follow these steps:
1. Insert the USB flash drive at any time, except during a charge cycle. Stop the charge cycle by removing AC
power or the DC connection to the batteries. The charger will power the USB port from the remaining AC
connection.
2. If there is enough disk space, the charger will write charge tracking data to the drive. The Fault/Error/USB
Indicator will flash green during reading and writing.
3. If the drive contains compatible configuration files, the charger will load them.
4. The IC650 Charger will briefly reset.
5. Remove the drive when the Fault/Error/USB Indicator is solid green.
Figure 4, Insert the USB flash drive to begin the reprogramming process. When complete, the Fault/Error/USB
Indicator will be solid green as shown.
Troubleshooting
If the alarm indicator flashes amber, note the error code and retry the update. If there is no response to inserting
the USB drive when the charger is being used off-board, check that AC power is available and connected. If the
charger is installed on-board, ensure that the charger either has AC power and / or batteries are connected.
Confirming a Software Update
After using a USB flash drive to update the charger firmware, the update can be confirmed by reviewing the .txt file
written to the flash drive by the charger. It will be located in the folder labelled ‘syslog’ (e.g.
F:\CHARGER\RESP\serialno\syslog\00000000.txt).
Open this file using a text editing program such as Notepad or Microsoft Word. If the update has been successful,
near the end of the text you will see a description resembling “SM Task: Successful upgrade at
Major[001].Minor[991].Build[000]variant[008].”
86398780 Operator Manual iVac 24 ATV

33
Maintenance
Charge Tracking Data
All IC650 Chargers record data such as amp hours returned, charge cycle completion or interruption, and the
charge profile being used. This data can be very useful in vehicle or machine diagnostics.
To retrieve this data, follow these steps:
1. After a charge cycle is complete, or the charger is disconnected from the battery pack, insert a USB flash drive
with at least 2MB of free space into the IC650 Charger’s USB hose port. The charger will automatically begin
to download the data, shown on the Fault/Error/USB Indicator with a flashing green light.
If you plan to download data from a large number of chargers, having more free space on your USB flash drive is
recommended. If you want to update the software on only some of your chargers, it is recommended that you use
separate USB flash drives for updating and downloading charge tracking data.
Figure 5, Insert the USB flash drive to begin the charge data download process. This step can be completed using
the same USB flash drive programmed to update the charger’s software. The process is completed when the USB
indicator is solid green, and no longer flashing.
2. The downloading process is complete when the Fault/Error/USB Indicator is solid green. The USB flash drive
can be removed from the charger.
86398780 Operator Manual iVac 24 ATV

34
Maintenance
Circuit Protection
Circuit breakers interrupt the flow of power in the event of an electrical overload. When a circuit breaker is tripped,
reset it by pressing the exposed button. If a circuit breaker continues to trip, the cause of the electrical overload
should be found and corrected.
1.5 Amp. Protects the deck actuator.
18 Amp. Protects thebrush motor, 3 Amp fuse protects the side broom motor.
18 Amp. Protects the vacuum motor.
Circuit Breakers
3 A Fuse
86398780 Operator Manual iVac 24 ATV

35
Maintenance
Vacuum Diverter Valve Maintenance
For maintenance and removal of the vacuum diverter
valve follow the steps below.
1. Remove hoses from diverter valve.
2. Remove screw and washer (1) on right side of
hinge bracket.
3. Loosen screw on left side to allow tank to rotate to
the left (do not remove screw). This will allow better
access for valve removal.
NOTE: Remove the post filter for easier access.
4. Remove the three (3) screws and washers
retaining the diverter valve assembly to the
console.
5. Gently pull valve assembly from console to avoid
damaging valve.
6. Reverse steps to re-install.
1
2
3
4
5
86398780 Operator Manual iVac 24 ATV

36
Maintenance
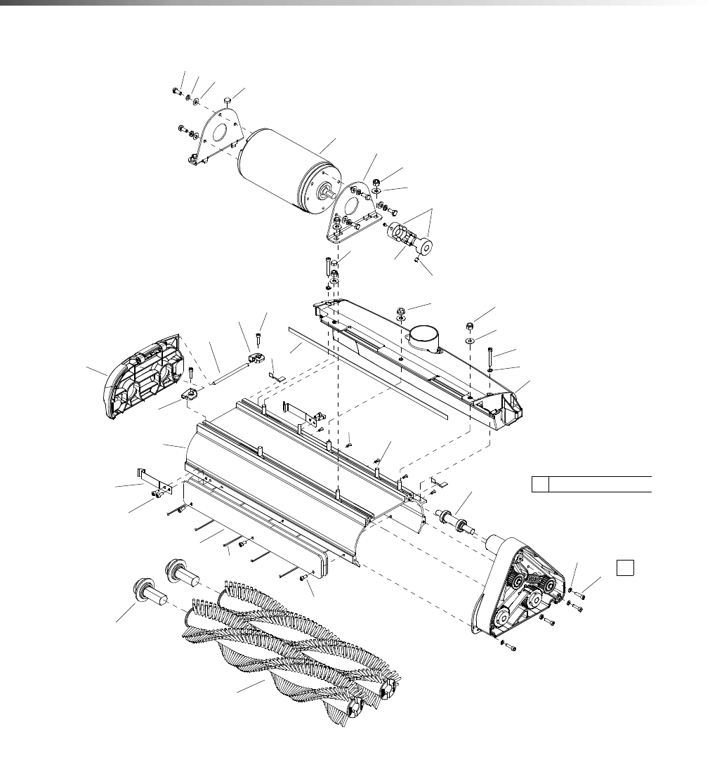
Brush Deck
1. Debris Tray
2. Brush Deck Door
3. Side Broom
4. Deck Lift Actuator
123
4
86398780 Operator Manual iVac 24 ATV

37
Maintenance
Brush Deck
The dual cylindrical head is designed to agitate the
carpet while vacuuming. The first brush pushes debris
backwards. The second brush, brushing forward picks
up debris and throws it into the debris tray.
NOTE: The brushes should wear evenly side to side.
Brushes should be replaced as a set when bristle
length wears to height of yellow PerformAlert™
bristles.
Brush Removal
The brushes are removed from the right side of the
machine.
1. Release door spring clips and raise the brush door.
2. Slide the brushes out the side opening. Remove
bearing cap. Clean bearings and cap.
Brush Installation
1. Slide brush through door opening and onto drive
shaft. Make sure it is fully seated and is driven by
the deck system.
2. Rotate the brush end caps until the indicator lines
on the ends are vertical.
3. Lower the brush door and secure with spring clips.
Debris Tray Removal
1. Release the debris tray spring clip.
2. Slide the debris tray away from machine.
Debris Tray Installation
1. Slide the debris tray into the debris tray mount
notch.
2. Secure with debris tray spring clip.
Belt Replacement
1. Remove three (3) cover screw and cover.
2. Push belt tensioner to the left as shown to release
belt tension. Remove belt and discard.
3. Thread new belt through pulley’s and tensioner.
4. Re-install cover.
NOTE: Belt must be installed with lettering facing out.
If installed incorrectly this may cause excessive noise
SPRING CLIP
VERTICAL INDICATOR LINE SPRING CLIP
SPRING CLIP
COVER
BELT TENSIONER
BELT
86398780 Operator Manual iVac 24 ATV

38
Maintenance
Do not use a pressure washer to clean around the
brush motors. Use tap pressure only.
N’utilisez pas de nettoyeur haute pression pour
nettoyer autour des moteurs des brosses. Utilisez
seulement la pression du robinet.
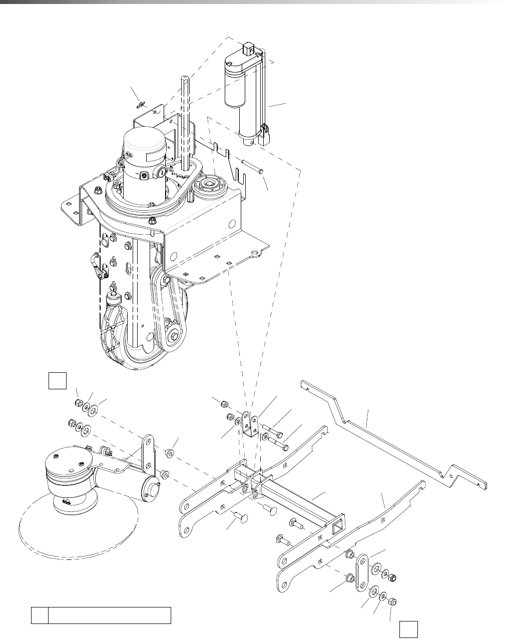
Remove Brush Deck
1. Lower brush deck.
2. Turn off machine
3. Disconnect motor harness connectors and remove
vacuum hose from top of deck.
4. Remove bumper bolts and bumper to access
linkage mount brackets.
5. Pull down and disconnect spring mount bracket
from deck lift arm. Keep spring attached to mount
bracket.
6. Remove four (4) bolts and associated hardware
that connect deck lift arm to linkage mount
brackets on drive assembly.
7. Remove two (2) bolts and associated hardware
that connect deck lift arm to lift linkage plate.
8. Pull out deck with attached deck lift arm.
9. Reverse to reassemble.
Replace Brush Deck Motor
1. Remove brush deck from machine.
2. Remove two (2) nuts to free rear mounting bracket
from deck.
3. Remove six (6) motor mount bracket face screws.
4. Remove rear mounting bracket.
5. Remove motor with attached coupler, leaving front
motor mounting bracket still attached to deck.
6. Remove coupler from old motor for reuse.
7. Inspect spider coupler for wear replace as needed.
Reverse process to reassemble with new motor.
Brush Motor Carbon Brush Replacement
1. Scribe alignment mark on motor barrel to motor
cap. Remove two bolts.
2. Remove end cap from motor.
NOTE: Motors contain two wave washers in cap. Do
not lose these.
3. Release brush from spring tension. Remove screw
connecting brush wire lead to brush holder. Clean
brush holder to insure free movement.
4. Retract spring and install new brush. Install
connector screw and lead.
5. When all new brushes are installed. Place all in
retracted position, held into brush holder by spring
tension.
6. Carefully place end cap onto bearing on motor
shaft.
NOTE: Use care to assure wave washer alignment.
7. With end cap in partially installed position, release
all brushes to contact position with motor commu-
tator.
NOTE: Failure to insure all brushes are released will
result in motor failure.
8. Reset end cap and realign with scribe marks on
motor barrel. Reinstall the two attach bolts from
cap into base.Maintain alignment between motor
barrel base and cap.
FOR SAFETY: before leaving or servicing machine,
stop on a level surface, turn off machine and discon-
nect power.
Replacing Coupler Spider
1. Remove three (3) cover screws and drive housing
cover from end of brush deck.
2. Remove four (4) drive housing mounting screws
3. Slide out brush drive housing assembly with
attached coupler from end of brush deck extrusion.
4. Replace coupler spider.
5. Reverse to assemble.
NOTE: Align coupler jaws when sliding in brush drive
housing assembly.
86398780 Operator Manual iVac 24 ATV

39
Maintenance
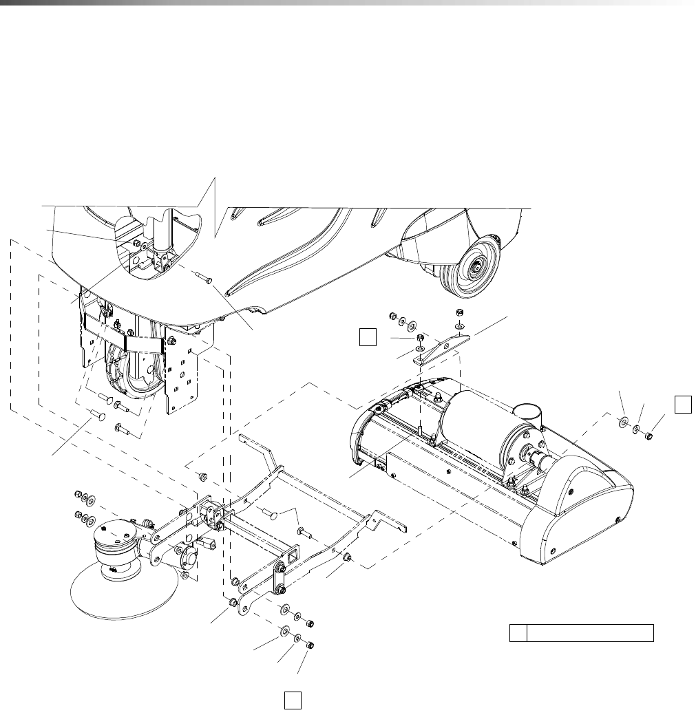
To Repair or Replace Vacuum Motor
1. Remove four (4) screws from top of control panel.
2. Tip control panel back from console to expose
vacuum motor wires.
3. Disconnect electrical connector from the vacuum
motor.
4. Replace one screw to secure control panel to
console.
5. Open console.
6. Remove the two (2) nuts from vac motor bracket,
as shown below.
7. Remove three (3) screws that secure vacuum
motor assembly in place. Remove vacuum motor
assembly, as shown below.
8. Remove move three (3) screws that secure
vacuum motor. Replace motor.
9. Reverse steps to install.
NOTE: If vacuum motor is not mounted as shown,
vacuum may not seal properly, resulting in poor
performance.
VACUUM MOTOR
BRACKET
VACUUM ASSEMBLY
MOUNTING SCREWS (3)
1.18
VACUUM MOUNTING
SCREWS (3)
3
8 [9.5mm]
Vacuum Motor Carbon Brushes
Carbon
Brushes
End Cap
If armature commutator is grooved, extremely pitted or not
concentric, the motor will need to be replaced or sent to a
qualified service center.
Inportant:
These brushes wear quicker as the length shortens due to
increased heat. Spring inside brush housing will damage
motor if brushes are allowed to wear away completely.
both carbon brushes when either is less tan 3/8" (9.5mm)
long.
86398780 Operator Manual iVac 24 ATV

40
Maintenance
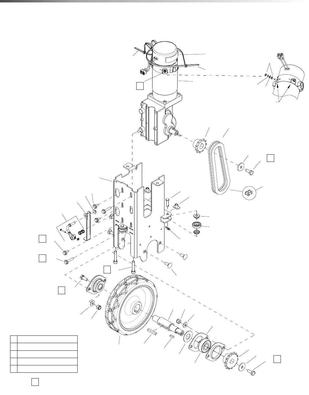
Drive Motor-From Serial Number (3*)
Drive Motor Carbon Brush Replacement
Do not use a pressure washer to clean around the
brush motors. Use tap pressure only.
N’utilisez pas de nettoyeur haute pression pour
nettoyer autour des moteurs des brosses. Utilisez
seulement la pression du robinet.
FOR SAFETY: Before leaving or servicing machine,
stop on a level surface, turn off machine and remove
motor carbon brushes.
1. Open the console cover.
2. Tilt the rear panel back until it stops on the lanyard.
3. Grasp the lower end of the flexible steering shaft
and pull it straight up until it is disengaged with the
hex steering shaft.
4. Remove the cover and gasket at the steering shaft
area.
5. Grasp the drive wheel by reaching under the front
bumper and turn it to near the left steering stop.
6. The drive motor carbon brushes are located under
the metal band. Remove the band to access the 4
brushes.
7. Remove the phillips screw that holds each lead.
Remove the brushes.
8. Install the new brushes and reinstall the band.
9. Replace the gasket and cover, set the drive wheel
straight ahead, set the steering wheel straight
ahead, and gently align the steering shaft coupling
and slide onto the lower shaft.
10. Slowly close the cover and make sure the shaft
slides without binding.
Drive Chain Tension
The drive chain should deflect about 1/4 inch on either
side of the loop when the opposite side is tight.
To adjust chain tension:
1. Remove bumper.
2. Loosen the 1/4” nut behind the idler sprocket.
3. Tighten the front screw to increase chain tension.
4. re-tighten the 1/4” nut behind the idler.
5. Reinstall the bumper.
Transporting Machine
This machine is equipped with a drive gear engage-
ment/disengagement lever.
The brake automatically engages and keeps the
machine from moving whenever the operator stops the
machine.
The drive gear can be disengaged so the machine can
be pushed or towed (slowly).
When the drive gear is disengaged the machine cannot
be driven.
Lever access
Turn wheel to the right and remove internal cover plate.
86398780 Operator Manual iVac 24 ATV

41
Maintenance
Brake Override
1. Disconnect battery to prevent injury.
2. Turn wheel slightly to the right.
3. Remove the knobs that hold the access panel in
place. Then remove the access panel.
NOTE: The access panel is located near the
batteries.)
4. Push the lever as indicated to disengage the
brake.
5. Push the machine slowly. Take care as voltage is
generated while pushing the machine and may
cause the controller to temporarily stop the
machine.
6. To re-engage the brake, push the lever as indi-
cated.
7. Reinstall the access panel and reconnect the
batteries.
Inclines
When navigating an incline the machine may come to a
stop. Turn the machine off. Wait 5 minutes and start the
machine and proceed up the incline.
Overheating may occur if you do not wait the full 5
minutes.
Une surchauffe peut se produire si vous n'attendez
pas les 5 minutes complètes.
Knobs
86398780 Operator Manual iVac 24 ATV

42
Maintenance
Drive Motor-Prior to Serial Number (3*)
Drive Motor Carbon Brush Replacement
Do not use a pressure washer to clean around the
brush motors. Use tap pressure only.
N’utilisez pas de nettoyeur haute pression pour
nettoyer autour des moteurs des brosses. Utilisez
seulement la pression du robinet.
FOR SAFETY: Before leaving or servicing machine,
stop on a level surface, turn off machine and remove
motor carbon brushes.
1. Open the console cover.
2. Tilt the rear panel back until it stops on the lanyard.
3. Grasp the lower end of the flexible steering shaft
and pull it straight up until it is disengaged with the
hex steering shaft.
4. Remove the cover and gasket at the steering shaft
area.
5. Grasp the drive wheel by reaching under the front
bumper and turn it to near the left steering stop.
6. The drive motor carbon brushes are located under
screw caps. The caps are accessible by gently
moving the harness aside.
7. Rotate the drive wheel to near the right hand stop
to access the right side carbon brush.
8. Replace the gasket and cover, set the drive wheel
straight ahead, set the steering wheel straight
ahead, and gently align the steering shaft coupling
and slide onto the lower shaft.
9. Slowly close the cover and make sure the shaft
slides without binding.
Drive Chain Tension
The drive chain should deflect about 1/4 inch on either
side of the loop when the opposite side is tight.
To adjust chain tension:
1. Remove bumper.
2. Loosen five (5) screws that hold the drive gear
motor and slide the gear motor up until the chain
tension is correct. Tighten the five (5) mounting
screws.
3. Models equipped with jack screw on front side of
drive should not use jack screw to apply tension.
Use only as a stop once chain is properly
tensioned.
4. Reinstall the bumper.
Transporting Machine
This machine is equipped with a drive gear engage-
ment/disengagement lever.
The brake automatically engages and keeps the
machine from moving whenever the operator stops the
machine.
The drive gear can be disengaged so the machine can
be pushed or towed (slowly).
When the drive gear is disengaged the machine cannot
be driven.
NOTE: Front bumper removed for clarity and to show
access to lever.
86398780 Operator Manual iVac 24 ATV

43
Maintenance
Lever access
Turn wheel to left and reach up under bumper and steel
brake.
Drive gear engaged
Machine can be driven.
Rotate lever firmly in direction of arrow
Drive gear disengaged
Machine can be pushed or towed (slowly).
When disengaged the machine rolls easily. Disengage
on a level surface.
Rotate lever firmly in direction of arrow.
Inclines
When navigating an incline the machine may come to a
stop. Turn the machine off. Wait 5 minutes and start the
machine and proceed up the incline.
Overheating may occur if you do not wait the full 5
minutes.
Une surchauffe peut se produire si vous n'attendez
pas les 5 minutes complètes.
86398780 Operator Manual iVac 24 ATV

44
Maintenance
Preparation for Loading/Unloading Trailer
Before loading or unloading machine from trailer, brush deck must be in the up position.
When transporting the machine on a trailer or in a truck, in addition to using tie-downs, be sure to block the tires to
prevent the machine from rolling.
Machine Tie-Downs
There are two tie points located in front of the rear wheels on the frame, and a Tie-down wrap point on the vacuum
bag housing. Tie-down devices must be of the proper type and strength. The combined strength of all tie-downs
must be strong enough to lift two times the weight of the machine. Tie-downs must be positioned to prevent the
machine from moving forward, backward, or either side to side. Use all four corners of the machine with the tie-
downs running out opposite directions. Tie-downs must be attached to the transporting vehicle securely.
CONNECT
AT
FRAME
VIEW FROM
BOTTOM
Recommended Tie-Down Points
VACUUM
BAG HOUSING
86398780 Operator Manual iVac 24 ATV

45
Maintenance
Troubleshooting
PROBLEM CAUSE SOLUTION
No machine function Console lid is open Close console lid
No power to machine Battery disconnected Check all battery cable connections
Emergency shut-off activated Reset
Battery cables corroded Clean connections
Faulty key switch Replace switch
Batteries not plugged in Plug batteries in
On Board charger plugged in Un-plug and stow cord
Little or no propel Low battery charge Charge batteries
Tripped circuit breaker Reset controller circuit breaker
Machine turned on with pedal not in neutral
position Allow pedal to return to neutral. Restart
Controller protecting motor from overload Controller limits motor amperage. Allow
unit to cool down for several minutes.
Machine is stalled against an obstacle
(threshold, curb, etc.)
Remove obstacle or push machine away
from obstacle
Controller overheated Allow cool down period
Loose motor connection Check wires and connections from
controller to motor
Faulty throttle circuit or potentiometer Check wires and connections from and
potentiometer resistance
Faulty drive reset circuit or switch Check wires, connection and switch
Faulty platform circuit or switch Check wires, connections and switch
Brake over-ride engaged Disengage brake over-ride
Faulty brake circuit or over-ride switch Check wires, connections and switch
Drive Lever disengaged Engage drive
Machine does not
change speeds Faulty speed control circuit or switch Check wires & connections
Forward speed only
Reverse speed only Faulty forward/reverse circuit Check wires & connections
Battery indicator light
flashing Battery needs charged Charge Battery
Controller is indicating a fault code See fault code table
86398780 Operator Manual iVac 24 ATV

46
Maintenance
Troubleshooting
PROBLEM CAUSE SOLUTION
Vacuum motor does not run, or
runs slowly Faulty vacuum circuit or switch Check wires & connections
Worn vacuum motor brushes Replace brushes, check commutator
Vacuum circuit breaker tripped Reset circuit breaker
Vacuum and brush do not turn on Circuit breaker tripped Reset
Full bag or clog in system (bag full light
on)
Replace bag, empty debris tray, check
for and remove clogs
Poor vacuum performance Debris caught in system Remove debris
Low battery charge Charge batteries
Lid is not closed correctly Close and latch lid correctly
Faulty gaskets inspect and replace gaskets
Accessory hose is not sealed shut. assure hose is tight in hose holder
Bag or debris tray are full Empty tray, replace bag
Vacuum diverter valve not actuating Check for debris
Check electrical connections
Check timer circuit board
Brush motors do not run, or runs
slowly Circuit breaker tripped Reset circuit beaker
Low battery charge Charge battery
Faulty brush circuit or motor Check wires, connections and motor
Bag full light on Replace bag, empty debris tray or
remove clog.
Worn brush motor brushes Replace brushes, check commutator
Deck won’t go down Actuator circuit breaker tripped Reset actuator circuit breaker
Side broom not running Fuse is blown Clear foreign objects from broom that
inhibit free motion, replace fuse.
Brush door won’t close Cylindrical brushes not installed
correctly.
Align brushes to drive shaft assem-
blies, close door.
86398780 Operator Manual iVac 24 ATV

47
Maintenance
Battery Discharge Indicator Troubleshooting
The battery indicator flashes when a problem occurs. The table below list solutions for the indicated problems.
Number of
flashes Problem Solution
1
The battery needs charging, there is a bad connection to
the battery or dependent on the programming, may
indicate that the battery lockout function is active and the
controller is in a restricted mode of operation. Check the
connections to the battery.
If the connections are good, try
charging the battery.
2There is a bad connection to the drive motor. Check all connections between the
motor and the controller.
3The drive motor has a short circuit to a battery connection. Contact your service agent.
4
The battery charge level has fallen below the battery
Lockout Level and the controller is inhibiting brush and
vacuum functions
Charge the battery.
5Not used. -
6
The controller is being inhibited from driving, this may be
because the battery charger is connected (on board
charger only).
Disconnect battery charger.
7
A throttle fault is indicated. Make sure that the throttle is in the
rest position before switching on the
machine.
8A controller fault is indicated. Make sure that all connections are
secure.
9
The parking brake has a bad connection. Check the parking brake and motor
connections. Make sure the
controller connections are secure.
10 An excessive voltage has been applied to the controller.
This is usually caused by a poor battery connection.
Check the battery connections.
-Blinks once every 5 seconds Sleep mode, cycle key switch
86398780 Operator Manual iVac 24 ATV

48
Suggested Spare Parts
86398780 Operator Manual iVac 24 ATV

49
Notes
86398780 Operator Manual iVac 24 ATV

Kärcher North America Machine Warranty
Effective on all products shipped AFTER August 21st, 2015
Kärcher North America reserves the right to change its warranty policy without notice.
Kärcher North America • 1351 West Stanford Avenue • Englewood, CO 80110 USA
Tel 800-444-7654 • Financial Service 800-804-6804 • Fax 866-271-0520 • email: Warrantyregistration@karcherna.com
86019540 REV T
Limited Warranty
Kärcher North America warrants new machines against defects in material and workmanship under normal use and service to the original
purchaser. Any statutory implied warranties, including any warranty of merchantability or fitness for a particular purpose, are expressly limited to
the duration of this written warranty. Kärcher North America will not be liable for any other damages, including but not limited to indirect or
special consequential damages arising out of or in connection with the furnishing, performance, use or inability to use the machine. This
remedy shall be the exclusive remedy of the buyer. This warranty gives you specific legal rights and you may also have other rights which vary
from state-to-state. The warranty period is subject to the conditions stated below.
10 / 3 Warranty: 10 Years Polyethylene (PE) Housings, 3 Years Parts, and Service Labor
Subject to conditions outlined below, Kärcher North America warrants rotationally molded PE housings and parts on all of its machines to be
free from defects in material and workmanship, under normal use and service for ten (10) years to the original owner.
Under this warranty we guarantee the performance of non-polyethylene parts and components to be free from defects for up to three (3) years
to the original end user. Parts replaced or repaired under this warranty are guaranteed for the remainder of the original warranty period. (See
table below)
Service labor charges are covered for up to three (3) years from the date of purchase through authorized service provider. No travel
coverage for cord-electric models. See table below for each general product model warranty coverage.
Upright Vacuums:
Exceptions and Exclusions:
Normal wear items not limited to brushes, foot pedal, cords, clutches, filters, gaskets, hoses, and bearings will be warranted for manufacturing
defects for 90 days from the purchase date. All other items are 1 year parts and labor.
Product Non- PE Parts Service Labo
r
Versamatic®/Axcess/CV300/CV380
Belts (as long as the original user owns the product) Lifetime 1 year
Vacuum Motor, Swivel Neck and Chassis 3 years 3 years
Brush Motor, and Bag Housing 5 years 5 years
Sensor®Xp/Sensor S/UPV12
Belts (as long as the original user owns the product) Lifetime 1 year
Vacuum Motor and Chassis 2 years 2 years
Bag Housing 5 years 5 years
**All other parts 3 years except: Brush strip, cord, filter & gaskets.
Product Non-PE Parts Service Labo
r
Sensor 2, CVU 30/1, 36/1, 46/1**
Belts Lifetime 1 year
Vacuum motor and chassis 3 years 3 years
Bag housing 5 years 5 years
All Other Products:
Product PE Housing & Parts Non- PE Parts Service Labo
r
Travel
Rider / Stand up Scrubbers, Extractors 10 years 3 years or 2000 hours 3 years or 2000 hours 6 Months
Rider/ Stand-up Vacuum, Burnishers 10 years 3 years or 2000 hours 3 years or 2000 hours 6 Months
Rider Sweepers 10 years 3 years 3 years 6 Months
Walk Behind Scrubbers / Escalator Cleaner 10 years 3 years or 2500 hours 3 years or 2500 hours 6 Months
Walk Behind Sweepers 10 years 3 years 3 years 6 Months
Battery/ Burnishers/ Extractors 10 years 3 years 3 years 6 Months
Extractors / Compass / Hybrid Cleaning Cart 10 years 3 years 3 years -
Interim Cleaners 10 years 3 years 3 years -
Wide Areas Vacuums 10 years 3 years 3 years -
Auto Mop 10 years 3 years 3 years -
Air Movers/ Canister/ Wet/Dry Vacuum 10 years 1 year 1 year -
Microscrubbers 3 years 3 years 3 years -
Trek Vac 1 year 1 year 1year -
Spotter Extractors 1 year 1 year 1 year -
Broom/Steamer/SG2 C BP 1 year 1 year 1 year -
Propane Burnishers / Strippers - 2 years 1 year -

Kärcher North America Machine Warranty
Effective on all products shipped AFTER August 21st, 2015
Kärcher North America reserves the right to change its warranty policy without notice.
Kärcher North America • 1351 West Stanford Avenue • Englewood, CO 80110 USA
Tel 800-444-7654 • Financial Service 800-804-6804 • Fax 866-271-0520 • email: Warrantyregistration@karcherna.com
86019540 REV T
Product Exceptions & Exclusions
• Mini Pro & BR 30/15 brush motors, one year coverage
• Pump & pump motors one year coverage (excludes non-electric pumps which have three year coverage)
• Electrical components, one year coverage
• Tank bags carry a one year parts and service labor warranty.
• Vacuum motors: Scrubbers/extractors/compass/wet & dry machines one year.
• Trojan and Discover batteries and Lester Electrical chargers are handled directly with the manufacturer.
• Kawasaki® engines have two (2) year manufacturer’s warranty. NOTE: The engine warranty is administered through the engine
manufacturer and must be repaired at an authorized service center.
Normal wear items and accessories including, but not limited to, belts, brushes, carbon brushes, clutches, cords, filters, finishes, gaskets,
hoses, light bulbs, squeegees, bearings, actuating cables, tires, and propane tanks will be warranted for manufacturing defects for 90-days
from the purchase date.
The warranty commences on the purchase date by the original end user from an authorized agent, subject to proof of purchase. If proof of
purchase cannot be identified, the warranty start date is 90 days after the date of sale to an authorized Kärcher North America distributor. Parts
replaced or repaired under warranty are guaranteed for the remainder of the original warranty period.
90 Day Warranty Extension Available
Upon receipt of the Machine Registration, Kärcher North America will extend by 90 days, from the date of purchase, by the original end user, all
items included under the one-year provision. This applies only to one-year items and does not include 90-day wear items.
This Warranty Shall Not Apply To:
1. Any product that has been subject to abuse, misuse, neglect or unauthorized alteration (including the use of incompatible or corrosive
chemicals or overloading of capacity).
2. Products that have experienced shipping or freight damage.
3. Repairs necessary to correct any failure due to improper pre-delivery service and inspection by the selling dealer.
4. Excessive time for cleaning units in preparation for repair.
5. Any repairs resulting from poor initial service work or improper diagnosis.
6. Tune-up parts such as plugs, plug wires and condensers.
7. Any design alterations performed by an organization not authorized or specified by Kärcher North America.
8. Trojan and Discover batteries and Lester Electrical chargers are handled directly with the manufacturer.
9. High-pressure washing.
10. Electrical components exposed to moisture.
If difficulty develops during the warranty period, contact the authorized agent from whom the product was purchased. Kärcher North America
may elect to require the return of components to validate a claim. Any defective part to be returned must be shipped freight prepaid to Returns
department.
Use of Parts Not Approved By Kärcher North America Will Void All Warranties
To insure a valid vacuum warranty, optimal performances, and improved indoor air quality, use genuine Windsor Kärcher group/ Kärcher
Professional filters and bags.
A product sold before August 21st, 2015 shall be covered by the limited warranty in effect at the date of sale to the original purchaser.

86398790-J 05/21/16
Spare Parts List
(1.012-576.0, 1.012-577.0)
Chariot 2 iVac 24 ATV
From Serial Number (Ref No. 2*)
* See Serial Number page
or call manufacturer

286398790 Spare Parts List iVac 24 ATV
How to Use this Spare Parts List
The PARTS LIST section contains assembled parts illustrations and corresponding parts list. The parts lists include
a number of columns of information:
REF - column refers to the reference number on the parts illustration.
PART NO. - column lists the part number for the part.
QTY - column lists the quantity of the part used in that area of the machine.
DESCRIPTION - column is a brief description of the part.
SERIAL NO. FROM - If this column has an (*) and a Reference number, see the SERIAL NUMBERS page in the
back of your manual. If column has two asterisk (**), call manufacturer for serial number. The serial number
indicates the first machine the part number is applicable to. The main illustration shows the most current design of
the machine. When a boxed illustration is shown, it displays the older design.
NOTES - column for information not noted by the other columns.
If a service or option kit is installed on your machine, be sure to keep the KIT INSTRUCTIONS which came with the
kit. It contains replacement parts numbers needed for ordering future parts.

3
Table of Contents
How to Use this Spare Parts List . . . . . . . . . . . . . . 2
Table of Contents. . . . . . . . . . . . . . . . . . . . . . . . . . . 3
Bumper . . . . . . . . . . . . . . . . . . . . . . . . . . . . . . . . . . 4
Back Panel . . . . . . . . . . . . . . . . . . . . . . . . . . . . . . . 6
Brush Deck Debris Tray . . . . . . . . . . . . . . . . . . . . . 8
Brush Deck Drive . . . . . . . . . . . . . . . . . . . . . . . . . 10
Brush Deck . . . . . . . . . . . . . . . . . . . . . . . . . . . . . . 12
Brush Deck Lift-From Serial Number (3*) . . . . . . . 14
Brush Deck Lift-Prior to Serial Number (3*) . . . . . 16
Brush Deck & Lift Mounting. . . . . . . . . . . . . . . . . . 18
Brush Deck - Side Broom . . . . . . . . . . . . . . . . . . . 20
Console . . . . . . . . . . . . . . . . . . . . . . . . . . . . . . . . . 22
Console Mounting-From Serial Number (3*). . . . . 24
Console Mounting-Prior to Serial Number (3*) . . . 26
Control Panel 1 . . . . . . . . . . . . . . . . . . . . . . . . . . . 28
Control Panel 2 . . . . . . . . . . . . . . . . . . . . . . . . . . . 30
Decals . . . . . . . . . . . . . . . . . . . . . . . . . . . . . . . . . . 32
Drive Lower-From Serial Number(3*) . . . . . . . . . . 34
Drive Lower-Prior to SN (3*) . . . . . . . . . . . . . . . . . 36
Slew/Steering-From Serial Number (3*) . . . . . . . . 38
Drive Chain-Prior to Serial Number (3*) . . . . . . . . 40
Drive Mounting-From Serial Number(3*). . . . . . . . 42
Drive Mounting-Prior to Serial Number (3*). . . . . . 44
Frame & Rear Wheels. . . . . . . . . . . . . . . . . . . . . . 46
Main Cover . . . . . . . . . . . . . . . . . . . . . . . . . . . . . . 48
On Board Charger. . . . . . . . . . . . . . . . . . . . . . . . . 50
Pedal Platform. . . . . . . . . . . . . . . . . . . . . . . . . . . . 52
Pedal Platform Mounting. . . . . . . . . . . . . . . . . . . . 54
Steering. . . . . . . . . . . . . . . . . . . . . . . . . . . . . . . . . 56
Vacuum . . . . . . . . . . . . . . . . . . . . . . . . . . . . . . . . . 58
Vacuum Diverter Valve . . . . . . . . . . . . . . . . . . . . . 60
Vacuum Accessories. . . . . . . . . . . . . . . . . . . . . . . 62
Accessory Hose - Optional . . . . . . . . . . . . . . . . . . 64
Wand Bracket - Optional . . . . . . . . . . . . . . . . . . . . 66
Wiring Battery . . . . . . . . . . . . . . . . . . . . . . . . . . . . 68
Wiring Diagram 1. . . . . . . . . . . . . . . . . . . . . . . . . . 70
Wiring Diagram 2. . . . . . . . . . . . . . . . . . . . . . . . . . 72
Wiring Diagram 3. . . . . . . . . . . . . . . . . . . . . . . . . . 74
Wiring Diagram 4. . . . . . . . . . . . . . . . . . . . . . . . . . 76
Wiring Diagram 5. . . . . . . . . . . . . . . . . . . . . . . . . . 78
Wiring Diagram 6. . . . . . . . . . . . . . . . . . . . . . . . . . 80
Wiring Diagram 7. . . . . . . . . . . . . . . . . . . . . . . . . . 82
Wiring Diagram 8. . . . . . . . . . . . . . . . . . . . . . . . . . 84
Hose Diagram . . . . . . . . . . . . . . . . . . . . . . . . . . . . 86
Notes. . . . . . . . . . . . . . . . . . . . . . . . . . . . . . . . . . . 87
Serial Numbers . . . . . . . . . . . . . . . . . . . . . . . . . . . 88
86398790 Spare Parts List iVac 24 ATV

4
Bumper
86398790 Spare Parts List iVac 24 ATV
1
2
5
6
3
4
3
7
8

586398790 Spare Parts List iVac 24 ATV
Bumper
REF PART NO. QTY DESCRIPTION SERIAL NO.
FROM NOTES
1 86355220 1 BUMPER, TRIM
2 86276980 2 SCREW 5/16-18 X 2 HHCS SS
3 86010670 6 WASHER 5/16 FLAT SS
4 86276070 4 SCR, 5/16-18 X 3/4 CARRIAGE SS
5 86270830 4 NUT 5/16-18 HEX NYLOCK SS
6 86323950 1 PAD, TIP
7 86327510 4 SCR, KA50X16, PT OHS, WN1412, A2 SS
8 86339800 1 PAD, TIP RIGHT

6
Back Panel
86398790 Spare Parts List iVac 24 ATV
7
6
9
5
10
11
12
2
1
4
12
8
3
A TORQUE 50 IN/OZ
A
A

786398790 Spare Parts List iVac 24 ATV
Back Panel
REF PART NO. QTY DESCRIPTION SERIAL NO.
FROM NOTES
1 86345080 2 BRACKET, VAC BAG, LOWER
2 86345070 1 BRACKET, VAC BAG, UPPER
3 86344800 1 GASKET, VAC ENCLOSURE 48"
4 86341040 1 BAG, VAC-10 PACK
5 86355280 1 HOUSING, VAC BAG, BLK
6 86327910 2 SCR, KA50X25, PT OHS, WN1412, PLTD
7 86327590 1 LANYARD, 15.0 W/LOOP & EYE
8 86334210 1 PANEL, BACK, BLK
9 86173330 2 WASHER, M5, FLAT, ISO7093, SS
10 86173140 2 SCR,KA40X16,PT OVAL,WN1412,PL
11 86161800 1 LATCH, CONCEALED KEEPER
12 86351660 4 SCR, #6 X 1/2 PPH HI-LO ZINC PLT

8
Brush Deck Debris Tray
5
3
45
6
7
5
9
10
2
1
8
NOTE : EXPOSED RAIL
ORIENTATION
86398790 Spare Parts List iVac 24 ATV

986398790 Spare Parts List iVac 24 ATV
Brush Deck Debris Tray
REF PART NO. QTY DESCRIPTION SERIAL NO.
FROM NOTES
1 86014990 1 SCR, M5X20, SHCS, ISO4762, SS
2 86342400 2 GASKET, DEBRIS TRAY, END
3 86340290 1 MOUNT, DEBRIS TRAY, 20”
4 86408760 1 CLIP, DEBRIS TRAY SPRING
5 86173350 4 WASHER, M5, FL, ISO7089, SST
6 86024750 1 NUT, M5 HEX NYLOCK, SS
7 86327510 2 SCR, KA50X16, PT OHS, WN1412, A2 SS
8 86340280 1 TRAY, DEBRIS, 20”
9 86350590 1 ASM, DEBRIS TRAY INLET
10 86342390 2 GASKET, DEBRIS TRAY, 20”

10
Brush Deck Drive
1
2
3
4
5
6
7
8
9
10
11
12
13
14
15
16
5
10
11
9
9
11 15
18
17
19
17
A TORQUE 18 IN/LBS
A
A
86398790 Spare Parts List iVac 24 ATV

1186398790 Spare Parts List iVac 24 ATV
Brush Deck Drive
REF PART NO. QTY DESCRIPTION SERIAL NO.
FROM NOTES
1 86343870 1 HOUSING ASM, BRUSH DRIVE
2 86343860 1 BELT, TWIN 5MM GT2, 15W, 130T
3 86343850 2 PULLEY, 32T 5MM GT, 15W
4 86343840 1 PULLEY, 18T 5MM GT, 15W
5 86343830 2 PULLEY ASM, 22T 5MM GT, 15W
6 86339570 1 COVER, DRIVE HOUSING
7 86224660 1 SPRING, TENSIONER
8 86224170 2 SHAFT, 6.2 MM BRUSH DRIVE
9 86223780 8 SCR,M4X8,ISO4029,CP,BLK
10 86223520 3 RING, 28MM INT SNAP PHOSPHATE
11 86223490 3 RING, 10MM EXTERNAL SNAP
12 86215870 1 BRKT, TENSIONER ARM
13 86173350 3 WASHER, M5, FL, ISO7089, SST
14 86349800 1 SPACER, 15OD X 5.3ID X 11L
15 86014990 5 SCR, M5X20, SHCS, ISO4762, SS
16 86012790 2 SHAFT ASM, BRUSH DRIVE
17 86172950 3 SCR, M5X12, SHCS, ISO4762, SS
18 86349790 1 PLATE, SUPPORT
19 86349320 1 PLATE, BRUSH GUIDE

12
Brush Deck
1
2
4
5
6
8
9
10
11
12
13
14
15
16
17
18
19
20
21
22
23
24
25
26
27
28
7
18
26
3
23
29
30
30
7
A TORQUE 64 IN/LBS
A
23
32
31
86398790 Spare Parts List iVac 24 ATV

1386398790 Spare Parts List iVac 24 ATV
Brush Deck
REF PART NO. QTY DESCRIPTION SERIAL NO.
FROM NOTES
1 86356810 1 ASM, DEBRIS TRAY, 20
2 86346070 2 COUPLER, 2 JAW, 35MM
3 86343160 2 SCR, M5X40, SHCS, ISO4762, SS
4 86343200 1 GASKET, 1/16THKX3/8WX19.50L
5 86343190 2 GASKET, 1/16THKX3/8WX2.17L
6 86343020 2 PLATE, COUNTERBALANCE
7 86173350 6 WASHER, M5, FLAT, ISO7089, SS
8 86340500 2 BRUSH, VACUUM 20
- 86348840 2 BRUSH, VACUUM 20", HARD FLOOR
- 86348820 2 BRUSH, VACUUM 20", SOFT FLOOR
9 86340490 2 BRKT, MOTOR MOUNT
10 86340480 2 SPRING, DOOR CLIP
11 86339980 1 CAP, BRUSH DOOR HINGE, REAR
12 86339790 1 PIN, DOWEL, 6 X 106, SS
13 86374890 1 EXTRUSION, DUAL 4" BRUSH, 20
14 86339590 1 CAP, BRUSH DOOR HINGE, FRONT
15 86339580 1 DOOR, BRUSH RELEASE
16 86277130 7 SCR, 5/16-18X1.00 CARRIAGE SS
17 86273750 6 SCR, 1/4-20 X 5/8 HHCS SS
18 86270830 6 NUT, 5/16-18 HEX NYLOCK SS
19 86234600 1 COUPLER, SPIDER
20 86222130 1 MOTOR, 36VDC
- 86001360 - BRUSH SET, CCL MOTORS
21 86173340 6 WASHER, SPLIT LOCK, 1/4, SS
22 86172950 4 SCR, M5X12, SHCS, ISO4762, SS
23 86014990 5 SCR, M5X20, SHCS, ISO4762, SS
24 86012810 1 SHAFT ASM, DRIVE 16”
25 86012800 2 SHAFT ASM, BRUSH END CAP
26 86010670 7 WASHER, 5/16 X 3/4 SS
27 86010630 6 WASHER, 1/4 X 5/8 FLAT SS
28 86005740 1 NUT 5/16-18 SERRATED FLG
29 86172960 2 SCR,SET,M6X8,SH,ISO4029,SS INCLUDED WITH 86346070
30 86197040 2 NUT, 5/16-18 HEX ACORN PLTD
31 86354280 5 NIPPLE, GUARD ATV
32 86354080 5 ROD, GUARD ATV

14
Brush Deck Lift-From Serial Number (3*)
123
4
5
6
7
8
9
10
1112 13
1
2
3
4
14
15
16
17
ATORQUE 10 FT/LBS A
A
18
86398790 Spare Parts List iVac 24 ATV

1586398790 Spare Parts List iVac 24 ATV
Brush Deck Lift-From Serial Number (3*)
REF PART NO. QTY DESCRIPTION SERIAL NO.
FROM NOTES
1 86270830 4 NUT 5/16-18 HEX NYLOCK SS
2 86010670 4 WASHER 5/16 FLAT SS
3 86259420 4 WASHER, THRUST .51ID X 1 ODBRO
4 86228990 4 BEARING,FLNGD,.314ID X.502OD
5 86340820 1 LIFTER, DECK
6 86340920 1 PLATE, LIFT LINKAGE
7 86340910 2 ARM, DECK LIFT
8 86277130 4 SP SCREW 5/16-18X1.00 CARRIAGE SS
9 86005810 2 NUT 1/4-20 HEX NYLOCK SS
10 86010630 2 WASHER 1/4 ID X 5/8 OD SS
11 86341320 1 CHANNEL, ACTUATOR LINK
12 86276680 1 SCR, 1/4-20 X 1.5 HHMS SS
13 86340930 1 BRKT, SPRING MOUNT
14 86341920 1 ACT,36VDC, 1.0"STK,8.74LNG
15 86328040 1 PIN, CLEVIS, 1/4 X 2.0 L
16 86008650 1 COTTER 1/4" RING
17 86273850 1 SCR, 1/4-20 X 2 HHCS SS
18 86354750 2 WASHER, .264 X 1 X .07 NYL BLK

16
Brush Deck Lift-Prior to Serial Number (3*)
123
4
5
6
7
8
9
10
1112 13
1
2
3
4
ATORQUE 10 FT/LBS A
A
14
15
16
17
86398790 Spare Parts List iVac 24 ATV

1786398790 Spare Parts List iVac 24 ATV
Brush Deck Lift-Prior to Serial Number (3*)
REF PART NO. QTY DESCRIPTION SERIAL NO.
FROM NOTES
1 86270830 4 NUT 5/16-18 HEX NYLOCK SS
2 86010670 4 WASHER 5/16 FLAT SS
3 86259420 4 WASHER, THRUST .51ID X 1 ODBRO
4 86228990 4 BEARING,FLNGD,.314ID X.502OD
5 86340820 1 LIFTER, DECK
6 86340920 1 PLATE, LIFT LINKAGE
7 86340910 2 ARM, DECK LIFT
8 86277130 4 SP SCREW 5/16-18X1.00 CARRIAGE SS
9 86005810 2 NUT 1/4-20 HEX NYLOCK SS
10 86010630 2 WASHER 1/4 ID X 5/8 OD SS
11 86341320 1 CHANNEL, ACTUATOR LINK
12 86276680 1 SCR, 1/4-20 X 1.5 HHMS SS
13 86340930 1 BRKT, SPRING MOUNT
14 86341920 1 ACT,36VDC, 1.0"STK,8.74LNG
15 86328040 1 PIN, CLEVIS, 1/4 X 2.0 L
16 86008650 1 COTTER 1/4" RING
17 86273850 1 SCR, 1/4-20 X 2 HHCS SS

18
Brush Deck & Lift Mounting
86398790 Spare Parts List iVac 24 ATV
1
2
34
5
5
1
234
6
3
4
7
9
8
1
ATORQUE 10 FT/LBS
A
A
A

1986398790 Spare Parts List iVac 24 ATV
Brush Deck & Lift Mounting
REF PART NO. QTY DESCRIPTION SERIAL NO.
FROM NOTES
1 86277130 10 SCREW 5/16-18X1.00 CARRIAGE SS
2 86259420 6 WASHER, THRUST .51ID X 1 ODBRO
3 86010670 10 WASHER 5/16 FLAT SS
4 86270830 10 NUT 5/16-18 HEX NYLOCK SS
5 86228990 6 BEARING,FLNGD,.314ID X.502OD
6 86341310 2 BRKT, BRUSH DECK PIVOT
7 86276680 1 SCR, 1/4-20 X 1.5 HHMS SS
8 86010630 1 WASHER 1/4 ID X 5/8 OD SS
9 86005810 1 NUT 1/4-20 HEX NYLOCK SS

20
Brush Deck - Side Broom
ATORQUE 10 FT/LBS
A
1
2
6
7
89
10
11
12
13
14
15 16
17
18
5
3
4
86398790 Spare Parts List iVac 24 ATV

2186398790 Spare Parts List iVac 24 ATV
Brush Deck - Side Broom
REF PART NO. QTY DESCRIPTION SERIAL NO.
FROM NOTES
1 86342160 1 BRUSH, 9.5 IN, NYLON, BLACK
2 86341960 1 PLATE, WEIGHT
3 86341070 1 BRACKET, SIDE BROOM MOUNT
4 86341060 1 BRACKET, SIDE BROOM PIVOT
5 86008650 1 COTTER, 1/4 RING
6 86328040 1 PIN, CLEVIS, 1/4 X 2.0 L
7 86322470 1 MOTOR, 36VDC, 90 DEG, 1/16 HP
8 86279140 2 WASHER,M6 SPLIT LOCK ZINC PLTD
9 86279070 2 WASHER, M6 FLAT
10 86277130 2 SCR, 5/16-18X1.00 CARRIAGE SS
11 86275470 2 SCR, 10-32 X 5/8 PPHMS SS
12 86274700 2 SCR, M6 X 1 X 16 HHCS PLT
13 86270990 2 NUT, 10-32 HEX NYLOCK SS
14 86270830 2 NUT, 5/16-18 HEX NYLOCK SS
15 86259410 2 WASHER THRUST.51 ID X1ODX.063
16 86228990 2 BEARING FLG .314IDX.502OD
17 86177090 1 CLAMP, CABLE 1/2I.D. 1/4BLT
18 86010670 2 WASHER, 5/16 X 3/4 SS

22
Console
86398790 Spare Parts List iVac 24 ATV
19
1
3
4
7
8
10
11
12
15
16
17
13
14
6
18
9
5
2
9

2386398790 Spare Parts List iVac 24 ATV
Console
REF PART NO. QTY DESCRIPTION SERIAL NO.
FROM NOTES
1 86346600 2 SPACER, .320ODX.257IDX.505L NY
2 86005810 2 NUT 1/4-20 HEX NYLOCK SS
3 86346090 1 GASKET,.85X.85X.125 THICK
4 86355250 1 CONSOLE, TRIM, CV 60/2
5 86349280 4 SCREW, 1/4-20 X 1 PHPNHMS SS BLK ZNPLT
6 86238460 4 HOOK, STRAP
7 86341700 1 BRACKET, SWITCH, NO BAG
8 86340740 1 PLATE, BAG INLET RETAINER
9 86010630 2 WASHER 1/4 ID X 5/8 OD SS
10 86340650 1 INLET, VAC BAG
11 86327830 1 GASKET,.188X.31X41.0
12 86327680 1 SWITCH, INTERLOCK
13 86273740 2 SCR, 1/4-20 X 1.5 HHCS SS
14 86239720 1 HORN, 108DB MINATURE W/RING
15 86279520 2 WASHER, 1/4 ID FLAT BLK
16 86276330 1 SCR, 1/4-20 X 1.25 CARRIAGE BZ
17 86274520 2 SCR, #10 X 3/8 PH HI-LO PLT
18 86228790 1 BEARING FLANGE .88ODX.75IDX.75
19 86326200 1 GASKET, VACUUM INTAKE

24
Console Mounting-From Serial Number (3*)
86398790 Spare Parts List iVac 24 ATV

2586398790 Spare Parts List iVac 24 ATV
Console Mounting-From Serial Number (3*)
REF PART NO. QTY DESCRIPTION SERIAL NO.
FROM NOTES
1 86326340 1 PIN, CLEVIS 5/16 X 4.0, PLTD
2 86228990 2 BEARING,FLNGD,.314ID X.502OD
3 86264940 6 CABLE TIE, 11.38" UL/CSA
4 86326320 1 BRACKET, HINGE UPPER
5 86327680 1 SWITCH, INTERLOCK
6 86270860 1 NUT, 10-24 U-TYPE SPEED
7 86277110 1 SCR, 10-24 X 3/4 PPHMS SS
8 86328860 1 NUT, 5/16 PUSH-LOCK, PLTD
9 86384990 1 WLDMNT, LWR HNG
10 86385000 1 GASKET, LWR, HNG
11 86371720 2 KNOB, CARPET CLAMP, YLW
12 86385030 1 PLATE, ACCESS, BRAKE
13 86276780 6 SCR, 5/16-18 X 3/4 SS
14 86010670 6 WASHER, 5/16 X 3/4 SS
15 86345690 1 FUSE, 3A - 3AG FAST-ACTING
16 86319090 1 FUSE HOLDER, PANEL MNT
17 86402180 1 GASKET, .125 X .375 X .65
18 86385010 1 GASKET, ACCESS PNL

26
Console Mounting-Prior to Serial Number (3*)
13
14 1
2
3
4
5
6
7
89
11
12
10
15
16
17
86398790 Spare Parts List iVac 24 ATV

2786398790 Spare Parts List iVac 24 ATV
Console Mounting-Prior to Serial Number (3*)
REF PART NO. QTY DESCRIPTION SERIAL NO.
FROM NOTES
1 86326340 1 PIN, CLEVIS 5/16 X 4.0, PLTD
2 86228990 2 BEARING,FLNGD,.314ID X.502OD
3 86264940 6 CABLE TIE, 11.38" UL/CSA
4 86326320 1 BRACKET, HINGE UPPER
5 86327680 1 SWITCH, INTERLOCK
6 86270860 1 NUT, 10-24 U-TYPE SPEED
7 86277110 1 SCR, 10-24 X 3/4 PPHMS SS
8 86328860 1 NUT, 5/16 PUSH-LOCK, PLTD
9 86326330 1 BRACKET, HINGE LOWER
10 86332760 1 GASKET, STEERING SHAFT
11 86006800 2 SCREW 10-32 X 1/2 PHTR PLT
12 86344610 1 PLATE, COVER
13 86276780 6 SCR, 5/16-18 X 3/4 SS
14 86010670 6 WASHER, 5/16 X 3/4 SS
15 86345690 1 FUSE, 3A - 3AG FAST-ACTING
16 86319090 1 FUSE HOLDER, PANEL MNT
17 86402180 1 GASKET, .125 X .375 X .65

28
Control Panel 1
86398790 Spare Parts List iVac 24 ATV
1
2
3
10
12
8
5
4
13
9
11
7
14
15
16
18
23
19
24
17
20
21
22
6

2986398790 Spare Parts List iVac 24 ATV
Control Panel 1
REF PART NO. QTY DESCRIPTION SERIAL NO.
FROM NOTES
1 86357790 1 PANEL, CONTROL, CS24 RE
2 86337210 5 SPACER, .14ID X .25OD X .38, NYL
3 86336110 1 RELAY, SPST-NO
4 86336100 3 CLIP, RELAY
5 86347250 1 PCBA, RELAY OMRON ll
6 86405530 1 CONTROLLER, C2V From SN (3*)
- 86372280 1 CONTROLLER, CV24 RE Prior to SN (3*)
7 86326390 2 CONN, 8MM PITCH, 10 POSN
8 86005710 2 NUT, 1/4-20 HEX W/STAR
9 86313900 3 RELAY, 5A, 24V, 4PDT
10 86275260 4 SCR, 4-40 X 1/2 PPHMS
11 86275550 2 SCREW 6-32 X 1.25
12 86255910 1 STANDOFF, 1/4-20 X 1.0 HEX INS
13 86255900 4 STANDOFF, 6-32 X 5/8 HEX NYL
14 86354860 4 STANDOFF, 6-32 X 1.25 HEX, NYLON
15 86251360 2 RELAY, 36VDC, 100A
16 86010630 4 WASHER, 1/4 X 5/8 FLAT SS
17 86006850 1 SCR, 1/4-20 X 1.25 SSSCU
18 86005810 4 NUT, 1/4-20 HEX NYLOCK SS
19 86274570 4 SCR, 4-40 X 1/4 PPHMS
20 86372190 1 PCB, IVAC, PIC
21 86279020 1 WASHER #6 LOCK EXT STAR SS
22 86279450 3 WASHER, #6 FLAT SAE PLTD
23 86003410 2 DIODE ASM, 76075 X 76075
24 86261210 2 DIODE ASM, 76008 X 76008

30
Control Panel 2
86398790 Spare Parts List iVac 24 ATV

3186398790 Spare Parts List iVac 24 ATV
Control Panel 2
***86348640 AND 86348960 ARE INCLUDED WITH CONTROL PANEL HARNESS.
REF PART NO. QTY DESCRIPTION SERIAL NO.
FROM NOTES
1 86332510 2 BOOT, SEAL PUSH BUTTON 11M
2 86001260 1 BOOT, CB 3/8-32 UNS
3 86348640 1 LED, BAG FULL INDICATOR ***
4 86348960 1 LED, BATTERY INDICATOR ***
5 53217380 1 HANDHOLD OPERATIONAL CONCEPT
6 86293930 1 BODY, SWITCH, BUTTON
7 86313950 1 SWITCH, SPDT 3 POSN MOM, ARROW
8 86292590 1 SWITCH, E-STOP
9 86292780 1 SWITCH, MICRO
10 86007170 1 SWITCH KEY TWO POSITION
11 86329570 4 SCR, 10-32 X 1.0 TORX SS BLK PLTD
12 86255900 4 STANDOFF, 6-32 X 5/8 HEX NYL
13 86315470 1 METER, HOUR ICD
14 86316160 2 BREAKER, 18A, 250VAC, 32VDC
15 86353680 1 BREAKER, 1.5A CARLING MAGNETIC
16 86354870 1 SWITCH, ROTARY
17 86354560 1 BEZEL, ROTARY SWITCH
18 86354810 1 GASKET, ROTARY SWITCH
19 86358430 2 SCR, M4X12 FHMS, ISO7046 SS NP
20 86358440 2 O-RING, 4MM ID, 1.5MM THK, BUNA-N
21 63130140 1 SPRING ELEMENT

32
Decals
86398790 Spare Parts List iVac 24 ATV
7
INSIDE THE HOUSING
INSIDE THE HOUSING 5
6
4
3
1
2

3386398790 Spare Parts List iVac 24 ATV
Decals
REF PART NO. QTY DESCRIPTION SERIAL NO.
FROM NOTES
1 86395650 1 LABEL, RIGHT, iVAC 24 ATV
2 86395660 1 LABEL,LEFT, iVAC 24 ATV
3 86395400 1 LABEL WINDSOR LOGO DOMED
4 86395670 1 LABEL, CONTROL PANEL, CV24
5 86335710 1 LABEL, BATTERY WIRING
6 86334860 2 LABEL, HEPA FILTRATION
7 86375080 1 LABEL, MANUAL (3*)

34
Drive Lower-From Serial Number(3*)
1
2
3
5
7
10
11
12
13
14
19
21
22
25 26
28
30
32
30
20
30
23
29
4
8
9
16
17
18
23
27
29
31
33
15
15
24
27
31
18
25
ATORQUE 50 IN/LBS
A
17
BTORQUE 19 IN/LBS
CTORQUE 3.5 IN/LBS
DTORQUE 15 FT/LBS
C
D
B
D
34
6
86398790 Spare Parts List iVac 24 ATV

3586398790 Spare Parts List iVac 24 ATV
Drive Lower-From Serial Number(3*)
REF PART NO. QTY DESCRIPTION SERIAL NO.
FROM NOTES
1 86411170 1 MOTOR, C2 TRACTION MOTOR (4*)
2 86409960 1 SPROCKET, ANSI 40 13T
3 86409950 1 SPROCKET, ANSI 40 13T IDLER
4 86409940 1 SPROCKET, ANSI 40 20T
5 86405910 1 SHOULDER BOLT, 1/2 X 1.5 SS
6 86384110 2 NUT, M6-1, HEX, SERFLG, DIN6923
7 86405390 1 BRACKET, C2 HOUSING BRACE
8 86405380 1 AXLE, DRIVE WHEEL
9 86405370 1 SPACER, C2 WHEEL SHAFT
10 86405360 1 CHAIN, ANSI#40 X 20.5" W/MASTER
11 86405350 2 SPACER, C2 MTR MNT HOUSING
12 86405330 1 SPACER, C2 DRIVE TENSIONER
13 86405320 1 BRACKET, C2 DRIVE TENSIONER
14 86405310 1 HOUSING, C2 AXLE
15 86394170 2 WASHER, M8 FNDR SS DIN 9021
16 86369170 1 WHEEL, 8.00 X 2.00, GRAY X-GRV
17 86326710 2 KEY, 5 X 5 X 16MM CS GR1045
18 86321670 2 WASHER, .748 SS
19 86276070 4 SCR, 5/16-18 X 3/4 CARRIAGE SS
20 86274700 1 SCREW, M6 X 1 X 16 HHCS ZNPLT
21 86274620 1 SCREW, 1/4-20 X 1.25 HHMS STL GR5
ZNPLT
22 86273750 4 SCREW, 1/4-20 X .625 HHCS SS NP
23 86270830 4 NUT, 5/16-18 HEX NYLOCK SS
24 86219640 1 KEY, 1/4 X 1/4 X 1.5 LCSTL GR1018
25 86172820 8 SCREW, M5 X 20PHMS SS ISO7045
26 86137330 8 WASHER, M5 SHPRF STL ZNPLT
27 86136640 2 SCREW, M8-1.25 X 20 HHMS ZNPLT
28 86010810 1 WASHER, 1/4 FNDR SS
29 86010670 4 WASHER, 5/16 FLT SS
30 86010630 6 WASHER, 1/4 SS
31 86008610 4 FLANGE, BEARING PRESSED STEEL
32 86005810 1 NUT, 1/4-20 HEX NYLOCK SS
33 86001030 2 BEARING, 3/4 SPH BALL
34 86405540 1 SPACER, SHAFT, C2

36
Drive Lower-Prior to Serial Number (3*)
34
33
28
27
5
4
8
14
15
29
32
23
21
E
ETORQUE 100 IN/OZ
7
6
10 17
5
12
19
17
29
ATORQUE 15/18 FT/LBS
NOTE: TERMINAL HARDWARE
INSTALLED, 2 LOCATIONS
16 18
11
19
12
26
1 2
3
25
9
13
22
10 17
20
C
31
30
DTORQUE 100 IN/LBS
*
AFTER *B
B TORQUE 120 IN/LBS
CTORQUE 15 FT/LBS
A
B
B
D
A
24
86398790 Spare Parts List iVac 24 ATV

3786398790 Spare Parts List iVac 24 ATV
Drive Lower-Prior to Serial Number (3*)
FOR INSTALLATION OF 8.636-401.0 WITH BRAKE HARNESS AND LOWER HARNESS,
ORDER KIT 8.636-900.0
FOR CCL TRACTION MOTOR, USE 86331990 BRUSH SET.
FOR LINIX TRACTION MOTOR, USE 86378410 BRUSH SET.
BOTH SETS INCLUDED IN KIT.
REF PART NO. QTY DESCRIPTION SERIAL NO.
FROM NOTES
1 86326710 1 KEY, 5 X 5 X 16
2 86321670 2 WASHER, WHEEL SPACER
3 86319810 1 AXLE, DRIVE WHEEL
4 86319670 6 SLEEVE, BEARING
5 86364010 1 MOTOR, TRACTION
- 86378440 1 KIT, BRUSHES, DRIVE MOTOR
- 98408960 - BRAKE REPLACEMENT SMALL STAND ON
6 86342280 1 SPROCKET, DRIVE 11T
7 86342320 1 CHAIN, ISO 08B, 12.7MM PITCH
8 86319620 1 FRAME, LOWER DRIVE
9 86369170 1 WHEEL, 8.00 X 2.00, GRAY X-GRV
10 86279630 3 WASHER, .344IDX1.130ODX.09T PLT
11 86288500 4 NUT, M4-.7 HEX STL CL8 ZNPLT
12 86010670 4 WASHER, 5/16 X 3/4 SS
13 86008610 4 FLANGE, BEARING PRESSED STEEL
14 86272550 3 PIN, CLEVIS, 5/16 X 1.00 PLTD
15 86276070 4 SCR, 5/16-18 X 3/4 CARRIAGE SS
16 86134850 2 WASHER, SPRNG LK, M4, DIN127B, SST
17 86136640 3 SCR, M8 X 20 HHMS
18 86372230 2 WASHER, EXT TOOTH STAR
19 86270830 4 NUT, 5/16-18 HEX NYLOCK SS
20 86219640 1 KEY, 1/4 SQ. X 1.5
21 86332380 3 ROLLER, 1.1 OD
22 86001030 2 BEARING, BALL 3/4 BORE SPHERED
23 86008660 3 COTTER 5/16" RING
24 86232780 - CHAIN MASTER LINK 12.7MM
25 86319650 1 SPROCKET, DRIVE, 14T
26 86002830 1 CABLE TIE .375 X 24.7
27 86264920 2 CABLE TIE, 7" UL/CSA
28 86362040 2 TAPE CLOSED CELL 1/8 X 3/4 X 2 1/2 PSA
29 86362140 3 SCREW, M6 X 12MM, HEX FLANGE, PLTD
30 86348490 2 NUT, WELD 5/16-18 X .38, TAB BASE, STL (*1)
31 86362130 2 SCREW, 5/16 X 1.50, SHCS, SS, FT (*1)
32 86362150 2 SCREW, M6 X 30MM, HEX FLANGE, PLTD
33 86333870 1 LEVER, DRIVE ENGAGEMENT
34 86271240 1 NUT, 1/4 PAL STL ZNPLT

38
Slew/Steering-From Serial Number (3*)
C
BTORQUE 50 IN/LBS
ATORQUE 78 LBS/IN
B
A
21 31
1
3
4
5
6
7
8
9
10
11
12
13
14
15
17
18
19
22
23
24
26
27
28
29
30
21
20
23
20
8
20
2
16
25
CTORQUE 6.5 IN/LBS
86398790 Spare Parts List iVac 24 ATV

3986398790 Spare Parts List iVac 24 ATV
Slew/Steering-From Serial Number (3*)
REF PART NO. QTY DESCRIPTION SERIAL NO.
FROM NOTES
1 86410140 1 SPROCKET, ANSI 40 14T
2 86409640 1 CLIP, .50 SHAFT SIDE RETAIN
3 86409570 1 BRACKET, C2 CHAIN TENSION
4 86409560 1 BRACKET, C2 CHAIN MOUNT
5 86409550 1 PLATE, C2 CHAIN RING
6 86409520 4 NUT, 1/4-20 X 1.5 CPL SS
7 86408820 1 PLATE, C2 CHAIN GUARD
8 86408640 2 BUSHING,.503X1.25X.470 FLG'D'
9 86408580 1 SCREW, 10-32 X 1 TPNHMS SS BLK
ZNPLT
10 86405590 1 ASM, C2 STEERING BRACKET
11 86405570 1 BRACKET, CONNECTORS
12 86405560 1 SHAFT, STEERING SPROCKET
13 86405510 4 SPACER, .25ID X .43OD X.83LG
14 86405490 1 BEARING, C2 STEERING
15 86405480 1 PLATE, C2 INNER RACE TOP
16 86405470 1 MOUNT, BEARING, LOWER
17 86405460 1 PLATE, C2 OUTER RACE
18 86405340 1 CHAIN, ANSI#40 X 21" W/2 MASTER
19 86363870 1 CLAMP, 5/8" OD CUSHIONED
20 86007030 6 SCREW, 1/4-20 X .625 PHTRHMS
STL NP
21 86010630 10 WASHER, 1/4 SS
22 86326710 1 KEY, 5 X 5 X 16MM CS GR1045
23 86279190 2 WASHER, 10 FLT STL ZNPLT
24 86278990 3 WASHER, 8 FLT
25 86278940 2 WASHER, 1/4 STL ZNPLT
26 86278850 1 WASHER, .506 X .94 X .06 NYL
27 86275390 4 SCREW, 1/4-20 X 1.625 SCHCS STL
ZNPLT
28 86273850 5 SCREW, 1/4-20 X 2 HHCS SS
29 86270990 1 NUT, 10-32 HEX NYLOCK SS
30 86270850 3 NUT, 8-32 HEX NYLOCK SS
31 86006610 1 SCREW, 1/4-20 X .25 SCHSET KCP
BLKOX

40
Drive Chain-Prior to Serial Number (3*)
86398790 Spare Parts List iVac 24 ATV
38
29
29
9
36
35
37
ATORQUE 78 IN-LBS
A
A
A
32
33
34
31
30
28
27
26
25
24
23
22
21
20
19
18
17
16
15
14
13
11
10
8
7
6
5
4
3
2
1
4
12

4186398790 Spare Parts List iVac 24 ATV
Drive Chain-Prior to Serial Number (3*)
REF PART NO. QTY DESCRIPTION SERIAL NO.
FROM NOTES
1 86005710 3 NUT, 1/4-20 HEX W/STAR
2 86005810 3 NUT, 1/4-20 HEX NYLOCK SS
3 86006800 2 SCR, 10-32 X 1/2 PHTR PLT
4 86010630 7 WASHER, 1/4 X 5/8 FLAT SS
5 86010670 4 WASHER, 5/16 X 3/4 SS
6 86010780 1 WASHER, 1/4 SPLIT
7 86014440 1 BEARING, DRIVE
8 86224270 1 SLEEVE, CHAIN TENSIONER
9 86259430 1 WASHER, 12.5 ID X 26 OD X 2T FLAT
10 86270830 4 NUT, 5/16-18 HEX NYLOCK SS
11 86271370 2 NUT, 1/4-20 HEX FLG
12 86271930 1 NUT, 3/8-16 HEX NYLOCK SS
13 86273100 3 SCR, 1/4-20X2-1/4 HXHD CAP
14 86273100 4 SCR, 1/4-20 X 1.75 HHCS
15 86279510 1 SCR, 3/8-16 X 1.25 HHCS SS
16 86276070 4 SCR, 5/16-18 X 3/4 CARRIAGE SS
17 86275190 1 WASHER, 3/8 X 1 FLAT NP
18 86319560 1 CHAIN, ISO O8B, 12.7MM PITCH
19 86319590 1 SHAFT, STEERING SPROCKET
20 86319600 1 BRACKET, DRIVE MOUNT
21 86319610 1 BRACKET, BEARING CLAMP
22 86319680 1 PLATE, LOWER CLAMP
23 86319740 1 PLATE, UPPER CLAMP
24 86322030 3 SPACER
25 86322040 1 PLATE, CHAIN RING
26 86322050 1 SPROCKET, STEERING, 14T
27 86322060 1 COLLAR, 12MM ID
28 86327110 1 BRACKET, CONNECTORS
29 86328050 2 WASHER, SHOULDER.48ID X 1.25OD
30 86329350 1 NUT, 1/4-20 X 7/8 HEX COUPLING SS
31 86330720 1 CHAIN TENSIONER
32 86329340 1 PLATE, CHAIN GUARD
33 86363870 1 CLAMP, 5/8” OD CUSHIONED
34 86274760 1 SCR,1/4-20 X 1/2 HHCS
35 86368600 1 WASHER, 2.5OD X 1.25ID X .125THK, DELRIN
36 86279420 2 WASHER .75IDX1.25ODX.125THK NY
37 86278940 1 WASHER 1/4 ID X 1-1/4 OD PLT
38 86232780 - CHAIN MASTERLINK 12.7MM

42
Drive Mounting-From Serial Number(3*)
86398790 Spare Parts List iVac 24 ATV
1
2
3
11
5
6
12
47
11
10
98

4386398790 Spare Parts List iVac 24 ATV
Drive Mounting-From Serial Number(3*)
REF PART NO. QTY DESCRIPTION SERIAL NO.
FROM NOTES
1 86344620 1 BRACKET, LINKAGE MOUNT
2 86319730 1 BRACKET, LINKAGE MOUNT, LEFT
3 86405410 1 BRACKET, C2 LOWER SUPPORT
4 86010670 6 WASHER, 5/16 X 3/4 SS
5 86276690 8 SCR, 5/16-18 X 1.75 CARR SS
6 86276070 2 SCR, 5/16-18 X 3/4 CARRIAGE SS
7 86270830 6 NUT, 5/16-18 HEX NYLOCK SS
8 86344630 1 BLOCK, MOTOR LIFTER
9 86277650 2 SCR, 1/4-20 X 1.25 PPHMS SS
10 86271870 2 NUT, 1/4-20 HEX NYLOCK THIN SS
11 86010630 3 WASHER, 1/4 X 5/8 FLAT SS
12 86065810 3 NUT, 1/4-20 HEX NYLOCK SS

44
Drive Mounting-Prior to Serial Number (3*)
86398790 Spare Parts List iVac 24 ATV
1
2
3
4
5
6
7
47
11 10
9
8

4586398790 Spare Parts List iVac 24 ATV
Drive Mounting-Prior to Serial Number (3*)
REF PART NO. QTY DESCRIPTION SERIAL NO.
FROM NOTES
1 86344620 1 BRACKET, LINKAGE MOUNT
2 86319730 1 BRACKET, LINKAGE MOUNT, LEFT
3 86331630 1 BRACKET, ROLLER GUIDE
4 86010670 12 WASHER, 5/16 X 3/4 SS
5 86276690 8 SCR, 5/16-18 X 1.75 CARR SS
6 86276070 2 SCR, 5/16-18 X 3/4 CARRIAGE SS
7 86270830 12 NUT, 5/16-18 HEX NYLOCK SS
8 86344630 1 BLOCK, MOTOR LIFTER
9 86277650 2 SCR, 1/4-20 X 1.25 PPHMS SS
10 86271870 2 NUT, 1/4-20 HEX NYLOCK THIN SS
11 86010630 2 WASHER, 1/4 X 5/8 FLAT SS

46
Frame & Rear Wheels
86398790 Spare Parts List iVac 24 ATV
1
23
4
5
6
7
89
12 11
10
12 11
13
BOTTOM OF FRAME

4786398790 Spare Parts List iVac 24 ATV
Frame & Rear Wheels
REF PART NO. QTY DESCRIPTION SERIALNO.
FROM NOTES
1 86326260 1 BRACKET, FRAME LEFT
2 86326250 1 BRACKET, FRAME RIGHT
3 86355230 1 ASM FRAME, CV60/2 BLK INCLUDES
ITEM 8 & 9
4 86326220 2 SPACER, FLG .887ID X 1.055D X .345LG
5 86318030 1 AXLE, 20MM X 562 MM
6 86369160 2 WHEEL, 6.00X1.58, GRY W/BEARINGS
7 86223470 2 RING, 20MM EXTERNAL SNAP
8 86279510 2 WASHER 3/8 FLAT
9 86340950 2 SCR, 3/8 X 1.5, LAG, PLTD
10 86355680 1 HOUSING, ACCESSORY, CV 60/2
11 86173330 3 WASHER, M5, FLAT, ISO7093, SS
12 86327510 3 SCR, KA50 X 16, WN1412 A2 SS
13 86256130 1 STRAP, STATIC, .2T X 1W X 3L

48
Main Cover
86398790 Spare Parts List iVac 24 ATV
2A
3
4
5
6
7
8
9
10
14
16
18
19
20
21
22
23
25
12
27
15
13
1
24
24
14
17
26
2B
11
.75"
29
28
ATORQUE 100 IN-OZ
A
A

4986398790 Spare Parts List iVac 24 ATV
Main Cover
REF PART NO. QTY DESCRIPTION SERIAL NO.
FROM NOTES
1 86002400 1 CLAMP, 2.00 WORM GEAR X .312
2A 86376910 1 COVER, TRIM, NC, GRY CV24
2B 86399470 1 COVER, TRIM, OBC, CV24 CVC24
3 86345730 1 HOSE, Ø1.5", ACCESSORY
4 86345360 1 BRACKET, ROLLER
5 86345200 1 BRACKET, BRACE
6 86345120 1 BRACKET, HOSE SUPPORT
7 86346000 2 SPRING, EXT, 1.0 OD X 8.5L
8 86341570 2 BRACKET, SPRING MOUNT
9 86340780 2 ROLLER, HOSE
10 86340310 1 HOSE, Ø2" W/ 90° CUFF
11 86259410 1 WASHER THRUST.51 ID X1ODX.063
12 86010630 2 WASHER, 1/4 X 5/8 FLAT SS
13 86005810 2 NUT, 1/4-20 HEX NYLOCK SS
14 86275180 3 SCR, 5/16-18 X 1/2 HHCS GR5
15 86006750 1 SCR, 5/16-18 X 1.00 HHCS GR5
16 86273980 2 SCR, 10-32 X 3/4 PPHMS SS
17 86006760 3 SCR, 5/16-18 X 3/4 HHCS GR5
18 86340950 1 SCR, 3/8 X 1.5, LAG, PLTD
19 86270310 2 EYEBOLT, 1/4-20 X 1.5
20 86259400 1 WASHER THRUST.51 ID X 1 ODBRO
21 86002380 1 CLAMP, 2.25 WORM GEAR
22 86228990 1 BEARING FLG .314IDX.502OD
23 86173140 2 SCR,KA40X16,PT OVAL,WN1412,PL
24 86010670 2 WASHER, 5/16 X 3/4 SS
25 86010650 2 WASHER, #10 X 9/16 FLAT
26 86279630 5 WASHER, .344IDX1.13ODX.09T PLT
27 86277480 4 SCREW 5/16-18X1/2 PTHMS SS
28 86352410 1 PLATE, SPRING EXTENSION
29 86352420 1 PLATE, SPRING EXTENSION, LEFT

50
On Board Charger
86398790 Spare Parts List iVac 24 ATV

5186398790 Spare Parts List iVac 24 ATV
On Board Charger
REF PART NO. QTY DESCRIPTION SERIAL NO.
FROM NOTES
1 86345140 1 BRACKET, CHARGER
2 86340780 2 ROLLER, HOSE
3 86340950 1 SCR, 3/8 X 1.5, LAG, PLTD
4 86372000 1 CHARGER, DELTA Q, ASM, 36V
5 86276960 3 SCREW, 1/4-20 X 1 CARRIAGE SS
6 86273980 1 SCREW, 10-32 X .75 PHPNHMS SS
7 86259410 2 WASHER, THRUST .51 ID X1ODX.063
8 86228990 2 BEARING FLG .314IDX.502OD
9 86173140 4 SCR,KA40X16,PT OVAL,WN1412,PL
10 86010670 2 WASHER, 5/16 X 3/4 SS
11 86005810 3 NUT, 1/4-20 HEX NYLOCK SS
12 86010630 3 WASHER, 1/4 ID X 5/8 OD SS
13 86344430 1 GROMMET, CHARGE PLUG
14 86373320 1 CORD ASM, 16/3 SJTX12FT IEC
15 86264940 2 CABLE TIE, 11.38" UL/CSA
16 86006750 2 SCREW 5/16-18 X 1"HHCSGR5PLT NP
17 86348290 1 SCR, 10-32 X 3 PPHMS SS
18 86198450 2 CLAMP, 5/16 DIA NYLON
19 86359740 2 SCR, 10-32 X 5/16 HWHTR
20 86198470 2 CLAMP, 9/16 DIA NYLON
21 86264930 3 CABLE TIE, 3.5" UL/CSA

52
Pedal Platform
3
4
5
6
7
8
9
10
11
1
2
2
2
2
86398790 Spare Parts List iVac 24 ATV

5386398790 Spare Parts List iVac 24 ATV
Pedal Platform
REF PART NO. QTY DESCRIPTION SERIAL NO.
FROM NOTES
1 86007110 1 SWITCH, 25A SPST 125-250V SNAP
2 86172980 9 SCR, KA50X10, PT OHS, WN1412, PLTD
3 86264930 1 CABLE TIE, 3.5" UL/CS
4 86326150 1 BRKT, LINEAR POT
5 86326140 1 PIN, DOWEL .25 X 2.75, STEEL
6 86334240 1 PEDAL, HEEL, BLK
7 86334690 1 PEDAL, ACCELERATOR, YEL
8 86334230 1 PLATFORM, OPERATOR, BLK
9 86311560 1 POTENTIOMETER ASM, LINEAR
10 86254970 3 SPRING, COMP 18MM OD X 83 X 2
11 86173330 8 WASHER, M5, FLAT, ISO7093, SS

54
Pedal Platform Mounting
86398790 Spare Parts List iVac 24 ATV

5586398790 Spare Parts List iVac 24 ATV
Pedal Platform Mounting
REF PART NO. QTY DESCRIPTION SERIAL NO.
FROM NOTES
1 86327510 9 SCR, KA50 X 16, WN1412 A2 SS
2 86198440 15 CLAMP, 1/4 PLASTIC CABLE
3 86327910 4 SCR, KA50X25, PT OHS, WN1412, PLTD
4 86173330 4 WASHER, M5, FLAT, ISO7093, SS

56
Steering
86398790 Spare Parts List iVac 24 ATV
1
2
3
4
5
6

5786398790 Spare Parts List iVac 24 ATV
Steering
REF PART NO. QTY DESCRIPTION SERIAL NO.
FROM NOTES
1 86259610 1 WHEEL STEERING 40 SPLINE HUB
2 86271610 1 NUT 5/8-18 HEX NYLOCK THN
3 86279420 1 WASHER,.75IDX1.25ODX.125THK NY
4 86228790 1 BEARING FLANGE .88ODX.75IDX.75
5 86378370 1 ASM, SHAFT, STEERING, CHARIOT 2
6 86234810 1 COVER, STEERING WHEEL

58
Vacuum
1
2
5
6
7
8
9
10
11
12
13
14 15 16 17
18
19
20
3
4
6
23
24
12
25
21
22
6
See maintenance section for motor
mounting detail.
86398790 Spare Parts List iVac 24 ATV

5986398790 Spare Parts List iVac 24 ATV
Vacuum
REF PART NO. QTY DESCRIPTION SERIAL NO.
FROM NOTES
1 86345290 1 FILTER, Ø6X9, HEPA/CARBON
- 86345280 1 FILTER, Ø6X9, SPUNBOND/CARBON
- 86345270 1 FILTER, Ø6X9, SPUNBOND
2 86345610 1 SCR, 3/8-16X1/2, THUMB ROSETTE
3 86340760 1 MOUNT, POST FILTER
4 86237440 1 GASKET, 4.06 X 2.50 X .38
5 86275890 3 SCR, 1/4-20 X 5/8 HHCS5 (PLTD)
6 86010630 9 WASHER 1/4 ID X 5/8 OD SS
7 86340710 1 BRACKET, VAC MOUNT
8 86173330 2 WASHER, M5, FLAT, ISO7093, SS
9 86014530 2 SCR, KA50X16, PT, WN1412, PLT
10 86002380 2 CLAMP, 2.25" WORM GEAR
11 86344760 1 HOSE, Ø2.0 VAC X 5.5
12 86005810 5 NUT 1/4-20 HEX NYLOCK SS
13 86327500 3 MOUNT, VIBRATION
14 86344740 1 HOSE,Ø1.5 BLK PVC VAC X 7
15 86197590 1 HOSEBARB, 1/8MPT X 3/8 90D
16 86281680 1 HOSE 3/8ID NYLOBRD X 2"
17 86233090 1 CLAMP, 1/4 ID HOSE
18 86257160 1 SWITCH VACUUM 15" H20 NC/NO
19 86346530 1 NUT, 1/8 IPS BRASS
20 86012210 1 VAC MOTOR, 36VDC 2ST TD
21 86273850 3 SCR, 1/4-20 X 2 HHCS SS
22 86326200 1 GASKET, VACUUM INTAKE
23 86340660 1 INTAKE, VAC MOTOR
24 86345190 1 BRACKET, VAC MOTOR
25 86177050 1 CLAMP, HOSE #20

60
Vacuum Diverter Valve
1
2
3
4
5
6
9
11 12
10
13
14
15
18
7
17
16 10
8
SEE MAINTENANCE SECTION
FOR REMOVAL INSTRUCTIONS
ATORQUE 100 IN-OZ
A
86398790 Spare Parts List iVac 24 ATV

6186398790 Spare Parts List iVac 24 ATV
Vacuum Diverter Valve
REF PART NO. QTY DESCRIPTION SERIAL NO.
FROM NOTES
1 86345660 1 SOLENOID, 24VDC, 198 OZ FORCE
2 86344930 1 PLATE, FLAP LEVER
3 86344750 1 HOSE, Ø2.0 VAC X 25
4 86340750 1 PLATE, SOLENOID
5 86340700 1 LINK, SOLENOID
6 86370820 1 DIVERTER VALVE HOUSING ASM
7 86002380 1 CLAMP, 2.25 WORM GEAR
8 86264940 1 CABLE TIE, 11.38" UL/CSA
9 86279450 2 WASHER, #6 X .40 FLAT
10 86279100 2 WASHER, #4 INT STAR
11 86278990 2 WASHER, #8 X 3/8 FLAT
12 86276220 2 SCR, 8-32 X 3/8" HHCS SS
13 86348980 1 SCR, 4-40 X 3/8 PPHMS PLT
14 86273980 3 SCR, 10-32 X 3/4 PPHMS SS
15 86272190 2 PIN, ROLL 1/8" X 5/8" L
16 86264930 1 CABLE TIE, 3.5IN. UL/CSA
17 86172940 2 SCR,KA40X10,OHCS,WN1412,PL
18 86010650 3 WASHER, #10 X 9/16 FLAT

62
Vacuum Accessories
6
1
2
3
4
5
86398790 Spare Parts List iVac 24 ATV

6386398790 Spare Parts List iVac 24 ATV
Vacuum Accessories
REF PART NO. QTY DESCRIPTION SERIAL NO.
FROM NOTES
1 86344870 1 BRUSH, DUST
2 69034030 1 NOZZLE, AKW
3 86000090 2 TUBE, 20” EXTENSION
4 86355330 1 COVER, CONSOLE
5 86349130 3 SCR, 10-32 X 3/4 PHOVALMS SS BLK ZINC
6 69069540 1 COMBINATION NOZLE DN32 OPTIONAL

64
Accessory Hose - Optional
1
2
3
86398790 Spare Parts List iVac 24 ATV

6586398790 Spare Parts List iVac 24 ATV
Accessory Hose - Optional
REF PART NO. QTY DESCRIPTION SERIAL NO.
FROM NOTES
1 86349210 1 HOSE, ASM, 1 1/2, 20 ACCESSORY
2 86350200 1 BRACKET, HOSE SUPPORT
3 86006870 5 SCREW #10B X 1/2 PHSM BLK
- 98409580 - KIT, 20' ACCESSORY HOSE COMPLETE

66
Wand Bracket - Optional
1
2
86398790 Spare Parts List iVac 24 ATV

6786398790 Spare Parts List iVac 24 ATV
Wand Bracket - Optional
REF PART NO. QTY DESCRIPTION SERIAL NO.
FROM NOTES
1 86345300 1 BRACKET, WAND SUPPORT
2 86006870 2 SCREW, #10B X 1/2 PHSM BLK
- 98409570 - KIT, WAND BRKT COMPLETE

68
Wiring Battery
86398790 Spare Parts List iVac 24 ATV
1A
2A
3
4
5
MAIN WIRING HARNESS
6
1B
2B

6986398790 Spare Parts List iVac 24 ATV
Wiring Battery
REF PART NO. QTY DESCRIPTION SERIAL NO.
FROM NOTES
1A 86329720 2 BATT, CBL, ASM, JUMPER
1B 86334280 2 CBL, 6GA 5/16" RING 15" NOT SHOWN
2A 86329710 1 BATT,CBL,ASM,W/ANDERSON
2B 86334270 1 CBL, BATT RING W/ANDERSON NOT SHOWN
3 86228400 3 BATTERY, 12V, 130AH
- 86328630 3 BATTERY, 12V 114A/H AGM NOT SHOWN
4 86270920 2 SP NUT, 6-32 HEX NYLOCK SS
5 86279450 2 WASHER, #6 FLAT SAE PLTD
6 86274710 2 SCR, 6-32 X 1.0 PPHMS
- 86271910 6 NUT, 5/16-18 FLEXLOCK NOT SHOWN
- 86006560 6 SCREW 5/16-18 X 1 HHCS SS NP NOT SHOWN

70
Wiring Diagram 1
86398790 Spare Parts List iVac 24 ATV
14A
or
14B

7186398790 Spare Parts List iVac 24 ATV
Wiring Diagram 1
REF PART NO. QTY DESCRIPTION SERIAL NO.
FROM NOTES
1 86372240 1 HARNESS, BAG PRESENT
2 86353960 1 HARNESS, CV24 OPERATOR PLATFORM
3 86344450 1 HARNESS, MAIN ACTUATOR
4 86353970 1 HARNESS, CV24 MAIN POT AND BRAKE
5 86333120 1 HARNESS, CS20 MAIN CHARGER
6 86333130 1 HARNESS, CS20 MAIN TRACTION
7 86333140 1 HARNESS, CS20 MAIN VACUUM
8 86333150 1 HARNESS, CS20 MAIN BRUSH
9 86333160 1 HARNESS, CS20 MAIN POWER
10 86333170 1 HARNESS, CS20 MAIN HORN
11 86344500 1 HARNESS, SIDE BROOM/BRUSH
12 86372250 1 HARNESS, VAC SOLENOID
13 86344470 1 HARNESS, VAC SWITCH
14A 86333180 1 JUMPER, CHARGER INHIBIT
14B 86332680 1 HARNESS, CHARGER JUMPER OPTION-ON BOARD
CHARGER
15 86412060 1 HARNESS, LOWER, BRAKE From SN (3*)
- 86362990 1 HARNESS, LOWER BRAKE Prior to SN (3*)
16 86412050 1 HARNESS, LOWER, TRACTION From SN (3*)
- 86365410 1 HARNESS, LOWER TRACTION Prior to SN (3*)

72
Wiring Diagram 2
REF PART NO. QTY DESCRIPTION SERIAL NO.
FROM NOTES:
1 86357910 1 HARNESS, PANEL 24” VAC
2 86352310 1 HARNESS I-DRIVE GRD
3 86354380 1 HARNESS, ROTARY SWITCH
86398790 Spare Parts List iVac 24 ATV

7386398790 Spare Parts List iVac 24 ATV
Wiring Diagram 2
REF DESCRIPTION
A1 DRIVE CONTROL
A2 RELAY BOARD
A3 SOL/VAC CONTROL
F1 CIRCUIT BREAKER-BRUSH
F2 CIRCUIT BREAKER-VACUUM MOTOR
F3 CIRCUIT BREAKER-DRIVE CONTROL
F4 FUSE-SIDE BROOM
G1-G3 BATTERY 12V/70Ah
H1 SIGNAL LAMPS REVERSE DIRECTION
H2 SIGNAL LAMPS DIRECTION FORWARD
H3 HORN
H4 LED-BATT.
H5 LED
K1 RELAYS-REVERSE DIRECTION
K2 RELAYS DIRECTION FORWARD
K3 RELAYS BRUSH MOTOR
K4 RELAYS VACUUM MOTOR
K5 RELAYS ACTUATOR
K6 RELAYS MAIN
M1 BRUSH MOTOR
M2 VACUUM MOTOR
M3 TRACTION MOTOR
M4 LINEAR ACTUATOR MOTOR BRUSH/SQUEEGEE
M5 SIDE BROOM
S0 EMERGENCY SWITCH
S1 KEYSWITCH
S2 MICROSWITCH-PLATFORM
S3 BUTTOM REVERSE FORWARD
S4 HORN BUTTON
S5 MICROSWITCH-COVER
S6 MIRCOSWITCH-VACUUM
S7 MICROSWITCH-BRUSH
S8 PROGRAM SWITCH
S9 MICROSWITCH-MID
S10 MIRCROSWITCH-LOWER
S11 CHARGER
S12 BAG PRESENT
S13 FULL BAG SWITCH
S-UP-SDOWN MICROSWITCH
P1 HOURS METER
V1-V2-V3-V4-V5-V6-V7-V8-V9 DIODE
V-UP & V-DOWN DIODE-MOTOR M4
X3 TERMINAL BLOCK
X12 TERMINAL BLOCK
X6/X7/X8/X11/X15 DEUTSCH CONNECTOR
X9/X10/X13/X14 PACKARD CONNECTOR
X16 FASTON TERMINAL
X17 RING TERMINAL
Y1 BRAKE
Y2 ELECTOVALVE WATER

74
Wiring Diagram 3
86398790 Spare Parts List iVac 24 ATV

7586398790 Spare Parts List iVac 24 ATV
Wiring Diagram 3
REF DESCRIPTION
A1 DRIVE CONTROL
A2 RELAY BOARD
A3 SOL/VAC CONTROL
F1 CIRCUIT BREAKER-BRUSH
F2 CIRCUIT BREAKER-VACUUM MOTOR
F3 CIRCUIT BREAKER-DRIVE CONTROL
F4 FUSE-SIDE BROOM
G1-G3 BATTERY 12V/70Ah
H1 SIGNAL LAMPS REVERSE DIRECTION
H2 SIGNAL LAMPS DIRECTION FORWARD
H3 HORN
H4 LED-BATT.
H5 LED
K1 RELAYS-REVERSE DIRECTION
K2 RELAYS DIRECTION FORWARD
K3 RELAYS BRUSH MOTOR
K4 RELAYS VACUUM MOTOR
K5 RELAYS ACTUATOR
K6 RELAYS MAIN
M1 BRUSH MOTOR
M2 VACUUM MOTOR
M3 TRACTION MOTOR
M4 LINEAR ACTUATOR MOTOR BRUSH/SQUEEGEE
M5 SIDE BROOM
S0 EMERGENCY SWITCH
S1 KEYSWITCH
S2 MICROSWITCH-PLATFORM
S3 BUTTOM REVERSE FORWARD
S4 HORN BUTTON
S5 MICROSWITCH-COVER
S6 MIRCOSWITCH-VACUUM
S7 MICROSWITCH-BRUSH
S8 PROGRAM SWITCH
S9 MICROSWITCH-MID
S10 MIRCROSWITCH-LOWER
S11 CHARGER
S12 BAG PRESENT
S13 FULL BAG SWITCH
S-UP-SDOWN MICROSWITCH
P1 HOURS METER
V1-V2-V3-V4-V5-V6-V7-V8-V9 DIODE
V-UP & V-DOWN DIODE-MOTOR M4
X3 TERMINAL BLOCK
X12 TERMINAL BLOCK
X6/X7/X8/X11/X15 DEUTSCH CONNECTOR
X9/X10/X13/X14 PACKARD CONNECTOR
X16 FASTON TERMINAL
X17 RING TERMINAL
Y1 BRAKE
Y2 ELECTOVALVE WATER

76
Wiring Diagram 4
86398790 Spare Parts List iVac 24 ATV

7786398790 Spare Parts List iVac 24 ATV
Wiring Diagram 4
REF DESCRIPTION
A1 DRIVE CONTROL
A2 RELAY BOARD
A3 SOL/VAC CONTROL
F1 CIRCUIT BREAKER-BRUSH
F2 CIRCUIT BREAKER-VACUUM MOTOR
F3 CIRCUIT BREAKER-DRIVE CONTROL
F4 FUSE-SIDE BROOM
G1-G3 BATTERY 12V/70Ah
H1 SIGNAL LAMPS REVERSE DIRECTION
H2 SIGNAL LAMPS DIRECTION FORWARD
H3 HORN
H4 LED-BATT.
H5 LED
K1 RELAYS-REVERSE DIRECTION
K2 RELAYS DIRECTION FORWARD
K3 RELAYS BRUSH MOTOR
K4 RELAYS VACUUM MOTOR
K5 RELAYS ACTUATOR
K6 RELAYS MAIN
M1 BRUSH MOTOR
M2 VACUUM MOTOR
M3 TRACTION MOTOR
M4 LINEAR ACTUATOR MOTOR BRUSH/SQUEEGEE
M5 SIDE BROOM
S0 EMERGENCY SWITCH
S1 KEYSWITCH
S2 MICROSWITCH-PLATFORM
S3 BUTTOM REVERSE FORWARD
S4 HORN BUTTON
S5 MICROSWITCH-COVER
S6 MIRCOSWITCH-VACUUM
S7 MICROSWITCH-BRUSH
S8 PROGRAM SWITCH
S9 MICROSWITCH-MID
S10 MIRCROSWITCH-LOWER
S11 CHARGER
S12 BAG PRESENT
S13 FULL BAG SWITCH
S-UP-SDOWN MICROSWITCH
P1 HOURS METER
V1-V2-V3-V4-V5-V6-V7-V8-V9 DIODE
V-UP & V-DOWN DIODE-MOTOR M4
X3 TERMINAL BLOCK
X12 TERMINAL BLOCK
X6/X7/X8/X11/X15 DEUTSCH CONNECTOR
X9/X10/X13/X14 PACKARD CONNECTOR
X16 FASTON TERMINAL
X17 RING TERMINAL
Y1 BRAKE
Y2 ELECTOVALVE WATER

78
Wiring Diagram 5
86398790 Spare Parts List iVac 24 ATV
THROTTLE LOW
REFERENZ
THROTTLE
HIGH
REFERENZ
i-DRIVE
i 36-70
36VDC/ 70A

7986398790 Spare Parts List iVac 24 ATV
Wiring Diagram 5
REF DESCRIPTION
A1 DRIVE CONTROL
A2 RELAY BOARD
A3 SOL/VAC CONTROL
F1 CIRCUIT BREAKER-BRUSH
F2 CIRCUIT BREAKER-VACUUM MOTOR
F3 CIRCUIT BREAKER-DRIVE CONTROL
F4 FUSE-SIDE BROOM
G1-G3 BATTERY 12V/70Ah
H1 SIGNAL LAMPS REVERSE DIRECTION
H2 SIGNAL LAMPS DIRECTION FORWARD
H3 HORN
H4 LED-BATT.
H5 LED
K1 RELAYS-REVERSE DIRECTION
K2 RELAYS DIRECTION FORWARD
K3 RELAYS BRUSH MOTOR
K4 RELAYS VACUUM MOTOR
K5 RELAYS ACTUATOR
K6 RELAYS MAIN
M1 BRUSH MOTOR
M2 VACUUM MOTOR
M3 TRACTION MOTOR
M4 LINEAR ACTUATOR MOTOR BRUSH/SQUEEGEE
M5 SIDE BROOM
S0 EMERGENCY SWITCH
S1 KEYSWITCH
S2 MICROSWITCH-PLATFORM
S3 BUTTOM REVERSE FORWARD
S4 HORN BUTTON
S5 MICROSWITCH-COVER
S6 MIRCOSWITCH-VACUUM
S7 MICROSWITCH-BRUSH
S8 PROGRAM SWITCH
S9 MICROSWITCH-MID
S10 MIRCROSWITCH-LOWER
S11 CHARGER
S12 BAG PRESENT
S13 FULL BAG SWITCH
S-UP-SDOWN MICROSWITCH
P1 HOURS METER
V1-V2-V3-V4-V5-V6-V7-V8-V9 DIODE
V-UP & V-DOWN DIODE-MOTOR M4
X3 TERMINAL BLOCK
X12 TERMINAL BLOCK
X6/X7/X8/X11/X15 DEUTSCH CONNECTOR
X9/X10/X13/X14 PACKARD CONNECTOR
X16 FASTON TERMINAL
X17 RING TERMINAL
Y1 BRAKE
Y2 ELECTOVALVE WATER

80
Wiring Diagram 6
86398790 Spare Parts List iVac 24 ATV
i-DRIVE
i 36-70
36VDC/ 70A

8186398790 Spare Parts List iVac 24 ATV
Wiring Diagram 6
REF DESCRIPTION
A1 DRIVE CONTROL
A2 RELAY BOARD
A3 SOL/VAC CONTROL
F1 CIRCUIT BREAKER-BRUSH
F2 CIRCUIT BREAKER-VACUUM MOTOR
F3 CIRCUIT BREAKER-DRIVE CONTROL
F4 FUSE-SIDE BROOM
G1-G3 BATTERY 12V/70Ah
H1 SIGNAL LAMPS REVERSE DIRECTION
H2 SIGNAL LAMPS DIRECTION FORWARD
H3 HORN
H4 LED-BATT.
H5 LED
K1 RELAYS-REVERSE DIRECTION
K2 RELAYS DIRECTION FORWARD
K3 RELAYS BRUSH MOTOR
K4 RELAYS VACUUM MOTOR
K5 RELAYS ACTUATOR
K6 RELAYS MAIN
M1 BRUSH MOTOR
M2 VACUUM MOTOR
M3 TRACTION MOTOR
M4 LINEAR ACTUATOR MOTOR BRUSH/SQUEEGEE
M5 SIDE BROOM
S0 EMERGENCY SWITCH
S1 KEYSWITCH
S2 MICROSWITCH-PLATFORM
S3 BUTTOM REVERSE FORWARD
S4 HORN BUTTON
S5 MICROSWITCH-COVER
S6 MIRCOSWITCH-VACUUM
S7 MICROSWITCH-BRUSH
S8 PROGRAM SWITCH
S9 MICROSWITCH-MID
S10 MIRCROSWITCH-LOWER
S11 CHARGER
S12 BAG PRESENT
S13 FULL BAG SWITCH
S-UP-SDOWN MICROSWITCH
P1 HOURS METER
V1-V2-V3-V4-V5-V6-V7-V8-V9 DIODE
V-UP & V-DOWN DIODE-MOTOR M4
X3 TERMINAL BLOCK
X12 TERMINAL BLOCK
X6/X7/X8/X11/X15 DEUTSCH CONNECTOR
X9/X10/X13/X14 PACKARD CONNECTOR
X16 FASTON TERMINAL
X17 RING TERMINAL
Y1 BRAKE
Y2 ELECTOVALVE WATER

82
Wiring Diagram 7
86398790 Spare Parts List iVac 24 ATV

8386398790 Spare Parts List iVac 24 ATV
Wiring Diagram 7
REF DESCRIPTION
A1 DRIVE CONTROL
A2 RELAY BOARD
A3 SOL/VAC CONTROL
F1 CIRCUIT BREAKER-BRUSH
F2 CIRCUIT BREAKER-VACUUM MOTOR
F3 CIRCUIT BREAKER-DRIVE CONTROL
F4 FUSE-SIDE BROOM
G1-G3 BATTERY 12V/70Ah
H1 SIGNAL LAMPS REVERSE DIRECTION
H2 SIGNAL LAMPS DIRECTION FORWARD
H3 HORN
H4 LED-BATT.
H5 LED
K1 RELAYS-REVERSE DIRECTION
K2 RELAYS DIRECTION FORWARD
K3 RELAYS BRUSH MOTOR
K4 RELAYS VACUUM MOTOR
K5 RELAYS ACTUATOR
K6 RELAYS MAIN
M1 BRUSH MOTOR
M2 VACUUM MOTOR
M3 TRACTION MOTOR
M4 LINEAR ACTUATOR MOTOR BRUSH/SQUEEGEE
M5 SIDE BROOM
S0 EMERGENCY SWITCH
S1 KEYSWITCH
S2 MICROSWITCH-PLATFORM
S3 BUTTOM REVERSE FORWARD
S4 HORN BUTTON
S5 MICROSWITCH-COVER
S6 MIRCOSWITCH-VACUUM
S7 MICROSWITCH-BRUSH
S8 PROGRAM SWITCH
S9 MICROSWITCH-MID
S10 MIRCROSWITCH-LOWER
S11 CHARGER
S12 BAG PRESENT
S13 FULL BAG SWITCH
S-UP-SDOWN MICROSWITCH
P1 HOURS METER
V1-V2-V3-V4-V5-V6-V7-V8-V9 DIODE
V-UP & V-DOWN DIODE-MOTOR M4
X3 TERMINAL BLOCK
X12 TERMINAL BLOCK
X6/X7/X8/X11/X15 DEUTSCH CONNECTOR
X9/X10/X13/X14 PACKARD CONNECTOR
X16 FASTON TERMINAL
X17 RING TERMINAL
Y1 BRAKE
Y2 ELECTOVALVE WATER

84
Wiring Diagram 8
86398790 Spare Parts List iVac 24 ATV
S3
H1/H2
i-DRIVE
i 36-70
36VDC/ 70A
i-DRIVE
i 36-70
36VDC/ 70A

8586398790 Spare Parts List iVac 24 ATV
Wiring Diagram 8
REF DESCRIPTION
A1 DRIVE CONTROL
A2 RELAY BOARD
A3 SOL/VAC CONTROL
F1 CIRCUIT BREAKER-BRUSH
F2 CIRCUIT BREAKER-VACUUM MOTOR
F3 CIRCUIT BREAKER-DRIVE CONTROL
F4 FUSE-SIDE BROOM
G1-G3 BATTERY 12V/70Ah
H1 SIGNAL LAMPS REVERSE DIRECTION
H2 SIGNAL LAMPS DIRECTION FORWARD
H3 HORN
H4 LED-BATT.
H5 LED
K1 RELAYS-REVERSE DIRECTION
K2 RELAYS DIRECTION FORWARD
K3 RELAYS BRUSH MOTOR
K4 RELAYS VACUUM MOTOR
K5 RELAYS ACTUATOR
K6 RELAYS MAIN
M1 BRUSH MOTOR
M2 VACUUM MOTOR
M3 TRACTION MOTOR
M4 LINEAR ACTUATOR MOTOR BRUSH/SQUEEGEE
M5 SIDE BROOM
S0 EMERGENCY SWITCH
S1 KEYSWITCH
S2 MICROSWITCH-PLATFORM
S3 BUTTOM REVERSE FORWARD
S4 HORN BUTTON
S5 MICROSWITCH-COVER
S6 MIRCOSWITCH-VACUUM
S7 MICROSWITCH-BRUSH
S8 PROGRAM SWITCH
S9 MICROSWITCH-MID
S10 MIRCROSWITCH-LOWER
S11 CHARGER
S12 BAG PRESENT
S13 FULL BAG SWITCH
S-UP-SDOWN MICROSWITCH
P1 HOURS METER
V1-V2-V3-V4-V5-V6-V7-V8-V9 DIODE
V-UP & V-DOWN DIODE-MOTOR M4
X3 TERMINAL BLOCK
X12 TERMINAL BLOCK
X6/X7/X8/X11/X15 DEUTSCH CONNECTOR
X9/X10/X13/X14 PACKARD CONNECTOR
X16 FASTON TERMINAL
X17 RING TERMINAL
Y1 BRAKE
Y2 ELECTOVALVE WATER

86
Hose Diagram
VACUUM
BAG
BRUSH DECK
MAIN COVER
VALVE
VACUUM MOTOR
POST FILTER
8.634-475.0 (25")
8.634-031.0
8.634-474.0
8.634-476.0 (5 1/2")
8.634-573.0
86398790 Spare Parts List iVac 24 ATV

8786398790 Spare Parts List iVac 24 ATV
Notes

88
Serial Numbers
REF.
NO. MODEL: SERIAL #
1 10125760001095, 10125770001746
2 10125760001043, 10125770001674
3 10125760001305, 10125770006421
4 RESERVED
86398790 Spare Parts List iVac 24 ATV

8986398790 Spare Parts List iVac 24 ATV