Windsor Clipper 12 120v Carpet Extractor Parts Manual
2016-12-29
: Sweepscrub Windsor-Clipper-12-120V-Carpet-Extractor-Parts-Manual windsor-clipper-12-120v-carpet-extractor-parts-manual 1793 file product_file
Open the PDF directly: View PDF
.
Page Count: 19

86401570-B 06/02/15
Spare Parts List
(1.008-025.0)
Clipper 12 115V
From Serial Number (Ref No1*)
*See Serial Number Page
or call manufacturer

286401570 Spare Parts List - Clipper 12-115V
How to Use this Spare Parts List
The PARTS LIST section contains assembled parts illustrations and corresponding parts list. The parts lists include
a number of columns of information:
• REF - column refers to the reference number on the parts illustration.
• PART NO. - column lists the part number for the part.
• QTY - column lists the quantity of the part used in that area of the machine.
• DESCRIPTION - column is a brief description of the part.
• SERIAL NO. FROM - If this column has an (*) and a Reference number, see the SERIAL NUMBERS page
in the back of your manual. If column has two asterisk (**), call manufacturer for serial number. The serial
number indicates the first machine the part number is applicable to. The main illustration shows the most
current design of the machine. When a boxed illustration is shown, it displays the older design.
• NOTES - column for information not noted by the other columns.
NOTE: If a service or option kit is installed on your machine, be sure to keep the KIT INSTRUCTIONS which
came with the kit. It contains replacement parts numbers needed for ordering future parts.

3
Table of Contents
How to Use this Spare Parts List . . . . . . . . . . . . . . .2
Table of Contents . . . . . . . . . . . . . . . . . . . . . . . . . . .3
Frame Assembly. . . . . . . . . . . . . . . . . . . . . . . . . . . 4
Brush Assembly . . . . . . . . . . . . . . . . . . . . . . . . . . . 6
Pump. . . . . . . . . . . . . . . . . . . . . . . . . . . . . . . . . . . . 8
Vacuum Shoe . . . . . . . . . . . . . . . . . . . . . . . . . . . . 10
Control Panel . . . . . . . . . . . . . . . . . . . . . . . . . . . . 12
Solution Tank & Vacuum . . . . . . . . . . . . . . . . . . . 14
Recovery Tank . . . . . . . . . . . . . . . . . . . . . . . . . . . 16
Wiring Diagram . . . . . . . . . . . . . . . . . . . . . . . . . . . 18
Serial Number. . . . . . . . . . . . . . . . . . . . . . . . . . . . 19
86401570 Spare Parts List - Clipper 12-115V

4
Frame Assembly
34
33
B
6
9
23
12
A
19
18
21
17
26
3
(SEE SOLUTION TANK)
25 24
14
13
7
15
10
11
22
5
8
20 28
27
16
2
16
20
35
29 30
32
C
(SEE CONTROL PANEL)
8
4
31
1
86401570 Spare Parts List - Clipper 12-115V

586401570 Spare Parts List - Clipper 12-115V
Frame Assembly
REF PART NO. QTY DESCRIPTION SERIAL NO.
FROM NOTES
1 86300070 2 HUBCAP, 9.75" WHEEL, BLACK
2 86033080 1 FRAME, CLIPPER 12
3 86004340 1 HOSE ASM, 1.5 BLK VAC X 15.5
4 86001660 2 HUBCAP, 5/8" SHAFT
5 86238820 1 HARNESS, MAIN, CLP/ADM
6 86239610 1 HINGE, TANK TO FRAME
7 86026150 1 MOTOR ASM, BRUSH CLP FAMILY
8 86005640 10 NUT, 10-32 HEX NYLOCK
9 86005810 3 NUT, 1/4-20 HEX NYLOCK SS
10 86198530 2 FOAM TAPE, 1/8 THK X 3/4 1SDA
11 86249430 1 PLATE, BRUSH MTR CLAMP
12 86006020 1 PULLEY, 1.4 OD, 6GR, MICRO-V
13 86254480 2 SPACER, HANDLE PIVOT
14 86238200 2 GEAR, 40 TOOTH
15 86006580 2 SCR, 1/4-20 X 1/2 PPHMS SS
16 86273980 10 SCR, 10-32 X 3/4 PPHMS
17 86005710 3 NUT, ¼-20 HEX W/ STAR WASHER
18 86010630 2 WASHER, 1/4 ID X 5/8 OD SS
19 86010660 2 WASHER, 1/4 LOCK EXT STAR SS
20 86010650 10 WASHER, #10 X 9/16 OD
21 86006550 2 SET SCR, 10-32 X 1/4 KCP
22 86256190 1 STRAIN RELIEF, 90 DEGREE
23 86276610 1 SCR, ¼-20 X 1.25 PPHMS SS
24 86226050 2 WHEEL, 9.75" X 1.5"
25 86066230 1 AXLE, 5/8 X 17.06L
26 86134490 10 HEAT SHRINK, 3/4 ID UL/CSA
27 86253090 1 SEAL, FRAME/TANK
28 86233140 1 CLAMP, 2.0" WORM GEAR
29 86276500 6 SCR, 5/16-18 X 3.5 SHCS PLATED
30 86279130 6 WASHER, 5/16 SPLIT LOCK PLTD
31 86069290 1 BRKT, CLP HANDLE SUPPORT
32 86069300 1 BRKT, CLP HANDLE SUPPORT LT
33 86274760 2 SCR, 1/4-20 X 1/2 HHCS PLTD
34 86006530 2 SCR, 1/4-20 X 1 PPHMS SS
35 86272160 1 PIN, ROLL 1/8" X 1.0"L

6
Brush Assembly
31
25
29
30
18
38
8
16
30
34
536 33
17
20
37
26
24
11
15
3
26
19
6
21
35
28
29
25
17 32
23
14
30
22 4
27
1
16
7
10
12
13
25
9
39
40
41
2
42
86401570 Spare Parts List - Clipper 12-115V

786401570 Spare Parts List - Clipper 12-115V
Brush Assembly
REF PART NO. QTY DESCRIPTION SERIAL
NO.FROM NOTES
1 86000730 1 AXLE, ROLLER
2 86228890 2 BEARING, R6 3/8 ID
3 86000900 2 BEARING, 1.125ODX.500IDX.375
4 86001100 1 BELT, 180J6 MICRO-V
5 86227150 1 ADAPTER, BRUSH BRG. DIE CAST
6 86001300 1 BRKT, BRUSH PULLEY
7 86001310 1 BRKT, BRUSH HEIGHT
8 86008650 2 COTTER, 1/4" RING
9 86342240 1 SPACER, .81 X 1.06 X .125
10 86240970 1 HOUSING, BRUSH, 18"
11 86396740 1 LABEL, BRUSH HEIGHT
12 86093080 1 LINKAGE, ASM, BRUSH HEIGHT
13 86005110 1 LINKAGE ASM, ROLLER SUPPORT
14 86005120 2 LINK, ROLLER, FRONT
15 86005130 1 LEVER, HEIGHT ADJUSTMENT
16 86005640 4 NUT, 10-32 HEX NYLOCK
17 86005850 2 NUT, 3/8 DIA CAP, TYPE PUSH PLT
18 86249410 1 PLATE, BRUSH HOUSING RH
19 86249420 1 PLATE, BRUSH HOUSING LH
20 86005930 2 PLATE, AXLE RETAINER
21 86250680 1 PULLEY, 2.2 OD, 6GR, MICRO-V
22 86006220 1 PIN, ROLL 1/4 X 1.25L
23 86006430 1 ROLLER, 1.9 DIA X 10.5 LG
24 86006510 2 SCR, 10-32 X 5/8 PFHMS
25 86006590 6 SCR, 10-32 X 1/2 PPHMS SS DL
26 86006650 7 SCR, 10-32 X 1/2 FHMS SS
27 86006700 2 SCR, 10-32 X 3/8 FHMS SS
28 86275530 2 SCR, #10-24 X 1/2 SHCS
29 86010640 4 WASHER, #10 LOCK EXT STAR SS
30 86010650 6 WASHER, #10 X 9/16 OD
31 86007030 4 SCREW, 1/4-20 X .625 PHTRHMS STL DL
32 86230630 1 BRUSH, 18L X 3.38 OD G2
33 86251710 1 RING, TOLERANCE 7/8 ID X 1/2 W
34 86003070 1 CLIP, BEARING
35 86003370 1 DRIVER, BRUSH
36 86278130 1 SHLDR BOLT, 3/8 OD X 3/8 L SS NP
37 86272770 1 RING, 1/2 EXT. SNAP
38 86272510 2 PIN, CLEVIS 1/4 X 1/2 PLTD
39 86006030 1 PULLEY ASM, BRUSH
40 86003390 1 DRIVER ASM, BRUSH
41 86001150 1 BRUSH ASM, 18 IN
42 86004750 REF KIT,BRNG/ADPTR EXTRCTR

8
Pump
320
413
10
16
65
11
15
19
18 1
20 7
16
8
21
17
9
2
14
12
25
26
23
22
24
26
D
(SEE SOLUTION TANK)
27
28
86401570 Spare Parts List - Clipper 12-115V

986401570 Spare Parts List - Clipper 12-115V
Pump
REF PART NO. QTY DESCRIPTION SERIAL NO.
FROM NOTES
1 86002470 1 COUPLING, 1/4 ANCHOR W/1" HEX
2 86002480 2 CONNECTOR, 1/8FPT X 1/4 TUBEQC
3 86003470 1 ELBOW, SWIVEL, 1/4MPTX1/4TUBE
4 86003490 1 ELBOW, SWIVEL, 3/8MPTX3/8TUBEQC
5 86004570 2 JET BODY, MINI PROMAX BODY
6 86004580 2 JET, MINI PROMAX 9504
7 86005640 2 NUT, 10-32 HEX NYLOCK
8 86026390 1 PUMP ASM, 115V 100 PSI W/CONN
9 86250140 2 PLUG, 9/16 OD BLK NYLON
10 86274410 2 SCR, 10-32 X 1.25 PPHMS
11 86273750 2 SCR, 1/4-20 X 5/8 HHCS SS
12 86003640 1 FITTING, 1/4 TUBE,"Y", QC
13 86008360 1 TEE, 3/8 MPT X 3/8 TUBE, QC
14 86026940 1 VALVE ASM, SOLENOID CLP FAMILY
15 86010810 2 WASHER, 1/4"IDX1.0OD. FLAT SS
16 86010650 4 WASHER, #10 X 9/16 OD
17 86010820 2 WASHER, 7/16 X 3/4 X .19RUBBER
18 86005590 1 NIPPLE, 1/4 CLOSE
19 86005580 1 NIPPLE, 1/4 FPT QD
20 86003500 2 ELBOW, 1/4 MPT X 3/8 TUBE, QC
21 86274290 2 SCR, 10-32 X 3/8 PPHMS SS
22 86004400 1 HOSE, 3/8 ID NYL11 YLW X 29"
23 86267400 1 WIRE, 22" GRN/18 76011 X 76011
24 86281890 1 HOSE, 3/8 URETHANE X 29"
25 86004350 1 HOSE, 3/8 NYLON X 6"
26 86281900 3 HOSE, 1/4 URETHANE X 6"
27 86253020 1 SCREEN, INTAKE
28 86197400 1 ELBOW, 1/8NPT STREET

10
Vacuum Shoe
4
7
9
11
3
10
7
5
6
11
8
2
1
12
86401570 Spare Parts List - Clipper 12-115V

1186401570 Spare Parts List - Clipper 12-115V
Vacuum Shoe
REF PART NO. QTY DESCRIPTION SERIAL
NO.FROM NOTES
1 86227350 4 ARM, VAC SHOE PARALLEL
2 86234760 1 COVER, ACCESSORY PORT
3 86005810 4 NUT, 1/4-20 HEX NYLOCK SS
4 86006790 2 SCR, 10-32 X 3/8 HHTR W/STAR
5 86275120 4 SCR, 1/4-20 X.75 PPHMS PHIL
6 86006840 4 SCR, 1/4-20 X 1 FHCS PLTD
7 86008130 8 SPACER, 3/8ODX.058WX.2814,CRS
8 86258630 1 VAC SHOE, 18"
9 86008120 2 SPRING, EXT .38D X2.75L X.055W
10 86010630 4 WASHER, 1/4 ID X 5/8 OD SS
11 86010700 8 WASHER, WAVE 3/8ID X3/4D X.125
12 86003780 1 GASKET, ACCESSORY PORT

12
Control Panel
13
25
45
48
14
29
11
36
37
38
18
19
4
10
22
33
3
16
45
30
42
27
21
31 7
23
1
8
40
28
49 41
46
47
43
39
9
34
20
35
(SEE FRAME)
C
42
15
44
45
17
32
26
12
24
2
6
5
86401570 Spare Parts List - Clipper 12-115V

1386401570 Spare Parts List - Clipper 12-115V
Control Panel
REF PART NO. QTY DESCRIPTION SERIAL NO.
FROM NOTES
1 86001240 1 TERMINAL BLOCK, 115V (3-4-3)
2 86001980 1 BREAKER, 15A 250VAC 50VDC
3 86230210 1 BREAKER, 6A VDE CIRCUIT
4 86002010 2 BOOT, 3/8 CIRCUIT BREAKER
5 86240890 2 HOUSING, CLP HANDLE PIVOT
6 86234320 1 CORD ASM, 14/3 X 22" YLW
7 86003130 3 CONTACT, ELECTRICAL, FLAT
8 86003140 3 CONTACT, ELECTRICAL, BENT
9 86004090 2 HANDLE, CLP12 WELDED
10 86004100 1 HANDLE, CONTROL PANEL FRONT
11 86004110 1 HANDLE, CONTROL PANEL REAR
12 86005010 2 LOCK, HANDLE POSITION
13 86005790 2 NUT, 1/2-13HEXNYLOCK THIN PLTD
14 86273990 2 SCR, 6-32 X 3/8 PPHMS
15 86005670 2 NUT, 1/2 NPT CONDUIT
16 86081530 1 PLATE, CONTROL PANEL, CLP/ADM
17 86277980 4 SET SCR, 5/16-18 X 1/2 CONE PT
18 86007140 2 SWITCH, SPST 2-POSITION ROCKER
19 86007200 1 SWITCH, DPDT3-POSITION ROCKER
20 86256180 1 STRAIN RELIEF, 1/2 NPT (.48ID)
21 86401390 3 TRIGGER, SWITCH
22 86395800 1 LABEL, CONTROL PANEL, CLP/ADM
23 86005760 2 NUT, 6-32 W/STAR WASHER PLTD
24 86005810 4 NUT, 1/4-20 HEX NYLOCK SS
25 86276510 2 SCR, 1/2-13 X 4.75HHCS GR5 PLT
26 86226840 2 SPRING, COMP .88D X1.4L X.100W
27 86006870 9 SCR, #10 X 3/4 PPHST TYPE B
28 86006620 6 SCR, 6-32 X 1/4 PPHMS SS
29 86279020 2 WASHER, #6 LOCK EXT STAR SS
30 86274150 4 SCR, 1/4-20 X 1.75 PPHMS SS
31 86006710 2 SCR, 6-32 X 1.0 PH BLK NYLON
32 86010720 2 WASHER, M10 X 30 PLTD
33 86010750 2 WASHER, 3/8 ID INT.LOCK THIN
34 86198480 2 CLIP, POWER CORD
35 86238820 REF HARNESS, MAIN CLP/ADM
36 86234110 1 CORD SET,14/3 SJTW-A X 50' YLW
37 86272840 1 RING, 2" DIA SPLIT
38 86256170 1 STRAIN RELIEF, CORD HOOK
39 86003120 2 CABLE, .06 X 40, 0707, SS
40 86006830 1 SCR, 10-32 X 1" PPHMS
41 86005700 3 NUT, 10-32 W/STAR WASHER PLTD
42 86010660 6 WASHER, 1/4 LOCK EXT STAR SS
43 86006410 2 RING, 1/4 KLIP
44 86092980 1 LEVER ASM, CLP HANDLE ADJ
45 86006790 5 SCR, 10-32 X 3/8 HHTR W/STAR
46 86002870 1 CORD, 99807 1/8 X 12"
47 86396900 1 CARD, INSTRUCTION CLP12
48 86002370 1 CLAMP, 7/16 DIA NYLON UL
49 86245040 1 LABEL, GROUND SYMBOL

14
Solution Tank & Vacuum
6
14*
25
16
5*
4
2
30
8
24*
17*
11
15
20
12
7
3
13
16
10
1
9
19
18
A
BD
7*
(SEE FRAME)
(SEE FRAME) (SEE PUMP)
22* 21*
23*
26
31
28
29
27 32
33
86401570 Spare Parts List - Clipper 12-115V

1586401570 Spare Parts List - Clipper 12-115V
Solution Tank & Vacuum
REF PART NO. QTY DESCRIPTION SERIAL NO.
FROM NOTES
1 86233140 2 CLAMP, 2.0" WORM GEAR
2 86233150 1 CLAMP, 3/8 HOSE (D-SLOT)
3 86003080 1 COVER, VAC MOTOR
4 86003090 1 COVER, BELT
5 86235500 1 ELBOW, 3/8 MPT X 3/8 TUBE, PLASTIC
6 86003790 2 GASKET, TANK TO VAC COVER
7 86003920 2 GASKET, VAC COVER (CLP FAMILY)
8 86281880 1 HOSE,1/2 CLEAR X 12
9 86240100 1 HOSE, 1.5 BLK VAC X 5.0
10 86004340 REF HOSE ASM, 1.5 BLK VAC X 15.5
11 86240980 1 HOUSING, VAC MOTOR
12 86026880 1 VAC MOTOR ASM, CLP FAMILY
- 86135320 BRUSH SET, 120V VAC, WINDSOR SERVICE ONLY
13 86275690 6 SCR, #10 X 1.0 PPHST TYPE B
14 86032280 1 TANK, CLP SOLUTION
15 86259070 1 VENT, COOLING AIR LARGE
16 86010650 8 WASHER, #10 X 9/16 OD
17 86007970 1 STRAINER, 3/8 IN. NPT 60 MESH
18 86010630 3 WASHER, 1/4 ID X 5/8 OD SS
19 86006580 3 SCR, 1/4-20 X 1/2 PPHMS SS DL
20 86233260 1 CLAMP, 3.5" WORM GEAR
21 86003950 1 GASKET, TANK, L-F
22 86003960 1 GASKET, TANK, L-R
23 86003970 1 GASKET, TANK, RH
24 86197940 1 HOSEBARB, 3/8MPTX1/2 90D DL
25 86006600 2 SCR, #10 X 3/4 PPHST TYPE B
26 86260690 1 HOSE ASSY- FILL HOSE
27 86002870 1 CORD, 99807 1/8 X 12"
28 86197920 1 HOSEBARB, 1/2MPT X 3/8 DL
29 86234790 1 COVER, CLP SOLUTION
30 86246060 1 LANYARD, .06 X 2.88
31 86233090 1 CLAMP 1/4 ID HOSE
32 86395820 2 LABEL, CLIPPER SIDE
33 86395400 1 LABEL, WINDSOR LOGO DOMED
- 86026680 1 TANK ASM, SOLUTION CLP12 INCLUDES 5, 7,
14,17, 21, 22, 23
AND 24

16
Recovery Tank
3
11
7
1
E
14
12 9
2
6
13
8
4
15
5
10
12
E
86401570 Spare Parts List - Clipper 12-115V

1786401570 Spare Parts List - Clipper 12-115V
Recovery Tank
REF PART NO. QTY DESCRIPTION SERIAL
NO.FROM NOTES
1 86002400 1 CLAMP, 2.0" WORM GEAR X .312
2 86233140 1 CLAMP, 2.0" WORM GEAR
3 86003330 1 DOME ASM, CLP FAM
4 86003110 2 COVER, REC. TANK
5 86235280 1 DOME, S/C EXTRACTORS
6 86003630 1 FLOAT SHUT-OFF
7 86003910 1 GASKET, DOME
8 86003930 2 GASKET, PORT COVER
9 86004200 1 HOSE, 1.5 X 12.0 DRAIN
10 86004510 1 HOSE, INSERT
11 86401400 1 HOSE, CAP
12 86006600 6 SCR, #10 X 3/4 PPHST TYPE B
13 86032290 1 TANK, CLP RECOVERY
14 86001370 1 BRKT, HOSE HOOK
15 86002870 1 CORD, 99807 1/8 X 12"

18
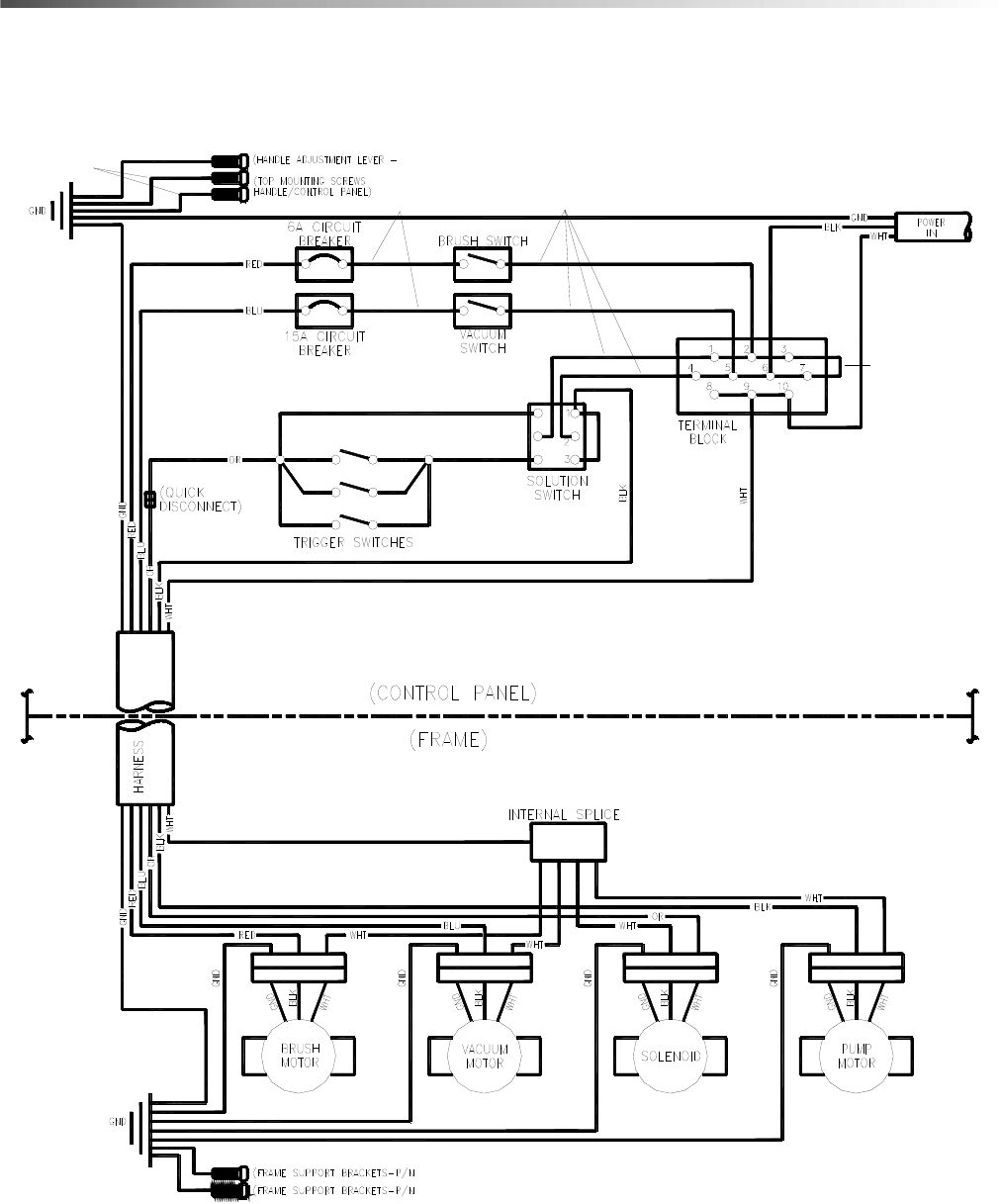
Wiring Diagram
86092980
86269400
86268290
86268460 86268430
86266720
86268830
86268900
86238840
86268820
86269290)
86269300)
86401570 Spare Parts List - Clipper 12-115V

19
Serial Number
REF.
NO. MODEL: SERIAL #
1N/A
86401570 Spare Parts List - Clipper 12-115V