8 640 020 0 Operators Manual Commodore DUO Windsor Walk Behind Carpet Extractor Service Parts
2016-12-30
: Sweepscrub Windsor-Commodore-Duo-Walk-Behind-Carpet-Extractor-Service-Parts-Manual windsor-commodore-duo-walk-behind-carpet-extractor-service-parts-manual 1808 file product_file
Open the PDF directly: View PDF
.
Page Count: 145 [warning: Documents this large are best viewed by clicking the View PDF Link!]

86400200-A 03/09/15
Commodore Duo
Carpet Extractor
Operating Instructions (ENG)
MODELS: COMDU
1.008-612.0
COMXDU
1.008-614.0
COMDUX
1.008-616.0
COMXDUX
1.008-618.0
From Serial Number (Ref No. 1*)
* See Serial Number Page
in Spare Parts List
or call manufacturer.

Warranty Registration
Thank you for purchasing a Kärcher North America product. Warranty registration is quick
and easy. Your registration will allow us to serve you better over the lifetime of the product.
To register your product go to :
http://warranty.karcherna.com/
For customer assistance:
1-800-444-7654
286400200 Operators Manual - Commodore Duo
Machine Data Label
Overview
The Commodore Duo is a battery powered carpet extractor intended for commercial use. The Commodore Duo
applies a cleaning solution onto a carpeted floor, sweeps and scrubs the carpet with two counter-rotating brushes
and then vacuums the soiled water back into the recovery tank.

3
Table of Contents
Machine Data Label. . . . . . . . . . . . . . . . . . . . . . . . . .2
Overview. . . . . . . . . . . . . . . . . . . . . . . . . . . . . . . . . .2
Table of Contents . . . . . . . . . . . . . . . . . . . . . . . . . . .3
How To Use This Manual . . . . . . . . . . . . . . . . . . . . .4
Safety
IMPORTANT SAFETY INSTRUCTIONS . . . . . . . . .5
Hazard Intensity Level . . . . . . . . . . . . . . . . . . . . . . .7
Safety Labels . . . . . . . . . . . . . . . . . . . . . . . . . . . . . .9
Operations
Technical Specifications - Basic . . . . . . . . . . . . . . .11
Technical Specifications- Deluxe . . . . . . . . . . . . . .12
How This Machine Works . . . . . . . . . . . . . . . . . . . .14
Components . . . . . . . . . . . . . . . . . . . . . . . . . . . . . .15
Drive Controls . . . . . . . . . . . . . . . . . . . . . . . . . . . . .16
Scrub Controls . . . . . . . . . . . . . . . . . . . . . . . . . . . .18
Machine Operation . . . . . . . . . . . . . . . . . . . . . . . . .21
Pre-Run Machine Inspection. . . . . . . . . . . . . . . . . .21
Starting Machine. . . . . . . . . . . . . . . . . . . . . . . . . . .21
Emergency Stop Procedures . . . . . . . . . . . . . . . . .21
Filling Solution Tank . . . . . . . . . . . . . . . . . . . . . . . .22
Normal Scrubbing . . . . . . . . . . . . . . . . . . . . . . . . . .22
To Begin Scrubbing . . . . . . . . . . . . . . . . . . . . . . . .23
To Stop Scrubbing . . . . . . . . . . . . . . . . . . . . . . . . .23
Emptying And Cleaning Solution Tank . . . . . . . . . .24
Emptying And Cleaning Recovery Tank . . . . . . . . .24
Maintenance
Service Schedule . . . . . . . . . . . . . . . . . . . . . . . . . .26
Batteries (Wet Cell Only) . . . . . . . . . . . . . . . . . . . .28
Scrub Deck . . . . . . . . . . . . . . . . . . . . . . . . . . . . . . .31
Scrub Brushes . . . . . . . . . . . . . . . . . . . . . . . . . . . .32
Scrub Motor . . . . . . . . . . . . . . . . . . . . . . . . . . . . . .33
Actuator Scrub Deck Removal/Replacement . . . . .34
Circuit Protection. . . . . . . . . . . . . . . . . . . . . . . . . . .35
Solution Strainer & Pump-Basic . . . . . . . . . . . . . . .36
Solution Strainer & Pump-Deluxe . . . . . . . . . . . . . .38
Drive Assembly . . . . . . . . . . . . . . . . . . . . . . . . . . . .41
Vacuum. . . . . . . . . . . . . . . . . . . . . . . . . . . . . . . . . .43
Transporting Machine . . . . . . . . . . . . . . . . . . . . . . .46
Machine Troubleshooting . . . . . . . . . . . . . . . . . . . .47
Suggested Spare Parts. . . . . . . . . . . . . . . . . . . . . .48
86400200 Operators Manual - Commodore Duo

4
How To Use This Manual
This manual contains the following sections:
• How to Use This Manual
•Safety
• Operations
• Maintenance
• Suggested Spare Parts List
The HOW TO USE THIS MANUAL section will tell you
how to find important information for ordering correct
repair parts.
Parts may be ordered from authorized dealers. When
placing an order for parts, the machine model and
machine serial number are important. Refer to the
MACHINE DATA box which is filled out during the
installation of your machine. The MACHINE DATA box
is located on the inside of the front cover of this manual.
The model and serial number of your machine is
located on the back of the machine.
The SAFETY section contains important information
regarding hazardous or unsafe practices of the
machine. Levels of hazards are identified that could
result in product damage, personal injury, or severe
injury resulting in death.
The OPERATIONS section is to familiarize the operator
with the operation and function of the machine.
The MAINTENANCE section contains preventive main-
tenance to keep the machine and its components in
good working condition. They are listed in this general
order:
• Batteries
• Scrub Brushes
• Service Schedule
• Machine Troubleshooting
NOTE: The manual part number is located on the
lower right corner of the front cover.
Model:
Date of Purchase:
Serial Number:
Dealer:
Address:
Phone Number:
Sales Representative:
86400200 Operators Manual - Commodore Duo

5
Safety
IMPORTANT SAFETY INSTRUCTIONS
When using this machine, basic precaution
must always be followed, including the following:
READ ALL INSTRUCTIONS BEFORE USING THIS MACHINE.
To reduce the risk of fire, electric shock, or injury:
Use only indoors. Do not use outdoors or expose to rain.
Use only as described in this manual. Use only manufacturer's recommended components and attachments.
If the machine is not working properly, has been dropped, damaged, left outdoors, or dropped into water, return it to
an authorized service center.
Do not operate the machine with any openings blocked. Keep openings free of debris that may reduce airflow.
This machine is not suitable for picking up hazardous dust.
Do not operate this machine near flammable fluids, dust or vapors.
Maintenance and repairs must be done by qualified personnel.
If foam or liquid comes out of machine, switch off immediately.
Disconnect battery before cleaning or servicing.
Before the machine is discarded, the batteries must be removed and properly disposed of.
Make sure all warning and caution labels are legible and properly attached to the machine.
During operation, attention shall be paid to other persons, especially children.
Before use all covers and doors shall be put in the positions specified in the instructions.
When leaving unattended, secure against unintentional movement.
The machine shall only be operated by instructed and authorized persons.
When leaving unattended, switch off or lock the main power switch to prevent unauthorized use.
Only chemicals recommended by the manufacturer shall be used.
This appliance has been designed for use with the brushes specified by the manufacturer. The fitting of other
brushes may affect its safety.
Do not use on surfaces having a gradient of over 2 degrees.
READ AND SAVE THESE INSTRUCTIONS
86400200 Operators Manual - Commodore Duo

6
Safety
MESURES DE SÉCURITÉ IMPORTANTES
Lors de l’utilisation d’un appareil à batteries, il est nécessaire de respecter
systématiquement des mesures de sécurité de base, comme suit :
PRENEZ NOTE DE TOUTES CES MESURES AVANT D’UTILISER CETTE MACHINE.
Pour réduire les risques d’incendie, de chocs électriques, ou
de blessures :
N’utiliser cette machine qu’en intérieur. Ne jamais l’utiliser à l’extérieur ou dans la pluie.
Utiliser cet appareil conformément aux instructions du présent manuel uniquement. N’utiliser que les composants et
les accessoires conseillés par le fabricant.
Lorsque la machine ne fonctionnant pas correctement, a fait l’objet d’une chute ou d’une détérioration, a été laissée à
l’extérieur, est tombée dans l’eau, la retourner au centre de service agréé.
Ne pas opérer la machine lorsque les conduits de ventilation sont bloquées. Débarrasser les débris des conduits, car ils
peuvent réduire l’écoulement d’air.
Cette machine n’est pas adaptée au ramassage de poussières dangereuses
Ne pas l’utiliser près de liquides, de poussières ou de vapeurs inflammables.
L’entretien et les réparations de la machine doivent être effectuées par un personnel qualifié.
Si de la mousse ou du liquide sort de la machine, la mettre hors tension immédiatement.
Déconnecter les batteries avant de nettoyer la machine ou de la soumettre à un entretien.
Avant de se débarrasser de la machine, il est nécessaire de retirer les batteries et de les jeter correctement.
S’assurer que toutes les plaques d’avertissement ou de précaution sont lisibles et fixées correctement sur la machine.
Durant la manoeuvre de la machine, prendre garde aux personnes environnantes et notamment aux enfants.
Avant l’utilisation de la machine, veiller à positionner tous les couvercles et portes comme indiqué dans les instructions.
Lorsque la machine est laissée sans surveillance, s’assurer qu’elle ne se déplace pas de manière accidentelle.
Cette machine ne doit être manoeuvrée que par un personnel expérimenté et qualifié.
Lorsque la machine est laissée sans surveillance, la mettre hors tension ou verrouiller l’interrupteur principal afin
d’empêcher un emploi non autorisé.
Seuls les produits chimiques recommandés par le fabricant doivent être utilisés.
Cette machine a été conçue pour être utilisée avec des brosses spécifiées par le fabricant.
L’utilisation d’autres brosses peut affecter sa sûreté.
N'employez pas sur des surfaces ayant un gradient de plus de 2 degrés.
CONSERVER CES INSTRUCTIONS
86400200 Operators Manual - Commodore Duo

7
Safety
Hazard Intensity Level
The following symbols are used throughout this guide as indicated in their descriptions:
There are three levels of hazard intensity identified by signal words -WARNING and CAUTION and FOR SAFETY.
The level of hazard intensity is determined by the following definitions:
WARNING - Hazards or unsafe practices which COULD result in severe personal injury or death.
CAUTION - Hazards or unsafe practices which could result in minor personal injury or product or property damage.
FOR SAFETY: To Identify actions which must be followed for safe operation of equipment.
Report machine damage or faulty operation immediately. Do not use the machine if it is not in proper operating
condition. Following is information that signals some potentially dangerous conditions to the operator or the equip-
ment. Read this information carefully. Know when these conditions can exist. Locate all safety devices on the
machine. Please take the necessary steps to train the machine operating personnel.
FOR SAFETY:
DO NOT OPERATE MACHINE:
Unless Trained and Authorized.
Unless Operation Guide is Read and understood.
In Flammable or Explosive areas.
In areas with possible falling objects
WHEN SERVICING MACHINE:
Avoid moving parts. Do not wear loose clothing; jackets, shirts, or sleeves when working on the machine. Use
manufacturer approved replacement parts.
Batteries emit hydrogen gas. Explosion or fire can result. Keep sparks and open flame away. Keep
solution tank in raised position when charging. Keep sparks and flames away from the batteries. Do not
smoke around batteries.
Disconnect batteries before working on machine. Only qualified personnel should work inside machine.
Always wear eye protection and protective clothing when working on or near batteries. Avoid skin contact
with the acid contained in the batteries.
Never allow metal to lie across battery tops.
86400200 Operators Manual - Commodore Duo

8
Safety
Les symboles ci-dessous sont utilisés à travers ce manuel comme illustré dans leurs descriptions :
DEGRÉS DE RISQUES EN CAS DE DANGER
Il existe trois degrés de risques identifiés par les termes signalétiques –AVERTISSEMENT et ATTENTION
et POUR VOTRE SÉCURITÉ. Le degré de risque est défini de la manière suivante:
AVERTISSEMENT - Dangers ou méthodes dangereuses qui POURRAIENT provoquer de graves blessures ou entraîner
la mort.
ATTENTION - Dangers ou méthodes dangereuses qui pourraient provoquer des blessures légères ou une détérioration
du produit ou des biens immobiliers.
POUR VOTRE SÉCURITÉ: ce signe permet d’identifier les mesures de précaution à prendre pour assurer un bon
fonctionnement du matériel.
Rendre compte immédiatement d’une défaillance ou d’une détérioration de la machine. Ne pas utiliser la machine si celle-
ci ne fonctionne pas correctement. Lire soigneusement les informations ci-dessous signalant certains dangers potentiels
pour l’opérateur de la machine. L’opérateur doit être absolument au courant de ces dangers potentiels. Localiser tous les
dispositifs de sécurité sur la machine. Il est conseillé de prendre les mesures nécessaires pour former le personnel
opérateur.
POUR VOTRE SÉCURITÉ:
NE PAS MANOEUVRER LA MACHINE:
Lorsqu’on n’est pas expérimenté ou qualifié.
Lorsque le guide d’utilisation n’est pas été lu ou compris.
Dans des zones inflammables ou explosives.
Dans des zones où des objets peuvent tomber.
LORS DE L’ENTRETIEN DE LA MACHINE:
Éviter les parties amovibles. Ne pas porter de vêtements amples, tels que des vestes, des chemises ou des
vêtements avec manches lors de l’utilisation de la machine. Utiliser les pièces détachées homologuées.
Les batteries émettent le gaz d'hydrogène. L'explosion ou le feu peut résulter. Étincelles de subsistance et
flamme nue loin. Compartiment de batterie de subsistance ouvert en chargeant. Étincelles et flammes de
subsistance loin des batteries. Ne fumez pas autour des batteries.
Déconnecter les batteries avant de travailler sur la machine. La machine ne doit être confiée qu’à un personnel
qualifié. Porter systématiquement des lunettes et des vêtements de protection lors d’une intervention sur les
batteries ou aux alentours. Éviter tout contact de la peau avec l’acide contenu dans les batteries.
Ne jamais placer d’objets métalliques sur le dessus des batteries.
86400200 Operators Manual - Commodore Duo

9
Safety
Safety Labels
These drawings indicate the location of safety labels on the machine. If at any time the labels become illegible,
promptly replace them.
EMPLACEMENT DE L'ÉTIQUETTE DE SÉCURITÉ
REMARQUE : Ces dessins indiquent l'emplacement des étiquettes de sécurité sur la machine. Si, à tout moment,
les étiquettes deviennent illisibles, contactez votre représentant autorisé pour un remplacement rapid
CAUTION
BATTERY
86243830
86252520
86244300
SOLUTION WARNING
PINCH CAUTION
CAUTION
FRONT PANEL
86013310
86400200 Operators Manual - Commodore Duo

10
Notes
86400200 Operators Manual - Commodore Duo

11
Operations
Technical Specifications - Basic
ITEM DIMENSION/CAPACITY
Nominal Power 1260 W
Rated Voltage 36 Volts DC
Rated Amperage 35 amps
Batteries 3 X12 Volt 130-195-215 AH @ 20 hr. rate
Battery Compartment Dimensions 23.5 in. x 15.5 in. x 16.5 in. tall
(600 mm x 400 mm x 420 mm)
Propelling Motor .5 HP (373 W)
Mass (GVW) 889 lbs (403 kg)
Weight Empty Without Batteries 340 lbs (154 kg)
Solution Control Metered flow with automatic shut-off in neutral and reverse
Spray Pump Pressure 100 psi (688 Kpa)
Solution Capacity 19.4 gal (74 Liter)
Spray Jets - Interim 2 Jets with total flow of 0.24 gal/min (0.9 Liter/min)
Spray Jets - Extraction 2 Jets with total flow of 1.05 gal/min (4.0 Liter/min)
Recovery Capacity 17.5 gal (66 Liter)
Vacuum Motors 1 x .75 Hp (560 W)
Scrub Brush Diameter 3.38” Inch (85.5 mm)
Scrub Brush Motor 1 x .5 Hp (375 W)
Scrub Brush Pressure Floating
Scrub Brush Speed 1084 rpm
Tires 9 in. (228mm) Solid Gray non-marking
Foundation Pressure 503 psi (3.5 Mpa)
Maximum (Transport) Speed Propel = 252 Ft/min (4.6 Km/hr)
Scrubbing Speed Interim = 110 Ft/min (2.0 Km/hr)
Extract = 55 Ft/min (1.0 Km/hr
Frame Construction Powder coated steel
Minimum Aisle U-Turn Width 56 in. (1.4 Meter)
Maximum Rated Climb And Descent Angle 6 degrees
86400200 Operators Manual - Commodore Duo

12
Operations
Technical Specifications- Deluxe
ITEM DIMENSION/CAPACITY
Nominal Power 1926 W
Rated Voltage 36 Volts DC
Rated Amperage 54 amps
Batteries 3 X12 Volt 195-215 AH @ 20 hr. rate
Battery Compartment Dimensions 23.5 in. x 15.5 in. x 16.5 in. tall
(600 mm x 400 mm x 420 mm)
Propelling Motor .5 HP (373 W)
Mass (GVW) 928 lbs (421 kg)
Weight Empty Without Batteries 379 lbs (172 kg)
Solution Control Metered flow with automatic shut-off in neutral and 0:1reverse
Spray Pump Pressure 100 psi (688 Kpa)
Solution Capacity 19.4 gal (74 Liter)
Spray Jets - Interim 2 Jets with total flow of 0.24 gal/min (0.9 Liter/min)
Spray Jets - Extraction 4 Jets with total flow of 1.05 gal/min (4.0 Liter/min)
Recovery Capacity 17.5 gal (66 Liter)
Vacuum Motors 2 x .75 Hp (560 W)
Scrub Brush Diameter 3.38” Inch (85.5 mm)
Scrub Brush Motor 1 x .5 Hp (375 W)
Scrub Brush Pressure Floating
Scrub Brush Speed 1084 rpm
Tires 9 in. (228mm) Solid Gray non-marking
Foundation Pressure 503 psi (3.5 Mpa)
Maximum (Transport) Speed Propel = 252 Ft/min (4.6 Km/hr)
Scrubbing Speed Interim = 110 Ft/min (2.0 Km/hr)
Extract = 55 Ft/min (1.0 Km/hr)
Frame Construction Powder coated steel
Minimum Aisle U-Turn Width 56 in. (1.4 Meter)
Maximum Rated Climb And Descent Angle 6 degrees
Chemical Tank “A” Capacity 1.24 Gal (4.62L)
Chemical Tank “B” Capacity 0.33 Gal (1.24L)
Chemical “A” Mix Ratio 16:1 Nominal
Chemical “B” Mix Ratio 64:1 Nominal
86400200 Operators Manual - Commodore Duo

13
Operations
Technical Specifications
SPECIAL NOTES:
The sound pressure level at the operator's ear was measured to be 69.5dBA. This was a near field, broadband
measurement taken in a typical industrial environment on a tile floor. This appliance contains no possible source of
impact noise. The instantaneous sound pressure level is below 63 Pa. The weighted root mean square accelera-
tion at the operator's arms was measured to be below 2.5m/s2. This was a tri-axial, third-octave-band measure-
ment made during normal operation on a composite tile floor. The measurement and related calculations were
made in accordance with ANSI S3.34-1986.
This appliance is not intended for use by persons (including children) with reduced physical, sensory or mental capabili-
ties, or lack of experience and knowledge, unless they have been given supervision or instruction concerning use of the
appliance by a person responsible for their safety. Children should be supervised to ensure that they do not play with the
appliance.
Cet appareil n'est pas prévu à l'usage des personnes (enfants y compris) avec des possibilités physiques, sensorielles ou
mentales réduites, ou le manque d'expérience et de connaissance, à moins qu'ils aient été donnés la surveillance ou
l'instruction au sujet de l'utilisation de l'appareil par une personne chargée de leur sûreté. Des enfants devraient être
dirigés pour s'assurer qu'ils ne jouent pas avec l'appareil.
ITEM MEASURE
Height 43 inches (1100 mm)
Length 54 inches (1400 mm)
Width 27 inches (700 mm)
Width of scrub path 20 inches (500mm)
86400200 Operators Manual - Commodore Duo
LENGTH
WIDTH

14
Operations
How This Machine Works
The Machine is a battery powered, self-propelled
Carpet Maintainer and Carpet Extractor intended for
commercial use.
The machine is designed to maintain your carpet using
the Encapsulating Interim Carpet Cleaning Process. By
using the Interim Carpet Maintainer in conjunction with
Windsor Red Carpet Encapsulating Interim Cleaning
(W450-4) or Encapsulating Interim Cleaning with
Carpet Protection (W455-4) chemical solution, you can
perform a regular light cleaning and grooming of your
carpet very quickly, and have the carpet dry and ready
for traffic within 30 minutes.
The machine is also designed to restore your carpet
using carpet extraction chemicals. The machine is
designed to apply cleaning solution onto carpeted floor,
scrub the carpet with two counter-rotating brushes,
then vacuum the soiled water back into the recovery
tank.
Deluxe Only
The machine can be used to perform a "One step" or
"Two step" carpet restoration. Using the "One step"
process, the carpet is restored with a deep extraction
chemical. Using the "Two step" process, the carpet is
first scrubbed with a pre-spray and then scrubbed
again with a neutralizing rinse.
The machine's primary systems are the solution
system, chemical injection system (Deluxe), scrub
system, recovery system and operator control system.
The function of the solution system is to store water
and deliver solution to the appropriate spray jets. The
solution system consist of the solution tank, strainer,
pump, solenoid valves, spray jets and controls. The
solution tank stores water until it is delivered through
the strainer and pump to the solenoid valves and spray
jets. The strainer protects the pump from debris. The
solenoid valves automatically prevents solution flow
unless the scrub brushes are turned on and the
machine is being propelled forward. The solution pump
switch controls the cleaning solution flow.
Deluxe Only
The function of the chemical injection system is to
deliver the appropriate chemical into the solution
system to be applied to the carpet. The chemical
injection system consists of the "A" chemical tank, "B"
chemical tank, chemical selector valve, chemical pump,
and the mixing sector. The "A" chemical tank stores
either encapsulating interim chemical, pre-spray "Two
step" chemical or neutralizing rinse, "Two step"
chemical. The "B" chemical tank stores the deep
extraction chemical. The chemical selector valve
controls which chemical is delivered into the system
depending on the function knob on the control panel.
The chemical pump draws from the tanks and delivers
it into the solution system. The mixing sector allows the
chemical to thoroughly mix with the water before being
delivered to the carpet.
The function of the scrub system is to scrub the carpet,
mix the cleaning solution with the soil and lift and groom
the carpet pile. The scrub system consist of two cylin-
drical brushes, motor, lift actuator, and controls. The
brushes scrub the carpet as the motor drives the
brushes. The counter-rotating action of the brushes
groom the carpet pile. The rotor actuator switch
controls the lift actuator and brush motor to lower the
deck and turn the motor on, or raise the deck and turn
the motor off. The brush motor will automatically turn off
when the throttle switches are in neutral.
The function of the recovery system is to vacuum the
soiled water back into the recovery tank. The recovery
system consists of the vacuum shoes, vacuum
motor(s), float ball filter, recovery tank and controls.
The vacuum shoes extract the dirty solution from the
carpet as the machine moves forward. The vacuum
motor(s) provide suction to draw the dirty solution off
the floor and into the recovery tank. The float ball filter
protects the vacuum fan from debris and foam. The
recovery tank stores the dirty solution.
The function of the operator control system is to control
the direction and speed of the machine. The control
system consists of the reverse switch, throttle switch,
speed control knob, propel controller, and drive wheels.
The reverse switch signals forward or reverse direction.
The propel controller interprets signals from the throttle
switches, and speed control knob to command the
drive wheels to propel or slow the machine.
86400200 Operators Manual - Commodore Duo

15
Operations
Components
1. Control Panel-Drive/Scrub
2. Front Cover
3. Solution Tank
4. Recovery Tank
5. Solution Fill Cover
6. Recovery Dome
7. Scrub Deck
8. Recovery Drain Hose
9. Solution Drain Hose
10. Vacuum Shoes
11. Chemical Tank "A" (Deluxe)
12. Chemical Tank "B" (Deluxe)
13. Accessory Vacuum Port (Deluxe)
14. Accessory Water Port (Deluxe)
15. Accessory Port Cover (Deluxe)
16. Switch, Chemical Prime and flush for "A" and "B"
Systems (Deluxe)
86400200 Operators Manual - Commodore Duo

16
Operations
Drive Controls
1. Key Switch
2. Reverse Switch
3. Throttle Switches
4. Speed Control Knob
5. Battery Discharge Indicator
6. Hour Meter
7. E-Stop Button (Deluxe)
86400200 Operators Manual - Commodore Duo
1
2
3
4
5
6
7

17
Operations
1. Key Switch
Controls the power for machine functions.
To turn the machine power on, rotate key clockwise.
To turn the machine off, rotate key counterclockwise.
2. Reverse Button
Controls the direction of travel of the vehicle.
To travel in reverse, press the button and press either of the throttle switches.
To travel forward, release the button are press either of the throttle switches.
3. Throttle Switches
Propel the vehicle with the speed control knob setting selected. Pressing either of the switches causes the
machine to travel in the direction selected by the Reverse Button.
To travel, press either of the throttle switches.
To stop travel, release both throttle switches.
4. Speed Control Knob
Controls the speed of the machine. Speed range B is intended for carpet extraction. Speed A is intended for
interim carpet cleaning. Faster speeds are recommended for transport only, not scrubbing.
To increase speed, turn the knob clockwise.
To decrease speed, turn the knob counter clockwise.
Speeds can be adjusted at any time, whether machine is moving or not.
5. Battery Discharge Indicator
Indicates the charge level of the batteries.
The meter display is divided into 10 vertical bars. All bars illuminated indicate full charge. Bars flashing near
the left side indicate the batteries should be charged. Further operation of the machine could damage the
machine and the batteries. Bars flashing also indicate that machine has been left unattended with key on for
more than 15 minutes. Turn key off then on to reset.
6. Hour Meter
Records the number of hours the machine has been in operation (scrubbing). This information is useful in
determining when to service the machine.
7. Emergency Stop Switch (Deluxe)
This safety feature is designed to cut all power to the machine at any time.
To shut the machine power off, push the Emergency Stop Switch.
To reset the machine, rotate the switch clockwise
86400200 Operators Manual - Commodore Duo

18
Operations
Scrub Controls
1. Solution Pump Switch
2. Solution Pump Indicator
3. Function Switch
86400200 Operators Manual - Commodore Duo
1
2
3

19
Operations
1. Solution Pump Switch
Controls power to the spray pump.
If the throttle is in neutral, or reverse control button is in reverse position, the flow is automatically interrupted.
This feature prevents application of solution without scrubbing it into carpet.
2. Solution Pump Indicator Light
The solution pump indicator light is illuminated green when the pump is on.
3. Scrub Deck Rotary Switch (Basic)
Raises and lowers the scrub deck, and turns the scrub brush motors on and off, and controls the solution
solenoids.
For interim or "A" mode, rotate the function knob to the "A" position. The scrub deck will lower and the scrub
motor will turn on and the interim solenoid will open and spray will flow through the interim jets. The brush
motor will automatically turn off in neutral. The interim solenoid will shut off in neutral or reverse.
To raise the deck, turn off the brush motor and solenoid(s). Rotate the knob to the off position to the far counter
clockwise position.
For extraction or "B" mode, rotate the function knob to the "B" position. The scrub deck will lower and the scrub
motor will turn on and the extraction solenoid and interim solenoid will open and spray will flow through the
extraction and interim jets and the vacuum motor will run. The brush motor will automatically turn off in neutral.
The extraction and interim solenoid will shut off in neutral or reverse.
To raise the deck, turn off the brush motor and solenoid(s). Rotate the knob to either the off position to the far
counter clockwise position, or rotate the knob to the far clockwise position to the accessory mode so that the
vacuum motor continues to run to keep any excess soiled solution from dripping back onto the floor.
To use the machine with an accessory hand tool or wand rotate the knob fully clockwise to the accessory
position. Only the vacuum motor and pump will run. Connect the solution hose of the accessory tool to the
solution accessory port. The fitting is 1/8" male quick disconnect. If needed to adapt to 1/4" male quick
disconnect (see Suggested Spare Parts for part number).
To connect the vacuum hose, disconnect the hose assembly from the lower connection of the "Y" tube junction.
Use adapter to join the two hose cuffs together (See Accessories page).
86400200 Operators Manual - Commodore Duo

20
Operations
Scrub Deck Rotary Switch (Deluxe)
Raises and lowers the scrub deck, and turns the scrub brush motors on and off, and controls the solution solenoids.
For interim/pre-spray "A" mode, rotate the function knob to the "A" position. The "A" chemical will be drawn from its
tank and delivered to the solution system. The scrub deck will lower and the scrub motor will turn on and the interim/
pre-spray solenoid will open and spray will flow through the jets. The brush motor will automatically turn off in
neutral. The spray solenoid will shut off in neutral or reverse.
To raise the deck, turn off the brush motor and solenoid(s). Rotate the knob to the off position to the far counter
clockwise position.
For extraction or "B" mode, rotate the function knob to the "B" position. The "B" chemical will be drawn from its tank
and delivered to the solution system. The scrub deck will lower and the scrub motor will turn on and the extraction
solenoid and interim/pre-spray solenoid will open and spray will flow through the extraction and interim jets and the
vacuum motor will run. The brush motor will automatically turn off in neutral. The extraction and interim/pre-spray
solenoid will shut off in neutral or reverse.
To raise the deck, turn off the brush motor and solenoid(s), rotate the knob to either the off position to the far counter
clockwise position, or rotate the knob to the far clockwise position to the accessory mode so that the vacuum motor
continues to run to keep any excess soiled solution from dripping back onto the floor.
To use the machine with an accessory hand tool or wand, rotate the knob fully clockwise to the accessory position.
Only the vacuum motor and pump will run. Connect the solution hose of the accessory tool to the solution
accessory port. The fitting is 1/8" male quick disconnect. If needed to adapt to 1/4" male quick disconnect (see
Suggested Spare Parts for part number). NOTE: The accessory port is only supplied with water from the solution
tank. No chemical is injected.
To connect the vacuum hose, open the accessory port cover and insert the wand vacuum hose fully into the port.
86400200 Operators Manual - Commodore Duo

21
Operations
Machine Operation
Pre-Run Machine Inspection
Do a pre-run inspection to find possible problems that
could cause poor performance or lost time from break-
down. Follow the same procedure each time to avoid
missing steps.
NOTE: See maintenance section for pre-run machine
inspection checklist items.
Starting Machine
NOTE: Perform pre-run machine check before
operating machine.
FOR SAFETY: Before starting machine, make sure
that all safety devices are in place and operating
properly.
1. Turn the machine power on by turning key switch
clockwise to the "I" (on) position.
2. Check the position of the Direction Control Button
to make sure the machine will travel in the direction
intended.
3. Check the position of the speed control knob to
make sure the machine will travel at the intended
speed.
4. Press either throttle switch.
Emergency Stop Procedures
1. Release both the throttle switches.
2. Turn machine power off with key switch by turning
key switch counterclockwise to the "o" (off)
position.
Deluxe
1. Release both the throttle switches.
2. Turn machine power off with key switch by turning
key switch counterclockwise to the "o" (off)
position.
3. Push E-Stop button in.
4. To reset the E-stop button, rotate counter
clockwise and the switch will pop back out
86400200 Operators Manual - Commodore Duo

22
Operations
Filling Solution Tank
FOR SAFETY: Before leaving or servicing
machine; stop on level surface, turn off machine
and remove key.
1. Turn the machine power off.
2. Remove the front cover and the solution fill lid.
3. Fill the solution tank with clean water. (See the
Technical Specifications chart for exact capacity).
The water must not be hotter than 140° F (60°C) to
prevent damage to the tank.
4. Replace the solution fill lid and front cover.
Deluxe
1. Turn the machine power off.
2. Remove the front cover and the solution fill lid.
3. Fill the "A" tank with either encapsulating interim
carpet cleaning or pre-spray chemical.
4. Fill the "B" tank with extraction chemical or the
finishing rinse.
5. Turn machine power on.
6. Prime chemical system by holding the prime switch
to the "A" position for 30 seconds then holding the
prime switch to the "B" position for 30 seconds. If
using only one chemical tank, prime only that
system.
Flammable materials can cause an explosion or
fire. Do not use flammable materials in the tanks.
Les matières inflammables peuvent provoquer une
explosion ou un incendie. Ne pas utiliser de
matériaux inflammables dans les réservoirs.
Normal Scrubbing
Plan the scrubbing pattern in advance.
For efficient operation, the runs should be the longest
possible without turning, stopping, or raising or
lowering scrub deck. The longest track is around the
perimeter of the area to be cleaned and a collapsing
rectangle pattern is most efficient.
In order to achieve the best possible results, the area
which is to be cleaned, should be vacuumed before
scrubbing. Large debris, strings and wire must be
removed to prevent being caught in brushes.
If the machine is allowed to stand in neutral with the
scrub deck down for more than 2 seconds, the
solutions flow stops and brush motor stops. When
forward travel is resumed, the solution flow and the
scrub brush motor will continue. Overlap the brush
path and avoid transporting over previously cleaned
areas.
Recommended Scrubbing Path:
86400200 Operators Manual - Commodore Duo

23
Operations
To Begin Scrubbing
When operating the machine around people, pay
close attention for unexpected movement. Use
extra caution around children.
Lorsque vous utilisez la machine en présence de
gens, portez une attention particulière aux mouve-
ments inattendus. Soyez plus prudent, surtout en
présence d’enfants.
1. Turn machine power on.
2. Position rotary switch to the position matching the
process to be preformed, and the chemical that
was added to the solution tank or chemical tank
(Deluxe), either interim or interim/pre-spray
(Deluxe) or extraction/cleaning.
3. Check position of reverse button and the position
speed control knob so that the machine is set to
travel in the direction and the speed intended.
4. Drive machine forward by pressing either throttle
switch to begin scrubbing.
To Stop Scrubbing
1. While scrubbing turn off the pump switch to stop
spraying solution. Continue to scrub and recover
the solution for an additional pass.
2. Allow the throttle switches to return to neutral.
3. Rotate the selector switch to the accessory
position so that the vacuum motor continues to run
and evacuate the system. This will also raise the
deck and vacuum shoes.
4. Turn the rotary switch to the off position by rotating
the selector switch clockwise. Turn machine power
off.
Deluxe
1. While scrubbing turn off the pump switch to stop
spraying solution. Continue to scrub and recover
the solution for an additional pass.
2. Allow the throttle switches to return to neutral.
3. Rotate the selector switch to the accessory
position so that the vacuum motor continues to run
and evacuate the system. This will also raise the
deck and vacuum shoes.
4. Turn the rotary switch to the off position by rotating
the selector switch clockwise. Turn machine power
off.
FOR SAFETY: Before leaving or servicing machine:
stop on level surface, turn off machine and remove
key.
FOR SAFETY: When using machine, go slow on
inclines and slippery services.
86400200 Operators Manual - Commodore Duo

24
Operations
Emptying And Cleaning Solution Tank
1. Park the machine next to a floor drain. Drain hose
is at the rear of the machine.
2. Turn the machine power off.
3. Remove the top of the hose from the barb mount
and lower hose in direction of the drain. Do not
stand in front of end of hose. Solution will come out
with force.
4. Remove the front cover and solution fill cover.
5. Flush the solution tank out with clean water and
run several gallons of clean water through both
spray jet systems. Do not use water hotter than
140°F (60°C) to clean tank or damage may occur.
6. Replace the drain hose to the barbed fitting.
7. If machine is to be stored, leave the solution fill
cover off.
Emptying And Cleaning Chemical Tanks
And System (Deluxe)
1. Turn off machine and remove front cover.
2. Park the machine next to a floor drain. The tanks
are located at the front of the machine.
3. Remove the cap and straw from each chemical
bottle and install the closed caps.
4. Remove the tanks by lifting off the solution fill
tower.
5. The chemical can remain in the tank or be
disposed of properly. Remove one cap at a time
and properly dispose of chemical. Rinse tanks with
clean water.
6. Rinse the chemical system by putting the straws
and caps in clean water. Push the prime/flush
switch for 30 seconds in each direction, "A" and
"B".
Emptying And Cleaning Recovery Tank
1. Park the machine next to a floor drain. Drain hose
is at the front of the machine.
2. Turn the machine power off.
3. Remove front cover. Remove hose assembly from
mounting hook. Place the end of the hose at the
drain and slowly remove the cap. Do not stand in
front of hose end. Soiled solution will come out with
force.
4. Remove dome lid.
5. Flush the recovery tank out with clean water. Do
not use water hotter than 140°F (60°C) to clean
tank or damage may occur.
6. Replace the drain hose cap and place hose back
on hook. Replace front cover.
7. If machine is to be stored, leave the recovery dome
off.
86400200 Operators Manual - Commodore Duo
HOSE
SOLUTION
DRAIN

25
Notes
86400200 Operators Manual - Commodore Duo

26
Maintenance
Service Schedule
Maintenance Before Each
Work Period After Each
Work Period 50 HRS 100HRS 200HRS
Check water level of batteries after
charging; add distilled water if neces-
sary. *
Check brushes for proper installation. *
Check for securely attached drain hose,
plug and cap.
Check that solution fill lid seals tightly *
Visually check for damaged or worn
tires. *
Check all throttle, direction and speed
controls for proper operation. *
Observe spray pattern and clean jets if
necessary. *
Prime chemical system for 30 seconds
for each chemical. *
Clean brushes and check wear. *
Remove bearing cap from end of brush.
Clean bearing and cap. *
Clean underside of scrub deck. *
Clean out solution tank. *
Clean out recovery tank. *
Clean and inspect solution filter strainer. *
Store with solution fill lid and recovery
dome off tanks to allow tanks to dry. *
Clean outside of tank, check for
damage. *
Charge batteries. *
Flush chemical system *
Clean off top of batteries. *
Check battery cells with hydrometer. *
Check battery connections are tight. *
Clean battery cases and battery
compartment. *
Grease appropriate zerks (grease
fittings). *
Clean pivot points on scrub deck. *
Check all motors for carbon brush wear. *
Check motor commutators. *
86400200 Operators Manual - Commodore Duo

27
Maintenance
1. Battery Connector
2. Battery Connector
3. Batteries
4. Prop Rod and Catch
5. "Y" Tube
6a. Recovery Hose - Basic
6b. Recovery Hose - Deluxe
86400200 Operators Manual - Commodore Duo

28
Maintenance
Batteries (Wet Cell Only)
The batteries provide the power to operate the
machine. The batteries require regular maintenance to
keep them operating at peak efficiency.
The machine batteries will hold their charge for long
periods of time, but they can only be charged a certain
number of times. To get the greatest life from the
batteries, charge them when their charge level reaches
25% of a full charge. Use a hydrometer to check the
charge level.
Do not allow the batteries to remain in a discharged
condition for any length of time. Never expose a
discharged battery to temperatures below freezing.
Discharged batteries will freeze causing cracked
cases. Do not operate the machine if the batteries are
in poor condition or if they have a charge level below
25% (specific gravity below 1.155).
Keep all metallic objects off the top of the batteries, as
they may cause a short circuit. Replace worn or
damaged cables and terminals.
Check the electrolyte level in each battery cell before
and after charging the batteries. Never add acid to the
batteries, use distilled water. Do not allow water level to
fall below the battery plates. Portions of plates exposed
to air will be destroyed. Do not overfill. Keep plugs
firmly in place at all times.
When servicing machine, avoid contact with
battery acid.
Lors de l'entretien de la machine, évitez tout
contact avec l'acide de batterie.
Batteries emit hydrogen gas. Explosion or fire can
result. Keep sparks and open flame away. Keep
covers open when charging.
Les batteries émettent du gaz hydrogène. Une
explosion ou un incendie peut en résulter.
Maintenez les étincelles et les flammes nues à
l’écart. Gardez les carters ouverts lors du charge-
ment.
Wear eye protection and protective clothing when
working with batteries.
Portez des lunettes de protection et des vêtements
de protection lorsque vous travaillez avec des
batteries.
Charge batteries in a well ventilated area.
Chargez les batteries dans un endroit bien ventilé
Battery Maintenance
1. When cleaning the batteries, use a solution of
baking soda and water. Do not allow the cleaning
fluid to enter the battery cells, electrolyte will be
neutralized.
2. Maintain the proper electrolyte level in each battery
cell. If a cell should accidentally overflow, clean
immediately.
3. Wipe off the top of the batteries at least once a
week.
4. Test battery condition with a hydrometer at least
once a week.
5. Ensure that all connections are tight and all
corrosion removed.
6. Every 4 to 6 months, remove that batteries from
the machine and clean the battery cases and
battery compartment.
Checking Battery Specific Gravity
Use a hydrometer to check the battery specific gravity.
86400200 Operators Manual - Commodore Duo

29
Maintenance
NOTE: Do not take readings immediately after adding
distilled water, if the water and acid are not
thoroughly mixed, the reading may not be accurate.
Check the hydrometer readings against this chart.
NOTE: If the readings are taken when the battery
electrolyte is any temperature other than 80°F (27°C),
the reading must be temperature corrected.
To find the corrected specific gravity reading when the
temperature of the battery electrolyte is other than 80°F
(27°): Add (+) to the specific gravity reading 0.004 (4
points), for each 10°F (6°C) above 80° (27°C).
Subtract (-) from the specific reading 0.004 (4 points),
for each 10°F (6°C) below 80°F (27°C).
Charging Batteries
When servicing machine, avoid contact with
battery acid.
Lors de l'entretien de la machine, évitez tout
contact avec l'acide de batterie.
Batteries emit hydrogen gas. Explosion or fire can
result. Keep sparks and open flame away. Keep
covers open when charging.
Les batteries émettent du gaz hydrogène. Une
explosion ou un incendie peut en résulter.
Maintenez les étincelles et les flammes nues à
l’écart. Gardez les carters ouverts lors du charge-
ment.
Wear eye protection and protective clothing when
working with batteries.
Portez des lunettes de protection et des vêtements
de protection lorsque vous travaillez avec des
batteries.
Charge batteries in a well ventilated area.
Chargez les batteries dans un endroit bien ventilé
Use a 36 volt, 20 amp maximum output DC charger
which will automatically shut off when the batteries are
fully charged.
1. Empty recovery tank.
2. Stop the machine in a clean, well ventilated area
next to the charger.
3. Turn "OFF" machine.
FOR SAFETY: Before leaving or servicing machine;
stop on level surface, turn off machine and remove
key.
4. Unplug the machine from the battery pack.
Remove front cover. Disconnect recovery hose
from "Y" tube. Raise recovery tank and verify prop
rod latch is safely engaged.
Batteries emit hydrogen gas. Explosion or fire can
result. Keep sparks and open flame away. Keep
covers open when charging.
Les batteries émettent du gaz hydrogène. Une
explosion ou un incendie peut en résulter.
Maintenez les étincelles et les flammes nues à
l’écart. Gardez les carters ouverts lors du charge-
ment.
SPECIFIC GRAVITY @
80° F (27°C) BATTERY CONDITION
1.265 100% CHARGED
1.225 75% CHARGED
1.190 50% CHARGED
1.155 25% CHARGED
1.120 DISCHARGED
86400200 Operators Manual - Commodore Duo

30
Maintenance
5. Check the electrolyte level in each battery cell.
Before charging, add just enough distilled water to
cover the plates. After charging is complete, add
just enough distilled water to bring up the level to
the indicator ring. If the water level is too high
before charging, normal expansion rate of the elec-
trolyte may cause an overflow resulting in a loss of
battery acid balance and damage the machine.
6. Replace the battery caps, and leave them in place
while charging.
7. Unplug the machine connector from the battery.
FOR SAFETY: When charging, connect the charger
to the batteries before connecting the charger to
the AC wall outlet. Never connect the charger to the
AC wall outlet first. Hazardous sparks may result.
8. Plug the charger connector into the battery
connector. Connect the charger AC plug to a wall
outlet. The charger gauge should indicate that the
batteries are charging.
9. When the batteries are fully charged, disconnect
the charger from the AC wall outlet, then discon-
nect the charger from the batteries.
10. Connect the machine to the battery connector.
11. Check the electrolyte level. It should be up to the
indicator ring. If necessary, add distilled water.
12. Lower recovery tank by safely disengaging the
prop rod latch and slowly lowering. Replace the
hose and "Y" tube connection. Replace front
cover.
Changing Batteries
Stop the machine in a clean area next to the charger.
Turn off machine.
FOR SAFETY: Before leaving or servicing the
machine; stop on level surface, turn off machine
and remove key.
1. Disconnect machine from battery pack.
2. Raise recovery tank and engage prop rod latch.
3. Disconnect main positive lead and secure cable
terminals away from batteries.
4. Loosen both terminals on each jumper cable and
remove one at a time.
5. Prepare a suitable site to place the batteries.
6. Attach suitable battery lifting device and lift
batteries from the machine.
Batteries are a potential environmental hazard.
Consult your battery supplier for safe disposal
methods.
Les batteries constituent un danger potentiel pour
l'environnement. Consultez le fournisseur de votre
batterie pour connaître les méthodes d'élimination
sûres.
Rear of Machine
+
-
-
++
-
RED
BLK
RED
BLK
RED
BLK
86400200 Operators Manual - Commodore Duo

31
Maintenance
Scrub Deck
1. Scrub deck lift actuator
2. Scrub brush motor
3. Scrub brushes
4. Retaining clip
86400200 Operators Manual - Commodore Duo
1
2
4
3

32
Maintenance
Scrub Head
The dual cylindrical scrub head is designed to scrub
chemical into the carpet. The two counter rotating
brushes raise the pile of the carpet, giving it a lush
groomed appearance.
Maintenance
Scrub brushes should be exchanged front to back
every 50 hours to ensure even wear. Scrub brushes
should be replaced as a set when bristle length wears
to height of yellow PerformAlertTM bristles
Scrub Brushes
Scrub Brush Removal
The scrub brushes are removed from the right side of
the machine.
1. Raise the scrub deck to the storage position.
2. Pull out on the bottom of the retaining clip.
3. The brush assembly and end cap should drop
down. Then pull the brush down far enough to
clear the bottom of the housing.
4. Pull brush out with a rocking motion to free brush
from drive hub.
Bearing Cleaning
1. Remove bearing cap from end of brush.
2. Clean cap and bearings.
Scrub Brush Replacement
1. Lift the drive side of the brush and push it onto
drive hub until a positive stop is felt. The brush
cannot be installed until the brush is fully seated on
the drive hub.
2. Pull out on the bottom of the retaining clip.
3. Line up the end cap with the flats to each side.
4. Slide brush up into the retaining clip until it clicks in
place.
86400200 Operators Manual - Commodore Duo

33
Maintenance
Scrub Motor
Do not use a pressure washer to clean around the
brush motors. Use tap pressure only.
N’utilisez pas de nettoyeur haute pression pour
nettoyer autour des moteurs des brosses. Utilisez
seulement la pression du robinet.
To Replace Scrub Brush Motor
1. With the scrub deck in the lowered position,
remove the deck cover and disconnect brush
motor wiring connector from harness.
2. Remove the motor and end bracket assembly from
the deck.
3. Separate brush motor from end brackets.
4. Reverse to reassemble.
Brush Motor Carbon Brush Replacement
1. Scribe alignment mark on motor barrel to motor
cap. Remove two bolts.
2. Remove end cap from motor.
NOTE: Motors contain two wave washers in cap. Do
not lose these.
3. Release brush from spring tension. Remove screw
connecting brush wire lead to brush holder. Clean
brush holder to insure free movement.
4. Retract spring and install new brush. Install
connector screw and lead.
5. When all new brushes are installed. Place all in
retracted position, held into brush holder by spring
tension.
6. Carefully place end cap onto bearing on motor
shaft.
NOTE: Use care to assure wave washer alignment.
7. With end cap in partially installed position, release
all brushes to contact position with motor commu-
tator.
NOTE: Failure to insure all brushes are released will
result in motor failure.
8. Reset end cap and realign with scribe marks on
motor barrel. Reinstall the two attach bolts from
cap into base.
9. Maintain alignment between motor barrel base and
cap.
86400200 Operators Manual - Commodore Duo

34
Maintenance
Actuator Scrub Deck Removal/
Replacement
FOR SAFETY: Before leaving or servicing machine,
stop on a level surface. Turn off machine.
1. Lower scrub deck. Remove the front cover and
raise recovery tank.
2. Disconnect electrical connector.
3. Remove the clevis pin retaining the bottom of the
actuator.
4. Remove the clevis pin retaining the top of the
actuator.
5. Reverse for re-installation.
Scrub Deck Actuator Adjustment
The actuator will need to be adjusted when replaced.
To adjust the actuator:
1. While holding actuator barrel to prevent it from
spinning, apply power to the actuator such that it is
fully extended. Positive power to white wire, and
negative/ground to black. Limit switch within
actuator will stop it.
2. With actuator fully extended, attach to the top
bracket.
3. At the bottom mount align the mounting hole with
the center of the slot, turn the barrel in or out
enough to align connection to bracket.
4. Connect actuator electrical plug.
5. Check travel of actuator during operation.
86400200 Operators Manual - Commodore Duo

35
Maintenance
Circuit Protection
1. Circuit Breakers
Circuit breakers interrupt the flow of power in the event
of an electrical overload. When a circuit breaker is
tripped, reset it by pressing the exposed button. If a
circuit breaker continues to trip, the cause of the elec-
trical overload should be found and corrected
86400200 Operators Manual - Commodore Duo
DELUXE ONLY
1
30 Amp. Protects the vacuum motor.
30 Amp. Protects the vacuum motor.
22 Amp. Protects the scrub brush motor.
25 Amp. Protects the propel motor.
3 Amp. Protects the machine controls,
pump and actuator.

36
Maintenance
Solution Strainer & Pump-Basic
1. Pump
2. Solution Strainer
3. Solenoid Valves
4. Jets- Interim
5. Jets-Extraction
86400200 Operators Manual - Commodore Duo
BASIC
1
2
3
4
5

37
Maintenance
Solution Strainer
The solution strainer is located on the front of the
machine under the front cover. The strainer protects the
pump, solenoid valve and jets from debris. If there is
little or no solution flow to the ground, check the
strainer for debris. Clean the solution strainer. To
remove the strainer, turn the bottom part of the strainer
counterclockwise until the bottom is separated. Clean
out the debris from the wire mesh and the bowl and re-
assemble. Make sure the O-ring gasket is in place
when re-assembled.
Pump
The pump is located on the front of the machine under
the front cover. The pump delivers solution from the
tank to the scrub deck.
To repair or replace pump:
1. Remove front cover.
2. Remove hoses connecting the pump.
3. Remove screws that secures pump to mounting
plate.
Solenoid Valve
The solenoid valves is mounted on the front of the
scrub deck, on left side.
The solenoid valves shuts off solution flow to jets
whenever scrubbing stops or in reverse. To repair or
replace solenoid valve, remove screws that secure it to
deck.
Jets
The two sets of jets are located in front of the scrub
deck.
The jets spray cleaning solution onto the carpet. The
spray pattern should be checked regularly and if jets
become clogged they should be cleaned or replaced
immediately.
To clean jets:
1. Remove jet from jet body by rotating it counter-
clockwise.
2. Blow debris back through orifice if possible. Do not
use pointed object to unplug jet. This will damage
jet and cause improper spray pattern and solution
flow through jets.
3. If jet cannot be cleaned by blowing debris back
through its orifice, submerge jet in small container
of acetic acid and let soak for up to six hours.
4. After soaking jet, use a soft brush to remove debris
and rinse thoroughly.
5. Install jet in jet body by rotating it clockwise firmly
into place.
6. For lower flow in extraction "B" other jets are avail-
able. (See Accessories page).
86400200 Operators Manual - Commodore Duo

38
Maintenance
Solution Strainer & Pump-Deluxe
1. Pump
2. Solution Strainer
3. Solenoid Valves
4. Jets-Interim
5. Jets-Extraction
6. A-B Chemical Valve
7. Chemical Pump
86400200 Operators Manual - Commodore Duo
4
5
2
1
3
6
7
3

39
Maintenance
Pump
The pump is located on underside of the recovery tank.
The pump delivers solution from the tank to the scrub
deck.
To repair or replace pump:
1. Remove bracket assembly from the bottom side of
the recovery tank.
2. Remove hoses connecting the pump.
3. Remove screws that secures pump to mounting
plate.
Solution Strainer
The solution strainer is located under the recovery tank.
The strainer protects the pump, solenoid valve and jets
from debris. If there is little or no solution flow to the
ground, check the strainer for debris. Clean the solution
strainer. To remove the strainer, turn the bottom part of
the strainer counterclockwise until the bottom is sepa-
rated. Clean out the debris from the wire mesh and the
bowl and re-assemble. Make sure the O-ring gasket is
in place when re-assembled.
Solenoid Valve
The solenoid valves is mounted on the front of the
scrub deck, on left side.
The solenoid valves shuts off solution flow to jets
whenever scrubbing stops or in reverse. To repair or
replace solenoid valve, remove screws that secure it to
deck.
Jets
The two sets of jets are located in front of the scrub
deck.
The jets spray cleaning solution onto the carpet. The
spray pattern should be checked regularly and if jets
become clogged they should be cleaned or replaced
immediately.
To clean jets:
1. Remove jet from jet body by rotating it counter-
clockwise.
2. Blow debris back through orifice if possible. Do not
use pointed object to unplug jet. This will damage
jet and cause improper spray pattern and solution
flow through jets.
3. If jet cannot be cleaned by blowing debris back
through its orifice, submerge jet in small container
of acetic acid and let soak for up to six hours.
4. After soaking jet, use a soft brush to remove debris
and rinse thoroughly.
5. Install jet in jet body by rotating it clockwise firmly
into place.
6. For lower flow in extraction "B" other jets are avail-
able. (See Accessories page).
86400200 Operators Manual - Commodore Duo

40
Maintenance
A-B Chemical Pump & Chemical Pump
1. The chemical tank "A" holds either encapsulating
interim chemical or pre-spray chemical. Tanks
should be cleaned weekly. Extra chemical should
be stored using the blank cap instead of the straw
cap.
2. The chemical tank "B" hold the deep extraction
chemical. The tank should be cleaned weekly.
Extra chemical should be stored using the blank
cap instead of the straw cap.
3. The chemical selector valve switches between the
"A" and "B" chemical being pumped through the
chemical mixing section and delivered to the
solution system, depending on the position of the
function switch on the control panel. The selector
valve chemical pump and chemical mixing section
should be flushed with clean water after each use.
Drain water through both the "A" and "B" cap and
straws by putting them in water and pressing the
"A" and "B" prime/flush switch each way for 30
seconds.
86400200 Operators Manual - Commodore Duo

41
Maintenance
Drive Assembly
1. Drive Assembly
2. Grease Points
3. Drive Motor
86400200 Operators Manual - Commodore Duo
1
2
3
2

42
Maintenance
Drive Assembly
Drive Motor Carbon Brush Replacement
Do not use a pressure washer to clean around the
motors. Use tap pressure only.
N’utilisez pas de nettoyeur haute pression pour
nettoyer autour des moteurs des brosses. Utilisez
seulement la pression du robinet.
FOR SAFETY: Before leaving or servicing machine,
stop on a level surface, turn off machine and
remove key.
1. Disconnect batteries from machine.
2. Disconnect the electrical connection to the traction
motor.
3. Remove brush cap.
4. Release brush from spring tension. Remove screw
connecting brush wire lead to brush holder. Clean
brush holder to insure free movement.
5. Install new brush and reinstall connecting screw
and lead.
6. When all new brushes are installed. Place all in
retracted position, held into brush holder by spring
tension.
7. Carefully replace brush cap.
86400200 Operators Manual - Commodore Duo

43
Maintenance
Vacuum
1. Vacuum Shoes
2. Vacuum Glides
3. Vacuum Shoe Retainer Knobs
4. "Y" Tube
5. Float Ball And Screen
6. Vacuum Motor
86400200 Operators Manual - Commodore Duo
123
4
5
6
2

44
Maintenance
Vacuum Shoes
The dual offset vacuum shoes are designed to extract
soiled solution from the carpet. The plastic vacuum
shoe glides minimize wear to flooring.
Maintenance
The vacuum shoes should be removed and cleaned
daily to ensure maximum recovery.
Vacuum Shoe Removal
1. Unscrew retainer knob from right side vacuum
shoe.
2. Pull vacuum shoe forward until it is free from pivot
pin.
3. Remove vacuum hose from top of vacuum shoe
4. Repeat to remove left side vacuum shoe.
5. Inspect or repair as necessary and reinstall.
To Clean Vacuum Shoes
1. With the vacuum shoes in the raised position, turn
key switch "off".
2. Remove vacuum shoes.
3. Flush vacuum shoes from top with water. If neces-
sary, clean blockage from narrow opening with a
scraper or similar device.
4. Vacuum shoe glides may be removed for cleaning
(or replaced) by removing the three pins that
secure them to metal vacuum shoes.
Recovery Tank Float Shut-Off
When water is no longer being vacuumed from the floor
and the vacuum fan is operating, the ball float has
engaged. The vacuum motors will not vacuum water
with recovery tank full. The recovery tank must be
drained.
1. The float shut-off screen can be cleaned in or out
of the machine.
2. To clean the float shut-off while it is inside the
machine wipe material off screen then rinse. Check
that the ball is also clean and moves freely.
3. To remove the float shut-off, grasp the elbow with
one hand tilt and pull the float screen assembly to
pull it off the elbow.
4. To install, place one hand on the elbow, and then
tilt and push the float screen assembly over the
elbow.
86400200 Operators Manual - Commodore Duo

45
Maintenance
To Repair Or Replace Vacuum Motor(s)
1. Remove the front cover, drain the recovery tank.
2. Raise the recovery tank and safely engage the
prop rod latch.
3. Disconnect electrical connector from the vacuum
motor(s) and connecting hoses.
4. Unbolt the bracket and vacuum motor assembly
and remove from tank.
5. Remove the vacuum motor from the bracket.
6. Reverse steps to install. Make sure the gaskets fit
and seal properly as you reassemble.
Vacuum Motor Carbon Brushes
If armature commutator is grooved, extremely pitted or
not concentric, the motor will need to be replaced or
sent to a qualified service center.
Important:
These brushes wear quicker as the length shortens due
to increased heat. Spring inside brush housing will
damage motor if brushes are allowed to wear away
completely.
Periodically check the length of the carbon brushes.
Replace both carbon brushes when either is less than
3/8" (9.5mm) long.
Carbon Brushes
End Cap
3
8 [9.5mm]
86400200 Operators Manual - Commodore Duo

46
Maintenance
Transporting Machine
Pushing Machine
The machine may be pushed for short distances at
speeds not to exceed 5 mph. Be careful to avoid
damaging machine. The machine may be pushed by
hand from the rear.
NOTE: To avoid damage caused by regenerative
voltage, disconnect traction motor before towing or
pushing machine.
Preparation For Loading /Unloading Trailer
Before loading or unloading machine from trailer,
remove vacuum shoes to eliminate interference. Scrub
head must be in the up position before loading.
NOTE: When transporting the machine on a trailer or
in a truck, in addition to using tie-downs, be sure to
block the tires to prevent the machine from rolling.
86400200 Operators Manual - Commodore Duo

47
Maintenance
Machine Troubleshooting
PROBLEM CAUSE SOLUTION
No power to
machine
Battery disconnected Check all battery cable connections
Battery cables corroded Clean connections
Faulty key switch Replace switch
Little or no propel
Low battery charge Charge batteries
Machine turned on with propel trigger not in
neutral position Allow pedal to return to neutral. Restart
Tripped circuit breaker Reset circuit breaker and check brush
Controller overheated Allow cool down period
Loose motor connection Check wires and connections from controller
to motor
Faulty throttle circuit or potentiometer Check wires and connections from throttle to
controller and potentiometer resistance
Faulty brake circuit Check wires connections
Machine does not
change speeds Faulty speed control circuit or potentiometer Check wires, connections and pot
Forward speed only
Reverse speed only Faulty forward/reverse switch Replace switch
Poor scrubbing
performance
Debris caught in scrub brushes Remove debris
Low scrub brush down pressure Check brush wear
Low battery charge Charge batteries
Little or no solution
flow to the floor
Solution tank empty Fill solution tank
Solution pump turned off Turn on pump
Solution strainer plugged Clean solution strainer
Solution system plumbing obstructed Clear obstruction from plumbing
Pump obstructed Clean or replace pump
Solution solenoid valve obstructed or stuck Clean or replace valve
Jet(s) obstructed Clean or replace jet(s)
Faulty pump circuit or pump Check wiring, connections, and pump.
Faulty solenoid Check solenoid valve
Brush motors do not
run, or run slowly
Circuit breaker(s) tripped Reset circuit beaker(s) and check brush
pressure.
Low battery charge Charge battery
Fault brush circuit or motor Check wires, connections and motor
Worn brush motor brushes Replace brushes, check commutator
Scrub deck will not
go down/up
Actuator circuit breaker tripped Reset breaker
Faulty actuator circuit or actuator Check wires, connections and actuator
No chemical flow
(Deluxe)
Tank(s) empty Fill tanks and prime chemicals
Chemical pump not primed Prime chemical pump
Chemical system obstruction Rinse system with water
86400200 Operators Manual - Commodore Duo

48
Suggested Spare Parts
86230680 BRUSH, EXTRACTOR
86199840, FLOAT SCREEN CAGE ASM
86013200, JET, MINI PROMAX 11004
86012550, JET, PROMAX 11001
86004570, JET BODY, MINI PROMAX
86335940, CAP, DISPENSING, 6.50 TUBE
86335930, CAP, DISPENSING, 9.50 TUBE
86001360 BRUSH SET
86326980 BRUSH SET
86288820 BRUSH SET
BRUSH DECK MOTOR
TRANSAXLE
86326980 BRUSH SET
VACUUM
DELUXE ONLY
86400200 Operators Manual - Commodore Duo

49
Notes
86400200 Operators Manual - Commodore Duo

86400210-F 11/29/16
Spare Parts List
(1.008-612.0, 1.008-614.0, 1.008-616.0, 1.008-618.0)
Commodore Duo Extractor
From Serial Number (Ref No. 1*)
* See Serial Number page or
call manufacturer

286400210 Spare Parts List - Commodore Duo
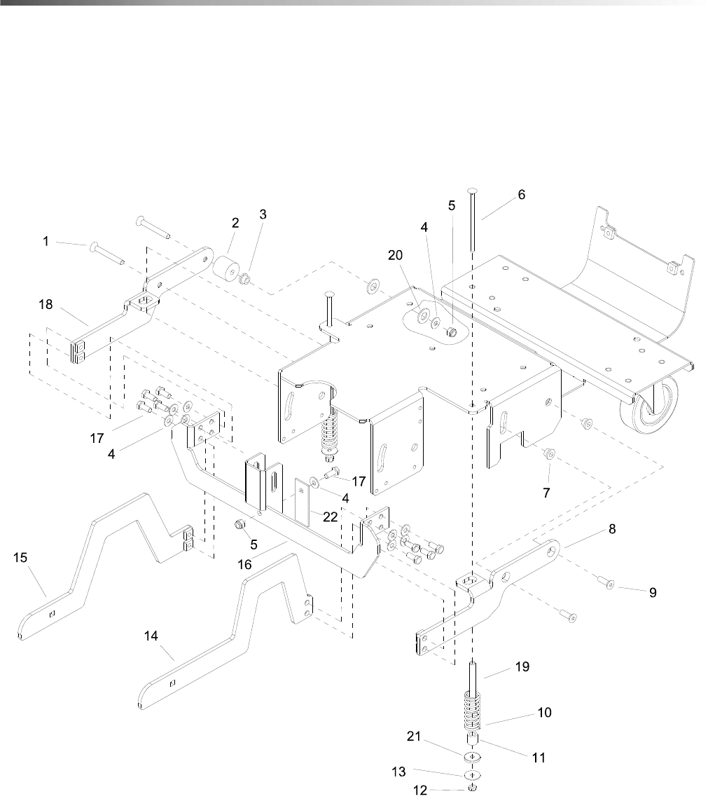
How to Use this Spare Parts List
The PARTS LIST section contains assembled parts illustrations and corresponding parts list. The parts lists include
a number of columns of information:
• REF - column refers to the reference number on the parts illustration.
• PART NO. - column lists the part number for the part.
• QTY - column lists the quantity of the part used in that area of the machine.
• DESCRIPTION - column is a brief description of the part.
• SERIAL NO. FROM - If this column has an (*) and a Reference number, see the SERIAL NUMBERS page
in the back of your manual. If column has two asterisk (**), call manufacturer for serial number. The serial
number indicates the first machine the part number is applicable to. The main illustration shows the most
current design of the machine. When a boxed illustration is shown, it displays the older design.
• NOTES - column for information not noted by the other columns.
NOTE: If a service or option kit is installed on your machine, be sure to keep the KIT INSTRUCTIONS which
came with the kit. It contains replacement parts numbers needed for ordering future parts.

3
Table of Contents
How to Use this Spare Parts List . . . . . . . . . . . . . . .2
Table of Contents . . . . . . . . . . . . . . . . . . . . . . . . . . .3
Brush Deck . . . . . . . . . . . . . . . . . . . . . . . . . . . . . . . 4
Brush Deck Actuator. . . . . . . . . . . . . . . . . . . . . . . . 6
Brush Deck Motor . . . . . . . . . . . . . . . . . . . . . . . . . . 8
Brush Deck Mounting . . . . . . . . . . . . . . . . . . . . . . 10
Brush Deck Shroud. . . . . . . . . . . . . . . . . . . . . . . . 12
Brush Deck Lift . . . . . . . . . . . . . . . . . . . . . . . . . . . 14
Control Handle . . . . . . . . . . . . . . . . . . . . . . . . . . . 16
Control Panel - Lower - Basic . . . . . . . . . . . . . . . . 18
Control Panel - Upper - Basic . . . . . . . . . . . . . . . . 20
Control Panel - Lower - Deluxe. . . . . . . . . . . . . . . 22
Control Panel - Upper - Deluxe. . . . . . . . . . . . . . . 24
Control Panel Mounting . . . . . . . . . . . . . . . . . . . . 26
Cover - Front. . . . . . . . . . . . . . . . . . . . . . . . . . . . . 28
Decals. . . . . . . . . . . . . . . . . . . . . . . . . . . . . . . . . . 30
Frame - Lower. . . . . . . . . . . . . . . . . . . . . . . . . . . . 32
Frame - Upper. . . . . . . . . . . . . . . . . . . . . . . . . . . . 34
Recovery Tank . . . . . . . . . . . . . . . . . . . . . . . . . . . 36
Recovery Tank Handle - Basic . . . . . . . . . . . . . . . 38
Recovery Tank Handle - Deluxe. . . . . . . . . . . . . . 40
Solution - Chemical Tanks - Deluxe . . . . . . . . . . . 42
Solution Pump. . . . . . . . . . . . . . . . . . . . . . . . . . . . 44
Solution - Chemical Pump - Deluxe . . . . . . . . . . . 46
Solution - Chemical Valves - Deluxe. . . . . . . . . . . 48
Solution Tank . . . . . . . . . . . . . . . . . . . . . . . . . . . . 50
Spray Jets. . . . . . . . . . . . . . . . . . . . . . . . . . . . . . . 52
Spray Jet Valves - Basic. . . . . . . . . . . . . . . . . . . . 54
Spray Jet Valves - Deluxe. . . . . . . . . . . . . . . . . . . 56
Wheel and Drive Assembly. . . . . . . . . . . . . . . . . . 58
Vacuum Shoe . . . . . . . . . . . . . . . . . . . . . . . . . . . . 60
Vacuum Shoe . . . . . . . . . . . . . . . . . . . . . . . . . . . . 62
Vacuum - Basic. . . . . . . . . . . . . . . . . . . . . . . . . . . 64
Vacuum - Deluxe . . . . . . . . . . . . . . . . . . . . . . . . . 66
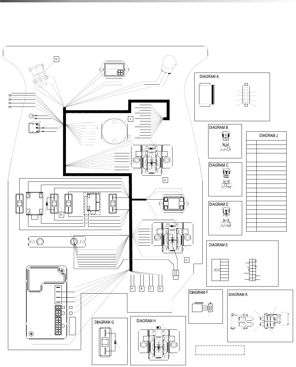
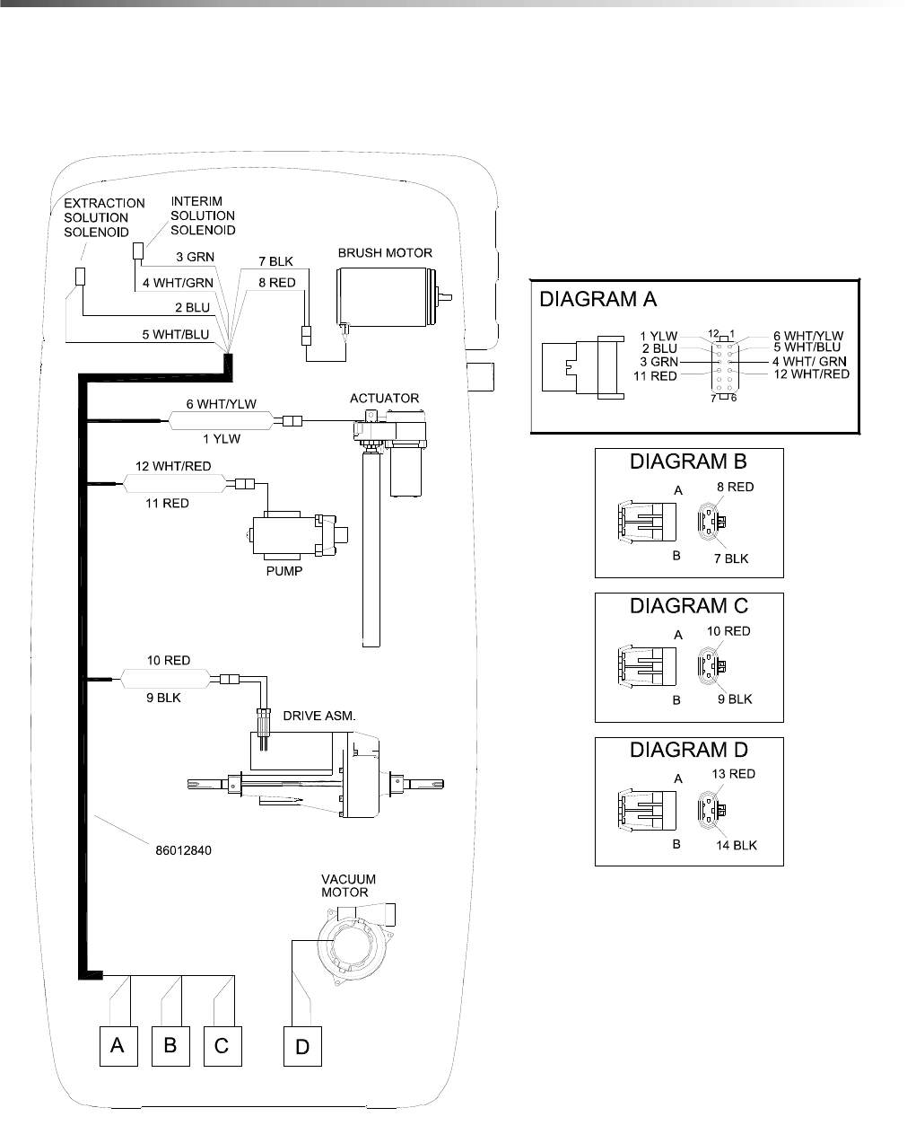
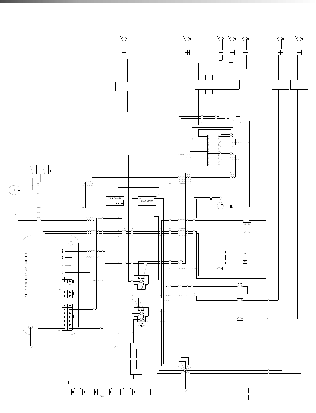
Wiring - Battery - Basic . . . . . . . . . . . . . . . . . . . . . 68
Wiring - Battery - Deluxe. . . . . . . . . . . . . . . . . . . . 70
Wiring - Control Panel - Basic. . . . . . . . . . . . . . . . 72
Wiring - Control Panel - Deluxe . . . . . . . . . . . . . . 74
Wiring - Main Harness - Basic . . . . . . . . . . . . . . . 76
Wiring - Main Harness - Deluxe . . . . . . . . . . . . . . 77
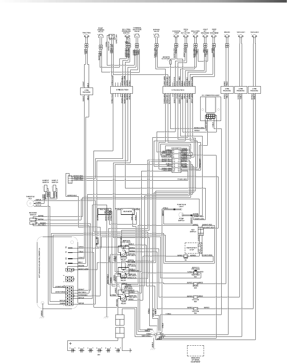
Wiring Diagram - Basic . . . . . . . . . . . . . . . . . . . . . 78
Wiring Diagram - Deluxe. . . . . . . . . . . . . . . . . . . . 79
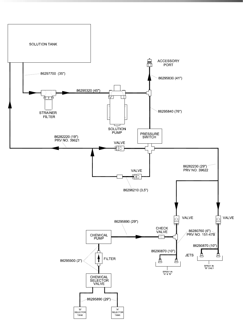
Hose Diagram - Basic . . . . . . . . . . . . . . . . . . . . . . 80
Hose Diagram - Deluxe. . . . . . . . . . . . . . . . . . . . . 81
Options
Battery Cart. . . . . . . . . . . . . . . . . . . . . . . . . . . . . . 84
Battery Cart - Latch and Latch Linkage . . . . . . . . 86
Battery Cart - Tray . . . . . . . . . . . . . . . . . . . . . . . . 88
Battery Exchange Option . . . . . . . . . . . . . . . . . . . 90
Emergency Stop - Option . . . . . . . . . . . . . . . . . . . 92
Serial Number. . . . . . . . . . . . . . . . . . . . . . . . . . . . 94
Notes. . . . . . . . . . . . . . . . . . . . . . . . . . . . . . . . . . . 95
86400210 Spare Parts List - Commodore Duo

4
Brush Deck
86400210 Spare Parts List - Commodore Duo

586400210 Spare Parts List - Commodore Duo
Brush Deck
REF PART NO. QTY DESCRIPTION SERIAL NO.
FROM NOTES
1 86223780 8 SCR, M4X8, SET, ISO4029,CP,BLK
2 86224170 2 SHAFT, 6.2MM BRUSH DRIVE
3 86373070 2 ASM, BRUSH END, NON-DRIVE
4 86012820 1 SHAFT ASM, DRIVE 20"
5 86223520 3 RING, 28MM INT SNAP PHOSPHATE
6 86223310 1 PULLEY, 5MM HTD, 18T, 12.7 ID
7 86215250 1 BELT, 2S 5MM HTD, 15W, 128T
8 86224660 1 SPRING, TENSIONER
9 86173330 1 WASHER, M5 FLAT, ISO7093 SS
10 86014990 4 SCR, M5X20, SHCS ISO4762, SS
11 86215870 1 BRKT, TENSIONER ARM
12 86012780 2 PULLEY ASM, 5MM HTD 22T
13 86230680 2 BRUSH, EXTRACTOR 20"
14 86223490 3 RING, 10MM EXT SNAP, DIN 471
15 86224130 1 SHAFT, TENSIONER
16 86343870 1 HOUSING ASM, BRUSH DRIVE
17 86223320 2 PULLEY, 32T, 5MM HTD
18 86012790 2 SHAFT ASM, BRUSH DRIVE
19 86172970 4 SCR, M5X12, PHLP FHMS, ISO7046, SS
20 86222870 1 PLATE, BRUSH DRIVE COVER
21 86217790 1 EXTRUSION, DUAL BRUSH 20"
22 86219390 1 HOUSING, BRUSH CLIP
23 86173350 4 WASHER, M5, FLAT, ISO7089,SS
24 86172980 2 SCR, KA50X10, PT OHS, WN14112, PLTD
25 86224630 2 SPRING, BRUSH CLIP
26 86277130 10 SCR, 5/16-18 X 1.00 CARRIAGE SS
27 86350490 3 PLUG, HOLE, 5MM DIA X 12MM L

6
Brush Deck Actuator
86400210 Spare Parts List - Commodore Duo

786400210 Spare Parts List - Commodore Duo
Brush Deck Actuator
REF PART NO. QTY DESCRIPTION SERIAL NO.
FROM NOTES
1 86008670 2 COTTER, 3/8 RING
2 86248970 2 PIN, CLEVIS 3/8 X 2.00 PLTD
3 86011800 1 ACTUATOR, 36 VDC 2.75 STROKE
4 86091930 1 BRKT, ACTUATOR MOUNT
5 86010670 2 WASHER, 5/16 FLAT SS
6 86276780 2 SCR, 5/16-18 X 3/4 HHCS SS
7 86279130 2 WASHER, 5/16 SPLIT LOCK PLTD
8 86278910 1 WASHER, 3/8 ID X 7/8 OD SS

8
Brush Deck Motor
86400210 Spare Parts List - Commodore Duo

986400210 Spare Parts List - Commodore Duo
Brush Deck Motor
REF PART NO. QTY DESCRIPTION SERIAL NO.
FROM NOTES
1 86273750 6 SCR, 1/4-20 X 5/8 HHCS SS
2 86173340 6 WASHER, SPLIT LOCK, 1/4 SS
3 86010630 6 WASHER, 1/4 ID X 5/8 OD SS
4 86215880 2 BRKT, MOTOR MOUNT
5 86222130 1 MOTOR, 36VDC
- 86001360 - BRUSH SET, CCL MOTORS
6 86222290 4 NUT, 5/16-18 HEX NYLOCK SS
7 86346070 2 COUPLER, 2-JAW, 35MM INCLUDES #9
8 86234600 1 COUPLER, SPIDER
9 86172960 2 SCR, SET, M6X8, SH, ISO4029,SS
10 86225790 4 WASHER, 5/16 X .63 SS

10
Brush Deck Mounting
86400210 Spare Parts List - Commodore Duo

1186400210 Spare Parts List - Commodore Duo
Brush Deck Mounting
REF PART NO. QTY DESCRIPTION SERIAL NO.
FROM NOTES
1 86277030 2 SCR, 5/16-18 X 1.25 CARRIAGE SS
2 86228990 2 BEARING, FLNGD, .314ID X .502OD
3 86270830 8 NUT, 5/16-18 HEX NYLOCK SS
4 86010670 8 WASHER, 5/16 FLAT SS
5 86071800 1 BRKT, BRUSH DECK PIVOT
6 86088110 1 STRAP, SHROUD LATCH
7 86259420 2 WASHER, THRUST .51 ID X 1 OD
8 86277130 2 SCR, 5/16-18X1.00 CARIAGE SS
9 86296180 1 BRKT, BRUSH DECK PIVOT, LEFT

12
Brush Deck Shroud
19
1
3
4
6
5
2
7
8
86400210 Spare Parts List - Commodore Duo

1386400210 Spare Parts List - Commodore Duo
Brush Deck Shroud
REF PART NO. QTY DESCRIPTION SERIAL NO.
FROM NOTES
1 86161800 1 LATCH, CONCEALED KEEPER
2 86273950 2 SCR, 6-32 X 1/2 PPHMS SS
3 86270920 2 NUT, 6-32 NUT NYLOCK SS
4 86062320 1 COVER, DECK
5 86012190 2 FOAM SPACER, SHROUD, 5/16 T
6 86012200 1 FOAM SPACER, SHROUD, 3/4 TS
7 86279190 1 WASHER, #10 FLAT PLTD
8 86274520 1 SCR, #10 X 3/8 PH HI-LO PLT
9 86006400 2 RIVET, 5.32 OF X 1/8 GRIP

14
Brush Deck Lift
86400210 Spare Parts List - Commodore Duo

1586400210 Spare Parts List - Commodore Duo
Brush Deck Lift
REF PART NO. QTY DESCRIPTION SERIAL NO.
FROM NOTES
1 86276750 2 SCR, 5/16-18 X 2.5 FHSC SS
2 86298850 2 SPACER, .74 OD X .391 ID X 1.0 L NYL
3 86229000 2 BEARING FLG .377 ID X .502 OD X .500
4 86010670 13 WASHER, 5/16 FLAT SS
5 86270830 5 NUT, 5/16-18 HEX NYLOCK SS
6 86012900 2 SCR, 1/4-20 X 4.5" CARRIAGE SS
7 86228990 2 BEARING, FLNGD, .314ID X .502OD
8 86297770 1 LIFT RAM LEFT, REAR
9 86290700 2 SCR, 5/16-18 X 1.0 FHCS SS
10 86013010 2 SPRING, COMP .97D X 2.5L X .12W
11 86231280 2 BUSHING, .377ID X .627OD X .63
12 86271870 2 NUT, 1/4-20 HEX NYLOCK THIN SS
13 86010810 8 WASHER, 1/4" ID X 1.0 OD,FLAT SS
14 86297790 1 LIFT ARM LEFT, FRONT
15 86297780 1 LIFT ARM RIGHT, FRONT
16 86297800 1 BRKT, ACTUATOR LIFT
17 86276780 9 SCR, 5/16-18 X 3/4 HHCS SS
18 86297760 1 LIFT ARM RIGHT, REAR
19 86088420 2 SUPPORT, COUNTERBALANCE
20 86259420 6 WASHER, THRUST .51ID X 1 OD
21 86259400 1 WASHER, THRUST.51ID X1 ODBRO
22 86256130 1 STRAP, STATIC, .2T X 1W X 3L

16
Control Handle
10
9
1
2B 3
4
56
7
8
2A
86400210 Spare Parts List - Commodore Duo

1786400210 Spare Parts List - Commodore Duo
Control Handle
REF PART NO. QTY DESCRIPTION SERIAL NO.
FROM NOTES
1 86277050 4 SCR, 5/16-18 X 3/4 SHCS SS
2A 86238730 1 HANDLE, LEFT
2B 86238740 1 HANDLE, RIGHT
3 86240990 2 HOUSING, BUTTON
4 86254920 2 SPRING, COMP .24OD X 1.25X.018
5 86277070 2 SCR, 4-40 X 5/8 PPHMS
6 86338190 2 BUTTON, PROPEL
7 86277060 4 SCR, 8.32 X 7/8 PHTC TYPE 23
8 86257230 2 SWITCH, SPST MOM NO W/LEVER
9 86338860 - PROPEL HANDLE ASM LEFT
10 86338870 - PROPEL HANDLE ASM RIGHT

18
Control Panel - Lower - Basic
86400210 Spare Parts List - Commodore Duo

1986400210 Spare Parts List - Commodore Duo
Control Panel - Lower - Basic
REF PART NO. QTY DESCRIPTION SERIAL NO.
FROM NOTES
1 86005530 1 METER, 12-48 VDC LED HOUR
2 86002010 2 BOOT, 3/8 CIRCUIT BREAKER
3 86008900 2 BOOT, SEAL-PUSH BUTTON 7/16-28
4 86229770 1 BLOCK, SHUNT MOUNT
5 86295570 1 PANEL, CONTROL
6 86273880 2 SCR, 8-32 X 1.25 PPHMS
7 86012910 1 CONTROLLER, I DRIVE
8 86270850 2 NUT, 8-32 HEX NYLOCK SS
9 86255900 4 STANDOFF, 6-32 X 5/8 HEX NYL
10 86237900 2 GASKET, .125 X .37W X 23L
11 86251360 1 RELAY, 36VDC 100A
12 86007190 1 SWITCH KEY DPST
13 86002000 1 BREAKER, 3 AMP
14 86001920 1 BREAKER, 25A VDC CIRCUIT
15 86001910 1 BREAKER, 30A 50VDC CIRCUIT
16 86005810 2 NUT, 1/4-20 HEX NYLOCK SS
17 86230080 1 BREAKER, 22A 250VAC, 50VDC
18 86250210 1 PLUG, DOME, .375"
19 86250160 1 PLUG, .875"

20
Control Panel - Upper - Basic
10
1
2
3
4
5
6
7
8
9
86400210 Spare Parts List - Commodore Duo

2186400210 Spare Parts List - Commodore Duo
Control Panel - Upper - Basic
REF PART NO. QTY DESCRIPTION SERIAL NO.
FROM NOTES
1 86006230 1 POTENTIOMETER, 5 K OHMS
2 86012670 1 METER. BATTERY, PG TRUE CHARGE
3 86255900 6 STANDOFF, 3-32 X 5/8 HEX NYL
4 86005810 4 NUT, 1/4-20 HEX NYLOCK SS
5 86251360 2 RELAY, 36VDC 100A
6 86014690 1 SWITCH, ROTARY CAM, 4 POS
7 86257180 1 SWITCH, MOMENTARY, DPDT, WHITE
8 86257150 1 SWITCH, SPDT P-BUTTON
9 86026010 1 LIGHT ASM, INDICATOR
10 86242110 1 KNOB, .90 OD X .25 COLLET
11 86251410 1 RELAY, 15A 36V MINI
12 86300140 1 ASM, DC CONV.
13 86254640 2 SPACER, .25 OD X .171 ID X .25

22
Control Panel - Lower - Deluxe
86400210 Spare Parts List - Commodore Duo

2386400210 Spare Parts List - Commodore Duo
Control Panel - Lower - Deluxe
REF PART NO. QTY DESCRIPTION SERIAL NO.
FROM NOTES
1 86005530 1 METER, 12-48 VDC LED HOUR
2 86002010 2 BOOT, 3/8 CIRCUIT BREAKER
3 86008900 3 BOOT, SEAL-PUSH BUTTON 7/16-28
4 86229770 1 BLOCK, SHUNT MOUNT
5 86295570 1 PANEL, CONTROL
6 86273880 2 SCR, 8-32 X 1.25 PPHMS
7 86012910 1 CONTROLLER, I DRIVE
8 86270850 2 NUT, 8-32 HEX NYLOCK SS
9 86255900 4 STANDOFF, 6-32 X 5/8 HEX NYL
10 86237900 2 GASKET, .125 X .37W X 23L
11 86251360 1 RELAY, 36VDC 100A
12 86007190 1 SWITCH KEY DPST
13 86002000 1 BREAKER, 3 AMP
14 86001920 1 BREAKER, 25A VDC CIRCUIT
15 86001910 2 BREAKER, 30A 50VDC CIRCUIT
16 86005810 2 NUT, 1/4-20 HEX NYLOCK SS
17 86230080 1 BREAKER, 22A 250VAC, 50VDC
18 86250160 1 PLUG, .875"

24
Control Panel - Upper - Deluxe
1
2
3
4
5
7
8
9
10
11
3
6
5
13
12
86400210 Spare Parts List - Commodore Duo

2586400210 Spare Parts List - Commodore Duo
Control Panel - Upper - Deluxe
REF PART NO. QTY DESCRIPTION SERIAL NO.
FROM NOTES
1 86006230 1 POTENTIOMETER, 5 K OHMS
2 86012670 1 METER. BATTERY, PG TRUE CHARGE
3 86255900 6 STANDOFF, 3-32 X 5/8 HEX NYL
4 86005810 4 NUT, 1/4-20 HEX NYLOCK SS
5 86251360 2 RELAY, 36VDC 100A
6 86014690 1 SWITCH, ROTARY CAM, 4 POS
7 86257180 1 SWITCH, MOMENTARY, DPDT, WHITE
8 86257150 1 SWITCH, SPDT P-BUTTON
9 86026010 1 LIGHT ASM, INDICATOR
10 86242110 1 KNOB, .90 OD X .25 COLLET
11 86251410 1 RELAY, 15A 36V MINI
12 86300140 1 ASM, DC CONV.
13 86254640 2 SPACER, .25 OD X .171 ID X .25

26
Control Panel Mounting
12
3
4
86400210 Spare Parts List - Commodore Duo

2786400210 Spare Parts List - Commodore Duo
Control Panel Mounting
REF PART NO. QTY DESCRIPTION SERIAL NO.
FROM NOTES
1 86276290 7 SCR, #10 X 3/4 PPHST HI-LO BLK
2 86294250 7 WASHER, .19 ID X .5 X .09TK BLK
3 86072110 1 BRKT, BACK, CONTROL PANEL
4 86274290 2 SCR, 10-32 X 3/8 PPHMS SS

28
Cover - Front
1
2
3
4
5
6
7
8
86400210 Spare Parts List - Commodore Duo

2986400210 Spare Parts List - Commodore Duo
Cover - Front
REF PART NO. QTY DESCRIPTION SERIAL NO.
FROM NOTES
1 86271870 4 NUT, 1/4-20 HEX NYLOCK THIN SS
2 86010630 4 WASHER, 1/4 ID X 5/8 OD SS
3 86270990 2 NUT, 10-32 HEX NYLOCK SS
4 86290740 2 BRKT, FRONT LATCH
5 86278390 2 SPACER, 1/2" OD X .219 ID X 1/2"
6 86006830 2 SCR, 10-32 X 1.0 PPHMS
7 86298910 1 COVER, FRONT, 20 IN
8 86010650 2 WASHER, #10 X 9/16 OD

30
Decals
1
2
3
3
5
6
4
86400210 Spare Parts List - Commodore Duo

3186400210 Spare Parts List - Commodore Duo
Decals
REF PART NO. QTY DESCRIPTION SERIAL NO.
FROM NOTES
1 86395920 1 LABEL, BASIC CONTROL
2 86399320 1 LABEL, EXTRACTORS, BREAKERS
3 86402600 2 LABEL, COMMODORE, SIDE
4 86014330 1 LABEL, CHARGER CONNECTION
5 86395400 1 LABEL, WINDSOR LOGO DOMED
6 86399420 1 LABEL, SOL FILL, 20 GAL

32
Frame - Lower
2
1
3
4
5
6
86400210 Spare Parts List - Commodore Duo

3386400210 Spare Parts List - Commodore Duo
Frame - Lower
REF PART NO. QTY DESCRIPTION SERIAL NO.
FROM NOTES
1 86276780 2 SCR, 5-16-18 X 3/4 HHCS SS
2 86010670 8 WASHER, 5/16 FLAT SS
3 86091950 1 BRKT, FRAME, CASTER MNT
4 86092570 1 FRAME, TRANSAXLE MTG
5 86271840 8 NUT, 5/16-18 HEX NYLOCK THIN SS
6 86293740 2 CASTER, 4" SWIVEL, 300# CPCTY

34
Frame - Upper
86400210 Spare Parts List - Commodore Duo

3586400210 Spare Parts List - Commodore Duo
Frame - Upper
REF PART NO. QTY DESCRIPTION SERIAL NO.
FROM NOTES
1 86012890 1 WELDMENT, FRAME MAIN
2 86276780 4 SCR, 5/16-18 X 3/4 HHCS SS
3 86010670 7 WASHER, 5/16 FLAT SS
4 86279580 2 WASHER, 1/2 X 1" X 1/8" NYLON
5 86276490 5 SCR, 5/16-18 X 5/8 HHCS SS
6 86277460 2 SCR, 5/16-18 X 5/8 BSHCS SS
7 86279630 2 WASHER, .344IDX1.13ODX.09T PLT

36
Recovery Tank
86400210 Spare Parts List - Commodore Duo

3786400210 Spare Parts List - Commodore Duo
Recovery Tank
REF PART NO. QTY DESCRIPTION SERIAL NO.
FROM NOTES
1 86274220 1 SCR, 6-32 X 5/8 PPHMS SS
2 86003340 1 DOME, 13 X 11
3 86246080 1 LANYARD, 18.0 W/LOOP & EYE
4 86014810 1 NUT, 6-32 ACORN SS
5 86004010 1 GASKET, DOME EDGE
6 86199840 1 FLOAT SCREEN CAGE ASSY
7 86227120 1 ADAPTER, FLOAT 30 DEG
8 86293240 1 TUBE ASM, RECOVERY FLOAT
9 86002380 1 CLAMP, 2.25" WORM GEAR
10 86012150 1 BRKT, TANK STIFFEN
11 86240130 1 HOSE, P-TRAP 45 DEG
12 86292740 1 TANK RECOVERY, TRIMMED
13 86290830 2 SCR, 5/16-18 X 1.25 SHCS SS
14 86238460 2 HOOK, STRAP
15 86270830 5 NUT, 5/16-18 HEX NYLOCK SS
16 86013350 1 BRKT, RECOVERY HINGE
17 86276490 7 SCR, 5/16-18 X 5/8 HHCS SS
18 86372080 2 NUT, 1.5 SLIP JOINT
19 86002400 4 CLAMP, 2.0" WORM GEAR X .312w
20 86328980 1 DRAIN CAP ASSEMBLY
21 86089630 1 TUBE, 1.5 PVC X 24.0
22 86004260 1 HOSE, 1.5 X 24.0 DRAIN

38
Recovery Tank Handle - Basic
17
2
4
3
7
8
9
10
11
12
13
8
14
9
6
5
1
15
15
1
16
86400210 Spare Parts List - Commodore Duo

3986400210 Spare Parts List - Commodore Duo
Recovery Tank Handle - Basic
REF PART NO. QTY DESCRIPTION SERIAL NO.
FROM NOTES
1 86276490 3 SCR, 5/16-18 X 5/8 HHCS SS
2 86277640 4 SCR, 1/4-20 X 3/4 PTHMS SS
3 86290730 2 LATCH, FRONT COVER
4 86226740 4 SPACER, 3/8 X .265 X 1/4 NYL
5 86010800 2 WASHER, .21D X .500 BLK SS
6 86276290 2 SCR, #10 X 3/4 PPHST HI-LO BLK
7 86335690 1 ASSEMBLY, BRKT, FRONT, LEFT
8 86010630 6 WASHER, 1/4 ID X 5/8 OD SS
9 86271870 6 NUT, 1/4-20 HEX NYLOCK THIN SS
10 86013990 1 BRKT, COVER
11 86335620 1 COVER, ACCESSORY PORT
12 86222620 1 PIN, 5MM DIA X 85MM L
13 86008650 2 COTTER, 1/4" RING
14 86291800 1 ASSEMBLY, BRKT, FRONT, RIGHT
15 86010670 3 WASHER, 5/16 FLAT SS
16 86290850 1 SCR, M5 X 20 HHMS SS
17 86010650 1 WASHER, #10 X 9/16 OD

40
Recovery Tank Handle - Deluxe
86400210 Spare Parts List - Commodore Duo

4186400210 Spare Parts List - Commodore Duo
Recovery Tank Handle - Deluxe
REF PART NO. QTY DESCRIPTION SERIAL NO.
FROM NOTES
1 86276490 3 SCR, 5/16-18 X 5/8 HHCS SS
2 86277640 4 SCR, 1/4-20 X 3/4 PTHMS SS
3 86290730 2 LATCH, FRONT COVER
4 86226740 4 SPACER, 3/8 X .265 X 1/4 NYL
5 86010800 2 WASHER, .21D X .500 BLK SS
6 86276290 2 SCR, #10 X 3/4 PPHST HI-LO BLK
7 86335690 1 ASSEMBLY, BRKT, FRONT, LEFT
8 86010630 6 WASHER, 1/4 ID X 5/8 OD SS
9 86271870 6 NUT, 1/4-20 HEX NYLOCK THIN SS
10 86294880 1 BRKT, ACC PORT COVER
11 86335620 1 COVER, ACCESSORY PORT
12 86222620 1 PIN, 5MM DIA X 85MM L
13 86008650 2 COTTER, 1/4" RING
14 86291800 1 ASSEMBLY, BRKT, FRONT, RIGHT
15 86010670 3 WASHER, 5/16 FLAT SS
16 86290850 1 SCR, M5 X 20 HHMS SS
17 86010650 3 WASHER, #10 X 9/16 OD
18 86275470 2 SCR, 10-32 X 5/8 PPHMS SS
19 86224770 1 SPRING, TORSION
20 86279170 1 WASHER, #10 X 1.0 FLAT
21 86295160 1 GASKET, ACCESSORY PORT COVER
22 86278910 1 WASHER, 3/8 ID X 7/8 OD SS
23 86200810 1 NIPPLE, 1/8 FPT QD FEM BRASS
24 86293920 1 BRKT, PRIMER SWITCH
25 86295720 1 LABEL, PRIMING
26 86270990 2 NUT, 10.32 HEX NYLOCK SS
27 86197520 1 HOSEBARB, 1/8MPT X 14 DL
28 86217270 1 COUPLER, ACC PORT VACUUM
29 86200820 1 NIPPLE, 1/8FPT QD MALE BRASS
30 86002400 2 CLAMP, 2.0" WORM GEAR X .312W
31 86240120 1 HOSE ASM, 1.5 BLK VAC X 5.0
32 86007210 1 SWITCH, DPDT 3-POSITION ROCKER
33 86005580 1 NIPPLE, 1/4 FPT QD
34 86197300 1 BUSHING, 1/8 FPT X 1/4 MPT HEX
35 86247720 1 NIPPLE, 1/8 CLOSE
36 86386620 1 WASHER, 3/8 X .630 X .039, DSP

42
Solution - Chemical Tanks - Deluxe
12
3
4
5
6
7
3
17
10
11
12
13 14
15
16
18
9
8
86400210 Spare Parts List - Commodore Duo

4386400210 Spare Parts List - Commodore Duo
Solution - Chemical Tanks - Deluxe
REF PART NO. QTY DESCRIPTION SERIAL NO.
FROM NOTES
1 86012760 1 STRAINER, 1/2 FPT, 80 MESH
2 86001530 2 HOSEBARB, 1/2MPT X 1/2 HOSE 90
3 86233150 3 CLAMP, 3/8 HOSE (D-SLOT)
4 86197980 1 HOSEBARB, 1/2 MPT X 1.0 90D NY
5 86011360 1 HOSE, 1.0 ID X 1/8W X 21 CLR
6 86233110 1 CLAMP, 1.0' WORM GEAR
7 86197910 1 HOSEBARB, 1/2MPT X 1/2 POLY DL
8 86295280 2 CAP, STORAGE
9 86274400 4 SCR, 1/4-20 X 5/8 BHCS
10 86297610 1 HOSEBARB, 1/4 MPT X 1/4 9D NYL
11 86019510 1 TANK, INTERIM CHEMICAL
12 86399330 1 LABEL, CHEMICAL TANKS
13 86335930 1 CAP, DISPENSING, 8.00 TUBE
14 86335940 1 CAP, DISPENSING, 6.50 TUBE
15 86236590 2 FOOT FILTER
16 86088670 1 TANK, EXTRACT CHEMICAL
17 86233090 1 CLAMP, 1/4 ID HOSE
18 86294860 1 BRKT, CHEMICAL TANKS

44
Solution Pump
24
25
24
24
24
24
27
24
1
2
3
4
5
6
7
8
9
10 11
12
13
14
15
16
17
18
19
20
7
21
22
23
DELUXE PUMP
BASIC PUMP
25
24
-C-
-C-
-B-
-B-
-A-
-A-
26
29
30
31
31
28 18
20
13
12
11
10
9
25
86400210 Spare Parts List - Commodore Duo

4586400210 Spare Parts List - Commodore Duo
Solution Pump
REF PART NO. QTY DESCRIPTION SERIAL NO.
FROM NOTES
1 86006580 1 SCR, 1/4-20 X 1/2 PPHMS SS DL
2 86394990 1 COVER, PUMP
3 86012690 1 BRKT, PUMP MTG
4 86240500 1 HOSEBARB, 1/4MPT X 3/8 90D NYL
5 86010670 2 WASHER, 5/16 FLAT SS
6 86276490 2 SCR, 5/16-18 X 5/8 HHCS SS
7 86001530 2 HOSEBARB, 1/2MPT X 1/2 HOSE 90
8 86012760 1 STRAINER, 1/2 FPT, 80 MESH
- 86005870 - O-RING, FILTER SEAL RON-VIK
- 86136800 - SCREEN, 80 MESH STRAINER DEEP
9 86197940 1 HOSEBARB, 3/8MPTX1/2 90D DL
10 86006100 1 PUMP ASM, 36V ACCESSORY
11 86010650 4 WASHER, #10 X 9/16 OD
12 86270990 4 NUT, 10-32 HEX NYLOCK SS
13 86197290 1 BUSHING, 3/8 MPT X 1/4 FPT HEX
14 86200820 1 NIPPLE, 1/8NPT QD MALE BRASS
15 86247720 1 NIPPLE, 1/8 CLOSE
16 86197300 1 BUSHING, 1/8 FPT X 1/4 MPT HEX
17 86290000 1 VALVE, BYPASS, 125 PSI ADJ
18 86197730 1 TEE, 1/4 BRANCH
19 86197760 1 TEE, 1/4 STREET
20 86197500 1 HOSEBARB, 1/4MPT X 1/4 DL
21 86197980 1 HOSEBARB, 1/2 MPT X 1.0 90D NU
22 86011360 1 HOSE, 1.0 ID X 1/8W X 21 CLR
23 86233110 1 CLAMP, 1.0" WORM GEAR
24 86233150 7 CLAMP, 3/8 HOSE (D-SLOT)
25 86233090 2 CLAMP, 1/4 ID HOSE
26 86010630 1 WASHER, 1/4 ID X 5/8 OD SS
27 86197910 1 HOSEBARB, 1/2MPTX1/2POLY DL
28 86240360 1 HOSEBARB, 1/4 MPT X 1/4 9D DL
29 86005580 1 NIPPLE, 1/4 FPT QD
30 86197300 1 BUSHING, 1/8 FPT X 1/4 MPT HEX
31 86247720 1 NIPPLE, 1/8 CLOSE
32 86200810 1 NIPPLE, 1/8 FPT QD FEM BRASS

46
Solution - Chemical Pump - Deluxe
-A-
14
13 13
11
-A-
9
9
10
5
7
-C- -B-
6
-B-
-C-
4
3
8
15
17
12
16
1
2
86400210 Spare Parts List - Commodore Duo

4786400210 Spare Parts List - Commodore Duo
Solution - Chemical Pump - Deluxe
REF PART NO. QTY DESCRIPTION SERIAL NO.
FROM NOTES
1 86010670 2 WASHER, 5/16 FLAT SS
2 86276490 2 SCR, 5/16-18 X 5/8 HHCS SS
3 86295370 1 CLAMP, 1-1/4 P CUSHIONED
4 86270830 1 NUT, 5/16-18 HEX NYLOCK SS
5 86297820 1 PUMP ASM, CHEMICAL 36VDC
6 86274290 2 SCR, 10-32 X 3/8 PPHMS SS
7 86293970 1 BRKT, COVER
8 86353090 2 SCR, 8-32 X 5/16 PPHMS SS SS
9 86295810 2 HOSEBARB, 1/8 MPT X 1/8
10 86293720 1 VALVE, 3-WAY, 36 VDC
11 86295290 1 ELBOW, SWIVEL, 6MM QC X 1/8 MPT
12 86293880 1 BRKT, CHEMICAL PUMP
13 86297460 4 CLAMP, 1/4" NYLON RATCHET
14 86298040 1 FILTER, INLINE, 1/8 HOSEBARB
15 86264860 1 ANCHOR, CABLE TIE #8 MOUNT
16 86238490 1 GROMMET 3/8 ID X 1/8 GROOVE
17 86197400 1 ELBOW, 1/8 NPT STREET

48
Solution - Chemical Valves - Deluxe
66
5
9
10
11
6
12
8
5
11
7
3
2
1
4
7
6
3
86400210 Spare Parts List - Commodore Duo

4986400210 Spare Parts List - Commodore Duo
Solution - Chemical Valves - Deluxe
REF PART NO. QTY DESCRIPTION SERIAL NO.
FROM NOTES
1 86295260 1 BRACKET, SOLUTION BYPASS
2 86273980 4 SCR, 10-32 X 3/4 PPHMS SS
3 86010650 8 WASHER, #10 X 9/16 OD
4 86353090 4 SCR, 8-32 X 5/16 PPHMS SS
5 86197750 2 TEE, 1/8 NPT STREET RUN
6 86240610 5 HOSEBARB, 1/8MPT X 1/4H 90D
7 86233090 5 CLAMP, 1/4 ID HOSE
8 86247720 2 NIPPLE, 1/8 CLOSE
9 86295650 1 CROSS, 1/8 NPT
10 86297830 1 SWITCH ASM, PRESSURE
11 86013030 2 VALVE, 36VDC SOLENOID, 1/8 FPT
12 86295550 1 ORIFICE, SOLUTION BYPASS

50
Solution Tank
86400210 Spare Parts List - Commodore Duo

5186400210 Spare Parts List - Commodore Duo
Solution Tank
REF PART NO. QTY DESCRIPTION SERIAL NO.
FROM NOTES
1 86011820 1 GASKET, INLET CAP
2 86011810 1 RETAINER, INLET CAP
3 86290370 2 WASHER D, .346 ID X .105T
4 86276760 1 SCR, 5/16-18 X 1.25 BSHCS SS
5 86006860 2 SCR, #10 X 1/2 PPHST TYPE B SS
6 86010650 2 WASHER, #10 X 6/16 OD
7 86290830 1 SCR, 5/16-18 X 1.25 SHCS SS
8 86238460 1 HOOK, STRAP
9 86292730 1 TANK SOLUTION, TRIMMED
10 86072200 1 BRKT, SOLUTION HINGE
11 86010670 12 WASHER, 5/16 FLAT SS
12 86013700 1 WELDMENT, LIFT SLIDE
13 86276490 12 SCR, 5/16-18 X 5/8 HHCS SS
14 86276070 2 SCR, 5/16-18 X 3/4 CARRIAGE SS
15 86239630 1 HINGE, COVER TO TANK
16 86270830 9 NUT, 5/16-18 HEX NYLOCK SS
17 86006560 1 SCR, 5/16-18 X 1 HHCS SS NP
18 86217540 1 COVER, SOLUTION TANK
19 86259410 3 WASHER, THRUST .51 ID X 1ODX.063
20 86290190 1 BRKT, PROP ROD CATCH
21 86271840 1 NUT, 5/16-18 HEX NYLOCK THIN SS
22 86259910 1 WHEEL, BATTERY TRAY
23 86276380 2 SCR, 5/16-18 X 1.25 SSSCU
24 86274720 1 SCR, 5/16-18 X 1.5 HHCS SS
25 86228990 2 BEARING, FLNGD, .314ID X .502OD
26 86011630 1 PLATE, PROP ROD
27 86011490 1 WELDMENT, LIFT SLIDE, STRAINER
28 86197040 1 NUT, 5/16-18 HEX ACORN PLTD
29 86295730 1 BRKT, PROP ROD CATCH
30 86293700 1 SPACER, .75 X .322 ID X .38L
31 86007020 1 SCR, 5/16-18 X 1.25 HHCS SS NP

52
Spray Jets
86400210 Spare Parts List - Commodore Duo

5386400210 Spare Parts List - Commodore Duo
Spray Jets
REF PART NO. QTY DESCRIPTION SERIAL NO.
FROM NOTES
1 86197400 2 ELBOW, 1/8NPT STREET
2 86233090 6 CLAMP, 1/4 ID HOSE
3 86197640 4 HOSEBARB, 1/8" FPT X 1/4"
4 86197750 2 TEE, 1/8 NPT STREET RUN
5 86227200 1 ADPTR 1/8MPTX1/8FPT BS AD
6 86240610 2 HOSEBARB, 1/8MPT X 1/4H 90D
7 86270830 3 NUT, 5/16-18 HEX NYLOCK SS
8 86010670 2 WASHER, 5/16 FLAT SS
9 86004570 4 JET BODY
10 86013200 2 JET, MINI PROMAX 11004
11 86012550 2 JET, PROMAX 11001
12 86091880 1 BRKT, JET, DUAL
13 86010820 4 WASHER, 7/16 X 3/4 X .19 RUBBER
14 86296310 1 BRACKET, BUMPER ASSY
15 86276070 1 SCR, 5/16-19 X 3/4 CARRIAGE SS
16 86297030 1 PLATE, BUMPER SPACER

54
Spray Jet Valves - Basic
11
10
10
10
1
2
3
4
5
6
7
8
9
6
6
86400210 Spare Parts List - Commodore Duo

5586400210 Spare Parts List - Commodore Duo
Spray Jet Valves - Basic
REF PART NO. QTY DESCRIPTION SERIAL NO.
FROM NOTES
1 86270830 2 NUT, 5/16-18 HEX NYLOCK SS
2 86010670 2 WASHER, 5/16 FLAT SS
3 86197400 1 ELBOW, 1/8NPT STREET
4 86013030 2 VALVE, 36VDC SOLENOID, 1/8 FPT
5 86197750 1 TEE, 1/8 NPT STREET RUN
6 86197520 3 HOSEBARB, 1/8MPT X 1/4 DL
7 86353090 4 SCR, 8-32 X 5/16 PPHMS SS
8 86013070 1 BRACKET, DUO VALVE MOUNT
9 86014250 1 ORIFICE, .052 ID, .281 OD
10 86233090 3 CLAMP, 1/4 ID HOSE
11 86247720 1 NIPPLE, 1/8 CLOSE

56
Spray Jet Valves - Deluxe
1
2
4
7
89
12
13
14 15
3
10 6
5
3
5
6
10
11
10
86400210 Spare Parts List - Commodore Duo

5786400210 Spare Parts List - Commodore Duo
Spray Jet Valves - Deluxe
REF PART NO. QTY DESCRIPTION SERIAL NO.
FROM NOTES
1 86270830 2 NUT, 5/16-18 HEX NYLOCK SS
2 86010670 2 WASHER, 5/16 FLAT SS
3 86197400 2 ELBOW, 1/8NPT STREET
4 86013030 2 VALVE, 36VDC SOLENOID, 1/8 FPT
5 86197750 2 TEE, 1/8 NPT STREET RUN
6 86197520 2 HOSEBARB, 1/8MPT X 1/4 DL
7 86353090 4 SCR, 8-32 X 5/16 PPHMS SS
8 86013070 1 BRACKET, DUO VALVE MOUNT
9 86240610 1 HOSEBARB, 1/8 MPT X 1/4 HOSE 90D
10 86233090 3 CLAMP, 1/4 ID HOSE
11 86247720 1 NIPPLE, 1/8 CLOSE
12 86295290 1 ELBOW, SWIVEL, 6MM QC C 1/8 MPT
13 86180670 1 ELL, 1/8 FEMALE NPT, BR
14 86295300 1 VALVE, CHECK, 1/8 MPT
15 86227200 1 ADPTR 1/8MPTX1/8FPT BS AD

58
Wheel and Drive Assembly
86400210 Spare Parts List - Commodore Duo

5986400210 Spare Parts List - Commodore Duo
Wheel and Drive Assembly
REF PART NO. QTY DESCRIPTION SERIAL NO.
FROM NOTES:
1 86315130 1 TRANSAXLE, 36VDC
- 86288820 - BRUSH SET, TRANSAXLE 78434 CCL
2 86072100 1 BRKT, CABLE GUARD
3 86270440 2 KEY, 3/16 X 1.75
4 86270830 4 NUT, 5/16-18 HEX NYLOCK SS
5 86079600 2 PLATE, TRANSAXLE CONNECTION
6 86316850 2 COLLAR SET, .50W X .754 ID
7 86277930 8 SET SCR, 1/4-20 X 3/8 KCP DL
8 86273750 2 SCR, 1/4-20 X 5/8 HHCS SS NP
9 86277130 3 SCR, 5/16-18 X 1.00 CARRIAGE SS
10 86277930 4 SET SCR, 1/4-20 X 3/8 KCP D
11 86010780 2 WASHER, 1/4 SPLIT LOCK PLTD
12 86278940 2 WASHER, 1/4 ID X 1-1/4 OD PLTD
13 86226040 2 WHEEL, 9X1.6, .75IN BORE
14 86010670 4 WASHER, 5/16 FLAT SS
15 86177040 1 CLAMP, CABLE 1-1/4 ID 5/16 BLT
16 86277030 1 SCR, 5/16-18 X 1.25 CARRIAGE SS

60
Vacuum Shoe
19
18
17
16
4
3
7
6
98
13
12
2
13
15
5
11
2
10 1718 14
1
19
86400210 Spare Parts List - Commodore Duo

6186400210 Spare Parts List - Commodore Duo
Vacuum Shoe
REF PART NO. QTY DESCRIPTION SERIAL NO.
FROM NOTES:
1 86219150 1 HOSE ASM, 1.5 BLK VAC X 30”
2 86072170 2 BRKT, VAC LIFT, LONG
3 86276650 2 SCR, 5/16-18 X 1.5 BSHCS SS
4 86219690 2 KNOB, 1.5 OD X 5/16-18
5 86296540 2 VAC SHOE, 13 IN W/WIPER
6 86003010 1 CUFF, HOSE 1.5 BLK A 2161
7 86239880 1 HOSE, 1.5 BLK VAC X 22"
8 86276070 8 SCR, 5/16-18 X 3/4 CARRIAGE SS
9 86010770 4 WSHR, 7/16IDX1DX.08 FLT SS
10 86273740 4 SCR, 1/4-20 X 1.5 HHCS
11 86270830 8 NUT, 5/16-18 HEX NYLOCK SS
12 86093620 1 PLATE, VAC MOUNT RH
13 86072180 2 BRKT, VAC LIFT, SHORT
14 86228920 4 BEARING, .252 ID X .503 OD X 1.0
15 86093630 1 PLATE, VAC MOUNT LH
16 86271870 4 NUT, 1/4-20 HEX NYLOCK THIN SS
17 86010630 8 WSHR, 1/4 ID X 5/8 OD SS
18 86259420 8 WSHR, THRUST .51IDX1 ODBRO
19 86259400 8 WASHER, THRUST.51IDX1ODBRO

62
Vacuum Shoe
5
1
2
36
4
86400210 Spare Parts List - Commodore Duo

6386400210 Spare Parts List - Commodore Duo
Vacuum Shoe
REF PART NO. QTY DESCRIPTION SERIAL NO.
FROM NOTES:
1 86293190 3 PIN, CLEVIS
2 86296520 1 WIPER, W/GASKET
3 86310750 1 ASSEMBLY, GASKETS, VAC SHOE
4 86296350 1 BUSHING, BRONZE, PM, 15.93 ID
5 86302700 10 SCR, M6 X 16 PH, SS
6 86296550 1 VACSHOE, 13 IN

64
Vacuum - Basic
86400210 Spare Parts List - Commodore Duo

6586400210 Spare Parts List - Commodore Duo
Vacuum - Basic
REF PART NO. QTY DESCRIPTION SERIAL NO.
FROM NOTES:
1 86005810 3 NUT, 1/4-20 HEX NYLOCK SS
2 86010670 8 WASHER, 5/16 FLAT SS
3 86276490 7 SCR, 5/16-18 X 5/8 HHCS SS
4 86014640 1 BRKT, VAC MOTOR
5 86270830 1 NUT, 5/16-18 HEX NYLOCK SS
6 86259410 1 WASHER, THRUST .51 ID X 1 OD .063
7 86228840 1 BEARING, FLANGED .314 ID X .502 OD
8 86006560 1 SCR, 5/16-18 X 1 HHCS SS
9 86005450 1 VAC MOTOR ASM, 36VDC 3 STAGE
- 86326980 - BRUSH SET, 24/36V VAC
10 86010630 3 WASHER, 1/4 ID X 5/8 OD SS
11 86273810 3 SCR, 1/4-20 X 1 HHCS SS
12 86002400 5 CLAMP, 2.0" WORM GEAR X .312W
13 86012870 1 HOSE, 1.5 BLK VAC X 11”
14 86004420 1 HOSE ASM, 1.5 BLK VAC X 14
15 86071890 1 BRKT, VACUUM EXHAUST
16 86071880 1 BRKT, VACUUM JUNCTION
17 86003010 1 CUFF, HOSE 1.5" BLK A 2161
18 86075330 1 COUPLER, VACUUM
19 86004370 1 HOSE ASM, 1.5 BLK VAC X 21
20 86277040 1 SCR, 5/16-18 X 1/2 HHCS SS NP
21 86292630 1 NET, CARGO
22 86006950 3 SCR, 10-32 X 1/2 PPHMS BLK NP
23 86292640 1 BRKT, CARGO NET
24 86011640 1 BRKT, PROP ROD PIVOT
25 86279630 1 WASHER, .344IDX1.13ODX.09T PLT

66
Vacuum - Deluxe
86400210 Spare Parts List - Commodore Duo

6786400210 Spare Parts List - Commodore Duo
Vacuum - Deluxe
REF PART NO. QTY DESCRIPTION SERIAL NO.
FROM NOTES:
1 86276720 6 SCR, 1/4-20 X 4.25 HHCS GR5 PLTD
2 86010780 6 WASHER, 1/4 SPLIT LOCK PLTD
3 86010630 12 WASHER, 1/4 ID X 5/8 OD SS
4 86003760 2 GASKET, VAC MTR
5 86011670 1 BRKT, VACUUM, PUMP
6 86011760 6 SPACER, .38OD X .058W X 3.2L
7 86011830 2 GASKET, VAC PLATE
8 86014470 1 PLATE, VACUUM CONTAINMENT
9 86004420 2 HOSE ASM, 1.5 BLK VAC X 14
10 86075330 1 COUPLER, VACUUM
11 86011640 1 BRKT, PROP ROD PIVOT
12 86279630 1 WASHER, .344ID X 1.13OD X .09T PLT
13 86276490 7 SCR, 5/16-18 X 5/8 HHCS SS
14 86259410 1 WASHER, #6 LOCK EXT STAR SS
15 86228840 1 BEARING, FLANGED .314ID X .502OD
16 86006560 1 SCR, 5/16-18 X 1 HHCS SS NP
17 86010670 8 WASHER, 5/16 FLAT SS
18 86270830 1 NUT, 5/16-18 HEX NYLOCK SS
19 86277040 1 SCR, 5/16-18 X 1/2 HHCS SS NP
20 86006950 3 SCR, 10-32 X 1/2 PPHMS BLK NP
21 86071890 1 BRKT, VACUUM EXHAUST
22 86292640 1 BRKT, CARGO NET
23 86306460 1 BRKT, VACUUM JUNCTION C
24 86002400 2 CLAMP, 2.0" WORM GEAR X .312W
25 86297600 1 HOSE ASM, 1.50 BLK VAC X 6.5
26 86003010 1 CUFF, HOSE 1.5" BLK A 2161
27 86292630 1 NET, CARGO
28 86258480 2 VAC MOTOR, 36V 5.7 3ST TD
- 86326980 - BRUSH SET, 24/36V VAC

68
Wiring - Battery - Basic
2B
3
4
5
6
7
8
9
10
11
12
13
14 15
16
1A
1B
1C
11
1B
2A
A
A
A
20
19
18
1D
86400210 Spare Parts List - Commodore Duo

6986400210 Spare Parts List - Commodore Duo
Wiring - Battery - Basic
REF PART NO. QTY DESCRIPTION SERIAL NO.
FROM NOTES:
1A 86228410 3 BATTERY, 12V, 205AH
1B 86228400 3 BATTERY, 12V, 130AH
1C 86283410 3 BATTERY, 12V, 225AH
1D 86228430 3 BATTERY, 12V AGM 198AH
2A 86014360 1 TRAY BATTERY LINER
2B 86395320 1 TRAY BATTERY LINER, COM DUO BASIC
3 86229740 2 BLOCK, 3.0 X 3.5 X 4 FOAM
4 86274710 2 SCR, 6.32 X 1.0 PPHMS
5 86329720 2 CABLE ASM, BAT. JUMPER
6 86270920 2 NUT, 6-32 HEX NYLOCK SS
7 86010650 2 WASHER, #10 X 9/16 OD
8 86273980 2 SCR, 10-32 X 3/4 PPHMS
9 86270990 2 NUT, 10-32 HEX NYLOCK SS
10 86013740 1 PLATE, BACK, BATTERY
11 86014840 2 WIRE ASM, 27.5 6G RNGXC.TERM
12 86013060 1 BATT. CBL, ASM 2X24, 50A 6GA
13 86260200 2 WIRE 4X1425BK 3/8RINGX3/8RING
14 86008920 6 BOOT, RUBBER TERM. ISOLATOR
15 86271910 6 NUT, 5/16-18 FLEXLOCK
16 86010670 6 WASHER, 5/16 FLAT SS
17 OPEN - -
18 86256260 1 STRAIN RELIEF, BATTERY CABLE
19 86014810 1 NUT, 6-32 ACORN SS
20 86273950 1 SCR, 6-32 X 1/2 PPHMS
- 86012860 1 CHARGER 36V 21A 115V C50 NOT SHOWN
FOR WET CELL
BATTERIES
- 86293010 1 CHARGER, 36V 21A AGM C50 NOT SHOWN
FOR AGM
BATTERIES
- 86260370 1 WIRE ASM, CHARGER ADAPTER CONNECTOR
SB50 TO SB175
ADAPTER

70
Wiring - Battery - Deluxe
86400210 Spare Parts List - Commodore Duo

7186400210 Spare Parts List - Commodore Duo
Wiring - Battery - Deluxe
REF PART NO. QTY DESCRIPTION SERIAL NO.
FROM NOTES:
1A 86228410 3 BATTERY, 12V, 195AH
1B 86283410 3 BATTERY, 12V, 215AH
1C 86228430 3 BATTERY, 12V AGM 198AH
2 86395330 1 TRAY, BATTERY LINER, COM/VOY DUO DLX
3 86229740 2 BLOCK, 3.0 X 3.5 X 4.0
4 86275870 2 SCR, 1/4-20 X 1.5 PPHMS SS
5 86010650 3 WASHER, #10 X 9/16 OD
6 86005810 2 NUT, 1/4-20 HEX NYLOCK SS
7 86260320 2 WIRE, 4X40BK CTERM X 5/16 RING
8 86273980 2 SCR, 10-32 X 3/4 PPHMS
9 86270990 2 NUT, 10-32 HEX NYLOCK SS
10 86013740 1 PLATE, BACK, BATTERY
11 86008760 2 CONN, 175 DCA GRY W/O TERMS
12 86260610 1 WIRE, 4X25RD CTERM X 3/8RING
13 86260200 2 WIRE 4X1425BK 3/8RINGX3/8RING
14 86008920 6 BOOT, RUBBER TERM. ISOLATOR
15 86271910 6 NUT, 5/16-18 FLEXLOCK
16 86010670 6 WASHER, 5/16 FLAT SS
17 86260230 1 WIRE, 4X30 BLK CTERM X 3/8RING
18 86233360 1 CLAMP, CABLE KIT SY 945
19 86270890 1 NUT, ACORN 10-32
20 86273980 1 SCR, 10-32 X 3/4 PPHMS
- 86284090 1 CHARGER 36V 20A 115V C175 NOT SHOWN
FOR WET CELL
BATTERIES
- 86000150 1 CHARGER, 36V 21A AGM C175 NOT SHOWN
FOR AGM
BATTERIES

72
Wiring - Control Panel - Basic
20/RED
19/RED
INDICATES OPTIONAL
EQUIPMENT
6/WHT-YLW
1/YLW
25/RED
27/RED
15/RED
37/RED
22/RED
19/RED
8/RED
26/RED
22/RED
24/WHT-RED
16/RED
13/RED
20/RED
88868
21/WHT-RED
15/RED
28/RED
11/RED
5/WHT-BLU
7/BLK
14/BLK
17/BLK
18/BLK
47/BLK
39/BLK
54/BLK
PG DRIVES
I-DRIVE
KEY
SWITCH
16/RED
17/BLK
10/WHT
9/BLK
1
MAIN
3A
TRACTION
25A
BRUSH
22A
VACUUM
30A
6/WHT-YLW
5/WHT-BLU
I
F
E
12/WHT-RED
4/WHT-GRN 3/GRN
11/RED
2/BLU
1/YLW
9/BLK 10/WHT
13/RED
14/BLK
45/GRN
44/WHT-GRN
8/RED
7/BLK
29/BRN
34/YLW
21/WHT-RED
24/WHT-RED
43/LT-BLU
35/WHT
38/YLW
33/PUR
47/BLK
48/WHT
12/WHT-RED
50/PNK
48/WHT
1
2
1
2
4/WHT-GRN
44/WHT-GRN
2
1
58/BLK
59/BLK
58/BLK
59/BLK
36/WHT
1
76
12
1
31/BRN
32/BRN
30/BRN
29/BRN
30/BRN
32/BRN
43/LT-BLU
35/WHT
50/PNK
49/PNK
37/RED
40/BLK
36/WHT
38/YLW
34/YLW
31/BRN
33/PUR
52/RED
53/RED
56/YLW
54/BLK
55/BLK
52/RED
23/RED
56/YLW
49/PNK
46/GRN
45/GRN
3/GRN
27RED
2/LT-BLU
51/LT-BLU
57/WHT-YLW
28/RED
53/RED
55/BLK
57/WHT-YLW
46/GRN
42/LT-BLU
51/BLU
26/RED
41/RED
25/RED
40/BLK
39/BLK
41/RED
42/BLU
18/BLK
49/PNK 50/PNK
35/WHT
43/LT-BLU
52/RED, 53/RED
2
1
3
4
5
6
7
8
9
10
11
12
13
14
15
16
17
18
19
20
56/YLW
55/BLK
6/WHT-YLW,
54/BLK, 55/BLK
1/YLW, 56/YLW
53/RED
57/WHT-YLW
23/RED, 52/RED
49/PNK
28/RED
27/RED
45/GRN
3/GRN, 46/GRN
51/BLU
2/BLU
NOT USED
NOT USED
NOT USED
NOT USED
57/WHT-YLW
E-STOP
86400210 Spare Parts List - Commodore Duo

7386400210 Spare Parts List - Commodore Duo
Wiring - Control Panel - Basic
REF PART NO. QTY DESCRIPTION SERIAL NO.
FROM NOTES:
1 86261210 3 DIODE ASM, 76008 X 76008
2 86261250 2 DIODE ASM, FAST RECOVERY
3 86013210 1 HARNESS BASIC EXTRACTOR PANEL

74
Wiring - Control Panel - Deluxe
86400210 Spare Parts List - Commodore Duo

7586400210 Spare Parts List - Commodore Duo
Wiring - Control Panel - Deluxe
REF PART NO. QTY DESCRIPTION SERIAL NO.
FROM NOTES:
1 86261210 4 DIODE ASM, 76008 X 76008
2 86261250 3 DIODE ASM, FAST RECOVERY
3 86295170 1 HARNESS, DELUXE EXTRACT PANEL

76
Wiring - Main Harness - Basic
86400210 Spare Parts List - Commodore Duo

7786400210 Spare Parts List - Commodore Duo
Wiring - Main Harness - Deluxe

78
Wiring Diagram - Basic
THROTTLE
POT
ACTUATOR
DECK LIFT SOLUTION
PUMP
8/RED
7BLK
KEY
SWITCH
12 PIN DEUTSCH
BRUSH
22A
BRUSH VACUUM 1
14/BLK
13/RED
2 PIN
PACKARD 2 PIN
PACKARD
MAIN
3A
TRACTION
25A
REVERSE
SWITCH
COM NO
NC
11
12
13
14
15
16
BRUSH
RELAY
27/RED
25/RED
15/RED
COM NO
NC
PUMP RUN
LIGHT
PUMP
SWITCH
10/WHT
9/BLK
6/WHT-YLW
1/YLW
12/WHT-RED
11/RED
5/WHT-BLU
2/BLU
4/WHT-GRN
3/GRN
22/RED 24/WHT-RED
21/WHT-RED
19/RED
15/RED
26/RED
28/RED
16/RED
8/RED
13/RED
5/WHT-BLU
11/RED
54/BLK
18/BLK
47/BLK
14/BLK
39/BLK
17/BLK
37/RED
41/RED
42/BLU
21/WHT-RED
24/WHT-RED
29/BRN
35/WHT
34/YLW
33/PUR
44/WHT-GRN
45/GRN
16/RED
17/BLK
10/WHT
9/BLK
31/BRN
29/BRN
30/BRN
32/BRN
43/LT-BLU
50/PNK
43/LT-BLU
35/WHT
31/BRN
33/PUR
34/YLW
32/BRN
30/BRN
36/WHT
39/BLK
38/YLW
38/YLW
PRV 88868
7BLK
47/BLK
53/RED
52/RED
56/YLW
55/BLK
54/BLK
56/YLW
23/RED
49/PNK
45/GRN
46/GRN
55/BLK
6/WHT-YLW
53/RED
57/WHT-YLW
27/RED
28/RED
51/BLU
2/BLU
52/RED
3/GRN
50/PNK
12/WHT-RED
48/WHT
48/WHT
10/RED
9/BLK
6/WHT-YLW
1/YLW
12/WHT-RED
11/RED
5/WHT-BLU
2/BLU
3/GRN
4/WHT-GRN
8/RED
7BLK
13/RED
14/BLK
86261250
2 PIN
PACKARD
TRACTION JET
SOLENOIDSOLENOID
JET DEEPLIGHT
HANDLE
SWITCH
HANDLE
SWITCH
1
CAM SWITCH
2
5
6
9
10
3
4
7
8
19/RED
8.601-484.0
18/BLK
37/RED
22/RED
8.601-484.0
25/RED 41/RED
23/RED
44/WHT-GRN 4/WHT-GRN
46/GRN
42/BLU
26/RED 51/BLU
EMERGENCY
STOP
20/RED
INDICATES OPTIONAL
EQUIPMENT
PRV 29273
86261250
PRV 29273
86261210
PRV 29204
86261210
PRV 29204
86261210
PRV 29204
86269300
59/BLK
58/BLK
VAC
MOTOR
30A
17
18
19
20
1/YLW
40/BLK
40/BLK
49/PNK
86400210 Spare Parts List - Commodore Duo

7986400210 Spare Parts List - Commodore Duo
Wiring Diagram - Deluxe

80
Hose Diagram - Basic
SOLUTION TANK
BYPASS
VALVE
ORIFICE
RESTRICTOR
SOLUTION
PUMP
STRAINER
FILTER
ACCESSORY
PORT
SPRAY IN INTERIM "A" MODE
AND
SPRAY IN EXTRACT "B" MODE
SPRAY IN EXTRACT "B" MODE
JETS
86290870 (10")
PRV NO. 39326
86290860 (51")
PRV NO. 39711
PRV NO. 39710
86280760 (6")
86280760 (6")
VALVE VALVE
86282320 (49")
86240280 (8")
86281310 (8.8")
86290870 (10")
PRV NO. 151-47B PRV NO. 151-47B
86400210 Spare Parts List - Commodore Duo

8186400210 Spare Parts List - Commodore Duo
Hose Diagram - Deluxe

82
Notes:
86400210 Spare Parts List - Commodore Duo

83
OPTIONS
Options

84
Battery Cart
1
2
3
4
5
2
7
8
9
10
11
12
13
14
1
16
220
21
1
1
8
6
3
18
17
15
13
1
LATCH LINKAGE ASEMBLY
BATTERY CART
LATCH ASEMBLY
BATTERY CART
19 16
6
22
86400210 Spare Parts List - Commodore Duo

8586400210 Spare Parts List - Commodore Duo
Battery Cart
REF PART NO. QTY DESCRIPTION SERIAL NO.
FROM NOTES:
1 86270830 29 NUT, 5/16-18 HEX NYLOCK SS
2 86010670 6 WASHER, 5/16 FLAT SS
3 86228840 5 BEARING, FLANGED .314 ID X .502 OD
4 86259410 1 WASHER, THRUST .51 ID X 1 OD X .063
5 86068490 1 BRKT, TRAY CATCH
6 86259400 13 WASHER, THRUST .51 ID X 1 OD BRP
7 86277470 1 SCR, 5/16-18 X1.5 CARRIAGE SS
8 86274910 5 SCR, 5/16-18 X 1.25HHCS GR5PLT
9 86004070 2 GRIP, POLISHER HANDLE
10 86076600 2 HANDLE, BATTERY CART
11 86276650 4 SCR, 5/16-18 X 1.5 BSHCS SS
12 86276950 3 SCR, 1/4-20 X 3/4 CARRIAGE SS
13 86078890 4 PLATE, CASTER SPACER
14 86232590 2 CASTER, 4" HARD RUBBER RIGID
15 86199430 2 CASTER SWIVEL 4" 250# CPCTY
16 86005810 7 NUT, 1/4-20 HEX NYLOCK SS
17 86276070 16 SCR, 5/16-18 X 3/4 CARRIAGE SS
18 86276330 4 SCR, 1/4-20 X 1.25 CARRIAGE BZ
19 86292880 1 HOUSING, BATTERY CART
20 86254290 2 SPACER, 10OD X .343 ID, .5 LG
21 86006930 2 SCR, 5/16-18 X 1.00 BSHCS SS
22 86255060 1 SPRING, EXT .43D X 2.50L X .047W

86
Battery Cart - Latch and Latch Linkage
17
LATCH LINKAGE
LATCH
10
16
15
14
13
12
11
10
9
8
7
6
5
4
3
2
1
86400210 Spare Parts List - Commodore Duo

8786400210 Spare Parts List - Commodore Duo
Battery Cart - Latch and Latch Linkage
REF PART NO. QTY DESCRIPTION SERIAL NO.
FROM NOTES:
1 86008860 1 PIN, CLEVIS 3/8 X 5.5 PLTD
2 86292870 1 BRKT, PEDAL, BATTERY CART
3 86292860 1 PEDAL, BATTERY CART
4 86008670 2 COTTER, 3/8" RING
5 86292850 1 LINKAGE, LATCH, BATTERY CART
6 86249060 1 PIN, CLEVIS 3/8 X 4.63 PLTD
7 86298200 4 STANDOFF, .43 OD, 1/4-20 X .75 L
8 86273820 2 SCR, 1/4-20 X 1.25 HHCS SS
9 86010630 2 WASHER, 1/4 ID X 5/8 OD SS
10 86259400 6 WASHER, THRUST .51 ID X 1 OD BRO
11 86259420 2 WASHER, THRUST .51 ID X 1 OD BRO
12 86228900 2 BEARING FLANGED, .252 ID X .503 OD
13 86005810 2 NUT, 1/4-20 HEX NYLOCK SS
14 86011270 1 COVER, LATCH, BATTERY CART
15 86275460 4 SCR, 1/4-20 X 3/4 BHCS BLK
16 86292980 2 LATCH, BATTERY CART
17 86255060 1 SPRING, EXT .43D X 2.50L X .047W

88
Battery Cart - Tray
1
2
3
4
5
6
86400210 Spare Parts List - Commodore Duo

8986400210 Spare Parts List - Commodore Duo
Battery Cart - Tray
REF PART NO. QTY DESCRIPTION SERIAL NO.
FROM NOTES:
1 86005810 10 NUT, 1/4-20 HEX NYLOCK SS
2 86278150 8 SHOULDER BOLT, 5/16 OD X 1.0 L
3 86281060 8 WHEEL, BATTERY TRAY
4 86275870 2 SCR, 1/4-20 X 1.5" PPHMS SS
5 86008760 1 CONN, 175 DCS GRY W/O TERMS
6 86011530 1 BATTERY TRAY, WELDMENT

90
Battery Exchange Option
1
2
4
5
1
2
12
6
10
9
11
8
7
3
86400210 Spare Parts List - Commodore Duo

9186400210 Spare Parts List - Commodore Duo
Battery Exchange Option
REF PART NO. QTY DESCRIPTION SERIAL NO.
FROM NOTES:
1 86276780 8 SCR, 5/16-18 X 3/4 HHCS SS
2 86010670 8 WASHER, 5/16 FLAT SS
3 86290220 1 PLATE, OPTION, CART LATCH
4 86011300 1 GUIDE, BATTERY TRAY, RIGHT
5 86011280 1 GUIDE, BATTERY TRAY, LEFT
6 86278150 2 SHOULDER BOLT, 5/16 OD X 1.0 L
7 86290510 4 WASHER, THRUST .315 ID X .63 T
8 86292830 1 LATCH, TRAY STOP, RIGHT
9 86292820 1 COVER, LATCH, CART
10 86290500 2 SPRING, COMP .48OD .88L .063W
11 86292840 1 LATCH, TRAY STOP, LEFT
12 86226780 1 SPRING, EXT .44D X 2.25L X .054W

92
Emergency Stop - Option
1
86400210 Spare Parts List - Commodore Duo

9386400210 Spare Parts List - Commodore Duo
Emergency Stop - Option
REF PART NO. QTY DESCRIPTION SERIAL NO.
FROM NOTES:
1 86007180 1 SWITCH, EMERGENCY STOP
- 86299300 1 WIRE, 16" RED/18 STRIPX STRIP NOT SHOWN

94
Serial Number
REF. NO. MODEL: SERIAL #:
110086120000707, 10086140000340, 10086160000007, 10086180000023
86400210 Spare Parts List - Commodore Duo

95
Notes
86400210 Spare Parts List - Commodore Duo