9092625 Wrangler 2625 DB Illustrated Parts Book Manual Rev W 06 16
2016-08-10
: Sweepscrub Wrangler 2625 Db Parts Manual Rev W 06-16 Wrangler_2625_DB_parts_manual_Rev_W_06-16 1261 file product_file
Open the PDF directly: View PDF
.
Page Count: 24

PARTS LIST
WRANGLER 2625 DB
WITH SIDEKICK CHEMICAL
METERING
WITHOUT SIDEKICK CHEMICAL
METERING

2
BRUSH GEAR MOTOR
ITEM PART NO. PART DESCRIPTION QTY.
2393001 COMPLETE MOTOR ASSEMBLY 1
101 3391221 NEGATIVE LEAD 1
102 3391201 1/4-20 X 7 3/4THRU BOLT 2
103 ——— #10-24 X 1/2 SELF TAP ROUND HEAD SLOTTED SCREW 2
104 2393251 ARMATURE ASSEMBLY - INCLUDES: 1
104A 5092041 TOP END BEARING 1
104B 3391191 ARMATURE VENT FAN 1
105 3391041 STATOR FRAME ASSEMBLY WITH MAGNETS 1
106 ——— #10-32 X 1/2 PAN HEAD SLOTTED SCREW, BRASS 4
107 ——— TOP END BRACKET WITH BRUSH BOARD ASSEMBLY - INCLUDES: 1
107A ——— TOP END BRACKET ONLY 1
107B 3391021 BRUSH BOARD ASSEMBLY - INCLUDES: 1
107B1 3391081 CARBON BRUSH 4
107B2 2797571 CARBON BRUSH SPRING 4
108 ——— STRAIN RELIEF 2
109 3391211 POSITIVE LEAD 1
110 3391181 GEAR BOX ASSEMBLY - INCLUDES: 1
110A 3391101 GEAR BOX - HOUSING ONLY 1
110B 3391121 GEAR SHAFT - INCLUDES: 1
110B1 2792681 1/4 X 1/4 X 1 MOTOR KEY 1
110C 3391171 SNAP RING 1
110D 3391161 OIL SEAL - SMALL 1
110E 3391151 END CAP 1
110F 3391141 “O” RING 1
110G 3391131 BOTTOM BEARING - LARGE 1
110H 3391111 TOP BEARING - SMALL 1
111 3391091 OIL SEAL - LARGE 1
112 2797591 1 13/32 I.D. X 1 7/8 O.D. 2 WAVE SPRING WASHER 1
113 3391131 BOTTOM END BEARING 1

3
SIDE SKIRT ASSEMBLY
ITEMPARTNO.DESCRIPTIONQTY.
20191203011/8X1/4RIVETBLIND‐DOMEHEAD‐PACKOF102
2027691921SPRINGCLIP,HOSE1
2032695421COLORLABELKIT‐RECOVERYTANKDRAIN 1
2042490153SKIRTMOUNTBRACKET 1
20591219503/8X15/8CLEVISPINWITHRETAINER‐PACKOF12
2062499019LEFTSKIRTASSEMBLY‐INCLUDES:1
206A9122496 RETAININGRING‐PACKOF82
206B2490311 AXLE‐BUMPERWHEEL 1
206C2790281 3"BUMPERWHEEL1
206D2490223 LEFTSKIRT 1
206E9120540 #10‐24X1/2FLATHEADPHILLIPSMACHINESCREW‐PACKOF106
206F9120410 #10‐24X1/2ROUNDHEADPHILLIPSMACHINESCREW‐PACKOF103
206G2490261 LEFTSKIRTSTRAP1
206H2490241 LEFTWIPER1
20791216405/16‐18X3/4HEXBOLT‐PACKOF54
20891215205/16SPLITLOCKWASHER‐PACKOF104
2092499029RIGHTSKIRTASSEMBLY‐INCLUDES:1
209A2490233 RIGHTSKIRT 1
209B2490251 RIGHTWIPER1
209C9120540 #10‐24X1/2FLATHEADPHILLIPSMACHINESCREW‐PACKOF105
209D2490271 RIGHTSKIRTSTRAP 1
209E9120410 #10‐24X1/2ROUNDHEADPHILLIPSMACHINESCREW‐PACKOF104
209F2490311 AXLE‐BUMPERWHEEL 1
209G9122496 RETAININGRING2
209H2790281 3"BUMPERWHEEL1

4
SOLUTION VALVE ASSEMBLY
ITEMPARTNO.DESCRIPTIONQTY
3012694581CHASSIS1
30287910703/8I.D.X1/2O.D.VINYLTUBING(20‐1/4”LONG)1.7’
30387910703/8I.D.X1/2O.D.VINYLTUBING(6‐1/8”LONG).5’
3047691371TEE,BARBED,3/8X3/8X1/23
30587911801/2I.D.X3/4O.D.VINYLTUBING(16‐1/2”LONG)1.4’
30687911801/2I.D.X3/4O.D.VINYLTUBING(1‐3/4”LONG).15’
3072693261ELBOW,BARBED,1/2X1/21
30887911801/2I.D.X3/4O.D.VINYLTUBING(11‐1/4”LONG).94’
30991211701/4‐20X1/2HEXHEADPHILLIPSMACHINESCREW‐PACKOF52
31091208801/4SPLITLOCKWASHER‐PACKOF102
3112397991SOLUTIONSOLENOIDVALVE1
3122495151ELBOW,90°,1/4M‐NPTX1/2BARB1
3133393551INLINECANISTERSTRAINER(INCLUDES)1
3393611STRAINERELEMENT1
3394559KIT,BOWLANDGASKET(INCLUDES)1
3393621 GASKET1
3392731 BOWL1
3149123140U‐BOLT,1/4‐20X1X13/4‐PACKOF12
3152495161FITTING,1/4M‐NPTX1/2BARB1
31687911801/2I.D.X3/4O.D.VINYLTUBING(11.5”LONG)11.5’
31787911801/2I.D.X3/4O.D.VINYLTUBING(3”LONG).3’
31891212501/4‐20X3/4HEXBOLT‐PACKOF101
31991208801/4SPLITLOCKWASHER‐PACKOF101
32091209309/32I.D.X5/8O.D.X.051/.080THICKSAEFLATWASHER(1/4)‐PACKOF101
3212791281BUSHINGSPACER1
3222693041SOLUTIONVALVELEVER1
3232690283SOLUTIONVALVELEVER1
3242391181GRIP‐VALVELEVER1
32591208801/4SPLITLOCKWASHER‐PACKOF102
3262397961SOLUTIONVALVE1
3279123140U‐BOLT,1/4‐20X1X13/4‐PACKOF11
3282495151ELBOW,90°,1/4M‐NPTX1/2BARB2
32991208801/4SPLITLOCKWASHER‐PACKOF104
3302693011SOLUTIONVALVEBRACKET1
33187911801/2I.D.X3/4O.D.VINYLTUBING(13‐1/4”LONG)(SIDEKICKONLY)1.1’
3323394281FITTING,3/8FPTX1/2HOSEBARB(SIDEKICKONLY)2
3333394251FLOWSENSORWITHCONNECTOR(SIDEKICKONLY)INCLUDES:1
3394291 CONNECTOR,FEMALE‐SIDEKICKSENSOR1
3394311 TERMINAL,FEMALEFOR33942913
33487911801/2I.D.X3/4O.D.VINYLTUBING(4‐3/4”LONG)(SIDEKICKONLY).40’
3359590161FITTING,TEE1/2HOSEBARBX1/4MPT(SIDEKICKONLY)1
33687911801/2I.D.X3/4O.D.VINYLTUBING(2‐3/4”LONG)(SIDEKICKONLY).23’
3379590221FITTING,JACO1/4NPTX1/4ODTUBE(SIDEKICKONLY)1
33887911801/2I.D.X3/4O.D.VINYLTUBING(2‐1/2”LONG)(SIDEKICKONLY).21’
339279585190°ELBOW,BRASS,1/4M‐NPTX1/4F‐NPT1
34087910703/8I.D.X1/2O.D.VINYLTUBING(13‐1/2”LONG)1.1’

5
SOLUTION VALVE ASSEMBLY
6
BRUSH MOTOR ASSEMBLY
ITEMPARTNO.DESCRIPTION
Q
TY
4012499049GEARMOTOR‐3
/
4HP‐24VOLTDCASSEMBLY‐ INCLUDES: 2
401A2391901 CHARGERPLUG‐RED24VOLT 2
401B4490721 CONTACTPINS‐ANDERSON 4
401C2393001 GEARMOTOR‐3
/
4HP‐ 24VOLTDC 2
401D2792681 1
/
4SQUAREX1LONGKEY‐ STEEL 2
4022490173BRUSHMOTORMOUNT 1
40391222203
/
8‐16X3
/
4HEXBOLT‐ PACKOF5 8
4042792499LEFTBRUSHDRIVEPLATEASSEMBLY‐ INCLUDES: 1
404A2790211 BRUSHPLATELATCH1
404B9121090 1
/
4‐20X1
/
2TRUSSHEADPHILLIPSMACHINESCREW‐ PACKOF51
404C2791281 BUSHINGSPACER1
404D9122120 3
/
8I.D.X5
/
8O.D.X.031THICK1WAVESPRINGWASHER
(
3
/
8
)
‐PACKOF51
404E2790202 BRUSHDRIVEPLATE1
40591214003
/
8I.D.X7
/
8O.D.X.064
/
.104THICKWROUGHTWASHER
(
5
/
16
)
‐PACKOF102
40691215205
/
16SPLITLOCKWASHER‐ PACKOF10 2
40791216805
/
16‐18X1HEXBOLT‐PACKOF5 2
408269449113"PADDRIVER‐SEEACCESSORYPAGEFORTYPESOFBRUSHES 2
4095990731SPRINGCLIPPADHOLDERSET‐ INCLUDES: 2
409A9120506 #8X5
/
8PANHEADSHEETMETALSCREW‐ PACKOF5 3
41091216805
/
16‐18X1HEXBOLT‐PACKOF5 2
41191215205
/
16SPLITLOCKWASHER‐ PACKOF10 2
41291214003
/
8I.D.X7
/
8O.D.X.064
/
.104THICKWROUGHTWASHER
(
5
/
16
)
‐PACKOF102
4132792489RIGHTBRUSHDRIVEPLATEASSEMBLY‐ INCLUDES: 1
413A2790211 BRUSHPLATELATCH1
413B9121090 1
/
4‐20X1
/
2TRUSSHEADPHILLIPSMACHINESCREW‐ PACKOF51
413C2791281 BUSHINGSPACER1
413D9122120 3
/
8I.D.X5
/
8O.D.X.031THICK1WAVESPRINGWASHER
(
3
/
8
)
‐PACKOF51
413E2790202 BRUSHDRIVEPLATE1
41491225611
/
2X11
/
4CLEVISPIN‐ PACKOF1 2
415912245017
/
32I.D.X11
/
16O.D.X.074
/
.121THICKSAEFLATWASHER
(
1
/
2
)
‐PACKOF5 2
4162391461BUSHINGSPACER2
417912245017
/
32I.D.X11
/
16O.D.X.074
/
.121THICKSAEFLATWASHER
(
1
/
2
)
‐PACKOF5 2
41891224201
/
2SPLITLOCKWASHER‐ PACKOF5 2
41991225301
/
2‐13X1HEXBOLT‐PACKOF1 2
42091225501
/
2‐13X11
/
2HEXBOLT‐ PACKOF1 1
42191224201
/
2SPLITLOCKWASHER‐ PACKOF5 1
422912245017
/
32I.D.X11
/
16O.D.X.074
/
.121THICKSAEFLATWASHER
(
1
/
2
)
‐PACKOF5 1
4232790751BUSHINGSPACER1
4244492791PIVOTBUSHING1
4252490211BRUSHLIFTARM‐REAR 1
4262490201BRUSHLIFTBAR 1
4272490181BRUSHLIFTARM–FRONT 1
4282790751BUSHINGSPACER4
429912245017
/
32I.D.X11
/
16O.D.X.074
/
.121THICKSAEFLATWASHER
(
1
/
2
)
–PACKOF5 4
43091224201
/
2SPLITLOCKWASHER–PACKOF5 4
43191225501
/
2‐13X11
/
2HEXBOLT–PACKOF1 4
4322790751BUSHINGSPACER2
4332490191BRUSHLIFTARMGUIDE 1
4346491860ROUNDBEADCHAIN
(
6”LONG
)
.5’
4359120510#10‐24X1
/
2TRUSSHEADPHILLIPSMACHINESCREW–PACKOF101
4366491871ENDCOUPLINGROUNDBEADCHAIN 1
4379120330#10EXTERNALSTARLOCKWASHER–PACKOF10 1
43891203121
/
8X1HUMPEDCOTTERPIN–PACKOF5 2
439912245017
/
32I.D.X11
/
16O.D.X.074
/
.121THICKSAEFLATWASHER
(
1
/
2
)
–PACKOF5 2

7
BRUSH MOTOR ASSEMBLY
8
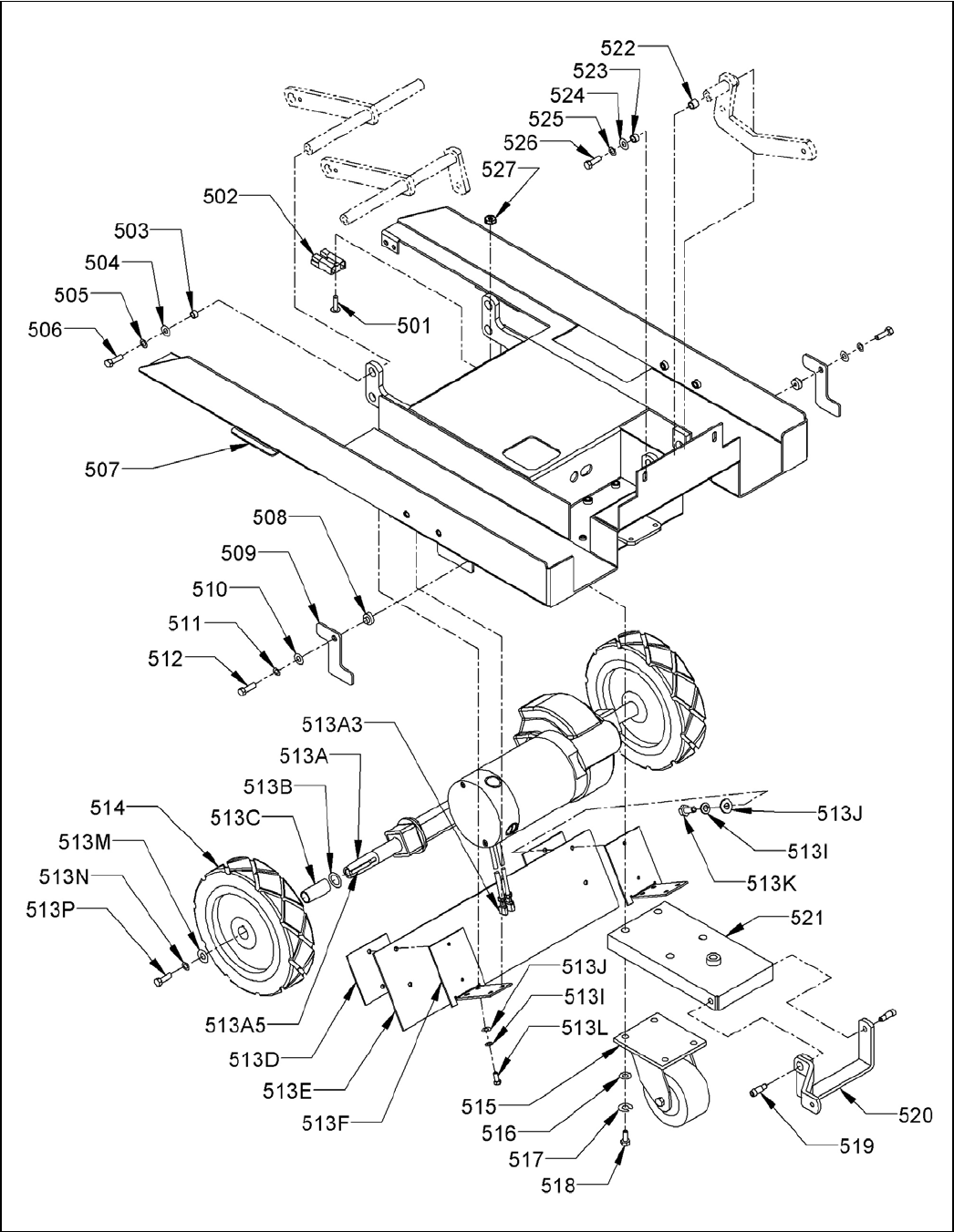
TRANSAXLE AND FRAME ASSEMBLY
ITEMPARTNO.DESCRIPTION
Q
TY
5019120090#6‐32X7
/
8PANHEADPHILLIPSMACHINESCREW‐ PACKOF104
5022391901CHARGERPLUG‐RED‐ 24VOLTS 2
5032790751BUSHINGSPACER4
504912245017
/
32I.D.X11
/
16O.D.X.074
/
.121THICKSAEFLATWASHER
(
1
/
2
)
‐PACKOF5 4
50591224201
/
2SPLITLOCKWASHER‐ PACKOF5 4
50691225501
/
2‐13X11
/
2HEXBOLT‐ PACKOF1 4
5072694581CHASSIS 1
5082691771PIN
,
SKIRTLATCH2
5092490651SKIRTLATCH 2
51091209309
/
32I.D.X5
/
8O.D.X.051
/
.080THICKSAEFLATWASHER
(
1
/
4
)
‐PACKOF102
51191208801
/
4SPLITLOCKWASHER‐ PACKOF10 2
51291212501
/
4‐20X3
/
4HEXBOLT‐ PACKOF10 2
5132695729TRANSAXLE235
/
8KIT‐ INCLUDES: 1
513A2695721TRANSAXLE
,
ALLOYAXLES‐ INCLUDES: 1
513A1 ‐‐‐‐‐‐ MOTOR‐INCLUDES: 1
2693181 BRUSHKIT
(
SETOF4
)
1
513A2 ‐‐‐‐‐‐ RUBBERGROMMET 2
513A32690581 1
/
4SPADEMALETERMINAL10‐12AWGYELLOW 2
513A59120826 3
/
16S
Q
UAREX11
/
4LONGKEY‐ STEEL‐ PACKOF1 2
513B91231053
/
4IDX11
/
4ODWASHERPACKOF5 2
513C2692941AXLESLEEVE2
513D2692971TRANSAXLEFLAPBRACKET 2
513E2692961TRANSAXLEFLAP1
513F2692951TRANSAXLEBRACKET 2
513G2693291930‐AAGREASE1.75OZ.
(
NOTSHOWN
)
1
513H2693131W26TRANSAXLEKITINSTRUCTION 1
513I91208801
/
4SPLITLOCKWASHERPACKOF10 8
513J91209309
/
32IDX5
/
8ODFLATWASHERPACKOF10 8
513K91211701
/
4‐20X1
/
2HEXBOLT‐ PACKOF10 4
513L91212501
/
4‐20X3
/
4HEXBOLT‐ PACKOF10 4
513M91219807
/
16I.D.X1O.D.X.075
/
.080THICKSAEFLATWASHER
(
3
/
8
)
‐ PACKOF102
513N91221003
/
8SPLITLOCKWASHER‐ PACKOF10 2
513P91222203
/
8‐16X3
/
4HEXBOLTPACKOF5 2
5142396351DRIVEWHEEL‐8”X2” 2
5156492061RED4INCHCASTER1
515A4490391REDCASTER‐WHEELONLY 1
51691219807
/
16I.D.X1O.D.X.075
/
.080THICKSAEFLATWASHER
(
3
/
8
)
‐ PACKOF104
51791221003
/
8SPLITLOCKWASHER‐ PACKOF10 4
51891222603
/
8‐16X1HEXBOLT‐PACKOF2 4
51991215005
/
16X1
/
2SOCKETHEADSHOULDERBOLT
(
1
/
4‐20
)
‐ PACKOF1 2
5202490751SQUEEGEELIFT1
5212490741SQUEEGEEMOUNTBRACKET 1
5224492791PIVOTBUSHING1
5232790751BUSHINGSPACER1
524912245017
/
32I.D.X11
/
16O.D.X.074
/
.121THICKSAEFLATWASHER
(
1
/
2
)
‐PACKOF5 1
52591224201
/
2SPLITLOCKWASHER‐ PACKOF5 1
52691225501
/
2‐13X11
/
2HEXBOLT‐ PACKOF1 1
5279120020#6‐32HEXNUTWITHSTARLOCKWASHER–PACKOF10 4

9
TRANSAXLE AND FRAME ASSEMBLY

10
RECOVERY TANK ASSEMBLY
ITEMPARTNO.DESCRIPTIONQTY
6012690889RECOVERYTANKLIDANDGASKETASSEMBLY‐ INCLUDES: 1
601A2690881RECOVERYTANKLIDASSEMBLY‐ INCLUDES: 1
601A12690911 CLEARTANKLID1
601A22690931 LIDRETAININGCHAIN 1
601A32690921 LIDMOUNTINGRING 1
601B2690891RINGGASKET1
6022694601RECOVERYTANK 1
6034894081HOSECLAMP‐1.593”TO1.812”DIAMETER 1
6042391541FLOATSCREENASSEMBLY 1
6054495441NYLONHOSECLAMP119/16”TO21/2”DIAMETER 1
6062696201DRAINHOSE,RECOVERYTANK 1
60791209901/4‐20X3/8TRUSSHEADPHILLIPSMACHINESCREW‐ PACKOF52
6082690961RECOVERYTANKHOLDINGSTRAP 1
6099120360#10‐24HEXNUTWITHSTARLOCKWASHER‐ PACKOF10 2
6102695991VACUUMCOVERGASKET‐ VACUUMMOTOR 1
61191209309/32I.D.X5/8O.D.X.051/.080THICKFLATWASHER(1/4)‐PACKOF106
61291208801/4SPLITLOCKWASHER‐ PACKOF10 6
61391210601/4‐20X11/4HEXBOLT‐ PACKOF5 6
6142490321TOPVACBOX 1
6159120480#10‐24X13/4ROUNDHEAD PHILLIPSMACHINESCREW‐ PACKOF51
6169120790#10X5/8PANHEADPHILLIPSSHEETMETALSCREW‐ PACKOF105
6172696001VACUUMCOVERGASKET‐ RECOVERYTANK 1

11
RECOVERY TANK ASSEMBLY
12
SOLUTION TANK ASSEMBLY
ITEMPARTNO.DESCRIPTIONQTY
7012695421COLORLABELKIT‐BATTERYHOOKUP 1
7022490361FRONTCOVERBRACKET 1
7037691249FILTERASSEMBLY‐SOLUTIONTANK‐ INCLUDES: 1
703A4891311FILTERBAGSCREEN1
703B7691231FILTERBAGFRAME1
7042490351FRONTCOVER 1
7052490341FRONTCOVERRETAINER 1
7069120550#10‐24X5
/
8FLATHEADPHILLIPSMACHINESCREW‐ PACKOF103
70791209309
/
32I.D.X5
/
8O.D.X.051
/
.080THICKFLATWASHER
(
1
/
4
)
‐PACKOF102
70891208801
/
4SPLITLOCKWASHER‐ PACKOF10 2
70991211701
/
4‐20X1
/
2HEXBOLT‐ PACKOF10 2
7102698311BATTERYTRAY1
7112694591SOLUTIONTANK 1
7123390661TUBINGCONTROLVALVE 1
7132490601FITTINGELL‐3
/
8BARBX1
/
4MNPT 1
7148791070VINYLHOSE‐3
/
8I.D.X1
/
2”O.D.X43.5"LONG 3.6’
7152690971HOSECLIP1
71691209309
/
32I.D.X5
/
8O.D.X.051
/
.080THICKFLATWASHER
(
1
/
4
)
‐PACKOF101
71791208801
/
4SPLITLOCKWASHER‐ PACKOF10 1
71891212501
/
4‐20X3
/
4HEXBOLT‐ PACKOF10 1
71926919611
/
2HOSEBARB90DEGREEX3
/
8MPTPLASTIC 1
72087911801
/
2”I.D.X3
/
4”O.D.VINYLTUBING
(
11.5”LONG
)
1
7222392141HOSECLAMP‐11
/
16"TO11
/
4"DIAMETER 1
7232691731SOLUTIONTANKDRAINFITTING 1
7248791030VINYLHOSE‐3
/
4I.D.X1”O.D.X21"LONG 1.8’
7252690811SOLUTIONDRAINHOSEGAUGE 1
726239177190DEGREEHOSEBARB3
/
4I.D.X1
/
2NPT 1
7272692761GASKET‐VACTUBE 1
7282490371RECOVERYTANKHINGE 1
72991208801
/
4SPLITLOCKWASHER‐ PACKOF10 11
73091211701
/
4‐20X1
/
2HEXBOLT‐ PACKOF10 11
7312391581SPRING‐TUBEADAPTOR 1
7329120360#10‐24HEXNUTWITHSTARLOCKWASHER‐ PACKOF10 1
7332690851TUBEADAPTOR1
7342690861GASKET‐TUBEADAPTOR 1
7359120320#10SPLITLOCKWASHER‐ PACKOF10 1
7369120380#10‐24X3
/
8ROUNDHEADPHILLIPSMACHINESCREW‐ PACKOF101
7373393991OBCWARNINGLABEL1
7389590281FITTING
,
BULKHEAD
(
SIDEKICKONLY
)
1
7399590271CAP
,
BOTTLEWITHHOLE
(
SIDEKICKONLY
)
1
7409590171BOTTLE
,
F‐STYLE
(
OPTIONAL
,
SIDEKICKONLY
)
7413394211INSERT
,
BOTTLEHOLDER
(
SIDEKICKONLY
)
1
7423394221GASKET
,
BOTTLEHOLDER
(
SIDEKICKONLY
)
1
7436793651CLAMP
,
CORD
(
SIDEKICKONLY
)
1
7449120810SCREW
,
SHEETMETAL#10X1
/
2‐ PACKOF10 1
9590321TUBING
,
1
/
4”ODNYLON
(
SIDEKICKONLY
)
20FT 1
7452694791SOLUTIONTANK
,
SIDEKICK
(
SIDEKICKONLY
)
1
7469590291BOTTLESTRAINER
(
SIDEKICKONLY
)
1
7479120792#10X2”PHILLIPSPANHEADSHEETMETALSCREW‐ PACKOF5 2
74895903211
/
4ODNYLONTUBING‐ CUTTOLENGTHASREQ’D
(
SIDEKICKONLY
)
1
7492694941LABELSIDELOGO2
7502694931LABELNSSLOGO1
7512694921LABELNSSLOGOOVAL 2
75264964611
/
4NPTPLASTICNUT1

13
SOLUTION TANK ASSEMBLY
14
LIFT LEVER ASSEMBLY
ITEMPARTNO.DESCRIPTION
Q
TY
80191222603
/
8‐16X1HEXBOLT‐ PACKOF2 1
80291221003
/
8SPLITLOCKWASHER‐ PACKOF10 1
80391219807
/
16I.D.X1O.D.X.075
/
.080THICKFLATWASHER
(
3
/
8
)
‐PACKOF22
80423919513
/
16X1CLEVISPIN‐PACKOF1 2
8052490661PIVOTSTUD2
8062691041FILTERMUFFLER1
80791212101
/
4‐20X5
/
8HEXBOLT‐ PACKOF10 6
80891208801
/
4SPLITLOCKWASHER‐ PACKOF10 6
80991220203
/
8X3
/
8SOCKETHEADSHOULDERBOLT‐ PACKOF1 2
81091209309
/
32I.D.X5
/
8O.D.X.051
/
.080THICKFLATWASHER
(
1
/
4
)
‐PACKOF26
81191203123
/
8X1HUMPEDCOTTERPIN‐ PACKOF5 2
81291226751
/
2‐13HEXSLOTTEDNUT‐ PACKOF1 2
813912245017
/
32I.D.X11
/
16O.D.X.074
/
.121THICKFLATWASHER
(
1
/
2
)
‐PACKOF52
8142691643SQUEEGEELIFTHANDLE 1
8152690981HANDLEGRIP1
8162499059VACMOTORASSEMBLY‐ INCLUDES: 1
816A2490561GASKET‐VACMOTOR 1
816B23955713STAGEVACMOTOR‐ 24VOLT‐ INCLUDES: 1
816B12397571 CARBONBRUSH2
816C5490161FULLYINSULATEDFEMALETERMINAL14‐16AWG 2
8172694261LIFTCABLE‐SQUEEGEE 1
8182490691SPACER‐VACMOUNTING 3
81991209309
/
32I.D.X5
/
8O.D.X.051
/
.080THICKFLATWASHER
(
1
/
4
)
‐PACKOF103
82091208801
/
4SPLITLOCKWASHER‐ PACKOF10 3
82191211501
/
4‐20X21
/
4ROUNDHEADPHILLIPSMACHINESCREW‐PACKOF23
8222699443CONTROLPANELMOUNTINGBRACKET1
823912139011
/
32I.D.X11
/
16O.D.X.051
/
.080THICKFLATWASHER
(
5
/
16
)
‐PACKOF102
82491215205
/
16SPLITLOCKWASHER‐ PACKOF10 2
82591216405
/
16‐18X3
/
4HEXBOLT‐ PACKOF5 2
82691219807
/
16I.D.X1O.D.X.075
/
.080THICKFLATWASHER
(
3
/
8
)
‐PACKOF23
82791221003
/
8SPLITLOCKWASHER‐ PACKOF10 1
82891223003
/
8‐16X11
/
4HEXBOLT‐ PACKOF2 1
8292699079COMPLETEBRUSHLIFTRODASSEMBLY‐ INCLUDES: 1
829A91220103
/
8‐24HEXNUT‐PACKOF5 1
829B2691801BRUSHLIFTROD‐MEDIUM 1
829C91220003
/
8‐16HEXNUT‐PACKOF10 1
829D2691821SPRINGHOUSING‐BRUSHLIFT 1
829E91221403
/
8‐16HEXNUTWITHNY‐LOKINSERT‐ PACKOF10 1
829F2691841BRUSHPRESSURESPRING 1
829G2691831RETAINER‐SPRINGHOUSING 1
829H2691811BRUSHLIFTROD‐SHORT 1
829I91220103
/
8‐24HEXNUT‐PACK OF5 1
829J44905313
/
8RODEND2
8302691373BRUSHLIFTHANDLE1
8312690981LIFTHANDLEGRIP1
8322392561CIRCLECOTTER‐#CC‐7 2
8332695803VACMOTORANDLIFTARMMOUNT 1
8349120090#6‐32X7
/
8PANHEADPHILLIPS‐ PACKOF10 2
8359120130#6EXTERNALSTARLOCKWASHER‐ PACKOF10 2
8362699471WIREASSEMBLY:ANDERSONTOSOLENOID
/
STANDOFF 1

15
LIFT LEVER ASSEMBLY
16
ITEM PARTNO. DESCRIPTION
Q
TY.
9014890781PUSHBUTTONSWITCH BOOT 1
9022690691MASTERSWITCH1
9033393521ACTUATOR
,
EMERGENCYSTOP‐ OPTIONAL 1
9047691301EMERGENCYSTOPBLOCK‐ OPTIONAL 1
9052490481LIGHT‐INDICATOR‐GREEN
,
24VOLT
,
WITHCLIP1
9062693491LABEL
,
ON
/
OFF1
9072693461W26THROTTLEHSNG
,
SIDEK 1
2693881W26THROTTLEHSNGSIDEKALDI‐OPTIONAL 1
9080693141RUBBERSWITCHBOOT 2
90991219751
/
2"INTERNALSTARLOCKWASHER –PACKOF10 2
9109122465.516I.D.X.813O.D.X.027
/
.030THICKFLATWASHER‐ PACKOF22
9114890851CABLECLAMP1
91291210901
/
4‐20X1
/
2TRUSSHEADPHILLIPSMACHINESCREW‐ PACKOF54
9132694043CONTROLPLATE1
9144491101TOGGLESWITCH‐MOTOR 1
9152792041TOGGLESWITCH‐VACUUM 1
9162694361BATTERYMETER
/
LEFTCONTROLPANELLABEL KIT 1
9172691941DRIVENGEAR‐POTENTIOMETER‐ INCLUDES: 1
9189120170#8‐32X3
/
16SETSCREW‐ KNURLPOINT‐ STEEL‐ PACKOF5 2
9192692751POTENTIOMETERBRACKET‐ 1.5” 1
9209120270#8‐32X7
/
8ROUNDHEADPHILLIPSMACHINESCREW‐ PACKOF102
9219120200#8SPLITLOCKWASHER‐ PACKOF10 2
9223392901HANDLEGRIP2
92391214003
/
8I.D.X7
/
8O.D.X.064
/
.104THICKWROUGHTWASHER
(
5
/
16
)
‐PACKOF10 2
92491227101
/
2‐20X13
/
4HEXBOLT‐ PACKOF1 2
92591224201
/
2SPLITLOCKWASHER‐ PACKOF5 2
9262691891HANDLEBARSPACER2
9272391941BALLJOINT2
9282691931DRIVEGEAR‐HANDLE‐ INCLUDES: 1
928A9120170#8‐32X3
/
16SETSCREW‐ KNURLPOINT‐ STEEL‐ PACKOF5 2
9292695691TORSIONSPRINGDRIVERWR26 1
9309120260#8‐32X3
/
4ROUNDHEADSCREW‐ PACKOF10 1
9319120200#8SPLITLOCKWASHER‐ PACKOF10 1
9326496091SPRINGTORSION.81ID.067WIRE 1
9336496081BEARINGPLAINSLEEVE.5X.75X.75LENGTH 1
9343393841WASHER
,
AN1
/
2X.053‐.073 1
9352695681HANDLEBAR1
9362691871HANDLEGRIPBASE2
9373393891COLLAR
,
SHAFT1
/
2"1
93891210901
/
4‐20X1
/
2TRUSSHEADPHILLIPSMACHINESCREW‐ PACKOF52
9392694131POTENTIOMETER1
9402491251TORSIONSPRINGSTOP 1
94191210901
/
4‐20X1
/
2TRUSSHEADPHILLIPSMACHINESCREW‐ PACKOF52
9422694361BATTERYMETER
/
LEFTCONTROLPANELLABEL KIT1
9432693991FITTING
,
BULKHEAD
,
1
/
4HOSEBARBX1
/
4NSPTSIDEKICKONLY1
9441392371BATTERYMETERWITHLOWVOLTAGE RELAY 1
9459590231LABEL
,
SIDEKICKREADY 1
9465392401WARNING‐FIRELABEL 1
9472693871LABEL
,
WATERCONTROL 1
9489590101KIT
,
SIDEKICKCHEMICALDISPENSOR‐ OPTIONAL 1
9590211REPLACEMENTCONTROLBOARD 1
9590121REPLACEMENTPUMPTOPHOUSING 1
9590131REPLACEMENTPUMPBOTTOMHOUSING 1
9590311REPLACEMENTROLLERSPRING 1
9499590189KIT
,
CONTROLCOVER‐SIDEKICK‐ OPTIONAL
;
INCLUDES: 1
3394261COVER
,
DILUTIONCONTROL 1
9590191SCREW
,
TAMPERPROOF
,
#6 X 1
/
2 2
9590201TOOL
,
TAMPERPROOFSCREW 1

17
OPERATOR CONTROL PANEL
ITEM PARTNO. DESCRIPTION
Q
TY.
9509590151S
Q
UEEZETUBEWITHFITTINGS‐REPLACEMENT 1
9519590141COVER
,
SQUEEZETUBE
,
REPLACEMENT 1
952959033190°ELBOW
,
1
/
4”COMPRESSIONTUBE 2
9539997560VELCROLOOP
(
1
/
2”LONGEACH
)
SIDEKICKONLY 2
9549997550VELCROHOOK
(
1
/
2”LONGEACH
)
SIDEKICKONLY 2

18
ITEMPARTNO.DESCRIPTIONQTY.
100191209309
/
32I.D.X5
/
8O.D.X.051
/
.080THICKFLATWASHER
(
1
/
4
)
‐ PACKOF105
100291208801
/
4SPLITLOCKWASHER‐ PACKOF10 5
100391212501
/
4‐20X3
/
4HEXBOLT‐ PACKOF10 5
10042694031COVERSTANDOFF‐CURTIS 2
1005239136130AMPCIRCUITBREAKER 1
1006249089115AMPCIRCUITBREAKER 1
100791212101
/
4‐20X5
/
8HEXBOLT‐ PACKOF10 4
100891208801
/
4SPLITLOCKWASHER‐ PACKOF10 4
10092792241SILICONRECTIFIER2
10102391351SOLENOID‐24VOLT2
101191212101
/
4‐20X5
/
8HEXBOLT‐ PACKOF10 1
101291209701
/
4EXTERNALSTARLOCKWASHER‐ PACKOF10 1
10134490561INSULATEDSTANDOFF 1
10142491293REARCOVERPANEL‐OBC 1
101591209309
/
32I.D.X5
/
8O.D.X.051
/
.080THICKFLATWASHER
(
1
/
4
)
‐ PACKOF106
101691208801
/
4SPLITLOCKWASHER‐ PACKOF10 6
101791211701
/
4‐20X1
/
2HEXBOLT‐ PACKOF10 6
101891212101
/
4‐20X5
/
8HEXBOLT‐ PACKOF10 1
101991208801
/
4SPLITLOCKWASHER‐ PACKOF10 1
102091212101
/
4‐20X5
/
8HEXBOLT‐ PACKOF10 4
102191209701
/
4EXTERNALSTARLOCKWASHER‐ PACKOF10 3
102391208801
/
4SPLITLOCKWASHER‐ PACKOF10 1
10242695841BRACKET
,
MTG
,
DPCHARGER 2
10254890851CABLECLAMP1
10262695851ONBOARDCHARGER24VOLT25AMP‐ INCLUDES: 1
2695861 CORDWRAP1
10276495701120VOLTONBOARDCHARGERCORD 1
10276495711240VOLTONBOARDCHARGERCORD WITHSHUKOPLUG 1
10270396271240VOLTONBOARDCHARGERCORDWITHTYPEIPLUG
(
CHINA
)
1
102891214003
/
8I.D.X7
/
8O.D.X.064
/
.104THICKWROUGHTWASHER
(
5
/
16
)
‐PACKOF10 4
10296496451FAST‐ACTINGFUSE2AMP 1
10304990321FUSEHOLDERWITHNUTANDWASHER 1
10312695421LABELKIT‐REARCOVERPANEL 1
10327692511KEYSWITCHANDKEY‐ OPTIONAL‐ INCLUDES: 1
1032A7692521REPLACEMENTKEY1
10332490821SPEEDCONTROL‐CURTIS‐ 24VOLT 1
10342694021SPEEDCONTROLCOVER‐ CURTIS 1
10359120190#8‐32HEXNUTWITHSTARLOCKWASHER‐ PACKOF10 2
103691210001
/
4‐20X5
/
8TRUSSHEADPHILLIPSMACHINESCREW‐ PACKOF51
103791209309
/
32I.D.X5
/
8O.D.X.051
/
.080THICKFLATWASHER
(
1
/
4
)
‐ PACKOF101
103891210001
/
4‐20X5
/
8TRUSSHEADPHILLIPSMACHINESCREW‐ PACKOF51
103991209309
/
32I.D.X5
/
8O.D.X.051
/
.080THICKFLATWASHER
(
1
/
4
)
‐ PACKOF101
10404896141STRAP‐ TANKSUPPORT 1
104191209309
/
32I.D.X5
/
8O.D.X.051
/
.080THICKFLATWASHER
(
1
/
4
)
‐ PACKOF101
104291209001
/
4‐20HEXNUTWITHNY‐LOKINSERT‐ PACKOF10 1
10432693351LABEL
,
WIRINGDIAGRAMW26‐OBC‐DP 1
2695411LABEL
,
WIRINGDIAGRAM‐SIDEKICKONLY‐OPTIONAL
(
NOTSHOWN
)
1
104491219903
/
8‐16HEXJAMNUT‐ PACKOF10 2
104591221003
/
8SPLITLOCKWASHER‐ PACKOF10 2
104691219807
/
16I.D.X1O.D.X.075
/
.080THICKFLATWASHER
(
3
/
8
)
‐ PACKOF22
10472692691CONTROLPANEL1
104891223533
/
8‐16X3SETSCREW‐ PACKOF1 2
10492397361HOURMETER‐INCLUDESTHECLIP 1
1050239347135AMP CIRCUITBREAKER 2
10513393591STRAINERLOCATIONLABEL 1
10529120810#10X1
/
2PANHEADSHEETMETALSCREW ‐PACKOF10 6
10533394561LABEL
,
MAXINCLINE1
10543394731LABEL
,
MAXCLIMBINGINCLINE 1

19
REAR COVER PANEL ASSEMBLY

20
SQUEEGEE ASSEMBLY
ITEM PARTNO.DESCRIPTION
Q
TY.
11012490751SQUEEGEELIFT 1
11022490591SQUEEGEEPIVOTSPACER 1
11032391941BALLJOINT1
11041090981SWITCHGUARDSPACER 1
110591226601
/
2‐13X3HEXBOLTWITHNYLONPATCH‐ PACKOF1 1
11063695581HEIGHTADJUSTINGSPRING 1
110791221403
/
8‐16HEXNUTWITHNY‐LOKINSERT‐ PACKOF5 1
11082490761SQUEEGEEMOUNTBRACKET 1
110991215205
/
16SPLITLOCKWASHER‐ PACKOF10 1
111091218405
/
16‐18X21
/
4FULLTHREADEDHEXBOLT‐ PACKOF1 1
11112692539SQUEEGEEASSEMBLY32"‐ INCLUDES 1
1111A2692523S
Q
UEEGEEOUTERCHANNEL32" 1
1111B2793009SQUEEGEEBLADE‐32”SET OF2 1
1111C2692533SQUEEGEEINNERCHANNEL32" 1
1111D91218805
/
16‐18X3
/
4SOCKETHEADCAPSCREW‐ PACKOF2 4
1111E91219205
/
16‐18X11
/
2SOCKETHEADCAPSCREW‐ PACKOF2 2
1111F91214505
/
16‐18HEXNUTWITHNY‐LOKINSERT‐ PACKOF5 2
1111G3096741ROLLERWHEEL2
1111H91217605
/
16‐18X13
/
4HEXBOLT‐ PACKOF5 2
1111I27902813"BUMPERWHEEL2
1111J912139011
/
32I.D.X11
/
16O.D.X.051
/
.080THICKSAEFLATWASHER
(
5
/
16
)
‐PACKOF10 2
1111K91214105
/
16EXTERNALSTARLOCKWASHER‐ PACKOF10 2
1111L91215605
/
16‐18X1
/
2HEXBOLT‐ PACKOF5 2
1111M3392971T‐KNOB‐S
Q
UEEGEE 2
11122690591SQUEEGEEVACHOSEWITHCUFFS 1
111391223403
/
8‐16X2HEXBOLT‐ PACKOF2 1
111413911713
/
8FLANGENYLINER2
111591214455
/
16‐18WINGNUTWITHNYLOK‐ PACKOF2 1
11161390156SQUEEGEEPIVOTROD 1
111791226701
/
2‐20HEXJAMNUT‐ PACKOF5 1
11182490741SQUEEGEEPIVOTBRACKET 1

21
CURVED SQUEEGEE ASSEMBLY
ITEMPARTNO.DESCRIPTION
Q
TY.
2492499CURVEDSQUEEGEEASSEMBLY‐ INCLUDES:1
12012492551 REARSECURINGSTRAP 1
12029121720 5
/
16‐18X11
/
4FULLTHREADEDHEXHEADBOLT‐ PACKOF22
12032492561 HOOKEDEND2
12042695541 REARBLADE 1
12052492511 CENTERWEDGE 2
12062492521 FRONTBLADE 1
12079121210 1
/
4‐20X5
/
8HEXBOLT‐ PACKOF10 4
12089120880 1
/
4SPLITLOCKWASHER‐ PACKOF10 4
12099121560 5
/
16‐18X1
/
2HEXBOLT‐ PACKOF5 2
12109121410 5
/
16EXTERNALSTARLOCKWASHER‐ PACKOF10 2
12119121390 11
/
32I.D.X11
/
16O.D.X.051
/
.080THICKSAEFLATWASHER
(
5
/
16
)
‐PACKOF10 2
12122790281 BUMPERWHEEL 2
12132492503 MAINHOUSING 1
12149121520 5
/
16SPLITLOCKWASHER‐ PACKOF10 2
12159121720 5
/
16‐18X11
/
4FULLTHREADEDHEXHEADBOLT‐ PACKOF22
12169120930 9
/
32I.D.X5
/
8O.D.X.051
/
.080THICKSAEFLATWASHER
(
1
/
4
)
‐PACKOF10 4
12179120070 #6‐32X3
/
8ROUNDHEADPHILLIPSMACHINESCREW‐ PACKOF102
12189120030 #6SPLITLOCKWASHER‐ PACKOF10 2
12192492581 S
Q
UEEGEELEVEL 1
12203392971 T‐KNOB‐SQUEEGEE 2
12219121450 5
/
16‐18HEXNUTWITHNY‐LOKINSERT‐ PACKOF5 2
12222492571 DOLLYWHEELMOUNTINGBRACKET 2
12239121390 11
/
32I.D.X11
/
16O.D.X.051
/
.080THICKSAEFLATWASHER
(
5
/
16
)
‐PACKOF10 2
12243096741 ROLLERWHEEL2
12259121390 11
/
32I.D.X11
/
16O.D.X.051
/
.080THICKSAEFLATWASHER
(
5
/
16
)
‐PACKOF10 2
12269121760 5
/
16‐18X13
/
4HEXBOLT‐ PACKOF2 2
12279121280 1
/
4‐20X11
/
2HEXBOLT‐ PACKOF5 2
12289120880 1
/
4SPLITLOCKWASHER‐ PACKOF10 2
12299120930 9
/
32I.D.X5
/
8O.D.X.051
/
.080THICKSAEFLATWASHER
(
1
/
4
)
‐PACKOF10 2
12302492541 CENTERHOLDDOWN 1
12312492591 CENTERHOLDDOWNSPACER 2
22
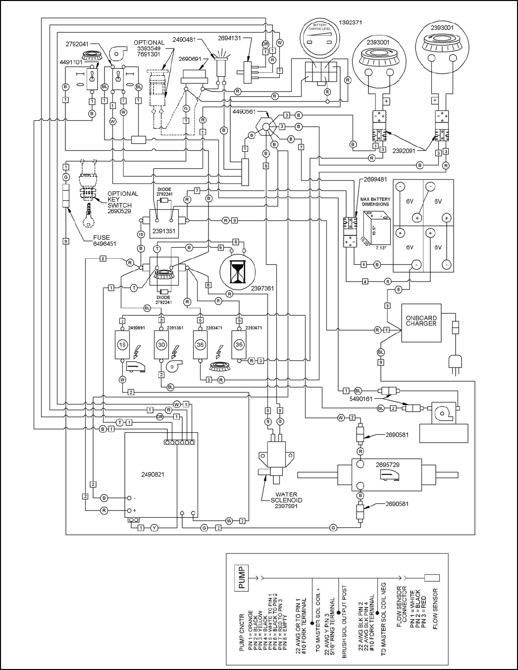
ELECTRICAL WIRING DIAGRAM
ITEMPARTNO. DESCRIPTION
Q
TY.
12693281UPPERWIRINGHARNESS‐ OBC 1
22695771LOWERWIRINGHARNESS 1
32695761BRUSHMOTORWIREASSEMBLY 1
42699461WIREASSEMBLYANDERSONTOPOSITIVE
/
NEGATIVEBATTERY1
52695751POSITIVEBRUSHJUMPER 1
62490991WIREASSEMBLY‐HOURMETER 1
72699471WIREASSEMBLYANDERSONTOSOLENOID
/
STANDOFF 1
82695431WIREASSEMBLY‐WATERSOLENOID 1
9269585124VOLTONBOARDCHARGER 1
102792141WIRE6AWGX6”1
972391981BATTERYJUMPER3
/
8RING 3
—2397361HOURMETER1
—249089115AMPCIRCUITBREAKER 1
—2490961#6RINGTERMINAL18‐22AWG OPTIONALWITHKEYSWITCH 2
—2490991WIREASSEMBLYHOURMETER 1
—26905811
/
4MALESPADETERMINALFULLYINSULATED
,
12‐10 AWG 2
—2690691MASTERSWITCH1
—239136130AMPCIRCUITBREAKER 1
—2795739HOURMETERKIT
(
SERVICEOPTION
)
‐
—239347135ACIRCUITBREAKER 2
—2693901CABLE
,
SIDEKICKTOMACHINEINCLUDES: 1
—3394301 CONNECTOR
,
MALE‐SIDEKICKSENSOR 1
—3394321 TERMINAL
,
MALE‐FOR3394301 3
—2391351SOLENOID–24V2
—1392371BATTERYMETER1
—2391901BRUSHMOTORCONNECTOR–24V 6
—2393001GEARMOTOR–3
/
4HP–24VDC 2
—2499059VACMOTOR–ASSEMBLY 1
—2397991SOLUTIONSOLENOIDVALVE 1
—2490481LIGHT–INDICATOR–GREEN
,
24V
,
WITHCLIP 1
—2490821SPEEDCONTROL–CURTIS‐24V 1
—2695729TRANSAXLEKIT1
—2694131POTENTIOMETER1
—2792041VACTOGGLESWITCH 1
—2792241SILICONRECTIFIER2
—3393549E‐STOPKIT1
—4490561STANDOFF1
—4491101MOTORTOGGLESWITCH 1
—4990321FUSEHOLDER1
—54901613
/
4FEMALE
Q
UICKDISCONNECTTERMINAL
,
16‐14AWG 2
—6495701120VONBOARDCHARGERCORD 1
—6495711240VONBOARDCHARGERCORD 1
—0396271240VONBOARDCHARGERCORD–CHINA 1
—64964512AFUSE1
—2392091BRUSHMOTORCONNECTOR–24V
(
W
/
CONTACTTERMINALS
)
4
—2699481BATTERYCONNECTOR–24V 2

23
WIRINGSCHEMATIC
SIDEKICKCHEMICAL
DISPENSER
ELECTRICAL WIRING DIAGRAM

24
ACCESSORIES
PADDRIVERANDBRUSHES
269449113”POLYBACKTUFTPADDRIVER
269448113”POLYBACKSCRUBGRITBRUSH
269451113"BRUSH‐NYLON
269452113"BRUSH‐NYLOGRIT
OFFBOARDCHARGERADAPTER
2492011OFFBOARDCHARGERADAPTOR
(
24V
)
BURNISHINGFLOORPADS
7991341NSS13”UHSCLEANBUFFPAD
(
CASEOF5
)
7991351NSS13”LITEBLUESOFTFINNISHPAD
(
CASEOF5
)
SCRUBBINGFLOORPADS
7991321NSS13”GREENSCRUBPAD
(
CASEOF5
)
7991331NSS13”BLUESCRUBPAD
(
CASEOF5
)
7991301NSS13”BLACKSTRIPPAD
(
CASEOF5
)
7990011NSS13”GREENECOSTRIPPAD
(
CASEOF10
)
PADCUP
5990731SPRINGCLIPPADHOLDERSET‐ INCLUDES:
9120506 #8X5
/
8PANHEADSHEETMETALSCREW
(
3REQ’D
)
BATTERIES
33903616VOLTBATTERY‐235 AMP
/
HR‐ WET
33909516VOLTBATTERY‐235 AMP
/
HR‐ DRY
64919316VOLTBATTERY‐200AMP
/
HR‐ GEL
33909816VOLTBATTERY‐235 AMP
/
HR–AGM
2698441DUALPROCHARGERFANREFURBISHMENTKIT
2698421DUALPROCHARGERRINGTERMINALREFURBISHMENTKIT
2392179BRUSH
/
S
Q
UEEGEEKIT‐ INCLUDES:
22912115”CONNECTOR‐ALUMINUM
2290209STEELWAND‐1PIECE
2391231VACUUMHOSE‐7FOOT
309784914”BRUSH
/
SQUEEGEETOOL
LITERATURE
9091001HARDWARECATALOG
9091002HOSES
,
TOOLSANDACCESSORIESCATALOG
9092624OPERATORSMANUAL
DILUTIONCONTROL
2693479KIT
,
RETROFITFORW2625’SBUILTPRIORTO08
/
2009
2693899KIT
,
RETROFITFORW2625’SBUILTPRIORTO08
/
2009 W
/
ESTOP
2693959KIT
,
RETROFITFORW2625’SBUILTAFTER08
/
2009
(
WITHORWITHOUTESTOP
)
WRANGLER2625DBREVW05‐169092625
NSS ® Enterprises, Inc.
3115 Frenchmens Road
Toledo, Ohio 43607
PHONE (419) 531-2121
FAX (419) 531-3761
mailus@nss.com
www.nss.com