Synapse Wireless RF200 RF200 Module User Manual My
Synapse Wireless Inc. RF200 Module My
Contents
- 1. Manual
- 2. User Manual
User Manual

DATA SHEET
RF Engine 200 Series
Model Number:RF200, Part
Numbers: RF200PD1 and
RF200PF1
©2008-2014 Synapse, All Rights Reserved. All Synapse products are patent
pending. Synapse, the Synapse logo, SNAP, and Portal are all registered
trademarks of Synapse Wireless, Inc.
Doc# 430133-01C
6723 Odyssey Drive // Huntsville, AL 35806 // (877) 982-7888 // Synapse-Wireless.com

RF Engine 200 Series Data Sheet - 430133-01C
Table of Contents
1. RF Engine 200 Series Modules Overview 1
Specifications 3
Module Pin Definitions 4
Electrical Characteristics 5
Mechanical Drawings 6
Board Mounting Considerations 7
2. Agency Certifications 9
United States (FCC) 9
OEM Labeling Requirements 9
FCC Notices 9
FCC Approved Antennas 10
Canada (IC) 11
OEM Labeling Requirements for the European Union 11

Page 1 of 14RF Engine 200 Series Data Sheet — 430133-01C
1. RF Engine 200 Series Modules Overview
The RF Engine 200 Series (Model Number RF200) is an IEEE 802.15.4, low power, highly-reliable
solution to embedded wireless control and monitoring network needs that require high data rates. The
RF200 embeds Synapse’s SNAP OS, the industry’s first Internet-enabled, wireless mesh network
operating system into the Atmel ATmega128RFA1 single-chip AVR® microcontroller with an integrated
transceiver that delivers up to 2Mbits/sec. These low-cost modules can have a range of up to three miles
and power consumption as low as 1.6 μA to enable a new generation of battery- driven systems.
SNAP’s on-board Python interpreter provides for rapid application development and over-the-air
programming, while Atmel’s low-power RF single-chip design saves board space and lowers the overall
Bill of Materials and power consumption. The RF200 is approved as an FCC Part 15 unlicensed modular
transmitter. The modules provide up to 16 channels of operation in the ISM 2.4GHz frequency band. The
RF200 module contains both a power amplifier for transmission and a low noise amplifier in the receive
path for extended range.
This Data Sheet details part numbers RF200PD1 and RF200PF1:
• 20 GPIO and up to 7 A/D inputs
• 128k flash, 58.5k free for over-the-air uploaded user apps
• Two UART ports for control or transparent data which surmounts
noisy environments
• Low power modes: 1.6 μA with internal timer running
• Spread spectrum (DSSS) technology
• Socket-able or solder-able
• Up to 2 Mbps Data Rate
• 2.4 GHz RF Frequency
• Spread Spectrum (DSSS) technology
• AES 128-bit encryption
• RF200PD1: SMA antenna (3 miles LoS at 250Kbps)
• RF200PF1: F-Antenna (2.5 miles LoS at 250Kbps)
The RF200 is also available with a u.FL connector. Contact Synapse for details.

Page 2 of 14 RF Engine 200 Series Data Sheet — 430133-01C
Figure 1.1: Block diagram showing the major subsystems comprising the RF200

Page 3 of 14RF Engine 200 Series Data Sheet — 430133-01C
Specifications
Performance
Outdoor LOS Range
RF200PD1: Up to 3 miles at 250Kbps
RF200PF1: Up to 2.5 miles at 250Kbps
Transmit Power Output 15 dBm
RF Data Rate 250Kbps, 500Kbps, 1Mbps, 2Mbps
Receiver Sensitivity -103 dBm (1% PER)
Power
Requirements
Supply Voltage 2.7 - 3.6 V
Transmit Current (Typ@3.3V) 80mA
Idle/Receive Current (Typ@3.3V) 20mA
Power-down Current (Typ@3.3V) 1.6uA
General
Frequency ISM 2.4 GHz
Spreading Method Direct Sequence (DSSS)
Modulation O-QPSK
Dimensions 1.333" x 1.333"
Operating Temperature - 40 to 85 deg C.
Antenna Options
RF200PD1: External RPSMA
RF200PF1: F- antenna
Networking
Topology SNAP
Error Handling Retries and acknowledgement
Number of Channels 16
Available I/O
UARTS with HW Flow Control 2 Ports - 8 total I/O
GPIO 20 total; 7 can be analog-in with 10bit ADC
Agency Approvals
FCC Part 15.247 FCC ID: U9O-RF200
Industry Canada (IC) IC: 7084A-RF200
CE available as a custom part. Call for details.
Table 1.1: RF200PD1/RF200PF1 Specifications

Page 4 of 14 RF Engine 200 Series Data Sheet — 430133-01C
Module Pin Definitions
Pin Name Description
1 GND Power Supply
2 GPIO0/OC0A/OC1C/PCINT7/PB7 GPIO_0, PWM, or Interrupt
3 GPIO1/OC1B/PCINT6/PB6 GPIO_1, PWM, or Interrupt
4 GPIO2/OC1A/PCINT5/PB5 GPIO_2, PWM, or Interrupt
5 GPIO3/RXD0/PCINT8/PE0 GPIO_3, Interrupt, or UART0 Data Input
6 GPIO4/TXD0/PE1 GPIO_4, UART0 Data Output
7 GPIO5/OC3B/INT4/PE4 GPIO_5, PWM, Interrupt, or UART0 CTS Output
8 GPIO6/OC3C/INT5/PE5 GPIO_6, PWM, Interrupt, or UART0 RTS Input
9 GPIO7/RXD1/INT2/PD2 GPIO_7, Interrupt, or UART1 Data Input
10 GPIO8/TXD1/INT3/PD3 GPIO_8, Interrupt, or UART1 Data Output
11 GPIO9/ICP1/PD4 GPIO_9, or UART1 CTS Output
12 GPIO10/ICP3/INT7/CLK0 GPIO_10, Interrupt, Clock Output, or UART1 RTS Input
13 GPIO11/ADC0/PF0 GPIO_11, or Analog In
14 GPIO12/ADC1/PF1 GPIO_12, SPI MOSI, or Analog In
15 GPIO13/ADC2/DIG2/PF2 GPIO_13, SPI SCLK, Antenna Diversity, or Analog In
16 GPIO14/XCK0/AIN0/PE2 GPIO_14, SPI MISO, USART CLK, Analog Comparator, or
Analog In
17 GPIO15/ADC4/TCK/PF4 GPIO_15, JTAG TCK, or Analog In
18 GPIO16/ADC5/TMS/PF5 GPIO_16, JTAG TMS, or Analog In
19 GPIO17/ADC6/TDO/PF6 GPIO_17, JTAG TDO, I2C SDA, or Analog In
20 GPIO18/ADC7/TDI/PF7 GPIO_18, JTAG TDI, I2C SCL, or Analog In
21 VCC Power Supply
22 GPIO19/OC3A/AIN1/PE3 GPIO_19, PWM, Analog Comparator
23 RESET Module Reset, Active Low
24 GND Power Supply
Table 1.2: RF200PD1 / RF200PF1 Module Pin Assignments

Page 5 of 14RF Engine 200 Series Data Sheet — 430133-01C
Electrical Characteristics
Symbol Parameter Condition Min Typ Max Units
VCC
1Supply Voltage 2.7 3.3 3.6 V
TOP Operating Temp -40 85 °C
TSTOR Storage Temp -40 125 °C
VIH Input Hi Voltage All Digital Inputs VCC - 0.4 V
VIL Input Low Voltage All Digital Inputs 0.4 V
VOL Output Low Voltage All drive strengths (2,4,6,8 mA) 0.4 V
VOH Output High Voltage All drive strengths (2,4,6,8 mA) VCC - 0.4 V
ILIN In Leakage Current VIN=VCC or VSS, all Pins TBD uA
TX-ICC Transmit Current VCC = 3.3V 80 mA
RX-ICC Receive Current VCC = 3.3V 20 mA
SHDN-ICC Sleep Current VCC = 3.3V 1.6 uA
Table 1.3: RF200PD1 / RF200PF1 DC Characteristics at 25° C
Symbol Parameter Condition Min Typical Max Unit
VREFH
2Voltage Reference, High Programmable 1.5 1.6 1.8 V
VINDC Analog input voltage
Single Ended 0 1.8
V
Differential30 3.3
Table 1.4: ADC Electrical Characteristics (Operating)
1 Absolute maximum stress rated voltage for VCC is -0.3 to 3.6. It is recommended that bulk capacitance be located as close as possible
to the VCC pin on the host board. Ideally, use a single 47µF capacitor at 10V directly at the VCC pin.
2 VREFH is programmable to three fixed values; 1.5V, 1.6V, and 1.8V. The default is 1.6V.
3 Each differential analog input may be as high as 3.3V but the differential voltage is still limited.

Page 6 of 14 RF Engine 200 Series Data Sheet — 430133-01C
Symbol Parameter Condition Min Typical Max Unit
RAS
Source impedance at
input43k kΩ
RES Conversion Resolution
Single Ended CLKADC <= 4MHz 10
Bits
Single Ended CLKADC > 8MHz 8
DNL Differential non-linearity VREFH = 1.6V CLKADC=4MHz -0.5 LSB
INL Integral non-linearity VREFH = 1.6V CLKADC=4MHz 0.8 LSB
EZS Zero-scale error 1.5 LSB
EGGain error 1 LSB
Table 1.5: ADC Timing/Performance Characteristics
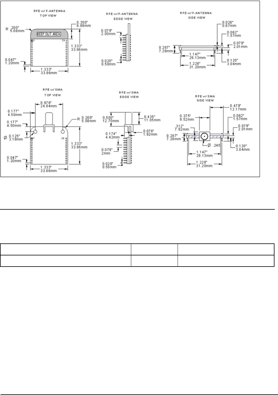
Mechanical Drawings
These drawings in Figure 1.2 show the module with the RPSMA connector for use with an external
antenna, and the keep out area for the F-antenna.
NOTE: The area under the module's antenna (marked NOCOPPER or
KEEPOUTAREA)should have no components, no traces, and no copper on any layer of
the printed circuit board.
4 Any analog source with a source impedance greater the 3kΩ will increase the sampling time.

Page 7 of 14RF Engine 200 Series Data Sheet — 430133-01C
Figure 1.2: Mechanical drawings of the RF200PD1 and RF200PF1 Modules
Board Mounting Considerations
The RF200PD1 and RF200PF1 modules are designed to mount into a receptacle (socket) on the host
board. Figure 1.3 shows an RF200PD1 module plugged in to a host board. The receptacle sockets are on
standard 2mm centers. Suggested receptacles to be used on the host are:
Thru-hole receptacle Samtec MMS-112-01-L-SV
Surface mount receptacle Samtec MMS-112-02-L-SV
It is recommended that the mounting holes provided in the module on either side of the SMA connector
be used with supporting mounting hardware to hard mount the module to either the host board or to the
enclosure to handle the mechanical stresses that can occur when an external antenna is screwed into the
SMA. Figure 1.3 shows the RF200PD1 with SMA connector mounted to the host board.

Page 8 of 14 RF Engine 200 Series Data Sheet — 430133-01C
Figure 1.3: RF200PD1 Mounted To Host Board

Page 9 of 14RF Engine 200 Series Data Sheet — 430133-01C
2. Agency Certifications
United States (FCC)
The Model SM220 modules comply with Part 15 of the FCC rules and regulations. Compliance with the
labeling requirements, FCC notices and antenna usage guidelines is required. In order to comply with
FCC Certification requirements, the Original Equipment Manufacturer (OEM) must fulfill the following
requirements.
1. The system integrator must place an exterior label on the outside of the final product housing the
RF200 Modules. Figure 2.1 below shows the contents that must be included in this label.
2. RF200 Modules may only be used with the antenna that has been tested and approved for use
with the module. Please refer to the antenna table provided in this section.
OEM Labeling Requirements
NOTICE: The OEM must make sure that FCC labeling requirements are met. This includes a clearly
visible exterior label on the outside of the final product housing that displays the contents shown in
Figure 2.1 below.
MANUFACTURERSNAME
BRANDNAMEor TRADENAME
Contains RF200 FCC ID: U90-RF200
This device complies with Part 15 of the FCCRules. Operation is subject to the following two
conditions:(1) This device may not cause harmful interferences, and (2) this device must accept any
interference received, including interference that may cause undesired operation.
Figure 2.1: FCCLabel
FCC Notices
WARNING!: The RF200 modules have been tested by the FCC for use with other
products without further certification (as per FCC Section 2.1091). Changes or
modifications to this device not expressly approved by Synapse Wireless Inc. could
void the user’s authority to operate the equipment.
NOTICE: OEM’s must certify final end product to comply with unintentional radiators (FCC Section
15.107 and 15.109) before declaring compliance of their final product to Part 15 of the FCC Rules.
NOTICE: The RF200 modules have been certified for remote and base radio applications. If the module
will be used for portable (as defined by the FCC) applications, the device must undergo SAR testing.
This equipment has been tested and found to comply with the limits for a Class B digital device, pursuant
to Part 15 of the FCC Rules. These limits are designed to provide reasonable protection against harmful

Page 10 of 14 RF Engine 200 Series Data Sheet — 430133-01C
interference in a residential installation. This equipment generates, uses, and can radiate radio frequency
energy and, if not installed and used in accordance with the instructions, may cause harmful interference
to radio communications. However, there is no guarantee that interference will not occur in a particular
installation.
If this equipment does cause harmful interference to radio or television reception, which can be
determined by turning the equipment off and on, the user is encouraged to try to correct the interference
by one or more of the following measures:
• Reorient or relocate the receiving antenna.
• Increase the separation between the equipment and receiver.
• Connect the equipment into an outlet on a circuit different from that to which the receiver is
connected.
• Consult the dealer or an experienced radio/TV technician for help.
FCC Approved Antennas
The RF200 modules are FCC-approved for fixed base station and mobile applications.
Notice: To reduce potential radio interference to other users, the antenna type and its gain should be
chosen so that the equivalent isotropically radiated power (e.i.r.p.) is not more than that permitted for
successful communication. The RF200PD1 module has been designed to operate with the antennas listed
below in Table 2.1. The required antenna impedance is 50 ohms. The RF200PF1 has a built-in F-
antenna.
Part Number Type Gain Application Min. Separation
L-com HG2405RD-RSP* Dipole (quarter-wave RPSMA) 5.5 dBi Fixed/Mobile 20 cm.
Pulse W1027 Dipole (quarter-wave RPSMA) 3.2 dBi Fixed/Mobile 20 cm.
Table 2.1: Approved FCC Antennas
* The 5.5 dBi antenna is approved for use in cases that are approved in writing by Synapse.
For more information on approved antennas, please consult the manufacturers website.
WARNING!: RF Exposure: This equipment complies with FCC radiation exposure
limits set forth for an uncontrolled environment. This equipment should be installed
and operated with minimum distance 20cm between the radiator and your body. This
transmitter must not be co-located or operating in conjunction with any other antenna
or transmitter.
NOTICE: The preceding statement must be included as a CAUTION statement in OEM product
manuals in order to alert users of FCC RF Exposure compliance.
NOTE: Antenna and transmitters may be co-located or operated in conjunction with this
device only if the transmitters do not simultaneously transmit. Otherwise, additional
regulatory requirements will apply.

Page 11 of 14RF Engine 200 Series Data Sheet — 430133-01C
Canada (IC)
This device complies with Industry Canada license-exempt RSS standard(s). Operation is subject to the
following two conditions: (1) this device may not cause interference, and (2) this device must accept any
interference, including interference that may cause undesired operation of the device.
Le présent appareil est conforme aux CNR d'Industrie Canada applicables aux appareils radio
exempts de licence. L'exploitation est autorisée aux deux conditions suivantes : (1) l'appareil ne doit
pas produire de brouillage, et (2) l'utilisateur de l'appareil doit accepter tout brouillage
radioélectrique subi, même si le brouillage est susceptible d'en compromettre le fonctionnement.
Under Industry Canada regulations, this radio transmitter may only operate using an antenna of a type
and maximum (or lesser) gain approved for the transmitter by Industry Canada. To reduce potential radio
interference to other users, the antenna type and its gain should be so chosen that the equivalent
isotropically radiated power (e.i.r.p.) is not more than that necessary for successful communication.
Conformément à la réglementation d'Industrie Canada, le présent émetteur radio peut fonctionner
avec une antenne d'un type et d'un gain maximal (ou inférieur) approuvé pour l'émetteur par
Industrie Canada. Dans le but de réduire les risques de brouillage radioélectrique à l'intention des
autres utilisateurs, il faut choisir le type d'antenne et son gain de sorte que la puissance isotrope
rayonnée équivalente (p.i.r.e.) ne dépasse pas l'intensité nécessaire à l'établissement d'une
communication satisfaisante.
This radio transmitter Model: RF200, IC: 7084A-RF200 has been approved by Industry Canada to
operate with the antenna types listed below with the maximum permissible gain and required antenna
impedance for each antenna type indicated. Antenna types not included in this list, having a gain greater
than the maximum gain indicated for that type, are strictly prohibited for use with this device.
Le présent émetteur radio Model: RF200, IC: 7084A-RF200 a été approuvé par Industrie Canada
pour fonctionner avec les types d'antenne énumérés ci-dessous et ayant un gain admissible maximal
et l'impédance requise pour chaque type d'antenne. Les types d'antenne non inclus dans cette liste,
ou dont le gain est supérieur au gain maximal indiqué, sont strictement interdits pour l'exploitation
de l'émetteur.
Part Number Type Gain Application Min. Separation
Pulse W1027 Dipole (quarter-wave RPSMA) 3.2 dBi Fixed/Mobile 20 cm.
Table 2.2: Approved IC Antennas
OEM Labeling Requirements for the European Union
The “CE” mark must be placed on the OEM product in a visible location. The CE mark will consist of
the Initials “CE” with the following form:
If the CE marking is reduced or enlarged, the proportions given in the following drawing must be
adhered too.
The CE mark must be a minimum of 5mm in height.
The CE marking must be affixed visibly, legibly and indelibly.

Page 12 of 14 RF Engine 200 Series Data Sheet — 430133-01C
Since the 2400-2483.5 MHz band is not harmonized by a few countries throughout Europe, the
Restriction sign must be placed to the right of the CE marking as shown in the drawing.
Labeling requirements for Industry Canada are similar to those of the FCC.
A clearly visible label on the outside of the final product housing must
display the contents shown in Figure 2.2 below.
MANUFACTURERSNAME
BRANDNAMEor TRADENAME
MODEL:
Contains RF200 IC: 7084A-RF200
Figure 2.2: ICLabel
NOTE: The OEM can choose to implement a single label combined for both FCC and IC
labeling requirements. If a combined single label is chosen, there must be a clearly visible
label on the outside of the final product housing displaying the contents shown in Figure 2.3
below.
MANUFACTURERSNAME
BRANDNAMEor TRADENAME
Contains RF200 FCC ID: U90-RF200
Contains RF200 IC: 7084A-RF200
This device complies with Part 15 of the FCCRules. Operation is subject to the following two
conditions:(1) This device may not cause harmful interferences, and (2) this device must accept any
interference received, including interference that may cause undesired operation.
Figure 2.3: Combined FCCand ICLabel
NOTE: The OEM can choose to implement a single label combined for FCC, CE and IC
labeling requirements. If a combined single label is chosen, there must be a clearly visible
label on the outside of the final product housing displaying the contents shown in Figure 2.4.

Page 13 of 14RF Engine 200 Series Data Sheet — 430133-01C
MANUFACTURERSNAME
BRANDNAMEor TRADENAME
Contains RF200 FCC ID: U90-RF200
Contains RF200 IC: 7084A-RF200
This device complies with Part 15 of the FCCRules. Operation is subject to the following two
conditions:(1) This device may not cause harmful interferences, and (2) this device must accept any
interference received, including interference that may cause undesired operation.
Figure 2.4: Combined FCC,CE and ICLabel
