Synapse Wireless RF300 RF300 Module User Manual 10 0403 Exhibit Cover
Synapse Wireless Inc. RF300 Module 10 0403 Exhibit Cover
Manual

5015 B.U. Bowman Drive Buford, GA 30518 USA Voice: 770-831-8048 Fax: 770-831-8598
Certification Exhibit
FCC ID: U9O-RF300
FCC Rule Part: 15.247
ACS Project Number: 10-0403
Manufacturer: Synapse Wireless, Inc.
Model: RF300
Manual

DATA SHEET
RF Engine
®
300 Series
Model Number: RF300
Part Number: RF300PD1
Document Revision v1.2
© 2011 Synapse, All Rights Reserved
All Synapse products are patented or patent pending
Specifications are subject to change without notice – confirm that data is current
Synapse, the Synapse logo, SNAP, and Portal are all registered trademarks of
Synapse Wireless, Inc.
500 Discovery Drive
Huntsville, Alabama 35806
877-982-7888
Doc # 430135-01A

RF300PD1 Data Sheet Document Number 430135-01A
Page 2 of 13

RF300PD1 Data Sheet Document Number 430135-01A
Page 3 of 13
Table of Contents
1.0 RF300PD1 OEM Module Overview 4
1.1 Specifications 5
1.2 Module Pin Definitions 6
1.3 Electrical Characteristics 7
1.4 Mechanical Drawings 8
1.5 Board Mounting Configurations 9
2.0 Agency Certifications 9
2.1 United States (FCC) 9
2.1.1 OEM Labeling Requirements 9
2.1.2 FCC Notices 10
2.1.3 FCC Approved Antennas 11
2.2 Canada (IC) 12
2.2.1 OEM Labeling Requirements 12

RF300PD1 Data Sheet Document Number 430135-01A
Page 4 of 13
1.0 RF Engine 300 Series
OEM Modules Overview
The RF Engine 300 Series (Model Number RF300) is a low power, highly-reliable
solution to embedded wireless control and monitoring network needs that require high
data rates. The RF300 embeds Synapse’s SNAP OS, the industry’s first Internet-
enabled, wireless, mesh network operating system into the Silicon Laboratories Si1000
single-chip microcontroller with an integrated transceiver that delivers up to 150kbps.
These low-cost modules can have a range of up to 3 miles and power consumption less
than 16 µA to enable a new generation of battery-driven systems.
SNAP’s on-board Python interpreter provides for rapid application development and
over-the-air programming, while Silicon Laboratories’ low-power RF single-chip design
saves board space and lowers the overall Bill of Materials and power consumption. The
RF300 is approved as an FCC Part 15 unlicensed modular transmitter. The modules
provide up to 16 channels of operation in the ISM 915MHz frequency band. The on-
board Si1000 transceiver contains both a power amplifier for transmission and a low
noise amplifier in the receive path for extended range.
This Data Sheet details Part Number RF300PD1, which includes:
• 15 GPIO and up to 12 A/D inputs
• 192K total FLASH with 64K used by SNAP core,
64K free for uploadable SNAPpy scripts,
and 64K reserved
• UART port for control or transparent data
• Low power modes: <16µA with internal timer running
• Frequency Hopping (FHSS) technology
• Socket-able or solder-able
• 150Kbps RF Data Rate
• 915 MHz RF Frequency
• 20 dBm Transmit Power for best-in-class range
• SMA antenna (up to 3 miles LoS)

RF300PD1 Data Sheet Document Number 430135-01A
Page 5 of 13
Figure 1.0 Block diagram showing the major subsystems comprising the RF300PD1
1.1 Specifications
Table 1.0. RF300PD1 Specifications
Performance
Outdoor LOS Range
Up to 3 miles
Transmit Power Output
20 dBm
RF Data Rate
150Kbps
Receiver Sensitivity
-121 dBm (1% PER)
Power Requirements
Supply Voltage
2.7 - 3.6 V
Transmit Current (Typ@3.3V)
85mA
Idle/Receive Current (Typ@3.3V)
18.5mA
Power-down Current (Typ@3.3V)
<16uA
General
Frequency
ISM 915 MHz
Spreading Method
FHSS
Modulation
GFSK
Dimensions
1.333" x 1.333"
Operating Temperature
- 40 to 85 deg C.
Antenna Options
External RPSMA
Networking Topology
SNAP
Error Handling
Retries and acknowledgement
Number of Channels
16
Available I/O UARTS with HW Flow Control
1 Ports - 4 total I/O
GPIO
15 total; 12 can be analog in with 10bit ADC
Agency Approvals FCC Part 15.247
FCC ID: U9O-RF300
Industry Canada (IC)
IC: 7084A-RF300

RF300PD1 Data Sheet Document Number 430135-01A
Page 6 of 13
1.2 Module Pin Definitions
Table 1.1. RF300PD1 Module Pin Assignments
Pin
Name
Description
1 GND
Power Supply
2 GPIO0/ADC17/P2.1
GPIO_0, ADC17, I
2
C SDA
3 GPIO1/ADC18/P2.2
GPIO_1, ADC18, I
2
C SCL
4 GPIO2/ADC19/P2.3
GPIO_2, ADC19
5 GPIO3/ADC20/P2.4
GPIO_3, ADC20
6 GPIO4/ADC21/P2.5
GPIO_4, ADC21, SPI MOSI
7 GPIO5/ADC22/P2.6
GPIO_5, ADC22, SPI SCLK
8 GPIO6/ADC0/P0.0/V
REF
GPIO_6, ADC0, Interrupt, External Voltage Reference, SPI MISO
9 GPIO7/ADC5/P0.5/UART_RX
GPIO_7, ADC5, Interrupt, UART0 Rx Data Input
10 GPIO8/ADC4/P0.4/UART_TX
GPIO_8, ADC4, Interrupt, UART0 Tx Data Output
11
GPIO9/ADC3/P0.3/CTS
GPIO_9, ADC3, UART0 CTS Output
12 GPIO10/ADC2/P0.2/RTS
GPIO_10, ADC2, Interrupt, UART0 RTS Input
13 [GPIO11/ADC16/P2.0]
Not Available, Do Not Connect
1
14 [GPIO12/ADC15/P1.7]
Not Available, Do Not Connect
1
15 [GPIO13/ADC13/P1.5]
Not Available, Do Not Connect
1
16 [GPIO14/ADC14/P1.6]
Not Available, Do Not Connect
1
17 GPIO15/ADC6/P0.6/CNVSTR
GPIO_15, ADC6, External “Start Conversion” for ADC0
18 GPIO16/P2.7
GPIO_16
2
19 GPIO17
GPIO_17
20 ANT_A
GPIO_18 (Output Only)
21 VCC
Power Supply
22 C2D
Background Debug Communications
23 RESET
Module Reset, Active Low
24 GND
Power Supply
1
Pins 13 – 16 are not available for use on the RF300 and should not be tied to any signals. These pins are used for
access to the onboard external memory.
2
GPIO16 has limited drive strength as it is routed through a 1Kohm resistor. The signal driven from (or to) GPIO16
can also be read, or driven, on pin 22 (CD2), the debug pin.

RF300PD1 Data Sheet Document Number 430135-01A
Page 7 of 13
1.3 Electrical Characteristics
Table 1.2. RF300PD1 DC Characteristics
Symbol
Parameter
Condition
Min
Typ
3
Max
Units
V
CC
4
Supply Voltage 2.7 3.3 3.6 V
T
OP
Operating Temp -40 85 °C
V
IH
Input Hi Voltage All Digital Inputs V
CC
- 0.6 V
V
IL
Input Low Voltage All Digital Inputs 0.6 V
V
OL
Output
Low
Voltage
High Drive
Strength
I
OL
= 8.5ma
0.6
V
I
OL
= 10uA
0.1
I
OL
= 25mA Note
5
-
Low Drive
Strength
I
OL
= 1.4ma
0.6
I
OL
= 10uA
0.1
I
OL
= 4mA Note
5
-
V
OH
Output
High
Voltage
High Drive
Strength
I
OH
= -3ma V
CC
- 0.7
V
I
OH
= -10uA V
CC
- 0.1
I
OH
= -10mA - Note
5
Low Drive
Strength
I
OL
= 1.4ma V
CC
- 0.7
I
OL
= 10uA V
CC
- 0.1
I
OL
= 4mA - Note
5
IL
IN
In Leakage Current Weak PU On, V
IN
= 0V,
V
CC
= 3.6V 20 30 uA
TX-I
CC
Transmit Current V
CC
= 3.3V 85 mA
RX-I
CC
Receive Current V
CC
= 3.3V 18.5 mA
SHDN-I
CC
Sleep Current 8 16 uA
3
All typical specifications are measured at 25°C.
4
Absolute maximum stress rated voltage for VCC is -0.3 to 3.6. It is recommended that a bulk decoupling capacitor
(47 uF tantalum rated at 6.3volts) be located close to the VCC pin 21 of the RF300PD1 connector on host board.
5
See Si100X datasheet for output current curves.
Table 1.3. ADC Electrical Characteristics (Operating)
Symbol
Parameter
Condition
Min
Typical
Max
Unit
V
REF
Voltage Reference Internal-Fast 1.65 V Internal-Precision 1.68
External 0 V
CC
V
INDC
Analog input voltage Absolute Voltage 0 V
CC
V
ADC Input Range 0 V
REF
Table 1.4. ADC Timing/Performance Characteristics
Symbol
Parameter
Condition
Min
Typical
Max
Unit
R
AS
Source impedance at input
5 kΩ
RES Conversion Resolution
10 Bits
INL Integral non-linearity 0.5 1 LSB
E
OFF
Offset Error <1 2 LSB
E
FS
Full Scale Error 1 2.5 LSB

RF300PD1 Data Sheet Document Number 430135-01A
Page 8 of 13
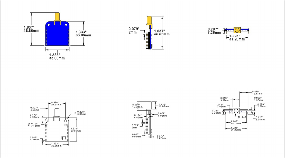
1.4 Mechanical Drawings
These drawings in Figure 1.1 show the module with the RPSMA connector for use with
an external antenna.
Figure 1.1 Mechanical drawings of the RF300PD1 Module
1.5 Board Mounting Considerations
The RF300PD1 module is designed to mount into a receptacle (socket) on the host
board. Picture 1.1 shows an RF300PD1 module plugged in to a host board. The
receptacle sockets are on standard 2mm centers. Suggested receptacles to be used on
the host are:
(1) Thru-hole receptacle: Samtec MMS-112-01-L-SV
(2) Surface mount receptacle: Samtec MMS-112-02-L-SV
It is recommended that the mounting holes provided in the module on either side of the
SMA connector be used with supporting mounting hardware to hard mount the module
to either the host board or to the enclosure to handle the mechanical stresses that can
occur when an external antenna is screwed into the SMA. Picture 1.1 shows the
RF300PD1 with SMA connector mounted to the host board.

RF300PD1 Data Sheet Document Number 430135-01A
Page 9 of 13
Host Board RF300PD1 Mounted
Picture 1.1 RF300PD1 Mounted To Host Board
2.0 Agency Certifications
2.1 United States (FCC)
The Model RF300 modules comply with Part 15 of the FCC rules and regulations.
Compliance with the labeling requirements, FCC notices and antenna usage guidelines
is required. In order to comply with FCC Certification requirements, the Original
Equipment Manufacturer (OEM) must fulfill the following requirements.
1. The system integrator must place an exterior label on the outside of the final
product housing the RF300 Modules. Figure 2.1 below shows the contents that
must be included in this label.
2. RF300 Modules may only be used with the antenna that has been tested and
approved for use with the module. Please refer to the antenna table provided in
this section.
2.1.1 OEM Labeling Requirements
NOTICE:
The OEM must make sure that FCC labeling requirements are met. This
includes a clearly visible exterior label on the outside of the final product housing that
displays the contents shown in Figure 2.1 below.

RF300PD1 Data Sheet Document Number 430135-01A
Page 10 of 13
2.1.2 FCC Notices
WARNING: The RF300 modules have been tested by the FCC for use with other
products without further certification (as per FCC Section 2.1091). Changes or
modifications to this device not expressly approved by Synapse Wireless Inc. could void
the user’s authority to operate the equipment.
NOTICE: OEM’s must certify final end product to comply with unintentional radiators
(FCC Section 15.107 and 15.109) before declaring compliance of their final product to
Part 15 of the FCC Rules.
NOTICE: The RF300 modules have been certified for remote and base radio
applications. If the module will be used for portable applications, the device must
undergo SAR testing.
This equipment has been tested and found to comply with the limits for a Class B digital
device, pursuant to Part 15 of the FCC Rules. These limits are designed to provide
reasonable protection against harmful interference in a residential installation. This
equipment generates, uses, and can radiate radio frequency energy and, if not installed
and used in accordance with the instructions, may cause harmful interference to radio
communications. However, there is no guarantee that interference will not occur in a
particular installation.
If this equipment does cause harmful interference to radio or television reception, which
can be determined by turning the equipment off and on, the user is encouraged to try to
correct the interference by one or more of the following measures:
• Reorient or relocate the receiving antenna.
• Increase the separation between the equipment and receiver.
• Connect the equipment into an outlet on a circuit different from that to which the
receiver is connected.
• Consult the dealer or an experienced radio/TV technician for help.
MANUFACTURERS NAME
Figure 2.1
FCC Label
BRAND NAME or TRADE NAME
Contains RF300 FCC ID: U9O-RF300
This device complies with Part 15 of the FCC Rules. Operation is subject to the following
two conditions: (1) This device may not cause harmful interferences, and (2) this device
must accept any interference received, including interference that may cause undesired
operation.

RF300PD1 Data Sheet Document Number 430135-01A
Page 11 of 13
2.1.3 FCC Approved Antennas
The RF300 modules are FCC-approved for fixed base station and mobile applications.
The FCC requirement for mobile applications states that the antenna must be mounted
at least 20 cm (8 in) from nearby persons.
Notice: To reduce potential radio interference to other users, the antenna type and its
gain should be chosen so that the equivalent isotropically radiated power (e.i.r.p.) is not
more than that permitted for successful communication. This module has been
designed to operate with the antennas listed below in Table 2.1. The required antenna
impedance is 50 ohms.
Table 2.1. Approved Antennas
Part Number Type Gain Application Min.
Separation
Linx ANT-916-CW-RCL Dipole (quarter-wave RPSMA) 0.47 dBi Fixed/Mobile 20 cm.
Recommended Antenna:

RF300PD1 Data Sheet Document Number 430135-01A
Page 12 of 13
RF Exposure WARNING: This equipment complies with FCC radiation exposure
limits set forth for an uncontrolled environment. This equipment should be installed and
operated with minimum distance 20cm between the radiator and your body. This
transmitter must not be co-located or operating in conjunction with any other antenna or
transmitter.
NOTICE: The preceding statement must be included as a CAUTION statement in OEM
product manuals in order to alert users of FCC RF Exposure compliance.
2.2 Canada (IC)
This device complies with Industry Canada license-exempt RSS standard(s). Operation
is subject to the following two conditions: (1) this device may not cause interference,
and (2) this device must accept any interference, including interference that may cause
undesired operation of the device.
Under Industry Canada regulations, this radio transmitter may only operate using an
antenna of a type and maximum (or lesser) gain approved for the transmitter by Industry
Canada. To reduce potential radio interference to other users, the antenna type and its
gain should be so chosen that the equivalent isotropically radiated power (e.i.r.p.) is not
more than that necessary for successful communication.
Conformément à la réglementation d'Industrie Canada, le présent émetteur radio
peut fonctionner avec une antenne d'un type et d'un gain maximal (ou inférieur)
approuvé pour l'émetteur par Industrie Canada. Dans le but de réduire les
risques de brouillage radioélectrique à l'intention des autres utilisateurs, il faut
choisir le type d'antenne et son gain de sorte que la puissance isotrope rayonnée
équivalente (p.i.r.e.) ne dépasse pas l'intensité nécessaire à l'établissement
d'une communication satisfaisante.
This radio transmitter Model: RF300, IC: 7084A-RF300 has been approved by Industry
Canada to operate with the antenna types listed below with the maximum permissible
gain and required antenna impedance for each antenna type indicated. Antenna types
not included in this list, having a gain greater than the maximum gain indicated for that
type, are strictly prohibited for use with this device.
Le présent émetteur radio (identifier le dispositif par son numéro de certification
ou son numéro de modèle s'il fait partie du matériel de catégorie I) a été
approuvé par Industrie Canada pour fonctionner avec les types d'antenne
énumérés ci-dessous et ayant un gain admissible maximal et l'impédance
requise pour chaque type d'antenne. Les types d'antenne non inclus dans cette
liste, ou dont le gain est supérieur au gain maximal indiqué, sont strictement
interdits pour l'exploitation de l'émetteur.
Table 2.2. Approved Antennas
Part Number Type Gain Applicatio Min.

RF300PD1 Data Sheet Document Number 430135-01A
Page 13 of 13
n Separation
Linx ANT-916-CW-RCL Dipole (quarter-wave RPSMA) - Fixed/Mobile
20 cm.
2.2.1 OEM Labeling Requirements
Labeling requirements for Industry Canada are similar to those of the FCC. A clearly
visible label on the outside of the final product housing must display the contents shown
in Figure 2.2 below.
NOTE: The OEM can choose to implement a single label combined for both FCC and
IC labeling requirements. If a combined single label is chosen, there must be a clearly
visible label on the outside of the final product housing displaying the contents shown in
Figure 2.3 below.
MANUFACTURERS NAME
Figure
2.2
IC Label
BRAND NAME or TRADE NAME
MODEL:
Contains RF Engine IC: 7084A-RF300
MANUFACTURERS NAME
Figure 2.3
Combined FCC and IC Label
BRAND NAME or TRADE NAME
Contains RF Engine FCC ID: U9O-RF300
Contains RF Engine IC: 7084A-RF300
This device complies with Part 15 of the FCC Rules. Operation is subject to the
following two conditions: (1) This device may not cause harmful interferences, and (2)
this device must accept any interference received, including interference that may cause
undesired operation.