T L Parker RDX-V1 Mobile Transmitter User Manual Technical Manual
T L Parker Ltd Mobile Transmitter Technical Manual
Contents
Technical Manual

13-25
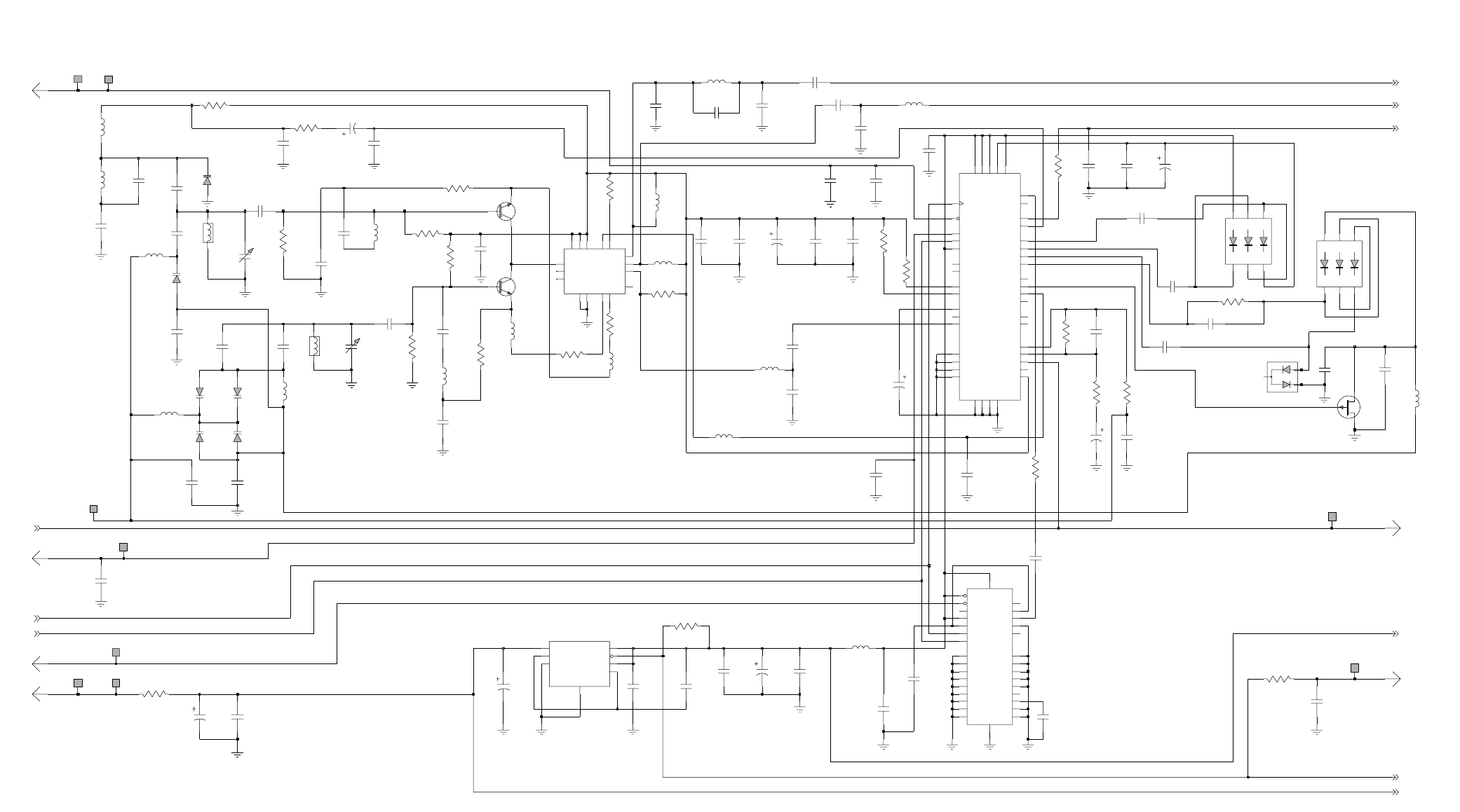
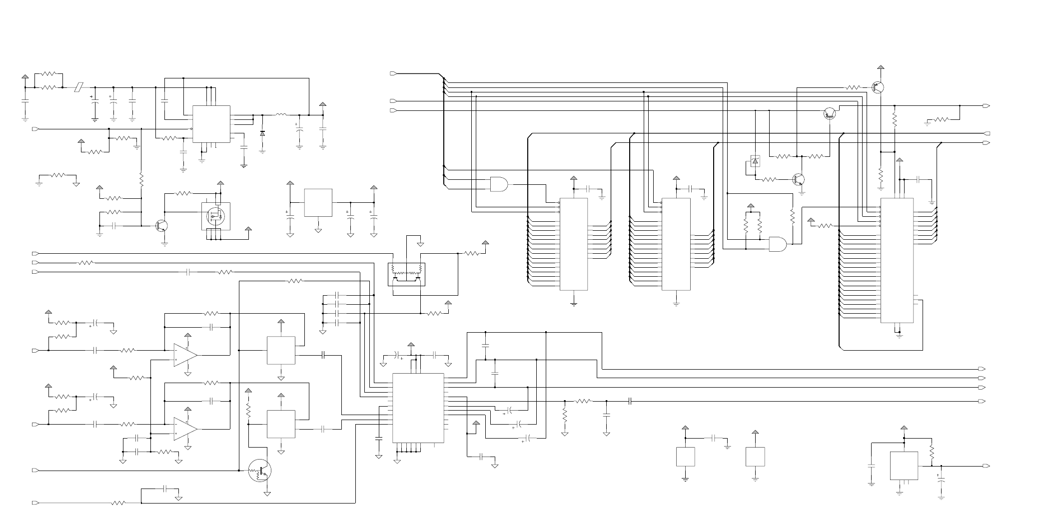
NLE4250B, NLE4250E UHF Range 2 RF Board Schematic Diagram, Sheet 2 of 3
REF_2.1MHz
0.22uF
0.47uF
SW_B+
LOCK_DETECTLOCK_DETECT LOCK_DETECT
SUPER_FILTER_VOLTAGE
SUPER_FILTER_VOLTAGE
SUPER_FILTER_VOLTAGE
RESET_1
MOD_OUTMOD_OUT
REG_5V
REG_5V
RESET
REF_OSC_EN
REF_OSC_EN
RX_INJ
TX_OUT
V_CTRL V_CTRL
CLOCK
CLOCK
DATA
DATA
SYNTH_CE
SYNTH_CE
MOD_IN
MOD_IN
SWB+ SW_B+
VEE
VEEVEE
VEE
TP5
Q201
D
1.5pF
C203
2.4pF
C202
C284
C
9
E2
12
GND
1
GND
13
S
S1
7
S2
14 TRB 5
TX
62U78
U201
5VI 6
B2
11
J1-33
NC 8
PS 16
RBY 15
RX 2
4
VC 10
VSF 3
3.3pF
C289
15nH
L216
Q203
.0047uF
C299
BUSS_13
BUSS_10
BUSS_11
BUSS_08
BUSS_09
.0015uF
C206
CR209
CR203
CR207
0.1uF
C279
.022uF
C303
100pF
C204
1pF
C292
22nH
TP7
L201
100pF
C238
TP8
C240
4-5pF
J1-14
CR204
A2
5
A3
6
K1
3
K2
2
K3
1
14
.0033uF
C236
4.3pF
A1
4
C235
3.3pF
C237
390nH
L204
18.9nH
L210
L209
390nH
C500
68pF
CR201
C223
4-5pF
0.1uF
C282
.022uF
4.7uF
C304
C255
LP2951CM
U202
.01uF
C274
0.1uF
C511
4
INPUT
81
OUTPUT
SENSE 2
L202
2200nH
9
C260
6
5V_TAP
5
ERRORFEEDBACK
7
GND
11pF
C226
SHUTDOWN
3
J1-9
100pF
C227
C233
100pF
.047uF
J1-18 18
CR202
R301
0
BUSS_12
L224
R218
100K
CR208
33nH
13pF
C243
CR205
A1
4
A2
5
A3
6
K1
3
K2
2
K3
1
3.9pF
C222
68pF
C506
J1-8
J1-12
8
3.9pF
C219
.022uF
C244
4.7pF
C205
12
220nH
L207
L223
390nH
R206
10K
10pF
C239
R217
1pF
C201
10uF
C231
15K
47K
.022uF
C270
390nH
R223
5.1pF
C220
100pF
C294
L218
10uF
C253
.01uF
C266
3.3uF
C125
L213
R118
100K
100pF
C216
C254
4.7uF
C258
100nH
4.7uF
8
DET 10
.01uF
C267
29
NC15
30
U203
23 EN_CE 7
C_EXT
27 DCWARP
9DE
6NC6
15
F_OUT
1NC1
18
NC10
19
NC11
NC12 20
14
NC13
28
NC14
13
VDD
12
NC16
31
NC17
32
NC18
2NC2
3NC3
4NC4
5NC5
NC7
16 NC8
17 NC9
22 SCK
25 SI
21
SO
24 SS
V_OPT
11
V_REG
26 GND
C257
.01uF
.022uF
C210
47K
390nH
L215
2K
.01uF
C256
R214
2K
R208
R219
10
R222
R207
68K
CR206
.001uF
C245
22nH
L212
R220
2K
R221
1
32
1.2K
R610
0
1pF
C225
C275
0.1uF
68pF
C507
C217
100pF
100pF
100pF
C228
0.1uF
C280
C211
1.8pF
C230
CE
3CLK
10.7nH
L211
VCC3
10
FREFOUT
25U31
U204
35
ADAPTSW
37
AUX1 38
AUX2 39
AUX3 40
AUX4
4
LOCK
5MODIN
29 CPBIAS1
28 CPBIAS2
2DATA
23
VEE1
11
VCC1
25
VCC2
42
PVREF
SUPFBASE
18
1GND1
13 GND2
22 GND3
33 GND4
34
IADAPT
32
IOUT
41
VEE2
9
VMULT1
30
MODOUT
NC
16
NC1
31
NC2
43
NC3
44
21 PREIN
24
R210
SUPFCAP
17
20 SUPFIN
SUPFOUT 19
26
TST1 27
TST2
12 A/D BYPASS
36
8
VMULT2 7
VMULT3 6
VMULT4
14
XTAL1 15
XTAL2
C247
330
C290
750
100pF
L221
390nH
L220
27nH
R212
C208
100pF C250
.001uF
120
R211
5.1pF
C214
27nH
L205
4.7uF
C271
R205
.01uF
C209
15K 22
C221
.01uF
.022uF
C246
R209
R203
470
L208
390nH
18nH
L219
Q202
R215
43K
R204
10K
R213
750
OMIT OMIT
OMIT
63B81086C74-O

13-26
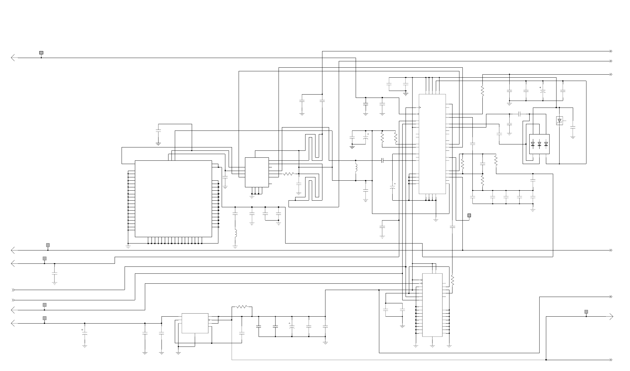
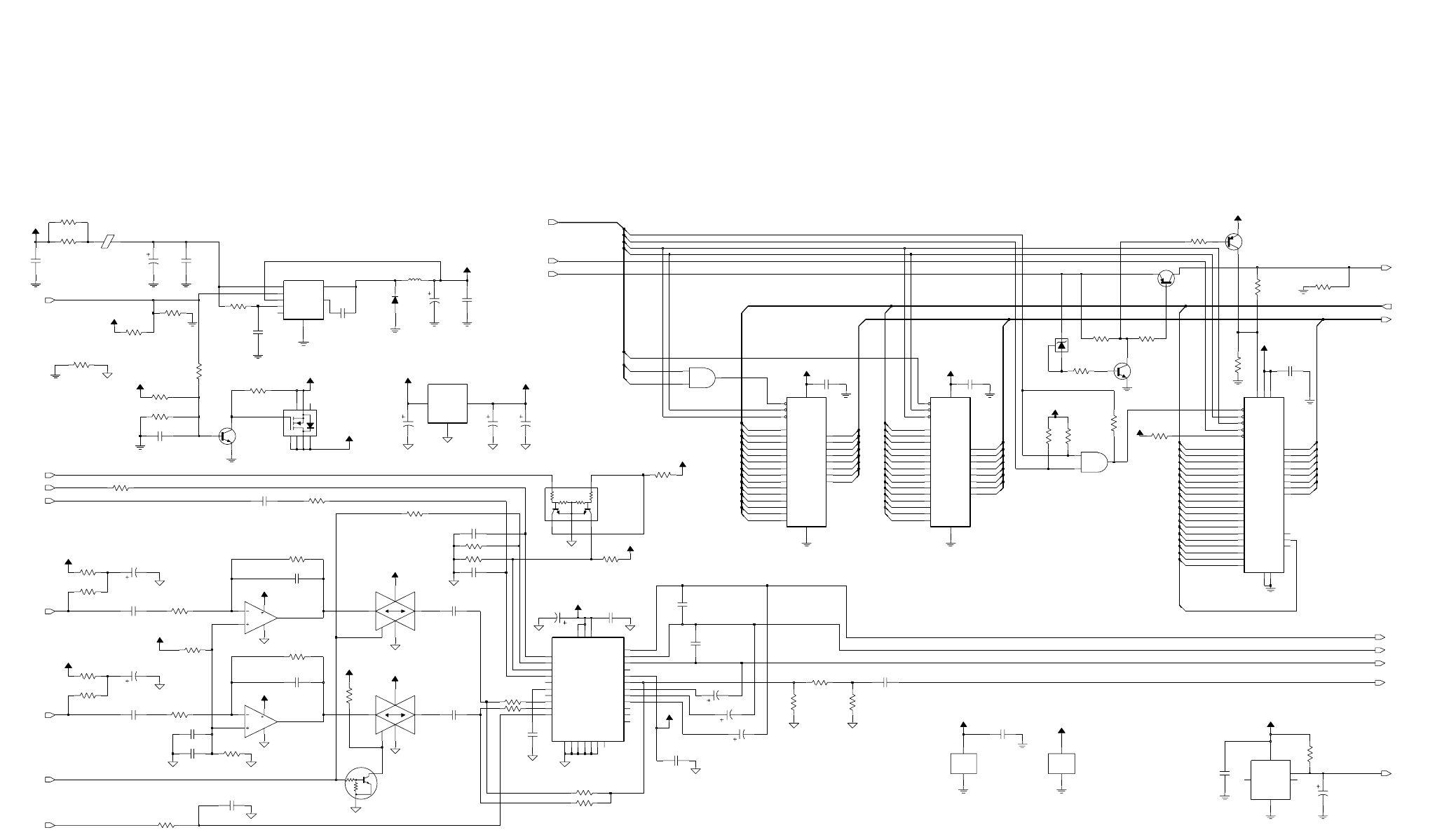
NLE4250B, NLE4250E UHF Range 2 RF Board Schematic Diagram, Sheet 3 of 3
IF_FREQ
RX_5V
REF_2.1MHz 2.1MHZ
RX_1_5V
RX_1_5V
RX_1_5V
DOUT
SBI
REG_5V
DOUTx
ODC
.220uF
0.1uF
C601
0.1uF
C419R412
33
C426
.01uF
C406
R402
C442
43pF
R417
10
2K
R414
270K
R403
27K
.0068uF
C414
3.3uF
C405
J1-2121
TH1
TOOL_HOLE_060DIA
1PIN1
.001uF
C408
C438
0.1uF
C404
0.1uF
680pF
C409
J1-11
R404
10KC515
0.1uF
33pF
C402
3.9uH
L401
0.1uF
C429
.01uF
C413
75pF
C410
BUSS_15
C417
3.3uF
S205
BUSS_14
VR402
2
S201 S203
BUSS_16
R413
270
S204
G41
12pF
C611
R406
6.8K
Q601
C416
.01uF
G21
R605
3.3K
1.5pF
C604
C207
.01uF
100
.047uF
R601
9.1pF
C606
C403
0.1uF
C602
C432
33pF
10uF
C450
3.3uF
C418
R410
FL401
98W01
33pF
C431
2
1
3
R405
33
68
BUSS_17
FL402
98W01
2
1
3
J1-22
.01uF
C407
2.2pF
C425
G1
J1-11
1
3.6pF
C609
4.3pF
C614
L605
750nH
12K
11
S207
CASE
GND
2
IN
1
OUT
3
R604
L603
1100nh
FL1
4
S206
10pF
C610
4
CASE
GND
2
IN 1OUT 3
L600
G3
FL2
.0047uF
C427
C513
100pF
910nh
910nh
L601
1
R602
2K
J1-4 4
4.7pF
C605
L25
1.2uH
R603
33K
R411
68
.033uF
C401
0.1uF
C415
R407
47
10uF
C430
1.5K
C514
R418
2K
0.1uF
R401
5.1
R421
R420
24pF
C420
Q1
L402
20K
R419
47K
180nH 43pF
C424
39pF
C422
1500nh
L602
C423
43pF
R416
20K
.01uF
C434
S202
CR5
2.2uF
57W20
U401
C428
R510
0
22
DAF2
0.1uF
C433
72 FLAG10
51 BASE
28
BYP1 27
BYP2
47
CAP
46
CAPX
49 COL
24
DAF
65 FLAG6
25
DAFG
9
DGND
5
DOUT
4
DOUTX
50
EMIT
FLAG
52
59 FLAG1
31 GNDI
73 FLAG11
74 FLAG12
75 FLAG13
60 FLAG2
61 FLAG3
63 FLAG4
64 FLAG5
30 IFIN2
67 FLAG7
68 FLAG8
FLAG9
69
21 GND
54 GND1
55 GND2
56 GND3
23 NLS
53 GNDI1
36 GNDO
58 GNDO1
66 GNDO2
71 GNDO3
26
IFI
32 IFIN
15 OTBY
1
IOUT
2
LGND
35 LO
34 LOX
3
LVCC
MO 38
37
MOX
39
T1C2
14
OB
ODC 7
13 OGND
57 OGND1
62 OGND2
70 OGND3
16 OT
10
VDD
12
OVCC
19 REF1
6SBI
17
SSL
18
SUB
42
T1
40
T1C
.01uF
C421
41
T1X
T2 45
43
T2C 44
T2X
20
VCC
VCCP 33
29
VCCP2
VDDH 8
48
VPP
11
VSSR
0.1uF
C702
GROUND CLIP
GROUND CLIP
GROUND CLIP
GROUND CLIPOMIT
63B81086C75-O

13-27
NLE4250B, NLE4250E UHF Range 2 RF Board Component Location Detail and Parts List
MAEPF-26065-O
C1
C5
C611
C6
C7
C11
C13
C72
C83
C85
C89
C90
C98
C91
C92
C101
C102 C103
C104
C108
C117
C123
C125
C126
C138
C140
C141
C147 C148
C149
C150
C151
C152
C202
C203
C208 C209
C210
C219
C220
C221
C222
C233
C253
C254
C255
C258
C260
C271
C274
C279
C304
C310
C313
C402
C409
C414
C416
C419
C420
C422
C423
C424
C426
C428
C430
C431
C432
C433
C442
C450
C500
C501
C502
C511
C513
C514
C515
C604
C605
C606
C702
CR5
CR108
CR109
CR204
CR206
E2
E101
E104
F1 E1
1
4
32
FL1
1
4
32
FL2
1
1
2
2
3
3
FL401
1
1
1
2
3
3
46
2
3FL402
1
1
2
3
6
11
16
5
10
15
20
J1
43
1
2
J2
L12
L13
L14
L25
L30
L31
L32
L34
L35
L37
L108
L121
L122
L126
L127
L128
L204
L210
L211
L215
L216
L220
L221
L402
L601
L602
L603
L605
Q203
R7
R27
R36
R110
R112
R113
R206
R210
R217
R219
R220
R222
R223
R301
R302
R403
R405
R406
R407
R410
R411
R412
R413
R414
R416
R417
R418
R420
R510
R603
S201
S203
S205
S207
2
1
5
43
T1
21
54
3
T2
TH1
810
4
1
35
7
U1
1234567
U105
VIEWED FROM SIDE 1
85
41
U106
1
1
3
3
2
15
14
12
11
764
U201
85
4
1
U202
21
4
5
13
14
20
29
30
1
U203
VR1
VR402
MAEPF-26066-O
C2
C3
C4
C9
C10
C15
C18
C19
C31
C82
C84
C86
C87
C88
C93
C94
C99
C105
C106
C107
C109
C110
C111
C112
C113
C115
C116
C119
C120
C121
C127
C132
C133
C135
C137
C145
C146
C153
C201
C204
C205
C206
C207
C211 C214
C216
C217
C223
C225
C226
C227
C228
C230
C231 C235
C236
C237
C238
C239
C240
C243
C244
C245
C246 C247
C250
C256
C257
C266
C267
C270
C275
C280
C282
C284
C289
C290
C292
C294
C303
C314
R610
C315
C507
C401
C403
C404
C405
C406 C407
C408
C410
C413
C415
C417 C418
C421
C425
C427
C429
C434
C438
C503
C504
C505
C506
C308 C309
C512
C601
C602
C609
C610
C614
CR6
CR7
CR8
CR9
CR101
CR103
CR201
CR202
CR203
CR205
CR207
CR208
CR209
3
2
1
J3
L6
L7
L8
L9 L10 L11
L15
L102
L103
L105
L107
L123
L201
L202
L205
L207
L208
L209
L212
L213
L218
L219
L223
L224
L302
L401
L600
Q1
Q101
Q107
Q108
Q110
VIEWED FROM SIDE 2
Q111
Q201
Q202
Q601
R22 R23
R26
L101
R101
R102
R106
R107
R111
R114
R115
R116
R118
R125
R126
R127
R128
R129
R130
R131
R203
R204
R205
R207
R208
R209
R211
R212
R213
R214
R215
R218
R221
C317
R401
R402
R404
R419
R421
R601
R602
R604
R605
RT101
S202
S204
S206
TP5
TP7
TP8
TP10
TP11
TP12
2
1410
7
1
1
1
1
1
1
1
2
2
2
2
2
2
3
3
3
3
334
6
345
6
U002
G2
G3
G1
D5
E2 B1
D1
A4 A2
E4 E2
U101
G4
D5 E2
B1
D1
A4
A2
E4
E2
U102
U104
8
10
14
1719
22
11
15
13 9
5
6
4
3
4240
41
2
43
44
31
21
2023
24
33
27
37
38
26
32
35
29
30
34
39
1
18
16
25
36
28
7
12
U204
30
28
26
24
22 21 18
23
25
54
55
56
57
61
60
59 63
64
65
62
16 14
17 15 13
12
27
29
31 53 58
34 36
35 37 39 41 43
38 40
66
67
68
69
70
10
11 9
8
75
74
73
72
71
42 44 47
49
51
1
1
1
1
1
1
3
3
3
345
3
3
5
48
50
52
2
2
2
2
2
2
4
46
4533
32
20
19 7
6
U401
VR3
123
4
123
456
78
9
10
NLE4250B UHF Range 2 RF
Board
Electrical Parts List
ITEM MOTOROLA
PART NUMBER DESCRIPTION
CAPACITOR, Fixed:
unless otherwise
stated
C1 2113930F15 3.3 pF
C2, 3 2113930F12 2.4 pF
C4 2113930F36 24 pF
C5, 6 2113930F20 5.1 pF
C7 2113930F28 11 pF
C9 2113930F15 3.3 pF
C10 2113930F29 12 pF
C11 2113931F49 10 nF
C13 2311049A66 22 uF
C15 2113930F47 68 pF
C18 2113930F18 Not Placed
C19 2113930F19 4.7 pF
C31 2113931F49 10 nF
C72 2113930F51 100 pF
C82 2113931F49 10 nF
C83 2113930F51 100 pF
C84 2113931F49 10 nF
C85 2311049J23 10 uF
C86 2113930F47 68 pF
C87 2113930F51 100 pF
C88 2113930F45 56 pF
C89 2113930F19 4.7 pF
C90 2113930F26 9.1 pF
C91 2113930F28 11 pF
C92 2113930F09 1.8 pF
C93 2113930F17 3.9 pF
C94 2113930F27 10 pF
C98 2113930F51 100 pF
C99 2113930F21 5.6 pF
C101 2113930F51 100 pF
C102 2113930F51 Not Placed
C103 2311049J26 10 uF
C104, 105 2113930F51 100 pF
C106 2311049A56 4.7 uF
C107 2113930F51 100 pF
C108 2113930F51 Not Placed
C109 2311049A07 1 uF
C110 2113930F51 Not Placed
C111 2113930F51 100 pF
C112 2311049A07 1 uF
C113 2113930F51 100 pF
C115 2113932K07 .047 uF
C116 2113930F07 Not Placed
C117 2113930F51 100 pF
C119 2113930F51 100 pF
C120 2311049A42 Not Placed
C121 2113930F51 100 pF
C123 2113932K15 0.1 uF
C125, 126 2311049A54 3.3 uF
C127 2311049A54 Not Placed
C132 2113930F25 8.2 pF
C133 2113930F09 1.8 pF
C135 2113930F51 100 pF
C137, 138 2113930F51 100 pF
C140 2113931F41 CAP
C141 2113930F51 100 pF
C145 2113930F51 100 pF
C146 2113930F39 Not Placed
C147 2113930F51 100 pF
C148 2113930F11 2.2 pF
C149 2113930F27 10 pF
C150 2113930F25 8.2 pF
C151 2113930F18 4.3 pF
C152 2113932K15 0.1 uF
C153 2113930F47 68 pF
C201 2113930F41 Not Placed
C202 2113930F12 Not Placed
C203 2113930F07 1.5 pF
C204 2113930F51 100 pF
C205 2113930F19 Not Placed
C206 2113931F29 1.5 nF
C207 2113931F49 10 nF
C208 2113930F51 100 pF
C209 2113931F49 10 nF
C210 2113932E07 .022 uF
C211 2113930F51 100 pF
C214 2113930F14 3.0 pF
C216, 217 2113930F51 100 pF
C219 2113930F11 2.2 pF
C220 2113930F22 6.2 pF
C221 2113931F49 10 nF
C222 2113930F18 4.3 pF
C223 2113906C02 4 pF
C225 2113930F03 1 pF
C226 2113930F26 9.1 pF
C227, 228 2113930F51 100 pF
C230 2113930F09 Not Placed
C231 2311049A60 10 uF
C233 2113930F51 100 pF
C235 2113930F20 5.1 pF
C236 2113930F18 4.3 pF
C237 2113930F15 3.3 pF
C238 2113930F51 100 pF
C239 2113930F24 7.5 pF
C240 2113906C02 4 pF
C243 2113930F24 7.5 pF
C244 2109720D09 .022 uF
C245 2113931F25 1 nF
C246 2109720D09 .022 uF
C247 2311049A05 .47 uF
C250 2113931F25 1 nF
C253 2311049J23 10 uF
C254 2311049A56 4.7 uF
C255 2113932E07 .022 uF
C256, 257 2113931F49 10 nF
C258 2311049J11 4.7 uF
C260 2113932K07 .047 uF
C266, 267 2113931F49 10 nF
C270 2113932E07 .022 uF
C271 2311049A56 4.7 uF
C274 2113931F49 10 nF
C275 2113932K15 0.1 uF
C279, 280 2113932K15 0.1 uF
C282 2113932K15 0.1 uF
C284 2113743A23 .22 uF
C289, 290 2113930F51 100 pF
C292 2113930F51 100 pF
C294 2113930F51 100 pF
C299 2113931F41 4.7 nF
C303 2113932E07 .022 uF
C304 2311049J11 4.7 uF
C308 2113932E07 .022 uF
C309 2113932E07 .022 uF
C310 2311049J11 4.7 uF
C313 2113930F51 Not Placed
C314, 315 2113930F51 100 pF
C317 2113930F51 100 pF
C401 2113932K03 .033 uF
C402 2113930F39 33 pF

13-28
Notes:
1. For optimum performance, order replacement diodes, transistors, and circuit
modules by Motorola part number only.
2. When ordering crystals, specify carrier frequency, crystal frequency,
crystal type number, and Motorola part number.
3. Part value notations:
p=10
-12
n=10
-9
µ=10
-6
m=10
-3
k=10
3
M=10
6
4. ITEM refers to the component reference designator. SIDE refers to the location
of the component on the board; S1=Side 1, S2=Side 2.
5. The NLE4250 UHF Range 2 RF Kit uses a 6-layer printed circuit board.
C403 2113743A13 .047 uF
C404 2113932K15 0.1 uF
C405 2311049A42 3.3 uF
C406, 407 2113931F49 10 nF
C408 2113931F25 1 nF
C409 2113931F21 680 pF
C410 2113930F48 75 pF
C413 2113931F49 10 nF
C414 2113931F45 6.8 nF
C415 2113932K15 0.1 uF
C416 2113931F49 10 nF
C417, 418 2311049A42 3.3 uF
C419 2113932K15 0.1 uF
C420 2113930F36 24 pF
C421 2113931F49 10 nF
C422 2113930F41 39 pF
C423, 424 2113930F42 43 pF
C425 2113930F11 2.2 pF
C426 2113743A23 .22 uF
C427 2113931F41 4.7 nF
C428 2311049A40 2.2 uF
C429 2113932K15 0.1 uF
C430 2311049J23 10 uF
C431, 432 2113930F39 33 pF
C433 2113932K15 0.1 uF
C434 2113931F49 10 nF
C438 2113932K15 0.1 uF
C442 2113930F42 Not Placed
C450 2311049J23 10 uF
C500 thru
504 2113930F47 68 pF
C505 2113931F41 4.7 nF
C506, 507 2113930F47 68 pF
C511, 512 2113932K15 0.1 uF
C513 2113930F51 100 pF
C514, 515 2113932K15 0.1 uF
C601, 602 2113932K15 0.1 uF
C604 2113930F10 2 pF
C605 2113930F17 3.9 pF
C606 2113930F27 10 pF
C609 2113930F18 4.3 pF
C610 2113930F33 18 pF
C611 2113930F34 20 pF
C614 2113930F14 3 pF
C702 2113932K15 0.1 uF
DIODE:
See Note 1.
CR5 thru 9 4862824C01 Varactor
CR101 4805129M67 Dual
CR103 4805129M67 Dual
CR108,
109 4802482J02 PIN
CR201 4802245J29 Varactor
CR202 4862824C01 Varactor
CR203 4862824C03 Varactor
CR204,
205 4802233J09 Triple
CR206 4805129M06 Triple
CR207
thru 209 4802245J29 Varactor
CORE:
E1, 2 2484657R01 Ferrite Bead
E101 2484657R01 Ferrite Bead
E104 2484657R01 NOT PLACED
FUSE:
F1 6505757V02 2 Amp
FILTER:
See Note 2.
FL1, 2 4805245J33 73.35 MHz
FL401,
402 9105398W01 450 kHz
JACK:
J2 0905304Z01 Connector, RF Coax
COIL, RF:
unless otherwise stated
L6, 7 2462587T38 22 nH
L8 2462587T20 270 nH
L9 2462587T38 22 nH
L10 2462587T05 15 nH
L11 2460591B04 11.03 nH
L12 2460591M32 27.42 nH
L13 2460591B80 19. 61 nH
L14, 15 2460591B04 11.03 nH
L25 2462587Q48 1200 nH
L30, 31 2460591A01 4.22 nH
L32 2460591B04 11.03 nH
L34, 35 2460591A01 4.22 nH
L37 2460591B04 11.03 nH
L102 2462587T20 Not Placed
L103 2462587T20 270 nH
L105 2462587T20 270 nH
L107, 108 2462587T17 150 nH
L121, 122 2462587T20 270 nH
L123 2462587V38 220 nH
L126 thru
128 2460591B04 11.03 nH
L201 2462587T37 18 nH
L202 2462587Q20 2200 nH
L204 2462587Q42 390 nH
L205 2462587V26 22 nH
L207 2462587V36 150 nH
L208, 209 2462587T22 390 nH
L210 2405619V03 15.1 nH
L211 2405619V07 9 nH
L212 2462587V25 18 nH
L213 2462587T22 390 nH
L215 2462587T22 390 nH
L216 2462587T05 15 nH
L218 2462587T22 390 nH
L219 2462587T37 18 nH
L220 2462587T12 56 nH
L221 2462587T22 390 nH
L223 2462587Q42 390 nH
L224 2462587T42 47 nH
L302 2462587Q42 390 nH
L401 2462575A16 3900 nH
L402 2462587V37 180 nH
L600, 601 2405452C59 910 nH
L602 2405452C64 1500 nH
L603 2405452C61 1100 nH
L605 2462587N65 750 nH
TRANSISTOR:
See Note 1.
Q1 4805218N55 NPN
Q101 4805128M16 PNP
Q107 4805921T02 Switching
Q108 4802245J10 Dual NPN
Q110 4802245J12 PNP
Q111 4805128M16 PNP
Q201 4802245J15 JFET P-channel
Q202, 203 4805218N55 NPN
Q601 4882022N70 NPN
RESISTOR;
Ω
:
R7 0662057A25 100
R22, 23 0662057A73 10K
R26 0662057A61 Not Placed
R27 0662057A01 10
R36 0662057A93 Not Placed
R100 0611077A68 560
R101 0662057A73 10K
R102 0662057A65 4.7K
R106 0662057A61 3.3K
R107 0662057A58 2.4K
R110 0662057A65 4.7K
R111, 112 0662057A49 1K
R113 0662057A73 10K
R114 0662057A77 15K
R115 0662057G27 182K
R116 0662057G19 130K
R118 0662057A97 100K
R125 0662057B22 1M
R126 0662057A18 51
R127 0662057A12 30
R128 0662057A89 47K
R129 0662057A65 4.7K
R130 0662057B47 0
R131 0662057B22 1M
R203 0662057A01 10
R204 0662057A73 10K
R205 0662057A77 15K
R206 0662057A73 10K
R207 0662057A93 68K
R208 0662057A58 2.4K
R209 0662057A41 470
R210 0662057A37 330
R211 0662057A27 120
R212, 213 0662057A46 750
R214 0662057A89 47K
R215 0662057A88 43K
R217 0662057A77 15K
R218 0662057A97 100K
R219 0662057A09 22
R220 0662057A56 2K
R221 0662057A51 1.2K
R222 0662057A56 2K
R223 0662057A89 47K
R301 0662057B47 0
R302 0662057C01 0
R401 0660079U18 5.1
R402 0662057B08 270K
R403 0662057A83 27K
R404 0662057A73 10K
R405 0662057A13 33
R406 0662057A69 6.8K
R407 0662057A17 47
R410 0662057A21 68
R411 0662057A21 68
R412 0662057A13 33
R413 0662057A35 270
R414 0662057A56 2K
R416 0662057A80 20K
R417 0662057A01 10
R418 0662057A53 1.5K
R419 0662057A89 47K
R420 0662057A80 20K
R421 0662057A56 2K
R510 0662057B47 0
R601 0662057A25 100
R602 0662057A56 2K
R603 0662057A85 33K
R604 0662057A75 12K
R605 0662057A61 3.3K
R610 0662057B47 0
THERMISTOR:
RT501 0605621T02 50k
TRANSFORMER:
T1 2505515V08 4:1
T2 2505515V11 16:1
INTEGRATED CIRCUIT MODULE:
See
Note 1.
U1 5105329V20 RF Amplifier
U101 5105662U72 TX ALC
U102 5105662U70 D/A Converter
U104 5102001J68 Coupler
U105 5105385Y11 LDMOS RF PA
U106 5105469E71 5V Regulator
U2 5105329V26 Mixer
U201 5105662U78 VCO Buffer
U202 5105469E71 5V Regulator
U203 5102845C08 16.8 MHz Ref. Oscillator
U204 5105457W73 Frac-N Synthesizer
U401 5105457W20 ABACUS
DIODE:
See Note 1.
VR1 4813830A33 20V
VR3 4813830A33 20V
VR402 4805129M58 VARACTOR
MISCELLANEOUS:
G1 thru 4 3905643V01 Ground Contact
S201 2602657J01 Shield, VCO
S202 2602674J02 Shield, VCO Back
S203 2602658J01 Shield, Pendulum
S204 2602675J01 Shield, Synthesizer
S205 2602660J01 Shield, Harmonic Filter
S206 2602686J01 Shield, Coil
S207 2605547X01 Sheild, Varactor
8405260Z02 PC Board
LAYER 1 (L1)
LAYER 2 (L2)
LAYER 3 (L3)
LAYER 4 (L4) INNER LAYERS
LAYER 5 (L5)
LAYER 6 (L6)
MAEPF-18827-A
SIDE 1
SIDE 2
6-LAYER CIRCUIT BOARD DETAIL VIEWING
COPPER STEPS IN PROPER LAYER SEQUENCE

13-29
NUF6472B 800 MHz RF Board Schematic Diagram, Sheet 1 of 3
GND
4
GND
8
GND
9
GND
.022uF
C204
33pF
C103
U202
29V21
RX_INJ
180nH
IF_FREQ
GROUND
GROUND
BAT_STATUS
RAW_B+
BAT_CAST
TX_OUT
DA_CE
RAW_1_B+
RAW_1_B+
RAW_1_B+
SPI_DATA
SPI_CLOCK
DATA
CLOCK
LOCK_DET
REG_5V
RESET_1
10
GROUND
GROUND
BUSS_20
.022uF
C218
L101
J3-3
R202
51K
C210
10uF
R101
L202
23.75nH
L204
20V
VR2
2
31
23.75nH
C513
4.7uF
10uF
C216
C226
39pF
G6
C223
5.1pF
C227
330pF
F001
L104
7.66nH
.022uF
C211
ABP 3
AG2 5
GND
2
U205
BBP 10
BDIV 12
GND1
7
GND2
10
RF_IN
1RF_OUT 7
AVDD 6
6
LOIN
8
GND3
3
GND4
14
GND5
29V26
RFP
15
9VCC 11
GND
2
IFN 4
IFP
16
5
NC 13
NC1
RFN
1
79V15
U203
GND
2
12
E2
GND
4
GND
5
GND
6
8GND
9GND
GND
33pF
C517
OUT 7
1uF
C16
GND
13
GND
GND
3
33pF
C511
10
11 GND
IN
1
C221
.022uF
33pF
C12
J2
2
3
4
1
T202
1
2
3
4
5
.022uF
C514
.022uF
C15
E2 CE
C110
3.3pF
D3 RX_DA
62U70
U503
E3
5V
D2 ANT_EN
BIAS_EN SW2
A4
C3
D4 CLK
DAT
E4
A2 GND
B3 GND
D1 NC
B2
REF_DA
RESET C1
B1 R_T
B4
SC1 C5
SC2 C4
SC3 D5
SC4
A3
SW1 B5
SW_C
C2
TX_DA
C522
0.1uF
R509
1K
33pF
C14
39pF
C208
J1-10
2K
C203
100pF
J1-20
R511
J1-17
J1-7
E4
33pF
C206
J1-6
33pF
C5
C202
39pF
3.3K
R507
C209
.022uF
L201
17.02nH
20V
VR3
2
3
1
C207
3pF
10uF
C520
39pF
C212
C509
33pF
2.4pF
C107
C506
33pF
33pF
C507
0
.022uF
C510
.022uF
C17
4.7uF
C20
33pF
C21
R326
79V15
U201
12
GND
13
GND
GND
3
GND
4
GND
5
GND
6
J1-5
GND
10
11 GND
IN
1OUT 7
J1-13
GND
2
62U72
U504
8GND
9GND
E4
ANODE1
ANODE2
C4
B3
B+
BIAS_EN
B2
BIAS_RT C5
CATH_1
D4
CATH_2
A4
D2
GND
D3
INT_CAP2 C3
IN_CAP1
E2 PA_BIAS
A3
REF_V C1
RF_DET
E3
RX_5V A2
RX_I
B4
TEMP_SEN
B1
TX_5V C2
TX_I1 D5
TX_I2 B5
V_CTRL D1
33pF
C_BIAS
C30
J1-19
.022uF
C213
T201
1
2
34
5
33pF
C503
E3
33pF
C504
R505
3
Q503
15K
C523
33pF
2
4
CR502
21
C525
2DTA124EK
5
3
1
.022uF
10K
R503
180nH
33pF
C512
.022uF
C521
L203
Q502
33pF
R506
6.8K
CR501
2
1
3
0.1uF
C518
CR104
C104
20pF
C524
0
R327
7.66nH
L105
R508
1K
R514
J1-16
J3-2
10K
CR102
6.2pF
C101
Q501
BUSS_12
1
2
4
3
J1-15
C108
33pF
33pF
C519
BUSS_15
BUSS_13
BUSS_11
BUSS_14
L103
180nH
C527
.022uF
BUSS_19
L108
L102
15nH
R501
L106
180nH
180nH
10K
3pF
C106
100
R204
U501
79V26
C1
3
C2
8
2GND
GND
7
GND
10
4
R1 9
R2
6
RF_IN
1RF_OUT
C222
6.2pF
33pF
C505
5GND
E1
C105
50k
RT501
C230
J3-1
33pF
BUSS_16
C102
2.4pF
3
SWB+
2
VCONT
C114
33pF
VR1
SHW5151
U502
4
RAWB+
1
RFINRFOUT
5
3
1
C201
10uF
20V
3P FILTER
COUPLER
POWER AMP
2
DAC
ALC
OMIT
ANT
3P FILTER
RF AMP
Mixer
OMIT
OMIT
OMIT
OMIT
63B81086C76-O

13-30
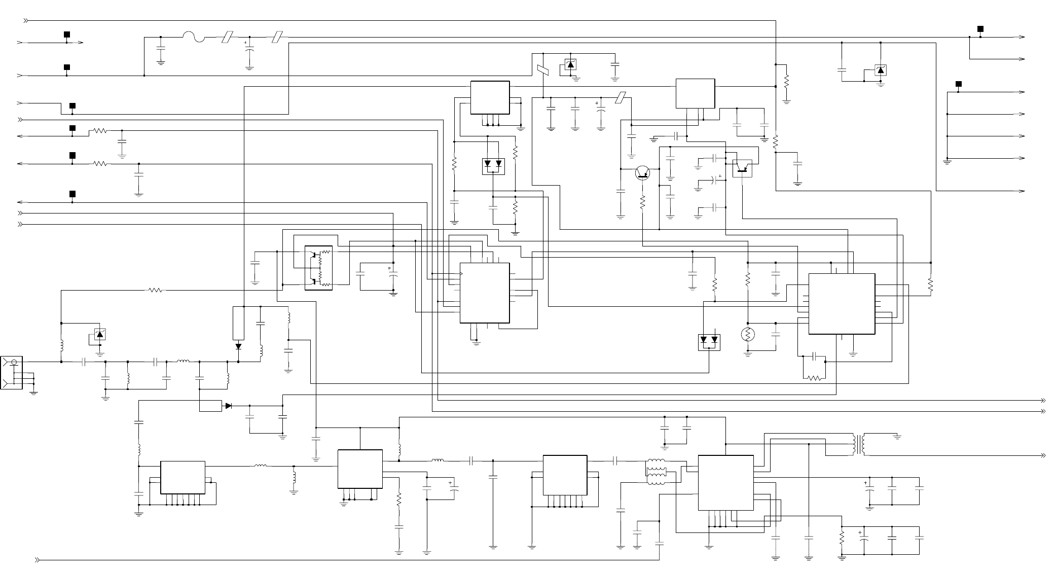
NUF6472B 800 MHz RF Board Schematic Diagram, Sheet 2 of 3
0.1uF0.1uF0.1uF
0.1uF
LOCK_DETLOCK_DETLOCK_DET
RX_INJ
TX_OUT
SW_B+
SYNTH_CE
MOD_IN
MOD_IN
REF_OSC_EN
REF_OSC_EN
DATA
DATA
CLOCK
CLOCK
FLIP
VCC
RBYRFIN
9PRESCALER 15
14
NC
GND4
12 GND3
11 GND2
5
C328
100pF
GND1
1
6
3
TXOUT 4
TXBIAS 16
TRB 7
SW2
10 SW1
8RXOUT 2
13
62U76
U303
0.1uF
.022uF
C373
REG_5V
REG_5V
C340
0.1uF
2.1_MHz
RESET_1
RESET_1
4.7K
R306
2K
R305
BUSS_8
100pF
C303
33pF
C311
J1-18
BUSS_10
J1-12
4
A1
5
A2
6
VR4
10V
1
K3
.0047uF
C300
CR301
.022uF
C349
A3
3
K1
2
K2
51K
R309
C2
.022uF
TP302
C347
.022uF
15K
R311
C301
0.1uF
15nH
L301
C348
10uF
39K
C306
33pF33pF
C304
R315
C318
C344
.022uF
C309
.022uF
C330
79V31
U304
EN_CE
51K
R304
8
F_OUT 10
NC1
1
NC10 18
NC11
33pF
C352
30
NC16 31
NC17 32
NC2
2
NC3
23
C_EXT 7
DCWARP
27
DE
9DET
15
NC8
16
NC9
17
SCK
22
SI
19
NC12 20
NC13 28
NC14 29
NC15
VDD2 14
V_OPT
12
V_REG 11
GND
26
3
NC4
4
NC5
5
NC6
6
NC7
0.1uF
C372
U305
LP2951CM
25 SO 21
SS
24
VDD1 13
7FEEDBACK
4
GND
8INPUT OUTPUT 1
2
SENSE
0.1uF
C302
U302
25U31
5V_TAP 6
ERROR 5
AUX1 37
AUX2 38
AUX3 39
AUX4 40
CE
4
3SHUTDOWN
DATA
2
VEE1 23
VCC1 11
VCC2 25
VCC3 42
35
ADAPTSW
GND3
22
GND4
33
IADAPT 34
IOUT 32
LOCK 41
CLK
3
29 CPBIAS1
CPBIAS2
28
31 NC1
43 NC2
44 NC3
PREIN
21
PVREF
24
FREFOUT 10
1GND1
GND2
13
19
SUPFOUT
TST1 26
TST2 27
A/D BYPASS
12
VEE2 36
MODIN
5
30
MODOUT
16 NC
VMULT4 6
XTAL1 14
XTAL2 15
C329
18 SUPFBASE
17 SUPFCAP
SUPFIN
20
.047uF
C351
VMULT1 9
VMULT2 8
VMULT3 7
C317
10000nH
L302
C321
.022uF
0.1uF
C316
.022uF
C324
.047uF
C313
J1-8
C353
.022uF
BUSS_7
BUSS_6
BUSS_5
C314
.022uF
BUSS_9
J1-14
C310
10uF
J1-3
1K
R307
0.1uF
C312
R314
C320
33pF
U307
38U94 51
1
CNTL 7
CNTL1
2
GND1
16
GND10 17
GND11
GND12 18
19
GND13
21
GND15
GND16
22
23 GND17
24 GND18
25 GND19
5
GND2
26 GND20
9
B+
28 GND22
29 GND23
30 GND24
31 GND25
32 GND26
GND27
33
34 GND28
20
GND14
6
GND3
36 GND30
37 GND31
38 GND32
39 GND33
40 GND34
41 GND35
GND36
27 GND21
GND37
43
44 GND38
45 GND39
10
GND4
46 GND40
47 GND41
48 GND42
35 GND29
50 GND44
51 GND45
52 GND46
53 GND47
54 GND48
55 GND49
11
GND5
56
42
57 GND51
12
GND6 13
GND7 14
GND8 15
GND9
4RF-OUT
SW1 3
49 GND43
SW2
4.7uF
C307
GND50
C377
3pF
8
33pF
C354
C341
.022uF
C345
0.1uF
C305
100pF
10uF
C319
12pF
C339
J1-9
C370
4.3pF
C315
1200pF
4.7pF
C342
0.1uF
C350
C322
C323
.022uF
R310
4.7uF
C1
C325
680pF
1K
VCO MODULE
VCO
BUFFER
5V Reg
Pendulum
FRAC-N
63B81086C77-O

13-31
NUF6472B 800 MHz RF Board Schematic Diagram, Sheet 3 of 3
REG_5V
REG_5V
SBI
DOUT
2.1_MHz 2.1MHZ
C603
3.3pF
910nh
L601
IF_FREQ
ODC
DOUTx
REG_5V
FL1
4
CASE
GND 2
IN
1
OUT
3
1500nh
L602
G1
BUSS_2
L402
180nH
3.6pF
C609
G4
SH1
J1-1
J1-2
J1-4
SH5
C440
3.9pF
C601
R418
1.5K
0.1uF
Q1
R416
C429
C614
5.6pF
.01uF
C434
39pF
C422
2.4pF
20K
SH3
C600
C428
BUSS_4
BUSS_3
C604
6.2pF R419
2.2uF
47K
56pF
C424
.0047uF
C427
R417
10
SH4
C450
10uF
680pF
C409
.01uF
C413
R402
270K
2K
R414
3.3uF
C418
20pF
C420
.01uF
C421
0.1uF
C419
C404
0.1uF
.0068uF
C414
C438
0.1uF
R412
33
.033uF
C401
C417
3.3uF
R403
27K
3.3uF
C405
R404
10K
3.9uH
L401
BUSS_1
L600
910nh
C423
56pF
28
BYP1
G2
DAFG
9
DGND
75pF
C410
57W20
U401
51 BASE
FLAG11
74 FLAG12
27
BYP2
47
CAP
46
CAPX
49 COL
24
DAF
22
DAF2 25
FLAG7
68 FLAG8
5
DOUT
4
DOUTX
50
EMIT
FLAG
52
59 FLAG1
72 FLAG10
73
GNDI1
36 GNDO
75 FLAG13
60 FLAG2
61 FLAG3
63 FLAG4
64 FLAG5
65 FLAG6
67
IOUT
2
LGND
FLAG9
69
21 GND
54 GND1
55 GND2
56 GND3
31 GNDI
53
OB
ODC 7
58 GNDO1
66 GNDO2
71 GNDO3
26
IFI
32 IFIN
30 IFIN2
1
OVCC
19 REF1
35 LO
34 LOX
3
LVCC
MO 38
37
MOX
23 NLS
14
T1X
T2 45
13 OGND
57 OGND1
62 OGND2
70 OGND3
16 OT
15 OTBY
12
8
48
VPP
6SBI
17
SSL
18
SUB
42
T1
40
T1C 39
T1C2
41
43
T2C 44
T2X
20
VCC
VCCP 33
29
VCCP2
10
VDD
VDDH
47K
11
VSSR
Q601
R406
C416
.01uF
R420
6.8pF
C612
6.8K
33K
R407
47
R603
100
0.1uF
C602
2
1
3
R401
5.1
R601 C606
5.1pF
FL401
98W01
FL402
98W01
2
R605
3.3K
.001uF
C408
1
3
0.1uF
C613
R413
C441
.01uF
270
.01uF
C406
FL2
4
CASEGND 2
IN
1OUT 3
VR402
2
3
1
0.1uF
C415
R421
2.4K
10uF
C430
J1-11
R602
2K
G3
R410
68
R411
68
33pF
C431
SH2
C432
33pF
.01uF
C407
33
SH6
R405
R604
SH7
C433
L605
750nH
L603
12K
1100nh
0.1uF
VR401
12pF
C610
.220uF
C426
2.2pF
C425
C403
.047uF
ABACUS IC
Crystal F1
Crystal F2
OMIT
63B81086C78-O

13-32
NUF6472B 800 MHz RF Board Component Location Detail and Parts List
MAEPF-26067-O
C1
C12
C14
C16
C20
1
2
3
C30
C110
C223
C227
C300
C303
C304
C305
C316
C317
C318
C322
C324
C325
C328
C329
C330
C342
C353
C370
C372
C409
C413
1
2
3
C414
C416
C419
C420
C422
C423
C424
C427
C430
C431
C432
C434
C440
C450
C503
C507
C509
C510
C522
C523
C524
C525
C600
C614
CR501
E1
E2
E3 E4
F001
1
4
3
2
FL1
1
4
32
FL2
12
3
FL401
1
2
3
FL402
1
6
11
16
5
10
15
20
J1
43
1
2
J2
L102
L103
L302
L402
L605
R305
R307
R310
R314
R327
R403
R404
R406
R407
R410 R411
R412
R416
R417
R418
R420
R503
R505
R506
R507 SH4 SH5
SH6
SH7
2
1
5
43
T201
21
54
3
T202
2
3
4
5
6
7
89
10
1112
13 1
U201
23
4
5
12
3
67
8
9
10 11
1213
1
U203
21
4
513
14
20
29
30
1
U304
2
51
52
53
54
55
56
57 6
7
50
49
48
47
46 39
40
41
42
43
44
45
38
37
36
35
43
33
34
8
59
32
31
30
29
22
23
24
25
26
27
28
17
18
19
20
21 16
15
14
13
12
11
10
1
U307
15432
U502
VIEWED FROM SIDE 1
VR1
VR401
VR402
MAEPF-26068-O
C2
C5
C15
C17
C21
C101
C102
C103
C104
C105
C106
C107
C108
C114
C201
C202
C203
C204
C206
C207
C208
C209
C210
C211
C212
C213
C216
C218
C221
C222
C226
C230
C301
C302
C306
C307
1
34
6
C309
C310
C311
C312
C313
C314
C315
C319
C320
C321
C323
C339
C340
C341
C344
C345
C347
C348
C349
C350
C351
C352
C354
C373
C377
C401
C403
C404
C405
C406
C407
C408
C410
C415
C417 C418
C421
C425
C426
C428
C429
C433
C438
C441
C504
C505
C506
C511
C512
C513
C514
C517
C518
C519
C520
C521
C527
C601
C602
C603
C604 C606
C609
C610
C612
C613
CR102
CR104
CR301
CR502
G1
G2
G3
12
3
G4
G6
3
2
1
J3
L101
L104
L105
L106
L108
L201
L202
L203
L204
L301
L401
L600
L601
L602
L603
Q1
123
4
Q501
1
1
2
2
35
3
Q502
Q503
Q601
R101
R202
R204
R304
R306
R309
R311
R315
R326
R401
R402
R405
R413
R414
R419
R421
R501
R508
R509
R511
R514
R601
R602
R603
R604
R605
RT501
SH1
SH2
SH3
TP302
8
10
4
1
1
1
1
2
2
2
3
3
3
3
57
U202
5
4
3
1615
13
12
11
98
12
14
10 76
U205
81014
17
1922
11
1513
9
56
4
3
42
40
41 2 43443121
20
23
24332737
38 263235
293034
39
1
18
16
25
36 28
712
U302
1
3
15 14 12 11
7
64
U303
85
4
1
U305
30
28
26
24
22 21 18
23
25
54
55
56
57
61
60
59 63
64
65
62
16 14
17 15 13
12
27
29
31 53 58
34 36
35 37 39 41 43
38 40
66
67
68
69
70
10
11 9
8
75
74
73
72
71
42 44 47
49
51
1
1
1
12
2
2
3
3
3
1
3
3
5
48
50
52
2
2
4
46
4533
32
20
19 7
6
U401
6
1
2
3
4
57
8
9
10
U501
D5
E2B1
D1
A4A2
E4E2
U503
VIEWED FROM SIDE 2
D5
E2
B1 D1
A4
A2
E4
E2
U504
VR2
VR3
VR4
NUF6472B 800 MHz Transceiver Board
Electrical Parts List
ITEM MOTOROLA
PART NUMBER DESCRIPTION
CAPACITOR, Fixed:
unless oth-
erwise stated
C1 2311049J12 4.7 uF
C2 2113932E07 22 nF
C5 2113930F39 33 pF
C12 2113930F39 Not Placed
C14 2113930F39 33 pF
C15 2113932E07 22 nF
C16 2311049A07 1 uF
C17 2113932E07 22 nF
C20 2311049J11 4.7 uF
C21 2113930F39 33 pF
C30 2113930F39 33 pF
C101 2113930F22 6.2 pF
C102 2113930F12 Not Placed
C103 2113930F39 33 pF
C104 2113930F34 20 pF
C105 2113930F39 33 pF
C106 2113930F14 3.0 pF
C107 2113930F12 2.4 pF
C108 2113930F39 33 pF
C110 2113930F15 3.3 pF
C114 2113930F39 33 pF
C201 2311049J23 10 uF
C202 2113930F41 39 pF
C203 2113930F51 100 pF
C204 2113932E07 22 nF
C206 2113930F39 33 pF
C207 2113930F14 3.0 pF
C208 2113930F41 39 pF
C209 2113932E07 22 nF
C210 2311049J23 10 uF
C211 2113932E07 22 nF
C212 2113930F41 39 pF
C213 2113932E07 22 nF
C216 2311049J23 10 uF
C218 2113932E07 22 nF
C221 2113932E07 22 nF
C222 2113930F22 6.2 pF
C223 2113930F20 5.1 pF
C226 2113930F41 39 pF
C227 2113931F13 330 pF
C230 2113932E07 22 nF
C300 2113931F41 4.7 nF
C301 2113932K15 .1 uF
C302 2113932K15 .1 uF
C303 2113930F51 100 pF
C304 2113930F39 33 pF
C305 2113930F51 100 pF
C306 2113930F39 33 pF
C307 2311049J12 4.7 uF
C309 2113932E07 22 nF
C310 2311049J23 10 uF
C311 2113930F39 33 pF
C312, 313 2113932K15 .1 uF
C314 2113932E07 22 nF
C315 2105248W02 ????????
C316 2113932E07 22 nF
C317 2109720D14 .1 uF
C318 2109720D14 .1 uF
C319 2311049J23 10 uF
C320 2113930F39 33 pF
C321 2113932E07 22 nF
C322 2109720D14 .1 uF
C323 2113932E07 22 nF
C324 2113743A13 .047 uF
C325 2113931F21 680 pF
C328 2113930F51 100 pF
C329, 330 2109720D14 .1 uF
C339 2113930F29 12 pF
C340 2113932K15 .1 uF
C341 2113932E07 22 nF
C342 2113930F19 4.7 pF
C344 2113932E07 22 nF
C345 2113932K15 .1 uF
C347 2113932E07 22 nF
C348 2311049J23 10 uF
C349 2113932E07 22 nF
C350 2113932K15 .1 uF
C351 2113932K07 47 nF
C352 2113930F39 33 pF
C353 2113932E07 22 nF
C354 2113930F39 33 pF
C370 2113930F18 4.3 pF
C372 2113932K15 .1 uF
C373 2113932E07 22 nF
C377 2113930F14 3.0 pF
C401 2113932K03 33 nF
C403 2113743A13 .047 uF
C404 2113932K15 .1 uF
C405 2311049A42 3.3 uF
C406, 407 2113931F49 10 nF
C408 2113931F25 1 nF
C409 2113931F21 680 pF
C410 2113930F48 75 pF
C413 2113931F49 10 nF
C414 2113931F45 6.8 nF
C415 2113932K15 .1 uF
C416 2113931F49 10 nF
C417, 418 2311049A42 3.3 uF

13-33
Notes:
1. For optimum performance, order replacement diodes, transistors, and circuit
modules by Motorola part number only.
2. When ordering crystals, specify carrier frequency, crystal frequency, crystal
type number, and Motorola part number.
3. Part value notations:
p=10
-12
n=10
-9
µ=10
-6
m=10
-3
k=10
3
M=10
6
4. ITEM refers to the component reference designator. SIDE refers to the location
of the component on the board; S1=Side 1, S2=Side 2.
5. The NUF6472 800MHz Transceiver Kit uses a 6-layer printed circuit board.
C419 2113932K15 .1 uF
C420 2113930F34 20 pF
C421 2113931F49 10 nF
C422 2113930F41 39 pF
C423, 424 2113930F45 56 pF
C425 2113930F11 2.2 pF
C426 2113743A23 .22 uF
C427 2113931F41 4.7 nF
C428 2311049A40 2.2 uF
C429 2113932K15 .1 uF
C430 2311049J23 10 uF
C431, 432 2113930F39 33 pF
C433 2113932K15 .1 uF
C434 2113931F49 10 nF
C438 2113932K15 .1 uF
C440 2113930F42 Not Placed
C441 2113931F49 10 nF
C450 2311049J23 10 uF
C503 thru
507 2113930F39 33 pF
C509 2113930F39 33 pF
C510 2113932E07 22 nF
C511 2113930F39 33 pF
C512 2113932E07 22 nF
C513 2311049A13 4.7 uF
C514 2113932E07 22 nF
C517 2113930F39 33 pF
C518 2113932K15 .1 uF
C519 2113930F39 33 pF
C520 2311049J23 10 uF
C521 2113932E07 22 nF
C522 2113932K15 .1 uF
C523 thru
525 2113930F39 33 pF
C527 2113932E07 22 nF
C600 2113930F12 2.4 pF
C601 2113930F17 3.9 pF
C601, 602 2113932K15 .1 uF
C603 2113930F15 3.3 pF
C604 2113930F22 6.2 pF
C606 2113930F20 5.1 pF
C609 2113930F16 3.6 pF
C610 2113930F29 12 pF
C612 2113930F23 6.8 pF
C613 2113932K15 .1 uF
C614 2113930F21 5.6 pF
DIODE:
See Note 1.
CR102 4805129M96 Dual
CR104 4805129M96 Dual
CR301 4802233J09 Triple
CR501,
502 4805218N57 Dual
CORE:
E1 thru 4 2484657R01 Ferrite Bead
FUSE:
F1 6505757V02 2 Amp
FILTER:
See Note 2.
FL1, 2 4805245J33 73.35MHz
FL401,
402 9105398W01 450kHz
JACK:
J2 0905304Z01 RF Coax Connector
COIL, RF:
unless otherwise stated
L101 2462587V37 180 nH
L102 2462587V24 15 nH
L103 2462587V37 180 nH
L104, 105 2460591A11 7.66 nH
L106 2462587V37 180 nH
L108 2462587V37 180 nH
L201 2460591C40 17.02 nH
L202 2460591E24 23.75 nH
L203 2462587V37 180 nH
L204 2460591E24 23.75 nH
L301 2462587V24 15 nH
L302 2462587Q59 10 uH
L401 2462575A16 3900 nH
L402 2462587N56 180 nH
L600, 601 2405452C59 910 nH
L602 2405452C64 1500 nH
L603 2405452C61 1100 nH
L605 2462587N65 750 nH
TRANSISTOR:
See Note 1.
Q1 4805218N55 NPN
Q501 4805218N45 NPN
Q502 4805128M27 PNP
Q503 4805921T06 Dual PNP
Q601 4882022N70 NPN
RESISTOR;
Ω
:
R101 0662057A90 51K
R202 0662057A01 10
R204 0662057A25 100
R304 0662057A90 51K
R305 0662057A56 2K
R306 0662057A65 4.7K
R307 0662057A49 1K
R309 0662057A90 51K
R310 0662057A49 1K
R311 0662057A77 15K
R314 0662057A18 51
R315 0662057A87 39K
R326, 327 0662057C01 0
R401 0660079U18 5.1
R402 0662057B08 270K
R403 0662057A83 27K
R404 0662057A73 10K
R405 0662057A13 33
R406 0662057A69 6.8K
R407 0662057A17 47
R410, 411 0662057A21 68
R412 0662057A13 33
R413 0662057A35 270
R414 0662057A56 2K
R416 0662057A80 20K
R417 0662057A01 10
R418 0662057A53 1.5K
R419, 420 0662057A89 47K
R421 0662057A58 2.4K
R501 0662057A73 10K
R503 0662057A73 10K
R505 0662057A77 15K
R506 0662057A69 6.8K
R507 0662057A61 3.3K
R508 0662057A49 1K
R509 0662057C75 1K
R511 0662057A56 2K
R514 0662057A73 10K
R601 0662057A25 100
R602 0662057A56 2K
R603 0662057A85 33K
R604 0662057A75 12K
R605 0662057A61 3.3K
THERMISTOR:
RT501 0605621T02 50k
TRANSFORMER:
T201 2505515V07 25:1
T202 2505515V04 5:1
INTEGRATED CIRCUIT MODULE:
See Note 1.
U201 5105279V15 3-Pole Filter
U202 5105329V21 RF Amp
U203 5105279V15 3-Pole Filter
U205 5105329V26 Mixer
U302 5105457W73 Fractional-N-Synthesizer
U303 5105662U76 VCO Buffer
U304 5105279V31 16.8 MHz Reference Oscillator
U305 5105469E65 5 Volt Regulator
U307 5105238U94 VCO
U401 5105457W20 ABACUS
U501 5105279V26 RF Coupler
U502 5105385Y12 LDMOS RF PA
U503 5105662U70 D/A Converter
U504 5105662U72 TX ALC
DIODE:
See Note 1.
VR1 4813830A33 Zener, 20V
VR2 4813830A33 Not Placed
VR3 4813830A33 Zener, 20V
VR4 4813830A23 Not Placed
VR401 4862824C01 Varactor
VR402 4805129M58 Varactor
MISCELLANEOUS:
G1 thru 4 3905643V01 Ground Contact
G6 3905643V01 Ground Contact
SH1 2605258V01 Synthesizer Shield
SH2 2605259V01 Diode Shield
SH3 2605260V01 RF Switch Shield
SH4 2605418V01 Transformer Shield
SH5 2605263V01 3 Pole Filter Shield
SH6 2605634V01 Antenna Shield
SH7 2605890U01 VCO Shield
3985661A01 VCO Metal Strip Contact
8405431Z02 PC Board (prior to 4/1997)
or 8405431Z03 PC Board (after 3/1997
LAYER 1 (L1)
LAYER 2 (L2)
LAYER 3 (L3)
LAYER 4 (L4) INNER LAYERS
LAYER 5 (L5)
LAYER 6 (L6)
MAEPF-18827-A
SIDE 1
SIDE 2
6-LAYER CIRCUIT BOARD DETAIL VIEWING
COPPER STEPS IN PROPER LAYER SEQUENCE

13-34
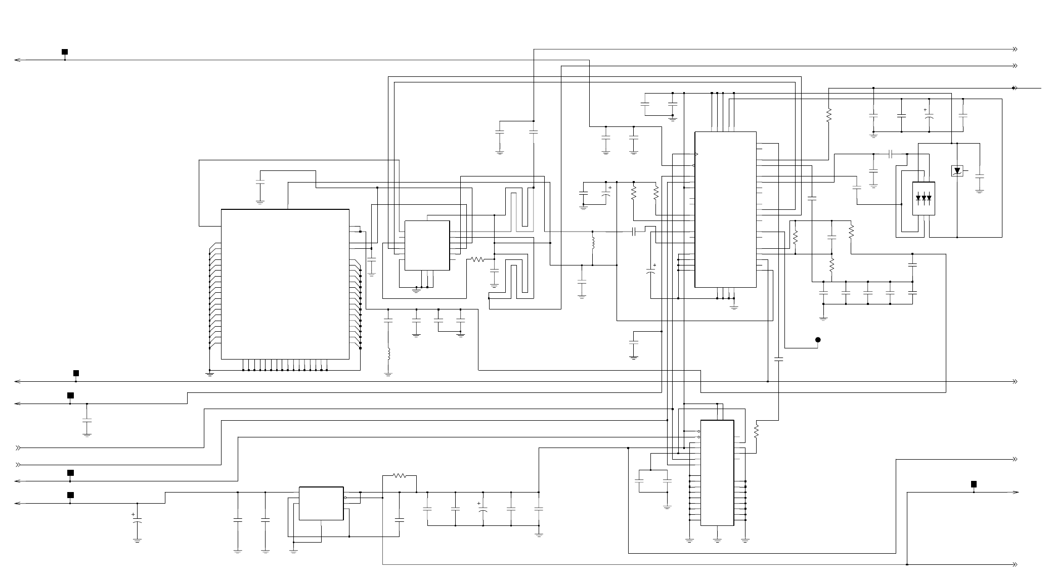
NUF6472D 800 MHz RF Board Schematic Diagram, Sheet 1 of 3
J2
NP
3P Filter
COUPLER
Power Amp
DAC
ALC
OMIT
Ant
3P Filter RF AMP
MIXER
OMIT
NP
NP
BUSS_14
BUSS_11
33pF
C506
33pF
C509
C201
6.2pF
C101
10uF
C522
33pF
C503 R509
0.1uF
1K
50K
RT501
33pF
C30
51K
R101
33pF
C517
J1-5
1uF
C16
J1-13
BUSS_19
1RF_IN
7
RF_OUT
6
AVDD
E2
57R01
MX2071A
U202
3
ABP 5
AG2
2GND
4GND
8GND
9NC
10 NC
C103
C218
33pF
.022uF
2.4pF
C107
SWB_POS
3
VCONT
2
.022uF
C204
SHW9001
U502
RAWB_POS
4
RFIN 15 RFOUT
33pF
C504
C230
E1 57R01
C216
.022uF
L204
10uF
VR2
20V
23.75nH
C222
3pF
C106
6.2pF
100
R204
.022uF
C17
4.7uF
C513
39pF
C202
J1-7
C21
10K
R501
C510
33pF
.022uF
J1-10
2K
R511
J1-17
10
R202
.022uF
C514
CR502
BUSS_20
C523
R505
33pF
SC3 C4
SC4 D5
SW1 A3
SW2 B5
SW_C
A4
TX_DA C2
15K
GND
B3
NC
D1
REF_DA B2
D3 RESET
C1
RX_DA
R_T
B1
SC1 B4
SC2 C5
*U503*
5V E3
C3 CE
CLK_CLK
D4
E4 DAT
EN_ANT
D2 EN_BIAS
E2
GND
A2
62U70
3.3pF
C110
C15
180nH
L101
.022uF
33pF
C12 33pF
C511
.022uF
C221
0
R326
L202
C20
23.75nH
C507
4.7uF
C227
33pF
7.66nH
L104
330pF
5.1pF
C223
33pF
C519
BUSS_12
BUSS_13
39pF
C212
32V 2A
F001
10uF
C520
VR3
20V
17.02nH
L201
C226
G6
J1-6
39pF
3.3K
R507
33pF
C5
.022uF
C209
20pF
C104
33pF
C524
C210
J3-3
10uF
Q502
.022uF
C521
L203
33pF
C14
180nH
C203
C102
100pF
C114
2.4pF
33pF
C105
33pF
57R01
E3
39pF
C208
2
3
5
4
.022uF
C213
J1-19
15V07
T201
1
BUSS_16
J1-16
J3-2
10K
R514
B1 TEMP_SEN
C2
TX_5V
D5
TX_I1 B5
TX_I2
D1
V_CTRL
D3 GND
C3
INT_CAP2
E2 IN_CAP1
A3 PA_BIAS
C1
REF_V
E3 RF_DET
A2
RX_5V
B4 RX_I
ANODE1 E4
C4 ANODE2
B2 BIAS_EN
C5
BIAS_RT
BPOS B3
D4 CATH_1
A4 CATH_2
D2
C_BIAS
GND
11
1IN 7
OUT
SCC77858
*U504*
GND 13
3GND
4GND
5GND
6GND
GND
8
GND
9
10 GND
5
4
U201
79V15
2GND GND 12
T202
XFMR
1
2
3
7.66nH
L105
GND
8
GND
9
10 GND
GND
11
1IN 7
OUT
2GND
GND 12
GND 13
3GND
4GND
5GND
6GND
C211
U203
79V15
NC 5
NC1 13
1RFN
15 RFP
VCC 11
.022uF
GND1
3
GND2
7
GND3
9
GND4
14
GND5
16
4
IFN 6
IFP
8LOIN
U205
MX2072A 10
BBP 12
BDIV
2GND
1MEG
R700
180nH
L108
15nH
L102
C525
.022uF
C512
R503
33pF
Q503
10K
L103
BUSS_15
180nH
33pF
C108
.022uF
C527
CR102
3pF
C207
VR1
20V
Q501
J3-1
J1-15
1K
R508
C505
R2 9
RF_IN 6
RF_OUT
1
33pF
79V26
U501
3C1
8C2
GND1
2GND2
5
7GND3
10 GND4
R1 4
R327
CR104
0
J1-20
33pF
C206
L106
E4
57R01
C518
180nH
6.8K
R506
0.1uF
CR501
IF_FREQ
GROUND
GROUND
GROUND
GROUND
REG_5V
TX_OUT
RAW_1_B+
RAW_1_B+
RAW_1_B+
SPI_DATA
SPI_CLOCK
DA_CE
RAW_B+
BAT_CAST BAT_STATUS
DATA
CLOCK
LOCK_DET
RESET_1
RX_INJ
63C81094C60-O

13-35
NUF6472D 800 MHz RF Board Schematic Diagram, Sheet 2 of 3
VCO MODULE
VCO
BUFFER
5V Reg
Pendulum
Frac-N
VREG 11
VSSA_VSSD
26
C322
0.1uF
NC9
17
SCK
22
SI
25 SO 21
SS
24
VDD1 13
VDD2 14
VOPT
12
NC17 32
NC2
2
NC3
3
NC4
4
NC5
5
NC6
6
NC7
15
NC8
16
NC1
1
NC10 18
NC11 19
NC12 20
NC13 28
NC14 29
NC15 30
NC16 31
EN_CE
23
CEXT 7
DCWARP
27
DE
9DET 8
FO 10
C350
0.1uF
*U304*
79V31
C312
0.1uF
4.3pF
C339
12pF
C370
J1-9
C302
0.1uF
C305
100pF
C345
0.1uF
XTAL2 15
C324
.047uF
27
TST2
VBPASS
12
VEE2 36
VMULT1 9
VMULT2 8
VMULT3 7
VMULT4 6
XTAL1 14
44 NC
PREIN
21
PVREF
24
18 SUPFBASE
17 SUPFCAP
SUPFIN
20
19
SUPFOUT
26
TST1
IADAPT 34
IOUT 32
LOCK 41
MODIN
5
30
MODOUT
16 NC
31 NC
43 NC
VCC2 25
VCC3 42
4EN_CE
FREFOUT 10
1GND1
13 GND2
22 GND3
33 GND4
AUX3 39
AUX4 40
CLK
3
29 CPBIAS1
CPBIAS2
28
DATA
2
VEE1 23
VCC1 11
*U302*
25U31
35
ADAPTSW
AUX1 37
AUX2 38
C316
.022uF
J1-8
.022uF
C313
0.1uF
C321
C317
0.1uF
10uH
L302
BUSS_7
13 RBY
2
RX 8
SP1 10
SP2TRB
7
4
TX
16 TX_BIAS
VCC 3
FLIP
6
GND1
1
GND2
5
GND3
12
9IN
11 NC1 14
NC2
PRE 15
62U76
U303
0.1uF
C340
0.1uF
.022uF
C330
100pF
C309
C311
33pF
C328
R309
51K
.022uF
C342
4.7pF
C341
C307
4.7uF
3pF
C354
33pF
C377
6
GND6 7
GND7 8
GND8 9
GND9
RFOUT
10
SW1 11
38
SW2
51 GND45
52 GND46
53 GND47
54 GND48
55 GND49
5
GND5
56 GND50
57 GND51
42 GND38
43 GND39
4
GND4
45 GND40
46 GND41
47 GND42
49 GND43
50 GND44
33 GND30
34 GND31
35 GND32
36 GND33
37 GND34
39 GND35
GND36
40 GND37
41
26 GND23
27 GND24
28 GND25
29 GND26
GND27
30
31 GND28
32 GND29
3
GND3
GND16 19
20 GND17
21 GND18
22 GND19
2
GND2
23 GND20
24 GND21
25 GND22
44
CNTRL2
1
GND1
12
GND10 13
GND11
GND12 15
16
GND13 17
GND14 18
GND15
777-870MHz
U307
38U94
48
BPOS
14
CNTRL1
C306
33pF
C314
.022uF
C344
.022uF
15nH
R304
51K
680pF
L301
1K
C325
C1
4.7uF
R310
1200pF
C318
0.1uF
C315
J1-12
C319
10uF
BUSS_9
J1-14
C372
0.1uF
R307
1K
BUSS_6
J1-18
C304
33pF
C348
10uF
15K
R311
.022uF
C301
0.1uF
.022uF
C2
J1-3
C347
C323
.022uF
R315
39K
C351
0.1uF
.047uF
7FEEDBACK
4
GND
8INPUT OUTPUT 1
2
SENSE
3SHUTDOWN
C329
U305
LP2951C
5V_TAP 6
ERROR 5
C349
.022uF
R314
51
.022uF
TP302
C300
C353
A2
A3
K1
K2
K3
4700pF
CR301
A1
VR4
10V
C320
33pF
BUSS_5
BUSS_8
BUSS_10
C303
100pF
4.7K
R306
2K
R305
C373 .022uF
C352
33pF
10uF
REG_5V
REG_5V
DATA
DATA
CLOCK
CLOCK
SYNTH_CE
C310
REF_OSC_EN
REF_OSC_EN
SW_B+
SW_B+
TX_OUT
RESET_1
RESET_1
2.1_MHz
RX_INJ
MOD_IN
MOD_IN
LOCK_DETLOCK_DET
LOCK_DET
63C81094C61-O

13-36
NUF6472D 800 MHz RF Board Schematic Diagram, Sheet 3 of 3
NP
ABACUS IC
Crystal F1
Crystal F2
910nH
L601
J1-1
R403
47K
R419
C438
27K
R412
0.1uF
33
C414
0.1uF
C419
20pF
C420
6800pF
2K
R414
SH3
SHIELD
L402
.01uF
C421
180nH
C614
10
R417
C429
5.1pF
Q1
0.1uF
C601
SH5
SHIELD
3.9pF
4700pF
C427
.033uF
C401
BUSS_3
G4
3.3pF
C603
BUSS_4
6.2pF
C604
C600
39pF
C422
2.2pF
4.7pF
C606
1000pF
C408
.01uF
C434
MIA3225AR455
FL401
2
1
3
0.1uF
C602
5.1
R401
6.8pF
C612
47
R407
R418
33K
R603
R406
1.5K
6.8K
C416
3.6pF
C609
C440
.01uF
G1
43pF
J1-4
J1-2
SH1
SHIELD
BUSS_2
L600
20K
R416
GND1
2
4GND2
1IN 3
OUT
910nH
L401
FL1
45J33
BUSS_1
3.9uH
10K
R404
3.3uF
C417
R604
56pF
C423
12K
C404
3.3uF
C405
SHIELD
*SH7*
0.1uF
R411
SH6
SHIELD
68
33pF
C432
33
R405
.01uF
C407
3.3uF
C418
2.2pF
C425
.01uF
C413
R402 33pF
C431
C409
270K
C450 680pF
56pF
C424
10uF
SH4
SHIELD
VR402
FL2
45J33
GND1
2
4GND2
1IN 3
OUT
2.2uF
C428
270
R413
0.1uF
C613
2
1
3
.01uF
C441
MIA3225AR455
FL402
R601
.047uF
C403
SH2
SHIELD
100
3.3K
R605
12pF
C610
VR401
1.1uH
L603
750nH
L605 0.1uF
C433
Q601
VSSR 11
0.1uF
C415
T2X 44
41
TIX
VCC 20
33
VCCP
VCCP2 29
VDD 10
8
VDDH
VPP 48
SBI
6
SSL 17
SUB 18
T1 42
T1C 40
T1C2 39
45
T2
T2C 43
OGND
13
OGND1
57
OGND2
62
OGND3
70
OT
16 OTBY
15
OVCC 12
REF1
19
LO
35 LOX
34
LVCC 3
38
MO
MOX 37
NLS
23
OB 14
7
ODC
GNDO1
58
GNDO2
66
GNDO3
71
IFI 26
IFIN
32
IFIN2
30
IOUT 1
LGND 2
FLAG9
GND
21
GND
54
GND
55
GND3
56
GNDI
31
GNDI1
53
GNDO
36
FLAG13
75
FLAG2
60
FLAG3
61
FLAG4
63
FLAG5
64
FLAG6
65
FLAG7
67
FLAG8
68
69
5
DOUTX 4
EMIT 50
52 FLAG
FLAG1
59
FLAG10
72
FLAG11
73
FLAG12
74
BYP2 27
CAP 47
CAPX 46
COL
49
DAF 24
DAF2 22
DAFG 25
DGND 9
DOUT
SC380018ZP
*U401*
BASE
51
BYP1 28
75pF
C410
G2
0.22uF
C426
1.5uH
L602
G3
68
R410
2K
R602
J1-11
2.4K
R421
10uF
C430
47K
R420
.01uF
C406
SBI
DOUT
REG_5V
REG_5V
REG_5V
ODC
DOUTx
IF_FREQ
2.1MHZ
2.1_MHz
63C81094C62-O

13-37
NUF6472D 800 MHz RF Board Component Location Detail and Parts List
C1
C12
C14
C16
C20
C30
C110
C223
C227
C300
C303
C304
C305
C316
C317
C318
C322
C324
C325
C328
C329
C330
C342
C353
C370
C372
C409
C413
C414
C416
C419
C420
C422
C423
C424
C427
C430
C431
C432
C434
C440
C450
C503
C507
C509
C510
C522
C523
C524
C525
C600
C614
CR501
E1
E2
E3 E4
F001
2
3
4
1
FL1
23
4
1
FL2
3
21
FL401
3
21
FL402
20
15
10
5
16
11
6
1
J1
2
1
34
J2
L102
L103
L302
L402
L605
R305
R307
R310
R314
R327
R403
R404
R406
R407
R410 R411
R412
R416
R417
R418
R420
R503
R505
R506
R507 SH4 SH5
SH6
SH7
2
15
43
T201
VIEWED FROM SIDE 1
2
1
54
3
T202
2
3
4
5
6
7
89
10
1112
13 1
U201
23
4
56
7
8
9
10 11
1213
1
U203
13
14
20
21 29
30
5
4
1
U304
14
6
15
24
33
42
51
57
56
50
41
32
23
55
49
40
31
22
13
4
12
21
30
39
4847
38
29
20
1110
19
28
37
46
54
45
36
27
18
9
3
2
8
17
26
35
44
53
52
43
34
25
16
7
15
U307
2345
1
U502
VR1
VR401
VR402
MAEPF-27131-O
C2
C5
C15
C17
C21
C101
C102
C103
C104
C105
C106
C107
C108
C114
C201
C202
C203
C204
C206
C207
C208
C209
C210
C211
C212
C213
C216
C218
C221
C222
C226
C230
C301
C302
C306
C307
C309
C310
C311
C312
C313
C314
C315
C319
C320
C321
C323
C339
C340
C341 C344
C345
C347
C348
C349
C350
C351
C352
C354
C373
C377
C401
C403
C404
C405
C406
C407
C408
C410
C415
C417 C418
C421
C425
C426
C428
C429
C433
C438
C441
C504
C505
C506
C511
C512
C513
C514
C517
C518
C519
C520
C521
C527
C601
C602
C603
C604 C606
C609
C610
C612
C613
CR102
CR104
CR301
CR502
G1
G2
G3
G4
G6
1
2
3
J3
L101
L104
L105
L106
L108
L201
L202
L203
L204
L301
L401
L600
L601
L602
L603
Q1
4
3
2
1
Q501
Q502
Q503
Q601
R101
R202
R204
R304
R306
R309
R311
R315
R326
R401
R402
R405
R413
R414
R419
R421
R501
R508
R509
R511
R514
R601
R602
R603
R604
R605
R700
RT501
SH1
SH2
SH3
TP302
75
10
8
3
1
4
U202
15
97
12
14
10 6
U205
127
2836
25
16 18
1
39
34 30 29
35 32 26
38 37 27 33 24 23
20
213144432
41
40
42
346
59
13 15
11
22 19
17
14108
U302
12
467
11
14
15
3
1U303
14
5
8
U305
30
28
26
24
22 21 18
23
25
54
55
56
57
61
60
59 63
64
65
62
16 14
17 15 13
12
27
29
31 53 58
34 36
35 37 39 41 43
38 40
66
67
68
69
70
10
11 9
8
75
74
73
72
71
42 44 47
49
51
1
3
5
48
50
52
2
4
46
4533
32
20
19 7
6
U401
10
9
8
75
4
3
21
6
U501
E2 E4
A2 A4
D1
B1 B5
D5
U503
VIEWED FROM SIDE 2
E2
E4
A2
A4
D1
B1
B5 D5
U504
VR2
VR3
VR4
MAEPF-27132-O
NUF6472D 800 MHz RF Board
Electrical Parts List
ITEM MOTOROLA
PART NUMBER DESCRIPTION
CAPACITOR, Fixed: pF ±5%; 50V
unless otherwise stated
C1 2311049J12 4.7 µF
C2 2113932E07 22 nF 10% 16V
C5 2113930F39 33 PF 50V 5%
C12 ----------------- Not Placed
C14 2113930F39 33
C15 2113932E07 22 nF 10% 16V
C16 2311049A07 1 µF
C17 2113932E07 22 nF 10% 16V
C20 2311049J11 4.7 µF
C21 2113930F39 33
C30 2113930F39 33
C101 2113930F22 6.2 pF 50V ±0.25 pF 50V
C102 ----------------- Not Placed
C103 2113930F39 33
C104 2113930F34 20
C105 2113930F39 33
C106 2113930F14 3 pF 50V ±0.25 pF 50V
C107 ----------------- Not Placed
C108 2113930F39 33
C110 2113930F15 3.3 pF 50V ±0.25 pF 50V
C114 2113930F39 33
C201 2311049J23 10 µF
C202 2113930F41 39
C203 2113930F51 100
C204 2113932E07 22 nF 10% 16V
C206 2113930F39 33
C207 2113930F14 3 pF 50V ±0.25 pF 50V
C208 2113930F41 39
C209 2113932E07 22 nF 10% 16V
C210 2311049J23 10 µF
C211 2113932E07 22 nF 10% 16V
C212 2113930F41 39
C213 2113932E07 22 nF 10% 16V
C216 2311049J23 10 µF
C218 2113932E07 22 nF 10% 16V
C221 2113932E07 22 nF 10% 16V
C222 2113930F22 6.2 pF 50V ±0.25 pF 50V
C223 2113930F20 5.1 pF 50V ±0.25 pF 50V
C226 2113930F41 39
C227 2113931F13 330 pF
C230 ----------------- Not Placed
C300 2113931F41 4.7 nF
C301, C302 2113932K15 0.1 µF +80/-20% 16V
C303 2113930F51 100
C304 2113930F39 33
C305 2113930F51 100
C306 2113930F39 33
C307 2311049J12 4.7 µF
C309 2113932E07 22 nF 10% 16V
C310 2311049J23 10 µF
C311 2113930F39 33
C312, C313 2113932K15 0.1 µF +80/-20% 16V
C314 2113932E07 22 nF 10% 16V
C315 2105248W02 1.2 nF
C316 2113932E07 22 nF 10% 16V
C317, C318 2109720D14 0.1 µF
C319 2311049J23 10 µF
C320 2113930F39 33
C321 2113932E07 22 nF 10% 16V
C322 2109720D14 0.1 µF
C323 2113932E07 22 nF 10% 16V
C324 2113743A13 .047 µF
C325 2113931F21 680
C328 2113930F51 100
C329, C330 2109720D14 0.1 µF
C339 2113930F29 12
C340 2113932K15 0.1 µF +80/-20% 16V
C341 2113932E07 22 nF 10% 16V
C342 2113930F19 4.7 pF 50V ±0.25 pF 50V
C344 2113932E07 22 nF 10% 16V
C345 2113932K15 0.1 µF +80/-20% 16V
C347 2113932E07 22 nF 10% 16V
C348 2311049J23 10 µF
C349 2113932E07 22 nF 10% 16V
C350 2113932K15 0.1 µF +80/-20% 16V
C351 2113932K07 47 nF +80/-20% 16V
C352 2113930F39 33
C353 2113932E07 22 nF 10% 16V
C354 2113930F39 33
C370 2113930F18 4.3 pF 50V ±0.25 pF 50V
C372 2113932K15 0.1 µF +80/-20% 16V
C373 2113932E07 22 nF 10% 16V
C377 2113930F14 3 pF 50V ±0.25 pF 50V
C401 2113932K03 33 nF +80/-20% 16V
C403 2113743A13 .047 µF
C404 2113932K15 0.1 µF +80/-20% 16V
C405 2311049A42 3.3 µF
C406, C407 2113931F49 10 nF
C408 2113931F25 1 nF
C409 2113931F21 680 pF
C410 2113930F48 75
C413 2113931F49 10 nF
C414 2113931F45 6.8 nF
C415 2113932K15 0.1 µF +80/-20% 16V
C416 2113931F49 10 nF
C417, C418 2311049A42 3.3 µF
C419 2113932K15 0.1 µF +80/-20% 16V
C420 2113930F34 20
C421 2113931F49 10 nF
C422 2113930F41 39
C423, C424 2113930F45 56
C425 2113930F11 2.2 pF 50V ±0.25 pF 50V
C426 2113743A23 0.22 µF 10%
C427 2113931F41 4.7 nF
C428 2311049A40 2.2 µF
C429 2113932K15 0.1 µF +80/-20% 16V
C430 2311049J23 10 µF

13-38
Notes:
1. For optimum performance, order replacement diodes, transistors, and circuit
modules by Motorola part number only.
2. When ordering crystals, specify carrier frequency, crystal frequency, crystal
type number, and Motorola part number.
3. Part value notations:
p=10
-12
n=10
-9
µ=10
-6
m=10
-3
k=10
3
M=10
6
4. ITEM refers to the component reference designator. SIDE refers to the location
of the component on the board; S1=Side 1, S2=Side 2.
5. The NUF6472 800MHz Transceiver Kit uses a 6-layer printed circuit board.
C431, C432 2113930F39 33
C433 2113932K15 0.1 µF +80/-20% 16V
C434 2113931F49 10 nF
C438 2113932K15 0.1 µF +80/-20% 16V
C440 ----------------- Not Placed
C441 2113931F49 10 nF
C450 2311049J23 10 µF
C503 thru
C507 2113930F39 33
C509 2113930F39 33
C510 2113932E07 22 nF 10% 16V
C511 2113930F39 33
C512 2113932E07 22 nF 10% 16V
C513 2311049A13 4.7 µF
C514 2113932E07 22 nF 10% 16V
C517 2113930F39 33
C518 2113932K15 0.1 µF +80/-20% 16V
C519 2113930F39 33
C520 2311049J23 10 µF
C521 2113932E07 22 nF 10% 16V
C522 2113932K15 0.1 µF +80/-20% 16V
C523 thru
C525 2113930F39 33
C527 2113932E07 22 nF 10% 16V
C600 2113930F11 2.2 pF 50V ±0.25 pF 50V
C601 2113930F17 3.9 pF 50V ±0.25 pF 50V
C602 2113932K15 0.1 µF +80/-20% 16V
C603 2113930F15 3.3 pF 50V ±0.25 pF 50V
C604 2113930F22 6.2 pF 50V ±0.25 pF 50V
C606 2113930F19 4.7 pF 50V ±0.25 pF 50V
C609 2113930F16 3.6 pF 50V ±0.25 pF 50V
C610 2113930F29 12
C612 2113930F23 6.8 pF 50V ±0.25 pF 50V
C613 2113932K15 0.1 µF +80/-20% 16V
C614 2113930F20 5.1 pF 50V ±0.25 pF 50V
DIODE:
See Note 1.
CR102 4805129M96 Dual
CR104 4805129M96 Dual
CR301 4802233J09 Triple
CR501,
CR502 4805218N57 Dual
CORE:
E1 thru E4 2484657R01 Bead, Ferrite
FUSE:
F1 6505757V02 2 Amp
FILTER:
See Note 2.
FL1, FL2 4805245J33 73.35 MHz
FL401,
FL402 9105398W01 450 kHz
CONTACT:
G1 thru G4 3905643V01 Ground
G6 3905643V01 Ground
JACK:
J1 ----------------- Not Placed
J2 0905304Z01 RF Coaxial Connector
J3 ---------------- Not Placed
COIL, RF:
L101 2462587V37 180 nH
L102 2462587V24 15 nH
L103 2462587V37 180 nH
L104, L105 2460591A11 7.66 nH
L106 2462587V37 180 nH
L108 2462587V37 180 nH
L201 2460591C40 17.02 nH
L202 2460591E24 23.75 nH
L203 2462587V37 180 nH
L204 2460591E24 23.75 nH
L301 2462587V24 15 nH
L302 2462587Q59 10 µH
L401 2462575A16 3.9 µH 10 MHz
L402 2462587N56 180 nH
L600, L601 2405452C59 910 nH
L602 2405452C64 1.5 µH
L603 2405452C61 1.1 µH
L605 2462587N65 750 nH
TRANSISTOR:
See Note 1
Q1 4805218N55 NPN
Q501 4805218N45 NPN
Q502 4805128M27 PNP
Q503 4805921T06 Dual PNP
Q601 4882022N70 NPN
RESISTOR, Fixed:
Ω
±5%; 1/8W
Unless otherwise stated
R101 0662057A90 51k
R202 0662057A01 10
R204 0662057A25 100
R304 0662057A90 51k
R305 0662057A56 2k
R306 0662057A65 4.7k
R307 0662057A49 1k
R309 0662057A90 51k
R310 0662057A49 1k
R311 0662057A77 15k
R314 0662057A18 51
R315 0662057A87 39k
R326, R327 0662057C01 0
R401 0660079U18 5.1
R402 0662057B08 270k
R403 0662057A83 27k
R404 0662057A73 10k
R405 0662057A13 33
R406 0662057A69 6800
R407 0662057A17 47
R410, R411 0662057A21 68
R412 0662057A13 33
R413 0662057A35 270
R414 0662057A56 2k
R416 0662057A80 20k
R417 0662057A01 10
R418 0662057A53 1.5k
R419, R420 0662057A89 47k
R421 0662057A58 2.4k
R501 0662057A73 10k
R503 0662057A73 10k
R505 0662057A77 15k
R506 0662057A69 6.8k
R507 0662057A61 3.3k
R508 0662057A49 1k
R509 0662057C75 1k
R511 0662057A56 2k
R514 0662057A73 10k
R601 0662057A25 100
R602 0662057A56 2k
R603 0662057A85 33k
R604 0662057A75 12k
R605 0662057A61 3.3k
R700 0662057B22 1 M
THERMISTOR;
RT501 0605621T02 50K
SHIELD:
SH001 2605258V01 SYNTHESIZER
SH002 2605259V01 DIODE
SH003 2605260V01 RF SW
SH004 2605418V01 TRANSFORMER
SH005 2605263V01 3-POLE FILTER
SH006 2605634V01 ANTENNA
SH007 2605890U03 VCO
TRANSFORMER:
T201 2505515V07 25:1
T202 2505515V04 5:1
INTEGRATED CIRCUIT MODULE:
See Note 1.
U201 5105279V15 3-Pole Filter
U202 5105329V21 RF Amp
U203 5105279V15 3-Pole Filter
U205 5105329V26 Mixer
U302 5105457W81 Fractional-N Synthesizer
U303 5105662U76 VCO Buffer
U304 5105385Y61 16.8 MHz Reference Oscillator
U305 5105469E65 5 Volt Regulator
U307 5105238U94 VCO
U401 5105835U90 ABACUS
U501 5105279V26 RF Coupler
U502 5105385Y83 LDMOS 800 RF PA
U503 5105835U51 D/A Converter
U504 5105835U52 TX ALC
DIODE:
See Note 1:
VR1 4813830A33 Zener, 20V
VR2 ----------------- Not Placed
VR3 4813830A33 Zener, 20V
VR4 ----------------- Not Placed
VR401 4862824C01 Varactor
VR402 4805129M58 Varactor
LAYER 1 (L1)
LAYER 2 (L2)
LAYER 3 (L3)
LAYER 4 (L4) INNER LAYERS
LAYER 5 (L5)
LAYER 6 (L6)
MAEPF-18827-A
SIDE 1
SIDE 2
6-LAYER CIRCUIT BOARD DETAIL VIEWING
COPPER STEPS IN PROPER LAYER SEQUENCE

13-39
NCN6128B Controller Board Schematic Diagram, Sheet 1 of 4
RTA1
RTA0
RTA3
RTA2
INT_PTT
INT_PTT
VOL
EMERG
TG2
BAT_STATUS
TG1
LOCK_DET*
OPT_SEL1
RTSIN*
RTSIN*
POR*
INT_SPKR
RS232_DIN
RS232_DIN
OPT_SEL2
OPT_SEL2
OPT_SEL1
SYN_SEL*
SYN_SEL*
DA_SEL*
DA_SEL*
SPKR_COMMON
RS232_DOUT_BOOT_DIN
SB9600_BUSY
SB9600_BUSY
LH_DATA_KEYFAIL*
LH_DATA_KEYFAIL*
CTSOUT*
CTSOUT*
INT_MIC
RS232_DOUT_BOOT_DIN
SDO
SPKEN
SPKEN
MAI
MICEN
MICEN
DOUT
INTMICEN
INTMICEN
EXT_INT_SPKR*
EXT_INT_SPKR*
MOSI-H
SPICLK
PSC_CE*
PSC_CE*
DOUT*
MODIN
ODC
DOUT
SBI
DOUT*
GRE_LED
RED_LED
VPP
BL_FREQ
BL_HOME
MOSI
SPI_SCK
SYN_SEL-L
POR-L
LOCK_DET-L
PSC_CE-L
SBI-H
MODIN-H
ODC-H
EXT_MIC
EXT_SPKR
OPTB+_BOOT_SEL_VPP
OPTB+_BOOT_SEL_VPP
DA_SEL-L
470pF
C102
J101-7
W67
W66
W71
W73
W69
W68 W70
W77 W75
W72
W76
W74
W78
J101-34
J101-40
TP103
2
R110 390
VR107
11V
270nH
P201-14
W51
L104
L500
270nH
L109 270nH
470pF
C122
R120 1K
33pF
C112
1KR131
3
J101-31
VCC
270nH
VCC
3
L106
P201-3
270nH
L107
33K
R124
VCC
P201-17
270nH
P201-19
L102
C226 470pF
470pF
C111
R114
1K
TP105
R111 390
J101-21
R119 1K
J101-4
VCC
100K
R106
100K
R520
L111
270nH
470pF
C135
VCC
VR124
6.2V
3
1
2
VR108
11V
470pF
C106
J101-13
1K
R130
SW_B+
C123 33pF
UNSW_B+
270nH
L110
270nH
L105
R100
4.7K
C120 33pF
1
1K
R127
470pFC136
B+SENSE
J101-29
C109 470pF
J101-2
R129 1K
VCC
P201-12
W41
TP102
P201-7
W45W43
W49
P201-16
W50
R102 300
11V
VR102
UNSW_B+
R115 390
R518 390
390R514
0
R513 390
J101-24
R112
390
J101-8
TP175
470pF
C130
C104
470pF
VR100
11V
L101 270nH
J101-11
J101-16
J101-28
VR300
6.2V
3
1
2
J101-10
33pF
C224
270nH
L100
C128 470pF
J101-1
A(21:0)
B+CNTL
BOOT_SEL_VPP
DATA(7:0)
EXTMIC
EXT_INT_SPKR*
EXT_SPKR
HC11RST*
INTMIC
INTMICEN
INT_SPKR
MEM_AUDIOPA_PWR
MAI
MEMCNTL(6:0)
MICEN
POR*SDO
SPKEN
SPKR_COMMON
VPP
C223 470pF
J101-9
VCC
2
18V
VR113
C118 33pF
W47
11V
11V
VR101
VR117
VCC
C225 470pF
11V
VR112
J101-18
R516
1K
J101-3
J101-17
J101-30
J101-15
J101-14
C132 470pF
A(21:0)
B+CNTL
BAT_STATUS
BL_EN
BL_FREQ
BL_HOME
DISP_EN*
EMC_CNTL(2:0)
GRE_LED
HC11RST*
HEN*
HREQ*
INT_PTT
KEYFAIL*
KEYPAD(8:0)
LHDATA-BOOT_DOUT-KEYFAIL*
LOCK_DET*
TP104
POR*
RED_LED
ROSC-PSC_CE*
RS232_DIN
RS232_DOUT-BOOT_DIN
RTA(3:0)
RTSIN*
R_W*
SB9600_BUSY
SPIBUS(2:0)
SYN_SEL*
VOC_CNTL(2:0)
BOOT_MODE
CNTL_TOP(3:0)
FL_SLIC
CTSOUT*
DATA(7:0)
DA_SEL*
P201-13
MEMCNTL(6:0)
OPTB+_BOOTSEL_VPP
OPT_SEL1
OPT_SEL2
J101-27
P201-9
R117
100K
33pFC116
P201-10
6.2V
VR110
33pF 3
1
2
C108
2DTC143ZK
P201-2
Q112
53
1
2
4
3
1
2
470pF
C103
6.2V
VR104
R109
10K
3.6K
R105
P201-1
C137 470pF
C110
470pF
J101-32
TP176
VR105
1KR123
5.6V
0
R538
W64
TP181 TP182
TP179TP177 TP178
J101-25
VR123
5.6V
J101-39
270nH
L114
C114
470pF
J101-6
P201-4
VCC
J101-26
470pF
C134
0
C138 470pF
J101-33
VR109
11V
470pFC133
100K
TP171
TP180
R116
TP172
TP184
270nHL112
1
C113 470pF
P201-8
C101
470pF
C125 470pF
R126
TP183
C129
TP173
470pF
100K
TP174
P201-11
VCC
J101-20
R103 270
VR111
470pF
C126
18V
C127 470pF
J101-38
J101-41
P201-15
C131 470pF
J101-22
J101-37
33pF
C124
C100
470pF
VCC
W42
W52
R122 1K
W44 W46 W48
J101-36 P201-20
J101-12
J101-35
J101-5
1KR121
470pFC117
R128
1K
270nH
L113
U729
TE85L
4
CONT
3GND
1
IN_OUT*
2
OUT_IN*
5
VDD
C121 33pF
R118
100K
82R517
270nH
L103
4
CONT
3
R125
100K
U728
TE85L
GND
1
IN_OUT*
2
OUT_IN*
5
VDD
L108 270nH
1
J101-23
R521 100
R108
100K
P201-5
Q111
53
12
4
2DTC143ZK
2
47K
R101
J101-19
VCC
470pF
C105
P201-18
P201-6
CONTROL
TOP I/F
RF I/F
CONTROL
TOP I/F
UNIVERSAL
I/F
TO SHEET 2
g
63B81086C79-O
SHEET 1

13-40
NCN6128B Controller Board Schematic Diagram, Sheet 2 of 4
ROW4
ROW5
SPI_SCK
MOSI
ROW6
COL3
COL2
COL1
ROW2
ROW1
SPI_SCK
ROW3
MOSI
MISO
ADSIC_SEL*
ADSIC_RST*
D0
D1
D2
A1
A2
SDO SDO
SPKEN SPKEN
HEN*
BOOT_MODE
A0
MAI
D3
D4
D5
D6
D7
HREQ*
DSP_RST*
MODIN
MODIN MODIN
MOSI
SPI_SCK
MICEN MICEN
ODC
ODC ODC
DOUT
DOUT DOUT
INTMICEN INTMICEN
EXT_INT_SPKR* EXT_INT_SPKR*
MAI
EMC_TXD
EMC_TXD
SBI
SBI SBI
DOUT*
DOUT* DOUT*
EMC_REQ
EMC_WAKEUP
VPP
VPP VPP
R_W*
BL_EN
EMC_RXD
EMC_RXD
KEYFAIL*
EMC_EN
DISP_EN*
W?
VCC
J401-25
6
C144 470pF
L118
C149 470pF
270nH
J401-11
33K
33pF
C228
R140
J401-12
33pF
C227
J401-17
R152
1K
P107-6
J401-19
33K
R136
VCC
P107-7
2
1
R137 33K
R146 1K
J401-1
0
P301-4
J401-48
J401-45
J401-21
1K
R151
P301-2
J401-18
R147
J601-18
1K
470pF
C142
1
6
J401-13
J601-5
P107-10
J401-3
P107-11
P107-2
2
C143
P107-1
470pF
33K
R141
P107-4
J401-16
VCC
270nH
L115
J401-5
R144
1K
W29
VCC
J401-24
J401-10
J401-6
J401-15
J401-34
1K
R145
5
J601-11
J601-25
3
1
R153 100K
J401-33
W40W34
W33
W38W36
W39
W30
W37W35
W32
W31
0
J601-6
W23
J401-29
UNSW_B+
1
2
J401-39
W8
J401-49
J401-46
W20
TP101
W17 W21
W22W16 W18
W19
3
2
470pF
C146
J401-40
L117
270nH
J601-7
P301-7
4
J601-15
J601-20
J401-41
J601-13
J401-31
J601-16
8
J401-42
P301-1
W7 W9
J401-47
P301-6
P301-3
J601-21
J601-3
0
W5
J401-20
W4
W3
W6
W1
W2
J401-4
4
W65 W13
W63
W15
W59W61
W60
2
R132
1K
J401-23
J401-38
R154
100K
J401-35
J401-32
470pF
C145
J601-19
2
J401-9
J601-8
J401-8
W10 W12
W58
W14
W11
W57
C150 470pF
C152 470pF
W26
W62
W27W25
470pF
C151
J401-26
33K
R138
J401-14
7
J401-22
C140 470pF
1
J401-27
VCC
1
J401-43
J601-17
J401-44
J601-24
J401-7
C147 470pF
R142 33K
J401-30
R135 33K
W56
0
W54
W55
W28
W53
W24
J601-1
SW_B+
J601-2
1K
R149
P301-5
470pF
C148
R150
1K
2
1
J601-4
J601-23
7
TP100
J601-12
J401-36
33KR143
100K
R515
J601-9
P107-12
P107-9
J401-37
1K
+5VA
R133
P107-8
J401-2
0
J401-50
0
5
1
J601-10J601-22
J601-14
2
VCC
33K
R139
R148 1K
J401-28
P107-3
P107-5
TAMPER
I/F
KEYPAD
I/F
DISPLAY
I/F
VOCODER
I/F
ENCRYPTION
TO SHEET 1
63B81086C79-O
SHEET 2

13-41
NCN6128B Controller Board Schematic Diagram, Sheet 3 of 4
0.33uF
0.22uF
0.22uF
0.22uF
0.22uF
0.1uF
0.22uF
0.22uF
0.22uF
0.33uF
0.22uF
D0
A9
A8
INTMIC
EXTMIC
A8
A7
A6
A5
A4
A3
A2
A14_OUT
A7
A6
A5
A4
A3
A2
A14_OUT
A13
A12
A11
A10
A1
A0
D7
D7
D6
D5
D4
D3
D2
D1
SPKEN
SDO
A13
A12
A11
A10
A1
A0
MICEN
D6
D5
D4
D3
D2
D1
D0
A9
B+CNTL
INTMICEN
DATA(7:0)
MAI
SPKR_COMMON
EXT_INT_SPKR*
EECS*
RAMSEL*
CSGEN*
POR*
ROM1CS*
EXT_SPKR
INT_SPKR
D2
D1
D0
A10
A9
A8
A7
A6
A5
A4
A3
HC11RST*
OE*
A19
D7
D6
D5
MEMCNTL(6:0)
MEMR_W*
A(21:0)
ROM2CS*
1
A18
A17
A16
A15_OUT
A14_OUT
A13
A12
A11
A2
A1
A0
D4
D3
4
+5VA
BOOT_SEL_VPP
VPP
Q106
5678
4
123
Q105
20 A1
36 A10
R185
10K
A17
40
A18
13
28F004
U727
21 A0
8A8
7A9
6A11
5A12
4A13
A14
3
2A15
1A16
33
D5 34
D6
19 A2
18 A3
17 A4
16 A5
15 A6
14 A7
38
24 OE
10 RP
22 EN_CE 25
D0 26
D1 27
D2 28
D3 32
D4
35
D7
39 GND
23 GND
29
NC 37
NC
NC
2DTC143ZK
31
VCC
VCC 30
11
VPP
9WE
12 WP
2
Q108
53
12
4
10K
C199
10K
R184
6
.01uF
C179
R203
0
VCC
R531
SW_B+
330pF
C177
VCC
C188
4.7uF
C185
4.7uF
10
10K
R213
0.1uF
C178
VCC
1
1.0
R509
470pF
C181
VCC
VCC
+5VA
33K
R207
R206
C211
UNSW_B+
+5VA
7
R189
15K
Q113
100K
R541
0
0
5
19
U718
57W68
3
AMP1OUT 23
24
AMP1OUT1
AMP2OUT 27
28
AMP2OUT1
AMP3OUT 31
32
AMP3OUT1
AMPEN
19
4
BOOTCAPC1
BOOTCAPC2 22
BOOTCAPC3 21
EXTMICIN
18
EXT_INTSPKR*
20
FREQCOMP
13
GND1
1
11
GND3
25
26 GND4
29 GND5
30 GND6
INTMICEN
16
INTMICIN
17
MICAMPOUT 15
AMPIN
6
14
9NC
PLIN
8
PLOUT 7
REG
12
REGOUT 10
VCC1 2
VCC2 3
GND2
5
VCC3
3
MICEN
11
54
21
6
13
10
13
16
OUT_IN* 2
VDD
5
+5VA
3
R212
TE85L
U713
CONT
4
GND
3
IN_OUT* 1
.0047uF
4.7uF
C186
10K
TL062
U714-1
C187
8
4
C184
4.7uF
2
3
1
C183
4.7uF
4.7K
R542
C212
0.1uF
2
2
12
Q109
2
+5VA
L501
3
U708-1
TC7S08F
2
14
7
VCC
.047uF
C210
R537
1.0
86
1GND
2INPUT 3
OUTPUT
11
5
U710
S81250
VCC
0
10K
R540
11V
VR121
B+SENSE
C180
100uF
4.7K
R209
4CONT
3
GND
1
IN_OUT*
2
OUT_IN*
5
VDD
C207
1uF
U712
TE85L
PWR_GND
U725-2
GND
3
VCC
L119
100uH
C204
0.1uF
5
4
C205
C193
C175
33uF
7
2
VCC
4.7uF
C201
C194
4
5
0.1uF
C203
+5VA
A0
17
16 A1
28 A10
2A11
9
0.1uF
C215
15 A2
A3
14
13 A4
12 A5
11 A6
10
U706
AT28C256
27 EN_CE
D0 18
19
D1 20
D2 22
D3 23
A12
5A13
8A14
26
D7
GND
21
1EN_OE
7
VCC
6EN_WE
A7
4A8
3A9 6
D4 24
D5 25
D6
U725-1
TC7S08F
24
9
0
100K
1
R536 3
390
R193
C220
0.1uF
C213
100K
2
0.1uF
B+SENSE
R187
R529
C192
1
0
100K
3
VCC
D104
33uF
C174
+5VA
R539
10K
100K
R535
Q110
C200
7
C206
7
SW_B+
9
R186
470K
12
A14
1
10
A9
24
MB84256A
U705
A0
10
9A1
A10
21
A11
23
A12
2
A13
26
IO6 17
A2
8
A3
7
6A4
A5
5
A6
4
A7
3
A8
25
CS
20
GND
14
11
IO1
IO2 12
IO3 13
IO4 15
IO5 16
IO7 18
IO8 19
22 OE
VCC 28
WE
27
.01uFC198
C209
1uF
GND
3
VCC
5
10K
R204
PWR_GND
U708-2
UNSW_B+
.0047uF
C202
R191
0
10K
R211
1
1K
16
C195
8
12
2
5
C176
0.1uF
4
470pF
C182
C197
1
3
R510
0
20
R188
100K
U726
S80745
6
SW_B+
3GND
+5VA
.47uF
C214
4NC
5NC1
1
OUT
2
VDD
VCC
8
R205
10K
5625U38
U709
CC
8
GND1
10
GND2
11
11
4NC
5NC1
6
NC2
SHDN
2
SS
7
VPOS3 16
VREF 3
LX1 12
LX2 13
LX3 14
1uF
C208
VOUT
9
VPOS1 1
VPOS2 15
R519
100K
9
R198
3.6K
4
C196 17
7
6
+5VA
R190
10K
1
C219
0.1uF
0
+5VA
10K
R192
0.1uF
C217
R208
100K
4.7K
R200
4.7K
R195
47K
5
R201
C191
330pF
+5VA
330pF
C190
R196
47K
82.5K
R202
4
3.6K
R194 +5VA
47K
47K
Q107
110K
R199
1
6
57
8
4
18
16
U714-2
TL062
R197
390
C189
.0047uF
5
13
0
6
C216
0.1uF
SRAM
EEPROM
FLASH
DIGITAL 5V REGULATOR
5V ANALOG
REGULATOR
+5V VOLTAGE
DETECTOR
AUDIO PA
63B81086C80-O

13-42
NCN6128B Controller Board Schematic Diagram, Sheet 4 of 4
A4
A3
A2
A15_IN
A14_IN
A13
A12
A11
A10
CLK_E
D7
D6
D5
D4
D3
CSPROG*
ADSIC_RST*
DSP_RST*
TG2
TG1
EMERG
VOL
LBAT-PWR_DWN
SPI_SCK
MOSI
MISO
LOCK_DET*
GRE_LED
DISP_EN*
BL_EN
A1
A0
CLK_4XE
SPIBUS(2:0)
D2
D1
D0
A9
A7
A6
A5
HEN*
D0
D1
D2
D3
D4
D5
D6
D7
B+CNTL
CNTL_TOP(3:0)
A0
A1
A2
A3
A4
A15_IN
A14_OUT
A15_OUT
A14_IN
A8
A9 RED_LED
INT_PTT
OE*
CS101*
HC11RST*
DATA(7:0)
A18
A17
A16
A(21:0)
VOC_CNTL(2:0)
RS232_DOUT-BOOT_DIN
MEMR_W*
EECS*
EMC_CNTL(2:0)
EMC_WAKEUP*
EMC_REQ
RTSIN*
CTSOUT*
POR*
DA_SEL*
SYN_SEL*
ROSC-PSC_CE*
BAT_STATUS
R_W*
R_W*
HREQ*
BOOT_MODE
IRQ*
A8
A19
ADSIC_SEL*
OPT_SEL1
BOOT_DATA_IN
BOOT_DATA_OUT
KEYFAIL* KEYFAIL*
ECLK_SHIFT
RAMSEL*
RTA2
RTA1
RTA0
RTA(3:0)
CSGEN*
BL_HOME
BL_FREQ
EMC_EN
COL1
KEYPAD(8:0)
ROW6
ROW5
ROW4
ROW1
ROW3
ROW2 RTA3
SB9600_BUSY
MUX_CNTL
RS232_DIN RS232_DIN
COL3
COL2
OPT_SEL2
1
LHDATA-BOOT_DOUT-KEYFAIL*
LHDATA-BOOT_DOUT-KEYFAIL*
ROM1CS*
MEMCNTL(6:0)
ROM2CS*
OPTB+_BOOTSEL_VPP
2
15
VCC
VCC
2
1
21
R171
100K
R161
3
B+SENSE
1MEG
10K
R158
0.1uF
C160
4
VCC
5.6V
0
VR122
100K
R507
R169
SW_B+
100K
4.7K
VCC
VCC
VCC
R160
VCC
1
VCC
47.5K
R172
1
5
1
19
VCC
4
VCC
R508
100K
0
R173
5
3
10K
R175
11
R504
100K
0
12
4.7K
R159
14
10
15
0
R533
0
0
VCC
VCC
6
16
14
VCC
0
3
0
2.7pF
C162
2
6
D101
D100
10pF
C161
3
100K
R180
2
8
1
TE85L
U717
CONT 4
GND
3
33K
VCC
1IN_OUT*
OUT_IN*
2
VDD
5
68HC11F1
U701
4XECLK
R178
16
A10
7
A11
6
5A12
A13
4
A14
3
14
A4
13
A5
12
11 A6
A7
10
A8
9
39
A0
17
A1
43
44
D2
D3 45
46
D4
D5 47
D6 48
A15
78
A2
15
A3
EXTAL 36
IRQ 52
MODA
33
MODB
32
NC 1
NC1 2
NC10
A9
8
D0 40
D1
NC12 80
NC3 20
NC4 21
NC5 22
NC6 38
NC7 41
D7 49
CLK_E
34
77
PA1 76
PA2 75
74
PA3
PA4 73
PA5 72
PA6
61
NC11 79
63
PD1
64
PD2
65
66 PD3
PD4
67
PD5
68
PE0
18
NC8 42
NC9 60
PA0
PE2
25
PE3
27
PE4
19
24 PE5
PE6
26
PE7
28
PG0
71
PA7 70
PD0
58
PG3
57
PG4
56
PG5
55
54 PG6
PG7
53
RESET
PE1
23
69
VDD
VRH 30
VRL 29
31
VSS
XIRQ 51
XTL 37
62
PG1
59
PG2
R183
100K
50 R_W*
35
7
4
5
0
R157
5
0
0
0.1uFC172
5
VCC
0.1uF
26
1
C164
VCC
7
C171 0.1uF
8
VCC
13
VCC
7
68
R163
1
C163
10pF
R179
4.7K
Q102 33uH
L120
0.1uF
2
20
C170
4.7K
R168
6
VR119
9.1V
10K
R164
4
4
2
1
3
R155
100K
VCC
82.5K
R170
R181
0
6
9
2R502
100K
2.2K
4.7K
R503
100K
R167
R165
0
3
100K
R182
R174
10K
2
1
8
7
2
100K
R176
0.1uF
C165
0
2
OUT
3
R156
10K
Y100
74W01
1IN
4IN1 OUT1
4
1
2
9
R177
100K
3
C168 0.1uF
4
CONT
3
GND
IN_OUT*
1
0.1uFC169
U704
TE85L
3
2OUT_IN*
5
VDD
Q104
C167
0
470pF
U702
SLIC_5
A0
D7
A1
C7
A14IN
H8
A14OUT
H4 A15IN
H7
A15OUT
K3
A2
17
A4
E6
AV
E3
BOOTRX J2
BOOTSTRAP
E5
EN_CE
G1
D0 C3
D1
CLK_4X
A3
D3 D4
D4 C1
D5 D2
D6 D3
D7 D1
DECIN B8
CLK_E
C8
A3
D8
EE2CS K4
HC11RST
E4
IRQ E2
LHRST0
B7
LHRST1
A8
MEMR_W* A2
EN_OUT
B1
D2 C2
PH0 F3
PH1 F4
PH2 F2
PH3 H1
PH4 G3
PH5 H2
PH6
A4
EE1CS J4
PJ0
B4
PJ1
D5
PJ2
A5
PJ3
B6
PJ4
A6
PJ5
C6
A7
C4
OVERRIDE
B9
PK0 E8
PK1 H9
PK2 G8
PK3 F6
PK4_A10 F7
PK5_CS1B* J7
PK6_CS2B*
H3
PH7 K2
PL0
E7
PL1
J9
PL2
G7
PL3
F8
PL4
G9
PL5
K8
PL6
PJ6
PJ7
D6
J3
PM0_BK2* K6
PM1_BK3* G5
PM2_BK4* J6
PM3_BK5* H6
POR
C9
ROM1CS K5
ROM2CS
G6
PK7_CS2B* K7
RTSBOUT J1
RXDIN B2
R_W*
B3
SCNEN D9
SCNSLB
G2
VDD1 F9
VDD2
G4
PL7
E1
VDD4 B5
VSS1
E9
VSS2
H5
VSS3
F1
VSS4
C5
F5
RTSBIN J8
18
J5
VDD3
MICROCONTROLLER
HC11F1
SLIC
(SUPPORT LOGIC IC)
63B81086C81-O

13-43
NCN6128B Controller Board Component Location Detail, Sheet 1 of 2
MBEPF-26069-O
C100
C101
C102
C103
C104 C105
C106
C108
C109
C110
C111
C112
C113
C114
C116
C117
C118
C120
C121
C122
C123
C124
C125
C127
C128
C129
C130
C131
C132
C133
C134
C135
C136C137
C138
C140
C142
C143
C144 C145
C146
C147 C148C149C150C151C152
C169
C170
C171
C172
C174C175
C176
C180
C181
C183C184
C185
C186
C188
C195
C199
C200
C201
C205
C206
C207
C208
C209
C212
C213
C214
C216
C223
C224
C225
C226
C227
C228
D100
D104
42
1
2
41
40
43
J101
L100
L101
L102
L103
L104
L105
L106
L107
L108
L109
L120
L501
12
1
P107
41
P301
8
5
41
Q106
Q108
Q110
Q111
Q112
R100
R102 R103
R108
R110
R111
R112
R114
R115
R116
R117
R118
R119
R120
R121 R122
R123
R124
R127
R128
R129
R130
R131
R132
R133 R135
R136
R137R138
R139 R140 R141 R142 R143
R144R145R146R147R148R149
R150
R151
R152
R163
R180
R181
R182
R183
R190
R202
R203
R208
R211
R212
R213
R504
R508
R509
R510
R513R514
R516
R517
R518
R520
R521
R529
R537
R538
R539
R541
TP171
TP172
TP173
TP174
TP175
TP176
TP177
TP178
TP179
TP180
TP181
TP182
TP183
TP184
J1
K2K8
J9
B1B9
A2A8
U702
VIEWED FROM SIDE 1
U704
1
14 15
28
U706
U708
916
81
U709
U710
U712
U713
8
54
1
U714
U717
24
25
17
16
8
91
32
U718
U725
U726
1
20 21
40
U727
VR100
VR101
VR102
VR104
VR105
VR107
VR108
VR109
VR110
VR111
VR112
VR113
VR117
VR124
VR300
1
4
32
Y100
57
1
1
2
2
3
3
2
5
4
32
1
5
4
32
1
1
2
34
5
123
45
2
1
3
123
45
1
1
2
2
3
3
4
4
5
5
123
4
4
4
5
5
5
1
1
2
2
3
3
1
1
1
1
1
2
2
2
2
2
3
1
1
1
2
22
1
2
3
3
3
3
1
1
1
1
1
1
2
2
22
2
2
3
33
3
3
3
3
33
3

13-44
NCN6128B Controller Board Component Location Detail, Sheet 2 of 2
MBEPF-26070-O
C126
C160
C161
C162
C163
C164
C165
C167
C168
C177
C178
C179
C182
C187
C189
C190
C191
C192
C193
C194
C196
C197
C198
C202
C203
C204
C210
C211
C215 C217
C219
C220
D101
1
13
14
26
39
25
38
50
J401
26
1
2
25
24
27
J601
L113
L110
L111
L112
L113
L114
L115
L117 L118
L500
1
6
11
16
5
10
15
20
P201
Q102
Q104
Q105
Q107
Q109
Q113
R101
R105
R106
R109
R125
R126
R153
R154
R155
R156
R157
R158
R159
R160
R161
R164
R165
R167
R168
R169
R170
R171
R172
R173
R174
R175
R176
R177
R178
R179
R184
R185
R186
R187
R188
R189
R191
R192
R193
R194
R195
R196
R197
R198
R199
R200
R201
R204
R205
R206
R207
R209
R502
R503
R507
R515
R519
R531
R533
R535
R536
R540
R542
TP100
TP101
TP102
TP103
TP104
TP105
61
60
40
41 21
20
801
U701
VIEWED FROM SIDE 2
22
1
8
21
7
U705
U728
U729
VR119
VR121
VR122
VR123
1
1
2
2
3
3
1
1
1
1
1
1
1
1
2
2
2
2
2
2
2
2
3
3
3
3
3
3
3
3
1
2
34
5
1
2
34
5
1
2
3

13-45
NCN6128B Controller Board
Electrical Parts List
Notes:
1. For optimum performance, order replacement diodes, transistors, and circuit
modules by Motorola part number only.
2. When ordering crystals, specify carrier frequency, crystal frequency, crystal
type number, and Motorola part number.
3. Part value notations:
p=10
-12
n=10
-9
µ=10
-6
m=10
-3
k=10
3
M=10
6
4. ITEM refers to the component reference designator. SIDE refers to the location
of the component on the board; S1=Side 1, S2=Side 2.
5. The NCN6128 Controller Kit uses an 8-layer printed circuit board.
ITEM MOTOROLA
PART NUMBER DESCRIPTION
CAPACITOR, Fixed:
unless
otherwise stated
C100 thru 106 2113931F17 470 pF
C108 2113930F39 33 pF
C109 thru 111 2113931F17 470 pF
C112 2113930F39 33 pF
C113, 114 2113931F17 470 pF
C116 2113930F39 33 pF
C117 2113931F17 470 pF
C118 2113930F39 33 pF
C120, 121 2113930F39 33 pF
C122 2113931F17 470 pF
C123, 124 2113930F39 33 pF
C125 thru 138 2113931F17 470 pF
C140 2113931F17 470 pF
C142 thru 152 2113931F17 470 pF
C160 2113932K15 .1 µF
C161 2113930F27 10 pF
C162 2113930F13 Not Placed
C163 2113930F27 10 pF
C164, 165 2113932K15 .1 µF
C167 2113931F17 470 pF
C168 thru 172 2113932K15 .1 µF
C174, 175 2311049A97 33 µF
C176 2113932K15 .1 µF
C177 2113931F13 330 pF
C178 2113932K15 .1 µF
C179 2113931F49 .01 µF
C180 2311049C07 100 µF
C181, 182 2113931F17 470 pF
C183 thru 186 2311049J12 4.7 µF
C187 2113931F41 4700 pF
C188 2311049J12 4.7 µF
C189 2113931F41 4700 pF
C190, 191 2113931F13 33 pF
C192 2113743A19 .1 µF
C193 thru 197 2113743A23 .22 µF
C198 2113931F49 .01 µF
C199, 200 2113743A23 .22 µF
C201 2311049J12 4.7 µF
C202 2113931F41 4700 pF
C203, 204 2113932K15 .1 µF
C205, 206 2113743F12 .33 µF
C207 thru 209 2311049A07 1 µF
C210 2113743A13 .047 µF
C211 2113743A23 .22 µF
C212, 213 2113932K15 .1 µF
C214 2311049A05 .47 µF
C215 thru 217 2113932K15 .1 µF
C219, 220 2113932K15 .1 µF
C223 2113931F17 470 pF
C224 2113930F39 33 pF
C225, 226 2113931F17 470 pF
C227, 288 2113930F39 33 pF
DIODE:
See Note 1.
D100 4884939C35 Hot Carrier, 4V
D101 4884939C35 Hot Carrier, 4V
D104 4813833B09 Schottky, 30V
JACK:
J101 0913915A15 Controls Flex Assembly Con-
nector
J601 0913915A11 Encryption Board Connector
COIL, RF:
unless otherwise stated
L100 thru 115 2462587Q40 270 nH
L117, 118 2462587Q40 270 nH
L119 2405528W04 100 uH
L120 2460578C43 33 uH
L500 2462587Q40 270 nH
L501 2405688Z01 Ferrite Bead
TRANSISTOR:
See Note 1.
Q102 4805128M12 NPN
Q104, 105 4805128M12 NPN
Q106 4805718V01 MOSFET Switch
Q107 4880048M01 NPN
Q108 4805921T09 Dual NPN
Q109 4805128M12 NPN
Q110 4805128M40 PNP
Q111, 112 4805921T09 Dual NPN
Q113 4805128M40 Not Placed
RESISTOR:
R100 0662057A65 4.7K
R101 0662057A89 47K
R102 0662057A36 300
R103 0662057A35 270
R105 0662057A62 3.6K
R106 0662057A97 100K
R108 0662057A97 100K
R109 0662057A73 10K
R110 thru 112 0662057A39 390
R114 0662057A49 1K
R115 0662057A39 390
R116 thru 118 0662057A97 100K
R119 thru 123 0662057A49 1K
R124 0662057A85 33K
R125, 126 0662057A97 100K
R127 thru 133 0662057A49 1K
R135 thru 143 0662057A85 33K
R144 thru 152 0662057A49 1K
R153 thru 155 0662057A97 100K
R156 0662057A73 10K
R157 0662057B47 0
R158 0662057B22 1M
R159, 160 0662057A65 4.7K
R161 0662057A73 10K
R163 0683962T45 68
R164 0662057A73 10K
R165 0662057A57 2.2K
R167 0662057A97 100K
R168 0662057A65 4.7K
R169 0662057A97 100K
R170 0662057G08 82.5K
R171 0662057A97 100K
R172 0662057R92 47.5K
R173 0662057B47 0
R174, 175 0662057A73 10K
R176, 177 0662057A97 100K
R178 0662057A85 33K
R179 0662057A65 4.7K
R180 0662057A97 100K
R181 0662057B47 0
R182, 183 0662057A97 100K
R184, 185 0662057A73 10K
R186 0662057B14 470K
R187 thru 189 0662057A97 100K
R190 0662057A73 10K
R191 0662057A49 1K
R192 0662057A73 10K
R193 0662057A39 390
R194 0662057A62 3.6K
R195 0662057A65 4.7K
R196 0662057A89 47K
R197 0662057A39 390
R198 0662057A62 3.6K
R199 0662057G14 110K
R200 0662057A65 4.7K
R201 0662057A89 47K
R202 0662057G08 82.5K
R203 thru 205 0662057A73 10K
R206 0662057A77 15K
R207 0662057A85 33K
R208 0662057A97 100K
R209 0662057A65 4.7K
R211 thru 213 0662057A73 10K
R502 0662057A97 100K
R503 0662057A65 4.7K
R504 0662057A97 100K
R507, 208 0662057A97 100K
R509 0662057C03 1
R510 0662057B47 0
R513, 514 0662057A39 390
R515 0662057A97 100K
R516 0662057A49 1K
R517 0662057A23 82
R518 0662057A39 390
R519, 520 0662057A97 100K
R521 0662057A25 100
R529 0662057A97 100K
R531 0662057B47 Not Placed
R533 0662057B47 Not Placed
R535, 536 0662057A97 100K
R537 0662057C03 1
R538 0662057B47 Not Placed
R539 0662057A73 10K
R540 0662057A73 Not Placed
R541 0662057B47 0
R542 0662057A65 Not Placed
INTEGRATED CIRCUIT MOD-
ULE:
See Note 1.
U701 5113802A33 HC11F1 MCU (QFP)
U702 5105457W33 SLIC 5 (OMPAC)
U704 5105750U28 CMOS Switch (MUX)
U705 5105662U54 32K X 8 SRAM
U706 5105625U33 32K X 8 EEPROM
U708 5105279V65 AND GATE
U709 5105625U38 5V Digital Switching Regula-
tor
U710 5105625U41 5V Analog Regulator
U712, 713 5105750U28 CMOS Switch (MUX)
U714 5105364W01 DUAL OP-AMP
U717 5105750U28 CMOS Switch (MUX)
U718 5105457W68 AUDIO PA (QFP)
U725 5105279V65 AND GATE
U726 5105492X73 4.2V Voltage Detector
U727 5105109Z25 1M X 8 FLASH ROM
U728, 729 5105750U28 CMOS Switch (MUX)
DIODE:
See Note 1.
VR100 thru 102 4813830A24 Zener, 11V
VR104 4805117Y01 Dual Zener, 6.2V
VR105 4813830A15 Zener, 5.6V
VR107 thru 109 4813830A24 Zener, 11V
VR110 4805117Y01 Dual Zener, 6.2V
VR111 4813830A31 Zener, 18V
VR112 4813830A24 Zener, 11V
VR113 4813830A31 Zener, 18V
VR117 4813830A24 Zener, 11V
VR119 4813830A22 Zener, 9.1V
VR121 4813830A24 Zener, 11V
VR122, 123 4813830A15 Zener, 5.6V
VR124 4805117Y01 Dual Zener, 6.2V
VR300 4805117Y01 Dual Zener, 6.2V
CRYSTAL:
See Note 2
Y100 4805574W01 7.3728 MHz CRYSTAL
MISCELLANEOUS:
8405259Z03 PC Board
LAYER 1 (L1)
LAYER 2 (L2)
LAYER 3 (L3)
LAYER 4 (L4) INNER LAYERS
LAYER 5 (L5)
LAYER 6 (L6)
MAEPF-18828-A
SIDE 1
SIDE 2
8-LAYER CIRCUIT BOARD DETAIL VIEWING
COPPER STEPS IN PROPER LAYER SEQUENCE
LAYER 7 (L7)
LAYER 8 (L8)

13-46
NCN6167A Controller Board Schematic Diagram, Sheet 1 of 4
CONTROL
TOP I/F
RF I/F
CONTROL
TOP I/F
UNIVERSAL
I/F
P201-17
390
R115
390
R518
270nH
L102
470pF
C226
390
R112
TP175
J101-8
470pF
C111
J101-28
270nH
L101
J101-11
UNSW_B+
1K
R114
J101-10
33pF
C224
270nH
L100
470pF
C128
390
R111
W42
33pF
C116
470pF
C225
11V
VR112
R516
J101-37
J101-3
1K
J101-30
P201-4
470pF
C132
J101-15
C121 33pF
J101-18
82
R517
270nH
L108
TP176
J101-32
3
VSS
VR105
5.6V
U728
TC4S66F
4
CNTL
1
2
VDD
5
TC4S66F
U729
4
CNTL
1
2
5
VDD
3
VSS
TP105
W51
P201-14
270nH
L104
J101-21
470pF
C122
1K
R120
470pF
C110
VCC
R131
VCC
1K
1K
R119
100K
R106
470pF
C117
0
R128
L113 270nH
J101-35
100K
R118
J101-4
270nH
L103
100K
R125
VR124
J101-19
6.2V
P201-18
47K
R101
W74
J101-40
390
R110
11V
TP103
VR107
100K
R108
P201-5
2
270nH
L500
270nH
L109
C108
2
33pF
33pF
C112
VR300
6.2V
10K
R109 3.6K
J101-31
3
R105
J101-34
J101-36 P201-20
J101-12
VCC
270nH
L111
11V
J101-5
VR108
1K
R121
390
R514
0
J101-24
390
R513
470pF
C130
470pF
C104
VR100
11V
P201-6
VCC
470pF
C105
R521
J101-16
100
1
VCC
J101-23
33K
R124
270nH
L107
P201-10
W67
W66
W71
P201-2
R123
470pF
C103
1K
W72
W77 W73
W78
P201-1
470pF
C137
VR110
6.2V
6.2V
VR104
100K
R520
C135
UNSW_B+
470pF
1K
R130
33pF
C123
J101-1
470pF
C102
3
270nH
L105
R100
W69
4.7K
W70
W68
1K
R127
W75
W76
Q112
VCC
Q111
470pF
C109
P201-3
J101-2
270nH
L106
TP102
P201-7
P201-12
W41
VCC
W43
P201-19
11V
VR102
SW_B+
J101-9
J101-13
270nH
L110
J101-7
VCC
W47
1
33pF
C120
VR101
11V
VR117 11V
470pF
C136
J101-29
B+SENSE
1K
R129
VCC
VCC
W45W64
TP182
J101-17
TP177
J101-25
W49
P201-16
J101-6
0
L114
470pF
C114
W50
300
R102
100K
R117
MAI
MEMCNTL(6:0)
MICEN
POR*SDO
SPKEN
SPKR_COMMON
VPP
A(21:0)
B+CNTL
BOOT_SEL_VPP
DATA(7:0)
EXTMIC
EXT_INT_SPKR*
EXT_SPKR
HC11RST*
INTMIC
INTMICEN
INT_SPKR
470pF
C106
470pF
C223
0
J101-33
2
470pF
C138
TP171
100K
R116
18V
VR113
33pF
C118
270nH
L112
0
R538
470pF
C113
470pF
C101
TP179TP178
TP181 TP173
VCC
470pF
C129
100K
R126
VR123 5.6V
J101-39
270
R103
VR111
18V
J101-38
J101-26
470pF
C134
C124
470pF
C131
33pF
TP180
C133
11V
VR109
470pF
VCC
470pF
C100
TP172
W48
W52
W44
1K
R122
TP184
W46
1
P201-8
TP183
470pF
C125
SPIBUS(2:0)
SYN_SEL*
VOC_CNTL(2:0)
TP104
KEYPAD(8:0)
LHDATA-BOOT_DOUT-KEYFAIL*
LOCK_DET*
MEMCNTL(6:0)
OPTB+_BOOTSEL_VPP
OPT_SEL1
OPT_SEL2
POR*
RED_LED
ROSC-PSC_CE*
RS232_DIN
RS232_DOUT-BOOT_DIN
RTA(3:0)
RTSIN*
R_W*
SB9600_BUSY
BL_EN
BL_FREQ
BL_HOME
FL_SLIC
MEM_AUDIOPA_PWR
BOOT_MODE
CNTL_TOP(3:0)
CTSOUT*
DATA(7:0)
DA_SEL*
DISP_EN*
EMC_CNTL(2:0)
GRE_LED
HC11RST*
HEN*
HREQ*
INT_PTT
KEYFAIL*
J101-27
A(21:0)
B+CNTL
BAT_STATUS
TP174
P201-9
J101-20
P201-11
P201-13
C126
C127
470pF
470pF
P201-15
J101-14
J101-22
SPI_SCK
MOSI
OPTB+_BOOT_SEL_VPP
OPTB+_BOOT_SEL_VPP
EXT_SPKR
EXT_MIC
RED_LED
GRE_LED
BL_HOME
BL_FREQ
ODC-H
SBI-H
MODIN-H
SYN_SEL-L
POR-L
LOCK_DET-L
PSC_CE-L
DA_SEL-L PSC_CE*
PSC_CE*
MOSI-H
SPICLK
VPP
MICEN
MICEN
ODC
DOUT DOUT
DOUT* DOUT*
MODIN
SBI
MAI
SDO
SPKEN
SPKEN
INTMICEN
INTMICEN
EXT_INT_SPKR*
EXT_INT_SPKR*
CTSOUT*
CTSOUT*
SPKR_COMMON
RS232_DOUT_BOOT_DIN
RS232_DOUT_BOOT_DIN
INT_MIC
RS232_DIN
RS232_DIN
OPT_SEL2
OPT_SEL2
OPT_SEL1
OPT_SEL1
RTSIN*
RTSIN*
POR*
INT_SPKR
LH_DATA_KEYFAIL*
LH_DATA_KEYFAIL*
SB9600_BUSY
SB9600_BUSY
BAT_STATUS
TG1
VOL
EMERG
TG2
SYN_SEL*
SYN_SEL*
DA_SEL*
DA_SEL*
INT_PTT
INT_PTT
LOCK_DET*
RTA3
RTA2
RTA1
RTA0
TO SHEET 2
63A81088C73-O
SHEET 1

13-47
NCN6167A Controller Board Schematic Diagram, Sheet 2 of 4
I/F
KEYPAD
I/F
DISPLAY
I/F
VOCODER
I/F
ENCRYPTION
TAMPER
2
J401-5
33K
R137
J401-1
J401-45
J401-21
J401-29
UNSW_B+
J601-18
W8
J401-39
1
2
C147
J401-30
33K
R142
470pF
33K
R135
W55
W54
C145
W28
470pF
J401-41
J601-13
J601-20
J601-15
J401-31
J601-16
W40
P301-1 8
J401-42
J401-36
100K
R515
33K
R143
+5VA
P107-9
0
5
1K
R133
J601-10
1
P107-10
J401-4
W2
W1
W3 J601-5
C142
1
6
J401-13
470pF
W6
270nH
L118
P107-11
J401-3
J401-11
2
P107-2
C143
C227
470pF
33pF
J401-17
P107-12
33K
R141
W79
TP100
P107-8
J601-12
J601-1
SW_B+
J601-2
J401-37
P301-5
470pF
C148
J601-4
1
1K
R150
7
33K
R139
1K
R148
J401-2
0
J401-50
P107-5
470pF
C144
J601-22
J601-14
2
4
R140
33pF
C228
J401-12
33K
J601-3
1K
R152
W5
P107-1
0
P107-3
J401-20
L115
270nH
1K
R149
J601-9
J601-23
2
W23
P107-6
J401-28
1
VCC
C149
VCC
P301-6
470pF
J401-25
P301-3
J601-21
W4
6
P107-4
VCC
J401-16
J401-24
J401-15
VCC
J601-25
1K
R145
J601-11
1
J401-19
33K
R136
W34
P107-7
W36 W38W30
1K
R146
P301-4
0
J401-48
W31 W35
W32
1K
R151
P301-2
J401-18
1K
R147
VCC
J601-6
W29
TP101
J401-46
J401-10
W22
W19
J401-6
W16
J401-34
5
J401-40
P301-7
3
100K
R153
W61
4
W60
J401-33
1K
R144
W39W33
1K
R132
W37
J401-38
0
J401-47
J401-49
W21
W20
J601-8
W17
W18
3
W12
C152
2
470pF
C146 W58
470pF
W62
J601-7
470pF
C150
L117
W27
270nH
470pF
C151
W13W65
W63
W15
7
W59
2
J401-23
470pF
C140
100K
R154
J401-32
J401-35
VCC
J601-19
1
J401-9
2
J601-24
J401-7
J401-8 0
W10
W56
W14
W11
W57
W26W25
W24
W53
J401-14
R138
J401-26
J401-22
33K
W9W7
1
J401-43
J401-27
J601-17
J401-44
DISP_EN*
EMC_REQ
EMC_WAKEUP
EMC_RXD
EMC_RXD
KEYFAIL*
EMC_EN
SBI
BL_EN
R_W*
VPP
VPP VPP
EXT_INT_SPKR*
MICEN MICEN
ODC ODC
DOUT DOUT
DOUT* DOUT*
MODIN MODIN
MOSI
SPI_SCK
EMC_TXD
EMC_TXD
SBI
D7
HREQ*
HEN*
BOOT_MODE
A0
MAI MAI
SDO SDO
SPKEN SPKEN
INTMICEN INTMICEN
EXT_INT_SPKR*
A1
A2
DSP_RST*
ADSIC_SEL*
ADSIC_RST*
D0
D1
D2
D3
D4
D5
D6
MOSI
MISO
COL3
COL2
COL1
SPI_SCK
MOSI
ROW2
ROW1
SPI_SCK
ROW3
ROW4
ROW5
ROW6
63A81088C73-O
SHEET 2
TO SHEET 1

13-48
NCN6167A Controller Board Schematic Diagram, Sheet 3 of 4
SRAM
EEPROM
FLASH
DIGITAL 5V REGULATOR
5V ANALOG
REGULATOR
+5V VOLTAGE
DETECTOR
AUDIO PA
8
B+SENSE
+5VA
100K
R519
390
R197
0.1uF
C216
5
4
C215
0.1uF
C203
0.1uF
C214
18
VCC
4
11
0.47uF
10K
R185
0.22uF
C194
C182
6
20
4
470pF
10K
C197
0
R510
TL062
U714-1
2
3
1
8
4
3
4.7uF
C183 4.7uF
C184
+5VA
6
19
4.7K
R542
TL062
6
57
8
4
16
0
U714-2
1
0.1uF
C176
0.22uF
C195
C198
12
.01uF
7
3
1uF
C209
0.22uF
C193
5
2
47uF
C175
1K
R191 8
1uF
C208
13
9
VCC
0.1uF
C189
C205
0.1uF
C204 PWR_GND
U725-2
GND
3
VCC
5
0.33uF
Q105
12
4
+5VA
+5VA
U708-1
TC7S08F
2
14
8PLIN
7
PLOUT
12 REG
10
REGOUT
2
VCC1 3
VCC2 5
VCC3
11 GND2
25 GND3
26 GND4
29 GND5
30 GND6
17 INTMININ
15
MICAMPOUT
9NC
21
BOOTCAPC3
19 EN_AMP
16 EN_INTMIC
14 EN_MIC
18 EXTMICIN
20 EXT_INTSPKR
13 FREQCOMP
1GND1
24
AMP1OUT1
27
AMP2OUT
28
AMP2OUT1
31
AMP3OUT
32
AMP3OUT1
6AMPIN
4
BOOTCAPC1 22
BOOTCAPC2
4
U718
57W68
23
AMP1OUT
4.7uF
C201
2
0
6
7
+5VA
0.22uF
C211
Q110
0.1uF
C212
EN_OE
6EN_WE
21 GND 7
VCC
D1 20
D2 22
D3 23
D4 24
D5 25
D6 26
D7
27 EN_CE
1
A3
13 A4
12 A5
11 A6
10 A7
4A8
3A9
18
D0 19
A0
16 A1
28 A10
2A11
9A12
5A13
8A14
15 A2
14
2
AT28C256E-20
U706
17
4.7K
R209
S81250PG
GND
1
INPUT 2
OUTPUT
3
5
R186
12
U710
7
470K
0.1uF
C213
SW_B+
10
3
2
PWR_GND
U708-2
GND
3
VCC
5
100K
R188
SW_B+
10K
R212
C186 10K
R205
4.7uF
0
R214
100pF
C191
100pF
C190
+5VA
R211
4
EN_CS
20
EN_OE
22
EN_WE
27
GND
14
VCC
28
10K
D0 11
D1 12
D2 13
D3 15
D4 16
D5 17
D6 18
D7 19
A2
8
A3
7
A4
6
A5
5
A6
4
A7
3
A8
25
A9
24
A0
10
A1
9
A10
21
A11
23
A12
2
A13
26
A14
1
U705
MB84256-120
1uF
C207
1
68uH
L119
FERRITE BEAD
L501
3
VCC
7
Q108
VCC
0.22uF
C200
Q106
6.81K
C210
C199
5
10K
R203
0.22uF
10K
R184
7
11
1
0.1uF
C187
SS
2
SYNC
3
VIN
7VSW 8
VCC
U709
LM2672CB 1
FB
4
GND
6
ON_OFF*
?X
15K
R206
R189
9
+5VA
100K
U712
TC4S66F
CNTL
4
12
5
VDD
VSS
3
C206
1
24
9
0.33uF
R536
U725-1
TC7S08F
NC2 5
1
OUTPUT
VDD
2
100K
13
S80745SN
U726
3
GND
4NC1
11
2
C220
390
R193
R204
0.1uF
C202
10K
UNSW_B+
+5VA
SW_B+
4700pF
20K
R207
VCC
10
+5VA
16
TC4S66F
U713
CNTL
4
12
VDD
5
VSS
3
82.5K
R202
150K
R196
0
R194
4.7K
0
0
31
10K
R540
R535
6
2.2K
100K
R198
86
10
4.7uF
C185
R208
VCC
R195
100K
22K
R200
22K
150K
R201
0.1uF
C219
10K
R192
0
0.1uF
C217
R509
5
16
1
2
0.1uF
C179
Q113
Q109
100uF
C180
VCC
3
VCC
100K
R529
D104
5
Q107
47k
47k
R187
B+SENSE
.01uF
100K
0
R217
C177
0
0
R216
C196 17
R215
76
1
10K +5VA
+5VA
4
10K
R190
0
1
0.1uF
C192
1
R537
11V
VR121
R539
+5VA
R199
10K
R531
110K
UNSW_B+
0
R541
1
2
0
4.7uF
C188
10K
R213
0.1uF
C178
VCC
NC2 38
RP
10
VCC 30
VCC1 31
VPP 11
WE
?X
3
D7 35
EN_CE
22
EN_OE
24
EN_WE
9
23 GND
GND1
39
NC 29
NC1 37
A9
7
D0 25
D1 26
D2 27
D3 28
D4 32
D5 33
D6 34
A18
13
A2
19
A3
18
A4
17
A5
16
A6
15
A7
14
A8
8
A10
36
A11
6
A12
5
A13
4
A14
3
A15
2
A16
1
A17
40
U727
28F004BV-80
A0
21
A1
20
13
5
21
6
D1
D2
D3
D4
D5
D6
D7
POR*
D0
D1
D2
D3
D4
D5
D6
D7
A19
B+CNTL
INTMICEN
BOOT_SEL_VPP
VPP
MICEN
INT_SPKR
SPKR_COMMON
EXT_SPKR
D0
D1
D2
D3
D4
D5
D6
D7
D0
ROM2CS*
ROM1CS*
MEMCNTL(6:0)
MEMR_W*
HC11RST*
OE*
A10
A9
A8
A7
A6
A5
A4
A3
A18
A17
A16
A15_OUT
A14_OUT
A13
A12
A11
A2
A1
A0
RAMSEL*
CSGEN*
A(21:0)
SDO
EXT_INT_SPKR*
MAI
DATA(7:0)
EECS*
A4
A3
A2
A14_OUT
A13
A12
A11
A10
A1
A0
A9
A8
A7
A6
A5
A4
A3
A2
A14_OUT
A13
A12
A11
A10
A1
A0
SPKEN
INTMIC
EXTMIC
A9
A8
A7
A6
A5
63A81088C74-O