TAIYO YUDEN WYSAGVDX7 Wireless LAN Module User Manual

Taiyo Yuden Co., Ltd. Wireless LAN Module

user manual

  Confidential TAIYO YUDEN TAIYO YUDEN WYSAGVDX7           Wireless LAN Module  WYSAGVDX7 (IEEE802.11b/g/n)  Data Report        Please note that this manual should not be provided to end-users.
APPROVED  CHECKED  DRAWN  DESIGNED Control No.    HD-AG-   A140003 (1/8 ) Control name General    items       一般事項書       10 Jul. 2014     (1)Scope          適用 This specification (“Specification”) applies to the hybrid IC “WYSAGVDX7” for use Wireless LAN   Module (“Product”) manufactured by TAIYO YUDEN CO.,LTD. (“TAIYO YUDEN”) 本仕様書は、太陽誘電株式会社(“弊社”)により製造される Wireless  LAN 用ハイブリッド IC “WYSAGVDX7” (“本製品”)に適用する。  (2)Description 内    容 ① Part Number :    WYSAGVDX7 品    名          :    WYSAGVDX7   ② Function : Radio frequency transceiver Module (IEEE802.11bgn standard conformity) 機    能    :  無線通信モジュール(IEEE802.11bgn    規格準拠)  ③ Application :    DSLR 用    途        :  デジタル一眼レフカメラ  ④ Structure : Hybrid IC loaded with silicon and Gallium arsenide monolithic semiconductor 構    造  :  ガリウムヒ素  モノリシック半導体を用いた混成集積回路    Containment of    hazardous substance in this Product     *This product conforms to RoHS Directive (2002/95/EC). 本製品内の環境物質含有     *RoHS 指令(2002/95/EC)に適合しています。  ⑤ Terminal : Data input-output   : 15pin FPC Connector                                            503566-1500    (MOLEX) 電    極  :  データ入出力        : 15 ピン FPC コネクタ                 503566-1500    (MOLEX)              ⑥  Appearance: Label on the bottom side 外    装     : 無外装                  基板裏面にラベル貼付  ⑦  Country of origin : China                         製造国           :  日本                     TAIYO YUDEN CO.,LTD.
APPROVED  CHECKED  DRAWN  DESIGNED Control No.    HD-AG-   A140003 (2/8) Control name General    items       一般事項書      10 Jul. 2014   ⑧  Notes    : その他  : a. Limitation of Warranty 保証 i) TAIYO YUDEN provide warranties only if the Product is operated under the condition set forth in this Specification. Please note that TAIYO YUDEN shall not be liable for any defect and/or malfunction arising from use of the Product under the terms and conditions other than the operating conditions hereof. In addition when this Product is used under environmental conditions such as over voltage which are not guaranteed, it may be destroyed in short mode. To ensure the security of customer’s product, please add an extra fuse or/and a protection circuit for over voltage.  本製品の保証使用条件は本仕様書の通りです。 本保証条件以外の条件で御使用になった結果発生した不良・不具合につきましては、弊社は責任を負い兼ねますので御了承下さい。また、過電圧等本保証条件以外の条件で御使用になった場合、ショートモードで破壊する場合があります。安全性の確保のために、フューズや過電流保護回路等の追加をお願い致します。  ii) This Product is designed for use in products which comply with IEEE802.11bgn Specifications. TAIYO YUDEN disclaims and is not responsible for any liability concerning infringement by this Product under any intellectual property right owned by third party in case the customer uses this Product in any product  which  does  not  comply  with  IEEE802.11bgn Specifications  (the  “non-complying  products”). Furthermore, TAIYO YUDEN warrants only that this Product complies with this Specification and does not grant any other warranty including warranty for application of the non-complying products.  本製品はIEEE802.11bgn,の規格に従って製造された製品であり、本製品の用途がIEEE802.11bgn規格以外もしくは当該規格に従わない製品への使用の場合、弊社は第三者の知的財産権の侵害に基づくいかなる責任を負いません。また、弊社は本製品が本仕様書に準拠することのみを保証するもので、上記IEEE802.11bgn規格外製品への応用についての保証等いかなる保証を行うものではありません。  b. Instruction for Use (CAUTION)     使用上の注意事項 i) Because Product is not designed for radiation durability, please refrain from exposing Product to radiation in the use.  本製品は、耐放射線設計をしておりませんので、放射線のストレスを受ける環境下での使用は避けて下さい。  ii) Communication between this Product and other might not be established nor maintained depending upon radio environment or operating condition of this Product and other products with wireless technology. 本製品と本製品又は他製品の通信は、周囲の電波環境及び機器環境により確立又は維持し難くなることがあります。  iii) This Product operates in the unlicensed ISM band at 2.4GHz. In case this Product is used around the other wireless devices which operate in same frequency band of this Product, there is a possibility that interference occurs between this Product and such other devices. If such interference occurs, please stop the operation of other devices or relocate this Product before using this Product or do not use this Product around the other wireless devices.  本製品は 2.4GHz 帯の周波数を使用しています。本製品を本製品と同じ周波数を使用した他の無線機器の周辺でご使用になりますと、本製品とかかる他の無線機器との間で電波干渉が発生する可能性があります。電波干渉が発生した場合、他の無線機器を停止するか、本製品の使用場所を変えるなど電波干渉の生じない環境でご使用下さい。    TAIYO YUDEN CO., LTD.
APPROVED  CHECKED  DRAWN  DESIGNED Control No.    HD-AG-   A140003 (3/8) Control name General    items       一般事項書      10 Jul. 2014   iv) This Product mentioned in this Specification is manufactured for use in DSLR. Before using this product in any  special  equipment  (such  as  medical  equipment,  space  equipment,  air  craft,  disaster  prevention equipment), where higher safety and reliability are duly required, the applicability suitability, or fitness for particular purpose of this Product must be fully evaluated by the customer at its sole risk to ensure correct and safety operation of those special equipments. Also, evaluation of the safety function of this Product even for use in general electronics equipment shall be thoroughly made and when necessary, a protective circuit shall be added in design stage, all at the customer’s sole risk.  本仕様書に記載されている本製品は、デジタル一眼レフカメラ用として製造されております。従って、高度の安全性や信頼性が求められる医療用機器、宇宙用機器、あるいは防災機器等にお使いになるときには、本製品の適用可能性、相応性、特定目的に対する適合性をお客様の独自の責任で十分に評価、検討され、御判断下さい。又、一般機器において御使用になる場合にも、お客様の独自の責任で十分な安全性評価を実施され、必要に応じて設計時に保護回路等を追加してください。  v) Japan Regulatory Information     日本規制情報  This product with a specific antenna is a radio system approved for Type Approval. Please follow the instructions below on designing your product. 本製品は、特定アンテナとの組み合わせにおいて工事設計認証を受けた無線設備です。 御社製品に搭載される場合、下記内容を遵守願います。  a) This module is certified by Type Approval as the device which has SDIO Interface.   Please do not use other purposes except that of certified. Please contact TAIYO YUDEN for more details of purposes of this product. 本モジュールの用途は、SDIO インターフェイスを持つ装置として工事設計認証を受けています。 規定されている用途以外の機器へは使用しないで下さい。 用途の詳細につきましては、弊社までお問い合わせ願います。    b) Please notify clearly below sentences, on your product or in the product manual. 御社製品あるいはマニュアルに下記文言を明示願います。  This product has a radio system which was approved as a radio station in a low power data communication system based on the Radio Law. Name of the radio system: 001-A03958 本製品には、電波法に基づく小電力データ通信システムの無線局として、工事設計認証を受けた無線設備を内蔵しています。 無線設備名:001-A03958  vi) IC Regulatory Information   IC 規制情報                                            a) This device complies with Industry Canada licence-exempt RSS standards. Operation is subject to the following two conditions: (1) this device may not cause interference, and  (2)  this  device  must  accept  any  interference,  including  interference  that  may  cause undesired operation of the device.  Le present appareil est conforme aux CNR d'Industrie Canada applicables aux appareils radio exempts de licence. L'exploitation est autorisee aux deux conditions suivantes : (1) l'appareil ne doit pas produire de brouillage, et (2) l'utilisateur de l'appareil doit accepter tout brouillage radioelectrique subi, meme si le brouillage est susceptible d'en compromettre le fonctionnement.  本装置はIC ライセンスを免除された RSS 標準に準じております。 動作は下記の 2条件に従います。 (1)  本装置は妨害波の原因とはなりません。 (2)  本装置は好ましくない装置動作の原因となるどのような妨害波を受信した場合も受け入れます。 TAIYO YUDEN CO., LTD.
APPROVED  CHECKED  DRAWN  DESIGNED Control No.    HD-AG-   A140003 (4/8) Control name General    items       一般事項書      11 Aug. 2014   b) Please notify certified ID by either one of the following method on your product. Specifiez ID certifiée dans votre produit par une de méthode suivante. 本製品を組み込む製品には、認証ID を下記いずれかの方法で記載をお願いします。                    -Contains Transmitter module IC : 4389B-WYSAGVDX7                                   -Contains IC : 4389B-WYSAGVDX7  c) Please include following or similar statement into user manual of your host equipment installs this product. The statement in French should be available for the user manual in Canadian area. Incluez suivre ou déclaration semblable dans utilisateur manuel de votre matériel de l'hôte installe ce  produit,  s'il  vous  plaît.    La  déclaration  en  français  devrait  être  disponible  pour  l'utilisateur manuel dans région canadienne. 本製品を組込むホスト装置のユーザーマニュアルへ、以下もしくは同様の文章の記載をお願いします。カナダ向けユーザーマニュアルでは、フランス語での表記が要求されます。  d)-1.  [Model name of host equipment] is equipped with WLAN device with IC and FCC ID:  -FCC ID: RYYWYSAGVDX7 -IC: 4389B-WYSAGVDX7  [Nom modèle du matériel de l'hôte] est équipé d'un appareil WLAN avec l'identifiant FCC et Canada suivant:  -FCC ID: RYYWYSAGVDX7 -IC:4389B-WYSAGVDX7    [ホスト装置モデル名]  は以下 認証ID 取得済みWLAN 装置を搭載しています: -FCC ID: RYYWYSAGVDX7 -IC: 4389B-WYSAGVDX7  d)-2.  (1)This  device  may  not  cause  interference,  and  (2)  this  device  must  accept  any  interference, including interference that may cause undesired operation of the device.  (1) l'appareil ne doit pas produire de brouillage, et (2) l'utilisateur de l'appareil doit accepter tout brouillage  radiolectrique  subi,  mme  si  le  brouillage  est  susceptible  d'en  compromettre  le fonctionnement.   (1)本装置は、有害な妨害波の原因とはなりません。 (2)本製品は好ましくない装置作動の原因となる、どのような妨害波を受信した場合も受け入れます  e) Voltage put into this module from host equipment has to be routed thorough power supply   regulation on the equipment and stably used in accordance with specification stated in this   data report.                                        ホスト装置からこのモジュールへ入力される電圧は、電源供給レギュレーターを経由し、この データレポートで規定されるスペックに沿って安定したものでなければなりません。     TAIYO YUDEN CO., LTD.
APPROVED  CHECKED  DRAWN  DESIGNED Control No.    HD-AG-   A140003 (5/8) Control name General    items       一般事項書      10 Jul. 2014    vii) FCC Regulatory Information FCC 規制情報  a) This device complies with part 15 of the FCC Rules. Operation is subject to the following two conditions: (1) This device may not cause harmful interference, and (2) this device must accept any interference received, including interference that may cause undesired operation. 本装置はFCC 規則第15 章に準拠しています。動作は下記の 2条件に従います。 (1)  本装置は、有害な妨害波の原因とはなりません。 (2)  本装置は、好ましくない装置動作の原因となるどのような妨害波を受信した場合も受け入れます。  b)  CAUTION:  changes  or  modifications  not  expressly  approved  by  the  party  responsible  for compliance could void the use’s authority to operate the equipment 適合に責任を持つ当事者によって承認されていない変更や改造は、装置運用の認定が無効となります。  c) Please notify certified ID by either one of the following method on your product. 本製品を組み込む製品には、認証ID を下記いずれかの方法で記載をお願いします。 -Contains Transmitter Module FCC ID: RYYWYSAGVDX7 -Contains FCC ID: RYYWYSAGVDX7   d) Please include following or similar statement into user manual of your host equipment installs this product.   本製品を組込むホスト装置のユーザーマニュアルへ、以下もしくは同様の文章の記載をお願いします。   TAIYO YUDEN CO., LTD.
APPROVED  CHECKED  DRAWN  DESIGNED Control No.    HD-AG-   A140003 (6/8) Control name General    items       一般事項書      11 Aug..2014    e)-1.  [Model name of host equipment] is equipped with WLAN device with IC and FCC ID:  -FCC ID: RYYWYSAGVDX7 -IC: 4389B-WYSAGVDX7  [ホスト装置モデル名]  は以下 認証ID 取得済みWLAN 装置を搭載しています:  -FCC ID: RYYWYSAGVDX7 -IC: 4389B-WYSAGVDX7  e)-2.  (1)This device may not cause interference, and (2) this device must accept any interference, including interference that may cause undesired operation of the device.   (1)本装置は、有害な妨害波の原因とはなりません。 (2)本製品は好ましくない装置作動の原因となる、どのような妨害波を受信した場合も受け入れます。  e)-3  CAUTION: To maintain compliance with FCC’s RF exposure guidelines, use only the supplied antenna. Unauthorized antenna, modification, or attachments could damage the transmitter and may violate FCC regulations.  注意事項:FCC のRF 被ばくガイドラインへの適合維持の為、供給されたアンテナのみを使用してください。 許可されないアンテナ、改修、取り付けは、送信機を損傷し、FCC 規定違反となる可能性が御座います。  f) Voltage put into this module from host equipment has to be routed thorough power supply   regulation on the equipment and stably used in accordance with specification stated in this   data report.                                        ホスト装置からこのモジュールへ入力される電圧は、電源供給レギュレーターを経由し、この データレポートで規定されるスペックに沿って安定したものでなければなりません。                  TAIYO YUDEN CO., LTD.
APPROVED  CHECKED  DRAWN  DESIGNED Control No.    HD-AG-   A140003 (7/8) Control name General    items       一般事項書      10 Jul.2014    c. Term of Support     サポート条件 i) You are requested to fully check and confirm by the start of mass production of this Product that (1) no bug, defect or other failure is included in firmware and driver (collectively called “Software” in this document) used with this Product, (2) no bug, defect or other failure arising from installation of this Product into your product and (3) Software fully meets your intended use. 御社におかれましては本製品の量産開始前までに、適用されるファームウェア及びドライバに瑕疵やその他品質上の不具合、御社製品への組み込み上の不具合がない事を十分に評価され、御社での本製品の使用用途に合致するものであることをご確認頂けますようお願い申し上げます。  ii) Do not alter Hardware and/or Software (EEPROM Data) of this Product.                                         Please note that TAIYO YUDEN shall not be liable for any problem if it is caused by customer's alteration of Hardware or/and Software without Taiyo Yuden's prior approvals 本製品は Hardware、及び Software(EEPROM 格納データ)の変更は行わないで下さい。 弊社の許可なく変更した場合に、その変更によって生じたすべての問題に対して弊社は一切 責任を負いません。  iii)Any failure  arising  out  of this Product  after  mass  production  will  be  examined by  TAIYO YUDEN. Customer agrees that once such failure is turned out not to be responsible for TAIYO YUDEN after aforesaid examination, some of the technical support shall be conducted by TAIYO YUDEN at customer’s expense; provided however, exact cost of this technical support can be agreed through the negotiation by the parties. お客様にて量産適用後、本製品に起因する問題が生じた場合、弊社は問題解決のために要因の検討を行います。この結果、問題の要因が弊社にないことが判明した後のお客様へのサポートにつきましては、一部有償とさせて戴きますので、予めご了承願います。なお、この際のサポート費用につきましては、その都度両社協議の上、定めさせて頂きます。                              TAIYO YUDEN CO., LTD.
APPROVED  CHECKED  DRAWN  DESIGNED Control No.    HD-AG-   A140003 (8/8) Control name General    items       一般事項書      10 Jul.2014    d. Caution for Export Control        輸出注意事項 This Product  may be  subject  to governmental  approvals, consents,  licenses, authorizations, declarations, filings, and registrations for export or re-export of the Product, required by Japanese Foreign Exchange and Foreign Trade Law(including related laws and regulations) and/or any other country’s applicable laws or regulations related to export control. In case you will export or re-export this Product, you are strongly recommended to check and confirm, before exporting or re-exporting, necessary procedures for export or re-export of this Product which is required by applicable laws and regulations, and if necessary, you have to obtain necessary and appropriate approvals or licenses from governmental authority. 本製品は、日本国の「外国為替及び外国貿易法」(関連法令・規則を含む)及び/又は諸外国の輸出管理関連法規に基づく輸出(再輸出を含む)申請、承認又は許可の対象となる場合があります。本製品を輸出(再輸出)する場合には、必ず事前にこれら関連法規が定める手続をご確認頂き、必要な場合には適切な承認・許可をお取りください。   e. Items of the Specification     仕様書の記載事項 i) Any question arising from the Specification shall be solved in good faith through mutual discussion by the parties hereof. 本仕様書に疑義の生じた場合は、打ち合わせにより解決します。  ii) The language of this “General items” is Japanese and this “General items” shall be interpreted by Japanese Any copies of translation is a reference purpose only and is not binding on both parties hereto.   本一般事項書は、日本語の記載を主文とし、日本語で解釈されるものとします。翻訳による副本はあくまで参照の目的のみであり、両当事者を法的に拘束するものではありません。        f. Storage term 保管期間  TAIYO YUDEN guarantees that this product meets this specification for one year after delivery of this product. Any question arising out of this Specification shall be solved in good faith through mutual discussion by the parties hereof. 弊社は納入後一年間、本製品が本仕様書を満足することを保証します。 本仕様書に記載のない事項については協議の上解決するものとします。   TAIYO YUDEN CO., LTD.
APPROVED CHECKD DRAWN DESIGNED Control No.    HD-AM-   A140003       (1/1) Control name Absolute maximum ratings  絶対最大定格書     16 Apr. 2014   Absolute maximum ratings  Rating Item Symbol Min. Typ. Max. Unit  Remark Supply voltage1  VCC33  -  -  4.0 Supply voltage2  VCC18  -  -  1.98 Supply voltage3  VIO  -  -  4.0VV   Storage temperature range  Tstg  -40        85  Degrees C   Operation temperature range  Topr  0  25  70  Degrees C  Note1  *Note1  周囲温度ではなく無線モジュールの基板、シールドケース又はデバイス上の温度といたします。          動作温度範囲を超えないよう放熱対策を施した上で動作させてください。  Recommendation operating range  Rating Item Symbol Min. Typ. Max. Unit  Remark Supply voltage1  VCC33  3.0  3.3  3.6  V  Note2 Supply voltage2  VCC18  1.71  1.8  1.89  V  Note2 Supply voltage3  VIO  1.71/3.0  1.8/3.3  1.89/3.6  V  Note2   *Note2 各入力電圧の推奨値は、モジュールコネクタ部における入力電圧といたします。                            TAIYO YUDEN CO., LTD.
TAIYO YUDEN CO.,LTD. APPROVED CHECKED DRAWN  DESIGNED Control No.    HD-AE-   A140003             (1/3) Control name Electrical characteristics  電気的特性書    10 Jul. 2014   Electrical characteristic DC Specifications         Current / Power consumption     The Specification applies for Topr.=25 degrees C, Supply voltage=Typical voltage.     . No. Parameter  Condition  Symbol Min.  Typ.  Max.  Unit Remark 1 Peak Current1 VIO Ip1  -  -  5  mA  2 Peak Current2 VCC33 Ip2  -  -  300  mA  3 Peak Current3 VCC18 Ip2  -  -  150  mA  4 Power consumption1 Burst Tx (72Mbps) Pc1  -  178    mW Duty 2.4% 5 Power consumption2 Continuous Rx (72Mbps)  Pc2  -  188    mW  6 Power consumption3 Burst Tx (54Mbps) Pc3  -  265    mW Duty 25.4% 7 Power consumption4 Continuous Rx (54Mbps)  Pc4  -  181    mW  8 Power consumption5 Burst Tx (11Mbps)  Pc5  -  397    mW Duty 43.4%   9 Power consumption6 Continuous Rx (11Mbps)  Pc6  -  173    mW  10 Power consumption7 Deep Sleep  Pc7  -  2.4  -  mW VIO=3.3V 11 Power consumption8 IEEE Power Save*1   (DTIM=1  /  Beacon  Interval =100mS)    Pc8  -  8.6  -  mW VIO=3.3V        *1   AP:CG-WLR300GNH(COREGA)                              Digital Pad Ratings No. Parameter  Condition  Symbol  Min.  Typ.  Max.  Unit Remark 1 Input Low Voltage  VIL  -0.4  -  0.3*VIO  V  2 Input High Voltage SD_D[3:0], SD_CLK, SD_CMD  VIH  0.7*VIO  -  VIO+0.4  V  3 Input Low Voltage  VIL  -0.4  -  0.3*VCC3.3 V  4 Input High Voltage  PDn  VIH  0.7*VCC3.3 -  VCC3.3+0.4 V  5 Output Low Voltage VOL  -  -  0.4  V  6 Output High Voltage SD_D[3:0],SD_CMD  VOH      VIO-0.4  -  -  V
TAIYO YUDEN CO.,LTD. APPROVED CHECKED DRAWN  DESIGNED Control No.    HD-AE-   A140003             (2/3) Control name Electrical characteristics  電気的特性書     10 Jul. 2014            AC Specifications Power-on off timing   Parameter  Condition Symbol Min Typ  Max Unit Remark 1 Valid Power to PDn de-asserted    Tpor  100     mS  2 PDn asserted before Power ramp down    Tpoff  100     mS  <Power-on sequence> PDn should be asserted low (active) during VCC33, VCC18 and VIO ramp-up and must continue to asset low for a minimum of Tpor after VCC33, VCC18 and VIO are stable.   .  <Power-off sequence> PDn should be asserted low (active) for a minimum of Tpoff before VCC33, VCC18 and VIO start to ramp down.         PDn should be asserted low during VCC33, VCC18 and VIO ramp down.   External    power down (PDn) Parameter  Condition Symbol Min Typ  Max Unit Remark 21    1 PDn pulse width    Tppw  100     Ms  Note 1: PDn is pulled up to VCC33 internally.  PDn should be asserted while VCC33, VCC18 and VIO are stable.    For lowest current consumption, apply all power rails to the module during the assertion of PDn pin.
TAIYO YUDEN CO.,LTD. APPROVED CHECKED DRAWN  DESIGNED Control No.    HD-AE-   A140003             (3/3) Control name Electrical characteristics  電気的特性書     10 Jul. 2014            SDIO Interface Specifications Parameter  Symbol Condition  Min Typ Max Unit Remark Normal  0  -  25 1  Input SDIO_CLK Frequency  Tf  High Speed  0  -  50  MHz  Normal  10  -  - 2  Input SDIO_CLK    High Time  Tch  High Speed  7  -  -  ns   Normal  10  -  - 3  Input SDIO_CLK    Low Time  Tcl  High Speed  7  -  -  ns   Normal  5  -  - 4  Input SDIO_CMD, DATA[3:0] Setup time  Tsu  High Speed  6  -  -  ns   Normal  5  -  - 5  Input SDIO_CMD, DATA[3:0] Hold time  Thd  High Speed  2  -  -  ns   6  Output SDIO_CMD, DATA[3:0] Delay time    Tod  -  -  -  14  ns  7  Output SDIO_CMD, DATA[3:0] Hold time  Toh  High Speed  2.5  -  -  ns   Normal Mode                                                                                      High Speed Mode SD_CLKSD_CMDSD_DATA[3:0]HOST > WiFiWiFi  > HOSTTfTch TclTsu ThdTodSD_CMDSD_DATA[3:0]SD_CLKSD_CMDSD_DATA[3:0]HOST > WiFiWiFi  > HOSTTfTch TclTsu ThdTodSD_CMDSD_DATA[3:0]Toh
APPROVED CHECKED DRAWN DESIGNED Control No.    HD-AE-     B140003 (1/3) Control name Electrical characteristics       電気的特性書     10 Jul2014    RF Specifications (WLAN 11n/72.2Mbps, OFDM) The Specification applies for Ta=25 degrees C, Supply voltage =Typical voltage.  No.  Parameter Condition Symbol Min Typ Max Unit Remark1  RF frequency range    FREQ  2412   2472  MHz   2  TX Power   Po 4 6 8 dBm  1st Side Lobe  M1 -  -20 dBc  2nd Side Lobe  M2 -  -28 dBc  3  Spectrum Mask 3rd Side Lobe  M3 -  -45 dBc  4  Symbol clock tolerance   Ft -25  25 ppm  5  Frequency tolerance   Ft -25  25 ppm   6  EVM  Rms  EVM -   -28 dB  7  Rx sensitivity  PER<10%  SEN - -69 -64 dBm  8  Maximum Input Level  PER<10%  MIL -20   - dBm             TAIYO YUDEN CO., LTD.
APPROVED CHECKED DRAWN DESIGNED Control No.    HD-AE-     B140003 (2/3) Control name Electrical characteristics       電気的特性書     10 Jul. 2014   RF Specifications (WLAN 11g/54Mbps, OFDM) The Specification applies for Ta=25 degrees C, Supply voltage =Typical voltage.  No.  Parameter Condition Symbol Min Typ Max Unit Remark1  RF frequency range    FREQ  2412   2472  MHz   2  TX Power   Po 4 6 8 dBm  1st Side Lobe  M1 -  -20 dBc  2nd Side Lobe  M2 -  -28 dBc  3  Spectrum Mask 3rd Side Lobe  M3 -  -40 dBc  4  Symbol clock tolerance   Ft -25  25 ppm  5  Frequency tolerance   Ft -25  25 ppm  6  EVM  Rms  EVM -   -25 dB  7  Rx sensitivity  PER<10%  SEN - -72 -65 dBm  8  Maximum Input Level  PER<10%  MIL -20   - dBm   TAIYO YUDEN CO., LTD.
APPROVED CHECKED DRAWN DESIGNED Control No.    HD-AE-     B140003 (3/3) Control name Electrical characteristics       電気的特性書     10 Jul. 2014   RF Specifications (WLAN 11b/11Mbps, CCK) The Specification applies for Ta=25 degrees C, Supply voltage=Typical voltage.  No.  Parameter Condition Symbol Min Typ Max Unit Remark1  RF frequency range   FREQ 2412   2472 MHz  2  TX Power   Po 4 6 8 dBm  1st Side Lobe  M1 -  -30 dBc  3  Spectrum Mask  2nd Side Lobe  M2 -  -50 dBc  Power up  TU -  2 us  4  Power up-down rump  Power down  TD -  2 us  5  Frequency tolerance   Ft -25  25 ppm  6  EVM  Peak  EVM -   35 %  7  Rx sensitivity  PER< 8%  SEN  -86 -76 dBm  8  Maximum Input Level  PER< 8%  MIL -10    dBm    TAIYO YUDEN CO., LTD.
  TAIYO YUDEN CO.,LTD. Control No.  Control name  APPROVED  CHECKED   DRAWN  DESIGNED   HD-AD-        Outline ・ Appearance     A140003            外形・外観図              ( 1 / 1  )      10 Jul. 2014   Unit: mm   2.15mmPCB0.5±0.1
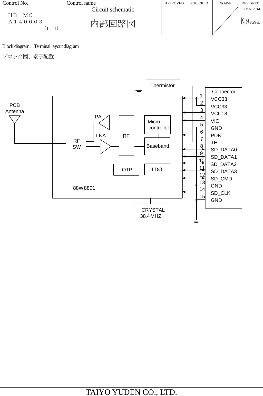
APPROVED CHECKED DRAWN DESIGNED Control No.  HD-MC-   A140003 (1/1) Control name Circuit schematic  内部回路図    18 Mar. 2014  TAIYO YUDEN CO., LTD.  Block diagram,Terminal layout diagram ブロック図、端子配置   PCBAntennaRFSWPARFMicrocontrollerLDOBaseband88W8801CRYSTAL38.4MHZConnector1234567891012131415ThermistorSD_DATA0VIOPDNVCC33VCC33VCC18GNDTHSD_DATA1SD_DATA2SD_DATA3SD_CMDGNDSD_CLKGND11LNAOTP
APPROVED CHECKED DRAWN DESIGNED Control No.    HD-BA-     A140003 (  1 / 1  ) Control name  Pin layout  ピンレイアウト図     16 Apr. 2014 Terminal layout drawing 端子配置図  NC121514     No. Pin Name  I/O  I/O Vol-lvl  Description 1  VCC33  I  VCC33  Main Power Supply (3.3V) 2 VCC33  I  VCC33  Main Power Supply (3.3V) 3 VCC18  I  VCC18  1.8V Power Supply   4 VIO  I  VIO  1.8V/3.3V  I/O  Power Supply 5 GND  -  GND  GND 6 PDn  I  VCC33  Power Down (H:normal operation, L:power down) Pulled up to VCC33 7 TH  -  -  Terminal of thermistor 8 SD_DATA0  I/O  VIO  SDIO DATA0 9 SD_DATA1  I/O  VIO  SDIO DATA1 10 SD_DATA2  I/O  VIO  SDIO DATA2 11 SD_DATA3  I/O  VIO  SDIO DATA3 12 SD_CMD  I/O  VIO  SDIO Command 13 GND  -  GND  GND 14 SD_CLK  I  VIO  SDIO CLOCK 15 GND  -  GND  GND TAIYO YUDEN CO., LTD  (TOP VIEW)

Navigation menu