TOKWA PRECISION TECHNOLOGY CP00 CAR RADIO User Manual 1
SHENZHEN TOKWA PRECISION TECHNOLOGY CO., LTD. CAR RADIO 1
Users Manual

300W 4CH
CP-650
2 DIN 6.5'' TFT Monitor
MP3/MP4 Player
AM/FM Radio
Support Bluetooth
Support iPod/iPhone
Support CarPlay
EN
CarPl ay U S B
BT-P BT-M
Seng
WARNING!
Any Changes or modifications not expressly approved by the party responsible for
compliance could void the user's authority to operate the equipment.
Note: This equipment has been tested and found to comply with the limits for a Class B
digital device, pursuant to part 15 of the FCC Rules. These limits are designed to provide
reasonable protection against harmful interference in a residential installation. This
equipment generates uses and can radiate radio frequency energy and, if not installed and
used in accordance with the instructions, may cause harmful interference to radio
communications. However, there is no guarantee that interference will not occur in a
particular installation. If this equipment does cause harmful interference to radio or
television reception, which can be determined by turning the equipment off and on, the user
is encouraged to try to correct the interference by one or more of the following measures:
-Reorient or relocate the receiving antenna.
-Increase the separation between the equipment and receiver.
-Connect the equipment into an outlet on a circuit different from that to which the receiver is
connected.
-Consult the dealer or an experienced radio/TV technician for help.
This equipment complies with FCC radiation exposure limits set forth for an uncontrolled
environment. This equipment should be installed and operated with minimum distance
20cm between the radiator & your body.

WARNING!
To promote safety, certain functions are disabled unless the parking brake is on.
The Unit is designed to detect parked status and must be connected to the power
supply side of the parking brake switch. Improper connection or use of this
connection may violate applicable law and may result in serious injury or damage.
To avoid the risk of damage and injury and the potential violation of applicable
laws, this unit is not for use with a video screen that is visible to the driver.
To avoid the risk of accident and the
potential violation of applicable laws, the
front Video image feature should never be
used while the vehicle is being driven. Also,
other video displays should not be in a
location where it is a visible distraction to
the driver. In some countries or states the
viewing of images on a display inside a
vehicle even by persons other than the
d r i v e r m a y b e i l l e g a l . W h e r e s u c h
regulations apply, they must be obeyed and
this unit's DVD features should not be used.
Please remember to wear your seat belt at
all times while operating your vehicle. If you
are ever in an accident, your injuries can be
considerably more severe if your seat belt is
not properly buckled.
The supplier waves any and all liability
when these warnings are not followed.
OPERATION PRECAUTIONS
Only connect to a 12V DC battery and
negative grounding.
Avoid placing the product in direct sunlight,
in areas with high levels of dust, high
temperatures (over 40°C) or high humidity
(over 90%). In case of high temperatures,
cool down the car interior by means of
ventilation or air-conditioning.
Operate in well ventilated areas.
Do not turn on or off the product in short
intervals. When turning the unit off, wait for
at least 10 seconds prior to turning the unit
on again. Do not operate the player with
scratched, bended or broken discs and
when a disc is not loaded properly, do not
force it into the player.
Do not watch video playback while driving
which will cause serious danger and risks
of traffic accident. It may violate the laws
and regulations.
Do not install the unit where the operation
for safety driving is restrained.
Do not disassemble the unit by yourself, if
need repairing, please take the unit to the
after service center.
Do not open and close the monitor manually,
it may damage the monitor tilt system.
Do not touch the LCD screen by hard objects,
it may damage or give scratch to the LCD
screen.
If the back of monitor touches dashboard or
air-conditioner inlet etc after open the
monitor , then setup TILT level in monitor
TILT menu to prevent damage from repeat
touching.
Car parking under direct sunlight may
increase the temperature inside the car and
the unit may not be in proper operation,
please try it again after the temperature
returns to normal.
Do not replace the fuse on the power cable
with o u t p r o f e s s i onal g u i d a n c e , u s i n g
improper fuse may cause damage to the unit
or even cause burn the unit.
Do not use irregular shaped Disk.
IR remote control operation may be hindered
by monitor when the monitor is opened, thus
please use the remote control at the similar
level of remote control receiver.
Do not install the unit where the cooling fan
is blocked.
(There may be exceptional case, i.e., using
rear view camera and navigation system)

Content
WARNING!.....................................................................................................................................3
OPERATION PRECAUTIONS.............................................................................................................3
CONTENTS .....................................................................................................................................4
ACCESSORIES.............................................................................................................................5
INSTALLATION / UN-INSTALLATION ................................................................................................6
WIRING CONNECTIONS ...................................................................................................................6
PANEL..........................................................................................................................................8
REMOTE CONTROL.....................................................................................................................8
REMOVE BATTERY.......................................................................................................................9
ICON operation..............................................................................................................................10
•RADIO PLAYER..........................................................................................................................10
•BT Phone...............................................................................................................................10
• B T M u s i c . . .. . . .. . . .. . . . . . . . . . . . . .. . . .. . . .. . . . . . . . . . . . . .. . . .. . . .. . . . . . . . . .. . . .. . . .. . . .. . . . . . . . . .. . . .. . . .. . . . . . . 1 1
•Music/Video......................................................................................................................12
•USB ....... ... ....... ....... ....... ....... ....... ....... ....... ....... ....... ....... ....... ....... ....... ....... ....... ......1 3
•Music/Video.....................................................................................................................13
•iPo d.... .. ..... .. ... .. ..... .. ..... .. ..... ..... .. ..... .. ..... ..... .. ..... .. ..... ..... .. ..... .. ..... .. ... .. ..... .. ..... .. ... .1 3
•Setting .......................................................................................................................13
Display Setting.....................................................................................................................13
Sound Setting..........................................................................................................................13
System Information..................................................................................................................14
Wallpaper...............................................................................................................................14
•Time ............................................................................................................................14
•DIMMER..................................................................................................................................... 1 4
•AU X.... ... ..... ... ..... ..... ... ..... ... ..... ... ..... ..... ... ..... ... ..... ..... ... ..... ... ..... ... ..... ..... ... ..... ... ..... 14
CarPlay Description.......................................................................................................................15
Connection.......................................................................................................................17
Other function...........................................................................................................................18
TROUBLESHOOTING.....................................................................................................................19
TROUBLESHOOTING......................................................................................................................20
TECHNICAL SPECIFICATIONS..........................................................................................................21
V i d e o F i l e C o n v e r s i o n 1 0 1 . . . . . . . . . . . . . . . . . . . . . . . . . . . . . . . . . . . . . . . . . . . . . . . . . . . . . . . . . . . . . . . . . . . . . . 2 2

300 W 4CH
CP -6 50
2 DIN 6. 5'' TFT M onito r
MP3/ MP4 Pla yer
AM/F M Radio
Supp ort Blu etoot h
Supp ort iPo d/iPh one
Supp ort Car Play
EN
CarPlay USB
BT-P BT-M
Seng
ACCESSORIES
Package contains the following accessories for installation and operation of the unit.
Remote Control User Manual Warranty card
Power Cable Trim ring
Note:Product image may vary from the actual delivery.
5
(1) Washer, Spring Washer, M5 Nut 1 each
(2) Mounting Strap 1
(3) Bolt 1
(4) Screw M5x6 8
(5) Bracket (Left/Rgiht) 2
(7) Screw 1
(8) Rubber Cushion 1
Left Right
Car Play U S B
BT-P BT-M
Se ng
Microphone
Speaker Cable

INSTALLATION / UN-INSTALLATION
Before starting installation of the unit, make sure
the wiring is connected properly.
Use only the parts provided with the unit to ensure
proper installation.
The us e of unaut ho rized pa rt s may c au se
malfunction.
Install the unit where it does not get in the driver's
way and will not injure the passenger in case
there is a sudden stop, like an emergency stop.
Note
Put the 2 brackets to the left and right side of
the unit.
Use screws to fix the brackets to the unit.
INSTALLATION
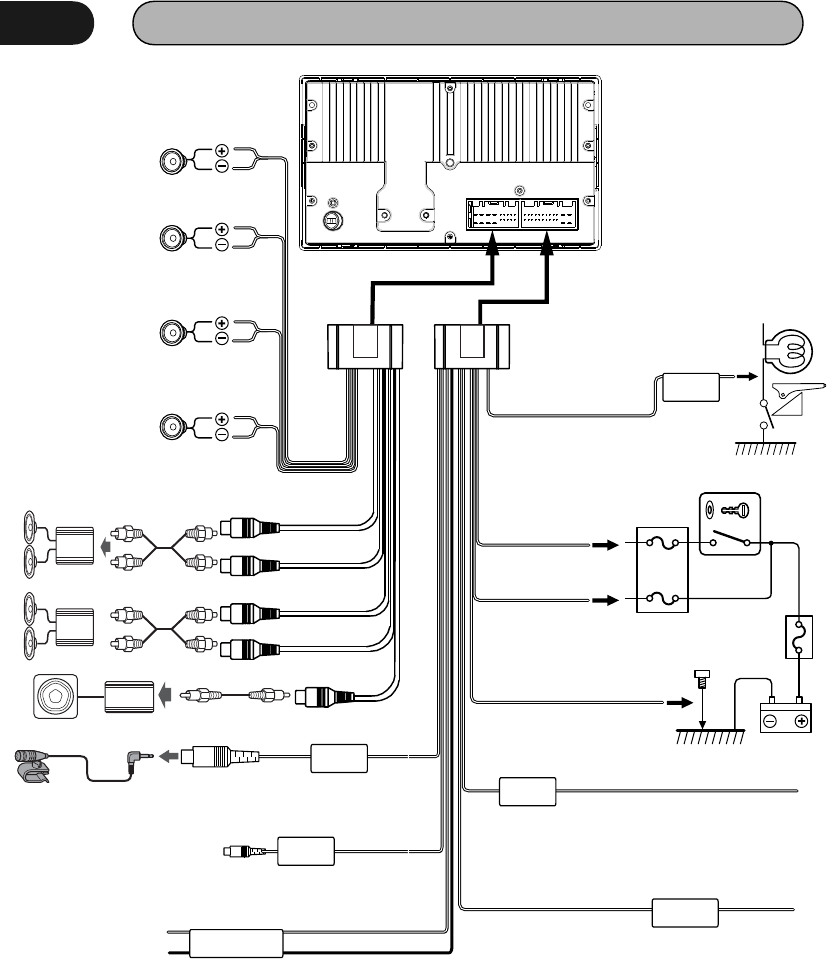
WIRING CONNECTIONS
Make sure you have good chassis ground. A
good ground connection will eliminate most
electrical noise problems. A good chassis
ground requires a tight connection to the
vehicle's metal chassis. The area around the
ground connection should be clean, bare metal
without rust, paint, plastic, dust, or dirt for a
good electrical connection.
Caution: Do not interchange the connection of
the wiring!!!
For some car models you may need to modify
wiring of the supplied power cord. Contact your
authorized car dealer before installing this unit.
Using the power connector
Cut the connector; connect the colored leads of
the power cord to the car battery as shown in
the color code table below for speaker and
power cable connections.
6
Mounting Strap
A mounting strap id often included with new
stereos. For most installations, it is not necessary
part of the installation process. However, It can be
useful to help support the stereo in yr dash; it also
helps reduce vibration. One end of mounting strap
attaches (with a screw) to the rear of the stereo.
The other end attaches to an existing bolt or
screw behind the dash. Just bend the shape as
necessary to enable mounting.
M5x6mm
1
2
3
4
5
6
7
8
9
10
11
12
13
14
15
16
17
18
19
20
21
22
23
24
25
26
27
28
29
30
31
32
33
34
35
36
37
38
39
40
41
42
FL+ White
FL- White/Black
FR+ Grey
FR- Grey/Black
RL+ Green
RL- Green/Black
RR+ Vilot
RR- Vilot/Black
L-OUT FL White
L-OUT FR Red
L-OUT RL White
L-OUT RR Red
Subwoofer Blue
Camera in Yellow
Microphone Black
Reverse Pink
GND Black
Battery+12VDC Yellow
Auto Antenna Blue
ACC+12VDC Red
SWC-IR Blue
SWC GND Black
Parking Br own
GND Black

WIRING CONNECTIONS
NOTE: Never connect cable to the system while it
is connected to the battery power. Whenever the
unit is disconnected from the battery, the preset
memory will be erased and the unit will go back to
its factory defaults.
When the brown cable for steering wheel control
connected to the steering wheel, we can use the
steering wheel to control some unit.
ASWC Connections
To use an external universal SWC module,
connect only IR (Green) to the output of the
module.
Note: To watch video the parking wire should be
c o n n e c te d t o b r e ak s i g n a l . 2 c a b l es a re
connected to a Hands-Free device (not included).
Parking wire
Note: The parking wire is connected with brake
signal; for safety, the programs can be seen on
the monitor after braking the car..
Connecting the reversing line to taillight on the
car
After connecting, when you start up the reverse
gear, the unit will receive the picture from car rear
view camera.
Only use groundless loudspeakers.
Use only loudspeakers of minimum 40Watt,
using fewer watts may result in damaging
your loudspeakers at higher volumes.
Use 4~8 Ω (Ohm impedance) loudspeakers
only; using higher or lesser impedance may
damage the unit.
Do not use 3-cable loudspeakers and do not
connect the loudspeakers minus to the car
body
Connect the speakers according the following
diagram, incorrect connections will damage the
unit or your loudspeakers
Loudspeaker cables and/or optional external
power amplifiers must always be about 30cm
away from the antenna and/or antenna
extension parts.
(GND). The unit is using a BTL circuit and each
loudspeaker must be connected with insulated
cables according the diagram.
Speaker Connection
White
Green
Grey
Purple
7
2A
Pa rking br ake lea d
Bro wn wire
Bra ke light
12V
bat tery
Car f rame
+
-
12V
Car frame
Battery
Reverse driving light
Car frame
Pink wire
Rear view video camera lead
P
R
N
D
L
2
Gearbox
Note:

FRONT PANEL
1IR Sensor
IR R em o te c ont rol s ig n al r ec e ivi ng
window. Max distance is 6-8 meters, 45
angels.
2
Siri Button
In CarPlay mode, touch the SIRI button to
start the Apple SIRI function
3
Volume button
Press it to turn on the unit. Press and hold
for 2 seconds to turn the unit off .Press
the button briefly to Mute .Please note
that the volume will be muted on all audio
output connector.
4
Reset Button
To reset the Head unit for any reason, use
a ball pen or pin to press the RESET
button..
5
USB Cover
USB slot, for Multimedia playback files
only. Insert a USB into this slot and the
unit will automatically start reading and
playback the card. * Supported Music File
Format: MP3, WMA Files.
6
AUX IN
Put the AUX plug into the AUX-IN jack
which was marked on front panel.
7
Front panel
6.5 inch TFT
REMOTE CONTROL
8
1
23
4
5
7
6
8
9
10
11
12
13
14
15
16
17
18
19
20
21
22
1POWER / MUTE
Press and hold to power it on or off. Short
press this button to mute the volume
output, press it again to resume volume.
2
DIAL/ ANSWER button (Only for Bluetooth)
Press to make a call after inputted a
phone number or answer an incoming
call.
3
REJECT / HANG UP button (Only for
Bluetooth)
Press to reject a coming call or hang up
while calling.
4
CarPlay button
Press it to CarPlay mode.
1 2 3 4 5 6 7
CarPlay USB
BT-P BT-M
Seng

REMOTE CONTROL
9
5RADIO button
Press it to Radio mode.
6
7BLUETOOTH Phone button
Press it to Bluetooth Phone mode.
8
AUX/AV IN button
Press it to AUX IN or AV IN mode.
USB
Press it to USB mode.
9
10
VOL+ button
Press to increase volume level.
11
Cursor buttons
Use the buttons to select the menu
item, the title track or to show next frame.
12
13
/ button
In DVD mode, Press button to skip
to the next track
In RADIO mode, press to start manual
searching button Frequency up.
15
MENU/ENTER button
Press it to confirm selection, Press and
hold show main menu..
16
/ button
Iin DVD mode, Press button to skip to the
previous track.
In RADIO mode, press and hold to start
manual searching button Frequency
down.
17
VOL- button
Press to decrease volume level.
Cursor buttons
Use the buttons to select the menu
item, The title tracks it or to show next
frame.
14
Cursor buttons
Use the buttons to select the menu
item, the title tracks it or to show next
frame.
18
Cursor buttons
Use the buttons to select the menu
item. The title tracks it or to show next
frame.
19
EJECT button
Press it to eject the disc.
20
PLAY/PAUSE/STOP button
In DVD mode, press it to stop playback,
press again to resume
EQ Button
P r e s s i t c a n c h o o s e U s e r = > F l a t
=>Classic =>Pop =>Rock.
21
Digit 0-9 * # buttons
In radio mode, select 1-6 the desired
band ; I n DVD mode, sel ect track.In
Bluetooth mode,
0-9 * # enter the phone number or input
password.
22
REMOVE BATTERY
The distance may vary according to the
brightness of ambient light.
If the remote is not used for an extended
period of time, remove the battery to prevent
possible damage from battery leakage and
corrosion.
Do not place any objects between the remote
control unit and the sensor on the unit.
Do not drop the remote control onto the floor;
it will damage it beyond repair.
Do not use the remote control unit, while
simultaneously operating the remote control
uni t of an y other equip ment; they ma y
interfere resulting in improper operation.
Dispose empty batteries in accordance with
your local governmental regulations.
Do not short-circuit, disassemble, heat or
dispose of fire or flames the battery.
Keep the battery out of reach of children,
should the battery be swallowed, immediately
consult a doctor.
Note:
BLUETOOTH Muisc button
Press it to Bluetooth Music mode.

ICON Operation
CP-650 is a Two Din Car Audio with the following
functions:
Apple CarPlay, Radio, Bluetooth Audio,Bluetooth
Phone, USB, iPod,Aux ,AV IN
The MODE icon in grey mean the corresponding
function is not ready or proper device have not
been connected.
RADIO PLAYER
To start Radio, tap RADIO button on main menu
screen.
T o u c h t h i s b u t t o n c a n c h o o s e
FM1=>FM2=>FM3.
BT Phone
To start BT Phone, tap BT Phone icon from main
menu screen.
FM
10
T o u c h t h i s b u t t o n c a n c h o o s e
AM1=>AM2.
AM
Return button
Touch this button can scan the stations
from 1-6, touch and hold it to save the
s t a t i o n s w i t h g o o d r e c e p t i o n
automatically and scan each station for
about 5 seconds.
Touch this button to select program type
To uc h th is button to select stat io n
backward manually
To uc h th is button to select stat io n
forward manually
Touch this button to search backward
stations
Touch this button to search forward
stations
Touch this button to access to Radio List
page as below:
Touch this button to frequency number.

ICON Operation
Warn ing: Dr ivi ng a n d ha v ing a Te l ep h on e
conversation at the same time is dangerous,
please park your car before having a telephone
conversation. The supplier waves any and all
liability when this warning is not followed.
To enter Bluetooth mode, you can tap
Bluetooth icon on Main menu or long press
the BT Phone button on the Remote Control or
p r e s s B T P h o n e b u t t o n o n r e m o t e .
A user can make own choice by tap the buttons.
Tap Dial button to enter call mode.
Tap History button to enter calls history
list.
Tap option button to enter BT option page.
Tap this button Hand up and reject
calling.
Ta p th is bu tton Ma king and acc ept
calling.
In Call mode, the unit can be used as your phone.
Making and receiving calls are possible with
BLUETOOTH. Simply tap phone number and
tap button to make a call, and tap
button to hang up.
Tap this button shortly to delete a wrong
digit or delete all the numbers at once.
Redial:Tap this button to redial lasted number.
Transfer: Tap this icon translate Bluetooth to
mobile mode.
Tap this button to dis-connect the mobile
phone.
Touch it to skip to the previous page.
Download: Touch it to download call history list.
Delete All: Touch it to delete all calls history list.
Auto: Touch it to change Auto or Manual
download the calls history list.
Tou ch it to ski p to th e ne xt p age .
01-xxxx xx
You can Disconnected mobile or Choose Pairing
code manually.
BT Music
To start BT Music, tap BT Musci icon from main
menu screen.
1
1Id3 information display.
Touch this button to adjust the EQ, it can
choose USER → JAZZ → CLASSIC → POP
→ROCK → BEAT → FLAT
You can select the function with the key for
previous, play or pause, stop and next.
A2DP (Advanced Audio Distribution Profile)
Music Player
A2DP is a function which can receive the audio
fr e q u e n cy s i g n a l f r o m t h e m o b i l e p h o n e ,
amplified by the car audio and played out by the
car speakers.
11

ICON Operation
Music
To start Music, tap Music icon from main menu
screen.
Touch it to return to TITLE MENU (you can
choose music to play)
1
Touch it to select Repeat Off → Repeat 1
→ Repeat Folder.
Touch it switch Random on or off
1Id3 information display.
Touch it to select previous or next track
Touch it to select Play or Pause
Music File List
Touch it to select previous or next list
page
Root:Touch it to back to Root file name display
Folder Up:Touch it to back to Previous Directory
one by one.
Video
To start Video, tap Video icon from main menu
screen.
Touch it to return to TITLE MENU (you can
choose video to play)
Touch it to select previous or next track
Touch it to select Play or Pause
Touch it to access to Video setting menu.
Voice: Touch it to choose voice language.
Caption: Touch it to choose caption on/off.
Caption size: Touch it to choose caption size:
Small> Middle> Big.
Video File List
Video Setting Menu
Touch it to select previous or next list
page
Root:Touch it to back to Root file name display
Folder Up:Touch it to back to Previous Directory
one by one.
12

13
ICON Operation
USB
To start Music, tap USB icon from main menu
screen.
Touch it to select previous or next list
page
Root:Touch it to back to Root file name display
Folder Up:Touch it to back to Previous Directory
one by one.
iPod
To start iPod, tap iPod icon from main menu
screen.
Touch it to select Repeat Off → Repeat 1
→ Repeat Folder.
Touch it switch Random on or off
1Id3 information display.
Touch it to select previous or next track
Touch it to select Play or Pause
1
Setting
To start Setting, tap Setting icon from main menu
screen.
You can change LED Backlight Color manually:
Red > Green > Blue > Yellow > Purple > Ice
Blue > White.
AUTO: LED Backlight Color auto change about
terminal 2 seconds.
Display Setting
Sound Setting
■Fader / Balance
and adjust the right and left volume balance.
and adjust the front and rear volume balance.
■Center
Clear the adjustment.
Adjust the volume balance around the touched area.
You can adjust equalizer by selecting the optimized
setting for each category.

Touch the screen and set the Graphic Equalizer as
desired.
Apple CarPlay
14
ICON Operation
Gain level (Dot frame area)/Customer
Adjust the gain level by touching the each
frequency bar.
You can select frequency bar and adjust its
Level by touch blue rectangle.
Touch the screen to choose preset EQ curve: POP >
JAZZ > Classic > Flat > Country
Touch the screen and set the Graphic Surround :
Stadium > Cinema > Opera House > Karst Cave.
System Information
Display SWC Version and BT Version
BEEP: Touch it to set BEEP ON or OFF.
USB Test Mode: Touch it to set USB Test Mode.
Time
To start Time setting, tap Time icon from main
menu screen.
Touch the screen to choose or 24 format.12
Touch the screen to adjust hour and Minute.
To start Apple CarPlay, tap CarPlay icon from
main menu screen.
Dimmer
Touch it to set TFT backlight: Normal > Dark>
Close.
Aux
Touch it to access in Aux mode:
Wallpaper

CarPlay is a smarter, safer way to use your iPhone in
the car. CarPlay takes the things you want to do with
iPhone while driving and displays them on the screen
of the product.
You can get directions, make calls, send and receive
messages, and listen to the music from iPhone while
driving. You can also use Siri voice control to make it
easier to operate iPhone.
For details about CarPlay, visit
https://ssl.apple.com/ios/carplay/.
Operation buttons and available Apps on the
home screen for CarPlay
15
CarPlay Description
Apple CarPlay Operation
Compatible iPhone devices
You can use CarPlay with the following iPhone
models:
• iPhone 6s Plus
• iPhone 6s
• iPhone 6 Plus
• iPhone 6
• iPhone 5s
• iPhone 5c
• iPhone 5
• iPhone 7 Plus
• iPhone 7
iPhone /iPod
NOTE:
By connecting your iPod /iPhone to this unit
with an optional accessory connection cable ,
you can supply power to your iPod/iPhone as
well as charge it while playing music. However,
the power of this unit must be on.
If you start playback after connecting the iPod,
the music that has been played by the iPod
isplayed first.
iPhone connection
Connect iPhone using USB cable via USB terminal:
When iPhone compatible with CarPlay is connected to
the USB (Black) terminal, the Bluetooth smartphone
currently connected is disconnected.
You can use the Apps of the connected iPhone.
The items displayed and the language used on the
screen differ among the connected devices.
To enter CarPlay mode, touch Apple CarPlay
icon in the main menu screen.
3
1
2
Main Menu
1
• Displays the home screen of CarPlay.
•
Touch and hold to activates Siri.
2
Application buttons
Starts the application.
3
[Main Menu]
Exits the CarPlay screen and displays the Home

USE SIRI
16
CarPlay Description iPod/iPhone
You can active Siri.
1 Press Siri button or touch button for 2
second or the HOME button of iPhone .
Siri button:
2 Talk to siri.
Press siri button again to deactivate.
Made for
• iPhone 6s Plus
• iPhone 6s
• iPhone 6 Plus
• iPhone 6
• iPhone 5s
• iPhone 5c
• iPhone 5
• iPod touch (6th generation)
•
iPod touch (5th generation)
iPod/iPhone
The following models can be connected to this
unit.
Connectable iPod/iPhone
• iPhone 7 Plus
• iPhone 7
Connect an iPod/iPhone with the USB Cable
while CarPlay is not connected.
With a CarPlay-capable iPhone, turn off CarPlay
by operating the iPhone at functional setup
before connecting iPhone.
Only one iPod/iPhone can be connected.
Wired connection
Preparation
•
•
•
Note: For the Siri function in the headunit, the
Microphone has been to connected.
Microphone installation
Microphone
Fix a cable with a commercial item of tape.
1 Check the installation position of the microphone .
2 Clean the installation surface.
3 Remove the separator of the microphone,and stick
the microphone tothe place shown below.
4 Wire the microphone cable up to the unit with it
secured at several positions using tape or other
desired method.
5 Adjust the direction of the microphone to the driver.

MIC IN
Camera
Connection
1
2
3
4
5
6
7
8
9
10
11
12
13
14
15
16
17
18
19
20
21
22
23
24
25
26
27
28
29
30
31
32
33
34
35
36
37
38
39
40
41
42
REVERSE
Pink
(Reverse sensor wire)
Connect to vehicle’s reverse lamp harness when
using the optional rear view camera.
Ignition key switch
ACC
Red
(Ignition wire)
Yellow
(Battery wire)
Car fuse box
Battery
Black
(Ground wire) ¤
(To car chassis)
Purple/Black
To rear right speaker
To rear left speaker
To front right speaker
To front left speaker
Speaker impedance: 4-8 Ω
Purple
Green/Black
Green
Gray/Black
Gray
White/Black
White
L-OUT FL White
L-OUT FR Red
L-OUT RL White
L-OUT RR Red
Subwoofer Blue
PRK SW
Connect to the vehicle’s
parking brake detection switch
harness.
Brown
(Parking sensor wire)
For best safety, be sure to
connect the parking sensor.
To steering remote
To use the steering wheel remote control
feature, you need an exclusive remote
adapter (not supplied) matched to your car.
Yellow
Black
SWC-IR Blue
SWC GND Black
SWC IR
ANT CONT
Depending on what antenna you are using,
connect either to the control terminal of the
motor antenna, or to the power terminal for
the booster amplifier of the film-type antenna.
(Max. 300mA, 12V)
Blue
(Antenna control wire)
Subwoofer
1
17

OTHER FUNCTIONS
Subwoofer
Connect the subwoofer to the unit using sub
output (see electrical diagram). Tap MENU on
screen enter into main menu setting choose
setting menu. Choose SOUND and set subwoofer
ON to enable subwoofer.
Parking
When the car is stopped and the parking brake is
working, the screen can display the video image,
otherwise the screen can't display the video
image
Rear View Camera
This unit is equipped with rear view camera
output. The camera is used to observe the
situation behind the vehicle when you are backing
the car.
Please connect your rear view camera with the
rear view camera input. And connect the reverse
wire for back a car with the rear gear light. Rear
view camera picture will be enabled when you are
backing the car.
18

TROUBLESHOOTING
Symptom Cause Remedy
GeneralPower does not
turn on.(No sound is
produced.)
Fuse is blown
Replace with fuse of the same amperage. If
the fuse blows again, consult your store of
purchase
Consult your local retailer.
In correct wiring
No sound output when
operating the unit with
amplifiers or power
antenna attached.
Power antennal lead is
shorted to ground
excessive current is
required or remote on
the amplifiers or power
antenna.
1. Turn off the unit.
2. Remove all wires attached to the power
antenna lead. Check each wire for a possible
short to ground using an ohm meter.
3. Turn on the unit.
4. Reconnect each amplifier remote wire to
the power antenna lead one by one. If the
amplifiers turn off before all wires are
attached, use an external replay to provide
remote-on voltage (excessive current
required).
Nothing happens when
buttons are pressed.
Display is not Accurate.
The microprocessor
has malfunctioned
due to noise, etc.
Turn off the power, Then press the [no open]
button and remove the DCP. Press the reset
button for about 2 seconds with a thin rod.
Panel or main unit
Connectors are dirty
Wipe the dirt off with a soft cloth moistened
with cleaning alcohol.
General
19

TROUBLE SHOOTING
Symptom Cause Remedy
NO POWER THE CAR IGNITION IS NOT
ON.
IF THE POWER SUPPLY IS PROPERLY CONNECTED
TO THE CARACCESSORY SWITCH THE IGNITION
KEY TO “ACC”.
REPLACE THE FUSE.
THE FUSE IS BLOWN.
DISC CANNOT BE LOADED. PRESENCE OF DISC INSIDE
THE PLAYER
REMOVE THE DISC IN THE PLAYER THEN PUT A
NEW UPWARD.
DISC CANNOT BE READ.
INSERTING THE DISC IN
UPSIDE DOWN.
INSERT THE COMPACT DISC WITH THE LABEL
FACING UPWARD.
COMPACT DISC IS
EXTREMELY DIRTY OR
DEFECTIVE.
CLEAN THE DISC OR TRY TO PLAY A NEW ONE.
TEMPERATURE INSIDE
THE CAR IS TOO HIGH. COOL OFF UNTIL THE AMBIENT TEMPERATURE
RETURNS TONORMAL.
NO SOUND
VOLUME IS IN MINIMUM ADJUST VOLUME TO A DESIRED LEVEL.
WIRING IS NOT PROPERLY
CONNECTED. CHECK WIRING CONNECTION.
THE OPERATION KEYS DO
NOT WORK.
THE BUILT-IN
MICROCOMPUTER IS NOT PRESS THE POWER BUTTON FOR ABOUT 10
SECONDS TO RESET THE UNIT.
FRONT PANEL IS NOT
PROPERLY FIX INTO ITS
PLACE.
SOUND SKIPS.
THE INSTALLATION
ANGLE IS MORE THAN
30 DEGREES.NOT
OPERATING PROPERLY
DUE TO NOISE.
ADJUST THE INSTALLATION ANGLE TO LESS THAN
30 DEGREES.
THE DISC IS EXTREMELY
DIRTY OR DEFECTIVE.
CLEAN THE COMPACT DISC/TRY TO PLAY A NEW
ONE.
THE RADIO DOES NOT
WORK, THE RADIO
STATION AUTOMATIC
SELECTION DOES NOT
WORK.
THE ANTENNA CABLE IS
NOT CONNECTED THE
SIGNALS ARE TOO WEAK.
INSERT THE ANTENNA CABLE FIRMLY SELECT A
STATION MANUALLY.
20

TECHNICAL SPECIFICATIONS
Power supply:
General
11~16V DC
Current consumption: max. 10 A
Maximum power output: 4 x 50W channels (max)
Compatible formats: DVD/VCD//MP3/MP4/VIDEO/CDDA/PICTURE CDCD-
R/-RW/DVD±R/±RW PLAYBACK
Dimensions (W x D x H) / weight: 178*170*100 mm/1.5 kg
Working temperature range: Working temperature range:
ESP function: 10 sec. for Audio CD, 120 sec. for MP3
Screen size:
TFT display
6.5 inch
Resolution: 800*480 pixel
Aspect ratio: 4:3/16:9
Brightness: 460 cd/㎡
Contrast ratio: 500:1
Frequency range(Europe Area):
FM Stereo Radio
87.5 – 108MHz(Step 50KHz)
Frequency range(U.S.A Area): 87.5 – 107.9MHz(Step 200KHz)
Frequency range( South America Area):
87.5 – 108MHz(Step 50KHz)
65-74MHz(Step 30KHz)
Frequency range(Russian Area):
87.5 – 107.9MHz(Step 100KHz)
Frequency range(Asia Area): 87.5 – 108MHz(Step 100KHz)
Preset memory stations: 18
Frequency range(Europe Area):
AM/MW Radio
522kHz - 1620 KHz(Step 9KHz)
Frequency range(U.S.A Area): 530kHz - 1710 KHz(Step 10KHz)
Frequency range( South America Area): 530kHz - 1710 KHz(Step 10KHz)
Frequency range(Russian Area):
Frequency range(Asia Area): 531kHz - 1602 KHz(Step 10KHz)
Preset memory stations: 12
Frequency response:
Audio specification
20 Hz-20 KHz
USB type
USB interface
USB 2.0 full speed
Support format mp3 , wma, mpeg1, mpeg2, avi
Specifications are subject to change without notice. Mass and dimension are approximate.
522kHz - 1620 KHz(Step 9KHz)
21

Video File Conversion 101
File compression seems to be name of the game to see who can fit the most music and video onto
today media deices. Unfortunately with so many compression formats and codecs, itbecomes virtually
impossibly for your head unit
to
support the multitude of song and video file types. To overcome the
confusion of what video formats are
compatible with this head unit, we suggest using afile converter to
align the stars and change the many
video file types you have to one standard.
Surely there are many
file
conversion
apps
available
on
the
line,
but
CNet
seems
to
be areliable source
and hasagood file
conversion
app
available.
Check
out:
http://download.cnet.com/Free -AVI -Video -Converter/3000 -2194_4 -75685273.html
Drop by our website
for
the
link
instead
of
typing amillion
leers
and
symbols
into
your
web
browser?
After the app downloads
and
installs,
it's
pretty
simple
to
convert
your
files.
Select
the
Add
File
button
and browse your
computer
to
find
the
alien
file
type
you
need
to
convert.
The
file
info
should
appear at
the top:
There are some optional
choices
after
the
file isselected,
like
changing
the
name
toprotect
the
innocent, or change
the
location
the
converted
file issaved.
If
you
feeling
frisky
go
for it:
22

Otherwise, choose the file format you want to convert your movie to. May we recommend the AVI:
You can also
choose
the
resolution
for
the
screen
size
and
type.
If
you抮e
converting
an
original file that
issuper high
quality
resolution,
you
might
consider
the
HD
options,
but
most
commonly
you
should
choose Normal
Quality
or
Original
Quality.
There are
some
fantastic
options
to
change
the
standard
codec,
bit &frame
rates,
blood
types, and so
on, but we
suggest
keeping
everything
preset
as
the
app
recommends.
Its
these
crazy
variables that
brought you
here inthe
first
place.
Finally,
click
convert
and
wait
for
the bell:
Video File Conversion 101
23

http://www.poweracoustik.com
©2017 Poweracoutik Corporation Printed in USA
If you have any questions/problems
regarding this product, try the following:
1
Read Troubleshooting in these
Operating Instructions.
2
Please contact (U.S.A. only);
URL
http://www.poweracoustik.com
http://www.poweracoustik.com
Support site
If you have any questions or for the latest support information on this
product, please visit the web site below: