TOPPAN EDGE TR63024-E TR63024(E) User Manual TR63024 E

Toppan Forms Co., LTD TR63024(E) TR63024 E

UsersManual_TR63024E_140212

         Contactless IC Card Reader/Writer TR63024(E) User’s Manual        Version 1.00 2014-02-12 Toppan Forms Co., Ltd.      Copyright Toppan Forms Co., Ltd. 2013  FeliCa is a technology developed by Sony Corporation. FeliCa is a trademark of Sony Corporation. MIFARE is a trademark of NXP B.V. I-Code is a trademark of NXP B.V. All other brands, product names and trademarks are the property of their respective owners. The TM or ® markings are omitted in this document. Reproduction in whole or in part is prohibited without the prior written consent of the copyright owner. The contents of this document may be altered without prior notice.
    Revision history Date Revision Description Feb/12/2014 1.00 First issue                 [TR63024(E)User’sManual]  i
   Important notice  For use in the United States:  1.Module User Requirements FCC 15.212(a)(ⅵ)(A) The host device must contain the following permanent labeling on the exterior of the host device as follows: Contains FCC ID: ORKTR63024-E  FCC 15.19(a)(3) The host device shall bear the following statement in a conspicuous location on the device:This device complies with part 15 of the FCC Rules. Operation is subject to the following two conditions: (1) This device may not cause harmful interference, and (2) this device must accept any interference received,including interference that may cause undesired operation. When the device is so small or for such use that it is not practicable to place the statement specified under paragraph 15.19(a)(3) of this section on it, the information required by this paragraph shall be placed in a prominent location in the instruction manual or pamphlet supplied to the user or, alternatively,shall be placed on the container in which the device is marketed.  2.The user manual of the host device must contain the following paragraph: FCC 15.21 Caution: Changes or modifications not expressly approved by the party responsible for compliance could void the user’s authority to operate the equipment.  FCC15.105(b) This equipment has been tested and found to comply with the limits for a Class B digital device, pursuant to part 15 of the FCC Rules. These limits are designed to provide reasonable protection against harmful interference in a residential installation. This    equipment generates, uses and can radiate radio frequency energy and,if not installed and used in accordance with the instructions, may cause harmful interference to radio communications. However, there is no guarantee that interference will not occur in a particular   installation. If this equipment does cause harmful interference to radio or [TR63024(E)User’sManual]  ii
   television reception, which can be determined by turning the equipment off and on, the user is encouraged to try to correct the interference by one or more of the following measures:             —Reorient or relocate the receiving antenna.             —Increase the separation between the equipment and receiver.             —Connect the equipment into an outlet on a circuit different from that to which the receiver is connected.             —Consult the dealer or an experienced radio/TV technician for help.  For use in the EU:  This device can be used without restrictions in all EU member states and EFTA countries. Declaration of Conformity with regard to the R&TTE Directive 1999/5/EC English Hereby, Toppan Forms Co., Ltd., declares that this IC Card Reader/Writer TR63024(E) is in compliance with the essential requirements and other relevant provisions of Directive 1999/5/EC. Finnish Toppan Forms Co., Ltd. vakuuttaa täten että IC Card Reader/Writer TR63024(E) tyyppinen laite on direktiivin 1999/5/EY oleellisten vaatimusten ja sitä koskevien direktiivin muiden ehtojen mukainen. Dutch Hierbij verklaart Toppan Forms Co., Ltd. dat het toestel IC Card Reader/Writer TR63024(E) in overeenstemming is met de essentiële eisen en de andere relevante bepalingen van richtlijn 1999/5/EG Bij deze verklaart Toppan Forms Co., Ltd. dat deze IC Card Reader/Writer TR63024(E) voldoet aan de essentiële eisen en aan de overige relevante bepalingen van Richtlijn 1999/5/EC. French Par la présente Toppan Forms Co., Ltd. déclare que l'appareil IC Card Reader/Writer TR63024(E) est conforme aux exigences essentielles et aux autres dispositions pertinentes de la directive 1999/5/CE Par la présente, Toppan Forms Co., Ltd. déclare que ce IC Card Reader/Writer TR63024(E) est conforme aux exigences essentielles et aux autres dispositions de la directive 1999/5/CE qui lui sont applicables [TR63024(E)User’sManual]  iii
   Swedish Härmed intygar Toppan Forms Co., Ltd. att denna IC Card Reader/Writer TR63024(E) står I överensstämmelse med de väsentliga egenskapskrav och övriga relevanta bestämmelser som framgår av direktiv 1999/5/EG. Danish Undertegnede Toppan Forms Co., Ltd. erklærer herved, at følgende udstyr IC Card Reader/Writer TR63024(E) overholder de væsentlige krav og øvrige relevante krav i direktiv 1999/5/EF German Hiermit erklärt Toppan Forms Co., Ltd., dass sich dieser/diese/dieses IC Card Reader/Writer TR63024(E) in Übereinstimmung mit den grundlegenden Anforderungen und den anderen relevanten Vorschriften der Richtlinie 1999/5/EG befindet". (BMWi) Hiermit erklärt Toppan Forms Co., Ltd. die Übereinstimmung des Gerätes IC Card Reader/Writer TR63024(E) mit den grundlegenden Anforderungen und den anderen relevanten Festlegungen der Richtlinie 1999/5/EG. (Wien) Greek ΜΕ  ΤΗΝ  ΠΑΡΟΥΣΑ  Toppan  Forms  Co.,  Ltd.  ΔΗΛΩΝΕΙ  ΟΤΙ  IC  Card  Reader/Writer  TR63024(E)  ΣΥΜΜΟΡΦΩΝΕΤΑΙ  ΠΡΟΣ  ΤΙΣ ΟΥΣΙΩΔΕΙΣ  ΑΠΑΙΤΗΣΕΙΣ  ΚΑΙ  ΤΙΣ  ΛΟΙΠΕΣ  ΣΧΕΤΙΚΕΣ ΔΙΑΤΑΞΕΙΣ ΤΗΣ ΟΔΗΓΙΑΣ 1999/5/ΕΚ Italian Con la presente Toppan Forms Co., Ltd. dichiara che questo IC Card Reader/Writer TR63024(E) è conforme ai requisiti essenziali ed alle altre disposizioni pertinenti stabilite dalla direttiva 1999/5/CE. Spanish Por medio de la presente Toppan Forms Co., Ltd. declara que el IC Card Reader/Writer TR63024(E) cumple con los requisitos esenciales y cualesquiera otras disposiciones aplicables o exigibles de la Directiva 1999/5/CE Portuguese Toppan Forms Co., Ltd. declara que este IC Card Reader/Writer TR63024(E) está conforme com os requisitos essenciais e outras disposições da Directiva 1999/5/CE.     [TR63024(E)User’sManual]  iv
   For Use in Canada:  Canada, Industry Canada (IC) Notices This Class B digital apparatus complies with Canadian ICES-003 and RSS-210. Operation is subject to the following two conditions: (1) this device may not cause inteference, and (2) this device must accept any interference, including interference that may cause undesired operation of the device.  This device complies with Industry Canada licence-exempt RSS standard(s). Operation is subject to the following two conditions: (1) this device may not cause interference, and   (2) this device must accept any interference, including interference that may cause undesired operation of the device.  Under Industry Canada regulations, this radio transmitter may only operate using an antenna of a type and maximum (or lesser) gain approved for the transmitter by Industry Canada. To reduce potential radio interference to other users, the antenna type and its gain should be so chosen that the equivalent isotropically radiated power (e.i.r.p.) is not more than that necessary for successful communication.  IMPORTANT NOTE: Radiation Exposure Statement  The available scientific evidence does not show that any health problems are associated with using low power wireless devices. There is no proof, however, that these low power wireless devices are absolutely safe. Low power Wireless devices emit low levels of radio frequency energy (RF) in the microwave range while being used. Whereas high levels of RF can produce health effects (by heating tissue), exposure of low-level RF that does not produce heating effects causes no known adverse health effects. Many studies of low-level RF exposures have not found any biological effects. Some studies have suggested that some biological effects might occur, but such findings have not been confirmed by additional research. This device (TR63024(E)) has been tested and found to comply with IC radiation exposure limits set forth for an uncontrolled environment and meets RSS-102 of the IC radio frequency (RF) Exposure rules.  --------------------------------------------------------------------------------------------------------------  Canada, avis d'Industry Canada (IC) Cet appareil numérique de classe B est conforme aux normes canadiennes ICES-003 et RSS-210. Son fonctionnement est soumis aux deux conditions suivantes: (1) cet appareil ne doit pas causer d'interférence et (2) cet appareil doit accepter toute interférence, notamment les interférences qui peuvent affecter son fonctionnement [TR63024(E)User’sManual]  v
    Le présent appareil est conforme aux CNR d'Industrie Canada applicables aux appareils radio exempts de licence. L'exploitation est autorisée aux deux conditions suivantes :   (1) l'appareil ne doit pas produire de brouillage, et   (2) l'utilisateur de l'appareil doit accepter tout brouillage radioélectrique subi, même si le brouillage est susceptible d'en compromettre le fonctionnement.  Conformément à la réglementation d'Industrie Canada, le présent émetteur radio peut fonctionner avec une antenne d'un type et d'un gain maximal (ou inférieur) approuvé pour l'émetteur par Industrie Canada. Dans le but de réduire les risques de brouillage radioélectrique à l'intention des autres utilisateurs, il faut choisir le type d'antenne et son gain de sorte que la puissance isotrope rayonnée équivalente (p.i.r.e.) ne dépasse pas l'intensité nécessaire à l'établissement d'une communication satisfaisante.  NOTE IMPORTANTE: Déclaration de l'exposition de la radiation  Les connaissances scientifiques dont nous disposons n’ont mis en évidence aucun problème de santé associé à l’usage des appareils sans fil à faible puissance. Nous ne sommes cependant pas en mesure de prouver que ces appareils sans fil à faible puissance sont entièrement sans danger. Les appareils sans fil à faible puissance émettent une énergie radioélectrique (RF) très faible dans le spectre des micro-ondes lorsqu’ils sont utilisés. Alors qu’une dose élevée de RF peut avoir des effets sur la santé (en chauffant les tissus), l’exposition à de faibles RF qui ne produisent pas de chaleur n’a pas de mauvais effets connus sur la santé. De nombreuses études ont été menées sur les expositions aux RF faibles et n’ont découvert aucun effet biologique. Certaines études ont suggéré qu’il pouvait y avoir certains effets biologiques, mais ces résultats n’ont pas été confirmés par des recherches supplémentaires. TR63024(E) a été testé et jugé conforme aux limites d’exposition aux rayonnements énoncées pour un environnement non contrôlé et respecte les règles d’exposition aux fréquences radioélectriques (FR) RSS-102 de l’IC.    [TR63024(E)User’sManual]  vi
   Table of Contents  1. Introduction ..................................................................................................................................... 1 2. Description ....................................................................................................................................... 1 3.  Specification ..................................................................................................................................... 2 4. Block Diagram ................................................................................................................................. 4 5. Host Interface .................................................................................................................................. 5 5.1. USB Connector........................................................................................................................... 5 5.2. USB pin assignment .................................................................................................................. 5 5.3. UART Connector ........................................................................................................................ 6 5.4. UART Pin assignment ............................................................................................................... 6 6. Electrical characteristics.................................................................................................................. 7 6.1. Absolute maximum rating ......................................................................................................... 7 6.2.  Operating Environment ............................................................................................................. 7 6.3. Input characteristics .................................................................................................................. 8 6.4. Output characteristics ............................................................................................................... 8 6.5. Current consumption ................................................................................................................. 9 7. Module Outline ...............................................................................................................................10 8. Module structure ............................................................................................................................. 11 9. Cautions ..........................................................................................................................................12 9.1. Handling care ............................................................................................................................12 9.2. Operating environment .............................................................................................................12     [TR63024(E)User’sManual]  vii
    Figure and Table   Figure 4-1 Block Diagram ................................................................................................................... 4 Figure 7-1 Module outline ..................................................................................................................10 Figure 8-1 Module structure............................................................................................................... 11  Table 3-1 Specification ......................................................................................................................... 2 Table 5-1 Connector on board .............................................................................................................. 5 Table 5-2 Cable connector .................................................................................................................... 5 Table 5-3 Pin assignment .................................................................................................................... 5 Table 5-4 Connector on board .............................................................................................................. 6 Table 5-5 Cable connector .................................................................................................................... 6 Table 5-6 Pin assignment .................................................................................................................... 6 Table 6-1 Absolute maximum rating ................................................................................................... 7 Table 6-2 Operating Environment ....................................................................................................... 7 Table 6-3 Input characteristics ............................................................................................................ 8 Table 6-4 Output characteristics ......................................................................................................... 8 Table 6-5 Current consumption ........................................................................................................... 9 Table 8-1 Description of module structure ......................................................................................... 11    [TR63024(E)User’sManual]  viii
   1. Introduction This document describes the functionality and electrical specification of the contactless IC Card Reader/Write “TR63024(E).  2. Description  Two types of host interfaces ・Full speed USB interfaces. Supports USB bus powered operation ・UART interface  Compliance ・Japan (Type Designation)  Inductive communication unit / ARIB STD-T82 ・The United States  FCC Part15 / FCC CFR47 Part15C ・EU  EN301 489-3  EN302 291-2  EN50371  ICE60950-1  VCCI Class B compliant  Compliant to USB-IF Compliance Program  Supported communication protocols  JIS X 6319-4  ISO/IEC 14443 Type A(MIFARE)/Type B  ISO/IEC 15693      [TR63024(E)User’sManual]  1
   3. Specification Table 3-1 Specification  Parameter Description Model name TR63024(E) Function Contactless IC Card Reader/Writer Host USB Interface1  Power supply USB bus powered / DC+5V / 250mA max Compliant to USB 2.0 Full Speed Baud rate 12Mbps Connector USB MiniB / female Host UART Interface1 Power supply DC+5V / 250mA max Method Full duplex Asynchronous Baud rate Up to 115.2kbps / Selective by Host Start bit 1bit Data length 8bit Stop bit 1bit Parity none Bit order LSB first Connector SM05B-SRSS-GTBLFSN / JST RF Interface Type Designation / Japan Contactless inductive communication unit Model:TR63024(E) Type # : AC-13094 RF carrier frequency 13.56MHz RF bit rate JIS X 6319-4:211.875kbps / 423.750kbps ISO/IEC 14443:105.9375kbps ISO15693:26.5kbps Communication range / Informative FeliCa  Toppan Forms standard card: 50mm  Suica: 30mm MIFARE: 50mm / DESfire: 30mm Type B card: 20mm I-Code SLI: 50mm User interface LED Green color LED 1 USB interface and UART interface cannot be used simultaneously.  [TR63024(E)User’sManual]  2
   Parameter Description Operation environment Temperature -20 to +60 ℃ Humidity 30 to 90 %RH / No dew condensation Storage environment Temperature -20 to +60  ℃ Humidity 30 to 90 %RH / No dew condensation Outline Size 5 × 48 × 71mm Weight 10g FCC CFR47 Part15C compliant CE EN301 489-3 compliant EN302 291-2 compliant EN50371 compliant IEC60950-1 compliant VCCI VCCI Class B compliant USB compliance USB 2.0 device interface Full speed      [TR63024(E)User’sManual]  3
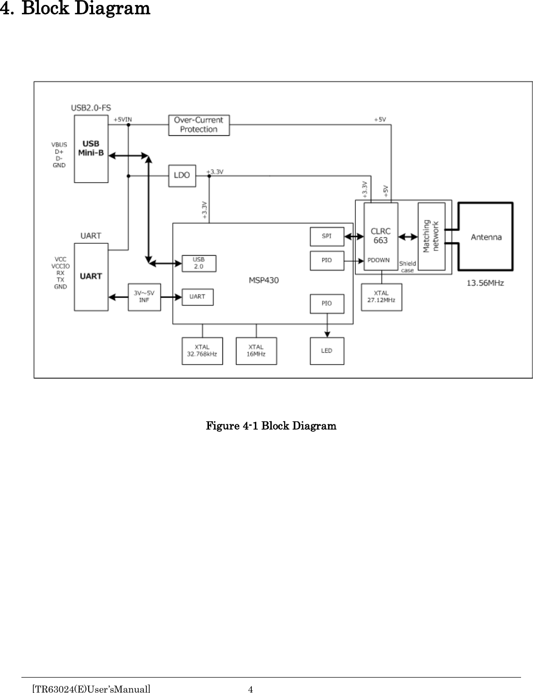
    4. Block Diagram      Figure 4-1 Block Diagram      [TR63024(E)User’sManual]  4
 5. Host Interface 5.1. USB Connector  Table 5-1 Connector on board  Model # Maker Note UX60SC-MB-5ST HIROSE TID:60001382  Table 5-2 Cable connector  Model # Maker Note USB mini B / male in general     5.2. USB pin assignment  Table 5-3 Pin assignment  pin # Signal Feature Note 1  VBUS POWER Power supply +5V 2  D-  I/O USB-D- 3  D+ I/O USB-D+ 4  (ID) NC  No connection 5  GND GND Ground      [TR63024(E)User’sManual]  5
  5.3. UART Connector  Table 5-4 Connector on board  Item Model#  Maker Note Connector SM05B-SRSS-GTBLFSN JST P=1.0 / Gold plate   Table 5-5 Cable connector  Item Model#  Maker Note Socket  SHR-05V-S-B  JST   Contact SSH-003T-P0.2-H  JST AWG32 to 28 / Gold plate   5.4. UART Pin assignment  Table 5-6 Pin assignment  pin # Signal Feature Note 1  VCC POWER  Power supply +5V 2  VCCIO IN TX,RX voltage level / Chip Select 3  RX IN Receive signal 4  TX  OUT Transmit signal 5  GND GND Ground      [TR63024(E)User’sManual]  6
  6. Electrical characteristics  6.1. Absolute maximum rating  Table 6-1 Absolute maximum rating  Parameter Symbol Limiting value Unit USB Supply voltage VBUS 5.5 V USB-D+ D+ 3.6  V USB-D-  D-  3.6  V UART Supply voltage VCC 5.5  V I/O Terminal Voltage VCCIO 5.5  V RX Voltage RX 5.5  V   6.2. Operating Environment  Table 6-2 Operating Environment  Parameter Symbol Min Max Unit Operating temperature range Top  -20 +60 ℃ Operating humidity range / No dew condensation RHop    30 90  % USB  Recommended voltage range VBUS 4.75 5.25  V UART  Recommended voltage range VCC 4.75 5.25  V Recommended voltage range   VCCIO 3.0 5.0  V      [TR63024(E)User’sManual]  7
  6.3. Input characteristics Table 6-3 Input characteristics  Signal Parameter Symbol Min Max Unit USB (D+,D-) Low level input voltage VIL  -  0.8  V High level input voltage VIH 2.0  -  V Signal Parameter Symbol Min Max Unit UART (RX) Low level input voltage VIL -  0.8  V High level input voltage VIH 2.0  -  V   6.4. Output characteristics Table 6-4 Output characteristics  Signal Parameter Symbol Min Max Unit USB (D+,D-) Low level output voltage VOL  0  0.3  V High level output voltage VOH 2.8 3.6 V      Signal Condition Parameter Symbol Min Max Unit UART(TX) 3.0V ≦VCCIO <4.5V Output current: 5mA(max) Low level output voltage VOL  -  0.4  V High level output voltage VOH 2.4  -  V 4.5V ≦VCCIO ≦5.0V Output current: 5mA(max) Low level output voltage VOL -  0.55  V High level output voltage VOH 3.8  - V [TR63024(E)User’sManual]  8
 6.5. Current consumption Table 6-5 Current consumption  Parameter Simbol Typ Max Unit USB Supply current  IVBIS 150 250 mA USB standby current  IUSB-STBY 2.2 2.5 mA UART Supply current  IVCC 150 250 mA VCCIO  IVCCIO 5 10 mA                                 [TR63024(E)User’sManual]  9
 7. Module Outline                       【Unit:mm】 Figure 7-1 Module outline     [TR63024(E)User’sManual] 10
 8. Module structure                   Figure 8-1 Module structure  Table 8-1 Description of module structure  No. Part Description ① RF communication area IC Card communication area, locate the card above this area. ② Monitor LED Monitor LED indicating Reader/Writer status ③ USB interface connector USB interface connector for Host ④ UART interface connector UART interface connector for Host ⑤ Shielding case Shielding case for RF circuitry ⑥ Label Label for product information     [TR63024(E)User’sManual] 11
 9. Cautions 9.1. Handling care • Any changes or modifications on this product will void the compliance requirement of radio regulation and user’s authority to operate. The operation of changed or modified product will result the violation of raw and a penalty might be imposed. • Please avoid the static electricity be fed on this product. • Stress above the absolute maximum rating (limiting value) will permanently and irreversibly affect the quality and reliability of the product. Please avoid high voltage or spike noise be fed on any terminals of this product.  9.2. Operating environment • Operating performance of this product shall be confirmed in the exact location where the product is installed in the user’s final applications. • Any electromagnetic field generated nearby this product or materials that intercept/reflect the radio wave will interfere with the communication performance of this product.   • Locating two or more contactless IC Card Reader or RFID Reader closely each other will affect the communication performance between Reader and IC card/RFID tag. • This product is designed to be used in the stabile condition. If any vibration or shock on this product is expected, full evaluation is required to confirm proper operation in prior to the installation. • A USB hub connected between this product and the Host might cause a failure in recognizing the Reader/Writer by host and a reduction of communication distance between the Reader/Writer and an IC Card. • A USB extension cable might cause a failure in recognizing the Reader/Writer by host and a reduction of communication distance between the Reader/Writer and an IC Card.       [TR63024(E)User’sManual] 12
                                   Contactless IC Card Reader/Writer TR63024(E) User’s Manual Version1.00 2014/02/12  Toppan Forms Co., Ltd.

Navigation menu