TOPPAN EDGE TR63024-E TR63024(E) User Manual TR63024 E
Toppan Forms Co., LTD TR63024(E) TR63024 E
UsersManual_TR63024E_140212

Contactless IC Card Reader/Writer
TR63024(E)
User’s Manual
Version 1.00
2014-02-12
Toppan Forms Co., Ltd.
Copyright Toppan Forms Co., Ltd. 2013
FeliCa is a technology developed by Sony Corporation.
FeliCa is a trademark of Sony Corporation.
MIFARE is a trademark of NXP B.V.
I-Code is a trademark of NXP B.V.
All other brands, product names and trademarks are the property of their respective owners.
The TM or ® markings are omitted in this document.
Reproduction in whole or in part is prohibited without the prior written consent of the copyright
owner.
The contents of this document may be altered without prior notice.

Revision history
Date
Revision
Description
Feb/12/2014
1.00
First issue
[TR63024(E)User’sManual]
i

Important notice
For use in the United States:
1.Module User Requirements
FCC 15.212(a)(ⅵ)(A)
The host device must contain the following permanent labeling on the exterior
of the host device as follows:
Contains FCC ID: ORKTR63024-E
FCC 15.19(a)(3)
The host device shall bear the following statement in a conspicuous location
on the device:This device complies with part 15 of the FCC Rules. Operation is
subject to the following two conditions: (1) This device may not cause harmful
interference, and (2) this device must accept any interference
received,including interference that may cause undesired operation.
When the device is so small or for such use that it is not practicable to place
the statement specified under paragraph 15.19(a)(3) of this section on it, the
information required by this paragraph shall be placed in a prominent
location in the instruction manual or pamphlet supplied to the user or,
alternatively,shall be placed on the container in which the device is marketed.
2.The user manual of the host device must contain the following paragraph:
FCC 15.21
Caution: Changes or modifications not expressly approved by the party
responsible for compliance could void the user’s authority to operate the
equipment.
FCC15.105(b)
This equipment has been tested and found to comply with the limits for a Class
B digital device, pursuant to part 15 of the FCC Rules. These limits are
designed to provide reasonable protection against harmful interference in a
residential installation. This equipment generates, uses and can radiate
radio frequency energy and,if not installed and used in accordance with the
instructions, may cause harmful interference to radio communications.
However, there is no guarantee that interference will not occur in a particular
installation. If this equipment does cause harmful interference to radio or
[TR63024(E)User’sManual]
ii

television reception, which can be determined by turning the equipment off
and on, the user is encouraged to try to correct the interference by one or more
of the following measures:
—Reorient or relocate the receiving antenna.
—Increase the separation between the equipment and receiver.
—Connect the equipment into an outlet on a circuit different from that
to which the receiver is connected.
—Consult the dealer or an experienced radio/TV technician for help.
For use in the EU:
This device can be used without restrictions in all EU member states and EFTA
countries.
Declaration of Conformity with regard to the R&TTE Directive 1999/5/EC
English
Hereby, Toppan Forms Co., Ltd., declares that this IC Card
Reader/Writer TR63024(E) is in compliance with the essential
requirements and other relevant provisions of Directive 1999/5/EC.
Finnish
Toppan Forms Co., Ltd. vakuuttaa täten että IC Card
Reader/Writer TR63024(E) tyyppinen laite on direktiivin
1999/5/EY oleellisten vaatimusten ja sitä koskevien direktiivin
muiden ehtojen mukainen.
Dutch
Hierbij verklaart Toppan Forms Co., Ltd. dat het toestel IC Card
Reader/Writer TR63024(E) in overeenstemming is met de
essentiële eisen en de andere relevante bepalingen van richtlijn
1999/5/EG
Bij deze verklaart Toppan Forms Co., Ltd. dat deze IC Card
Reader/Writer TR63024(E) voldoet aan de essentiële eisen en aan
de overige relevante bepalingen van Richtlijn 1999/5/EC.
French
Par la présente Toppan Forms Co., Ltd. déclare que l'appareil IC
Card Reader/Writer TR63024(E) est conforme aux exigences
essentielles et aux autres dispositions pertinentes de la directive
1999/5/CE
Par la présente, Toppan Forms Co., Ltd. déclare que ce IC Card
Reader/Writer TR63024(E) est conforme aux exigences essentielles
et aux autres dispositions de la directive 1999/5/CE qui lui sont
applicables
[TR63024(E)User’sManual]
iii

Swedish
Härmed intygar Toppan Forms Co., Ltd. att denna IC Card
Reader/Writer TR63024(E) står I överensstämmelse med de
väsentliga egenskapskrav och övriga relevanta bestämmelser som
framgår av direktiv 1999/5/EG.
Danish
Undertegnede Toppan Forms Co., Ltd. erklærer herved, at følgende
udstyr IC Card Reader/Writer TR63024(E) overholder de
væsentlige krav og øvrige relevante krav i direktiv 1999/5/EF
German
Hiermit erklärt Toppan Forms Co., Ltd., dass sich
dieser/diese/dieses IC Card Reader/Writer TR63024(E) in
Übereinstimmung mit den grundlegenden Anforderungen und den
anderen relevanten Vorschriften der Richtlinie 1999/5/EG
befindet". (BMWi)
Hiermit erklärt Toppan Forms Co., Ltd. die Übereinstimmung des
Gerätes IC Card Reader/Writer TR63024(E) mit den
grundlegenden Anforderungen und den anderen relevanten
Festlegungen der Richtlinie 1999/5/EG. (Wien)
Greek
ΜΕ ΤΗΝ ΠΑΡΟΥΣΑ Toppan Forms Co., Ltd. ΔΗΛΩΝΕΙ ΟΤΙ IC
Card Reader/Writer TR63024(E) ΣΥΜΜΟΡΦΩΝΕΤΑΙ ΠΡΟΣ ΤΙΣ
ΟΥΣΙΩΔΕΙΣ ΑΠΑΙΤΗΣΕΙΣ ΚΑΙ ΤΙΣ ΛΟΙΠΕΣ ΣΧΕΤΙΚΕΣ
ΔΙΑΤΑΞΕΙΣ ΤΗΣ ΟΔΗΓΙΑΣ 1999/5/ΕΚ
Italian
Con la presente Toppan Forms Co., Ltd. dichiara che questo IC
Card Reader/Writer TR63024(E) è conforme ai requisiti essenziali
ed alle altre disposizioni pertinenti stabilite dalla direttiva
1999/5/CE.
Spanish
Por medio de la presente Toppan Forms Co., Ltd. declara que el IC
Card Reader/Writer TR63024(E) cumple con los requisitos
esenciales y cualesquiera otras disposiciones aplicables o exigibles
de la Directiva 1999/5/CE
Portuguese
Toppan Forms Co., Ltd. declara que este IC Card Reader/Writer
TR63024(E) está conforme com os requisitos essenciais e outras
disposições da Directiva 1999/5/CE.
[TR63024(E)User’sManual]
iv

For Use in Canada:
Canada, Industry Canada (IC) Notices
This Class B digital apparatus complies with Canadian ICES-003 and RSS-210.
Operation is subject to the following two conditions:
(1) this device may not cause inteference, and
(2) this device must accept any interference, including interference that may
cause undesired operation of the device.
This device complies with Industry Canada licence-exempt RSS standard(s).
Operation is subject to the following two conditions:
(1) this device may not cause interference, and
(2) this device must accept any interference, including interference that may
cause undesired operation of the device.
Under Industry Canada regulations, this radio transmitter may only operate
using an antenna of a type and maximum (or lesser) gain approved for the
transmitter by Industry Canada. To reduce potential radio interference to other
users, the antenna type and its gain should be so chosen that the equivalent
isotropically radiated power (e.i.r.p.) is not more than that necessary for
successful communication.
IMPORTANT NOTE: Radiation Exposure Statement
The available scientific evidence does not show that any health problems are
associated with using low power wireless devices.
There is no proof, however, that these low power wireless devices are absolutely
safe. Low power Wireless devices emit low levels of radio frequency energy (RF)
in the microwave range while being used. Whereas high levels of RF can
produce health effects (by heating tissue), exposure of low-level RF that does
not produce heating effects causes no known adverse health effects. Many
studies of low-level RF exposures have not found any biological effects. Some
studies have suggested that some biological effects might occur, but such
findings have not been confirmed by additional research. This device
(TR63024(E)) has been tested and found to comply with IC radiation exposure
limits set forth for an uncontrolled environment and meets RSS-102 of the IC
radio frequency (RF) Exposure rules.
--------------------------------------------------------------------------------------------------------------
Canada, avis d'Industry Canada (IC)
Cet appareil numérique de classe B est conforme aux normes canadiennes
ICES-003 et RSS-210.
Son fonctionnement est soumis aux deux conditions suivantes:
(1) cet appareil ne doit pas causer d'interférence et
(2) cet appareil doit accepter toute interférence, notamment les interférences
qui peuvent affecter son fonctionnement
[TR63024(E)User’sManual]
v

Le présent appareil est conforme aux CNR d'Industrie Canada applicables aux
appareils radio exempts de licence.
L'exploitation est autorisée aux deux conditions suivantes :
(1) l'appareil ne doit pas produire de brouillage, et
(2) l'utilisateur de l'appareil doit accepter tout brouillage radioélectrique subi,
même si le brouillage est susceptible d'en compromettre le fonctionnement.
Conformément à la réglementation d'Industrie Canada, le présent émetteur
radio peut fonctionner avec une antenne d'un type et d'un gain maximal (ou
inférieur) approuvé pour l'émetteur par Industrie Canada. Dans le but de
réduire les risques de brouillage radioélectrique à l'intention des autres
utilisateurs, il faut choisir le type d'antenne et son gain de sorte que la
puissance isotrope rayonnée équivalente (p.i.r.e.) ne dépasse pas l'intensité
nécessaire à l'établissement d'une communication satisfaisante.
NOTE IMPORTANTE: Déclaration de l'exposition de la radiation
Les connaissances scientifiques dont nous disposons n’ont mis en évidence
aucun problème de santé associé à l’usage des appareils sans fil à faible
puissance. Nous ne sommes cependant pas en mesure de prouver que ces
appareils sans fil à faible puissance sont entièrement sans danger. Les
appareils sans fil à faible puissance émettent une énergie radioélectrique (RF)
très faible dans le spectre des micro-ondes lorsqu’ils sont utilisés. Alors qu’une
dose élevée de RF peut avoir des effets sur la santé (en chauffant les tissus),
l’exposition à de faibles RF qui ne produisent pas de chaleur n’a pas de mauvais
effets connus sur la santé. De nombreuses études ont été menées sur les
expositions aux RF faibles et n’ont découvert aucun effet biologique. Certaines
études ont suggéré qu’il pouvait y avoir certains effets biologiques, mais ces
résultats n’ont pas été confirmés par des recherches supplémentaires.
TR63024(E) a été testé et jugé conforme aux limites d’exposition aux
rayonnements énoncées pour un environnement non contrôlé et respecte les
règles d’exposition aux fréquences radioélectriques (FR) RSS-102 de l’IC.
[TR63024(E)User’sManual]
vi

Table of Contents
1. Introduction ..................................................................................................................................... 1
2. Description ....................................................................................................................................... 1
3. Specification ..................................................................................................................................... 2
4. Block Diagram ................................................................................................................................. 4
5. Host Interface .................................................................................................................................. 5
5.1. USB Connector........................................................................................................................... 5
5.2. USB pin assignment .................................................................................................................. 5
5.3. UART Connector ........................................................................................................................ 6
5.4. UART Pin assignment ............................................................................................................... 6
6. Electrical characteristics.................................................................................................................. 7
6.1. Absolute maximum rating ......................................................................................................... 7
6.2. Operating Environment ............................................................................................................. 7
6.3. Input characteristics .................................................................................................................. 8
6.4. Output characteristics ............................................................................................................... 8
6.5. Current consumption ................................................................................................................. 9
7. Module Outline ...............................................................................................................................10
8. Module structure ............................................................................................................................. 11
9. Cautions ..........................................................................................................................................12
9.1. Handling care ............................................................................................................................12
9.2. Operating environment .............................................................................................................12
[TR63024(E)User’sManual]
vii

Figure and Table
Figure 4-1 Block Diagram ................................................................................................................... 4
Figure 7-1 Module outline ..................................................................................................................10
Figure 8-1 Module structure............................................................................................................... 11
Table 3-1 Specification ......................................................................................................................... 2
Table 5-1 Connector on board .............................................................................................................. 5
Table 5-2 Cable connector .................................................................................................................... 5
Table 5-3 Pin assignment .................................................................................................................... 5
Table 5-4 Connector on board .............................................................................................................. 6
Table 5-5 Cable connector .................................................................................................................... 6
Table 5-6 Pin assignment .................................................................................................................... 6
Table 6-1 Absolute maximum rating ................................................................................................... 7
Table 6-2 Operating Environment ....................................................................................................... 7
Table 6-3 Input characteristics ............................................................................................................ 8
Table 6-4 Output characteristics ......................................................................................................... 8
Table 6-5 Current consumption ........................................................................................................... 9
Table 8-1 Description of module structure ......................................................................................... 11
[TR63024(E)User’sManual]
viii

1. Introduction
This document describes the functionality and electrical specification of the contactless IC Card
Reader/Write “TR63024(E).
2. Description
Two types of host interfaces
・Full speed USB interfaces. Supports USB bus powered operation
・UART interface
Compliance
・Japan (Type Designation)
Inductive communication unit / ARIB STD-T82
・The United States
FCC Part15 / FCC CFR47 Part15C
・EU
EN301 489-3
EN302 291-2
EN50371
ICE60950-1
VCCI Class B compliant
Compliant to USB-IF Compliance Program
Supported communication protocols
JIS X 6319-4
ISO/IEC 14443 Type A(MIFARE)/Type B
ISO/IEC 15693
[TR63024(E)User’sManual]
1

3. Specification
Table 3-1 Specification
Parameter
Description
Model name
TR63024(E)
Function
Contactless IC Card Reader/Writer
Host USB Interface1
Power supply
USB bus powered / DC+5V / 250mA max
Compliant to
USB 2.0 Full Speed
Baud rate
12Mbps
Connector
USB MiniB / female
Host UART
Interface1
Power supply
DC+5V / 250mA max
Method
Full duplex Asynchronous
Baud rate
Up to 115.2kbps / Selective by Host
Start bit
1bit
Data length
8bit
Stop bit
1bit
Parity
none
Bit order
LSB first
Connector
SM05B-SRSS-GTBLFSN / JST
RF Interface
Type Designation /
Japan
Contactless inductive communication unit
Model:TR63024(E)
Type #
:
AC-13094
RF carrier
frequency
13.56MHz
RF bit rate JIS X 6319-4:211.875kbps / 423.750kbps
ISO/IEC 14443:105.9375kbps
ISO15693
:
26.5kbps
Communication
range / Informative
FeliCa
Toppan Forms standard card: 50mm
Suica: 30mm
MIFARE: 50mm / DESfire: 30mm
Type B card: 20mm
I-Code SLI: 50mm
User interface
LED
Green color LED
1 USB interface and UART interface cannot be used simultaneously.
[TR63024(E)User’sManual]
2

Parameter
Description
Operation
environment
Temperature
-20 to +60
℃
Humidity
30 to 90 %RH / No dew condensation
Storage
environment
Temperature
-20 to +60 ℃
Humidity
30 to 90 %RH / No dew condensation
Outline
Size
5 × 48 × 71mm
Weight
10g
FCC
CFR47 Part15C compliant
CE EN301 489-3 compliant
EN302 291-2 compliant
EN50371 compliant
IEC60950-1 compliant
VCCI
VCCI Class B compliant
USB compliance
USB 2.0 device interface Full speed
[TR63024(E)User’sManual]
3

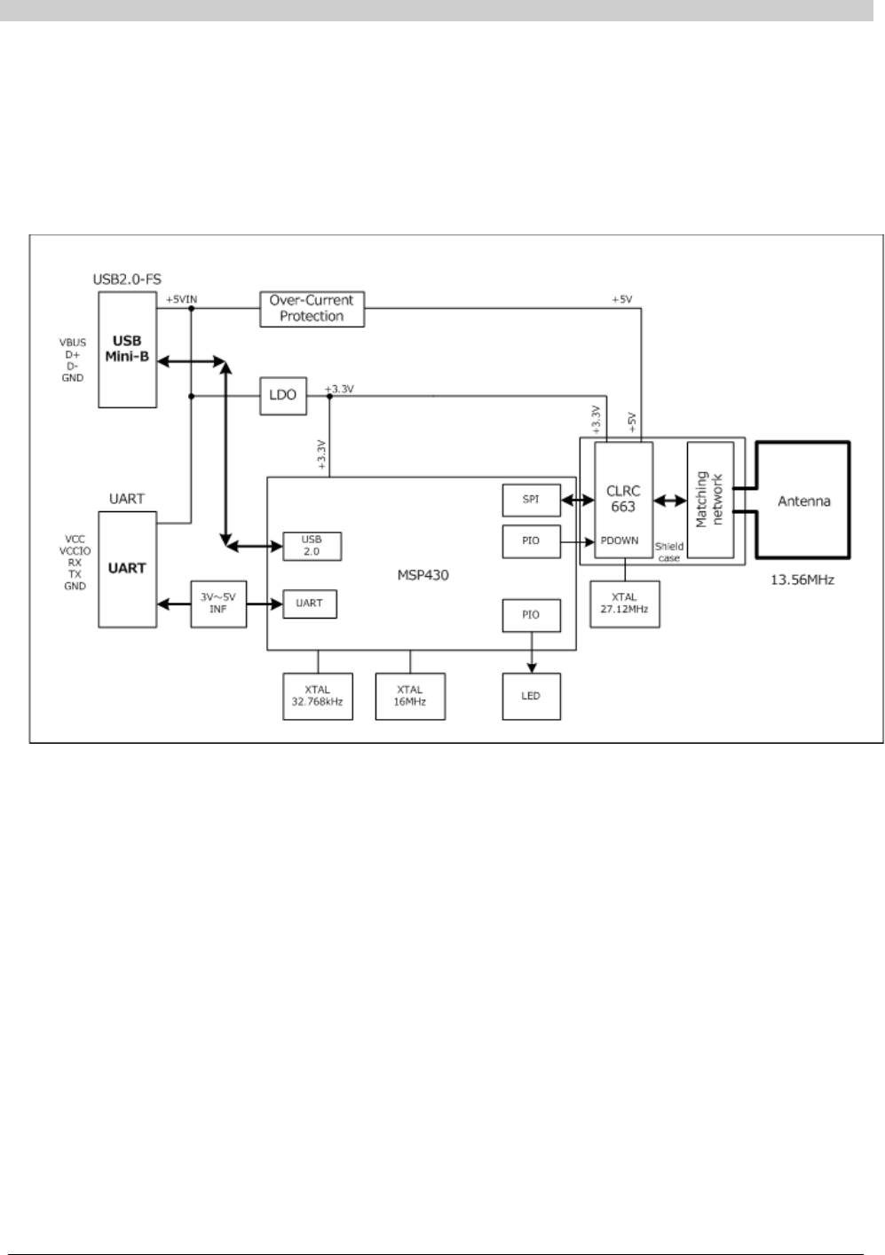
4. Block Diagram
Figure 4-1 Block Diagram
[TR63024(E)User’sManual]
4

5. Host Interface
5.1. USB Connector
Table 5-1 Connector on board
Model # Maker Note
UX60SC-MB-5ST
HIROSE
TID
:
60001382
Table 5-2 Cable connector
Model # Maker Note
USB mini B / male in general
5.2. USB pin assignment
Table 5-3 Pin assignment
pin # Signal Feature Note
1 VBUS POWER Power supply +5V
2 D- I/O USB-D-
3 D+ I/O USB-D+
4 (ID) NC No connection
5 GND GND Ground
[TR63024(E)User’sManual] 5

5.3. UART Connector
Table 5-4 Connector on board
Item
Model# Maker Note
Connector
SM05B-SRSS-GTBLFSN
JST
P=1.0 / Gold
plate
Table 5-5 Cable connector
Item
Model# Maker Note
Socket SHR-05V-S-B JST
Contact SSH-003T-P0.2-H JST AWG32 to 28 /
Gold plate
5.4. UART Pin assignment
Table 5-6 Pin assignment
pin # Signal Feature Note
1 VCC POWER Power supply +5V
2 VCCIO IN TX,RX voltage level / Chip Select
3 RX IN Receive signal
4 TX OUT Transmit signal
5 GND GND Ground
[TR63024(E)User’sManual] 6

6. Electrical characteristics
6.1. Absolute maximum rating
Table 6-1 Absolute maximum rating
Parameter
Symbol
Limiting
value
Unit
USB
Supply voltage
VBUS
5.5
V
USB-D+ D+ 3.6 V
USB-D- D- 3.6 V
UART Supply voltage VCC 5.5 V
I/O Terminal
Voltage
VCCIO 5.5 V
RX Voltage RX 5.5 V
6.2. Operating Environment
Table 6-2 Operating Environment
Parameter
Symbol
Min
Max
Unit
Operating temperature range Top -20 +60 ℃
Operating humidity range /
No dew condensation
RHop 30 90 %
USB Recommended
voltage range
VBUS 4.75 5.25 V
UART Recommended
voltage range
VCC 4.75 5.25 V
Recommended
voltage range
VCCIO 3.0 5.0 V
[TR63024(E)User’sManual] 7

6.3. Input characteristics
Table 6-3 Input characteristics
Signal
Parameter
Symbol
Min
Max
Unit
USB
(D+,D-)
Low level input
voltage
V
IL - 0.8 V
High level input
voltage
VIH 2.0 - V
Signal
Parameter
Symbol
Min
Max
Unit
UART
(RX)
Low level input
voltage
VIL - 0.8 V
High level input
voltage
VIH 2.0 - V
6.4. Output characteristics
Table 6-4 Output characteristics
Signal
Parameter
Symbol
Min
Max
Unit
USB
(D+,D-)
Low level
output voltage
VOL 0 0.3 V
High level
output voltage
VOH 2.8 3.6 V
Signal
Condition
Parameter
Symbol
Min
Max
Unit
UART
(TX)
3.0V ≦VCCIO <
4.5V
Output current:
5mA(max)
Low level output
voltage
VOL - 0.4 V
High level output
voltage
V
OH
2.4 - V
4.5V ≦VCCIO ≦
5.0V
Output current:
5mA(max)
Low level output
voltage
VOL - 0.55 V
High level output
voltage
V
OH
3.8 -
V
[TR63024(E)User’sManual] 8

6.5. Current consumption
Table 6-5 Current consumption
Parameter
Simbol
Typ
Max
Unit
USB Supply current IVBIS 150 250 mA
USB standby current IUSB-STBY 2.2 2.5 mA
UART Supply current IVCC 150 250 mA
VCCIO IVCCIO 5 10 mA
[TR63024(E)User’sManual] 9

7. Module Outline
【Unit:mm】
Figure 7-1 Module outline
[TR63024(E)User’sManual] 10

8. Module structure
Figure 8-1 Module structure
Table 8-1 Description of module structure
No.
Part
Description
① RF communication area IC Card communication area, locate the card above this
area.
②
Monitor LED
Monitor LED indicating Reader/Writer status
③
USB interface connector
USB interface connector for Host
④
UART interface connector
UART interface connector for Host
⑤
Shielding case
Shielding case for RF circuitry
⑥
Label
Label for product information
[TR63024(E)User’sManual] 11

9. Cautions
9.1. Handling care
• Any changes or modifications on this product will void the compliance requirement of radio
regulation and user’s authority to operate. The operation of changed or modified product
will result the violation of raw and a penalty might be imposed.
• Please avoid the static electricity be fed on this product.
• Stress above the absolute maximum rating (limiting value) will permanently and
irreversibly affect the quality and reliability of the product. Please avoid high voltage or
spike noise be fed on any terminals of this product.
9.2. Operating environment
• Operating performance of this product shall be confirmed in the exact location where the
product is installed in the user’s final applications.
• Any electromagnetic field generated nearby this product or materials that intercept/reflect
the radio wave will interfere with the communication performance of this product.
• Locating two or more contactless IC Card Reader or RFID Reader closely each other will
affect the communication performance between Reader and IC card/RFID tag.
• This product is designed to be used in the stabile condition. If any vibration or shock on
this product is expected, full evaluation is required to confirm proper operation in prior to
the installation.
• A USB hub connected between this product and the Host might cause a failure in
recognizing the Reader/Writer by host and a reduction of communication distance between
the Reader/Writer and an IC Card.
• A USB extension cable might cause a failure in recognizing the Reader/Writer by host and
a reduction of communication distance between the Reader/Writer and an IC Card.
[TR63024(E)User’sManual] 12

Contactless IC Card Reader/Writer
TR63024(E) User’s Manual
Version1.00
2014/02/12
Toppan Forms Co., Ltd.