TYCOFETY KANTECH 12SA550 Stand-Alone Door Controller with I/O Relay Module User Manual ioPass
TYCO SAFETY PRODUCTS / KANTECH Stand-Alone Door Controller with I/O Relay Module ioPass
user manual

DN2076-1305
V 1.0
ioPass SA-550 Stand-Alone Door Controller
Installation Manual

iii
Warning! Please Read Carefully
N
OTE
TO
I
NSTALL E RS
This warning contains vital information. As the only individual in contact with system users, it
is your responsibility to bring each item in this warning to the attention of the users of this
system.
S
YSTEM
F
A I LUR ES
This system has been carefully designed to be as effective as possible. There are circum-
stances, however, involving fire, burglary, or other types of emergencies where it may not
provide protection. Any access system of any type may be compromised deliberately or may
fail to operate as expected for a variety of reasons. Some but not all of these reasons may be:
• Inadequate Installation
An access system must be installed properly in order to provide adequate protection. Every
installation should be evaluated by a qualified professional to ensure that every access point
is adequately controlled to the building owner’s or facility management’s expectations. Elec-
tric solenoid locks, magnetic locks and gate controllers should be secure and operate as
intended. All latches used with the system should have adequate holding power (lb of force)
and latch cavity size for the door weight type (glass, wood, steel) used. A reevaluation must
be done during and after construction activity. An evaluation by the fire and/or postal carrier
is recommended if this service is available. All authorized emergency personnel should be
able to gain immediate access to the premises when required.
• Criminal Knowledge
This system contains security features which were known to be effective at the time of man-
ufacture. It is possible for persons with criminal intent to develop techniques which reduce
the effectiveness of these features. It is important that a security system be reviewed period-
ically to ensure that its features remain effective and that it be updated or replaced if it is
found that it does not provide the protection expected.
• Access by Intruders
Intruders may enter through an unprotected access point, circumvent a sensing device,
evade detection by moving through an area of insufficient coverage, disconnecting a device,
immediately following a person through the controlled gate or door, or interfering with the
proper operation of the system.
• Power Failure
Control units, intrusion detectors, smoke detectors and many other security devices require
an adequate power supply for proper operation. If a device operates from batteries, it is pos-
sible for the batteries to fail. Even if the batteries have not failed, they must be charged, in
good condition and installed correctly. If a device operates only by AC power, any interrup-
tion, however brief, will render that device inoperative while it does not have power. Power
interruptions of any length are often accompanied by voltage fluctuations which may dam-
age electronic equipment such as a security system. After a power interruption has occurred,
immediately conduct a complete system test to ensure that the system operates as intended.
• System Users
A user may not be able to operate the system due to permanent or temporary physical dis-
ability, inability to reach the keypad, or unfamiliarity with the correct operation. It is impor-

iv
tant that all system users be trained in the correct operation of the system and that they
know how to respond when prompted.
• Warning Devices
Warning devices such as sirens, bells, horns, or strobes may not warn people or waken some-
one sleeping if there is an intervening wall or door. If warning devices are located on a differ-
ent level of the premise, then it is less likely that the occupants will be alerted or awakened.
Audible warning devices may be interfered with by other noise sources such as stereos,
radios, televisions, air conditioners or other appliances, or passing traffic. Audible warning
devices, however loud, may not be heard by a hearing-impaired person.
• Component Failure
Although every effort has been made to make this system as reliable as possible, the system
may fail to function as intended due to the failure of a component.
• Security and Insurance
Regardless of its capabilities, a system is not a substitute for property or life insurance. A sys-
tem also is not a substitute for property owners, renters, or other occupants to act prudently
to prevent or minimize the harmful effects of an emergency situation.
NOTE: This manual shall be used in conjunction with the controller
installation manual to which this device is connected; It shall be installed
in NON HAZARDOUS locations only by SERVICE PERSONS.

v
Limited Warranty
Kantech warrants the original purchaser that for a period of twelve months from the date of
purchase, the product shall be free of defects in materials and workmanship under normal
use. During the warranty period, Kantech shall, at its option, repair or replace any defective
product upon return of the product to its factory, at no charge for labour and materials. Any
replacement and/or repaired parts are warranted for the remainder of the original warranty
or ninety (90) days, whichever is longer. The original owner must promptly notify Kantech in
writing that there is defect in material or workmanship, such written notice to be received in
all events prior to expiration of the warranty period.
I
N TE R N A TI O N A L
W
ARRANTY
The warranty for international customers is the same as for any customer within Canada and
the United States, with the exception that Kantech shall not be responsible for any customs
fees, taxes, or VAT that may be due.
W
ARRANTY
P
R O C ED U R E
To obtain service under this warranty, please return the item(s) in question to the point of
purchase. All authorized distributors and dealers have a warranty program. Anyone returning
goods to Kantech must first obtain an authorization number. Kantech will not accept any
shipment whatsoever for which prior authorization has not been obtained.
C
O N D I T IO N S
TO
V
OI D
W
ARRANTY
This warranty applies only to defects in parts and workmanship relating to normal use. It
does not cover:
1- Damage incurred in shipping or handling;
2- Damage caused by disaster such as fire, flood, wind, earthquake or lightning;
3- Damage due to causes beyond the control of Kantech such as excessive voltage,
mechanical shock or water damage;
4- Damage caused by unauthorized attachment, alterations, modifications or
foreign objects;
5- Damage caused by peripherals (unless such peripherals were supplied by
Kantech);
6- Defects caused by failure to provide a suitable installation environment for the
products;
7- Damage caused by use of the products for purposes other than those for which
it was designed;
8- Damage from improper maintenance;
9- Damage arising out of any other abuse, mishandling or improper application of
the products.
Kantech’s liability for failure to repair the product under this warranty after a reasonable
number of attempts will be limited to a replacement of the product, as the exclusive remedy
for breach of warranty. Under no circumstances shall Kantech be liable for any special, inci-
dental, or consequential damages based upon breach of warranty, breach of contract, negli-
gence, strict liability, or any other legal theory. Such damages include, but are not limited to,
loss of profits, loss of the product or any associated equipment, cost of capital, cost of substi-
tute or replacement equipment, facilities or services, down time, purchaser’s time, the
claims of third parties, including customers, and injury to property.

vi
D
IS C L AIM E R
OF
W
ARRANTIES
This warranty contains the entire warranty and shall be in lieu of any and all other warran-
ties, whether expressed or implied (including all implied warranties of merchantability or fit-
ness for a particular purpose) And of all other obligations or liabilities on the part of Kantech
neither assumes nor authorizes any other person purporting to act on its behalf to modify or
to change this warranty, nor to assume for it any other warranty or liability concerning this
product.
This disclaimer of warranties and limited warranty are governed by the laws of the state of
California, U.S.A.
WARNING: Kantech recommends that the entire system be completely tested on a regular
basis. However, despite frequent testing, and due to, but not limited to, criminal tampering
or electrical disruption, it is possible for this product to fail to perform as expected.
O
UT
OF
W
ARRANTY
R
E P AIRS
Kantech will at its option repair or replace out-of-warranty products which are returned to its
factory according to the following conditions. Anyone returning goods to Kantech must first
obtain an authorization number. Kantech will not accept any shipment whatsoever for which
prior authorization has not been obtained.
Products which Kantech determines to be repairable will be repaired and returned. A set fee
which Kantech has predetermined and which may be revised from time to time, will be
charged for each unit repaired.
Products which Kantech determines not to be repairable will be replaced by the nearest
equivalent product available at that time. The current market price of the replacement prod-
uct will be charged for each replacement unit.

vii
SA-550 Compliance Specifications
FC C C
OMP L I A N C E
S
TATEMENT
CAUTION: Changes or modifications not expressly approved by Kantech could void your
authority to use this equipment.
This equipment has been tested and found to comply with the limits for a Class B digital
device, pursuant to Part 15 of the FCC Rules. These limits are designed to provide reasonable
protection against harmful interference in a residential installation. This equipment gener-
ates, uses and can radiate radio frequency energy and, if not installed and used in accor-
dance with the instructions, may cause harmful interference to radio communications.
However, there is no guarantee that interference will not occur in a particular installation. If
this equipment does cause harmful interference to radio or television reception, which can
be determined by turning the equipment off and on, the user is encouraged to try to correct
the interference by one or more of the following measures:
• Re-orient the receiving antenna.
• Increase the separation between the equipment and receiver.
• Connect the equipment into an outlet on a circuit different from that to which the
receiver is connected.
• Consult the dealer or an experienced radio/television technician for help.
The user may find the following booklet prepared by the FCC useful: ‘How to Identify and
Resolve Radio/Television Interference Problems’. This booklet is available from the U.S. Gov-
ernment Printing Office, Washington D.C. 20402, Stock # 004-000-00345-4.
I
N D U STR Y
C
A N AD A
S
TATEMENT
This Class B digital apparatus complies with Canadian ICES-003.
Cet appareil numérique de la classe B est conforme à la norme NMB-003 du Canada.
FC C & IC C
O M P L IAN C E
This device complies with Part 15 Class B of the FCC rules. Operation is subject to the follow-
ing two conditions: (1) this device may not cause harmful interference, and (2) this device
must accept any interference received including interference that may cause undesired oper-
ation. This class B digital apparatus meets all requirements of the Canadian Interference
Causing Equipment Regulations.

viii
IC / RSS -3 10 S
TA TE M E NT
(Canada, Industry Canada (IC)
This Class B digital apparatus complies with Canadian ICES-003 and RSS-310. This device
complies with Industry Canada licence-exempt RSS standard(s).
Operation is subject to the following two conditions:
1- this device may not cause interference, and
2- this device must accept any interference, including interference that may cause
undesired operation of the device.
Canada, avis d'Industrie Canada (IC)
Le présent appareil est conforme aux CNR d'Industrie Canada applicables aux appareils radio
exempts de licence. L'exploitation est autorisée suivant les deux conditions suivantes:
(1) l'appareil ne doit pas produire de brouillage, et
(2) l'utilisateur de l'appareil doit accepter tout brouillage radioélectrique subi, même si le
brouillage est susceptible d'en compromettre le fonctionnement.
CE C
OMP L I A N C E
N
OTIC E
This product is in conformity with ROHS2 Directive, EMC Directive 2004/108/EC based on
results using harmonized standards in accordance with article 10(5), R&TTE Directive 1999/5/
EC based on following Annex III of the directive and LVD Directive 2006/95/EC based on
results using harmonized standards. This product is labeled with CE mark as proof of compli-
ance with the above mentioned European Directives. Also a CE declaration of conformity
(DoC) for this product can be found at www.kantech.com.
CE & C - T
ICK
C
O M P LI AN CE
• EN50130-4: Alarm systems. Electromagnetic compatibility. Product family
standard: Immunity requirements for components of fire, intruder and social
alarm systems.
• EN55022/CISPR22/EN61000-6-3 Class B: Information technology equipment.
Radio disturbance characteristics. Limits and methods of measurement.
• EN60950: Information technology equipment - General requirements.
UL 2 9 4 C
O M P L IAN C E
N
OT I C E
To comply with UL listings, the following requirements must be met:
• Use only UL listed cables suitable for the use.
• AUL294 listed power limited supply rated for the application shall be used (12Vdc/
1A).
• The system must be installed in accordance with NFPA70 (NEC), local codes, and
all authorities having jurisdiction.

ix
• Model SA-RM56 must be installed within the protected premises.
• All interconnecting devices must be UL Listed and Class 2 power limited.
• The following have not been evaluated by UL: (1) Fire and Burglary features (e.g.
arming, guard functions, duress, forced entry, etc.), (2) Relay-1.
• The system is intended for indoor use only.
• It is recommended to test the system once a year.
• There are no user replaceable parts in the SA-550 or SA-RM56. The lithium
battery in the SA-550 controller, Power Glory Battery Tech, p/n CR2032 is to be
replaced only by authorized service persons.
• The SA-550 should be mounted on top of an electrical box with wires placed
inside a metal conduit connecting to the electrical box where the SA-RM56 is
installed:
The following Kantech readers are UL1076 listed and can be used with the Kantech
Model SA-550 in a UL294 compliant installation: P225W26 and P325W26.

x

xi
Contents
Introduction to IoPass ............................................................... 1
Product Overview ......................................................................... 1
About this Manual ........................................................................ 1
Record Sheet and Worksheet .................................................. 1
Features ....................................................................................... 2
Specifications ............................................................................... 3
Installing and Wiring IoPass™ .................................................... 4
Unpacking the IoPass Unit ............................................................. 4
Required Equipment ..................................................................... 4
Selecting a Mounting Location ...................................................... 5
Typical Mounting Diagram ............................................................. 5
Mounting the IoPass Unit .............................................................. 6
Connecting the Door Locking Device .............................................. 6
Connecting the T.Rex Exit Detector or Exit Button .......................... 7
Connecting the Door Contact ........................................................ 7
Connecting the Alarm Annunciator ................................................ 7
Connecting the Power ................................................................... 8
Programming IoPass™ - Introduction ....................................... 10
IoPass Programming Mode .......................................................... 10
IoPass Factory Defaults ............................................................... 11
Programming IoPass™ - Features ............................................. 15
Access Mode Selection ................................................................ 15
Card Management ...................................................................... 15
Alarm Relay Functions ................................................................. 15
Tamper Alarm Function ............................................................... 15
Forced Entry Alarm Function ....................................................... 16
Door Ajar Alarm Function ............................................................ 16
Beeper Key Tone Function ........................................................... 16
Strike Relay Activation Timer ...................................................... 16
Programming IoPass™ Step by Step ......................................... 17
Accessing the Setup Menu .......................................................... 17
Adding & Deleting Cards ............................................................. 17
Managing Passwords ................................................................... 19
Managing Doors .......................................................................... 20
Timers ........................................................................................ 22
The Strike Relay Timer .......................................................... 22
The Alarm Relay Timer .......................................................... 23
The Door Ajar Timer .............................................................. 23

xii
Using the Door Ajar Function ................................................ 24
Configuring the Tamper Alarm Function ....................................... 24
Recommended Configuration Procedure ................................ 24
Enabling the Tamper Alarm Function ..................................... 24
Using the Tamper Alarm Function .......................................... 25
Configuring the Forced Entry Alarm ............................................. 25
Recommended Configuration Procedure ................................ 25
Enabling/Disabling the Force Entry Alarm Function ................ 26
Using the Force Entry Function ............................................. 26
Configuring the Door Ajar Function ............................................. 27
Enabling/Disabling the Door Ajar Function ............................. 27
Activating the Alarm Relay on Door Ajar ................................ 28
Selecting the Access Mode .......................................................... 28
Beeper Key Tone Configuration ................................................... 29
Door Input Configuration ............................................................ 30
First Man Configuration .............................................................. 31
Schedules Configuration ............................................................. 31
Holidays Configuration ................................................................ 33
Language Configuration .............................................................. 34
IN/OUT Operations ..................................................................... 34
USB Transfer Interface ................................................................ 37
Saving/Downloading Operation ............................................. 37
Quick Reference Programming ................................................ 39
Table Programming Worksheet ............................................... 41
Card Information Record Sheet ............................................... 43
Using the IoPass™ System ....................................................... 45
Stop Tamper Alarm ............................................................... 45
Stop Force Entry Alarm ......................................................... 46
Stop Warning Device ............................................................. 46

1
Introduct i on to IoPass
Product Overview
The ioPass is a fully programmable stand-alone access control system that
allows entry using proximity technology, keypad or both, for up to 1,000
users. The configuration support up to 8 doors and the data is transferred
on other units using USB keys. Compact and surface mountable, the ioPass
is fully programmable directly from the keypad.
Easy Programming
Programming is performed directly from the keypad with visual
confirmation of each operation on the 16-character, 2-line LCD display.
Higher Security SA-RM56 Concealed Relay Module
The ioPass relay module is separate from the SA-550 unit and shall be
mounted within a UL listed junction box. The relay module acts as a
connecting module between the ioPass unit and the system devices.
Devices (door contact, strike, exit button or detector, alarm annunciator,
power, etc.) are connected to this module.
About this Manual
This Installation Manual provides installation and programming instructions
for ioPass installers. Please read this manual carefully before installing or
programming the ioPass unit.
NOTE: User PIN required for arming/disarming the unit.
Record Sheet and Worksheet
You can find the Card Information Record Sheet on see page 43. Please
photocopy this form as reference material so you can keep a record of the
cards that are programmed in the ioPass unit.
You can also find a Programming Worksheet to record the settings that
were modified within the unit. For more information, refer to the page 39.

2
Features
• Proximity type reader with a read range up to 10.0 cm (4.0 in);
• Capacity to store up to 1,000 user records;
• Large 2-line LCD of 16 characters with back light feature including power
saver function: the backlight will turn off if inactive for more than 3
minutes;
• System supports up to 8 stand alone door configurations (requires 8
individual SA-550 units).
• Three (3) access mode options:
• Card only (default);
• Card and PIN;
• Card or PIN.
• The “Alarm Relay” can be activated if:
• the unit detects a forced entry;
• the front cover of the unit is removed (tamper alarm function);
• the door is opened longer than pre-set time (door ajar function).
• Last 3500 Access Granted card numbers can be viewed on-screen;
• Audible key tones;
• 24 holidays and 4 access schedules;
• 24 recurring holidays (January 1st & December 25th pre-set), 24 non-
recurring holidays, 4 access schedules and 1 unlock schedule;
• 1000 access cards;
• Audit trail—On unit, last 3,500 transactions with time stamp;
• Strike and alarm relay have a selectable activation timer (1-255 seconds);
• Selectable door left open timer (1-255 seconds);
• 6 different languages (english, french, spanish, german, dutch and italian)
for the user interface;
• Can be mounted on a standard flush mount UL Listed electrical box
(vertical or horizontal positioning of the box acceptable).

3
Specifications
• Model: SA-550;
•Typical read range—Up to 10.0 cm (4.0 in)
1
;
•Input voltage—12VDC;
•Current DC maximum—200mA. Note: The electrical ratings are for both
models combined (e.g. SA-550 and SA-RM56);
•Display—16 characters, 2 lines, LCD with backlight;
•Dimensions (H • W • D):
• cm—15.0 x 9.6x 4.0 ; in—5.9 x 3.8 x 1.6
•Weight—380g (13.5oz);
•Case material—ABS PA757 (UL 94V-0);
•LED indicator—Bicolor (green/red);
•Operating temperatures—0°C to 50°C (32°F to 122°F);
•Operating humidity—5% to 95% (relative humidity non-condensing);
•Model: SA-RM56 Relay Module;
•Door contact input—NO or NC selectable;
•Request-to-Exit input—NO or NC selectable;
•Relay output (Strike, Alarm and Relay-1 relay)—Form C, NO and NC, 1A,
12VDC;
•Strike, Alarm —1 to 255 sec.;
•Door ajar timer—1 to 255 sec.;
•Compatible cards—ioProx Card models P10SHL, P20DYE, P30DMG,
P40KEY, and P50TAG;
•Compatible readers—P225W26 and P325W26;
•PIN length—4 digits;
•Certifications—CE, FCC, UL 294 and ICES-003.
NOTE: There are no user replaceable parts in the SA-550 or SA-
RM56. The lithium battery, Power Glory Battery Tech, p/n
CR2032 in the SA-550 controller is to be replaced only by
authorized service persons.
NOTE: Relay-1 functionality is not supported by SA-550 controller.
CAUTION
RISK OF EXPLOSION IF BATTERY IS REPLACED BY AN
INCORRECT TYPE. DISPOSE OF USED BATTERIES ACCORDING TO
THE INSTRUCTIONS.
1. Reduced read range with keytag and Dye-Sub cards.

4
Installing an d W ir ing I oPass™
Unpacking the IoPass Unit
Check that the following parts are in your ioPass package:
• One (1) ioPass unit;
• One (1) relay module (SA-RM56 including connectors);
• One (1) hardware kit;
• Ten (10) proximity keytags (P40KEY);
• One (1) ioPass, Installation Manual, DRAFT (English version). The
Installation Manual is also available in french (DN1464) and spanish
(DN1465) from the Kantech Member Center.
NOTE: The SA-RM56 relay module comes with all the necessary
connectors to facilitate installation.
Required Equipment
• Power supply—12VDC, 1A (required); UL294 Listed.
NOTE: The power supply shall be Class 2 power-limited, with 4 hours
of standby power.
• Cables (required):
•
Between ioPass and reader
2 twisted pairs, solid conductor #22AWG UNSHIELDED
•
Between ioPass and relay module
2 twisted pairs, solid conductor, #22AWG UNSHIELDED
•
Between relay module and power supply
1 pair, solid conductor #18AWG UNSHIELDED
NOTE: Maximum wiring distance between equipment—150m
(500ft).
• Door contact (recommended);
• Locking device (required);
• Door alarm or annunciator (recommended);
• T.Rex Request-to-Exit detector (recommended).

5
Selecting a Mounting Location
Select a mounting location for the unit using the following guidelines:
• Close to the door being supervised;
• Away from areas with a large amount of background noise;
• It is recommended that you mount the unit so that the LCD is visible to
users when requesting access. The top of the unit should not be higher
than 45 to 50 inches from the floor.
Typical Mounting Diagram

6
Mounting the IoPass Unit
1- Remove the front panel by squeezing the sides of the unit and
sliding forward;
2- Mount the base unit to the wall using two (2) screws (provided) to
secure the unit to the standard flush mounting electrical box;
3- Mount the main unit to the base unit using four (4) screws
(provided);
4- Replace the cover by gently sliding it back on the unit;
5- The unit offers a tamper alarm protection in case someone tries to
remove the cover. For more information, please refer to "Beeper
Key Tone Configuration" on page 29.
6- The SA-RM56 shall be mounted inside the electrical junction box
and secured to the back of it using tie-wrap. The wiring
connections between the SA-RM56 and the devices connected to
it shall be made in mechanically protective conduit. The junction
box shall be closed with its cover once all connections have been
made inside the box.
Connecting the Door Locking Device
To install the door locking device, refer to the manufacturer’s instructions.
To connect it, refer to the diagram below.
Wiring Diagram
NOTE: Power source shall be UL294 Listed Class 2 power-limited,
with 4 hours of standby power.

7
Connecting the T.Rex Exit Detector or Exit Button
To install the T.Rex Exit Detector/push button, refer to the manufacturer’s
instructions. To connect it, refer to the diagram below.
Wiring Diagram
Connecting the Door Contact
To install the door contact, refer to the manufacturer’s instructions. To
connect it, refer to the diagram below.
Wiring Diagram
Connecting the Alarm Annunciator
To install the alarm annunciator, refer to the manufacturer’s instructions. To
connect the annunciator (i.e.: horn, bell, etc.), refer to the diagram below.
NOTE: This feature has not been evaluated by UL.
Wiring Diagram

8
Connecting the Power
Once all other wiring is complete, power up the unit.
Wiring Diagram
NOTE: Once all connections are finished, you may start to program
the unit. Before you do so, we recommend reading the section
called "Programming IoPass™ - Introduction" on page 10.
NOTE: Power source shall be UL294 Listed Class 2 power-limited,
with 4 hours of standby power.

9
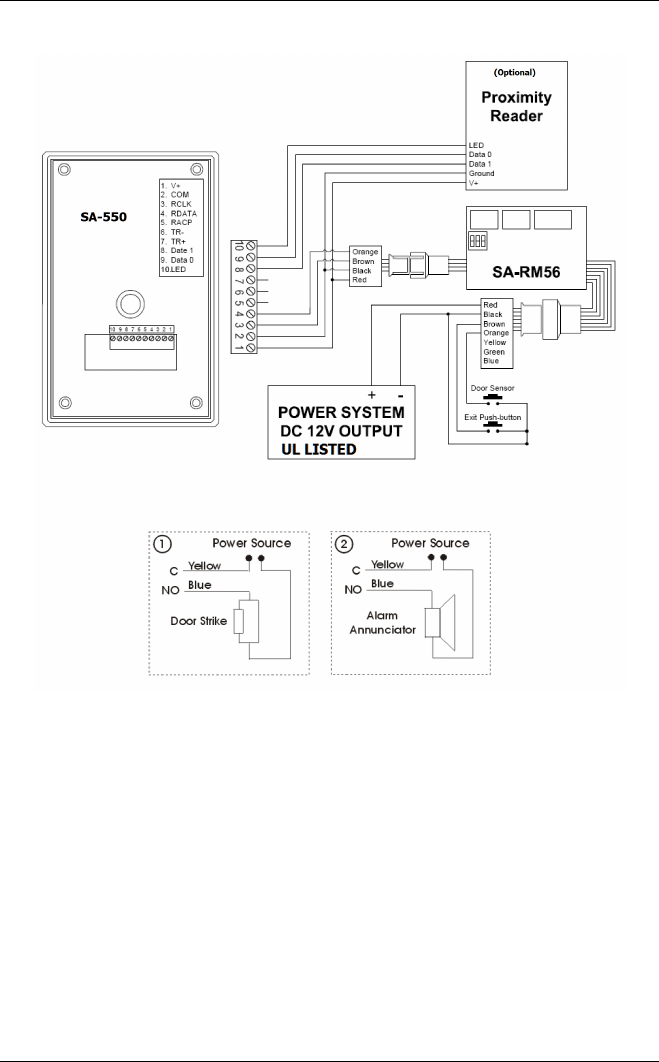
General Wiring Diagram

10
Prog ramming IoPas s™ -
Introduct ion
IoPass Programming Mode
To enter the programming mode:
1- Hold the # key for two seconds.
2- Press 1. SET UP.
3- Enter the 6-digit password followed by the [#] key. The default
password is [111111].
The LCD will display the following information:
1. ENROL 2. DOOR
3. TIMER 4. SYSTEM
From these basic functions, more options are available.
When programming the unit, you need to know that:
• The [*] key is used to either go back to the previous menu, or delete
what was entered.
• The [#] key is used to accept, save the data that was modified or
programmed in the system and quit.

11
IoPass Factory Defaults
The factory defaults consist of a series of options that are automatically set
up in the unit as the “basic” system configuration and can be modified.
Description Factory
Default
To
Modify
Door Number 1 See p. 20
Access mode Card only (mode 0) See p. 28
Installer Password 111111 See p. 19
Operator Password 222222 See p. 19
Tamper alarm function Enabled See p. 29
Forced entry alarm function Enabled See p. 25
Door ajar Enabled See p. 27
Alarm relay activated on door ajar Disabled See p. 27
Beeper key tones Enabled See p. 29
Alarm relay activation timer when
door left open more then the pre-
set time (door ajar)
30 seconds (must remain
open more than 30 seconds
to trigger alarm relay—if the
function is enabled)
See p. 27
Alarm relay active time 240 seconds (4 min.) See p. 31
Strike relay active time 10 seconds See p. 23
Exit button input type Normally Open (NO) See p. 30
Door contact type Normally Open (NO) See p. 30
First man entry function Enabled See p. 31
Recurring holiday January 1 & December 25 See p. 33
Non-recurring holiday No default See p. 33
Language English See p. 34

12
Four Access Schedules Default
Access Schedule 1
Interval SUN MON TUE WED THU FRI SAT
[1] 00:00 - 24:00
[2] 00:00 - 00:00
[3] 00:00 - 00:00
[4] 00:00 - 00:00
Access Schedule 2
Interval SUN MON TUE WED THU FRI SAT
[1] 00:00 - 00:00
[2] 00:00 - 00:00
[3] 00:00 - 00:00
[4] 00:00 - 00:00
Access Schedule 3
Interval SUN MON TUE WED THU FRI SAT
[1] 00:00 - 00:00
[2] 00:00 - 00:00
[3] 00:00 - 00:00
[4] 00:00 - 00:00
Access Schedule 4
Interval SUN MON TUE WED THU FRI SAT
[1] 00:00 - 00:00
[2] 00:00 - 00:00
[3] 00:00 - 00:00
[4] 00:00 - 00:00

13
Unlocked Schedule Default
Unlock Schedule
Interval SUN MON TUE WED THU FRI SAT
[1] 00:00 - 24:00
[2] 00:00 - 00:00
[3] 00:00 - 00:00
[4] 00:00 - 00:00

14

15
Prog ramming IoPas s™ -
Features
Access Mode Selection
Before you start registering cardholders, you must select the suitable
access mode for your installation.
This function allows the system administrator to decide how access will be
granted to cardholders. The default access mode is set to “Mode 0 - Card
Only”.
•
Mode 0 - Card Only
•
Mode 1 - Card and PIN
•
Mode 2 - Card or PIN
NOTE: For more information on access modes, refer to page 28.
Card Management
Up to 1,000 user cards can be registered in the ioPass unit. Depending on
how many cards you need to program, you can simply add them one at a
time or use the batch process to add a pre-selected batch of cards in the
unit.
Alarm Relay Functions
An alarm relay is provided on the relay module. This alarm relay can be
activated by the following events:
•
Tamper Alarm (if enabled)
•
Forced Entry (enabled by default)
•
Door Ajar (if enabled)
NOTE: The alarm relay is always “enabled”, but users can configure
options that can trigger this relay as detailed at page 31
(default 240 seconds).
Tamper Alarm Function
When enabled, the tamper alarm function automatically activates the
“Alarm Relay” and sounds the internal buzzer when the front panel of the
unit is removed.
NOTE: Please refer to page 29 for more information.

16
Forced Entry Alarm Function
The Forced Entry Alarm Function is already enabled in the unit. This
function automatically activates the “Alarm Relay” when the door contact
detects unauthorized access (without card or password or both). When this
occurs, a “door forced open” type of event is generated.
NOTE: For more information refer to page 25.
Door Ajar Alarm Function
Already enabled in the unit, this function activates the “Alarm Relay” when
the door is opened longer than the pre-set time following an access granted
operation.
The user can decide if the alarm relay needs to be activated when this
situation occurs.
NOTE: Please refer to page 27 for more information.
Beeper Key Tone Function
This function, already enabled in the unit, provides an audible “beep” tone
when the keys of the keypad are used.
NOTE: Please refer to page 29 for more information.
Strike Relay Activation Timer
By default, the locking device relay is pre-set to 10 seconds, meaning that
the door will remain unlocked for that period of time. The timer can be
modified from 1-255 seconds.
NOTE: For more information refer to page 23.

17
Prog ramming IoPas s™
Step by S tep
Accessing the Setup Menu
To access the setup menu, hold the [#] key for 2 seconds then press ‘1’.
NOTE: The operator password allows programing all the settings
EXCEPT changing the installer password and updating the
firmware.
Adding & Deleting Cards
NOTE: Once you have selected the “Access Mode”, you may start
enrolling cards. Otherwise, please refer to "Access Mode
Selection" on page 15.
Use the provided "Card Information Record Sheet" on page 43 to store user
information (card number, name and PIN if applicable). Also, if you are using
the PIN feature, you may want to gather the PIN from cardholders in
advance.
All new cards must be enrolled into the unit before access is allowed. Up to
1,000 cards can be stored in the unit.
Cards are stored based on their programming sequence within the unit. If a
card that is not enrolled is presented to the reader, the INVALID CARD
message is displayed.
NOTE: Depending on how many cards you need to program, you can
simply add them one at a time or use the batch process to
add a pre-selected batch of cards in the unit.
If the maximum number of cards has been reached, the NO SPACE message
will be displayed each time you attempt to add a new card.
To add a card:
1- Enter the master password (default is [111111]) followed by the
[#] key. The LCD displays the following:
1. ENROL 2. DOOR
3. TIMER 4. SYSTEM

18
2- Press [1-Enrol]. The LCD displays:
1-Adding cards
2-Deleting 3-PSW
3- Press [1-Adding cards]. The LCD displays:
TOTAL CARDS: XX (xx=# of cards in unit)
CARD NO.__:______
4- There are two ways to enter the card number in the system:
•
You can simply present the card to the reader and the number
will automatically be entered.
•
You can type in the number (XX:XXXXX) printed on the card
followed by the [#] sign using the keypad. If you need to enter
special characters (hexadecimal) see page 19.
5- Once you have entered the card number, you will see the following
screen:
Doors: 12345678
00000000
6- Enter 1 (valid) or 0 (not valid) below each door number to indicate
for which door the entered card number is valid or not.
7- To validate your choices, press #.
8- To change the schedule associated to the selected card, press 1.
Pressing 1 repeatedly will scroll through each schedule number.
9- To enable the UHOL (Unlock on Holiday) function, press 1 to
display Yes. Otherwise, the doors will stay locked on all holidays.
10- Enter another card number or press # to exit the programming
mode.
To delete a card:
1- Enter the master password (default is [111111]) followed by the
[#] key. The LCD displays the following:
1. ENROL 2. DOOR
3. TIMER 4. SYSTEM
2- Press [1-Enrol]. The LCD displays:
1-Adding cards
2-Deleting 3-PSW
3- Press [2-Deleting]. The LCD displays:
TOTAL CARDS: XX (xx=# of cards in unit)
CARD NO.__:______
4- There are two ways to enter the card number in the system:

19
•
You can simply present the card to the reader and the number
will automatically be entered.
•
You can type in the number (XX:XXXXX) printed on the card
followed by the [#] sign using the keypad. If you need to enter
special characters (hexadecimal) see page 19.
5- To validate your choices, press #.
6- Enter another card number to delete or press # to exit the
programming mode.
Managing Passwords
To modify the passwords:
1- Enter the password (default is [111111]), then [#].
2- The LCD displays the following:
1. ENROL 2. DOOR
3. TIMER 4. SYSTEM
3- Press [1-ENROL]. The LCD displays the following:
1-Adding cards
2-Deleting 3-PSW
4- Press [3-PSW]. The LCD displays:
1. Installer
2. Operator
Special Characters (Hexadecimal)
When inputting the card number using the keypad, you may need to
program special characters. You can do this using hexadecimal digits.
The following hexadecimal digits will insert special characters into the
card number. To program a hexadecimal digit press [*], then press the
number corresponding to the hexadecimal digit.
If another hexadecimal digit is required, press [*] again, then press the
corresponding number. The ioPass reader will return to decimal
programming on the next digit.
Example: To program “4E”, you would enter:
• [4] - programs a “4”
• [*][5] - programs an “E”

20
5- Select the password to be changed (Installer or Operator). The LCD
displays:
Current: 111111
New:
6- Enter the new password. This password must be 6 characters.
7- Press [#] to save and exit.
Managing Doors
To select a door:
1- Enter the password (default is [111111]), then [#].
2- The LCD displays the following:
1. ENROL 2. DOOR
3. TIMER 4. SYSTEM
3- Press [2-DOOR]. The LCD displays the following:
1. Door No
2. RECORD 3. CLOCK
4- Press [1-Door No]. The LCD displays:
Door No. XX
NEW:
5- Enter a new door number. This number must be from 1 to 8.
6- Press [#] to save and exit.
To review a door records:
1- Enter the password (default is [111111]), then [#].
2- The LCD displays the following:
1. ENROL 2. DOOR
3. TIMER 4. SYSTEM
3- Press [2-DOOR]. The LCD displays the following:
1. Door No
2. RECORD 3. CLOCK
4- Press [2-RECORD]. The LCD displays (for example):
Transaction # Card #
Date(YYMMDD) Time (hh:mm:ss) Door #
5- Press [#] to save and exit or [*] to go back to the previous menu.

21
To clear a door records:
1- Enter the password (default is [111111]), then [#].
2- The LCD displays the following:
1. ENROL 2. DOOR
3. TIMER 4. SYSTEM
3- Press [2-DOOR]. The LCD displays the following:
1. Door No
2. RECORD 3. CLOCK
4- Press [2-RECORD]. The LCD displays:
1. Review records
2. Clear records
5- Press [2-Clear records]. The LCD displays:
Clear all record
Press ‘1’ to Execute
To set the date:
1- Enter the password (default is [111111]), then [#].
2- The LCD displays the following:
1. ENROL 2. DOOR
3. TIMER 4. SYSTEM
3- Press [2-DOOR]. The LCD displays the following:
1. Door No
2. RECORD 3. CLOCK
4- Press [3-CLOCK]. The LCD displays:
1. Date setting
2. Time setting
5- Press [1-Date setting]. The LCD displays:
Date: 2012/11/21
Press ‘#’ -> OK
6- Press [#] to exit.
To set the time:
1- Enter the password (default is [111111]), then [#].
2- The LCD displays the following:
1. ENROL 2. DOOR
3. TIMER 4. SYSTEM

22
3- Press [2-DOOR]. The LCD displays the following:
1. Door No
2. RECORD 3. CLOCK
4- Press [3-CLOCK]. The LCD displays:
1. Date setting
2. Time setting
5- Press [2-Time setting]. The LCD displays:
Time: 11:39
Press ‘#’ -> OK
6- Press [#] to exit.
Timers
The Strike Relay Timer
By default, the locking device relay is pre-set to 10 seconds, meaning that
the door will remain unlocked for that period of time following an “access
granted” event.
The timer can be modified from 1-255 seconds.
To set the strike relay timer:
1- Enter the master password (default is [111111]) followed by the
[#] key. The LCD displays the following:
1. ENROL 2. DOOR
3. TIMER 4. SYSTEM
2- Press [3-TIMER]. The LCD displays:
1.Strike 2.Alarm
3.Ajar
3- Press [1-Strike]. The LCD displays:
CURRENT: 10 SEC.
NEW:
4- Using the keypad, enter the number of seconds during which the
locking device will be unlocked. Enter digits in “seconds”.
5- Press [#] to save.
6- Press [#] again to exit.

23
The Alarm Relay Timer
By default, the alarm relay is pre-set to 240 seconds, meaning that the
connected annunciator will remain activated for that period of time. The
timer can be modified from 1-255 seconds.
The alarm relay can be activated by the following events:
•
Tamper alarm (if enabled);
•
Forced entry (enabled by default);
•
Door ajar (if enabled);
NOTE: This relay is always “enabled”, but options that can trigger
this relay can be customized by the user.
To configure the alarm relay timer:
1- Enter the master password (default is [111111]) followed by the
[#] key. The LCD displays the following:
1. ENROL 2. DOOR
3. TIMER 4. SYSTEM
2- Press [3-TIMER]. The LCD displays:
1.Strike 2.Alarm
3.Ajar
3- Press [2-Alarm]. The LCD displays:
CURRENT: 240 SEC.
NEW:
4- Using the keypad, enter the number of seconds during which the
alarm will sound. Enter digits in “seconds”.
5- Press [#] to save.
6- Press [#] again to exit.
The Door Ajar Timer
The door ajar timer is set to 30 seconds. If the door remains open longer
than 30 seconds, after an “access” event, an alarm will sound until the door
is closed correctly. If required, you can modify this setting and program a
value between 1-255 seconds.
To set the door ajar timer:
1- Enter the master password (default is [111111]) followed by the
[#] key. The LCD displays the following:
1. ENROL 2. DOOR
3. TIMER 4. SYSTEM

24
2- Press [3-TIMER]. The LCD displays:
1.Strike 2.Alarm
3.Ajar
3- Press [3-Ajar]. The LCD displays:
CURRENT: 30 SEC.
NEW:
4- Using the keypad, enter the number of seconds during which the
alarm will sound. Enter digits in “seconds”.
5- Press [#] to save.
6- Press [#] again to exit.
Using the Door Ajar Function
Depending on whether the door ajar function is configured to trigger the
alarm relay, follow this procedure to STOP the warning device.
1- When the door is left open, the alarm relay will be triggered OR
the unit’s piezo will sound. The LCD will display:
READY FOR CARD
DOOR OPEN
2- The “Door Open” message is displayed (and blinking) and will
remain on the LCD until the door is closed properly.
Configuring the Tamper Alarm Function
This tamper alarm will activate the alarm relay when the front cover of the
ioPass unit is removed.
Recommended Configuration Procedure
•
Enable tamper function;
•
Modify alarm relay timer activation (if required). See page 31 for
more information.
Enabling the Tamper Alarm Function
1- To enter the programming mode, enter the master password
(default is [111111]) followed by the [#] key. The LCD displays the
following:
1. ENROL 2. DOOR
3. TIMER 4. SYSTEM

25
2- Press [4-SYSTEM]. The LCD displays:
1.ALARM 2.MODE
3.OTHER 4.IN/OUT
3- Press [1-ALARM]. The LCD displays:
1.Tamper 2.Force
3.AJAR
4- Press [1-Tamper]. The LCD displays:
CURRENT: DISABLE
Press ’1’ --> Change
5- Press [1] until desired mode is displayed. Pressing this key will
toggle between selections.
6- Press [#] to save and exit.
Using the Tamper Alarm Function
Once the function is enabled in the system, follow this procedure to STOP
the tamper alarm if it has been activated.
1- When the tamper alarm has been activated, the alarm relay will be
triggered (usually an annunciator) and the LCD will display:
READY FOR CARD
TAMPER ALARM (blink)
2- This “Tamper Alarm” message is displayed (and blinking) and will
remain on the LCD until an “access granted” operation is
processed by the unit;
3- Present your card and enter your PIN or master password
(depending on the system set up), access will be granted and the
message will disappear.
Configuring the Forced Entry Alarm
This function, already enabled in the unit (default), will automatically
activate the “Alarm Relay” when the door contact detects unauthorized
access (without card or password or both) or a “door forced open” type of
event.
Recommended Configuration Procedure
•
Since this function is already enabled in the unit, follow the
procedure below if you need to disable it (not recommended);

26
•
Modify alarm relay timer activation (if required). See page 31 for
more information.
Enabling/Disabling the Force Entry Alarm Function
1- To enter the programming mode, enter the master password
(default is [111111]) followed by the [#] key. The LCD displays the
following:
1. ENROL 2. DOOR
3. TIMER 4. SYSTEM
2- Press [4-SYSTEM]. The LCD displays:
1.ALARM 2.MODE
3.OTHER 4.IN/OUT
3- Press [1-ALARM]. The LCD displays:
1.Tamper2.Force
3.AJAR
4- Press [2-Force]. The LCD displays:
CURRENT: ENABLE
Press ’1’ --> Change
5- Press [1] until desired mode is displayed. Pressing this key will
toggle between selections.
6- Press [#] to save and exit.
Using the Force Entry Function
Follow this procedure to STOP the force entry alarm if it has been activated.
1- When the force entry has been activated, the alarm relay will be
triggered (usually an annunciator) and the LCD will display:
READY FOR CARD
FORCE ENTRY
2- This “Force Entry” message is displayed (and blinking) and will
remain on the LCD until an “access granted” operation is
processed by the unit;
3- Present your card and enter your PIN or master password
(depending on the system set up), access will be granted and the
message will disappear.

27
Configuring the Door Ajar Function
This function, already enabled in the unit (default), can activate the “Alarm
relay” when the door is opened longer than the pre-set time following an
access granted operation.
By default, the ioPass warning device will sound until the door is closed
correctly. The user can decide if the alarm relay needs to be activated when
this situation occurs.
Enabling/Disabling the Door Ajar Function
1- Enter the master password (default is [111111]) followed by the
[#] key. The LCD displays the following:
1. ENROL 2. DOOR
3. TIMER 4. SYSTEM
2- Press [4-SYSTEM]. The LCD displays:
1.ALARM 2.MODE
3.OTHER 4.IN/OUT
3- Press [1-ALARM]. The LCD displays:
1.Tamper 2.Force
3.AJAR
4- Press [3-AJAR]. The LCD displays:
1.Ajar alarm
2.Ajar relay
5- Press [1-Ajar alarm] to enable or disable the door ajar function.
The LCD displays:
CURRENT: ENABLE
Press ’1’ --> Change
6- Press [1] until desired mode is displayed. Pressing this key will
toggle between selections.
7- Press [#] to save and exit. If you want the alarm relay to be
activated when a “door ajar” situation occurs, follow the
procedure below.

28
Activating the Alarm Relay on Door Ajar
1- Enter the master password (default is [111111]) followed by the
[#] key. The LCD displays the following:
1. ENROL 2. DOOR
3. TIMER 4. SYSTEM
2- Press [4-SYSTEM]. The LCD displays:
1.ALARM 2.MODE
3.OTHER 4.IN/OUT
3- Press [1-ALARM]. The LCD displays:
1.Tamper2.Force
3.AJAR
4- Press [3-AJAR]. The LCD displays:
1.Ajar alarm
2.Ajar relay
5- Press [2-Ajar relay] to enable (trigger) or disable (not trigger) the
alarm relay when the door is left open longer than pre-set time.
The LCD displays:
CURRENT: DISABLE
Press ’1’ --> Change
6- Press [1] until desired mode is displayed. Pressing this key will
toggle between selections.
7- Press [#] to save and exit.
Selecting the Access Mode
The access mode is the most important function of the system.
Three (3) access modes are available in the system:
•
Mode “0” - Card Only - DEFAULT: This mode only requires users to
present their card to be granted access.
•
Mode “1” - Card and PIN: This mode requires that users present
their card and then enters their PIN on the keypad. Make sure the
keypad can be accessed by cardholders if you are using this mode.
•
Mode “2” - Card or PIN: This mode will require that users present
their card to the reader to be granted access OR enter their PIN.

29
To Select an Access Mode:
1- Enter the password (default is [111111]), [#].
NOTE: It is strongly recommended to modify the default password
before programming the unit. To modify the master
password, refer to "Managing Passwords" on page 19.
2- The LCD displays the following:
1. ENROL 2. DOOR
3. TIMER 4. SYSTEM
3- Press [4-SYSTEM]. The LCD displays:
1.ALARM 2.MODE
3.OTHER 4.IN/OUT
4- Press [2-MODE]. The LCD displays:
1.Access 2.Tone
3.DI 4. First man
5- Select [1-Access]. The LCD displays:
MODE: Card only
PRESS ’1’ --] CHANGE
6- Press [1] until desired mode is displayed. Pressing this key will
toggle between selections;
7- When the required mode is displayed (Card only, Card + PIN, Card
or PIN), press [#] to save and exit.
Beeper Key Tone Configuration
This function, already enabled in the unit (default), provides an audible
“beep” tone when the keys of the keypad are used. This function is
convenient when the cardholder must key in his PIN.
To disable the beeper:
1- Enter the master password (default is [111111]) followed by the
[#] key. The LCD displays the following:
1. ENROL 2. DOOR
3. TIMER 4. SYSTEM
2- Press [4-SYSTEM]. The LCD displays:
1.ALARM 2.MODE
3.OTHER 4.IN/OUT

30
3- Press [2-MODE]. The LCD displays:
1.Access 2.Tone
3.DI 4. First man
4- Press [2-Tone]. The LCD displays:
CURRENT: ENABLE
Press ’1’ --> Change
5- Press [1] until desired mode is displayed. Pressing this key will
toggle between selections. When required mode is displayed,
press [#] to save and exit.
Door Input Configuration
The ioPass unit allows the installer to configure the exit button and the door
contact. These “normally open” contacts can be modified to “normally
closed” to suit the installer’s requirements.
To configure the door input:
1- Enter the master password (default is [111111]) followed by the
[#] key. The LCD displays the following:
1. ENROL 2. DOOR
3. TIMER 4. SYSTEM
2- Press [4-SYSTEM]. The LCD displays:
1.ALARM 2.MODE
3.OTHER 4.IN/OUT
3- Press [2-MODE]. The LCD displays:
1.Access 2.Tone
3.DI 4. First man
4- Press [3-DI]. The LCD displays:
1.Exit button
2.Door contact
5- Press [1-Exit button] to modify the exit button polarity OR press
[2-Door] to modify the door contact polarity. In either cases, the
LCD displays:
CURRENT: NC
Press ’1’ --> Change
6- Press [1] until desired mode is displayed. Pressing this key will
toggle between selections. When required mode is displayed,
press [#] to save and exit.

31
First Man Configuration
The ioPass unit allows the installer to configure the first man entry function.
This way, the door schedule will be enable only once the first user with a
valid card is granted access.
To configure the first man access:
1- Enter the master password (default is [111111]) followed by the
[#] key. The LCD displays the following:
1. ENROL 2. DOOR
3. TIMER 4. SYSTEM
2- Press [4-SYSTEM]. The LCD displays:
1.ALARM 2.MODE
3.OTHER 4.IN/OUT
3- Press [2-MODE]. The LCD displays:
1.Access 2.Tone
3.DI 4. First man
4- Press [3-First man]. The LCD displays:
CURRENT: ENABLE
Press ’1’ --> Change
5- Press [1] until desired mode is displayed. Pressing this key will
toggle between selections. When required mode is displayed,
press [#] to save and exit.
Schedules Configuration
From this menu, you can configure access and unlock schedules. An access
schedule defines the access times for users with cards. An unlock schedule
defines the access times for the general public.
To configure a schedule:
1- Enter the master password (default is [111111]) followed by the
[#] key. The LCD displays the following:
1. ENROL 2. DOOR
3. TIMER 4. SYSTEM
2- Press [4-SYSTEM]. The LCD displays:
1.ALARM 2.MODE
3.OTHER 4.IN/OUT

32
3- Press [3-OTHER]. The LCD displays:
1.SCHEDULES
2.HOLIDAYS 3. Language
4- Press [1-SCHEDULES]. The LCD displays:
1.Access schedule
2.Unlock schedule
5- Press [1-Access schedule], the LCD displays:
SD I START END
01 1 00:00 - 24:00
or Press [2-Unlock schedule], the LCD displays:
DN I START END
01 1 00:00 - 24:00
SD: Schedule number (up to 4 schedules).
DN: Door Number (up to 8 doors).
I: Interval number (up to 4 intervals).
START: Time at which the schedule is valid.
END: Time at which the schedule is no more valid.
6- Use the up and down arrows to scroll between schedule numbers.
7- Press the right arrow to move to the interval. Use the up arrow to
scroll between interval numbers.
8- Press the [#] key to move to the start time.
9- Enter the start and end times using the keypad digits.
10- Press the [#] key to go to the next menu. The LCD displays:
DAYS S M T W T F S
02 1 0 0 1 1 1 0 0
11- Enter 1 for each day the schedule is valid or 0 for each day the
schedule is not valid.
12- Press the [#] go back to the previous menu.
13- Press the [#] to exit.

33
Holidays Configuration
To configure a holiday:
1- Enter the master password (default is [111111]) followed by the
[#] key. The LCD displays the following:
1. ENROL 2. DOOR
3. TIMER 4. SYSTEM
2- Press [4-SYSTEM]. The LCD displays:
1.ALARM 2.MODE
3.OTHER 4.IN/OUT
3- Press [3-OTHER]. The LCD displays:
1.SCHEDULES
2.HOLIDAYS 3. Language
4- Press [2-HOLIDAYS]. The LCD displays:
1.Recurring
2.Non-recurring
5- Press [1-Recurring], the LCD displays:
HOL [DATE]
01 January - 01
or press [2-Non-recurring], the LCD displays:
HOL [DATE]
01 Month- 00
HOL: Holiday number (up to 24 holidays).
DATE: Month and day of the holiday.
Recurring holidays: For those holidays that recur at the same
day of every year; once configured, they always remain valid.
January 01 pre-set at Holiday 01 & December 25 pre-set at
Holiday 21.
Non-recurring holidays: For those holidays that are not fixed
in relation to the calendar, for example Easter. Once config-
ured, they are valid only once and will be automatically
cleared after December 31; therefore configuring non-recur-
ring holidays each year is required if using this function.
6- Use the up arrow to scroll between holiday numbers.

34
7- Press the right arrow to move to the month selection. Use the up
and down arrows to scroll between months.
8- Press the right arrow to move to the day. Use the up and down
arrows to scroll between days of the month.
9- Press the [*] to go back to the previous menu. From there you can
configure another holiday.
10- Press the [#] to exit.
Language Configuration
To change the user interface language:
1- Enter the master password (default is [111111]) followed by the
[#] key. The LCD displays the following:
1. ENROL 2. DOOR
3. TIMER 4. SYSTEM
2- Press [4-SYSTEM]. The LCD displays:
1.ALARM 2.MODE
3.OTHER 4.IN/OUT
3- Press [3-OTHER]. The LCD displays:
1.SCHEDULES
2.HOLIDAYS 3. Language
4- Press [3-LANGUAGE]. The LCD displays:
ENGLISH
Press ’1’ --> Change
5- Press [1] until desired language is displayed. Pressing this key will
toggle between selections. When required language is displayed,
press [#] to save and exit.
IN/OUT Operations
NOTE: Before performing any action in that section please locate
the USB port on the right side of the unit. Insert a USB key
formated in Fat32 format with a 32MB free space. For more
information on how to use the USB transfer interface, please
refer to USB Transfer Interface on page 37.

35
Loading/saving the device configuration:
1- Enter the master password (default is [111111]) followed by the
[#] key. The LCD displays the following:
1. ENROL 2. DOOR
3. TIMER 4. SYSTEM
2- Press [4-SYSTEM]. The LCD displays:
1.ALARM 2.MODE
3.OTHER 4.IN/OUT
3- Press [4-IN/OUT]. The LCD displays:
1.CONFIG 2.CARD
3.Report 4.Upgrade
4- Press [1-CONFIG]. The LCD displays:
1.Load to Unit
2.Save to USB
5- Press [1-Load to Unit] to load a configuration into the unit (from a
USB drive) or [2-Save to USB] to save the unit configuration to a
USB drive.
Loading/saving card data:
1- Enter the master password (default is [111111]) followed by the
[#] key. The LCD displays the following:
1. ENROL 2. DOOR
3. TIMER 4. SYSTEM
2- Press [4-SYSTEM]. The LCD displays:
1.ALARM 2.MODE
3.OTHER 4.IN/OUT
3- Press [4-IN/OUT]. The LCD displays:
1.CONFIG 2.CARD
3.Report 4.Upgrade
4- Press [2-CARD]. The LCD displays:
1.Load to Unit
2.Save to USB
5- Press [1-Load to Unit] to load cards data into the unit (from a USB
drive) or [2-Save to USB] to save cards data to a USB drive.

36
Issuing an event report:
1- Enter the master password (default is [111111]) followed by the
[#] key. The LCD displays the following:
1. ENROL 2. DOOR
3. TIMER 4. SYSTEM
2- Press [4-SYSTEM]. The LCD displays:
1.ALARM 2.MODE
3.OTHER 4.IN/OUT
3- Press [4-IN/OUT]. The LCD displays:
1.CONFIG 2.CARD
3.Report 4.Upgrade
4- Plug a USB drive into the unit. If no drive is connected to the unit,
the message “Disk not found, Please Insert” will be displayed.
5- Press [3-Report]. The LCD displays:
Saving.......xx%
Upgrade the unit with a new firmware:
1- Enter the master password (default is [111111]) followed by the
[#] key. The LCD displays the following:
1. ENROL 2. DOOR
3. TIMER 4. SYSTEM
2- Press [4-SYSTEM]. The LCD displays:
1.ALARM 2.MODE
3.OTHER 4.IN/OUT
3- Press [4-IN/OUT]. The LCD displays:
1.CONFIG 2.CARD
3.Report 4.Upgrade
4- Press [4-Upgrade]. The LCD displays:
Firmware upgrade
Press ‘1’ to Execute

37
USB Transfer Interface
Saving/Downloading Operation
1- Find the USB port on the right side of the SA-550 reader.
2- Plug a USB drive (FAT32).
NOTE: A USB drive with a capacity of 512MB minimum (formatted in
FAT32) is recommended for transferring the database to and
from the reader.
3- Press the # key for 2 seconds.
4- Press [1-SET UP].
5- Enter your password (default is 111111).
6- Press the # key.
7- Select [4-SYSTEM].
8- Select [4-IN/OUT].
NOTE: To access section 4-IN/OUT, you will need to plug a USB drive
into the port.

38
Doors
1- Select [1-CONFIG].
2- To download door configurations from the USB drive, select [1-
Load to Unit]. The LCD displays:
Loading.... xx%
3- To upload door configurations to the USB drive, select [2-Save to
USB]. The LCD displays:
Saving.... xx%
Cards
1- Select [2-CARD].
2- To download cards from the USB drive, select [1-Load to Unit]. The
LCD displays:
Loading.... xx%
3- To upload cards to the USB drive, select [2-Save to USB]. The LCD
displays:
Saving.... xx%
NOTE: The transferred file cannot be edited.
Reports
1- Select [3-Report] to automatically upload a report to the USB
drive. The LCD displays:
Saving.... xx%
Firmware Upgrade
NOTE: A backup of the database should be performed before
proceeding with the upgrade.
1- Select [4-Upgrade]. The LCD displays:
Firmware upgrade
Press ‘1’ to execute

39
Quick Reference
Prog ramming
# (hold 2
seconds)
0. Check Version
1. Set up
Password:
( default 111111)
1. ENROL
1. Adding Cards
TOTAL CARDS:
CARD NO.: (Enter card number + #)
Doors: 12345678
Schedule:
00000000 Press '1' --> Change
UHOL:
Press '1' --> Change
2. Deleting Cards
CARD NO.: (Card number + #)
3. PSW(Password)
1. Installer
CURRENT: 111111(default)
NEW :
2.Operator
CURRENT: 222222(default)
NEW :
2. DOOR
1. Door No.
Door No.
NEW:
2. RECORD
1. Review records
1 10:14045
110810 141213 04
2. Clear Records
Clear all records
Press '1' to Execute
3. CLOCK
1. Date Setting
DATE:
Press '#' --> OK
2. Time Setting
TIME:
Press '#' --> OK
3. TIMER
1. Strike
CURRENT:
NEW:
2. Alarm
CURRENT:
NEW:
3. Ajar
CURRENT:
NEW:

40
4. SYSTEM
1. ALARM
1.Tamper
CURRENT:
Press '1' --> Change
2.Force
CURRENT:
Press '1' --> Change
3.AJAR
1. Ajar alarm
CURRENT:
Press '1' --> Change
2. Ajar relay
CURRENT:
Press '1' --> Change
2. MODE
1. Access
CURRENT:
Press '1' --> Change
2. Tone
CURRENT: (ENABLED/DISABLED)
Press '1' --> Change
3. DI
1. Exit button
CURRENT:
Press '1' --> Change
2. Door contact
CURRENT:
Press '1' --> Change
4. First man CURRENT: (ENABLED/DISABLED)
Press '1' --> Change
3.OTHER
1. SCHEDULES
1. Access schedule
SD I Start End
00 1 00:00-00:00
DAYS: SMTWTFS
01 1 1111111
1. Unlock schedule
DN I Start End
00 1 00:00-00:00
DAYS: SMTWTFS
UL 1 1111111
2. HOLIDAYS
1. Reccuring
Hol [DATE]
00 Month dd
2. Non-recurring
Hol [DATE]
00 Month dd
3. Language
ENGLISH
Press '1' --> Change
4.IN / OUT
1. CONFIG
1. Load to Unit
Loading xx%
2. Save to USB
Saving xx%
2. CARD
2. CARD
1. Load to Unit
Loading xx%
2. Save to USB
Saving xx%
3. Report
Saving xx% Generate Events.csv file
4. Upgrade
Firmware upgrade
Press '1' to Execute

41
Table Programmin g
Worksheet
Access Mode
[4]-[2]-[1]
Mode “0” - Card only (DEFAULT)
Mode “1” - Card and PIN
Mode “2” - Card OR PIN
Timers
NOTE: Allowed from 1 to 255 seconds.
Timers Default New
Strike [3]-[1] 10 seconds I__I__I__I
Alarm [3]-[2] 10 seconds I__I__I__I
Ajar [3]-[3] 20 seconds I__I__I__I

42
System Functions
NOTE: For more information, see "IoPass Factory Defaults" on page
11.
Functions YES NO
Tamper alarm [4]-[1]-[1]
Door forced open [4]-[1]-[2]
Door ajar [4]-[1]-[3]
Alarm relay activated on door ajar
[4]-[1]-[3]-[2]
Tone/beeper [4]-[2]-[2]
Door contact type [4]-[2]-[3]-[2]
NO
NC
Exit button contact type [4]-[2]-[3]-[1]
NO
NC

43
Card Inform ation Reco rd
Sheet
NOTE: Make copies of this sheet to record cardholder information.
Cardholder Name Card Number PIN (if used)

44

45
Using the IoPass™ System
By default, the LED (indicator) is red, and the LCD of the ioPass unit displays:
READY FOR CARD
You may have been given an access card, an access card and PIN or main
password for the secured area. Depending on how the system is configured,
the procedure remains the same:
1- Present your card at the reader OR enter the 6-digit password
followed by the [#] key;
2- The system will either grant you access (see step 4) or prompt you
to enter your PIN:
PASSWORD:
3- Using the keypad, enter your 6-digit PIN followed by the [#] key. If
you key in an incorrect password, the system will display “Invalid
Password”. In this case, start from step 1.
4- The LCD displays:
ACCESS GRANTED
The door will unlock and the LED (indicator) will turn green.
NOTE: Do not give your PIN to anybody.
Stop Tamper Alarm
Follow this procedure to STOP the tamper alarm if it has been
activated:
1- When the tamper alarm has been activated, the alarm relay will be
triggered (usually an annunciator) and the LCD will display:
READY FOR CARD
TAMPER ALARM (blink)
2- This “Tamper Alarm” message is displayed and blinking and will
remain on the LCD until an “access granted” operation is
processed by the unit;
3- Present your card and enter your PIN (depending on the system
set up) followed by the [#] key. Access will be granted and the
message will disappear.

46
Stop Force Entry Alarm
Follow this procedure to STOP the force entry alarm if it has been
activated.
1- When the force entry has been activated, the alarm relay will be
triggered (usually an annunciator) and the LCD will display:
READY FOR CARD
FORCE ENTRY
2- This “Force Entry” message is displayed (and blinking) and will
remain on the LCD until an “access granted” operation is
processed by the unit;
3- Present your card and enter your PIN (depending on the system
set up) followed by the [#] key. Access will be granted and the
message will disappear.
Stop Warning Device
Depending on whether the door ajar function is configured to
trigger the alarm relay, follow this procedure to STOP the warning
device.
1- When the door is left open, the alarm relay might not trigger but
the unit’s piezo will always sound. The LCD will display:
READY FOR CARD
DOOR OPEN
2- The “Door Open” message is displayed (and blinking) and will
remain on the LCD until the door is closed properly.

© 2013 Tyco International Ltd. and its Respective Companies. All Rights
Reserved. www.kantech.com
DN2076-1306