Tagmaster LRXX RFID Communicator User Manual 51027805 Installation Guide
Tagmaster AB RFID Communicator 51027805 Installation Guide
Contents
- 1. Installation guide
- 2. Data sheets
- 3. Installation manual
- 4. User manual
Installation guide

Copyright
The copyright/ownership of this document is and will remain ours. The document must not be used without our authorization or brought to the knowledge of a third
party. TagMaster AB.
Disclaimer
The information in this document is subject to change without notice. While the information contained herein is assumed to be accurate, TagMaster AB assumes
no responsibility for any errors or omissions.
HW INSTALLATION GUIDE
MANUAL ISSUE 05
DOC NO. 510278
2
FCC ID: M39LRXX
This device complies with part 15 of the FCC Rules.
Operation is subject to the following two conditions:
(1) This device may not cause harmful interference, and
(2) This device must accept any interference received,
including interference that may cause undesired
operation.
NOTE: This equipment has been tested and
found to comply with the limits for a Class
A digital device, pursuant to part 15 of the
FCC Rules. These limits are designed to provide
reasonable protection against harmful
interference when the equipment is operated
in a commercial environment. This equipment
generates, uses, and can radiate radio
frequency energy and, if not installed and
used in accordance with the instruction
manual, may cause harmful interference to
radio communications. Operation of this
equipment in a residential area is likely to
cause harmful interference in which case the
user will be required to correct the interference
at his own expense.
Caution
Information to user.
Changes or modifications not expressly
approved by the party responsible
for compliance could void the
user’s authority to operate the equipment.

TagMaster AB
HW Installation Guide ABOUT THIS DOCUMENT Manual issue 05
3
TABLE OF CONTENTS
1 ABOUT THIS DOCUMENT......................................................................................................5
1.1 Introduction......................................................................................................................5
1.2 Audience .........................................................................................................................5
1.3 Definitions........................................................................................................................5
1.4 References ......................................................................................................................6
1.5 Revisions.........................................................................................................................6
2 SAFETY INSTRUCTIONS .......................................................................................................7
2.1 General............................................................................................................................7
2.2 Installation .......................................................................................................................7
3 SYSTEM COMPONENTS .......................................................................................................9
3.1 Readers...........................................................................................................................9
3.2 ID Tags............................................................................................................................9
4 ENVIRONMENTAL CONSIDERATIONS ..............................................................................10
4.1 General..........................................................................................................................10
4.2 Electromagnetic immunity .............................................................................................10
4.3 Temperature..................................................................................................................10
4.3.1 Readers ....................................................................................................................10
4.3.2 Tags ..........................................................................................................................10
5 MECHANICAL INSTALLATION.............................................................................................11
5.1 General..........................................................................................................................11
5.2 Readers.........................................................................................................................11
5.2.1 Mounting ...................................................................................................................11
5.2.2 Cables .......................................................................................................................11
5.3 ID-Tags..........................................................................................................................11
5.4 Accessories ...................................................................................................................12
5.5 Typical installations .......................................................................................................13
5.5.1 Single lane identification ...........................................................................................13
5.5.2 Multi lane identification..............................................................................................13
5.5.3 How to handle and mount the tag.............................................................................13
6 ELECTRICAL INSTALLATION ..............................................................................................14
6.1 General..........................................................................................................................14
6.2 Connection diagrams ....................................................................................................16
6.2.1 Single Communicator connection using port A for RS232C.....................................16
6.2.2 Single Communicator connection using port B for RS232C.....................................16
6.2.3 Direct Communicator multipoint connection using port B for 2-Wire RS485............17
6.2.4 Digital I/O connections (example).............................................................................18
6.2.5 Power supply connection..........................................................................................19
6.3 Hardware adaptation.....................................................................................................19
6.3.1 Jumper connections..................................................................................................19
6.3.2 Adaptation of the S1500 or S1503 to 12 VDC power supply ...................................19
7 CABLES .................................................................................................................................20
7.1 Power supply.................................................................................................................20
7.2 Digital I/O and DTMF.....................................................................................................20
7.3 RS232 ...........................................................................................................................20
7.4 RS485 ...........................................................................................................................20
7.4.1 2-Wires interface.......................................................................................................20
7.4.2 4-Wires interface.......................................................................................................20
8 START-UP .............................................................................................................................21

TagMaster AB
HW Installation Guide ABOUT THIS DOCUMENT Manual issue 04
4
8.1 General..........................................................................................................................21
8.2 Inspection ......................................................................................................................21
8.3 Verifying communication ...............................................................................................21
8.3.1 Serial host communication........................................................................................21
8.3.2 Communicator - Tag communication........................................................................21
8.3.3 Digital I/O - communication with external devices ....................................................22
9 TROUBLE SHOOTING..........................................................................................................23
9.1 An S1500/S1503 communicator seems not to read Tags ............................................23
9.2 Unsuitable interface converters.....................................................................................23
9.3 Interference ...................................................................................................................23
9.4 Using wrong address ....................................................................................................23
9.5 Forgetting the free-wheel diode across inductive loads................................................23
9.6 Using different data speed in the Tag(s) and in the Communicator(s). ........................23
9.7 Using an unsuitable power supply ................................................................................24

TagMaster AB
HW Installation Guide ABOUT THIS DOCUMENT Manual issue 04
5
Host computer
1 ABOUT THIS DOCUMENT
1.1 Introduction
The basic elements of a TagMaster identification system are the electronic ID-Tags (e.g. S1251),
the Reader/Communicator (e.g. S1500), and possibly a host computer.
This manual describes how to install TagMaster
Readers and Tags.
1.2 Audience
The intended audience for this document is system integrators, installation engineers, contractors
or the like who have the task to install and commission TagMaster identification systems. The
audience is expected to have adequate experience and education in the field of installation and
commissioning of control and identification systems and to be qualified for electrical installations.
1.3 Definitions
Communicator Device (e.g. S1500) used to read and write Tags in the TagMaster
system.
ConfiLib The TagMaster Library Software (ConfiLib) is the uniting name of the
device drivers that are included in all S1500/S1501/host C-language
software modules.
ID-Tag
Power supply
External device
(Traffic-light, Barrier etc)
Power supply cable
Digital I/O cable
Data cable
RS232 or RS485
Reade
r

TagMaster AB
HW Installation Guide ABOUT THIS DOCUMENT Manual issue 04
6
ConfiTalk Standard communication protocol. Used by Pyramid and Solid. Included
in ConfiLib.
Host IBM PC or compatible used as master computer in a TagMaster system.
Pyramid Pyramid is the S1500 standard software delivered from factory. S1500
with Pyramid is capable of taking decisions on its own when a Tag has
been read or when a movement has been detected. Refer to the S1500
datasheet for further details.
Solid Solid is the S1501 and S1566 standard software delivered from factory.
This software receives ConfiTalk commands on the serial port and
executes them. This is the same as the ConfiTalk only mode of the
S1500.
Tag ID-carrier (e.g. ScriptTag S1251) in the TagMaster system, which is
read/writable via, microwaves, using a Communicator.
1.4 References
Communicator S1500&S1501 data sheet DS1500
Communicator S1503&S1504 data sheet DS1503
Communicator S1513&S1514 data sheet DS1513
ScriptTag S1251 data sheet DS1251
ScriptTag HD S1450 data sheet DS1450
ScriptTag HT S1350 data sheet DS1350
MarkTag S1255 data sheet DS1255
MarkTag HD S1455 data sheet DS1455
Card holder WinFix S1951 data sheet DS1951
Card holder CardKeep S1953 data sheet DS1953
Mounting bracket S1952 data sheet DS1952
RS232/RS485 converter S1942 DS1942
TagMaster Programmer’s Guide 510211
1.5 Revisions
Issue Date Description
01 971211 First issue
02 980623 Second issue
03 030506 Third issue
04 040916 New layout
04 041207 Minor corrections
05 060202 Modified for revision 5 (new RF.board)

TagMaster AB
HW Installation Guide SAFETY INSTRUCTIONS Manual issue 04
7
2 SAFETY INSTRUCTIONS
This chapter gives an overview of necessary safety precautions for the TagMaster system.
2.1 General
This Installation Manual shall be carefully read before any installation works is performed. Special
attention shall be paid to this page and the statements in boxes throughout the manual.
The contents of this document are not binding. If any significant difference is found between the
product and this document, please contact TagMaster AB for further information
We reserve the right to modify products without amending this document or advising the user.
We recommend using personnel authorised by TagMaster for all installation, service and repair
and the use of TagMaster genuine spare parts. TagMaster AB will not otherwise assume
responsibility for the materials used, the work performed or any consequences of the same.
Check the contents of the shipment for completeness and possible damage. If the contents are
incomplete or damaged, a claim should be filed with the carrier immediately and the TagMaster
Sales or Service organisation or the TagMaster representative should be notified in order to
facilitate repair or replacement of the equipment.
The equipment described in this manual is designed to be used by properly trained personnel
only. Qualified personnel who are aware of the hazards involved and who are qualified for
electrical installations shall carry out installation, adjustments and maintenance of the exposed
equipment.
For correct and safe use of this equipment, it is essential that both operating and service
personnel follow generally accepted safety procedures in addition to the safety precautions
specified in this manual.
Specific warning and caution statements are used throughout this manual.
CAUTION is used to indicate correct operation or maintenance procedures in order to prevent
damage to, or destruction of the equipment or other property.
WARNING indicates a potential danger that requires correct procedures or practices in order to
prevent injury to personnel.
Whenever it is likely that safe operation is impaired, the equipment must be made inoperative and
secure against unintended operation. The appropriate servicing authority must then be informed.
2.2 Installation
• Before any other connection is made, the equipment shall be mounted so that the metallic
chassis is connected to protective ground.
WARNING Interruption of the chassis connection with protective ground can
make the equipment dangerous if it is connected to a defective power supply.
• The power supply used to provide the equipment with 24 or 12 VDC must comply with all
relevant safety regulations. It must also be made for connection to the local mains voltage
and be able to provide the necessary power without producing excessive heat.

TagMaster AB
HW Installation Guide SAFETY INSTRUCTIONS Manual issue 04
8
• Fuses shall only be renewed by a qualified person who is aware of the risks involved.
The use of repaired fuses is prohibited.
• Capacitors inside the equipment can hold their charge even if the equipment has been
disconnected from all voltage sources.
• All PCB’s removed from the equipment must be adequately protected against damage and all
normal precautions regarding the use of tools must be observed.
• The equipment must be disconnected from all voltage sources before any installation or
service work is made.
CAUTION Damage may be the result if;
- The equipment is switched on when parts are removed from the PC board.
- A PCB is removed within one minute after switching off the equipment.

TagMaster AB
HW Installation Guide SYSTEM COMPONENTS Manual issue 04
9
3 SYSTEM COMPONENTS
The hardware of a TagMaster system is described briefly below.
3.1 Readers
The S1500/S1503S1513 Communicator is a device for reading and writing ID Tags using 2.45
GHz microwaves. It is powered with 24 VDC but can be adopted for 12 VDC. The S1500 has
built-in antennas for communication with the Tags and various serial interfaces for
communication with a host computer. The Communicator also provides a movement detection
function that can detect moving objects in the reading zone (also non-Tagged objects). One
hundred frequency channels are available. The microprocessor is a 16-bit Hitachi H8/534. The
S1500 is equipped with Flash EEPROM for program code and database. Designed for different
installations, the S1500/S1503 comprises a wide range of I/O devices, including relays,
optocouplers, DTMF receiver, LED, buzzer and a control panel. It also has a real-time-clock,
2/4Wire RS485 interface and a connector for an optional board.
The S1501/S1504/S1514/S1566 is a less advanced Communicator and is powered by 12 VDC
only. It has no database memory, no real-time-clock, no optional card connector and the second
serial interface is only 2Wire RS485. Refer to the datasheets for details.
3.2 ID Tags
An ID-Tag is device carrying ID information that can be read at a long distance using
microwaves. Versions that can be read at a distance of up to 6 meters with the Communicator
S1503/S1504 are available. The actual reading range depends on the Communicator type. Also
different shaped versions of the tags are available. Some have the shape of a credit card but is
slightly thicker. Each Tag has its own unique 8-digit mark. It is possible to read many Tags
concurrently. To maintain the information, to get the long reading range and the high
communication speed, a lithium battery cell is used. The life of the cell is depends of the Tag
type but is typically 5 - 10 years and independent of how often the Tag is used. Certain types of
Tags (e.g. ScriptTag S1251) can also be written by the user. The Tags then have a static RAM
memory array that can be configured for different memory sizes; 14, 154 or 574 bits (32 bit
checksum not included in these figures). Refer to the Tag (e.g. S1251 or S1450) data sheet for
details.

TagMaster AB
HW Installation Guide ENVIRONMENTAL CONSIDERATIONS Manual issue 04
10
4 ENVIRONMENTAL CONSIDERATIONS
4.1 General
Microwaves have, during more than a decade, proven to be the most reliable technology for
identification systems. In particular, microwaves are unaffected by the normal electromagnetic
background noise found in industries and elsewhere. They also form a base for products that
have to withstand other rough environmental conditions as high temperatures, chemicals, shock
and vibrations
4.2 Electromagnetic immunity
The TagMaster system has been tested and approved, in operation, according to the IEC
standards. This guarantees trouble-free operation in demanding electromagnetic environments.
Electromagnetic interference on the microwave link
Industrial noise is typically present in the KHz and low MHz frequency band. The TagMaster
system is only receptive for frequencies closed to 2.45 GHz so typical industrial noise will not
affect the microwave communication. Transients from spot-welding equipment or from switching
on other welding equipment, soldering machines and fluorescent lamps may produce short
pulses around 2.45 GHz. However, since the TagMaster system, if interfered, will retransmit the
entire message very fast there is in most cases ample time for a re-transmission. If strong
microwave fields, from for instance microwave dryers, can be suspected, TagMaster AB should
be consulted.
Electromagnetic interference in cables
By selecting a suitable communications interface, using specified cables and proper shielding
and grounding, optimum communication reliability is ensured.
4.3 Temperature
4.3.1 Readers
In most applications, normal convection cooling is enough. In applications where heat is
generated close to the Communicator, forced cooling or heat shields may be necessary.
4.3.2 Tags
TagMaster tags are available for operation in various ambient temperatures ranging from -40°C
up to 85°C (refer to the data sheets). The specified reading range is valid for normal ambient
temperature conditions. If reading range is critical and the intended operating temperature
deviates from normal ambient temperature TagMaster AB should be consulted.

TagMaster AB
HW Installation Guide MECHANICAL INSTALLATION Manual issue 04
11
5 MECHANICAL INSTALLATION
This chapter describes the procedure of installing the TagMaster units mechanically. It is
assumed that the location of Readers and Tags are specified, and the communication distances
and movement speeds are considered during the project-planning phase. Likewise it is assumed
that the project planning is well documented.
5.1 General
Microwaves penetrate wood, dirt, paint, plastic, and most other non metallic materials.
The TagMaster system employs circular polarisation and can therefore also often be used when
metal surfaces are in the vicinity of the antenna and Tag, especially if the Tag is moving. In such
cases however, adjustment of the Tag/Communicator position and distance may be necessary to
find the best position. Always combine this with tests to verify that the installation will work.
5.2 Readers
5.2.1 Mounting
• Position the Communicator with the cable entries pointing downwards and so that the device
is easily accessible for service.
• Mount the Communicator in an adjustable holder. (ComFix S1952 or PoleFix S1956 is
recommended) and direct it so that it’s lobe beam covers the position of the Tag(s).
• If Tags are to be mounted in car wind screens it is recommended to mount the Communicator
approximately 2 meters up and tilted down for best performance. Refer to the typical
installation illustrations in section 5.5.
5.2.2 Cables
To keep the sealing on a high level the Communicator should be mounted against a flat surface
like for instance a mounting plate. It should be fastened on the mounting plate using the
mounting holes located in the corners of the Communicator back panel. If the sealing level of IP
54 must be kept, then the cables must enter the Communicator using standard electrical feed
through bushings.
5.3 ID-Tags
The front side of the ID-Tags must be oriented towards the front side of the Communicator. The
backside of the tag has a type label on it. To get the maximum communication range the front
surface of the Tag should be in parallel with the front side of the Communicator. If the Tag is
miss-aligned relative to the front side of the Communicator, the communication range is reduced.
Refer to the actual product datasheets for details.
Due to TagMaster’s circular polarisation the rotational orientation of the Tag relative the
Communicator is uncritical. The Tags can be mounted on any flat surface. If it is to be expected

TagMaster AB
HW Installation Guide MECHANICAL INSTALLATION Manual issue 04
12
that the mounting surface material, when warmed up, can expand in a different way than the Tag,
the Tag must be mounted in such a way that the material expansion does not damage the Tag.
When screwing the Tags directly on to a surface, the screw must not be secured by pulling it until
it does not move anymore. Instead a threaded hole should be used and the screw should be
pulled until the Tag is just fixed. Then the screw should be secured using a washer and nut from
behind.
For the credit card shaped Tags S1251 and S1255, TagMaster AB offers holders for use in
vehicle windows or for personal carrying. (WinFix S1951 and Cardkeep S1953). For permanent
mounting of the Tag in a vehicle window the CardTape S1954 is recommended.
5.4 Accessories
The following TagMaster accessories are available:
Product Art.No Description
RS485 Converter S1942 Interface converter for RS232C - RS485 2Wires
WinFix S1951 Tag holders for vehicle window mounting
CardTape S1954 Tag tape for fixed mounting on wehicle window.
CardKeep S1953 Tag holders for personal carrying
ComFix S1952 Adjustable Communicator holder
PoleFix S1956 Pole fastening bracket

TagMaster AB
HW Installation Guide MECHANICAL INSTALLATION Manual issue 04
13
5.5 Typical installations
5.5.1 Single lane identification
5.5.2 Multi lane identification
For optimum performance:
• Keep Tag and Communicator surfaces as parallel as possible
• Distance Tag - Communicator < 70% or less of maximum reading range, refer to the actual
data sheet
• The windscreen might reduce maximum reading range with up to 0.5 meter
5.5.3 How to handle and mount the tag
Windscreen
Tag holder
Tag
Tag in windscreen
The tag should be mounted on the inside of the windscreen in a tag holder
(WinFix). Note that the front side of the tag inside the holder should face the
reader.

TagMaster AB
HW Installation Guide ELECTRICAL INSTALLATION Manual issue 04
14
6 ELECTRICAL INSTALLATION
This chapter describes the procedure of electrically installing TagMaster Readers. Three basic
connection-types are described:
• Host connection
• Digital I/O connection
• Power supply connection
It is assumed that the location of Readers and Tags are specified, and that cable paths and cable
types are considered during the project-planning phase. Likewise it is assumed that the project
planning is well documented.
6.1 General
To make connections to the Communicator the cover must be removed. Terminal blocks for
connection of the external cables and jumpers for hardware adaptation are located under the
cover according to following illustration of an S1500 communicator:
J1 J2 J3 J4 J5 J6
Reset button
7-segm. display
Buzzer
Push button
Jumpers
LED
Terminal
7-segm. display
Push button
Tamper switch
Ground screw
Tamper switch
Connections to the Communicator are made using the terminal blocks J1 - J6.
Please note that the 7-segm. display, the buzzer and the upper tamper switch are components
not present in the S1501. The use of these, as well as the use of the push buttons, is
communicator software dependent and therefore described in the communicator software
documentation.

TagMaster AB
HW Installation Guide ELECTRICAL INSTALLATION Manual issue 04
15
Screened cables shall be used with screens clamped according to the figure below.
The electrical data and the connection diagram are shown below
Notes: The S1500/S1503 supports 24VDC power supply and can be adopted for 12VDC.
The S1501 supports 12VDC power supply only.
The S1501 does not support RS485-4Wire interface
DTMF (Terminal block J1)
2-wire interface to receive a dual tone signal and to power
a DTMF device.
Parameter Min Max Unit
Line volt. @ 10 mA 4.1 4.5 V
Tone level -26 0 dBm
RS 232 - host and terminal (Terminal block J2)
Default: 9600 bps, 8 bits, no parity, 1 stop bit, ConfiTalk
address 1
Parameter Min Max Unit
Baud rate 1.2 19.2 kbits/s
Data bits 7 8 bits
Stop bits 1 2 bits
Parity no - odd - even
RS 485 - host (Terminal block J3)
Full (4 wire) or half duplex (2 wire). Default: 9600 bps, 8
bits, no parity, 1 stop bit, ConfiTalk address 1
Parameter Min Max Unit
Baud rate 1.2 38.4 kbits/s
Data bits 7 8 bits
Stop bits 1 2 bits
Parity no - odd - even
Open collector outputs (Terminal block J4)
Parameter Min Max Unit
Allowed volTage 1 30 V
Sink current Out 1 0 500 mA
Sink current Out 2 0 100 mA
Relay (Terminal block J4)
Parameter Min Max Unit
Switch current 2 A
Switch volTage DC 220 V
Switch volTage AC 125 V
Switch power 50 W
Optocoupler inputs (Terminal block J5)
Parameter Min Max Unit
High volTage 2.4 30 V
Low volTage 0.0 0.2 V
Power (Terminal block J6)
Parameter Min Max Unit
24VDC Supply volTage 20 28 V
12VDC Supply volTage 10 14 V
Consumption 24V 150 mA
Consumption12V 500 mA
Rtnspl 1
Rtnspl 2
Spl 1
Spl 2
G nd485r
G nd485t
Tx+/Rx+485
T x-/R x-4 85
G nd 232b
Rx232b
Tx232b
Standard IC
Standard IC
Standard IC
CGnd
G nd 232a
Rx232a
Tx232a
Standard IC
Tamp b
Tamp a
RtnDTMF
SDTMF
G ndLED
LED 2
LED 1
DTMF
470 470
100
receiver
100
100
J1: 1
2
3
4
5
6
7
J2: 1
2
3
J3: 1
2
3
4
5
6
7
8
9
10
In 3 c
In 3 a
In 2 c
In 2 a
In 1 c
In 1 a
2,2 k
2,2 k
2,2 k
J5: 1
2
3
4
5
6
R1m
R1b
R1c
Out 2e
Out 2c
Out 1e
Out 1c
Outspl1J4: 1
2
3
4
5
6
7
8
J6: 1
2
3
4
Cover on
DC/DC converter
or linear regulator
Rx485-
Rx485+
Tamper switch
100
Power supply Gnd

TagMaster AB
HW Installation Guide ELECTRICAL INSTALLATION Manual issue 04
16
6.2 Connection diagrams
6.2.1 Single Communicator connection using port A for RS232C
6.2.2 Single Communicator connection using port B for RS232C
RX
TX 3
Gnd 5
1 TX
2 RX
3 Gnd
J2
Note 1: Concerning cables, refer to paragraph 7
9 pin
RX 3
TX 2
Gnd 7
25 pin
Personal Computer
COM1
Communicator 1500/S1503/S1501/S1504
Port RS232a
TX 3
Gnd 5
1 TX
2 RX
3 Gnd
J3
RS232/RS485 jumpers = RS232
Note 1: Concerning cables, refer to paragraph 7
9 pin
RX 3
TX 2
Gnd 7
25 pin
RX 2
Personal Computer
COM1
Communicator S1500/S1503/S1501/S1504
Port RS232b

TagMaster AB
HW Installation Guide ELECTRICAL INSTALLATION Manual issue 04
17
6.2.3 Direct Communicator multipoint connection using port B for 2-Wire
RS485
RX 2
TX 3
Gnd 5
9 pin
RX 3
TX 2
Gnd 7
25 pin
2 TX
3 RX
5 Gnd
Data -
Data +
Gnd
5 RX/TX -
6 RX/TX +
7 Gnd
J3 1
5 RX/TX -
6 RX/TX +
7 Gnd
J3
5 RX/TX -
6 RX/TX +
7 Gnd
J3
5 RX/TX -
6 RX/TX +
7 Gnd
J3
2
3
n (max 32)
Personal Computer
COM1
RS485 Converter S1942/00
RS232/RS485 2-wires
Communicator S500/S1503/S1501/S1504
Port RS485
RS232/RS485 jumpers = RS485
Note 1: Concerning cables, refe
r
to paragraph 7

TagMaster AB
HW Installation Guide ELECTRICAL INSTALLATION Manual issue 04
18
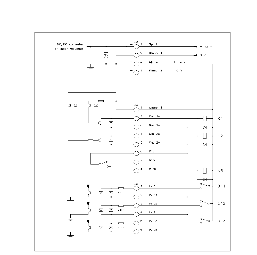
6.2.4 Digital I/O connections (example)
CAUTION
Omission of the protective free-wheel-diodes across K1, K2 and K3 may damage the
Communicator.
Optocoupler inputs: ON = from 2.4 to 30 VDC OFF = from 0.0 to 0.2 VDC
Optocoupler output 1: Voltage from 1 to 30 VDC Sink current from 0 to 500 mA
Optocoupler output 2: Voltage from 1 to 30 VDC Sink current from 0 to 100 mA
Relay output: Switch current: 2 A
Switch voltage: 220 VDC
Switch voltage: 125 VAC
Switch power: 50W

TagMaster AB
HW Installation Guide ELECTRICAL INSTALLATION Manual issue 04
19
6.2.5 Power supply connection
6.3 Hardware adaptation
This section describes how to set jumpers and how to adapt the S1500 or S1503 for 12VDC
6.3.1 Jumper connections
There are jumpers for selecting if port B should be configured as RS232 or RS485 and if the
RAM backup battery shall be connected. Se figure below.
Host RS232
(
Tx
)
Host RS232
(
Rx
)
Host RS485
(
Tx
)
Host RS485
(
Rx
)
Batter
y
on Batter
y
off
6.3.2 Adaptation of the S1500 or S1503 to 12 VDC power supply
CAUTION
This must be done by properly trained personnel only
Under the rightmost antenna, additional jumpers are available for setting the Communicator for
power from a 12 or 24 VDC power supply. Marking on the PC boards indicate how to set these
jumpers. The factory setting is 24VDC.
+ 24 V
0 V 2 Rtnsp 1
1Spl 1
J6
S1500/S1503: 20-28V DC - Consumption = 150 mA
S1501/S1504: 10-14V DC - Consumption = 500 mA
Powe
r
Supply
24VDV or 12VDC
Powe
r
Supply filter
Refer to 6.3.3
Communicator
S1500/S1503/S1501/S1504

TagMaster AB
HW Installation Guide CABLES Manual issue 04
20
7 CABLES
7.1 Power supply
Cable specification:
AWG 0.5 mm2
Number of wires 2
Voltage rating 300 V
Temperature rating +80°C
Recommended external diameter > 5 mm
Maximum length 100 m
7.2 Digital I/O and DTMF
Cable specification:
AWG 0.5 mm2
Number of wires Application dependent
Voltage rating 300 V
Temperature rating +80°C
Recommended external diameter > 5 mm
Maximum length 100 m
7.3 RS232
Cable specification according to EIA RS232C
Recommended type: Belden 9184 or Belden 9502
7.4 RS485
Cable specification according to EIA RS485
7.4.1 2-Wires interface
Recommended type: Belden 9841
7.4.2 4-Wires interface
Recommended supplier: Belden 9841

TagMaster AB
HW Installation Guide START-UP Manual issue 04
21
8 START-UP
8.1 General
After having completed the physical installation as described in previous sections, a systematic
check of the installation and system performance should be carried out.
This work can be divided into two parts: inspection and performance verification.
When something does not work as expected the tips in paragraph TROUBLE SHOOTING may
be valuable.
8.2 Inspection
• Ensure that there are no metal objects between the Communicator and the Tag in the
position(s) where communication is to take place.
• Ensure that the Tags and Readers are aligned according to the project documentation.
Maximum communication distances and communication paths are achieved when Tag and
Readers are in parallel. Communication at maximum specified distance and misalignment
should be avoided.
• Ensure that the Readers are not placed in positions, where they are exposed to unnecessary
heat or electromagnetism.
8.3 Verifying communication
8.3.1 Serial host communication
Connect a PC to the prepared host connection and verify that the PC can communicate with the
Communicator. If the actual Communicator is a standard S1500/S1503 equipped with Pyramid
software this can be made by using the TagMaster demo software Saccess that runs under DOS,
Windows 3.1, 95/98/ME and NT/2000/XP. An alternative to Saccess is the TagMaster test
software ConfiTalk Commander which can be used for any Communicator where the resident
software was developed using ConfiLib and where ConfiTalk is enabled, for example the
S1501with Solid software. A final verification should be made using the actual host project
software.
8.3.2 Communicator - Tag communication
Put a Tag in front of the Communicator preferably having the Tag on the object where it normally
will be mounted. Perform repeated Tag readings when simultaneously moving the Tag along the
expected movement path and checking that the Tag can be read in all expected positions.
If the actual Communicator is a standard S1500/1503/S1513, the repeated readings can be made
by using the TagMaster demo software Saccess that runs under DOS, Windows 3.1, 95/98/ME
and NT/2000/XP and perform ”read-beep”. This puts the Communicator in a mode where it
makes repeated Tag readings and beeps the buzzer for each OK-read. The beep should be
”homogenous” for all expected positions along the movement path.
An alternative, which can be used in case the Communicator is a standard S1501/S1504S1514,
is to use the terminal interface ”Check-SW” and observe the read results on the screen. It must
be possible to read the Tag in all expected positions along the expected movement path. For
detailed information concerning how to use Check-SW please refer to the manual TagMaster
Programmer’s Guide.

TagMaster AB
HW Installation Guide START-UP Manual issue 04
22
Special care should be taken if metal is present close to the communication lobe between Tag
and Communicator. In such cases adjustment of the Tag/Communicator position and distance
may be necessary to find the best location of the both. Always combine this with repetitive Tag
read tests to verify that the installation works well.
If the Communicator is installed with a low grazing angle to a reflecting surface such as a road or
floor, the multipath effect can increase the reading distance. Since the multipath effect may as
well reduce the lobe width, a repetitive Tag read test is recommended to check the
communication in such installations. If Tags are passing at a close distance from the
Communicator it might be necessary to reduce the reading range to avoid unwanted readings of
remote Tags. The range is reduced by setting of the power and sensitivity parameters.
8.3.3 Digital I/O - communication with external devices
The method for checking the digital I/O depends on the software application.
If the customer makes the software application, then the I/O devices must be tested from the host
project software. If the Communicator is a standard S1500 with Pyramid software, digital I/O can
be checked directly from the Saccess demo-software. An alternative that can be used for both the
Communicator S1501 with Solid software and S1500/S1503 with Pyramid software is to use the
I/O commands in the terminal interface ”Check-SW” and observe the results. For detailed
information concerning how to use Check-SW please refer to the manual ‘TagMaster
Programmer’s Guide’.

TagMaster AB
HW Installation Guide TROUBLE SHOOTING Manual issue 04
23
9 TROUBLE SHOOTING
This section describes problems commonly encountered during system start up
9.1 An S1500/S1503/S1513 communicator seems not to read Tags
If the Pyramid software in S1500 is used in the operational mode (OP) = On then the Pyramid
software will try to fetch all Tag read results. Pyramid does this by making use of the ConfiLib
function Bsw_Event_Handler_Get_Event. If a PC resident software application also tries to fetch
read results using the ConfiLib function Bsw_Event_Handler_Get_Event then the PC software
will often not get any. Therefore, in order to make it possible for a PC resident software to fetch
read results from the communicator using the ConfiLib function Bsw_Event_Handler_Get_Event,
then the operational mode ( OP ) must be switched = Off.. This is done via the control panel or
via the Saccess PC-demo software.
9.2 Unsuitable interface converters
Connecting RS232/RS85 converters to the Communicator port A or B requires intelligent
converters i.e. converters that can switch between receive and transmit dependent of the
information flow direction.
9.3 Interference
If more than one Communicator are used in closed vicinity of each other, they must be set to
different RF channels. Neglecting to do this will reduce communication range.
9.4 Using wrong address
When one host in a polled network controls many Readers, different Communicator addresses
must be used. Neglecting this will cause serious communication problems in the network.
9.5 Forgetting the free-wheel diode across inductive loads
Inductive loads connected to the Communicator digital and relay outputs must be provided with a
free-wheel-diode to prevent malfunction or damage of the Communicator.
9.6 Using different data speed in the Tag(s) and in the
Communicator(s).
A Communicator operating at high data speed cannot communicate with Tags set to low data
speed and vice versa.

TagMaster AB
HW Installation Guide TROUBLE SHOOTING Manual issue 04
24
9.7 Using an unsuitable power supply
If an unsuitable power supply is used for powering the Readers the Communicator functions may
be unreliable. In worst case the Communicator does not work at all. The power supply used for a
TagMaster Communicator must deliver a DC power according to following specifications:
Power supply type Voltage limits min DC-current
24VDC 20 - 28 Volt 200 mA
12VDC 10 - 14 Volt 550 mA
The voltage from the power supply must stay within the specified limits all the time.
This also includes a possible ripple-voltage from the power supply.
TagMaster AB Telephone +46 8 632 1950 E-mail support@tagmaster.se
Kronborgsgränd 1 Fax +46 8 750 53 62 Website www.tagmaster.com
SE-164 87 KISTA, Sweden