Taylor Gas Grill 811 Users Manual OpCvr
811 to the manual 58a23b64-28fc-4700-8b6a-e4e69c5b5b5d
2015-02-02
: Taylor Taylor-Taylor-Gas-Grill-811-Users-Manual-449432 taylor-taylor-gas-grill-811-users-manual-449432 taylor pdf
Open the PDF directly: View PDF
.
Page Count: 95

Model 811, 813, 819, 821 Series
Auto Lift Gas Grills
Original Operating Instructions
073625-M
9/15/10 (Original Publication)
(Updated 4/19/13)

Complete this page for quick reference when service is required:
Taylor Distributor:
Address:
Phone:
Service:
Parts:
Date of Installation:
Information found on data plate:
Model Number:
Serial Number:
Electrical Specs: Voltage Cycle
Phase
Maximum Fuse Size: Amps
Minimum Wire Ampacity: Amps
Part Number:
ESeptember, 2010 Taylor
All rights reserved.
073625-M
The word Taylor and the Crown design
are registered trademarks in the United States
of America and certain other countries.
Taylor Company
750 N. Blackhawk Blvd.
Rockton, IL 61072

Table of Contents Model 811, 813, 819, 821 Series
Table of Contents
Section 1 To the Installer 1............................................
Installer Safety 1........................................................
Site Preparation 1.......................................................
Electrical Connections 1.................................................
Installation 2...........................................................
Section 2 To the Operator 3...........................................
Section 3 Safety 4....................................................
Section 4 Operator Parts Identification 7...............................
C811 Exploded View 7..................................................
L811 Exploded View 8...................................................
C813 Exploded View 9..................................................
L813 Exploded View 10...................................................
C819 Exploded View 11..................................................
L819 Exploded View 12...................................................
C821 Exploded View 13..................................................
L821 Exploded View 14...................................................
Accessories 15..........................................................
Section 5 Important: To the Operator 16.................................

Model 811, 813, 819, 821 Series Table of Contents
Table of Contents - Page 2
Section 6 Operating Procedures 17.....................................
Daily Opening Procedures 17..............................................
Loading Store Menu Items To USB 23......................................
Loading Menu Items From USB 24.........................................
Operating Procedures 27.................................................
Daily Cleaning Procedures 29.............................................
Section 7 Troubleshooting Guide 38....................................
Section 8 Warranty Explanation 43......................................
Section 9 Parts List 44.................................................
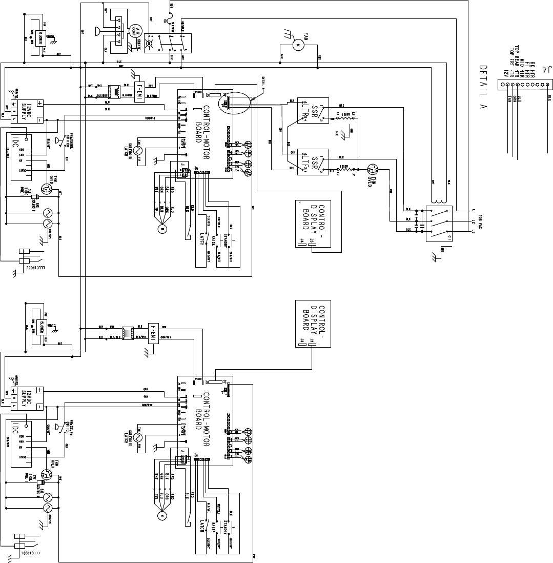
Wiring Diagrams 86......................................................
Note: Continuing research results in steady improvements; therefore, information
in this manual is subject to change without notice.
Note: Only instructions originating from the factory or its authorized translation
representative(s) are considered to be the original set of instructions.
ESeptember, 2010 Taylor (Original Publication)
(Updated April, 2013)
All rights reserved.
073625-M
The word Taylor and the Crown design
are registered trademarks in the United States
of America and certain other countries.
Taylor Company
750 N. Blackhawk Blvd.
Rockton, IL 61072

1
Model 811, 813, 819, 821 Series To the Installer
Section 1 To the Installer
The following are general installation instructions.
For complete installation details, please see the
checkout card.
Installer Safety
In all areas of the world, equipment should
be installed in accordance with existing local codes.
Please contact your local authorities if you have any
questions.
Care should be taken to ensure that all basic safety
practices are followed during the installation and
servicing activities related to the installation and
service of Taylor equipment.
SOnly Taylor authorized service personnel
should perform installation and repairs on
the equipment.
SAuthorized service personnel should consult
OSHA Standard 29CFRI910.147 or the
applicable code of the local area for the
industry standards on lockout/tagout
procedures before beginning any installation
or repairs.
SAuthorized service personnel must ensure
that the proper PPE is available and worn
when required during installation and
service.
SAuthorized service personnel must remove
all metal jewelry, rings, and watches before
working on electrical equipment.
The main power supply(s) to the equipment
must be disconnected prior to performing any
repairs. Failure to follow this instruction may result in
personal injury or death from electrical shock or
hazardous moving parts as well as poor
performance or damage to the equipment.
Note:Allrepairsmustbeperformedbyan
authorized Taylor Service Technician.
This unit has many sharp edges that can
cause severe injuries.
Site Preparation
Review the area where the unit will be installed
before uncrating the unit. Make sure all possible
hazards to the user or equipment have been
addressed.
Electrical Connections
The grill is supplied with one power cord. Check the
data plate on the grill for voltage, cycle, phase and
electrical specifications.
For proper power connections, refer to the wiring
diagram provided inside the left side panel, attached
to the gas manifold assembly. The power connection
is located behind the access line cover on the front
of the grill.
In the United States, this equipment is intended to
be installed in accordance with the National
Electrical Code (NEC), ANSI/NFPA 70-1987. The
purpose of the NEC code is the practical
safeguarding of persons and property from hazards
arising from the use of electricity. This code contains
provisions considered necessary for safety.
Compliance therewith and proper maintenance will
result in an installation essentially free from hazard!
In all other areas of the world, equipment should be
installed in accordance with the existing local codes.
Please contact your local authorities.
The Proper Wire Size and Branch Circuit
Overcurrent Device shall be selected according to
the data label information and in accordance with
CEC Part I 2006, Section 14-100(e)(i).
FOLLOW YOUR LOCAL ELECTRICAL CODES!

2Model 811, 813, 819, 821 SeriesTo the Installer
130304
CAUTION: THIS EQUIPMENT MUST BE
PROPERLY GROUNDED! FAILURE TO DO SO
CAN RESULT IN SEVERE PERSONAL INJURY
FROM ELECTRICAL SHOCK!
This unit is provided with an equipotential
grounding lug that is to be properly attached to the
rear of the frame by the authorized installer. The
installation location is marked by the equipotential
bonding symbol (5021 of IEC 60417-1) on both the
removable panel and the equipment's frame.
SStationary appliances which are not
equipped with a power cord and a plug or
another device to disconnect the appliance
from the power source must have an all-pole
disconnecting device with a contact gap of
at least 3 mm installed in the external
installation.
SAppliances that are permanently connected
to fixed wiring and for which leakage
currents may exceed 10 mA, particularly
when disconnected or not used for long
periods, or during initial installation, shall
have protective devices such as a GFI, to
protect against the leakage of current,
installed by the authorized personnel to the
local codes.
SSupply cords used with this unit shall be
oil-resistant, sheathed flexible cable not
lighter than ordinary polychloroprene or
other equivalent synthetic
elastomer-sheathed cord (Code designation
60245 IEC 57) installed with the proper cord
anchorage to relieve conductors from strain,
including twisting, at the terminals and
protect the insulation of the conductors from
abrasion.
If the supply cord is damaged, it must be
replaced by the manufacturer, its service
agent, or similarly qualified person, in order
to avoid a hazard.
Installation
WARNING: Improper installation, adjustment,
alteration, service or maintenance can cause
property damage, injury or death. Read the
installation, operating and maintenance
instructions thoroughly before installing or
servicing this equipment.
This machine is designed for indoor use only.
DO NOT installthemachineinanarea
where a water jet could be used to clean or rinse the
machine. Failure to follow this instruction may result
in serious electrical shock.
This grill must be installed on a level
surface. Failure to comply may result in personal
injury or equipment damage.
Installation of Cable Kit
If the unit is permanently connected, the Cable Kit
must be installed. Flexible conduit must be used
when installing the appliance.
Ventilation and Clearance
To ensure proper operation of this appliance, it must
be installed so that the products of combustion are
efficiently removed.
After set up, do not store anything on top of
the grill. Failure to follow this instruction may result
in a fire hazard.
Grease Disposal Container
If the grill is not factory-equipped with grease
disposal containers, the store is required to provide
appropriate grease disposal containers in
accordance with NSF Standard 4 requirements.

3
Model 811, 813, 819, 821 Series To the Operator
120525
Section 2 To the Operator
The Taylor grills included in this manual consist of
the base model numbers 811, 813, 819, and 821.
Prefix letters were added to the base model
numbers to denote minor design differences:
C = Standard Platen Length (17.5” / 445 mm)
L = Longer Platen Length (21” / 533 mm)
G = Grooved Option
The models 811 and 813 are 36” (914 mm) grills.
The 811 is equipped with three upper platens and
the 813 is equipped with two upper platens.
The models 819 and 821 are 24” (610 mm) grills.
The 819 is equipped with two upper platens and the
model 821 is equipped with one upper platen.
These grills are capable of cooking a variety of
products and feature two cooking options. They
provide all the features of a flat grill as well as the
advantages of two-sided cooking.
The grill you have purchased has been carefully
engineered and manufactured to provide
dependable operation. When properly operated and
maintained, it will produce a consistent quality
product. Like all mechanical products, it will require
cleaning and maintenance. A minimum amount of
care and attention is necessary if the operating
procedures in this manual are followed closely.
This Operator's Manual should be read before
operating or performing any maintenance on your
equipment.
It is strongly recommended that all personnel
responsible for the equipment's operation and
cleaning review these procedures for proper training
and assurance that no misunderstandings exist.
In the event you should require technical assistance,
please contact your local authorized Taylor
Distributor.
Note: Warranty is valid only if the parts are
authorized Taylor parts, purchased from an
authorized Taylor Distributor, and the required
service work is provided by an authorized Taylor
service technician. Taylor reserves the right to deny
warranty claims on equipment or parts if
non-approved parts or refrigerant were installed in
the machine, system modifications were performed
beyond factory recommendations, or it is determined
that the failure was caused by neglect or abuse.
Note: Constant research results in steady
improvements; therefore, information in this
manual is subject to change without notice.
If the crossed out wheeled bin symbol is
affixed to this product, it signifies that this product is
compliant with the EU Directive as well as other
similar legislation in effect after August 13, 2005.
Therefore, it must be collected separately after its
use is completed, and cannot be disposed as
unsorted municipal waste.
The user is responsible for returning the product to
the appropriate collection facility, as specified by
your local code.
For additional information regarding applicable local
laws, please contact the municipal facility and/or
local distributor.

4Model 811, 813, 819, 821 SeriesSafety
130304
Section 3 Safety
We, at Taylor Company, are concerned about the
safety of the operator when he or she comes in
contact with the grill and its parts. Taylor has gone
to extreme efforts to design and manufacture built-in
safety features to protect both you and the service
technician. As an example, warning labels have
been attached to the grill to further point out safety
precautions to the operator.
IMPORTANT - Failure to adhere to the
following safety precautions may result in
severe personal injury or death. Failure to
comply with these warnings may damage the
machine and its components. Component
damage will result in part replacement expense
and service repair expense.
To Operate Safely:
DO NOT operate the grill without reading
this operator's manual. This manual should be kept
in a safe place for future reference.
This appliance is to be used only by trained
personnel. It is not intended for use by children or
people with reduced physical, sensory, or mental
capabilities, or lack of experience and knowledge,
unless given supervision or instruction concerning
the use of the appliance by a person responsible for
their safety. Children should be supervised to ensure
that they do not play with the appliance.
Failure to follow the instructions below may
result in severe injury or death from electrocution:
SDO NOT operate the grill unless it is
properly grounded.
SDO NOT operate the grill with larger fuses
than specified on data label.
SDO NOT operate the grill unless all service
panels and access doors are attached with
screws.
SAll repairs must be performed by an
authorized Taylor service technician.
SThe main power supplies to the grill must be
disconnected prior to performing any
repairs.
SFor Cord Connected Units: Only Taylor
authorized service technicians or licensed
electricians may install a plug or
replacement cord on these units.
SStationary appliances which are not
equipped with a power cord and a plug or
other device to disconnect the appliance
from the power source must have an all-pole
disconnecting device with a contact gap of
at least 3 mm installed in the external
installation.
SAppliances that are permanently connected
to fixed wiring and for which leakage
currents may exceed 10 mA, particularly
when disconnected or not used for long
periods, or during initial installation, shall
have protective devices such as a GFI, to
protect against the leakage of current,
installed by the authorized personnel to the
local codes.
SSupply cords used with this unit shall be
oil-resistant, sheathed flexible cable not
lighter than ordinary polychloroprene or
other equivalent synthetic elastomer-
sheathed cord, (Code designation 60245
IEC 57), installed with the proper cord
anchorage to relieve conductors from strain,
including twisting, at the terminals and
protect the insulation of the conductors from
abrasion.
If the supply cord is damaged, it must be
replaced by the manufacturer, its service
agent, or similarly qualified person, in order
to avoid a hazard.

5
Model 811, 813, 819, 821 Series Safety
IMPORTANT: DO NOT use a water jet or
spray excessive water on or anywhere near the
grill. Failure to follow this instruction may result in
serious electrical shock and cause permanent
electrical and mechanical damage to internal parts.
Failure to follow this instruction may result in:
Sserious electrical shock
Sburns from hot steam
Sliquid collecting inside the grill and
destroying electrical components
This appliance must be isolated from all
combustible construction and materials including,
but not limited to; walls, partitions, furniture, floors,
curtains, paper, boxes, and decorations. Failure to
comply may result in fire and cause destruction and
severe injury.
FORYOURSAFETY
Do not store or use gasoline or other
flammable vapors or liquids in the vicinity of
this or any other appliance.
USE EXTREME CAUTION while setting up,
operating, and cleaning the grill.
SAvoid coming in contact with hot grill
surfaces or with hot grease.
SDO NOT prepare or remove product without
proper equipment.
SDO NOT allow untrained personnel to
operate this grill.
Failure to follow these instructions can result in burn
injuries.
DO NOT use cold water or ice to cool the
upper platen or the lower cook surface. Failure to
follow this instruction may result in:
Sserious electrical shock
Sburns from hot steam
Sliquid collecting inside the grill and
destroying electrical components
Take caution to protect eyes, lungs, and all
parts of the body from potential harm when using
any chemical cleaner. Failure to follow this
instruction may result in a chemical burn.
DO NOT use any abrasives or cleaners
other than approved food service cleaners and
degreasers. Failure to comply may cause illness to
the consumer and may also damage grill surfaces.
For thorough cleaning, the grill must be
pulled away from the wall. Before moving the grill,
remove the grease cans. Turn off the gas at the
quick connect shut-off valve on the flexible hose.
Disconnect the gas quick connector. Disconnect the
tether to the grill, located on the back panel of the
unit.
To return the grill to its original position, reverse the
steps. Use extreme caution to smoothly and slowly
roll the grill backward into place.
Failure to do so may cause the grill to tip and can
result in severe equipment damage or personal
injury.
Cleaning and sanitizing schedules are
governed by your state or local regulatory agencies
and must be followed accordingly. Please refer to
the cleaning section of this manual for the proper
procedure to clean this unit.

6Model 811, 813, 819, 821 SeriesSafety
130304
Access to the service area of the unit is
restricted to persons having knowledge and practical
experience with the appliance, in particular as far as
safety and hygiene are concerned.
SDO NOT obstruct the ventilation openings at
the rear of this appliance.
SDO NOT obstruct the flow of air in and
around the grill.
NOTICE all warning labels that have been
attached to the grill to further point out safety
precautions to the operator.
This piece of equipment is made in America and has
American sizes on hardware. All metric conversions
are approximate and vary in size.
NOISE LEVEL: Airborne noise emission does not
exceed 70 dB(A) when measured at a distance of
1.0 meter from the surface of the machine and at a
height of 1.6 meters from the floor.
These instructions are valid only if the country code
symbol appears on the appliance. If the symbol does
not appear on the appliance, refer to the technical
instructions which give the necessary instructions for
adapting the appliance to the utilization conditions of
that country.
If the crossed out wheeled bin symbol is
affixed to this product, it signifies that this product is
compliant with the EU Directive as well as other
similar legislation in effect after August 13, 2005.
Therefore, it must be collected separately after its
use is completed, and cannot be disposed as
unsorted municipal waste.
The user is responsible for returning the product to
the appropriate collection facility, as specified by
your local code.
For additional information regarding applicable local
laws, please contact the municipal facility and/or
local distributor.

7
Model 811, 813, 819, 821 Series Operator Parts Identification
121003
Section 4 Operator Parts Identification
C811 Exploded View
Figure 1
ITEM DESCRIPTION PART NO.
1CAN A.-GREASE X80925
2SLIDE-GREASE CAN LEFT 069936
3PANEL-SIDE-UPPER *LEFT 073990
4SCREW-10-32X3/8 SLTD TRUS 024298
5PANEL-SIDE-LOWER *LEFT 073992
*6 KIT A.-GREASE SHIELD X78330-SER
7PANEL A.-BACK SERVICE X73993
8DEFLECTOR A.-FLUE X69555
9SCREW-3/8-16X34 SERR HWH 017328
10 PANEL-SIDE-UPPER *RIGHT 073989
11 PANEL-SIDE-LOWER *RIGHT 073991
ITEM DESCRIPTION PART NO.
12 NUT-JAM 1-1/2-12 (2 PCS) 073594
13 CASTER-5" 7-5/8 STEM 078377
14 CASTER-GRILL 5” SWIVEL LOC 073240
15 KIT A.-GRILL CONTROL GEN X73474-SER
16 SWITCH-ROCKER-DPST-10A 076989-WP
17 BUTTON-OPERATOR-BLACK 076012
18 BUTTON-OPERATOR-RED 076011
19 COVER A.-USB WATERPROOF 068583
20 PANEL A.-FRONT UPPER X69550
21 PANEL A.-FRONT-LOWER X73979
22 SLIDE-GREASE CAN RIGHT 069935
*NOTE: 1 KIT PER PLATEN

8Model 811, 813, 819, 821 SeriesOperator Parts Identification
120907
L811 Exploded View
Figure 2
ITEM DESCRIPTION PART NO.
1CAN A.-GREASE X80925
2SLIDE-GREASE CAN LEFT 069936
3PANEL-SIDE-UPPER *LEFT 073990
4SCREW-10-32X3/8 SLTD TRUS 024298
5PANEL-SIDE-LOWER *LEFT 073992
*6 KIT A.-GREASE SHIELD X78330-SER
7PANEL A.-BACK SERVICE X73993
8DEFLECTOR A.-FLUE X69555
9SCREW-3/8-16X34 SERR HWH 017328
10 PANEL-SIDE-UPPER *RIGHT 073989
11 PANEL-SIDE-LOWER *RIGHT 073991
ITEM DESCRIPTION PART NO.
12 NUT-JAM 1-1/2-12 (2 PCS) 073594
13 CASTER-5" 7-5/8 STEM 078377
14 CASTER-GRILL 5” SWIVEL LOC 073240
15 KIT A.-GRILL CONTROL GEN X73474-SER
16 SWITCH-ROCKER-DPST-10A 076989-WP
17 BUTTON-OPERATOR-BLACK 076012
18 BUTTON-OPERATOR-RED 076011
19 COVER A.-USB WATERPROOF 068583
20 PANEL A.-FRONT-LOWER X73979
21 SLIDE-GREASE CAN RIGHT 069935
*NOTE: 1 KIT PER PLATEN

9
Model 811, 813, 819, 821 Series Operator Parts Identification
121003
C813 Exploded View
Figure 3
ITEM DESCRIPTION PART NO.
1CAN A.-GREASE X80925
2SLIDE-GREASE CAN LEFT 069936
3PANEL-SIDE-UPPER *LEFT 073990
4SCREW-10-32X3/8 SLTD TRUS 024298
5PANEL-SIDE-LOWER-LEFT 073992
*6 KIT A.-GREASE SHIELD X78330-SER
7PANEL A.-BACK SERVICE X73993
8DEFLECTOR A.-FLUE X69555
9SCREW-3/8-16X3/4 SERRATED 017328
10 PANEL-SIDE-UPPER *RIGHT 073989
11 PANEL-SIDE-LOWER-RIGHT 073991
12 NUT-JAM 1 1/2-12 STEEL 073594
ITEM DESCRIPTION PART NO.
13 CASTER-5" 7-5/8 STEM 078377
14 CASTER-GRILL 5" SWIVEL
W/LOCK 073240
15 KIT A.-GRILL CONTROL GEN X73474-SER
16 SWITCH-ROCKER-DPST-10A 076989-WP
17 BUTTON-OPERATOR-BLACK 076012
18 BUTTON-OPERATOR-RED 076011
19 COVER A.-USB WATERPROOF 068583
20 PANEL A.-FRONT UPPER X69550
21 PANEL A.-FRONT-LOWER X73979
22 SLIDE-GREASE CAN RIGHT 069935
*NOTE: 1 KIT PER PLATEN

10 Model 811, 813, 819, 821 SeriesOperator Parts Identification
120907
L813 Exploded View
Figure 4
ITEM DESCRIPTION PART NO.
1CAN A.-GREASE X80925
2SLIDE-GREASE CAN LEFT 069936
3PANEL-SIDE-UPPER *LEFT 073990
4SCREW-10-32X3/8 SLTD TRUS 024298
5PANEL-SIDE-LOWER-LEFT 073992
*6 KIT A.-GREASE SHIELD X78330-SER
7PANEL A.-BACK SERVICE X73993
8DEFLECTOR A.-FLUE X69555
9SCREW-3/8-16X3/4 SERRATED 017328
10 PANEL-SIDE-UPPER *RIGHT 073989
11 PANEL-SIDE-LOWER-RIGHT 073991
ITEM DESCRIPTION PART NO.
12 NUT-JAM 1 1/2-12 STEEL 073594
13 CASTER-5" 7-5/8 STEM 078377
14 CASTER-GRILL 5" SWIVEL
W/LOCK 073240
15 KIT A.-GRILL CONTROL GEN X73474-SER
16 SWITCH-ROCKER-DPST-10A 076989-WP
17 BUTTON-OPERATOR-BLACK 076012
18 BUTTON-OPERATOR-RED 076011
19 COVER A.-USB WATERPROOF 068583
20 PANEL A.-FRONT-LOWER X73979
21 SLIDE-GREASE CAN RIGHT 069935
*NOTE: 1 KIT PER PLATEN

11
Model 811, 813, 819, 821 Series Operator Parts Identification
121106
C819 Exploded View
Figure 5
ITEM DESCRIPTION PART NO.
1CAN A.-GREASE X80925
2SLIDE-GREASE CAN LEFT 069936
3PANEL-SIDE UPPER-LEFT 073990
4SCREW-10-32X3/8 SLTD TRUS 024298
5PANEL-SIDE-LOWER-LEFT 073992
6SLIDE-GREASE CAN RIGHT 069935
7PANEL A.-BACK SERVICE X69664
8DEFLECTOR A.-FLUE X69657
9SCREW-3/8-16X1-1/2 SERR 020129
*10 KIT A.-GREASE SHIELD X78330-SER
11 PANEL-SIDE UPPER-RIGHT 073989
12 PANEL-SIDE-LOWER-RIGHT 073991
ITEM DESCRIPTION PART NO.
13 NUT-JAM 1 1/2-12 STEEL 073594
14 CASTER-5" 7-5/8 STEM 078377
15 CASTER-GRILL 5" SWIVEL
W/LOCK 073240
16 KIT A.-GRILL CONTROL X73474-SER
17 PANEL A.-FRONT-LOWER X69660
18 SWITCH-ROCKER-DPST-10A 076989-WP
19 COVER A.-USB WATERPROOF 068583
20 BUTTON-OPERATOR-BLACK 076012
21 BUTTON-OPERATOR-RED 076011
22 PANEL A.-LIGHT X80626
*NOTE: 1 KIT PER PLATEN

12 Model 811, 813, 819, 821 SeriesOperator Parts Identification
130316
L819 Exploded View
Figure 6
ITEM DESCRIPTION PART NO.
1CAN A.-GREASE X80925
2SLIDE-GREASE CAN LEFT 069936
3PANEL-SIDE UPPER-LEFT 073990
4SCREW-10-32X3/8 SLTD TRUS 024298
5PANEL-SIDE-LOWER-LEFT 073992
6SLIDE-GREASE CAN RIGHT 069935
7PANEL A.-BACK SERVICE X69664
8DEFLECTOR A.-FLUE X69657
9SCREW-3/8-16X1-1/2 SERR 020129
*10 KIT A.-GREASE SHIELD X78330-SER
11 PANEL-SIDE UPPER-RIGHT 073989
12 PANEL-SIDE-LOWER-RIGHT 073991
ITEM DESCRIPTION PART NO.
13 NUT-JAM 1 1/2-12 STEEL 073594
14 CASTER-5" 7-5/8 STEM 078377
15 CASTER-GRILL 5" SWIVEL
W/LOCK 073240
16 KIT A.-GRILL CONTROL X73474-SER
17 PANEL A.-FRONT-LOWER X69660
18 SWITCH-ROCKER-DPST-10A 076989-WP
19 COVER A.-USB WATERPROOF 068583
20 BUTTON-OPERATOR-BLACK 076012
21 BUTTON-OPERATOR-RED 076011
22 PANEL A.-LIGHT X80626
*NOTE: 1 KIT PER PLATEN

13
Model 811, 813, 819, 821 Series Operator Parts Identification
121106
C821 Exploded View
Figure 7
ITEM DESCRIPTION PART NO.
1CAN A.-GREASE X80925
2SLIDE-GREASE CAN LEFT 069936
3PANEL-SIDE UPPER-LEFT 073990
4SCREW-10-32X3/8 SLTD TRUS 024298
5PANEL-SIDE-LOWER-LEFT 073992
6PANEL A.-LIGHT X80626
7PANEL A.-BACK SERVICE X69664
8DEFLECTOR A.-FLUE X69657
9SCREW-3/8-16X1-1/2 SERR 020129
*10 KIT A.-GREASE SHIELD X78330-SER
11 PANEL-SIDE UPPER-RIGHT 073989
12 SLIDE-GREASE CAN RIGHT 069935
ITEM DESCRIPTION PART NO.
13 PANEL-SIDE-LOWER-RIGHT 073991
14 NUT-JAM 1 1/2-12 STEEL 073594
15 CASTER-5" 7-5/8 STEM 078377
16 CASTER-GRILL 5" SWIVEL
W/LOCK 073240
17 KIT A.-GRILL CONTROL X73474-SER
18 PANEL A.-FRONT-LOWER X69660
19 SWITCH-ROCKER-DPST-10A 076989-WP
20 COVER A.-USB WATERPROOF 068583
21 BUTTON-OPERATOR-BLACK 076012
22 BUTTON-OPERATOR-RED 076011
*NOTE: 1 KIT PER PLATEN

14 Model 811, 813, 819, 821 SeriesOperator Parts Identification
130318
L821 Exploded View
Figure 8
ITEM DESCRIPTION PART NO.
1CAN A.-GREASE X80925
2SLIDE-GREASE CAN LEFT 069936
3PANEL-SIDE UPPER-LEFT 073990
4SCREW-10-32X3/8 SLTD TRUS 024298
5PANEL-SIDE-LOWER-LEFT 073992
6PANEL A.-LIGHT X80626
7PANEL A.-BACK SERVICE X69664
8DEFLECTOR A.-FLUE X69657
9SCREW-3/8-16X1-1/2 SERR 020129
*10 KIT A.-GREASE SHIELD X78330-SER
11 PANEL-SIDE UPPER-RIGHT 073989
12 SLIDE-GREASE CAN RIGHT 069935
ITEM DESCRIPTION PART NO.
13 PANEL-SIDE-LOWER-RIGHT 073991
14 NUT-JAM 1 1/2-12 STEEL 073594
15 CASTER-5" 7-5/8 STEM 078377
16 CASTER-GRILL 5" SWIVEL
W/LOCK 073240
17 KIT A.-GRILL CONTROL X73474-SER
18 PANEL A.-FRONT-LOWER X69660
19 SWITCH-ROCKER-DPST-10A 076989-WP
20 COVER A.-USB WATERPROOF 068583
21 BUTTON-OPERATOR-BLACK 076012
22 BUTTON-OPERATOR-RED 076011
*NOTE: 1 KIT PER PLATEN

15
Model 811, 813, 819, 821 Series Operator Parts Identification
120720
Accessories
Figure 9
ITEM DESCRIPTION PART NO.
1SHEET-RELEASE - BOX OF 9
(C811, C813, C819, C821) 073442
*2 RETAINER-SHEET RELEASE
(RETENTION BAR) (C811,
C813, C819, C821)
072845
**3 CLIP-RELEASE MATERIAL
W/TAB 072673
4SCRAPER-TEFLON WIPER 075887
5STRIP-REPLACEMENT 075888
ITEM DESCRIPTION PART NO.
***6 HOLDER-CLEANING 073736
***7 PAD-CLEANING 073737
8CLEANER-STERA SHEEN
(CASE OF 6, 1 QT. BOTTLES) 073160
*9 RETAINER-SHEET RELEASE
(RETENTION BAR) (L811, L813,
L819, L821)
080594
10 SHEET-RELEASE -BOX OF 9
(L811, L813, L819, L821) 080595
* SHOWN PER PLATEN
** SHOWN PER PLATEN
(NOTE: EXTRA CLIPS ARE SENT WITH GRILL)
*** SOLD SEPARATELY THROUGH YOUR LOCAL
DISTRIBUTOR

16 Model 811, 813, 819, 821 SeriesImportant: To the Operator
120604
Section 5 Important: To the Operator
Note: The Model 811 three platen grill has been selected for illustration purposes.
Figure 10
ITEM DESCRIPTION
1RAISE BUTTON
2STANDBY/COOK MODE BUTTON
3USB COVER/CONNECTION
4POWER SWITCH
5CLEAN MODE KEY
ITEM DESCRIPTION
6PROGRAM KEY
7TEMPERATURE INDICATOR LIGHTS
8POWER KEY
9FUNCTION DISPLAY
10 MENU SELECT KEYS

17
Model 811, 813, 819, 821 Series Operating Procedures
130206
Section 6 Operating Procedures
The three platen Model L811 has been selected to
illustrate the step-by-step procedures. For grills
equipped with less than three platens, perform the
following steps as appropriate for your grill platen
configuration.
Daily Opening Procedures
Before operating the grill, the release sheets must
be installed on the upper platens. The release
sheets are reversed and rotated on a daily basis
(black side vs. gray side.)
Perform the following steps for installing release
sheets:
CAUTION: Make sure the grill is COOL
before attempting to install or remove release
sheets.
Step 1
Slide the release sheet retainer through the hemmed
end of the release sheet.
Figure 11
Step 2
Hook the release sheet retainer on the release sheet
shoulder screws at the top of the upper platen.
Figure 12
Step 3
Hold the non-hemmed end of the release sheet.
Gently pull the sheet tight, wrapping it around the
platen in a side-to-side manner.
Figure 13
Note: Check the alignment of the release sheet and
make sure it fits smoothly over the upper platen.

18 Model 811, 813, 819, 821 SeriesOperating Procedures
130205
Step 4
Place the release sheet clips over the release sheet.
Press them into place over the release sheet bar at
the top of the platen.
Figure 14
Step 5
Check the tightness of the release sheet against the
upper platen.
Figure 15
Note: Installing the release sheets too tightly may
cause premature failure of the sheet.
Step 6
Repeat steps 1 through 5 for the remaining upper
platen(s).
Note: Temperature checks should only be
conducted with the release sheets removed.
Replace the release sheet when:
SCleaning procedures fail to remove all
buildup and product sticks to the release
sheet.
SA tear appears in the cooking area of the
release sheet, causing product to stick to the
release sheet.
Figure 16
CAUTION: The upper platen surface and
release sheet are very hot. To prevent burn
injuries, wear heat-resistant gloves when
replacing the release sheets.
Note: It is not necessary to change the release
sheet if small pin holes develop on the sheet.

19
Model 811, 813, 819, 821 Series Operating Procedures
110602
Care of Release Sheets
DO NOT:
SDO NOT fold or crease.
Figure 17
SDO NOT touch with sharp objects, grill
scrapers, or abrasive pads.
SDO NOT place under other equipment or
objects.
SDO NOT hot-hose or soak in water.
DO:
SDO clean with a squeegee after each run of
product.
SDO wipe with a clean, sanitizer-soaked grill
cloth a minimum of 4 times per hour and
more often during peak periods.
SDO clean daily on both sides, using an
approved high temperature grill cleaner and
the grill cleaning pad and holder identified
on page 15.
IMPORTANT! Clean the release
sheets using the grill cleaning pad and
holder identified on page 15 ONLY. Using
any other pad and holder will damage the
release sheets.
Figure 18
Note: Contact your local Taylor Distributor to
purchase the correct grill cleaning pad and holder.
(See page 15.)
SDO rinse to remove cleaner and allow to dry
on a flat surface.
SDO rotate the release sheet daily and
re-install on opposite side than previously
used (black side vs. brown side).
StartUpoftheGrill
IMPORTANT! The lower grill surface and the
upper platen MUST BE CLEAN before starting
these procedures.
Step 1
Place the power switch in the ON position.
Figure 19

20 Model 811, 813, 819, 821 SeriesOperating Procedures
The control will display the word “INITIALIZATION”
for five seconds and then will enter the OFF mode,
displaying the message “OFF”. The temperature
indicators will not be illuminated. A tone will sound
for 20 seconds unless the operator touches the
display screen, raise button or the standby button.
Figure 20
Step 2
Touch a menu key on the control to start the grill.
The grill will start heating up to the proper
temperature. The control will display the selected
menu item and indicate “BOTTOM TOO COOL” and
“TOP TOO COOL”. The grill temperature indicators
will be illuminated in amber.
Figure 21
Note: If an ignition failure fault occurs upon start up,
press the center of the control. The control will
display “OFF”. Refer to problem #2, items a, b, and c
of the Gas Grill Troubleshooting Guide on page 42.
After five minutes has elapsed, press the menu key
again. If the ignition failure fault was not resolved,
please call your authorized service technician.
Figure 22
When the grill is at the proper temperature, the
temperature statements will no longer display and
the temperature indicators will be illuminated in
green.
Figure 23

21
Model 811, 813, 819, 821 Series Operating Procedures
Programming Menu Items
To enter the Program Mode, the grill control must be
in the OFF or IDLE mode.
Step 1
Press and hold the PROGRAM key for
approximately five seconds to enter the Program
Mode.
Figure 24
Step 2
The PASSWORD screen will appear. Enter the
Operator Password “STORE1” and press the OK
key.
Figure 25
Step 3
The PROGRAM MODE screen will appear.
Figure 26
UNITS Key
TheUNITSkeyisusedtoselecteitherEnglishor
metric units of measure. The UNITS key toggles
between F and C with each key press.
ADJUST VOLUME Key
The ADJUST VOLUME key displays the current
volume. To increase or decrease the volume, use
the UP and DOWN arrow keys.
Figure 27

22 Model 811, 813, 819, 821 SeriesOperating Procedures
MENU EDIT Key
The MENU EDIT key is used to program a menu
item. When the MENU EDIT key is pressed, the
following screen will display.
Figure 28
If there is more than one screen of menu items,
press the Previous or Next arrow keys to access the
other menu items.
Press the menu item key to be programmed. The
following screen will display.
Figure 29
To edit a menu item, press the menu item key to
bring up a virtual keyboard. Type in the desired
name (up to 8 characters per line) and then press
the “X” key to return to the previous screen.
Figure 30
ACTIVE: YES or NO. This key displays the current
selection. Pressing the key toggles to the opposite
selection. Selecting YES will display the menu item
on the main display screen.
TOP TEMP: This key displays the current set point
temperature for the platen. To increase or decrease
the temperature, use the UP and DOWN arrow keys.
BOTTOM TEMP: This key displays the current set
point temperature for the lower grill surface. To
increase or decrease the temperature, use the UP
andDOWNarrowkeys.
Note: When setting the temperatures for a given
item, the limits are 150°F to 450°F (66°C to 232°C)
for the upper platen and 150°F to 400°F (66°C to
204°C) for the lower grill surface. If the temperatures
are set lower or higher than the temperature limits,
the set point at the control will default to 150°F and
450°F (66°C and 232°C) respectively.
CLAM/FLAT: This key displays the current setting
(CLAM or FLAT) associated with that function.
Pressing the key toggles the mode to the opposite
selection.
GAP: This key is only active if CLAM has been
selected. The key displays the platen gap (in inches
or mm) associated with the FUNCTION. To increase
or decrease the gap setting, use the UP and DOWN
arrow keys.

23
Model 811, 813, 819, 821 Series Operating Procedures
110603
MULTIPLE TIMING FUNCTIONS: There is one
timing function for clam items and a maximum of 3
timing functions for each flat menu item. Each
function has a set of parameters associated with it.
The function currently associated with the menu item
is displayed. Pressing either function 1, function 2, or
function3willbringupthenextfunctioninthelist.
The functions provided are:
SREMOVE IN
STURN IN
SSEAR IN
ALARM AUTO/MANUAL: Thiskeydisplaysthe
current status of the alarm mode. Pressing the key
toggles the mode to the opposite selection.
If ALARM AUTO is selected, the alarm will
automatically stop after five seconds has elapsed.
Selecting ALARM MANUAL requires the operator
touchanywhereonthedisplayscreenortheraiseor
standby buttons to stop the alarm.
XXX SECONDS: This key displays the time
associated with that menu item in seconds. To
increase or decrease the seconds setting, use the
UP and DOWN arrow keys.
Upon completion of all programming selections,
save the selections by pressing the OK key. To
return to the main display screen without saving the
programming selections, press the X key.
SERVICE CONTACT INFORMATION Key
Press the SERVICE CONTACT INFORMATION key
to view the programmed service contact information.
Figure 31
VIEW HELP Key
The View Help key is not functional at this time
(future development).
LoadingStoreMenuItemsToUSB
ThesameUSBflashdrivethatwasusedtoload
software into the grill can be used to perform this
procedure.
Step 1
Remove the USB cable cap from the USB connector
to access the USB port.
Note: Grills built prior to serial number M1035495
will require the front control panel be lowered to
access the control display boards.
Step 2
Insert the USB flash drive into the USB port.
Step 3
Press and hold the PROGRAM key for 5 seconds to
enter the Program Mode.
Figure 32
Step 4
Enter the Operator Password “STORE1” and press
the OK key.
Figure 33

24 Model 811, 813, 819, 821 SeriesOperating Procedures
110603
Step 5
Press the MENU EDIT key.
Figure 34
Step 6
Press the STORE MENU TO USB key.
Figure 35
Step 7
Enter a file name (up to 8 characters) to save the
menu items, using the keyboard displayed on the
control. Press the OK key. The menu items are
saved to the USB flash drive.
Step 8
RemovetheUSBflashdrivefromtheUSBportand
reinstall the USB cable cap on the USB connector.
Note: Grills built prior to serial number M1035495
will require the front control panel be reinstalled.
LoadingMenuItemsFromUSB
Once the proper software is loaded on the USB flash
drive, the next control board can be programmed
from the USB flash drive.
Step 1
Repeat Steps 1 through 5 from “Loading Store Menu
Items to USB.”
Step 2
Press the LOAD MENU FROM USB key.
Step 3
The control can display up to 5 different menu
options loaded on the USB flash drive. Select the
key for the correct menu to load. The control will
display “DONE” at the bottom of the screen when
the menu is loaded.
Step 4
RemovetheUSBflashdrivefromtheUSBportand
reinstall the USB cable cap on the USB connector.
Step 5
To load menu items from the USB flash drive to
another control board, repeat these software loading
procedures.
Note: Grills built prior to serial number M1035495
will require the front control panel be reinstalled.

25
Model 811, 813, 819, 821 Series Operating Procedures
130312
Patty Placement & Removal
Placement procedures of meat products must be
followed on the grill. The meat must be placed on
the lower grill surface from front to back. When the
cook cycle is complete, the upper platen will raise.
Note: It is very important that all patties be
removed from the lower grill surface in the same
sequence that they were placed before cooking.
Patties must be removed immediately after the
upper platen has been raised to the OPEN position
and after the meat has been seasoned.
Pattiesaregenerallyplacedtwoatatimefromfront
to back of grill and right to left. The removal order of
the patties is shown in the diagrams by the number
shown in the center of each patty.
L Series Grills (Longer Platen
V
ersion)

26 Model 811, 813, 819, 821 SeriesOperating Procedures
130312
Patty Placement & Removal (continued)
C Series Grills (Shorter Platen Version)

27
Model 811, 813, 819, 821 Series Operating Procedures
Operating Procedures
Cooking Product
Step 1
Selectthemenuitemtobecooked.Thegrillisatthe
correct temperature if the control does not display
any temperature statements and the grill
temperature indicators are green.
Step 2
Quickly place the product on the lower grill surface,
from front to back.
Step 3
Press the STANDBY button once.
Figure 36
The display reads “MOVING DOWN” as the platen
lowers to the cook surface.
During the cooking cycle, the display will show the
name of the current menu item, “REMOVE IN”, and
the time remaining until the product should be
removed.
Figure 37
At the end of the cook cycle, the control will display
“DONE”, a tone will sound, and the platen will
automatically raise.
Figure 38
Note: To cancel a cook cycle at any time, press the
RAISE button. A tone will sound and the display will
read “CANCEL” for five seconds and then enter an
IDLE mode.

28 Model 811, 813, 819, 821 SeriesOperating Procedures
Standby Procedures
Whenever the grill is idle and product is not being
cooked,theupperplatenmustbeplacedinthe
STANDBY position.
Step 1
To place the upper platen in the STANDBY position,
press the STANDBY button twice from the open
position.
Figure 39
The control will display “GOING TO STANDBY” and
then change to display “STANDBY”.
Step 2
To raise the upper platen to the OPEN position to
resume cooking, press the RAISE button.
Figure 40
CAUTION: Never use force to raise the
upper platen. Damage to components may
result. Only use the RAISE button to open the
upper platen!
Menu Parameters
To view the settings and actual temperatures for the
current item, press and hold the menu item key a
minimum of 5 seconds. The screen will display the
cook time, gap setting, temperature set points and
actual temperature readings for each zone for that
menu item.
Figure 41
If a key is not pressed for 20 seconds, the grill
control will return to the normal display. Pushing the
“X” key will bring the display back to the main display
page.
Cleaning After Each Run of Product
Step 1
Using the grill scraper, scrape the grease on the
lower grill surface from front to back. Do not scrape
across the rear of the lower grill surface with the grill
scraper.
Figure 42

29
Model 811, 813, 819, 821 Series Operating Procedures
120127
Step 2
Use the wiper squeegee to clean the release sheet
on the upper platen. Hold the handle at a slight
upward angle. Use a downward motion to clean the
sheet. (Note: Do not use excessive pressure when
wiping the release sheet with the squeegee, as this
can scratch or tear the release sheet.)
Figure 43
Step 3
Using the wiper squeegee, push the grease at the
rear of the lower grill surface into the grease can. Do
not use the grill scraper for this step.
Step 4
Usethegrillclothtocleanthebacksplashplateand
the bullnose areas as needed during operation.
Note: To increase the life of the release sheet, wipe
it with a clean, sanitizer-soaked, folded grill cloth a
minimum of four times every hour.
CAUTION: The upper platen surface is
very HOT! To prevent burn injuries, use extreme
caution when wiping the release sheet.
Daily Cleaning Procedures
Note: The three platen Model L811 has been
selected to illustrate the step-by-step procedures.
For grills equipped with less than three platens,
perform the following steps as appropriate for your
grill platen configuration.
Step 1
Raise the upper platen to the OPEN position by
pressing the red RAISE button.
Figure 44
CAUTION: Never use force to raise the
upper platen. Damage to components may
result. Only use the RAISE button to open the
upper platen!
Note: DO NOT turn the power switch to the OFF
position while the platens are in the “down” position.

30 Model 811, 813, 819, 821 SeriesOperating Procedures
130205
Step 2
Press the CLEAN key. When the cook surfaces
reach the proper temperature for cleaning, an alarm
will sound and the message “READY TO CLEAN”
will be displayed.
Figure 45
Step 3
Press the RAISE button to cancel the alarm.
Figure 46
Step 4
Put on heat-resistant gloves.
Figure 47
CAUTION: The upper platen surface and
release sheets are very hot. To prevent burn
injuries, use extreme care.
Step 5
Wipe the exposed surface of the release sheets with
a clean, sanitizer-soaked grill cloth.
Figure 48

31
Model 811, 813, 819, 821 Series Operating Procedures
120524
Step 6
Remove the release sheet clip, release sheet
retainer, and the release sheet. Take these parts to
thesinktobewashedandrinsed.
Figure 49
Step 7
Repeat steps 1 through 6 for the remaining upper
platen(s).
Step 8
Wash and rinse the clips and retainers in the sink.
Set them aside for future use.
Step 9
Set the release sheets aside on a clean, flat surface
next to the sink until further cleaning is performed.
DO NOT fold, crease, or place them on sharp
objects.
Figure 50
Step 10
Scrape the lower grill surface with the grill scraper,
from front to back.
Figure 51
Step 11
Use the wiper squeegee to push residual grease into
thegreasecans.
Figure 52
Step 12
Remove, empty, and reinstall the grease cans.
Figure 53

32 Model 811, 813, 819, 821 SeriesOperating Procedures
130201
Step 13
Using an approved high temperature grill cleaner,
pour approximately 3 oz. (90 ml) onto each 12”
(305 mm) cook zone.
Figure 54
Step 14
Firmly attach the non-abrasive pad to the grill
cleaning pad holder.
IMPORTANT! Use the grill cleaning pad
and holder identified on page 15 ONLY. Using
any other pad and holder will damage the release
sheets.
Step 15
Dip the pad into the grill cleaner.
IMPORTANT: DO NOT SCRUB while applying
grill cleaner in the following steps:
Step 16
Apply grill cleaner to the front side of the upper
platens.
Figure 55
Step 17
Apply grill cleaner to the bottom of the platen
handles.
Figure 56
DO NOT use metal scrapers, abrasive
pads, screens, or wire brushes. Damage to
components may result.
Step 18
Apply grill cleaner to the platen surfaces.
Figure 57

33
Model 811, 813, 819, 821 Series Operating Procedures
110610
Step 19
Apply grill cleaner to the back side of the upper
platens.
Figure 58
Step 20
Apply grill cleaner to the outer edges of the right and
left platens.
Step 21
Press the STANDBY button twice to lower one of the
platens.
811 Only: Press the STANDBY button twice to lower
the center platen. Apply grill cleaner to both sides of
the center platen.
Step 22
Apply grill cleaner to the inner edges of the right and
left platens.
Step 23
Press the RAISE button to raise the lowered platen.
Step 24
Lightly scrub the front side of the platens and the
bottom of the platen handles with the non-abrasive
pad until all soil has been liquified by the grill
cleaner. For stubborn soils, apply additional grill
cleaner and lightly scrub. Do not rinse the platens
at this time.
Step 25
Lightly scrub the platen surfaces.
Figure 59
Step 26
Lightly scrub the back side of the upper platens.
Figure 60
Step 27
Lightly scrub the outer edges of the right and left
platens.
Step 28
Press the STANDBY button twice to lower one of the
platens.
811 Only: Press the STANDBY button twice to lower
the center platen. Lightly scrub both sides of the
center platen.
Step 29
Lightly scrub the inner edges of the right and left
platens.
Step 30
Press the RAISE button to raise the lowered platen.
Step 31
With a clean, sanitizer-soaked grill cloth, rinse the
front, sides, and back of the platen surfaces.

34 Model 811, 813, 819, 821 SeriesOperating Procedures
130201
Step 32
With a clean, sanitizer-soaked grill cloth, rinse the
bottom of the platen handles, and the front, sides,
and back of the platen surfaces.
Figure 61
Step 33
With a clean, sanitizer-soaked grill cloth, rinse the
platen cook surfaces.
Figure 62
Step 34
Press the STANDBY button twice to lower one of the
platens.
811 Only: Press the STANDBY button twice to lower
the center platen. With a clean, sanitizer-soaked grill
cloth, rinse both sides of the center platen.
Step 35
With a clean, sanitizer-soaked grill cloth, rinse the
inner edges of the right and left platens.
Step 36
Press the RAISE button to raise the lowered platen.
Step 37
With a clean, sanitizer-soaked grill cloth, wipe the
exterior of all the platens, especially behind the rear
of the upper platens (next to the arm assembly).
Step 38
Starting at the back of the lower grill, spread the
remaining grill cleaner over the entire surface. Do
not scrub while applying product.
Step 39
Lightly scrub the surface with the non-abrasive pad
until all soil has been liquified by the grill cleaner.
Figure 63
Note: The rear of the upper platen, as well as the
tubular arm, can easily be wiped from the front of the
unit. If cleaning is performed on a daily basis, there
should be no carbon build-up.

35
Model 811, 813, 819, 821 Series Operating Procedures
IMPORTANT!
DO NOT use a jet of water to clean or rinse
the grill.
DO NOT use cold water or ice to cool the
upper platen or the lower cook surface.
Failure to follow these instructions may result in:
Sserious electrical shock
Sburns from hot steam
Sliquid collecting inside the grill and
destroying electrical components
Sdamaged cook surfaces
Step 40
Carefully pour warm water on the lower grill surface,
starting from the back to the front. Use the squeegee
to remove the cleaner from the grill surface.
Figure 64
To avoid damaging the grill:
SNever use grill screens on the upper platen
or the lower grill surface.
SNever use any abrasives or cleaners other
than the approved cleaner.
SNever allow the grill scraper or the abrasive
cleaning materials to come in contact with
the release sheet.
Step 41
Pour a small amount of lukewarm water on a clean,
sanitizer-soaked grill cloth, while holding it over the
lower grill surface. Wipe the lower grill surface until
all residue is removed.
Figure 65
IMPORTANT! Step 42 must be performed
using the grill cleaning pad and holder identified
on page 15 ONLY. Using any other pad and holder
will damage the release sheet.
Note: Contact your local Taylor Distributor to
purchase the correct grill cleaning pad and holder.
(See page 15.)

36 Model 811, 813, 819, 821 SeriesOperating Procedures
130107
Step 42
Place the release sheets flat on the lower grill
surface. Gently clean both sides of the sheets with
an approved high temperature grill cleaner and the
grill cleaning pad and holder.
Figure 66
Step 43
Rinse both sides of the release sheets with a clean,
sanitizer-soaked grill cloth.
Figure 67
Step 44
Place the release sheets on a clean, sanitized, flat
surfacetoairdryovernight.
Step 45
Wipe the lower grill surface with a clean,
sanitizer-soaked grill cloth. Repeat until no visible
soil remains.
Step 46
Removeandemptythegreasecans.
Figure 68
Step 47
Wash, rinse, and reinstall the grease cans.
Step 48
Wipe all areas with a clean, sanitizer-soaked grill
cloth.
Step 49
Wipe all exterior panels.
24 Hour Stores Only:
Step 48
Re-install the release sheets on the opposite side
than previously used. Secure the sheets with the
release sheet clips and retainers. Start up the grill
per instructions starting on page 17.
Figure 69

37
Model 811, 813, 819, 821 Series Operating Procedures
120830
Non-24 Hour Stores Only:
Step 50
Apply a light coat of vegetable oil to the entire lower
grill surface.
Figure 70
Step 51
Leave the upper platens in the OPEN position
overnight.
Step 52
Place the power switch in the OFF position.
Figure 71

38 Model 811, 813, 819, 821 SeriesTroubleshooting Guide
120521
Section 7 Troubleshooting Guide
PROBLEM PROBABLE CAUSE REMEDY
1. One side of the grill will not
heat. The control will display
the message, “PROBE
FAULT”.
a. One power connection is not
connected. a. Check the power connection.
b. The restaurant circuit breaker
has tripped. b. Reset the restaurant circuit
breaker.
c. The contactor is faulty. c. Call a service technician.
d. The heater is faulty. d. Call a service technician.
e. The high limit switch is faulty. e. Call a service technician.
f. The solid state relay is faulty. f. Call a service technician.
2. One heat zone will not heat.
The display reads “TOO
COOL”.
a. The interface board is faulty. a. Call a service technician.
b. The solid state relay is faulty. b. Call a service technician.
c. The control harness is faulty. c. Call a service technician.
3. One of the heat zones is
overheating. The display reads
“TOO HOT”.
a. The interface board is faulty. a. Call a service technician.
b. The solid state relay is faulty. b. Call a service technician.
4. The grill will not turn on when
power switch is placed in the
ON position.
a. The restaurant circuit breaker
has been tripped. a. Reset the circuit breaker.
b. The control cord is not
connected properly. b. Reconnect the cord.
c.Thefuseinthecontrolboxis
faulty. c. Call a service technician.
d. The power switch is faulty. d. Call a service technician.
5. The upper platen will not stay
in the STANDBY mode, but will
stay in the COOK position.
a. Incorrect use of the STANDBY
button. a. Press STANDBY button within
five seconds of lowering the
platen into the COOK position.
b. Faulty wire connections. b. Call a service technician.

39
Model 811, 813, 819, 821 Series Troubleshooting Guide
120521
PROBLEM PROBABLE CAUSE REMEDY
6. The upper platen will not stay
in the COOK or STANDBY
position.
a. Temperature is insufficient to
satisfy the indicator LED's. a. Wait until the indicator LED's
turn green.
b. The control harness is faulty. b. Call a service technician.
c. The interface board is faulty. c. Call a service technician.
d. The latch switch is faulty. d. Call a service technician.
e. The latch solenoid is faulty. e. Call a service technician.
f. The processor control is faulty. f. Call a service technician.
g. The pneumatic system is
faulty. g. Call a service technician.
7. The upper platen will not stay
in the COOK position, but will
stay in the STANDBY mode.
a. The product is out of
specification. a. Product must be within
specification (proper thickness,
shape, etc.).
b. The processor control is not set
properly. b. Call a service technician.
8. The upper platen opens too
rapidly. a. The orifice/check valve is
incorrect or missing. a. Call a service technician.
9. The display reads “PLATEN
NOT LATCHED”. a. The pneumatic system is
faulty. a. Call a service technician.
b. The latch switch is faulty. b. Call a service technician.
c. The latch solenoid is faulty. c. Call a service technician.
10. The display reads “UPPER
PLATEN STUCK”. a. The arm bearings are dirty. a. Call a service technician.
b. The air cylinder is faulty. b. Call a service technician.
c. Plugged air lines to cylinders. c. Call a service technician.

40 Model 811, 813, 819, 821 SeriesTroubleshooting Guide
130201
PROBLEM PROBABLE CAUSE REMEDY
11. The platen will not lower to
preset gap height. a. Excessive carbon build-up on
the shields. a. Follow closing procedures to
properly clean and remove
carbon build-up from the
shields.
b. Defective motor interface
board. b. Call a service technician.
c. Loose harness connections. c. Call a service technician.
d. Defective main display
controller. d. Call a service technician.
e. Defective motors and cables. e. Call a service technician.
12. The product is under-cooked
or overcooked. a. The release sheet is worn. a. Replace the release sheet.
b. Incorrect cooking time. b. Reset the processor control for
the correct time.
c. Incorrect temperature setting. c. Adjust the processor control to
the proper setting.
d. The upper platen or lower grill
surface is not clean and/or has
carbon build-up.
d. Follow closing procedures to
properly clean the upper platen
and the lower grill surface and
to remove carbon build-up.
e. There is a grease or carbon
build-up on the bottom of the
upper platen handles.
e. Follow closing procedures to
properly clean and remove
carbon build-up from the
bottom of the platen handles.
f. The preset gap height is
incorrect. f. Call a service technician.
g. The heating zone is not
heating. g. Call a service technician.

41
Model 811, 813, 819, 821 Series Troubleshooting Guide
130201
PROBLEM PROBABLE CAUSE REMEDY
13. The product is not cooking
evenly. a. The upper platen or lower grill
surface is not clean and/or has
carbon build-up.
a. Follow closing procedures to
properly clean the upper platen
and the lower grill surface and
to remove carbon build-up.
b. There is a grease or carbon
build-up on the bottom of the
upper platen handles.
b. Follow closing procedures to
properly clean and remove
carbon build-up from the
bottom of the platen handles.
c. The release sheet is worn. c. Replace release sheet.
d. The product is out of
specification. d. Product must be within
specification (proper thickness,
shape, etc.).
e.Theplatenisnotlevel. e. Call a service technician.
f. The preset gap height is
incorrect. f. Call a service technician.
g. Air pressure is not high
enough. g. Call a service technician.
14. The display reads “PROBE
OPEN” and displays the
specific zone.
a. The thermocouple or the
thermocouple interface board
is faulty.
a. Call a service technician.
15. The display reads “HOME
SWITCH STUCK ON.” a. Two sided cooking options are
blocked. a. Turn the control off and then
back on to clear the fault.
b. Defective stepper motor. b. Call a service technician.
c. Defective stepper motor wire
harness. c. Call a service technician.
d. Defective home switch. d. Call a service technician.
e. Defective motor control. e. Call a service technician.
16. The display reads “HOME
SWITCH NOT SEEN.” a. Defective motor control. a. Call a service technician.
b. Defective stepper motor. b. Call a service technician.
c. Defective stepper motor wire
harness. c. Call a service technician.
d. Defective home switch. d. Call a service technician.
e. Broken platen cable. e. Call a service technician.

42 Model 811, 813, 819, 821 SeriesTroubleshooting Guide
GAS ZONES ONLY
PROBLEM PROBABLE CAUSE REMEDY
1. The display reads “BLOWER
FAILURE”. a. The blower is faulty. a. Call a service technician.
b. The pressure switch is faulty. b. Call a service technician.
2. The burner will not light. The
display reads “IGNITION
FAILURE”.
a. The quick disconnect gas hose
is not fully engaged. a. Re-engage the quick
disconnect.
b. The manual shutoff valve is in
the OFF position. b. Turn the valve to the ON
position.
c. Air is in the gas hose. c. Wait 5 minutes before
relighting.
d. The processor control is faulty. d. Call a service technician.
e. The spark ignition module is
faulty. e. Call a service technician.
f. The gas solenoid is faulty. f. Call a service technician.
g. The electrode is faulty. g. Call a service technician.
h. The interface board is faulty. h. Call a service technician.
3. The burner lights but will not
stay lit. a. The electrode is faulty. a. Call a service technician.
b. Improper ground. b. Call a service technician.
4. The burner lights but the zone
is cool or overheats. a. The grill is out of calibration. a. Call a service technician.
b. The processor control is faulty. b. Call a service technician.
c. The thermocouple is faulty. c. Call a service technician.

43
Model 811, 813, 819, 821 Series Warranty Explanation
121003
Section 8 Warranty Explanation
Class 103 Parts
The warranty for new equipment Class 103 parts is
one year from the original date of unit installation,
with a replacement parts warranty of three months.
Class 212 Parts
The warranty for new equipment Class 212 parts is
two years from the original date of unit installation,
with a replacement parts warranty of twelve months.
Class 512 Parts
The warranty for new equipment Class 512 parts is
five years from the original date of unit installation,
with a replacement parts warranty of twelve months.
Class 000 Parts
Class 000 parts are considered wear items - no
warranty.
Class *** Parts
See warranty explanation on the back of the
check-out card.
CAUTION: Warranty is valid only if the parts are authorized Taylor parts, purchased from an authorized
Taylor Distributor, and the required service work is provided by an authorized Taylor service technician.
Taylor reserves the right to deny warranty claims on equipment or parts if non-approved parts or refrigerant
were installed in the machine, system modifications were performed beyond factory recommendations, or
it is determined that the failure was caused by neglect or abuse.

Section 9 Parts List
44
Parts List Model 811, 813, 819, 821 Series
130416
DESCRIPTION PART
NUMBER C811
QTY. L811
QTY. WARR.
CLASS REMARKS
C81123N000 & L81123NW00 NATURAL GAS - 3 PLATEN GRILLS
ACTUATOR-HOME SWITCH 079792 3 3 103
ADAPTOR-HI TEMP 1/4X1/4 OD 058769-2 1 1 103
ADAPTOR 076745 3 3 103
BACKSPLASH A. *C810* X73971 1 1 103 C811 S/N M1073522 & UP - C813 S/N M1123917 & UP
BACKSPLASH A. X72954 1103 C811 S/N M1073521 & PRIOR
BAR A.-RELEASE MATERIAL X72843 3103 PLATEN COVER
+NUT-10-32 WHIZ FLANGE LOCKNUT 020983 6000
+SCREW-SHOULDER 10-32X1/4X.125L 072849 6103
BAR A.-RELEASE MATERIAL X80592 3103
+NUT-10-32 WHIZ FLANGE LOCKNUT 020983 6000
+SCREW-SHOULDER 10-32X1/4X.125L 072849 6103
BAR-BELLY 075663-SP 1 1 103
+WASHER-3/8 USS FLAT CR3 000653 2 2 000
+SCREW-3/8-16X1 HEX HEAD CAP 079145 2 2 000
BASE-ADJUSTER 3/8/-24 LF/RR 072500-SER 6 6 103
BASE-ADJUSTER 3/8-24 LR/RF 072501-SER 6 6 103
BEARING 3/4 ID-SELF ALIGN 078730 6 6 103
BEARING-FLANGE 3/4 X 15/16 077042 12 000
BEARING-FLANGE 5/8 X 15/16 080648 12 000
BEARING .753 X 1.000 X 2.000 072541 6000
BEARING .628 X .813 X 2.0 080647 6000
BLOCK-CONTACT 1 NO 076013 6 6 103 CONTROL SWITCH
BLOCK-TERMINAL 1P 073423 4 4 103 UPPER CONTROL
BLOCK-TERMINAL 2P .25 SPD-24X 073033 1 1 103
BLOCK-TERMINAL 3P 20A, 300V 051331 4 4 103
BRACKET-PIVOT 076451 3 3 103
BULLNOSE A.-*C810* X73975 1 1 103 C811 S/N M1073522 & UP
BULLNOSE A. X73023 1103 C811 - S/N M1073521 & PRIOR
BURNER-I.R. 073334 3 3 103
+BRACKET-BURNER *C845* SIDE 073010 6 6 103
811

45
Model 811, 813, 819, 821 Series Parts List
DESCRIPTION REMARKSWARR.
CLASS
L811
QTY.
C811
QTY.
PART
NUMBER
+BRACKET-BURNER *C845*-SHORT 073016 6 6 103
BUSHING-FLG .627IDX.12W OILITE 052394 6 6 103
BUSHING-SNAP 11/16 ID X 7/8OD 010548 6 6 103
BUSHING-SNAP 1-3/8ID X 1-3/4OD 027712 5 5 000
BUSHING-SNAP 3/4ID X 1"OD BLK 053144 3 3 000
BUSHING-SNAP 5/8ID X 3/4OD-BLK 017462 1 1 000
BUSHING-SNAP .391 ID X.500 OD 073910 6 6 103
BUTTON-OPERATOR-BLACK 076012 3 3 000
BUTTON-OPERATOR-RED 076011 3 3 000
CABLE-PLATEN-FRONT 073252 6 6 103
CABLE-PLATEN-F-REAR *C810* 080587 6103
CABLE-PLATEN-F-REAR 073251 6103
CAN A.-GREASE *C810* HEM X80925 2 2 103 5/2012 REPLACES X73944
+SLIDE-GREASE CAN *C810* RIGHT 069935 1 1 103
+SLIDE-GREASE CAN *C810* LEFT 069936 1 1 103
CARD-CHECKOUT GEN MKT INF GAP 073484 1 1 103
CARD-INSTALL-GAS GRILL C811 073619 1 1 103
CASTER-5" 7-5/8 STEM 078377 2 2 103
CASTER-GRILL 5" SWIVEL W/LOCK 073240 2 2 103
CLEVIS-ROD 1/2-20 THD 079777 3 3 103
COMPRESSOR-AIR-230V SERV 032129SER2 1 1 212
+ADAPTOR-HI TEMP 1/4X1/4 OD 058769-2 1 1 103
+FITTING-HI TEMP 1/4X1/4 OD 9 058771-2 1 1 103
+MANIFOLD A.-*C842* 072695 1 1 103
+SWITCH-PRESSURE 240V,3HP 077879-C 1 1 103
+TUBE-TEFLON .188IDX.250OD R403022 10' 10' 000
+TEE-1/4FPT X 1/4MPT X 1/4FPT 021277 1 1 103
+TEE-HI TEMP 1/4X1/4 OD 058770-2 1 1 103
+TANK-ACCUMULATOR 10LB-NPT 078820 1 1 103
+VALVE-CHECK 1/4MP 020959 1 1 103
CONTROL-GRILL TOUCH PAD------> *SEE - KIT A.-GRILL CONTROL-GEN MRKT
CONTROL-HI-LIMIT 450F RESET 070279 3 3 103
CONTROL-IGNITOR UTC *M35* X70301-02S 3 3 103
811

46
Parts List Model 811, 813, 819, 821 Series
DESCRIPTION REMARKSWARR.
CLASS
L811
QTY.
C811
QTY.
PART
NUMBER
+WIRE A.-IGNITOR *C845* X73147-12 3 3 103
CONTROL-LIMIT W/SCREWS 078721 3 3 103 PLATEN
CONTROL-MOTOR *C811* X69621-SER 3 3 212
COVER A.-PLATEN *C810* W/RELEASE BAR X73256 3103
COVER A.-PLATEN *C810* X80589 3103
COVER A.-USB WATERPROOF 068583 3 3 103 1/17/2012 REPLACES 073963
COVER-FRONT *C811* 073963 1 1 103
CORD A.-POWER-250V-30A 4 WIRE 073668 1 1 103
CYLINDER-AIR 6IN STROKE C/C 079160 3 3 103
DEFLECTOR A.-FLUE *C811* X69555 1 1 103 C811 S/N M1073522 & UP
DEFLECTOR A.-FLUE *C811* X73510 1103 C811 S/N M1073521 & PRIOR
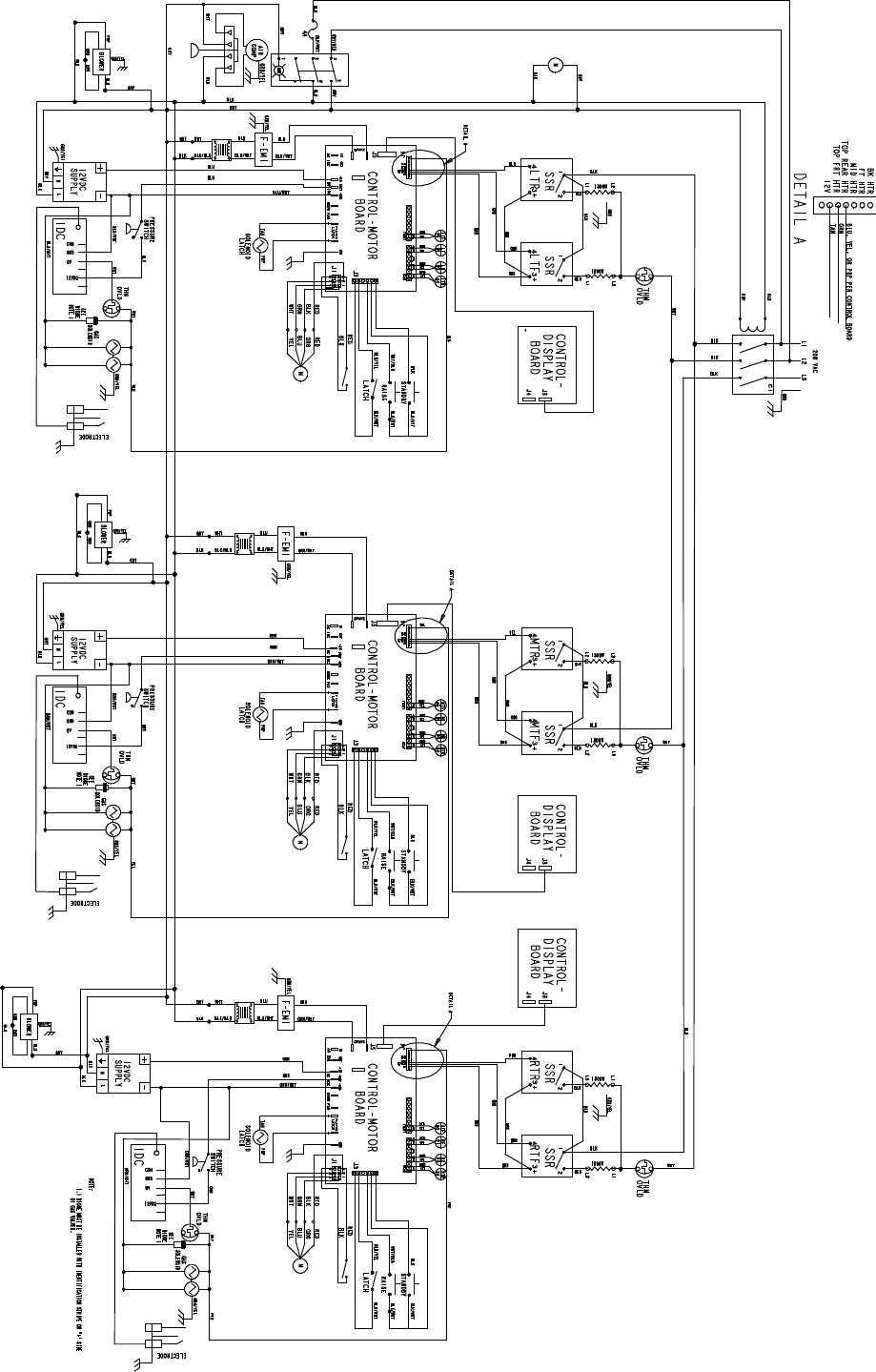
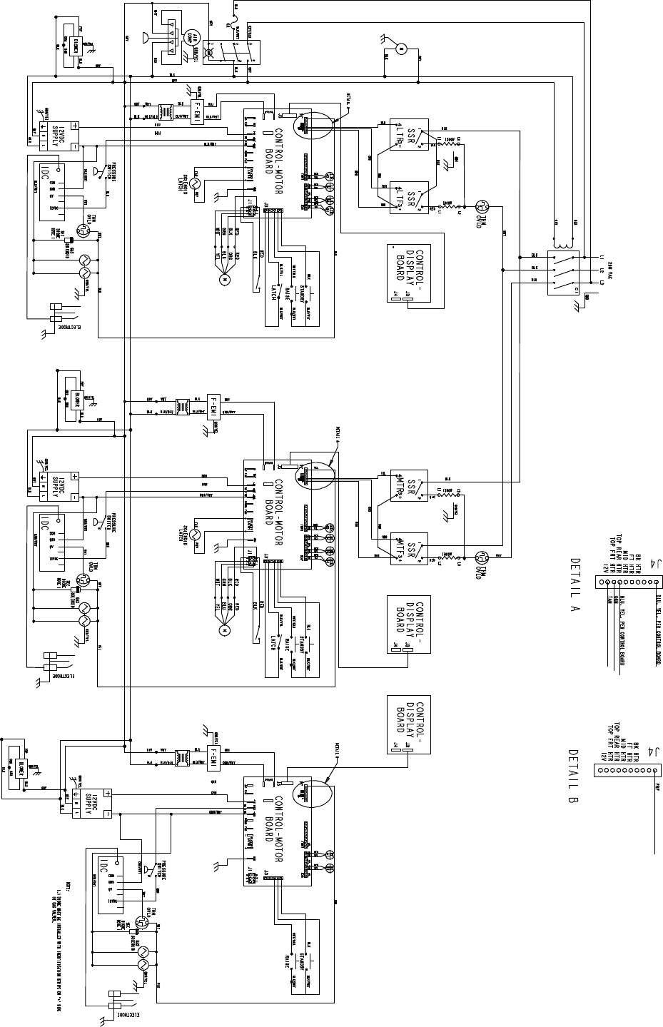
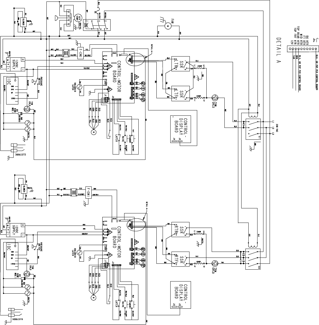
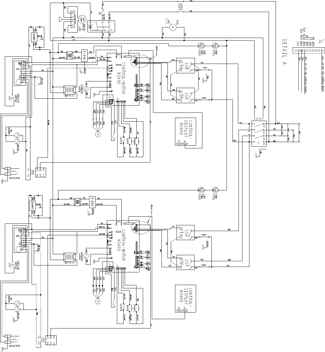
DIAGRAM-WIRING *C811* 073475-23 1 1 000
ELECTRODE 073810 3103 C811 S/N M1073522 & UP
ELECTRODE 073409 3103 C811 S/N M1073521 & PRIOR
ELECTRODE-GAS PILOT 080879 3103
DIODEA.-50PIV1A X73673 3 3 000
E-RING 1/4 BLACK PHOS 032190 6 6 000
E-RING-3/4 STEEL 077046 12 12 000
ELECTRODE-GAS PILOT 080879 3 3 103
FAN-BLOWER 60CFM 120/230 VAC 079326-12 3 3 103
FASTENER-SNAP IN 1/4X15/16 078329 24 24 000
FILTER-CORCOM 6EH1 040140-001 3 3 103
FITTING-1/4MPTX1/4OD TUBE 90DG 052560-2 6 6 103
FITTING-DIFFUSER 1/4 MPT 072695-8 1 1 103
FORM-QUALITY REPORT BY FAX 065712 1 1 000
FUSE-10 AMP BK/MDA-10-R 079837-10 1 1 000
+HOLDER-FUSE-15 A, 250 V 076299 1 1 103
GAUGE-130 PSI 1/8 MPT BACK MNT 072695-3 1 1 103
GASKET-BRAIDED-HI TEMP R70113 15' 15' 000
GASKET-CONTROL *C842* 072914 3 3 000
GASKET-FLUE *C845* 073419 2 2 000
GASKET-FRONT SHROUD 072983 1 1 000
GASKET-FRONT VIEW PORT *C845* 072985 3 3 000
811

47
Model 811, 813, 819, 821 Series Parts List
DESCRIPTION REMARKSWARR.
CLASS
L811
QTY.
C811
QTY.
PART
NUMBER
GUARD-FAN 028534-1 1 1 103
GUIDE-PATTY PLACEMENT GEN MKT 073440 1 1 103
HANDLE-PLATEN 073250 3103
HANDLE-PLATEN 080588-B 3103
HARNESS A.-COMP. VALVE *C842* X72743 1 1 103
HARNESS A.-MOTOR *C820* 073892 3 3 103
HARNESS-12V-NEGATIVE-BOARD 073427 1 1 103
HARNESS-12V-POSITIVE-BOARD 073428 1 1 103
HARNESS-BLOWER 073608 3 3 103
HARNESS-COMPRESSOR *C845/C81 073422 1 1 103
HARNESS-FAN *C819* 069716 2 2 103
HARNESS-FAN *C819* 069717 2 2 103
HARNESS-GAS VALVE 073426 1 1 103
HARNESS-GAS VALVE TREE 073437 1 1 103
HARNESS-HIGH LIMIT C845/C811 073471-L 1 1 103
HARNESS-HIGH LIMIT C845/C811 073471-M 1 1 103
HARNESS-HIGH LIMIT C845/C811 073471-R 1 1 103
HARNESS-IDC BOARD 073429-L 1 1 103
HARNESS-IDC BOARD 073429-M 1 1 103
HARNESS-IDC BOARD 073429-R 1 1 103
HARNESS-IGNITOR-GROUND 073438 1 1 103
HARNESS-MC BOARD SUPPLY-24V 073460 1 1 103
HARNESS-PCB/GR SWITCH *C832* 072529 3 3 103
HARNESS-POWER SUPPLY-NEG 073436 1 1 103
HARNESS-PRESSURE SWITCH 073444 1 1 103
HARNESS-SSR-LEFT*C845* 073095 1 1 103 CONTROL A.- UPPER
HARNESS-SSR-MIDDLE*C845 073096 1 1 103 CONTROL A.- UPPER
HARNESS-SSR-RIGHT*C845* 073097 1 1 103 CONTROL A.- UPPER
HARNESS-SWITCH 073425 1 1 103
HARNESS-TOUCH-CONTROL*C810-11* 073369 3 3 103
HARNESS-TRANSFORMER A.-115V 073454 1 1 103
HOSE ASSEMBLY-FLEXIBLE GAS 073941 1 1 103
HOSE-BEV.-.250IDX.438OD-100' R30317 5' 5000 TUBE-NYLOBRADE 1/4ID X 7/16OD
811

48
Parts List Model 811, 813, 819, 821 Series
DESCRIPTION REMARKSWARR.
CLASS
L811
QTY.
C811
QTY.
PART
NUMBER
+CLAMP-HOSE 7/16-WIRE DICHROMAT 051742 3 3 000
INSULATOR-TEFLON-2 HOLE 079810 9 9 000
INSULATION-SHROUD*C845*IN 073106 3 3 000
KIT A.-3FT RESTRAIN CABLE 074948 1 1 103
KIT A.-ACCESSORY*INF GAP GEN X73459 1000
CLIP-RELEASE MATERIAL-W/TAB 072673 6000
RETAINER-SHEET RELEASE *C842* 072845 3103
SCRAPER-TEFLON WIPER 075887 1000
SCREW-10-32X3/8 SLTD TRUSS 024298 9000
SCREW-3/8-16X1 HEX HEAD CAP 001082 2000
SHEET-RELEASE BOX(9) GEN MRK 073442 1000
STRIP-REPLACEMENT 075888 1000
WASHER-3/8 USS FLAT CR3 000653 2000
KIT A.-ACCESSORY*LONG PLTN* X80680 1000
CLIP-RELEASE MATERIAL-W/TAB 072673 6000
RETAINER-SHEET RELEASE *C810 080594 3103
SCRAPER-TEFLON WIPER 075887 1000
SCREW-10-32X3/8 SLTD TRUSS 024298 9000
SCREW-3/8-16X1 HEX HEAD CAP 001082 2000
SHEET-RELEASE *C810* 080595 1000
STRIP-REPLACEMENT 075888 1000
WASHER-3/8 USS FLAT CR3 000653 2000
KIT A.-GRILL CONTROL-GEN MRKT X73474-SER 3 3 312 REPLACES X73274-SER
KIT A.-GREASE SHIELD* X78330-SER 3 3 000
LABEL-CONTROL COMPONENTS 073443 1 1 000
LABEL-ELEC-CAUTION 075484 1 1 000
LABEL-WARN GRILL MCD AUTH SVC 072658 3 3 000
LENS-MICA *C845* 072986 3 3 000
LINE A.-GAS-CENTER *C811* X81005 1 1 103
LINE A.-GAS-LEFT *C811* X81004 1 1 103
LINE A.-GAS-RIGHT *C811* X81006 1 1 103
MANIFOLD A.-*C845* GAS X73109-02 1 1 103
ELBOW-3/8 MPT X 5/16 076370 3 3 103
811

49
Model 811, 813, 819, 821 Series Parts List
DESCRIPTION REMARKSWARR.
CLASS
L811
QTY.
C811
QTY.
PART
NUMBER
FITTING-CROSS 3/8FPT-BLACK 078906 1 1 103
FITTING-REDUCER-1/2FPT-3/8FPT 077364 1 1 103
PLUG-3/8MPT-BLACK 078907 1 1 103
VALVE-GAS REDUNDANT 3-1/2 WC 079329-02 3 3 103 MANIFOLD A.-GAS
MANIFOLD A.-*C842* 072695 1 1 103
FITTING-SWIVEL ELBOW 1/4 OD 072695-5 3 3 103
FITTING-SWIVEL ELBOW 1/4 OD 072695-6 1 1 103
FITTING-DIFFUSER 1/4 MPT 072695-8 1 1 103
GAUGE-130 PSI 1/8 MPT BACK MNT 072695-3 1 1 103
REGULATOR-PRESSURE 0-120 PSI 072695-2 1 1 103
VALVE-SOLENOID 3 WAY 12 VDC 072695-1 3 3 103
VALVE-PRESSURE RELIEF 70 PSI 072695-4 1 1 103
MOTOR A.-MOUNT *C810* X73273-SER 3103
MOTOR A.-MOUNT *C810* X80578 3103
MOTOR-FAN 95.3 CFM 2700 RPM 062253-27 1 1 103 C811 S/N M1073522 & UP
+GUARD-FAN 028534-1 1 1 103
MOTOR-GEAR W/CONN *C810* 080603 3103 S/N M2091955 & UP - REPLACES 073247
+SCREW-SHOULDER 5/16 X 1 073249 6103 GEAR MOTOR
+NUT-1/4-20 WHIZ FLANGE LOCK 017523 6000
MOTOR-GEAR *M32/35* STEPPER V3 073247 3103 USED PRIOR TO M2091954
+SCREW-SHOULDER 5/16 X 1 073249 6103 GEAR MOTOR
+NUT-1/4-20 WHIZ FLANGE LOCK 017523 6000
O-RING-1-3/16OD X .103W 052733-120 12 12 000 REAR PLATEN ARM
O-RING-1-1/16OD X .103W 052733-118 6 6 000
ORIFICE A.-IGNITOR 073826-005 3 3 103
ORIFICE-HEX PLUG GAS-#40 076554-40 3 3 103
ORIFICE-HEX PLUG GAS-#53 076554-53 3 3 103
PANEL A.-BACK SERVICE *C811* X73993 1 1 103 C811 S/N M1073522 & UP
PANEL A.-FRONT-LOWER *C810* X73979 1 1 103 C811 S/N M1073522 & UP
PANEL A.-FRONT UPPER *C81 X69550 1 1 103 C811 S/N M1073522 & UP
PANEL-SIDE UPPER-LT *C810* 073990 1 1 103 C811 S/N M1073522 & UP
PANEL-SIDE UPPER-RT *C810* 073989 1 1 103 C811 S/N M1073522 & UP
PANEL-SIDE-LOWER *C810* RIGH 073991 1 1 103 C811 S/N M1073522 & UP
811

50
Parts List Model 811, 813, 819, 821 Series
DESCRIPTION REMARKSWARR.
CLASS
L811
QTY.
C811
QTY.
PART
NUMBER
PANEL-SIDE-LOWER *C810* LEFT 073992 1 1 103 C811 S/N M1073522 & UP
PANEL A.-BACK SERVICE *C811* X73513 1103 C811 S/N M1073521 & PRIOR
PANEL A.-FRONT UPPER *C811* X73373 1103 C811 S/N M1073521 & PRIOR-FRONT CONTROL
PANEL A.-SIDE UPPER*832/835*LT X72962 1103 C811 S/N M1073521 & PRIOR
PANEL A.-SIDE UPPER*832/835*RT X72965 1103 C811 S/N M1073521 & PRIOR
PANEL-BACK-LOWER 073432 1103 C811 S/N M1073521 & PRIOR
PANEL-FRONT-LOWER *C812* 073650 1103 C811 S/N M1073521 & PRIOR
PANEL-SIDE-LOWER *C810* LEFT 073262 1103 C811 S/N M1073521 & PRIOR
PANEL-SIDE-LOWER *C810* RIGHT 073261 1103 C811 S/N M1073521 & PRIOR
PIN-SPRING UPPER *C842* 072542 6000
PIN-SPRING UPPER *C810* 080646 6000
PLATE A.-AIR SHUTTER SLIDE X79485 3 3 103
PLATE A.-DOOR HINGE-L X73569 1103
PLATE A.-DOOR HINGE-R X73570 1103
PLATE-AIR SHUTTER BOTTOM 079576 3 3 103
PLATE-AIR SHUTTER SPACER *M35* 079482 3 3 103
PLATE-AIR SHUTTER TOP *C845* 073463 3 3 103
PLATE-HEAT TRANSFER 072982 6 9 103
PLATEN A.-SERVICE *C820* 2600W X73741-23 3212
PLATEN A.-2600W 208V *C811* X73522-23 3212
PLUG A.-USB CABLE 073808 3 3 103
PLUG-HOLE 7/8 DIA. BLACK 010077 1 1 000
PLUG-HOLE 1-3/4 DIA. 027132 3 3 000
PLUG-HOLE 1-3/8 DIA.-BLACK 053361 2 2 000
PLUG-HOLE 3/8 DIA BLACK PLASTI 050988 2 2 103
PULLEY-PLATEN CABLE 072662 6 6 103
PULLEY-PLATEN-LEFT 073248-L 3 3 103
+SCREW-1/4-20X3/8 SOCKET SET 039536 3 3 000
PULLEY-PLATEN-RIGHT 073248-R 3 3 103
+SCREW-1/4-20X3/8 SOCKET SET 039536 3 3 000
REGULATOR-PRESSURE 0-120 PSI 072695-2 1 1 103 MANIFOLD A.-*C842*
RELAY-4P-40A 200/240 COIL 050869-27 1 1 103 UPPER CONTROL
RELAY-SS 25A NON-ALARM 240 VAC 074210-02 6 6 103
811

51
Model 811, 813, 819, 821 Series Parts List
DESCRIPTION REMARKSWARR.
CLASS
L811
QTY.
C811
QTY.
PART
NUMBER
ROD-AIR SHUTTER ADJUST *C845* 073304 3 3 103
SCREW-SHOULDER 4-40X.3755 SOC 058381 18 18 103
SCREW-SHOULDER 3/8X3-1/4 052010 12 12 103
SCREW-SHOULDER 10-32X1/4X.125L 072849 6 6 103
SCREW-SHOULDER 5/16 X 1 073249 6 6 103
SEALANT-GORE-TEX 1/4 UNCOMP. R700033 17' 15' 000
SEALANT-JOINT 1/2 IN TEADIT R70003 5' 5' 000
SEAL-ARM *M32/35* 079952 6 6 000 ARM/BACKSPLASH
SHIELD A.-HEAT *C811/C845* X73597 3 3 103 OPERATOR BUTTONS
SHIELD-COUPLING FRONT 072926 3 3 103
SHIELD-COUPLING REAR 072927 6 6 103
SHIELD-GREASE *M 22* 078285 6 6 103 SEE - KIT A.-SHIELD X78330-SER
+FASTENER-SNAP IN 1/4X15/16 078329 24 24 000
SHIELD-PLATE TUBE 072467 9 9 103
SHIELD-PLATE TUBE INNER 072467-1 9 9 103
SHROUD A.-COMBINATION *C811* X73965 1 1 103
SHROUD A.-PLATEN *C842* X72835 3103
SHROUD A.-PLATEN *C810* X80585 3103
SHROUD-OUTER BACK *C811* LEF 073961 1 1 103 S/N C811 M1073522 & UP
SHROUD-OUTER BACK *C811* RIG 073962 1 1 103 S/N C811 M1073522 & UP
SHROUD-OUTER BACK *C845* LEFT 073004 1103 C811 S/N M1073521 & PRIOR
SHROUD-OUTER BACK *C845* RIGHT 073003 1103 C811 S/N M1073521 & PRIOR
SOCKET-.084 OD/14-20 AWG-STRIP 021625 6 6 103
SPACER-HEAT TRANSFER PLATE 079074 54 54 000
SPACER-SHROUD 076657 8 8 000
SPRING-EXTENSION LATCH *C842* 072617 12 000 PLATEN SPRING
+PIN-SPRING UPPER *C842* 072542 6000
SPRING-EXTENSION LATCH *C 080649 12 000
+PIN-SPRING UPPER *C810* 080646 6000
STANDOFF-NYLON 6-32 SNP/THREAD 040280-020 12 12 000
SUPPLY-POWER-10W 12VDC 073336 3 3 103
SWITCH-HOME POSITION 073764 3 3 103
+ACTUATOR-HOME SWITCH *32/35* 079792 3 3 103
811

52
Parts List Model 811, 813, 819, 821 Series
DESCRIPTION REMARKSWARR.
CLASS
L811
QTY.
C811
QTY.
PART
NUMBER
SWITCH-PRESSURE 074314 3 3 103 UPPER CONTROL
SWITCH-PRESSURE 240V,3HP 077879-C 1 1 103 COMPRESSOR A.-AIR
SWITCH-PUSHBUTTON-SPST 079442 3103 C811 S/N M1073521 & PRIOR
SWITCH-ROCKER-DPST-10AMP IP65 076989-WP 1 1 103
SWITCH-SCREW TERMINAL 075780 3 3 103 LATCH SWITCH
TANK-ACCUMULATOR 10LB-NPT 078820 1 1 103
TEE-1/4FPT X 1/4MPT X 1/4FPT 021277 1 1 103 AIR COMPRESSOR
TEE-HI TEMP 1/4X1/4 OD 058770-2 1 1 103 AIR COMPRESSOR
TERMINAL-FERRULE 16-22AWG 080610 15 15 000
TERMINAL-FERRULE .5MM *M32/3 053995 32 32 000
THERMOCOUPLE-K TYPE SS BRAID 079622 6 6 103
THERMOCOUPLE K 076222-K 6 6 103
TRANS.-100VA 120/208/240 PRI 079800-24 3 3 103
TRIM-CORNER *C810* RIGHT FRONT 073973 1 1 103 S/N M1073522 & UP
TRIM-CORNER *C810* LEFT FRONT 073974 1 1 103 S/N M1073522 & UP
TRIM-CORNER *C810* RIGHT REAR 073987 1 1 103 S/N M1073522 & UP
TRIM-CORNER *C810* LEFT REAR 073988 1 1 103 S/N M1073522 & UP
TRIM-CORNER *C810* LEFT 073263 1103 C811 S/N M1073521 & PRIOR
TRIM-CORNER *C810* RIGHT 073264 1103 C811 S/N M1073521 & PRIOR
TUBE-.170ID X .250OD R403021 10' 10' 000
TUBE A.-GAS BACK *C811* X73640 1 1 103
TUBE-NYLOBRADE 1/4ID X 7/16OD 000 USE R30317 HOSE-BEV.-.250IDX.438OD-100'
+CLAMP-HOSE 7/16-WIRE DICHROMAT 051742 3 3 000
TUBE-TEFLON .188IDX.250OD R403022 10' 10' 000 AIR COMPRESSOR
VALVE-CHECK W/#69 ORIFICE M22 078332 3 3 103
VALVE-CHECK 1/4MP 020959 1 1 103 AIR COMPRESSOR
VALVE-GAS REDUNDANT 3-1/2 WC 079329-02 3 3 103 MANIFOLD A.-*C845* GAS
VALVE-PRESSURE RELIEF 70 PSI 072695-4 1 1 103 MANIFOLD
VALVE-SOLENOID 3 WAY 12 VDC 072695-1 3 3 103 MANIFOLD
VARISTOR A.-230VAC W/#10 SPADE X51733-C 2 2 103 AIR COMPRESSOR
WINDOW-FRONT VIEW PORT 073013 3 3 103
+LENS-MICA *C845* 072986 3 3 000
+GASKET-FRONT VIEW PORT *C 072985 3 3 000
811

53
Model 811, 813, 819, 821 Series Parts List
DESCRIPTION REMARKSWARR.
CLASS
L811
QTY.
C811
QTY.
PART
NUMBER
WIRE A.-IGNITOR X73147-12 3 3 103
C81123N921 - JIB
GAGE A.-GAP *C810-C811* JIB X73404 1000
KIT A.-GRILL CONTROL-JIB X73274-SER 3212 C811 S/N M1073522 & UP
MAN-OPER C811 JACK-IN-BOX 073451-M 1000
C81123N879 - CANADA
CARD-INSTALL-C811 FRENCH- 073619FC 1000
LABEL-ELEC-CAUTION-CANADA 075484-CAN 1000
LABEL-FUSE REPLACEMENT 7A 074978 1000
LABEL-INST-LIGHT*15E* 079567 1000
LABEL-INST-LIGHT*15E*FREN 079567-F 1000
LABEL-NOTICE-CASTERS-CANADA 076389-CAN 1000
LABEL-WARN-GAS GRILL-CANADA 078075-CAN 1000
LABEL-WARN-GRILL-MCD-SVC-CANADA 072658-CAN 3000
MAN-OPER C811/C813 FR-CANADA 073625FCM 1000
C81128NW00
PLATEN A.-2600W 230V *C811* X73522-28 212 NEED SERVICE PART NUMBER
DIAGRAM-WIRING *C811* 073475-28 1000
C81175NW00 & L81175NW00 - 400V 50HZ 3N (4 WIRE)
BLOCK-TERMINAL 1P 073423 2 2 103
BLOCK-TERMINAL 2P .25 SPD 073033 2 2 103
BLOCK-TERMINAL 4P 1,2,L1, 051647 1 1 103
BLOCK-TERMINAL 5P 20A, 30 024329 2 2 103
CONTROL-IGNITION 081041-03 1 1 103
CONTROL-HI-LIMIT 550F NO 074165 3 3 103
DIAGRAM-WIRING *C811* HV1 073475-75 1 1 000
FILTER A.-*M15* WHT/BLK X78996-40 1 1 103
GUARD-LENSE 075288 3 3 103
HARNESS A.-GAS VALVE X79573-36 3 3 103
HARNESS-COMPRESSOR 073422 1 1 103
811

54
Parts List Model 811, 813, 819, 821 Series
DESCRIPTION REMARKSWARR.
CLASS
L811
QTY.
C811
QTY.
PART
NUMBER
HARNESS-FAN *C819* 069716 1 1 103
HARNESS-FAN *C819* 069717 1 1 103
HARNESS-MC BOARD SUPPLY-2 073460 1 1 103
HARNESS-MC TRANS TO BLOCK 081709 1 1 103
HARNESS-SWITCH 073424 1 1 103
KIT A.-GAS VALVE 24 VAC X81823-SER 3 3 103
LABEL-CONTROL PANEL-INTL 075699-SYM 2 2 000
LABEL-WARN-GAS GRILL 078075 1 1 000
LABEL-INST-LIGHT*15E* 079567 1 1 000
LABEL-NOTICE-CASTERS 076389 1 1 000
LABEL-WARN-GAS GRILL 078075 1 1 000
LABEL-WIRING 079538-40 1 1 000
ORIFICE-HEX PLUG GAS-#51 076554-51 3 3 103
RELAY-SS 25A NON ALARM 074210-02 6 6 103
RELAY-DPDT 100UA TO 7A 1/ 052111-03 3 3 103
SOCKET-RELAY-FOR USE W/05 052112 3 3 103
TRANS.-CONT.-80VA 230V/24 059993 3 3 103
811

55
Model 811, 813, 819, 821 Series Parts List
130416
DESCRIPTION PART
NUMBER C813
QTY. L813
QTY. WARR.
CLASS COMMENTS
C81323NCL2 (PLATEN DOUBLE LEFT) & L81323NW79 (ROHS CANADA) NATURAL GAS
ACTUATOR-HOME SWITCH 079792 2 2 103
ADAPTOR-HI TEMP 1/4X1/4 OD 058769-2 1 1 103
ADAPTOR 076745 3 3 103
BACKSPLASH A. *C813* X69628 1 1 103
BAR A.-RELEASE MATERIAL X72843 2103
+NUT-10-32 WHIZ FLANGE LOCKNUT 020983 4000
+SCREW-SHOULDER 10-32X1/4X.125L 072849 4103
BAR A.-RELEASE MATERIAL X80592 2103
+NUT-10-32 WHIZ FLANGE LOCKNUT 020983 4000
+SCREW-SHOULDER 10-32X1/4X.125L 072849 4103
BAR-BELLY 075663-SP 1 1 103
+WASHER-3/8 USS FLAT CR3 000653 2 2 000
+SCREW-3/8-16X1 HEX HEAD CAP 079145 2 2 000
BASE-ADJUSTER 3/8/-24 LF/RR 072500-SER 4 4 103
BASE-ADJUSTER 3/8-24 LR/RF 072501-SER 4 4 103
BEARING 3/4 ID-SELF ALIGN 078730 4 4 103
BEARING-FLANGE 3/4 X 15/16 077042 8000
BEARING-FLANGE 5/8 X 15/16 080648 8103
BEARING .753 X 1.000 X 2.000 072541 4000
BEARING .628 X .813 X 2.0 080647 4000
BLOCK-CONTACT 1 NO 076013 6 6 103
BLOCK-TERMINAL 1P 073423 4 4 103
BLOCK-TERMINAL 2P .25 SPD-24X 073033 1 1 103
BLOCK-TERMINAL 3P 20A, 300V 051331 4 4 103
BRACKET-PIVOT 076451 2 2 103
BULLNOSE A.-*C810* X73975 1 1 103
BURNER-I.R. 073334 3 3 103
+BRACKET-BURNER SIDE 073010 6 6 103
+BRACKET-BURNER-SHORT 073016 6 6 103
BUSHING-FLG .627IDX.12W OILITE 052394 4 4 103
813

56
Parts List Model 811, 813, 819, 821 Series
DESCRIPTION COMMENTSWARR.
CLASS
L813
QTY.
C813
QTY.
PART
NUMBER
BUSHING-SNAP 11/16 ID X 7/8OD 010548 6 6 103
BUSHING-SNAP 1-3/8ID X 1-3/4OD 027712 5 5 000
BUSHING-SNAP 3/4ID X 1"OD BLK 053144 3 3 000
BUSHING-SNAP 5/8ID X 3/4OD-BLK 017462 1 1 000
BUSHING-SNAP .391 ID X.500 OD 073910 6 6 103
BUTTON-OPERATOR-BLACK 076012 3 3 103
BUTTON-OPERATOR-RED 076011 3 3 103
CABLE-PLATEN-FRONT 073252 4 4 103
CABLE-PLATEN-F-REAR *C810* 080587 4103
CABLE-PLATEN-F-REAR 073251 4103
CAN A.-GREASE *C810* HEM X80925 2 2 103
CAN A.-GREASE *C810* X73944 2103
+SLIDE-GREASE CAN *C810* RIGHT 069935 1 1 103
+SLIDE-GREASE CAN *C810* LEFT 069936 1 1 103
CARD-CHECKOUT GEN MKT INF GAP 073484 1 1 000
CARD-INSTALL-GAS GRILL C811 073619 1 1 000
CARD-INSTALL-C811 FRENCH- 073619FC 1000
CASTER-5" 7-5/8 STEM 078377 2 2 103
CASTER-GRILL 5" SWIVEL W/LOCK 073240 2 2 103
CLEVIS-ROD 1/2-20 THD 079777 2 2 103
COMPRESSOR-AIR-230V SERV 032129SER2 1 1 ***
+ADAPTOR-HI TEMP 1/4X1/4 OD 058769-2 1 1 103
+FITTING-HI TEMP 1/4X1/4 OD 9 058771-2 1 1 103
+MANIFOLD A.-*C842* 072695 103
+MANIFOLD A.-*C832* 073129 1 1 000
+FITTING-DIFFUSER 1/4 MPT 072695-8 1 1 103
+SWITCH-PRESSURE 240V,3HP 077879-C 1 1 103
+TUBE-TEFLON .188IDX.250OD R403022 10' 10' 000
+TEE-1/4FPT X 1/4MPT X 1/4FPT 021277 1 1 103
+TEE-HI TEMP 1/4X1/4 OD 058770-2 1 1 103
+TANK-ACCUMULATOR 10LB-NPT 078820 1 1 103
+VALVE-CHECK 1/4MP 020959 1 1 103
CONTROL-GRILL TOUCH PAD------>
813

57
Model 811, 813, 819, 821 Series Parts List
DESCRIPTION COMMENTSWARR.
CLASS
L813
QTY.
C813
QTY.
PART
NUMBER
CONTROL-HI-LIMIT 450F RESET 070279 3 3 103
CONTROL-IGNITOR UTC X70301-02S 3 3 103
+WIRE A.-IGNITOR X73147-12 3 3 103
CONTROL-LIMIT W/SCREWS 078721 2 2 103
CONTROL-MOTOR *C811* X69621-SER 3 3 212
COVER A.-PLATEN *C810* W/RELEASE BAR X73256 2103
COVER A.-PLATEN *C810* X80589 2103
COVER A.-USB WATERPROOF 068583 3 3 103
COVER A.-USB WATERPROOF 073809 3103
COVER-FRONT *C811* 073963 1 1 103
CORD A.-POWER-250V-30A 4 WIRE 073668 1 1 103
CYLINDER-AIR 6IN STROKE C/C 079160 2 2 103
DEFLECTOR A.-FLUE *C811* X69555 1 1 103
DIAGRAM-WIRING *C813* 073725-23 1 1 000
DIODEA.-50PIV1A X73673 3 3 000
ELECTRODE-GAS PILOT 080879 3 3 103
E-RING 1/4 BLACK PHOS 032190 6 6 000
E-RING-3/4 STEEL 077046 8 8 000
FAN-BLOWER 60CFM 120/230 VAC 079326-12 3 3 103
FASTENER-SNAP IN 1/4X15/16 078329 24 24 000
FILTER-CORCOM 6EH1 040140-001 3 3 103
FITTING-1/4MPTX1/4OD TUBE 90DG 052560-2 6 6 103
FITTING-DIFFUSER 1/4 MPT 072695-8 1 1 103
FORM-QUALITY REPORT BY FAX 065712 1 1 000
FUSE-10 AMP BK/MDA-10-R 079837-10 1 1 000
+HOLDER-FUSE-15 A, 250 V 076299 1 1 103
GAUGE-130 PSI 1/8 MPT BACK MNT 072695-3 1 1 103
GASKET-BRAIDED-HI TEMP R70113 15' 15' 000
GASKET-CONTROL 072914 3 3 000
GASKET-FLUE 073419 2 2 000
GASKET-FRONT SHROUD 072983 1 1 000
GASKET-FRONT VIEW PORT 072985 3 3 000
GUARD-FAN 028534-1 1 1 000
813

58
Parts List Model 811, 813, 819, 821 Series
DESCRIPTION COMMENTSWARR.
CLASS
L813
QTY.
C813
QTY.
PART
NUMBER
GUIDE-PATTY PLACEMENT GEN MKT 073440 1 1 103
HANDLE-PLATEN 073250 2103
HANDLE-PLATEN, BLK PENTAT 080588-B 3103
HARNESS A.-COMP. VALVE *C812* X73703 1 1 103
HARNESS A.-MOTOR *C820* 073892 2 2 103
HARNESS-12V-NEGATIVE-BOARD 073427 1 1 103
HARNESS-12V-POSITIVE-BOARD 073428 1 1 103
HARNESS-BLOWER 073608 3 3 103
HARNESS-COMPRESSOR *C845/C81 073422 1 1 103
HARNESS-FAN *C819* 069716 2 2 103
HARNESS-FAN *C819* 069717 2 2 103
HARNESS-GAS VALVE 073426 1 1 103
HARNESS-GAS VALVE TREE 073437 1 1 103
HARNESS-HIGH LIMIT C845/C811 073471-L 1 1 103
HARNESS-HIGH LIMIT C845/C811 073471-M 1 1 103
HARNESS-HIGH LIMIT C845/C811 073471-R 1 1 103
HARNESS-IDC BOARD 073429-L 1 1 103
HARNESS-IDC BOARD 073429-M 1 1 103
HARNESS-IDC BOARD 073429-R 1 1 103
HARNESS-IGNITOR-GROUND 073438 1 1 103
HARNESS-MC BOARD SUPPLY-24V 073460 1 1 103
HARNESS-PCB/GR SWITCH 072529 3 3 103
HARNESS-POWER SUPPLY-NEG 073436 1 1 103
HARNESS-PRESSURE SWITCH 073444 1 1 103
HARNESS-RHT-GAS-DETECT 073731 1 1 103
HARNESS-SSR-LEFT 073095 1 1 103
HARNESS-SSR-MIDDLE 073096 1 1 103
HARNESS-SWITCH 073425 1 1 103
HARNESS-TOUCH-CONTROL*C810-11* 073369 3 3 103
HARNESS-TRANSFORMER A.-115V 073454 1 1 103
HOSE ASSEMBLY-FLEXIBLE GAS 073941 1 1 103
HOSE-BEV.-.250IDX.438OD-100' R30317 5' 5' 000
+CLAMP-HOSE 7/16-WIRE DICHROMAT 051742 3 3 000
813

59
Model 811, 813, 819, 821 Series Parts List
DESCRIPTION COMMENTSWARR.
CLASS
L813
QTY.
C813
QTY.
PART
NUMBER
INSULATOR-TEFLON-2 HOLE 079810 6 6 000
INSULATION-SHROUD 073106 3 3 000
KIT A.-3FT RESTRAIN CABLE 074948 1 1 103
KIT A.-ACCESSORY*LONG PLTN* X80680 1000
CLIP-RELEASE MATERIAL-W/TAB 072673 6000
RETAINER-SHEET RELEASE *C810 080594 3103
SCRAPER-TEFLON WIPER 075887 1000
SCREW-10-32X3/8 SLTD TRUSS 024298 9000
SCREW-3/8-16X1 HEX HEAD CAP 001082 2000
SHEET-RELEASE *C810* 080595 1000
STRIP-REPLACEMENT 075888 1000
WASHER-3/8 USS FLAT CR3 000653 2000
KIT A.-ACCESSORY*INF GAP GEN X73678 1000
CLIP-RELEASE MATERIAL-W/TAB 072673 4000
RETAINER-SHEET RELEASE *C842* 072845 2103
SCRAPER-TEFLON WIPER 075887 1000
SCREW-10-32X3/8 SLTD TRUSS 024298 9000
SCREW-3/8-16X1 HEX HEAD CAP 001082 2000
SHEET-RELEASE BOX(9) GEN MRK 073442 1000
STRIP-REPLACEMENT 075888 1000
WASHER-3/8 USS FLAT CR3 000653 2000
SHIELD-GREASE *M 22* 078285 4103
FASTENER-SNAP IN 1/4X15/16 078329 24 000
KIT A.-GRILL CONTROL-GEN MRKT X73474-SER 3 3 312
KIT A.-GREASE SHIELD* X78330-SER 2 2 103
LABEL-CONTROL COMPONENTS 073443 1 1 000
LABEL-ELEC-CAUTION 075484 1000
LABEL-ELEC-CAUTION-CANADA 075484-CAN 1000
LABEL-FUSE REPLACEMENT 7A 074978 1000
LABEL-INST-LIGHT*15E* 079567 1000
LABEL-INST-LIGHT*15E*FREN 079567-F 1000
LABEL-NOTICE-CASTERS-CANA 076389-CAN 1000
LABEL-WARN GRILL MCD AUTH SVC 072658 3000
813

60
Parts List Model 811, 813, 819, 821 Series
DESCRIPTION COMMENTSWARR.
CLASS
L813
QTY.
C813
QTY.
PART
NUMBER
LABEL-WARN-GRILL-MCD-SVC- 072658-CAN 3000
LABEL-WARN-GAS GRILL-CANA 078075-CAN 1000
LENS-MICA 072986 3 3 000
LINE A.-GAS-CENTER *C811* X81005 1 1 103
LINE A.-GAS-LEFT *C811* X81004 1 1 103
LINE A.-GAS-RIGHT *C811* X81006 1 1 103
MAN-OPER C811/C813 073625-M 1 1 000
MAN-OPER C811/C813 FR-CAN 073625FCM 1000
MANIFOLD A.-GAS X73109-02 1 1 103
ELBOW-3/8 MPT X 5/16 076370 3 3 103
FITTING-CROSS 3/8FPT-BLACK 078906 1 1 103
FITTING-REDUCER-1/2FPT-3/8FPT 077364 1 1 103
PLUG-3/8MPT-BLACK 078907 1 1 103
VALVE-GAS REDUNDANT 3-1/2 WC 079329-02 3 3 103
MANIFOLD A.-*C832* 073129 1 1 103
FITTING-SWIVEL ELBOW 1/4 OD 072695-5 2 2 103
FITTING-SWIVEL ELBOW 1/4 OD 072695-6 1 1 103
FITTING-DIFFUSER 1/4 MPT 072695-8 1 1 103
GAUGE-130 PSI 1/8 MPT BACK MNT 072695-3 1 1 103
REGULATOR-PRESSURE 0-120 PSI 072695-2 1 1 103
VALVE-SOLENOID 3 WAY 12 VDC 072695-1 2 2 103
VALVE-PRESSURE RELIEF 70 PSI 072695-4 1 1 103
MOTOR A.-MOUNT *C810* X73273-SER 2103
MOTOR A.-MOUNT *C810* X80578-SER 2103
MOTOR-FAN 95.3 CFM 2700 RPM 062253-27 1 1 103
+GUARD-FAN 028534-1 1 1 103
MOTOR-GEAR W/CONN *C810* 080603 2103
+SCREW-SHOULDER 5/16 X 1 073249 4 4 103
+NUT-1/4-20 WHIZ FLANGE LOCK 017523 4 4 000
MOTOR-GEAR *M32/35* STEPPER V3 073247 2103
+SCREW-SHOULDER 5/16 X 1 073249 4103
+NUT-1/4-20 WHIZ FLANGE LOCK 017523 4000
O-RING-1-3/16OD X .103W 052733-120 8 8 000
813

61
Model 811, 813, 819, 821 Series Parts List
DESCRIPTION COMMENTSWARR.
CLASS
L813
QTY.
C813
QTY.
PART
NUMBER
O-RING-1-1/16OD X .103W 052733-118 4 4 000
ORIFICE A.-IGNITOR 073826-005 3 3 103
ORIFICE-HEX PLUG GAS-#40 076554-40 3 3 103
ORIFICE-HEX PLUG GAS-#53 076554-53 3 3 103
PANEL A.-BACK SERVICE *C811* X73993 1 1 103
PANEL A.-FRONT-LOWER *C810* X73979 1 1 103
PANEL A.-FRONT UPPER *C81 X69550 1 1 103
PANEL-SIDE UPPER-LT *C810* 073990 1 1 103
PANEL-SIDE UPPER-RT *C810* 073989 1 1 103
PANEL-SIDE-LOWER *C810* RIGH 073991 1 1 103
PANEL-SIDE-LOWER *C810* LEFT 073992 1 1 103
PIN-SPRING UPPER *C842* 072542 4000
PIN-SPRING UPPER *C810* 080646 4000
PLATE A.-AIR SHUTTER SLIDE X79485 3 3 103
PLATE-AIR SHUTTER BOTTOM 079576 3 3 103
PLATE-AIR SHUTTER SPACER 079482 3 3 103
PLATE-AIR SHUTTER TOP 073463 3 3 103
PLATE-HEAT TRANSFER 072982 7 7 103
PLATEN A.-SERVICE *C820* 2600W X73741-23 2212
PLATEN A.-2600W 208V X73522-23 2212
PLUG A.-USB CABLE 073808 3 3 103
PLUG-HOLE 7/8 DIA. BLACK 010077 1 1 000
PLUG-HOLE 1-3/4 DIA. 027132 3 3 000
PLUG-HOLE 1-3/8 DIA.-BLACK 053361 2 2 000
PLUG-HOLE 3/8 DIA BLACK PLASTI 050988 2 2 103
PULLEY-PLATEN CABLE 072662 4 4 103
PULLEY-PLATEN-LEFT 073248-L 2 2 103
+SCREW-1/4-20X3/8 SOCKET SET 039536 2 2 000
PULLEY-PLATEN-RIGHT 073248-R 2 2 103
+SCREW-1/4-20X3/8 SOCKET SET 039536 2 2 000
REGULATOR-PRESSURE 0-120 PSI 072695-2 1 1 103
RELAY-3P-50A 208/240 COIL 051890-27 1 1 103
RELAY-SS 25A NON-ALARM 240 VAC 074210-02 4 4 103
813

62
Parts List Model 811, 813, 819, 821 Series
DESCRIPTION COMMENTSWARR.
CLASS
L813
QTY.
C813
QTY.
PART
NUMBER
ROD-AIR SHUTTER ADJUST 073304 3 3 103
SCREW-SHOULDER 4-40X.3755 SOC 058381 18 18 103
SCREW-SHOULDER 3/8X3-1/4 052010 8 8 103
SCREW-SHOULDER 10-32X1/4X.125L 072849 4 4 103
SCREW-SHOULDER 5/16 X 1 073249 4 4 103
SEALANT-GORE-TEX 1/4 UNCOMP. R700033 11' 11' 000
SEALANT-JOINT 1/2 IN TEADIT R70003 5' 5' 000
SEAL-ARM *M32/35* 079952 4 4 000
SHIELD A.-HEAT *C811/C845* X73597 3 3 103
SHIELD-COUPLING FRONT 072926 2 2 103
SHIELD-COUPLING REAR 072927 4 4 103
SHIELD-GREASE *M 22* 078285 4 4 103
+FASTENER-SNAP IN 1/4X15/16 078329 24 24 000
SHIELD-PLATE TUBE 072467 6 6 103
SHIELD-PLATE TUBE INNER 072467-1 6 6 103
SHROUD A.-COMBINATION *C811* X73965 1 1 103
SHROUD A.-PLATEN *C842* X72835 2103
SHROUD A.-PLATEN *C810* X80585 2103
SHROUD-OUTER BACK *C811* LEF 073961 1 1 103
SHROUD-OUTER BACK *C811* RIG 073962 1 1 103
SOCKET-.084 OD/14-20 AWG-STRIP 021625 4 4 103
SPACER-HEAT TRANSFER PLATE 079074 54 54 000
SPACER-SHROUD 076657 8 8 000
SPRING-EXTENSION LATCH *C842* 072617 8000
+PIN-SPRING UPPER *C842* 072542 4000
SPRING-EXTENSION LATCH *C 080649 8000
+PIN-SPRING UPPER *C810* 080646 4000
STANDOFF-NYLON 6-32 SNP/THREAD 040280-020 12 12 000
SUPPLY-POWER-10W 12VDC 073336 3 3 103
SWITCH-HOME POSITION 073764 2 2 103
+ACTUATOR-HOME SWITCH *32/35* 079792 2 2 103
SWITCH-PRESSURE 074314 3 3 103
SWITCH-PRESSURE 240V,3HP 077879-C 1 1 103
813

63
Model 811, 813, 819, 821 Series Parts List
DESCRIPTION COMMENTSWARR.
CLASS
L813
QTY.
C813
QTY.
PART
NUMBER
SWITCH-ROCKER-DPST-10AMP IP65 076989-WP 1 1 103
SWITCH-SCREW TERMINAL 075780 2 2 103
TANK-ACCUMULATOR 10LB-NPT 078820 1 1 103
TEE-1/4FPT X 1/4MPT X 1/4FPT 021277 1 1 000
TEE-HI TEMP 1/4X1/4 OD 058770-2 1 1 103
TERMINAL-FERRULE 16-22AWG 080610 15 15 000
TERMINAL-FERRULE .5MM *M32/3 053995 32 32 000
THERMOCOUPLE-K TYPE SS BRAID 079622 4 4 103
THERMOCOUPLE K 076222-K 6 6 103
TRANS.-100VA 120/208/240 PRI 079800-24 3 3 103
TRIM-CORNER *C810* RIGHT FRONT 073973 1 1 103
TRIM-CORNER *C810* LEFT FRONT 073974 1 1 103
TRIM-CORNER *C810* RIGHT REAR 073987 1 1 103
TRIM-CORNER *C810* LEFT REAR 073988 1 1 103
TUBE-.170ID X .250OD R403021 10' 10' 000
TUBE A.-GAS BACK *C811* X73640 1 1 103
TUBE-NYLOBRADE 1/4ID X 7/16OD 000 SEE HOSE
TUBE-TEFLON .188IDX.250OD R403022 10' 10' 000
VALVE-CHECK W/#69 ORIFICE 078332 2 2 103
VALVE-CHECK 1/4MP 020959 1 1 103
VALVE-GAS REDUNDANT 3-1/2 WC 079329-02 3 3 103
VALVE-PRESSURE RELIEF 70 PSI 072695-4 1 1 103
VALVE-SOLENOID 3 WAY 12 VDC 072695-1 2 2 103
VARISTOR A.-230VAC W/#10 SPADE X51733-C 2 2 103
WINDOW-FRONT VIEW PORT 073013 3 3 103
+LENS-MICA 072986 3 3 000
+GASKET-FRONT VIEW PORT *C 072985 3 3 000
WIRE A.-IGNITOR X73147-12 3 3 103
C81323NW79 - 208V 60HZ 3PH - ROHS COMPLIANT *CANADA*
CARD-INSTALL-C811 FRENCH- 073619FC 1 1 000
LABEL-ELEC-CAUTION-CANADA 075484-CAN 1 1 000
LABEL-FUSE REPLACEMENT 7A 074978 1 1 000
813

64
Parts List Model 811, 813, 819, 821 Series
DESCRIPTION COMMENTSWARR.
CLASS
L813
QTY.
C813
QTY.
PART
NUMBER
LABEL-INST-LIGHT*15E* 079567 1 1 000
LABEL-INST-LIGHT*15E*FRENCH 079567-F 1 1 000
LABEL-NOTICE-CASTERS-CANADA 076389-CAN 1 1 000
LABEL-WARN-GAS GRILL-CANADA 078075-CAN 1 1 000
LABEL-WARN-GRILL-MCD-SVC-CAN 072658-CAN 3 3 000
MAN-OPER C811/C813 FR-CAN 073625FCM 1 1 000
TOOL
GAGE A.-GAP USA REGULAR X79617 000
813

65
Model 811, 813, 819, 821 Series Parts List
130419
DESCRIPTION PART
NUMBER C819
QTY. L819
QTY. WARR.
CLASS REMARKS
C81923NW00 208V 60HZ 3PH & L81923NW00 208V 60HZ 4PH -NATURAL GAS - ROHS COMPLIANT
ACTUATOR-HOME SWITCH 079792 2 2 103
ADAPTOR-1/4MPT X 1/4 OD TUBE 052563-2 2 2 103
ADAPTOR 076745 2 2 103
BACKSPLASH A. *C819* X69653 1 1 103
BAR A.-RELEASE MATERIAL X72843 2103
BAR A.-RELEASE MATERIAL X80592 2103
BAR-BELLY *C820* 073540 1 1 103
+WASHER-3/8 USS FLAT CR3 000653 4 4 000
+SCREW-3/8-16X1 HEX HEAD CAP 079145 4 4 000
BASE-ADJUSTER 3/8/-24 LF/RR 072500-SER 4 4 103
BASE-ADJUSTER 3/8-24 LR/RF 072501-SER 4 4 103
BEARING 3/4 ID-SELF ALIGN 078730 4 4 103
BEARING-FLANGE 3/4 X 15/16 077042 8000
BEARING-FLANGE 5/8 X 15/1 080648 8000
BEARING .753 X 1.000 X 2.000 072541 4000
BEARING .628 X .813 X 2.000 080647 4000
BLOCK-CONTACT 1 NO 076013 4 4 103 CONTROL SWITCH
BLOCK-GAP ADJUST 3/8-24 072502 8 8 103
BLOCK-TERMINAL 1P 073423 1 1 103 UPPER CONTROL
BLOCK-TERMINAL 2P .25 SPD-24X 073033 1 1 103
BLOCK-TERMINAL 3P 20A, 300V 051331 3 3 103
PLATE-TERMINAL BLOCK *C84 073386 1 1 103
BRACKET-PIVOT 076451 2 2 103
BULLNOSE A.-*C819* X80619 1 1 103
BURNER-I.R. 073334 2 2 103
BUSHING-SNAP 11/16 ID X 7/8OD 010548 6 6 103
BUSHING-SNAP 1-5/16ID X 1-1/2 017008 3 3 103
BUSHING-SNAP 043637 3 3 103
BUSHING-SNAP .391 ID X.500 OD 073910 2 2 103
BUTTON-OPERATOR-BLACK 076012 2 2 000
819

66
Parts List Model 811, 813, 819, 821 Series
DESCRIPTION REMARKSWARR.
CLASS
L819
QTY.
C819
QTY.
PART
NUMBER
BUTTON-OPERATOR-RED 076011 2 2 000
CABLE-PLATEN-FRONT 073252 4 4 103
CABLE-PLATEN-F-REAR 073251 4 4 103
CAN A.-GREASE *C810* HEM X80925 2 2 103 5/2012 REPLACES X73944
+SLIDE-GREASE CAN *C810* RIGHT 069935 1 1 103
+SLIDE-GREASE CAN *C810* LEFT 069936 1 1 103
CARD-CHECKOUT GEN MKT INF GAP 073484 1 1 103
CARD-INSTALL-GAS GRILL C811 073619 1 1 103
CASTER-5" 7-5/8 STEM 078377 2 2 103
CASTER-GRILL 5" SWIVEL W/LOCK 073240 2 2 103
CLEANER-STERA SHEEN 6 1 QT/CS 073160 1 1 000
CLEVIS-ROD 1/2-20 THD 079777 2 2 103
COMPRESSOR-AIR-230V SERV 032129SER2 1 1 212
+ADAPTOR-1/4MPT X 1/4 OD TUBE 052563-2 2 2 103
+CROSS-1/4 FPT * 1.562 SQ 077339-M 1 1 103
+ELBOW-1/4PT-STREET-BRASS 035573 1 1 103
+ELBOW-1/4 X 1/4 TRUE SEAL 073607 1 1 103
+FITTING-SWIVEL ELBOW 1/4 OD 072695-6 1 1 103
+MANIFOLD A.-*C832* 073129 1 1 103
FITTING-SWIVEL ELBOW 1/4 OD 072695-5 2 2 103
FITTING-SWIVEL ELBOW 1/4 OD 072695-6 1 1 103
FITTING-DIFFUSER 1/4 MPT 072695-8 1 1 103
GAUGE-130 PSI 1/8 MPT BACK MNT 072695-3 1 1 103
PLUG-1/8 MP-NICKEL PLATED 020988 1 1 103
REGULATOR-PRESSURE 0-120 PSI 072695-2 1 1 103
VALVE-SOLENOID 3 WAY 12 VDC 072695-1 2 2 103
VALVE-PRESSURE RELIEF 70 PSI 072695-4 1 1 103
+SWITCH-PRESSURE 240V,3HP 077879-C 1 1 103
+TEE-1/4OD X 1/4OD X 1/4OD TU 052562 1 1 103
+TUBE-TEFLON .188IDX.250OD R403022 10' 10' 000
+VALVE-CHECK 1/4MP 020959 1 1 103
+VARISTOR A.-230VAC W/#10 SPA X51733-C 2 2 103
+VARISTOR-280VAC RMS 17 MM DIA 030036 2 2 103
819

67
Model 811, 813, 819, 821 Series Parts List
DESCRIPTION REMARKSWARR.
CLASS
L819
QTY.
C819
QTY.
PART
NUMBER
CONTROL-GRILL TOUCH PAD------> *SEE - KIT A.-GRILL CONTROL
CONTROL-HI-LIMIT 450F RESET 070279 2 2 103
+HARNESS-HIGH LIMIT C845/C811 073471-L 1 1 103
+HARNESS-HIGH LIMIT C845/C811 073471-R 1 1 103
CONTROL-LIMIT W/SCREWS 078721 2 2 103
CONTROL-IGNITOR UTC X70301-02S 2 2 103
+WIRE A.-IGNITOR X73147-12 2 2 103 PLATEN
CONTROL-MOTOR *C811* X69621-SER 2 2 212
COVER A.-PLATEN *C810* W/RELEASE BAR X73256 2103
+NUT-10-32 WHIZ FLANGE LOCKNUT 020983 6000
+SCREW-SHOULDER 10-32X1/4X.125L 072849 4103
COVER A.-PLATEN *C810* X80589 2103
COVER A.-USB WATERPROOF 068583 2 2 103
COVER-FRONT *C819* 073748 1 1 103
CORD A.-POWER-250V-30A 4 WIRE 073668 1 1 103
CYLINDER-AIR 6IN STROKE C/C 079160 2 2 103
DEFLECTOR A.-FLUE *C819* X69657 1 1 103
DIAGRAM-WIRING *C819* 073814-23 1 1 000
DIODEA.-50PIV1A X73673 2 2 000
ELECTRODE-GAS PILOT 080879 2 2 103
E-RING 1/4 BLACK PHOS 032190 4 4 000
E-RING-3/4 STEEL 077046 8000
E-RING 5/8 EXTERNAL STEEL 070816 8000
FAN-BLOWER 60CFM 120/230 VAC 079326-12 2 2 103
FASTENER-SNAP IN 1/4X15/16 078329 24 24 000
FILTER-CORCOM 6EH1 040140-001 2 2 103
FILTER A.-*M22E* WHT/BLK X79256 2 2 103
FITTING-1/4MPTX1/4OD TUBE 90DG 052560-2 5 5 103
FITTING-DIFFUSER 1/4 MPT 072695-8 1 1 103
FORM-QUALITY REPORT BY FAX 065712 1 1 000
FUSE-7 AMP MDL-7-R 079837-070 1 1 000
+HOLDER-FUSE-15 A, 250 V 076299 1 1 103
GASKET-BRAIDED-HI TEMP R70113 10' 10' 000
819

68
Parts List Model 811, 813, 819, 821 Series
DESCRIPTION REMARKSWARR.
CLASS
L819
QTY.
C819
QTY.
PART
NUMBER
GASKET-CONTROL *C842* 072914 2 2 000
GASKET-FLUE *C819* 073920 1 1 000
GASKET-FRONT SHROUD *C819* 073753 1 1 000
GASKET-FRONT VIEW PORT *C845* 072985 2 2 000
GAUGE-130 PSI 1/8 MPT BACK MNT 072695-3 1 1 103
GASKET-GORE-TEX 000 *SEE - SEALANT-GORE-TEX 1/4
GUARD-FAN 028534-1 1 1 103
GUIDE-PATTY PLACEMENT GEN 073440 1 1 103
HANDLE-PLATEN 073250 2103
HANDLE-PLATEN, ELECTROPOL 080588-B 2103
HARNESS A.-COMP. VALVE *C812* X73703 1 1 103
HARNESS A.-MOTOR *C820* 073892 2 2 103
HARNESS-BLOWER 073608 2 2 103 CONTROL A.- UPPER
HARNESS-FAN *C819* 069716 2 2 103
HARNESS-FAN *C819* 069717 1 1 103
HARNESS-HIGH LIMIT C845/C811 073471-L 1 1 103
HARNESS-HIGH LIMIT C845/C811 073471-R 1 1 103
HARNESS-IDC BOARD 073429-L 1 1 103
HARNESS-IDC BOARD 073429-R 1 1 103
HARNESS-IGNITION-GROUND *C81 069757 1 1 103
HARNESS-PCB/GR SWITCH *C832* 072529 2 2 103
HARNESS-SSR-LEFT*C845* 073095 1 1 103 CONTROL A.- UPPER
HARNESS-SSR-RIGHT*C845* 073097 1 1 103
HARNESS-SWITCH *C820* 073728 1 1 103
HARNESS-TOUCH-CONTROL*C810-11* 073369 2 2 103
HOSE ASSEMBLY-FLEXIBLE GAS 073941 1 1 103 TUBE-NYLOBRADE 1/4ID X 7/16OD
HOSE-BEV.-.250IDX.438OD-100' R30317 5' 5' 000
+CLAMP-HOSE 7/16-WIRE DICHROMAT 051742 2 2 000
INSULATOR-TEFLON-2 HOLE 079810 4 4 000
INSULATION-SHROUD*C845*IN 073106 2 2 000
KIT A.-3FT RESTRAIN CABLE 074948 1 1 103
KIT A.-ACCESSORY *C820* X73606 1000
CLIP-RELEASE MATERIAL-W/TAB 072673 4000
819

69
Model 811, 813, 819, 821 Series Parts List
DESCRIPTION REMARKSWARR.
CLASS
L819
QTY.
C819
QTY.
PART
NUMBER
RETAINER-SHEET RELEASE *C842 072845 2103
SCRAPER-TEFLON WIPER 075887 1000
SCREW-10-32X3/8 SLTD TRUSS 024298 9000
SCREW-3/8-16X1 HEX HEAD CAP 001082 2000
SHEET-RELEASE BOX(9) GEN MRK 073442 1BX 000
STRIP-REPLACEMENT 075888 1000
WASHER-3/8 USS FLAT CR3 000653 2000
KIT A.-ACCESSORY*LONG PLT X80680 1000
CLIP-RELEASE MATERIAL-W/TAB 072673 6000
RETAINER-SHEET RELEASE *L810 080594 3103
SCRAPER-TEFLON WIPER 075887 1000
SCREW-10-32X3/8 SLTD TRUSS 024298 9000
SCREW-3/8-16X1 HEX HEAD CAP 001082 2000
SHEET-RELEASE *L810* 080595 1000
STRIP-REPLACEMENT 075888 1000
WASHER-3/8 USS FLAT CR3 000653 2000
KIT A.-GRILL CONTROL-GEN MRKT X73474-SER 2 2 312
+GASKET-CONTROL *C842* 072914 2 2 000
KIT A.-GREASE SHIELD* X78330-SER 2 2 000
SHIELD-GREASE 078285 4 4 000
FASTENER-SNAP IN 1/4X15/16 078329 16 16 000
LABEL-ELEC-CAUTION 075484 1 1 000
LABEL-FUSE REPLACEMENT 7A 074978 1 1 000
LABEL-INST-LIGHT*15E* 079567 1 1 000
LABEL-WARN GRILL MCD AUTH SVC 072658 3 3 000
LENS-MICA *C845* 072986 2 2 000
LINE A.-GAS-LEFT *C819* X81327 1 1 103
LINE A.-GAS-RIGHT *C819* X81328 1 1 103
MAN-OPER 811/813/819/821 073625-M 1 1 000
MOTOR A.-MOUNT *C810* X73273-SER 2103
ACTUATOR-HOME SWITCH *32/35* 079792 1103
BUSHING-FLG .627IDX.12W OILI 052394 2103
CLAMP-HANDLE *32/35* 079753 1103
819

70
Parts List Model 811, 813, 819, 821 Series
DESCRIPTION REMARKSWARR.
CLASS
L819
QTY.
C819
QTY.
PART
NUMBER
MOTOR-GEAR W/CONN *C810* 080603 1103
NUT-1/4-20 WHIZ FLANGE LOCK 017523 2000
PULLEY-PLATEN CABLE 072662 2103
PULLEY-PLATEN-LEFT 073248-L 1103
PULLEY-PLATEN-RIGHT 073248-R 1103
SCREW-1/4-20X1-1/4 SERR.FLAN 024351 2000
SCREW-1/4-20X3/8 SOCKET SET 039536 3000
SCREW-10-32X3/8 SERRATED HWH 075985 4000
SCREW-4-40X5/8 SLTD ROUND 039508 2000
SCREW-8-32X3/8 HEX HEAD CAP 024195 2000
SCREW-SHOULDER 5/16 X 1 073249 2103
SWITCH-HOME POSITION 073764 1103
MOTOR A.-MOUNT *C810* X80578 2103
ACTUATOR-HOME SWITCH *32/35* 079792 2103
BUSHING-FLG .627IDX.12W OILI 052394 4103
CLAMP-HANDLE *32/35* 079753 2103
MOTOR-GEAR W/CONN *C810* 080603 2103
NUT-1/4-20 WHIZ FLANGE LOCK 017523 4000
PULLEY-PLATEN CABLE 072662 4103
PULLEY-PLATEN-LEFT 073248-L 2103
PULLEY-PLATEN-RIGHT 073248-R 2103
SCREW-1/4-20X1-1/4 SERR.FLAN 024351 4000
SCREW-1/4-20X3/8 SOCKET SET 039536 6000
SCREW-10-32X3/8 SERRATED HWH 075985 8000
SCREW-4-40X5/8 SLTD ROUND 039508 4000
SCREW-8-32X3/8 HEX HEAD CAP 024195 4000
SCREW-SHOULDER 5/16 X 1 073249 4103
SWITCH-HOME POSITION 073764 2103
MOTOR-FAN 95.3 CFM 2700 RPM 062253-27 1 1 103 GEAR MOTOR-X62253-27 TO REPLACE 027309-27
+GUARD-FAN 028534-1 1 1 103
MOTOR-GEAR W/CONN *C810* 080603 2 2 000 USED PRIOR TO M2091954
+SCREW-SHOULDER 5/16 X 1 073249 4 4 103 GEAR MOTOR
+NUT-1/4-20 WHIZ FLANGE LOCK 017523 4 4 103
819

71
Model 811, 813, 819, 821 Series Parts List
DESCRIPTION REMARKSWARR.
CLASS
L819
QTY.
C819
QTY.
PART
NUMBER
O-RING-1-3/16OD X .103W 052733-120 8 8 103
O-RING-1-1/16OD X .103W 052733-118 4 4 103
ORIFICE A.-IGNITOR 073826-003 2 2 103
ORIFICE A.-IGNITOR 073826-005 2 2 103
ORIFICE-HEX PLUG GAS-#40 076554-40 2 2 103
ORIFICE-HEX PLUG GAS-#53 076554-53 2 2 103
PANEL A.-BACK SERVICE *C819* X69664 1 1 103
PANEL A.-CONTROL UPPER *C819 X73816 2 2 103
PANEL A.-FRONT-LOWER *C819* X69660 1 1 103
PANEL A.-LIGHT *C819* X80626 1 1 103
PANEL-SIDE UPPER-LT *C810* 073990 1 1 103
PANEL-SIDE UPPER-RT *C810* 073989 1 1 103
PANEL-SIDE-LOWER *C810* RIGH 073991 1 1 103
PANEL-SIDE-LOWER *C810* LEFT 073992 1 1 103
PIN-SPRING UPPER *C842* 072542 4103
PIN-SPRING UPPER *C810* 080646 4000
PLATE A.-AIR SHUTTER SLIDE X79485 2 2 103
PLATE-AIR SHUTTER BOTTOM 079576 2 2 103
PLATE-AIR SHUTTER SPACER *M35* 079482 2 2 103
PLATE-AIR SHUTTER TOP *C845* 073463 2 2 103
PLATE-HEAT TRANSFER 072982 4 6 103
PLATEN A.-SERVICE *C820* 2600W X73741-23 2212
PLATEN A.-2600W 208V *C811* X73522-23 2212 **NEED SERVICE PART NUMBER
PLUG A.-USB CABLE 073808 2 2 103
PLUG-HOLE 7/8 DIA. BLACK 010077 7 7 000
PLUG-HOLE 1-3/4 DIA. 027132 2 2 103
PLUG-HOLE 1-3/8 DIA.-BLACK 053361 1 1 103
PLUG-HOLE 3/8 DIA BLACK PLASTI 050988 2 2 103
PULLEY-PLATEN CABLE 072662 4 4 000
PULLEY-PLATEN-LEFT 073248-L 2 2 103
+SCREW-1/4-20X3/8 SOCKET SET 039536 2 2 000 MANIFOLD A.-*C842*
PULLEY-PLATEN-RIGHT 073248-R 2 2 103 UPPER CONTROL
+SCREW-1/4-20X3/8 SOCKET SET 039536 2 2 103
819

72
Parts List Model 811, 813, 819, 821 Series
DESCRIPTION REMARKSWARR.
CLASS
L819
QTY.
C819
QTY.
PART
NUMBER
REGULATOR-PRESSURE 0-120 PSI 072695-2 1 1 103
RELAY-3P-50A 208/240 COIL 051890-27 2 2 103
RELAY-SS 25A NON-ALARM 240 VAC 074210-02 4 4 103
ROD-AIR SHUTTER ADJUST *C845* 073304 2 2 103
SCREW-10-32X3/8 SOCKET 600136 912 000
SCREW-SHOULDER 4-40X.3755 SOC 058381 12 12 103
SCREW-SHOULDER 3/8X3-1/4 052010 8 8 103
SCREW-SHOULDER 10-32X1/4X.125L 072849 4 4 000
SCREW-SHOULDER 5/16 X 1 073249 4 4 000 ARM/BACKSPLASH
SEALANT-GORE-TEX 1/4 UNCOMP. R700033 12' 12' 000 OPERATOR BUTTONS
SEALANT-JOINT 1/2 IN TEADIT R70003 10 10 000
SEALANT-JOINT .065 THK X .50 W R700032 8' 8' 000
SEAL-ARM *M32/35* 079952 4 4 000
SHIELD A.-HEAT *C811/C845* X73597 2 2 103
SHIELD-COUPLING FRONT 072926 2 2 103
SHIELD-COUPLING REAR 072927 4 4 000
SHIELD-GREASE *M 22* 078285 4 4 103 SEE - KIT A.-SHIELD X78330-SER
+FASTENER-SNAP IN 1/4X15/16 078329 24 24 103
SHIELD-PLATE TUBE 072467 4 4 103
SHIELD-PLATE TUBE INNER 072467-1 4 4 103
SHIELD-POWER CORD *C820 073729 1 1 103
SHROUD A.-COMBINATION *C819* X73751 1 1 103
SHROUD A.-PLATEN *C842* X72835 2103
SHROUD A.-PLATEN *C810* X80585 2103
SHROUD-OUTER BACK *C811* LEFT 073749 1 1 103
SHROUD-OUTER BACK *C811* RIGHT 073750 1 1 103
SLIDE-GREASE CAN *C810* L 069936 1 1 103
SLIDE-GREASE CAN *C810* R 069935 1 1 103
SOCKET-.084 OD/14-20 AWG-STRIP 021625 4 4 000 PLATEN SPRING
SPACER-HEAT TRANSFER PLATE 079074 36 36 000
SPACER-SHROUD 076657 5 5 000
SPRING-EXTENSION LATCH *C842* 072617 8000
+PIN-SPRING UPPER *C842* 072542 4000
819

73
Model 811, 813, 819, 821 Series Parts List
DESCRIPTION REMARKSWARR.
CLASS
L819
QTY.
C819
QTY.
PART
NUMBER
SPRING-EXTENSION LATCH *L 080649 8000
+PIN-SPRING UPPER *C810* 080646 4000
STANDOFF-NYLON 6-32 SNP/THREAD 040280-020 8 8 103
SUPPLY-POWER-10W 12VDC 073336 2 2 103 UPPER CONTROL
SWITCH-HOME POSITION 073764 2 2 103 COMPRESSOR A.-AIR
+ACTUATOR-HOME SWITCH *32/35* 079792 2 2 103
SWITCH-PRESSURE 074314 2 2 103
SWITCH-PRESSURE 240V,3HP 077879-C 1 1 103 LATCH SWITCH
SWITCH-ROCKER-DPST-10AMP IP65 076989-WP 1 1 103 AIR COMPRESSOR
SWITCH-SCREW TERMINAL 075780 2 2 103 AIR COMPRESSOR
TANK-ACCUMULATOR 10LB-NPT 078820 1 1 103
+FITTING-1/4MPTX1/4OD TUBE 90 052560-2 1 1 103
TEE-1/4OD X 1/4OD X 1/4OD TUBE 052562 1 1 103
TERMINAL-FERRULE 16-22AWG 080610 10 10 103
TERMINAL-FERRULE .5MM *M32/3 053995 32 32 103
THERMOCOUPLE-K TYPE SS BRAID 079622 4 4 103
THERMOCOUPLE K 076222-K 4 4 103
TRANS.-100VA 120/208/240 PRI 079800 2 2 103
TRIM-CORNER *C810* RIGHT FRONT 073973 1 1 103
TRIM-CORNER *C810* LEFT FRONT 073974 1 1 103
TRIM-CORNER *C810* RIGHT REAR 073987 1 1 103
TRIM-CORNER *C810* LEFT REAR 073988 1 1 103
TUBE A.-GAS BACK *C819* X73873 1 1 103
TUBE-.170ID X .250OD R403021 8' 8' 000
+FITTING-1/4MPTX1/4OD TUBE 052560-2 2 2 103
TUBE-NYLOBRADE 1/4ID X 7/16OD 000 SEE HOSE-BEV.-.250IDX.438OD-100'RL.
TUBE-TEFLON .188IDX.250OD R403022 8' 8' 000 AIR COMPRESSOR
VALVE-CHECK W/#69 ORIFICE M22 078332 2 2 103
VALVE-CHECK 1/4MP 020959 1 1 103 MANIFOLD
VALVE-GAS REDUNDANT 3-1/2 WC 079329-02 2 2 103
+ELBOW-3/8MPT X 3/8MPT STEEL 081424 2 2 103
+ELBOW-3/8 MPT X 5/16 076370 2 2 103
+FITTING-REDUCER-1/2FPT-3/8FPT 077364 1 1 103
819

74
Parts List Model 811, 813, 819, 821 Series
DESCRIPTION REMARKSWARR.
CLASS
L819
QTY.
C819
QTY.
PART
NUMBER
+NIPPLE-3/8 MPT CLOSE BLK 076343 1 1 103
VALVE-GAS REDUNDANT 3-1/2 WC 079329-02 2 2 103
VALVE-PRESSURE RELIEF 70 PSI 072695-4 1 1 103 AIR COMPRESSOR
VALVE-SOLENOID 3 WAY 12 VDC 072695-1 2 2 103
VARISTOR A.-230VAC W/#10 SPADE X51733-C 2 2 000
+VARISTOR-280VAC RMS 17 MM DIA 030036 2 2 103
WINDOW-FRONT VIEW PORT *C845* 073013 2 2 000
+LENS-MICA *C845* 072986 2 2 103
+GASKET-FRONT VIEW PORT *C 072985 2 2 000
WIRE A.-IGNITOR X73147-12 2 2 103
TOOL
GAGE A.-GAP USA REGULAR X79617 000
C81923NWDK - ROHS COMPLIANT-JIB
CARD-CHECKOUT JIB GAS 080933 1000
+GUIDE-CHECKOUT JIB GAS 080933-INS 1000
GAGE A.-GAP *C810-C811* JIB X73404 1000
KIT A.-GRILL CONTROL-JIB X73474-SER 2312
MAN-OPER 811/819 JACK-IN-BOX 073451-M 1000
C81923NWHF - ROHS COMPLIANT-LESS GAS LINE, LESS ELECTRICAL PLUG
CORD A.-POWER 4-WIRE NO P 081411 000
C81923NWWD
ROHS COMPLIANT WENDY'S
BIN A.-TOOL STORAGE X73829 1103
GUARD-LENSE 075288 2103
KIT A.-GRILL CONTROL-WENDYS X80691-SER 1212
LABEL-CONTROL PANEL-INTL 075699SYM3 1000
C81923N879 - CANADA
LABEL-WARN-GAS GRILL-CANADA 078075-CAN 1000
CARD-INSTALL-C811 FRENCH 073619FC 1000
LABEL-ELEC-CAUTION-CANADA 075484-CAN 1000
819

75
Model 811, 813, 819, 821 Series Parts List
DESCRIPTION REMARKSWARR.
CLASS
L819
QTY.
C819
QTY.
PART
NUMBER
LABEL-INST-LIGHT*15E*FRENCH 079567-F 1000
LABEL-NOTICE-CASTERS-CANADA 076389-CAN 1000
LABEL-WARN-GRILL-MCD-SVC 072658-CAN 3000
MAN-OPER 811/813/819/821 073625FCM 1000
C81975NW00 400V 50HZ 3N & L81975NW00 400V 50HZ 3N
BLOCK-TERMINAL 4P 1,2,L1, 051647 1 1 103
BUSHING-3/4"MP X 3/8 FP P 068239 1 1 103
BUSHING-SNAP 5/8ID X 3/4OD-BLK 017462 4 4 000
CONTROL-HI-LIMIT 550F NO RE 074165 2 2 103
CONTROL-IGNITION 24VAC ROHS 081041-03 2 2 103
CORD-POWER 4MM-5 H07NF 34 073745 1 1 103
DIAGRAM-WIRING *C819* 073814-75 1 1 000
FILTER A.-*M15* WHT/BLK X78996-40 1 1 103
FITTING-.25 BARB W/.030 O 079803 2 2 103
FUSE-4 AMP BK/MDL-4-R 079837-040 1 1 000
+HOLDER-FUSE-15 A, 250 V 076299 1 1 103
GUARD-LENSE 075288 2 2 103
HARNESS A.-BLOWER *C819* 081780 1 1 103
HARNESS A.-GAS VALVE X79573-36 2 2 103
HARNESS A.-IGN CNTRL *C84 081595 2 2 103
HARNESS-COMPRESSOR *C845/ 073422 1 1 103
HARNESS-MC TO SSR *C819*R 081781-L 1 1 103
HARNESS-MC TO SSR *C819*L 081781-R 1 1 103
KIT A.-GAS VALVE 24 VAC X81823-SER 2 2 103
+ELBOW-3/8 MPT X 5/16 076370 2 2 103
+ELBOW-3/8MPTX3/8FPT-BLACK 078890 1 1 103
+FITTING-REDUCER-1/2FPT-3/ 077364 1 1 103
+HARNESS A.-GAS VALVE X79573-36 2 2 103
+KIT A.-GAS VALVE 1/2" NPT 072569 4 4 103
+NIPPLE-3/8 MPT CLOSE BLK 076343 3 3 103
+SCREW-M3X0.5 072695-10 2 2 000
LABEL-CONTROL PANEL-INTL 075699SYM3 1 1 000
819

76
Parts List Model 811, 813, 819, 821 Series
DESCRIPTION REMARKSWARR.
CLASS
L819
QTY.
C819
QTY.
PART
NUMBER
LABEL-FUSE REPLACEMENT 4A 079972 1 1 000
LABEL-NOTICE-CASTERS 076389 1 1 000
LABEL-WARN-GAS GRILL 078075 1 1 000
LABEL-WIRING *M15E/22E*CO 079538-12 1 1 000
LINE A.-GAS-RIGHT *C819* X81744 1 1 103
LINE A.-GAS-LEFT *C819* H X81746 1 1 103
ORIFICE-HEX PLUG GAS-#51 076554-51 2 2 103
PANEL A.-CONTROL UPPER *L819 X81760 1 1 103
PANEL A.-CONTROL UPPER *L819 X81762 1 1 103
PLATEN A.-SERVICE *C820* 2600W X73741-75 2212
PLATEN A.-2600W 230V *C811* X73522-75 2212
RELAY-4P-40A 200/240 COIL 050869-27 1 1 103
RELAY-DPDT 100UA TO 7A 1/ 052111-03 2 2 103
+SOCKET-RELAY-FOR USE W/05 052112 2 2 103
RELAY-4P-40A 200/240 COIL 050869-27 1 1 103
TRANS.-100VA 120/208/240 PRI 079800-24 2 2 103
TRANS.-CONT.-80VA 230V/24 059993 2 2 103
819

77
Model 811, 813, 819, 821 Series Parts List
130416
DESCRIPTION PART
NUMBER C821
QTY. L821
QTY. WARR.
CLASS REMARKS
C82123NW39 & L82123NW79 - NATURAL GAS - 1-PLATEN - ROHS COMPLIANT
ACTUATOR-HOME SWITCH 079792 1 1 103
ADAPTOR-1/4MPT X 1/4 OD TUBE 052563-2 2 2 103
ADAPTOR 076745 2 2 103
BACKSPLASH A. *C822* X69653-R 1 1 103
BAR A.-RELEASE MATERIAL X72843 1103
+NUT-10-32 WHIZ FLANGE LOCKNUT 020983 5000
+SCREW-SHOULDER 10-32X1/4X.125L 072849 2000
BAR A.-RELEASE MATERIAL X80592 1103
+NUT-10-32 WHIZ FLANGE LOCKNUT 020983 5000
+SCREW-SHOULDER 10-32X1/4X.125L 072849 2000
BAR-BELLY *C820* 073540 1 1 103
BASE-ADJUSTER 3/8/-24 LF/RR 072500 2 2 103
BASE-ADJUSTER 3/8-24 LR/RF 072501 2 2 103
BEARING-FLANGE 3/4 X 15/16 077042 4000
BEARING-FLANGE 5/8 X 15/1 080648 4103
BEARING .753 X 1.000 X 2.000 072541 2000
BEARING .628 X .813 X 2.0 080647 2000
BEARING 3/4 ID-SELF ALIGN 078730 2 2 103
BLOCK-CONTACT 1 NO *11/12/15 076013 4 4 103
BLOCK-TERMINAL 1P 073423 1 1 103
BLOCK-TERMINAL 2P .25 SPD-24X 073033 1 1 103
BLOCK-TERMINAL 3P 20A, 300V 051331 3 3 103
BULLNOSE A.-*C819* X69670 1 1 103
BURNER-I.R. 073334 2 2 103
+BRACKET-BURNER *C845* SIDE 073010 4 4 103
+BRACKET-BURNER *C845*-SHORT 073016 4 4 103
BUSHING-FLG .627IDX.12W OILITE 052394 2 2 103
BUSHING-SNAP 11/16 ID X 7/8OD 010548 6 6 103
BUSHING-SNAP 1-3/8ID X 1-3/4OD 027712 4 4 103
BUSHING-SNAP 1-5/16ID X 1-1/2 017008 3 3 103
821

78
Parts List Model 811, 813, 819, 821 Series
DESCRIPTION REMARKSWARR.
CLASS
L821
QTY.
C821
QTY.
PART
NUMBER
BUSHING-SNAP .391 ID X.500 OD 073910 2 2 103
BUTTON-OPERATOR-BLACK 076012 2 2 103
BUTTON-OPERATOR-RED 076011 2 2 103
CAN A.-GREASE *C810* HEM X80925 2 2 103 5-2012 REPLACES X73944
+SLIDE-GREASE CAN *C810* R 069935 1 1 103
+SLIDE-GREASE CAN *C810* L 069936 1 1 103
CARD-CHECKOUT GEN MKT INF GAP 073484 1 1 000
CARD-INSTALL-GAS GRILL C8 073619 1 1 000
CABLE-PLATEN-F-REAR 073251 2 2 103
CABLE-PLATEN-FRONT 073252 2103
CABLE-PLATEN-F-REAR *C810 080587 2103
CASTER-GRILL 5" SWIVEL W/LOCK 073240 2 2 103
CASTER-5" 7-5/8 STEM 078377 2 2 103
CLEANER-STERA SHEEN 6 1 QT/CS 073160 000 SAMPLE SENT WITH NEW EQUIPMENT
CLEVIS-ROD 1/2-20 THD 079777 1 1 000
CLIP-RELEASE MATERIAL-W/TAB 072673 4 4 000
COMPRESSOR-AIR-230V SERV 032129SER2 1 1 212
+ADAPTOR-1/4MPT X 1/4 OD TUBE 052563-2 2 2 103
+CROSS-1/4 FPT * 1.562 SQ 077339-M 1 1 103
+FITTING-SWIVEL ELBOW 1/4 OD 072695-6 1 1 103
+PLUG-HOLE 7/8 DIA. BLACK 010077 1 1 000
+PLUG-1/4 NPT-PARKER:VS219P-4 065156-6 1 1 103
+SWITCH-PRESSURE 240V,3HP 077879-C 1 1 103
+TEE-1/4OD X 1/4OD X 1/4OD TUBE 052562 1 1 103
+TUBE-TEFLON .188IDX.250OD R403022 5' 5' 000
+VALVE-CHECK 1/4MP 020959 1 1 103
CONTROL-GRILL TOUCH PAD------> SEE KIT A.-GRILL CONTROL - X73474-SER
+GASKET-CONTROL 072914 2 2 000
CONTROL-HI-LIMIT 450F RESET 070279 2 2 103
CONTROL-IGNITOR UTC *M35* X70301-02S 2 2 103
CONTROL-LIMIT W/SCREWS 078721 1 1 103
CONTROL-MOTOR *C811* X69621-SER 2 2 212
CORD A.-POWER-250V-30A 4 WIRE 073668 1 1 103
821

79
Model 811, 813, 819, 821 Series Parts List
DESCRIPTION REMARKSWARR.
CLASS
L821
QTY.
C821
QTY.
PART
NUMBER
+SHIELD-POWER CORD *C820* 073729 1 1 103
COVER A.-PLATEN *C810* X73256 1103
COVER A.-PLATEN *C810* X80589 1103
COVER A.-USB WATERPROOF 068583 2 2 103 1/17/12 REPLACES 073809
COVER-FRONT *C819* 073748 1 1 103
CROSS-1/4 FPT * 1.562 SQ 077339-M 1 1 103
CYLINDER-AIR 6IN STROKE C/C 079160 1 1 103
DEFLECTOR A.-FLUE *C819* X69657 1 1 103
DIAGRAM-WIRING *C821* 069842-23 1 1 000
E-RING 1/4 BLACK PHOS 032190 4 4 000
E-RING-3/4 STEEL 077046 4000
E-RING 5/8 EXTERNAL STEEL 070816 4000
FAN-BLOWER 60CFM 120/230 VAC 079326-12 1 1 103
FASTENER-SNAP IN 1/4X15/16 078329 24 24 000
FILTER A.-*M22E* WHT/BLK X79256 1 1 103
FILTER-CORCOM 6EH1 040140-001 2 2 103
FITTING-1/4MPTX1/4OD TUBE 90DG 052560-2 5 5 103
FITTING-5/16X5/16X3/16 COMP 073911 2 2 103
FITTING-SWIVEL ELBOW 1/4 OD TB 072695-6 2 2 103
FITTING-DIFFUSER 1/4 MPT 072695-8 1 1 103
FORM-QUALITY REPORT BY FAX 065712 1 1 000
FUSE-7 AMP MDQ-7 079837-070 1 1 000
+HOLDER-FUSE-15 A, 250 V 076299 1 1 103
GAUGE-130 PSI 1/8 MPT BACK MNT 072695-3 1 1 103
GASKET-BRAIDED-HI TEMP R70113 10 10 000
GASKET-GORE-TEX .250 DIA 000 SEE SEALANT-GORE TEX R700033
GASKET-CONTROL *C842* 072914 2 2 000
GASKET-FRONT SHROUD *C819* 073753 1 1 000
GASKET-FRONT VIEW PORT *C845* 072985 2 2 000
GUIDE-PATTY PLACEMENT GEN MKT 073440 1 1 103
HANDLE-PLATEN 073250 1103
HANDLE-PLATEN, ELECTROPOL 080588-B 1103
HARNESS A.-COMP. VALVE *C820 X73703-R 1 1 103
821

80
Parts List Model 811, 813, 819, 821 Series
DESCRIPTION REMARKSWARR.
CLASS
L821
QTY.
C821
QTY.
PART
NUMBER
HARNESS A.-MOTOR *C820* 073892 2 2 103
HARNESS-BLOWER 073608 2 2 103
HARNESS-FAN *C819* 069716 1 1 103
HARNESS-FAN *C819* 069717 1 1 103
HARNESS-HIGH LIMIT C845/C811 073471-L 1 1 103
HARNESS-HIGH LIMIT C845/C811 073471-R 1 1 103
HARNESS-IDC BOARD 073429-L 1 1 103
HARNESS-IDC BOARD 073429-R 1 1 103
HARNESS-IGNITION-GROUND * 069757 1 1 103
HARNESS-PCB/GR SWITCH *C832* 072529 2 2 103
HARNESS-RHT-GAS-DETECT *C 073731 1 1 103
HARNESS-SSR-LEFT*C845* 073095 1 1 103
HARNESS-SWITCH 073728 1 1 103
HARNESS-TOUCH-CONTROL 073369 2 2 103
HOLDER-FUSE-15 A, 250 V 076299 1 1 103
HOSE ASSEMBLY-FLEXIBLE GAS 073941 1 1 103
HOSE-BEV.-.250IDX.438OD-100' R30317 5' 5' 000
IGNITOR-SPARK 073812 2 2 103
+ORIFICE A.-IGNITOR 073826-003 2 2 103 LP GAS
+ORIFICE A.-IGNITOR 073826-005 2 2 103 NATURAL GAS
+WIRE A.-IGNITOR *C845* X73147-12 2 2 103
KIT A.-3FT RESTRAIN CABLE 074948 1 1 103
KIT A.-ACCESSORY *C820* X73606 1000
CLIP-RELEASE MATERIAL-W/TAB 072673 4000
RETAINER-SHEET RELEASE 072845 2103
SCRAPER-TEFLON WIPER 075887 1000
SCREW-10-32X3/8 SLTD TRUSS 024298 9000
SCREW-3/8-16X1 HEX HEAD CAP 001082 2000
SHEET-RELEASE BOX(9) GEN MRK 073442 1000
STRIP-REPLACEMENT 075888 1000
WASHER-3/8 USS FLAT CR3 000653 2000
KIT A.-ACCESSORY*LONG PLT X80680 1000
CLIP-RELEASE MATERIAL-W/TAB 072673 6000
821

81
Model 811, 813, 819, 821 Series Parts List
DESCRIPTION REMARKSWARR.
CLASS
L821
QTY.
C821
QTY.
PART
NUMBER
RETAINER-SHEET RELEASE *L810 080594 3103
SCRAPER-TEFLON WIPER 075887 1000
SCREW-10-32X3/8 SLTD TRUSS 024298 9000
SCREW-3/8-16X1 HEX HEAD CAP 001082 2000
SHEET-RELEASE *L810* 080595 1000
STRIP-REPLACEMENT 075888 1000
WASHER-3/8 USS FLAT CR3 000653 2000
KIT A.-GREASE SHIELD* X78330-SER 1 1 000
SHIELD-GREASE *M 22* 078285 2 2 103
FASTENER-SNAP IN 1/4X15/16 078329 24 24 000
KIT A.-GRILL CONTROL-GEN MRKT X73474-SER 2 2 312
+GASKET-CONTROL 072914 2 2 000
LABEL-ELEC-CAUTION-CANADA 075484-CAN 1 1 000
LABEL-INST-LIGHT*15E* 079567 1 1 000
LABEL-INST-LIGHT*15E*FREN 079567-F 1 1 000
LABEL-NOTICE-CASTERS-CANADA 076389-CAN 1 1 000
LABEL-WARN-GAS GRILL-CANA 078075-CAN 1 1 000
LABEL-WARN-GRILL-MCD-SVC-CAN 072658-CAN 3 3 000
LENS-MICA *C845* 072986 2 2 000
+GASKET-FRONT VIEW PORT *C845* 072985 2 2 000
MAN-OPER C819 073946-M 1 1 000
MAN-OPER C819 FRENCH CANADIA 073946FCM 1 1 000
MANIFOLD A.-*C822* 073129-R 1 1 103
FITTING-DIFFUSER 1/4 MPT 072695-8 1 1 103 COMPLETE ASSY - X73273-SER MOTOR A.-MT
FITTING-SWIVEL ELBOW 1/4 OD 072695-5 1 1 103
FITTING-SWIVEL ELBOW 1/4 OD 072695-6 1 1 103
GAUGE-130 PSI 1/8 MPT BACK M 072695-3 1 1 103
REGULATOR-PRESSURE 0-120 PSI 072695-2 1 1 103
VALVE-PRESSURE RELIEF 70 PSI 072695-4 1 1 103
VALVE-SOLENOID 3 WAY 12 VDC 072695-1 1 1 103
MOTOR-FAN 95.3 CFM 2700 RPM 062253-27 1 1 103
MOTOR-GEAR *M32/35* STEPPER V3 073247 1 1 103
+SCREW-SHOULDER 5/16 X 1 073249 2 2 103
821

82
Parts List Model 811, 813, 819, 821 Series
DESCRIPTION REMARKSWARR.
CLASS
L821
QTY.
C821
QTY.
PART
NUMBER
+NUT-1/4-20 WHIZ FLANGE LOCK 017523 2 2 103
O-RING-1-3/16OD X .103W 052733-120 4 4 000
ORIFICE A.-IGNITOR 073826-003 2 2 103 LP GAS
ORIFICE A.-IGNITOR 073826-005 2 2 103 NATURAL GAS
ORIFICE-HEX PLUG GAS-#40 076554-40 2 2 103 NATURAL GAS
ORIFICE-HEX PLUG GAS-#53 076554-53 2 2 103 LP GAS
PANEL A.-BACK SERVICE *C8 X69664 1 1 103
PANEL A.-FRONT-LOWER *C81 X69660 1 1 103
PANEL A.-LIGHT *C819* X80626 1 1 103
PANEL-SIDE-LOWER *C810* RIGH 073991 1 1 103
PANEL-SIDE-LOWER *C810* LEFT 073992 1 1 103
PANEL-SIDE UPPER-RT *C810* 073989 1 1 103
PANEL-SIDE UPPER-LT *C810* 073990 1 1 103
PIN-SPRING UPPER *C842* 072542 2000
PIN-SPRING UPPER *C810* 080646 2000
PLATE A.-AIR SHUTTER SLIDE X79485 2 2 103
PLATE A.-DOOR HINGE-L X73569 1 1 103
PLATE A.-DOOR HINGE-R X73570 1 1 103
PLATEN A.-SERVICE *C820* 2600W X73741-23 1212
PLATEN A.-2600W 208V *C811* X73522-23 1212
PLUG A.-USB CABLE 073808 2 2 103
PLUG-HOLE 7/8 DIA. BLACK 010077 6 6 000
PLUG-HOLE 1-3/4 DIA. 027132 2 2 000
PLUG-HOLE 1-3/8 DIA.-BLACK 053361 1 1 000
PLUG-HOLE 3/8 DIA BLACK PLASTI 050988 2 2 103
PULLEY-PLATEN CABLE 072662 2 2 103
PULLEY-PLATEN-LEFT 073248-L 1 1 103
PULLEY-PLATEN-RIGHT 073248-R 1 1 103
REGULATOR-PRESSURE 0-120 PSI 072695-2 1 1 103
RELAY-SS 25A NON-ALARM 240 V 074210-02 2 2 103
RELAY-3P-50A 208/240 COIL 051890-27 1 1 103
RETAINER-SHEET RELEASE (RETENTION BAR) 072845 2 2 000
+CLIP-RELEASE MATERIAL-W/TAB 072673 4 4 103
821

83
Model 811, 813, 819, 821 Series Parts List
DESCRIPTION REMARKSWARR.
CLASS
L821
QTY.
C821
QTY.
PART
NUMBER
ROD-AIR SHUTTER ADJUST *C845* 073304 2 2 103
SCRAPER-TEFLON WIPER 075887 1 1 000
+STRIP-REPLACEMENT 075888 1 1 000
SCREW-1/4-20X3/8 SLTD ROUND 011694 30 30 000
SCREW-1/4-20X5/8 SERRATED HWH 017522 17 17 000
SCREW-10-24X1/2 TORX TRUSS T20 002077 4 4 000
SCREW-10-32X1/2 SERRATED HWH 020982 14 14 000
SCREW-10-32X1/2 SLTD TRUSS 037734 10 10 000
SCREW-10-32X3/8 SLTD TRUSS 024298 22 22 000
SCREW-10-32X3/8 UNSL HWH SERR 039381 16 16 000
SCREW-10X3/8 SLOTTED HEX WSHR 015582 36 36 000
SCREW-6-32X3/8 SLTD BINDER 002201 4 4 000
SCREW-6-32X5/8 UNSLTD HWH 041363 12 12 000
SCREW-8X1/4 SLTD HEX WASHER 009894 4 4 000
SCREW-SHOULDER 4-40X.3755 SOC 058381 12 12 000
SCREW-SHOULDER 3/8X3-1/4 052010 4 4 103
SCREW-SHOULDER 10-32X1/4X.125L 072849 2 2 103
SCREW-SHOULDER 5/16 X 1 073249 2 2 103
SEALANT-GORE-TEX 1/4 UNCOMP. R700033 6' 6' 000
SEALANT-JOINT 1/2 IN TEADIT R70003 5 5 000
SEAL-ARM *M32/35* 079952 2 2 000
SHEET-RELEASE BOX(9) GEN MRK 073442 1 1 000
SHIELD A.-HEAT *C811/C845* X73597 2 2 103
SHIELD-COUPLING FRONT 072926 1 1 103
SHIELD-COUPLING REAR 072927 2 2 103
SHIELD-GREASE *M 22* 078285 2 2 103 SEE - KIT A.-GREASE SHIELD X78330-SER
+FASTENER-SNAP IN 1/4X15/16 078329 24 24 000
SHIELD-PLATE SHROUD 072465 3 3 103
SHIELD-PLATE SHROUD-OUTER 072466 3 3 103
SHIELD-PLATE TUBE 072467 3 3 103
SHIELD-PLATE TUBE INNER 072467-1 3 3 103
SHIELD-POWER CORD *C820* 073729 1 1 000
SHROUD A.-COMBINATION *C819* X73751 1 1 103
821

84
Parts List Model 811, 813, 819, 821 Series
DESCRIPTION REMARKSWARR.
CLASS
L821
QTY.
C821
QTY.
PART
NUMBER
SHROUD A.-PLATEN X72835 1103
SHROUD A.-PLATEN *C810* X80585 1103
SLIDE-GREASE CAN *C810* R 069935 1 1 103
SLIDE-GREASE CAN *C810* L 069936 1 1 103
SPRING-EXTENSION LATCH 072617 4000
+PIN-SPRING UPPER 072542 2000
SPRING-EXTENSION LATCH *L 080649 4000
PIN-SPRING UPPER *C810* 080646 2000
SUPPLY-POWER-10W 12VDC 073336 2 2 103
SWITCH A.-LATCH *C820* X73775 2 2 103
SWITCH-SCREW TERMINAL 075780 2 2 103
SWITCH-HOME POSITION 073764 1 1 103
+ACTUATOR-HOME SWITCH *32/35* 079792 1 1 103
SWITCH-PRESSURE 240V,3HP 077879-C 1 1 103
SWITCH-PRESSURE 074314 2 2 103
SWITCH-ROCKER-DPST-10AMP IP65 076989-WP 1 1 103
SWITCH-SCREW TERMINAL 075780 2 2 103
TANK-ACCUMULATOR 10LB-NPT 078820 1 1 103
TEE-1/4OD X 1/4OD X 1/4OD TUBE 052562 1 1 103
THERMOCOUPLE K *M 15* 076222-K 4 4 103
THERMOCOUPLE-K TYPE SS BRAID 079622 2 2 103
TRANS.-100VA 120/208/240 PRI 079800 2 2 103
TRIM-CORNER *C810* FRONT-RIGHT 073973 1 1 103
TRIM-CORNER *C810* FRONT-LEFT 073974 1 1 103
TRIM-CORNER *C810* REAR-RIGHT 073987 1 1 103
TRIM-CORNER *C810* REAR-LEFT 073988 1 1 103
TUBE A.-GAS BACK *C819* X73873 1 1 103
TUBE-.170ID X .250OD R403021 7' 7' 000
TUBE-NYLOBRADE 1/4ID X 7/16O 020568-20 1 1 000
TUBE-NYLOBRADE 1/4ID X 7/16O 020568-24 1 1 000
+CLAMP-HOSE 7/16-WIRE DICHROMAT 051742 2 2 000
TUBE-TEFLON .188IDX.250OD R403022 6' 6' 000
VALVE-CHECK W/#69 ORIFICE 078332 1 1 103
821

85
Model 811, 813, 819, 821 Series Parts List
DESCRIPTION REMARKSWARR.
CLASS
L821
QTY.
C821
QTY.
PART
NUMBER
VALVE-CHECK 1/4MP 020959 1 1 103
VALVE-GAS REDUNDANT 3-1/2 WC 079329-02 2 2 103
ELBOW-3/8 MPT X 5/16 076370 2 2 103
ELBOW-3/8MPTX3/8FPT-BLACK 078890 1 1 103
FITTING-REDUCER-1/2FPT-3/8FP 077364 1 1 103
VALVE-PRESSURE RELIEF 70 PSI 072695-4 1 1 103
VALVE-SOLENOID 3 WAY 12 VDC 072695-1 1 1 103
VARISTOR A.-230VAC W/#10 SPADE X51733-C 2 2 103
WINDOW-FRONT VIEW PORT *C845* 073013 2 2 103
+LENS-MICA *C845* 072986 2 2 000
+GASKET-FRONT VIEW PORT *C 072985 2 2 000
WIRE A.-IGNITOR X73147-12 2 2 103
821

811
073475-23
8/12

811
073475-75
3/13

813
073725-23
9/12

819
073814-23
7/12

819
073814-75
3/13

821
069842-23
7/12