Technalogix TAV250H VHF Television Broadcast Transmitter User Manual users manual
Technalogix, Ltd. VHF Television Broadcast Transmitter users manual
users manual

TAV-250
ANALOG TV POWER AMPLIFIER
OPERATING
MANUAL
TAV-250
You’ve already unpacked it, haven’t you? You’ve unpacked it and
plugged it in and turned it on and fiddled with the knobs. No?
Okay, good. Please take a few minutes to read the manual and
familiarize yourself with your new Technalogix power amplifier.
We believe that this manual, and of course our equipment, should
be everything you need to get on the air with superb broadcast
quality video. We understand that a capable and confident user
will get the most out of our product and we have made every
attempt to educate readers of all technical levels. If there is
something that is not clear, or you require further information,
please do not hesitate to contact us and we’ll be glad to help out.
Technalogix Ltd.
#4, 8021 Edgar Industrial Place
Red Deer, Alberta, Canada
T4P 3R3
Phone: 403.347.5400
Fax: 403.347.7444
URL: www.technalogix.ca
Email: technical@technalogix.ca
sales@technalogix.ca
We truly appreciate that you have chosen us as your television
broadcast system supplier. Happy viewing.
TAV-250
Table of Contents
SECTION I- SAFEGUARDS.................................................................................... I-1
SAFETY AND FIRST AID ......................................................................................... I-2
OPERATING SAFEGUARDS ..................................................................................... I-3
SECTION II - WARRANTY................................................................................... II-1
SECTION III - OVERVIEW................................................................................... III-1
STANDARD FEATURES......................................................................................... III-1
PRINCIPLE OF OPERATION................................................................................... III-2
BLOCK DIAGRAM ................................................................................................ III-3
SPECIFICATIONS ................................................................................................. III-5
SECTION IV - RF COMPONENTS........................................................................IV-1
AMPLIFIER PALLETS............................................................................................IV-1
DIRECTIONAL COUPLER ......................................................................................IV-4
ISOLATOR...........................................................................................................IV-4
FILTER...............................................................................................................IV-4
SECTION V - POWER SUPPLY SECTION...............................................................V-1
SECTION VI - MONITOR AND CONTROL SYSTEM .................................................VI-1
CONTROL BOARD OVERVIEW (INSIGHT)................................................................VI-1
USER INTERFACE MODULE ..................................................................................VI-1
COUPLER CONDITIONING MODULE .......................................................................VI-2
RF CONDITIONING MODULE.................................................................................VI-3
TEMPERATURE SENSOR MODULE ........................................................................VI-4
TXNET MODULE..................................................................................................VI-5
REMOTE PORT ...................................................................................................VI-6
FAULT SHUTDOWN..............................................................................................VI-7
BILL OF MATERIALS ............................................................................................VI-8
SCHEMATICS ....................................................................................................VI-10
SECTION VII - MECHANICAL SECTION...............................................................VII-1
TAV-250
SECTION VIII - INSTALLATION .........................................................................VIII-1
BUILDING RECOMMENDATIONS ..........................................................................VIII-1
HEATING AND COOLING REQUIREMENTS.............................................................VIII-2
ELECTRICAL SERVICE RECOMMENDATIONS.........................................................VIII-3
ANTENNA AND TOWER RECOMMENDATIONS........................................................VIII-4
SHELTER SECURITY ..........................................................................................VIII-5
UNPACKING AND INSPECTION.............................................................................VIII-6
LOCATION AND FUNCTION OF CONTROLS AND CONNECTORS (TAV-250 POWER
AMPLIFIERS).....................................................................................................VIII-7
INITIAL HOOK UP............................................................................................VIII-11
SECTION IX - OPERATING PROCEDURE..............................................................IX-1
SECTION X - MAINTENANCE AND TROUBLESHOOTING ..........................................X-1
TROUBLESHOOTING .............................................................................................X-2
TAV-250

I-1
Section I - Safeguards
General Safeguards
This section is written as a general guide to keep all 5 fingers on your hand and is intended for those
having previous knowledge and experience with these kinds of equipment. It is not intended to
contain a complete statement of all safety precautions, which should be observed by personnel using
this or other electronic equipment.
DOCUMENTATION - Read, retain and follow instructions before operating the equipment.
There is a lot of useful information in the manual, and besides, we spent a lot of time
writing it!
ENVIRONMENT - To reduce the risk of fire or electric shock, do not expose this equipment
to rain, moisture, or rye and sodas at the company Christmas party. Refer all servicing to
qualified service personnel.
SERVICING - Do not attempt to service this equipment yourself as opening or removing
covers can result in a warm tingly feeling and will void the warranty. Refer all servicing to
qualified service personnel.
TAV-250

I-2
Safety and First Aid
Personnel engaged in the installation, operation, maintenance, or servicing of electronic equipment
are exposed to the hazard of high voltage. It is imperative that all safety regulations and precautions
are consistently observed. Knowledge of first aid procedures is recommended. The following
information is presented as a reference only.
• At all times, avoid placing any part of the body in series between ground and circuit points,
whether power is on or off.
• Dangerous voltage may be present in equipment even though power is off. Do not open the
cabinet. Refer servicing to qualified service personnel.
• It is the duty of all personnel to be prepared to give adequate emergency first aid treatment and
thereby prevent avoidable loss of life.
• There are three principle degrees of burns, recognizable as follows:
• a first-degree burn reddens the skin.
• a second-degree burn blisters the skin.
• a third degree burn chars the flesh and frequently places the victim in a state of shock
accompanied by respiratory paralysis.
• Respiratory paralysis can cause death by suffocation within seconds. It is imperative that the
approved methods of artificial respiration are initiated immediately and continue until the victim’s
breathing is normal.
• A muscular spasm of unconsciousness may render the victim unable to break free of the electric
power. If this is the case, turn the power off immediately.
DO NOT TOUCH THE VICTIM OR YOU MAY SHARE THE SAME
PREDICAMENT.
• If the power cannot be turned off immediately, very carefully loop a dry rope, article of clothing,
length of strong cloth or a rolled-up newspaper around the victim and pull the victim free of the
power source. Carefully avoid touching the victim or clothing.
• Once free of the power source, the victim must be placed in a reclining position and covered
with a blanket or newspapers to keep warm. At the first opportunity, enlist help in
summoning a doctor. If a doctor cannot be summoned, transport the victim to the doctor or a
hospital. Be sure the victim is kept well covered and warm while awaiting professional
treatment.
TAV-250

I-3
Operating Safeguards
It is a known fact that our broadcast transmitters and translators enjoy 50-ohm load impedances.
So much so, that it is imperative you maintain 50-ohm impedances throughout your system. In
return, your equipment will provide you with maximum power transfer to the antenna and
decreased reflected power heading back towards the amplifier pallets, reducing the amount of
magic smoke that gets let out of the power amplifier. Before anything is turned on, ensure that
there is a 50-ohm path from the output of each stage to the input of the next, all the way to the
antenna.
In addition to maintaining proper 50-ohm impedances throughout the signal chain, it is also
important, whenever possible, to make sure the RF drive going to the input of the power amplifier
is removed before turning on or turning off the DC power supply. This is because all of the RF
transistors used in the individual amplifier pallets are fabricated with LDMOS (Laterally Diffused
Metal Oxide Semiconductor) technology. Nice and linear yes, but they do not like to make any RF
power when their supply voltages are not within a specific range. When you first turn your power
amplifier on or off, the DC power supply’s output voltage may take a while to stable out to a safe
operating voltage. Ten seconds wait before applying the RF drive will ensure no issues arise.
Our power amplifiers are designed to reliably generate a specific RF output power. Failing to
adhere to overdriven amplifier warnings can decrease the reliability of your system, and frankly,
makes our repair department busy and grumpy. If you need to transmit to a little larger coverage,
you are better off increasing antenna gain, and more importantly, antenna height above average
terrain. On TV and FM broadcast frequencies, insufficient antenna height puts an upper limit on
your range, regardless of power levels, as the distance from your antenna to the radio horizon is
limited.
TAV-250

II-1
Section II - Warranty
Our legalese is straightforward. It is simply designed to give you peace of mind and helps you resist
the temptation to have your electronics friend try to repair your Technalogix product.
Technalogix Ltd. products have been completely tested and found to meet specifications and be in
proper operating condition. They are warranted to be free from defects in materials and
workmanship for a period of one year from the date of shipment. If the system becomes damaged in
shipment and there are obvious signs of damage to the outside of the packaging, notify your courier
immediately before that courier walks out the door.
Technalogix Ltd. will not be liable for damages of whatever nature arising out of or in connection
with the equipment or its use thereof. Technalogix does not assume responsibility for injury or
damage resulting from the practices of untrained or unqualified personnel in the handling of this
equipment.
Technalogix Ltd. warranty does not include:
• misuse, neglect or accident.
• incorrect wiring and /or improper installation.
• unauthorized repairs, modifications or use in violation of instructions issued by Technalogix.
• incidental or consequential damages as a result of any defect.
• reshipment cost or insurance of the unit or replacement units or parts.
• acts of nature or terrorism.
Technalogix agrees, at our option, to remedy warranted defects or furnish a new part in exchange
for any part of a unit which, under normal installation, use and service, becomes defective. The user
will pay for transportation costs to and from the repair center. If you require technical service on the
site, the cost to you will be $800.00 US per day plus air fare and meals.
TAV-250

II-2
To claim your rights under this warranty:
• Contact Technalogix and describe the problem in as much detail as possible. See
troubleshooting section in this manual. If a solution cannot be found at this time, it may be
determined that the unit will have to be returned to Technalogix for repair, once a Return
Materials Authorization (RMA) number is provided. Please look under our web site
(www.technalogix.ca) for the RMA form (Service) and fill it out. Either fax it to us or email to us.
• Package equipment carefully for prepaid shipment to Technalogix. Include a written description
of the problem experienced, a copy of the original invoice establishing warranty status, and the
RMA.
Technalogix reserves the right to make revisions in current production of the equipment and
assumes no obligation to incorporate these changes in earlier models.
Shipping Address:
Technalogix Ltd.
ATTN: RMA#
#4, 8021 Edgar Industrial Place
Red Deer, Alberta, Canada
T4P 3R3
Ph: 403.347.5400
Made in Canada, returned for repairs
TAV-250

III-1
Section III - Overview
Standard Features
• Narrow output bandpass filter (if installed) allows adjacent channel operation
• Front panel Liquid Crystal Display (LCD) to monitor system parameters.
• Microcontroller-based monitoring and control ensures amplifier will never be overdriven and
high VSWR will not damage amplifier
• AC circuit breaker on back panel to eliminate replacement of fuses
• All aluminium enclosure maintains power amplifier’s light weight
• Simple design using commonly available parts ensures reliable operation
• Predominate and third-order intermodulation distortion exceeds Industry Canada and FCC
specification.
TAV-250

III-2
Principle of Operation
The TAV-250 power amplifier supplies a 250-watt peak video signal with an aural carrier level 10 to
13 dB below visual carrier (dBc) on any of the VHF television channels 2 through 13. Please note
that channel selection must be made at time of order, as the transmitter or translator is calibrated
and tested to the channel requested and is not field tuneable. The TAV-250 power amplifier is a
modular solid-state 250-watt broadcast amplifier utilizing readily available RF components wherever
possible, thus enhancing the serviceability of the equipment.
The TAV-250 is comprised of a 25 watt driver pallet in addition to a 400 watt final pallet that
provides 250 watts of peak visual power in addition to the aural carrier power.
The TAV-250 features ultra linear amplification with amplifier modules that are stable for high
reliability and long service life.
TAV-250

III-3
Block Diagram
The RF signal enters through the RF Input connector on the power amplifier enclosure from the
modulator or processor. It then passes through an RF attenuator to limit the output power level
of the power amplifier and to help buffer any transients that may come into the power amplifier.
After attenuation, the signal gets preamplified using a driver pallet before the signal passes into
a final pallet for final amplification. The signal then passes through an isolator. Finally, the
signal gets monitored with a dual directional coupler before heading out to an antenna for
broadcast.
TAV-250

A=+18dB typ. low band VHF
A=+15dB typ. high band VHF
A=+40dB typ. low band VHF
A=+34dB typ. high band VHF
Attenuation
TO WATTMETER
AND ANTENNA
VHFTV400-VHF FINAL
RF INPUT RF OUT
VHFTV25-VHF DRIVER
VV
DIRECTIONAL COUPLER
V
CIRCULATOR
TERMINATION
50 OHM
U3
Bandpass Filter
TAV-250 Block Diagram
Date: May 25, 2005 Page: 1 of 1
Rev ID
TAV-250

III-4
Specifications
The following specifications were taken with a Technalogix modulator/processor. Should a different
modulator or processor be used, specifications could vary. For this reason, we recommend that any
different modulator/processor be shipped to Technalogix so the system can be matched and set up
optimally. In addition, the audio/video ratio the input to the power amplifier needs to be –10 dB in
order for the software and LCD readout to be accurate.
RF Characteristics
Frequency range any specified VHF Channel 2 to 13
Frequency Response (one channel) ±0.5 dB
Frequency Stability ±250 Hz
Selectivity 60 dB (adjacent channel)
Minimum Input Level 0 dBmV
Rated Visual Output Power 250 Watts
Rated Aural Output Power 10% of peak visual power
IF Output Level +35 dBmV nominal
Input Impedance 75 Ohms
Output Impedance 50 Ohms
Harmonics > 60 dB below rated power
Predominant Intermodulation Distortion dBc = decibels below visual carrier
+ 920 kHz > -53 dBc
- 920 kHz > -53 dBc
+ 2.66 MHz > -53 dBc
- 2.66 MHz > -53 dBc
+ 5.42 MHz > -53 dBc
+ 7.16 MHz > -53 dBc
3rd Order Intermodulation Distortion + 4.5 MHz > -60 dBc
+ 9.0 MHz > -60 dBc
All others > -60 dBc
Spurious Emissions > -60 dBc
NTSC Video Characteristics
Input Level to modulator (for 87.5% modulation) 1.0 VPP
Differential Phase (at 87.5% modulation) ±2 Degrees
Differential Gain (at 87.5% modulation) 2%
Group Delay < ±40 nS
Video Group Delay Pre-emphasis Conforms to IC/FCC specifications
K-Factor 1.9% for 2T Pulse
Hum and Noise > 60 dB below rated power
TAV-250

III-5
Aural Characteristics
Input Level for 25 kHz Deviation 0.3 VPP
Frequency Response (Standard Pre-emphasis) ±1 dB
Harmonic Distortion (25 kHz Deviation) < 1% 50 Hz to 15 kHz
Amplitude Modulation Noise > 50 dB
Frequency Modulation Noise > 60 dB
Intercarrier Stability ±250 Hz
Physical Characteristics
Power Requirements
Power Supply 115Vac, 11A or 230Vac, 5.3 Aac
Operating Temperature 0 - 50°C
Dimensions Power Amplifier W-19" flange (17” encl.) , D-25", H-8-3/4” (5U)
TAV-250

IV-1
Section IV – RF Components
Amplifier Pallets
The VHFTV-25 pallet is a two stage ultra linear class-A linear pallet. The VHFTV-25-L has a typical
gain of 40dB and the VHFTV-25-H has a typical gain of 34dB. These pallets draw no more than
3.25Adc total drain current (the exact bias and drain currents of your system are found in the spec
sheet supplied with each manual). The quiescent and drain currents can be measured on the
VHFTV-25 pallet by measuring the voltage drop across the current sense resistor found directly at
the DC power supply lead input to the pallet. This resistance is 0.01-ohms, providing a 10mV per
ampere ratio.
The final amplifier stage is comprised of a VHFTV-400-L or VHFTV-400-H amplifier pallet and
are characterized with typical gains of 18 dB (low band) or 16dB (high band) and maximum
drain currents of 11 A (low-band) or 14 A (high-band).
Each of the amplifier pallets is connectorized. All amplifier pallets must have the transistor drain
voltages reach at least 26Vdc before the RF drive is applied.
TAV-250

TAV-250
Technalogix Ltd.
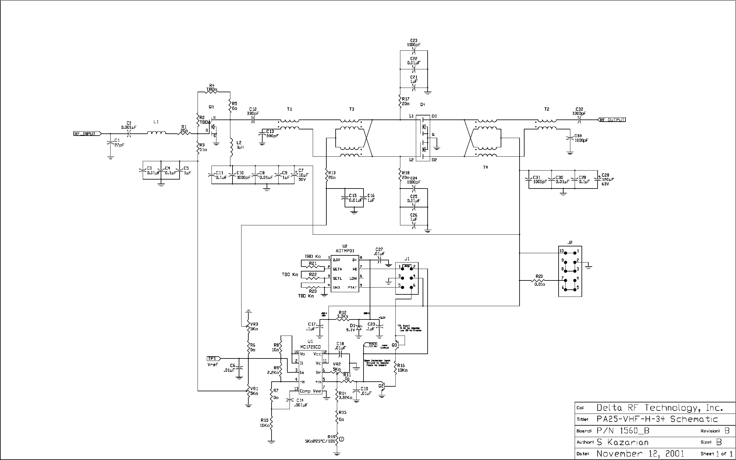
25 Watt High Band VHF Pallet
PA25-VHF-H
S. Kazarian
November 12, 2001
B
B

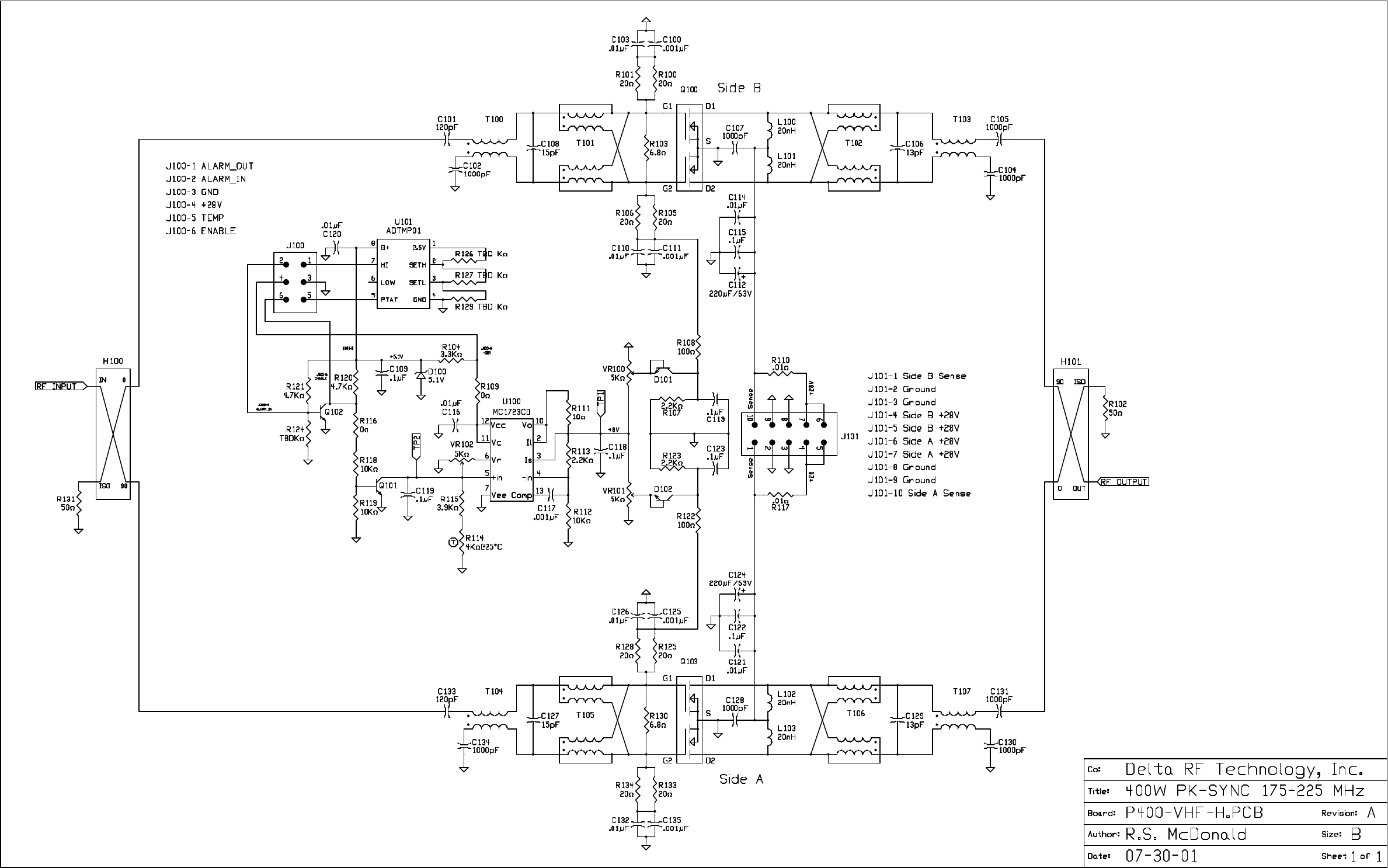
TAV-250
Technalogix Ltd.
400 Watt High Band VHF Pallet
P400-VHF-H
R.S. McDonald
July 30, 2001
B
A

IV-4
Filter
The passive bandpass filter rejects spurious and harmonic output products and passes the VHF
channel RF output. The cavity resonator uses aperture coupling and is a linear resonator design.
Typical insertion loss is 0.6 dB to 1.0 dB depending on channel frequency. Average roll off is –33
dBc at a point 4.5 MHz below the peak visual carrier frequency and –30 dBc 9.0 MHz above the
peak visual carrier frequency. The filter is DC grounded on both the input and output for additional
lightning protection.
Directional Coupler
The Technalogix dual directional couplers provide DC voltages proportional to forward and reflected
RF power monitoring. These analog voltages are converted for processing using analog-to-digital
converters and provide the control system with valuable data for monitoring purposes. The
directional couplers installed in the power amplifier and filter enclosures have peak detection
circuits on the forward RF power side of the coupler and average detection circuits on the reflected
RF power side of the coupler. This is to allow the end user to set power in a manner that is more
independent of modulation and closer to a true tip-of-sync meter. Hence the readings of the
displays in the power amplifier system are peak for forward and average for reflected. Output
power should be set following the operating procedure found elsewhere in this manual. The
directional coupler has a typical insertion loss of 0.5dB and its Type N connectors can handle 1,500
watts peak.
Isolator
The power amplifier pallets are protected in part by the isolator located in the filter enclosure. It is
actually made up of a circulator and 50-ohm dump resistor. The circulators’ specifications include
an insertion loss of less than 0.2dB with an isolation rating better than 20dB. Any reflected power
gets dumped into the flanged power resistor. Even though the flanged power resistor is rated for
only 150-watts, and there could potentially be 500-watts being reflected back into the circulator, the
software will recognize quickly that reflected power is present and turn the carrier off. This way,
there is instantaneous protection due to the isolator setup and long term protection due to the
software.
TAV-250

V-1
Section V – Power Supply
Switching AC-DC power supplies are used to power the amplifier pallets, the control circuits, and all
of the fans. There is (1) power supply used to generate the necessary current for the amplifier
pallets, set to 30 Vdc nominally.
The power supply is a Cotek-800S-P. This switching power supply is fully protected against short
circuit and output overload. Short circuit protection is a cycling type power limit. The internal AC
fuse is designed to blow only on a catastrophic failure in the unit – the fuse does not blow on
overload or short circuit. The thermal shutdown automatically recovers when the power supply
chassis cools down.
AC is fed into the enclosure via a filtered EMI AC entry. It is then current limited with a resettable
circuit breaker before passing through a rocker switch. This switch turns the AC on and off to the
switching power supply.
TAV-250

800S-P □□□□ Series
Switching Power Supply
With PFC
User’s Manual
TAV-250

800S-P Series Switch Power Supplies
♦ Universal AC Input
♦ 0.98 Typical Power Factor
♦ Forced Current Sharing at Parallel Operation
♦ Power Failure Signal
♦ Remote Sense
♦ Remote ON / OFF control
♦ SC / OV / OL / OT Protection
♦ Programmable Output Voltage
Specification
Model 800S -P009 800S-P012 800S-P015 800S-P018
Input Voltage Range 90 ~ 260V AC, 47~63 Hz ( 90~170VAC reduce power see curve below )
Input Current (Typ.) 4.5A / 230 V AC
Inrush Current (Typ.) RESULT A:42.0A
Power Factor (Typ.) 0.98
Efficiency 83% 84% 85% 85%
DC Output Voltage +9V DC +12V DC +15V DC +18V DC
Output Voltage Adjustment
Max.-Min.>15% Adj. Typical adjustment by potentiometer
25% ~ 100% Adjustment by 1 ~ 5v DC external control
Ripple & Noise 1%
Line & Load Regulation Less than 1%
Output Rated Current 88.8A 66.6A 53.3A 44.4A
Max Output Power 800W
Over Voltage Protection 110% ~ 135% ( variable “OVP” follows the adjustable DC output voltage )
Over Load Protection Current limiting 3 times (1.5”, 3.0”, 5.0”) then intelligent auto recovery
before shutdown
Remote ON / OFF Control Compatible with a TTL signal to turn ON / OFF
Remote Sense Yes
Power Failure Signal Open Collector of NPN Transistor
Parallel Operation Yes
Setup , Rise , Hold Up Time RESULT A:12.4mS
Temp. Coefficient ±0.04% / ℃ ( 0 ~ 50℃)
Working Temp., Humidity 0℃~+50℃ @100% Load, +65℃ @50% Load, 20% ~ 90% RH
Storage Temp., Humidity -20℃~+85℃ 10%~95% RH
Vibration 10 ~ 200Hz, 2g 10min./1 Cycle, Period of 60 min. for each axes
Safety Standards UL1950, TUV EN60950
EMC Standards EN55022, EN610000-4-2,3,4,5,6,8,11, EN61000-3-2,3, ENV50204
Leakage Current < 3.5mA / 240V AC
Cooling Power rating & temperature controlled fan
Dimension Weight ; Q’ty /
Carton
291 x 120 x 68 mm (L X W X H) / 2.3 Kgs ; 8 Sets / Ctn
1
TAV-250

800S-P Series Switch Power Supplies
♦ Universal AC Input
♦ 0.98 Typical Power Factor
♦ Forced Current Sharing at Parallel Operation
♦ Power Failure Signal
♦ Remote Sense
♦ Remote ON / OFF control
♦ SC / OV / OL / OT Protection
♦ Programmable Output Voltage
Specification
Model 800S-P024 800S-P036 800S-P048 800S-P060
Input Voltage Range 90 ~ 260V AC, 47~63 Hz ( 90~170VAC reduce power see curve below )
Input Current (Typ.) 4.5A / 230 V AC
Inrush Current (Typ.) RESULT A:42.0A
Power Factor (Typ.) 0.98
Efficiency 88% 88% 89% 90%
DC Output Voltage +24V DC +36V DC +48V DC +60V DC
Output Voltage Adjustment
Max.-Min.>15% Adj. Typical adjustment by potentiometer
25% ~ 100% Adjustment by 1 ~ 5v DC external control
Ripple & Noise 1%
Line & Load Regulation Less than 1%
Output Rated Current 33.3A 22.2A 16.6A 13.3A
Max Output Power 800W
Over Voltage Protection 110% ~ 135% ( variable “OVP” follows the adjustable DC output voltage )
Over Load Protection Current limiting 3 times (1.5”, 3.0”, 5.0”) then intelligent auto recovery
before shutdown
Remote ON / OFF Control Compatible with a TTL signal to turn ON / OFF
Remote Sense Yes
Power Failure Signal Open Collector of NPN Transistor
Parallel Operation Yes
Setup , Rise , Hold Up Time RESULT A:12.4mS
Temp. Coefficient ±0.04% / ℃ ( 0 ~ 50℃)
Working Temp., Humidity 0℃~+50℃ @100% Load, +65℃ @50% Load, 20% ~ 90% RH
Storage Temp., Humidity -20℃~+85℃ 10%~95% RH
Vibration 10 ~ 200Hz, 2g 10min./1 Cycle, Period of 60 min. for each axes
Safety Standards UL1950, TUV EN60950
EMC Standards EN55022, EN610000-4-2,3,4,5,6,8,11, EN61000-3-2,3, ENV50204
Leakage Current < 3.5mA / 240V AC
Cooling Power rating & temperature controlled fan
Dimension Weight ; Q’ty / Carton 291 x 120 x 68 mm (L X W X H) / 2.3 Kgs ; 8 Sets / Ctn
2
TAV-250

Connector pin-out drawings
3
TAV-250

Output power vs. input voltage de-rating curve
Output power vs. ambient temperature de-rating curve
4
TAV-250

Mechanical drawings
5
TAV-250

VI-1
Section VI – Monitor and Control System
Control System Overview (Insight)
The Insight control system is used for a variety of functions, the most important of which is
ensuring that the transmitter continues to operate in a safe manner. The control system also
allows the user to monitor and control the transmitter from both the front panel and the remote
access port.
Five modules comprise the Insight control system. These modules work together to provide all
the functions of the control system. The modules are: the user interface module, the coupler
condition module, the RF conditioning module, the temperature sensor module, and the TxNET
module. The operation of each module is outlined in the following sections.
User Interface Module
The primary function of the user interface module is, as the name suggests, providing the user
interface for the control system. This circuit board is mounted to the front panel of the
transmitter, directly behind the LCD display. The membrane switch on the front panel is also
connected to the user interface module. These components together provide the user with the
ability to monitor the transmitter from the front panel.
The following parameters can be monitored from the front panel:
• Forward (incident) power at the transmitter output.
• Reflected (reverse) power at the transmitter output.
• DC voltage of the transmitter power supply.
• DC current for each pallet in the transmitter.
• Temperature of the heat sink of the transmitter.
• The time since the transmitter was last shut down.
The hardware of the user interface module is based around a microcontroller (U112). This
microcontroller interfaces directly with the LCD and the membrane switch to provide output and
receive input from the user. The microcontroller also communicates with the coupler
conditioning board over a controller area network (CAN) bus. This communication is facilitated
be two ICs, U113 and U114, and passes through a CAT5 cable attached to connector J105.
The communication link with the coupler conditioning module allows the user interface module to
receive information about the foreword power, reflected power, and temperature of the
transmitter, as well as relay commands from the user to the rest of the system. If the transmitter
includes more than on amplifier module, a second CAN connection will be present between the
user interface module (J106) and the TxNET board to facilitate communication between
enclosures.
Other elements of the user interface module are also controlled by the microcontroller. A buzzer
(BZ101), a status LED (D113), and a relay to control the backlight of the LCD (RL101), are all
controlled through a buffer (U116). In order for the user interface module to monitor the current
draw of each pallet in the system, the DC supply wires pass through the user interface module
TAV-250

VI-2
on their way from the power supply to the pallets. The DC enters through connector J101 from
the power supply, and exits through J102 to go to the pallets. As the current passes through
shunt resistors (R117, R118, R120, R121, R123, R124, R126, R127, R129, R130), the voltage
drop is monitored by U101 to U105, buffered by U106 to U108, and sent to the analog to digital
converter integrated into the microcontroller. There are five circuits for which the current is
monitored by this system.
As the DC supply passes through the user interface module, it undergoes filtering to ensure that
the supply to the pallets is as clean as possible. Each of the five circuits passes through a
network of transient voltage suppressors, capacitors, and inductors. Each connection is also
fused at the input to insure an over-current condition does not persist. The fuses are a
replaceable mini blade type fuse with a 42V voltage rating, and a current rating depending on
application.
Coupler Conditioning Module
The coupler conditioning module serves to monitor the output of the directional coupler which
provides a voltage proportional to the foreword and reflected power at the output of the
transmitter. The coupler conditioning module also interfaces with each of the other boards in the
control system, acting as the hub of communications for the system. Lastly, the coupler
conditioning board sends and receives signals through the remote access port, via the TxNET
board.
The analog signals produced by the coupler for forward and reflected power are passed onto the
coupler conditioning module by connectors J206 and J207 respectively. Each signal is filtered
by CLC networks, and buffered and amplified by the op-amp U214. The level of the forward
signal can be adjusted by VR201, and the reflected signal by VR202. These two potentiometers
can be used to fine tune the power readings of the transmitter if they go out of calibration. The
analog signals are converted to digital by an analog-to-digital converter integrated into the
microcontroller U202.
Aside from taking readings from the coupler, the microcontroller on the coupler conditioning
module also interfaces with the RF conditioning module (through J201A) and the temperature
sensor (through J201B). The microcontroller interfaces with the CAN bus using U203 and U204.
Through the CAN bus, the coupler conditioning board is able to communicate with the user
interface module, and any other amplifiers that are in the system. The CAN bus is connected
through J201C, and J201D if there are multiple amplifiers in the transmitter system.
The last task of the coupler conditioning board is to send and receive remote access signals to
and from the TxNET board. Two analog outputs, proportional to forward and reflected power
and produced by the digital-to-analog converter U212 after it receives input from the
microcontroller. The analog outputs are then buffered by U211 before being sent through J203
to the TxNET board. J203, along with J204, also bring the digital inputs and outputs from the
TxNET board to the coupler conditioning module. The digital signals are then connected to the
microcontroller through the opto-isolators U205, U206, U207, U208, and U209.
TAV-250

VI-3
RF Conditioning Module
The RF conditioning board is located at the RF input of the amplifier. Its main function is to act
as a variable attenuator, so that the control system can add attenuation to the input of the
amplifier in order to limit the output power of the transmitter. The RF signal comes in to the RF
conditioning module through J302 before it passes through a manually variable attenuator made
up of R305, VR303, and R307. The signal then passes through the digitally-controlled variable
attenuator U302 before exiting through J303. The input for the digital attenuator comes from the
coupler conditioning module through J304. The input signals are passed through the opto-
isolators U303, U304, and U305 before being sent to the digital attenuator. In total, five control
signals go to the digital attenuator, allowing for attenuations of up to 31dB in 1dB steps.
Temperature Sensor Module
The temperature sensor module is a small board mounted to the main heatsink of the amplifier.
The main purpose of the temperature sensor module is to take temperature readings of the
heatsink. The temperature sensor IC is U1 which, after it has taken a reading, relays the digital
information to the coupler conditioning module through J1. Also passing through J1 is a driver
disable signal coming from the coupler conditioning module. The temperature sensor module
simply takes this signal and passes it through to J2, where it is connected to the driver pallet.
TxNET module
The TxNET module is simply a passive board that acts as an interface between the wiring on the
inside of the amplifier enclosure and connections on the outside of the enclosure. The DB-25
connector for the remote port (J602) is attached to the TxNET module. The signals travelling
through this port are connected to the coupler conditioning module through J601 and J603. The
TxNET module also includes up to four straight through RJ45 connections: J604 to J605, J606
to J607, J608 to J609, and J610 to J611. These connections are only used on systems with
multiple enclosures, to pass control signals between enclosures.
TAV-250

VI-4
Remote Port
The remote port allows external control of the transmission system via the DB25. The functions
of each pin on the remote port are indicated in the following table:
Pin Number Description
1 Ground
2 Forward power sample1
3 Reflected power sample1
4 Carrier off2
5 Carrier on2
6 Increase carrier level (level must have been decreased) 2
7 Decrease carrier level (1dB increments) 2
8 Soft reset2
9 Reset2
10 Power supply fault flag3
11 High temperature flag3
12 High VSWR flag3
13 Amplifier overdriven flag3
14 +5Vdc
15 +3.3Vdc
16 Ground
17 Ground
18 N/C
19 N/C
20 N/C
21 N/C
22 N/C
23 N/C
24 N/C
25 N/C
Notes: 1. Analog output with voltage ranging from 0 to 5Vdc.
2. TTL level digital input, active on rising edge.
3. TTL level digital output, active high.
TAV-250

VI-5
Fault Shutdowns
On the LCD (Liquid Crystal Display) the following messages may appear:
If you see this message, the system has been driven to a power level higher than it is rated for.
This message will likely only appear momentarily, before the amplifier will add attenuation at its
input to bring the output power to a safe level.
This message indicates that excessive reflected power has been detected at the output of the
transmitter. Periodically, the amplifier will cycle on, and re-check for reflected power. If high
reflected power continues, the transmitter will eventually shut down completely.
This message indicates that the transmitter is experiencing unsafe internal temperatures.
Output power is reduced until a safe temperature is reached.
TAV-250

VI-6
Monitor and Control System (Insight) Bills of Materials
Circuit:
User Interface Module
Revision:
1.03
Designations Qty Description Package Manufacturer Mfg. Part Number
U112 1
IC MICROCONTROLLER 256 BYTE
RAM 64QFP Texas Instruments MSP430F135IPM
C106, C107, C117,
C118, C128, C129,
C141, C142, C148,
C149, C163 11 CAPACITOR 0.01 uF 50V 10% 0805 Yageo 08052R103K9B20D
C108-116, C119-
127, C130-140,
C143-145, C161 33 CAPACITOR 0.1uF 50V 10% 0805 Yageo 08052R104K8B20D
C146, C147 2 CAPACITOR 33pF 50V 5% 0805 Panasonic ECJ-2VC1H330J
R101, R104, R107
R110, R113 5 RESISTOR 2.7KΩ 0805 Yageo 9C08052A2701FKHFT
C162 1 CAPACITOR 1uF, 50V 0805 TDK Corporation C2012Y5V1H105Z
R132 1 RESISTOR 37.4KΩ 0805 Yageo 9C08052A3742FKHFT
R133 1 RESISTOR 3.3KΩ 0805 Yageo 9C08052A3301FKHFT
R134, R135, R136,
R137, R138, R139 6 RESISTOR 249KΩ 0805 Yageo 9C08052A2493FKHFT
R140, R141, R144
R145, R146, R147
R150, R151, R156 9 RESISTOR 10KΩ 0805 Yageo 9C08052A1002FKHFT
R142, R143, R148
R149, R154, R155 6 RESISTOR 1KΩ 0805 Yageo 9C08052A1001FKHFT
R152 1 RESISTOR 100Ω 0805 Yageo 9C08052A1000FKHFT
R119, R122, R125,
R128, R131, R153 6 RESISTOR 100KΩ 0805 Yageo 9C08052A1003FKHFT
R158 1 RESISTOR 430Ω 0805 Yageo 9C08052A4300FKHFT
R160 1 RESISTOR 1.4KΩ 0805 Yageo 9C08052A1401FKHFT
R161 1 RESISTOR 27KΩ 0805 Yageo 9C08052A2702FKHFT
R162 1 RESISTOR 6.2KΩ 0805 Yageo 9C08052A6201FKHFT
R157 1 RESISTOR 4.7Ω 2010 Panasonic ERJ-12ZYJ4R7U
R117, R118, R120
R121, R123, R124
R126, R127, R129
R130 10 RESISTOR 0.006Ω 1% 1W 2512 Vishay WSL25126L000FEA
R159 1 POTENTIOMETER 10KΩ 4mm SMD Bourns 3314G-1-103E
R102, R103, R105
R106, R108, R109
R111, R112, R114
R115 10 RESISTOR 20Ω 1W 2512 Panasonic ERJ-1TYJ200U
RN101 1 RESISTOR NETWORK 10KΩ SMT Panasonic EXB-A10P103J
F107 1
RESETTABLE FUSE, POLYFUSE,
2A SMD Raychem MINISMDC200-2
F108 1
RESETTABLE FUSE, POLYFUSE,
.5A SMD Raychem MINISMDC050-2
L106, L107, L108,
L109, L110 5 INDUCTOR 0.01uH 1210 TDK NLV32T-010J-PF
TAV-250

VI-7
Y101 1 6.00 MHz CRYSTAL SMT Citizen HCM49-6.00
U111 1 IC SUPERVISOR 2.70V LOW SOT23 Microchip Technology MCP130T-270I/TT
U114 1 IC TXRX 3.3V CAN 8-SOIC Texas Instruments SN65HVD232D
U113 1 IC CAN CONTROLLER W/SPI 18-SOIC Microchip Technology MCP2510-I/SO
U115 1 IC REG SIMPLE SWITCHER TO-263-5 National Semiconductor LM2576HVS-5.0
U116 1 IC DARL TRANS ARRAY 16-SOIC Texas Instruments ULN2003ADR
U117 1 IC REG LINEAR LDO SOT223 National Semiconductor LM1117MP-3.3
U118 1 IC VOLTAGE COMVERTER 8-SOIC National Semiconductor LM2660M
U109, U110 2 OPTOCOUPLER DUAL CHANNEL 8-SOIC Fairchild Semiconductor MOCD211M
U101, U102, U103
U104, U105 5 IC CURRENT MONITOR SOT23-5 Texas Instruments INA168NA
U106, U107, U108 3 IC OP AMP SINGLE SUPPLY 8-SOIC Texas Instruments OPA2340UA
D101, D103, D105
D107, D109, D111 6 DIODE TVS 30V D0214AA Crydom SMBJ30A
D102, D104, D106
D108, D110 D113,
D115, D117 8 DIODE LED GREEN 1206 Lumex SML-LX1206GC-TR
D114 1 DIODE SCHOTTKY SMC International Rectifier 30BQ060
D116 1 DIODE RECTIFIER 1A 200V SMA Diodes Inc. S1D-13
D118 1 DIODE SCHOTTKY 5A 50V SMC Diodes Inc. B550C-13 or B550C-13F
C152 1 CAPACITOR 10uF 16V TANTALUM 3528 Kemet T491B106K016AS
C156-160 5 CAPACITOR 22uF 35V TANTALUM D (SMT) Kemet T495D226K035ASE300
S101 1 SWITCH DIP 7 POSITION SMT 0.1" CTS 219-7MST
S102 1 HEADER 3POS 0.1" Through Hole AMP/Tyco 640452-3
RL101 1 RELAY SPST 5VDC SMT Omron G6L-1F-DC5
L101, L102, L103,
L104, L105 5 INDUCTOR 1.3uH SMT Panasonic ETQ-P6F1R3LFA
C153, C154, C155 3 CAPACITOR 100uF, 10V D (SMT) Panasonic ECE-V1AA101SP
U119 1 IC REG SIMPLE SWITCHER TO-263-7 Texas Instruments LM2679S-ADJ
C101, C102, C103,
C104, C105, C150 6 CAPACITOR 100uF 63V G (SMT) Panasonic ECE-V1JA101P
BZ101 1 BUZZER SMT CUI Inc. CT-1205C
J107 1 CONNECTOR 14POS HEADER Through Hole AMP/Tyco 103308-2
J108 1 CONNECTOR SCREW TERMINAL Through Hole Keystone 7701
J105,J106 2
CONNECTOR MODULAR JACK 8
VERTICAL Through Hole AMP/Tyco 5556416-1
F101, F102, F103,
F104, F105, F106 6
FUSE AND FUSE HOLDER 42V
MINI Through Hole Littelfuse
02970xx.WXNV and
01530008Z
J103 1 CONNECTOR 5POS HEADER Through Hole AMP/Tyco 3-644695-5
J102 1 CONNECTOR, 2 PART 0.3" 10POS Through Hole Weiland 25.390.4053.0
J101 1 CONNECTOR 2 PART 0.3" 6POS Through Hole Weiland 25.390.3653.0
L111 1 INDUCTOR 150uH S6 Talema SWS-2.0-150
L112 1 INDUCTOR 33uH 5A 260kHz Through Hole Pulse P0849NL
J104 1 16 POST HEADER Through Hole Samtec TSW-116-18-T-S
C151 1 CAPACITOR 1000uF, 10V G (SMT) Panasonic ECE-V1AA102P
TAV-250

VI-8
Circuit:
Coupler Conditioning
Revision:
1.04
Designations Qty Description Package Manufacturer Mfg. Part Number
C201, C203, C204,
C205, C208, C209,
C212, C213, C214,
C215, C216, C217,
C218, C219, C220,
C221, C222, C223,
C224, C225, C226,
C227, C228, C229 24
Capacitor, ceramic, 0.01uF, 50Vdc,
+/-20% SMD 0805 Kemet C0805C103K5RACTU
C202 1
Capacitor, ceramic, 0.1uF, 50Vdc,
+/-20% SMD 0805 Yageo America C0805C104M5UACTU
C206, C207 2
Capacitor, ceramic, 33pF, 50Vdc,
5% SMD 0805 Panasonic ECJ-2VC1H330J
C210, C211 2
Capacitor, electrolytic, 100uF, 10V,
+/-20% SMD 'D' Panasonic ECE-V1AA101SP
D201, D202 2
Diode, TVS, 5.0Vdc, 600W,
unidirectional SMB General Semiconductor SMBJ5.0A-13
D203, D204 2 Diode, LED, red, 2.0V SMD 1206 Lumex SML-LX1206IW-TR
D205 1 Diode, rectifier, 200V, 1A SMA Diodes Inc. S1D-13
D206 1 Diode, zener, dual, 10V SOT-23 Diodes Inc. AZ23C10-7-F
J201 1
Connector, modular, female, 4-port,
8-position, rt. angle Through Hole AMP/Tyco 557562-1
J202 1
Connector, header, IDC, 0.1"
spacing, 14-pos Through Hole AMP/Tyco 103308-2
J203, J204 2
Connector, modular, female, 8-
position, vertical Through Hole AMP/Tyco 5556416-1
J205 1
Connector, header, 3-position, 0.1",
square post Through Hole AMP/Tyco 644695-3
J206, J207 2
Connector, header, vertical, 3-pos,
0.1" spacing Through Hole Molex 22-02-2035
K201 1 Relay, SPST, 5Vdc coil, SMT SMT Omron G6L-1F-DC5
L201, L202, L203,
L204, L205, L206,
L207, L208, L209,
L210, L211, L212 12
Inductor, 0.01uH, Imax=0.45A,
DCR=0.13 omhs SMD 1210 KOA KL32TE010K
R201 1
Resistor, thick film, 5%, 100ohm,
1/8W SMD 0805 Panasonic ERJ-6GEYJ101V
R203, R204, R207,
R208, R211, R212,
R213, R214, R217,
R218, R219, R220,
R221, R222, R223,
R224 16
Resistor, thick film, 5%, 1kohm,
1/8W SMD 0805 Panasonic ERJ-6GEYJ102V
R205, R206, R209,
R210, R215, R216 6
Resistor, thick film, 5%, 10kohm,
1/8W SMD 0805 Panasonic ERJ-6GEYJ103V
RN201, RN202,
RN204 3
Resistor network, 10kohm, 8-
resistors, 10-terminations, bussed,
5% SMD 2512 Panasonic EXB-A10P103J
RN203 1
Resistor network, 1kohm, 8-
resistors, 10-terminations, bussed,
5% SMD 2512 Panasonic EXB-A10P102J
S201 1 Switch, DIP, 7-position, SPST SMD 0.1" CTS 219-7MST
U201 1
IC, supervisor, 2.7V, internal pull-up
resistor, open drain, active low SOT-23 Microchip Technology MCP130T-270I/TT
U202 1
IC, microcontroller, 16-bit, 16k X 8
program, 48 I/O, flash 64-QFP Texas Instruments MSP430F135IPM
TAV-250

VI-9
U203 1 IC, CAN transceiver, 3.3V SOIC-8 Texas Instruments SN65HVD232D
U204 1
IC, CAN controller, industrial temp, 3
transmit buffers, 2 receive buffers 18-SOIC Microchip Technology MCP2510-I/S0
U205, U206, U207,
U208, U209 5
IC, optoisolator, dual, transistor o/p,
Vceo=30V SOIC-8 Fairchild MOCD211M
U210 1 IC, buffer, Darlington, array SOIC-16 Texas Instruments ULN2003ADR
U211, U214 2 IC, op-amp, dual, single supply SOIC-8 Texas Instruments OPA2340UA
U212 1 IC, DAC, dual, 8-bit, serial SOIC-8 Texas Instruments TLV5625CD
U213 1
IC, voltage reference, 2.50V, +/-
0.2% SOT-23 National Semiconductor LM4040BIM3-2.5
VR201, VR202 2
Potentiometer, 2kohm, 11-turn,
5mm, top SMT Murata PVG5A202C01R00
Y201 1 Crystal, 6.000MHz SMT Citizen HCM49-6.00
TAV-250

VI-10
Circuit:
RF Conditioning
Revision:
1.05
Designations Qty Description Package Manufacturer Mfg. Part Number
C301, C306, C311 3
Capacitor, ceramic, 0.1uF, 50Vdc,
+/-20% SMD 0805 Yageo America C0805C104M5UACTU
C302, C303, C305,
C312, C320 5
Capacitor, ceramic, 0.01uF, 50Vdc,
+/-20% SMD 0805 Kemet C0805C103M5RACTU
C304 1
Capacitor, ceramic, 0.022uF, 50Vdc,
+/-10% SMD 0805 Panasonic ECJ-2VB1H223K
C307, C308, C310 3
Capacitor, ceramic, 1000pF, 50Vdc,
+/-10% SMD 0805 Kemet C0805C102K5RACTU
C309 1
Capacitor, ceramic, 330pF, 50Vdc,
+/-10% SMD 0805 Panasonic ECJ-2VC1H331J
C313, C314, C315,
C316, C317, C318,
C319 4 DNS SMD 0805
D301 1 Diode, TVS, 30V, 600W SMB Diodes Inc. SMBJ30A-13
D302 1 Diode, LED, green, Vf=2.2V SMD 1206 Lumex SML-LX1206GW-TR
D303, D304, D305,
D306, D307 5 Diode, LED, red, Vf=2.0V SMD 1206 Lumex SML-LX1206IW-TR
D308 1 Diode, ultrafast SOT-23 Fairchild Semiconductor MMBD914
D309, D310 2 DNS TO-92
F301 1
Fuse, resettable, miniSMD, Ihold =
0.14A, Itrip = 0.34A Fuse-miniSMD Littelfuse MINISMDC014-2
J301 1
Connector, terminal block, header,
2-position, straight
PCB THT
(0.2") Wieland 25.350.3253.0
J301 1
Connector, terminal block, plug, 2-
position, straight - Wieland 25.340.3253.0
J302, J303 2
Connector, SMA, PCB End Launch,
50-ohms
PCB End
Launch Johnson Components 142-0701-801
J304 1
Connector, modular, female, 8-
position, vertical PCB THT Amp (Tyco) 5556416-1
L301 1 Inductor, 0.01uH 1210 TDK NLV32T-010J-PF
PCB301 1
Printed circuit board, FR4, proto 2 or
equivalent - Alberta Printed Circuits PCB301
R301 1
Resistor, thick film, 5%, 620ohm,
1W SMD 2512 Panasonic ERJ-1TYJ621U
R302, R303 2 DNS
R304, R312, R313,
R318, R319, R322 6
Resistor, thick film, 5%, 1.0kohm,
1/8W SMD 0805 Yageo America 9C08052A1001JLHFT
R305, R307 2
Resistor, thick film, 1%, 130ohm,
1/8W SMD 0805 Yageo America 9C08052A1300FKHFT
R308, R309, R314,
R315, R320 5
Resistor, thick film, 5%, 1.2kohm,
1/8W SMD 0805 Yageo America 9C08052A1201JLHFT
R310, R311, R316,
R317, R321 5
Resistor, thick film, 5%, 10kohm,
1/8W SMD 0805 Panasonic 9C08052A1002JLHFT
R323 1 Resistor, 100ohm, 1/8W SMD 0805 Yageo America 9C08052A1000FKHFT
R324 1 Resistor, 3.3ohm, 1/8W SMD 0805 Yageo America 9C08052A3R32FGHFT
R325, R326, R327,
R328, R329 5 DNS SMD 0805
VR301 1 Potentiometer, 5kohm SMD 5MM Murata PVG5A502C01R00
VR302 1 DNS SMD 5MM
TAV-250

VI-11
VR303 1 Potentiometer, 200ohm SMT 5MM Murata PVG5A201C01R00
S301 1
Switch, DIP, 5-position, SPST, gold
finish, sealed
CTS 219-5
SMD CTS Corporation 219-5MST
U301 1
IC, voltage regulator, 5V output,
500mA TO-252 National Semiconductor LM78M05CDT
U302 1 IC, digital attenuator, 5-bit, 1dB LSB SSOP-20 Skyworks (Alpha) AA110-85
U303, U304, U305 3
IC, optoisolator, dual, transistor o/p,
Vceo=30V SOIC-8 Fairchild MOCD211M
U306 1 Directional coupler Mini-Circuits DBTC-20-4
U307 1 IC, power detector TSSOP-16 Analog Devices AD8362ARU
U308 1
DNS (replace with two 0805 0ohm
resistors)
U309 1 DNS TO-243
TAV-250

VI-12
Circuit:
Temperature Sensor
Revision:
1.02
Designations Qty Description Package Manufacturer Mfg. Part Number
C701 1 CAPACITOR 0.1uF 50V 10% 0805 Yageo 08052R104K8B20D
J701 1
CONN MOD JACK 8-8 R/A PCB
50AU SMT Molex 44144-0003
J702 1 TERMINAL SCREW VERTICAL PC MNT Keystone 8191
U701 1 IC DIG TEMPERATURE SENSOR 8-MSOP National Semiconductor LM70CIMM-3
TAV-250

VI-13
Circuit:
TxNet
Revision:
1.02
Designations Qty Description Package Manufacturer Mfg. Part Number
F601, F602, F603,
F604 4
Fuse, resettable, Ihold=0.14A,
Itrip=0.34A, Vmax=60V SMD Tyco MINISMDC014-2
J601, J603, J604,
J605, J606, J607,
J608, J609, J610,
J611 10
Connector, modular, jack, 8-
position, vertical, PCB mount Tyco 5556416-1
J602 1
Connector, D-sub, 25 position,
female, vertical, PCB mount Kycon K85-BD-25S-R
TAV-250

VI-14
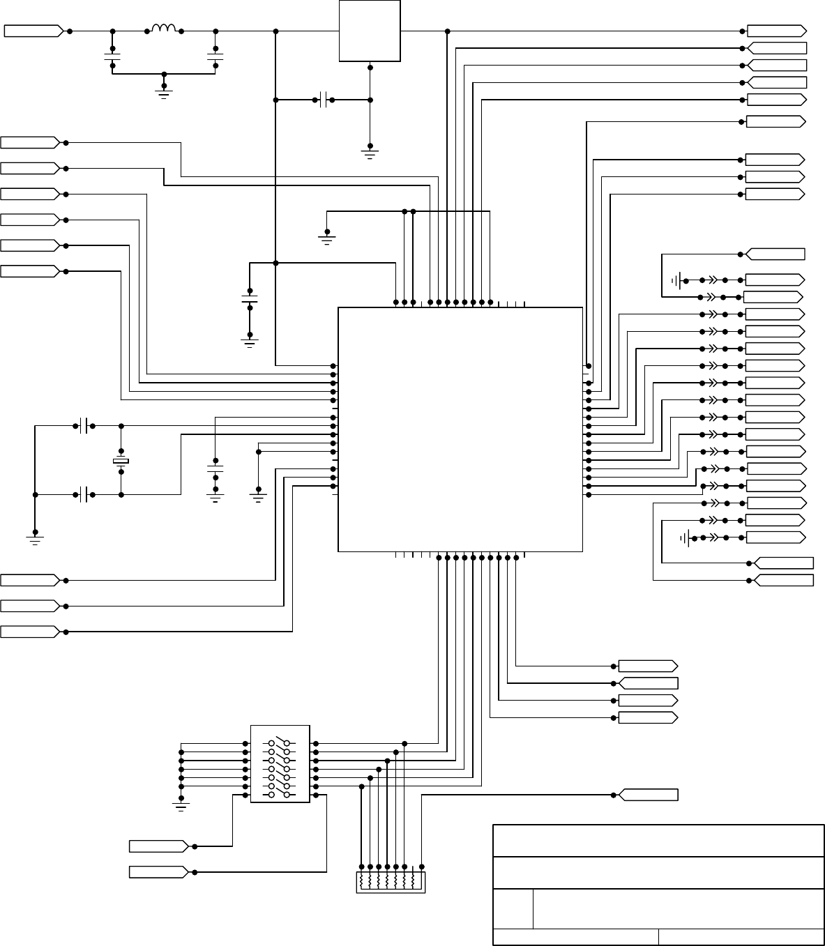
Insight System Schematics
The following pages contain the schematics for the Insight system.
TAV-250

1
DC Supply Conditioning
Fuse Table
7.5 A/side
3 A
15 A
15 A/sideP750-FM
P350-FM 10 A/side
15 A/side
10 A/side
10 A
3 A
2 A
P400-VHF-H
P400-VHF-L 15 A
15 AP200-VHF-L
P200-VHF-H
PA25-VHF-H
PA25-VHF-L
U200LD UHF
U60LD UHF
P150-UHF
P50-UHF 5 APA10-UHF
PA5-UHF 4 A
User Interface Module
Vin
J101C
TAC 58V
F103
see table
V3 Cond
+
63V
C103
100uF
V3 Input
ETQ-P6F1R3LFA
L103
J101B
TAC 58V
F102
see table
V2 Cond
+
63V
C102
100uF
V2 Input
SML-LX1206GW
D104
Green
ETQ-P6F1R3LFA
L102
ETQ-P6F1R3LFA
L101
SML-LX1206GW
D102
Green
V1 Input
+
63V
C101
100uF
V1 Cond
TAC 58V
F101
see table
SMBJ48A FM D101
SMBJ30A TV
J101A
J101D
TAC 58V
F104
see table
V4 Cond
+
63V
C104
100uF
V4 Input
ETQ-P6F1R3LFA
L104
SML-LX1206GW
D106
Green
SML-LX1206GW
D108
Green
SMBJ48A FM D103
SMBJ30A TV
SMBJ48A FM D105
SMBJ30A TV
SMBJ48A FM D107
SMBJ30A TV
J101F
GND IN
SMBJ48A FM D109
SMBJ30A TV
SML-LX1206GW
D110
Green
ETQ-P6F1R3LFA
L105
V5 Input
+
63V
C105
100uF
V5 Cond
TAC 58V
F105
see table
J101E
TAC 58V
F106
tbd
VgenCond
SMBJ48A FM D111
SMBJ30A TV
R108
20
R109
20
R105
20
R106
20
R103
20
R102
20
2.7k TV
R101
4.87k FM
R111
20
R112
20
2.7k TV
R104
4.87k FM
2.7k TV
R107
4.87k FM
2.7k TV
R110
4.87k FM
2.7k TV
R113
4.87k FM R115
20
R114
20
A. Sivacoe, N. Hendrickson
User Interface Module
B Insight Control System
Date: April 30, 2005 Page: 1 of 9
Rev ID
TAV-250

Current Monitoring
2
User Interface Module
C118
0.01uF C117
0.01uF
L107
0.01uH
C107
0.01uF C106
0.01uF
L106
0.01uH
+3.3 Vdc
C109
0.1uF
INA168
51
2
3
4
U101
V1 Cond V1 Out
J102A
I1 Buff
C108
0.1uF
C113
0.1uF
I2 Buff
J102B V2 Out V2 Cond
INA168
51
2
3
4
U102
C110
0.1uF
+
OPA2340UA
U106A
+3.3 Vdc
+
OPA2340UA
U106B C114
0.1uF
C111
0.1uF C112
0.1uF
C115
0.1uF C116
0.1uF
C120
0.1uF
I4 Buff
INA168
51
2
3
4
U104
V4 Cond V4 Out
J102D
C124
0.1uF
C119
0.1uF
I3 Buff
J102C V3 Out V3 Cond
INA168
51
2
3
4
U103
C121
0.1uF
C125
0.1uF
+
OPA2340UA
U107A
+
OPA2340UA
U107B
C122
0.1uF C123
0.1uF
C126
0.1uF C127
0.1uF
R117
0.012
R118
0.012
R119
100k
R122
100k
R121
0.012
R120
0.012
R126
0.012
R127
0.012
R128
100k
R125
100k
R124
0.012
R123
0.012
A. Sivacoe, N. Hendrickson
User Interface Module
B Insight Control System
Date: April 30, 2005 Page: 2 of 9
Rev ID
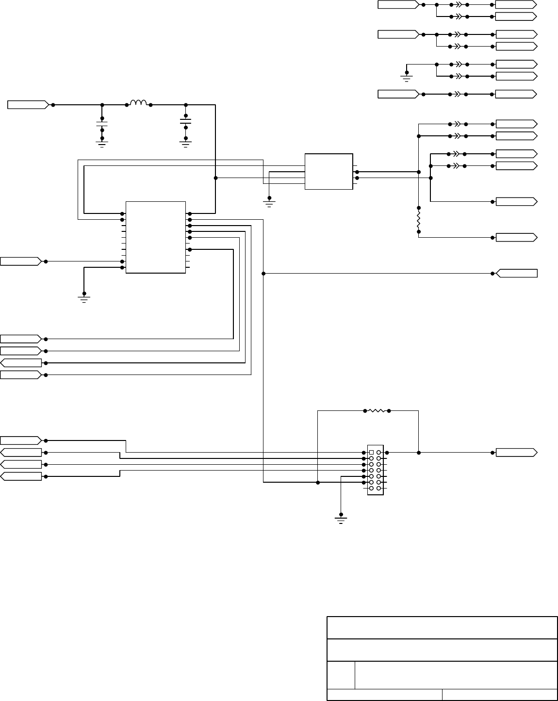
TAV-250

Membrane Switch Inputs
3
Voltage/Current Monitoring
User Interface Module
C129
0.01uF
C128
0.01uF
L108
0.01uH
+3.3 Vdc
C131
0.1uF
I5 Buff
INA168
51
2
3
4
U105
V5 Cond V5 Out
J102E
C130
0.1uF
C132
0.1uF
+
OPA2340UA
U108A C133
0.1uF C134
0.1uF
+
OPA2340UA
U108B C135
0.1uF
Vin V1 ADC
I1 ADC I1 Buff
I2 ADC I2 Buff
I5 Buff I5 ADC
I3 ADC I3 Buff
I4 Buff I4 ADC
C136
0.1uF
C137
0.1uF
C138
0.1uF
C139
0.1uF
C140
0.1uF
Nav-uPC
Pow-uPC
Nav-IN
Pow-IN P1
P2
P3
P4 P5
P6
P7
P8
U109
MOCD211M
J103D
J103A
J103E
J103B P1
P2
P3
P4 P5
P6
P7
P8
U110
MOCD211M
Sel-IN
Res-IN
Sel-uPC
RESET
+3 Vdc
+3 Vdc
J103C
GND
R129
0.012
R130
0.012
R131
100k
R134
249k
R133
3.3k
68.1k - FM
R132
37.4k - TV
R135
249k
R136
249k
R137
249k
R138
249k
R139
249k
R145
10k
R144
10k
R143
1k
R142
1k
R141
10k
R140
10k
R146
10k R147
10k R148
1k R149
1k R150
10k R151
10k
A. Sivacoe, N. Hendrickson
User Interface Module
B Insight Control System
Date: April 30, 2005 Page: 3 of 9
Rev ID
TAV-250

4
Microcontroller
User Interface Module
- DIP SWITCH 7,6,5 SET ID
- DIP SWITCH 2 SETS CALIBRATION MODE
- DIP SWITCH 1 ENABLES CAN BUS TERMINATION
C142
0.01uF
C141
0.01uF
L109
0.01uH
tbd
C145
Buzzer
BkLtCtrl
LED1
LCD Vss
LCD Vdd
LCD Vo
LCD RS
LCD R/*W
LCD E
J104 LED A
LED K
CANterm1
CANterm2
RN101 10k
Sel-uPC
Nav-uPC
Pow-uPC
Pin15LCD
Pin3LCD
+5 Vdc
LCD D4
LCD D3
LCD D2
LCD D1
LCD D0
LCD D5
LCD D7
LCD D6
C144
0.1uF
C143
0.1uF
TDO
TDI
TMS
TCK
CAN CS
SCK
SIMO
SOMI
DVccP1
A3P2
A4P3
A5P4
A6P5
A7P6
P7
XinP8
XoutP9
P10
P11
P1 0P12
P1 1P13
P14
P15
P16
P17
P18
P19
P20
P21
P2 2 P22
P23
P24
P25
P26
P27
P28
SIMO0 P29
SOMI0 P30
UCLK0 P31
P32
P33
P34
P35
P36
P37
P38
P39
P40
P41
P42
P43
P44
P45
P46
P47
MCLK
P48
P49
P50
P51
P52
P53
TDO
P54
TDI
P55
TMS
P56
TCK
P57
RST
P58
A0
P59
A1
P60
A2
P61
AVss
P62
DVss
P63
AVcc
P64
U112
MSP430F133
+3.3 Vdc RESET
CAN CLK
Vcc
GND
Reset
U111
MCP130
C147
30pF
C146
30pF Y101
6.00MHZ
V1 ADC
I5 ADC
I4 ADC
I1 ADC
I2 ADC
I3 ADC
+3.3 Vdc
7
6
5
4
3
2
1
S101
A. Sivacoe, N. Hendrickson
User Interface Module
B Insight Control System
Date: April 30, 2005 Page: 4 of 9
Rev ID
TAV-250

5
CAN and Programmer Interface
User Interface Module
C148
0.01uF
L110
0.01uH
J106D
J105D
J106F
J105F
J106A
J105E
J106E
+3.3V-1
GND-1
GND-2
+3.3V-2
+5V-2
+5V-1
RESET-2 RESET
+3.3Vdc
+5Vdc
J106H
J105H
CANH-2
CANL-2
+3.3Vdc
CANterm2
CANterm1
TXCANP1
RXCANP2
P3
P4
P5
P6
P7
P8
OSC1P9
VssP10 P11
P12
P13
SCK
P14
P15
SI
P16
SO
P17
CS
P18
RESET
P19
Vdd
P20
U113
MCP2510
J106G
C149
0.01uF
CAN CLK
DP1
GNDP2
VccP3
RP4 P5
CANL
P6
CANH
P7
P8
U114
SN65HV232
CAN CS
SCK
SIMO
SOMI
+3.3Vdc
RESET
CANL-1
CANH-1
J105G
TDO
TDI
TMS
TCK
JTAG header
J107
R153
100k
R152
100
A. Sivacoe, N. Hendrickson
User Interface Module
B Insight Control System
Date: April 30, 2005 Page: 5 of 9
Rev ID
TAV-250

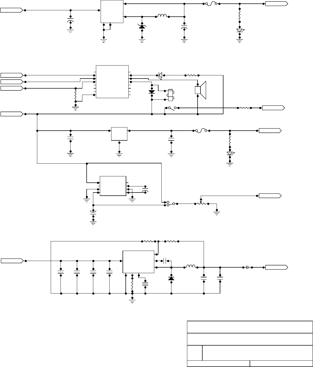
6
Power Supplies
User Interface Module
J108 FanOut
C163
0.01uF
D118
DIODE
L112
33uH
C159
22uF C160
22uF
C161
0.1uF
C162
1uF
C156
22uF C157
22uF C158
22uF
LM2679
Vin
Gnd
Rads
SoftStart
Feedbk
Cboost
Vout
U119
VgenCond
Buzzer
Littlefuse 1812L
F108
Littlefuse 1812L
F107
S102
IN
COM
OUT
U117
LM1117MP-3.3
D117
+3.3V LED
D115
+5V LED
Pin15LCD
RL101
G6L-1F 5Vdc
+
C150
100uF
SML-LX1206GW
D113
Green
LED1
D116
S1D-13
BkLtCtrl
10V tantalum
C152
10uF
Pin3LCD
R159
10k 40%
+
C155
100uF
+
C154
100uF
C153
100uF
+5 Vdc
+3.3 Vdc
+
C151
1000uF
L111
100uH
Vin
Vout
Feedbk
Gnd
On/Off
U115
LM2576S-5.0
+5 Vdc
VgenCond
D114
30BQ060
P1
P2
P3
P4P5
P6
P7
P8
U118
LM2660M
P1
P2
P3
P4
P5
P6
P7
P8 P9
P10
P11
P12
P13
P14
P15
P16
U116
ULN2003
R160
1.4k R161
27k
R162
6.2k
R157
4.7
BZ101
R158
430
tbd
R154
R155
1k
R156
10k
A. Sivacoe, N. Hendrickson
User Interface Module
B Insight Control System
Date: April 30, 2005 Page: 6 of 9
Rev ID
TAV-250

- DIP SWITCH 3,2,1 SET ID
- DIP SWITCH 7 ENABLES CAN
TERMINATION
Coupler Conditioning Module
1
Microcontroller
TMP SO
TMP CS
TMP SCK
TMP VCC
TMP GND
J201b3
J201b8
J201b4
J201b2
J201b1
C208
0.01uF C209
0.01uF
L203
0.01uH
C205
0.01uF
C203
0.01uF
L202
0.01uH
C202
0.1uF
C204
0.01uF
L201
0.01uH
LED2
LED1
DRVR DIS
CANterm1
CANterm2
RN201 10k +3.3 Vdc
1
2
3
4
5
6
7
S201
VSWR
PSU
TEMP
OVERDRV
CAR UP
CAR DOWN
CAR ON
CAR OFF
SOFT RES
+5 Vdc
ATEN5
ATEN4
ATEN3
ATEN2
ATEN1
ATEN-Vcc
J201a5
J201a7
J201a1
J201a3
J201a2
J201a4
DAC CS
C201
0.01uF
TDO
TDI
TMS
TCK
CAN CS
SCK
SIMO
SOMI
DVccP1
A3P2
A4P3
A5P4
A6P5
A7P6
P7
XinP8
XoutP9
P10
P11
P1 0P12
P1 1P13
P14
P15
P16
P17
P18
P19
P20
P21
P2 2 P22
P23
P24
P25
P26
P27
P28
SIMO0 P29
SOMI0 P30
UCLK0 P31
P32
P33
P34
P35
P36
P37
P38
P39
P40
P41
P42
P43
P44
P45
P46
P47
MCLK
P48
P49
P50
P51
P52
P53
TDO
P54
TDI
P55
TMS
P56
TCK
P57
RST
P58
A0
P59
A1
P60
A2
P61
AVss
P62
DVss
P63
AVcc
P64
U202
MSP430F133
+3.3 Vdc RESET
CAN CLK
Vcc
GND
Reset
U201
MCP130
C207
33pF
C206
33pF Y201
6.00MHZ
RFL-POW
FWD-POW
N. Hendrickson, A. Sivacoe
Coupler Conditioning
1.04 Insight Control System
Date: June 17, 2005 Page: 1 of 4
Rev ID
TAV-250

Coupler Conditioning Module
2
CAN and Programmer Interface
+3.3Vdc
+5Vdc
+3.3V-2
+3.3V-1
+5V-1
+5V-2
D202
D201
C212
0.01uF
L204
0.01uH
C210
100uF
C211
100uF
J201d4
J201c4
J201d6
J201c6
J201c1
J201c2
J201d2 GND-1
GND-2
RESET-1 RESET
J201d8
J201c8
CANH-2
CANL-2
+3.3Vdc
CANterm2
CANterm1
J201d7
C213
0.01uF
CAN CLK
DP1
GNDP2
VccP3
RP4 P5
CANL
P6
CANH
P7
P8
U203
SN65HV232
CAN CS
SCK
SIMO
SOMI
+3.3Vdc
RESET
CANL-1
CANH-1
J201c7
TDO
TDI
TMS
TCK
JTAG header
J202
U204
MCP2510
R201
100
N. Hendrickson, A. Sivacoe
Coupler Conditioning
1.04 Insight Control System
Date: June 17, 2005 Page: 2 of 4
Rev ID
TAV-250

Coupler Conditioning Module
3
Remote Access Port
1
2
3
4
5
6
7
8
J203
1
2
3
4
5
6
7
8
J204
P1
P2
P3
P4
P5
P6
P7
P8 P9
P10
P11
P12
P13
P14
P15
P16
U210
ULN2003
P1
P2
P3
P4 P5
P6
P7
P8
U206
MOCD211M
P1
P2
P3
P4 P5
P6
P7
P8
U208
MOCD211M
P1
P2
P3
P4 P5
P6
P7
P8
U207
MOCD211M
P1
P2
P3
P4 P5
P6
P7
P8
U209
MOCD211M
P1
P2
P3
P4 P5
P6
P7
P8
U205
MOCD211M
+3.3 Vdc
CAR OFF
CAR ON
CAR DOWN
CAR UP
SOFT RES
RESET
OVERDRV
VSWR
TEMP
PSU
+5 Vdc
LED1
LED2
D203 D204
+3.3 Vdc
RFL-OUT
FWD-OUT
DRVR DIS
+5 Vdc
J205
J201
b7 DISABLE
K201
D205
L205
0.01uH
C215
0.01uF
C214
0.01uF
4
203
RN
1k
8
203
RN
1k
3
202
RN
10k
4
202
RN
10k
1
202
RN
10k
2
202
RN
10k
3
203
RN
1k
1
203
RN
1k
6
203
RN
1k
7
203
RN
1k
2
204
RN
10k
3
204
RN
10k
1
204
RN
10k
7
202
RN
10k
6
202
RN
10k
9
202
RN
10k
8
202
RN
10k
R204
1k
R203
1k
R208
1k
R207
1k
R205
10k R206
10k
R209
10k R210
10k
R211
1k R212
1k
R213
1k
N. Hendrickson, A. Sivacoe
Coupler Conditioning
1.04 Insight Control System
Date: June 17, 2005 Page: 3 of 4
Rev ID
TAV-250

Coupler Conditioning Module
4
Coupler Input
RF Power Output
C216
0.01uF L206
0.01uH
P1
P2
P3
P4 P5
P6
P7
P8
U212
TLV5625
DAC CS
SCK
SIMO
+5 Vdc
U213
LM4040-2.5
+
OPA2340UA
U211A
+
OPA2340UA
U211B
FWD-OUT
RFL-OUT
1 3
D206A
1 2
D206B
+5Vdc
RFL-5V
RFL-GND
FWD-5V
FWD-GND
J207A
J207B
J206A
J206B
J207C
J206C +
OPA2340UA
U214A
+
OPA2340UA
U214B
FWD-IN
RFL-IN
FWD-POW
RFL-POW
+3.3 Vdc
VR202
VR201
C217
0.01uF
L210
0.01uH
L212
0.01uH
C224
0.01uF C225
0.01uF
C228
0.01uF C229
0.01uF
L207
0.01uH
L209
0.01uH
C222
0.01uF C223
0.01uF
C226
0.01uF
L211
0.01uH
C227
0.01uF
C218
0.01uF C219
0.01uF
L208
0.01uH
C221
0.01uF
C220
0.01uF
R214
1k
R215
10k R216
10k
R219
1k
R217
1k
R223
1k
R221
1k
R218
1k
R222
1k
R220
1k
R224
1k
N. Hendrickson, A. Sivacoe
Coupler Conditioning
1.04 Insight Control System
Date: June 17, 2005 Page: 4 of 4
Rev ID
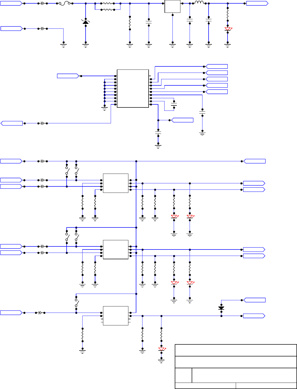
TAV-250

RF 2
D308
Shutdown
C302 C303
L301
C301
S301
5
S301
4
S301
3
+5 Vdc
S301
2
S301
1
IN
COM
OUT
U301
D302
+5 Vdc
D301
F301
J301
2
J301
1
Ground
PSU In
RF OUT
D307
D303 D304
D306D305
CTL 16dB
CTL 4dB
CTL 8dB
CTL 1dB
CTL 2dB
16dB in P1
P2
P3
P4 P5
P6
P7
P8
U305
C306
Ext 5Vdc
4dB in
8dB in
1dB in
2dB in
P1
P2
P3
P4 P5
P6
P7
P8
U304
P1
P2
P3
P4 P5
P6
P7
P8
U303
+5 Vdc
C305
C304
CTL 16dB
CTL 8dB
CTL 4dB
CTL 2dB
CTL 1dB
P1
P2
P3
P4
P5
P6
P7
P8
P9
P10 P11
P12
P13
P14
P15
P16
P17
P18
P19
P20
U302
Alpha 110-85
J303
J304 4
J304 2
J304 1
J304 5
J304 3
J304 7
R303
R302 R304
R301
R322
R312 R313
R319R318
R321R320
R317R316
R311R310
R314 R315
R308 R309
A. Sivacoe, N. Hendrickson
RF Conditioning Module
1.04 Insight Control System
Date: Sept. 19, 2005 Page: 1 of 2
Rev ID
TAV-250

VR303
RF 1 RF 2
RF 1
C320
C317
PSU In IN
COM
OUT
U309
78L20
C318 C319
VR302
C316
C315
D310
D309
C312
C314
C313
J302
RF IN
VR301
Shutdown
C310 C311
+5 Vdc
C309
C308
C307
DIP16
P1
P2
P3
P4
P5
P6
P7
P8 P9
P10
P11
P12
P13
P14
P15
P16
U307
AD8362
VV
DIR. COUPLER
U306
DBTC-20-4
HYBRID COUPLE
U308
SAGE WIRE -HCT2
R329 R328
R327
R326R325
R305 R307
R324
R323
A. Sivacoe, N. Hendrickson
RF Conditioning Module
1.04 Insight Control System
Date: Sept. 19, 2005 Page: 2 of 2
Rev ID
TAV-250

1
Temperature Sensor
J2
C1
1uF
J1G
DRV DIS
TMP GND
TMP CS
TMP SO
TMP SCK
TMP VCC
J1C
J1H
J1D
J1B
J1A
TMP VCC
P1
P2
P3
P4 P5
P6
P7
P8
U1
LM70
N. Hendrickson, A. Sivacoe
Temperature Sensor Board
1.02 Insight Control System
Date: May 8, 2005 Page: 1 of 1
Rev ID
TAV-250

IN 1
IN 2
IN 3
IN 4
IN 5
IN 6
IN 7
IN 8
1J604
2
3
4
5
6
7
8
1J605 OUT 1
2
3
4
5
6
7
8
OUT 2
OUT 3
OUT 4
OUT 5
OUT 6
OUT 7
OUT 8
OUT 8
OUT 7
OUT 6
OUT 5
OUT 4
OUT 3
OUT 2
8
7
6
5
4
3
2
OUT 1
1J607
8
7
6
5
4
3
2
1J606
IN 8
IN 7
IN 6
IN 5
IN 4
IN 3
IN 2
IN 1
IN 1
IN 2
IN 3
IN 4
IN 5
IN 6
IN 7
IN 8
1J610
2
3
4
5
6
7
8
1J611 OUT 1
2
3
4
5
6
7
8
OUT 2
OUT 3
OUT 4
OUT 5
OUT 6
OUT 7
OUT 8
OUT 8
OUT 7
OUT 6
OUT 5
OUT 4
OUT 3
OUT 2
8
7
6
5
4
3
2
OUT 1
1J609
8
7
6
5
4
3
2
1J608
IN 8
IN 7
IN 6
IN 5
IN 4
IN 3
IN 2
IN 1
1
2
3
4
5
6
7
8
9
10
11
12
13
14
15
16
17
18
19
20
21
22
23
24
25
J602
F604
8
7
6
5
4
3
2
1J603
F602
8
7
5
4
3
2
RESET
Soft RES
+3.3 Vdc
CAR down
+5 Vdc
CAR up
CAR off
CAR on
ground
ODRVflag
VSWRflag
FWD samp
TEMPflag
RFL samp
PSUflag F601
F603
1J601
TxNET
1.02
Date: Dec. 5, 2005 Page: 1 of 1
Rev ID
TAV-250

VII-1
Section VII – Mechanical Section
The heat sink allows the amplifiers to operate at a cooler temperature and prevents overheating,
which helps the longevity of the entire system. The heat sink has hollow fins, which help dissipate
the heat from the amplifiers faster than a conventional serrated or corrugated fin.
In addition to the cooling effects of the heat sink, within the 250-watt power amplifier enclosure,
there are two fans that each provide 170 cubic feet per minute (CFM) of air flow (into zero static
pressure). There is one fan mounted at the front of the heat sink and one mounted at the back end
of the heat sink. The fans are mounted at each end to produce the best cooling for the system and
are operating in a push-pull configuration to assist with heat dissipation. The fans are a 24Vdc
variety, so there are series dropping resistors to drop the higher power supply voltage down to a
safe level.
TAV-250

Technalogix Ltd
.
VIII-1
Section VIII - Installation
This section contains installation recommendations, unpacking, inspection, and installation
instructions for the power amplifier. We are sure that you are chomping at the bit to install your new
system, so we recommend that you read the following sections very carefully.
Building Recommendations
The quality of the building is of great importance if you are to expect long life and continued
performance from the power amplifier. The building must be clean, dry, temperature controlled and
secure. Don’t forget to allow space in the building for any additional racks to house test equipment,
a workbench area, line regulating transformers, ladders, equipment and parts storage, first aid kit,
emergency generator if used, as well as heating and cooling devices that may be unique to your
installation. A sloping roof will tend to develop leaks less rapidly. The building should be well roofed
with good material. The cooling load will be lowered with reflective or light colored roofing material.
TAV-250

Technalogix Ltd
.
VIII-2
Heating and Cooling Requirements
The environment’s temperature will contribute greatly to the length of the power amplifier’s life.
Technalogix recommends that the building’s filtered air intake must have capacity for all air-flow in
the building plus an additional 20%. Keep the intake below the roofline to avoid intake of solar
heated air. Please ensure that the intake and exhaust areas are on the same side of the building to
avoid pressure differentials during windy conditions. Also, do not position intake near exhaust’s
preheated air. If air conditioning is required to cool the shelter, discuss the situation with a qualified
HVAC technician. Under average conditions, 12,000 BTUs will cool approximately 500 square feet
to a comfortable level.
TAV-250

Technalogix Ltd
.
VIII-3
Electrical Service Recommendations
Technalogix recommends that a qualified, licensed local electrician be consulted for the required
electrical service. We suggest local electricians because:
• The personnel knows the local codes
• The personnel can be on site readily
• You are apt to get better overall support if you give what business you can to local suppliers
Technalogix recommends that proper AC line conditioning and surge suppression be provided on
the primary AC input to the power amplifier. All electrical service should be installed with your
national electrical code in your area, any applicable provincial or state codes, and good engineering
practice. Special consideration should be given to lightning protection of all systems in view of the
vulnerability of most transmitter or translator sites to lightning. Lightning arrestors are recommended
in the service entrance. Straight and short grounds are recommended. The electrical serviced must
be well grounded. Do not connect the unit to an open delta primary power supply, as voltage
fluctuations could harm the unit. Branch your circuits. Do not allow your lights, your workbench
plugs, and your transmitting or translating equipment to operate on one circuit breaker. Each
transmitter or translator should have its own circuit breaker, so a failure in one does not shut off the
whole installation.
TAV-250

Technalogix Ltd
.
VIII-4
Antenna and Tower Recommendations
Your preliminary engineering workgroup should establish your antenna and tower requirements,
both for receiving and transmitting antennas. Construction of sturdy, high quality antenna/tower
systems will pay off in terms of coverage of your service area, the overall quality and saleability of
your radiated signal, and reduced maintenance expenses. Technalogix provides complete turnkey
antenna systems if needed. If your site is serving as a translator, your receiving antenna should be
in line of sight to the originating station all year round. The foliage will change with season.
Transmitting antennas can enhance or seriously impair the transmitter/translator output.
The selection, routing, and length of coaxial cable are extremely important in the installation. If there
is a 3 dB line loss in the cable between your unit’s output and the transmitting antenna, a 250-watt
unit will only deliver 125 watts to the antenna. Buy the best cable you can obtain, route it via the
shortest way to the antenna, and keep it straight. Do not form it into sharp bends on its way. Do not
use any more cable fittings for the installation than absolutely necessary. All cautions here apply
equally to all coaxial cables in the system - input and output.
Pay attention to radial ice accumulation when designing the transmission system. It is not
uncommon for at least an inch of ice to build up on the tower and antenna. This in turn significantly
increases the weight, cross section, and wind loading of the system.
Attaching the transmission line to the tower is crucial to maintain a safe and reliable operation.
Nylon wire ties and electrical tape will breakdown in the sunlight and ultimately fail, creating a
potentially dangerous situation. It is important to use proper clamps and hoisting grips and also
ensure that the transmission line is grounded to the tower in several locations. When high currents
flow through the tower in the event of lightening strikes, some of that current will through the outer
conductors of the transmission lines. Due to the resistance difference between the steel tower and
copper transmission line, a significant voltage can be developed, often resulting in arcing between
the outer jacket and outer conductor, thus pitting the conductor.
Preventative maintenance is crucial in ensuring that safety is maintained. Specifically, check that
transmission line grounds are tight and are not missing any hardware. Frequently inspect support
clamps or spring hangers. Consider investing in an ice break, if you haven’t already done so, as
shards of falling ice can damage the transmission line – and if it is going to happen, it will happen at
an important time. Check the tower light photocells and conduit.
The better-known tower manufacturers offer complete technical and safety documentation with their
towers. Be sure that you have this information as it regards wind loading, guying, etc. The best-
designed antenna system will function poorly if shortcuts and compromises are used during
installation. Follow the manufacturer’s instructions exactly, along with any engineering data
prepared for the site. Be absolutely safe and certain about this aspect as human lives may be at
stake.
TAV-250

Technalogix Ltd
.
VIII-5
Shelter Security
The FCC requires that the transmitter or translator be secure from entry or control by unauthorized
persons, and that any hazardous voltages or other dangers (including most tower bases) be
protected by locks or fences as necessary to protect personnel and prevent unauthorized tampering
or operation. Security of the building further implies that it be secure from wildlife. Use sturdy
construction materials, including sheet metal if necessary. Holes around conduit, cable, and other
similar entry points should be stuffed with steel wool and caulked to prevent entry of wildlife. Other
features of security for your shelter may include its location with respect to the prevailing wind
conditions. A location leeward of some natural topographical feature will prevent wind damage and
snowdrifts. Check the soil runoff conditions that may slow or hasten wind or water erosion and other
concerns that may be unique to your location.
TAV-250

Technalogix Ltd
.
VIII-6
Unpacking and Inspection
Check the outside of the container. Carefully open the container and remove the power amplifier.
Retain all packing material that can be reassembled in the event that the equipment must be
returned to the factory.
Exercise care in handling equipment during inspection to prevent damage
due to rough or careless handling.
Visually inspect the enclosure of the power amplifier for damage that may have occurred during
shipment. Check for evidence of water damage, bent or warped chassis, loose screws or nuts, or
extraneous packing material in connectors or fan failures. Inspect all connectors for bent connector
pins. If the equipment is damaged, a claim should be filed with the carrier once the extent of the
damage is assessed. Technalogix cannot stress too strongly the importance of immediate careful
inspection of the equipment and subsequent immediate filing of the necessary claims against the
carrier if necessary. If possible, inspect the equipment in the presence of the delivery person. If the
equipment is damaged, the carrier is your first area of recourse. If the equipment is damaged and
must be returned to the factory, phone for a return authorization. Claims for loss or damage may not
be withheld from any payment to Technalogix, nor may any payment due be withheld pending the
outcome thereof. Technalogix cannot guarantee the carrier’s performance.
TAV-250

Technalogix Ltd
.
VIII-7
Location and Function of Controls and Connectors (TAV-250 Power Amplifier)
The following illustration depicts the location of the connectors when installing the 250-watt power
amplifiers (TAV-250).
TAV-250

Technalogix Ltd
.
VIII-8
POWER - Tactile button to turn carriers on and off.
NAVIGATE - Tactile button to move between menu items, or to refresh the screen after it
has timed out.
SELECT- Tactile button to select menu item, or to refresh the screen after it has timed
out.
RESET - Tactile button to reset microcontroller in control board. Also clears existing
faults. The amplifier will come back on with the soft start feature.
RF IN – RF input from modulator or processor. BNC connector, 50 ohm.
RF OUT – 100-watt RF output. Connects to inline wattmeter (not supplied) and
antenna. N connector, 50 ohm.
REMOTE PORT - Port to monitor and control the amplifier externally. See “ Monitor and
Control” section for pin-out.
AC IN – AC input to switching power supply.
AC BREAKER – Resettable circuit breaker is used to protect against inrush currents and
high current draw from switching power supply. The thermal circuit
breaker is a single pole configuration.
AC ON/OFF - AC rocker switch (SPST) to supply AC to the AC-DC switching power
supply
TAV-250

Technalogix Ltd
.
VIII-9
Initial Hook Up
1. Ensure that the antenna has been swept and has a return loss of greater than 20dB (VSWR
= 1.2:1). This should be done before connecting the antenna cable to the transmitter output.
2. Check that your video source is present.
3. Place the transmitter/translator in its permanent location near a receptacle supplying
required AC voltage.
DO NOT APPLY AC POWER AND TURN ON POWER TO THE
TRANSMITTER / TRANSLATOR AT THIS TIME SINCE THE RF OUTPUT
MUST BE PROPERLY LOADED BEFORE OPERATION.
4. Place an appropriate AC power line protector, conditioner, and/or surge suppressor across
the AC supply line.
5. Hook up the modulator or processor as shown in their respective manuals for a transmitter
or translator. Do not connect the modulated signal from the RF OUT on the modulator or
processor to RF IN on the power amplifier at this time. Because of the characteristics of
LDMOS devices, the RF drive should not be connected to the power amplifier until after the
power supply and bias voltages are present and stable.
6. Plug power amplifier into AC mains.
7. Switch AC rocker switch to “on” position.
8. Ensure that the audio modulation is set to 100% with the audio signal supplied, as
described in the appropriate modulator/processor manual (will be factory set).
9. Ensure that the video modulation level is set to 87.5% with the video signal supplied, as
described in the appropriate modulator/processor manual (will be factory set).
10. Connect the transmitting antenna cable to the RF OUT N-type connector on the power
amplifier enclosure RF output.
TAV-250

IX-1
Section IX - Operating Procedure
Assuming the previous installation instructions have been completed and cautions noted, and the
TAV-250 power amplifier is ready to receive a properly modulated video and audio signal, proceed
with the following steps to place the system in operation. The TAV-250 power amplifier has been
factory aligned for channel frequency (per system specification), signal levels and optimum
performance.
IT IS HIGHLY RECOMMENDED THAT YOU RUN YOUR SYSTEM INTO A DUMMY LOAD
BEFORE INSTALLING TO MAKE SURE THERE ARE NO DAMAGES CAUSED IN SHIPPING AND
THE UNIT IS RUNNING PROPERLY
1. Do not apply RF drive signal to the power amplifier at this time.
2. Verify that all control and RF cables are tight and properly seated in or on the mating connector.
3. Plug the modulator or processor into AC mains.
4. Plug the 5U power amplifier enclosure into AC mains.
5. Switch AC rocker switch to “ON” position.
6. Verify that the power amplifier enclosure’s fan is on.
7. Ensure that the modulator/processor is turned on and set up according to its instructions.
Depress the POWER tactile button to turn the unit on.
8. The internal soft start circuitry will turn the bias voltages off until the power supply to the
amplifier pallets is fully stable. The message on the LCD indicates when the soft start is running.
Once complete, the Forward and Reflected Power and Power Supply readings will appear on
the LCD.
9. After the soft start is complete, apply the RF drive signal (which still should be turned down)
between the modulator or processor and the power amplifier RF In. This ensures that the RF
drive signal is applied only after the power supply is stable and the bias voltages are applied to
the amplifier.
TAV-250

IX-2
10. The TAV-250 LCD shows the user the present status of the amplifiers. Adjust RF output power
to desired level (see Important RF Power Notice in previous section). Verify that the FWD
Power reads 80% to 100% on the filter enclosure - depending on signal content. The system is
set up for 250 watts peak visual power using the sync and blanking signal and should read 100
% FWD Power on the LCD under this condition only. The output power level can be adjusted
using the modulator or processor’s RF output level adjust. Keep in mind that the system will
attenuateshould the forward RF output power level be exceeded.
11. Ideally, the RFL Power should read zero. However, should a high VSWR be detected, the
system will automatically shut down and cycle as previously described. This reading is also
displayed as a percentage of rated forward power.
12. Verify that the power supply reads approximately 30 Volts DC (see supplied final inspection
sheet for factory settings of power supply levels) on the LCD of the power amplifier.
13. Look at the transmitted output using a suitable monitor. The picture and sound quality should be
clean and sharp. If the output picture and sound quality is unsatisfactory, check the input
signals, connections to the antenna system, antenna and transmission line VSWR, and the
physical condition of the antenna.
If reception problems are encountered, and the quality of transmission is satisfactory, the difficulty is
often with the receiving antenna or with obstructions in the path between the transmitter/translator
and receiver.
TAV-250

X-1
Section X – Maintenance and Troubleshooting
Periodic Maintenance
If your unit employs a filter on the air inlet for the fans, the filter should be cleaned every 30 days. If the
equipment is operated in a severe dust environment, the filters on the inlet fan may need to be cleaned
more regularly. Turn the system off and unplug all of the AC inlet cords. The filter can be lifted off the
fan and cleaned using an air compressor at low pressure. While the filter is out, clean the fan blades
themselves with a small brush. The fans themselves do not need lubrication.
The interior of the cabinets should be cleaned and inspected annually. Turn the system off and unplug
all of the AC inlet cords. Remove the top lid by unscrewing the 6-32 machine screws.
Use extreme caution when working near the AC input terminal. The power
amplifier and power supply store hazardous capacitances and voltages.
Using either compressed air or a brush with soft bristles, loosen accumulated dust and dirt and then
vacuum the interior of the cabinet. Complete a visual inspection of the interior, making sure there are
no loose connections or discolorations on any components from heat. Nothing inside the power
amplifier enclosure exceeds a temperature that is not comfortable to the touch under normal operating
conditions, so any signs of discoloration indicate potential damage.
All modular components inside the enclosure are attached to aluminium mounting plates for easy
removal and replacement. Ensure that plates are secured and the mounting hardware is tight.
TAV-250

X-2
Troubleshooting
The first and most important aspect of troubleshooting anything is to be systematic. Note where you
have looked and what you found.
Look first for the obvious.
• Make a physical inspection of the entire facility. Are all necessary connections properly made? Do
you see any signs of obvious damage within the equipment?
• Is the AC power ‘ON’ to the site and the equipment? (Check fuses and circuit breakers if
necessary.)
• Are all the switches in the correct operating position?
• Is the input signal present?
• Check LCD readings for presence of forward and reflected power and 30 V DC supply levels.
The above is an aid in determining the fault if some aspect of the system is not operating. The
following table deals with quality of operation:
Symptom Possible Fault Correction
Horizontal bars in picture (may
roll either way depending on
phase)
AC grounding / AC interference Install EMI/RFI filter in AC line
Ensure modulator/processor
and power amplifier share a
common ground
Diagonal lines in picture Interference Install EMI/RFI filter in AC line
Determine source and
frequency of interfering signal
(spectrum analyzer may be
required)
TAV-250

X-3
Symptom Possible Fault Correction
Weak output or picture Low level input signal Verify presence and level of
input signal
Low output power Verify power amplifier output
with wattmeter and dummy load
Incorrect modulation depth Adjust to meet specification
High reflected power Incorrect load Ensure amplifier connected to
transmission line
Ensure correct antenna
impedance (50 ohms)
Check antenna tuning and
VSWR. Verify correct cable for
transmission line length
Check all cables for visible
damage (kinks, nicks or cuts)
Check all connectors for poor
connections, water or corrosion
Check alignment of antenna
Check for physical damage of
antenna, including ice build-up
TAV-250
Thank you
for choosing
Technalogix Ltd.
TAV-250