Technisonic TFM-138 VHF/FM TRANSCEIVER User Manual C WINDOWS Desktop 98RE229A 1TEST wpd
Technisonic Industries Limited VHF/FM TRANSCEIVER C WINDOWS Desktop 98RE229A 1TEST wpd
Contents
- 1. USER MANUA 1 OF 4
- 2. USER MANUAL 2 OF 4
- 3. USER MANUAL 3 OF 4
- 4. USER MANUAL 4 OF 5
- 5. USER MANUAL 5 OF 5
USER MANUAL 2 OF 4

VHF/FM
AIRBORNE TRANSCEIVER
MODEL TFM-138
(s/n’s 1540 and up with F10-B Software)
Installation and
Operating Instructions
Til Document No.
98RE229
Rev. A
Issue 1
SEPTEMBER 2002
Technisonic Industries Limited
240 Traders Boulevard, Mississauga, Ontario L4Z 1W7
Tel:(905)890-2113 Fax:(905)890-5338
web site: www.til.ca

CAUTION
This unit contains static sensitive devices. Wear a grounded wrist strap and/or conductive gloves when
handling printed circuit boards.
NOTE: This equipment has been tested and found to comply with the limits for
a Class A digital device, pursuant to Part 15 of the FCC Rules. These limits are
designed to provide reasonable protection against harmful interference when
the equipment is operated in a commercial environment. This equipment
generates, uses, and can radiate radio frequency energy and, if not installed
and used in accordance with the instruction manual, may cause harmful
interference to radio communications. Operation of this equipment in a
residential area is likely to cause harmful interference in which case the user
will be required to correct the interference at his own expense.
Warning:
Changes or modifications not expressly approved by Technisonic Industries could void
the user’s authority to operate the equipment.
WARRANTY INFORMATION
The Model TFM-138, VHF/FM Transceiver is under warranty for one year from date of purchase. Failed units
caused by defective parts, or workmanship should be returned to:
Technisonic Industries Limited
240 Traders Boulevard
Mississauga, Amherst, NY
Ontario L4Z 1W7
Tel: (905) 890-2113 Fax: (905) 890-5338 Tel:(716) 691-0669
A Page

Summary of DO-160C Environmental Testing for Technisonic Model TFM-138, VHF Transceiver
Conditions Section Description of Conducted Tests
Temperature and Altitude 4 Equipment tested to categories B2 and D1.
Vibration 8 Equipment is tested without shock mounts
to categories B, M and N.
Magnetic Effect 15 Equipment is class Z.
Power Input 16 Equipment tested to category B.
Voltage Spike 17 Equipment tested to category B.
RF Emission 21 Equipment tested to category Z.
Installation Approval Note
Presently no TSO standard exists for airborne FM transceivers. To make it easier for installation agencies
to provide their customers with an approved installation supported by an effective Airworthiness Approval,
Technisonic has secured Supplemental Type Certificate (STC) Approvals (both US and Canadian) on its
Airborne FM products for many helicopters currently being delivered in the US and Canada as well as a
number of single engine fixed wing aircraft. The above referenced DO-160C test data is also on file and
available from Technisonic to support approval requirements in airframes for which Technisonic does not
possess an STC.
Approved aircraft types are listed in the attachments to the formal STC documents. These STC's are the
exclusive property of Technisonic and require the written authority of Technisonic for their use. To assist
Factory Authorized Technisonic Dealers in the certification process, we have placed copies of our Canadian
and US STC's on our web site along with a letter of authorization for their use. These documents may be
downloaded and used as support for the technical submission to FAA or Transport Canada. Only factory
authorized dealers/installers are permitted to download and make use of these documents on behalf of their
customers (end users) in support of regulatory agency approval. Please refer to the Technisonic web site
www.til.ca for the latest issue of available STC’s and letter of authorization for use.
B page
TABLE OF CONTENTS
Paragraph Title Page
SECTION 1 GENERAL DESCRIPTION
1.1 Introduction ............................................................. 1-1
1.2 Description ............................................................. 1-1
1.3 Purpose of Equipment .................................................... 1-1
1.4 Model Variation .......................................................... 1-1
1.5 Technical Summary...................................................... 1-2
SECTION 2 OPERATING INSTRUCTIONS
2.1 Features ............................................................... 2-1
2.2 Operating Instructions .................................................... 2-1
2.3 Programming Instructions ................................................. 2-3
2.4 Scanning Function ....................................................... 2-4
2.5 Priority and Selective Memory Channel Scanning .............................. 2-5
2.6 Direct Frequency Entry Mode .............................................. 2-5
2.7 Receive Frequency Simplex Function ........................................ 2-5
2.8 Keyboard Lockout Function . . .............................................. 2-5
2.9 Variable Frequency Mode Function ......................................... 2-5
2.10 LED Display Variable Dimming Mode ........................................ 2-6
2.11 90 Second Transmitter Time Out Feature .................................... 2-6
2.12 Quick Guard Programming Feature ......................................... 2-6
2.13 Programming CTCSS Tones .............................................. 2-6
2.14 PC Memory/Programming Download Capability ............................... 2-7
SECTION 3 INSTALLATION INSTRUCTIONS
3.1 General ................................................................ 3-1
3.2 Equipment Packing Log................................................... 3-1
3.3 Transceiver Installation ................................................... 3-1
3.4 Installation Kit - Contents .................................................. 3-1
3.5 Antenna Installation ...................................................... 3-1
3.6 Installation - Pin Locations and Connections .................................. 3-1
3.7 Wiring Instructions ....................................................... 3-3
3.7.1 Main Power +28VDC ..................................................... 3-3
3.7.2 Main Ground ............................................................ 3-3
3.7.3 PTT (Ground Keying) ..................................................... 3-3
3.7.4 Front Panel Back Lighting . . . .............................................. 3-5
3.7.5 Audio Outputs (600 and 4 Ohms) ........................................... 3-5
3.7.6 Audio Output Ground ..................................................... 3-5
3.7.7 Mic Signal Input ......................................................... 3-5
3.7.8 Memory Up/Memory Down ................................................ 3-5
3.7.9 Data Input .............................................................. 3-5
3.8 Internal Programming Enable/Disable Jumper ................................ 3-5
3.9 Transmitter Power Adjustments ............................................ 3-7
3.10 Transmitter Microphone Level Adjustment .................................... 3-7
3.11 Transmitter Sidetone Level Adjustment ...................................... 3-7
3.12 Main and Guard Squelch Adjustment ........................................ 3-9
3.13 Transmitter Deviation Adjustment ........................................... 3-9
3.14 Guard Receiver Audio Limit Feature ......................................... 3-9
i
INSTALLATION INSTRUCTIONS - APPENDIX
Post Installation EMI Test.................................................. A-1
LIST OF TABLES
Table No. Title Page
3-1 15-Pin D Connections .................................................... 3-3
LIST OF ILLUSTRATIONS
Figure No. Title Page
2-1 Operator's Switches and Controls - TFM-138 ................................. 2-2
2-2 TFM-138 Transceiver PC Download Cable - Wiring Diagram ..................... 2-8
3-1 Outline Drawing for TFM-138 Transceiver .................................... 3-2
3-2 Wiring Connections for TFM-138 Transceiver ................................. 3-4
3-3 Interal Enable/Disable Jumper and TX High/Low Power Adjust Locations ........... 3-6
3-4 Microphone and Sidetone Level, Main and Guard Squelch Adjustment Access ...... 3-8
3-5 Deviation Adjustment Potentiometer Location ................................ 3-10
ii
TFM-138
SOFTWARE CHANGE NOTE
This document covers operation of the Technisonic TFM-138, s/n 1540 and onwards which have been
delivered from the factory with version F10-B software capable of wide/narrow band operation. For TFM-138’s
with s/n 1539 or less, TiL Document 95RE177 should be referred to.
This document does not cover the operation of older version TFM-138’s with s/n 1539 or less.
iii

1-1
SECTION 1
GENERAL DESCRIPTION
1.1 INTRODUCTION
This publication provides operating and installation information on the TFM-138 (with version F10-B
software), Transceiver manufactured by Technisonic Industries Ltd. The version F10-B software is
factory installed in TFM-138's with s/n F1540 and onwards. The unit offers an extended frequency
range with selectable channel spacing and is intended for use (in the U.S.) only by government
agencies or contractors thereto, who have obtained licensing for operation in the 138-150 MHz portion
of the band. If the TFM-138 transceiver is used in CANADA, operation is restricted to the following
sub bands: 138-144, 148-148.99, 149.005-150.005 and 150.05-174 MHz.
1.2 DESCRIPTION
The TFM-138, Transceiver is a frequency agile, fully synthesized airborne transceiver capable of
operating in the 138.000 MHz to 174.000 MHz frequency range in 2.5 kHz increments with either 25
kHz or 12.5 kHz channel spacing. The Transceiver can operate without restriction on any split
frequency pair in the band and also incorporates a two channel synthesized guard receiver.
The TFM-138 Transceiver provides 100 operator accessible memory positions, each of which is
capable of storing a transmit frequency, receive frequency, transmit frequency CTCSS tone, receive
frequency CTCSS tone, an alphanumeric identifier for each channel and (in the TFM-138 s/n 1540
and up only) wideband (25 kHz) or narrowband (12.5 kHz) channel spacing assignment.
Operating frequency and other related data are presented on a 48 character, two line LED matrix
display. Data entry and function control are performed via a 12 button keypad. Preset channels may
also be scrolled and scanned through keypad function activation. Data may also be entered via a PC
computer with the provided software and optional PIB-100 programming interface box or via an older
computer and PC Up/download cable, P/N 943165-4.
1.3 PURPOSE OF EQUIPMENT
The TFM-138, VHF/FM Transceiver is designed to provide secondary airborne communications to
facilitate operations which are typically performed in a low altitude environment. The transmitter
section of this unit has a minimum of 8 watts and does not exceed 10 watts output power, which may
be reduced by a front panel switch to 1 watt, in order to reduce interference to land based systems.
1.4 MODEL VARIATION
There are four variations of the Model TFM-138 Transceiver. All units offer identical features
and performance except for the following differences:
TFM-138, P/N 921012-1 GREEN display and 28 Volt back lighting.
TFM-138, P/N 921012-1 (5V) GREEN display and 5 Volt back lighting.
TFM-138, P/N 921012-2 RED display and 28 Volt back lighting.
TFM-138, P/N 921012-2 (5V) RED display and 5 Volt back lighting.
Both P/N's 921012-1 and 921012-2 are always provided with 28 Volt back lighting unless a
specific request is made for 5 Volt AC operation.

1-2
1.5 TECHNICAL CHARACTERISTICS
Specification Characteristic
GENERAL
Model Designation: TFM-138, s/n 1540 and up
Frequency Range: 138.000 to 174.000 MHz
Tuning Increments: 2.5 kHz
Operating Mode: F3E simplex or semi-duplex
Channel Spacing: 25 or 12.5 kHz
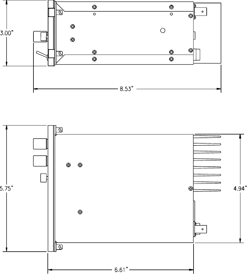
Physical Dimensions (including heatsink): Approx. 8.0" X 3.0" X 5.75"
Weight: Approx. 3.1 Lbs (1.4 Kg)
Mounting: Panel Mount via Dzus fastners
Operating Temperature Range: -45EC to +70EC
Power Requirement:
Voltage: 28.0 Vdc, ± 15%
Current: Receive - 0.7 A Max.
1 Watt Transmit - 1.3 A Max.
8-10 Watt Transmit - 2.0 A Max.
Frequency Selection: 100 memories programmed with:
a) Tx Frequency/Rx Frequency
b) Tx/Rx CTCSS tone
c) 9 character alpha numeric title
Guard Receiver: 2 channels programmed with:
a) Tx Frequency/Rx Frequency
b) Tx CTCSS tone
c) 9 character alpha numeric title
CTCSS squelch/encoder: All CTCSS tones available
DPL digital squelch/encoder: (Not available in TFM-138)
DTMF encoder: All standard DTMF tones
Audio Output: 0.5 Watts into 600 ohms
Speaker Output: 2.5 Watts min. into 4 ohms
Back Lighting: 28 Volts (standard) or
5 Volts (specify)
Display Colour: Green (standard) or
Red (specify)
DPL is a trademark of Motorola Corporation
1-3
1.5 TECHNICAL CHARACTERISTICS (continued)
MAIN RECEIVER
Sensitivity at 12 dB SINAD Better than 0.35 µV
Adjacent Channel Selectivity -70 dB (25 or 12.5 kHz)
Spurious Attenuation -90 dB
Third Order Intermodulation -70 dB
Image Attenuation -80 dB
FM Acceptance ± 6 kHz
Hum and Noise Better than 50 dB
Audio Distortion less than 5%
Antenna Conducted Emission less than -70 dBm
GUARD RECEIVER
All specifications identical to main receiver
TRANSMITTER
RF Power Output 1 watt or 10 watts
Output Impedance 50 ohms
Maximum Deviation ±5 kHz (25 kHz mode)
(In narrowband mode) ±2.5 kHz(12.5kHz mode)
Spurious Attenuation -90 dB below carrier level
Frequency Stability ± 0.0005%
Microphone Circuit Carbon or equivalent
Sidetone Output 0.5W (max) into 600Ω
Harmonic Attenuation -65 dB below carrier level
FM Hum And Noise -40 dB
Audio Input 50 mV at 2.5 kHz into
200 Ω input circuit for
±3.5kHz deviation, adjst.
Audio Distortion Less than 5%
2-1
SECTION 2
OPERATING INSTRUCTIONS
2.1 OPERATING FEATURES
The equipment has several important operating features which provide maximum flexibility,
performance and versatility. These features are outlined below. New features provided in TFM-
138 units of s/n 1540 and up with F10-B software are indicated by an “*”.
1. 100 memory positions* which can each be programmed with a transmit and receive
frequency with 25 or 12.5 kHz channel spacing*, Tx/Rx CTCSS tones and a 9-character
alphanumeric title.
2. 2 guard channels which can each be programmed with a Rx frequency with 25 or 12.5
kHz channel spacing*, CTCSS Tx tone and a 9-character alphanumeric title.
3. Scanning of preprogrammed memories with selective memory scanning*.
4. Priority scan of memory channel 1, if desired.
5. Direct frequency entry mode.
6. Receive frequency simplex function.
7. Switchable RF output power between 1 watt and 8-10 watts.
8. Lockout of keyboard to prevent inadvertent entries.
9. Variable frequency mode to manually scan up and down in 2.5 kHz steps.
10. LED display variable dimming mode.
11. Selectable 90 second Tx time out feature.
12. Quick download* of any of the 100 memory positions to the guard memories.
13. PC Memory download capability. (Does not upload memories from the transceiver).
2.2 OPERATING INSTRUCTIONS (See Figure 2-1)
1. Switch power on by turning the main volume clockwise. The last programmed
frequencies will be displayed. The transceiver is now in normal operating mode.
2. Adjust the audio level by adjusting the main and guard volume knobs.
3. Pressing the squelch defeat button will open both receivers to confirm they work.
4. The top display line will indicate which memory is selected followed by a "+" if the memory
position is in the scan list, an alphanumeric message, and the frequency of the main
receiver. A small "n" before the frequency indicates 12.5 kHz narrowband channel
spacing is in effect on this memory position. In the receive mode, the frequency is
followed by an "RT" if a RX CTCSS tone is programmed, or an "RX" if no Receive tone is
programmed. Similarly, in the transmit mode either a "TT" or "TX" is shown after the
frequency. The bottom line indicates similar information about the guard receiver.

2-2
FIGURE 2-1 Operator's Switches and Controls - TFM-138, (F10-B software)
2-3
5. Only TX CTCSS tones may be programmed for the guard receiver. At the beginning of
each line, an LED indicates open squelch.
6. Set the MN/GD switch to main or guard transmit frequency.
7. Set the G1/G2 switch to the desired guard channel.
8. Set the HI/LO switch to the desired RF output power.
9. Select the desired memory by using the M.UP and M.DN buttons, or the RCL button
and a three digit number followed by ENTER.
10. To transmit DTMF tones, use the keyboard keys while holding the PTT button on the
microphone. The keyboard returns to its normal function when the PTT is released.
The display always shows the status of both receivers and the transmitter. The light at the left of
the top and bottom line indicates which receiver is receiving. The display also indicates which
memory channel is in use and which guard channel is in use.
A "TX" (no TX CTCSS toneprogrammed) or "TT" (TX CTCSS tone programmed) on the right side
of the display indicates whether the guard or main channel is active when transmitting. The
transmit frequency is also shown. In the receive mode the display shows “RX”beside the receive
frequency if no RX CTCSS tone is programmed and “RT” if a CTCSS tone is programmed.
When the transceiver is in either of the operating frequency or CTCSS tone programming modes
and you must respond to a call, click the microphone PTT once (the radio will not transmit during
this click). This will cause the transceiver to revert back to the normal operating mode and
communications with the caller can proceed in the usual fashion.
2.3 PROGRAMMING INSTRUCTIONS
To program one of the 100 memory channels in the TFM-138:
1. Press the FUNC key. The display will show the function prompt.
2. Press the PROG key. The display will show the current receive frequency with a
flashing curser on the second digit (The first digit is always a one <1>).
3. Type in the desired receive frequency. If you type in a frequency which is not a 2.5 kHz
step, the nearest valid frequency will be automatically selected.
4. The curser will return to the second digit. You can now retype the frequency if you
made an error or press ENTER to continue.
5. The transmit frequency will be displayed with the curser on the second
digit. Follow the same method as in step 3 and 4.
6. The channel spacing increment of either 25.0 or 12.5 kHz is now displayed. Use the
M.UP and M.DN keys to select the desired channel spacing for the memory position,
then press ENTER.
2-4
7. The alpha-numeric title is now displayed. Use the M.UP and M.DN keys to scroll through
the alphabet, numbers and symbols. When the desired character is displayed,press
ENTER to advance to the next character.
8. Keep repeating step six until the last space is set. The display will show SCAN or
LOCKOUT to enable this memory position as part of the scan list or lock it out of the scan
list. Use the M.UP and M.DN keys to toggle between these functions (for details see
paragraph 2.5). Once the desired condition has been selected, press ENTER. TheTFM-
138 display will now show a "+" beside the memory channel number if scan is enabled.
9. The display will now show the current memory number. Type in the 3-digit number of the
memory you want to save to (if different from displayed one) and press ENTER.1 or 2 digit
memory numbers must be entered as 3-digits with zeroes preceding them.
10. You now have the option to program the guard frequencies by pressing FUNC or press
ENTER to return to normal operating mode.
11. If you pressed FUNC to program the guards, guard"1" transmit frequency will be
displayed with the flashing curser on the second digit. Enter the frequencies for guard"1"
receive/transmit and guard"2" receive/transmit as in step 3 and 4.
12. The alphanumeric labels for guard"1" and guard"2" are entered the same as in step 7 and
8. When the last character is entered, the radio returns to normal operating mode. If the
guard is to be programmed for 12.5 kHz narrowband operation, use the QUICK GUARD
PROGRAMMING FEATURE described in paragraph 2.12. A memory position must be
programmed to the 12.5 kHz mode then the contents can be quickly downloaded to GD1
or GD2 memory positions.
Programming of memory is disabled when the internal entry disable jumper is set. Alternatively
any transceiver can be programmed by an IBM PC or compatible computer. See section 2.14 PC
Memory/Programming Download Capability.
2.4 SCANNING FUNCTION (5 second talkback delay)
1. To start scanning of the memory channels, press FUNC then SCAN.
The radio will scan through all the preset memory positions (see next paragraph for priority and
selective scan features) and will lock on to the first active channel in the scan sequence. It will
remain on the channel until it becomes inactive. Scanning will resume again after five seconds of
inactivity. To exit the scan mode, press the SCAN key. This will cause the radio to revert back to
the normal operating mode.
Therefore if while scanning, you hear a call for you:
1. Respond to the call within 5 seconds. When scanning is interrupted by an
incoming signal, the channel will remain open for five seconds before resuming
scanning.
2. During communications the five second timer is reset from the last Rx or Tx
signal experienced.
The radio resumes scanning once the Rx or Tx activity has ceased for more than five seconds.
The SCAN key must be pressed to exit the scan mode.
2-5
2.5 PRIORITY AND SELECTIVE MEMORY CHANNEL SCANNING
The priority memory channel is always memory position number 1. The priority memory channel
is scanned every other step (ie. 121314151...) to ensure that no incoming messages are missed.
The priority channel can be locked out, which will result in the normal scanning of the other
memory positions.
Selective memory scanning allows the user to select which of the 100 memory channels are to be
scanned or locked out when the scan function is invoked. To use this feature, follow the
PROGRAMMING INSTRUCTIONS found in paragraph 2.3. Once the screen displays SCAN or
LOCKOUT, use the M.UP or M.DN keys to toggle to the desired condition and press ENTER. In
normal operating mode the display of the TFM-138 will later show a "+" beside the memory
channel number if scan is enabled.
2.6 DIRECT FREQUENCY ENTRY MODE
This mode is designed to facilitate quick frequency selection during emergency and other
operational conditions requiring direct operating frequency selection. This operating mode is
disabled along with the programming mode when the internal disable jumper is set.
1. When the transceiver is in the normal operating mode, press FUNC and the desired
operating frequency ie/ 153.275.
Please note in the above operation, after FUNC and "1" are entered, the LED display will show
memory channel "000" and then the remaining digits in the desired frequency are shown as they
are entered. No alphanumeric message can be entered in this mode. Operation on the new
frequency occurs in both transmit and receive (simplex only) modes. If RX or TX CTCSS tones
are required they must be programmed on.
2.7 RECEIVE FREQUENCY SIMPLEX FUNCTION
The receive frequency simplex function allows you to quickly change the transmit frequency, when
operating on a split pair (repeater/semi-duplex mode), to the receive frequency to allow direct
communications. ie/ If you are transmitting on 152.000 MHz and receiving 152.555 MHz,
press FUNC then UP to transmit on 152.555 MHz. To return to the split pair condition, you must
recall the memory channel again. This is quickly done by pressing M.UP for one step up, then
back down one step with the M.DN key.
2.8 KEYBOARD LOCKOUT FUNCTION
The keyboard can be locked out so that accidental pressing of keys does not change frequency,
etc., unknowingly to the operator. To lock the keyboard, press FUNC then LOCK. This will disable
all keyboard functions (except keyboard unlock) in the receive mode. The DTMF function during
transmit will not be affected. To unlock the keyboard, press and hold the LOCK key for two
seconds until the display indicates "UNLOCK".
2.9 VARIABLE FREQUENCY MODE FUNCTION
To enter variable frequency mode, press RCL, 0,0,0, then ENTER. The memory channel that you
were just in will still be valid but now you can manually adjust the frequency with the M.UP, M.DN,
UP and DN keys. The UP and DN keys will make the frequency count up or down in steps of 2.5
kHz. The M.UP and M.DN keys will make the frequency count up or down in steps of 1 MHz. You
can not change the label. The frequency in this mode can not be stored in memory. To exit this
mode, recall one of the 100 memory channels (ie. RCL,0,0,1). Variable frequency mode is
disabled when the internal entry disable jumper is set.

2-6
2.10 LED DISPLAY VARIABLE DIMMING MODE
1. With the transceiver in normal operating mode press the UP or DN keys to increase or
decrease the intensity of the LED display.
2. Once maximum intensity of the display is acheived, the UP key no longer functions.
Conversely once minimum intensity is reached, the DN key ceases to function.
2.11 90 SECOND TRANSMITTER TIME OUT FEATURE
A selectable 90 second transmitter time out feature is provided to prevent accidental
continuous transmission in the event of a faulty PTT switch. With this feature enabled the
transceiver will stop transmitting after the PTT is engaged continuously for 90 seconds. The timer
is reset by releasing then re-engaging the PTT switch.
Press the FUNC then the M.UP key. Use the M.UP and M.DN keys to select 90 SEC, which
enables the feature, or NONE which disables it.
2.12 QUICK GUARD PROGRAMMING FEATURE
A quick download of any of the 100 memory positions to either of the guard memory positions can
be accomplished. Select the memory position whose contents you desire to download to a guard
memory. Select either GD1 or GD2 memory channel as desired. Press FUNC then 7. The guard
memory channel will now contain all the same information as the selected memory position.
2.13 PROGRAMMING CTCSS TONES
NOTE: The TFM-138 supports only CTCSS tone functions. DPL code functions are not
supported.
CTCSS tones (PL tones) can be assigned to each memory channel. The guard receiver squelch
will operate only on carrier detection, but guard 1 and 2 transmit tones can be programmed. To
program a CTCSS tone to a memory channel:
1. Use the M.UP and M.DN keys to select the memory channel that you want to assign
a CTCSS tone.
2. Press the FUNC key then the TONE key. The display will show "RX TONE:" and the
current tone number, as well as the tone frequency in Hz.
3. Use the M.UP and M.DN keys to select the tone number you require. The following
is a list of the available CTCSS tones:
Number Tone Number Tone Number Tone
01 67.0 26 162.2 51 177.3*
02 71.9 27 167.9 52 183.5*
03 74.4 28 173.8 53 189.9*
04 77.0 29 179.9 54 196.6*
05 79.7 30 186.2 55 199.5*

2-7
2.13 PROGRAMMING CTCSS TONES/DPL CODES - continued
06 82.5 31 192.8 56 206.5*
07 85.4 32 203.5 57 210.7*
08 88.5 33 33.0* 58 218.1*
09 91.5 34 35.4* 59 225.7*
10 94.8 35 36.6* 60 229.1*
11 97.4 36 37.9* 61 233.6*
12 100.0 37 39.6* 62 241.8*
13 103.5 38 44.4* 63 250.3*
14 107.2 39 47.5* 64 No Tone
15 110.9 40 49.2* (carrier squelch only)
16 114.8 41 51.2* (The tones marked with * are
17 118.8 42 53.0* nonstandard tones).
18 123.0 43 54.9*
19 127.3 44 56.8*
20 131.8 45 58.8*
21 136.5 46 63.0*
22 141.3 47 69.4*
23 146.2 48 159.8*
24 151.4 49 165.5*
25 156.7 50 171.3*
4. Press ENTER. "TX TONE" appears on the display. Repeat step 3.
5. Press ENTER. "G1 TONE" appears on the display. Repeat step 3.
6. Press ENTER. "G2 TONE" appears on the display. Repeat step 3 and press ENTER.
CTCSS tone programming of the TFM-138 is now complete.
2.14 PC MEMORY PROGRAMMING UP/DOWNLOAD CAPABILITY
The Technisonic Data Programmer (Multi-TDP) Windows based software is supplied on a CD
with the TFM-138 transceiver or is available for download from our web site www.til.ca. This
software will allow anyone with a standard personal computer (PC) and the PIB-100
programming box to send or retrieve data from a connected TFM-138 transceiver for editing,
sorting and sharing with other Technisonic transceivers.
The Multi-TDP programmers are 32 bit Windows applications that will work under Windows
95, Windows 98, Windows NT 4.0 and Windows 2000. Documentation for each of the
respective programmers is available from the pull down "Help" menu at the top of the
programmer display. To use the Windows based program with the TFM-138, a PIB-100
programming interface box, P/N 001108-1must be purchased from Technisonic or other re-
seller.
The CD supplied with the transceiver also contains a DOS based download program that can
be used with the TFM-138 and no interface box. However changes in operating systems and
PC hardware that have occurred since the release of our DOS compatible software, prevent it
from working with most modern computers. Computers with 486

2-8
processors or some early Pentium type processors of 200 MHz or less running MS DOS
seem to work the best. Please check the “Programmer downloads” link on our web site
www.til.ca for further information regarding PC programming information for users of single
band transceivers like the TFM-138.
Please note that the TFM-138 and not the TFM-138B must be selected in the Multi-TDP
software package. See paragraph 2.14.4, item 8 below.
The user instructions for the Windows based Multi-TDP software and then the DOS based
software follow below:
2.14.1 Windows Program Requirements:
1. PC compatible computer running Windows 95/98/NT/2000/ME. CD ROM drive and an
available serial port.
2. Bench power supply of 28 volts DC.
3. PIB-100 Programming Interface Box (p/n 001108-1) - use cables that are provided with
the PIB-100 programming interface box. Do not use cable p/n 943165-4 which is for use
with the DOS program only.
2.14.2 Windows Program Installation:
1. Insert the CD into the drive.
2. Open the CD with windows explorer.
3. Open the MultiTDP directory and double click the MultiTDP_Install.exe file.
4. Follow on screen instructions.
2.14.3 Connections:
1. Follow the connection instructions supplied with the PIB-100.
2. Do not turn on the 28 volt power supply until all connections have been made.
2.14.4 Running the Windows Program:
1. On the computer, click the Start menu button.
2. Select Programs from the Start menu.
1. Select Technisonic from the Programs menu.
2. Select MultiTDP.
3. The program will start. The MultiTDP program is used for almost all of Technisonic’s
transceivers, therefore it has to be set up specifically for your TFM-138.
4. Pull down the File menu and click Select Radio.
5. Click the TFM-30/138/138B/403 line.
6. The display will configure itself for the PIB-100. Click the dot beneath TFM-138.

2-9
7. Pull down the Com Port menu and select the com port that you have connected the PIB-
100.
8. The software is now ready to use. To get a full instruction manual, pull down the Help
menu and select Documentation in PDF format.
2.14.5 Helpful Hints:
When uploading or downloading, a message box will appear asking you to press FUNC and then
7 on the radio. Press these keys before clicking the OK button in the message box.
2.14.6 DOS Program Requirements:
1. PC compatible computer with:
C200 MHz or less
C486 or early Pentium one processor
CPrinter port (LPT1)
CCD drive - If not, you can copy the software on another computer to a
floppy disk.
CColour monitor is preferred as some of the text is colour coded.
2. Bench power supply of 28 volts DC.
3. PC Download cable (p/n 943165-4) see figure 2-2.
2.14.7 DOS Program Installation:
1. Insert the CD into the drive.
2. Create a directory on your hard drive called \TIL.
3. Copy everything from the \PCDLN directory on the CD to the \TIL directory on the hard
drive.
2.14.8 Connections:
1. Connect the PC download cable (p/n 943165-4) to the radio.
2. Connect the other end of the cable to the printer port on the computer
3. Connect the red and black leads to the power supply.
2.14.9 Running the DOS Program:
1. Turn on the 28 volt power supply.
2. Turn on the radio. The channels on the radio may start scrolling - this is normal.
3. Change to the \TIL directory and type PCDLN and enter. The radio should stop scrolling.
Do not use older DOS software (\PCDL) for TFM-138’s that have F10 firmware (s/n 1539
and less that have 25 memories). It is not compatible with DOS download software for
TFM-138’s with F10B firmware. Your frequency information will become corrupted as it is
downloaded to a TFM-138 with F10B firmware. Similarly do not use DOS download
software designed for the TFM-138B which includes /PCDLB and /PCDLB2. It is not
compatible with the F10B firmware in the TFM-138.
2-10
4. Follow the menus to edit channels, print channel list, up or download as desired.
5. The data file is continuously updated as each change is made, so you don’t have to save
the file at any time. To have multiple data files, you will have to copy the data file to
another name and then copy it back when needed. There always has to be a data file
called “DATA" or the program will not work.
2.14.10 Helpful Hints:
* Be sure to never plug in the radio while the power supply is on or damage may occur to
your printer port.
CYou can only use LPT1 as the printer port. Make sure it is enabled in the BIOS.
CThe program works best on older, slower computers but has worked on some new PCs
running DOS. A good way to try this out is to make a DOS bootable floppy with the
software on it running the software from the A: drive.

2-11
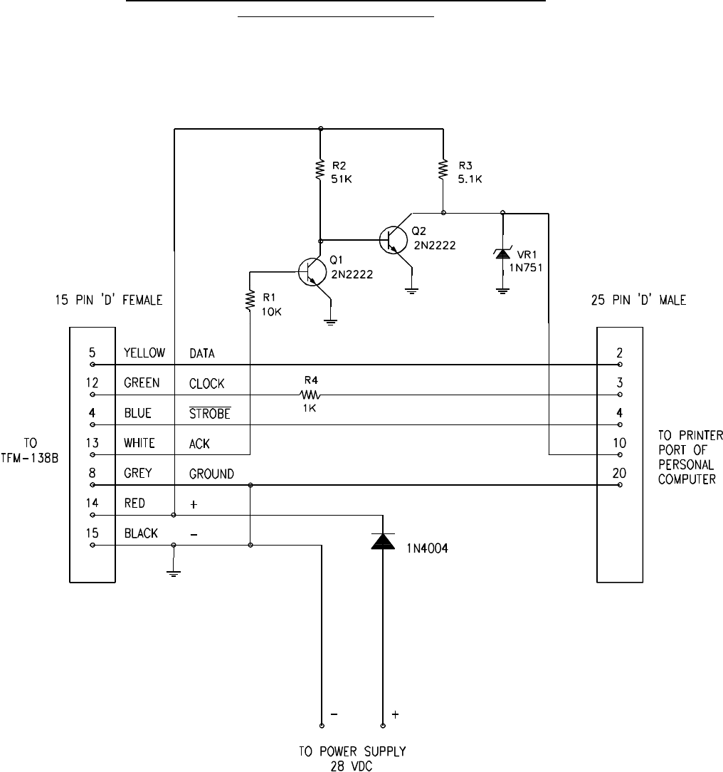
TFM-138 Upload/Download Programming Cable For DOS Program
P/N 943165-4 - Wiring Diagram
FIGURE 2-2 TFM-138 Transceiver PC Download Cable - wiring diagram
(for DOS program only)

3-1
SECTION 3
INSTALLATION INSTRUCTIONS
3.1 GENERAL
This section contains information and instructions for the correct installation of the TFM-138,
VHF/FM Transceiver.
Make certain that the correct frequencies are preprogrammed in accordance with the
equipment user's valid FCC operator's license, prior to installation.
3.2 EQUIPMENT PACKING LOG
Unpack the equipment and check for any damage that may have occurred during transit. Save
the original shipping container for returns due to damage or warranty claims. Check that each
item on the packing slip has been shipped in the container. Verify that the equipment display and
backlighting configuration are the same as those ordered.
3.3 TRANSCEIVER INSTALLATION
The TFM-138 Transceiver is designed to be Dzus mounted and should be installed in
conjunction with a IN-150 installation kit. See Figure 3-1 for an outline drawing of the unit with
dimensions to facilitate the installation.
3.4 INSTALLATION KIT - CONTENTS
The IN-150 installation kit consists of:
1. One 15 pin Cannon D mating connector (female) complete with crimp pins and hood.
2. One BNC antenna mating RF connector (male) and hood.
3.5 ANTENNA INSTALLATION
Antenna, P/N ATM-150 may be obtained from Technisonic Industries Limited or a suitable
equivalent may be utilized with the TFM-138 Series transceivers. The antenna should be
mounted on the bottom of the aircraft whenever possible. Consult with instructions provided with
the antenna. Connect RF cable from antenna to the back of the TFM-138 Series unit by utilizing
the BNC mating connector provided in the installation kit.
3.6 INSTALLATION - PIN LOCATIONS AND CONNECTIONS
The pin numbers and locations for the 15 pin Cannon D located on the rear of the TFM-138
transceiver are shown below. Pin connections are in provided in TABLE 3-1.
Transceiver mounted view of 15 pin connector

3-2
FIGURE 3-1 Outline Drawing for Model TFM-138 Transceiver

3-3
3.6INSTALLATION - PIN LOCATIONS AND CONNECTIONS (continued)
TFM-138 Transceiver
15-Pin D Connections
Pin # Description
1 600 Ohm Output
2 Data Output
3 Panel Lighting (28VDC or 5VAC)
4 Memory UP/PC Download Input
5 Memory Down/PC Download Input
6 Mic Signal Input
7 Main Power +28VDC
8 Main Ground
9 4 ohm Speaker Output
10 4 ohm/600 ohm Output Ground
11 Data Input
12 PC Download Input
13 PTT (Ground Keying)
14 Main Power +28VDC
15 Main Ground
TABLE 3-1
3.7 WIRING INSTRUCTIONS
Figure 3-2 shows all required connections and recommended wire sizes for the TFM-138
Transceiver.
3.7.1 Main Power +28VDC
The main power +28VDC (±15%) is connected to pins 7 and 14 of the transceiver. Both pins
should be connected.
3.7.2 Main Ground
Ground connections for the transceiver are made on pins 8 and 15. Both pins should be
connected.
3.7.3 PTT (Ground Keying)
The PTT line is connected to pin 13 and should be floating when the transceiver is in receive
mode, and grounded during transmit mode.

3-4
Figure 3-2 Wiring Connections for TFM-138 Transceiver
3-5
3.7.4 Front Panel Back Lighting
Front panel back lighting connection should be made on pin 3 of the transceiver. The opposite end
of this lead should be connected to the panel lighting system of the aircraft. Before connecting,
verify the required panel lighting voltage (28 VDC or 5VAC) on the transceiver configuration control
label.
3.7.5 Audio Outputs (600 ohms and 4 0hms)
The audio output from pin 9 can be used to drive a 4 ohm speaker up to 2.5 watts. Audio output
from pin 1 is 600 ohms, 0.5 watts maximum.
3.7.6 Audio Output Ground
Pin 10 is the ground for both the 4 ohm and 600 ohm audio output signals on pins 9 and 1.
3.7.7 Mic Signal Input
The microphone input signal is to be provided on pin 6, utilizing shielded wire with the shield
grounded to pin 10.
3.7.8 Memory Up/Memory Down
Remote scrolling through the 100 memory positions can be achieved by providing a ground to
pins 4 (up) and 5 (down) through a momentary contact cyclic switch.
3.7.9 Data Input
Data communications equipment requiring direct access to the modulator and discriminator can be
connected via pins 2 and 11. Data cannot be transmitted in CANADA unless equipment is approved
for use with the TFM-138 unit by the communications regulatory authority.
3.8 INTERNAL ENABLE/DISABLE JUMPER
The programming and direct frequency entry modes can be disabled by removing the
internal enable/disable jumper. Removal of this jumper will prevent operation on any frequencies
other than those programmed in the 100 memory positions and two guard receiver memory
positions.
The transceiver is always shipped with this jumper in the entry enable position. To place the
jumper in the disable position:
1. Remove and retain the seven (7) No. 4-40 screws securing the bottom cover of the
transceiver to its chassis.
2. Remove and retain the four (4) No. 4-40 screws securing the guard receiver PCB
module in the chassis tray. Remove the guard receiver module from the chassis tray.
3. Remove and retain the two (2) screws securing the fuse board. Remove and retain the five
(5) screws securing the chassis tray to the main chassis. Remove the chassis tray.
4. You should now have access to the Microprocessor Control Unit (MCU) PCB Module (See
Figure 3-3). Remove the enable/disable jumper from pins 3 and 4 of J15.
5. Reverse steps 1 through 3 and secure all screws to re-assemble the transceiver.

3-6
Microprocessor Control Unit (MCU) PCB Module
Notes: R23 is High Power Adjustment
R24 is Low Power Adjustment
J15 Jumper between pins 3 and 4 for Entry Enable
Remove for Entry Disable
FIGURE 3-3 Internal Enable/Disable Jumper and Transmit High/Low Power Adjust Locations
3-7
3.9 TRANSMITTER POWER ADJUSTMENTS
The transmitter power is adjusted to a maximum of 10 watts in high power mode and 1 watt in low
power mode over the transceiver operating bandwidth at the factory. If transmitter RFpower re-
adjustment is required, perform as follows:
1. Remove bottom cover as described in the previous paragraph (3.8). Access to the
two adjustment potentiometers on the Microprocessor Control Unit (MCU) PCB Module is
provided by two access holes located at the back of the chassis tray.
2. Connect an RF through-line wattmeter to the antenna connector. Set the operating
frequency to 156.000 MHz and key the transmitter.
3. In low power mode, set the low power adjustment potentiometer R24 to produce 1.0 watt
of RF output power (See Figure 3-3).
4. In high power mode, set high power adjustment potentiometer R23 to produce 9.5
watts of RF output power.
5. Verify that the RF output power is between 8 and 10 watts on 138.000 MHz, 156.000 MHz
and 174.000 MHz.
6. Replace bottom cover as described in the previous paragraph (3.8).
3.10 TRANSMITTER MICROPHONE LEVEL ADJUSTMENT
1. Set the transceiver operating frequency to 156.000 MHz and connect an appropriate test
receiver to the RF output connector. Ensure that the output of the transceiver is
terminated into a proper dummy load.
2. Key the transmitter and input a -10 dBm (0.25 VRMS), 1 kHz audio signal into the
microphone input.
3. Adjust the microphone level potentiometer (R8 on MCU module) through the access
hole located on the right side of the chassis (see Figure 3-4) to produce a 3.5 kHz
deviation.
4. Verify that the deviation is at least 3 kHz on the following frequencies: 138.000 MHz,
156.000 MHz and 174.000 MHz.
3.11 TRANSMITTER SIDETONE LEVEL ADJUSTMENT
1. Set the transceiver operating frequency to 156.000 MHz and connect an appropriate test
receiver to the RF output connector. Ensure that the output of the transceiver is terminated
into a proper dummy load.
2. Key the transmitter and input a -10 dBm (0.25 VRMS), 1 kHz audio signal into the
microphone input.
3. Adjust the sidetone level potentiometer (R37 on MCU module) through the access
hole located on the left side of the chassis (see Figure 3-4) to produce a +3.0 dBm (1.0
VRMS) 600 ohm audio output.

3-8
FIGURE 3-4 Microphone and Sidetone Level, Main and Guard Squelch Adjustment Access Holes
3-9
3.12 MAIN AND GUARD SQUELCH ADJUSTMENT
The squelch on both the main and guard receivers is factory set to open at approximately 1.0
microvolt. This adjustment can be made or altered to suit local conditions as follows:
1. Set the main receiver of the transceiver to 156.000 MHz. Connect a signal generator to the
antenna input of the transceiver.
2. Set the signal generator to produce a ±3 kHz deviation with a 1 kHz tone on 156.000 MHz.
Set the signal generator RF level to 1.0 uV . The squelch indicator LED is on and signal is
heard. Set the generator to 0.6uV. The squelch indicator should go off and no signal heard.
3. If not, re-adjust main receiver squelch potentiometer, R3 through the access hole
located on the bottom of the transceiver chassis (see Figure 3-4).
4. Repeat the above procedure to adjust the guard receiver squelch setting using guard
receiver squelch adjustment potentiometer, R4 (see Figure 3-4).
3.13 TRANSMITTER DEVIATION ADJUSTMENT
1. Remove and retain the eight (8) No. 4-40 screws securing the top cover of the
transceiver to its chassis. You should now have access to the Main Rx/Tx Module.
2. Set the transceiver operating frequency to 156.000 MHz and connect an appropriate test
receiver to the RF output connector. Ensure that the output of the transceiver is
terminated into a proper dummy load.
3. Key the transmitter and input a +10 dBm (2.5 VRMS), 1 kHz audio signal into the
microphone input.
4. Adjust the wideband deviation limit potentimeter, R30 on the main Rx/Tx module (see
Figure 3-5) to produce a ±4.45 kHz deviation. Adjust the narrowband deviation limit
potentiometer, R76 on the main Rx/Tx module to produce a ±2.2 kHz deviation.
5. Verify that the deviation does not exceed ±5 kHz for wideband and ±2.5 kHz for
narrowband on the following frequencies: 138.000 MHz, 162.000 MHz and 174.000
MHz. Re-adjust R30 or R76 as required, if the deviation exceeds ±5 kHz or ±2.5 kHz,
respectively.
6. Place top cover on transceiver chassis and secure all eight (8) screws.
3.14 GUARD RECEIVER AUDIO LIMIT FEATURE
Upon special request, 1 mW of guard receiver audio bleed with the guard volume control in the fully
CCW (OFF) position, can be provided. This feature can be disconnected as follows:
1. Remove and retain the seven (7) No. 4-40 screws securing the bottom cover of the
transceiver to its chassis.
2. Find the jumper located at the bottom of the front panel is connected between the CCW
position of the guard audio potentiometer (R2) and ground. Remove this jumper.
3. Replace the bottom cover of the transceiver and secure with the seven (7) screws
removed in step 1.

3-10
Main Receiver/Transmitter PCB Module
Notes: R30 is for 5.0 kHz (wideband) Deviation Adjustment
R76 is for 2.5 kHz (narrowband) Deviaton Adjustment
FIGURE 3-5 Deviation Adjustment Potentiometer Location
A-1
APPENDIX TO “INSTALLATION INSTRUCTIONS”
POST INSTALLATION EMI TEST
PURPOSE
The purpose of this test is to identify any interference that the TFM-138, TFM-138A or TFM-138B
may cause with existing aircraft systems. For simplicity all TFM-138 model variations will be
referred as TFM-138 series transceivers in this document.
TEST CONDITIONS
The TFM-138 series transceiver should be installed and function tested. The antenna VSWR should
be checked. A forward/reverse power check with a in-line wattmeter should show no more than
10% reflected power. For the following tests, insure that the power switch is in the high position.
METHODOLOGY
Most of the EMI tests can be accomplished on the ground. In some cases flight testing is required
or is easier. If the aircraft is approved for IFR operations, then it is mandatory that interference
between the TFM-138 series Airborne FM and the approach aids be checked in flight.
The GPS should be operational and navigating with at least the minimum compliment of satellites.
The VHF comm should be set to the frequencies indicated with the squelch open. VOR/ILS/GS
receivers should be set to the frequencies indicated and selected for display If possible, set up a
VOR/ILS ramp test set on the frequencies indicated and adjust the output until the flags are out of
view. The transponder and encoder should be monitored with ramp test equipment. If possible set
the ADF to a nearby navigation station.
Modulate the TFM-138 series transmitter on the indicated frequencies for at least 20 seconds.
Observe the GPS for any degradation in satellite status or availability or flags. Listen for any noise
or detected audio signals on the VHF comm(s). Listen for any noise or detected audio signals on
the VOR/LOC receiver audio; look for any moment of flags or needles on the VOR/LOC/GS
navigation display(s).
List the power plant, fuel and other electric instruments in the chart provided and note any
anomalies that occur while transmitting. Assess the results.
If the aircraft is equipped with an autopilot or a stability augmentation system, then test fly the
aircraft and verify that operation of the TFM-138 series transceiver does not have adverse effects
on these systems. After checking for gross effects at a safe altitude, fly an approach with each of
the different navigation systems coupled to the autopilot (ILS, GPS ETC.) and look for any
anomalies.
RESULTS
If the installed system passes all of the applicable EMI tests, then no further action is required. If
interference is observed then the interference must be assessed against the appropriate standards
of airworthiness for the system in question. For example it is permissible for a VFR certified GPS
to lose navigation capability while the TFM-138 series unit is transmitting, providing that it recovers
properly and promptly, but it is not permissible for an IFR Approach certified GPS to affected in the
same way. A complete discussion of all the standards of airworthiness to be applied in assessing
EMI effects is beyond the scope of this document.

A-2
PROCEDURE
A. Operate the TFM-138 series transmitter on the following frequencies for at least 20 seconds.
Observe the GPS for any degradation in satellite status or availability or flags.
FREQUENCIES GPS #1 GPS #2
TFM 138 PASS FAIL PASS FAIL
143.180 MHZ
143.1825 MHZ
157.5000 MHZ
157.5425 MHZ
NOTES:

A-3
B. Determine if the image frequency for the VHF Comm falls within the range of the TFM-138
series unit. If so, select a set of frequencies that will cause the TFM-138 series unit to be
set as close as possible to the image frequency. Any one of the many possible sets will
suffice. Record those values in the spaces provided in the following chart. Modulate the
TFM-138 series transmitter on the following frequencies for at least 20 seconds. Listen for
any noise or detected audio signals on the VHF comm.
Example - Bendix/King KY 196A:
The first IF frequency is 11.4 MHZ. The L.O. is above the received frequency (high side
injection), therefore the image frequency is 22.8 MHZ above the selected frequency. Set the
KY 196A to 120.000 MHZ and the TFM-138 series Transceiver to 142.8000 MHZ.
FREQUENCIES RESULTS
VHF #1 TFM-138 series PASS FAIL
135.975 138.0000
121.150 157.5000
131.250 157.5000
Image:
FREQUENCIES RESULTS
VHF #2 TFM-138 series PASS FAIL
135.975 138.0000
121.150 157.5000
131.250 157.5000
Image:
NOTES:

A-4
C. Determine if the image frequency for the VOR/ILS Nav falls within the range of the TFM-138
series unit. If so, select a two sets of frequencies that will cause the TFM-138 series
transceiver to be set as close as possible to the image frequency. Chose one set in the
localizer frequency range, and one in the VOR frequency range. Record those values in the
spaces provided in the following chart. Modulate the TFM-138 series transmitter on the
following frequencies for at least 20 seconds. Listen for any noise or detected audio
signals on the receiver audio; look for any moment of flags or needles on the navigation
display.
FREQUENCIES RESULTS
VOR/ILS #1 TFM-138 series PASS FAIL
108.000 162.0000
108.100 162.1500
Image:
Image:
FREQUENCIES RESULTS
VOR/ILS #2 TFM-138 series PASS FAIL
108.000 162.0000
108.100 162.1500
Image:
Image:
NOTES:

A-5
D. Modulate the TFM-138 series transmitter on the following frequencies for at least 20
seconds. Look for any moment of flags or needles on the navigation display.
FREQUENCIES RESULTS
G/S #1 TFM-138 series PASS FAIL
334.7 (108.1) 167.3500
FREQUENCIES RESULTS
G/S #1 TFM-138 series PASS FAIL
334.7 (108.1) 167.3500
NOTES:
A-6
NOTE:
For the following tests, select a frequency at the top, middle and bottom of the range of the TFM -
138 series transceiver.
Frequency #1 ______________ Frequency #2 ______________
Frequency #3 ______________
E. At a safe altitude engage the autopilot or stability augmentation system. Modulate the TFM-
138 series transmitter on the above frequencies for at least 20 seconds. Observe any effect
on the autopilot or stability augmentation system.
Observations:
F. Perform a coupled ILS approach to the aircraft's certified limits. Modulate the TFM-138
series transmitter on the above frequencies for at least 20 seconds. Observe any effect on
the autopilot. Repeat for each different system such as ILS #2, GPS, FMS ETC.
Observations:

A-7
G. List the power plant, fuel and other electric instruments in the chart provided and note any anomalies that occur while
transmitting. Assess the results.
STEP SYSTEM PASS FAIL NOTES
1 Xponder & Encoder
2 ADF 1 & 2
3VG
4 Compass
5 Directional Gyro
6 Oil Pressure
7 Fuel Pressure
8 Oil Temp
9Amps
10 Bus Voltage

STEP SYSTEM PASS FAIL NOTES
A-8
11 Fuel %
12 Ng
13 TOT
14 Torque %
15 Annunciators
16 Digital Clock

STEP SYSTEM PASS FAIL NOTES
A-9

STEP SYSTEM PASS FAIL NOTES
A-10

STEP SYSTEM PASS FAIL NOTES
A-11
NOTES: