Toro 74366 (310000001 310999999) User Manual LAWN MOWER Manuals And Guides 1010543L
User Manual: Toro 74366 (310000001-310999999) 74366 (310000001-310999999) TORO LAWN MOWER - Manuals and Guides View the owners manual for your TORO LAWN MOWER #74366310000001310999999. Home:Lawn & Garden Parts:Toro Parts:Toro LAWN MOWER Manual
Open the PDF directly: View PDF
.
Page Count: 48

Count on it.
mmmm
0
0
Form No. 3365-925 Rev A
TimeCutter_ Z4235 Riding Mower
Model No. 74365--Serial No. 310000001 and Up
Model No. 74366--Serial No. 310000001 and Up
Model No. 74376--Serial No. 310000001 and Up
G007083
To register your product or download an Operator's Manual or Parts Catalog at no charge, go to www.Toro.com. Original Instructions (EN)

This machine is a ride-on, rotary-blade lawnmower
intended to be used by homeowners in residential
applications. It is primarily designed for cutting grass
on well-maintained lawns. It is not designed for cutting
brush, mowing grass and other growth alongside
highways, or for agricultural uses.
This product complies with all relevant European
directives, for details please see the separate product
specific Declaration of Conformit 7 (DOC) sheet.
CALIFORNIA
Proposition 65 Warning
The engine exhaust from this product
contains chemicals known to the State of
California to cause cancer, birth defects,
or other reproductive harm.
Important: This engine is not equipped with a
spark arrester muffler. It is a violation of California
Public Resource Code Section 4442 to use or operate
the engine on any forest-covered, brush-covered, or
grass-covered land. Other states or federal areas
may have similar laws.
This spark ignition system complies with Canadian
ICES-002.
The enclosed Engine Owner's ManuM is supplied
for information regarding the US Environmental
Protection Agency (EPA) and the California
Emission Control Regulation of emission systems,
maintenance, and warranty. Replacements may be
ordered through the engine manufacturer.
For models with stated engine horsepower, the gross
horsepower of the engine was laboratory rated by the
engine manufacturer in accordance with SAE J1940.
As configured to meet safeb, emission, and operating
requirements, the actual engine horsepower on this class
of lawn mower will be significantly lower.
Introduction
Read this information carefully to learn how to operate
and maintain your product properly and to avoid injury
and product damage. You are responsible for operating
the product properly and safel>
You may contact Toro directly at v_,w,vToro.com for
product and accessory information, help finding a
dealer, or to register your product.
©2010--The Toro® Company
8111 Lyndale Avenue South
Bloomington, MN 55420
Whenever you need service, genuine Toro parts, or
additiomfl information, contact an Authorized Service
Dealer or Toro Customer Service and have the model
and serial numbers of your product read> Figure 1
identifies the location of the model and serial numbers
on the product. Write the numbers in the space
provided.
Figure 1
Under the seat
1. Model and serial number plate
G005052
Write the product model and serial numbers in the space
below:
Model No.
Serial No.
This manual identifies potential hazards and has
safety messages identified by the safety alert symbol
(Figure 2), which signals a hazard that may cause serious
injury or death if you do not follow the recommended
precautions.
Figure 2
1. Safety alert symbol.
This manual uses two other words to highlight
information. Important calls attention to special
mechanical information and Note emphasizes general
information worthy of special attention.
Contact us at www.Toro.com.
Printed in the USA.
All Rights Reserved

Contents
Introduction ................................................................. 2
Safety ........................................................................... 4
Safe Operating Practices ....................................... 4
Toro Riding Mower Safety .................................... 6
Slope Indicator ..................................................... 7
Safety and Instructional Decals ............................. 8
Product Overview. ..................................................... 12
Controls ............................................................. 13
Operation ................................................................... 14
Think Safety First ............................................... 14
Recommended Gasoline ..................................... 14
Chec_ng the Engine Oil Level ............................ 16
Starting and Stopping the Engine ........................ 16
Operating the Blades .......................................... 17
Stopping the Engine ........................................... 18
The Safety Interlock System ................................ 18
Driving Forward or Backward ............................. 19
Stopping the Machine ......................................... 20
Adjusting the Height of Cut ................................ 20
Positioning the Seat ............................................ 20
Adjusting the Motion Control Levers .................. 20
Pushing the Machine by Hand ............................. 21
Grass Deflector .................................................. 22
Operating Tips ................................................... 22
Maintenance ............................................................... 24
Recommended Maintenance Schedule(s) ................ 24
Premaintenance Procedures .................................... 25
Raising the Seat .................................................. 25
Accessing the Battery ......................................... 25
Lubrication ............................................................. 25
Greasing the Bearings ......................................... 25
Engine Maintenance ............................................... 26
Servicing the Air Cleaner .................................... 26
Servicing the Engine Oil ..................................... 27
Servicing the Spark Plug ..................................... 29
Cleaning the Cooling System ............................... 30
Fuel System Maintenance ....................................... 30
Replacing the Fuel Filter ..................................... 30
Electrical System Maintenance ................................ 31
Charging the Battery ........................................... 31
Servicing the Fuses ............................................. 32
Drive System Maintenance ..................................... 33
Chec_ng the Tire Pressure ................................. 33
Mower Maintenance ............................................... 34
Servicing the Cutting Blades ............................... 34
Leveling the Mower Deck ................................... 36
Removing the Mower ......................................... 38
Mower Belt Maintenance .................................... 39
Installing the Mower ........................................... 39
Replacing the Grass Deflector ............................. 39
Cleaning ................................................................. 40
Washing the Underside of the Mower .................. 40
Storage ....................................................................... 41
Cleaning and Storage .......................................... 41
Troubleshooting ......................................................... 43
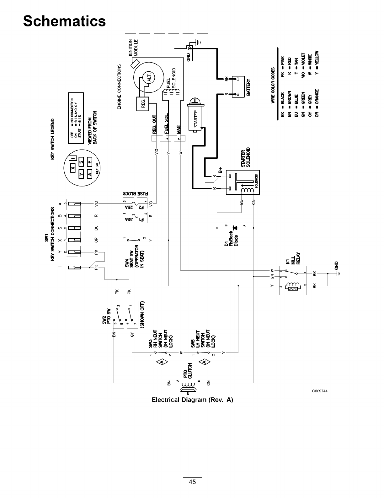
Schematics ................................................................. 45

Safety
This machine meets or exceeds the B71.1-2003
specifications of the American National Standards
Institute, in effect at the time of production.
However, improper use or maintenance by the
operator or owner can result in injury. To reduce
the potential for injury, comply with these safety
instructions and always pay attention to the
safety alert symbol, which means CAUTION,
WARNING, or DANGER-"personal safety
instruction." Failure to comply with the instruction
may result in personal injury or death.
Safe Operating Practices
The following instructions are from ANSI standard
B71.1-2003.
This product is capable of amputating hands and
feet and throwing objects. Always follow all safety
instructions to avoid serious injury or death.
General Operation
• Read, understand, and follow all instructions in
the operator's manual and on the machine before
starting.
• Do not place hands or feet near rotating parts or
under the machine. Keep dear of the discharge
opening at all times.
• Allow only responsible adults who are familiar with
the instructions to operate the machine.
• Clear the area of objects such as rocks, toys, wire,
etc., which could be picked up and thrown by the
blade.
• Be sure the area is clear of other people before
mowing. Stop the machine if awone enters the area.
• Never carry passengers.
• Do not mow in reverse unless absolutely necessar>
Always look down and behind before and while
bac_ng up.
• Be aware of the mower discharge direction and do
not point it at awone. Avoid discharging material
against a wall or obstruction. Material mW ricochet
back toward the operator. Stop the blade(s) when
crossing gravel surfaces.
• Do not operate the machine without deflector,
discharge cover or entire grass collection system in
place and wor_ng.
• Be alert, slow down and use caution when maMng
turns. Look behind and to the side before changing
directions.
• Never leave a running machine unattended. Always
turn off blades, set paring brake, stop engine, and
remove key before dismounting.
• Turn off blades when not mowing. Stop the engine
and wait for all parts to come to a complete stop
before cleaning the machine, removing the grass
catcher or unclogging the discharge chute.
• Operate the machine only in daylight or good
artificial light.
• Do not operate the machine while under the
influence of alcohol or drugs.
• Watch for traffic when operating near or crossing
roadways.
• Use extra care when loading or unloading the
machine into a trailer or truck.
Always wear eye protection when operating the
mower.
• Data indicates that operators, age 60 years and
above, are involved in a large percentage of riding
mower-related injuries. These operators should
evaluate their ability to operate the riding mower
safely enough to protect themselves and others from
serious injur>
• Always follow the recommendations for wheel
weights or counterweights.
• Lightning can cause severe injury or death. If
lightning is seen or thunder is heard in the area, do
not operate the machine; seek shelter.
Slope Operation
Slopes are a major factor related to loss of control and
tip-over accidents, which can result in severe injury or
death. Operation on all slopes requires extra caution. If
you cannot back up the slope or if you feel uneasy on it,
do not mow it.
Do not mow slopes greater than 15 degrees.
Watch for ditches, holes, rocks, dips, and rises that
change the operating angle, as rough terrain could
overturn the machine.
• Choose a low ground speed so you will not have to
stop while operating on a slope.
• Do not mow slopes when grass is wet. Slippery
conditions reduce traction and could cause sliding
and loss of control.
• Always keep the wheel motors engaged when going
down slopes.
• Reduce speed and use extreme caution on slopes.
• Do not make sudden turns or rapid speed changes.

Removeor markobstaclessuchasrocks,treelimbs,
etc. from themovdngarea.Tallgrasscanhide
obstacles.
Avoidsuddenstartswhenmovdnguphillbecause
themowermaytip backwards.
Be aware that loss of traction may occur going
downhill. Weight transfer to the front wheels may
cause drive wheels to slip and cause loss of brak:ing
and steering.
Ahvays avoid sudden starting or stopping on a
slope. If tires lose traction, disengage the blades and
proceed slovdy off the slope.
Use extreme care with grass catchers or other
attachments. These can change the stabiliD- of the
machine and cause loss of control.
Do not try to stabilize the machine by putting your
foot on the ground.
Do not mow near drop-offs, ditches, steep banks
or water. Wheels dropping over edges can cause
rollovers, which may result in serious injur B death
or drowning.
Use a walk behind mower and/or a hand trimmer
near drop-offs, ditches, steep banks or water.
Children
Tragic accidents can occur if the operator is not alert to
the presence of children. Children are often attracted to
the machine and the mowing activi_: Never assume that
children vdll remain where you last saw them.
Keep children out of the mowing area and under
the watchful care of another responsible adult, not
the operator.
Be alert and turn the machine off if children enter
the area.
Before and while bac "tdng or changing direction, look
behind, down, and side-to-side for small children.
Never carry children, even with the blades off. They
may fall off and be seriously injured or interfere vdth
safe machine operation.
Children who have been given rides in the past may
suddenly appear in the movdng area for another ride
and be run over or backed over by the mower.
Never allow children to operate the machine.
Use extra care when approaching blind corners,
shrubs, trees, the end of a fence or other objects that
may obscure vision.
Towing
A hitch -kitis available for this machine and can be
obtained by contacting an Authorized Toro Dealer.
Do not tow without first installing this manufacturer
approved hitch. The follovdng guidelines apply when
towing with the approved hitch -kitinstalled.
• Tow only vdth a machine that has a hitch designed
for towing. Do not attach towed equipment except
at the hitch point.
•Follow the manufacturer's recommendation for
weight limits for towed equipment and towing on
slopes.
• Never allow children or others in or on towed
equipment.
• On slopes, the weight of the towed equipment may
cause loss of traction and loss of control.
• Travel slowly and allow extra distance to stop.
Service
Safe Handling of Gasoline:
To avoid personal injury or property damage, use extra
care when handling gasoline and other fuels. They are
flammable and the vapors are explosive.
• Extinguish all cigarettes, cigars, pipes and other
sources of ignition.
• Use only an approved container.
• Never remove the gas cap or add fuel when the
engine is running. Allow the engine to cool before
refueling.
• Never refuel the machine indoors.
• Never store the machine or fuel container inside
where there is an open flame, such as near a water
heater or furnace.
Never fill containers inside a vehicle or on a truck or
trailer vdth a plastic liner. Ahvays place containers on
the ground away from your vehicle before filling.
Remove gas-powered equipment from the truck
or trailer and refuel it on the ground. If this is not
possible, then refuel such equipment vdth a portable
container, rather than from a gasoline dispenser
nozzle.
•Keep the nozzle in contact vdth the rim of the fuel
tank or container opening at all times until the fueling
is complete. Do not use a nozzle lock-open device.
• If fuel is spilled on clothing, change clothing
immediatel3:
• Never overfill the fuel tank. Replace gas cap and
tighten secure1>

General Service:
• Never operate a machine inside a closed area. Engine
exhaust contains carbon monoxide, which is an
odorless, deadly poison that can _ll you.
• Keep nuts and bolts tight, especially the blade
attachment bolts. Keep equipment in good
condition.
• Never tamper with safeff devices. Check their
proper operation regularly.
• Keep the machine free of grass, leaves, or other
debris build-up. Clean up oil or fuel spillage fuel
soaked debris. Allow the machine to cool before
storing.
• Stop and inspect the equipment if you strike an
object. Repair, if necessar B before restarting.
• Never make aW adjustments or repairs with the
engine running.
• Grass catcher components are subject to wear,
damage and deterioration, which could expose
moving parts or allow objects to be thrown.
Frequently check components and replace vdth
manufacturers' recommended parts, when necessar>
• Mower blades are sharp and can cut. Wrap the
blade(s) or wear gloves, and use extra caution when
servicing them.
• Check for proper brake operation frequentl> Adjust
and service as required.
• Maintain or replace safety and instruction decals as
neces sary.
• Use only genuine Toro replacement parts to ensure
that original standards are maintained.
Toro Riding Mower Safety
The follovdng list contains safe_ _information specific to
Toro products or other safe_ Tinformation that you must
know that is not included in the ANSI standards.
• Stop the engine, disconnect spark plug wire(s) and
remove key before performing any service, repairs,
maintenance or adjustments.
• Keep hands, feet, hair, and loose clothing away from
attachment discharge area, underside of mower and
aW moving parts while engine is running.
• Do not touch equipment or attachment parts which
may be hot from operation. Allow to cool before
attempting to maintain, adjust or service.
• Battery acid is poisonous and can cause burns. Avoid
contact with s_n, eyes, and clothing. Protect your
face, eyes, and clothing when wor_ng with a batter>
Battery gases can explode. Keep cigarettes, sparks
and flames away from batter>
Use only Toro approved attachments. Warranty may
be voided if used vdth unapproved attachments.
If loading the machine onto a trailer or truck, use a
single, full-vddth ramp onl> The ramp angle should
not exceed 15 degrees.
Note: Determine the left and right sides of the
machine from the normal operating position.

Slope Indicator
t
llll\
II i l\
I I if\\
llll \
llll \
I I II \
IIiI \
II l I \
II l I \
II l l \
II l l \
II l l \
II l l \
II l l \
\ \
II l \
II l \
I| 1 l
II l l
II l l
II l l
II 1 l
II1
I I I
III
Figure 3
This page may be copied for personal use.
\
\
\
\
\
\
\
\ \
\ \
0\
G011841
1. The maximum slope you can safely operate the machine on is 15 degrees. Use the slope chart to determine the degree of slope
of hills before operating. Do not operate this machine on a slope greater than 15 degrees. Fold along the appropriate line
to match the recommended slope.
2. Align this edge with a vertical surface, a tree, building, fence pole, etc.
3. Example of how to compare slope with folded edge.

Safety and Instructional
Decals
Safety decals and instructions are easily visible to the operator and are located near any area of
potential danger. Replace any decal that is damaged or lost.
1.
114-1606
Entanglement hazard, belt--keep all guards in place.
93-7009
1. Warning--don't operate the mower with the deflector up or
removed; keep the deflector in place.
2. Cutting/dismemberment hazard of hand or foot, mower
blade--stay away from moving parts.
1.
Manufacturer's Mark
Indicates the blade is identified as a part from the original
machine manufacturer.
105-7015
For Models with 42 Inch Decks
1. Engine
99-3943
106-8717
1. Read the instructions before servicing or performing
maintenance.
2. Check tire pressure every 25 operating hours.
3. Grease every 25 operating hours.
4. Engine
1. Height of cut
106-8743

110-6691
1. Thrown object hazard--keep bystanders a safe distance
from the machine.
2. Thrown object hazard, mower--do not operate without the
deflector, discharge cover, or grass collection system in
place.
3. Cutting/dismemberment of hand or foot--stay away from
moving parts.
O
1. Parking position
2. Fast
3. Stow
N
112-9750
4.
5.
0
0
0
0
Neutral
Reverse
0
0
0
0
1. Parking position
2. Fast
3. Stow
N(¢)
112-9751
4.
5.
0
Neutral
Reverse
O
1. Height-of-cut
112-9802
115-2501
1. Read the Operator's
Manual.
2. Height of cut
112-9840
3. Remove the ignition key
and read the instructions
before servicing or
performing maintenance.
1. Fast 5.
2. Continuous variable 6.
setting
3. Stow 7.
4. Choke
Power take-off (PTO),
Blade control switch on
some models
Blade control switch--Off
Blade control switch--On 1.
114-8531
Bypass lever position for
operating the machine 2. Bypass lever position for
pushing the machine

1.
114-8532
Bypass lever position for
operating the machine 2. Bypass lever position for
pushing the machine
Ell 0 0 0 0
0 0 0 0 0
Battery Symbols
Some or all of these symbols
Q
are on your battery
1. Explosion hazard 6. Keep bystandersa safe
distance from the battery.
2. No fire, open flame, or 7. Wear eye protection;
smoking, explosive gases can
cause blindness and other
injuries
3. Caustic liquid/chemical 8. Battery acid can cause
burn hazard blindness or severe burns.
4. Wear eye protection 9. Flush eyes immediately
with water and get medical
help fast.
5. Read the Operator's 10. Contains lead; do not
Manual. discard.
115-2469
1. Warning--read the Operator's Manual
2. Warning--read the instructions before servicing or performing maintenance; move the motion control levers to the park (brake)
position, remove the ignition key and disconnect the spark plug wire.
3. Cutting/dismemberment hazard, mower blade; entanglement hazard, belt--do not open or remove safety shields while engine is
running.
4. Tipping hazard--do not mow slopes greater than 15 degrees, avoid sudden and sharp turns while on slopes.
5. Loss of traction/controI hazard, slopes--loss of traction/controI on a slope, disengage the blade control switch (PTO), proceed
off the slope slowly.
6. Crushing/dismemberment hazard of bystanders, reversing; crushing/dismemberment hazard of bystanders--do not carry
passengers, look behind and down when reversing.
7. Thrown object hazard--keep bystanders a safe distance from the machine, pick up debris before operating, keep deflector in place.
10

1. Fuel 2. Full
117-7221
3. Half
117-7222
4. Empty
1. Fuel 2. Full 3. Half 4. Empty
11

Product Overview
3
2
1
5
1. Footrest
2. Height of cut lever
3. Fuel gauge
1. Motion control levers
2. Height of cut lever
9
11
Figure 4
4. Control panel 7.
5. Motion control levers 8.
6. Operator seat 9.
10
G007291
Rear drive wheel
Washout fitting
Mower deck
10. Anti-scalp roller
11. Front caster wheel
4
G013760
5
Figure 5
3. Gas tank cap
4. Engine
5. Deflector
12

Controls
Become familiar vdth all of the controls in Figure 4,
Figure 5, and Figure 6 before you start the engine and
operate the machine.
2 3 4
G00518t
Figure 6
Control Panel
1. Ignition switch 3. Choke control
2. Throttle control 4. Blade control switch
(power take-off)
Ignition Switch
The ignition switch has three positions, Off, Run and
Start. The key will turn to Start and move back to
Run upon release. Turning the key to the Off position
will stop the engine; however, always remove the key
when leaving the machine to prevent someone from
accidentally starting the engine (Figure 6).
Throttle Control
The throttle controls the engine speed and it has a
continuous variable setting from Slow to Fast (Figure 6).
Choke Control
Pull up on the Choke control until it stops to choke the
engine (Figure 6). Push down on the Choke control for
normal engine operation
Throttle/Choke Control
The throttle and choke is combined into one control
lever. The throttle controls the engine speed and it has a
continuous variable setting from Slow to Fast. Engage
the choke by moving the lever past the Fast setting until
it stops (Figure 6).
Blade Control Switch (Power Take-Off)
The blade control switch, represented by a power
take-off (PTO) symbol, engages and disengages power
to the mower blades (Figure 6).
Motion Control Levers and Park
Position
The motion control levers are speed sensitive controls of
independent wheel motors. Moving a lever forward or
backward turns the wheel on the same side forward or in
reverse; wheel speed is proportional to the amount the
lever is moved. Move the control levers outward from
the center to the park position and exit the machine
(Figure 16). Always position the motion control levers
into the park position when you stop the machine or
leave it unattended.
Fuel Gauge
The fuel window located below the operator position
can be used to veri_; the level of gasoline in the tank
(Figure 7).
1. Fuel gauge window
G007078
Figure 7
Height-of-Cut Lever
The height of cut lever allows the operator to lower
and raise the deck from the seated position. When the
lever is moved up, toward the operator the deck is raised
from the ground and when moved down, away from the
operator it is lowered toward the ground. Only adjust the
height of cut while machine is not moving (Figure 19).
13

Operation
Note: Determine the left and right sides of the
machine from the normal operating position.
2\
Think Safety First
Please carefully read all of the safe b- instructions and
decals in the safety section. Knowing this information
could help you, your famil3; pets or bystanders avoid
injur3=
Mowing on wet grass or steep slopes can cause
sliding and loss of control.
Wheels dropping over edges can cause rollovers,
which may result in serious injury, death or
drowning.
A loss of traction is a loss of steering control.
To avoid loss of control and possibility of rollover:
• Do not mow near drop-offs or near water.
• Do not mow slopes greater than 15 degrees.
• Reduce speed and use extreme caution on
slopes.
• When mowing slopes, gradually work from
lower to higher areas on the incline.
• Avoid sudden turns or rapid speed changes.
• Turn up, into an incline when changing
directions on slopes. Turning down the slope
reduces traction.
Attachments change the handling
characteristics of the machine. Use
extra caution when using attachments with the
machine.
G0005t3
Figure 8
1. Safe Zone-use the TimeCutter here
2. Use walk behind mower and/or hand trimmer near drop-offs
and water.
3. Water
Recommended Gasoline
Use UNLEADED Regular Gasoline suitable for
automotive use (87 pump octane minimum). Leaded
regular gasoline may be used if unleaded regular is not
available.
Important: Never use methanol, gasoline
containing methanol, or gasohol containing more
than 10 percent ethanol because the fuel system
could be damaged. Do not mix oil with gasoline.
14

In certain conditions, gasoline is extremely
flammable and highly explosive. A fire or explosion
from gasoline can burn you and others and can
damage property.
• Fill the fuel tank outdoors, in an open area,
when the engine is cold. Wipe up any gasoline
that spills.
• Never fill the fuel tank inside an enclosed trailer.
Do not fill the fuel tank completely full. Add
gasoline to the fuel tank until the body of the
tank is full but fuel does not fill the neck of
the tank. This empty space in the tank allows
gasoline to expand.
Never smoke when handling gasoline, and stay
away from an open flame or where gasoline
fumes may be ignited by a spark.
Store gasoline in an approved container and
keep it out of the reach of children. Never buy
more than a 30-day supply of gasoline.
Do not operate without entire exhaust system
in place and in proper working condition.
In certain conditions during fueling, static
electricity can be released causing a spark which
can ignite the gasoline vapors. A fire or explosion
from gasoline can burn you and others and can
damage property.
Always place gasoline containers on the ground
away from your vehicle before filling.
Do not fill gasoline containers inside a vehicle
or on a truck or trailer bed because interior
carpets or plastic truck bed liners may insulate
the container and slow the loss of any static
charge.
When practical, remove gas-powered
equipment from the truck or trailer and refuel
the equipment with its wheels on the ground.
If this is not possible, then refuel such
equipment on a truck or trailer from a portable
container, rather than from a gasoline dispenser
nozzle.
If a gasoline dispenser nozzle must be used,
keep the nozzle in contact with the rim of the
fuel tank or container opening at all times until
fueling is complete.
Gasoline is harmful or fatal if swallowed.
Long-term exposure to vapors can cause serious
injury and illness.
• Avoid prolonged breathing of vapors.
• Keep face away from nozzle and gas tank or
conditioner opening.
• Keep gas away from eyes and skin.
Using Stabilizer/Conditioner
Use a fuel stabilizer/conditioner in the machine to
provide the following benefits:
•Keeps gasoline flesh during storage of 30 days or
less. For longer storage it is recommended that the
fuel tank be drained.
• Cleans the engine while it runs.
• Eliminates gum-like varnish buildup in the fuel
system, which causes hard starting.
Add the correct amount of gas stabilizer/conditioner
to the gas.
Note: A fuel stabilizer/conditioner is most effective
when mixed with fresh gasoline. To minimize the
chance of varnish deposits in the fuel system, use fuel
stabilizer at all times.
Gasoline/Alcohol blends
Gasohol (up to 10 percent ethJ alcohol, 90 percent
unleaded gasoline by volume) is approved for fuel use
by the engine manufacturer. Other gasoline/alcohol
blends, such as E85, are not approved.
Gasoline/Ether blends
Methyl Tertiary Bu@ Ether (MTBE) and unleaded
gasoline blends (up to a maximum of 15 percent MTBE
by volume) are approved for fuel use by the engine
manufacturer. Other gasoline/ether blends are not
approved.
Fuel Gauge
Use the fuel window below the operator to veri_- the
level of gasoline before filling the tank (Figure 9).
15

1. Fuel gauge window
Figure 9
Checking the Engine Oil Level
Before you start the engine and use the machine, check
the oil level in the engine crankcase; refer to Chec_ng
the Oil Level in the Engine Maintenance section.
Starting and Stopping the
Engine
Starting the Engine
1. Sit down on the seat and move the motion controls
ouhvard to the park position.
2. Disengage the blades by moving the blade control
switch to Off (Figure 11)
Filling the Fuel Tank
1. Shut the engine off and set the motion controls to
the park position. Raise the seat so the gas tank is
visible while fueling.
2. Clean around the fuel tank cap and remove the cap.
,Add unleaded regular gasoline until the body of the
tank is full but fuel does not fill the neck of the
tank (Figure 10). This space in the neck of the tank
allows gasoline to expand. Do not fill the fuel tank
completely full.
4. Install the fuel tank cap securel> Wipe up any
gasoline that may have spilled.
Figure 11
1. Control panel 2.
G005182
Blade control switch--Off
position
G005302
Figure 10
1. Gas tank body 3. Fill to here, approximately
2. Gas tank neck 4. Gas tank opening
,Pull up on the Choke control before starting a cold
engine (Figure 12).
Note: A warm or hot engine may not require
cho_ng.
16

6
2/
,d_.m5
J
G005183
Figure 12
1. Control panel 4. Continuous variable
setting
2. Throttle 5. Stow
3. Fast 6. Choke control
,Turn the ignition key to Start to energize the starter•
When the engine starts, release the key (Figure 13).
Important: Do not engage the starter for more
than 10 seconds at a time. If the engine fails
to start, allow a 60 second cool-down period
between attempts. Failure to follow these
instructions can damage the starter motor.
2
G005184
Figure 13
1. Control panel 5. Run
2. Ignition key--run position 6. Start
3. Ignition key--start position 7. Choke control
4. Off
After the engine starts, push down on the Choke
control (Figure 13). If the engine stalls or hesitates,
pull up on the Choke control and let the engine run
for a few seconds• Then push down on the Choke
control• Repeat this as required•
Operating the Blades
The blade control switch, represented by a power
take-off (PTO) symbol, engages and disengages power
to the mower blades• This switch controls power to aW
attachments that draw power from the engine, including
the mower deck and cutting blades•
Engaging the Blades
Important: Do not engage the blades when
parked in tall grass. Belt or clutch damage can
occur.
,Release pressure on the motion control levers and
place the machine in neutral.
2. Move the throttle to the Fast position.
,
Note: Always engage the blades with the throttle
in the Fast position.
Pull up on the blade control switch to move it to
the On position and engage the blades (Figure 14)•
17

Figure 14
1. Control panel 2.
G005185
Blade control switch--On
position
Disengaging the Blades
Push down on the blade control switch to move it to
the Off position and disengage the blades (Figure 15).
1. Control panel
G005182
>,
Figure 15
2. Blade control switch--Off
Stopping the Engine
1. Disengage the blades by moving the blade control
svdtch to Off (Figure 11).
2. Move the throttle lever to between Fast and half
throttle (Figure 12).
3. Turn the igaition key to Off (Figure 13) and remove
the ke?=
The Safety Interlock System
If safety interlock switches are disconnected or
damaged the machine could operate unexpectedly
causing personal injury.
• Do not tamper with the interlock switches.
• Check the operation of the interlock switches
daily and replace any damaged switches before
operating the machine.
Understanding the Safety Interlock
System
The safety interlock system is designed to prevent the
engine from starting unless:
• The blades are disengaged.
• The motion control levers are in the park position.
The safety interlock system also is designed to stop
the engine when the control levers are out of the park
position and you rise from the seat when the blades
are engaged.
Testing the Safety Interlock System
Test the safety interlock system before you use the
machine each time. If the safety system does not
operate as described belov_, have an Authorized Service
Dealer repair the safety system immediatel3=
,While sitting on the seat, with the control levers in
park position, and move the blade control switch
to On. Try starting the engine; the engine should
not crank.
,While sitting on the seat, move the blade control
svdtch to Off. Move either motion control lever
to the center, unlocked position. Try starting the
engine; the engine should not crank. Repeat vdth
the other motion control lever.
,
,
While sitting on the seat, move the blade control
switch to Off, and lock the motion control levers in
the park position. Start the engine. While the engine
is running, engage the blade control svdtch, and rise
slightly from the seat; the engine should stop.
While sitting on the seat, move the blade control
switch to Off, and lock the motion control levers
in the park position. Start the engine. While the
engine is running, move the motion control levers
to the center, unlocked position, engage the blade
control switch, and rise slightly from the seat; the
engine should stop.
18

Driving Forward or Backward
The throttle control regulates the engine speed as
measured in rpm (revolutions per minute). Place
the throttle control in the Fast position for best
performance. Always operate in the fu_ throttle
position.
The machine can spin very rapidly. The operator
may lose control of the machine and cause personal
injury or damage to the machine.
• Use caution when making turns.
• Slow the machine down before making sharp
turns.
Figure 17
1 2 2 1
Figure 16
1. Park (brake) position 3. Forward
2. Center unlock position 4. Backward
4
G004532
Forward
1. Move the levers to the center, unlocked position.
2. To go forward, slowly push the motion control
levers forward (Figure 16).
To go straight, apply equal pressure to both motion
control levers (Figure 16).
To turn, release pressure on the motion control lever
toward the direction you want to turn (Figure 16).
The farther you move the motion control levers in
either direction, the faster the machine vdll move in
that direction.
To stop, pull the motion control levers to neutral.
Backward
,
2.
Move the levers to the center, unlocked position.
To go backward, slowly pull the motion control
levers rearward (Figure 18).
II, I
G008953
Figure 18
To go straight, apply equal pressure to both motion
control levers (Figure 18).
19

To turn, release the pressure on the motion control
lever toward the direction you want to turn.
To stop, push the motion control levers to neutral.
Stopping the Machine
To stop the machine, move the motion control levers to
neutral and outward to the park position, disengage the
blade control switch, ensure the throttle is in the fast
position, and turn the ignition key to off. Remember to
remove the key from the ignition switch.
Children or bystanders may be injured if they
move or attempt to operate the mower while it is
unattended.
Always remove the ignition key and move the
motion control levers outward to the park position
when leaving the machine unattended, even if just
for a few minutes.
Adjusting the Height of Cut
1. Raise the height-of-cut lever to the transport
position, cutting height position 4.5 (also the
4-1/2 inch [115 mm]) (Figure 19).
7
8
1. Height-of-cut lever 5. 3 inch (76 mm)
2. 4.5 inch (115 mm), 6. 2.5 inch (64 mm)
Transport position
3. 4 inch (102 mm) 7. 2 inch (51 mm)
4. 3.5 inch (89 mm) 8. 1.5 inch (38 mm)
,Raise the seat and loosen the adjustment knob just
enough that seat can move (Figure 20).
1\
G005061
1. Adjustment knob
Figure 20
2. Move the seat to the desired position and tighten
the knob.
Adjusting the Motion Control
Levers
Adjusting the Height
The motion control levers can be adjusted higher or
lower for maximum operator comfort.
1. Remove the 2 bolts holding the control lever to the
control arm shaft (Figure 21).
2. Move the control lever to the next set of holes.
Secure the lever with the 2 bolts (Figure 21).
2. To adjust the height of cut, pull inward and up on
the lever and move it to the desired position.
Positioning the Seat
The seat can move forward and backward. Position the
seat where you have the best control of the machine
and are most comfortable.
20

2
\
G005062
Figure 21
1. Control arm shaft 3. Slotted, upper hole
2. Control lever 4. Bolt
3. Repeat the adjustment for the opposite control
lever.
Adjusting the Tilt
The motion control levers can be tilted fore or aft for
maximum operator comfort.
1. Loosen the upper bolt holding the control lever to
the control arm shaft.
,
,
Loosen the lower bolt just enough to pivot the
control lever fore or aft (Figure 21). Tighten both
bolts to secure the control in the new position.
Repeat the adjustment for the opposite control
lever.
,Move the bypass levers rearward and then down
to lock them in place as shown in Figure 22 to
disengage the wheel motors. Repeat this on each
side of the machine.
5. Move the motion control levers inward to the
neutral position.
The machine is now able to be pushed t)37hand.
2
G007086
Figure 22
Right side shown
1. Bypass lever location
2. Lever position for pushing
the machine
3. Lever position for
operating the machine
To Operate the Machine
Move the bypass levers upward and push them forward,
to the middle of the horizontal slot (Figure 22) to
engage the wheel motors.
Pushing the Machine by Hand
Important: Always push the machine by hand.
Never tow the machine because damage may
Occur.
To Push the Machine
1. Park the machine on a level surface and disengage
the blade control switch.
,
,
Move the motion control levers outward to park
position, stop the engine, remove the ke5 and wait
for all moving parts to stop before leaving the
operating position.
Locate the bypass levers at the rear of the machine,
on the left and right side of the frame.
21

Grass Deflector
The mower has a hinged grass deflector that disperses
clippings to the side and down toward the turf.
Without the grass deflector, discharge cover, or
complete grass catcher assembly mounted in
place, you and others are exposed to blade contact
and thrown debris. Contact with rotating mower
blade(s) and thrown debris will cause injury or
death.
Never remove the grass deflector from the
mower because the grass deflector routes
material down toward the turf. If the
grass deflector is ever damaged, replace it
immediately.
Never put your hands or feet under the mower.
Never try to clear discharge area or mower
blades unless you move the blade control switch
to Off and rotate the ignition key to Off. Also
remove the key and pull the wire off the spark
plug(s).
Operating Tips
Fast Throttle Setting
For best mowing and maximum air circulation, operate
the engine at the Fast position. Air is required to
thoroughly cut grass clippings, so do not set the
height-of-cut so low as to totally surround the mower
t)37uncut grass. Akvays try to have one side of the
mower free from uncut grass, which allows air to be
drawn into the mower.
Cutting a Lawn for the First Time
Cut grass slightly longer than normal to ensure that the
cutting height of the mower does not scalp aW uneven
ground. However, the cutting height used in the past is
generally the best one to use. When cutting grass longer
than six inches tall, you may want to cut the lawn twice
to ensure an acceptable quali_ _of cut.
Cut 1/3 of the Grass Blade
It is best to cut only about 1/3 of the grass blade.
Cutting more than that is not recommended unless
grass is sparse, or it is late fall when grass grows more
slowl>
Mowing Direction
Alternate mowing direction to keep the grass standing
straight. This also helps disperse clippings which
enhances decomposition and fertilization.
Mow at Correct Intervals
Normally, mow every four days. But remember,
grass grows at different rates at different times. So
to maintain the same cutting height, which is a good
practice, mow more often in early spring. As the grass
growth rate slows in mid summer, mow less frequently.
If you cannot mow for an extended period, first mow
at a high cutting height; then mow again two days later
at a lower height setting.
Cutting Speed
To improve cut qualit3; use a slower ground speed.
Avoid Cutting Too Low
If the cutting width of the mower is wider than the
mower you previously used, raise the cutting height to
ensure that uneven turf is not cut too short.
Long Grass
If the grass is ever allowed to grow slightly longer than
normal, or if it contains a high degree of moisture, raise
the cutting height higher than usual and cut the grass at
this setting. Then cut the grass again using the lower,
normal setting.
When Stopping
If the machine's forward motion must be stopped while
mowing, a clump of grass clippings may drop onto your
lawn. To avoid this, move onto a previously cut area
with the blades engaged.
Keep the Underside of the Mower
Clean
Clean clippings and dirt from the underside of the
mower after each use. If grass and dirt build up inside
the mower, cutting quality will eventually become
unsatisfactor 7
Blade Maintenance
Maintain a sharp blade throughout the cutting season
because a sharp blade cuts cleanly without tearing or
shredding the grass blades. Tearing and shredding turns
grass brown at the edges, which slows growth and
increases the chance of disease. Check the cutter blades
22

daily for sharpness, and for any wear or damage. File
down aW nicks and sharpen the blades as necessar> If
a blade is damaged or worn, replace it immediately with
a genuine Toro replacement blade.
23

Maintenance
Note: Determine the left and right sides of the machine from the normal operating position.
Recommended Maintenance Schedule(s)
Maintenance Service Maintenance Procedure
Interval
After the first 8 hours •Change the engine oil.
Before each use or daily
Every 25 hours
Every 100 hours
• Check the safety interlock system.
• Check the engine oil level.
• Clean the air intake screen.
• Check the cutting blades.
• Inspect the grass deflector for damage
• Clean the mower housing.
• Grease all lubrication points.
• Check tire pressure.
• Check the belts for wear/cracks.
• Service the paper element. (more often in dusty, dirty conditions)
• Change the engine oil. (more often in dusty, dirty conditions)
• Check the spark plug(s).
• Replace the fuel filter.
• Replace the paper element. (more often in dusty, dirty conditions)
Every 200 hours • Change the oil filter. (more often in dusty, dirty conditions)
• Charge the battery and disconnect battery cables.
Before storage • Perform all maintenance procedures listed above before storage.
• Paint any chipped surfaces.
Important: Refer to your engine operator's manual for additional maintenance procedures.
If you leave the key in the ignition switch, someone could accidently start the engine and seriously injure
you or other bystanders.
Remove the key from the ignition and disconnect the wire from the spark plug before you do any
maintenance. Set the wire aside so that it does not accidentally contact the spark plug.
24

Premaintenance
Procedures
Raising the Seat
Make sure the motion control levers are locked in the
park position Lift the seat forward
The following components can be accessed by raising
the seat:
• Serial plate
•Service decal
•Seat adjustment _ob
•Fuel filter
° Fuses
• Battery cables
Lubrication
Greasing the Bearings
Service Interval: Every 25 hours--Grease all
lubrication points.
Grease Type: No. 2 General Purpose Lithium Base
Grease
1. Park the machine on a level surface and disengage
the blade control switch.
,
,
Move the motion control levers outward to the
park position, stop the engine, remove the key and
wait for all moving parts to stop before leaving the
operating position.
Clean the grease fittings (Figure 24 and Figure 25)
with a rag. Make sure to scrape any paint off of the
front of the fitting(s).
Accessing the Battery
1. Raise the seat.
2. Remove the TORX :R:'head fasteners (T25) securing
the left cover to the frame as shown in Figure 23.
I
\
\
1.
2.
2,----....
/""_ G00506!
Figure 23
Left cover 3. Battery
Torx head fasteners (T25)
1. Front caster tire
J 1
G005066
Figure 24
3. Lift the plastic cover away from the machine. Retain
all fasteners.
Replace the cover and secure it to the frame using the
fasteners removed previousl):
Figure 25
Located on the seat pan underside
1. Read the instructions
before servicing or
performing maintenance.
2. Check tire pressure every
25 operating hours.
3. Grease every 25 operating
hours.
4. Engine
25

,Connect a grease gun to each fitting (Figure 24 and
Figure 25). Pump grease into the fittings until grease
begins to ooze out of the bearings.
5. Wipe up any excess grease.
Engine Maintenance
Servicing the Air Cleaner
Note: Service the air cleaner more frequently (every
few hours) if operating conditions are extremely dusty
or sand>
Removing the Element
1. Park the machine on a level surface and disengage
the blade control (PTO).
2. Move the motion control levers to the brake position,
stop the engine, remove the ke5 and wait for all
moving parts to stop before leaving the operating
position.
3. Clean around the air cleaner cover to prevent dirt
from getting into the engine and causing damage.
Lift the cover and remove the hose damp securing
the air cleaner assembly to the engine (Figure 26).
4. Loosen the hose clamp and remove the paper
element (Figure 26).
1. Cover
2. Paper element
Figure 26
3. Hose clamp
G013761
Cleaning the Element
Service Interval: Every 100 hours--Service the paper
element. (more often in dust3; dirty
conditions)
Every 200 hours/Yearly (whichever
comes first)--Replace the paper
element. (more often in dust3; dirty
conditions)
26

,
,
Lightly tap the element on a flat surface to remove
dust and dirt.
Inspect the element for tears, an oily film, and
damage to the seal.
Important: Never clean the paper element with
pressurized air or liquids, such as solvent, gas,
or kerosene. Replace the paper element if it is
damaged or cannot be cleaned thoroughly.
Servicing the Engine Oil
Oil Type: Detergent oil (API service SF, SG, Ski, SJ,
or SL)
Crankcase Capacity: 1.9 qt (1.8 1), [when oil filter is
removed: 2.2 qt (2.1 1)]
Viscosity: See the table belo\v
SAE Viscosity Grades
_]
4
,, I , i1, ,_, I11 I
°F -20 0 20 32 40 60 80 100
°C -30 -20 -10 010 20 30 40
STARTING TEMPERATURE RANGE ANTICIPATED BEFORE NEXT OIL CHANGE
G010686
Figure 27
Note: Using multi grade oils (5W-20, 10W-30, and 10W
-40) will increase oil consumption. Check oil level more
frequently when using them.
Checking the Engine Oil Level
Service Interval: Before each use or daily
Note: Check the oil when the engine is cold.
Contact with hot surfaces may cause personal
injury.
Keep hands, feet, face, clothing and other body
parts away the muffler and other hot surfaces.
Important: Do not overfill the crankcase with oil
because damage to the engine may result. Do not
run engine with oil below the low mark because the
engine may be damaged.
1. Park the machine on a level surface, disengage the
blade control switch, stop the engine, engage paring
brake, and remove the ke>
,
,
,
Make sure the engine is stopped, level, and is cool so
the oil has had time to drain into the sump.
To keep dirt, grass clippings, etc., out of the engine,
clean the area around the oil fill cap/dipstick before
removing it.
Stop the engine, remove the key and wait for all
moving parts to stop before leaving the operating
position (Figure 28).
G012157
3
6
8i! 'i/
y_ >
iS Y
/-" j
7
/ff / /i
9I
Figure 28
//,
10
J
G008792
Changing the Engine Oil
Service Interval: After the first 8 hours--Change the
engine oil.
27

Every 100 hours--Change the engine
oil. (more often in dusb. dirty
conditions)
Note: Dispose of the used oil at a recycling center.
1. Start the engine and let it run five minutes. This
warms the oil so it drains better.
,
,
Park the machine so that the drain side is slightly
lower than the opposite side to assure the oil drains
completel>
Disengage the PTO, move the motion control levers
to the neutral locked position and set the parking
brake.
,Stop the engine, remove the ke), and wait for all
moving parts to stop before leaving the operating
position (Figure 29).
=L->','_2_ a
G012157
J
S
J
Figure 29
G01215_
Slowly pour approximately 80% of the specified oil
into the filler tube and slowly add the additional oil
to bring it to the Full mark (Figure 30).
1
3
2
4
4
6
G008796
Figure 30
Changing the Engine Oil Filter
Service Interval: Every 200 hours--Change the oil
filter• (more often in dust?, dirty
conditions)
Note: Change the engine oil filter more frequently
when operating conditions are extremely dust T or sand?_
1. Drain the oil from the engine; refer to Changing the
Engine Oil.
2. Change the engine oil filter (Figure 31).
28

G012157
2
6....
Figure 31
G008748
,
Note: Ensure the oil filter gasket touches the engine
and then an extra 3/4 turn is completed.
Fill the crankcase with the proper type of new oil;
refer to Changing the Oil.
Servicing the Spark Plug
Service Interval: Every 100 hours--Check the spark
plug(s).
Make sure the air gap between the center and side
electrodes is correct before installing the spark plug.
Use a spark plug wrench for removing and installing
the spark plug(s) and a gapping tool/feeler gauge to
check and adjust the air gap. Install a new spark plug(s)
if necessar>
Type: NGK BPR4ES (or equivalent)
Air Gap: 0.030 inch (0.76 ram)
Removing the Spark Plug
1. Disengage the PTO, move the motion control levers
to the neutral locked position and set the paring
brake.
,Stop the engine, remove the ke), and wait for all
moving parts to stop before leaving the operating
position.
2
G008791
Figure 32
Note: Due to the deep recess around the spark
plug, blowing out the cavity with compressed air
is usually the most effective method for cleaning.
The spark plug is most accessible when the blower
housing is removed for cleaning.
Checking the Spark Plug
Important: Never clean the spark plug(s). Always
replace the spark plug(s) when it has: a black
coating, worn electrodes, an oily film, or cracks.
If you see light brown or gray on the insulator, the
engine is operating properl3: A black coating on the
insulator usually means the air cleaner is dirt>
Set the gap to 0.030 inches (0.76 ram).
Figure 33
G008794
29

Installing the Spark Plug
Tighten the spark plug(s) to 16 ff-lb (22 N-m).
16 ft-lb
G010687
Figure 34
Cleaning the Cooling System
Clean the air intake screen from grass and debris before
each use.
,
,
,
,
Disengage the blade control svdtch and move the
control levers to the neutral locked position and
apply the parking brake.
Stop the engine, remove the ke), and wait for al1
moving parts to stop before leaving the operating
position.
Remove the air intake screen, air cleaner cover, and
fan housing.
Clean debris and grass from the parts•
Install the air intake screen, air cleaner cover, and
fan housing.
Fuel System
Maintenance
In certain conditions, gasoline is extremely
flammable and highly explosive. A fire or explosion
from gasoline can burn you and others and can
damage property.
• Perform any fuel related maintenance when the
engine is cold. Do this outdoors in an open area.
Wipe up any gasoline that spills.
• Never smoke when draining gasoline, and stay
away from an open flame or where a spark may
ignite the gasoline fumes.
Replacing the Fuel Filter
Service Interval: Every 100 hours--Replace the fuel
filter•
Never install a dirt3/filter if it is removed from the fuel
lille.
I,
,
,
Park the machine on a level surface and disengage
the blade control svdtch.
Move the motion control levers outward to the
park position, stop the engine, remove the key and
wait for al1moving parts to stop before leaving the
operating position.
Raise the seat and locate the fuel line coming from
the fuel tank below The fuel filter is in the fuel line
t)etween the tank and engine.
3O

2
6
G005071
Figure 35
1. Fuel line from tank 4. Fuel line to engine
2. Hose clamp 5. Flow direction arrow
3. Filter 6. Fuel tank
Electrical System
Maintenance
CALIFORNIA
Proposition 65 Warning
Battery posts, terminals, and related
accessories contain lead and lead compounds,
chemicals known to the State of California
to cause cancer and reproductive harm.
Wash hands after handling.
Charging the Battery
Removing the Battery
,
6.
Squeeze the ends of the hose clamps together and
slide them away from the filter (Figure 35).
Remove the filter from the fuel lines.
Install a new filter vdth the flow direction arrow
coming from the fuel tank and pointing to the
engine. Move the hose clamps close to the filter
(Figure 35) to secure it in place•
Battery terminals or metal tools could short against
metal machine components causing sparks. Sparks
can cause the battery gasses to explode, resulting
in personal injury.
• When removing or installing the battery, do not
allow the battery terminals to touch any metal
parts of the machine.
• Do not allow metal tools to short between
the battery terminals and metal parts of the
machine.
,
,
,
,
Park the machine on a level surface and disengage
the blade control svdtch.
Move the motion control levers outward to the
park position, stop the engine, remove the key and
wait for aHmoving parts to stop before leaving the
operating position.
Remove the left side console to access the battery:
Refer the Accessing the Battery procedure in the
Premaintenance Procedures for instructions.
Disconnect the negative (black) ground cable from
the battery post (Figure 36)• Retain all fasteners.
31

Incorrect battery cable routing could damage
the machine and cables causing sparks. Sparks
can cause the battery gasses to explode,
resulting in personal injury.
• Always disconnect the negative (black)
battery cable before disconnecting the
positive (red) cable.
• Always connect the positive (red) battery
cable before connecting the negative (black)
cable.
5. Slide the rubber cover up the positive (red) cable.
Disconnect the positive (red) cable from the battery
post (Figure 36). Retain all fasteners.
6. Remove the battery hold-down (Figure 36) and lift
the battery from the battery tray.
2 6 5
4
G005072
Figure 36
1. Battery 5. Negative battery post
2. Positive battery post 6. Wing nut, washer, and bolt
3. Bolt, washer, and nut 7. Battery hold-down
4. Terminal boot
Charging the Battery
Service Interval: Before storage--Charge the battery
and disconnect battery cables.
1. Remove the battery from the chassis; refer to
Removing the Batter>
2. Charge the battery for a minimum of I hour at 6 to
10 amps. Do not overcharge the batter>
3. When the battery is fully charged, unplug the charger
from the electrical outlet, then disconnect the
charger leads from the battery posts (Figure 37).
4
2
3
1
G000538
Figure 37
1. Positive battery post 3. Red (+) charger lead
2. Negative battery post 4. Black (-) charger lead
Note: Do not run the machine with the battery
disconnected, electrical damage may occur.
Installing the Battery
1. Position the battery in the tray with the terminal
posts toward the operating position (Figure 36).
2. Install the positive (red) battery cable to the positive
(+) battery terminal using the fasteners removed
previously.
3. Install the negative battery cable to the negative
(-) battery terminal using the fasteners removed
previousl)_
4. Slide the red terminal boot onto the positive (red)
battery post.
5. Secure the battery with the hold-down (Figure 36).
6. Install the left side console. Refer to the Accessing
the Battery procedure in Premaintenance Procedures
for instructions.
Servicing the Fuses
The electrical system is protected by fuses. It requires
no maintenance; however, if a fuse blows, check the
component/circuit for a malfunction or short.
Fuse:
* Main FI-30 amp, blade-type
* Charge Circuit F2-25 amp, blade-type
1. Remove the four screws securing the control panel
to the machine. Retain all fasteners
,
,
Lift the control pane up to access the main wiring
harness and fuse block (Figure 38).
To replace a fuse, pull out on the fuse to remove it
(Figure 38).
32

1.
,
Figure 38
Main-30 amp 2. Charge circuit-25 amp
Return the control panel to its original position. Use
the four screws removed previously to secure the
panel to the machine.
Drive System
Maintenance
Checking the Tire Pressure
Service Interval: Every 25 hours--Check tire pressure.
Maintain the air pressure in the front and rear tires as
specified. Uneven tire pressure can cause uneven cut.
Check the pressure at the wflve stem (Figure 39). Check
the tires when they are cold to get the most accurate
pressure reading.
Tire Pressures
Model Rear Tire
74365
74366
74376
13 psi (90 kPa)
Front Tire (caster
wheels)
50 psi (344 kPa)
45 psi (310 kPa)
1. Valve stem
G000554
Figure 39
33

Mower Maintenance
Servicing the Cutting Blades
Maintain sharp blades throughout the cutting season
because sharp blades cut cleanly without tearing or
shredding the grass blades. Tearing and shredding turns
grass brown at the edges, which slows growth and
increases the chance of disease.
Check the cutter blades daily for sharpness, and for any
wear or damage. File down any nicks and sharpen the
blades as necessar 7 If a blade is damaged or worn,
replace it immediately vdth a genuine Toro replacement
blade. For convenient sharpening and replacement, you
may want to keep extra blades on hand.
A worn or damaged blade can break, and a piece
of the blade could be thrown into the operator's
or bystander's area, resulting in serious personal
injury or death.
• Inspect the blade periodically for wear or
damage.
• Replace a worn or damaged blade.
Before Inspecting or Servicing the
Blades
Park the machine on a level surface, disengage the blade
control svdtch, and move the motion control levers
outward to the park position. Stop the engine and
remove the ke>
Inspecting the Blades
Service Interval: Before each use or daily--Check the
cutting blades.
,
,
Inspect the cutting edges (Figure 40). If the edges
are not sharp or have nicks, remove and sharpen the
blades; refer to Sharpening the Blades.
Inspect the blades, especially the curved area
(Figure 40). If you notice any damage, wear, or
a slot forming in this area (item 3 in Figure 40),
immediately install a new blade.
24
G006530
Figure 40
1. Cutting edge 3. Wear/slot forming
2. Curved area 4. Damage
Checking for Bent Blades
Note: The machine must be on a level surface for the
following procedure.
,
,
Raise the mower deck to the highest height-of-cut
position; also considered the 'transport' position.
While wearing thicMy padded gloves or other
adequate hand protection slowly rotate blade to
be measure into a position that allows effective
measurement of the distance between the cutting
edge and the level surface the machine is on.
1. Deck
2. Spindle housing
Figure 41
3. Blade
34

,Measure from the tip of the blade to the flat surface
here.
G009680
Figure 42
1. Blade, in position for measuring
2. Level surface
3. Measured distance between blade and surface (A)
Figure 44
1. Opposing blade edge, in position for measuring
2. Level surface
3. Second measured distance between blade and surface (B)
,
,
Rotate the same blade 180 degrees so that the
opposing cutting edge is now in the same position.
G009681
Figure 43
1. Blade, side previously measured
2. Measurement position used previously
3. Opposing side of blade being moved into measurement
position
Measure from the tip of the blade to the fiat surface
here. The variance should be no more than 1/8 inch
(3ram).
A blade that is bent or damaged could break
apart and could seriously injure or kill you or
bystanders.
• Always replace bent or damaged blade with
a new blade.
• Never file or create sharp notches in the
edges or surfaces of blade.
A,
B,
Repeat
If the difference between A and B is greater
than 1/8 inch (3ram) replace the blade with a
new blade. Refer to Removing the Blades and
Installing the Blades.
Note: If a bent blade is replaced with a new one
and the dimension obtained continues to exceed
1/8 inch (3ram), the blade spindle could be bent.
Contact an Authorized Toro Dealer for service.
If the variance is within constraints, move to the
next blade..
this procedure on each blade.
Removing the Blades
The blades must be replaced if a solid object is hit,
if the blade is out of balance, or the blade is bent.
To ensure optimum performance and continued
safeU-conformance of the machine, use genuine Toro
replacement blades. Replacement blades made by other
manufacturers may result in non-conformance with
safeUTstandards.
Hold the blade end using a rag or thickly-padded glove.
Remove the blade bolt, curved washer, blade stiffener,
and blade from the spindle shaft (Figure 45).
35

5
4
1. Sail area of blade
2. Blade
3. Curved washer
G000551
Figure 45
4. Blade bolt
5. Blade stiffener
Sharpening the Blades
1. Use a file to sharpen the cutting edge at both ends
of the blade (Figure 46). Maintain the original angle.
The blade retains its balance if the same amount of
material is removed from both cutting edges.
Figure 46
1. Sharpen at original angle
G000552
,Check the balance of the blade by putting it on a
blade balancer (Figure 47). If the blade stays in a
horizontal position, the blade is balanced and can be
used. If the blade is not balanced, file some metal off
the end of the sail area only (Figure 46). Repeat this
procedure until the blade is balanced.
7 2
1
Figure 47
1. Blade 2. Balancer
G000553
Installing the Blades
1. Install the blade onto the spindle shaft (Figure 45).
,
,
Important: The curved part of the blade must
be pointing upward toward the inside of the
mower to ensure proper cutting.
Install the blade stiffener, the curved washer (cupped
side toward the blade) and the blade bolt (Figure 45).
Torque the blade bolt to 35-65 ft-lb (47-88 N-m).
Leveling the Mower Deck
Check to ensure the mower deck is level any time you
install the mower or when you see an uneven cut on
your lawn.
The mower deck must be checked for bent blades
prior to leveling; any bent blades must be removed
and replaced. Refer to the Checking for Bent Blades
procedure before continuing.
The mower deck must be leveled side-to-side first then
the front to rear slope can be adjusted.
Requirements:
• The machine must be on a level surface.
• All four tire must be properly inflated. Refer to
Checking the Tire Pressure in the Drive System
Maintenance section.
Side-to-Side Leveling
1. Park the machine on a level surface and disengage
the blade control svdtch.
,
,
4.
Move the motion control levers outward to the
park position, stop the engine, remove the key and
wait for all moving parts to stop before leaving the
operating position.
Set the height-of-cut lever to middle position.
Carefully rotate the blades so that they are all side to
side (Figure 48 and Figure 49).
2
G009682
Figure 48
Mower Decks with 2 Blades
1. Blades side to side 3. Outside cutting edges
2. Sail area of blade 4. Measure from the tip of the
blade to the flat surface
here
36

,
,
,
,
,
G005278
Figure 49
Mower Decks with 3 Blades
1. Blades side to side 3. Outside cutting edges
2. Sail area of blade 4. Measure from the tip of the
blade to the flat surface
here
Measure between the outside cutting edges and
the flat surface (Figure 48 and Figure 49). If both
measurements are not within 3/16 inch (5 ram), an
adjustment is required; continue with this procedure.
Move to the left side of the machine. Loosen, but
do not remove, the rear loc_ng nut on the hanger
bracket<Figure50).
Loosen the side loc_ng nut on the hanger bracket
just enough to allow the eccentric plate to be adjusted
(Figure 50). Use a 3/8 inch drive extension on a
socket wrench to manipulate the eccentric plate. Use
the wrench to reposition the height of the mower
deck and adjust to the desired height.
Stop the deck at the adjusted position and tighten the
side loc_ng nut on the hanger bracket to hold the
new position (Figure 50). Tighten the rear loc_ng
nut on the hanger bracket.
Continue leveling the deck by chec_ng the
front-to-rear blade slope; refer to Adjusting the
Front-to-Rear Blade Slope.
1
6
5
G005074
2
Figure 50
1. Hanger bracket 4. Eccentric adjustment plate
2. Rear locking nut 5. Socket wrench hole
3. Side locking nut 6. Socket wrench with 3/8
inch extension
Adjusting the Front-to-Rear Blade
Slope
Check the front-to-rear blade level aW time you install
the mower. If the front of the mower is more than
5/16 inch (7.9 ram) lower than the rear of the mower,
adjust the blade level using the follovdng instructions:
1. Park the machine on a level surface and disengage
the blade control switch.
,Move the motion control levers outward to the
park position, stop the engine, remove the ke5 and
wait for all moving parts to stop before leaving the
operating position.
3. Set the height-of-cut lever to middle position.
,
Note: Check and adjust the side-to-side blade
level if you have not checked the setting; refer to
Side-to-Side Leveling.
Carefully rotate the blades so they are facing front to
rear (Figure 51 and Figure 52).
37

Figure 51
Mower Decks with 2 Blades
1. Blades front to rear
2. Measure from the tip of the blade to the flat surface here
1. Adjusting rod
2. Adjusting block
1 2 3
Figure 53
3. Lock nut
G005075
,
G009659
Figure 52
Mower Decks with 3 Blades
1. Blades front to rear 3.
2. Outside cutting edges
Measure from the tip of the
blade to the flat surface
here
Measure from the tip of the front blade to the flat
surface and the tip of the rear blade to the flat surface
(Figure 51 and Figure 52). If the front blade tip is
not 1/16-5/16 inch (1.6-7.9 ram) lower than the rear
blade tip, adjust the front locMmt.
To adjust the front-to-rear blade slope, rotate the
adjustment nut in the front of the mower (Figure 53).
,
,
,
To raise the front of the mower, tighten the
adjustment nut. To lower the front of the mower,
loosen the adjustment nut.
After adjustment, check the front-to-rear slope again.
Continue adjusting the nut until the front blade tip
is 1/16-5/16 inch (1.6-7.9 ram) lower than the rear
blade tip (Figure 51 and Figure 52).
When the front-to-rear blade slope is correct check
the side-to-side level of the mower again; refer to
Leveling the Mower from Side-to-Side.
Removing the Mower
,
,
,
4.
Park the machine on a level surface and disengage
the blade control svdtch.
Move the motion control levers outward to the
park position, stop the engine, remove the ke3, and
wait for all moving parts to stop before leaving the
operating position.
Lower the height-of-cut lever to the lowest position.
Remove the hairpin cotter and clevis pin from the
front support rod (Figure 54). Carefully lower the
front of the mower deck to the ground.
38

Mower Belt Maintenance
3
G005076
1. Front support rod
2. Locking nut
Figure 54
3. Hairpin cotter and clevis
pin
Lift the mower deck and hanger brackets clear of
the rear lift rod and lower the mower carefully to
the ground (Figure 55).
G005077
Inspecting the Belts
Service Interval: Every 25 hours--Check the belts for
wear/cracks.
Check the belts for cracks, frayed edges, burn marks, or
any other damage. Replace damaged belts.
Replacing the Mower Belt
Squealing when the belt is rotating, blades slipping when
cutting grass, frayed belt edges, burn marks and cracks
are signs of a worn mower belt• Contact an Authorized
Service Dealer to replace the mower belt if aW of these
conditions are evident.
Installing the Mower
1. Park the machine on a level surface and disengage
the blade control svdtch.
,Move the motion control levers outward to the
park position, stop the engine, remove the key and
wait for all moving parts to stop before leaving the
operating position.
3. Slide the mower under the machine.
4. Lower the height-of-cut lever to the lowest position•
5. Lift the rear of the mower deck and guide the hanger
brackets over the rear lift rod (Figure 55).
6. Attach the front support rod to the mower deck with
the clevis pin and hairpin cotter (Figure 54).
7. Install the mower belt onto the engine pulley; refer
to Replacing the Mower Belt.
Replacing the Grass Deflector
Service Interval: Before each use or dailx_Inspect the
grass deflector for damage
1. Mower deck
2. Hanger bracket
Figure 55
3. Rear lift rod
6. Slide the mower deck rearward to remove the mower
belt from the engine pu_e?_
7. Slide the mower deck out from underneath the
machine.
Note: Retain all parts for future installation.
An uncovered discharge opening could allow the
lawn mower to throw objects in the operator's or
bystander's direction and result in serious injury.
Also, contact with the blade could occur.
Never operate the machine without grass deflector,
discharge cover or grass collection system in place.
Inspect the grass deflector for damage before each use.
Replace any damaged parts before use.
39

1. Locate items shown in Figure 56.
,
,
,
,
,
2
G005192
Figure 56
1. Mower deck 5. Spring
2. Grass deflector 6. Nut (3/8 inch)
3. Grass deflector bracket 7. Short stand-off
4. Rod
Remove the nut (3/8 inch) from the rod under the
mower (Figure 56).
Slide the rod out of the short stand-off, spring, and
grass deflector (Figure 56). Remove the damaged
or worn grass deflector•
Replace the grass deflector (Figure 56).
Slide rod, straight end, through the rear grass
deflector bracket.
Place the spring on the rod, with end wires down,
and between the grass deflector brackets• Slide rod
through second grass deflector bracket (Figure 56).
Insert rod at front of grass deflector into short
stand-off on deck. Secure rear end of rod into the
mower with a nut (3/8 inch) (Figure 56)•
Important: The grass deflector must be spring
loaded in the down position. Lift the deflector
up to test that it snaps to the full down position.
Cleaning
Washing the Underside of the
Mower
Service Interval: Before each use or daily--Clean the
mower housing.
\Khsh the underside of the mower after each use to
prevent grass buildup for improved mulch action and
clipping dispersal.
1. Park the machine on a level surface and disengage
the blade control switch.
2. Move the motion control levers outward to the
park position, stop the engine, remove the keB and
wait for all moving parts to stop before leaving the
operating position•
3. Attach the hose coupling to the end of the mower
washout fitting, and turn the water on high
(Figure 57).
Note: Spread petroleum jelly on the washout fitting
O-ring to make the coupling slide on easier and
protect the O-ring.
2
Figure 57
1. Washout fitting 3. O-ring
2. Hose 4. Coupling
G003934
,Lower the mower to the lowest height-of-cut•
Sit on the seat and start the engine. Engage the blade
control switch and let the mower run for one to
three minutes.
6. Disengage the blade control switch, stop the engine,
and remove the ignition ke): Wait for all moving
parts to stop•
7. Turn the water off and remove the coupling from
the washout fitting.
4O

,
Note: If the mower is not clean after one washing,
soak it and let it stand for 30 minutes. Then repeat
the process.
Run the mower again for one to three minutes to
remove excess water.
A broken or missing washout fitting could
expose you and others to thrown objects or blade
contact. Contact with blade or thrown debris
can cause injury or death.
• Replace broken or missing washout fitting
immediately, before using mower again.
• Never put your hands or feet under the
mower or through openings in the mower.
Storage
Cleaning and Storage
1. Disengage the blade control switch, move the
motion controls outward to the park position, stop
the engine, and remove the ke)=
2. Remove grass clippings, dirt, and grime from the
external parts of the entire machine, especially the
engine. Clean dirt and chaff from the outside of the
engine cylinder head fins and blower housing.
,
,
Important: You can wash the machine with
mild detergent and water. Do not pressure
wash the machine. Avoid excessive use of
water, especially near the control panel, engine,
hydraulic pumps, and motors.
Service the air cleaner; refer to Servicing the Air
Cleaner in the Engine Maintenance section.
Grease and oil the machine; refer to the Lubrication
section.
5. Change the crankcase oil and filter; refer to Servicing
the Engine Oil in the Engine Maintenance section.
6. Check the tire pressure; refer to Checking the Tire
Pressure in the Drive System Maintenance section.
7. Charge the battery; refer to Servicing the Battery
in the Electrical System Maintenance section.
8. Check the condition of the blades; refer to Servicing
the Cutting Blades in the Mower Maintenance
section.
,
10.
Prepare the machine for storage when non-use
occurs over 30 days. Prepare the machine for storage
as follows.
Add a petroleum based stabilizer/conditioner to the
fuel in the tank. Follow the mixing instructions from
the stabilizer manufacturer. Do not use an alcohol
based stabilizer (ethanol or methanol).
Note: A fuel stabilizer/conditioner is most effective
when mixed with fresh gasoline and used at all times.
Run the engine to distribute the conditioned fuel
through the fuel system (5 minutes).
Stop the engine, allow it to cool, and drain the fuel
tank; refer to Draining the Fuel Tank in the Fuel
System Maintenance section.
Restart the engine and run it until it stops.
Choke the engine. Start and run the engine until it
will not start.
Dispose of fuel properl> Recycle pursuant to local
codes.
41

Important: Do not store stabilizer/conditioned
gasoline over 30 days.
11. Remove the spark plug(s) and check its condition;
refer to Servicing the Spark Plug in the Engine
Maintenance section. With the spark plug(s)
removed from the engine, pour two tablespoons of
engine oil into the spark plug hole. Use the starter
to crank the engine and distribute the oil inside the
cylinder. Install the spark plug(s). Do not install the
wire on the spark plug(s).
12. Clean any dirt and chaff from the top of the mower.
13. Scrape any heavy buildup of grass and dirt from the
underside of the mower, then wash the mower with
a garden hose.
14. Check the condition of the drive and mower belts.
15. Check and tighten all bolts, nuts, and screws. Repair
or replace any part that is worn or damaged.
16. Paint all scratched or bare metal surfaces. Paint is
available from your Authorized Service Dealer.
17. Store the machine in a clean, dry garage or storage
area. Remove the key from the ignition switch and
keep it in a memorable place. Cover the machine to
protect it and keep it dean.
42

Troubleshooting
Problem
The engine overheats.
Possible Cause Corrective Action
1. The engine load is excessive.
2. The oil level in the crankcase is low.
3. The cooling fins and air passages
under the engine blower housing are
plugged.
4. The air cleaner is dirty.
5. Dirt, water, or stale fuel is in fuel
system.
The starter does not crank 1.
2.
3.
4.
5.
6.
7.
The engine will not start, starts hard, or 1.
fails to keep running. 2.
3.
4.
5.
6.
7.
8.
9.
The engine loses power. 1.
2.
3.
4.
The machine does not drive.
The blade control switch is engaged.
The motion control levers are not in the
park position.
The operator is not seated.
The battery is dead.
The electrical connections are corroded
or loose.
A fuse is blown.
A relay or switch is damaged.
The fuel tank is empty.
The choke is not on.
The air cleaner is dirty.
The spark plug wire(s) is loose or
disconnected.
The spark plug(s) is pitted, fouled, or
the gap is incorrect.
There is dirt in fuel filter.
Dirt, water, or stale fuel is in fuel
system.
There is incorrect fuel in the fuel tank.
The oil level in the crankcase is low.
The engine load is excessive.
The air cleaner is dirty.
The oil level in the crankcase is low.
The cooling fins and air passages
under the engine blower housing are
plugged.
5. The spark plug(s) is pitted, fouled, or
the gap is incorrect.
6. The vent in the fuel cap is closed.
7. There is dirt in the fuel filter.
8. Dirt, water, or stale fuel is in the fuel
system.
9. There is incorrect fuel in the fuel tank.
1. The bypass valves are open
2. The traction belts are worn, loose, or
broken.
3. The traction belts are off of the pulleys.
4. The transmission has failed.
1. Reduce ground speed.
2. Add oil to the crankcase.
3. Remove the obstruction from the
cooling fins and air passages.
4. Clean or replace the air cleaner
element.
5. Contact an Authorized Service Dealer
1.
2.
3.
4.
5.
6.
7.
1.
2.
3.
4.
5.
6.
7.
8.
9.
1.
2.
3.
4.
Move the blade control switch to
Disengaged.
Move the motion control levers outward
to the park position.
Sit on the seat.
Charge the battery.
Check the electrical connections for
good contact.
Replace the fuse.
Contact an Authorized Service Dealer.
Fill the fuel tank.
Move the choke lever to On.
Clean or replace the air cleaner
element.
Install the wire(s) on the spark plug.
Install a new, correctly gapped spark
plug(s).
Replace the fuel filter.
Contact an Authorized Service Dealer.
Drain the tank and replace the fuel with
the proper type.
Add oil to the crankcase.
Reduce ground speed.
Clean the air cleaner element.
Add oil to the crankcase.
Remove the obstruction from the
cooling fins and air passages.
5. Install a new, correctly gapped spark
plug(s).
6. Open the vent in the fuel cap.
7. Replace the fuel filter.
8. Contact an Authorized Service Dealer.
9. Drain the tank and replace the fuel with
the proper type.
1. Close the tow valves.
2. Contact an Authorized Service Dealer.
3. Contact an Authorized Service Dealer.
4. Contact an Authorized Service Dealer.
43

Problem Possible Cause
There is abnormal vibration.
Uneven cutting height.
The blades do not rotate.
1. The engine mounting bolts are loose.
2. The engine pulley, idler pulley, or blade
pulley is loose.
3. The engine pulley is damaged.
4. The cutting blade(s) is/are bent or
unbalanced.
5. A blade mounting bolt is loose.
6. A blade spindle is bent.
1. The blade(s) is not sharp.
2. A cutting blade(s)is/are bent.
3. The mower is not level.
4. An anti-scalp wheel is not set correctly.
5. The underside of the mower is dirty.
6. The tire pressure is incorrect.
7. A blade spindle is bent.
1. The drive belt is worn, loose or broken.
2. The drive belt is off of the pulley.
3. The mower belt is worn, loose, or
broken.
Corrective Action
1. Tighten the engine mounting bolts.
2. Tighten the appropriate pulley.
3. Contact an Authorized Service Dealer.
4. Install a new cutting blade(s).
5. Tighten the blade mounting bolt.
6. Contact an Authorized Service Dealer.
1. Sharpen the blade(s).
2. Install a new cutting blade(s).
3. Level the mower from side-to-side and
front-to-rear.
4. Adjust the anti-scalp wheel height.
5. Clean the underside of the mower.
6. Adjust the tire pressure.
7. Contact an Authorized Service Dealer.
1.
2.
3.
Install a new drive belt.
Install the drive belt and check the
adjusting shafts and belt guides for the
correct position.
Install a new mower belt.
44

Schematics
v
(/1
z
°_:__
>100183srl.-I
-_0_...._o _>-
e,,-
,,-t
i°
o
4-
- i
rn L9
mJ_L <
rn €._
Z < m Z
Electrical Diagram (Rev. A)
8
8
aalnan
ILl
IIIIII
_vn, r_
G009744
45

Notes:
46

Notes:
47

The Toro Total Coverage Guarantee
A Three-Year Limited Warranty (Limited Warranty for Commercial Use)
TimeCutter
Z Mowers
Conditions and Products Covered under The Toro Total
Coverage Guarantee
The Toro® Company and its affiliate, Toro Warranty Company, pursuant to
an agreement between them, jointly promise to repair any Toro Product
used for residential purposes*, if defective in materials or workmanship
or if it stops functioning due to the failure of a component for the period
listed below.
This Warranty applies to all TimeCutter Z Mowers and their accessories.
This warranty covers the cost of parts and labor, but you must pay
transportation costs.
The following time periods apply from the date of purchase:
Products Warranty Period
TimeCutter Z Mowers 3 years
Attachments (for above units) 3 years
Batteries 1 year
Limited Warranty for Commercial Use
Gas-powered Toro Products used at more than one location, or used for
institutional or rental use, are warranted for 30 days against defects in
materials or workmanship, 90 days on engines. Components failing due to
normal wear are not covered by this warranty.
Owner Responsibilities
You must maintain your Toro Product by following the maintenance
procedures described in the Operator's Manual. Such routine
maintenance, whether performed by a dealer or by you, is at your expense.
• Operational misuse, neglect, or accidents
• Repairs or attempted repairs by anyone other than an Authorized
Toro Service Dealer
Instructions for Obtaining Warranty Service
If you think that your Toro Product contains a defect in materials or
workmanship, follow this procedure:
1,
2,
Contact any Authorized Toro Service Dealer to arrange service at their
dealership. To locate a dealer convenient to you, refer to the Yellow
Pages of your telephone directory (look under "Lawn Mowers") or
access our web site at www.Toro.com. You may also call the numbers
listed in item #3 to use the 24-hour Toro Dealer Iocator system.
Bring the product and your proof of purchase (sales receipt) to the
Service Dealer. The dealer will diagnose the problem and determine
if it is covered under warranty.
3. If for any reason you are dissatisfied with the Service Dealer's
analysis or with the assistance provided, contact us at:
Customer Care Department, Consumer Division
Toro Warranty Company
8111 Lyndale Avenue South
Bloomington, MN 55420-1196
Toll free at 866-216-6029 (U.S. customers
Toll free at 866-216-6030 (Canadian customers)
General Conditions
Items and Conditions Not Covered
There is no other express warranty except for special emission system
coverage and engine warranty coverage on some products. This express
warranty does not cover the following:
• Cost of regular maintenance service or parts, such as filters, fuel,
lubricants, oil changes, spark plugs, air filters, blade sharpening/worn
blade on mowers, cable!linkage adjustments, or brake and clutch
adjustments
• Any product or part which has been altered or misused and requires
replacement or repair due to accidents or lack of proper maintenance
• Repairs necessary due to improper battery care, failure to use fresh
fuel (less than one month old), or failure to properly prepare the unit
prior to any period of non-use over one month
• Pickup and delivery charges
All repairs covered by these warranties must be performed by an
Authorized Toro Service Dealer using Toro approved replacement parts.
Repair by an Authorized Toro Service Dealer is your sole remedy under
this warranty.
Neither The Toro® Company nor Toro Warranty Company is liable for
indirect, incidental, or consequential damages in connection with the
use of the Toro Products covered by these warranties, including any
cost or expense of providing substitute equipment or service during
reasonable periods of malfunction or non-use pending completion of
repairs under these warranties.
Some states do not allow exclusions of incidental or consequential
damages, so the above exclusions may not apply to you.
This warranty gives you specific legal rights, and you may also have other
rights which vary from state to state.
Countries Other than the United States or Canada
Customers who have purchased Toro products exported from the United States or Canada should contact their Toro Distributor (Dealer) to obtain
guarantee policies for your country, province, or state. If for any reason you are dissatisfied with your Distributor's service or have difficulty obtaining
guarantee information, contact the Toro importer. If all other remedies fail, you may contact us at Toro Warranty Company.
*Residential purposes means use of the product on the same lot as your home. Use at more than one location, or institutional or rental use, is considered
commercial use, and the commercial use warranty would apply.
374-0257 Rev A