Trane Gas Unit Heaters Catalogue UH PRC002 EN 09/01/2009 Product Catalog Indoor Heating Products Heaters, Duct Furnaces
2015-04-02
: Trane Trane-Gas-Unit-Heaters-Catalogue-684280 trane-gas-unit-heaters-catalogue-684280 trane pdf
Open the PDF directly: View PDF
.
Page Count: 69
- Introduction
- Features Highlights
- Features and Benefits
- Application Considerations
- Selection Procedure
- Model Number Descriptions
- General Data
- Performance Data
- Controls
- Sequence of Operations
- Electrical Data
- Dimensions and Weights
- Mechanical Specifications
- Tubular Heat Exchanger Indoor Gas Unit (model GT)
- High Efficiency Propeller (model GH) and Centrifugal Fan Gas Unit Heaters (model GB)
- Separated Combustion Centrifugal (model GK) and Propeller Fan Gas Unit Heaters (model GA)
- High Efficiency Indoor Gas Duct Furnaces (model GL)
- Separated Combustion Duct Furnaces (model GM)
- Horizontal Blower Assembly (model HBAC)

September 2009 UH-PRC002-EN
Indoor Gas Heating Products
Unit Heaters
Duct Furnaces
Product Catalog

© 2009 Trane All rights reserved UH-PRC002-EN
Introduction
Trane unit heaters, offered in both propeller and centrifugal models, are a complete heat generating
and distributing plant, equipped with automatic controls, and packaged in an attractive
streamlined housing. Designed for ceiling mounting, they provide a convenient low-cost method
of comfortably heating stores, factories, warehouses, and other large open areas.
Trane unit heaters represent a technological breakthrough in quality. Trane offers customers the
most complete line of unit heaters anywhere. And every unit in the line has been rated for 80
percent thermal efficiency or better.
But higher thermal efficiency and lower operating costs are just two features of this product line.
Innovation—the engineering advances you’ve come to expect from Trane—can also be found
across this entire line of unit heaters. And rugged, quality construction provides years of
dependable service.
Quality products mean Trane value. So does fair, competitive pricing. The 10-year warranty tells
you Trane will be here for the long haul—keeping our commitment to you. You can count on Trane
standing behind every unit shipped. That is what Trane value means.
Trademarks
Trane and the Trane logo are trademarks of Trane in the United States and other countries.

Table of Contents
UH-PRC002-EN 3
Introduction . . . . . . . . . . . . . . . . . . . . . . . . . . . . . . . . . . . . . . . . . . . . . . . . . . . . . . . . . . . . 2
Features Highlights . . . . . . . . . . . . . . . . . . . . . . . . . . . . . . . . . . . . . . . . . . . . . . . . . . . . . 4
Features and Benefits . . . . . . . . . . . . . . . . . . . . . . . . . . . . . . . . . . . . . . . . . . . . . . . . . . . 5
Application Considerations . . . . . . . . . . . . . . . . . . . . . . . . . . . . . . . . . . . . . . . . . . . . . . 7
General . . . . . . . . . . . . . . . . . . . . . . . . . . . . . . . . . . . . . . . . . . . . . . . . . . . . . . 7
Venting Unit Heaters . . . . . . . . . . . . . . . . . . . . . . . . . . . . . . . . . . . . . . . . . . 12
Selection Procedure . . . . . . . . . . . . . . . . . . . . . . . . . . . . . . . . . . . . . . . . . . . . . . . . . . . 16
Indoor Gas Heating Units . . . . . . . . . . . . . . . . . . . . . . . . . . . . . . . . . . . . . . . . . . 18
Model Number Descriptions . . . . . . . . . . . . . . . . . . . . . . . . . . . . . . . . . . . . . . . . . . . . 18
Horizontal Blower Assembly . . . . . . . . . . . . . . . . . . . . . . . . . . . . . . . . . . . . . . . 19
General Data . . . . . . . . . . . . . . . . . . . . . . . . . . . . . . . . . . . . . . . . . . . . . . . . . . . . . . . . . . 20
Service Clearances . . . . . . . . . . . . . . . . . . . . . . . . . . . . . . . . . . . . . . . . . . . 20
Heat Throw Data . . . . . . . . . . . . . . . . . . . . . . . . . . . . . . . . . . . . . . . . . . . . . 20
Performance Data . . . . . . . . . . . . . . . . . . . . . . . . . . . . . . . . . . . . . . . . . . . . . . . . . . . . . 24
Controls . . . . . . . . . . . . . . . . . . . . . . . . . . . . . . . . . . . . . . . . . . . . . . . . . . . . . . . . . . . . . . 30
Gas Controls . . . . . . . . . . . . . . . . . . . . . . . . . . . . . . . . . . . . . . . . . . . . . . . . 30
Sequence of Operations . . . . . . . . . . . . . . . . . . . . . . . . . . . . . . . . . . . . . . . . . . . . . . . . 33
Single-Stage Control . . . . . . . . . . . . . . . . . . . . . . . . . . . . . . . . . . . . . . . . . . 33
Two-Stage Control . . . . . . . . . . . . . . . . . . . . . . . . . . . . . . . . . . . . . . . . . . . 34
Electronic Modulating Control (with duct thermostat) . . . . . . . . . . . . . . . 35
Electronic Modulating Control (with room thermostat) . . . . . . . . . . . . . . 37
High-Efficiency Units . . . . . . . . . . . . . . . . . . . . . . . . . . . . . . . . . . . . . . . . . . 39
Separated Combustion Units . . . . . . . . . . . . . . . . . . . . . . . . . . . . . . . . . . . 43
Electrical Data . . . . . . . . . . . . . . . . . . . . . . . . . . . . . . . . . . . . . . . . . . . . . . . . . . . . . . . . . 45
Dimensions and Weights . . . . . . . . . . . . . . . . . . . . . . . . . . . . . . . . . . . . . . . . . . . . . . . 46
Mechanical Specifications . . . . . . . . . . . . . . . . . . . . . . . . . . . . . . . . . . . . . . . . . . . . . . 58
Tubular Heat Exchanger Indoor Gas Unit (model GT) . . . . . . . . . . . . . . . 58
High Efficiency Propeller (model GH) and Centrifugal Fan Gas Unit Heaters
(model GB) . . . . . . . . . . . . . . . . . . . . . . . . . . . . . . . . . . . . . . . . . . . . . . . . . . . . . . . . . . . . 59
Separated Combustion Centrifugal (model GK) and Propeller Fan Gas Unit
Heaters (model GA) . . . . . . . . . . . . . . . . . . . . . . . . . . . . . . . . . . . . . . . . . . . . . . . . . . . . . 61
High Efficiency Indoor Gas Duct Furnaces (model GL) . . . . . . . . . . . . . . 63
Separated Combustion Duct Furnaces (model GM) . . . . . . . . . . . . . . . . . 65
Horizontal Blower Assembly (model HBAC) . . . . . . . . . . . . . . . . . . . . . . . 67

4 UH-PRC002-EN
Features Highlights
Ten-Year Warranty
The complete heat exchanger, draft hood assembly of the unit heater and burners are warranted
by Trane to be free from defects in material and workmanship for a period of 10 years from the date
of manufacture. (Warranty not applicable on duct furnaces or Separated Combustion units.)
Quiet Operation
Trane unit heaters incorporate an exceptionally balanced fan blade to assure quiet operation.
Heat Exchangers
All Trane heat exchangers are available in three types of steel:
• Aluminized Steel (Standard)
• 409 Grade Stainless Steel (Optional) (30–400 MBh units)
• 321 Grade Stainless Steel (Optional) (100–400 MBh units)
24V System
All units are equipped with a 24Vcontrol system which is powered by a 24V transformer as standard
equipment.
Fan Time Delay
The fan time delay switch is mounted at the factory as standard equipment on all unit heaters
(optional on duct furnaces). This feature eliminates an initial blast of cold air by allowing the unit
to fire for a short period of time before actuating the fan motor. After the thermostat is satisfied
(with burners off), the fan continues to operate for approximately one minute, removing residual
heat from heat exchanger.
Burners
All sizes 30,000 through 400,000 Btu input are equipped with a proven design pressed steel burner
having a unique “burner shade” protective device to prevent scale or foreign matter from plugging
the burner ports.
Energy Saving Ignition Pilot Control
The pilot burner is ignited only during each cycle of operation, thereby conserving energy during
the off cycle.
LP/Natural Operation
All units are available for operation on either natural or LP gas from our factory.
Easy Access For Maintenance
All Trane unit heaters are so designed that the burner access panel is removed with just two screws.
Burners are individually removable for inspection and servicing. Pilot is also accessible through
side panel access door.
Te s t F i r e
All Trane unit heaters are test fired to assure proper operation.
Ideal For Retrofit
Trane unit heaters let you pocket fuel savings from day one and provide years of dependable
service.

UH-PRC002-EN 5
Features and Benefits
Propeller Fan / Tubular Heat Exchanger Unit Heaters
Trane has added a new unit heater to enhance its broad line of heating products. The Trane
tubular heat exchanger is a very durable unit heater that provides an alternative to the traditional
clam shell style. These are propeller style units that combine the latest tubular heat exchanger
style with inshot burner technology to create a very efficient operating unit.
High Efficiency Propeller Fan Unit Heaters
Trane high-efficiency propeller fan unit heaters achieve annual fuel savings of 20 to 25 percent
over conventional gravity vented heaters. Each unit features a factory-installed power venter fan
and sealed flue collector that controls combustion and excess air during the on-cycle.
Heated air no longer escapes through the draft diverter opening during the off-cycle. Energy
saving spark ignition reduces gas losses. The pilot only operates when required.
Horizontal power venting allows side wall venting, smaller openings, and single-walled vent
pipe, reducing heat loss. Higher efficiencies can reduce equipment and material costs as well as
installation time.
High Efficiency Centrifugal Fan Unit Heaters
The high-efficiency centrifugal fan unit heater keeps energy costs down. The design advances
achieve annual fuel savings of 20 to 25 percent over conventional gravity vented heaters.
The high-efficiency centrifugal unit features integral power venting (factory-installed) and
sealed flue collector for optimum combustion. Electronic spark ignition reduces pilot gas losses,
and the power venter allows for horizontal venting through side walls. It adds up to higher
seasonal efficiencies and lower installation time.
High Efficiency Indoor Duct Furnace
The high efficiency indoor gas duct furnace complements our current centrifugal and propeller
fan lines. All high efficiency lines were designed to achieve fuel savings of up to 25 percent over
conventional gravity vented heaters.
Conventional gravity vented heaters lost heated room air through the draft diverter opening. The
high efficiency line features an integral flue vent fan and sealed flue collector for improved
combustion. It reduces air requirements and wind effects on the system’s efficiency. Intermittent
pilot ignition reduces pilot gas losses and the flue vent fan allows for horizontal venting through
side walls.
Note: DUCT FURNACES ARE APPROVED FOR BLOW-THROUGH APPLICATIONS ONLY.
Horizontal Blower Assemblies
Trane horizontal blower assemblies have been specially designed for air handling systems of
high static pressure in combination with Trane duct furnaces. They are matched against the
proper furnace size for greatest efficiency of operation.

6 UH-PRC002-EN
Features and Benefits
Separated Combustion Propeller Fan Unit Heaters
The Trane separated combustion propeller type unit heater keeps energy costs down by offering
80 percent thermal efficiencies. With model inputs available from 100 through 400 MBH, they
are designed to be installed in mildly hostile environments where dusty, dirty and mildly
corrosives exist or high humidity or slightly negative pressures prevail.
The Trane propeller unit separates the combustion process from the environment where the unit
is installed. A power venting system draws a controlled quantity of combustion air from outside
the building. The same system exhausts flue gas products to the outside. The burners, pilot and
flue system are enclosed within the unit. The entire combustion process is literally unaffected
by the atmosphere in the space where the unit is located.
Combustion and exhaust air may be piped horizontally through a side wall, or vertically through
the roof via our standard two-pipe venting arrangement or optional concentric vent kit which
utilizes one 8-inch side wall or rooftop penetration for both the combustion and exhaust air. Both
venting systems are C.S.A. International certified.
Separated Combustion Centrifugal Fan Unit Heaters
The Trane separated combustion centrifugal type unit heater keeps energy costs down by
offering 80 percent thermal efficiencies. With model inputs available from 100 through 400 MBh,
they are designed to be installed in mildly hostile environments where dusty, dirty and mildly
corrosives exist or high humidity or slightly negative pressures prevail. This unit operates at a
static pressure up to 0.2” water column, and is available with a louvered (standard) or flanged
outlet (optional) when discharge duct work is desired.
These units separate the combustion process from the environment where the unit is installed.
A power venting system draws a controlled quantity of combustion air from outside the
building. The same system exhausts flue gas products to the outside. The burners, pilot and flue
system are enclosed within the unit. The entire combustion process is literally unaffected by the
atmosphere in the space where the unit is located.
Separated Combustion Duct Furnace
The Trane separated combustion duct furnace is designed for installation in dusty, dirty or mildly
corrosive environments or where high humidity or slightly negative pressures exist. Ideal
applications include HVAC equipment rooms, manufacturing facilities, automotive garages and
greenhouses.

UH-PRC002-EN 7
Application Considerations
General
Propeller fan unit heaters and centrifugal fan unit heaters are designed for use in space heating
applications. The units are typically used in areas with high ceilings, and are exposed in the space
to be heated. Unit heaters offer low installed cost, and are able to heat large volume areas without
requiring extensive duct systems.
Duct furnaces are designed for use in ducted applications with a separate air handling device such
as a horizontal blower assembly. By utilizing a separate air source, greater application flexibility in
airflow delivery can be obtained. Multiple duct furnaces can be used with an air handling unit to
provide zone heating.
Note: When installing duct furnaces in parallel or in series, minimum clearance requirements
must be considered. This is required for serviceability of the gas valve and the high limit.
“All duct furnaces are approved in blow-thru applications only.”
All duct furnaces are AGA approved upstream or downstream of the cooling coil. Recommend
optional field installed drain pan when installed on the downstream side of the cooling coil.
Note: Downstream denotes cooling coil ahead of the fan section.
When used in conjunction with filters, cooling coils and an air handler, the duct furnace can become
part of a built-up heating and cooling system.
Gas Heating Value
The majority of gas heating units are installed in applications where natural gas is readily available.
In areas where natural gas is not available, Trane units may be ordered directly from the factory
for use on LP (propane) gas.
Gas heat content varies by fuel type and location. The standard gross heating value for natural gas
is 1,000 Btu per cubic foot, and for propane, 2,500 Btu per cubic foot. Significant variations from
these standard values should be taken into consideration in equipment selections. To account for
variations in the gross heating value of the fuel, adjust the total heat input required and select the
unit on the basis of the adjusted load using the following formula:
Low Temperature Rise
Trane recommends against the setup of a unit which will result in a temperature rise of less than
30°F. With such low temperature rises, the flue gases passing through the heat exchanger are
cooled to condensate before reaching the flue outlet. This condensate is corrosive and will result
in shortened heat exchanger life.
Air Density
Catalog performance data is based on elevations up to 2,000 feet above sea level. Above 2,000 feet
the unit’s heating capacity must be derated four percent for each 1,000 feet above sea level, and
Adjusted load = Calculated load x gross heat value (Btu/ft3)
Actual gross heat value (Btu/ft3)

8 UH-PRC002-EN
Application Considerations
special orifice selections are required. Ta b l e 8, p. 2 4 contains correction factors that can be applied
to the unit’s cataloged heating capacity, fan rpm, and fan bhp to obtain actual values for elevations
above 2,000 feet.
Corrosive Atmospheres
Corrosion of heat exchangers and draft diverters have two basic variables—moisture
(condensation) and sulphur. These two ingredients form to make sulfuric acid in the combustion
process. Condensation occurs commonly in makeup air systems, using large amounts of fresh air,
when air temperatures entering the heat exchanger drop to 40°F or below. This reaction can also
occur in recirculating systems where some quantity of outside air is introduced upstream of the
exchanger. The sulphur will always be present as an integral component of the gas. The resulting
concentration of the acid is governed by the amount of sulphur in the gas. This concentration varies
from gas to gas and geographically within the same type of gas.
Beyond sulfuric acid corrosion there is the area of chlorinated or halogenated hydrocarbon vapor
corrosion. This type of corrosion occurs when substances are mixed with combustion air that will
cause the formation of hydrochloric or hydrofluoric acid when burned. These basic substances are
found in degreasers, dry cleaning solvents, glues, cements, paint removers and aerosol
propellants. Specific chemicals included in this group are trichloroethylene, perchloroethylene,
carbon tetrachloride, methylene chloride, methyl chloroform and refrigerants 11, 12, 21, 22 and 114.
If sufficient PPM content of these corrosives is present, none of the common heat exchanger
materials will hold up. The dilemma becomes whether to place the gas heating equipment outside
of the area to be conditioned, or use equipment in the space which does not burn a fuel such as
gas (i.e., electric or hydronic).
Units should not be installed in areas with corrosive or inflammable atmospheres. Locations
containing solvents or chlorinated hydrocarbons will produce corrosive acids when coming in
contact with burner flames. This reaction will greatly reduce the life of the heat exchanger and may
void the warranty. For added protection against heat exchanger corrosion, optional 409 and 321
stainless steel construction is available. On units using outside air, with entering air temperature
below 40°F, condensation of flue gas in the heat exchanger is possible. In these cases, stainless steel
heat exchangers are recommended.
Careful review of the job application with respect to use, probable contaminants within a
conditioned space or the amount of fresh air to be brought in, will help to make the proper selection
of heat exchanger material. This review will help to eliminate problems before they begin.
Indoor Units
Indoor gas unit heaters and duct furnaces are used primarily in commercial and industrial
structures such as manufacturing areas, warehouses, garages, stores, showrooms, lobbies, and
corridors.
Separated combustion units are used primarily in industrial work areas with wood or textile dust,
non-explosive contaminated environments, nonchlorine process areas, automotive and truck
garages and greenhouses.
Unit Placement
Refer to the applicable Trane Installation, Operation and Maintenance literature for specific
installation instructions. Installations must conform with local building codes or in the absence of
local codes with the National Fuel Gas Code ANSI Z223.1.
When selecting a location for an indoor unit heater, both the size and weight of the unit, as well as
the heating requirements of the building, should be considered. Installation of units in airplane
hangars or public garages should be in accordance with NFPA No. 409 for aircraft hangars, and
NFPA No. 88 for garages.
For proper distribution, air should be directed towards areas of maximum heat loss. When multiple
units are used, circulation of heated air around the space perimeter is recommended. Satisfactory
results can also be obtained where multiple units are located toward the center of the area, with

UH-PRC002-EN 9
Application Considerations
heated air being discharged toward the outside walls. Throw data for standard unit heaters and unit
heaters utilizing optional discharge nozzles is shown in “General Data,” p. 20.
Locations where extreme drafts can affect burner operation should be avoided. Strong drafts may
cause pilot outage. Units with intermittent pilot ignition may be preferable in areas where drafts
are likely.
Minimum clearances required for accessibility and safety are listed in Tab l e 2 , p. 20 .
Mounting Detail
(Hanging Hardware Supplied by Others)
Throw Data
Throw data for units with standard louvers and for units with optional discharge nozzles are in
“General Data,” p. 20. Optional nozzles are for use on propeller fan unit heaters, centrifugal fan unit
heaters and duct furnaces. When greater throw distance is desired, a 45° nozzle is recommended.
For high mounting heights, a 90° nozzle may be used. When wide diffusion is needed, a Y splitter
nozzle should be considered. A five-way nozzle can be used for applications requiring even air
Figure 1. Steel Construction
Figure 2. Wood Construction

10 UH-PRC002-EN
Application Considerations
distribution over a large floor area. (Five-way nozzles are not available on propeller fan unit
heaters.)
Indoor Units—Venting
Gas fired indoor units require venting to remove the products of combustion. To help assure safe,
trouble-free operation, follow the guidelines listed below:
Power Vented Units
Units with a factory installed flue vent fan.
1. All units must be vented. Power vented units are designed to use single wallvent pipe. A
Breidert Type L, Field Starkap, or equivalent unit vent cap must be furnished by the customer.
2. The venting system for these appliances shall terminate at least 4 feet below, 4 feet horizontally
from, or 1 foot above any door, window or gravity air inlet into any building.
3. Through-the-wall vents for these appliances shall not terminate over public walkways or over
an area where condensate or vapor could create a nuisance or hazard or could be detrimental
to the operation of regulators, relief valves, or other equipment.
4. The vent pipe diameter must be as shown under “Recommended Flue Size” in the specification
charts. An adaptor must be field supplied if required.
5. Each furnace must have an individual vent pipe and vent terminal. Vent pipe equivalent
length must not exceed 50 feet. Equivalent length is the total length of straight sections, plus
15 feet for each 90° elbow and 8 feet for each 45° elbow.
6. Maintain 6 inch clearance between vent pipe and combustible materials. Vent terminal must be
installed with a minimum clearance of 4 feet from electric meters, gas meters, regulators, and
relief equipment.
7. Seal vent pipe joints to prevent leakage. Use General Electric RTV-108 or Dow Corning RTV-732
Silicone Sealant or 3M #425 aluminum foil tape.
8. Pitch horizontal pipes downward 1/4-inch per foot toward outlet for condensate drainage.
Horizontal portions of the venting system shall be supported at maximum intervals of 4 feet to
prevent sagging.
9. Vertical vent pipes should be equipped with condensate drains.
10. Insulate single wall vent pipe exposed to cold air or running through unheated areas.
FM and IRI Requirements
IRI, which stands for Industrial Risk Insurers, and FM, which stands for Factory Mutual, are both
basically insurance companies which insure commercial/industrial firms against a variety of
losses. Both publish requirements which must be met by certain equipment operating in the
facilities they are preparing to insure.
Listed below is our interpretation of the requirements of both insurers pertaining to heating units
only to the extent of features/controls required by IRI and/or FM. There are a number of additional
requirements which pertain to electrical service, details of installation, etc., and we urge you to
obtain copies of the publications pertaining to these details if you are involved in a job where IRI
or FM adherence has been indicated. The requirements detailed herein are our interpretations of
the latest publications in our possession and we must disclaim any responsibility for errors due to
our interpretation and/or lack of any updated revision of these standards. Our intent is to provide
you with an understanding of the application of these standards and how we believe our indirect-
fired gas heating equipment applies.
IRI Requirements
1. All input sizes require 100 percent shutoff. This requires that any natural gas unit, equipped with
intermittent pilot ignition, must employ a “lock out” type ignition system which will shut off
pilot gas if the pilot fails to light at any time. This system is required by AGA on LP gas units

UH-PRC002-EN 11
Application Considerations
as standard equipment. However, for natural gas units, you need to specify on the order
“Natural Gas, 100 percent shutoff.”
2. All units require AGA certification or UL “listed” controls. Our units are AGA certified and meet
this requirement.
3. Models with inputs of 150,000 to 400,000 Btu require “mechanical exhaust” and a “safety
interlock.” For our units, this means a power vented or drafter-equipped unit. In both instances,
if the flue vent fan (factory or field installed) does not get up to speed, the unit will not fire,
satisfying the safety interlock portion.
FM Requirements
1. All units must be AGA certified or UL listed. Our units are AGA certified.
2. The high limit control must be in a circuit, the voltage of which does not exceed 120 Vac. All of
our high limits would meet this requirement.
The specific requirement for an “IRI or FM Gas Train,” while it applies to direct and indirect-fired
gas heating equipment as well as oil-fired, comes into play only with units having an input in excess
of 400,000 Btu. This may be one of the reasons why the majority of gas heating equipment
manufacturers (indirect-fired) limit their largest individual furnace to 400,000 Btu.
Minimum/Maximum Gas Inlet Pressures
Gas valves are suitable to a maximum inlet pressure of 0.5 psi (14 inches water column) on natural
gas. If the main gas supply pressure is greater than 14 inches wc, a step-down pressure regulator
must be field-installed ahead of the gas valve. Minimum inlet pressure for natural gas units is
5 inches wc.
For LP (propane) gas, the minimum inlet pressure is 11.0 inches wc and the maximum inlet pressure
is 14.0 inches wc.
High Pressure Regulators—Natural Gas Only
The Trane indoor gas heating products contained in this catalog are designed to operate at a
pressure of 3.5-inch wc (water column) when firing on natural gas. This is the “manifold” pressure
or that which is present at the burner orifices. All five- and six-function valves provide a built-in
pressure regulator which is capable of reducing “supply” pressures from a maximum of 14-inch
wc (1/2 psi) down to 3.5-inch wc on the leaving side of the valve. The valve typically “drops” about
1-1/2 inches so the minimum supply pressure is 5-inch wc.
Whenever supply pressures exceed 14 inches wc, a high pressure regulator should be selected. We
supply a Rockwell regulator which is fitted with pressure springs and capacity orificing to meet the
requirements of each specific job. In order to select the proper spring/orifice combination, we need
to know what the supply pressure is on that particular job and the input size of the unit being
ordered. More than one unit can be run from one regulator; however, we recommend that each unit
have its own regulator.
We require that the “job” supply pressure be included on all jobs requiring high pressure
regulators along with the unit size. Ta b l e 1 displays the regulators range as it pertains to inlet
pressure and MBh. A dash (—) requires the customer to contact a local utility or an industrial supply
house.
These devices are not available from Trane for LP gas. LP accessories must be secured from the
gas supplier/ supply house.

12 UH-PRC002-EN
Application Considerations
Venting Unit Heaters
Venting unit heaters and duct furnaces used to be as simple as remembering that warm air rises.
With the introduction of new venting equipment and safety controls, things have become a little
more technical. Today’s contractor has to know a lot more about proper venting to get the job done
within code at a reasonable price.
For starters, ANSI now categorizes vented appliances into four categories. Category I includes non-
condensing appliances with negative vent pressure, like the traditional atmospheric unit heater.
Category II groups condensing appliances with negative vent pressure.
Category III appliances are non-condensing and operate with a positive vent pressure, like the
traditional power vented unit heater. Category IV covers condensing appliances with positive vent
pressure.
Sharing Flues with Other Appliances
Never connect power vented devices to common flues. Mechanically vented appliances must have
dedicated vents to the point of termination.
Power Vented Unit Heaters
Mechanically vented appliances have enjoyed increasing acceptance in American facilities. Power
vented unit heaters allow installation without the need to penetrate expensive roofing materials.
They also offer more flexibility in placement of individual unit heaters.
Table 1. Orifice chart: Rockwell 043–182 regulator
Inlet Pressure
(psi)
Capacity in Mbh for Natural Gas
Spring Required
25–200 225–300 350–500 600 700 800
1 3/8” — — — — — Blue (only)
2 3/8” 3/8” — — — — Blue (only)
3 3/8” 3/8” 3/8” — — — Blue or Green
5 3/8” 3/8” 3/8” 3/8” 3/8” 3/8” Blue or Green
10 3/8” 3/8” 3/8” 3/8” 3/8” 3/8” Blue or Green
20 1/4” 1/4” 1/4” 1/4” 1/4” 5/16” Blue or Green
40 1/4” 1/4” 1/4” 1/4” 1/4” 1/4” Blue or Green
60 1/8” 1/8” 1/8” 1/8” 1/8” 3/16” Blue or Green
80 1/8” 1/8” 1/8” 1/8” 1/8” — Blue or Green
100 1/8” 1/8” 1/8” 1/8” 1/8” 1/8” Blue or Green
125 1/8” 1/8” 1/8” 1/8” 1/8” 1/8” Blue or Green
Venting Categories
Non-Condensing Condensing
Negative Vent Pressure I II
Positive Vent Pressure III IV

UH-PRC002-EN 13
Application Considerations
Mechanical venting occurs when a power blower provides a positive air flow to exhaust vent gas.
The blower may be mounted at the unit heater or at the point of termination. With a factory-
installed power venter, a pressure switch detects the flow of vent gas before the gas valve is
allowed to open. With third party drafters, a centrifugal switch usually monitors the operation of
the blower motor. When properly installed, the switch senses motor rotation and allows the gas
valve to operate. Interlocking the blower to the gas valve provides some control over the
combustion process. Using a factory unit with a pressure sensitive switch ensures that control.
With all their advantages, power venters bring some requirements as well. Each manufacturer
determines the maximum length of pipe and fittings that his system can use for safe operation.
Remember to count the fittings and allow for their higher resistance to flow. The total length of run
includes not only the piping length, but the resistance of all the fittings including the termination
cap.
Many contractors have become accustomed to using B vent with natural draft units. Used with
power vented appliances indoors, B vent is unacceptable. B vent does not allow positive pressure
in the vent piping to be sealed from the heated space. Proper installation uses 24-gauge, single wall
vent pipe and each joint sealed with temperature resistant sealant or tape.
Contractors must also be aware of the conditions at the point of termination. The National Fuel Gas
Code NFPA 54/ANSI Z223.1-1992 mandates that vent system should terminate at least 4 feet below,
4 feet horizontally or 1 foot above any window, door, or gravity inlet to a building. Termination with
a vent cap approved by the manufacturer should occur well above the snow line.
Figure 3. Power vented unit heater
Figure 4. Vent termination locations (minimum distance)

14 UH-PRC002-EN
Application Considerations
Beyond satisfying the codes, vents should be positioned away from shrubs and plants that might
be affected by unseasonable warming by the exhaust. Sidewall vents release a considerable
amount of water vapor that may condense on cold siding, adversely affecting painted surfaces.
Placing these vents in locations that get natural air circulation from prevailing winds may help to
reduce these negative effects.
Separated Combustion Venting
Another form of mechanical venting includes those unit heaters that use a powered exhaust also
to pull in outside air. Most often found on condensing furnaces, separated combustion does not
use room air for combustion. Instead these unit heaters use a second run of pipe to supply fresh
outdoor air.
The separated combustion approach offers several advantages. First, it does not use warm indoor
air to fire the unit heater. This saves energy by avoiding drawing unheated make-up air into the
living space. Second, the unit heater has an unlimited source of air for combustion. In many of the
new super insulated buildings appliances can be starved for combustion air. In contaminated
atmospheres the use of separated combustion unit heaters assures that the heat exchanger sees
only non-corrosive air.
When positioning the intake and exhaust vents on separated combustion equipment, the intake
and outlet must mount on the same outside surface. This ensures that any wind effects balance out.
Remember to keep the vents at least 18” apart to avoid drawing exhaust air into the intake air.
With Trane’s separated combustion unit heaters intake air and exhaust air run through standard
24-gauge galvanized pipe. Remember that separated combustion unit heaters still have high vent
1. Heat
2. Fumes
3. Humidity
1
2
3

UH-PRC002-EN 15
Application Considerations
temperatures. Use of PVC, CPVC and other plastic vent materials are inappropriate and hazardous.
Check the manufacturer’s instructions before piping any appliance.
The vent gases of power vented and separated combustion unit heaters may condense on a cold
start-up or when vent piping runs through unheated areas. To protect the heater always pitch both
intake and exhaust piping toward the outside of the building. Remember also that no power vented
equipment can share a common flue with any other appliance. Should a flue become blocked one
appliance could vent into the occupied space.
Approved vent caps should be used on both the intake and exhaust terminations. For greater
convenience Trane offers a concentric vent adapter that allows venting through a single perforation
through the building wall or roof.

16 UH-PRC002-EN
Selection Procedure
Determine the total heating load requirements in accordance with methods recommended by the
ASHRAE Handbook of Fundamentals or other acceptable means.
High Efficiency Propeller Fan Unit Heater
1. From the performance data tables, select the unit whose heating output meets or exceeds the
heating load requirement.
2. Airflow (cfm) and temperature rise can be read directly from the performance data tables.
3. Knowing the mounting height of the unit, throw can be determined from the performance data
table. If the throw is not adequate, consider using a larger propeller fan unit heater or a
centrifugal fan unit heater with an optional discharge nozzle for greater throw.
Selection Example—A natural gas propeller fan unit heater that can provide 75 MBh heating
output is required. The unit will be mounted 10 feet above the floor and a 40-foot throw is
required.
Select the unit as follows:
a. From Table 10, p. 25, select a GHND-010 with 100.0 MBh input and 80.0 MBh heating output,
1,480 cfm and a 50°F temperature rise.
b. From Ta b l e 3, p . 2 0 , throw at a mounting height of 10 feet is 54 feet.
High Efficiency Centrifugal Fan Unit Heater
1. From the performance data tables, select the unit whose heating output meets or exceeds the
heating load requirement.
2. Airflow (cfm) ranges are listed for each unit size in the performance data tables. Knowing either
the desired airflow or temperature rise, the other can be calculated using the following
formulas:
3. Knowing the mounting height of the unit, throw can be determined from the performance data
table. If the throw is not adequate, a discharge nozzle can be used to obtain additional throw.
Selection Example—An LP (Propane) gas centrifugal fan unit heater that can provide 150 MBh
heating output is required. An airflow of 2,000 cfm is desired. The unit will be mounted 12 feet
above the floor and a 65-foot throw is required.
Select the unit as follows:
a. From Table 11, p. 25, select a GBPD-020 with a 200.0 MBh input and 160.0 MBh heating
output. An airflow of 2,000 cfm is within the allowable range, and temperature rise is
calculated as follows:
b. From Table 3, p. 20, throw at a 12-foot mounting height is 61 feet. As a 61-foot throw is not
adequate, a 60-degree nozzle can be selected (from Table 5, p. 21) which provides a throw
of 76 feet.
cfm = Output x 1,000
1.085 x ΔT
ΔT = Output x 1,000
1.085 x cfm
ΔT = MBh x 1,000
1.085 x χφμ
ΔT = 160 x 1,000 = 74.0°F
1.085 x 2,000

UH-PRC002-EN 17
Selection Procedure
High Efficiency Duct Furnace
1. From the performance data tables, select the unit whose heating output meets or exceeds the
heating load requirement.
2. Given the airflow to be supplied to the duct furnace, temperature rise and pressure drop
through the duct furnace can be read directly from the performance data charts. If the air
temperature rise is below 30°F, some supply air must be bypassed around the duct furnace. If
the air temperature rise is over 80°F, additional supply air must be delivered to the duct furnace.
Selection Example—A natural gas duct furnace that can provide 300 MBh heating output is
required. An airflow of 5,000 cfm is being provided to the duct furnace.
Select the unit as follows:
a. From Table 14, p. 27, select a GLND-040 with a 400.0 MBh input and 320.0 MBh heating
output.
b. From Figure 10, p. 29, temperature rise at 5,000 cfm is 58°F and pressure drop is 0.16 inches.
Horizontal Blower Assembly
1. From the performance data tables, select the blower assembly that provides the needed airflow
at the required static pressure, and determine the required motor size and fan speed.
2. If a blower assembly is to be used with a duct furnace, refer to the dimensional data table to
determine which blower to use with the given duct furnace. The duct furnace pressure drop
must be added to the pressure drop of the duct system before entering the blower assembly
performance data tables. Enter the performance data table at the required airflow and at the
total external static pressure to determine the motor size and fan speed.
Selection Example—A GLND-040 high efficiency duct furnace is to be used with a horizontal
blower assembly. An airflow of 5,000 cfm is required. The pressure drop of the duct system is
0.54 inches, and the pressure drop of the duct furnace is 0.16 inches.
Select the unit as follows:
a. From Table 29, p. 55, select a HBAC-45 for use with the GLND-040 duct furnace.
b. From Table 16, p. 28, an HBAC-45 at 5,000 cfm and 0.7 inches static pressure (0.54-inch
ductwork + 0.16-inch furnace) requires a 1-1/2 hp motor with a fan speed of 720 rpm.

18 UH-PRC002-EN
Indoor Gas Heating Units
Note: All units are AGA approved. For
CGA approved units, contact Air
Handling Product Support.
Digit 1 — Gas Heating
Equipment
Digit 2 — Product Type
B = High Efficiency Centrifugal Fan
Unit Heater
L = High Efficiency Indoor Duct
Furnace
H = High Efficiency Propeller Fan Unit
Heater
A = Separated Combustion Propeller
Fan Unit Heater
K = Separated Combustion
Centrifugal Fan Unit Heater
M = Separated Combustion Indoor
Duct Furnace
T = Propeller Fan / Tubular Heat
Exchanger
Digit 3 — Fuel
N= Natural Gas
P=LP Gas (Propane)
Digit 4 — Development
Sequence
D = Fourth Generation
Digits 5, 6, 7 — Input Capacity
Single Furnace
Digit 8 — Main Power Supply
003(a)
(a) Not available for high efficiency propeller fan.
= 30 MBh 015 = 150 MBh
004(a) = 45 MBh 017 = 175 MBh
006(a) = 60 MBh 020 = 200 MBh
007(a) = 75 MBh 022 = 225 MBh
009 = 90 MBh 025 = 250 MBh
010(b)
(b)Not available for tubular.
= 100 MBh 030 = 300 MBh
011(c)
(c) Available for tubular only.
= 105 MBh 035 = 350 MBh
120(c) = 120 MBh 040 = 400 MBh
012(b) = 125 MBh
A = 115/60/1 D = 230/60/3
B = 230/60/1 E = 460/60/3
C = 208/60/3 F = 575/60/3
Digit 9 — Gas Control Option
D = Single-Stage, Intermittent Pilot
Ignition
E = Two-Stage, Intermittent Pilot
Ignition
H = Electronic Modulating with Room
T-Stat, Intermittent Pilot Ignition
J = Electronic Modulating with
Duct-Stat, Intermittent Pilot
Ignition
L = Electronic Modulating with
External 4–20 mA Input
N = Electronic Modulating with
External 0–10 Vdc Input
T = Single Stage Direct Spark Ignition
V = Two-Stage, Direct Spark Ignition
Digit 10 — Design Sequence
G = Seventh Design
Digit 11 — Heat Exchanger
Material
1 = Aluminized Steel
2 = #409 Stainless Steel
3 = #321 Stainless Steel
Digit 12 — Rooftop
Arrangements
0 = None (Indoor Unit)
Digit 13 — Rooftop Heating Unit
Motor Selection
0 = None (Indoor Unit and Rooftop
Duct Furnace)
Digit 14 — Rooftop Fan Section
0 = None (Indoor Unit and Rooftop
Duct Furnace)
Digit 15 — Miscellaneous
Options
All Units
0=None
A = #409 Stainless Steel Burners1
B = Orifices For Elevation Above 2000
Feet (Specify Elevation)
Propeller Fan Unit Heater
(High Efficiency and Separated
Combustion)
C = #409 Stainless Steel Draft Diverter
D = Summer-Winter Switch
E = Vertical Louvers
J = Totally Enclosed Motor
7 = OSHA Fan Guard
Centrifugal Fan Unit Heater
(High Efficiency and Separated
Combustion)
C = #409 Stainless Steel Draft Diverter
D = Summer-Winter Switch
E = Vertical Louvers
H = Duct Discharge Flange
J = Totally Enclosed Motor
Duct Furnace (Indoor) (High
Efficiency)
C = #409 Stainless Steel Draft Diverter
D = Summer-Winter Switch
F = Horizontal Louvers
G = Horizontal and Vertical Louvers
K = Side Access Burner Drawer (Left
Hand)2
L = Fan Time Delay Control
M = Side Access Burner Drawer (Right
Hand)2
Separated Combustion, Indoor Duct
Furnace
C = #409 Stainless Steel Draft Diverter
D = Summer-Winter Switch
F = Horizontal Louvers
G = Horizontal and Vertical Louvers
Propeller Type / Tubular Heat
Exchanger
J = Totally Enclosed Motor
7 = OSHA Fan Guard
1Not available for tubular.
2The left or right hand side of the side access burner
drawer, options K & M, is determined by facing the
air outlet side of the duct furnace.
Model Number Descriptions

UH-PRC002-EN 19
Model Number Descriptions
Horizontal Blower
Assembly
Digit 1, 2, 3 — Horizontal Blower
Assembly
Digit 4 — Development
Sequence
C = Third Generation
Digit 5, 6 — Blower Size
15 = Nominal 1500 cfm
20 = Nominal 2000 cfm
30 = Nominal 3000 cfm
45 = Nominal 4500 cfm
Digit 7 — Transition Size
(Specifies Duct Furnace Size)
Digit 8 — Main Power Supply
Digit 9 — Motor Horsepower
Digit 10 — Design Sequence
D = Fourth Design
Digit 11 — Miscellaneous
Options
0=None
1 = Insulation
3 = Totally Enclosed Motor
0=None
A = 100 MBh F = 225 MBh
B = 125 MBh G = 250 MBh
C = 150 MBh H = 300 MBh
D = 175 MBh J = 350 MBh
E = 200 MBh K = 400 MBh
A = 115/60/1 D = 230/60/3
B = 230/60/1 E = 460/60/3
C = 208/60/3
A = 1/3 hp D = 1 hp
B = 1/2 hp E = 1-1/2 hp
C = 3/4 hp F = 2 hp

20 UH-PRC002-EN
General Data
Service Clearances
Heat Throw Data
Table 2. Minimum clearances
Duct Furnace Propeller & Centrifugal Fan U.H.
Sides 18” 18”
Top 6” 6”
Bottom 21”(a) 21”
Flue 6” 6”
(a)21” clearance is required for bottom access to burners and pilot. If a side pull-out burner drawer is ordered (duct furnace only), bottom clearance can
be reduced to six inches. Side clearance, however, must be increased such that it is adequate for burner drawer removal. Reference Table 27, p. 53.
Figure 5. Standard unit heater applications
Table 3. Standard unit heater—approximate distance of throw at nominal airflow
Distance From
Floor to Bottom
of Unit “H”
ft (m)
Unit Size
Input MBh (kW)
30 45 60 75 100 125 150 175 200 225 250 300 350 400
(8.8) (13.2) (17.6) (22.0) (29.3) (36.6) (43.9) (51.2) (58.6) (65.9) (73.2) (87.8) (102.5) (117.1)
8 3333334060657075808590105110120
(2.4) (10.1) (10.1) (10.1) (12.2) (18.3) (19.8) (21.3) (22.9) (24.4) (25.9) (27.4) (32.0) (33.5) (36.6)
10 28 28 28 35 54 56 60 64 68 72 78 90 95 100
(3.0) (8.5) (8.5) (8.5) (10.7) (16.5) (17.1) (18.3) (19.5) (20.7) (21.9) (23.8) (27.4) (29.0) (30.5)
12 — — — — 44 46 49 57 61 65 68 80 84 90
(3.7) (13.4) (14.0) (14.9) (17.4) (18.6) (19.8) (20.7) (24.4) (25.6) (27.4)
15 ——————4549525660707480
(4.6) (13.7) (14.9) (15.8) (17.1) (18.3) (21.3) (22.6) (24.4)
20 ————————465054636670
(6.1) (14.0) (15.2) (16.5) (19.2) (20.1) (21.3)

UH-PRC002-EN 21
General Data
Figure 6. 30° nozzle
Table 4. 30-degree nozzle—approximate distance of throw at nominal airflow
Distance From Floor
to Bottom of Unit “H”
ft (m)
Unit Size
Input MBh (kW)
100 125 150 175 200 225 250 300 350 400
(29.3) (36.6) (43.9) (51.2) (58.6) (65.9) (73.2) (87.8) (102.5) (117.1)
8 65707580859095115120125
(2.4) (19.8) (21.3) (22.9) (24.4) (25.9) (27.4) (29.0) (35.1) (36.6) (38.1)
10 57 60 64 68 72 78 86 99 105 110
(3.0) (17.4) (18.3) (19.5) (20.7) (21.9) (23.8) (26.2) (30.2) (32.0) (33.5)
12 50 54 57 60 64 70 77 88 94 100
(3.7) (15.2) (16.5) (17.4) (18.3) (19.5) (21.3) (23.5) (26.8) (28.7) (30.5)
15 — 45 48 50 53 59 64 74 79 84
(4.6) (13.7) (14.6) (15.2) (16.2) (18.0) (19.5) (22.6) (24.1) (25.6)
20 — — — 44 47 53 58 66 71 75
(6.1) (13.4) (14.3) (16.2) (17.7) (20.1) (21.6) (22.9)
Notes:
1. All throw data figures are approximate.
2. — = not recommended at these mounting heights.
3. Nozzles are not available on units below size 100 MBh.
4. Nozzles are available for high-efficiency units. Specify High Efficiency when ordering due to difference in nozzle configuration.
Figure 7. 60° nozzle
Table 5. 60-degree nozzle—approximate distance of throw at nominal airflow
Distance From Floor
to Bottom of Unit “H”
ft (m)
Unit Size
Input MBh (kW)
100 125 150 175 200 225 250 300 350 400
(29.3) (36.6) (43.9) (51.2) (58.6) (65.9) (73.2) (87.8) (102.5) (117.1)
8 7580859095100110125130138
(2.4) (22.9) (24.4) (25.9) (27.4) (29.0) (30.5) (33.5) (38.1) (39.6) (42.1)
10 65 70 75 79 83 88 95 109 115 120
(3.0) (19.8) (21.3) (22.9) (24.1) (25.3) (26.8) (29.0) (33.2) (35.1) (36.6)
12 60 64 68 72 76 80 84 100 103 108
(3.7) (18.3) (19.8) (20.7) (21.9) (23.2) (24.4) (25.6) (30.5) (31.4) (32.9)
15 50 54 56 61 65 68 71 85 88 94
(4.6) (15.2) (16.5) (17.1) (18.6) (19.8) (20.7) (21.6) (25.9) (26.8) (28.7)
20 — 49 52 55 59 61 65 77 81 85
(6.1) (14.9) (15.8) (16.8) (18.0) (18.6) (19.8) (23.5) (24.7) (25.9)

22 UH-PRC002-EN
General Data
Figure 8. 90° nozzle
Table 6. 90-degree nozzle—approximate floor coverage at nominal airflow
Unit Size
Distance From Floor to Bottom of Unit “H”
ft (m)
10 15 20 25 30
(3.0) (4.6) (6.1) (7.6) (9.1)
100 — 30 x 25 — — —
(9.1 x 7.6)
125 — 35 x 30 — — —
(10.7 x 9.1)
150 — 40 x 35 — — —
(12.2 x 10.7)
175 — 45 x 40 — — —
13.7 x 12.2)
200 — 50 x 40 40 x 35 — —
(15.2 x 12.2) (12.2 x 10.7)
225 — 55 x 40 48 x 35 — —
(16.8 x 12.2) (14.6 x 10.7)
250 — 60 x 45 56 x 40 50 x 35 —
(18.3 x 13.7) (17.1 x 12.2) (15.2 x 10.7)
300 — 70 x 45 65 x 40 60 x 35 55 x 35
(21.3 x 13.7) (19.8 x 12.2) (18.3 x 10.7) (16.8 x 10.7)
350 — 80 x 50 70 x 45 65 x 40 60 x 35
(24.4 x 15.2) (21.3 x 13.7) (19.8 x 12.2) (18.3 x 10.7)
400 — 100 x 50 80 x 45 75 x 40 65 x 40
(30.5 x 15.2) (24.4 x 13.7) (22.9 x 12.2) (19.8 x 12.2)

UH-PRC002-EN 23
General Data
Figure 9. “Y” splitter
Table 7. “Y” splitters—approximate distance of throw at nominal airflow
Distance From
Floor to Bottom
of Unit “H”
ft (m)
Unit Size
Input MBh (kW)
100 125 150 175 200 225 250 300 350 400
(29.3) (36.6) (43.9) (51.2) (58.6) (65.9) (73.2) (87.8) (102.5) (117.1)
8 4751606570728095100103
(2.4) (14.3) (15.5) (18.3) (19.8) (21.3) (21.9) (24.4) (29.0) (30.5) (31.4)
10 41 44 52 56 61 63 69 82 87 92
(3.0) (12.5) (13.4) (15.8) (17.1) (18.6) (19.2) (21.0) (25.0) (26.5) (28.0)
12 37 40 47 51 55 57 63 75 79 82
(3.7) (11.3) (12.2) (14.3) (15.5) (16.8) (17.4) (19.2) (22.9) (24.1) (25.0)
Notes:
1. All throw data figures are approximate.
2. Nozzles are not available on units below size 100 MBh.
3. Nozzles are available for high-efficiency units. Specify High Efficiency when ordering due to difference in nozzle configuration.

24 UH-PRC002-EN
Performance Data
Table 8. Correction factors for high altitude installations
Altitude Above Sea Level (ft) 0 2,000 3,000 4,000 5,000 6,000 7,000
Gas Heating Capacity 1.00 0.92 0.88 0.84 0.8 0.76 0.72
Fan rpm 1.00 1.04 1.06 1.09 1.12 1.15 1.19
Fan bhp 1.00 1.07 1.12 1.18 1.25 1.33 1.41
Notes:
1. For high altitude installations above 2,000 feet, reduce ratings 4 percent for each 1,000 feet above sea level.
2. Multiply standard unit by correction factor to get actual input and required rpm and hp.
Table 9. Tubular Heat Exchanger performance data—model GTND/GTPD
Unit Size 003 004 006 007 009 011 120 015 017 020 025 030 035 040
Input MBh 30 45 60 75 90 105 120 150 175 200 250 300 350 400
kW 8.8 13.2 17.6 22.0 26.4 30.8 35.2 43.9 51.2 58.6 73.2 87.8 102.5 117.1
Output MBh 24.9 37.35 49.8 61.5 73.8 86.1 98.4 124.5 145.25 166.0 207.5 249.0 290.5 332.0
kW 7.2 10.9 14.5 18.0 21.6 25.2 28.8 36.4 42.5 48.6 60.7 72.9 85.1 97.2
Thermal Efficiency 83 83 83 82 82 82 82 83 83 83 83 83 83 83
Free Air Delivery
cfm 370 550 740 920 1,100 1,300 1,475 2,400 2,850 3,200 3,450 5,000 5,600 5,800
m3/s 0.175 0.260 0.349 0.434 0.519 0.614 0.696 1.133 1.346 1.511 1.629 2.361 2.644 2.738
Air Temperature Rise
°F 60 60 60 60 60 60 60 47 46 47 54 45 47 51
°C 15 15 15 15 15 15 15 26 26 26 30 25 26 28
Full Load Amps at 120V 3.0 3.0 4.1 4.1 6.4 6.4 6.4 5.8 8.0 8.0 8.0 11.3 13.5 13.5
Motor Data
hp 1/20 1/20 1/12 1/12 1/10 1/10 1/10 1/4 1/3 1/3 1/3 1/4 1/3 1/3
kW 0.04 0.04 0.06 0.06 0.075 0.075 0.075 0.19 0.25 0.25 0.25 0.19 0.25 0.25
Type SP SP SP SP SP SP SP PSC PSC PSC PSC PSC PSC PSC
rpm 1,650 1,650 1,050 1,050 1,050 1,050 1,050 1,140 1,140 1,140 1,140 1,140 1,140 1,140
Amps at 115V 1.9 1.9 2.6 2.6 4.2 4.2 4.2 4.7 5.8 5.8 5.8 9.4 11.6 11.6
Notes:
1. Ratings are shown for elevations up to 2,000 feet above sea level. Above 2,000 feet, input must be derated 4 percent for each 1,000 feet above sea
level.
2. CS = Capacitor Start; SPH = Split Capacitor
3. Standard motors are 115/60/1 open drip-proof.
4. 0.2 maximum external static pressure.
5. Unit amps are based on hot surface pilot ignition.

UH-PRC002-EN 25
Performance Data
Table 10. High Efficiency Propeller Fan Gas Unit Heater performance data—model GHND/GHPD
Unit Size 010 012 015 017 020 022 025 030 035 040
Input MBh 100 125 150 175 200 225 250 300 350 400
kW 29.3 36.6 43.9 51.2 58.6 65.9 73.2 87.8 102.5 117.1
Output MBh 80 100 120 140 160 120 200 240 280 320
kW 23.4 29.3 35.1 41.0 46.9 52.7 58.6 70.3 82.0 93.7
Thermal Efficiency 80% 80% 80% 80% 80% 80% 80% 80% 80% 80%
Free Air Delivery
cfm 1,480 1,650 2,200 2,530 2,640 2,700 3,100 4,400 5,000 5,300
m3/s 0.699 0.779 1.038 1.194 1.246 1.274 1.463 2.077 2.360 2.502
Air Temperature Rise
°F 50 56 50 51 56 61 60 50 52 56
°C 28 31 28 28 31 34 33 28 29 31
Output Velocity
fpm 775 910 1,045 1,070 1,010 950 980 1,100 1,150 1,050
m/s 3.94 4.62 5.31 5.44 5.13 4.83 4.98 5.59 5.84 5.33
Full Load Amps at 115V 5.8 6 7.2 8.2 8.2 8.2 8.2 11.2 13.2 13.2
Motor Data
hp 1/20 1/10 1/4 1/3 1/3 1/3 1/3 (2) 1/4 (2) 1/3 (2) 1/3
kW 0.037 0.075 0.186 0.249 0.249 0.249 0.249 (2) 0.186 (2) 0.249 (2) 0.249
Type SP SP PSC PSC PSC PSC PSC PSC PSC PSC
rpm 1,050 1,050 1,140 1,140 1,140 1,140 1,140 1,140 1,140 1,140
Amps at 115V 2.6 2.8 4.0 4.5 4.5 4.5 4.5 8.0 9.0 9.0
Notes:
1. Ratings are shown for elevations up to 2,000 feet above sea level. Above 2,000 feet, input must be derated 4 percent for each 1,000 feet above sea
level.
2. Standard 115/60/1 open drip-proof motor.
3. The flue vent fan motors used on all high efficiency units are 115/60/1; 1/20 hp and 1.5 amps.
Table 11. High Efficiency Centrifugal Fan Unit Heater performance data—model GBND/GBPD
Unit Size 010 012 015 017 020 022 025 030 035 040
Input MBh 100 125 150 175 200 225 250 300 350 400
kW 29.3 36.6 43.9 51.2 58.6 65.9 73.2 87.8 102.5 117.1
Output MBh 80 100 120 140 160 180 200 240 280 320
kW 23.4 29.3 35.1 41.0 46.9 52.7 58.6 70.3 82.0 93.7
Thermal Efficiency 80% 80% 80% 80% 80% 80% 80% 80% 80% 80%
Free Air Delivery
cfm 1,200 1,575 1,975 2,300 2,400 2,600 2,850 3,950 4,600 4,800
m3/s 0.566 0.743 0.932 1.086 1.133 1.227 1.345 1.864 2.171 2.266
Air Temperature Rise
°F 62 59 56 56 62 64 65 56 56 62
°C 34 33 31 31 34 36 36 31 31 34
Output Velocity
fpm 880 950 1,030 1,045 965 935 930 1,080 1,090 1,000
m/s 4.47 4.83 5.23 5.31 4.90 4.72 4.72 5.49 5.54 5.08
Full Load Amps at 115V 8.3 9.8 10.6 10.6 15.2 15.2 15.2 15.2 18.6 18.6
Motor Data
hp 1/4 1/3 1/2 1/2 3/4 3/4 3/4 3/4 1 1
kW 0.19 0.25 0.37 0.37 0.56 0.56 0.56 0.56 0.75 0.75
Type SHP SHP SHP SHP SHP SHP SHP SHP CS CS
rpm 1,725 1,725 1,725 1,725 1,725 1,725 1,725 1,725 1,725 1,725
Amps at 115V 5.1 6.6 7.4 7.4 12.0 12.0 12.0 12.0 15.4 15.4
Notes:
1. Ratings are shown for elevations up to 2,000 feet above sea level. Above 2,000 feet, input must be derated 4 percent for each 1,000 feet above sea
level.
2. Standard motors are 115V 60 Hz, single-phase open drip-proof.
3. The flue vent fan motors used on all high efficiency units are 115/60/1; 1/20 hp and 1.5 amps. All other voltages will require an additional
transformer.
4. SPH = Split Phase; CS = Capacitor Start
5. 0.2” maximum external static pressure.

26 UH-PRC002-EN
Performance Data
Table 12. Separated Combustion Propeller Fan Gas Unit Heater performance data—model GAND/GAPD
Unit Size 010 012 015 017 020 022 025 030 035 040
Input MBh 100 125 150 175 200 225 250 300 350 400
kW 29.3 36.6 43.9 51.2 58.6 65.9 73.2 87.8 102.5 117.1
Output MBh 80 100 120 140 160 180 200 240 280 320
kW 23.4 29.3 35.1 41.0 46.9 52.7 58.6 70.3 82.0 93.7
Thermal Efficiency 80% 80% 80% 80% 80% 80% 80% 80% 80% 80%
Free Air Delivery
cfm 1480 1650 2200 2530 2640 2700 3100 4400 5000 5300
m3/s 0.699 0.779 1.038 1.194 1.246 1.274 1.463 2.077 2.360 2.502
Air Temperature Rise
°F 50 56 50 51 56 61 60 50 52 56
°C 28 31 28 28 31 34 33 28 29 31
Output Velocity
fpm 775 910 1045 1070 1000 950 980 1100 1150 1050
m/s 3.94.65.35.45.14.85.05.65.85.3
Full Load Amps at 115V 5.8 6.0 7.2 7.8 7.8 7.8 8.8 11.2 12.2 12.2
Motor Data
hp 1/20 1/10 1/4 1/3 1/3 1/3 1/2 (2) 1/4 (2) 1/3 (2) 1/3
kW 0.037 0.075 0.186 0.249 0.249 0.249 0.373 (2) 0.186 (2) 0.249 (2) 0.249
Type SP SP PSC PSC PSC PSC PSC PSC PSC PSC
rpm 1,050 1,050 1,140 1,140 1,140 1,140 1,140 1,140 1,140 1,140
Amps at 115V 2.6 2.8 4.0 4.5 4.5 4.5 5.5 8.0 9.0 9.0
Notes:
1. Ratings are shown for elevations up to 2,000 feet above sea level. Above 2,000 feet, input must be derated 4 percent for each 1,000 feet above sea
level.
2. Standard motor is 115/60/1 open drip-proof.
3. SP = Shaded Pole; PSC = Permanent Split Capacitor.
Table 13. Separated Combustion Centrifugal Fan Gas Unit Heater performance data—model GKND/GKPD
Unit Size 010 012 015 017 020 022 025 030 035 040
Input MBh 100 125 150 175 200 225 250 300 350 400
kW 29.3 36.6 43.9 51.2 58.6 65.9 73.2 87.8 102.5 117.1
Output MBh 80 100 120 140 160 180 200 240 280 320
kW 23.4 29.3 35.1 41.0 46.9 52.7 58.6 70.3 82.0 93.7
Thermal Efficiency 80% 80% 80% 80% 80% 80% 80% 80% 80% 80%
Free Air Delivery
cfm 1,200 1,575 1,975 2,300 2,400 2,600 2,850 3.950 4,600 4,800
m3/s 0.566 0.743 0.932 1.086 1.133 1.227 1.345 1.864 2.171 2.266
Air Temperature Rise
°F 62 59 56 56 62 64 65 56 56 62
°C 34 33 31 31 34 36 36 31 31 34
Output Velocity
fpm 880 950 1030 1045 965 935 930 1080 1090 1000
m/s 4.47 4.83 5.23 5.31 4.90 4.75 4.72 5.49 5.54 5.08
Full Load Amps at 115V 8.3 9.8 10.6 10.6 15.2 15.2 15.2 15.2 18.6 18.6
Motor Data
hp 1/4 1/3 1/2 1/2 3/4 3/4 3/4 3/4 1 1
kW 0.19 0.25 0.37 0.37 0.56 0.56 0.56 0.56 0.75 0.75
Type SPH SPH SPH SPH SPH SPH SPH SPH CS CS
rpm 1725 1725 1725 1725 1725 1725 1725 1725 1725 1725
Amps at 115V 5.1 6.6 7.4 7.4 12.0 12.0 12.0 12.0 15.4 15.4
Notes:
1. Ratings are shown for elevations up to 2,000 feet above sea level. Above 2,000 feet, input must be derated 4 percent for each 1,000 feet above sea
level.
2. Standard motor is 115/60/1 open drip-proof.
3. SPH = Split Phase; CS = Capacitor Start.

UH-PRC002-EN 27
Performance Data
Table 14. High Efficiency Indoor Gas Duct Furnace performance data—model GLND/GLPD
Unit Size
Input
MAX MIN Output MIN Temp. Rise P.D. MAX Temp. Rise P.D.
MBhkWMBhkWMBhkW cfmm
3/s °F °C in. of H2OkPa cfm m
3/s °F °C in. of H2OPascals
010 100 29.3 50 14.6 80 23.4 929 0.438 80 44 0.12 0.03 2469 1.165 30 17 0.85 0.21
012 125 36.6 62.5 18.3 100 29.3 1157 0.546 80 44 0.13 0.03 3086 1.457 30 17 0.85 0.21
015 150 43.9 75 22.0 120 35.1 1389 0.656 80 44 0.15 0.04 3704 1.748 30 17 0.85 0.21
017 175 51.2 87.5 25.6 140 41.0 1620 0.765 80 44 0.14 0.03 4321 2.040 30 17 0.85 0.21
020 200 58.6 100 29.3 160 46.9 1852 0.874 80 44 0.14 0.03 4938 2.331 30 17 0.85 0.21
022 225 65.9 112.5 32.9 180 52.7 2083 0.983 80 44 0.14 0.03 5556 2.622 30 17 0.85 0.21
025 250 73.2 125 36.6 200 58.6 2315 1.093 80 44 0.14 0.03 6173 2.914 30 17 0.85 0.21
030 300 87.8 150 43.9 240 70.3 2778 1.311 80 44 0.13 0.03 7407 3.496 30 17 0.87 0.22
035 350 102.5 175 51.2 280 82.0 3241 1.530 80 44 0.13 0.03 8642 4.079 30 17 0.87 0.22
040 400 117.1 200 58.6 320 93.7 3704 1.748 80 44 0.14 0.03 9877 4.662 30 17 0.90 0.22
Note: Ratings are shown for elevations up to 2,000 feet above sea level. Above 2,000 feet input must be derated four percent for each 1,000 feet above
sea level.
Table 15. Separated Combustion Indoor Gas Duct Furnace performance data—model GMND/GMPD
Unit Size
Input
MAX MIN Output MIN Temp. Rise P.D. MAX Temp. Rise P.D.
MBhkWMBhkWMBhkW cfmm
3/s °F °C in. of H2OkPa cfm m
3/s °F °C in. of H2OPascals
010 100 29.3 50 14.6 80 23.4 822 0.388 90 50 0.10 0.02 3700 1.746 20 11 2.03 0.51
012 125 36.6 62.5 18.3 100 29.3 1028 0.485 90 50 0.09 0.02 4625 2.183 20 11 1.92 0.48
015 150 43.9 75 22.0 120 35.1 1233 0.582 90 50 0.09 0.02 5550 2.620 20 11 1.81 0.45
017 175 51.2 87.5 25.6 140 41.0 1439 0.679 90 50 0.09 0.02 6475 3.056 20 11 1.86 0.46
020 200 58.6 100 29.3 160 46.9 1645 0.776 90 50 0.09 0.02 7401 3.493 20 11 1.90 0.47
022 225 65.9 112.5 32.9 180 52.7 1850 0.873 90 50 0.09 0.02 8326 3.930 20 11 1.93 0.48
025 250 73.2 125 36.6 200 58.6 2056 0.970 90 50 0.09 0.02 9251 4.366 20 11 1.96 0.49
030 300 87.8 150 43.9 240 70.3 2467 1.164 90 50 0.10 0.02 11101 5.240 20 11 2.00 0.50
035 350 102.5 175 51.2 280 82.0 2878 1.358 90 50 0.10 0.02 12951 6.113 20 11 2.02 0.50
040 400 117.1 200 58.6 320 93.7 3289 1.552 90 50 0.10 0.02 14801 6.986 20 11 2.05 0.51
Note: Ratings are shown for elevations up to 2,000 feet above sea level. Above 2,000 feet input must be derated four percent for each 1,000 feet above
sea level.

28 UH-PRC002-EN
Performance Data
Table 16. Horizontal Blower Assembly performance data
Models
Nominal
cfm
Blower
Size
External Static Pressure
in. of H2O 0.2 0.3 0.4 0.5 0.6 0.7 0.8 0.9
kPa 0.05 0.07 0.10 0.12 0.15 0.17 0.20 0.22
cfm hphphphphphphphp
m3/s rpmkWrpmkWrpmkWrpmkWrpmkWrpmkWrpmkWrpmkW
HBAC-15 1,500 10” 1,250 525 1/3 650 1/3 680 1/3 760 1/3 780 1/3 840 1/3 — — — —
0.590 0.25 0.25 0.25 0.25 0.25 0.25
1,500 600 1/3 680 1/3 715 1/3 790 1/3 810 1/2 860 1/2 895 1/2 970 1/2
0.708 0.25 0.25 0.25 0.25 0.37 0.37 0.37 0.37
1,750 650 1/3 710 1/3 750 1/2 805 1/2 850 1/2 890 1/2 940 3/4 990 3/4
0.826 0.25 0.25 0.37 0.37 0.37 0.37 0.56 0.56
2,000 700 1/2 760 1/2 800 1/2 850 1/2 890 1/2 925 3/4 980 3/4 1,010 3/4
0.944 0.37 0.37 0.37 0.37 0.37 0.56 0.56 0.56
HBAC-20 2,000 12” 1,500 425 1/3 500 1/3 550 1/3 630 1/3 — — — — — — — —
0.708 0.25 0.25 0.25 0.25
1,750 450 1/3 515 1/3 560 1/3 635 1/2 680 1/2 725 1/2 — — — —
0.826 0.25 0.25 0.25 0.37 0.37 0.37
2,000 475 1/3 530 1/3 590 1/2 640 1/2 690 1/2 740 1/2 785 1/2 810 3/4
0.944 0.25 0.25 0.37 0.37 0.37 0.37 0.37 0.56
2,250 515 1/2 560 1/2 610 1/2 650 1/2 700 3/4 750 3/4 790 3/4 815 3/4
1.062 0.37 0.37 0.37 0.37 0.56 0.56 0.56 0.56
2,500 540 1/2 590 1/2 625 1/2 670 1/2 710 3/4 760 3/4 795 3/4 820 3/4
1.180 0.37 0.37 0.37 0.37 0.56 0.56 0.56 0.56
2,750 575 1/2 615 1/2 650 3/4 690 3/4 730 3/4 780 3/4 800 3/4 830 1
1.298 0.37 0.37 0.56 0.56 0.56 0.56 0.56 0.75
HBAC-30 3,000 12” 1,750 450 1/3 510 1/3 560 1/3 630 1/3 675 1/2 720 1/2 — — — —
0.826 0.25 0.25 0.25 0.25 0.37 0.37
2,000 475 1/3 525 1/3 590 1/2 635 1/2 680 1/2 735 1/2 785 1/2 810 3/4
0.944 0.25 0.25 0.37 0.37 0.37 0.37 0.37 0.56
2,250 500 1/2 550 1/2 600 1/2 645 1/2 685 1/2 740 3/4 785 3/4 810 3/4
1.062 0.37 0.37 0.37 0.37 0.37 0.56 0.56 0.56
2,500 525 1/2 580 1/2 615 1/2 665 1/2 700 3/4 750 3/4 790 3/4 815 3/4
1.180 0.37 0.37 0.37 0.37 0.56 0.56 0.56 0.56
2,750 560 1/2 605 1/2 640 3/4 685 3/4 715 3/4 775 3/4 805 3/4 825 1
1.298 0.37 0.37 0.56 0.56 0.56 0.56 0.56 0.75
3,000 610 1/2 640 3/4 660 3/4 710 3/4 750 1 790 1 815 1 845 1
1.416 0.37 0.56 0.56 0.56 0.75 0.75 0.75 0.75
3,250 630 3/4 675 3/4 700 1 735 1 750 1 790 1 830 1 860 1
1.534 0.56 0.56 0.75 0.75 0.75 0.75 0.75 0.75
3,500 675 3/4 700 1 725 1 775 1 800 1 840 1-1/2 875 1-1/2 890 1-1/2
1.652 0.56 0.75 0.75 0.75 0.75 1.12 1.12 1.12
HBAC-45 4,500 12” 2,750 400 3/4 450 3/4 510 3/4 — — — — — — — — — —
1.298 0.56 0.56 0.56
3,000 425 3/4 475 3/4 550 3/4 600 3/4 650 3/4 — — — — — —
1.416 0.56 0.56 0.56 0.56 0.56
3,500 430 3/4 480 3/4 560 3/4 610 3/4 660 3/4 700 1 730 1 — —
1.652 0.56 0.56 0.56 0.56 0.56 0.75 0.75
4,000 450 3/4 500 3/4 565 3/4 615 3/4 670 1 710 1 740 1 790 1
1.888 0.56 0.56 0.56 0.56 0.75 0.75 0.75 0.75
4,500 475 3/4 525 3/4 575 3/4 620 1 680 1 715 1 750 1 800 1-1/2
2.124 0.56 0.56 0.56 0.75 0.75 0.75 0.75 1.12
5,000 500 3/4 540 3/4 600 1 630 1 690 1 720 1-1/2 760 1-1/2 810 1-1/2
2.360 0.56 0.56 0.75 0.75 0.75 1.12 1.12 1.12
5,500 530 1 575 1 615 1 650 1-1/2 700 1-1/2 700 1-1/2 730 1-1/2 820 1-1/2
2.596 0.75 0.75 0.75 1.12 1.12 1.12 1.12 1.12
6,000 575 1-1/2 615 1-1/2 660 1-1/2 690 1-1/2 715 1-1/2 760 2 800 2 830 2
2.832 1.12 1.12 1.12 1.12 1.12 1.49 1.49 1.49
6,500 610 1-1/2 660 2 710 2 750 2 800 2 840 2 890 3 930 3
3.068 1.12 1.49 1.49 1.49 1.49 1.49 2.24 2.24
7,000 720 1-1/2 790 2 830 2 860 2 910 3 940 3 960 3 — —
3.304 1.12 1.49 1.49 1.49 2.24 2.24 2.24
7,500 800 2 860 2 900 3 930 3 960 3 — — — — — —
3.540 1.49 1.49 2.24 2.24 2.24
8,000 860 2 930 3 960 3 — — — — — — — — — —
3.776 1.49 2.24 2.24
Note: External Static Pressure in inches of water. Add pressure drop of indoor duct furnace, if used, to pressure drop of ductwork, to determine total external
static pressure. HBAC units are for use with specific duct furnace sizes. Reference Table 29, p. 55.

UH-PRC002-EN 29
Performance Data
Figure 10. Performance data curves for all duct furnaces

30 UH-PRC002-EN
Controls
Pilot Control
High efficiency units (centrifugal, propeller and duct furnaces) ship as standard with intermittent
pilot ignition. The separated combustion propeller and centrifugal fan unit heaters also ship as
standard with intermittent pilot ignition.
Intermittent pilot ignition contains a solid-state ignition control system that ignites the pilot by
spark for each cycle of operation. When the pilot flame is proven, the main burner valve opens to
allow gas flow to the burners. Both the pilot and burners are extinguished during the off cycle.
Intermittent pilot ignition is ideal for limited access installations where manual lighting of the pilot
may be difficult. Nuisance pilot outages on units mounted in areas subject to occasional severe
drafts can also be eliminated. Energy savings will be realized using this system as the pilot is
extinguished during the off cycle. Intermittent pilot ignition should be considered on units that
have long shutoff periods.
Fan Control
The supply fan motor is activated directly through the fan time delay relay on indoor units provided
with single-phase motors up to one hp. Contactors or starters are required on all other units with
single-phase motors, 1-1/2 hp and above, and with all three-phase motors. On indoor units,
contactors and starters, where required, are provided (see Ta b l e 17 .)
Gas Controls
Single-Stage Control
Indoor gas heating units are provided with an automatic single-stage gas valve as standard. This
valve is an on/off type control, typically activated by a low voltage single-stage thermostat.
Two-Stage Control
Indoor units with optional two-stage control are provided with a two-stage gas valve capable of
firing at 100 percent and 50 percent of rated input. Ignition is at low fire (50 percent of the unit’s rated
input) and the unit is typically controlled by a low voltage two-stage thermostat.
Electronic Modulating Control
This optional control is available for use with natural gas units only. Units with electronic
modulating control are provided with an electronic modulating valve capable of firing from 100
percent to 50 percent of rated input. Ignition is at full fire (100 percent of unit’s rated input). The
electronic modulating valve is controlled by a room thermostat or a duct thermostat with remote
setpoint adjustment which modulates the gas input from 100 percent to 50 percent of rated input.
An optional override room thermostat is available for use with the duct thermostat. The override
room thermostat allows full fire and overrides the duct thermostat when the room temperature
falls below the override room thermostat’s setpoint.
Note: N/A on 30–75 MBh units.
Table 17. Contactors provided on indoor units
hp
Voltage 1/2 3/4 1 1-1/2 2 3 5 7-1/2 10
115/60/1 1 1 1 2 2 N/A N/A N/A N/A
230/60/1 1 1 1 2 2 N/A N/A N/A N/A
208/60/3222222244
230/60/3222222244
460/60/3333333355
Notes:
1. Contactors not required or provided on units with single phase motors up to one hp.
2. Provided with contactor with line voltage holding coil on all 1-1/2 hp and above single-phase motors and on all 208/230V
three-phase motors up to five hp.
3. Provided with contactor with low (24V) holding coil on all 460 V three-phase motors up to five hp.
4. Provided with size 2 starter on all units with 7-1/2 and 10 hp 208/230V three-phase motors.
5. Provided with size 1 starter on all units with 7-1/2 and 10 hp 460V three-phase motors.

UH-PRC002-EN 31
Controls
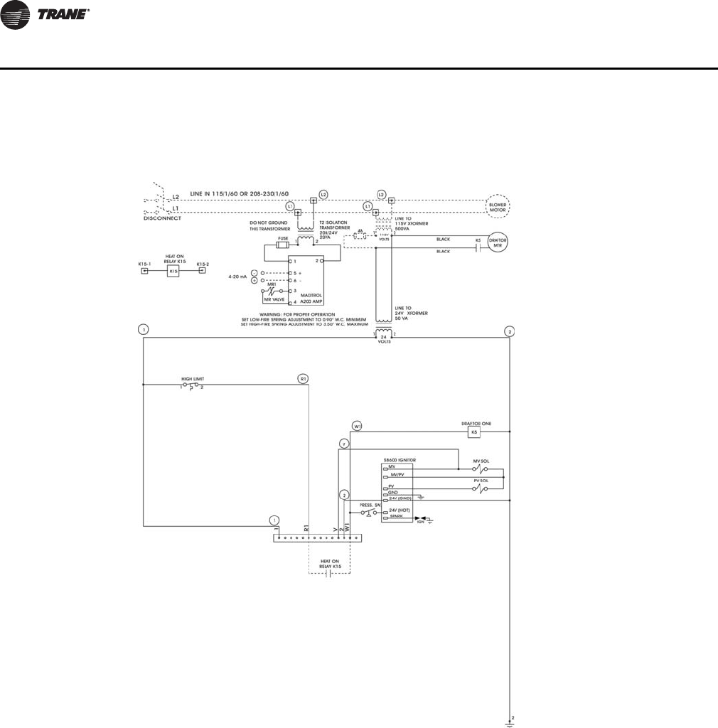
Electronic Modulating, 4–20 mA/0–10 Vdc Input
Provides modulated heat output. Ignition is at full fire (100 percent input), and modulates the gas
input from 100 percent to 40 percent rated input.
The modulating gas valve shall operate in response to a 4–20 mA or a 0–10 Vdc input from an
external DDC control.

32 UH-PRC002-EN
Controls
Thermostats
Electronic Modulating Room
Thermostat
(Included with Gas Control)
• Low Voltage (24 V)
• 60 to 85°F Range
• 5-13/16” W 3-1/4” H 1-7/8” D
• Natural Gas Only
Single-Stage Room Thermostat
(Order No. 350-0015-01)
• Low Voltage (24 V)
• 55 to 95°F Range
• 2-7/8” W x 4-3/4” H x 1-1/8” D
Single-Stage Duct Thermostat
(Order No. 350-0015-07)
• Low Voltage (24 V)
• 55 to 175°F Range
• 5’ Capillary
• 2” W x 5-5/8” H x 2-7/16” D
Electronic Modulating Duct
Thermostat
(Included with Gas Control)
• Low Voltage (24 V)
• 55 to 90°F Range
• Sensor: 10-inch Probe
• Remote Temperature Selector:
4-1/4” W 4-1/4” H 1-7/8” D
•Duct Thermostat:
4-1/4” W 4-1/4” H 1-5/8” D
• Natural Gas Only
Single-Stage Room Thermostat with
Summer/Winter Switch
(Order No. 350-0015-02)
• Low Voltage (24 V)
• 55 to 95°F Range
•Fan Auto-On Switch
• 3-1/2” W x 4-1/5” H x 1-3/8” D
Two-Stage Duct Thermostat
Order No. 350-0015-08)
• Low Voltage (24 V)
• 55 to 175°F Range
• 5’ Capillary
• 2” W x 5-5/8” H x 2-7/16” D
Electronic Modulating Override Room
Thermostat for use with Duct
Thermostats
(Order No. 350-0015-05)
• Line Voltage (115 V)
• 50 to 90°F Range
• 2-7/8” W 4-9/16” H 1-1/4” D
• Natural Gas Only
Two-Stage Room Thermostat
(Order No. 0135-THT025320-01, or
0135-THT02532G-01 with guard)
• Low Voltage (24 V)
• 42 to 88°F Range
•Fan Auto-On Switch
• System Off-Auto Switch
• 5-5/8” W x 3-1/2” H x 2-1/8” D
Universal Guard
(Order No. 350-0015-06)
• Clear Plastic
•Ring Base
• Tumbler Lock and Two Keys
• Cover: 6-7/8” W x 5-5/8” H x 3” D
• Base: 6-9/16” W x 5-1/2” H x 3/8” D

UH-PRC002-EN 33
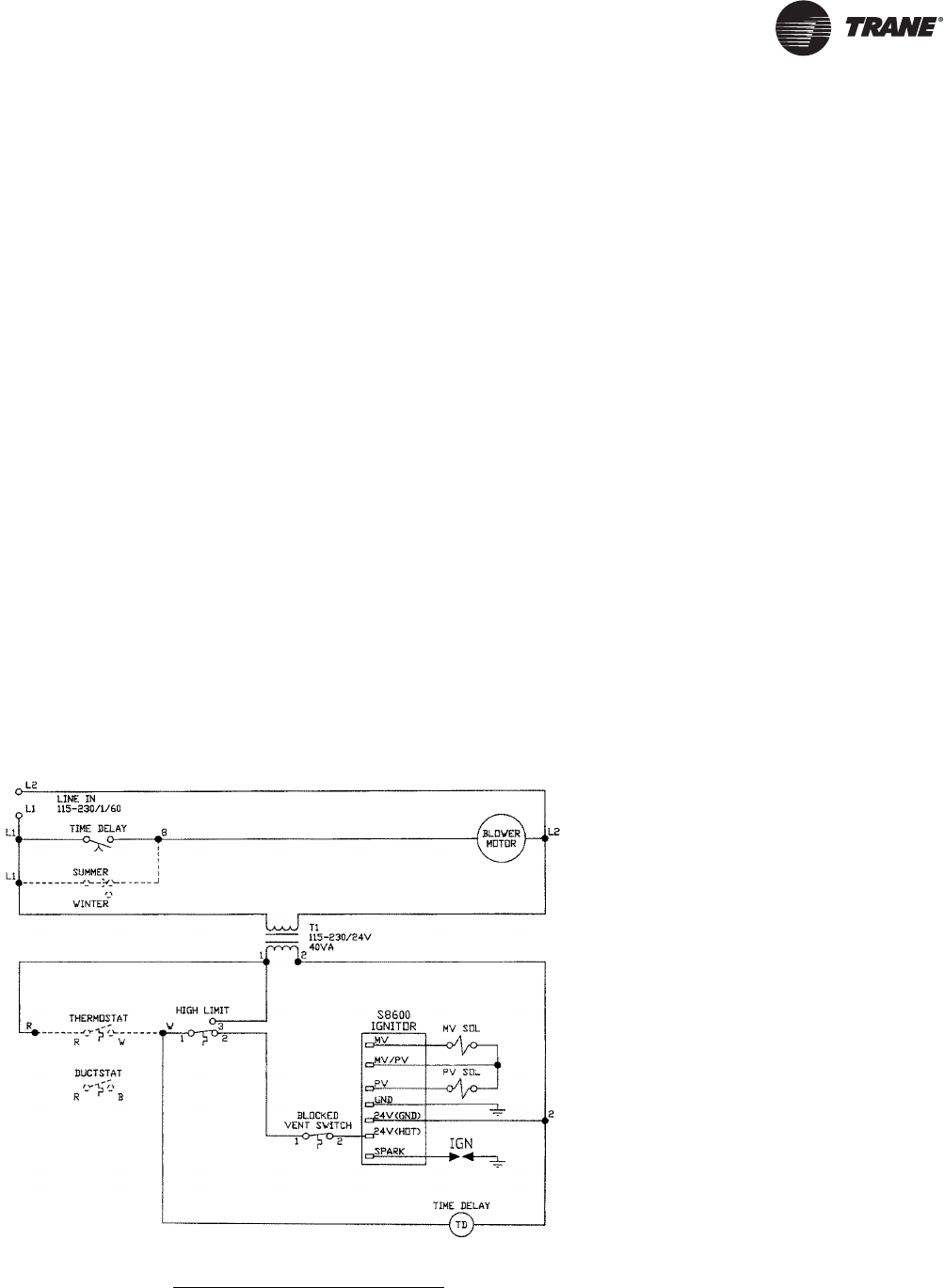
Sequence of Operations
Typical wiring diagrams and sequence of operations for indoor units with intermittent pilot ignition
or direct spark ignition are included in this section. On duct furnaces, the fan motor and associated
controls shown in the wiring diagrams are not integral to the unit. It is essential, however, that the
air handling system be interlocked with the duct furnace to prevent duct furnace operation without
airflow.
Single-Stage Control
With power applied to the unit:
1. The thermostat calls for heat.
2. The pilot valve opens.
3. The ignitor sparks continuously to ignite the pilot.
4. The sensor proves pilot ignition and shuts off the ignitor.
5. With the pilot lit, the main gas valve opens.
6. Main burners are lit at 100 percent of unit’s rated input.
7. The fan time delay relay (optional on duct furnaces) allows the heat exchanger to come up to
operating temperature. At this time, the fan time delay relay closes and activates the fan motor.1
8. The unit continues to fire until the thermostat is satisfied and no longer calls for heat.
9. The main and pilot valves close.
10. The fan time delay relay remains closed, keeping the fan operating to dissipate residual heat
from the heat exchanger. At this time, the fan time delay relay opens and deactivates the fan
motor.
Note: This unit is equipped with a blocked vent shutoff (spill) switch. If the venting system
becomes blocked or there is continuous spillage, the vent shutoff switch will shut off the unit
heater.
1See “Fan Control,” p. 30.
• Caution - Disconnect power before
servicing.
• Unit must be grounded.
• Use copper conductors only.
• If any of the original wire as supplied
with the appliance must be replaced,
it must be replaced with wiring
material having a temperature rating
of at least 125°C.
• Refer to installation instructions for
venting, gas piping, and start-up
procedures.
• - - - Indicates Field Wiring.
• ___ Indicates Factory Wiring.

34 UH-PRC002-EN
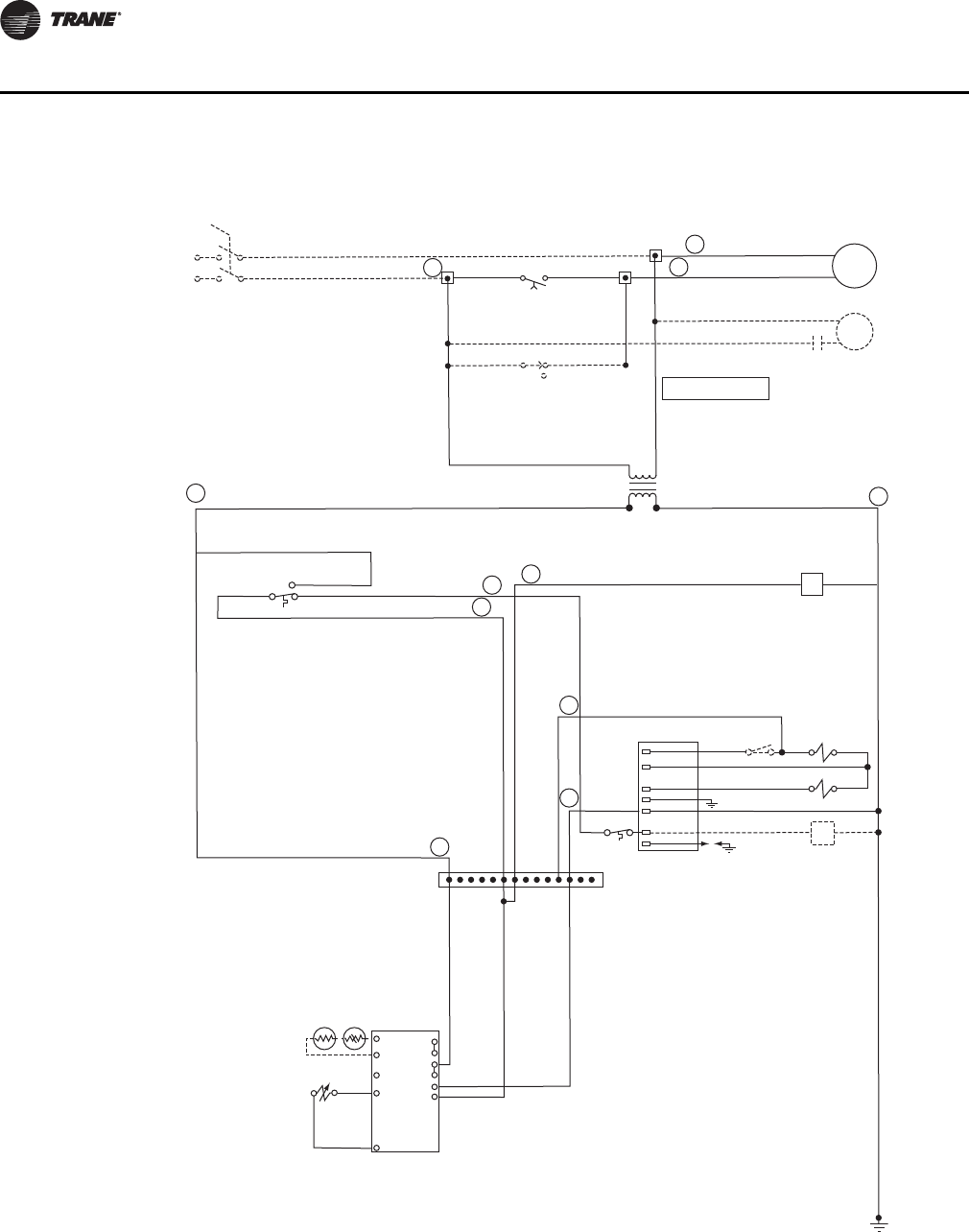
Sequence of Operations
Two-Stage Control
With power applied to the unit:
1. The first stage of the thermostat calls for heat.
2. The pilot valve opens.
3. The ignitor sparks continuously to ignite the pilot.
4. The sensor proves pilot ignition and shuts off the ignitor.
5. With the pilot lit, the main gas valve opens to low fire.
6. Main burners are lit at 50 percent of unit’s rated input.
7. The fan time delay relay (optional on duct furnaces) allows the heat exchanger to come up to
operating temperature. At this time, the fan time delay relay closes and activates the fan motor.1
8. If additional heat is required, the second stage of the thermostat calls for heat.
9. The main gas valve opens to full fire. The main burners are now at full fire. The unit continues
at full fire until the second stage of the thermostat is satisfied and no longer calls for heat.
10. The main valve closes to low fire. The main burners are now at low fire. The unit continues at
low fire until the first stage of the thermostat is satisfied and no longer calls for heat.
11. The main and pilot valves close.
12. The fan time delay relay remains closed, keeping the fan operating to dissipate residual heat
from the heat exchanger. At this time, the fan time delay relay opens and deactivates the fan
motor.
Note: This unit is equipped with a blocked vent shutoff (spill) switch. If the venting system
becomes blocked or there is continuous spillage, the vent shutoff switch will shut off the unit
heater.
1See “Fan Control,” p. 30.
• Caution - Disconnect power before
servicing.
• Unit must be grounded.
• Use copper conductors only.
• If any of the original wire as supplied
with the appliance must be replaced,
it must be replaced with wiring
material having a temperature rating
of at least 125°C.
• High-limit and blocked vent (spill)
wires minimum 200°C.
• Refer to installation instructions for
venting, gas piping, and start-up
procedures.
• - - - Indicates Field Wiring.
• ___ Indicates Factory Wiring.

UH-PRC002-EN 35
Sequence of Operations
Electronic Modulating Control (with duct thermostat)
With power applied to the unit:
1. The thermostat calls for heat.
2. The pilot valve opens.
3. The ignitor sparks continuously to ignite the pilot.
4. The sensor proves pilot ignition and shuts off the ignitor.
5. With the pilot lit, the gas valve opens.
6. Main burners are lit at 100 percent of unit’s rated input.
7. The fan time delay relay (optional on duct furnaces) allows the heat exchanger to come up to
operating temperature. At this time, the fan time delay relay closes and activates the fan motor.
8. The unit is controlled by the duct thermostat which modulates the unit from 100 to 50 percent
of unit’s rated input. An amplifier receives a small electrical signal from the thermostat and
converts this into a working voltage. This working voltage determines the position of the
modulating valve. With no voltage applied to the valve, the valve will be full open and full fire
will occur. As increasing voltage is applied to the valve, the valve will modulate closed. At
approximately 12V dc, the valve will be at its minimum low fire position. If the voltage continues
to increase, indicating a further reduction in the unit’s firing is required, the increased voltage
closes a relay which closes the automatic gas valve. As temperature drops, the voltage also
drops causing the relay to re-open the valve. The unit will continue to cycle in this manner until
either an increase in the unit’s firing rate is required or the thermostat is satisfied and no longer
calls for heat.
9. When the thermostat is satisfied, the main and pilot valves close.
10. The fan time delay relay (optional on duct furnaces) remains closed keeping the fan motor
operating to dissipate residual heat from the heat exchanger. At this time, the fan time delay
relay opens and deactivates the fan motor.
11. If optional room override thermostat is ordered…when setpoint is reached, it will cause the unit
to go to full-fire, overriding both the duct sensor and the remote setpoint adjustment.
Note: Sensor and selector wires to amplifier must not be run close to, or in conduit with, power
or ignition wires.

36 UH-PRC002-EN
Sequence of Operations
Electronic Modulating Control (with Duct Thermostat)
t˚
L2
L1
DISCONNECT
LINE IN 115V/1/60
L1 FAN TIME DELAY
SUMMER/WINTER SWITCH
WS
8
8
L2
BLACK
BLACK
K5
BLOWER
MOTOR
DRAFTOR
HTR
DRAFTOR WIRING FOR
POWER VENTED UNITS
L2 LINE
24V XFORMER
50 VA
24
VOLTS
122
FAN TIME DELAY
DL
DL
R1
W1
L1
1
FURNACE ONE HIGH LIMIT
3
21
V
2
58600 IGNITOR
MV
MV/PV
PV
GND
24V (GND)
24V (HOT)
SPARK
BLKD.
VENT
IGN
12
DRAFTOR
END SW MV SOL.
PV SOL.
DRAFTOR ONE
K5
V
W1
DL
2
1
1
TS121 TD121
21
MAXITROL
W/ DUCT SENSING
4
3
14
1
5
7
9
10
8
11
MR1
ONE
HR VALVE
PER
FURNACE
SECTION
USE
A1010 FOR
SINGLE FUNACE
A1011 FOR
MULTIPLE FURNACE
2

UH-PRC002-EN 37
Sequence of Operations
Electronic Modulating Control (with room thermostat)
With power applied to the unit:
1. The thermostat calls for heat.
2. The pilot valve opens.
3. The ignitor sparks continuously to ignite the pilot.
4. The sensor proves pilot ignition and shuts off the ignitor.
5. With the pilot lit, the gas valve opens.
6. Main burners are lit at 100 percent of unit’s rated input.
7. The fan time delay relay (optional on duct furnaces) allows the heat exchanger to come up to
operating temperature. At this time, the fan time delay relay closes and activates the fan motor.1
8. The unit is controlled by the electronic thermostat which modulates the unit from 100 to 50
percent of unit’s rated input. An amplifier receives a small electrical signal from the thermostat
and converts this into a working voltage. This working voltage determines the position of the
modulating valve. With no voltage applied to the valve, the valve will be full open and full fire
will occur. As increasing voltage is applied to the valve, the valve will modulate closed. At
approximately 12 Vdc, the valve will be at its minimum low fire position. If the voltage continues
to increase, indicating a further reduction in the unit’s firing is required, the increased voltage
closes a relay which closes the automatic gas valve. As temperature drops, the voltage also
drops causing the relay to re-open the valve. The unit will continue to cycle in this manner until
either an increase in the unit’s firing rate is required or the thermostat is satisfied and no longer
calls for heat.
9. When the room thermostat is satisfied, the main and pilot valves close.
10. The fan time delay relay (optional on duct furnaces) remains closed keeping the fan motor
operating to dissipate residual heat from the heat exchanger. At this time, the fan time delay
relay opens and deactivates the fan motor.
1See “Fan Control,” p. 30.

38 UH-PRC002-EN
Sequence of Operations
Electronic Modulating Control (with room thermostat)
L2
L1
DISCONNECT
LINE IN 115V/1/60
L1 FAN TIME DELAY
SUMMER/WINTER SWITCH
WS
8
8
L2
BLOWER
MOTOR
DRAFTOR
MTR
K5
BLACK
BLACK
2
FAN TIME DEALY
DL
L2
L1
115V TO
24V XFORMER
50 VA
21 24
VOLTS
FURNACE ONE HIGH LIMIT
12
3R1
DL
W1
DRAFTOR ONE
K5
MV SOL.
PV SOL.
58600 IGNITOR
MV
MV/PV
PV
GND
24V (GND)
24V (HOT)
SPARK
PRESS. SW.
IGN
V
2
W1
DL
2
V
1
1
MAXITROL
W/ROOM SENSING
4
3
59
10
8
11
7
1
3
1
7
9
T107A
TSTAT
USE
A1010 FOR
SINGLE FURNACE
A1011 FOR
MULTIPLE FURNACE
2
ONE
HR VALVE
PER
FURNACE
SECTION
MR1
1
2

UH-PRC002-EN 39
Sequence of Operations
High-Efficiency Units
Note: On duct furnaces, the fan motor and associated controls shown in the wiring diagrams are
not integral to the unit. It is essential, however, that the air handling system be interlocked
with the duct furnace to prevent duct furnace operation without airflow.
Single-Stage Control, Intermittent Pilot
With power applied to the unit:
1. The thermostat calls for heat.
2. The pressure switch measures the flow through the vent system and energizes the intermittent
pilot when the flow is correct.
Important: CAUTION: THE PRESSURE SWITCH MUST NOT BE BYPASSED. THE UNIT MUST
NOT BE FIRED UNLESS THE FLUE VENT FAN IS OPERATING. If this procedure is not
followed, there may be a gas buildup that could cause an explosion.
3. The pressure switch closes and activates the flue vent fan.
4. The pilot valve opens.
5. The ignitor sparks continuously to ignite the pilot.
6. The sensor proves pilot ignition and shuts off the ignitor.
7. With the pilot lit, the main gas valve opens.
8. Main burners are lit at 100 percent of the unit’s rated input.
9. The fan time delay relay allows the heater to come up to operating temperature. At this time,
the fan time delay relay closes and activates the fan motor.1
10. The unit continues to fire until the thermostat is satisfied and no longer calls for heat.
11. The main and pilot valve close.
12. The fan time delay relay remains closed, keeping the fan operating to dissipate residual heat
from the heat exchanger. At this time, the fan time delay relay opens and deactivates the fan
motor.
1See “Fan Control,” p. 30.
• Caution - Disconnect power before
servicing.
• Unit must be grounded.
• Use copper conductors only.
• If any of the original wire as supplied
with the appliance must be replaced,
it must be replaced with wiring
material having a temperature rating
of at least 125°C.
• High-limit wires minimum 200°C.
• Refer to installation instructions for
venting, gas piping and start-up
procedures.
• - - - Indicates Field Wiring.
• ___ Indicates Factory Wiring.
L2
L1
L1
L1
L1
8
LINE IN
115-240/1/60
TIME DELAY
SUMMER
WINTER
RELAY 1
L2
L2
BLOWER
MOTOR
T1
115-240/24V
50VA
DRAFTOR
MTR.
2
1
R
RW
W
THERMOSTAT HIGH LIMIT
1
3
2
DRAFTOR
PRESS. SW. 58600
IGNITOR MV SOL.
MV
MV/PV
PV
GND
24V (HOT)
24V (GND)
SPARK IGN
PV SOL.
RELAY 1
R
TIME DELAY
TD

40 UH-PRC002-EN
Sequence of Operations
Two-Stage Control, Intermittent Pilot
With power applied to the unit:
1. The first stage of the thermostat calls for heat.
2. The pressure switch measures the flow through the vent system and energizes the intermittent
pilot when the flow is correct.
Important: CAUTION: THE PRESSURE SWITCH MUST NOT BE BYPASSED. THE UNIT MUST
NOT BE FIRED UNLESS THE FLUE VENT FAN IS OPERATING. If this procedure is not
followed, there may be a gas buildup that could cause an explosion.
3. The pressure switch closes and activates the flue vent fan.
4. The pilot valve opens.
5. The ignitor sparks continuously to ignite the pilot.
6. The sensor proves pilot ignition and shuts off the ignitor.
7. With the pilot lit, the main gas valve opens to low fire.
8. Main burners are lit at 50 percent of unit's rated input.
9. The fan time delay relay allows the heater to come up to operating temperature. At this time,
the fan time delay relay closes and activates the fan motor.1
10. If additional heat is required, the second stage of the thermostat calls for heat.
11. The main gas valve opens to full fire. The main burners are now at full fire. The unit continues
at full fire until the second stage of the thermostat is satisfied and no longer calls for heat.
12. The main valve closes to low fire. The main burners are now at low fire. The unit continues at
low fire until the first stage of the thermostat is satisfied and no longer calls for heat.
13. The fan time delay relay remains closed, keeping the fan operating to dissipate residual heat
from the heat exchanger. At this time, the fan time delay relay opens and deactivates the fan
motor.
1See “Fan Control,” p. 30.
• Caution - Disconnect power before
servicing.
• Unit must be grounded.
• Use copper conductors only.
• If any of the original wire as supplied
with the appliance must be replaced,
it must be replaced with wiring
material having a temperature rating
of at least 125°C.
• High-limit wires minimum 200°C.
• Refer to installation instructions for
venting, gas piping and start-up
procedures.
• - - - Indicates Field Wiring.
• ___ Indicates Factory Wiring.

UH-PRC002-EN 41
Sequence of Operations
Single-Stage Control, Direct Spark
With power applied to the unit:
1. The thermostat calls for heat.
2. The power venter is energized and the pressure switch measures the flow through the vent
system and energizes the direct spark ignition system beginning the pre-purge timing when the
flow is correct.
Important: CAUTION: THE PRESSURE SWITCH MUST NOT BE BYPASSED. THE UNIT MUST
NOT BE FIRED UNLESS THE FLUE VENT FAN IS OPERATING. If this procedure is not
followed, there may be a gas buildup that could cause an explosion.
3. The direct spark ignition lights the main gas. The sensing device has seven seconds to prove
flame.
4. The fan time delay in the board allows the heater to come up to operating temperature. At this
time, the fan time delay relay closes and activates the fan motor.1
5. The unit continues at full fire until the thermostat is satisfied and no longer calls for heat.
6. The main valve closes.
7. The fan time delay relay remains closed, keeping the fan operating to dissipate residual heat
from the heat exchanger. At this time, the fan time delay relay opens and deactivates the fan
motor.
1See “Fan Control,” p. 30.
• Caution - Disconnect power before
servicing.
• Unit must be grounded.
• Use copper conductors only.
• If any of the original wire as supplied
with the appliance must be replaced,
it must be replaced with wiring
material having a temperature rating
of at least 125°C.
• High-limit wires minimum 200°C.
• Refer to installation instructions for
venting, gas piping and start-up
procedures.
• - - - Indicates Field Wiring.
• ___ Indicates Factory Wiring.

42 UH-PRC002-EN
Sequence of Operations
Two-Stage Control, Direct Spark
With power applied to the unit:
1. The thermostat calls for heat.
2. The power venter is energized and the pressure switch measures the flow through the vent
system and energizes the direct spark ignition system beginning the pre-purge timing when the
flow is correct.
Important: CAUTION: THE PRESSURE SWITCH MUST NOT BE BYPASSED. THE UNIT MUST
NOT BE FIRED UNLESS THE FLUE VENT FAN IS OPERATING. If this procedure is not
followed, there may be a gas buildup that could cause an explosion.
3. The direct spark ignition lights the first stage main gas. The sensing device has seven seconds
to prove flame. Main burners are lit at 50 percent of unit's rated input.
4. The fan time delay in the board allows the heater to come up to operating temperature. At this
time, the fan time delay relay closes and activates the fan motor.1
5. If additional heat is required, the second stage of the thermostat calls for heat.
6. The main gas valve opens to full fire. The main burners are now at full fire. The unit continues
at full fire until the second stage of the thermostat is satisfied and no longer calls for heat.
7. The main valve closes to low fire. The main burners are now at low fire. The unit continues at
low fire until the first stage of the thermostat is satisfied and no longer calls for heat.
8. The gas valve closes.
9. The fan time delay relay remains closed, keeping the fan operating to dissipate residual heat
from the heat exchanger. At this time, the fan time delay relay opens and deactivates the fan
motor.
1See “Fan Control,” p. 30.
• Caution - Disconnect power before
servicing.
• Unit must be grounded.
• Use copper conductors only.
• If any of the original wire as supplied
with the appliance must be replaced,
it must be replaced with wiring
material having a temperature rating
of at least 125°C.
• High-limit wires minimum 200°C.
• Refer to installation instructions for
venting, gas piping and start-up
procedures.
• - - - Indicates Field Wiring.
• ___ Indicates Factory Wiring.

UH-PRC002-EN 43
Sequence of Operations
Separated Combustion Units
Single-Stage Control
With power applied to the unit:
1. The thermostat calls for heat.
2. The pressure switch measures the pressure differential between the air inlet and exhaust vent
systems. If the differential is correct, the intermittent pilot ignition is energized.
Important: CAUTION: THE PRESSURE SWITCH MUST NOT BE BYPASSED. THE UNIT MUST
NOT BE FIRED UNLESS THE FLUE VENT FAN IS OPERATING.
3. When the pressure switch is closed, the power venter motor is energized.
4. The pilot valve opens.
5. The ignitor sparks continuously to ignite the pilot.
6. The sensor proves pilot ignition and shuts off the ignitor.
7. With the pilot lit, the main gas valve opens.
8. Main burners are lit at 100 percent of the unit’s rated input.
9. The fan time delay relay allows the heater to come up to operating temperature. At this time,
the fan time delay relay closes and activates the fan motor.1
10. The unit continues to fire until the thermostat is satisfied and no longer calls for heat.
11. The main and pilot valve close.
12. The pressure switch opens and deactivates the gas control.
13. The fan time delay relay remains closed, keeping the fan operating to dissipate residual heat
from the heat exchanger. At this time, the fan time delay relay opens and deactivates the fan
motor.
1See “Fan Control,” p. 30.
• Caution - Disconnect power before
servicing.
• Unit must be grounded.
• Use copper conductors only.
• If any of the original wire as supplied
with the appliance must be replaced,
it must be replaced with wiring
material having a temperature rating
of at least 125°C.
• High-limit wires minimum 200°C.
• Refer to installation instructions for
venting, gas piping and start-up
procedures.
• - - - Indicates Field Wiring.
• ___ Indicates Factory Wiring.
L2
L1
DISCONNECT
LINE IN 115/1/60
L1 FAN TIME DELAY
L2
8
BLOWER/FAN
MOTOR
MTR
DRAFTOR
MOTOR
MTR
K5
BLACK
BLACK
LINE TO
24V XFORMER
50 VA
L2
8
12
24
VOLTS
2
SUMMER/WINTER SWITCH
WS
L1
FAN TIME DELAY
DL
DRAFTOR ONE
K5
MV SOL.
PV SOL.
58600 IGNITOR
MV
MV/PV
PV
GND
24V (GND)
24V (HOT)
SPARK
PRESS. SW.
IGN
1
2
V
W1
R1
DL
HIGH LIMIT 1
1
3
2
1
W1
DL
V
2
T/D STAT
RW/B
1

44 UH-PRC002-EN
Sequence of Operations
Separated Combustion Units—Single-Stage Control—Electronic Modulating
4–20 mA/0–10 Vdc Input

UH-PRC002-EN 45
Electrical Data
Table 18. Motor electrical data—centrifugal fan
Current
Characteristics
Full Load Amps(a)
(a) FLA based on NEC ratings. All motors are 1,725 rpm.
1/4 hp 1/3 hp 1/2 hp 3/4 hp 1 hp
115/60/1 5.0 5.9 7.2 11.0 14.0
230/60/1 2.5 3.3 3.9 5.5 7.0
208/60/3 NR NR 2.7 3.1 4.0
230/60/3 NR NR 2.4 2.8 3.6
460/60/3 NR NR 1.2 1.4 1.8
Note: NR = Motor available, but not rated by NEC.
Table 19. Motor electrical data—horizontal blower
Current
Characteristics
Full Load Amps(a)
(a) FLA based on NEC ratings. All motors are 1,725 rpm.
1/2 hp 1/2 hp 3/4 hp 1 hp 1-1/2 hp 2 hp 3 hp
115/60/1 5.9 7.2 11.0 14.0 16.4 24.6 34.0
230/60/1 3.3 3.9 5.5 7.0 8.2 12.3 17.0
208/60/3 NR 2.7 3.1 4.0 4.9 6.4 9.2
230/60/3 NR 2.4 2.8 3.6 4.4 5.8 8.6
460/60/3 NR 1.2 1.4 1.8 2.2 2.9 4.3
Motor weight (lb) 18 33 33 36 39 40 44
Note: NR = Motor available, but not rated by NEC.

46 UH-PRC002-EN
Dimensions and Weights
Table 20. Tubular Heat Exchanger dimensional data—model GTND/GTPD
Unit Sizes 30 45 60 75 90 105 120
“A” Jacket Height in. 12-3/8 12-3/8 15-7/8 15-7/8 22-5/8 22-5/8 22-5/8
mm 314 314 403 403 574 574 574
“B” Overall Height in. 13-1/4 13-1/4 16-13/16 16-13/16 23-9/16 23-9/16 23-9/16
mm 337 337 427 427 598 598 598
"C" Overall Depth in. 25-7/8 25-7/8 26-3/16 26-3/16 26-3/8 26-3/8 26-3/8
mm 632 632 665 665 670 670 670
“D1” Center Line Height of Flue in. 8-1/2 8-1/2 10-3/8 10-3/8 13-5/8 13-5/8 13-5/8
mm 216 216 364 364 346 346 346
“D2” Center Line Height of Air Intake in. 8-1/2 8-1/2 8 8 8-5/8 8-5/8 8-5/8
mm 216 216 203 203 219 219 219
“E” Fan Diameter in.10101414161616
mm 254 254 356 356 406 406 406
“F” Discharge Opening Height in. 10-13/16 10-13/16 14-7/16 14-7/16 21-3/16 21-3/16 21-3/16
mm 275 275 367 367 538 538 538
“G” Vent Connection Diameter in.4444444
mm 102 102 102 102 102 102 102
“H1” Center Line of Flue Connection From Side in. 7-1/4 7-1/4 7-1/4 7-1/4 7-3/4 7-3/4 7-3/4
mm 184 184 184 184 197 197 197
“H2” Center Line of Air Intake From Side in. 2-3/4 2-3/4 2-3/4 2-3/4 3-1/2 3-1/2 3-1/2
mm 70 70 70 70 89 89 89
Flue Size Requirements
Category I Horizontal(a) in.4445555
mm 102 102 102 127 127 127 127
Category III Horizontal in.4444444
mm 102 102 102 102 102 102 102
Category I & III Vertical in.4444444
mm 102 102 102 102 102 102 102
Unit Weight lb 60 65 80 85 95 105 110
kg 27 29 36 39 43 48 50
Shipping Weight lb 70 75 90 95 110 115 120
kg 32 34 41 43 50 52 54
Note: For all installations, the flue collar is included with the unit and should be field installed per the instructions included with the unit.
(a) 4–5” reducer supplied where required.

UH-PRC002-EN 47
Dimensions and Weights
Table 21. Tubular Heat Exchanger unit heater dimensional data—model GTND/GTPD
Input Diameter Gas Inlet Weight
Model MBh A B C D E F G H L Flue Fan Nat. LP Unit Shipping
015 150.0 in. 33-3/4 20-3/4 13-3/8 11 18-5/8 18-3/4 4-3/4 24-1/2 25-1/4 5 16 1/2 1/2 lb 155 195
mm 857 527 340 279 473 476 121 622 641 127 kg 70 88
017 175.0 in. 33-3/4 32-3/4 19-3/8 11 30-5/8 30-3/4 4-3/4 24-1/2 37-1/4 5 18 1/2 1/2 lb 191 241
mm 857 831 492 279 778 781 121 622 946 127 kg 87 109
020 200.0 in. 33-3/4 32-3/4 19-3/8 11 30-5/8 30-3/4 4-3/4 24-1/2 37-1/4 5 18 1/2 1/2 lb 201 251
mm 857 831 492 279 778 781 121 622 946 127 kg 91 114
025 250.0 in. 33-3/4 32-3/4 19-3/8 11 30-5/8 30-3/4 4-3/4 24-1/2 37-1/4 5 18 3/4 1/2 lb 211 261
mm 857 831 492 279 778 781 121 622 946 127 kg 96 118
1. Rear view
2. Side view
3. Front view
Dimensions are in
inches.
Dimensions in ( ) are in
millimeters.
123

48 UH-PRC002-EN
Dimensions and Weights
Table 22. Tubular Heat Exchanger unit heater dimensional data—model GTND/GTPD
Input Diameter Gas Inlet Weight
Model MBh A B C D E F G H L Flue Fan Nat. LP Unit Shipping
030 300.0 in. 34 50-3/4 28-3/8 12-1/4 48-5/8 48-3/4 5-1/8 24-1/2 55-1/4 6 (2) 16 3/4 1/2 or 3/4lb 307 367
mm 864 1289 721 311 1235 1238 130 622 1403 152 kg 139 166
035 350.0 in. 34 50-3/4 28-3/8 12-1/4 48-5/8 48-3/4 5-1/8 24-1/2 55-1/4 6 (2) 18 3/4 1/2 or 3/4lb 321 381
mm 864 1289 721 311 1235 1238 130 622 1403 152 kg 145 173
040 400.0 in. 34 50-3/4 28-3/8 12-1/4 48-5/8 48-3/4 5-1/8 24-1/2 55-1/4 6 (2) 18 3/4 1/2 or 3/4lb 335 395
mm 864 1289 721 311 1235 1238 130 622 1403 152 kg 152 179
1. Rear view
2. Side view
3. Front view
Dimensions are in
inches.
Dimensions in ( ) are in
millimeters.
1
23

UH-PRC002-EN 49
Dimensions and Weights
Table 23. High-efficiency propeller fan gas unit heater dimensional data—model GHND/GHPD
Unit Sizes 100 125 150 175 200 225 250 300 350 400
“A” Height to Top of Unit
in. 31.25 31.25 36.25 36.25 36.25 36.25 36.25 36.25 36.25 36.25
mm 794 794 921 921 921 921 921 921 921 921
“B” Width of Unit
in. 17.875 20.625 20.625 23.375 26.125 28.875 31.625 37.125 42.625 48.125
mm 454 524 524 594 664 733 803 943 1083 1222
“C” Height to Top of Hanger
in. 34.125 34.125 39.125 39.125 39.125 39.125 39.125 39.125 39.125 39.125
mm 867 867 994 994 994 994 994 994 994 994
“D” Depth to Rear of Housing
in. 37.5 37.5 37.5 37.5 37.5 37.5 37.5 37.5 37.5 37.5
mm 953 953 953 953 953 953 953 953 953 953
“E” Hanging Distance Width
in. 14.5 17.25 17.25 20 22.75 25.5 28.25 33.75 39.25 44.75
mm 368 438 438 508 578 648 718 857 997 1137
“F” Discharge Opening Width
in. 15.375 18.125 18.125 20.875 23.625 26.375 29.125 34.625 40.125 45.625
mm 391 460 460 530 600 670 740 879 1019 1159
“G” Depth to Unit Side Jacket
in. 26.75 26.75 26.75 26.75 26.75 26.75 26.75 26.75 26.75 26.75
mm 679 679 679 679 679 679 679 679 679 679
“H” Discharge Opening Height
in.1818181818 18 18 18 18 18
mm 457 457 457 457 457 457 457 457 457 457
“J” to Centerline of Flue
in. 5.872 7.25 7.25 8.625 10 11.25 12.75 15.5 18.25 21
mm 149 184 184 219 254 286 324 394 464 533
“K” Depth to Centerline of Flue
in. 30.625 30.625 30.625 30.625 30.625 30.625 30.625 30.625 30.625 30.625
mm 778 778 778 778 778 778 778 778 778 778
“L” Hanger Location
in. 16.25 16.75 16.375 16.375 16.375 16.75 16.75 16.75 16.75 16.75
mm 413 425 416 416 416 425 425 425 425 425
Flue Size Diameter(a)
in.44445 5 5 6 6 6
mm 102 102 102 102 127 127 127 152 152 152
Fan Diameter
in.1416161818 18 18 (2) 16(2) 18(2) 18c
Gas Inlet-Natural Gas
in. 0.5 0.5 0.5 0.5 0.5 0.75 0.75 0.75 0.75 0.75
Gas Inlet-LP Gas
in. 0.5 0.5 0.5 0.5 0.5 1/2 or 3/4 1/2 or 3/4 1/2 or 3/4 1/2 or 3/4 1/2 or 3/4
Approximate Shipping Weight
lb 174 197 219 238 249 275 305 350 414 461
kg 79 89 99 108 113 125 138 159 188 209
(a) The flue opening on all “GH” units is 5-1/8” diameter. Therefore, a transition adapter is required by installer on these units.
1. Side view, sizes
100–200
2. Side view, sizes
225–400
3. Front view,
sizes 30–400
*Canadian units
include vent cap and
reducer/increaser
(if required).
Dimensions in ( )
are in millimeters.
123

50 UH-PRC002-EN
Dimensions and Weights
Table 24. High-efficiency centrifugal fan unit heater dimensional data—model GBND/GBPD
Unit Sizes 100 125 150 175 200 225 250 300 350 400
“A” Height to Top of Unit
in. 31.25 31.25 36.25 36.25 36.25 36.25 36.25 36.25 36.25 36.25
mm 794 794 921 921 921 921 921 921 921 921
“B” Width of Unit
in. 17.875 20.625 20.625 23.375 26.125 28.875 31.625 37.125 42.625 48.125
mm 454 524 524 594 664 733 803 943 1083 1222
“C” Height to Top of Hanger
in. 34.125 34.125 39.125 39.125 39.125 39.125 39.125 39.125 39.125 39.125
mm 867 867 994 994 994 994 994 994 994 994
“D” Depth to Rear of Housing
in. 42.625 44.25 44.25 47 47 51 51 48.25 51 51
mm 1083 1124 1124 1194 1194 1295 1295 1226 1295 1295
“E” Hanging Distance Width
in. 14.5 17.25 17.25 20 22.75 25.5 28.25 33.75 39.25 44.75
mm 368 438 438 508 578 648 718 857 997 1137
“F” Discharge Opening Width
in. 15.375 18.125 18.125 20.875 23.625 26.375 29.125 34.625 40.125 45.625
mm 391 460 460 530 600 670 740 879 1019 1159
“J” to Centerline of Flue
in. 5.875 7.25 7.25 8.625 10 11.25 12.75 15.5 18.25 21
mm 149 184 184 219 254 286 324 394 464 533
“L” Hanger Location
in. 16.375 16.375 16.375 16.375 16.375 16.375 16.375 16.375 16.375 16.375
mm 416 416 416 416 416 416 416 416 416 416
“M” Hanging Distance Depth
in. 16.375 16.375 16.375 17.875 17.875 21.875 21.875 21.875 21.875 21.875
mm 416 416 416 454 454 556 556 556 556 556
Flue Size Diameter(a)
in.4444555666
mm 102 102 102 102 127 127 127 152 152 152
Blower Size in. 9 10 10 12 12 12 12 (2) 10 (2) 12 (2) 12
Gas Inlet-Natural Gas
in. 0.5 0.5 0.5 0.5 0.5 0.75 0.75 0.75 0.75 0.75
Gas Inlet-LP Gas
in. 0.5 0.5 0.5 0.5 0.5 1/2 or 3/4 1/2 or 3/4 1/2 or 3/4 1/2 or 3/4 1/2 or 3/4
Approximate Shipping Weight
lb 262 279 314 336 363 408 427 471 561 594
kg 119 127 142 152 165 185 194 214 254 269
(a) The flue opening on all “GB” units is 5-1/8” diameter. Therefore, a transition adapter is required by installer on these units.
1. Side view, sizes
100–200
2. Side view, sizes
225–400
3. Front view,
sizes 100–400
*Canadian units
include vent cap and
reducer/increaser
(if required).
Dimensions in ( )
are in millimeters.
123

UH-PRC002-EN 51
Dimensions and Weights
Table 25. Separated combustion propeller fan gas unit heater dimensional data—model GAND/GAPD
Unit Sizes 100 125 150 175 200 225 250 300 350 400
“A” Height to Top of Unit
in. 31.25 31.25 36.25 36.25 36.25 36.25 36.25 36.25 36.25 36.25
mm 794 794 921 921 921 921 921 921 921 921
“B” Height to Top of Hanger
in. 34.062 34.062 39.062 39.062 39.062 39.062 39.062 39.062 39.062 39.062
mm 865 865 992 992 992 992 992 992 992 992
“C” Hanging Distance Width
in. 14.75 17.5 17.5 20.25 23 25.75 28.5 34 39.5 45
mm 375 445 445 514 584 654 724 864 1003 1143
“D” Discharge Opening Width
in. 15.375 18.125 18.125 20.875 23.625 26.375 29.125 34.625 40.125 45.625
mm 391 460 460 530 600 670 740 879 1019 1159
“E” Width of Unit
in. 17.875 20.625 20.625 23.375 26.125 28.875 31.625 37.125 42.625 48.125
mm 454 524 524 594 664 733 803 943 1083 1222
“F” to Centerline of Flue
in. 5.875 7.25 7.25 8.625 10 11.25 12.75 15.5 18.25 21
mm 149 184 184 219 254 286 324 394 464 533
Flue Size Diameter(a)
in.4 4445 5 5 6 6 6
mm 102 102 102 102 127 127 127 152 152 152
Fan Diameter in. 14 16 16 18 18 18 18 (2) 16 (2) 18 (2) 18
Gas Inlet-Natural Gas
in. 0.5 0.5 0.5 0.5 0.5 0.75 0.75 0.75 0.75 0.75
Gas Inlet-LP Gas
in. 0.5 0.5 0.5 0.5 0.5 1/2 or 3/4 1/2 or 3/4 1/2 or 3/4 1/2 or 3/4 1/2 or 3/4
Approximate Shipping Weight
lb 200 228 256 284 312 340 368 432 488 545
kg 91 103 116 129 142 154 167 196 221 247
(a) The flue opening on all units is 5-1/8” diameter. Therefore, a transition adapter is required by installer on these units.
1. Front view,
sizes 100–400
2. Side view, sizes
100–200
3. Side view, sizes
225–400
Note: Air intake
is round on 225/
250 units. For
300/400 units,
air intake is as
shown.
*Canadian units
include vent cap and
reducer/increaser
(if required).
Dimensions in ( )
are in millimeters.
123

52 UH-PRC002-EN
Dimensions and Weights
Table 26. Separated combustion centrifugal fan unit heater dimensional data—model GKND/GKPD
Unit Sizes 100 125 150 175 200 225 250 300 350 400
“A” Height to Top of Unit
in. 31.25 31.25 36.25 36.25 36.25 36.25 36.25 36.25 36.25 36.25
mm 794 794 921 921 921 921 921 921 921 921
“B” Height to Top of Hanger
in. 34.062 34.062 39.062 39.062 39.062 39.062 39.062 39.062 39.062 39.062
mm 865 865 992 992 992 992 992 992 992 992
“C” Hanging Distance Width
in. 14.75 17.5 17.5 20.25 23 25.75 28.5 34 39.5 45
mm 375 445 445 514 584 654 724 864 1003 1143
“D” Discharge Opening Width
in. 15.375 18.125 18.125 20.875 23.625 26.375 29.125 34.625 40.125 45.625
mm 391 460 460 530 600 670 740 879 1019 1159
“E” Width of Unit
in. 17.875 20.625 20.625 23.375 26.125 28.875 31.625 37.125 42.625 48.125
mm 454 524 524 594 664 733 803 943 1083 1222
“F” to Centerline of Flue
in. 5.875 7.25 7.25 8.625 10 11.25 12.75 15.5 18.25 21
mm 149 184 184 219 254 286 324 394 464 533
“G” Hanging Distance Depth
in.18.518.518.520202323232323
mm 470 470 470 508 508 584 584 584 584 584
“H” Depth to Rear of Housing
in. 42.75 44.375 44.375 47.187 47.187 50.875 48 50.875 50.875 51
mm 1086 1127 1127 1199 1199 1292 1219 1292 1292 1295
Flue Size Diameter(a)
in.4 4445 5 5 6 6 6
mm 102 102 102 102 127 127 127 152 152 152
Blower Size in. 9 10 10 12 12 12 12 (2) 10 (2) 12 (2) 12
Gas Inlet-Natural Gas
in. 0.5 0.5 0.5 0.5 0.5 0.75 0.75 0.75 0.75 0.75
Gas Inlet-LP Gas
in. 0.5 0.5 0.5 0.5 0.5 1/2 or 3/4 1/2 or 3/4 1/2 or 3/4 1/2 or 3/4 1/2 or 3/4
Approximate Shipping Weight
lb 298 330 362 394 426 458 490 558 618 678
kg 135 150 164 179 193 208 222 253 280 308
(a) The flue opening on all units is 5-1/8” diameter. Therefore, a transition adapter is required by installer on these units.
1. Front view,
sizes 100–400
2. Side view, sizes
100–200
3. Side view, sizes
225–400
Note: Air intake
is round on 225/
250 units. For
300/400 units,
air intake is as
shown.
*Canadian units
include vent cap and
reducer/increaser
(if required).
Dimensions in ( )
are in millimeters.
123

UH-PRC002-EN 53
Dimensions and Weights
Table 27. High-efficiency duct furnaces—model GLND/GLPD
Input D
(Dia.)
Gas Inlet
Model MBh A B C F Nat. LP Weight
010 100
in. 17.875 15.5 17.125 4 23.875 1/2 1/2 lb 173
mm 454 394 435 102 606 kg 78
012 125 in. 20.625 18.25 19.875 4 25.625 1/2 1/2 lb 186
mm 524 464 505 102 651 kg 84
015 150 in. 20.625 18.25 19.875 4 26.625 1/2 1/2 lb 197
mm 524 464 505 102 676 kg 89
017 175 in. 23.375 21 22.625 4 29.375 1/2 1/2 lb 216
mm 594 533 575 102 746 kg 98
020 200 in. 26.125 23.75 25.375 5 32.125 1/2 1/2 lb 232
mm 664 603 645 127 816 kg 105
022 225 28.875 26.5 28.125 5 34.875 3/4 1/2 or 3/4lb 254
733 673 714 127 886 kg 115
025 250 in. 31.625 29.25 30.875 5 37.625 3/4 1/2 or 3/4 lb 263
mm 803 743 784 127 956 kg 119
030 300 in. 37.125 34.75 36.375 6 43.125 3/4 1/2 or 3/4 lb 312
mm 943 883 924 152 1095 kg 142
035 350 in. 42.625 40.25 41.875 6 48.625 3/4 1/2 or 3/4 lb 389
mm 1083 1022 1064 152 1235 kg 176
040 400 in. 48.125 45.75 47.375 6 54.125 3/4 1/2 or 3/4 lb 403
mm 1222 1162 1203 152 1375 kg 183
1. Side view, sizes 100–125
2. Front view, sizes 100–400
3. Side view, sizes 150–400
4. Side view, sizes 100–125
5. Front view, sizes 100–400
6. Side view, sizes 150–400
7. Detail G positions: front,
rear, right, left
*Canadian units
include vent cap
and reducer/
increaser (if
required).
Rear vent position
shown. See Detail G
for optional top vent
position.
Dimensions are in
inches.
Dimensions in ( )
are in millimeters.
123
456
7

54 UH-PRC002-EN
Dimensions and Weights
Table 28. Separated combustion indoor gas duct furnaces—model GMND/GMPD
Input D
(Dia.)(a)
Gas Inlet
Model MBh A B C Nat. LP Weight
010 100
in. 17-7/8 15-1/2 17-1/8 4 1/2 1/2 lb 161
mm 454 394 435 102 kg 73
012 125 in. 20-5/8 18-1/4 19-7/8 4 1/2 1/2 lb 180
mm 524 464 505 102 kg 82
015 150 in. 20-5/8 18-1/4 19-7/8 4 1/2 1/2 lb 188
mm 524 464 505 102 kg 85
017 175 in. 23-3/8 21 22-5/8 4 1/2 1/2 lb 207
mm 594 533 575 102 kg 94
020 200 in. 26-1/8 23-3/4 25-3/8 5 1/2 1/2 lb 227
mm 664 603 645 127 kg 103
022 225 28-7/8 26-1/2 28-1/8 5 3/4 1/2 or 3/4lb 246
733 673 714 127 kg 112
025 250 in. 31-5/8 29-1/4 30-7/8 5 3/4 1/2 or 3/4lb 266
mm 803 743 784 127 kg 121
030 300 in. 37-1/8 34-3/4 36-3/8 6 3/4 1/2 or 3/4lb 305
mm 943 883 924 152 kg 138
035 350 in. 42-5/8 40-1/4 41-7/8 6 3/4 1/2 or 3/4lb 344
mm 1083 1022 1064 152 kg 156
040 400 in. 48-1/8 45-3/4 47-3/8 6 3/4 1/2 or 3/4lb 383
mm 1222 1162 1203 152 kg 174
(a)“D” diameter equals the air inlet opening and the flue discharge opening.
1. Sizes 100–250
2. Sizes 300–400
†Oval connector shown accepts 6” Dia.
(152) pipe.
*Canadian units include vent cap and
reducer/increaser (if required).
Rear vent position shown. See Detail G for
optional top vent position.
Dimensions are in inches.
Dimensions in ( ) are in millimeters.
123

UH-PRC002-EN 55
Dimensions and Weights
Table 29. Horizontal blower assembly dimension data
Nominal Input Filter Ship
Model cfm MBh(a) A B C D E F G Size** # Req. Weight(b)
HBAC-15 1500 100 in. 65-1/2 26 10 18 21-1/4 15-3/4 15-5/8 25 x 25 x 1 1 lb 135
mm 1664 660 254 457 540 400 397 kg 61
125 in. 65-1/2 26 10 18 21-1/4 15-3/4 18-3/8 25 x 25 x 1 1 lb 135
mm 1664 660 254 457 540 400 467 kg 61
HBAC-20 2000 150 in. 65-1/2 26 10 18 21-1/4 15-3/4 18-3/8 25 x 25 x 1 1 lb 155
mm 1664 660 254 457 540 400 467 kg 70
175 in. 65-1/2 26 10 18 21-1/4 15-3/4 21-1/8 25 x 25 x 1 1 lb 155
mm 1664 660 254 457 540 400 537 kg 70
HBAC-30 3000 200 in. 65-1/2 40-1/2 10 18 35-3/4 30-3/8 23-7/8 25 x 20 x 1 2 lb 200
mm 1664 1029 254 457 908 772 606 kg 91
225 in. 65-1/2 40-1/2 10 18 35-3/4 30-3/8 26-5/8 25 x 20 x 1 2 lb 200
mm 1664 1029 254 457 908 772 676 kg 91
250 in. 65-1/2 40-1/2 10 18 35-3/4 30-3/8 29-3/8 25 x 20 x 1 2 lb 200
mm 1664 1029 254 457 908 772 746 kg 91
HBAC-45 4500 300 in. 65-1/2 60-1/2 10 18 55-3/4 50-3/8 34-7/8 25 x 20 x 1 3 lb 296
mm 1664 1537 254 457 1416 1280 886 kg 134
350 in. 69-1/2 60-1/2 14 22 55-3/4 50-3/8 40-3/8 25 x 20 x 1 3 lb 296
mm 1765 1537 356 559 1416 1280 1026 kg 134
400 in. 69-1/2 60-1/2 14 22 55-3/4 50-3/8 45-7/8 25 x 20 x 1 3 lb 296
mm 1765 1537 356 559 1416 1280 1165 kg 134
Notes:
1. Nominal 4,500 cfm unit has two blowers driven by one motor.
2. Transition designed for specific duct furnace referenced in the table above. Variations from standard will require field-supplied transitions.
(a)Size of duct furnace used with horizontal blower assembly.
(b)Ship weight is approximate and does not include motor.
Dimensions are in inches.
Dimensions in ( ) are in millimeters.

56 UH-PRC002-EN
Dimensions and Weights
Table 30. Factory-installed flue vent data (standard on high-efficiency units)
Unit Size
Input MBh 30 45 60 75 100 125 150 175 200 225 250 300 350 400
Flue Outlet in. 5-1/8 5-1/8 5-1/8 5-1/8 5-1/8 5-1/8 5-1/8 5-1/8 5-1/8 5-1/8 5-1/8 5-1/8 5-1/8 5-1/8
Recommended Flue Size
in. 4 R 4 R 4 R 4 R 4 R 4 R 4 R 4 R 5 R 5 R 5 R 6 R 6 R 6 R
Maximum Length of Run(a)
ft 50 50 50 50 50 50 50 50 50 50 50 50 50 50
Notes:
1. Horizontal vent pipes should be pitched downward 1/4-inch per foot toward the outlet for condensate drainage.
2. Motors are 1/20 hp. All fans are 115 V and draw 1.5 amps.
(a) Vent pipe equivalent length must not exceed 50 feet. Equivalent length is the total length of straight sections, plus 15 feet for each 90° elbow and 8
feet for each 45° elbow.
Table 31. Factory-installed flue vent data (standard on separated combustion units)
Unit Size
Input MBh 30 45 60 75 100 125 150 175 200 225 250 300 350 400
Flue Flue Outlet in. 5-1/8 5-1/8 5-1/8 5-1/8 5-1/8 5-1/8 5-1/8 5-1/8 5-1/8 5-1/8 5-1/8 5-1/8 5-1/8 5-1/8
Recommended Flue Size
in. 4 R 4 R 4 R 4 R 4 R 4 R 4 R 4 R 5 R 5 R 5 R 6 R 6 R 6 R
Maximum Length of Run(a)
ft 50 50 50 50 50 50 50 50 50 50 50 50 50 50
Combustion Air
Combustion Air Inlet
in. 4 R 4 R 4 R 4 R 4 R 4 R 4 R 4 R 5 R 5 R 5 R 6 OV 6 OV 6 OV
Maximum Length of Run(a)
ft 50 50 50 50 50 50 50 50 50 50 50 50 50 50
Notes:
1. Horizontal vent pipes should be pitched downward 1/4-inch per foot toward the outlet for condensate drainage.
2. Motors are 1/20 hp. All fans are 115 V and draw 1.5 amps.
(a) Flue outlet or combustion air inlet pipe equivalent length must not less than 5 feet and must not exceed 50 feet. Equivalent length is the total length
of straight sections, plus 15 feet for each 90° elbow and 8 feet for each 45° elbow.

UH-PRC002-EN 57
Dimensions and Weights
1. 30° nozzle
2. 60° nozzle
3. 90° nozzle
Note: 30°, 60°, and 90° nozzles are shipped unassembled with bagged hardware and field assembling and installation
instruction sheet. The six (6) louvers and louver springs are removed from the unit heaters and transferred to the
nozzles in the field.
4. Y-splitter
1
2
3
4
Table 32. Nozzle dimensional data
Unit MBh 100 125 150 175 200 225 250 300 350 400
Ain. 17.44 20.19 20.19 22.94 25.69 28.44 31.19 36.69 42.19 47.69
mm 445 513 513 583 653 722 792 932 1072 1211
Bin. 15.368 18.118 18.118 20.868 23.618 26.368 29.118 34.618 40.118 45.618
mm 391 460 460 530 600 670 740 879 1019 1159
Table 33. Y-splitter dimensional data
Unit MBh 100 125 150 175 200 225 250 300 350 400
Width in. 15-3/8 18-1/8 18-1/8 20-7/8 23-5/8 26-3/8 29-1/8 34-5/8 40-1/8 45-5/8
mm 391 461 461 527 600 671 740 880 1019 1159
Height in. 21-1/8 21-1/8 21-1/8 21-1/8 21-1/8 21-1/8 21-1/8 21-1/8 21-1/8 21-1/8
mm 537 537 537 537 537 537 537 537 537 537
Depth in. 11 11 11 11 11 13-1/8 13-1/8 15-1/8 20-5/8 20-5/8
mm 279 279 279 279 279 334 334 384 524 524

58 UH-PRC002-EN
Mechanical Specifications
Tubular Heat Exchanger Indoor Gas Unit (model GT)
Unit is completely factory assembled, piped, wired and test fired. Unit is AGA and CGA certified,
over 80 percent thermal (combustion) efficient. These propeller type units are provided with
aluminized tubular heat exchanger, in-shot burner, hot surface pilot ignition, individually
adjustable and removable louvers, 100 percent baked enamel finish, 115/60/1 supply voltage,
removable access door on size 30 to 120 MBh, and hinged access control panel on 150 to 400 MBh,
power vented, single-stage combination gas valve, two-stage available on 150 to 400 MBh, 24V
control transformer and 115/60/1 volt fan motor with internal overload protection. The size 30 to
120 MBh are available in low profile design. OSHA fan guard is standard on all units size 30 to
120 MBh. Units sized 150 to 400 MBh are shipped with a non-OSHA type guard; the OSHA guard
is available as a selectable option.
Tubular Heat Exchanger
Heat exchanger construction consists of 20-gauge aluminized steel. The tubular design provides
maximum and uniform heat transfer. The low pressure drop enables heated air to be evenly
distributed. The curved, non-welded serpentine design, experiences less thermally induced stress
making it highly durable for longer service life.
Cabinet
The cabinet is constructed of 20-gauge cold rolled steel. All components are individually
electrostatically painted.
Hot Surface Pilot Ignition
This ignition is constructed of shock resistant ceramic composite hot surface element. This system
does not permit pilot gas to flow unless the hot surface element is present and powered. The low
voltage hot surface element lights the pilot quickly for fast heat delivery. All wiring is 24V with no
line voltage in the burner area.
Venting
The tubular design is AGA/CGA certified in accordance with Categories I and III venting
requirements. Category I enables units to be vented vertically with either single or double wall
venting material. Category III allows for horizontal venting utilizing single wall venting material.
This venting flexibility makes installation easier and more cost effective.
Control Accessibility
All controls are easily accessible with ignition and fan controls located in one centrally located
control panel. The removable door on size 30 to 75 MBh and the hinged access door on the 100 to
400 MBh provide control isolation.
Motor –115V ODP
Motor is 115V, 60 Hz, single phase, open drip-proof with built-in thermal overload protection.
Optional Feature
Motor — 115V totally enclosed. Motor is 115V, 60 Hz, single phase, totally enclosed with built-in
thermal overload protection.
Warranty
The heat exchanger, flue collector and burners are covered by a 10-year warranty from the date of
manufacture.

UH-PRC002-EN 59
Mechanical Specifications
High Efficiency Propeller (model GH) and Centrifugal Fan Gas Unit Heaters (model GB)
General
Units are completely factory assembled, piped, wired, and test fired. All units are AGA Certified and
conform with the latest ANSI Standards for safe and efficient performance. Units are provided with
two-point suspension hangers on propeller fan unit heaters and with four-point suspension
hangers on centrifugal fan unit heaters. All units are available for operation on either natural or LP
(liquid propane) gas.
Casing
Casings are die-formed, 20-gauge galvanized steel and finished in baked enamel. The bottom panel
is easily removed to provide service access to the burners, pilot and orifices. The pilot is also
accessible through a side panel access plate. All units are provided with independently adjustable
horizontal louvers with stops to prevent total closure.
Heat Exchanger
Standard heat exchanger construction consists of seam welded 20-gauge aluminized steel tubes
and 18-gauge aluminized steel headers.
The heat exchanger, burner, and draft hood assembly carry a non-prorated warranty to be free from
defective material and workmanship for a period of ten years from date of manufacture, excluding
loss due to misuse, negligence, or corrosion by chemicals precipitated in the air.
Burners
Burners are die-formed, corrosion resistant aluminized steel, with stainless steel port protectors.
Port protectors reduce scale or foreign matter from obstructing the burner ports. Burners are
individually removable for ease of inspection and servicing. Each burner is provided with an
individually adjustable, manually rotated air shutter adjustment.
Fans
Fan blades are constructed of aluminum with an aerodynamic contour. All fans are dynamically
balanced for quiet, efficient operation and supplied with a protective type fan guard. Rubber-in-
shear isolators provide isolation between the fan/motor combination and the unit heater casing.
All Motors
Standard motors are 115V, 60 Hz, single phase, open drip-proof with built-in thermal overload
protection.
Optional Fan Unit Motors
All motors are 115V, 60 Hz, single-phase totally enclosed with built-in thermal overload protection
and permanently lubricated bearings.
Controls
A factory installed junction box is provided for all power connections. Standard units are provided
with a 24V combination single stage redundant gas valve, consisting of a combination pilot
solenoid valve, automatic electric gas valve, pilot filter, pressure regulator, pilot adjustment and
manual shutoff. A flue vent fan relay and combustion air proving switch is also provided as
standard. Standard equipment includes spark-ignited intermittent pilot system with electronic
flame supervision. A 24V control transformer, high limit and fan time delay relay are provided. The
fan time delay relay delays the fan start until the heat exchanger reaches a predetermined
temperature. It also allows the fan to operate after burner shutdown, removing residual heat from
the heat exchanger.

60 UH-PRC002-EN
Mechanical Specifications
Two-Stage Gas Valve
Provides two stages of heat. Ignition is at low fire (50 percent of the furnace’s rated input). Requires
the use of a two-stage thermostat.
Electronic Modulating Gas Valve (Natural Gas Units Only)
Provides modulated heat output. Ignition is at full fire (100 percent input), and modulates the gas
input from 100 percent to 50 percent rated input. Available for use with room thermostat or duct
thermostat with remote setpoint adjustment. Duct thermostat available with optional override
room thermostat which causes the unit to go to full fire when the room temperature falls below the
override room thermostat.
Electronic Modulating, 4–20 mA/0–10 Vdc Input
Provides modulated heat output. Ignition is at full fire (100 percent input), and modulates the gas
input from 100 percent to 40 percent rated input. The modulating gas valve shall operate in
response to a 4–20 mA or a 0–10 Vdc input from an external DDC control.
Flue Vent Fan
Flue vent fan provides power venting. Provided factory assembled to a sealed flue collection
chamber. The flue vent fan is activated in response to a low voltage (24V) single-stage thermostat.
Note: Thermostat must be ordered.
A combustion air pressure switch is provided as standard to verify proper powered vent flow prior
to allowing the gas valve to operate.
Factory-Installed Options
Heat Exchanger Options
Type 409 Stainless Steel
Heat exchanger tubes and headers are seam welded 20-gauge Type 409 stainless steel.
Type 321 Stainless Steel
Heat exchanger tubes and headers are seam welded 20-gauge Type 321 stainless steel. (Not
available on 30, 45, 60 and 75 MBh units.)
Additional Options
Type 409 Stainless Steel Burners
Type 409 Stainless Steel Draft Diverter
Orifices for elevations over 2,000 feet
Summer/Winter Switch
Vertical Louvers
Duct Discharge Flange (Centrifugal fan units only) Provided in lieu of louvers on units for use with
field ductwork.
OSHA Fan Guards—All Propeller Units
OSHA fan guards are available as a factory-installed or field-installed option.
Field-Installed Accessories
High Gas Line Pressure Regulator (Natural gas units only)
Reduces main gas line pressure to a minimum of seven inches wc (water column). Pressure at the
jobsite must be specified. The regulator is selected to accommodate that specific pressure.

UH-PRC002-EN 61
Mechanical Specifications
Thermostats
Low voltage room thermostat, single-stage.
Low voltage room thermostat, single-stage with summer/winter switch.
Low voltage duct thermostat, single-stage.
Universal tamper-proof guard for all room thermostats.
Low voltage room thermostat, two-stage.
Low voltage duct thermostat, two-stage.
Room thermostat, electronic modulating control.
Duct thermostat, electronic modulating control.
Override room thermostat, for use with duct thermostat and electronic modulating control.
Discharge Nozzles
Y Splitter
30° Downward
60° Downward
90° Downward
Separated Combustion Centrifugal (model GK) and Propeller Fan Gas Unit Heaters
(model GA)
General
Units are completely factory assembled, piped, wired, and test fired. All units are AGA Certified,
80 percent efficient and conform with the latest ANSI Standards for safe and efficient performance.
Units are provided with two-point suspension hangers on propeller fan unit heaters and with four-
point suspension hangers on centrifugal fan unit heaters. Units are available for operation on either
natural or LP (propane) gas. Standard terms and conditions apply.
Casing
Casings are die-formed, 20-gauge galvanized steel and finished in baked enamel. The bottom panel
is easily removed to provide service access to the burners, pilot and orifice. All units provided with
independently adjustable horizontal louvers with stops to prevent total closure.
Heat Exchanger
Standard heat exchanger construction consists of seam welded 20-gauge aluminized steel tubes
and 18-gauge aluminized steel headers.
Burners
Burners are die-formed, corrosion resistant aluminized steel, with stainless steel port protectors.
Port protectors prevent scale or foreign matter from obstructing the burner ports. Burners
individually removable for ease of inspection and servicing. Each burner is provided with an
individually adjustable, manually rotated air shutter adjustment.
Fans
Propeller fan blades are constructed of aluminum with an aerodynamic contour.
All fans are dynamically balanced for quiet, efficient operation and supplied with a protective type
fan guard. Rubber-in-shear isolators provide isolation between the fan/motor combination and the
unit heater casing.
Centrifugal fan is belt driven with adjustable pitch motor sheave. Motor and fan are dynamically
balanced for quiet operation.

62 UH-PRC002-EN
Mechanical Specifications
Centrifugal Unit Motors
Standard motors are 115V, 60 Hz, single phase, open drip-proof with built-in thermal overload
protection. Optional 230/60/1 motors are available on all units. Optional 208, 230, 460/60/3 motors
are available on 125 through 400 MBh units.
All Motors
All motors are 115V, 60 Hz, single-phase open drip-proof with built-in thermal overload protection
and permanently lubricated bearings.
Controls
A factory installed junction box is provided for all power connections. Standard units are provided
with a 24V combination single-stage redundant gas valve, consisting of a combination pilot
solenoid valve, automatic electric gas valve, pilot filter, pressure regulator, pilot adjustment and
manual shutoff. A flue vent fan relay and combustion air proving switch is also provided as
standard. Standard equipment includes spark-ignited intermittent pilot system with electronic
flame supervision. A 24V control transformer, high limit and fan time delay relay are provided. The
fan time delay relay delays the fan start until the heat exchanger reaches a predetermined
temperature. It also allows the fan to operate after burner shutdown, removing residual heat from
the heat exchanger.
Electronic Modulating, 4–20 mA/0–10Vdc Input
Provides modulated heat output. Ignition is at full fire (100 percent input), and modulates the gas
input from 100 percent to 40 percent rated input.
The modulating gas valve shall operate in response to a 4–20 mA or a 0–10 Vdc input from an
external DDC control.
Flue Vent Fan
Flue vent fan provides power venting. Provided factory assembled to a sealed flue collection
chamber. The flue vent fan is activated in response to a low voltage (24V) single-stage thermostat.
Note: The thermostat is not included with the gas control option).
A combustion air pressure switch is provided as standard to verify proper powered vent flow prior
to allowing the gas valve to operate.
Factory-Installed Options
Two-Stage Gas Valve
Provides two stages of heat. Ignition is at low fire (50 percent of the furnaces rated input). Requires
the use of a two-stage thermostat.
Heat Exchanger Options
Type 409 Stainless Steel
Heat exchanger tubes and headers are seam welded 20-gauge Type 409 stainless steel.
Type 321 Stainless Steel
Heat exchanger tubes and headers are seam welded 20-gauge Type 321 stainless steel.
Additional Options
Type 409 Stainless Steel Burners
Type 409 Stainless Steel Draft Diverter
Totally Enclosed Motor
Orifices for elevations over 2000 feet

UH-PRC002-EN 63
Mechanical Specifications
Summer/Winter Switch
Vertical Louvers
Duct Discharge Flange
(Centrifugal fan units only) Provided in lieu of louvers on units for use with field ductwork.
OSHA Fan Guards
OSHA fan guards are available as a factory installed or field installed option.
Field-Installed Accessories
LP (Propane) to Natural Gas Conversion Package
High Gas Line Pressure Regulator (Natural gas units only)
Reduces main gas line pressure to a minimum of seven-inches wc (water column). Pressure at the
jobsite must be specified. The regulator is selected to accommodate that specific pressure.
Thermostats
Low voltage room thermostat, single-stage.
Low voltage room thermostat, single-stage with summer/winter switch.
Low voltage duct thermostat, single-stage.
Low voltage room thermostat, two-stage.
Low voltage duct thermostat, two-stage.
Universal tamperproof guard for all room thermostats.
Discharge Nozzles
Y Splitter
30° Downward
60° Downward
90° Downward
Concentric Vent Terminals
Vertical Concentric Vent Kit
Kit includes 5” cap with special attached non-recirculation disc, special 8” cap with 5” hole and
concentric vent box.
Horizontal Concentric Vent Kit
Kit includes 5” cap with special attached non-recirculation disc, inlet air screen and concentric vent
box.
High Efficiency Indoor Gas Duct Furnaces (model GL)
General
Units are completely factory assembled, piped, wired, and test fired. All units are AGA Certified and
conform with the latest ANSI Standards for safe and efficient performance. Units are provided with
four point suspension hangers, and are available for operation on either natural or LP (propane)
gas.
Casing
Casings are die-formed, 20-gauge galvanized steel and finished in baked enamel. The bottom panel
is easily removed to provide access to the burners, pilot, and orifices. The pilot is also accessible

64 UH-PRC002-EN
Mechanical Specifications
through a side panel access plate. The high limit switch is accessible through a side panel access.
Duct discharge flanges for simple ductwork connection are provided.
Heat Exchanger
Standard heat exchanger construction consists of seam welded 20-gauge aluminized steel tubes
and 18-gauge aluminized steel headers.
Burners
Burners are die-formed, corrosion resistant aluminized steel, with stainless steel port protectors.
Port protectors prevent foreign matter from obstructing the burner ports. Burners individually
removable for ease of inspection and servicing. Each burner is provided with an individually
adjustable, manually rotated air shutter adjustment. Air shutter adjustment is fixed when side
access burner drawer is supplied.
Controls
A factory installed junction box is provided for all power connections. Standards units are provided
with a 24-volt combination single-stage redundant gas valve, consisting of a combination pilot
solenoid valve, automatic electric gas valve, pilot filter, pressure regulator, pilot adjustment and
manual shutoff. A flue vent fan relay and combustion air proving switch is also provided as
standard. Standard equipment includes spark-ignited intermittent pilot system with electronic
flame supervision. A 24V control transformer and a high limit are provided.
Flue Vent Fan
Flue vent fan is factory assembled to a sealed flue collection chamber and provides power venting.
The flue vent fan is activated in response to a low voltage (24V) single-stage thermostat. A
combustion air pressure switch is provided as standard to verify proper powered vent flow prior
to allowing the gas valve to operate.
Control Options
Two-Stage Gas Valve
Provides two stages of heat. Ignition is at low fire (50 percent of the furnace’s rated input). Requires
the use of a two-stage thermostat. (Thermostat not included.)
Electronic Modulating Gas Valve (Natural Gas Units Only)
Provides modulated heat output. Ignition is at full fire (100 percent input), and modulates the gas
input from 100 percent to 50 percent rated input. Available for use with room thermostat or duct
thermostat with remote setpoint adjustment. Duct thermostat available with optional override
room thermostat which causes the unit to go to full fire when the room temperature falls below the
override room thermostat.
Electronic Modulating 4–20 mA/0–10 Vdc Input
Provides modulated heat output. Ignition is at full fire (100 percent input), and modulates the gas
input from 100 percent to 40 percent rated input. The modulating gas valve shall operate in
response to a 4–20 mA or a 0–10 Vdc input from an external DDC control.
Heat Exchanger Options
Type 409 Stainless Steel
Heat exchanger tubes and headers are seam welded 20-gauge Type 409 stainless steel
Type 321 Stainless Steel
Heat exchanger tubes and headers are seam welded 20-gauge Type 321 stainless steel

UH-PRC002-EN 65
Mechanical Specifications
Additional Options
Type 409 Stainless Steel Burners
Orifices for Elevations over 2000 feet
Type 409 Stainless Steel Draft Diverter
Summer/Winter Switch
Horizontal Louvers
Horizontal and Vertical Louvers
Side Access Burner Drawer
Allows entire burner drawer to slide out from the side of the unit for service or inspection.
Fan Time Delay Relay
The fan time delay relay delays the fan start until the heat exchanger reaches a predetermined
temperature. It also allows the fan to operate after burner shutdown, removing the residual heat
from the heat exchanger. (Recommended on applications that require intermittent fan.)
Field-Installed Accessories
Natural to LP (Propane) Gas Conversion Package (Standing Pilot Only)
LP (Propane) to Natural Gas Conversion Package
High Gas Line Pressure Regulator—Reduces main gas line pressure to a minimum of 7 inches wc
(water column). Pressure at the jobsite must be specified. The regulator is selected to
accommodate that specific pressure.
Discharge Nozzles
“Y” Splitter
30° Downward
60° Downward
90° Downward
Drain Pan
Recommended for use with installations on the downstream side of a cooling coil.
Thermostats
Low voltage room thermostat, single-stage
Low voltage room thermostat, two-stage
Low voltage duct thermostat, single-stage
Low voltage duct thermostat, two-stage
Universal tamper-proof guard for all room thermostats
Low voltage room thermostat, single-stage with summer/winter switch
Room thermostat, electronic modulating control
Duct thermostat, electronic modulating control
Override room thermostat, for use with duct thermostat and electronic modulating control.
Separated Combustion Duct Furnaces (model GM)
General
Units are completely factory assembled, piped, wired, and test fired. All units are AGA Certified,
80 percent efficient and conform with the latest ANSI Standards for safe and efficient performance.

66 UH-PRC002-EN
Mechanical Specifications
Units are provided with two-point suspension hangers on propeller fan unit heaters and with four-
point suspension hangers on centrifugal fan unit heaters. Units are available for operation on either
natural or LP (propane) gas. Standard terms and conditions apply.
Casing
Casings are die-formed, 20-gauge galvanized steel and finished in baked enamel. The bottom panel
is easily removed to provide service access to the burners, pilot and orifice. All units provided with
independently adjustable horizontal louvers with stops to prevent total closure.
Heat Exchanger
Standard heat exchanger construction consists of seam welded 20-gauge aluminized steel tubes
and 18-gauge aluminized steel headers.
Burners
Burners are die-formed, corrosion resistant aluminized steel, with stainless steel port protectors.
Port protectors prevent scale or foreign matter from obstructing the burner ports. Burners
individually removable for ease of inspection and servicing. Each burner is provided with an
individually adjustable, manually rotated air shutter adjustment.
Controls
A factory installed junction box is provided for all power connections. Standard units are provided
with a 24V combination single-stage redundant gas valve, consisting of a combination pilot
solenoid valve, automatic electric gas valve, pilot filter, pressure regulator, pilot adjustment and
manual shutoff. A flue vent fan relay and combustion air proving switch is also provided as
standard. Standard equipment includes spark-ignited intermittent pilot system with electronic
flame supervision. A 24V control transformer, high limit and fan time delay relay are provided. The
fan time delay relay delays the fan start until the heat exchanger reaches a predetermined
temperature. It also allows the fan to operate after burner shutdown, removing residual heat from
the heat exchanger.
Electronic Modulating 4–20 mA/0–10 Vdc Input
Provides modulated heat output. Ignition is at full fire (100 percent input), and modulates the gas
input from 100 percent to 40 percent rated input.
The modulating gas valve shall operate in response to a 4–20 mA or a 0–10 Vdc input from an
external DDC control.
Flue Vent Fan
Flue vent fan provides power venting. Provided factory assembled to a sealed flue collection
chamber. The flue vent fan is activated in response to a low voltage (24V) single-stage thermostat.
Note: The thermostat is not included with the gas control option.
A combustion air pressure switch is provided as standard to verify proper powered vent flow prior
to allowing the gas valve to operate.
Factory-Installed Options
Two-Stage Gas Valve
Provides two stages of heat. Ignition is at low fire (50 percent of the furnace’s rated input). Requires
the use of a two-stage thermostat.
Heat Exchanger Options
Type 409 Stainless Steel
Heat exchanger tubes and headers are seam welded 20-gauge Type 409 stainless steel.

UH-PRC002-EN 67
Mechanical Specifications
Type 321 Stainless Steel
Heat exchanger tubes and headers are seam welded 20-gauge Type 321 stainless steel.
Additional Options
Type 409 Stainless Steel Burners
Type 409 Stainless Steel Draft Diverter
Totally Enclosed Motor (Centrifugal fan units only)
Orifices for elevations over 2000 feet
Summer/Winter Switch
Vertical Louvers
Duct Discharge Flange
(Centrifugal fan units only) Provided in lieu of louvers on units for use with field ductwork.
Field-Installed Accessories
LP (Propane) to Natural Gas Conversion Package
High Gas Line Pressure Regulator (Natural gas units only) Reduces main gas line pressure to a
minimum of 7 inches wc (water column). Pressure at the jobsite must be specified. The regulator
is selected to accommodate that specific pressure.
Thermostats
Low voltage room thermostat, single-stage.
Low voltage room thermostat, single-stage with summer/winter switch.
Low voltage duct thermostat, single-stage.
Low voltage room thermostat, two-stage.
Low voltage duct thermostat, two-stage.
Universal tamperproof guard for all room thermostats.
Discharge Nozzles
Y Splitter
30° Downward
60° Downward
90° Downward
Concentric Vent Terminals
Vertical Concentric Vent Kit
Kit includes 5” cap with special attached non-recirculation disc, special 8” cap with 5” hole and
concentric vent box.
Horizontal Concentric Vent Kit
Kit includes 5” cap with special attached non-recirculation disc, inlet air screen and concentric vent
box.
Horizontal Blower Assembly (model HBAC)
General
Units are completely factory assembled, and have four-point suspension hangers and filter racks
as standard.

68 UH-PRC002-EN
Mechanical Specifications
Casing
Casings are 18-gauge galvanized steel with baked enamel finish. Side panels are removable for
easy servicing and motor maintenance. Duct flanges are provided for simple ductwork connection.
Standard filters are one-inch permanent washable type.
Motors
Factory-mounted motors are open drip-proof, 115, 230/60/1 or 208, 230, 460/60/3 with built-in
thermal overload protection.
Fans
Centrifugal fan is belt driven with adjustable pitch motor sheave. Fan is dynamically balanced for
quiet operation.
Factory-Installed Options
Insulation
Blower assembly and transition are insulated with fire-resistant, odorless, matte-faced one-inch
glass fiber material.
Floor Mounting Legs
Legs allow floor mounting of the blower assembly.
Totally Enclosed Motor
Field Installed Accessories
Optional Filters
(One-Inch Permanent Standard)
One-inch throwaway
One-inch permanent
Tr a n s i t i o n
When used with a duct furnace, a sheet metal transition is supplied to connect the blower assembly
to the duct furnace.

www.trane.com
For more information, contact your local Trane
office or e-mail us at comfort@trane.com
Literature Order Number UH-PRC002-EN
Date September 2009
Supersedes UH-PRC002-EN July 2009
Trane has a policy of continuous product and product data improvement and reserves the right to
change design and specifications without notice.