Trane Rtaa 70 Installation Manual ManualsLib Makes It Easy To Find Manuals Online!
2014-12-11
: Trane Trane-Rtaa-70-Installation-Manual-121671 trane-rtaa-70-installation-manual-121671 trane pdf
Open the PDF directly: View PDF
.
Page Count: 178 [warning: Documents this large are best viewed by clicking the View PDF Link!]

September 2005 RTAA-SVX01A-EN
© American Standard Inc. 2005
Models RTAA
RTAA-70
RTAA-80
RTAA-90
RTAA-100
RTAA-110
RTAA-125
Installation
Operation
Maintenance
Series R®
Air-Cooled Rotary Liquid Chillers
Packaged Air-Cooled Chiller,
RTAA 70-125
Remote Evaporator
Air-Cooled Chiller,
RTAA 70-125

2RTAA-SVX01A-EN
Important
Environmental Concerns!
Scientific research has shown that certain man-made chemicals
can affect the earth’s naturally occurring stratospheric ozone layer
when released to the atmosphere. In particular, several of the
identified chemicals that may affect the ozone layer are
refrigerants that contain Chlorine, Fluorine and Carbon (CFCs) and
those containing Hydrogen, Chlorine, Fluorine and Carbon
(HCFCs). Not all refrigerants containing these compounds have
the same potential impact to the environment. Trane advocates
the responsible handling of all refrigerants—including industry
replacements for CFCs such as and HCFCs and HFCs.
Responsible Refrigerant Practices!
Trane believes that responsible refrigerant practices are important
to the environment, our customers, and the air conditioning
industry. All technicians who handle refrigerants must be
certified. The Federal Clean Air Act (Section 608) sets forth the
requirements for handling, reclaiming, recovering and recycling of
certain refrigerants and the equipment that is used in these
service procedures. In addition, some states or municipalities
may have additional requirements that must also be adhered to
for responsible management of refrigerants. Know the applicable
laws and follow them.
WARNING
Contains Refrigerant!
System contains oil and refrigerant under high pressure. Recover
refrigerant to relieve pressure before opening the system. See
unit nameplate for refrigerant type. Do not use non-approved
refrigerants, refrigerant substitutes, or refrigerant additives.
Failure to follow proper procedures or the use of non-approved
refrigerants, refrigerant substitutes, or refrigerant additives could
result in death or serious injury or equipment damage.
NOTICE: Warnings and Cautions appear at appropriate sections through-
out this literature. Read these carefully.
WARNING: Indicates a potentially hazardous situation which, if not
avoided, could result in death or serious injury.
CAUTION: Indicates a potentially hazardous situation which, if not
avoided, may result in minor or moderate injury. It may also be used to
alert against unsafe practices.
CAUTION: Indicates a situation that may result in equipment or property-
damage only accidents.

RTAA-SVX01A-EN 3
Table of Contents
General Information . . . . . . . . . . . . . . . . . . . . . . . . . . . . . . . . . . . . . . . 5
Unit Identification - Nameplates . . . . . . . . . . . . . . . . . . . . . . . . . . . . . . . . . 5
Nameplates . . . . . . . . . . . . . . . . . . . . . . . . . . . . . . . . . . . . . . . . . . . . . . . . . 5
Unit Inspection . . . . . . . . . . . . . . . . . . . . . . . . . . . . . . . . . . . . . . . . . . . . . . 6
Inspection Checklist . . . . . . . . . . . . . . . . . . . . . . . . . . . . . . . . . . . . . . . . . . 6
Loose Parts Inventory . . . . . . . . . . . . . . . . . . . . . . . . . . . . . . . . . . . . . . . . . 6
Unit Description . . . . . . . . . . . . . . . . . . . . . . . . . . . . . . . . . . . . . . . . . . . . . . 7
Model Number Coding System . . . . . . . . . . . . . . . . . . . . . . . . . . . . . . . . . . 9
Installation — Mechanical . . . . . . . . . . . . . . . . . . . . . . . . . . . . . . . . . . 10
Installation Responsibilities . . . . . . . . . . . . . . . . . . . . . . . . . . . . . . . . . . . . 10
Storage . . . . . . . . . . . . . . . . . . . . . . . . . . . . . . . . . . . . . . . . . . . . . . . . . . . 10
Location Requirements . . . . . . . . . . . . . . . . . . . . . . . . . . . . . . . . . . . . . . . 10
Foundation . . . . . . . . . . . . . . . . . . . . . . . . . . . . . . . . . . . . . . . . . . . . . . . . . 11
Clearances . . . . . . . . . . . . . . . . . . . . . . . . . . . . . . . . . . . . . . . . . . . . . . . . . 16
Rigging . . . . . . . . . . . . . . . . . . . . . . . . . . . . . . . . . . . . . . . . . . . . . . . . . . . 16
Unit Isolation . . . . . . . . . . . . . . . . . . . . . . . . . . . . . . . . . . . . . . . . . . . . . . . 23
Unit Leveling . . . . . . . . . . . . . . . . . . . . . . . . . . . . . . . . . . . . . . . . . . . . . . . 23
Water Piping . . . . . . . . . . . . . . . . . . . . . . . . . . . . . . . . . . . . . . . . . . . . . . . 23
Evaporator Water Piping . . . . . . . . . . . . . . . . . . . . . . . . . . . . . . . . . . . . . . 26
Evaporator Piping Components . . . . . . . . . . . . . . . . . . . . . . . . . . . . . . . . . 27
Entering Chilled Water Piping . . . . . . . . . . . . . . . . . . . . . . . . . . . . . . . . . . 27
Evaporator Drain . . . . . . . . . . . . . . . . . . . . . . . . . . . . . . . . . . . . . . . . . . . . 28
Chilled Water Flow Switch . . . . . . . . . . . . . . . . . . . . . . . . . . . . . . . . . . . . 28
Installation — Remote Evaporator . . . . . . . . . . . . . . . . . . . . . . . . . . . 31
System Configuration and Interconnecting Refrigerant Piping . . . . . . . . . 31
Line Sizing . . . . . . . . . . . . . . . . . . . . . . . . . . . . . . . . . . . . . . . . . . . . . . . . . 38
Example Liquid Line Sizing . . . . . . . . . . . . . . . . . . . . . . . . . . . . . . . . . . . . 39
Suction Line Sizing Steps . . . . . . . . . . . . . . . . . . . . . . . . . . . . . . . . . . . . . 40
Piping Installation Procedures . . . . . . . . . . . . . . . . . . . . . . . . . . . . . . . . . . 44
Refrigerant Sensors . . . . . . . . . . . . . . . . . . . . . . . . . . . . . . . . . . . . . . . . . . 44
Leak Test and Evacuation . . . . . . . . . . . . . . . . . . . . . . . . . . . . . . . . . . . . . 46
Refrigerant and Additional Oil Charge . . . . . . . . . . . . . . . . . . . . . . . . . . . . 46
Relief Valve Venting . . . . . . . . . . . . . . . . . . . . . . . . . . . . . . . . . . . . . . . . . 47
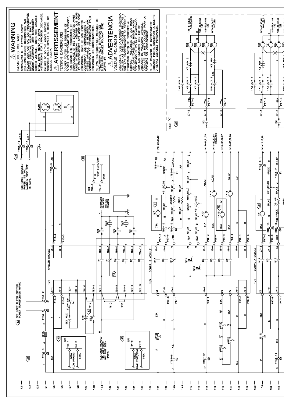
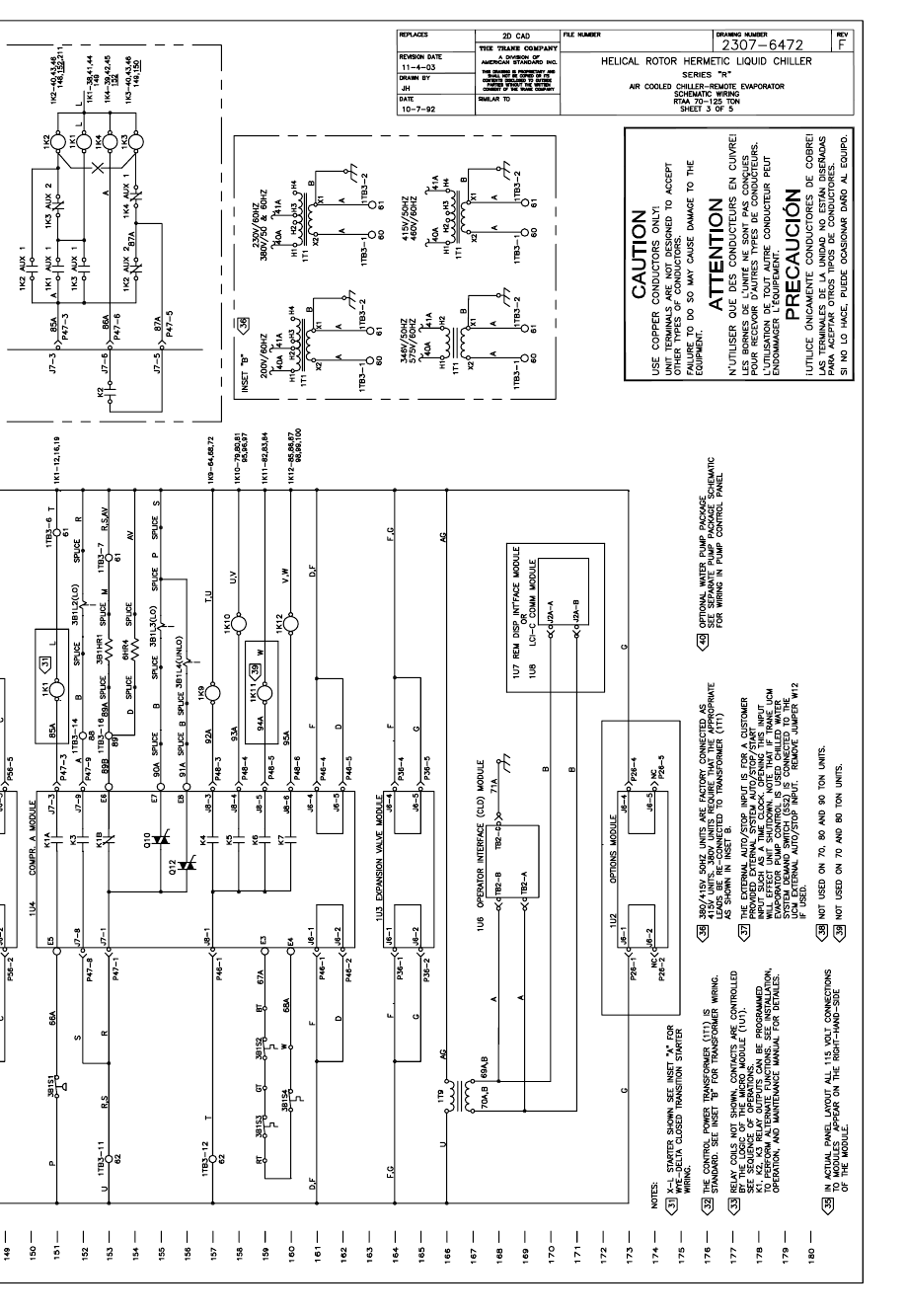
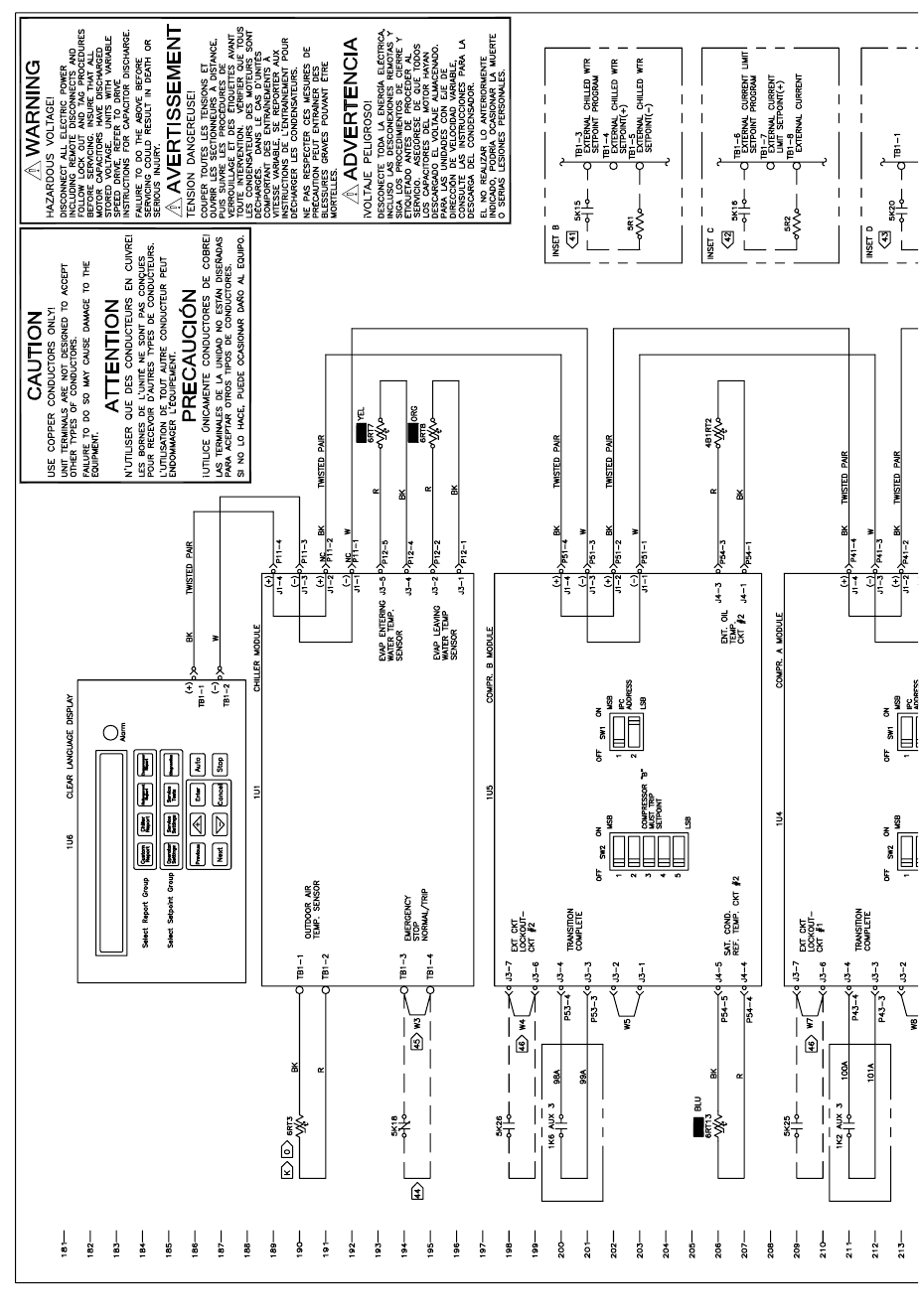
Installation — Electrical . . . . . . . . . . . . . . . . . . . . . . . . . . . . . . . . . . . . 49
General Recommendations . . . . . . . . . . . . . . . . . . . . . . . . . . . . . . . . . . . . 49
Installer-Supplied Components . . . . . . . . . . . . . . . . . . . . . . . . . . . . . . . . . 51
Power Supply Wiring . . . . . . . . . . . . . . . . . . . . . . . . . . . . . . . . . . . . . . . . . 52
Interlock Wiring . . . . . . . . . . . . . . . . . . . . . . . . . . . . . . . . . . . . . . . . . . . . . 52
Low Voltage Wiring . . . . . . . . . . . . . . . . . . . . . . . . . . . . . . . . . . . . . . . . . . 56
Remote Clear Language Display Installation Procedure . . . . . . . . . . . . . . 62
Operating Principles . . . . . . . . . . . . . . . . . . . . . . . . . . . . . . . . . . . . . . . 66
Refrigeration (Cooling) Cycle . . . . . . . . . . . . . . . . . . . . . . . . . . . . . . . . . . . 66
Oil System Operation . . . . . . . . . . . . . . . . . . . . . . . . . . . . . . . . . . . . . . . . 69
Controls Interface . . . . . . . . . . . . . . . . . . . . . . . . . . . . . . . . . . . . . . . . . 72
Clear Language Display Keypad Overview . . . . . . . . . . . . . . . . . . . . . . . . 72
Select Report Group and Select Settings Group Flowcharts . . . . . . . . . . 74
Diagnostics . . . . . . . . . . . . . . . . . . . . . . . . . . . . . . . . . . . . . . . . . . . . . . . . 93
Operational Features . . . . . . . . . . . . . . . . . . . . . . . . . . . . . . . . . . . . . . . . . 94

4RTAA-SVX01A-EN
Table of Contents
DIP Switch Settings . . . . . . . . . . . . . . . . . . . . . . . . . . . . . . . . . . . . . . . . . 100
IPC Address . . . . . . . . . . . . . . . . . . . . . . . . . . . . . . . . . . . . . . . . . . . . . . . . 100
Pre-Start Checkout . . . . . . . . . . . . . . . . . . . . . . . . . . . . . . . . . . . . . . . 103
Unit Voltage Power Supply . . . . . . . . . . . . . . . . . . . . . . . . . . . . . . . . . . . . 105
Unit Voltage Imbalance . . . . . . . . . . . . . . . . . . . . . . . . . . . . . . . . . . . . . . . 105
Unit Voltage Phasing . . . . . . . . . . . . . . . . . . . . . . . . . . . . . . . . . . . . . . . . . 106
Water System Flow Rates . . . . . . . . . . . . . . . . . . . . . . . . . . . . . . . . . . . . 107
Water System Pressure Drop . . . . . . . . . . . . . . . . . . . . . . . . . . . . . . . . . . 107
Clear Language Display Set-up . . . . . . . . . . . . . . . . . . . . . . . . . . . . . . . . . 107
Start-Up Procedures . . . . . . . . . . . . . . . . . . . . . . . . . . . . . . . . . . . . . . 108
System Superheat . . . . . . . . . . . . . . . . . . . . . . . . . . . . . . . . . . . . . . . . . . . 111
System Subcooling . . . . . . . . . . . . . . . . . . . . . . . . . . . . . . . . . . . . . . . . . . 111
Unit Shutdown Procedures . . . . . . . . . . . . . . . . . . . . . . . . . . . . . . . . 112
Temporary Shutdown and Restart . . . . . . . . . . . . . . . . . . . . . . . . . . . . . . 112
Extended Shutdown Procedure . . . . . . . . . . . . . . . . . . . . . . . . . . . . . . . . 112
System Restart After Extended Shutdown . . . . . . . . . . . . . . . . . . . . . . . . 113
Periodic Maintenance . . . . . . . . . . . . . . . . . . . . . . . . . . . . . . . . . . . . . 115
Weekly Maintenance . . . . . . . . . . . . . . . . . . . . . . . . . . . . . . . . . . . . . . . . . 115
Monthly Maintenance . . . . . . . . . . . . . . . . . . . . . . . . . . . . . . . . . . . . . . . . 115
Annual Maintenance . . . . . . . . . . . . . . . . . . . . . . . . . . . . . . . . . . . . . . . . . 116
Maintenance . . . . . . . . . . . . . . . . . . . . . . . . . . . . . . . . . . . . . . . . . . . . 119
Coil Cleaning . . . . . . . . . . . . . . . . . . . . . . . . . . . . . . . . . . . . . . . . . . . . . . . 119
Chemically Cleaning The Evaporator . . . . . . . . . . . . . . . . . . . . . . . . . . . . . 120
Water Treatment . . . . . . . . . . . . . . . . . . . . . . . . . . . . . . . . . . . . . . . . . . . . 120
Oil Separator Level Check . . . . . . . . . . . . . . . . . . . . . . . . . . . . . . . . . . . . . 120
Oil Filter Change . . . . . . . . . . . . . . . . . . . . . . . . . . . . . . . . . . . . . . . . . . . . 121
Refrigerant Charging and Recovery . . . . . . . . . . . . . . . . . . . . . . . . . 125
Low Side Repairs . . . . . . . . . . . . . . . . . . . . . . . . . . . . . . . . . . . . . . . . . . . 125
High Side Repair . . . . . . . . . . . . . . . . . . . . . . . . . . . . . . . . . . . . . . . . . . . . 126
Adding Refrigerant . . . . . . . . . . . . . . . . . . . . . . . . . . . . . . . . . . . . . . . . . . 126
Diagnostics . . . . . . . . . . . . . . . . . . . . . . . . . . . . . . . . . . . . . . . . . . . . . 127
Pump Package . . . . . . . . . . . . . . . . . . . . . . . . . . . . . . . . . . . . . . . . . . . 135
Temporary Storage . . . . . . . . . . . . . . . . . . . . . . . . . . . . . . . . . . . . . . . . . . 135
Piping . . . . . . . . . . . . . . . . . . . . . . . . . . . . . . . . . . . . . . . . . . . . . . . . . . . . . 135
Pre-Start Review and Inspection . . . . . . . . . . . . . . . . . . . . . . . . . . . . . . . . 135
Control Panel Features and Options . . . . . . . . . . . . . . . . . . . . . . . . . . . . . 136
Connection Power . . . . . . . . . . . . . . . . . . . . . . . . . . . . . . . . . . . . . . . . . . . 136
Pump Checkout Procedure . . . . . . . . . . . . . . . . . . . . . . . . . . . . . . . . . . . . 137
Control Panel Checkout . . . . . . . . . . . . . . . . . . . . . . . . . . . . . . . . . . . . . . . 137
System Start-up . . . . . . . . . . . . . . . . . . . . . . . . . . . . . . . . . . . . . . . . . . . . . 138
Planned Shutdown . . . . . . . . . . . . . . . . . . . . . . . . . . . . . . . . . . . . . . . . . . 141
Maintenance . . . . . . . . . . . . . . . . . . . . . . . . . . . . . . . . . . . . . . . . . . . . . . . 141
Troubleshooting . . . . . . . . . . . . . . . . . . . . . . . . . . . . . . . . . . . . . . . . . . . . . 142
Unit Wiring . . . . . . . . . . . . . . . . . . . . . . . . . . . . . . . . . . . . . . . . . . . . . 145
Unit Electrical Data . . . . . . . . . . . . . . . . . . . . . . . . . . . . . . . . . . . . . . . . . . 145

RTAA-SVX01A-EN 5
General Information
Unit Identification - Nameplates
When the unit arrives, compare all nameplate data with ordering, submittal,
and shipping information. A typical unit nameplate is shown in Figure 1.
Nameplates
The RTAA outdoor unit nameplates are applied to the exterior of the Control
Panel. A compressor nameplate is located on each compressor.
Outdoor Unit Nameplate
The outdoor unit nameplate provides the following information:
Unit model and size description.
Unit serial number.
Identifies unit electrical requirements.
Lists correct operating charges of R-22 and oil.
Figure 1 Standatd Unit Nameplate
Figure 2 Pump Package Unit Nameplate

6RTAA-SVX01A-EN
General Information
Lists unit test pressures.
Identifies installation, operation and maintenance and service data
literature.
Lists drawing numbers for unit wiring diagrams.
Pump Package Information - Optional
Compressor Nameplate
The compressor nameplate provides following information:
Compressor model number.
Compressor serial number.
Compressor electrical characteristics.
Utilization range.
Recommended refrigerant.
Unit Inspection
When the unit is delivered, verify that it is the correct unit and that it is
properly equipped. Compare the information which appears on the unit
nameplate with the ordering and submittal information.
Inspect all exterior components for visible damage. Report any apparent
damage or material shortage to the carrier and make a “unit damage”
notation on the carrier's delivery receipt. Specify the extent and type of
damage found and notify the appropriate Trane Sales Office.
Do not proceed with installation of a damaged unit without sales office
approval.
NOTE: If the Remote Evaporator Option is ordered, the remote evaporator
will be shipped in a separate crate.
Inspection Checklist
To protect against loss due to damage incurred in transit, complete the
following checklist upon receipt of the unit.
• Inspect the individual pieces of the shipment before accepting the unit.
Check for obvious damage to the unit or packing material.
• Inspect the unit for concealed damage as soon as possible after delivery
and before it is stored. Concealed damage must be reported within 15
days after receipt.
• If concealed damage is discovered, stop unpacking the shipment. Do not
remove damaged material from the receiving location. Take photos of the
damage. The owner must provide reasonable evidence that the damage
did not occur after delivery.
• Notify the carrier’s terminal of the damage immediately, by phone and by
mail. Request an immediate, joint inspection of the damage with the car-
rier and the consignee.
• Notify the Trane sales representative and arrange for repair. Do not repair
the unit, however, until damage is inspected by the transportation repre-
sentative.
Loose Parts Inventory
Check all the accessories and loose parts which are shipped with the unit
against shipping list. Included in these items will be water vessel drain plugs,
isolators, rigging and electrical diagrams, and service literature, which are
placed inside the control panel and/or starter panel for shipment.

RTAA-SVX01A-EN 7
General Information
Unit Description
The 70 through 125-ton Model RTAA units are helical-rotary type, air-cooled
liquid chillers designed for installation outdoors. The unit has two
compressors and the compressor circuits are completely assembled,
hermetic packages. They are factory-piped, wired, leak-tested, de-hydrated,
and tested for proper operation before shipment. The units are factory
charged with refrigerant and oil.
The RTAA series features Trane's exclusive Adaptive Control™ logic with
Clear Language Display. It monitors the control variables that govern the
operation of the chiller unit. Adaptive Control logic can adjust these variables,
when necessary, to optimize operational efficiencies, avoid chiller shutdown,
and keep producing chilled water. An optional remote display is available to
monitor unit operation from a remote location.
These dual-compressor units feature two independent circuits, one for each
compressor. Compressor unloaders are solenoid actuated. Each refrigerant
circuit is provided with filter drier, sight glass, electronic expansion valve, and
charging valves.
The shell-and-tube type evaporator is manufactured in accordance with ASME
standards. The evaporator is fully insulated and is equipped with water drain
and vent connections. Packaged units have heat tape protection to
-20 F.
NOTE: Packaged units are factory charged with refrigerant and oil. Remote
evaporator units are shipped with a holding charge of nitrogen and a partial
charge of oil.

8RTAA-SVX01A-EN
General Information
Table 1 General RTAA Mechanical Specifications
Size
70 80 90 100 110 125
Compressor
Quantity 222222
Nominal Size (Tons)(1) 35/35 40/40 50/40 50/50 60/50 60/60
Evaporator
Water Storage (Gallons) 39.8 37.8 34.4 32.1 53.4 45.8
(Liters) 150.6 143.1 130.2 121.5 202.1 173.4
Min. Flow (GPM) 84 96 108 120 132 150
(L/Sec) 5.3 6.1 6.8 7.6 8.3 9.5
Max. Flow (GPM) 252 288 324 360 396 450
(L/Sec) 15.9 18.2 20.4 22.7 25.0 28.4
Refer to Pump Package Section for water storage of Pump and accocated piping.
Condenser
Qty of Coils 444444
Coil Length (Ft)(1) 13/13 13/13 14/13 14/14 17/14 17/17
Coil Height (In) 42 42 42 42 42 42
Number of Rows 222222
Condenser Fans
Quantity (1) 4/4 4/4 5/4 5/5 5/5 5/5
Diameter (In) 303030303030
Total Airflow (CFM) 68,380 68,380 73,365 78,355 82,950 87,550
Nominal RPM 855 855 855 855 855 855
Tip Speed (Ft./Min.) 6715 6715 6715 6715 6715 6715
Motor HP (Ea.) 1.1 1.1 1.1 1.1 1.1 1.1
Min. Starting/Oper. Ambient
Std Unit (Deg. F) 15 15 15 15 15 15
Low Amb. (Deg. F) -10 -10 -10 -10 -10 -10
General Unit
Refrigerant HCFC-22 HCFC-22 HCFC-22 HCFC-22 HCFC-22 HCFC-22
No. of Independent
Refrigerant Circuits 222222
% Min. Load (3) 101010101010
Refrig Charge (Lb) (1) 58/58 61/61 73/61 73/73 98/73 98/98
(Kg) 26/26 27/27 33/27 33/33 44/33 44/44
Oil Charge (Qts) (1.4) 10/10 10/10 12/10 12/12 12/12 12/12
(L) 10.6/10.6 10.6/10.6 12.7/10.6 12.7/12.7 12.7/12.7 12.7/12.7
Notes:
1. Data containing information on two circuits shown as follows: ckt1/ckt2
2. Minimum start-up/operating ambient based on a 5 mph wind across the condenser.
3. Percent minimum load is for total machine, not each individual circuit.
4. Trane Part Change # Oil-31 (see service bulletin SCOM-SB-1)

RTAA-SVX01A-EN 9
General Information
Model Number Coding System
The model number for the unit is comprised of numbers and letters which
represent features of the equipment. Shown on the chart in Figure 3 are
samples of typical unit model numbers, followed by the coding system.
Each position, or group of positions, in the number is used to represent a
feature. For example, in Figure 3, position 8 of the unit model number, Unit
Voltage, contains the number “4”. From the chart, it can be seen that a “4” in
this position means that the unit voltage is 460/60/3.
.
Figure 3 Model Number Coding System:
Model Number RTA A070 4 Y A0 1 B 1 D A 0
Digit Number 012
Digit Position 1 2 3 4 5 6 7 8 9 0 1 2 3 4 5 6 0
Digit 1-2
Unit Model
RT Rotary Chiller
Digit 3
Unit Type
A Air Cooled
Digit 4
Development Sequence
A First Sequence
Digit 5,6,7
Nominal Capacity
070 70 Nominal Tons
08080 Nominal Tons
090 90 Nominal Tons
100 100 Nominal Tons
110 110 N o minal Tons
125 125 Nominal Tons
Digit 8
Unit Voltage
D380/60/3
A 200/60/3
C 230/60/3
K 400/50/3
4 460/60/3
5 575/60/3
Digit 9
Compressor Starter Type
Y Y -Delta Closed Transition
X X-Line (Across the Line)
Digit 10, 11
Design Sequence
AO First Sequence (Factory Input)
Digit12
Evaporator Leaving Te m perature
1 Standard 40 to 65 F
2 Low 0 to 39 F
3 Ice-Making 20 to 65 F
Digit 13
Condenser Coil Fin Material
AAluminum
2CompleteCoat dipped coils
4 copper fins
Digit 14
Agency Listing
0 No Agency Listing
3 C-UL Listed
Digit 15
Control Interface
C Deluxe without Communication
D Deluxe with Communication
L LCI-C (LonTalk)
Digit 16
Chilled Water Reset
0 No Chilled Water Reset
1 Based on Return Water Temp
2 Based on Outside Air Temp
Digit 17
Miscellaneous Factory Installed
Options
A Architectural Louvered Panels
B Control Power Transformer
C Convenience Outlet
DLow Ambient Lockout Sensor
F Power Disconnect
GLow Ambient Operation
H Sound Attenuator
JRemote Evaporator
K Coil Protection
M Access Guard
N Neoprene Isolators
P Circuit Breaker
RRemote Display Panel
0Size C 2 HP Pump Package
1 Size D 3 HP Pump Package
2 Size D 5 HP Pump Package
3 Size E 2 HP Pump Package
4 Size E 3 HP Pump Package
5 Size F 5 HP Pump Package
6 Size F 7 HP Pump Package
7 Size G 3 HP Pump Package
8Size G 5 HP Pump Package

10 RTAA-SVX01A-EN
Installation — Mechanical
Installation Responsibilities
Generally, the contractor must do the following when installing an RTAA unit:
• Install unit on a flat foundation, level (within 1/4” [6 mm] across the
length and width of the unit), and strong enough to support unit loading.
• Install unit per the instructions contained in the Installation-Mechanical
and Installation-Electrical sections of this manual.
• Where specified, provide and install valves in water piping upstream and
downstream of evaporator water connections to isolate the evaporator
for maintenance, and to balance/trim system.
• Furnish and install flow switch to prove chilled water flow.
• Furnish and install pressure gauges in inlet and outlet piping of the evapo-
rator.
• Furnish and install a drain valve to the bottom of the evaporator.
• Supply and install a vent cock to the top of the evaporator.
• Furnish and install strainers ahead of all pumps and automatic modulating
valves.
• Provide and install field wiring.
• Install heat tape and insulate the chilled water lines and any other por-
tions of the system, as required, to prevent sweating under normal oper-
ating conditions or freezing during low ambient temperature conditions.
• Start unit under supervision of a qualified service technician.
For remote evaporator units only
Furnish and install refrigerant piping, liquid line isolation valves, refrigerant,
and oil, per instructions outlined in this manual.
Storage
Extended storage of the outdoor unit prior to installation requires the
following precautionary measures:
Store the outdoor unit in a secure area.
At least every three months (quarterly), check the pressure in the refrigerant
circuits to verify that the refrigerant charge is intact. If it is not, contact a
qualified service organization and the appropriate Trane sales office.
Close the discharge and liquid line isolation valves.
Location Requirements
Noise Considerations
•Refer to Trane Engineering Bulletins for application information on RTAA
chillers.
• Locate the outdoor unit away from sound-sensitive areas.
• If required, install rubber vibration isolators in all water piping and use
flexible electrical conduit.
• Refer to “Unit Isolation”.
• Consult an acoustical engineer for critical applications.

RTAA-SVX01A-EN 11
Installation — Mechanical
Foundation
Provide rigid, non-warping mounting pads or a concrete foundation of suffi-
cient strength and mass to support the outdoor unit operating weight (i.e.,
including completed piping, and full operating charges of refrigerant, oil and
water). Refer to Figure 13 for unit operating weights. Once in place, the
outdoor unit must be level within 1/4” (6.4 mm) over its length and width. The
Trane Company is not responsible for equipment problems resulting from an
improperly designed or constructed foundation.

12 RTAA-SVX01A-EN
Installation — Mechanical
Figure 4 RTAA Rigging and Lifting Weights – Packaged Unit

RTAA-SVX01A-EN 13
Installation — Mechanical
Figure 5 RTAA Rigging and Lifting Weights – Remote Evaporator

14 RTAA-SVX01A-EN
Installation — Mechanical
Figure 6 RTAA Rigging and Lifting Weights –Pump Package Aluminum Fins

RTAA-SVX01A-EN 15
Installation — Mechanical
Figure 7 RTAA Rigging and Lifting Weights –Pump Package Copper Fins

16 RTAA-SVX01A-EN
Installation — Mechanical
Clearances
Provide enough space around the outdoor unit to allow the installation and
maintenance personnel unrestricted access to all service points. Refer to
submittal drawings for the unit dimensions, to provide sufficient clearance for
the opening of control panel doors and unit service. Refer to Figure 8, Figure
9 and Figure 12 for minimum clearances. In all cases, local codes which
require additional clearances will take precedence over these recommenda-
tions.
NOTE: If the outdoor unit configuration requires a variance to the clearance
dimensions, contact your Trane Sales Office Representative. Also refer to
Trane Engineering Bulletins for application information on RTAA chillers.
Additional Location Requirements for Remote Evaporator Only
The Remote evaporator must be installed in a conditioned space, unless:
• The ambient temperature is always greater than 32 F.
• The system circulating liquid is a non-freezing glycol-type solution,
selected for the prevailing ambient temperature. The evaporator is
protected from freezing by properly installed and applied insulation and
heat tape.
CAUTION
Freezing Equipment Damage!
To prevent damage due to freezing, do not install the unit outside
without adequate freeze protection.
The remote evaporator should be mounted on a base of suitable strength to
support the operating weight. Remote evaporator weights and mounting
locations are shown in Figure 10 and Figure 11.
The remote evaporator must be level when installed. Be sure to allow
adequate clearance for water and refrigerant piping connection, performance
of service procedures, reading of gauges and thermometers, and operation
of valves. Space must be allowed at one end of the evaporator to pull tubes,
if required.
Rigging
The Model RTAA chiller should be moved by lifting. Refer to Figure 4 for
typical unit lifting and weights. Refer to the rigging diagram that ships with
each unit for specific “per unit” weight data.
WARNING
Heavy Objects!
Do not use cables (chains or slings) except as shown. Each of the
cables (chains or slings) used to lift the unit must be capable of
supporting the entire weight of the unit. Lifting cables (chains or
slings) may not be of the same length. Adjust as necessary for
even unit lift. Other lifting arrangements may cause equipment or
property-only damage. Failure to properly lift unit may result in
death or serious injury. See details below.

RTAA-SVX01A-EN 17
Installation — Mechanical
Lifting Procedure
CAUTION
Equipment Damage!
To prevent damage do not use a forklift to lift or push the unit.
Position lifting beam so that cables do not contact the unit.
• Install chains and safety chains through the six lifting plates provided on
the unit.
• Attach lifting chains or cables to the chains installed above. Each cable
alone must be strong enough to lift the chiller.
• Attach cables to lifting beam. Total lifting weight, lifting weight distribution
and required lifting beam dimensions are shown in Figure 4 and Figure 5
and on the rigging diagram shipped with each unit. Lifting beam cross-
bars must be positioned so lifting cables do not contact the sides of the
unit.

18 RTAA-SVX01A-EN
Installation — Mechanical
Figure 8 Dimensions and Clearances for RTAA Packaged Unit 70 – 125 Tons

RTAA-SVX01A-EN 19
Installation — Mechanical
Figure 9 Dimensions and Clearances for RTAA with Remote Evaporator 70 – 125 Tons

20 RTAA-SVX01A-EN
Installation — Mechanical
Figure 10 Remote Evaporator Dimensions, RTAA 70 – 125 Tons

RTAA-SVX01A-EN 21
Installation — Mechanical
Figure 11 Remote Evaporator Dimensions, RTAA 110 – 125 Tons

22 RTAA-SVX01A-EN
Installation — Mechanical
Figure 12 Dimensions and Clearances for RTAA with Pump Package 70 – 125 Tons

RTAA-SVX01A-EN 23
Installation — Mechanical
Unit Isolation
There are two mounting methods that will minimize sound and vibration
problems. They are the direct-mount method and the isolator-mount method.
Direct Mounting
The unit can be direct-mounted on an isolated concrete pad or on isolated
concrete footings at each mounting location. Refer to Figure 13 for unit
operating weights. A mounting hole is provided in the base of the unit frame
at each mounting location. Provide a means of securely anchoring the unit to
the mounting surface. Level the unit carefully. Refer to “Unit Leveling”.
Neoprene Isolators
Install the optional neoprene mounting isolators at each mounting location.
Refer to Figure 13 for isolator selection, placement and loading information.
Isolators are identified by color and by the isolator part number.
Bolt the isolators to the mounting surface. Do not fully tighten the mounting
bolts. Mount the unit on the isolators and install a 1/2”nut on each isolator
positioning pin. Maximum isolator deflection should be approximately 1/4-
inch. Level the unit carefully. Refer to “Unit Leveling”. Now fully tighten
isolator mounting bolts.
Unit Leveling
Before snugging down the mounting bolts, level the unit carefully. Check unit
level end-to-end by placing a level on the top surface of the unit frame. Unit
should be level to within 1/4-inch (6.35 mm) over its length. Place the level on
the unit frame to check front-to-back level. Adjust to within 1/4” (35 mm) of
level front-to-back. Use the adjustable spring isolators or shims to level
the unit.
Water Piping
Thoroughly flush all water piping to the unit before making the final piping
connections to the unit.
CAUTION
Use Piping Strainers!
To prevent evaporator damage, pipe strainers must be installed in
the water supplies to protect components from water born
debris. Trane is not responsible for equipment-only-damage
caused by water born debris.
CAUTION
Proper Water Treatment!
The use of untreated or improperly treated water in a RTAA may
result in scaling, erosion, corrosion, algae or slime. It is
recommended that the services of a qualified water treatment
specialist be engaged to determine what water treatment, if any,
is required. Trane assumes no responsibility for equipment
failures which result from untreated or improperly treated water,
or saline or brackish water.

24 RTAA-SVX01A-EN
Installation — Mechanical
Figure 13 Isolator Placement for Typical RTAA Packaged Unit 70 – 125 Tons

RTAA-SVX01A-EN 25
Installation — Mechanical
Figure 14 Isolator Placement for RTAA with Remote Evaporator

26 RTAA-SVX01A-EN
Installation — Mechanical
Evaporator Water Piping
Figure 15 illustrates typical evaporator piping components. Components and
layout will vary slightly, depending on the location of connections and the
water source.
CAUTION
Evaporator Damage!
The chilled water connections to the evaporator are to be
“victualic” type connections. Do not attempt to weld these
connections, as the heat generated from welding can cause
internal damage to the evaporator.
The chilled water connections are on the left side of the unit (when facing the
control panel). If it is necessary for the chilled water piping to enter the unit
from the right side, elbows can be used to route the piping 180° over the top
of the evaporator.
A vent is provided on the top of the evaporator at the leaving water end. Be
sure to provide additional vents at high points in the piping to bleed air from
the chilled water system. Install necessary pressure gauges to monitor the
entering and leaving chilled water pressures.
CAUTION
Chilled Water Components Damage!
To prevent damage to chilled water components, do not allow
evaporator pressure (maximum working pressure) to exceed
215 psig.
Provide shutoff valves in lines to the gauges to isolate them from the system
when they are not in use. Use rubber vibration eliminators to prevent
vibration transmission through the water lines.
If desired, install thermometers in the lines to monitor entering and leaving
water temperatures. Install a balancing valve in the leaving water line to
control water flow balance. Install shutoff valves on both the entering and
leaving water lines so that the evaporator can be isolated for service.
A pipe strainer must be installed in the entering water line to prevent water-
borne debris from entering the evaporator.

RTAA-SVX01A-EN 27
Installation — Mechanical
Evaporator Piping Components
“Piping components” include all devices and controls used to provide proper
water system operation and unit safety. These components and their general
locations are given below.
Entering Chilled Water Piping
• Air vents (to bleed air from system).
• Water pressure gauges with shutoff valves.
• Vibration eliminators.
• Shutoff (isolation) valves.
• Thermometers (if desired).
• Cleanout tees.
• Relief valve.
• Pipe strainer.
Leaving Chilled Water Piping Air vents (to bleed air from system).
• Air vents (to bleed air from system).
• Water pressure gauges with shutoff valves.
• Vibration eliminators. Shutoff (isolation) valves.
• Thermometers.
• Cleanout tees.
• Balancing valve.
• Flow Switch (If desired).
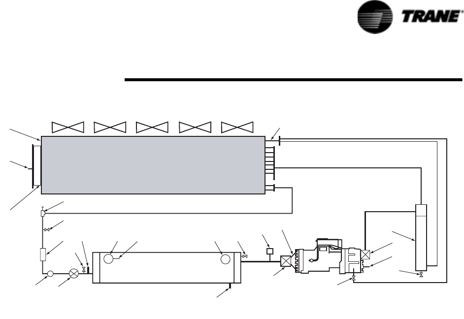
Figure 15 Suggested Piping for Typical RTAA Evaporator
6ENTS 6ALVED
0RESSURE
'AUGE
$RAIN 5NION
6IBRATION
%LIMINATOR
&LOW
3WITCH
/PTIONAL "ALANCING6ALVE
'ATE6ALVE
5NION 7ATER
3TRAINER
6IBRATION
%LIMINATOR 'ATE6ALVE
2ELIEF
6ALVE

28 RTAA-SVX01A-EN
Installation — Mechanical
CAUTION
Evaporator Damage!
To prevent evaporator damage, do not exceed 215 psig (14.6 bar)
evaporator water pressure.
Evaporator Drain
A 3/4” drain connection is located under the outlet end of the evaporator. This
may be connected to a suitable drain to permit evaporator drainage during
unit servicing. A shutoff valve must be installed on the drain line.
Chilled Water Flow Switch
Chilled water flow protection is provided by the UCM without the need for a
chilled water flow switch. A flow switch for chilled water is strictly discre-
tionary but if not installed, a signal must be sent to the chiller to indicate that
water flow has been established, eg. chilled water pump motor starter
auxiliary contacts, building automation system, etc.
If additional chilled water flow protection is desired, use a field-installed flow
switch or differential pressure switch with the pump motor starter auxiliary
contacts to sense system water flow. Install and wire the flow switch in
series with the chilled water pump motor starter auxiliaries (refer to
“Interlock Wiring”).
Specific connection and schematic wiring diagrams are shipped with the unit.
Some piping and control schemes, particularly those using a single water
pump for both chilled and hot water, must be analyzed to determine how and
or if a flow sensing device will provide desired operation.
Follow the manufacturer's recommendations for selection and installation
procedures. General guidelines for flow switch installation are outlined below:
1. Mount the switch upright, with a minimum of 5 pipe diameters of straight
horizontal run on each side. Do not install close to elbows, orifices or
valves.
NOTE: The arrow on the switch must point in the direction of flow.
2. To prevent switch fluttering, remove all air from the water system.
NOTE: The UCM provides a 6-second time delay after a “loss-of flow”
diagnostic before shutting the unit down. Contact a qualified service
representative if nuisance machine shutdowns persist.
3. Adjust the switch to open when water flow falls below nominal. Evapora-
tor data is shown in Figure 16 Refer to Table 1 for minimum flow recom-
mendations. Flow switch contacts are closed on proof of water flow.
4. Install a pipe strainer in the entering evaporator water line to protect
components from water-borne debr‘is.

RTAA-SVX01A-EN 29
Installation — Mechanical
Water Treatment
Using untreated or improperly treated water in these units may result in
inefficient operation and possible tube damage. Consult a qualified water
treatment specialist to determine whether treatment is needed.
Customer Note
The use of improperly treated or untreated water in this equipment may
result in scaling, erosion, corrosion, algae or slime. The services of a qualified
water treatment specialist should be engaged to determine what treatment,
if any, is advisable. The Trane Company warranty specifically excludes liability
for corrosion, erosion or deterioration of Trane equipment. Trane assumes no
responsibilities for the results of the use of untreated or improperly treated
water, or saline or brackish water.
Water Pressure Gauges
Install field-supplied pressure gauges (with manifolds, whenever practical) as
shown in Figure 15. Locate pressure gauges or taps in a straight run of pipe;
avoid placement near elbows, etc. Be sure to install the gauges at the same
elevation.
To read manifolded pressure gauges, open one valve and close the other
(depending upon the reading desired). This eliminates errors resulting from
differently calibrated gauges installed at unmatched elevations.
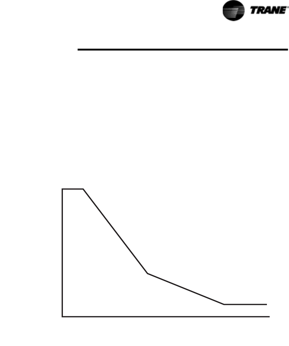
Figure 16 RTAA Evaporator Water Pressure Drop

30 RTAA-SVX01A-EN
Installation — Mechanical
Water Pressure Relief Valves
Install a water pressure relief valve in the evaporator inlet piping between the
evaporator and the inlet shutoff valve, as shown in Figure 15. Water vessels
with close-coupled shutoff valves have a high potential for hydrostatic
pressure buildup on a water temperature increase. Refer to applicable codes
for relief valve installation guidelines.
Freeze Protection
If the unit will remain operational at subfreezing ambient temperatures, the
chilled water system must be protected from freezing, following the steps
listed below:
1. Heat tape is factory-installed on the packaged unit evaporator and will
protect it from freezing in ambient temperatures down to -20 F.
2. Install heat tape on all water piping, pumps, and other components that
may be damaged if exposed to freezing temperatures. Heat tape must be
designed for low ambient temperature applications. Heat tape selection
should be based on the lowest expected ambient temperature.
3. Add a non-freezing, low temperature, corrosion inhibiting, heat transfer
fluid to the chilled water system. The solution must be strong enough to
provide protection against ice formation at the lowest anticipated ambient
temperature. Refer to Table 1 for evaporator water storage
capacities.
NOTE: Use of glycol type antifreeze reduces the cooling capacity of the unit
and must be considered in the design of the system specifications.

RTAA-SVX01A-EN 31
Installation — Remote Evaporator
The RTAA outdoor unit with the remote evaporator option is shipped as two
pieces: the outdoor unit (condenser) and the evaporator. Short suction line
connections are provided with the outdoor condensing unit. The liquid line
connections are at the end opposite the control panel.
The remote evaporator is shipped complete with factory-mounted
refrigeration specialties (electronic expansion valves, sight-glasses and
removable core filter-dryers). All evaporator refrigerant line connections are at
one end of the evaporator. The installing contractor need only provide and
install the inter-connecting refrigerant piping between the remote evaporator
and the outdoor condensing unit and liquid line isolation valves. In some
instances, the installing contractor may also need to lengthen the factory
installed suction accumulator.
System Configuration and Interconnecting Refrigerant
Piping
The system may be configured in any of the four arrangements shown in
Figure 17 through Figure 20. The configurations and their associated
elevations, along with the total distance between the remote evaporator and
the compressor/condenser section, play a critical role in determining suction
and liquid line sizes. This will also affect field refrigerant and oil charges.
Consequently, there are physical limits which must not be violated if the
system is to operate as designed. Please note the following requirements for
field installation:

32 RTAA-SVX01A-EN
Installation — Remote Evaporator
Figure 17 Remote Evaporator Installation
No Elevation Difference, Rise of Suction and Liquid Lines not to exceed 20 inches or Less
&RQGHQVHU&RLO
/LTXLG/LQH
6XFWLRQ/LQH
&RPSUHVVRU
5HPRWH(YDSRUDWRU
(;9
6LJKW
*ODVV
)LOWHU
'ULHU
Figure 18 Remote Evaporator Installation
No Elevation Difference, Rise of Suction and Liquid Lines no to exceed 15 feet or Less
(Suction accumulator may be required)
&RQGHQVHU&RLO
/LTXLG/LQH
6XFWLRQ/LQH
&RPSUHVVRU
5HPRWH(YDSRUDWRU
(;9
6LJKW
*ODVV )LOWHU
'ULHU

RTAA-SVX01A-EN 33
Installation — Remote Evaporator
Figure 19 Remote Evaporator Installation
Condensing Unit Above Evaporator – 100 Feet or Less
&RQGHQVHU&RLO
/LTXLG/LQH
6XFWLRQ/LQH
&RPSUHVVRU
5HPRWH(YDSRUDWRU
(;9
6LJKW
*ODVV )LOWHU
'ULHU
/LTXLG7UDS
+HLJKWHTXDOWR
7RSRI&RQGHQVHU
¶
0D[LPXP
Figure 20 Remote Evaporator Installation
Condensing Unit Below Evaporator – 15 Feet or Less
(Suction accumulator may be required)
&RQGHQVHU&RLO
/LTXLG/LQH
6XFWLRQ/LQH
&RPSUHVVRU
5HPRWH(YDSRUDWRU
(;9
6LJKW
*ODVV )LOWHU
'ULHU
¶
0D[LPXP

34 RTAA-SVX01A-EN
Installation — Remote Evaporator
1. The remote evaporator MUST be matched with its respective outdoor
condensing unit.
2. The circuit number on the outdoor condensing unit must match the
circuit number on the evaporator, i.e. circuit #1 on the outdoor
condensing unit must be connected with circuit # 1 on the remote
evaporator and likewise for circuit # 2.
See Figure 21 for circuit number identification. RTAA Circuit Capacities are
shown in Table 2 .
CAUTION
Equipment Damage!
If the circuits are crossed, serious equipment damage may occur.
Figure 21 Refrigerant Circuit Identification
:DWHU
,QOHW
5HPRWH(YDSRUDWRU
:DWHU
2XWOHW
&NW
&NW &NW &NW
&RPSUHVVRU &RPSUHVVRU
&RQWURO3DQHO

RTAA-SVX01A-EN 35
Installation — Remote Evaporator
3. Piping between the evaporator and outdoor unit is not to exceed 200
actual feet and/or an equivalent length of 300 feet. (The latter includes the
equivalent length of pressure drops of all associated field installed
fittings, valves, accessories, and straight lengths of interconnecting
piping including the suction accumulator.)
4. Horizontal portions of suction lines must be downward sloping toward
the compressor at least 1/2 inch for each 10 feet of run. This promotes
the movement of oil in the direction of gas flow.
5. Suction lines must be insulated.
6. The line sizes defined in Table 4, 5, and 6 are to be used only for 40-50 F
leaving water temperature and/or full-load ice-making applications.
NOTE: The factory must size piping for leaving water temperatures other
than 40-50 F.
Table 2 RTAA Circuit Capacities (nominal tons)
Model Circuit 1 Circuit 2
70 35 35
80 40 40
90 50 40
100 50 50
110 6 0 5 0
125 60 60
Table 3 Equivalent Lengths of Non-Ferrous Valves and Fittings (feet)
Line Size
Inches OD
Globe
Valve
Short Angle
Valve
Short Radius
ELL
Long Radius
ELL
1-1/8 87 29 2.7 1.9
1-3/8 102 33 3.2 2.2
1-5/8 115 34 3.8 2.6
2-1/8 141 39 5.2 3.4
2-5/8 159 44 6.5 4.2
3-1/8 185 53 8 5.1
Reproduced by permission of Air Conditioning and Refrigeration Institute

36 RTAA-SVX01A-EN
Installation — Remote Evaporator
.
Table 4 Liquid Line Sizes
35 Ton Circuit 40 Ton Circuit
To t a l
Equiv.
Length
(ft.)
Liquid Line Size (OD”) To t a l
Equiv.
Length
(ft.)
Liquid Line Size (OD”)
Horizontal
or
Downflow
Upflow
1-5 ft.
Upflow
6-10 ft.
Upflow
11-15 ft.
Horizontal
or
Downflow
Upflow
1-5 ft.
Upflow
6-10 ft.
Upflow
11-15 ft.
2 5 1. 12 5 1. 12 5 1. 12 5 1. 12 5 2 5 1. 12 5 1. 12 5 1. 12 5 1. 12 5
5 0 1. 12 5 1. 12 5 1. 12 5 1. 12 5 5 0 1. 12 5 1. 12 5 1. 12 5 1. 3 7 5
7 5 1. 12 5 1. 12 5 1. 12 5 1. 3 7 5 7 5 1. 12 5 1. 12 5 1. 12 5 1. 3 7 5
10 0 1. 12 5 1. 12 5 1. 12 5 1. 3 7 5 10 0 1. 12 5 1. 12 5 1. 12 5 1. 3 7 5
125 1.125 1.125 1.125 1.375 125 1.125 1.125 1.375 1.375
150 1.125 1.125 1.125 1.375 150 1.125 1.125 1.375 1.375
175 1.125 1.125 1.375 1.375 175 1.125 1.375 1.375 1.625
200 1.125 1.125 1.375 1.375 200 1.125 1.375 1.375 1.625
225 1.125 1.125 1.375 1.625 225 1.375 1.375 1.375 1.625
250 1.125 1.375 1.375 1.625 250 1.375 1.375 1.375 1.625
275 1.125 1.375 1.375 1.625 275 1.375 1.375 1.375 1.625
300 1.375 1.375 1.375 1.625 300 1.375 1.375 1.375 1.625
50 Ton Circuit 60 Ton Circuit
To t a l
Equiv.
Length
(ft.)
Liquid Line Size (OD”) To t a l
Equiv.
Length
(ft.)
Liquid Line Size (OD”)
Horizontal
or
Downflow
Upflow
1-5 ft.
Upflow
6-10 ft.
Upflow
11-15 ft.
Horizontal
or
Downflow
Upflow
1-5 ft.
Upflow
6-10 ft.
Upflow
11-15 ft.
2 5 1. 12 5 1. 12 5 1. 12 5 1. 12 5 2 5 1. 12 5 1. 12 5 1. 12 5 1. 3 7 5
50 1.125 1.125 1.125 1.375 50 1.125 1.125 1.375 1.375
75 1.125 1.125 1.375 1.375 75 1.125 1.125 1.375 1.625
10 0 1. 12 5 1. 12 5 1. 3 7 5 1. 3 7 5 10 0 1. 12 5 1. 3 7 5 1. 3 7 5 1. 6 2 5
125 1.125 1.375 1.375 1.625 125 1.375 1.375 1.375 1.625
150 1.125 1.375 1.375 1.625 150 1.375 1.375 1.375 1.625
175 1.375 1.375 1.375 1.625 175 1.375 1.375 1.625 1.625
200 1.375 1.375 1.375 1.625 200 1.375 1.375 1.625 2.125
225 1.375 1.375 1.625 1.625 225 1.375 1.375 1.625 2.125
250 1.375 1.375 1.625 2.125 250 1.375 1.625 1.625 2.125
275 1.375 1.375 1.625 2.125 275 1.375 1.625 1.625 2.125
300 1.375 1.375 1.625 2.125 300 1.375 1.625 1.625 2.125
Table 5 Suction Line Sizes (“O.D.”)
for Upflow Lines
Circuit Size
(nominal tons)
Outside Diameter
(inches)
35 2-1/8
40 2-1/8
50 2-5/8
60 2-5/8

RTAA-SVX01A-EN 37
Installation — Remote Evaporator
.
7. Figure 17 depicts an installation where the remote evaporator elevation is
the same as that of the outdoor condensing unit. The suction and liquid
line are horizontal or down flowing only.
8. Figure 18 shows a variation to Figure 17. The remote evaporator and out-
door condensing unit are at the same elevation but interconnecting piping
may be installed up to 15 feet above the base elevation. In this case a
suction line trap is required to assure oil return, and the suction accumu-
lator line must be extended at least by the amount determined from Table
7.
9. For installations where the remote evaporator is at a lower elevation than
the outdoor condensing unit as shown in Table 4, the elevation difference
is not to exceed 100 feet. An inverted liquid line trap to prevent unwanted
free cooling modes and a suction line trap to assure oil return from the
evaporator must be included on both circuits as shown. The apex of the
liquid line trap should be at a height above the condenser coils. The high-
est point of the suction line piping must not exceed 4 inches above the
outdoor condensing unit suction line connection point.
10. When the elevation of the remote evaporator exceeds that of the outdoor
condensing unit as shown in Figure 20, the elevation difference may not
exceed 15 feet. The suction accumulator line must be extended at least
by the amount determined from Table 7. This line must not exceed 4
inches above the outdoor unit suction line connection point. An inverted
suction line trap whose apex is 3 to 15 feet above the elevation of the
remote evaporator is required in both circuits.
11. Compressor and oil separator heaters must be on at least 24 hours prior
to compressor start.
Table 6 Suction Line Sizes (“O.D.”) for
Horizontal and/or Downflow Lines
Circuit Size:
Total Equiv.
Length (ft.) 35 Ton 40 Ton 50 Ton 60 Ton
25 2.125 2.125 2.625 2.625
50 2.125 2.125 2.625 2.625
75 2.125 2.125 2.625 2.625
100 2.125 2.625 2.625 2.625
125 2.125 2.625 2.625 2.625
150 2.625 2.625 2.625 2.625
175 2.625 2.625 2.625 3.125
200 2.625 2.625 2.625 3.125
225 2.625 2.625 2.625 3.125
250 2.625 2.625 2.625 3.125
275 2.625 2.625 3.125 3.125
300 2.625 2.625 3.125 3.125

38 RTAA-SVX01A-EN
Installation — Remote Evaporator
Line Sizing
To determine the appropriate outside diameter for field installed liquid and
suction lines, it is first necessary to establish the equivalent length of pipe for
each line. It is also necessary to know the capacity (tons) of each circuit.
Circuit capacities for each RTAA unit are listed in Table 2.
Liquid Line Sizing Steps
Line sizing is an iterative process. While iterating to determine the proper
equivalent line length use the “Horizontal or Downflow” column of Tabl e 4 .
After the final equivalent line length has been determined in step # 9, then
break down the piping into it's “Horizontal or Downflow” and “Upflow”
components and select the proper outside diameter. Note that “Upflow” has
a column for one to five, six to ten, and eleven to fifteen feet.
The steps to compute liquid line size are as follows:
1. Compute the actual length of field installed piping.
2. Multiply the length from step # 1 by 1.5 to estimate the equivalent length.
3. Using Table 4 for the proper tonnage circuit, look in the “Horizontal or
Downflow” column. Find the outside diameter that corresponds to the
equivalent length computed in step # 2.
4. With the outside diameter found in step # 3, use Table 3 to determine the
equivalent lengths of each fitting in the field installed piping.
5. Sum the equivalent lengths of all the field installed elbows.
6. Add the length found in step # 5 to the actual length from step # 1. This is
your new equivalent line length.
7. Using Table 4 again, find the new outside diameter that corresponds to
the new equivalent line length from step # 6.
8. Using Table 2b and the new outside diameter found in step # 7, find the
equivalent line length of each elbow, and sum them.
9. Add the length found in step # 8 to the actual length from step # 1. This is
your final equivalent line length.
10. With the final equivalent line length found in step # 9, use Table 4 to
select the proper outside diameter for horizontal or downflow lines, and
any upflow lines.

RTAA-SVX01A-EN 39
Installation — Remote Evaporator
Example Liquid Line Sizing
For this example, refer to Table 2, 3, 4, and Figure 22, and assume a 50 ton
circuit.
1. From Figure 22, the actual length of field installed piping is:
80+8+8+21 =117 feet
2. Estimate equivalent line length:
117 feet x 5=175 feet
3. From Table 4 for a 50 ton circuit, for 175 equivalent feet the OD is
1-3/8 inches.
4. In Figure 22 there are six long-radius elbows. From Table 3, for
1-3/8 inch elbows, the equivalent feet is:
6 elbows x 2.2 feet = 13.2 feet
5. Adding equivalent feet from step #4 to step #1 gives:
13.2 feet + 117 feet = 130.2 feet
6. From Table 4 , for a 50 ton circuit, for 125 equivalent feet (nearest to
130.2), the OD is 1-1/8 inches
7. From Table 3 , for 1-1/8" OD long-radius elbows, the equivalent feet is:
6 elbows x 1.9 feet = 11.4 feet
8. Adding equivalent feet from step #7 to step #1 gives:
11.4 feet + 117 feet = 128.4 feet
Table 7 Additional Suction Accumulator Line
Required Length in Feet of Field Installed Suction Line Accumulator
Liquid Line
Length in
Actual Ft.
35 Ton Circuit 40 Ton Circuit 50 Ton Circuit 60 Ton Circuit
2 1/8" O.D.
Suction
Line
2 5/8" O.D.
Suction
Line
2 1/8" O.D.
Suction
Line
2 5/8" O.D.
Suction
Line
2 5/8" O.D.
Suction
Line
3 1/8" O.D.
Suction
Line
2 5/8" O.D.
Suction
Line
31/8"O.D.
Suction
Line
20 1 1 5 3 9 6 14 10
40 7 5 14 9 15 11 21 15
60 14 9 23 15 21 15 27 19
80 20 13 32 21 28 19 33 23
100 26 17 N/A 26 34 24 40 28
120 32 21 N/A 32 40 28 46 32
140 N/A 25 N/A 38 46 33 52 37
160 N/A 29 N/A 43 53 37 N/A 41
180 N/A 33 N/A 49 59 41 N/A 45
200 N/A 37 N/A 55 65 46 N/A 50

40 RTAA-SVX01A-EN
Installation — Remote Evaporator
9. From Table 4 , for a 50 ton circuit, for 125 equivalent feet (also nearest to
128.2 feet), the OD is still:
Horizontal or Downflow = 1 1/8 inches
10. From 22, there is 8 feet of up-flow on the liquid line inverted trap. There-
fore, select:
Upflow = 1-3/8 inches
Suction Line Sizing Steps
The steps to compute suction line size are as follows:
1. Break the suction line into it's “Upflow” and “Horizontal or Downflow”
components. The horizontal or downflow length should include that
portion of field-installed suction line within the condensing unit's base.
See Figure 22.
2. From Ta b le 5, select the appropriate “Upflow” suction line outside diame-
ter according to the circuit tonnage. This is the diameter of the upflow
suction line and any fittings in the upflow line.
3. With the diameter found in step #2, use Tabl e 3 to find the equivalent
length of each fitting in the upflow line. Sum the equivalent lengths of all
the fittings in the upflow line.
4. Sum the final length found in step #3 with the actual length of the upflow
line. This is the final equivalent length of the upflow portion of the suction
line.
5. Multiply by 1.5, the actual length of the horizontal or downflow portion of
the suction line.
6. Add the length from step #5 to the length from step # 4. This is the first
estimate of the equivalent line length.
7. In Table 6 find the column for the circuit tonnage you are sizing. In that
Figure 22 Liquid Line Sizing Example
&RQGHQVHU&RLO
/LTXLG/LQH 6XFWLRQ
$FFXPXODWRU/LQH
&RPSUHVVRU
5HPRWH(YDSRUDWRU
(;9
6LJKW
*ODVV
)LOWHU
'ULHU
/LTXLG7UDS
87XEH
µ
¶
¶
¶
¶
¶
¶
6XFWLRQ/LQH7UDS

RTAA-SVX01A-EN 41
Installation — Remote Evaporator
column find the outside diameter that corresponds to the equivalent
length computed in step #6.
8. Use Table 3 and the diameter found in step #7 to determine the equiva-
lent lengths of each fitting.
9. Sum the following: equivalent lengths of the fittings from step #8, the
actual length of the horizontal or downflow suction line, and the equiva-
lent length of the upflow line found in step # 4. This is the new estimate
of the equivalent length of the entire suction line.
10. With the new length found in step #9, go back to Tab le 6 and find the
new diameter for the circuit you are sizing.
11. Repeat steps #8-10 with the new diameter found in step # 10.
12. The diameter found in step #11 is the horizontal or downflow suction line
diameter.
13. The diameter found in step #2 is the diameter of the upflow suction line
and any fittings in the upflow line.
NOTE: The diameters of the upflow, and horizontal or downflow portions of
the suction line may differ depending on the application.
Example Suction Line Sizing
For this example, refer to Tabl e 3, 5, 6, and 23, and assume a 50 ton circuit on
a 100 ton chiller.
1. From 23, the actual length of upflow, and horizontal or downflow is:
upflow (20 + 5) = 25 feet
horizontal or downflow (75+8) = 83 ft.
2. Table 5 for a 50 ton circuit shows: Upflow suction line outside diameter
= 2-5/8 inches
3. According to Figure 23, there are 6 long radius ELLs. From Table 2b for a
diameter of 2-5/8 inches:
6 elbows x 3.4 feet = 20.4 feet
4. Final equivalent length of upflow suction line:
20.4 + 25 = 45.4 feet
5. There are no fittings in the horizontal portion. Therefore, the final
equivalent line length is:
45.4 + 83 = 128.4 feet
6. From Table 6 , for a 50 ton circuit, and 125 equivalent feet
(nearest to 128.4):
Horizontal or downflow suction line
diameter = 2-5/8 inches
NOTE: In this example, the horizontal line is pitched downward in the
direction of flow.

42 RTAA-SVX01A-EN
Installation — Remote Evaporator
Suction Accumulator Sizing
Installations similar to those in Figure 18 and 20 will require that the suction
accumulator be extended at least by the amount shown in 7. The suction
accumulator length in feet is dependent upon: circuit tonnage, suction line
O.D., and actual liquid line length.
The following example uses Figure 23 and assumes a 50 ton circuit with a
2-5/8 inch O.D. suction line. Figure 23 illustrates an installation where the
remote evaporator is 11 feet above the outdoor condensing unit. A liquid line
at the same elevation as the evaporator runs horizontally 25 feet. Then it
drops 11 feet to the same elevation as the suction line connecting points on
the outdoor condensing unit, and runs horizontally 5 feet to the outdoor
condensing unit. From Figure 23, the actual length of liquid line is 41 feet (25
+ 11+5). With the previously mentioned assumptions, Table 7 indicates 15
feet of 2-5/8 inch O.D. suction accumulator needs to be added. Figure 24
shows one method of piping the additional 15 feet.
NOTE: In this example, if the liquid and suction lines had dropped the 11
feet from the evaporator and then run the 25 feet horizontal at the outdoor
condensing unit's elevation, the 15 feet of suction accumulator would not be
required.
NOTE: When sizing suction line diameters, the length of the suction
accumulator should be included in any computations.
The height of the suction accumulator, specified in Table 7, may not exceed 4
inches above the suction line connecting point at the outdoor condensing
unit. In addition, the suction accumulator must be pitched toward the
compressor 1/2 inch per 10 feet of horizontal run.

RTAA-SVX01A-EN 43
Installation — Remote Evaporator
Figure 23 Suction Accumulator Sizing Example
&RQGHQVHU&RLO
/LTXLG/LQH
6XFWLRQ/LQH
&RPSUHVVRU
6,'(9,(:
7239,(:
&RQGHQVHU&RLO
5HPRWH(YDSRUDWRU
¶´
¶
µ
IHHWRIKRUL]RQWDOVXFWLRQ
DFFXPXODWRUDWDKHLJKWQRWWR
H[FHHGLQFKHVDERYHWKHVXFWLRQ
OLQHFRQQHFWLQJSRLQWV
IHHWKRUL]RQWDOUXQDWWKHVDPH
HOHYDWLRQDVWKHUHPRWHHYDSRUDWRU
2XWGRRUFRQGHQVLQJXQLW¶V
HOHYDWLRQLVIHHWORZHUWKDQ
WKDWRIHYDSRUDWRUIHHWKRUL]RQWDO
UXQDWWKHVDPHHOHYDWLRQDVWKH
RXWGRRUFRQGHQVLQJXQLW

44 RTAA-SVX01A-EN
Installation — Remote Evaporator
Piping Installation Procedures
The outdoor unit and the evaporator are shipped with a 25 psig holding
pressure of dry nitrogen. Do not relieve this pressure until field installation of
the refrigerant piping is to be accomplished. This will require the removal of
the temporary pipe caps.
NOTE: Use Type L refrigerant-grade copper tubing only.
The refrigerant lines must be isolated to prevent line vibration from being
transferred to the building. Do not secure the lines rigidly to the building at
any point.
All horizontal suction lines should be pitched downward, in the direction of
flow, at a slope of 1/2 in. per 10 feet of run. This allows for larger line size,
which will improve unit efficiency.
Important: Relieve nitrogen pressure before removing end caps.
Do not use a saw to remove end caps, as this may allow copper chips to
contaminate the system. Use a tubing cutter or heat to remove the end caps.
WARNING
Prevent Injury!
When sweating line connections, always provide a sufficient
purge of dry nitrogen through the tubing to prevent the formation
of oxides/scaling cause by high temperature from brazing. Use a
pressure regulator in the line between the unit and the high
pressure nitrogen cylinder to avoid over pressurization and
possible explosion. If any refrigerant or refrigerant vapors are
present a thorough purge with dry nitrogen will prevent the
possible formation of toxic phosgene gas. Failure to follow these
recommendations could result in death or serious injury.
Refrigerant Sensors
The suction line refrigerant sensors must be installed by the contractor
installing the refrigerant piping. The sensors are prewired and each is
“wire-tied” to its respective liquid line. Fittings and adapters for mounting of
the sensors are located in the remote evaporator terminal box. See
Figure 24 for mounting instructions.

RTAA-SVX01A-EN 45
Installation — Remote Evaporator
Figure 24 Refrigerant Sensor Mounting and Wiring

46 RTAA-SVX01A-EN
Installation — Remote Evaporator
Leak Test and Evacuation
After installation of the refrigerant piping, thoroughly test the system for
leaks. Pressure test the system at pressures required by local codes.
Immediately before evacuation, install the liquid line filter cores. These will be
shipped with the evaporator.
NOTE: Do not install these before the circuit is ready for evacuation, as the
cores will absorb moisture from the atmosphere.
For field evacuation, use a rotary-type vacuum pump capable of pulling a
vacuum of 100 microns or less. Follow the pump manufacturer's instructions
for proper use of the pump. The line used to connect the pump to the system
should be copper and be the largest diameter that can be practically used. A
larger line size with minimum flow resistance can significantly reduce
evacuation time.
Use the ports on the compressor suction service valves and the liquid line
shutoff valves for access to the system for evacuation. Insure that the
compressor suction service valve, the liquid line shutoff valve, the oil line
shutoff valve and any field installed valves are open in the proper position
before evacuating.
Insulate the entire suction line and the suction accumulator line. Where the
line is exposed to the weather, wrap it with weatherproof tape and seal with
weather-proof compound.
Refrigerant and Additional Oil Charge
Refrigerant Charge Determination
The approximate amount of refrigerant charge required by the system must
be determined by referring to Table 8 and must be verified by running the
system and checking the liquid line sightglasses.
To determine the appropriate charge, first refer to Table 8 to establish the
required charge without the field-installed piping. Next, determine the charge
required for the field-installed piping by referring to Tabl e 9.
NOTE: The amounts of refrigerant listed in Table 9 are based on 100 feet of
pipe. Actual requirements will be in direct proportion to the actual length of
piping.
NOTE: Table 9 assumes:
The approximate amount of refrigerant is therefore the sum of the values
determined from Tab le 8 and Table 9.
Table 8 System Refrigerant Charge
Circuit Size Lbs. of R- 22
35 58
40 61
50 73
60 98
Liquid Temperature = 100 F
Suction Temperature = 35 F
Suction Superheat Temperature = 4 F

RTAA-SVX01A-EN 47
Installation — Remote Evaporator
Oil Charge Determination
The unit is factory charged with the amount of oil required by the system,
without the field-installed piping. The amount of additional oil required is
dependent upon the amount of refrigerant that is added to the system for the
field-installed piping.
Use the following formula to calculate the amount of oil to be added:
Pints of Oil (Trane Oil-31) =
lbs of refrigerant added for field-installed piping
100
From the example above, in which the weight of the additional refrigerant
added for the field-installed piping was 34.0 lbs (30.6 + 3.4), the amount of oil
to be added equals 0.34 pints (34.0/100) per circuit.
Example: Refrigerant Charge Computation
Determine the approximate amount of charge required for an RTAA 100 ton
unit with a remote evaporator that is located 75 feet away (i.e the actual
length of field-installed pipe is 75 feet for each suction line and liquid line).
Assume that the suction lines have been previously determined to be in.,
O.D. and the liquid lines are in. 1-1/8 O.D.
Relief Valve Venting
All relief valve venting is the responsibility of the installing contractor.
The remote evaporators on chillers sold with this option utilize relief valves
installed in each circuit of the evaporator head. There is one relief valve per
circuit, and they must be vented to the outside of the building.
1. From Table 2g for a 50 ton
circuit requires:
= 73 lbs. R-22
2. From Table 2h for a 2-518
inch OD suction line:
75 feet x 4.5 feet = 3.4 lbs. R-22
3. From Table 2h for a 1 118
inch OD liquid line:
75 feet x 40.8 feet = 30.6 Ibs. R-22
4. Total R-22 charge per circuit: Sum results of steps
1,2, and 3
= 107 Ibs. R-22 per circuit
5. Total R-22 charge per machine: 2 circuits x 107 Ibs. = 214 Ibs. R-22 per machine
Table 9 Field-Installed Piping Charge
Lbs. R-22 per 100 ft.
Pipe O.D.
(inches) Suction Line Liquid Line
1-1/8 0.78 40.8
1-3/8 1.2 62.2
1-5/8 1.7 88
2-1/8 2.9 153.1
2-5/8 4.5 236.1
3-1/8 6.4 —

48 RTAA-SVX01A-EN
Installation — Remote Evaporator
The relief valves are 3/8” SAE flare connections. They have a 300 psig relief
setpoint, and relieve at 10.21 lba/min. The connection size and locations are
shown in the chiller's submittals. Refer to local codes for relief valve vent line
sizing information.

RTAA-SVX01A-EN 49
Installation — Electrical
General Recommendations
All wiring must comply with local and National Electric Codes. Minimum
circuit capacities and other unit electrical data is on the unit nameplate. See
the unit order specifications for actual electrical data. Electrical schematics
are shipped with the unit.
Typical wiring diagrams are in the back of this manual.
WARNING
Hazardous Voltage w/Capacitors!
Disconnect all electric power, including remote disconnects
before servicing. Follow proper lockout/tagout procedures to
ensure the power cannot be inadvertently energized. For variable
frequency drives or other energy storing components provided by
Trane or others, refer to the appropriate manufacturer’s literature
for allowable waiting periods for discharge of capacitors. Verify
with an appropriate voltmeter that all capacitors have discharged.
Failure to disconnect power and discharge capacitors before
servicing could result in death or serious injury.
Note: For additional information regarding the safe discharge of
capacitors, see PROD-SVB06A-EN or PROD-SVB06A-FR
CAUTION
Use Copper Conductors Only!
Unit terminals are not designed to accept other types of
conductors. Failure to use copper conductors may result in
equipment damage.
Important!
Do not allow conduit to interfere with other components, structural
members or equipment. Control voltage (115V) wiring in conduit must
be separate from conduit carrying low voltage (<30V) wiring.
Caution: To prevent control malfunctions, do not run low voltage wiring
(<30V) in conduit with conductors carrying more than 30 volts.

50 RTAA-SVX01A-EN
Installation — Electrical
Table 10 Electrical Data
Unit Wiring Motor Data
Unit Size
Rotated
Voltage MCA (2) MOP (1)
Rec Time
Delay or
RDE (3) Qty.
Compressor
(Ea) RLA (4) LRA (7) Qty.
Fans (Ea)
KW FLA
Control
KW (6)
RTAA 70 200/60 300 400 350 2 115/115 800/800 8 1.0 5.1 0.75
230/60 265 350 300 2 100/100 690/690 8 1.0 5.0 0.75
460/60 133 175 150 2 50/50 330/330 8 1.0 2.5 0.75
575/60 108 125 125 2 40/40 270/270 8 1.0 2.2 0.75
346/50 153 200 175 2 58/58 390/390 8 1.0 2.7 0.75
400/50 133 175 150 2 50/50 325/325 8 1.0 2.5 0.75
RTAA 80 200/60 361 500 400 2 142/142 800/800 8 1.0 5.1 0.75
230/60 319 400 350 2 124/124 760/760 8 1.0 5.0 0.75
460/60 160 200 175 2 62/62 380/380 8 1.0 2.5 0.75
575/60 131 175 150 2 50/50 304/304 8 1.0 2.2 0.75
346/50 184 250 225 2 72/72 430/430 8 1.0 2.7 0.75
400/50 160 200 175 2 62/62 375/375 8 1.0 2.5 0.75
RTAA 90 200/60 428 600 600 2 192/142 990/880 9 1.0 5.1 0.75
230/60 378 500 500 2 167/124 820/760 9 1.0 5.0 0.75
460/60 190 250 225 2 84/62 410/380 9 1.0 2.5 0.75
575/60 154 200 175 2 67/50 328/304 9 1.0 2.2 0.75
346/50 243 300 250 2 96/72 485/430 9 1.0 2.7 0.75
400/50 214 250 225 2 84/62 402/375 9 1.0 2.5 0.75
RTAA 100 200/60 483 600 600 2 192/192 990/990 10 1.0 5.1 0.75
230/60 426 500 500 2 167/167 820/820 10 1.0 5.0 0.75
460/60 214 250 250 2 84/84 410/410 10 1.0 2.5 0.75
575/60 173 225 200 2 67/67 328/328 10 1.0 2.2 0.75
346/50 243 300 300 2 96/96 485/485 10 1.0 2.7 0.75
400/50 214 250 250 2 84/84 402/402 10 1.0 2.5 0.75
RTAA 110 200/60 536 700 600 2 233/192 1190/990 10 1.0 5.1 0.75
230/60 471 600 600 2 203/167 1044/820 10 1.0 5.0 0.75
460/60 235 300 300 2 101/84 522/410 10 1.0 2.5 0.75
575/60 191 250 225 2 81/67 420/328 10 1.0 2.2 0.75
346/50 270 350 300 2 117/96 585/485 10 1.0 2.7 0.75
400/50 236 300 300 2 101/84 512/402 10 1.0 2.5 0.75
RTAA 125 200/60 576 800 700 2 233/233 1190/990 10 1.0 5.1 0.75
230/60 507 700 600 2 203/203 1044/1044 10 1.0 5.0 0.75
460/60 253 350 300 2 101/101 522/522 10 1.0 2.5 0.75
575/60 205 250 225 2 81/81 420/420 10 1.0 2.2 0.75
346/50 291 400 350 2 117/117 585/585 10 1.0 2.7 0.75
400/50 253 350 300 2 101/101 512/512 10 1.0 2.5 0.75
(1) MOP - Maximum Overcurrent Protection - may be either type breaker (UL/CSA) or with circuit breakers (CSA only). MOP = 225 percent of the largest
compressor RLA plus 100 percent of the second compressor plus the sum of the condenser fans FLAs per NEC 440-22.
(2) MCA - Minimum Circuit Ampacity - 125 percent of largest compressor RLA plus 100 percent of second compressor plus the sum of the condenser
fans FLAs per NEC 440-33.
(3) RECOMMENDED TIME DELAY OR DUAL ELEMENT (RDE) FUSE SIZE: 150 percent of the largest compressor RLA plus 100 percent of the
second compressor RLA and the sum the condenser fan FLAs.
(4) RLA -Rated Load Amps -rated in accordance with UL Standard 465.
(5) Local codes may take precedence.
(6) Control kw includes operational controls only. Does not include heat tapes.
(7) LRA - Locked Rotor Amps -based on full winding start units.
(8) VOLTAGE UTILIZATION RANGE:
Rated Voltage Utilization Range
200/60 180-220
230/60 208-254
460/60 414-506
575/60 516-633
400/50 340-460
(9) 60 HZ UNITS - A 115/60/1, 15 amp. customer provided power connection is required to power the evaporator heat tape 420 watts
(10) 50 HZ UNITS - A separate 220/50/1 15 amp. customer provided power connection is needed to power evaporator heat tape 420 watts @ 220 volts.

RTAA-SVX01A-EN 51
Installation — Electrical
Installer-Supplied Components
All wiring must comply with local codes and the National Electrical Code. The
installing (or electrical) contractor must provide and install the system inter-
connecting wiring, as well as the power supply wiring. It must be properly
sized and equipped with the appropriate fused-disconnect switches. The type
and installation location(s) of the fused-disconnects must comply with all
applicable codes.
The installer must provide the following components if not ordered with the
unit:
• Power supply wiring (in conduit) for all field-wired connections.
• All control (interconnecting) wiring (in conduit) for field supplied devices.
• Fused-disconnect switches.
Remote Evaporator Only:
• Control wiring between the outdoor unit and the evaporator terminal box.
Table 11 Electrical Data - Pump Package Option
Unit Wiring Motor Data
Unit Size
Rotated
Voltage
Pump
HP
Pump
FLA MCA (2) MOP (1)
Rec Time
Delay or
RDE (3) Qty
Comp(Ea)
RLA (4) LRA (7) Qty
Fans
(Ea)
KW FLA
Control
KW (6)
RTAA 70 460/60 2 3.1 136 175 150 2 50/50 330/330 8 1.0 2.5 0.75
460/60 3 4.1 137 175 150 2 50/50 330/330 8 1.0 2.5 0.75
460/60 5 6.6 139 175 175 2 50/50 330/330 8 1.0 2.5 0.75
RTAA 80 460/60 2 3.1 163 200 200 2 62/62 380/380 8 1.0 2.5 0.75
460/60 3 4.1 164 225 200 2 62/62 380/380 8 1.0 2.5 0.75
460/60 5 6.6 166 225 200 2 62/62 380/380 8 1.0 2.5 0.75
460/60 7.5 10.3 170 225 200 2 62/62 380/380 8 1.0 2.5 0.75
RTAA 90 460/60 3 4.1 194 250 225 2 84/62 410/380 9 1.0 2.5 0.75
460/60 5 6.6 196 250 225 2 84/62 410/380 9 1.0 2.5 0.75
460/60 7.5 10.3 200 250 225 2 84/62 410/380 9 1.0 2.5 0.75
RTAA 100 460/60 3 4.1 218 300 250 2 84/84 410/410 10 1.0 2.5 0.75
460/60 5 6.6 221 300 250 2 84/84 410/410 10 1.0 2.5 0.75
460/60 7.5 10.3 224 300 350 2 84/84 410/410 10 1.0 2.5 0.75
RTAA 110 460/60 3 4.1 239 300 300 2 101/84 522/410 10 1.0 2.5 0.75
460/60 5 6.6 242 300 300 2 101/84 522/410 10 1.0 2.5 0.75
460/60 7.5 10.3 246 300 300 2 101/84 522/410 10 1.0 2.5 0.75
RTAA 125 460/60 3 4.1 256 350 300 2 101/101 522/522 10 1.0 2.5 0.75
460/60 5 6.6 259 350 300 2 101/101 522/522 10 1.0 2.5 0.75
460/60 7.5 10.3 263 350 300 2 101/101 522/522 10 1.0 2.5 0.75
(1) MOP - Maximum Overcurrent Protection - may be either type breaker (UL/CSA) or with circuit breakers (CSA only). MOP = 225 percent of the largest
compressor RLA plus 100 percent of the second compressor plus the sum of the condenser fans FLAs per NEC 440-22.
(2) MCA - Minimum Circuit Ampacity - 125 percent of largest compressor RLA plus 100 percent of second compressor plus the sum of the condenser
fans FLAs per NEC 440-33.
(3) RECOMMENDED TIME DELAY OR DUAL ELEMENT (RDE) FUSE SIZE: 150 percent of the largest compressor RLA plus 100 percent of the
second compressor RLA and the sum the condenser fan FLAs.
(4) RLA -Rated Load Amps -rated in accordance with UL Standard 465.
(5) Local codes may take precedence.
(6) Control kw includes operational controls only. Does not include heat tapes.
(7) LRA - Locked Rotor Amps -based on full winding start units.
(8) VOLTAGE UTILIZATION RANGE:
Rated Voltage Utilization Range
200/60 180-220
230/60 208-254
460/60 414-506
575/60 516-633
400/50 340-460
(9) 60 HZ UNITS - A 115/60/1, 15 amp. customer provided power connection is required to power the evaporator heat tape 420 watts
(10) 50 HZ UNITS - A separate 220/50/1 15 amp. customer provided power connection is needed to power evaporator heat tape 420 watts @ 220 volts.

52 RTAA-SVX01A-EN
Installation — Electrical
Power Supply Wiring
All power supply wiring must be sized and selected accordingly by the project
engineer in accordance with the National Electrical Code.
All wiring must comply with local codes and the National Electrical Code. The
installing (or electrical) contractor must provide and install the system inter-
connecting wiring, as well as the power supply wiring. It must be properly
sized and equipped with the appropriate branch circuit protection. The type
and installation location(s) must comply with all applicable codes.
Cut holes for the appropriately-sized wiring conduits in the lower right side of
the power connection panel. The wiring is passed through these conduits and
connected to the terminal blocks or optional unit-mounted disconnect or
circuit breaker.
To provide proper phasing of 3-phase input, make connections as shown in
the Field Wiring diagrams and as stated on the yellow WARNING label in the
starter panel. For additional information on proper phasing, refer to “Unit
Voltage Phasing”. Proper equipment ground must be provided to each ground
connection in the panel.
Control Power Supply
The unit is equipped with the control power transformer. It is not necessary
to provide control power voltage to the unit.
Heat Tape Power Supply (Packaged Units Only)
NOTE: Units with the Remote Evaporator option do not have heat tape.
The evaporator shell is insulated from ambient air and protected from freezing
temperatures by a thermostatically-controlled heat tape. Whenever the
chilled water temperature drops to approximately 37 F, the thermostat
energizes the heat tape. The heat tape will protect the evaporator from
ambient temperatures down to -20 F
Provide an independent power source (115V, 15 amp), with a fuse disconnect.
The heat tape is factory wired back to the unit control panel. Customer
connections are made on terminal strip 1TB3, terminals 16 and 17.
Water Pump Power Supply
Provide power supply wiring with fused-disconnect for the chilled water
pump(s) unless unit is equipped with optional pump package.
Interlock Wiring
CAUTION
Evaporator Damage!
The chiller water pump must operate for a minimum of one
minute after the UCM receives a command through the external
Auto/Stop input to shut down the chilled water system. Do not
use the proof of chiller water flow interlock (1U1 TB3-1 and -2) by
itself as the normal means of terminating chiller operation. Failure
to continue pump operation for one minute after unit shut down
may result in evaporator freeze up.
Normally, when the compressors are terminating a cycle (when chiller Stop
key, loss of load, low ambient run inhibit, or external Auto/Stop), the controller
will initiate the “Run: UNLOAD” mode. This operating mode commands the
compressors to their complete unloaded position, which takes about 1/2

RTAA-SVX01A-EN 53
Installation — Electrical
minute. This will allow the compressor to be totally unloaded for the next
start-up. If only the proof of chilled water flow interlock is used, the chiller will
shut down on an immediate (non-friendly) shutdown and initiate an automatic
reset diagnostic.
Figure 25 shows a typical interlock of an RTAA chiller. There are three points
(six wires) on the chiller that are required to be connected.
1. External Auto/Stop (Terminals 1U1 TB3-3 and -4). This input would be
supplied by the field. A contact closure would start the chiller water pump
and chiller, via the UCM pump control contacts. Opening the contact
would put the operating compressors into the “RUN:UNLOAD” mode
and initiate a timing period (1 to 30 minutes, adjustable through the Clear
Language Display). This will delay termination of chilled water pump oper-
ation via the UCM pump control contacts. Examples of the input at termi-
nals 1U1 TB3-3 and -4 would be a time clock, ambient
thermostat, building automation system, etc.
2. UCM Pump Control Contacts (Terminals 1U1 TB4-8 and -9). This output is
a set of contacts that will close and start the chilled water pump when
the external auto/stop contacts are closed. When the contacts are
opened, 1 to 30 minutes later (adjustable through the Clear Language
Display) the UCM pump contacts open.
3. Proof of Chilled Water Flow Interlock (Terminals 1U1 TB3-1 and -2). Con-
tact closure between the terminals indicates proof of chilled water flow.
Examples of this would be a pump starter auxiliary contact, flow switch,
differential pressure switch, or a contact from a building automation sys-
tem (see Chilled Water Flow Switch in the Water Piping section of this
manual). Opening of this contact would shutdown the chiller and initiate
an automatic reset diagnostic indicating loss of chilled water flow.
NOTE: Steps 2 and 3 are completed at the factory if unit is equipped with
optional pump package.
Figure 25 Typical RTAA Chiller Interlock

54 RTAA-SVX01A-EN
Installation — Electrical
Alarm/Running/Maximum Capacity Outputs
Terminals 1 to 7 on terminal strip TB4 of the 1U1 board provide a variety of
contact outputs. These are dependent upon the setting of Programmable
Relay Setup (“Service Setting Menu”) and its relationship to diagnostics,
compressors operating and the system operating at full capacity.
As shown in Figure 26, there are three relays. Relay 1 has SPDT contacts.
Relays 2 and 3 have SPST normally-open contacts. The relays can provide
three different output configurations, as shown in Table 12 , and each configu-
ration offers four choices as to how the alarm relay is to respond to a set of
diagnostics.
Table 13 shows the twelve settings available in Programmable Relay Setup
(“Service Settings Menu”) and the diagnostics which are issued for each set
of conditions.
Alarm/Running/Maximum Capacity Indicator Wiring
If the optional remote Alarm/Running/ Maximum Capacity contacts are used,
provide electrical power, 115 VAC (contact load not to exceed 1150 VA inrush,
115 VA sealed), with fused-disconnect to a customer-furnished remote
device. Also provide proper remote device ground connections.
To install the available remote running and alarm indication, the installer must
provide leads 525 thru 531 from the panel to the proper terminals of terminal
strip 1U1 TB4 on the UCM. Refer to the field diagrams which are shipped
with the unit.
Table 12 Alarm/Running/Maximum Capacity Relay Output Configurations
Relay Output Configuration
1: RLY 1
RLY 2
RLY 3
= Alarm
= Compressor Running
= Maximum Capacity
2: RLY 1
RLY 2
RLY 3
= Circuit 1 Alarm
= Circuit 2 Alarm
= Maximum Capacity
3: RLY 1
RLY 2
RLY 3
= Alarm
= Circuit 1 Running
= Circuit 2 Running

RTAA-SVX01A-EN 55
Installation — Electrical
Figure 26 Alarm/Running/Maximum Capacity Contact Outputs
Table 13 Alarm/Running/Maximum Capacity Menu Settings
Programmable
Relay Setup
Setting (Service
Setting Menu)
Relays Output
Configuration
(Table 12)
Diagnostics that the Alarm
Relay(s) is Active
MMR/
CMR diag.
MAR/
CAR diag. IFW
1 1 YES NO NO
2 1 YES YES NO
3 1 YES YES YES
4 1 YES NO YES
5 2 YES NO NO
6 2 YES YES NO
7 2 YES YES YES
8 2 YES NO YES
9 3 YES NO NO
10 3 YES YES NO
11 3 YES YES YES
12 3 YES NO YES
Notes:
MMR = Machine Manual Reset
CMR = Circuit Manual Reset
MAR = Machine Auto Reset
CAR = Circuit Auto Reset
IFW = Informational Warnings
7%8
5HOD\
5HOD\
5HOD\
.
.
.
&XVWRPHUSURYLGHG
9$&SRZHU
0D[IXVHVL]H
DPSV
+1

56 RTAA-SVX01A-EN
Installation — Electrical
Low Voltage Wiring
The remote devices described below require low voltage wiring. All wiring to
and from these remote input devices to the UCM must be made with
shielded, twisted-pair conductors. Be sure to ground the shielding only at the
Clear Language Display. See Wiring Section for the recommended conductor
sizes.
Emergency Stop (Normal Trip)
The Clear Language Display provides auxiliary control for a customer
specified/ installed latching tripout. When this customer-furnished remote
contact (5K18) is provided, the chiller will run normally when the contact is
closed. When the contact opens, the unit will trip off on a manually resettable
diagnostic. This condition requires manual reset at the chiller switch on the
front of the Clear Language Display.
To connect, first remove the jumper located between terminals 3 and 4 of
1U1TB1 Connect low voltage leads 513 and 514 to those terminals. Refer to
the field diagrams which are shipped with the unit.
Silver or gold-plated contacts are recommended. These customer-furnished
contacts must be compatible with 12 VDC, 45 mA resistive load.
External Circuit Lockout — Circuit #1
The UCM provides for auxiliary control via a customer specified or installed
contact closure, for individual operation of Circuit #1. If the contact is closed,
the refrigerant circuit will not operate. The refrigerant circuit will run normally
when the contact is opened. This feature is used to restrict total chiller
operation, eg. during emergency generator operations.
External circuit lockout will only function if External Circuit Lockout (Service
Setting Menu) is enabled.
These customer-supplied contact closures must be compatible with 12 VDC,
45 mA resistive load. Silver or gold plated contacts are recommended.
To install, cut, strip and wire-nut existing wire loop #W7 on the P43 connector
of the 1U4 module to low voltage leads 45A and 45B. Connections are shown
in the field diagrams which are shipped with the unit.
External Circuit Lockout — Circuit #2
The UCM provides for auxiliary control via a customer specified or installed
contact closure, for individual operation of Circuit #2. If the contact is closed,
the refrigerant circuit will not operate. The refrigerant circuit will run normally
when the contact is opened. This feature is used to restrict total chiller
operation, eg. during emergency generator operations.
External circuit lockout will only function if External Circuit Lockout (Service
Setting Menu) is enabled.
These customer-supplied contact closures must be compatible with 12 VDC,
45 mA resistive load. Silver or gold plated contacts are recommended.
To install, cut, strip and wire-nut existing wire loop #4 on the P53 connector
of the 1U5 module to low voltage leads 46A and 46B. Connections are shown
in the field diagrams which are shipped with the unit.
Ice Making Option
Ice Machine Control (Operator Settings Menu) must be Enabled. The UCM
provides auxiliary control for a customer specified/installed contact closure
for ice making. When contact (5K20) is provided, the chiller will run normally
when the contact is open. Upon contact closure, the UCM will initiate an ice-
building mode, in which the unit runs fully loaded at all times. Ice-building
shall be terminated either by opening the contact or based on the entering
evaporator water temperature setting under Active Ice Termination Set-point
(Chiller Report Menu). The UCM will not permit the ice-building mode to be

RTAA-SVX01A-EN 57
Installation — Electrical
reentered until the unit has been switched out of ice-building mode (open
5K20 contacts) and then switched back into ice building mode (close 5K20
contacts).
In ice-building, the current setpoint will be set at 120%. For example, if the
Front Panel or External Current Limit setpoint is set to 80%, in ice-building
the Active Current Limit is 120%.
If, while in ice-building mode, the unit gets down to the freezestat setting
(water or refrigerant), the unit will shut down on a manually resettable
diagnostic, just as in normal operation.
Connect leads 501 and 502 from 5K20 to the proper terminals 1U2TB1 -1 and
-2. Refer to the field diagrams which are shipped with the unit.
Silver or gold-plated contacts are recommended. These customer furnished
contacts must be compatible with 12 VDC, 45 mA resistive load.
External Chilled Water Setpoint (CWS)
This option allows the external setting of the Chilled Water Setpoint,
independent of the Front Panel Chilled Water Setpoint, by one of three
means:
1. A remote resistor/potentiometer input (fixed or adjustable).
2. An isolated voltage input 2-10 VDC.
3. An isolated current loop input 4-20 mA.
To enable external setpoint operation, “External Chilled Water Setpoint
“(Operator Settings Menu) should be set to “E” using the Clear Language
Display.
1. Remote Resistor/Potentiometer Input (fixed or adjustable).
Connect the remote resistor and/or potentiometer to terminals 1TB1-3 and
TB1-5 of Options Module 1U2, as shown in Figure 27.
For units with 40 to 60 F LCWS range, a field-furnished 25 Kohm linear taper
potentiometer (±10%) and a fixed 5.6 Kohm (±10%) 1/4 Watt resistor should
be used.
For units with 20 F to 39 F LCWS range, a field-furnished 25 Kohm linear
taper potentiometer (±10%) and a fixed 15 Kohm (±10%) 1/4 Watt resistor
should be used.
If the potentiometer is to be remotely mounted, it and the resistor must be
connected to the UCM prior to mounting. Then, with the Clear Language
Display showing “Active Chilled Water Setpoint” (Chiller Report Menu), the
Clear Language Display can be used to calibrate the positions of the potenti-
ometer to correspond with the desired settings for the leaving water temper-
ature. External resistor input values for various chilled water setpoints are
shown in Table 14 .
Figure 27 Resistor and Potentiometer
Arrangement External Chilled Water Setpoint
3RWHQWLRPHWHU 5HVLVWRU
7%
0RGXOH8
7%
0RGXOH8

58 RTAA-SVX01A-EN
Installation — Electrical
2. Isolated 2-10 VDC Voltage Source Input.
Set DIP Switch SW1-1 of Options Module 1U2 to “OFF”. Connect the voltage
source to terminals TB1-4 (+) and TB1-5 (-) on Options Module IU2. CWS is
now based on the following equation:
CW Setpoint °F = (VDC x 125) - 16.25
Sample values for CWS vs. VDC signals are shown in Table 14 .
3. Isolated 4-20 mA Current Source Input.
Set DIP Switch SW1-1 of Options Module 1U2 to “ON”. Connect the current
source to terminals TB1-4 (+) and TB1-5 (-). CWS is now based on the
following equation:
Setpoint °F = (mA x 4.0625) - 16.25
Sample values for CWS vs., mA signals are shown in Ta ble 14.
NOTE: The negative terminal TB1 -5 is referenced to the UCM chassis
ground. To assure correct operation, 2-10 VDC or 4-20 mA signals must be
isolated or “floating” with respect to the UCM chassis ground.
Minimum setpoint = 0 F(2.0 VDC input)
Maximum setpoint = 65 F (9.4 VDC input)
Maximum continuous input voltage = 15 VDC
Input impedance (SW1-1 on) = 40.1 Kohms
Minimum setpoint = 0F(40mA)
Maximum setpoint = 65 F (18.8 mA)
Maximum continuous input voltage = 30 mA
Input impedance (SW1-1 off) = 499 ohms
Table 14 Input Values Vs. External Chilled Water Setpoint
Inputs Resulting Chilled
Water Setpoint (F)
Resistance (Ohms) Current (ma) Voltage (Vdc)
944330 4.0 2.0 0.0
686092 5.2 2.6 5.0
52946 6.5 3.2 10.0
42434 7.7 3.9 15.0
34889 8.9 4.5 20.0
29212 10.2 5.1 25.0
24785 11.4 5.7 30.0
21236 12.6 6.3 35.0
18327 13.8 6.9 40.0
15900 15.1 7.6 45.0
13844 16.3 8.2 50.0
12080 17.5 8.8 55.0
10549 18.8 9.4 60.0
9050 20.0 10.0 65.0

RTAA-SVX01A-EN 59
Installation — Electrical
External Current Limit Setpoint (CLS)
This option allows the external setting of the Current Limit Setpoint,
independent of the Front Panel Current Limit Setpoint, by one of three
means:
1. A remote resistor/potentiometer input (fixed or adjustable).
2. An isolated voltage input 2-10 VDC.
3. An isolated current loop input 4-20 mA.
To enable external Current Limit Setpoint operation, “External Current Limit
Setpoint” (Operator Settings Menu), should be set to “E” using the Clear
Language Display.
1. Remote Resistor/Potentiometer Input.
To cover the entire range of Current Limit Setpoints (40 to 120%), a field
furnished 50 Kohm log taper potentiometer (±10%) and a fixed 820 ohm
(±10%) 1/4 Watt resistor should be wired in series and connected to
terminals TB1-6 and TB1-8 of options module 1U2, as shown in Figure 28.
If the potentiometer is to be remotely mounted, it and the resistor must be
connected to the UCM prior to mounting. Then, with the Clear Language
Display showing “Active Current Limit Setpoint” (Chiller Report Menu), the
Clear Language Display can be used to calibrate the positions of the potentio-
meter to correspond with the desired settings for the current limits. External
resistor input values for various current limit setpoints are shown in Table 15.
Figure 28 Resistor and Potentiometer Arrangement for External Current
Limit Setpoint
7%
0RGXOH8
7%
0RGXOH8
&&:
2KPVî:
.2KP/RJ&&:3RWHQWLRPHWHU

60 RTAA-SVX01A-EN
Installation — Electrical
2. 2-10 VDC Voltage Source Input.
Set DIP Switch SW1-2 of Options Module 1U2 to “OFF”. Connect the voltage
source to terminals TB1-7 (+) and TB1-8 (-) of Options Module 1U2. CLS is
now based on the following equation:
CL Setpoint% = (VDC x 10) + 20
Sample values for CLS vs. VDC signals are shown in Table 15.
3. 4-20 mA Current Source Input.
Set DIP Switch SW1-2 of Options Module 1U2 to “ON”. Connect the current
source to terminals TB1-7 (+) and T131-8 (-) of Options Module 1U2. CLS is
now based on the following equation:
CL Setpoint% = (mA x 5) + 20
Sample values for CLS vs. mA signals are shown in Table 15.
NOTE: The negative terminal TB1-8 is referenced to the UCM chassis
ground. To assure correct operation, 2-10 VDC or 4-20 mA signals must be
isolated or “floating” with respect to the UCM chassis ground.
Optional Bidirectional Communications Link (BCL)
This option allows the Clear Language Display in the control panel to
exchange information (eg. operating setpoints and Auto/Standby commands)
with a higher level control device, such as a Tracer, a multiple-machine
Table 15 Input Values Vs. External Current Limit Setpoint
Inputs Resulting Chilled
Water Setpoint (%RLA)Resistance (Ohms) Current (ma) Voltage (Vdc)
49000 4.0 2.0 40
29000 6.0 3.0 50
19000 8.0 4.0 60
13000 10.0 5.0 70
9000 12.0 6.0 80
6143 14.0 7.0 90
4010 16.0 8.0 100
2333 18.0 9.0 110
1000 20.0 10.0 120
Minimum setpoint = 40% (2.0 VDC input)
Maximum setpoint = 120% (10.0 VDC input)
Maximum continuous input voltage = 15 VDC
Input impedance (SW1-1 on) = 40.1 Kohms
Minimum setpoint = 40% (0 mA)
Maximum setpoint = 120% (20.0 mA)
Maximum continuous input voltage = 30 mA
Input impedance (SW1-1 on) = 499 ohms

RTAA-SVX01A-EN 61
Installation — Electrical
controller or a remote display panel. A shielded, twisted-pair connection
establishes the bidirectional communications link between the unit control
panel and the Tracer, multiple-machine controller or remote display panel.
NOTE: The shielded, twisted-pair conductors must run in a
separate conduit.
Field wiring for the communication link must meet the following
requirements:
1. All wiring must be in accordance with the NEC and local codes.
2. Communication link wiring must be shielded, twisted-pair wiring (Belden
8760, or equivalent).
3. The maximum total wire length for each communication link is 5,000 feet.
4. The communication link cannot pass between buildings.
5. All UCM's on the communication link can be connected in a “daisy chain”
configuration.
Communication Link Connection Procedure
1. Refer to the Tracer installation literature to determine proper communica-
tion link termination connections at the Tracer unit.
2. Refer to the Remote Clear Language Display installation procedure in
this manual.
3. Connect the shield of the communication link wiring to the designated
shield terminal at the Tracer unit.
4. Connect leads 561 and 562 from the proper terminals of 1U2TB2 on the
UCM to the Tracer. There is no polarity requirement for this connection.
5. At the UCM, the shield should be cut and taped to prevent any contact
between the shield and ground.
NOTE: On multiple-unit installations, splice the shielding of the two twisted-
pairs that come into each UCM in the “daisy chain” system. Tape the spliced
connections to prevent any contact between the shield and ground. At the
last UCM in the chain, the shield should be cut and taped off.
6. For unit ICS address selection, see ICS Address (Service Settings Menu).
LonTalk Communication Interface (LCI-C)
The Tracer LCI-C interface acts as a translator between Trane's IPC (Inter-
Processor Communication) and Echelon's LonTalk® communications protocol
(ANSI/EIA/CEA 709.1). This allows the chiller to communicate with building
automation systems which also communicate using the LonTalk® protocol.
The LonTalk® communications protocol also allows for peer to peer commu-
nications between controllers so they can share information. Communicated
setpoints have priority over locally wired inputs to the controller unless the
controller is set to the "Local" control mode.
The LCI-C module provides connectivity to Trane's Rover® service tool for
proper configuration of the LCI-C module.
NOTE: LonTalk® communication links are not polarity sensitive.
1. Connect BAS leads to J3-1,2 or J3-3,4.

62 RTAA-SVX01A-EN
Installation — Electrical
Remote Clear Language Display Installation Procedure
The Remote CLD is intended for indoor use and is not weatherproof. It is
mounted in a molded-plastic display box with a molded rubber keypad.
Although this is not the same as the membrane keypad of the unit's CLD, the
key locations and labels are identical.
Field wiring for the communication link must meet the following require-
ments:
1. All wiring must be in accordance with NEC and all local codes.
2. Communication link wiring must be 14 AWG shielded, twisted pair wire
(Belden 8760, or equivalent).
3. The communication link must not exceed 5,000 feet for each link.
4. The communication link must not pass between buildings.
Remote CLD Mounting
All mounting hardware (tools, screws, etc.) is to be field supplied. Figure 29
shows the mounting holes in the back of the Remote OLD panel. Also shown
are the electrical access knockouts at the bottom and top of the panel.
Remove the knockouts that will be used for wire entry, prior to mounting the
panel.
NOTE: On the back of the panel is a knockout for an electrical outlet box, if
one is to be used.
Prior to mounting the panel, the actual microprocessing board needs to be
carefully removed and set aside. To remove the board, open the protective
door that covers the keypad. Remove the cover plate at the bottom of the
keypad, by loosening the screw on the cover plate.
After removing the cover plate, remove the four screws that secure the
keypad (one in each corner). The keypad can now be lifted out of the display
box.
Attach the display box to the mounting surface with screws through the
mounting hole and two mounting slots, shown in Figure 30.
NOTE: If an electrical box is to be used, attach the display box with screws
through the four mounting slots around the knockout.
The top of the display box is marked “TOP”. Note the position of the box
before mounting it to the surface. With the box in the desired position against
the mounting surface, mark the location of the mounting holes.
Remove the box and drill the necessary holes in the surface. Put the display
box back in position and secure it to the mounting with the required screws.

RTAA-SVX01A-EN 63
Installation — Electrical
The microprocessing board can now be replaced in the display box with its
four attaching screws.
Remote CLD Panel Wiring
The Remote CLD requires a 24 VAC power source and a shielded, twisted-
pair wire between the panel and the Clear Language Display. See Figure 30.
As shown in Figure 31, the wire runs from terminals J3A-1(+) and J3A-2(-) in
the unit's buffer module (1U7) to terminals J1(+) and J1(-) in the Remote CLD.
Be sure that one lead is connected to the (+) terminal at each end and the
other lead is connected to the (-) terminal at each end.
For units #2, #3 and #4 wire similarly as shown in Figure 31.
Do not run the shielded, twisted-pair wire in a conduit that also contains
circuits of greater than 30 volts. Attach the shield to a grounding lug in the
unit's control panel. Cut and tape the shield at the Remote CLD panel, as
shown in Figure 30.
Figure 29 Remote CLD Panel Mounting Holes and Electrical Access Knockouts

64 RTAA-SVX01A-EN
Installation — Electrical
Connect the 24 VAC power supply to terminals J2A and J2B in the Remote
CLD panel. The polarity of the power source is not a concern, but the power
source must be grounded to terminal J2Gnd.
NOTE: A field-supplied Class 2, 24 VAC, 40 VA transformer can be used as a
power supply for the Remote CLD panel.
NOTE: Both a Remote CLD and a Tracer unit can be connected to the UCM.
ICS Address Setting
The setting of the ICS address for the Remote CLD is not necessary.
Multiple Unit Operation
In a multiple unit configuration, the Remote CLD Panel has the capability to
communicate with up to four units. Each unit requires a separate communi-
cation link with the Remote CLD panel.
Terminal strip TB4 is used to wire in the second, third and fourth units to the
Remote CLD. TB4 is labeled as shown below:
Terminals 1-3 are for the second unit.
Terminals 4-6 are for the third unit.
Terminals 7-9 are for the fourth unit.
Figure 30 Shielded, Twisted Pair Communication LInk at the
Remote CLD Panel
7RAPTAPEAROUND
EXPOSEDFOILSHIELD
ANDBARESHIELDWIRE
#ONNECTLEADSTO
2EMOTE#,$0ANEL
-AX
#UTBACKBARE
SHIELDWIRE

RTAA-SVX01A-EN 65
Installation — Electrical
Figure 31 Remote Display Panel Interconnecting Wiring

66 RTAA-SVX01A-EN
Operating Principles
This section describes the mechanical operating principles of Series R
air-cooled chillers equipped with microcomputer-based control systems.
The 70 - 125-ton Model RTAA units are dual-compressor, helical-rotary type
air-cooled liquid chillers. The basic components of an RTAA unit are:
• Clear Language Display.
• Unit Control Modules (UCM).
• Unit-mounted panel.
• Helical-rotary compressor.
• Direct Expansion evaporator.
• Air-cooled condenser.
• Oil supply system (hydraulic and lubrication).
• Interconnecting piping.
Refrigeration (Cooling) Cycle
Cycle Description
Figure 32 represents the refrigeration system and control components.
Vaporized refrigerant leaves the evaporator and is drawn into the compressor.
Here it is compressed and leaves the compressor as a mixture of hot gas and
oil (which was injected during the compression cycle).
The mixture enters the oil separator at the in/out cap. The separated oil flows
to the bottom of the separator, while the refrigerant gas flows out the top and
passes on to the tubes in the condensing coils. Here circulating air removes
heat from the refrigerant and condenses it.
The condensed refrigerant passes through the electronic expansion valve and
into the tubes of the evaporator. As the refrigerant vaporizes, it cools the
system water that surrounds the tubes in the evaporator.

RTAA-SVX01A-EN 67
Operating Principles
Compressor Description
The compressors used by the Model RTAA Series “R” Air-cooled chiller
consists of two distinct components: the motor and the rotors.
Compressor Motor
A two-pole, hermetic, squirrel-cage induction motor (3600 rpm) directly drives
the compressor rotors. The motor is cooled by suction refrigerant gas from
the evaporator, entering the end of the motor housing through the suction
line.
Figure 32 RTAA Refrigeration System and Control Components
&RQGHQVHU
(YDSRUDWRU
1. Discharge Service Valve 9. Subcooler 17. Saturated Evaporator Rfgt.
Temp. Sensor
2. Oil Separator 10. Low Pressure Switch 18. Relief Valve
3. 1/4" Angle Valve 11. Liquid Line Service Valve
(Backseat Port Upstream)
19. Compressor Suction Rfgt. Temp
Sensor
4. Oil Cooler 12. Schrader Valve 20. Suction Service Valve
5. Quick Connect Shutoff
Valve or Angle Valve
13. Filter/Dryer 21. Evaporator Entering Water
Temp. Sensor
6. Oil Temperature Sensor 14. Sight Glass 22. Evaporator Leaving Water
Temp. Sensor
7. Condenser 15. Electronic Expansion Valve 23. Entering Water Connection
8. Saturated Condenser Rfgt.
Temp Sensor
16. 1/4" Angle Valve 24. Leaving Water Connection

68 RTAA-SVX01A-EN
Operating Principles
Compressor Rotors
The compressor is a semi-hermetic, direct-drive helical rotary type
compressor. Each compressor has two rotors - “male” and “female” - which
provide compression. See Figure 33 The male rotor is attached to, and driven
by, the motor, and the female rotor is, in turn, driven by the male rotor.
Separately housed bearing sets are provided at each end of both rotors.
The helical rotary compressor is a positive displacement device. The refrig-
erant from the evaporator is drawn into the suction opening at the end of the
motor barrel, through a suction strainer screen, across the motor, and into the
intake of the compressor rotor section. The gas is then compressed and
discharged directly into the discharge line.
There is no physical contact between the rotors and compressor housing.
The rotors contact each other at the point where the driving action between
the male and female rotors occurs. Oil is injected along the top of the
compressor rotor section, coating both rotors and the compressor housing
interior. Although this oil does provide rotor lubrication, its primary purpose is
to seal the clearance spaces between the rotors and compressor housing.
A positive seal between these internal parts enhances compressor efficiency
by limiting leakage between the high pressure and low pressure cavities.
Capacity control is accomplished by means of two unloader valve assemblies
in the rotor section of the compressor. The female rotor valve is a two-
position valve and the male valve is an infinitely variable position valve. See
Figure 33.
Figure 33 RTAA Refrigerant and Oil Diagram
6FKUDGHU
9DOYH
6FKUDGHU
9DOYH
6FKUDGHU9DOYH
6FKUDGHU
9DOYH
)HPDOH
8QORDGHU
6ROHQRLG9DOYH
0DVWHU
2LO9DOYH
'LVFKDUJH
3UHVVXUH
,QWHJUDWHG
2LO)LOWHU
4XLFN&RQQHFW6KXWRII
9DOYHRU$QJOH9DOYH
)URP2LO&RROHU
0DOH8QORDG
6ROHQRLG9DOYH
0DOH/RDG
6ROHQRLG
9DOYH
0DOH
)HPDOH
0RWRU
6XFWLRQ
6XFWLRQ
6XFWLRQ
7R5RWRU
2LO,QVSHFWLRQ
'LVFKDUJH
3UHVVXUH

RTAA-SVX01A-EN 69
Operating Principles
Compressor load capacity is determined by the positions of the unloader
valves. They divert refrigerant gas from the rotors to the compressor suction,
thus unloading the compressor. This varies the compressor capacity to match
the load and reduces the KW draw of the compressor motor.
The two-position female unloader will fully open or fully close a port on the
rotor housing, at the discharge end of the female rotor. This relieves the
refrigerant gas to suction and unloads the compressor. The female unloader
valve is the first stage of loading after the compressor starts and the last
stage of unloading before the compressor shuts down.
The modulating male unloader valve opens or closes ports in the rotor
housing along the side of the male rotor. It can move to a more loaded
(closed) position after the female unloader valve is in the loaded position or
can relieve refrigerant gas to suction to unload the compressor.
Compressor Loading Sequence
When there is a call for chilled water, the UCM will start the compressor
which has the least number of starts. If the first compressor cannot satisfy
the demand, the UCM will start the other compressor and then balance the
load on both compressors by pulsing the load/unload solenoids.
The load on the compressors will be kept in balance, as load fluctuates, until
the demand for chilled water is reduced to a level that can be handled by one
compressor. At this time, the UCM will drop off the compressor that has the
greatest number of operating hours and will adjust the load on the other
compressor, as required.
Oil System Operation
Overview
Oil that collects in the bottom of the oil separator is at condensing pressure
during compressor operation; therefore, oil is constantly moving to lower
pressure areas. Refer to Figure 33.
As the oil leaves the separator, it passes through the oil cooler at the top of
the condensing coils. It then goes through the service valve and filter. At this
point, some of the oil is used to control the slide valve movement in the
compressor, via the male load/unload solenoids. The remaining oil passes
through the master oil valve and performs the functions of compressor
bearing lubrication and compressor oil injection.
If the compressor stops for any reason, the master oil valve closes, isolating
the oil charge in the separator and oil cooler during “off” periods. The master
oil valve is a pressure activated valve. Discharge pressure off the rotors, that
is developed when the compressor is on, causes the valve to open.
To ensure proper lubrication and minimize refrigerant condensation in the
compressor, a heater is mounted on the bottom of the compressor housing.
A signal from the UCM energizes this heater during the compressor “Off”
cycle to keep refrigerant from condensing in the compressor. The heater
element is continuously energized when the compressor is not running.
Oil Separator
The oil separator consists of a vertical tube, joined at the top by the refrig-
erant discharge line from the compressor. The discharge line is essentially
tangential to the tube. This causes the refrigerant to swirl in the tube and
throws the oil to the outside, where it collects on the walls and flows to the
bottom. The compressed refrigerant vapor, stripped of oil droplets, exits out
the top of the oil separator and is discharged into the condensing coils.
The oil separators on chillers with the remote evaporator option incorporate
heaters to prevent refrigerant migration when the machine is off.

70 RTAA-SVX01A-EN
Operating Principles
Compressor Bearing Oil Supply
Oil is injected into the bearing housings located at each end of both the male
and female rotors. Each bearing housing is vented to compressor suction, so
that oil leaving the bearings returns through the compressor rotors to the oil
separator.
Compressor Rotor Oil Supply
Oil flows through this circuit directly from the master oil valve, through the oil
filter to the top of the compressor rotor housing. There it is injected along the
top of the rotors to seal clearance spaces between the rotors and the
compressor housing and to lubricate the rotors.
Female Unloader Valve
The position of the female unloader valve determines compressor capacity.
Its position is dependent on whether the backside of the female unloader
valve is exposed to the compressor discharge or suction pressure. See
Figure 33.
The female unloader valve solenoid receives a constant signal from the UCM,
based on system cooling requirements. To load the compressor, the female
unloader valve solenoid is energized and discharge pressure is passed
through the normally-closed port and into the cylinder. This pushes the female
unloader valve closed.
To unload the compressor, the female unloader valve solenoid is de-energized
and the discharge pressure is relieved to the suction of the compressor. The
female unloader valve retracts into the cylinder and the compressor is
unloaded.
Just prior to a normal compressor shut-down, the male unload valve solenoid
is energized and the slide valve moves to the fully-unloaded position, so the
unit always starts fully unloaded.
Oil Filter
Each compressor is equipped with a replaceable-element oil filter. The filter
removes any impurities that could foul the solenoid valve orifices and
compressor internal oil supply galleries. This also prevents excessive wear of
compressor rotor and bearing surfaces. Refer to the maintenance portion of
this manual for recommended filter element replacement intervals.
Condenser Fan Staging
The fans on the RTAA 70 -125 Ton units are staged by logic in the UCM. The
UCM takes several different pressures and temperatures into account, to
determine when fans should be added or subtracted. Input from the outside
air temperature sensor, the saturated condensing refrigerant temperature
sensor, and the saturated evaporator refrigerant temperature sensor are
monitored to determine fan staging.
The number of fans activated at startup is dependant upon the outdoor air
temperature. Figure 34 shows fan activation at different temperatures.
During normal operation, the micro uses PID control to maintain a 70±5 psid
between the condensing pressure and the evaporator pressure. Through the
use of algorithm logic, a fan will be added if the pressure differential is greater
than 75 psid and the fan inverter is at maximum speed.
A “Low Differential Pressure” diagnostic will take the circuit off-line if the
pressure differential falls below 40 psid for more than two minutes.
A “High Differential Pressure” diagnostic will take the circuit off-line if the
pressure differential increases to 350 psid or greater. This diagnostic can also
be produced if the pressure differential increases to the range between 320

RTAA-SVX01A-EN 71
Operating Principles
psid and 349 psid. The UCM will allow the unit to remain on-line if there is no
increase in pressure for a one hour period. Otherwise, the unit will trip off-line
and display the “High Differential Pressure” diagnostic.
Figure 34 Fan State at Circuit Startup
)$1&,5&8,7
)$1&,5&8,7
&21752/3$1(/
!B
!B
!B
)$1&,5&8,7
)$1&,5&8,7
&21752/3$1(/
)$1&,5&8,7
)$1&,5&8,7
&21752/3$1(/
)$1&,5&8,7
)$1&,5&8,7
&21752/3$1(/
)$1&,5&8,7
)$1&,5&8,7
&21752/3$1(/
)DQ2Q
)DQ2II
287'225$,57(03)
!
B
127(6

72 RTAA-SVX01A-EN
Controls Interface
The exclusive Trane Adaptive Control logic with the Clear Language Display is
comprised of a system of individual modules located in the control panel. The
system consists of six different microprocessor-based components. The
processors are:
• Clear Language Display - 1U6.
• Chiller Module - 1U1.
• Communication and Setpoint Reset Option Module - 1U2.
• Expansion Valve Module - 1U3.
• Compressor Module (one per compressor) - 1U4, 1U5.
• Remote Display Buffer Option Module - 1U7.
• LCI-C Option Module - 1U8.
The Clear Language Display has various functions that allow the operator to
read unit information and adjust setpoints. The following is a list of the
available functions:
• Operating and Diagnostic descriptions.
• Settings of local setpoints and adjustments.
• Actual controlling setpoints.
• Specific temperatures.
• Specific Pressures.
• Enable/Disable status of features and options.
• Selection status of SI units or English units.
• Under/Over voltage protection.
• Display of% line voltage.
• Alarm/Running/Maximum Capacity contacts.
• Display Starts and Hours.
Clear Language Display Keypad Overview
Local operator interface with the system is accomplished using the 16 keys
on the front of the Clear Language Display panel. The readout screen is a two
line, 40 character liquid crystal with a backlight. The backlight allows the
operator to read the display in low-light conditions. The depression of any key
will activate the backlight. The backlight will stay activated for 10 minutes
after the last key is pressed. At 10 F or below the backlight will stay activated
continuously.
The keys are grouped on the keyboard by the following functions (refer to
Figure 35):
• Select Report Group.
• Select Settings Group.
• Selection Keys.
• Stop & Auto Keys.

RTAA-SVX01A-EN 73
Controls Interface
Select Report Group
This group of four keys allows the operator to select and view the following
reports:
•Custom Report.
• Chiller Report.
• Refrigerant Report.
• Compressor Report.
The Custom Report is the only report of the four that is defined by the
operator. Any display under the other three reports can be added to the
Custom Report by pressing the plus key while the desired read-out is on
the display. A maximum of 20 entries can be contained under the Custom
Report. Items can be deleted from the Custom Report by pressing the
minus key when the desired read-out is on the display. The operator must
be in the Custom Report menu to delete the desired item.
The Chiller Report, Refrigerant Report and Compressor Report are informa-
tional reports that give current status. Each report and its contents are
discussed in detail on the following pages.
When any of the four report keys are pressed, the first readout on the display
will be the header. The header identifies the title of the report and summa-
rizes the items in the report.
Figure 35 Operator Interface Adaptive Control

74 RTAA-SVX01A-EN
Controls Interface
The Next key and Previous key allow the operator to scroll up and down
through the display items listed under the report menus. When the last item
of a report is displayed and the Next key is pressed, the display will wrap
around to the header of the report. When the first item of a report is
displayed and the Previous key is pressed, the display will wrap around to the
last item.
Select Settings Group
The first three keys on the second row – Operator Settings, Service Settings
and Service Tests – allow the operator to adjust various setpoints and perform
various tests. Certain items in these groups are password protected. Refer to
the Password section for additional information.
When a setpoint key is pressed, a header will be displayed. The setpoint
headers identify the available items and setpoint functions.
The Next and Previous keys function in the same manner as that described in
Selected Report Group, above.
Setpoint values are incremented by pressing the plus key and decre-
mented by pressing the Minus key. Once a setpoint is changed, the Enter
key must be pressed to save the new setpoint. If the Cancel key is pressed,
the setpoint value on the display will be ignored and the original setpoint will
remain.
Passwords
Passwords are needed to enter into the Service Setup Menu and the
Machine Configuration Menu. Both of these menus are accessed through the
Service Settings key. If access into these menus is necessary, follow the list
of steps below:
1. Press Service Settings.
2. Press Next until the readout in the display is:
Password Required For Further Access
“Please enter Password”
3. To enter into the Service Setup Menu, press:
Enter
4. To enter into the Machine Configuration Menu, press:
Enter
Select Report Group and Select Settings Group Flowcharts
The first block of the flowchart is the header which is shown on the display
after the menu key is pressed. For example:
Press Chiller Report and the readout on the display will be:
CHILLER RPRT:STATUS, WTR TEMPS & SETPTS
“PRESS (NEXT) (PREVIOUS) TO CONTINUE”
Press Next to move down through the Chiller Report. As shown in the
figures, the flowchart explains the conditions that the UCM looks at to
determine which readout is to be displayed next. For example:

RTAA-SVX01A-EN 75
Controls Interface
Press Chiller Report to display the header Press Next to display
MODE: OPERATING MODE]
REQUESTED SETPOINT SOURCE: [SETPT SOURCE]
Press Next to display
COMPRESSOR ON
CIRCUITS LOCKED OUT
Press Next to display
ACTIVE ICE TERMINATION SETPOINT
Or
ACTIVE CHILLED WATER SETPOINT
The UCM will determine which screen will be displayed after looking at the
current Operating Mode. If the Operating Mode is “Ice Making” or “Ice
Making Complete”, ACTIVE ICE TERMINATION SETPOINT will be displayed.
Otherwise, ACTIVE CHILLED WATER SETPOINT will be shown.
The flowcharts also list the setpoint ranges, default options and a brief
description of the item, when necessary. This information is shown in the
lefthand column of the page, adjacent to the appropriate display.
Auto/Stop Keys
The chiller will go through a “STOPPING” mode when the Stop key is
pressed if a compressor is running. This key has a red background color
surrounding it, to distinguish it from the others.
If the chiller is in the Stop mode, pressing the Auto key will cause the UCM to
go into the Auto/Local or Auto/Remote mode, depending on the Setpoint
Source setting. The Auto key has a green background color.
When either the Auto or Stop key is pressed, Chiller Operating Mode
(Chiller Report Menu) will be shown on the display.
Power Up
When power is first applied to the control panel, the Clear Language Display
goes through a self-test. For approximately five seconds, the readout on the
display will be:
SELF TEST IN PROGRESS
During the self-test, the backlight will not be energized. When the tests are
successfully complete, the readout on the display will be
6200 xxxx-xx [TYPE] configuration
Updating Unit Data, Please Wait
When updating is successfully completed, the system will default to the first
display after the Chiller Report header:
MODE: OPERATING MODE]
REQUESTED SETPOINT SOURCE: [SETPT SOURCE]
and the backlight will be activated.

76 RTAA-SVX01A-EN
Controls Interface
;/0%2!4).'-/$%=
2ESET
3TOPPEDBY,OCAL$ISPLAY
3TOPPEDBY2EMOTE$ISPLAY
3TOPPEDBY4RACER
3TOPPEDBY%XT3OURCE
!UTO
7AITING2ESTART)NHIBIT
3TARTING
2UNNING
2UNNING#URRENT,IMIT
2UNNING#ONDENSER,IMIT
2UNNING%VAPORATOR,IMIT
3TOPPING
-AKING)CE
)CE-AKING#OMPLETE
,OW!MBIENT4EMP,OCKOUT
%864EST
-ANUFACTURING4EST
3ERVICE0UMPDOWN
;3%4043/52#%=
,OCAL
4RACER
;/PERATING-ODE=
-!+).')#%
)#%-!+).'!,,
#/-0,%4%/4(%23
&AN#ONTROL
3ERVICE3ETTING-ENU
$)3!",% %.!",%
7R$&7,9(&855(17/,0,76(732,17RQQH[WSDJH
02'( >23(5$7,1*02'(@
5(48(67('6(732,176285&( >6(7376285&(@
&+,//(5535767$786:757(0366(7376
35(661(;735(9,28672&217,18(
&2035(6625621 $%&'121(
&,5&8,76/2&.('287 &.7&.7121(
$&7,9(,&(7(50,1$7,216(732,17 ;;;)
(9$3(17(5,1*:$7(57(03 ;;;;)
$&7,9(&+,//(':$7(56(732,17 ;;;)
(9$3/($9,1*:$7(57(03 ;;;;)
(9$3(17(5,1*:$7(57(03 ;;;;)
(9$3/($9,1*:$7(57(03 ;;;;)
:$7(5+75(17(5,1*:$7(57(03 ;;;;)
:$7(5+75/($9,1*:$7(57(03 ;;;;)
&21'(16(5(17(5,1*:$7(57(03 ;;;;)
&21'(16(5/($9,1*:$7(57(03 ;;;;)
&KLOOHU
5HSRUW
1H[W
1H[W
1H[W
1H[W
1H[W
1H[W
1H[W
1H[W

RTAA-SVX01A-EN 77
Controls Interface
)URP:$7(5+75(17(5,1*:$7(57(03RQSUHYLRXVSDJH
7RKHDGHU
RI&KLOOHU
5HSRUW
$ASHESWILLBEDISPLAYEDIF
THESENSORISOPENORSHORTEDAND
NEITHER/UTDOOR!IR2ESETOR,OW
!MBIENT,OCKOUTISENABLED
$ASHESWILLBEDISPLAYEDIF
THE:ONE4EMP3ENSORISOPEN
ORSHORTEDAND:ONE2ESETIS
NOTENABLED
.OTAPPLICALONDOMESTICUNITS
$&7,9(&855(17/,0,76(732,17 ;;;
&+,//(55/$ ;;;
287'225$,57(03(5$785( ;;;;)
=21(7(03(5$785( ;;;;)
1H[W
1H[W
)URP:$7(5+75(17(5,1*:$7(57(03RQSUHYLRXVSDJH
7RKHDGHU
RI&KLOOHU
5HSRUW
$ASHESWILLBEDISPLAYEDIF
THESENSORISOPENORSHORTEDAND
NEITHER/UTDOOR!IR2ESETOR,OW
!MBIENT,OCKOUTISENABLED
$ASHESWILLBEDISPLAYEDIF
THE:ONE4EMP3ENSORISOPEN
ORSHORTEDAND:ONE2ESETIS
NOTENABLED
.OTAPPLICALONDOMESTICUNITS
$&7,9(&855(17/,0,76(732,17 ;;;
&+,//(55/$ ;;;
287'225$,57(03(5$785( ;;;;)
=21(7(03(5$785( ;;;;)
1H[W
1H[W

78 RTAA-SVX01A-EN
Controls Interface
5()5,*(5$177(0335(6685(5(3257
35(661(;735(9,28672&217,18(
&.7(9$35)*735(6685( ;;;36,*
&.7&21'5)*735(6685( ;;;36,*
&.7&356568&7,215)*77(03 ;;;;)
&.76$785$7('(9$35)*77(03 ;;;;)
&.76$785$7('&21')77(03 ;;;;)
&.7(9$35)*735(6685( ;;;36,*
&.7&21'5)*735(6685( ;;;36,*
&.7&356568&7,215)*77(03 ;;;;)
&.76$785$7('(9$35)*77(03 ;;;;)
&.76$785$7('5)*77(03 ;;;;)
5HIULJHUDQW
5HSRUW
1H[W
1H[W
1H[W
1H[W
1H[W
1H[W
1H[W

RTAA-SVX01A-EN 79
Controls Interface
$ISPLAYWILLCHANGE
ACCORDINGTOCOMPREVIEWING
#/-02%33/2!-/$%
#/-02%33/2"-/$%
#/-02%33/2#-/$%
#/-02%33/2$-/$%
;-/$%=
3TOPPED
,OCKED/UT
7AITINGFOR2ESTART)NHIBIT4IME
3TARTING
2UNNING
2UN#ONDENSER,IMIT
2UN%VAPORATOR,IMIT
2UN#URRENT,IMIT
3TOPPING
3ERVICE0UMPDOWN
&RPSUHVVRU
5HSRUW
&2035(66255(325702'(+56675765/$
35(661(;735(9,28672&217,18(
&2035(6625621 $%&'121(
&,5&8,76/2&.('287 &.7&.7121(
/,1(92/76 ;;;
&2035(6625$02'( >02'(@
&2035(6625$5/$$9(5$*( ;;;
&2035(6625$5/$+,*+3+$6( ;;;
&2035(6625$(17(5,1*2,/7(03 ;;;)
&2035(6625$67$576 ;;;;;
&2035(6625$5811,1*+2856 ;;;;;
!FTERREVIEW #OMPRESSOR
OFLASTCOMP"#$
4/..!'%/&5.)4
4/.34/.3
1H[W
1H[W
1H[W
1H[W
1H[W
1H[W
1H[W

80 RTAA-SVX01A-EN
Controls Interface
&+,//(523(5$7,216(77,1*6$1'6(732,176
35(661(;735(9,28672&217,18(
6(732,176285&( >6285&(@
35(6672&+$1*(6(77,1*
)52173$1(/&+,//(':756(737 ;;;)
35(6672&+$1*(6(77,1*
(;7(51$/&+,//(':756(732,17 >'(@
35(6672&+$1*(6(77,1*
'(6,*1'(/7$7(036(732,17 ;;;)
35(6672&+$1*(6(77,1*
&+,//(':$7(53803 >21$872@
35(6672&+$1*(6(77,1*
&+,//(':$7(538032))'(/$< >0,187(6@
35(6672&+$1*(6(77,1*
7R)52173$1(/&855(17/,0,76(737RQQH[WSDJH
;3/52#%=
,OCAL
4RACER
$EFAULT&
3ELECT/&TO&
)F,)-)4%$BY#UTOUT3ETPT
TOCHANGEISDISPLAYED
REFERTOTHESECTIONON,EAVING
7ATER4EMPERATURE#UTOUTAND
,OW2EFRIGERANT4EMPERATURE
#UTOUT
$EFAULT$ISABLE
$EFAULT/&
3ELECT&TO&
$EFAULT&
3ELECT&TO&
/.-ANUALOVERRIDEOF#HILLED
7ATER0UMP/FF$ELAY
;-).54%3=
$EFAULT-IN
3ELECT-INTO-IN
',))(5(17,$/7267$576(732,17 ;;;)
35(6672&+$1*(6(77,1*
1H[W
1H[W
1H[W
1H[W
1H[W
1H[W
1H[W
1H[W
2SHUDWRU
6HWWLQJV

RTAA-SVX01A-EN 81
Controls Interface
)URP&+,//(':$7(538032))'(/$<RQSUHYLRXVSDJH
)52173$1(/&855(17/,0,76(737 ;;;
35(6672&+$1*(6(77,1*
(;7(51$/&855(17/,0,76(737 >'(@
35(6672&+$1*(6(77,1*
/2:$0%,(17/2&.287 >'(@
35(6672&+$1*(6(77,1*
/2:$0%,(17/2&.2876(732,17 ;;;)
35(6672&+$1*(6(77,1*
,/7!-")%.4,/#+/54
/PERATORSETTINGSMENU
%.!",%$)3!",%
&+,//(':$7(55(6(77<3( >7<3(@
35(6672&+$1*(6(77,1*
4YPEOF#HILLED7ATER
2ESET3ELECTED!BOVE
2%452.7!4%2
:/.%
/54$//2!)2$)3!",%
>7<3(@7<3(5(6(75$7,2 ;;;
35(6672&+$1*(6(77,1*
7R>7<3(@7<3(67$575(6(76(737RQQH[WSDJH
$EFAULT
3ELECTTO
$EFAULT$ISABLE
$EFAULT$ISABLE
$EFAULT&
3ELECT&TO&
$EFAULT$ISABLE
3ELECT2ETURN7TR
:ONE
/UTDOOR!IR
;490%=
2ETURN
$EFAULT
2ANGETO
:ONE
$EFAULT
2ANGETO
/UTDOOR
$EFAULT
2ANGETO
1H[W
1H[W
1H[W
1H[W
1H[W
1H[W

82 RTAA-SVX01A-EN
Controls Interface
;490%=
2ETURN
$EFAULT/&
2ANGE&TO&
:ONE
$EFAULT&
2ANGE&TO&
/UTDOOR
$EFAULT&
2ANGE&TO&
;490%=
2ETURN
$EFAULT&
2ANGE/&TO&
:ONE
$EFAULT&
2ANGE/&TO&
/UTDOOR
$EFAULT&
2ANGE/&TO&
$EFAULT$ISABLE
$EFAULT&
3ELECT&TO&
)URP>7<3(@7<3(5(6(75$7,2RQSUHYLRXVSDJH
>7<3(@7<3(67$575(6(76(737 ;;;)
35(6672&+$1*(6(77,1*
>7<3(@7<3(0$;5(6(76(737 ;;;)
35(6672&+$1*(6(77,1*
,&(0$&+,1(&21752/ >'(@
35(6672&+$1*(6(77,1*
3$1(/,&(7(50,1$7,216(737 ;;;)
35(6672&+$1*(6(77,1*
1H[W
1H[W

RTAA-SVX01A-EN 83
Controls Interface
)FTHEKEYPADISLOCKED
ANDADIAGNOSTICOCCURSTHE
ALARMLIGHTWILLFLASHIF
APPLICABLEBUTTHEDIAGNOSTIC
SCREENWILLNOTBEDISPLAYED
UNTILTHEKEYPADISUNLOCKED
/NCETHEKEYPADISLOCKED
/NCETHEKEYPADISLOCKED
THE0REVIOUSAND%NTERNEEDTO
BEPRESSEDSIMULTANEOUSLY
TOUNLOCKTHEKEYPAD
$EFAULT$ISABLE
$EFAULT
3ELECTIONS
$EFAULTSEC
3ELECTTOSEC
6(59,&(6(77,1*6(1$%/(681,76
35(661(;735(9,28672&217,18(
35(66(17(572/2&.',63/$<.(<3$'
3$66:25':,//%(5(48,5('7281/2&.
$EPRESSEITHER
%NTEROR.EXT
',63/$<$1'.(<3$'$5(/2&.('
(17(53$66:25'7281/2&.
81'(529(592/7$*(3527(&7,21 >'(@
35(6672&+$1*(6(77,1*
81,7/,1(92/7$*( >92/7@9
35(6672&+$1*(6(77,1*
5(67$57,1+,%,77,0( ;;;6(&
35(6672&+$1*(6(77,1*
7R%$/$1&('&356567$576+2856RQQH[WSDJH
$ISPLAYWILLRETURNTO
#HILLER/PERATING-ODE
UNDER#HILLER2EPORT
3TATUSOF+EYPAD$ISPLAY,OCK&EATURE
3ERVICE3ETTING-ENU
%.!",% $)3!",%
3UHYLRXV (QWHU
1H[W
1H[W
1H[W
1H[W
1H[W
1H[W
6HUYLFH
6HWWLQJV

84 RTAA-SVX01A-EN
Controls Interface
)URP5(67$57,1+,%,77,0(RQSUHYLRXVSDJH
$EFAULT$ISABLE
;5.)43=
3)
%.',)3(
;,!.'5!'%=
%NGLISH
&RANCAIS
%SPANOL
.IPPON
)TALIANO
$EUTSCH
.EDERLANDS
-ENUITEMWILLNOTBE
DISPLAYEDUNTILLATERVERSION
$EFAULT
3ELECTTO
2EFERTO!LARM2UNNING
-AX#APACITY/UTPUTSFOR
DETAILS
$EFAULT$ISABLE
2EFERTOSECTIONON
0ASSWORDSFORDETAILS
%$/$1&('&356567$576+2856 >'(@
35(6672&+$1*(6(77,1*
',63/$<81,76 >81,76@
35(6672&+$1*(6(77,1*
/$1*8$*( >/$1*8$*(@
35(6672&+$1*(6(77,1*
352*5$00$%/(5(/$<6(783 ;;
35(6672&+$1*(6(77,1*
(;7(51$/&,5&8,7/2&.287 >'(@
35(6672&+$1*(6(77,1*
3$66:25'5(48,5(')25)857+(5$&&(66
3/($6((17(53$66:25'
7R0$&+,1(
&21),*85$7,21
0(18
7R6(59,&(6(7830(18RQQH[WSDJH
3ELECT3ERVICE3ETUP-ENU
OR
-ACHINE#ONFIGURATION-ENU
1H[W
1H[W
1H[W
1H[W
1H[W
(QWHU
(QWHU

RTAA-SVX01A-EN 85
Controls Interface
$EFAULT
3ELECTTO
$EFAULT&
3ELECT&TO&
3EESECTIONON,EAVING7ATER
4EMPERATURE#UTOUTFORPROPER
SETTINGS
$EFAULT&
3ELECT&TO&
3EESECTIONON,OW
2EFRIGERANT4EMPERATURE#UTOUT
FORPROPERSETTINGS
$EFAULT$ISABLE
$EFAULT
3ELECTTO
$EFAULT%NABLE
)URP6HOHFW6HUYLFH6HWXS0HQXRQSUHYLRXVSDJH
6(59,&(6(7830(18
35(661(;735(9,28672&+$1*(6(77,1*
.(<3$'',63/$</2&.)($785( >'(@
35(6672&+$1*(6(77,1*
,&6$''5(66 ;;
35(6672&+$1*(6(77,1*
/9*:757(03&872876(732,17 ;;;)
35(6672&+$1*(6(77,1*
/2:5)*77(03&872876(737 ;;;)
35(6672&+$1*(6(77,1*
/2::757(03(;9*$,1&203 >'(@
35(6672&+$1*(6(77,1*
&21'(16(5/,0,76(732,17 ;;+3&
35(6672&+$1*(6(77,1*
3+$6(81%$/$1&(3527(&7,21 >'(@
35(6672&+$1*(6(77,1*
7R3+$6(5(9(56$/3527(&7,21RQQH[WSDJH 7R0$&+,1(
&21),*85$7,21
0(18
7R0$&+,1(
&21),*85$7,21
0(18
1H[W
1H[W
1H[W
1H[W
1H[W
1H[W
1H[W
1H[W

86 RTAA-SVX01A-EN
Controls Interface
7R&2035(662502'(/1235(),;RQQH[WSDJH
)URP3+$6(81%$/$1&(3527(&7,21RQSUHYLRXVSDJH
7R0$&+,1(
&21),*85$7,21
0(18
$EFAULT%NABLE
$EFAULT&
3ELECT&TO&
TONUNITSMUSTBESET
AT&
$EFAULT
3ELECTTO
)NCREASETOMAKEMORERESPONSIVE
DECREASETOMAKELESSRESPONSIVE
$EFAULT
3ELECTTO
)NCREASETOMAKEMORERESPONSIVE
DECREASETOMAKELESSRESPONSIVE
$EFAULT
3ELECTTO
)NCREASETOMAKEMORERESPONSIVE
DECREASETOMAKELESSRESPONSIVE
$EFAULT
3ELECTTO
$EFAULT
3ELECTTO
3+$6(5(9(56$/3527(&7,21 >'(@
35(6672&+$1*(6(77,1*
683(5+($76(732,17 ;;)
35(6672&+$1*(6(77,1*
(;9&21752/5(63216(&.7 ;;;
35(6672&+$1*(6(77,1*
(;9&21752/5(63216(&.7 ;;;
35(6672&+$1*(6(77,1*
/9*:757(03&175/5(636(737 ;;;
35(6672&+$1*(6(77,1*
)$1&175/'($'%$1'%,$6&.7 ;;36,'
35(6672&+$1*(6(77,1*
)$1&175/'($'%$1'%,$6&.7 ;;36,'
35(6672&+$1*(6(77,1*
0$&+,1(&21),*85$7,210(18
35(661(;735(9,28672&+$1*(6(77,1*
1H[W
1H[W
1H[W
1H[W
1H[W
1H[W
1H[W
1H[W

RTAA-SVX01A-EN 87
Controls Interface
;8888=
#((.TONUNITS
#(("TONUNITS
2EFERTO#OMPRESSOR.AMEPLATE
#0-$EFAULT%NABLE
$EFAULT
-USTBESETAT
$EFAULT
3ELECT
$EFAULT
3ELECT
)URP0$&+,1(&21),*85$7,210(18RQSUHYLRXVSDJH
7R0$&+,1(
&21),*85$7,21
0(18
&2035(662502'(/1235(),; >;;;;@
35(6672&+$1*(6(77,1*
#OMPRESSOR-ODEL.O0REFIX
#((.#(("
&2035(6625$7216 >7216@
35(6672&+$1*(6(77,1*
)STHEREA#OMPRESSOR"
9%3./
&2035(6625%7216 >7216@
35(6672&+$1*(6(77,1*
)STHEREA#OMPRESSOR#
9%3./
7R&2035(6625&7216RQQH[WSDJH 7R0$&+,1(
&21),*85$7,21
0(18
180%(52)&2035(66256 ;
35(6672&+$1*(6(77,1*
1H[W
1H[W
1H[W
2,//266',))(5(17,$/6(737 ;;;)
35(6672&+$1*(6(77,1*

88 RTAA-SVX01A-EN
Controls Interface
$EFAULT
3ELECT
$EFAULT
3ELECT
$EFAULT24!
3ELECT24!247245
$EFAULT$ISABLE
)F6ARIABLE3PEED&ANISSET
TO%NABLEFOREITHER#IRCUIT
OR#IRCUITTHENgg,OW!MBIENT
5NIT(ALF!IR&LOW&ANggAND
gg,OW!MBIENT5NIT4WO3PEED
-OTORggAREFORCEDTO$ISABLE
$EFAULT$ISABLE
$EFAULT
3ELECT
)URP,VWKHUHD&RPSUHVVRU&RQSUHYLRXVSDJH
7R0$&+,1(
&21),*85$7,21
0(18
&2035(6625&7216 >7216@
³35(6672&+$1*(6(77,1*´
)STHEREA#OMPRESSOR$
9%3./
&2035(6625'7216 >7216@
35(667R&+$1*(6(77,1*
8QLW0RGHO >7\SH@
35(6672&+$1*(6(77,1*
5NIT-ODEL
24!245247
9$5,$%/(63((')$1&,5&8,7 >'(@
35(6672&+$1*(6(77,1*
9$5,$%/(63((')$1&,5&8,7 >'(@
35(6672&+$1*(6(77,1*
180%(52))$16&,5&8,7 >)$16@
35(6672&+$1*(6(77,1*
7R0$&+,1(
&21),*85$7,21
0(18
7R180%(52))$16&,5&8,7RQQH[WSDJH
1H[W
1H[W
1H[W
1H[W
1H[W
1H[W

RTAA-SVX01A-EN 89
Controls Interface
7R0$&+,1(
&21),*85$7,21
0(18
7R&855(17295/'6(77,1*&3565'RQQH[WSDJH
)URP180%(52))$16&,5&8,7RQSUHYLRXVSDJH 7R0$&+,1(
&21),*85$7,21
0(18
$EFAULT
3ELECT
$EFAULT$ISABLE
$EFAULT9$ELTA
3ELECT9$ELTA
0ART7INDING
$EFAULT
3ELECTTO
$EFAULT
3ELECTTO
$EFAULT
3ELECTTO
180%(52))$16&,5&8,7 >)$16@
35(6672&+$1*(6(77,1*
5('8&(',1586+67$57,1* >'(@
35(6672&+$1*(6(77,1*
&855(17295/'6(77,1*&3565$ ;;;
35(6672&+$1*(6(77,1*
)STHEREA#OMPRESSOR"
9%3./
&855(17295/'6(77,1*&356% ;;;
35(6672&+$1*(6(77,1*
)STHEREA#OMPRESSOR#
9%3./
&855(17295/'6(77,1*&3565& ;;;
35(6672&+$1*(6(77,1*
)STHEREA#OMPRESSOR$
9%3./
1H[W
1H[W
1H[W
1H[W
6WDUWHU7\SH >7\SH@
35(6672&+$1*(6(77,1*
1H[W
2EDUCED)NRUSH3TARTING
9%3./

90 RTAA-SVX01A-EN
Controls Interface
5()5,*(5$177<3( >7<3(@
35(6672&+$1*(6(77,1*
$EFAULT
3ELECTTO
$EFAULT$ISABLE
TONSNEED
,OW!MB5NIT(ALF
!IRFLOW&ANDISABLED
$EFAULT$ISABLE
.OTAPPLICABLETODOMESTIC
TONUNIT
$EFAULT$ISABLE
$EFAULT
3ELECT
$EFAULT
3ELECT
$EFAULT2
3ELECT22A
#!54)/.24!!TON
UNITSARETOBERUNWITH2
REFRIGERANT#ONTACTAQUALIFIED
SERVICETECHNICIANFORFURTHER
DETAILS
)URP,VWKHUHD&RPSUHVVRU'RQSUHYLRXVSDJH
7R0$&+,1(
&21),*85$7,21
0(18
&855(17295/'6(77,1*&3565' ;;;
35(6672&+$1*(6(77,1*
&AN#ONTROL
3ERVICE3ETTING-ENU
$)3!",%%.!",%
/2:$0%81,7+$/)$,5)/2:)$1 >'(@
35(6672&+$1*(6(77,1*
/2:$0%81,77:263(('02725 >'(@
35(6672&+$1*(6(77,1*
180%(52)(;99$/9(6&.7 ;
35(6672&+$1*(6(77,1*
180%(52)(;99$/9(6&.7 ;
35(6672&+$1*(6(77,1*
1H[W
1H[W
1H[W
1H[W
1H[W
1H[W
1H[W
1,*+712,6(6(7%$&. >'(@
35(6672&+$1*(6(77,1*

RTAA-SVX01A-EN 91
Controls Interface
$EFAULT$ISABLE
$EFAULT$ISABLE
$EFAULT$ISABLE
$EFAULT$ISABLE
$EFAULT$ISABLE
$EFAULT$ISABLE
6(59,&(7(676303':1(;9&035/&.287
35(661(;735(9,28672&217,18(
6(59,&(3803'2:1&3565$ >'(@
35(6672&+$1*(6(77,1*
)STHEREA#OMPRESSOR"
9%3./
6(59,&(3803'2:1&3565% >'(@
35(6672&+$1*(6(77,1*
)STHEREA#OMPRESSOR#
9%3./
6(59,&(3803'2:1&3565& >',(@
35(6672&+$1*(6(77,1*
)STHEREA#OMPRESSOR$
9%3./
6(59,&(3803'2:1&3565' >'(@
35(6672&+$1*(6(77,1*
(;97(67&,5&8,7 >'(@
35(6672&+$1*(6(77,1*
(;97(67&,5&8,7 >'(@
35(6672&+$1*(6(77,1*
7R&2035(66257(67&3565$RQQH[WSDJH
1H[W
1H[W
1H[W
1H[W
1H[W
1H[W
1H[W
6HUYLFH
7HVWV

92 RTAA-SVX01A-EN
Controls Interface
&,5&8,7/2&.287&.7 >81/2&./2&.287@
35(66&+$1*(6(77,1*
)STHEREA#OMPRESSOR"
9%3./
)STHEREA#OMPRESSOR#
9%3./
)STHEREA#OMPRESSOR$
9%3./
)URP(;97(67&,5&8,7RQSUHYLRXVSDJH
$EFAULT$ISABLE
$EFAULT$ISABLE
$EFAULT$ISABLE
$EFAULT$ISABLE
$EFAULT5.,/#+
$EFAULT5.,/#+
&2035(66257(67&3565$ >'(@
35(6672&+$1*(6(77,1*
&2035(66257(67&3565% >'(@
35(6672&+$1*(6(77,1*
&2035(66257(67&3565& >'(@
35(6672&+$1*(6(77,1*
&2035(66257(67&3565' >'(@
35(6672&+$1*(6(77,1*
&,5&8,7/2&.287&.7 >81/2&./2&.287@
35(66&+$1*(6(77,1*
1H[W
1H[W
1H[W
1H[W
1H[W
1H[W

RTAA-SVX01A-EN 93
Controls Interface
Diagnostics
If there are no diagnostic messages, the selected menu item will be
displayed continuously. If the Diagnostics key is pressed and there are no
active diagnostics, the readout on the display will be
NO ACTIVE DIAGNOSTICS PRESENT
When a system malfunction occurs, one of the following appropriate
diagnostic messages will be displayed:
***A MACHINE SHUTDOWN HAS OCCURRED!***
A MACHINE SHUTDOWN OCCURRED
BUT HAS CLEARED “PRESS (NEXT)”
***A CIRCUIT SHUTDOWN HAS OCCURRED!***
A CIRCUIT SHUTDOWN OCCURRED
BUT HAS CLEARED “PRESS (NEXT)”
***INFORMATIONAL WARNING***
AN INFORMATIONAL WARNING OCCURRED.
BUT HAS CLEARED “PRESS (NEXT)”
When a Circuit Shutdown – Manual Reset (CMR) or a Machine Shutdown –
Manual Reset (MMR) occurs, the red LED to the right of the display will flash.
Otherwise this alarm LED is deenergized.
If more than one diagnostic is present, only the highest priority active
diagnostic will be explained in detail. For example, if three diagnostics occur
in the following order before the operator returns – IFW, MMR, CMR – the
display will read
*** A MACHINE SHUTDOWN HAS OCCURRED! ***
because the MMR has the highest priority. However, as the operator moves
through the diagnostic menu to the “Last Diagnostic”, the [Diagnostic
Description] will show the CMR diagnostic as well as the IFW. If the “Next”
key is pressed, the display will show all other active and historic diagnostics.
The active diagnostic priorities, listed from highest to lowest are:
Machine Shutdown –
Manual Reset (MMR)
Machine Shutdown –
Automatic Reset (MAR)
Circuit Shutdown –
Manual Rest (CMR)
Circuit Shutdown –
Automatic Reset (CAR)
Informational Warning (IFW)
Use the Next key to enter the main diagnostic menu, where diagnostics can
be cleared.
Important: Record diagnostic before pressing enter to clear.

94 RTAA-SVX01A-EN
Controls Interface
Operational Features
Entering Evaporator Water Temperature
When one or both compressors are running, the UCM continually monitors
and compares the entering and leaving evaporator water temperatures. If the
temperature of the entering water drops more than 2 F below the leaving
water temperature for more than 100 degree F seconds, the UCM uses this
to indicate a loss of water flow through the evaporator. This will shut down
that circuit's compressor and will display an MMR diagnostic.
Current Limit Setpoint
The current limit setpoint for the system (front panel or remote) are entered
through the Clear Language Display menus. The current limit setpoint for
each compressor is shown in Table 16.
Based upon current levels received at the UCM, the compressor slide valve is
modulated to prevent the actual chiller current from exceeding the CLS.
When a compressor is turned off, the CLS for the remaining running
compressor shall be reset upward immediately. When a compressor is
added, the CLS for the running compressor shall be ramped downward at a
rate not less than 10% RLA per minute to the new setpoint.
Low Ambient Lockout
The lockout provides a method for preventing unit start-up when the outdoor
air temperature is below the setpoint. If the outdoor temperature goes below
the setpoint during operation, the UCM will go through a normal shutdown of
the unit. If the outdoor temperature subsequently increases to 5 F above the
setpoint, the UCM will automatically re-enable the unit. The low ambient
lockout feature has a range from -20 F to 60 F
Electronic Expansion Valve (EXV) Test
This test can be performed only when the Stop key has been pressed. It will
confirm proper operation of the electronic expansion valve and the EXV
module.
Once the test has been initiated at the Clear Language Display, the UCM will:
1. Overdrive the EXV closed (25 seconds).
2. Overdrive the EXV open (25 seconds).
3. Overdrive the EXV closed (25 seconds).
4. Reset the display to disable and end the test.
The EXV produces an audible clicking sound when it is driven against its end
stops. Step 1 drives the EXV to its closed position, during which time service
personnel can move from the Clear Language Display to the EXV.
NOTE: A tool may be needed to aid in hearing the clicking of the EXV, such
as a screwdriver held between the EXV and the ear.
When Step 1 completes, the clicking stops and the UCM begins to open the
EXV. When the EXV is fully opened, the valve will begin to click against its end
stop. The service personnel must be prepared to time the period between
the end of clicking in Step 1 and the beginning of clicking in Step 2.
The time between the end of clicking in Step 2 and the beginning of clicking
in Step 3 must also be recorded. The time for the EXV to go from fully closed
to fully open (which is the first time recorded) should be approximately 15
seconds. The time to go back to fully closed (which is the second time
recorded) is approximately 15 seconds.

RTAA-SVX01A-EN 95
Controls Interface
Current Overload Protection
The UCM continually monitors compressor current to provide unit protection
in the event of an overcurrent or locked rotor condition. Protection is based on
the phase with the highest current and, if limits are exceeded, the UCM will
shutdown the compressor and will display an MMR diagnostic.
Leaving Chilled Water Temperature Control
If the Auto key is pressed and a remote chilled water setpoint has been
communicated, the UCM will control to the Remote Chiller Water Setpoint.
Otherwise, it will control to the front panel setpoint. Control is accomplished
by both staging compressors and modulating the slide valves on each
compressor.
Upon start-up, if the leaving chilled water temperature is dropping 5 F per
minute or faster, the chiller will not load further.
Chilled Water Reset (CWR)
As an option, the UCM will reset the chilled water temperature setpoint,
based on either the return water temperature, zone air temperature, or
outdoor air temperature. The 1U2 Module is necessary to preform CWR.
The following are selectable:
1. One of three RESET TYPEs, from top to bottom in order of reset:
no CWR
RETURN WATER TEMPERATURE RESET
OUTDOOR AIR TEMPERATURE RESET
The Clear Language Display will not permit more than one type of reset to be
selected in the Operator Settings Menu.
2. RESET RATIO Setpoints. For OUTDOOR AIR TEMPERATURE RESET,
there are both positive and negative reset ratios.
3. START RESET Setpoints
4. MAXIMUM RESET Setpoints. The maximum resets are with respect to
the chilled water setpoint.
No matter which type of reset is selected all parameters are factory set to a
predetermined set of values. Field adjustment of 2,3,or 4 above, is usually not
required.
Table 16 Compressor(s) Current Limit Setpoints
vs. Chiller Current Limit Setpoint (CLS)
System
CLS
(70 - 125)
Number of compressors
in operation
One Tw o
120% 120 120
100% 120 100
80% 120 80
60% 120 60
40% 80 40

96 RTAA-SVX01A-EN
Controls Interface
The equations for each type of reset are:
RETURN WATER TEMPERATURE RESET
CWS' = CWS + RESET RATIO
[START RESET - (TWE - TWL)]
and CWS' > or = CWS
and CWS' - CWS < or = MAXIMUM RESET
OUTDOOR AIR TEMPERATURE RESET
CWS' = CWS + RESET RATIO
[START RESET - TOD]
and CWS' > or = CWS
and CWS' - CWS < or = MAXIMUM RESET
CWS' is the new chilled water setpoint.
CWS is the active chilled water setpoint before any reset has occurred.
RESET RATIO is a user adjustable gain.
START RESET is a user adjustable reference.
TOD is the outdoor temperature.
TWE is the entering evaporator water temperature.
TWL is the leaving evaporator water temperature.
MAXIMUM RESET is a user adjustable limit, providing the maximum amount
of reset.
NOTE: When any type of CWR is enabled, the UCM will step the CWS
toward the desired CWS' (based on the above equations and setup
parameters) at a rate of 1 F every 5 minutes. This applies when the chiller is
both running and off. Normally the chiller will start at the Differential-to-Start
value above a fully reset CWS or CWS'.
The values for RESET RATIO for each type of reset are:
Reset Type
Reset
Ratio Range
Increment
English Units
Increment
SI Units
Factory Default
Value
Return 1O to 120% 1% 1% 50%
Outdoor 80 to -80% 1% 1% 10%
The values for START RESET for each type of reset are:
Reset Type
Start
Reset Range
Increment
English Units
Increment
SI Units
Factory Default
Value
Return 4 TO 30 F 1 F 0.1C 10 F (5.6 C)
(2.2 to 16.7 C)
Outdoor 50 to 130 F 1 F 0.1 C 90 F (32.2 C)
(10 to 54.4 C
The values for MAXIMUM RESET for each type of reset are:
Reset
Ty p e
Maximum
Reset Range
Increment
English Units
Increment
SI Units
Factory Default
Value
Return 1O to 20 F 1 F 0.1C 5 F (2.8 C)
(-17.8 to -6.7 C)
Outdoor O to20 F 1 F 0.1 C 5 F (2.8 C)
(-17.8 to -6.7 C)

RTAA-SVX01A-EN 97
Controls Interface
Leaving Water Temperature Cutout
This temperature cutout provides protection against freezing caused by low
leaving water temperature. The setpoint is both factory set and adjustable
from the Service Settings Menu. Temperatures below the setpoint will cause
the UCM to accelerate reduction of chiller capacity, even to the point of
compressor shutdown. A non-latching diagnostic will be generated if the LWT
is below the cutout for more than 30 degree F seconds. See Table 10 for
proper settings.
There must be a minimum of 5 F between the cutout temperature and both
the front panel and active chilled water setpoints. The Clear Language Display
will not permit setting of either the front panel or active chilled water temper-
atures less than 5 F above this cutout temperature. The second line will state
“Limited by Cutout Setpoint, (+) to change”.
If the leaving water temperature cutout is set upward, the Clear Language
Display will maintain the 5 F minimum and will automatically raise the
settings on the front panel and active chilled water setpoints, if necessary.
If the front panel or Active Chilled Water Setpoints were adjusted, the display
will show the following when the “Enter” key is pressed:
“FRONT PANEL CHILLED WATER SETPOINT
HAS BEEN INCREMENTED DUE TO CUTOUT
SETPOINT CHANGE”
If the leaving water temperature drops below the cutout setpoint while the
compressors are de-energized, it will produce an IFW diagnostic. If the
leaving water temperature drops below the cutout setpoint while the
compressors are energized for 30 F seconds, the unit will shut down on an
MAR diagnostic.
Low Refrigerant Temperature Cutout
Both circuits are protected from a saturated evaporator refrigerant temper-
ature that goes below this setting. The cutout setpoint must be a minimum of
15 F lower than the front panel or active chilled water setpoints. See Table 17
for proper settings.
There must be a minimum of 15 F between the cutout temperature and both
the front panel and active chilled water setpoints. The Clear Language Display
will not permit setting of either the front panel or active chilled water temper-
atures less than 15 F above this cutout temperature and the display will flash
the last valid temperature.
If the leaving water temperature cutout is set upward, the Clear Language
Display will maintain the 15 F minimum and will automatically raise the
settings on the front panel and active chilled water setpoints, if necessary.
If the front panel or Active Chilled Water Setpoints were adjusted, the display
will show the following when the “Enter” key is pressed:
“FRONT PANEL CHILLED WATER SETPOINT
HAS BEEN INCREMENTED DUE TO CUTOUT
SETPOINT CHANGE”
If the saturated evaporator refrigerant temperature for a circuit drops below
this setpoint for longer than 30 degree F seconds, the circuit will be
shutdown and a CMR diagnostic will be displayed.
NOTE: Ice Termination will allow cutouts to be set anywhere, although
when running, software follows 5 F and 15 F rules.

98 RTAA-SVX01A-EN
Controls Interface
Low Ambient Temperature Start
The Low Refrigerant Temperature Cutout (LRTC) and Low Pressure Cutout
(LPC) on a circuit is ignored, briefly, each time the circuit is started. The
“ignore time” is a function of the Saturated Condenser Refrigerant Temper-
ature at the time the compressor starts, as shown in Figure 36.
Table 17 Leaving Fluid Temperature Setpoints
The leaving chilled water temperature is not the same as the ice termination setpoint. The
ice termination setpoint is based on entering chilled water temperature. Therefore, the ice
termination setpoint, minus temperature drop across the evaporator while in the ice
making mode, equals the leaving chilled water temperature.
Leaving
Chilled Water
Te m p - F
Leaving
Water Temp
Cutout - F
Low
Refrig Temp
Cutout - F
Recommended***
% Ethylene Glycol
Solution
Freeze Point - F
40 35 22 0 32
39 34 20 3
38 33 18 6
37 32 17 8
36 31 15 10 25
35 30 14 12
34 29 12 14
33 28 11 15 21
32 27 9 17
31 26 7 19
30 25 6 20 16
29 24 4 21
28 23 2 23
27 22 0 25 10
26 21 -1 26
25 20 -3 28
24 19 -5 29
23 18 -6 30 4
22 17 -8 31
21 16 -10 33
20 15 -11 34
19 14 -13 35 -3
18 13 -15 36
17 12 -17 37
16 11 -18 38
15 10 -19 39
14 9 -21 40 -11
13 8 -23 41
12 7 -24 42
11 6 - 26 4 3
10 5 -27 43
94-2944
83-3145 -21
72-3246
61-3447
50-3547
4-1-3748
3-2-3849
2-3-3950 -32
1-4-3950
0-5-3950
***Recommended% Ethylene Glycol will give freeze protection consistent with other chiller
safety controls (solution freeze point is nominally 10'F above refrig temp cutout).

RTAA-SVX01A-EN 99
Controls Interface
Low Refrigerant Temperature Cutout and Low Pressure Cutout Retry
If the LRTC or LPC trips despite the low ambient temperature start logic, the
circuit will be permitted to shutdown and retry one time.
If the LRTC or LPC trips within the first 20 minutes after initial start but after
the low ambient ignore time (grace period), the compressor stops immedi-
ately and the Restart Inhibit timer is set to one minute. After time expires, the
compressor will reset if there is a call for cooling.
If the LRTC or LPC trips again during the grace period, a CMR diagnostic will
occur. If there is an LRTC or LPC trip anytime after the grace period, a CMR
diagnostic will occur.
Balanced Compressor Starts and Hours
This feature is enabled/disabled in Balanced Starts and Hours (Service
Settings Menu). When enabled, the UCM will start the compressor with the
fewest starts and stop the compressor with the greatest hours, as deter-
mined by the “Compressor Starts” accumulator and the “Compressor
Hours” accumulator. This will tend to balance out hours and starts equally
over both compressors.
Phase Imbalance Protection
The Clear Language Display monitors the current in each phase and calcu-
lates the percentage of imbalance as follows:
Figure 36 Low Refrigerant Temperature and Low Pressure Cutout Ignore Time
6DW&RQG5IJW7HPS'HJUHHV)DW&RPSUHVVRU6WDUW
/RZ5HIULJHUDQW7HPS,JQRUH7LPHYV&RQG5IJW7HPS
6HF
/
5
7
&
/
3
&
,
J
Q
R
U
H
7
L
P
H
% Imbalance
lxlave
–()x 100
lave
-------------------------------------=

100 RTAA-SVX01A-EN
Controls Interface
= phase with greatest difference from lave (without regard to sign)
If Phase Unbalanced Protection (Service Settings Menu) is enabled, and the
average three phase current is greater than 80% RLA, and the percent of
imbalance is calculated to exceed 15%, the UCM will shutdown the
compressor and display a CMR diagnostic.
In addition to the 15% criteria, the Clear Language Display has a non-
defeatable 30% criteria which has its own diagnostic. If the 15% criteria is
enabled, it will always display the 15% diagnostic first. The 30% criteria is
always active when a compressor is running, regardless of% RLA.
Reverse Rotation Protection
The Clear Language Display monitors incoming current during start-up and
will shutdown the compressor within one second, if phase reversal is
detected.
CAUTION
Reversed Phase Rotation!
Phase relationships during installation of unit power must be
carefully controlled to assure compressor protection against
reversed phase rotation.
Oil Failure Protection
The 70 to 125 Ton units do not use the differential pressure switch to monitor
for an oil line restriction. The logic of the UCM uses a comparison of the
entering oil temperature at the compressor to the saturated condenser
temperature to determine if there is an oil line restriction.
The differential between the entering oil temperature and the saturated
condenser temperature is referred to as the” Oil Loss Differential Setpoint” in
the Service Settings Menu. This setpoint must remain at the default of -4 F
for the unit to function properly.
If the entering oil temperature drops 4 F below the saturated condenser
temperature for more than 30 minutes, the circuit will shutdown on a CMR
diagnostic. The diagnostic will be presented as:
“OIL SYSTEM FAULT - CKT X°
DIP Switch Settings
Compressor Overload DIP Switches
The settings for these switches are shown in Table 18.
IPC Address
The IPC address set the address for Inter-Processor Communications of the
Clear Language Display modules. The following is the IPC DIP switch settings
for the RTAA 70 – 125 modules.
MODULE
IPC DIP
SWITCH 1U3 1U4 1U5 1U7
1 OFF OFF OFF OFF
2 OFF OFF ON OFF
3———ON
lave
l1l2l3
++()
3
------------------------------=
1x

RTAA-SVX01A-EN 101
Controls Interface
2-10 VDC/4-20 mA Input for External Chilled Water Setpoint (CWS) and
Current Limit Setpoint (CLS)
When either external CWS or external CLS is used on the optional Module
1U2, DIP switch SW1 positions 1 and/or 2 must be set to accommodate the
type of signal source the customer has chosen, either 2-10 VDC or 4-20 mA.
Position SW-1-1 sets 2-10 VDC/4-20 mA for external CWS. SW1-2 sets 2-10
VDC/4-20 mA for external CLS. The “OFF” setting configures the external
input for 2-10 VDC; the “ON” setting configures the external input for
4-20 mA.
Table 18 Compressor Overload DIP Switch Settings
Compressor
To n s Volts/Hz RLA
Primary Turns
Through Current
Transformer
Current
Tr a n s f o r m e r
Extension*
Overload Setting Dip
Sw/Decimal12345**
35 200/60 115 1 -02 01011/11
230/60 100 1 -01 11111/31
346/50 58 1 -10 01100/12
380/60 61 1 -10 10000/16
400/50 50 1 -10 00000/0
460/60 50 1 -10 00000/0
575/60 40 1 -09 01111/15
40 200/60 142 1 -02 11011/27
230/60 124 1 -02 10001/17
346/50 72 1 -01 00111/7
380/60 75 1 -01 01010/10
400/50 62 1 -10 10001/17
460/60 62 1 -10 10001/17
575/60 50 1 -10 00001/1
50 200/60 192 1 -03 11100/28
230/60 167 1 -03 10010/18
346/50 96 1 -01 11100/28
380/60 101 1 -02 00001/1
400/50 84 1 -01 10011/19
460/60 84 1 -01 10011/19
575/60 67 1 -10 10111/23
60 200/60 233 1 -04 10011/19
230/60 203 1 -04 01000/8
346/50 117 1 -02 01101/13
380/60 123 1 -02 10001/17
400/50 101 1 -02 00001/16
460/60 101 1 -02 00001/1
575/60 81 1 -01 10000/16
*The Current Transformer base part number is X1358025. The numbers in this column are suffixes to the base number.
**On the DIP switch, 1=ON, O=OFF The decimal value should be set in the compressor overload setting menu of the UCM. If the DIP
switch value does not match the decimal value entered into the UCM, the related compressor(s) will continue to run, but a
diagnostic will be initiated, both settings will be ignored, and the UCM will use the lowest possible trip setting value.

102 RTAA-SVX01A-EN
Controls Interface
Mechanical Control Settings
The settings for the High Pressure switch, Oil Pressure switch, and Winding
Thermostat are shown below:
Remote CLD Operation
With only few exceptions, operation of the Remote CLD is identical to the
unit's CLD. To ease the operation of the Remote CLD, additional displays have
been added. For example, if multiple unit operation is used, the following
display will be inserted as the second display of the setpoint group:
Modify Setpoints for Units X
“Press (+) (-) to change settings”
The Stop and Auto keys function in the same manner, but the following
hierarchy between the unit's Stop/Auto keys and the Remote CLD Stop/Auto
keys is as follows:
1. Local Stop will always override Local Auto, Remote Stop and
Remote Auto.
2. Local Auto will always override Local Stop, Remote Stop and
Remote Auto.
3. Remote Stop will override Local Auto and Remote Auto but not
Local Stop.
4. Remote Auto will override Local Auto and Remote Stop but not
Local Stop.
If an operator tries to start the unit from the Remote CLD after the Stop
command has been given at the unit CLD, the screen on the Remote CLD will
read:
“LOCAL STOP command at unit cannot be
overridden by this remote device”
Communication Failure
If a communication failure occurs between the Remote CLD and the unit's
CLD, the setpoints will remain the same but a diagnostic will occur at the
Remote CLD panel. The Remote display screen will read:
“No communication to Unit X”
Press (enter) to select new unit
CLOSE OPEN
Compressor Discharge High Pressure
Switch – PSIG
300 ±20 405 ±7
Compressor Motor Winding
Thermostat – F
181 221
Low Pressure Cutout 22 ±4 7 ±4

RTAA-SVX01A-EN 103
Pre-Start Checkout
When installation is complete, but prior to putting the unit into service, the
following pre-start procedures must be reviewed and verified correct:
WARNING
Hazardous Voltage w/Capacitors!
Disconnect all electric power, including remote disconnects
before servicing. Follow proper lockout/tagout procedures to
ensure the power cannot be inadvertently energized. For variable
frequency drives or other energy storing components provided by
Trane or others, refer to the appropriate manufacturer’s literature
for allowable waiting periods for discharge of capacitors. Verify
with an appropriate voltmeter that all capacitors have discharged.
Failure to disconnect power and discharge capacitors before
servicing could result in death or serious injury.
Note: For additional information regarding the safe discharge of
capacitors, see PROD-SVB06A-EN or PROD-SVB06A-FR
• Inspect all wiring connections to be sure they are clean and tight.
• Verify that all refrigerant valves, as shown in Figure 32, are “OPEN”.
CAUTION
Compressor Damage!
Do not operate the unit with the compressor, oil, suction and
liquid line service valves “CLOSED”. Failure to have these “OPEN”
may cause serious compressor damage.
• Check the power supply voltage to the unit at the main power fused-dis-
connect switch. Voltage must be within the voltage utilization range,
given in Table 10 and also stamped on the unit nameplate. Voltage imbal-
ance must not exceed 2 percent. Refer to “Unit Voltage Imbalance”.
• Check the unit power phasing to be sure that it has been installed in an
“ABC” sequence. Refer to “Unit Voltage Phasing.”
CAUTION
Equipment Damage!
It is imperative that L1-L2-L3 in the starter be connected in the
A-B-C phase sequence to prevent equipment damage due to
reverse rotation.
• Check the condenser fans to be sure that they rotate freely in the fan
openings and that each is securely attached to its fan motor shaft.
• Energize the compressor sump heaters by closing the unit main discon-
nects. If unit-mounted disconnects are used, they must also be closed. If

104 RTAA-SVX01A-EN
Pre-Start Checkout
the unit does not have the optional control power transformer, 115 VAC
power must be field supplied to terminals 1TB3-1 AND 1TB3-2. Press the
Stop key on the Clear Language Display.
CAUTION
Compressor Damage!
The compressor sump heaters must be energized for a minimum
of 24 hours prior to unit operation, to prevent compressor
damage caused by liquid refrigerant in the compressor at
start-up.
• Energize the evaporator heat tape.
• Fill the evaporator chilled water circuit. Refer to Table 1 for evaporator
liquid capacities. Vent the system while it is being filled. Open the vent on
the top of the evaporator during filling and close when filling is
completed.
CAUTION
Proper Water Treatment!
The use of untreated or improperly treated water in a RTAA may
result in scaling, erosion, corrosion, algae or slime. It is
recommended that the services of a qualified water treatment
specialist be engaged to determine what water treatment, if any,
is required. Trane assumes no responsibility for equipment
failures which result from untreated or improperly treated water,
or saline or brackish water.
CAUTION
Equipment Damage!
Do not fill the water system unless the evaporator heat tapes
have been energized.
• Close the fused-disconnect switch(es) that supplies power to the chilled
water pump starter.
• Start the chilled water pump to begin circulation of the chilled water.
Inspect all piping for leakage and make any necessary repairs.
• With chilled water circulating through the system, adjust water flow and
check water pressure drop through the evaporator. Refer to Figure 16.
• Adjust the chilled water flow switch (if installed) for proper operation.
• Prove Chilled Water Flow Interlock and External Auto/Stop as described in
Interlock Wiring.
• Check and set, as required, all Clear Language Display Menu Items.
• Stop the chilled water pump.

RTAA-SVX01A-EN 105
Pre-Start Checkout
Unit Voltage Power Supply
WARNING
Live Electrical Components!
During installation, testing, servicing and troubleshooting of this
product, it may be necessary to work with live electrical
components. Have a qualified licensed electrician or other
individual who has been properly trained in handling live
electrical components perform these tasks. Failure to follow all
electrical safety precautions when exposed to live electrical
components could result in death or serious injury.
Voltage to the unit must meet the criteria given in Table 10. Measure each leg
of the supply voltage at the unit main power fused-disconnect. If the
measured voltage on any leg is not within specified range, notify the supplier
of the power and correct the situation before operating the unit.
CAUTION
Equipment Damage!
Inadequate voltage to the unit may cause control components to
malfunction and shorten the life of relay contact, compressor
motors and contactors.
Unit Voltage Imbalance
Excessive voltage imbalance between the phases of a three-phase system
can cause motors to overheat and eventually fail. The maximum allowable
imbalance is 2 percent. Voltage imbalance is determined using the following
calculations:
= phase with greatest difference from Vave (without regard to sign)
For example, if the three measured voltages are 221, 230, and 227 volts, the
average would be:
The percentage of imbalance is then:
This exceeds the maximum allowable (2%) by 0.2%.
% Imbalance
VxVave
–()x 10
0
Vave
-----------------------------------------
-
=
Vave
V1V2V3
++()
3
--------------------------------------=
1
V
x
221 230 227++
3
--------------------------------------- 226=
100 221 226–()
226
--------------------------------------2.2%=

106 RTAA-SVX01A-EN
Pre-Start Checkout
Unit Voltage Phasing
It is important that proper rotation of the compressors be established before
the unit is started. Proper motor rotation requires confirmation of the
electrical phase sequence of the power supply. The motor is internally
connected for clockwise rotation with the incoming power supply phased
A, B, C.
Basically, voltages generated in each phase of a polyphase alternator or circuit
are called phase voltages. In a three phase circuit, three sine wave voltages
are generated, differing in phase by 120 electrical degrees. The order in which
the three voltages of a three-phase system succeed one another is called
phase sequence or phase rotation. This is determined by the direction of
rotation of the alternator. When rotation is clockwise, phase sequence is
usually called “ABC”, when counterclockwise, “CBA”.
This direction may be reversed outside the alternator by interchanging any
two of the line wires. It is this possible interchange of wiring that makes a
phase sequence indicator necessary if the operator is to quickly determine
the phase rotation of the motor.
Proper compressor motor electrical phasing can be quickly determined and
corrected before starting the unit. Use a quality instrument, such as the
Associated Research Model 45 Phase Sequence Indicator, and follow this
procedure.
1. Press the Stop key on the Clear Language Display.
2. Open the electrical disconnect or circuit protection switch that provides
line power to the line power terminal block(s) in the starter panel (or to
the unit-mounted disconnect).
3. Connect the phase sequence indicator leads to the line power terminal
block, as follows:
Phase Sea. Lead Terminal
Black (Phase A) ..................... L1
Red (Phase B) ....................... L2
Yellow (Phase C) .................... L3
4. Turn power on by closing the unit supply power fused disconnect switch.
5. Read the phase sequence on the indicator. The “ABC” LED on the face of
the phase indicator will glow if phase is “ABC”.
WARNING
Live Electrical Components!
During installation, testing, servicing and troubleshooting of this
product, it may be necessary to work with live electrical
components. Have a qualified licensed electrician or other
individual who has been properly trained in handling live
electrical components perform these tasks. Failure to follow all
electrical safety precautions when exposed to live electrical
components could result in death or serious injury.
6. If the “CBA” indicator glows instead, open the unit main power discon-
nect and switch two line leads on the line power terminal block(s) (or the
unit mounted disconnect). Reclose the main power disconnect and
recheck the phasing.

RTAA-SVX01A-EN 107
Pre-Start Checkout
CAUTION
Compressor Damage!
Do not interchange any load leads that are from the unit
contactors or the motor terminals.
7. Reopen the unit disconnect and disconnect the phase indicator.
Water System Flow Rates
Establish a balanced chilled water flow through the evaporator. The flow rates
should fall between the minimum and maximum values given in
Table 1. Chilled water flow rates below the minimum values will result in
laminar flow, which reduces heat transfer and causes either loss of EXV
control or repeated nuisance diagnostics. Flow rates that are too high can
cause tube erosion and damage to the tube supports and baffles in the evapo-
rator.
CAUTION
Evaporator Freezing Damage!
Once the evaporator is filled with water, the evaporator heat tape
must be energized to protect the evaporator from freezing and
bursting if the outdoor air temperature drops below freezing.
Water System Pressure Drop
Measure chilled water pressure drop through the evaporator at the field-
installed pressure taps on the system water piping. See Figure 15. Use the
same gauge for each measurement. Do not include valves, strainers fittings in
the pressure drop readings.
Pressure drop readings should be approximately those shown in the Pressure
Drop Charts, Figure 16.
Clear Language Display Set-up
Refer to “Clear Language Display Keypad Overview” for instruction on
adjustment of the settings.

108 RTAA-SVX01A-EN
Start-Up Procedures
If the pre-start checkout, as discussed above, has been completed, the unit is
ready to start. The Clear Language Display is shown in Figure 35 and Clear
Language Display Sequence of Operation is shown in Figure 1. Complete
each step, in sequence, as follows:
• Press the Stop key on the Clear Language Display.
• As necessary, adjust the setpoint values in the Clear Language Display
menus, as describe in “Clear Language Display Key Pad Overview”.
• Close the fused-disconnect switch for the chilled water pump. Energize
the pump to start chilled water circulation.
• Check the service valves on the discharge line, suction line, oil line and
liquid line for each circuit. These valves must be open (backseated) before
starting the compressors.
CAUTION
Compressor Damage!
To prevent compressor damage, do not operate the unit until all
refrigerant and oil line service valves are opened.
• Energize the compressor sump heaters, if not already energized. Also
close the unit-mounted disconnect, if used.
CAUTION
Compressor Damage!
The compressor sump heaters must be energized for a minimum
of 24 hours prior to unit operation, to prevent compressor
damage caused by liquid refrigerant in the compressor at
start-up.
• Verify that the evaporator heat tape is energized.
• Verify that the chilled water pump runs for one minute after the chiller is
commanded to stop (for normal chilled water systems). See Interlock
Wiring.
• Press the Auto key. If the chiller control calls for cooling and all safety
interlocks are closed, the unit will start. The compressor(s) will load and
unload in response to the temperature of the leaving chilled water tem-
perature.
If optional low-ambient lockout is used, outside air temperature must be
above the minimum starting ambients, as shown in Table 1, for continued unit
operation. Also refer to the wiring diagrams.
Once the system has been operating for approximately 30 minutes and has
become stabilized, complete the start-up procedures, as follows:
• Check the evaporator refrigerant pressure and the condenser refrigerant
pressure under Refrigerant Report on the Clear Language Display. The
pressures are referenced to sea level (14.6960 psia).
• Check the liquid line sight glasses. The refrigerant flow past the sight
glasses should be clear. Bubbles in the refrigerant indicate either low

RTAA-SVX01A-EN 109
Start-Up Procedures
refrigerant charge or excessive pressure drop in the liquid line. A
restriction in the line can sometimes be identified by a noticeable
temperature differential between the two sides of the restriction. Frost
may form on the line at this point. Proper refrigerant charges are shown in
Table 1.
CAUTION
Equipment Check!
A clear sight glass alone does not mean that the system is
properly charged. Also check system superheat, subcooling, and
unit operating pressures.

110 RTAA-SVX01A-EN
Start-Up Procedures
Figure 37 Unit Sequence of Operation

RTAA-SVX01A-EN 111
Start-Up Procedures
• A shortage of refrigerant is indicated if operating pressures are low and
subcooling is also low. If the operating pressures, sight glass, superheat
and subcooling readings indicate a refrigerant shortage, gas-charge
refrigerant into each circuit, as required. With the unit running, add
refrigerant vapor by connecting the charging line to the suction service
valve and charging through the backseat port until operating conditions
become normal.
CAUTION
Overcharging the Circuit!
If both suction and discharge pressures are low but subcooling is
normal, a problem other than refrigerant shortage exists. Do not
add refrigerant, as this may result in overcharging the circuit.
CAUTION
Compressor Damage!
Use only refrigerants specified on the unit nameplate, to prevent
compressor damage and insure full system capacity.
WARNING
Contains Refrigerant!
System contains oil and refrigerant under high pressure. Recover
refrigerant to relieve pressure before opening the system. See
unit nameplate for refrigerant type. Do not use non-approved
refrigerants, refrigerant substitutes, or refrigerant additives.
Failure to follow proper procedures or the use of non-approved
refrigerants, refrigerant substitutes, or refrigerant additives could
result in death or serious injury or equipment damage.
• If operating conditions indicate a refrigerant overcharge, remove refriger-
ant at the liquid line service valve. Allow refrigerant to escape slowly, to
minimize oil loss. Do not discharge refrigerant into the atmosphere.
System Superheat
Normal suction superheat for each circuit is approximately 4 F at full operating
load. Superheat temperature can be expected to be moving around the 4 F
setpoint when the chiller is pulling down, the compressor slide valve is being
modulated, or the fans are staging on either the same or opposite circuits.
Superheat can be expected to settle out at approximately 4 F when the above
items stabilize.
System Subcooling
Normal subcooling for each circuit ranges from 11 F to 20 F, depending on the
unit. If superheat is normal but subcooling is not, contact a qualified service
technician.

112 RTAA-SVX01A-EN
Unit Shutdown Procedures
Temporary Shutdown and Restart
To shut the unit down for a short time, use the following procedure:
1. Press the Stop key on the Clear Language Display. The compressors will
continue to operate and, after unloading for 20 seconds, will stop when
the compressor contactors de-energize. The condenser fans will be de-
energized at this time.
2. The unit disconnect switch and unit-mounted disconnect (if installed)
should remain closed to keep the compressor sump heaters energized.
3. Maintain power to keep the evaporator heat tape energized.
4. Stop the chilled water circulation by turning off the chilled water pump.
To restart the unit after a temporary shutdown, restart the chilled water pump
and press the AUTO key. The unit will start normally, provided the following
conditions exist:
1. The UCM must receive a call for cooling and the differential to-start must
be above the setpoint.
2. All system operating interlocks and safety circuits must be satisfied.
Extended Shutdown Procedure
The following procedure is to be followed if the system is to be taken out of
service for an extended period of time, eg., seasonal shutdown:
1. Test the unit for refrigerant leakage and repair as necessary.
2. Open the electrical disconnect switches for the chilled water pump. Lock
the switch in the “OPEN” position.
CAUTION
Pump Damage!
Lock the chilled water pump disconnect open to prevent pump
damage.
3. Close all chilled water supply valves. Drain the chilled water from the
evaporator. If the unit will be exposed to freezing ambient conditions,
flush the evaporator with an antifreeze solution or energize the evapora-
tor heat tape.
CAUTION
Evaporator Freezing Damage!
To prevent damage to the evaporator by freezing, flush the
evaporator with an antifreeze solution or energize the evaporator
heat tape.
4. Open the unit main electrical disconnect and unit-mounted disconnect (if
installed) and lock on the “OPEN” position.

RTAA-SVX01A-EN 113
Unit Shutdown Procedures
CAUTION
Accidental Start-up Damage!
Lock the disconnects on the “OPEN” position to prevent
accidental start-up and damage to the system when it has been
setup for extended shutdown.
5. At least every three months (quarterly), check the pressure in the unit to
verify that the refrigerant charge is intact.
System Restart After Extended Shutdown
Follow the procedures below to restart the unit after extended shutdown:
1. Verify that the liquid line service valves, oil line, compressor discharge
service valves and suction service valves (if installed) are open
(backseated).
CAUTION
Compressor Damage!
To prevent damage to the compressor, be sure that all refrigerant
valves are open before starting the unit.
2. Close the main disconnect and unit-mounted disconnect (if installed) to
energize the compressor sump heaters. If the optional control trans-
former is not installed, it will be necessary to close the disconnect for 115
VAC power to 1TB3-1 and 1TB3-2.
CAUTION
Compressor Damage!
The compressor sump heaters must be energized for a minimum
of 24 hours prior to unit operation, to prevent compressor
damage caused by liquid refrigerant in the compressor at
start-up.
3. Maintain power to the evaporator heat tape connections.
4. Check the oil separator oil level. See “Oil Separator Level Check”.
5. Fill the evaporator chilled water circuit. Refer to Ta ble 1 for evaporator
liquid capacities. Vent the system while it is being filled. Open the vent on
the top of the evaporator during filling and close when filling is
completed.

114 RTAA-SVX01A-EN
Unit Shutdown Procedures
CAUTION
Proper Water Treatment!
The use of untreated or improperly treated water in a RTAA may
result in scaling, erosion, corrosion, algae or slime. It is
recommended that the services of a qualified water treatment
specialist be engaged to determine what water treatment, if any,
is required. Trane assumes no responsibility for equipment
failures which result from untreated or improperly treated water,
or saline or brackish water.
6. Close the fused-disconnect switch that provides power to the chilled
water pump.
7. Start the chilled water pump and, while chilled water is circulating,
inspect all piping for leakage. Make any necessary repairs before starting
the unit.
8. While the chilled water is circulating, adjust the chilled water flow and
check the chilled water pressure drop through the evaporator. Refer to
“Water System Flow Rates” and “Water System Pressure Drop”.
9. Adjust the flow switch on the evaporator piping (if installed) for proper
operation.
10. Stop the chilled water pump. The unit is now ready for start-up as
described in “Start-Up Procedures”.

RTAA-SVX01A-EN 115
Periodic Maintenance
Perform all maintenance procedures and inspections at the recommended
intervals. This will prolong the life of the equipment and minimize the possi-
bility of costly failures.
Use an “Operator's Log”to record an operating history for the unit. The log
serves as a valuable diagnostic tool for service personnel. By observing
trends in operating conditions, an operator can anticipate and prevent
problem situations before they occur.
If the unit does not operate properly during maintenance inspections, refer to
“Diagnostics and Troubleshooting”.
Weekly Maintenance
After the unit has been operating for approximately 30 minutes and the
system has stabilized, check the operating conditions and complete the
procedures below:
• Check the evaporator refrigerant pressure and the condenser refrigerant
pressure in the Refrigerant Report Menu on the Clear Language Display.
The pressures are referenced to sea level (14.6960 psia).
• Check the liquid line sight glasses. The refrigerant flow past the sight
glasses should be clear. Bubbles in the refrigerant indicate either low
refrigerant charge, non condensable or excessive pressure drop in the liq-
uid line. A restriction in the line can sometimes be identified by a notice-
able temperature differential between the two sides of the restriction.
Frost may often form on the line at this point. Proper refrigerant charges
are shown on Table 1.
CAUTION
Equipment Check!
A clear sight glass alone does not mean that the system properly
charged. Also check system superheat, subcooling, and unit
operating pressures.
• If operating pressures and sight glass conditions seem to indicate refrig-
erant shortage, measure the system superheat and system subcooling.
Refer to “System Superheat” and “System Subcooling”.
• If operating conditions indicate a refrigerant overcharge, remove refriger-
ant at the liquid line service valve. Use appropriate refrigerant recovery
practices that allow refrigerant to escape slowly, to minimize oil loss. Do
not discharge refrigerant into the atmosphere.
• Inspect the entire system for unusual conditions and inspect the con-
denser coils for dirt and debris. If the coils are dirty, refer to RTAA-SB-20
and RTAC-SVG01A-EN.
Monthly Maintenance
• Perform all weekly maintenance procedures.
• Measure and record the system superheat. Refer to “System Superheat”.
• Measure and record the system subcooling. Refer to “System
Subcooling”.

116 RTAA-SVX01A-EN
Periodic Maintenance
• Manually rotate condenser fans to insure proper clearance on the fan
openings.
Annual Maintenance
• Perform all weekly and monthly maintenance procedures.
• Check the oil level and refrigerant charge. Refer to “Maintenance Proce-
dures”. Routine changing of oil is not required. See Oil Separator Level
Check in the Maintenance section of this manual.
• Have a qualified laboratory perform a compressor oil analysis to deter-
mine system moisture content and acid level. This analysis is a valuable
diagnostic tool.
• Contact a qualified service organization to leak test the chiller, to check
operating and safety controls, and to inspect electrical components for
deficiencies.
• Inspect all piping components for leakage and damage. Clean out any
inline strainers.
• Clean and repaint any areas that show signs of corrosion.
• Clean the condenser coils. refer to RTAA-SB-20 and RTAC-SVG01A-EN.
• Clean the condenser fans. Check the fan assemblies for proper clearance
in the fan openings and for motor shaft misalignment, abnormal end-play,
vibration and noise.

RTAA-SVX01A-EN 117
Periodic Maintenance
RTAA Operator's Log
Job Name: Job Location:
Unit Serial Number: Elevation Above Sea Level:
Model No: Nameplate Voltage:
Compressor A Serial Number: Fan Motor RLA
Compressor A Model Number: Heat Tape Voltage
Compressor B Serial Number:
Compressor B Model Number:
Evap Water Pressure Drop
Design PSID: Actual PSID:
Design GPM: Actual GPM:
Circuit 1 2 1 2 1 2
Compressor A B A B A B
15 min 15 min 30 min 30 min 45 min 45 min
Unit Phase A-B
Voltage A-C
B-C
Compressor Phase A
Amps B
C
Unit Operating Mode
Last Diagnostic
Evaporator Entering Water Temp. F or C
Evaporator Leaving Water Temp. F or C
Outdoor Air Temperature F or C
Active Chill Water Setpoint F or C
Active Current Limit Setpoint
Saturated Evaporator Rfgt.Temp. F or C
Saturated Condenser Rfgt. Temp. F or C
Condenser Refrigerant Pressure psig/kPa
Evaporator Refrigerant Pressure psig/kPa
Compressor RLA % RLA
Compressor Starts
Compressor Hours
External Hardwired Lockout Not Locked out/ Locked out Not Locked out/ Locked out
Front Panel Lockout Not Locked out/ Locked out Not Locked out/ Locked out

118 RTAA-SVX01A-EN
Periodic Maintenance
RTAA Log
Operator Settings:
Set Point Source Low Wtr Temp EXV Gain Comp [D/E]
Front Panel Chilled Wtr Setpt Condenser Limit Setpt
External Chilled Wtr Setpt [D/E] Phase Unbalance Protection [D/E]
Design Delta Temp Setpt Phase Reversal Protection [D/E]
Differential To Start Setpt Superheat Setpt
Chilled Water Pump [On/Auto] EXV Control Response Ckt 1
Chilled Water Pump Off Delay EXV Control Response Ckt 2
Front Panel Current Limit Setpt LVG Wtr Temp Cntrl Resp Setpt
External Current Limit Setpt [D/E] Fan Cntrl Deadband Bias, Ckt 1
Low Ambient Lockout [D/E] Fan Cntrl Deadband Bias, Ckt 2
Low Ambient Lockout Setpt Title Machine Config. Menu (+-+-+-)
Chilled Water Reset Type Compressor Model No. Prefix
Type, Reset Ratio Number of Compressors
Type, Start Reset Setpt Oil Loss Differential Setpt
Type, Max Reset Setpt Compressor A Tons
Ice Machine Control [D/E] Compressor B Tons
Panel Ice Termination Setpt Unit Model
Title Service Settings Fan Control [D/E]
Under/Over Voltage Protection [D/E] Variable Speed Fan, Circuit 1 [D/E]
Unit Line Voltage Variable Speed Fan, Circuit 2 [D/E]
Restart Inhibit Time Number of Fans, Circuit 1
Balanced CPRSR Starts & Hours [D/E] Number of Fans, Circuit 2
Display Units Reduced Inrush Starting [D/E]
Programmable Relay Setup Current Ovrld Setting, CPRSR A
External Circuit Lockout [D/E] Current Ovrld Setting, CPRSR B
Service Set-up Menu (++- - ++) Low Amb Unit, Half Airflow Fan [D/E]
Keypad/Display Lock Feature [D/E] Low Amb Unit, Two Speed Motor [D/E]
ICS Address Night Noise Setback [D/E]
LVG Wtr Temp Cutout Setpt Number of EXV Valves, Ckt 1
Low Rfgt Temp Cutout Setpt Number of EXV Valves, Ckt 2

RTAA-SVX01A-EN 119
Maintenance
This section describes specific maintenance procedures which must be
performed as a part of the normal maintenance program for this unit. Be
certain that electrical power to the unit is disconnected before performing
these procedures.
Coil Cleaning
WARNING
Hazardous Chemicals!
Coil cleaning agents can be either acidic or highly alkaline. Handle
chemical carefully. Proper handling should include goggles or face
shield, chemical resistant gloves, boots, apron or suit as required.
For personal safety refer to the cleaning agent manufacturer’s
Materials Safety Data Sheet and follow all recommended safe
handling practices. Failure to follow all safety instructions could
result in death or serious injury.
Clean the condenser coils at least once each year, or more frequently if the
unit is located in a “dirty” environment. This will maintain proper unit
operating efficiencies. Follow the detergent manufacturer's instructions as
closely as possible to avoid damage to the coils.
To clean the coils, use a soft brush and a sprayer, either a garden, pump-up
type or a high-pressure type. A high-quality detergent, such as “Trane Coil
Cleaner, CHM-0002” is recommended for standard and Copper coils.
Refer to RTAC-SVG01B-EN for maintenance and cleaning procedures coated
coil
NOTE: If the detergent mixture is strongly alkaline (pH value greater than
8.5), an inhibitor must be added.
Figure 38 Chemical Cleaning Configuration
&LUFXODWLQJ
6KXWRII
9DOYHV
&OHDQLQJ
6ROXWLRQ
)URP(YDSRUDWRU
:DWHU2XWOHW
7R(YDSRUDWRU
:DWHULQOHW

120 RTAA-SVX01A-EN
Maintenance
Chemically Cleaning The Evaporator
The chilled water system is a closed-loop and therefore should not
accumulate scale or sludge. If the chiller becomes fouled, first attempt to
dislodge the material by backflushing the system. If unsuccessful after
several attempts, chemically clean the evaporator.
CAUTION
Equipment Damage!
Do not use an acid type cleaning agent that will damage steel,
galvanized steel, polypropylene, or internal copper components.
With this information, water treatment firms will be able to recommend a
suitable chemical for use in this system.
A typical configuration for chemical cleaning is shown in Figure 38. The
supplier of the cleaning chemicals must provide or approve:
All of the materials used in this configuration
The amount of chemicals used
Insure that the apex of the line above the sightglass is as high as
possible, to eliminate liquid traps which can give erroneous readings.
Water Treatment
The use of untreated or improperly treated water in the unit may result in the
formation of scale, algae, or slime. It may also cause erosion or corrosion. It is
recommended that a qualified water treatment specialist provide recommen-
dations for proper water treatment.
CAUTION
Proper Water Treatment!
The use of untreated or improperly treated water in a RTAA may
result in scaling, erosion, corrosion, algae or slime. It is
recommended that the services of a qualified water treatment
specialist be engaged to determine what water treatment, if any,
is required. Trane assumes no responsibility for equipment
failures which result from untreated or improperly treated water,
or saline or brackish water.
Oil Separator Level Check
Follow the steps listed below and refer to the notes listed in Figure 39.
1. Turn off the unit.
2. Attach the hoses and sight glass to the oil separator charging Schrader
valve and the compressor discharge service valve, as shown in Figure 39.
Remove non-condensibles.
3. After the unit has been off for 10 minutes, move the sight glass up and
down until the level can be seen.

RTAA-SVX01A-EN 121
Maintenance
4. After the level has been determined, remove the sight glass and hoses.
Oil Filter Change
NOTE: Routine changing of the oil or the oil filter is not recommended. The
oil filter is oversized for this application and should not require replacement.
The oil and filter should be replaced only if analysis reveals that the oil is
contaminated. Oil type and system capacities are shown in Table 1.
Pressure drops across the oil filter are shown in Figure 41. Oil filter pressure
drop is the difference between the pressure at the oil filter cover plate
Schrader valve and the pressure at the compressor oil supply Schrader valve,
on top of the compressor.
To change the oil filter in the unit, refer to Figure 40 and follow the steps listed
below.
1. Shut off the compressor and disconnect all electrical service to the com-
pressor.
2. Connect manifold gauge sets to the backseat ports of the suction and dis-
charge service valves and the Schrader valve on the oil filter cover plate.
3. Frontseat the suction and discharge service valves. Separate the Aero-
quip valve coupling, or close valve at the oil supply to the compressor or,
on later chillers, frontseat the oil supply line angle valve.
4. Recover refrigerant from the three connections in Step 2.
NOTE: The Schrader valve may have a high quantity of oil.
WARNING
Components Under High Pressure!
Failure to relieve pressure before removing filter retaining bolt
could result in death or serious injury
Figure 39 System Oil Level Specifications
&RPSUHVVRU
%DFNVHDW
3RUWRQ
'LVFKDUJH
5HIULJHUDQW/LTXLG
/LQH6LJKWJODVV
SXUFKDVHGORFDOO\ ´5HIULJHUDWLRQ+RVH
9DOYH
0LQLPXP2LO/HYHO
³
´
1RPLQDO
2LO
/HYHO
´0D[LPXP
2LO/HYHO
2LO6HSDUDWRU

122 RTAA-SVX01A-EN
Maintenance
5. Remove the seven bolts on the oil filter cover. A pan may be necessary to
catch any oil that is released after the cover is loosened.
NOTE: Observe the placement of copper gasket under one bolt head.
6. Remove the cover and oil filter element.Install the new filter element.
7. Coat the new cover gasket with refrigerant oil.
8. Install the cover plate and cover plate gasket.
9. Install a new copper gasket under the same bolt head that had one at
time of removal. Replace all other bolts and tighten to 150 ft. lbs.
10. Energize the three solenoid valves on the compressor by jumpering the
proper terminals at the UCM.
11. Evacuate to 400 microns from the three ports in Step 2 and perform a
rise test.
12. De-energize the three solenoid valves.
13. Reconnect the Aeroquip coupling that was separated or open valve in
Step 3 or, on later chillers, backseat the oil supply line angle valve.
CAUTION
Equipment Damage!
The Aeroquip valve must be completely tightened to open the
valve. If the valve is not completely tightened, the valve may
remain closed, causing catastrophic damage to the compressor.
NOTE: Insure that this step is performed before Step 15, as this will insure
that the oil filter housing is full of oil before the compressor is started.
14. Backseat the suction and discharge service valves.
15. Remove the manifold gauge sets.

RTAA-SVX01A-EN 123
Maintenance
Figure 40 Oil Filter Change
6XFWLRQ
6HUYLFH
9DOYH
$HURTXLS9DOYH&RXSOLQJ
RU$QJOH9DOYH 2LO)LOWHU&RYHU
2LO)LOWHU&RYHU3ODWH
6FKUDGHU9DOYH
8SVWUHDPRI2LO)LOWHU(OHPHQW
&RSSHUJDVNHW
XQGHUWKLVEROWKHDG
'LVFDUJH
6HUYLFH
9DOYH
&RPSUHVVRU2LO6XSSO\
6FKUDGHU9DOYH'RZQVWUHDP
RI2LO)LOWHU(OHPHQW

124 RTAA-SVX01A-EN
Maintenance
Figure 41 Oil Pressure Drop
35 & 40 Ton Compressor Oil Filter Replacement Chart
0
2
4
6
8
10
12
14
16
18
20
50 100 150 200 250 300
Condensing Pre s sure - Suction Pr es s ur e (PSID)
Oil Filter Pressure Drop (PSID)
Normal Pressur Drop
Maximum Pressure Drop
50 & 60 Ton Compressor Oil Filter Replacement Chart
0
5
10
15
20
25
30
35
40
50 100 150 200 250 300
Condensing Pre s sure - Suction Pr es s ur e (PSID)
Oil Filter Pressure Drop (PSID)
Normal Pressur Drop
Maximum Pressure Drop

RTAA-SVX01A-EN 125
Refrigerant Charging and Recovery
If the refrigerant charge needs to be adjusted, be certain to monitor the
subcooling and superheat measurements. The subcooling needs to be
between 10 F and 20 F when the unit is running fully loaded. The ambient
temperature is between 75 F and 100 F and the leaving water temperature is
between 40 F and 55 F. Refer to Figures 1, 2 and 21.
CAUTION
Equipment Damage!
The evaporator water flow must be established and maintained
while adjusting the charge. Refrigerant pressures below 65 psig
can cause freezing and rupturing of the evaporator tubes.
Low Side Repairs
If the refrigerant charge needs to be isolated in the high side of the unit,
perform the following procedures:
1. Press the STOP key and send the unit through a stopping mode.
2. Place a manifold gauge set on the backseat port of the liquid line service
valve before actually closing the valve.
3. Close the liquid line service valve.
4. While the unit is in the STOP mode, enable Service Pumpdown for the
specific compressor. Service Pumpdown is found under the Service
Tests menu.
NOTE: Service Pumpdown can only be enabled for one compressor at a
time. Only one pumpdown per compressor can be performed, until the unit
has been reset. If these requirements are not met and Service Pumpdown is
enabled, the screen will display “PROHIBITED” for one second and then
return to disable.
With Service Pumpdown enabled, the Restart Inhibit will be ignored, the EXV
will be prepositioned and the selected compressor will start and run for one
minute.
5. Once the compressor stops, close the discharge service valve on the
compressor.
6. The remaining refrigerant needs to be recovered from the suction service
valve and the liquid line Schrader valve. Attach the inlet of a recovery sys-
tem to the backseat port on the suction service valve and the Schrader
valve between the liquid line service valve and the filter drier. Attach the
outlet of the recovery system to the manifold gauge set that is already
attached to the access port on the liquid line service valve. The
condenser will be used as the storage vessel.
7. Complete all necessary repairs.
8. Evacuate out of the backseat port on the suction service valve and from
the Schrader valve between the liquid line service valve and the filter
drier.
9. Break the vacuum by adding refrigerant to the service port on the suction
valve.

126 RTAA-SVX01A-EN
Refrigerant Charging and Recovery
10. Open all valves, start the unit and verify the refrigerant charge by
measuring the subcooling.
High Side Repair
If the refrigerant needs to be isolated in the low side of the unit, perform the
following procedures:
1. Press the STOP key and send the unit through a stopping mode.
2. Close the discharge service valve.
3. Before closing the liquid line service valve, attach a manifold gauge set to
the liquid line valve backseat port.
4. Close the liquid line service valve.
5. Attach the inlet of a liquid transfer pump to the manifold gauge set and
the outlet to the 1/4” angle valve, located between the EXV and the evap-
orator. This will transfer the liquid refrigerant.
6. Remove the liquid transfer pump. Attach the inlet of a recovery system to
the manifold gauge set and the outlet to the 1/4” angle valve, located
between the EXV and the evaporator. Remove all of the vapor from the
high side of the system.
7. Complete all necessary repairs.
8. Evacuate the high side through the access port on the liquid line service
valve that has the manifold gauge set attached to it.
9. Open all of the valves and run the unit. Verify the refrigerant charge by
measuring the subcooling and monitor the sightglass.
Adding Refrigerant
If the entire charge has been removed, perform the following procedures to
recharge the unit:
1. Open all service valves.
2. Establish water flow through the evaporator. Connect a hose from the
refrigerant bottle to the backseat port on the liquid line shutoff valve.
Midseat the valve.
CAUTION
Freezing and Rupturing Tubes Damage!
The evaporator water flow needs to be established and
maintained while adjusting the charge to avoid freezing and
rupturing the tubes. Refrigerant pressure below 65 psig can also
cause freezing and rupturing of the evaporator tubes.
3. It may not be possible to put the entire amount of the refrigerant charge
required using Step 2. If so, start the unit and add liquid refrigerant
through the 1/4” liquid line angle valve between the EXV and the
evaporator.
4. Once the unit has been charged with refrigerant, start the unit. Measure
the subcooling and monitor the sightglass to verify that the refrigerant
charge is correct.

RTAA-SVX01A-EN 127
Diagnostics
In the table below, a latching diagnostic is a condition which shall cause the
machine or a portion of the machine as noted to shut down and shall require a
manual reset to restore operation. A diagnostic that is non-latching shall reset
automatically when the condition causing the diagnostic goes away. A non-
latching diagnostic shall shut down the machine or a part of the machine if so
indicated. If a diagnostic is informative only, no machine or circuit action is
taken except to load a diagnostic code into the last diagnostic register.
Diagnostic Types (And Action)
MMR = Machine Shutdown, Manual Reset
MAR = Machine Shutdown, Auto Reset
CMR = Circuit Shutdown, Manual Reset
CAR = Circuit Shutdown, Auto Reset
IFW = Information Warning
Table 19 Diagnostic Codes
Diagnostic Description Type Cause
Chilled Water Flow (Ent Wtr Temp) MMR a. The entering evaporator water temp. fell below the
leaving evaporator water temp. by more than 2F for 100
degree F - seconds.
b. Causes to trip this diagnostic include either a loss of
chilled water flow or a calibration shift in the evap. water
temp. sensors.
Chilled Water Flow Interlock MAR The chilled water flow switch input was open for more than 6
seconds.
Compressor Overload Setting Cprsr A IFW The CPM NovRam Based overload setting did not agree with
the MCSP Dip Switch overload setting for 30 contiguous
seconds. The affected MCSP shall use the minimum (00000
binary, 00 decimal) overload setting as a default until the UCM
is reset when this diagnostic occurs.
Compressor Overload Setting - Cprsr B I FW Same as Cprsr A, above.
Compressor Overload Setting - Cprsr C IFW Same as Cprsr A, above.
Compressor Overload Setting - Cprsr D IFW Same as Cprsr A, above.
Cond Fan Var Speed Drive Fault Ckt 1 IFW The controlling MCSP for the given circuit has unsuccessfully
attempted (5 times within 1 minute) to clear a fault signal from
the Condenser Fan Inverter Drive. The 5th attempt removes
power from the inverter to create a power up reset. If the fault
does not clear, the UCM will revert to constant speed
operation without the use of the inverters fan. The inverter
must be manually bypassed for full fixed speed fan operation.
Cond Fan Var Speed Drive Fault Ckt 2 IFW Same as Ckt 1, above.
Cond Entering Wtr Temp Sensor IFW Shorted Cond. temp sensor. No diagnostic on open.
Cond Leaving Wtr Temp Sensor IFW Shorted Cond. temp sensor. No diagnostic on open.
Cond Rfgt Temp Sensor - CKT 1 CMR Open or short.
Cond Rfgt Temp Sensor - CKT 2 CMR Open or short.

128 RTAA-SVX01A-EN
Diagnostics
Contactor CPRSR A MMR a. Welded cprsr contactor.
b. Detected a welded compressor contactor when the
compressor was commanded off but the current does
not go to zero. Detection time shall be 5 second
minimum and 10 seconds maximum. On detection,
generate the diagnostic, energize the appropriate alarm
relay, continue to command the affected compressor off,
energize the affected compressors oil line solenoid, stop
all other compressors, unload the running compressor
with the welded contactor, open the EXV to its
maximum open position, and continue to do fan control.
Do not exit this condition until the controller is manually
reset.
Contactor CPRSR B MMR Same as CPRSR A.
Contactor CPRSR C MMR Same as CPRSR A.
Contactor CPRSR D MMR Same as CPRSR A.
CPRSR Suct Temp Sensor - Ckt 1 CMR Open or short.
CPRSR Suct Temp Sensor - Ckt 2 CMR Open or short.
CWS/Leaving Water Temp Cutout
Setpoint Overlap
None No diagnostic, display to flash and 1imit value to last legal
value.
NOTE: The above is not a diagnostic because you
don't want the display vectoring you to a different
display state when you are trying to set either the
chilled water setpoint or the leaving water temp.
cutout setpoint as it will in the case of a diagnostic.
Discharge Temp - Cprsr A CMR a. The discharge temp. exceeded the trip value;
135 + or -3 C.
b. The discharge temp. PTC or wiring is open.
c. Time to trip from either trip value exceeded or input
open shall be 0.5 to 2.0 seconds.
Discharge Temp - Cprsr B CMR Same as Diagnostic for Cprsr A, above.
Discharge Temp - Cprsr C CMR Same as Diagnostic for Cprsr A, above.
Discharge Temp - Cprsr D CMR Same as Diagnostic for Cprsr A, above.
Emergency Stop MMR EMERGENCY STOP input is open. An external interlock has
tripped. Time to trip from input opening to unit stop shall be
0.1 to 1.0 seconds.
Entering Oil Temp Sensor - Cprsr A CMR Open or short.
Entering Oil Temp Sensor - Cprsr B CMR Open or short.
Entering Oil Temp Sensor - Cprsr C CMR Open or short.
Entering Oil Temp Sensor - Cprsr D CMR Open or short.
Evap Entering Wtr Temp Sensor MMR Open or short.
Evap Leaving Wtr Temp Sensor MMR Open or short.
Evap Rfgt Temp Sensor - CKT 1 CMR Open or short (for 30 sec).
Evap Rfgt Temp Sensor - CKT 2 CMR Open or short (for 30 sec).
Table 19 Diagnostic Codes
Diagnostic Description Type Cause

RTAA-SVX01A-EN 129
Diagnostics
External Chilled Water Setpoint IFW a. Not “Enabled”: no diagnostics.
b. “Enabled”: Out-Of-Range Low, set diagnostic.
Out-Of-Range Hi, no diagnostic.
External Current Limit Setpoint IFW a. Not “Enabled”: no diagnostics.
b. “Enabled”: Out-Of -Range Low, set diagnostic.
Out-Of -Range Hi, no diagnostic.
EXV Elec. Drive CKT - Rfgt Ckt 1 CMR Run the EXV electrical drive circuit test both on demand from
the human interface and just before either a circuit or one of a
pair of circuits starts.
EXV Elec. Drive CKT - Rfgt Ckt 2 CMR Same as Diagnostic for Ckt 1, above.
High Diff. Press. - Ckt 1 CMR The difference between the Condenser pressure and the
evaporator pressure exceeded 350 PSID for 0.8-5.0 seconds.
320 PSID must hold, 320 + to trip in One Hour.
High Diff. Press - Ckt 2 CMR Same as Diagnostic for Ckt 1, above.
High Oil Temp - Cprsr A CMR Entering Oil Temp to given compressor exceeded 170F. Time to
trip is given by equation: trip time = (190-0il Temp) x 180 sec/F.
High Oil Temp - Cprsr B CMR Same as Cprsr A, above.
High Oil Temp - Cprsr C CMR Same as Cprsr A, above.
High Oil Temp - Cprsr D CMR Same as Cprsr A, above.
High Pressure Cutout - Cprsr A CMR A high pressure cutout was detected on Cprsr A; trip at 405 +
or -7 PSIG.
High Pressure Cutout - Cprsr B CMR A high pressure cutout was detected on Cprsr B; trip at 405 +
or -7 PSIG.
High Pressure Cutout - Cprsr C CMR A high pressure cutout was detected on Cprsr C; trip at 405 +
or -7 PSIG.
High Pressure Cutout - Cprsr D CMR A high pressure cutout was detected on Cprsr 0; trip at 405 +
or -7 PSIG.
Loss of Local Display Panel COM IFW The 1U1 has detected a loss of IPC communication with the
Local Display panel for at least 15 seconds.
Low Chilled Water Temp (Unit off) IFW The chilled water temp. fell below the cutout setpoint while the
compressors were not running.
Low Chilled Water Temp (Unit on) MAR The chilled water temp. fell below the cutout setpoint while the
compressors were running for 30 degree F Seconds.
Low Differential Press - Ckt 1 CMR The fan control algorithm detected a low differential Temper-
ature/Pressure condition that existed for more than 180
contiguous seconds. Trip point is 40 PSID.
Low Differential Press - Ckt 2 CMR Same as Diagnostic for Ckt 1, above.
Low Evap Rfgt Temp - Ckt 1 CMR a. The Saturated Evap Rfgt Temp - Circuit 1 dropped below
the Low Rfgt Temp Cutout Setpoint while the circuit was
running for 30 deg F seconds.
b. See the low ambient ignore time on startup.
Low Evap Rfgt Temp - Ckt 2 CMR Same as Diagnostic for Ckt 1, above.
Table 19 Diagnostic Codes
Diagnostic Description Type Cause

130 RTAA-SVX01A-EN
Diagnostics
Low Oil Flow - Cprsr A CMR The differential oil pressure switch remained opened for more
than 20 contiguous seconds on Cprsr A.
Note: Although GP cmprs do not have pressure switch or Oil
Line solenoid, this diagnostic is still active. The input must be
jumpered for normal operation on GP cmprs.
Low Oil Flow - Cprsr B CMR Same as Diagnostic for Cprsr A, above, but Cprsr B.
Low Oil Flow - Cprsr C CMR Same as Diagnostic for Cprsr A, above, but Cprsr C.
Low Oil Flow - Cprsr D CMR Same as Diagnostic for Cprsr A, above, but Cprsr D.
Low Pressure Cutout - Ckt 1 CMR The low pressure switch opened or remained open past the
ignore time during compressor operation (after one retry) or
the low pressure switch was open prior to compressor start
with Sat Cond Temp above -18F.
Low Pressure Cutout - Ckt 2 CMR Same as Ckt 1.
Low Superheat - Ckt 1 CMR A low superheat condition existed for an extended period of
time. If a superheat less than or equal to 2 degrees F (1.11
degrees C) is detected for more than 2400 degree F seconds,
the circuit shall be shutdown. The integrated area (2400
Degree F seconds) shall be only below 2 degrees F superheat.
Low Superheat - Ckt 2 CMR Same as Diagnostic for Ckt 1, above.
Memory Error Type I IFW On UCM either power up or following a Type II Memory Error a
NOVRAM memory error was detected. The UCM is operating
on all Engineering ROM defaults for all setup parameters.
Check all setup parameters and continue to run chiller. Replace
the Chiller Module as soon as a replacement is available.
NOTE: It is expected that this diagnostic will be
detected on the very first power up of the Chiller
Module at the Manufacturer since the NOVRAM will
not contain valid data on first power up.
Memory Error Type II IFW A Shadow RAM memory error was detected. The UCM is
operating on all last valid values (pulled from NOVRAM) for all
setup parameters. No setup parameter changes were pending
to be loaded into NOVRAM, a complete recovery of all setup
parameters was made and there is no need to check unit setup
parameters. Compressor starts and hour were lost for not
more than the last 24 hours. This is expected to be an isolated
event and repair or replacement is not required. If this
diagnostic does occur repeatedly, then replace the Chiller
module.
Memory Error Type III IFW A Shadow RAM memory error was detected. The UCM is
operating on all last valid values (pulled from NOVRAM) for all
setup parameters. Setup parameter changes less than 24
hours old pending to be loaded into NOVRAM were lost. Check
all setup parameters made in the last 24 hours. Compressor
starts and hours were lost for not more than the last 24 hours.
This is expected to be an isolated event and repair or
replacement is not required. If this diagnostic does occur
repeatedly, then replace the Chiller module.
Table 19 Diagnostic Codes
Diagnostic Description Type Cause

RTAA-SVX01A-EN 131
Diagnostics
Oil System Fault - Ckt 1 CMR Entering Oil Temp on either compressor of the given circuit
reads a temperature x degrees below the given ckts' saturated
condenser temperature for more than 30 minutes where x is
the Oil Loss Differential Setpoint (2 degree F hysterisis to
clear timer).
Oil System Fault - Ckt 2 CMR Same as for Ckt 1, above.
Outdoor Air Temp Sensor (Both Outdoor Air
Reset and Low Ambient Lockout not selected)
None Open or short.
a. Display dashes e.g. “14----”.
Outdoor Air Temp Sensor (Either Outdoor Air
Reset or Low Ambient Lockout selected.)
I FW Open or short.
a. Use end of range value (whatever value the open or
short.
b. Clear diag. when the resistance returns to normal range.
Over Voltage MAR Line voltage above + 10% of nominal. (Must hold = + 10% of
nominal. Must trip = + 15% of nominal. Reset differential =
min. of 2% and max. of 4%. Time to trip = minimum of 10 sec.
and maximum of 20 seconds.)
Design: Nom. trip: 15 seconds at greater than 113.5%,
± 2.8% at 200V, or ± 1.8% at 575V, Auto reset at 110.5% or
less.
Overload Trip - CPRSR A CMR Cprsr current exceeded overload time vs. trip characteristic.
Overload Trip - CPRSR B CMR Same as Diagnostic for Cprsr A.
Overload Trip - CPRSR C CMR Same as Diagnostic for Cprsr A.
Overload Trip - CPRSR D CMR Same as Diagnostic for Cprsr A.
Phase Loss - Cprsr A CMR No current was sensed on one or more of the current x former
inputs. (Must hold = 20% RLA. Must trip = 5% RLA.) Time to
trip shall be 1 second minimum, 3 seconds maximum.
Phase Loss - Cprsr B CMR Same as Diagnostic for Cprsr A, above.
Phase Loss - Cprsr C CMR Same as Diagnostic for Cprsr A, above.
Phase Loss - Cprsr D CMR Same as Diagnostic for Cprsr A, above.
Phase Reversal - Cprsr A CMR A phase reversal was detected on the incoming current. On a
compressor startup the phase reversal logic must detect and
trip in a maximum of 1.0 second from compressor start.
Phase Reversal - Cprsr B CMR Same as Diagnostic for Cprsr A, above.
Phase Reversal - Cprsr C CMR Same as Diagnostic for Cprsr A, above.
Phase Reversal - Cprsr D CMR Same as Diagnostic for Cprsr A, above.
Phase Rev Prot Lost Cprsr A CMR The phase reversal protection on compressor A has become
inoperative. The phase rotation protection system failed to
detect 2 in a row of one of the four phase circuit states: Phase
reversal, Phase rotation OK, Phase A lost., Phase B lost.
Phase Rev Prot Lost - Cprsr B CMR Same as Cprsr A, above, but Cprsr B.
Phase Rev Prot Lost - Cprsr C CMR Same as Cprsr A, above, but Cprsr C.
Phase Rev Prot Lost - Cprsr D CMR Same as Cprsr A, above, but Cprsr D.
Phase Unbalance - Cprsr A CMR A 15% phase unbalance condition has been detected.
Phase Unbalance - Cprsr B CMR Same as Diagnostic for Cprsr A.
Phase Unbalance - Cprsr C CMR Same as Diagnostic for Cprsr A.
Table 19 Diagnostic Codes
Diagnostic Description Type Cause

132 RTAA-SVX01A-EN
Diagnostics
Phase Unbalance - Cprsr D CMR Same as Diagnostic for Cprsr A.
Power Loss - Cprsr A CAR a. The Cprsr was running and all three phases of current
were lost.
b. There was an open Transition input after transition had
been previously proven to have been complete.
c. There was an incomplete Transition on the first check
after transition and all three phases of current were not
present.
Power Loss - Cprsr B CAR Same as Diagnostic for Cprsr A, above.
Power Loss - Cprsr C CAR Same as Diagnostic for Cprsr A, above.
Power Loss - Cprsr D CAR Same as Diagnostic for Cprsr A, above.
Severe Phase Unbalance - Cprsr A CMR A 30% Phase Unbalance diagnostic has been detected. The
15% Phase Unbalance criteria has been defeated. Items to
check are the Current Transformer Part Numbers (they should
all match). The current Transformer resistances, line voltage
phase balance, all power wiring connections, the contactor
pole faces, and the motor. If all these are OK, replace the
MCSP module of the affected circuit.
Severe Phase Unbalance - Cprsr B CMR Same as Diagnostic for Cprsr A, above.
Severe Phase Unbalance - Cprsr C CMR Same as Diagnostic for Cprsr A, above.
Severe Phase Unbalance - Cprsr D CMR Same as Diagnostic for Cprsr A, above.
Slaved EXV E1ec Drive CKT - Rfgt Ckt 1 CMR Run the EXV electrical drive circuit test both on demand from
the human interface and just before either a circuit or one of a
pair of circuits starts.
Slaved EXV Elec Drive CKT - CMR Same as Diagnostic for Ckt 1, above.
Starter Transition - Cprsr A CMR a. The UCM did not receive a transition complete signal in
the designated time from the UCM command to
transition. The must hold time from the UCM transition
command is 1 second. The Must trip time from the
transition command is 6 seconds.
b. The Transition Complete input was found to be shorted
before the compressor was started.
c. Active only if Reduced Inrush Starting is Enabled.
Starter Transition - Cprsr B CMR Same as Diagnostic for Cprsr A, above.
Starter Transition - Cprsr C CMR Same as Diagnostic for Cprsr A, above.
Starter Transition - Cprsr D CMR Same as Diagnostic for Cprsr A. above.
Subcooled Liquid Temp Sensor - Ckt 1 IFW Open or short.
Subcooled Liquid Temp Sensor - Ckt 2 IFW Open or short.
Table 19 Diagnostic Codes
Diagnostic Description Type Cause

RTAA-SVX01A-EN 133
Diagnostics
Tracer Communications Loss IFW a. While the chiller switch was in AUTO/REMOTE the
communications between the CSR and the connected
remote device, e.g., a Tracer or Remote Display, had
either never been established for more than 15 minutes
after power up or had been lost for more than 15
minutes after it had been established; use the Front
Panel Setpoints and the Default Chiller Auto/Stop.
b. In AUTO/LOCAL communications had been established
and was then lost for more than 15 minutes. Regardless
of the remote communications status the UCM uses
Front Panel setpoints.
NOTE: The active modes for this diagnostic follow
the positions of the chiller switch which account for
other chiller modes.
Under Voltage MAR Line voltage below - 10% of nominal or the Under/Over trans-
former is not connected. (Must hold = -10% of nominal. Must
trip = -15% of nominal. Reset differential = min. of 2% and
max. of 4%. Time to trip = min. of 10 sec. and max. of 20 sec.)
Design: Nom. trip: 15 seconds at less than 87.5%. ± 2.8% at
200V. or ± 1.8% at 575V, Auto reset at 90.5% or greater.
U1 Indicating U2 Communications IFW The 1U1 has det. a loss of IPC comm from the 1U2 module.
U1 Indicating U3 Communications MMR The 1U1 has det. a loss of IPC comm from the 1U3 module.
U1 Indicating U4 Communications CMR The 1U1 has det. a loss of IPC comm from the 1U4 module.
U1 Indicating U5 Communications CMR The 1U1 has det. a loss of IPC comm from the 1U5 module.
U1 Indicating U6 Communications CMR The 1U1 has det. a loss of IPC comm from the 1U6 module.
U1 Indicating U7 Communications CMR The 1U1 has det. a loss of IPC comm from the 1U7 module.
U3 Indicating U1 Communications MMR The 1U3 has det. a loss of IPC comm from the 1U1 module.
U3 Indicating U4 Communications CMR The 1U3 has det. a loss of IPC comm from the 1U4 module.
U3 Indicating U5 Communications CMR The 1U3 has det. a loss of IPC comm from the 1U5 module.
U3 Indicating U6 Communications CMR The 1U3 has det. a loss of IPC comm from the 1U6 module.
U3 Indicating U7 Communications CMR The 1U3 has det. a loss of IPC comm from the 1U7 module.
U4 Indicating U1 Communications CMR The 1U4 has det. a loss of IPC comm from the 1U1 module.
U4 Indicating U3 Communications CMR The 1U4 has det. a loss of IPC comm from the 1U3 module.
U4 Indicating U5 Communications CMR The 1U4 has det. a loss of IPC comm from the 1U5 module.
U5 Indicating U1 Communications CMR The 1U5 has det. a loss of IPC corn from the 1U1 module.
U5 Indicating U3 Communications CMR The 1U5 has det. a loss of IPC corn from the 1U3 module.
U5 Indicating U4 Communications CMR The 1U5 has det. a loss of IPC comm from the 1U4 module.
U6 Indicating U1 Communications CMR The 1U6 has det. a loss of IPC comm from the 1U1 module.
U6 Indicating U3 Communications CMR The 1U6 has det. a loss of IPC comm from the 1U3 module.
U6 Indicating U7 Communications CMR The 1U6 has det. a loss of IPC comm from the 1U7 module.
Winding Temp - Cprsr A CMR a. The motor winding temperature thermostat opened;
nominally 221 F.
b. The motor temp. thermostat or wiring is open.
c. Time to trip from input open to compressor shutdown
shall be 0.5 to 2.0 seconds.
Table 19 Diagnostic Codes
Diagnostic Description Type Cause

134 RTAA-SVX01A-EN
Diagnostics
Winding Temp - Cprsr B CMR Same as Diagnostic for Cprsr A, above.
Winding Temp - Cprsr C CMR Same as Diagnostic for Cprsr A, above.
Winding Temp - Cprsr D CMR Same as Diagnostic for Cprsr A, above.
Zone Temp Sensor (Zone Reset Selected) IFW Open or Short.
a. Use end of range value (whatever value the open or
short gives).
b. Clear diag. when the resistance returns to normal range.
c. If Shorted, go into the ice making mode if “Ice Machine
Control“ is enabled.
Zone Temp Sensor (Zone Reset not Selected) None a. If Open, do normal chiller control.
b. If Shorted, go into the ice making mode if “Ice Machine
Control “ is enabled.
Table 19 Diagnostic Codes
Diagnostic Description Type Cause

RTAA-SVX01A-EN 135
Pump Package
The Canariis Pumping System is completely assembled and consists of two
centrifugal pumps, butterfly isolation valves, check valves, y-stainer, multi-
purpose valve, controls and piping designed to maintain a suitable water
pressure over a widely varying flow range. Maintenance, once the system is
properly installed is minimal.
Temporary Storage
If the unit will not be placed into immediate service, store in a clean dry area.
Rotate each pump shaft by hand monthly to coat the bearings with lubricant
and retard oxidation and corrosion.
Piping
Avoid any points in the piping that might create air pockets and throttle the
flows. DO NOT FORCE PIPING WHEN MAKING CONNECTIONS! Use piping
hangers or other supports. Suction piping should be independently supported
and properly aligned so that NO STRAIN IS TRANSMITTED TO THE UNIT.
Tightening Connections
All piping and wiring is factory tested. Handling during transit, off-loading and
installation can loosen the connections and the tightening of some connec-
tions may be required.
Pre-Start Review and Inspection
Before starting the system it is important to review the following information.
Each system is custom fabricated incorporating a variety of components.
The system construction, options, control sequencing panel features and
operation of your system is defined in the following pages.
A close visual inspection of the system components is recommended.
Table 20 Water Storage
Pump Package
Water Storage
Gallons (Liters) Pump Package
Water Storage
Gallons (Liters)
C2-2.5-4 13.64(51.63) E5-3-6 19.59 (74.16)
D3-2.5 - 4 13.54 (51.25) F5-4-4 23.54 (89.11)
D3-2.5-6 16.98 (64.28) F5-4-6 26.09 (98.76)
D5-3-4 16.18 (61.25) F7.5-4-4 23.54 (89.11)
E2-3-4 16.25 (61.51) F7.5-4-6 26.09 (98.76)
E3-3-4 16.25 (61.51) G3-4-4 23.62 (89.41)
E5-3-4 16.25 (61.51) G3-4-6 26.56 (100.54)
D5-3-6 19.41 (73.47) G5-4-4 23.62 (89.41)
E3-3-6 19.59 (74.16) G5-4-6 26.56 (100.54)
This is for pump package only. For evaporator water storage refer to General information
section.
C2-2.51-42
1 Digit 17 plus in the model number.
2 Size of evap water connection.

136 RTAA-SVX01A-EN
Pump Package
Control Panel Features and Options
1. NEMA 3R Control Panel Enclosure
2. Individual Fused Disconnect Switches
3. Each A/C motor starter is a full voltage, non-reversing magnetic starter
and is provided with adjustable 3-leg overload protection with manual
overload reset push button. Motor starters are mechanically and electri-
cally interlocked to ensure single pump operation.
4. Each pump is provided with a panel mounted light (green) which illumi-
nates when the pump is running and H/O/A switch for manual and auto-
matic operation. The hand or manual mode will not override system
protection devices such as differential pressure failure.
5. Control Circuit will be 115 volt A/C. The transformer will be provided with
two fuses on the primary and one fuse on the secondary.
6. Control Power (on-off) Switch and Light (amber) provides a means of iso-
lating the control circuit without disconnecting the incoming power at the
main disconnect. The light provides visual indication of power to the con-
trol circuit.
7. System Differential Pressure Circuit with light (red) - often called " pump
fault protection". This feature automatically starts the lag pump after a
time delay if the differential pressure sensed in the suction and discharge
manifold drops below a preset point (determined by job conditions).
Alarm indicator light remains on until manually reset.
8. Auto Alternator - (2) equal pumps. This feature will automatically alternate
the sequence of the pumps on each shutdown cycle to equalize their run-
ning time.
9. Elapsed Time Meters are non-resettable and provide a record of the
hours of operation for each pump.
10. Auxiliary Relay Contact provides hard-wired "System Status" contact to
the control panel terminal strip for remote indication.
11. Lead Pump Remote Start/Stop provides hard-wired input to the control
panel terminal strip for remote start/stop.
Connection Power
The unit will operate under the following conditions:
The voltage can be +/- 10% of the motor nameplate data
The frequency can be +/- 5% of the motor nameplate data
The combined voltage/frequency variation cannot exceed +/- 10%.
Install electrical wiring in accordance with NEC Standards and any local
regulations. The line voltage and wire ampacity must match the voltage and
the full load AMP's of the system.

RTAA-SVX01A-EN 137
Pump Package
WARNING
Hazardous Voltage!
Disconnect all electric power, including remote disconnects
before servicing. Follow proper lockout/tagout procedures to
ensure the power can not be inadvertently energized. Failure to
disconnect power before servicing could result in death or serious
injury.
1. Place panel disconnects(s), H/O/A switches, and control power On/Off
switch (if provided) to the "Off" position.
2. Open the panel and visually check components for any shipping damage
and verify that all power leads are secure (see "Tightening Torque Refer-
ence Guide" label on inner panel door).
3. Switch main power supply disconnect to "ON". This will provide power to
the terminal block of the Booster System Control Panel. Verify the power
supply agrees with the Booster System Panel.
IF NOT PROCEEDING WITH START UP AT THIS TIME, DISCONNECT
POWER SUPPLY TO PANEL.
Pump Checkout Procedure
1. Verify electric power and water are available.
2. All valves, including main suction valve and discharge valves must be in
closed position.
3. If unit is in storage for more than 3 months, rotate each pump by hand.
Units should turn freely.
4. Open the main suction valve on inlet to system manifold and check suc-
tion pressure against specifications.
5. Slowly open suction valve to one pump at a time. Check pump units and
fittings for leaks.
6. Vent each pump volute by loosening a pipe plug at the highest point to
assure no air is trapped which would cause seal failure and/or pump
"vapor lock".
7. Slowly open pump discharge valve - one pump at a time. Check fittings
for leaks. DO NOT OPEN MAIN DISCHARGE VALVE (Multi-Purpose
Valve) ON OUTLET OF SYSTEM MANIFOLD AT THIS TIME.
Control Panel Checkout
YOU WILL BE UNABLE TO PROCEED WITH THIS SECTION UNTIL
REQUIREMENTS OF CONNECTING POWER SOURCE
1. Confirm the suction pressure is adequate.
2. Energize power supply to panel if necessary.

138 RTAA-SVX01A-EN
Pump Package
Caution
Pump Damage!
Do not run the pumps without water in the system. Damage to
the pump seal will result if the pump is run dry for more for more
than a few seconds.
3. Confirm all H/O/A Switches are in the "Off" position. Turn control power
(On / Off) switch to "On".
4. Turn disconnects only, to "ON" position (panel door must be closed).
5. Jog each pump by turning the respective H/O/A switch momentarily to
the "HAND" position.
System Start-up
1. Verify that the system piping in the building can be pressurized. Open a
valve at the highest point to release the air in the system.
2. Close each individual pump discharge valve. Partially open Multi-purpose
Valve.
3. Turn Pump 1 H/O/A switch to the "Hand" position.
4. Slowly open Pump 1 discharge valve.
5. Fill the entire building system and observe the high point valve until all
the air is released and then close the valve.
6. Turn Pump 1 H/O/A switch to the "OFF" position.
7. Repeat steps C - F for Pump 2.
8. Check to determine if system pressure remains stable. Failure to main-
tain stable pressure may indicate an improperly operating check valve,
system leakage or entrapped air.
9. Turn all H/O/A switches to the "AUTO" position. The system is now oper-
ating in the fully automatic mode. All control devices can be exercised
and adjusted to field conditions if necessary.
10. The system is now ready for unattended automatic operation. The isola-
tion valves must be left fully open. The small suction and discharge pres-
sure gauge ball valves must be adjusted to dampen out gauge
fluctuations (and prolong gauge life), but must not be turned fully off or
the differential pressure switch will not monitor pressure changes.

RTAA-SVX01A-EN 139
Pump Package
Figure 42 C - Pump Curves Before Impeller Trim
TOTAL HEAD IN FEET
TOTAL HEAD IN METERS
CAPACITY IN CUBIC METERS/HR
CAPACITY IN U.S. GALLONS PER MINUTE
2AC
1750 R.P.M.
NPSH IN METERS
NPSH IN FEET
Impellers are trimmed in 1/8" incre-
ments to supply required capacity.
Responsibility for final impeller siz-
ing remains with ITT Bell & Gossett.
C - 2X3X7
1750 R.P.M.
Figure 43 D - Pump Curves Before Impeller Trim
14
TOTAL HEAD IN FEET
TOTAL HEAD IN METERS
CAPACITY IN CUBIC METERS/HR
CAPACITY IN U.S. GALLONS PER MINUTE
2BC
1750 R.P.M.
NPSH IN METERS
NPSH IN FEET
Impellers are trimmed in 1/8" incre-
ments to supply required capacity.
Responsibility for final impeller siz-
ing remains with ITT Bell & Gossett.
D - 2X3X9
1750 R.P.M.

140 RTAA-SVX01A-EN
Pump Package
Figure 44 E - Pump Curves Before Impeller Trim
21/2AB
1750 R.P.M.
NPSH IN FEET
NPSH IN METERS
CAPACITY IN U.S. GALLONS PER MINUTE
CAPACITY IN CUBIC METERS/HR
TOTAL HEAD IN FEET
TOTAL HEAD IN METERS
Impellers are trimmed in 1/8" incre-
ments to supply required capacity.
Responsibility for final impeller siz-
ing remains with ITT Bell & Gossett.
1750 R.P.M.
E - 2.5X3X7
Figure 45 F - Pump Curves Before Impeller Trim
TOTAL HEAD IN FEET
TOTAL HEAD IN METERS
CAPACITY IN CUBIC METERS/HR
CAPACITY IN U.S. GALLONS PER MINUTE
21/2BB
1750 R.P.M.
NPSH IN METERS
NPSH IN FEET
Impellers are trimmed in 1/8" incre-
ments to supply required capacity.
Responsibility for final impeller siz-
ing remains with ITT Bell & Gossett.
F - 2.5X3X9
1750 R.P.M.

RTAA-SVX01A-EN 141
Pump Package
Planned Shutdown
1. Temporary - for short periods under normal ambient conditions, the unit
may be shut down by merely turning all H/O/A switches and discon-
nect(s) to the "OFF" position. Before reactivating the system, each motor
shaft should be turned by hand to see that they rotate freely, and the
pump seal chambers should be re-bled of any air that may have collected
in the system.
2. Long Periods - For extended periods of inactivity, or if freezing conditions
will exist, the unit should be isolated and drained of liquid. Remove vent
and drain plugs from pumps and blow out all liquid passages and pockets
with compressed air.
3. All electrical disconnects should be turned off. The complete start up pro-
cedure should be followed when placing the unit back in service.
Maintenance
Periodic maintenance requirements are minimal. If water contains dirt or
minerals, the y-strainers should occasionally be cleaned.
The mechanical seals used on pumps do not require periodic maintenance.
The electric motors are equipped with bearing grease fittings. In the absence
of specific instruction on the motor, these fittings should be greased every six
months, with relief plug removed.
Figure 46 G - Pump Curves Before Impeller Trim
TOTAL HEAD IN FEET
TOTAL HEAD IN METERS
CAPACITY IN CUBIC METERS/HR
CAPACITY IN U.S. GALLONS PER MINUTE
3AC
1750 R.P.M.
NPSH IN METERS
NPSH IN FEET
Impellers are trimmed in 1/8" incre-
ments to supply required capacity.
Responsibility for final impeller siz-
ing remains with ITT Bell & Gossett.
G - 3X4X7
17
50
R.P.M.

142 RTAA-SVX01A-EN
Pump Package
Troubleshooting
Table 21 Pump Package Troubleshooting
Problem Possible Cause
Pumps will not run in hand or auto Power to panel is disconnected
Panel disconnect is in off position
Overload relay tripped
Control circuit fuses blown
Loose connection on power circuit
Motor fuses blown
Motor runs hot High flow resulting in high amp draw
Incorrect supply voltage
Noisy Pump/Motor Motor bearings worn
Pump impeller clogged
Inadequate suction pressure
Piping stress
Suction valve closed
Entrapped air
Pump leaks Mechanical seal damaged
Casing gasket damaged
Loose bolts
Inadequate capacity or pressure Wrong pump rotation
Suction pressure to low
Pump or pipe clogged
Air binding
Isolation valve closed
Check valve not holding
Pump operates then stops Check panel safety features such as
Differential pressure switch failure
Differential pressure switch misadjusted
Remote start/stop signal cycling
Excess system pressure Triple duty valve not set correctly

RTAA-SVX01A-EN 143
Pump Package
Figure 47 Pump Package Piping Schematic

144 RTAA-SVX01A-EN
Pump Package

RTAA-SVX01A-EN 145
Unit Wiring
Typical field connection diagrams, electrical schematics and connection
diagrams for 70 -125 Ton RTAA units of “AO” design sequence are shown on
the following pages.
NOTE: The typical wiring diagrams in this manual are representative of “AO”
design sequence units and are provided only for general reference. These
diagrams may not reflect the actual wiring of your unit. For specific electrical
connection and schematic information, always refer to the wiring diagrams
which were shipped with your unit.
Unit Electrical Data
To determine the specific electrical characteristics of a particular chiller,
always refer to the nameplates mounted on the unit..
Table 22 Legend
Drawing Number Description Page
2307-3327 Schematic Page 1 146
2307-3328 Schematic Page 2 - Low Ambient 148
2307-6516 Schematic Page 2 - Std Ambient 150
2307-3329 Schematic Page 3 - Package Units 152
2307-6472 Schematic Page 3 - Remote Evap Units 154
2307-3330 Schematic Page 4 - Package Units 156
2307-6046 Schematic Page 4 - Remote Evap Units 158
2307-3331 Schematic Page 4 - Package Units Low Ambient 160
2307-6519 Schematic Page 4 - Package Units Std Ambient 162
2307-6047 Schematic Page 5 - Remote Evap Units 164
2307-3325 Field Wiring Page 1 - Package Units 166
2307-6048 Field Wiring Page 1 - Remote Evap Units 168
2307-6543 Field Wiring Page 2 - Package Units 170
2307-3326 Component Location 172
2307-6049 Component Location - Remote Evap (Outside) 174
2307-6463 Component Location - Remote Evap (Inside) 176

146 RTAA-SVX01A-EN
3327

RTAA-SVX01A-EN 147

148 RTAA-SVX01A-EN
3328

RTAA-SVX01A-EN 149

150 RTAA-SVX01A-EN
6516

RTAA-SVX01A-EN 151

152 RTAA-SVX01A-EN
3329

RTAA-SVX01A-EN 153

154 RTAA-SVX01A-EN
6472

RTAA-SVX01A-EN 155

RTAA-SVX01A-EN 156
3330

157 RTAA-SVX01A-EN

158 RTAA-SVX01A-EN
6046

RTAA-SVX01A-EN 159

160 RTAA-SVX01A-EN
3331

RTAA-SVX01A-EN 161

162 RTAA-SVX01A-EN
6519

RTAA-SVX01A-EN 163

164 RTAA-SVX01A-EN
6047

RTAA-SVX01A-EN 165

166 RTAA-SVX01A-EN
3325

RTAA-SVX01A-EN 167

168 RTAA-SVX01A-EN
6048

RTAA-SVX01A-EN 169

170 RTAA-SVX01A-EN
6543
2307-6543
Customer Wire Selection Rev. B
Unit Rated Terminal Size Connector Wire Range Disconnect Size Connector Wire Range Circuit Breaker Size Connector Wire Range
Size Voltage (per phase) (per phase) (per phase)
RTAA 70 200/60 760 Amp #4 to 500 MCM 400 Amps Two 3/0 to 500 MCM 400 Amps Two 3/0 to 500 MCM
230/60 310 Amp #8 to 350 MCM 400 Amps Two 3/0 to 500 MCM 350 Amps Two 3/0 to 500 MCM
380/60 310 Amp #8 to 350 MCM 250 Amps #6 to 350 MCM 250 Amps #6 to 350 MCM
460/60 175 Amp #14 to 2/0 250 Amps #6 to 350 MCM 150 Amps #6 to 350 MCM
575/60 175 Amp #14 to 2/0 250 Amps #6 to 350 MCM 125 Amps #6 to 350 MCM
400/50 175 Amp #14 to 2/0 250 Amps #6 to 350 MCM 150 Amps #6 to 350 MCM
RTAA 80 200/60 760 Amp #4 to 500 MCM 400 Amps Two 3/0 to 500 MCM 500 Amps Two 3/0 to 500 MCM
230/60 760 Amp #4 to 500 MCM 400 Amps Two 3/0 to 500 MCM 400 Amps Two 3/0 to 500 MCM
380/60 310 Amp #8 to 350 MCM 250 Amps #6 to 350 MCM 300 Amps #4 to 350 MCM
460/60 175 Amp #14 to 2/0 250 Amps #6 to 350 MCM 175 Amps #6 to 350 MCM
575/60 175 Amp #14 to 2/0 250 Amps #6 to 350 MCM 150 Amps #6 to 350 MCM
400/50 175 Amp #14 to 2/0 250 Amps #6 to 350 MCM 175 Amps #6 to 350 MCM
RTAA 90 200/60 760 Amp #4 to 500 MCM 600 Amps Two 3/0 to 500 MCM 600 Amps Two 3/0 to 500 MCM
230/60 760 Amp #4 to 500 MCM 400 Amps Two 3/0 to 500 MCM 500 Amps Two 3/0 to 500 MCM
380/60 310 Amp* #8 to 350 MCM 400 Amps Two 3/0 to 500 MCM 350 Amps Two 3/0 to 500 MCM
460/60 310 Amp #8 to 350 MCM 250 Amps #6 to 350 MCM 225 Amps #6 to 350 MCM
575/60 175 Amp #14 to 2/0 250 Amps #6 to 350 MCM 175 Amps #6 to 350 MCM
400/50 310 Amp #8 to 350 MCM 250 Amps #6 to 350 MCM 225 Amps #6 to 350 MCM
RTAA 100 200/60 760 Amp #4 to 500 MCM 600 Amps Two 3/0 to 500 MCM 600 Amps Two 3/0 to 500 MCM
230/60 760 Amp #4 to 500 MCM 600 Amps Two 3/0 to 500 MCM 600 Amps Two 3/0 to 500 MCM
380/60 310 Amp* #8 to 350 MCM 400 Amps Two 3/0 to 500 MCM 350 Amps Two 3/0 to 500 MCM
460/60 310 Amp #8 to 350 MCM 250 Amps #6 to 350 MCM 300 Amps Two 3/0 to 500 MCM
575/60 310 Amp #8 to 350 MCM 250 Amps #6 to 350 MCM 200 Amps #6 to 350 MCM
400/50 310 Amp #8 to 350 MCM 250 Amps #6 to 350 MCM 300 Amps Two 3/0 to 500 MCM
RTAA 110 200/60 760 Amp #4 to 500 MCM 600 Amps Two 3/0 to 500 MCM N/A N/A
230/60 760 Amp #4 to 500 MCM 600 Amps Two 3/0 to 500 MCM 600 Amps Two 3/0 to 500 MCM
380/60 310 Amp #8 to 350 MCM 400 Amps Two 3/0 to 500 MCM 400 Amps Two 3/0 to 500 MCM
460/60 310 Amp* #8 to 350 MCM 400 Amps Two 3/0 to 500 MCM 350 Amps Two 3/0 to 500 MCM
575/60 310 Amp #8 to 350 MCM 250 Amps #6 to 350 MCM 225 Amps #6 to 350 MCM
400/50 310 Amp* #8 to 350 MCM 400 Amps Two 3/0 to 500 MCM 350 Amps Two 3/0 to 500 MCM
RTAA 125 200/60 760 Amp #4 to 500 MCM 600 Amps Two 3/0 to 500 MCM N/A N/A
230/60 760 Amp #4 to 500 MCM 600 Amps Two 3/0 to 500 MCM N/A N/A
380/60 310 Amp #8 to 350 MCM 400 Amps Two 3/0 to 500 MCM 450 Amps Two 3/0 to 500 MCM
460/60 310 Amp* #8 to 350 MCM 400 Amps Two 3/0 to 500 MCM 350 Amps Two 3/0 to 500 MCM
575/60 310 Amp #8 to 350 MCM 250 Amps #6 to 350 MCM 250 Amps #6 to 350 MCM
400/50 310 Amp* #8 to 350 MCM 400 Amps Two 3/0 to 500 MCM 350 Amps Two 3/0 to 500 MCM
*760 Amp for X-line #4 to 500 MCM
Wire Selection Size to Main Terminal Block Wire Selection Size to Disconnect Wire Selection Size to Circuit Breaker
Factory Installed Option Factory Installed Option
Power Wire Selection

RTAA-SVX01A-EN 171
2307-6543
Fuse Description Unit Size Unit Voltage Fuse Type Fuse Size Rev. B
Condenser Fans All All Class RK5 (600V) 30 Amp
(1F3 - 1F3, 1F7 - 1F9)
Inverter/Auto-transformer All 200/230 No Fuse
(1F18-1F23) Low Ambient Class CC (600V) 6 Amp
Option only
Integrated Pump Package All All Class CC (600V) 20 Amp
(1F24-1F26) Pump Package
Option only
Control Circuit All All Class CC (600V) 10 Amp
(1F15)
Control Power All 200/230 Class CC (600V) 5 Amp
Transformer 380/400 4Amp
(1F16 - 1F17) 460/575 4 Amp
CPM & MCSP All All Buss GMC - 1/4 0.25 Amp 5x20 mm
(1U1F1, 1U4F1, 1U5F1) Littlefuse 239.250
EXV All All Buss GMC - 3/10 0.30 Amp 5x20 mm
(1U3F1) Littlefuse 239.300
CRS All All Buss GMC - 1/10 0.10 Amp 5x20 mm
(1U2F2) Littlefuse 239.200
(1) Do Not Run in Conduct With Higher Voltage Circuits.
5000 FT
2000 FT
1000 FT
Fuse Re
p
lacement Selection
Control Wire for 30 Volt or Less Circuit
(
1
)
Wire size
14 AWG
16 AWG
18 AWG
Maximum Length for Sensor Leads

172 RTAA-SVX01A-EN
3326

RTAA-SVX01A-EN 173

174 RTAA-SVX01A-EN
6049

RTAA-SVX01A-EN 175

176 RTAA-SVX01A-EN
6463

Trane has a policy of continuous product data and product improvement and reserves
the right to change design and specifications without notice. Only qualified technicians
should perform the installation and servicing of equipment referred to in
this bulletin.
Literature Order Number RTAA-SVX01A-EN
File Number SV-RF-RTAA-SVX01A-EN-0905
Supersedes RTAA-IOM-4A
Stocking Location Inland
Trane
A business of American Standard Companies
www.trane.com
For more information contact your local district
office or e-mail us at comfort@trane.com