Trane Tud2B080A9V3Vb Users Manual 22 1650 13 11/01/2011 Product Data Upflow Horizontal Two Stage Variable Speed Gas Fired Furnace XV 80 TUD 9V S St
Trane Furnace TUD2D140A9V5VB XV80-Performance-Data
TUD2D140A9V5VB to the manual 57e68683-78fa-4aaa-83b2-dda83174b585
2015-01-21
: Trane Trane-Tud2B080A9V3Vb-Users-Manual-236169 trane-tud2b080a9v3vb-users-manual-236169 trane pdf
Open the PDF directly: View PDF
.
Page Count: 26

UPFLOW/HORIZONTAL
2-STAGE, VARIABLE SPEED
GAS-FIRED FURNACE
PUB. NO. 22-1650-13
XV80
MODELS
TUD2B060A9V3VB, TUD2B080A9V3VB
TUD2C080A9V4VB, TUD2C080B9V4VB
TUD2B100A9V3VB, TUD2C100A9V5VB
TUD2C100B9V5VB, TUD2D120A9V5VB
TUD2D120B9V5VB, TUD2D140A9V5VB
© 2011 Trane
Two-Stage FanAssisted
CombustionSystem

222-1650-13
General
Features
© 2011 Trane
NATURAL GAS MODELS
Central Heating furnace designs are cer-
tified by the American Gas Association
for both natural and L.P. gas. Limit setting
and rating data were established and
approved under standart rating condi-
tions using American National Standards
Instirute standards.
SAFE OPERATION
The Integrated System Control has solid
state devices, which continuously monitor
for presence of flame, when the system
is in the heaating mode of operation.
Dual solenoid combination gas valve and
regulator provide extra safety.
QUICK HEATING
Durable, cycle tested, heavy gauge
aluminized steel heat exchanger quickly
transfers heat to provide warm condi-
tioned air to the structure. Low energy
power vent blower, to increase efficiency
and provide a positive discharge of gas
fumes to the outside.
BURNERS
Multiport In-shot burners will give years
of quiet and efficient service. All models
can be converted to L.P. gas.
INTEGRATED SYSTEM CONTROL
Exclusively designed operational program
provides total control of furnace limit
sensors, blowers, gas valve, flame control
and includes self diagnostics for ease of
service. Also contains connection points
for E.A.C./humidifier.
AIR DELIVERY
The variable speed, direct drive blower
motor, has sufficient airflow for most
heating and cooling requirements, will
switch from heating to cooling speeds
on demand from room thermostat. The
blower door safety switch will prevent or
terminate furnace operation when the
blower door is removed. Some models
are available with high efficiency blowers.
STYLING
Heavy gauge steel and “wrap-around”
cabinet construction is used in the
cabinet with baked-on enamel finish for
strength and beauty. The heat exchanger
section of the cabinet is completely
lined with foil faced fiberglass insulation.
This results in quiet and efficient opera-
tion due to the excellent acoustical and
insulating qualities of fiberglass. Built-in
bottom pan and alternate bottom, left or
right side return air connection provision.
FEATURES AND GENERAL OPERA-
TION
The XV80 High Efficiency Gas Furnaces
employ a Hot Surface Ignition system,
which eliminates the waste of a constant
burning pilot. The integrated system
control lights the main burners upon a de-
mand for heat from the room thermostat.
Complete front service access.
a. Low energy power venter
b. Vent proving pressure switch.

3
22-1650-13
Feature Summary
Features and Benefits
Standard Equipment
Optional Equipment
General Data
TUD2B060A9V3VB
TUD2B080A9V3VB
TUD2C080A9V4VB
TUD2C080B9V4VB
TUD2B100A9V3VB
TUD2C100A9V5VB
TUD2C100B9V5VB
TUD2D120A9V5VB
TUD2D120B9V5VB
TUD2D140A9V5VB
Performance Data
Electric Data
Field Wiring Diagrams
Dimensions
Contents
2
4
4
5
6
9
19
19
24

422-1650-13
XV80 STANDARD EQUIPMENT
•Upow/Horizontaland
•Powersupply115/1/60
•2-stagegasvalve
•2-speedventer
•Variablespeedblowermotor
•SiliconNitridehotsurfaceigniterwith
adaptive heat up
•Integratedsolidstatecontrol
•Attractivecoloraccents
•Heavygaugealuminizedsteelheat
exchanger
•Multi-portIn-shotburners
•Completefrontserviceaccess
•Alternatebottom/left/rightreturnair
•Slideoutblowerassembly
•Hingedblowerdoor
•Perfecttdoorcatches
•Insulatedblowerdoor
•Gasketedblowerdoor
•Internallterrack
•Standardltersizes
•Two-tonecolor
•Directdrive,variablespeedmotor
•Integratedsolidstatecontrolwith
self-diagnostics
•Commonventcapability
•Cleanableframedlters
•OptionalL.P.conversionkit
•Left/rightgasconnection
•Accessoryhook-upcapability
•Selectablecoolingfanoffdelay
eliminates need for BAY24X045 time
delay kit
•Enhancedcoolingcontrol
Features
and Benefits

5
22-1650-13
XV80 OPTIONAL EQUIPMENT
Thermostat, Mechanical 2-Stage Heating/1-Stage Cooling ........................................................................................ TAYSTAT241 [ ]
Thermostat, Mechanical Heating Only With Fan Switch ............................................................................................. BAYSTAT303 [ ]
Thermostat, Mechanical Heating Only ....................................................................................................................... BAYSTAT388 [ ]
Thermostat, Heating/Cooling Single Stage (Mounts Horizontally) .................................................................................AY28X092 [ ]
Thermostat, Electronic Non-programmable 1-Stage Heating/1-Stage Cooling .......................................................... BAYSTAT370 [ ]
Thermostat, Electronic Programmable (5-2) 1-Stage Heating/1-Stage Cooling ......................................................... BAYSTAT340 [ ]
Thermostat, Heating/Cooling Single Stage (Mounts Vertically) .................................................................................. BAYSTAT305 [ ]
Thermostat, Electronic Programmable 2-Stage Heating/2-Stage Cooling ............................................................... TAYSTAT302C [ ]
Thermostat, Electronic Programmable 1-Stage Heating/1-Stage Cooling ............................................................... TAYSTAT300C [ ]
Propane Conversion Kit ........................................................................................................................................... BAYLPKT210A [ ]
Electronic Air Filter, “Perfect Fit” High Efficiency (17-1/2" Wide Gas Furnace) ........................................................ TFM175A9FR0 [ ]
Electronic Air Filter, “Perfect Fit” High Efficiency (21" Wide Gas Furnace) .............................................................. TFM210A9FR0 [ ]
Electronic Air Filter, “Perfect Fit” High Efficiency (24-1/2" Wide Gas Furnace) ........................................................ TFM245A9FR0 [ ]
Electronic Air Filter, “Perfect Fit” Standard Efficiency (17-1/2" Wide Gas Furnace)..................................................TFP175A9FR0 [ ]
Electronic Air Filter, “Perfect Fit” Standard Efficiency (21" Wide Gas Furnace) ........................................................TFP210A9FR0 [ ]
Electronic Air Filter, “Perfect Fit” Standard Efficiency (24-1/2" Wide Gas Furnace)..................................................TFP245A9FR0 [ ]
Coil Enclosure (17-1/2" Wide Cabinets) ............................................................................................................ BAYCLE17A1722A [ ]
Coil Enclosure (21" Wide Cabinets) .................................................................................................................. BAYCLE21A2130A [ ]
Coil Enclosure (24-1/2" Wide Cabinets) ............................................................................................................ BAYCLE24A2430A [ ]
Side Filter Rack .......................................................................................................................................................... BAYFLTR200 [ ]
High Altitude Switch ....................................................................................................................................................BAYHALT249 [ ]
Masonry Chimney Vent Kit (Upflow models only) ....................................................................................................BAYVENT800B [ ]
Filter Rack Kit 1 .................................................................................................................................................... BAYRACK960A [ ]
1 Available for models with 1800 CFM or greater which require an additional side return.
Features
and Benefits

6 DATA SUBJECT TO CHANGE WITHOUT NOTICE 22-1650-13
MODEL
TYPE
RATINGS 2
1st Stage Input BTUH
1st Stage Capacity BTUH (ICS) 3
2nd Stage Input BTUH
2nd Stage Capacity BTUH (ICS) 3
Temp. rise (Min.-Max.) °F.
BLOWER DRIVE
Diameter - Width (In.)
No. Used
Speeds (No.)
CFM vs. in. w.g.
Motor HP
R.P.M.
Volts / Ph / Hz
COMBUSTION FAN - Type
Drive - No. Speeds
Motor HP - RPM
Volts / Ph / Hz
FLA
FILTER — Furnished?
Type Recommended
Hi Vel. (No.-Size-Thk.)
VENT — Size (In.)
HEAT EXCHANGER
Type -Fired
-Unfired
Gauge (Fired)
ORIFICES — Main
Nat. Gas. Qty. — Drill Size
L. P. Gas Qty. — Drill Size
GAS VALVE
PILOT SAFETY DEVICE
Type
BURNERS — Type
Number
POWER CONN. — V / Ph / Hz 4
Ampacity (In Amps)
Max. Overcurrent Protection (Amps)
PIPE CONN. SIZE (In.)
DIMENSIONS
Crated (In.)
WEIGHT
Shipping (Lbs.) / Net (Lbs.)
TUD-R9V PRODUCT SPECIFICATIONS1
1 Central Furnace heating designs are certified to ANSI Z21.47 / CSA 2.3
2 For U.S. applications, above input ratings (BTUH) are up to 2,000 feet, derate 4% per 1,000 feet for elevations above 2,000 feet above sea level. For Canadian applications,
above input ratings (BTUH) are up to 4,500 feet, derate 4% per 1,000 feet for elevations above 4,500 feet above sea level.
3 Based on U.S. government standard tests.
4 The above wiring specifications are in accordance with National Electrical Code; however, installations must comply with local codes.
GENERAL DATA
TUD2B080A9V3VB
Upflow / Horizontal
52,000
41,600
80,000
64,000
30 - 60
Direct
10 x 7
1
Variable
See Airflow Table
1/2
Variable
115/1/60
Centrifugal
Direct - 2
1/50 - 3000
115/1/60
0.7
Ye s
High Velocity
1 - 17x25 - 1in.
4 Round
Alum. Steel - Type 1
20
4 — 45
4 — 56
Redundant - Two Stage
Hot Surface Ignition
Multi-port In-shot
4
115/1/60
10.5
15
1/2
H x W x D
41-3/4 x 19-1/2 x 30-1/2
142 / 132
TUD2B060A9V3VB
Upflow / Horizontal
39,000
31,200
60,000
48,000
30 - 60
Direct
10 x 7
1
Variable
See Airflow Table
1/2
Variable
115/1/60
Centrifugal
Direct - 2
1/50 - 3000
115/1/60
0.7
Ye s
High Velocity
1 - 17x25 - 1in.
4 Round
Alum. Steel - Type 1
20
3 — 45
3 — 56
Redundant - Two Stage
Hot Surface Ignition
Multi-port In-shot
3
115/1/60
10.5
15
1/2
H x W x D
41-3/4 x 19-1/2 x 30-1/2
136 / 126
TUD2C080A9V4VB
Upflow / Horizontal
52,000
41,600
80,000
64,000
30 - 60
Direct
10 x 10
1
Variable
See Airflow Table
3/4
Variable
115/1/60
Centrifugal
Direct - 2
1/50 - 3000
115/1/60
0.7
Ye s
High Velocity
1 - 20x25 - 1in.
4 Round
Alum. Steel - Type 1
20
4 — 45
4 — 56
Redundant - Two Stage
Hot Surface Ignition
Multi-port In-shot
4
115/1/60
12.9
20
1/2
H x W x D
41-3/4 x 23 x 30-1/2
166 / 155

22-1650-13 DATA SUBJECT TO CHANGE WITHOUT NOTICE 7
MODEL
TYPE
RATINGS 2
1st Stage Input BTUH
1st Stage Capacity BTUH (ICS) 3
2nd Stage Input BTUH
2nd Stage Capacity BTUH (ICS) 3
Temp. rise (Min.-Max.) °F.
BLOWER DRIVE
Diameter - Width (In.)
No. Used
Speeds (No.)
CFM vs. in. w.g.
Motor HP
R.P.M.
Volts / Ph / Hz
COMBUSTION FAN - Type
Drive - No. Speeds
Motor HP - RPM
Volts / Ph / Hz
FLA
FILTER — Furnished?
Type Recommended
Hi Vel. (No.-Size-Thk.)
VENT — Size (In.)
HEAT EXCHANGER
Type -Fired
-Unfired
Gauge (Fired)
ORIFICES — Main
Nat. Gas. Qty. — Drill Size
L. P. Gas Qty. — Drill Size
GAS VALVE
PILOT SAFETY DEVICE
Type
BURNERS — Type
Number
POWER CONN. — V / Ph / Hz 4
Ampacity (In Amps)
Max. Overcurrent Protection (Amps)
PIPE CONN. SIZE (In.)
DIMENSIONS
Crated (In.)
WEIGHT
Shipping (Lbs.) / Net (Lbs.)
TUD2C100A9V5VB
Upflow / Horizontal
65,000
52,000
100,000
79,000
35 - 65
Direct
10 x 10
1
Variable
See Airflow Table
1
Variable
115/1/60
Centrifugal
Direct - 2
1/50 - 3000
115/1/60
0.87
Ye s
High Velocity
1 - 20x25 - 1in.
4 Round
Alum. Steel - Type 1
20
5 — 45
5 — 56
Redundant - Two Stage
Hot Surface Ignition
Multi-port In-shot
5
115/1/60
14.9
20
1/2
H x W x D
41-3/4 x 23 x 30-1/2
166 / 155
TUD2B100A9V3VB
Upflow / Horizontal
65,000
52,000
100,000
80,000
40 - 70
Direct
10 x 7
1
Variable
See Airflow Table
1/2
Variable
115/1/60
Centrifugal
Direct - 2
1/50 - 3000
115/1/60
0.87
Ye s
High Velocity
1 - 17x25 - 1in.
4 Round
Alum. Steel - Type 1
20
5 — 45
5 — 56
Redundant - Two Stage
Hot Surface Ignition
Multi-port In-shot
5
115/1/60
10.8
15
1/2
H x W x D
41-3/4 x 19-1/2 x 30-1/2
142 / 132
TUD-R9V PRODUCT SPECIFICATIONS1
1 Central Furnace heating designs are certified to ANSI Z21.47 / CSA 2.3
2 For U.S. applications, above input ratings (BTUH) are up to 2,000 feet, derate 4% per 1,000 feet for elevations above 2,000 feet above sea level. For Canadian applications,
above input ratings (BTUH) are up to 4,500 feet, derate 4% per 1,000 feet for elevations above 4,500 feet above sea level.
3 Based on U.S. government standard tests.
4 The above wiring specifications are in accordance with National Electrical Code; however, installations must comply with local codes.
5 Model uses high efficiency blower.
TUD2C080B9V4VB 5
Upflow / Horizontal
52,000
41,600
80,000
64,000
30 - 60
Direct
10 x 10
1
Variable
See Airflow Table
3/4
Variable
115/1/60
Centrifugal
Direct - 2
1/50 - 3000
115/1/60
0.7
Ye s
High Velocity
1 - 20x25 - 1in.
4 Round
Alum. Steel - Type 1
20
4 — 45
4 — 56
Redundant - Two Stage
Hot Surface Ignition
Multi-port In-shot
4
115/1/60
12.9
20
1/2
H x W x D
41-3/4 x 23 x 30-1/2
166 / 155

8 DATA SUBJECT TO CHANGE WITHOUT NOTICE 22-1650-13
MODEL
TYPE
RATINGS 2
1st Stage Input BTUH
1st Stage Capacity BTUH (ICS) 3
2nd Stage Input BTUH
2nd Stage Capacity BTUH (ICS) 3
Temp. rise (Min.-Max.) °F.
BLOWER DRIVE
Diameter - Width (In.)
No. Used
Speeds (No.)
CFM vs. in. w.g.
Motor HP
R.P.M.
Volts / Ph / Hz
COMBUSTION FAN - Type
Drive - No. Speeds
Motor HP - RPM
Volts / Ph / Hz
FLA
FILTER — Furnished?
Type Recommended
Hi Vel. (No.-Size-Thk.)
VENT — Size (In.)
HEAT EXCHANGER
Type -Fired
-Unfired
Gauge (Fired)
ORIFICES — Main
Nat. Gas. Qty. — Drill Size
L. P. Gas Qty. — Drill Size
GAS VALVE
PILOT SAFETY DEVICE
Type
BURNERS — Type
Number
POWER CONN. — V / Ph / Hz 4
Ampacity (In Amps)
Max. Overcurrent Protection (Amps)
PIPE CONN. SIZE (In.)
DIMENSIONS
Crated (In.)
WEIGHT
Shipping (Lbs.) / Net (Lbs.)
TUD-R9V PRODUCT SPECIFICATIONS1
1 Central Furnace heating designs are certified to ANSI Z21.47 / CSA 2.3
2 For U.S. applications, above input ratings (BTUH) are up to 2,000 feet, derate 4% per 1,000 feet for elevations above 2,000 feet above sea level. For Canadian applications,
above input ratings (BTUH) are up to 4,500 feet, derate 4% per 1,000 feet for elevations above 4,500 feet above sea level.
3 Based on U.S. government standard tests.
4 The above wiring specifications are in accordance with National Electrical Code; however, installations must comply with local codes.
5 Model uses high efficiency blower.
TUD2D120A9V5VB
Upflow / Horizontal
78,000
62,400
120,000
97,000
35 - 65
Direct
10 x 10
1
Variable
See Airflow Table
1
Variable
115/1/60
Centrifugal
Direct - 2
1/50 - 3000
115/1/60
1.14
Ye s
High Velocity
1 - 24x25 - 1in.
4 Round
Alum. Steel - Type 1
20
6 — 45
6 — 56
Redundant - Two Stage
Hot Surface Ignition
Multi-port In-shot
6
115/1/60
15.3
20
1/2
H x W x D
41-3/4 x 26-1/2 x 30-1/2
193 / 181
TUD2D140A9V5VB
Upflow / Horizontal
91,000
72,800
140,000
111,000
40 - 70
Direct
10 x 10
1
Variable
See Airflow Table
1
Variable
115/1/60
Centrifugal
Direct - 2
1/50 - 3000
115/1/60
1.16
Ye s
High Velocity
1 - 24x25 - 1in.
4 Round
Alum. Steel - Type 1
20
7 — 45
7 — 56
Redundant - Two Stage
Hot Surface Ignition
Multi-port In-shot
7
115/1/60
15.3
20
1/2
H x W x D
41-3/4 x 26-1/2 x 30-1/2
197 / 185
TUD2D120B9V5VB 5
Upflow / Horizontal
78,000
62,400
120,000
97,000
35 - 65
Direct
10 x 10
1
Variable
See Airflow Table
1
Variable
115/1/60
Centrifugal
Direct - 2
1/50 - 3000
115/1/60
1.14
Ye s
High Velocity
1 - 24x25 - 1in.
4 Round
Alum. Steel - Type 1
20
6 — 45
6 — 56
Redundant - Two Stage
Hot Surface Ignition
Multi-port In-shot
6
115/1/60
15.3
20
1/2
H x W x D
41-3/4 x 26-1/2 x 30-1/2
193 / 181
TUD2C100B9V5VB 5
Upflow / Horizontal
65,000
52,000
100,000
79,000
35 - 65
Direct
10 x 10
1
Variable
See Airflow Table
1
Variable
115/1/60
Centrifugal
Direct - 2
1/50 - 3000
115/1/60
0.87
Ye s
High Velocity
1 - 20x25 - 1in.
4 Round
Alum. Steel - Type 1
20
5 — 45
5 — 56
Redundant - Two Stage
Hot Surface Ignition
Multi-port In-shot
5
115/1/60
14.9
20
1/2
H x W x D
41-3/4 x 23 x 30-1/2
166 / 155

22-1650-13 DATA SUBJECT TO CHANGE WITHOUT NOTICE 9
*UD2B060A9V3VB FURNACE COOLING AIRFLOW (CFM) AND POWER (WATTS) VS. EXTERNAL STATIC PRESSURE WITH FILTER
OUTDOOR
UNIT SIZE
(TONS)
AIRFLOW
SETTING
DIP SWITCH SETTING EXTERNAL STATIC PRESSURE
SW1 SW2 SW3 SW4 0.1 0.3 0.5 0.7 0.9
1.5
LOW
(350 CFM/ TON) ON ON OFF ON CFM
WATTS
499
50
537
80
520
110
520
145
500
175
NORMAL
(400 CFM/ TON) ON ON OFF OFF CFM
WATTS
605
60
610
80
610
120
597
155
593
180
HIGH
(450 CFM/ TON) ON ON ON OFF CFM
WATTS
649
75
681
110
665
145
665
180
672
220
2
LOW
(350 CFM/ TON) OFF ON OFF ON CFM
WATTS
680
80
722
125
680
150
696
190
696
225
NORMAL
(400 CFM/ TON) OFF ON OFF OFF CFM
WATTS
798
105
804
145
809
170
823
235
818
280
HIGH
(450 CFM/ TON) OFF ON ON OFF CFM
WATTS
884
145
896
180
924
240
931
280
931
330
2.5
LOW
(350 CFM/ TON) ON OFF OFF ON CFM
WATTS
858
125
863
175
882
220
894
275
895
320
NORMAL
(400 CFM/ TON) ON OFF OFF OFF CFM
WATTS
984
170
1017
225
1038
295
1017
330
1017
375
HIGH
(450 CFM/ TON) ON OFF ON OFF CFM
WATTS
1125
245
1138
315
1150
370
1161
435
1161
475
3 **
LOW
(350 CFM/ TON) OFF OFF OFF ON CFM
WATTS
1035
205
1056
265
1076
330
1076
370
1076
430
NORMAL **
(400 CFM/ TON) OFF OFF OFF OFF CFM
WATTS
1208
300
1247
360
1268
440
1278
485
1200
490
HIGH
(450 CFM/ TON) OFF OFF ON OFF CFM
WATTS
1380
440
1410
500
1402
550
1350
550
1235
525
NOTES:
1. *FIRST LETTER MAY BE "A" OR "T"
2. **FACTORY SETTING.
3. CONTINUOUS FAN SETTING: HEATING OR COOLING AIRFLOW IS APPROXIMATELY 50% OF SELECTED COOLING VALUE.
4. LOW 350 CFM/TON IS RECOMMENDED FOR VARIABLE SPEED APPLICATION FOR COMFORT & HUMID CLIMATE SETTING:
NORMAL IS 400 CFM/TON: HIGH 450 CFM/TON IS FOR DRY CLIMATE SETTING.
*UD2B060A9V3VB FURNACE HEATING AIRFLOW (CFM) AND POWER (WATTS) VS. EXTERNAL STATIC PRESSURE WITH FILTER
AIRFLOW
SETTING
DIP SWITCH SETTING EXTERNAL STATIC PRESSURE
SW7 SW8 0.1 0.3 0.5 0.7 0.9
HEATING
1ST
STAGE
LOW ON ON
CFM
TEMP. RISE
WATTS
589
49
65
604
48
95
619
47
125
604
48
160
607
48
200
MEDIUM ** ON OFF
CFM
TEMP. RISE
WATTS
663
44
75
694
42
120
684
42
145
681
42
185
686
42
220
HIGH OFF OFF
CFM
TEMP. RISE
WATTS
775
37
105
781
37
145
776
37
180
805
36
230
811
36
270
HEATING
2ND
STAGE
LOW ON ON
CFM
TEMP. RISE
WATTS
813
55
110
818
54
150
818
54
185
837
53
240
842
53
280
MEDIUM ** ON OFF
CFM
TEMP. RISE
WATTS
907
49
140
919
48
200
942
47
240
958
46
300
959
46
330
HIGH OFF OFF
CFM
TEMP. RISE
WATTS
1038
43
190
1066
42
260
1086
41
325
1089
41
365
1079
41
415

10 DATA SUBJECT TO CHANGE WITHOUT NOTICE 22-1650-13
*UD2B080A9V3VB FURNACE COOLING AIRFLOW (CFM) AND POWER (WATTS) VS. EXTERNAL STATIC PRESSURE WITH FILTER
OUTDOOR
UNIT SIZE
(TONS)
AIRFLOW
SETTING
DIP SWITCH SETTING EXTERNAL STATIC PRESSURE
SW 1 SW 2 SW 3 SW 4 0.1 0.3 0.5 0.7 0.9
2.5
LOW
(350 CFM/TON) OFF ON OFF ON CFM
WATTS
880
120
875
155
860
190
845
225
840
245
NORMAL
(400 CFM/TON) OFF ON OFF OFF CFM
WATTS
1020
170
1000
205
990
240
980
280
960
320
HIGH
(450 CFM/TON) OFF ON ON OFF CFM
WATTS
1110
210
110
260
1110
320
1100
350
1100
385
3.0
LOW
(350 CFM/TON) ON OFF OFF ON CFM
WATTS
1040
190
1010
220
1000
260
1000
310
990
340
NORMAL
(400 CFM/TON) ON OFF OFF OFF CFM
WATTS
1200
250
1200
320
1190
370
1190
415
1175
450
HIGH
(450 CFM/TON) ON OFF ON OFF CFM
WATTS
1340
355
1340
425
1330
475
1320
530
1300
570
3.5 **
LOW
(350 CFM/TON) OFF OFF OFF ON CFM
WATTS
1215
265
1210
330
1210
375
1200
430
1185
465
NORMAL **
(400 CFM/TON) OFF OFF OFF OFF CFM
WATTS
1430
415
1415
457
1410
520
1385
575
1330
580
HIGH
(450 CFM/TON) OFF OFF ON OFF CFM
WATTS
1430
415
1415
475
1410
520
1385
575
1330
580
NOTES:
1. * First Letter may be "A" or "T"
2. ** Factory setting
3. Continuous Fan Setting: Heating or Cooling airflow is approximately 50% of selected Cooling value.
4. LOW 350 cfm/ton is recommended for Variable Speed application for COMFORT & HUMID CLIMATE setting; NORMAL is 400 cfm/ton;
HIGH 450 cfm/ton is for DRY CLIMATE setting
*UD2B080A9V3VB FURNACE HEATING AIRFLOW (CFM) AND POWER (WATTS) VS. EXTERNAL STATIC PRESSURE WITH FILTER
AIRFLOW
SETTING
DIP SWITCH SETTING EXTERNAL STATIC PRESSURE
SW 7 SW 8 0.1 0.3 0.5 0.7 0.9
HEATING
1ST
STAGE
LOW ON ON
CFM
TEMP. RISE
WATTS
800
48
100
790
49
135
765
50
155
750
52
200
730
53
230
MEDIUM ** ON OFF
CFM
TEMP. RISE
WATTS
910
43
130
890
44
170
875
44
210
860
45
240
820
47
280
HIGH OFF OFF
CFM
TEMP. RISE
WATTS
1060
37
188
1020
38
220
1010
39
265
1010
39
310
1000
39
350
HEATING
2ND
STAGE
LOW ON ON
CFM
TEMP. RISE
WATTS
1110
54
210
1090
55
260
1090
55
310
1080
55
350
1065
56
400
MEDIUM ** ON OFF
CFM
TEMP. RISE
WATTS
1245
48
300
1240
48
355
1240
48
410
1230
48
460
1215
49
500
HIGH OFF OFF
CFM
TEMP. RISE
WATTS
1415
42
410
1400
42
470
1400
42
530
1375
43
580
1320
45
590

22-1650-13 DATA SUBJECT TO CHANGE WITHOUT NOTICE 11
*UD2C080A9V4VB FURNACE HEATING AIRFLOW (CFM) AND POWER (WATTS) VS. EXTERNAL STATIC PRESSURE WITH FILTER
AIRFLOW
SETTING
DIP SWITCH SETTING EXTERNAL STATIC PRESSURE
SW 7 SW 8 0.1 0.3 0.5 0.7 0.9
HEATING
1ST
STAGE
LOW ON ON
CFM
TEMP. RISE
WATTS
782
49
75
762
51
110
751
51
145
748
51
185
737
52
225
MEDIUM ** ON OFF
CFM
TEMP. RISE
WATTS
870
44
90
865
45
125
861
45
175
848
45
215
831
46
255
HIGH OFF OFF
CFM
TEMP. RISE
WATTS
962
40
110
974
40
155
963
40
200
938
41
245
914
42
290
HEATING
2ND
STAGE
LOW ON ON
CFM
TEMP. RISE
WATTS
1091
54
145
1092
54
190
1087
55
245
1092
54
305
1077
55
355
MEDIUM ** ON OFF
CFM
TEMP. RISE
WATTS
1211
49
190
1243
48
255
1243
48
310
1244
48
370
1235
48
430
HIGH OFF OFF
CFM
TEMP. RISE
WATTS
1371
43
255
1388
43
325
1392
43
395
1385
43
455
1377
43
515
*UD2C080A9V4VB FURNACE COOLING AIRFLOW (CFM) AND POWER (WATTS) VS. EXTERNAL STATIC PRESSURE WITH FILTER
OUTDOOR
UNIT SIZE
(TONS)
AIRFLOW
SETTING
DIP SWITCH SETTING EXTERNAL STATIC PRESSURE
SW 1 SW 2 SW 3 SW 4 0.1 0.3 0.5 0.7 0.9
2.5
LOW
(350 CFM/TON) ON ON OFF ON CFM
WATTS
863
90
865
130
858
175
843
220
831
255
NORMAL
(400 CFM/TON) ON ON OFF OFF CFM
WATTS
995
115
1005
170
989
210
973
260
956
305
HIGH
(450 CFM/TON) ON ON ON OFF CFM
WATTS
1101
150
1112
200
1111
255
1107
305
1101
360
3.0
LOW
(350 CFM/TON) OFF ON OFF ON CFM
WATTS
1031
125
1031
175
1026
215
1013
270
1003
320
NORMAL
(400 CFM/TON) OFF ON OFF OFF CFM
WATTS
1163
170
1178
230
1188
285
1183
345
1178
405
HIGH
(450 CFM/TON) OFF ON ON OFF CFM
WATTS
1319
240
1337
305
1344
365
1340
420
1336
485
3.5 LOW
(350 CFM/TON) ON OFF OFF ON CFM
WATTS
1182
200
1206
240
1211
295
1211
350
1211
420
NORMAL
(400 CFM/TON) ON OFF OFF OFF CFM
WATTS
1380
255
1401
325
1402
390
1402
460
1399
515
HIGH
(450 CFM/TON) ON OFF ON OFF CFM
WATTS
1553
350
1566
425
1557
500
1558
560
1559
645
4 **
LOW
(350 CFM/TON) OFF OFF OFF ON CFM
WATTS
1386
255
1401
330
1408
395
1402
460
1390
520
NORMAL **
(400 CFM/TON) OFF OFF OFF OFF CFM
WATTS
1590
360
1593
440
1591
515
1588
575
1576
650
HIGH
(450 CFM/TON) OFF OFF ON OFF CFM
WATTS
1791
360
1808
615
1810
615
1808
775
1726
800
NOTES:
1. * First Letter may be "A" or "T"
2. ** Factory setting
3. Continuous Fan Setting: Heating or Cooling airflow is approximately 50% of selected Cooling value.
4. LOW 350 cfm/ton is recommended for Variable Speed application for COMFORT & HUMID CLIMATE setting; NORMAL is 400 cfm/ton;
HIGH 450 cfm/ton is for DRY CLIMATE setting

12 DATA SUBJECT TO CHANGE WITHOUT NOTICE 22-1650-13
*UD2C080B9V4VB FURNACE HEATING AIRFLOW (CFM) AND POWER (WATTS) VS. EXTERNAL STATIC PRESSURE WITH FILTER
AIRFLOW
SETTING
DIP SWITCH SETTING EXTERNAL STATIC PRESSURE
SW 7 SW 8 0.1 0.3 0.5 0.7 0.9
HEATING
1ST
STAGE
LOW ON ON
CFM
TEMP. RISE
WATTS
974
49
133
968
49
285
949
50
202
925
51
254
906
52
304
MEDIUM ** ON OFF
CFM
TEMP. RISE
WATTS
1102
43
93
1112
43
144
1103
43
201
1083
44
255
1066
45
305
HIGH OFF OFF
CFM
TEMP. RISE
WATTS
1194
40
119
1217
39
180
1215
39
243
1200
40
304
1182
40
362
HEATING
2ND
STAGE
LOW ON ON
CFM
TEMP. RISE
WATTS
1189
58
142
1210
57
209
1209
57
276
1193
58
341
1175
58
404
MEDIUM ** ON OFF
CFM
TEMP. RISE
WATTS
1346
51
141
1388
49
207
1398
49
274
1390
49
339
1372
50
401
HIGH OFF OFF
CFM
TEMP. RISE
WATTS
1460
47
186
1516
45
263
1536
45
335
1533
45
407
1515
45
477
*UD2C080B9V4VB FURNACE COOLING AIRFLOW (CFM) AND POWER (WATTS) VS. EXTERNAL STATIC PRESSURE WITH FILTER
OUTDOOR
UNIT SIZE
(TONS)
AIRFLOW
SETTING
DIP SWITCH SETTING EXTERNAL STATIC PRESSURE
SW 1 SW 2 SW 3 SW 4 0.1 0.3 0.5 0.7 0.9
2.5
LOW
(350 CFM/TON) ON ON OFF ON CFM
WATTS
842
71
819
114
789
163
756
207
740
249
NORMAL
(400 CFM/TON) ON ON OFF OFF CFM
WATTS
956
90
948
140
928
196
901
248
884
298
HIGH
(450 CFM/TON) ON ON ON OFF CFM
WATTS
1071
113
1078
171
1067
233
1045
292
1028
348
3.0
LOW
(350 CFM/TON) OFF ON OFF ON CFM
WATTS
1002
99
1000
152
983
210
958
265
942
318
NORMAL
(400 CFM/TON) OFF ON OFF OFF CFM
WATTS
1140
128
1155
191
1150
256
1132
319
1114
379
HIGH
(450 CFM/TON) OFF ON ON OFF CFM
WATTS
1278
165
1311
238
1316
308
1305
377
1287
444
3.5 LOW
(350 CFM/TON) ON OFF OFF ON CFM
WATTS
1163
134
1181
199
1177
265
1161
328
1143
389
NORMAL
(400 CFM/TON) ON OFF OFF OFF CFM
WATTS
1324
179
1363
255
1372
326
1363
397
1345
466
HIGH
(450 CFM/TON) ON OFF ON OFF CFM
WATTS
1485
234
1544
319
1566
396
1565
472
1546
550
4 **
LOW
(350 CFM/TON) OFF OFF OFF ON CFM
WATTS
1324
179
1363
255
1372
326
1363
397
1345
466
NORMAL **
(400 CFM/TON) OFF OFF OFF OFF CFM
WATTS
1508
243
1570
329
1594
407
1593
483
1575
562
HIGH
(450 CFM/TON) OFF OFF ON OFF CFM
WATTS
1691
322
1777
416
1816
499
1824
579
1805
669
NOTES:
1. * First Letter may be "A" or "T"
2. ** Factory setting
3. Continuous Fan Setting: Heating or Cooling airflow is approximately 50% of selected Cooling value.
4. LOW 350 cfm/ton is recommended for Variable Speed application for COMFORT & HUMID CLIMATE setting; NORMAL is 400 cfm/ton;
HIGH 450 cfm/ton is for DRY CLIMATE setting

22-1650-13 DATA SUBJECT TO CHANGE WITHOUT NOTICE 13
*UD2B100A9V3VB FURNACE HEATING AIRFLOW (CFM) AND POWER (WATTS) VS. EXTERNAL STATIC PRESSURE WITH FILTER
AIRFLOW
SETTING
DIP SWITCH SETTING EXTERNAL STATIC PRESSURE
SW 7 SW 8 0.1 0.3 0.5 0.7 0.9
HEATING
1ST
STAGE
LOW ON ON
CFM
TEMP. RISE
WATTS
751
64
86
796
61
132
817
59
175
832
58
218
838
57
263
MEDIUM ** ON OFF
CFM
TEMP. RISE
WATTS
862
56
121
921
52
185
953
51
233
967
50
285
954
50
322
HIGH OFF OFF
CFM
TEMP. RISE
WATTS
959
50
148
1002
48
210
1036
46
280
1036
46
325
1003
48
355
HEATING
2ND
STAGE
LOW ON ON
CFM
TEMP. RISE
WATTS
1099
67
227
1124
66
287
1149
64
355
1157
64
415
1055
70
395
MEDIUM ** ON OFF
CFM
TEMP. RISE
WATTS
1286
58
365
1321
56
450
1313
56
455
1215
61
475
1119
66
450
HIGH OFF OFF
CFM
TEMP. RISE
WATTS
1399
53
465
1419
52
570
1347
55
545
1265
59
520
1163
64
485
*UD2B100A9V3VB FURNACE COOLING AIRFLOW (CFM) AND POWER (WATTS) VS. EXTERNAL STATIC PRESSURE WITH FILTER
OUTDOOR
UNIT SIZE
(TONS)
AIRFLOW
SETTING
DIP SWITCH SETTING EXTERNAL STATIC PRESSURE
SW 1 SW 2 SW 3 SW 4 0.1 0.3 0.5 0.7 0.9
1.5
LOW
(350 CFM/TON) ON ON OFF ON CFM
WATTS
516
50
536
75
551
105
547
135
530
165
NORMAL
(400 CFM/TON) ON ON OFF OFF CFM
WATTS
583
59
615
92
633
127
621
157
618
18
HIGH
(450 CFM/TON) ON ON ON OFF CFM
WATTS
681
70
697
110
701
140
709
180
712
215
2.0
LOW
(350 CFM/TON) OFF ON OFF ON CFM
WATTS
680
75
726
120
735
150
741
190
745
230
NORMAL
(400 CFM/TON) OFF ON OFF OFF CFM
WATTS
769
103
819
145
843
190
858
235
865
286
HIGH
(450 CFM/TON) OFF ON ON OFF CFM
WATTS
882
130
938
190
961
245
975
300
970
345
2.5
LOW
(350 CFM/TON) ON OFF OFF ON CFM
WATTS
831
180
903
180
928
230
935
275
935
320
NORMAL
(400 CFM/TON) ON OFF OFF OFF CFM
WATTS
979
167
1036
240
1053
295
1053
345
1015
368
HIGH
(450 CFM/TON) ON OFF ON OFF CFM
WATTS
1121
245
1147
310
1176
383
1167
442
1055
396
3.0**
LOW
(350 CFM/TON) OFF OFF OFF ON CFM
WATTS
1061
210
1081
265
1095
320
1101
382
1032
380
NORMAL **
(400 CFM/TON) OFF OFF OFF OFF CFM
WATTS
1185
278
1223
364
1251
435
1205
455
1101
426
HIGH
(450 CFM/TON) OFF OFF ON OFF CFM
WATTS
1351
425
1372
503
1343
535
1248
505
1168
480
NOTES:
1. * First Letter may be "A" or "T"
2. ** Factory setting
3. Continuous Fan Setting: Heating or Cooling airflow is approximately 50% of selected Cooling value.
4. LOW 350 cfm/ton is recommended for Variable Speed application for COMFORT & HUMID CLIMATE setting; NORMAL is 400 cfm/ton;
HIGH 450 cfm/ton is for DRY CLIMATE setting

14 DATA SUBJECT TO CHANGE WITHOUT NOTICE 22-1650-13
*UD2C100A9V5VB FURNACE HEATING AIRFLOW (CFM) AND POWER (WATTS) VS. EXTERNAL STATIC PRESSURE WITH FILTER
AIRFLOW
SETTING
DIP SWITCH SETTING EXTERNAL STATIC PRESSURE
SW 7 SW 8 0.1 0.3 0.5 0.7 0.9
HEATING
1ST
STAGE
LOW ON ON
CFM
TEMP. RISE
WATTS
900
53
100
890
54
130
870
55
175
850
57
220
835
58
270
MEDIUM ** ON OFF
CFM
TEMP. RISE
WATTS
1125
43
150
1090
44
200
1060
46
235
1070
45
300
1070
45
340
HIGH OFF OFF
CFM
TEMP. RISE
WATTS
1300
37
220
1300
37
290
1320
36
365
1350
36
430
1340
36
490
HEATING
2ND
STAGE
LOW ON ON
CFM
TEMP. RISE
WATTS
1270
59
200
1290
58
260
1290
58
335
1290
58
400
1280
58
460
MEDIUM ** ON OFF
CFM
TEMP. RISE
WATTS
1575
47
355
1600
46
445
1610
46
520
1600
46
575
1580
47
650
HIGH OFF OFF
CFM
TEMP. RISE
WATTS
1870
40
560
1890
39
665
1860
40
710
1870
40
830
1730
43
760
*UD2C100A9V5VB FURNACE COOLING AIRFLOW (CFM) AND POWER (WATTS) VS. EXTERNAL STATIC PRESSURE WITH FILTER
OUTDOOR
UNIT SIZE
(TONS)
AIRFLOW
SETTING
DIP SWITCH SETTING EXTERNAL STATIC PRESSURE
SW 1 SW 2 SW 3 SW 4 0.1 0.3 0.5 0.7 0.9
3.0
LOW
(350 CFM/TON) ON ON OFF ON CFM
WATTS
1075
135
1055
185
1015
220
1000
265
990
325
NORMAL
(400 CFM/TON) ON ON OFF OFF CFM
WATTS
1220
185
1200
240
1210
295
1210
350
1210
410
HIGH
(450 CFM/TON) ON ON ON OFF CFM
WATTS
1390
245
1390
320
1410
391
1410
470
1400
510
3.5
LOW
(350 CFM/TON) OFF ON OFF ON CFM
WATTS
1214
185
1210
240
1215
295
1210
350
1210
415
NORMAL
(400 CFM/TON) OFF ON OFF OFF CFM
WATTS
1430
310
1460
355
1470
430
1460
500
1440
555
HIGH
(450 CFM/TON) OFF ON ON OFF CFM
WATTS
1640
370
1665
460
1650
540
1640
615
1610
660
4.0
LOW
(350 CFM/TON) ON OFF OFF ON CFM
WATTS
1405
270
1430
310
1440
375
1440
480
1420
550
NORMAL
(400 CFM/TON) ON OFF OFF OFF CFM
WATTS
1670
395
1675
490
1670
550
1655
630
1630
700
HIGH
(450 CFM/TON) ON OFF ON OFF CFM
WATTS
1870
540
1880
635
1880
730
1845
800
1670
640
5.0 **
LOW
(350 CFM/TON) OFF OFF OFF ON CFM
WATTS
1775
480
1800
580
1820
680
1800
750
1680
740
NORMAL **
(400 CFM/TON) OFF OFF OFF OFF CFM
WATTS
2065
755
2020
840
1945
900
1805
880
1623
800
HIGH
(450 CFM/TON) OFF OFF ON OFF CFM
WATTS
2310
1000
2100
1000
2100
950
1965
890
1800
825
NOTES:
1. * First letter may be "A" or "T"
2. ** Factory setting
3. Continuous Fan Setting: Heating or Cooling airflow is approximately 50% of selected Cooling value.
4. LOW 350 cfm/ton is recommended for Variable Speed application for COMFORT & HUMID CLIMATE setting; NORMAL is 400 cfm/ton;
HIGH 450 cfm/ton is for DRY CLIMATE setting

22-1650-13 DATA SUBJECT TO CHANGE WITHOUT NOTICE 15
*UD2C100B9V5VB FURNACE HEATING AIRFLOW (CFM) AND POWER (WATTS) VS. EXTERNAL STATIC PRESSURE WITH FILTER
AIRFLOW
SETTING
DIP SWITCH SETTING EXTERNAL STATIC PRESSURE
SW 7 SW 8 0.1 0.3 0.5 0.7 0.9
HEATING
1ST
STAGE
LOW ON ON
CFM
TEMP. RISE
WATTS
953
50
93
944
50
146
936
51
193
908
52
243
887
54
292
MEDIUM ** ON OFF
CFM
TEMP. RISE
WATTS
1142
42
135
1141
42
200
1135
42
255
1112
43
322
1098
43
377
HIGH OFF OFF
CFM
TEMP. RISE
WATTS
1258
38
169
1260
38
240
1256
38
302
1236
38
378
1227
39
437
HEATING
2ND
STAGE
LOW ON ON
CFM
TEMP. RISE
WATTS
1312
52
188
1317
52
261
1314
52
326
1294
53
406
1287
53
468
MEDIUM ** ON OFF
CFM
TEMP. RISE
WATTS
1577
44
301
1592
43
387
1592
43
468
1597
43
563
1582
43
644
HIGH OFF OFF
CFM
TEMP. RISE
WATTS
1739
39
392
1761
39
486
1762
39
575
1753
39
675
1762
39
774
*UD2C100B9V5VB FURNACE COOLING AIRFLOW (CFM) AND POWER (WATTS) VS. EXTERNAL STATIC PRESSURE WITH FILTER
OUTDOOR
UNIT SIZE
(TONS)
AIRFLOW
SETTING
DIP SWITCH SETTING EXTERNAL STATIC PRESSURE
SW 1 SW 2 SW 3 SW 4 0.1 0.3 0.5 0.7 0.9
3.0
LOW
(350 CFM/TON) ON ON OFF ON CFM
WATTS
1056
114
1050
173
1044
225
1019
284
1002
336
NORMAL
(400 CFM/TON) ON ON OFF OFF CFM
WATTS
1199
151
1199
219
1194
277
1172
349
1161
405
HIGH
(450 CFM/TON) ON ON ON OFF CFM
WATTS
1342
198
1348
273
1345
340
1326
422
1320
486
3.5
LOW
(350 CFM/TON) OFF ON OFF ON CFM
WATTS
1223
158
1224
227
1219
287
1198
361
1187
418
NORMAL
(400 CFM/TON) OFF ON OFF OFF CFM
WATTS
1389
217
1397
294
1395
363
1377
449
1373
515
HIGH
(450 CFM/TON) OFF ON ON OFF CFM
WATTS
1556
291
1570
376
1570
455
1556
549
1559
629
4.0
LOW
(350 CFM/TON) ON OFF OFF ON CFM
WATTS
1389
217
1397
294
1395
363
1377
449
1373
515
NORMAL
(400 CFM/TON) ON OFF OFF OFF CFM
WATTS
1580
303
1595
389
1595
469
1582
565
1585
647
HIGH
(450 CFM/TON) ON OFF ON OFF CFM
WATTS
1770
411
1793
507
1795
598
1787
698
1797
801
5.0 **
LOW
(350 CFM/TON) OFF OFF OFF ON CFM
WATTS
1723
382
1744
475
1754
564
1735
663
1744
760
NORMAL **
(400 CFM/TON) OFF OFF OFF OFF CFM
WATTS
1961
546
1991
652
1996
751
1991
850
2010
981
HIGH
(450 CFM/TON) OFF OFF ON OFF CFM
WATTS
2199
754
2217
875
2217
983
2197
1067
1987
943
NOTES:
1. * First letter may be "A" or "T"
2. ** Factory setting
3. Continuous Fan Setting: Heating or Cooling airflow is approximately 50% of selected Cooling value.
4. LOW 350 cfm/ton is recommended for Variable Speed application for COMFORT & HUMID CLIMATE setting; NORMAL is 400 cfm/ton;
HIGH 450 cfm/ton is for DRY CLIMATE setting

16 DATA SUBJECT TO CHANGE WITHOUT NOTICE 22-1650-13
*UD2D120A9V5VB FURNACE HEATING AIRFLOW (CFM) AND POWER (WATTS) VS. EXTERNAL STATIC PRESSURE WITH FILTER
AIRFLOW
SETTING
DIP SWITCH SETTING EXTERNAL STATIC PRESSURE
SW7 SW8 0.1 0.3 0.5 0.7 0.9
HEATING
1ST
STAGE
LOW ON ON
CFM
TEMP. RISE
WATTS
1007
57
114
1062
54
177
1084
53
285
1063
54
303
1063
54
350
MEDIUM ** ON OFF
CFM
TEMP. RISE
WATTS
1154
50
167
1211
48
230
1211
48
277
1221
47
344
1212
48
417
HIGH OFF OFF
CFM
TEMP. RISE
WATTS
1288
45
208
1319
44
273
1310
44
330
1349
43
410
1358
43
460
HEATING
2ND
STAGE
LOW ON ON
CFM
TEMP. RISE
WATTS
1387
64
250
1421
63
320
1455
61
400
1488
60
460
1495
59
540
MEDIUM ** ON OFF
CFM
TEMP. RISE
WATTS
1589
56
350
1637
54
440
1666
53
535
1678
53
600
1541
58
575
HIGH OFF OFF
CFM
TEMP. RISE
WATTS
1771
50
475
1788
50
560
1804
49
650
1751
51
675
1554
57
590
*UD2D120A9V5VB FURNACE COOLING AIRFLOW (CFM) AND POWER (WATTS) VS. EXTERNAL STATIC PRESSURE WITH FILTER
OUTDOOR
UNIT SIZE
(TONS)
AIRFLOW
SETTING
(See Notes)
DIP SWITCH SETTING EXTERNAL STATIC PRESSURE
SW1 SW2 SW3 SW4 0.1 0.3 0.5 0.7 0.9
3.5
LOW
(350 CFM/ TON) OFF ON OFF ON CFM
WATTS
1195
150
1243
225
1235
275
1251
325
1251
410
NORMAL
(400 CFM/ TON) OFF ON OFF OFF CFM
WATTS
1353
210
1403
290
1417
370
1437
425
1458
485
HIGH
(450 CFM/ TON) OFF ON ON OFF CFM
WATTS
1554
315
1572
410
1615
480
1634
570
1567
575
4
LOW
(350 CFM/ TON) ON OFF OFF ON CFM
WATTS
1356
200
1391
280
1399
370
1433
420
1454
510
NORMAL
(400 CFM/ TON) ON OFF OFF OFF CFM
WATTS
1565
320
1584
410
1633
475
1639
560
1554
575
HIGH
(450 CFM/ TON) ON OFF ON OFF CFM
WATTS
1766
450
1799
550
1810
650
1784
685
1590
600
5 **
LOW
(350 CFM/ TON) OFF OFF OFF ON CFM
WATTS
1708
420
1758
530
1759
585
1775
675
1575
585
NORMAL **
(400 CFM/ TON) OFF OFF OFF OFF CFM
WATTS
1994
665
2018
775
1971
785
1814
725
1618
625
HIGH
(450 CFM/ TON) OFF OFF ON OFF CFM
WATTS
2247
975
2152
925
2019
860
1861
765
1693
680
NOTES: "CONTINUOUS FAN SETTING" IS THERMOSTAT FAN SWITCH "ON" AND DIP SWITCHS 5 AND 6 "ON".
1. *FIRST LETTER MAY BE "A" OR "T"
2. **FACTORY SETTING.
3. CONTINUOUS FAN SETTING: HEATING OR COOLING AIRFLOW IS APPROXIMATELY 50% OF SELECTED COOLING VALUE.
4. LOW 350 CFM/TON IS RECOMMENDED FOR VARIABLE SPEED APPLICATION FOR COMFORT & HUMID CLIMATE SETTING:
NORMAL IS 400 CFM/TON: HIGH 450 CFM/TON IS FOR DRY CLIMATE SETTING.

22-1650-13 DATA SUBJECT TO CHANGE WITHOUT NOTICE 17
*UD2D120B9V5VB FURNACE HEATING AIRFLOW (CFM) AND POWER (WATTS) VS. EXTERNAL STATIC PRESSURE WITH FILTER
AIRFLOW
SETTING
DIP SWITCH SETTING EXTERNAL STATIC PRESSURE
S4-3 S4-4 0.1 0.3 0.5 0.7 0.9
HEATING
1ST
STAGE
LOW ON ON
CFM
TEMP. RISE
WATTS
1050
45
99
1044
46
146
1035
46
208
1005
47
252
980
48
310
MEDIUM ** ON OFF
CFM
TEMP. RISE
WATTS
1214
39
129
1216
39
188
1217
39
262
1192
40
252
1169
41
310
HIGH OFF OFF
CFM
TEMP. RISE
WATTS
1288
37
147
1293
37
212
1298
37
293
1275
37
309
1254
38
373
HEATING
2ND
STAGE
LOW ON ON
CFM
TEMP. RISE
WATTS
1429
48
191
1440
48
267
1453
47
363
1435
48
340
1416
48
406
MEDIUM ** ON OFF
CFM
TEMP. RISE
WATTS
1672
41
310
1695
40
402
1722
40
528
1711
40
409
1697
40
480
HIGH OFF OFF
CFM
TEMP. RISE
WATTS
1782
39
385
1809
38
480
1890
36
623
1835
37
565
1871
37
644
*UD2D120B9V5VB FURNACE COOLING AIRFLOW (CFM) AND POWER (WATTS) VS. EXTERNAL STATIC PRESSURE WITH FILTER
OUTDOOR
UNIT SIZE
(TONS)
AIRFLOW
SETTING
(See Notes)
DIP SWITCH SETTING EXTERNAL STATIC PRESSURE
S3-1 S3-2 S3-3 S3-4 0.1 0.3 0.5 0.7 0.9
3.5
LOW
(350 CFM/ TON) OFF ON OFF ON CFM
WATTS
1208
128
1209
186
1210
260
1185
306
1162
370
NORMAL
(400 CFM/ TON) OFF ON OFF OFF CFM
WATTS
1343
162
1350
232
1358
318
1337
365
1317
433
HIGH
(450 CFM/ TON) OFF ON ON OFF CFM
WATTS
1477
210
1491
290
1507
391
1490
436
1472
508
4.0
LOW
(350 CFM/ TON) ON OFF OFF ON CFM
WATTS
1343
162
1350
232
1358
318
1337
365
1317
433
NORMAL
(400 CFM/ TON) ON OFF OFF OFF CFM
WATTS
1496
218
1511
300
1528
403
1511
447
1494
520
HIGH
(450 CFM/ TON) ON OFF ON OFF CFM
WATTS
1650
296
1671
387
1698
511
1686
548
1671
626
5.0 **
LOW
(350 CFM/ TON) OFF OFF OFF ON CFM
WATTS
1612
274
1631
363
1655
482
1642
521
1627
598
NORMAL **
(400 CFM/ TON) OFF OFF OFF OFF CFM
WATTS
1858
403
1902
533
1907
624
1906
714
1871
755
HIGH
(450 CFM/ TON) OFF OFF ON OFF CFM
WATTS
1871
585
2126
711
2110
797
2098
888
2001
953
NOTES: "CONTINUOUS FAN SETTING" IS THERMOSTAT FAN SWITCH "ON" AND DIP SWITCHS 5 AND 6 "ON".
1. *FIRST LETTER MAY BE "A" OR "T"
2. **FACTORY SETTING.
3. CONTINUOUS FAN SETTING: HEATING OR COOLING AIRFLOW IS APPROXIMATELY 50% OF SELECTED COOLING VALUE.
4. LOW 350 CFM/TON IS RECOMMENDED FOR VARIABLE SPEED APPLICATION FOR COMFORT & HUMID CLIMATE SETTING:
NORMAL IS 400 CFM/TON: HIGH 450 CFM/TON IS FOR DRY CLIMATE SETTING.

18 DATA SUBJECT TO CHANGE WITHOUT NOTICE 22-1650-13
*UD2D140A9V5VB FURNACE HEATING AIRFLOW (CFM) AND POWER (WATTS) VS. EXTERNAL STATIC PRESSURE WITH FILTER
AIRFLOW
SETTING
DIP SWITCH SETTING EXTERNAL STATIC PRESSURE
SW 7 SW 8 0.1 0.3 0.5 0.7 0.9
HEATING
1ST
STAGE
LOW ON ON
CFM
TEMP. RISE
WATTS
1090
62
130
1100
61
175
1070
63
215
1080
62
255
1060
63
290
MEDIUM ** ON OFF
CFM
TEMP. RISE
WATTS
1230
55
180
1265
53
235
1280
53
315
1300
52
380
1300
52
455
HIGH OFF OFF
CFM
TEMP. RISE
WATTS
1380
49
235
1405
48
290
1425
47
375
1430
47
415
1450
47
520
HEATING
2ND
STAGE
LOW ON ON
CFM
TEMP. RISE
WATTS
1545
67
320
1550
67
385
1560
67
475
1560
67
540
1575
66
605
MEDIUM ** ON OFF
CFM
TEMP. RISE
WATTS
1760
59
435
1790
58
545
1810
58
620
1800
58
695
1725
60
725
HIGH OFF OFF
CFM
TEMP. RISE
WATTS
2000
52
615
2010
52
715
2000
52
790
1950
54
820
1800
58
775
*UD2D140A9V5VB FURNACE COOLING AIRFLOW (CFM) AND POWER (WATTS) VS. EXTERNAL STATIC PRESSURE WITH FILTER
OUTDOOR
UNIT SIZE
(TONS)
AIRFLOW
SETTING
DIP SWITCH SETTING EXTERNAL STATIC PRESSURE
SW 1 SW 2 SW 3 SW 4 0.1 0.3 0.5 0.7 0.9
3.5
LOW
(350 CFM/TON) OFF ON OFF ON CFM
WATTS
1175
165
1165
200
1180
265
1170
320
1150
400
NORMAL
(400 CFM/TON) OFF ON OFF OFF CFM
WATTS
1345
225
1370
285
1400
360
1405
440
1380
490
HIGH
(450 CFM/TON) OFF ON ON OFF CFM
WATTS
1525
295
1565
390
1585
470
1575
515
1530
585
4.0
LOW
(350 CFM/TON) ON OFF OFF ON CFM
WATTS
1320
220
1330
275
1335
355
1300
435
1240
490
NORMAL
(400 CFM/TON) ON OFF OFF OFF CFM
WATTS
1550
310
1580
400
1590
475
1555
540
1460
610
HIGH
(450 CFM/TON) ON OFF ON OFF CFM
WATTS
1735
430
1735
510
1710
600
1670
675
1590
710
5.0 **
LOW
(350 CFM/TON) OFF OFF OFF ON CFM
WATTS
1700
415
1725
470
1730
560
1725
640
1690
700
NORMAL **
(400 CFM/TON) OFF OFF OFF OFF CFM
WATTS
1980
616
1980
710
1950
770
1885
780
1735
735
HIGH
(450 CFM/TON) OFF OFF ON OFF CFM
WATTS
2190
835
2150
870
2075
890
1905
800
1735
735
NOTES:
1. * First Letter may be "A" or "T"
2. ** Factory setting
3. Continuous Fan Setting: Heating or Cooling airflow is approximately 50% of selected Cooling value.
4. LOW 350 cfm/ton is recommended for Variable Speed application for COMFORT & HUMID CLIMATE setting; NORMAL is 400 cfm/ton;
HIGH 450 cfm/ton is for DRY CLIMATE setting

22-1650-13 DATA SUBJECT TO CHANGE WITHOUT NOTICE 19
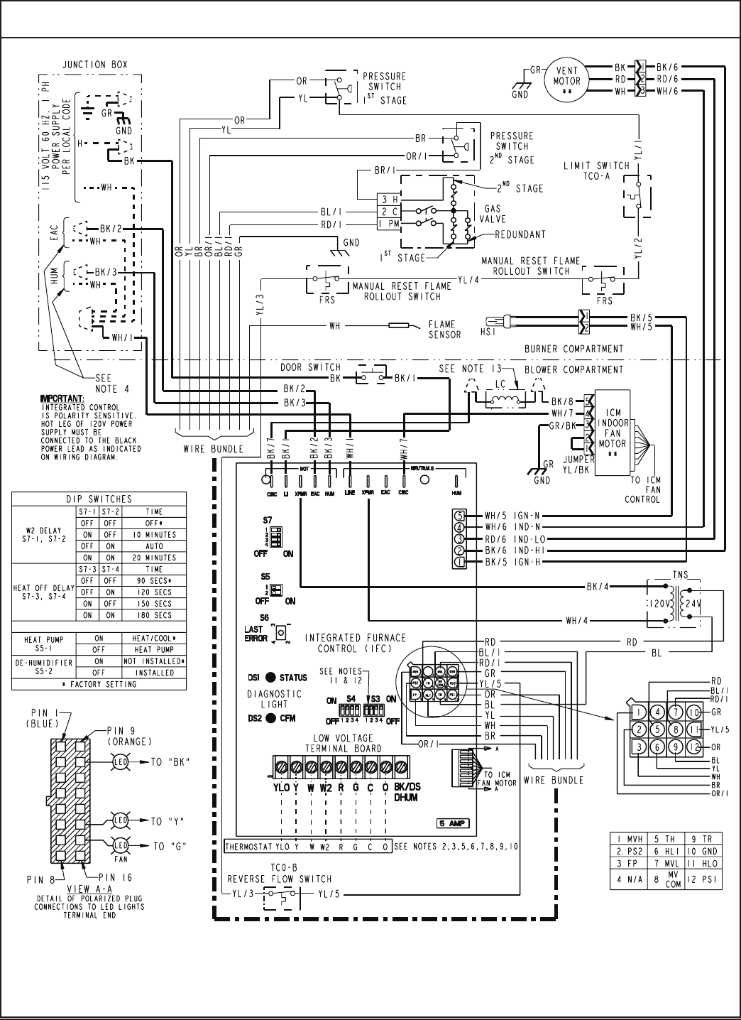
PRODUCT DATA
WIRING DIAGRAM
From Dwg. D344249P02

20 DATA SUBJECT TO CHANGE WITHOUT NOTICE 22-1650-13
PRODUCT DATA
SCHEMATIC DIAGRAMS
From Dwg. D344249P02

22-1650-13 DATA SUBJECT TO CHANGE WITHOUT NOTICE 21
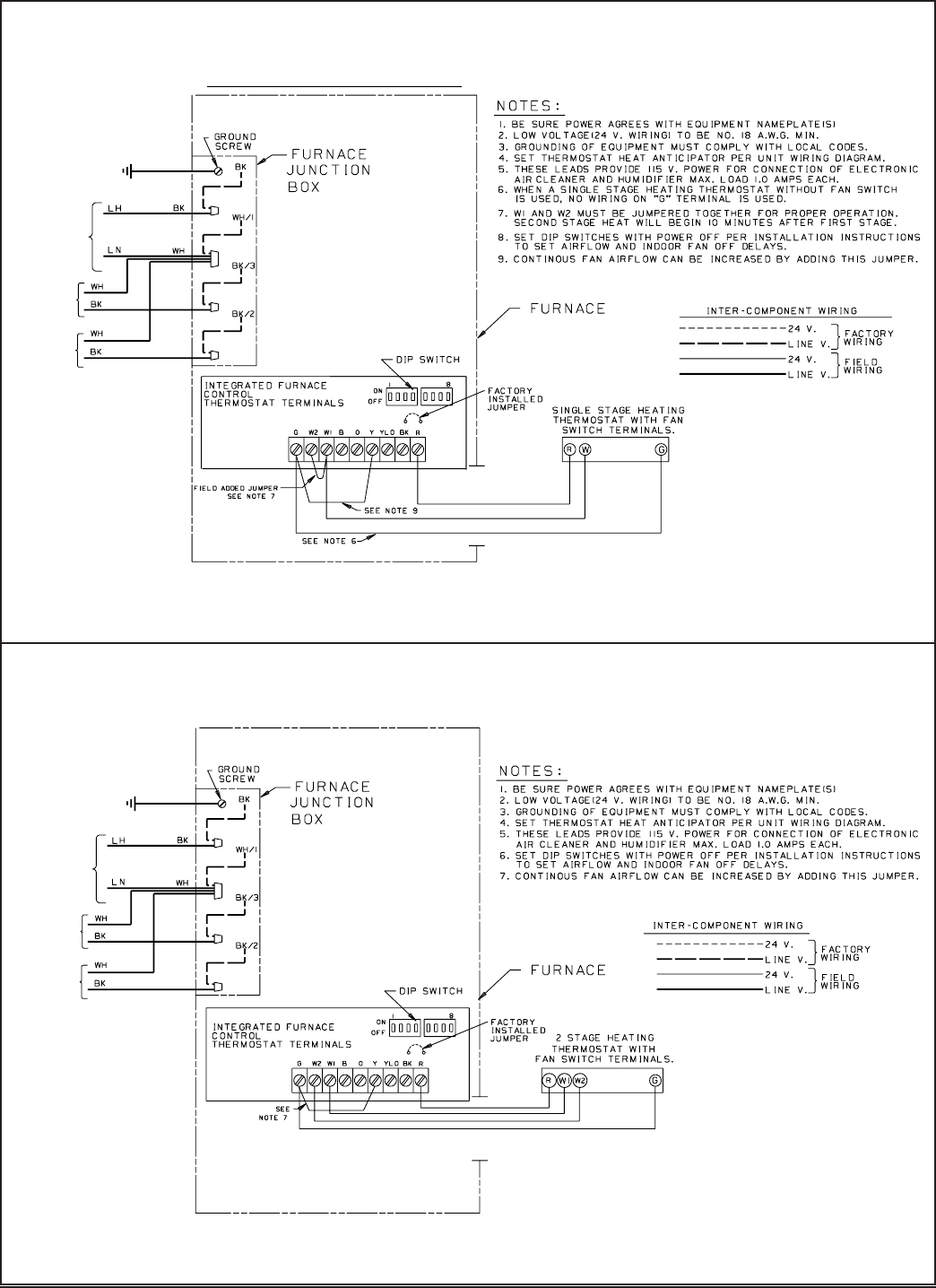
PRODUCT DATA
FIELD WIRING DIAGRAM FOR SINGLE STAGE HEATING ONLY
From Dwg. 21B341127 Rev. 0
From Dwg. 21B341126 Rev. 0
FIELD WIRING DIAGRAM FOR TWO STAGE HEATING
TO 115 V 1 PH.,
60 HZ., POWER
SUPPLY PER
LOCAL CODES
M
M
M
M
M
M
S
S
S
S
S
S
S
S
S
S
S
S
S
S
S
S
S
S
S
S
S
S
S
S
S
S
S
S
S
S
S
S
S
S
S
S
S
S
S
S
S
S
S
S
S
S
S
S
S
S
S
S
S
S
S
S
S
S
S
S
S
S
S
S
S
S
S
S
S
S
S
S
S
S
S
S
S
S
S
S
S
S
S
S
E
E
E
E
E
E
E
E
E
E
E
E
E
E
E
E
E
E
E
E
E
E
E
E
E
E
E
E
E
E
E
E
E
E
E
E
E
E
E
E
E
E
E
E
E
E
E
E
E
E
E
E
E
E
E
E
E
E
E
E
E
E
E
E
E
E
E
E
E
E
E
E
E
E
E
E
E
E
E
E
E
E
E
E
E
E
E
E
E
E
E
E
E
E
E
E
E
E
E
E
E
E
E
E
E
E
E
E
E
E
E
E
E
E
E
E
HUM SEE
NOTE 5
EA
S
S
S
S
S
S
S
S
S
S
S
S
S
S
S
S
S
C SEE
E
E
E
E
E
E
E
E
E
E
E
E
E
E
E
E
E
E
E
E
E
E
E
E
E
E
E
E
E
E
E
E
E
E
E
E
E
E
E
E
E
E
E
E
E
E
E
E
E
E
E
E
E
E
E
E
E
E
E
NO
S
S
S
S
S
S
S
S
S
S
S
S
S
S
S
S
S
S
S
S
S
S
S
S
S
S
S
S
S
S
S
S
S
S
S
S
S
S
S
S
S
S
S
E
E
E
E
E
S
S
S
S
S
S
S
S
S
S
S
S
S
S
S
S
S
S
S
E
E
E
E
E
E
TE 5
E
E
E
E
E
E
E
E
E
E
E
E
E
E
E
E
E
E
E
E
E
E
E
E
E
E
E
E
E
E
E
E
E
E
E
E
E
E
E
E
E
E
E
E
E
E
E
E
E
E
E
E
E
E
E
E
E
E
E
E
E
E
E
E
E
E
E
E
E
E
E
E
E
E
E
E
E
E
E
E
E
E
E
TO 115 V 1 PH.,
60 HZ., PO
M
M
M
M
M
M
M
M
M
M
M
M
M
M
M
M
M
M
M
M
M
M
M
M
M
M
M
M
M
M
M
M
M
M
M
M
M
M
M
M
M
M
M
M
M
M
M
M
M
M
M
M
M
M
M
M
M
M
M
M
M
M
M
M
M
M
M
M
M
M
M
M
M
M
M
M
M
M
M
M
M
M
M
M
M
M
M
M
M
M
M
M
S
S
S
S
S
S
S
S
S
S
S
S
S
S
S
S
S
S
S
S
S
S
S
S
S
S
S
S
S
S
S
S
S
S
S
E
E
E
E
E
E
E
E
E
E
E
E
E
E
E
E
E
E
E
E
E
E
E
E
E
E
E
E
E
E
E
E
E
E
E
E
E
E
E
E
E
E
E
E
E
E
E
E
E
E
E
E
E
E
E
E
E
E
E
E
E
E
WER
E
E
E
E
E
E
E
E
E
E
E
E
E
E
E
E
E
E
E
E
E
E
E
E
SUPPL
M
M
M
M
M
M
M
M
M
M
M
M
M
M
M
M
M
M
M
M
M
M
M
M
M
M
M
M
M
M
M
M
M
M
M
M
M
M
M
M
M
M
M
M
M
M
M
M
M
M
M
M
M
M
M
M
M
M
M
M
M
M
M
M
M
M
M
M
M
M
M
M
M
M
M
M
M
M
M
M
M
M
M
S
S
S
S
S
S
S
S
S
S
S
S
S
S
S
S
S
S
S
S
S
S
S
S
S
S
S
S
S
S
S
S
S
Y PER
S
S
S
S
S
S
S
S
S
S
S
S
E
E
E
E
E
E
E
E
E
E
E
E
E
E
E
E
E
E
E
E
E
E
E
E
E
E
E
E
E
E
E
E
E
E
E
E
E
EE
E
E
E
EE
E
E
E
EE
E
E
E
EE
E
E
E
E
E
E
E
E
E
E
E
E
E
E
E
E
E
E
E
E
E
E
E
E
E
E
E
E
E
E
E
E
E
E
E
E
E
E
E
E
E
E
E
E
E
E
E
E
E
E
LOCAL CODES
T
T
T
T
T
T
T
T
T
T
T
T
T
T
T
T
T
T
T
T
T
T
T
T
T
T
T
T
T
T
T
T
T
E
E
E
E
E
E
E
E
E
E
E
E
E
E
E
E
E
E
E
E
E
E
E
E
E
E
E
E
E
E
E
E
E
E
E
E
E
E
E
E
E
5
5
5
5
5
5
5
5
5
5
5
5
5
5
5
5
5
5
5
5
5
5
5
5
5
5
5
5
5
HUM SEE
NOTE 5
EA
C
C
C
C
C
C
C
C
C
C
C
C
C
C
C
S
S
S
S
S
S
S
S
S
S
S
S
C SEE
S
S
S
S
S
S
S
S
S
S
S
S
S
S
S
S
S
S
S
S
S
S
S
S
S
S
S
S
S
S
S
S
S
S
S
S
S
S
S
S
S
S
S
S
S
S
S
S
S
S
S
S
S
S
S
S
S
S
S
S
S
S
E
E
E
E
E
E
E
E
E
E
E
E
E
E
E
E
E
E
E
E
E
E
E
E
E
E
E
E
E
E
E
E
E
E
E
E
E
E
E
E
E
E
E
E
E
E
E
E
E
E
E
E
E
E
E
E
E
E
E
E
E
E
E
E
E
E
E
E
E
E
E
E
E
E
E
E
E
E
E
E
E
E
E
E
E
E
E
E
E
E
NO
T
T
T
T
T
T
E
E
E
E
E
E
E
E
E
E
TE 5
E
E
E
5
5
5

22 DATA SUBJECT TO CHANGE WITHOUT NOTICE 22-1650-13
PRODUCT DATA
FIELD WIRING DIAGRAM FOR SINGLE STAGE HEATING WITH SINGLE STAGE COOLING
(OUTDOOR SECTION WITHOUT TRANSFORMER)
From Dwg. 21B341125 Rev. 1
From Dwg. 21B341124 Rev. 1
FIELD WIRING DIAGRAM FOR TWO STAGE HEATING WITH SINGLE STAGE COOLING
(OUTDOOR SECTION WITHOUT TRANSFORMER)

22-1650-13 DATA SUBJECT TO CHANGE WITHOUT NOTICE 23
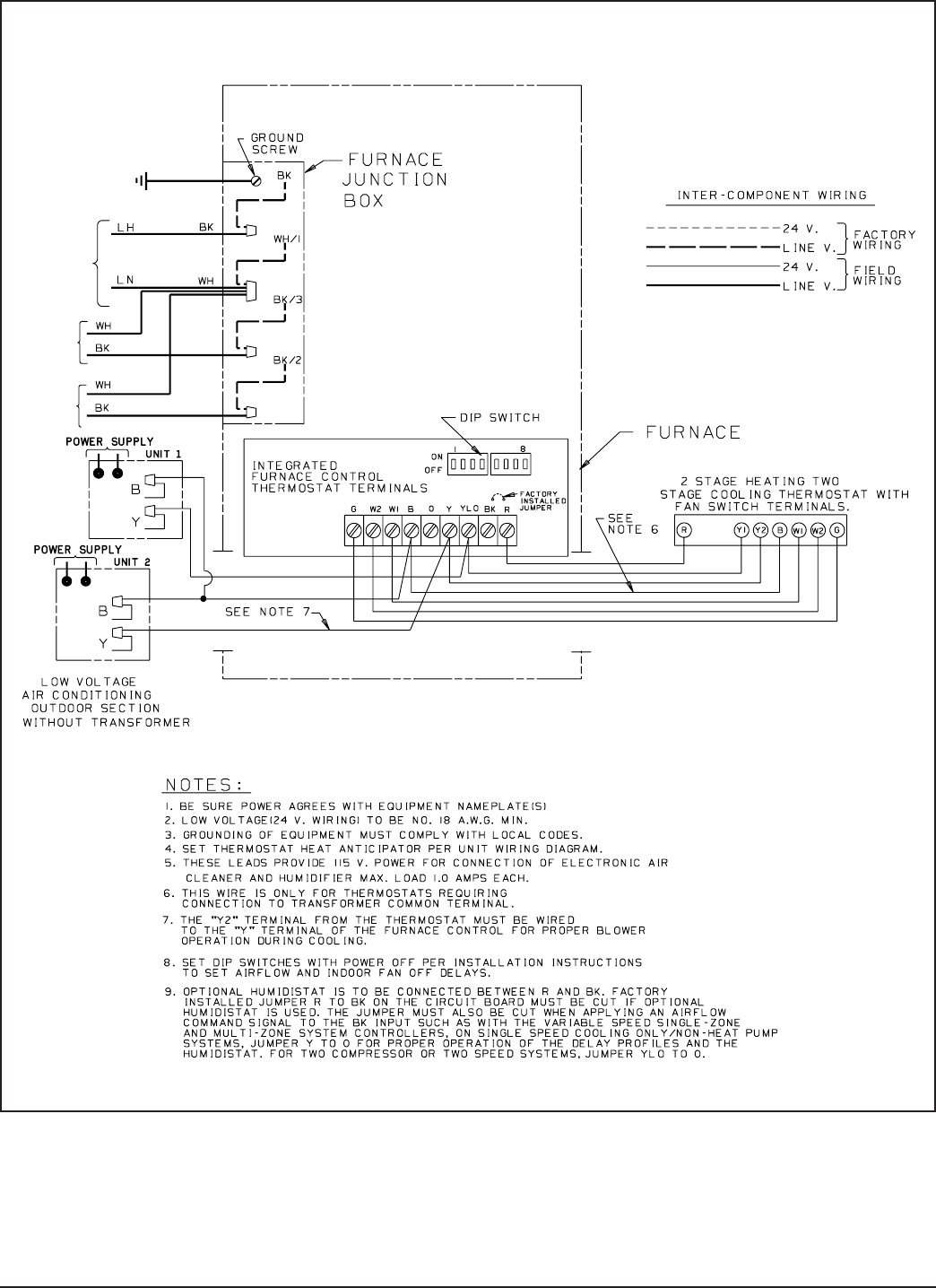
PRODUCT DATA
FIELD WIRING DIAGRAM FOR TWO STAGE HEATING WITH TWO STAGE COOLING
(OUTDOOR SECTION WITHOUT TRANSFORMER)
From Dwg. 21B341128 Rev. 0
TO 115 V 1 PH.,
60 HZ., PO
E
S
S
S
S
S
S
S
E
E
E
E
E
E
E
E
E
E
E
E
E
E
E
E
E
E
E
E
E
E
E
E
E
E
E
E
E
E
E
E
E
E
E
E
E
E
E
E
E
E
E
E
E
E
E
E
E
E
E
E
E
E
E
E
E
E
E
E
E
E
E
E
E
E
E
E
E
E
E
E
E
E
E
E
E
E
E
E
E
E
E
E
E
E
E
E
WER
SUPPL
E
E
E
E
E
E
E
E
E
E
E
E
E
E
E
E
E
E
S
S
E
E
E
E
E
E
E
E
E
E
E
E
E
E
E
E
E
E
E
E
E
E
E
E
E
E
E
E
E
E
E
E
E
E
E
E
E
E
E
E
E
E
E
E
E
E
E
E
E
E
E
E
E
E
E
E
E
E
E
E
E
E
E
E
E
E
E
E
E
E
EE
E
E
E
E
E
E
E
E
E
E
E
E
E
E
E
E
E
E
E
E
E
E
E
E
E
E
E
E
E
E
E
E
E
E
E
E
E
E
E
E
E
E
Y PER
LOCAL CODES
5
5
5
5
5
5
5
5
5
5
5
5
5
5
5
5
5
5
5
5
5
5
5
5
5
5
5
HUM SEE
W
W
W
W
W
W
W
W
W
W
W
W
W
W
W
W
W
W
W
W
W
W
W
W
W
W
W
W
W
W
W
W
W
W
W
W
W
W
W
W
W
W
W
W
W
W
W
W
W
W
W
W
W
W
W
W
W
E
E
E
E
E
E
E
E
E
E
E
E
E
E
E
E
E
E
E
E
E
E
E
E
E
E
E
E
E
E
E
E
E
E
E
E
R
R
R
R
R
R
R
E
E
E
E
E
E
E
R
R
R
R
R
R
R
R
R
E
E
E
E
E
R
R
R
R
R
R
R
R
R
R
R
R
R
R
R
R
R
R
R
R
R
R
R
R
R
R
R
R
R
R
R
R
R
R
R
R
R
R
R
R
R
R
R
R
6
R
R
R
R
6
6
6
6
R
6
R
R
R
R
6
6
6
6
R
6
R
R
R
R
6
6
6
6
NO
W
W
W
W
W
W
W
W
W
W
W
W
W
W
W
W
W
W
W
W
W
W
W
W
W
W
W
W
W
W
W
W
W
TE 5
E
E
E
E
E
E
E
E
E
E
E
E
E
E
E
E
R
R
R
R
R
R
R
R
R
EA
D
D
D
D
D
D
D
D
D
D
D
D
D
E
E
E
E
E
E
E
E
E
E
C SEE
E
E
E
E
E
E
E
E
E
E
E
E
E
E
E
E
E
E
E
E
E
E
E
E
E
E
E
E
E
E
E
E
E
E
E
S
S
S
S
S
S
S
S
S
S
S
S
S
S
S
S
S
S
S
S
S
S
S
S
S
S
S
S
S
S
S
S
S
S
S
S
S
S
S
S
S
S
S
S
S
S
S
S
S
S
S
S
S
S
S
S
S
S
S
S
S
S
S
S
L
L
L
L
L
L
L
NOTE 5

24 DATA SUBJECT TO CHANGE WITHOUT NOTICE 22-1650-13
PRODUCT DATA
TUD-9V OUTLINE DRAWING
(ALL DIMENSIONS ARE IN INCHES)
From Dwg. C341699
MODEL A B C D
*UD2B060A9V3V**
*UD2B080A9V3V**
*UD2B100A9V3V**
17-1/2" 9-5/8" 16-1/4" 16"
*UD2C080A9V4V**
*UD2C100A9V5V**
*UD2C080B9V4V**
*UD2C100B9V5V**
21" 13-1/16" 19-3/4" 19-1/2"
*UD2D120A9V5V**
*UD2D140A9V5V**
*UD2D120B9V5V**
24-1/2" 15-5/16" 23-1/4" 23"
* - First Letter May Be "A" or "T"
** - Suffix Letters May Be "K" (0 Through 9)

22-1650-13 DATA SUBJECT TO CHANGE WITHOUT NOTICE 25

Since the manufacturer has a policy of continuous product
and product data improvement, it reserves the right to change
the design and specifications without notice.
Technical Literature - Printed in U.S.A.
Trane
6200 Troup Highway
Tyler, TX 75707
PRODUCT DATA