Trane X39640516 01 T Series Climate Changer ® Central Station Air Handlers Installation And Maintenance PDF Manual (CLCH IM 16A) User To The Aa7b2f09 8f06 4c3e 92ee 72770f6ab1fb
User Manual: Trane X39640516-01 to the manual
Open the PDF directly: View PDF
.
Page Count: 71

Part No. X39640516-01
Since the Trane Company has a policy of continuous product improvement, it reserves the right to change
specifications and designs without notice. The installation and servicing equipment referred to into this book-
let should be done by qualified experienced technicians.
Installation CLCH-IM-16A
and
Maintenance
Manual
Library Service Literature
Product Section Air Handling
Product Central Station Air Handlers
Model T-Series Climate Changer
Literature Type Installation/Maintenance
Sequence 2
Date March 1999
File No. CLCH-IM-16A 3/99
T-Series Climate
Changer® Central
Station Air Handlers
Draw-Thru and Blow-Thru Unit Sizes 3, 6, 8, 10, 12, 14, 17, 21, 25, 30,
35, 40, 50, 66, 80, and 100

Notice
WORLD ENVIRONMENTAL SCIENTISTS HAVE
CONCLUDED, BASED ON THE BEST CURRENTLY
AVAILABLE EVIDENCE, THAT OZONE IN OUR UPPER
ATMOSPHERE IS BEING REDUCED DUE TO THE
RELEASE OF CFC FULLY HALOGENATED
COMPOUNDS.
THE TRANE COMPANY URGES THAT ALL HVAC
SERVICERS WORKING ON TRANE EQUIPMENT, OR
ANY MANUFACTURER’S PRODUCTS, MAKE EVERY
EFFORT TO ELIMINATE, IF POSSIBLE, OR
VIGOROUSLY REDUCE THE EMISSION OF CFC,
HCFC, AND HFC REFRIGERANTS TO THE
ATMOSPHERE RESULTING FROM INSTALLATION,
OPERATION, ROUTINE MAINTENANCE, OR MAJOR
SERVICE ON THIS EQUIPMENT. ALWAYS ACT IN A
RESPONSIBLE MANNER TO CONSERVE
REFRIGERANTS FOR CONTINUED USE EVEN WHEN
ACCEPTABLE ALTERNATIVES ARE AVAILABLE.
REFRIGERANT USED IN ANY TYPE OF AIR-
CONDITIONING OR REFRIGERATING EQUIPMENT
SHOULD BE RECOVERED FOR REUSE, RECOVERED
AND /OR RECYCLED FOR REUSE, REPROCESSED
(RECLAIMED), OR PROPERLY DESTROYED,
WHENEVER IT IS REMOVED FROM EQUIPMENT.
NEVER RELEASE TO THE ATMOSPHERE!
Warning and Cautions
Notice that WARNING and CAUTION appear at
appropriate intervals throughout this manual.
WARNING
WARNING indicates a potentially hazardous
situation that could result in personal injury or death.
CAUTION
CAUTIONs are designed to alert you to conditions
that could result in minor personal injury or
equipment damage.
Literature Change History
CLCH-IM-16 (November 1997)
Initial Manual covering T-Series Climate Changer, sizes
3, 6, 8, 10, 12, 14, 17, 21, 25, 30, 35,40, 50, 66, 80, and
100.
CLCH-IM-16A (March 1999)
Revised manual to include new details on shipping,
assembly, and installation.

T-Series Climate Changer
Table of Contents
General Information ............................................. 1
Unit Description .................................................. 1
Operating Environment ....................................... 1
Unit Nameplates ................................................. 1
Controls .............................................................. 2
Receiving .............................................................. 3
Storage Considerations ...................................... 3
Rigging and Handling .......................................... 4
Determine Unit Weights ...................................... 4
Lifting Instructions ............................................. 12
Installation .......................................................... 15
Unit Assembly .................................................... 16
General ............................................................. 16
Unit Assembly - All Sizes .................................. 16
Component Installation Requirements ............. 22
Fan Section ...................................................... 22
Set-Up ................................................................. 25
Duct Connections ............................................. 28
Drain Pan .......................................................... 30
Coil Piping And Connections ............................ 32
Refrigerant Coil Piping ...................................... 46
General Refrigerant Piping Recommendations 47
Wiring ............................................................... 49
Installation Checklist ......................................... 51
Prestart-Up Checks .......................................... 51
Start-Up ............................................................... 53
Start-Up Procedures ......................................... 53
Periodic Maintenance ........................................ 59
Drain Pans ........................................................ 60
Air Filters .......................................................... 60
Fans .................................................................. 61
Fan Bearings and Motors ................................. 61
Coil Cleaning .................................................... 63
Coil Winterization .............................................. 65
Troubleshooting ................................................. 66

Installation and Maintenance 1
*HQHUDO,QIRUPDWLRQ
Unit Description
Trane T-Series Climate Changers® are Central
Station Air Handlers designed for a variety of air
handling applications. The basic unit consists of a
fan, heating and/or cooling coils, filters, and
dampers. See the sales catalog (CLCH-DS-9) for a
list of available options and components.
The fan is internally isolated. Fans available are
double-width, double-inlet Centrifugal types with
forward curved, backward inclined, or airfoil blade
type design; single-width, single-inlet Plug Fans or
Vane-Axial Q Fans®. Fans are available in low,
medium, and high pressure classes with or without
inlet guide vanes.
To insure fan stability, the unit ships with four (4) lock-
down devices that prevent the fan from shifting
during shipment and installation. These spacers
must be removed prior to fan operation to assure
proper vibration isolation.
The units are available with factory-mounted controls
for stand-alone operation or operation with a
complete building automation system. This includes
factory-mounted starters, DDC controllers, and end
devices.
Trane T-Series Climate Changers ship as complete
assemblies or sectional subassemblies. Some
assembly is required when the units ship as
subassemblies.
Operating Environment
The T-Series Climate Changer (TSC) is an outdoor
air handler. When considering the placement of the
TSC it is important to consider the operating
environment. The acceptable ambient temperature
range for unit operation is -40° to +140°F (-40°C to
60°C).
For heating applications a special motor may be
required to withstand the higher temperatures.
Motors with Class “B” insulation are acceptable for
ambient temperatures up to 104°F while motors with
class “F” insulation can withstand ambient
temperatures to +140° F (60°C).
NOTE: IT IS RECOMMENDED THAT THE CUSTOMER
PROVIDE ADEQUATE FREEZE PROTECTION FOR THE
COILS.
UNITS WITH UL APPROVAL HAVE A MAXIMUM
AMBIENT TEMPERATURE REQUIREMENT OF 104
°
F.
Unit Nameplates
Each unit section is provided with a section
nameplate (label). See
Figure 1
. This nameplate
includes type of section, section serial number,
customer tagging information, section position and
service model number.
Figure 1
Unit Nameplate
Customer Furnished
Section Service
Model Number
Sales Order
Number
Type of Section
Section Serial Number
Section Unit
Number
Tagging Information

2CLCH-IM-16A
Each section of a T-Series Climate Changer is
identified with a multi-character model number and
serial number. The model number precisely identifies
a particular section. Refer to model number and
serial number when ordering parts or requesting
service.
If the unit ships as individual sections or section
subassemblies refer to the nameplate for customer
tagging information and section position to insure
proper placement of the sections during assembly.
Controls
Wiring Sizes and Connections
Entrances are provided for field installation of high
and low voltage wiring through a pipe/nipple
connection in the base of the unit. The low and high
voltage connections are on opposite sides of the unit
on sizes 3 - 50 and on the same side for sizes 66 -
100.
CAUTION
The high and low voltage wire
raceways for the T-series units are
intended for factory wiring ONLY.
Do not use these raceways for
field uses. Failure to follow these
instructions can result in damage
to the unit.
Wiring to the unit must be provided by the installer
and must comply with all national and local electrical
codes. The motor nameplate includes a wiring
diagram. If there are any questions concerning the
wiring of the motor be sure to take the motor
manufacturer’s name, model number, and serial
number and contact your local Trane representative
for assistance.
Factory Mounted Controls
NOTE: FOR MORE IN-DEPTH UNDERSTANDING OF
THE PROGRAMMABLE CONTROL MODULE (PCM)
REFERENCE INSTALLATION GUIDE EMTX-IN-11A,
APPLICATION GUIDE EMTX-AG-1, OPERATORS
GUIDE EMTX-OG-4, INSTALLATION, OPERATION AND
PROGRAMMING GUIDE CLCH-IOP-1, AND
INSTALLATION, OPERATION AND MAINTENANCE
MISC-IOM-5.
The T-Series Climate Changer is available with a
wide array of factory mounted controls. They include
the Programmable Control Module (PCM), motor
starters, and Variable Frequency Drives (VFD).
NOTE: THIS SECTION WILL PROVIDE A BRIEF
OVERVIEW OF THE OPTIONAL FACTORY MOUNTED
CONTROLS. FOR MORE IN-DEPTH UNDERSTANDING
OF THE PROGRAMMABLE CONTROL MODULE (PCM),
REFERENCE INSTALLATION GUIDE EMTX-IN-11A,
APPLICATION GUIDE EMTX-AG-1, OPERATORS’
GUIDE EMTX-OG-4, INSTALLATION OPERATION AND
PROGRAMMING GUIDE CLCH-IOP-1 AND
INSTALLATION OPERATION AND MAINTENANCE
MISC-IOM-5.
Most control components are mounted inside the
units. Depending on system configuration, these
controls may include damper actuators, dirty filter
switches, averaging temperature sensors, low limit
switches, point temperature switches, and inlet guide
vane actuators. Variable frequency drives, starters,
PCMs, control transformers, static pressure
transducers, DC power supplies, customer interface
relays, etc. will be in enclosures mounted on the
inside of the unit.
Small items that cannot be factory-mounted will ship
inside the control enclosures. These controls may
include space temperature sensors, outside air
temperature sensors, and humidity sensors.
All control valves will ship directly to the “ship to
address” from the vendor, unless another address
was given on the order.
All constant volume or variable air volume control
systems are provided with 120 to 24 VAC control
transformers. Unless ordered with a factory-
mounted/wired starter or variable frequency drive,
the customer must provide 120 VAC control power,
50/60 hz, typically 3 amps for unit sizes 3 - 50, and 5
amps for unit sizes 66 -100. A dedicated 15 amp
circuit is recommended.
A T-Series Climate Changer unit and/or field-installed
accessories that must be stored for a period of time
prior to being installed MUST be protected from the
elements. The PCM and all other electrical/electronic
components should be stored in conditions of -20 -
120°F and 5 - 95% relative humidity non-condensing.
Electrical components ARE NOT moisture-tolerant
The warranty will not cover damage to the unit or
controls due to negligence during storage. A
controlled indoor environment is recommended for
proper storage. For further storage considerations,
refer to “Storage Considerations” in the next section.

Installation and Maintenance 3
5HFHLYLQJ
The T-Series Climate Changer can ship as individual
sections, section subassemblies, or a complete air
handler. Sizes 3 - 100 have an integral base rail.
Upon receipt of the unit(s) and prior to unloading,
inspect the unit for damage and verify that the
shipment is complete. Delivery cannot be refused.
Inspection
1Visually inspect components for any damage that
may have occurred during shipment.
NOTE: THE TRANE COMPANY IS NOT RESPONSIBLE
FOR SHIPPING DAMAGE.
2Check all access doors to confirm that the latches
and hinges are not damaged.
3Check all coil connections to confirm they are
straight and undamaged.
4Inspect the coils for damage to the fin surface or
coil connections.
5Check all devices attached to the unit exterior and
confirm that they are not damaged.
6Manually rotate the fan wheel to ensure free
movement of the shaft, bearings, and drive.
Inspect the fan housing for any foreign objects.
7Inspect the interior of each section for any internal
damage as soon as possible after delivery.
Concealed damage must be reported within 15
days of receipt.
8If the unit was ordered with Factory Mounted
Controls, locate all sensors. These components
will be shipped inside the control enclosure.
9If the unit shipped in subassemblies, locate
assembly hardware. The necessary assembly
hardware will be packaged inside the fan section
or the mixing section.
Resolving Shipping Damage
The T-Series Climate Changer ships FOB. If damage
has occurred to the unit sections during shipment,
the following instructions should be completed:
1Make specific notation describing the damage on
the freight bill.
2Report all claims of shipping damage to the
delivering carrier immediately.
3Keep damaged material in the same location as it
was received. It is the receiver’s responsibility to
provide reasonable evidence that the concealed
damage was not incurred after delivery.
4Notify the Trane sales representative of the
damage and arrange for repair. Do not attempt to
repair the unit without consulting the sales
representative.
TRANE IS NOT RESPONSIBLE
FOR SHIPPING DAMAGE.
Storage Considerations
General
The Trane T-Series Climate Changer air handler is
an outdoor unit and requires no special protection for
storage before installation. Keep the equipment in
the original shipping container for protection and
ease of handling. The warranty will not cover
damages to the unit due to negligence during
storage.
For longer periods of storage, allow enough
clearance around the unit to perform periodic
inspection and maintenance of the equipment. In
addition, loosen belt tension on drive belts.
Long Term Storage
Every two weeks, rotate the fan and motor shaft thirty
revolutions by hand. Check for free rotation.
Every six months, check fan shaft bearings and
grease lines. Add grease using a manual grease gun
following the lubrication recommendations in the
Periodic Maintenance section.
Check the motor lubrication; remove and clean
grease plugs and check for the presence of moisture
in the grease. If moisture is present, remove the
motor and send it to an authorized repair shop for
bearing inspection/replacement. If no moisture is
present, refer to the motor manufacturer’s lubrication
recommendation for proper lubrication.

4CLCH-IM-16A
5LJJLQJDQG+DQGOLQJ
The unit will be shipped (as specified by sales order)
as 1) a complete assembly, 2) in sub-assemblies
(collection of sections), or 3) as individual sections.
Follow appropriate lift warnings as shown on the
label affixed to the unit.
WARNING
Never bolt (assemble) sections or
sub-assemblies together before
rigging. Always rig subassem-
blies or sections as received from
the factory.
CAUTION
Do NOT lift from the top of the unit.
Lift only from lift lugs located at
the bottom of the unit. Use all lift
lugs provided. Failure to do so can
damage the unit.
Determine Unit Weights
Weights in this manual are approximate. Always test-
lift the unit section to check for proper balance and
rigging before hoisting to the desired location.
When preparing to lift sections, estimate the
equipment’s approximate weight and center of
gravity. Refer to the tables listed below and placed on
the following pages. Due to placement of internal
components, the weight of the unit may be unevenly
distributed, with more weight being present in the fan
and coil areas)
Table 1
T-Series Section Weights (lb) - Unit Sizes 3 - 50
Trane Unit Size 36810 12 14 17 21 25 30 35 40 50
Filter / Mixing
225 232 270 367 393 443 490 526 624 687 933 1025 1148
Economizer
314 377 419 582 637 677 740 827 902 1118 1291 1544 1785
Exhaust
88 105 115 134 145 154 167 187 201 219 265 283 399
Air Blender
191 242 279 355 380 399 431 477 562 614 822 888 1080
Flat Filter
71 84 91 109 122 130 140 157 164 177 235 249 365
Angled Filter
154 199 232 242 261 290 312 338 355 389 545 590 684
Bag Filter
189 248 281 285 323 372 426 511 579 632 698 752 852
Cartridge Filter
143 181 213 218 235 266 284 317 334 368 494 538 621
Sm. Blank / Inspection
47 56 61 71 76 80 85 95 100 108 130 139 221
Med Blank / Access
62 75 80 95 101 105 113 125 132 143 169 181 269
M-L Blank / Access
N/A N/A N/A 161 171 179 192 212 221 241 334 364 429
Large Blank / Access
105 137 164 218 232 243 261 289 361 393 541 584 662
Small Coil
Weight includes 2 row UW
117 151 170 210 238 255 285 323 353 390 448 487 757
Med. Coil
Weight includes 8 row UW
182 250 294 363 431 476 539 641 722 824 897 1017 1444
M-L Coil
Weight includes 10 row W
N/A N/A N/A 649 788 842 967 1142 1298 1483 1759 1982 2550
Large Coil
Weight includes 10 row W
323 439 568 720 864 923 1054 1234 1465 1664 1986 2222 2804
Moisture Eliminator
59 80 93 147 167 182 202 231 254 289 347 385 554
Internal Face/Bypass
98 129 144 185 200 230 252 281 306 343 425 480 645
Face Damper
98 129 144 185 200 230 252 281 306 343 425 480 645

Installation and Maintenance 5
.
Front Horiz Disch Fan
Weight includes Type A fan
300 444 500 508 599 652 762 905 1022 1277 2010 2168 2560
Bottom Vert Disch Fan
Weight includes Type A fan
347 500 561 580 676 731 847 1000 1122 1385 2139 2307 2780
Diffuser
74 91 98 114 122 130 143 163 173 192 293 322 445
Discharge Plenum
92 118 135 195 204 209 224 252 318 337 472 511 571
Table 1
T-Series Section Weights (lb) - Unit Sizes 3 - 50
Trane Unit Size 36810 12 14 17 21 25 30 35 40 50
Table 2
T-Series Section Weights (lb) - Unit Sizes 66 - 100
Trane Unit Size 66 80 100
Filter / Mixing
1367 1511 1817
Economizer
2147 2382 2984
Exhaust
464 506 572
Air Blender
1257 1386 1640
Flat Filter
432 477 546
Angled Filter
797 839 964
Bag Filter
1046 1163 1414
Cartridge Filter
761 798 911
Sm. Blank / Inspection
252 262 288
Med Blank / Access
307 319 350
M-L Blank / Access
472 491 538
Large Blank / Access
775 870 1056
Small Coil
Weight includes 2 row UW
933 1040 1237
Med. Coil
Weight includes 8 row UW
1850 2143 2608
M-L Coil
Weight includes 10 row W
3372 3884 4738
Large Coil
Weight includes 10 row W
N/A N/A N/A
Moisture Eliminator
710 786 928
Internal Face/Bypass
753 852 1002
Face Damper
753 852 1002
Front Horiz Disch Fan
Weight includes Type A fan
3621 4391 5141
Bottom Vert Disch Fan
Weight includes Type A fan
3621 4391 5141
Diffuser
913 1029 1257
Discharge Plenum
651 769 928
Table 2
T-Series Section Weights (lb) - Unit Sizes 66 - 100
Trane Unit Size 66 80 100
Table 3
Inlet Guide Vane Weights (lb)
Fan Type/
Unit Size 3 6 8 10 12 14 17 21 25 30 35 40 50 66 80 100
FC Fan N/A 38 38 43 46 55 57 65 70 70 105 128 155 155 N/A N/A
BI Fan N/A N/A N/A 58 63 69 76 89 66 66 N/A N/A N/A N/A N/A N/A
AF Fan N/A N/A N/A N/A N/A N/A N/A N/A N/A N/A 36 43 54 64 93 111
Plug Fan N/A N/A N/A N/A N/A N/A N/A 25 29 29 40 64 74 100 122 118

6CLCH-IM-16A
Table 4
Approximate Motor Weights (lb)
Motor Type/
Horsepower 1/6 1/4 1/3 1/2 3/4 1 1-1/2
General Purpose ODP 16 21 24 26 28 32 35
General Purpose TEFC N/A N/A N/A N/A N/A 50 54
Energy Efficient ODP N/A N/A N/A N/A N/A 35 41
Energy Efficient TEFC N/A N/A N/A N/A N/A 36 46
VAV-ODP N/A N/A N/A N/A N/A 38 42
Motor Type/
Horsepower 2 3 57-1/2101520253040506075100
General Purpose
ODP
38 70 88 126 151 230 265 329 359 370 508 685 722 970
General Purpose
TEFC NA
60 90 111 163 193 253 300 365 409 610 681 872 968 1255
Energy Efficient
ODP
41 67 79 107 119 215 260 286 334 372 406 591 765 989
Energy Efficient
TEFC
45 75 96 140 160 233 289 332 384 471 536 764 820 1302
VAV-ODP 42 87 91 132 147 230 220 331 352 450 509 796 825 1000
Table 5
Approximate Dry Cooling Coil Weights Type UU, UF, and UW, Fin Series 168 (Weights in lb)
Unit Size
Rows3 6 8 101214172125303540 50 66 80100
2 41 58 69 88 110 122 138 175 197 222 247 274 358 458 548 666
4 63 94 114 146 181 203 232 289 329 376 425 475 621 804 956 1175
6 79 121 148 188 236 266 306 381 437 503 573 645 831 1083 1292 1604
8 94 147 182 231 290 329 380 473 545 631 721 814 1042 1362 1628 2032
Table 6
Unit Size 3, Approximate Dry Coil Weights, Fin Series 168 (Weights in lb)
Coil Type
Rows W K P2 P4 P8 D DD WD WA WC TT NS
144 4439 57
2 65774144 66 38

Installation and Maintenance 7
4 90 127 66 68 83 107 99
6 116 176 95 102 148 157) 123
8 141) 231 122 131 189 183 148
10 166 274 231 241 173
12 191 324 272 266 198
Table 6
Unit Size 3, Approximate Dry Coil Weights, Fin Series 168 (Weights in lb)
Coil Type
Rows W K P2 P4 P8 D DD WD WA WC TT NS
Table 7
Unit Size 6, Approximate Dry Coil Weights, Fin Series 168 (Weights in lb)
Coil Type
Rows W K P2 P4 P8 D DD WD WA WC TT NS
153 5348 73
2 81935659 81 54
4 119 155 95 96 111 135 127
6 157 217 136 142 189 198 164
8 194) 285 175 185 243 236 201
10 232 341 297 307 238
12 270 403 351 345 275
Table 8
Unit Size 8, Approximate Dry Coil Weights, Fin Series 168 (Weights in lb)
Coil Type
Rows W K P2 P4 P8 D DD WD WA WC TT NS
171 71 66 97
2 108 124 75 77 109 72
4 164 210 130 131 146 183 175
6 217 296 187 194 259 273 227
8 271 382 244 253 334 327 280
10 326 469 409 425 334
12 380 555 484 480 387

8CLCH-IM-16A
Table 9
Unit Size 10, Approximate Dry Coil Weights, Fin Series 168 (Weights in lb)
Coil Type
Rows W K P2 P4 P8 D DD WD WA WC TT NS
180 80 75 114
2 127 144 94 97 128 91
4 197 245 164 166 181 218 209
6 266 346 237 244 308 322 275
8 336 447 308 318 398 392 344
10 405 548 489 505 412
12 475 650 579 575 481
Table 10
Unit Size 12, Approximate Dry Coil Weights, Fin Series 168 (Weights in lb)
Coil Type
Rows W K P2 P4 P8 D DD WD WA WC TT NS
1 103 103 103 142
2 165 185 119 122 166 116
4 257 316 211 213 228 284 274
6 349 448 306 313 402 421 361
8 441 579 400 410 521 513 452
10 533 710 638 661 542
12 625 842 756 75 633
Table 11 Unit Size 14, Approximate Dry Coil Weights, Fin Series 168 (Weights in lb)
Coil Type
Rows W K P2 P4 P8 D DD WD WA WC TT NS
1 107 107 107 149
2 173 192 126 129 173 123
4 271 330 225 226 241 297 287
6 369 467 326 333 42 441 381
8 467 605 426 435 547 539 477
10 565 742 671 693 574
12 663 880 796

Installation and Maintenance 9
Table 12
Unit Size 17, Approximate Dry Coil Weights, Fin Series 168 (Weights in lb)
Coil Type
Rows W K P2 P4 P8 D DD WD WA WC TT NS
1 123 123 122 172
2 199 221 N/A N/A 199 145
4 316 381 N/A N/A N/A 345 333
6 434 542 N/A N/A 491 513 445
8 551 703 N/A N/A 637 630 561
10 667 864 782 810 677
12 786 1025 928 928 792
Table 13
Unit Size 21, Approximate Dry Coil Weights, Fin Series 168 (Weights in lb)
Coil Type
Rows W K P2 P4 P8 D DD WD WA WC TT NS
1 148 149 139 214
2 241 264 191 197 241 184
4 379 451 330 333 364 411 396
6 517 637 475 489 581 600 528
8 655 835 617 636 752 738 664
10 793 1009 922 943 800
12 931 1195 1092 1081 936
Table 14
Unit Size 25, Approximate Dry Coil Weights, Fin Series 168 (Weights in lb)
Coil Type
Rows W K P2 P4 P8 D DD WD WA WC TT NS
1 170 171 161 247
2 277 305 219 225 278 213
4 440 524 384 386 417 478 461
6 604 743 553 567 678 701 617
8 767 969 721 739 878 864 778
10 930 1181 1078 1105 939

10 CLCH-IM-16A
12 1093 1401 1278 1268 1100
Table 14
Unit Size 25, Approximate Dry Coil Weights, Fin Series 168 (Weights in lb)
Coil Type
Rows W K P2 P4 P8 D DD WD WA WC TT NS
Table 15
Unit Size 30, Approximate Dry Coil Weights, Fin Series 168 (Weights in lb)
Coil Type
Rows W K P2 P4 P8 D DD WD WA WC TT NS
1 190 191 180 278
2 312 340 254 260 313 249
4 505 588 448 450 481 542 526
6 697 837 647 661 771 794 709
8 889 1091 842 862 1001 897 899
10 1082 1333 1230 1257 1088
12 1275 1582 1459 1450 1278
Table 16
Unit Size 35, Approximate Dry Coil Weights, Fin Series 168 (Weights in lb)
Coil Type
Rows W K P2 P4 P8 D DD WD WA WC TT NS
1 275 N/A N/A N/A 212 224 333
2 379 413 340 298
4 616 717 660 642
6 853 1022 943 974 879
8 1091 1333 1224 1211 1116
10 1328 1631 1505 1544 1353
12 1565 1936 1788 1781 1590
Table 17
Unit Size 40, Approximate Dry Coil Weights, Fin Series 168 (Weights in lb)
Coil Type
Rows W K P2 P4 P8 D DD WD WA WC NS
1 306 N/A N/A N/A 231 247 368
2 425 458 381

Installation and Maintenance 11
4 699 800 743 724
6 973 1142 1062 1093 998
8 1247 1489 1381 1368 1273
10 1521 1825 1700 1738 1546
12 1795 2166 2018 2011 1820
Table 18
Unit Size 50, Approximate Dry Coil Weights, Fin Series 168 (Weights in lb)
Coil Type
Rows W K P2 P4 P8 D DD WD WA WC NS
1 386 N/A N/A N/A 294 322 477
2 551 592 491
4 920 1044 975 953
6 1289 1496 1399 1440 1323
8 1658 1949 1823 1810 1692
10 2028 2400 2248 2297 2061
12 2397 2853 2672 2666 2431
Table 19
Unit Size 66, Approximate Dry Coil Weights, Fin Series 168 (Weights in lb)
Coil Type
Rows W K P2 P4 P8 D DD WD WA WC N NS
1 521 N/A N/A N/A 387 441 660 648
2 738 789
4 1242 1383 1302 1275 660
6 1740 1980 1866 1908 1776
8 2241 2577 2430 2409 2277
10 2742 3171 2994 3042 2778
12 3243 3768 3555 3543 3279
Table 20
Unit Size 80, Approximate Dry Coil Weights, Fin Series 168 (Weights in lb)
Coil Type
Rows W K P2 P4 P8 D DD WD WA WC NS
1 611 N/A N/A N/A 453 494 753
Table 17
Unit Size 40, Approximate Dry Coil Weights, Fin Series 168 (Weights in lb)
Coil Type
Rows W K P2 P4 P8 D DD WD WA WC NS

12 CLCH-IM-16A
Lifting Instructions
The Trane Company recommends that the contractor
use spreader bars and slings to rig units and
subassemblies (sections) as shown.
qAlways assemble the unit at the installation site.
qAlways rig subassemblies or sections as they ship
from the factory.
qMake the loop of the sling parallel to the direction
of airflow, whenever possible.
The following instructions cover lifting the unit as well
as inlet and exhaust hoods and external pipe chases.
Follow specific instructions.
WARNING
Follow good lifting practices
before lifting the unit to include
following instructions in this man-
ual, estimating center of gravity,
and test lifting the unit to check
balance and stability.
Do NOT use fork lifts for handling
units.
Never lift units in windy conditions
or raise units above personnel.
Failure to follow all instructions
may result in personal injury or
equipment damage.
1Before lifting the unit, estimate the approximate
center of gravity and test lift the unit to determine
balance and stability.
NOTE: PREPARATION OF THE ROOF CURB OR PIER
MOUNT AND ROOF OPENINGS SHOULD BE
COMPLETED BEFORE LIFTING UNIT TO THE ROOF.
SEE THE ASSEMBLY SECTION OF THIS MANUAL.
2 873 932 778
4 1471 1643 1547 1516
6 2068 2355 2219 2275 2114
8 2664 3066 2893 2872 2710
10 3262 3777 3565 3632 3307
12 3859 4490 4268 4228 3904
Table 21
Unit Size 100, Approximate Dry Coil Weights, Fin Series 168 (Weights in lb)
Coil Type
Rows W K P2 P4 P8 D DD WD WA WC NS
1 729 N/A N/A N/A 546 603 909
2 1065 1131 945
4 1815 2010 1900 1866
6 2565 2889 2733 2802 2613
8 3315 3771 3570 3552 3363
10 4062 4653 4404 4488 4113
12 4812 5529 5238 5238 4863
Table 20
Unit Size 80, Approximate Dry Coil Weights, Fin Series 168 (Weights in lb)
Coil Type
Rows W K P2 P4 P8 D DD WD WA WC NS

Installation and Maintenance 13
USE ALL OF THE LIFT LUGS PROVIDED.
NEVER STACK THE PIPE CABINET AND INLET
HOODS ON THE UNIT AS THE UNIT IS BEING LIFTED.
2Lift all sections individually using all lifting lugs
provided and shown in
Figure 4
. See specific
instructions for handling the inlet and exhaust
hoods and pipe chase in paragraphs following.
3Remove all wooden blocks before installing the
unit to the roof curb (see
Figure 5
).
4After the sections are in place, assemble them
(see Unit Assembly).
Lifting Inlet and Exhaust Hoods
CAUTION
Do not attach the hood to the unit
prior to lifting the unit. Doing so
could damage the equipment.
Follow all warnings lifting instructions in the general
Lifting section of this manual to include test lifting.
Lift the hood sections individually as shown in
Figure
2
. Attach the cables, chains or straps to lifting lugs
as shown.
Attach the hood to the unit only after all sections are
in place.
Figure 2
Inlet and Exhaust Hood Lifting
Lifting the External Pipe Cabinet (Chase)
CAUTION
Do not attach the pipe chase to the
unit prior to lifting the unit. Doing
so could damage the equipment.
Follow all warnings lifting instructions in the general
Lifting section of this manual to include test lifting.
Lift the pipe chase section individually as shown in
Figure 3
. Attach the cables, chains or straps to lifting
lugs as shown.
Attach the pipe chase to the unit only after all
sections are in place.
Figure 3
Pipe Cabinet Lifting
Recommended
to lift lugs
attachment
Rigging and spreader bar
not furnished by Trane
Recommended
attachment to
lifting lugs

14 CLCH-IM-16A
Figure 4
Field Unit Lifting
Figure 5
Shipping Block Removal
Rigging and spreader
bars not furnished by Trane
Recommended attachment
to lifting lugs
Remove ALL wooden blocks
before installing unit to roof curb

Installation and Maintenance 15
,QVWDOODWLRQ
When preparing the unit site, consider the following:
1Ensure that the site can support the total weight of
the unit.
Table 1
and
Table 2
list approximate
section weights.
2Allow sufficient space for the recommended
service access. Refer to
Figure 6
for FC, BI and
AF fan wheels and for plug fans.
3Confirm that the foundation of the mounting
platform is large enough to include the unit
dimensions. Refer to unit submittals for specific
dimensions.
Figure 6
Service Clearances
The floor or foundation must be level for proper coil
drainage and condensate flow.
4Allow the proper height for condensate drain
requirements. Insufficient height may inhibit
condensate drainage and result in flooding the
unit.
5Provide adequate lighting for maintenance
personnel to perform maintenance duties.
6Provide permanent power outlets in close
proximity of the unit for installation and
maintenance.
Coil Filter
FanDrive
A
B
C
D
Table 22
Service Clearances (in inches)
Unit
Size Filter A Coil
Removal B Fan C Starter D
3
48 48 48 60
6
48 60 48 60
8
48 64 48 60
10
48 75 51 60
12
48 79 54 60
14
48 83 58 60
17
48 89 61 60
21
48 91 60 60
25
48 93 66 60
30
48 106 66 60
35
48 110 65 60
40
48 123 70 60
50
48 134 77 60
66
52 150 93 60
80
56 150 91 60
100
58 165 101 60
Table 22
Service Clearances (in inches)
Unit
Size Filter A Coil
Removal B Fan C Starter D

16 CLCH-IM-16A
8QLW$VVHPEO\
The T-Series Climate Changer is extremely versatile
and can be assembled in many configurations. Prior
to unit assembly, refer to the correct submittals
and unit tagging for correct placement of
accessory sections. Failure to review the submittal
could result in performance or assembly problems. If
there are any discrepancies, contact your local Trane
representative before proceeding.
IMPORTANT: All shipping support screws on the
face of the sections and sectional subassemblies
must be removed and discarded to permit proper fit-
up and sealing of the surfaces.
General
WARNING
To avoid personal injury or death
keep open flame away from unit
exterior or interior. Do not weld or
use cutting torch on the exterior or
interior of the unit. The unit con-
tains polyurethane insulation. Fail-
ure to keep open flame away from
unit exterior or interior may result
in the production of toxic gas that
could result in death or serious
injury.
CAUTION
The internal sections of this unit
containing electrical components
must not exceed 104o F tempera-
ture. Internal sections of the unit
not containing electrical compo-
nents must not exceed 180o F tem-
perature. Failure to comply with
temperature requirements may
cause equipment damage.
Units may be mounted on the roof with a roof curb or
pier mount. Refer to submittals for dimensions and
roof openings. Provide clearance around the unit to
allow adequate free air and necessary service
access. Also, allow room for supply and return
piping, ductwork, electrical connections, and coil
removal.
The building roof must be able to support the entire
weight of the unit, roof curb and accessories. See
Table 1
thru
Table 4
for unit and accessory weights.
qPrepare the roof curb or pier mount and roof
openings before hoisting the unit to the roof.
qCheck that the gasketing is intact and provides an
airtight seal with the unit base. Refer to the
applicable roof curb installation manual.
qComplete all ductwork, piping and electrical
connections only after mounting the unit. Refer to
unit submittals.
All T-Series Climate Changer units are identified by a
multiple-character model number that identifies each
section. It is located on the panel on the inside of the
supply fan section access door. Be sure to refer to
the information on the nameplate when ordering
replacement parts or requesting service
Assembly Hardware
T-Series Climate Changers ship with all necessary
assembly hardware and gasket material. This
hardware is packaged in either a clear plastic
envelope or cardboard box and can be found inside
the Fan section, Access section, or Mixing section.
The number of sections to be assembled often
makes it necessary to use more than one section to
ship the material. Please check
all
sections
thoroughly before contacting your Trane Company
Representative to report missing hardware.
Unit Assembly - All Sizes
Mounting
If a unit arrives in sections, then each section must
be individually hoisted, set on a roof curb or pier
mount and assembled.
The pipe cabinet must also be mounted as an
individual section. Refer to the pipe cabinet assembly
section following for specific instructions.
When mounting the unit on its roof curb or pier mount
make sure that the gasketing between the roof curb
or pier mount and unit base provides an airtight seal.
See
Figure 7
and
Figure 8
for suggested pier/rail
mounting.

Installation and Maintenance 17
Figure 7
Pier Locations (Typical)
Figure 8
Side View of Unit with Two Shipping Splits
NOTE: PIERS BENEATH SHIPPING SPLITS MUST BE
STRUCTURALLY SOUND TO SUPPORT THE WEIGHT
OF THE UNIT
Locate one pier at each corner, as a minimum,
directly underneath any shipping split (ensure full
support under each side), and then every four feet at
equally spaced intervals around the perimeter of the
unit. Both the unit and the pipe cabinet should be
supported by their base channel around the entire
perimeter.
CHECK THAT THE UNIT IS LEVEL TO ENSURE
PROPER OPERATION.
IMPORTANT: FOR PROPER OPERATION, THE UNIT
MUST BE INSTALLED LEVEL (ZERO TOLERANCE) IN
BOTH HORIZONTAL AXES. FAILURE TO LEVEL THE
UNIT PROPERLY CAN RESULT IN CONDENSATE
MANAGEMENT PROBLEMS SUCH AS STANDING
WATER INSIDE THE UNIT. STANDING WATER AND
WET SURFACES INSIDE AIR HANDLING UNITS CAN
RESULT IN MICROBIAL GROWTH (MOLD) IN THE
DRAIN PAN THAT MAY CAUSE UNPLEASANT ODORS
AND SERIOUS HEALTH-RELATED INDOOR AIR
QUALITY PROBLEMS.
For vertical discharge units, allow space under the
unit for supply air ductwork connections.
Assembling the Unit
Before sections are joined for final assembly, a butyl
tape seal must be made at the roof connection and
then hardware and sealing metal strips are installed
at the base assembly, the roof joint or joints and both
side panel seams.
Roof Assembly (for Unit Sizes 50-100 only)
Figure 9
Roof Assembly
Piers
C
C
4’ Typ
Unit Supports for Pier Mounts
Butyl Tape
Joint Strip Cross
Roof Panels
(2 Rows)

18 CLCH-IM-16A
NOTE: THE BUTYL TAPE APPLIED THE ROOF
PANELS WILL COVER THE DRILLED HOLES.
1Apply butyl tape along four roof panel seams
where they come together.
2Join the panels together at the seams and secure
them in place with 5/16 X 3/4” screws and nuts.
3Apply a strip of butyl tape along the center of the
joint and place the cross cover directly over it as
shown in
Figure 10
.
4Slide the three roof joint strips (one long and two
short) along the flat flange formed by the joined
roof panels in the three directions shown, allowing
4” overhang at the ends.
5Crimp down the three overhanging ends and
secure with #10-16 x 3/4” self-drilling screws.
Figure 10
Roof Assembly Joints
Control Wiring Assembly at Section Splits (All Unit
Sizes) (Reference Figure 11 )
1Sections Must be together
2Remove outer and inner raceway access covers
on both sections adjacent to shipping split.
3Remove top foam blocks in raceway.
4Route wire harness(es) under inner roof through
raceway and make connection to corresponding
wire harness.
5Replace foam blocks.
IMPORTANT: FOR PROPER UNIT OPERATION, THE
FOAM BLOCKS MUST BE INSTALLED IN THE
RACEWAY. FAILURE TO INSTALL THE FOAM BLOCKS
CAN RESULT IN CONDENSATE MANAGEMENT
PROBLEMS.
6Remove backing from inner access cover tape
and replace inner access cover.
7Remove backing from outer access cover tape
and replace outer access cover.
Unit Sizes 50-100
Roof Joint Strip
Cross Cover
Outer Roof Panel Tape
Butyl

Installation and Maintenance 19
Figure 11
Control Wiring Assembly
Roof Assembly at Section Splits (All Unit Sizes)
1Apply two rows of butyl tape at the roof seams,
covering the hole pattern.
2Align the roof panels together at the seams and
bring the two sections together. Secure the roof
panels in place with 5/16 X 3/4” screws and 5/16”
nuts.
3Slide the roof joint strip along the flat flange
formed by the joined roof panels, allowing 4”hang
on the ends.
4
(For Unit Sizes 3 - 40 when the roof joint strip is in
two pieces):
Apply a piece of butyl tape where the
strips come together and place a cover directly
over the tape. Then slide the two strips on the roof
panels as shown in
Figure 12
.
5Crimp down the two overhanging ends and
secure with #10-16 x 3/4” sheet metal screws.
Figure 12
Roof Assembly at Section Splits
Base Assembly
1Slide the 1/2” threaded rod through the hole in
each of the two joined base sections as shown.
2Install two flat washers, lockwasher, and 1/2” nut
at each rod end. Tighten both nuts.
3Install the flashing piece on the base assembly.
Secure in place with two #10-16 x 3/4” sheet
metal screws.
4Repeat steps 1 - 3 for the base assembly on the
other side of the unit.
Figure 13
Joining Base Assembly
Panel Assembly
1Leaving the paper backing on the tape, apply
butyl tape (tape side down) along the length of the
panel seam.
Inner Access Cover
Outer Access Cover
Foam Block
Wire Harness
Tape
Outer Roof Panel
Cover
Roof Joint Strip (in 2 Pieces)
Unit Sizes 3-40
Base Sections
Flashing
Threaded Rod
Flat Washers,
and 1/2” Nut
Lockwasher

20 CLCH-IM-16A
NOTE: THE SEAM CAP SHOULD BE CUT TO SIZE TO
COVER THE SEAM AND TAPE.
2Install the seam cap directly over the seam and
tape. Attach using #10-16 x 3/4” screws through
all predrilled holes in the cap.
3Caulk the gap between the top of the seam cap
and the bottom of the raceway.
Figure 14
Panel Assembly
Hood (Back and Side) Installation
Inlet hoods should be installed after the unit has
been set in place. They should not be stacked on the
unit as it is being hoisted. Mounting hardware and
caulking tape for the inlet hoods are located inside
the unit. For installation complete the following:
NOTE: THE HOOD ASSEMBLY SHOULD BE
SUPPORTED BY CHAINS, SPREADER BAR, OR
OTHER MEANS (SEE LIFTING INSTRUCTIONS
SECTION) WHEN INSTALLED TO THE UNIT.
MOUNTING TAPE AND HARDWARE ARE LOCATED
INSIDE THE UNIT.
1Apply the 1” butyl tape in a strip around the
perimeter of the hood.
2Using the lifting lugs, hoist the hood and center it
over the panel opening as shown in.
3Attach the hood to the unit with the 1/4-20 self-
drilling screws provided. Use ALL holes drilled in
the attachment flanges.
4Attach the two hood angle supports (when
provided) to the hood at one end and the bracket
on the unit as shown. Secure with 5/16” lock bolts
and lock nuts and #10-3/4 self-drilling screws.
Figure 15
Hood and Pipe Cabinet Installation
Butyl Tape
Raceway
Outer Panel
Base
Seam Cap
#10 Screw
Butyl Tape
Hood
Angle Support
#10 Screw

Installation and Maintenance 21
Pipe Cabinet (Chase) Installation
Installation of the cabinet will be different depending
on the extent of the piping installation. Follow the
appropriate instructions below.
INSTALLATION OF THE PIPE CHASE CABINET
REQUIRES ASSEMBLY OF THE CURB AND
INSTALLING THE CABINET TO BOTH THE CURB AND
THE UNIT AS DESCRIBED BELOW.
THE PIPE CABINET SHOULD BE SUPPORTED BY
CHAINS, SPREADER BAR, OR OTHER MEANS (SEE
LIFTING INSTRUCTIONS SECTION) WHEN
INSTALLING.
MOUNTING TAPE AND HARDWARE ARE LOCATED
INSIDE THE UNIT.
1Assemble the pipe cabinet curb and attach to the
roof or mounting surface.
2
If piping is not already run through the roof, follow
steps 2 through 5 only.
First remove the paper
backing from the butyl tape on the Z bar and pipe
chase side panels. (A gasket should already be in
place from the curb installation.) Set the cabinet
on top of the curb.
Figure 16
Pipe Cabinet Installation
3Attach the Z bar to the unit side panel with #10
self-drilling screws
(Figure 16)
.
4Attach the Z bar to the gutter with #10 screws.
NOTE: USE ALL HOLES DRILLED IN THE
ATTACHMENT FLANGES.
5Attach the pipe cabinet side (attachment) flanges
to the unit panel with #10 screws.
6
If piping is already run through the roof, follow
steps 6 through 13
. First remove the Z bar from
the pipe cabinet.
7Remove the paper backing from the butyl tape on
the Z bar and set the Z bar on top of the gutter
8Attach the Z bar to the unit side panel with #10
screws.
9Attach the Z bar to the gutter with #10 screws.
10 Remove the paper backing from the butyl tape on
the pipe chase side panels. Set the cabinet on top
of the curb
(Figure 17)
.
Figure 17
Pipe Cabinet Attachment
NOTE: USE ALL HOLES DRILLED IN THE
ATTACHMENT FLANGES.
11 Attach the pipe cabinet side flanges to the unit
panel with #10 screws.
12 Attach the pipe cabinet base rail to the Z bar with
bolts provided.
13 Apply caulk between the Z bar, the cabinet side
flanges, the base and around the drain connection
hole.
Z Bar
Z Bar Attachment
Angle
Pipe Cabinet
Base Rail Gutter
Gutter
Unit Side Panel
Panel Removed
to Show Z Bar
Attachment
Flange

22 CLCH-IM-16A
Component Installation Requirements
The T-Series Climate Changer is extremely versatile
and the assembled unit is a complete air handling
system. Each section may have installation
requirements that will affect the performance of the
unit.
High Efficiency Bag and Cartridge Filter Section
The Bag and Cartridge Filter sections can be used as
either a pre-filter section, a Final Filter section or
both. This is determined by placement in relation to
the fan.
Filter Installation
NOTE: CARTRIDGE AND BAG FILTERS PROVIDED BY
TRANE ARE FITTED WITH A 7/8” HEADER THAT FITS
IN THE FILTER TRACK. IF USING FILTERS SUPPLIED
BY ANOTHER MANUFACTURER, FILTERS SHOULD
BE PURCHASED WITH A 7/8” HEADER. IN SOME
CASES IT MAY BE NECESSARY TO GASKET THE
LOCALLY PURCHASED FILTERS TO INSURE A GOOD
AIR SEAL.
FILTERS SHOULD BE INSTALLED WHEN THE UNIT IS
SET. THIS WILL PROTECT INTERNAL COMPONENTS
SUCH AS THE UNIT’S HEATING AND COOLING COILS.
Trane recommends the use of disposable pre-filters
with high efficiency filters. Disposable pre-filters slide
into the mounting tracks just ahead of the bag/
cartridge filters.
WARNING
Pressurized Cabinet!
Disconnect all electric power
before opening door. Failure to
disconnect power before servicing
can cause severe personal injury.
1Disconnect the power to the unit.
2Open the filter section access door.
3Remove the adjustable block-off from the filter
track.
4Slide the filters into the tracks. Note that bag filters
must be installed with the pleats in the vertical
plane.
5Slide the adjustable block-offs into the filter track.
The block-off is intended to make a seal when the
access door is closed. It is adjustable and may
require a few changes to insure a proper seal.
6Close the access door and confirm that there is a
good seal of the filter track block-off against the
access door.
Fan Section
The Fan section can be configured as either draw-
thru or blow-thru. Review the submittals and unit
tagging prior to assembly.
The fan and motor assembly are internally isolated.
The fan and motor bases are bolted to four spring
isolators (see
Figure 19
). The isolators are secured
to the fan section support base. Four (4) shipping tie-
downs are bolted adjacent to the isolators between
the fan isolation base and the support frame.
The shipping tie-downs secure the isolation base to
the support assembly to prevent any damage to the
fan section during shipment of the air handler. The
shipping spacers must be removed prior to unit
operation unless the unit is to be externally isolated.

Installation and Maintenance 23
Figure 18
Shipping Spacer
Unit Isolation
Review the mechanical specifications and determine
the type of isolation to be used prior to removing the
shipping tie-downs. Remove the tie-downs only if the
factory provided isolation is to be used. If external
isolation is intended, review the portion of this
manual titled “External Isolation.”
Internal Isolation
The T-Series Climate Changer Fan section is
internally isolated. The unit ships with the internal
isolation base secured to prevent damage to the fan
and motor assembly during shipment. To activate the
isolation, remove the shipping tie-downs.
Shipping Tie-down Removal
There are four types of shipping tie-downs used to
secure the isolation base:
qSizes 3 - 8 use a 3/8”x1” pipe. (See
Figure 18
.)
qSizes 10 - 30, except plug fans, use washers with
a bolt. (See
Figure 18
.)
qSizes 35 - 50, except plug fans, use a tie-down
bolt and shim. (See
Figure 18
.)
qSize 66 -100 and plug fans use a tie-down angle
and bolt. (See
Figure 19
.)
Tie-Down Removal, Sizes 3-8 Tie-Down Removal, Sizes 10-50
Spring Tie-Down
Flat Washers
Flat Washer
Spring
Bolt
Bolt
Spacer

24 CLCH-IM-16A
Figure 19
Shipping Angle and Isolator Tie-down Removal for Unit Sizes 66, 80 and 100 (Includes Plug Fans)
Remove the shipping tie-downs per the following
instructions:
1Shipping tie-downs are located at each corner of
the isolation base. Access for removal of shipping
spacer is available through the fan module access
doors.
2Remove the bolt. This will release the isolator and
make it possible to remove the pipe or spacer.
Isolator Adjustment
Once the shipping tie-downs are removed and the
internal isolation is released, it may be necessary to
adjust the isolators to achieve the proper operation
height of the fan and motor isolation base.
The isolators are bolted between the fan and motor
isolation base. There are five designs based on unit
size and fan type. Specific isolator clearances are
listed in
Table 23
. The measurement is taken
between the top of the floor panel (or support
channel on sizes 66-100) and the bottom of the
isolation base channel for all sizes.
Angle, Isolator Tie-Down
(Four Required)
Screw, Lockwasher and Hex Nut
(Four per Angle)
Table 23
Isolator Minimum Clearance Adjustments (in)
Unit Size Fan Type Isolator Type Req’d
Clearance
3-8
FC Rubber 1.0
3-8
FC Spring 1.0
10-30
FC Rubber 0.5
10-30
FC and BI Spring 0.5
21-50
Plug Spring 0.5
35-50
FC & AF Spring 0.5
66-100
FC, AF & Plug Spring 1.0

Installation and Maintenance 25
6HW8S
Once the T-Series Climate Changer is assembled
and installed, attention must be directed to individual
components for proper operation.
Dampers
(Including filter mixing sections, mixing sections, face
and bypass dampers and Traq dampers)
Before installing the Mixing sections fitted with filter
racks, be sure adequate clearance is provided to
open the access doors and install the filters. Filter
installation is explained in the section titled “Filter
Installation.”
Figure 20
Typical Mixing Box Configuration (sizes 3-100)s
actuators. The actuators should be sized according
to the torques given in
Table 24
.
NOTE: MIXING SECTIONS, AND FACE AND BYPASS
DAMPERS ARE DESIGNED, FOR THE DAMPER
ACTUATORS TO BE DIRECT COUPLED AND
INSTALLED IN THE AIR STREAM. IF OTHER
PROVISIONS ARE REQUIRED, MODIFICATIONS TO
THE SECTION WILL BE THE RESPONSIBILITY OF THE
INSTALLING CONTRACTOR.
Rods, Operators and Settings
The T-Series Climate Changer is available with
factory mounted controls or end devices. If the unit is
not ordered with controls or end devices, it is the
responsibility of the installer to provide and install the
Dampers are factory installed and adjusted. There
are three damper blade configurations available:
parallel blade, opposed blade, and Traq dampers.
Opposed and Parallel Dampers
Opposed and parallel dampers in units size 3
through 100 have an internal jack-shaft. See
Figure
21
. A 90° jack shaft rotation gives a 95° blade travel.
Figure 21
Typical Internal Face and Bypass Configuration
Open
Close

26 CLCH-IM-16A
Table 24
Damper Torque at 1 in wg, Air Pressure Drop in lb-in
Unit
Size
Mixing
Box
(Back and
Bottom)
Internal
Face and
Bypass Face
Damper
Economizer
Exhaust
Side Mixing
Box
38109 6
614 15 14 9
816 24 19 12
10 38 41 25 16
12 43 44 33 19
14 44 59 35 23
17 65 64 45 26
21 66 79 53 30
25 85 95 62 36
30 101 112 65 44
35 138 90 95 52
40 148 100 106 60
50 162 136 144 76
66 218 201 181 103
80 245 230 224 122
100 307 291 284 151
Table 25
Torque and Force Required to Operate Inlet Vanes (FC, BI,
and AF Fans) in lb-in
Unit
Size Fan
Size
Fan Outlet Velocity
2000 FPM 3000 FPM
Open
(Torque) Close
(Torque) Open
(Torque) Close
(Torque)
3
9 FC N/A N/A N/A N/A
6
12 FC 10.0 3.5 22.5 7.8
10 FC 5.7 2.9 19.6 6.5
8
13 FC 10.9 3.9 24.5 8.7
12 FC 10.0 3.5 22.5 7.8
13 FC 10.9 3.9 24.5 8.7
10
15 FC 14.1 5.0 31.9 11.4
13BI 38.0 N/A 40.0 N/A
15 FC 14.1 5.0 31.9 11.4
12
16 FC 18.0 6.4 40.5 14.4
15 BI 38.0 N/A 40.0 N/A
16 FC 18.0 6.4 40.5 14.4
14
18 FC 23.1 8.3 52.2 18.6
16 BI 44.0 N/A 50.0 N/A
18 FC 23.1 8.3 52.2 18.6
17
20 FC 24.0 9.0 54.0 19.5
18 BI 54.0 N/A 60.0 N/A
20 FC 24.0 9.5 54.0 19.5
21
22 FC 25.0 9.5 56.0 21.0
20 BI 66.0 N/A 74.0 N/A
22 FC 25.0 9.5 56.0 21.0
25, 30
25 FC 26.5 10.0 59.7 22.5
22 BI 90.0 N/A 100.0 N/A
27 fc 115 46 200 104
35
25 FC 26 1 59 22
24 FC 31 7 70 17
30 FC 150 65 220 120
40
27 FC 115 46 200 104
27 AF 46 11 103 25
33 FC 215 100 310 180
50
30 FC 150 65 220 120
30 AF 62 15 142 35
33 FC 215 100 310 180
66
36 AF 113 27 256 63
33 AF 84 20 189 46
40 AF 100 62 216 140
80
36 AF 113 27 256 63
33 AF 84 20 189 46
44 AF 124 80 278 181
100
40 AF 100 62 216 140
36 AF 113 27 256 63
Table 25
Torque and Force Required to Operate Inlet Vanes (FC, BI,
and AF Fans) in lb-in
Unit
Size Fan
Size
Fan Outlet Velocity
2000 FPM 3000 FPM
Open
(Torque) Close
(Torque) Open
(Torque) Close
(Torque)

Installation and Maintenance 27
Traq Dampers
Traq dampers are fitted in mixing sections in several
possible configurations. These low leak dampers
modulate and measure air flow.
Each Traq damper section is supplied with a factory-
mounted ventilation control module (VCM) on the
interior of the mixing box. The VCM has an input
terminal for power and an output terminal for air
velocity. (See
Figure 22
.)
Figure 22
Traq Damper Terminal Connections.
The actuators, factory-mounted or field-supplied, are
separately wired and controlled by a PCM or other
building logic.
Figure 23
illustrates the typical quick
connect scheme.
Figure 23
Typical Quick Connects with Wiring Identification
VCM (Transducer) Calibration
The VCM has an auto-zero function that recalibrates
the transducer once every minute.
Input Power Signal
The only input signal the VCM needs is the 24 VAC
power connected to terminals TB5 and TB6.
Output Velocity Signal
The 2 - 10 VDC linear output signal from the VCM
represents air velocity. This voltage can be converted
to represent cfm or L/s using the formula and
Table
26
following. For example, if the VCM on a Size 21
T-Series Climate Changer has a 10-volt signal, it
would represent 16650 cfm (7859 L/s) through the
Traq damper. If this voltage is 6 volts, air flow through
the Traq damper would be 8325 cfm (3930 L/s).
Using the formulas
cfm = k (cfm @ 10V) [volts-2/8]
L/s = k (L/s @ 10V) [volts-2/8], and tables following
VCM
Velocity (2-10 VDC)
GND
24 VAC
GND
1TB1-3
1TB1-4
1TB1-5
1TB1-6
TSC Size cfm @ 10V L/s @ 10V
3
2304 1087
6
4609 2175
8
4609 2175
10
6913 3263
12
10900 5145
14
10900 5145
17
10900 5145
21
16650 7859
25
10900 5145
30
24970 11786
35
24970 11786
40
24970 11786
50
34630 16345
66
46200 21806
80
57820 27291
100
69270 32695

28 CLCH-IM-16A
For Traq Dampers, use the following table.
Altitude can be adjusted for using the following
factors:
Inlet Guide Vanes
Inlet guide vanes can be provided with factory
mounted actuator motors when ordered with factory
mounted controls or end devices. If actuators are not
ordered factory mounted, it is the responsibility of the
contractor to provided the actuator and all mounting
hardware.
The Inlet guide vanes are designed for the actuators
to be internally mounted in the fan section. Size the
actuators based on operating torque requirements.
NOTE: TO PROVIDE EVEN TORQUE DISTRIBUTION
AND RELIABLE VANE TRACKING, IT IS
RECOMMENDED THAT TWO EQUALLY SIZED
ACTUATORS BE MOUNTED ON EACH SIDE OF THE
FAN HOUSING FOR UNIT SIZES 35, 50, 66, 80, AND
100.
BEFORE OPERATION, INSPECT THE VANE
ASSEMBLY FOR FREEDOM OF MOVEMENT. IF
RESISTANCE IS ABOVE THE TORQUES GIVEN IN
TABLE 25 CHECK THE ASSEMBLY FOR ANY BINDING
OR MISALIGNMENT. DO NOT FORCE THE VANES.
Duct Connections
All duct connections to the T-Series Climate Changer
should be installed in accordance with the standards
of the National Fire Protection Association(NFPA) for
installing of air conditioning and ventilating systems
other than residence type (NFPA 90A), and
residence type warm air heating and air conditioning
systems (NFPA 90B).
See unit submittal documentation for additional duct
mounting information.
To ensure the highest fan efficiency, duct turns and
transitions must be made carefully minimizing air
friction losses and turbulence. Proper duct work
Table 26
VCM Voltage Versus Airflow - Traq Dampers (at Sea Level)
TSC Size
Side Installation Back Installation
cfm @ 10V L/s @ 10V cfm @ 10V L/s @ 10V
3
4609 2175 2304 1088
6
4609 2175 4609 2175
8
4609 2175 4609 2175
10
7400 3493 6913 3263
12
7400 3493 11100 5239
14
7400 3493 11100 5239
17
9218 4351 11100 5239
21
9218 4351 11563 5458
25
14800 6986 16965 8007
30
14800 6986 17344 8186
35
23126 10915 24970 11786
40
23091 10899 25447 12011
50
23126 10915 34636 16348
66
33929 16014 46181 21797
80
46181 21797 57727 27247
100
50894 24022 69272 32696
Elevation (ft) “k” Elevation (ft) “k”
Sea Level
1.000
6000
0.897
1000
0.982
7000
0.876
2000
0.964
8000
0.860
3000
0.949
9000
0.846
4000
0.930
10000
0.825
5000
0.914

Installation and Maintenance 29
installation, as outlined by such organizations as
SMACNA (Sheet Metal and Air Conditioning
Contractors National Association, Inc.) should be
adhered to.
Fan Discharge Connections
When using lined duct, the insulation should not
obstruct the discharge opening. (See
Figure 24
.)
Connections made directly to the discharge opening
of the fan should have a minimum of 3 fan diameters
of straight duct before any turns or transitions. The
first turn of the connection should be in the same
direction as the fan rotation. The air that the fan
discharges into the duct is extremely turbulent and
requires some length of duct to stabilize. Abrupt
changes in duct work directly off the fan discharge
will affect fan performance.
Damper Sections
Standard damper sections include mixing sections,
filter mixing sections, face damper sections, internal
face and bypass sections, and economizer sections.
Duct work attached to the standard damper sections
should be sized to fit the opening of the damper. This
information is provided in the submittals. When using
lined duct, ensure that the insulation does not
obstruct the damper opening. (See
Figure 24
.)
Figure 24
Typical Section with Duct Flat/Flange Connections
Traq Dampers
Traq dampers are installed in mixing sections. Size
the duct connection to attach to the specified portion
on the face of the section. (See
Figure 25
.)
Figure 25
Traq Damper Duct Connections
Uninsulated Cut
Airflow
Section
Flat Connection
Insulated Duct
Section
Flat Connection
Airflow
Traq Damper
Mixing Box
W
HdInlet Duct
Radius Elbow
(Sweep)
Traq Damper
Mixing Box
d = 1 hydraulic duct diameter = 2 x W x H
________
W + H
Mitered Corner

30 CLCH-IM-16A
Discharge Plenum
Discharge plenum sections are available with or
without openings. Sections with openings have a
framed opening that can be used to secure the duct
to the frames. If the duct is lined, it is important that
the insulation does not obstruct the opening of the
section.
Miscellaneous Sections
Miscellaneous sections include access sections, coil
sections, fan sections and intake sections.
If the duct is lined, it is important that the insulation
does not obstruct the opening of the section.
Internal Face and Bypass
Duct connections for internal face and bypass
damper sections are similar to the miscellaneous
sections. Duct work can be attached directly to this
frame.
Drain Pan
Piping
Condensate Drain Pan Connections
CAUTION
Failure to provide adequate con-
densate piping may result in water
damage to the equipment and or
building.
Threaded condensate drain connections are
provided on only one side of the coil section. Pitch
the connection lines horizontal or downward toward
an open drain. Trane recommends installing a plug to
facilitate cleaning of the trap.
IMPORTANT: PROPER TRAPPING OF THE COOLING
COIL CONDENSATE DRAIN LINES IS NECESSARY
FOR PROPER CONDENSATE MANAGEMENT.
IMPROPER TRAPPING CAN RESULT IN STANDING
WATER INSIDE THE UNIT OR WET INTERIOR
SURFACES THAT CAN CAUSE UNPLEASANT ODORS
AND SERIOUS HEALTH-RELATED INDOOR AIR
QUALITY PROBLEMS.
It is essential that the drain pan condensate trap be
deep enough and of the correct design to ensure a
water seal in the trap while allowing the condensate
pan to drain. Insufficient depth or incorrect design
can cause the drain pan to overflow.
NOTES: THE DRAIN CONNECTION SIZE IS 1” NPT
EXTERNAL FOR UNIT SIZES 3 THROUGH 30; 1-1/2
NPT EXTERNAL FOR UNIT SIZES 35, 40, 50; 1-1/4”
INTERNAL THREADS ON SIZES 66, 80, 100.
DRAIN PANS MUST BE PRIMED AT START-UP TO
OPERATE PROPERLY.

Installation and Maintenance 31
Figure 26
Drain Pan Trapping for Section under Negative Pressure
Figure 27
Drain Pan Trapping for Section under Positive Pressure
Negative Pressure Section
Trap the drain pan as illustrated in
Figure 26
, which
also illustrates the proper piping as well as the
operation of the trap. Use the formula given in
Figure
26
to determine the correct minimum depth for the
condensate trap.
Positive Pressure Section
The positive pressure section requires a different
design than the negative pressure trap. Refer to
Figure 27
and the formula provided to determine the
minimum trap depth.
3C - Normal Operation
LH
J
H= (1" for each 1" of
maximum negative
static pressure) + 1"
J= half of H
L= H + J + Pipe Diameter + Insulation
H = (1” for each 1” of maximum negative
pressure) + 1”
J = 1/2 H
L = H + J + Pipe Diameter + Insulation
Normal Operation
H
J
L
K
2C - Normal Operation
H
K= min. 1/2"
H= 1/2" plus maximum
total static pressure
K = min. 1/2”
H = 1/2” plus maximum total static
pressure
K
H

32 CLCH-IM-16A
Units With More Than One Drain Pan
With the T-Series Climate Changer, each section can
be ordered with or without a drain pan. When more
than one section has a drain pan, you must trap each
section individually. Connecting all drains to a
common line with only one trap will result in
condensate retention, and possible water damage to
the air handler or adjoining space.
If a section has a drain pan for cleaning purposes
only, it does not need a trap; however a cap or shut
off valve should be installed on the drain connection.
Only sections handling condensate, such as a
cooling coil section or eliminator section, require a
trap.
Figure 28
through
Figure 37
are examples of
typical installations.
Coil Piping And Connections
See
Table 27
through
Table 29
for connection sizes.
For supply, vent and drain connections, refer to
Figure 28
through
Figure 37
.
NOTE: DRAIN AND VENT CONNECTIONS ARE
PROVIDED AS STANDARD ON UW, UU, DD, AND D
COILS ONLY. ALL OTHERS, IF REQUIRED, MUST BE
FIELD INSTALLED.
NOTE: DRAIN AND VENT CONNECTIONS ON THE UU
AND UW COILS ARE RECESSED. IF EXTENDED
DRAINS AND VENTS ARE REQUIRED, THEY MUST BE
FIELD PROVIDED.
General Coil Piping Recommendations
Proper installation, piping and trapping is necessary
to ensure satisfactory coil operation and to prevent
operational damage.
qSupport all piping independently of the coils.
qProvide swing joints or flexible fittings on all
connections that are adjacent to heating coils in
order to absorb thermal expansion and
contraction strains.
qIf ordered with factory mounted controls, install
the control valves. The valves ship separately in
the unit. The contractor should supply the pipe
nipples, couplings, etc.for installation.
NOTE: WHEN USING ELECTRONIC VALVE
ACTUATORS ON CHILLED WATER VALVES, THE
VALVE SHOULD BE MOUNTED ABOVE THE
HORIZONTAL POSITION TO PREVENT COLLECTION
OF CONDENSATE IN THE ACTUATOR ELECTRONIC
CIRCUITS AND SUBSEQUENT ACTUATOR FAILURE.
WHEN USING ELECTRONIC VALVE ACTUATORS ON
HOT WATER OR STEAM COILS, THE ACTUATOR
SHOULD BE INSTALLED APPROXIMATELY 45
DEGREES FROM VERTICAL. VERTICAL
INSTALLATION OF A VALVE ACTUATOR ON A HOT
WATER OR STEAM COIL WILL EXPOSE THE
ACTUATOR TO HIGH TEMPERATURES, RESULTING
IN ACTUATOR FAILURE.
THE EXTERNAL CABINET IS ONLY SUFFICIENTLY
SIZED FOR HOUSING COIL PIPING. ALL VALVES AND
VALVE ACTUATORS MUST BE LOCATED
ELSEWHERE.
For best results, The Trane Company recommends
that a short pipe nipple be used on the coil headers
prior to making any welded flange or welded elbow
type connections.
IMPORTANT: TEFLON TAPE OR PIPING COMPOUND
SHOULD NOT BE USED FOR ANY FIELD
CONNECTIONS BECAUSE ITS HIGH LUBRICITY MAY
ALLOW CONNECTIONS TO BE OVER-TIGHTENED,
RESULTING IN DAMAGE TO THE COIL HEADER.
NOTE: USE A BACK-UP WRENCH WHEN ATTACHING
PIPING TO COILS WITH TUBE HEADER
CONSTRUCTION TO PREVENT DAMAGE TO THE COIL
HEADER. DO NOT USE BRASS CONNECTORS. BRASS
DISTORTS EASILY AND COULD CAUSE CONNECTION
LEAKS.
When attaching the piping to the coil header, make
the connection only tight enough to prevent leaks.
Maximum recommended torque is 200 pound-feet.
Use pipe sealer on all thread connections.
After completing the piping connections, use mastic
to seal between the pipe and casing before insulating
the pipe.
Table 27
Shipping Coil Water and Steam Connection Sizes
Coil Type Header Height Supply Return Drain/Vent
W, WA 18, 24, 30, 33 2-1/2 2-1/2 1/2
W 42, 48, 54 2-1/2 2-1/2 1/2
D, DD, WD, K 18, 24, 30, 33 2-1/2 2-1/2 1/2
P2 18, 24, 30 3/4 3/4 1/2

Installation and Maintenance 33
P4 18, 24, 30 1 1 1/2
P8 18, 24, 30 1-1/4 1-1/4 1/2
WC 18 1 1 1/2
WC 24 1-1/4 1-1/4 1/2
WC 30, 33 2-1/2 1-1/2 1/2
NS 18 2 1 1
NS 24 2-1/2 1-1/4 1-1/4
NS 30, 33 3 1-1/4 1-1/4
Table 27
Shipping Coil Water and Steam Connection Sizes
Coil Type Header Height Supply Return Drain/Vent
Table 28
UF Refrigerant Coil Connections (Inches)
Unit
Size
Header
Height
Rows Dist.
Tube
No.
Circuits
Circuiting 1 Distributor 2 Distributors 4 Distributors
Liquid Suction Liquid Suction Liquid Suction
3 21 4, 6, 8 1/4 16 Full 1-1/8 1-5/8
3/16 16 1-1/8 1-5/8
4, 6 1/4 8 Half 1-1/8 1-5/8 7/8 1-3/8
3/16 8 1-1/8 1-5/8 5/8 1-3/8
4 1/4 4 Qtr. 7/8 1-3/8 7/8 1-3/8
3/16 4 5/8 1-3/8 5/8 1-3/8
6 23 4, 6, 8 1/4 18 Full 1-1/8 1-5/8
3/16 18 1-1/8 1-5/8
4, 6 1/4 9 Half 1-1/8 1-5/8 7/8 1-3/8
3/16 9 1-1/8 1-5/8 Note 1 1-3/8
4 1/4 4 Qtr. 7/8 1-3/8 7/8 1-3/8
3/16 4 5/8 1-3/8 5/8 1-3/8
8,10 27 4, 6, 8 1/4 21 Full Note 2 1-5/8
3/16 21 1 1/8 1-5/8
4, 6 1/4 10 Half 1-1/8 1-5/8 7/8 1-3/8
3/16 10 1-1/8 1-5/8 7/8 1-3/8
4 1/4 5 Qtr. 7/8 1-3/8 7/8 1-3/8
3/16 5 7/8 1-3/8 5/8 1-3/8
12 32 4, 6, 8 1/4 25 Full 1-3/8 1-5/8
3/16 25 1-1/8 1-5/8
4, 6 1/4 12 Half 1-3/8 1-5/8 1-1/8 1-3/8
3/16 12 1-1/8 1-5/8 7/8 1-3/8
4 1/4 6 Qtr. 1-1/8 1-5/8 7/8 1-3/8
3/16 6 7/8 1-3/8 5/8 1-3/8
14 35 4, 6, 8 1/4 27 Full 1-3/8 1-5/8
3/16 27 1 1/8 1-5/8
4, 6 1/4 13 Half 1-3/8 1-5/8 1 1/8 1-3/8
3/16 13 1-1/8 1-5/8 7/8 1-3/8
17 37 4, 6, 8 1/4 29 Full 1-1/8 Note 3
3/16 29 Note 4 Note 3
4, 6 1/4 14 Half 1-1/8 1-3/8
3/16 14 7/8 1-3/8

34 CLCH-IM-16A
Notes:
Number of connections - Size (Inches)
1. 1- 5/8, 1- 7/8
2. 1-1 1/8 and 1-1 3/8
3. 3-1 3/8 and 1-1 5/8
4. 3-7/8 and 1-1 1/8
5. 3-5/8 and 1-7/8
Notes:
Number of connections - Size (Inches):
1. 2-7/8, 2-1-1/8
2. 6-1 3/8 and 2-1-5/8
3. 6-7/8 and 2-1-1/8
4. 6-5/8 and 2-7/8
21 45 4, 6, 8 1/4 35 Full 1-1/8 1-5/8
3/16 35 1-1/8 1-5/8
4, 6 1/4 17 Half 1-1/8 1-5/8 7/8 1-3/8
3/16 17 1-1/8 1-5/8 Note 5 1-3/8
25,30 51 4, 6, 8 1/4 40 Full 1-1/8 1-5/8
3/16 40 1 1/8 1-5/8
4, 6 1/4 20 Half 1-1/8 1-5/8 7/8 1-3/8
3/16 20 1-1/8 1-5/8 7/8 1-3/8
Table 28
UF Refrigerant Coil Connections (Inches)
Unit
Size
Header
Height
Rows Dist.
Tube
No.
Circuits
Circuiting 1 Distributor 2 Distributors 4 Distributors
Liquid Suction Liquid Suction Liquid Suction
Table 29
UF Refrigerant Coil Connections (Inches)
Unit
Size
Header
Height
Rows Dist.
Tube
No.
Circuits
Circuiting 2 Distributors 4 Distributors 8 Distributors
Liquid Suction Liquid Suction Liquid Suction
35,40 57 4, 6, 8 1/4 45 Full 1-3/8 1-5/8
3/16 45 1-1/8 1-5/8
4, 6 1/4 22 Half 1-3/8 1-5/8 Note 1 1-3/8
3/16 22 1-1/8 1-5/8 7/8 1-3/8
50 2-32 4, 6, 8 1/4 50 Full 1-3/8 1-5/8
3/16 50 1-1/8 1-5/8
4, 6 1/4 24 Half 1-3/8 1-5/8 1-1/8 1-3/8
3/16 24 1-1/8 1-5/8 7/8 1-3/8
4 1/4 12 Qtr. 1-1/8 1-3/8 7/8 1-3/8
3/16 12 1-1/8 1-3/8 5/8 1-3/8
66 2-37 4, 6, 8 1/4 58 Full 1-1/8 Note 2
3/16 58 Note 3 Note 2
4 1/4 29 Half 1-1/8 1-3/8
3/16 29 7/8 1-3/8
80 2-45 4, 6, 8 1/4 70 Full 1-1/8 1-5/8
3/16 70 1-1/8 1-5/8
4 1/4 35 Half 1-1/8 1-5/8 7/8 1-3/8
3/16 35 1-1/8 1-5/8 Note 4 1-3/8
100 2-51 4, 6, 8 1/4 80 Full 1-1/8 1-5/8
3/16 80 1-1/8 1-5/8
4, 6 1/4 40 Half 1-1/8 1-5/8 7/8 1-3/8
3/16 40 1-1/8 1-5/8 7/8 1-3/8

Installation and Maintenance 35
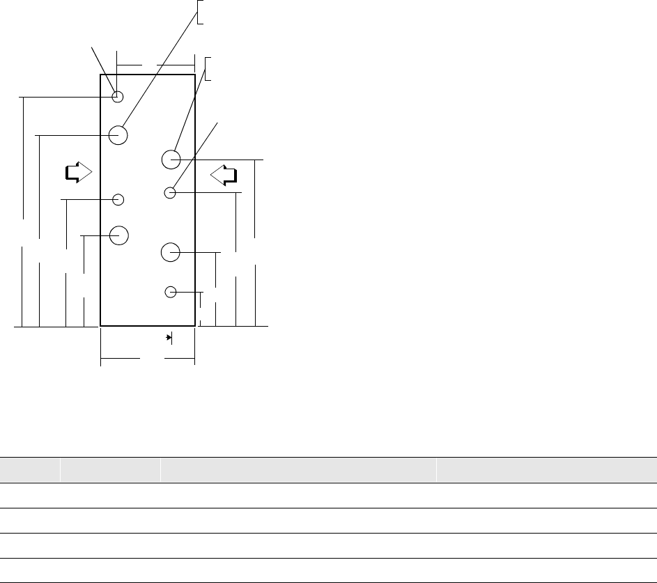
Figure 28
Coil Type UW 2-Row RH and LH Small Coil Section
Connections with Drain and Vent Locations
.
Base
Line
Left Hand Right Hand
AIR
FLOW
AIR
FLOW
A
B
C
D
F
G
L
3/8” NPT Ext Drain
3/8” NPT Ext Vent
R NPT (EXT) Return R.H.
R NPT (EXT) Supply L.H.
R NPT (EXT) Supply R.H.
R NPT (EXT) Return L.H.
Note: External connections fit through casing side
Table 30
2-Row UW Coil Dimensions
Unit Size L A B C D F G R
311 10-9/16 13-11/16 4-1/2 6-1/2 21-5/8 2-5/8 1-1/2
611 12-1/16 14-3/16 4-1/2 6-1/2 24-5/8 2-5/8 1-1/2
811 13-15/16 17-1/16 4-1/2 6-1/2 26-3/8 2-5/8 1-1/2
10 11 13-15/16 17-1/16 4-1/2 6-1/2 26-3/8 2-5/8 1-1/2
12 11 16-7/16 19-9/16 4-1/4 6-3/4 33-3/8 2-5/8 2
14 11 13-15/16 20-13/16 4-1/4 6-3/4 25-7/8 2-5/8 2
17 11 18-15/16 22-1/16 4-1/4 6-3/4 38-3/8 2-5/8 2
21 11 20-5/8 25-3/4 3-3/4 7 42-1/8 2-5/8 2-1/2
25 11 25-3/4 26-7/8 3-3/4 7 45-1/4 2-5/8 2-1/2
30 11 25-3/4 26-7/8 3-3/4 7 45-1/4 2-5/8 2-1/2
35 11-1/2 29-7/16 30-9/16 4-3/8 7-1/8 58-3/4 3-5/32 2-1/2
40 11-1/2 29-7/16 30-9/16 4-3/8 7-1/8 58-3/4 3-5/32 2-1/2

36 CLCH-IM-16A
Figure 29
Coil Type UW 2-Row RH and LH Medium Coil Section Connections with Drain and Vent Location
Table 31
2-Row UW Coil Dimensions
Unit Size A B C D E F G J K M R
50 18-7/ 19-3 5-1/2 7-25/32 5-1/8 35-1/2 39-1/8 52-7/8 55-3/4 69-1/2 2
66 27-3/4 30-7/8 5-1/2 7-25/32 11-1/2 47-1/8 50-1/2 66-3/4 69-7/8 96-1/8 2
80 31-1/2 34-5/8 5-1/2 8-1/16 11-1/2 54-5/8 58 78 81-1/8 101-1/8 2-1/2
100 34-5/8 37-3/4 5-1/2 8-1/16 11-1/2 60-7/8 64-1/4 87-3/8 90-1/2 113-5/8 2-1/2
AIR
FLOW
AIR
FLOW
A
B
C
D
E
FGJ
K
M
1’7”
R NPT (EXT) Supply R.H.
R NPT (EXT) Return L.H.
R NPT (EXT) Return R.H.
R NPT (EXT) Supply L.H.
3/8” NPT Ext Vent
3/8” NPT Ext Drain
Left Hand Right Hand

Installation and Maintenance 37
Figure 30
Coil Type UU 4 and 8-Row and UW 4, 6, and 8-Row, RH and LH Medium Coil Connections with Drain and Vent Locations (Unit Sizes
3 - 40).
Table 32
2-Row UW Coil Dimensions
Unit Size L A B C D F G R
311 10-9/16 13-11/16 4-1/2 6-1/2 21-5/8 2-5/8 1-1/2
611 12-1/16 14-3/16 4-1/2 6-1/2 24-5/8 2-5/8 1-1/2
811 13-15/16 17-1/16 4-1/2 6-1/2 26-3/8 2-5/8 1-1/2
10 11 13-15/16 17-1/16 4-1/2 6-1/2 26-3/8 2-5/8 1-1/2
12 11 16-7/16 19-9/16 4-1/4 6-3/4 33-3/8 2-5/8 2
14 11 13-15/16 20-13/16 4-1/4 6-3/4 25-7/8 2-5/8 2
17 11 18-15/16 22-1/16 4-1/4 6-3/4 38-3/8 2-5/8 2
21 11 20-5/8 25-3/4 3-3/4 7 42-1/8 2-5/8 2-1/2
25 11 25-3/4 26-7/8 3-3/4 7 45-1/4 2-5/8 2-1/2
30 11 25-3/4 26-7/8 3-3/4 7 45-1/4 2-5/8 2-1/2
35 11-1/2 29-7/16 30-9/16 4-3/8 7-1/8 58-3/4 3-5/32 2-1/2
40 11-1/2 29-7/16 30-9/16 4-3/8 7-1/8 58-3/4 3-5/32 2-1/2
Base
Line
Left Hand Right Hand
AIR
FLOW
AIR
FLOW
A
B
C
D
F
E
L
3/8” NPT Ext Drain
3/8” NPT Ext Vent
R NPT (EXT) Return R.H.
R NPT (EXT) Supply L.H.
R NPT (EXT) Supply R.H.
R NPT (EXT) Return L.H.

38 CLCH-IM-16A
Table 33
UW 4, 6, and 8-Row, RH and LH Medium Coil Dimensions in inches
UW Coil Section
D
Unit
Size L A B C 4 ROW 6 ROW 8 ROW R
3
15-1/2 10-9/16 13-11/16 3-15/16 7-3/16 9-5/16 11-9/16 1-1/2
6
15-1/2 12-1/6 15-3/16 3-15/16 7-3/16 9-5/16 11-9/16 1-1/2
8
15-1/2 13-15/16 17-1/16 3-15/16 7-3/16 9-5/16 11-9/16 1-1/2
10
15-1/2 13-15/16 17-1/16 3-15/16 7-3/16 9-5/16 11-9/16 1-1/2
12
15-1/2 16-7/16 19-9/16 3-15/16 7-3/16 9-5/16 11-9/16 2
14
15-1/2 17-11/16 20-13/16 3-15/16 7-3/16 9-5/16 11-9/16 2
17
15-1/2 18-15/16 22-1/6 3-15/16 7-3/16 9-5/16 11-9/16 2
21
15-1/2 22-5/8 25-3/4 3-15/16 7-3/16 9-5/16 11-9/16 2-1/2
25
15-1/2 25-3/4 28-7/8 3-15/16 7-3/16 9-5/16 11-9/16 2-1/2
30
15-1/2 25-3/4 28-7/8 3-15/16 7-3/16 9-5/16 11-9/16 2-1/2
35
16 32-9/16 29-7/16 4-3/16 7-7/16 9-5/8 11-13/16 2-1/2
40
16 32-9/16 29-7/16 4-3/16 7-7/16 9-5/8 11-13/16 2-1/2
Table 34
UU 4 and 8-Row RH and LH Medium Coil Connection Dimensions in inches
UU Coil Section
D
Unit
Size C4 ROW 8 ROW R E F
3
N/A N/A N/A N/A 2-5/8 21-5/8
6
N/A N/A N/A N/A 2-5/8 24-5/8
8
N/A N/A N/A N/A 2-5/8 28-3/8
10
N/A N/A N/A N/A 2-5/8 28-3/8
12
4-1/2 6-5/8 11 2-1/2 2-5/8 31-3/8
14
4-1/2 6-5/8 11 2-1/2 2-5/8 35-7/8
17
4-1/2 6-5/8 11 2-1/2 2-5/8 38-3/8
21
4-1/2 6-5/8 11 2-1/2 2-5/8 42-1/4
25
4-1/2 6-5/8 11 2-1/2 2-5/8 45-1/4
30
4-1/2 6-5/8 11 2-1/2 2-5/8 45-1/4
35
4-3/4 6-15/16 11-1/4 2-1/2 3-3/16 58-13/16
40
4-3/4 6-15/16 11-1/4 2-1/2 3-3/16 58-13/16

Installation and Maintenance 39
Figure 31
Coil Type UU 4 and 8-Row & UW 4, 6, and 8-Row RH and LH Medium Coil Section Connections (Unit Sizes 50 - 100) with Drain and
Vent Location
.
AIR
FLOW
AIR
FLOW
A
B
C
D
E
FGJ
K
M
1’7”
R NPT (EXT) Supply R.H.
R NPT (EXT) Return L.H.
R NPT (EXT) Return R.H.
R NPT (EXT) Supply L.H.
3/8” NPT Ext Vent
3/8” NPT Ext Drain
Left Hand Right Hand
Table 35
Coil Type UU 4 and 8-Row & UW 4, 6, and 8-Row RH and LH Medium Coil Section Connections Dimensions in inches
Unit Size A B E F G J K M R
50 18-3/4 21-7/8 60 35-5/8 39 52-3/4 55-7/8 69-5/8 2
66 27-3/4 30-7/8 11-1/2 47-1/8 50-1/2 66-3/4 69-7/8 74-1/8 2
80 31-1/2 34-5/8 11-1/2 54-5/8 58 42 81-1/8 101-1/8 2-1/2
100 34-11/16 37-3/4 11-1/2 60-11/16 64-1/4 87-3/8 90-7/16 113-5/8 2-1/2
Table 36
Coil Type UU 4 and 8-Row & UW 4, 6, and 8-Row RH and LH Medium Coil Drain and Vent Location Dimensions in inches
UW COIL SECTION UU COIL SECTION
D D
Unit Size C4 ROW 6 ROW 8 ROW C4 ROW 8 ROW
50 5-1/8 8-3/8 10-1/2 12-11/16 5-5/8 7-13/16 12-1/8
66 5-1/8 8-3/8 10-1/2 12-11/16 5-5/8 7-13/16 12-1/8
80 5-1/ (130.2) 8-3/8 10-1/2 12-11/16 5-5/8 7-13/16 12-1/8
100 5-1/8 8-3/8 10-1/2 12-11/16 5-5/8 7-13/16 12-1/8

40 CLCH-IM-16A
Figure 32
Coil Type WC-24” Headers with Drain and Vent Locations
Figure 33
Coil Type P2, 18, 24” Headers with Drain and Vent Locations
AIR
FLOW
10-1/2”
12”
24-1/8”
25-1/2”
4” 2”
1-1/4” NPT (INT)
Return
1-1/4” NPT (INT)
Supply
Sq Hd Pipe Plug
1/2” NPT Drain
1/2” NPT Vent 1/2” NPT Vent
1/2” NPT Drain
Water Inlet
Water Outlet
Water Outlet
Water Inlet
A
6”
6”
AIR
FLOW
2, 4 Row 6 Row
Table 37
Coil Type P2, 18, 24” Headers Dimensions (in)
Header A
18 16.5
24 22.5

Installation and Maintenance 41
Figure 34
Coil Type P4, 18, 24” Headers with Drain and Vent Location
Figure 35
Coil Type P4, 18, 24” Headers with Drain and Vent Location (6 and 8 Row)
1/2” NPT Vent 1/2” NPT Vent
1/2” NPT Drain
Water Inlet
Water Outlet Water Outlet
Water Inlet
3”
3”
AIR
FLOW
2 Row 4 Row
1.68”
0.18”
B
A
B
A
Table 38
Coil Type P4, 18, 24” Headers Dimensions (2-Row) in inches
Header A B
18 10.5 6
24 13.5 9
Table 39
Coil Type P4, 18, 24” Headers Dimensions (4-Row) in inches
Header A B
18 7.5 9
24 10.5 12
1/2” NPT Vent 1/2” NPT Vent
1/2” NPT Drain
Water Inlet
Water Outlet
Water Outlet
Water Inlet
3”
AIR
FLOW
6 Row 8 Row
A
7-1/2”
A
4-1/2”
1/2” NPT Drain
Table 40
Coil Type P4, 18, 24” Headers with Drain and Vent Location (8
Row) Dimensions in inches
Header A
18 16.5
24 22.5

42 CLCH-IM-16A
Figure 36
Coil Type P8, 18, 24” Headers with Drain and Vent Locations
Figure 37
Coil Type W with 18, 24, 30 and 33” Headers and with Drain and Vent Locations
1/2” NPT Vent 1/2” NPT Vent
1/2” NPT Drain Water Inlet
Water Outlet
Water Outlet
Water Inlet
3”
AIR
FLOW
4 Row 8 Row
A
A
B
C
D
Table 41
Coil Type P8, 18, 24” Headers (4-Row) Dimensions in inches
Header ABCD
18 7.5 9 1.2 1.2
24 10.5 12 0 4.5
30 13.5 15 1.2 1.2
Table 42
Coil Type P8, 18, 24” Headers (8-Row) Dimensions in inches
Header A
18 16.5
24 22.5
30 28.5
G
A
B
C
D
E
F
H
G
A
B
C
D
E
F
H
2-1-2” NPT (INT) Return 1/2” NPT (INT) Vent
1/2” NPT (INT) Drain 2-1-2” NPT (INT) Supply 2-1-2” NPT (INT) Return
1/2” NPT (INT) Vent
1/2” NPT (INT) Drain
2-1-2” NPT (INT) Supply
Left Hand Coil Right Hand Coil
AIR
FLOW
AIR
FLOW

Installation and Maintenance 43
Note: Coil Connections available right or left hand (determined by
facing into air flow)
NOTE: THE PIPING PENETRATION INTO THE UNIT
CASING MUST BE SEALED BEFORE INSULATING.
FAILURE TO SEAL THE PENETRATION WILL PERMIT
INFILTRATION OF UNCONDITIONED AIR INTO THE
SECTION.
When subjected to freezing temperatures, provisions
must be made to protect coils that are not in use. See
section titled “Coil Winterization.”
NOTE: IF GLYCOL IS USED IN THE CHILLED WATER
OR HOT WATER SYSTEMS, BE SURE TO USE A
GLYCOL APPROVED FOR USE WITH COMMERCIAL
COOLING SYSTEMS AND COPPER TUBE COILS.
FOLLOW THE MANUFACTURER’S
RECOMMENDATIONS FOR WATER TREATMENT AND
MIX. FAILURE TO DO SO COULD AFFECT COIL
PERFORMANCE OR DAMAGE THE TUBES OR BRAZE
JOINTS.
Coils should be installed with field fitted drains and
vents to permit winterization of coils not in use, and
to assist in evacuating air from the chilled water
system during start-up.
CAUTION
Failure to properly protect coils
not in use during freezing temper-
atures may result in coil freeze-up
damage. Refer to the section titled
“Coil Winterization” for specific
instructions.
Steam Coil Piping
Figure 38
Typical Piping for Type NS Steam Coils and Horizontal Tubes
for Horizontal Airflow
Table 43
Coil Type W with 18, 24, 30 and 33” Headers and with Drain and Vent Locations Dimensions in inches
2-Row 4-Row 6-Row 8-Row
Coil Size A B C D E H F H F H F H F
18 6-3/4 9-3/4 19-1/2 8-1/4 11-1/4 6-1/2 4 9-1/2 7 12-1/2 10 15-1/2 13
24 9-3/4 12-3/4 25-1/2 11-1/4 14-1/4 6-1/2 4 9-1/2 7 12-1/2 10 15-1/2 13
30 12-3/4 15-3/4 31-1/2 14-1/4 17-1/4 6-1/2 4 9-1/2 7 12-1/2 10 15-1/2 13
33 14-1/4 17-1/4 34-1/2 15-3/4 18-3/4 6-1/2 4 9-1/2 7 12-1/2 10 15-1/2 13
Table 44
Coil Type W Coil Connections (Left and Right Hand) in inches
Header G
33
44.5
67.5
8 10.5
Code of System Components (Piping Diagrams
FT
Float and thermostatic steam trap
BT
Bucket steam trap
GV
Gate valve
OV
Automatic two-position (on-off) control valve
TV
Automatic three-way control valve
VB
Vacuum breaker
CV
Check valve
ST
Strainer
AV
Automatic or manual air vent

44 CLCH-IM-16A
T-Series Climate Changers fitted with steam coils
have labeled holes for piping penetrations. Check
that the coil is installed correctly and that the unit
installation agrees with the submittals.
Refer to
Figure 38
for typical steam coil piping.
CAUTION
Condensate must flow freely from
the coil to prevent coil damage
from water hammer, unequal ther-
mal stresses, freeze-up damage
and corrosion. Complete the fol-
lowing recommendations to pre-
vent damage:
1Install a 1/2” 15 swing-check vacuum breaker in
the unused condensate return connection at the
top of the coil. This vacuum breaker should be
installed as close to the coil as possible.
2Vent the vacuum breaker to the atmosphere or
pipe it to the return main at the discharge side of
the steam trap.
NOTE: VACUUM BREAKER RELIEF IS MANDATORY
WHEN THE COIL IS CONTROLLED BY A MODULATING
STEAM SUPPLY OR TWO-POSITION (ON-OFF)
AUTOMATIC STEAM SUPPLY VALVE. VACUUM
BREAKER RELIEF IS ALSO RECOMMENDED WHEN
FACE AND BYPASS CONTROL IS USED.
CAUTION
The 1/2” 15 swing-check vacuum
breaker is recommended because
of the low cracking pressure of 3-
to 5-inches of water. Some other
vacuum breakers, such as spring
loaded ball-check vacuum break-
ers, have cracking pressures as
high as 17-inches of water. Substi-
tution of the 1/2” 15 swing-check
vacuum breaker could result in
damage to the coil by preventing
proper evacuation of condensate
from the coil.
The coil condensate return line must be piped full
size of the condensate trap connection, except for a
short nipple screwed directly into the coil headers
condensate return tapping. Do not bush or reduce
the coil return tapping size.
Proper steam trap selection and installation is
necessary for satisfactory coil performance and
service life. For installation, use the following steps:
1Install the steam trap discharge 12 inches below
the condensate return connection. 12 inches
provides sufficient hydrostatic head pressure to
overcome trap losses and ensures complete
condensate removal.
*
Use float and thermostatic traps with
atmospheric pressure gravity condensate
return, with automatic controls or where the
possibility of low pressure supply steam exists.
Float and thermostatic traps are recommended
because of gravity drain and continuous
discharge operation.
*
Use bucket traps ONLY when the supply
steam is not modulated and 25 psig or higher.
2Trap each coil separately to prevent holding up
condensate in one or more of the coils.
3Install strainers as close as possible to the inlet
side of the trap.
4If installing coils in series airflow, control each coil
bank independently with a automatic steam
control valve. Size the traps for each coil using the
capacity of the first coil in direction of airflow.
5Use a V-Port modulating valve to obtain gradual
modulation of the coil steam supply.
6Do not modulate systems with overhead or
pressurized returns unless the condensate is
drained by gravity into a receiver, vented to
atmosphere and returned to the condensate
pump.
7Slowly turn the steam on full for at least 10
minutes before opening the fresh air intake on
units with fresh air dampers.
8Pitch all supply and return steam piping down 1-
inch per 10 feet in the direction of the steam or
condensate flow.
9Do not drain the steam mains or take-offs through
the coils. Drain the mains ahead of the coils
through a steam trap to the return line.
10 Assure continuous condensate removal.
Overhead returns require 1 psig of pressure at the
steam trap discharge for each 2-foot elevation.

Installation and Maintenance 45
Hot Water Coil Piping
Figure 39
Typical Piping for Type WC Water Coil
Figure 40
Typical Piping for Type W Two-Row Water Coil
Refer to
Figure 39
through
Figure 42
for typical hot
water coil piping.
qCheck the coil for fin damage and straighten if
necessary.
qCheck that the coil is installed correctly with the
air flow in the same direction as indicated on the
nameplate or coil casing.
Code of System Components (Piping Diagrams
FT
Float and thermostatic steam trap
BT
Bucket steam trap
GV
Gate valve
OV
Automatic two-position (on-off) control valve
TV
Automatic three-way control valve
VB
Vacuum breaker
CV
Check valve
ST
Strainer
AV
Automatic or manual air vent

46 CLCH-IM-16A
Figure 41
Typical Piping for Type DD Water Coil
Figure 42
Typical Piping for Type W Water Coil
Type W, WC, UA, UW, and UU hot water coils are
self-venting only if the water velocity exceeds 1.5 feet
per second (fps). If it is below 1.5 fps, vent by one of
the following methods:
1Install an air vent in the top pipe plug tapping of
the return header.
2Vent from the top return header horizontally to the
return piping when the return line rises and is
above the top of the coil. (See
Figure 41
through
Figure 42
.)
CAUTION
Do not throttle or modulate the
water flow for coils that are
exposed to freezing temperatures.
Coil damage may result from coil
freeze-up.
3Install a drain line and shutoff valve in the supply
line near the coil.
Type W, D, K, UW and UU water coils are self-
venting only if the water velocity exceeds 1.2 fps.
Type DD coils are self venting only if the water
velocity exceeds 2.5 fps. If water velocity is below
these minimums vent by following one of the
followings methods:
qInstall an air vent in the top pipe plug tapping of
the return header
qVent from the top return header horizontally to the
return piping when the return line rises and is
above the top of the coil.
Refrigerant Coil Piping
Units that are UL listed shall not have refrigerant
temperatures and pressures exceeding that listed on
the coil nameplate.
For unit-installed refrigerant coils, packed elbows are
provided. Pipe connections can be made as shown in
Figure 43
.
Figure 43
Type F Refrigerant Coil with Packed Elbow
NOTE: TYPE F AND UF COILS HAVE BEEN
DEHYDRATED AND CHARGED WITH A HOLDING
CHARGE OF DRY NITROGEN. TO PREVENT LEAKS
AND SYSTEM CONTAMINATION, DO NOT BREAK THE
SEALS UNTIL THE COIL IS INSTALLED.
1Check that the coil is installed correctly with
airflow in the same direction as indicated on the
Perforated Plate
(Packed Elbow)
Panel
Distributor
Coil
Cut Here For Piping
NOTE: TYPE UF COILS ARE FITTED WITH 5/8”
TUBE AND CAP ASSEMBLY TO SEAL
VACUUM AND NITROGEN CHARGE.
DO NOT
USE CAP AND TUBE TO MAKE
REFRIGERATION CONNECTIONS.

Installation and Maintenance 47
coil nameplate or casing. The suction connection
must be at the bottom of the suction header.
2Follow accepted refrigeration piping practices and
safely precautions for typical refrigerant coil piping
and components. See
Figure 43
. Specific
recommendations are provided with the highside
components, including instructions for pressure-
testing, evacuation, and system charging.
General recommendations for component
selection and line sizing follow.
3Leak-test the entire refrigeration system after all
piping is complete.
4Charge the unit according to approximate weight
requirements, operating pressures and
superheat/subcooling measurements.
5Adjust the thermal expansion valve setting if
necessary.
General Refrigerant Piping
Recommendations
IMPORTANT: REFER TO THE NOTE ON THE INSIDE
FRONT COVER OF THIS MANUAL REGARDING
HANDLING OF REFRIGERANTS
Liquid Line Components
Trane recommends the use of a properly sized liquid
line filter-drier installed upstream from the expansion
valve and as close to the evaporator coil as possible.
Base filter-drier selection on a maximum pressure
drop of 2 psi at the design condition.
1Install moisture indicator/sight glass between the
expansion valve and filter-drier. The moisture
indicator/sight glass must be sized to match the
size of the liquid line at the thermal expansion
valve.
2Size liquid line shutoff valve with an access port
using the selected liquid line OD, and install it
close to the condenser.
3Minimize use of other valves, tube bends and
reducers since these items tend to increase
pressure drop and to reduce subcooling at the
expansion valve. Liquid line receivers, other than
those factory-installed, are not recommended.
4The Thermal Expansion Valve (TEV) must be
selected for proper size and capacity. The size of
the TEV should cover the full range of loadings.
Check that the valve will successfully operate at
the lightest load condition. Also consider the use
of a hot gas bypass valve when sizing the TEV.
Select expansion valves with external equalizer
connections, and those designed to operate
against a back pressure of 20 pounds per square
inch higher than actual evaporator pressure.
5Install the TEV directly on the coil liquid
connection (distributor) provided. The liquid
distributor must be in a true vertical position.
CAUTION
Disassemble the thermal expan-
sion valve before completing the
brazing connections. If necessary,
wrap the valve in a cool, wet cloth
while brazing. Failure to protect
the valve from high temperatures
may result in damage to the inter-
nal components.
48 CLCH-IM-16A
Suction Line Components
Install suction line pressure tap on the leaving side of
the evaporator coil near the TEV sensing bulb
location. Accurate superheat measurement and
thermal expansion valve adjustment demands that
suction pressure be measured near the evaporator
coil.
Usually, suction line filter-driers are only necessary
on systems that have experienced a severe
compressor motor burnout or other failure which
results in extremely high refrigerant temperature. Do
not leave this filter-drier in the suction line
permanently.
Liquid Line Sizing
All compressors have a Refrigerant Charge Limit
(RCL) that must not be exceeded. Since the RCL
and pressure drop are in direct conflict with each
other, Trane recommends that the liquid line be sized
as small as possible, while maintaining a low enough
pressure drop to ensure 5°F of subcooling at the
expansion valve.
Suction Line Sizing
Suction line tubes must be sized to maintain
refrigerant vapor velocities that are high enough to
ensure oil entertainment under all operating
conditions.
It is not necessary to pitch horizontal suction lines
toward the compressor when the refrigerant coil is
used with Trane condensing units that are designed
with a gas trap in the suction line just prior to the
compressor.

Installation and Maintenance 49
Wiring
WARNING
Disconnect electrical power
source before servicing the unit or
connecting electrical wires.
Failure to do so may result in per-
sonal injury or death from electrical
shock or entanglement in moving
parts. If the unit includes a factory-
mounted starter, use of the lockout/
tagout on the disconnect is required
while servicing the unit.
If the unit does not include a factory-mounted starter,
wiring to the unit fan motor must be provided by the
installer and must comply with all national and local
electrical codes. The installer must also furnish a
fused disconnect switch in compliance with national
and local electrical codes. Fan motors require
overload protective devices rated or selected in
compliance with the National Electric Code or
Canadian Electric Code. Specific unit and motor
connection diagrams are attached to the unit.
CAUTION
Use copper conductors only for
terminal connections. Use of alu-
minum or other type of wiring may
result in galvanic corrosion or
overheating and resultant equip-
ment damage.
Fan motors require motor overload protective
devices that are rated or selected in compliance with
the National Electric Code or Canadian Electric
Code. Specific unit and motor connection diagrams
are provided on the unit. If wiring directly to the
motor, a flexible connection at the motor to permit fan
belt adjustment should be provided. Fractional
horsepower motors may be factory connected to a
terminal box on the unit. If this construction is
provided, the installer should complete field wiring to
this connection box.
For a typical high voltage wiring schematic, see
Figure 44
following.
Connection of junction sections to unit end devices is
accomplished using the connections shown in
Figure
23
. See unit control drawings for specific connection
information.
For typical field wiring to units with DDC:
qProvide 120 VAC power for control. A dedicated
circuit is recommended. Units with a factory-
mounted starter or VFD do not require this circuit
as they are powered by the oversized control
transformer in the starter or VFD.
qIf unit ships in multiple sections, fasten quick
connects (
Figure 23
) before sections bolt
together.
qField mount and wire outside air sensor and
space sensor, if ordered.

50 CLCH-IM-16A
Figure 44
Typical High Voltage Wiring Schematic

Installation and Maintenance 51
,QVWDOODWLRQ&KHFNOLVW
The following is an abbreviated list of the detailed
installation information given in this manual and
should be used as an aid to ensure proper
installation. For complete instructions, refer to the
appropriate sections of the manual.
WARNING
Disconnect electrical power
source when servicing the unit.
Failure to do so may result in
injury or death from electrical
shock.
Secure drive sheaves before ser-
vicing the unit to ensure that rotor
cannot free-wheel. Failure to
secure drive sheaves can cause
severe personal injury.
1Examine the unit and components for material
shortage or shipping damage.
2Check unit location for unit dimensions, weights
and clearances.
3Rig each section properly and hoist it to its final
position.
4For split ship units with factory mounted controls,
connect color coded and numbered quick connect
plugs (reference
Figure 44
).
5Check that unit is installed level.
6Remove fan isolator tie-down bolt, if unit is not
externally isolated. See
Figure 18
and
Figure 19
.
7Inspect Inlet Guide Vanes and adjust if necessary.
8Install damper operator motors and connecting
linkage. Check damper operation and linkage
alignment.
9Install filters, if supplied.
10 Connect supply and return air ductwork.
11 Complete coil and condensate drain piping
connections.
12 Reference CLCH-IOP-1 for more details on the
installation of units with factory mounted controls.
13 Complete electrical connections to the unit and
PCM.
14 Leave the unit installation and maintenance
manual with the unit.
Prestart-Up Checks
Before operating the unit, complete the following
checks for safe and efficient operation.
WARNING
Disconnect electrical power
source when connecting or dis-
connecting electrical wires for test
procedures. Do not open service
access doors while the unit is
operating. Failure to exercise cau-
tion when completing test proce-
dures or while inspecting unit
operation may result in injury or
death from electrical shock, air
movement or rotating parts.
qRotate all fan wheels manually. Fans should turn
freely in the proper direction.
qCheck fan drive belt tension.
NOTE: IF T-SERIES CLIMATE CHANGER FAN IS
GOING TO OPERATE AT OTHER THAN DESIGN RPM
OR WITH A VARIABLE SPEED DRIVE NOT SUPPLIED
BY TRANE, THE UNIT VIBRATION LEVELS SHOULD
BE CHECKED AT THE NEW RPM AND THROUGHOUT
THE SPEED RANGE. RE-BALANCE OR CORRECT
VIBRATIONS AS NECESSARY.
qCheck fan hub set screws, sheave set screws and
bearing set screws for proper torque (
Table 45
).
Fan sheaves should be tight and aligned. Bearing
set screws should be aligned. See section titled
“Periodic Maintenance” for alignment instructions.
qInspect fan motor and bearings for proper
lubrication. Refer to
Table 49
for fan grease
recommendations. Contact the motor
Table 45
Fan Bearing Setscrew Torque Settings (lb-ft)
Screw Size Hex Size Torque
1/4
1/8 5.5-7.5
5/16
5/32 10.5-13.7
3/8
3/16 19-25
7/16
7/32 29-37.5
1/2
1/4 42-54.2
52 CLCH-IM-16A
representative for motor lubrication
recommendations.
qInspect electrical connections. They should be
clean and secure. Compare actual wiring with
specific diagrams on the unit.
qCheck piping and valve for leaks. Open or close
the valves to check operation. Drain lines should
be open.
qIf unit has a refrigerant coil, it must be charged,
leak-tested, and ready for operation according to
instructions provided with the condenser
equipment. Adjust superheat setting.
qCheck that air filters are in place and positioned
properly.
qRemove all foreign material from the drain pan
and check pan opening and condensate line for
obstructions.
qCheck unit for debris.
qClose and secure all unit access doors.

Installation and Maintenance 53
6WDUW8S
CAUTION
Inadequate lubrication of fan
motor or bearings may result in
premature bearing or motor fail-
ure.
1Inspect electrical connections. They should be
clean and secure. Compare actual wiring with
specific diagrams provided on the unit.
2Check piping and valves for leaks. Open or close
the valves to check for proper operation. Drain
lines should be open.
CAUTION
The use of untreated or improperly
treated water in unit coils may
cause scaling, erosion, corrosion,
algae, slime or other equipment
damage. Consult a qualified water
treatment specialist to determine if
water treatment is required. The
Trane Company assumes no
responsibility for equipment dam-
age caused by untreated or
improperly treated water.
3If equipped with a refrigerant coil, charge and
leak-test the unit to and ready it for operation
according to instructions provided with the
condenser equipment. Adjust superheat setting.
4Check that all air filters are in place and
positioned properly. Under Periodic Maintenance,
see section titled “Air Filters.”
NOTE: UL-LISTED UNITS REQUIRE A “TOOL-ONLY”
REMOVABLE LATCH ON ACCESS DOORS. THE
HANDLE TIE-DOWN SCREW SHIPPED WITH THE UNIT
MEETS THIS REQUIREMENT, AND SHOULD REMAIN
IN PLACE WHEN THE ACCESS DOOR IS CLOSED.
5Close and secure all unit access doors. Check
that the latch set screws are tight.
6Remove all foreign material from the drain pan
and check drain pan opening and condensate line
for obstructions.
7Check unit for debris.
8Reference CLCH-IOP-1 for more details on the
start-up of units with factory mounted controls.
Start-Up Procedures
After completing all prestart-up checks and
procedures, the unit may be started. The following
checks and adjustments should be made during
initial start-up:
WARNING
Disconnect electrical power prior
to access into a fan or ductwork.
Even when locked out electrically,
fans may cause injury or damage if
the impeller is subject to “wind-
milling.” The impeller should be
secured to physically restrict rota-
tional movement. Failure to secure
impeller can cause severe per-
sonal injury or death.
Disconnect electrical power
source when connecting or dis-
connecting electrical wires for test
procedures. Do not open service
access doors while the unit is
operating. Failure to exercise cau-
tion when completing test proce-
dures or while inspecting unit
operation may result in injury or
death from electrical shock, air
movement or rotating parts.
If the unit was stored for an extended period of time,
the following items should be checked before starting
the unit.
1Inspect motor bearings for moisture and rust.
Replace bearings if necessary and repack with
new grease.
2Check motor winding. An acceptable winding
resistance reading is from 6 meg-ohms to infinity.
If reading is less than 5 meg-ohms, winding
should be dried out in an oven or by a blower.
3Inspect the entire motor for rust and corrosion.
4Lubricate the motor as instructed in the section
titled “Periodic Maintenance,” or as indicated by
the maintenance tag on the motor.

54 CLCH-IM-16A
5Bump-start unit and observe the fan wheel for
proper rotation, as indicated by rotation arrow
located on fan housing.
6Measure the motor voltage and amperage on all
phases to ensure proper operation. The readings
should fall within the range given on the motor
nameplate.
Maximum allowable voltage imbalance is two
percent. Voltage imbalance is defined as 100 times
the sum of the deviation of the three voltages from
the average, divided by twice the average voltage.
For example, if the three measured voltages are 221,
230 and 227, the average voltage would be 226
volts.
The percent of voltage imbalance is then calculated:
100 X {[226-221] + [230-226] + [227-226]}
2 X 226
= 2.2% (Unacceptable)
In this example, 2.2 percent imbalance is not
acceptable and the power company should be
notified to correct it.
qCheck unit vibration if the fan speed is changed
more than 5% from the original designed rpm, or if
parts such as shafts, fan wheels, bearings, or
other drive components are replaced. Do not
exceed max. fan rpm.
qPay particular attention to any vibration, noise or
overheating of the motor and fan bearings.
(Bearings may run warm during break in.)
Excessive Vibration
EXCESSIVE VIBRATION MUST BE CORRECTED TO
PREVENT BEARING AND SHAFT DAMAGE. SEE THE
SECTION TITLED “TROUBLESHOOTING” FOR
DETAILS ON THE COMMON CAUSES FOR VIBRATION.
Determine Fan RPM
Fan rpm can be determined by using a strobe-type
tachometer, or revolution counter.
Sheave Alignment
Align the fan and motor sheaves by using a
straightedge. The straightedge must be long enough
to span the distance between the outside edges of
the sheaves. When the sheaves are aligned, the
straightedge will touch both sheaves at points A
through D to confirm that the shaft is parallel. For
uneven width sheaves, place a string in the center
groove of both sheaves and pull tight. Adjust
sheaves and tighten the sheave set screws to the
proper torque given in
Table 47
.
Figure 45
Proper Drive Alignment
WARNING
Disconnect electrical power prior
to access into a fan or ductwork.
Even when locked out electrically,
fans may cause injury or damage if
the impeller is subject to “wind-
milling.” The impeller should be
secured to physically restrict rota-
tional movement. Failure to secure
impeller can cause severe per-
sonal injury or death.
Fan Belt Alignment
Tighten the belts slightly and rotate the drive several
times.
On multiple belt drives, determine that the force of
deflection is approximately the same on each belt by
pushing each belt in an equal distance at a point
halfway from each sheave. If this force is not the
same for each belt, the motor and fan shaft are not
parallel. Realign as required.
After realignment, tighten the belts again to the
standard belt tensioning specifications. See the
following section.
Center Lines
Must Coincide Lines Must
Be Parallel
Fixed
Sheave
Fixed
Sheave
Straight
Edge Straigh
t
Edge
Adjustable
Sheave
A
B
C
D

Installation and Maintenance 55
Over-tensioning of belts can cause damage to
bearings, shafts, and drive components. Belts should
not squeal at start-up. Belt tension should be
rechecked after 8 hours, 24 hours, and 100 hours of
operation and monthly thereafter. When the belt is in
operation, the tight side of the belt should form a
straight line from sheave with only a slight bow on the
slack side.
Fan Belt Tension
NOTE: FAN BELT TENSION SHOULD BE CHECKED AT
LEAST THREE TIMES DURING THE FIRST DAYS OF
OPERATION, SINCE THERE IS A RAPID DECREASE IN
TENSION UNTIL BELTS SETTLE IN. REFER TO THE
DRIVE STICKER FOR PROPER TENSION.
Figure 46
Typical Drive Belt Label
WARNING
Disconnect electrical power
source and allow all rotating
equipment to stop completely
before inspecting or servicing the
unit. Failure to do so may result in
personal injury or death from elec-
trical shock or moving parts.
Disconnect electrical power prior
to access into a fan or ductwork.
Even when locked out electrically,
fans may cause injury or damage if
the impeller is subject to “wind-
milling.” The impeller should be
secured to physically restrict rota-
tional movement. Failure to secure
impeller can cause severe per-
sonal injury or death.
Figure 47
Fan Sheave Pitch Diameter
Figure 48
Belt Tension Measurement
Table 46
Values for K-Factor (Belt Cross Section Types)
Belt Type
ABCDE3L4L
K Factor
8 13408095 6 6
Belt Type
5L 3V 5V 8V AX BX CX DX
K Factor
6 6 12 25 11 18 54 101

56 CLCH-IM-16A
Figure 49
Belt Tensioner
Proper belt tension is required to ensure maximum
bearing and drive component life and is based on fan
brake horsepower requirement. Use
Table 47
to find
the proper belt tension and refer to the inset for an
example. To use the table, you must know:
qFan design brake horsepower (bhp) per belt (not
motor hp)
qFan rpm
qFan sheave pitch diameter, found by measuring
where the middle of the belt rides in the sheave
(See
Figure 47
)
qType of belt cross-section (stamped on the belt)

Installation and Maintenance 57
Table 47
Belt Tension

58 CLCH-IM-16A
As shown in the example of
Table 47
, the correct
tension (pounds force) is 9.6 pounds, at 1/2-inch
deflection. Deflection is determined by dividing the
belt span distance by 64, as shown in
Figure 48
.
To measure belt tension, use a belt tensiometer as
shown in
Figure 49
. Determine actual deflection by
depressing one belt with the belt tensiometer and
measuring the deflection relative to the other belts or
to belt line. Adjust the belt tension to the correct
pounds force and tighten all set screws to the proper
torque. (See
Table 47
.)
For belt cross-section types not given in
Table 47
,
use the following equations to calculate correct belt
tension.
F = (T + K)/16
where
F = force measured in pounds at specific deflection.
K = constant determined by belt cross-section type.
T =24,750 (fan hp per belt)/ belt speed
Belt speed = ((fan pitch diameter)/12) X 3.1416 X
fan rpm
For example, given the following:
Motor sheave pitch diameter: 5.7 inches, eight groove
Fan sheave pitch diameter: 10.0 inches, eight groove
Fan horsepower: 2.4 bhp
Fan rpm: 1000 rpm
Belt type: C
Sheave span: 32 inches
Belt speed = (10/12) X 3.14 X 1000 = 2618
T = (24,750 X (24 bhp/2 belts)/2618 = 113.4 lb
F = (13.4 + 40)/16 = 9.6 lb.
Also, D =(Belt span (inches))/64 = 32/64 =.50 in.
Therefore, the belt tensiometer should read 11.5
pounds force at 15/16-inch deflection. This will yield
159.4 pounds force belt tension.
Belt tensions determined by using
Table 46
are
minimum values. The correct operating tension for a
V-belt drive is the lowest tension at which the belts
will not slip under the peak load conditions. It may be
necessary, however, to increase the tension of some
drives to reduce excessive belt flopping or to reduce
excessive start-up squealing.
NOTE: THERE IS A LABEL LOCATED ON THE
BEARING SUPPORT ON THE DRIVE SIDE OF THE
UNIT THAT LISTS ALL DRIVE PARTS AND THE
PROPER BELT TENSION FOR THE SPECIFIC DRIVE.
CAUTION
Do not over-tension the belts.
Excessive tension will reduce fan
and motor bearing life, accelerate
belt wear and possibly cause shaft
failure.

Installation and Maintenance 59
3HULRGLF0DLQWHQDQFH
The following checklist is provided as an abbreviated
guide to periodic maintenance. Detailed procedural
information is given after this checklist.
WARNING
Disconnect electrical power and
allow rotating parts to stop before
servicing the unit. Exercise cau-
tion if unit must be on for test or
maintenance procedures. Failure
to do so may result in injury or
death from electrical shock or
moving parts.
Disconnect electrical power prior
to access into a fan or ductwork.
Even when locked out electrically,
fans may cause injury or damage if
the impeller is subject to “wind-
milling.” The impeller should be
secured to physically restrict rota-
tional movement. Failure to secure
impeller can cause severe per-
sonal injury or death.
After 48 Hours Operation
Belts have acquired their permanent stretch.
Readjust but do not over-tighten. See section titled
“Fan Belt Tension” for instructions.
Weekly
Observe unit weekly for any change in running
condition and unusual noise.
Every Month
qCheck air filters. Clean or replace if clogged or
dirty. Coat permanent filters with oil after cleaning.
Change bag filters when pressure drop is 1-inch
W.G.
qRelubricate fan bearings if operating conditions
include high speeds, moist or dirty air, or high
temperatures.
qRelubricate motor bearings in accordance with
motor manufacturer’s recommendations if
operating conditions include high speeds, moist or
dirty air, or high temperatures.
qCheck and adjust fan belt tension.
Every Three to Six Months
qCheck fan bearing grease line connections. Lines
should be tight to the bearings.
qRelubricate fan bearings.
qCheck motor lubrication. Recommendations are
provided on the motor tag or on a unit sticker.
qCheck bearing and motor bracket bolt torque.
qAlign fan and motor sheaves. Tighten sheave set
screws to the proper torque.
qCheck and adjust fan belt tension.
qTighten electrical connections.
qInspect coils for dirt build-up or coil freeze-up.
Every Year
qInspection the unit casing for corrosion. If damage
is found, clean and repaint the surface with a rust-
resistant primer and vinyl chlorinated lacquer.
qClean the fan wheels and fan shaft. Remove rust
with an emery cloth and apply a coat of LPS #3 or
an equivalent.
qInspect the condensate drain pan and drain line,
remove sludge or foreign materials that might
obstruct proper drainage. Remove obstacles.
Table 48
Minimum Hex Head Bolt Torque in lb-ft
Grade 5 Bolts
Size (inches*) Thread
Designation Min. Torque
1/4, 20
UNC 6
1/4, 28
UNF 7
5/16, 18
UNC 14
5/16, 24
UNF 16
3/8, 16
UNC 24
3/8, 24
UNF 28
7/16, 14
UNC 42
7/16, 20
UNF 45
1/2, 13
UNC 69
1/2, 20
UNF 83
9/16, 12
UNC 99

60 CLCH-IM-16A
*NOTE: Soft metric conversions not acceptable for screw and hex
sizes
qCheck damper linkages, set screws and blade
adjustment. Clean, but do not lubricate, the nylon
damper rod bushings.
qClean damper operators.
qInspect the control and power box wiring for
secure connections and insulation.
qRotate the fan wheel and check for obstructions in
the fan housing. The wheel should not rub on the
fan housing. Adjust the center if necessary and
tighten wheel set screws to the proper torque.
qCheck condition of gasketing and insulation
around unit, door and dampers.
qExamine flex connections for cracks or leaks.
Repair or replace damaged material.
Drain Pans
Inspecting and Cleaning Drain Pans
For units with sloped drain pans
, if evidence of
standing water or condensate overflow exists,
identify and remedy the cause immediately. (Refer to
the troubleshooting section for possible causes and
solutions.) If microbial growth (mold) in the drain pan
is observed, clean the pan immediately using the
following procedure:
7Disconnect all electrical power to the unit.
8Don the appropriate personal protective
equipment (PPE).
9Remove all standing water.
10 Use a scraper or other tools to remove any solid
matter. Remove solid matter with a vacuum
device that uses high efficiency particulate
arrestance (HEPA) filters with a minimum
efficiency of 99.97% at 0.3 micron particle size.
11 Thoroughly clean the contaminated area with a
mild bleach and water solution or an EPA-
approved sanitizer specifically designed for HVAC
use. Carefully follow the sanitizer manufacturer’s
instructions regarding the use of the product.
12 Immediately rinse the drain pan thoroughly with
fresh water to prevent potential corrosion from the
cleaning solution of the drain pan and drain line
components.
13 Allow the unit to dry thoroughly before putting the
system back into service.
14 Determine and correct the cause of the microbial
contamination.
15 Be careful that the contaminated material does
not contact other areas of the unit or building.
Properly dispose of all contaminated materials
and cleaning solution.
IMPORTANT: STANDING WATER IN DRAIN PANS CAN
PROMOTE MICROBIAL GROWTH (MOLD) THAT MAY
CAUSE UNPLEASANT ODORS AND SERIOUS
HEALTH-RELATED INDOOR AIR QUALITY
PROBLEMS. IF MOLD IS FOUND, IT MUST BE
REMOVED IMMEDIATELY AND THAT PORTION OF
THE UNIT PROPERLY CLEANED AND SANITIZED.
Air Filters
Catalog data tables provide filter size, type and
quantity.
Throwaway Filters
To replace throwaway filters, install new filters with
the directional arrows pointing in direction of airflow.
NOTE: FILTERS MUST HAVE AN AIRTIGHT SEAL TO
PREVENT AIR BYPASS. IF USING OTHER THAN
TRANE-SUPPLIED FILTERS, APPLY FOAM
GASKETING TO THE VERTICAL EDGES OF THE
FILTER.
Permanent Filters
To clean permanent filters, wash under a stream of
water to remove dirt and lint. Remove oil filter with a
wash of mild alkali solution. Rinse in clean, hot water
and allow to dry. Coat both sides of the filter by
immersing or spraying it with Air Maze Filter Lote W
or an equivalent. Allow to drain and dry for about 12
hours.
9/16, 18
UNF 118
5/8, 11
UNC 150
5/8, 18
UNF 176
3/4, 10
UNC 254
3/4, 16
UNF 301
7/8, 9
UNC 358
7/8, 14
UNF 422
1, 8
UNC 500
1, 14
UNF 602
Table 48
Minimum Hex Head Bolt Torque in lb-ft
Grade 5 Bolts
Size (inches*) Thread
Designation Min. Torque

Installation and Maintenance 61
Cartridge or Bag Filters
To install cartridge or bag filters, complete the
following:
WARNING
Disconnect electrical power
source, and allow all rotating
equipment to stop before inspect-
ing or servicing the unit. Failure to
do so may result in personal injury
or death from electrical shock or
rotating parts.
1Open the filter section access door and remove
the filters and block-offs from their installed
position.
2Keeping the bag filters folded, slide each filter into
the filter rack, pushing them tightly against the
unit. Pleats should be in the vertical position.
3If using the optional pre-filters, slide them into the
appropriate filter rack.
4If fixed and adjustable block-offs are provided with
the unit, slide the fixed block-offs into the filter
track before the adjustable block-off. The
adjustable block-off should always be installed
last, next to the access door.
5Close and secure the access door. If the door can
be closed without compressing the filter, adjust
the block-off by loosening its screws and position
it to provide an airtight seal.
Fans
Inspecting and Cleaning Fans
Fan sections of air handlers should be inspected
every six months at a minimum or more frequently if
operating experience dictates. Accumulated dirt and
organic matter on the interior surfaces of fans should
be cleaned immediately. The suggested procedure
for cleaning these surfaces is:
1Disconnect all electrical power to the unit.
2Don the appropriate personal protective
equipment (PPE).
3Use a portable vacuum with HEPA filtration to
remove the loose dirt and organic matter. The
filter should be 99.97% efficient at 0.3 micron
particle size.
4If no microbial growth (mold) exists, thoroughly
clean the fan and associated components with an
industrial cleaning solution. Carefully follow the
cleaning solution manufacturers instructions
regarding use of their product.
5If microbial growth (mold) is present, remove the
contamination (Step 2) and thoroughly clean the
affected area with an EPA-approved sanitizer
specifically designed for HVAC use. Carefully
follow the sanitizer manufacturers instructions
regarding the use of the product.
6Rinse the affected surfaces thoroughly with fresh
water and a fresh sponge to prevent potential
corrosion of metal surfaces.
7Allow the unit to dry completely before putting it
back into service.
8Use caution to assure that any contaminated
material does not contact other areas of the unit
or building. Properly dispose of all
contaminated materials and cleaning solution.
IMPORTANT: IF MICROBIAL GROWTH (MOLD) WAS
FOUND, THE CAUSE OF THE CONTAMINATION MUST
BE DETERMINED AND ACTION TAKEN TO ASSURE IT
DOES NOT RECUR.
Fan Bearings and Motors
Bearing Set screw Alignment
Align bearing set screws as illustrated in
Figure 50
.
Reference
Table 45
for bearing set screw torque.

62 CLCH-IM-16A
Figure 50
Bearing Setscrew Alignment
Fan Bearing Lubrication
Note: Greases used should conform to NLGI No. 2 penetration.
Fan bearings should be lubricated with a lithium base
grease which conforms to NLGI Number 2 for
consistency. See
Table 49
and
Table 50
for
recommended lubricants and bearing grease
capacities.
CAUTION
Improper lubrication can result in
premature bearing failure.
Do not mix greases with different
bases within the bearing. This can
cause an audible squealing noise
that may be transmitted through
the system ductwork. Premature
bearing failure may result.
To lubricate the fan bearings, complete the following:
WARNING
Disconnect electrical power
source before servicing the unit. If
unit must be on for maintenance
procedures, exercise extreme cau-
tion. Failure to do so may result in
personal injury or death from elec-
trical shock or entanglement in
moving parts.
Disconnect electrical power prior
to access into a fan or ductwork.
Even when locked out electrically,
fans may cause injury or damage if
the impeller is subject to “wind-
milling.” The impeller should be
Set Screws (2)
Set Screws (2)
Table 49
Recommendations for Grease-Lubricated Fan Bearings
Greasing Intervals
Operating Conditions -20
°
F to +140
°
F140
°
F to 200
°
F
Clean, Dry
3-6 months 1-3 months
Dirty, Dry
1-3 months 1-4 weeks
Dirty, Wet, High
Humid.
1-4 weeks 1-14 days
Recommended
Greases Recommended Operating Range
Texaco-Multi Fak #2
-20
°
F to +250
°
F
Shell Alvania #2
-20
°
F to +250
°
F
Mobil Mobilux #2
-20
°
F to +250
°
F
Exxon Unirex #2
-20
°
F to +250
°
F
Texaco Prem. RB
-20
°
F to +250
°
F
Mobil 532
-20
°
F to +250
°
F
Exxon Beacon
-65
°
F to +250
°
Keystone 84H
-40
°
F to +225
°
F
Shaft Size (In)
Max. Grease Cap. of Bearing (Oz.)
1/2 to 3/4
1/8
7/8 to 1-3/16
3/8
1-1/4 to 1-1/2
5/8
1-11/16 to 1-15/16
7/8
2 to 2-7/16
1-1/4
2-1/2 to 2-15/16
2

Installation and Maintenance 63
secured to physically restrict rota-
tional movement. Failure to secure
impeller can cause severe per-
sonal injury or death.
1Disconnect main power switch.
2Check grease lines for tight connections at the
grease fitting.
3Using a manual low pressure grease gun, add
grease until a light bead of grease appears at the
bearing grease seal. Turn the fan wheel manually
while adding grease.
Fan Motors
Inspect fan motors periodically for excessive
vibration or temperature. Operating conditions will
vary the frequency of inspection and lubrication.
Table 51
lists recommended motor greasing
intervals. Motor lubrication instructions are found on
the motor tag or nameplate. For a list of compatible
greases, see
Table 49
.
To relubricate the motor, consult the maintenance tag
provided by the vendor.
Refer to
Table 48
for minimum torque of motor
mounting and bearings bolts.
WARNING
Disconnect power source for
motor lubrication. Failure to do so
may result in injury or death.
Disconnect electrical power prior
to access into a fan or ductwork.
Even when locked out electrically,
fans may cause injury or damage if
the impeller is subject to “wind-
milling.” The impeller should be
secured to physically restrict rota-
tional movement. Failure to secure
impeller can cause severe per-
sonal injury or death.
Coil Cleaning
The frequency of required cleaning is dependent on
the operating hours of the system, filter maintenance
and efficiency and dirt load.
IMPORTANT: COILS BECOME EXTERNALLY FOULED
AS A RESULT OF NORMAL OPERATION. DIRT ON THE
SURFACE OF THE COIL REDUCES IT’S ABILITY TO
TRANSFER HEAT THAT CAN RESULT IN COMFORT
PROBLEMS, INCREASED RESISTANCE TO AIR FLOW
AND THUS INCREASED OPERATING ENERGY COSTS.
IF THE DIRT ON THE SURFACE OF THE COIL
BECOMES WET, SUCH AS COMMONLY OCCURS
WITH COOLING COILS, MICROBIAL GROWTH (MOLD)
CAN RESULT THAT MAY CAUSE UNPLEASANT
ODORS AND SERIOUS HEALTH-RELATED INDOOR
AIR QUALITY PROBLEMS.
Steam, hot water and chilled water coils
Steam, hot water and chilled water coils should be
kept clean to maintain maximum performance. If fins
become dirty, clean with steam and detergent, hot
water spray and detergent, or one of the
commercially available chemical coil cleaners. Rinse
coils thoroughly after cleaning.
WARNING
Follow all directions provided with
chemical cleaners to avoid per-
sonal injury and/or coil damage.
Commercially available chemical
cleaners may contain caustic or
hazardous agents.
Table 50
Fan Bearing Maximum Grease Capacity
Shaft Size in inches Capacity in fl. oz.
1/2 - 3/4
1/7
7/8 - 1-3/16
3/8
1-1/4 - 1-1/2
5/8
1-11/16 - 1-15/16
7/8
2 - 2-7/16
1-1/4
2-1/2 - 2-15/16
2
Table 51
Recommended Motor Greasing Schedule
Avg. Daily
Operating
Hours Avg.
Environment .3 to 7.5 HP
Motors 10 to 30 HP
Motors
8-16
Clean and
Dry
Every 5 years Every 3 years
12-24
Moderate Dirt
or Moisture
Every 2 years Every year
Any
Severe (very
dirty or high
temperatures)
Every 6
months
Every 3
months

64 CLCH-IM-16A
1Disconnect all electrical power to the unit.
2Don the appropriate personal protective
equipment (PPE).
3Gain access to the coil section of the unit (both
sides).
4Use a soft brush to remove loose debris from both
sides of the coil.
5Use a steam cleaning machine, starting from the
top of the coil and working downward. Clean the
leaving air side of the coil first, then the entering
air side. Use a block-off to prevent steam from
blowing through the coil and into a dry section of
the unit.
6Repeat step 5 as necessary.
7Confirm that the drain line is open following the
cleaning.
8Allow the unit to dry thoroughly before putting the
system back in service.
9Straighten any coil fins that may have been
damaged during the cleaning process with a fin
rake.
10 Replace all panels and parts and restore electrical
power to the unit.
11 Use caution to assure that any contaminated
material does not contact other areas of the unit
or building. Properly dispose of all
contaminated materials and cleaning solution.
Type K cooling coils
Type K cooling coils have removable headers for
cleaning. A small nylon or fiber brush may be used to
clean the tubes. After cleaning, flush with water.
When removing any header, replace the rubber
sealing gasket and be sure that it seats properly
when header is installed. If necessary, pull out
turbulators, clean the tubes and replace turbulators.
When header covers are replaced, apply washers
under the bolt heads. Bolts should be evenly
tightened to 50 pound-feet of torque.
Refrigerant coils
Refrigerant coils should be kept clean to maintain
maximum performance. If fins become dirty, clean
with cold water and detergent, or one of the
commercially available chemical coil cleaners. Rinse
coils thoroughly after cleaning.
CAUTION
Follow directions provided with
the cleaner to avoid coil damage.
WARNING
Never use steam or hot water to
clean a refrigerant coil. Dangerous
pressures may be built up by the
improper application of heat
resulting in equipment damage or
personal injury.
1Follow steps 1-4 from Steam and Water Coil
Cleaning procedure preceding.
2Mix a high quality coil cleaning detergent with
water according to the manufacturers instructions.
If the detergent is strongly alkaline after mixing
(PH 8.5 or higher), it must contain an inhibitor.
Carefully follow the detergent manufacturers
instructions on the use of the product.
3Place the mixed solution in a garden pump-up
sprayer or high pressure sprayer. If a high
pressure sprayer is used, note the following:
qMaintain a minimum nozzle spray angle of 15
degrees.
qSpray perpendicular to the coil face.
qProtect other areas of the air handler and internal
controls from contact with moisture or the
cleaning solution.
qKeep the nozzle at least 6 inches from the coil.
qDo not exceed 600 psi.
4Spray the leaving air side of the coil first, then the
entering air side. Use a block-off to prevent spray
from going through the coil and into a dry section
of the unit and/or system ductwork. Carefully
follow the cleaning solution manufactures usage
instructions.
5Thoroughly rinse both sides of the coil and the
drain pan with cool, clean water.
6Repeat steps 4 and 5 as necessary.
7Straighten any coil fins that may have been
damaged during the cleaning process with a fin
rake.
8Confirm that the drain line remains open following
the cleaning process.

Installation and Maintenance 65
9Replace all panels and parts and restore electrical
power to the unit.
10 Allow the unit to dry thoroughly before putting the
system back into service.
11 Use caution to assure that any contaminated
material does not contact other areas of the unit
or building. Properly dispose of all
contaminated materials and cleaning solution.
Coil Winterization
Provisions must be made to drain coils that are not in
use when subjected to freezing temperatures. Coil
type NS may be adequately drained in its pitched
position within the unit and the installer must provide
appropriate piping for adequate drainage.
Coil types UU, D, DD, (provided with drain and vent)
K, W, WC, and P can be adequately drained as
installed in their level position.
CAUTION
Failure to properly drain and vent
coils when not in use during freez-
ing temperatures may result in coil
freeze-up damage.
CAUTION
Use caution in removing header
plugs from P2, P4 and P8 coils.
Over torquing may result in
twisted tubes.
Type UW Coil - (Leveled/pitched— not fully
drainable)
Remove the vent and drain plugs and blow the coils
out as completely as possible with compressed air.
The coils should then be filled and drained several
times with full strength inhibited ethylene glycol, so
that it will mix thoroughly with the water retained in
the coil. Drain the coil out as completely as possible.
Type K Coils
To winterize Type K coils, remove the header covers.
If tubes are fouled, clean with nylon or fiber brush. To
ensure that no water will remain in the coil, do not
replace the header covers until the coils are put back
into service. When the coils are put back into service,
new gaskets must be used. When header covers are
replaced, apply washers under the bolt heads and
tighten bolts evenly to 50 pound-feet. Bolts should be
tightened beginning in the center and working toward
the outside.

66 CLCH-IM-16A
7URXEOHVKRRWLQJ
Use the table in this section to assist in identifying the
cause or causes of a malfunction in T-Series Climate
Changer operation. The column header
“
RECOMMENDED ACTION
” suggests repair
procedures.
NOTE: THIS TABLE IS INTENDED AS A DIAGNOSTIC
AID ONLY. FOR DETAILED REPAIR PROCEDURES,
CONTACT YOUR LOCAL TRANE SERVICE COMPANY.
WARNING
Disconnect electrical power
source and allow all rotating
equipment to stop completely
before inspecting or servicing the
unit. Failure to do so may result in
personal injury or death from elec-
trical shock or moving parts.
Disconnect electrical power prior
to access into a fan or ductwork.
Even when locked out electrically,
fans may cause injury or damage if
the impeller is subject to “wind-
milling.” The impeller should be
secured to physically restrict rota-
tional movement. Failure to secure
impeller can cause severe per-
sonal injury or death.
Table 52
T-Series Climate Changer Trouble Analysis
SYMPTOM PROBABLE CAUSE RECOMMENDED ACTION
Bearing is excessively hot
First start after relubrication (Grease
distribution)
Allow machine to cool down and
restart.
Over-lubrication Clean surface of grease and purge.
Over tensioned belts Adjust belt tension.
No lubricant Apply lubricant. Check bearings for
damage.
Misaligned bearing Correct alignment. Check shaft level.
Motor fails to start
Blown fuse or open circuit breaker Replace fuse or reset circuit breaker.
Overload trip Check and reset overload.
Improper wiring or connections Check wiring with diagram supplied on
unit.
Improper current supply Compare actual supply power with
motor nameplate recommendations.
Contact power company for
adjustments.
Mechanical failure Check that motor and drive rotate
freely. Check bearing lubricant.
Motor stalls
Open phase Check line for an open phase.
Overloaded motor Reduce load or replace with larger
motor.
Low line voltage Check voltage across AC line. Correct
voltage if possible.
Excessive vibration
Poor alignment Align bearing set screws (Figure 50 ).
Loosen and retighten bearing set
screws.
Shipping spacers not removed Remove shipping spacers and/or
bolts. See Figure 18 and Figure 19 .
Over tensioned belts Adjust belt tension.
Misaligned drive Align drive.

Installation and Maintenance 67
Motor runs and then dies down
Partial loss of line voltage Check for loose connections.
Determine adequacy of main power
supply.
Stator shorts when motor warms up Replace stator.
Motor does not come up to
speed
Low voltage at motor terminals Check voltage across AC line and
correct voltage loss if possible.
Line wiring to motor too small Replace with larger sized wiring.
Motor overheats
Overloaded motor Reduce load or replace with a larger
motor.
Motor fan is clogged with dirt
preventing proper ventilation
Remove fan cover, clean fan and
replace cover.
Excessive motor noise
Motor mounting bolts loose Tighten motor mounting bolts.
Rigid coupling connections Replace with flexible connections.
Worn motor bearings Replace bearings and seals.
Fan rubbing on fan cover Remove interference in motor fan
housing.
Rapid motor bearing wear
Excessive overhung load due to
overtensioned drive
Check belt tension and overhung load.
Excessive overhung load due to a
small diameter motor sheave
Replace sheave with larger one.
Loose fan belt
Motor is poorly positioned Adjust belt tension.
Worn or damaged belt Replace belt or belt set. Check sheave
alignment.
Worn sheaves Replace sheaves.
Shorter belt life
Worn sheaves Replace sheaves.
Misaligned belt Realign drive with MVP sheave set at
mean pitch diameter.
Grease or oil on belts Check for leaky bearings. Clean belts
and sheaves.
Belt slipping Adjust tension.
Belts rubbing Remove obstruction or realign drive
for clearance.
Bearing noise
Poor alignment Loosen bearing set screws and realign
(See Figure 50 .)
Inadequate lubrication Grease bearing(s).
Low coil capacity
(Chilled water)
Air is bypassing coil Prevent bypass with block-offs.
Coil tubes are blocked Clean and unblock tubes.
Incorrect airflow Check fan operating conditions.
Incorrect gpm Check water pumps, valves and lines
for obstructions.
Incorrect water temperature Provide proper water temperature.
Low coil capacity (Refrigerant)
Air is bypassing coil Prevent bypass with block-offs.
Coil tubes are blocked Clean and unblock tubes.
Incorrect airflow Check fan operating conditions.
Expansion valve not operating Check sensing bulb location and TXV
operation.
Table 52
T-Series Climate Changer Trouble Analysis
SYMPTOM PROBABLE CAUSE RECOMMENDED ACTION

68 CLCH-IM-16A
Poor refrigerant distribution Check for blockage in distributor and
tubes.
Drain pan is overflowing
Plugged drain line Clean drain line.
Unit not level Level unit.
Standing water in drain pan
Improper trap design Design trap for unit.
Excess dirt in unit
Missing filters Replace filters.
Filter bypass Reduce filter bypass.
Mold inside air handler
Standing water in drain pan See “Standing water” symptom.
Table 52
T-Series Climate Changer Trouble Analysis
SYMPTOM PROBABLE CAUSE RECOMMENDED ACTION