Unigen UGWANBL2 Bluetooth Low Energy Module User Manual

Unigen Corporation Bluetooth Low Energy Module

user manual

 Solutions for a Real Time World ANTHIAS BLE Module    User Manual Re-Tek - xxxx    - 1 -  45388 Warm Springs Blvd. Fremont, CA 94539 support@unigen.com    TEL: (510) 668.2088 FAX: (510) 661.2788 http://www.unigen.com  Customer Comment Line: (800) 826.0808 Copyright Unigen Corporation, 2012         Unigen Corp. Wireless Module Products  ANTHIAS Single Mode Bluetooth Low Energy Radio Module UGWANBL2SME133A UGWANBL2SME133U          Issue Date: 22-Feb-12 Revision:  1.1
 Solutions for a Real Time World ANTHIAS BLE Module    User Manual Re-Tek - xxxx                                                                           - 2 -                                          45388 Warm Springs Blvd. Fremont, CA 94539 support@unigen.com                     TEL: (510) 668.2088 FAX: (510) 661.2788 http://www.unigen.com  Customer Comment Line: (800) 826.0808 Copyright Unigen Corporation, 2012  Revision History  Rev. No.  History  Issue Date  Remarks 1.1  Preliminary Release  Feb. 22, 2012  Advanced information; Author: Allen B. Cabreros                           This document is provided “as is” with no warranties whatsoever, including any warranty of merchantability, non-infringement, fitness for any particular purpose, or any warranty otherwise arising out of any proposal, specification or sample.  Unigen Corporation disclaims all liability, including liability for infringement of any proprietary rights, relating to use of information in this document.  No license, expressed or implied, by estoppel or otherwise, to any intellectual property rights is granted herein.  *Third-party brands, names, and trademarks are the property of their respective owners.
 Solutions for a Real Time World ANTHIAS BLE Module    User Manual Re-Tek - xxxx                                                                           - 3 -                                          45388 Warm Springs Blvd. Fremont, CA 94539 support@unigen.com                     TEL: (510) 668.2088 FAX: (510) 661.2788 http://www.unigen.com  Customer Comment Line: (800) 826.0808 Copyright Unigen Corporation, 2012 TABLE OF CONTENTS LIST OF FIGURES __________________________________________ 4LIST OF TABLES  ___________________________________________ 4PRODUCT INTRODUCTION ___________________________________ 5FEATURES AND BENEFITS ____________________________________ 5APPLICATIONS ____________________________________________ 6PRODUCT DESCRIPTION _____________________________________ 7MODULE DETAILS __________________________________________ 7FUNCTIONAL OVERVIEW  ____________________________________ 8MODULE PAD ASSIGNMENT __________________________________ 10DEVICE TERMINAL FUNCTIONS _______________________________ 11ELECTRICAL CHARACTERISTICS _______________________________ 12Absolute Maximum Ratings ________________________________ 12Recommended Operating Conditions ________________________ 12Input/Output Terminal Characteristics _______________________ 13ESD PROTECTION __________________________________________ 14RF CHARACTERISTICS  ______________________________________ 14AGENCY CERTIFICATIONS ___________________________________ 15BLUETOOTH COMPLIANCE ___________________________________ 15TBDBLUETOOTH SOFTWARE STACK ____________________________ 15BLUETOOTH SOFTWARE STACK  _______________________________ 16SOFTWARE DEVELOPMENT ___________________________________ 17MICROCONTROLLER, MEMORY, IO AND BASEBAND LOGIC __________ 18System Ram  ___________________________________________ 18Internal ROM ___________________________________________ 18Microcontroller _________________________________________ 19Programmable I/O Ports, PIO and AIO _______________________ 19LED Flasher / PWM modules _______________________________ 20POWER CONTROL, REGULATION AND RESET _____________________ 20Internal Switch-mode Regulator ____________________________ 20Internal Low-voltage Linear Regulator _______________________ 20Reset _________________________________________________ 21Digital Pad States on Reset ________________________________ 21SERIAL INTERFACES ________________________________________ 21Application UART Interface ________________________________ 21SPI Master Serial Flash Interface ___________________________ 22Programming and Debug Interface __________________________ 23POWER CONSUMPTION  _____________________________________ 25EXAMPLE SCHEMATICS ______________________________________ 27No Serial Flash _________________________________________ 27External Serial Flash Configuration __________________________ 28MECHANICAL DRAWINGS ____________________________________ 29
 Solutions for a Real Time World ANTHIAS BLE Module    User Manual Re-Tek - xxxx                                                                           - 4 -                                          45388 Warm Springs Blvd. Fremont, CA 94539 support@unigen.com                     TEL: (510) 668.2088 FAX: (510) 661.2788 http://www.unigen.com  Customer Comment Line: (800) 826.0808 Copyright Unigen Corporation, 2012 Dimensions ____________________________________________ 29LGA Pads and Landing Pattern _____________________________ 30ORDERING INFORMATION ___________________________________ 31CONTACT INFORMATION ____________________________________ 31 LIST OF FIGURES  Figure 1: Anthias Module Block Diagram  ________________________ Error! Bookmark not defined.Figure 2: Anthias Pad Location (Top View) _______________________ 10Figure 3: Anthias Bluetooth 4.0 Firmware Stack ___________________ 16Figure 4: Microcontroller, Memory, IO, Baseband Logic Diagram ______ 18Figure 5: Anthias Internal Regulation Block ______________________ 20Figure 6: External Serial EEPROM Circuitry _______________________ 22Figure 7: Idle Connection State  _______________________________ 26Figure 8: Embedded EEPROM Example Schematic _________________ 27Figure 10: External Serial Flash Example Schematic  _______________ 28Figure 11: ANTHIAS Mechanical Drawing ________________________ 29Figure 12: Landing Pattern ___________________________________ 30  LIST OF TABLES  TABLE 1: DEVICE TERMINAL FUNCTIONS ________________________ 11TABLE 2: ABSOLUTE MAXIMUM RATINGS ________________________ 12TABLE 3: RECOMMENDED OPERATING CONDITIONS _______________ 12TABLE 4: DIGITAL TERMINAL CHARACTERISTICS _________________ 13TABLE 5: ANALOG TERMINAL CHARACTERISTICS  _________________ 13TABLE 6: ESD RATINGS ______________________________________ 14TABLE 7: RF CHARACTERISTICS _______________________________ 14TABLE 8: WAKE OPTIONS ____________________________________ 19TABLE 9: DIGITAL PAD STATE ON RESET ________________________ 21TABLE 10: ANTHIAS UART PARAMETERS ________________________ 22TABLE 11: ANTHIAS EXTERNAL SERIAL FLASH SIGNALS ____________ 23TABLE 12: SPI TRANSACTIONS ________________________________ 24TABLE 13: OPERATING POWER CONSUMPTION FIGURES  ___________ 25TABLE 14: PART NUMBERS ___________________________________ 31
 Solutions for a Real Time World ANTHIAS BLE Module    User Manual Re-Tek - xxxx                                                                           - 5 -                                          45388 Warm Springs Blvd. Fremont, CA 94539 support@unigen.com                     TEL: (510) 668.2088 FAX: (510) 661.2788 http://www.unigen.com  Customer Comment Line: (800) 826.0808 Copyright Unigen Corporation, 2012 PRODUCT INTRODUCTION  Anthias is a product from the Unigen BTLE family. Anthias is a single-mode Bluetooth Low Energy (BLE) module solution. Anthias enables ultra low-power connectivity data transfer for applications previously limited by the power consumption, size constraints and complexity of other wireless standards. The Anthias module provides everything required to create a Bluetooth low energy product with RF, baseband, microcontroller, qualified Bluetooth v4.0 stack and customer application running on a single module.  FEATURES AND BENEFITS    Bluetooth Low Energy v4.0   Chip antenna or U.FL RF connector configuration   512K programmable EEPROM for BLE profiles and applications   Optional external Serial Flash support   64K of RAM   32KHz clock included with watchdog timer for ultra low power dormant modes   Accessible UART interface to embedded applications   12 Digital I/O pads   3 AIO pads; 10-bit ADC   2 LED pads supporting Pulse Width Modulation (PWM)   ~ +7dBm transmit output power   ~ -89dBm receiver sensitivity   RSSI monitoring for proximity applications   Size: 22 x 18 x 3 (mm)   25 pad LGA Surface Mount form factor   -20C to +70C temperature range   Power Consumption: 16mA Peak; < 600nA dormant mode   Certifications: TDB
 Solutions for a Real Time World ANTHIAS BLE Module    User Manual Re-Tek - xxxx                                                                           - 6 -                                          45388 Warm Springs Blvd. Fremont, CA 94539 support@unigen.com                     TEL: (510) 668.2088 FAX: (510) 661.2788 http://www.unigen.com  Customer Comment Line: (800) 826.0808 Copyright Unigen Corporation, 2012 APPLICATIONS  The Anthias module is an important block in building an ecosystem using Bluetooth Low Energy.  Bluetooth Low Energy enables the transfer of simple data sets between compact devices opening up a completely new class of Bluetooth applications such as watches, TV remote controls, medical sensors and fitness trainers. Bluetooth Low Energy takes less time to make a connection than conventional Bluetooth wireless technology and can consume approximately 1/20th of the power of Bluetooth Basic Rate. Anthias supports profiles for sensors, watches, HIDs and time synchronization.  Security & Proximity    Key Tags/FOBS   Proximity Sensors/Monitoring Medical, Health, Sport & Fitness   Blood Pressure Monitors   Wearable Heart Rate Monitors   Weight Scales   Pedometers   Medical Sensors   Medical Telemetry   Glucose Meters   Emergency Callers   Medical Identification/Asset Tracking   Medical Equipment Control   Fitness Machines   Speed Sensors Human Interface Devices & Industrial Control   Remote Control   Mouse   Game Controller Industrial Control & Smart Energy   Remote On/Off Switch   Thermostats   Smart Appliances   Kiosks   Smart Bar Code Scanner/Readers
 Solutions for a Real Time World ANTHIAS BLE Module    User Manual Re-Tek - xxxx                                                                           - 7 -                                          45388 Warm Springs Blvd. Fremont, CA 94539 support@unigen.com                     TEL: (510) 668.2088 FAX: (510) 661.2788 http://www.unigen.com  Customer Comment Line: (800) 826.0808 Copyright Unigen Corporation, 2012 PRODUCT DESCRIPTION  The Anthias module is a complete Bluetooth Low Energy module solution. Anthias includes the Bluetooth Low Energy radio transceiver, 32 kHz slow clock for ultra low power modes, internal microcontroller for BLE applications software and profiles. Anthias is based on Cambridge Silicon Radios CSR1000™ chipset. The module is capable of supporting embedded applications along with ATT, GATT, SMP, L2CAP and GAP BLE stack component. The module is a separate PCB with contained RF design in a 22mm x 18mm x 3mm compact design. The RF output can be either through an on-board chip antenna or taken to an external antenna via a U.FL mini-coaxial connector.   MODULE DETAILS                              Bluetooth Low Energy Radio    +7dBm with power level control from integrated 6-bit DAC over a dynamic range >30dB.   -89dBm receiver sensitivity with integrated channel filters, digital demodulator for improved sensitivity and co-channel rejection and fast AGC for enhanced dynamic range.  Baseband and Software    Hardware MAC for all packet types enables packet handling without involving the MCU.  Auxiliary Features    Power management features with software shutdown and hardware wake-up   Internal 32KHz clock for dormant modes   Power-on-reset cell detects low supply voltage  Physical Interfaces    SPI master interface   SPI Programming and debug interface   I²C   Digital PIOs   Analog IOs  Bluetooth Stack    Bluetooth v4.0 specification protocol stack runs on integrated MCU.   Slave operation (master operation possible later with firmware update)   Includes Encryption   GAP profile   L2CAP   Security Manager   Attribute Protocol and Profile   Bluetooth Low Energy profile support  Package    Size: 22 x 18 x 3 (mm)   25 pad LGA Surface Mount
 Solutions for a Real Time World ANTHIAS BLE Module    User Manual Re-Tek - xxxx                                                                           - 8 -                                          45388 Warm Springs Blvd. Fremont, CA 94539 support@unigen.com                     TEL: (510) 668.2088 FAX: (510) 661.2788 http://www.unigen.com  Customer Comment Line: (800) 826.0808 Copyright Unigen Corporation, 2012  FUNCTIONAL OVERVIEW  The Anthias is a complete Radio Transceiver Module with operating in the license free ISM (Industrial Scientific and Medical) 2.4GHz band. Anthias is equipped with a crystal oscillator, band pass filter, EEPROM for application code and chip antenna. Anthias incorporates Cambridge Silicon Radio’s CSR1000™ chipset that is fully compliant to the Bluetooth v4.0 specifications.   The module has a RISC microcontroller that embeds the Bluetooth v4.0 stack and is able to run application code to become a complete embedded stand alone solution. 64KB of integrated RAM supports the RISC microcontroller and is shared between the ring buffers which are used to hold data for each active connection and the general-purpose memory required by the Bluetooth stack. The microcontroller interrupt controller and event timer executes the Bluetooth software stack, control the BLE radio and external interfaces. A 16-bit RISC microcontroller is used for low power consumption and efficient use of memory.
 Solutions for a Real Time World ANTHIAS BLE Module    User Manual Re-Tek - xxxx                                                                           - 9 -                                          45388 Warm Springs Blvd. Fremont, CA 94539 support@unigen.com                     TEL: (510) 668.2088 FAX: (510) 661.2788 http://www.unigen.com  Customer Comment Line: (800) 826.0808 Copyright Unigen Corporation, 2012 Anthias also supports programmable I/O ports, PIO and AIO. These ports can be accessed by the RISC microcontroller and application code. A SPI interface is used for programming and debugging of develop application code executed on the module. A UART interface is also available that is shared with the PIO pads. An external I²C/Serial Flash interface is an available configuration option for products to utilize an external serial flash and have a lower cost module.   The Anthias RF output can either be through an on-board chip antenna or it can be routed to an external antenna through a mini-coaxial U.FL RF connector. The RF out is matched to 50 Ohms. An RF shield is provided to prevent RF coupling back into the circuitry and to comply with modular regulatory guidelines by such organizations such as the FCC.
 Solutions for a Real Time World ANTHIAS BLE Module    User Manual Re-Tek - xxxx                                                                           - 10 -                                          45388 Warm Springs Blvd. Fremont, CA 94539 support@unigen.com                     TEL: (510) 668.2088 FAX: (510) 661.2788 http://www.unigen.com  Customer Comment Line: (800) 826.0808 Copyright Unigen Corporation, 2012 MODULE PAD ASSIGNMENT   Figure 2: Anthias Pad Location (Top View)
 Solutions for a Real Time World ANTHIAS BLE Module    User Manual Re-Tek - xxxx                                                                           - 11 -                                          45388 Warm Springs Blvd. Fremont, CA 94539 support@unigen.com                     TEL: (510) 668.2088 FAX: (510) 661.2788 http://www.unigen.com  Customer Comment Line: (800) 826.0808 Copyright Unigen Corporation, 2012 DEVICE TERMINAL FUNCTIONS  Table 1: Device Terminal Functions PAD  Pad Type  Label  Description 1,2,25 -  GND  Module Ground 3,17 -  NC  Not Connected 4 Bidirectional analog AIO_2 Analogue programmable I/O line 5 AIO_1 6 AIO_0 7 Bidirectional with Programmable strength internal pullup/down PIO_0 / UART_TX  Programmable I/O line or UART TX. 8  PIO_1 / UART_RX  Programmable I/O line or UART RX. 9  PIO_3 / SF_DIN  Programmable I/O line or SPI serial flash data (SF_DIN) input 10  PIO_4 / SF_CS#  Programmable I/O line or SPI serial flash chip select (SF_CS#) 11  PIO_5 / SPI_CLK  Programmable I/O line or DEBUG_CLK selected by SPI_PIO# 12  PIO_6 / SPI_CS#  Programmable I/O line or DEBUG_CS# selected by SPI_PIO# 13  PIO_7 / SPI_MOSI  Programmable I/O line or DEBUG_MOSI selected by PI_PIO# 14  PIO_8 / SPI_MISO  Programmable I/O line or DEBUG_MISO selected by SPI_PIO# 15  PIO_9  Programmable I/O line 16  PIO_10  Programmable I/O line 18  Bidirectional Programmable strength internal pullup/down  PIO_11  Programmable I/O line. 19  Input strong internal pull-down  SPI_PIO#_SEL  Selects SPI debug on PIO[8:5] 20  Bidirectional, tristate, weak internal pull-up  I2C_SDA / SF_DOUT  SPI serial flash data output; SF_DOUT 21  Input with weak internal pull-up  I2C_SCL / SF_CLK  SPI serial flash clock output; SF_CLK 22 Bidirectional with programmable strength internal pullup/down PIO_2 / I2C_SF_VDD Programmable I/O line or I²C Serial Flash power supply 23  -  VDD_BAT  3V Power from supply or battery input 24 Input has no internal pull-up or pull-down, use external pulldown. WAKE  Input to wake the module from hibernate
 Solutions for a Real Time World ANTHIAS BLE Module    User Manual Re-Tek - xxxx                                                                           - 12 -                                          45388 Warm Springs Blvd. Fremont, CA 94539 support@unigen.com                     TEL: (510) 668.2088 FAX: (510) 661.2788 http://www.unigen.com  Customer Comment Line: (800) 826.0808 Copyright Unigen Corporation, 2012 ELECTRICAL CHARACTERISTICS Absolute Maximum Ratings  Table 2: Absolute Maximum Ratings Definition  Min  Max  Unit VDD_BAT 1.8 3.6 V Storage Temperature  -40  +85  °C  These are stress ratings only. Exposure to stresses beyond these maximum ratings may cause permanent damage to, or affect the reliability of this module. Avoid using the module outside the recommended operating conditions defined below. This module is ESD sensitive and should be handled and/or used in accordance with proper ESD mitigation.  Recommended Operating Conditions  Table 3: Recommended Operating Conditions Description  Value Min  Typ  Max  Unit VDD_BAT 1.8 3.0 3.6 Vdc Operating Temp. Range  0 25 70  °C   Regulator Used.  In order to leverage the FCC/IC modular approval, the host system/system integrator must use the XC6204B302MR (Mfg: Torex: 3.0V fixed regulator SOT23-5 package) regulator.
 Solutions for a Real Time World ANTHIAS BLE Module    User Manual Re-Tek - xxxx                                                                           - 13 -                                          45388 Warm Springs Blvd. Fremont, CA 94539 support@unigen.com                     TEL: (510) 668.2088 FAX: (510) 661.2788 http://www.unigen.com  Customer Comment Line: (800) 826.0808 Copyright Unigen Corporation, 2012 Input/Output Terminal Characteristics  Digital Terminals  Table 4: Digital Terminal Characteristics Input Voltage Levels   Min  Typ  Max  Unit VIL input logic level low  -0.4  -  0.4  V VIH input logic level high  0.7 x VDD_BATT  -  VDD + 0.4  V Tr /Tf  - - 25 ns  Output Voltage Levels   Min  Typ  Max  Unit VOL input logic level low    -  0.4  V VOH input logic level high  0.75 x VDD_BATT  -    V Tr /Tf  - - 5 ns  Input and Tristate Currents   Min  Typ  Max  Unit With strong pull-up  -150  -40  -10  µA I²C with strong-pull   -250  -  -  µA With strong pull-down  10  40  150  µA With weak pull-up  -5.0  -1.0  -0.33  µA With weak pull-down  0.33  1.0  5.0  µA Ci input capacitance  1.0  -  5.0  pF   AIO  Table 5: Analog Terminal Characteristics Input Voltage Levels   Min  Typ  Max  Unit Input voltage  0  -  1.3  V
 Solutions for a Real Time World ANTHIAS BLE Module    User Manual Re-Tek - xxxx                                                                           - 14 -                                          45388 Warm Springs Blvd. Fremont, CA 94539 support@unigen.com                     TEL: (510) 668.2088 FAX: (510) 661.2788 http://www.unigen.com  Customer Comment Line: (800) 826.0808 Copyright Unigen Corporation, 2012 ESD PROTECTION  Apply ESD static handling precautions during manufacturing. The table below shows the ESD handling maximum ratings.  Table 6: ESD Ratings Conditions   Class  Max Rating Human Body Model Contact Discharge per JEDEC EIA/JESD22-A114  2  2000V (all pads) Machine Model Contact Discharge per JEDEC EIA/JESD22-A115  200V  200V (all pads) Charged Device Model Contact Discharge per JEDEC EIA/JESD22-C101 III  500V (all pads)   RF CHARACTERISTICS   Table 7: RF Characteristics Parameter  Specifications  Units RF output power  + 7  dBm Receiver sensitivity  - 89  dBm
 Solutions for a Real Time World ANTHIAS BLE Module    User Manual Re-Tek - xxxx                                                                           - 15 -                                          45388 Warm Springs Blvd. Fremont, CA 94539 support@unigen.com                     TEL: (510) 668.2088 FAX: (510) 661.2788 http://www.unigen.com  Customer Comment Line: (800) 826.0808 Copyright Unigen Corporation, 2012 AGENCY CERTIFICATIONS   TBD  BLUETOOTH COMPLIANCE   TBD
 Solutions for a Real Time World ANTHIAS BLE Module    User Manual Re-Tek - xxxx                                                                           - 16 -                                          45388 Warm Springs Blvd. Fremont, CA 94539 support@unigen.com                     TEL: (510) 668.2088 FAX: (510) 661.2788 http://www.unigen.com  Customer Comment Line: (800) 826.0808 Copyright Unigen Corporation, 2012 BLUETOOTH SOFTWARE STACK  The Anthias module is supplied with Bluetooth v4.0 specification compliant stack firmware which runs on the internal RISC microcontroller. The figure below shows that the Anthias software architecture allows Bluetooth processing and the application program to run on the internal RISC microcontroller.     Figure 3: Anthias Bluetooth 4.0 Firmware Stack
 Solutions for a Real Time World ANTHIAS BLE Module    User Manual Re-Tek - xxxx                                                                           - 17 -                                          45388 Warm Springs Blvd. Fremont, CA 94539 support@unigen.com                     TEL: (510) 668.2088 FAX: (510) 661.2788 http://www.unigen.com  Customer Comment Line: (800) 826.0808 Copyright Unigen Corporation, 2012 SOFTWARE DEVELOPMENT   The Anthias uses Cambridge Silicon Radio’s CSR1000™ chipset. The RISC microcontroller is capable of running applications to access the BTLE v4.0 software stack, serial interfaces and IOs. Software development is through CSR’s µEnergy Integrated Development Environment (xIDE) supplied with CSR’s μEnergy™ Software Development Kits (SDKs). The SDK is available from either CSR or Unigen for purchase. The SDK allows the module to be utilized specifically for the end application and product.  The xIDE allows software engineers to build and configure the application projects provided with application specific SDKs or to independently develop applications to run on CSR’s μEnergy™ ICs or Anthias. It supports the development and debugging of applications written in ANSI C language.  Code is written in the text editor and when complete, built and compiled along with the μEnergy™ firmware supplied as part of the SDK. When compiled the resultant machine code can be downloaded to and run on Anthias.  The code can then be debugged on-module using the facilities in xIDE. Applications can be developed from the reference application code provided, using the example code and library functions supplied, to adapt and add functionality. The application source code provided implements various Bluetooth Low Energy Profiles. These Profiles can be used as part of the user’s own applications. Using profile code and example applications as a starting point for development, greatly reduces the effort required to produce working Bluetooth Low Energy applications that correctly implement the required Bluetooth Low Energy Profiles  To obtain the SDK please contact Unigen for more details.    Note:  The supplied profile code usually supports all the mandatory features and most but not all optional features of a particular profile. See the individual SDK Release Note for details.
 Solutions for a Real Time World ANTHIAS BLE Module    User Manual Re-Tek - xxxx                                                                           - 18 -                                          45388 Warm Springs Blvd. Fremont, CA 94539 support@unigen.com                     TEL: (510) 668.2088 FAX: (510) 661.2788 http://www.unigen.com  Customer Comment Line: (800) 826.0808 Copyright Unigen Corporation, 2012 MICROCONTROLLER, MEMORY, IO AND BASEBAND LOGIC    Figure 4: Microcontroller, Memory, IO, Baseband Logic Diagram  System Ram   64KB of integrated RAM supports the RISC microcontroller and is shared between the ring buffers used to hold data for each active connection and the general-purpose memory required by the Bluetooth stack.  Internal ROM  CSR1000™ QFN has 64KB of internal ROM. This memory is provided for system firmware implementation. If the internal ROM holds valid program code, on boot-up, this is copied into the program RAM.
 Solutions for a Real Time World ANTHIAS BLE Module    User Manual Re-Tek - xxxx                                                                           - 19 -                                          45388 Warm Springs Blvd. Fremont, CA 94539 support@unigen.com                     TEL: (510) 668.2088 FAX: (510) 661.2788 http://www.unigen.com  Customer Comment Line: (800) 826.0808 Copyright Unigen Corporation, 2012 Microcontroller  The microcontroller, interrupt controller and event timer execute the Bluetooth Low Energy software stack and control the BLE radio and external interfaces. A 16-bit RISC microcontroller is used for low power consumption and efficient use of memory.  Programmable I/O Ports, PIO and AIO  12 lines of programmable bidirectional I/O are provided. They are all powered from the Anthias internal regulating circuitry. PIO lines are software-configurable as weak pull-up, weak pull-down, strong pull-up or strong pull-down.  Note:   At reset all PIO lines are inputs with internal weak pull-downs.  Any of the PIO lines can be configured as interrupt request lines or to wake the module from deep sleep mode. Table below lists the options for waking the module from the sleep modes.   Table 8: Wake Options Sleep Mode  Wake-up Options Dormant  Can only be woken by the WAKE pad. Hibernate  Can only be woken by the WAKE pad or by the watchdog timer. Deep Sleep  Can be woken by any PIO configured to wake the module.   The Anthias module supports alternative functions on the PIO lines:   SPI Interface  UART  LED Flasher / PWM modules  Note: Unigen cannot guarantee that all the PIO assignments remain as described. Implementation of the PIO lines is firmware build specific. For more information, see relevant software release note.   Anthias has 3 general purpose analog interface pads, AIO[2:0] .
 Solutions for a Real Time World ANTHIAS BLE Module    User Manual Re-Tek - xxxx                                                                           - 20 -                                          45388 Warm Springs Blvd. Fremont, CA 94539 support@unigen.com                     TEL: (510) 668.2088 FAX: (510) 661.2788 http://www.unigen.com  Customer Comment Line: (800) 826.0808 Copyright Unigen Corporation, 2012 LED Flasher / PWM modules  Anthias contains a LED flasher / PWM modules that work in sleep modes. These functions are controlled by the on-chip firmware.  POWER CONTROL, REGULATION AND RESET  Figure 5: Anthias Internal Regulation Block Internal Switch-mode Regulator  Anthias has an internal switch mode regulator that generates the main rail from the battery (VDD_BAT). The main rail supplies the lower regulated voltage to a further internal digital linear regulator and also to the analog sections of the Anthias module. The switch mode regulator generates typically an internal 1.35V.   Internal Low-voltage Linear Regulator  The integrated low-voltage VDD_DIG linear regulator powers the Anthias digital circuits. The input voltage range is 0.65V to 1.35V. It can supply programmable voltages of 0.65V to 1.20V to the digital area of the Anthias module. The maximum output current for this regulator is 30mA.  Important Note: These regulators are for internal Unigen use only. See example circuit diagram for Unigen recommended circuit connection.
 Solutions for a Real Time World ANTHIAS BLE Module    User Manual Re-Tek - xxxx                                                                           - 21 -                                          45388 Warm Springs Blvd. Fremont, CA 94539 support@unigen.com                     TEL: (510) 668.2088 FAX: (510) 661.2788 http://www.unigen.com  Customer Comment Line: (800) 826.0808 Copyright Unigen Corporation, 2012 Reset Anthias is reset by software-configured watchdog timer.  Digital Pad States on Reset  Table 9: Digital Pad State on Reset Pad Name / Group  On Reset I2C_SDA Strong PU I2C_SCL Strong PU PIO[11:0] Weak PD  SERIAL INTERFACES  Application UART Interface  The Anthias UART interface provides a simple mechanism for communicating with other serial devices using the RS232 protocol.  2 signals implement the UART function, UART_TX and UART_RX. When Anthias is connected to another digital device, UART_RX and UART_TX transfer data between the 2 devices. UART configuration parameters, e.g. baud rate and data format, are set using ANTHIAS application code firmware.  When selected in firmware PIO[0] is assigned to a UART_TX output and PIO[1] is assigned to a UART_RX input, see the module pad assignment and description for more details.  The UART CTS and UART RTS signals can be assigned to any PIO pad by the on-chip firmware.  Note: To communicate with the UART at its maximum data rate using a standard PC, the PC requires an accelerated serial port adapter card.
 Solutions for a Real Time World ANTHIAS BLE Module    User Manual Re-Tek - xxxx                                                                           - 22 -                                          45388 Warm Springs Blvd. Fremont, CA 94539 support@unigen.com                     TEL: (510) 668.2088 FAX: (510) 661.2788 http://www.unigen.com  Customer Comment Line: (800) 826.0808 Copyright Unigen Corporation, 2012 The table below shows the possible UART settings for the ANTHIAS module.    Table 10: Anthias UART Parameters Parameter  Possible Values Baud Rate  Minimum  1200 baud (≤2% Error) 9600 baud (≤1% Error) Maximum 2Mbaud (≤1% Error) Flow Control   CTS/RTS Parity  None, Odd or Even Number of stop bits  1 or 2 Bits per byte  8  Note: The maximum baud rate during Deep Sleep is 9600 baud.  SPI Master Serial Flash Interface  The SPI Serial Flash Interface is only available if Anthias is ordered and configured without the internal EEPROM option on the module. The SPI master memory interface in the Anthias module is overlaid on the internal I²C EEPROM interface and uses 3 other specific PIOs for the additional signaling. See the table on the next page for more details.   PIO[2] is used to power the Serial Flash upon boot up to read the contents and load into RAM. After loading the contents, PIO[2] is de-asserted to shut down the Serial Flash for power savings.   Figure 6: External Serial EEPROM Circuitry
 Solutions for a Real Time World ANTHIAS BLE Module    User Manual Re-Tek - xxxx                                                                           - 23 -                                          45388 Warm Springs Blvd. Fremont, CA 94539 support@unigen.com                     TEL: (510) 668.2088 FAX: (510) 661.2788 http://www.unigen.com  Customer Comment Line: (800) 826.0808 Copyright Unigen Corporation, 2012 The table below shows the corresponding external Serial Flash signals when the external serial Flash option of the Anthias module is used to store the application code.   Table 11: Anthias External Serial Flash Signals SPI Serial Flash Interface  Pad  Label  Description FLASH_VDD 22 PIO_2 / I2C_SF_VDD  Programmable I/O line or I²C Serial Flash power supply SF_DIN  9  PIO_3 / SF_DIN  Programmable I/O line or SPI serial flash data (SF_DIN) input SF_CS#  10  PIO_4 / SF_CS#  Programmable I/O line or SPI serial flash chip select (SF_CS#) SF_CLK  21  I2C_SCL / SF_CLK  SPI serial flash clock output (SF_CLK).  SF_DOUT  20  I2C_SDA / SF_DOUT  SPI serial flash data output (SF_DOUT).    Programming and Debug Interface  Important Note:  The Anthias module debug SPI interface is available in SPI slave mode to enable an external microcontroller to program and control the module, generally via libraries or tools supplied by CSR/Unigen. The protocol of this interface is proprietary. The 4 SPI debug lines directly support this function.  The SPI programs, configures and debugs the Anthias module. It is required for firmware upgrade or debug. Ensure the 4 SPI signals are brought out to either test points or a header. If firmware upgrading is required in the field then this interface needs to be accessible externally.  Take SPI_PIO#_SEL high to enable the SPI debug feature on PIO[8:5].  Anthias uses a 16-bit data and 16-bit address programming and debug interface. Transactions occur when the internal processor is running or is stopped.  Data is written or read one word at a time, or the auto-increment feature is available for block access.
 Solutions for a Real Time World ANTHIAS BLE Module    User Manual Re-Tek - xxxx                                                                           - 24 -                                          45388 Warm Springs Blvd. Fremont, CA 94539 support@unigen.com                     TEL: (510) 668.2088 FAX: (510) 661.2788 http://www.unigen.com  Customer Comment Line: (800) 826.0808 Copyright Unigen Corporation, 2012 Instruction Cycle  The ANTHIS module is the slave and receives commands on DEBUG_MOSI and outputs data on DEBUG_MISO.  The table below shows the instruction cycle for a SPI transaction.   Table 12: SPI Transactions 1  Reset the SPI interface  Hold DEBUG_CS# high for 2 DEBUG_CLK cycles 2  Write the command word  Take DEBUG_CS# low and clock in the 8-bit command 3  Write the address  Clock in the 16-bit address word 4  Write or read data words  Clock in or out 16-bit data word(s) 5  Termination  Take DEBUG_CS# high   With the exception of reset, DEBUG_CS# must be held low during the transaction. Data on DEBUG_MOSI is clocked into the Anthias on the rising edge of the clock line DEBUG_CLK. When reading, Anthias replies to the master on DEBUG_MISO with the data changing on the falling edge of the DEBUG_CLK. The master provides the clock on DEBUG_CLK. The transaction is terminated by taking DEBUG_CS# high.   The auto increment operation on the Anthias cuts down on the overhead of sending a command word and the address of a register for each read or write, especially when large amounts of data are to be transferred. The auto increment offers increased data transfer efficiency on the Anthias module. To invoke auto increment, DEBUG_CS# is kept low, which auto increments the address, while providing an extra 16 clock cycles for each extra word written or read.   Multi-slave Operation  Do not connect the Anthias module in a multi-slave arrangement by simple parallel connection of slave MISO lines. When Anthias is deselected (DEBUG_CS# = 1), the DEBUG_MISO line does not float. Instead, Anthias outputs 0 if the processor is running or 1 if it is stopped.
 Solutions for a Real Time World ANTHIAS BLE Module    User Manual Re-Tek - xxxx                                                                           - 25 -                                          45388 Warm Springs Blvd. Fremont, CA 94539 support@unigen.com                     TEL: (510) 668.2088 FAX: (510) 661.2788 http://www.unigen.com  Customer Comment Line: (800) 826.0808 Copyright Unigen Corporation, 2012 POWER CONSUMPTION   Table 13: Operating Power Consumption Figures Operation Mode  Description  Current at 3V Dormant All functions are shutdown. To wake up toggle the WAKE pad.  <600nA Hibernate Software Enabled mode with only 32khz internal clock and timer running.  <1.5uA Deep Sleep   Software Enabled mode retaining all states  <5uA Idle  Software Enabled mode; MCU idle, all circuits on, no BTLE connection  ~1mA TX/RX radio active  Peak Transmit/Receive Radio On  ~16mA (peak) Idle Connection Slave Connected to remote BTLE radio, 1.28s period, no slave latency, 150ppm clocks  ~13uA avg. Connected to remote BTLE radio, 0.5s period, no slave latency, 150ppm clocks  ~18.5uA avg. Connected to remote BTLE radio, 0.25s period, no slave latency, 150ppm clocks  ~27uA avg. Advertising Mode  200ms, 3 channels, connectable, 20 bytes payload  ~93uA avg. 500ms, 3 channels, connectable, 20 bytes payload  ~49uA avg.  Note: Measurements are from the battery.
 Solutions for a Real Time World ANTHIAS BLE Module    User Manual Re-Tek - xxxx    - 26 -  45388 Warm Springs Blvd. Fremont, CA 94539 support@unigen.com    TEL: (510) 668.2088 FAX: (510) 661.2788 http://www.unigen.com  Customer Comment Line: (800) 826.0808 Copyright Unigen Corporation, 2012 Idle Connection State as Slave   Figure 7: Idle Connection State   Treceive = 80us + (Jitter Allowance) + (Windows Widening) Jitter Allowance = 16us Window Widening = (Connection Interval * (Slave latency+1))*(Slave Clock Accuracy + Master Clock Accuracy)/1e6       Radio on/off time is as important as peak currents. Sleep clock accuracy is vital due to window widening between radios on/off states.
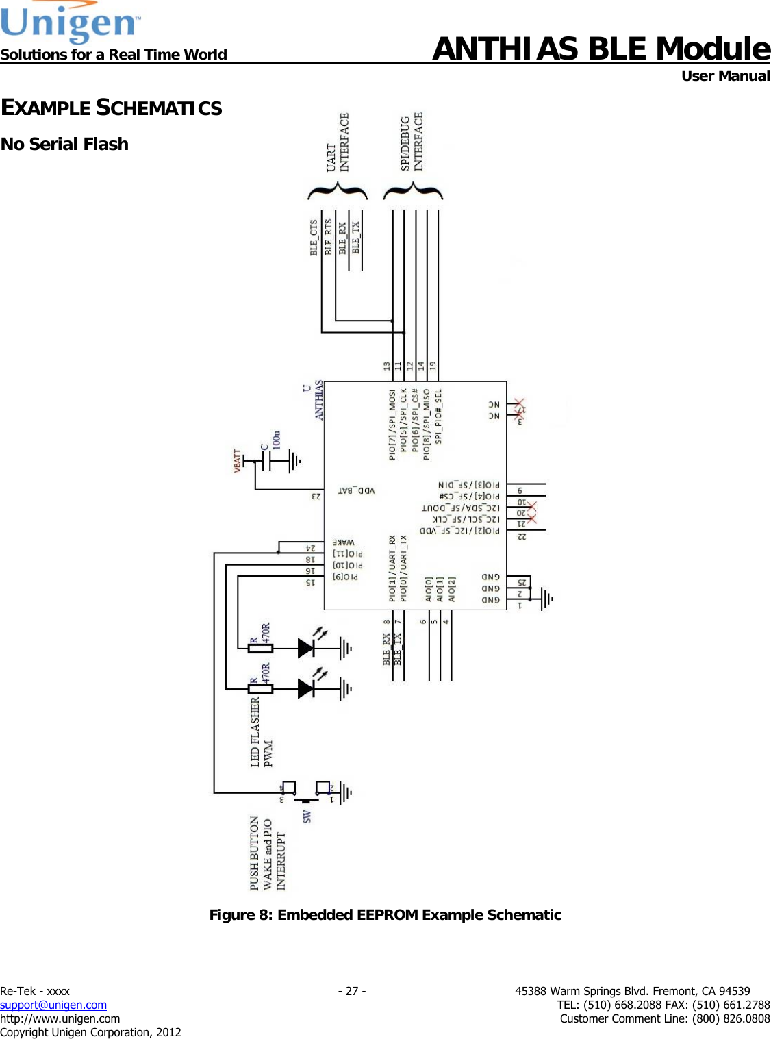
 Solutions for a Real Time World ANTHIAS BLE Module    User Manual Re-Tek - xxxx                                                                           - 27 -                                          45388 Warm Springs Blvd. Fremont, CA 94539 support@unigen.com                     TEL: (510) 668.2088 FAX: (510) 661.2788 http://www.unigen.com  Customer Comment Line: (800) 826.0808 Copyright Unigen Corporation, 2012 EXAMPLE SCHEMATICS No Serial Flash                                     Figure 8: Embedded EEPROM Example Schematic
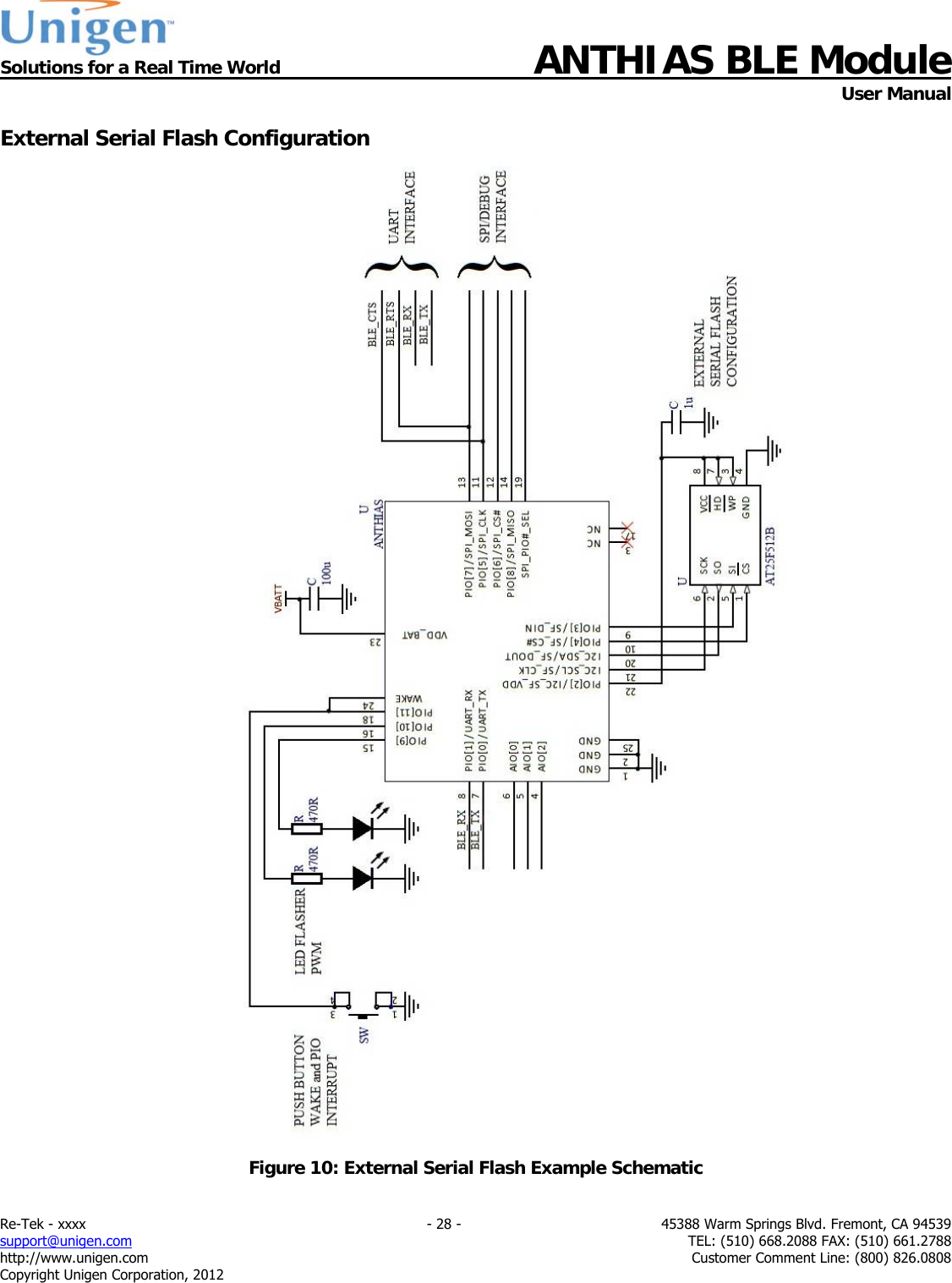
 Solutions for a Real Time World ANTHIAS BLE Module    User Manual Re-Tek - xxxx    - 28 -  45388 Warm Springs Blvd. Fremont, CA 94539 support@unigen.com    TEL: (510) 668.2088 FAX: (510) 661.2788 http://www.unigen.com  Customer Comment Line: (800) 826.0808 Copyright Unigen Corporation, 2012 External Serial Flash Configuration                                        Figure 10: External Serial Flash Example Schematic
 Solutions for a Real Time World ANTHIAS BLE Module    User Manual Re-Tek - xxxx                                                                           - 29 -                                          45388 Warm Springs Blvd. Fremont, CA 94539 support@unigen.com                     TEL: (510) 668.2088 FAX: (510) 661.2788 http://www.unigen.com  Customer Comment Line: (800) 826.0808 Copyright Unigen Corporation, 2012 MECHANICAL DRAWINGS Dimensions     Figure 11: ANTHIAS Mechanical Drawing
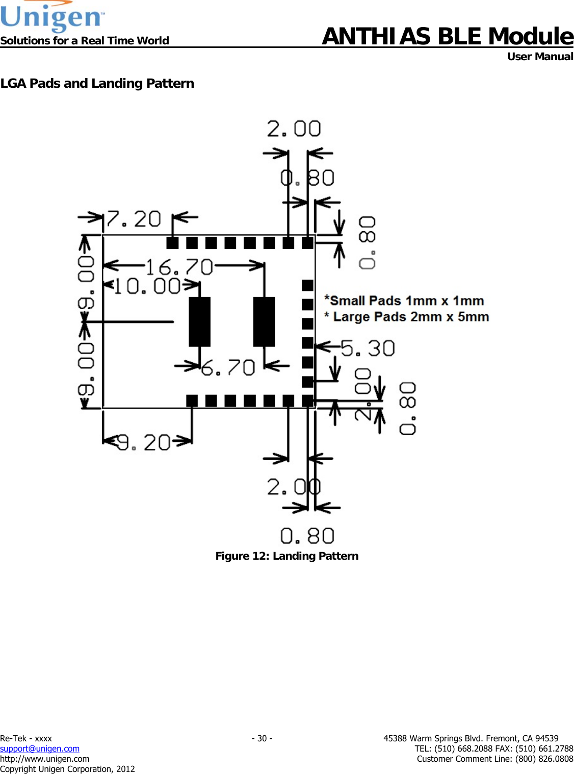
 Solutions for a Real Time World ANTHIAS BLE Module    User Manual Re-Tek - xxxx                                                                           - 30 -                                          45388 Warm Springs Blvd. Fremont, CA 94539 support@unigen.com                     TEL: (510) 668.2088 FAX: (510) 661.2788 http://www.unigen.com  Customer Comment Line: (800) 826.0808 Copyright Unigen Corporation, 2012 LGA Pads and Landing Pattern   Figure 12: Landing Pattern
 Solutions for a Real Time World ANTHIAS BLE Module    User Manual Re-Tek - xxxx                                                                           - 31 -                                          45388 Warm Springs Blvd. Fremont, CA 94539 support@unigen.com                     TEL: (510) 668.2088 FAX: (510) 661.2788 http://www.unigen.com  Customer Comment Line: (800) 826.0808 Copyright Unigen Corporation, 2012 ORDERING INFORMATION   Table 14: Part Numbers Part Number  Description UGWANBL2SME133A  Embedded EEPROM, Chip Antenna UGWANBL2SME133U  Embedded EEPROM, RF mini-coaxial connector UGWANBL2SM0033A.EXT  No EEPROM, Chip Antenna UGWANBL2SM0033U.EXT No EEPROM, RF mini-coaxial connector   CONTACT INFORMATION  CORPORATE HEADQUARTERS  Unigen Corporation  45388 Warm Springs Boulevard  Fremont, CA 94539   Telephone: 1 (510) 688-2088 Fax: 1 (510) 668-2788 Email: Support@unigen.com Web: www.unigen.com Toll Free:1 (800) 826-0808
 Solutions for a Real Time World ANTHIAS BLE Module    User Manual Re-Tek - xxxx                                                                           - 32 -                                          45388 Warm Springs Blvd. Fremont, CA 94539 support@unigen.com                     TEL: (510) 668.2088 FAX: (510) 661.2788 http://www.unigen.com  Customer Comment Line: (800) 826.0808 Copyright Unigen Corporation, 2012 RF Radiation Hazard Warning (RSS-102, FCC)  “To ensure compliance with FCC and Industry Canada RF exposure requirements, this device must be installed in a location where the antennas of the device will have a minimum distance of at least 20 cm from all persons. Using higher gain antennas and types of antennas not certified for use with this product is not allowed. The device shall not be co-located with another transmitter.”  French – “Installez l'appareil en veillant à conserver une distance d'au moins 20 cm entre les éléments rayonnants et les personnes. Cet avertissement de sécurité est conforme aux limites d'exposition définies par la norme CNR-102 at relative aux fréquences radio.”   Antenna Limitations (RSS-GEN) Per RSS-GEN, section 7.1.2 – “Under Industry Canada regulations, this radio transmitter may only operate using an antenna of type and maximum (or lesser) gain approved for the transmitter by Industry Canada.  To reduce potential radio interference to other users, the antenna type and its gain should be so chosen that the equivalent isotropically radiated power (e.i.r.p.) is not more than that necessary for successful communication.”  French – “Conformément à la réglementation d'Industrie Canada, le présent émetteur radio peut fonctionner avec une antenne d'un type et d'un gain maximal (ou inférieur) approuvé pour l'émetteur par Industrie Canada. Dans le but de réduire les risques de brouillage radioélectrique à l'intention des autres utilisateurs, il faut choisir le type d'antenne et son gain de sorte que la puissance isotrope rayonnée équivalente (p.i.r.e.) ne dépasse pas l'intensité nécessaire à l'établissement d'une communication satisfaisante.”   Per RSS-GEN, section 7.1.2 (detachable antennas)– “This radio transmitter has been approved by Industry Canada to operate with the antenna types listed below with the maximum permissible gain and required antenna impedance for each antenna type indicated. Antenna types not included in this list, having a gain greater than the maximum gain indicated for that type, are strictly prohibited for use with this device.”  Fench – “Le présent émetteur radio a été approuvé par Industrie Canada pour fonctionner avec les types d'antenne énumérés ci-dessous et ayant un gain admissible maximal et l'impédance requise pour chaque type d'antenne. Les types d'antenne non inclus dans cette liste, ou dont le gain est supérieur au gain maximal indiqué, sont strictement interdits pour l'exploitation de l'émetteur”.
 Solutions for a Real Time World ANTHIAS BLE Module    User Manual Re-Tek - xxxx                                                                           - 33 -                                          45388 Warm Springs Blvd. Fremont, CA 94539 support@unigen.com                     TEL: (510) 668.2088 FAX: (510) 661.2788 http://www.unigen.com  Customer Comment Line: (800) 826.0808 Copyright Unigen Corporation, 2012 General Two Part Statement (RSS-Gen, section 7.1.3):  This device complies with Industry Canada licence-exempt RSS standard(s). Operation is subject to the following two conditions: (1) this device may not cause interference, and (2) this device must accept any interference, including interference that may cause undesired operation of the device.  Le présent appareil est conforme aux CNR d'Industrie Canada applicables aux appareils radio exempts de licence. L'exploitation est autorisée aux deux conditions suivantes : (1) l'appareil ne doit pas produire de brouillage, et (2) l'utilisateur de l'appareil doit accepter tout brouillage radioélectrique subi, même si le brouillage est susceptible d'en compromettre le fonctionnement.   Two Part Statement (FCC, 15.19) – If not on the label, then it must be in the user’s manual  This device complies with Part 15 of the FCC Rules.  Operation is subject to the following two conditions: (1) This device may not cause harmful interference, and (2) this device must accept any interference received, including interference that may cause undesired operation.   Non-modification statement (FCC, 15.21) –   User’s manual shall caution the user the changes or modifications not expressly approved by <<Company>> could void the user’s authority to operate the equipment.   Modular Requirements -   The manual for the module must instruct the integrator how to properly label the end product and what statements must be in the user’s manual.  Label for host product:  “Contains FCC ID: R8KUGWANBL2” “Contains IC: 5125A-UGWANBL2”

Navigation menu