Unirex Pump Users Manual
Pump to the manual 4b40a76d-c9a7-4ea5-9f39-780e88b5a969
2015-02-03
: Unirex Unirex-Pump-Users-Manual-459183 unirex-pump-users-manual-459183 unirex pdf
Open the PDF directly: View PDF
.
Page Count: 68

USER INSTRUCTIONS
Durco Mark 3 sealed metallic pumps
Mark 3 Standard, In-Line, Lo-Flo, Recessed Impeller,
Unitized Self-Priming and Sealmatic pumps
PCN=71569102 08-06 (E) (incorporating P-10-502-E)
Installation
Operation
Maintenance
These instructions must be read prior to installing,
operating, using and maintaining this equipment.

MARK 3 USER INSTRUCTIONS ENGLISH 71569102 08-06
Page 2 of 68 flowserve.com
CONTENTS Page
CONTENTS ............................................................ 2
1 INTRODUCTION AND SAFETY.......................... 3
1.1 General......................................................... 3
1.2 CE marking and approvals ............................ 3
1.3 Disclaimer..................................................... 3
1.4 Copyright ...................................................... 3
1.5 Duty conditions ............................................. 3
1.6 Safety........................................................... 4
1.7 Name plate and safety labels ........................ 7
1.8 Noise level.................................................... 8
2 TRANSPORT AND STORAGE............................ 9
2.1 Consignment receipt and unpacking.............. 9
2.2 Handling ....................................................... 9
2.3 Lifting............................................................ 9
2.4 Storage....................................................... 10
2.5 Recycling and end of product life..................11
3 DESCRIPTION.................................................. 11
3.1 Configurations..............................................11
3.2 Nomenclature ..............................................11
3.3 Design of major parts.................................. 12
3.4 Performance and operation limits ................ 12
4 INSTALLATION................................................. 18
4.1 Location...................................................... 18
4.2 Part assemblies .......................................... 18
4.3 Foundation.................................................. 18
4.4 Grouting...................................................... 20
4.5 Initial alignment........................................... 21
4.6 Piping ......................................................... 22
4.7 Electrical connections ................................. 31
4.8 Final shaft alignment check......................... 32
4.9 Protection systems...................................... 32
5 COMMISSIONING, STARTUP, OPERATION
AND SHUTDOWN............................................ 33
5.1 Pre-commissioning procedure..................... 33
5.2 Pump lubricants .......................................... 33
5.3 Impeller clearance....................................... 36
5.4 Direction of rotation..................................... 36
5.5 Guarding..................................................... 36
5.6 Priming and auxiliary supplies ..................... 37
5.7 Starting the pump........................................ 38
5.8 Running or operation................................... 38
5.9 Stopping and shutdown............................... 39
5.10 Hydraulic, mechanical and electrical duty .. 39
Page
6 MAINTENANCE................................................. 39
6.1 Maintenance schedule................................. 40
6.2 Spare parts.................................................. 40
6.3 Recommended spares and
consumable items....................................... 41
6.4 Tools required..............................................41
6.5 Fastener torques .........................................41
6.6 Setting impeller clearance and impeller
replacement................................................42
6.7 Disassembly................................................ 44
6.8 Examination of parts.................................... 47
6.9 Assembly of pump and seal......................... 50
7 FAULTS; CAUSES AND REMEDIES................. 57
8 PARTS LIST AND DRAWINGS.......................... 59
8.1 Standard Mark 3 pump, Group 1..................59
8.2 Standard Mark 3 pump,
Group 2 and Group 3................................... 60
8.3 Mark 3 Sealmatic pump, Group 2 ................ 61
8.4 Mark 3 Lo-Flo, Group 2................................ 61
8.5 Mark 3 Unitized Self Priming pump,
Group 2 ....................................................... 62
8.6 Mark 3 Recessed Impeller pump, Group 2... 62
8.7 Mark 3 In-Line pump, Group 1 ..................... 63
8.8 Mark 3 In-Line pump, Group 2 ..................... 64
8.9 Mark 3 C-Face Adapter,
Group 1 and Group 2................................... 65
8.10 General arrangement drawing ................... 65
9 CERTIFICATION ............................................... 66
10 OTHER RELEVANT DOCUMENTATION
AND MANUALS............................................... 66
10.1 Supplementary User Instructions ............... 66
10.2 Change notes............................................ 66
10.3 Additional sources of information ...............66

MARK 3 USER INSTRUCTIONS ENGLISH 71569102 08-06
Page 3 of 68 flowserve.com
1 INTRODUCTION AND SAFETY
1.1 General
These instructions must always be kept
close to the product’s operating location or
directly with the product.
Flowserve products are designed, developed and
manufactured with state-of-the-art technologies in
modern facilities. The unit is produced with great
care and commitment to continuous quality control,
utilizing sophisticated quality techniques, and safety
requirements.
Flowserve is committed to continuous quality
improvement and being at your service for any further
information about the product in its installation and
operation or about its support products, repair and
diagnostic services.
These instructions are intended to facilitate
familiarization with the product and its permitted use.
Operating the product in compliance with these
instructions is important to help ensure reliability in
service and avoid risks. The instructions may not
take into account local regulations; ensure such
regulations are observed by all, including those
installing the product. Always coordinate repair
activity with operations personnel, and follow all plant
safety requirements and applicable safety and health
laws/regulations.
These instructions must be read prior to
installing, operating, using and maintaining the
equipment in any region worldwide. The
equipment must not be put into service until all
the conditions relating to safety noted in the
instructions, have been met.
1.2 CE marking and approvals
It is a legal requirement that machinery and equipment
put into service within certain regions of the world shall
conform with the applicable CE Marking Directives
covering Machinery and, where applicable, Low Voltage
Equipment, Electromagnetic Compatibility (EMC),
Pressure Equipment Directive (PED) and Equipment for
Potentially Explosive Atmospheres (ATEX).
Where applicable, the Directives and any additional
Approvals, cover important safety aspects relating to
machinery and equipment and the satisfactory provision
of technical documents and safety instructions. Where
applicable this document incorporates information
relevant to these Directives and Approvals.
To confirm the Approvals applying and if the product is
CE marked, check the serial number plate markings
and the Certification. (See section 9, Certification.)
1.3 Disclaimer
Information in these User Instructions is believed
to be reliable. In spite of all the efforts of
Flowserve Pump Division to provide sound and all
necessary information the content of this manual
may appear insufficient and is not guaranteed by
Flowserve as to its completeness or accuracy.
Flowserve manufactures products to exacting
International Quality Management System Standards
as certified and audited by external Quality
Assurance organizations. Genuine parts and
accessories have been designed, tested and
incorporated into the products to help ensure their
continued product quality and performance in use.
As Flowserve cannot test parts and accessories
sourced from other vendors the incorrect
incorporation of such parts and accessories may
adversely affect the performance and safety features
of the products. The failure to properly select, install
or use authorized Flowserve parts and accessories is
considered to be misuse. Damage or failure caused
by misuse is not covered by the Flowserve warranty.
In addition, any modification of Flowserve products or
removal of original components may impair the safety
of these products in their use.
1.4 Copyright
All rights reserved. No part of these instructions may
be reproduced, stored in a retrieval system or
transmitted in any form or by any means without prior
permission of Flowserve Pump Division.
1.5 Duty conditions
This product has been selected to meet the
specifications of your purchaser order. The
acknowledgement of these conditions has been sent
separately to the Purchaser. A copy should be kept
with these instructions.
The product must not be operated beyond
the parameters specified for the application. If
there is any doubt as to the suitability of the
product for the application intended, contact
Flowserve for advice, quoting the serial number.
If the conditions of service on your purchase order are
going to be changed (for example liquid pumped,
temperature or duty) it is requested that the user seeks
the written agreement of Flowserve before start up.

MARK 3 USER INSTRUCTIONS ENGLISH 71569102 08-06
Page 4 of 68 flowserve.com
1.6 Safety
1.6.1 Summary of safety markings
These User Instructions contain specific safety
markings where non-observance of an instruction would
cause hazards. The specific safety markings are:
This symbol indicates electrical safety
instructions where non-compliance will involve a high
risk to personal safety or the loss of life.
This symbol indicates safety instructions where
non-compliance would affect personal safety and
could result in loss of life.
This symbol indicates “hazardous and toxic fluid”
safety instructions where non-compliance would affect
personal safety and could result in loss of life.
This symbol indicates safety
instructions where non-compliance will involve some
risk to safe operation and personal safety and would
damage the equipment or property.
This symbol indicates explosive atmosphere
zone marking according to ATEX. It is used in safety
instructions where non-compliance in the hazardous
area would cause the risk of an explosion.
This sign is not a safety symbol but indicates
an important instruction in the assembly process.
1.6.2 Personnel qualification and training
All personnel involved in the operation, installation,
inspection and maintenance of the unit must be
qualified to carry out the work involved. If the
personnel in question do not already possess the
necessary knowledge and skill, appropriate training
and instruction must be provided. If required the
operator may commission the manufacturer/supplier
to provide applicable training.
Always coordinate repair activity with operations and
health and safety personnel, and follow all plant
safety requirements and applicable safety and health
laws and regulations.
1.6.3 Safety action
This is a summary of conditions and actions to
help prevent injury to personnel and damage to
the environment and to equipment. For products
used in potentially explosive atmospheres
section 1.6.4 also applies.
NEVER DO MAINTENANCE WORK
WHEN THE UNIT IS CONNECTED TO POWER
(Lock out.)
DRAIN THE PUMP AND ISOLATE PIPEWORK
BEFORE DISMANTLING THE PUMP
The appropriate safety precautions should be taken
where the pumped liquids are hazardous.
FLUOROELASTOMERS (When fitted.)
When a pump has experienced temperatures over
250 ºC (482 ºF), partial decomposition of
fluoroelastomers (example: Viton) will occur. In this
condition these are extremely dangerous and skin
contact must be avoided.
HANDLING COMPONENTS
Many precision parts have sharp corners and the
wearing of appropriate safety gloves and equipment
is required when handling these components. To lift
heavy pieces above 25 kg (55 lb) use a crane
appropriate for the mass and in accordance with
current local regulations.
NEVER OPERATE THE PUMP WITHOUT THE
COUPLING GUARD AND ALL OTHER SAFETY
DEVICES CORRECTLY INSTALLED
GUARDS MUST NOT BE REMOVED WHILE
THE PUMP IS OPERATIONAL
THERMAL SHOCK
Rapid changes in the temperature of the liquid within
the pump can cause thermal shock, which can result
in damage or breakage of components and should be
avoided.
NEVER APPLY HEAT TO REMOVE IMPELLER
Trapped lubricant or vapor could cause an explosion.
HOT (and cold) PARTS
If hot or freezing components or auxiliary heating
equipment can present a danger to operators and
persons entering the immediate area, action must be
taken to avoid accidental contact (such as shielding). If
complete protection is not possible, the machine access
must be limited to maintenance staff only with clear
visual warnings and indicators to those entering the
immediate area. Note: bearing housings must not be
insulated and drive motors and bearings may be hot.
If the temperature is greater than 68 °C (175 °F) or
below 5 °C (20 °F) in a restricted zone, or exceeds
local regulations, action as above shall be taken.

MARK 3 USER INSTRUCTIONS ENGLISH 71569102 08-06
Page 5 of 68 flowserve.com
HAZARDOUS LIQUIDS
When the pump is handling hazardous liquids care
must be taken to avoid exposure to the liquid by
appropriate pump placement, limiting personnel
access and by operator training. If the liquid is
flammable and/or explosive, strict safety procedures
must be applied.
Gland packing must not be used when pumping
hazardous liquids.
PREVENT EXCESSIVE EXTERNAL
PIPE LOAD
Do not use pump as a support for piping. Do not
mount expansion joints, unless allowed by Flowserve
in writing, so that their force, due to internal pressure,
acts on the pump flange.
ENSURE CORRECT LUBRICATION
(See section 5, Commissioning, startup, operation
and shutdown.)
NEVER EXCEED THE MAXIMUM
DESIGN PRESSURE (MDP) AT THE
TEMPERATURE SHOWN ON THE PUMP
NAMEPLATE
See section 3 for pressure versus temperature
ratings based on the material of construction.
NEVER OPERATE THE PUMP WITH
THE DISCHARGE VALVE CLOSED
(Unless otherwise instructed at a specific point in the
User Instructions.)
(See section 5, Commissioning start-up, operation
and shutdown.)
NEVER RUN THE PUMP DRY OR
WITHOUT PROPER PRIME (Casing flooded)
NEVER OPERATE THE PUMP WITH
THE SUCTION VALVE CLOSED
It should be fully opened when the pump is running.
NEVER OPERATE THE PUMP AT
ZERO FLOW OR FOR EXTENDED PERIODS
BELOW THE MINIMUM CONTINUOUS FLOW
THE PUMP SHAFT MUST TURN
CLOCKWISE WHEN VIEWED FROM THE MOTOR
END
It is absolutely essential that the rotation of the motor
be checked before installation of the coupling spacer
and starting the pump. Incorrect rotation of the pump
for even a short period can unscrew the impeller,
which can cause significant damage.
1.6.4 Products used in potentially explosive
atmospheres
Measures are required to:
• Avoid excess temperature
• Prevent build up of explosive mixtures
• Prevent the generation of sparks
• Prevent leakages
• Maintain the pump to avoid hazard
The following instructions for pumps and pump units
when installed in potentially explosive atmospheres
must be followed to help ensure explosion protection.
Both electrical and non-electrical equipment must meet
the requirements of European Directive 94/9/EC.
1.6.4.1 Scope of compliance
Use equipment only in the zone for which it is
appropriate. Always check that the driver, drive
coupling assembly, seal and pump equipment are
suitably rated and/or certified for the classification of
the specific atmosphere in which they are to be
installed.
Where Flowserve has supplied only the bare shaft
pump, the Ex rating applies only to the pump. The
party responsible for assembling the pump set shall
select the coupling, driver, seal and any additional
equipment, with the necessary CE Certificate/
Declaration of Conformity establishing it is suitable for
the area in which it is to be installed.
The output from a variable frequency drive (VFD) can
cause additional heating affects in the motor. On
pump installations controlled by a VFD, the ATEX
Certification for the motor must state that it covers the
situation where electrical supply is from the VFD.
This particular requirement still applies even if the
VFD is in a safe area.

MARK 3 USER INSTRUCTIONS ENGLISH 71569102 08-06
Page 6 of 68 flowserve.com
1.6.4.2 Marking
An example of ATEX equipment marking is shown
below. The actual classification of the pump will be
engraved on the nameplate.
II 2 GD c IIC 135 ºC (T4)
Equipment Group
I = Mining
II = Non-mining
Category
2 or M2 = high level protection
3 = normal level of protection
Gas and/or dust
G = Gas
D = Dust
c = Constructional safety
(in accordance with EN13463-5)
Gas Group (Equipment Category 2 only)
IIA – Propane (typical)
IIB – Ethylene (typical)
IIC – Hydrogen (typical)
Maximum surface temperature (Temperature Class)
(see section 1.6.4.3.)
1.6.4.3 Avoiding excessive surface temperatures
ENSURE THE EQUIPMENT TEMPERATURE
CLASS IS SUITABLE FOR THE HAZARD ZONE
Pump liquid temperature
Pumps have a temperature class as stated in the ATEX
Ex rating on the nameplate. These are based on a
maximum ambient temperature of 40 ºC (104 ºF); refer
to Flowserve for higher ambient temperatures.
The surface temperature on the pump is influenced by
the temperature of the liquid handled. The maximum
permissible liquid temperature depends on the
temperature class and must not exceed the values in the
table applicable below. The temperature rise at the seals
and bearings and due to the minimum permitted flow rate
is taken into account in the temperatures stated.
Maximum permitted liquid temperature for pumps
Temperature
class to
EN 13463-1
Maximum
surface
temperature
permitted
Temperature limit of liquid
handled (* depending on
material and construction
variant – check which is lower)
T6
T5
T4
T3
T2
T1
85 °C (185 °F)
100 °C (212 °F)
135 °C (275 °F)
200 °C (392 °F)
300 °C (572 °F)
450 °C (842 °F)
Consult Flowserve
Consult Flowserve
115 °C (239 °F) *
180 °C (356 °F) *
275 °C (527 °F) *
400 °C (752 °F) *
Maximum permitted liquid temperature for pumps
with self priming casing
Temperature
class to
EN 13463-1
Maximum
surface
temperature
permitted
Temperature limit of liquid
handled (* depending on
material and construction
variant - check which is lower)
T6
T5
T4
T3
T2
T1
85 °C (185 °F)
100 °C (212 °F)
135 °C (275 °F)
200 °C (392 °F)
300 °C (572 °F)
450 °C (842 °F)
Consult Flowserve
Consult Flowserve
110 °C (230 °F) *
175 °C (347 °F) *
270 °C (518 °F) *
350 °C (662 °F) *
The responsibility for compliance with the specified
maximum liquid temperature is with the plant
operator.
Temperature classification “Tx” is used when the
liquid temperature varies and the pump could be
installed in different hazardous atmospheres. In this
case the user is responsible for ensuring that the
pump surface temperature does not exceed that
permitted in the particular hazardous atmosphere.
Do not attempt to check the direction of rotation with the
coupling element/pins fitted due to the risk of severe
contact between rotating and stationary components.
Where there is any risk of the pump being run against a
closed valve generating high liquid and casing external
surface temperature, it is recommended that users fit an
external surface temperature protection device.
Avoid mechanical, hydraulic or electrical overload by
using motor overload trips, temperature monitor or a
power monitor and perform routine vibration monitoring.
In dirty or dusty environments, regular checks must
be made and dirt removed from areas around close
clearances, bearing housings and motors.
Additional requirements for self-priming casing
pumps
Where the system operation does not ensure control of
priming, as defined in the User Instructions, and the
maximum permitted surface temperature of the T Class
could be exceeded, it is recommended that user install
an external surface temperature protection device.
1.6.4.4 Preventing the build up of explosive mixtures
ENSURE PUMP IS PROPERLY FILLED AND
VENTED AND DOES NOT RUN DRY
Ensure that the pump and relevant suction and
discharge piping is totally filled with liquid at all times
during the pumps operation so that an explosive
atmosphere is prevented.

MARK 3 USER INSTRUCTIONS ENGLISH 71569102 08-06
Page 7 of 68 flowserve.com
In addition, it is essential to make sure that seal
chambers, auxiliary shaft seal systems and any
heating and cooling systems are properly filled.
If the operation of the system can not avoid this
condition it is recommended that you fit an
appropriate dry run protection device (for example
liquid detection or a power monitor).
To avoid potential hazards from fugitive emissions of
vapor or gas to atmosphere, the surrounding area
must be well ventilated.
1.6.4.5 Preventing sparks
To prevent a potential hazard from mechanical
contact, the coupling guard must be non-sparking.
To avoid the potential hazard from random induced
current generating a spark, the earth contact on the
baseplate must be used.
Avoid electrostatic charge: do not rub non-metallic
surfaces with a dry cloth; ensure cloth is damp.
The coupling must be selected to comply with 94/9/EC
and correct alignment must be maintained.
Additional requirements for pumps on non-
metallic baseplates
When metallic components are fitted on a non-
metallic baseplate they must be individually earthed.
1.6.4.6 Preventing leakage
Pumps with mechanical seal. The pump must
only be used to handle liquids for which it has been
approved to have the correct corrosion resistance.
Avoid entrapment of liquid in the pump and associated
piping due to closing of suction and discharge valves,
which could cause dangerous excessive pressures to
occur if there is heat input to the liquid. This can occur if
the pump is stationary or running.
Bursting of liquid containing parts due to freezing
must be avoided by draining or protecting the pump
and auxiliary systems.
Where there is the potential hazard of a loss of a seal
barrier fluid or external flush, the fluid must be monitored.
If leakage of liquid to atmosphere can result in a
hazard, the installation of a liquid detection device is
recommended.
1.6.4.7 Maintenance of the centrifugal pump to
avoid a hazard
CORRECT MAINTENANCE IS REQUIRED TO
AVOID POTENTIAL HAZARDS WHICH GIVE A
RISK OF EXPLOSION
The responsibility for compliance with maintenance
instructions is with the plant operator.
To avoid potential explosion hazards during maintenance,
the tools, cleaning and painting materials used must not
give rise to sparking or adversely affect the ambient
conditions. Where there is a risk from such tools or
materials, maintenance must be conducted in a safe area.
It is recommended that a maintenance plan and schedule
is adopted. (See section 6, Maintenance.)
1.7 Name plate and safety labels
1.7.1 Nameplate
For details of nameplate, see the Declaration of
Conformity and section 3.
1.7.2 Safety labels
Oil lubricated units only:
DurcoShieldTM (Splash/Shaft Guard) only:

MARK 3 USER INSTRUCTIONS ENGLISH 71569102 08-06
Page 8 of 68 flowserve.com
1.8 Noise level
Attention must be given to the exposure of personnel
to the noise, and local legislation will define when
guidance to personnel on noise limitation is required,
and when noise exposure reduction is mandatory.
This is typically 80 to 85 dBA.
The usual approach is to control the exposure time to
the noise or to enclose the machine to reduce emitted
sound. You may have already specified a limiting
noise level when the equipment was ordered,
however if no noise requirements were defined, then
attention is drawn to the following table to give an
indication of equipment noise level so that you can
take the appropriate action in your plant.
Pump noise level is dependent on a number of
operational factors, flow rate, pipework design and
acoustic characteristics of the building, and so the
values given are subject to a 3 dBA tolerance and
cannot be guaranteed.
Similarly the motor noise assumed in the “pump and
motor” noise is that typically expected from standard
and high efficiency motors when on load directly driving
the pump. Note that a motor driven by an inverter may
show an increased noise at some speeds.
If a pump unit only has been purchased for fitting with
your own driver then the “pump only” noise levels in the
table should be combined with the level for the driver
obtained from the supplier. Consult Flowserve or a
noise specialist if assistance is required in combining
the values.
It is recommended that where exposure approaches
the prescribed limit, then site noise measurements
should be made.
The values are in sound pressure level LpA at 1 m
(3.3 ft) from the machine, for “free field conditions
over a reflecting plane”.
For estimating sound power level LWA (re 1pW) then
add 14 dBA to the sound pressure value.
Typical sound pressure level LpA
3 550 r/min 2 900 r/min 1 750 r/min 1 450 r/min
Motor size
and speed
kW (hp) Pump
only Pump and
motor Pump
only Pump and
motor Pump
only Pump and
motor Pump
only Pump and
motor
<0.55(<0.75) 72 72 64 65 62 64 62 64
0.75 (1) 72 72 64 66 62 64 62 64
1.1 (1.5) 74 74 66 67 64 64 62 63
1.5 (2) 74 74 66 71 64 64 62 63
2.2 (3) 75 76 68 72 65 66 63 64
3 (4) 75 76 70 73 65 66 63 64
4 (5) 75 76 71 73 65 66 63 64
5.5 (7.5) 76 77 72 75 66 67 64 65
7.5 (10) 76 77 72 75 66 67 64 65
11(15) 80 81 76 78 70 71 68 69
15 (20) 80 81 76 78 70 71 68 69
18.5 (25) 81 81 77 78 71 71 69 71
22 (30) 81 81 77 79 71 71 69 71
30 (40) 83 83 79 81 73 73 71 73
37 (50) 83 83 79 81 73 73 71 73
45 (60) 86 86 82 84 76 76 74 76
55 (75) 86 86 82 84 76 76 74 76
75 (100) 87 87 83 85 77 77 75 77
90 (120) 87 88 83 85 77 78 75 78
110 (150) 89 90 85 87 79 80 77 80
150 (200) 89 90 85 87 79 80 77 80
200 (270) 85 87 83 85
300 (400) – 87 90 85 86
The noise level of machines in this range will most likely be of values which require noise exposure control, but typical values are inappropriate.
Note: for 1 180 and 960 r/min reduce 1 450 r/min values by 2 dBA. For 880 and 720 r/min reduce 1 450 r/min values by 3 dBA.

MARK 3 USER INSTRUCTIONS ENGLISH 71569102 08-06
Page 9 of 68 flowserve.com
2 TRANSPORT AND STORAGE
2.1 Consignment receipt and unpacking
Immediately after receipt of the equipment it must be
checked against the delivery/shipping documents for
its completeness and that there has been no damage
in transportation. Any shortage and/or damage must
be reported immediately to Flowserve Pump Division
and must be received in writing within ten days of
receipt of the equipment. Later claims cannot be
accepted.
Check any crate, boxes or wrappings for any
accessories or spare parts that may be packed
separately with the equipment or attached to side
walls of the box or equipment.
Each product has a unique serial number. Check
that this number corresponds with that advised and
always quote this number in correspondence as well
as when ordering spare parts or further accessories.
2.2 Handling
Boxes, crates, pallets or cartons may be unloaded
using fork lift vehicles or slings dependent on their
size and construction.
2.3 Lifting
Pumps and motors often have integral
lifting lugs or eye bolts. These are intended for use in
only lifting the individual piece of equipment.
Do not use eye bolts or cast-in lifting
lugs to lift pump, motor and baseplate assemblies.
To avoid distortion, the pump unit
should be lifted as shown.
Care must be taken to lift components
or assemblies above the center of gravity to prevent
the unit from flipping. This is especially true with
In-Line pumps.
2.3.1 Lifting pump components
2.3.1.1 Casing [1100]
Use a choker hitch pulled tight around the discharge
nozzle.
2.3.1.2 Rear cover [1220]
Insert an eye hook in the drilled and tapped hole at
the top of the cover. Use either a sling or hook
through the eye bolt.
2.3.1.3 Bearing housing [3200]
Group 1: insert a sling between the upper and lower
support ribs between the housing barrel and the
casing attachment flange. Use a choker hitch when
slinging. (Make sure there are no sharp edges on the
bottom side of the ribs that could cut the sling.)
Group 2 and 3: insert either a sling or hook through
the lifting lug located on the top of the housing.
2.3.1.4 Power end
Same as bearing housing.
2.3.1.5 Bare pump
Horizontal pumps: sling around the pump discharge
nozzle and around the outboard end of the bearing
housing with separate slings. Choker hitches must be
used at both attachment points and pulled tight. Make
sure the completion of the choker hitch on the discharge
nozzle is toward the coupling end of the pump shaft as
shown in figure 2-1. The sling lengths should be adjusted
to balance the load before attaching the lifting hook.
Figure 2-1
In-Line pumps: lift with two slings through the pump
adapter on opposite sides of the shaft. (Figure 2-2.)
Bare pump with motor adapter (In-Line only): lift with
two slings through the motor adapter shaft holes.
This method is also used to lift the bare motor
adapter. (Figure 2-2.)

MARK 3 USER INSTRUCTIONS ENGLISH 71569102 08-06
Page 10 of 68 flowserve.com
Figure 2-2
2.3.2 Lifting pump, motor and baseplate assembly
2.3.2.1 Horizontal assemblies
If the baseplate has lifting holes cut in the sides at the
end (Type A Group 3, Type D and Type E bases) insert
lifting S hooks at the four corners and use slings or
chains to connect to the lifting eye. (Figure 2-1.) Do not
use slings through the lifting holes.
For other baseplates, sling around the pump discharge
nozzle, and around the outboard end of the motor frame
using choker hitches pulled tight. (Figure 2-1.)
The sling should be positioned so the weight is not
carried through the motor fan housing. Make sure the
completion of the choker hitch on the discharge
nozzle is toward the coupling end of the pump shaft
as shown in figure 2-1.
2.3.2.2 In-Line assemblies
If the pump is to be lifted as a complete assembly, the
motor lifting lugs must be used to ensure that the
assembly does not flip over. Check with motor
supplier for lifting lug capacities. If there is any
uncertainty, the motor should be removed prior to
moving the pump. (Figure 2-2.)
2.4 Storage
Store the pump in a clean, dry location
away from vibration. Leave flange covers in place to
keep dirt and other foreign material out of pump
casing. Turn the pump shaft at regular intervals to
prevent brinelling of the bearings and the seal faces,
if fitted, from sticking.
The pump may be stored as above for up to 6
months. Consult Flowserve for preservative actions
when a longer storage period is needed.
2.4.1 Short term storage and packaging
Normal packaging is designed to protect the pump
and parts during shipment and for dry, indoor storage
for up to six months or less. The following is an
overview of our normal packaging:
• All loose unmounted items are packaged in a
water proof plastic bag and placed under the
coupling guard
• Inner surfaces of the bearing housing, shaft (area
through bearing housing) and bearings are coated
with Cortec VCI-329 rust inhibitor, or equal.
Bearing housings are not filled with oil
prior to shipment
• Regreasable bearings are packed with grease
(EXXON POLYREX EM for horizontal pumps and
EXXON UNIREX N3 for In-Line pumps)
• The internal surfaces of ferrous casings, covers,
flange faces, and the impeller surface are
sprayed with Cortec VCI-389, or equal
• Exposed shafts are taped with Polywrap
• Flange covers are secured to both the suction
and discharge flanges
• In some cases with assemblies ordered with
external piping, components may be
disassembled for shipment
• The pump must be stored in a covered, dry location
2.4.2 Long term storage and packaging
Long term storage is defined as more than six
months, but less than 12 months. The procedure
Flowserve follows for long term storage of pumps is
given below. These procedures are in addition to the
short term procedure.
• Each assembly is hermetically (heat) sealed from
the atmosphere by means of tack wrap sheeting
and rubber bushings (mounting holes)
• Desiccant bags are placed inside the tack
wrapped packaging
• A solid wood box is used to cover the assembly
This packaging will provide protection for up to twelve
months from humidity, salt laden air, dust etc.

MARK 3 USER INSTRUCTIONS ENGLISH 71569102 08-06
Page 11 of 68 flowserve.com
After unpacking, protection will be the responsibility of
the user. Addition of oil to the bearing housing will
remove the inhibitor. If units are to be idle for extended
periods after addition of lubricants, inhibitor oils and
greases should be used. Every three months, the pump
shaft should be rotated approximately 10 revolutions.
2.5 Recycling and end of product life
At the end of the service life of the product or its parts,
the relevant materials and parts should be recycled or
disposed of using an environmentally acceptable
method and in accordance with local regulations. If the
product contains substances that are harmful to the
environment, these should be removed and disposed of
in accordance with current local regulations. This also
includes the liquids and/or gases that may be used in
the "seal system" or other utilities.
Make sure that hazardous substances are
disposed of safely and that the correct personal
protective equipment is used. The safety
specifications must be in accordance with the current
local regulations at all times.
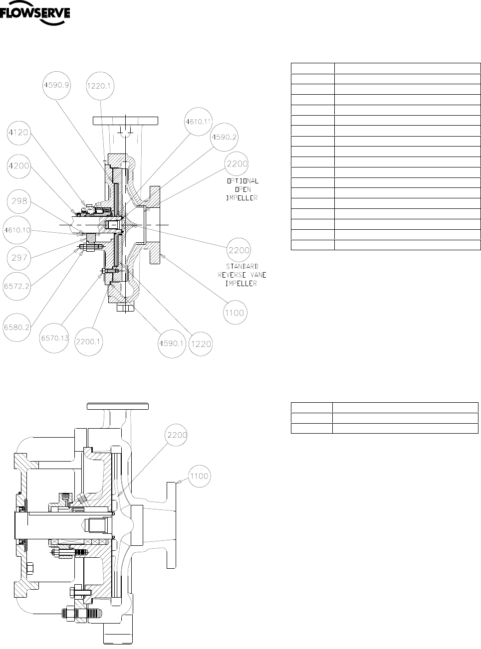
3 DESCRIPTION
3.1 Configurations
The Durco Mark 3 chemical process pumps are
metallic , single stage, sealed, centrifugal pumps.
The horizontal family conforms to ASME B73.1M,
which has a centerline discharge and is represented
by our Standard, Sealmatic, Unitized self-priming,
Recessed impeller and Lo-Flo pump models. The
vertical pump or In-Line conforms to ASME B73.2M.
Figure 3-1: Nameplate mounted to housing
Serial No.
Equipment No.
Purchase Order
Model
Size
MDP
Material
Date DD/MMM/YY
2K6X4 M-13A/12.5 RV
The Prima3 ™ is an ANSI 3A power end adapted to other
pump models from Flowserve as well as from other
pump manufacturers. Only the information in this
manual involving the ANSI 3A power end may be used
when Installing, Operating or Maintaining a pump that
has been upgraded to a Prima3 ™. All other information
regarding the pump type must be obtained from the
original pump manufacturer’s User Instructions.
3.2 Nomenclature
The pump size will be engraved on the nameplate
typically as below:
2 K 6 X 4 M - 13 A /12.5 RV
• Frame size
“2" indicates a medium size pump frame (in this
example, a Group 2)
1 = Group 1 (small frame)
2 = Group 2 (medium frame)
3 = Group 3 (large frame)
• Power end
K = Mark 3 style power end
Mark 3A – Standard
ANSI 3A – Optional (3 year guarantee)
J = Mark 3 style PE arranged for Mark 2 wet end
(No letter and no preceding number indicates a
Mark 2 power end)
• “6” = nominal suction port size (in.)
• “4” = Nominal discharge port size (in.)
• Modifier for “specialty pumps”
Blank or no letter = standard pump
M = Sealmatic
R = recessed impeller
US = unitized self-priming
V = vertical In-Line
LF = Lo-Flo
• Nominal maximum impeller diameter. “13” = 13 in.
• Pump design variation
A = This pump has been redesigned from an earlier
version. The impeller and casing are no longer
interchangeable with the earlier version.
H = This pump is designed for a higher flow capacity
than another pump with the same basic
designation. (Examples: 4X3-10 and 4X3-10H;
6X4-10 and 6X4-10H; 10X8-16 and 10X8-16H.
HH = This pump is designed for a higher head than
another pump with the same basic designation.
(Example: 4X3-13 and 4X3-13HH.)
• Actual impeller size
“12.5” = 12 ½ in. diameter; 8.13 = 8 LQ
10.75 = 10 ¾ in
(Previous annotation: 124 = 12 4/8 or 12 ½ in.
diameter; 83 = 8 LQ
• Impeller style
RV = reverse vane impeller; OP = Open impeller

MARK 3 USER INSTRUCTIONS ENGLISH 71569102 08-06
Page 12 of 68 flowserve.com
3.3 Design of major parts
3.3.1 Pump casing
Removal of the casing is not required when performing
maintenance of the rotating element. The pump is
designed with a gasket perpendicular to the shaft
allowing the rotating element to be easily removed
(back pull out).
3.3.2 Impeller
Depending on the product, the impeller is either reverse
vane or open.
3.3.3 Shaft/sleeve
Solid and sleeved shafts are available, supported on
bearings, threaded impeller end and keyed drive end.
3.3.4 Pump bearings and lubrication
Ball bearings are fitted as standard and may be either
oil or grease lubricated.
3.3.5 Bearing housing
Large oil bath reservoir.
3.3.6 Seal chamber (cover plate)
The seal chamber has a spigot (rabbet) fit between
the pump casing and bearing housing (adapter) for
optimum concentricity. The design enables a number
of sealing options to be fitted.
3.3.7 Shaft seal
The mechanical seal(s), attached to the pump shaft,
seals the pumped liquid from the environment. Gland
packing may be fitted as an option.
3.3.8 Driver
The driver is normally an electric motor. Different drive
configurations may be fitted such as internal combustion
engines, turbines, hydraulic motors etc driving via
couplings, belts, gearboxes, drive shafts etc.
3.3.9 Accessories
Accessories may be fitted when specified by the
customer.
3.4 Performance and operation limits
This product has been selected to meet the
specification of your purchase order. See section 1.5.
The following data is included as additional information
to help with your installation. It is typical, and factors
such as liquid being pumped, temperature, material of
construction, and seal type may influence this data. If
required, a definitive statement for your application can
be obtained from Flowserve.
3.4.1 Alloy cross reference chart
Figure 3-2 is the Alloy cross-reference chart for all
Mark 3 pumps.
3.4.2 Pressure-temperature ratings
The pressure-temperature (P-T) ratings for Mark 3
pumps are shown in figures 3-3 and 3-4. Determine
the appropriate casing “Material Group No.” in Figure
3-2. Interpolation may be used to find the pressure
rating for a specific temperature.
Example:
The pressure temperature rating for an ANSI
standard GP2-10 in. pump with Class 300 flanges
and CF8M construction at an operating temperature
of 149 Û&LVIRXQGDVIROORZV
a) The correct pressure-temperature chart is Figure
3-4C.
b) From Figure 3-2, the correct material group for
CF8M is 2.2.
c) From Figure 3-4C, the pressure-temperature
rating is 21.5 bar.
The maximum discharge pressure must be less
than or equal to the P-T rating. Discharge pressure
may be approximated by adding the suction pressure
and the differential head developed by the pump.
3.4.3 Suction pressure limits
The suction pressure limits for Mark 3 pumps with
reverse vane impellers is limited by the values given in
figure 3-5 and by the P-T ratings.
Suction pressure for pump sizes 10x8-14, 8x6-16A,
10x8-16 and 10x8-16H (up to a maximum liquid
specific gravity of 2.0) is limited only by the P-T
ratings. Suction pressure for pumps with open
impellers is also limited only by the P-T ratings.
The suction pressure limits for Sealmatic pumps are
determined by the repeller head capability found in
Bulletin P-18-102e.
3.4.4 Minimum continuous flow
The minimum continuous flow (MCF) is based on a
percentage of the best efficiency point (BEP). Figure
3-7 identifies the MCF for all Mark 3 pump models
with the exception of the Lo-Flo pump line; there is no
MCF associated with this product line.
3.4.5 Minimum suction pipe submergence
The minimum submergence is shown in figure 3-8
and 3-9 for Unitized self-priming pumps.

MARK 3 USER INSTRUCTIONS ENGLISH 71569102 08-06
Page 13 of 68 flowserve.com
Figure 3-2: Alloy cross-reference chart
Flowserve
material code Designation Durco legacy
codes ACI
designation Equivalent wrought
designation ASTM
specifications Material
Group No.
E3020 Ductile iron DCI None None A395, Gr. 60-40-18 1.0
E3033 High chrome iron CR28 None None A532 class 3 Cr
E4027 High chrome iron CR29 None None None Cr
E4028 High chrome iron CR35 None None None Cr
C3009 Carbon steel DS None Carbon steel A216 Gr. WCB 1.1
C3062 Durco CF8 D2 CF8 304 A744, Gr. CF8 2.1
C3069 Durco CF3 D2L CF3 304L A744, Gr. CF3 2.1
C3063 Durco CF8M D4 CF8M 316 A744, Gr. CF8M 2.2
C3067 Durco CF3M D4L CF3M 316L A744, Gr. CF3M 2.2
C3107 Durcomet 100 CD4M CD4MCuN Ferralium A995, Gr. CD4MCuN 2.8
C4028 Durimet 20 D20 CN7M Alloy 20 A744, Gr. CN7M 3.17
C4029 Durcomet 5 DV None None None 2.2
K3005 Durco CY40 DINC CY40 Inconel 600 A494, Gr. CY40 3.5
K3007 Durco M35 DMM M351 Monel 400 A494, Gr. M35-1 3.4
K3008 Nickel DNI CZ100 Nickel 200 A494, Gr. CZ100 3.2
K4007 Chlorimet 2 DC2 N7M Hastelloy B A494, Gr. N7M 3.7
K4008 Chlorimet 3 DC3 CW6M Hastelloy C A494, Gr. CW6M 3.8
E3041 Duriron D None None A518, Gr. 1 No load
E3042 Durichlor 51 D51 None None A518, Gr. 2 No load
E4035 Superchlor SD51 None None A518, Gr. 2 No load
D4036 Durco DC8 DC8 None None None -
H3004 Titanium Ti None Titanium B367, Gr. C3 Ti
H3005 Titanium-Pd TiP None Titanium-Pd B367, Gr. C8A Ti
H3007 Zirconium Zr None Zirconium B752, Gr. 702C Ti
Duriron, Durichlor 51 and Superchlor are registered trademarks of Flowserve Corporation.
Ferralium is a registered trademark of Langley Alloys.
Hastelloy is a registered trademark of Haynes International, Inc.
Inconel and Monel are registered trademarks of International Nickel Co. Inc.
Notes:

MARK 3 USER INSTRUCTIONS ENGLISH 71569102 08-06
Page 14 of 68 flowserve.com
Figure 3-3: Class 150 flanges
Material Group No.
1.0 1.1 2.1 2.2 2.8 3.2 3.4 3.5 3.7 3.8 3.17 Ti Cr
Temp
ºC
( ºF) bar (psi)
-73
(-100) – – 19.0
(275)
19.0
(275)
19.7
(285)
9.7
(140)
15.9
(230)
15.2
(220)
20.0
(290)
20.0
(290)
15.9
(230)
20.0
(290) –
-29
(-20)
17.2
(250)
19.7
(285)
19.0
(275)
19.0
(275)
19.7
(285)
9.7
(140)
15.9
(230)
15.2
(220)
20.0
(290)
20.0
(290)
15.9
(230)
20.0
(290) –
-18
(0)
17.2
(250)
19.7
(285)
19.0
(275)
19.0
(275)
19.7
(285)
9.7
(140)
15.9
(230)
15.2
(220)
20.0
(290)
20.0
(290)
15.9
(230)
20.0
(290)
12.6
(183)
38
(100) 17.2
(250)
19.7
(285)
19.0
(275)
19.0
(275)
19.7
(285)
9.7
(140)
15.9
(230)
15.2
(220)
20.0
(290)
20.0
(290)
15.9
(230)
20.0
(290)
12.6
(183)
93
(200)
16.2
(235)
17.9
(260)
15.9
(230)
16.2
(235)
17.9
(260)
9.7
(140)
13.8
(200)
13.8
(200)
17.9
(260)
17.9
(260)
13.8
(200)
17.9
(260)
12.6
(183)
149
(300)
14.8
(215)
15.9
(230)
14.1
(205)
14.8
(215)
15.9
(230)
9.7
(140)
13.1
(190)
12.4
(180)
15.9
(230)
15.9
(230)
12.4
(180)
15.9
(230)
12.6
(183)
171
(340) 14.4
(209)
15.0
(218)
13.7
(199)
14.3
(207)
15.0
(218)
9.7
(140)
13.0
(188)
12.1
(176)
15.0
(218)
15.0
(218)
11.9
(172)
15.0
(218)
12.6
(183)
204
(400)
13.8
(200)
13.8
(200)
13.1
(190)
13.4
(195)
13.8
(200)
9.7
(140)
12.8
(185)
11.7
(170)
13.8
(200)
13.8
(200)
11.0
(160)
13.8
(200) –
260
(500)
11.7
(170)
11.7
(170)
11.7
(170)
11.7
(170)
11.7
(170)
9.7
(140)
11.7
(170)
11.0
(160)
11.7
(170)
11.7
(170)
10.3
(150)
11.7
(170) –
316
(600) 9.7
(140)
9.7
(140)
9.7
(140)
9.7
(140)
9.7
(140)
9.7
(140)
9.7
(140)
9.7
(140)
9.7
(140)
9.7
(140)
9.7
(140)
9.7
(140) –
343
(650)
8.6
(125)
8.6
(125)
8.6
(125)
8.6
(125) – – 8.6
(125)
8.6
(125)
8.6
(125)
8.6
(125) – 8.6
(125) –
371
(700) – 7.6
(110)
7.6
(110)
7.6
(110) – – 7.6
(110)
7.6
(110)
7.6
(110)
7.6
(110) – 7.6
(110) –
Figure 3-4A: Group 2 – 13 in. In-Lines and Group 3 pumps with Class 300 flanges
Material Group No.
1.1 2.1 2.2 2.8 3.2 3.4 3.5 3.7 3.8 3.17 Ti
Temp
ºC
( ºF) bar (psi)
-73
(-100) – 24.1
(350)
24.1
(350)
24.1
(350)
17.4
(252)
24.1
(350)
24.1
(350)
24.1
(350)
24.1
(350)
24.1
(350)
24.1
(350)
-29
(-20)
24.1
(350)
24.1
(350)
24.1
(350)
24.1
(350)
17.4
(252)
24.1
(350)
24.1
(350)
24.1
(350)
24.1
(350)
24.1
(350)
24.1
(350)
-18
(0)
24.1
(350)
24.1
(350)
24.1
(350)
24.1
(350)
17.4
(252)
24.1
(350)
24.1
(350)
24.1
(350)
24.1
(350)
24.1
(350)
24.1
(350)
38
(100) 24.1
(350)
24.1
(350)
24.1
(350)
24.1
(350)
17.4
(252)
24.1
(350)
24.1
(350)
24.1
(350)
24.1
(350)
24.1
(350)
24.1
(350)
93
(200)
22.0
(319)
20.1
(292)
20.8
(301)
23.2
(336)
17.4
(252)
21.3
(309)
22.9
(332)
24.1
(350)
24.1
(350)
20.9
(303)
21.4
(310)
149
(300)
21.4
(310)
18.1
(263)
18.8
(272)
21.4
(310)
17.4
(252)
19.9
(289)
21.4
(310)
23.5
(341)
23.5
(341)
18.7
(271)
18.7
(271)
204
(400) 20.7
(300)
16.6
(241)
17.3
(250)
19.8
(287)
17.4
(252)
19.3
(280)
19.9
(288)
22.7
(329)
22.7
(329)
16.9
(245)
15.9
(231)
260
(500)
19.6
(284)
15.3
(222)
16.1
(233)
18.5
(268)
17.4
(252)
19.1
(277)
19.3
(280)
21.4
(310)
21.4
(310)
15.7
(228)
13.2
(191)
316
(600)
17.9
(260)
14.6
(211)
15.1
(219)
17.9
(259)
17.4
(252)
19.1
(277)
19.2
(278)
19.5
(282)
19.5
(282)
14.5
(210)
10.5
(152)
343
(650)
17.4
(253)
14.4
(209)
14.9
(216) – – 19.1
(277)
19.0
(276)
19.0
(275)
19.0
(275) – 9.1
(132)
371
(700)
17.4
(253)
14.2
(207)
14.4
(209) – – 19.1
(277)
18.9
(274)
18.3
(266)
18.3
(266) – 7.7
(112)

MARK 3 USER INSTRUCTIONS ENGLISH 71569102 08-06
Page 15 of 68 flowserve.com
Figure 3-4B: Group 2 - 13 in. Lo-Flo pumps with Class 300 flanges
Material Group No.
1.0 1.1 2.1 2.2 2.8 3.2 3.4 3.5 3.7 3.8 3.17 Ti
Temp
ºC
( ºF) bar (psi)
-73
(-100) – – 31.0
(450) 31.0
(450) 31.0
(450) 17.4
(252)
24.1
(350) 27.6
(400) 31.0
(450) 31.0
(450) 24.1
(350) 31.0
(450)
-29
(-20) 31.0
(450) 31.0
(450) 31.0
(450) 31.0
(450) 31.0
(450) 17.4
(252)
24.1
(350) 27.6
(400) 31.0
(450) 31.0
(450) 24.1
(350) 31.0
(450)
-18
(0) 31.0
(450) 31.0
(450) 31.0
(450) 31.0
(450) 31.0
(450) 17.4
(252)
24.1
(350) 27.6
(400) 31.0
(450) 31.0
(450) 24.1
(350) 31.0
(450)
38
(100) 31.0
(450) 31.0
(450) 31.0
(450) 31.0
(450) 31.0
(450) 17.4
(252)
24.1
(350) 27.6
(400) 31.0
(450) 31.0
(450) 24.1
(350) 31.0
(450)
93
(200) 29.1
(422) 28.3
(410) 25.9
(375) 26.7
(388) 29.8
(432) 17.4
(252)
21.3
(309) 26.1
(379) 31.0
(450) 31.0
(450) 20.9
(303) 27.5
(399)
149
(300) 27.4
(397) 27.5
(398) 23.3
(338) 24.1
(350) 27.5
(399) 17.4
(252) 19.9
(289) 24.4
(354) 30.2
(438) 30.2
(438) 18.7
(271) 24.0
(348)
204
(400) 25.5
(369) 26.6
(386) 21.3
(309) 22.2
(322) 25.4
(369) 17.4
(252) 19.3
(280) 22.7
(330) 29.2
(423) 29.2
(423) 16.9
(245) 20.5
(297)
260
(500) 24.0
(348) 25.2
(365) 19.7
(285) 20.7
(300) 23.8
(345) 17.4
(252) 19.1
(277) 22.1
(320) 27.5
(399) 27.5
(399) 15.7
(228) 17.0
(246)
316
(600) 22.5
(327) 23.1
(334) 18.7
(272) 19.4
(281) 23.0
(333) 17.4
(252) 19.1
(277) 21.9
(318) 25.0
(363) 25.0
(363) 14.5
(210) 13.4
(195)
343
(650) 21.8
(316) 22.4
(325) 18.5
(269) 19.2
(2780 – – 19.1
(277) 21.8
(316) 24.4
(354) 24.4
(354) – 11.7
(170)
371
(700) – 22.4
(325) 18.3
(266) 18.5
(269) – – 19.1
(277) 21.6
(313) 23.6
(342) 23.6
(342) – 9.9
(144)
Figure 3-4C: All other Class 300 flanges
Material Group No.
1.1 2.1 2.2 2.8 3.2 3.4 3.5 3.7 3.8 3.17 Ti
Temp
ºC
( ºF) bar (psi)
-73
(-100) – 27.6
(400) 27.6
(400) 27.6
(400) 17.4
(252) 24.1
(350) 24.1
(350) 27.6
(400) 27.6
(400) 24.1
(350) 27.6
(400)
-29
(-20) 27.6
(400) 27.6
(400) 27.6
(400) 27.6
(400) 17.4
(252) 24.1
(350) 24.1
(350) 27.6
(400) 27.6
(400) 24.1
(350) 27.6
(400)
-18
(0) 27.6
(400) 27.6
(400) 27.6
(400) 27.6
(400) 17.4
(252) 24.1
(350) 24.1
(350) 27.6
(400) 27.6
(400) 24.1
(350) 27.6
(400)
38
(100) 27.6
(400) 27.6
(400) 27.6
(400) 27.6
(400) 17.4
(252) 24.1
(350) 24.1
(350) 27.6
(400) 27.6
(400) 24.1
(350) 27.6
(400)
93
(200) 25.2
(365) 23.0
(333) 23.7
(344) 26.5
(384) 17.4
(252) 21.3
(309) 22.9
(332) 27.6
(400) 27.6
(400) 20.9
(303) 24.5
(355)
149
(300) 24.4
(354) 20.7
(300) 21.5
(311) 24.5
(355) 17.4
(252) 19.9
(289) 21.4
(310) 26.8
(389) 26.8
(389) 18.7
(271) 21.3
(309)
204
(400) 23.7
(343) 19.0
(275) 19.7
(286) 22.6
(328) 17.4
(252) 19.3
(280) 19.9
(288) 25.9
(376) 25.9
(376) 16.9
(245) 18.2
(264)
260
(500) 22.4
(324) 17.5
(253) 18.4
(267) 21.1
(307) 17.4
(252) 19.1
(277) 19.3
(280) 24.5
(355) 24.5
(355) 15.7
(228) 15.1
(219)
316
(600) 20.5
(297) 16.7
(242) 17.2
(250) 20.4
(296) 17.4
(252) 19.1
(277) 19.2
(278) 22.2
(323) 22.2
(323) 14.5
(210) 12.0
(173)
343
(650) 19.9
(289) 16.5
(239) 17.0
(247) – – 19.1
(277) 19.0
(276) 21.7
(315) 21.7
(315) – 10.4
(151)
371
(700) 19.9
(289) 16.3
(236) 16.5
(239) – – 19.1
(277) 18.9
(274) 21.0
(304) 21.0
(304) – 8.8
(128)

MARK 3 USER INSTRUCTIONS ENGLISH 71569102 08-06
Page 16 of 68 flowserve.com
Figure 3-5a: Suction pressure limits 1 750 r/min
0
2.5
5
7.5
10
12.5
15
17.5
20
22.5
25
27.5
0.4 0.8 1.2 1.6 2 2.4
Specific Gravity
Maximum Allowable Suction Pressure - bar
0
40
80
120
160
200
240
280
320
360
400
Maximum Allowable Suction Pressure - psi
11
5
7
8
6
4
1
3
2
9
10
Figure 3-5b: Suction pressure limits 3 500 r/min
0
2.5
5
7.5
10
12.5
15
17.5
20
22.5
25
27.5
0.4 0.8 1.2 1.6 2 2.4
Specific Gravity
Maximum Allowable Suction Pressure - bar
0
40
80
120
160
200
240
280
320
360
400
Maximum Allowable Suction Pressure - psi
4
2
65
10
3
1
13
14
12
987
11
15
16
18
17

MARK 3 USER INSTRUCTIONS ENGLISH 71569102 08-06
Page 17 of 68 flowserve.com
Figure 3-6: Suction pressure reference numbers
Pump size 1 750 3 500
1K 1.5x1-6 7 10
1K 3x1.5-6 10 15
1K 3x2-6 10 12
1K 2 x1.5V-6 PT 18
1K 1.5x1-8
1K 1.5x1.5US-8 7 6
1K 2x1.5V-8 PT 16
1K 3x1.5-8 4 4
1K 3x2V-7 PT 11
2K 3x2-8 10 7
2K 4x3-8 10 13
2K 2x1-10A 8 3
2K 2x1.5V-10A
2K 2x1.5US-10A 8 3
2K 3x1.5-10A 10 17
2K 3x2-10A
2K 3x2V-10 In-Line 10
11 14
9
2K 4x3-10 6 2
2K 4x3-10H 3 na
2K 6x4-10 5 8
2K 6x4-10H 10 na
2K 3x1.5-13 9 5
2K 3x2-13 5 1
2K 4x3-13/13 1 na
2K 4x3-13/12 1 na
2K 4x3-13/11 max 1 2
2K 4x3-13HH 10 na
2K 6x4-13A 1 na
2K 6x4-13A/10.25 1 ?
3K 8x6-14A 2 na
3K 10x8-14 PT na
3K 6x4-16 PT na
3K 8x6-16A PT na
3K 10x8-16 & 16H PT na
3K 10x8-17 3 na
Recessed impellers PT PT
Lo-Flo pumps PT PT
Open impellers PT PT
Notes:
1. Self-Primer and In-Line pumps not specifically listed above
are to use the standard pump ratings given.
For example: 2K 3x2V-13 and 2K 3x2US-13 pumps utilize the
standard 2K 3x2-13 ratings.
2. P-T: Only limited by Pressure-Temperature ratings.
3. Open impeller pumps including the Lo-Flo and Recessed
Impeller products are limited in suction pressure only by the
Pressure-Temperature ratings.
4. Sealmatic pump suction pressure is limited by the repeller.
Figure 3-7: Minimum continuous flow
MCF % of BEP
Pump size 3 500/2 900
r/min 1 750/1 450
r/min 1 180/960
r/min
1K3x2-6 20% 10% 10%
1K3x2-7 25% 10% 10%
2K3x2-8 20% 10% 10%
2K4x3-8 20% 10% 10%
2K3x2-10 30% 10% 10%
2K4x3-10 30% 10% 10%
2K6x4-10 40% 10% 10%
2K6x4-10H n.a. 20% 10%
2K3x1.5-13 30% 10% 10%
2K3x2-13 40% 10% 10%
2K4x3-13 40% 20% 10%
2K4x3-13HH n.a. 50% 30%
2K6x4-13 60% 40% 10%
3K8x6-14 n.a. 40% 15%
3K10x8-14 n.a. 40% 10%
3K6x4-16 n.a. 50% 10%
3K8x6-16 n.a. 50% 10%
3K10x8-16 n.a. 50% 10%
3K10x8-17 n.a. 50% 10%
All other sizes 10% 10% 10%
Figure 3-8: Minimum submergence
Figure 3-9: Minimum submergence

MARK 3 USER INSTRUCTIONS ENGLISH 71569102 08-06
Page 18 of 68 flowserve.com
4 INSTALLATION
Zirconium 702 or high chrome iron components
If any of the components of the pump
have been made of zirconium or high chrome iron,
the following precautionary measures should be
followed:
• Use hand wrenches rather than impact wrenches
• This equipment should not be subjected to
sudden changes in temperature or pressure
• Avoid striking this equipment with any sharp blows
Zirconium 705 and high chrome iron components
Avoid any repair or fabrication welds
on Zirconium 705 and high chrome iron components.
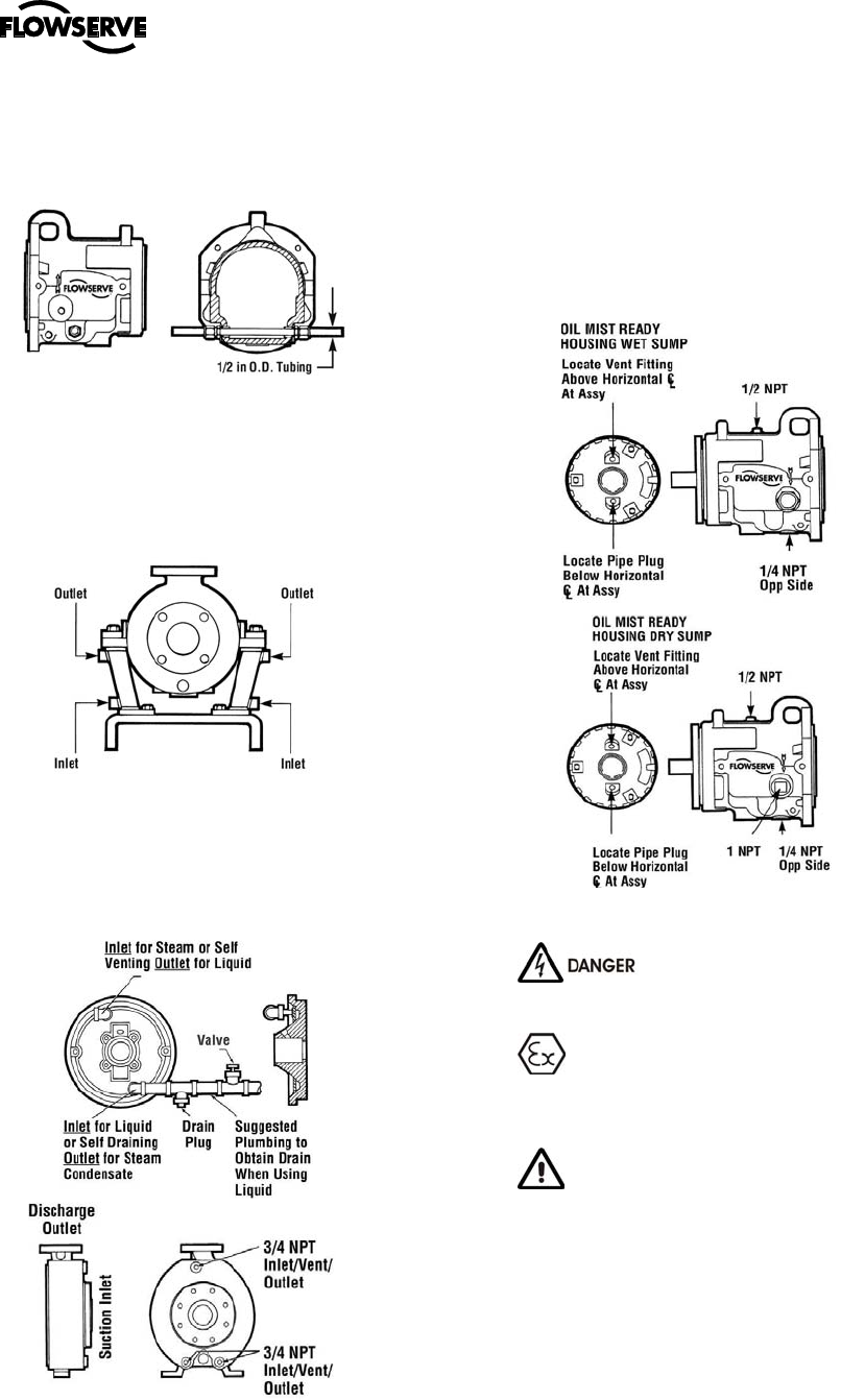
4.1 Location
The pump should be located to allow room for
access, ventilation, maintenance, and inspection with
ample headroom for lifting and should be as close as
practicable to the supply of liquid to be pumped.
Refer to the general arrangement drawing for the
pump set.
4.2 Part assemblies
The supply of motors and baseplates are optional.
As a result, it is the responsibility of the installer to
ensure that the motor is assembled to the pump and
aligned as detailed in section 4.5 and 4.8.
4.3 Foundation
4.3.1 Protection of openings and threads
When the pump is shipped, all threads and all
openings are covered. This protection/covering
should not be removed until installation. If, for any
reason, the pump is removed from service, this
protection should be reinstalled.
4.3.2 In-Line pump mounting
The Mark 3 In-Line can be supported in several ways:
• The pump may be supported by the piping; in
which case it is recommended that the suction
and discharge pipes be supported adjacent to the
pump nozzles
• The pump may be supported under the casing
foot or on the optional “pump stand”
The “pump stand” will allow the pump to free stand
without the aid of piping. The pump stand may be
bolted (and grouted) into place. In this case, the
piping loads must be within the limits of the casing
and of the “pump stand” as found in section 4.6.
The most advantageous method is the one that
permits the pump to move with the piping. This
eliminates problems due to thermal expansion, as the
pump is designed to withstand forces that the piping
is normally capable of transmitting.
4.3.3 Rigid baseplates - overview
The function of a baseplate is to provide a rigid
foundation under a pump and its driver that maintains
alignment between the two. Baseplates may be
generally classified into two types:
• Foundation-mounted, grouted design. (Figure 4-1.)
• Stilt mounted, or free standing. (Figure 4-2.)
Figure 4-1
Figure 4-2
Baseplates intended for grouted installation are
designed to use the grout as a stiffening member.
Stilt mounted baseplates, on the other hand, are
designed to provide their own rigidity. Therefore the
designs of the two baseplates are usually different.
Regardless of the type of baseplate used, it must
provide certain functions that ensure a reliable
installation. Three of these requirements are:
1. The baseplate must provide sufficient rigidity to
assure the assembly can be transported and
installed, given reasonable care in handling,
without damage. It must also be rigid enough
when properly installed to resist operating loads.
2. The baseplate must provide a reasonably flat
mounting surface for the pump and driver. Uneven
surfaces will result in a soft-foot condition that may
make alignment difficult or impossible. Experience
indicates that a baseplate with a top surface
flatness of 1.25 mm/m (0.015 in./ft) across the
diagonal corners of the baseplate provides such a
mounting surface. Therefore, this is the tolerance
to which we supply our standard baseplate.

MARK 3 USER INSTRUCTIONS ENGLISH 71569102 08-06
Page 19 of 68 flowserve.com
Some users may desire an even flatter surface,
which can facilitate installation and alignment.
Flowserve will supply flatter baseplates upon
request at extra cost. For example, mounting
surface flatness of 0.17 mm/m (0.002 in./ft) is
offered on the Flowserve Type E “Ten Point”
baseplate shown in figure 4-1.
3. The baseplate must be designed to allow the user
to final field align the pump and driver to within their
own particular standards and to compensate for
any pump or driver movement that occurred during
handling. Normal industry practice is to achieve
final alignment by moving the motor to match the
pump. Flowserve practice is to confirm in our shop
that the pump assembly can be accurately aligned.
Before shipment, the factory verifies that there is
enough horizontal movement capability at the motor
to obtain a “perfect” final alignment when the
installer puts the baseplate assembly into its
original, top leveled, unstressed condition.
4.3.4 Stilt and spring mounted baseplates
Flowserve offers stilt and spring mounted baseplates.
(See figure 4-2 for stilt mounted option.) The low
vibration levels of Mark 3 pumps allow the use of
these baseplates - provided they are of a rigid design.
The baseplate is set on a flat surface with no tie down
bolts or other means of anchoring it to the floor.
General instructions for assembling these baseplates
are given below. For dimensional information, please
refer to the appropriate Flowserve “Sales print.”
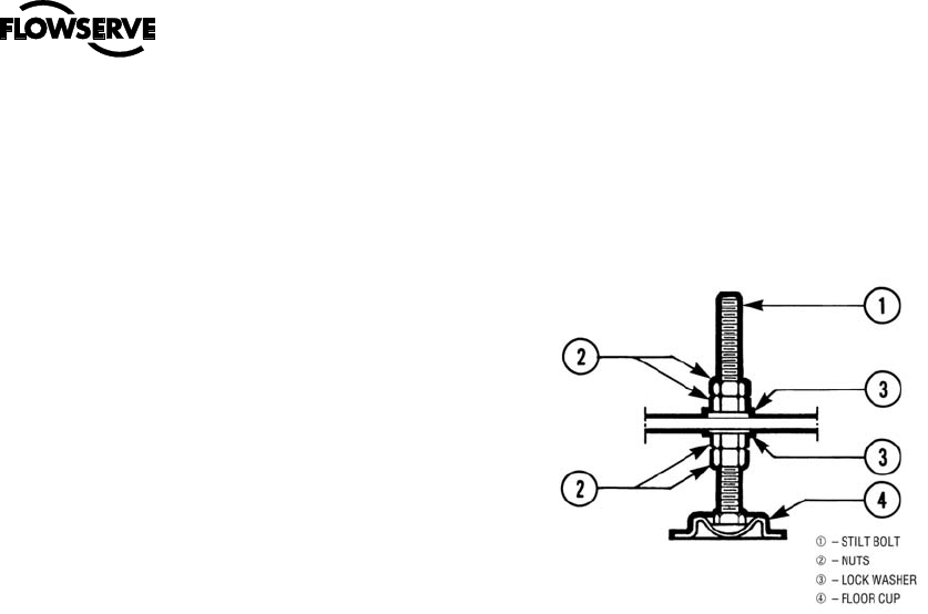
4.3.4.1 Stilt mounted baseplate assembly
instructions
Refer to figure 4-3.
a) Raise or block up baseplate/pump above the
floor to allow for the assembly of the stilts.
b) Predetermine or measure the approximate
desired height for the baseplate above the floor.
c) Set the bottom nuts [2] above the stilt bolt head
[1] to the desired height.
d) Assemble lock washer [3] down over the stilt bolt.
e) Assemble the stilt bolt up through hole in the
bottom plate and hold in place.
f) Assemble the lock washer [3] and nut [2] on the
stilt bolt. Tighten the nut down on the lock
washer.
g) After all four stilts have been assembled, position
the baseplate in place, over the floor cups [4]
under each stilt location, and lower the baseplate
to the floor.
h) Level and make final height adjustments to the
suction and discharge pipe by first loosening the
top nuts and turning the bottom nuts to raise or
lower the baseplate.
i) Tighten the top and bottom nuts at the lock
washer [3] first then tighten the other nuts.
j) It should be noted that the connecting pipelines
must be individually supported, and that the stilt
mounted baseplate is not intended to support
total static pipe load.
Figure 4-3
4.3.4.2 Stilt/spring mounted baseplate assembly
instructions
Refer to figure 4-4.
a) Raise or block up baseplate/pump above the
floor to allow for the assembly of the stilts.
b) Set the bottom nuts [4] above the stilt bolt head
[1]. This allows for 51 mm (2 in.) upward
movement for the final height adjustment of the
suction/discharge flange.
c) Assemble the lock washer [6] flat washer [5] and
bottom spring/cup assembly [2] down over the
stilt bolt [1].
d) Assemble the stilt bolt/bottom spring up through
hole in the bottom plate and hold in place.
e) Assemble top spring/cup assembly [3] down
over stilt bolt.
f) Assemble flat washer [5], lock washer [6] and
nuts [4] on the stilt bolt.
g) Tighten down top nuts, compressing the top
spring approximately 13 mm (0.5 in.). Additional
compression may be required to stabilize the
baseplate.
h) After all four stilts have been assembled,
position the baseplate in place, over the floor
cups [7] under each stilt location, and lower the
baseplate down to the floor.
i) Level and make final height adjustments to the
suction and discharge pipe by first loosening the
top nuts, and turning the bottom nuts to raise or
lower the baseplate.
j) Recompress the top spring to the compression
established in step g) and lock the nuts.

MARK 3 USER INSTRUCTIONS ENGLISH 71569102 08-06
Page 20 of 68 flowserve.com
k) It should be noted that the connecting pipelines
must be individually supported, and that the
spring mounted baseplate is not intended to
support total static pipe loads.
Figure 4-4
4.3.4.3 Stilt/spring mounted baseplates - motor
alignment
The procedure for motor alignment on stilt or spring
mounted baseplates is similar to grouted baseplates.
The difference is primarily in the way the baseplate is
leveled.
a) Level the baseplate by using the stilt adjusters.
(Shims are not needed as with grouted
baseplates.)
b) After the base is level, it is locked in place by
locking the stilt adjusters.
c) Next the initial pump alignment must be checked.
The vertical height adjustment provided by the
stilts allows the possibility of slightly twisting the
baseplate. If there has been no transit damage
or twisting of the baseplate during stilt height
adjustment, the pump and driver should be within
0.38 mm (0.015 in.) parallel, and 0.0025 mm/mm
(0.0025 in./in.) angular alignment. If this is not
the case, check to see if the driver mounting
fasteners are centered in the driver feet holes.
d) If the fasteners are not centered there was likely
shipping damage. Re-center the fasteners and
perform a preliminary alignment to the above
tolerances by shimming under the motor for
vertical alignment, and by moving the pump for
horizontal alignment.
e) If the fasteners are centered, then the baseplate
may be twisted. Slightly adjust (one turn of the
adjusting nut) the stilts at the driver end of the
baseplate and check for alignment to the above
tolerances. Repeat as necessary while
maintaining a level condition as measured from
the pump discharge flange.
f) Lock the stilt adjusters.
The remaining steps are as listed for new grouted
baseplates.
4.4 Grouting
a) The pump foundation should be located as close
to the source of the fluid to be pumped as
practical.
b) There should be adequate space for workers to
install, operate, and maintain the pump. The
foundation should be sufficient to absorb any
vibration and should provide a rigid support for
the pump and motor.
c) Recommended mass of a concrete foundation
should be three times that of the pump, motor
and base. Refer to figure 4-5.
Foundation bolts are imbedded in the
concrete inside a sleeve to allow some
movement of the bolt.
Figure 4-5
d) Level the pump baseplate assembly. If the
baseplate has machined coplanar mounting
surfaces, these machined surfaces are to be
referenced when leveling the baseplate. This may
require that the pump and motor be removed from
the baseplate in order to reference the machined
faces. If the baseplate is without machined
coplanar mounting surfaces, the pump and motor
are to be left on the baseplate. The proper
surfaces to reference when leveling the pump
baseplate assembly are the pump suction and
discharge flanges. DO NOT stress the baseplate.
e) Do not bolt the suction or discharge flanges of
the pump to the piping until the baseplate
foundation is completely installed. If equipped,
use leveling jackscrews to level the baseplate. If
jackscrews are not provided, shims and wedges
should be used. (See Figure 4-5.) Check for
levelness in both the longitudinal and lateral
directions. Shims should be placed at all base
anchor bolt locations, and in the middle edge of
the base if the base is more than 1.5 m (5 ft.)
long. Do not rely on the bottom of the baseplate
to be flat. Standard baseplate bottoms are not
machined, and it is not likely that the field
mounting surface is flat.

MARK 3 USER INSTRUCTIONS ENGLISH 71569102 08-06
Page 21 of 68 flowserve.com
f) After leveling the baseplate, tighten the anchor
bolts. If shims were used, make sure that the
baseplate was shimmed near each anchor bolt
before tightening. Failure to do this may result in
a twist of the baseplate, which could make it
impossible to obtain final alignment.
g) Check the level of the baseplate to make sure
that tightening the anchor bolts did not disturb
the level of the baseplate. If the anchor bolts did
change the level, adjust the jackscrews or shims
as needed to level the baseplate.
h) Continue adjusting the jackscrews or shims and
tightening the anchor bolts until the baseplate is
level.
i) Check initial alignment. If the pump and motor
were removed from the baseplate proceed with
step j) first, then the pump and motor should be
reinstalled onto the baseplate using Flowserve’s
factory preliminary alignment procedure as
described in section 4.5, and then continue with
the following. As described above, pumps are
given a preliminary alignment at the factory. This
preliminary alignment is done in a way that
ensures that, if the installer duplicates the factory
conditions, there will be sufficient clearance
between the motor hold down bolts and motor foot
holes to move the motor into final alignment. If the
pump and motor were properly reinstalled to the
baseplate or if they were not removed from the
baseplate and there has been no transit damage,
and also if the above steps where done properly,
the pump and driver should be within 0.38 mm
(0.015 in.) FIM (Full Indicator Movement) parallel,
and 0.0025 mm/mm (0.0025 in./in.) FIM angular. If
this is not the case, first check to see if the driver
mounting fasteners are centered in the driver feet
holes. If not, re-center the fasteners and perform a
preliminary alignment to the above tolerances by
shimming under the motor for vertical alignment,
and by moving the pump for horizontal alignment.
j) Grout the baseplate. A non-shrinking grout
should be used. Make sure that the grout fills
the area under the baseplate. After the grout
has cured, check for voids and repair them.
Jackscrews, shims and wedges should be
removed from under the baseplate at this time.
If they were to be left in place, they could rust,
swell, and cause distortion in the baseplate.
k) Run piping to the suction and discharge of the
pump. There should be no piping loads
transmitted to the pump after connection is
made. Recheck the alignment to verify that
there are no significant loads.
4.5 Initial alignment
4.5.1 Horizontal initial alignment procedure
The purpose of factory alignment is to ensure that the
user will have full utilization of the clearance in the
motor holes for final job-site alignment. To achieve
this, the factory alignment procedure specifies that
the pump be aligned in the horizontal plane to the
motor, with the motor foot bolts centered in the motor
holes. This procedure ensures that there is sufficient
clearance in the motor holes for the customer to field
align the motor to the pump, to zero tolerance. This
philosophy requires that the customer be able to
place the base in the same condition as the factory.
Thus the factory alignment will be done with the base
sitting in an unrestrained condition on a flat and level
surface. This standard also emphasizes the need to
ensure the shaft spacing is adequate to accept the
specified coupling spacer.
The factory alignment procedure is summarized
below:
a) The baseplate is placed on a flat and level
workbench in a free and unstressed position.
b) The baseplate is leveled as necessary. Leveling
is accomplished by placing shims under the rails
of the base at the appropriate anchor bolt hole
locations. Levelness is checked in both the
longitudinal and lateral directions.
c) The motor and appropriate motor mounting
hardware is placed on the baseplate and the motor
is checked for any planar soft-foot condition. If any
is present it is eliminated by shimming.
d) The motor feet holes are centered on the motor
mounting fasteners. This is done by using a
centering nut as shown in figure 4-6.
Figure 4-6
e) The motor is fastened in place by tightening the
nuts on two diagonal motor mounting studs.
f) The pump is put onto the baseplate and leveled.
The foot piece under the bearing housing is
adjustable. It is used to level the pump, if necessary.
Mark 3A and ANSI 3A design
If an adjustment is necessary, add or remove
shims [3126.1] between the foot piece and the
bearing housing.

MARK 3 USER INSTRUCTIONS ENGLISH 71569102 08-06
Page 22 of 68 flowserve.com
Mark 3 design (old)
If an adjustment is necessary, the adjuster nut
[6576] is used to move the footpiece up or down.
g) The spacer coupling gap is verified.
h) The parallel and angular vertical alignment is
made by shimming under the motor.
i) The motor feet holes are again centered on the
motor mounting studs using the centering nut. At
this point the centering nut is removed and
replaced with a standard nut. This gives
maximum potential mobility for the motor to be
horizontally moved during final, field alignment.
All four motor feet are tightened down.
j) The pump and motor shafts are then aligned
horizontally, both parallel and angular, by moving
the pump to the fixed motor. The pump feet are
tightened down.
k) Both horizontal and vertical alignment is again
final checked as is the coupling spacer gap.
See section 4.8, Final shaft alignment.
4.5.2 In-Line initial alignment procedure
The factory alignment proceed procedure ensures
that the unit may be aligned in the field. The initial
alignment is no more than 0.38 mm (0.015 in.)
parallel, and 0.0025 mm/mm (0.0025 in./in.) angular
misalignment.
The Mark 3 In-Line incorporates motor alignment
capabilities. Parallel alignment is achieved by
moving the motor adapter and motor as an assembly
relative to the power end. Four adjustment screws
(as shown in figures 4-7 and 4-8) allow for precise
changes in parallel alignment. Angular alignment is
controlled by machining tolerances, but cannot
prevent uneven cover gasket compression.
a) Check angular alignment. Additional torque may
be applied to the appropriate casing bolts to
correct angularity.
b) Check parallel alignment within a plane defined by
the adjusters at opposite corners of the motor
adapter. To make corrections, the motor adapter
nuts [6580.3] must be slightly loosened to allow the
motor adapter to move. All adjusters except for the
one in the desired direction of motor movement
should be loosened during adjustment. Tighten the
adjuster slowly against the stud until desired
alignment numbers are reached.
c) Check parallel alignment within a plane 90
degrees from the first. Corrections are made as
described in the previous step.
d) Several iterations between planes may be
necessary. Tighten all fasteners and recheck
alignment.
Figure 4-7
Figure 4-8
4.6 Piping
Protective covers are fitted to both the
suction and discharge flanges of the casing and must
be removed prior to connecting the pump to any pipes.
4.6.1 Suction and discharge piping
All piping must be independently supported, accurately
aligned and preferably connected to the pump by a
short length of flexible piping. The pump should not
have to support the weight of the pipe or compensate
for misalignment. It should be possible to install suction
and discharge bolts through mating flanges without
pulling or prying either of the flanges. All piping must be
tight. Pumps may air-bind if air is allowed to leak into
the piping. If the pump flange(s) have tapped holes,
select flange fasteners with thread engagement at least
equal to the fastener diameter but that do not bottom
out in the tapped holes before the joint is tight.
4.6.2 Suction piping
To avoid NPSH and suction problems, suction piping
must be at least as large as the pump suction
connection. Never use pipe or fittings on the suction
that are smaller in diameter than the pump suction size.

MARK 3 USER INSTRUCTIONS ENGLISH 71569102 08-06
Page 23 of 68 flowserve.com
Figure 4-9 illustrates the ideal piping configuration with a
minimum of 10 pipe diameters between the source and
the pump suction. In most cases, horizontal reducers
should be eccentric and mounted with the flat side up as
shown in figure 4-10 with a maximum of one pipe size
reduction. Never mount eccentric reducers with the flat
side down. Horizontally mounted concentric reducers
should not be used if there is any possibility of entrained
air in the process fluid. Vertically mounted concentric
reducers are acceptable. In applications where the fluid
is completely de-aerated and free of any vapor or
suspended solids, concentric reducers are preferable to
eccentric reducers.
Figure 4-9 Figure 4-10
Avoid the use of throttling valves and strainers in the
suction line. Start up strainers must be removed shortly
before start up. When the pump is installed below the
source of supply, a valve should be installed in the
suction line to isolate the pump and permit pump
inspection and maintenance. However, never place a
valve directly on the suction nozzle of the pump.
Refer to the Durco Pump Engineering Manual and
the Centrifugal Pump IOM Section of the Hydraulic
Institute Standards for additional recommendations
on suction piping. (See section 10.)
Refer to section 3.4 for performance and operating
limits.
4.6.2.1 Mark 3 Self-Priming Pumps
The suction piping must be as short as possible and
be as close to the diameter of the suction nozzle as is
practical. The pump works by removing the air
contained in the suction piping. Once removed, it
operates exactly the same as a flooded suction
standard pump. Longer and larger the suction pipe
have a greater volume of air that has to be removed,
resulting in longer priming time. The suction piping
and seal chamber must be airtight to allow priming to
occur. When possible, it is recommended that
suction piping be sloped slightly towards the casing to
limit priming fluid loss down the suction line during
priming and shutdown.
4.6.3 Discharge piping
Install a valve in the discharge line. This valve is
required for regulating flow and/or to isolate the pump
for inspection and maintenance.
When fluid velocity in the pipe is high,
for example, 3 m/s (10 ft/sec) or higher, a rapidly
closing discharge valve can cause a damaging
pressure surge. A dampening arrangement should
be provided in the piping.
4.6.3.1 Mark 3 Self-Priming Pumps
During the priming cycle, air from the suction piping is
evacuated into the discharge piping. There must be
a way for this air to vent. If air is not able to freely
vent out the discharge pipe, it is typically
recommended to install an air bleed line. The air
bleed line is typically connected from the discharge
pipe to the sump. Car must be taken to prevent air
from re-entering suction pipe.
4.6.4 Allowable nozzle loads
Flowserve chemical process pumps meet or exceed
the allowable nozzle loads given by ANSI/HI 9.6.2.
The following paragraphs describe how to calculate
the allowable loads for each pump type and how to
determine if the applied loads are acceptable. The
first configuration covered is ASME B73.1M pumps,
including the Mark 3 Standard, Sealmatic, Lo-Flo,
Recessed Impeller, and Unitized Self-Priming pumps.
The second configuration covered is the ASME
B73.2M vertical, Mark 3 In-Line pump.
4.6.4.1 Mark 3 horizontal pumps (ASME B73.1M)
The following steps are based upon ANSI/HI 9.6.2.
All information necessary to complete the evaluation
is given below. For complete details please review
the standard.
a) Determine the appropriate casing “Material
Group No.” from figure 3-2.
b) Find the “Casing material correction factor” in
Figure 4-11 based upon the “Material Group No.”
and operating temperature. Interpolation may be
used to determine the correction factor for a
specific temperature.
c) Find the “Baseplate correction factor” in Figure
4-12. The correction factor depends upon how
the baseplate is to be installed.
d) Locate the pump model being evaluated in Figure
4-16 and multiply each load rating by the casing
correction factor. Record the ”adjusted Figure
4-16 loads”.
e) Locate the pump model being evaluated in
Figures 4-17 and 4-18 and multiply each load
rating by the baseplate correction factor. Record
the adjusted Figure 4-17 and 4-18 loads.

MARK 3 USER INSTRUCTIONS ENGLISH 71569102 08-06
Page 24 of 68 flowserve.com
f) Compare the “adjusted Figure 4-16 loads” to the
values shown in figure 4-15. The lower of these
two values should be used as the adjusted figure 4-
15 values. (The HI standard also asks that figure 4-
15 loads be reduced if figure 4-17 or 4-18 values
are lower. Flowserve does not follow this step.)
g) Calculate the applied loads at the casing flanges
according to the coordinate system found in
figure 4-13. The 12 forces and moments possible
are Fxs, Fys, Fzs, Mxs, Mys, Mzs, Fxd, Fyd, Fzd,
Mxd, Myd and Mzd. For example, Fxd
designates Force in the “x” direction on the
discharge flange. Mys designates the Moment
about the “y”-axis on the suction flange.
h) Figure 4-14 gives the acceptance criteria
equations. For long coupled pumps, equation
sets 1 through 5 must be satisfied. For close
coupled and C-face pumps, only equation sets 1
and 2 must be satisfied.
i) Equation set 1. Each applied load is divided by
the corresponding adjusted figure 4-15 value.
The absolute value of each ratio must be less
than or equal to one.
j) Equation set 2. The summation of the absolute
values of each ratio must be less than or equal to
two. The ratios are the applied load divided by
the adjusted figure 4-16 values.
k) Equation sets 3 and 4. These equations are
checking for coupling misalignment due to nozzle
loading in each axis. Each applied load is divided
by the corresponding adjusted load from figure 4-17
and 4-18. The result of each equation must be
between one and negative one.
l) Equation set 5. This equation calculates the total
shaft movement from the results of equations 3
and 4. The result must be less than or equal to one.
Figure 4-11: Casing material correction factors
Material Group No.
1.0 1.1 2.1 2.2 2.4 2.8 3.2 3.4 3.5 3.7 3.8 3.17 Ti Cr
Austenitic steels Nickel and nickel alloys
Temp
Temp
DCI Carbon
Steel
Type
304
and
304L
Type
316
and
316L Type
321 CD-
4MCu Nickel Monel Inconel Hast
B Hast
C Alloy
20
Ti,
Ti-
Pd,
Zr
High
Chrome
-18 to
171
340
-129 -200 – – 1.00 1.00 1.00 – 0.50 – – – – 0.83 – –
-73 -100 – – 1.00 1.00 1.00 1.00 0.50 0.83 0.93 1.00 1.00 0.83 0.89 –
-29 -20 0.89 1.00 1.00 1.00 1.00 1.00 0.50 0.83 0.93 1.00 1.00 0.83 0.89 0.65
38 100 0.89 1.00 1.00 1.00 1.00 1.00 0.50 0.83 0.93 1.00 1.00 0.83 0.89 0.65
93 200 0.83 0.94 0.83 0.86 0.93 1.00 0.50 0.74 0.88 1.00 1.00 0.72 0.86 0.65
150 300 0.78 0.91 0.75 0.78 0.83 0.92 0.50 0.69 0.82 1.01 1.01 0.65 0.81 0.65
205 400 0.73 0.88 0.69 0.72 0.69 0.85 0.50 0.67 0.77 0.98 0.98 0.58 0.69 0.65
260 500 0.69 0.83 0.63 0.67 0.64 0.80 0.50 0.66 0.74 0.92 0.92 0.54 0.57 –
315 600 0.65 0.76 0.60 0.63 0.60 0.77 0.50 0.66 0.74 0.84 0.84 0.50 0.45 –
344 650 0.63 0.74 0.60 0.62 0.60 – – 0.66 0.73 0.82 0.82 – 0.39 –
370 700 – 0.74 0.59 0.60 0.58 – – 0.66 0.73 0.79 0.79 – 0.33 –

MARK 3 USER INSTRUCTIONS ENGLISH 71569102 08-06
Page 25 of 68 flowserve.com
Figure 4-12: Baseplate correction factors
Base type Grouted Bolted Stilt mounted
Type A 1.0 0.7 0.65
Type B - Polybase 1.0 n/a 0.95
Type C n/a 1.0 1.0
Type D 1.0 0.8 0.75
Type E - PIP 1.0 0.95 n/a
Polyshield - baseplate/
foundation 1.0 n/a n/a
Figure 4-13: Coordinate system
Figure 4-14: Acceptance criteria equations
Set Equations Figure Remarks
1
0.1,0.1,0.1,0.1,0.1,0.1
,0.1,0.1,0.1,0.1,0.1,0.1
______
______
≤≤≤≤≤≤
≤≤≤≤≤≤
adjzd
zd
adjyd
yd
adjxd
xd
adjzd
zd
adjyd
yd
adjxd
xd
adjzs
zs
adjys
ys
adjxs
xs
adjzs
zs
adjys
ys
adjxs
xs
M
M
M
M
M
M
F
F
F
F
F
F
M
M
M
M
M
M
F
F
F
F
F
F
Adjusted
4-15
Maximum
individual
loading
2
0.2
______
______
≤+++++
++++++
adjzd
zd
adjyd
yd
adjxd
xd
adjzd
zd
adjyd
yd
adjxd
xd
adjzs
zs
adjys
ys
adjxs
xs
adjzs
zs
adjys
ys
adjxs
xs
M
M
M
M
M
M
F
F
F
F
F
F
M
M
M
M
M
M
F
F
F
F
F
F
Adjusted
4-16
Nozzle
stress, bolt
stress, pump
slippage
3
adjzd
zd
adjyd
yd
adjxd
xd
adjyd
yd
adjzs
zs
adjys
ys
adjxs
xs
adjys
ys
M
M
M
M
M
M
F
F
M
M
M
M
M
M
F
F
A
____
____
+++
++++=
0.10.1
≤
≤
−
A
Adjusted
4-17 y-axis
movement
4
adjzd
zd
adjyd
yd
adjxd
xd
adjzd
zd
adjyd
yd
adjxd
xd
adjzs
zs
adjys
ys
adjxs
xs
adjzs
zs
adjxs
xs
M
M
M
M
M
M
F
F
F
F
F
F
M
M
M
M
M
M
F
F
F
F
B
______
_____
+++++
+++++=
0.10.1
≤
≤
−
B
Adjusted
4-18 z-axis
movement
5 0.1
22 ≤+ BA - Combined
axis
movement
Note: All of the above equations are found by dividing the applied piping loads by the adjusted figure values.

MARK 3 USER INSTRUCTIONS ENGLISH 71569102 08-06
Page 26 of 68 flowserve.com
Figure 4-15: Maximum individual loading
Suction flange Discharge flange
Forces N (lbf) Moments Nm (lbf•ft) Forces N (lbf) Moments Nm (lbf•ft)
Pump size
Fxs Fys Fzs Mxs Mys Mzs Fxd Fyd Fzd Mxd Myd Mzd
1K 1.5x1-LF4 4 670
(1 050) 3 336
(750) 3 336
(750) 976
(720) 231
(170) 231
(170) 3 558
(800) 6 005
(1350) 13 344
(3 000) 556
(410) 556
(410) 556
(410)
1K 1.5x1-6 4 670
(1 050) 3 336
(750) 3 336
(750) 976
(720) 231
(170) 231
(170) 3 558
(800) 6 005
(1350) 13 344
(3 000) 556
(410) 556
(410) 556
(410)
1K 3x1.5-6 4 670
(1 050) 5 516
(1 240) 5 560
(1 250) 1 220
(900) 664
(490) 664
(490) 3 558
(800) 6 005
(1 350) 13 344
(3 000) 678
(500) 746
(550) 692
(510)
1K 3x2-6 4 670
(1 050) 4 670
(1 050) 4 670
(1 050) 1 220
(900) 298
(220) 298
(220) 3 558
(800) 6 005
(1 350) 13 344
(3 000) 678
(500) 1 356
(1 000) 692
(510)
1K 1.5x1-8 and LF8 4 670
(1 050) 5 382
(1 210) 5 382
(1 210) 976
(720) 258
(190) 258
(190) 3 558
(800) 6 005
(1 350) 13 344
(3 000) 488
(360) 488
(360) 488
(360)
1K 1.5x1.5US-8 4 670
(1 050) 5 382
(1 210) 5 382
(1 210) 976
(720) 258
(190) 258
(190) 3 558
(800) 6 005
(1 350) 13 344
(3 000) 488
(360) 488
(360) 488
(360)
1K 3x1.5-8 4 670
(1 050) 5 516
(1 240) 5 560
(1 250) 1 220
(900) 664
(490) 664
(490) 3 558
(800) 6 005
(1 350) 13 344
(3 000) 597
(440) 597
(440) 597
(440)
2K 3x2-8 12 010
(2 700) 6 005
(1 350) 6 672
(1 500) 1 763
(1 300) 814
(600) 814
(600) 6 227
(1 400) 6 005
(1 350) 14 456
(3 250) 895
(660) 895
(660) 895
(660)
2K 4x3-8 12 010
(2 700) 6 005
(1 350) 6 672
(1 500) 1 763
(1 300) 475
(350) 475
(350) 6 227
(1 400) 6 005
(1 350) 14 456
(3 250) 1 627
(1 200) 1 980
(1 460) 936
(690)
2K 2x1-10A and LF10 10 408
(2 340) 4 270
(960) 4 270
(960) 1 722
(1 270) 298
(220) 298
(220) 6 227
(1 400) 6 005
(1 350) 14 456
(3 250) 895
(660) 895
(660) 895
(660)
2K 2x1.5US-10A 10 408
(2 340) 4 270
(960) 4 270
(960) 1 722
(1 270) 298
(220) 298
(220) 6 227
(1 400) 6 005
(1 350) 14 456
(3 250) 895
(660) 895
(660) 895
(660)
2K 2x2R-10 10 408
(2 340) 4 270
(960) 4 270
(960) 1 722
(1 270) 298
(220) 298
(220) 6 227
(1 400) 6 005
(1 350) 14 456
(3 250) 895
(660) 895
(660) 895
(660)
2K 3x1.5-10A 12 010
(2 700) 6 005
(1 350) 6 672
(1 500) 1 763
(1 300) 570
(420) 570
(420) 6 227
(1 400) 6 005
(1 350) 14 456
(3 250) 502
(370) 502
(370) 502
(370)
2K 3x2-10A 12 010
(2 700) 6 005
(1 350) 6 583
(1 480) 1 763
(1 300) 420
(310) 420
(310) 6 227
(1 400) 6 005
(1 350) 14 456
(3 250) 759
(560) 759
(560) 759
(560)
2K 3x2US-10 12 010
(2 700) 6 005
(1 350) 6 583
(1 480) 1 763
(1 300) 420
(310) 420
(310) 6 227
(1 400) 6 005
(1 350) 14 456
(3 250) 759
(560) 759
(560) 759
(560)
2K 3x3R-10 12 010
(2 700) 6 005
(1 350) 6 583
(1 480) 1 763
(1 300) 420
(310) 420
(310) 6 227
(1 400) 6 005
(1 350) 14 456
(3 250) 759
(560) 759
(560) 759
(560)
2K 4x3-10 and 10H 10 230
(2 300) 6 005
(1 350) 6 672
(1 500) 1 763
(1 300) 420
(310) 420
(310) 6 227
(1 400) 6 005
(1 350) 14 456
(3 250) 1 627
(1 200) 1 980
(1 460) 936
(690)
2K 4x3US-10H 10 230
(2 300) 6 005
(1 350) 6 672
(1 500) 1 763
(1 300) 420
(310) 420
(310) 6 227
(1 400) 6 005
(1 350) 14 456
(3 250) 1 627
(1 200) 1 980
(1 460) 936
(690)
2K 6x4-10 and 10H 12 010
(2 700) 6 005
(1 350) 6 672
(1 500) 1 763
(1 300) 1 492
(1 100) 1 492
(1 100) 6 227
(1 400) 6 005
(1 350) 14 456
(3 250) 1 627
(1 200) 2 034
(1 500) 936
(690)
2K 3x1.5-13 and LF13
12 010
(2 700) 6 005
(1 350) 6 672
(1 500) 1 763
(1 300) 909
(670) 909
(670) 6 227
(1 400) 6 005
(1 350) 14 456
(3 250) 719
(530) 719
(530) 719
(530)
2K 3x2-13 8 540
(1 920) 5 471
(1 230) 5 471
(1 230) 1 763
(1 300) 475
(350) 475
(350) 6 227
(1 400) 6 005
(1 350) 14 456
(3 250) 1 627
(1 200) 1 722
(1 270) 936
(690)
2K 3x2US-13 8 540
(1 920) 5 471
(1 230) 5 471
(1 230) 1 763
(1 300) 475
(350) 475
(350) 6 227
(1 400) 6 005
(1 350) 14 456
(3 250) 1 627
(1 200) 1 722
(1 270) 936
(690)
2K 4x3-13 and 13HH 12 010
(2 700) 6 005
(1 350) 6 672
(1 500) 1 763
(1 300) 542
(400) 542
(400) 6 227
(1 400) 6 005
(1 350) 14 456
(3 250) 1 627
(1 200) 2 034
(1 500) 936
(690)
2K 4x3US-13 12 010
(2 700) 6 005
(1 350) 6 672
(1 500) 1 763
(1 300) 542
(400) 542
(400) 6 227
(1 400) 6 005
(1 350) 14 456
(3 250) 1 627
(1 200) 2 034
(1 500) 936
(690)
2K 4x3R-13 12 010
(2 700) 6 005
(1 350) 6 672
(1 500) 1 763
(1 300) 542
(400) 542
(400) 6 227
(1 400) 6 005
(1 350) 14 456
(3 250) 1 627
(1 200) 2 034
(1 500) 936
(690)
2K 6x4-13A 12 010
(2 700) 6 005
(1 350) 6 672
(1 500) 1 763
(1 300) 1 763
(1 300) 1 492
(1 100) 6 227
(1 400) 6 005
(1 350) 14 456
(3 250) 1 627
(1 200) 2 034
(1 500) 936
(690)
2K 6x4US-13A 12 010
(2 700) 6 005
(1 350) 6 672
(1 500) 1 763
(1 300) 1 763
(1 300) 1 492
(1 100) 6 227
(1 400) 6 005
(1 350) 14 456
(3 250) 1 627
(1 200) 2 034
(1 500) 936
(690)
2K 6x4R-13 12 010
(2 700) 6 005
(1 350) 6 672
(1 500) 1 763
(1 300) 1 763
(1 300) 1 492
(1 100) 6 227
(1 400) 6 005
(1 350) 14 456
(3 250) 1 627
(1 200) 2 034
(1 500) 936
(690)
3K 8x6-14A 15 568
(3 500) 14 145
(3 180) 8 896
(2 000) 2 034
(1 500) 1 587
(1 170) 1 587
(1 170) 6 672
(1 500) 13 344
(3 000) 15 568
(3 500) 1 695
(1 250) 3 851
(2 840) 3 851
(2 840)
3K 10x8-14 15 568
(3 500) 14 145
(3 180) 8 896
(2 000) 2 034
(1 500) 2 712
(2 000) 2 915
(2 150) 6 672
(1 500) 13 344
(3 000) 15 568
(3 500) 1 695
(1 250) 3 851
(2 840) 3 851
(2 840)
3K 6x4-16 15 568
(3 500) 12 721
(2 860) 8 006
(1 800) 1 831
(1 350) 1 431
(1 055) 1 431
(1 055) 6 005
(1 350) 12 010
(2 700) 14 011
(3 150) 1 526
(1 125) 3 465
(2 555) 3 465
(2 555)
3K 8x6-16A 15 568
(3 500) 14 145
(3 180) 8 896
(2 000) 2 034
(1 500) 2 007
(1 480) 2 007
(1 480) 6 672
(1 500) 13 344
(3 000) 15 568
(3 500) 1 695
(1 250) 3 851
(2 840) 3 851
(2 840)
3K 10x8-16 and 16H 15 568
(3 500) 14 145
(3 180) 8 896
(2 000) 2 034
(1 500) 1 532
(1 130) 1 532
(1 130) 6 672
(1 500) 13 344
(3 000) 15 568
(3 500) 1 695
(1 250) 3 851
(2 840) 3 851
(2 840)
3K 10x8-17 15 568
(3 500) 14 145
(3 180) 8 896
(2 000) 2 034
(1 500) 1 532
(1 130) 1 532
(1 130) 6 672
(1 500) 13 344
(3 000) 15 568
(3 500) 1 695
(1 250) 3 851
(2 840) 3 851
(2 840)

MARK 3 USER INSTRUCTIONS ENGLISH 71569102 08-06
Page 27 of 68 flowserve.com
Figure 4-16: Maximum combined loading
Suction flange Discharge flange
Forces N (lbf) Moments Nm (lbf•ft) Forces N (lbf) Moments Nm (lbf•ft)
Pump size
Fxs Fys Fzs Mxs Mys Mzs Fxd Fyd Fzd Mxd Myd Mzd
1K 1.5x1-LF4 8 985
(2 020) 3 336
(750) 3 336
(750) 2 481
(1 830) 231
(170) 231
(170) 8 985
(2 020) 6 005
(1 350) 27 756
(6 240) 556
(410) 556
(410) 556
(410)
1K 1.5x1-6 8 985
(2 020) 3 336
(750) 3 336
(750) 2 481
(1 830) 231
(170) 231
(170) 8 985
(2 020) 6 005
(1 350) 27 756
(6 240) 556
(410) 556
(410) 556
(410)
1K 3x1.5-6 8 985
(2 020) 5 516
(1 240) 9 385
(2 110) 3 105
(2 290) 664
(490) 664
(490) 8 985
(2 020) 6 005
(1 350) 27 756
(6 240) 746
(550) 746
(550) 692
(510)
1K 3x2-6 8 985
(2 020) 4 670
(1 050) 4 670
(1 050) 3 105
(2 290) 298
(220) 298
(220) 8 985
(2 020) 6 005
(1 350) 27 756
(6 240) 1 397
(1 030) 1 397
(1 030) 692
(510)
1K 1.5x1-8 and LF-8 8 985
(2 020) 5 382
(1 210) 5 382
(1 210) 2 481
(1 830) 258
(190) 258
(190) 8 985
(2 020) 6 005
(1 350) 27 756
(6 240) 488
(360) 488
(360) 488
(360)
1K 1.5x1.5US-8 8 985
(2 020) 5 382
(1 210) 5 382
(1 210) 2 481
(1 830) 258
(190) 258
(190) 8 985
(2 020) 6 005
(1 350) 27 756
(6 240) 488
(360) 488
(360) 488
(360)
1K 3x1.5-8 8 985
(2 020) 5 516
(1 240) 7 295
(1 640) 3 105
(2 290) 664
(490) 664
(490) 8 985
(2 020) 6 005
(1 350) 27 756
(6 240) 597
(440) 597
(440) 597
(440)
2K 3x2-8 12 010
(2 700) 6 005
(1 350) 11 076
(2 490) 5 058
(3 730) 814
(600) 814
(600) 8 763
(1 970) 6 005
(1 350) 27 756
(6 240) 895
(660) 895
(660) 895
(660)
2K 4x3-8 12 010
(2 700) 6 005
(1 350) 8 184
(1 840) 5 058
(3 730) 475
(350) 475
(350) 8 985
(2 020) 6 005
(1 350) 27 756
(6 240) 1 980
(1 460) 1 980
(1 460) 936
(690)
2K 2x1-10A and LF10 10 408
(2 340) 4 270
(960) 4 270
(960) 4 936
(3 640) 298
(220) 298
(220) 8 985
(2 020) 6 005
(1 350) 27 756
(6 240) 895
(660) 895
(660) 895
(660)
2K 2x1.5US-10A 10 408
(2 340) 4 270
(960) 4 270
(960) 4 936
(3 640) 298
(220) 298
(220) 8 985
(2 020) 6 005
(1 350) 27 756
(6 240) 895
(660) 895
(660) 895
(660)
2K 2x2R-10 10 408
(2 340) 4 270
(960) 4 270
(960) 4 936
(3 640) 298
(220) 298
(220) 8 985
(2 020) 6 005
(1 350) 27 756
(6 240) 895
(660) 895
(660) 895
(660)
2K 3x1.5-10A 12 010
(2 700) 6 005
(1 350) 8 496
(1 910) 5 058
(3 730) 570
(420) 570
(420) 8 629
(1 940) 6 005
(1 350) 27 756
(6 240) 502
(370) 502
(370) 502
(370)
2K 3x2-10A 12 010
(2 700) 6 005
(1 350) 6 583
(1 480) 5 058
(3 730) 420
(310) 420
(310) 8 985
(2 020) 6 005
(1 350) 27 756
(6 240) 759
(560) 759
(560) 759
(560)
2K 3x2US-10 12 010
(2 700) 6 005
(1 350) 6 583
(1 480) 5 058
(3 730) 420
(310) 420
(310) 8 985
(2 020) 6 005
(1 350) 27 756
(6 240) 759
(560) 759
(560) 759
(560)
2K 3x3R-10 12 010
(2 700) 6 005
(1 350) 6 583
(1 480) 5 058
(3 730) 420
(310) 420
(310) 8 985
(2 020) 6 005
(1 350) 27 756
(6 240) 759
(560) 759
(560) 759
(560)
2K 4x3-10 and 10H 10 230
(2 300) 6 005
(1 350) 7 295
(1 640) 5 058
(3 730) 420
(310) 420
(310) 8 985
(2 020) 6 005
(1 350) 27 756
(6 240) 1 980
(1 460) 1 980
(1 460) 936
(690)
2K 4x3US-10H 10 230
(2 300) 6 005
(1 350) 7 295
(1 640) 5 058
(3 730) 420
(310) 420
(310) 8 985
(2 020) 6 005
(1 350) 27 756
(6 240) 1 980
(1 460) 1 980
(1 460) 936
(690)
2K 6x4-10 and 10H 12 010
(2 700) 6 005
(1 350) 27 756
(6 240) 5 058
(3 730) 1 492
(1 100) 1 492
(1 100) 8 985
(2 020) 6 005
(1 350) 27 756
(6 240) 4 204
(3 100) 4 204
(3 100) 936
(690)
2K 3x1.5-13 and LF13
12 010
(2 700) 6 005
(1 350) 13 611
(3 060) 5 058
(3 730) 909
(670) 909
(670) 8 985
(2 020) 6 005
(1 350) 27 756
(6 240) 719
(530) 719
(530) 719
(530)
2K 3x2-13 8 540
(1 920) 5 471
(1 230) 5 471
(1 230) 5 058
(3 730) 475
(350) 475
(350) 8 985
(2 020) 6 005
(1 350) 27 756
(6 240) 1 980
(1 460) 1 980
(1 460) 936
(690)
2K 3x2US-13 8 540
(1 920) 5 471
(1 230) 5 471
(1 230) 5 058
(3 730) 475
(350) 475
(350) 8 985
(2 020) 6 005
(1 350) 27 756
(6 240) 1 980
(1 460) 1 980
(1 460) 936
(690)
2K 4x3-13 and 13HH 12 010
(2 700) 6 005
(1 350) 10 631
(2 390) 5 058
(3 730) 542
(400) 542
(400) 8 985
(2 020) 6 005
(1 350) 27 756
(6 240) 2 346
(1 730) 2 346
(1 730) 936
(690)
2K 4x3US-13 12 010
(2 700) 6 005
(1 350) 10 631
(2 390) 5 058
(3 730) 542
(400) 542
(400) 8 985
(2 020) 6 005
(1 350) 27 756
(6 240) 2 346
(1 730) 2 346
(1 730) 936
(690)
2K 4x3R-13 12 010
(2 700) 6 005
(1 350) 10 631
(2 390) 5 058
(3 730) 542
(400) 542
(400) 8 985
(2 020) 6 005
(1 350) 27 756
(6 240) 2 346
(1 730) 2 346
(1 730) 936
(690)
2K 6x4-13A 12 010
(2 700) 6 005
(1 350) 27 756
(6 240) 5 058
(3 730) 6 753
(4 980) 1 492
(1 100) 8 985
(2 020) 6 005
(1 350) 27 756
(6 240) 2 915
(2 150) 2 915
(2 150) 936
(690)
2K 6x4US-13A 12 010
(2 700) 6 005
(1 350) 27 756
(6 240) 5 058
(3 730) 6 753
(4 980) 1 492
(1 100) 8 985
(2 020) 6 005
(1 350) 27 756
(6 240) 2 915
(2 150) 2 915
(2 150) 936
(690)
2K 6x4R-13 12 010
(2 700) 6 005
(1 350) 27 756
(6 240) 5 058
(3 730) 6 753
(4 980) 1 492
(1 100) 8 985
(2 020) 6 005
(1 350) 27 756
(6 240) 2 915
(2 150) 2 915
(2 150) 936
(690)
3K 8x6-14A 28 289
(6 360) 14 145
(3 180) 22 596
(5 080) 12 163
(8 970) 1 587
(1 170) 1 587
(1 170) 28 289
(6 360) 14 145
(3 180) 59 870
(13 460) 9 194
(6 780) 5 221
(3 850) 3 851
(2 840)
3K 10x8-14 28 289
(6 360) 14 145
(3 180) 59 870
(13 460)
12 163
(8 970) 3 322
(2 450) 2 915
(2 150) 28 289
(6 360) 14 145
(3 180) 59 870
(13 460) 12 163
(8 970) 9 790
(7 220) 3 851
(2 840)
3K 6x4-16 28 289
(6 360) 14 145
(3 180) 20 327
(4 570) 12 163
(8 970) 1 431
(1 055) 1 431
(1 055) 25 465
(5 725) 12 720
(2 860) 53 888
(12 115) 8 272
(6 100) 4 699
(3 465) 3 465
(2 555)
3K 8x6-16A 28 289
(6 360) 14 145
(3 180) 29 713
(6 680) 12 163
(8 970) 2 007
(1 480) 2 007
(1 480) 28 289
(6 360) 14 145
(3 180) 59 870
(13 460) 8 895
(6 560) 5 044
(3 720) 3 851
(2 840)
3K 10x8-16 & 16HH 28 289
(6 360) 14 145
(3 180) 22 818
(5 130) 12 163
(8 970) 1 532
(1 130) 1 532
(1 130) 28 289
(6 360) 14 145
(3 180) 59 870
(13 460) 12 163
(8 970) 12 285
(9 060) 3 851
(2 840)
3K 10x8-17 28 289
(6 360) 14 145
(3 180) 22 818
(5 130) 12 163
(8 970) 1 532
(1 130) 1 532
(1 130) 28 289
(6 360) 14 145
(3 180) 59 870
(13 460) 12 163
(8 970) 12 285
(9 060) 3 851
(2 840)

MARK 3 USER INSTRUCTIONS ENGLISH 71569102 08-06
Page 28 of 68 flowserve.com
Figure 4-17: Maximum Y-axis loading for shaft deflection
Suction flange Discharge flange
Forces N (lbf) Moments Nm (lbf•ft) Forces N (lbf) Moments Nm (lbf•ft)
Pump size
Fxs Fys Fzs Mxs Mys Mzs Fxd Fyd Fzd Mxd Myd Mzd
Group 1 – -8 896
(-2 000) – 1 220.4
(900) 1 627.2
(1 200) 1 695
(1 250)
– 6 672
(1 500) – -678
(-500) 2 034
(1 500) 1 695
(1 250)
Group 2 – -15 568
(-3 500) – 1 762.8
(1 300) 1 762.8
(1 300) 4 068
(3 000)
– 11 120
(2 500) – -1 627
(-1 200) 2 034
(1 500) 4 068
(3 000)
Group 3 – -22 240
(-5 000) – 2 034
(1 500) 2 712
(2 000) 5 424
(4 000)
– 13 344
(3 000) – -1 695
(-1 250) 6 780
(5 000) 5 424
(4 000)
Figure 4-18: Maximum Z-axis loading for shaft deflection
Suction flange Discharge flange
Forces N (lbf) Moments Nm (lbf•ft) Forces N (lbf) Moments Nm (lbf•ft)
Pump size
Fxs Fys Fzs Mxs Mys Mzs Fxd Fyd Fzd Mxd Myd Mzd
Group 1 4 670
(1 050) – -5 560
(-1 250)
2 034
(1 500)
1 627
(1 200)
-3 390
(-2 500)
3 558
(800) 8 896
(2 000) -13 344
(-3 000) -2 034
(-1 500)
1 356
(1 000)
-3 390
(-2 500)
Group 2 15 568
(3 500) – -6 672
(-1 500)
2 034
(1 500)
1 763
(1 300)
-4 746
(-3 500)
6 227
(1 400)
11 120
(2 500) -14 456
(-3 250) -2 034
(-1 500)
2 915
(2 150)
-4 746
(-3 500)
Group 3 15 568
(3 500) – -8 896
(-2 000)
2 034
(1 500)
5 560
(4 100)
-5 424
(-4 000)
6 672
(1 500)
17 792
(4 000) -15 568
(-3 500) -2 034
(-1 500)
6 780
(5 000)
-5 424
(-4 000)
4.6.4.2 Mark 3 In-Line pumps (ASME B73.2M)
4.6.4.2a Pump mounting
Review Pump mounting, section 4.3.
The pump may be mounted such that it is free to
move with the piping. The pump may be supported
by the piping, so that it is free to move in all
directions. The pump may also be supported
underneath the casing or by the optional pump stand
which is not bolted to the foundation. In these cases,
the pump is free to move with the piping in all
directions except for vertically downward.
The above mounting methods are recommended as
they reduce the piping loads applied to the pump. In
these cases, nozzle loads are limited only by the
casing limitations.
The pump may also be rigidly mounted, with the
optional pump stand bolted to the foundation. In this
case pump movement is restricted and piping loads
are applied to both the pump and stand. In this case,
nozzle loads are limited by both the casing and pump
stand limitations.
4.6.4.2b Casing limitations
To simplify or eliminate additional calculations, the
In-Line casing may be treated as a spool of schedule
40 pipe with a diameter equal to the discharge, length
equal to the face to face dimension (SD) and material
equal to that of the casing. In cases where pump
movement is limited, the constraint may be placed at
the center of the spool. Stress in the pump flanges
and bolting should not be ignored. This method
allows for the use of automated piping programs to
determine the acceptability of loads.
The casing limitations can also be determined by
ANSI/HI 9.6.2. All information necessary to complete
the evaluation is given below. For complete details
please review the standard.
a) Determine the appropriate casing “Nozzle load
material group” from figure 3-2.
b) Find the “Casing material correction factor” in
figure 4-11 based upon the “Nozzle load material
group” and operating temperature. Interpolation
may be used to determine the correction factor
for a specific temperature.
c) Multiply the allowable loads found in figure 4-20
by the material correction factor. Record the
adjusted loads.
d) Calculate the applied piping loads at the center of
the casing flanges according to the coordinate
system found in figure 4-19. The 12 forces and
moments possible are Fxs, Fys, Fzs, Mxs, Mys,
Mzs, Fxd, Fyd, Fzd, Mxd, Myd and Mzd. For
example, Fxd designates force in the “x” direction
on the discharge flange. Mys designates the
moment about the “y”-axis on the suction flange.
e) The absolute value of the applied suction load
divided by the corresponding adjusted load must
be less than or equal to one. Also, the absolute
value of the applied discharge load divided by
the corresponding adjusted load must be less
than or equal to one.
For example:
,
0
.1.........................0.1,0.1 ___ ≤≤≤
adjz
zd
adjy
yd
adjx
xs
M
M
F
F
F
F

MARK 3 USER INSTRUCTIONS ENGLISH 71569102 08-06
Page 29 of 68 flowserve.com
Figure 4-19
4.6.4.2c Pump stand limitations
In cases where the pump is rigidly mounted by the
pump stand, both the casing limitations and the pump
stand limitations must be satisfied. Due to the limited
load capacity of the pump stands, it may be
necessary to restrain the piping to prevent loads.
a) Ensure all applied loads are within the allowable
limits of the casing.
b) Translate the flange loads using the formulae
found in figure 4-21. Dimensional variables SRS,
SRD and RS can be found in figure 4-20.
c) Calculate FT and FN using the formulae found in
figure 4-21.
d) FT and FN must be less than FTMAX and FNMAX
found in figure 4-22.
e) FT and FN must meet the combination formulae
found in figure 4-22.
Figure 4-20: Dimensional data and casing limitations
Allowable casing loads (suction or discharge)
Dimensions
m (ft) Forces N (lbf) Moments Nm (lbf•ft)
SD SRd SRs Rs Fx Fy Fz Mx My Mz
2x1.5V-6 0.381
(1.25) 0.191
(0.625) 0.191
(0.625) 0.163
(0.53) 1 824
(410) 17 685
(3 976) 1 824
(410) 692
(510) 976
(720) 692
(510)
2x1.5V-8 0.432
(1.42) 0.229
(0.75) 0.203
(0.67) 0.163
(0.53) 1 601
(360) 17 685
(3 976) 1 601
(360) 692
(510) 976
(720) 692
(510)
3x2V-7 0.432
(1.42) 0.203
(0.67) 0.229
(0.75) 0.163
(0.53) 2 824
(635) 28 147
(6 328) 2 824
(635) 1 120
(900) 1 722
(1 270) 1 120
(900)
3x1.5V-8 0.483
(1.58) 0.226
(0.74) 0.254
(0.83) 0.163
(0.53) 1 601
(360)
17 685
(3 976) 1 601
(360) 692
(510) 976
(720) 692
(510)
2x1.5V-10A 0.483
(1.58) 0.229
(0.75) 0.254
(0.83) 0.197
(0.65) 1 423
(320) 17 685
(3 976) 1 423
(320) 692
(510) 976
(720) 692
(510)
3x2V-10 0.508
(1.67) 0.241
(0.79) 0.267
(0.88) 0.197
(0.65) 2 402
(540) 28 147
(6 328) 2 402
(540) 1 120
(900) 1 722
(1 270) 1 120
(900)
4x3V-10 0.635
(2.08) 0.292
(0.96) 0.343
(1.13) 0.197
(0.65) 2 823
(638) 28 147
(6 328) 2 823
(638) 1 803
(1 330) 2 549
(1 880) 1 803
(1 330)
3x1.5V-13 0.61
(2.00) 0.292
(0.96) 0.318
(1.04) 0.248
(0.81) 1 134
(255) 17 685
(3 976) 1 134
(255) 692
(510) 976
(720) 692
(510)
3x2V-13 0.61
(2.00) 0.292
(0.96) 0.318
(1.04) 0.248
(0.81) 2 002
(450) 28 147
(6 328) 2 002
(450) 1 120
(900) 1 722
(1 270) 1 120
(900)
4x3V-13 0.711
(2.33) 0.33
(1.08) 0.381
(1.25) 0.248
(0.81) 2 535
(570) 28 147
(6 328) 2 535
(570) 1 803
(1 330) 2 549
(1 880) 1 803
(1 330)
6x4V-13 0.762
(2.50) 0.356
(1.17) 0.406
(1.33) 0.248
(0.81) 2 891
(650) 83 195
(18 704) 2 891
(650) 2 210
(1 630) 3 119
(2 300) 2 210
(1 630)
Figure 4-21: Pump stand load translation formulae
Forces Moments
FXC = FXS + FXD MXC = MXS + MXD + (FZS × SRS) - (FZD × SRD)
FYC = FYS + FYD MYC = MYS + MYD
FZC = FZS + FZD MZC = MZS + MZD - (FXS × SRS) + (FXD × SRD)
TMax
s
zc
yc
s
zc
xcT F
R
M
F
R
M
FF ≤
×++
×+=
22
707.0707.0
MAXN
s
ycxc
zcN F
R
MM
FF _
707.0 ≤
+
+=

MARK 3 USER INSTRUCTIONS ENGLISH 71569102 08-06
Page 30 of 68 flowserve.com
Figure 4-22: Allowable stand loads
FT MAX in N (lbf) FN MAX in N (lbf) Combination loading in N (lbf)
GP1 pumps 8 020
(1 800) 108 531
(24 400) FN + (13.556) FT
FN + (13.556) FT
GP2 V-10 pumps 8 129
(1 827) 120 115
(27 004) FN + (0.0019) FT2 - (0.941) FT
FN + (0.0086) FT2 - (0.941) FT
GP2 V-13 pumps 6 792
(1 535) 140 461
(31 579) FN + (0.0018) FT2 + (8.453) FT
FN + (0.0079) FT2 + (8.453) FT
4.6.5 Pump and shaft alignment check
After connecting the piping, rotate the pump drive
shaft clockwise (viewed from motor end) by hand
several complete revolutions to be sure there is no
binding and that all parts are free. Recheck shaft
alignment (see section 4.5). If piping caused unit to
be out of alignment, correct piping to relieve strain on
the pump.
4.6.6 Auxiliary piping
4.6.6.1 Mechanical seal
When the pump is intended to be equipped with a
mechanical seal, it is Flowserve standard practice to
install the mechanical seal in the pump prior to
shipment. Specific order requirements may specify
that the seal be shipped separately, or none be
supplied. It is the pump installer’s responsibility to
determine if a seal was installed. If a seal was
supplied but not installed, the seal and installation
instructions will be shipped with the pump.
Failure to ensure that a seal is installed
may result in serious leakage of the pumped fluid.
Seal and seal support system must be installed and
operational as specified by the seal manufacturer.
The stuffing box/seal chamber/gland may have ports
that have been temporarily plugged at the factory to
keep out foreign matter. It is the installer’s
responsibility to determine if these plugs should be
removed and external piping connected. Refer to the
seal drawings and or the local Flowserve
representative for the proper connections.
4.6.6.2 Packing
When the pump is intended to be equipped with shaft
packing, it is not Flowserve standard practice to
install the packing in the stuffing box prior to
shipment. The packing is shipped with the pump. It
is the pump installer’s responsibility to install the
packing in the stuffing box.
Failure to ensure that the packing is
installed may result in serious leakage of the pumped
fluid.
4.6.6.3 Piping connection – seal/packing support
system
If the pump has a seal support system
it is mandatory that this system be fully installed and
operational before the pump is started.
If packing is used:
4.6.6.3a Packing lubrication
Water, when compatible with the pumpage, should be
introduced into tap V (figure 4-23) at pressure 69 to
103 kPa (10 to 15 lbf/in.2) above the stuffing box
pressure. The gland should be adjusted to give a flow
rate of 20 to 30 drops per minute for clean fluid. For
abrasive applications, the regulated flow rate should
be 0.06 to 0.13 l/s (1 to 2 US gpm).
Figure 4-23
Grease lubrication, when compatible with the liquid
being pumped, may be used. Again, introduced into
tap V.
In non-abrasive applications the liquid being pumped
may be sufficient to lubricate the packing without
need for external lines. Tap V should be plugged.
4.6.6.3b Abrasive packing arrangement
The installation procedures are the same as the standard
packing with some exceptions. A special lip seal is
installed first, followed by two seal cage assemblies, then
two of the packing rings provided (figure 4-24). A flush
line from a clean external source should be connected
via tap V, in the top of the stuffing box.
Figure 4-24

MARK 3 USER INSTRUCTIONS ENGLISH 71569102 08-06
Page 31 of 68 flowserve.com
4.6.6.4 Piping connection - bearing housing
cooling system
Make connections as shown below. Liquid at less
than 32 °C (90 °F) should be supplied at a regulated
flow rate of at least 0.06 l/s (1 US gpm).
Figure 4-25
4.6.6.5 Piping connection - support leg cooling
for centerline mounting option
If the casing is centerline mounted, and the process
temperature is over 178 °C (350 °F), then the casing
support legs may need to be cooled. Cool water - less
than 32 °C (90 °F) - should be run through the legs at a
flow rate of at least 0.06 l/s (1 US gpm) as shown below.
Figure 4-26
4.6.6.6 Piping connection - heating/cooling fluid
for jacketed cover/casing
The piping connections for jacketed covers and
casings are shown below. The flow rate of the
cooling water - less than 32 °C (90 °F) - should be at
least 0.13 l/s (2 US gpm).
Figure 4-27
Figure 4-28
Notes:
1. When circulating steam, use top hole for inlet. Both bottom
holes must be plumbed together for outlet, to ensure draining
both sides of jacket.
2. When circulating liquid use both bottom holes as inlets. Use top
hole as outlet.
4.6.6.7 Piping connection - Oil mist lubrication
system
The piping connections for an oil mist lubrication
system are shown below.
Figure 4-29
Figure 4-30
4.7 Electrical connections
Electrical connections must be made by
a qualified Electrician in accordance with relevant
local national and international regulations.
It is important to be aware of the EUROPEAN
DIRECTIVE on potentially explosive areas where
compliance with IEC60079-14 is an additional
requirement for making electrical connections.
It is important to be aware of the EUROPEAN
DIRECTIVE on electromagnetic compatibility when
wiring up and installing equipment on site.
Attention must be paid to ensure that the techniques
used during wiring/installation do not increase
electromagnetic emissions or decrease the
electromagnetic immunity of the equipment, wiring or
any connected devices. If in any doubt contact
Flowserve for advice.

MARK 3 USER INSTRUCTIONS ENGLISH 71569102 08-06
Page 32 of 68 flowserve.com
The motor must be wired up in
accordance with the motor manufacturer’s
instructions (normally supplied within the terminal
box) including any temperature, earth leakage,
current and other protective devices as appropriate.
The identification nameplate should be checked to
ensure the power supply is appropriate.
See section 5.4, Direction of rotation,
before connecting the motor to the electrical supply.
For close coupled pumps it is necessary to wire the
motor with flexible conduit of sufficient length to allow
the motor/power end assembly to be moved back
from the casing for maintenance.
4.8 Final shaft alignment check
4.8.1 Horizontal pumps
a) Level baseplate if appropriate.
b) Mount and level pump if appropriate. Level the
pump by putting a level on the discharge flange.
If not level, adjust the footpiece as follows:
Mark 3A and ANSI 3 design
Add or delete shims [3126.1] between the
footpiece and the bearing housing.
Mark 3 design
Use the adjuster nut [6576] to adjust the
footpiece up or down.
c) Check initial alignment. If pump and driver have
been remounted or the specifications given below
are not met, perform an initial alignment as
described in section 4.5. This ensures there will
be sufficient clearance between the motor hold
down bolts and motor foot holes to move the
motor into final alignment. The pump and driver
should be within 0.38 mm (0.015 in.) FIM (full
indicator movement) parallel, and 0.0025 mm/mm
(0.0025 in./in.) FIM angular.
Stilt mounted baseplates
If initial alignment cannot be achieved with the motor
fasteners centered, the baseplate may be twisted.
Slightly adjust (one turn of the adjusting nut) the stilts
at the driver end of the baseplate and check for
alignment to the above tolerances. Repeat as
necessary while maintaining a level condition as
measured from the pump discharge flange.
d) Run piping to the suction and discharge to the
pump. There should be no piping loads
transmitted to the pump after connection is made.
Recheck the alignment to verify that there are no
significant changes.
e) Perform final alignment. Check for soft-foot under
the driver. An indicator placed on the coupling,
reading in the vertical direction, should not indicate
more than 0.05 mm (0.002 in.) movement when
any driver fastener is loosened. Align the driver
first in the vertical direction by shimming
underneath its feet.
f) When satisfactory alignment is obtained the
number of shims in the pack should be
minimized. It is recommended that no more than
five shims be used under any foot. Final
horizontal alignment is made by moving the
driver. Maximum pump reliability is obtained by
having near perfect alignment. Flowserve
recommends no more than 0.05 mm (0.002 in.)
parallel, and 0.0005 mm/mm (0.0005 in./in.)
angular misalignment. (See section 6.8.4.7.)
g) Operate the pump for at least an hour or until it
reaches final operating temperature. Shut the
pump down and recheck alignment while the pump
is hot. Piping thermal expansion may change the
alignment. Realign pump as necessary.
4.8.2 Close coupled pumps
Alignment between the pump shaft and motor shaft is
built in by precise machining of the parts that position
these shafts. Parallel alignment of 0.018 mm (0.007 in.)
and angular alignment of 0.002 mm/mm (0.002 in/in)
can be expected. If a more refined alignment is desired,
it can be accomplished with the “C-Plus” optional
alignment feature.
The C-Plus option requires that a spacer as shown in
section 8.9 be installed. Four adjusting screws are
used to push on the motor mounting studs to achieve
parallel alignment. The motor mounting fasteners
must be snug, but not tight during alignment. It may
be necessary to check the motor alignment with
motor fasteners tight. Corrections may be made until
the desired alignment is achieved. The motor
fasteners, adjusters and jam nuts should be tight.
4.8.3 In-Line pumps
The final field alignment follows the same procedure
as the initial alignment as described in section 4.5.2.
Maximum pump reliability is obtained by having near
perfect alignment. Flowserve recommends no more
than 0.05 mm (0.002 in.) parallel, and 0.0005 mm/mm
(0.0005 in./in.) angular misalignment.
4.9 Protection systems
The following protection systems are
recommended particularly if the pump is installed in a
potentially explosive area or is handling a hazardous
liquid. If in doubt consult Flowserve.

MARK 3 USER INSTRUCTIONS ENGLISH 71569102 08-06
Page 33 of 68 flowserve.com
If there is any possibility of the system allowing the
pump to run against a closed valve or below
minimum continuous safe flow a protection device
should be installed to ensure the temperature of the
liquid does not rise to an unsafe level.
If there are any circumstances in which the system
can allow the pump to run dry, or start up empty, a
power monitor should be fitted to stop the pump or
prevent it from being started. This is particularly
relevant if the pump is handling a flammable liquid.
If leakage of product from the pump or its associated
sealing system can cause a hazard it is recommended
that an appropriate leakage detection system is
installed.
To prevent excessive surface temperatures at
bearings it is recommended that temperature or
vibration monitoring is carried out.
5 COMMISSIONING, STARTUP,
OPERATION AND SHUTDOWN
These operations must be carried
out by fully qualified personnel.
5.1 Pre-commissioning procedure
5.1.1 Pre start-up checks
Prior to starting the pump it is essential that the
following checks be made. These checks are all
described in detail in the Maintenance section of this
manual.
• Pump and motor properly secured to the baseplate
• Remove the temporary motor supports installed
for shipping close coupled pumps
• All fasteners tightened to the correct torque
• Coupling guard in place and not rubbing
• Rotation check, see section 5.4.
This is absolutely essential
• Impeller clearance setting
• Shaft seal properly installed
• Seal support system operational
• Bearing lubrication
• Bearing housing cooling system operational
• Support leg cooling for centerline mounting option
operational
• Heating/cooling for jacketed casing/cover
operational
• Pump instrumentation is operational
• Pump is primed
• Rotation of shaft by hand
As a final step in preparation for operation, it is
important to rotate the shaft by hand to be certain that
all rotating parts move freely, and that there are no
foreign objects in the pump casing.
5.2 Pump lubricants
5.2.1 Oil bath
Oil bath is available on all product lines with the
exception of the In-Line pump. The standard bearing
housing bearings are oil bath lubricated and are not
lubricated by Flowserve. Before operating the pump,
fill the bearing housing to the center of the oil sight
glass with the proper type oil. (See figure 5-2 for
approximate amount of oil required - do not overfill.)
On the Mark 3A design, an optional oil slinger is
available. The oil slinger is not necessary; however,
if used, it provides an advantage by allowing a larger
tolerance in acceptable oil level. Without an oil
slinger, the oil level in the bearing housing must be
maintained at ±3 mm (±1/8 in.) from the center of the
sight glass. The sight glass has a 6 mm (¼ in.) hole
in the center of its reflector. The bearing housing oil
level must be within the circumference of the center
hole to ensure adequate lubrication of the bearings.
See figure 5-3 for recommended lubricants. DO NOT
USE DETERGENT OILS. The oil must be free of
water, sediment, resin, soaps, acid and fillers of any
kind. It should contain rust and oxidation inhibitors.
The proper oil viscosity is determined by the bearing
housing operating temperature as given in figure 5-4.
To add oil to the housing, clean and then remove the
vent plug [6521] at the top of the bearing housing, pour
in oil until it is visually half way up in the sight glass
[3856]. Fill the constant level oiler bottle, if used, and
return it to its position. The correct oil level is obtained
with the constant level oiler in its lowest position, which
results in the oil level being at the top of the oil inlet pipe
nipple, or half way up in the sight glass window. Oil
must be visible in the bottle at all times.
Note that on ANSI 3A™ power ends there is no
constant level oiler. As stated above, proper oil level
is the center of the “bull’s eye” sight glass [3856].
(See figure 5-1.)
Figure 5-1

MARK 3 USER INSTRUCTIONS ENGLISH 71569102 08-06
Page 34 of 68 flowserve.com
In many pumping applications lubricating oil becomes
contaminated before it loses its lubricating qualities or
breaks down. For this reason it is recommended that
the first oil change take place after approximately 160
hours of operation, at which time, the used oil should be
examined carefully for contaminants. During the initial
operating period monitor the bearing housing operating
temperature. Record the external bearing housing
temperature. See figure 5-5 for maximum acceptable
temperatures. The normal oil change interval is based
on temperature and is shown in figure 5-6.
Figure 5-2: Amount of oil required
Pump Mark 3 Mark 3A
Group 1 148 ml (5 fl. oz.) 251 ml (8.5 fl. oz.)
Group 2 560 ml (19 fl. oz.) 946 ml (32 fl. oz.)
Group 3 1419 ml (48 fl. oz.) 1419 ml (48 fl. oz.)
The maximum temperature that the
bearing can be exposed to is 105 °C (220 °F).
Figure 5-3a: Recommended oil lubricants
* Note that some oils have a greater Viscosity Index than the minimum acceptable of 95 (eg Mobil DTE13M) which may extend the
minimum temperature capability of the oil. Always check the grade capability where the ambient is less than -5 ºC (-23 ºF).
Figure 5-3b: Recommended lubricants
Mineral
oil
Quality mineral oil with rust and oxidation
inhibitors. Mobil DTE heavy/medium
(or equivalent)
Synthetic Royal Purple or Conoco SYNCON (or equivalent).
Some synthetic lubricants require Viton O-rings.
Grease
EXXON POLYREX EM (or compatible) – horizontal
Polyurea with mineral oil
EXXON Unirex N3 (or compatible) – In-Line
Lithium Complex with mineral oil
Figure 5-4: Oil viscosity grades
Maximum oil
temperature ISO viscosity
grade Minimum
viscosity index
Up to 71 °C (160 °F) 46 95
71-80 °C (160-175 °F) 68 95
80-94 °C (175-200 °F) 100 95
Figure 5-5: Maximum external housing temperatures
Lubrication Temperature
Oil bath 82 °C (180 °F)
Oil mist 82 °C (180 °F)
Grease 94 °C (200 °F)
Figure 5-6: Lubrication intervals *
Lubricant Under 71 °C
(160 °F) 71-80 °C
(160-175 °F) 80-94 °C
(175-200 °F)
Grease 6 months 3 months 1.5 months
Mineral oil 6 months 3 months 1.5 months
Synthetic oil** 18 months 18 months 18 months
* Assuming good maintenance and operation practices, and no
contamination.
** May be increased to 36 months with ANSI 3A™ power end.
*** Bearing temperatures up to 16 °C (30 °F) higher than housing.
Oil Splash / force feed / oil mist lubrication
Viscosity
cSt at 40 ºC 32 46 68
Oil temp. range * ºC
(ºF) -5 to 65
(-23 to 149) -5 to 78
(-23 to 172) -5 to 80
(-23 to 176)
Centrifugal pump
lubrication
Designation according
to DIN51502 ISO VG HL/HLP 32 HL/HLP 46 HL/HLP 68
BP BP Energol HL32
BP Energol HLP32 BP Energol HL46
BP Energol HLP46 BP Energol HL68
BP Energol HLP68
DEA Anstron HL32
Anstron HLP32 Anstron HL46
Anstron HLP46 Anstron HL68
Anstron HLP68
Elf
OLNA 32
HYDRELEF 32
TURBELF 32
ELFOLNA DS32
TURBELF SA46
ELFOLNA DS46
TURBELF SA68
ELFOLNA DS68
Esso TERESSO 32
NUTO H32 TERESSO 46
NUTO H46 TERESSO 68
NUTO H68
Mobil Mobil DTE oil light
Mobil DTE13M
MobilDTE24
Mobil DTE oil medium
Mobil DTE15M
Mobil DTE25
Mobil DTE oil heavy medium
Mobil DTE26
Q8 Q8 Verdi 32
Q8 Haydn 32 Q8 Verdi 46
Q8 Haydn 46 Q8 Verdi 68
Q8 Haydn 68
Shell Shell Tellus 32
Shell Tellus 37 Shell Tellus 01 C 46
Shell Tellus 01 46 Shell Tellus 01 C 68
Shell Tellus 01 68
Texaco Rando Oil HD 32
Rando Oil HD-AZ-32 Rando Oil 46
Rando Oil HD B-46 Rando Oil 68
Rando Oil HD C-68
Oil companies and lubricants
Wintershall
(BASF Group) Wiolan HN32
Wiolan HS32 Wiolan HN46
Wiolan HS46 Wiolan HN68
Wiolan HS68

MARK 3 USER INSTRUCTIONS ENGLISH 71569102 08-06
Page 35 of 68 flowserve.com
5.2.2 Grease
5.2.2.1 Regreasable
Single shielded regreasable bearings
When the grease lubrication option is specified,
single shielded bearings, grease fittings and vent pipe
plugs are installed inboard and outboard.
The orientation of the bearing shields
is different for horizontal pumps (Standard,
Sealmatic, Unitized, Recessed, and Lo-Flo - see
figure 5-7) and In-Line pumps (see figure 5-8).
Figure 5-7: Horizontal pump shield orientation
Figure 5-8: In-Line pump shield orientation
Horizontal pump bearings are packed with Exxon
POLYREX EM grease prior to assembly. For
relubrication, a grease with the same type base
(polyurea) and oil (mineral) should be used. In the
case of the In-Line pump the bearings are packed
with Exxon Unirex N3 grease. For relubrication, a
grease with the same type base (lithium) and oil
(mineral) should be used. To regrease, remove the
pipe plug from both the inboard and outboard bearing
location. (See figure 5-9.) After relubricating the
bearings three times, it is typically recommended that
the bearing housing is cleaned out.
To regrease bearings under coupling
guard, stop pump, lock the motor, remove coupling
guard, and then regrease the bearings.
The amount of grease required for horizontal pumps
is shown in figure 5-10 and for In-Line pumps in
figure 5-11.
Figure 5-9: Regreasable configuration
Figure 5-10: Horizontal lubrication amounts
Housing Initial lube Relubrication
Group 1 inboard Until grease
comes out of plug 7.5 cm3 (0.46 in.3)
Group 1 outboard Until grease
comes out of plug 14 cm3 (0.85 in.3)
Group 1 duplex 34 cm3 (2.1 in.3) 17 cm3 (1.0 in.3)
Group 2 inboard Until grease
comes out of plug 17 cm3 (1.0 in.3)
Group 2 outboard Until grease
comes out of plug 28 cm3 (1.7 in.3)
Group 2 duplex 68 cm3 (4.1 in.3) 34 cm3 (2.1 in.3)
Group 3 inboard Until grease
comes out of plug 30 cm3 (1.8 in.3)
Group 3 outboard Until grease
comes out of plug 54 cm3 (3.3 in.3)
Group 3 duplex 115 cm3 (7.0 in.3) 60 cm3 (3.7 in.3)
Figure 5-11: In-Line lubrication amounts
Housing location New bearing Relubrication
Group 1 inboard 10 cm3 (0.6 in.3) 7.5 cm3 (0.46 in.3)
Group 1 outboard 20.5 cm3 (1.3 in.3) 14 cm3 (0.85 in.3)
Group 2 inboard 16.4 cm3 (1.0 in.3) 17 cm3 (1.0 in.3)
Group 2 outboard 47.4 cm3 (2.9 in.3) 28 cm3 (1.7 in.3)
*If new bearings are not lubricated, they should be packed prior to
installation and the housing lubricated as described above.
Do not fill the housing with oil when
greased bearings are used. The oil will leach the
grease out of the bearings and the life of the bearings
may be drastically reduced.
5.2.2.1 Grease for life
Double shielded or double sealed bearings
These bearings are packed with grease by the
bearing manufacturer and should not be relubricated.
The replacement interval for these bearings is greatly
affected by their operating temperature and speed.
Shielded bearings typically operate cooler.

MARK 3 USER INSTRUCTIONS ENGLISH 71569102 08-06
Page 36 of 68 flowserve.com
5.2.3 Oil mist
The inlet port for all horizontal pumps is the plugged
½ in. NPT located at the top of the bearing housing.
A vent fitting has been supplied on the bearing carrier
as well as a plugged ¼ in. NPT bottom drain on the
bearing housing. See section 4.6.6.7, Oil mist
lubrication system. Do not allow oil level to remain
above the center of the bearing housing sight glass
window with purge mist (wet sump) systems.
The optional oil slinger must not be used with an oil
mist system.
There are two inlet ports for In-Line pumps. In addition
to the connection described above a second inlet is
made at the LQ137SOXJJHGSRUWRQWKHEHDULQJ
carrier [3240]. A vent fitting has been supplied on the
bearing carrier as well as a plugged LQ137ERWWRP
drain on the bearing housing for Group 1 pumps and on
the adapter [1340] for Group 2 pumps.
5.3 Impeller clearance
The impeller clearance was set at the factory based
on the application temperature at the time the pump
was purchased. (See figure 5-12.) For a reverse
vane impeller the clearance is set to the cover while
the open impeller clearance is set to the casing. If
the process temperature changes the impeller
clearance must be reset. (See section 6.6.)
Figure 5-12: Impeller clearance settings
Temperature °C (°F) Clearance mm (in.)
< 93 (200) 0.46 ± 0.08 (0.018 ± 0.003)
93 to 121 (200 to 250) 0.53 (0.021)
122 to 149 (251 to 300) 0.61 (0.024)
150 to 176 (301 to 350) 0.69 (0.027)
177 to 204 (351 to 400) 0.76 (0.030)
205 to 232 (401 to 450) 0.84 (0.033)
>232 (450) 0.91 (0.036)
Notes:
1. For 3x1.5-13 and 3x2-13 at 3500 rpm add 0.08 mm (0.003 in.).
2. Rotation of bearing carrier from center of one lug to center of
next results in axial shaft movement of 0.1 mm (0.004 in.).
3. Reverse vane impeller set to cover, open impeller to casing.
5.4 Direction of rotation
5.4.1 Rotation check
It is absolutely essential that the
rotation of the motor be checked before connecting
the shaft coupling. Incorrect rotation of the pump, for
even a short time, can dislodge and damage the
impeller, casing, shaft and shaft seal. All Mark 3
pumps turn clockwise as viewed from the motor end.
A direction arrow is cast on the front of the casing as
shown in figure 5-13. Make sure the motor rotates in
the same direction.
Figure 5-13
5.4.2 Coupling installation
The coupling (figure 5-14) should be
installed as advised by the coupling manufacturer.
Pumps are shipped without the spacer installed. If
the spacer has been installed to facilitate alignment,
then it must be removed prior to checking rotation.
Remove all protective material from the coupling and
shaft before installing the coupling.
Figure 5-14
5.5 Guarding
Power must never be applied to the
driver when the coupling guard is not installed.
Flowserve coupling guards are safety devices intended
to protect workers from inherent dangers of the rotating
pump shaft, motor shaft and coupling. It is intended to
prevent entry of hands, fingers or other body parts into a
point of hazard by reaching through, over, under or
around the guard. No standard coupling guard provides
complete protection from a disintegrating coupling.
Flowserve cannot guarantee their guards will
completely contain an exploding coupling.
5.5.1 Clam shell guard - standard
The standard coupling guard for all Mark 3 pumps is the
“clam shell” design and is shown in figure 5-15. It is
hinged at the top and it can be removed by loosening
one of the foot bolts and sliding the support leg out from
under the cap screw. Note that the foot is slotted. The
leg can then be rotated upward and half of the guard
can be disengaged (unhinged) from the other.

MARK 3 USER INSTRUCTIONS ENGLISH 71569102 08-06
Page 37 of 68 flowserve.com
Only one side of the guard needs to be removed. To
reassemble simply reverse the above procedure.
Figure 5-15
The coupling guard shown in figure 5-15 conforms to
the USA standard ASME B15.1, “Safety standard for
mechanical power transmission apparatus.”
Flowserve manufacturing facilities worldwide conform
to local coupling guard regulations.
5.5.2 ClearGuard™ - optional
Flowserve offers as an option a ClearGuard™, which
allows you to see the condition of the coupling (see
figure 5-16). This guard can be used in place of the
existing clamshell guard described above.
Disassembly of the ClearGuard™ is accomplished by
removing the fasteners that hold the two guard halves
together followed by removing the foot bolts and
rotating the support leg out of the slot on the guard.
Figure 5-16
5.5.3 Trimming instructions
In order to correctly fit the pump/motor configuration,
each guard must be trimmed to a specific length.
This trimming is done on the motor end of the guard.
a) Measure minimum distance from the center of
mounting hole in the baseplate to the motor.
(If clam shell guard proceed to step c.)
b) Locate a reference center in the slot of the
ClearGuard™ coupling guard flange, see figure
5-17. Transfer the length measurement to the
guard using this reference center.
c) Trim the motor end of the guard according to the
above measurement. Trimming is best done with
a band saw, but most other types of manual or
power saws give acceptable results. Care must
be taken to ensure that there is no gap larger
than 6 mm (0.24 in.) between the motor and the
coupling guard.
d) If motor diameter is smaller than guard
diameter, trim guard so that it extends over the
end of the motor as far as possible.
e) Deburr the trimmed end with a file or a sharp
knife if ClearGuard™. Care must be taken to
eliminate all sharp edges.
Figure 5-17
5.5.4 Assembly instructions
Clam shell guard
a) Mount support leg to each clam shell, figure 5-15.
b) Attach one half of the guard to the baseplate.
c) Engage the tabs of guard halves together.
d) Attach the second support leg to the baseplate.
ClearGuard™
a) Place the bottom and top halves of the guard
around the coupling.
b) Install the support legs by inserting and then
rotating the tab on the leg through the slot in the
guard until it comes through and locks the top
and bottom halves of the guard together.
c) Attach the support legs to the baseplate using the
fasteners and washers provided.
d) Install fasteners in the holes provided to secure
the guard flanges together.
5.6 Priming and auxiliary supplies
The Mark 3 standard, Sealmatic, Recessed Impeller,
Lo-Flo, and In-Line centrifugal pump will not move liquid
unless the pump is primed. A pump is said to be
“primed” when the casing and the suction piping are
completely filled with liquid. Open discharge valves a
slight amount. This will allow any entrapped air to
escape and will normally allow the pump to prime, if the
suction source is above the pump. When a condition
exists where the suction pressure may drop below the
pump’s capability, it is advisable to add a low-pressure
control device to shut the pump down when the
pressure drops below a predetermined minimum.
Reference
center
Trim this end
Measurement step a)

MARK 3 USER INSTRUCTIONS ENGLISH 71569102 08-06
Page 38 of 68 flowserve.com
The Mark 3 Unitized self-priming centrifugal pumps
have a slightly different requirement regarding
priming. The initial priming liquid must be added to
the pump casing until the liquid has reached the
bottom of the suction nozzle. Once the initial prime is
in place, the pump will automatically replenish itself
and additional priming liquids are not normally
needed. If liquid is lost, additional priming liquid may
be needed.
5.7 Starting the pump
a) Open the suction valve to full open position. It is
very important to leave the suction valve open while
the pump is operating. Any throttling or adjusting of
flow must be done through the discharge valve.
Partially closing the suction valve can create
serious NPSH and pump performance problems.
b) Never operate pump with both the
suction and discharge valves closed. This could
cause an explosion.
c) Ensure the pump is primed. (See section 5.6.)
d) All cooling, heating, and flush lines must be
started and regulated.
e) Start the driver (typically, the electric motor).
f) Slowly open the discharge valve until the desired
flow is reached, keeping in mind the minimum
continuous flow listed in section 3.4.
g) It is important that the discharge
valve be opened within a short interval after
starting the driver. Failure to do this could cause
a dangerous build up of heat, and possibly an
explosion.
5.8 Running or operation
5.8.1 Minimum continuous flow
Minimum continuous stable flow is the lowest flow at
which the pump can operate and still meet the bearing
life, shaft deflection and bearing housing vibration limits
documented in the latest version of ASME B73.1M.
Pumps may be operated at lower flows, but it must be
recognized that the pump may exceed one or more of
these limits. For example, vibration may exceed the
limit set by the ASME standard. The size of the pump,
the energy absorbed, and the liquid pumped are some
of the considerations in determining the minimum
continuous flow (MCF).
The minimum continuous flow (capacity) is established
as a percentage of the best efficiency point (BEP). (See
section 3.4.4.)
5.8.2 Minimum thermal flow
All Mark 3 pumps also have a minimum thermal flow.
This is defined as the minimum flow that will not
cause an excessive temperature rise. Minimum
thermal flow is application dependent.
Do not operate the pump below
minimum thermal flow, as this could cause an excessive
temperature rise. Contact a Flowserve sales engineer
for determination of minimum thermal flow.
Avoid running a centrifugal pump at drastically reduced
capacities or with discharge valve closed for extended
periods of time. This can cause severe temperature
rise and the liquid in the pump may reach its boiling
point. If this occurs, the mechanical seal will be
exposed to vapor, with no lubrication, and may score or
seize to the stationary parts. Continued running under
these conditions when the suction valve is also closed
can create an explosive condition due to the confined
vapor at high pressure and temperature.
Thermostats may be used to safeguard against over
heating by shutting down the pump at a predetermined
temperature.
Safeguards should also be taken against possible
operation with a closed discharge valve, such as
installing a bypass back to the suction source. The size
of the bypass line and the required bypass flow rate is a
function of the input horsepower and the allowable
temperature rise.
5.8.3 Reduced head
Note that when discharge head drops, the pump’s
flow rate usually increases rapidly. Check motor for
temperature rise as this may cause overload. If
overloading occurs, throttle the discharge.
5.8.4 Surging condition
A rapidly closing discharge valve can cause a
damaging pressure surge. A dampening
arrangement should be provided in the piping.
5.8.5 Operation in sub-freezing conditions
When using the pump in sub-freezing conditions
where the pump is periodically idle, the pump should
be properly drained or protected with thermal devices
which will keep the liquid in the pump from freezing.
High chrome iron pumps are not recommended for
applications below -18 °C (0 °F).

MARK 3 USER INSTRUCTIONS ENGLISH 71569102 08-06
Page 39 of 68 flowserve.com
5.9 Stopping and shutdown
5.9.1 Shutdown considerations
When the pump is being shutdown, the procedure
should be the reverse of the start-up procedure.
First, slowly close the discharge valve, shut down the
driver, and then close the suction valve. Remember
that closing the suction valve while the pump is
running is a safety hazard and could seriously
damage the pump and other equipment.
5.9.2 Shutdown - Mark 3 Self-Priming
At shutdown, the liquid in the discharge piping falls
back into the priming chamber and washes through
the impeller into the suction. The backflow creates a
siphon effect in the casing until the liquid level falls
below the bottom of the suction nozzle. The inertia of
the flow pulls fluid from the priming chamber to a
level lower than the initial priming fill. Though the
level is lower, there is still sufficient fluid in the
priming chamber to allow the pump to reprime itself.
5.10 Hydraulic, mechanical and electrical
duty
5.10.1 Net positive suction head (NPSH)
Net positive suction head - available (NPSHA) is the
measure of the energy in a liquid above the vapor
pressure. It is used to determine the likelihood that a
fluid will vaporize in the pump. It is critical because a
centrifugal pump is designed to pump a liquid, not a
vapor. Vaporization in a pump will result in damage to
the pump, deterioration of the Total differential head
(TDH), and possibly a complete stopping of pumping.
Net positive suction head - required (NPSHR) is the
decrease of fluid energy between the inlet of the
pump, and the point of lowest pressure in the pump.
This decrease occurs because of friction losses and
fluid accelerations in the inlet region of the pump and
particularly accelerations as the fluid enters the
impeller vanes. The value for NPSHR for the specific
pump purchased is given in the pump data sheet, and
on the pump performance curve.
For a pump to operate properly the NPSHA must be
greater than the NPSHR. Good practice dictates that
this margin should be at least 1.5 m (5 ft) or 20%,
whichever is greater.
Ensuring that NPSHA is larger than
NPSHR by the suggested margin will greatly enhance
pump performance and reliability. It will also reduce
the likelihood of cavitation, which can severely
damage the pump.
5.10.2 Specific gravity (SG)
Pump capacity and total head in meters (feet) of
liquid do not change with SG, however pressure
displayed on a pressure gauge is directly proportional
to SG. Power absorbed is also directly proportional
to SG. It is therefore important to check that any
change in SG will not overload the pump driver or
overpressurize the pump.
5.10.3 Viscosity
For a given flow rate the total head reduces with
increased viscosity and increases with reduced
viscosity. Also for a given flow rate the power
absorbed increases with the increased viscosity, and
reduces with reduced viscosity. It is important that
checks are made with your nearest Flowserve office if
changes in viscosity are planned.
5.10.4 Pump speed
Changing the pump speed affects flow, total head,
power absorbed, NPSHR, noise and vibration levels.
Flow varies in direct proportion to pump speed. Head
varies as speed ratio squared. Power varies as speed
ratio cubed. If increasing speed it is important to ensure
the maximum pump working pressure is not exceeded,
the driver is not overloaded, NPSHA > NPSHR and that
noise and vibration are within local requirements and
regulations.
6 MAINTENANCE
It is the plant operator’s responsibility to ensure
that all maintenance, inspection and assembly work
is carried out by authorized and qualified personnel
who have adequately familiarized themselves with
the subject matter by studying this manual in detail.
(See also section 1.6.2.)
Any work on the machine must be performed when it
is at a standstill. It is imperative that the procedure
for shutting down the machine is followed, as
described in section 5.9.
On completion of work all guards and safety devices
must be re-installed and made operative again.
Before restarting the machine, the relevant
instructions listed in section 5, Commissioning, start
up, operation and shut down must be observed.
Oil and grease leaks may make the ground
slippery. Machine maintenance must always
begin and finish by cleaning the ground and the
exterior of the machine.

MARK 3 USER INSTRUCTIONS ENGLISH 71569102 08-06
Page 40 of 68 flowserve.com
If platforms, stairs and guard rails are required for
maintenance, they must be placed for easy access to
areas where maintenance and inspection are to be
carried out. The positioning of these accessories
must not limit access or hinder the lifting of the part to
be serviced.
When air or compressed inert gas is used in the
maintenance process, the operator and anyone in the
vicinity must be careful and have the appropriate
protection.
Do not spray air or compressed inert gas on skin.
Do not direct an air or gas jet towards other people.
Never use air or compressed inert gas to clean
clothes.
Before working on the pump, take measures to
prevent the pump from being accidentally started.
Place a warning sign on the starting device:
"Machine under repair: do not start."
With electric drive equipment, lock the main switch
open and withdraw any fuses. Put a warning sign on
the fuse box or main switch:
"Machine under repair: do not connect."
Never clean equipment with flammable solvents or
carbon tetrachloride. Protect yourself against toxic
fumes when using cleaning agents.
Refer to the parts list shown in section 8 for item
number references used throughout this section.
6.1 Maintenance schedule
It is recommended that a maintenance plan and
schedule be implemented, in accordance with these
User Instructions, to include the following:
a) Any auxiliary systems installed must be monitored,
if necessary, to ensure they function correctly.
b) Gland packing must be adjusted correctly to give
visible leakage and concentric alignment of the
gland follower to prevent excessive temperature
of the packing or follower.
c) Check for any leaks from gaskets and seals. The
correct functioning of the shaft seal must be
checked regularly.
d) Check bearing lubricant level, and the remaining
hours before a lubricant change is required.
e) Check that the duty condition is in the safe
operating range for the pump.
f) Check vibration, noise level and surface temperature
at the bearings to confirm satisfactory operation.
g) Check dirt and dust is removed from areas around
close clearances, bearing housings and motors.
h) Check coupling alignment and re-align if necessary
6.1.1 Preventive maintenance
The following sections of this manual give instructions
on how to perform a complete maintenance overhaul.
However, it is also important to periodically repeat the
Pre start-up checks listed in section 5.1. These
checks will help extend pump life as well as the
length of time between major overhauls.
6.1.2 Need for maintenance records
A procedure for keeping accurate maintenance
records is a critical part of any program to improve
pump reliability. There are many variables that can
contribute to pump failures. Often long term and
repetitive problems can only be solved by analyzing
these variables through pump maintenance records.
6.1.3 Cleanliness
One of the major causes of pump failure is the
presence of contaminants in the bearing housing.
This contamination can be in the form of moisture,
dust, dirt and other solid particles such as metal
chips. Contamination can also be harmful to the
mechanical seal (especially the seal faces) as well as
other parts of the pump. For example, dirt in the
impeller threads could cause the impeller to not be
seated properly against the shaft. This, in turn, could
cause a series of other problems. For these reasons,
it is very important that proper cleanliness be
maintained. Some guidelines are listed below.
• After draining the oil from the bearing housing,
periodically send it out for analysis. If it is
contaminated, determine the cause and correct
• The work area should be clean and free from
dust, dirt, oil, grease etc
• Hands and gloves should be clean
• Only clean towels, rags and tools should be used
6.2 Spare parts
The decision on what spare parts to stock varies greatly
depending on many factors such as the criticality of the
application, the time required to buy and receive new
spares, the erosive/corrosive nature of the application,
and the cost of the spare part. Section 8 identifies all of
the components that make up each pump addressed in
this manual. Please refer to the Flowserve Mark 3
Pump Parts Catalog for more information. A copy of
this book can be obtained from your local Flowserve
sales engineer or distributor/representative.

MARK 3 USER INSTRUCTIONS ENGLISH 71569102 08-06
Page 41 of 68 flowserve.com
Prior to resizing impellers in high
chrome iron and nickel, please consult your local
Flowserve sales representative.
6.2.1 Ordering of spare parts
Flowserve keeps records of all pumps that have been
supplied. Spare parts can be ordered from your local
Flowserve sales engineer or from a Flowserve
distributor or representative. When ordering spare
parts the following information should be supplied:
1) Pump serial number
2) Pump size and type
3) Part name – see section 8
4) Part item number – see section 8
5) Material of construction (alloy)
6) Number of parts required
The pump size and serial number can be found on
the nameplate located on the bearing housing. (See
figure 3-1.)
6.3 Recommended spares and
consumable items
Mechanical process fluid seals, bearing housing lip
seals, bearings, shafting, impeller, and gaskets.
6.4 Tools required
A typical range of tools that will be required to
maintain these pumps is listed below.
Standard hand tools SAE
• Hand wrenches
• Socket wrenches
• Allen wrenches
• Soft mallet
• Screwdrivers
Specialized equipment
• Bearing pullers
• Bearing induction heaters
• Dial indicators
• Spanner wrench
• Flowserve Mark 3 tool kit (see below)
To simplify maintenance, it is recommended that the
Flowserve Mark 3 tool kit (shown in figure 6-1) is used.
This tool kit includes a handy impeller wrench, which
simplifies installation and removal of the impeller. It also
contains “nose cones” which protect shaft threads and
O-rings during maintenance. This tool kit can be
ordered from your local Flowserve sales engineer or
from a Flowserve distributor or representative.
Figure 6-1
6.5 Fastener torques
Figure 6-2: Recommended bolt torques
Item Description Group 1
non-lubricated Group 2
non-lubricated Group 3
non-lubricated
[6570.12]
Bearing retainer cap screws - standard bearings
n/a n/a 5/16 in. – 16 Nm (12 lbf•ft)
[6570.12]
Bearing retainer cap screws - duplex bearings 3/16 in. – 6 Nm (4 lbf•ft) 3/16 in. – 6 Nm (4 lbf•ft) 5/16 in. –16 Nm (12 lbf•ft)
[6570.5] Bearing housing/adapter cap screws and nuts n/a ½ in. – 54 Nm (40 lbf•ft) – 122 Nm (90 lbf•ft)
[6580.2] Mechanical seal gland studs/nuts, with gasket – 16 Nm (12 lbf•ft) – 16 Nm (12 lbf•ft) ½ in. – 41 Nm (30 lbf•ft)
[6580.2] Mechanical seal gland studs/nuts, with O-ring – 27 Nm (20 lbf•ft) – 27 Nm (20 lbf•ft) ½ in. – 54 Nm (40 lbf•ft)
[6580.1] Casing studs/nuts ½ in. – 41 Nm (30 lbf•ft) ½ in. – 41 Nm (30 lbf•ft)
– 81 Nm (60 lbf•ft) ¾ in. – 136 Nm (100 lbf•ft)
– 217 Nm (160 lbf•ft)
[6570.2] Cap screw cover/adapter (token bolts) – 27 Nm (20 lbf•ft) – 27 Nm (20 lbf•ft) ½ in. – 54 Nm (40 lbf•ft)
[6570.3] Bearing carrier set screws – 16 Nm (12 lbf•ft) ½ in. – 41 Nm (30 lbf•ft) ½ in. – 41 Nm (30 lbf•ft)
[6570.4] Cap screw foot ½ in. – 54 Nm (40 lbf•ft) ¾ in. – 217 Nm (160 lbf•ft)
1 in. – 300 Nm (228 lbf•ft)
[6570.13]
Cap screws - repeller cover to cover n/a – 16 Nm (12 lbf•ft) ½ in. – 41 Nm (30 lbf•ft)
[6570.15]
Cap screw – bearing housing ½ in. – 54 Nm (40 lbf•ft) ½ in. – 54 Nm (40 lbf•ft) n/a
[3712] Bearing Locknut 27 +4/-0 Nm (20 +5/-0 lbf•ft) 54 +7 / -0 Nm (40 +5 / -0 lbf•ft)
95 +7 / -0 Nm (70 +5 / -0 lbf•ft)
Notes: 1. For lubricated or PTFE-coated threads, use 75% of the values given.
2. Gasket joint torque values are for unfilled PTFE gaskets. Other gasket materials may require additional torque to seal.
Exceeding metal joint torque values is not recommended.

MARK 3 USER INSTRUCTIONS ENGLISH 71569102 08-06
Page 42 of 68 flowserve.com
6.6 Setting impeller clearance and
impeller replacement
A new impeller gasket [4590.2] must be installed
whenever the impeller has been removed from the
shaft. Impeller clearance settings may be found in
section 5.3. Impeller balancing instruction may be
found in section 6.8.
Mark 3 Unitized Self-Priming pumps require
that the outside diameter of the impeller be 3 mm
(0.125 in.) from the casing cutwater. If this close
clearance is not maintained the pump may not prime.
Do not adjust the impeller clearance
with the seal set. Doing so may result in seal leakage
and/or damage.
The impeller could have sharp edges,
which could cause an injury. It is very important to
wear heavy gloves.
It is recommended that two people
install a Group 3 impeller. The weight of a Group 3
impeller greatly increases the chance of thread
damage and subsequent lock-up concerns.
Do not attempt to tighten the impeller
on the shaft by hitting the impeller with a hammer or
any other object or by inserting a pry bar between the
impeller vanes. Serious damage to the impeller may
result from such actions.
Care should be taken in the handling
of high chrome iron impellers
Install the impeller [2200] by screwing it onto the shaft
(use heavy gloves) until it firmly seats against the
shaft shoulder.
Tighten the impeller with the impeller wrench from the
Flowserve Mark 3 tool kit. To do this, grasp the
impeller in both hands and, with the impeller wrench
handle to the left (viewed from the impeller end of the
shaft - figure 6-3) spin the impeller forcefully in a
clockwise direction to impact the impeller wrench
handle on the work surface to the right (figure 6-4).
Figure 6-3
Figure 6-4
6.6.1 Installation and clearance setting for
reverse vane impellers on Mark 3 Standard,
Unitized self-priming, In-Line and open vane
impeller on the recessed impeller pump
Flowserve reverse vane impellers and recessed open
impellers are set off the cover. This allows the
impeller to be set without the casing.
Set the impeller clearance by loosening the set
screws [6570.3] and rotating the bearing carrier
[3240] to obtain the proper clearance. Turn the
bearing carrier counter-clockwise until the impeller
comes into light rubbing contact with the rear cover.
Rotating the shaft at the same time will accurately
determine this zero setting. Now, rotate the bearing
carrier clockwise to get the proper clearance. Refer
to figure 5-12 for the proper impeller clearance based
on the operating temperature for the application.
Rotating the bearing carrier the width of one of the
indicator patterns cast into the bearing carrier moves the
impeller axially 0.1 mm (0.004 in.). (See figure 6-5.)
Indicator
pattern Rotation equivalent
to 0.1 mm (0.004 in)
axial movement Figure 6-5
Determine how far to rotate the bearing carrier by
dividing the desired impeller clearance by 0.1 mm
(0.004 in) (one indicator pattern). Tightening the set
screws [6570.3] will cause the impeller to move
0.05 mm (0.002 in.) closer to the rear cover because
of the internal looseness in the bearing carrier
threads. This must be considered when setting the
impeller clearance. Rotate the bearing carrier
clockwise the required amount to get the desired
clearance to the cover.

MARK 3 USER INSTRUCTIONS ENGLISH 71569102 08-06
Page 43 of 68 flowserve.com
Lastly, uniformly tighten the set screws
[6570.3] in incremental steps up to the final torque
value to lock the bearing carrier in place.
Figure 6.6
Example: If a pump was to be placed in a service with
an operating temperature of 100 °C (212 °F) the
impeller setting would be 0.53 mm (0.021 in.) off the
rear cover plate. Since it is necessary to add 0.05 mm
(0.002 in.) for the movement caused by tightening the
set screws an adjustment of 0.58 mm (0.023 in.) is
needed. First turn the bearing carrier counter-clockwise
until the impeller comes into light rubbing contact with
the rear cover. To determine the number of indicator
patterns that you will need to rotate the carrier, divide
0.10 into the desired setting;
0.58 / 0.10 = 5.8 (0.023 / 0.004 = 5.8). Rotate the
bearing carrier clockwise 6 indicator patterns which
will give a clearance of 0.60 mm (0.024 in.).
Flowserve suggests that a felt tip pen be used to
mark an initial reference point on the bearing housing
and the bearing carrier as shown in figure 6-6.
Then make a second mark on the bearing carrier 6
indicator patterns counter-clockwise from the initial
reference point. Rotate the bearing carrier clockwise
until the second mark on the bearing carrier lines up
with the initial reference point mark on the bearing
housing. Lastly, uniformly tighten the set screws
[6570.3] in incremental steps up to the final torque
value to lock the bearing carrier in place.
6.6.2 Installation and clearance setting for front
vane open style impeller on Mark 3 Standard,
Unitized self-priming, Lo-Flo, and In-Line pumps
Like all front vane open style impellers, the Flowserve
open impeller clearance must be set off the casing.
The casing must be installed to accurately set the
impeller clearance. (Realizing that this can be very
difficult, Flowserve strongly promotes the use of
reverse vane impellers, which do not require the
presence of the casing to be properly set.)
Attach the power end/rear cover plate assembly to
the casing. Now set the impeller clearance by
loosening the set screws [6570.3] and rotating the
bearing carrier [3240] to obtain the proper clearance.
Turn the bearing carrier clockwise until the impeller
comes into light rubbing contact with the casing.
Rotating the shaft at the same time will accurately
determine this zero setting. Now, rotate the bearing
carrier counter-clockwise to get the proper clearance.
Refer to figure 5-12 for the proper impeller clearance.
Rotating the bearing carrier the width of one of the
indicator patterns cast into the bearing carrier moves the
impeller axially 0.1 mm (0.004 in.). (See figure 6-5.)
Determine how far to rotate the bearing carrier by
dividing the desired impeller clearance by 0.1 mm
(0.004 in.) (one indicator pattern). Tightening the set
screws [6570.3] will cause the impeller to move
0.05 mm (0.002 in.) away from the casing because of
the internal looseness in the bearing carrier threads.
This must be considered when setting the impeller
clearance. Rotate the bearing carrier counter-
clockwise the required amount to get the desired
clearance to the casing.
Lastly, uniformly tighten the set screws
[6570.3] in incremental steps up to the final torque
value to lock the bearing carrier in place.
See section 5.3 for impeller clearance settings.
Example: If a pump was to be placed in a service with
an operating temperature of 150 °C (302 °F) the
impeller setting would be 0.69 mm (0.027 in.) off the
casing. Since it is necessary to subtract 0.05 mm
(0.002 in.) for the movement caused by tightening the
set screws an adjustment of 0.64 mm (0.025 in.) is
needed. First, turn the bearing carrier clockwise until
the impeller comes into light rubbing contact with the
casing. To determine the number of indicator patterns
that you will need to rotate the carrier, divide 0.10 into
the desired setting;
0.64 / 0.10 = 6.4 (.025 / 0.004 = 6.3). Rotate the
bearing carrier counter-clockwise 6.5 indicator patterns
which will give a clearance of 0.65 mm (0.026 in.).
Flowserve suggests that a felt tip pen be used to mark
an initial reference point on the bearing housing and the
bearing carrier as shown in figure 6-6. Then make a
second mark on the bearing carrier 6.5 indicator
patterns clockwise from the initial reference point.
Rotate the bearing carrier counter-clockwise until the
second mark on the bearing carrier lines up with the
initial reference point mark on the bearing housing.
Lastly, uniformly tighten the set screws [6570.3] in
incremental steps up to the final torque value to lock the
bearing carrier in place. The impeller is now set for an
impeller setting of 0.7 mm (0.028 in.) off the casing.

MARK 3 USER INSTRUCTIONS ENGLISH 71569102 08-06
Page 44 of 68 flowserve.com
The above procedure is fairly straightforward when
doing the final setting of the impeller. However it can be
quite laborious when doing the preliminary setting in
order to establish the location of the mechanical seal.
For this reason, the following practice is recommended.
Before the pump is taken out of service, adjust the
impeller until it touches the casing and then rotate the
bearing carrier until the desired impeller clearance is
obtained. Identify this location on the bearing carrier
and then rotate the bearing carrier until the impeller
contacts the rear cover. Record the distance from the
desired impeller clearance setting to when the impeller
contacts the rear cover. The pump is now removed
from the casing and taken to the shop for maintenance.
When it is time to set the seal, the impeller is simply set
off the rear cover by the same distance recorded earlier.
The above technique is only applicable if all
of the original pump components are reinstalled. If
the casing, cover, impeller or shaft is replaced this
method must not be used.
6.6.3 Installation and clearance setting for
Sealmatic pumps
Install the repeller [2000.1] and covers [1220 and
1220.1] as described in section 6.9.3. Install a seal
guide from the Mark 3 tool kit to hold the repeller in
place. Set the repeller 0.38 to 0.51 mm (0.015 to
0.020 in.) off the cover following the instruction above
in section 6.6.1. Uniformly tighten the set screws
[6570.3] in incremental steps up to the final torque
value to lock the bearing carrier in place. Remove the
seal guide and install the impeller. Check the impeller
setting with a feeler gage. The gap should be 0.38 to
0.51 mm (0.015 to 0.020 in.). If the gap is outside of
the correct setting, it may be readjusted to get the
beat gap at the repeller and impeller.
6.7 Disassembly
6.7.1 Power end removal
a) Before performing any maintenance, disconnect the
driver from its power supply and lock it off line.
Lock out power to driver to prevent
personal injury.
b) Close the discharge and suction valves, and
drain all liquid from the pump.
c) Close all valves on auxiliary equipment and
piping, then disconnect all auxiliary piping.
d) Decontaminate the pump as necessary.
If Flowserve Mark 3 pumps
contain dangerous chemicals, it is important to
follow plant safety guidelines to avoid personal
injury or death.
e) Remove the coupling guard. (See section 5.5.)
f) Remove the spacer from the coupling. Close
coupled pumps required that the motor be
removed from the pump assembly. The motor
must be fully supported and the jackscrews
[6575] loose before removal.
g) Remove casing fasteners [6580.1]. On Group 1
In-Line pumps the studs [6572.1] must be
removed.
h) Remove the fasteners holding the bearing
housing foot to the baseplate. (Not applicable on
In-Line pumps).
i) Move the power end, rear cover, and seal chamber
assembly away from the casing. On In-Line pumps
the simplest method of power end removal is to first
remove the motor and motor adapter with a crane.
However this is often not practical and the power
end must be removed by hand. This operation is
illustrated in figures 6-7, 6-8 and 6-9. Discard the
casing/cover gasket [4590.1].
The power end and rear cover
assembly is heavy. It is important to follow plant
safety guidelines when lifting it.
j) Transport the assembly to the maintenance shop.
Figure 6-7
Figure 6-8
Figure 6-9

MARK 3 USER INSTRUCTIONS ENGLISH 71569102 08-06
Page 45 of 68 flowserve.com
6.7.2 Pump disassembly
k) Remove the coupling hub from the pump shaft
[2100]. Close coupled pumps require the motor
adapter [3160] be removed.
l) Using the shaft key [6700], mount the impeller
wrench from the Flowserve Mark 3 tool kit (figure
6-1) to the end of the shaft. With the wrench
handle pointing to the left when viewed from the
impeller end, grasp the impeller [2200] firmly with
both hands (wear heavy gloves). By turning the
impeller in the clockwise direction move the
wrench handle to the 11 o’clock position and then
spin the impeller quickly in a counter-clockwise
direction so that the wrench makes a sudden
impact with a hard surface on the bench. After
several sharp raps, the impeller should be free.
Unscrew the impeller and remove from the shaft.
Discard the impeller gasket [4590.2].
Do not apply heat to the
impeller. If liquid is entrapped in the hub, an
explosion could occur.
m) If a cartridge type mechanical seal [4200] is used
(figure 6-10), the spacing clips or tabs should be
installed prior to loosening the set screws which
attaches the seal to the shaft or removing it from
the cover. This will ensure that the proper seal
compression is maintained.
Figure 6-10
n) Remove the seal or packing gland nuts [6580.2] if
so equipped.
o) Remove the cover.
All pumps except Sealmatic
Remove the two cap screws [6570.2] which
attach the rear cover [1220] to the adapter.
Carefully remove this part.
Sealmatic pump only
Remove the cap screws that hold the rear cover
[1220] to the repeller cover [1220.1]. For Group 3
pumps remove the capscrews [6570.2] that hold
the rear cover [1220] to the adapter [1340].
Remove the cover. The repeller is now exposed
[2200.1] and should be free to slip from the shaft.
In the event it is stuck, the repeller can be pried off
by the use of 2 screwdrivers wedged between the
repeller [2200.1] and the repeller cover [1220.1].
p) If a component type inside mechanical seal [4200]
is used, loosen the set screws on the rotating unit
and remove it from the shaft (see figure 6-11).
Then pull the gland [4120] and stationary seat off
the shaft. Remove the stationary seat from the
gland. Discard all O-rings and gaskets.
Figure 6-11
q) If a component type outside mechanical seal is
used, remove the gland and the stationary seat.
Remove the stationary seat from the gland. Loosen
the set screws in the rotating unit and remove it
from the shaft. Discard all O-rings and gaskets.
r) If packing [4130] is used, remove it and the seal cage
[lantern ring, 4134]. Remove the gland [4120].
s) If the pump has a hook type sleeve [2400] it can
now be removed. Unit now appears as shown in
figure 6-12.
Figure 6-12
t) If the power end is oil lubricated, remove the
drain plug [6569.1] and drain the oil from the
bearing housing [3200].
u) If the pump has lip seals, a deflector [2540] will
be present. Remove it.
v) Loosen the three set screws [6570.3] on the
bearing carrier [3240]. The bearing carrier must be
completely unscrewed from the bearing housing.
Do not pry against the shaft.
Mark 3A and ANSI 3A design
The face of the bearing carrier has three square
lugs that protrude from the surface. The bearing
carrier is turned by using an open end wrench on
one of the square lugs as shown in figure 6-13.

MARK 3 USER INSTRUCTIONS ENGLISH 71569102 08-06
Page 46 of 68 flowserve.com
Mark 3 design
On Group 1 and 2 pumps the bearing carrier is
turned by using a strap wrench, with the strap
located around the outside diameter of the carrier
face. On Group 3 pumps, the bearing carrier is
turned by using a spanner wrench to engage the
cogs on the outside diameter of the bearing carrier.
Figure 6-13
w) Because the O-rings [4610.2] will cause some
resistance in removing the bearing carrier
assembly from the housing, hold the bearing
carrier flange firmly and with slight rotation, pull it
out of the bearing housing. The bearing carrier
assembly with the shaft and bearings should come
free. This unit will appear as shown in figure 6-14.
Further disassembly is not required unless the
bearings are to be replaced.
Figure 6-14
x) Remove the snap ring [2530] (see figure 6-15) on
Group 1 and 2 pumps, or the bearing retainer
[2530.1] on Group 3 pumps.
Figure 6-15
Group 1 and 2 pumps equipped with
duplex angular contact bearings use a bearing
retainer [2530.1] instead of the snap ring.
Remove the carrier from the bearing.
y) The bearing locknut [3712] and lockwasher
[6541.1] may now be removed from the shaft
[2100]. Discard the lockwasher.
z) An arbor or hydraulic press may be used to
remove the bearings [3011 and 3013] from the
shaft. It is extremely important to apply even
pressure to the inner bearing race only. Never
apply pressure to the outer race as this exerts
excess load on the balls and causes damage.
Applying pressure to the outer
race could permanently damage the bearings.
aa) The Mark 3A design has an optional oil slinger
[2541] located between the bearings. If present,
inspect it for damage or looseness. Remove if it
needs to be replaced.
bb) On Group 2 and 3 pumps, the bearing housing
[3200] must be separated from the bearing
housing adapter [1340]. The adapter O-ring
[4610.1] should be discarded.
Mark 3A and ANSI 3A design
This is accomplished by removing the cap screws
[6570.5], which thread into the bearing housing.
Mark 3 In-Line design
There is no adapter o-ring [4610.1] when an oil
drain tap is supplied in the adapter.
Mark 3 design
This is accomplished by removing the hex nuts
[6580.8] and the cap screws [6570.5].
cc) If lip seals [4310.1 and 4310.2] (see figure 6-16)
are used, they should be removed from the
bearing carrier and adapter and discarded.
Figure 6-16
dd) If the bearing isolators are removed from either
the bearing carrier or adapter they must not be
reused, discard appropriately.
ee) If magnetic seals are used, maintain the seals as
specified by the manufacturer.
Mark 3 and Mark 3A design
Remove the Trico oiler/site gage [3855] (figure
6-17) and oil level tag (figure 6-18) from the
bearing housing.
ANSI 3A design
Remove the site gage [3856] (figure 5-1) and oil
level tag (figure 6-18) from the bearing housing.
Save these parts for reuse.
Figure 6-17

MARK 3 USER INSTRUCTIONS ENGLISH 71569102 08-06
Page 47 of 68 flowserve.com
Figure 6-18
6.8 Examination of parts
6.8.1 Cleaning/inspection
All parts should now be thoroughly cleaned and
inspected. New bearings, O-rings, gaskets, and lip
seals should be used. Any parts that show wear or
corrosion should be replaced with new genuine
Flowserve parts.
It is important that only non-flammable,
non-contaminated cleaning fluids are used. These
fluids must comply with plant safety and environmental
guidelines.
6.8.2 Critical measurements and tolerances
To maximize reliability of pumps, it is important that
certain parameters and dimensions are measured
and maintained within specified tolerances. It is
important that all parts be checked. Any parts that do
not conform to the specifications should be replaced
with new Flowserve parts.
6.8.3 Parameters that should be checked by
users
Flowserve recommends that the user check the
measurements and tolerances in figure 6-19
whenever pump maintenance is performed. Each of
these measurements is described in more detail on
the following pages.
6.8.4 Additional parameters checked by
Flowserve
The parameters listed below are somewhat more
difficult to measure and/or may require specialized
equipment. For this reason, they are not typically
checked by our customers, although they are
monitored by Flowserve during the manufacturing
and/or design process.
6.8.4.1 Shaft and sleeve (if fitted)
Replace if grooved, pitted or worn. Prior to mounting
bearings or installing the shaft into the bearing
housing, check the following parameters:
Diameter/tolerance, under bearings
In order to ensure proper fit between the shaft and
bearings, verify that both the inboard (IB) and
outboard (OB) shaft diameter is consistently within
the minimum/maximum values shown in figure 6-20.
A micrometer should be used to check these outside
diameter (OD) dimensions on the shaft.
6.8.4.2 Bearings
It is recommended that bearings not be re-used after
removal from the shaft. Prior to mounting bearings,
check the following parameters:
Diameter/tolerance, inside diameter
In order to ensure proper fit between bearings and
the shaft, verify that the inside diameter (ID) of both
the IB and OB bearing are consistently within the
minimum/maximum values shown in figure 6-20. An
inside caliper should be used to check these ID
diameters on the bearings.
Diameter/tolerance, outside diameter
In order to ensure proper fit between bearings and
the bearing housing, verify that the OD on both the IB
and OB bearings are consistently within the
minimum/maximum values shown in figure 6-21. A
micrometer should be used to check these outside
diameter (OD) dimensions on the bearings.
6.8.4.3 Impeller balancing
Shaft whip is deflection where the centerline of the
impeller is moving around the true axis of the pump.
It is not caused by hydraulic force but rather by an
imbalance with the rotating element. Shaft whip is
very hard on the mechanical seal because the faces
must flex with each revolution in order to maintain
contact. To minimize shaft whip it is imperative that
the impeller is balanced. All impellers manufactured
by Flowserve are balanced after they are trimmed. If
for any reason, a customer trims an impeller, it must
be re-balanced. See note 1 under figure 6-19
regarding acceptance criteria.
6.8.4.4 Bearing housing/carrier
Prior to installing the shaft into the bearing housing,
check the following parameters:
Diameter/tolerance, at bearing surface
In order to ensure proper fit between the bearing
housing/carrier and the bearings, verify that the ID of
both the IB and OB bearing surfaces are consistently
within the minimum/maximum values shown in figure
6-21. An inside caliper should be used to check
these ID dimensions in the bearing housing.

MARK 3 USER INSTRUCTIONS ENGLISH 71569102 08-06
Page 48 of 68 flowserve.com
Figure 6-19
Topic
ASME
B73.1M
standard
mm (in.)
Suggested
by major
seal
vendors
mm (in.)
Suggested
and/or
provided by
Flowserve
mm (in.)
Shaft
Diameter tolerance,
under bearings
n/s
0.005 (0.0002)
Impeller
Balance
See note 1
Bearing housing
Diameter (ID) tolerance
at bearings
n/s
0.013 (0.0005)
Power end assembly
Shaft runout
Shaft sleeve runout
Radial deflection - static
Shaft endplay
0.05 (0.002)
0.05 (0.002)
n/s
n/s
0.03 (0.001)
0.05 (0.002)
0.076 (0.003)
0.05 (0.002)
0.05 (0.002)
0.05 (0.002)
0.05 (0.002)
Seal chamber
Face squareness to shaft
Register concentricity
0.08 (0.003)
0.03 (0.001)
0.13 (0.005)
0.08 (0.003)
0.13 (0.005)
Complete pump
Shaft movement caused
by pipe strain
Alignment
Vibration at bearing housing
n/s
n/s
See note 3
0.05 (0.002)
0.05 (0.002)
See note 2
See note 3
n/s = not specified.
1. The maximum values of acceptable unbalance are:
1 500 r/min: 40 g mm/kg (1 800 r/min: 0.021 oz-in/lb) of mass.
2 900 rpm: 20 g mm/kg (3 600 rpm: 0.011 oz-in/lb) of mass.
Flowserve performs a single plane spin balance on most
impellers. The following impellers are exceptions: 10X8-14,
10X8-16 and 10X8-16H. On these Flowserve performs a two
plane dynamic balance, as required by the ASME B73.1M
standard. All balancing, whether single or two plane, is
performed to the ISO 1940 Grade 6.3 tolerance criteria.
2. The ASME B73.1M standard does not specify a recommended
level of alignment. Flowserve recommends that the pump and
motor shafts be aligned to within 0.05 mm (0.002 in.) parallel FIM
(full indicator movement) and 0.0005 mm/mm (0.0005 in./in.)
angular FIM. Closer alignment will extend MTBPM. For a
detailed discussion of this subject see the Alignment section of
this manual.
3. The ASME B73.1M, paragraph 5.1.4.
Figure 6-20
Group 1 Group 2 Group 3
Bearing
30.000/29.990
(1.1811/1.1807) 50.000/49.987
(1.9685/1.9680) 70.000/69.985
(2.7559/2.7553)
Shaft 30.013/30.003
(1.1816/1.1812) 50.013/50.003
(1.9690/1.9686) 70.015/70.002
(2.7565/2.7560)
OB
bearing/
shaft
mm (in.)
Fit 0.023T/0.003T
(0.0009T/0.0001T)
0.026T/0.003T
(0.0010T/0.0001T)
0.030T/0.002T
(0.0012T/0.0001T)
Bearing
35.000/34.989
(1.3780/1.3775) 50.000/49.987
(1.9685/1.9680) 70.000/69.985
(2.7559/2.7553)
Shaft 35.014/35.004
(1.3785/1.3781) 50.013/50.003
(1.9690/1.9686) 70.015/70.002
(2.7565/2.7560)
IB
bearing/
shaft
mm (in.)
Fit 0.025T/0.004T
(0.0010T/0.0001T)
0.026T/0.003T
(0.0010T/0.0001T)
0.030T/0.002T
(0.0012T/0.0001T)
Figure 6-21
Group 1 Group 2 Group 3
Bearing 71.999/71.986
(2.8346/2.8341) 110.000/109.985
(4.3307/4.3301) 150.000/149.979
(5.9055/5.9047)
Carrier 71.999/72.017
(2.8346/2.8353) 110.007/110.022
(4.3310/4.3316) 150.002/150.030
(5.9056/5.9067)
OB
bearing/
carrier
mm (in.)
Fit 0.031L/0.000L
(0.0012L/0.0000L)
0.037L/0.007L
(0.0015/0.0003L) 0.051L/0.002L
(0.0020L/0.0001L)
Bearing 71.999/71.986
(2.8346/2.8341) 110.000/109.985
(4.3307/4.3301) 150.000/149.979
(5.9055/5.9047)
Housing
71.999/72.017
(2.8346/2.8353) 110.007/110.022
(4.3310/4.3316) 150.007/150.025
(5.9058/5.9065)
IB
bearing/
housing
mm (in.)
Fit 0.031L/0.000L
(0.0012L/0.0000L)
0.037L/0.007L
(0.0015L/0.0003L) 0.046L/0.007L
(0.0018L/0.0003L)
6.8.4.5 Power end
Assembled bearing housing, carrier, bearings, and
shaft.
Shaft/shaft sleeve run-out
Shaft run-out is the amount the shaft is “out of true”
when rotated in the pump. It is measured by attaching a
dial indicator to a stationary part of the pump so that its
contact point indicates the radial movement of the shaft
surface as the shaft is rotated slowly. If a shaft sleeve is
used then shaft sleeve run-out must be checked. It is
analogous to shaft run-out. Measurement of shaft run-
out/shaft sleeve run-out will disclose any out of
roundness of the shaft, any eccentricity between the
shaft and the sleeve, any permanent bend in the shaft,
and/or any eccentricity in the way the shaft or bearings
are mounted in the bearing housing.
Shaft run-out can shorten the life of the bearings and
the mechanical seal. The following diagram shows
how to measure shaft/shaft sleeve run-out. Note that
both ends need to be checked. The run-out should
be 0.025 mm (0.001 in.) FIM or less.
Runout
Radial deflection - static
Radial movement of the shaft can be caused by a loose fit
between the shaft and the bearing and/or the bearing and
the housing. This movement is measured by attempting
to displace the shaft vertically by applying an upward force
of approximately 4.5 kg (10 lb) to the impeller end of the
shaft. While applying this force, the movement of an
indicator is observed as shown in the following diagram.
The movement should be checked at a point as near as
possible to the location of the seal faces. A movement of
more than 0.05 mm (0.002 in.) is not acceptable.

MARK 3 USER INSTRUCTIONS ENGLISH 71569102 08-06
Page 49 of 68 flowserve.com
Deflection
Shaft endplay
The maximum amount of axial shaft movement, or
endplay, on a Durco pump should be 0.03 mm
(0.001 in.) and is measured as shown below.
Observe indicator movement while tapping the shaft
from each end in turn with a soft mallet. Shaft
endplay can cause several problems. It can cause
fretting or wear at the point of contact between the
shaft and the secondary sealing element. It can also
cause seal overloading or underloading and possibly
chipping of the seal faces. It can also cause the
faces to separate if significant axial vibration occurs.
Endplay
6.8.4.6 Seal chamber
Assembled power end and rear cover.
Face squareness to shaft
Also referred to as “Seal chamber face run-out.” This
run-out occurs when the seal chamber face is not
perpendicular to the shaft axis. This will cause the
gland to cock, which causes the stationary seat to be
cocked, which causes the seal to wobble. This run-
out should be less than 0.08 mm (0.003 in) and
should be measured as shown below:
Face squareness
Register concentricity
An eccentric seal chamber bore or gland register can
interfere with the piloting and centering of the seal
components and alter the hydraulic loading of the seal
faces, resulting in reduction of seal life and
performance. The seal chamber register concentricity
should be less than 0.13 mm (0.005 in.). The diagram
below shows how to measure this concentricity.
Concentricity
6.8.4.7 Installed pump
Complete pump installed.
Shaft movement caused by pipe strain
Pipe strain is any force put on the pump casing by the
piping. Pipe strain should be measured as shown
below. Install the indicators as shown before
attaching the piping to the pump. The suction and
discharge flanges should now be bolted to the piping
separately while continuously observing the
indicators. Indicator movement should not exceed
0.05 mm (0.002 in.).
Pipe strain movement
Alignment
Misalignment of the pump and motor shafts can
cause the following problems:
• Failure of the mechanical seal
• Failure of the motor and/or pump bearings
• Failure of the coupling
• Excessive vibration/noise
The schematics below show the technique for a
typical rim and face alignment using a dial indicator.
It is important that this alignment be done after the
flanges are loaded, and at typical operating
temperatures. If proper alignment cannot be
maintained a C-flange motor adapter and/or
stilt/spring mounting should be considered.
Alignment

MARK 3 USER INSTRUCTIONS ENGLISH 71569102 08-06
Page 50 of 68 flowserve.com
Many companies today are using laser alignment
which is a more sophisticated and accurate
technique. With this method a laser and sensor
measure misalignment. This is fed to a computer
with a graphic display that shows the required
adjustment for each of the motor feet.
See section 4.8 for recommended final shaft
alignment limits.
Vibration analysis
Vibration analysis is a type of condition monitoring
where a pump’s vibration “signature” is monitored on
a regular, periodic basis. The primary goal of
vibration analysis is extension on MTBPM. By using
this tool Flowserve can often determine not only the
existence of a problem before it becomes serious, but
also the root cause and possible solution.
Modern vibration analysis equipment not only detects
if a vibration problem exists, but can also suggest the
cause of the problem. On a centrifugal pump, these
causes can include the following: unbalance,
misalignment, defective bearings, resonance,
hydraulic forces, cavitation and recirculation. Once
identified, the problem can be corrected, leading to
increased MTBPM for the pump.
Flowserve does not make vibration analysis
equipment, however Flowserve strongly urges
customers to work with an equipment supplier or
consultant to establish an on-going vibration analysis
program. See note 3 under figure 6-19 regarding
acceptance criteria.
6.9 Assembly of pump and seal
It is important that all pipe threads be
sealed properly. PTFE tape provides a very reliable
seal over a wide range of fluids, but it has a serious
shortcoming if not installed properly. If, during
application to the threads, the tape is wrapped over the
end of the male thread, strings of the tape will be formed
when threaded into the female fitting. These strings can
then tear away and lodge in the piping system.
If this occurs in the seal flush system, small orifices can
become blocked effectively shutting off flow. For this
reason, Flowserve does not recommend the use of
PTFE tape as a thread sealant.
Flowserve has investigated and tested alternate
sealants and has identified two that provide an
effective seal, have the same chemical resistance as
the tape, and will not plug flush systems. These are
La-co Slic-Tite and Bakerseal. Both products contain
finely ground PTFE particles in an oil based carrier.
They are supplied in a paste form which is brushed
onto the male pipe threads. Flowserve recommends
using one of these paste sealants.
Full thread length engagement is required for all
fasteners.
Refer to figure 6-2 for recommended bolt
torques.
6.9.1 Power end assembly
The Mark 3A design has an optional oil slinger. If the
slinger was removed during disassembly, install a
new slinger [2541]. (See figure 6-22.)
Figure 6-22
6.9.1.1 Bearing installation
Mounting of bearings on shafts must be done in a clean
environment. Bearing and power end life can be
drastically reduced if even very small foreign particles
work their way into the bearings. Wear clean gloves.
Bearings should be removed from their protective
packaging only immediately before assembly to limit
exposure to possible contamination. After removing
the packaging they should only come in contact with
clean hands, fixtures, tools and work surfaces.
The chart shown in figure 6-23 gives the SKF part
numbers for bearings in Flowserve Mark 3 pumps. Note
that the term “inboard bearing” refers to the bearing
nearest to the casing. “Outboard bearing” refers to the
bearing nearest to the motor. (See figure 6-22.)
Both bearings have a slight interference
fit which requires that they be pressed on the shaft with
an arbor or hydraulic press. Figure 6-20 identifies the
bearing fits. Even force should be applied to only the
inner race. Never press on the outer race, as the force
will damage the balls and races.
An alternate method of installing bearings is to heat
the bearings to 93 °C (200 °F) by means of an oven
or induction heater. With this approach the bearing
must be quickly positioned on the shaft.
Never heat the bearings above 110 °C (230 °F). To
do so will likely cause the bearing fits to permanently
change, leading to early failure.

MARK 3 USER INSTRUCTIONS ENGLISH 71569102 08-06
Page 51 of 68 flowserve.com
a) Install the inboard bearing [3011] on the shaft [2100].
Mark 3A and ANSI 3A design
The inboard bearing must be positioned against
the shoulder as shown in figure 6-22.
Mark 3 design
On Group 1 and Group 2 shafts, the inboard
bearing must be located as shown in figure 6-24.
On Group 3 shafts position the inboard bearing
against the shoulder.
Figure 6-24: Bearing position - Mark 3 design
Mark 3 standard shaft Mark 3 duplex bearing shaft
Group A Group A
1 68 mm (211/16 in.) 1 61 mm (23/8 in.)
2 139 mm (515/32 in.) 2 129 mm (53/32 in.)
3 * 3 *
* Inboard bearing located against shoulder.
If the power end is equipped with single shielded
regreasable bearings, see figures 5-7 and 5-8 for
proper orientation of the shields
The orientation of the bearing shields is
different for horizontal pumps (figure 5-7) and In-Line
pumps (figure 5-8).
b) Install the outboard bearing retaining device onto
the shaft.
Double row bearings
Place the snap ring [2530] onto the outboard end of
the shaft and slide down to the inboard bearing.
The proper orientation of the snap ring
must be assured in this step. The flat side of the
snap ring must face away from the inboard bearing.
Duplex angular contact bearings
Place the bearing retainer [2530.1] onto the
outboard end of the shaft and slide down to the
inboard bearing.
The proper orientation of the bearing
retainer must be assured in this step. The small
side of the retainer must face away from the
inboard bearing.
Figure 6-23: Flowserve Mark 3 bearings
Group Type of bearing Inboard single row,
deep groove 5 Outboard double row, angular
contact, deep groove 5 & 9 Optional outboard
duplex angular contact 5
Oil bath/mist - open 1 6207-C3 5306-AC3 or 3306-AC3 7306-BECBY
Regreasable - single shielded 2 6207-ZC3 5306-AZC3 or 3306-AZC3 NA 6
Greased for life - double shielded 3
6207-2ZC3 5306-A2ZC3 or 3306-A2ZC3 NA 7
1
Sealed for life - double sealed 4 6207-2RS1C3 5306-A2RSC3 or 3306-A2RS1C3 NA 7
Oil bath/mist - open 1 6310-C3 5310-AC3 (AHC3) or 3310-AC3 7310-BECBY
Regreasable – single shielded 2 6310-ZC3 5310-AZC3 or 3310-AZC3 NA 6
Greased for life - double shielded 3
6310-2ZC3 5310-A2ZC3 or 3310-A2ZC3 NA 7
2
Sealed for life - double sealed 4 6310-2RS1C3 5310-A2RSC3 or 3310-A2RS1C3 NA 7
Oil bath/mist - open 1 6314-C3 5314-AC3 or 3314-AC3 7314-BECBY
Regreasable - single shielded 2 6314-ZC3 5314-AZC3 or 3314-AZC3 NA 6
Greased for life - double shielded 3
6314-2ZC3 5314-A2ZC3 or 3314-A2ZC3 NA 7
3
Sealed for life - double sealed 4 6314-2RS1C3 5314-A2RSC3 or 3314-A2RS1C3 NA 7
Notes:
1. These bearings are open on both sides. They are lubricated by oil bath or oil mist.
2. These bearings are pre-greased by Flowserve. Replacement bearings will generally not be pre-greased, so grease must be applied by
the user. They have a single shield, which is located on the side next to the grease buffer, or reservoir. The bearings draw grease from
the reservoir as it is needed. The shield protects the bearing from getting too much grease, which would generate heat. The grease
reservoir is initially filled with grease by Flowserve. Lubrication fittings are provided, to allow the customer to periodically replenish the
grease, as recommended by the bearing and/or grease manufacturer.
3. These bearings are shielded on both sides. They come pre-greased by the bearing manufacturer. The user does not need to regrease
these bearings. The shields do not actually contact the bearing race, so no heat is generated.
4. These bearings are sealed on both sides. They come pre-greased by the bearing manufacturer. The user does not need to regrease
these bearings. The seals physically contact and rub against the bearing race, which generates heat. These bearings are not
recommended at speeds above 1750 r/min.
5. The codes shown are SKF codes. Inboard and outboard bearings have the C3, greater than “normal” clearance. These clearances are
recommended by SKF to maximize bearing life.
6. Regreasable - single shielded bearings are not available in the duplex configuration; however, open oil bath-type bearings can be used
for the regreasable configuration. These bearings must be pre-greased during assembly. Lubrication fittings are provided, to allow the
user to periodically replenish the grease, as recommended by the bearing and/or grease manufacturer.
7. Not available.
8. All bearing configurations are supplied only with steel cages
9. SKF - the 5300 and 3300 bearing series are identical and therefore can be used interchangeably.

MARK 3 USER INSTRUCTIONS ENGLISH 71569102 08-06
Page 52 of 68 flowserve.com
c) Install the outboard bearing.
Double row bearings
Install the outboard bearing [3013] firmly against
the shoulder as shown in figure 6-22. If hot
bearing mounting techniques are used, steps
must be taken to ensure the outboard bearing is
firmly positioned against the shaft shoulder. The
outboard bearing, while still hot, is to be
positioned against the shaft shoulder.
Duplex angular contact bearings
Duplex angular contact bearings must be
mounted back-to-back with the wider thrust sides
of the outer races in contact with each other as
shown in figure 6-25. Only bearings designed for
universal mounting should be used. The SKF
designation is “BECB”. NTN’s designation is “G”.
A special shaft is required when using
duplex angular contact bearings.)
Figure 25
The orientation of the bearing
shields is different for horizontal pumps (figure 5-7)
and In-Line pumps (figure 5-8).
It must be understood that fixtures
and equipment used to press the bearing must be
designed so no load is ever transmitted through the
bearing balls. This would damage the bearing.
d) After the bearing has cooled below 38 °C (100 °F)
the bearing should be pressed against the shaft
shoulder. Figure 6-26 identifies the approximate
force needed to seat the bearing against the shaft
shoulder. If a press is not available the locknut
[3712] should be installed immediately after the
bearing is placed on the shaft and tightened to
ensure the bearing remains in contact with the shaft
shoulder. The locknut should then be retightened
repeatedly during the time the bearing is cooling.
Once cool the locknut should be removed.
Figure 6-26
Pump Press force
N (lbf) Locknut torque
Nm (lbf
Group 1 5 780 (1 300) 27 +4/-0 (20 +5/-0)
Group 2 11 100 (2 500) 54 +7/-0 (40 +5/-0)
Group 3 20 000 (4 500) 95 +7/-0 (70 +5/-0)
e) Install lockwasher [6541.1] and locknut [3712]. The
locknut should be torqued to the value shown in
figure 6-26. One tang on the lockwasher must be
bent into a corresponding groove on the locknut.
6.9.1.2 Bearing housing seals
Lip seals
If lip seals were used (see figure 6-16), install new lip
seals in the bearing carrier [3240] and the housing
[3200 - Group 1] or the adapter [1340 - Group 2 and 3].
The lip seals [4310.1 and 4310.2] are double lip style,
the cavity between these two lips should be 1/2 to 2/3
filled with grease. When installing this part, the large
metal face on the lip seal must face away from the
bearings.
Labyrinth seals
The following are general installation instructions
regarding the VBXX Inpro seal. Follow the instructions
provided with the seal by the manufacturer.
The elastomer O-ring located on the OD of the seal
has been sized to overfill the groove in which it is
located. When installing the seal into its
corresponding housing, in addition to compressing
the O-ring a certain amount of material may shear off.
This sheared material should be removed. An arbor
press should be used to install the seal.
Install the inboard seal in the bore of the bearing
housing (Group 1) or adapter (Group 2 and Group 3)
with the single expulsion port positioned at the 6
o’clock position.
Install the outboard seal in the bore of the bearing
carrier. There are no orientation issues since this is a
multiport design seal.
Magnetic seals
Follow the installation instructions provided by the
manufacturer.
6.9.1.3 Bearing carrier/power end assembly
a) Install new O-rings [4610.2] onto the bearing
carrier. Be sure to use the correct size O-rings.
(The Mark 3 and Mark 3A bearing carriers use
different O-rings.)
b) Slide the bearing carrier [3240] over the outboard
bearing [3013].
c) Install the outboard bearing retaining device.
Double row bearings on Group 1 and 2 pumps
Slide the snap ring [2530] in place with its flat
side against the outboard bearing and snap it into
its groove in the bearing carrier.
Duplex angular contact bearings on Group 1 and 2
pumps; all bearings on Group 3 pumps
Slide the bearing retainer [2530.1] against the
outboard bearing and install and tighten the
socket head capscrews [6570.12]. See figure 6-2
for correct torque values.

MARK 3 USER INSTRUCTIONS ENGLISH 71569102 08-06
Page 53 of 68 flowserve.com
Never compress the snap ring
unless it is positioned around the shaft and between
the bearings. In this configuration, it is contained
therefore if it should slip off the compression tool it
is unlikely to cause serious injury.
d) The shaft, bearings, and bearing carrier
assembly (figure 6-14) can now be installed into
the bearing housing [3200]. The bearing carrier
[3240] should be lubricated with oil on the O-rings
and threads before installing the assembly into
the bearing housing. Thread the bearing carrier
into the bearing housing by turning it clockwise to
engage the threads. Thread the carrier onto the
housing until the carrier flange is approximately
3 mm (1/8 in.) from the housing. Install the set
screws [6570.3] loosely.
e) Reinstall any tags, plugs, site gages and oiler.
Mark 3 and Mark 3A design
Install the following items onto the bearing housing;
oil level tag (figure 6-18) and combination Trico
oiler/site gage [3855], vent/breather [6521] and
drain plug [6569.1].
ANSI 3A design
Install the following items onto the bearing housing;
oil level tag (figure 6-18) and site gage [3855], plug
[6521] and magnetic drain plug [6569.4].
f) On Group 2 and 3 pumps, assemble the bearing
housing adapter [1340] to the bearing housing
[3200]. Be sure to install a new O-ring [4610.1].
Mark 3 In-Line design
The adapter O-ring [4610.1] should not be installed
if there is a drain tap in the adapter [1340]. This tap
is present on pumps with regreasable bearings and
most oil mist applications.
Mark 3A and ANSI 3A design
Thread the capscrews [6570.5] through the adapter
and into the tapped holes in the bearing housing.
Mark 3 design
Use the capscrews [6570.5] and hexnuts [6580.8].
Orient the bearing housing adapter with the two
holes for capscrews [6570.5] on a horizontal line.
g) If the pump has lip seals, install the deflector [2540].
h) If the pump is equipped with a hook type sleeve
[2400], slip it into place over the impeller end of
the shaft [2100].
6.9.2 Wet end assembly
6.9.2.1 Cartridge mechanical seals
Review the seal assembly instructions and drawings
provided by the seal manufacturer.
a) Install a nose cone on the end of the shaft and
then slide the cartridge seal [4200] onto the shaft
until it lightly touches the bearing housing [3200]
or adapter [1340]. (See figure 6-10.)
b) Install the rear cover plate [1220] to the bearing
housing (Group 1) or the bearing housing adapter
(Group 2 and 3) by using the capscrews [6570.2].
Now install the cartridge seal gland to the rear cover
plate [1220] using studs [6572.2] and nuts [6580.2].
c) Install the impeller [2200] as instructed in section
6.6. Care should be taken in the handling of high
chrome iron impellers.
d) Tighten set screws on the seal to lock the rotating
unit to the shaft. Finally, remove centering clips
from the seal.
6.9.2.2 Component type mechanical seal
Review the seal assembly instructions and drawings
(seal set dimension) provided by the seal manufacturer.
In order to properly set a component seal it is necessary
to first locate the shaft in its final axial position. This is
accomplished in the following manner.
a) Install the rear cover plate [1220] to the bearing
housing (Group 1) or the bearing housing adapter
(Group 2 and 3) by using the capscrews [6570.2].
b) Install and set the impeller [2200] clearance as
outlined in section 6.6. Put blueing on the shaft/
sleeve in the area near the face of the seal
chamber (rear cover 1220]. Scribe a mark on the
shaft at the face of the seal chamber (figure 6-27).
Figure 6-27
c) Remove the impeller and seal chamber (rear cover)
following the instructions given in section 6.7 and
install a nose cone onto the end of the shaft.
Single internal seal installation
d) Place the gland [4120] and stationary seat onto
the shaft until it lightly touches the bearing
housing (Group 1) or adapter (Group 2 and 3).
e) Install a gland gasket [4590.3] into the gland.
(See figure 6-28.)
Figure 6-28

MARK 3 USER INSTRUCTIONS ENGLISH 71569102 08-06
Page 54 of 68 flowserve.com
f) Locate the rotary seal unit onto the shaft (or sleeve)
according to the set dimension provided by the seal
manufacture. Tighten set screws on the seal to
lock the rotating unit to the shaft/sleeve.
g) Install the rear cover plate [1220] to the bearing
housing (Group 1) or the bearing housing adapter
(Group 2 and 3) by using the capscrews [6570.2].
h) Attach the gland/seat to the rear cover plate
[1220] using studs [6572.2] and nuts [6580.2].
Single external seal installation
Carry out steps a) to c), above.
d) Locate the rotary seal unit onto the shaft/sleeve
according to the set dimension provided by the
seal manufacturer. Tighten set screws on the
seal to lock the rotating unit to the shaft/sleeve.
e) Attach the gland [4120] and stationary seat onto
rear cover plate [1220] using studs [6572.2] and
nuts [6580.2]
f) Install the rear cover plate [1220] to the bearing
housing (Group 1) or the bearing housing adapter
(Group 2 and 3) by using the capscrews [6570.2].
Double seal installation
Carry out steps a) to c), above.
d) Place the gland [4120] and stationary seat onto the
shaft until it lightly touches the bearing housing
(Group 1) or adapter (Group 2 and 3). Install a gland
gasket [4590.3] into the gland. (See figure 6-28.)
e) Locate the rotary seal unit onto the shaft/sleeve
according to the set dimension provided by the seal
manufacturer. Tighten set screws on the seal to
lock the rotating unit to the shaft/sleeve. Install a
stationary seat into the rear cover plate [1220].
f) Install the rear cover plate [1220] to the bearing
housing (Group 1) or the bearing housing adapter
(Group 2 and 3) by using the capscrews [6570.2].
g) Attach the gland/seat to the rear cover plate
[1220] using studs [6572.2] and nuts [6580.2].
h) Install the impeller [2200] as instructed in section
6.6. Remember that the impeller clearance is
already set. It cannot be changed at this point
without resetting the seal.
6.9.2.3 Packing
Split gland installation
a) Install the rear cover plate [1220] to the bearing
housing (Group 1) or the bearing housing adapter
(Group 2 and 3) by using the capscrews [6570.2].
b) Install and set the impeller [2200] clearance as
outlined in section 6.6.
c) Install the packing rings [4130] and seal cage
halves [4134] into the stuffing box as shown in
figures 4-23 and 4-24. Always stagger the end
gaps 90 degrees to ensure a better seal. To speed
installation of each ring, have an assistant turn the
pump shaft in one direction. This movement of the
shaft will tend to draw the rings into the stuffing box.
d) A split gland [4120] is an assembly of two
matched gland halves that are bolted together.
Unbolt the gland halves and install the gland
halves around the shaft. Bolt the halves together
to form a gland assembly.
e) Now install the gland assembly [4120] using
studs [6572.2] and nuts [6580.2].
f) Lightly snug up the gland. Final adjustments must
be made after the pump has begun operation.
One piece gland installation
a) Install the gland [4120] over shaft until it lightly
touches the bearing housing (Group 1) or adapter
(Group 2 and 3).
b) Install the rear cover plate [1220] to the bearing
housing (Group 1) or the bearing housing adapter
(Group 2 and 3) by using the capscrews [6570.2].
c) Install and set the impeller [2200] clearance as
outlined in section 6.6.
d) Install the packing rings [4130] and seal cage
halves [4134] into the stuffing box as shown in
figure 4-24. Always stagger the end gaps 90
degrees to ensure a better seal. To speed
installation of each ring, have an assistant turn the
pump shaft in one direction. This movement of the
shaft will tend to draw the rings into the stuffing box.
e) Now attach the gland [4120] to the cover using
studs [6572.2] and nuts [6580.2].
f) Lightly snug up the gland. Final adjustments must
be made after the pump has begun operation.
6.9.2.4 Reassembly - Sealmatic with Checkmatic
seal
a) Remove any sharpness of edge at wet end of
shaft with #400 emery cloth.
b) Clean all exposed surfaces of the wet end of the
shaft.
c) Install a shaft guide tool from the Flowserve tool
kit (see figure 6-1). Do not lubricate surfaces.
d) Slide one lip seal onto the shaft with a lip facing
away from the bearing housing.
e) Position the O-ring [4610.10] over the tail of the
lip seal (see section 8-3). Slide it all the way to
the bearing housing.
f) Clean all surfaces of the gland, and install the
ceramic into the gland.
g) Slide gland/ceramic seat assembly onto the shaft
and move it back to the lip seal.
h) Slide a second lip seal onto the shaft, with the lip
facing the bearing housing, all the way to the
ceramic seat. Position the O-ring [4610.10] over
the tail of the lip seal. (See section 8-3.)

MARK 3 USER INSTRUCTIONS ENGLISH 71569102 08-06
Page 55 of 68 flowserve.com
i) Reinstall the repeller cover, repeller, rear cover,
and impeller as instructed in section 6.9.3.
j) The Checkmatic gland must now be moved forward
toward the impeller, pushing the forward lip ahead
of it. It is important that the forward lip be firmly
loaded against the seat when the gland is seated.
Care must be taken to maintain even pressure on
both sides of the gland, keeping the lip seal/ceramic
seal faces perpendicular to the shaft.
k) Tighten the gland nuts evenly.
l) Finally, the rear lip must be slipped forward and
tight against the seat. Care should be taken so
as not to damage the seal face.
6.9.2.5 Reassembly - Sealmatic with dry running
seal
Component seals will generally require that the wet end
is assembled as described in 6.9.3 so that the impeller
may be set prior to seal installation. Review the seal
assembly instructions and drawings provided by the
seal manufacturer. Section 6.9.2.2 contains the general
assembly sequences for component seals.
6.9.2.6 Reassembly - Sealmatic with FXP seal
a) Remove any sharpness of edge at wet end of
shaft with #400 emery cloth.
b) Clean all exposed surfaces of the wet end of the
shaft.
c) Install a shaft guide tool from the Flowserve tool
kit. (See figure 6-1.)
d) Insert the O-rings into the grooves on the inside
diameter of the seal rotor.
e) Slide the drive collar onto the shaft until it
contacts the bearing housing (pins facing away
from bearing housing).
f) Lubricate the O-rings and shaft with non-abrasive
liquid hand soap and slide the seal rotor onto the
shaft until it contacts the rotor drive collar. The
notches on the back side of the rotor should face
toward the bearing housing.
g) Place repeller cover face down on workbench
and set the Teflon disk against the gland surface
(i.e. end of stuffing box). Attach gland to repeller
cover and screw on gland nuts finger-tight.
h) Reinstall the repeller cover, repeller, rear cover,
and impeller as instructed in section 6.9.3.
i) Tighten gland nuts fully. Slide the seal rotor
forward until it contacts the Teflon disk. Slide the
drive collar forward until its pins are fully engaged
in the slots on the back side of the seal rotor.
j) Preload the seal by applying even pressure on
the back of the drive collar in order to push it and
the seal rotor into the Teflon disk. The rotor and
drive collar should be moved approximately 3mm
(LQLQWRWKH7HIORQGLVN7LJKWHQWKHGULYH
collar setscrews while maintaining pressure on
the back of the drive collar.
k) Once the pump is flooded, check the seal to ensure
it is not leaking. If the seal leaks, repeat step j)
above, applying only enough pressure to the drive
collar to stop the leak. Do not over tighten the seal.
6.9.3 Sealmatic pump: installation of repeller
cover, repeller, cover, and impeller
Group 2 pumps - see figure in section 8-3.
Group 3 pumps - see figure 6-29.
a) For Group 2 pumps, install the repeller cover to
the adapter using capscrews [6570.2].
For Group 3 pumps install the repeller cover
[1220.1] over the shaft and push it all the way
back until it touches the bearing housing.
b) Install a new repeller O-ring [4610.11] into the
repeller groove. Lubricate the O-ring with liquid
soap.
c) Install the slip-on repeller [2200.1] onto the shaft.
d) Install the repeller cover/cover gasket [4590.9].
e) For Group 2 pumps, install the cover [1220] to
the repeller cover using capscrews [6570.13].
For Group 3 pumps, install the cover [1220] to
the adapter. Attach to the adapter using
capscrews [6570.2]. Attach the repeller cover to
the cover using the capscrews [6570.13].
f) The repeller and impeller may now be set following
the instructions given in section 6.6.3.
4610.11
4590.9
6570.13
Figure 6-29 - Group 3 Sealmatic
Item Part name
4610.11 Repeller O-ring
4590.9 Gasket – repeller cover
6570.13 Capscrew

MARK 3 USER INSTRUCTIONS ENGLISH 71569102 08-06
Page 56 of 68 flowserve.com
6.9.4 Close coupled final assembly
a) Install the motor adapter [3160] onto the bearing
housing using three screws [6570.15].
b) Install unit into casing as described in section
6.9.5.
c) Level the unit with the adjustable support feet
[3134]. Eliminate soft foot with by adjusting the
support feet and or rotating the motor adapter
slightly. Bolt the unit to the baseplate and tighten
the support feet set screws [6570.17].
d) Reinstall the motor, coupling and coupling guard.
6.9.5 Reassemble to casing
a) Install a new rear cover gasket [4590.1] between
the rear cover plate [1220] and the casing [1100].
b) Use studs [6572.1] and nuts [6580.1] to complete
the rebuild of your Flowserve Mark 3 pump.

MARK 3 USER INSTRUCTIONS ENGLISH 71569102 08-06
Page 57 of 68 flowserve.com
7 FAULTS; CAUSES AND REMEDIES
The following is a guide to troubleshooting problems with Flowserve Mark 3 pumps. Common problems are
analyzed and solutions offered. Obviously, it is impossible to cover every possible scenario. If a problem
exists that is not covered by one of the examples, then refer to one of the books listed in section 10, Additional
sources of information, or contact a Flowserve sales engineer or distributor/representative for assistance.
FAULT SYMPTOM
Pump not reaching design flow rate
Pump not reaching design head (TDH)
No discharge or flow with pump running
Pump operates for short period, then loses prime
Excessive noise from wet end
Excessive noise from power end
PROBABLE CAUSES POSSIBLE REMEDIES
I
nsufficient NPSH. (Noise may not be
present.)
Recalculate NPSH available. It must be greater than the NPSH
required by pump at desired flow. If not, redesign suction piping,
holding number of elbows and number of planes to a minimum to
avoid adverse flow rotation as it approaches the impeller.
System head greater than anticipated.
Reduce system head by increasing pipe size and/or reducing
number of fittings. Increase impeller diameter. (note: Increasing
impeller diameter may require use of a larger motor.)
Entrained air. Air leak from
atmosphere on suction side.
1. Check suction line gaskets and threads for tightness.
2. If vortex formation is observed in suction tank, install vortex
breaker.
3. Check for minimum submergence
Entrained gas from process. Process generated gases may require larger pumps.
Speed too low. Check motor speed against design speed.
Direction of rotation wrong. After confirming wrong rotation, reverse any two of three leads on
a three phase motor. The pump should be disassembled and
inspected before it is restarted.
Impeller too small. Replace with proper diameter impeller. (NOTE: Increasing
impeller diameter may require use of a larger motor.)
Impeller clearance too large. Reset impeller clearance.
Plugged impeller, suction line or
casing which may be due to a product
or large solids.
1. Reduce length of fiber when possible.
2. Reduce solids in the process fluid when possible.
3. Consider larger pump.
Wet end parts (casing cover, impeller)
worn, corroded or missing. Replace part or parts.
Not properly primed. Repeat priming operation, recheck instructions. If pump has run
dry, disassemble and inspect the pump before operation.
Impeller rubbing. 1. Check and reset impeller clearance.
2. Check outboard bearing assembly for axial end play.
Damaged pump shaft, impeller. Replace damaged parts.
Abnormal fluid rotation due to
complex suction piping.
Redesign suction piping, holding the number of elbows and planes
to a minimum to avoid adverse fluid rotation as it approaches the
impeller.
Bearing contamination appearing on
the raceways as scoring, pitting,
scratching or rusting caused by
adverse environment and entrance of
abrasive contaminants from
atmosphere.
1. Work with clean tools in clean surroundings.
2. Remove all outside dirt from housing before exposing bearings.
3. Handle with clean dry hands.
4. Treat a used bearing as carefully as a new one.
5. Use clean solvent and flushing oil.
6. Protect disassembled bearing from dirt and moisture.
7. Keep bearings wrapped in paper or clean cloth while not in use.
8. Clean inside of housing before replacing bearings.
9. Check oil seals and replace as required.
10. Check all plugs and tapped openings to make sure that they
are tight.

MARK 3 USER INSTRUCTIONS ENGLISH 71569102 08-06
Page 58 of 68 flowserve.com
Pump not reaching design flow rate
Pump not reaching design head (TDH)
No discharge or flow with pump running
Pump operates for short period, then loses prime
Excessive noise from wet end
Excessive noise from power end
PROBABLE CAUSES POSSIBLE REMEDIES
Brinelling of bearing identified by
indentation on the ball races, usually
caused by incorrectly applied forces
in assembling the bearing or by shock
loading such as hitting the bearing or
drive shaft with a hammer.
When mounting the bearing on the drive shaft use a proper size
ring and apply the pressure against the inner ring only. Be sure
when mounting a bearing to apply the mounting pressure slowly
and evenly.
False brinelling of bearing identified
again by either axial or circumferential
indentations usually caused by
vibration of the balls between the
races in a stationary bearing.
1. Correct the source of vibration.
2. Where bearings are oil lubricated and employed in units that
may be out of service for extended periods, the drive shaft should
be turned over periodically to relubricate all bearing surfaces at
intervals of one to three months.
Thrust overload on bearing identified
by flaking ball path on one side of the
outer race or in the case of maximum
capacity bearings, may appear as a
spalling of the races in the vicinity of
the loading slot. (Please note:
maximum capacity bearings are not
recommended in Mark 3 pumps.)
These thrust failures are caused by
improper mounting of the bearing or
excessive thrust loads.
Follow correct mounting procedures for bearings.
Misalignment identified by fracture of
ball retainer or a wide ball path on the
inner race and a narrower cocked ball
path on the outer race. Misalignment
is caused by poor mounting practices
or defective drive shaft. For example,
bearing not square with the centerline
or possibly a bent shaft due to
improper handling.
Handle parts carefully and follow recommended mounting
procedures. Check all parts for proper fit and alignment.
Bearing damaged by electric arcing
identified as electro- etching of both
inner and outer ring as a pitting or
cratering. Electrical arcing is caused
by a static electrical charge
emanating from belt drives, electrical
leakage or short circuiting.
1. Where current shunting through the bearing cannot be
corrected, a shunt in the form of a slip ring assembly should be
incorporated.
2. Check all wiring, insulation and rotor windings to be sure that
they are sound and all connections are properly made.
3. Where pumps are belt driven, consider the elimination of static
charges by proper grounding or consider belt material that is less
generative.
Bearing damage due to improper
lubrication, identified by one or more
of the following:
1. Abnormal bearing temperature
rise.
2. A stiff cracked grease appearance.
3. A brown or bluish discoloration of
the bearing races.
1. Be sure the lubricant is clean.
2. Be sure proper amount of lubricant is used. The constant level
oiler supplied with Durco pumps will maintain the proper oil level if
it is installed and operating properly. In the case of greased
lubricated bearings, be sure that there is space adjacent to the
bearing into which it can rid itself of excessive lubricant, otherwise
the bearing may overheat and fail prematurely.
3. Be sure the proper grade of lubricant is used.

MARK 3 USER INSTRUCTIONS ENGLISH 71569102 08-06
Page 59 of 68 flowserve.com
8 PARTS LIST AND DRAWINGS
8.1 Standard Mark 3 pump, Group 1
Optional duplex arrangement
Item Description 3200 Bearing housing 4610.2 O-ring - bearing carrier
1100 Casing 3240 Bearing carrier 6521 Plug - bearing housing vent
1220 Cover 3712 Bearing locknut 6541.1 Lockwasher - bearing
1340 Adapter - bearing housing 3855 Constant level oiler (not shown) 6569.1 Plug - bearing housing drain
2100 Shaft 3856 Sight gage - bearing housing 6570.12 Screw - clamp
2200 Impeller 4120 Gland 6570.2 Screw - cover/adapter
2400 Sleeve, optional 4130 Packing - optional 6570.3 Screw - bearing carrier set
2530.1 Retaining ring - bearing 4134 Seal cage – packing optional, 6570.4 Screw - foot
2530.2 Retaining ring - clamp type 4200 Mechanical seal 6570.5 Screw - bearing housing
2540 Deflector - inboard optional 4310.1 Oil seal inboard 6572.1 Stud - casing
2541 Oil flinger - optional 4310.2 Oil seal outboard 6572.2 Stud - gland
3011 Ball bearing - inboard 4590.1 Gasket - cover 6580.1 Nut - casing
3013 Ball bearing - outboard 4590.2 Gasket - impeller 6580.2 Nut - gland
3126.1 Shim 4590.3 Gasket - Gland 6700 Key - shaft/coupling
3134 Support foot 4610.1 O-ring - adapter

MARK 3 USER INSTRUCTIONS ENGLISH 71569102 08-06
Page 60 of 68 flowserve.com
8.2 Standard Mark 3 pump, Group 2 and Group 3
Group 2 Optional duplex bearing arrangement
Group 3 Standard bearing clamp arrangement
Item Description 3200 Bearing housing 4610.2 O-ring - bearing carrier
1100 Casing 3240 Bearing carrier 6521 Plug - bearing housing vent
1220 Cover 3712 Bearing locknut 6541.1 Lockwasher - bearing
1340 Adapter - bearing housing 3855 Constant level oiler (not shown) 6569.1 Plug - bearing housing drain
2100 Shaft 3856 Sight gage - bearing housing 6570.12 Screw - clamp
2200 Impeller 4120 Gland 6570.2 Screw - cover/adapter
2400 Sleeve, optional 4130 Packing - optional 6570.3 Screw - bearing carrier set
2530.1 Retaining ring - bearing 4134 Seal cage – packing optional, 6570.4 Screw - foot
2530.2 Retaining ring - clamp type 4200 Mechanical seal 6570.5 Screw - bearing housing
2540 Deflector - inboard optional 4310.1 Oil seal inboard 6572.1 Stud - casing
2541 Oil flinger - optional 4310.2 Oil seal outboard 6572.2 Stud - gland
3011 Ball bearing - inboard 4590.1 Gasket - cover 6580.1 Nut - casing
3013 Ball bearing - outboard 4590.2 Gasket - impeller 6580.2 Nut - gland
3126.1 Shim 4590.3 Gasket - gland 6700 Key - shaft/coupling
3134 Support foot 4610.1 O-ring - adapter

MARK 3 USER INSTRUCTIONS ENGLISH 71569102 08-06
Page 61 of 68 flowserve.com
8.3 Mark 3 Sealmatic pump, Group 2
8.4 Mark 3 Lo-Flo, Group 2
Item Description
297 Seat
298 Lipseal
1100 Casing
1220 Cover
1220.1 Cover - repeller
2200 Impeller
2200.1 Repeller
4120 Gland
4200 Mechanical seal
4590.1 Gasket – cover
4590.2 Gasket – impeller
4590.9 Gasket – repeller cover
4610.10 O-ring - lipseal
4610.11 O-ring - repeller
6570.13 Screw – repeller cover
6572.2 Stud - gland
6580.2 Nut - gland
Notes:
See figure 6-30, GP3 Sealmatic wet end.
Item Description
1100 Casing
1220 Cover

MARK 3 USER INSTRUCTIONS ENGLISH 71569102 08-06
Page 62 of 68 flowserve.com
8.5 Mark 3 Unitized Self Priming pump, Group 2
8.6 Mark 3 Recessed Impeller pump, Group 2
Item Description
1100 Casing
2200 Impeller
4590.1 Gasket – cover
4590.2 Gasket - impeller
6572.1 Stud - casing
6580.1 Nut - casing

MARK 3 USER INSTRUCTIONS ENGLISH 71569102 08-06
Page 63 of 68 flowserve.com
8.7 Mark 3 In-Line pump, Group 1
Item Description 4120 Gland 6570.3 Screw - bearing carrier set
1100 Casing 4130 Packing - optional 6570.12 Screw - clamp
1220 Cover 4134 Seal cage – packing optional, 6570.15* Screw – pump stand
2100 Shaft 4200 Mechanical seal 6572.1 Stud - casing
2200 Impeller 4310.1 Oil seal inboard 6572.2 Stud - gland
2400 Sleeve, optional 4310.2 Oil seal outboard 6572.3 Stud – pedestal casing
2530.1 Retaining ring - bearing 4590.1 Gasket - cover 6575 Jackscrew
2530.2 Retaining ring - clamp type 4590.2 Gasket - impeller 6580.1 Nut - casing
2540 Deflector - inboard optional 4590.3 Gasket - Gland 6580.2 Nut - gland
3011 Ball bearing - inboard 4610.2 O-ring - bearing carrier 6580.3 Nut – pedestal casing
3013 Ball bearing - outboard 6521 Plug - bearing housing vent 6580.4 Nut – jackscrew jam nut
3160 Motor pedestal 6541.1 Lockwasher - bearing 6700 Key - shaft/coupling
3170* Pump stand 6541.3 Washer
3200 Bearing housing 6569.1 Plug
3240 Bearing carrier 6569.3 Plug – sight gage
3712 Bearing locknut 6570.2 Screw - cover/adapter
* Not shown

MARK 3 USER INSTRUCTIONS ENGLISH 71569102 08-06
Page 64 of 68 flowserve.com
8.8 Mark 3 In-Line pump, Group 2
Item Description 3712 Bearing locknut 6569.3 Plug – sight gage
1100 Casing 4120 Gland 6570.1 Screw - casing
1220 Cover 4130 Packing - optional 6570.2 Screw - cover/adapter
1340 Adapter - bearing housing 4134 Seal cage – packing optional, 6570.3 Screw - bearing carrier set
2100 Shaft 4200 Mechanical seal 6570.5 Screw - bearing housing
2200 Impeller 4310.1 Oil seal inboard 6570.12 Screw - clamp
2400 Sleeve, optional 4310.2 Oil seal outboard 6570.15* Screw – pump stand
2530.1 Retaining ring - bearing 4590.1 Gasket - cover 6572.2 Stud - gland
2530.2 Retaining ring - clamp type 4590.2 Gasket - impeller 6572.3 Stud – pedestal casing
2540 Deflector - inboard optional 4590.3 Gasket - gland 6575 Jackscrew
3011 Ball bearing - inboard 4610.1 O-ring - adapter 6580.2 Nut - gland
3013 Ball bearing - outboard 4610.2 O-ring - bearing carrier 6580.3 Nut – pedestal casing
3160 Motor pedestal 6521 Plug - bearing housing vent 6580.4 Nut – jackscrew jam nut
3170* Pump stand 6541.1 Lockwasher - bearing 6700 Key - shaft/coupling
3200 Bearing housing 6541.3 Washer
3240 Bearing carrier 6569.1 Plug
* Not shown

MARK 3 USER INSTRUCTIONS ENGLISH 71569102 08-06
Page 65 of 68 flowserve.com
8.9 Mark 3 C-Face Adapter, Group 1 and Group 2
Item Description 6570.17 Screw – foot set screw
3134 Support foot 6572.4 Stud - motor
3160 Motor pedestal – C-Face 6575 Jackscrew
3200 Bearing housing 6580.4 Nut - jackscrew
6570.15 Screw – bearing housing 6580.5 Nut - motor
6570.16 Screw – coupling guard
8.10 General arrangement drawing
The typical general arrangement drawing and any
specific drawings required by the contract will be sent
to the Purchaser separately unless the contract
specifically calls for these to be included into the User
Instructions. If required, copies of other drawings
sent separately to the Purchaser should be obtained
from the Purchaser and retained with these User
Instructions.

MARK 3 USER INSTRUCTIONS ENGLISH 71569102 08-06
Page 66 of 68 flowserve.com
9 CERTIFICATION
Certificates, determined from the contract
requirements are provided with these instructions
where applicable. Examples are certificates for CE
marking and ATEX marking etc. If required, copies of
other certificates sent separately to the Purchaser
should be obtained from Purchaser for retention with
these User Instructions.
10 OTHER RELEVANT
DOCUMENTATION AND MANUALS
10.1 Supplementary User Instructions
Supplementary instructions such as for a driver,
instrumentation, controller, seals, sealant systems etc
are provided as separate documents in their original
format. If further copies of these are required they
should be obtained from the supplier for retention
with these User Instructions.
10.2 Change notes
If any changes, agreed with Flowserve Pump
Division, are made to the product after it is supplied,
a record of the details should be maintained with
these User Instructions.
10.3 Additional sources of information
The following are excellent sources for additional
information on Flowserve Mark 3 pumps, and
centrifugal pumps in general.
Pump Engineering Manual
R.E. Syska, J.R. Birk,
Flowserve Corporation, Dayton, Ohio, 1980.
Specification for Horizontal End Suction Centrifugal
Pumps for Chemical Process, ASME B73.1M
The American Society of Mechanical Engineers,
New York, NY.
Specification for Vertical In-Line Centrifugal Pumps
for Chemical Process, ASME B73.2M
The American Society of Mechanical Engineers,
New York, NY.
American National Standard for Centrifugal Pumps
for Nomenclature, Definitions, Design and Application
(ANSI/HI 1.1-1.3)
Hydraulic Institute, 9 Sylvan Way, Parsippany,
New Jersey 07054-3802.
American National Standard for Vertical Pumps for
Nomenclature, Definitions, Design and Application
(ANSI/HI 2.1-2.3)
Hydraulic Institute, 9 Sylvan Way, Parsippany,
New Jersey 07054-3802.
American National Standard for Centrifugal Pumps for
Installation, Operation, and Maintenance (ANSI/HI 1.4)
Hydraulic Institute, 9 Sylvan Way, Parsippany,
New Jersey 07054-3802.
Flowserve Durco Pump Parts Catalog.
Flowserve Mark 3 Sales Bulletin.
Flowserve Mark 3 Technical Bulletin (P-10-501).
RESP73H Application of ASME B73.1M-1991,
Specification for Horizontal End Suction Centrifugal
Pumps for Chemical Process, Process Industries
Practices
Construction Industry Institute, The University of
Texas at Austin, 3208 Red River Street, Suite 300,
Austin, Texas 78705.
Pump Handbook
2nd edition, Igor J. Karassik et al, McGraw-Hill, Inc.,
New York, NY, 1986.
Centrifugal Pump Sourcebook
John W. Dufour and William E. Nelson,
McGraw-Hill, Inc., New York, NY, 1993.
Pumping Manual, 9th edition
T.C. Dickenson, Elsevier Advanced Technology,
Kidlington, United Kingdom, 1995.

MARK 3 USER INSTRUCTIONS ENGLISH 71569102 08-06
Page 67 of 68 flowserve.com
Notes:

MARK 3 USER INSTRUCTIONS ENGLISH 71569102 08-06
Your Flowserve factory contacts:
Flowserve Pump Division
3900 Cook Boulevard
Chesapeake, VA 23323-1626 USA
Telephone +1 757 485 8000
Fax +1 757 485 8149
Flowserve Pumps Limited
PO Box 17, Newark, Notts NG24 3EN
United Kingdom
Telephone (24 hours) +44 (0)1636 494 600
Sales & Admin Fax +44 (0)1636 705 991
Repair & Service Fax +44 (0)1636 494 833
E.mail inewark@flowserve.com
Your local Flowserve representative:
To find your local Flowserve representative please
use the Sales Support Locator System found at
www.flowserve.com
FLOWSERVE REGIONAL
SALES OFFICES:
USA and Canada
Flowserve Corporation
5215 North O’Connor Blvd.,
Suite 2300
Irving, Texas 75039-5421, USA
Telephone +1 972 443 6500
Fax +1 972 443 6800
Europe, Middle East, Africa
Worthing S.P.A.
Flowserve Corporation
Via Rossini 90/92
20033 Desio (Milan), Italy
Telephone +39 0362 6121
Fax +39 0362 303 396
Latin America and Caribbean
Flowserve Corporation
6840 Wynnwood Lane
Houston, Texas 77008, USA
Telephone +1 713 803 4434
Fax +1 713 803 4497
Asia Pacific
Flowserve Pte. Ltd
200 Pandan Loop #06-03/04
Pantech 21
Singapore 128388
Telephone +65 6775 3003
Fax +65 6779 4607