Universal Electronics UNI3 Antenna Receiver User Manual
Universal Electronics, Inc. Antenna Receiver
user manual

1
UNI-335
LCD Display 2-Way Alarm & Starter
INSTALLATION MANUAL
UNI4:Main Control
UNI3:Antenna Receiver

2
UNI-335 manual
Pin Color Function
1 Brown/Black Ground Output While Running(Engine Run output)
2 Gray/Black Second Starter Output
3 Pink 2-Step Unlock/Factory Disarm/Sensor
By-pass
4 White/Blue Instant Start And Turn Off /Input
5 White Dome Light Control Output
6 Brown/White Horn Output (Programmable)
7 Black/Green Channel 4 Programmable Output
8 Black/White Neutral Safety Switch Input
9 Orange/White Ground Output When Disarmed
10 White/Red Tachometer Signal Input(RPM input)
Pin Color Function
11 Blue/Black Accessory 2 Control Output
12 White/Green Diesel Wait To Start Input
13 Yellow Ignition 3 Control Output
14 Green Zone 3(-)Negative Door Pin Trigger
15 Gray Channel 3(Trunk) Output
16 Blue Zone 2 Negative Hood/Trunk Trigger
17 White/Violet (+) Brake Switch Shutdown Input
18 Violet Zone 3 (+) Positive Door Pin Trigger
19 White/Black (-)Negative Hood Pin Safely Shutdown
20 Orange Ground Output When Armed
INSTALLATION DIAGRAM

3
H1 6PIN HEAVY GAUGE WIRE HARNESS
H1 5 PIN WIRE HARNESS
H1 3 PIN,DOOR LOCK CONNECTOR

4
Keep wiring away from moving engine parts, exhaust pipes and high-tension cable. Be
sure to tape wires that pass through holes on the firewall to prevent fraying.
CAUTION: Do not connect the wire harness to the control module until all wiring to vehicle
is complete
H1:6 PIN HEAVY GAUGE WIRING CONNECTIONS:
Remember that what the system does to start a vehicle is to duplicate the functions we will explain the
three basic functions of the ignition switch. Since this installation switch functions, we recommend
making the three connections below at the ignition of the ignition key switch! Below, will require
analysis of the ignition switch harness directly
Violet Wire-Starter Output
Careful consideration for the connection of this wire must be made to prevent the vehicle from
Understanding the difference between a mechanical and an electrical Neutral Start Switch will identify
the circuit and select the correct installation method. In addition you will realize why safety wire is
required for all mechanical switch configurations.
Failure to make this connection properly can result in personal injury and property damage.
In all installations it is the responsibility of the installing technician to test the remote start unit and
assure that the vehicle can not start via RF control in any gear selection other than park or neutral.
In both mechanical and electrical neutral start switch configurations, the connection of the VIOLET
wire will be made to the low current start solenoid wire of the ignition switch harness. This wire has +12
volts when the ignition switch is turned to the "START" (CRANK) position only. This wire has 0 volts in
all other ignition switch positions.
NOTE: This wire must be switch configuration, this safety switch as shown in safety switch can result
in connected to the vehicle side of the starter cut relay (when used). For the electrical neutral
connection must be made between the starter inhibit relay (when used) and the neutral the following
diagram. Failure to connect this wire to the ignition switch side of the neutral personal injury and
property damage. SEE NEUTRAL START SAFETY TEST FOR FURTHER DETAILS.
Red Wire (2)—+12V Power Input
Remove the two 20A fuses prior to connecting these wires and do not replace them until
the remote has been plugged into the control module. These wires are the source of
current for all the circuits the relay will energize. They must be connected to a high
current source. Since the factory supplies (+)12V to the key switch that is used to
operate the motor, it is recommended that these wires be connected there.
WIRING
5
Yellow Wire 一Ignition 1 Output
Connect the YELLOW wire to the ignition 1 wire from the ignition switch. The ignition
wire should receive “12 volts” when the ignition key is in the "ON" or "RUN" and
"START" or "CRANK" position. When the ignition is turned "OFF", the ignition wire
should receive "0" voltage. The YELLOW wire must be connected.
PINK Wire—Ignition 2 Output
Some vehicles have [2] ignition wires that must be power. Connect the PINK wire to the
ignition 2 wire from the ignition switch. The ignition wire should receive "12 volts" when
the ignition key is in the "ON" or "RUN" and “START" or "CRANK" position. When the
ignition is turned "OFF", the ignition wire should receive "0" voltage. If the PINK wire is
not used, cap the end of the wire.
Brown Wire -Accessory Output (Heater /AC Output)
Connect the BROWN wire to the accessory wire in the vehicle that powers the climate
control system.
An accessory wire will show+12 volts when the ignition switch is turned to the
"ACCESSORY" or "ON" and "RUN" positions, and will show 0 Volts when the key is
turned to the "OFF" and "START" or "CRANK" position. There will often be more than
one accessory wire in the ignition harness. The correct accessory wire will provide
power to the vehicle's climate control system. Some vehicles may have separate wires
for the blower motor and the air conditioning compressor. In such cases, it will be
necessary to add a relay to power the second accessory wire.
H5: 5 PIN WIRE HARNESS:
RED / WHITE WIRE -PARKING LIGHT RELAY INPUT
The RED/WHITE wire is the input to the flashing parking light relay. The connection of
the RED/WHITE wire will determine the output polarity of the flashing parking light relay.
If the vehicle you are working on has +12volt switched parking lights, you don't need
connect this wire. This wire is already connected to +12volt.
If the vehicle's parking lights are ground switched, cut the RED/WHITE wire, connect
the RED/WHITE wire to chassis ground.
WHITE WIRE—PARKING LIGHT RELAY OUTPUT
(+12 V 10A OUTPUT)
Connect the WHITE wire to the parking light wire coming from the headlight switch. Do
not connect the WHITE wire to the dashboard lighting dimmer switch. (Damage to the
dimmer will result). The limitation of the WHITE wire is 10 AMP max. Do not exceed this
limit or damage to the alarm and parking relay will result.
BLACK WIRE—SYSTEM GROUND—
This is the main ground connection of the alarm module. Make this connection to a solid
section of the vehicle frame.

6
Do not connect this wire to any existing ground wires supplied by the factory wire loom,
make the connection to the vehicle's frame directly.
BROWN WIRE—(+)2A SIREN OUTPUT
This wire is provides power to the supplied siren. Connect the Brown wire to the Red
wire of the siren. Connect the Black wire of the siren to a stable chassis ground.
RED WIRE—SYSTEM POWER (+12V) CONSTANT
The RED wire supplies power to the system. Connect this wire to a stable constant +12
volt source.
H7. 4-PIN BLACK CONNECTOR TWO-WAY TRANSCEIVER/ANTENNA MODULE
The Two-way transceiver/antenna mounting
location should be the upper left or lower left corner
of driver's windshield. For optimum range we
suggest that the antenna be mounted as shown in
picture to the right. (Antenna tip facing up)
Warning!
Do not mount in such a manner that it obstructs
The drivels view.
-Remove the protective tape backing.
-Carefully align the two-way transceiver/antenna and apply to windshield.
-Route the white connector wire behind the trim and connect to the two-way
transceiver/antenna.
-Connect the other end to the control module.
-Special considerations must be made for windshield glass as some newer vehicles
utilize a metal-shielded window glass that will inhibit or restrict RF reception. In these
vehicles, route the two ways transceiver/antenna module away from metallic shielded
window glass as far as possible.
H8. 2 PIN BLUE CONNECTOR FOR THE VALET SWITCH: (Under door on main unit)
Select a mounting location for the switch that is easily accessible to the driver of the
vehicle. The switch does not have to be concealed, however, concealing the switch is
always recommended, as this provides an even higher level of security to the vehicle.
Mount the valet switch in a hidden but accessible location. Route the valet switch wires
to the control module.
H3. 2 PIN WHITE CONNECTOR (THE LED STATUS INDICATOR):
The led indicator status should be mounted in a highly visible area such as top of the
dashboard, on top of the shifter console or on the dashboard face. Leave at least 6mm
space behind the mounting location for LED housing. Once a suitable location is chosen,
drill a 6mm hole. Run the LEO wires through the hole then press the 2 pin LED housing

7
into place. Route the LED wires to the control module.
H9. 4 PIN ORANGE CONNECTOR 2 STAGE SHOCK SENSOR, ZONE-4, (Under door
on main unit)
H-6: 20 PIN WIRE CONNECTORS:
H6/1 BROWN/BLACK WIRE: 200 mA(-)Ground Output When Running.
This wire provides a negative output during the remote start process. It can be used to
operate by-pass modules that may be required in your installation. This wire will provide
ground once the remote start process has been initiated and will remain grounded while
the engine is running.
H6/2 GRAY/BLACK WIRE: 200 mA(-)Second Starter Output.
This line can be used if a second starter line is needed. Some vehicles require a
two-starter line to remote start. This wire provides a negative output that will work the
same way as the Violet starter line in connector H1.
1 11
2 12
3 13
4 14
5 15
6 16
7 17
8 18
9 19
10 20
Pin Color Function
1 Brown/Black Ground Output While Running
2 Gray/Black Second Starter Output
3 Pink 2-Step Unlock/Factory Disarm/Sensor
By-pass
4 White/Blue Instant Start And Turn Off Input
5 White Dome Light Control Output
6 Brown/White Horn Output (Programmable)
7 Black/Green Channel 4 Programmable Output
8 Black/White Neutral Safety Switch Input
9 Orange/White Ground Output When Disarmed
10 White/Red Tachometer Signal Input
Pin Color Function
11 Blue/Black Accessory 2 Control Output
12 White/Green Diesel Wait To Start Input
13 Yellow Ignition 3 Control Output
14 Green Zone 3(-)Negative Door Pin Trigger
15 Gray Channel 3(Trunk) Output
16 Blue Zone 2 Negative Hood/Trunk Trigger
17 White/Violet (+) Brake Switch Shutdown Input
18 Violet Zone 3 (+) Positive Door Pin Trigger
19 White/Black (-)Negative Hood Pin Safely
Shutdown
20 Orange Ground Output When Armed

8
H6/3 PINK WIRE—(-)200mA Programmable Output
2 Steps Unlock Output (Factory default setting)
(See Alarm Feature C—1 Programming)
The 2 steps unlock feature will work for the most fully electronic door lock circuit. The
vehicle must have an electronic door lock switch (not the lock knob or key switch),
which locks and unlocks all of vehicle's doors. When wired for this feature, press the
disarm (or unlock) button one time will disarm the alarm and unlock the driver's door
only. If, press disarm (or unlock) button two times within 3 seconds, the alarm will
disarm and all doors will unlock.
Factory Security Disarm Signal Output—
This wire is designed to disarm a factory installed security system. This wire sends a
negative (-)1 seconds pulse upon a remote stag and remote door unlocking. Some
factory systems must be disarmed to allow remote starting. In most cases, this wire may
be connected directly to the factory alarm disarm wire. The correct wire will show
negative ground when the key is used to unlock the doors or trunk. This wire is usually
found in the kick panel area in the wiring harness coming into the car body from the
door.
Start Status (Shock Sensor By-Pass Control) Output-
This wire is designed to by-pass shock sensor module. This wire will supply an output at
all times the remote start is operating plus an additional 3 seconds after the remote start
unit turn off.
Key Sensor By-Pass Output—
This output is for a Key Sense wire by-pass that some Chrysler and Toyota vehicles
need to activate remote start. This wire comes on when remote start is activated and
stays on for 20 seconds.
H6/4 WHI7E / BLUE WIRE—(-)Instant Start 8 Turn Off Input—
This wire activates and turns off the remote starter each time it sees a momentary
ground signal. Normally used far testing during installation or when activating the
module from an after-market system.
H6/5 WHITE WIRE—(-)200mA Dome Light Control Output—
This wire becomes grounded when the
dome light controls circuit active. The
current capacity of this wire is 200mA
This wire can control the operation of
the interior lights. An optional 10 Amps
relay can be used this system for
interior lights operation
a).Upon disarming, the interior lights will remain on for 30 seconds.
b).If the alarm is triggered, the interior light will flash for the same duration as the siren.

9
H6/6 BROWN / WHI7E WIRE—(-)200mA Programmable Output Horn Output—
(Factory default setting)
This wire is provided to use the existing vehicle’s horn as
the alarm system’s optional's warning audible device
It's a transistorized low current output, and should only be
connected to the low current ground output from the vehicle's
horn switch.When the system is triggered, the horn will sound.
Factory Security Rearm Signal Output
—
(See Alarm Feature C
—
2 Programming)
—
This output is programmable. If programmed rearm a factory installed security system.
This wire will supply a pulse whenever the remote start times out or is shut down using
the transmitter and remote door locking.
H6/7 BLACK/GREEN WIRE—(-)200mA Channel 4
See Alarm Feature C—6 Programming)
Channel 4 Output (Factory default setting,
Momentary grounded)
This wire is built-in user-programmable timer output provides a ground through this
wire. Press the transmitter and buttons at the same time. You may program the
built-in timer to send a ground signal for any time interval between 1 second and 2
minutes.
For instance, this timer output may be used to turn on the headlight with the remote
control. Also on certain BMW, Mercedes Benz, Jaguar and Volkswagen cars, you can
use this unique timed output to allow remote closure of all power window and sunroof
without the need for an external module!
H6/8 BLACK/WHITE WIRE—(-)Neutral Safety Switch Input or(-)Enable Switch Input-
When the BLACK/WHITE wire is grounded, the remote start unit is operable. When this
wire is open from ground, the remote start is disabled.
1. The optional "remote start toggle switch" can be added on to temporarily disable the
Remote Start Device, it can prevent the vehicle from being remote started accidentally.
This feature is useful if the vehicle is being serviced or stored in an enclosed area. To
disable the remote start, move the optional remote start enable toggle switch to the OFF
position. To enable the remote start, move the optional remote start enable toggle
switch to the ON position
2. If needed, this wire can connect to the PARK/NEUTRAL switch in the vehicle.
( See the TESTING YOUR INSTAI I ATIIN GUIDE)
IMPORTANT NOTE: This wire must have a "GROUND" to operate remote start

10
H6/9 ORANGENVHITE WIRE—200mA Grounded Output when Disarmed—N.O.
Disable
This wire will become grounded when the alarm is disarmed. The current capacity of
this wire is 200mA. It can be connected to optional Ignition disable relay / ECU disable
relay / Fuel Pump disable relay.
H6/10 WHITE/RED WIRE—Tachometer Signal Connection—
Note: You should connect this wire if you program the Start Feature E—2 to
"Tachometer checking type", otherwise do not connect this wire and tap the end.
Note: No connection of this wire is required, if you use the voltage or timer checking
type mode.
This input provides the remote start system with information about the engine's
revolutions per minute (RPM). It can be connected to the negative side of the coil in
vehicle with conventional coils. In multi-coil and high energy ignition system locating a
proper signal may be more difficult. Once connected.
To test for a tachometer wire, a multi-meter capable of testing AC voltage must be used.
The tachometer wire will show between 1V and 6V AC at idle, and will increase as
engine RPM increases. In multi-coil ignition system, the system can learn individual coil
wire. Individual coil wires in a multi-coil ignition system will register lower amounts of AC
voltage. Also, if necessary, the system can use a fuel injector control wire for engine
speed sensing. Common locations for a tachometer wire are the ignition coil itself, the
back of the gauges, engine computers, and automatic transmission computers.
IMPORTANT! Do not test tachometer wires with a test light or logic probe. The vehicle
will be damaged.
How to find a tachometer wire with your multi-meter.
1. Set the ACV or AC voltage (12V or 20V is fine).
2. Attach the(-)probe of the meter to chassis ground.
3. Start and run the vehicle.
4. Probe the wire you suspect of being the tachometer wire with the red probe of the
meter.
5. If this is the correct wire the meter will read between 1 V and 6V.
IMPORTANT NOTE: Must program the "Tach Signal" before trying to remote start.
H6/11 BLUE/BLACK WIRE—(-)200mA Accessory 2 Output—
This wire provides a 200mA (-) ground output. This output will energize when the
remote start is activated, go away while the starter is cranking, and then come back on
when the vehicle has started successfully.

11
H6/12 WHITE/GREEN WIRE—(-)Diesel Wait To Start Input
(See Start Feature D-1 Programming)
In diesel vehicles it is necessary to interface with the wire that on the WAIT-TO-START
light in the dashboard. This wire illuminates the bulb until the vehicle's glow plugs are
properly heated. When the light goes out the vehicle can be started. This wire is always
at the connector leading to the bulb in the dashboard. It can also be found at the Engine
Control Module (ECM) in many vehicles.
To test and determine the polarity of this wire:
1. Set your multi-meter to DCV or DC voltage (12V or 20V is fine).
2. Attach the (+)probe of the meter to(+)12V.
3. Probe the wire that you suspect leads to the bulb with the(-)probe of the meter.
4. Turn the ignition switch to the ON position.
5. If the meter indicates 12 volts until the light goes out you have isolated the connect
wire and the wire's polarity is negative (ground while the bulb is on).
6. If the meter reads zero volts until the light goes out and then reads 12 volts, you have
isolated the connect wire and the wire's polarity is positive.
Connect this wire to the wire in the vehicle that sends the signal to turn on the WAIT
TO-START bulb in the dashboard. In most diesels the wire is negative (ground turns on
the bulb) and this wire can be directly connected to the wire in the vehicle If the vehicles
use a positive wire (12V to turn the bulb) a relay must be used to change the polarity.
H6/13 YELLOW WIRE—(-)200mA Ignition 3 Output
This wire provides a 200mA (-) ground output that becomes active after the remote start
sucess, and remains grounded while running.
Ignition 3 output
Some newer vehicles use a third
ignition wire which is required to start
and keep the vehicle's engine running.
If this is the case, wire an IGN 3 relay
(not supplied) as shown below: Do not
connect any vehicle circuits together,
they are isolated for a reason.

12
Transponder interfacing using relay:
If the vehicle has a transponder system installed, you will need to by-pass the system
while the vehicle is operating under the control of the Remote Start Unit.
To do this:
1.You will need a transponder key that's already programmed to the vehicle.
2.Remove the trim around the ignition switch.
3.Wrap a thin (28 - 30awg) wire tightly around ignition switch 6 to 8 times and secure it.
4.About 6"down line make another loop of approximately 2"diameter.
5.Place the key inside this loop and secure it to the loop.
6. Connect on end of the (28 - 30awg) wire to pin (87) of the relay module.
7. Connect the other end of the loop wire to Pin (30) of relay module.
8. Connect the pin (86) of the relay module to the ignition wire from the ignition switch.
9. Connect the pin (85) of the relay module to the H6/13 yellow wire of 20-pin connector.
GM VATS KEY OVERRIDE:
If the vehicle has the General Motor VATS system installed, you will need to by-pass the
system while the vehicle is operating under the control of the Remote Start Unit. To do
this:
1. Measure the resistance of the resistor pellet on the ignition key then select a resistor
within 5% of the key's value.
2. Locate the pair of VATS wires in the vehicle, usually a pair of thin gauge wires running
from the ignition switch to the VATS control module
3. Connect the YELLOW wire from Remote Start Unit to TERMINAL #86 of an external
relay. Connect terminal #86 of the relay to a fused +} 2 volt
4. Cut (#1) wire (as shown), and connect the ignition switch side of the cut wire to terminal
#87a of the relay. Connect the other
side of the (#1) wire to terminal #30
5. Connect the previously seleted resistor from terminal #87 to the second(#2) wire (as
shown)
H6/14 GREEN WIRE—Negative Door Switch Sensing Input (Zone 3)—
This wire is the ground trigger input wire for negative door pin switch. This wire is

13
connection for "grounding" type factory door pins locate the "common wire' that
connects the door pin switches. Make the connection of the GREEN Wire here.
H6/15 GRAY WIRE—(-)200mA Channel 3 Output—
This will become a 1 second pulse ground by activate (button 3) on transmitter for
two seconds, the current capacity of this wire is 200 mA. This feature allows you to
remote control trunk release or other electric device. (Realay may be required).
H6/16 BLUE WIRE—Ground Instant Trigger Input (Zone 2)—
This wire is the ground trigger input wire for hood and or trunk pin switches
H6/17 WHITE/VIOLET WIRE—Positive Safety Shut Down Input—
This wire provides an instant shutdown for the remote start,
whenever it gets +12volts. If the brake lights switch in the
vehicle switches +12 volts to the brake light circuit, connect this
wire to the output side of the brake switch. This will allow the
remote start to shut down if an attempt is made to operate the
vehicle without the key while running under the control of the
remote start. In most vehicles, in order to gear, the brake
pedal must be depressed. The brake input will in turn cause the
remote start unit to shut off. See diagram.
H6/18 VIOLET WIRE—Positive Door Switch Sensing Input (Zone 3)—
This wire is the positive trigger input wire for positive door pin switch. This wire is
connection for "positive" type factory door pins(typical FORD MOTOR). Locate the
"common wire" for all door pins and make the connection of the VIOLET Wire here.
H6/19 WHITE/BLACK WIRE—Negative Safety Shut Down Input—Hood trigger Input
The WHITE/BLACK wire provides an
instant shutdown for the remote start,
whenever it is grounded. Connect the
wire to the hood pin switch previously
installed. This wire must be routed
though a grommet in the firewall and
connected to the hood pin switch. This
will also act as a hood trigger for the
alarm system
Important! This connection is a safety wire and must be connected as shown and
tested as specified. Failure to do so may result in personal injury or property damage. See
detail of wiring in the following diagram. This wire may also be used if the vehicle brake

14
light circuit switches ground to the brake lights. An isolation diode must be used for ground
switched brake light circuits and must be connected to the output of the brake switch.
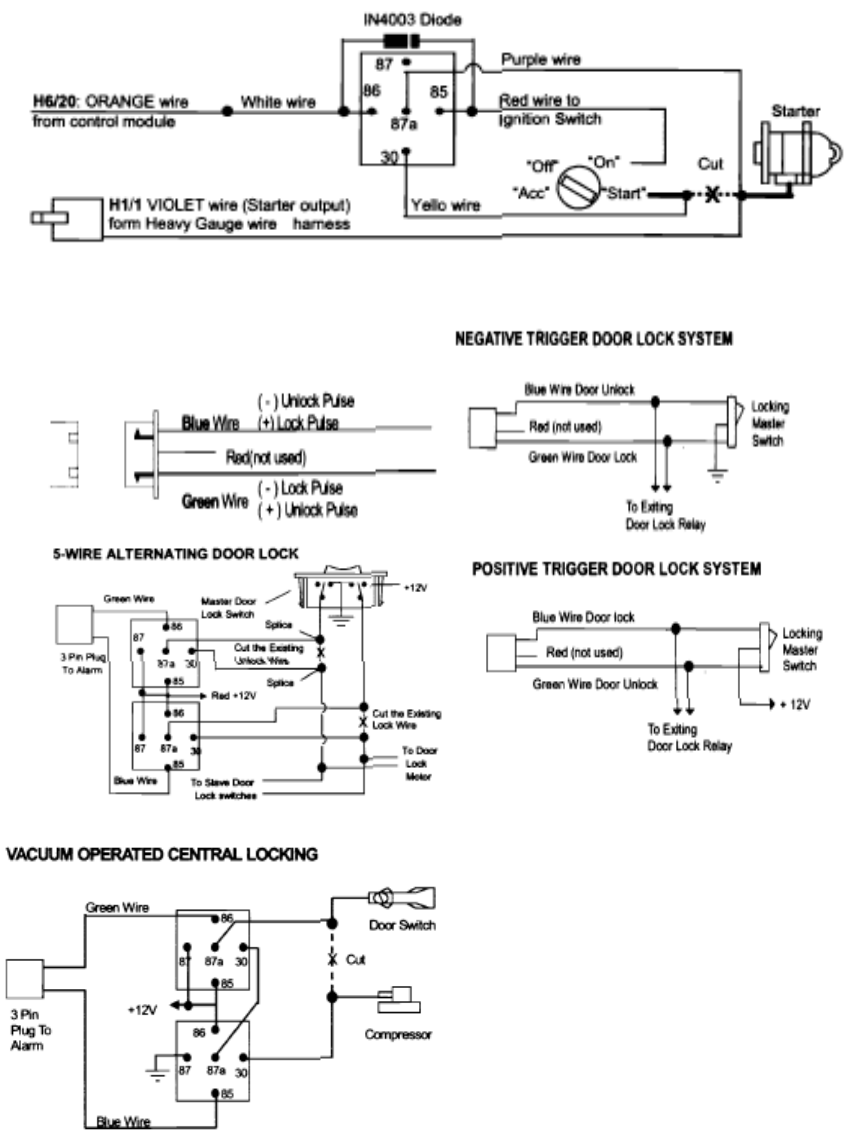
H6/20 ORANGE WIRE—(-)200mA Grounded Output When Armed-
This wire will become grounded when the alarm is armed. The current capacity of this
wire is 200mA. This output can control starter disable, when an intrusion is detected
and the system is triggered. The vehicles prevent from any unauthorized starting.
H4. 3 PIN DOOR LOCK CONNECTOR: (Maximum 500mA Output)
VACUUM OPERATED DOOR
LOCKING SYSTEM:
TYPICAL OF MERCEDES BENZ
AND AUDI.
Locate the wire under the drivers kick panel
Use the voltmeter connecting to ground, verify
that you have the correct wire with the doors
unlocked, the voltmeter will receive "12 volts'
Lock the doors and the voltmeter will read
"0 volt". Move the alligator clip to +12V and
the voltmeter will receive "12 volts'. Cut this
wire and make connections. Be sure to program
door lock timer to 3.5 seconds.
(See Alarm Feature B—3 Programming)

15
Code learning:
Note: This mode will only retain the 4 remote transmitters programmed. If the transmitter
memory is exceeded, the security system will start deleting transmitters from memory in
chronological order.
1. Turn the Ignition 'switch 'OFF/ON' 3 TIMES and stay in ON position
"Within 15 seconds".
2. Push the Valet switch 2 times and hold it on the 2nd push until a long chirp is heard then
release the valet switch. You are now in the Transmitter programming mode.
3. Press and hold button1 + button3 of the transmitter until the siren responds with a
confirming chirp, indicating the signal has been stored into memory.
4. If you have additional transmitters (up to 4) that need to be programmed, repeat step 3
for each transmitter
Exit:Turn Ignition to 'OFF' position, or leave it for 15 seconds. 3 parking light flashes will
confirm exit.
Featurs Programming:
ALARM FEATURE "A" PROGRAMMING:
1. Turn the Ignition 'switch 'ON/OFF' 3 TIMES and stay in OFF position
2. Push the Valet switch 3 times (holding in on the 3rd push) until one chirp & one parking
flash. and then release the valet switch. You are now in the Alarm feature "A"
programming mode.
3. Press and release the transmitter button corresponding to the feature you want to
program.
a. The siren chirps and LED pause will indicate previously setting.
b. The factory default settings is always [1] LED flash, [1] chirp.
4 Depress the transmitter button to change the feature. Simple keep re-depressing the
transmitter button until the system advances to your desired setting.
5. Press the transmitter button corresponding to the feature you want to program.
Press
Transmitter
Button
One Chirp/LED one pulse
Factory Default Setting
Two Chirps/
LED two pulses
Three Chirps/
LED three pulses
Four Chirps/
LED four
pulses
1、 Active arming
Passive arming
Passive arming without
passive door locking
Passive arming
with passive door
locking
2、 Automatic Rearm off Automatic
Rearm on
3、
Instant Door Ajar error
chirp
45 seconds delay Door
Ajarerror chirp.
4、 All Confirmation
chirps on
Siren Confirmation
chirp on only
Horn Confirmation
chirp on only
All
Confirmation
chirps off
PROGRANMMING

16
5、+ Panic with
Ignition off
Panic with
Ignition on & off
Panic with Ignition
on & off Panic
with No time limit.
Without Panic
function.
6、+ Without Car—jack made Active Car-jack mode Passive Car-jack
mode
7、+
With Dome light turns on
& off after ignition off (45
second door by-pass)
With Dome light turns on
after ignition off (45
second poor by-pass)
Without this
feature
8、+ Lock/Arm
&UnIock/Disarm
Confirmation Chirp
Lock/Arm Confirmation
Only
Exit: Turn Ignition to 'ON' position, or leave it for 15 seconds. parking light flashes five
times will confirm exit.
45 seconds Delay Door Ajar Error Chirp:
This feature controls the error chirp that is generated if the system is armed with the door
trigger active. This is useful in a vehicle that has along dome light delay after the door has
been closed. If the system is armed before the dome light has turned off, the security
system will generate the door trigger error chirp. Use this feature to disable the door open
error chirp.
With Dome light turns on after ignition off:
Some vehicles turn on the dome light when ignition key is turned off. After remote start,
with alarm on, a false alarm may occur when the run time elapses and the dome light
comes on. To prevent this from happing, program Alarm Feature A-7 to“ With Dome
light turns on after ignition off (45 second door by-pass)".
"A"-7-1: System at Arm mode ,as Ignition on /Off, will be delay 45secs to detect the doors
"A"-7-2: System at Arm mode, as Ignition off will delay 45secs to detect the doors.
"A"-7-3: As Ignition on/off, will not delay to detect the doors.
ALARM FEATURE "B" PROGRAMMING:
1、Turn the Ignition switch `ON/OFF' 3 TIMES and stay in the OFF Position.
2、Push the Valet switch 5 times (holding in on the 5th push) until two chirps & two parking
flashes and then release the valet switch. You are now in the Alarm feature "B"
programming mode.
3、Press and release the transmitter button corresponding to the feature you want to
program.
Press
Transmitter
Button
One Chirp / LED
one pulse
Factory Setting
Default
Two Chirps / LED
two pulses
Three Chirps / LED three
pulses
Four Chirps /
LED four
pulses
1
Pathway
illumination feature
Parking light turns
"on" for 30-second
Parking light turns "on" for 30
second upon an unlock

17
“off” upon an unlock
signal
signal& 10-second upon a lock
signal.
2 Ignition controlled
door lock & unlock
Ignition controlled
door locks only
Ignition controlled door
unlocks only
Without ignition
controlled door
locks & unlocks
3 0.8 second door
lock & unlock
3.5 second door
lock & Unlock
0.8 second Lock 0.35 second
Unlock
0.8 second
Lock, double
0.8 second.
Unlock
Five Chirps=Double 0.8 second Lock, 0.8 second Unlock
Six Chirps=Door lock with "Comfort Feature”
4 H5/4 Brown Wire=(+)
Constant Siren output
H5/4 Brown
Wire=5-second(+)
pulse Siren output
H5/4 Brown
Wire=(+)Pulsing
Output (Relay
required for [-]
Horn)
5 +
3 Hours Timer Start 2 Hours Timer Start
The Vehicle with Turbo (The system Can be Arm with the engine
running)
The shock sensor
will be by-passed
upon engine
running (The
engine will run by
itself after the
ignition is turned
off)
The shock sensor
by-pass three
minutes after
armed (The engine
will run by itself
after the ignition is
turned off)
Press and
buttons at the
same time to control
Engine run time for one
minute
and the shock sensor
will be by-passed upon
engine running
6 +
The Vehicle without
Turbo
Five chirps=Press and buttons at the same time to control
Engine run time for three minutes and the shock sensor will be pass
upon engine running.
Six chirps=Press and buttons at the same time to control
Engine run time for five minutes and the shock sensor will he
by-passed upon engine running.
7 + Disable the out
of range check
Enable the out of
range check
Exit: Turn Ignition to 'ON' position, or leave it for 15 seconds. parking light flashes 5 times
will confirm exit

18
Comfort Feature:
Some Vehicles have a special "COMFORT feature". When you lock the door with the key,
you can keep turning the key in the door for about 5 to 7 seconds and the window will
close directly. If your vehicle has the "COMFORT feature' and you wish for the door to be
locked and the window to be closed automatically at the same time by remote control, you
can set the alarm feature "B-3” "with comfort feature".
ALARM FEATURE: "C" PRORAMMING:
1 ,Turn the Ignition 'switch 'ON/OFF' 3 TIMES and stay in OFF position
2 ,Push the Valet switch 7 times (holding in on the 7th push) until three chirps three
parking flashes and then release the valet switch. You are now in the Alarm feature "C"
programming mode.
3 ,Press and release the transmitter button corresponding to the feature you want to
program.
Press
Transmitter
Button
One Chirp / LED
one pulse
Factory Default
Setting
Two Chirps /
LED two pulses
Three Chirps /
LED three pulses
Four Chirps / LED
four pulses
1
H6/3 Pink Wire =
Two step door
unlock output
H6/3 Pink Wire =
Factory Security
Disarm Signal
Output
H6/3 Pink Wire =
Start Status
Output (Shock
Sensor Bypass)
H6/3 Pink Wire =
Start Status
Output (Shock
Sensor Bypass
20s)
2
H6/6 Brown /
White Wire = (-)
200mA Horn
Output
H6/6 Brown /
While Wire =
Factory Security
Rearm Signal
Output
3
Fahrenheit
display for
Temperature
Celsius display
For temperature
4
Override Without
Password Pin
Code
Override With
Password Pin
Code
5
H6/15 Gray Wire
Channel 3
Output = Pulsed
output
H6/15 Gray Wire
Channel 3
Output = Latched
output
H6/15 Gray Wire
Channel 3 Output
= Latched output
and reset with
ignition "on"
H6/15 Gray Wire
Channel 3 Output
= Timer
programming (set
to any interval
between 1 second
and 2 minutes)

19
6
H6/7 Black /Green
Wire Channel 4
Output =
Momentary output
H6/7 Black /
Green Wire
Channel 4 Output
= Latched output
H6/7 Black /
Green Wire
Channel 4 Output
= Latched output
and reset with
ignition "on"
H6/7 Black /
Green Wire
Channel 4
Output = Timer
programming (set
to any interval
between 1 second
and 2 minutes.)
Exit: Turn Ignition to 'ON' position, or leave it for 15 seconds. parking light flashes 5 times
will confirm exit.
Channel 4 Timer Control Output Programming.
Enter:
1. Turn the Ignition 'switch 'ON/OFF' 3 TIMES and stay in OFF position.
2. Push the Valet switch 7 times (holding in on the 7th push) until three chirps three
parking flashes then release the valet switch. You are now in the Alarm feature 'C'
programming mode.
Timer Program:
1. Press and release and buttons together 4 times, [4] LED flash, [4] siren/horn
chirps to indicate that you are in features "Channel 4 Timer Programming mode".
2. Press and hold the valet switch, the timer will immediately start. Every 1second ,siren
chirp one.
3. When the desired interval has passed, release the valet switch. 1 long chirp for
confirmation. (Set to any interval between 1 second and 2 minutes)
Note 1:
If your built-in timer controls window/sunroof closure in your car DO NOT change the timer
setting! This requires installer-only programming. Changing the value will adversely effect
operation and may cause damage.
Note 2:
Momentary output=The momentary output selection will send a negative signal from the
Channel 4 output immediately when the channel 4 button is pressed and will continue until
the button is released.
Latched output=The latched output selection will send a negative signal as soon as the
Channel 4 button is pressed and will continue until the button is pressed again
Latched output/reset with ignition=The latched/reset with ignition output selection
operates just like the latched output but will reset or stop when the ignition is turned on.
Enter:
1. Turn the Ignition 'switch 'ON/OFF' 3 times and stay in OFF position.
2. Push the Valet switch 7 times (holding in on 7th push ) until three chirps three parking
flashes then release the valet switch. You are now in the Alarm feature "C" the
Password Pin Code Setup:

20
programming mode. You can program or delete the password pin code as below:
Program:
1. Press and release the transmitter button twice, [2] LED flash, [2] siren/horn chirp to
indicate that you are in features "Password Pin Code Programming mode".
2. Turn on the ignition , within 5 seconds, begin to enter your chosen first 9ths digit by
pressing and releasing the valet Switch from 1—9 times.
3. Within 15 seconds , turn the Ignition switch to "OFF" position.
4. Then, Turn on the ignition, Within 15 seconds, enter your chosen second 9ths digit by
pressing and releasing the valet Switch from 1—9 times
5. Finish by turning the ignition switch to "OFF” position.
If the new password code was accepted,
Note: If 15 seconds of inactivity expire, or if the ignition switch is turned "ON" for more
then 5 seconds during of above steps, the unit will revert back to the last successfully
stored code. 15 seconds later. parking light flashes 5 times will confirm exit. The unit will
revert back to the last successfully stored code.
Example: To program the Password Code 12, you would(factory default PIN
CODE==11);
Enter:
1. Turn the Ignition 'switch 'ON/OFF' 3 times and stay in OFF position.
2. Push the Valet switch 7 times (holding in on the 7th push) it until three chirps& three
parking flashes , and then release the valet switch. You are now in the Alarm feature "C"
programming mode.
Program:
1. Press and release the transmitter button twice, [2] LED flash, [2] siren/horn chirp to
indicate your are in features“Password pin code programming mode".
2. turn on ignition,Within 5 seconds, press and release the valet Switch 1 times.
3. Within 15 seconds, turn the Ignition Switch to "Off" position
4. Then turn Ignition Switch to "On" , Within 15 seconds press the valet Switch 2 times.
5. Turn the Ignition Switch to "OFF' position.
You will note PIN CODE 12 on FF282 flash, and stored in memory.
Exit: wait it for 15 seconds. parking light flashes 5 times will confirm exit.
START FEATURE "D" PROGRAMMING:
1. Turn the Ignition 'switch 'ONIOFF' 3 TIMES and stay in OFF position.
2. Push the Valet switch 9 times (holding in on the 9th push) until four chirps &three
parking flashes then release the valet switch. You are now in the Start feature "D"
REMOTE START FEATURE PROGRAM MODE.

21
programming mode.
3. Press and release the transmitter button corresponding to the feature you want to
program.
Press Transmitter
Button
One Chirp / LED
one pulse Factory
Default Setting
Two Chirps / LED
two pulse
Three Chirps /
LED three pulse
Four Chirps / LED
four pulse
Gasoline Engine
1
Diesel Engine
with Wait-TO-Start
Light (H6/12
White/Green wire
must be
connected)
Diesel Engine
without
Wait-To-Start
Light 10
seconds warm-up
timer
Diesel Engine
without
Wait-TO-Start
Light 15 seconds
warm-up timer
Diesel Engine
without
Wait-To-Start
Light 20
seconds warm-up
timer
2
Constant
parking light
output upon
Remote Start
Flashing parking
light output upon
Remote Start
3
20 minutes run
time
30 minutes run
time
10 minutes run
time
5 minutes run
time
4 Door lock before
start
Door lock after
shut-down
Door lock before
start and Door
lock after
shut-down
Without this
feature
5
Press button
= Activate Remote
Start.
Press -
button Activate
Remote Start.
Press +
button = Activate
Remote Start.
6
H6/4 White/Blue
wire
= 1 pulse activate
H6/4 White/Blue
wire
= 2 pulse activate
H6/4 White/Blue
wire
= 3 pulse activate
7
AUTOMATIC
TRANSMISSION
Exit: Turn Ignition to 'ON' position, or leave it for 15 seconds. parking light 5 times will
confirm exit.
SAFE START (Child safety mode)
Factory defaults setting to press the button once to start the vehicle
Programming this feature to eliminate an accidental remote start,
1. The user presses the transmitter buttons "twice" within 3 seconds to start the vehicle.
or

22
2. The user presses the transmitter and buttons at the "same time" to start the
vehicle.
START FEATURE: "E" PROGRAMMING:
1. Turn the lgnition 'switch 'ON/OFF' 3 TIMES and stay in OFF position.
2. Push the Valet switch 11times (holding in on the 11th push) until five chirps &five parking
flashes then release the valet switch. You are now in the Start feature "E" programming
mode.
3. Press and release the transmitter button corresponding to the feature you want to
Press Transmitter
Button
One Chirp / LED
one pulse Factory
Default Setting
Two Chirps/ LED
two pulse
Three Chirps/ LED
three pulse
Four Chirps/ LED
four pulse
1 Exit the programming mode. (5 parking light flashes to confirm this exit)
2 Tachometer
Check type (3A)
Voltage check
type (go to 3B)
Timer checking
type (go to 3B)
A>RPM learning-see RPM Learning page 20
3 B> Start Crank
Time:
0.8-second
1.2-second (2 chirps), 1.6-second (3 chirps),
2.0-second (4 chirps), 3.0-second (5 chinos).
4.0-second (6 chinos).
4 TESTING exit
5
"TEST" Mode for
Zone 2 / instant
trigger & Zone 3 /
Door trigger
TEST" Mode for
Zone 1&Zone 4 (2
Stage Shock
Sensor)
Exit: Press the button on the transmitter. Parking light flashes 5 times will confirm exit.
The control module learning RPM method has 2 types.
One type of method:
[Engine speed (RPM) Learning process]
As engine running detection, select TACH meter Impulse, and it needs to complete engine
speed (RPM) learning process.
After completed engine speed (RPM) learning process.
*Each time the system start engine, as successfully detect engine running, start switch will
immediately close, it does not need to reach the maxim 4 seconds.
Attention! It needs special engine speed (RPM) learning process before installation.
<1>Red line, connect to +12V.
<2>Black line , connect to GND.
<3>White/Red wire connection. (H6/10) line; connect to TACH meter Impulse (ignition
PRM LEARNNING/TACHOMETER CHECKING TYPE

23
signal).
<4>Start engine with key, LED will fast flash when the lines are properly connected
<5>Shut down the engine when the engine speed to stabilize.
<6>when use UNI2 or remote control module will auto exit the learning mode.
<7> To re-learn the engine speed (RPM), it can learn again after Disarm the host power
and then send power.
<8> RPM can’t not learn if foot brake.
2nd type of method:
1.Turn the Ignition switch 'ON/OFF' 3 TIMES and stay in OFF position.
2.Push the Valet switch 11 times and hold it on the 11th push until five chirps &five
parking flashes then release the valet switch.
3. Press and release the transmitter and buttons at the same time once to set the
"Tachometer Checking Type'. [1] LED flash, [1] chirp to confirm this setting.
4. Press and release the transmitter button once, [1] LED flash, [1] chirp to indicate
your are in features "RPM Learning mode"
5. Start the vehicle with the key. (While the engine is running, the parking&LED will flash, If
don't, please check tachometer White/Red wire connection. (H6/10)
Press the valet switch, the siren will chirp one long sound then exit the learning mode.
6. Turns off the ignition switch to stop the engine running.
=============================
Remote Start Function
=============================
[Remote Start Operation]
The control module should be under the arm status then can be remote.
*press Button 4(once),can start engine by remote.
*button 4(2 seconds) to cancel engine start program; engine operation can be stopped if
running.
Engine start is fixed to 4 times:
First time: 0.8~3.0 seconds.(function setting)
Second time: automatically plus 0.2seconds.
Third time: automatically plus 0.2seconds.
Fourth time : automatically plus 0.2seconds.
* If the engine does not start successfully, the system will automatically re-start, a total
of 4 times, ignition set by function, it will plus 0.2seconds every time.
After the successful operation of the ignition detection of 7 second period, Ignition off/on
re-start interval 5seconds.(a total of 13 seconds)
* Start the engine 4 times without success, it will stop and start.
* Remote start the engine, and engine running, the security must first disarm, open car
door, Insert the key and rotate to ON,and can start the car.
*After start the engine by remote in engine running, setting arm Ignition and sensor

24
vibration sensor does not detect automatically.
Note:
Attention! start the engine by remote, the system must be arm status base on security.
In this test made, this system can test the Zone 2 (Instant ground trigger), the Zone 3
(Door trigger), and the Zone1&Zone 4 (2 stage shock sensor) sensitivity. The installer can
save time to test the 2-stage shock sensor sensitivity and sensor without usingthe
traditional arming/disarming procedures to test the sensors.
Enter
1. Turn the Ignition 'switch 'ON/OFF' 3 TIMES and stay in OFF position.
2. Push the Valet switch 11 times (holding in on the 11th) until five chirps &five parking
flashes then release the valet switch.You are now in the Start feature "E" programming
mode.
a. Test the Zone 2 / Instant Ground Trigger 8 Zone3 / Door Trigger:
Press and release the transmitter and buttons at the same time once. [1] LED flash,
[1] siren/horn chirp to indicate your are in Zone 2/instant Around trigger and Zone 3/Door
trigger test mode.
Trigger sensor Siren chirps
Zone 2/Instant Ground trigger (H6/16 Blue wire) 2
Zone 3/Door trigger (H6/14 Green or H6/1R Violet wire) 3
b. Test the Zone 1&Zone 4 / Two Stage Shock Sensor (Connected to H9 4 Pin Plug):
Press and release the transmitter and buttons at the same time again. [2] LED
flash, [2] siren/horn chirps to indicate you are in the shock sensor (connected to H9 4
pin plug) test mode.
1. Activate the warn-away (ffirst stage of the shock sensor / Zone 1) ,system will emit
a short chirp.
2. Activate the full alarm (second stage of the shock sensor/Zone 4), system will emit
a long chirp.
Press the button on the transmitter. Siren chirp 1 times will confirm test mode exit.
Press the button on the transmitter. parking light flashes 5 times will confirm exit.
TEST MODE
RETURN TO FACTORY DEFAULT SETTING:

25
1. Turn the ignition ON then OFF 3 TIMES and stay in OFF position.
2. Push the Valet switch 12 times (holding in on the 12th push) until ten chirps then
release the valet switch. You are now in the "Return To Factory Default Setting"
programming mode.
3. Press and hold the and buttons at the same time on the transmitter for 6 seconds,
there will be a confirmation 5 Flashes parking light to confirm the system "Alarm
Feature A, B,C,D&E Programming" all returns to factory default setting.
1,Press remote start into remote mode, if that the remote failed the LED light will flash
random times.
Engine Stop diagnostic: (The reason for failed remote start, or unusual engine stop)
LED flash 3 times, DISARM ERROR OR TRIGGER BY HOOD OR IGNITION.
LED flash 4 times, DOOR OPEN.
LED flash 5 times, HOOD OPEN.
LED flash 6 times, TRUNK OPEN.
LED flash 7 times, IGNITON ON.
LED flash 8 times, HAND BRAKE ERROR.
LED flash 9 times, NETRAL ERROR
LED flash 10 times, RPM TOO SLOW OR HIGH.
LED flash 11 times, Try 4 TIMES FAIL.
Caution!! The follow procedure must be performed after the installation of the Remote
Start Device. It is the responsibility of the installing technician to complete these tests.
Failure to test the unit in the following manner may result in personal injury, property
damage, or both.
1. Test the BRAKE shutdown circuit: With the vehicle in park (P), start the vehicle using
the remote transmitter. Once the engine is running press the brake pedal. The vehicle
should shut down immediately. If the vehicle continues to run, check the brake circuit
WHITE/ VIOLET wire (H6/17) connection.
2. Test the HOOD PIN shutdown circuit: Start the vehicle using the remote transmitter.
Once the engine is running pull the hood release and raise the noon. The vehicle
should shut down immediately. If the vehicle continues to run, check the hood pin
WHITE/ BLACK wire (H6/19) connection.
3. NEUTRAL START SAFETY TEST:
1. Set the vehicle parking brake.
2. Block the drive wheels to prevent vehicle movement
3. Sitting in the vehicle, turn the ignition switch to "ON" or "RUN" position. But do not
start the engine.
SHUTDOWN DIAGNOSTICS
TESTING YOUR INSTALLATION:
26
4. Step on the brake pedal and shift the gear selector into "DRIVE (D).
5. Put your foot over the brake pedal but do not press down on it. Be ready to step on the
brake to shut down the Remote Start Device.
6. Start the vehicle using remote transmitter.
a. If the starter does not engage, the test is complete.
b. If the starter engages, immediately step on the brake pedal to shut down the system,
recheck your VIOLET wire (H1/1 starter output wire) connection. The heavy gauge
VIOLET wire must be connected to the ignition switch side of the Neutral Start Switch. If
the vehicle you are working on does not have an Electrical Neutral Safety Switch, it will
be necessary to reconfigure the Remote Starts Wiring to accommodate this vehicle. The
information concerning the Mechanical Neutral Safety Switch provided below will help
you to determine if the vehicle you are working on has this type of safety switch and will
provide alternative wiring methods to accommodate this situation.
MECHANICAL NEUTRAL SAFETY SWITCH CONSIDERATIONS:
Mechanical neutral safety switch configurations differ slightly in that they do not offer the
same level of safety when installing a remote start device. Often when the ignition switch
is turned off while the gear selector is in any position other than park or neutral the
mechanical function will not allow the key to be turned to the start position or be removed
from the ignition cylinder. This configuration prevents mechanical operation while the
vehicle is in gear but offers no consideration for electrical operation Because of this
potential problem, this installation requires the additional connection of a safety wire from
the remote start device to the vehicle PARK/NEUTRAL ECM input or the vehicle key in
sensor. This connection will prevent remote start operation if the key is left in the ignition
switch regardless of the gear selector position.
PARK/NEUTRAL ECM INPUT
The Park/Neutral ECM input is the preferred method of installation. This not only
maintains the integrity of the factory circuit, it is
also the easiest to install, providing the vehicle you are working on has this ECM input.
The installation required for this application (shown below), indicates in the slight
reconfiguration of the control switch wiring
Shown is a typical GM Park/Neutral ECM input circuit. To connect the Remote Start unit to
the GM Park/Neutral ECM input:
1. Locate the Orange/Black reference wire in the "C2" connector found at the ECM in
GM B Body vehicles or, locate the equivalent reference wire in the vehicle you are
installing the Remote Start Unit in
2. Connect the BLACK/VJHITE Neutral Safety Switch wire (H6/8) to this reference wire
NOTE: If the optional remote starts enable toggle switch is installed, connect the one side
the enable switch to this reference wire
and connect the other side of the enable switch to the BLACKIW HITE Neutral Safety
Switch wire (H6/8) of the Remote Start unit The reference diagram on the next page
shows a typical GM B Body ECM reference wire and how it is to be connected to the

27
Remote Start Unit
KEY IN SENSOR CIRCUITS
If the vehicle you are working on does not have or you cannot locate the ECM reference
wire, there are two alternatives available Although not preferred, the vehicle Key In
Sensor may be reconfigured to allow a margin of safety and will prevent the vehicle with
a Mechanical Neutral Start Switch from starting in gear.
WE ADVISE THAI YOU MAINTAIN THE FACTORY CIRCUI7 WHENEVER POSSIBLE.
The following two circuits may be used only if the above circuit is not available.
NOTE: When completing an installation using either of the following key in sensor circuits,
if the operator inserts the ignition key while the vehicle is running under the control of the
Remote Start, the vehicle will shut down. This must be explained to the operator as it is in
contrast to the normal operation of a vehicle utilizing an electrical neutral start switch and
is inconsistent with the operators manual.
Additional information concerning Key in Sensor methods 182 are listed below and should
be reviewed before considering either alternative
Method 1 w 川allow the safety required for the remote start unit and prevent the vehicle
from starting while in any gear other than Park or Neutral while the key is in the ignition
cylinder however, if the key is left in the ignition switch and the door is left opened, the
added relay will be energized causing a 150mA drain on the battery.
Method 2 will allow the safety required for the remote start unit and prevent the vehicle
from starting while in any gear other than Park or Neutral while the key is in the ignition
cylinder. However, the original factory key in chime module will not alert the owner that the
key has been left in the ignition switch. In addition, this may also affect other warning
tones such as the light on reminder These situations should be carefully considered
before altering the vehicle's wiring and must be fully explained to the consumer.
METHOD 1
To connect to the key in sensor as shown in method 1:
A. Locate the control wire that connects the driver's door pin switch to the key in sensor
switch

28
B. Cut this wire and connect the ignition cylinder side to chassis ground
C. Locate the key in sensor switch wire that connects the chime module to the ignition
cylinder
D. Cut this wire and connect the ignition cylinder side to terminal 30 of a P&B VF45F11 or
equivalent relay
E. Connect the cathode (striped) side of a 4003 series diode to this same wire, and
connect the (non striped) side to the negative safely input wire (WHITE/ BLACK) (H6/19)
of the Remote Start Unit
F. Connect terminal 86 of the relay to a fused+12 volt constant battery source
G. Connect terminal 87 of the relay to the Chime Module side of the previously cut wire in
step D
H. Connect terminal 85 of the relay to the Drivers Door side of the pin switch wire
previously cut in step B
Note: A second 4003 series diode may be required to maintain the integrity of the hood
open, shut down circuit If this is the case, it must be installed as shown in the diagram
above. The anode (Non Stripped) side must be connected to the WHITE/ BLACK wire
(H6/19) of the Remote Start Unit. The cathode (Striped) side must be connected to the
hood pin switch. If the hood pin switch is also used for an alarm trigger input, be certain to
use the dual diode assembly packaged with the Remote Start Unit as shown in this
installation guide.
METHOD 2
To connect to the key in sensor circuit as shown for method 2:
A. Locate the control wire that connects the driver's door pin switch to the key in sensor
switch
B. Cut this wire and connect the ignition cylinder side to chassis ground
C. Locate the key in sensor switch wire that connects the chime module to the ignition
cylinder
D. Cut this wire and connect the ignition cylinder side to the Remote Start Negative
Safety Shut down wire WHITE/ BLACK (H6/19), using a 4003 series diode as shown
above.
29
This equipment has been tested and found to comply with the limits for a Class B digital device,
pursuant to part 15 of the FCC rules. These limits are designed to provide reasonable protection
against harmful interference in a residential installation. This equipment generates, uses and can
radiate radio frequency energy and, if not installed and used in accordance with the instructions,
may cause harmful interference to radio communications. However, there is no guarantee that
interference will not occur in a particular installation. If this equipment does cause harmful
interference to radio or television reception, which can be determined by turning the equipment
off and on, the user is encouraged to try to correct the interference by one or more of the following
measures:
-Reorient or relocate the receiving antenna.
-Increase the separation between the equipment and receiver.
-Connect the equipment into an outlet on a circuit different from that to which the receiver is
connected.
-Consult the dealer or an experienced radio/TV technician for help.
This device complies with Part 15 of the FCC Rules. Operation is subject to the following two
conditions:
1) this device may not cause harmful interference and
2) this device must accept any interference received, including interference that may cause
undesired operation of the device.