Uponor SMATR1 Wireless Dial single room temperature sensor User Manual

Uponor, Inc. Wireless Dial single room temperature sensor Users Manual

Users Manual

Climate Control Zoning System IIinstruction sheetA3800165 A3801160A3800167A3801165
2  |  uponorpro.comContentsOverview  .........................................3  Safety symbols  ...................................3   Safety measures ..................................3 Power ...........................................3  Technical constraints ...............................3   Limitations for radio transmission .....................3  Compliance ......................................3  Proper disposal ...................................3Installation ........................................4  System components  ...............................4   System example  ..................................4  Wiring diagram ....................................5    Thermostat operating instructions .....................5   System setup .....................................5  Register thermostat and/or system device to a controller. . .7    Enter registration mode ...........................9    Exit registration mode  ............................9  Unregister one channel .............................9  Unregister all channels  .............................9  Actuator autobalancing .............................9Technical data .....................................10ForewordUponor has prepared this document and all the content  included solely for information purposes. The contents of this document (including graphics, logos, icons, text, and images) are copyrighted and protected by worldwide copyright laws  and treaty provisions. Modication or use of any of the  contents of the document for any other purpose is a violation  of Uponor's copyright, trademark and other proprietary rights.The presumption for the document is all safety measures have been fully complied with and, further, that the Climate Control Zoning System II, including any components that are part of such system, covered by the manual:• Is selected, planned and installed and put into operation by  a licensed and trained installer in compliance with current  (at the time of installation) installation instructions provided by Uponor as well as in compliance with all applicable building and plumbing codes and other requirements and guidelines;• Has not been (temporarily or continuously) exposed to temperatures, pressure and/or voltages that exceed the  limits printed on the products or stated in any instructions supplied by Uponor;• Remain in its originally installed condition and is not  repaired, replaced or interfered with, without prior written consent of Uponor;• Is connected to potable-water supplies or compatible  plumbing, heating and/or cooling products approved or specied by Uponor;• Is not connected to or used with non-Uponor products,  parts or components except for those approved or  specied by Uponor; and• Does not show evidence of tampering, mishandling, insufcient maintenance, improper storage, neglect or accidental damage  before installation and being put into operation.While Uponor has made efforts to ensure the document is accurate, Uponor does not guarantee or warrant the accuracy of the information contained herein. Uponor reserves the right to modify the specications and features described herein, or discontinue manufacture of the Climate Control Zoning System II described at any time without prior notice or obligation. The manual is provided "as is" without warranties of any kind, either expressed or implied. The information should be independently veried before using it in any manner.To the fullest extent permissible, Uponor disclaims all warranties, expressed or implied, including, but not limited to, the implied warranties of merchantability, tness for particular purpose and non-infringement.This disclaimer applies to, but is not limited to, the accuracy, reliability or correctness of the manual.Under no circumstances shall Uponor be liable for any indirect, special, incidental or consequential damages or loss that result from the use of or the inability to use the materials or information in the manual, or any claim attributable to errors, omission or other inaccuracies in  the manual, even if Uponor has been advised of the possibility of such damages.This disclaimer and any provisions in this document do not limit any statutory rights of consumers.
Climate Control Zoning System II instruction sheet  l  3OverviewThis instruction sheet is intended for experienced installers. Uponor strongly recommends reading the full installation  and operation manual before installing the control system.Safety symbolsThe following symbols are used in this document to indicate special precautions when installing and operating any Uponor equipment.Warning! Ignoring warnings can cause injury or damage to components.Caution! Ignoring cautions can cause  equipment malfunctions. Safety measuresConform to the following measures when installing and operating any Uponor equipment.• Read and follow all instructions in this document.• Ensure a trained installer performs all work in accordance  with local regulations.• Do not make changes or modications not specied  in this document.• Switch off all power supply before starting any wiring work.• Do not use water to clean Uponor components.• Do not expose Uponor components to ammable  vapors or gases.Uponor cannot accept any responsibility for damage or breakdown that can result from ignoring these instructions.PowerWarning! The Uponor system uses 24 VAC, 60 Hz power. In case of emergency, immediately disconnect the power. Technical constraintsCaution! To avoid interference, keep installation/data cables away from power cables of more than 50 VAC.Limitations for radio transmissionThe Uponor Climate Control Zoning System II uses radio transmission. The frequency used is reserved for similar applications, and the chances of interference from other radio sources are very low.However, in some rare cases, it might not be possible to establish perfect radio communication. The transmission range is sufcient for most applications, but each building has different obstacles affecting radio communication and maximum transmission distance. If communication difculties exist, Uponor recommends relocating the antenna to a more optimal position and ensuring radio sources are at least 16" (40 cm) apart for solving exceptional problems.ComplianceThis device complies with part 15 of the FCC Rules.  Operation is subject to the following two conditions:(1) This device may not cause harmful interference, and(2) This device must accept any interference received,  including interference that may cause undesired operation.Note: The grantee is not responsible for any changes or modications not expressly approved by the party responsible for compliance. Such modications could void the user’s authority to operate the equipment.This device complies with Industry Canada licence-exempt RSS standard(s). Operation is subject to the following two conditions:(1) This device may not cause interference, and(2)  This device must accept any interference, including interference that may cause undesired operation of  the device. FCC ID: V9MSMATR1 IC: 7664A-SMATR1This equipment has been tested and found to comply with the limits for a Class B digital device, pursuant to part 15 of the FCC Rules. These limits are designed to provide reasonable protection against harmful interference in a residential installation. This equipment generates, uses and can radiate radio frequency energy and, if not installed and used in accordance with the instructions, may cause harmful interference to radio communications. However, there is no guarantee that interference will not occur in a particular installation. If this equipment does cause harmful interference to radio or television reception, which can be determined by turning the equipment off and on, the user is encouraged to try to correct the interference by one or more of the following measures:• Reorient or relocate the receiving antenna.• Increase the separation between the equipment and receiver.• Connect the equipment into an outlet on a circuit different from that to which the receiver is connected.Consult the dealer or an experienced radio/TV technician for help.Proper disposal of waste electrical and electronic equipmentThis marking shown on the product or its literature indicates it should not be disposed with other household waste at the end of its working life. To prevent possible harm  to the environment or human health from uncontrolled waste disposal, please separate this form from other types of wastes and recycle it responsibly to promote the sustainable reuse of material resources.Contact your installer or local government ofce for details  about environmentally safe recycling.
4  |  uponorpro.com12341234System exampleInstallation System componentsPart no. DescriptionA3800165 Wireless Dial Thermostat (T-165)A3800167Wireless Digital Thermostat (T-167)A3801165 Wireless Base Unit, 6 zones (X-165)A3801160 Wireless Base Unit Expansion Module, 6 zones (M-160)
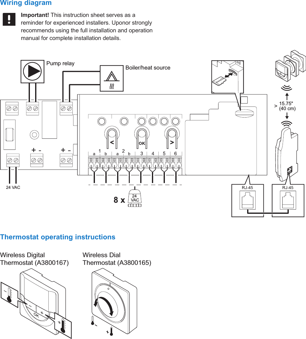
Climate Control Zoning System II instruction sheet  l  5Wiring diagramImportant! This instruction sheet serves as a reminder for experienced installers. Uponor strongly recommends using the full installation and operation manual for complete installation details.Pump relay Boiler/heat source24 VAC24 VAC> 15.75"(40 cm) Thermostat operating instructionsWireless Digital Thermostat (A3800167)Wireless Dial Thermostat (A3800165)
6  |  uponorpro.comA3801165A3801160A3800167A3800165A3800167A3801165A3800167A3801165A3800167A3801165A38011601231234567 89 1024 VAC60 Hzab3 secondsbdca24 VAC1 2 3 4ON DIP
Climate Control Zoning System II instruction sheet  l  7System setupImportant! Connect only one actuator for each channel. Channels 01 and 02 have double outputs (a and b) for two actuators.Caution! Ensure that each actuator is connected to the correct channel so that the thermostats are controlling the correct loops.1.  Attach the full assembly, or parts of it, to the wall either  with a DIN rail or by using wall screws and plugs. If installing the controller inside a metal cabinet, locate the antenna outside the cabinet.2.  Connect the antenna to the controller using the supplied antenna cable.3.  Connect the actuators.4.  Insert batteries into the thermostats.5.  Connect optional external sensor (A3800167 only).6. Set the desired DIP switch setting (A3800167 only).7.  Check that all wiring is complete and correct for the  actuators and output (to pump relay or boiler).8.  Close the 24 VAC compartment of the controller and  tighten the xing screw.9.  Connect the power cable to a 24 VAC transformer,  or if required by local regulations, to a junction box.10.  Set a time and date on the digital thermostats  (A3800167) and select thermostat control mode  in settings menu 04 (Default: RT).Now, proceed to registering the thermostats to the correct base unit (if multiple exist in the system). See pages 8-9 for details.
8  |  uponorpro.com1342a 2b 2c2a2bA3800167A3800165 2355 seconds5 seconds3 seconds3 seconds
Climate Control Zoning System II instruction sheet  l  9Register thermostat and/or system device to a controllerEnter registration mode1.  Press and hold the OK button on the controller for about 3 seconds until the LED for channel 1 (or the rst unregistered channel) ashes red.2. To register a thermostat, select a thermostat channel.     a.  Use buttons < or > to move the pointer (LED ashes red) to a preferred channel.     b.  Press the OK button to select the channel for registration. The LED for the selected channel starts ashing green.     c.  Repeat steps 2a and 2b until all channels to be registered with the thermostat are selected (LEDs ashing green). Note: Uponor recommends registerating all channels to the thermostat at the same time.3. Select a thermostat.     a.  For the Wireless Digital Thermostat (A3800167), press and hold both - and + buttons on the thermostat until the text CnF (congure) and a communication icon displays. The selected channel LED in the controller turns xed green and the registration is complete.     b.  For the Wireless Dial Thermostat (A3800165),  gently press and hold the registration button on  the thermostat for about 5 seconds. Release  when the LED on the front of the thermostat starts ashing. The selected channel LED in the controller turns xed green and the registration is complete.4.  Repeat steps 2 and 3 until all available thermostats  are registered.Exit registration mode5.  Press and hold the OK button on the controller for about 3 seconds until the green LEDs turn off. This will end registration mode and return the system to run mode.Unregister one channelWhen a channel is inaccurately registered, or if a thermostat registration needs to be redone, it is possible to remove the current registration from the controller.To unregister a channel:1.  Enter registration mode. Channel 1 LED ashes red/green, or the rst unregistered channel ashes red.2.  Use buttons < or > to move the pointer (LED ashes red) to the selected channel (ashes green if registered) to unregister.3.  Press the < and > buttons simultaneously for about 5 seconds until the LED for the selected channel starts ashing red.Unregister all channelsWhen one or more channels (thermostats) are inaccurately registered, it is possible to remove all registrations at the same time.To cancel all channel registrations:1.  Enter registration mode. Channel 1 LED ashes red/green or the rst unregistered channel ashes red.2.  Press the < and > buttons simultaneously for about 10 seconds until the LEDs for all channels (except one) turn off. The remaining LED ashes red.Actuator autobalancingRefer to the Climate Control Zoning System II installation and operation manual for more information about autobalancing of actuators (eliminating the need for manual balancing, on by default), heat pump integration, cooling, comfort/ECO settings, room check, supply check, etc.
10  |  uponorpro.comTechnical dataGeneralIP IP20 (IP: degree of inaccessibility to active parts of the product and degree of water)Maximum ambient RH (relative humidity) 85% at 68°F (20°C)AntennaPower supply From controllerRadio frequency 912 MHzTransmitter duty cycle <1%Receiver class 2ThermostatsERP IVLow-voltage tests EN 60730-1* and EN 60730-2-9***EMC (electromagnetic compatibility requirements) tests EN 60730-1 and EN 301-489-3ERM (electromagnetic compatibility and radio spectrum matters) tests EN 300 220-3Power supply Two 1.5 V AAA alkaline batteriesVoltage 2.2 V to 3.6 VOperating temperature 32°F to 113°F (0°C to 45°C)Storage temperature 14°F to 149°F (-10°C to 65°C)Radio frequency 912 MHzTransmitter duty cycle <1%Base unitLow-voltage tests EN 60730-1* and EN 60730-2-1***EMC (electromagnetic compatibility requirements) tests EN 60730-1 and EN 301-489-3ERM (electromagnetic compatibility and radio spectrum matters) tests EN 300 220-3Power supply  24 VAC +10/-15%, 60 Hz, VA maximumInternal fuse T5 F3.15AL 250 V, 5x20 3.15A quick actingInternal fuse, heat output TR5-T 8.5 mm Wickmann 100 mA time lagOperating temperature 32°F to 113°F (0°C to 45°C)Storage temperature -4°F to 158°F (-20°C to 70°C)Maximum consumption 45 WPump and boiler relay outputs 24 VAC 8 A maximumGeneral purpose input (GPI) Only dry contactValve outputs 24 VAC, 4 A maximum   *)  EN 60730-1 Automatic electrical controls for household and similar use Part 1: General requirements **)  EN 60730-2-1 Automatic electrical controls for household and similar use Part 2-1: Particular requirements for electrical controls for electrical  household appliances***)  EN 60730-2-9 Automatic electrical controls for household and similar use Part 2-9: Particular requirements for temperature sensing controls
Climate Control Zoning System II instruction sheet  l  11
Uponor Inc. 5925 148th Street West Apple Valley, MN 55124 USAT 800.321.4739 F 952.891.2008Uponor Ltd. 2000 Argentia Rd., Plaza 1, Ste. 200 Mississauga, ON L5N 1W1 CANADAT 888.994.7726 F 800.638.9517CCZII_InstructionSheet_69569_1016, Copyright © 2016 Uponor. Printed in the United States.   MKT10059_AA uponorpro.com

Navigation menu