Uponor SMATR1 Wireless Dial single room temperature sensor User Manual
Uponor, Inc. Wireless Dial single room temperature sensor Users Manual
Uponor >
Users Manual

Climate Control Zoning System II
instruction sheet
A3800165 A3801160
A3800167
A3801165

2 | uponorpro.com
Contents
Overview .........................................3
Safety symbols ...................................3
Safety measures ..................................3
Power ...........................................3
Technical constraints ...............................3
Limitations for radio transmission .....................3
Compliance ......................................3
Proper disposal ...................................3
Installation ........................................4
System components ...............................4
System example ..................................4
Wiring diagram ....................................5
Thermostat operating instructions .....................5
System setup .....................................5
Register thermostat and/or system device to a controller. . .7
Enter registration mode ...........................9
Exit registration mode ............................9
Unregister one channel .............................9
Unregister all channels .............................9
Actuator autobalancing .............................9
Technical data .....................................10
Foreword
Uponor has prepared this document and all the content
included solely for information purposes. The contents of this
document (including graphics, logos, icons, text, and images)
are copyrighted and protected by worldwide copyright laws
and treaty provisions. Modication or use of any of the
contents of the document for any other purpose is a violation
of Uponor's copyright, trademark and other proprietary rights.
The presumption for the document is all safety measures have
been fully complied with and, further, that the Climate Control
Zoning System II, including any components that are part of
such system, covered by the manual:
• Is selected, planned and installed and put into operation by
a licensed and trained installer in compliance with current
(at the time of installation) installation instructions provided by
Uponor as well as in compliance with all applicable building
and plumbing codes and other requirements and guidelines;
• Has not been (temporarily or continuously) exposed to
temperatures, pressure and/or voltages that exceed the
limits printed on the products or stated in any instructions
supplied by Uponor;
• Remain in its originally installed condition and is not
repaired, replaced or interfered with, without prior written
consent of Uponor;
• Is connected to potable-water supplies or compatible
plumbing, heating and/or cooling products approved or
specied by Uponor;
• Is not connected to or used with non-Uponor products,
parts or components except for those approved or
specied by Uponor; and
• Does not show evidence of tampering, mishandling, insufcient
maintenance, improper storage, neglect or accidental damage
before installation and being put into operation.
While Uponor has made efforts to ensure the document is
accurate, Uponor does not guarantee or warrant the accuracy
of the information contained herein. Uponor reserves the right
to modify the specications and features described herein, or
discontinue manufacture of the Climate Control Zoning System
II described at any time without prior notice or obligation. The
manual is provided "as is" without warranties of any kind, either
expressed or implied. The information should be independently
veried before using it in any manner.
To the fullest extent permissible, Uponor disclaims all
warranties, expressed or implied, including, but not limited
to, the implied warranties of merchantability, tness for
particular purpose and non-infringement.
This disclaimer applies to, but is not limited to, the accuracy,
reliability or correctness of the manual.
Under no circumstances shall Uponor be liable for any
indirect, special, incidental or consequential damages
or loss that result from the use of or the inability to use
the materials or information in the manual, or any claim
attributable to errors, omission or other inaccuracies in
the manual, even if Uponor has been advised of the
possibility of such damages.
This disclaimer and any provisions in this document do not
limit any statutory rights of consumers.

Climate Control Zoning System II instruction sheet l 3
Overview
This instruction sheet is intended for experienced installers.
Uponor strongly recommends reading the full installation
and operation manual before installing the control system.
Safety symbols
The following symbols are used in this document to indicate
special precautions when installing and operating any
Uponor equipment.
Warning! Ignoring warnings can cause injury or
damage to components.
Caution! Ignoring cautions can cause
equipment malfunctions.
Safety measures
Conform to the following measures when installing and
operating any Uponor equipment.
• Read and follow all instructions in this document.
• Ensure a trained installer performs all work in accordance
with local regulations.
• Do not make changes or modications not specied
in this document.
• Switch off all power supply before starting any wiring work.
• Do not use water to clean Uponor components.
• Do not expose Uponor components to ammable
vapors or gases.
Uponor cannot accept any responsibility for damage or
breakdown that can result from ignoring these instructions.
Power
Warning! The Uponor system uses 24 VAC, 60 Hz
power. In case of emergency, immediately disconnect
the power.
Technical constraints
Caution! To avoid interference, keep installation/data
cables away from power cables of more than 50 VAC.
Limitations for radio transmission
The Uponor Climate Control Zoning System II uses radio
transmission. The frequency used is reserved for similar
applications, and the chances of interference from other radio
sources are very low.
However, in some rare cases, it might not be possible to
establish perfect radio communication. The transmission
range is sufcient for most applications, but each building has
different obstacles affecting radio communication and maximum
transmission distance. If communication difculties exist, Uponor
recommends relocating the antenna to a more optimal position
and ensuring radio sources are at least 16" (40 cm) apart for
solving exceptional problems.
Compliance
This device complies with part 15 of the FCC Rules.
Operation is subject to the following two conditions:
(1) This device may not cause harmful interference, and
(2) This device must accept any interference received,
including interference that may cause undesired operation.
Note: The grantee is not responsible for any changes or
modications not expressly approved by the party responsible
for compliance. Such modications could void the user’s
authority to operate the equipment.
This device complies with Industry Canada licence-exempt RSS
standard(s). Operation is subject to the following two conditions:
(1) This device may not cause interference, and
(2) This device must accept any interference, including
interference that may cause undesired operation of
the device.
FCC ID: V9MSMATR1
IC: 7664A-SMATR1
This equipment has been tested and found to comply with the
limits for a Class B digital device, pursuant to part 15 of the
FCC Rules. These limits are designed to provide reasonable
protection against harmful interference in a residential
installation. This equipment generates, uses and can radiate
radio frequency energy and, if not installed and used in
accordance with the instructions, may cause harmful interference
to radio communications. However, there is no guarantee that
interference will not occur in a particular installation. If this
equipment does cause harmful interference to radio or television
reception, which can be determined by turning the equipment off
and on, the user is encouraged to try to correct the interference
by one or more of the following measures:
• Reorient or relocate the receiving antenna.
• Increase the separation between the equipment and receiver.
• Connect the equipment into an outlet on a circuit different from
that to which the receiver is connected.
Consult the dealer or an experienced radio/TV technician for help.
Proper disposal of waste electrical and
electronic equipment
This marking shown on the product or its literature
indicates it should not be disposed with other household
waste at the end of its working life. To prevent possible harm
to the environment or human health from uncontrolled waste
disposal, please separate this form from other types of wastes
and recycle it responsibly to promote the sustainable reuse of
material resources.
Contact your installer or local government ofce for details
about environmentally safe recycling.

4 | uponorpro.com
1234
1234
System example
Installation
System components
Part no. Description
A3800165 Wireless Dial Thermostat (T-165)
A3800167
Wireless Digital Thermostat (T-167)
A3801165 Wireless Base Unit, 6 zones (X-165)
A3801160 Wireless Base Unit Expansion Module, 6 zones (M-160)

Climate Control Zoning System II instruction sheet l 5
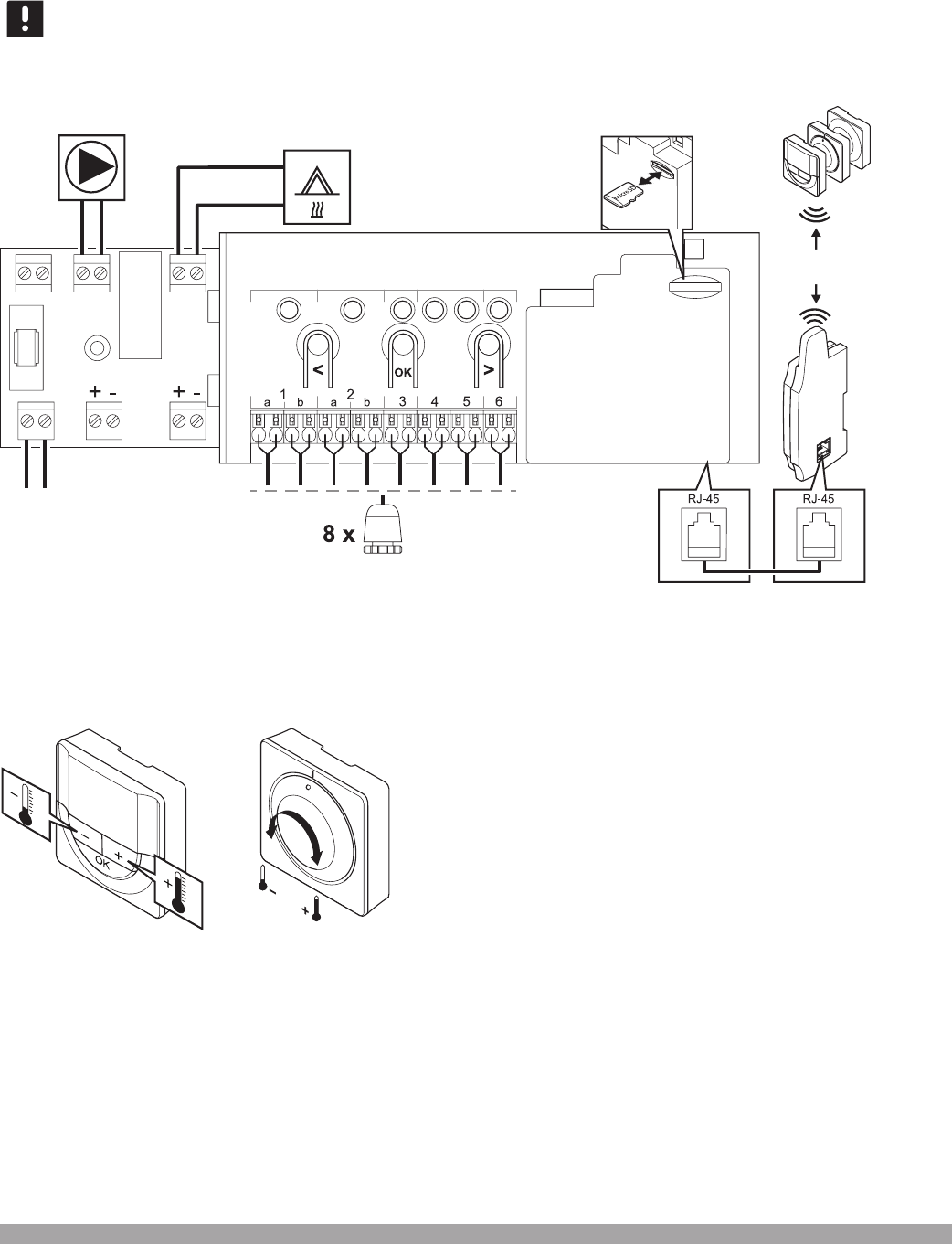
Wiring diagram
Important! This instruction sheet serves as a
reminder for experienced installers. Uponor strongly
recommends using the full installation and operation
manual for complete installation details.
Pump relay Boiler/heat source
24
VAC
24 VAC
> 15.75"
(40 cm)
Thermostat operating instructions
Wireless Digital
Thermostat (A3800167)
Wireless Dial
Thermostat (A3800165)

6 | uponorpro.com
A3801165
A3801160
A3800167
A3800165
A3800167
A3801165
A3800167
A3801165
A3800167
A3801165
A3801160
1
2
3
12
345
67 8
9 10
24 VAC
60 Hz
a
b
3 seconds
b
d
c
a
24 VAC
1 2 3 4
ON DIP

Climate Control Zoning System II instruction sheet l 7
System setup
Important! Connect only one actuator for each
channel. Channels 01 and 02 have double outputs
(a and b) for two actuators.
Caution! Ensure that each actuator is connected to the
correct channel so that the thermostats are controlling
the correct loops.
1. Attach the full assembly, or parts of it, to the wall either
with a DIN rail or by using wall screws and plugs. If installing
the controller inside a metal cabinet, locate the antenna
outside the cabinet.
2. Connect the antenna to the controller using the supplied
antenna cable.
3. Connect the actuators.
4. Insert batteries into the thermostats.
5. Connect optional external sensor (A3800167 only).
6. Set the desired DIP switch setting (A3800167 only).
7. Check that all wiring is complete and correct for the
actuators and output (to pump relay or boiler).
8. Close the 24 VAC compartment of the controller and
tighten the xing screw.
9. Connect the power cable to a 24 VAC transformer,
or if required by local regulations, to a junction box.
10. Set a time and date on the digital thermostats
(A3800167) and select thermostat control mode
in settings menu 04 (Default: RT).
Now, proceed to registering the thermostats to the correct base
unit (if multiple exist in the system). See pages 8-9 for details.

8 | uponorpro.com
1
34
2a 2b 2c
2a
2b
A3800167
A3800165 2
3
5
5 seconds
5 seconds
3 seconds
3 seconds

Climate Control Zoning System II instruction sheet l 9
Register thermostat and/or
system device to a controller
Enter registration mode
1. Press and hold the OK button on the controller for about 3
seconds until the LED for channel 1 (or the rst unregistered
channel) ashes red.
2. To register a thermostat, select a thermostat channel.
a. Use buttons < or > to move the pointer (LED ashes red)
to a preferred channel.
b. Press the OK button to select the channel for registration.
The LED for the selected channel starts ashing green.
c. Repeat steps 2a and 2b until all channels to be registered
with the thermostat are selected (LEDs ashing green).
Note: Uponor recommends registerating all channels to the
thermostat at the same time.
3. Select a thermostat.
a. For the Wireless Digital Thermostat (A3800167),
press and hold both - and + buttons on the
thermostat until the text CnF (congure) and a
communication icon displays. The selected channel
LED in the controller turns xed green and the
registration is complete.
b. For the Wireless Dial Thermostat (A3800165),
gently press and hold the registration button on
the thermostat for about 5 seconds. Release
when the LED on the front of the thermostat starts
ashing. The selected channel LED in the controller
turns xed green and the registration is complete.
4. Repeat steps 2 and 3 until all available thermostats
are registered.
Exit registration mode
5. Press and hold the OK button on the controller for about
3 seconds until the green LEDs turn off. This will end
registration mode and return the system to run mode.
Unregister one channel
When a channel is inaccurately registered, or if a thermostat
registration needs to be redone, it is possible to remove the
current registration from the controller.
To unregister a channel:
1. Enter registration mode. Channel 1 LED ashes red/green, or
the rst unregistered channel ashes red.
2. Use buttons < or > to move the pointer (LED ashes red)
to the selected channel (ashes green if registered) to
unregister.
3. Press the < and > buttons simultaneously for about 5 seconds
until the LED for the selected channel starts ashing red.
Unregister all channels
When one or more channels (thermostats) are inaccurately
registered, it is possible to remove all registrations at the
same time.
To cancel all channel registrations:
1. Enter registration mode. Channel 1 LED ashes red/green or
the rst unregistered channel ashes red.
2. Press the < and > buttons simultaneously for about 10
seconds until the LEDs for all channels (except one) turn off.
The remaining LED ashes red.
Actuator autobalancing
Refer to the Climate Control Zoning System II installation and
operation manual for more information about autobalancing
of actuators (eliminating the need for manual balancing, on by
default), heat pump integration, cooling, comfort/ECO settings,
room check, supply check, etc.

10 | uponorpro.com
Technical data
General
IP IP20 (IP: degree of inaccessibility to active parts of the product and
degree of water)
Maximum ambient RH (relative humidity) 85% at 68°F (20°C)
Antenna
Power supply From controller
Radio frequency 912 MHz
Transmitter duty cycle <1%
Receiver class 2
Thermostats
ERP IV
Low-voltage tests EN 60730-1* and EN 60730-2-9***
EMC (electromagnetic compatibility requirements) tests EN 60730-1 and EN 301-489-3
ERM (electromagnetic compatibility and radio spectrum matters) tests EN 300 220-3
Power supply Two 1.5 V AAA alkaline batteries
Voltage 2.2 V to 3.6 V
Operating temperature 32°F to 113°F (0°C to 45°C)
Storage temperature 14°F to 149°F (-10°C to 65°C)
Radio frequency 912 MHz
Transmitter duty cycle <1%
Base unit
Low-voltage tests EN 60730-1* and EN 60730-2-1***
EMC (electromagnetic compatibility requirements) tests EN 60730-1 and EN 301-489-3
ERM (electromagnetic compatibility and radio spectrum matters) tests EN 300 220-3
Power supply 24 VAC +10/-15%, 60 Hz, VA maximum
Internal fuse T5 F3.15AL 250 V, 5x20 3.15A quick acting
Internal fuse, heat output TR5-T 8.5 mm Wickmann 100 mA time lag
Operating temperature 32°F to 113°F (0°C to 45°C)
Storage temperature -4°F to 158°F (-20°C to 70°C)
Maximum consumption 45 W
Pump and boiler relay outputs 24 VAC 8 A maximum
General purpose input (GPI) Only dry contact
Valve outputs 24 VAC, 4 A maximum
*) EN 60730-1 Automatic electrical controls for household and similar use
Part 1: General requirements
**) EN 60730-2-1 Automatic electrical controls for household and similar use
Part 2-1: Particular requirements for electrical controls for electrical
household appliances
***) EN 60730-2-9 Automatic electrical controls for household and similar use
Part 2-9: Particular requirements for temperature sensing controls

Climate Control Zoning System II instruction sheet l 11

Uponor Inc.
5925 148th Street West
Apple Valley, MN 55124
USA
T 800.321.4739
F 952.891.2008
Uponor Ltd.
2000 Argentia Rd., Plaza 1, Ste. 200
Mississauga, ON L5N 1W1
CANADA
T 888.994.7726
F 800.638.9517
CCZII_InstructionSheet_69569_1016, Copyright © 2016 Uponor. Printed in the United States. MKT10059_AA uponorpro.com