Vancount Wireless Intelligent Control System VC3SMP85 Zigbee Communication Module User Manual

Shanghai Vancount Wireless Intelligent Control System Co.,Ltd. Zigbee Communication Module Users Manual

Users Manual

VC3SMP85 Zigbee module Instruction Manual Shanghai Vancount Wireless Intelligent Control System Co.,Ltd
  !CAUTIONTo prevent damage to the module,be sure to observe the following precautions: Supply voltage not more than 3.6VDo not modify the moduleDo not wet the module or use the module when your hands are wetDo not use the module for applications other than communicationsDo not force the knock on the moduleWelding process ,to prevent electrostatic damage to the moduleWhile using the module,don’t do anything which may cause bodily harm or physical damageVC3SMP85 模块说明手册BesuretoobservethefollowingprecautionsThis device complies with part 15 of the FCC Rules. Operation is subject to the following two conditions: (1) This device may not cause harmful interference, and (2) this device must accept any interference received, including interference that may cause undesired operation.The host label must show “contains FCC ID: 2AINXVC3SMP85”The device has been evaluated to meet general RF exposure requirement.  To  maintain  compliance  with  FCC's  RF  exposure  guidelines,  this  equipment  should  be installed and operated with a minimum distance of 20cm between the radiator and your body.
    · TABLE OF CONTENTS   Rev. 0.0.9  I / I   TABLE OF CONTENTS 1  Description .............................................................................................................................................. 1 2  Features .................................................................................................................................................. 1 3  Electrical  Specifications ......................................................................................................................... 1 4  Functional  Block  Diagram ..................................................................................................................... 2 4.1  SoC ............................................................................................................................................... 3 4.2  RF_PA ........................................................................................................................................... 3 4.3  Antenna ......................................................................................................................................... 3 5  Pin  Descriptions ..................................................................................................................................... 4 6  Module  Size ............................................................................................................................................ 6  List of Figures Figure  1.1  VC3SMP85  Module ................................................................................................................. 1 Figure  4.1  VC3SMP85  Functional  Block  Diagram .................................................................................. 2 Figure  4.2  VC3SMP85  TX  Power  Mode  Configration  Options .............................................................. 3 Figure  5.1  VC3SMP85  Pin  Descriptions .................................................................................................. 4 Figure  6.1  VC3SMP85  Size ..................................................................................................................... 6  List of Tables Table  3.1  Absolute  Maximum  Ratings ..................................................................................................... 1 Table  3.2  Operating  Conditions ................................................................................................................ 2 Table  3.3  RF  Parameter ........................................................................................................................... 2 Table  3.4  Other  Parameter ....................................................................................................................... 2 Table  5.1  Pin  Descriptions ....................................................................................................................... 4
       Rev. 0.0.9  1 / 6   1 Description VC3SMP85  have  very  low  power  consumption(sleep  current1.8µA),High  Performance  ZigBee solution.It  uses  industry-leading  ZigBee  Pro  Stack——EmberZNet,provides  stable  and  reliable  ZigBee network.VC3SMP85 moudle integrated ARM®Cortex-M3 32-bit microprocesso,have extensive memory resources and I / O interfaces,Customers can quickly achieve simple or complex product development.    Figure 1.1.VC3SMP85 Module  2 Features  32-bit ARM® Cortex-M3 processor  Operation at:6, 12 or 24MHz  +20dB normal mode output power  512KB flash,64KB RAM Memory  Low deep sleep current ,with retained RAM and GPIO: 1.8µA.Sleep modes seletables  Single voltage operation:2.1-3.6V with internal 1.8 and 1.25V regulators  Optional OTA firmware upgrade mode    AES-128 encryption accelerator  Flexible ADC,UART/SPI/TWI serial communications  Temperature range: -40 to +85℃  Normal mode link budget up to 116dB;configurable up to 120dB 3 Electrical Specifications Table 3.1.Absolute Maximum Ratings Parameter Min Max Unit Regulator input voltage(VDD) -0.3 +3.6 V Voltage on any GPIO -0.3 VDD+0.3 V Analog,Memory  and  Core  volt--0.3 +2.0 V
       Rev. 0.0.9  2 / 6   age RF Input Power —— +5 dBm Storage temperature -40 +125 ℃ Table 3.2.Operating Conditions Parameter Min Typ Max Uint Supply voltage(VDD) 2.1 3.3 +3.6 V Operating temperature range -40 25 +85 ℃ Table 3.3.RF Parameter Parameter Min Typ Max Unit Frequency range 2405 —— 2480 MHz Sensitivity(1%PER,Boost Mode) -102 —— -94 dBm TX Power —— +20 +21 dBm Frequency tolerance(@25℃) -96.2 —— +96.2 kHz Note  :In the open distance test,the transmission distance up to 0.497 mile Table 3.4.Other Parameter Parameter Min Typ Min Unit Total TX current(+20dBm,Boost Mode) —— 157.5 —— mA Total RX current(Boost Mode) —— 37.5 —— mA Sleep Current —— 1.6 —— µA  4 Functional Block Diagram VC3SMP85 with high performance ZigBee SoC and PA Figure4.1 shows functional block diagram of the VC3SMP85 Module  Figure 4.1.VC3SMP85 Module functional block diagram
       Rev. 0.0.9  3 / 6   4.1 SoC VC3SMP85  uses  Ember's  EM3585  chip.The  chip  integrates  RF  RF  and  baseband、The  MAC hardware、Hardware capture module、ARM® CortexTM-M3 microprocessor、Large capacity Flash and RAM. Therefore, the chip provides users with a low-cost, high-performance ZigBee solutions. 4.2 RF_PA VC3SMP85 have a fully integrated,PA chips. The PA, LNA, Transmit and Receive switching circuitry, the associated matching network, and the harmonic filter all in a CMOS single-chip device. The chip can not only increase the transmission power amplified output signal can also amplify the input signal recep-tion performance enhancement. Not only meet the IEEE802.15.4 / ZigBee all RF functional requirements, but also has a lower cost, is a cost-effective solution for Zigbee RF.   PA chips require proper use. The PC5, PC6 should be set ALT_OUT(PUSH/PULL), Through these two pins to control  PA chips,  transmit and  receive  switching  channels.  In order  to improve  RF  perfor-mance,software  should  set  the  EMBER_TX_POWER_MODE_BOOST  by  emberSetTxPowerMode()(EmberZNet API),using TX Power Model. In order to avoid damage to the PA chip,during use input power must less than or equal 0dBm.   Note  :When generating code using Ember Desktop,EMBER_AF_TX_POWER_MODE of the macro definitionisused to set this parameter.In Desktop configuration options,as follows:  Figure 4.2.VC3SMP85 TX Power Mode Configration Options  4.3 Antenna VC3SMP85 default connection board PCB antenna.In  order  to  guarantee  the  transmission  performance,  it  can  not  exist  around  the  module  ground plane.When using an extenna antenna,you need to pay attention to the antenna lead-out portion of the motherboard design..Ensure the transmission line impedance matching. Avoid the impedance mismatch caused by radio signal reflection, the actual antenna signal power drops, affect the transmission distance.
       Rev. 0.0.9  4 / 6    5 Pin Description    Figure 5.1.VC3SMP85 pin descriptions  Table 5.1.pin descriptions Pin# Signal Direction Description 1、2、12、31、33 GND —— —— 3 PC5 I/O GPIO TX_ACTIVE O Output high level in TX mode 4 RESET I Low voltage reset 5 PC6 I/O GPIO nTX_ACTIVE O Output low level in TX mode 6 PC7 I/O GPIO 7 PA7 I/O GPIO 8 PB3 I/O GPIO SC1nCTS I CTS of UART SC1SCLK I/O Clock line of SPI TIM2C3 I/O Timer 2 channel 3    input/output 9 PB4 I/O GPIO TIM2C4 I/O Timer 2channel 4    input/output SC1nRTS O RTS of UART SC1nSSEL I SPI Slave Select 10 PA0 I/O GPIO TIM2C1 I/O Timer2 channel 1    input/output SC2MOSI I/O SPI host output、slave input 11 PA1 I/O GPIO TIM2C3 I/O Timer 2 cahnne 3    input/output
       Rev. 0.0.9  5 / 6   SC2MISO I/O SPI host input、slave output 13 VDD —— Power supply(2.1——3.6V) 14 PA2 I/O GPIO TIM2C4 I/O Timer 2 channel 4    input/output SC2SCLK I/O Clock line of SPI   SC2SCL I/O Clock line of cerial controller 15 PA3 I/O GPIO SC2SSEL I SPI Slave Select TIM2C2 I/O Timer2 channel 2    input/output 16 PA4 I/O GPIO ADC4 Analog input Analog input channel 4 17 PA5 I/O GPIO ADC5 Analog input Analog input channel 5 nBootMode I When the chip enable, start Bootloade control pin 18 PA6 I/O GPIO TIM1C3 I/O Timer 1 channel 3    input/output 19 PB1 I/O GPIO SC1MISO O SPI slave output SC1MOSI O SPI host output SC1SDA I/O Date cable of serial communications SC1TXD O TX interface of UART TIM2C1 I/O Timer2 channel 1    input/output 20 PB2 I/O GPIO SC1MISO I SPI host input SC1MOSI I SPI slave input SC1SCL I/O Clock line of serial communications   SC1RXD I Rx interface of UART TIM2C2 I/O Timer2 channel 2    input/output 21 SWCLK I/O Clock line of SWD interface JTCK I Clock line of JTAG interface 22 PC2 I/O GPIO 23 PC3 I/O GPIO 24 PC4 I/O GPIO SWDIO I/O Date cable of SWD interface 25 PB0 I/O GPIO IRQA I External interrupt sources A VREF I/O Input/output of ADC reference level   TIM1CLK I External clock input of Timer 1 26 PC1 I/O GPIO ADC3 I Analog input channel 3 27 PC0 I/O GPIO 28 PB7 I/O GPIO
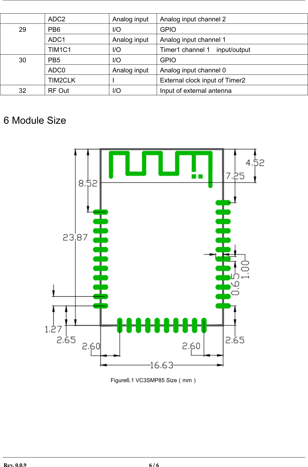
       Rev. 0.0.9  6 / 6   ADC2 Analog input Analog input channel 2 29 PB6 I/O GPIO ADC1 Analog input Analog input channel 1 TIM1C1 I/O Timer1 channel 1    input/output 30 PB5 I/O GPIO ADC0 Analog input Analog input channel 0 TIM2CLK I External clock input of Timer2 32 RF Out I/O Input of external antenna  6 Module Size  Figure6.1 VC3SMP85 Size(mm)

Navigation menu