Visonic PMEXPRESS FULLY SUPERVISED WIRELESS ALARM CONTROL SYSTEM User Manual 1
Visonic Ltd. FULLY SUPERVISED WIRELESS ALARM CONTROL SYSTEM Users Manual 1
Visonic >
Contents
- 1. Users Manual 1
- 2. Users Manual 2
Users Manual 1

D-302017 1
PowerMaxExpress
Fully Supervised Wireless Alarm Control System Installer Guide
TABLE OF CONTENTS
1. INTRODUCTION ....................................................... 3
2. SPECIFICATIONS..................................................... 3
2.1 General Data....................................................... 3
2.2 RF Section .......................................................... 3
2.3 Electrical Data ..................................................... 3
2.4 Communication ................................................... 4
2.5 Physical Properties ............................................. 4
3. INSTALLATION ......................................................... 4
3.1 Unpacking the Equipment................................... 4
3.2 Supplying Power to the Unit................................ 4
3.3 System Planning & Programming....................... 4
3.4 Mounting ............................................................. 4
3.5 Wiring.................................................................. 4
3.6 Backup Battery Insertion..................................... 6
3.7 Optional GSM Module Mounting ........................... 7
3.8 Power Cable Connection .................................... 7
3.9 Control Panel Final Closure................................ 7
4. PROGRAMMING....................................................... 8
4.1 INTRODUCTION ................................................ 8
4.1.1 General Guidance............................................ 8
4.1.2 Entering an Invalid Installer Code ....................... 8
4.1.3 Installer’s Menu................................................ 8
4.1.4 Setting a New Installer Code ........................... 8
4.1.5 Setting a New Installer Code in
PowerMaxExpress that has 2 Installer Codes........... 8
4.2 ENROLLING WIRELESS DEVICES AND KEYFOB
TRANSMITTERS........................................................... 9
4.2.1 General Guidance............................................ 9
4.2.2 Enrolling Type .................................................. 9
4.2.3 Enroll/Delete Sensors ...................................... 9
4.2.4 Enroll/Delete Keyfob Transmitters ......................... 9
4.2.5 Enroll/Delete Wireless Commander........................ 9
4.2.6 Enroll/Delete 2-Way Keypad ............................ 9
4.2.7 Enroll/Delete Wireless Siren............................. 9
4.3 DEFINING ZONE TYPES, NAMES, CHIME ZONES
& PARTITION .............................................................. 11
4.4 DEFINING CONTROL PANEL PARAMETERS.... 12
4.4.1 Preliminary Guidance..................................... 12
4.4.2 Entry Delays 1&2 ............................................. 12
4.4.3 Exit Delay ....................................................... 12
4.4.4 Bell Time ........................................................ 12
4.4.5 Abort Time...................................................... 12
4.4.6 Alarm Cancel.................................................. 12
4.4.7 Quick Arm ...................................................... 12
4.4.8 Bypass............................................................ 12
4.4.9 Exit Mode ....................................................... 13
4.4.10 Piezo Beeps................................................. 13
4.4.11 Trouble Beeps.............................................. 13
4.4.12 Panic Alarm.................................................. 13
4.4.13 Swinger Stop................................................ 13
4.4.14 Cross Zoning................................................ 13
4.4.15 Supervision .................................................. 13
4.4.16 NOT READY ................................................ 13
4.4.17 AUX Button A ............................................... 13
4.4.18 AUX Button B 2-W-KF.................................... 13
4.4.19 Jam Detect................................................... 13
4.4.20 Latchkey....................................................... 14
4.4.21 “Not Active” .................................................. 14
4.4.23 Duress.......................................................... 14
4.4.24 Piezo Siren................................................... 14
4.4.25 Reset Option................................................ 14
4.4.26 Tamper Option............................................. 14
4.4.27 Siren On Line............................................... 14
4.4.28 Memory Prompt ........................................... 14
4.4.29 Disarm Option.............................................. 14
4.4.30 Bell/Rep. Option........................................... 14
4.4.31 Low-Bat Ack................................................. 14
4.4.32 Screen Saver ............................................... 14
4.4.33 Confirm Alarm.............................................. 14
4.4.34 AC FAIL REP............................................... 14
4.4.36 User Permission .......................................... 15
4.4.39 Key Zones Options (Optional) ..................... 15
4.5 DEFINING COMMUNICATION PARAMETERS... 17
Preliminary Guidance.............................................. 17
4.5.1 PSTN / GSM (Fig. 4.5 Detail A)....................... 17
4.5.2 GPRS / BB [Fig. 4.5 Detail B] ........................ 17
4.5.3 C.S. Reporting (Fig. 4.5 Detail C).................. 18
4.5.4 Private Report (Fig. 4.5 Detail D).................... 19
4.6 GSM Auto Detection.............................................. 23
4.7 BBA Auto Detection............................................... 23
4.9 DEFINE CUSTOM................................................. 24
4.10 DIAGNOSTIC TEST............................................ 24
4.11 USER FUNCTIONS ............................................ 25
4.12 RETRIEVING FACTORY DEFAULTS ................ 25
4.13 SERIAL NUMBER ............................................... 25
4.14 CALLING UPLOAD/DOWNLOAD SERVER....... 25
4.15 ENABLING/DISABLING PARTITIONS ............... 26
4.16 WALK-TEST ........................................................ 26
5. TESTING PROCEDURES ...................................... 27
5.1 Preparations...................................................... 27
5.2 Diagnostic Test ................................................. 27
5.3 Keyfob Transmitter Test ................................... 27
5.4 Emergency Transmitter Test ............................ 27
6. MAINTENANCE ...................................................... 27
6.1 Dismounting the Control Panel......................... 27
6.2 Replacing the Backup Battery .......................... 27
6.3 Fuse Replacement............................................ 27
6.4 Replacing/Relocating Detectors ....................... 27
7. READING THE EVENT LOG .................................. 27
APPENDIX A. Detector Deployment & Transmitter
Assignments ................................................................ 29
A1. Detector Deployment Plan.................................. 29
A2. Keyfob Transmitter List....................................... 29
A3. Emergency Transmitter List................................ 30
A4. Non-Alarm Transmitter List................................. 30

2 D-302017
APPENDIX B. Event Codes ........................................ 31
Contact ID Event Codes ......................................... 31
SIA Event Codes..................................................... 31
4/2 Event Codes...................................................... 31
Understanding the Scancom Reporting Protocol Data
Format..................................................................... 32
APPENDIX C. Programmable Zone Types ................. 33
C1. Delay Zones....................................................... 33
C2. Emergency Zones.............................................. 33
C3. Fire Zones ........................................................ 33
C4. Flood Zone ....................................................... 33
C5. Gas Zone.......................................................... 33
C6. Interior Zone ..................................................... 33
C7. Interior Follower Zones .................................... 33
C8. Non-Alarm Zones ............................................. 33
C9. Perimeter Zones............................................... 33
C10. Perimeter Follower Zones.............................. 33
C11. 24-Hour Zones ............................................... 33
APPENDIX D. PowerMaxExpress Compatible Devices
..................................................................................... 34
D1. PowerMaxExpress Compatible Detectors ........ 34
D2. PowerMaxExpress Compatible Transmitters... 34
D3. PowerMaxExpress Compatible WL Siren........ 35
MESSAGE TO THE INSTALLER
The PowerMaxExpress control panel is supplied with 2 instruction manuals:
Installer Guide (this manual - for your exclusive use)
User’s Guide (for your use during installation only - Must be handed over to the master user after testing the system).
Appendices A.1 and A.2 will help you prepare an installation plan. Please take time to fill out the forms - your job will
become much easier and confusion will be prevented. Filling out the forms will also help you create a list of detectors and
transmitters that must be obtained for the particular application. Compatible detectors and transmitters are listed and
described briefly in Appendix D.
Remember - it is advisable to power up the control panel temporarily after unpacking and program it on the work bench, in
accordance with the installation plan.
The programming flow charts in the programming section show all options available for each parameter. Factory defaults
are marked with a dark box to their right, and other options (that can be selected instead) are marked by clear boxes. This
method allows you to put a checkmark in the appropriate clear box whenever you deviate from the factory defaults.
Most of the programming section paragraph numbers correlate with the programming menu numbers. For example,
paragraph 4.4.19 describes the "Jam detect", that exists in menu 4 (define panel), sub-menu 19 (Jam detect).
Although setting the correct time and date is one of the user tasks, we recommend that you set the time and date in the
course of programming. Access to the “User Settings” for the installer is possible through item 10 on the installer‘s menu or
through the user menu (see User’s manual section 7).
After programming, proceed to install the system as detailed in the Installation Instructions, from paragraph 3.4 onward.
The installer should verify line seizure. Be aware of other phone line services such as DSL. If DSL service is present
on the phone line, you must install a filter. It is suggested to use the DSL alarm filter model Z-A431PJ31X
manufactured by Excelsus Technologies, or equivalent. This filter simply plugs into the RJ-31X jack and allows alarm
reporting without breaking the internet connection.

D-302017 3
1. INTRODUCTION
The PowerMaxExpress is a user and installer-friendly, 29-
zone fully-supervised wireless control system.
IMPORTANT NOTE: Partitioning refers only to purchased
control panels that support the partitioning feature.
The PowerMaxExpress includes an optional partition feature.
Partitioning allows you to have up to four independently
controllable areas with different user codes assigned to each
partition. A partition can be armed or disarmed regardless of
the status of the other partitions within the system. For
example, you can define the garage as partition 1, the
basement as partition 2, the house as partition 3 and a safe
as partition 4. Since each partition is independent of other
partitions, you can arm or disarm each partition as desired
without altering the states of the other partitions. Therefore,
while arming or disarming your home this will not interfere with
the safe that you desire to arm most of the time.
The system is designed to function in an appealing way to
the user and also offers features that make installers’ life
easier than ever before:
EASY TO MAINTAIN
• Alarm memory and trouble data are displayed upon
request.
• Diagnostic test provides visual and audible indication of
the signal level of each detector.
• Remote control from distant telephones.
• Event log stores and displays information.
• Upload / download from distant computer via telephone
line or cellular modem.
QUICK PROGRAMMING
• Simple programming logic, fully menu driven.
• Multiple-choice selection of options for each parameter.
• Unequivocal visual prompts.
• Installer access to the user menu.
2. SPECIFICATIONS
2.1 General Data
Zones Number: 28 wireless zones, 1 hardwired input.
Hardwired Zone Requirements: 2.2 kΩ E.O.L. resistance
(max. resistance of wires 220 Ω).
Zone Types: Interior follower, interior, perimeter,
perimeter follower, delay 1, delay 2, 24h silent, 24h
audible, fire, non-alarm, emergency, gas, flood,
temperature and home/delay.
User Codes: 8 codes, 4 digits each (9999 different
combinations). Code 0000 is not allowed.
Control Facilities:
- Integral keypad
- PowerCode / Code-Secure™ hand-held transmitters.
- One way / two way keypads.
- SMS commands via optional GSM/GPRS module.
- Remote control by telephone.
Display: Single line, 16-character LCD.
Arming Modes: AWAY, HOME, AWAY-INSTANT, HOME-
INSTANT, LATCHKEY, FORCED, BYPASS.
Alarm inhibited during a single arming period (swinger
stop) after: 1, 2, 3, alarm/tamper/fault, or not inhibited
(programmable / selectable).
Alarm Types: Silent alarm, siren alarm (future option) or
sounder (internal) alarm, in accordance with zone
attributes.
Siren Signals: Continuous (intrusion / 24 hours / panic);
triple pulse - pause - triple pulse... (fire).
Siren (bell) Timeout: Programmable (4 min. by default).
Internal Sounder Output: At least 85 dBA at 10 ft (3 m).
Supervision: Programmable time frame for inactivity alert
Special Functions:
- Chime zones
- Diagnostic test and event log.
- Local and Remote Programming over Telephone, GSM
/GPRS connections.
- Calling for help by using an emergency transmitter.
- Tracking inactivity of elderly, physically handicapped and
infirm people.
Data Retrieval: Alarm memory, trouble, event log.
Real Time Clock (RTC): The control panel keeps and
displays time and date. This feature is also used for the log file
by providing the date and time of each event.
Compliance with U.S. Standards:
Meets FCC 47 Part 15 and Part 68 requirements.
Compliance with European CE Standards:
EN 50082-1, EN301489-3,7, EN6100-4-6, EN60950,
EN300220, EN50130-4, EN50130-5, EN50131-3
The PowerMaxExpress is compatible with the RTTE
requirements - Directive 1999/5/EC of the European
Parliament and of the Council of 9 March 1999.
According to the European standard EN50131-1, the
PowerMaxExpress security grading is 2 – "low to medium
risk" and environmental classification is II – "indoor general"
and the power supply type is A.
GSM standards:
Europe : Complies with CE standards 3GPP TS 51.010-
1, EN 301 511, EN 50361, EN301489-7
USA: FCC 47 Part 22 (GSM850) and Part 24 (GSM
1900).
EMC standard: FCC 47 Part 15.
SAR standards: FCC rule 2.1093, FCC Docket 96-326 &
Supplement C to OET Bulletin 65
2.2 RF Section
Operating Frequencies (MHz): 315 (in USA & Canada),
433, 868.95 or other UHF channel per local requirement in
the country of use.
Receiver Type: Super-heterodyne, fixed frequency
Receiver Range: 600 ft (180 m) in open space
Antenna Type: Spatial diversity
Coding: PowerCode and/or CodeSecure™
2.3 Electrical Data
External AC/AC adapter:
• Europe: 230VAC 50Hz input, 9VAC 700mA output.
• USA: 120VAC 60Hz input, 9VAC 1000mA output.
Current Drain: Approx. 70 mA standby, 1600 mA peak at
full load.
Minimum battery voltage: 4.8V

4 D-302017
Backup Battery Pack: 4.8V 1300 mAh, rechargeable
NiMH battery pack, p/n GP130AAM44MX, manufactured
by GP – Backup period of 16 hours.
Maximum battery recharge time: 72 hours
Battery Test: Once every 10 seconds.
2.4 Communication
Built-in Modem: 300 baud, Bell 103 protocol
Data Transfer to Local Computer: Via RS232 serial port
Report Destinations: 2 central stations, 4 private
telephones.
Reporting Format Options: SIA, Pulse 4/2 1900/1400 Hz,
Pulse 4/2 1800/2300 Hz, Contact ID, Scancom.
Pulse Rate: 10, 20, 33 and 40 pps - programmable
Message to Private Phones: Tone
Ring Detection: The unit does not support ring detection
without DC voltage present on the telephone lines.
2.5 Physical Properties
Operating Temp. Range: 14°F to 120°F (-10°C to 49°C)
Storage Temp. Range: -4°F to 140°F (-20°C to 60°C)
Humidity: 85% relative humidity, @ 30°C (86°F)
Size: 193 x 178 x 50 mm (7-5/8 x 7 x 2 in.)
Weight: 658g (23 Oz) (with battery)
Color: White
3. INSTALLATION
3.1 Unpacking the Equipment
Open the cardboard packing box and check whether all
items have been included. If you find out that an item is
missing, contact your vendor or dealer immediately.
3.2 Supplying Power to the Unit
Connect power to the PowerMaxExpress temporarily (see
figure 3.7). Alternatively, you may power up from the
backup battery, as shown in figure 3.3.
Disregard any “trouble” indications pertaining to lack of
battery or lack of telephone line connection.
3.3 System Planning & Programming
It pays to plan ahead - use the tables in appendices A and
B at the end of this guide to register the intended location
of each detector, the holder and assignment of each
transmitter.
Gather up all transmitters and detectors used in the
system and mark each one in accordance with your
deployment plan.
Program the system now as instructed in the
programming section.
3.4 Mounting
Required tool: Philips screwdriver #2.
PowerMaxExpress mounting process is shown in figure
3.1 - 3.8.
3.5 Wiring
Required tools: Cutter and slotted screwdriver - 3 mm
blade.
PowerMaxExpress wiring is shown in figure 3.2.

D-302017 5
4
Drill 4 holes and insert wall anchors
Back unit
Mark 4 drilling points on mounting surface
3
Fasten the back unit with 4 screws
5
1
Release
screws
Remove
front
cover
Figure 3.1 – Back Unit Mounting
CABLES ROUTING GUIDE
Cables entry
possibilities
1
Remove the left or right side
cables entry knockout(s) and
enter the required cable(s).
Cable clips
Remove and use as
cable clamp(s)
2
(example)

6 D-302017
Connect telephone cable to SET connector and telephone line cable to LINE connector (through the desired wiring cable entry).
PHONE WIRING
PHONE WIRING IN NORTH AMERICA
HOUSE
PHONES
RJ-31X
BROWN
GRAY
GRN
RED LINE
FROM
STREET
1234
5
6
7
RJ-31X JACK
RJ-31X
CORD
8-POSITION
RJ-31X PLUG
GRAY
BROWN
GREEN
RED
ZONE & EXTERNAL SIREN WIRING
SITE EXTERNAL SIREN
(FUTURE OPTION)
MAGNETIC CONTACT
OR ANY OTHER
CONTACT
(NOT A DETECTOR)
Alarm
N.C.
2.2 kΩ
Figure 3.2 - Wiring
WARNING! When plugging SIREN & ZONE terminals
back into place, be sure to align them carefully with the
pins on the PCB. Misaligned or reverse insertion of
terminals may damage internal PowerMaxExpress circuits!
3.6 Backup Battery Insertion
Connect battery pack as shown in the next drawing.

D-302017 7
1
Battery
insertion
2
Battery connection
Figure 3.3 - Battery Insertion
3.7 Optional GSM Module Mounting
Note: The GSM module is used with an internal antenna.
Optional external antenna can be used.
Caution: Do not install or remove the GSM module when
the system is powered by AC power or backup battery.
1. Plug in the
GSM Module
and fasten it
as follows:
Front
unit
GSM
Figure 3.4 - Optional GSM Module
Mounting
2. Insert the SIM card into the GSM module
SIM card insertion
2
Open
cover Align SIM
card in cover
(note cover
orientation)
3
Lock cover
to close
6
IMPORTANT
Do not insert or remove
SIM card when the
control panel is powered
by AC power or battery.
4
Slide SIM
card into
cover
5
Rotate cover
to close
1
Slide top
cover
Figure 3.5 - SIM Card insertion
3.8 Power Cable Connection
Connect the power cable and close the control panel as
shown below. Electrical socket-outlet shall be installed
near the equipment and shall be easily accessible.
Connect the power
adapter to the
power connector.
Fig. 3.6 - Power Cable Connection
3.9 Control Panel Final Closure
Control panel final closure is shown below.
Fasten
screws
1
Close
front
cover
Figure 3.7 - Final Closure

8 D-302017
4. PROGRAMMING
4.1 INTRODUCTION
4.1.1 General Guidance
We recommend to program the PowerMaxExpress on the
work bench before actual installation. Operating power
may be obtained from the backup battery or from the AC
power supply.
The installer’s menu is accessible only to those who know
the installer’s 4-digit code, which is 9999 by factory default.
Note: Access to the installer menu, in PowerMaxExpress
that has "User Permission" enabled (for example in UK) is
accessible only at the end of the user menu. This option
can be changed if necessary (see par. 4.4.36).
For PowerMaxExpress that has 2 installer codes (not
applicable in UK), the default INSTALLER code is 8888
and the default MASTER INSTALLER code is 9999.
The following actions can be done only by using the
master installer code:
• Changing master installer code.
• Resetting the PowerMaxExpress parameters to the
default parameters,
• Defining specific communication parameters, as
detailed in a note in figure 4.5C.
Obviously, you are expected to use this code only once for
gaining initial access, and replace it with a secret code
known only to yourself.
You will mainly use 5 control pushbuttons during the entire
programming process:
- to move one step forward in a menu.
- to move one step backward in a menu.
OKI - to enter the relevant menu or confirm data.
- to move one level up in a menu.
- to return to the "OK TO EXIT" state.
The sounds you will hear while programming are:
- Single beep, heard whenever a key is pressed.
- Double beep, indicates automatic return to the
normal operating mode (by timeout).
☺ - Happy Melody (- - - –––), indicates successful
completion of an operation.
- Sad Melody (–––––), indicates a wrong move
or rejection.
4.1.2 Entering an Invalid Installer Code
If you enter an invalid installer code 5 times, the keypad
will be automatically disabled for 90 seconds and the
message WRONG PASSWORD will be displayed.
4.1.3 Installer’s Menu
The installer's menu is shown in figure 4.1a. The text in
rectangles represents the current PowerMaxExpress
display.
4.1.4 Setting a New Installer Code
To set an installer code, perform the actions that are
presented in figure 4.1b. When you are instructed to enter
code, enter a 4-digit code.
4.1.5 Setting a New Installer Code in
PowerMaxExpress that has 2
Installer Codes
For PowerMaxExpress with 2 installer codes, INSTALLER
code (default 8888) and MASTER INSTALLER code
(default 9999), set new codes as shown in figure 4.1c.
For details regarding the different authorization levels
when logging in with installer code and master installer
code, refer to the note inside figure 4.5C (DEFINE
COMM).
By using the master installer code, the menu enables
changing both master installer code and installer code.
By using the installer code, the menu enables changing
the installer code only.
(See figure 4.9)
(See figure 4.3)
(See figure 4.4)
(See figure 4.5)
(See chapter 7
in User Guide)
(See figure 4.2)
14. START UL/DL
13. SERIAL NUMBER
12. FACTORY DEFLT
11. USER SETTINGS
10. DIAGNOSTICS
9. DEFINE CUSTOM
5. DEFINE COMM.
4. DEFINE PANEL
3. DEFINE ZONES
2. ENROLLING
1. NEW INSTL CODE
ENTER CODE
INSTALLER MODE
USER SETTING
WALK TEST
READY 00:00
[installer code]
(First display)
(See figure 4.10)
(See fig. 4.1b & 4.1c)
(See par. 4.12)
(Control Panel
serial number
display)
<OK> TO EXIT
(See section 4.14)
(*)
15. PARTITIONING (See figure 4.15)
(**)
(*) Applicable only when "USER PERMIT" function is enabled
(see par. 4.4.36 - USER PERMIT)
(**) Optional feature.
Figure 4.1a - Installer’s Menu
(See fig. 4.1a)
1. NEW INSTL CODE
NEW INST. CODE
INST. CODE xxxx
[code]
Figure 4.1b - Setting a New Installer Code (see note)

D-302017 9
By using
INSTALLER CODE
INST. CODE xxxx
NEW INST. CODE
[code]
1. NEW INSTL CODE
(see fig. 4.1a)
(see fig. 4.1a)
[code]
1. NEW INSTL CODE
NEW MASTER CODE
MASTER CODE xxxx
[code]
INST. CODE xxxx
NEW INST. CODE
By using
MASTER INSTALLER CODE
Figure 4.1c - Setting a New Installer Code
in System with Inst. & Master Inst. Codes (see note)
Note: Installer Code should never be programmed as
“0000”. Doing so will lock the user out of the installer menu!
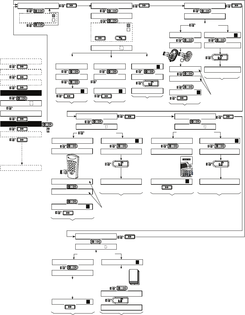
4.2 ENROLLING WIRELESS DEVICES AND KEYFOB TRANSMITTERS
4.2.1 General Guidance
The ENROLLING mode has the following sub-modes:
• ENROLLING TYPE (wireless devices)
• ENROLL SENSORS.
• ENROLL KEYFOB (multi-button CodeSecure
transmitters)
• ENROLL WL 1WAY KP (wireless commander MCM-140+)
• ENROLL WL 2WAY KP (wireless 2-way keypad MKP-150/
MKP-151)
• ENROLL WL SIREN (wireless siren)
Before beginning, gather all the devices that you intend to
enroll and make sure they all have batteries installed.
Your control panel must recognize the unique identification
code (ID) of each such device in order to supervise them,
receive their signals and respond accordingly.
Attention! CodeSecure transmitters are mainly used for
arming/disarming and can not be enrolled to zones. In
order to enroll to zones, use only non-CodeSecure
wireless devices.
4.2.2 Enrolling Type
Here you determine whether to enroll a wireless device by
normal transmission or by device Tamper function
(opening its cover). Options: normal, or by tamper.
4.2.3 Enroll/Delete Sensors
Wired detector can be enrolled in zone 29 and wireless
detectors can be enrolled in zones 01-28.
STOP
• Before enrolling, the lens at the front of PIR
and dual-technology sensors should be
masked to prevent inadvertent transmission.
• Make sure that magnetic contact transmitter is
together with its magnet, to prevent it from sending
alarm transmission.
To enroll / delete wired / wireless sensors, refer to Fig. 4.2.
4.2.4 Enroll/Delete Keyfob Transmitters
Keyfob transmitters are multi-button wireless CodeSecure™
transmitters. Eight system users use them for better,
quicker and safer control over various system functions.
To enroll / delete 1-way or 2-way keyfob transmitters, refer
to figure 4.2.
4.2.5 Enroll/Delete Wireless Commander
The Wireless Commander (MCM-140+) is a remote control
unit that enables the user to remotely control the system.
To enroll / delete up to 8 wireless commanders, refer to
figure 4.2 (Enroll WL 1-way KP).
4.2.6 Enroll/Delete 2-Way Keypad
The 2-way keypad, type MKP-150/MKP-151, enables the
user to remotely control the system and also to receive
data from the system (alarm and trouble data). To enroll up
to two 2-way keypads, refer to figure 4.2.
4.2.7 Enroll/Delete Wireless Siren
The wireless siren is a remote siren that is activated upon
predefined events by the PowerMaxExpress system. To
enroll / delete up to 2 wireless sirens, refer to figure 4.2.

10 D-302017
ENROLL KEYFOB
Keyfob No: -
Keyfob No: 5
<OFF> TO DELETE
KEYFOB No: 05
[Keyfob No.]
(e.g. 5)
Deleting a Keyfob
(*)
(**)
(press
any
key)
Keyfob No: 5
TRANSMIT NOW
KEYFOB No: 05
for next
enrolling action
Enrolling a Keyfob
(**)
ZONE No: 05
<OFF> TO DELETE
ZONE No: 05
[WL Zone No.
01-28] (e.g. 05)
(**)
Deleting wired/
WL sensor
ZONE No: 05
[Initiate transmission)
ZONE No: 05
TRANSMIT NOW
(**)
Enrolling a WL Sensor
(***)
for next
enrolling action
ZONE No: 29
ZONE No: 29
Enrolling wired sensor
for next
enrolling action
[wired Zone No.
29/30] (e.g. 29)
<OK> TO ENROLL
ENROLL SENSORS
ZONE No: - -
SET SENSITIV.
higher sensitivity
lower sensitivity
Select by
or
(****)
[wired/WL Zone No.
01-30] (e.g. 05)
USER SETTINGS
ENTER CODE
1. NEW INSTL CODE
2. ENROLLING
3. DEFINE ZONES
[installer code]
INSTALLER MODE
<OK> TO EXIT
ENROLLING TYPE
normal enroll
by tamper
Partition
Partition 1
[select partition 1 - 4]
ENROL WL 1WAY KP
[WL 1-way keypad
No. 1 to 8] (e.g. 5)
1way kp No :
1way kp No : 5 1way kp No : 5
(**)
<OFF> TO DELETE
key until
red LED
lights
TRANSMIT NOW
Deleting a wireless
Commander MCM-140+
1way kp No: 5
*
press
ENROL WL 2WAY KP
[MKP-150/151
No. 1 or 2] (e.g. 2)
2way kp No:
2way kp No : 2 2way kp No : 2
(**)
<OFF> TO DELETETRANSMIT NOW
Enrolling a wireless
keypad MKP-150/151
for next
enrolling action
ENROL WL SIREN
[WL siren No.
1 or 2] (e.g. 2)
SIREN No :
siren No : 2 siren No : 2
(**)
Momentarily press the
wireless siren self-test
button until a squawk is
heard (1 sec. approx.)
TRANSMIT NOW
Enrolling a
wireless siren
siren No: 2
for next
enrolling action
AWAY
2way kp No: 2
Deleting a wireless
keypad MKP-150/151
Press MKP-
150/151
back tamper
switch once
(see MKP-
150/151
inst. instructions)
2way kp No: 2
<OFF> TO DELETE
Deleting a
wireless siren
siren No: 2
Open WL
siren cover
and remove
its battery
1way kp No: 5
Enrolling a wireless
Commander MCM-140+
for next
enrolling action
Partition 1
[select partition 1 - 4]
Partition
(*****)
Note: Applies only
when in Partition mode
Note: Applies only
when in Partition mode
(First display is READY
or NOT READY)
READY 00:00
NORMAL MODE
Figure 4.2 - Enrolling / Deleting Wireless Devices / Keyfobs / Wireless Commanders / Wireless Sirens
* Keyfob enrolling can be performed by the installer or by
the user (via USER SETTINGS menu).
** A black box in the display means that a device is
enrolled (the system has learned its ID). No black box
indicates that the device is not enrolled.
*** Initiate either normal transmission or the device
tamper function (see ENROLLING TYPE, Par. 4.2.2).
**** Select "higher" sensitivity for far wireless device,
"lower" for near devices.
***** MKP-150/151 is not compatible for use when partition
is enabled.

D-302017 11
4.3 DEFINING ZONE TYPES, NAMES, CHIME ZONES & PARTITION
This mode allows you to assign one of 15 zone types to
each of the system's 29 (wireless & wired) zones. In
addition, it also allows you to assign a name to each zone
and determine whether the zone will operate as a chime
zone (only while the system is in the disarmed or Home
arming state). When a chime zone is triggered, chime
melody or zone name is heard (there are 2 selectable
chime modes - Melody chime or Chime Off).
A list of factory defaults is printed in table 1. You may fill
out the blank columns even before you start and proceed
to program according to your own list.
Remember!
A delay zone is also a perimeter zone by definition.
Zone types are fully explained in Appendix C.
Selectable Zone Names
Dining room
Downstairs
Emergency
Fire
Front door
Garage
Garage door
Guest room
Hall
Kitchen
Laundry room
Living room
Master bath
Master bdrm
Office
Upstairs
Utility room
Yard
Custom 1
Custom 2
Custom 3
Custom 4
Custom 5
Attic
Back door
Basement
Bathroom
Bedroom
Child room
Closet
Den
31 zone names can be selected, 26 fixed names and 5
custom names (defined by the installer - see chap. 4.9):
ZONE No: - -
Zxx: TYPE -
[Zone No.] (e.g. 05)
1. Inter-follow
2. Perimeter
Zxx: NAME - -
Attic
Back door
Basement
Bathroom
Bedroom
Child room
Closet
(*)
(*)
4. Delay 1
5. Delay 2
6. 24h silent
7. 24h audible
8. Fire
9. Non-alarm
10. Emergency
3. Perim-follow
(see list above)
11. Gas
12. Flood
13. Interior
3. DEFINE ZONES
[installer code]
USER SETTINGS
ENTER CODE
2. ENROLLING
INSTALLER MODE
<OK> TO EXIT
14. Temperature
15. Home/Delay
Refer to Figure 4.1a
to gain access to
USER SETTINGS
menu
Zxx: CHIME
Melody-chime
Chime off
(*)
Zxx: PARTITION
Partition 1
(*)
Partition 2
Partition 3
Partition 4
(see note)
Zxx: KEY ON/OFF
z-key enable
z-key disable
(*)
(**)
OPTIONAL
Figure 4.3 - DEFINE ZONES Flow Chart
* The currently saved option is displayed with a dark box at the right side. To review the options, repeatedly click
or button, until the desired option is displayed, then click OKI (a dark box will be displayed at the right side).
** Clicking the OKI button in this location brings you to the same zone number that you are dealing with. Press or
to select the next zone.
Table 1 - DEFAULT AND PROGRAMMED ZONE DEFINITIONS
Zone Zone Type Zone Name Chime (melody
No. Default Programmed Default Programmed Zone Name or Off) (*)
1 Delay 1 Front Door
2 Delay 1 Garage
3 Delay 2 Garage Door
4 Perimeter Back Door
5 Perimeter Child Room
6 Interior Office
7 Interior Dining Room
8 Perimeter Dining Room
9 Perimeter Kitchen

12 D-302017
Zone Zone Type Zone Name Chime (melody
No. Default Programmed Default Programmed Zone Name or Off) (*)
10 Perimeter Living Room
11 Interior Living Room
12 Interior Bedroom
13 Perimeter Bedroom
14 Perimeter Guest Room
15 Interior Master Bedroom
16 Perimeter Master Bedroom
17 Perimeter Laundry Room
18 Perimeter Master Bathroom
19 Perimeter Basement
20 Fire Fire
21 Fire Fire
22 Emergency Emergency
23 Emergency Emergency
24 24 h / silent Basement
25 24 h / silent Office
26 24 h / audible Attic
27 24 h / audible Den
28 non-alarm Yard
29 non-alarm Hall
30 non-alarm Utility room
* Note: All zones are CHIME OFF by default. Enter your own choice in the last column and program accordingly.
4.4 DEFINING CONTROL PANEL PARAMETERS
4.4.1 Preliminary Guidance
This mode allows you to customize the control panel and
adapt its characteristics and behavior to the requirements
of the particular user. An illustrated process is shown in
Figure 4.4. In this illustration, each selected option is
displayed with a dark box at the right side. To review the
options, repeatedly click or button, until
the desired option is displayed, then click SHOW/OK
button.
4.4.2 Entry Delays 1&2
(Fig. 4.4, location 01, 02). Two different entry delays allow
the user to enter the protected site (while the system is in
the armed state) via 2 specific doors and routes without
causing an alarm.
Following entry, the user must disarm the control panel
before the entry delay expires. Slow-rate warning beeps
start sounding once the door is opened, until the last 10
seconds of the delay, during which the beeping rate
increases. Locations No. 1 (entry delay 1) and 2 (entry
delay 2) allow you to program the length of these delays.
Available options for each delay are: 00s, 15s, 30s, 45s,
60s, 3m and 4m.
4.4.3 Exit Delay
(Fig. 4.4 location 03). An exit delay allows the user to arm
the system and leave the protected site via specific routes
and doors without causing an alarm. Slow-rate warning
beeps start sounding once the arming command has been
given, until the last 10 seconds of the delay, during which
the beeping rate increases. Location No. 3 allows
programming of the exit delay length. Available options
are: 30s, 60s, 90s, 120s, 3m, and 4m.
4.4.4 Bell Time
(Fig. 4.4, location 04). Here you select the length of time
the bell (or siren) is allowed to function upon alarm. The
bell time starts upon activation of the siren. Once the bell
time expires, the siren is automatically shut down.
Available options are: 1, 3, 4, 8, 10, 15 and 20 minutes.
Note: Bell Time is defined for the entire alarm system.
However, when disarming any partition (in a
PowerMaxExpress Partition system) the siren ceases to
sound.
4.4.5 Abort Time
(Fig. 4.4 location 05). Here you select the length of time
allowed by the system to abort an alarm (not applicable to
alarms from FIRE, 24H SILENT, EMERGENCY, GAS,
FLOOD and TEMPERATURE zones). The
PowerMaxExpress is programmed to provide an “abort
interval” that starts upon detection of an event. During this
interval, the buzzer sounds a warning but the siren
remains inactive and the alarm is not reported. If the user
disarms the system within the allowed abort interval, the
alarm is aborted.
Available options are: 00s, 15s, 30s, 45s, 60s, 2m, 3m
and 4m.
4.4.6 Alarm Cancel
(Fig. 4.4, location 06). Here you determine the ”cancel
alarm” period that starts upon reporting an alarm to the
central station. If the user disarms the system within that
time period, a “cancel alarm” message is sent to the
central station.
Available options are: 1, 5, 15, 60 minutes, 4 hours and
also cancel inactive.
4.4.7 Quick Arm
(Fig. 4.4, location 07). Here you determine whether the
user will be allowed to perform quick arming or not. Once
quick arming is permitted, the control panel does not
request a user code before it arms the system.
The two options are: quick arm ON and quick arm OFF.
4.4.8 Bypass
(Fig. 4.4, location 08). Here you permit either manual
bypassing of individual zones (through the USER
SETTINGS menu), or allow the system to "force arm"
(perform automatic bypassing) of open zones during the
exit delay. If desired, press the arming key again if you
want to eliminate the protest tone that sounds during
forced arming. If a zone is open and forced arming is not

D-302017 13
permitted, “NOT READY” is displayed and the system
does not arm (the “Sad Melody” will sound). If "no bypass"
is selected, neither manual bypassing nor force arming is
allowed.
Options: manual bypass, force arm and no bypass.
4.4.9 Exit Mode
(Fig. 4.4, location 09). Here you determine exit mode
options. Three types of exit modes are available:
Restart Exit - Exit delay restarts when the door is
reopened during exit delay. The restart occurs once only.
Restarting the exit delay is helpful if the user re-enters
immediately after going out to retrieve an item that he left
behind.
Off by door - When the door is closed, the exit delay is
automatically terminated (even if the defined exit delay
was not completed).
Normal - The exit delay is exactly as defined, regardless
of whether the door is open or closed.
4.4.10 Piezo Beeps
(Fig. 4.4, location 10). Here you determine whether
warning beeps will sound or muted during exit and entry
delays. An additional option is to mute the warning beeps
only when the system is armed “HOME”.
Options: enable beeps, off when home and disable beeps.
4.4.11 Trouble Beeps
(Fig. 4.4, location 11). Under trouble conditions, the
sounder emits a series of 3 short beeps once per minute.
Here you determine whether this special beeping
sequence will be active, inactive, or just inactive at night
(the range of “night” hours is defined in the factory). The 3
options are: enable beeps, off at night (8 PM through 7
AM) and disable beeps.
4.4.12 Panic Alarm
(Fig. 4.4, location 12). Here you determine whether the
user will be allowed to initiate a panic alarm by
simultaneous pressing either the two panic buttons (on the
keypad / wireless commander) or away + home (on a
keyfob transmitter). Audible panic activates the siren and
simultaneously transmits a message via telephone. Silent
panic only transmits a message via telephone. The options
are: silent panic, audible panic and disable panic.
4.4.13 Swinger Stop
(Fig. 4.4, location 13). Here you determine the number of
times each zone is allowed to initiate an alarm within a
single arming period (including tamper & power failure
events of detectors, PowerMaxExpress, wireless siren,
etc.). If the alarms number from a specific zone exceeds
the programmed number, the control panel automatically
bypasses the zone to prevent recurrent siren noise and
nuisance reporting to the central station. The zone will be
reactivated upon disarming, or 48 hours after having been
bypassed (if the system remains armed).
Available options are: shut after 1, shut after 2, shut
after 3 and no shutdown.
Note: Swinger Stop is defined for the entire alarm system
and not per partition (in a PowerMaxExpress Partition
system).
4.4.14 Cross Zoning
(Fig. 4.4, location 14). Here you determine whether cross
zoning will be active or inactive. Cross zoning is a method
used to counteract false alarms - an alarm will not be
initiated unless two adjacent zones are violated within a
30-second time limit.
This feature is active only when arming AWAY and only
with zone couples from zone No. 18 to 27 (18 and 19, 20
and 21, etc.). You may use any one of these zone couples
to create a “cross-zoned” area.
Note: If one of two crossed zones is bypassed (see Para.
4.4.8), the remaining zone will function independently.
Note: Every 2 crossed zones must be of the allowed zone
type (Interior, Perimeter, Perimeter follower).
The options are: cross zone ON and cross zone OFF.
Cross zoning is not applicable in Entry/ Exit zones and
24h zones (Fire, Emergency, 24h audible, 24h silent).
4.4.15 Supervision
(Fig. 4.4, location 15). Here you determine the time limit for
reception of supervision reports from various supervised
wireless devices. If any device does not report at least
once within the selected time limit, an “INACTIVITY” alert
is initiated.
The options are: 1, 2, 4, 8, 12 hours and disable.
4.4.16 NOT READY
(Fig. 4.4, location 16). Here you determine if the system
will be in NOT READY status when there is a supervision
failure. In the "in supervision" mode, the system will be in
NOT READY status if during the last 20 minutes a
supervision message was not received. Options: normal
and in supervision.
Note: NOT READY operates only per partition (in a
PowerMaxExpress Partition system).
4.4.17 AUX Button A
(Fig. 4.4, location 17). Here you select the function of the
AUX button/ button A on keyfob transmitters MCT-234,
MCT-237 and wireless commanders MCM-140+. Four
options are offered for each AUX button:
Instant: Pressing the AUX button while the exit delay is in
progress will cause the system to arm “instant” (the entry
delay is canceled).
Skip exit delay: Pressing the AUX button will immediately
cause the system to arm immediately.
4.4.18 AUX Button B 2-W-KF
(Fig. 4.4, loc. 18). Applicable only for 2-way keyfob
MCT-237. Same as 4.4.17 but for AUX button B.
4.4.19 Jam Detect
(Fig. 4.4, location 19). Here you determine whether
jamming (interfering transmissions, on the radio channel
used by the system) will be detected and reported or not.
If a jam detection option is selected, the system does not
allow arming under the relevant jamming conditions.
Jam Detection Options
Option Detection and Reporting when
UL (20/20)
(USA standard) There is continuous 20 seconds of
jamming
EN (30/60)
(Europe standard) There is an accumulated 30 seconds of
jamming within 60 sec.
class 6 (30/60)
(British standard)
Like EN (30/60) but the event will be
reported only if the jamming duration
exceeds 5 minutes.
Disabled (No jamming detection and reporting).

14 D-302017
4.4.20 Latchkey
(Fig. 4.4, location 20). Here you determine whether the
system can be armed in the latchkey mode. If the system
is armed this way, a “latchkey” message will be sent to
specific telephones upon disarming by a “latchkey user”
(users 5-8 or keyfob transmitters 5-8). This mode is useful
when parents at work want to be informed of a child’s
return from school. You can record a name for latchkey
users. The options are: Latchkey ON and Latchkey OFF.
4.4.21 “Not Active”
(Fig. 4.4, location 21). Here you determine the time limit for
reception of signals from sensors used to monitor the
activity of sick, elderly or disabled people. If no sensor
detects and reports movement at least once within the
defined time limit, a “not-active” alert is initiated.
Options: 3, 6, 12, 24, 48, 72 hours and no act disable.
Note: The Not Active timer is defined for the entire alarm
system for the above hour options and not per partition (in a
PowerMaxExpress Partition system). Subsequently, a
dedicated timer is assigned to each partition.
4.4.23 Duress
(Fig. 4.4, loc. 23). A duress alarm (ambush) message can
be sent to the central station if the user is forced to disarm
the system under violence or menace. To initiate a duress
message, the user must disarm the system with the duress
code (2580 by default). Here you can change the code
digits or enter "0000" to disable the duress feature. The
system does not allow the user to program the duress
code saved in this memory location as an existing user
code.
4.4.24 Piezo Siren
(Fig. 4.4, location 24). Here you determine whether the
internal siren will sound or remain silent upon alarm
(according to the user preference). Options: piezo siren
on, piezo siren off.
4.4.25 Reset Option
(Fig. 4.4, location 25). (Not applicable in the USA)
Here you determine whether the system can be rearmed
(after an event) by the user or only by the installer.
Options: user reset or engineer reset.
If Engineer Reset is selected, the system can be rearmed
only by the installer; by entering and exiting the installer
menu, by entering and exiting the event log (see section 7),
or by remote telephone. To perform Engineer Reset via the
telephone, establish communication with the
PowerMaxExpress (see user guide, par. 6.3A, steps 1-5)
and continue as follows:
a. [*], [installer code], [#]
b. Wait for 2 beeps
c. [*], [1], [#]
d. [*], [99], [#]
Note: This menu is not available when partition is enabled.
4.4.26 Tamper Option
(Fig. 4.4, location 26). Here you determine whether zone
tamper will be reported or ignored. Available options are:
zone tamper ON and zone tamper OFF.
4.4.27 Siren On Line
(Fig. 4.4, location 27). Here you determine whether the
siren will be activated or not when the telephone line fails
during system armed state. Available options are: enable
on fail, disable on fail.
4.4.28 Memory Prompt
(Fig. 4.4, location 28). Here you determine whether the user
will receive indication that an alarm has been activated.
Available options are: enable and disable.
4.4.29 Disarm Option
(Fig. 4.4, location 29). Here you determine when it is possible
to disarm the system:
A. Any time.
B. In AWAY mode, during entry delay, by using the
PowerMaxExpress keypad or wireless sensor (keyfob).
C. In AWAY mode, during entry delay, by using a wireless
device (keyfob) only (this is set as a default in UK to
comply with DD243).
D. During entry delay, or by using the PowerMaxExpress
keypad in AWAY mode.
Options: any time, on entry all, on entry wireless, or
entry + away kp.
4.4.30 Bell/Rep. Option
(Fig. 4.4, location 30). Here you determine whether an
alarm will be initiated (siren / report) when there is a
supervision / jamming failure during AWAY arming state.
Available options are: EN standard and other. When "EN
standard" is selected, if there is supervision / jamming
failure during AWAY arming, the siren is activated and the
events are reported as tamper events. When "Other" is
selected, there is no such activity during AWAY arming.
4.4.31 Low-Bat Ack
(Fig. 4.4, location 31). Here you determine whether the user
will hear or will not hear low battery sound when he tries to
disarm the system with a keyfob whose battery voltage is
low. Available options are: keyfob L-B on (the user has to
acknowledge the keyfob low battery message) or keyfob
L-B off (the user does not have to acknowledge the keyfob
low battery message).
4.4.32 Screen Saver
(Fig. 4.4, location 32). Here you can determine that if no
key is pressed during more than 30 seconds, the display
will be “PowerMax” (to prevent possible intruder of
knowing the system status). You can determine that
normal display will return after pressing the
button followed by entering user code (Refresh by Code)
or after pressing any key (Refresh by Key).
If Refresh by Key is selected, the first pressing of any key
(except Fire and Emergency) will cause normal display
return and the second press will perform the key function.
Regarding the Fire and Emergency keys, the first key
press will cause normal display return and also will perform
the Fire/Emergency function.
Options: scrn saver OFF, refresh by code, refresh by key.
4.4.33 Confirm Alarm
(Fig. 4.4, location 33). Here you determine that if 2
successive alarms will occur during a specific period, the
second alarm will be considered as a confirmed alarm
(for confirmed alarm reporting, (see par. 4.5.3).
Options: disable 30 min., 45 min., 60 min., or 90 min.
4.4.34 AC FAIL REP
(Fig. 4.4, location 34). Here you determine the time interval
between AC power failure occurrence and the failure
reporting. Options: 5 minutes, 30 minutes, 60 minutes or
180 minutes.

D-302017 15
4.4.36 User Permission
(Fig. 4.4, location 36). Here you determine whether the
access to the INSTALLER MODE requires user permission.
If you select ENABLE, the installer mode will be accessible
only through the user menu after entering the user code.
Options: Enable, Disable.
Note: This menu is not available when partition is enabled.
4.4.39 Key Zones Options (Optional)
(Fig. 4.4, location 39). Here you determine whether or not
the system can be armed and disarmed by zones 21-18, 29
or 21-29, provided that for these zones "non-alarm type"
and "z-key enable" was predefined (see par. 4.3).
Key zones can be wireless or wired zones.
When using wireless key zones, only the MCT-100 and
MCT-102 transmitters are used. The left pushbutton on the
MCT-102 transmitter or input 1 of the MCT-100 transmitter
is used for arming in AWAY mode. The right pushbutton
on the MCT-102 transmitter or input 2 of the MCT-100
transmitter is used for disarming.
When using wired key zones, the control panel toggles
between AWAY mode and Disarm.
Note: In "Singapore" versions of the PowerMaxExpress,
an open circuit arms the alarm system in AWAY mode and
a closed circuit changes the state of the alarm system from
AWAY mode to Disarm.
IMPORTANT! Enrolment of the MCT-100 or MCT-102
transmitter must be performed via the left pushbutton on
the MCT-102 transmitter or input 1 of the MCT-100
transmitter.
Caution! Arming the system using a transmitter
assigned to zones 21 and 28, or via wired zone 29
compromises security. This function is, therefore, only
available in specific PowerMaxExpress versions
according to the customer's request.
Options: disable option, z. 21-28 enable, z. 29 enable, or
z. 21-29 enable.

16 D-302017
USER SETTINGS
ENTER CODE
1. NEW INSTL CODE
2. ENROLLING
3. DEFINE ZONES
5. DEFINE COMM
[installer code]
INSTALLER MODE
05: ABORT TIME
09: EXIT MODE
13: SWINGER STOP
17: AUX BUTTON A
instant
01: ENTRY DELAY 1 02: ENTRY DELAY 2 03: EXIT DELAY 04: BELL TIME
06: ALARM CANCEL 07: QUICK ARM
quick arm ON
quick arm OFF
08: BYPASS
manual bypass
no bypass
force arm
10: PIEZO BEEPS 11: TROUBLE BEEPS 12: PANIC ALARM
cross zone ON
cross zone OFF
14: CROSS ZONING 15: SUPERVISION
superv time 1 h
superv time 2 h
superv time 4 h
superv time 8 h
16: NOT READY
normal
in supervision
4. DEFINE PANEL
entry dly2 00 s
entry dly2 15 s
entry dly2 30 s
entry dly2 45 s
entry dly2 60 s
entry dly2 3 m
entry dly2 4 m
exit delay 30 s
exit delay 60 s
exit delay 90 s
exit delay 120 s
exit delay 3 m
exit delay 4 m
bell time 1 m
bell time 4 m
bell time 8 m
bell time 10 m
bell time 15 m
bell time 20 m
cancel time 1 m
cancel time 5 m
cancel time 15 m
cancel time 60 m
cancel time 4 h
cancel inactive
enable beeps
off when home
disable beeps
enable beeps
off at night
disable beeps silent panic
audible panic
disable panic
shut after 1
shut after 2
shut after 3
no shutdown
superv time 12 h
disable
entry dly1 00 s
entry dly1 15 s
entry dly1 30 s
entry dly1 45 s
entry dly1 60 s
entry dly1 3 m
entry dly1 4 m
abort time 00 s
abort time 15 s
abort time 30 s
abort time 45 s
abort time 60 s
abort time 2 m
abort time 3 m
restart exit
off by door
normal
bell time 3 m
abort time 4 m
Note: Force arm is not
applicable to the UK.
in
USA
in
USA
in
USA in
USA
<OK> TO EXIT
skip exit delay
19: JAM DETECT
UL (20/20)
EN (30/60)
class 6 (30/60)
disable
21: NOT ACTIVE
no act time 3 h
no act time 6 h
no act time 12 h
no act time 24 h
no act time 48 h
no act time 72 h
no act disable
23: DURESS
duress code 2580
(Change the code or
enter 0000 to disable
duress function)
Note: Duress code is not
applicable to the UK.
24: PIEZO SIREN
piezo siren on
piezo siren off
25: RESET OPTION
user reset
enginner reset
Not applicable
in the USA
26: TAMPER OPTION
zone tamper on
zone tamper off
27: SIREN ON LINE
enable on fail
disable on fail
28:MEMORY PROMPT
enable
disable
29: DISARM OPTION
any time
on entry wireless
entry + awake kp
on entry all
Not applicable
in the USA
in
UK
30: BELL/REP. OPT
EN standard
other
31: LOW-BAT ACK
keyfob L-B on
keyfob L-B off
32: SCREEN SAVER
scrn saver OFF
refresh by code
refresh by key
34: AC FAIL REP
5 minutes
30 minutes
60 minutes
180 minutes
33: CONFIRM TIME
disable
30 minutes
45 minutes
60 minutes
90 minutes
20:LATCHKEY
latchkey on
latchkey off
18: AUX B 2-W-KF
instant
skip exit delay
Note: Swinger Stop is defined
for entire alarm system.
Refer to Figure 4.1a
to gain access to
USER SETTINGS
menu
36: USER PERMIT
enable
disable
in
UK
39: KEY ZONES OPT
z. 21-28 enable
disable option
z. 29 enable
z. 21-29 enable
Note: The currently saved
options are displayed with
dark box at the right side of
the display. To review the
options, repeatedly click
or until the
desired option is displayed,
then click OK (a dark box
will be displayed at the right
side).
Figure 4.4 - DEFINE PANEL Flow Chart

D-302017 17
4.5 DEFINING COMMUNICATION PARAMETERS
Preliminary Guidance
This mode allows you to adapt the telephone
communication parameters to the local requirements.
Compatible central station receivers are:
Osborne-Hoffman model 2000, Ademco Model 685,
FBII Model CP220, Radionics Model D6500, Sur-Gard
Model SG-MLR2-DG and Silent Knight Model 9500.
IMPORTANT: In telephone / pager number locations and
account number locations, you may be required to enter
hexadecimal digits. In telephone number locations, these
digits are used as codes to control the dialer:
Hex.
Digit
Keying
Sequence
Code
Significance
A <#>
⇒
<0> Applicable only at the beginning of a
number - the dialer waits 10 seconds
or waits for dial tone, whichever
comes first and then dials.
D <#>
⇒
<3> Applicable only at the beginning of a
number - the dialer waits 5 seconds
for dial tone and goes on hook if none
is received.
E <#>
⇒
<4> Applicable only in the middle of the
number - the dialer waits 5 seconds
F <#>
⇒
<5> Not applicable in phone numbers
Note: A "+" can be entered at the beginning of the line by
pressing and then .
To enter a series of digits, use the following keys:
<Numeric keypad> - to enter the number
- moves the cursor from left to right
- moves the cursor from right to left
- deletes everything after the cursor (to the right)
4.5.1 PSTN / GSM (Fig. 4.5 Detail A)
Area Code [Fig 4.5.1(1)]
Here you enter the system tel. area code (up to 4 digits).
Line Prefix [Fig 4.5.1(2)]
Here you enter the number that is used as a prefix to
access an outside telephone line (if exists).
Dial Method [Fig 4.5.1(3)]
Here you determine the dialing method used by the
automatic dialer built into the PowerMaxExpress control
panel.
The options are: Pulse and tone (dtmf).
GSM Keep Alive [Fig 4.5.1(4)]
Here you prevent the GSM service provider from
disconnecting the GSM line if the user has not initiated any
outgoing telephone calls during the last 28 days.
The options are: disable and every 28 days.
4.5.2 GPRS / BB [Fig. 4.5 Detail B]
The GSM/GPRS module is capable of communicating with
the Central Station receiver by GPRS, GSM Voice and
SMS channels. Each of the channels can be separately
enabled or disabled in order to allow or prohibit the module
from using it for the event reporting. If all channels are
enabled, the GSM/GPRS module will always try GPRS
first. If fails, it will try GSM Voice. If fails, it will try any other
possible method (PSTN, Broadband) and only then it will
try SMS. This is due to the fact that SMS is the most
unreliable option of communication. Disabling any of the
GSM Module channels will cause the module to use a
different sequence than the one described above.
GPRS Report [Fig 4.5.2(1)]
Here you determine whether the alarm system will report
events to the central station via the GPRS channel.
The options are: disable and enable.
GSM Report [Fig 4.5.2(2)]
Here you determine whether the alarm system will report
events to the central station via the GSM voice channel.
The options are: disable and enable.
SMS Report [Fig 4.5.2(3)]
Here you determine whether the alarm system will report
events to the central station via the SMS channel.
The options are: disable and enable.
GPRS APN [Fig 4.5.2(4)]
Here you enter the name of the APN (Access Point) used for
the internet settings for the GPRS (up to 40 digits).
GPRS Username [Fig 4.5.2(5)]
Here you enter the username of the APN used for GPRS
communications (up to 30 digits).
GPRS Password [Fig 4.5.2(6)]
Here you enter the password of the APN used for GPRS
communications (up to 16 digits).
The following table provides a list of the keys used by the
PowerMaxExpress editor for the GPRS APN, GPRS
Username, GPRS Password menus and Custom Zone
Name option.
Key Functionality
Moves the cursor from left to right.
Long press for speed.
Moves the cursor from right to left.
Long press for speed.
Scrolls upward the sequence of inserted digits.
Long press for speed.
Scrolls downward the sequence of inserted digits.
Long press for speed.
Places cursor to extreme right position of edit string
and shows the last 16 digits of edit string.
Reverts to previous or top menu without saving the
edit string.
Reverts to "<OK> TO EXIT" without saving the edit
string.
OK
ISaves and reverts to previous menu.
Clears all digits to the right of cursor.
Clears one digit by cursor.
Selects between uppercase or lowercase digits.
PIN Code [Fig 4.5.2(8)]
Enter PIN code of the SIM card installed in the
PowerMaxExpress unit (up to 16 digits).
Force Home Network [Fig 4.5.2(9)]
Here you determine whether to force the SIM card to use
the home network only and not to select another network in
case the home network cannot be found.
The options are: disable and enable.

18 D-302017
4.5.3 C.S. Reporting (Fig. 4.5 Detail C)
Report Events [Fig 4.5.3(1)] – see note in Fig. 4.5 Detail C
Here you determine which types of event will be reported
to central stations. Due to lack of space in the display,
abbreviations are used: alarm is “alrm”, alert is “alrt” and
open/close is “o/c”. The asterisk (J) is a separator
between events reported to central station 1 and events
reported to central station 2.
Messages are divided by type into four groups:
No. Group Events Reported
1 Alarms Fire, Burglary, Panic, Tamper
2 Open/close Arming AWAY, Arming HOME,
Disarming
3 Alerts No-activity, Emergency, Latchkey,
Gas, Flood, Temperature
4 Maintenance Low-battery AC failure
"Alarm" group has the highest priority and "Alert" group
has the lowest priority.
The selectable options are as follows:
Plan name Sent to center 1 Sent to center 2
all -o/c J backup All but open/close All but open/close if center 1
doesn’t respond
all J all All All
all-o/c J all -o/c All but open/close All but open/close
all –o/c J o/c All but open/close Open/close
all (–alrt) J alrt All but alerts Alerts
Alrm J all (–alrm) Alarms All but alarms
Disable report Nothing Nothing
all J backup All All if cent. 1 doesn’t respond
Note: “All” means that all 4 groups are reported and also
trouble messages - sensor / system low battery, sensor
inactivity, power failure, jamming, communication failure etc.
1st Report Method [Fig 4.5.3(2)]
Here you define the 1st priority of method used to report
events.
The options are: disable, cellular and PSTN.
2nd Report Method [Fig 4.5.3(3)]
Here you define the 2nd priority of method used to report
events. If the method defined to report events in the 1st
priority fails, the control panel will attempt to report using
the method defined in the 2nd priority (see notes in 1st
Report Method).
The options are: disable, cellular and PSTN.
3rd Report Method [Fig 4.5.3(4)]
Here you define the 3rd priority of method used to report
events. If the method defined to report events in the 2nd
priority fails, the control panel will attempt to report using
the method defined in the 3rd priority (see notes in 1st
Report Method).
The options are: disable, cellular and PSTN.
Dual Reporting [Fig 4.5.3(5)]
Here you determine whether to report events using PSTN
and cellular at the same time instead of waiting for the 1st
method to fail before trying the 2nd method.
The options are: disable and PSTN & cellular.
Receiver 1 Account No. [Fig 4.5.3(6)] - see note in
Fig. 4.5 Detail C
Here you enter the number that will identify your specific
alarm control system to the 1st central station. The number
consists of 6 hexadecimal digits.
Receiver 2 Account No. [Fig 4.5.3(7)] - see note in Fig.
4.5 Detail C
Here you enter the number that will identify your system to
the 2nd central station. The account number consists of 6
hexadecimal digits.
PSTN/GSM RCVR1 [Fig 4.5.3(8)] - see note in Fig. 4.5
Detail C
Here you program telephone number of the 1st central station
(including area code, 16 digit max) to which the system will
report the event groups defined in Report Events.
PSTN/GSM RCVR2 [Fig 4.5.3(9)] - see note in Fig. 4.5
Detail C
Here you program telephone number of the 2nd central station
(including area code, 16 digit max) to which the system will
report the event groups defined in Report Events.
IP RCVR 1 [Fig 4.5.3(10)]
Here you enter the IP address of the IP receiver that is
located in the 1st central station.
IP RCVR 2 [Fig 4.5.3(11)]
Here you enter the IP address of the IP receiver that is
located in the 2nd central station.
SMS RCVR 1 [Fig 4.5.3(12)]
Here you enter the telephone number of the SMS receiver
that is located in the 1st central station.
SMS RCVR 2 [Fig 4.5.3(13)]
Here you enter the telephone number of the SMS receiver
that is located in the 2nd central station.
PSTN Report Format [Fig 4.5.3(14)] - see note in Fig.
4.5 Detail C
Here you select the reporting format used by the control
panel to report events to central stations.
The options are: SIA text Contact-ID SIA 4/2
1900/1400 4/2 1800/2300 Scancom (see Appendix B
- code lists).
4/2 Pulse Rate [Fig 4.5.3(15)] - see note in Fig. 4.5 Detail
C
Here you select the pulse rate at which data will be sent to
central stations if any one of the 4/2 formats has been
selected in PSTN Report Format.
The options are: 10, 20, 33 and 40 pps.
PSTN Report Retry [Fig 4.5.3(16)] - see note in Fig. 4.5
Detail C
Here you determine the number of times the communicator
will dial the central station’s number via PSTN.
The options are: 2, 4, 8, 12 and 16 attempts.
GSM Report Retry [Fig 4.5.3(17)] - see note in Fig. 4.5
Detail C
Here you determine the number of times the communicator
will try to report via a cellular group (GPRS, GSM and
SMS) to the central station.
The options are: 2, 4, 8, 12 and 16 attempts.
Auto Test Time [Fig 4.5.3(18)]
Here you determine the time at which the telephone line will
be tested and reported to the central station.
Auto Test Cycle [Fig 4.5.3(19)]
Here you determine the time interval between consecutive
telephone line test messages sent to the central station.
The control panel performs this at regular intervals to verify
proper communications.
The options are: test every 5 hours, test every 1, 2, 5, 7, 14,
30 days and test OFF.
Line Fail Report [Fig 4.5.3(20)]
PSTN [Fig 4.5.3(20a)]
Here you determine if the PSTN telephone line
disconnection will be reported or not and determine the
delay between detection of line disconnection and the
failure reporting. If the telephone line is disconnected, the
message "tel line fail" will be stored in the event log.
The options are: don't report, immediately, 5 minutes,
30 minutes, 60 minutes or 180 minutes.

D-302017 19
GSM/GPRS [Fig 4.5.3(20b)]
Here you determine if the GSM/GPRS line disconnection
will be reported or not and determine the delay between
detection of line disconnection and report failure. If the
telephone line is disconnected, the message "GSM line
fail" will be stored in the event log.
The options are: don't report, 2 minutes, 5 minutes, 15
minutes, or 30 minutes.
PSTN Up / Down [Fig 4.5.3(21)]
Remote Access [Fig 4.5.3(21a)]
Here you give or deny permission to access the system
and exercise control from a remote telephone.
The options are: rem. access ON and rem. access OFF.
Mast. Downl Code [Fig 4.5.3(21b)]
Here you determine the master installer 4-digit password for
downloading/uploading data into/from the
PowerMaxExpress memory.
Attention! If "0000" is used, it will not enable connection of
the PowerMaxExpress to the PC for upload/download
purpose.
Inst. Downl Code [Fig 4.5.3(21c)]
Here you determine the installer 4-digit password for
downloading data into the PowerMaxExpress memory.
Attention! If "0000" is used, it will not enable
connection of the PowerMaxExpress to the PC for
upload/download purpose.
Upload Option [Fig 4.5.3(21d)]
Here you determine whether the PowerMaxExpress data can
be uploaded into a computer while the system is in disarm
state or at any time (in HOME/AWAY arming & disarm state).
The options are: when system OFF and any time
Up Download Tel# [Fig 4.5.3(21e)]
Here you enter the telephone number (up to 16 digits) of the
UL/DL server.
Note: Only for use with control panels monitored by
compatible central stations. Leave empty if not used.
GPRS Up / Down [Fig 4.5.3(22)]
My SIM Tel. # [Fig 4.5.3(22a)]
Here you enter the PowerMax SIM card telephone number.
The central station dials this number when it needs to connect
to the PowerMaxExpress for uploading / downloading data.
1st Caller ID# [Fig 4.5.3(22b)]
Here you determine the 1st VDNS receiver telephone
number. When the PowerMaxExpress responds to an
incoming call from the telephone number defined here, it
creates a connection to the VDNS for uploading /
downloading data.
Note: Caller ID#1 / ID#2 should be 6 or more digits for
wake-up by VDNS to work.
2nd Caller ID# [Fig 4.5.3(22c)]
Here you determine the 2nd VDNS receiver telephone
number. When the PowerMaxExpress responds to an
incoming call from the telephone number defined here, it
creates a connection to that VDNS for uploading /
downloading data.
Report Cnfrm Alarm [Fig 4.5.3(24)] - see note in
Fig. 4.5 Detail C
Here you determine whether the system will report
whenever 2 or more events (confirmed alarm) occur
during a specific period (see par. 4.4.33).
Available options are: enable report, disable report,
enable + bypass (enabling report and bypassing the
detector - applicable to PowerMaxExpress that is
compatible with DD243 standard).
Report 24H Zones [Fig 4.5.3(25)]
Here you determine whether 24 hour (silent and audible) zones
will function as normal 24 hour zones or as panic zones.
The options are: both original, audible as panic, silent
as panic, or both as panic.
Recent Close [Fig 4.5.3(26)]
Here you enable or disable the “recent closing” report, that is
sent to the central station if an alarm occurs within 2 minutes
from the expiry of the exit delay.
The options are: recent close ON and recent close OFF.
Zone restore [Fig 4.5.3(27)]
Here you determine whether a zone restore will be
reported or not.
The options are: report restore and don't report.
System Inactivity Report [Fig 4.5.3(28)]
Here you determine whether the central station will receive
a message if the system is inactive (not armed) during a
defined period (days).
The options are: disable, rep. after 7d, rep. after 14d,
rep. after 30d, rep. after 90d.
4.5.4 Private Report (Fig. 4.5 Detail D)
Report To Private [Fig 4.5.4(1)]
Here you determine which event groups will be reported to
private telephone subscribers. The options are as follows:
• Alarms + alerts
• Alarms
• Alerts
• Disable report
The following siren signal will be sent to private telephone
upon event reporting:
FIRE: ON - ON - ON - pause.... (- - - - - - ......).
BURGLAR: ON continuously ( ...)
EMERGENCY: 2-tone siren; like an ambulance.
Voice report [Fig 4.5.4(2)]
1st Private Tel# [Fig 4.5.4(2a)]
Here you program the 1st telephone number (including
area code, if required) of the private subscriber to which
the system will report the event groups defined in Report
To Private.
2nd Private Tel# [Fig 4.5.4(2b)]
Here you program the 2nd telephone number (including
area code, if required) of the private subscriber to which
the system will report the event groups defined in Report
To Private.
3rd Private Tel# [Fig 4.5.4(2c)]
Here you program the 3rd telephone number (including
area code, if required) of the private subscriber to which
the system will report the event groups defined in Report
To Private.
4th Private Tel# [Fig 4.5.4(2d)]
Here you program the 4th telephone number (including
area code, if required) of the private subscriber to which
the system will report the event groups defined in Report
To Private.
Redial Attempts [Fig 4.5.4(2e)]
Here you determine the number of times the communicator
will dial the called party’s number (private telephone).
The options are: 1, 2, 3 and 4 attempts.
Attention! A maximum of 2 dialing attempts is permitted
by the Australian Telecommunication Authority.
Tel. acknowledge [Fig 4.5.4(2g)]
Here you determine whether the system will use the single
acknowledge or the all acknowledge mode when reporting to
private telephones.

20 D-302017
Note: In the single acknowledge mode, receiving an
acknowledge signal from a single telephone is sufficient to
consider the current event closed and call off the
communication session. The remaining telephones serve for
backup purposes only. In the all acknowledge mode, an
acknowledge signal must be received from each telephone
before the current event is considered reported.
The options are: single ack and all ack.
SMS Report Tel# [Fig 4.5.4(3)]
1st SMS Tel# [Fig 4.5.4(3a)]
Here you define the first SMS phone number (including
area code, 16 digits maximum) to which pre-selected
event types (see par. 4.6.3) will be reported.
2nd SMS Tel# [Fig 4.5.4(3b)]
Here you define the second SMS phone number (including
area code, 16 digits maximum) to which pre-selected
event types (see par. 4.6.3) will be reported.
3rd SMS Tel# [Fig 4.5.4(3c)]
Here you define the third SMS phone number (including
area code, 16 digits maximum) to which pre-selected
event types (see par. 4.6.3) will be reported.
4th SMS Tel# [Fig 4.5.4(3d)]
Here you define the fourth SMS phone number (including
area code, 16 digits maximum) to which pre-selected
event types (see par. 4.6.3) will be reported.
5. DEFINE COMM.
4. DEFINE PANEL
3. DEFINE ZONES
2. ENROLLING
1. NEW INSTL CODE
ENTER CODE
INSTALLER MODE
USER SETTING
[installer code]
<OK> TO EXIT
1: PSTN / GSM
2: GPRS / BB
3: C.S. REPORTING
4: PRIVATE REPORT
see detail A
see detail B
see detail C
see detail D
Refer to Figure 4.1a
to gain access to
USER SETTINGS
menu
Figure 4.5 – Defining Communications
FIGURE 4.5 - DETAIL A
1: PSTN / GSM
LINE PREFIX DIAL METHOD GSM KEEP ALIVE
AREA CODE
disable
every 28 days
xxxx
(Enter prefix)
xxxx
(Enter tel. area code)
4.5.1(1) Par. 4.5.1(2) Par. 4.5.1(3) Par. 4.5.1(4)
tone (dtmf)
pulse
Note
The currently saved options are
displayed with dark box at the
right side of the display. To
review the options, repeatedly
click or
until the desired option is
displayed, then click OK (a dark
box will be displayed at the right
side).
FIGURE 4.5 - DETAIL B
2: GPRS/BB
GPRS REPORT GPRS APN
GPRS USERNAME GPRS PASSWORD
disable
enable
disable
enable
disable
enable
GSM REPORT SMS REPORT
4.5.2(1) Par. 4.5.2(2) Par. 4.5.2(3) Par. 4.5.2(4)
Par. 4.5.2(5) Par. 4.5.2(6)
(Enter GPRS
username)
xxxx...(up to 40 digits)
(Enter name of APN)
(Enter GPRS
password)
xxxx...(up to 30 digits) xxxx...(up to 16 digits)
Note
The currently saved options are
displayed with dark box at the
right side of the display. To
review the options, repeatedly
click or
until the desired option is
displayed, then click OK (a dark
box will be displayed at the right
side).
SIM PIN CODE
(Enter SIM card
PIN code)
Par. 4.5.2(8)
xxxx...(up to 16 digits)
FORCE HOME NETW.
disable
enable
Par. 4.5.2(9)

D-302017 21
FIGURE 4.5 - DETAIL C
3:C.S. REPORTING
REPORT EVENTS
RCVR 1 ACCOUNT#
DUAL REPORTING
1st RPRT METHOD
all - o/c * backup
all * all
all - o/c * all - o/c
all - o/c * o/c
all (-alrt) * alrt
alrm * all (-alrm)
disable report
all * backup
PSTN
disable
cellular
2nd RPRT METHOD 3rd RPRT METHOD
PSTN
disable
cellular
PSTN
disable
cellular
PSTN & cellular
disable
RCVR 2 ACCOUNT# PSTN/GSM RCVR1
(Enter Tel. No.)
PSTN/GSM RCVR2 IP RCVR 1
000.000.000.000
IP RCVR 2
000.000.000.000
SMS RCVR 1
PSTN RPRT FORMAT PSTN RPRT RETRY
SMS RCVR 2
contact ID
SIA
4/2 1900/1400
4/2 1800/2300
Scancom
SIA text
4.5.3(1) Par. 4.5.3(2) Par. 4.5.3(3) Par. 4.5.3(4)
Par. 4.5.3(5) Par. 4.5.3(6) Par. 4.5.3(7) Par. 4.5.3(8)
Par. 4.5.3(9) Par. 4.5.3(10) Par. 4.5.3(11) Par. 4.5.3(12)
Par. 4.5.3(13) Par. 4.5.3(14)
33 pps
40 pps
4/2 PULSE RATE
20 pps
10 pps
(Enter time)
AUTO TEST TIME
test time 12:00P
Par. 4.5.3(15) Par. 4.5.3(16)
2 attempts
4 attempts
8 attempts
12 attempts
16 attempts
4 attempts
8 attempts
12 attempts
16 attempts
GSM RPRT RETRY
Par. 4.5.3(17) Par. 4.5.3(18)
AUTO TEST CYCLE
Par. 4.5.3(19)
test every 1 d
test every 5d
test every 7 d
test every 14 d
test every 30 d
test OFF
test every 5 h
test every 2 d
2 attempts
Note
For Control Panel that has
installer code & master
installer code, the following
functions are available only if
the MASTER INSTALLER
code is entered:
PSTN/GSM RCVR1
RCVR 1 ACCOUNT#
RCVR 2 ACCOUNT#
PSTN RPRT FORMAT
4/2 PLS RATE
REPORT EVENTS
GSM RPRT RETRY
MAST. DL CODE
(Enter RCVR 1
account No.)
1st acc. no. (Enter RCVR 2
account No.)
2nd acc. no.
(Enter Tel. No.) (Enter IP address) (Enter IP address) (Enter Tel. No.)
(Enter Tel. No.)
Continues in
next Figure
Note
The currently saved options are
displayed with dark box at the
right side of the display. To
review the options, repeatedly
click or
until the desired option is
displayed, then click OK (a dark
box will be displayed at the right
side).

22 D-302017
FIGURE 4.5 - DETAIL C continued
LINE FAIL REPORT
PSTN
Upload option
GSM/GPRS Remote access Mast. downl code
rem. access ON
(Enter Tel. No.)
4.5.3(20a) Par. 4.5.3(21b)
Par. 4.5.3(21c)
60 minutes
Par. 4.5.3(20)
immediately
5 minutes
30 minutes
180 minutes
don’t report
5 minutes
15 minutes
don’t report
30 minutes
Par. 4.5.3(20b)
PSTN UP / DOWN
Par. 4.5.3(21)
rem. access OFF
4.5.3(21a)
downl. code AAAA
(Enter 4-digit code
“0000” is not valid)
Inst. downl code
downl. code BBBB
(Enter )
Par. 4.5.3(21d)
any time
when system OFF
Up download tel#
Par. 4.5.3(21e)
GPRS UP/DOWN
Par. 4.5.3(22)
2 minutes xxxx
4.5.3.(22a)
(Enter SIM card
Tel. No.)
My SIM TEL. #
(Enter 1st IP receiver
Tel. No.)
1st Caller ID#
(Enter 2nd IP receiver
Tel. No.)
2nd Caller ID#
RPRT CNFRM ALARM
Par. 4.5.3(24)
disable report
enable + bypass
enable report
RECENT CLOSE
recent cl. OFF
Par. 4.5.3(26)
recent cl. ON
REPORT 24H ZONES
both original
audibl as panic
silent as panic
both as panic
Par. 4.5.3(25)
ZONE RESTORE
report restore
Par. 4.5.3(27)
don’t report
4.5.3.(22b) 4.5.3.(22c)
SYS INACT REPORT
Par. 4.5.3(28)
disable
rep. after 7d
rep. after 14d
rep. after 30d
rep. after 90d
REPORT EVENTS
(see DETAIL C
in previous drawing)

D-302017 23
FIGURE 4.5 - DETAIL D
4: PRIVATE REPORT
disable report
alarms+alerts
alarms
REPORT TO PRVT
4.5.4(1)
alerts
VOICE REPORT SMS REPORT TEL#
1st private tel#
Par. 4.5.4(2a)
3rd private tel#
2nd private tel#
4th private tel# Redial attempts
3 attempts
2 attempts
4 attempts
1 attempt
1st SMS tel# 2nd SMS tel#
3rd SMS tel# 4th SMS tel#
Par. 4.5.4(2) Par. 4.5.4(3)
Par. 4.5.4(2b) Par. 4.5.4(2c)
Par. 4.5.4(2d) Par. 4.5.4(2e)
Par. 4.5.4(3a) Par. 4.5.4(3b)
Par. 4.5.4(3c) Par. 4.5.4(3d)
SMS Tel. No.
Note
The currently saved options are
displayed with dark box at the
right side of the display. To
review the options, repeatedly
click or
until the desired option is
displayed, then click OK (a dark
box will be displayed at the right
side).
Tel . No.
Tel . No.
Tel. No.
Tel. No.
SMS Tel. No.
SMS Tel. No.
SMS Tel. No.
Tel. acknowledge
single ack
all ack
Par. 4.5.4(2g)
4.6 GSM Auto Detection
The GSM/BBA modem auto detection feature enables
automatic enrollment of the GSM modem into the
PowerMaxExpress control panel memory. GSM modem
auto detection is activated in one of two ways: after tamper
restore and after reset (power-up or after exiting the
installer menu). This causes the PowerMaxExpress to
automatically scan GSM COM ports for the presence of
the GSM modem.
In the event that the GSM modem auto detection fails and the
modem was previously enrolled in the PowerMaxExpress
control panel, the message "Cel Rmvd Cnfrm" will be
displayed. This message will disappear from the display only
after the user clicks OKI. The modem is then considered
as not enrolled and no GSM trouble message will be
displayed.
Note: A message is displayed only when the
PowerMaxExpress alarm system is disarmed.
4.7 BBA Auto Detection
The BBA modem auto detection feature enables
automatic enrollment of the BBA modem into the
PowerMaxExpress control panel memory. BBA modem
auto detection is activated in one of two ways: after
tamper restore and after reset (power-up or after exiting
the installer menu). This causes the PowerMaxExpress
to automatically scan BBA COM ports for the presence of
the BBA modem.
In the event that the BBA modem auto detection fails and
the modem was previously enrolled in the
PowerMaxExpress control panel, the message
"BBA Remvd Cnfrm" will be displayed. This message will
disappear from the display only after the user clicks OKI.
The modem is then considered as not enrolled and no BBA
trouble message will be displayed.
Note: A message is displayed only when the
PowerMaxExpress alarm system is disarmed.

24 D-302017
4.9 DEFINE CUSTOM
This mode allows you to define up to 5 zones names (in addition to the zone names that can be defined in the DEFINE ZONES
mode - see par. 4.3).
9. DEFINE CUSTOM
(see figure 4.1a)
CUST. ZONES NAME
To edit User Terms, use the following buttons on the control panel keypad:
press to scroll backward; press to scroll forward ;
press to change from small caps to big caps ; press for space
EDIT USER TERM 1 EDIT USER TERM 2 EDIT USER TERM 3 EDIT USER TERM 4 EDIT USER TERM 5
<OK> TO EXIT
OKI
OKI
Figure 4.9 – Define Custom
4.10 DIAGNOSTIC TEST
This mode allows you to test the function of all protected area
wireless sensors / wireless sirens / wireless keypads and to
receive / review information regarding the received signal
strength. Three reception levels are sensed and reported:
Received Signal Strength Indication:
Reception Buzzer Response
Strong Happy Tune twice ( - - - –––– ) ( - - - ––––)
Good Happy Tune ( - - - –––– )
Poor Sad tune ( –––––––– )
The diagnostic test process is shown in figure 4.10.
The following GSM/ GPRS messages are reported:
Message Description
Unit is OK GSM / GPRS functioning properly.
GSM comm.
loss
The GSM/GPRS module does not
communicate with the Panel
Pin code fail Missing or wrong PIN code.
(Only if SIM card PIN code is enabled.)
GSM net. fail Unit failed with registration to local
GSM network.
SIM card fail SIM not installed or SIM card failure.
GSM not
detected
GSM auto enroll failed to detect
GSM/GPRS module.
No GPRS
service
The SIM card does not have the GPRS
service enabled.
GPRS conn.
fail
Local GPRS network is not available
or, wrong setting to GPRS APN, user
and/or password.
Srvr
unavailable
VDNS Receiver cannot be reached –
Check the Server IP
IP not defined Server IP #1 and #2 are not configured.
APN not
defined
APN is not configured.
SIM card
locked
After entering a wrong PIN code 3
consecutive times the SIM is locked.
To unlock it enter a PUK number. The
PUK number cannot be entered by the
PowerMax Pro.
Denied by
server
The VDNS denies the connection
request. Check that the Panel is
registered on the VDNS Receiver.
When you are instructed to perform "walk test", walk
throughout the site to check the detectors / sensors. When
a detector/sensor is triggered into alarm, its name, number
and the alarm reception level should be indicated (for
example, "Bathroom", "Z19 strong") and the buzzer should
sound according to the alarm reception level (1 of 3).
IMPORTANT! Reliable reception must be assured. Therefore,
a "poor" signal strength is not acceptable. If you get a
"poor" signal from a certain detector, re-locate it and re-test
until a "good" or "strong" signal strength is received. This
principle should be followed during the initial testing and also
throughout subsequent system maintenance.

D-302017 25
(Perform walk test)
BATHROOM
DIAG. TESTING
FRONT DOOR
Z1 POOR
Z19 STRONG
(alternating for 5 sec.)
LIVING ROOM
Z2 OK
(alternating for 5 sec.)
Example
of test
result
display
(Each time the OK button is pressed,
the next test result is displayed)
(see figure 4.1a)
Example
of test
result
display
Example
of test
result
display
DIAG. TESTING
WL SENSORS TEST
S1 CPU
WL SIRENS TEST
S1 CPU=STRONG
WAIT
S2 CPU
PLEASE WAIT...
S2 CPU=STRONG
WL KEYPADS TEST
K1 CPU
K1 CPU=STRONG
WAIT
K2 CPU
PLEASE WAIT...
K2 CPU=STRONG
Note
STRONG/GOOD/POOR/
“NOT OK” (with siren No.,
S1 or S2 before) is
displayed according to the
wireless siren signal
strength).
S1=siren 1. S2 = siren 2.
CPU = Control Panel Unit
= 2 way comm.
Note
STRONG/GOOD/POOR/
“NOT OK” (with keypad
No., K1 or K2 before) is
displayed according to the
wireless siren signal
strength).
K1=keypad1 K2=keypad2
CPU = Control Panel Unit
= 2 way comm.
NON-PARTITIONING ONLY
GPRS CONN. TEST LAN CONNECT. TEST
10. DIAGNOSTICS
PLEASE WAIT... PLEASE WAIT...
UNIT IS OK UNIT IS OK
*
( ) *
( )
When the OK button is pressed, the test result takes
between 15 sec. to 4 mins. before it is displayed,
depending on the severity of the failure.
See par. 4.10 for a complete list of possible
GSM/GPRS messages.
*
( )
Figure 4.10 - Diagnostic Test Flow Chart
4.11 USER FUNCTIONS
This mode provides you with a gateway to the user
functions through the regular user programming menu. You
may:
• Program the 4 (private) telephone numbers
• Program user codes
• Enroll keyfobs
• Set the auto arm option
• Set arming time
• Set the squawk option
• Set the system time and time format
• Set the date and date format
Refer to the User Guide for detailed procedures.
Caution! If after having programmed the user codes the
system does not recognize your installer code, this
indicates you must have programmed a user code that is
identical with your installer code. If so, access the user
menu and change the code that is identical with your
installer code. This will re-validate your installer code.
4.12 RETRIEVING FACTORY DEFAULTS
If you want to reset the PowerMaxExpress parameters to the
factory default parameters, you should enter the installer
menu and perform the "FACTORY DEFLT" function, as
described in the right side illustration. To get the relevant
parameters defaults, contact the PowerMaxExpress dealer.
Note: For PowerMaxExpress with 2 installer codes,
INSTALLER code and MASTER INSTALLER code, only
the master installer code enables to perform factory default
function.
12. FACTORY DEFLT
[installer code]
<OK> to restore
ENTER CODE:
PLEASE WAIT ...
Entering to/exit from the FACTORY
DEFLT menu is shown in figure 4.1a
This is a brief display after which all
the factory defaults are retrieved.
4.13 SERIAL NUMBER
The menu "13. SERIAL NUMBER" enables reading the
system serial number and panel ID for support purposes only.
Panel ID is a unique number of the control panel that is used
for registering the PowerMaxExpress to VDNS when using
GPRS.
4.14 CALLING UPLOAD/DOWNLOAD SERVER
Note:
This option is only used during the installation of panels
monitored by compatible central stations.
This option allows the installer to initiate a call to the
upload/download server. The server uploads the
PowerMaxExpress configuration to its data base and can
unload predefined parameters to the PowerMaxExpress .

26 D-302017
USER SETTINGS
ENTER CODE
1. NEW INSTL CODE
2. ENROLLING
3. DEFINE ZONES
5. DEFINE COMM
[installer code]
INSTALLER MODE
4. DEFINE PANEL
COMMUNICATING TEL # NOT DEFINED
DOWNLOADING DIAL ATTEMPT FAIL
DOWNLOAD OK DOWNLOAD FAILED
Displayed during
dialing process
Displayed for half
a minute approx.
accompanied by sad
(failure) melody
If UL/DL server
tel. # was not
defined before
(see par. 4.5.34)
If UL/DL server
tel. # is already
defined (see
par. 4.5.34)
Dialing
OK Dialing
failed
Download
OK Download
failed
Displayed during
download process
Displayed for half
a minute approx.
accompanied by sad
(failure) melody
Displayed for half
a minute approx.
accompanied by sad
(failure) melody
Displayed for half
a minute approx.
accompanied by happy
(success) melody
9. DEFINE CUSTOM
10. DIAGNOSTICS
11. USER SETTINGS
12. FACTORY DEFLT
13. SERIAL NUMBER
14. START UL/DL
<OK> TO EXIT
Refer to Figure 4.1a
to gain access to
USER SETTINGS
menu
READY 00:00 P1 RDY 00:00
Non-Partition
mode Partition
mode
Figure 4.14 – Start UL/DL
4.15 ENABLING/DISABLING PARTITIONS
This mode allows you to enable/disable the partitioning
feature (optional). Partitioning allows you to divide the
system into a maximum of four independently
controllable areas. A different user code is assigned to
each partition in order to limit or control access to each
area. A partition can also be armed or disarmed regardless
of the status of the other partitions within the system.
When the partition feature is disabled, zones, user codes
and features will operate the same as in a regular
PowerMaxExpress unit. When partition is enabled, menu
displays are changed to incorporate the partition feature.
15. PARTITIONING
USER SETTINGS
ENTER CODE
1. NEW INSTL CODE
INSTALLER MODE
[inst. code]
<OK> TO EXIT
enable
disable
Note: Partitioning is an optional feature
Refer to Figure 4.1a
to gain access to
USER SETTINGS
menu
Figure 4.15 – Partitioning
4.16 WALK-TEST
This mode (see Figure 4.1a) provides you with the means to conduct a periodic test, via the walk-test menu, at least once a
week and after an alarm event.

D-302017 27
5. TESTING PROCEDURES
5.1 Preparations
Make sure all windows and doors are closed. If all zones
are secured (undisturbed), the display should read:
READY HH:MM
If the display is “NOT READY”, query the control panel by
pressing the OKI button repeatedly. The source(s) of the
problem(s) will be displayed and read aloud. Take the
necessary measures to eliminate the problem(s) before
testing the system (see next paragraph).
5.2 Diagnostic Test
To verify proper function of all detectors in the system, a
comprehensive diagnostic test is required. To perform this
test, refer to figure 4.10.
5.3 Keyfob Transmitter Test
Initiate transmission from each transmitter enrolled as a
keyfob unit (according to the list in Table A2, Appendix A).
Use each transmitter to arm the control panel AWAY and
immediately disarm it. Upon pressing the keyfob unit’s
AWAY key, the ARM indicator should light.
The display should respond as follows:
ARMING AWAY
PLEASE EXIT NOW
The exit delay beeps will begin.
Press the keyfob unit’s DISARM ( ) key. The ARM indicator
should extinguish, the announcement “Disarm, ready to arm"
should be heard and the display should revert to:
READY HH:MM
Test the AUX button in each keyfob in accordance with the
information noted in Table A.2, Appendix A. Verify that the
AUX button performs its duty as programmed.
If the AUX (@) button is defined as “INSTANT”, press
the AWAY button and then the AUX button. The
response should be:
ARMING INSTANT
(alternating)
PLEASE EXIT NOW
and the exit delay beeps will start. Press the DISARM
() key immediately to disarm.
If the
AUX (*) button is defined as "skip exit delay",
press the AWAY button and while you hear the exit
beeps press the AUX button – the exit beeps will be
stopped immediately and the system will be armed
AWAY. Press the DISARM key ( ) immediately to
disarm the system.
5.4 Emergency Transmitter Test
Initiate transmission from each transmitter enrolled to an
emergency zone (according to the list in Table A3,
Appendix A). For example, upon pressing the transmit
button of an emergency transmitter enrolled to zone 22,
the display should read:
Z22 EMERGENCY
(alternating)
VIOLATED
It is advisable to let the central station know that you are
conducting this test, or just disconnect the telephone line from
the PowerMaxExpress during the test, to prevent false alarms.
6. MAINTENANCE
6.1 Dismounting the Control Panel
A. Remove the screw that fastens the front unit to the back
unit (see figure 3.1H).
B. Remove the 3 screws that fasten the back unit to the
mounting surface (see figure 3.1A) and remove the
control panel.
6.2 Replacing the Backup Battery
Replacement and first-time insertion of battery pack is
similar (see figure 3.1C).
With fresh battery pack, correct insertion and tightened
battery compartment lid, the TROUBLE indicator should
extinguish. However, the “MEMORY” message will now
blink in the display (caused by the “tamper” alarm you
triggered when opening the battery compartment lid). Clear
it by arming the system and immediately disarming.
6.3 Fuse Replacement
The PowerMaxExpress has an internal fuse that has
automatic reset. Therefore, there is no need to replace
fuse.
When over current condition occurs, the fuse cuts off the
circuit current. Upon fault current being removed for
several seconds, the fuse is automatically reset and allows
current flow through the circuit again.
6.4 Replacing/Relocating Detectors
Whenever maintenance work involves replacement or re-
location of detectors, always perform a full diagnostic test
according to par. 4.10.
Remember! A "poor" signal is not acceptable, as stated at
the end of the test procedure.
7. READING THE EVENT LOG
Events are stored in the event log. You can access this log
and review the events, one by one. If the event log fills up
completely, the oldest event is deleted upon registration of
each new event.
The date and time of occurrence are memorized for each
event.
When reading the event log, events are shown in
chronological order - from the newest to the oldest. Access
to the event log is provided by clicking the key and
not through the installer’s menu. Reading and erasing
process of the event log is shown in the next drawing.

28 D-302017
Oldest Event
Latest Event
LIST OF EVENTS
CODE _ _ _ _
(Enter 4-digit
installer code)
(*)
<OK TO EXIT
CLEAR EVENT LOG
<OFF> TO DELETE
(Return to normal
operation)
(**)
OK
I
OK
I
OK
IOK
I
Figure 7 - Reading / Erasing the Event Log
* While the system is in normal operation mode, click to review the event log.
** Event is displayed in 2 parts, for example, "Z13 alarm" then "09/02/00 3:37 P". The two displays will be shown
alternately until clicking OKI again to move to the next event or until the end of the event log (4 minutes).
*** Applicable only if installer code is entered.

D-302017 29
APPENDIX A. Detector Deployment & Transmitter Assignments
A1. Detector Deployment Plan
Zone
No.
Zone Type Sensor Location or Transmitter Assignment
(in non-alarm or emergency zones)
Chime
(Yes / No)
1
2
3
4
5
6
7
8
9
10
11
12
13
14
15
16
17
18
19
20
21
22
23
24
25
26
27
28
29 (*)
30 (*)
Zone Types: 1 = Interior follower
<
2 = Perimeter
<
3 = Perimeter follower
<
4 = Delay 1
<
5 = Delay 2
<
6 = 24 h
silent
<
7 = 24 h audible
<
8 = Fire
<
9 = Non-alarm
<
10 = Emergency
<
11 = Gas
<
12 = Flood
<
13 = Interior
<
14 = Temperature
<
15 = Home / delay.
Zone Locations: Note down the intended location for each detector. When programming, you may select one of 26
available zone names (plus 5 custom zone names that you can add - see Figure 4.3 - Define Zones).
* Zones 29 only is hardwired zones.
A2. Keyfob Transmitter List
Transmitter Data AUX button Assignments
No. Type Holder Skip exit delay or Arming
“instant”
1
2
3
4
5
Indicate the desired function
(if any) – see par. 4.4.17
(Aux button).
6
Skip exit delay F
7
Arming “instant” F
8

30 D-302017
A3. Emergency Transmitter List
Tx # Transmitter Type Enrolled to Zone Name of holder
1
2
3
4
5
6
7
8
9
10
A4. Non-Alarm Transmitter List
Tx # Transmitter Type Enrolled to Zone Name of holder Assignment
1
2
3
4
5
6
7
8
9
10

D-302017 31
APPENDIX B. Event Codes
Contact ID Event Codes
Code Definition Code Definition
101 Emergency 351 Telco fault
110 Fire 373 Fire detector trouble
120 Panic 381 Loss of supervision
RF
121 Duress 383 Sensor tamper
122 Silent 384 RF low battery
123 Audible 393 Fire detector clean me
131 Perimeter 401 O/C by user
132 Interior 403 Auto arm
134 Entry/Exit 406 Cancel
137 Tamper/CP 408 Quick arm
139 Burglary verified 426 Door open event
151 Gas alarm 441 Armed home
154 Flood alarm 454 Fail to close
180 Gas trouble 455 Fail to arm
301 AC loss 456 Partial arm
302 Low system battery 459 Recent close event
311 Battery disconnect 570 Bypass
313 Engineer reset 602 Periodic test report
321 Bell 607 Walk test mode
344 RF receiver jam detect 641 Senior watch trouble
350 Communication trouble
SIA Event Codes
Code Definition Code Definition
AR AC Restore GJ Gas trouble restore
AT AC Trouble HA Holdup Alarm (duress)
BA Burglary Alarm LR Phone Line Restore
BB Burglary Bypass LT Phone Line Trouble
BC Burglary Cancel OP Opening Report
BR Burglary Restore OT Fail to Arm
BT Burglary Trouble /
Jamming PA Panic Alarm
BV Burglary Verified QA Emergency Alarm
BZ Missing Supervision RN Engineer Reset
CF Forced Closing RP Automatic Test
CI Fail to Close RX Manual Test
CL Closing Report RY Exit from Manual Test
CP Auto Arm TA Tamper Alarm
CR Recent Close TR Tamper Restore
EA Door Open WA Flood alarm
FA Fire Alarm WR Flood alarm restore
FT Fire Detector Clean XR Sensor Battery Restore
FJ Fire detector trouble XT Sensor Battery Trouble
FR Fire Restore YR System Battery Restore
GA Gas alarm YT System Battery Trouble /
Disconnection
GR Gas alarm restore YX Service Required
GT Gas trouble
4/2 Event Codes
Note: The report to central station is on the following zones: First wireless siren - zone 31, second wireless siren - zone 32,
GSM - zone 33, first 2-way keypad (MKP-150/MKP-151) - zone 35, second 2-way keypad (MKP-150/MKP-151) - zone 36.
Alarms
Zone # 1 2 3 4 5 6 7 8 9 10 11 12 13 14 15 16 17 18 19 20 21 22 23 24 25 26 27 28 29
1st digit 4 4 4 4 444 4 4 4 4 4444555555555 5 5 5 5 5
2nd digit 1 2 3 4 567 8 9 A B CDEF123456789 A B C D E
Restorals
Zone # 1 2 3 4 5 6 7 8 9 10 11 12 13 14 15 16 17 18 19 20 21 22 23 24 25 26 27 28 29
1st digit C C C C CCC C C C C CCCCDDDDDDDDD D D D D D
2nd digit 1 2 3 4 567 8 9 A B CDEF123456789 A B C D E
Supervisory trouble
Zone # 1 2 3 4 5 6 7 8 9 10 11 12 13 14 15 16 17 18 19 20 21 22 23 24 25 26 27 28
1st digit 6 6 6 6 666 6 6 6 6 6666777777777 7 7 7 7
2nd digit 1 2 3 4 567 8 9 A B CDEF123456789 A B C D
Low Battery
Zone # 1 2 3 4 5 6 7 8 9 10 11 12 13 14 15 16 17 18 19 20 21 22 23 24 25 26 27 28
1st digit 8 8 8 8 888 8 8 8 8 8888999999999 9 9 9 9
2nd digit 1 2 3 4 567 8 9 A B CDEF123456789 A B C D
Forced Arming – 8 users
User No. 1 2 3 4 5 6 7 8
1st digit A A A A A A A A
2nd digit 1 2 3 4 5 6 7 8
Zone Bypass
Zone # 1 2 3 4 5 6 7 8 9 10 11 12 13 14 15 16 17 18 19 20 21 22 23 24 25 26 27 28 29
1st digit A A A A AAA A A A A AAAABBBBBBBBB B B B B B
2nd digit 1 2 3 4 567 8 9 A B CDEF123456789 A B C D E

32 D-302017
Panic / 24 Hours - 8 users
User No. 1 2 3 4 5 6 7 8 Panic CP Duress
1st digit 2 2 2 2 2 2 2 2 2 2
2nd digit 1 2 3 4 5 6 7 8 9 A
Arm HOME and AWAY (Closing)
User No. 1 2 3 4 5 6 7 8 Cancel alarm Recent Close
1st digit E E E E E E E E E E
2nd digit 1 2 3 4 5 6 7 8 9 C
Disarm (Opening)
User No. 1 2 3 4 5 6 7 8
1st digit F F F F F F F F
2nd digit 1 2 3 4 5 6 7 8
Trouble
Event Fuse
Fail
Fuse
Restore
Jamming Jamming
Restore
AC
Failure
AC
Restore
CPU Low
Battery
CPU Low
Battery Restore
CP
Tamper
1st digit 2 2 2 2 1 1 1 1 1
2nd digit C D E F 1 2 3 4 6
Event CP Tamper
Restore
No Active COMM. &
LINE Restore
Enter Test Exit Test Auto Test
1st digit 1 1 1 1 1 1
2nd digit 7 8 A D E F
Understanding the Scancom Reporting Protocol Data Format
The SCANCOM data format consists of 13 decimal digits divided
into 4 groups, from left to right, as shown at the right side.
Each channel is associated with a specific event as follows:
1st "C": Fire 5th "C": Alarm cancel
2nd "C": Personal attack 6th "C": Emergency
3rd "C": Intruder 7th "C": Second alarm
4th "C": Open/close 8th "C": Trouble messages
aaaa cccc cccc s
Account
Code
Channels
1 - 4
Channels
5 - 8 System Status:
no trouble,
test, low battery
The digit in this position conveys
the status of channel 1 The digit in this position conveys
the status of channel 8
Scancom Data Format

D-302017 33
APPENDIX C. Programmable Zone Types
C1. Delay Zones
A delay zone has exit and entry delays set by you in the
course of programming the system. Warning beeps will
sound throughout these delays, unless you choose to mute
them.
• Exit Delay - The exit delay begins once the user arms
the system. It allows him to leave via interior zones and
a doorway before arming actually takes effect. When the
exit delay starts, the buzzer beeps slowly and maintains
a slow beeping rate until the last 10 seconds, during
which it beeps rapidly. The PowerMaxExpress has two
types of delay zones, for which different delay times may
be set.
• Entry Delay - The entry delay begins once the user
enters the protected area via a specific doorway (his
entry is sensed by a delay zone detector). To avoid an
alarm, he must reach the keypad via interior zones
(which become "follower zones" during the entry delay)
and disarm the system before the delay expires. When
the entry delay starts, the buzzer beeps slowly until the
last 10 seconds, during which it beeps rapidly.
C2. Emergency Zones
You can provide incapacitated, sick or elderly people with
a miniature single-button transmitter to be carried on the
neck like a pendant or to be worn on the wrist like a watch.
In distress situations, they can press the button on their
transmitter, causing the PowerMaxExpress to send an
emergency call to the central monitoring station or to
private telephones designated by the installer.
To make this possible, define the required number of
zones as emergency zones and enroll a portable
transmitter to each one of these zones. When completed,
ask the master user to distribute these transmitters to their
potential users.
C3. Fire Zones
A fire zone uses smoke detectors and is permanently
active (a fire alarm is triggered regardless of whether the
system is armed or disarmed). Upon detection of smoke, a
pulsating siren sounds immediately and the event is
reported via the telephone line.
C4. Flood Zone
A flood zone is permanently active (a flood alarm is
triggered regardless of whether the system is armed or
disarmed). Upon detection of flood leak, the event is
reported via the telephone line.
C5. Gas Zone
A gas zone is permanently active (a gas alarm is triggered
regardless of whether the system is armed or disarmed).
Upon detection of gas leak, the event is reported via the
telephone line.
C6. Interior Zone
Interior zones are zones within the protected premises that
have nothing to do with perimeter protection. Their most
important feature is that they allow free movement within
the protected area without initiating an alarm, provided that
the system is armed in the "HOME" mode. People can
therefore stay at home and move about freely, as long as
they do not disturb a PERIMETER zone.
Once the system is armed in the AWAY mode (all zones are
protected), interior zones will initiate an alarm if violated.
C7. Interior Follower Zones
"Interior Follower" zone is a zone that is located between
entry/exit zone and the alarm system control panel. This zone
is temporarily ignored by the alarm system during entry/exit
delay periods, to enable you to walk (without causing an alarm)
in front of a motion detector that is associated with the Interior
Follower zone, after you enter through an entry zone on the
way to the control panel, or when leaving the protected
premises after system arming.
C8. Non-Alarm Zones
A non-alarm zone does not directly participate in the alarm
system. It can be used for chime or for optional KEY ON-
OFF feature (when enabled).
You can define the desired number of non-alarm zones and
enroll a portable transmitter or a wireless device (detector)
to this type of zone.
C9. Perimeter Zones
Perimeter zones rely on detectors designed to protect
doors, windows and walls. An immediate alarm is initiated
when such a zone is violated by opening the door/window
or by trying to break the wall.
C10. Perimeter Follower Zones
A non-entry/exit zone, typically a perimeter zone located
on an entry/exit path, that is treated as an entry/exit zone
during an entry/exit time.
C11. 24-Hour Zones
24 hour zones are mainly used for PANIC buttons, perimeter
detectors and anti-tamper protection. They therefore trigger an
alarm in both armed and disarmed states.
• 24 Hour Zone - Silent. - Upon detection, this zone
initiates a silent alarm, meaning that the sirens do not
function. Instead the PowerMaxExpress dials telephone
numbers and reports the event to central stations and/or
to private telephones, as programmed.
• 24 Hour Zone - Audible. - Upon detection, this zone
initiates a siren alarm. The PowerMaxExpress also dials
telephone numbers and reports the event to central
stations and/or to private telephones, as programmed.

34 D-302017
APPENDIX D. PowerMaxExpress Compatible Devices
D1. PowerMaxExpress Compatible
Detectors
Each detector compatible with the PowerMaxExpress
system is packed with its own installation instructions.
Read them carefully and install as indicated.
A. PIR Motion Detectors
The wireless passive infrared (PIR) motion detectors used
in the system are of the PowerCode type. The
PowerMaxExpress is capable of “learning” each detector’s
identification code and linking it to a specific zone (see par.
4.3 in this Guide). Some units are shown below:
NEXT®
K9-85 MCW
MCPIR-3000
or K-940 MCW
DISCOVERY
K9-80/MCW
Note: K-940 MCW, Discovery K9-80/MCW and NEXT®
K9-85 MCW are pet immune units.
In addition to its unique 24-bit identification code, each
detector transmits a message, containing status
information:
• The detector is in alarm (or not).
• The detector is being tampered with (or not).
• The battery voltage is low (or normal).
• “This is a supervisory message”.
If any of these detectors detects motion, it sends out a
message to the alarm control panel. If the system is in the
armed state, an alarm will be triggered.
B. Magnetic Contact Transmitter
MCT-302 is a PowerCode magnetic-
contact transmitter used to detect the
opening of a door or a window. The alarm
contacts are closed as long as the door or
window remains closed.
MCT-302
The unit has an extra alarm input that acts as if it were a
separate wireless transmitter. It sends (or does not send) a
“restored to normal“ message to the alarm system,
depending on the setting of an on-board “DIP” switch. The
“restore” message informs you, through the control panel’s
display, whether the door or window is open or closed.
C. MCT-100 Wireless Adapter for Wired Detectors
MCT-100 is a PowerCode device used
mainly as a wireless adapter for 2 regular
magnetic switches installed on 2 windows in
the same room. It has two inputs, behaving
as separate wireless transmitters with
different PowerCode IDs. Each input sends
(or does not send) a “restored“ message to
the alarm system, depending on the setting
of an on-board “DIP” switch.
MCT-100
D. Wireless Smoke Detector
MCT-425. A photoelectric smoke
detector equipped with a
PowerCode-type transmitter. If
enrolled to a fire zone, it initiates a
fire alarm upon detection of smoke.
MCT-425
E. Glass Break Detector MCT-
501 An acoustic detector equipped
with a PowerCode-type transmitter.
Since it restores automatically after
detection, this unit does not send a
restoral message to the control panel.
MCT-501
D2. PowerMaxExpress Compatible
Transmitters
The PowerMaxExpress system is compatible with multi-
button and single button key-ring and hand-held
transmitters that use PowerCode and CodeSecure coding
methods.
Multi-button PowerCode transmitters transmit the same
code each time the same button is pressed. They can be
used for emergency signaling. They can not be used for
arming / disarming.
CodeSecure transmitters are of the rolling code type - they
transmit a new code each time the same button is pressed.
This provides a higher security level, especially in arming /
disarming applications, because the code can not be
copied (“grabbed”) by unauthorized people.
Following are the basic details of several compatible
transmitters. The possible applications for each push-
button are indicated in each drawing.
A. MCT-234
‘Keyfob’ transmitter. You
can program the AUX
(auxiliary) button to perform
various tasks, in
accordance with the user’s
needs.
Pressing AWAY and
HOME together for 2 sec.
initiates PANIC alarm.
Pressing AWAY for 2 sec.
initiates Latchkey arming.
DISARM
AWAY
AUX
HOME
MCT-234
B. MCT-231 / 201*
(N.A. in North America)
Single-button pendant units.
The MCT-231 (Code- Secure)
and the MCT-201
(PowerCode) can be enrolled
to perform functions as shown.
Both units look alike.
MCT-231 / 201
C. MCT-134 / 104*
(N.A. in North America)
4-button hand-held units.
MCT-134 (CodeSecure) can
replace the MCT-234 keyfob.
MCT-104 (PowerCode) can
perform emergency and non-
alarm functions. Both units
look alike. MCT-134 / 104
D. MCT-132 / 102*
(N.A. in North America) 2-
button units. MCT-132
(CodeSecure) can perform
functions as shown. MCT-102
(PowerCode) can perform
emergency and non-alarm
tasks. Both units look alike.
MCT-132 / 102

D-302017 35
E. MCT-131 / 101*
(N.A. in North America)
Single-button units. The
MCT-131 (CodeSecure) and
the MCT-101 (PowerCode)
can be enrolled to perform
functions as shown. Both
units look alike.
MCT-131 / 101
F. MCT-211*
Water-proof, wrist-worn
Power-Code transmitter.
Can be enrolled to perform
emergency or non-alarm
functions.
MCT-211
* Not UL listed.
D3. PowerMaxExpress Compatible
WL Siren
The MCS-700/710 wireless siren can be
integrated with the PowerMaxExpress in areas
in which wiring action is difficult or impossible.
The MCS-700/710 is a fully supervised, 2-way
communication device (it includes a receiver,
to receive activation commands from the
alarm system, and a transmitter to periodically
transmit its status signal to the alarm system).
Wireless
Siren
When an identifiable activation command is received from
the PowerMaxExpress, the siren activates its sounder and
the flash light (strobe light every 1.5 seconds).
Industry Canada Declaration
This product meets the applicable Industry Canada
technical specifications/Le présent materiel est conforme
aux specifications techniques appliables d’Industrie
Canada.
The Ringer Equivalence Number is an indication of the
maximum number of devices allowed to be connected to a
telephone interface. The termination on an interface may
consist of any combination of devices subject only to the
requirement that the sum of the RENs of all the devices
does not exceed five/L’indice d’équivalence de la sonnerie
(IES) sert à indiquer le nombre maximal de terminaux qui
peuvent être raccordés à une interface téléphonique. La
terminaison d’une interface peut consister en une
combinaison quelconque de dispositifs, à la seule
condition que la somme d’indices d’équivalence de la
sonnerie de tous les dispositifs n’excède pas 5.
The Ringer Equivalence Number (REN) for this terminal
equipment is 0.3B.

36 D-302017
WARRANTY
Visonic Limited (the “Manufacturer") warrants this product only (the "Product") to the original purchaser only (the
“Purchaser”) against defective workmanship and materials under normal use of the Product for a period of twelve
(12) months from the date of shipment by the Manufacturer.
This Warranty is absolutely conditional upon the Product having been properly installed, maintained and operated
under conditions of normal use in accordance with the Manufacturers recommended installation and operation
instructions. Products which have become defective for any other reason, according to the Manufacturers discretion,
such as improper installation, failure to follow recommended installation and operational instructions, neglect, willful
damage, misuse or vandalism, accidental damage, alteration or tampering, or repair by anyone other than the
manufacturer, are not covered by this Warranty.
The Manufacturer does not represent that this Product may not be compromised and/or circumvented or that the
Product will prevent any death and/or personal injury and/or damage to property resulting from burglary, robbery, fire
or otherwise, or that the Product will in all cases provide adequate warning or protection. The Product, properly
installed and maintained, only reduces the risk of such events without warning and it is not a guarantee or insurance
that such events will not occur.
THIS WARRANTY IS EXCLUSIVE AND EXPRESSLY IN LIEU OF ALL OTHER WARRANTIES, OBLIGATIONS
OR LIABILITIES, WHETHER WRITTEN, ORAL, EXPRESS OR IMPLIED, INCLUDING ANY WARRANTY OF
MERCHANTABILITY OR FITNESS FOR A PARTICULAR PURPOSE, OR OTHERWISE. IN NO CASE SHALL
THE MANUFACTURER BE LIABLE TO ANYONE FOR ANY CONSEQUENTIAL OR INCIDENTAL DAMAGES
FOR BREACH OF THIS WARRANTY OR ANY OTHER WARRANTIES WHATSOEVER, AS AFORESAID.
THE MANUFACTURER SHALL IN NO EVENT BE LIABLE FOR ANY SPECIAL, INDIRECT, INCIDENTAL,
CONSEQUENTIAL OR PUNITIVE DAMAGES OR FOR LOSS, DAMAGE, OR EXPENSE, INCLUDING LOSS OF
USE, PROFITS, REVENUE, OR GOODWILL, DIRECTLY OR INDIRECTLY ARISING FROM PURCHASER’S USE
OR INABILITY TO USE THE PRODUCT, OR FOR LOSS OR DESTRUCTION OF OTHER PROPERTY OR FROM
ANY OTHER CAUSE, EVEN IF MANUFACTURER HAS BEEN ADVISED OF THE POSSIBILITY OF SUCH
DAMAGE.
THE MANUFACTURER SHALL HAVE NO LIABILITY FOR ANY DEATH, PERSONAL AND/OR BODILY INJURY
AND/OR DAMAGE TO PROPERTY OR OTHER LOSS WHETHER DIRECT, INDIRECT, INCIDENTAL,
CONSEQUENTIAL OR OTHERWISE, BASED ON A CLAIM THAT THE PRODUCT FAILED TO FUNCTION.
However, if the Manufacturer is held liable, whether directly or indirectly, for any loss or damage arising under this
limited warranty, THE MANUFACTURER'S MAXIMUM LIABILITY (IF ANY) SHALL NOT IN ANY CASE
EXCEED THE PURCHASE PRICE OF THE PRODUCT, which shall be fixed as liquidated damages and not as a
penalty, and shall be the complete and exclusive remedy against the Manufacturer.
When accepting the delivery of the Product, the Purchaser agrees to the said conditions of sale and warranty and
he recognizes having been informed of.
Some jurisdictions do not allow the exclusion or limitation of incidental or consequential damages, so these
limitations may not apply under certain circumstances.
The Manufacturer shall be under no liability whatsoever arising out of the corruption and/or malfunctioning of any
telecommunication or electronic equipment or any programs.
The Manufacturers obligations under this Warranty are limited solely to repair and/or replace at the Manufacturer’s
discretion any Product or part thereof that may prove defective. Any repair and/or replacement shall not extend
the original Warranty period. The Manufacturer shall not be responsible for dismantling and/or reinstallation costs.
To exercise this Warranty the Product must be returned to the Manufacturer freight pre-paid and insured. All
freight and insurance costs are the responsibility of the Purchaser and are not included in this Warranty.
This warranty shall not be modified, varied or extended, and the Manufacturer does not authorize any person to
act on its behalf in the modification, variation or extension of this warranty. This warranty shall apply to the Product
only. All products, accessories or attachments of others used in conjunction with the Product, including batteries,
shall be covered solely by their own warranty, if any. The Manufacturer shall not be liable for any damage or loss
whatsoever, whether directly, indirectly, incidentally, consequentially or otherwise, caused by the malfunction of
the Product due to products, accessories, or attachments of others, including batteries, used in conjunction with
the Products. This Warranty is exclusive to the original Purchaser and is not assignable.
This Warranty is in addition to and does not affect your legal rights. Any provision in this warranty which is contrary
to the Law in the state or country were the Product is supplied shall not apply.
Warning: The user must follow the Manufacturer’s installation and operational instructions including testing the
Product and its whole system at least once a week and to take all necessary precautions for his/her safety and the
protection of his/her property.
1/08
VISONIC LTD. (ISRAEL): P.O.B 22020 TEL-AVIV 61220 ISRAEL. PHONE: (972-3) 645-6789, FAX: (972-3) 645-6788
VISONIC INC. (U.S.A.): 65 WEST DUDLEY TOWN ROAD, BLOOMFIELD CT. 06002-1376. PHONE: (860) 243-0833, (800) 223-0020. FAX: (860) 242-8094
VISONIC LTD. (UK): 7 COPPERHOUSE COURT, CALDECOTTE, MILTON KEYNES. MK7 8NL. PHONE: (0870) 7300800 FAX: (0870) 7300801 PRODUCT SUPPORT ( 0870) 7300830
VISONIC GMBH (D): KIRCHFELDSTR. 118, D-42015 DÜSSELDORF, GERMANY, FAX (0211) 60069619 Email: info-dach@visonic.com
VISONIC IBERICA: ISLA DE PALMA, 32 NAVE 7, POLÍGONO INDUSTRIAL NORTE, 28700 SAN SEBASTIÁN DE LOS REYES, (MADRID), ESPAÑA.
TEL (34) 91659-3120, FAX (34) 91663-8468. www.visonic-iberica.es
INTERNET: www.visonic.com
©VISONIC LTD. 2009 PowerMaxExpress Installer guide D-302017 (REV. 0, 2/09)