Weslo Wlmc003410 Owners Manual 285430
2014-07-31
: Weslo Weslo-Wlmc003410-Owners-Manual weslo-wlmc003410-owners-manual weslo pdf
Open the PDF directly: View PDF
.
Page Count: 12

USER'S MANUAL
™
QUESTIONS?
As a manufacturer, we are com-
mitted to providing complete
customer satisfaction. If you
have questions, or find or that
there are missing or damaged
parts, we will guarantee com-
plete satisfaction through direct
assistance from our factory.
TO AVOID UNNECESSARY
DELAYS, PLEASE CALL DIRECT
TO OUR TOLL-FREE CUSTOMER
HOT LINE. The trained techni-
cians on our Customer Hot Line
will provide immediate assis-
tance, free of charge to you.
CUSTOMER HOT LINE:
1-800-999-3756
Mon.-Fri., 6 a.m.-6 p.m. MST
Model No. WLMC003410
Serial No.
Serial Number Decal
PATENT PENDING
CAUTION:
Read all safety precautions
and instructions in this man-
ual carefully before using
this equipment. Save this manual
for future reference.

TABLE OF CONTENTS
IMPORTANTPRECAUTIONS ................................................................3
ASSEMBLY ...............................................................................4
ADJUSTMENTANDOPERATION .............................................................6
MAINTENANCEANDTROUBLE-SHOOTING ....................................................8
CONDITIONINGGUIDELINES................................................................9
PARTLIST ..............................................................................10
EXPLODEDDRAWING ....................................................................11
ORDERINGREPLACEMENTPARTS ..................................................BackCover
WARRANTY ......................................................................BackCover
2

IMPORTANT PRECAUTIONS
WARNING: To reduce the risk of serious injury, read the following important precautions before
using the WESLO®CARDIO GLIDE.
1. It is the responsibility of the owner to ensure
that all users of the CARDIO GLIDE are ade-
quately informed of all warnings and precau-
tions.
2. Use the CARDIO GLIDE only on a level sur-
face.
3. Wear appropriate clothing when exercising;
do not wear loose clothing that could
become caught in the CARDIO GLIDE.
Always wear athletic shoes for foot protec-
tion.
4. The CARDIO GLIDE features a precision
resistance cylinder; due to the nature of
resistance cylinders, it is recommended that
the floor underneath the CARDIO GLIDE be
covered in case of slight oil leakage.
5. Keep small children and pets away from the
CARDIO GLIDE at all times.
6. The resistance cylinder becomes very hot
during use. Allow the resistance cylinder to
cool before touching it. When adjusting the
resistance, touch only the resistance adjust-
ment collar.
7. Do not use the CARDIO GLIDE when the
resistance cylinder is below room tempera-
ture or damage may occur.
8. The CARDIO GLIDE should not be used by
persons weighing more than 250 pounds
(113 kg). Never allow more than one person
at a time on the CARDIO GLIDE.
9. Inspect and tighten all part regularly.
Replace any worn parts immediately.
10. Use the CARDIO GLIDE only as described in
this manual.
11. The CARDIO GLIDE is intended for home
use only. Do not use the CARDIO GLIDE in
any commercial, rental, or institutional set-
ting.
WARNING: Before beginning this or any exercise program, consult your physician. This is especial-
ly important for persons over the age of 35 or persons with pre-existing health problems. Read all
instructions before using. ICON assumes no responsibility for personal injury or property damage
sustained by or through the use of this product.
The decal shown at the right has been placed on the
resistance cylinder of your CARDIO GLIDE.
If the decal is missing, or if it is not legible, please call
our Customer Service Department, toll-free, to order a
free replacement decal (see ORDERING REPLACE-
MENT PARTS on the back cover of this manual).
Apply the decal in the location shown at the right.
3

ASSEMBLY
Place all parts of the CARDIO GLIDE in a cleared area and remove the packing materials. Do not dispose of the
packing materials until assembly is completed. Read each step carefully before beginning.
Assembly requires the following tools: one phillips screwdriver , one adjustable wrench
, and one rubber mallet .
1. Tap a 1/2” Bushing (25) into each side of the Frame
(6) as shown.
Apply grease to the Pivot Rod (21). Align the holes in
the Pedal Frame (7) with the indicated tube on the
Frame (6). Tap the Pivot Rod through the Pedal
Frame and the Frame.
IMPORTANT NOTE: Before assembling the 1/2”
Dome Caps (29), make sure that you thoroughly
understand the assembly step(s) they are used in.
They can be assembled only once. If they must be
removed, you will need to order new Dome Caps.
Center the Pivot Rod (21) and tap a 1/2” Dome Cap
(29) onto each end of it.
Make sure that the Magnet (27) is on the Pedal
Frame (7).
2. Make sure that there is a 1/2” Link Arm Bushing (19)
in the right Link Arm (4) (see the inset drawing). Slide
the Link Arm onto the indicated pin on the Pedal
Frame (7). Pivot the Pedal Frame and tap a 1/2”
Dome Cap (29) onto the pin.
Attach the left Link Arm (not shown) in the same man-
ner.
3. Make sure that there is a 1 1/4” x 2” Endcap (13) on
each end of the Handlebar (2). The Endcaps must be
turned so the round holes are on top.
Slide the Handlebar (2) into the Pedal Frame (7). The
Handlebar must be turned so the sides bend toward
the seat (not shown). Align the holes in the Handlebar
with the holes in the Pedal Frame. Attach one side of
the Handlebar with two #8 x 1/2” Screws (16). Attach
the other side of the Handlebar with two #8 x 1/2”
Screws.
Slide the 1 1/4” x 2” Endcaps (13) down over the
Pedal Frame (7).
29
1
29
6
25
27
21
Apply
Grease 7
19
4
2
19
29
Pin
7
4
13
2
3
7
16
4

4. The Monitor (1) requires two “AA” batteries (not
included); alkaline batteries are recommended.
Remove the battery from the back of the Monitor. Insert
two “AA” batteries into the battery compartment of the
Monitor. Make sure that the negative (–) ends of the bat-
teries are touching the springs in the battery compart-
ment.
Reattach the battery cover to the back of the Monitor (1).
5. Connect the Sensor Wire (15) to the wire on the Monitor
(1). Insert any excess wire into the Frame (6). Attach the
Monitor to the Frame with a #8 x 1/2” Screw (16). Make
sure not to pinch the wire between the Frame and the
Monitor.
6. Remove the two 1/4” x 2” Screws (17) attaching the Seat
(3) to the underside of the Seat Tube (5). Attach the
Seat to the top of the Seat Tube with the two Screws as
shown. Make sure that the narrow end of the Seat is fac-
ing forward.
7. Pivot the Pedal Frame (7) until the Magnet (27) is
aligned with the Reed Switch (15). See the inset draw-
ing. Loosen the #8 x 3/4” Screw (18). Slide the Reed
Switch slightly closer to the Magnet. Tighten the #8 x
3/4” Screw. Exercise on the CARDIO GLIDE for a
moment. Repeat until the monitor displays correct feed-
back. Make sure that the Magnet does not hit the
Reed Switch.
Note: One extra #8 x 1/2” Screw (16) and one extra 1/2”
Dome Cap (29) may have been included.
17
3
5
Narrow End
6
727
15
18
27
7
15
7
5
1
15
6
16
5
4
5
“AA” Batteries
Battery Cover

ADJUSTMENT AND OPERATION
EXERCISING ON THE CARDIO GLIDE
Sit on the seat, place your feet on the pedals and hold the handlebar. To add variety to your exercise, you can
hold the top, sides or bottom of the handlebar, place your hands close together or far apart, or hold the handle-
bar with an overhand or underhand grip.
To begin exercising, pull the handlebar towards your waist while pushing the pedals away with your legs. Return
to the starting position. This completes one repetition. Repeat, moving with a smooth, continuous motion. For
the best results, move through the full range of motion, maintain a steady pace, and keep your back straight.
LOWER BODY EXERCISE
To focus on the muscles of the lower body, rest your hands
on the indicated bar as you exercise.
To focus on the calf muscles, point your toes as you push
the pedals away. As you return to the starting position, raise
your toes and rotate your heels downward. CAUTION: To
avoid injury, keep you feet firmly on the pedals to pre-
vent them from slipping.
UPPER BODY EXERCISE
To focus on the muscles of the upper body, rest your feet
on the foot pegs rather than the pedals as you exercise.
ABDOMINAL EXERCISE
To exercise your abdominal muscles, keep your arms
straight and bend back at the waist as you exercise.
Remember to keep your back straight.
RESISTANCE ADJUSTMENT
To vary the intensity of your exercise, the resistance of the
CARDIO GLIDE can be changed. There are 9 resistance
levels: level 1 is the easiest, and level 9 is the most chal-
lenging. To change the resistance, turn the resistance
adjustment collar on the Resistance Cylinder (9). The arrow
on the Resistance Cylinder will show which resistance level
you have selected. CAUTION: The Resistance Cylinder
becomes very hot during use. Allow the Resistance
Cylinder to cool before touching it. When adjusting the
resistance, touch only the resistance adjustment collar.
Resistance
Adjustment Collar
5
9
9
Resistance
Adjustment Collar
Bar
Foot Peg
6

ELECTRONIC MONITOR
The simple-to-operate electronic monitor features five different modes to provide you with instant exer-
cise feedback. The five modes are described below:
•Speed—Displays your speed, in repetitions per minute.
• Time—Displays the length of time you have exercised. Note: If you stop exercising for ten seconds or longer,
the time mode will pause until you resume.
• Distance—Displays the total number of repetitions you have completed, up to 999. The display will then reset
to zero and continue counting. (Monitor 2 below will display up to 9,999 repetitions.)
• Calories—Displays the approximate number of Calories you have burned. Note: If the resistance is near the
highest or lowest setting, the actual number of Calories you have burned will be slightly higher or lower than
the number displayed.
• Scan—Displays all of the above modes, for approximately 5 seconds each, in a repeating cycle.
Note: The CARDIO GLIDE features one of the four monitors shown below. All four monitors have exactly
the same modes. The operation of the monitors is described below.
HOW TO OPERATE THE MONITOR
1. To turn on the power, press the on/off button or simply begin exercising on the CARDIO GLIDE. (If you have
monitor 2 above, press the on/reset button.) When the power is turned on, the entire display will appear for
two seconds. The monitor will then be ready for operation.
2. Select one of the five modes:
Scan mode—When the power is turned on, the scan mode will be selected automatically. One mode indicator
will show that the scan mode has been selected, and a second mode indicator will show which mode is cur-
rently displayed. The scan mode can also be selected by repeatedly pressing the mode button. (If you have
monitor 3 above, press the scan button).
Speed, time, distance or calories mode—These modes can be selected by repeatedly pressing the mode but-
ton. The mode indicators will show which mode has been selected. (Make sure that the scan mode is not select-
ed.).The modes will be selected in the following order: speed, time, distance, calories.
3. To reset the display, press the on/off button twice. (If you have monitor 2 above, press the on/reset button; if you
have monitor 4 above, press the clear button).
4. To turn off the power, press the on/off button. (If you have monitor 2 above, there is no on/off button. Simply
wait for about four minutes for the “auto-off” feature to turn off the power.) Note: All four monitors have an
“auto-off” feature. If the pedals are not moved and the monitor buttons are not pressed for four minutes, the
power will turn off automatically in order to conserve the batteries.
SPEED TIME
DISTANCE SCANCALORIE
MODE ON/OFF
SPEED TIME
DISTANCE SCANCALORIE
MODE ON/RESET
- AUTO-OFF -
Speed Time
Mode Scan On/Off
Distance Calories Scan
Speed Time
Mode Clear On/Off
Distance Calories Scan
1234
7

MAINTENANCE AND TROUBLE-SHOOTING
MONITOR CARE
Keep the monitor out of direct sunlight or the LCD display may be damaged. The monitor can be cleaned using
a soft, dry cloth. Do not allow liquid to come in contact with the monitor. Remove the batteries when storing the
CARDIO GLIDE.
REPLACING THE BATTERIES
If the display of the Monitor (1) becomes dim, the two
“AA” batteries should be replaced. Remove the battery
cover from the back of the Monitor. Remove the two old bat-
teries, making sure to note which way each battery is turned.
Insert two new batteries.
Reattach the battery cover to the back of the Monitor (1).
ADJUSTING THE MAGNET AND REED SWITCH
If the monitor does not function properly, the Magnet (27)
and Reed Switch (15) should be checked. Pivot the Pedal
Frame (7) until the Magnet is aligned with the Reed Switch.
See the inset drawing. Loosen the indicated #8 x 3/4” Screw
(18). Slide the Reed Switch (15) slightly closer to the Magnet
(27). Tighten the #8 x 3/4” Screw. Exercise on the CARDIO
GLIDE for a moment. Repeat until the monitor displays cor-
rect feedback. Make sure that the Magnet does not hit the
Reed Switch.
LUBRICATING THE CARDIO GLIDE
The ends of the Link Arms (4) should be oiled every six
months. Apply a few drops of light multi-purpose oil between
the Link Arms and the dome caps in the indicated locations.
727
18
15
27
715
Apply Oil
4
8
1
“AA” Batteries
Battery Cover

The following guidelines will help you to plan your
exercise program. Remember that proper nutrition and
adequate rest are essential for successful results.
EXERCISE INTENSITY
To maximize the benefits of exercising, it is important
to exercise with the proper intensity. The proper inten-
sity level can be found by using your heart rate as a
guide. For effective aerobic exercise, your heart rate
should be maintained at a level between 70% and
85% of your maximum heart rate as you exercise.
This is known as your training zone. You can find your
training zone in the table below. Training zones are
listed for both unconditioned and conditioned persons
according to age.
During the first few months of your exercise program,
keep your heart rate near the low end of your training
zone as you exercise. After a few months, your heart
rate can be increased gradually until it is near the mid-
dle of your training zone as you exercise.
To measure
your heart
rate, stop
exercising and
place two fin-
gers on your
wrist. Take a
six-second
heartbeat
count, and
multiply the
result by 10 to find your heart rate. For example, if
your six-second heartbeat count is 14, your heart rate
is 140 beats per minute. (A six-second count is used
because your heart rate will drop rapidly when you
stop exercising.) Adjust the intensity of your exercise
until your heart rate is at the proper level.
WORKOUT GUIDELINES
Each workout should consist of three basic parts: a
warm-up, 20 to 30 minutes of training zone exercise,
and a cool-down. Warming up prepares the body for
exercise by increasing circulation, delivering more
oxygen to the muscles and raising the body tempera-
ture. Begin each workout with 5 to 10 minutes of
stretching and light exercise to warm up. Then,
increase the intensity of your exercise to raise your
heart rate to your training zone for 20 to 30 minutes.
Breathe regularly and deeply as you exercise—never
hold your breath. Finish each workout with 5 to 10
minutes of stretching to cool down. This will increase
the flexibility of the muscles, and reduce soreness and
other post-exercise problems.
To maintain or improve your condition, complete three
workouts each week, with at least one day of rest
between workouts. After a few months of regular exer-
cise, you may complete up to five workouts each
week, if desired. The key to success is to make exer-
cise a regular and enjoyable part of your everyday life.
20 138-167 133-162
25 136-166 132-160
30 135-164 130-158
35 134-162 129-156
40 132-161 127-155
45 131-159 125-153
50 129-156 124-150
55 127-155 122-149
60 126-153 121-147
65 125-151 119-145
70 123-150 118-144
75 122-147 117-142
80 120-146 115-140
85 118-144 114-139
AGE
UNCONDITIONED
TRAINING ZONE
(BEATS/MIN)
CONDITIONED
TRAINING ZONE
(BEATS/MIN)
CONDITIONING GUIDELINES
9
WARNING: Before beginning this or any exercise
program, consult your physician. This is espe-
cially important for persons over the age of 35 or
persons with pre-existing health problems.

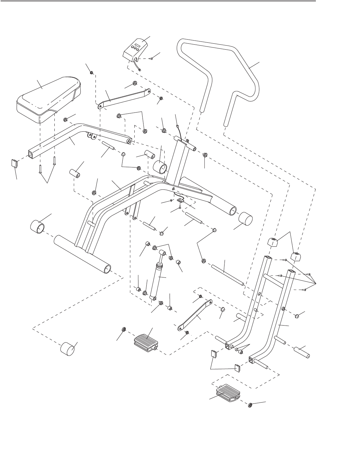
PART LIST—Model No. WLMC003410 R0197A
Note: "#" indicates a non-illustrated part. Specifications are subject to change without notice. See the back cover
of this manual for information about ordering replacement parts.
Key
No. Qty. Description
11 Monitor
21 Handlebar
31 Seat
4 2 Link Arm
51 Seat Tube
61 Frame
71 Pedal Frame
84 Round Endcap
91 Resistance Cylinder
10 2 1 1/4” x 1 1/4” Endcap
11 1 1 1/2” x 2” Endcap
12 2 Pedal
13 2 1 1/4” x 1” Endcap
14 2 Bumper
15 1 Reed Switch/Sensor Wire
16 5* #8 x 1/2” Screw
17 2 1/4” x 2” Screw
18 1 #8 x 3/4” Screw
Key
No. Qty. Description
19 4 1/2” Link Arm Bushing
20 2 1/2” Spacer
21 1 1/2” x 10 3/4” Pivot Rod
22 1 1/2” x 3 3/4” Rod
23 2 1/2” Cylinder Bushing Set
24 2 15/16” Spacer
25 4 1/2” Bushing
26 2 Foot Peg Foam
27 1 Magnet/Retainer
28 1 1/2” x 6” Rod
29 10* 1/2” Dome Cap
30 2 1/2” Push Nut
31 1 1/2” x 4” Rod
32 1 Clip
#1 User's Manual
*Note: One extra #8 x 1/2” Screw and one extra
1/2” Dome Cap may have been included.
10

EXPLODED DRAWING—Model No. WLMC003410 R0197A
32
18
28
29
15
29
31
8
21
13
16
29
26
7
12 30
10
27
26
29
19
19
4
30
12
23
23
24
24
20
9
23
20
8
8
14
29 6
29
14
8
25
15
25
25 19
29
4
16
1
219
3
29
5
17
11
22
11

ORDERING REPLACEMENT PARTS
To order replacement parts, simply call our Customer Service Department toll-free at 1-800-999-3756, Monday
through Friday, 6 a.m. until 6 p.m. Mountain Time (excluding holidays). To help us assist you, please be pre-
pared to give the following information when calling:
1. The MODEL NUMBER of the product (WLMC003410).
2. The NAME of the product (WESLO®CARDIO GLIDE).
3. The SERIAL NUMBER of the product (see the front cover of this manual).
4. The KEY NUMBER and DESCRIPTION of the part(s) from page 10 of this manual.
Part No. 129692 R0197A WESLO is a registered trademark of ICON Health & Fitness, Inc. © 1997 Printed in USA
LIMITED WARRANTY
Icon Health & Fitness, Inc., (“ICON”) warrants this product to be free from defects in workmanship and
material, under normal use and service conditions, for a period of ninety (90) days from the date of pur-
chase. This warranty extends only to the original purchaser. ICON's obligation under this warranty is lim-
ited to replacing or repairing, at ICON's option, the product at one of its authorized service centers. All
products for which warranty claim is made must be received by ICON at one of its authorized service cen-
ters with all freight and other transportation charges prepaid, accompanied by sufficient proof of purchase.
All returns must be pre-authorized by ICON. This warranty does not extend to any product or damage to
a product caused by or attributable to freight damage, abuse, misuse, improper or abnormal usage or
repairs not provided by a ICON authorized service center, products used for commercial or rental pur-
poses, or to products used as store display models. No other warranty beyond that specifically set forth
above is authorized by ICON.
ICON IS NOT RESPONSIBLE OR LIABLE FOR INDIRECT, SPECIAL OR CONSEQUENTIAL DAMAGES
ARISING OUT OF OR IN CONNECTION WITH THE USE OR PERFORMANCE OF THE PRODUCT OR
OTHER DAMAGES WITH RESPECT TO ANY ECONOMIC LOSS, LOSS OF PROPERTY, LOSS OF
REVENUES OR PROFITS, LOSS OF ENJOYMENT OR USE, COSTS OF REMOVAL, INSTALLATION
OR OTHER CONSEQUENTIAL DAMAGES OF WHATSOEVER NATURE. SOME STATES DO NOT
ALLOW THE EXCLUSION OR LIMITATION OF INCIDENTAL OR CONSEQUENTIAL DAMAGES.
ACCORDINGLY, THE ABOVE LIMITATION MAY NOT APPLY TO YOU.
THE WARRANTY EXTENDED HEREUNDER IS IN LIEU OF ANY AND ALL OTHER WARRANTIES AND
ANY IMPLIED WARRANTIES OF MERCHANTABILITY OR FITNESS FOR A PARTICULAR PURPOSE
IS LIMITED IN ITS SCOPE AND DURATION TO THE TERMS SET FORTH HEREIN. SOME STATES DO
NOT ALLOW LIMITATIONS ON HOW LONG AN IMPLIED WARRANTY LASTS. ACCORDINGLY, THE
ABOVE LIMITATION MAY NOT APPLY TO YOU.
This warranty gives you specific legal rights. You may also have other rights which vary from state to state.
ICON HEALTH & FITNESS, INC., 1500 S. 1000 W., LOGAN, UT 84321-9813