White Rodgers 50D50 843 Users Manual
50D50-843 to the manual 7ba6335f-6c0b-4aed-9ada-f6807702c1c5
2015-01-05
: White-Rodgers White-Rodgers-50D50-843-Users-Manual-162432 white-rodgers-50d50-843-users-manual-162432 white-rodgers pdf
Open the PDF directly: View PDF
.
Page Count: 4

50D50-843
Régulateur universel d’étincelle éprouvé
PIÈCE No 37-9840A
1128
INSTRUCTIONS D’INSTALLATION
LE FAIT DE NE PAS LIRE ET DE NE PAS RESPECTER SOIGNEUSEMENT TOUTES LES
INSTRUCTIONS AVANT L’INSTALLATION OU L’UTILISATION DE CE RÉGULATEUR
PEUT CAUSER DES BLESSURES OU DES DOMMAGES MATÉRIELS.
CONTENU
Description ................................................................. 1
Précautions ................................................................ 1
Spécifications ............................................................ 2
Installation .................................................................. 2
Montage et câblage ................................................... 2
Fonctionnement et dépannage ................................. 4
DESCRIPTION
PRÉCAUTIONS
L’application de ce type de régulateur peut causer
un retour de amme lors du démarrage initial et
pourrait entraîner des blessures ou des dommages
à la propriété.
Vérier les spécications du produit et le tableau
de référence avant de remplacer le module existant.
Ne pas utiliser si le module existant n’est pas indiqué
dans la liste. L’utilisation d’une clé de programmation
autre que celle indiquée peut résulter en un mauvais
fonctionnement de l’appareil.
PRÉCAUTIONS GÉNÉRALES
!
Le 50D50-843 est un régulateur universel de rechange
servant à contrôler les étincelles pour obtenir une
compatibilité maximale avec les systèmes existants.
Il comporte :
• Un port pour carte et dix clés de programmation
pour sélectionner les minutages de délais de
sécurité, d’essais successifs, de pré-purge et de
cycles successifs.
• Un cavalier an d’accepter les systèmes par
détection directe (par l’allumeur) ou indirecte (avec
un détecteur de flamme).
• UnindicateuràDELpourdesdiagnosticsdumodule
ou du système ou un dépannage rapides.
Si vous ne savez pas si le câblage est en millivolts,
de secteur ou basse tension, faites-le inspecter par
un technicien en chauffage et climatisation ou par un
électricien certifié.
N’excédez pas les spécifications du produit.
Tout le câblage doit respecter les codes et règlements
locaux et nationaux de l’électricité.
Ce régulateur est un instrument de précision et il doit
être manipulé avec soin. Une manipulation robuste
ou la modification des composantes peut causer la
défaillance du régulateur.
Pour prévenir les chocs électriques et les
dommages à l’équipement, coupez l’alimentation
électrique du système dans la boîte principale
de fusibles ou de disjoncteurs jusqu’à ce que
l’installation soit terminée.
Étiqueter tous les ls avant de les débrancher pour
l’entretien. Les erreurs de câblage peuvent entraîner
un fonctionnement incorrect et dangereux.
Ce régulateur n’est pas conçu pour être utilisé
dans des endroits où il pourrait entrer en contact
avec l’eau. Une protection appropriée du régulateur
doit être assurée contre tout contact direct avec de
l’eau (égouttement, pulvérisation, pluie, etc.).
MISE EN GARDE
!
Ne pas utiliser sur les circuits qui excèdent la
tension spécifiée. Les tensions plus élevées
peuvent endommager le thermostat et présenter
un risque d’électrocution ou d’incendie.
Ne pas court-circuiter les bornes de la soupape de
gaz ou de la commande principale pour effectuer
un test. Tout court-circuit ou câblage incorrect
endommage le thermostat et peut entraîner des
blessures ou des dommages à la propriété.
AVERTISSEMENT
!
www.white-rodgers.com
www.emerson.com

2
Fig. 1 – Installation des clés de programmation
SPÉCIFICATIONS
INSTALLATION
REMARQUE
PARAMÈTRES ÉLECTRIQUES :
Tension d’entrée : 18 à 30 V c.a., 60 Hz
Courant : 0,2 A + soupape principale + soupape
de pression @ 25 °C
Paramètres des contacts de relais :
Relais de la soupape du pilote :
1,5 A @ 25 V c.a. 60 Hz
Relais de la soupape principale :
1,5 A @ 25 V c.a. 60 Hz
Étincelle à la sortie :
Espace:0,1po-0,2po,15kV25Hz
Longueur de câble maximale 3 pi (0,9 m)
Exigences de courant pour la amme :
Courant minimum requis pour assurer la détection
de la flamme : 2 μA c.c.*
Courant maximum pour la non-détection : 0,2 μA c.c.
Résistance à la fuite maximum permise : 100 Mohms
* Mesuré à l’aide d’un microampèremètre c.c. en série
avec le fil de la sonde de la flamme
PLANCHE THERMIQUE DE FONCTIONNEMENT :
-40° à 80 °C (-40° à 175 °F)
PLANCHE D’HUMIDITÉ :
Jusqu’à 95 % HR, sans condensation
MONTAGE :
Montage en surface ou boîte de jonction
10 cm x 10 cm (4 po x 4 po)
GAZ APPROUVÉS : Le gaz naturel, le gaz manufacturé,
le gaz mélangé, les gaz de pétrole liquéfiés et les
mélanges de gaz de pétrole liquéfiés et d’air.
Remplacez le module en entier – il ne contient aucune
pièce pouvant être remplacée par l’utilisateur.
Tout le câblage doit être installé conformément aux codes
et règlements locaux et nationaux de l’électricité.
Le module peut être monté dans n’importe quelle
orientation sur une surface pratique à l’aide de deux vis à
tôle no 6-5/8 po. Au besoin, le module peut être monté sur
une boîte de jonction de 10 cm sur 10 cm (4 po sur 4 po)
à l’aide de deux vis à métaux no 8-32 x 5/8 po. Le module
doit être fixé dans un endroit soumis à un minimum de
vibrations et demeurer à une température ambiante
inférieure à 175 °F (80 °C). Le module est approuvé pour
des températures ambiantes de -40 °F (-40 °C) ou plus.
Consultez les schémas et le tableau de câblage au
moment de brancher le module aux autres composantes
du système.
Unldecalibre18minimum,105°C,homologuéULest
recommandé pour tous les branchements à basse tension.
Unldecalibre16minimum,105°C,homologuéUL
est recommandé pour tous les branchements à tension
secteur.
Après l’installation ou le remplacement, respectez les
recommandations du fabricant de l’appareil pour l’installation
et l’entretien afin d’assurer un fonctionnement correct.
Clé de programmation
MONTAGE ET CÂBLAGE
Ne pas utiliser sur les circuits qui excèdent la
tension spéciée. Les tensions plus élevées
peuvent endommager le thermostat et présenter
un risque d’électrocution ou d’incendie.
AVERTISSEMENT
!
Pour prévenir les chocs électriques et les
dommages à l’équipement, couper l’alimentation
électrique du système dans la boîte
principale de fusibles ou de disjoncteurs
jusqu’à ce que l’installation soit terminée.
L’absence de mise à la terre de l’appareil ou
l’inversion du l neutre et du l sous tension peut
présenter un risque d’électrocution.
Couper l’alimentation en gaz de l’appareil
jusqu’à ce que l’installation soit terminée.
Installer et xer tout le câblage le plus loin
possible de la amme pour prévenir les incendies
ou les dommages à l’équipement.
MISE EN GARDE
!
Référence rapide des paramètres de temps
pour les clés de programmation
Minutage et nouvel essai
CLÉ DE PRO-
GRAMMATION
(COULEUR)
DÉLAI DE
PRÉ-PURGE
DÉLAI DE
RÉINITIALI-
SATION
ESSAIS
SUCCES-
SIFS
DÉLAI DE
SÉCURITÉ
A (bleu) 0 s 300 s Continus 90 s
B (rouge) 30 s 300 s Continus 90 s
C (vert) 0 s 300 s Continus 30 s
D (violet) 30 s 300 s Continus 30 s
E(orange) 0 s 300 s 2 60 s
F (jaune) 30 s 300 s 2 60 s
G (bleu/rouge) 0 s 300 s Continus 15 s
H (rouge/vert) 30 s S/O S/O Continus
I (vert/orange) 0 s 300 s Continus 4 s
J (violet/bleu) 30 s 300 s Continus 4 s

3
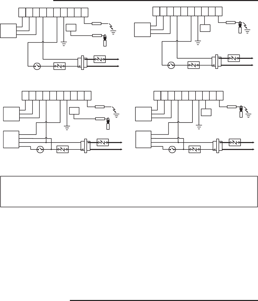
Fig. 3 – Branchement typique des modèles de rechange White-Rodgers
avec détection directe de amme par sonde unique de amme/d’étincelle
Fig. 5 – Branchement typique des modèles de rechange
White-Rodgers avec volet motorisé et détection directe
de amme par sonde unique de amme/d’étincelle
INSTALLER LA CLÉ DE PROGRAMMATION
Le module remplace tous les modèles listés aux caractéristiques suivantes :
•allumagedel’étincellepiloteéprouvé •détectiondelaammeàdistanceoudirecteparl’allumeur
•troisessaisd’allumageouplus •délaidesécuritédequatreà90secondes
•pré-purgede30secondesoumoins
Dix clés de programmation sont fournies pour différentes applications. Les minutages et les essais successifs pour
chaque clé de programmation sont indiqués dans la section Spécifications en page 2 du présent manuel d’installation.
Choisissez la bonne clé de programmation selon l’application. Installez la clé de programmation choisie dans le logement
sur le côté gauche du module (voir figure 1) puis placez l’étiquette de minutage sur le couvercle.
Si le module que vous remplacez n’est pas indiqué dans le tableau, communiquez avec le fabricant de l’appareil pour
obtenir un modèle de rechange approprié ou une modernisation.
Après avoir inséré la clé de programmation appropriée, jetez les clés restantes pour vous assurer que la bonne clé
demeure dans le module.
Si le contrôle fait défaut, consultez le guide de dépannage pour trouver une solution.
Fig. 2 – Branchement typique des modèles de rechange
White-Rodgers avec sondes distinctes pour
détection de amme et d’étincelle
* La longueur maximale du câble d’étincelle doit être inférieure à 0,9 m (3 pi) et il doit être coté à 15 kV. Le câble ne doit pas être
placé en contact continu avec toute surface métallique, sinon la tension d’étincelle est grandement réduite. Utiliser des isolateurs
à montage vertical en céramique ou en plastique au besoin. S’assurer que le brûleur est mis à la terre directement au module pour
assurer le retour de l’étincelle.
** Si le connecteur de détection de amme est trop petit pour le nouveau module, coupez-le et remplacez-le avec le connecteur
femelle ¼ po fourni.
LIMITE
ALTERNATIVE TRANSFORMATEUR
THERMOSTAT OU
CONTRÔLEUR
L1
(CHARGÉ)
L2
*SONDE
D’ÉTINCELLE
MV
PV
LIMITEUR
FLAMME
Soupape
de gaz
MV
VAL
PV
TR
TH
GND
FIL
VOLANT
ÉTINCELLE
Prise de terre du brûleur
**SONDE DE
FLAMME
(GND)
(GND)
L1
(CHARGÉ)
L2
*SONDE
D’ÉTINCELLE
MV
PV
LIMITEUR
FLAMME
Soupape
de gaz
MV
VAL
PV
TR
TH
GND
FIL
VOLANT
ÉTINCELLE
Prise de terre du brûleur
(GND)
(GND)
LIEN DE
CAVALIER
LIMITE
ALTERNATIVE TRANSFORMATEUR
THERMOSTAT OU
CONTRÔLEUR
L1
LIMITE
ALTERNATIVE TRANSFORMATEUR
THERMOSTAT OU
CONTRÔLEUR
(CHARGÉ)
L2
*SONDE
D’ÉTINCELLE
MV
PV
LIMITEUR
FLAMME
Soupape
de gaz
MV
VAL
PV
TR
TH
GND
FIL
VOLANT
ÉTINCELLE
Prise de terre du brûleur
**SONDE
DE FLAMME
(GND)
(GND)
BLANC
ROUGE
ORANGE
GRIS
Prise pour
volet
motorisé
L1
L2
MV
PV
MV
VAL
PV
TR
TH
GND
(GND)
(GND)
LIEN DE
CAVALIER
LIMITE
ALTERNATIVE TRANSFORMATEUR
THERMOSTAT OU
CONTRÔLEUR
(CHARGÉ)
*SONDE
D’ÉTINCELLE
LIMITEUR
FLAMME
Soupape
de gaz
FIL
VOLANT
ÉTINCELLE
Prise de terre du brûleur
BLANC
ROUGE
ORANGE
GRIS
Prise pour
volet
motorisé
Fig. 4 – Branchement typique des modèles de rechange
White-Rodgers avec volet motorisé et sondes distinctes pour
détection de amme et d’étincelle
INSTALLATION
FONCTIONNEMENT
Dans une application typique, le 50D50-843 est conçu pour produire des étincelles et alimenter les soupapes de gaz et
contrôler le détecteur de flamme. C’est une conception 100 % fermeture qui verrouille la soupape de gaz si le brûleur ne
s’allume pas à l’intérieur du délai de sécurité. La séquence d’allumage commence par un appel de chaleur du thermostat
de la pièce. Le thermostat applique la puissance au régulateur. Après l’intervalle pré-purge, la soupape du pilote est
alimentée et les étincelles sont produites pendant le délai de sécurité choisi. Si le brûleur s’allume dans la période allouée,
la soupape de gaz restera ouverte et la soupape principale sera alimentée jusqu’à ce que la demande en chaleur soit
satisfaite. Si le brûleur ne s’allume pas, le régulateur réessaiera en continu après le délai de réinitialisation ou effectuera
deux autres tentatives d’allumage, selon les options choisies. Le régulateur peut être réinitialisé de son verrouillage; pour
cefaire,coupezl’alimentationélectriqueauthermostatpendantaumoins10secondes.LerégulateurcomporteuneDEL
d’analyse/de dépannage qui indique un fonctionnement normal, un verrouillage ou un défaut de régulation.
INSTALLATION TYPIQUE SUR UNE FOURNAISE

Pour un bon fonctionnement du régulateur, celui-ci doit être branché à la soupape de gaz, et tous les connecteurs d’allumage
doivent être branchés. Les soupapes de gaz avec un interrupteur Marche/Arrêt doivent être en position Marche (ON).
Le voyant sur le régulateur assure une fonction d’autodiagnostic. Si le voyant rouge reste éteint, le problème peut être de nature
interne, dans le régulateur. Pour confirmer, coupez l’alimentation secteur ou 24 volts au thermostat durant 10 secondes, vérifiez
l’installation de la clé de programmation puis réinitialisez. Si l’indicateur de problème interne demeure visible et que le détecteur
deammen’estpascourt-circuitéàlaterre,remplacezlerégulateur.Unvoyantclignotantindiquequeleproblèmerepose
probablement dans les composants externes ou le câblage (voir tableau ci-dessous). Procédez comme suit :
Vérifications visuelles
1) Après le délai de purge (si applicable), la soupape du pilote s’ouvre et l’allumage (étincelles) démarre
2) La flamme du brûleur du pilote s’allume
3) L’allumage (étincelles) s’arrête et la soupape principale s’ouvre
4) La flamme du brûleur principal s’allume
Le dépannage du système consiste à vérifier ces indications visuelles. Le tableau de la page suivante décrit les actions
appropriées si l’une ou l’autre des indications visuelles fait défaut.
DÉPANNAGE
OUI
NON
OUI
NON
OUI
OUI
NON
NON
OUI
NON
OUI
NON
NON
OUI
NON
OUI
Il y a appel de chaleur, les contacts du
thermostat se ferment.
Fonctionnement
normal
LaDELreste-t-elle
ÉTEINTE?
Clignote-t-elle
1fois?
Clignote-t-elle
3fois?
Clignote-t-elle
4fois?
Clignote-t-elle
5fois?
Après la
pré-purge, est-ce que
la soupape du pilote fonctionne et
lesétincellesapparaissent?
Clignote-t-elle
2fois?
Vérifier si la tension du module est faible (TH-TR). S’il n’y a aucune tension :
vérifiez les limiteurs. Vérifiez que le volet motorisé fonctionne
(si applicable) – TH n’est alimenté que si le volet est complètement ouvert.
Si la bonne tension est présente : problème interne de l’appareil; remplacez-le.
Vérifiez la sonde de flamme et le câblage – l’appareil voit un signal de flamme avec la
soupape fermée. Vérifiez si le câblage de terre du brûleur est de mauvaise qualité.
Vérifiez la présence d’un court-circuit partiel sur le câblage de la sonde de flamme.
Il y a un problème dans l’entraînement du relais de sécurité interne – vérifiez que la
tension d’alimentation est conforme. Si tel est le cas, remplacez le régulateur.
Il y a un problème interne avec le relais de la soupape du pilote.
Vérifiez qu’il n’y a aucun court-circuit entre le transformateur sous tension
et la soupape du pilote. S’il n’y a aucune cause externe, remplacez le régulateur.
Il y a un problème interne avec le relais de la soupape principale.
Vérifiez qu’il n’y a aucun court-circuit entre le transformateur sous tension
et la soupape principale. S’il n’y a aucune cause externe, remplacez le régulateur.
Le brûleur ne s’est pas allumé après le nombre de tentatives permises.
Vérifiez l’alimentation de gaz et la pression vers la soupape.
Vérifiez les étincelles et le câblage tel qu’indiqué ci-dessus.
Vérifiez que le câblage à la soupape du pilote fonctionne bien – remplacez-la s’il y a
tension. S’il n’y a pas d’étincelles, vérifiez que le câblage d’étincelles n’est pas
court-circuité. Vérifiez que les étincelles sont au brûleur, et non au boîtier extérieur.
Assurez-vous que l’isolation du fil d’étincelles ne comporte ni bris ni fissure. Vérifiez que
la flamme du pilote atteint le détecteur de flamme de façon qu’elle soit bien détectée.
Vérifiez les limiteurs, les fils de détecteur, la continuité de la mise à la terre.
Vérifiez que la flamme de pilote reste sur le détecteur de flamme lorsque le brûleur
principal s’allume. Vérifiez que les jets de gaz sont dégagés et que la brûlure est nette.
Le système
fonctionne-t-il jusqu’à
ce que l’appel de chaleur
prennen?
White-Rodgers est une division
d'Emerson Electric Co.
Le logo d'Emerson est une marque
de commerce et de service
d'Emerson Electric Co.
www.white-rodgers.com
www.emerson.com
DEL Condition
Continuellement allumée Normale–RégulateurenMARCHE
1 clignotement Faux signal de flamme
2 clignotements Aucune flamme détectée
3 clignotements Défaut de commande de sécurité
4 clignotements Défaut de commande de la soupape du pilote
5 clignotements Défaut de commande de la soupape principale
Éteinte Aucune alimentation/Défaut interne