Wireless N2X5-7S1-16B User Manual N2 Link Cover

Wireless Inc N2 Link Cover

Operation Manual

N2-X Ethernet ExtenderInstallation and Operations ManualPart Number 281-104101-201Version 0.1February 1999Wireless, Inc.19 Davis DriveBelmont, CA 94002-3001
iiN2-X Ethernet Extender Installation and Operation ManualNoticeInformation in this document is subject to change without notice. No part of this document maybe reproduced or transmitted in any form or by any means, electronic or mechanical, for anypurpose, without the express written permission of Wireless, Inc.© Copyright 1999, Wireless, Inc. All rights reserved.N2-Ethernet ExtenderTM and ACCESSTM Series are trademarks of Wireless, Inc.
iiiN2-X Ethernet Extender Installation and Operation ManualTable of Contents1.0 General Overview ...............................................................................................................................11.1 N2-ACCESS Series Product Family................................................................................................11.2 Introduction to the N2-X Ethernet Extender ..............................................................11.3 Regulatory Information .........................................................................................................22.0 N2-X Ethernet Extender Product Profile .........................................................................................32.1 General Overview ..................................................................................................................32.2 Specifications .........................................................................................................................72.3 User Interfaces.....................................................................................................................122.4 Alarms, Indicators and Displays (Outdoor Unit) .............................................................172.5 Theory of Operation ............................................................................................................183.0 Equipment Installation and Commissioning .................................................................................213.1 Installation .............................................................................................................................213.2 Data Connectors..................................................................................................................283.3 Outdoor RF Unit Installation ..............................................................................................323.4 Commissioning ....................................................................................................................364.0 Maintenance and Troubleshooting ................................................................................................394.1 N2-X Ethernet Extender Maintenance .............................................................................394.2 Identifying and Resolving Receive Signal Strength Issues..........................................404.3 N2-X Ethernet Extender Digital Board Switch Settings ................................................424.4 Where to Get Further Assistance.....................................................................................474.5 Return Procedure ................................................................................................................48Appendix A Network Management ..........................................................................................................A-1Appendix B Installation Instructions ........................................................................................................B-1Appendix C Adjustable Panel Antenna Mount .......................................................................................C-1
ivN2-X Ethernet Extender Installation and Operation ManualFiguresFigure  2.1 Typical Deployment of a N2-X Ethernet Extender in a Point-to-Point Configuration 4-5Figure 2.2 User Interfaces........................................................................................................................12Figure  2.3 Outdoor Unit, Interior Interfaces ...........................................................................................13Figure 2.4 N2-X Ethernet Extender Bock Diagram ..............................................................................17Figure  3.1 Power Cord Connection .........................................................................................................23Figure 3.2a   Upper Pole Mounting Bracket..............................................................................................24Figure 3.2b   Upper Pole Mounting Bracket Equipment .........................................................................24Figure 3.2c   Lower Pole Mounting Bracket ..............................................................................................25Figure 3.2d   Lower Pole Mounting Bracket Equipment .........................................................................25Figure 3.3a   V-Clamps and Hardware ......................................................................................................26Figure 3.3b   V-Clamps and Hardware (Rear View) ................................................................................26Figure 3.4     N-Type Antenna and Ground Connections .......................................................................27Figure 4.1 Frequency Selection for the N2-X Ethernet Extender Radio...........................................40Figure  B.1 Two Foot Diameter Antenna ...............................................................................................B-1Figure B.2 Mount Configuration .............................................................................................................B-3Figure  B.3 Mounting Hardware Packed ................................................................................................B-5Figure B.4 Mounting Hardware Unpacked ...........................................................................................B-5Figure B.5 Parabolic Reflector...............................................................................................................B-8Figure B.6 Unpacking the Radome .......................................................................................................B-8Figure  B.7 Antenna Mount Assembly ...................................................................................................B-9Figure  B.8 Antenna Mount Assembly .................................................................................................B-10Figure  B.9 Elevation Rod Assembly ....................................................................................................B-10Figure  B.10 Feed Horn Installation ........................................................................................................B-11Figure  B.11 Feed Horn Polarization Markings .....................................................................................B-12Figure B.12 Parabola Rear View Showing Polarization Reference Markers.................................B-12Figure  B.13 Feed Horn Installation ........................................................................................................B-13Figure  B.14 Feed Horn Installation for Vertical Polarized Operation ...............................................B-13Figure  B.15 Azimuth Clamp/Shear Stop Assembly ............................................................................B-14Figure  B.16 Azimuth Adjustment Clamp Assembly .......................................................................... B-14Figure  B.17 Hoisting the Antenna ..........................................................................................................B-15Figure  B.18 Antenna Alignment using RSL Output ............................................................................B-16Figure C.1 Antenna Mount ......................................................................................................................C-1Figure  C.2 Azimuth and Elevation Planning ........................................................................................C-2Figure  C.3 Azimuth and Elevation Planning ........................................................................................C-3Figure C.4 Flat Panel Antenna ...............................................................................................................C-4Figure  C.5 Adjustable Panel Antenna Mount .......................................................................................C-5
vN2-X Ethernet Extender Installation and Operation ManualTablesTable  1.1 FCC U-NII Bands ......................................................................................................................2Table  3.1 Inventory of Equipment and Installation Materials ............................................................22Table 3.2 Installation Checklist ...............................................................................................................28Table 3.3 Approximation Table ..............................................................................................................29Table 4.1 Frequencies.............................................................................................................................41Table 4.2 DIP Switches ...........................................................................................................................43Table 4.3 DIP Switches ...........................................................................................................................44Table  4.4 Transmitter Frequency Selection.........................................................................................44Table 4.5 DIP Switches ...........................................................................................................................45Table 4.6 DIP Switches ...........................................................................................................................46Table  4.7 Transmitter Frequency Selection.........................................................................................46Table  4.8 Power Output Attenuator Selection .....................................................................................46Table  A.1 Alarm Connector Pinouts ....................................................................................................A-1Table  B.1 Two Foot Diameter Antenna Dimensions .........................................................................B-2Table B.2a Contents List ..........................................................................................................................B-4Table B.2b Contents List ..........................................................................................................................B-4Table B.2c Contents List ..........................................................................................................................B-6Table B.2d Contents List ..........................................................................................................................B-7Table  B.3 Nut Tightening Procedures ...............................................................................................B-18
viN2-X Ethernet Extender Installation and Operation ManualWelcome!Welcome to the Wireless, Inc. N2-ACCESSTM Series product family. This manual is designedto introduce you to the N2-X Ethernet ExtenderTM, and to provide you with information necessaryto plan, install, operate and maintain a N2-X Ethernet Extender wireless communicationsystem.The N2-X Ethernet Extender is intended for professional installation only. This manual,however, is also designed for personnel who plan, operate and administrate the N2-X EthernetExtender communication system. Please review the entire manual before powering up ordeploying any N2-X Ethernet Extender.Updates to this manual will be posted on the Wireless, Inc. Customer Service Website athttp://www.wire-less-inc.com. Registered Wireless customers can access Wireless’ on-lineinformation and support service, available 24 hours a day, 7 days a week. Our on-line serviceprovides users with a wealth of up-to-date information, with documents being added or updatedeach month.Radiation WarningsMicrowave Radio Radiation WarningUnder normal operating conditions, N2-X Ethernet Extender radio equipment complies with thelimits for human exposure to radio frequency (RF) fields adopted by the Federal Communica-tions Commission (FCC). All Wireless, Inc. microwave radio equipment is designed so thatunder normal working conditions, microwave radiation directly from the radio is negligible whencompared with the permissible limit of continuous daily exposure recommended in the UnitedStates by ANSI/IEEE C95.1-1991 (R1997), Safety Levels with Respect to Human Exposure toRadio Frequency Electromagnetic Fields, 3 kHz to 300 GHz.Microwave signal levels that give rise to hazardous radiation levels can exist within transmitterpower amplifiers, associated RF multiplexers, and antenna systems.Never look into the open end of a Waveguide as eyes are particularly vulnerable to radiation.Do not disconnect RF coaxial connectors, open microwave units, or break down anymicrowave screening while the radio equipment is operating.
viiN2-X Ethernet Extender Installation and Operation ManualMicrowave Antenna Radiation WarningDesigned for point-to-point operation, an N2-X Ethernet Extendermicrowave radio system willuse directional antennas to transmit and receive microwave signals. These directional anten-nas are usually circular or rectangular in shape, are generally located outdoors, and are usuallymounted on a tower or mast.Referencing OET Bulletin 65 (Edition 97-01, August 1997) from the Federal CommunicationCommission’s Office of Engineering & Technology, limits for maximum permissible exposure(MPE) to microwave signals have been adopted by the FCC for both Occupational/Controlledenvironments and General Population/Uncontrolled environments. These limits are 5.0 mW/cm2 and 1.0 mW/cm 2, respectively, with averaging times of six-minutes and thirty-minutes,respectively.The closer you are to the front center-point of a microwave antenna, the greater the powerdensity of its transmitted microwave signal. Unless you are very close, however, microwaveexposure levels will fall far below the MPE limits. To determine how close to a microwaveantenna you can be and still remain below the MPE limits noted above, “worst case” predictionsof the field strength and power density levels in the vicinity of an N2-X Ethernet ExtenderTMmicrowave antenna can be made from the following calculations. The equation is generallyaccurate in the far-field of an antenna, and will  over-predict power density in the near-field (i.e.close to the antenna).S = PG/4πR2where: S = power density (in mW/cm 2)P = power input to the antenna (mW)G = power gain of the antenna in the direction of interest relative to an isotropicradiatorR = distance to the center of radiation of the antenna (cm)Note that G, the power gain factor, is usually expressed in logarithmic terms (i.e., dB), and mustbe converted using the following equation:G = 10 dB/10For example, a logarithmic power gain of 24 dB is equal to a numeric gain of 251.19.Assuming (1) maximum output power from the N2-X Ethernet Extender (+3.5 dBm [2.238 mW]),(2) no signal loss in the cable connecting the N2-X Ethernet Extender to the antenna, and (3)the use of a 27 dBi gain parabolic antenna, the 5.0 mW/cm2 and 1.0 mW/cm 2 MPE power densitylimits would be reached at distances of approximately 4.22 cm and 9.44 cm, respectively.Wireless, Inc. fully supports the FCC’s adopted MPE limits, and recommends that personnelmaintain appropriate distances from the front of all directional microwave antennas. Should youhave questions about N2-X Ethernet ExtenderTM microwave signal radiation, please contact theWireless, Inc. Customer Service Department.
viiiN2-X Ethernet Extender Installation and Operation ManualNotice Regarding Operation pursuant to FCC part 15 RulesThis equipment has been tested and found to comply with the limits for a Class A digital devicepursuant to part 15 of the FCC Rules. These limits are designed to provide reasonableprotection against harmful interference when the equipment is operated in a commercialenvironment. This equipment generates, uses and can radiate radio frequency energy and, ifnot installed and used in accordance with the instruction manual, may cause harmfulinterference to radio communications. Operation of this equipment in a residential area is likelyto cause harmful interference in which case the user will be required to correct the interferenceat his own expense.
1N2-X Ethernet Extender Installation and Operation Manual1.0 General Overview1.1 N2-ACCESS Series Product FamilyAll N2-X Ethernet Extender radios are members of the N2-ACCESS Series radio product family.The N2- ACCESS Series is designed to provide an economical wireless solution for localaccess telecommunication requirements.The N2-ACCESS Series radio product family consists of several product offerings, to includeboth the N2-ACCESS Link. This manual addresses, in detail, the operation of the N2-X EthernetExtender. For detailed information on other N2-X Ethernet Extender radios or other membersof the N2-ACCESS Series, please refer to the appropriate Operation Manual(s).1.2 Introduction to the N2-X Ethernet ExtenderThe N2-X Ethernet Extender series of radios are designed for operation in two of the UnlicensedNational Infrastructure at frequencies of 5,250 - 5,350 MHz or 5,725 - 5,825 MHz.Each N2-X Ethernet Extender is comprised of a pole mounted RF/antenna unit. Each link ispowered by means of a AC wall transformer (optional DC powering available) located with theindoor terminal unit. The system has a data transmission capacity of 16 Mb/s.  Refer to the N2-X Ethernet Extender data sheets for information relating to product offerings and specifications.
2N2-X Ethernet Extender Installation and Operation ManualTable 1.1 - FCC U-NII Bands1.3 Regulatory InformationIn January 1997, the FCC made available 300 MHz of spectrum for Unlicensed NationalInformation Infrastructure (U-NII) devices. The FCC believes that the creation of the U-NII bandwill stimulate the development of new unlicensed digital products which will provide efficient andless expensive solutions for local access applications.The U-NII band is divided into three sub bands at 5.15 - 5.25, 5.25 - 5.35 and 5.725 - 5.825 GHz.The first band is strictly allocated for indoor use and is consistent with the European HighPerformance Local Area Network (HIPERLAN). The second and third bands are intended forhigh speed digital local access products for “campus” and “short haul” microwave applications.1dnaB2dnaB3dnaBycneuqerF zHG52.5ot51.5zHG53.5ot52.5zHG528.5ot527.5)xaM(rewoP PRIEsttawillim002PRIEttaw1)PRIE(sttaw4*esUdednetnI ylnOesUroodnIsupmaCselim01xorppAnodesiver)00M(redrodnanoinipomudnaromemCCFtnecerA:etoN* dnaniagiBd32htiwannetnalanoitceridafoesuehtswolla8991,42enuJ IIN-U528.5-527.5ehtnittaw1forewoptuptuorettimsnartmumixama .dnab109530LW
3N2-X Ethernet Extender Installation and Operation Manual2.0 N2-X Ethernet Extender Product Profile2.1 General OverviewThe N2-X Ethernet Extender series of microwave radio products provides digital capacities for16 Mb/s data rates for short-haul applications up to 10 km. The radio terminal operates in thenewly allocated Unlicensed National Information Infrastructure (U-NII) spectrum with a revolu-tionary Split Modulation system architecture that provides full duplex operation in the 5.3/5.7GHz U-NII  frequency bands.The N2-X Ethernet Extender series provides the unique advantage of a very robust digitaltransmission scheme.Split Modulation uses two separate 100 MHz bands within the U-NII frequency spectrum. Withinthese bands, the N2-X Ethernet Extender series operates in one of many independent channelsproviding for frequency reuse and network flexibility, ideal for dense network applications.Synthesized RF channel selection is field configurable, as are the power output options for theselection of antenna sizes. Frequency coordination and installation guidelines are provided inthe appendix section of this manual.Complying with all aspects of FCC Rules Subpart 15.401-15.407, the transmission character-istics of the N2-X Ethernet Extender series are ideally suited to meet the peak power spectraldensity requirements of the U-NII 5.250 - 5.350 and 5.725 - 5.825 GHz bands.Note: From this point on in this Operations Manual, unless specified otherwise, the term N2-X Ethernet Extender refers to the 5.3/5.7 GHz N2-X Ethernet Extender radio.The N2-X Ethernet Extender as been designed for complete front access to all interfaces,controls and displays. Information in this manual will familiarize you with all of these items.Figure 2.1 illustrates two (2) N2-X Ethernet Extender terminals in a point-to-point configuration.
4N2-X Ethernet Extender Installation and Operation ManualThis Page Left Blank Intentionally
5N2-X Ethernet Extender Installation and Operation ManualFigure 2.1 Z-fold (WL035902) goes here
6N2-X Ethernet Extender Installation and Operation ManualFigure 2.1 Z-fold (WL035902) goes here
7N2-X Ethernet Extender Installation and Operation Manual2.2 Specifications2.2.1 GeneralFrequency Band Full-duplex operation in both 5.2 and 5.7 GHz U-NII BandsRegulations Complies with FCC Rules Part 15.407, U-NIIFrequency Range 5,250 - 5,350 MHz and 5,725 - 5,825 MHzFrequency agility Tunable in 10.24 MHz stepsLow Band 5.2608 to 5.34016 GHzHigh Band 5.73568 to 5.81504 GHzChannel Pairs 8 x 16 MHz5.2608/5.73568 GHz5.27104/5.74592 GHz5.28128/5.75616 GHz5.29152/5.7664 GHz5.30176/5.77664 GHz5.31200/5.78688 GHz5.32224/5.79712 GHz5.33248/5.80736 GHzCapacity 16 Mbps (8 Mbps when operated in half duplex Ethernet Mode)Modulation BPSK2.2.2 Digital InterfaceEthernet Interference
8N2-X Ethernet Extender Installation and Operation Manual2.2.3 TransmitterFrequency Bands Low Band -5.250 to 5.350 GHzHigh Band -5.725 to 5.825 GHzOutput Power (Max) Low Band - -1.5 or +3.5 dBmHigh Band - +1.5 or +3.5 dBmPower Spectral DensityRequirements for BW<20 MHz Low Band -12.5 mW/MHzHigh Band -50 mW/MHzInband Emissions Low Band -34 dB attenuationHigh Band -40 dB attenuationOut of Band Emissions Low Band -44 dB attenuationHigh Band -50 dB attenuationFrequency Tolerance ±5 ppm2.2.4 ReceiverType Coherent DetectionSensitivity, BER 10 E-6 -82 dBmMaximum Rx Input -30 dBm to meet 1 x10-10 BERWithout Rx Damage -0 dBmCo-channel Interference +15 dBAdjacent ChannelInterference (±10 MHz) +5 dBSemi-Adjacent ChannelInterference (±20 MHz) -12 dB
9N2-X Ethernet Extender Installation and Operation Manual2.2.5 AntennaGeneral Specifications and PerformanceInput RG-8 Female connectorRegulatory Compliance FCC Part 15Frequency Range 5.2 - 5.9 GHzE-plane Polarization ±1 deg.2 ft. Single PolarizationGain (mid-band) 27 dBiBeamwidth, 3 dB 6.0 degreesCross Pol Disc. 28 dBFront/Back Ratio 36 dBVSWR 1.35:1 (RL)/16.5 dBMechanical/EnvironmentalWind Loading EIA/TIA-195C and EIA/TIA-222EOperational 112 km/hr (70 mph) 25 mm (1”)Survival 201 km/hr (125 mph) 25 mm (1”)2.2.6 DiagnosticsODU Alarm Indicators(for MFG and Maintenance) Normal Operation - Green LED (and no red LEDs)Link Alarm - Red LEDLocal Alarm - Red LEDLoss of Signal (LOS) - Red LEDPage Indicator - Red LEDRSSI - Red LEDODU PerformanceMonitoring RSSI - A voltage provided through a BNC connector on theoutside of the ODU. The RSSI port is used for antenna alignmentduring installation and for periodic measurement of Receiver/Path performance. The RSSI voltage is related to BER from -30dBm to -90 dBm.Remote Loopback - Accessed from the ODULocal Loopback - Accessed from the ODU
10N2-X Ethernet Extender Installation and Operation Manual2.2.7 Power RequirementsPrimary power supplyDC ±20 to ±60 VAC 14 to 29V103 to 127V 60 Hz with external transformer206 to 265V 50/60 Hz with external transformerPower Consumption Maximum 12 Watts2.2.8 Environmental SpecificationsOutdoor Unit Temperature Range -30 to +55°CAltitude -4,500 meters maxHumidity - Outdoor, all-weather enclosure2.2.9 MechanicalDimensions (HxWxD) 356 x 203 x 76 mmWeight 3.5 kg
11N2-X Ethernet Extender Installation and Operation Manual2.3 User InterfacesThe N2-X Ethernet Extender provides user interfaces for fused DC power connection, electricalgrounding, radio frequency (RF) antenna connection, digital signal input/output, radio configu-ration and status, andRSSI output. The following provides information on each interface.Outdoor Unit•Cable 1 - Ethernet Signal cable•Cable 2 - Power cable•AGC (RSSI) - BNC type connector used for RSSI measurement.•Antenna (RF) Connector - N-type connector used for connection with antenna.•Ground -  A Ground point for outdoor unit housing.•Main Power - The N2-X Ethernet Extender is designed to work from a power input of 15VDC provided by a wall type power supply operating from an AC outlet capable of providing100 - 240 VAC. As an option, the Interface Unit can be powered by means of a DC source.The power connector is industry-standard.•Grounding Connector - The front panel of the N2-X Ethernet Extender is equipped withan M5 ground screw and associated washers. This ground screw serves as the properchassis-ground connection point for an external ground source. The N2-X EthernetExtender must be grounded in accordance with the electrical codes, standards, andpractices governing the local installation.Refer to Figure 2.2 and 2.3.
12N2-X Ethernet Extender Installation and Operation ManualFigure 2.2 - Outdoor Unit, ExteriorFemale N TypeConnectorFemale BNCConnectorChassis GroundingTerminalCondensationValveStrain Relief WaterproofCable EntriesWL035903
13N2-X Ethernet Extender Installation and Operation ManualFigure 2.3 - Outdoor Unit, Interior InterfacesWL035904Antenna Cable 1 Cable 2 BNC
14N2-X Ethernet Extender Installation and Operation Manual2.4 Alarms and Indicators (Terminal Unit)The N2-X Ethernet Extender Terminal Unit  is equipped with diagnostic tools in the form of LEDindicators. The following describes the functions of these items as shown in Figure 2.2.2.4.1 Power LEDThe Power LED:•Green - The N2-X Ethernet Extender has proper DC power applied, and the unit is On.•Clear/Off - The N2-X Ethernet Extender is Off or has no DC power supplied.2.4.2 Local Alarm LEDThe Local Alarm LED is a single-color (red) device:•Red - The N2-X Ethernet Extender is registering one or more monitored alarm functions:summary radio alarm, loss of local data input, bipolar violations (BPV) detected on localincoming data, or power supply failure.•Clear/Off - The N2-X Ethernet Extender is not registering any alarm condition.2.4.3 Link Alarm LEDThe Link Alarm LED is a single-color (red) device:•Red - A loss of data signal from the far terminal has occurred.
15N2-X Ethernet Extender Installation and Operation Manual2.5 Alarms, Indicators and Displays (Outdoor Unit)The N2-X Ethernet Extender outdoor RF unit is provided with several LED indicators that supplyoperational status. Figure 2.4 shows the location of each indicator.2.5.1 ODU Alarm Indicators• Normal Operation (Green LED) -• Page 0 (Red LED) - When On (red), indicates that page 0 of the EEPROM has loaded tothe FPGA indicating that a reset or start condition has occurred.• Link Alarm (Red LED) - Indicates that the data signal from the far end terminal is notpresent.• Local Alarm (Red LED) - An alarm condition is present at the local terminal.• Loss of Signal (LOS) Alarm (Red LED) - The signal from the far end terminal has droppedbelow threshold.• DRSSI Alarm (Red LED) -2.5.2 ODU Performance MonitoringRSSI - A voltage provided through a BNC connector on the outside of the ODU. The RSSI portis used for antenna alignment during installation and for periodic measurement ofReceiver/Path performance. The RSSI voltage is related to Rx BER from -30 dBm to -90dBm.Remote Loopback - Accessed from the ODULocal Loopback - Accessed from the ODUODU Alarm IndicatorsODU Performance monitoring
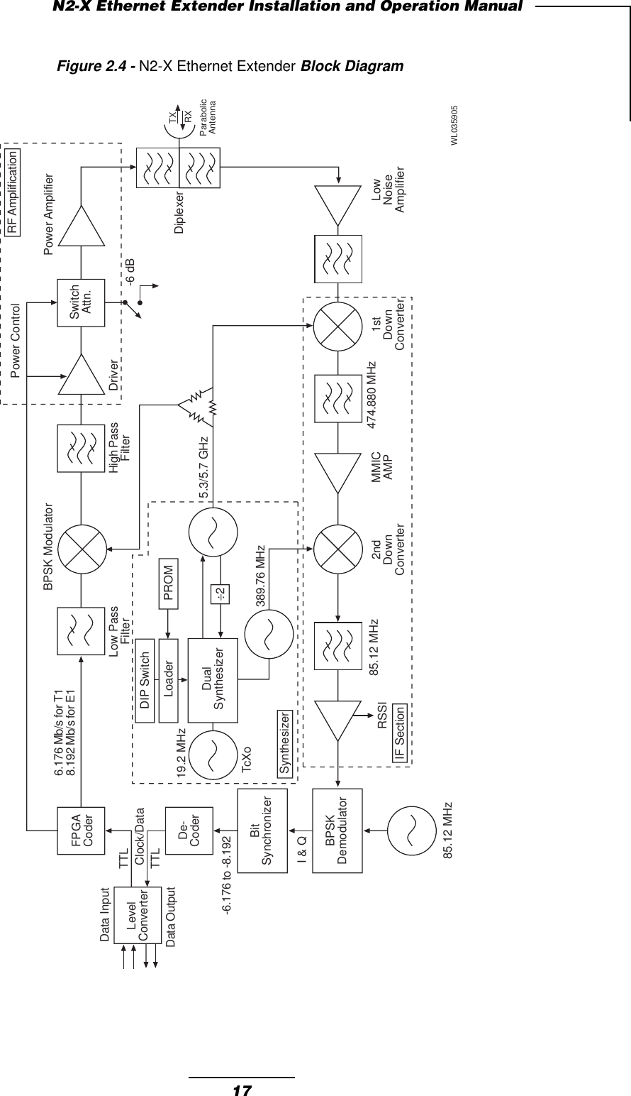
16N2-X Ethernet Extender Installation and Operation Manual2.6 Theory of Operation2.6.1 N2-X Ethernet Extender TransmitterThis description should be used in conjunction with the system block diagram Figure 2.4.The data signal and the AC/DC supply voltage are connected to the ODU by means of apower/data cable assembly. The supply voltage passes through a bridge rectifier to a DCto DC converter.  The output of this converter is +15V.  This +15V supply drives three DCregulators within the ODU.One regulator provides -5 VDC, the second 11 VDC and the third being a dual output typesupplies +5 and +5.8 volts.The FPGA coder interleaves and scrambles the TTL data from the coder. The FPGA isprogrammed to output the data at 4 times the input rate (6.176 MHz for the DS1 rate or8.192 MHz for E1 rates). This provides a data rate which is optimal with respect to the FCCrules for spectral power densities defined for this frequency allocation.The data is passed through a 7th order low pass filter to reduce unwanted high frequencysignal images prior to modulation. A double balanced mixer is used to modulate the datasignal on to a CW signal provided by the synthesizer at the desired output frequency. Theoutput of the mixer contains the BPSK modulated signal at the desired frequency.A high pass filter eliminates spurious noise, rejects harmonic images and insures that theproper bandwidth is maintained prior to being amplified.The RF output section consists of three main components: a RF driver amplifier, a logiccontrolled switch attenuator and a RF power amplifier. The driver amplifier provides the firststage of RF amplification, the switch attenuator serves a dual purpose. The first is toprovide a customer selectable 6 dB attenuator to reduce output power when needed.Secondly, this circuit acts as an RF impedance matching network between the driver andpower amplifier gain stages. The power amplifier provides the amplification required priorto being output through a diplexing filter and ultimately to the antenna.
17N2-X Ethernet Extender Installation and Operation ManualFigure 2.4 - N2-X Ethernet Extender Block DiagramFPGACoderClock/DataDe-Coder-6.176 to -8.192BitSynchronizerBPSKDemodulator85.12 MHz6.176 Mb/s for T18.192 Mb/s for E1Data InputLevelConverterData OutputRSSI 85.12 MHzDualSynthesizerLow PassFilterBPSK ModulatorHigh PassFilter DriverPower ControlLoaderDIP SwitchPROMSwitchAttn.Power AmplifierTXRXParabolicAntenna2ndDownConverter474.880 MHzMMICAMP 1stDownConverterLowNoiseAmplifierDiplexer-6 dB5.3/5.7 GHz389.76 MHzWL03590519.2 MHzTcXoTTLTTLI & Q÷2IF SectionRF AmplificationSynthesizer
18N2-X Ethernet Extender Installation and Operation Manual2.6.2 N2-X Ethernet Extender ReceiverThe description should be used in conjunction with the system block diagram (Figure 2.4).At the antenna, the received BPSK modulated signal from the opposite terminal is passedthrough a diplexing filter which is used to isolate the incoming signal from the transmitter outputand to bandpass filter the received signal thereby reducing the chance of unwanted signalproducts from entering the receiver. A low noise amplifier (LNA) detects and amplifies the signalbandpass filter on the output of the LNA provides band limiting of the received spectrum to rejectunwanted signal products. The first downconverter combines a CW signal at the receiverfrequency from the synthesizer and the incoming signal by means of a mixer to produce the firstIF product at 474.880 MHz. A 75 MHz bandpass filter limits the possibility of unwanted out ofband products from entering the 2nd IF. The first IF is amplified by a MMIC device and isdownconverted by mixer a 389.76 MHz signal from the synthesizer with the 474.880 MHz 1stIF signal. The result is a 85.12 MHz 2nd IF product which is bandpass filtered and fed to an RSSIIF processing DC which derives an RSSI voltage used to determine signal strength.A BPSK demodulator places the 85.12 MHz 2nd IF and 85.12 MHz varactor diode source outof phase. The resultant product is a DC level I and Q signal of which only the I signal is inputto the Bit Synchronizer to re-clock the data. The re-clocked data is decoded and output at TTLlevel to the DS1/E1 level converter which outputs the data in AMI, B8ZS or HDB3 format asneeded. The data is interconnected to the TU and output on the front panel by means of RJ-48C or BNC connector depending on the data format being used.2.6.3 SynthesizerThe FPGA provides four 22-bit streams in a serial format loaded to the synthesizer. This dataprovides all of the possible frequencies at which the system can operate. Depending upon thedip switch settings selected, the actual frequency being used is selected. When the reset buttonis pressed, the FPGA will reload this data to the synthesizer. The PROM contains all of thepossible frequency combinations.
19N2-X Ethernet Extender Installation and Operation Manual3.0 Equipment Installation and Commissioning3.1 InstallationThe N2-X Ethernet Extender has been specifically designed for ease of installation. Thefollowing installation instructions should be followed.1. Plan the installation - Decide where each component of the N2-X Ethernet Extender willbe placed prior to commencement of any installation activity. Installation considerations foreach component in general are as follows:a. Outdoor RF Unit - Mount as close as practical to the Antenna assembly. The maximumdistance is determined by the included interconnect cable which is 1 meter in length.Determine pole mounting details for the Outdoor Unit and Antenna. Adjust  output poweraccording to section 4.2.1.b. Antenna Unit - See Appendix B.2. Inventory your equipment and installation materials.To install one (1) terminal you should have the items shown in Table 3.1.3. The following tools should be on hand:Tool PurposeWire Stripper/Cutter General wire stripping and cutting purposesHand-Held Voltmeter (VOM) Confirm magnitude, polarity, continuitywith standard probes2 Adjustable Wrenches Antenna mounting, Outdoor Unit up to 1.5 cmFlat Screwdriver Outdoor Unit Grounding
20N2-X Ethernet Extender Installation and Operation ManualTable 3.1 - Inventory of Equipment and Installation MaterialsmetIrebmuNtraPnoitpircseDytQ*a1101-910011-152etar1SDzHG053.5-052.5tinUroodtuO1*b1102-910011-152mhO57etar1EzHG053.5-052.5tinUroodtuO1*c1103-910011-152mhO021etar1EzHG053.5-052.5tinUroodtuO1*d1301-910011-152etar1SDzHG528.5-527.5tinUroodtuO1*e1302-910011-152mhO57etar1EzHG528.5-527.5tinUroodtuO1*f1303-910011-152mhO021etar1EzHG528.5-527.5tinUroodtuO12)CxidneppAees(ylbmessAannetnA13elbaCannetnA-UDO14520-014303-500SS,dHxeH,mm52x01M,wercS45021-014303-500SS,dHxeH,mm021x01M,wercS46100-014013-500SS,01MtalF,rehsaW47100-014113-500SS,kcoLtilpS01M,rehsaW48100-014023-500SS,xeH,01M,tuN49100-800093-700”23/3x”2/1x”01,xaoC,laeS301100-820001-800mottoB,retpadAtnuoMeloP111100-920001-800poT,retpadAtnuoMeloP121100-030001-800pmalC,retpadAtnuoMeloP231100-100014-019V022/011CD/CA,retrevnoC1.ylbmessalanimretrepderiuqereno:etoN* 609530LW
21N2-X Ethernet Extender Installation and Operation Manual3.2 Ethernet Data ConnectorsThe Ethernet connections are made to the data side of the power/data cable assembly, normallyit is supplied with an RJ48 connector.3.3 Connect the Wall Transformer to the Terminal UnitThe AC wall transformer is connected to an AC outlet by means of an IEC type power cord.Connect the power cord to the transformer as shown in Figure 3.1.Figure 3.1- Power Cord ConnectionWL035907
22N2-X Ethernet Extender Installation and Operation Manual3.4 Outdoor RF Unit Installation1. Install the upper and lower outdoor unit pole mount adaptor brackets. Figures 3.2a through3.2d show the upper and lower mounting brackets installed and the equipment involved.2. Place the outdoor unit against the pole mole and attach to the pole using the V-clamps andhardware as shown in Figures 3.3a and 3.3b.3. Connect the twin-axial, N-type antenna and ground connections as shown in Figure 3.4.Figure 3.2a - Upper Pole Mounting BracketFigure 3.2b - Upper Pole Mounting Bracket EquipmentWL035908FlatWasherLockWasherNutRF EncloserAttachmentBracketPole MountV-ClampBoltWL035909
23N2-X Ethernet Extender Installation and Operation ManualFigure 3.2c - Lower Pole Mounting BracketFigure 3.2d - Lower Pole Mounting Bracket EquipmentNut, M10,Hex, SSWasher,Lock #5MM SSWasher,Flat #5 SSPole MountAdapter, Clamp Bolt, M10 x 120MM,HEXHD, SS Pole MountAdapter, TopBolt, M10 x 25MM,HEXHD, SSWL035911Bracket SecuringBolt (2) Lower PoleMountingWL035910
24N2-X Ethernet Extender Installation and Operation ManualFigure 3.3a - V-Clamps and HardwareFigure 3.3b - V-Clamps and Hardware (Rear View)WL035912WL035913
25N2-X Ethernet Extender Installation and Operation ManualFigure 3.4 - N-Type Antenna and Ground ConnectionsWL035914GroundPower andEthernet CablesN-Type AntennaConnector
26N2-X Ethernet Extender Installation and Operation Manual3.5 Commissioning1. Visually verify that the N2-X Ethernet Extender is properly mounted.2. Verify that the AC power input to the N2-X Ethernet Extender wall transformer is on.3. Verify that the Power LED is On. If the LED is Off, refer to the Maintenance andTroubleshooting section of the manual.Refer to Table 3.2.3.5.1 Configuring N2-X Ethernet Extender System AntennasThe antennas used on an N2-X Ethernet Extender radio system are generally configurable foreither vertical or horizontal polarization. It is extremely important to verify that both antennasare configured for the same polarization, and that the appropriate antenna polarization hasbeen selected for the specific radio link.Table 3.2 - Installation ChecklisttsilkcehCnoitallatsnI?eruceserawdrahgnitnuomkcarehtsI?dednuorgylreporptinuehtsI?detcennocylreporpannetnaehtsI?tcerrocdnaecalpnisnoitcennocatadehterA?nODELrewoPehtsI519530LW
27N2-X Ethernet Extender Installation and Operation Manual3.5.2 Aligning the N2-X Ethernet Extender System AntennasWith the N2-X Ethernet Extender at each site properly configured for operation, antennaalignment must be performed at both sites. Proper antenna alignment is crucial to the properoperation of an N2-X Ethernet Extender radio system, and should only be accomplished byexperienced professionals.The N2-X Ethernet Extender is equipped with a ODU mounted BNC-(f) Link Test connector towhich an analog or digital voltmeter can be connected. The voltage range at the test point,between the center conductor of the connector and ground, varies from approximately two VDCto four VDC, serving as a receive signal strength indicator (RSSI). The stronger the receivesignal, the higher the RSSI voltage.Emanating from a microwave antenna is a main beam (or lobe) of RF energy, surrounded byRF side lobes. The beamwidth of the main beam varies with the size and type of antenna, aswell as the specific frequency of the RF signal, and is generally defined by the nominal total widthof the main beam at the half-power (-3 dB) points. Side lobes surround the main beam at specificangle distances, and will be lower in power than the main beam.When aligning an antenna system, it is extremely important to verify that the antennas are bothaligned on the main beam, not on a side lobe. Referencing Table 3.3, the first side lobe willgenerally be located at an angle slightly less than twice the antenna beamwidth.Following the course alignment of an antenna system, a common practice when performing afine alignment is to slowly swing each antenna (one at a time!) in both vertical (elevation) andhorizontal (azimuth) planes to verify that the main beam and first side lobe can be accuratelyidentified. This insures that accurate alignment of the antenna system on the main beam hasbeen accomplished.Each N2-X Ethernet Extender is shipped with an RSSI test sheet, showing the relationshipbetween the receive signal strength level (in dBm) and the RSSI level (in VDC). These RSSItest sheets are often referred to as AGC Curves. The RSSI test sheets can be used to verifythat the calculated receive signal levels match up with the actual receive signal levels.Substantial differences between calculated and actual levels could point to transmissionsystem problems, side lobe alignment, path obstructions, etc.Table 3.3 - Approximation TableretemaiDannetnA elytSdna )iBd(niaG htdiwmaeBBd3 )seerged(,eboLediSts1 mumixaM )seerged(,eboLediSdn2 mumixaM )seerged(cilobaraptoof-2cilobaraptoof-4619530LW
28N2-X Ethernet Extender Installation and Operation Manual
29N2-X Ethermet Extender Installation and Operation Manual4.0 Maintenance and TroubleshootingThe N2-X Ethernet Extender contains static sensitive components, and has no user-service-able parts.4.1 N2-X Ethernet Extender MaintenanceThe N2-X Ethernet Extender is designed to operate with no scheduled maintenance activities.From a precautionary perspective, a regular check of power supply input voltages and RSSIvoltages should be planned by the user.4.1.1 RSSI VoltageThe Wireless Customer Service department recommends a monthly check of the N2-XEthernet Extender’s RSSI voltage. Variations in the RSSI voltage could be an indicator ofantenna or antenna feed movement, loose or improper RF cabling or connectorization, pathobstructions or reflections, etc.
30N2-X Ethernet Extender Installation and Operation Manual4.2 Identifying and Resolving Receive Signal Strength IssuesThere are a great number of items which can affect the transmission of a microwave signal fromone site to another. Every microwave path is unique, and must be evaluated for performancebefore a radio link is installed.Outside of radio equipment issues, antenna alignment, RF signal blockage, and multipathfading are among the most common transmission problems experienced in the field.4.2.1 N2-X Ethernet Extender Equipment IssuesFrequency Selection1. Verify the transmit/receive frequency selection for each N2-X Ethernet Extender radio isset appropriately, and that a “matched pair” of radios has been selected for the system.Each N2-X Ethernet Extender terminal can be set to the frequencies listed in Table 4.1.2. To reduce the possibility of co -adjacent channel interference, proper frequency coordi-nation and antenna polarization is used to isolate each channel. The concept is to achievemaximum RF isolation between link channels by means of frequency spacing and antennapolarization. In a “star” configuration an optimum frequency and antenna  polarization planis provided to demonstrate an example of maximum isolation between links (See Figure4.1).Figure 4.1 - Frequency Selection for the N2-X Ethernet Extender Radio1H 12H24H43H37V78V86V65V5H = Horizontal Antenna PolarizationV = Vertical Antenna PolarizationWL035917HHHHVVVV
31N2-X Ethermet Extender Installation and Operation ManualTable 4.1 -  Frequencies.oNlennahCycneuqerF18062.5'1865337.5240172.5'229547.5382182.5'361657.5425192.5'44667.5567103.5'546677.5600213.5'688687.5742223.5'721797.5884233.5'863708.5819530LW
32N2-X Ethernet Extender Installation and Operation Manual4.3 N2-X Ethernet Extender Digital Board Switch SettingsThere are two versions of the N2-X Ethernet Extender Digital Board. Before making switchchanges, verify the version of the Digital Board in use. In a working system, the East Radio mightbe equipped with Version one while the West Radio might be equipped with Version two. Thespecific version of a N2-X Ethernet Extender’s Digital Board will have no effect on the operationof a radio system.In addition to there being two versions of the Digital Board, there are also two types of DigitalBoards: a X Mb/s type and a X Mb/s type. Each type of Digital Board contains differentcomponents.4.3.1 Digital Board Version OneThis Board does not have a white silkscreen of the Wireless, Inc. logo above the board numberdesignation 019-XXXXXX-001. It  is equipped with three switches:1. A Red 8-position DIP switch, right-angle, located in the middle of the Board.2. A small, tow-position switch, located just to the left of the Red 8-position DIP switch.3. A Black 8-position DIP switch, located at the bottom of the Board, labeled S2.
33N2-X Ethermet Extender Installation and Operation ManualRed 8-position DIP Switch, Right AngleThe switch positions are read from left to right. On=Up and Off=Down. See Table 4.2.Table 4.2 - DIP Switches1-WS2-WS3-WSnOsyawlA-ylnOesUyrotcaF4-WSnOsyawlA-ylnOesUyrotcaF5-WSnOsyawlA-ylnOesUyrotcaF6-WS7-WS8-WS919530LW
34N2-X Ethernet Extender Installation and Operation ManualSmall, 2-Position Switch, Power Output AttenuatorOn = Toward edge of board. Off = Toward Center of Board.  When the 6 dB Attenuator is on,transmitter output power will drop by 6 dB. On= 6 dB Power Output Attenuator is On (Lowersoutput power by 6 dB). Off = 6 dB Power Output Attenuator is Off.Black 8-Position DIP Switch (“S2”)The switch positions are read from left to right. On= Up and Off = Down.  See Tables 4.3 and4.4.Table 4.3 - DIP SwitchesTable 4.4 - Transmitter Frequency SelectionlennahC)zHG(woLxT)zHG(hgiHxT1-WS2-WS3-WS4-WS5-WS108062.586737.5nOnOnOnOnO240172.529547.5nOnOffOnOnO382182.561657.5nOnOnOffOnO425192.504667.5nOnOffOffOnO567103.546677.5nOnOnOnOffO600213.588687.5nOnOffOnOffO742223.521797.5nOnOnOffOffO884233.563708.5nOnOffOffOffO129530LW1-WSnoitceleSycneuqerF2-WSnoitceleSycneuqerF3-WSnoitceleSycneuqerF4-WSnoitceleSycneuqerF5-WSnoitceleSycneuqerF6-WSffOsyawlA-ylnOesUyrotcaF7-WSffOsyawlA-ylnOesUyrotcaF8-WSffOsyawlA-ylnOesUyrotcaF029530LW
35N2-X Ethermet Extender Installation and Operation Manual4.3.2 Digital Board Version TwoThis Board does have a white silkscreen of the Wireless, Inc. logo above the board numberdesignation 019-XXXXXX-001. The logo will be similar to the one on the cover of this manual.This Board is  equipped with two switches:1. S black 8-position DIP switch, located in the middle of the Board, labeled S3.2. A black 10-position DIP switch, located at the bottom of the Board, labeled S2.Black 8-Position DIP Switch (“S3”)The switch positions are read from left to right. On = Up and Off = Down. See Table 4.5.Table 4.5 - DIP Switches1-WS2-WS3-WSnOsyawlA-ylnOesUyrotcaF4-WSnOsyawlA-ylnOesUyrotcaF5-WSnOsyawlA-ylnOesUyrotcaF6-WS7-WS8-WS919530LW
36N2-X Ethernet Extender Installation and Operation ManualBlack 1-Position DIP Switch (“S2”)The switch positions are read from left to right. On = Up and Off = Down. When the 6 dB is on,transmitter output power will drop by 6 dB. See Tables 4.6 through 4.8.Table 4.6 - DIP SwitchesTable 4.7 - Transmitter Frequency SelectionTable 4.8 - Power Output Attenuator Selection1-WSnoitceleSycneuqerF2-WSnoitceleSycneuqerF3-WSnoitceleSycneuqerF4-WSnoitceleSycneuqerF5-WSnoitceleSycneuqerF6-WSffOsyawlA-ylnOesUyrotcaF7-WSffOsyawlA-ylnOesUyrotcaF8-WSffOsyawlA-ylnOesUyrotcaF9-WSffOsyawlA-ylnOesUyrotcaF01-WSrotaunettAtuptuOrewoP329530LWlennahC)zHG(woLxT)zHG(hgiHxT1-WS2-WS3-WS4-WS5-WS108062.586737.5nOnOnOnOnO240172.529547.5nOnOffOnOnO382182.561657.5nOnOnOffOnO425192.504667.5nOnOffOffOnO567103.546677.5nOnOnOnOffO600213.588687.5nOnOffOnOffO742223.521797.5nOnOnOffOffO884233.563708.5nOnOffOffOffO129530LWrotaunettABd601-WSnOffOffOnO529530LW
37N2-X Ethermet Extender Installation and Operation Manual4.4 Where To Get Further AssistanceYour primary source of assistance is the support staff of the organization from which youpurchased this product. The Wireless, Inc. support staff should only be contacted directly if youpurchased this product directly from Wireless, Inc., or if you are unable to obtain sufficientassistance from your primary support contact.General Product and Company InformationWireless, Inc.19 Davis DriveBelmont, CA 94002-3001USATel.: +650 595 3300Fax: +650 595 4907E-mail: info@wire-less-inc.comWebsite: www.wire-less-inc.comDetailed Product Information, Sales/Pricing Information and Pre-Sales TechnicalSupportWireless, Inc.Sales Department19 Davis DriveBelmont, CA 94002-3001USATel: +650 595 3300Fax: +650 595 2417E-mail: sales@wire-less-inc.comWebsite: www.wire-less-inc.comPost-Sales Technical Support (Customer Service)To assist you with field issues and, if necessary, to arrange for repair services, Wireless, Inc.'sCustomer Service department can be reached via telephone, facsimile, e-mail, mail, or throughour Website.
38N2-X Ethernet Extender Installation and Operation Manual4.5 Return ProcedureAll material returned to Wireless, Inc. must be accompanied by a Return Material Authorization(RMA) number from Wireless, Inc.'s Customer Service department. If you purchased yourWireless, Inc. product through a distributor, the Wireless RMA number should be obtainedthrough the distributor. An RMA number is necessary to assure proper tracking and handlingof returned material at the factory. Wireless, Inc. reserves the right to refuse shipments notaccompanied by an RMA number. Refused shipments will be returned to the shipper via collectfreight.To obtain an RMA number, contact Wireless, Inc. as follows:Telephone: +650 595 3300Fax: +650 595 4907E-mail: customerservice@wire-less-inc.comThe following information will be required to issue an RMA number:• Part Number• Serial Number• Failure Description• Contact person, telephone, and fax numbers• Ship-to address• Bill-to address*• Customer purchase order* (P.O.) or reference number* Required for non-warranty repair services. For non-warranty repair services, an RMAnumber will be issued when Wireless, Inc. acknowledges the purchase order.Important - All non-U.S. returns must include 5 copies of proforma/customs invoice for eachshipment which lists:• RMA number• Value of items• Description of items (including the Wireless model or part number)Please send all returns to:Wireless, Inc.Attn: RMA Department19 Davis DriveBelmont, CA 94002-3001USARMA No. __________The customer is responsible to properly label and package repairs and prepay shipping toWireless, Inc. If possible, the original packaging material should be used to return electronicparts. The RMA number must be visible on the outside of all packages returned. Unless otherarrangements have been made, all repairs are shipped back to the customer prepaid via groundcarrier.
A-1N2-X Ethernet Extender Installation and Operation ManualAppendix A Network ManagementTable A.1 - Alarm Connector Pinouts1mralAkniLnepOyllamroN2mralAlacoLnepOyllamroN3desUtoN4mralAkniLnommoC5desUtoN6mralAkniLdesolCyllamroN7mralAlacoLnommoC8mralAlacoLdesolCyllamroN9dnuorG629530LW
A-2N2-X Ethernet Extender Installation and Operation Manual
B-1N2-X Ethernet Extender Installation and Operation ManualAppendix B Installation InstructionsRead the instructions completely before assembling or installing the antenna. This installationcan be dangerous and requires qualified personnel familiar with microwave assembly andinstallation.Site Planning1. For antenna mounting and planning dimensions, see Figure B.1 and Table B.1.2. The antenna is normally assembled with an elevation adjustment range of +50 degrees to-5 degrees. By inverting the mount, it can be assembled with a +5 degree to -50 degreerange. In either configuration, the antenna centerline can be offset right or left, relative tothe vertical mast pipe (See Figure B.2) by inverting the Horizontal Tube Assembly.Figure B.1 - Two Foot Diameter AntennaWL035927JHBAPKGQDC
B-2N2-X Ethernet Extender Installation and Operation ManualTable B.1 - Two Foot Diameter Antenna DimensionsnoisnemiDnoitpircseDannetnA)mm6.0(.tf2annetnA)mm8.0(.tf5.2AhtgneLtnuoM)mm075("4.22)mm017("9.72BtnioPtoviP)mm501("2.4)mm501("2.4CtesffOeniLretneC)mm521("0.5)mm521("0.5DturtStnuoMlatnoziroHA/NA/NEturtStnuoMlacitreV.tP.tvP)mm571("8.8)mm012("3.8FturtSediSdexiFlatnoziroHA/NA/NGenilretneCannetnA)mm543("6.31)mm524("8.61HhtgneLrotcelfeR)mm513("3.21)mm063("3.41JhtgneLduorhStrohS)mm023("5.21)mm063("3.41htgneLduorhSgnoL)mm583("1.51)mm053("8.51KretemaiDannetnA)mm537("0.92)mm098("53L)dradnatS(htgneLemodaR)mm043("4.31)mm524("8.61NhtpeDturtStnuoMA/NA/NPxetreVrotcelfeR)mm091("6.7)mm022("7.8QretemaiDtsaM)mm511-06("5.4"4.2)mm511-06("5.4"4.2egnaRelbatsujdAhtumizA°5-/+°5-/+segnaRtnemtsujdAnoitavelE°5-/°05+°5-/°05+829530LW
B-3N2-X Ethernet Extender Installation and Operation ManualFigure B.2 - Mount ConfigurationWL035929and Nut (4)3/8” (10mm)Round HeadScrew Lockwasherø 2.4”- 4.5”(60-115mm)Shear StopCollarElevationPlate
B-4N2-X Ethernet Extender Installation and Operation ManualTable B.2a- Contents List, Reflector AssemblyUnpacking and Preparation1. Carefully unpack the reflector, mount, shroud (if any), radome (if any) and feed from thecrate. For correct antenna performance, handle all components with care. Set aside thepackaged feed and any shroud or radome. See Figures B.3 through B.6.Caution: The reflector spinning has been formed to a very close-toleranced parabolic shape.Careful handling and assembly is required to avoid denting or deforming the reflector,which would degrade the antenna's performance.2. Inspect for any damaged parts. See Tables  B.2a-B.2d for an inventory of the parts andhardware shipped with the antenna.Shroud AttachmentAttach the shroud assembly that is provided with high-performance antennas to the reflector.The installation procedure is covered by another instruction sheet supplied with the shroud.Note: Some models have the shroud factory installed.Table B.2b- Contents List, Feed AssemblyrebmuNtraPnoitpircseD.ytQkcehC3-23832A2-nepO'2ES.yssA.lfeR1039530LWrebmuNtraPnoitpircseD.ytQ1-63752pmalCgnitnuoMdeeF4305-61762058.5-052.5A/SdeeF10715TDA071SSD'04x8//7x61/3lytuBkcarTRR10500XWF560.x437.0W"4/1rehsaW4122-IIsnoitcurtsnInoitallatsnI10600XUNtuNxeH40500XWSrehsaWtilpS4139530LW
B-5N2-X Ethernet Extender Installation and Operation ManualFigure B.3 -  Mounting Hardware PackedFigure B.4 - Mounting Hardware UnpackedWL035932Feed HornAssemblyMountingHardwareWL035933
B-6N2-X Ethernet Extender Installation and Operation ManualTable B.2c- Contents List, Mount AssemblyrebmuNtraPnoitpircseDytQ105-57652ylbmessAepiPlatnoziroH 1505-52752ylbmessAgnipmalCtsaM 12-61322vlaGdoRdedaerhT25-52542"1flaHpmalCtsaM10210GWFvlaGrehsaW21210GUNvlaGrehsaW60900GWSvlaGrehsaWtilpS4905-52732yssAgnipmalCtsaM 12-61322vlaGdoRdedaerhT28-52542flaHpmalCtsaM10210GWFvlaGrehsaW20210GUNtuNxeH60900GWSvlaGrehsaWtilpS4405-72752yssApotSraehS 13-58232doRdedaerhT22-52542trohS-flaHpmalCZA20310XUNtuNxeH60900GWSvlaGrehsaWtilpS4305-03752yssAdoRnoitavelE 16-11632doRnoitavelE1105-24832yssAtkrBdoRnoitavelE11-66652elgnAtroppuSnoitavelE10800GOBvlaGtloBxeH10210GWFvlaGrehsaW10410GWFvlaGrehsaW10210GUNvlaGtuNxeH15910XUNSStuNxeH40900GWSvlaGrehsaWtilpS10010GWSvlaGrehsaWtilpS1439530LW
B-7N2-X Ethernet Extender Installation and Operation ManualTable B.2d- Contents List, Mount AssemblyrebmuNtraPnoitpircseD.ytQ105-33752 tiKerawdraHtnuoM145-94701.vlaGtloB-U22-16532recapS25000MDAebuT.zo1ezieS-itnA11290XOBtloBxeH60210GWFrehsaW405000XWFrehsaW210210GUN.vlaGtuNxeH40600XUN.vlaGtuNxeH60900GNPtunlaP40500XWS.vlaGrehsaWtilpS61-09562 etalPnoitavelE11-19562 etalPhtumizA16811XOB wercSDHDNR40310XUN tuNxeH40800XWS rehsaWtilpS4232-II snoitcurtsnInoitallatsnI1539530LW
B-8N2-X Ethernet Extender Installation and Operation ManualFigure B.5 -  Parabolic ReflectorFigure B.6 - Unpacking the RadomeWL035936ParabolicReflectorWL035937
B-9N2-X Ethernet Extender Installation and Operation ManualFigure B.7 - Antenna Mount AssemblyMount Assembly and Attachment1. The reflector should be placed face down, either on the shroud or blocked up on packinglumber. Locate the Top and Bottom markings stenciled onto the back of the reflector.2. Loosely attach Top Support Angles to the Horizontal Tube Assembly as shown in FigureB.7 and B.8.3. For desired mount configuration (refer to Figure B.2), attach the Vertical Tube Assemblyto the Horizontal Tube Assembly as shown in Figure B.7 and B.8.4. Verify proper assembly of the elevation rod hardware as shown in Figure B.9. Removeouter hardware and insert rod through elevation plate.Important: For elevation angles grater than ±20°, Beveled Washers, shown in Figure B.9,must be used. However, beveled washers may be used for elevation angles greater than±10°.5. Carefully place mount assembly onto antenna backring, taking care not to damage thereflector. Loosely fasten the Top Support Angles and the Elevation Support Angle to theantenna backring using 1/2” hardware as shown in Figure B.7.6. Verify alignment of the Vertical Assembly with the vertical axis of the reflector and securethe Top Support Angles and the Elevation Support Angle to the ring.WL035938and Nut (4)3/8” (10mm)Round HeadScrew Lockwasherø 2.4”- 4.5”(60-115mm)Shear StopCollarElevationPlate
B-10N2-X Ethernet Extender Installation and Operation ManualFigure B.9 - Elevation Rod AssemblyFigure B.8 - Antenna Mount AssemblyWL035939WL035940Secure Antenna to MastPipe using large andsmall Mast ClampsAttach Shear StopCollar on Mast Pipe sothat it will be UnderAzimuth PlatePosition Elevation Plateon the Mast so elevationscrew is horizontal whenAntenna is aligned
B-11N2-X Ethernet Extender Installation and Operation Manual Feed InstallationFollowing the instructions provided with the feed assembly, install the feed in the reflector. Referto Figures B.10 through B.14.Figure B.10 - Feed Horn InstallationClamp1/4”-20Hex NutHorizontalHVGraphiteGreaseHex Nut,Lockwasher,Flat WasherFeedSupport ReflectorHVVerticalWL035941
B-12N2-X Ethernet Extender Installation and Operation ManualFigure B.11 - Feed Horn Polarization MarkingsFigure B.12 - Parabola Rear View Showing Polarization Reference MarkersWL035942Feed HornPolarizationMarkingsWL035943HorizontalPolarizationMarkingVerticalPolarizationMarking
B-13N2-X Ethernet Extender Installation and Operation ManualFigure B.13 - Feed Horn InstallationFigure B.14 - Feed Horn Installation for Vertical Polarized OperationWL035945WL035944
B-14N2-X Ethernet Extender Installation and Operation ManualFigure B.16- Azimuth Adjustment Clamp AssemblyRadome InstallationMolded Radomes (normally optional on standard antennas) should be installed following theinstructions provided.Azimuth Adjustment Clamp/Shear Stop Installation1. Verify proper assembly of the azimuth clamp/shear stop clamp as shown in Figure B.15and B.16. Securely attach the shear stop clamp to the mast pipe as shown, orienting it asnearly as possible to the antenna boresight direction, and square to the mast axis. Notethat the shear stop clamp used on the two foot antennas also provides the azimuthadjustment.2. Refer to Figure B.1 for the position of the antenna centerline relative to the shear stopclamp. The clamp must be mounted to provide support during installation and azimuthadjustment.Figure B.15 - Azimuth Clamp/Shear Stop Assembly3/8” (10mm)Round HeadScrew Lockwasherand Nut (4)ø 2.4” - 4.5”(60-115mm)WL035946WL035947
B-15N2-X Ethernet Extender Installation and Operation ManualAntenna Hoisting and Installation1. Attach a hoist strap around the vertical assembly or the horizontal assembly as shown inFigure B.17. Do not hoist by the elevation rod. Make sure that the vertical assembly isunobstructed where it will mount against the mast pipe.2. Attach tag lines and carefully lift the antenna into position, resting the vertical assembly onthe shear stop clamp.3. Fasten the mount to the mast pipe with 1/2” U-bolts. The antenna must be free to rotateduring azimuth adjustment, so tighten only enough to close the gap between the mast andvertical channel. Do not leave the antenna loose for any extended period of time, i.e.overnight.Figure B.17- Hoisting the AntennaWL0359485”(127mm)
B-16N2-X Ethernet Extender Installation and Operation ManualGeneral Antenna Alignment ProceduresNormally the antenna is aligned by performing azimuth and elevation adjustments andelevation adjustments as necessary until the peak signal is obtained. It may be helpful to re-peak one adjustment before finalizing or locking down the other. See Figure B.18.Warning:  Damage to the antenna can occur if azimuth or elevation adjustments areattempted without loosening the proper connections as described in the following steps.Azimuth Adjustment1. Be sure the mast pipe U-bolts are just loose enough to allow mount rotation whilemaintaining complete contact between the mount and the mast pipe.2. Turn the long stainless steel azimuth screws against the mounting channel. By alternatelyturning one azimuth adjustment screw out and the other in, the antenna can be rotated tothe desired azimuth angle. Approximately 1 turn changes the azimuth direction by 1°. Avoidadjusting the antenna beyond the ±5° provided by the azimuth clamp as this can damagethe adjusting hardware. Fasten the antenna to the mast pipe and reposition the clamp ifneeded.Note: By securing the mount to the mast pipe and realigning the azimuth clamp with theantenna boresight, more reliable and precise azimuth adjustments can be achieved.After all adjustments are made, tighten both of the azimuth screws against the channel andsecure with the lock nuts provided.3. Tighten the mast pipe U-bolts while maintaining the peak signal by alternating from left toright in 1/4 turn intervals.Figure B.18 - Antenna Alignment using RSL Output while Adjusting the AntennaWL035949
B-17N2-X Ethernet Extender Installation and Operation ManualElevation Adjustment1. Insure that both of the bolts connecting the mount to the Top Support Angles and thepivoting Elevation Angle (refer to Figures B.7 and B.9) are just loose enough to allowresisted rotation. See Figure B.18.2. Back the outer nuts on the elevation rod away from the bottom mount plate to allow somefine adjustment range.3. Turn the inside nut (with flat washer) on the elevation rod to adjust the elevation angle.Approximately 5 turns changes the elevation by 1°. Remember, for elevation greater than20°, install the two beveled washers as shown in Figure B.9.4. After all adjustments are made, lock the nut against the bottom mount plate. Tighten theangle pivot bolt and support bracket bolts.Important: Be sure to tighten all hardware after final adjustments and insure that splitlockwashers, palnuts, or jam nuts are used where provided.
B-18N2-X Ethernet Extender Installation and Operation ManualTable B.3 - Nut Tightening ProceduresInspection and Maintenance1. Before leaving the installation, check that all hardware on the mount, shroud, radome, andfeed is tight and that nuts are locked in place.2. Inspection of the antenna should be performed at lease once a year to check its conditionand to insure safe operation and maintenance. Qualified personnel, knowledgeable andexperienced in antenna installations, are required for this inspection.Supplemental InformationTable B.3 is provided for installers unfamiliar with adequate nut tightening procedures for useon stainless steel bolts, U-bolts, galvanized bolts or any bolts without the ASTM-”A325” markingon the head. Disregard these recommendations when specific tightening requirements aregiven.Note: It is not recommended to reuse a palnut that has already been fully tightened ordeformed in any way. It should be replaced by a new palnut.Weather Proofing the Type N Female Connector on FeedsRemove the protective cover from the end of the feed and mate the connectors, screwing themale connector firmly onto the feed.Important: After connecting the coaxial cable, wrap the Type N connector with the gray butylrubber, squeezing it firmly around all joints to make a continuous seal. Finish theweatherproofing by wrapping the butyl rubber with several layers of black PVC tape (notsupplied).eziStloBlanimoNeuqroTtuNeuqroTtunkcoLtunlaP"4/1.bl/.ni05.bl/.ni04"61/5.bl/.ni201.bl/.ni06"8/3.bl/.tf51.bl/.ni58"61/7 .bl/.tf42 .bl/.tf51"2/1.bl/.tf73.bl/.tf61"8/5.bl/.tf47.bl/.tf82"4/3.bl/.tf571.bl/.tf44"8/7.bl/.tf212.bl/.tf15"1.bl/.tf813.bl/.tf95059530LW
C-1N2-X Ethernet Extender Installation and Operation ManualAppendix C Adjustable Panel Antenna MountAssemble the panel mount according to Figure C.1. Orient Antenna using instructions suppliedwith the antenna. Antenna models used with this mount may be circular, square or diamondshaped. To change the offset of the antenna, unbolt the mount from the antenna, invert themount and reattach to the antenna.Figure C.1 - Antenna Mount2 3/8” (60mm)DIA Mast(2) 1/4” U-Bolt w/Washer, Lockwashersand NutsAzimuth AdjustmentSlotsTop View Optional Mast Clamp Kitfor 1.9” (48mm) DIA thru4.5” (114mm) DIA MastsSide ViewElevationAdjustmentSlotsRear ViewOffset Left Rear ViewOffset RightWL035951
C-2N2-X Ethernet Extender Installation and Operation ManualLoosen the azimuth or elevation locking hardware while maintaining sufficient friction to preventunwanted slippage. See Figure C.2.Insert flat blade screw driver into slot “B” and pry in direction of the arrow or into slot “A” and pryin opposite direction, as shown in Figure C.2. Stop prying approximately as new overlappingslot in bottom plate becomes sufficiently visible when viewed through slot “A”.Figure C.2 -  Azimuth and Elevation PlanningABABTop ViewSectional ViewSectional ViewTop ViewWL035952ABAB
C-3N2-X Ethernet Extender Installation and Operation ManualInsert Screw Driver into slot “A” and pry in direction of the arrow, as shown in Figure C.3. Stopprying approximately as new slot in bottom plate becomes sufficiently visible when viewedthrough slot “B”. Continue alternating slots and prying in either direction until desired alignmentis obtained. Lock down hardware securely before leaving the site.Figure C.3-  Azimuth and Elevation PlanningABABTop ViewSectional ViewWL035953ABABSectional ViewTop View
C-4N2-X Ethernet Extender Installation and Operation ManualAttach the antenna to the mount as shown in Figure C.4. For antenna polarization, assemblethe antenna to the mount using four sets of nuts and washers after desired polarization isselected. In horizontal polarization the arrow sticker should be pointed in a horizontal direction.Likewise, in vertical polarization the arrow sticker should be pointed in a vertical position.Important: After cable connection is completed, wrap connection with Butyl or otherwaterproof tape, supplied by the customer.Each panel antenna has four factory sealed drain holes located on the back of the antenna. Afterorienting the antenna to its proper polarization, the lower most sealed drain hole(s) must bepunctured with a pointed tool. See Figure C.4.Caution: Do not allow the tool to protrude into the drain hole more than 1/4” (7mm) or damageto the antenna may result.Figure C.4 -  Flat Panel AntennaWL035954DrainHolesPolarizationArrowAntennaPolarizationusing Nutsand Washers
C-5N2-X Ethernet Extender Installation and Operation ManualAim the antenna according to Figure C.5. Orient the antenna using instructions supplied withthe antenna. Antenna models used with this mount may be circular, square or diamond shaped.To change the offset, unbolt the mount from the antenna, then invert the mount and reattachin the antenna.Figure C.5 -   Adjustable Panel Antenna MountRear ViewRight Offset Rear ViewLeft OffsetSide ViewClamp Kit for1.9 (48mm) DIAThru 4.5 (114mm)DIA Masts1/4” Carriage Boltsw/ Washers, Lockwashersand Nuts (2)ElevationAdjustmentWL035955
C-6N2-X Ethernet Extender Installation and Operation Manual

Navigation menu