Wistron NeWeb M18Q2 LGA Module User Manual 1
Wistron NeWeb Corporation LGA Module 1
Contents
Users Manual

1 / 33
□ Normal □ Internal Use Confidential □ Restricted Confidential
User manual
Project Name: M14Q2
Author: Wistron NeWeb Corporation
Revision: 1.0
Revision Date: 2016/06/23

2 / 33
□ Normal □ Internal Use Confidential □ Restricted Confidential
User Manual
Contact Information
Sale and Technical Support
SupportIoT.MBA@wnc.com.tw
Website
www.wnc.com.tw
Revision History
Rev. #
Author
Summary of Changes
Date
1.0
WNC MBU
Draft release
2016/6/23

3 / 33
□ Normal □ Internal Use Confidential □ Restricted Confidential
User Manual
© Wistron NeWeb Corporation
THIS DOCUMENT AND THE INFORMATION CONTAINED HEREIN IS PROPRIETARY AND IS THE EXCLUSIVE
PROPERTY OF WNC AND SHALL NOT BE DISTRIBUTED, REPRODUCED, OR DISCLOSED IN WHOLE OR IN
PART WITHOUT PRIOR WRITTEN PERMISSION FROM WNC.
LIMITATION OF LIABILITY
THIS DOCUMENT AND THE INFORMATION CONTAINED HEREIN IS PURELY FOR DESIGN REFERENCE AND
SUBJECT TO REVISION BY WNC AT ANY TIME. NOTHING IN THIS DOCUMENT SHALL BE CONSTRUED AS
GRANTING ANY WARRANTY OR RIGHT TO USE THE MATERIAL CONTAINED HEREIN WITHOUT WNC’S
PRIOR EXPRESS WRITTEN CONSENT. WNC SHALL NOT BE LIABLE FOR ANY USE, APPLICATION OR
DEVELOPMENT DERIVED FROM THE MATERIAL WITHOUT SUCH PRIOR EXPRESS WRITTEN CONSENT.
FCC Regulations:
This device complies with part 15 of the FCC Rules. Operation is subject to the following two conditions: (1) This device
may not cause harmful interference, and (2) This device must accept any interference received, including interference
that may cause undesired operation.
This device has been tested and found to comply with the limits for a Class B digital device, pursuant to Part 15 of the
FCC Rules. These limits are designed to provide reasonable protection against harmful interference in a residential
installation. This equipment generates, uses and can radiated radio frequency energy and, if not installed and used in
accordance with the instructions, may cause harmful interference to radio communications. However, there is no
guarantee that interference will not occur in a particular installation If this equipment does cause harmful interference
to radio or television reception, which can be determined by turning the equipment off and on, the user is encouraged
to try to correct the interference by one or more of the following measures:
-Reorient or relocate the receiving antenna.
-Increase the separation between the equipment and receiver.
-Connect the equipment into an outlet on a circuit different from that to which the receiver is connected.
-Consult the dealer or an experienced radio/TV technician for help.
Caution: Changes or modifications not expressly approved by the party responsible for compliance could void the user‘s
authority to operate the equipment.

4 / 33
□ Normal □ Internal Use Confidential □ Restricted Confidential
User Manual
RF Exposure Information
This device is intended only for OEM integrators under the following conditions:
(1) The antenna must be installed such that 20 cm is maintained between the antenna and users,
(2) The transmitter module may not be co-located with any other transmitter or antenna.
(3) To comply with FCC regulations limiting both maximum RF output power and human exposure to RF radiation, the
maximum antenna gain including cable loss in a mobile exposure condition must not exceed:
Standalone Condition:
。 8.0 dBi in 700 MHz Band
。8.0 dBi in 850 MHz Band
。5.0 dBi in 1700 MHz Band
。7.5 dBi in 1900 MHz Band
Assuming collocated with a WLAN transmitter with maximum 27 dBm average EIRP power
。 7.0 dBi in 700 MHz Band
。5.0 dBi in 850 MHz Band
。5.0 dBi in 1700 MHz Band
。7.5 dBi in 1900 MHz Band
Remark: This assumption is not valid if the output power of the collocated WLAN transmitter is higher than 27 dBm.
IMPORTANT NOTE:
This module is intended for OEM integrator. The OEM integrator is still responsible for the FCC compliance requirement
of the end product, which integrates this module. 20cm minimum distance has to be able to be maintained between
the antenna and the users for the host this module is integrated into. Under such configuration, the FCC radiation
exposure limits set forth for an population/uncontrolled environment can be satisfied.
Any changes or modifications not expressly approved by the manufacturer could void the user's authority to operate
this equipment.
USERS MANUAL OF THE END PRODUCT:
In the users manual of the end product, the end user has to be informed to keep at least 20cm separation with the
antenna while this end product is installed and operated. The end user has to be informed that the FCC radio-frequency
exposure guidelines for an uncontrolled environment can be satisfied. The end user has to also be informed that any
changes or modifications not expressly approved by the manufacturer could void the user's authority to operate this
equipment. If the size of the end product is smaller than 8x10cm, then additional FCC part 15.19 statement is required

5 / 33
□ Normal □ Internal Use Confidential □ Restricted Confidential
User Manual
to be available in the users manual: This device complies with Part 15 of FCC rules. Operation is subject to the following
two conditions: (1) this device may not cause harmful interference and (2) this device must accept any interference
received, including interference that may cause undesired operation.

6 / 33
□ Normal □ Internal Use Confidential □ Restricted Confidential
User Manual
Contents
Contact Information ......................................................................................................................... 2
Revision History ................................................................................................................................ 2
Contents ........................................................................................................................................ 6
1. Introduction ........................................................................................................................... 8
1.1. Features .................................................................................................................................8
2. Electrical Specifications...................................................................................................... 9
2.1. Host interface pin assignments...........................................................................................9
2.1.1. LGA Pad Diagram ....................................................................................................9
2.1.2. Pin Assignments .....................................................................................................10
2.2. Power supply .......................................................................................................................12
2.3. USB interface .......................................................................................................................14
2.4. SGMII interface ...................................................................................................................15
2.5. HSIC interface .....................................................................................................................16
2.6. SIM interface ........................................................................................................................17
2.7. Control interface (wakeup) ................................................................................................17
2.8. Digital interface ....................................................................................................................18
2.8.1. JTAG Interface ........................................................................................................18
2.8.2. SPI Master Interface ..............................................................................................18
2.8.3. PCM Interface .........................................................................................................19
2.8.4. I2S Interface ............................................................................................................19
2.8.5. I2C Interface ...........................................................................................................20
2.8.6. UART Interface .......................................................................................................20
2.8.7. ADC Interface .........................................................................................................21
3. RF Specifications ............................................................................................................... 22
3.1. RF connections ...................................................................................................................22

7 / 33
□ Normal □ Internal Use Confidential □ Restricted Confidential
User Manual
3.2. RF Layout guidance ...........................................................................................................22
3.3. Antenna Guidance ..............................................................................................................24
3.4. Interference and sensitivity ................................................................................................24
3.5. Radiated sensitivity measurement ...................................................................................25
3.6. Supported frequencies .......................................................................................................25
4. Software Interface .............................................................................................................. 27
4.1. Support tools ........................................................................................................................27
4.2. USB interface .......................................................................................................................27
5. Mechanical and Environmental Certifications ............................................................... 28
5.1. PCBA Form Factor ..............................................................................................................28
5.2. Labeling ................................................................................................................................31
6. Regulatory Compliance and Certification....................................................................... 32
6.1. Certification testing .............................................................................................................32
7. Safety Recommendation ................................................................................................... 33

8 / 33
□ Normal □ Internal Use Confidential □ Restricted Confidential
User Manual
1. Introduction
The M14Q2 is a Cat. 1 LTE modem which incorporates an application CPU subsystem and a host of
peripheral interfaces and functions uniquely designed to address the power/performance/cost
requirements of IoT and M2M applications. The chip is based on Qualcomm’s MDM architecture which
offers OFDMA-related software based signal processing capabilities that significantly exceed traditional
communications ARM cores.
The CPU subsystem features a high performance Cortex A7 microprocessor running a Linux OS with a
variety of host interfaces including USB 2.0, SGMII, SPI, UART, PCM, I2C, HSIC, USIM & SDC. The module
supports integrated VoLTE functionality, with a variety of narrow- and wide-band CODECs and full IMS
signaling.
1.1. Features
3GPP category support: LTE Cat. 1 with (10Mbps downlink, 5Mbps uplink)
Supports LTE B2/4/12
Ultra-high-performance Cortex A7 microprocessor
Modem subsystem (MSS)
Integrated support for VoLTE
Resource and power management (RPM) subsystem
Optimized for M2M and IoT markets
Interfaces
– HS USB 2.0 with integrated PHY
– SGMII interface
– HSIC interface
– Dual UART interfaces (4 bit and 2 bit) for data transfer and diagnostic tools
– SDC1: First SPI interface
– I2C: Second SPI interface
– USIM interface
– GPIOs
– ADC
– PCM/I2S
– JTAG interface

9 / 33
□ Normal □ Internal Use Confidential □ Restricted Confidential
User Manual
2. Electrical Specifications
2.1. Host interface pin assignments
2.1.1. LGA Pad Diagram
Figure 1. LGA pad diagram (top view)

10 / 33
□ Normal □ Internal Use Confidential □ Restricted Confidential
User Manual
2.1.2. Pin Assignments
Table 1. Pin interface family
Interface Family
Signal
Description
I/O
RF Interfaces
ANT1_DRX
Diversity antenna
I
ANT_GNSS
Reserved for GNSS receiver
I
ANT0_TRX
Main Antenna
I/O
User Identity Module
VREG_L6_UIM1
Power source for UIM
O
UIM1_DATA
Data in/out
I/O
UIM1_CLK
Clock signal
O
UIM1_RESET
Reset signal
O
UIM1_DETECT
UIM Detect signal
I/O
Data
Interfaces
USB 2.0
USB_HS_DP
USB Data Positive
I/O
USB Detect
USB Detect
I
USB_HS_DM
USB Data Negative
I/O
HSIC
HSIC USB_STROBE
HSIC USB Strobe
I/O
HSIC USB_DATA
HSIC USB Data
I/O
SGMII
SGMII_RX_P
SGMII receive - plus
I
SGMII_RX_M
SGMII receive - minus
I
SGMII_TX_P
SGMII transmit - plus
O
SGMII_TX_M
SGMII transmit - minus
O
SGMII_MDIO
SGMII Management data
I/O
SGMII_MDC
SGMII Management data clock
I/O
UART1
UART1_CTS_N
Clear To Send for UART 1
I
UART1_RFR_N
UART ready for frame
O
UART1_RX
Receive for UART 1
I
UART1_TX
Transmit for UART 1
O
UART2
MDM_DBG_UART_RX
Receive for UART 2
I
MDM_DBG_UART_TX
Transmit for UART 2
O
I2C/2nd_ SPI
I2C_SDA
Data in/out
I/O
2nd_SPI_EN_1
2nd_SPI chip select
O
I2C_SCL
Clock signal
O
2nd_SPI_CLK
2nd_SPI serial clock
O
NC
NC
SPI_MOSI
2nd_SPI master out slave in
O
NC
NC

11 / 33
□ Normal □ Internal Use Confidential □ Restricted Confidential
User Manual
SPI_MISO
2nd_SPI master in slave out
I
SDC1/1st_SPI
SDC1_DATA_3
SDC1_DATA_3
I/O
1st_SPIM_MOSI
1st_SPI master out slave in
O
SDC1_DATA_2
SDC1_DATA_2
I/O
1st_SPIM_MISO
1st_SPI master in slave out
I
SDC1_DATA_1
SDC1_DATA_1
I/O
1st_SPIM_EN_1
1st_SPI chip select
O
SDC1_DATA_0
SDC1_DATA_0
I/O
1st_SPIM_CLK
1st_SPI serial clock
O
SDC1_CMD
SDC1_CMD
I/O
SDC1_CLK
SDC1_CLK
O
Module Control and
State Interfaces
WWAN_STATE
Wireless WAN Radio State
O
POWER_ON
Power On the module
I
WAKEUP_OUT
Module wakes up host OR GPIO
O
WAKEUP_IN
Host wakes up module OR GPIO.
I
RESET
Reset the module
I
Power and Ground
VREF
Voltage Reference Output
O
VCC
Main Power
I
GND
GND
I
General Purpose
GPIO
Digital I/O
I/O
ADC_CONVENTOR
ADC_CONVENTOR
I
AUDIO
PCM/I2S
PCM_DIN
PCM_DIN
IO
AUX_BT_I2S_DATA0
AUX_BT_I2S_DATA0
IO
PCM_DOUT
PCM_DOUT
IO
AUX_BT_I2S_DATA1
AUX_BT_I2S_DATA1
IO
PCM_CLK
PCM_CLK
O
AUX_BT_I2S_SCK
AUX_BT_I2S_SCK
O
PCM_SYNC
PCM_SYNC
O
AUX_BT_I2S_WS
AUX_BT_I2S_WS
O
RFU
RFU
RFU
Reserved For Future Use
I
Debug
JTAG
MDM_JTAG_SRST_N
JTAG reset for debug
I
MDM_JTAG_TCK
JTAG clock input
I
MDM_JTAG_TDI
JTAG data input
I
MDM_JTAG_TDO
JTAG data output
O
MDM_JTAG_TMS
JTAG mode select input
I
MDM_JTAG_TRST_N
JTAG reset
O

12 / 33
□ Normal □ Internal Use Confidential □ Restricted Confidential
User Manual
MDM_PS_HOLD
PS_HOLD
I
Force_USB_BOOT
Force_USB_BOOT_CONFIG
Force USB BOOT CONFIG
I
Table 2. Digital I/O characteristics
Note: This is preliminary data for reference and will be updated according to the final version of the
MDM9207 datasheet.
2.2. Power supply
LTE module power input is VCC. The internal power chipset will transfer VCC to other power level.
Table 3. Power supply specifications
Power
Pin Name
Pads
Description
Voltage Level (V)
Min.
Typ.
Max.
VCC
VCC1 to VCC6
Nos. 37 to 42
Main Power Supply
3.3
3.8
4.2
The M14Q2 includes an integrated power manager enabling single and direct voltage supply from the
battery, reducing the overall bill of materials.

13 / 33
□ Normal □ Internal Use Confidential □ Restricted Confidential
User Manual
DCDC1.125 V
DCDC1.275 V
DCDC1.125 V
DCDC1.95 V
LDOS
VCC (3.3 V to 4.2 V)
VCC (3.3 V to 4.2 V)
VCC (3.3 V to 4.2 V)
VCC (3.3 V to 4.2 V)
VCC (3.3 V to 4.2 V)
1.125 V
1.275 V
1.125 V
1.95 V
VREG_S1
VREG_S2
VREG_S3
VREG_S4
1.25 V
1.8 V
1.8 V
3.075 V
2.85 V
2.85 V
1.8 V
1.8 V
1.225 V
1.025 V
1.8 V
1.15 V
2.85 V
2.7 V
VREG_L1
VREG_L4
VREG_L6
VREG_L7
VREG_L9
VREG_L12
VREG_L14
VREG_XO
VREG_LPDDR
VREG_L2
VREG_L3
VREG_L5
VREG_L8
VREG_L10
VREG_L11
VREG_L13
VREG_RFCLK 1.8 V
1.8 V
0.6 V
Figure 2. M14Q2 internal power path
Layout Suggestion: Each power trace should possess sufficient line width to withstand its respective
current listed in the table below:
Net Name
Current Value
VCC(1–6) total
2A
UIM_VCC
150 mA
VREF
300 mA

14 / 33
□ Normal □ Internal Use Confidential □ Restricted Confidential
User Manual
2.3. USB interface
The M14Q2 module complies with USB 2.0 high-speed protocol. The USB input/output lines follow USB
2.0 specifications.
Table 4. Signals of the USB interface
The layout design of this circuit on the host board should comply with the USB 2.0 high-speed protocol.
Layout suggestion:
Differential impedance: 90 Ω
Space to other signals should be at least 20 mils
Intra-lane length difference should be less than 150 mils
Maximum length for each trace:150 mm
Signals lengths on M14Q2 are tuned as below:
Function
Net
Length (mil)
USB
USB_Dp
545.54
USB_Dn
503.04
Name
Description
Input/Output
(Direction to module)
Voltage Level (V)
Min.
Typ.
Max.
D+
USB data positive
(low-/full-speed)
Input High
2
3.3
3.6
Input Low
0
0.8
Output High
2.8
3.3
3.6
Output Low
0.3
USB data positive
(high-speed)
Input High
0.3
0.44
Input Low
0
0.01
Output High
0.36
0.38
0.44
Output Low
0
0.01
D–
USB data negative
(low-/full-speed)
Input High
2
3.3
3.6
Input Low
0
0.8
Output High
2.8
3.3
3.6
Output Low
0.3
USB data negative
(high-speed)
Input High
0.3
0.44
Input Low
0
0.01
Output High
0.36
0.38
0.44
Output Low
0
0.01

15 / 33
□ Normal □ Internal Use Confidential □ Restricted Confidential
User Manual
2.4. SGMII interface
The M14Q2 includes integrated Ethernet MAC with SGMII interfaces with the following key features:
IEEE 802.3 compliance
Full duplex at 1 Gbps
Half/full duplex for 10/100 Mbps
Supports VLAN tagging
Supports IEEE 1588, Precision Time Protocol (PTP)
Can be used to connect to external Ethernet PHYs such as AR8033 or to an external switch
The following figures describe an example of the additional logic connection between the M14Q2 and
the Ethernet chip.
Figure 3. SGMII circuit example
Layout suggestion:
Differential impedance:100 Ω
Space to other signals: > 3x line width
Lane-to-lane space: > 3x line width
Intra-lane mismatch: < 0.7 mm

16 / 33
□ Normal □ Internal Use Confidential □ Restricted Confidential
User Manual
Signals lengths on the M14Q2 are tuned as below:
Function
Net
Length (mil)
SGMII
SGMII_TX_P
617.11
SGMII_TX_M
642.13
SGMII_RX_P_C+SGMII_RX_P
661.40
SGMII_RX_M_C+SGMII_RX_M
675.06
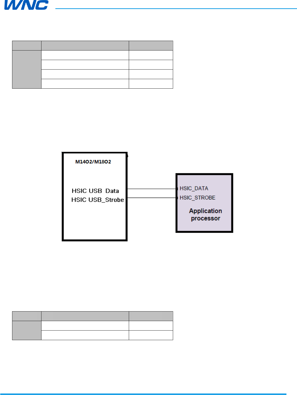
2.5. HSIC interface
The M14Q2 includes a HSIC interface. This host interface can be connected to other application
processor or interface-transfer chipset.
Figure 4. HSIC circuit example
Layout suggestion:
Single-end impedance: 50 Ω
Intra-lane mismatch: < 2 mm
Maximum trace length:100 mm
Signals lengths on the M14Q2 are tuned as below:
Function
Net
Length (mil)
HSIC
HSIC_STB
287.29
HSIC_DATA
315.04

17 / 33
□ Normal □ Internal Use Confidential □ Restricted Confidential
User Manual
2.6. SIM interface
The M14Q2 includes a SIM controller, interface pins, and a dedicated LDO (3.0 V or 1.8 V).
The following figures describe the additional logic connection between the M14Q2 and the SIM card.
Figure 5. SIM card circuit (example)
2.7. Control interface (wakeup)
In applications where power consumption is a major factor in performance metrics (such as
battery-operated sensors that are based on IOT/M2M modem solution and also include a third party
host), it is necessary to define a simple interface that will allow both the modem and the host to be able
to enter low power states whenever possible and the other side to wake it up once required.
For example, if the host has no data to transmit nor any other tasks, it may enter some low power state
according to its own capabilities and configurations. If during that period the host is in a low power state
and the modem suddenly receives data, it must wake-up the host.
A similar requirement exists from the other side. For example, if the modem is in a low power state and
suddenly the host must transmit data, it must be able to wake-up the modem.
The interface consists of two signals: One is driven by the host and received by the modem; the other is
driven by the modem and received by the host.
Each side can wake the other side by toggling wakeup signal high and allowing the other side to go to

18 / 33
□ Normal □ Internal Use Confidential □ Restricted Confidential
User Manual
sleep when not needed by toggling it low.
“WAKEUP_IN” (Host: Output, Modem: Input):
LOW: SoC does not require the MODEM (allowing it to sleep).
HIGH: SoC requires the MODEM or acknowledges it is ready following a wakeup request from the
MODEM.
“WAKEUP_OUT” (Host: Input, Modem: Output):
LOW: The MODEM does not require the Host (allowing it to sleep)
HIGH: The MODEM requires the Host or acknowledges it is ready following a wakeup request
from the SoC.
2.8. Digital interface
This section provides the required AC timing information relating to Module Digital Interfaces.
2.8.1. JTAG Interface
There is one JTAG interface for LGA module debugging.
Figure 6. JTAG schematic (example)
2.8.2. SPI Master Interface
SPIM_CLK – Output clock
SPIM_CS – Output, chip-select
SPIM_MOSI – Output, data to slave
SPIM_MISO – Input, data from slave

19 / 33
□ Normal □ Internal Use Confidential □ Restricted Confidential
User Manual
Timing
Note: This part will be updated according to the final MDM9207 datasheet.
2.8.3. PCM Interface
The LGA module provides one PCM digital audio interface. The PCM data bus voltage level is 1.8 V.
Figure 7. PCM connection (example)
2.8.4. I2S Interface
PCM and I2S share the same pins on the M14Q2; the PCM signal pins can be configured as an I2S
interface.
Config1
Config2
PCM_SYNC
I2S_WS
PCM_DIN
I2S_DATA0
PCM_DOUT
I2S_DATA1
PCM_CLK
I2S_SCK
Figure 8. I2S connection (example)

20 / 33
□ Normal □ Internal Use Confidential □ Restricted Confidential
User Manual
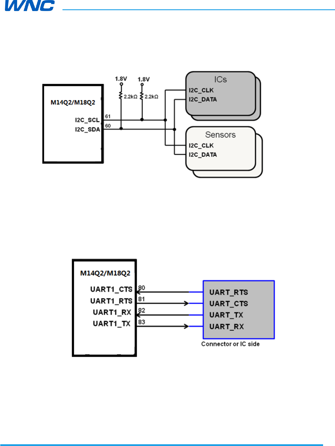
2.8.5. I2C Interface
Adding pull-high resistors to 1.8 V through the 2.2 kΩ resistors is recommended.
Figure 9. I2C connection (example)
2.8.6. UART Interface
There are two UART interfaces: One is a 4 bit UART for high-speed data transfer, and the other is a 2 bit
UART for diagnostic tools and debugging.
Figure 10. UART connection (example)

21 / 33
□ Normal □ Internal Use Confidential □ Restricted Confidential
User Manual
2.8.7. ADC Interface
An Analog to Digital Converter (ADC) input is provided by the M14Q2. The converter is a 16 bit
resolution, ranging from 0.1 V to 1.7 V, with a sampling rate of 2.4 MHz.
Layout suggestion:
Should be protected by GND
Should be protected from noise and other easily radiated signals

22 / 33
□ Normal □ Internal Use Confidential □ Restricted Confidential
User Manual
3. RF Specifications
3.1. RF connections
The M14Q2 has three RF pads; developers may connect them via 50 Ω traces to the main board.
ANT0_TRX pad (Pin15) – Primary RX/TX path
ANT1_DRX pad (Pin21) – Diversity path
ANT_GNSS pad (Pin9) – NA
3.2. RF Layout guidance
It is recommended that grounds not be present under the surface of the RF pads in the layout. Details
are included below.
Layer1
Layer2
Layer3
0.5mm
0.5mm
GND
GND
GND
Pin9
Pin15
Pin21
The RF trace between RF pads and antenna should as shorter as possible with 50ohm characteristic
impedance.

23 / 33
□ Normal □ Internal Use Confidential □ Restricted Confidential
User Manual
The characteristic impedance depends on the dielectric of PCB, the track width and the
ground plane spacing. Microstrip type is required. The detail simulation as below.
The RF trace of the test board which was used in the FCC test is defined as below.
Primary Antenna
interface port
RF I/O port
Primary path
RF I/O port
Diversity path
Diversity Antenna
interface port
R1 R2
R3
R4
Length1=1000mil
Length2(white)=1461mil
Trace width:20mil
Trace width:20mil
Note:R1=R2=R3=R4=0ohm

24 / 33
□ Normal □ Internal Use Confidential □ Restricted Confidential
User Manual
Connector to
Antenna
3.3. Antenna Guidance
The antenna should be 50ohm characteristic impedance with the return loss of better than -10dB
at the operation band. The antenna gain would affect the radiated power and regulator test result.
3.4. Interference and sensitivity
This section includes tips to assist developers in identifying the interference that may affect the M14Q2
when is it used in systems.
Interference from other wireless devices
– Harmonics, inter-modulated signal generated from wireless devices that fall in RX ranges of
the M14Q2, may result in degraded RX performance.
– It is highly recommended to check RX performance of entire systems within the shielding
environment.
Interference from host interface
– High-speed signal-switching elements in systems can easily couple noise into the module
(Ex.: DDR memory, LCD modules, DC-DC converter).
Methods to avoid sources of interference

25 / 33
□ Normal □ Internal Use Confidential □ Restricted Confidential
User Manual
– Antenna location is important; we recommend directing the antenna away from high-speed
switching signals. Furthermore, the trace from the module to the antenna should be as
short as possible and must be shielded by complete grounding.
– The M14Q2 is well shielded; the high-speed elements on a system should have shielding
reserved during the early stages of development.
3.5. Radiated sensitivity measurement
Over-the-air testing can demonstrate the TRX ability of the whole system. Keys elements that affect the
measurement are:
Module ability (refer Specification)
Antenna Gain
System noise source
The OTA performance should be performed in an OTA chamber.
IO05Pin129 GPI
3.6. Supported frequencies
Table 5. Band support
Band
Uplink (MHz)
Downlink (MHz)
LTE Band 2
1,850–1,910
1,930–1,990
LTE Band 4
1,710–1,755
2,110–2,155
LTE Band 12
699–716
729–746
Table 6. Bandwidth support
Band
Bandwidth
1.4 MHz
3 MHz
5 MHz
10 MHz
15 MHz
20 MHz
LTE Band 2
LTE Band 4
LTE Band 12

26 / 33
□ Normal □ Internal Use Confidential □ Restricted Confidential
User Manual
Table 7. Conductive Rx sensitivity
Band
Items
Parameter
Unit
Min.
Typ.
Max.
LTE Band 2
Receive Sensitivity
10 MHz with 50 RBs
dBm
–94.3
LTE Band 4
Receive Sensitivity
10 MHz with 50 RBs
dBm
–96.3
LTE Band 12
Receive Sensitivity
10 MHz with 50 RBs
dBm
–93.3

27 / 33
□ Normal □ Internal Use Confidential □ Restricted Confidential
User Manual
4. Software Interface
4.1. Support tools
The M14Q2 is compatible with the following support tools:
WNC M14Q2 Connection Manager (WNCCM)
4.2. USB interface
The M14Q2 supports 3GPP standard AT commands and proprietary AT commands; the MAL Manager
SDK is also supported for Linux platforms.

28 / 33
□ Normal □ Internal Use Confidential □ Restricted Confidential
User Manual
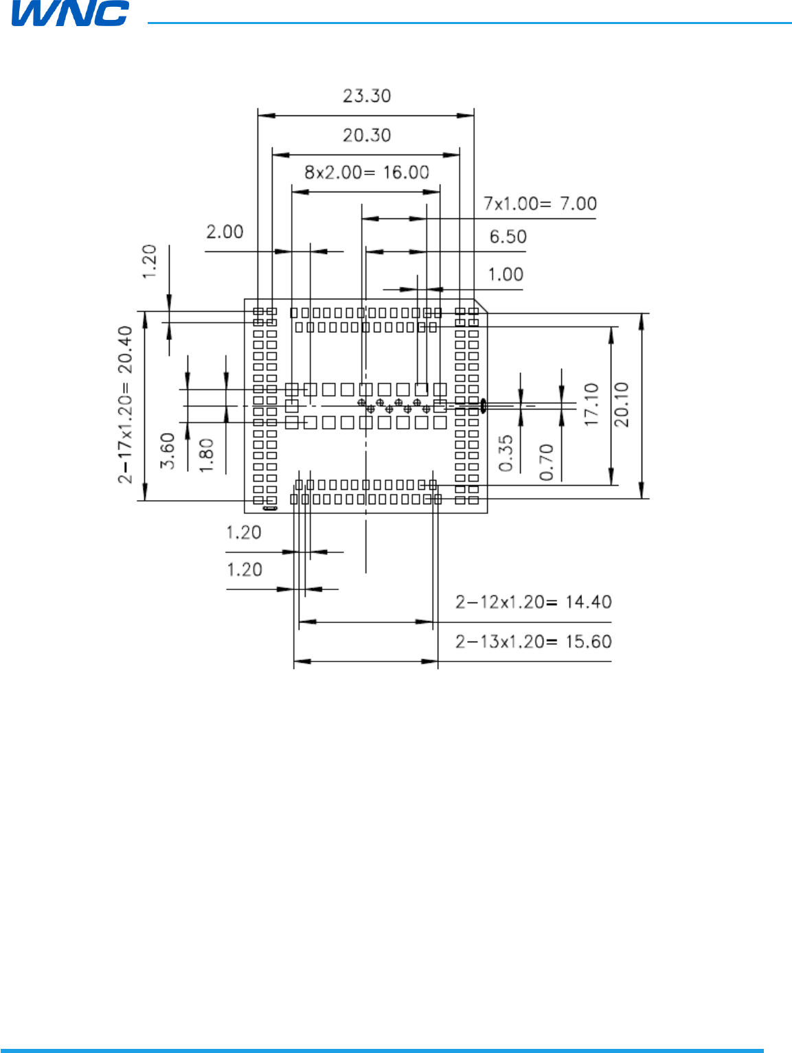
5. Mechanical and Environmental Certifications
5.1. PCBA Form Factor
Dimensions 26.3 mm (typ.) × 23.1 mm (typ.) × 2.3 mm (typ.), tolerance: ± 0.15 mm
Top view
Right view
Top view

29 / 33
□ Normal □ Internal Use Confidential □ Restricted Confidential
User Manual
Bottom view

30 / 33
□ Normal □ Internal Use Confidential □ Restricted Confidential
User Manual
Pads location
Pin1 location
Figure 11. PCBA dimensions

31 / 33
□ Normal □ Internal Use Confidential □ Restricted Confidential
User Manual
5.2. Labeling
When the module is installed in the host device, the FCC ID label must be visible through a window on
the final device or it must be visible when an access panel, door or cover is easily re-moved. If not, a
second label must be placed on the outside of the final device that contains the following text:
“Contains FCC ID: NKRM14Q2”
The grantee's FCC ID can be used only when all FCC compliance requirements are met

32 / 33
□ Normal □ Internal Use Confidential □ Restricted Confidential
User Manual
6. Regulatory Compliance and Certification
6.1. Certification testing
PTCRB, FCC and AT&T TA

33 / 33
□ Normal □ Internal Use Confidential □ Restricted Confidential
User Manual
7. Safety Recommendation
Be sure the use of this product is allowed in the country and in the environment required. The use of this
product may be dangerous and must be avoided in the following areas:
Where it can interfere with other electronic devices in environments such as hospitals, airports,
and aircraft
Where there is a risk of explosion such as gasoline stations and oil refineries
It is the responsibility of the user to comply with his or her country’s regulations and the specific
environmental regulations.
Do not disassemble the product; any mark of tampering will compromise the warranty’s validity.
We recommend following the instructions of the hardware user guides for a correct wiring of the
product. The product must be supplied with a stabilized voltage source, and the wiring must conform to
the security and fire-prevention regulations.
This product must be handled with care; avoid any contact with the pins because electrostatic discharge
may damage the product. Same caution must be taken regarding the SIM card; carefully check the
instructions for its use. Do not insert or remove the SIM when the product is in power-saving mode.
The system integrator is responsible of the functioning of the final product; therefore, care must be
taken for the external components of the module as well as for project or installation issues—there may
be a risk of disturbing the GSM network or external devices or of having an impact on device security. If
you have any doubts, please refer to the technical documentation and the relevant regulations in force.
Every module must be equipped with a proper antenna with specific characteristics. The antenna must
be installed with care in order to avoid any interference with other electronic devices.