Wistron B6Z400 Bluetooth Stereo ROM Module Board User Manual B6Z 400 A1 DataSheet
Wistron Corporation Bluetooth Stereo ROM Module Board B6Z 400 A1 DataSheet
  
    Wistron   >  
Users Manual

Rayson 
  1F No.9 R&D Rd.II ,Science-Based Industrial Park,Hsin-Chu 300 Taiwan,R.O.C. 
           No.1,Tongfu 1
ST Road ,The 2nd Industrial Zone, Loucun, Gongming, Guangming 
New District, Shenzhen, China. 
Tel: 886-3-5633666 Fax: 886-3-5633688 
Email: sales@.rayson.com 
 文件編號:           
Approval Sheet  Date :   
2-July-2013 
Customer  Wistron 
Part Number   
Description  Bluetooth Stereo ROM Module Board 
Customer’s Project  Sound Bar system 
Manufacturer  Rayson Technology Co., Ltd 
Model Name  B6Z-400_A1 
Supplier Level:■New Source □Second Source  
Contact Person:                Tel: +886-3-5633666  
Approval status : 
E.E. engineer:            ■Approval  □Reject 
M.E. engineer:  □Approval  □Reject 
P.E. engineer:               □Approval  □Reject 
Approval:    
Accessories: 
■ Specification   ■ Sample   □ Drawing   □ Test Report 
□ AT Command sets    □ Packing Diagram   

Document History 
Revision Date  Change Reason 
1 2013-4-16 Draft 
2 2013-7-2 Add two Tan-Capacitor to A1 Revision 

Rayson Bluetooth ® Module 
B6Z-400 
The BTM645 based module board. 
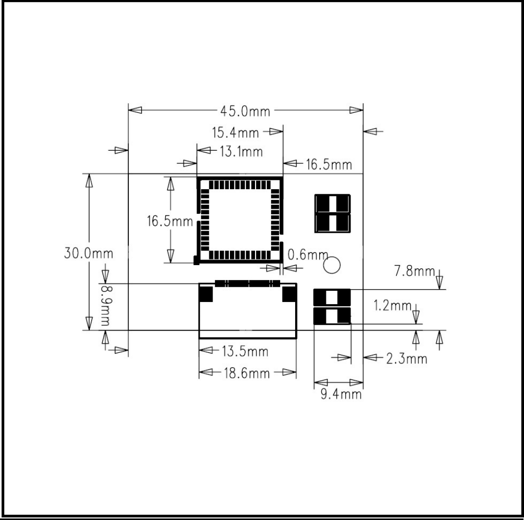
Features                          Outline 
  The module is a Max.4dBm( Class2 ) module. 
  Fully Qualified Bluetooth v4.0. 
  Integrated Switched-Mode Regulator. 
  Integrated Battery Charger. 
  Embedded Kalimba DSP Co-Processor. 
  Integrated 16-bit Stereo Audio CODEC   
93dB SNR for DAC. 
  CSR’s latest CVC technology for narrowband 
and wideband voice connections including wind   
noise reduction. 
  Wideband speech supported by HFP v1.6 
Profile and mSBC codec. 
  Multipoint HFP connection to 2 phones for voice. 
  Multipoint A2DP connection enables a 
headset(A2DP) connection to 2 A2DP source device for 
music playback. 
  SBC , APTX decoder support. 
  MP3, AAC, Faststream decoder support. (option) 
  HSP v1.2/ HFP v1.6/ A2DP v1.2/ AVRCP v1.4     
 RoHS compliant. 
  Small outline. 13.4 x13.4 x1.8mm(64K EEPROM) 
  Integrated audio power amplifier TPA6112 

General Electrical Specification 
Absolute Maximum Ratings: 
Ratings Min. Max. 
Storage Temperature  -40  ℃ +85 ℃ 
Supply Voltage (VCHG)  -0.4V  5.75V 
Supply Voltage (VREG_ENABLE,VBAT_SENSE) -0.4V  4.2V 
Supply Voltage (LED[2:0])  -0.4V  4.4V 
Supply Voltage (PIO_POWER)  -0.4V  3.6V 
Recommended Operating Condition: 
Operating Condition 
Operating Temperature range  -20  ℃ +75 ℃ 
Supply Voltage (VBAT)  2.7V  4.25V 
Supply Voltage (VCHG)  4.75V / 3.10 V  5.25V 
Supply Voltage (VREG_ENABLE,VBAT_SENSE)  0V  4.2V 
Supply Voltage (LED[2:0])  1.10V  4.25V 
Supply Voltage (PIO_POWER)*  1.7V  3.6V   
Regulator Enable 
VREG_ENABLE, Switching Threshold  Min  Typ  Max  Unit 
Rising threshold  1.0  -  -  V 
(a) superseded electrical characteristics are listed in this table. 
Stereo Codec: Analogue to Digital Converter 
Analogue to Digital Converter 
Parameter  Conditions  Min  Typ  Max  Unit 
Resolution -  - - 16 Bits 
Input Sample Rate, 
Fsample  - 8 - 48 kHz 
Fsample  
8kHz  - 89 - dB 
16kHz - 85 - dB 
32kHz - 85 - dB 
44.1kHz - 85 - dB 
SNR 
fin = 1kHz 
B/W = 20Hz→Fsample/2 
(20kHz max) 
A-Weighted 
THD+N < 1% 
1.6Vpk-pk input  48kHz - 85 - dB 

Fsample  
8kHz - 0.0036 - % 
THD+N 
fin = 1kHz 
B/W = 20Hz→Fsample/2 
(20kHz max) 
1.6Vpk-pk input  48kHz - 0.0052 - % 
Digital gain  Digital gain resolution = 1/32  -24  -  21.5  dB 
Analogue gain 
Pre-amplifier setting = 0dB, 9dB, 21dB 
or30dB 
Analogue setting = -3dB to 12dB in 3dB 
steps 
-3 - 42 dB 
Stereo separation (crosstalk)  -  -86  -  dB 
Stereo Codec: Digital to Analogue Converter 
Digital to Analogue Converter 
Parameter  Conditions  Min  Typ  Max  Unit 
Resolution -  - - 16 Bits 
Output Sample 
Rate, Fsample  - 8 - 96 kHz 
Fsample Load   
48kHz 100kΩ- 92 - dB 
48kHz 32Ω - 93 - dB 
SNR 
fin = 1kHz 
B/W = 20Hz→20kHz 
A-Weighted 
THD+N < 0.1% 
0dBFS input  48kHz 16Ω - 93 - dB 
Fsample Load   
8kHz  100kΩ- 0.0019 -  % 
8kHz  32Ω - 0.0024 -  % 
8kHz  16Ω - 0.0032 -  % 
48kHz 100kΩ- 0.0026 -  % 
48kHz 32Ω - 0.0036 -  % 
THD+N 
fin = 1kHz 
B/W = 20Hz→20kHz 
0dBFS input 
48kHz 16Ω - 0.0052 -  % 
Digital Gain  Digital Gain Resolution = 1/32  -24  -  21.5  dB 
Analogue Gain  Analogue Gain Resolution = 3dB  -21  -  0  dB 
Stereo separation (crosstalk)  -  -88  -  dB 
Digital 
Digital Terminals  Min Typ Max Unit 
Input Voltage 
VIL input logic level low  -0.4  -  0.4  V 
VIH input logic level high  0.7xPIO_POWER -  PIO_POWER+0.4 V 
Tr/Tf - - 25 ns 

Output Voltage 
VOL output logic level low, IOL = 4.0mA  -  -  0.4  V 
VOH output logic level high, IOH = -0.4mA  0.75xPIO_POWER -  -  V 
Tr/Tf - - 5 ns 
Input and Tristate Currents 
Strong pull-up  -150  -40  -10  uA 
Strong pull-down  10  40  150  uA 
Weak pull-up  -5  -1.0  -0.33  uA 
Weak pull-down  0.33  1.0  5.0  uA 
CI input Capacitance  1.0    5.0  pF 
LED Driver Pads 
LED Driver Pads  Min  Typ  Max  Unit 
High impedance state  -  -  5  μA 
Current, IPAD 
 Current sink state  -  -  10  mA 
LED pad voltage, VPAD I
PAD = 10mA  -  -  0.55  V 
LED pad resistance  VPAD < 0.5V  -  -  40  Ω 
VOL output logic level low(a) - 0 - V 
VOH output logic level high(a) - 0.8 - V 
VIL input logic level low  -  0  -  V 
VIH input logic level high  -  0.8  -  V 
(a) LED output port is open-drain and requires a pull-up 
Auxiliary ADC 
Auxiliary ADC  Min  Typ  Max  Unit 
Resolution - - 10 Bits 
Input voltage range(a)  0  -  1.35  V 
INL -1 - 1 LSB Accuracy 
(Guaranteed monotonic)  DNL  0 - 1 LSB 
Offset -1 - 1 LSB 
Gain error  -0.8  -  0.8  % 
Input bandwidth  -  100  -  kHz 
Conversion time  1.38  1.69  2.75  μs 
Sample rate(b)  -  -  700  Samples/s
(a) LSB size = VDD_AUX/1023 
(b) The auxiliary ADC is accessed through a VM function. The sample rate given is achieved as part of this function. 

Power Consumption 
DUT Role  Connection  Packet Type Packet Size  Average
Current 
Unit 
Slave SCO  HV3 30 11.0 mA 
Slave eSCO  EV3 30 11.8 mA 
Slave eSCO  2EV3 60 9.2 mA 
Slave SCO  2-mic CVC  HV3 30 12.6 mA 
Slave eSCO  2-mic CVC  2EV3 60 10.8 mA 
Slave eSCO  2-mic CVC  2EV3 60 11.4 mA 
Slave 
Stereo high quality SBC: 
■ SBC 
■ 48KHz sampling 
■ No sniff 
  13.3 mA 
Slave 
Stereo high quality: 
■ MP3 
■ 48KHz sampling 
■ No sniff 
  12.5 mA 
Slave  ACL  Sniff = 500ms  -  -  213  mA 
Slave  ACL  Sniff = 1280ms  -  -  142  mA 
Master SCO  HV3 30 10.8 mA 
Master eSCO  EV3 30 11.2 mA 
Master eSCO  2EV3 60 8.8 mA 
Master SCO  2-mic CVC  HV3 30 12.5 mA 
Master eSCO  2-mic CVC  2EV3 60 10.5 mA 
Master eSCO  2-mic CVC  2EV3 60 11.0 mA 
Note: 
Current consumption values are taken with: 
■  VBAT pin = 3.7V 
■  RF TX power set to 0dBm 
■  No RF retransmissions in case of eSCO 
■  Microphones and speakers disconnected 
■  Audio gateway transmits silence when SCO/eSCO channel is open 
■ LEDs disconnected 
■  AFH classification master disabled 

Block Diagram 
RF Specification:  Temperature=+20℃ 
Transmitter 
 Min Typ Max Bluetooth 
Specification 
Unit 
Maximum RF transmit power  -  2  -  -6 to +4  dBm 
RF power control range  3  4.5  5.5  ≥16 dB 
20dB bandwidth for modulated carrier  -  900  -  ≤1000 kHz 
Adjacent channel transmit power F = F0 ± 
2MHz 
- -32  - ≤-20 dBm 
Adjacent channel transmit power F = F0 ± 
3MHz 
- -38  - ≤-40 dBm 
Adjacent channel transmit power F = F0 ± 
> 3MHz 
- -65  - ≤-40 dBm 
∆f1avg Maximum Modulation  -  165  -  140<f1avg<175  kHz 
∆f2max Minimum Modulation  -  140  -  115  kHz 
∆f1avg/∆f2avg - 0.9 - ≥0.80  
Initial carrier frequency tolerance  -  ±15  -  ±75  kHz 
Drift Rate    ±7    ≤20 kHz/50μ
Drift (single slot packet)  -  ±10  -  ≤25 kHz 
Drift (five slot packet)  -  ±10  -  ≤40 kHz 
2nd Harmonic Content  -  -27  -  ≤-30 dBm 
3rd Harmonic Content  -  -26  -  ≤-30 dBm 
BTM645  TPA6112 
Differntial 
Analog Audio 
Single End 
Analog Audio 
3.3V
LED Control 
PIO 

Receiver 
 Freque
ncy 
(GHz) 
Min 
Typ 
Max 
Bluetooth 
Specificatio
n 
Unit 
2.402 -  -86  - 
2.441 -  -90  - 
Sensitivity at 0.1% BER 
for all packet types 
2.480 -  -90  - 
≤-70 
dBm
Maximum received signal at 0.1% BER  -  >-10    ≥-20 
dBm
C/I co-channel  -  5  -  ≤11 dB 
Adjacent channel selectivity C/I 
F = F0 + 1MHz 
- -5 - ≤0 
dB 
Adjacent channel selectivity C/I 
F = F0 - 1MHz 
- -2 - ≤0 dB 
Adjacent channel selectivity C/I 
F = F0 + 2MHz 
- -40 - ≤-30 dB 
Adjacent channel selectivity C/I 
F = F0 - 2MHz 
- -32 - ≤-20 dB 
Adjacent channel selectivity C/I 
F = F0 + 3MHz 
- -47 - ≤-40 dB 
Adjacent channel selectivity C/I 
F = F0 - 5MHz 
- -45 - ≤-40 dB 
Adjacent channel selectivity C/I 
F = FImage 
- -29 - ≤-9 dB 
Maximum level of intermodulation 
interferers 
- -15 - ≥-39 dBm
Spurious output level  -  -155  -    dBm/
Hz 

B6Z-400 Pin Functions   
No.  Pin Name  Pin Type  Pin Description 
1 NC  --  -- 
2  SPKR_R  Analogue  Speaker output positive, right 
3  SPKR_L  Analogue  Speaker output negative, left 
4 AGND  Analogue  Analog Ground 
5  PIO8  Digital I/O  PIO8 of BTM645 
6.  PIO9  Digital Input  PIO9 of BTM645, (Reset Pairing List) 
7. PIO20  Digital Input  PIO20 of BTM645, (Next Track) 
8. PIO21  Digital Input  PIO21 of BTM645, (Volume +) 
9. PIO19  Digital Input  PIO19 of BTM645, (Previous Track) 
10.  PIO18  Digital Input  PIO18 of BTM645, (Play/Pause) 
11.  PIO7  Digital Input  PIO7 of BTM645, (Volume -) 
12.  PIO6  Digital Output  PIO6 of BTM645, (Amplifier Enable Control) 
13.  PIO17  Digital Output  PIO17 of BTM645, (To Enter Pairing mode) 
14  GND  System Ground System Ground 
15  VBAT_3V3  Power Input  The main Power supply to B6Z-400 
16.  VREG_ENABLE  Analogue  Regulator enable input 
17.  SPI_MISO  Bi-directional  SPI_MOSI:SPI data input 
18. SPI_CLK  Bi-directional  SPI_CLK:SPI clock input 
19.  SPI_MISO  Bi-directional  SPI_MISO:SPI data output 
20.  SPI_CSB  Bi-directional  SPI_CSB:SPI Select input 
21. LED2  Open drain 
output  LED Driver 
22. LED1  Open drain 
output  LED Driver 
23 LED0  Open drain 
output  LED Driver 
24 RST#  Input with 
strong pull-up 
Active low. Pull low for minimum 5ms to cause a 
reset 
25.  AIO0  Bi-directional  Analogue programmable input/output line 

Interfaces 
Analogue I/O Ports, AIO 
B6Z-400 has 1 general-purpose analogue interface pin, AIO[0]. Typically, this connects to a thermistor for 
battery pack temperature measurements during charge control. 
LED Drivers 
B6Z-400 includes a 3-pad synchronised PWM LED driver for driving RGB LEDs for producing a wide range 
of colours. All LEDs are controlled by firmware. 
The terminals are open-drain outputs, so the LED must be connected from a positive supply rail to the pad in series 
with a current-limiting resistor. 
Figure 2.1: LED Equivalent Circuit 
From Figure 2.1 it is possible to derive Equation 2.1 to calculate ILED. If a known value of current is required through 
the LED to give a specific luminous intensity, then the value of RLED is calculated. 
Equation 2.1: LED Current 
For the LED pads to act as resistance, the external series resistor, RLED, needs to be such that the voltage drop 
across it, VR, keeps VPAD below 0.5V. Equation 2.2 also applies. 
VDD = VF + VR + VPAD 
    Equation 2.2: LED PAD Voltage 
Note: 
The LED current adds to the overall current. Conservative LED selection extends battery life. 
Reset, RST# 
B6Z-400 is reset from several sources: 
■ RST# pin 
■ Power-on reset 
■  USB charger attach reset 

■  Software configured watchdog timer 
The RST# pin is an active low reset and is internally filtered using the internal low frequency clock oscillator. Rayson 
recommends applying RST# for a period >5ms. 
At reset the digital I/O pins are set to inputs for bidirectional pins and outputs are set to tristate. 
Digital Pin States on Reset 
Table 3.3.1 shows the pin states of B6Z-400 on reset. 
Pin Name / Group  I/O Type  Full Chip Reset 
USB_DP Digital bidirectional N/A 
USB_DN Digital bidirectional N/A 
PIO[0] Digital bidirectional PUS 
PIO[1] Digital bidirectional PUS 
PIO[2] Digital bidirectional PDW 
PIO[3] Digital bidirectional PDW 
PIO[4] Digital bidirectional PDW 
PIO[5] Digital bidirectional PDW 
PIO[6] Digital bidirectional PDS 
PIO[7] Digital bidirectional PDS 
PIO[8] Digital bidirectional PUS 
PIO[9] Digital bidirectional PDS 
PIO[16] Digital bidirectional PUS 
PIO[17] Digital bidirectional PDS 
PIO[18] Digital bidirectional PDW 
PIO[19] Digital bidirectional PDW 
PIO[20] Digital bidirectional PDW 
PIO[21] Digital bidirectional PDW 
Table 3.3.1: Pin States on Reset 
Note: 
PUS = Strong pull-up 
PDS = Strong pull-down 
PUW = Weak pull-up 
PDW = Weak pull-down 

FederalCommunicationsCommission(FCC)Statement
15.21
Youarecautionedthatchangesormodificationsnotexpresslyapprovedbythepartresponsiblefor
compliancecouldvoidtheuser’sauthoritytooperatetheequipment.
15.105(b)
ThisequipmenthasbeentestedandfoundtocomplywiththelimitsforaClassBdigitaldevice,
pursuanttopart15oftheFCCrules.Theselimitsaredesignedtoprovidereasonableprotection
againstharmfulinterferenceinaresidentialinstallation.Thisequipmentgenerates,usesandcan
radiateradiofrequencyenergyand,ifnotinstalledandusedinaccordancewiththeinstructions,
maycauseharmfulinterferencetoradiocommunications.However,thereisnoguaranteethat
interferencewillnotoccurinaparticularinstallation.Ifthisequipmentdoescauseharmful
interferencetoradioortelevisionreception,whichcanbedeterminedbyturningtheequipmentoff
andon,theuserisencouragedtotrytocorrecttheinterferencebyoneormoreofthefollowing
measures:
‐Reorientorrelocatethereceivingantenna.
‐Increasetheseparationbetweentheequipmentandreceiver.
‐Connecttheequipmentintoanoutletonacircuitdifferentfromthattowhichthereceiveris
connected.
‐Consultthedealeroranexperiencedradio/TVtechnicianforhelp.
ThisdevicecomplieswithPart15oftheFCCRules.Operationissubjecttothefollowingtwo
conditions:
1)thisdevicemaynotcauseharmfulinterference,and
2)thisdevicemustacceptanyinterferencereceived,includinginterferencethatmaycause
undesiredoperationofthedevice.
FCCRFRadiationExposureStatement:
ThisequipmentcomplieswithFCCradiationexposurelimitssetforthforanuncontrolled
environment.EndusersmustfollowthespecificoperatinginstructionsforsatisfyingRFexposure
compliance.Thistransmittermustnotbeco‐locatedoroperatinginconjunctionwithanyother
antennaortransmitter.
Note:Theendproductshallhasthewords“ContainsTransmitterModuleFCCID:PU5B6Z400”