Woods Equipment Ds1260 Users Manual MAN0571
DS1440Q to the manual cb57aef4-1a12-4d0b-9794-404e8c53f319
2015-02-05
: Woods-Equipment Woods-Equipment-Ds1260-Users-Manual-408510 woods-equipment-ds1260-users-manual-408510 woods-equipment pdf
Open the PDF directly: View PDF
.
Page Count: 86

OPER ATOR'S MANUAL
ROTARY CUTTER
MAN0571
(Rev. 10/15/2010)
Tested. Proven. Unbeatable.
DS1260 / DS1260Q
DS1440 / DS1440Q
DSO1260 / DSO1260Q
Serial Number 1081498 & Above
Also includes Service & Parts Information for
Serial Number 1081497 & Below

2 Introduction
Gen’l (Rev. 3/5/2010)
TO THE DEALER:
Assembly and proper installation of this product is the responsibility of the Woods® dealer. Read manual instructions
and safety rules. Make sure all items on the Dealer’s Pre-Delivery and Delivery Check Lists in the Operator’s Manual
are completed before releasing equipment to the owner.
The dealer must complete the online Product Registration form at the Woods Dealer Website which certifies that
all Dealer Check List items have been completed. Please contact your dealer to complete this form. Dealers can
register all Woods product at dealer.WoodsEquipment.com under Product Registration.
Failure to register the product does not diminish customer’s warranty rights.
TO THE OWNER:
Read this manual before operating your Woods equipment. The information presented will prepare you to do a better and
safer job. Keep this manual handy for ready reference. Require all operators to read this manual carefully and become
acquainted with all adjustment and operating procedures before attempting to operate. Replacement manuals can be
obtained from your dealer. To locate your nearest dealer, check the Dealer Locator at www.WoodsEquipment.com, or in
the United States and Canada call 1-800-319-6637.
The equipment you have purchased has been carefully engineered and manufactured to provide dependable and
satisfactory use. Like all mechanical products, it will require cleaning and upkeep. Lubricate the unit as specified.
Observe all safety information in this manual and safety decals on the equipment.
For service, your authorized Woods dealer has trained mechanics, genuine Woods service parts, and the necessary
tools and equipment to handle all your needs.
Use only genuine Woods service parts. Substitute parts will void the warranty and may not meet standards required for
safe and satisfactory operation. Record the model number and serial number of your equipment in the spaces
provided:
Model: _______________________________ Date of Purchase: _____________________
Serial Number: (see Safety Decal section for location) ____________________________________
Provide this information to your dealer to obtain correct repair parts.
Throughout this manual, the term NOTICE is used to indicate that failure to observe can cause damage to equipment.
The terms CAUTION, WARNING, and DANGER are used in conjunction with the Safety-Alert Symbol (a triangle with
an exclamation mark) to indicate the degree of hazard for items of personal safety.

Introduction 3
MAN0571 (Rev. 6/15/2007)
TABLE OF CONTENTS
INTRODUCTION . . . . . . . . . . . . . . . . . . . . . . . . . . . . . . . . . . . . . . . . . . . . . . 2
SPECIFICATIONS . . . . . . . . . . . . . . . . . . . . . . . . . . . . . . . . . . . . . . . . . . . . . 4
GENERAL INFORMATION . . . . . . . . . . . . . . . . . . . . . . . . . . . . . . . . . . . . . . 4
SAFETY VIDEO ORDER FORM . . . . . . . . . . . . . . . . . . . . . . . . . . . . . . . . . . 5
SAFETY RULES . . . . . . . . . . . . . . . . . . . . . . . . . . . . . . . . . . . . . . . . . . . . 7-10
SAFETY DECALS . . . . . . . . . . . . . . . . . . . . . . . . . . . . . . . . . . . . . . . . . . 11-13
OPERATION . . . . . . . . . . . . . . . . . . . . . . . . . . . . . . . . . . . . . . . . . . . . . . . . 14
OWNER SERVICE . . . . . . . . . . . . . . . . . . . . . . . . . . . . . . . . . . . . . . . . . . . 21
TROUBLESHOOTING . . . . . . . . . . . . . . . . . . . . . . . . . . . . . . . . . . . . . . . . 27
DEALER SERVICE . . . . . . . . . . . . . . . . . . . . . . . . . . . . . . . . . . . . . . . . . . . 29
ASSEMBLY INSTRUCTIONS . . . . . . . . . . . . . . . . . . . . . . . . . . . . . . . . . . . 38
DEALER CHECK LIST . . . . . . . . . . . . . . . . . . . . . . . . . . . . . . . . . . . . . . . . 52
INDEX TO PARTS LISTS . . . . . . . . . . . . . . . . . . . . . . . . . . . . . . . . . . . . . . 53
BOLT TORQUE CHART . . . . . . . . . . . . . . . . . . . . . . . . . . . . . . . . . . . . . . . 82
BOLT SIZE CHART & ABBREVIATIONS . . . . . . . . . . . . . . . . . . . . . . . . . . 83
INDEX . . . . . . . . . . . . . . . . . . . . . . . . . . . . . . . . . . . . . . . . . . . . . . . . . . . . . 84
PRODUCT WARRANTY . . . . . . . . . . . . . . . . . . . . . . . INSIDE BACK COVER
REPLACEMENT PARTS WARRANTY . . . . . . . . . . . . . . . . . . .BACK COVER

4 Introduction
MAN0571 (Rev. 6/15/2007)
SPECIFICATIONS
DS1260 DSO1260 DS1440
DS1260Q DSO1260Q DS1440Q
Cutting Height (varies with tire selection) 2" - 13" 2" - 13" 2" - 13"
Cutting Width 126" 126" 144"
Overall Width 134" 134" 152"
Overall Length (Pull-Type / Mounted) 165" / 115" 135" 175" / 125"
Tractor HP 40 - 200 50 - 200 50 - 200
Tractor PTO rpm (Q=1000) 540 or 1000 540 or 1000 540 or 1000
Blade Spindle 2 2 2
Blade Overlap 4"4"4"
Number of Blades 4 4 4
Center Driveline with Slip Clutch Cat 5 Heavy Cat 5 Heavy Cat 5 Heavy
(CV - Cat 6) (CV - Cat 6)
Side Frame Thickness 1/4" 1/4" 1/4"
Weight - Pull-Type (approximate lbs) 2,643 2,750 3,062
Blade Speed (feet per minute) 540 / 1000 16,881 / 17,016 16,881 / 17,016 16,240 / 16,487
Blade Rotation --------------- Left Spindle: CCW; Right Spindle: CW ---------------
Wheel Size 15" Rims or 21" OD 21" Solid Tires 15" Rims or 21" OD
Solid Tires, Airplane Solid Tires, Airplane
Torsion Protection --------------- Slip Clutch and Flex Couplers ---------------
GENERAL INFORMATION
Some illustrations in this manual show the
equipment with safety shields removed to provide
a better view. This equipment should never be
operated with any necessary safety shielding
removed.
The purpose of this manual is to assist you in operating
and maintaining your cutter. Read it carefully. It fur-
nishes information and instructions that will help you
achieve years of dependable performance. These
instructions have been compiled from extensive field
experience and engineering data. Some information
may be general in nature due to unknown and varying
operating conditions. However, through experience
and these instructions, you should be able to develop
procedures suitable to your particular situation.
The illustrations and data used in this manual were cur-
rent at the time of printing but, due to possible inline
production changes, your machine may vary slightly in
detail. We reserve the right to redesign and change the
machines as may be necessary without notification.
Throughout this manual, references are made to right
and left direction. These are determined by standing
behind the equipment facing the direction of forward
travel. Blade rotation is clockwise (right) and counter-
clockwise (left) as viewed from the top of the cutter.

Safety 5
Safety Video Order Form (8/2/2005)
Free Mower Safety Video
Fill out and return the order form and we will send you a FREE VHS
or DVD video outlining
Industrial and Agricultural Mower Safety
Practices
. The 22 minute video, developed in cooperation with
AEM (Association of Equipment Manufacturers), reinforces the
proper procedures to follow while operating your mowing
equipment. The video does not replace the information contained in
the Operator’s Manual, so please review this manual thoroughly
before operating your new mowing equipment.
Safety Training
Does Make a Difference.
BE SAFE!
BE ALERT!
BE ALIVE!
BE TRAINED
Before Operating Mowers!
ASSOCIATION OF
EQUIPMENT
MANUFACTURERS
Safety Video Order Form

6 Safety
Safety Video Order Form (Rev. 2/6/2006)
Free Mower/Cutter Safety Video Order Form
3 (Select one)
VHS Format - VHS01052 Safety Video
DVD Format - DVD01052 Safety Video
Please send me
Name: ________________________________________ Phone: __________________
Address: _____________________________________
_____________________________________
_____________________________________
Mower/Cutter Model: ______________________ Serial #: ________________________
Send to: ATTENTION: DEALER SERVICES
WOODS EQUIPMENT COMPANY
PO BOX 1000
OREGON IL 61061-1000
USA
Also, available from the Association of Equipment Manufacturers:
A large variety of training materials (ideal for groups) are available for a nominal
charge from AEM. Following is a partial list:
●Training Package for Rotary Mowers/Cutters-English
Contains: DVD & VHS (English)
Guidebook for Rotary Mowers/Cutters (English)
AEM Industrial/Agricultural Mower Safety Manual (English)
AEM Agricultural Tractor Safety Manual (English)
●Training Package for Rotary Mowers/Cutters-English/Spanish
Contains: DVD & VHS (English/Spanish)
Guidebook for Rotary Mowers/Cutters (English/Spanish)
AEM Industrial/Agricultural Mower Safety Manual (English/Spanish)
AEM Agricultural Tractor Safety Manual (English/Spanish)
AEM training packages are available through:
AEM at:
www.aem.org
or
Universal Lithographers, Inc.
Email: aem@ulilitho.com
800-369-2310 tel
866-541-1668 fax

Safety 7
1260 Safety Rules (Rev. 2/1/2007)
TRAINING
Safety instructions are important! Read all
attachment and power unit manuals; follow all
safety rules and safety decal information. (Replace-
ment manuals and safety decals are available from
your dealer. To locate your nearest dealer, check
the Dealer Locator at www.WoodsEquipment.com,
or in the United States and Canada call 1-800-319-
6637.) Failure to follow instructions or safety rules
can result in serious injury or death.
If you do not understand any part of this manual
and need assistance, see your dealer.
Know your controls and how to stop engine and
attachment quickly in an emergency.
Operators must be instructed in and be capable
of the safe operation of the equipment, its attach-
ments, and all controls. Do not allow anyone to
operate this equipment without proper instruc-
tions.
Keep hands and body away from pressurized
lines. Use paper or cardboard, not hands or other
body parts to check for leaks. Wear safety goggles.
Hydraulic fluid under pressure can easily penetrate
skin and will cause serious injury or death.
Make sure that all operating and service person-
nel know that if hydraulic fluid penetrates skin, it
must be surgically removed as soon as possible by
a doctor familiar with this form of injury or gan-
grene, serious injury, or death will result. CON-
TACT A PHYSICIAN IMMEDIATELY IF FLUID
ENTERS SKIN OR EYES. DO NOT DELAY.
Never allow children or untrained persons to
operate equipment.
PREPARATION
Check that all hardware is properly installed.
Always tighten to torque chart specifications
unless instructed otherwise in this manual.
Air in hydraulic systems can cause erratic oper-
ation and allows loads or equipment components
to drop unexpectedly. When connecting equipment
or hoses or performing any hydraulic maintenance,
purge any air in hydraulic system by operating all
hydraulic functions several times. Do this before
putting into service or allowing anyone to
approach the equipment.
Make sure all hydraulic hoses, fittings, and
valves are in good condition and not leaking before
starting power unit or using equipment. Check and
route hoses carefully to prevent damage. Hoses
must not be twisted, bent sharply, kinked, frayed,
pinched, or come into contact with any moving
parts. Operate moveable components through full
operational range to check clearances. Replace
any damaged hoses immediately.
Always wear relatively tight and belted clothing
to avoid getting caught in moving parts. Wear
sturdy, rough-soled work shoes and protective
equipment for eyes, hair, hands, hearing, and head;
and respirator or filter mask where appropriate.
Make sure attachment is properly secured,
adjusted, and in good operating condition.
Make sure spring-activated locking pin or collar
slides freely and is seated firmly in tractor PTO
spline groove.
Make sure driveline guard tether chains are
attached to the tractor and equipment as shown in
the pamphlet that accompanies the driveline.
Replace if damaged or broken. Check that driveline
guards rotate freely on driveline before putting
equipment into service.
Power unit must be equipped with ROPS or
ROPS cab and seat belt. Keep seat belt securely
fastened. Falling off power unit can result in death
from being run over or crushed. Keep foldable
ROPS system in “locked up” position at all times.
Inspect chain or rubber belt shielding before
each use. Replace if damaged.
(Safety Rules continued on next page)
Safety is a primary concern in the design and
manufacture of our products. Unfortunately, our
efforts to provide safe equipment can be wiped
out by an operator’s single careless act.
In addition to the design and configuration of
equipment, hazard control and accident preven-
tion are dependent upon the awareness, con-
cern, judgement, and proper training of
personnel involved in the operation, transport,
maintenance, and storage of equipment.
It has been said, “The best safety device is an
informed, careful operator.” We ask you to be
that kind of operator.
SAFETY RULES
ATTENTION! BECOME ALERT! YOUR SAFETY IS INVOLVED!

8 Safety
1260 Safety Rules (Rev. 2/1/2007)
(Safety Rules continued from previous page)
Remove accumulated debris from this equip-
ment, power unit, and engine to avoid fire hazard.
Make sure all safety decals are installed.
Replace if damaged. (See Safety Decals section for
location.)
Make sure shields and guards are properly
installed and in good condition. Replace if dam-
aged.
Do not put this equipment into service unless all
side skids are properly installed and in good condi-
tion. Replace if damaged.
A minimum 20% of tractor and equipment
weight must be on the tractor front wheels when
attachments are in transport position. Without this
weight, tractor could tip over, causing personal
injury or death. The weight may be attained with
front wheel weights, ballast in tires or front tractor
weights. Weigh the tractor and equipment. Do not
estimate.
Inspect and clear area of stones, branches, or
other hard objects that might be thrown, causing
injury or damage.
OPERATION
Full chain or rubber shielding must be installed
when operating in populated areas or other areas
where thrown objects could injure people or dam-
age property.
• If this machine is not equipped with full chain
or rubber shielding, operation must be stopped
when anyone comes within 300 feet (92 m).
• This shielding is designed to reduce the risk
of thrown objects. The mower deck and protec-
tive devices cannot prevent all objects from
escaping the blade enclosure in every mowing
condition.
It is possible for objects to ricochet
and escape, traveling as much as 300 feet (92 m).
Do not allow bystanders in the area when oper-
ating, attaching, removing, assembling, or servic-
ing equipment.
Never direct discharge toward people, animals,
or property.
Do not operate or transport equipment while
under the influence of alcohol or drugs.
Operate only in daylight or good artificial light.
Keep hands, feet, hair, and clothing away from
equipment while engine is running. Stay clear of all
moving parts.
Always comply with all state and local lighting
and marking requirements.
Never allow riders on power unit or attachment.
Power unit must be equipped with ROPS or
ROPS cab and seat belt. Keep seat belt securely
fastened. Falling off power unit can result in death
from being run over or crushed. Keep foldable
ROPS system in “locked up” position at all times.
Always sit in power unit seat when operating
controls or starting engine. Securely fasten seat
belt, place transmission in neutral, engage brake,
and ensure all other controls are disengaged
before starting power unit engine.
Operate tractor PTO at 540 RPM (1000 RPM on Q
Series cutters). Do not exceed.
Look down and to the rear and make sure area
is clear before operating in reverse.
Do not operate or transport on steep slopes.
Do not stop, start, or change directions sud-
denly on slopes.
Use extreme care and reduce ground speed on
slopes and rough terrain.
Watch for hidden hazards on the terrain during
operation.
Stop power unit and equipment immediately
upon striking an obstruction. Turn off engine,
remove key, inspect, and repair any damage before
resuming operation.
Leak down or failure of mechanical or hydraulic
system can cause equipment to drop.
On pull-type or semi-mounted units with
optional hydraulic cutting height adjustment, use a
single-acting cylinder with a maximum extended
length of 28-1/4" (718 mm) from attaching point
center to center.
On mounted units with optional hydraulic cut-
ting height adjustment, use a double-acting cylin-
der with a maximum extended length of 28-1/4"
(718 mm) from attaching point center to center.
TRANSPORTATION
The maximum transport speed for towed and
semi-mounted machines is 20 mph (32 km/h).
Regardless of the maximum speed capability of the
towing tractor, do not exceed the implement’s max-
SAFETY RULES
ATTENTION! BECOME ALERT! YOUR SAFETY IS INVOLVED!

Safety 9
1260 Safety Rules (Rev. 2/1/2007)
imum transport speed. Doing so could result in:
• Loss of control of the implement and tractor
• Reduced or no ability to stop during braking
• Implement tire failure
• Damage to the implement or its components.
Use additional caution and reduce speed when
under adverse surface conditions, turning, or on
inclines.
Never tow this implement with a motor vehicle.
Do not operate PTO during transport.
Do not operate or transport on steep slopes.
Do not operate or transport equipment while
under the influence of alcohol or drugs.
Always comply with all state and local lighting
and marking requirements.
Never allow riders on power unit or attachment.
MAINTENANCE
Before dismounting power unit or performing
any service or maintenance, follow these steps:
disengage power to equipment, lower the 3-point
hitch and all raised components to the ground,
operate valve levers to release any hydraulic pres-
sure, set parking brake, stop engine, remove key,
and unfasten seat belt.
Before performing any service or maintenance,
disconnect driveline from tractor PTO.
Before working underneath, raise mower, install
transport lock, and block mower securely. Hydrau-
lic system leak down and failure of mechanical or
hydraulic system can cause equipment to drop.
Do not modify or alter or permit anyone else to
modify or alter the equipment or any of its compo-
nents in any way.
Your dealer can supply original equipment
hydraulic accessories and repair parts. Substitute
parts may not meet original equipment specifica-
tions and may be dangerous.
Always wear relatively tight and belted clothing
to avoid getting caught in moving parts. Wear
sturdy, rough-soled work shoes and protective
equipment for eyes, hair, hands, hearing, and head;
and respirator or filter mask where appropriate.
Do not allow bystanders in the area when oper-
ating, attaching, removing, assembling, or servic-
ing equipment.
Never go underneath equipment (lowered to the
ground or raised) unless it is properly blocked and
secured. Never place any part of the body under-
neath equipment or between moveable parts even
when the engine has been turned off. Hydraulic
system leak down, hydraulic system failures,
mechanical failures, or movement of control levers
can cause equipment to drop or rotate unexpect-
edly and cause severe injury or death. Follow Oper-
ator's Manual instructions for working underneath
and blocking requirements or have work done by a
qualified dealer.
Make sure attachment is properly secured,
adjusted, and in good operating condition.
Keep all persons away from operator control
area while performing adjustments, service, or
maintenance.
Make certain all movement of equipment com-
ponents has stopped before approaching for ser-
vice.
Frequently check blades. They should be sharp,
free of nicks and cracks, and securely fastened.
Do not handle blades with bare hands. Careless
or improper handling may result in serious injury.
Your dealer can supply genuine replacement
blades. Substitute blades may not meet original
equipment specifications and may be dangerous.
Tighten all bolts, nuts, and screws to torque
chart specifications. Check that all cotter pins are
installed securely to ensure equipment is in a safe
condition before putting unit into service.
Make sure all safety decals are installed.
Replace if damaged. (See Safety Decals section for
location.)
Make sure shields and guards are properly
installed and in good condition. Replace if dam-
aged.
Do not disconnect hydraulic lines until machine
is securely blocked or placed in lowest position
and system pressure is released by operating
valve levers.
Leak down or failure of mechanical or hydraulic
system can cause equipment to drop.
STORAGE
Keep children and bystanders away from stor-
age area.
SAFETY RULES
ATTENTION! BECOME ALERT! YOUR SAFETY IS INVOLVED!

10 Safety
1260 Safety Rules (Rev. 2/1/2007)
Follow manual instructions for storage.
(Safety Rules continued on next page)
STORAGE - Continued
ON MOUNTED AND SEMI-MOUNTED CUTTERS:
Disconnect cutter driveshaft and secure up off
ground. Raise cutter with 3-point hitch. Place
blocks under cutter side skids. Lower cutter onto
blocks. Disconnect hydraulic lines to optional cyl-
inder. Disconnect cutter from tractor 3-point hitch
and carefully drive tractor away from cutter.
ON PULL-TYPE CUTTERS:
Raise cutter and block securely. Block wheels
and raise tongue with jack. Disconnect hydraulic
lines to optional cylinder. Disconnect driveline and
secure up off the ground.
SAFETY RULES
ATTENTION! BECOME ALERT! YOUR SAFETY IS INVOLVED!

Safety 11
MAN0571 (Rev. 6/15//2007)
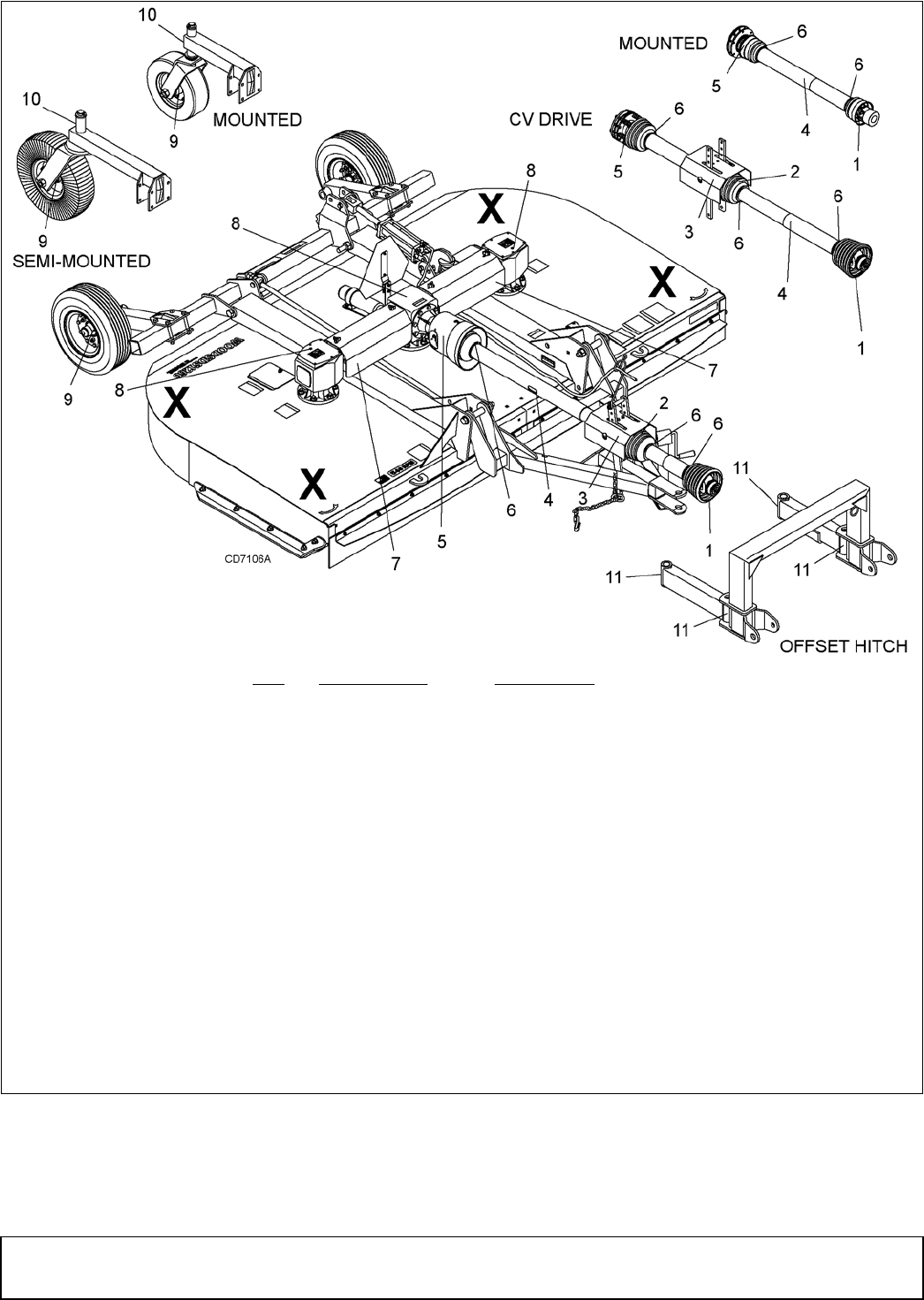
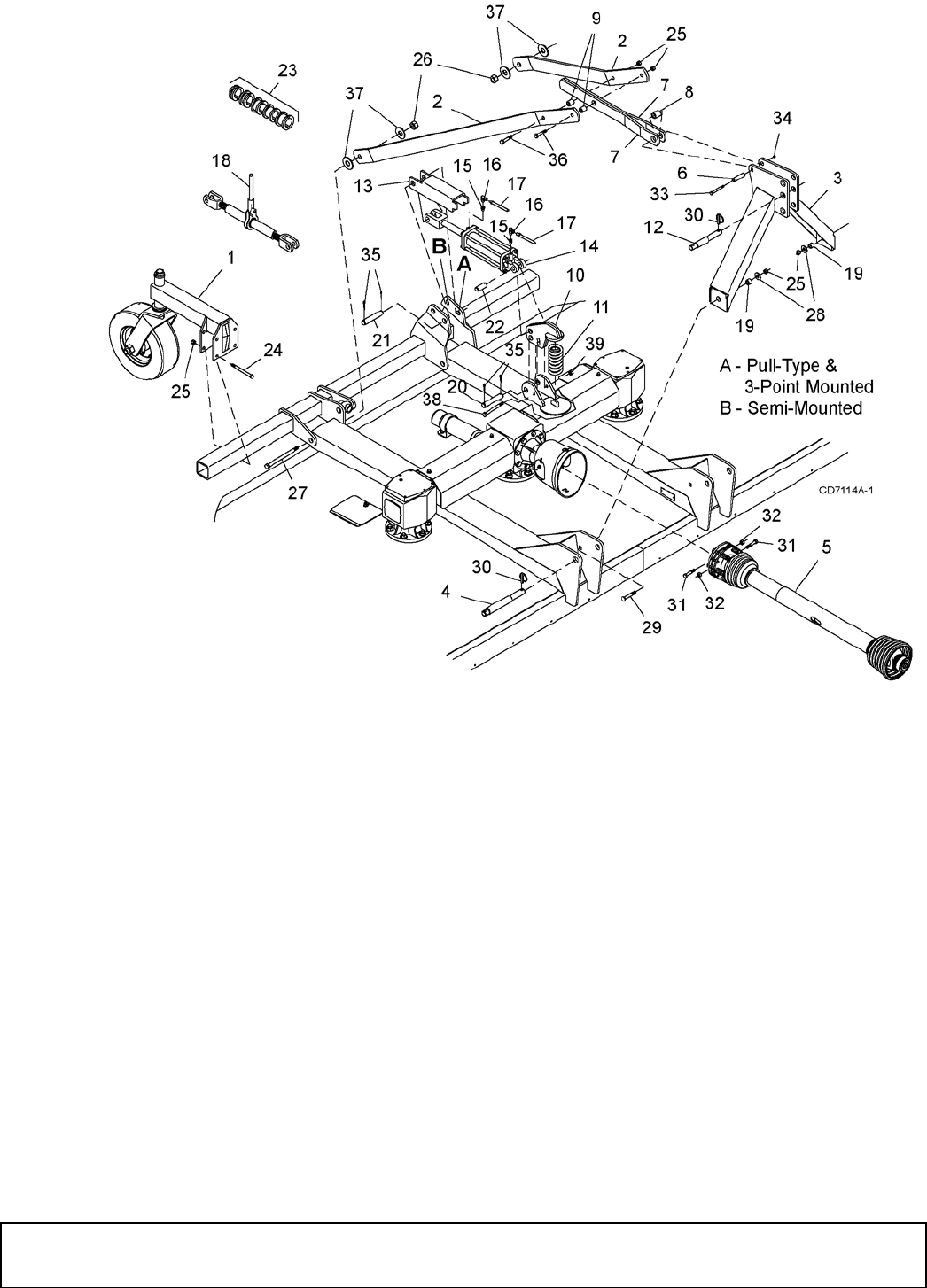
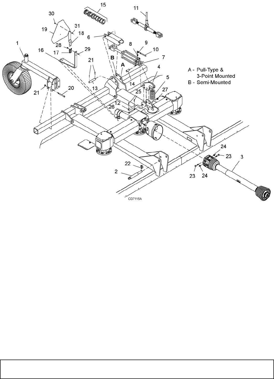
1 - SERIAL NUMBER PLATE
2 - PN 5669
3 - PN 12777
4 - PN 1003751
CRUSHING AND PINCHING HAZARD
Be extremely careful handling various parts of
the machine. They are heavy and hands, fingers,
feet, and other body parts could be crushed or
pinched between tractor and implement.
Operate tractor controls from tractor seat only.
Do not stand between tractor and implement
when tractor is in gear.
Make sure parking brake is engaged before
going between tractor and implement.
Stand clear of machine while in operation or
when it is being raised or lowered.
FAILURE TO FOLLOW THESE
INSTRUCTIONS COULD RESULT IN
SERIOUS INJURY OR DEATH.
WARNING
1003751-A
MODEL NO. SERIAL NO.
Woods Equipment Company
Oregon, Illinois, U.S.A.
BE CAREFUL!
Use a clean, damp cloth to clean safety decals.
Avoid spraying too close to decals when using a pressure washer; high-pressure water can
enter through very small scratches or under edges of decals causing them to peel or come off.
Replacement safety decals can be ordered free from your Woods dealer. To locate your
nearest dealer, check the Dealer Locator at www.WoodsEquipment.com, or in the United
States and Canada call 1-800-319-6637.
SAFETY & INSTRUCTIONAL DECALS
ATTENTION! BECOME ALERT! YOUR SAFETY IS INVOLVED!
Replace Immediately If Damaged!
(Safety Decals continued on next page)

12 Safety
MAN0571 (Rev. 6/15/2007)
9 - PN 15503
FALLING OFF CAN RESULT IN BEING RUN OVER.
Tractor must be equipped with ROPS (or ROPS CAB) and seat
belt. Keep foldable ROPS systems in “locked up” position at all
times.
Buckle Up! Keep seat belt securely fastened.
Allow no riders.
RAISED EQUIPMENT CAN DROP AND CRUSH.
Before working underneath, follow all instructions and safety rules in
operator’s manual and securely block up all corners of equipment
with jack stands.
Securely blocking prevents equipment dropping from hydraulic leak-
down, hydraulic system failures or mechanical component failures.
FALLING OFF OR FAILING TO BLOCK SECURELY CAN
RESULT IN SERIOUS INJURY OR DEATH.
WARNING
18865--C
8 - PN 18865
540 RPM
WARNING
18866-D
6a - PN 18866
ROTATING BLADES AND
THROWN OBJECTS
Do not put hands or feet under or into mower when
engine is running.
Before mowing, clear area of objects that may be
thrown by blade.
Keep bystanders away.
Keep guards in place and in good condition.
BLADE CONTACT OR THROWN OBJECTS CAN
CAUSE SERIOUS INJURY OR DEATH.
DANGER
15503-C
5 - PN 18864
DANGER
ROTATING DRIVELINE
CONTACT CAN CAUSE DEATH
KEEP AWAY!
DO NOT OPERATE WITHOUT -
All driveline guards, tractor and
equipment shields in place
Drivelines securely attached at both ends
Driveline guards that turn freely on
driveline 18864-C
7 - PN 18877
WARNING
TO AVOID SERIOUS
INJURY OR DEATH:
Read Operator's Manual (available
from dealer) and follow all safety
precautions.
Keep all shields in place and in good
condition.
Operate mower from tractor seat only.
Lower mower, stop engine and remove
key before dismounting tractor.
Allow no children or untrained persons
to operate equipment.
Do not transport towed or
semi-mounted units over 20 mph.
FAILURE TO OPERATE SAFELY
CAN RESULT IN
INJURY OR DEATH.
18877-C
WARNING
DO NOT EXCEED PTO SPEED OF
1000 RPM
PTO speeds higher than 1000 RPM
can cause equipment failure and
personal injury. 15922-C
540 RPM
-OR-
6b - PN 15922
1000 RPM
SAFETY & INSTRUCTIONAL DECALS
ATTENTION! BECOME ALERT! YOUR SAFETY IS INVOLVED!
Replace Immediately If Damaged!
(Safety Decals continued from previous page)

Safety 13
MAN0571 (Rev. 6/15//2007)
SAFETY & INSTRUCTIONAL DECALS
ATTENTION! BECOME ALERT! YOUR SAFETY IS INVOLVED!
Replace Immediately If Damaged!
Check for leaks with cardboard; never use hand.
Before loosening fittings: lower load, release pressure, and
be sure oil is cool.
Consult physician immediately if skin penetration occurs.
WARNING
19924-B
14 - PN 19924
13 - PN 1004991
TRANSPORT LOCK
AND CYLINDER
REQUIREMENTS
1004991
TRANSPORT
LOCK
WARNING
RAISED CUTTER CAN DROP AND CRUSH
e
rs must be e
q
ui
pp
ed with trans
p
ort lock
.
Cutt
e
ds.
sta
n
r
ansport components must be functional, kept in
g
oodAll t
r
Blocking up prevents cutter dropping from hydraulic leak down,
Bloc
hydraulic system failures, or mechanical component failures.
FAILURE TO FOLLOW INSTRUCTIONS CAN
RESULT IN SERIOUS INJURY OR DEATH.
28-1/4"
SINGLE-ACTING FULL
EXTENSION
33347E
16 - PN 33347
18 - PN 24611
SLOW MOVING
10 - PN 1002940 AMBER FRONT REFLECTOR 9"
11 - PN 57123 RED REAR REFLECTOR 9"
12 - PN 1004114
If shaft connection is visible, shield
is missing. Replace shield before
operating equipment.
DANGNGERER
1004114
15a - PN 57840
540 RPM
-OR-
15b - PN 57841
1000 RPM
CONTACT WITH ROTATING PARTS
CAN CAUSE SERIOUS INJURY.
WARNING
15502--B
ROTATING COMPONENTS
Do not operate without cover in place.
Look and listen for rotation. Do not
open cover until all components have
stopped.
VEHICLE EMBLEM
17 - PN 15502

14 Operation
MAN0571 (Rev. 6/15/2007)
OPERATION
The operator is responsible for the safe operation of
the cutter. The operator must be properly trained.
Operators should be familiar with the cutter, the tractor,
and all safety practices before starting operation. Read
the safety rules and safety decals on pages 7 to 13.
This heavy-duty cutter is designed for grass and weed
mowing and shredding.
Recommended mowing speed for most conditions is
from 2 to 5 mph.
Full chain or rubber shielding must be installed
when operating in populated areas or other areas
where thrown objects could injure people or dam-
age property.
• If this machine is not equipped with full chain
or rubber shielding, operation must be stopped
when anyone comes within 300 feet (92 m).
• This shielding is designed to reduce the risk
of thrown objects. The mower deck and protec-
tive devices cannot prevent all objects from
escaping the blade enclosure in every mowing
condition.
It is possible for objects to ricochet
and escape, traveling as much as 300 feet (92 m).
Never allow riders on power unit or attachment.
Make sure spring-activated locking pin or collar
slides freely and is seated firmly in tractor PTO
spline groove.
Operate tractor PTO at 540 RPM (1000 RPM on Q
Series cutters). Do not exceed.
Do not allow bystanders in the area when oper-
ating, attaching, removing, assembling, or servic-
ing equipment.
Stop power unit and equipment immediately
upon striking an obstruction. Turn off engine,
remove key, inspect, and repair any damage before
resuming operation.
Always wear relatively tight and belted clothing
to avoid getting caught in moving parts. Wear
sturdy, rough-soled work shoes and protective
equipment for eyes, hair, hands, hearing, and head;
and respirator or filter mask where appropriate.
Safety tow chain must be hooked-up to both the
implement and tractor during operation or trans-
port. A loose, dragging chain could be struck by
the blades causing serious injury.
TRACTOR STABILITY
A minimum 20% of tractor and equipment
weight must be on the tractor front wheels when
attachments are in transport position. Without this
weight, tractor could tip over, causing personal
injury or death. The weight may be attained with
front wheel weights, ballast in tires or front tractor
weights. Weigh the tractor and equipment. Do not
estimate.
Figure 1. Tractor Stability
CONNECT CUTTER TO TRACTOR
(PULL-TYPE)
NOTICE
■ For tractors with a 1-3/8" diameter PTO shaft,
the horizontal distance from end of tractor PTO
shaft to center of drawbar pin should be 14" for the
540 rpm cutter and 16" for the 1000 rpm cutter.
Tractors with a 1-3/4" 20-spline PTO shaft should
be set to 20". This will minimize joint knock and
damage to drive components.
1. Adjust tractor drawbar to obtain the desired
drawbar-to-hitch-point distance.
NOTE: On some tractors, a drawbar kit must be
used to obtain the required dimension. Check with
your tractor dealer for assistance.
2. Attach parking jack to cutter tongue. Raise tongue
to tractor drawbar height.
3. Secure cutter to tractor drawbar with a high-
strength drawbar pin 3/4” or larger. Keep pin in
place during operation.
4. Loop safety tow chain around tractor drawbar
support. Secure the hook to a chain link that allows
enough slack for proper hitch articulation.
CAUTION

Operation 15
MAN0571 (Rev. 6/15/2007)
5. Connect cutter driveline to tractor PTO shaft,
making sure the spring-activated lock pin slides
freely and is seated in tractor PTO splined groove.
6. Remove parking jack from the tongue and attach it
to the storage post on the front of the cutter.
7. Adjust H-frame bearing height so that the front
driveline is parallel to the ground. Secure with 1/2 x
5-3/4 clevis pin and 1/4 x 1-1/2 cotter pin.
8. Attach drive shaft shield to bearing housing using
two 3/8 x 1 cap screws and 3/8 lock washers.
Hydraulic Connection
1. Inspect hydraulic hoses to ensure they are in good
condition.
2. Clean the fittings before connecting them to the
tractor hydraulic ports.
3. Attach the hydraulic hose from the cutter to the
tractor.
4. Route the hose through the hose holder on H-
frame and be sure the hose can slide freely in the
holder. Do not allow hose slack to drag on the
ground or become caught on tractor protrusions.
5. From the operator position, start tractor and raise
and lower deck several times to purge trapped air
from the hydraulic cylinder.
Interference Check
1. Be sure that tractor 3-point lift links do not interfere
with hydraulic hoses, cutter driveline, or cutter
frame.
2. Check for straight-ahead operation and at full-
turning angles. If there is any interference, remove
the lower lift links.
3. Contact between tractor lift links and cutter parts
can cause damage, especially when turning.
Turning Limits for Optional CV Driveline
You must not exceed a turning angle of 80 degrees at
the head of the Constant Velocity driveline or damage
will occur.
To check for potential excessive turn angle:
1. Disconnect driveline from tractor, start engine and
turn as far right or left as possible.
2. Shut engine off, set parking brake, remove key,
and try to connect CV driveline to tractor. If it
cannot be connected, the angle is too severe.
3. Restart engine and straighten angle slightly.
Repeat step 2 until driveline can be connected.
The point at which the driveline can be connected
is the maximum turn that should be made.
CONNECT CUTTER TO TRACTOR
(MOUNTED & SEMI-MOUNTED)
Tractor Adjustments
Before attaching tractor to cutter, install sway blocks or
sway chains, or adjust stabilizer bars. Refer to the trac-
tor operator's manual for instructions.
Install tractor front end weights as recommended by
the tractor manufacturer to provide 20% of weight on
front wheels.
A minimum 20% of tractor and equipment
weight must be on the tractor front wheels when
attachments are in transport position. Without this
weight, tractor could tip over, causing personal
injury or death. The weight may be attained with
front wheel weights, ballast in tires or front tractor
weights. Weigh the tractor and equipment. Do not
estimate.
Figure 2. 3-Point Mounting Positions
Category 2 Standard Hitch
1. Position tractor lower lift arms between hitch mast
plates.
2. Insert lower hitch pins to Position B, Figure 2,
through mast plates and tractor lower lift arms.
3. Secure with lynch pins.
4. Attach top link for mounted units in the middle hole
of upper mast using top link pin.

16 Operation
MAN0571 (Rev. 6/15/2007)
Category 3 Standard Hitch
1. Position tractor lower lift arms between hitch mast
plates.
2. Insert lower hitch pins to Position A, Figure 2,
through mast plates and tractor lower lift arms.
3. Secure with lynch pins.
4. Attach top link for mounted units in the top hole of
upper mast using top link pin.
Category 2 & 3 Quick Hitches
1. Position lower hitch pins to Position A, Figure 2.
2. Use the upper hole that matches upper quick hitch
point location. This is usually the lower hole for
Category 2 and the middle hole for Category 3.
3. Secure with lynch pins.
4. Attach tractor to cutter and secure hitch according
to hitch manufacturer’s instructions.
NOTE: For DSO1260, place spacer sleeve (44)
between tractor lower 3-point arm and plate on hitch
assembly to prevent 3-point arm motion during side
shift.
DRIVELINE ADJUSTMENT
(MOUNTED & SEMI-MOUNTED)
Attach the cutter to the tractor 3-point hitch (or quick
hitch if available). Do not attach driveline at this time.
NOTICE
■ If attaching cutter using a Quick Hitch the dis-
tance between the tractor PTO and the gearbox
input shaft will increase. Follow steps as you would
for the 3-point hitch to insure proper engagement.
Raise and lower cutter and measure the maximum and
minimum distance between the tractor PTO shaft and
the gearbox input shaft. Separate the driveline into two
halves and lay them side-by-side with U-joints at oppo-
site ends.
Set the two u-joints at the maximum distance mea-
sures (this is the cutters lowest point of operation) and
check the amount of overlap between the two drive
halves. There must be at least 4 inches of overlap. If
the driveline is too short (less than 4" overlap) contact
your Woods dealer for a longer drive.
Figure 3. 4 Inch Minimum Overlap
Set the two U-joints to the minimum distance measured
(this is the cutters highest point) and check to see if the
driveline bottoms out. If driveline is too long follow the
instructions to shorting the drive.
Shorten Driveline
1. Separate driveline into two halves and connect
them to the tractor PTO and gearbox input shaft.
2. Place the two halves parallel to one another to
determine how much the driveline must be
shortened. See Figure 4 for example.
Figure 4. Drive Halves Placed Parallel
3. Measure from the end of the upper shield to the
base of the bell on the lower shield (A). Add 1-
9/16" to dimension (A). See Figure 5.
Figure 5. Determine Shield Length
1-9/16"
A
DP3

Operation 17
MAN0571 (Rev. 6/15/2007)
4. Cut the shield to the overall dimension (Figure 6).
Figure 6. Cut Shield
5. Place the cutoff portion of the shield against the
end of the shaft and use it as a guide. Mark and cut
the shaft. See Figure 7.
6. Repeat step 5 for other half of drive.
7. File and clean ends of both drive halves.
Figure 7. Cut Shaft to Length
Driveline Interference Check
1. Check for clearance between driveline and cutter
deck.
2. Slowly lift cutter and observe driveline. If clearance
between driveline and cutter deck is less than 1
inch, shorten top link or limit upper travel of lower
hitch arms. Refer to tractor operator's manual for
instructions.
CUTTING HEIGHT ADJUSTMENT
On pull-type or semi-mounted units with
optional hydraulic cutting height adjustment, use a
single-acting cylinder with a maximum extended
length of 28-1/4" (718 mm) from attaching point
center to center.
Cutting height range is from 2" to 13". A hydraulic cylin-
der or ratchet jack is available for cutting height adjust-
ment.
When selecting a cutting height, you should consider
the area of operation. If the ground is rolling and has
mounds the blades could contact, set the cutting height
accordingly.
NOTICE
■ Avoid ground contact with blades. Striking
ground with blades produces one of the most dam-
aging shock loads a cutter can encounter. If this
occurs repeatedly, the cutter, driveline, and gear-
boxes will be damaged.
Pull-Type Units
To adjust cutter for normal mowing, select a cutting
height (example: 4 inches). Blades are approximately
1-3/4" above bottom of cutter. Dimension A plus 1-3/4"
equals the cutting height.
Using any of the optional cutting height mechanisms,
raise or lower the tailwheel and set position A to 2-1/4"
to achieve a 4" cutting height.
Loosen the jam nut on the attitude rod that runs from
the tongue to the tailwheel. Adjust rod in or out until
position B is approximately 1/2 inch more than position
A. Refer to Figure 8.
Figure 8. Cutting Height Adjustment
Mounted & Semi-Mounted Units
To adjust cutter for normal mowing, select a cutting
height (example: 4 inches). Blades are approximately
1-3/4" above bottom of cutter. Dimension A plus 1-3/4"
equals the cutting height.
Adjust the tractor 3-point hitch to a distance of 2-1/4" at
position A to obtain a 4" cutting height. See Figure 8.
Using any of the optional height adjustment devices,
raise or lower the tailwheel to obtain 2-1/2 to 2-3/4
inches at position B.
DP4
DP5
1. Cutter
2. Break link
3. Tractor top link

18 Operation
MAN0571 (Rev. 6/15/2007)
Adjust top link to provide 2 inches of clearance
between the break link (2) and the rear of the lift links.
See Figure 8. This clearance will allow the cutter to
float over uneven terrain.
ATTITUDE ADJUSTMENT (PULL-TYPE)
Normal Mowing
For the most economical power use and best cutting
results, the cutter should be from 1/2" to 3/4" higher at
the rear than at the front.
For grass and weed mowing, adjust cutter to run level
or with the front slightly lower.
Shredding
For shredding, it is better to set rear of cutter slightly
lower than the front. How much lower depends on the
material to be shredded. Determine the best setting for
your situation by experimenting. Use a slow ground
speed for better shredding.
DRIVELINE ADJUSTMENT (PULL-TYPE)
With the cutting height established, adjust the driveline
carrier bearings in the H-frames so that the front drive-
line is parallel to the ground with cutter in cutting posi-
tion.
WHEEL SPACING
Wheels may be adjusted to any position for row crop
shredding.
BLADE SELECTION
There are two blade options: standard suction blades
and flat double-edge blades.
The standard suction blade is a general use, multi-pur-
pose blade.
The double-edge blade requires less power because it
does not mulch or recut material. It is designed for use
in areas where blade wear is a problem. Sandy soils
are extremely hard on blades.
Blade rotation, viewed from top of cutter, is clockwise
for the right crossbar, and counter-clockwise for the left
crossbar.
When one cutting surface of a double-edge blade is
worn, the opposite one may be used by placing the
blade on a crossbar of the opposite rotation. Blades
from the right may be used on the left. Blades from the
left may be used on the right.
Blades must be moved in pairs. Never use one new
blade and one used blade on a crossbar.
TRACTOR OPERATION
Use care when operating around tree limbs and other
low objects.
Use care and reduce ground speed on rough terrain.
Always watch for hidden hazards.
Being knocked off or falling off tractor can result in seri-
ous injury or death.
Only use a tractor with a Roll Over Protective Structure
(ROPS) and seat belt. Securely fasten seat belt before
starting tractor.
The cutter is operated with tractor controls. Engage the
PTO at a low rpm to prevent excessive loads on the
cutter drive system. Increase throttle to proper PTO
speed (540 rpm or 1000 rpm).
Be sure operator is familiar with all controls and can
stop tractor and cutter quickly in an emergency. The
operator should give complete, undivided attention to
operating tractor and cutter.
OPERATING TECHNIQUE
Power for operating the cutter is supplied by the tractor
PTO. Operate PTO at 540 rpm (1000 rpm on "Q" mod-
els). Know how to stop the tractor and cutter quickly in
an emergency.
Engage PTO at a low engine rpm to minimize stress on
the drive system and gearbox. With PTO engaged,
raise PTO speed to 540 rpm (1000 rpm on "Q" models)
and maintain throughout cutting operation.
Gearbox protection is provided by a slip clutch with
replacement fiber disc. The slip clutch is designed to
slip when excessive torsional loads occur.
Move slowly into material. Adjust tractor ground speed
to provide a clean cut without lugging the tractor
engine. Use a slow ground speed for better shredding.
Proper ground speed will depend on the terrain and the
material’s height, type, and density.
Normally, ground speed will range from 2 to 5 mph.
Tall, dense material should be cut at a low speed; thin,
medium-height material can be cut at a faster ground
speed.
Always operate tractor PTO at proper rpm (540 or
1000) to maintain blade speed and to produce a clean
cut.
Under certain conditions tractor tires may roll down
some grass and prevent cutting at the same height as
the surrounding area. When this occurs, reduce your
ground speed but maintain PTO at 540 rpm (1000 rpm
on "Q" models). The lower ground speed will permit
grass to rebound partially.

Operation 19
MAN0571 (Rev. 6/15/2007)
Cutter Operation
When beginning operation of the cutter, make sure that
all persons are in a safe location. Slowly move into the
material with the tractor PTO set at 540 rpm (1000 rpm
on "Q" models).
Mowing Tips
Look down and to the rear and make sure area
is clear before operating in reverse.
Do not operate or transport on steep slopes.
Do not stop, start, or change directions sud-
denly on slopes.
Use extreme care and reduce ground speed on
slopes and rough terrain.
Watch for hidden hazards on the terrain during
operation.
Stop power unit and equipment immediately
upon striking an obstruction. Turn off engine,
remove key, inspect, and repair any damage before
resuming operation.
Maximum recommended ground speed for cutting or
shredding is 5 miles per hour. Adjust tractor ground
speed by using higher or lower gears to provide a clean
cut without lugging tractor engine.
Tall material should be cut twice. Cut material higher
the first pass. Cut at desired height at 90 degrees the
second pass.
Remember, sharp blades produce cleaner cuts and
use less power.
Before entering an area, analyze it to determine the
best procedure. Consider the height and type of mate-
rial to be cut and the terrain type (hilly, level or rough,
etc.).
TRANSPORTING
The maximum transport speed for towed and
semi-mounted machines is 20 mph (32 km/h).
Regardless of the maximum speed capability of the
towing tractor, do not exceed the implement’s max-
imum transport speed. Doing so could result in:
• Loss of control of the implement and tractor
• Reduced or no ability to stop during braking
• Implement tire failure
• Damage to the implement or its components.
Use additional caution and reduce speed when
under adverse surface conditions, turning, or on
inclines.
Never tow this implement with a motor vehicle.
1. Always transport with cutter in raised, locked
position.
2. Raise cutter with hydraulic cylinder.
3. Rotate transport lock over cylinder rod.
4. Lower cylinder against transport lock.
5. To lower cutter for operation, extend hydraulic
cylinder. Rotate transport lock back away from
cylinder rod. Lower to desired cutting height.
Figure 9. Transport Lock Operation
STORAGE
Keep children and bystanders away from stor-
age area.
ON MOUNTED AND SEMI-MOUNTED CUTTERS:
Disconnect cutter driveshaft and secure up off
ground. Raise cutter with 3-point hitch. Place
blocks under cutter side skids. Lower cutter onto
blocks. Disconnect hydraulic lines to optional cyl-
inder. Disconnect cutter from tractor 3-point hitch
and carefully drive tractor away from cutter.
ON PULL-TYPE CUTTERS:
Raise cutter and block securely. Block wheels
and raise tongue with jack. Disconnect hydraulic
lines to optional cylinder. Disconnect driveline and
secure up off the ground.
CAUTION

20 Operation
MAN0571 (Rev. 6/15/2007)
PRE-OPERATION CHECK LIST
(OWNER'S RESPONSIBILITY)
___ Review and follow all safety rules and safety
decal instructions on pages 7 through 13.
___ Check that all safety decals are installed and in
good condition. Replace if damaged.
___ Check that equipment is properly and securely
attached to tractor.
___ Make sure driveline spring-activated locking pin
or collar slides freely and is seated firmly in trac-
tor PTO spline groove.
___ Set tractor PTO at correct rpm for your equip-
ment.
___ Lubricate all grease fitting locations. Make sure
PTO shaft slip joint is lubricated.
___ Check that all hydraulic hoses and fittings are in
good condition and not leaking before starting
tractor. Check that hoses are not twisted, bent
sharply, kinked, frayed, or pulled tight. Replace
any damaged hoses immediately.
___ Raise and lower equipment to make sure air is
purged from hydraulic cylinders and hoses.
___ Check that all hardware is properly installed and
secured.
___ Check to ensure blades are sharp, in good condi-
tion, and installed correctly. Replace if damaged.
___ Make sure tractor ROPS or ROPS cab and seat
belt are in good condition. Keep seat belt
securely fastened during operation.
___ Check that shields and guards are properly
installed and in good condition. Replace if dam-
aged.
___ Check cutting height, front-to-rear attitude, and
top link adjustment.
___ Before starting engine, operator must be in trac-
tor seat with seat belt fastened. Place transmis-
sion in neutral or park, engage brake and
disengage tractor PTO.
___ Inspect area to be cut and remove stones,
branches, or other hard objects that might be
thrown and cause injury or damage.
___ Check that belt or chain shielding is in good con-
dition and replace any damaged parts.
___ Make sure tractor 3-point lift links do not interfere
with hydraulic hoses or driveline throughout full
turning range.

Owner Service 21
MAN0571 (Rev. 6/15/2007)
OWNER SERVICE
The information in this section is written for operators
who possess basic mechanical skills. If you need help,
your dealer has trained service technicians available.
For your protection, read and follow the safety informa-
tion in this manual.
Keep all persons away from operator control
area while performing adjustments, service, or
maintenance.
If you do not understand any part of this manual
and need assistance, see your dealer.
Always wear relatively tight and belted clothing
to avoid entanglement in moving parts. Wear
sturdy, rough-soled work shoes and protective
equipment for eyes, hair, hands, hearing, and head;
and respirator or filter mask where appropriate.
BLOCKING METHOD
Never go underneath equipment (lowered to the
ground or raised) unless it is properly blocked and
secured. Never place any part of the body under-
neath equipment or between moveable parts even
when the engine has been turned off. Hydraulic
system leak down, hydraulic system failures,
mechanical failures, or movement of control levers
can cause equipment to drop or rotate unexpect-
edly and cause severe injury or death. Follow Oper-
ator's Manual instructions for working underneath
and blocking requirements or have work done by a
qualified dealer.
To minimize the potential hazards of working under-
neath the cutter, follow these procedures.
1. Jackstands with a load rating of 1000 lbs or more
are the only approved blocking device for this
cutter. Install a minimum of four jackstands (shown
by Xs in Figure 10) under the cutter before working
underneath unit.
Do not position jackstands under wheels, axles, or
wheel supports. Components can rotate and cause
cutter to fall.
2. Consider the overall stability of the blocked unit.
Just placing jackstands underneath will not ensure
your safety.
The working surface must be level and solid to
support the weight on the jackstands. Make sure
jackstands are stable, both top and bottom. Make
sure cutter is approximately level.
3. With full cutter weight lowered onto jackstands, test
blocking stability before working underneath.
4. If cutter is attached to tractor when blocking, set
the brakes, remove key, and block cutter before
working underneath.
5. Securely block rear tractor wheels, in front and
behind. Tighten tractor lower 3-point arm anti-sway
mechanism to prevent side-to-side movement.
LUBRICATION
Do not let excess grease collect on or around parts,
particularly when operating in sandy areas.
See Figure 10 for lubrication points and frequency or
lubrication based on normal operating conditions.
Severe or unusual conditions may require more fre-
quent lubrication.
Use a lithium grease of #2 consistency with a MOLY
(molybdenum disulfide) additive for all locations unless
otherwise noted. Be sure to clean fittings thoroughly
before attaching grease gun. One good pump of most
guns is sufficient when the lubrication schedule is fol-
lowed.
Gearbox Lubrication
1. For gearbox, use a high quality gear oil with a
viscosity index of 80W or 90W and an API service
rating of GL-4 or -5 in gearboxes.
2. Fill gearbox until oil runs out the side plug on
gearbox. Check gearbox daily for evidence of
leakage, and contact your dealer if leakage occurs.
Driveline Lubrication
1. Lubricate the driveline slip joint every ten operating
hours. Failure to maintain proper lubrication could
result in damage to U-joints, gearbox, and
driveline.
2. Lower cutter to ground, disconnect driveline from
tractor PTO shaft, and slide halves apart but do not
disconnect from each other.
3. Apply a bead of grease completely around male
half where it meets female half. Slide drive halves
over each other several times to distribute grease.
CAUTION

22 Owner Service
MAN0571 (Rev. 6/15/2007)
Figure 10. Jackstand Placement and Lubrication Points
REF DESCRIPTION FREQUENCY
1. Front U-Joint 10 hrs.
2. Mid U-Joint 10 hrs.
3. Carrier Bearing Block 40 hrs.
4. Telescoping Shaft 10 hrs.
5. Rear U-Joint 10 hrs.
6. Rotating Drive Shield 10 hrs.
7. Side Drive Yoke (2 Places) 40 hrs.
(grease fitting located near outside gearbox)
8. Gearbox (Check Oil Level) Daily
9. Tailwheel Spindle 20 hrs.
10. Caster Wheel Swivel 40 hrs.
11. Hitch Pivot Sleeve Daily

Owner Service 23
MAN0571 (Rev. 6/15/2007)
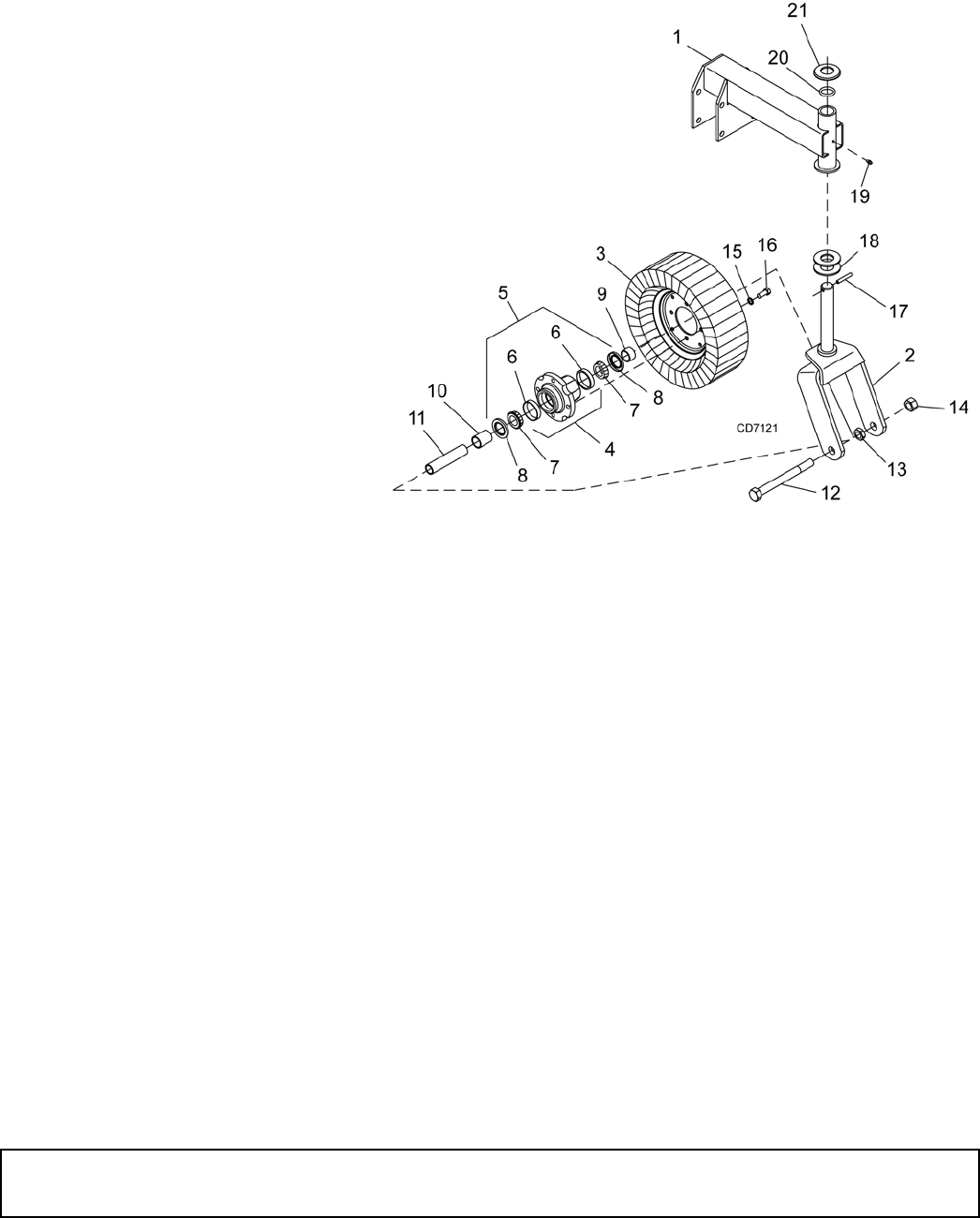
BLADE SERVICING
Removing Blades (Figure 11)
NOTICE
■ If blade pin (12) is seized in crossbar and
extreme force will be needed to remove it, support
crossbar from below to prevent gearbox damage.
1. Disconnect driveline from tractor PTO.
2. Open blade access cover and align crossbar (8)
with blade access hole in the cutter frame. Remove
cap screw (32), blade pin lock clip (16), keyhole
plate (15), and shims (13 & 14). Carefully drive
blade pin (12) out of crossbar.
3. Rotate crossbar (8) and repeat for opposite blade.
Installing Blades
Your dealer can supply genuine replacement
blades. Substitute blades may not meet original
equipment specifications and may be dangerous.
NOTICE
■ Crossbar rotation has counterclockwise rota-
tion on left gearbox and clockwise rotation on the
right gearbox when looking down on cutter. Be
sure to install blade cutting edge to lead in correct
rotation.
Figure 11. Blade Assembly
NOTE: Always replace or sharpen both blades at the
same time.
1. Inspect blade pin (12) for nicks or gouges, and if
you find any, replace the blade pin.
2. Insert blade pin through the blade (9). Blade
should swivel on blade pin; if it doesn’t, determine
the cause and correct.
3. Align crossbar (8) with blade access hole in cutter
frame. Apply a liberal coating of Never Seez® or
equivalent to blade pin and crossbar hole. Make
sure blade offset is away from cutter. Push blade
pin through crossbar. Pin should rotate freely prior
to installing blade clip (16).
4. Install shims (13 & 14) over blade pin.
NOTE: Only use enough shims to allow keyhole
plate (15) to slide into blade pin groove.
5. Install blade clip (16) over keyhole plate and into
blade pin groove.
6. Secure into position with cap screw (32). Torque
cap screw to 85 lbs ft.
7. Repeat steps for opposite side.
NOTE: Blade should be snug but should swivel on
pin without having to exert excessive force. Keep
any spacers not used in the installation as replace-
ments or for future installation.
Sharpening Blades
NOTICE
■ When sharpening blades, grind the same
amount on each blade to maintain balance.
Replace blades in pairs. Unbalanced blades will
cause excessive vibration, which can damage
gearbox bearings. Vibration may also cause struc-
tural cracks to cutter.
1. Sharpen both blades at the same time to maintain
balance. Follow original sharpening pattern.
2. Do not sharpen blade to a razor edge—leave at
least a 1/16" blunt edge.
3. Do not sharpen back side of blade.
Figure 12. Sharpen Blade Cutting Edge
CAUTION
8. Crossbar
9. Blade
12. Blade pin
13. Shim
14. Shim
15. Keyhole plate
16. Blade pin lock clip
32. Cap screw

24 Owner Service
MAN0571 (Rev. 6/15/2007)
Figure 13. Slip Clutch Assembly
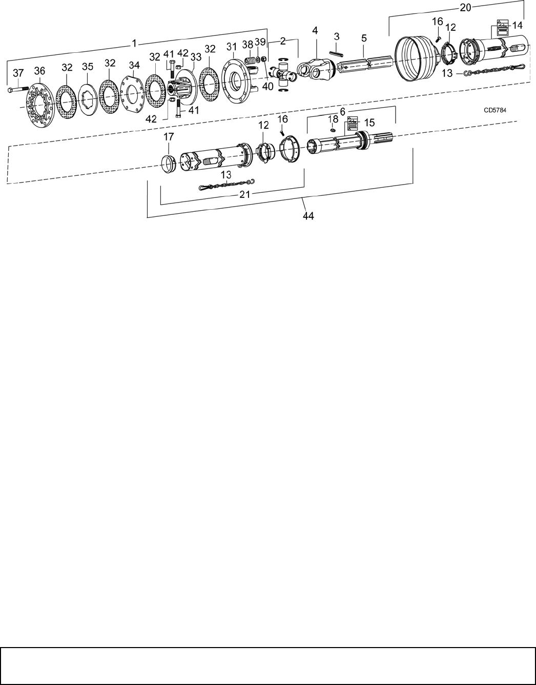
SLIP CLUTCH ADJUSTMENT
The slip clutch is designed to slip so that the gearbox
and driveline are protected if the cutter strikes an
obstruction.
A new slip clutch or one that has been in storage over
the winter may seize. Before operating the cutter, make
sure it will slip by performing the following operation:
1. Turn off tractor engine and remove key.
2. Remove driveline from tractor PTO.
3. Loosen six 12 mm cap screws (7) to remove all
tension from compression spring (8).
4. Hold clutch hub (3) solid and turn shaft to make
sure clutch slips.
5. If clutch does not slip freely, disassemble and clean
the flange yoke (1), clutch hub (3), drive plate (5),
and thrust plate faces (6).
6. Reassemble clutch.
7. Compress each of the six compression springs (8)
by tightening the six cap screws (7) and lock nuts
(10). The compression springs should be
compressed to a height of 1-7/16", not including
washer (9). The minimum spring height is 1.36".
See Figure 13.
8. If a clutch continues to slip when the springs are
compressed to 1.36", check friction discs (2) for
excessive wear. Discs are 1/8" when new. Replace
discs after 1/16" wear. Minimum disc thickness is
1/16".
SHIELDING REPAIR
Full chain or rubber shielding is required for all
non-agricultural mowing. Full shielding is also rec-
ommended for all agricultural use to further reduce
the risk of thrown objects.
Repairing Rubber Shielding
Inspect belting and rear bands each day of operation
and replace if bent, cracked, or broken.
Repairing Optional Chain Shielding
Inspect chain shielding each day of operation and
replace any broken or missing chains as required.
1. Flange yoke
2. Friction disc
3. Hub, 1-3/4" 20-spline
4. Drive plate
5. Drive plate - SN
6. Thrust plate
7. 12 mm x 115 mm GR8.8 HHCS
8. Compression spring
9. Flat washer
10. 12 mm x 1.25P Nylok lock nut
11. 12 mm x 65 mm GR8.8 HHCS
12. 12 mm x 1.5P Nylok lock nut

Owner Service 25
MAN0571 (Rev. 6/15/2007)
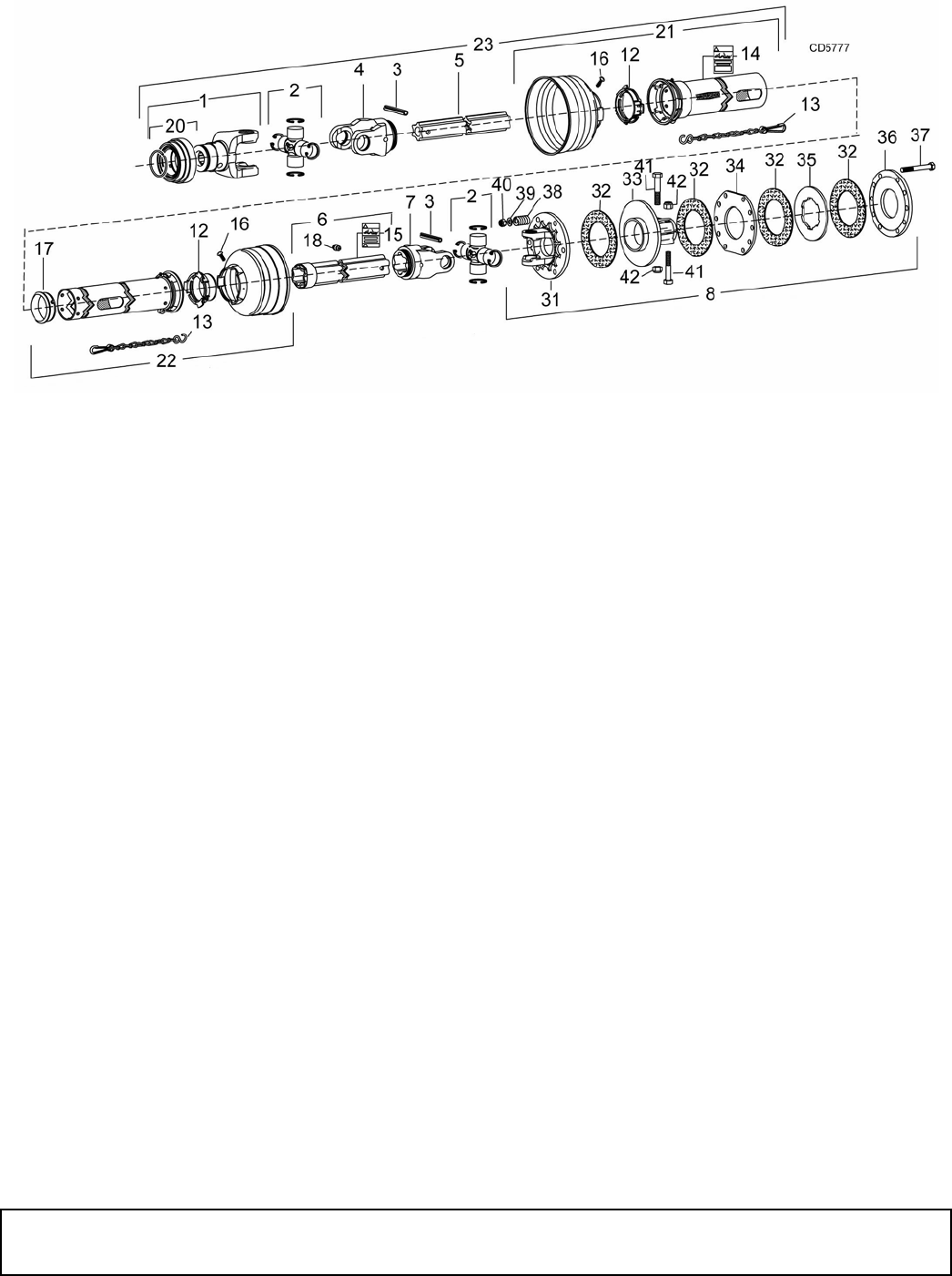
Figure 14. Flexible Coupler
FLEXIBLE COUPLER
RUBBER DISK REPLACEMENT
The flexible coupler side drive is designed to flex when
striking heavy objects or during start-up to protect gear-
boxes. The rubber disks will wear out over time and
require replacement much like slip clutch disks. To
maximize rubber disk life, lower tractor engine speed to
an idle when engaging the PTO and avoid striking the
ground with cutter blades.
Periodically inspect the disks for signs of cracking. A
disk may run for some time after a crack starts but this
is the first sign that disk replacement is required in the
future.
To replace the disks, remove hardware items 6, 7, 8,
and 9. Remove sleeves (7) from old disk and install in
new disk. Reassemble and torque bolts to 85 lbs-ft.
See Figure 14. Take special care not to rotate gearbox
shaft and throw blades out of time. If rubber disks have
failed and blades are hitting, you will need to re-time
the blades per instructions on page 35.
SERVICING TIRES SAFELY
Used Aircraft Tires (Figure 15)
Do not attempt to mount a tire unless you have the
proper equipment and experience to perform the job.
Always maintain the correct tire pressure. Do not inflate
tires above the recommended pressure. Never weld or
heat a wheel and tire assembly. The heat can cause an
increase in air pressure and result in a tire explosion.
Welding can structurally weaken or deform the wheel.
When inflating tires, use a clip-on chuck and an exten-
sion hose long enough to allow you to stand to the side
— not in front of or over the tire assembly. Use a safety
cage if available.
Check wheels for low pressure, cuts, bubbles, dam-
aged rims, or missing lug bolts and nuts.
1. Complete drive
2. Inner connector yoke
3. Outer connector yoke 1-3/4 20-spline
5. Rubber disk
6. Shaped washer
7. Bushing, .63 ID
8. Hex head cap screw
9. M16 x 2.0 Lock nut
10. Grease fitting
11. 3/8 NC x 3/4 Square head set screw
WARNING

26 Owner Service
MAN0571 (Rev. 6/15/2007)
Never remove split rim assembly hardware (A) with the
tire inflated.
Figure 15. Split Rim Tire Servicing
CLEANING
After Each Use
●Remove large debris such as clumps of dirt, grass,
crop residue, etc. from machine.
●Inspect machine and replace worn or damaged
parts.
●Replace any safety decals that are missing or not
readable.
Periodically or Before Extended Storage
●Clean large debris such as clumps of dirt, grass,
crop residue, etc. from machine.
●Remove the remainder using a low-pressure water
spray.
1. Be careful when spraying near scratched or torn
safety decals or near edges of decals as water
spray can peel decal off surface.
2. Be careful when spraying near chipped or
scratched paint as water spray can lift paint.
3. If a pressure washer is used, follow the advice of
the pressure washer manufacturer.
●Inspect machine and replace worn or damaged
parts.
●Sand down scratches and the edges of areas of
missing paint and coat with Woods spray paint of
matching color (purchase from your Woods
dealer).
●Replace any safety decals that are missing or not
readable (supplied free by your Woods dealer).
See Safety Decals section for location drawing.
A
DECAL PN 1006348

Troubleshooting 27
MAN0571 (Rev. 6/15/2007)
TROUBLESHOOTING
PROBLEM POSSIBLE CAUSE SOLUTION
Does not cut Dull blades Sharpen blades.
Worn or broken blades Replace blades. (Replace in pairs
only.)
Incorrect PTO speed Set at rated PTO speed.
Ground speed too fast Reduce ground speed.
Drive not functioning (blades do
not turn when PTO is running)
Check drive shaft connection.
Check gearbox.
Gearbox malfunction Repair gearbox.
Excessive clutch slippage Adjust clutch.
Incorrect blade direction Check to be sure blade edge is
correct for direction of rotation.
Streaks or ragged cut Broken or worn blades Replace or sharpen blades.
Attitude incorrect Level machine.
Ground speed too fast Reduce ground speed.
Excessive cutting height Lower cutting height. (Note: Set
height so blades do not frequently
hit ground.)
Excessive lush and tall vegetation Recut at 90° to first pass.
Excessive side skid wear Running with skids continuously
on ground
Raise cutting height or adjust.
Excessive clutch slippage Clutch out of adjustment Adjust clutch.
Clutch discs worn; wear stops
contacting opposite plate
Replace discs.
Blades hitting ground Raise cutting height.
Vibration Broken blade Replace blades in pairs.
Bearing failure Check gearbox shafts for side
play.
Hitch length incorrect Reset hitch length.
Universal drive Adjust pedestal bearing height to
be parallel to ground.
Flexible coupler is binding Lubricate grease fitting on spline
yoke.
Blades hitting deck Bent blades or crossbar Replace bent blades or crossbar.
Blades hitting each other Side drive failure Retime blades, or replace rubber
coupler disks. See page 35.
Unit will not raise Low oil Add hydraulic oil.

28 Troubleshooting
MAN0571 (rev. 6/15//2007)
NOTES

Dealer Service 29
MAN0571 (Rev. 6/15/2007)
DEALER SERVICE
The information in this section is written for dealer
service personnel. The repair described here requires
special skills and tools. If your shop is not properly
equipped or your mechanics are not properly trained in
this type of repair, you may be time and money ahead
to replace complete assemblies.
Before working underneath, disconnect drive-
line, raise cutter, lock in transport position, and
block cutter securely. Hydraulic system leak down
and failure of mechanical or hydraulic system can
cause equipment to drop.
Keep all persons away from operator control
area while performing adjustments, service, or
maintenance.
Always wear relatively tight and belted clothing
to avoid getting caught in moving parts. Wear
sturdy, rough-soled work shoes and protective
equipment for eyes, hair, hands, hearing, and head;
and respirator or filter mask where appropriate.
GEARBOX MAINTENANCE
NOTE: Read this entire section before starting any
repair. Many steps are dependent on each other.
1. Fill gearbox with SAE 80W or 90W gear lube until it
runs out the side level plug.
NOTE: Repair to this gearbox is limited to replac-
ing bearings, seals, and gaskets. Replacing gears,
shafts, and a housing is not cost effective. Pur-
chasing a complete gearbox is more economical.
2. Inspect gearbox for leakage and bad bearings.
Leakage is a very serious problem and must be
corrected immediately. Bearing failure is indicated
by excessive noise and side-to-side or end-play in
gear shafts.
Seal Replacement
Recommended sealant for gearbox repair is
Permatex® Aviation 3D Form-A-Gasket or equivalent.
Leakage can occur at the vertical or horizontal gaskets
and shaft seals.
Leakage at the horizontal gasket or seal can be
repaired without removing the gearbox from the cutter.
Seal Installation
NOTE: Proper seal installation is important. An
improperly installed seal will leak.
1. Clean area in housing where seal outer diameter
(OD) seats. Apply a thin coat of Permatex.
2. Inspect area of shaft where seal seats. Remove
any burrs or nicks with an emery cloth.
3. Lubricate gear shaft and seal lips.
4. Place seal squarely on housing, spring-loaded lip
toward housing. Select a piece of pipe or tubing
with an OD that will sit on the outside edge of the
seal but will clear the housing. Tubing with an OD
that is too small will bow seal cage and ruin seal.
5. Carefully press seal into housing, avoiding
distortion to the metal seal cage.
Figure 13. Seal Installation
Vertical Shaft Seal Repair (Spindle
Gearbox)
Refer to Figure 14.
1. Disconnect and remove the rear driveline from the
gearbox.
2. Remove vent plug (24) and siphon gear lube from
housing through this opening.
3. Remove crossbar (see Crossbar, page 34).
4. Remove protective seal (8) and vertical shaft seal
(18). Replace seal (18) with new seal (see Seal
Replacement page 29).
Vertical seal should be recessed in housing. Horizontal
seal (19) should be pressed flush with outside of
housing.
CAUTION
Pipe or tube must
press at outer
edge of seal.
Incorrect
Installation
1. Seal
2. Pipe or tube
3. Seal seat
4. Casting

30 Dealer Service
MAN0571 (Rev. 6/15/2007)
NOTE: Distortion to seal cage or damage to seal lip will
cause seal to leak.
5. Fill gearbox with SAE 80W or 90W gear lube until it
runs out the level plug.
6. Remove and replace any seal damaged in
installation.
Horizontal Shaft Seal Repair (Figure 14)
1. Disconnect and remove the rear driveline from the
gearbox.
2. Remove vent plug (24) and siphon gear lube from
housing through this opening.
3. If the leak occurred at either end of horizontal shaft,
remove oil cap (20) and/or oil seal (19). Replace
with new one (refer to Seal Installation, page 29).
4. Fill gearbox with SAE 80W or 90W gear lube until it
runs out the level plug.
SPINDLE GEARBOX REPAIR (Figure 14)
NOTE: Replacing gears, shafts, bearings, and seals
may not be cost effective. Purchasing a complete
gearbox may be more economical.
Remove Gearbox From Cutter
1. Disconnect and remove flex side driveline from the
gearbox.
2. Remove cotter pin and nut from vertical shaft and
remove crossbar (see Crossbar, page 34).
3. Remove breather level plug (24) and siphon gear
lube from housing through this opening.
4. Remove the six bolts that attach gearbox to cutter
and remove gear.
Disassemble Gearbox
1. Remove plug from side of gearbox and pour out
gear oil.
2. Remove oil cap (20) (to be replaced).
3. Remove snap ring (10) and shim (13) from input
shaft (3).
4. Support gearbox in hand press and push on input
shaft (3) to remove bearing (7).
5. Remove six cap screws (23) and top cover (22)
from housing. Remove gear (1) from inside
housing.
6. Remove oil seal (19) from front of housing (to be
replaced).
7. Remove snap ring (10) and shim (13) from front of
housing (2).
8. Remove input bearing (7) by using a punch and
hammer from outside of housing.
9. Support housing in vise in a horizontal position.
10. The castle nut (15), cotter pin (25), and hub are
already removed with the stump jumper/crossbar.
Remove the protective seal (8), and oil seal (18).
11. Remove cotter pin (9), castle nut (14), and washer
(17) from output shaft (4).
12. Remove output shaft (4) by using a punch and
hammer and tap on top to drive down. Remove
gear (5) and shim (16) from inside housing.
13. Remove bottom bearing (6) by using a punch and
hammer from the top, outside the housing.
14. Support housing upside down (top cover surface)
and remove bottom bearing (6) by using a punch
and hammer from the bottom side of the housing.
15. Inspect gears for broken teeth and wear. Some
wear is normal and will show on loaded side.
Forged gear surfaces are rough when new. Check
that wear pattern is smooth.
16. Inspect vertical and horizontal shafts for grooves,
nicks, or bumps in the areas where the seals seat.
Resurface any damage with emery cloth.
17. Inspect housing and caps for cracks or other
damage.
Assemble Gearbox
1. Clean housing, paying specific attention to areas
where gaskets will be installed.
2. Wash housing and all components thoroughly.
Select a clean area for gearbox assembly. Replace
all seals, bearings, and gaskets. All parts must be
clean and lightly oiled before reassembling.
3. Insert both output bearings (6) in the housing,
using a round tube of the correct diameter and a
hand press.
4. Slide output shaft (4) through both bearings (6)
until it rests against top bearing (6).
5. Slide shim (16) over output shaft (4).
6. Press gear (5) onto output shaft (4) and secure
with washer (17), castle nut (14), and cotter pin (9).
7. Apply grease to lower seal lips (18) and press seal
(18) over output shaft (4), using a tube of the
correct diameter. Be sure not to damage seal lip.
8. Press in housing so that seal is recessed. Press
protective seal (8) until seated flush with housing.
Verify that the seal (8) is seated correctly.
9. Press bearing (7) into the housing, using a round
tube of the correct diameter and a hand press.
Secure with shim (13) and snap ring (10).
10. Secure snap ring (11) on input shaft (3) if not
already secure.
11. Place gear (1) through top of housing and align
gear (1) and gear (5) so that gear teeth are a
match.

Dealer Service 31
MAN0571 (Rev. 6/15/2007)
12. While holding gear (1) in place, slide input shaft (3)
through gear (1) and bearing (7). Align splines on
shaft (3) and gear (1). Slide spacer (12) over input
shaft (3) and press bearing (7) onto input shaft (3),
using a round tube of the correct diameter and a
hand press.
13. Slide shim (13) over input shaft (3) and secure with
snap ring (10).
14. Check input shaft end float by moving the input
shaft (3) by hand. If end float is higher than 0.012",
insert shim between input shaft (3) and rear
bearing (7). Repeat until end float is less than
0.012". Check rotational torque by hand. The
torque should be less than 2.2 lbs-inch.
15. Check that the gear backlash is between 0.006"
and 0.016". You should not have to adjust the
backlash.
16. Press in input oil seal (19), using tube of correct
diameter. Be careful not to damage seal lip.
17. Press oil cap (20) on to cover the rear of housing,
using a tube of the correct diameter.
18. Place top cover (22) on top of housing and secure
with six cap screws (23).
19. Check gearbox housing for leaks by plugging all
holes except one. Apply 4 psi compressed air and
immerse the gearbox in water to verify that there
are no leaks.
20. Remove gearbox from water and dry off with
compressed air. Add SAE 80W or 90W EP oil until
it runs out of side level hole. Tighten all plugs.
Reinstall Gearbox
NOTE: Gearbox is heavy: do not attempt to move
without mechanical assistance.
1. Set gearbox on cutter and fasten with bolts and
nuts. Torque bolts to 300 lbs-ft.
2. Attach crossbar (Crossbar Installation, page 35).
Figure 14. Spindle Gearbox Assembly
1. Crown gear
2. Gearbox housing
3. Input shaft
4. Output shaft
5. Gear pinion
6. Bearing
7. Input bearing
8. Protective seal
9. Cotter pin
10. Snap ring
11. Snap ring
12. Shim, 45.3 x 2.5
13. Shim, 70.3 x 84.7
14. Nut
15. Castle nut
16. Shim, 50.3 x 70.3
17. Shim
18. Oil seal (Vertical Shaft)
19. Oil seal (Horizontal Shaft)
20. Cap
22. Top cover
23. Cap screw 8mm x 16 (8.8)
24. Vent plug
25. Cotter pin

32 Dealer Service
MAN0571 (Rev. 6/15/2007)
Figure 15. Splitter Gearbox Assembly
SPLITTER GEARBOX REPAIR (Figure 15)
NOTE: Replacing gears, shafts, bearings, and seals
may not be cost effective. Purchasing a complete
gearbox may be more economical.
Remove Gearbox from Cutter
1. Disconnect driveline from the tractor PTO and
remove it from center gearbox.
2. Remove dipstick plug (20) and siphon gear lube
from housing through this opening.
NOTE: Flex coupler driveline can not be removed
when center and side gearboxes are bolted in
place.
3. Disconnect and remove flex coupler driveline from
side of gearbox by:
a. Removing six 3/4 x 2-1/2 cap screws and 3/4 hex
nuts from around center gearbox
b. Removing tapered cap screw and hex nut from
flex coupler yoke
c. Rotating gearbox and slide flex coupler from
gearbox shaft.
Disassemble Gearbox (Figure 15)
1. Remove breather plug from top of gearbox.
2. Remove plug (3) from side of input housing (12)
and pour out gear oil.
3. Remove eight 10 mm cap screws (10) from around
input housing (12). Remove input shaft assembly
and housing.
4. Remove oil seals (15) (to be replaced) from both
sides of output shaft (14).
5. Remove snap rings (16) and shims (17) from both
sides of output shaft (14).
6. Support gearbox in a handpress and push on left
side of output shaft (14) to remove right bearing
(18) and gear (19) from housing.
7. Support housing in vise in a horizontal position.
8. Remove left bearing (18) by using a punch and
hammer from right side of housing. Drive bearing
out of housing.
9. Remove cotter pin (5), castle nut (6), shim (7), gear
(8) and shim (17) from input shaft (1).
10. Remove seal (2) (to be replaced) from input
housing (12).
11. Support input housing in a vise and remove
bearing (11) by using a punch and hammer. Drive
bearing out of housing.
12. Inspect gears for broken teeth and wear. Some
wear is normal and will show on loaded side.
Forged gear surfaces are rough when new. Check
that wear pattern is smooth.
1. Input shaft
2. Oil seal, metric 50 x 90 x 10
3. Oil plug, 3/8
4. Gearbox housing
5. Cotter pin
6. Castle nut M40 x 1.5
7. Spacer
8. Gear 16T M8 (540 rpm)
8. Gear 22T M8 (1000 rpm)
10 Cap screw, M10 x 25
11. Bearing, cup & cone
12. Housing, Gearbox Input
13. Bearing, cup & cone
14. Output shaft
15. Oil seal, metric 45 x 85 x 10
16. Snap ring, 85 dia.
17. Shim
18. Bearing, cup & cone
19. Gear 16T M8 (1000 rpm)
19. Gear 22T M8 (540 rpm)
20. Dipstick plug

Dealer Service 33
MAN0571 (Rev. 6/15/2007)
13. Inspect vertical and horizontal shafts for grooves,
nicks, or bumps in the areas where the seals seat.
Resurface any damage with emery cloth.
14. Inspect housing and caps for cracks or other
damage.
Assemble Gearbox (Figure 15)
1. Clean housing, paying specific attention to areas
where gaskets will be installed.
2. Wash housing and all components thoroughly.
Select a clean area for gearbox assembly. Replace
all seals, bearings, and gaskets. All parts must be
clean and lightly oiled before reassembling.
3. Press bearing (18) in left side of gearbox housing
using a round tube of the same diameter and a
handpress.
4. Place gear (19) inside of gearbox housing.
5. Insert output shaft (14) through opening in right
side of gearbox, gear (19), and bearing (18) on left
side of housing.
6. Place second bearing (18) over output shaft on
right side and press into housing, using a round
tube of the same diameter and a handpress.
7. Install shim (17) and snap ring (16) to right side of
housing to secure output shaft in housing.
8. Place seal (15) over output shaft on right side and
press into housing, using a round tube of the same
diameter and a handpress.
9. Install shim (17) and snap ring to left side of
housing.
10. Place seal (15) over output shaft on left side and
press into housing, using a round tube of the same
diameter and a handpress.
11. Press bearings (11) into input housing (12), using a
round tube of the same diameter and a handpress.
12. Assembly bearing (13), shim (17), gear (8), shim
(7), and castle nut (6) to input shaft (1).
13. Align groove in castle nut (6) and hole in end of
shaft and insert cotter pin (5).
14. Insert input shaft assembly into gearbox housing
and align teeth of the two gears.
15. Place input housing (12) over input shaft (1) and
secure into position using cap screws (10).
16. Place seal (2) over input shaft on cover and press
into housing, using a round tube of the same
diameter and a handpress.
17. Check gearbox housing for leaks by plugging all
holes except one. Apply 4 psi compressed air and
immerse the gearbox in water to verify that there
are no leaks.
18. Remove gearbox from water and dry off with
compressed air. Add SAE 80W or 90W EP oil until
it runs out of level hole in front cover. Tighten all
plugs.
Reinstall Gearbox
NOTE: Gearbox is heavy: do not attempt to move
without mechanical assistance.
1. Install flex coupler driveline between side
gearboxes and center gearbox.
2. Set gearbox on cutter and fasten with bolts and
nuts. Torque bolts to 300 lbs-ft.
SIDE DRIVE SERVICE
Figure 16. Side Drive Assembly
The drives between the center and side gearboxes
contain rubber shock-absorbing discs. To service or
remove the side drives or remove a gearbox, the
flexible coupling must be disassembled. See page 25
for rubber disk replacement.
Remove end yokes by removing nuts (9) and sliding
bolt (8) inward to clear yoke. Do not remove bolt unless
rubber disks (5) are to be serviced. Remove complete
center section by lifting straight up on center shaft (2).
The outer yoke can be slid off gearbox shaft. The inner
yoke is held by two set screws (11).
Reassemble shaft as shown in Figure 16. End yokes (3
& 4) do not bolt directly to center shaft (2). Use the
special formed washer (6) and bushings (7) between
the rubber disks (5) and under bolt head or nut near
rubber disc. Tighten nuts (9) and bolts (8) to 85 lbs-ft.
Tighten set screw (11).
NOTE: Crossbar must be re-timed anytime a crossbar
or a side drive is disconnected. (See page 35.)
5. Rubber disk
6. Shaped washer
7. Bushing
8. Bolt
9. Lock nut
11. Set screw
2. Shaft
3. Inner yoke
4. Outer yoke

34 Dealer Service
MAN0571 (Rev. 6/15/2007)
CROSSBAR
Crossbar Removal
1. Access bottom side of cutter for crossbar removal.
See BLOCKING METHOD, page 21.
NOTE: You will need to use either the puller screw
(Item 6, Figure 18) or a small hydraulic jack to
remove the crossbar.
2. Remove blades as shown in Figure 17.
Figure 17. Blade Removal
3. Remove cotter pin (34) and castle nut (33) from
bottom of crossbar.
4. Refer to Figure 18. Attach a clevis (1) to each end
of crossbar, using blade pins, spacers, keyhole
plates, and blade pin clips.
5. Position tube assembly (5) with threaded nut
toward crossbar for puller screw removal or down
for hydraulic jack removal.
6. For removal with puller screw, attach tube (5) to
each clevis with bolts (2) and nuts (3). Place pad
(4) in nut and thread puller screw (6) into nut from
bottom. Tighten until pad is solid against gearbox
shaft. For best results, strike head of puller screw
with a hammer while tightening with a wrench.
7. For removal with a jack, attach tube to each clevis
with puller links (7), bolts (2), and nuts (3). Place
jack on tube with end of jack pressing against
gearbox shaft. Slowly apply force with jack.
NOTE: Hydraulic jack will not operate if tipped
more than 90-degrees. Use care to prevent bend-
ing crossbar during removal. Figure 18. Crossbar Removal
8. Crossbar
9. Blade
12. Blade pin
13. Shim
14. Shim
15. Keyhole plate
16. Blade pin lock clip
32. Cap screw
33. Castle nut
34. Cotter pin
1. Clevis
2. 5/8 NC x 4 Cap screw
3. 5/8 NC Hex nut
4. Pad assembly
5. Tube assembly
6. Screw assembly

Dealer Service 35
MAN0571 (Rev. 6/15/2007)
Crossbar Installation
1. Using emery cloth (220 or finer), remove surface
rust, and foreign material from hub, splined
gearbox vertical shaft, and crossbar. See Figure
19.
Figure 19. Typical Crossbar and Gearbox Shaft
2. Install crossbar (2) on splined shaft. See Figure 20.
Install nut (3). Torque nut to 450 lbs-ft. Install cotter
pin.
Figure 20. Crossbar Installation
Crossbar Timing
Crossbar must be re-timed anytime a crossbar or a
side drive is disconnected.
1. To re-time crossbars, position bars as shown in
Figure 21.
2. The right crossbar will be at right angles to the front
of the cutter.
3. Measure from the front of the cutter to the blade pin
on left crossbar.
4. Hold crossbars in position while connecting the
side drivelines.
Figure 21. Crossbar Timing - Bottom View

36 Dealer Service
MAN0571 (Rev. 6/15/2007)
UNIVERSAL JOINT REPAIR
Figure 22. Universal Joint Exploded View
U-Joint Disassembly
1. Remove external snap rings from yokes in four
locations as shown in Figure 23.
Figure 23. Remove Snap Ring
Figure 24. Remove Cups
2. With snap rings removed, support drive in vise,
hold yoke in hand and tap on yoke to drive cup up
out of yoke. See Figure 24.
Figure 25. Remove Cups
3. Clamp cup in vise as shown in Figure 25 and tap
on yoke to completely remove cup from yoke.
Repeat Step 2 and Step 3 for opposite cup.
Figure 26. Remove Cups
4. Place universal cross in vise as shown in Figure 26
and tap on yoke to remove cup. Repeat Step 3 for
final removal. Drive remaining cup out with a drift
and hammer.
1. Yoke
2. Cup and bearing
3. Snap ring
4. Journal cross

Dealer Service 37
MAN0571 (Rev. 6/15/2007)
U-Joint Assembly
1. Place seals securely on bearing cups. Insert cup
into yoke from outside and press in with hand
pressure as far as possible. Insert journal cross
into bearing cup with grease fitting away from
shaft. Be careful not to disturb needle bearings.
Insert another bearing cup directly across from first
cup and press in as far as possible with hand
pressure.
2. Trap cups in vise and apply pressure. Be sure
journal cross is started into bearings and continue
pressure with vise, squeezing in as far as possible.
Tapping the yoke will help.
3. Seat cups by placing a drift or socket (slightly
smaller than the cup) on cup and rap with a
hammer. See Figure 27. Install snap ring and
repeat on opposite cup
4. Repeat Step 1 and Step 2 to install remaining cups
in remaining yoke.
5. Move both yokes in all directions to check for free
movement. If movement is restricted, rap on yokes
sharply with a hammer to relieve any tension.
Repeat until both yokes move in all directions
without restriction. Figure 27. Install Cups
❖

38 Assembly
MAN0571 (Rev. 6/15/2007)
ASSEMBLY INSTRUCTIONS
DEALER SET-UP INSTRUCTIONS
These instructions are for the assembly of the DS1260
and DS1440 mounted, semi-mounted and pull-type
cutters as well as the DSO1260 semi-mounted cutter.
Many of the procedures apply to all units. When an
instruction applies to a specific unit, the section
heading will indicate which unit. Assembly of options
may not apply to all units.
Assembly of the cutter is the responsibility of the
Woods dealer. It should be delivered to the owner
completely assembled, lubricated, and adjusted for
normal cutting conditions.
The cutter is shipped partially assembled. Assembly
will be easier if aligned and loosely assembled before
tightening hardware. Recommended torque values for
hardware are located in the Bolt Torque Chart, page
82.
Select a suitable working area. A smooth hard surface,
such as concrete, will make assembly much quicker.
Open parts boxes and lay out parts and hardware to
make location easy. Refer to illustrations, accompany-
ing text, parts lists and exploded view drawings.
Complete check lists on page 52 when you have com-
pleted the assembly.
DS1260 & DS1440 PULL-TYPE CUTTER -
REAR HALF (Figure 28)
Place jackstands under cutter to raise it off the ground
to provide clearance when assembling cutter. See
“BLOCKING METHOD” on page 21 for jackstand
placement.
Install Rear Tailwheel
1. Attach tailwheel arms (1) to the tailwheel using
eight (four per arm) cap screws (21) and lock nuts
(22).
NOTE: Position tailwheel arms on tailwheel to
desired location (usually on row crop centers).
Wheel hubs should be positioned to the outside of
the cutter.
2. Attach solid or aircraft tires to wheel hubs using
five lug nuts (33). Install the chamfered side of the
lug nut toward the inside for steel rim for pneumatic
tires and rims (shown).
NOTE: Install the flat side of the nut toward the
inside for solid tires and aircraft tires.
Install Attitude Rod
Slide attitude rod (3) under right spindle driveline and
through pivot block on the tailwheel. Loosely install
washer (25) and two hex nuts (26).
Install Spring Arm
1. Attach spring arm (11) to cylinder (6) or ratchet
(10) using pin (13).
2. Place spring arm (11) and spring (12) on deck as
shown. Secure spring arm (11) to spring arm lugs
(on the cutter) using pin (14) and two cotter pins
(27). Install retaining cap screw (28) and flange
lock nut (24).
Install Height Adjustment Device
Ratchet
Attach ratchet (10) to tailwheel lugs and secure with pin
(15) and two cotter pins (27).
Cylinder
1. Place hydraulic cylinder (6) between lugs (Position
A) on tailwheel.
2. Extend cylinder rod, place transport lock bracket
(5) over cylinder rod end and between lugs on
tailwheel.
3. Align holes of cylinder rod, transport lock bracket
and lugs on tailwheel. Secure assembly using pin
(15) and two cotter pins (27).
Install Hydraulic Hose
On pull-type units with optional hydraulic cut-
ting height adjustment, use a single-acting cylinder
with a maximum extended length of 28-1/4" (718
mm) from attaching point center to center.
NOTICE
■ If using a cylinder other than the one supplied
by Woods, make sure a breather fitting is installed
in the cylinder rod end port. Use a restricter fitting
in the base end port to dampen the cutter lowering
action.
1. Install reducer bushing (7) and restricter swivel
elbow (8) in port at base end of cylinder (6).
Position elbow to point toward front of cutter.
NOTE: Make sure there is a breather fitting
installed in the rod end port.
2. Connect hose (9) to elbow (8).
3. Install optional stroke control kit (16) to cylinder
rod. Stroke control kit is used to set cut height.

Assembly 39
MAN0571 (Rev. 6/15/2007)
Install SMV Emblem
1. Remove manual tube and hardware.
2. Align holes of manual tube and SMV mounting
bracket (17) and reattach to deck using previous
hardware.
3. Attach SMV socket (18) with two carriage bolts (29)
and lock nuts (30).
4. Attach SMV emblem (20) to SMV bracket (19)
using two round head cap screws (31) and hex
nuts (32).
5. Insert SMV bracket (19) and emblem (20) into
socket (18).
Figure 28. DS1260 & DS1440 Pull-Type Cutter Assembly - Rear Half
1. Tailwheel arm
2. Tire & hub
3. Attitude rod
5. Transport lock-up
6. 3-1/2 x 8 Hydraulic cylinder
7. 1/2 to 1/4 Reducer
8. Elbow with restricter
9. Hose
10. Ratchet adjustment link
11. Spring arm
12. Spring
13. 1 x 3 Headless pin
14. 1 x 4-1/2 Headless pin
15. 1 x 5 Headless pin
16. Stroke control kit
17. SMV Mounting bracket
18. SMV Socket
19. SMV Bracket
20. SMV Emblem
21. 5/8 NC x 5 HHCS GR5
22. 5/8 NC Lock nut
23. 1/2 NC x 3 HHCS GR5
24. 1/2 NC Flanged lock nut
25. 1" Standard flat washer
26. 1" NC Hex nut
27. 1/4 x 1-1/2 Cotter pin
28. 1/2 NC x 5 HHCS GR5
29. 5/16 NC x 3/4 Carriage bolt
30. 5/16 NC Flanged lock nut
31. 1/4 NC x 1/2 Round head screw
32. 1/4 NC Nut
33. 1/2 NF Lug nut

40 Assembly
MAN0571 (Rev. 6/15/2007)
Figure 29. DS1260 & DS1440 Pull-Type Cutter Assembly - Front Half
1. Tongue
2. H-Frame
3. Sleeve, 5/8 x 1 x 9/16
4. Cup washer
5. Safety chain
6. Parking jack
7. Clevis pin, 1/2 x 5-3/4
8. Front 2/3 drive
9. Rear 1/3 drive
10. 3-Joint drive bearing housing
11. Bearing
12. Snap ring
13. Shield
14. 1/2 Schedule 40 x 3.56 pipe
15. Hose holder
16. Sleeve, 1.02 x 1.38 x .62
17. Clevis pin, 1 x 2-1/2
18. Attitude rod
19. 1/2 NC x 3 Hex head cap screw GR5
20. 1/2 NC Lock nut
21. 1/2 NC x 2 Hex head cap screw GR5
22. 1/2 NC x 5-1/2 Hex head cap screw GR5
23. 5/8 NC x 6 Hex head cap screw GR5
24. 5/8 NC Lock nut
25. 1 NC x 9 Hex head cap screw GR5
26. 1" Standard flat washer
27. 1 NC Lock nut
28. 1/4 x 1-1/2 Cotter pin
29. 1/2 NC Flange lock nut
30. 1/4-28 x 90° Grease fitting
31. 3/8 Standard lock washer
32. 3/8 NC x 1 Hex head cap screw
33. 3/16 x 1 Cotter pin
† As required

Assembly 41
MAN0571 (Rev. 6/15/2007)
DS1260 & DS1440 Pull-Type Assembly
(Continued)
FRONT HALF (Figure 29)
Install Tongue
1. Place tongue (1) between mast plates.
2. Place washer (26†) and sleeve (16) on cap screw
(25).
3. Place washer (26) between mast plates and
tongue, insert cap screw (25) with washer (26) and
sleeve (16) through mast plates and tongue.
4. Secure with washer (26) and lock nut (27).
5. Attach front half of attitude rod (18) to lug on
tongue using clevis pin (17) and cotter pin (33).
6. Raise front of cutter and install parking jack (6) to
support tongue.
7. Attach safety tow chain (5) to tongue by wrapping
chain around diagonal brace and threading the
hook end back through the large link on opposite
end of chain.
Install 3-Joint Driveline (Figure 29)
Install Driveline
1. Coat input shaft of gearbox with a light coating of
grease.
2. Attach slip clutch on driveline (9) to input shaft of
gearbox. Tighten cap screws (19) and lock nuts
(20).
3. Attach rear tether chain on driveline to clip on
plastic gearbox shield.
Install H-Frame
1. Place H-frame (2) in correct hole in bottom of
tongue to maintain proper PTO distance (see
Figure 29).
2. Secure H-frame to tongue using cap screw (23),
two sleeves (3), two cup washers (4) and lock nut
(24).
Attach Driveline to H-Frame
NOTE: Select holes in H-frame that will allow driveline
to run level. Refer to Operation section for driveline
height. Final adjustment will be necessary when cutter
is attached to the tractor.
Place driveline bearing carrier between H-frame (2)
and secure with clevis pin (7) and cotter pin (28).
Install Front Drive
1. Slide rear yoke of front driveline (8) over shaft of
driveline (9) and align with notch on shaft.
2. Secure drives together using cap screw (21) and
lock nut (20).
3. Attach tether chain on front half of driveline (8) to
H-frame (2).
Install Drive Shield & Hose Holder
1. Attach drive shield (13) to driveline carrier bearing
using two cap screws (32) and lock washers (31).
2. Attach hydraulic hose holder (15) to the top hole in
H-frame (2) with cap screw (22), spacer (14), and
lock nut (29).

42 Assembly
MAN0571 (Rev. 6/15/2007)
DS1260 & DS1440 Pull-Type Assembly
(Continued)
INSTALL CV DRIVELINE (OPTIONAL)
Install Driveline (Figure 30)
1. Coat input shaft of gearbox with a light coating of
grease.
2. Attach slip clutch on driveline (6) to input shaft of
gearbox. Tighten cap screws (14) and lock nuts
(15).
3. Attach rear tether chain on driveline to clip on
plastic gearbox shield.
Install H-Frame
1. Attach H-frame mounting bracket (13) to cutter
frame with carriage bolts (23), washers (24) and
lock nuts (21).
2. Place H-frame (2) over bracket and align holes.
3. Secure H-frame to bracket using cap screw (18),
two sleeves (3), two cup washers (4), and lock nut
(19).
Attach Driveline to H-Frame
NOTE: Select holes in H-frame that will allow driveline
to run level. Refer to Operation section for driveline
height. Final adjustment will be necessary when cutter
is attached to the tractor.
Place driveline bearing carrier between H-frame (2)
and secure with clevis pin (5) and cotter pin (20).
Install CV Drive
1. Slide rear yoke of CV driveline (1) over shaft of
driveline (6) and align with notch on shaft.
2. Secure drives together using cap screw (16) and
lock nut (15).
Install Drive Shield & Hose Holder
1. Attach drive shield (10) to driveline carrier bearing
using two cap screws (26) and lock washers (25).
2. Attach hydraulic hose holder (12) to the top hole in
H-frame (2) with cap screw (17), spacer (11), and
lock nut (21).

Assembly 43
MAN0571 (Rev. 6/15/2007)
Figure 30. DS1260 & DS1440 CV Drive Installation
1. CV Drive assembly
2. H-Frame
3. Sleeve, 5/8 x 1 x 9/16
4. Cup washer 5/8 x 1-3/4 x 14 Ga
5. Clevis pin, 1/2 x 5-3/4
6. Rear stub shaft
7. 3-Joint drive bearing housing
8. Bearing
9. Snap ring
10. Shield
11. 1/2 Schedule 40 x 3.56 pipe
12. Hose holder
13. CV H-Frame mounting base
14. 1/2 NC x 3 Hex head cap screw GR5
15. 1/2 NC Lock nut
16. 1/2 NC x 2 Hex head cap screw GR5
17. 1/2 NC x 5-1/2 Hex head cap screw GR5
18. 5/8 NC x 6 Hex head cap screw GR5
19. 5/8 NC Lock nut
20. 3/16 x 1 Cotter pin
21. 1/2 NC Flange lock nut
22. 1/4-28 x 90° Grease fitting
23. 1/2 NC x 1-1/2 Carriage bolt
24. 1/2" Flat washer
25. 3/8 Standard lock washer
26. 3/8 NC x 1 Hex head cap screw GR5

44 Assembly
MAN0571 (Rev. 6/15/2007)
DS1260 & DS1440 MOUNTED OR
SEMI-MOUNTED CUTTER (Figure 31)
Place jackstands under cutter to raise it off the ground
to provide clearance when assembling cutter. See
“BLOCKING METHOD” on page 21 for jackstand
placement.
Install A-Frame (Mounted)
1. Attach A-Frame weldment (3) to the lower (square)
hole of the cutter mast plates. Secure using
carriage bolts (29), bushing sleeves (19), washers
(28) and lock nuts (25).
2. Remove two lock nuts (26) from rear of cutter.
Slide washer (37), rear A-frame bar (2), and
second washer (37) over bolt and re-attach with
lock nuts (26).
3. Attach the two rear A-frame bars (2) together at the
top rear hole using cap screw (36), spacer sleeve
(9), and lock nut (25).
4. Place both break links (7) together and position
between front holes of rear A-frame bars. Secure
rear A-frame bars and break links together using
cap screw (36), spacer sleeve (9), and lock nut
(25). NOTE: Break links must rest on top of rear
spacer sleeve (9).
5. Place spacer sleeve (8) through front holes of
break links. Align break links with rear holes of A-
frame weldment (3) and secure together using cap
screw (33), sleeve (6), and lock nut (34).
Install Tailwheel Arms
Attach tailwheel arms (1) to tailwheel using eight (four
per arm) cap screws (24) and lock nuts (25).
NOTE: Position tailwheel arms on tailwheel to desired
location (usually on row crop centers).
Install Spring Arm
1. Attach spring arm (10) to cylinder (14) or ratchet
(18) using pin (22).
2. Place spring arm (10) and spring (11) on deck as
shown. Secure spring arm (10) to spring arm lugs
(on the cutter) using pin (20) and two cotter pins
(35). Install retaining cap screw (38) and flange
lock nut (39).
Install Height Adjustment Device
Ratchet
Attach ratchet (18) to tailwheel lugs and secure with pin
(21) and two cotter pins (35).
Cylinder
1. Place hydraulic cylinder (14) between lugs
(Position A) on tailwheel.
NOTE: Semi-mount units require cylinder to be
located between rear holes (Position B) of tail-
wheel lugs.
2. Extend cylinder rod, place transport lock bracket
(13) over cylinder rod end and between lugs on
tailwheel.
3. Align holes of cylinder rod, transport lock bracket
and lugs on tailwheel. Secure assembly using pin
(21) and two cotter pins (35).
Install Hydraulic Hoses
On mounted units with optional hydraulic cut-
ting height adjustment, use a double-acting cylin-
der with a maximum extended length of 28-1/4"
(718 mm) from attaching point center to center.
On pull-type or semi-mounted units with
optional hydraulic cutting height adjustment, use a
single-acting cylinder with a maximum extended
length of 28-1/4" (718 mm) from attaching point
center to center.
■ If using a cylinder other than the one supplied
by Woods, make sure a breather fitting is installed
in the cylinder rod end port. Use a restricter fitting
in the base end port to dampen the cutter lowering
action.
NOTE: Semi-mounted requires only one hose kit
installed in base end of cylinder.
NOTE: Mounted units must use a double-acting
cylinder to prevent damage to tailwheels during
transport.
1. Connect hoses (17) to elbows (16).
2. Install reducer bushing (15) and restricter swivel
elbow (16) in port at each end of cylinder (14).
Position elbow to point toward front of cutter.
3. Install optional stroke control kit (23) to cylinder
rod. Stroke control kit is used to set cut height.
Install Driveline
1. Coat input shaft of gearbox with a light coating of
grease.
2. Attach slip clutch on driveline (5) to input shaft of
gearbox. Tighten cap screws (31) and lock nuts
(32).
3. Attach rear tether chain of driveline to driveline
shield.

Assembly 45
MAN0571 (Rev. 6/15/2007)
Figure 31. DS1260 & DS1440 Mounted Cutter Assembly
1. Tailwheel
2. Rear A-frame link
3. Front A-frame assembly
4. Lower hitch pin
5. Drive
6. Sleeve .781 x 1.38 x 2.40
7. Break link
8. Sleeve 1-3/8 x 1-3/4 x 1-1/4
9. Sleeve 5/8 x 1 x 1-1/4
10. Spring arm
11. Spring
12. Top link pin
13. Transport lock-up
14. 3-1/2 x 8 Hydraulic cylinder
15. 1/2 to 1/4 Reducer
16. 1/4 x 1/4 90° Elbow with 1/16 restricter
17. 1/4 x 156" Hose
18. Ratchet adjustment link
19. Sleeve 5/8 x 1 x 13/16
20. 1 x 4-1/2 Headless pin
21. 1 x 5 Headless pin
22. 1 x 3 Headless pin
23. 1-1/4 Stroke control kit
24. 5/8 NC x 5 Hex head cap screw GR5
25. 5/8 NC Flange lock nut
26. 1 NC Lock nut
27. 1 NC x 12 Hex head cap screw GR5
28. 5/8 Standard flat washer
29. 5/8 NC x 2-1/2 Carriage bolt GR5
30. 7/16 x 2 Klik pin
31. 1/2 NC x 3 Hex head cap screw
32. 1/2 NC Lock nut
33. 3/4 NC x 4-1/2 Hex head cap screw GR5
34. 3/4 NC Lock nut
35. 1/4 x 1-1/2 Cotter pin
36. 5/8 NC x 3 Hex head cap screw GR5
37. 1" Standard flat washer
38. 1/2 NC x 5 Hex head cap screw GR5
39. 1/2 NC Flange lock nut

46 Assembly
MAN0571 (Rev. 6/15/2007)
Install SMV Emblem (Semi-Mounted)
See Figure 32.
1. Remove manual tube and hardware.
2. Align holes of manual tube and SMV mounting
bracket (16) and reattach to deck using previous
hardware.
3. Attach SMV socket (17) with two carriage bolts (28)
and lock nuts (29).
4. Attach SMV emblem (19) to SMV bracket (18)
using two round head cap screws (30) and hex
nuts (31).
5. Insert SMV bracket (18) and emblem (19) into
socket (17).
Figure 32. DS1260 & DS1440 Semi-Mounted Cutter Assembly
1. Tailwheel
2. Lower hitch pin
3. Drive
4. Spring arm
5. Spring
6. Transport lock-up
7. 3-1/2 x 8 Hydraulic cylinder
8. 1/2 to 1/4 Reducer
9. 1/4 x 1/4 90° Elbow w/ 1/16
restricter
10. 1/4 x 156" Hose
11. Ratchet adjustment link
12. 1 x 4-1/2 Headless pin
13. 1 x 5 Headless pin
14. 1 x 3 Headless pin
15. 1-1/4 Stroke control kit
16. SMV Mounting bracket
17. SMV Socket
18. SMV Bracket
19. Slow moving vehicle emblem
20. 5/8 NC x 5 HHCS GR5
21. 5/8 NC Lock nut
22. 7/16 x 2 Klik pin
23. 1/2 NC x 3 HHCS
24. 1/2 NC Lock nut
25. 1/4 x 1-1/2 Cotter pin
26. 1/2 NC x 5 HHCSGR5
27. 1/2 NC Flange lock nut
28. 5/16 NC x 3/4 Carriage bolt
29. 5/16 NC Flange lock nut
30. 1/4 NC x 1/2 Round head
screw
31. 1/4 NC Nut

Assembly 47
MAN0571 (Rev. 6/15/2007)
DSO1260 CUTTER (Figure 33)
Place jackstands under cutter to raise it off the ground
to provide clearance when assembling cutter. See
“BLOCKING METHOD” on page 21 for jackstand
placement.
Install Hitch Mechanism
1. Align left hitch arm (2) and right hitch arm (3), and
washers (33) to deck as shown.
NOTE: Left hitch arm should be oriented with cylin-
der lug on bottom side of arm, protruding towards
left of cutter.
2. Secure hitch arms to cutter using flag pins (14),
washers (36), and cap screws (37).
3. Align front ends of hitch arms, washers (33) and
hitch weldment (4) as shown.
4. Secure hitch arms to hitch weldment (4) with flag
pins (14), washers (36), and cap screws (37).
5. Attach hydraulic cylinder (7) to left hitch arm (2)
and lug on left side of cutter using pins (26) and
cotter pins (32).
6. Install reducer bushing (17) and restricter swivel
elbow (18) in port at each end of cylinder (7).
Position elbow to point toward front of cutter.
7. Connect hoses (21) to elbows (18).
Install Tailwheel Arms
Attach tailwheel arms (1) to tailwheel using eight (four
per arm) cap screws (27) and lock nuts (28).
NOTE: Position tailwheel arms on tailwheel to desired
location (usually on row crop centers).
Install Spring Arm
1. Attach spring arm (12) to cylinder (16) or ratchet
(20) using pin (24).
2. Place spring arm (12) and spring (13) on deck as
shown. Secure spring arm (12) to spring arm lugs
(on the cutter) using pin (22) and two cotter pins
(32). Install retaining cap screw (34) and flange
lock nut (35).
Install Height Adjustment Device
Ratchet
Attach ratchet (20) to tailwheel lugs and secure with pin
(23) and two cotter pins (32).
Cylinder
1. Place hydraulic cylinder (16) between rear holes
(Position B) of lugs on tailwheel.
2. Extend cylinder rod, place transport lock bracket
(15) over cylinder rod end and between lugs on
tailwheel.
3. Align holes of cylinder rod, transport lock bracket
and lugs on tailwheel. Secure assembly using pin
(23) and two cotter pins (32).
Install Hydraulic Hose
On pull-type or semi-mounted units with
optional hydraulic cutting height adjustment, use a
single-acting cylinder with a maximum extended
length of 28-1/4" (718 mm) from attaching point
center to center.
NOTICE
■ If using a cylinder other than the one supplied
by Woods, make sure a breather fitting is installed
in the cylinder rod end port. Use a restricter fitting
in the base end port to dampen the cutter lowering
action.
1. Install reducer bushing (17) and restricter swivel
elbow (18) in port at base end of cylinder (16).
Position elbow to point toward front of cutter.
2. Connect hose (19) to elbow (18).
3. Install optional stroke control kit (25) to cylinder
rod. Stroke control kit is used to set cut height.
Install SMV Emblem
1. Remove manual tube and hardware.
2. Align holes of manual tube and SMV mounting
bracket (8) and reattach to deck using previous
hardware.
3. Attach SMV socket (9) with two carriage bolts (38)
and lock nuts (39).
4. Attach SMV emblem (11) to SMV bracket (10)
using two round head cap screws (40) and hex
nuts (41).
5. Insert SMV bracket (10) and emblem (11) into
socket (9).
Install Driveline
1. Coat input shaft of gearbox with a light coating of
grease.
2. Attach slip clutch on driveline (6) to input shaft of
gearbox. Tighten cap screws (30) and lock nuts
(31).
3. Attach rear tether chain of driveline to driveline
shield.

48 Assembly
MAN0571 (Rev. 6/15/2007)
Figure 33. DSO1260 Cutter Assembly
1. Tailwheel
2. Left hitch arm
3. Right hitch arm
4. Hitch assembly
5. Lower hitch pin
6. Drive
7. 2-1/2 x 16 Hydraulic cylinder
8. SMV Mounting bracket
9. SMV Socket
10. SMV Bracket
11. Slow moving vehicle emblem
12. Spring arm
13. Spring
14. 1.50 x 8.02 Flag pin
15. Transport lock-up
16. 3-1/2 x 8 Hydraulic cylinder
17. 1/2 to 1/4 Reducer
18. 1/4 x 1/4 90° Elbow w/ 1/16
restricter
19. 1/4 x 156" Hose
20. Ratchet adjustment link
21. 1/4 x 72" Hose
22. 1 x 4-1/2 Headless pin
23. 1 x 5 Headless pin
24. 1 x 3 Headless pin
25. 1-1/4 Stroke control kit
26. 1.00 x 2.72 Headless pin
27. 5/8 NC x 5 H HCS GR5
28. 5/8 NC Flange lock nut
29. 7/16 x 2 Klik pin
30. 1/2 NC x 3 HHCS
31. 1/2 NC Lock nut
32. 1/4 x 1-1/2 Cotter pin
33. Washer, 1.62 x 3 x .18
34. 1/2 NC x 5 HHCS GR5
35. 1/2 NC Flange lock nut
36. 1/2" Flat washer
37. 1/2 NC x 1-1/4 H HCS GR5
38. 5/16 NC x 3/4 Carriage bolt
39. 5/16 NC Flange lock nut
40. 1/4 NC x 1/2 Round head
screw
41. 1/4 NC Nut
42. 1/4 - 28 Grease fitting
43. Split bushing
44. Sleeve 1.56 x 2.19 x 4.00

Assembly 49
MAN0571 (Rev. 6/15/2007)
DS1260 & DS1440 - ALL MODELS
FILL GEARBOXES
NOTICE
■ Gearbox is not filled at the factory. Prior to
delivery to customer, make sure gearbox is filled
only half-full with 80W or 90W API GL-4 or GL-5
gear lube. Use side plug to remove any excess oil.
1. Make sure vent plug hole is clear (installed by
dealer).
2. Remove plug on side of gearbox.
3. Fill gearbox until oil runs out the side plug on
gearbox. Use a high quality gear oil with a viscosity
index of 80W or 90W and an API service rating of
GL-4 or GL-5.
4. Install side plug and vent plug.
INSTALL CHAIN OR RUBBER SHIELDING
Full chain or rubber shielding must be installed
when operating in populated areas or other areas
where thrown objects could injure people or dam-
age property.
• If this machine is not equipped with full chain
or rubber shielding, operation must be stopped
when anyone comes within 300 feet (92 m).
• This shielding is designed to reduce the risk
of thrown objects. The mower deck and protec-
tive devices cannot prevent all objects from
escaping the blade enclosure in every mowing
condition.
It is possible for objects to ricochet
and escape, traveling as much as 300 feet (92 m).
Rubber Shielding (Figure 34)
1. Attach rubber belting and deflector brackets to the
front of the frame using carriage bolts (9), and lock
nuts (10).
2. Attach rear band to the rear of the frame using
carriage bolts (9), and lock nuts (10).
Optional Chain Shielding (Figure 35)
The optional chain shielding assemblies are ready for
installation when you receive them.
Install front and rear chain shielding as shown using
carriage bolt (10) and lock nut (11).

50 Assembly
MAN0571 (Rev. 6/15/2007)
Figure 34. Rubber Belt Shielding Installation
DS1260
1. Front belt bracket
2. Front rubber deflector
3. Rear band
9. 3/8 NC x 1-1/4 Carriage bolt GR5
10. 3/8 NC Flange lock nut
DS1440
4. Left front belt bracket
5. Right front belt bracket
6. Center front belt bracket
7. Front rubber deflector
8. Rear band
9. 3/8 NC x 1-1/4 Carriage bolt
GR5

Assembly 51
MAN0571 (Rev. 6/15/2007)
Figure 35. Optional Chain Shielding Installation
DS1260
1. Front chain shield bracket
2. Front chain shield bracket
7. Pin, 52 to 54-chain
9. 5/16 Chain, 6-link
10. 3/8 NC x 1-1/4 Carriage bolt GR5
11. 3/8 NC Flange lock nut
DS1440
3. Left front chain shield bracket
4. Right front chain shield bracket
5. Center front chain shield bracket
6. Rear chain shield bracket
8. Pin, 34 to 36-chain
9. 5/16 Chain, 6-link
10. 3/8 NC x 1-1/4 Carriage bolt GR5
11. 3/8 NC Flange lock nut
12. Pin, 49 to 51-chain
(Rev. 11/6/2009)

52 Dealer Check Lists
MAN0571 (Rev. 6/15/2007)
DEALER CHECK LISTS
PRE-DELIVERY CHECK LIST
(DEALER’S RESPONSIBILITY)
Inspect cutter thoroughly after assembly to make sure
it is set up properly before delivering it to the customer.
The following check list is a reminder of points to
inspect. Check off each item as it is found satisfactory,
corrections are made, or services are performed.
IMPORTANT
■ Gearbox was not filled at the factory. It must be
serviced before operating cutter. (See LUBRICA-
TION, page 21). Failure to service will result in dam-
age to gearbox.
___ Check that gearbox is properly serviced and
seals are not leaking.
___ Check and grease all lubrication points as identi-
fied in Owner Service, LUBRICATION, page 21.
___ Check that blades have been properly installed
___ Check all bolts to be sure they are properly
torqued.
___ Check that all cotter pins are properly installed
and secured.
___ Check that PTO shaft is properly installed.
DELIVERY CHECK LIST
(DEALER’S RESPONSIBILITY
___ Show customer how to make adjustments.
Describe the options available for this cutter and
explain their purpose.
___ Explain importance of lubrication to customer and
point out lubrication points on cutter.
___ Point out all guards and shielding. Explain their
importance and the safety hazards that exist
when not kept in place and in good condition.
___ For mounted units, add wheel weights, ballast in
front tires, and/or front tractor weight to enhance
front end stability. A minimum 20% of tractor and
equipment gross weight must be on front tractor
wheels. When adding weight to attain 20% of
tractor and equipment weight on front tractor
wheels, you must not exceed the ROPS weight
certification. Weigh the tractor and equipment. Do
not estimate!
___ Present Operator's Manual and request that cus-
tomer and all operators read it before operating
equipment. Point out the manual safety rules,
explain their meanings and emphasize the
increased safety hazards that exist when safety
rules are not followed.
___ Explain to customer that when equipment is
transported on a road or highway, safety devices
should be used to give adequate warning to oper-
ators of other vehicles.

Parts 53
MAN0571 (Rev. 6/15/2007)
PARTS INDEX
Rotary Cutters
DS1260, DS1440 & DSO1260
MAIN FRAME ASSEMBLY. . . . . . . . . . . . . . . . . . . . . . . . . . . . . . . . . . . . . . 54 - 55
PULL-TYPE ASSEMBLY
FRONT HALF . . . . . . . . . . . . . . . . . . . . . . . . . . . . . . . . . . . . . . . . . . . . . . 56
REAR HALF . . . . . . . . . . . . . . . . . . . . . . . . . . . . . . . . . . . . . . . . . . . . . . . 57
OPTIONAL CV MOUNTING . . . . . . . . . . . . . . . . . . . . . . . . . . . . . . . . . . . 58
MOUNTED CUTTER ASSEMBLY . . . . . . . . . . . . . . . . . . . . . . . . . . . . . . . . . . . . 59
SEMI-MOUNTED CUTTER ASSEMBLY . . . . . . . . . . . . . . . . . . . . . . . . . . . . . . . 60
DSO1260 ASSEMBLY . . . . . . . . . . . . . . . . . . . . . . . . . . . . . . . . . . . . . . . . . . . . . 61
GEARBOXES
SPLITTER GEARBOX ASSEMBLY . . . . . . . . . . . . . . . . . . . . . . . . . . . . . . 62
SPINDLE GEARBOX ASSEMBLY . . . . . . . . . . . . . . . . . . . . . . . . . . . . . . 63
DRIVES
FLEXIBLE COUPLER . . . . . . . . . . . . . . . . . . . . . . . . . . . . . . . . . . . . . . . . . 64
FRONT EQUAL ANGLE DRIVE ASSEMBLY - PULL-TYPE . . . . . . . . . . . 65
REAR EQUAL ANGLE DRIVE ASSEMBLY - PULL-TYPE . . . . . . . . . . . . 66
540 RPM FRONT CV DRIVE ASSEMBLY
WEASLER SPLINE PROFILE . . . . . . . . . . . . . . . . . . . . . . . . . . . 67-68
WALTERSCHEID STAR PROFILE . . . . . . . . . . . . . . . . . . . . . . . . . . 69
1000 RPM FRONT CV DRIVE ASSEMBLY
WEASLER SPLINE PROFILE . . . . . . . . . . . . . . . . . . . . . . . . . . . 70-71
WALTERSCHEID SPLINE PROFILE . . . . . . . . . . . . . . . . . . . . . . . . 72
REAR FIXED-LENGTH DRIVE FOR CONSTANT VELOCITY DRIVE . . . 73
SLIP CLUTCH DRIVE ASSEMBLY - MOUNTED . . . . . . . . . . . . . . . . . . . . 74
WHEEL & TIRE ASSEMBLY . . . . . . . . . . . . . . . . . . . . . . . . . . . . . . . . . . . . . . . . 75
TAILWHEEL ASSEMBLIES
MDS1260 / MDS1440 MOUNTED. . . . . . . . . . . . . . . . . . . . . . . . . . . . . . . . 76
DSO1260 / SMDS1260 / SMDS1440 SEMI-MOUNTED . . . . . . . . . . . . . . 77
BELT SHIELDING . . . . . . . . . . . . . . . . . . . . . . . . . . . . . . . . . . . . . . . . . . . . . . . 78
CHAIN SHIELDING (OPTIONAL). . . . . . . . . . . . . . . . . . . . . . . . . . . . . . . . . . . . . 79
3-1/2 X 8" STROKE HYDRAULIC CYLINDER (OPTIONAL) . . . . . . . . . . . . . . . . 80
HYDRAULIC CYLINDER STROKE CONTROL KIT (OPTIONAL) . . . . . . . . . . . 81
CROSSBAR PULLER (OPTIONAL) . . . . . . . . . . . . . . . . . . . . . . . . . . . . . . . . . . 81
(Rev. 10/15/2010)

54 Parts
MAN0571 (Rev. 6/15/2007)
DS1260 / DS1440 MAIN FRAME ASSEMBLY

Parts 55
MAN0571 (Rev. 6/15/2007)
DS1260 / DS1440 MAIN FRAME ASSEMBLY
REF PART QTY DESCRIPTION
1 1026976 ‡ 1 Tailwheel weldment - DS1260
(S/N 1081498 & after)
-or-
1 1026981 ‡ 1 Tailwheel weldment - DS1440
(S/N 1081498 & after)
2 58806 2 Spindle gearbox - DS1260, DSO1260
(see page 63) -or-
2 1022228 2 Spindle gearbox - DS1440
(see page 63)
3 1002495 1 Splitter gearbox - 540 RPM
(see page 62) -or-
3 1002496 1 Splitter gearbox - 1000 RPM
(see page 62)
4 1002048 1 Clutch shield
5 1021370 2 Shield - DS1260, DSO1260 -or-
5 1022177 2 Shield - DS1440
6 57118 1 Right skid - DS1260, DSO1260 -or-
6 1022174 1 Right skid - DS1440
7 57119 1 Left skid - DS1260, DSO1260 -or-
7 1022173 1 Left skid - DS1440
8 1021393 2 Crossbar - DS1260, DSO1260 -or-
8 1022163 2 Crossbar - DS1440
9 19161KT 1 Right blade CW
(kit includes 2 blades)
10 19160KT 1 Left blade CCW
(kit includes 2 blades)
11 19162KT 2 Double edge blade
(kit includes 2 blades)
12 32616 4 Blade pin
13 10520 4 Shim, 18 ga
14 13946 4 Shim, 20 ga
15 32603 4 Keyhole plate
16 32604 4 Blade pin lock clip
17 1003828 1 Manual tube
REF PART QTY DESCRIPTION
18 1021390 2 Flexible drive coupler - DS1260,
DSO1260 (see page 64) -or-
18 1022179 2 Flexible drive coupler - DS1440
(see page 64)
19 1021371 4 Shield hold down
20 57050 2 Blade access cover
21 1022235 1 Complete decal set
22 1022236 1 Safety decal set
23 39141 1 NC x 12 HHCS GR5
24 34279 1 NC Lock nut
25 3678 2 1 NC x 2-3/4 HHCS
26 39070 2 Sleeve, 1.02 x 1.38 x .62 -
DS1440 only
29 30068 * 3/4 NC x 2-1/2 HHCS GR5
30 57798 3/4 Hardened flat washer
31 302207 * 3/4 NC Flange lock nut
32 6100 * 1/2 NC x 1-1/4 HHCS GR5
33 39323 M30 x 2.0P Castle nut
34 64803 * 3/16 x 2 Cotter pin
35 5607 * 5/8 NC x 1-1/2 Carriage bolt GR5
36 19025 5/8 NC Flanged lock nut
37 4529 * 5/16 NC Hex nut
38 2472 * 5/16 Lock washer
39 35155 * 5/16 Flat washer
40 6250 * 5/16 NC x 1-1/4 HHCS GR5
41 39254 M8 x 1.25P x 16 mm HHCS CL8.8
42 565 * 3/8 Flat washer
43 5664 * 7/16 Lock washer
44 63716 M10 x 1.50P x 20 mm HHCS
45 14350 * 3/8 NC Flange lock nut
46 66840 3-Prong knob, 3/8 NC
47 1024670 1.22 x 2.205 x .236 Washer
‡ For Serial Numbers 1081497 & before con-
tact Woods
* Standard hardware, obtain locally
HHCS Hex head cap screw
(Rev. 7/4/2008)

56 Parts
MAN0571 (Rev. 6/15/2007)
DS1260 / DS1440 PULL-TYPE ASSEMBLY - FRONT HALF
REF PART QTY DESCRIPTION
1 1026245 ‡ 1 Tongue
(S/N 1081498 & after)
2 32098 1 H-Frame
3 1791 2 Sleeve, 5/8 x 1 x 9/16 HT
4 10635 2 Cup washer 5/8 x 1-3/4 OD x 14 Ga
5 19407 1 Safety chain
6 23790 1 Parking jack (see page 76)
7 404 1 Clevis pin, 1/2 x 5-3/4
8 57282 1 Front 2/3 drive, 540 RPM - 6 spline
(see page 65) -or-
8 1003480 1 Front 2/3 drive, 1000 RPM - 21 spline
(see page 65) -or-
8 1004925 1 Front 2/3 drive, 1000 RPM - 20 spline
(see page 65)
9 1004778 1 Rear 1/3 drive (see page 66)
10 32347 1 3-Joint drive bearing housing
(includes items 11, 12, 30)
11 13133 1 Bearing
12 12128 1 Snap ring
13 1011760 1 Shield
14 7035 1 1/2 Schedule 40 x 3.56 pipe
15 3443 1 Hose holder
16 39070 2 Sleeve, 1.02 x 1.38 x .62
17 445 1 Clevis pin, 1 x 2-1/2
REF PART QTY DESCRIPTION
18 39385 1 Attitude rod - DS1260 -or-
18 1022200 1 Attitude rod - DS1440
19 3489 * 1/2 NC x 3 HHCS GR5
20 765 * 1/2 NC Lock nut
21 3699 * 1/2 NC x 2 HHCS GR5
22 12305 * 1/2 NC x 5-1/2 HHCS GR5
23 12005 5/8 NC x 6 HHCS GR5
24 6239 * 5/8 NC Lock nut
25 15087 1 NC x 9 HHCS GR5
26 1863 * † 1" Standard flat washer
27 34279 1 NC Lock nut
28 1285 * 1/4 x 1-1/2 Cotter pin
29 11900 * 1/2 NC Flange lock nut
30 2985 * 1/4-28 x 90° Grease fitting
31 838 * 3/8 Standard lock washer
32 839 * 3/8 NC x 1 HHCS GR5
33 1256 * 3/16 x 1 Cotter pin
‡ For Serial Numbers 1081497 & before con-
tact Woods
† As required
* Standard hardware, obtain locally
HHCS Hex head cap screw

Parts 57
MAN0571 (Rev. 6/15/2007)
DS1260 / DS1440 PULL-TYPE ASSEMBLY - REAR HALF
REF PART QTY DESCRIPTION
1 1022181 2 Tailwheel arm
2 ----- 2
or
4
Tire & hub (see page 75)
3 39385 1 Attitude rod - DS1260 -or-
3 1022200 1 Attitude rod - DS1440
5 1004814 1 Transport lock-up
6 10475 1 3-1/2 x 8 Hydraulic cylinder
(see page 80)
7 11893 1 1/2 to 1/4 Reducer
8 10290 1 1/4 x 1/4 90° Elbow w/ 1/16 restricter
9 8669 1 1/4 x 156" Hose
10 1005020 1 Ratchet adjustment link
11 1009245 1 Spring arm
12 13316 1 Spring, compression
13 11493 1 1 x 3 Headless pin
14 8346 1 1 x 4-1/2 Headless pin
15 8347 1 1 x 5 Headless pin
16 24098 1 1-1/4 Stroke control kit (see page 81)
17 1021369 1 SMV Mounting bracket
18 62484 1 SMV Socket
19 1004251 1 SMV Bracket
20 24611 1 Slow moving vehicle emblem
21 378 * 5/8 NC x 5 HHCS GR5
22 6239 * 5/8 NC Lock nut
23 3489 * 1/2 NC x 3 HHCS GR5
24 11900 * 1/2 NC Flange lock nut
25 1863 * 1" Standard flat washer
26 3132 * 1 NC Hex nut
27 1285 * 1/4 x 1-1/2 Cotter pin
28 23479 * 1/2 NC x 5 HHCS GR5
29 16148 * 5/16 NC x 3/4Carriage bolt
30 14139 * 5/16 NC Flange lock nut
31 1282 * 1/4 NC x 1/2 Round head screw
32 5288 * 1/4 NC Hex nut
* Standard hardware, obtain locally
HHCS Hex head cap screw
REF PART QTY DESCRIPTION

58 Parts
MAN0571 (Rev. 6/15/2007)
DS1260 / DS1440 PULL-TYPE - OPTIONAL CV MOUNTING ASSEMBLY
REF PART QTY DESCRIPTION
10 1011761 1 Shield
11 7035 1 1/2 Schedule 40 x 3.56 pipe
12 3443 1 Hose holder
13 1021377 1 CV H-Frame mounting base
14 3489 * 1/2 NC x 3 HHCS GR5
15 765 * 1/2 NC Lock nut
16 3699 * 1/2 NC x 2 HHCS GR5
17 12305 * 1/2 NC x 5-1/2 HHCS GR5
18 12005 5/8 NC x 6 HHCS GR5
19 6239 * 5/8 NC Lock nut
20 1256 * 3/16 x 1 Cotter pin
21 11900 * 1/2 NC Flange lock nut
22 2985 * 1/4-28 x 90° Grease fitting
23 29893 * 1/2 NC x 1-1/2 Carriage bolt
24 854 * 1/2" Flat washer
25 838 * 3/8 Standard lock washer
26 839 * 3/8 NC x 1 HHCS GR5
* Standard hardware, obtain locally
HHCS Hex head cap screw
REF PART QTY DESCRIPTION
1 1024175 1 CV Drive assembly - 540 RPM
(see page 68) -or-
1 1021102 1 CV Drive assembly - 1000 RPM
21-spline (see page 70) -or-
1 1021101 1 CV Drive assembly - 1000 RPM
20-spline (see page 70)
2 1021375 1 H-Frame
3 1791 2 Sleeve, 5/8 x 1 x 9/16
4 10635 2 Cup washer 5/8 x 1-3/4 x 14 Ga
5 404 1 Clevis pin, 1/2 x 5-3/4
6 1022221 1 Rear stub shaft - DS1260
(see page 73) -or-
6 1022222 1 Rear stub shaft - DS1440
(see page 73)
7 32347 1 3-Joint drive bearing housing
(includes items 8, 9, 22)
8 13133 1 Bearing
9 12128 1 Snap ring

Parts 59
MAN0571 (Rev. 6/15/2007)
DS1260 / DS1440 MOUNTED CUTTER ASSEMBLY
REF PART QTY DESCRIPTION
1 ----- 2 Tailwheel (see page 76)
2 1021373 2 Rear A-frame link - DS1260 -or-
2 1022180 2 Rear A-frame link - DS1440
3 1021350 1 Front A-frame assembly
4 39064 2 Lower hitch pin
5 57419 1 Drive 540 RPM - DS1260
(see page 74) -or-
5 57290 1 Drive 1000 RPM - DS1260Q
(see page 74) -or-
5 57422 1 Drive 540 RPM - DS1440
(see page 74) -or-
5 57425 1 Drive 1000 RPM - DS1440Q
(see page 74)
6 39071 1 Sleeve .781 x 1.38 x 2.40
7 1021374 2 Break link
8 7176 1 Sleeve 1-3/8 x 1-3/4 x 1-1/4
9 66661 2 Sleeve 5/8 x 1 x 1-1/4
10 1009245 1 Spring arm
11 13316 1 Spring
12 39065 1 Top link pin
13 1004814 1 Transport lock-up
14 18725 1 3-1/2 x 8 Hyd cylinder (see page 80)
15 11893 2 1/2 to 1/4 Reducer
16 10290 2 1/4 x 1/4 90° Elbow w/ 1/16 restricter
17 8669 2 1/4 x 156" Hose
18 1005020 1 Ratchet adjustment link
19 12313 2 Sleeve 5/8 x 1 x 13/16
20 8346 1 1 x 4-1/2 Headless pin
REF PART QTY DESCRIPTION
21 8347 1 1 x 5 Headless pin
22 11493 1 1 x 3 Headless pin
23 24098 1 1-1/4 Stroke control kit (see page 81)
24 378 * 5/8 NC x 5 HHCS GR5
25 19025 * 5/8 NC Flange lock nut
26 34279 1 NC Lock nut
27 39141 1 NC x 12 HHCS GR5
28 692 * 5/8 Standard flat washer
29 5836 * 5/8 NC x 2-1/2 Carriage bolt GR5
30 35124 * 7/16 x 2 Klik pin
31 3489 * 1/2 NC x 3 HHCS GR5
32 765 * 1/2 NC Lock nut
33 12558 * 3/4 NC x 4-1/2 HHCS GR5
34 2371 * 3/4 NC Lock nut
35 1285 * 1/4 x 1-1/2 Cotter pin
36 34473 * 5/8 NC x 3 HHCS GR5
37 1863 * 1" Standard flat washer
38 23479 * 1/2 NC x 5 HHCS GR5
39 11900 * 1/2 NC Flange lock nut
* Standard hardware, obtain locally
HHCS Hex head cap screw

60 Parts
MAN0571 (Rev. 6/15/2007)
DS1260 / DS1440 SEMI-MOUNTED CUTTER ASSEMBLY
REF PART QTY DESCRIPTION
1 ----- 2 Tailwheel (see page 77)
2 39064 2 Lower hitch pin
3 57419 1 Drive 540 RPM - DS1260
(see page 74) -or-
3 57290 1 Drive 1000 RPM - DS1260Q
(see page 74) -or-
3 57422 1 Drive 540 RPM - DS1440
(see page 74) -or-
3 57425 1 Drive 1000 RPM - DS1440Q
(see page 74)
4 1009245 1 Spring arm
5 13316 1 Spring
6 1004814 1 Transport lock-up
7 10475 1 3-1/2 x 8 Hyd cylinder (see page 80)
8 11893 1 1/2 to 1/4 Reducer
9 10290 1 1/4 x 1/4 90° Elbow w/ 1/16 restricter
10 8669 1 1/4 x 156" Hose
11 1005020 1 Ratchet adjustment link
12 8346 1 1 x 4-1/2 Headless pin
13 8347 1 1 x 5 Headless pin
14 11493 1 1 x 3 Headless pin
15 24098 1 1-1/4 Stroke control kit (see page 81)
16 1021369 1 SMV Mounting bracket
17 62484 1 SMV Socket
18 1004251 1 SMV Bracket
19 24611 1 Slow moving vehicle emblem
20 378 * 5/8 NC x 5 HHCS GR5
21 6239 * 5/8 NC Lock nut
22 35124 * 7/16 x 2 Klik pin
23 3489 * 1/2 NC x 3 HHCS GR5
24 765 * 1/2 NC Lock nut
25 1285 * 1/4 x 1-1/2 Cotter pin
26 23479 * 1/2 NC x 5 HHCS GR5
27 11900 * 1/2 NC Flange lock nut
28 16148 * 5/16 NC x 3/4 Carriage bolt
29 14139 * 5/16 NC Flange lock nut
30 1282 * 1/4 NC x 1/2 Round head screw
31 5288 * 1/4 NC Hex nut
* Standard hardware, obtain locally
HHCS Hex head cap screw
REF PART QTY DESCRIPTION

Parts 61
MAN0571 (Rev. 6/15/2007)
DSO1260 ASSEMBLY
REF PART QTY DESCRIPTION
30 3489 * 1/2 NC x 3 HHCS GR5
31 765 * 1/2 NC Lock nut
32 1285 * 1/4 x 1-1/2 Cotter pin
33 2370 Washer, 1.62 x 3 x .18
34 23479 * 1/2 NC x 5 HHCS GR5
35 11900 * 1/2 NC Flange lock nut
36 854 * 1/2" Flat washer
37 6100 * 1/2 NC x 1-1/4 HHCS GR5
38 16148 * 5/16 NC x 3/4 Carriage bolt
39 14139 * 5/16 NC Flange lock nut
40 1282 * 1/4 NC x 1/2 Round head screw
41 5288 * 1/4 NC Hex nut
42 12296 * 1/4 - 28 Straight grease fitting
43 1012615 8 Split bushing
44 1022238 2 Sleeve 1.56 x 2.19 x 4.00
* Standard hardware, obtain locally
HHCS Hex head cap screw
REF PART QTY DESCRIPTION
1 ----- 2 Tailwheel (see page 77)
2 1021783 1 Left hitch arm
3 1021784 1 Right hitch arm
4 1021775 1 Hitch assembly
5 39064 2 Lower hitch pin
6 57422 1 Drive 540 RPM (see page 74) -or-
6 57425 1 Drive 1000 RPM (see page 74)
7 1022208 1 2-1/2 x 16 Hyd cyl, double-acting
8 1021369 1 SMV Mounting bracket
9 62484 1 SMV Socket
10 1004251 1 SMV Bracket
11 24611 1 Slow moving vehicle emblem
12 1009245 1 Spring arm
13 13316 1 Spring, compression
14 1021398 4 1.50 x 8.02 Flag pin
15 1004814 1 Transport lock-up
16 18725 1 3-1/2 x 8 Hyd cyl (see page 80)
17 11893 3 1/2 to 1/4 Reducer
18 10290 3 1/4 x 1/4 90° Elbow w/ 1/16 restricter
19 8669 3 1/4 x 156" Hose
20 1005020 1 Ratchet adjustment link
22 8346 1 1 x 4-1/2 Headless pin
23 8347 1 1 x 5 Headless pin
24 11493 1 1 x 3 Headless pin
25 24098 1 1-1/4 Stroke control kit (see page
81)
26 1631 2 1.00 x 2.72 Headless pin
27 378 * 5/8 NC x 5 HHCS GR5
28 19025 * 5/8 NC Flange lock nut
29 35124 * 7/16 x 2 Klik pin

62 Parts
MAN0571 (Rev. 6/15/2007)
DS1260 / DS1440 / DSO1260 SPLITTER GEARBOX ASSEMBLY
NOTE: 1000 RPM GEARBOX SHOWN; GEAR (8)
AND GEAR (19) ARE REVERSED ON 540
RPM GEARBOX.
REF PART QTY DESCRIPTION
A 1002495 Complete 540 rpm
Gearbox assembly DS1260,
DS1440, DSO1260 -or-
A 1002496 Complete 1000 rpm
Gearbox assembly DS1260Q,
DS1440Q, DSO1260Q
1 1002489 1 Input shaft
2 39289 1 Oil seal, metric 50 x 90 x 10
3 NSS 1 Oil plug, 3/8
4 NSS 1 Gearbox housing
5 – – – – * 1 Cotter pin B 4 x 60
6 57329 1 Castle nut M40 x 1.5
7 1002492 1 Spacer
8 57446 1 Gear 22T M8 (540 rpm)
8 57447 1 Gear 16T M8 (1000 rpm)
10 – – – – * 8 M10 x 25 Hex head cap screw
REF PART QTY DESCRIPTION
11 1002493 1 Bearing, cup & cone
12 1002490 1 Housing, Gearbox input
13 39263 1 Bearing, cup & cone
14 1002491 1 Output shaft
15 57318 2 Oil seal 45 x 85 x 10
16 1002494 2 Snap ring 85 dia.
17 57471 2 Shim kit (as required)
18 39411 2 Bearing, cup and cone
19 57447 1 Gear 16T M8 (1000 rpm) -or-
19 57446 1 Gear 22T M8 (540 rpm)
20 57057 1 Dipstick / Plug
NSS Not Serviced Separately
* Standard hardware, obtain locally

Parts 63
MAN0571 (Rev. 6/15/2007)
DS1260 / DS1440 / DSO1260 SPINDLE GEARBOX ASSEMBLY
REF PART QTY DESCRIPTION
A 58806 Gearbox, Repair asy DS1260/DSO1260 -or-
A 1022228 Gearbox, Repair assembly DS1440
1 57316 1 Gear crown 23T M6.7 DS1260/DSO1260 -or-
1 1024781 1 Gear crown 23T M6.5 DS1440
2 NSS 1 Gearbox housing
3 57319 1 Input shaft 1-3/4 - 20
4 57356 1 Output shaft
5 57358 1 Gear pinion 17T M6.7 DS1260/DSO1260 -or-
5 1024782 1 Gear pinion 20T M6.5 DS1440
6 39263 2 Bearing, cup & cone
7 39411 2 Bearing, cup & cone
8 57338 1 Protective seal
9 – – – – * 1 Cotter pin B 4 x 50
10 57320 2 Snap ring 85 UNI7437
11 57321 1 Snap ring 50 UNI7435
12 57471 1 Shim 45.3 x 2.5 (57471 Kit)
13 57471 2 Shim 70.3 x 84.7 (57471 Kit)
14 57329 1 Castle nut M40 x 1.5
15 39323 1 Castle nut M30 x 2
16 57471 1 Shim 50.3 x 70.3 (57471 Kit)
17 57471 1 Shim 40.3 x 61.7 x 1 (57471 Kit)
18 39289 1 Oil seal 50 x 90 x 10
19 57318 1 Oil seal 45 x 85 x 10
20 57371 1 Cap
22 57372 1 Top cover
23 – – – – * 6 M8 x 16 GR8.8 HHCS
24 57057 1 Dipstick 1/2 x 6.18
25 64803 * 1 3/16 x 2 Cotter pin
26 1024670 1 1.22 x 2.21 x .236 Washer
NSS Not Serviced Separately
HHCS Hex head cap screw
* Standard hardware, obtain locally

64 Parts
MAN0571 (Rev. 6/15/2007)
DS1260 / DS1440 / DSO1260 FLEXIBLE COUPLER
REF PART QTY DESCRIPTION
1 1021390 Complete drive DS1260/DSO1260
-or-
1 1022179 Complete drive DS1440
2 ------- 1 Inner connector yoke
3 1008147 2 Outer connector yoke 1-3/4 20-spline
5 1008140 4 Rubber disc
6 1008141 48 Shaped washer
7 1008142 24 Bushing, .63 I.D.
8 1001042 12 M16 x 2.0 x 90 mm HHCS
9 1008146 12 M16 x 2.0 Lock nut
10 ------- * 1 Grease fitting
11 90016031 * 2 3/8 NC x 3/4 Square head set screw
* Standard hardware, obtain locally

Parts 65
MAN0571 (Rev. 6/15/2007)
DS1260 / DS1260Q & DS1440 / DS1440Q
FRONT EQUAL ANGLE DRIVE ASSEMBLY - PULL-TYPE
REF PART QTY DESCRIPTION
A 1004925 1 Complete 1000 RPM (20 Spline) -or-
A 1003480 1 Complete 1000 RPM (21 Spline) -or-
A 57282 1 Complete 540 RPM (6 Spline)
1 40563 1 Yoke 1-3/8 - 6 spline (540 RPM) -or-
1 40757 1 Yoke 1-3/8 - 21 spline (1000 RPM) -or-
1 1001525 1 Yoke 1-3/4 - 20 spline (1000 RPM)
2 40566 2 Cross & bearing
3 40751 2 Inboard yoke
4 40753 1 Outer profile
5 40765 2 Spring pin, 10 x 90
6 57299 1 Yoke, 1-1/2 - 23 spline I.C.
8 40727 1 Outer shield
9 40728 1 Inner shield
10 40766 2 Bearing ring SC25
REF PART QTY DESCRIPTION
11 40777 2 Anti-rotation chain
12 40778 2 Screw
13 18864 1 Danger decal, rotating driveline
14 33347 1 Danger decal, shield missing
15 19811 1 1/2 NC x 2 HHCS GR8
16 765 1 1/2 NC Lock nut
17 40758 1 Lock collar kit ASG
(540 RPM 6 spline 1-3/8) and
(1000 RPM 21 spline 1-3/8)
-or-
17 1003465 1 Lock collar kit ASG
(1000 RPM 20 spline 1-3/4)
HHCS Hex head cap screw

66 Parts
MAN0571 (Rev. 6/15/2007)
DS1260 / DS1260Q & DS1440 / DS1440Q
REAR EQUAL ANGLE DRIVE ASSEMBLY - PULL-TYPE
REF PART QTY DESCRIPTION
A 1004926 1 Complete rear drive assembly
1 57421 1 Friction clutch
2 40566 1 Cross & bearing
3 40765 1 Spring pin, 10 x 90
4 40750 1 Inboard yoke
5 40752 1 Inner profile
6 NSS 1 Outer profile, w/sleeve & stub
12 40766 2 Bearing ring SC25
13 40777 2 Anti-rotation chain
14 18864 1 Danger decal, rotating driveline
15 33347 1 Danger decal, shield missing
16 40778 2 Screw
17 40767 1 Support bearing
18 40779 1 Grease fitting
20 1004930 1 Outer guard half
REF PART QTY DESCRIPTION
21 1004931 1 Inner guard half
31 57441 1 Flange yoke
32 57432 4 Friction disc
33 57442 1 Hub 1-3/4 - 20 spline
34 57443 1 Drive plate
35 57256 1 Drive plate - SN
36 57257 1 Thrust plate
37 57263 6 M12 x 115 mm HHCS
38 57258 6 Spring, compression
39 57265 6 Flat washer, 24 x 13 x 2.5 mm
40 57264 6 M12 Hex lock nut
41 57262 2 M12 x 65mm HHCS
42 57261 2 M12 Hex lock nut
44 1004928 1 Female drive half, complete
NSS Not Serviced Separately
HHCS Hex Head Cap Screw

Parts 67
MAN0571 (Rev. 6/15/2007)
TYPE A - 540 RPM FRONT CV DRIVE ASSEMBLY
- WEASLER SPLINE PROFILE
(SEE PAGE 69 FOR STAR PROFILE)
REF PART QTY DESCRIPTION
A 1024175 1 Weasler 540 rpm front CV drive
complete
1 19851 1 Slide lock repair kit, 1.38 ID
2 58774 1 Yoke, QD CV 1.375-6
3 58759 2 U-Joint repair kit, Cat 6 CV 55E
4 58760 1 CV Body with fitting
5 1019642 1 Yoke & shaft - CV splined 30.4
6 1009065 2 Drive shield bearing kit
7 18864 1 Danger decal - rotating driveline(N/S)
8 1019641 1 Outer shield, CV
9 1021315 1 Inner shield, CV
10 33347 1 Danger decal - shield missing(N/S)
11 1021316 1 Yoke, tube & sleeve,
55R x 36.4 x 1.69-20
12 58765 1 U-Joint cross & bearing kit 55E
13 1007869 1 Yoke, 55R x 4.50 x SP 1.5-23
14 765 1 1/2 NC Lock nut
15 3699 1 1/2 NC x 2 HHCS GR5
N/S Not Shown
HHCS Hex head cap screw
(Rev. 10/15/2010)

68 Parts
MAN0571 (Rev. 6/15/2007)
TYPE B - 540 RPM FRONT CV DRIVE ASSEMBLY
- WEASLER SPLINE PROFILE
(SEE PAGE 69 FOR STAR PROFILE)
REF PART QTY DESCRIPTION
A 1024175 1 Weasler 540 rpm front CV drive
complete
1 19851 1 Slide lock repair kit, 1.38 ID
2 1033103 1 Yoke, QD CV 1.375-6
3 1033107 2 U-Joint repair kit, Cat 6 CV 55E
4 1033106 1 CV Body with fitting
5 1033114 1 Yoke & shaft - CV splined 30.4
6 1009065 2 Drive shield bearing kit
7 18864 1 Danger decal - rotating driveline (N/S)
8 1019641 1 Outer shield, CV
9 1021315 1 Inner shield, CV
10 33347 1 Danger decal - shield missing (NS)
11 1021316 1 Yoke, tube & sleeve,
55R x 36.4 x 1.69-20
12 58765 1 U-Joint cross & bearing kit 55E
13 1007869 1 Yoke, 55R x 4.50 x SP 1.5-23
14 765 1 1/2 NC Lock nut
15 3699 1 1/2 NC x 2 HHCS GR5
N/S Not Shown
HHCS Hex head cap screw
(Rev. 10/15/2010)

Parts 69
MAN0571 (Rev. 6/15/2007)
540 RPM FRONT CV DRIVE ASSEMBLY
- WALTERSCHEID STAR PROFILE
(SEE PAGE 67 OR 68 FOR SPLINE PROFILE)
REF PART QTY DESCRIPTION
A 1005797 1 Complete CV drive asy (540 rpm)
1 57293 1 Yoke 1-3/8, 6-spline (540 rpm)
2 57294 1 Double yoke
4 1004967 1 Inboard yoke
5 57296 2 Cross & bearing
6 40765 2 Spring pin 10 x 90
7 1004968 1 Inner profile (540 rpm)
8 1010841 1 Outer profile (540 rpm)
9 40751 1 Inboard yoke
10 57299 1 Yoke 1-1/2, 23-spline
11 40566 1 Cross & bearing
12 40766 2 Bearing ring SC25
13 40779 1 Grease fitting
15 1003450 1 Cone & bearing asy
18 40778 2 Screw (package of 10)
REF PART QTY DESCRIPTION
19 40767 1 Support bearing
20 40777 2 Anti-rotation chain
21 18864 1 Decal, danger rotating driveline
22 33347 1 Decal, danger guard missing
23 1001042 1 M16 x 2.0P x 90 mm HHCS 8.8
24 1005522 1 M16 x 2.0P Hex lock nut
25 40758 1 Slide lock collar repair kit
26 1004970 1 Outer guard half (540 rpm)
27 1004971 1 Inner guard half (540 rpm)
28 NSS 1 Shaft assembly, male
(complete w/guard) (540 rpm)
29 1010840 1 Shaft assembly, female
(complete w/guard) (540 rpm)
NSS Not serviced separately
HHCS Hex head cap screw

70 Parts
MAN0571 (Rev. 6/15/2007)
TYPE A - 1000 RPM FRONT CV DRIVE ASSEMBLY
- WEASLER SPLINE PROFILE
(SEE PAGE 72 FOR WALTERSCHEID PROFILE)
1000 RPM 1-3/8 21-SPLINED 1000 RPM 1-3/4 20-SPLINED
REF PART QTY DESCRIPTION
A 1021102 1 Weasler 1000 RPM CV drive assem-
bly complete, 21-spline
1 19851 1 Slide lock repair kit, 1.38 ID
2 58770 1 Yoke, QD CV 1.375-21
3 58759 2 U-Joint repair kit, 55E Cat 6 CV
4 58760 1 CV Body with fitting
5 1021305 1 Yoke & shaft, CV splined 32.3
6 1009065 2 Drive shield bearing kit
7 18864 1 Danger decal - Rotating
driveline (N/S)
8 1021306 1 CV Outer shield
9 1021319 1 CV Inner shield
10 33347 1 Danger decal - Shield missing (N/S)
11 1021320 1 Yoke, tube & sleeve, 55R x 38.4 x
1.69-20
12 58765 1 U-Joint cross & bearing kit 55E
13 1007869 1 Yoke, 55R x 1.50 x SP 1.5-23
14 765 1 1/2 NC Lock nut
15 3699 1 1/2 NC x 2 Hex head cap screw GR5
N/S Not Shown
REF PART QTY DESCRIPTION
A 1021101 1 Weasler 1000 RPM CV drive assem-
bly complete, 20-spline
1 19837 1 Slide lock repair kit, 1.75 ID
2 58758 1 Yoke, QD CV 1.75-20
3 58759 2 U-Joint repair kit, 55E Cat 6 CV
4 58760 1 CV Body with fitting
5 1021305 1 Yoke & shaft, CV splined 32.3
6 1009065 2 Drive shield bearing kit
7 18864 1 Danger decal - Rotating
driveline (N/S)
8 1021306 1 CV Outer shield
9 1021307 1 CV Inner shield
10 33347 1 Danger decal - Shield missing (N/S)
11 1021308 1 Yoke, tube & sleeve, 55R x 42.5 x
1.69-20
12 58765 1 U-Joint cross & bearing kit 55E
13 1007869 1 Yoke, 55R x 1.50 x SP 1.5-23
14 765 1 1/2 NC Lock nut
15 3699 1 1/2 NC x 2 Hex head cap screw GR5
N/S Not Shown
(Rev. 10/15/2010)

Parts 71
MAN0571 (Rev. 6/15/2007)
TYPE B - 1000 RPM FRONT CV DRIVE ASSEMBLY
- WEASLER SPLINE PROFILE
(SEE PAGE 72 FOR WALTERSCHEID PROFILE)
1000 RPM 1-3/8 21-SPLINED 1000 RPM 1-3/4 20-SPLINE
REF PART QTY DESCRIPTION
A 1021102 1 Weasler 1000 RPM CV drive assem-
bly complete, 21-spline
1 19851 1 Slide lock repair kit, 1.38 ID
2 1033104 1 Yoke, QD CV 1.375-21
3 1033107 2 U-Joint repair kit, 55E Cat 6 CV
4 1033106 1 CV Body with fitting
5 1033110 1 Yoke & shaft, CV splined 32.3
6 1009065 2 Drive shield bearing kit
7 18864 1 Danger decal - Rotating
driveline (N/S)
8 1021306 1 CV Outer shield
9 1021319 1 CV Inner shield
10 33347 1 Danger decal - Shield missing (N/S)
11 1021320 1 Yoke, tube & sleeve, 55R x 38.4 x
1.69-20
12 58765 1 U-Joint cross & bearing kit 55E
13 1007869 1 Yoke, 55R x 1.50 x SP 1.5-23
14 765 1 1/2 NC Lock nut
15 3699 1 1/2 NC x 2 Hex head cap screw GR5
N/S Not Shown
REF PART QTY DESCRIPTION
A 1021101 1 Weasler 1000 RPM CV drive assem-
bly complete, 20-spline
1 19837 1 Slide lock repair kit, 1.75 ID
2 1033105 1 Yoke, QD CV 1.75-20
3 1033107 2 U-Joint repair kit, 55E Cat 6 CV
4 1033106 1 CV Body with fitting
5 1033110 1 Yoke & shaft, CV splined 32.3
6 1009065 2 Drive shield bearing kit
7 18864 1 Danger decal - Rotating
driveline (N/S)
8 1021306 1 CV Outer shield
9 1021307 1 CV Inner shield
10 33347 1 Danger decal - Shield missing (N/S)
11 1021308 1 Yoke, tube & sleeve, 55R x 42.5 x
1.69-20
12 58765 1 U-Joint cross & bearing kit 55E
13 1007869 1 Yoke, 55R x 1.50 x SP 1.5-23
14 765 1 1/2 NC Lock nut
15 3699 1 1/2 NC x 2 Hex head cap screw GR5
N/S Not Shown
(Rev. 10/15/2010)

72 Parts
MAN0571 (Rev. 6/15/2007)
1000 RPM FRONT CV DRIVE ASSEMBLY
- WALTERSCHEID SPLINE PROFILE
(SEE PAGE 70 OR 71 FOR WEASLER PROFILE)
REF PART QTY DESCRIPTION
1 1003459 1 Yoke 1-3/8 - 21 spline -or-
1 1003463 1 Yoke 1-3/4 - 20 spline
2 57294 1 Double yoke
4 57295 1 Yoke
5 57296 2 Cross & bearing kit
6 40765 1 Spring pin
7 57297 1 Splined shaft
8 1003460 1 Shaft, female
10 57299 1 Yoke 1-1/2 - 23 spline
11 40566 1 Cross & bearing kit
12 40766 2 Bearing ring
15 1003450 1 Cone & bearing assembly
REF PART QTY DESCRIPTION
18 40778 3 Screw
19 40767 1 Support bearing
20 40777 1 Safety chain
21 18864 1 Danger decal - Rotating driveline
22 33347 1 Danger decal - Shield missing
23 19811 1 1/2 NC x 2 HHCS GR8
24 765 1 1/2 NC Lock nut
25 40758 1 Repair kit
26 1003451 1 Shield half, male
27 1003461 1 Shield half, female
28 1003457 1 Drive half, male
29 1003458 1 Drive half, female
HHCS Hex head cap screw

Parts 73
MAN0571 (Rev. 6/15/2007)
REAR FIXED-LENGTH DRIVE FOR
CONSTANT VELOCITY DRIVE
REF PART QTY DESCRIPTION
A 1022221 1 Drive assembly complete - DS1260 -
or-
A 1022222 1 Drive assembly complete - DS1440
1 1024775 1 Drive without shield - DS1260 -or-
1 1024777 1 Drive without shield - DS1440
3 40566 1 Cross & bearing kit
6 57421 1 Friction clutch
9 40766 1 Bearing ring
11 40767 1 Support bearing
12 18864 1 Danger decal - Rotating driveline
13 33347 1 Danger decal - Shield missing
14 40778 1 Screw
15 1024776 1 Shield - DS1260 -or-
15 1024778 1 Shield - DS1440
16 57441 1 Flange yoke
17 57432 4 Friction disc
18 57442 1 Hub, 1-3/4 - 20 I.C. - SN
19 57443 1 Drive plate
20 57256 1 Drive plate - SN
21 57257 1 Thrust plate
22 57263 6 M12 x 115 mm HHCS
23 57258 6 Spring, compression
24 57265 6 Flat washer, 24 x 13 x 2.5 mm
25 57264 6 M12 Hex nut
26 57262 2 M12 x 65 mm HHCS
27 57261 2 M12 Hex nut
HHCS Hex head cap screw

74 Parts
MAN0571 (Rev. 6/15/2007)
DS1260 (Q) / DS1440 (Q) / DSO1260 (Q)
SLIP CLUTCH DRIVE ASSEMBLY - MOUNTED
REF PART QTY DESCRIPTION
A 57419 1 Complete 540 RPM drive assembly -
DS1260 -or-
A 57290 1 Complete 1000 RPM drive assembly -
DS1260Q -or-
A 57422 1 Complete 540 RPM drive assembly -
DS1440, DSO1260 -or-
A 57425 1 Complete 1000 RPM drive assembly -
DS1440Q, DSO1260Q
1 40563 1 Yoke, 1-3/8 - 6 Spline ASG - DS1260,
DSO1260, DS1440 -or-
1 40757 1 Yoke, 1-3/8 - 21 Spline AS - DS1260Q,
DSO1260Q, DS1440Q -or-
1 1001525 1 Yoke, 1-3/4 - 20 Spline AS
2 40566 2 Cross and bearing
3 40765 2 Spring pin 10 X 90
4 40750 1 Inboard yoke S4
5 40752 1 Inner profile S4
6 44676 1 Outer profile & sleeve S5
7 40751 1 Inboard yoke S5
8 57421 1 Friction clutch, 1-3/4, 20-spline
12 40766 2 Bearing ring SC25
13 40777 2 Anti-rotation chain
14 18864 1 Decal, Danger Rotating driveline
15 33347 1 Decal, Danger guard missing
16 40778 2 Screw
17 40767 1 Support bearing
18 40779 1 Grease fitting
REF PART QTY DESCRIPTION
20 40758 1 Slide lock collar repair kit
21 40727 1 Outer guard half
22 57273 1 Inner guard half - DS1260 (Q)
22 57271 1 Inner guard half - DS1440 (Q),
DSO1260 (Q)
23 40754 1 Male drive half, Complete (540 rpm) -
DS1260 -or-
23 1003455 1 Male drive half, Complete (1000 rpm) -
DS1260Q -or-
23 57423 1 Male drive half, Complete (540 rpm) -
DS1440, DSO1260 -or-
23 57426 1 Male drive half, Complete (1000 rpm) -
DS1440Q, DSO1260Q
31 57441 1 Flange yoke
32 57432 4 Friction disc
33 57442 1 Hub 1-3/4 - 20 I.C. -SN
34 57443 1 Drive plate
35 57256 1 Drive plate - SN
36 57257 1 Thrust plate
37 57263 6 M12 x 115 mm HHCS
38 57258 6 Spring, compression
39 57265 6 Flat washer, 24 x 13 x 2.5 mm
40 57264 6 M12 Hex lock nut
41 57262 2 M12 x 65 mm HHCS
42 57261 2 M12 Hex lock nut
HHCS Hex Head Cap Screw

Parts 75
MAN0571 (Rev. 6/15/2007)
WHEEL & TIRE ASSEMBLY
REF PART QTY DESCRIPTION
1 1017050 1 Heavy hub assembly
(includes items 1 through 15)
2 1017034 1 Heavy wheel hub with cups
(includes items 6, 7, 14)
3 1017033 1 Axle
4 1017027 1 Seal
5 1017028 1 Bearing cone
6 1017036 1 Bearing cup
7 1017037 1 Bearing cup
8 1017029 1 Bearing cone
9 1017031 1 Washer
10 1017032 1 Castle nut
11 1017035 1 Hub cap
12 1017038 5 Stud
13 1017069 1 Cotter pin
14 1017067 1 Grease fitting
15 35317 5 Nut, lug 1/2 NF
16 1017088 1 15" Rim for pneumatic tire - 5 bolt -or-
16 1017040 1 6.00 x 9 Solid tire,
rim & hardware - 5 bolt -or-
16 1017080 1 22 x 6.6 x 10 Aircraft tire,
rim & hardware - 5 bolt -or-
REF PART QTY DESCRIPTION
16 1017080F 1 22 x 6.6 x 10 Aircraft tire, rim &
hardware, foam filled - 5 bolt -or-
16 1017030 1 29 x 9 x 15 Aircraft tire,
rim & hardware - 5 bolt
17 1017081 1 10.0 x 5.5 Rim half
(for 22" aircraft wheel only) -or-
17 1017026 1 15.0 x 6.0 Rim half
(for 29" aircraft wheel only)
18 1017082 1 10.0 x 5.5 Rim half w/ valve hole
(for 22" aircraft wheel only) -or-
18 1017025 1 15.0 x 6.0 Rim half w/ valve hole
(for 29" aircraft wheel only)
19 6100 * 1/2 NC x 1-1/4 HHCS GR5
20 765 * 1/2 NC Locknut
21 19887 * 3/8 NC x 1 HHCS GR8
22 838 * 3/8 Standard lock washer
23 835 * 3/8 NC Hex nut
- 1015834 1 22 x 6.6 x 10 Inner tube
(for 22" aircraft wheel only)
- 1015833 1 29 x 9 x 15 Inner tube
(for 29" aircraft wheel only)
- 1017042 2 Rim half for 6 x 9 solid tire
HHCS Hex head cap screw
* Standard hardware, obtain locally

76 Parts
MAN0571 (Rev. 6/15/2007)
MDS1260 / MDS1440 MOUNTED TAILWHEEL ASSEMBLY
REF PART QTY DESCRIPTION
1 1009185 2 Tailwheel arm
2 15580 2 Tailwheel clevis
3 12577 2 4 x 8 Rim & laminated tire
4 15591 2 Wheel hub with cups (includes two of item 6)
5 15277 2 Wheel hub assembly (includes two of items 6, 7, 8)
6 309 4 Bearing cup
7 310 4 Bearing cone
8 314 4 Seal for 1-1/2 shaft
9 15574 2 Sleeve, 1.25 x 1.50 x .903
10 15575 2 Sleeve, 1.25 x 1.50 x 1.86
11 15573 2 Sleeve, 1.00 x 1.25 x 5.81
12 15087 4 1 NC x 9 HHCS GR5
13 1386 4 1 NC Jam nut
14 34279 4 1 NC Lock nut
15 855 * 8 1/2 Standard lock washer
16 4119 * 8 1/2 NF x 1 HHCS GR5
17 4674 2 3/8 x 2 Spirol pin
18 2370 4 Washer, 1.62 x 3 x .18
19 12296 * 2 1/4-28 Straight grease fitting
20 12889 2 3/32 x 1-9/16 OD O-Ring
21 12881 2 Cap washer
HHCS Hex head cap screw
* Standard hardware, obtain locally

Parts 77
MAN0571 (Rev. 6/15/2007)
DSO1260 / SMDS1260 / SMDS1440 SEMI-MOUNTED TAILWHEEL ASSEMBLY
REF PART QTY DESCRIPTION
1 25620 1 Caster yoke
2 19459 1 4 x 6.15 Friction disc
3 15076 1 Caster arm (includes items 6 & 7)
4 12881 1 Tailwheel cap washer
5 12889 1 3/32 x 1-9/16 OD O-Ring
6 11011 2 1-1/2 x 1-5/8 x 1-1/2 Bronze bushing
7 12296 * 2 1/4-28 Straight grease fitting 15/32L
8 4674 1 3/8 x 2 Spirol pin
9 4984 1 Heavy hub with long axle
10 530 1 Heavy wheel hub with cups
11 6271 1 Long axle assembly for heavy hub
12 314 1 Seal for 1-1/2 shaft
13 310 2 Bearing cone
14 309 2 Bearing cup
15 531 1 Hub cap
16 7428 1 6.00 x 9 Solid tire & rim, 21 OD
17 7431 1 Wheel rim & hardware
18 7430 1 Rim half for 6.00 x 9 tire
19 NSS 1 6.00 x 9 Tire
20 1256 * 3/16 x 1 Cotter pin
21 1972 * 1/4-28 Tapered thread grease fitting
22 838 * 3/8 Standard lock washer
23 835 * 3/8 NC Hex nut, plated
24 19887 3/8 NC x 1 HHCS GR8
25 855 * 1/2 Standard lock washer
26 4119 * 1/2 NF x 1 HHCS GR5
27 1257 * 3/4 Standard flat washer
28 5849 3/4 NF Slotted hex nut
29 3689 1" Standard lock washer
30 3626 1-14 UNS Hex nut
NSS Not Serviced Separately
HHCS Hex head cap screw
* Standard hardware, obtain locally

78 Parts
MAN0571 (Rev. 6/15/2007)
DS1260 / DS1440 BELT SHIELDING (STANDARD)
DS1260/DSO1260 DS1440
REF PART QTY DESCRIPTION
1 1021386 2 Front belt bracket
2 1021387 2 Front rubber deflector
3 1021388 1 Rear band
9 20973 * 22 3/8 NC x 1-1/4 Carriage bolt GR5
10 14350 * 22 3/8 NC Flange lock nut
* Standard hardware, obtain locally
REF PART QTY DESCRIPTION
4 1022193 1 Left front belt bracket
5 1022194 1 Right front belt bracket
6 1022195 1 Center front belt bracket
7 1022196 2 Front rubber deflector
8 1022197 2 Rear band
9 20973 * 22 3/8 NC x 1-1/4 Carriage bolt GR5
10 14350 * 22 3/8 NC Flange lock nut
* Standard hardware, obtain locally
(Rev. 7/9/2010)

Parts 79
MAN0571 (Rev. 6/15/2007)
DS1260 / DS1440 CHAIN SHIELDING (OPTIONAL)
DS1260/DSO1260 DS1440
REF PART QTY DESCRIPTION
1 1021381 2 Front chain shield bracket
2 1021384 1 Rear chain shield bracket
7 1007856 3 Pin, 52 to 54 chain
9 5498 163 5/16 Chain, 6-link
10 20973 * 20 3/8 NC x 1-1/4 Carriage bolt GR5
11 14350 * 20 3/8 NC Flange lock nut
* Standard hardware, obtain locally
REF PART QTY DESCRIPTION
3 1022186 1 Left front chain shield bracket
4 1022187 1 Right front chain shield bracket
5 1022188 1 Center front chain shield bracket
6 1022191 2 Rear chain shield bracket
8 1007851 4 Pin, 34 to 36 chain
9 5498 190 5/16 Chain, 6-link
10 20973 * 24 3/8 NC x 1-1/4 Carriage bolt GR5
11 14350 * 24 3/8 NC Flange lock nut
12 1007855 1 Pin, 49 to 51-chain
* Standard hardware, obtain locally
(Rev. 11/6/2009)

80 Parts
MAN0571 (Rev. 6/15/2007)
3-1/2 x 8" STROKE HYDRAULIC CYLINDER (OPTIONAL)
REF PART QTY DESCRIPTION
1 10475 Hydraulic cylinder complete, single
acting (for pull-type & semi-mounted)
-or-
1 18725 Hydraulic cylinder complete, double
acting (for mounted unit only)
2 23540 Seal repair kit
(includes items 2A - 2D)
2A – – – – † 1-1/4 ID Wiper seal
2B – – – – † 1-1/4 ID O-Ring
2C – – – – † 3/16 x 3-1/2 OD O-Ring
2D – – – – † 3-1/2 OD Back-up washer
3 23544 1 Piston
4 23549 1 Cylinder rod clevis
5 23551 1 Cylinder rod
6NSS4Tie rod
7 NSS 1 Cylinder barrel
REF PART QTY DESCRIPTION
8 23543 1 Rod end housing, 1-1/4 bore
9 23546 1 Cylinder butt end
15 923 * 1/4 x 1-3/4 Cotter pin
16 6698 * 3/8 NC Hex lock nut
17 23550 3/8 NC x 1-1/2 Socket head cap
screw
18 1093 * 1/2 NC Heavy hex nut
19 11893 1/2 x 1/4 Pipe reducer bushing
20 – – – – * 1/2 Pipe plug
21 11975 1/2 NPT Vent plug
22 25496 1-14 UNS Jam nut
23 1631 1 x 3-5/8 Clevis pin
* Standard hardware, obtain locally
NSS Not Serviced Separately
† Included in seal kit

Parts 81
MAN0571 (Rev. 6/15/2007)
HYDRAULIC CYLINDER STROKE CONTROL KIT (OPTIONAL)
CROSSBAR PULLER (OPTIONAL)
REF PART QTY DESCRIPTION
1 24098 1 Stroke control set for 1-1/4" cylin-
der rod (contains items 2 - 5)
2 – – – – 2 1-1/2" Segment
3 – – – – 1 1-1/4" Segment
4 – – – – 1 1" Segment
5 – – – – 1 3/4" Segment
REF PART QTY DESCRIPTION
A 8811 1 Crossbar puller, complete
1 19914 2 Crossbar puller clevis
2 3097 * 4 5/8 NC x 4-1/2 HHCS GR5
3 230 * 4 5/8 NC Hex nut
4 24879 1 Crossbar puller pad assembly
REF PART QTY DESCRIPTION
5 24876 1 Crossbar puller tube assembly
6 24881 1 Crossbar puller screw assembly
7 24885 4 Crossbar puller link
* Standard hardware, obtain locally
HHCS Hex head cap screw

82 Appendix
Bolt Torque & Size Charts (Rev. 3/28/2007)
BOLT TORQUE CHART
Always tighten hardware to these values unless a different torque value or tightening procedure is listed for a specific
application.
Fasteners must always be replaced with the same grade as specified in the manual parts list.
Always use the proper tool for tightening hardware: SAE for SAE hardware and Metric for metric hardware.
Make sure fastener threads are clean and you start thread engagement properly.
All torque values are given to specifications used on hardware defined by SAE J1701 MAR 99 & J1701M JUL 96.
Diameter
(Inches)
Wrench
Size
MARKING ON HEAD
SAE 2 SAE 5 SAE 8
lbs-ft N-m lbs-ft N-m lbs-ft N-m
1/4" 7/16" 6 8 10 13 14 18
5/16"1/2"121719262737
3/8"9/16"233135474967
7/16"5/8"3648557578106
1/2" 3/4" 55 75 85 115 120 163
9/16" 13/16" 78 106 121 164 171 232
5/8" 15/16" 110 149 170 230 240 325
3/4" 1-1/8" 192 261 297 403 420 569
7/8" 1-5/16" 306 416 474 642 669 907
1" 1-1/2" 467 634 722 979 1020 1383
Diameter &
Thread Pitch
(Millimeters)
Wrench
Size
Coarse Thread Fine Thread
Diameter &
Thread Pitch
(Millimeters)
Marking on Head Marking on Head
Metric 8.8 Metric 10.9 Metric 8.8 Metric 10.9
N-m lbs-ft N-m lbs-ft N-m lbs-ft N-m lbs-ft
6 x 1.0 10 mm 8 6 11 8 8 6 11 8 6 x 1.0
8 x 1.25 13 mm 20 15 27 20 21 16 29 22 8 x 1.0
10 x 1.5 16 mm 39 29 54 40 41 30 57 42 10 x 1.25
12 x 1.75 18 mm 68 50 94 70 75 55 103 76 12 x 1.25
14 x 2.0 21 mm 109 80 151 111 118 87 163 120 14 x 1.5
16 x 2.0 24 mm 169 125 234 173 181 133 250 184 16 x 1.5
18 x 2.5 27 mm 234 172 323 239 263 194 363 268 18 x 1.5
20 x 2.5 30 mm 330 244 457 337 367 270 507 374 20 x 1.5
22 x 2.5 34 mm 451 332 623 460 495 365 684 505 22 x 1.5
24 x 3.0 36 mm 571 421 790 583 623 459 861 635 24 x 2.0
30 x 3.0 46 mm 1175 867 1626 1199 1258 928 1740 1283 30 x 2.0
A
SAE SERIES
TORQUE
CHART
SAE Bolt Head
Identification
SAE Grade 2
(No Dashes)
SAE Grade 5
(3 Radial Dashes)
SAE Grade 8
(6 Radial Dashes)
A
METRIC SERIES
TORQUE
CHART
Metric Bolt Head
Identification
8.8
Metric
Grade 10.9
10.9
Metric
Grade 8.8
A
A
A
Typical Washer
Installations
Lock Washer
Flat Washer
8/9/00
Bolt

Appendix 83
Bolt Torque & Size Charts (Rev. 3/28/2007)
BOLT SIZE CHART
NOTE: Chart shows bolt thread sizes and corresponding head (wrench) sizes for standard SAE and metric bolts.
ABBREVIATIONS
AG .............................................................. Agriculture
ASABE.................... American Society of Agricultural &
Biological Engineers (formerly ASAE)
ASAE ....... American Society of Agricultural Engineers
ATF ............................... Automatic Transmission Fluid
BSPP .............................British Standard Pipe Parallel
BSPTM ................ British Standard Pipe Tapered Male
CV.....................................................Constant Velocity
CCW .............................................. Counter-Clockwise
CW............................................................... Clockwise
F ...................................................................... Female
FT .............................................................. Full Thread
GA .................................................................... Gauge
GR (5, etc.) ........................................... Grade (5, etc.)
HHCS ........................................Hex Head Cap Screw
HT........................................................... Heat-Treated
JIC .................Joint Industry Council 37° Degree Flare
LH .................................................................Left Hand
LT........................................................................... Left
m......................................................................... Meter
mm................................................................Millimeter
M.......................................................................... Male
MPa......................................................... Mega Pascal
N.......................................................................Newton
NC ......................................................National Coarse
NF ...........................................................National Fine
NPSM.....................National Pipe Straight Mechanical
NPT .......................................... National Pipe Tapered
NPT SWF .........National Pipe Tapered Swivel Female
ORBM .......................................... O-Ring Boss - Male
P...........................................................................Pitch
PBY ...................................................... Power-Beyond
psi..........................................Pounds per Square Inch
PTO ..................................................... Power Take Off
QD....................................................Quick Disconnect
RH ..............................................................Right Hand
ROPS ........................... Roll-Over Protective Structure
RPM ........................................Revolutions Per Minute
RT ....................................................................... Right
SAE ..........................Society of Automotive Engineers
UNC .....................................................Unified Coarse
UNF...........................................................Unified Fine
UNS......................................................Unified Special
5/16 3/81/2 5/83/4 7/8
SAE Bolt Thread Sizes
MM 25 50 75 100 125 150 175
IN 1 7
Metric Bolt Thread Sizes
8MM 18MM14MM12MM10MM 16MM
234 56

84 Index
MAN0571 (Rev. 6/15/2007)
INDEX
A
ASSEMBLY
Dealer Set-Up Instructions
DS1260 & DS1440 All Models 49
DS1260 & DS1440 Mounted or Semi-Mounted Cut-
ter 44
DS1260 & DS1440 Pull-Type Cutter 38
DSO1260 Cutter 47
Dealer Set-up Instructions 38
D
DEALER CHECK LISTS
Delivery (Dealer’s Responsibility) 52
Pre-Delivery (Dealer’s Responsibility) 52
DEALER SERVICE
Crossbar
Installation 35
Removal 34
Timing 35
Gearbox Maintenance 29
Horizontal Shaft Seal Repair 30
Seal Installation 29
Seal Replacement 29
Vertical Shaft Seal Repair (Spindle Gearbox) 29
Side Drive Service 33
Spindle Gearbox Repair
Assembly 30
Disassembly 30
Installation 31
Removal 30
Splitter Gearbox Repair
Assembly 33
Disassembly 32
Installation 33
Removal 32
Universal Joint
Assembly 37
Disassembly 36
Repair 36
G
GENERAL
Abbreviations 83
Bolt Size Chart 83
Bolt Torque Chart 82
General Information 4
Introduction 2
Obtaining Replacement Manuals 2
Product Registration 2
Specifications 4
Table of Contents 3
Warranty
Product 77
Replacement Parts 73
O
OPERATION
Attitude Adjustment (Pull-Type) 18
Normal Mowing 18
Shredding 18
Blade Selection 18
Connect Cutter to Tractor
Mounted & Semi-Mounted 15
Category 2 & 3 Quick Hitches 16
Category 2 Standard Hitch 15
Category 3 Standard Hitch 16
Tractor Adjustments 15
Pull-Type 14
Hydraulic Connection 15
Interference Check 15
Turning Limits for Optional CV Driveline 15
Cutting Height Adjustment 17
Mounted & Semi-Mounted 17
Pull-Type 17
Driveline Adjustment (Mounted) 16
Shorten Driveline 16
Driveline Adjustment (Pull-Type) 18
Driveline Attachment
Mounted & Semi-Mounted
Driveline Interference Check 17
Operating Technique 18
Cutter Operation 19
Mowing Tips 19
Pre-Operation Check List (Owner’s Responsibility) 20
Recommended Speed 14
Storage 19
Tractor Operation 18
Transporting 19
Wheel Spacing 18
OWNER SERVICE
Blade Servicing 23
Installation 23
Removal 23
Sharpening 23
Blocking Method 21
Cleaning 26
Flexible Coupler Rubber Disk Replacement 25
Jackstand Placement Diagram 22
Lubrication 21
Driveline 21
Gearbox 21
Lubrication Points Diagram 22
Service Tires Safely 25
Shielding Repair
Optional Chain Shielding 24
Rubber Shielding 24
Slip Clutch Adjustment 24
P
PARTS
Index to Parts Lists 53
S
SAFETY
Blocking Method 21
Check Lists
Delivery (Dealer’s Responsibility) 52
Pre-Delivery (Dealer’s Responsibility) 52
Pre-Operation (Owner’s Responsibility) 20
Free Mower Safety Video Order Form 5, 6
Safety & Instructional Decals 11, 12, 13
Safety Rules 7, 8, 9, 10
Safety Symbols Explained 2
T
TROUBLESHOOTING
Problems & Solutions 27

F-3079 (Rev. 9/16/2010)
Woods Equipment
Company
2606 South Illinois Route 2
Post Office Box 1000
Oregon, Illinois 61061 USA
800-319-6637 tel
800-399-6637 fax
www.WoodsEquipment.com
WARRANTY
All Models Except Mow’n MachineTM Zero-Turn Mowers
Please Enter Information Below and Save for Future Reference.
Date Purchased: ____________________________ From (Dealer): __________________________________________
Model Number: ____________________________ Serial Number: __________________________________________
Woods Equipment Company (“WOODS”) warrants this product to be free from defect in material and workmanship. Except as otherwise set forth
below, the duration of this Warranty shall be for TWELVE (12) MONTHS COMMENCING ON THE DATE OF DELIVERY OF THE
PRODUCT TO THE ORIGINAL PURCHASER.
All current model loaders and backhoes are warranted for two (2) years from the date of delivery to the original purchaser.
The warranty periods for specific parts or conditions are listed below:
Under no circumstances will this Warranty apply in the event that the product, in the good faith opinion of WOODS, has been subjected to
improper operation, improper maintenance, misuse, or an accident. This Warranty does not apply in the event that the product has been materially
modified or repaired by someone other than WOODS, a WOODS authorized dealer or distributor, and/or a WOODS authorized service center.
This Warranty does not cover normal wear or tear, or normal maintenance items. This Warranty also does not cover repairs made with parts other
than those obtainable through WOODS.
This Warranty is extended solely to the original purchaser of the product. Should the original purchaser sell or otherwise transfer this product to a
third party, this Warranty does not transfer to the third party purchaser in any way. There are no third party beneficiaries of this Warranty.
WOODS makes no warranty, express or implied, with respect to engines, batteries, tires or other parts or accessories not manufactured by
WOODS. Warranties for these items, if any, are provided separately by their respective manufacturers.
WOODS’ obligation under this Warranty is limited to, at WOODS’ option, the repair or replacement, free of charge, of the product if WOODS, in
its sole discretion, deems it to be defective or in noncompliance with this Warranty. The product must be returned to WOODS with proof of
purchase within thirty (30) days after such defect or noncompliance is discovered or should have been discovered, routed through the
dealer and distributor from whom the purchase was made, transportation charges prepaid. WOODS shall complete such repair or
replacement within a reasonable time after WOODS receives the product. THERE ARE NO OTHER REMEDIES UNDER THIS WARRANTY.
THE REMEDY OF REPAIR OR REPLACEMENT IS THE SOLE AND EXCLUSIVE REMEDY UNDER THIS WARRANTY.
THERE ARE NO WARRANTIES WHICH EXTEND BEYOND THE DESCRIPTION ON THE FACE OF THIS WARRANTY. WOODS
MAKES NO OTHER WARRANTY, EXPRESS OR IMPLIED, AND WOODS SPECIFICALLY DISCLAIMS ANY IMPLIED WARRANTY
OF MERCHANTABILITY AND/OR ANY IMPLIED WARRANTY OF FITNESS FOR A PARTICULAR PURPOSE.
WOODS shall not be liable for any incidental or consequential losses, damages or expenses, arising directly or indirectly from the
product, whether such claim is based upon breach of contract, breach of warranty, negligence, strict liability in tort or any other legal
theory. Without limiting the generality of the foregoing, Woods specifically disclaims any damages relating to (i) lost profits, business, revenues
or goodwill; (ii) loss of crops; (iii) loss because of delay in harvesting; (iv) any expense or loss incurred for labor, supplies, substitute machinery or
rental; or (v) any other type of damage to property or economic loss.
This Warranty is subject to any existing conditions of supply which may directly affect WOODS’ ability to obtain materials or manufacture
replacement parts.
No agent, representative, dealer, distributor, serviceperson, salesperson, or employee of any company, including without limitation, WOODS, its
authorized dealers, distributors, and service centers, is authorized to alter, modify, or enlarge this Warranty. Answers to any
questions regarding warranty service and locations may be obtained by contacting:
Part or
Condition
Warranted
Model Number
Duration (from date of
delivery to the original
purchaser)
Gearbox
Seals All units listed below 2 years
Gearbox
components
BW1260, BW1620, BW1800, BW2400 8 years
BW240HD, BW180HD, BW180HB, BW126HB 7 years
BB48X, BB60X, BB72X, BB84X, BB600X, BB720X, BB840X, BB6000X, BB7200X, BB8400X,
DS1260, DSO1260, DS1440, TS1680, BW126-3, BW180-3, BW240 6 years
PHD25, PHD35, PHD65, PHD95, 2162, 3240, DS96, DS120, RCC42, RM550-2, RM660-2, RM990-
3, PRD6000, PRD7200, PRD8400, S15CD, S20CD, S22CD, S25CD, S27CD, BW180LH, TC/R74,
TC/R68, TC/R60, TBW144, TBW180, TBW204
5 years
RDC54, RD60, RD72, TBW150C, TS/R60, TS/R52, TS/R44 3 years (1 year if used in rental or
commercial applications)
Blade
spindles RM550-2, RM660-2, RM990-3, PRD6000, PRD7200, PRD8400, 7144RD-2, 9180RD-2, 9204RD-2 3 years
Rust-through
BB600, BB720, BB840, BB6000, BB7200, BB8400, BW126-3, BW126HB, BW180-3, BW180HB,
BW180HD, BW1260, BW1800, BW240, BW240HD, 2162, 3240, DS1260, DSO1260, DS1440,
TS1680
10 years

F-8494 (Rev. 6/23/2005)
Woods Equipment
Company
2606 South Illinois Route 2
Post Office Box 1000
Oregon, Illinois 61061
800-319-6637 tel
800-399-6637 fax
www.WoodsEquipment.com
©2007 Woods Equipment Company. All rights reserved. WOODS and the Woods logo are trademarks of Woods Equipment Company. All other
trademarks, trade names, or service marks not owned by Woods Equipment Company that appear in this manual are the property of their respective
companies or mark holders. Specifications subject to change without notice.
WARRANTY
(Replacement Parts For All Models Except Mow’n MachineTM
Zero-Turn Mowers and Woods BoundaryTM Utility Vehicles)
Woods Equipment Company (“WOODS”) warrants this product to be free from defect in material and
workmanship for a period of ninety (90) days from the date of delivery of the product to the original purchaser
with the exception of V-belts, which will be free of defect in material and workmanship for a period of 12 months.
Under no circumstances will this Warranty apply in the event that the product, in the good faith opinion of
WOODS, has been subjected to improper operation, improper maintenance, misuse, or an accident. This Warranty
does not cover normal wear or tear, or normal maintenance items.
This Warranty is extended solely to the original purchaser of the product. Should the original purchaser sell or
otherwise transfer this product to a third party, this Warranty does not transfer to the third party purchaser in any
way. There are no third party beneficiaries of this Warranty.
WOODS’ obligation under this Warranty is limited to, at WOODS’ option, the repair or replacement, free of
charge, of the product if WOODS, in its sole discretion, deems it to be defective or in noncompliance with this
Warranty. The product must be returned to WOODS with proof of purchase within thirty (30) days after
such defect or noncompliance is discovered or should have been discovered, routed through the dealer and
distributor from whom the purchase was made, transportation charges prepaid. WOODS shall complete
such repair or replacement within a reasonable time after WOODS receives the product. THERE ARE NO
OTHER REMEDIES UNDER THIS WARRANTY. THE REMEDY OF REPAIR OR REPLACEMENT IS THE
SOLE AND EXCLUSIVE REMEDY UNDER THIS WARRANTY.
THERE ARE NO WARRANTIES WHICH EXTEND BEYOND THE DESCRIPTION ON THE FACE OF THIS
WARRANTY. WOODS MAKES NO OTHER WARRANTY, EXPRESS OR IMPLIED, AND WOODS
SPECIFICALLY DISCLAIMS ANY IMPLIED WARRANTY OF MERCHANTABILITY AND/OR ANY
IMPLIED WARRANTY OF FITNESS FOR A PARTICULAR PURPOSE.
WOODS shall not be liable for any incidental or consequential losses, damages or expenses, arising directly
or indirectly from the product, whether such claim is based upon breach of contract, breach of warranty,
negligence, strict liability in tort or any other legal theory. Without limiting the generality of the foregoing,
Woods specifically disclaims any damages relating to (i) lost profits, business, revenues or goodwill; (ii) loss of
crops; (iii) loss because of delay in harvesting; (iv) any expense or loss incurred for labor, supplies, substitute
machinery or rental; or (v) any other type of damage to property or economic loss.
This Warranty is subject to any existing conditions of supply which may directly affect WOODS’ ability to obtain
materials or manufacture replacement parts.
No agent, representative, dealer, distributor, service person, salesperson, or employee of any company, including
without limitation, WOODS, its authorized dealers, distributors, and service centers, is authorized to alter, modify,
or enlarge this Warranty.
Answers to any questions regarding warranty service and locations may be obtained by contacting: