Y Soft a s 0YX0MP04087 Multireader HF User Manual

Y Soft Corporation, a.s. Multireader HF

User Manual

 YSOFT SAFEQ TERMINAL PROFESSIONAL 3.8 USER’S GUIDE              1
  2 YSOFT SAFEQ TERMINAL PROFESSIONAL USER’S GUIDE                        Copyright © 2014 Y Soft Corporation. All rights reserved. Edition  2.0 [EN] Date:  5 October 2014 YSoft SafeQ, the YSoft SafeQ logo, and the Y Soft logo are registered trademarks of Y Soft Corporation. All other trademarks and names stated in this document may be trademarks and/or registered trademarks of individual owners. www.ysoft.com Y Soft Corporation  Y Soft Americas Podnikatelska 4  info.us@ysoft.com Technology Park 612 00 Brno Czech Republic info@ysoft.com
 YSOFT SAFEQ TERMINAL PROFESSIONAL USER’S GUIDE              3 Contents About this guide ......................................................................................... 4 About this guide .......................................................................................................... 5 SafeQ Terminal Professional—overview ..................................................................... 5 Terminology ................................................................................................................ 5 2 Logging in to the terminal .................................................................... 6 Changing the terminal’s language ............................................................................... 7 Logging in with an ID card ........................................................................................... 8 Registering your ID card by entering your PUK code .......................................... 8 Locating your PUK code ...................................................................................... 9 Logging in with a PIN .................................................................................................10 Logging in with an ID card and PIN............................................................................11 Logging in with an ID card or PIN ..............................................................................12 Logging in with an ID card and PIN or username/password .....................................13 Logging in with username/password ........................................................................14 Logging in with an ID card or username/password ...................................................15 Logging in with a PIN or username/password ..........................................................16 Logging in with an ID card or PIN or username/password ........................................17 3 Printing .............................................................................................. 19 Viewing lists of jobs ...................................................................................................19 Exiting the Jobs menu .......................................................................................19 Printing ......................................................................................................................20 Printing all your print jobs .................................................................................20 Printing or deleting specific jobs .......................................................................21 Printing your favorite jobs.................................................................................22 Reprinting or deleting jobs that have been printed ..........................................23 4 Copying and scanning ....................................................................... 24 5 Changing the screen’s brightness ..................................................... 25
  4 YSOFT SAFEQ TERMINAL PROFESSIONAL USER’S GUIDE FCC Statements  § 15.21 Information to user. The user’s manual or instruction manual for an intentional or unintentional radiator shall caution the user that changes or modifications not expressly approved by the party responsible for compliance could void the user's authority to operate the equipment. In cases where the manual is provided only in a form other than paper, such as on a computer disk or over the Internet, the information required by this section may be included in the manual in that alternative form, provided the user can reasonably be expected to have the capability to access information in that form.  § 15.105 Information to the user This equipment has been tested and found to comply with the limits for a Class A digital device, pursuant to part 15 of the FCC Rules. These limits are designed to provide reasonable protection against harmful interference when the equipment is operated in a commercial environment. This equipment generates, uses, and can radiate radio frequency energy and, if not installed and used in accordance with the instruction manual, may cause harmful interference to radio communications. Operation of this equipment in a residential area is likely to cause harmful interference in which case the user will be required to correct the interference at his own expense.
 YSOFT SAFEQ TERMINAL PROFESSIONAL USER’S GUIDE              5 1  About this guide  About this guide This guide provides instructions for using YSoft SafeQ® Terminal Professional,  firmware version 3.8.0 and higher. SafeQ Terminal Professional—overview Depending on how your SafeQ administrator has set up the terminal,  you can use the terminal to:  Access printers and MFPs to print, copy, and scan.  View and select jobs (jobs to print, favorite jobs, and printed jobs).  Print favorite jobs by selecting them at the terminal.  Delete jobs from queues.  View information about print/copying status and detailed price accounting  Terminology In this guide, multifunction printers (MFPs) and network printers are both  referred to as printers.
 YSOFT SAFEQ TERMINAL PROFESSIONAL USER’S GUIDE       6 2  Logging in to the terminal Before you can use the printer, you must log in at the terminal. Depending on how your SafeQ administrator has set up the terminal, use one of the following methods to log in:  ID card  PIN  ID card and PIN  ID card or PIN  ID card and PIN or username/password  Username/password  ID card or username/password  PIN or username/password  ID card or PIN or username/password Each method is described in this chapter. NOTE:  Username is also sometimes referred to as user login name.
 YSOFT SAFEQ TERMINAL PROFESSIONAL USER’S GUIDE              7 Chapter 2.  Logging in to the terminal Changing the terminal’s language If necessary, change the terminal’s language as follows: Touch the globe icon. Touch the language you want. The available languages depend on how your  terminal is configured. Touch the language button  to switch to the alternate language. The available languages depend on how your  terminal is configured. OR
  8 YSOFT SAFEQ TERMINAL PROFESSIONAL USER’S GUIDE Chapter 2.  Logging in to the terminal Logging in with an ID card  Registering your ID card by entering your PUK code If SafeQ does not recognize your ID card, the terminal displays a message asking you  to enter your PUK (Pin Unlocking Key) code. From now on, the terminal will recognize your ID card; you will not have to enter the PUK code again. Place your ID card on the terminal. Touch anywhere on the  screen to display a keypad. Enter your PUK code;  then touch OK. NOTE:  If you do not know your PUK code, see page 9.
 YSOFT SAFEQ TERMINAL PROFESSIONAL USER’S GUIDE              9 Chapter 2.  Logging in to the terminal Locating your PUK code            Your PUK code appears in an email you receive from SafeQ.
  10 YSOFT SAFEQ TERMINAL PROFESSIONAL USER’S GUIDE Chapter 2.  Logging in to the terminal Logging in with a PIN    Enter your PIN. Touch OK.
 YSOFT SAFEQ TERMINAL PROFESSIONAL USER’S GUIDE              11 Chapter 2.  Logging in to the terminal Logging in with an ID card and PIN    Enter your PIN. Touch OK. Place your ID card on  the terminal.
  12 YSOFT SAFEQ TERMINAL PROFESSIONAL USER’S GUIDE Chapter 2.  Logging in to the terminal Logging in with an ID card or PIN Use either of these methods to log in:     Enter your PIN. Touch OK. Place your ID card on  the terminal. OR Touch PIN. Log in with your PIN:
 YSOFT SAFEQ TERMINAL PROFESSIONAL USER’S GUIDE              13 Chapter 2.  Logging in to the terminal Logging in with an ID card and PIN or username/password Use either of these methods to log in:   Enter your PIN; then touch OK. Place your ID card on  the terminal. OR Enter your username and password: Enter your username; then touch OK. Enter your password; then touch OK. The keypad works like phone keypads.  To enter a lowercase or uppercase letter,  touch a key more than once. For example: To enter the letter e,  touch the 3 key 2 times (3 3). To enter the letter E,  touch the 3 key 6 times (3 3 3 3 3 3). Touch LOGIN.
  14 YSOFT SAFEQ TERMINAL PROFESSIONAL USER’S GUIDE Chapter 2.  Logging in to the terminal Logging in with username/password    Enter your username. Touch OK. Touch LOGIN. Enter your password. Touch OK. The keypad works like phone keypads.  To enter a lowercase or uppercase letter,  touch a key more than once. For example: To enter the letter e,  touch the 3 key 2 times (3 3). To enter the letter E,  touch the 3 key 6 times (3 3 3 3 3 3).
 YSOFT SAFEQ TERMINAL PROFESSIONAL USER’S GUIDE              15 Chapter 2.  Logging in to the terminal Logging in with an ID card or username/password Use either of the following methods to log in:  Enter your username. Touch OK. Touch LOGIN. Enter your password. Touch OK. Place your ID card on  the terminal. OR Log in with your username/password: The keypad works like phone keypads.  To enter a lowercase or uppercase letter,  touch a key more than once. For example: To enter the letter e,  touch the 3 key 2 times (3 3). To enter the letter E,  touch the 3 key 6 times (3 3 3 3 3 3).
  16 YSOFT SAFEQ TERMINAL PROFESSIONAL USER’S GUIDE Chapter 2.  Logging in to the terminal Logging in with a PIN or username/password Use either of these methods to log in: Enter your PIN. Touch OK. Touch PIN. Touch OK. Touch LOGIN. Touch OK. Enter your username. Enter your password. OR Log in with your username/password: The keypad works like phone keypads.  To enter a lowercase or uppercase letter,  touch a key more than once. For example: To enter the letter e,  touch the 3 key 2 times (3 3). To enter the letter E,  touch the 3 key 6 times (3 3 3 3 3 3).
 YSOFT SAFEQ TERMINAL PROFESSIONAL USER’S GUIDE              17 Chapter 2.  Logging in to the terminal Logging in with an ID card or PIN or username/password Use any of these methods to log in:   Enter your PIN. Touch OK. Place your ID card on  the terminal. Touch PIN. Log in with your username/password  as described on the next page. OR Log in with your PIN: OR
  18 YSOFT SAFEQ TERMINAL PROFESSIONAL USER’S GUIDE Chapter 2.  Logging in to the terminal  Touch OK. Touch LOGIN. Touch OK. Enter your username. Enter your password. The keypad works like phone keypads.  To enter a lowercase or uppercase letter,  touch a key more than once. For example: To enter the letter e,  touch the 3 key 2 times (3 3). To enter the letter E,  touch the 3 key 6 times (3 3 3 3 3 3).
 19 YSOFT SAFEQ TERMINAL PROFESSIONAL 3.8 USER’S GUIDE 3  Printing Viewing lists of jobs The Jobs menu lets you see lists of jobs, including jobs waiting to be printed, your favorite jobs, and jobs you have printed in the past.  NOTE:  The Job list option may not be available on your terminal. If the Job list option does not appear, see “Printing all your print jobs” on page 20. Exiting the Jobs menu To exit the Jobs menu and return to the Main menu, touch the Back button.             Log in to the terminal (see "Logging in to the terminal" on page 6). Touch the Job list button. Touch the button for the type of job list you want to view. Your Jobs menu may not include all the options  shown on this sample.
  20 YSOFT SAFEQ TERMINAL PROFESSIONAL USER’S GUIDE Chapter 3.  Printing Printing Printing all your print jobs To print all your jobs that have not yet been printed:       Log in to the terminal (see "Logging in to the terminal" on page 5). Touch the Print button. The printer/MFP begins to print all your jobs. The Print screen shows the progress. When all your jobs have been printed, the terminal displays information and then automatically logs you out. The Print button displays the number of print jobs you have waiting to be printed. In the example shown here, one ( 1 ) job is waiting. Price information may or may not appear, depending on how the terminal has been configured.
 YSOFT SAFEQ TERMINAL PROFESSIONAL USER’S GUIDE              21 Chapter 3.  Printing Printing or deleting specific jobs The terminal can display a list of all your jobs that have not yet been printed, and you can select jobs from the list to print or to delete.  Log in to the terminal (see "Logging in to the terminal" on page 5). Touch the Job queue button. Touch each job you want to print or delete. The terminal displays a list of your jobs that have not yet been printed. To select or de-select all jobs, touch the hand icon; then touch Select all or  Unselect all in the menu  that opens. To move up or down through the list, touch the buttons on the right side of the screen. To print the selected job(s):      Touch the Print button.       The printer prints the job(s). To return to the Jobs menu,  touch the Back button. To delete the selected job(s):      Touch the Delete button.       SafeQ deletes the job(s). NOTE:  You cannot delete a favorite job at the terminal.
  22 YSOFT SAFEQ TERMINAL PROFESSIONAL USER’S GUIDE Chapter 3.  Printing Printing your favorite jobs To print a job you have specified as a Favorite job in SafeQ:     Display the Jobs menu (see page 19). Touch the Favourites button. The terminal displays a list  of your favorite jobs. Select and print the job (or jobs) as described in "Printing or deleting specific jobs” on page 21. To return to the Jobs menu,  touch the Back button.
 YSOFT SAFEQ TERMINAL PROFESSIONAL USER’S GUIDE              23 Chapter 3.  Printing Reprinting or deleting jobs that have been printed The terminal can display a list of all your jobs that have been printed, and you can select jobs from the list to reprint or to delete. NOTE:  Depending on the way your SafeQ administrator has configured SafeQ, printed jobs may not be available after a certain period of time, or they may never be available. If you are unsure why a job does not appear in the list, ask your administrator.  Display the Jobs menu (see page 19). Touch the Printed button. The terminal displays a list of  your jobs that have been printed. Print or delete the job (or jobs) as described in "Printing or deleting specific jobs” on page 21. To return to the Jobs menu,  touch the Back button.
 YSOFT SAFEQ TERMINAL PROFESSIONAL USER’S GUIDE               24 4  Copying and scanning To make copies or scans: Log in to the terminal (see "Logging in to the terminal" on page 5). Touch the Copying/Scanning button. If a project entry screen opens, enter the first digits of the project code; then touch OK. On the MFP’s control panel, select the options you want; then make the copies or scan your document. When you finish, touch End. The terminal automatically logs you out. The terminal may or may not display more information about your session, depending on the way the terminal has been configured. Touch the project you need. The terminal displays information about the copies you made.
 YSOFT SAFEQ TERMINAL PROFESSIONAL USER’S GUIDE              25 Chapter 3.  Printing 5  Changing the screen’s brightness Your terminal may be set up to save power by dimming the screen’s brightness after a certain period.  If the terminal screen appears to be dim, touch anywhere on the screen to restore the brightness.
 YSOFT SAFEQ TERMINAL PROFESSIONAL INSTALLATION AND ADMINISTRATION GUIDE   11
  2  YYSOFT SAFEQ TERMINAL PROFESSIONAL INSTALLATION AND ADMINISTRATION GUIDE                    Copyright © 2014 Y Soft Corporation. All rights reserved. Edition:  2.0 [EN] Date:  5 October 2014 YSoft SafeQ, the YSoft SafeQ logo, and the Y Soft logo are registered trademarks of Y Soft Corporation.  All other trademarks and names stated in this document may be trademarks and/or registered trademarks  of individual owners. www.ysoft.com Y Soft Corporation  Y Soft Americas Podnikatelska 4  info.us@ysoft.com Technology Park 612 00 Brno Czech Republic info@ysoft.com  Disclaimers Y Soft, Inc. rejects any and all responsibility for the consequences of improper, negligent, or incorrect installation  or incorrect settings of optional operational system parameters.  Changes or modifications not expressly approved by Y Soft, Inc. may void the user’s authority to operate  the SafeQ Terminal Professional.
 YSOFT SAFEQ TERMINAL PROFESSIONAL INSTALLATION AND ADMINISTRATION GUIDE   31  Contents 1 About this guide .................................................................................. 6 2 Obtaining more information and  getting help ..................................... 7 Obtaining information ................................................................................................. 7 Getting help ................................................................................................................. 7 3 SafeQ Terminal Professional—overview ............................................. 8 SafeQ Terminal Professional capabilities .................................................................... 9 SafeQ Terminal Professional user options .................................................................. 9 4 Installing the terminal ........................................................................ 10 Step 1.  Complete the Before-You-Begin checklist....................................................10 Step 2.  Check package contents ...............................................................................11 Step 3.  Connect cables .............................................................................................12 Step 4.  Configure the connection between the terminal and the SafeQ server ......14 Display the site admins Service menu ...............................................................14 Configure the terminal’s network settings .......................................................14 Step 5.  Test the connection between the terminal and the SafeQ server ...............23 Step 6.  Replace the back cover of the terminal .......................................................25 Step 7.  Mount the terminal ......................................................................................26 Step 8.  Verify installation .........................................................................................28 5 Changing settings ............................................................................. 29 Displaying the site admins Service menu ..................................................................29 Displaying the Y Soft partners Service menu ............................................................31 Viewing system information and settings .................................................................32 Viewing license information ......................................................................................33 Optimizing the Ethernet port speed and mode ........................................................34 Enabling cluster support............................................................................................36 Setting MFP/printer locking options .........................................................................37 Changing card reader and fingerprint recognition settings ......................................38 Setting and testing the I/O Module...........................................................................39 Setting the I/O Module for the control cable interface ....................................39
  4  YYSOFT SAFEQ TERMINAL PROFESSIONAL INSTALLATION AND ADMINISTRATION GUIDE Testing the I/O Module .....................................................................................40 Viewing information about the I/O Module connection ..................................41 Changing terminal interface settings ........................................................................42 Changing language settings .......................................................................................47 Changing display settings ..........................................................................................48 6 Performing diagnostics ...................................................................... 49 Enabling Debug mode ...............................................................................................49 Downloading terminal logs .......................................................................................50 Testing the connection between the terminal and the SafeQ server .......................51 Troubleshooting an unsuccessful terminal/SafeQ server connection ..............52 Ping other devices .....................................................................................................53 7 Performing service procedures ......................................................... 55 Rebooting the terminal .............................................................................................55 Changing the Y Soft partners Service menu access PIN code ...................................56 Changing the site admins Service menu access PIN code .........................................57 8 Updating terminal firmware ............................................................... 58 Performing a Regular terminal firmware update ......................................................59 Performing an Emergency terminal firmware update ..............................................61 A Terminal properties and technical specifications ............................... 64 Specifications.............................................................................................................64 B Service connector ............................................................................. 66
 YSOFT SAFEQ TERMINAL PROFESSIONAL INSTALLATION AND ADMINISTRATION GUIDE   51  FCC Statements  § 15.21 Information to user. The user’s manual or instruction manual for an intentional or unintentional radiator shall caution the user that changes or modifications not expressly approved by the party responsible for compliance could void the user's authority to operate the equipment. In cases where the manual is provided only in a form other than paper, such as on a computer disk or over the Internet, the information required by this section may be included in the manual in that alternative form, provided the user can reasonably be expected to have the capability to access information in that form.  § 15.105 Information to the user This equipment has been tested and found to comply with the limits for a Class A digital device, pursuant to part 15 of the FCC Rules. These limits are designed to provide reasonable protection against harmful interference when the equipment is operated in a commercial environment. This equipment generates, uses, and can radiate radio frequency energy and, if not installed and used in accordance with the instruction manual, may cause harmful interference to radio communications. Operation of this equipment in a residential area is likely to cause harmful interference in which case the user will be required to correct the interference at his own expense.
  6  YYSOFT SAFEQ TERMINAL PROFESSIONAL INSTALLATION AND ADMINISTRATION GUIDE 1  About this guide This guide provides instructions for installing and configuring Y Soft SafeQ® Terminal Professional version 3.5, firmware version 3.8.0 and higher. The information in this guide applies to the following SafeQ products:  YSoft SafeQ Instant Edition v. 3.5  YSoft SafeQ Professional Edition v. 3.1.5, 3.3, and 3.6  YSoft SafeQ Enterprise Edition v. 3.1.5, 3.3, and 3.6  YSoft SafeQ 4 all editions  YSoft SafeQ 5 all editions In order to use this guide, you must already know how to perform standard system administration tasks and must have an understanding of networking concepts. Specifically, you must have a working knowledge of the following:  Server/client systems, IP addressing, and TCP/UDP ports  Printing terminology and concepts You must also be familiar with the SafeQ system and SafeQ administration tasks.
   7  YSOFT SAFEQ TERMINAL PROFESSIONAL INSTALLATION AND ADMINISTRATION GUIDE 2  Obtaining more information and  getting help Obtaining information You can download manuals and other information from the Y Soft Portal: http://portal.ysoft.com Getting help The Y Soft user-friendly online help desk is available 24/7 and provides quick answers to questions you may have about installing and configuring the terminal. Interactive troubleshooting trees help you find the information you need. And if you still have a question, you can fill out a help ticket form that enables Y Soft to quickly assist you. To access the online help desk, go to http://portal.ysoft.com and log in.  If you are not already a registered user, follow these steps to register: 1  Click new registration. 2  Fill in the required information.  Y Soft emails you when your account is activated.
Chapter 3.  SafeQ Terminal Professional—overview 8  YYSOFT SAFEQ TERMINAL PROFESSIONAL INSTALLATION AND ADMINISTRATION GUIDE 3  SafeQ Terminal Professional—overview SafeQ Terminal Professional provides an interface for users to access multifunction printers (MFPs) and network printers to perform print, copy, and scan operations. The terminal supports follow-me, printing, print job management, printing shared documents, and self-serve printing/copying. The terminal also supports streamlined scanning workflows.   The terminal has a graphical user interface touchscreen and is equipped with a 4-port network adapter. The terminal also features:  Microcomputer  Flash EEPROM  Network interface Various optional card readers are available to meet the compatibility requirements of your existing identification cards. (PINs can be used instead of the card reader.) Both contactless and contact readers are available. The terminal communicates with the YSoft SafeQ server over an Ethernet network (default communication port 4096). RJ45 connectors connect the terminal to the network. MFPs and printers communicate with the SafeQ server via the terminal. You can set access rights that require users to authenticate at the terminal before using the MFP or network printer. Each terminal has a MAC address allocated by Y Soft. For more information, see Appendix A.
Chapter 3.  SafeQ Termininal Professional -- Overview YSOFT SAFEQ TERMINAL PROFESSIONAL INSTALLATION AND ADMINISTRATION GUIDE   91  SafeQ Terminal Professional capabilities The terminal has the following capabilities:  Supports follow-me, printing, copying, and scanning.  Displays accounting and credit information.  Supports authorization by PIN, card, and login—alone or in a variety of combinations.  Enables one-time authorization by PUK code or login if the user has  no active card.  Supports project accounting.  Beeps and displays a warning when copying timeout period expires.  Blocks access to MFPs – firewall and routing.  Enables central configuration.  Supports remote administration.  Optimizes data transfer between the SafeQ server and printers.  Includes power management feature that enables brightness to be decreased or turned off when the terminal is idle for a configured length of time. SafeQ Terminal Professional user options The terminal offers users the following options:  Print, copy, and scan.  View and select jobs (jobs to print, favorite jobs, and printed jobs).  Print favorite jobs by selecting them at the terminal.  Delete jobs from queue.  View information about print/copying status and detailed price accounting on the terminal screen.
   10 TERMINAL PROFESSIONAL INSTALLATION AND ADMINISTRATION GUIDE 4  Installing the terminal Step 1.  Complete the Before-You-Begin checklist Before you begin installing the terminal, complete this checklist:    If possible, register and acquire access to the Y Soft online help desk a day or two before you begin the installation. (See page 7.)   Obtain the Terminal Professional installation packages (see page 11) and a small Phillips screwdriver.   Make sure YSoft SafeQ Server is installed and running.  Write down the terminal’s serial number (located on the back of the terminal).    Make sure the Control Interface cable (see page 11) is the correct cable for the MFP you are connecting the terminal to.  NOTE:  Refer to the MFP/cable part number compatibility list that Y Soft provided you or go to http://helpdesk.ysoft.com and check the list there.    If the cable you have is not correct, find the correct cable before you proceed. The cable may be among other Y Soft packages at the location where you are installing the terminal.    Obtain the following information:   SafeQ server IP address _______________________________________________________    Does the network support DHCP?   Yes____ No____   If it does not support DHCP, obtain this additional information:   Terminal IP address __________________________________________________________    Netmask address ____________________________________________________________    Gateway IP address __________________________________________________________    DNS server IP address ________________________________________________________    Information about the MFP or printer:   IP address  _________________________________________________________________      Serial number ______________________________________________________________    Model number  _____________________________________________________________
  Chapter 4.  Installing the terminal YSOFT SAFEQ TERMINAL PROFESSIONAL INSTALLATION AND ADMINISTRATION GUIDE   111  Step 2.  Check package contents Check to make sure you have the following items (included in several packages): Main package  Accessory packages    Terminal Ethernet cable Power supply adapter NOTE:  The package also includes clear plastic cable wrap for the Ethernet cables. MFP Universal Mounting Kit (bracket, screws, washers) NOTE:  The Control Interface cable  for your MFP may be different from the one shown here. Control Interface cable  (Blocking cable)
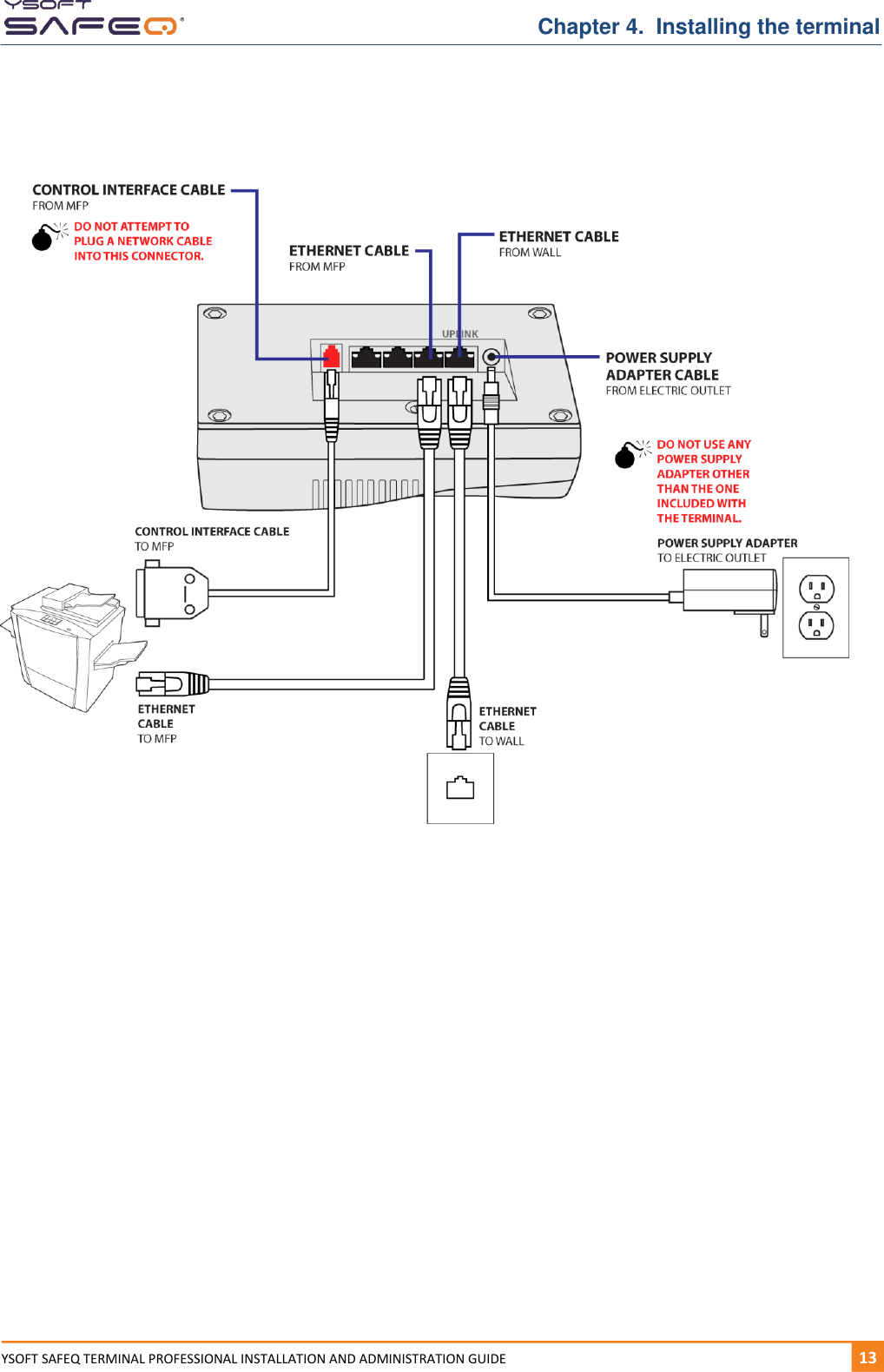
Chapter 4.  Installing the terminal 12  YYSOFT SAFEQ TERMINAL PROFESSIONAL INSTALLATION AND ADMINISTRATION GUIDE Step 3.  Connect cables 1  On the back of the terminal, remove the cover and expose the connectors.  2  Connect cables as shown on the next page.
  Chapter 4.  Installing the terminal YSOFT SAFEQ TERMINAL PROFESSIONAL INSTALLATION AND ADMINISTRATION GUIDE   131
Chapter 4.  Installing the terminal 14  YYSOFT SAFEQ TERMINAL PROFESSIONAL INSTALLATION AND ADMINISTRATION GUIDE Step 4.  Configure the connection between the terminal and the SafeQ server Display the site admins Service menu If you are using YSoft SafeQ Instant or Professional Edition: Display the site admins Service menu as described on page 29. If you are using YSoft SafeQ Enterprise Edition and will need to configure cluster support: Display the Y Soft partners Service menu as described on page 31. NOTES:  The options available on the Service menu vary according to the type of access you have and other variables.  The options are similar to those for earlier versions of the terminal, with a few differences, such as the locations of certain options on menus. Configure the terminal’s network settings Refer to the information you entered on page 10 as you follow the steps in this section. 1  Touch Server settings.    2  Touch Find server.
  Chapter 4.  Installing the terminal YSOFT SAFEQ TERMINAL PROFESSIONAL INSTALLATION AND ADMINISTRATION GUIDE   151  3  If the terminal finds the server, skip to step 4 on page 16. If the terminal does not find the server, enter the server IP address and server port as follows: a  Touch Server IP.    A keypad opens.    b  Enter the SafeQ server’s IP address in the format shown in this example:   10.0.1.1 is entered as 010 000 001 001. Touch OK. c  Touch Server port.
Chapter 4.  Installing the terminal 16  YYSOFT SAFEQ TERMINAL PROFESSIONAL INSTALLATION AND ADMINISTRATION GUIDE d  Enter the SafeQ server’s port; then touch OK.    NOTE:  The default port is 4096.  4  If you are using SafeQ Enterprise Edition, touch Cluster support;  then touch Enable. NOTE:  The Cluster support option is available only from the Y Soft partners Service menu. (See page 31.)   5  Touch Network settings.
  Chapter 4.  Installing the terminal YSOFT SAFEQ TERMINAL PROFESSIONAL INSTALLATION AND ADMINISTRATION GUIDE   171  6  Touch DHCP.    The DHCP Support screen opens.  7  Select the appropriate option: If DHCP is enabled: a  Touch Enable; then touch OK.    b  Touch DHCP hostname.
Chapter 4.  Installing the terminal 18  YYSOFT SAFEQ TERMINAL PROFESSIONAL INSTALLATION AND ADMINISTRATION GUIDE c  Enter the hostname that will be sent by the DHCP client; then touch OK.   NOTES:  The hostname can contain a maximum of 31 characters.  The terminal’s serial number is used as the hostname by default.  d  Touch Back to return to the Service menu. e  Skip to Step 5 on page 23.  If DHCP is disabled: a  Touch Disable; then touch OK.    b  Continue to step 8.
  Chapter 4.  Installing the terminal YSOFT SAFEQ TERMINAL PROFESSIONAL INSTALLATION AND ADMINISTRATION GUIDE   191  8  Touch Uplink interface.   9  Touch IP address.    10 Enter the terminal’s IP address in the format shown in this example: 10.0.1.1 is entered as 010 000 001 001.  Touch OK.
Chapter 4.  Installing the terminal 20  YYSOFT SAFEQ TERMINAL PROFESSIONAL INSTALLATION AND ADMINISTRATION GUIDE 11 Touch Netmask.   The terminal displays a keypad.  12 Enter the subnet mask in the format shown in this example: 255.255.255.0 is entered as 255 255 255 000.  Touch OK.    13 Touch Back. 14 Touch Gateway.
  Chapter 4.  Installing the terminal YSOFT SAFEQ TERMINAL PROFESSIONAL INSTALLATION AND ADMINISTRATION GUIDE   211  15 Enter the gateway’s IP address in the format shown in this example: 10.0.1.1 is entered as 010 000 001 001.  Touch OK.    16 Touch DNS server.    17 Enter the DNS server’s IP address in the format shown in this example: 10.0.1.1 is entered as 010 000 001 001.  Touch OK.    18 Touch Back to return to the Service menu.
Chapter 4.  Installing the terminal 22  YYSOFT SAFEQ TERMINAL PROFESSIONAL INSTALLATION AND ADMINISTRATION GUIDE 19 Touch Save and restart to save the changes.
  Chapter 4.  Installing the terminal YSOFT SAFEQ TERMINAL PROFESSIONAL INSTALLATION AND ADMINISTRATION GUIDE   231  Step 5.  Test the connection between the terminal and the SafeQ server 1  In the Site admins Service menu, touch Diagnostic utils.    2  Touch Test server connect.    If the connection is successful, the terminal displays this screen:
Chapter 4.  Installing the terminal 24  YYSOFT SAFEQ TERMINAL PROFESSIONAL INSTALLATION AND ADMINISTRATION GUIDE If the connection is successful: a  Click anywhere on the screen to return to the Diagnostics menu. c  Touch Back to return to the Service menu. d  Exit the Service menu. e  Go to Step 6 on page 25. If the connection is not successful: a  Click anywhere on the screen to return to the Diagnostics menu. b  Troubleshoot the connection as described in “Troubleshooting an unsuccessful terminal/SafeQ server connection” on page 52.
  Chapter 4.  Installing the terminal YSOFT SAFEQ TERMINAL PROFESSIONAL INSTALLATION AND ADMINISTRATION GUIDE   251  Step 6.  Replace the back cover of the terminal Replace the terminal’s cover and tighten the screw.
Chapter 4.  Installing the terminal 26  YYSOFT SAFEQ TERMINAL PROFESSIONAL INSTALLATION AND ADMINISTRATION GUIDE Step 7.  Mount the terminal Depending on the type of bracket included with the terminal, mount the bracket to the MFP, to the wall, or to a nearby object such as a desk or table. To mount the terminal onto the MFP, follow these steps: 1  Remove 2 screws from the back of the terminal.   2  Attach the mounting bracket to the terminal.   3  If you have not already done so, write down the terminal’s serial number (located on the back of the terminal). 4  Use the screws and washers included with the mounting bracket to mount the bracket and terminal onto the MFP.
  Chapter 4.  Installing the terminal YSOFT SAFEQ TERMINAL PROFESSIONAL INSTALLATION AND ADMINISTRATION GUIDE   271  5  Cover all cables with the clear plastic wrap (included in the plastic bag with the cable). Start the wrap about 4 or 5 inches (10 to 12 cm) from the back of the terminal.
Chapter 4.  Installing the terminal 28  YYSOFT SAFEQ TERMINAL PROFESSIONAL INSTALLATION AND ADMINISTRATION GUIDE Step 8.  Verify installation Before you verify installation: If a user (with associated card or PIN) has not been created in SafeQ, create one now for testing purposes as follows: 1  In the SafeQ Web Interface, add a new user named “test.” 2  Assign a card and a PIN to the test user (for example, PIN 1111). NOTE:  For exact instructions, see the YSoft SafeQ Installation and Administration Guide for your edition of SafeQ Server. If the terminal does not include a card reader: 1  On the terminal’s PIN entry screen, touch 1111 (or whatever PIN you assigned to the test user); then touch OK. 2  Check to make sure the MFP panel unlocks (that is, the panel lights up and  comes on). If the terminal includes a card reader: 1  Touch the PIN button to display the PIN entry screen. 2  Touch 1111 (or whatever PIN you assigned to the test user); then touch OK. 3  Check to make sure the MFP panel unlocks (that is, the panel lights up and  comes on). If the MFP unlocks and the user is authenticated: Installation is now complete. If the MFP does not unlock: Submit a problem report to Y Soft as described on page 7, and provide the following information (see page 10):  Terminal serial number  Printer/MFP serial number
   YSOFT SAFEQ TERMINAL PROFESSIONAL INSTALLATION AND ADMINISTRATION GUIDE   291  5  Changing settings Displaying the site admins Service menu To access most settings, first display the Site admins Service menu as described in this section. NOTE:  To display the Y Soft partners Service menu, see page 31. If the terminal displays a Place Card screen: Tap the corners 4 times as shown here:  The terminal displays a keypad. Enter the PIN; then touch OK.  NOTE:  The default PIN is 0000.
Chapter 5.  Changing settings 30  YYSOFT SAFEQ TERMINAL PROFESSIONAL INSTALLATION AND ADMINISTRATION GUIDE The terminal displays the Service menu.    If the terminal displays a keypad:   Touch the 0 button 9 times (000000000). Touch OK. Enter the PIN; then touch OK. NOTE:   The default PIN is 0000.  The terminal displays the Service menu.    Your menu may not include all the options shown here. Your menu may not include all the options shown here.
  Chapter 5.  Changing settings YSOFT SAFEQ TERMINAL PROFESSIONAL INSTALLATION AND ADMINISTRATION GUIDE   311  Displaying the Y Soft partners Service menu The following options are available only from the Y Soft partners Service menu: Cluster support I/O Module Debug mode I/O Module test Card reader Emergency update Card reader test Change part. PIN Interaction mode   To display the Y Soft partners Service menu, use the same procedure as for displaying the Site admins Service menu (page 29), but use the PIN that provides access to the  Y Soft partners Service menu.
Chapter 5.  Changing settings 32  YYSOFT SAFEQ TERMINAL PROFESSIONAL INSTALLATION AND ADMINISTRATION GUIDE Viewing system information and settings The System Information screens display detailed information about  your terminal. To display the System Information screens: 1  Display the Site admins Service menu (see page 29). 2  Touch Information.       Touch Next page to display more information screens, including:  Network  NET.Adapter  Font   Low-level firmware  Terminal hardware
  Chapter 5.  Changing settings YSOFT SAFEQ TERMINAL PROFESSIONAL INSTALLATION AND ADMINISTRATION GUIDE   331  Viewing license information The License screens display information about your terminal licenses. To display the License screens: 1  Display the Site admins Service menu (see page 29). 2  Touch Licenses.
Chapter 5.  Changing settings 34  YYSOFT SAFEQ TERMINAL PROFESSIONAL INSTALLATION AND ADMINISTRATION GUIDE Optimizing the Ethernet port speed and mode If the port speed set by autodetect is not optimal, manually set the speed as follows: 1  Display the Site admins Service menu (see page 29). 2  Touch Network settings.    3  Touch Uplink Interface.    4  Touch Port speed.
  Chapter 5.  Changing settings YSOFT SAFEQ TERMINAL PROFESSIONAL INSTALLATION AND ADMINISTRATION GUIDE   351  5  Select a port speed; then touch OK.   6  Touch MDI/MDIX mode.    7  Select the appropriate mode; then touch OK.
Chapter 5.  Changing settings 36  YYSOFT SAFEQ TERMINAL PROFESSIONAL INSTALLATION AND ADMINISTRATION GUIDE Enabling cluster support Follow these steps to enable the terminal to be used with SafeQ Enterprise Edition server clusters: 1  Display the Y Soft partners Service menu (see page 31).  2  Touch Server settings.    The Server settings menu opens. 3  Touch Cluster support; then touch Enable.
  Chapter 5.  Changing settings YSOFT SAFEQ TERMINAL PROFESSIONAL INSTALLATION AND ADMINISTRATION GUIDE   371  Setting MFP/printer locking options The copier locking settings let you set how the MFP or network printer is locked. 1  Display the Site admins Service menu (see page 29). 2  Touch Server settings.    3  Touch Copier locking.   4  Select one of the options; then touch OK. Immediate—(Default) The terminal signals the MFP/printer to lock when the user touches the End button and is logged out. From server—The server signals the MFP/printer to lock after the job is finished and the device returns to Ready status.
Chapter 5.  Changing settings 38  YYSOFT SAFEQ TERMINAL PROFESSIONAL INSTALLATION AND ADMINISTRATION GUIDE Changing card reader and fingerprint recognition settings 1  Display the Y Soft partners Service menu (see page 31).  2  Touch Card reader settings.    The Card reader settings menu opens.    3  Select options as follows: Card reader  – Select the type and protocol of card reader. Card reader test  –Swipe a card through or place a card in front of the reader and see if the terminal displays the card number. (If the card number does not appear, touch the Card reader option again and make sure you selected the correct  card reader type.)  Fingerprint reload – Touch this button to clear all fingerprint data in the terminal and download new data from the server (applies only to fingerprint readers). Fingerprint clear – Touch this button to clear all fingerprint data in the terminal (applies only to fingerprint readers).
  Chapter 5.  Changing settings YSOFT SAFEQ TERMINAL PROFESSIONAL INSTALLATION AND ADMINISTRATION GUIDE   391  Setting and testing the I/O Module Setting the I/O Module for the control cable interface Select the I/O Module for the control cable interface (also called the blocking cable interface) according to the type of MFP the terminal is connected to, as follows: 1  Display the Y Soft partners Service menu (see page 31). 2  Touch I/O Module settings.    3  Touch I/O Module.    4  Select the appropriate I/O Module.
Chapter 5.  Changing settings 40  YYSOFT SAFEQ TERMINAL PROFESSIONAL INSTALLATION AND ADMINISTRATION GUIDE Testing the I/O Module Test to see if the control cable interface (also called the blocking cable interface)  is functioning, as follows: 1  Display the Y Soft partners Service menu (see page 31). 2  Touch I/O Module settings.    3  Touch I/O Module test.    4  Select one of the following options and perform the associated test. The terminal displays information received from the MFP. Locked—Select this option; then see if the MFP is locked. Unlocked, BW copies only —Select this option; then see if the MFP is unlocked and only permits B/W copies. Unlocked, Color copies—Select this option; then see if the MFP is unlocked and permits both B/W and color copies.
  Chapter 5.  Changing settings YSOFT SAFEQ TERMINAL PROFESSIONAL INSTALLATION AND ADMINISTRATION GUIDE   411  Viewing information about the I/O Module connection To view a summary of information about the I/O Module connection: 1  Display the Site admins Service menu (see page 29). 2  Touch I/O Module settings.    3  Touch I/O Module info.    The terminal displays information as shown here:   4  Touch anywhere on the display to close the screen.
Chapter 5.  Changing settings 42  YYSOFT SAFEQ TERMINAL PROFESSIONAL INSTALLATION AND ADMINISTRATION GUIDE Changing terminal interface settings 1  Display the site admins Service menu (see page 29). NOTE:  If you are going to change the Interaction mode, you must display the  Y Soft partners Service menu (see page 31). 2  Touch Interface settings.    The Interface settings menu opens.   3  Select options as follows: Sound For beeps to sound when terminal buttons are touched, select on. To turn off beeps, select off. Validation method Select one of the following validation methods: ID Card only – User only needs to swipe a card. PIN only  – User only needs to enter a PIN. ID Card and PIN – User must swipe a card, then enter a PIN.
  Chapter 5.  Changing settings YSOFT SAFEQ TERMINAL PROFESSIONAL INSTALLATION AND ADMINISTRATION GUIDE   431  ID Card or PIN – User can choose to either swipe a card or enter a PIN. Login  – User must enter a login name and password. PIN or Login – User can choose to either enter a PIN or a login name and password. (Requires SafeQ Professional or Enterprise v.3.6.1 and higher.)  (ID Card and PIN) or Login – User can choose to either swipe a card and enter a PIN, or enter a login name and password. ID Card or PIN or Login – User can choose any of these methods:  Swipe a card.  Enter a PIN.  Enter a login name and password. Job list mode Select one of the following job list modes:  No job list – The terminal does not display a Job List option; users cannot view jobs at the terminal. Queue only – The terminal displays a Job List option. When users select it, they see a list of only jobs in the print queue. They can select jobs they want to print or delete. Queue/printed – The terminal displays a Job List option. When users select it, they can view jobs that are ready to print (highlighted) and jobs that have been printed. Queue/printed/favorites – The terminal displays a Job List option. When users select it, a submenu appears from which the user can select the jobs they want to see: jobs in the print queue, printed jobs, or the user‘s favorite jobs. Temporarily disabled – The terminal displays a Job List option. When users select it, they see a message that the administrator has disabled the Job List feature; users cannot view jobs at the terminal. Interaction mode NOTE:  To change the Interaction mode, you must display the Y Soft partners Service menu (see page 31). Select one of the following interaction modes:  Normal—After login, the terminal displays the Main menu. Simplified—After login, if the user has any jobs waiting, they are immediately printed and the user is automatically logged off. If the user has no jobs waiting, the terminal displays only the Copy menu.
Chapter 5.  Changing settings 44  YYSOFT SAFEQ TERMINAL PROFESSIONAL INSTALLATION AND ADMINISTRATION GUIDE Show P/C summary Select the information that the terminal displays when a print/copy operation is complete, before the print/copy session ends:  Pages only – The terminal displays only the number of pages. Pages and price – The terminal displays the number of pages and the price. Disabled – The terminal does not display any information. Enter Project ID Yes – The user can enter a project ID. The terminal does not initially display the project list. However, if the user enters the first digit of a project ID, the terminal then displays all the projects that begin with that digit. For example, if the user enters 22, the terminal displays all the projects beginning with 22. No – The user does not need to enter a project ID; the terminal displays all the project IDs. Copy timeout sound NOTE:  Sound must be enabled for this option to work. See page 42. Select Yes for the terminal to emit a sound when the specified maximum amount of time for a copy session is reached. (See "Copy dialog timeout.") Select No for the terminal to remain quiet when the specified maximum amount of time for a copy session is reached. Menu dialogs timeout Select the maximum length of time with no user input the terminal will display menus: 10 seconds 30 seconds 60 seconds None—No timeout. Applicable only if the terminal includes a specific card reader and the user is logged in with a card. NOTE:  "None" is supported only by Smartcard reader, Mifare reader in Continuous mode, or HID Continuous reader.
  Chapter 5.  Changing settings YSOFT SAFEQ TERMINAL PROFESSIONAL INSTALLATION AND ADMINISTRATION GUIDE   451  Info dialogs timeout Select the maximum length of time with no user input the terminal will display information screens: 2 seconds 5 seconds 10 seconds 20 seconds Copy dialog timeout Select the length of time with no copy activity before the terminal automatically logs the user out (applies only to the time before the first copy is made): 20 seconds 60 seconds None (default)—SafeQ Server determines the timeout period. Main menu after P/C Enabled (applicable only if the terminal includes a card reader): When a print/copy operation is complete and the user’s card is still present at the reader, the terminal displays the Main menu and the user stays logged in—the session does not end until he/she touches the End button. NOTE:  "Enabled" is supported only by Smartcard reader, Mifare reader in Continuous mode, or HID Continuous reader. Disabled (default): When a print/copy operation is complete, the user is logged out and the print/copy session is ended. Show P/C alert messages Enabled (default) – Print and copy screens will display warning messages from the server. Disabled – Print and copy screens will not display warning messages from the server.
Chapter 5.  Changing settings 46  YYSOFT SAFEQ TERMINAL PROFESSIONAL INSTALLATION AND ADMINISTRATION GUIDE 4  Touch Next Page and select more options as necessary.  PIN dialog text Complete – PIN screens will include characters count. Without characters count – PIN screens will not include characters count. Language selector Globe always – If multiple languages are available, the Globe button appears on the main terminal screen. Users can touch the button, then select a language.  Direct for 2 lang mode – If only two languages are available, instead of the Globe button, a button with the name of the second language appears on the main terminal screen. Users can touch the button to switch to the other language.
  Chapter 5.  Changing settings YSOFT SAFEQ TERMINAL PROFESSIONAL INSTALLATION AND ADMINISTRATION GUIDE   471  Changing language settings 1  Display the Site admins Service menu (see page 29). 2  Touch Language settings.    The Language settings menu opens.   3  Select options as follows: Default language – Select the default language the terminal will use. Languages – Select the languages the terminal will make available for users to choose (maximum of 6 languages, including the default language).
Chapter 5.  Changing settings 48  YYSOFT SAFEQ TERMINAL PROFESSIONAL INSTALLATION AND ADMINISTRATION GUIDE Changing display settings 1  Display the Site admins Service menu (see page 29). 2  Touch Display settings.   The Display settings menu opens.   3  Select options as follows: Power management – Select a power management option: Disable Screen dimming Backlight completely off Screen completely off Default backlight – Set the intensity of the backlight. Minimal backlight – When power management options are applied, dim the backlight intensity. PM timeout – Set the maximum length of time (in seconds) before power management options are implemented.
   YSOFT SAFEQ TERMINAL PROFESSIONAL INSTALLATION AND ADMINISTRATION GUIDE   491  6  Performing diagnostics This chapter describes diagnostics procedures available from the Diagnostics menu. NOTE:   For information about testing the MFP control interface (also called the "blocking cable”), see page 39. Enabling Debug mode In Debug mode, the terminal records error messages and other messages in a log. To enable Debug mode and select which type of messages to log, follow these steps: 1  Display the Y Soft partners Service menu (see page 31). 2  Touch Diagnostic utils.    3  Touch Debug mode.    4  Select one of the following options: No log – The terminal does not log any information. Log errors – The terminal logs only error messages. Log all messages – The terminal logs all messages.
Chapter 6. Performing diagnostics 50  YYSOFT SAFEQ TERMINAL PROFESSIONAL INSTALLATION AND ADMINISTRATION GUIDE Downloading terminal logs NOTE:  In order to download logs, the terminal must be in Debug mode (see page 49). Follow these steps to download terminal logs: 1  Go to the Y Soft Partners Portal (http://partners.ysoft.com), and download the utility for downloading terminal log files: Customer Support Services>  Request for information >  Download SafeQ or its components >  Various tools >  Tool for log downloading from Terminal Professional 2  Save the utility in any convenient folder (for example, c:\safeq).  NOTE:  When you run the utility, logs will be downloaded to this location. 3  Run the utility. 4  When the utility asks for the terminal IP address, enter the IP address of the terminal whose logs you want to download. The utility downloads the log files to the folder you specified. The logs are identified by the terminal’s IP address (for example: 10.0.10.202.log).
  Chapter 6. Performing diagnostics YSOFT SAFEQ TERMINAL PROFESSIONAL INSTALLATION AND ADMINISTRATION GUIDE   511  Testing the connection between the terminal and the SafeQ server 1  Display the Site admins Service menu (see page 29). 2  Touch Diagnostic utils.    3  Touch Test server connect.    If the connection is successful, the terminal displays this screen:   If the connection is not successful: Touch Back to return to the Diagnostic utils menu. Ping the server as described in the next section, "Troubleshooting an unsuccessful terminal/SafeQ server connection."
Chapter 6. Performing diagnostics 52  YYSOFT SAFEQ TERMINAL PROFESSIONAL INSTALLATION AND ADMINISTRATION GUIDE Troubleshooting an unsuccessful terminal/SafeQ server connection If the message Failed to connect to server appeared when you tested the server connection, follow these steps: 1  Touch Ping server.    If the connection fails, the terminal displays this screen:   2  Check to see if the server IP address displayed on the screen is the correct address for the SafeQ server (see page 10).  If the IP address is correct: Check the other network and server port settings to make sure they are correct (see page 10). If they are all correct, proceed to step 3. If the IP address is not correct: Enter the correct IP address; then ping the server again. If the ping fails again, check the other network settings to make sure they are correct (see page 10). If they are all correct, proceed to step 3. 3  Check troubleshooting information at the Y Soft 24/7 help desk website:  http://helpdesk.ysoft.com. (For more information about the help desk website, see page 7.)
  Chapter 6. Performing diagnostics YSOFT SAFEQ TERMINAL PROFESSIONAL INSTALLATION AND ADMINISTRATION GUIDE   531  Ping other devices Follow these steps to ping devices other than the server. NOTE:  This procedure pings devices accessible via uplink connection;  it cannot detect devices “behind” the terminal. 1  Display the site admins Service menu (see page 29). 2  Touch Diagnostic utils.    3  Touch Ping.    4  Enter the device‘s IP address in the format shown in this example: 10.0.1.1 is entered as 010 000 001 001.  Touch OK.
Chapter 6. Performing diagnostics 54  YYSOFT SAFEQ TERMINAL PROFESSIONAL INSTALLATION AND ADMINISTRATION GUIDE 5  If the connection is unsuccessful, check to see if the IP address displayed on the screen is the correct address for the device. If the IP address is correct: Proceed to step 6. If the IP address is not correct: Enter the correct IP address; then ping again. If the ping fails again, proceed to step 6. 6  Check troubleshooting information at the Y Soft 24/7 help desk website:  http://helpdesk.ysoft.com. (For more information about the help desk website,  see page 7.)
     YSOFT SAFEQ TERMINAL PROFESSIONAL INSTALLATION AND ADMINISTRATION GUIDE   551  7  Performing service procedures Rebooting the terminal 1  Display the site admins Service menu (see page 29). 2  Touch Service.    3  Touch Reboot.   The terminal reboots.
Chapter 7.  Performing service procedures 56  YYSOFT SAFEQ TERMINAL PROFESSIONAL INSTALLATION AND ADMINISTRATION GUIDE Changing the Y Soft partners Service menu access PIN code To change the PIN code that must be entered to access the Y Soft partners Service menu: 1  Display the Y Soft partners Service menu (see page 31). 2  Touch Service.    3  Touch Change part. PIN.    4  Enter the new PIN; then touch OK.
  Chapter 7.  Performing service procedures YSOFT SAFEQ TERMINAL PROFESSIONAL INSTALLATION AND ADMINISTRATION GUIDE   571  Changing the site admins Service menu access PIN code To change the PIN code that must be entered to access the site admins Service menu: 1  Display the Site admins Service menu (see page 29). 2  Touch Service.   3  Touch Change PIN.    4  Enter the new PIN; then touch OK.
     58  YYSOFT SAFEQ TERMINAL PROFESSIONAL INSTALLATION AND ADMINISTRATION GUIDE 8  Updating terminal firmware This chapter describes the two methods you can use to update the terminal’s firmware: Regular update – The first time a user authenticates at the terminal, the update process is automatically triggered. SafeQ downloads the update files to the terminal, starts the update process, and displays a message on the terminal screen informing the user about the update. Emergency update – If you need to update only a small number of terminals, you can perform an emergency update. Unlike a regular update, which is automatic, you initiate an emergency update from the Site admins Service menu, enabling you to perform the update at a convenient time.
  Chapter 8.  Updating terminal firmware YSOFT SAFEQ TERMINAL PROFESSIONAL INSTALLATION AND ADMINISTRATION GUIDE   591  Performing a Regular terminal firmware update 1  Download the new firmware files from the Y Soft Partners‘ Portal (http://partners.ysoft.com) to the SafeQ server. 2  Copy the new firmware files into the "update" folder  (typically: c:\SafeQ\server\update\). 3  Edit the configuration file (safeQ.fwupdate.conf or fwupdate.conf), which is located in the SafeQ home directory in the folder conf\modules (or conf\), as described in the following example. (The configuration file includes parameters for different versions of terminals and for the recharging station.) In the Terminal v3 firmware area, look at the last line. As a general rule, on the left side of the equal sign ( = ) is the definition of the current firmware, and on the right is the new firmware. In the example shown here, the last time the firmware was updated, version 3.0.0.1[0-9][0-9] was updated to version 3.1.0.  NOTE:  Brackets indicate a range of firmware. For example, 3.0.0.1 [0-9][0-9] means any firmware version from 3.0.0.100 to 3.0.0.199.
Chapter 8.  Updating terminal firmware 60  YYSOFT SAFEQ TERMINAL PROFESSIONAL INSTALLATION AND ADMINISTRATION GUIDE To perform the update, you can use either a full update file or a differential update file. Differential files are smaller and therefore the update is faster, but can be used only when the third-level version of the firmware changes. For example, if you’re updating from 3.6.0 to 3.6.1, you can perform a differential update. But if you’re updating from 3.4.1 to 3.6.1, you must perform a full update. If you are not sure, perform a full update. a  Open the configuration file on the server.  b  Add a line as shown here: The left side defines the firmware currently installed on the terminal (in this example, version 3.6.[0-4]. The right side, after the equal sign ( = ), specifies which firmware file you want to apply (in this example, version 3.6.5). c  Save the file; then close it. d  Authenticate at the terminal. The update process begins. The update process can take several minutes, depending on the connection. The terminal service menu indicates when the update is complete. e  Try to authenticate on the terminal.  If you are able to authenticate, you have now successfully upgraded the terminal firmware.
  Chapter 8.  Updating terminal firmware YSOFT SAFEQ TERMINAL PROFESSIONAL INSTALLATION AND ADMINISTRATION GUIDE   611  Performing an Emergency terminal firmware update NOTE:  Emergency updates are always full updates – not differential updates. 1  Download the new firmware files from the Y Soft Partners‘ Portal (http://partners.ysoft.com) to the SafeQ server. 2  Copy the new firmware files into the "update" folder  (typically: c:\SafeQ\server\update\). 3  Edit the configuration file (safeQ.fwupdate.conf or fwupdate.conf), which is located in the SafeQ home directory in the folder conf\modules (or conf\), as described in the following example. (The configuration file includes parameters for different versions of terminals and for the recharging station.) In the Terminal v3 firmware area, look at the line that includes “emergency”. On the left side of the equal sign ( = ) is the version of the terminal and on the right is the new firmware. In the example shown here, the last time an emergency update was performed, Terminal Professional version 3 was updated with firmware version 3.1.0.
Chapter 8.  Updating terminal firmware 62  YYSOFT SAFEQ TERMINAL PROFESSIONAL INSTALLATION AND ADMINISTRATION GUIDE 4  Open the configuration file on the server.  5  Add a line as shown here: The left side defines the terminal version (in this example, Terminal Professional version 3). The right side, after the equal sign ( = ), specifies which firmware file you want to apply (in this example, version 3.1.0). 6  Save the file; then close it.
  Chapter 8.  Updating terminal firmware YSOFT SAFEQ TERMINAL PROFESSIONAL INSTALLATION AND ADMINISTRATION GUIDE   631  7  Use either of these methods to invoke the firmware update: Method 1: Invoking the firmware update from the Service menu a  Display the Y Soft partners Service menu (see page 31). b  Touch Service.   c  Touch Emergency update.    The terminal reboots. Method 2: Invoking the firmware update during power up a  Power off the terminal. b  Power on the terminal. c  Immediately touch and hold your finger on the lower left corner of the terminal screen.  d  Continue to hold your finger there until the terminal asks you to confirm the emergency update. The update process can take several minutes, depending on the connection. The terminal Service menu indicates when the update is complete. You have now successfully upgraded the terminal firmware.
 64  YYSOFT SAFEQ TERMINAL PROFESSIONAL INSTALLATION AND ADMINISTRATION GUIDE A  Terminal properties and technical specifications Specifications SafeQ Terminal Professional properties and specifications Item Specification Terminal el. power supply input 12 VDC Maximum current input 1.0 Amp Working temperature +10 °C to +40 °C (50 °F to 104 °F) Storage temperature 0 °C to +50 °C (32 °F to 122 °F) Maximum air humidity 80% without condensation Resistance to magnetic field no added resistance Weight cca 900g (varies according to the card reader used) Size (H x H x D) 165 x 99 x 52mm Architecture Renesas SH-3 200MHz CPU, 64MB SDRAM, 16MB Flash dedicated for firmware + 128MB dedicated for data Screen 480 x 272px, 16-bit color Maximum pressure: 250g Internal readers RFID 125kHz Mifare, Motorola, HID, IDTECK, TIRIS, Cotag, Unique, Smart card, magnetic three track, drafting bar codes, dual readers, and many others For a complete list, contact your Y Soft sales representative or go to http://partners.ysoft.com. External interface 8-pin miniDIN, RS 232 interface (for service only; see Appendix B) Power/frequency 200 MIPs Data bus 32-bit Instruction set RISC RAM 64MB Flash memory 16MB
Appendix A.  Terminal properties and technical specifications  YSOFT SAFEQ TERMINAL PROFESSIONAL INSTALLATION AND ADMINISTRATION GUIDE   651  SafeQ Terminal Professional properties and specifications (continued) Item Specification Blocking cables to MFP Yes Internal operating system Linux Customization option Yes, as required
 66  YYSOFT SAFEQ TERMINAL PROFESSIONAL INSTALLATION AND ADMINISTRATION GUIDE B  Service connector An 8-pin miniDIN, RS 232 connector is located on the top of the terminal, for service purposes only.  Service connector

Navigation menu