Yamaha CL5/CL3/CL1 Reference Manual V4.0 Cl5 3 1 It Rm E0
User Manual: Yamaha CL5/CL3/CL1 V4.0 Reference Manual
Open the PDF directly: View PDF
.
Page Count: 324 [warning: Documents this large are best viewed by clicking the View PDF Link!]
- Uso del presente Manuale di riferimento
- Sommario
- Schema delle funzioni
- Sezione SELECTED CHANNEL (CANALE SELEZIONATO)
- Sezione Centralogic
- Assegnazione ingressi e uscite
- Canali di input
- Flusso del segnale dei canali di ingresso
- Indicazione del nome e dell'icona del canale
- Impostazioni HA (preamplificatore)
- Invio del segnale da un canale di ingresso al bus STEREO/MONO
- Funzione pan aggiunta (solo canali di ingresso mono)
- Invio di un segnale da un canale di ingresso a un bus MIX/MATRIX
- Indicazione del display dei nomi dei canali
- Correzione del delay tra i canali (Delay di ingresso)
- Uscita surround per i canali di ingresso
- Operazioni nella libreria canali
- Canali di uscita
- EQ e dinamiche
- Channel Job (Operazione canale)
- Memoria scena
- Memorizzazione e richiamo di scene
- Modifica delle memorie scene
- Uso della funzione Global Paste (Incolla impostazioni globali)
- Uso della funzione Focus Recall
- Utilizzo della funzione Fade
- Uscita di un segnale di controllo a un dispositivo esterno collegato con richiamo della scena (GPI OUT)
- Riproduzione di un file audio collegato al richiamo di una scena
- Uso della modalità Preview
- Funzioni Monitor (Monitoraggio) e Cue (Segnale di attivazione)
- Talkback e oscillatore
- Indicatori
- EQ grafico, Equalizzatore parametrico, effetti e PREMIUM RACK
- Dispositivi I/O e preamplificatori esterni
- MIDI
- Registratore
- Informazioni sul registratore di memoria USB
- Assegnazione dei canali all'ingresso e all'uscita del registratore
- Registrazione dell'audio in un'unità di memoria flash USB
- Riproduzione di file audio da un'unità di memoria flash USB
- Modifica dell'elenco dei titoli
- Registrazione o riproduzione su un computer mediante DAW
- Uso della console CL con Nuendo Live
- Setup
- Informazioni sulla schermata SETUP
- Impostazioni utente
- Preferenze
- Tasti USER DEFINED
- Funzioni che possono essere assegnate a tasti USER DEFINED (definiti dall'utente)
- Manopole USER DEFINED
- Funzioni che possono essere assegnate a manopole USER DEFINED (definite dall'utente)
- Encoder assegnabili
- Funzioni che possono essere assegnate agli encoder assegnabili
- Funzioni della manopola GAIN/PAN/ASSIGN (encoder assegnabile)
- Banco di fader personalizzato
- Fader master
- Funzioni dei banchi di fader personalizzati
- Console Lock (Blocco console)
- Salvataggio e caricamento di dati di configurazione in e da un'unità di memoria flash USB
- Formattazione di un'unità di memoria flash USB
- Funzione per rimontare le unità flash USB aggiunta
- Impostazioni di wordclock e slot
- Uso dei collegamenti in cascata
- Impostazioni di base per i bus MIX e MATRIX
- Attivazione o disattivazione dell'intera alimentazione phantom
- Regolazione della luminosità dello schermo sensibile al tocco, dei LED, della visualizzazione dei nomi dei canali e delle spie
- Impostazione di data/ora del clock interno
- Impostazione dell'indirizzo di rete
- Impostazione della rete audio Dante
- Utilizzo di GPI (General Purpose Interface)
- Funzione Help (Guida)
- Altre funzioni
- Inizializzazione dell'unità alle impostazioni di fabbrica dell'unità
- Regolazione del punto di rilevamento dello schermo sensibile al tocco (funzione Calibration, Calibrazione)
- Regolazione dei fader (funzione Calibration)
- Regolazione fine del guadagno di input e uscita (funzione Calibration)
- Regolazione del colore dei canali (funzione di calibrazione)
- Regolazione della luminosità del display dei nomi dei canali
- Regolazione del contrasto dei display dei nomi dei canali
- Inizializzazione delle impostazioni della console e della rete audio Dante
- Procedura di aggiornamento modificata per il firmware NAME SUB CPU
- Funzione di aggiornamento del firmware Dante aggiunta
- Messaggi di avviso/errore
- Indice
- Data List
- EQ Library List
- DYNAMICS Library List
- Dynamics Parameters
- Effect Type List
- Effects Parameters
- Premium Rack Processor Parameters
- Parameters That Can Be Assigned to Control Changes
- NRPN Parameter Assignments
- Mixing Parameter Operation Applicability
- MIDI Data Format
- Input/output characteristics
- Electrical Characteristics
- Mixer Basic Parameters
- Pin Assignment
- MIDI Implementation Chart

IT
Uso del presente Manuale
di riferimento
Il Manuale di riferimento (il presente documento) di CL5/CL3/CL1
consente di cercare i termini e utilizzare i collegamenti nel testo.
Ricerca dei termini
Per cercare un termine, utilizzare la funzione di ricerca del
software utilizzata per visualizzare il presente documento.
Se si utilizza Adobe Reader, immettere il termine nella casella
di ricerca e premere il tasto <Invio> del computer per cercare
le occorrenze di quel termine.
Visualizzazione della vista successiva
oprecedente
Se si utilizza Adobe Reader, è possibile passare alla vista
precedente o successiva nella cronologia delle visualizzazioni.
Questo è un modo facile e veloce per tornare alla pagina
precedente dopo aver utilizzato un collegamento per
passare a una pagina diversa.
Uso dello schema delle funzioni
Uno schema delle funzioni per la serie CL si trova a pagina 4
e seguenti. È possibile utilizzare tale schema per trovare la
pagina in cui viene descritta una vista o una funzione.
Manuale di riferimento

Sommario
Manuale di riferimento
2
Sommario
Uso del presente Manuale di riferimento.................................................................. 1
Schema delle funzioni............................................................... 4
Sezione SELECTED CHANNEL (CANALE SELEZIONATO) .............. 6
Operazioni nella sezione SELECTED CHANNEL......................................................... 6
Sezione Centralogic ................................................................ 13
Operazioni nella sezione Centralogic ..................................................................... 13
Assegnazione ingressi e uscite................................................ 18
Assegnazione interna console CL e assegnazione rete audio Dante ........................ 18
Modifica delle impostazioni di assegnazione degli ingressi ..................................... 19
Modifica delle impostazioni di assegnazione delle uscite ........................................ 20
Inserimento di un dispositivo esterno in un canale ................................................. 23
Uscita diretta su un canale di INPUT ...................................................................... 26
Canali di input ........................................................................ 28
Flusso del segnale dei canali di ingresso ................................................................. 28
Indicazione del nome e dell'icona del canale.......................................................... 29
Impostazioni HA (preamplificatore)........................................................................ 31
Invio del segnale da un canale di ingresso al bus STEREO/MONO.......................... 37
Funzione pan aggiunta (solo canali di ingresso mono)........................................... 40
Invio di un segnale da un canale di ingresso a un bus MIX/MATRIX....................... 42
Indicazione del display dei nomi dei canali............................................................. 46
Correzione del delay tra i canali (Delay di ingresso) ............................................... 47
Uscita surround per i canali di ingresso .................................................................. 50
Operazioni nella libreria canali ............................................................................... 54
Canali di uscita........................................................................ 55
Flusso del segnale dei canali di uscita..................................................................... 55
Indicazione del nome e dell'icona del canale.......................................................... 56
Invio dei segnali dai canali MIX al bus
STEREO/MONO.......................................................................................... 57
Invio dei segnali dai canali MIX e STEREO/MONO ai bus MATRIX.......................... 59
Correzione del delay tra i canali (Output Delay)..................................................... 62
Operazioni nella libreria dei canali ......................................................................... 63
EQ e dinamiche........................................................................ 64
Uso dell'equalizzatore ............................................................................................. 64
Utilizzo delle dinamiche.......................................................................................... 67
Uso delle librerie dell'equalizzatore o delle dinamiche............................................. 70
Channel Job (Operazione canale)............................................ 71
Gruppo DCA .......................................................................................................... 71
Funzione DCA Roll-out ........................................................................................... 74
Gruppo di esclusione.............................................................................................. 76
Uso della funzione Recall Safe ................................................................................. 79
Funzione Channel Link ........................................................................................... 82
Operazioni di copia, spostamento o inizializzazione di un canale ............................ 87
Informazioni sulla funzione Mix Minus.................................................................... 91
Memoria scena ........................................................................ 92
Memorizzazione e richiamo di scene ...................................................................... 92
Modifica delle memorie scene ................................................................................ 97
Uso della funzione Global Paste (Incolla impostazioni globali)................................. 99
Uso della funzione Focus Recall............................................................................. 102
Utilizzo della funzione Fade .................................................................................. 103
Uscita di un segnale di controllo a un dispositivo esterno collegato
con richiamo della scena (GPI OUT) .......................................................... 105
Riproduzione di un file audio collegato al richiamo di una scena........................... 106
Uso della modalità Preview................................................................................... 108
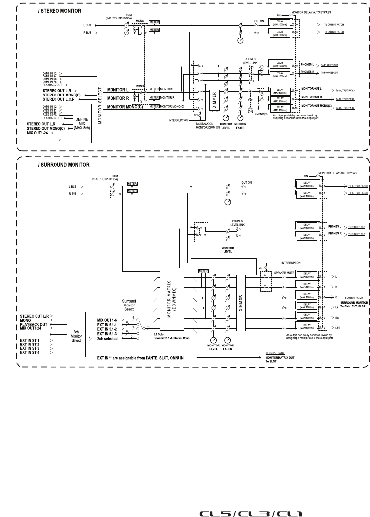
Funzioni Monitor (Monitoraggio)
e Cue (Segnale di attivazione) .............................................. 109
Uso della funzione Monitor................................................................................... 110
Uso della funzione del segnale di attivazione ........................................................ 116
Talkback e oscillatore............................................................ 125
Uso del talkback ................................................................................................... 125
Uso della funzione oscillatore................................................................................ 127
Indicatori ............................................................................... 130
Operazioni nella schermata METER....................................................................... 130
Uso di un meter bridge MBCL (facoltativo) nella console CL3 o CL1..................... 134
EQ grafico, Equalizzatore parametrico,
effetti e PREMIUM RACK ....................................................... 135
Informazioni sul rack virtuale ................................................................................ 135
Operazioni con rack virtuale ................................................................................. 136
Operazioni con l'EQ grafico .................................................................................. 139

Sommario
Manuale di riferimento
3
Informazioni sulla funzione AUTOMIXER.............................................................. 146
Modifica degli effetti interni................................................................................. 148
Sincronizzazione di effetti e tempo ...................................................................... 155
Uso del Premium Rack ......................................................................................... 156
Uso delle librerie EQ grafico, EQ parametrico, effetti e Premium Rack .................. 166
Dispositivi I/O e preamplificatori esterni............................. 167
Uso di un dispositivo I/O...................................................................................... 167
Controllo remoto di un'unità della serie R ............................................................ 169
Funzione di controllo dei preamplificatori dei dispositivi di terze parti aggiunta ... 173
Controllo remoto di un amplificatore................................................................... 175
Controllo remoto di un'unità WIRELESS ............................................................... 176
Uso di un preamplificatore esterno ...................................................................... 178
MIDI....................................................................................... 183
Funzionalità MIDI sulla console della serie CL....................................................... 183
Impostazioni MIDI di base ................................................................................... 183
Uso dei program change per richiamare scene ed elementi della libreria.............. 186
Uso di control change per controllare i parametri ................................................ 188
Utilizzo di parameter change per controllare i parametri...................................... 190
Registratore .......................................................................... 191
Informazioni sul registratore di memoria USB....................................................... 191
Assegnazione dei canali all'ingresso e all'uscita del registratore............................. 191
Registrazione dell'audio in un'unità di memoria flash USB .................................... 193
Riproduzione di file audio da un'unità di memoria flash USB ................................ 195
Modifica dell'elenco dei titoli ............................................................................... 196
Registrazione o riproduzione su un computer mediante DAW.............................. 197
Uso della console CL con Nuendo Live................................................................. 200
Setup ..................................................................................... 204
Informazioni sulla schermata SETUP..................................................................... 204
Impostazioni utente............................................................................................. 206
Preferenze............................................................................................................ 213
Tasti USER DEFINED............................................................................................. 215
Funzioni che possono essere assegnate a tasti
USER DEFINED (definiti dall'utente)........................................................... 217
Manopole USER DEFINED.................................................................................... 222
Funzioni che possono essere assegnate a manopole
USER DEFINED (definite dall'utente).......................................................... 223
Encoder assegnabili ............................................................................................. 225
Funzioni che possono essere assegnate agli encoder assegnabili .......................... 226
Funzioni della manopola GAIN/PAN/ASSIGN (encoder assegnabile) .................... 227
Banco di fader personalizzato .............................................................................. 227
Fader master ........................................................................................................ 228
Funzioni dei banchi di fader personalizzati............................................................ 229
Console Lock (Blocco console).............................................................................. 229
Salvataggio e caricamento di dati di configurazione
in e da un'unità di memoria flash USB ....................................................... 230
Formattazione di un'unità di memoria flash USB................................................... 236
Funzione per rimontare le unità flash USB aggiunta.............................................. 237
Impostazioni di wordclock e slot........................................................................... 237
Uso dei collegamenti in cascata............................................................................ 239
Impostazioni di base per i bus MIX e MATRIX....................................................... 243
Attivazione o disattivazione dell'intera alimentazione phantom............................. 244
Regolazione della luminosità dello schermo sensibile al tocco,
dei LED, della visualizzazione dei nomi dei canali e delle spie..................... 244
Impostazione di data/ora del clock interno ........................................................... 245
Impostazione dell'indirizzo di rete......................................................................... 245
Impostazione della rete audio Dante..................................................................... 246
Utilizzo di GPI (General Purpose Interface)............................................................ 257
Funzione Help (Guida)........................................................... 263
Caricamento di un file di Help/di testo da un'unità di memoria flash USB ............. 263
Visualizzazione della Guida ................................................................................... 263
Utilizzo di tasti USER DEFINED per richiamare direttamente la Guida .................... 264
Altre funzioni ........................................................................ 265
Inizializzazione dell'unità alle impostazioni di fabbrica dell'unità............................ 265
Regolazione del punto di rilevamento dello schermo
sensibile al tocco (funzione Calibration, Calibrazione)................................ 265
Regolazione dei fader (funzione Calibration)......................................................... 266
Regolazione fine del guadagno di input e uscita (funzione Calibration)................. 266
Regolazione del colore dei canali (funzione di calibrazione) .................................. 268
Regolazione della luminosità del display dei nomi dei canali ................................. 268
Regolazione del contrasto dei display dei nomi dei canali ..................................... 269
Inizializzazione delle impostazioni della console e della rete audio Dante .............. 269
Procedura di aggiornamento modificata per il firmware NAME SUB CPU.............. 270
Funzione di aggiornamento del firmware Dante aggiunta .................................... 270
Messaggi di avviso/errore..................................................... 271
Indice ..................................................................................... 274

Schema delle funzioni
Manuale di riferimento
4
Schema delle funzioni
I numeri di pagina tra parentesi () corrispondono ai numeri
di pagina del Manuale di istruzioni (opuscolo).
Principale
SELECTED CHANNEL 6
OVERVIEW 14
FUNCTION ACCESS AREA (18)
CHANNEL PARAMETER
PATCH/NAME 20, 30, 56
GAIN/PATCH 32
1ch 32
8ch 33
CH1-48 35
CH49-72/ST IN 35
OUTPUT Solo indicazione
INPUT DELAY 47
8ch 47
CH1-48 48
CH49-72/ST IN 48
DELAY SCALE 47
INSERT/DIRECT OUT 24
1ch 24, 26
8ch 25, 27
HPF/EQ 64
1ch 64
8ch 66
CH1-48 66
CH49-72/ST IN 66
OUTPUT 66
DYNAMICS 67
1ch 67
KEY IN SOURCE SELECT 68
8ch 69
CH1-48 70
CH49-72/ST IN 70
OUTPUT 70
CHANNEL PARAMETER
MIX SEND/MATRIX SEND 44
TO STEREO/MONO 57
8ch 57
CH1-48 58
CH49-72/ST IN 58
OUTPUT 58
SURROUND 50
LIBRERIA
CHANNEL LIBRARY 54
EQ LIBRARY 70
DYNAMICS LIBRARY 70
GEQ/PEQ LIBRARY 166
EFFECT LIBRARY 166
Portico5033/Portico5043/U76/Opt-2A/
EQ-1A/DynamicEQ/Buss Comp 369/
MBC4 LIBRARY
166
DANTE INPUT PATCH LIBRARY 168
RACK
VIRTUAL RACK 136
RACK MOUNTER 139
GEQ EDIT 140
RACK LINK 140
EFFECT RACK 150
EFFECT EDIT 150
EFFECT TYPE 150
PREMIUM RACK 156
PREMIUM RACK MOUNTER 156
PREMIUM RACK EDIT 157
AUTOMIXER 146
PARAMETRIC EQ 143
I/O DEVICE
DANTE PATCH 167
DANTE INPUT PATCH 168
OUTPUT PATCH 169
I/O 169
AMP 175
WIRELESS 176
EXTERNAL HA 180
EXTERNAL HA RACK 180
EXTERNAL HA EDIT 180
EXTERNAL HA PORT SELECT 181
MONITOR
MONITOR 110
CUE 120
MONITOR 112
OSCILLATOR 128
TALKBACK 126
METER
INPUT METER 130
OUTPUT METER 130
RTA METER (INDICATORE RTA) 132
SETUP
USER SETUP 204
PREFERENCE 213
USER DEFINED KEYS SETUP 215
USER DEFINED KEY SETUP (List) 215
USER DEFINED KNOBS SETUP 222
USER DEFINED KNOB SETUP (List) 222
ASSIGNABLE ENCODER SETUP 225
CUSTOM FADER BANK/MASTER FADER 228
FADER ASSIGN SELECT 227
USER LEVEL/CREATE USER KEY 207
CREATE KEY 208
SAVE KEY 211
LOGIN 209
SAVE/LOAD 230
I/O DEVICE

Schema delle funzioni
Manuale di riferimento
5
NOTA
• Le spiegazioni in questo manuale di riferimento sono relative
al modello CL5.
• Nel caso dei modelli CL3/CL1, alcune schermate non
consentiranno di visualizzare i canali e i fader che
non esistono su questi modelli.
WORD CLOCK/SLOT SETUP 237
CASCADE IN/OUT PATCH 240, 242
OUTPUT PORT 62
MIDI/GPI 183, 257
MIDI SETUP 184
PROGRAM CHANGE 186
CONTROL CHANGE 189
GPI 258
FADER START 261
BUS SETUP 243
SURROUND SETUP
(CONFIGURAZIONE SURROUND) 205
CONSOLE LOCK 229
DATE/TIME 245
NETWORK 246
DANTE SETUP 247
SCENE
SCENE LIST 94
GLOBAL PASTE 100
FADE TIME 104
SONG SELECT 107
FOCUS RECALL 102
RECORDER
USB 191
NUENDO LIVE 200
CH JOB
CH LINK MODE 83
DCA GROUP ASSIGN 72
MUTE GROUP ASSIGN 72
RECALL SAFE MODE 80
CH COPY MODE 87
CH MOVE MODE 89
CH DEFAULT MODE 90
SETUP PATCH
PORT SELECT 25, 27, 113, 121,
168, 241
CH SELECT 22, 137, 192, 228
Altri
CONFIRMATION 214
SOFT KEYBOARD (21)
LOGIN 209
Menu di avvio
MODE SELECT 265
INITIALIZE ALL MEMORIES 265
INITIALIZE CURRENT MEMORIES 265
TOUCH SCREEN CALIBRATION 265
INPUT PORT TRIM 267
OUTPUT PORT TRIM 267
SLOT OUTPUT TRIM 267
FADER CALIBRATION 266
LED COLOR CALIBRATION 268

Sezione SELECTED CHANNEL (CANALE SELEZIONATO)
Manuale di riferimento
6
Sezione SELECTED CHANNEL
(CANALE SELEZIONATO)
La sezione SELECTED CHANNEL, a sinistra del display, corrisponde a un modulo di canali
di un mixer analogico convenzionale e consente di utilizzare le manopole sul pannello
per impostare tutti i parametri principali del canale attualmente selezionato.
Le operazioni eseguite in questa sezione influiscono sul canale selezionato più di recente
mediante il tasto [SEL] (SELEZIONE) corrispondente. Se a una singola channel strip è stato
assegnato un canale ST IN (INGRESSO STEREO) o STEREO, viene selezionato il canale L
(sinistro) o R (destro) e i parametri principali per i canali L e R vengono collegati.
Operazioni nella sezione SELECTED CHANNEL
Per eseguire le procedure all'interno della sezione SELECTED CHANNEL, attenersi
alla procedura descritta di seguito.
NOTA
• Per selezionare un canale MIX o MATRIX, utilizzare
i tasti Bank Select (selezione banchi) per richiamare
il canale desiderato nella sezione Centralogic, quindi
premere il tasto [SEL] per il canale desiderato.
• Il numero e il nome del canale attualmente
selezionato vengono visualizzati nel campo di
selezione dei canali situato nell'area di accesso
alle funzioni dello schermo sensibile al tocco.
• Se a una singola channel strip è stato assegnato
un canale ST o STEREO, sarà possibile passare da
L a R premendo ripetutamente lo stesso tasto [SEL].
• Inoltre è possibile cambiare i canali premendo il
campo di selezione dei canali situato nell'area di
accesso alle funzioni. Premere il lato sinistro del campo per selezionare il canale precedente.
Premere il lato destro del campo per selezionare il canale successivo.
• Se l'opzione "POPUP APPEARS WHEN KNOB(S) PRESSED" (VISUALIZZAZIONE
FINESTRA A COMPARSA ALLA PRESSIONE DELLE MANOPOLE) è ATTIVATA nella scheda
PREFERENCE (PREFERENZA), accessibile premendo in sequenza il pulsante SETUP
e il pulsante USER SETUP (SETUP UTENTE), premendo ripetutamente una manopola
viene aperta o chiusa la schermata (1ch).
• Anche se viene selezionata una schermata diversa, il canale
selezionato con il tasto [SEL] può essere impostato mediante
le manopole della sezione SELECTED CHANNEL. In questo caso,
quando si utilizza una manopola, nella schermata viene visualizzata
una finestra che indica il valore del parametro.
STEP
1. Utilizzare il tasto [SEL] nella sezione INPUT (INGRESSO) del pannello superiore,
nella sezione ST IN o nella sezione STEREO/MONO per selezionare il canale
da controllare.
2. Premere una delle manopole nella sezione SELECTED CHANNEL.
3. Utilizzare le manopole della sezione SELECTED CHANNEL e i pulsanti della
schermata SELECTED CHANNEL VIEW (VISTA CANALE SELEZIONATO)
per modificare i parametri del canale selezionato.
Numero canale
Nome canale

Sezione SELECTED CHANNEL (CANALE SELEZIONATO)
Manuale di riferimento
7
Schermata SELECTED CHANNEL VIEW
Campo SEND (MANDATA)
In questo campo è possibile visualizzare il livello di mandata e lo stato
di attivazione/disattivazione dal canale in ciascun bus MIX/MATRIX.
È inoltre possibile attivare/disattivare lo stato dei segnali di mandata.
La visualizzazione e le funzioni delle manopole e dei pulsanti nel
campo SEND variano se una coppia di canali bus, con numerazione
pari e dispari, comprende due canali mono o un canale stereo.
1
Tab
Consentono di selezionare un gruppo di 16 canali bus di uscita
da visualizzare nel campo SEND.
•Il tab MIX1-16......................... consente di visualizzare i bus
MIX 1-16.
•Il tab MIX17-24/MATRIX ........ consente di visualizzare i bus
MIX 17-24 e MATRIX 1-8.
Se i canali bus di destinazione sono due canali mono:
1
Manopola SEND
Consente di regolare il livello di mandata al bus corrispondente.
2
Indicatore PRE
Indica il tipo di bus corrispondente. Se è di tipo VARI [PRE EQ] o VARI [PRE FADER]
e il pulsante PRE nella schermata MIX SEND (MANDATA MIX) a 8 canali è attivato,
viene visualizzato il tipo.
3
Pulsante ON
Consente di attivare o disattivare il segnale di mandata al bus corrispondente.
Se il bus di destinazione è un canale stereo:
1
Manopola SEND/PAN (MANDATA/PAN)
La manopola destra consente di regolare il livello del segnale inviato a una coppia
di canali bus (con numerazione pari e dispari). La manopola sinistra consente di regolare
pan e bilanciamento dello stesso segnale.
2
Indicatore PRE
Indica il tipo di bus corrispondente.
3
Pulsante ON
Consente di attivare o disattivare il segnale di mandata ai due bus.
NOTA
• Se il bus di destinazione è di tipo FIXED (FISSO), i controller
2
e
3
descritti in precedenza
non vengono visualizzati.
• Premere la manopola SEND o PAN sullo schermo per aprire la finestra SEND a 8 canali.
1
1
2
3
1
2
3

Sezione SELECTED CHANNEL (CANALE SELEZIONATO)
Manuale di riferimento
8
Quando si utilizza CUE B
Indica che i canali 7 e 8 sul bus MATRIX sono
combinati con CUE B.
NOTA
Per informazioni su come utilizzare CUE B,
vedere Schermata CUE (configurazione di
CUE B).
Campo GAIN/PATCH (GUADAGNO/ASSEGNAZIONE)
Questo campo consente di configurare le impostazioni del guadagno analogico o digitale del
preamplificatore (HA, head amplifier). È inoltre possibile visualizzare lo stato operativo
del preamplificatore.
1
Manopola GAIN (GUADAGNO)
Consente di impostare il guadagno digitale/analogico
del preamplificatore.
Premere la manopola per aprire la finestra GAIN/PATCH
(GUADAGNO/ASSEGNAZIONE) a 1 canale.
2
Indicatore GC
Indica il valore di guadagno fisso inviato alla rete audio
se la funzione di compensazione guadagno è attivata.
3
Indicatore OVER
Segnala all'utente la saturazione del segnale.
4
Indicatore Ø (fase)
Indica lo stato dell'impostazione di fase.
5
Indicatore +48V
Indica lo stato di attivazione/disattivazione dell'alimentazione phantom (+48V)
del preamplificatore.
6
Indicatore HPF ON
Indica lo stato di attivazione/disattivazione del filtro passa-alto del preamplificatore esterno.
7
Indicatore AG-DG LINK
Indica un collegamento tra il guadagno digitale e il guadagno analogico del
preamplificatore.
8
Valore del guadagno digitale/analogico
Se il guadagno analogico viene assegnato alla manopola GAIN (GUADAGNO), il valore
del guadagno digitale viene mostrato in questo campo. Se il guadagno digitale viene
assegnato alla manopola GAIN, il valore del guadagno analogico viene mostrato in
questo campo.
NOTA
• Per un canale di ingresso assegnato a un ingresso privo di preamplificatore,
1
,
2, 5, 6
e
7
non verranno visualizzati. Per un canale di uscita,
1
-
7
non verranno visualizzati.
• Se GAIN KNOB FUNCTION (FUNZIONE MANOPOLA GUADAGNO) è impostato su DIGITAL
GAIN (GUADAGNO DIGITALE) nella schermata USER SETUP PREFERENCE, la manopola
del guadagno digitale verrà visualizzata per
1
e
2, 5, 6
e
7
non verrà visualizzato.
Per informazioni dettagliate, vedere "Impostazioni HA (preamplificatore)" (pagina 31).
Se associato a un microfono wireless (schermata SELECTED CHANNEL VIEW
(VISUALIZZAZIONE CANALE SELEZIONATO))
1
Manopola RX.GAIN
Consente di impostare il guadagno del ricevitore. Premere
la manopola per aprire la finestra GAIN/PATCH
(GUADAGNO/ASSEGNAZIONE) a 1 canale.
2
Indicatore OL
Si illumina quando il livello del segnale audio del ricevitore
raggiunge il punto di overload.
3
Indicatore del segnale RF (frequenza radio)
Visualizza delle barre che indicano il livello del segnale RF. Un indicatore di antenna
attiva viene mostrato sul lato destro. Indica l'antenna attivata.
NOTA
Per ulteriori informazioni sulla relazione tra il numero di barre e l'effettiva potenza del segnale RF,
fare riferimento al manuale di Shure.
4
Indicatore di carica della batteria
Visualizza delle barre che indicano l'autonomia restante della batteria.
NOTA
Per ulteriori informazioni sulla relazione tra il numero di barre e il tempo massimo di operazione,
fare riferimento al manuale di Shure.
5
Indicatore MUTE (ESCLUSIONE)
Indica lo stato di esclusione (attivazione/disattivazione) del segnale audio per il
ricevitore.
6
Frequency (Frequenza)
Indica la frequenza attualmente impostata per il segnale RF.
41
76
3
58
2
12
36
5
4

Sezione SELECTED CHANNEL (CANALE SELEZIONATO)
Manuale di riferimento
9
Campo PAN/BALANCE (PAN/BILANCIAMENTO)
Questo campo consente di attivare/disattivare il segnale inviato dal canale selezionato
al bus STEREO/MONO e di regolare pan e bilanciamento.
La visualizzazione e le funzioni dei controller in questo campo dipendono dal tipo di
canale selezionato.
Se si seleziona un canale di ingresso o un canale MIX:
1
Manopola TO STEREO PAN (A PAN STEREO)
Consente di impostare la posizione pan di un
segnale inviato al bus STEREO.
Premere la manopola per aprire la finestra STEREO/
MONO 8ch. Se il canale ST IN (INGRESSO STEREO)
è selezionato, in questa finestra sarà possibile
specificare se visualizzare la manopola PAN o la
manopola BALANCE. Per un canale MIX, la manopola PAN viene visualizzata se il segnale
è mono, mentre la manopola BALANCE viene visualizzata se il segnale è stereo.
NOTA
• Per i canali di ingresso mono, il livello di pan è nominale al centro e +3dB se eseguito verso
sinistra o destra. Questi livelli non cambiano anche se si utilizza il collegamento canali.
• Per i canali ST IN, se la manopola PAN viene selezionata, il livello di pan è nominale se eseguito
verso sinistra o destra e -3dB al centro. Se la manopola BALANCE viene selezionata il livello
di bilanciamento è nominale al centro e +3dB se eseguito verso sinistra o destra. Questi livelli
non cambiano anche se si utilizza il collegamento canali.
2
Pulsante ST/MONO
Consente di attivare/disattivare lo stato di un
segnale inviato dal canale al bus STEREO/MONO.
Se un canale INPUT/MIX è impostato sulla modalità
LCR (sinistra, centro, destra), il pulsante LCR
viene visualizzato nella posizione
2
. Il pulsante
LCR funziona da interruttore di attivazione/
disattivazione generale per i segnali inviati dal canale al bus STEREO/MONO.
Se si seleziona un canale MATRIX, STEREO o MONO:
1
Manopola BALANCE (BILANCIAMENTO)
Se il segnale sul canale selezionato è stereo, viene
visualizzata la manopola BALANCE che consente di
regolare il bilanciamento di volume per i canali di
sinistra e di destra. Se il segnale del canale è mono,
la manopola BALANCE non sarà disponibile per
l'utilizzo.
Premere la manopola per aprire la finestra TO STEREO a 8 canali.
Quando si utilizza la modalità Surround (MIX1- MIX6)
3
DOWN MIX
Questo campo consente di visualizzare il
coefficiente di downmix e le impostazioni del
pulsante L/R.
Premere questo campo per aprire la finestra
TO STEREO/MONO.
Campo INPUT DELAY
(DELAY DI INGRESSO)
Questo campo consente di visualizzare le impostazioni
di delay.
1
Indicatore ON
Indica lo stato di attivazione/disattivazione del delay.
2
Tempo di delay
Il valore di delay viene visualizzato in millisecondi (ms) e in base alla scala selezionata.
Se la scala utilizza unità in millisecondi, il valore nella riga inferiore non viene visualizzato
e viene visualizzato solo il valore in millisecondi nella riga centrale.
Premere questo campo per aprire la finestra INPUT DELAY 8ch.
Campo HPF (solo canali di ingresso)
Questo campo consente di impostare il filtro passa-alto.
Se si seleziona un canale di uscita, un cerchio grigio
viene visualizzato nella posizione
1
e
2
non viene
visualizzato.
1
Manopola HPF
Consente di impostare la frequenza di taglio del filtro passa-alto.
2
Pulsante ON
Consente di attivare o disattivare il filtro passa-alto.
1 2
2
1
3
1
2
1
2

Sezione SELECTED CHANNEL (CANALE SELEZIONATO)
Manuale di riferimento
10
Campo dei parametri EQ
In questo campo vengono visualizzate le impostazioni
dei parametri per l'equalizzatore a quattro bande. Premere
ciascuna manopola per aprire la finestra HPF/EQ 1ch.
1
Manopola Q
Indica l'ampiezza di ciascuna banda.
Se il filtro della banda di tipo HIGH (ALTO) è impostato
su LPF (filtro passa-basso) o H. SHELF (shelving alto)
o il filtro della banda di tipo LOW (BASSO) è impostato su L.
SHELF (shelving basso), la manopola Q non viene
visualizzata e viene visualizzato solo il nome del tipo
di filtro.
NOTA
• Ruotando completamente la manopola Q della banda HIGH sul
pannello in senso antiorario e tenendola premuta si imposterà il
tipo di filtro su LPF. Ruotando completamente la manopola Q in
senso orario e tenendola premuta si imposterà il tipo di filtro su
shelving alto.
• Ruotando completamente la manopola Q della banda LOW sul pannello in senso
orario e tenendola premuta si imposterà il tipo di filtro su shelving basso.
• Se è stato selezionato un canale di uscita, ruotando completamente la manopola Q della banda
LOW sul pannello in senso antiorario e tenendola premuta si imposterà il tipo di filtro su HPF.
• È possibile modificare il tipo di filtro nella finestra HPF/EQ 1ch.
2
Manopola FREQUENCY (FREQUENZA)
Consente di impostare la frequenza centrale (o frequenza di taglio) per ciascuna banda.
3
Manopola GAIN
Consente di impostare la quantità di taglio/enfasi per ciascuna banda.
NOTA
• Se il tipo di filtro della banda di tipo HIGH è impostato su LPF, sarà possibile attivare/disattivare
il filtro passa-basso mediante la manopola sul pannello HIGH band GAIN (GUADAGNO DELLA
BANDA DEGLI ALTI).
• Se il tipo di filtro della banda di tipo LOW è impostato su HPF, sarà possibile attivare/disattivare
il filtro passa-alto mediante la manopola sul pannello LOW band GAIN (GUADAGNO DELLA
BANDA DEI BASSI).
NOTA
Quando il pulsante BYPASS è attivato le manopole diventano grigie.
Campo Grafico EQ
Questo campo consente di visualizzare graficamente la risposta approssimata
dell'equalizzatore. Premere il campo per visualizzare la finestra HPF/EQ 1ch nella quale
sarà possibile impostare attenuatore, filtro passa-alto ed equalizzatore.
Campo DYNAMICS1/DYNAMICS2
Questo campo consente di impostare i parametri delle dinamiche 1 e 2.
1
Indicatore OVER
Segnala all'utente la saturazione del segnale.
2
Indicatore di livello
Visualizza il livello del segnale di uscita (verde) e la quantità di riduzione del guadagno
(arancione) quando le dinamiche sono attivate. L'impostazione della soglia corrente
è rappresentata da una linea verticale bianca.
3
Threshold (Soglia)
Consente di specificare la soglia.
4
Parameters (Parametri)
Indica i valori dei parametri che variano a seconda del tipo di dinamiche attualmente
selezionate.
Premere questo campo per aprire la finestra DYNAMICS 1/DYNAMICS 2 1ch nella
quale è possibile eseguire impostazioni dettagliate dei parametri.
1 2 3
1 2
3
4

Sezione SELECTED CHANNEL (CANALE SELEZIONATO)
Manuale di riferimento
11
Campo INSERT (INSERIMENTO)
Questo campo consente di configurare le impostazioni
di inserimento.
1
Pulsante di elenco a discesa
Premere questo pulsante per aprire la finestra INSERT/
DIRECT OUT 1ch.
2
Pulsante ON
Consente di attivare/disattivare l'inserimento.
3
Pulsante RACK EDIT (MODIFICA RACK)
Viene visualizzato se è inserito un rack Effect (Effetti) o Premium. Premere questo
pulsante per visualizzare la schermata di modifica per il rack inserito.
4
Indicatore IN (INGRESSO)
Viene visualizzato se all'assegnazione insert-in è stata associata una porta. Si illumina
quando un segnale viene inviato all'insert-in.
Campo DIRECT OUT (USCITA DIRETTA)
Questo campo consente di effettuare le impostazioni
di uscita diretta.
1
Pulsante di elenco a discesa
Premere questo pulsante per aprire la finestra INSERT/
DIRECT OUT 1ch. Il valore del livello dell'uscita diretta
viene visualizzato sotto il pulsante.
2
Pulsante ON
Consente di attivare/disattivare l'uscita diretta.
Campo RECALL SAFE (BLOCCA RICHIAMO)
Questo campo consente di effettuare le impostazioni di blocco
del richiamo.
1
Pulsante di elenco a discesa
Premere questo pulsante per aprire la finestra
RECALL SAFE.
2
Pulsante ON
Consente di attivare/disattivare lo stato Recall Safe.
3
Indicatore PARTIAL (PARZIALE)
Si illumina solo se alcuni dei parametri del canale sono impostati su Recall Safe.
Campo FADER
Questo campo consente di configurare le impostazioni
di attivazione/disattivazione del canale e il livello.
1
Fader
Consente di visualizzare il livello corrente.
Per l'impostazione dei livelli utilizzare i fader sul pannello
superiore.
2
Indicatore di livello
Consente di visualizzare l'impostazione del livello
corrente in base a un valore numerico. In caso di
saturazione del segnale in un punto del canale,
l'indicatore di saturazione
Σ
si illumina.
3
Pulsante ON
Consente di attivare/disattivare il canale. Il pulsante è
collegato al tasto [ON] corrispondente sul pannello
superiore.
NOTA
Per CL V2.0 e versioni successive, la funzione TOUCH AND
TURN (PREMI E RUOTA) assegnata a una delle manopole
USER DEFINED (DEFINITE DALL'UTENTE) consente
di controllare il fader nel campo FADER della schermata
SELECTED CHANNEL VIEW.
4
Pulsante CUE SETTINGS (IMPOSTAZIONI SEGNALE
DI ATTIVAZIONE)
Utilizzare questo pulsante per aprire la schermata
CUE SETTINGS.
Campo DCA/MUTE (DCA/ESCLUSIONE)
Questo campo consente di selezionare il gruppo DCA o di
esclusione a cui è assegnato il canale.
1
Tab
Selezionare un gruppo DCA o di esclusione. Premere
nuovamente il tab selezionato per aprire la finestra DCA/MUTE
GROUP ASSIGN MODE (MODALITÀ DI ASSEGNAZIONE
GRUPPO DCA/ESCLUSIONE).
Quando si seleziona il tab DCA group (Gruppo DCA):
2
Pulsanti di selezione del gruppo DCA
Selezionare il gruppo DCA a cui è assegnato il canale.
3
Indicatori dei gruppi di esclusione
Indicano il gruppo di esclusione a cui è assegnato il canale.
1
2
43
21
2
1
3
1
2
3
4
Quando per CUE
(SEGNALE DI
ATTIVAZIONE) vengono
usati due canali e
CUE OPERATION MODE
(MODALITÀ OPERAZIONE
ATTIVAZIONE DEL
SEGNALE)
è impostato su CH
1
3
2

Sezione SELECTED CHANNEL (CANALE SELEZIONATO)
Manuale di riferimento
12
Quando si seleziona il tab Mute group (Gruppo esclusione):
4
Pulsanti di selezione dei gruppi di esclusione
Selezionare il gruppo di esclusione a cui è assegnato
il canale.
NOTA
Se il livello di attenuazione è impostato sul gruppo di esclusione,
questo pulsante si illumina in arancione.
5
SAFE SAFE
Consente di rimuovere temporaneamente il canale
dal gruppo di esclusione.
6
Indicatori dei gruppi DCA
Indicano il gruppo DCA a cui è assegnato il canale.
4
5
6

Sezione Centralogic
Manuale di riferimento
13
Sezione Centralogic
La sezione Centralogic, posta sotto lo schermo sensibile al tocco, consente di richiamare
e controllare contemporaneamente un gruppo costituito da un massimo di otto canali di
ingresso, canali di uscita o gruppi DCA. Se si preme uno dei tasti Bank Select, i canali
o i gruppi DCA corrispondenti a tale tasto vengono assegnati alla sezione Centralogic
e potranno essere controllati mediante i fader, i tasti [ON] e [CUE] (SEGNALE DI
ATTIVAZIONE) della sezione Centralogic.
Operazioni nella sezione Centralogic
NOTA
• Quando viene visualizzata la schermata SELECTED CHANNEL VIEW, è possibile passare alla
schermata OVERVIEW (PANORAMICA) premendo una delle manopole multifunzione 1-8.
Questa procedura è utile per passare rapidamente alla schermata OVERVIEW lasciando
gli stessi canali o gruppi DCA selezionati per il controllo.
• Nella parte inferiore della schermata OVERVIEW vengono visualizzati i canali o i gruppi DCA
che è possibile controllare mediante i fader e i tasti [ON] e [CUE] della sezione Centralogic.
• Nella parte superiore della schermata OVERVIEW vengono visualizzati i canali che è possibile
controllare mediante le manopole multifunzione 1 - 8 della sezione Centralogic.
Tasti Bank Select
STEP
1. Utilizzare i tasti Bank Select nella sezione Centralogic per selezionare i canali
o i gruppi DCA che si desidera controllare.
2. Utilizzare i fader e i tasti [ON] nella sezione Centralogic per regolare il livello
di un massimo di otto canali selezionati e attivarli o disattivarli.
3. Utilizzare i campi della schermata OVERVIEW e le manopole multifunzione
per regolare i parametri relativi al gruppo di otto canali.

Sezione Centralogic
Manuale di riferimento
14
Schermata OVERVIEW
Campo CHANNEL NAME
Questo campo viene visualizzato nella parte superiore e inferiore della schermata e consente
di visualizzare il numero, il nome e l'icona per gli otto canali attualmente selezionati. Il nome
del canale attualmente selezionato viene evidenziato.
NOTA
Se è stato mantenuto un canale specifico, controllato dai fader o dalle manopole della sezione
Centralogic, premendo e tenendo premuto il tasto Bank Select corrispondente, è possibile che
il nome del canale visualizzato nella parte superiore della channel strip sia diverso dal nome
visualizzato nella parte inferiore della stessa channel strip.
Campo GAIN/PATCH (GUADAGNO/ASSEGNAZIONE)
Questo campo consente di configurare le impostazioni del guadagno analogico o digitale
del preamplificatore (HA, head amplifier). È inoltre possibile visualizzare lo stato operativo
del preamplificatore.
La visualizzazione e le funzioni dei controller in questo campo dipendono dal tipo di canale
selezionato.
Se il preamplificatore è assegnato:
1
Manopola GAIN (GUADAGNO)
Consente di impostare il guadagno analogico del preamplificatore.
• Premere questo campo per assegnare la manopola GAIN alla manopola multifunzione
corrispondente nella sezione Centralogic che consente di regolare il guadagno. Se la
funzione di compensazione guadagno è attivata, viene visualizzato un indicatore che
mostra il livello del segnale inviato alla rete audio.
• Se la manopola GAIN è stata assegnata a una manopola multifunzione, premere
la manopola per aprire la finestra GAIN/PATCH a 8 canali.
2
Indicatore OVER (SOVRIMPRESSIONE)
Si illumina quando un segnale dall'uscita rack o alla porta di ingresso supera il livello
a scala completa. Questo indicatore è disponibile solo se è stato selezionato un canale
di ingresso.
3
Indicatore +48V
Indica lo stato di attivazione/disattivazione dell'alimentazione phantom (+48V) del
preamplificatore. Questo indicatore non viene visualizzato se il preamplificatore
non è associato al canale.
4
Indicatore Ø (Fase) (solo canali di ingresso)
Indica l'impostazione della fase di ingresso del preamplificatore.
NOTA
• Se lo slot non è collegato al preamplificatore, vengono visualizzati assegnazione e tipo di
scheda MY.
• Se GAIN KNOB FUNCTION è impostato su DIGITAL GAIN nella schermata PREFERENCE,
viene visualizzata la manopola DIGITAL GAIN anziché la manopola
1
e l'indicatore
3
non viene visualizzato.
• Premere il pulsante SETUP, quindi il pulsante USER SETUP, selezionare il tab PREFERENCE,
quindi impostare GAIN KNOB FUNCTION su DIGITAL GAIN. Sarà possibile regolare il valore
del guadagno digitale utilizzando la manopola [TOUCH AND TURN].
• È inoltre possibile utilizzare il guadagno digitale assegnando INPUT GAIN DIGITAL GAIN
a una manopola USER DEFINED oppure assegnando una funzione ALTERNATE a un tasto
USER DEFINED e quindi regolando la manopola USER DEFINED o GAIN per il canale
selezionato con la funzione ALTERNATE attivata.
: canale selezionato
: canale deselezionato
1
4
3
2

Sezione Centralogic
Manuale di riferimento
15
Se associato a un microfono wireless (schermata OVERVIEW (PANORAMICA))
1
Manopola RX.GAIN
Consente di impostare il guadagno del ricevitore. Premere la manopola per aprire la
finestra GAIN/PATCH (GUADAGNO/ASSEGNAZIONE) a 1 canale.
• Premere questo campo per assegnare la manopola GAIN (GUADAGNO) alla
manopola multifunzione corrispondente nella sezione Centralogic che consente di
regolare il guadagno.
• Se la manopola GAIN è stata assegnata a una manopola multifunzione, premere la
manopola per aprire la finestra GAIN/PATCH a 8 canali.
2
Indicatore del segnale RF (frequenza radio)
Visualizza delle barre che indicano il livello del segnale RF. Un indicatore di antenna
attiva viene mostrato sul lato destro. Indica l'antenna attivata.
NOTA
Per ulteriori informazioni sulla relazione tra il numero di barre e l'effettiva potenza del segnale RF,
fare riferimento al manuale di Shure.
3
Indicatore di carica della batteria
Visualizza delle barre che indicano l'autonomia restante della batteria.
NOTA
Per ulteriori informazioni sulla relazione tra il numero di barre e il tempo massimo di operazione,
fare riferimento al manuale di Shure.
4
Indicatore OL
Si illumina quando il livello del segnale audio del ricevitore raggiunge il punto di
overload.
NOTA
Se il segnale audio del ricevitore è escluso, viene visualizzato
5
.
5
Indicatore MUTE
Viene visualizzato solo se il segnale audio del ricevitore è escluso.
NOTA
Se il segnale audio del ricevitore è non escluso, viene visualizzato
4
.
Campo INPUT DELAY (solo canali di ingresso)
In questo campo viene visualizzato lo stato del delay per il canale di ingresso. Premere questo
campo per aprire la finestra INPUT DELAY 8ch.
1
Indicatore DELAY ON/OFF (ATTIVAZIONE/DISATTIVAZIONE DELAY)
Indica lo stato di attivazione/disattivazione del delay.
Campo INSERT/DIRECT OUT (INSERIMENTO/USCITA DIRETTA)
In questo campo viene visualizzato lo stato di inserimento/uscita diretta. Premere questo
campo per aprire la finestra INSERT/DIRECT OUT (INSERIMENTO/USCITA DIRETTA)
a 8 canali.
1
Indicatore INSERT ON/OFF
Indica lo stato di attivazione/disattivazione dell'inserimento.
2
Indicatore DIRECT OUT ON/OFF (ATTIVAZIONE/DISATTIVAZIONE
USCITA DIRETTA) (solo canali di ingresso)
Indica lo stato di attivazione/disattivazione dell'uscita diretta.
1 2
3 4 5
Se lo slot è assegnato:
Viene visualizzato il nome dello slot.
Se il rack è collegato:
Vengono visualizzati assegnazione e nome del modulo.
Se l'uscita è collegata:
Viene visualizzata solo l'assegnazione.
1
1
2

Sezione Centralogic
Manuale di riferimento
16
Campo EQ (EQUALIZZATORE)
Questo campo consente di visualizzare graficamente la
risposta approssimata dell'equalizzatore. Premere il campo
per visualizzare la finestra HPF/EQ 1ch nella quale sarà
possibile filtro passa-alto ed equalizzatore.
NOTA
Se è stato selezionato DCA o monitor, il campo sarà vuoto.
Campo DYNAMICS 1/2 (DINAMICHE 1/2)
Questo campo consente di visualizzare il valore soglia
e l'indicatore per le dinamiche 1/2. Premere questo campo
per aprire la finestra DYNAMICS 1/2 1ch.
NOTA
Se è stato selezionato DCA o monitor, il campo sarà vuoto.
Campo SEND
Questo campo consente di visualizzare il livello di mandata, lo stato
di attivazione/disattivazione della mandata e le impostazioni pre/post
per 16 bus.
Per selezionare i 16 bus di destinazione, utilizzare i tasti [MIX 1-16]/
[MIX 17-24/MATRIX] nella sezione SELECTED CHANNEL.
Per regolare il livello di mandata di ciascun bus, utilizzare la manopola
SEND nella sezione SELECTED CHANNEL.
Questo campo varia in base al tipo di bus di destinazione.
Se il bus di destinazione è di tipo VARI (mono):
Il colore della manopola e della scala indicano lo stato di attivazione/
disattivazione e pre/post della mandata. Se la mandata è disattivata,
il colore della manopola diventa grigio. Con l'impostazione post, il colore
della scala della manopola diventa nero.
Se il bus di destinazione è di tipo VARI (stereo):
Se una coppia di bus, con numerazione pari e dispari, è in modalità
stereo, la manopola sinistra fungerà da manopola PAN e la manopola
destra da manopola SEND.
Se il bus di destinazione è impostato su FIXED:
Il pulsante SEND ON/OFF (ATTIVAZIONE/DISATTIVAZIONE MANDATA) viene
visualizzato al posto della manopola per ciascun bus.

Sezione Centralogic
Manuale di riferimento
17
Campo TO STEREO/MONO (A STEREO/MONO)
Questo campo consente di visualizzare lo stato di attivazione/disattivazione e l'impostazione
pan/bilanciamento del segnale inviato al bus STEREO/MONO.
Questo campo varia in base al tipo di canale selezionato.
Se si seleziona un canale di ingresso o un canale MIX:
1
Manopola TO STEREO PAN (A PAN STEREO)
Consente di impostare la posizione pan di un segnale inviato al bus STEREO.
Premere la manopola per aprire la finestra STEREO/MONO 8ch. Se il canale ST IN
(INGRESSO STEREO) è selezionato, in questa finestra sarà possibile specificare se
visualizzare la manopola PAN o la manopola BALANCE. Per un canale MIX, la manopola
PAN viene visualizzata se il segnale è mono, mentre la manopola BALANCE viene
visualizzata se il segnale è stereo.
2
Indicatore ST/MONO
Questo campo indica lo stato di un segnale inviato
al bus STEREO/MONO.
Se un canale di ingresso o MIX è impostato sulla modalità LCR,
verrà visualizzato l'indicatore LCR.
Se si seleziona un canale MATRIX (mono) o un canale MONO:
L'indicatore di saturazione Σ si illumina in caso di saturazione del segnale in un punto
del canale.
Per un canale MATRIX o STEREO, viene visualizzata la manopola BALANCE che indica
il bilanciamento dei canali sinistro/destro.
Campo del gruppo DCA
Un gruppo DCA (1-16) a cui è assegnato il canale viene visualizzato nella prima
o seconda riga di questo campo.
Premere questo campo per aprire la finestra DCA/MUTE GROUP ASSIGN MODE
(MODALITÀ ASSEGNAZIONE GRUPPO DCA/ESCLUSIONE).
Campo del gruppo di esclusione
Un gruppo di esclusione (1-8) a cui è assegnato il canale viene visualizzato nella terza riga di
questo campo. Se il canale è stato temporaneamente rimosso dai gruppi di esclusione, nella
terza riga viene visualizzato S (Safe) (Blocca). Se il livello dell'attenuatore è stato impostato
per un gruppo di esclusione, il colore dei caratteri passa da rosso ad arancione.
Premere questo campo per aprire la finestra DCA/MUTE GROUP ASSIGN MODE.
1
2
2

Assegnazione ingressi e uscite
Manuale di riferimento
18
Assegnazione ingressi e uscite
In questo capitolo viene illustrata la procedura per modificare l'assegnazione
di ingressi e uscite, collegare gli inserimenti e utilizzare l'uscita diretta.
Quando l'unità della serie CL si trova nello stato iniziale, le seguenti porte di ingresso
(jack/porte) vengono assegnate a ciascun canale di ingresso.
Per CL5
Per CL3
Per CL1
Quando l'unità della serie CL si trova nello stato iniziale, le porte di uscita (jack/porte)
vengono assegnate ai canali di uscita seguenti.
Assegnazione interna console CL e assegnazione
rete audio Dante
Nel diagramma riportato di seguito viene illustrato il flusso di segnale nella console
della serie CL, nei dispositivi I/O e nella rete audio Dante.
Canali di ingresso Porta di ingresso (jack/porta)
CH1-48 DANTE1-48
CH49-64 DANTE49-64
CH65-72 OMNI1-8
ST IN 1L-8R FX 1L(A)-FX 8R(B)
Canali di ingresso Porta di ingresso (jack/porta)
CH1-48 DANTE1-48
CH49-64 DANTE49-64
ST IN 1L-8R FX 1L(A)-FX 8R(B)
Canali di ingresso Porta di ingresso (jack/porta)
CH1-48 DANTE1-48
ST IN 1L-8R FX 1L(A)-FX 8R(B)
Porta di uscita (jack/porta) Canali di uscita
DANTE1-24 MIX 1-24
DANTE25-32 MATRIX1-8
DANTE33-34 STEREO L/R
DANTE35 MONO
DANTE36-37 MONITOR L/R
DANTE38 MONITOR C
DANTE39-40 CUE L/R
DANTE41-64 NO ASSIGN
SLOT1 (1)-(16) MIX1-16
SLOT2 (1)-(8) MIX17-24
SLOT2 (9)-(16) MATRIX1-8
SLOT3 (1)-(2) STEREO L/R
SLOT3(3) MONO
SLOT3 (4)-(5) MONITOR L/R
SLOT3(6) MONITOR C
SLOT3 (7)-(8) CUE L/R
SLOT3 (9)-(16) NO ASSIGN
OMNI OUT 1 - OMNI OUT 6 MIX 1-6
OMNI OUT 7 - OMNI OUT 8 STEREO L/R
FX1L(A), FX2L(A), FX3L(A),
FX4L(A), FX5L(A), FX6L(A),
FX7L(A), FX8L(A)
MIX17, MIX18, MIX19, MIX20, MIX21, MIX22, MIX23,
MIX24
DIGITAL OUT L/R STEREO L/R
RECORDER INPUT L/R STEREO L/R
Porta di uscita (jack/porta) Canali di uscita
8 16 16 16 64
SW
Dante-MY16-AUD
ID #3 ID #1
ID #2
OMNI MY MY MY
INPUT PATCH
Dante Network
“Dante” (ports)
Serie CL
Dispositivo I/O
Assegnazione
Dante
Assegnazione
interna serie
CL
Dispositivo I/O
Dispositivo I/O

Assegnazione ingressi e uscite
Manuale di riferimento
19
Assegnazione degli ingressi
Le console della serie CL e i dispositivi I/O consentono due tipi di assegnazioni:
assegnazione della rete audio Dante e assegnazione interna della console CL.
Per l'assegnazione della rete audio Dante sarà possibile utilizzare la finestra DANTE INPUT
PATCH (ASSEGNAZIONE INGRESSO DANTE). In questa finestra è possibile assegnare gli
ingressi per la console CL e i dispositivi I/O. Da una rete audio Dante a una console della serie
CL è possibile collegare sessantaquattro (64) canali. È possibile scegliere fino a 64 canali tra
i 512 disponibili (valore logico) per i segnali della rete audio Dante. Selezionare il dispositivo
I/O (fino a 64 canali) che si desidera controllare dalla console della serie CL.
Quindi convogliare i segnali di ingresso, assegnati nella schermata DANTE INPUT PATCH,
verso i canali sulla console della serie CL. A tale scopo, scegliere tra le porte di ingresso
DANTE da 1 a 64 nella schermata GAIN/PATCH (GUADAGNO/ASSEGNAZIONE).
NOTA
Per impostazione predefinita, i canali DANTE da 1 a 64 sono assegnati ai canali di ingresso
corrispondenti.
Assegnazione delle uscite
Per l'assegnazione dei canali di uscita della console CL e della rete audio Dante, utilizzare
la schermata OUTPUT PORT (PORTA USCITA). In questa finestra assegnare i segnali
dei canali di uscita alle porte DANTE da 1 a 64.
NOTA
Per impostazione predefinita, i canali MIX da 1 a 24 sono assegnati ai canali DANTE
corrispondenti, i canali MATRIX da 1 a 8 ai canali DANTE da 25 a 32, i canali STEREO L/R
ai canali DANTE 33 e 34 e il canale MONO al canale DANTE 35.
Procedere ora con l'assegnazione dei segnali di uscita dai canali DANTE da 1 a 64, assegnati
nella schermata OUTPUT PORT SETUP, alle uscite del rack I/O. Utilizzare la schermata
OUTPUT PATCH (ASSEGNAZIONE USCITA) del rack I/O per effettuare queste
assegnazioni.
Modifica delle impostazioni di assegnazione
degli ingressi
NOTA
È inoltre possibile selezionare una porta di ingresso dalla schermata GAIN/PATCH.
STEP
1.
Utilizzare i tasti Bank Select nella sezione Centralogic per selezionare i canali
di ingresso che si desidera controllare.
2.
Premere il campo numero/nome canale nella schermata OVERVIEW.
3.
Selezionare il tipo di porta nell'elenco di selezione categoria nella schermata PATCH/
NAME e utilizzare i pulsanti di selezione delle porte per selezionare la porta
di ingresso.
Schermata OVERVIEW Schermata PATCH/NAME

Assegnazione ingressi e uscite
Manuale di riferimento
20
Schermata PATCH/NAME
1
Pulsante PATCH
Indica la porta di ingresso attualmente selezionata. Se si preme questo pulsante quando
si seleziona un'icona o si modifica il nome del canale, si torna alla schermata di selezione
della porta di ingresso.
2
Pulsante dell'icona
Indica l'icona selezionata per il canale corrispondente. Quando si preme questo
pulsante, viene visualizzata una schermata in cui è possibile selezionare un'icona
o il nome di un campione.
3
Casella di immissione nome del canale
Indica il nome assegnato al canale corrispondente. Quando si preme questo campo,
verrà visualizzata una finestra con una tastiera che consente di modificare il nome
del canale.
4
Elenco di selezione categoria
Consente di selezionare la categoria della porta di ingresso. Le categorie corrispondono
alle porte di ingresso riportate di seguito e variano in base al tipo di canale.
•DANTE1-32 ............DANTE1 - DANTE32
•DANTE33-64..........DANTE33 - DANTE64
•OMNI/PB OUT .......OMNI 1 - OMNI 8, PB OUT (L), PB OUT (R)
•SLOT1....................SLOT1(1) - SLOT1(16)
•SLOT2....................SLOT2(1) - SLOT2(16)
•SLOT3....................SLOT3(1) - SLOT3(16)
•EFFECT RACK......FX1L(A) - FX8R(B)
•PREMIUM RACK...PR1L(A) - PR2R(B)
5
Pulsanti di selezione della porta
Selezionare la porta di ingresso assegnata al canale attualmente selezionato.
6
Tab
Consentono di passare da un elemento all'altro.
7
Pulsante di chiusura
Consente di chiudere la schermata.
Modifica delle impostazioni di assegnazione
delle uscite
Per modificare l'assegnazione, è possibile selezionare la porta di uscita che sarà
la destinazione di ciascun canale di uscita oppure selezionare il canale di uscita che
sarà l'origine per ciascuna porta di uscita.
Selezione della porta di uscita per ciascun canale di uscita
2 73
1
6
4
5
STEP
1.
Utilizzare i tasti Bank Select nella sezione Centralogic per selezionare i canali
di uscita.
2.
Premere il campo numero/nome canale nella schermata OVERVIEW.
3.
Selezionare il tipo di porta nell'elenco di selezione categoria nella schermata
PATCH/NAME e utilizzare i pulsanti di selezione delle porte per selezionare
la porta di uscita.
Schermata OVERVIEW Schermata PATCH/NAME

Assegnazione ingressi e uscite
Manuale di riferimento
21
Schermata PATCH/NAME
1
Pulsante PATCH
Indica la porta assegnata al canale di uscita. Se si preme questo pulsante quando è attivo
un altro tab, viene visualizzata una finestra, in cui è possibile selezionare rete e porta.
2
Pulsante di selezione dei canali
Consente di selezionare il canale da impostare.
NOTA
Il passaggio da un canale all'altro mediante questo pulsante all'interno della schermata
non influisce sulla selezione del canale nella console.
3
Pulsante icona del canale
Indica l'icona e il colore attualmente selezionati per il canale corrispondente. Quando
si preme questo pulsante, viene visualizzata una schermata in cui è possibile selezionare
un'icona o il nome di un campione.
4
Casella di visualizzazione del numero del canale
Indica il numero del canale. Questo elemento non può essere modificato.
5
Casella di immissione nome del canale
Indica il nome assegnato al canale corrispondente. Quando si preme questo campo,
viene visualizzata una finestra con una tastiera che consente di assegnare un nome.
6
Elenco di selezione categoria
Selezionare il tipo di porta.
7
Pulsanti di selezione della porta
Consentono di selezionare la porta da assegnare dalla categoria. Per annullare
la selezione, premere nuovamente lo stesso pulsante.
8
Tab
Consentono di passare da un elemento all'altro.
9
Pulsante di chiusura
Consente di chiudere la schermata.
Selezione del canale di uscita per ciascuna porta di uscita
NOTA
Se l'opzione PATCH CONFIRMATION (CONFERMA ASSEGNAZIONE) nel tab PREFERENCE
della schermata USER SETUP è attivata, quando si tenta di modificare le impostazioni di
assegnazione viene visualizzata una finestra di dialogo di conferma. Se STEAL PATCH
CONFIRMATION (CONFERMA MODIFICA ASSEGNAZIONE) è attivato, quando si tenta
la modifica di una posizione già assegnata, viene visualizzata una finestra di dialogo
di conferma.
3 54
1
9
6
7
2
8
STEP
1.
Nell'area di accesso alle funzioni premere il pulsante SETUP.
2.
Premere il pulsante OUTPUT PORT (PORTA DI USCITA) nel campo SYSTEM SETUP
(CONFIGURAZIONE SISTEMA) posizionato nella parte centrale della
schermata SETUP.
3.
Nei tab sotto la schermata OUTPUT PORT selezionare la porta di uscita
da controllare.
4.
Premere il pulsante di selezione dei canali della porta da utilizzare.
5.
Utilizzare l'elenco di selezione categoria e i pulsanti di selezione dei canali
per selezionare il canale di origine della mandata.
Schermata SETUP Schermata OUTPUT PORT

Assegnazione ingressi e uscite
Manuale di riferimento
22
Schermata CH SELECT (SELEZIONE CANALE)
1
Elenco di selezione categoria
Consente di selezionare la categoria del canale. Le categorie corrispondono
ai canali riportati di seguito e variano in base al tipo di porta di uscita.
•MIX/MATRIX .............................MIX 1-MIX 24, MATRIX 1-MATRIX 8
•ST/MONO/MONI/CUE ..............STEREO L, STEREO R, MONO (C), MONI L, MONI
R, MONI C, CUE L, CUE R, SMON L, SMON R,
SMON C, SMON LFE, SMON Ls, SMON Rs,
MMTX L, MMTX R, MMTX C, MMTX LFE, MMTX Ls,
MMTX Rs
•DIRECT OUT 1-32 ....................CH 1-CH 32 Direct Outs
•DIRECT OUT 33-64..................CH 33-CH 64 Direct Outs
•DIRECT OUT 65-72..................CH 65-CH 72 Direct Outs
•INSERT 1 OUT 1-32 .................CH1-CH32 Insert 1 Outs
•INSERT 1 OUT 33-64 ...............CH33-CH64 Insert 1 Outs
•INSERT 1 OUT 65-72 ...............CH65-CH72 Insert 1 Outs
•INSERT 1 OUT MIX/MATRIX....MIX1-MIX24, MATRIX1-MATRIX8 Insert 1 Outs
•INSERT 1 OUT ST/MONO........STEREO L, STEREO R, MONO (C) Insert 1 Outs
•INSERT 2 OUT 1-32 .................CH1-CH32 Insert 2 Outs
•INSERT 2 OUT 33-64 ...............CH33-CH64 Insert 2 Outs
•INSERT 2 OUT 65-72 ...............CH65-CH72 Insert 2 Outs
•INSERT 2 OUT MIX/MATRIX....MIX1-MIX24, MATRIX1-MATRIX8 Insert 2 Outs
•INSERT 2 OUT ST/MONO........STEREO L, STEREO R, MONO (C) Insert 2 Outs
•CASCADE MIX/MATRIX...........MIX 1-MIX 24, MATRIX 1-MATRIX 8
•CASCADE ST/MONO/CUE ......STEREO L, STEREO R, MONO (C), CUE L, CUE R
NOTA
Nel caso dei modelli CL3/CL1, i canali che non esistono su questi modelli non verranno
visualizzati.
2
Pulsante di selezione dei canali
Consentono di selezionare il canale da assegnare alla porta di uscita dalla
categoria corrente.
3
Pulsante CLOSE
Consente di chiudere la schermata.
1
2
3

Assegnazione ingressi e uscite
Manuale di riferimento
23
Inserimento di un dispositivo esterno in un canale
È possibile inserire un processore di effetti o un altro dispositivo esterno nel percorso del
segnale di un canale INPUT, MIX, MATRIX, STEREO o MONO. Quando si esegue questa
operazione, è possibile specificare singolarmente il tipo di porta di ingresso/uscita utilizzato
per l'inserimento e la posizione dell'inserimento di ingresso/uscita per ciascun canale.
NOTA
• Se si installa una scheda I/O digitale in uno slot e si collega in digitale un dispositivo esterno,
è necessario sincronizzare il word clock della console CL con il dispositivo esterno (pagina 237).
• La quantità di INSERT 1 e INSERT 2 per ciascun gruppo di canali è limitata, come mostrato nella
tabella di seguito. È possibile selezionare qualsiasi porta di uscita o di ingresso.
* Quando si utilizza la modalità Surround
• Se si supera il limite di INSERT OUT o INSERT IN, l'indicatore si illuminerà sulla sinistra.
• Se si supera il limite, le porte non valide verranno barrate con una riga.
• Se si supera il limite, le seguenti porte avranno la priorità per ciascun gruppo di canali
(elencati nella precedente tabella).
1
INSERT 1 avrà la priorità su INSERT 2.
2
Il canale con il numero più basso avrà la priorità.
STEP
1.
Collegare il dispositivo esterno a un jack OMNI IN/OUT o a una scheda I/O installata
negli slot 1-3.
2.
Utilizzare i tasti Bank Select nella sezione Centralogic per selezionare il canale
a cui si desidera assegnare la sorgente di ingresso.
3.
Premere il campo INSERT/DIRECT OUT (INSERIMENTO/USCITA DIRETTA).
4.
Premere il pulsante INSERT OUT o INSERT IN.
5.
Selezionare una porta di uscita o una porta di ingresso.
6.
Premere il pulsante INSERT ON.
CH1-16 CH17-32 CH33-48
CH49-64
(solo
CL5
eCL3)
CH65-72
(solo
CL5)
MIX1-24/
ST/
MONO
MATRIX
1-8
INSERT
OUT 16 16 16 16 8 30(24)* 8
INSERT IN 16 16 16 16 8 30(24)* 8
Schermata OVERVIEW Schermata INSERT/DIRECT OUT (8ch)

Assegnazione ingressi e uscite
Manuale di riferimento
24
Schermata INSERT/DIRECT OUT (1ch)
Campo INSERT
Questo campo consente di configurare le impostazioni di inserimento. Premere uno dei tre
campi per scegliere PRE EQ (subito prima dell'equalizzatore), PRE FADER (subito prima
del fader) o POST ON (subito dopo il tasto [ON]) come posizione di inserimento.
NOTA
È possibile impostare le porte I/O in modo che fungano da inserimento per ciascun blocco.
1
Pulsante INSERT OUT
Consente di visualizzare la porta di uscita attualmente selezionata per Insert 1 e Insert 2.
Premere questo pulsante per aprire la finestra PORT SELECT (SELEZIONE PORTA)
nella quale è possibile selezionare una porta di uscita.
2
Pulsante INSERT IN
Consente di visualizzare la porta di ingresso attualmente selezionata per Insert 1
e Insert 2. Premere questo pulsante per aprire la finestra PORT SELECT nella quale
è possibile selezionare una porta di ingresso.
3
Pulsante INSERT ON/OFF (ATTIVA/DISATTIVA INSERIMENTO)
Consente di attivare/disattivare l'inserimento.
4
Pulsante APPLY TO ALL INPUT (solo per canali di ingresso)
Consente di specificare se la posizione di inserimento/uscita diretta verrà
applicata a tutti i canali di ingresso.
5
Pulsante APPLY TO ALL OUTPUT (solo per canali di uscita)
Consente di specificare se l'impostazione del punto di inserimento verrà applicata
a tutti i canali di uscita.
NOTA
Insert 1 e Insert 2 sono connessioni seriali con numeri sequenziali fissi.
Campo INSERT IN HA
Questo campo viene visualizzato se si seleziona una porta di ingresso, che disponga di
un preamplificatore, come insert-in.
6
Pulsante +48V
Consente di attivare o disattivare l'alimentazione phantom (+48V)
(attualmente selezionato per Insert 1 e Insert 2).
7
Manopola A.GAIN (GUADAGNO A.)
Indica l'impostazione per il guadagno analogico del preamplificatore attualmente
selezionato per Insert 1 e Insert 2. Premere queste manopole per controllare i valori
dei parametri utilizzando le manopole multifunzione.
NOTA
• Se è stato selezionato il jack OMNI IN come porta di
ingresso per Insert-in sulla console CL, configurare le
impostazioni HA nel campo INSERT IN HA.
• Anche se il pulsante INSERT ON/OFF è disattivato, il
segnale selezionato per l'insert-out continuerà ad
essere inviato.
8
Indicatore HA
Consente di visualizzare il livello del segnale di ingresso del preamplificatore attualmente
selezionato per Insert 1 e Insert 2.
9
Pulsante di chiusura
Consente di chiudere la schermata.
0
Indicatore risorse
Consente di visualizzare le impostazioni di ciascun canale per INSERT IN e INSERT OUT.
NOTA
Se la modalità surround è impostata sulla console della serie CL, le risorse INSERT per i canali
di uscita [MIX/ST MONO] diminuiscono da 30 a 24.
1
2
3 < < 9
45
86 7

Assegnazione ingressi e uscite
Manuale di riferimento
25
Schermata INSERT/DIRECT OUT (8ch)
1
Pulsante di selezione dei canali
Consente di selezionare il canale da impostare. Vengono visualizzati icona,
colore e numero del canale.
2
Pulsante INSERT ON/OFF (ATTIVA/DISATTIVA INSERIMENTO)
Consente di attivare/disattivare l'inserimento. L'impostazione del punto di inserimento
attualmente specificata viene visualizzata sopra il pulsante.
3
Pulsante INSERT OUT
Indica la porta attualmente selezionata. Premere questo pulsante per aprire la
schermata PORT SELECT nella quale è possibile selezionare una porta di uscita.
4
Pulsante INSERT IN
Indica la porta attualmente selezionata. Premere questo pulsante per aprire la schermata
PORT SELECT nella quale è possibile selezionare una porta di ingresso. Inoltre, è inoltre
possibile visualizzare il livello di insert-in mediante l'indicatore posizionato a destra
di questo pulsante.
Schermata PORT SELECT
Viene visualizzata quando si preme il pulsante INSERT OUT o INSERT IN nella finestra
INSERT/DIRECT OUT a 1 canale o a 8 canali. Impostare la porta di ingresso/uscita
utilizzata per l'inserimento.
1
Elenco di selezione categoria
Consente di selezionare la categoria della porta. Le categorie corrispondono alle porte
riportate di seguito e variano in base al tipo di canale.
•OMNI...................................... OMNI1 - OMNI8
•SLOT1.................................... SLOT1(1) - SLOT1(16)
•SLOT2.................................... SLOT2(1) - SLOT2(16)
•SLOT3.................................... SLOT3(1) - SLOT3(16)
•GEQ RACK............................ GEQ1L(A) - GEQ16R(B)
(solo canali MIX/MATRIX/STEREO/MONO)
GEQ1L(A) - GEQ8R(B) (solo canali di ingresso)
•EFFECT RACK...................... FX1L(A) - FX8R(B)
•PREMIUM RACK................... PR1L(A) - PR8R(B)
2
Pulsanti di selezione della porta
Assegnare la porta che verrà utilizzata come insert-out/insert-in per il canale attualmente
selezionato.
NOTA
Se un rack su cui è montato un PEQ, EQ grafico o un Premium Rack viene specificato come
insert-out o insert-in, l'altro punto di assegnazione verrà assegnato automaticamente allo stesso
rack. Verrà inoltre attivata automaticamente la modalità di inserimento. Inoltre, se si disattiva
l'insert-out o l'insert-in di un rack in cui è montato un GEQ PEQ, o Premium Rack, l'altro punto
di assegnazione verrà disattivato automaticamente e allo stesso tempo verrà disattivata
automaticamente anche la modalità di inserimento.
3
Pulsante CLOSE
Consente di chiudere la schermata.
1
4
3
2
1
2
3

Assegnazione ingressi e uscite
Manuale di riferimento
26
Uscita diretta su un canale di INPUT
Il segnale di un canale di INPUT può essere inviato direttamente da un jack OUTPUT sul
dispositivo I/O, dal jack OMNI OUT desiderato o dal canale di uscita di uno slot specifico.
NOTA
Se si installa una scheda I/O digitale in uno slot e si collega in digitale un dispositivo esterno,
è necessario sincronizzare il word clock della console CL con il dispositivo esterno (pagina 237).
Schermata INSERT/DIRECT OUT (1ch)
1
Campo DIRECT OUT
Consente di configurare le impostazioni per l'uscita diretta. Premere uno dei quattro
campi per scegliere PRE HPF (subito prima del filtro passa-alto), PRE EQ (subito
prima dell'equalizzatore), PRE FADER (subito prima del fader) o POST ON
(subito dopo il tasto [ON]) come posizione dell'uscita diretta.
2
Pulsante DIRECT OUT PATCH
Consente di visualizzare la porta di uscita dell'uscita diretta attualmente selezionata.
Premere questo pulsante per aprire la finestra PORT SELECT nella quale è possibile
selezionare una porta di uscita.
3
Pulsante DIRECT ON
Consente di attivare/disattivare l'uscita diretta.
4
Manopola DIRECT OUT LEVEL
Indica il livello di uscita dell'uscita diretta. Premere questo pulsante per controllare
il livello utilizzando la manopola multifunzione.
5
Pulsante APPLY TO ALL INPUT (solo per canali di ingresso)
Consente di specificare se le impostazioni del punto di inserimento/uscita
diretta verranno applicate a tutti i canali di ingresso.
6
Pulsante di chiusura
Consente di chiudere la schermata.
STEP
1.
Collegare il dispositivo esterno a un jack OMNI/OUT, a un jack OUTPUT
o a una scheda I/O installata negli slot da 1 a 3.
2.
Utilizzare i tasti Bank Select nella sezione Centralogic per selezionare il canale
di uscita da inviare direttamente.
3.
Premere il campo INSERT/DIRECT OUT nella schermata OVERVIEW.
4.
Premere il pulsante DIRECT OUT PATCH nella finestra INSERT/DIRECT OUT.
5.
Selezionare una porta di uscita.
Schermata OVERVIEW Schermata INSERT/DIRECT OUT (8ch)
5
4
1
6
32

Assegnazione ingressi e uscite
Manuale di riferimento
27
Schermata INSERT/DIRECT OUT (8ch)
1
Pulsante DIRECT ON
Consente di attivare/disattivare l'uscita diretta. Il punto di uscita diretta attualmente
selezionato è indicato sopra il pulsante.
2
Pulsante DIRECT OUT PATCH
Consente di visualizzare la porta di uscita dell'uscita diretta attualmente selezionata.
Premere questo pulsante per aprire la finestra PORT SELECT nella quale è possibile
selezionare una porta di uscita.
3
Manopola DIRECT OUT LEVEL
Indica il livello di uscita dell'uscita diretta. Premere questo pulsante per controllare
il livello utilizzando la manopola multifunzione.
4
Pulsante di chiusura
Consente di chiudere la schermata.
Schermata PORT SELECT
Viene visualizzata quando si preme il pulsante DIRECT OUT PATCH nella finestra INSERT/
DIRECT OUT a 1 canale o a 8 canali. Impostare la porta di uscita utilizzata per l'uscita diretta.
1
Elenco di selezione categoria
Consente di selezionare la categoria della porta di uscita. Le categorie corrispondono
alle porte di uscita riportate di seguito e variano in base al tipo di canale.
•OMNI/REC .............OMNI1-OMNI8, REC IN(L), REC IN(R)
•SLOT1....................SLOT1(1) - SLOT1(16)
•SLOT2....................SLOT2(1) - SLOT2(16)
•SLOT3....................SLOT3(1) - SLOT3(16)
•DANTE1-32............DANTE1 - DANTE32
•DANTE33-64..........DANTE33 - DANTE64
2
Pulsanti di selezione delle porte di uscita
Assegnare la porta di uscita utilizzata per l'uscita diretta del canale di INPUT
attualmente selezionato.
3
Pulsante CLOSE
Consente di chiudere la schermata.
1
2
3
4
1
2
3

Canali di input
Manuale di riferimento
28
Canali di input
In questo capitolo vengono illustrate le varie funzioni dei canali di ingresso.
Flusso del segnale dei canali di ingresso
I canali di ingresso includono la sezione che elabora i segnali ricevuti dai dispositivi I/O,
dai jack di ingresso del pannello posteriore o dagli slot 1-3 e li invia ai bus STEREO, MONO,
MIX o MATRIX. Sono disponibili i due tipi di canali di ingresso riportati di seguito.
Canali MONO
Questi canali vengono utilizzati per elaborare i segnali mono. Quando la console della serie
CL è nello stato di default, il segnale di ingresso proveniente dal connettore Dante viene
assegnato a questi canali.
Canali STEREO
Questi canali vengono utilizzati per elaborare i segnali stereo. Quando la console della
serie CL è nello stato di default, il segnale di ingresso proveniente dagli EFFECT RACK 1-8
(RACK EFFETTI 1-8) viene assegnato a questi canali.
•INPUT PATCH
Consente di assegnare i segnali di ingresso ai canali corrispondenti.
•Ø (fase)
Consente di commutare la fase del segnale di input.
• DIGITAL GAIN
Consente di attenuare/amplificare il livello del segnale di input.
• HPF (filtro passa alto)
Consente di tagliare l'area al di sotto della frequenza specificata.
• 4 BAND EQ (EQUALIZZATORE A 4 BANDE)
EQ parametrico a quattro bande: HIGH (ALTA), HIGH MID (MEDIO ALTA),
LOW MID (MEDIO BASSA) e LOW (BASSA).
•DYNAMICS 1
Processore di dinamiche utilizzabile per gate, ducking, expander o compressor.
•DYNAMICS 2
Processore di dinamiche utilizzabile come compressor, compander o de-esser.
•INPUT DELAY
Consente di correggere il delay del segnale di ingresso. È possibile specificare
un delay massimo di 1000 millisecondi.
• LEVEL/DCA 1-16
Consente di regolare il livello di ingresso dell'effetto.
•ON (On/off)
Consente di attivare/disattivare il canale di ingresso. Se è disattivato, il canale
corrispondente verrà escluso.
MIX
12 23
24
MATRIX
(USE 7-8
AS CUE B)
12 78
INPUT PATCH
ST
LR
M
O
N
O
(C)
CUE (A)
LR
CUE(A) L
CUE(A) R
CUE B R
CUE B L TRIM
MIX
12 23
24
ST
LR
M
O
N
O
(C)
MATRIX
(USE 7-8
AS CUE B)
12 78 LR
INPUT PATCH
CUE(A) L
CUE(A) R
CUE B L
CUE B R
TRIM
CUE (A)

Canali di input
Manuale di riferimento
29
•Pan
Consente di regolare il pan dei segnali inviati dal canale di ingresso al bus STEREO. Per il
canale STEREO, è possibile passare da PAN a BALANCE (BILANCIAMENTO). Il parametro
BALANCE consente di regolare il bilanciamento di volume dei segnali sinistro/destro
inviati dal canale STEREO al bus STEREO. È possibile attivare PAN LINK
(COLLEGAMENTO PAN) nella finestra BUS SETUP (SETUP BUS) in modo che
l'impostazione del parametro PAN venga applicata anche ai segnali inviati a due
bus MIX o MATRIX impostati su stereo.
• LCR (Sinistra/Centro/Destra)
Consente di inviare il segnale del canale di input ai bus STEREO/MONO come
segnale a tre canali costituito da canali L/R oltre al canale centrale.
• MIX ON/OFF (A BUS MIX ATTIVATO/DISATTIVATO) (mandata MIX attivata/
disattivata)
È uno switch di attivazione/disattivazione dei segnali inviati dal canale di ingresso
ai bus MIX 1 - 24.
• MIX LEVEL (LIVELLO MIX) 1-24 (livelli di mandata MIX 1-24)
Consente di regolare il livello di mandata dei segnali inviati dal canale di ingresso ai bus
MIX 1 - 24 di tipo VARI. Come posizione da cui inviare il segnale al bus MIX è possibile
scegliere tra: before EQ (subito prima dell'equalizzatore), pre-fader (prima del fader)
o post-fader (dopo il fader).
• MATRIX ON/OFF (A BUS MATRIX ATTIVATO/DISATTIVATO) (mandata MATRIX
attivata/disattivata)
È uno switch di attivazione/disattivazione dei segnali inviati dal canale di ingresso
ai bus MATRIX 1 - 8.
• MATRIX LEVEL 1 - 8 (livelli di mandata MATRIX 1 - 8)
Consente di regolare il livello di mandata del segnale inviato dal canale di ingresso ai
bus MATRIX 1 - 8. Come posizione da cui inviare il segnale al bus MATRIX è possibile
scegliere tra: subito prima dell'equalizzatore, prima del fader o dopo il fader.
• INSERT (INSERIMENTO) (solo canali MONO)
Consente di assegnare le porte di uscita e di input desiderate in modo da inserire
un dispositivo esterno, ad esempio un processore di effetti. Per la posizione del punto
di insert-out/insert-in, è possibile scegliere tra subito prima dell'equalizzatore, subito
prima del fader o subito dopo il tasto [ON].
• DIRECT OUT (solo canali MONO)
L'assegnazione può essere effettuata a qualsiasi porta di uscita e il segnale di ingresso
può essere inviato direttamente da quella porta di uscita. Come posizione dell'uscita
diretta è possibile scegliere tra subito prima del filtro passa-alto, subito prima
dell'equalizzatore, subito prima del fader o subito dopo il tasto [ON].
• METER
Indica il livello del canale di input. È possibile cambiare la posizione di rilevazione
del livello (pagina 131).
Indicazione del nome e dell'icona del canale
Sull'unità della serie CL, è possibile specificare il nome e l'icona visualizzati nella schermata
per ciascun canale di ingresso. In questa sezione viene illustrato come specificare il nome
e l'icona del canale.
STEP
1.
Utilizzare i tasti Bank Select nella sezione Centralogic per selezionare i canali
di ingresso.
2.
Premere il campo numero/nome del canale che si desidera specificare nella
schermata OVERVIEW.
3.
Passare da un elemento all'altro nei tab della schermata PATCH/NAME e specificare
un nome e un'icona per il canale.
Schermata OVERVIEW Schermata PATCH/NAME

Canali di input
Manuale di riferimento
30
Schermata PATCH/NAME
Quando si seleziona la scheda PATCH
1
Pulsante PATCH
Indica la porta attualmente assegnata. Se si preme questo pulsante quando è attivo
un altro tab, viene visualizzata una finestra, in cui è possibile selezionare rete e porta.
2
Pulsante dell'icona
Indica l'icona e il colore attualmente selezionati per il canale corrispondente. Quando
si preme questo pulsante, viene visualizzata una schermata in cui è possibile selezionare
un'icona o il nome di un campione.
3
Casella di immissione nome del canale
Indica il canale attualmente specificato. Quando si preme all'interno di questa casella,
viene visualizzata la finestra SOFT KEYBOARD, che consente di modificare il nome
del canale.
4
Tab
Consentono di passare da un elemento all'altro.
5
Pulsante di chiusura
Consente di chiudere la schermata.
Quando si seleziona il tab ICON
1
Pulsanti di selezione colore dei canali
Consentono di selezionare un colore per il canale.
2
Pulsanti di selezione dell'icona
Consentono di selezionare un'icona per il canale.
3
Pulsanti di impostazione del nome del campione
Consentono di selezionare un nome preimpostato per il campione. Successivamente
è possibile modificare il nome nel tab NAME.
NOTA
• È possibile aggiungere o modificare i caratteri nel campo del nome del canale anche dopo aver
immesso il nome del campione. Per assegnare rapidamente nomi di canale composti da un
nome comune abbinato a un numero sequenziale, ad esempio "Vocal 1" o "Vocal 2", è sufficiente
immettere un nome e quindi aggiungere un numero.
• In CL V1.7 e versioni successive, è possibile impostare il colore del canale su nero (OFF).
Gli indicatori sui canali per cui è stato selezionato il nero si spegneranno.
2 53
1
4
1
2
3

Canali di input
Manuale di riferimento
31
Quando si seleziona la scheda NAME
È possibile immettere un nome di canale direttamente nella schermata della tastiera.
Impostazioni HA (preamplificatore)
È possibile configurare le impostazioni relative al preamplificatore (HA) (attivazione/
disattivazione dell'alimentazione phantom, guadagno e fase) per il canale di ingresso.
• Per regolare solo il guadagno analogico del preamplificatore, utilizzare la manopola
GAIN della sezione SELECTED CHANNEL.
Impostazione del guadagno
Le impostazioni del preamplificatore vengono configurate nella finestra GAIN/PATCH.
NOTA
• Il PAD verrà attivato o disattivato internamente quando il guadagno del preamplificatore viene
regolato tra +17 dB e +18 dB.
• Tenere presente che potrebbe prodursi del rumore in caso di differenza tra l'impedenza di uscita
positiva e negativa del dispositivo esterno collegato al connettore di ingresso quando si utilizza
l'alimentazione phantom.
• La manopola GAIN, il pulsante +48V e il pulsante Ø sono validi solo per i canali a cui come porta
di ingresso è stato assegnato un jack di INPUT sul dispositivo I/O, il jack OMNI IN sull'unità CL
o uno slot collegato a un dispositivo preamplificatore esterno, ad esempio Yamaha AD8HR
o SB168-ES.
STEP
1.
Utilizzare i tasti Bank Select nella sezione Centralogic per selezionare i canali.
2.
Premere il campo HA/PHASE nella schermata OVERVIEW.
3.
Premere il tab 1ch o 8ch nella finestra GAIN/PATCH.
4.
Configurare le impostazioni per il preamplificatore.
Schermata OVERVIEW Finestra GAIN/PATCH (8 ch)

Canali di input
Manuale di riferimento
32
Finestra GAIN/PATCH (1 ch)
1
Indicatore nome, numero e icona del canale
Indica l'icona, il numero e il nome del canale.
2
Sezione HA
Viene visualizzata se il preamplificatore è assegnato al canale di input.
NOTA
• Se al canale è assegnato uno slot, vengono visualizzati il tipo di slot/scheda MY e l'indicatore slot.
• Se è assegnato un rack, verranno visualizzati il tipo di rack e il tipo di effetto.
• Pulsante +48V
Consente di attivare/disattivare l'alimentazione phantom (+48V) del preamplificatore.
• Manopola A.GAIN (guadagno analogico)
Indica il guadagno analogico del preamplificatore. Regolare il guadagno
mediante le manopole multifunzione. Se la funzione di compensazione
guadagno è attivata, viene visualizzato un indicatore della posizione del
guadagno analogico al momento dell'attivazione.
•Indicatore HA
Consente di visualizzare il livello del segnale di ingresso del preamplificatore.
• Pulsante GC (compensazione guadagno) ON/OFF (ATTIVAZIONE/DISATTIVAZIONE GC)
Consente di attivare/disattivare la funzione di compensazione guadagno (funzione
di correzione del guadagno). Se la funzione di compensazione del guadagno è attivata,
il livello del segnale inviato dal dispositivo I/O alla rete audio viene stabilizzato.
Ad esempio, se la console FOH e la console di monitoraggio condividono un dispositivo
I/O oppure si esegue la registrazione digitale tramite connessioni Dante, questa
funzione consente di mantenere l'uscita del segnale a un livello costante dal dispositivo
I/O alla rete anche se il valore di guadagno analogico del dispositivo I/O viene
modificato. Se il pulsante Gain Compensation (Compensazione guadagno)
è disattivato, la compensazione del guadagno verrà reimpostata, mentre il guadagno
analogico tornerà al livello ottenuto prima dell'attivazione della pulsante. Pertanto,
il livello del segnale sulla rete digitale rimane invariato.
• Indicatore di compensazione del guadagno
Indica il livello del segnale inviato alla rete audio in seguito alla compensazione
del guadagno.
2
Sezione HA (se associata a un microfono wireless)
•Frequency
Indica la frequenza attualmente impostata per il segnale RF.
• Manopola RX.GAIN
Consente di impostare il guadagno HA del ricevitore. L'indicatore di livello situato a
destra della manopola indica il livello di ingresso.
•Indicatore MUTE
Indica lo stato di esclusione (attivazione/disattivazione) del segnale audio per il
ricevitore.
• Indicatore del segnale RF (frequenza radio)
Visualizza delle barre che indicano il livello del segnale RF.
Un indicatore di antenna attiva viene mostrato sul lato destro. Indica l'antenna attivata
accendendosi.
NOTA
Per ulteriori informazioni sulla relazione tra il numero di barre e l'effettiva potenza del segnale RF,
fare riferimento al manuale di Shure.
• Indicatore di carica della batteria
Visualizza delle barre che indicano l'autonomia restante della batteria.
NOTA
Per ulteriori informazioni sulla relazione tra il numero di barre e il tempo massimo di operazione,
fare riferimento al manuale di Shure.
3
Pulsante INPUT PORT
Indica la porta assegnata al canale. Premere questo pulsante per visualizzare la finestra
PORT SELECT (SELEZIONE PORTA) nella quale è possibile selezionare una porta da
assegnare.
4
Pulsante nome/icona del canale
Indica il numero, l'icona e il nome del canale. Premere questo pulsante per accedere alla
finestra PATCH/NAME, in cui è possibile assegnare la porta di ingresso e specificare
il nome del canale.
5
Pulsante AG-DG LINK
Se si attiva questo pulsante e la funzione di compensazione guadagno è attivata,
è possibile collegare il guadagno digitale al guadagno analogico.
Quando si controlla il guadagno analogico, la funzione di compensazione guadagno
consente di modificare il livello sulla console senza incidere su quello delle altre.
32 4 5 6 7
01 8 9

Canali di input
Manuale di riferimento
33
6
Manopola D. GAIN (guadagno digitale)
Indica il valore del guadagno digitale. Regolare il guadagno digitale mediante le
manopole multifunzione. Se la funzione di compensazione guadagno è attivata,
il guadagno digitale verrà utilizzato per regolare il livello dell'ingresso del segnale
ai canali di ingresso.
7
Indicatore del guadagno digitale
Indica il livello del segnale dopo il passaggio attraverso il guadagno digitale.
8
Pulsante GC ALL ON/Pulsante GC ALL OFF
Attivare o disattivare la funzione di compensazione guadagno per tutti i canali
simultaneamente.
9
Pulsante Ø (fase)
Consente di commutare da normale a inverso e viceversa le impostazioni di fase
dell'ingresso dei segnali dal preamplificatore.
0
Pulsanti AG-DG ALL ON/OFF
È possibile attivare o disattivare il collegamento tra guadagno analogico e guadagno
digitale per tutti i canali di ingresso contemporaneamente.
È anche possibile visualizzare lo stato del collegamento nella schermata
SELECTED CHANNEL VIEW.
Finestra GAIN/PATCH (8ch)
1
Pulsante di selezione dei canali
Indica l'icona, il numero e il nome del canale. Quando si preme questo pulsante, il canale
corrispondente diventa una destinazione per le operazioni specificate nella sezione
SELECTED CHANNEL e il tasto [SEL] correlato si illumina.
2
Pulsante PATCH
Premere questo pulsante per visualizzare la finestra PORT SELECT per assegnare
la porta di input al canale di input.
: Il collegamento è attivo.
: Il collegamento non è attivo.
1
2
3
6
8
4
5
97

Canali di input
Manuale di riferimento
34
Finestra PORT SELECT
• Pulsante TAKE FROM PORT
Le impostazioni HA della porta hanno priorità. Anche se si modifica l'assegnazione,
le impostazioni HA della porta rimarranno invariate.
• Pulsante TAKE FROM CHANNEL
Le impostazioni HA del canale hanno priorità. Le impostazioni HA della porta assegnata
in precedenza verranno copiate nella porta appena assegnata.
Se vengono selezionate le impostazioni HA del canale, le seguenti impostazioni
HA verranno copiate dal canale alla porta assegnata. Se si assegna il canale di input
da un input privo di queste impostazioni (ad esempio, privo di preamplificatore),
saranno specificati i valori predefiniti.
NOTA
Se si intende assegnare un canale di ingresso non assegnato, verranno specificati i valori
predefiniti se nel campo HA INFO si preme il pulsante TAKE FROM CHANNEL.
3
Sezione HA
Viene visualizzata se il preamplificatore è assegnato al canale di ingresso.
NOTA
Se viene assegnato lo slot (per il quale il collegamento al preamplificatore non è riconosciuto),
viene visualizzato il tipo di scheda MY.
• Pulsante +48V
Questo pulsante viene visualizzato per il canale di input a cui è stato assegnato
il preamplificatore. Premere il pulsante per attivare/disattivare l'alimentazione
phantom (+48V).
• Manopola A.GAIN (guadagno analogico)
Indica il guadagno analogico del preamplificatore. Premere questa
manopola per controllare i valori dei parametri mediante le manopole
multifunzione. Se la funzione di compensazione guadagno è attivata,
viene visualizzato un indicatore della posizione del guadagno analogico
al momento dell'attivazione.
• Indicatore di livello
Indica il livello del segnale di ingresso.
• Pulsante GC (compensazione guadagno)
Consente di attivare/disattivare la funzione di compensazione del guadagno
per un canale specifico.
3
Sezione HA (se associata a un microfono wireless)
•Frequency
Indica la frequenza attualmente impostata per il segnale RF.
• Manopola RX.GAIN
Consente di impostare il guadagno HA del ricevitore. L'indicatore di livello situato a
destra della manopola indica il livello di ingresso.
NOTA
Per ulteriori informazioni sulla relazione tra il numero di barre e l'effettiva potenza del segnale,
fare riferimento al manuale di Shure.
•Indicatore MUTE
Indica lo stato di esclusione (attivazione/disattivazione) del segnale audio per il ricevitore.
• Indicatore del segnale RF (frequenza radio)
Visualizza delle barre che indicano il livello del segnale RF.
Un indicatore di antenna attiva viene mostrato sul lato destro. Indica l'antenna attivata
accendendosi.
Impostazione HA Valore predefinito
Quantità di guadagno HA -6 dB
HPF on/off Disattivato
Attivazione/disattivazione
alimentazione phantom Disattivato
Attivazione/disattivazione
compensazione guadagno Disattivato
Pulsante TAKE FROM PORT
Pulsante TAKE FROM CHANNEL

Canali di input
Manuale di riferimento
35
NOTA
Per ulteriori informazioni sulla relazione tra il numero di barre e l'effettiva potenza del segnale RF,
fare riferimento al manuale di Shure.
• Indicatore di carica della batteria
Visualizza delle barre che indicano l'autonomia restante della batteria.
NOTA
Per ulteriori informazioni sulla relazione tra il numero di barre e il tempo massimo di operazione,
fare riferimento al manuale di Shure.
4
Pulsante Ø (fase)
Consente di commutare da normale a inverso e viceversa le impostazioni di
fase dell'ingresso dei segnali dal preamplificatore.
5
Manopola D. GAIN (guadagno digitale)
Indica il valore del guadagno digitale. Premere questa manopola per controllare i valori
dei parametri mediante le manopole multifunzione. Se la funzione di compensazione
guadagno è attivata, il guadagno digitale verrà utilizzato per regolare il livello
dell'ingresso del segnale ai canali di ingresso.
6
Indicatore del guadagno digitale
Indica il livello del segnale dopo il passaggio attraverso il guadagno digitale.
7
Pulsante GC ALL ON/Pulsante GC ALL OFF
Attivare o disattivare la funzione di compensazione guadagno per tutti i canali
contemporaneamente.
8
Pulsante AG-DG LINK
Se si attiva questo pulsante e la funzione di compensazione guadagno è attivata,
è possibile collegare il guadagno digitale al guadagno analogico.
Quando si controlla il guadagno analogico, la funzione di compensazione guadagno
consente di modificare il livello sulla console senza incidere su quello delle altre.
NOTA
Se associato a un microfono wireless, l'indicatore di carica della batteria viene visualizzato qui.
9
Pulsanti AG-DG ALL ON/OFF
È possibile attivare o disattivare il collegamento tra guadagno analogico e guadagno
digitale per tutti i canali di ingresso contemporaneamente.
Finestra GAIN/PATCH
(1-48, 49-72/ST IN (CL5), 49-64/ST IN (CL3), ST IN (CL1))
In questa finestra vengono visualizzate le impostazioni del preamplificatore dei canali di
ingresso corrispondenti. Consente inoltre di regolare il guadagno del preamplificatore
per gruppi di otto canali selezionati mediante le manopole multifunzione nella
sezione Centralogic.
1
Pulsanti di selezione dei parametri
Consentono di selezionare i parametri da visualizzare nella finestra.
•ANALOG GAIN...................... Guadagno analogico
•DIGITAL GAIN....................... Guadagno digitale
•PATCH ................................... Selezione assegnazione
2
Pulsanti GC ALL ON/GC ALL OFF
Attivare o disattivare la funzione di compensazione guadagno per tutti
i canali simultaneamente.
3
Pulsante di selezione dei canali
Consente di selezionare il canale. È possibile selezionare più canali
contemporaneamente.
12 12
3

Canali di input
Manuale di riferimento
36
Se si preme il pulsante di selezione del parametro ANALOG GAIN:
1
Manopola GAIN
Indica l'impostazione del guadagno analogico per ciascun canale. Premere questa
manopola per selezionare un canale, quindi controllare il valore di guadagno mediante
la manopola multifunzione. Se la funzione di compensazione guadagno è attivata,
viene visualizzato un indicatore della posizione del guadagno analogico al momento
dell'attivazione.
2
Indicatore OVER
Si illumina quando un segnale dall'uscita rack o alla porta di ingresso supera il livello
a scala completa. Questo indicatore è disponibile solo se è stato selezionato un canale
di input.
3
Indicatore +48V
Indica lo stato di attivazione/disattivazione dell'alimentazione +48V di ciascun canale.
4
Indicatore Ø (fase)
Indica l'impostazione di fase per ciascun canale.
NOTA
Se il canale di input è assegnato a uno slot per cui non è riconosciuta la connessione al
preamplificatore, la manopola
1
viene sostituita dal numero di slot/porta dell'assegnazione
di destinazione.
3
non verrà visualizzato.
Se il canale di input viene assegnato a un rack, la manopola
1
sarà sostituita con l'ID
porta del rack.
Se al canale di ingresso non è assegnato alcun elemento, la manopola
1
viene sostituita
da una linea tratteggiata "----".
Se si preme il pulsante di selezione del parametro DIGITAL GAIN:
1
Manopola GAIN
Indica l'impostazione del guadagno digitale per ciascun canale. Premere questa
manopola per selezionare un canale, quindi controllare il valore di guadagno mediante
la manopola multifunzione.
2
Indicatore OVER
Si illumina quando un segnale dall'uscita rack o alla porta di ingresso supera il livello
a scala completa. Questo indicatore è disponibile solo se è stato selezionato un canale
di input.
3
Indicatore Ø (fase)
Indica l'impostazione di fase per ciascun canale.
Se si preme il pulsante di selezione del parametro PATCH:
1
Pulsante PATCH
Premere questo pulsante per aprire una finestra PORT SELECT nella quale è
possibile selezionare una porta di input da assegnare al canale.
Sezione HA (se associata a un microfono wireless)
1
Manopola RX.GAIN
Consente di impostare e visualizzare il guadagno del ricevitore.
2
Indicatore del segnale RF (frequenza radio)
Visualizza delle barre che indicano il livello del segnale RF. Un indicatore di antenna
attiva viene mostrato sul lato destro. Indica l'antenna attivata.
NOTA
Per ulteriori informazioni sulla relazione tra il numero di barre e l'effettiva potenza del segnale,
fare riferimento al manuale di Shure.
3
Indicatore di carica della batteria
Visualizza delle barre che indicano l'autonomia restante della batteria.
NOTA
Per ulteriori informazioni sulla relazione tra il numero di barre e il tempo massimo di operazione,
fare riferimento al manuale di Shure.
4
Indicatore OL
Si illumina quando il livello del segnale audio del ricevitore raggiunge il punto di
overload.
NOTA
Quando il ricevitore è escluso, sull'indicatore MUTE viene visualizzato .
13
2
4
1
2
3
1
2
3
14

Canali di input
Manuale di riferimento
37
Relazione tra guadagno analogico e guadagno digitale con
funzione di compensazione guadagno attivata
Se la funzione di compensazione guadagno è attivata, la regolazione del guadagno analogico
in base a un valore specifico comporterà un'attenuazione di pari entità del segnale dal
dispositivo I/O alla rete audio. Pertanto, il livello corretto dei segnali sulla rete audio
rimane costante nel dominio digitale.
Ad esempio, si supponga che il valore del guadagno analogico sia stato impostato su +30 dB
e che la compensazione del guadagno sia attivata. In questo caso, aumentando il valore del
guadagno analogico fino a +45 dB, il livello del segnale inviato alla rete audio rimane +30 dB,
vale a dire attenuato di –15 dB.
A questo punto, il guadagno di ciascun segnale inviato alla console della serie CL
viene regolato dal parametro del guadagno digitale della console della serie CL.
Se la console FOH e la console di monitoraggio condividono un dispositivo I/O, la regolazione
del guadagno analogico sulla console FOH non influisce sul livello di ingresso della console
di monitoraggio poiché il livello del segnale sulla rete audio viene mantenuto costante.
Tuttavia, si noti che se il segnale è distorto a causa di un livello di guadagno analogico elevato,
sarà necessario disattivare la funzione di compensazione del guadagno, impostare un livello
appropriato di guadagno e attivare nuovamente la funzione. Se si tenta di ridurre il livello di
guadagno analogico mentre è attivata la funzione di compensazione del guadagno, il segnale
sulla rete audio viene amplificato per un valore di pari entità e il segnale rimane distorto.
NOTA
È possibile eseguire questa operazione assegnando l'attivazione/disattivazione della funzione
di compensazione guadagno a uno dei tasti USER DEFINED.
Invio del segnale da un canale di ingresso al bus
STEREO/MONO
I bus STEREO e MONO vengono utilizzati per inviare segnali agli altoparlanti principali.
Sono disponibili due modalità di invio dei segnali ai bus STEREO o MONO: ST/MONO
e LCR. È possibile selezionare la modalità singolarmente per ciascun canale.
Le differenze tra le due modalità vengono descritte di seguito.
Modalità ST/MONO
In questa modalità i segnali vengono inviati dal canale di input ai bus STEREO
e MONO in modo indipendente.
• I segnali inviati da un canale di input ai bus STEREO e MONO possono essere attivati/
disattivati singolarmente.
• Il pan di un segnale inviato da un canale di input al bus STEREO L/R è controllato dalla
manopola TO ST PAN (A PAN STEREO) (i segnali inviati al bus MONO non vengono
influenzati da questa manopola).
• Il bilanciamento di volume sinistro/destro di un segnale inviato da un canale ST IN
al bus STEREO viene controllato da questa manopola.
Se la modalità PAN/BALANCE è impostata su PAN, sarà possibile regolare la posizione
pan dei singoli segnali inviati al bus STEREO L/R (pagina 39).
Modalità LCR
In questa modalità, i segnali dal canale di input vengono inviati a tre bus contemporaneamente,
STEREO (L/R) e MONO (C).
• I segnali inviati da un canale di input ai bus STEREO e MONO vengono attivati/disattivati
contemporaneamente.
• La manopola CSR (Center Side Ratio, Rapporto centro-laterale) indica la proporzione
del livello tra i segnali inviati da un canale di input ai bus STEREO (L/R) e MONO (C).
• La manopola TO ST PAN/BALANCE (A PAN STEREO/BILANCIAMENTO) indica
il livello dei segnali inviati da un canale di input ai bus STEREO (L/R) e MONO (C).
NOTA
Se si desidera monitorare il segnale del bus STEREO o MONO mediante gli altoparlanti
o dispositivi simili, premere il pulsante MONITOR nell'area di accesso alle funzioni, per
selezionare "LCR" come sorgente di monitoraggio prima di continuare con la procedura
riportata di seguito.

Canali di input
Manuale di riferimento
38
STEP
1.
Impostare alimentazione phantom, guadagno e fase del canale di ingresso da
cui si desidera inviare il segnale al bus STEREO/MONO.
2.
Utilizzare i tasti Bank Select nella sezione Centralogic per selezionare il canale
di ingresso da cui inviare il segnale al bus STEREO/MONO.
3.
Nel campo STEREO/MONO premere una manopola per selezionare il canale da
regolare nella schermata OVERVIEW, quindi premere nuovamente la manopola.
4.
Utilizzare il pulsante di selezione MODE nella finestra TO STEREO/MONO per
selezionare la modalità ST/MONO o LCR per ciascun canale.
5.
Nella sezione MASTER del pannello superiore attivare il tasto [ON] per il canale
STEREO/MONO, quindi alzare il fader impostandolo su un livello appropriato.
6.
Nella sezione INPUT del pannello superiore attivare il tasto [ON] per il canale
di ingresso che si desidera controllare, quindi alzare il fader impostandolo su
una posizione appropriata.
La procedura riportata di seguito varia a seconda che sia stata selezionata la modalità
ST/MONO o LCR per il canale al punto 4.
Canali per i quali è selezionata la modalità ST/MONO
7.
Nella finestra TO STEREO/MONO utilizzare il pulsante STEREO/MONO per attivare/
disattivare il segnale inviato dal canale di ingresso al bus STEREO/MONO.
8.
Utilizzare la manopola TO ST PAN per configurare il pan di un segnale inviato
dal canale di input al bus STEREO.
Canali per i quali è selezionata la modalità LCR
7.
Nella finestra TO STEREO/MONO utilizzare il pulsante LCR per attivare o disattivare
collettivamente i segnali inviati dal canale di ingresso al bus STEREO/MONO.
8.
Utilizzare la manopola CSR per regolare la differenza di livello tra i segnali inviati
dal canale ai bus STEREO (L/R) e MONO (C).
9.
Utilizzare la manopola TO ST PAN per specificare il pan dei segnali inviati dal canale
di ingresso ai bus STEREO (L/R) e MONO (C).
Schermata OVERVIEW Finestra TO STEREO/MONO

Canali di input
Manuale di riferimento
39
Finestra TO STEREO/MONO (8ch)
In questa finestra è possibile attivare/disattivare le impostazioni di pan/bilanciamento del
segnale inviato dai canali di ingresso ai bus STEREO (L/R) e MONO (C), in gruppi di
otto canali.
1
Pulsante di selezione dei canali
Consente di selezionare il canale. È possibile selezionare più canali
contemporaneamente.
2
LED della modalità
Il LED della modalità attualmente selezionata si accende.
3
Pulsante di selezione MODE
Per un canale MONO, è possibile alternare le modalità ST/MONO e LCR. Per un canale
STEREO, è possibile alternare le modalità PAN e BALANCE.
4
Pulsanti ST/MONO
Questi pulsanti sono switch di attivazione/disattivazione per i segnali inviati
da ciascun canale al bus STEREO/MONO quando il pulsante MONO è impostato
sulla modalità ST/MONO.
5
Indicatore di saturazione Σ
Si illumina per segnalare la saturazione del segnale in un punto del canale.
6
Manopola TO ST PAN/TO ST BALANCE (A PAN STEREO/A BILANCIAMENTO
STEREO)
Per i canali mono, funge da manopola PAN che consente di regolare il pan di sinistra/
destra dei segnali inviati al bus STEREO. Per i canali STEREO, funge da manopola PAN
e da manopola BALANCE, ovvero consente di regolare il volume dei segnali di destra
e di sinistra inviati al bus STEREO. Per regolare il valore, premere la manopola per
selezionarla e utilizzare la manopola multifunzione corrispondente.
7
Tab
Consentono di passare da una finestra all'altra.
8
Pulsante LCR
Se il pulsante MODE è impostato sulla modalità LCR, questo pulsante viene visualizzato
al posto di
4
. Rappresenta un pulsante di attivazione/disattivazione generale per
i segnali inviati da un canale ai bus STEREO e MONO. Se questo pulsante è disattivato,
nessun segnale verrà inviato dal canale di input corrispondente al bus STEREO o MONO.
9
Manopola CSR
Consente di regolare il livello relativo dei segnali inviati dal canale ai bus STEREO (L/R)
e MONO (C), in un intervallo compreso tra 0 e 100%. Per regolare il valore, premere
la manopola per selezionarla e utilizzare la manopola multifunzione corrispondente
(pagina 41).
1
2
3
6
5
4
7
Modalità ST/MONO Modalità LCR
8
9

Canali di input
Manuale di riferimento
40
Funzione pan aggiunta (solo canali di ingresso mono)
L'impostazione del pan per i segnali inviati al bus STEREO consente di selezionare le
impostazioni PAN LAW. È possibile selezionare una delle seguenti opzioni:
NOTA
Le impostazioni vengono applicate anche ai segnali inviati ai bus MIX stereo
.
1
Pulsante di selezione PAN LAW
Questo pulsante di attivazione/disattivazione viene utilizzato per impostare il valore PAN
LAW per il canale di ingresso.
Per CENTER NOMINAL Per LR NOMINAL
NOTA
Le impostazioni PAN LAW vengono abilitate anche in modalità LCR e Surround.
È possibile controllare lo stato delle impostazioni PAN LAW nella finestra visualizzata di
seguito. Per i canali dove l'indicatore è attivo, PAN LAW è impostato su LR NOMINAL.
• Finestra TO STEREO/MONO (CH1-48, CH49-72/ST IN(CL5), CH49-64/ST IN(CL3),
ST IN(CL1))
• Finestra OVERVIEW (campo STEREO/MONO)
• Finestra SELECTED CHANNEL VIEW (campo PAN/BALANCE)
CENTER NOMINAL Il livello di pan è nominale al centro e +3 dB se eseguito al 100%
verso sinistra o destra.
LR NOMINAL Il livello di pan al centro e - 3 dB e nominale se eseguito al 100%
verso sinistra o destra.
PROCEDURA
1.
Selezionare un canale di ingresso mono.
2.
Nel campo STEREO/MONO premere una manopola per selezionare il canale da
regolare nella finestra OVERVIEW, quindi premere nuovamente la manopola.
In alternativa, nel campo PAN/BALANCE premere una manopola per selezionare
il canale da regolare nella finestra SELECTED CHANNEL VIEW, quindi premere di
nuovo la manopola.
3.
Utilizzare il pulsante di selezione PAN LAW nella finestra TO STEREO/MONO per
impostare il valore PAN LAW per ciascun canale.
1

Canali di input
Manuale di riferimento
41
Finestra TO STEREO/MONO
(CH 1-48, CH 49-72/ST IN (CL5), CH 49-64/ST IN (CL3),
ST IN (CL1))
Consente di regolare lo stato di un segnale inviato dal canale di ingresso corrispondente
al bus STEREO/MONO. Consente di regolare anche l'impostazione pan o bilanciamento
in gruppi di otto canali selezionati.
1
Pulsante di selezione dei canali
Consente di selezionare il canale. È possibile selezionare più canali
contemporaneamente.
2
Indicatore di saturazione Σ
Si illumina per segnalare la saturazione del segnale in un punto del canale.
3
Manopola TO ST PAN/TO ST BALANCE
Consente di regolare pan o bilanciamento.
Per regolare il valore, premere la manopola per selezionarla e utilizzare la
manopola multifunzione corrispondente.
Se il segnale raggiunge il punto di overload in qualsiasi punto di rilevamento
dell'indicatore nel canale selezionato, l'indicatore
Σ
a destra della manopola si illumina.
4
Indicatore ST/MONO
Se un canale è impostato sulla modalità ST/MONO, questi indicatori segnalano
lo stato di attivazione/disattivazione di ciascun segnale inviato dal canale al bus
STEREO/MONO.
Se tale canale è impostato sulla modalità LCR, l'indicatore LCR verrà visualizzato
in questa posizione. L'indicatore LCR mostra lo stato di attivazione/disattivazione
di tutti i segnali inviati dal canale al bus STEREO/MONO.
Livello segnale quando è selezionata la modalità LCR
Se è selezionata la modalità LCR, il livello del segnale inviato ai bus STEREO (L/R)
e MONO (C) varia in base alle impostazioni della manopola CSR e della manopola
TO ST PAN.
Quando la manopola CSR è impostata su 0% (canale MONO)
La manopola TO ST PAN viene utilizzata come una normale manopola PAN e al
bus MONO (C) non viene inviato alcun segnale.
Quando la manopola CSR è impostata su 0% (canale STEREO)
La manopola TO ST BALANCE viene utilizzata come una normale manopola BALANCE
e al bus MONO (C) non viene inviato alcun segnale.
1
2
3
4
CLR
Manopola TO ST PAN
Segnale inviato al bus STEREO (L)
Segnale inviato al bus STEREO (R)
Livello segnale
CLR
Manopola TO ST BALANCE
Segnale inviato dal canale STEREO (L)
al bus STEREO (L)
Livello segnale
CLR
Manopola TO ST BALANCE
Segnale inviato dal canale STEREO (R)
al bus STEREO (R)
Livello segnale

Canali di input
Manuale di riferimento
42
Quando la manopola CSR è impostata su 100%
Quando la manopola CSR è impostata su 100% (canale ST IN)
Invio di un segnale da un canale di ingresso
a un bus MIX/MATRIX
I bus MIX vengono utilizzati principalmente per inviare segnali agli altoparlanti foldback
sul palco o a processori di effetti esterni. I bus MATRIX vengono utilizzati per creare
un missaggio, indipendente dal bus STEREO o dai bus MIX e generalmente inviato
a un registratore master o a un sistema di monitoraggio backstage.
È possibile inviare un segnale da un canale di ingresso a un bus MIX/MATRIX nei tre
modi riportati di seguito.
Uso della sezione Selected Channel
Questo metodo prevede l'utilizzo delle manopole nella sezione SELECTED CHANNEL per
la regolazione dei livelli di mandata ai bus MIX/MATRIX. Quando si utilizza questo metodo,
è possibile regolare contemporaneamente i segnali inviati da un canale di input specifico
a tutti i bus MIX/MATRIX.
Uso della sezione Centralogic
Questo metodo prevede l'utilizzo delle manopole multifunzione della sezione Centralogic
per la regolazione del livello dei segnali inviati ai bus MIX/MATRIX. Quando si utilizza questo
metodo, è possibile regolare contemporaneamente i segnali inviati da otto canali di ingresso
consecutivi a un bus MIX/MATRIX specifico.
Utilizzo dei fader (modalità SENDS ON FADER, MANDATE SU FADER)
Questo metodo prevede il passaggio dell'unità della serie CL alla modalità SENDS ON FADER
e l'utilizzo dei fader del pannello superiore per la regolazione dei livelli dei segnali inviati ai bus
MIX/MATRIX. Quando si utilizza questo metodo, è possibile regolare contemporaneamente
i segnali inviati da tutti i canali di ingresso a un bus MIX/MATRIX specifico.
CLR
Manopola PAN
Segnale inviato al bus MONO (C)
Segnale inviato al bus STEREO (L)
Segnale inviato al bus STEREO (R)
Livello segnale
CLR
Manopola TO ST BALANCE
Segnale inviato dal canale ST IN (L)
al bus MONO (C)
Segnale inviato dal canale ST IN (L)
al bus STEREO (L)
Livello segnale
CLR
Manopola TO ST BALANCE
Segnale inviato dal canale ST IN (R)
al bus MONO (C)
Segnale inviato dal canale ST IN (R)
al bus STEREO (R)
Livello segnale

Canali di input
Manuale di riferimento
43
Uso della sezione Selected Channel
In questa sezione viene illustrato come utilizzare le manopole della sezione SELECTED
CHANNEL per la regolazione dei livelli di mandata dei segnali inviati da un canale di
ingresso specifico a tutti i bus MIX/MATRIX.
NOTA
• Se si desidera monitorare il segnale inviato a un bus MIX/MATRIX specifico, utilizzare i tasti
Bank Select nella sezione Centralogic, per accedere al canale MIX/MATRIX corrispondente,
quindi premere il tasto [CUE] appropriato.
I bus MIX possono essere di tipo FIXED (FISSO) con livello di mandata fisso o di tipo
VARI (VARIABILE) con livello di mandata variabile. I bus MATRIX sono tutti di tipo VARI.
È possibile passare dal tipo FIXED al tipo VARI per ciascuno dei due bus MIX adiacenti
con numerazione pari/dispari. A tale scopo, premere il pulsante SETUP, quindi il pulsante
BUS SETUP per aprire la finestra BUS SETUP.
Se il bus MIX è un tipo FIXED
Viene visualizzato un cerchio grigio al posto della manopola TO MIX SEND LEVEL
(LIVELLO DI MANDATA A MIX) e non è possibile regolare il livello di mandata.
Per un bus MIX o un bus MATRIX di tipo VARI
La manopola TO MIX SEND LEVEL viene visualizzata nello stesso colore della manopola
corrispondente nella sezione SELECTED CHANNEL. In questo caso, è possibile utilizzare
la manopola corrispondente dalla sezione SELECTED CHANNEL per regolare il livello
di mandata.
Se il bus MIX/MATRIX è un bus stereo
È possibile collegare i parametri principali dei due bus MIX/MATRIX adiacenti con
numerazione pari/dispari. Se il bus MIX/MATRIX di destinazione della mandata
è impostato su stereo, la manopola sinistra delle due manopole adiacenti TO MIX/
MATRIX SEND LEVEL (A LIVELLO MANDATA BUS MIX/MATRIX) viene utilizzata come
manopola TO MIX/MATRIX PAN (A PAN MIX/MATRIX) (se nella finestra TO STEREO/
MONO è stata selezionata la modalità BALANCE, verrà utilizzata come manopola
BALANCE (BILANCIAMENTO).
NOTA
• Per un canale mono, la manopola destra consente di regolare il livello di mandata comune
ai due bus MIX/MATRIX, mentre la manopola sinistra consente di regolare il pan tra i due
bus MIX/MATRIX. La rotazione verso sinistra, in senso antiorario, della manopola TO MIX/
MATRIX SEND LEVEL determina un aumento della quantità di segnale inviata al bus MIX/
MATRIX con numerazione dispari, mentre la rotazione in senso orario determina un
aumento della quantità di segnale inviata al bus MIX/MATRIX con numerazione pari.
STEP
1.
Assegnare una porta di uscita a ciascun bus MIX/MATRIX al quale si desidera inviare
i segnali e collegare il sistema di monitoraggio, il processore di effetti esterni
o un altro dispositivo alla porta di uscita corrispondente.
2.
Utilizzare i tasti [SEL] sul pannello superiore per selezionare il canale di ingresso
che invierà i segnali al bus MIX/MATRIX.
3.
Premere una delle manopole nella sezione Selected Channel.
4.
Attivare il pulsante ON nel campo SEND della schermata SELECTED CHANNEL VIEW.
5.
Attivare il pulsante TO MIX/MATRIX SEND ON/OFF per il bus MIX di destinazione
della mandata.
6.
Utilizzare la manopola MIX/MATRIX SEND LEVEL nella sezione SELECTED CHANNEL
per regolare i livelli di mandata ai bus MIX/MATRIX.
Schermata SELECTED
CHANNEL VIEW

Canali di input
Manuale di riferimento
44
• Per un canale STEREO, se nella finestra TO STEREO/MONO è selezionata la modalità
BALANCE, la manopola destra consente di regolare il livello di mandata comune per i due
bus MIX/MATRIX, mentre la manopola sinistra consente di regolare il bilanciamento di volume
dei segnali di sinistra e di destra inviati ai due bus MIX/MATRIX. La rotazione verso sinistra, in
senso antiorario, della manopola TO MIX/MATRIX SEND LEVEL determina un aumento della
quantità di segnale inviata al bus MIX/MATRIX con numerazione dispari dal canale L, mentre
la rotazione in senso orario determina un aumento della quantità di segnale inviata al bus MIX/
MATRIX con numerazione pari dal canale R. Se nella finestra TO STEREO/MONO è selezionata
la modalità PAN, la manopola sinistra viene utilizzata come manopola PAN. La funzione della
manopola destra sarà la stessa della modalità BALANCE.
Uso della sezione Centralogic
È possibile utilizzare le manopole multifunzione della sezione Centralogic per regolare
il livello di mandata dei segnali inviati da otto canali di ingresso consecutivi a un bus
MIX/MIX specifico.
NOTA
• Se si desidera monitorare un segnale inviato a un bus MIX/MATRIX specifico, utilizzare
i tasti Bank Select per assegnare il canale MIX corrispondente alla sezione Centralogic,
quindi premere il tasto [CUE] per il canale MIX/MATRIX.
• Nella schermata OVERVIEW è anche possibile regolare il livello di mandata del segnale inviato
ai bus MIX/MATRIX. A tale scopo, premere la manopola SEND LEVEL per il bus MIX/MATRIX
che si desidera regolare, quindi utilizzare la manopola multifunzione nella sezione Centralogic
per regolarlo.
Finestra MIX SEND/MATRIX SEND
1
Pulsante ALL PRE
Consente di impostare il punto di mandata su PRE. Il punto di mandata rappresenta
il punto in corrispondenza del quale i segnali vengono inviati da tutti i canali di origine
della mandata, inclusi i canali di ingresso e uscita, alla destinazione della mandata
selezionata. A questo punto, il pulsante PRE/POST si accende.
2
Pulsante ALL POST
Consente di impostare il punto di mandata su POST Il punto di mandata rappresenta
il punto in corrispondenza del quale i segnali vengono inviati da tutti i canali di origine
della mandata, inclusi i canali di ingresso e uscita, alla destinazione della mandata
selezionata). A questo punto, il pulsante PRE/POST si spegne.
3
Indicatore della destinazione della mandata
Indica la destinazione della mandata attualmente selezionata.
4
Pulsanti di selezione di destinazione della mandata
Consentono di selezionare i bus MIX/MATRIX come destinazione della mandata.
5
Pulsante di selezione dei canali
Consente di selezionare il canale di origine della mandata che si desidera controllare.
Icona, numero e colore del canale vengono visualizzati sul pulsante e il nome del
canale sotto il pulsante.
6
Pulsante PRE/POST
Consente di alternare PRE e POST come punto di mandata di ciascun canale di origine
della mandata. Se il pulsante è illuminato, il punto di mandata è impostato su PRE.
NOTA
• Se il pulsante PRE/POST è attivato, è possibile selezionare anche PRE EQ (subito prima
dell'equalizzatore) o PRE FADER (subito prima del fader) per ciascun bus MIX/MATRIX.
Questa impostazione viene eseguita nella finestra BUS SETUP (pagina 243).
• Il pulsante PRE/POST non viene visualizzato per i bus MIX di tipo FIXED.
7
Pulsante SEND ON/OFF (ATTIVA/DISATTIVA MANDATA)
Consente attivare/disattivare la mandata di ciascun canale di origine della mandata.
STEP
1.
Assegnare una porta di uscita a ciascun bus MIX/MATRIX al quale si desidera inviare
segnali e collegare il sistema di monitoraggio, gli effetti esterni o un altro dispositivo
alla porta di uscita corrispondente.
2.
Utilizzare i tasti Bank Select nella sezione Centralogic per selezionare i canali che
si desidera controllare.
3.
Nella schermata OVERVIEW premere la manopola TO MIX/MATRIX SEND LEVEL
per selezionare il bus MIX/MATRIX di destinazione della mandata desiderato, quindi
premerla nuovamente.
4.
Utilizzare il pulsante SEND ON/OFF nella schermata MIX SEND/MATRIX SEND
per attivare/disattivare il segnale e regolare il livello di mandata.
Schermata OVERVIEW
13 32 1 2
9
7
6
5
4
9
8 8
7
6
5
4

Canali di input
Manuale di riferimento
45
8
Manopola SEND PAN/BALANCE (PAN/BILANCIAMENTO MANDATA)
Consente di impostare pan o bilanciamento dei segnali inviati alla destinazione stereo
della mandata. Se la destinazione della mandata è mono o impostata su FIXED,
questa manopola non viene visualizzata.
Se l'origine della mandata è mono, questa manopola funzionerà come una
manopola PAN.
Se l'origine della mandata è stereo, è possibile utilizzare l'impostazione
della modalità PAN/BALANCE nella finestra TO STEREO/MONO
per scegliere se PAN/BALANCE funzionerà come manopola PAN
o BALANCE. Viene visualizzata la manopola per la modalità
selezionata.
9
Manopola SEND LEVEL (LIVELLO MANDATA)
Indica il livello dei segnali inviati alla destinazione della mandata selezionata. Premere
questa manopola per controllare il livello mediante le manopole multifunzione.
Se la destinazione di mandata è impostata su FIXED, viene visualizzato solo un cerchio
di colore grigio.
Uso dei fader (modalità SENDS ON FADER)
È possibile utilizzare i fader del pannello superiore per regolare i segnali inviati da tutti
i canali di ingresso a un bus MIX/MATRIX specifico.
NOTA
• Premere il pulsante SENDS ON FADER per passare alla modalità SENDS ON FADER. Il gruppo
di bus MIX/MATRIX selezionato più di recente viene assegnato alla sezione Centralogic. I fader
nelle sezioni Channel Strip e Master si spostano per indicare il livello di mandata dei segnali
indirizzati da ciascun canale al bus MIX/MATRIX attualmente selezionato.
• In alternativa, è possibile premere una manopola SEND LEVEL nella sezione SELECTED
CHANNEL per visualizzare una finestra in cui selezionare un bus MIX/MATRIX di destinazione
della mandata.
• Inoltre, è possibile selezionare un bus MIX/MATRIX utilizzando i tasti Bank Select e i tasti [SEL]
nella sezione Centralogic. Se si selezionano i bus MIX o MATRIX premendo i tasti [SEL],
l'impostazione del pulsante di commutazione MIX/MTRX ON FADER viene modificata
automaticamente.
• Se si preme di nuovo il pulsante di selezione del bus MIX/MATRIX attualmente selezionato,
il monitoraggio del segnale di attivazione verrà attivato per il canale MIX/MATRIX corrispondente.
Questo metodo risulta utile se si desidera monitorare il segnale che viene inviato al bus MIX/
MATRIX selezionato.
• È possibile assegnare la funzione SENDS ON FADER a un tasto USER DEFINED. In questo
modo, è possibile passare rapidamente alla modalità SENDS ON FADER per un bus MIX/
MATRIX specifico e tornare allo stato precedente in modo altrettanto rapido.
STEP
1.
Assegnare una porta di uscita a ciascun bus MIX/MATRIX al quale si desidera inviare
i segnali e collegare il sistema di monitoraggio, gli effetti esterni o un altro
dispositivo alla porta di uscita corrispondente.
2.
Nell'area di accesso alle funzioni premere il pulsante SENDS ON FADER.
3.
Utilizzare i pulsanti di selezione MIX/MTRX ON nell'area di accesso alle funzioni
per alternare tra MIX 1-16 e MIX 17-24/MATRIX.
4.
Utilizzare i pulsanti di selezione dei bus MIX/MATRIX nell'area di accesso alle
funzioni per selezionare il bus MIX/MATRIX di destinazione della mandata.
5.
Utilizzare i fader nella sezione Channel Strip nel pannello superiore per regolare
il livello di mandata dei segnali indirizzati dai canali di ingresso al bus MIX/MATRIX
selezionato.
Area di accesso
alle funzioni

Canali di input
Manuale di riferimento
46
Modalità SENDS ON FADER
1
Pulsante di commutazione MIX/MTRX ON FADER
Utilizzare questo pulsante per alternare MIX 1-16 e MIX 17-24/MATRIX per il bus
visualizzato nell'area di accesso alle funzioni.
2
Pulsanti di selezione del bus MIX/MATRIX
Selezionare i bus che saranno controllati dai fader.
3
Pulsante di chiusura
Consente di chiudere la modalità SENDS ON FADER.
Indicazione del display dei nomi dei canali
Nella modalità SENDS ON FADER per il canale è indicato ON/OFF.
Nella pagina PREFERENCE della finestra a comparsa USER SETUP, è indicato il numero
del canale se l'opzione NAME DISPLAY è impostata su "NAME ONLY".
3
2
1
CANALE ATTIVATO
CANALE DISATTIVATO
Visualizzazione del
numero del canale

Canali di input
Manuale di riferimento
47
Correzione del delay tra i canali (Delay di ingresso)
In questa sezione viene descritto come correggere il delay tra i canali di ingresso utilizzando
la funzione Input Delay.
Questa funzione risulta utile quando si desidera correggere la variazione di fase causata dalle
posizioni dei microfoni sul palco, per aggiungere profondità al suono utilizzando la variazione
di fase o per correggere un ritardo (pausa) che può verificarsi tra video e audio inviati
da un sito per la trasmissione televisiva.
NOTA
Se la schermata INPUT DELAY a otto canali è aperta, è possibile utilizzare i tasti Bank Select
nella sezione Centralogic per cambiare i canali da controllare in gruppi di otto.
Schermata INPUT DELAY a 8 canali
È possibile impostare lo stato di attivazione/disattivazione e il valore del delay del canale
di ingresso.
1
Pulsante DELAY SCALE
Premere il pulsante per visualizzare la finestra DELAY SCALE nella quale è possibile
selezionare l'unità per il delay.
Esistono cinque scale di delay: meter (metro/sec), feet (piedi/sec), sample (numero
di campioni), ms (millisecondi) e frame. Se si seleziona frame come unità, è possibile
scegliere tra sei frequenze: 30, 30D, 29.97, 29.97D, 25 e 24. In questo caso, verrà
indicato fr come unità nel display del nome del canale.
2
Pulsante di selezione dei canali
Il canale di ingresso attualmente selezionato è indicato in blu. Premere il pulsante
per selezionare il canale.
3
Manopola di impostazione del delay (solo canali di ingresso)
Per regolare il delay è possibile utilizzare la manopola multifunzione. È possibile
visualizzare il valore corrente immediatamente sopra la manopola (visualizzato
sempre in unità di ms) e sotto la manopola (visualizzato utilizzando la scala attualmente
selezionata). Se per DELAY SCALE è stato selezionato ms (millisecondi),
sopra la manopola non verrà visualizzato alcun valore.
4
Tab
Consentono di passare da una finestra all'altra.
5
Pulsante di chiusura
Consente di chiudere la schermata.
STEP
1.
Utilizzare i tasti [SEL] sul pannello superiore per selezionare il canale di ingresso
che invierà i segnali al bus MIX/MATRIX.
2.
Premere una delle manopole nella sezione Selected Channel.
3.
Premere il campo INPUT DELAY nella schermata SELECTED CHANNEL VIEW.
4.
Premere il tab 8ch nella schermata INPUT DELAY.
5.
Per impostare il delay, utilizzare i pulsanti visualizzati e le manopole multifunzione.
Schermata SELECTED
CHANNEL VIEW Schermata INPUT DELAY
1 5
2
3
4

Canali di input
Manuale di riferimento
48
INPUT DELAY (CH 1-48, CH 49-72/ST IN (CL5),
CH 49-64/ST IN (CL3), ST IN (CL1))
1
Pulsante DELAY SCALE
Premere il pulsante per visualizzare la finestra DELAY SCALE nella quale è possibile
selezionare l'unità per il delay.
2
Pulsante di selezione dei canali
Si illumina per indicare il canale di input attualmente selezionato. Premere il pulsante
per selezionare il canale.
3
Manopola di impostazione del delay (solo canali di ingresso)
Premere questa manopola per regolare il valore mediante la manopola multifunzione.
È possibile visualizzare il valore corrente immediatamente sopra la manopola
(visualizzato sempre in unità di ms) e sotto la manopola (visualizzato utilizzando
la scala attualmente selezionata).
NOTA
Se per DELAY SCALE è stato selezionato ms (millisecondi), a destra della manopola non
viene visualizzato alcun valore.
Funzioni aggiuntive per i canali di ingresso stereo
Con V3, è possibile impostare temporaneamente come mono i segnali inviati a un canale
di ingresso stereo. È possibile scegliere tra le seguenti tre impostazioni.
L-MONO
Solo il canale L viene impostato temporaneamente come segnale mono.
R-MONO
Solo il canale R viene impostato temporaneamente come segnale mono.
1
2
3
STEREO IN Lch
STEREO IN Rch
STEREO R
STEREO L
ON
ON
PAN/BAL
PAN/BAL
STEREO IN Lch
STEREO IN Rch
STEREO R
STEREO L
ON
ON
PAN/BAL
PAN/BAL

Canali di input
Manuale di riferimento
49
LR-MONO
Anche se il risultato è un segnale mono ottenuto dalla somma di entrambi i canali, il canale R
del canale di ingresso stereo viene escluso.
NOTA
• Quando si imposta LR-MONO, viene selezionata contemporaneamente la modalità PAN. Inoltre,
la manopola PAN viene impostata sulla posizione centrale.
• Quando si imposta LR, L-MONO o R-MONO viene selezionata contemporaneamente la modalità
BALANCE. Inoltre, la manopola BALANCE viene impostata sulla posizione centrale.
Procedura di impostazione
Se è selezionato un canale di ingresso stereo, la schermata SELECTED CHANNEL VIEW
avrà l'aspetto illustrato di seguito.
1
Campo LR-MONO SELECT
Selezionare uno dei quattro pulsanti. Il pulsante selezionato si illumina e gli altri
si spengono.
Se è selezionato un canale di ingresso stereo, la schermata OVERVIEW avrà l'aspetto
illustrato di seguito.
2
Pulsante LR-MONO SELECT
Pulsante di attivazione/disattivazione. L'impostazione cambia stato ogni volta
che il pulsante viene premuto.
1
Impostazione STEREO
normale
L-MONO
R-MONO
LR-MONO
2

Canali di input
Manuale di riferimento
50
Uscita surround per i canali di ingresso
Impostazione della modalità surround
È possibile attivare i mix surround modificando le impostazioni del bus sulla
modalità Surround.
NOTA
Quando si passa dalla modalità Stereo alla modalità Surround, i segnali per MIX1/2, 3/4
e 5/6 vengono impostati su MONO x2.
Tuttavia, quando si torna alla modalità Stereo, i segnali per MIX1/2, 3/4 e 5/6 rimarranno impostati
su MONO x2.
Schermata SELECTED CHANNEL VIEW
Se si imposta un bus sulla modalità Surround in BUS SETUP, la schermata
SELECTED CHANNEL VIEW avrà l'aspetto illustrato di seguito.
1
Manopola L/R
Utilizzare questo parametro per impostare la posizione di surround sinistra/destra.
Utilizzare la manopola SEND (MIX 1) nella sezione Selected Channel per eseguire
regolazioni.
2
Manopola F/R
Utilizzare questo parametro per impostare la posizione di surround anteriore/posteriore.
Utilizzare la manopola SEND (MIX 3) nella sezione Selected Channel per eseguire
regolazioni.
3
Assegnare pulsanti per ciascun bus
Se esiste un bus da cui non si desidera emettere alcun segnale audio, disattivare
il relativo pulsante.
STEP
1.
Nell'area di accesso alle funzioni premere il pulsante SETUP.
2.
Nella schermata SETUP premere il pulsante SURROUND SETUP (pagina 205).
3.
Premere il pulsante 5.1 SURROUND.
4.
Assegnare i canali a MIX 1 - 6 per l'uscita surround.
5.
Premere il pulsante APPLY.
6.
Premere il pulsante OK nella finestra di dialogo di conferma.
Schermata SETUP Schermata SURROUND
SETUP
1
2
4
5
7
3
3
6

Canali di input
Manuale di riferimento
51
4
Manopola DIV
Determina il modo in cui il segnale centrale viene trasmesso ai canali sinistro, destro
e centrale. Se impostato su 0, il segnale centrale viene trasmesso solo ai canali sinistro
e destro. Se impostato su 50, il segnale centrale viene equamente trasmesso ai canali
sinistro, destro e centrale. Se impostato su 100, il segnale centrale viene trasmesso
solo al canale centrale (centro reale).
Utilizzare la manopola SEND (MIX 5) nella sezione Selected Channel per eseguire
regolazioni.
5
Manopola LFE
Determina il livello del canale LFE (Low Frequency Effects, effetti a bassa frequenza).
Utilizzare la manopola SEND (MIX 6) nella sezione Selected Channel per eseguire
regolazioni.
6
Posizione di surround
Il colore della sfera mostrata qui cambia a seconda del fatto che il pan della posizione
di surround sia stato distribuito completamente a sinistra o completamente a destra o in
base a qualsiasi altra impostazione.
Hard panning: rosso
Qualsiasi altra impostazione: arancione
7
Grafico di surround
In questo grafico vengono illustrate le posizioni di surround. Premere qui per aprire
la schermata SURROUND PAN 1CH.
Schermata OVERVIEW
Se si imposta un bus sulla modalità Surround in BUS SETUP, la schermata OVERVIEW avrà
l'aspetto illustrato di seguito.
1
Grafico di surround
In questo grafico vengono illustrate le posizioni di surround. Premere qui per aprire
la schermata SURROUND PAN 1CH.
2
Pulsante di commutazione L/R F/R
Utilizzare questo pulsante per passare dalla schermata di regolazione L/R alla
schermata di regolazione F/R.
Utilizzare la manopola SEND (MIX 5) nella sezione Selected Channel per eseguire
regolazioni.
3
Manopola LFE
Determina il livello del canale LFE (Low Frequency Effects, effetti a bassa frequenza).
Utilizzare la manopola SEND (MIX 6) nella sezione Selected Channel per eseguire
regolazioni.
3
2
1
Regolazione L/R
3
2
1
Regolazione F/R

Canali di input
Manuale di riferimento
52
Schermata SURROUND PAN 1CH
Se si imposta un bus sulla modalità Surround in BUS SETUP, la schermata
SURROUND PAN 1CH avrà l'aspetto illustrato di seguito. Questa schermata
viene visualizzata quando si preme l'area di visualizzazione pan nella schermata
SELECTED CHANNEL VIEW o nella schermata OVERVIEW.
1
Grafico di surround
In questo grafico vengono illustrate le posizioni di surround.
2
Posizione di surround
È possibile impostare la posizione di surround premendo e trascinando la sfera
nel grafico.
3
Assegnare pulsanti per ciascun bus
Tutti questi pulsanti sono attivati per impostazione predefinita. Se esiste un bus da
cui non si desidera emettere alcun segnale audio, disattivare il relativo pulsante.
4
Manopola L/R
Utilizzare questo parametro per impostare la posizione di surround sinistra/destra.
Utilizzare la manopola SEND (MIX 1) nella sezione Selected Channel per eseguire
regolazioni.
5
Manopola F/R
Utilizzare questo parametro per impostare la posizione di surround anteriore/posteriore.
Utilizzare la manopola SEND (MIX 3) nella sezione Selected Channel per eseguire
regolazioni.
6
Manopola DIV
Determina il modo in cui il segnale centrale viene trasmesso ai canali sinistro, destro
e centrale. Se impostato su 0, il segnale centrale viene trasmesso solo ai canali sinistro
e destro. Se impostato su 50, il segnale centrale viene equamente trasmesso ai canali
sinistro, destro e centrale. Se impostato su 100, il segnale centrale viene trasmesso
solo al canale centrale (centro reale).
Utilizzare la manopola SEND (MIX 5) nella sezione Selected Channel per eseguire regolazioni.
7
Manopola LFE
Determina il livello del canale LFE (Low Frequency Effects, effetti a bassa frequenza).
Utilizzare la manopola SEND (MIX 6) nella sezione Selected Channel per eseguire
regolazioni.
8
Pulsante DEFAULT
Premere questo pulsante per ripristinare i valori iniziali di tutti i parametri.
9
Pulsante COPY
Tutte le impostazioni dei parametri verranno copiate nella memoria buffer.
0
Pulsante PASTE
Premere questo pulsante per incollare le impostazioni copiate dalla memoria buffer
alle impostazioni correnti. Se nella memoria buffer non sono stati copiati dati validi,
non verrà eseguita alcuna operazione.
>9
1
38
6 754
3
2

Canali di input
Manuale di riferimento
53
Schermata SURROUND PAN (CH 1-48, CH 49-72/ST IN (CL5),
CH 49-64/ST IN (CL3), ST IN (CL1))
Se si imposta un bus sulla modalità Surround in BUS SETUP, la schermata SURROUND PAN
(CH 1-48, CH 49-72/ST IN (CL5), CH 49-64/ST IN (CL3), ST IN (CL1)) avrà l'aspetto illustrato
di seguito. Questa schermata viene visualizzata quando si preme l'area di visualizzazione
pan nella schermata SELECTED CHANNEL VIEW o nella schermata OVERVIEW.
1
Grafico di surround
In questo grafico vengono illustrate le posizioni di surround.
2
Pulsante di commutazione L/R F/R
Utilizzare questo pulsante per passare dalla schermata di regolazione L/R alla
schermata di regolazione F/R.
Utilizzare la manopola SEND (MIX 5) nella sezione Selected Channel per
eseguire regolazioni.
1
2
Regolazione L/R
Regolazione F/R
1
2

Canali di input
Manuale di riferimento
54
Schermata TO STEREO/MONO
Se si imposta un bus sulla modalità Surround in BUS SETUP, la schermata TO STEREO/
MONO 8CH per MIX 1-8 avrà l'aspetto illustrato di seguito. MIX 1-6 sono relativi
all'impostazione dei downmix.
1
Pulsanti L/R
Utilizzare questi pulsanti per impostare la destinazione di uscita.
2
Fader di impostazione coefficiente
Utilizzare questo fader impostare il coefficiente di downmix. È disponibile
un indicatore di saturazione ∑.
La schermata TO STEREO/MONO OUTPUT avrà l'aspetto illustrato di seguito. Non
è possibile impostare i parametri per MIX 1 - 6. Questa schermata è di sola visualizzazione.
Operazioni nella libreria canali
La "INPUT CHANNEL LIBRARY" consente di memorizzare e richiamare vari
parametri (incluse le impostazioni del preamplificatore) per i canali di ingresso.
Per richiamare un elemento dalla libreria, premere il pulsante LIBRARY corrispondente nella
schermata SELECTED CHANNEL VIEW. Per informazioni dettagliate sull'utilizzo della
libreria, vedere la relativa sezione nel Manuale di istruzioni fornito separatamente.
2
1
Pulsante LIBRARY

Canali di uscita
Manuale di riferimento
55
Canali di uscita
In questo capitolo vengono descritti i canali di uscita, vale a dire i canali MIX (MISSAGGIO),
MATRIX (MATRICE), STEREO e MONO.
Flusso del segnale dei canali di uscita
La sezione dei canali di uscita acquisisce i segnali inviati dai canali di ingresso ai diversi bus,
li elabora con equalizzatore e dinamiche, quindi li invia alle porte di uscita o ad altri bus.
Sono disponibili i tipi di canali di uscita riportati di seguito.
Canali MIX
Questi canali elaborano i segnali inviati dai canali di ingresso ai bus MIX e li trasmettono
alla porta di uscita, al bus MATRIX, al bus STEREO o al bus MONO (C) corrispondente.
Canali STEREO/MONO (C)
Ciascuno di questi canali elabora il segnale inviato dai canali di ingresso al bus STEREO
o al bus MONO (C) e lo invia alla porta di uscita o al bus MATRIX corrispondente. Se i canali
di ingresso sono in modalità LCR (Sinistra, Centro, Destra), è possibile utilizzare insieme
i canali STEREO (L/R) e il canale MONO (C) come serie di tre canali di uscita.
Canale MATRIX
Questi canali elaborano i segnali inviati dai canali di ingresso, dai canali MIX e dai canali
STEREO/MONO ai bus MATRIX e li inviano alle porte di uscita corrispondenti.
• 4 BAND EQ (EQUALIZZATORE A 4 BANDE)
EQ parametrico a quattro bande: HIGH (ALTA), HIGH MID (MEDIO ALTA),
LOW MID (MEDIO BASSA) e LOW (BASSA).
• DYNAMICS (DINAMICHE) 1
Processore di dinamiche utilizzabile come compressor, expander o compander.
• LEVEL (LIVELLO)
Consente di regolare il livello di uscita del canale.
•ON (On/off)
Consente di attivare o disattivare il canale di uscita. Se è disattivato,
il canale corrispondente verrà escluso.
MIX
12 23
24
ST
LR
M
O
N
O
(C) 12 78 LR
TRIM CUE B ON
CUE(A) ON
KEY IN
MATRIX
(USE 7-8
AS CUE B)
CUE (A)
MIX
12 23
24
ST
LR
M
O
N
O
(C)
MATRIX
(USE 7-8
AS CUE B)
12 78
CUE (A)
LR
TRIM CUE B ON
CUE(A) ON
MIX
12 23
24
ST
LR
M
O
N
O
(C)
MATRIX
(USE 7-8
AS CUE B)
12 78
CUE (A)
LR
MATRIX 1-6,7-8(CUE B L,R)
OUT 1-6,7-8(CUE B L,R)
IN 1-6,7-8(CUE B L,R)
CUE(A) ON 1-6
CUE B ON
TRIM
This section does not exist in MATRIX 7-8.
MATRIX OUT 1-6,7-8(CUE B L,R)

Canali di uscita
Manuale di riferimento
56
• MATRIX ON/OFF (mandata MATRIX attivata/disattivata)
Si tratta di uno switch di attivazione/disattivazione dei segnali inviati dai canali MIX,
dal canale STEREO (L/R) o dal canale MONO (C) a ciascun bus MATRIX.
• MATRIX (livello di mandata MATRIX)
Consente di regolare il livello di mandata del segnale inviato dai canali MIX, STEREO
(L/R) o MONO (C) a ciascun bus MATRIX 1 - 8. Come posizione di mandata del segnale
al bus MATRIX, è possibile scegliere tra subito prima del fader o subito dopo
il tasto [ON].
Se il bus MATRIX di destinazione della mandata è impostato su stereo, è possibile
utilizzare la manopola PAN per regolare il pan tra i due bus MATRIX. Se l'origine della
mandata è un canale MIX stereo o il canale STEREO, utilizzare la manopola BALANCE
per regolare il bilanciamento di volume dei canali di sinistra e di destra inviati ai due
bus MATRIX.
• INSERT (INSERIMENTO)
Consente di assegnare le porte di uscita e di ingresso desiderate in modo da inserire
un dispositivo esterno, ad esempio un processore di effetti. È possibile scambiare
le posizioni di insert-out e insert-in.
• METER (INDICATORE)
Indica il livello del canale di uscita.
È possibile cambiare la posizione di rilevazione del livello.
• KEY IN (solo canali MIX 21-24)
È possibile inviare i segnali di uscita dei canali MIX 21 - 24 ai processori di
dinamiche e utilizzarli come segnali key-in per il controllo delle dinamiche.
• RACK IN PATCH (ASSEGNAZIONE INGRESSO RACK)
Consente di assegnare il segnale del canale di uscita su un ingresso del rack.
• OUTPUT PATCH (ASSEGNAZIONE USCITA)
Consente di assegnare una porta di uscita a un canale di uscita.
• MONITOR SELECT (SELEZIONE MONITORAGGIO)
Consente di selezionare il segnale di uscita di un canale di uscita come sorgente
di monitoraggio.
Indicazione del nome e dell'icona del canale
STEP
1.
Utilizzare i tasti Bank Select nella sezione Centralogic per selezionare i canali
di uscita.
2.
Nella schermata OVERVIEW premere il campo del numero/nome del canale per
cui si desidera specificare il nome e l'icona.
3.
Seguire la procedura indicata per i canali di ingresso (pagina 29).
Schermata OVERVIEW Schermata PATCH/NAME

Canali di uscita
Manuale di riferimento
57
Invio dei segnali dai canali MIX al bus
STEREO/MONO
Sono disponibili due modalità di invio dei segnali ai bus STEREO o MONO: modalità
ST/MONO e modalità LCR. È possibile selezionare la modalità singolarmente per ciascun
canale. Le caratteristiche di ciascuna modalità sono identiche a quelle dei canali di ingresso.
NOTA
Per informazioni dettagliate sul modo in cui il livello di segnale inviato da un canale MIX
in modalità LCR a ciascun bus varia in base all'uso della manopola TO ST PAN, vedere
"Livello segnale quando è selezionata la modalità LCR" (pagina 41).
Finestra TO STEREO/MONO (8ch)
È possibile controllare le impostazioni di attivazione/disattivazione e di pan/bilanciamento
del segnale inviato dai canali MIX ai bus STEREO (L/R) e MONO (C), in gruppi di otto canali.
1
Pulsante di selezione dei canali
Consente di selezionare il canale. È possibile selezionare più canali
contemporaneamente.
2
LED della modalità
Il LED della modalità attualmente selezionata si accende.
STEP
1.
Utilizzare i tasti Bank Select nella sezione Centralogic per selezionare il canale MIX
da cui inviare il segnale al bus STEREO/MONO.
2.
Nel campo STEREO/MONO premere una manopola per selezionare il canale da
regolare nella schermata OVERVIEW, quindi premere nuovamente la manopola.
3.
Utilizzare il pulsante di selezione MODE nella finestra TO STEREO/MONO
per selezionare la modalità ST/MONO o LCR per ciascun canale.
4.
Nella sezione MASTER del pannello superiore attivare il tasto [ON] per il canale
STEREO/MONO, quindi alzare il fader impostandolo su un livello appropriato.
5.
Nella sezione Centralogic premere un tasto di selezione banco OUTPUT in modo
che i canali MIX da controllare vengano assegnati alla sezione Centralogic.
6.
Attivare i tasti [ON] per questi canali e utilizzare il fader nella sezione Centralogic
per alzare il livello principale del canale MIX su una posizione appropriata.
La procedura riportata di seguito varia a seconda se al punto 3 è stata selezionata la modalità
ST/MONO o LCR per il canale.
Canali per i quali è selezionata la modalità ST/MONO
7.
Nella finestra TO STEREO/MONO utilizzare il pulsante ST/MONO per attivare/
disattivare un segnale inviato dal canale MIX ai bus STEREO/MONO.
8.
Utilizzare la manopola TO ST PAN per configurare il pan del segnale inviato dal
canale MIX al bus STEREO.
Canali per i quali è selezionata la modalità LCR
7.
Attivare il pulsante LCR nella finestra TO STEREO/MONO.
8.
Premere la manopola CSR per selezionarla e utilizzare le manopole multifunzione 1 - 8
per regolare la differenza di livello tra i segnali inviati dal canale ai bus STEREO (L/R)
e MONO (C).
9.
Premere la manopola TO ST PAN per selezionarla e utilizzare le manopole
multifunzione 1 - 8 per regolare il pan dei segnali inviati dal canale MIX ai
bus STEREO (L/R) e MONO (C) e il bilanciamento di livello dei segnali inviati
ai bus MONO (C) e STEREO (L/R).
Schermata OVERVIEW Finestra TO STEREO/MONO
1
8
9
2
3
6
5
4
7
Modalità ST/MONO Modalità LCR

Canali di uscita
Manuale di riferimento
58
3
Pulsante di selezione MODE
Premere ripetutamente questo pulsante per passare da ST/MONO a LCR e viceversa.
4
Pulsanti ST/MONO
Questi pulsanti sono singoli switch di attivazione/disattivazione per i segnali inviati
da ciascun canale al bus STEREO/MONO quando il pulsante MONO è impostato
sulla modalità ST/MONO.
5
Indicatore di saturazione Σ
Si illumina per segnalare la saturazione del segnale in un punto del canale.
6
Manopola TO ST PAN/TO ST BALANCE (A PAN STEREO/
A BILANCIAMENTO STEREO)
Se il tipo di segnale del canale MIX è MONO, questa manopola funge da manopola
PAN, ovvero consente di regolare la posizione pan di destra e di sinistra del segnale
inviato al bus STEREO. Se il tipo di segnale del canale MIX è STEREO, questa manopola
funge da manopola BALANCE, ovvero consente di regolare il bilanciamento del livello
di volume di destra e di sinistra dei segnali inviati al bus STEREO. Per regolare il valore,
premere la manopola per selezionarla e utilizzare la manopola multifunzione
corrispondente.
7
Tab
Consentono di passare da una finestra all'altra.
8
Pulsante LCR
Rappresenta un pulsante di attivazione/disattivazione generale per i segnali inviati da
un canale ai bus STEREO e MONO. Se questo pulsante è disattivato, nessun segnale
verrà inviato dal canale di ingresso corrispondente al bus STEREO o MONO.
9
Manopola CSR
Consente di regolare il livello relativo dei segnali inviati dal canale ai bus STEREO (L/R)
e MONO (C), in un intervallo compreso tra 0 e 100%. Per regolare il valore, premere
la manopola per selezionarla e utilizzare la manopola multifunzione corrispondente.
Schermata TO STEREO/MONO
(CH 1-48, CH 49-72/ST IN (CL5), CH 49-64/ST IN (CL3),
ST IN (CL1), OUTPUT)
Consente di regolare lo stato di un segnale inviato dal canale corrispondente al bus STEREO/
MONO. Consente di regolare anche l'impostazione pan o bilanciamento in gruppi di otto
canali selezionati.
1
Pulsante di selezione dei canali
Consente di selezionare il canale. È possibile selezionare più canali
contemporaneamente.
2
Indicatore di saturazione Σ
Si illumina per segnalare la saturazione del segnale in un punto del canale.
3
Manopola TO ST PAN/TO ST BALANCE
Consente di regolare pan o bilanciamento.
Per regolare il valore, premere la manopola per selezionarla e utilizzare la manopola
multifunzione corrispondente.
Se il livello del segnale raggiunge il punto di overload in qualsiasi punto di rilevamento
dell'indicatore nel canale selezionato, l'indicatore di saturazione
Σ
a destra della
manopola si illumina.
4
Indicatore ST/MONO
Se un canale è impostato sulla modalità ST/MONO, questi indicatori
segnalano lo stato di attivazione/disattivazione di ciascun segnale inviato
dal canale al bus STEREO/MONO.
Se tale canale è impostato sulla modalità LCR, l'indicatore LCR verrà visualizzato
in questa posizione. L'indicatore LCR mostra lo stato di attivazione/disattivazione
di tutti i segnali inviati dal canale al bus STEREO/MONO.
1
2
3
4

Canali di uscita
Manuale di riferimento
59
Invio dei segnali dai canali MIX e STEREO/MONO
ai bus MATRIX
È possibile inviare un segnale da un canale MIX o STEREO/MONO ai bus MATRIX 1 - 8
nei due modi indicati di seguito.
Uso della sezione Selected Channel
Questo metodo prevede l'utilizzo delle manopole nella sezione SELECTED CHANNEL
per la regolazione dei livelli di mandata ai bus MATRIX e consente di controllare
contemporaneamente i segnali inviati da un canale MIX, STEREO (L/R) o MONO (C)
specifico a tutti i bus MATRIX.
Uso della sezione Centralogic
Questo metodo prevede l'uso delle manopole multifunzione della sezione Centralogic per
regolare i livelli di mandata ai bus MATRIX e consente di controllare contemporaneamente
i segnali inviati da un massimo di otto canali MIX, STEREO (L/R) o MONO (C) a un bus
MATRIX specifico.
Uso della sezione Selected Channel
Utilizzare le manopole nella sezione SELECTED CHANNEL per regolare il livello di
mandata dei segnali inviati dal canale MIX, STEREO (L/R) o MONO (C) desiderato
a tutti i bus MATRIX.
NOTA
• È anche possibile utilizzare il tasto [SEL] nella sezione MASTER per selezionare direttamente
i canali STEREO/MONO.
• Se si desidera monitorare il segnale inviato a un bus MATRIX specifico, utilizzare i tasti Bank
Select nella sezione Centralogic per accedere al canale MIX/MATRIX corrispondente, quindi
premere il tasto [CUE] appropriato nella sezione Centralogic.
STEP
1.
Assegnare una porta di uscita al bus MATRIX a cui si desidera inviare i segnali
e collegare un dispositivo esterno.
2.
Utilizzando i tasti Bank Select nella sezione Centralogic, assegnare i canali
MIX o STEREO/MONO desiderati alla sezione Centralogic.
3.
Utilizzare i tasti [SEL] della sezione Centralogic per selezionare il canale di ingresso
che invierà i segnali ai bus MATRIX.
4.
Premere una delle manopole nella sezione Selected Channel.
5.
Nella schermata SELECTED CHANNEL VIEW attivare il pulsante TO MATRIX
SEND ON/OFF per il bus MATRIX di destinazione della mandata.
6.
Utilizzare la manopola MIX/MATRIX SEND LEVEL nella sezione SELECTED CHANNEL
per regolare i livelli di mandata ai bus MATRIX.
Schermata SELECTED
CHANNEL VIEW

Canali di uscita
Manuale di riferimento
60
Uso della sezione Centralogic
Questo metodo consente di utilizzare le manopole multifunzione della sezione Centralogic
per regolare contemporaneamente i livelli di mandata dagli otto canali selezionati nella
sezione Centralogic al bus MATRIX desiderato.
NOTA
• Se si desidera monitorare i segnali inviati a un bus MATRIX specifico, utilizzare i tasti Bank Select
per accedere al canale MATRIX corrispondente nella sezione Centralogic, quindi premere
il tasto [CUE] per quel canale MATRIX.
• Se si preme di nuovo il pulsante di selezione del bus MATRIX attualmente selezionato,
il monitoraggio del segnale di attivazione verrà attivato per il canale MATRIX corrispondente.
Questo metodo risulta utile se si desidera monitorare un segnale inviato al bus
MATRIX selezionato.
• Nella schermata OVERVIEW è anche possibile regolare il livello di mandata del segnale inviato
ai bus MIX/MATRIX. A tale scopo, premere la manopola SEND LEVEL per il bus TO MIX/MATRIX
che si desidera regolare, quindi utilizzare la manopola multifunzione nella sezione Centralogic
per regolarlo.
Schermata MATRIX SEND
1
Pulsante ALL PRE
Consente di impostare il punto di mandata su PRE. Il punto di mandata rappresenta
il punto in corrispondenza del quale i segnali vengono inviati da tutti i canali di origine
della mandata, inclusi i canali di ingresso e uscita, alla destinazione della mandata
selezionata.
2
Pulsante ALL POST
Consente di impostare il punto di mandata su POST. Il punto di mandata rappresenta
il punto in corrispondenza del quale i segnali vengono inviati da tutti i canali di origine
della mandata, inclusi i canali di ingresso e uscita, alla destinazione della mandata
selezionata.
3
Indicatore della destinazione della mandata
Indica la destinazione della mandata attualmente selezionata.
4
Pulsanti di selezione di destinazione della mandata
Consentono di selezionare i bus MIX/MATRIX come destinazione della mandata.
5
Pulsante di selezione dei canali
Consente di selezionare il canale di origine della mandata che si desidera controllare.
Icona, numero e colore del canale vengono visualizzati sul pulsante e il nome del canale
sotto il pulsante.
6
Pulsante PRE/POST
Consente di alternare PRE e POST come punto di mandata di ciascun canale di origine
della mandata. Se il pulsante è illuminato, il punto di mandata è impostato su PRE.
7
Pulsante SEND ON/OFF (ATTIVA/DISATTIVA MANDATA)
Consente attivare/disattivare la mandata di ciascun canale di origine della mandata.
STEP
1.
Assegnare una porta di uscita al bus MATRIX a cui si desidera inviare i segnali
e collegare un dispositivo esterno a quella porta di uscita.
2.
Utilizzare i tasti Bank Select nella sezione Centralogic per selezionare i canali
che si desidera controllare.
3.
Nella schermata OVERVIEW premere la manopola TO MATRIX SEND LEVEL
per selezionare il bus MATRIX di destinazione della mandata desiderato,
quindi premerla nuovamente.
4.
Attivare il pulsante SEND ON/OFF e utilizzare la manopola SEND LEVEL per regolare
il livello di mandata.
Schermata OVERVIEW
13 2
9
8
7
6
5
4

Canali di uscita
Manuale di riferimento
61
8
Manopola SEND PAN/BALANCE (PAN/BILANCIAMENTO MANDATA)
Consente di impostare pan o bilanciamento dei segnali inviati alla destinazione stereo
della mandata. Se la destinazione della mandata è mono o impostata su FIXED, questa
manopola non viene visualizzata.
Se l'origine della mandata è mono, questa manopola funzionerà come
una manopola PAN.
Se la destinazione della mandata è stereo, la manopola è fissa su BALANCE.
9
Manopola SEND LEVEL
Indica il livello dei segnali inviati alla destinazione della mandata selezionata. Premere
questa manopola per controllare il livello mediante le manopole multifunzione.
Uso dei fader (modalità SENDS ON FADER)
È possibile utilizzare i fader del pannello superiore per regolare i segnali inviati dai canali MIX
e STEREO/MONO a un bus MATRIX specifico. NOTA
• In alternativa, premere una manopola SEND LEVEL nella sezione SELECTED CHANNEL
per visualizzare una finestra a comparsa, da cui è possibile selezionare un bus MIX/MATRIX.
• Inoltre, è possibile selezionare un bus MIX/MATRIX utilizzando i tasti Bank Select e i tasti [SEL]
nella sezione Centralogic. Se si passa da un bus all'altro premendo i tasti [SEL], anche
l'impostazione dei pulsanti di commutazione MIX 1-16 e MIX 17-24/MATRIX ON FADER
viene modificata di conseguenza.
• Se si preme di nuovo il pulsante di selezione del bus MIX/MATRIX attualmente selezionato,
il monitoraggio del segnale di attivazione verrà attivato per il canale MIX/MATRIX corrispondente.
Questo metodo risulta utile se si desidera monitorare il segnale che viene inviato al bus MIX/
MATRIX selezionato.
• È possibile assegnare la funzione SENDS ON FADER a un tasto USER DEFINED. In questo
modo, è possibile passare rapidamente alla modalità SENDS ON FADER per un bus MIX/
MATRIX specifico e tornare allo stato precedente in modo altrettanto rapido.
STEP
1.
Assicurarsi che sia assegnata una porta di uscita al bus MATRIX a cui si desidera inviare
i segnali e che alla porta di uscita corrispondente sia collegato il sistema di monitoraggio.
2.
Nell'area di accesso alle funzioni premere il pulsante SENDS ON FADER.
Sull'unità della serie CL viene attivata la modalità SENDS ON FADER. I fader delle sezioni
Channel Strip e Master si spostano sui livelli di mandata dei segnali trasmessi da ciascun
canale al bus MIX/MATRIX attualmente selezionato. Anche i tasti [ON] vengono impostati
sullo stato SEND ON.
In modalità SENDS ON FADER, l'area di accesso alle funzioni nella schermata mostrerà i
pulsanti che consentono di alternare le modalità MIX 1-16 ON FADER e MIX 17-24/
MATRIX ON FADER e i pulsanti che consentono di selezionare i bus MIX/MATRIX di
destinazione.
3.
Utilizzare i pulsanti di selezione MIX 1-16 e MIX 17-24/MATRIX per alternare tra MIX 1-
16 e MIX 17-24/MATRIX
.
A questo punto è possibile utilizzare i pulsanti di selezione dei bus MIX/MATRIX
per specificare i bus MIX/MATRIX di destinazione.
4.
Utilizzare i pulsanti di selezione dei bus MIX/MATRIX nell'area di accesso alle funzioni
per selezionare il bus MATRIX di destinazione della mandata.
5.
Utilizzare i fader nella sezione Centralogic del pannello superiore per regolare il livello
di mandata dai canali MIX e STEREO/MONO al bus MIX/MATRIX selezionato.
6.
Ripetere le operazioni descritte ai punti da 4 a 5 per regolare nello stesso modo il livello
di mandata per gli altri bus MATRIX.
7.
Al termine della regolazione dei livelli di mandata dei bus MATRIX, premere il simbolo X
nell'area di accesso alle funzioni.
Viene ripristinato lo stato precedente della schermata dell'area di accesso alle funzioni
e sulla console CL viene disattivata la modalità SENDS ON FADER e ripristinata
la modalità normale.
Area di accesso
alle funzioni

Canali di uscita
Manuale di riferimento
62
Correzione del delay tra i canali (Output Delay)
Questa funzione risulta utile per correggere la temporizzazione dei segnali di uscita inviati
ad altoparlanti posizionati a una certa distanza l'uno dall'altro.
Schermata OUTPUT PORT
1
Numero slot/tipo scheda
Se per le operazioni è selezionato un canale di uscita degli slot 1 - 3, in questa area
vengono indicati numero di slot e tipo di scheda I/O installata nello slot.
2
Pulsante DELAY SCALE
Premere questo pulsante per aprire la finestra DELAY SCALE (SCALA DELAY) nella quale è
possibile selezionare l'unità per il tempo di delay.
3
Porta di uscita
Indica il tipo e il numero della porta di uscita a cui è assegnato il canale.
4
Pulsante di selezione dei canali
Questo pulsante consente di selezionare il canale che si desidera assegnare alla
porta di uscita. Viene visualizzato il nome del canale attualmente selezionato.
5
Manopola del tempo di delay
Questa manopola consente di impostare il tempo di delay della porta di uscita.
Per regolare le impostazioni, premere la manopola per selezionarla e utilizzare
le manopole multifunzione 1 - 8. Il valore del tempo di delay in millisecondi viene
indicato sopra la manopola, mentre il valore del tempo di delay nelle unità selezionate
nella finestra DELAY SCALE viene indicato sotto la manopola.
NOTA
Se come scala è stato selezionato ms (millisecondi), il valore del tempo di delay non viene
visualizzato sopra la manopola.
STEP
1.
Nell'area di accesso alle funzioni premere il pulsante SETUP.
2.
Premere il pulsante OUTPUT PORT (PORTA DI USCITA) nel campo SYSTEM SETUP
(CONFIGURAZIONE SISTEMA) posizionato nella parte centrale della schermata SETUP.
3.
Consente di specificare il tempo di delay e attivare il pulsante DELAY.
Schermata SETUP Schermata OUTPUT PORT
2
1
3
4
5
6
7
8
9
0

Canali di uscita
Manuale di riferimento
63
6
Pulsante DELAY
Consente di attivare/disattivare il delay della porta di uscita.
7
Pulsante Ø (fase)
Consente di alternare la fase del segnale assegnato alla porta di uscita tra fase normale
(nero) e fase inversa (giallo).
8
Manopola GAIN (GUADAGNO)
Consente di regolare il guadagno di uscita della porta di uscita. Per regolare questo
valore, premere la manopola nella schermata per selezionarla e utilizzare le manopole
multifunzione 1 - 8. Ruotare la manopola per impostare il valore in unità di 1,0 dB.
Premere la manopola e contemporaneamente ruotarla per regolare il valore in unità
di 0,1 dB. Il valore corrente viene visualizzato immediatamente sotto la manopola.
9
Indicatore di livello
Indica il livello di segnale assegnato alla porta di uscita.
0
Tab
Consentono di cambiare le porte di uscita controllate in gruppi costituiti da un massimo
di otto porte. I tab sono raggruppati per categoria in tre gruppi: DANTE, SLOT e PATCH
VIEW (VISTA ASSEGNAZIONE). Per visualizzare i tab nel gruppo desiderato, premere
il pulsante del nome gruppo nell'estremità destra o sinistra della riga inferiore.
Operazioni nella libreria dei canali
La "OUTPUT CHANNEL LIBRARY" consente di
memorizzare e richiamare vari parametri per i canali
di uscita.
Per richiamare un elemento dalla libreria, selezionare
un canale di uscita e premere il pulsante LIBRARY
nella schermata SELECTED CHANNEL VIEW.
Per informazioni dettagliate sull'utilizzo della libreria,
vedere la sezione "Uso delle librerie" nel manuale
di istruzioni fornito separatamente.
PHONES OUT LR [PHONES]
DA
PHONES LEVE L
2
Tip
Ring
Sleeve
SLOT1
SLOT2
SLOT3
[SLOT]
16
16
16
ME TER SL OT1OU T
ME TER SL OT2OU T
ME TER SL OT3OU T
DELAY
(MAX:1000ms)
DELAY
(MAX:1000ms)
DELAY
(MAX:1000ms)
DA [OMNI OUT] (1-8)
8
+
-1
2
3
ME TE R OMNI OUT
DELAY
(MAX:1000ms)
TRIM
GAIN
OUTPUT
PATCH
2DIT [DIGITAL OUT]
AE S/EB U
DELAY
(MAX:1000ms)
ME TER DIGITAL
OUT
TRIMGAIN
TRIMGAIN
[DANTE OUT] (1-64)
64
ME TER DANTE OUT
DELAY
(MAX:1000ms)
GAIN
OUTPUT
PATCH
DANT E
OUTPUT
MIX CASCADE OUT 1-24
STEREO CASCADE OUT L,R,MONO(C)
MATRIX CA SCADE OUT 1-6,7-8(CUE B L,R)
CUE(A) CASCADE OUT L,R
DIRECT OUT 1-72{64,48}
MATRIX OUT 1-6,7-8(CUE B L,R)
MIX OUT 1-24
STEREO OU T L,R,MONO(C)
MONI TOR OUT L,R,MONO(C)
CUE(A) OUT L,R
CH INSERT 1,2 OUT 1-72{64,48}
MIX INSERT OUT 1-24
STEREO INSERT OUT L,R,MONO(C)
MATRIX IN SERT OUT 1-6,7-8(CUE B L,R)
2
RECORDE R CUE
USB
GAIN
ME TER
RECORDE R IN
OUTPUT
PATCH
ENCOD ER [2TR RECORDER]
OUTPUT
PATCH
STEREO L
MONO(C)
STEREO R
SURR OUND MONITOR1-6
MONI TOR MATRIX OUT1-6
OMNI OUT
OUTPUT
PATCH
Pulsante LIBRARY

EQ e dinamiche
Manuale di riferimento
64
EQ e dinamiche
Ciascun canale di ingresso e di uscita di una console della serie CL è dotato di
un equalizzatore a quattro bande e di dinamiche.
È possibile utilizzare l'equalizzatore su tutti i canali di ingresso e di uscita. Immediatamente
prima dell'equalizzatore è posizionato un attenuatore, che consente di attenuare il livello del
segnale di ingresso per impedire che l'impostazione GAIN dell'equalizzatore determini
la saturazione del segnale. I canali di ingresso forniscono anche un filtro passa-alto
indipendente dall'equalizzatore.
I canali di ingresso sono dotati di due processori di dinamiche: Dynamics 1 (Dinamiche 1) può
essere utilizzato come gate, dispositivo di ducking, compressor o expander, mentre Dynamics 2
(Dinamiche 2) può essere utilizzato come compressor, compander hard, compander soft o de-
esser. I canali di uscita sono dotati di un processore di dinamiche, che può essere utilizzato come
compressor, expander, compander hard o compander soft.
Uso dell'equalizzatore
In questa sezione viene illustrato l'equalizzatore a quattro bande presente sui canali
di ingresso e di uscita.
NOTA
• Nel campo EQ della schermata OVERVIEW è riportata la risposta dell'equalizzatore. In questa
schermata OVERVIEW è possibile modificare le impostazioni dei parametri utilizzando
le manopole dell'equalizzatore nella sezione SELECTED CHANNEL.
• È possibile salvare e richiamare le impostazioni dell'equalizzatore in qualsiasi momento
utilizzando la libreria dedicata. È inoltre possibile usufruire di un'ampia gamma di preset
adatti per diversi strumenti o situazioni.
• È possibile inoltre accedere alla schermata SELECTED CHANNEL VIEW (VISTA CANALE
SELEZIONATO) e utilizzare le manopole della sezione SELECTED CHANNEL per
modificare l'equalizzatore e il filtro passa-alto (pagina 9).
• Anche quando la finestra HPF/EQ è visualizzata, è possibile utilizzare le manopole nella
sezione SELECTED CHANNEL per controllare l'equalizzatore.
Finestra HPF/EQ (1ch)
Consente di modificare tutti i parametri dell'equalizzatore per il canale attualmente
selezionato. Questa finestra è utile per configurare impostazioni dettagliate
dell'equalizzatore per un canale specifico.
1
Icona, numero e nome del canale
In questa area sono indicati l'icona, il numero e il nome del canale attualmente
selezionato.
2
Pulsante LOW SHELVING ON/OFF (ATTIVAZIONE/DISATTIVAZIONE
SHELVING BASSO)
Attivare questo pulsante per selezionare il filtro di tipo shelving per la banda LOW.
3
Pulsante HPF ON/OFF (solo canali di uscita)
Attivare questo pulsante per selezionare il tipo di filtro passa-alto per la banda LOW.
NOTA
I canali di uscita non sono dotati di un filtro passa-alto indipendente dall'equalizzatore. Tuttavia,
è possibile attivare il pulsante del filtro passa-alto nella finestra per utilizzare l'equalizzatore della
banda LOW come filtro passa-alto.
STEP
1.
Utilizzare i tasti Bank Select nella sezione Centralogic per selezionare i canali
che si desidera controllare.
2.
Premere il campo EQ nella schermata OVERVIEW.
3.
Premere il tab 1ch nella finestra HPF/EQ.
4.
Premere il pulsante EQ ON (EQ ATTIVATO) e regolare i parametri EQ.
Schermata OVERVIEW Finestra HPF/EQ
98 < A B C D7
1
3
4
5
H
I
FE
G
O
N
L
K
M
6
J
2

EQ e dinamiche
Manuale di riferimento
65
4
Pulsante di selezione del tipo di equalizzatore
Consente di commutare il tipo di EQ selezionando PRECISE, AGGRESSIVE, SMOOTH
oLEGACY.
È possibile selezionare i seguenti tipi di EQ.
5
Manopola ATT
Indica il valore di attenuazione prima che il segnale raggiunga l'equalizzatore.
Per regolare il valore è possibile utilizzare la manopola [TOUCH AND TURN].
6
Tab
Utilizzare i tab per selezionare un canale che si desidera visualizzare.
7
Grafico EQ
Consente di visualizzare i valori dei parametri per equalizzatore e filtro.
8
Pulsante RTA
Se si attiva questo pulsante, un grafico riportante l'analisi della frequenza per il segnale
di ingresso dopo l'elaborazione EQ compare sopra la parte inferiore del grafico
di frequenza EQ.
9
Pulsante HOLD
Premere questo pulsante per mantenere il grafico che visualizza RTA.
0
Pulsante LIBRARY
Premere questo pulsante per aprire la finestra della libreria EQ.
A
Pulsante DEFAULT (PREDEFINITO)
Premere questo pulsante per ripristinare i valori iniziali per tutti i parametri
dell'equalizzatore/filtro.
B
Pulsante COPY (COPIA)
Tutte le impostazioni dei parametri per l'equalizzatore saranno copiate nella
memoria buffer.
C
Pulsante PASTE (INCOLLA)
Premere questo pulsante per incollare l'impostazione nella memoria buffer
nell'equalizzatore corrente. Se nella memoria buffer non sono stati copiati dati validi,
non verrà eseguita alcuna operazione.
D
Pulsante COMPARE (CONFRONTA)
Premere questo pulsante per invertire le impostazioni dell'equalizzatore correnti con
i dati memorizzati nella memoria buffer. Se nella memoria buffer non sono stati copiati
dati validi, non verrà eseguita alcuna operazione.
NOTA
Per informazioni dettagliate su come utilizzare i pulsanti
?
-
D
, vedere "Uso dei pulsanti degli
strumenti" nel Manuale di istruzioni separato.
E
Pulsante EQ FLAT (AZZERA EQ)
Premere questo pulsante per reimpostare i parametri GAIN di tutte le bande
dell'equalizzatore su 0 dB.
F
Pulsante HIGH SHELVING ON/OFF (ATTIVAZIONE/DISATTIVAZIONE SHELVING
ALTO)
Attivare questo pulsante per selezionare il tipo shelving per la banda HIGH.
G
Pulsante LPF ON/OFF
Attivare questo pulsante per selezionare il filtro passa-basso per la banda HIGH.
H
Pulsante EQ ON/OFF
Consente di attivare o disattivare l'equalizzatore.
I
Indicatori del livello EQ IN/OUT
Indicano il livello di picco dei segnali prima e dopo l'EQ. Per un canale stereo, indicano
il livello di entrambi i canali L e R (sinistro e destro).
J
Manopole di impostazione dei parametri dell'equalizzatore
Indica i parametri Q, FREQUENCY e GAIN e il pulsante BYPASS per le bande LOW, LOW
MID, HIGH MID e HIGH. È possibile utilizzare la manopola [TOUCH AND TURN] per
regolare questo valore.
NOTA
• Se per la banda LOW è stato selezionato il tipo shelving o per i canali di uscita è selezionato HPF,
il parametro Q della banda LOW non verrà visualizzato.
• Se per la banda HIGH è stato selezionato il tipo shelving o è selezionato LPF, il parametro Q
della banda HIGH non verrà visualizzato.
• Quando il pulsante BYPASS è attivato, le manopole Q, FREQUENCY e GAIN per quella banda
diventano grigie.
K
Pulsante HPF ON/OFF (solo canali di ingresso)
Consente di attivare o disattivare il filtro passa-alto.
PRECISE
(Precisione)
Questo tipo di EQ fornisce “precisione” e “controllabilità”. Può essere
utilizzato per regolare con precisione i punti desiderati, per una risposta
flessibile alle varie necessità della produzione musicale. I filtri di shelving
alto/basso dispongono di parametri "Q" che permettono la regolazione delle
caratteristiche Knee.
AGGRESSIVE
(Grintoso)
Questo tipo di EQ fornice caratteristiche di "effetti musicali". Consente di
creare suoni grintosi diventando così uno strumento essenziale per
l'espressione artistica.
SMOOTH
(Morbido)
Un tipo di EQ che garantisce una "qualità del suono morbida". Consente di
creare melodie naturali senza modifiche significative all'atmosfera del suono
originale.
LEGACY
(Classico)
Questo è il tipo di EQ standard presente nei mixer digitali Yamaha classici,
quali i modelli PM1D e PM5D. Sul lato sinistro del grafico EQ, è possibile
passare da TYPE I (un algoritmo utilizzato nei precedenti mixer digitali
Yamaha) a TYPE II (un algoritmo che riduce l'interferenza tra le bande)
eviceversa.

EQ e dinamiche
Manuale di riferimento
66
NOTA
I canali di ingresso sono dotati di un filtro passa-alto indipendente dall'equalizzatore a quattro
bande. Attivare il pulsante HPF ON/OFF e utilizzare la manopola HPF FREQUENCY per regolare
la frequenza di taglio.
L
Manopola HPF FREQUENCY (solo canali di ingresso)
Indica la frequenza di taglio del filtro passa-alto. È possibile utilizzare la manopola
[TOUCH AND TURN] per regolare questo valore.
M
Pulsante di selezione del tipo di HPF (solo canali di ingresso)
Consente di commutare l'attenuazione dell'HPF per ottava tra -12 dB/ott e -6 dB/ott.
N
Indicatore HA HPF ON
Indica lo stato di attivazione/disattivazione del filtro passa-alto del preamplificatore
esterno.
O
FREQUENCY
Indica la frequenza di taglio del filtro passa-alto del preamplificatore esterno.
Finestra HPF/EQ (8ch)
In questa finestra sono visualizzate le impostazioni dell'equalizzatore per il canale di
ingresso o di uscita in gruppi di otto canali alla volta. Utilizzare le manopole nella sezione
SELECTED CHANNEL per modificare le impostazioni dell'equalizzatore.
1
Pulsante di selezione dei canali
Consente di selezionare il canale che si desidera controllare. Icona e numero del canale
corrente vengono visualizzati sul pulsante e il nome del canale viene visualizzato sotto
il pulsante.
2
Grafico EQ
Consente di visualizzare i valori dei parametri per equalizzatore e filtro. Sotto il grafico
viene visualizzato il tipo di EQ attualmente selezionato.
3
Pulsante EQ ON/OFF
Consente di attivare o disattivare l'equalizzatore. In caso di saturazione del segnale
di ingresso, l'indicatore di saturazione
Σ
(posizionato a destra, sopra il pulsante)
si illumina.
4
Manopola HPF FREQUENCY (solo canali di ingresso)
Indica la frequenza di taglio del filtro passa-alto. Premere questo pulsante per effettuare
regolazioni utilizzando la manopola multifunzione.
5
Pulsante HPF ON/OFF (solo canali di ingresso)
Consente di attivare o disattivare il filtro passa-alto.
Finestra HPF/EQ (CH 1-48, CH 49-72/ST IN (CL5),
CH 49-64/ST IN (CL3), ST IN (CL1), OUTPUT)
In questa finestra sono visualizzati contemporaneamente i canali di ingresso (o di uscita)
corrispondenti. Questa finestre è unicamente a scopo di visualizzazione e non consente
di modificare i parametri. Risulta utile quando è necessario controllare rapidamente più
impostazioni dell'equalizzatore o quando si desidera copiare e incollare tali impostazioni
tra canali distanti.
1
Pulsante di selezione dei canali
Consente di selezionare il canale che si desidera controllare nella sezione
SELECTED CHANNEL. Icona, numero e colore del canale vengono visualizzati
sul pulsante.
2
Grafico EQ
Questo campo consente di visualizzare graficamente la risposta approssimata
dell'equalizzatore e dei filtri.
1
2
3
5
4
1
2

EQ e dinamiche
Manuale di riferimento
67
Utilizzo delle dinamiche
I canali di ingresso sono dotati di due processori di dinamiche, mentre quelli di
uscita dispongono di un solo processore di dinamiche.
NOTA
• Il campo DYNAMICS 1/2 nella schermata OVERVIEW mostra lo stato di attivazione/
disattivazione delle dinamiche e il livello di riduzione del guadagno.
• È possibile salvare e richiamare le impostazioni delle dinamiche in qualsiasi momento utilizzando
la libreria dedicata. È inoltre possibile usufruire di un'ampia gamma di preset adatti per diversi
strumenti o situazioni.
• È inoltre possibile accedere alla schermata SELECTED CHANNEL VIEW e utilizzare
le manopole della sezione SELECTED CHANNEL per modificare le impostazioni delle
dinamiche (pagina 10).
• Anche quando la finestra DYNAMICS 1/2 è visualizzata, è possibile utilizzare le manopole
nella sezione SELECTED CHANNEL per controllare le dinamiche.
Finestra DYNAMICS 1/2 (1ch)
È possibile visualizzare e modificare tutti i parametri delle dinamiche per canale. Ciò risulta
utile quando si desidera configurare impostazioni dettagliate relative alle dinamiche per
un canale specifico.
1
Pulsante LIBRARY
Premere questo pulsante per aprire la finestra della libreria DYNAMICS.
2
Pulsante DEFAULT (PREDEFINITO)
Premere questo pulsante per ripristinare i valori iniziali per tutti i parametri
delle dinamiche.
3
Pulsante COPY
Tutte le impostazioni dei parametri delle dinamiche saranno copiate nella memoria
buffer.
4
Pulsante PASTE
Premere questo pulsante per applicare le impostazioni nella memoria buffer alle
dinamiche correnti. Se nella memoria buffer non sono stati copiati dati validi, non
verrà eseguita alcuna operazione.
5
Pulsante COMPARE
Premere questo pulsante per invertire le impostazioni delle dinamiche con i dati
memorizzati nella memoria buffer. Se nella memoria buffer non sono stati copiati
dati validi, non verrà eseguita alcuna operazione.
NOTA
Per informazioni dettagliate su come utilizzare i pulsanti
1
-
5
, fare riferimento alla sezione
"Utilizzo dei pulsanti degli strumenti" nel Manuale di istruzioni separato.
6
Icona, numero e nome del canale
In questa area sono indicati l'icona, il numero e il nome del canale attualmente
selezionato.
STEP
1.
Utilizzare i tasti Bank Select per selezionare il canale per il quale si desidera
controllare le dinamiche.
2.
Premere il campo DYNAMICS 1/2 nella schermata OVERVIEW.
3.
Premere il tab 1ch nella finestra DYNAMICS1/2.
4.
Premere il pulsante DYNAMICS ON e regolare i parametri delle dinamiche.
Schermata OVERVIEW Finestra DYNAMICS 1/2
Campo
Dynamics 1
Campo
Dynamics 2
1 2 3 4 58
6
7
9
C
A
B
0
D

EQ e dinamiche
Manuale di riferimento
68
7
Pulsanti relativi al tipo di dinamiche
Consentono di selezionare il tipo di dinamiche. È possibile selezionare i tipi di dinamiche
riportati di seguito.
• Dinamiche 1 per un canale di ingresso
GATE, DUCKING, COMPRESSOR ed EXPANDER.
• Dinamiche 2 per un canale di ingresso
COMPRESSOR, COMPANDER-H, COMPANDER-S e DE-ESSER
• Dinamiche 1 per un canale di uscita
COMPRESSOR, EXPANDER, COMPANDER-H e COMPANDER-S
8
Grafico delle dinamiche
Consente di visualizzare la risposta di ingresso/uscita dei processori di dinamiche.
9
Manopole di impostazione dei parametri delle dinamiche
Indicano i valori dei parametri delle dinamiche. È possibile regolare i valori mediante
le manopole multifunzione. I tipi di parametri variano a seconda del tipo di dinamiche
attualmente selezionato.
•GATE o DUCKING:
• COMPRESSOR o EXPANDER:
•COMPANDER-H o COMPANDER-S:
•DE-ESSER:
0
Indicatori del livello IN/OUT delle dinamiche, indicatore GR
Questi indicatori mostrano il livello di picco dei segnali prima e dopo l'elaborazione
delle dinamiche, nonché il livello di riduzione del guadagno. Per un canale stereo,
questi indicatori mostrano il livello di entrambi i canali L ed R.
A
Pulsante di selezione KEY IN SOURCE (SORGENTE KEY-IN)
Premere questo pulsante per visualizzare la finestra KEY IN SOURCE in cui
è possibile selezionare un segnale key-in per attivare le dinamiche.
•SELF PRE EQ .........Segnale pre-EQ dello stesso canale
•SELF POST EQ.......Segnale post-EQ dello stesso canale
•MIX OUT 21-24........Segnali di uscita dei canali MIX 21-24
• CH 1-72 POST EQ, ST IN 1L-8R POST EQ, MIX 1-24 POST EQ,
MTRX 1-8 POST EQ, ST L/R, MONO POST EQ
........Segnale post-EQ del canale corrispondente
*1
*1 Scegliere in un gruppo di otto canali.
NOTA
Nel caso dei modelli CL3/CL1, i canali che non esistono su questi modelli non verranno visualizzati.
B
Area del parametro KEY IN FILTER (FILTRO KEY IN) (visualizzata solo per
Dynamics 1 per un canale di ingresso)
Consente di configurare varie impostazioni per un filtro che consenta il passaggio
del segnale key-in.
•Pulsanti per la selezione del filtro .....Consentono di selezionare il tipo di filtro HPF,
BPF o LPF. Per disabilitare il filtro, premere
il pulsante attivato.
•Manopola Q .........................................Indica il filtro Q. È possibile regolare il valore
mediante la manopola multifunzione.
•Manopola FREQUENCY......................Indica la frequenza di taglio del filtro.
È possibile regolare il valore mediante
la manopola multifunzione.
C
Pulsante KEY IN CUE (SEGNALE DI ATTIVAZIONE KEY IN) (visualizzato solo per
Dynamics 1 per un canale di ingresso)
Consente di monitorare l'attivazione del segnale selezionato come segnale KEY IN SOURCE
(SORGENTE). L'attivazione viene annullata qualora sia stato selezionato un tipo di dinamiche
che non prevede questo pulsante, o se ci si sposta su un'altra schermata.
NOTA
Il monitoraggio dei segnali di attivazione non supporta CUE B.
D
Tab
Utilizzare i tab per selezionare un canale che si desidera visualizzare.

EQ e dinamiche
Manuale di riferimento
69
Finestra DYNAMICS1/2 (8ch)
In questa finestra sono visualizzate le impostazioni delle dinamiche per il canale di ingresso
o di uscita in gruppi di otto canali alla volta. Questa finestra è utile per regolare il livello
di soglia o altri parametri mentre si osservano i canali adiacenti a sinistra e a destra.
1
Pulsante di selezione dei canali
Consente di selezionare il canale che si desidera controllare. Icona e numero del canale
corrente vengono visualizzati sul pulsante e il nome del canale viene visualizzato sotto
il pulsante.
2
Indicatori DYNAMICS OUTPUT, indicatore GR
Indicano i livelli di uscita dei segnali dopo l'elaborazione delle dinamiche e la quantità di
riduzione del guadagno. Se si seleziona GATE come tipo di dinamiche, viene visualizzato
un indicatore a tre fasi che mostra lo stato di apertura/chiusura del gate.
Se si seleziona GATE come tipo di dinamiche, l'indicatore dello stato mostra
quanto elencato di seguito.
3
Grafico delle dinamiche
Indica i valori dei parametri delle dinamiche. Sotto il grafico viene visualizzato il tipo
di dinamiche attualmente selezionato. Premere il grafico per accedere alla finestra
DYNAMICS 1ch per tale canale.
4
Manopola THRESHOLD (SOGLIA)
Indica il valore di soglia per le dinamiche. È possibile utilizzare le manopole
multifunzione corrispondenti per regolare il valore.
5
Pulsante DYNAMICS ON/OFF
Consente di attivare o disattivare le dinamiche.
Stato del gate
Rosso Giallo Verde Disattivato
(scuro)
Stato di attivazione/
disattivazione Attivato Attivato Attivato Disattivato
Stato di apertura/
chiusura Chiuso Aperto Aperto -
Livello di riduzione
del guadagno
30 dB
o superiore
Inferiore
a30dB 0 dB -
1
2
4
5
3
Tipo = Qualsiasi tipo diverso da GATE
Tipo = GATE

EQ e dinamiche
Manuale di riferimento
70
Finestra DYNAMICS 1/2 (CH 1-48, CH 49-72/ST IN (CL5),
CH 49-64/ST IN (CL3), ST IN (CL1), OUTPUT)
Questa finestra consente di configurare varie impostazioni dei parametri delle dinamiche
globali per il canale corrispondente.
1
Pulsante di selezione dei canali
Consente di selezionare il canale che si desidera controllare. Icona, numero,
soglia e colore del canale vengono visualizzati sul pulsante.
2
Area dei parametri delle dinamiche
In questa area sono visualizzati il tipo di dinamiche e diversi indicatori. Premere l'area per
accedere alla finestra DYNAMICS 1ch di tale canale.
Se è stato selezionato il tipo di dinamiche DUCKING, EXPANDER, COMPANDER (-H/-S)
o DE-ESSER, il tipo viene visualizzato nella parte superiore di questa area.
Nella parte inferiore dell'area sono visualizzati indicatori che mostrano i livelli dei segnali
dopo l'elaborazione delle dinamiche, l'indicatore GR e la soglia (un valore numerico).
Se il tipo del processore delle dinamiche è diverso da GATE, l'impostazione della soglia
viene indicata come una riga verticale.
Uso delle librerie dell'equalizzatore
odelledinamiche
È possibile utilizzare librerie dedicate per memorizzare e richiamare le impostazioni relative
all'equalizzatore e alle dinamiche. Per informazioni dettagliate sull'utilizzo delle librerie delle
dinamiche e dell'equalizzatore, vedere la sezione "Uso della libreria" nel manuale di istruzioni
fornito separatamente.
Libreria EQ
È disponibile una "INPUT EQ LIBRARY" (LIBRERIA EQ
INGRESSO) che consente di memorizzare/richiamare le
impostazioni dell'equalizzatore per i canali di ingresso e una
"OUTPUT EQ LIBRARY" (LIBRERIA EQ USCITA) che consente
di memorizzare/richiamare le impostazioni dell'equalizzatore per
i canali di uscita.
Per richiamare le impostazioni da una libreria, premere il pulsante dello strumento LIBRARY
nella finestra HPF/EQ.
NOTA
È possibile richiamare 199 impostazioni diverse sia dalla libreria dell'equalizzatore di ingresso
che dalla libreria dell'equalizzatore di uscita. Quaranta (40) elementi della libreria di ingresso e tre
(3) elementi della libreria di uscita sono preset in sola lettura.
Libreria delle dinamiche
Utilizzare la "libreria delle dinamiche" per memorizzare e richiamare le relative impostazioni.
Tutti i processori di dinamiche delle unità della serie CL utilizzano questo tipo di libreria.
Tuttavia, i tipi disponibili sono Dynamics 1 e Dynamics 2 per un canale di ingresso
e Dynamics 1 per un canale di uscita. Non è possibile richiamare un tipo non selezionabile.
Per richiamare un elemento dalla libreria delle dinamiche, premere il pulsante dello
strumento LIBRARY nella finestra DYNAMICS 1/2.
NOTA
È possibile richiamare 199 impostazioni diverse dalla libreria, quarantuno (41) delle quali
sono preset in sola lettura.
1
2
Pulsante LIBRARY

Channel Job (Operazione canale)
Manuale di riferimento
71
Channel Job (Operazione canale)
In questo capitolo vengono descritte le funzioni DCA Group (Gruppo DCA) e Mute Group
(Gruppo di esclusione) che consentono, rispettivamente, di controllare il livello o di escludere
più canali contemporaneamente, la funzione Channel Link (Collegamento canali) che
consente di collegare i parametri di più canali, nonché le operazioni che consentono
di copiare o spostare parametri tra i canali.
Gruppo DCA
Nelle console della serie CL sono disponibili sedici gruppi DCA che consentono di
controllare il livello di più canali contemporaneamente.
I gruppi DCA consentono di assegnare canali di ingresso e uscita a sedici gruppi, in
modo da poter utilizzare i fader 1 - 8 della sezione Centralogic per controllare il livello di tutti
i canali di ciascun gruppo. Un solo fader DCA controllerà il livello di tutti i canali di ingresso
appartenenti allo stesso gruppo DCA, mantenendo al contempo la differenza di livello tra
i canali. In tal modo sarà possibile, ad esempio, raggruppare facilmente i microfoni di batteria.
Assegnazione di canali a un gruppo DCA
Esistono due metodi per assegnare un canale a un gruppo DCA.
• È possibile selezionare un gruppo DCA specifico e specificare i canali da assegnare
al gruppo.
• In alternativa, è possibile selezionare un canale specifico e indicare il gruppo DCA
a cui assegnarlo.
NOTA
• Le impostazioni dei gruppi DCA vengono salvate come parte della scena.
• Con CL V3.0 e versioni successive, è ora possibile assegnare i canali master bus Stereo/Mono,
Mix e Matrix a un gruppo DCA sui canali non di ingresso. In precedenza, i gruppi DCA venivano
utilizzati esclusivamente per i canali di ingresso. Con questa nuova funzione, tuttavia, è possibile
utilizzare i gruppi DCA per altri canali master di uscita che consentono controlli contemporanei
più flessibili.
Selezione dei canali che apparterranno a uno gruppo DCA specifico
NOTA
• È inoltre possibile accedere alla finestra DCA/MUTE GROUP ASSIGN MODE
(MODALITÀ DI ASSEGNAZIONE GRUPPO DCA/DI ESCLUSIONE) premendo il campo
DCA/MUTE GROUP nella schermata OVERVIEW.
• È possibile assegnare un solo canale a più gruppi DCA. In questo caso, il valore corrisponderà
alla somma dei livelli di tutti i fader dei gruppi DCA assegnati.
• Nel campo DCA/MUTE GROUP (GRUPPO DCA/DI ESCLUSIONE) della schermata
OVERVIEW (PANORAMICA) sono indicati i gruppi DCA a cui è assegnato ciascun canale.
I numeri evidenziati in giallo nelle righe superiore e centrale di questo campo indicano i gruppi
DCA ai quali appartiene il canale.
STEP
1.
Nell'area di accesso alle funzioni premere il pulsante CH JOB
(OPERAZIONE CANALE).
2.
Premere il pulsante DCA GROUP (GRUPPO DCA).
3.
Utilizzare il pulsante di selezione DCA GROUP per selezionare il gruppo DCA
al quale si desidera assegnare i canali.
4.
Utilizzare i tasti [SEL] nella sezione INPUT o nella sezione ST IN per selezionare
i canali da assegnare al gruppo. Sono consentite più selezioni.
Area di accesso
alle funzioni Menu
CH JOB

Channel Job (Operazione canale)
Manuale di riferimento
72
Finestra DCA/MUTE GROUP ASSIGN MODE
(MODALITÀ DI ASSEGNAZIONE GRUPPO DCA/ESCLUSIONE)
In questa finestra è possibile specificare i canali che verranno assegnati a ciascun
gruppo DCA.
1
Pulsanti DCA GROUP ASSIGN/MUTE GROUP ASSIGN
Consentono di passare dalla finestra DCA GROUP ASSIGN alla finestra
MUTE GROUP ASSIGN e viceversa.
2
Campo di assegnazione del gruppo DCA
In questa area sono visualizzati i canali assegnati al gruppo DCA attualmente
selezionato.
Con questa finestra visualizzata, premere il tasto [SEL] per il canale che si desidera
assegnare al gruppo DCA. Il canale verrà assegnato al gruppo DCA e il fader visualizzato
sullo schermo per quel canale diventerà giallo. Se si desidera rimuovere il canale
dal gruppo, premere di nuovo lo stesso tasto [SEL].
NOTA
Nel caso dei modelli CL3/CL1, i fader che non esistono su questi modelli non verranno
visualizzati.
3
Pulsante NAME EDIT
Consente di modificare il nome del gruppo DCA attualmente selezionato.
Quando si preme questo pulsante viene visualizzata la finestra con la tastiera
che consente di immettere o modificare il testo.
Il nome del gruppo DCA viene visualizzato sul pulsante di selezione del gruppo DCA.
Il nome del gruppo memorizzato viene visualizzato nel tab PATCH/NAME della finestra
a comparsa RECALL SAFE MODE.
4
Pulsante di selezione del gruppo DCA
Consente di selezionare il gruppo DCA che si desidera assegnare.
5
Pulsante CLEAR ALL
Consente di cancellare tutti i canali assegnati al gruppo DCA attualmente selezionato.
6
Pulsante DCA ROLL-OUT
Accedere alla modalità DCA ROLL OUT.
Questa funzione consente di utilizzare il fader in modo flessibile. Ad esempio, mentre si
controlla il fader DCA nella sezione Centralogic, è possibile accedere e controllare i fader
(assegnati al gruppo DCA corrispondente) tramite il banco di fader posto a sinistra della
sezione Centralogic. In alternativa, è possibile controllare i fader nella sezione
Centralogic mediante la funzione DCA Roll-out, utilizzando i fader DCA attraverso
il banco di fader sulla sinistra.
7
Pulsante PRE&POST
Consente di specificare l'oggetto dell'esclusione nel gruppo DCA come PRE o POST.
L'indicatore PRE&POST viene mostrato sotto un gruppo DCA con questa impostazione.
8
Pulsante POST ONLY
Consente di specificare l'oggetto dell'esclusione nel gruppo DCA solo come POST.
NOTA
• È possibile impostare l'oggetto dell'esclusione nel gruppo DCA singolarmente per ciascun
gruppo DCA.
• Se si esclude uno qualsiasi dei gruppi DCA su un canale assegnato a più gruppi DCA, verrà
escluso il percorso del segnale per quel canale, incluse le mandate al bus corrispondente.
9
Pulsante CLOSE
Consente di chiudere la finestra.
2
3
4
7
6
5
1
89

Channel Job (Operazione canale)
Manuale di riferimento
73
Selezione dei gruppi DCA a cui appartiene un canale specifico
Controllo dei gruppi DCA
Utilizzare i fader della sezione Centralogic per controllare i gruppi DCA.
NOTA
• È anche possibile premere il tasto [DCA], [DCA 1-8] o [DCA 9-16] nella sezione Channel Strip
per selezionare il gruppo DCA che si desidera controllare.
• Nel display dei membri DCA nella schermata OVERVIEW è possibile utilizzare la manopola
multifunzione nella sezione Centralogic per scorrere i canali quando ne sono stati assegnati
almeno 15.
Uso dei gruppi DCA
Utilizzare la sezione Centralogic per utilizzare il gruppo DCA.
•Regolazione livelli: Fader .............................. Il livello dei canali assegnati al
gruppo DCA può essere regolato
conservando le differenze di livello di
ciascun canale. In questa fase, i fader
di ingresso non funzionano.
• Switch On/Mute: Tasto [ON].......................... Quando si preme il tasto [ON] nella
sezione Centralogic per spegnere
l'indicatore, i canali assegnati al
gruppo DCA corrispondente verranno
esclusi, ottenendo lo stesso stato di
quando i fader sono abbassati nella
posizione –∞ dB.
•
Monitor segnale di attivazione: Tasto [CUE]
... Quando si preme il tasto [CUE] nella
sezione Centralogic per illuminarne
l'indicatore, i tasti [CUE] dei canali
assegnati al gruppo corrispondente
lampeggeranno e verrà attivato
il monitoraggio del segnale di
attivazione. Per ulteriori informazioni
sul segnale di attivazione, vedere
"Uso della funzione del segnale di
attivazione" a pagina 116.
STEP
1.
Premere il tasto [SEL] dei canali di ingresso e uscita che si desidera utilizzare.
2.
Premere una delle manopole nella sezione SELECTED CHANNEL.
3.
Utilizzare i pulsanti di selezione del gruppo DCA nella schermata
SELECTED CHANNEL VIEW per selezionare i gruppi DCA a cui verrà assegnato
il canale attualmente selezionato (sono consentite selezioni multiple).
STEP
1.
Assegnare canali di ingresso e uscita ai gruppi DCA.
2.
Utilizzando i fader nella sezione Channel Strip o nella sezione Master del pannello
superiore, regolare il bilanciamento relativo tra i canali di ingresso e uscita
che appartengono al gruppo DCA che si desidera utilizzare.
3.
Utilizzare i tasti Bank Select nella sezione Centralogic per selezionare il tasto
[DCA 1-8] o [DCA 9-16].
4.
Utilizzare la sezione Centralogic per utilizzare il gruppo DCA.
Schermata SELECTED
CHANNEL VIEW Campo
DCA/MUTE

Channel Job (Operazione canale)
Manuale di riferimento
74
Funzione DCA Roll-out
È ora possibile accedere contemporaneamente a tutti i canali assegnati a un gruppo
DCA tramite i banchi di fader.
Questa funzione consente di utilizzare il fader in modo flessibile. Ad esempio, mentre si
controlla il fader DCA nella sezione Centralogic, è possibile utilizzare la funzione Roll-out per
accedere e controllare i fader (assegnati al corrispondente gruppo DCA) tramite il banco di
fader posizionato a sinistra della sezione Centralogic. In alternativa, è possibile controllare
i fader nella sezione Centralogic mediante la funzione DCA Roll-out, utilizzando i fader DCA
attraverso il banco di fader sulla sinistra.
Operazione DCA ROLL-OUT
NOTA
• Non è possibile attivare la modalità Roll-out mentre si utilizza il gruppo DCA (ad esempio,
mentre si assegnano i canali o si modifica il nome del gruppo).
• Anche se la modalità Roll-out è attivata mentre si controlla un GEQ tramite i fader,
non è possibile modificare il gruppo DCA con i fader.
• Se il numero di canali assegnati al gruppo DCA supera il numero di fader nel blocco, è possibile
usare la manopola multifunzione o la manopola GAIN/PAN/ASSIGN (GUADAGNO/PAN/
ASSEGNAZIONE) per scorrere il contenuto del blocco da sinistra a destra. Mentre si gira la
manopola, nella parte inferiore della schermata appare il messaggio “DCA ROLL-OUT:
scorrimento membri DCA".
• Se, ad esempio, il gruppo DCA da utilizzare si trova nella sezione Centralogic ed è visualizzata
la finestra HPF/EQ, non è possibile utilizzare i parametri HPF/EQ della manopola multifunzione.
Per utilizzare un parametro non assegnato, utilizzare la manopola [TOUCH AND TURN]
(TOCCO E ATTIVAZIONE).
• Tutti i tasti Bank Select del blocco (a cui appartengono i canali visualizzati) si accendono.
• Se si effettua il roll-out dei fader nella sezione Centralogic (blocco B), i tasti IN/OUT della sezione
Centralogic saranno disabilitati.
• I tasti Bank Select dei blocchi in cui non viene eseguito il roll-out dei fader funzioneranno
normalmente.
• Quando in modalità DCA ROLL-OUT, è possibile uscire dalla modalità premendo un pulsante di
selezione banco. In quel caso, la schermata passerà al banco relativo al tasto premuto.
Impostazione della funzione DCA Roll-out
NOTA
Se una delle seguenti finestre a comparsa è aperta, non è possibile attivare la modalità
DCA Roll-out. Se la modalità DCA Roll-out è già attiva, l'apertura di una delle finestre causerà
la disattivazione della modalità DCA Roll-out.
- Finestra a comparsa DCA/MUTE GROUP ASSIGN MODE
- Finestra a comparsa RECALL SAFE MODE
STEP
1.
Utilizzare un tasto Bank Select per selezionare il gruppo DCA che si desidera controllare,
quindi premere il tasto [SEL] correlato a quel gruppo DCA.
Viene attivata la modalità DCA Roll-out e verrà effettuato il roll-out dei fader assegnati al gruppo
DCA.
2.
Se si preme il tasto [SEL] di un altro gruppo DCA, verrà effettuato il roll-out dei fader
assegnati a tale gruppo DCA.
3.
Premere nuovamente il tasto [SEL] per uscire dalla modalità DCA Roll-out.
STEP
1.
Nell'area di accesso alle funzioni premere il pulsante CH JOB.
2.
Premere il pulsante DCA GROUP per accedere alla finestra a comparsa
DCA/MUTE GROUP ASSIGN MODE.
3.
Premere il pulsante DCA/ROLL-OUT.
4.
Selezionare un gruppo DCA.
Se si preme un tasto [SEL] di un gruppo DCA diverso da quello selezionato, la selezione del gruppo
viene modificata.
5.
Selezionare un blocco (in cui viene effettuato il roll-out del gruppo DCA ai fader)
e l'allineamento.
6.
Premere il pulsante CLOSE per chiudere la finestra a comparsa.
Area di accesso
alle funzioni Finestra a comparsa
ASSIGN MODE

Channel Job (Operazione canale)
Manuale di riferimento
75
Schermata DCA ROLL-OUT
1
ROLL-OUT BLOCK
Consente di selezionare un blocco in cui viene effettuato il roll-out del gruppo DCA
ai fader.
CL5 : Blocchi A, B, C
CL3/CL1 : Blocchi A, B
2
Pulsante ALIGN
Consente di scegliere se effettuare il roll-out del gruppo DCA ai fader da sinistra
odadestra.
3
Pulsante di selezione del gruppo DCA
Consente di selezionare il gruppo DCA che si desidera controllare.
Uso della funzione di annullamento temporaneo
dell'esclusione
Se uno dei pulsanti del gruppo DCA su un canale è disattivato (escluso), premere il tasto [ON]
per quel canale per annullarne temporaneamente l'esclusione. Tuttavia, in modalità
anteprima, qualsiasi operazione durante l'esclusione con pressione del tasto [ON]
sarà disattivata.
Esempio 1: CH 1 disattivato. Assegnato al gruppo DCA 1.
Esempio 2: CH 1 attivato. Assegnato a MUTE GROUP 1 e DCA GROUP 1.
2
1
3
Esempio di operazione 1
1.
Premere il tasto ON per DCA 1. La spia dell'indicatore si spegne.
La spia dell'indicatore per il tasto ON per CH 1 rimane spenta. Il gruppo DCA 1
viene escluso.
2.
Premere il tasto ON per CH 1.
L'esclusione di CH 1 viene temporaneamente annullata e la spia dell'indicatore per
il tasto ON si accende.
3.
Premere il tasto ON per DCA 1. La spia dell'indicatore si accende.
L'esclusione del gruppo DCA 1 viene annullata e la spia dell'indicatore per il tasto ON
per CH 1 si accende.
Esempio di operazione 2
1.
Impostare MUTE MASTER 1 su ON (MUTE).
CH 1 viene escluso e il tasto ON lampeggia.
2.
Premere il tasto ON per CH 1.
L'esclusione di CH 1 viene temporaneamente annullata e la spia dell'indicatore per
il tasto ON si accende.
3.
Premere il tasto ON per DCA 1. La spia dell'indicatore si spegne.
CH 1 viene escluso e il tasto ON lampeggia.
4.
Premere il tasto ON per CH 1.
L'esclusione di CH 1 viene temporaneamente annullata e la spia dell'indicatore per
il tasto ON si accende.
5.
Premere nuovamente il tasto ON per CH 1.
CH 1 viene nuovamente escluso e il tasto ON lampeggia.
6.
Impostare DCA1 su ON e MUTE MASTER 1 su OFF.
L'esclusione di CH 1 viene annullata e la spia dell'indicatore per il tasto ON si accende.

Channel Job (Operazione canale)
Manuale di riferimento
76
Gruppo di esclusione
Le console della serie CL dispongono di otto gruppi di esclusione.
I gruppi di esclusione consentono di utilizzare i tasti USER DEFINED [1]-[16] per escludere
o annullare l'esclusione di più canali in una sola operazione. È possibile utilizzare questa
funzione per escludere più canali contemporaneamente. I gruppi di esclusione 1 - 8 possono
essere utilizzati sia con i canali di ingresso che con quelli di uscita. Nello stesso gruppo
possono coesistere entrambi i tipi di canali.
Assegnazione di canali a gruppi di esclusione
Come per i gruppi DCA, esistono due metodi per assegnare i canali ai gruppi di esclusione.
• È possibile selezionare prima un gruppo di esclusione specifico, quindi indicare i canali
da assegnare al gruppo.
• In alternativa, è possibile selezionare un canale specifico, quindi indicare il gruppo
di esclusione a cui assegnarlo.
Selezione dei canali da assegnare a un gruppo di esclusione specifico
NOTA
• È possibile assegnare un solo canale a più gruppi di esclusione.
• Il campo DCA/MUTE GROUP della schermata OVERVIEW indica i gruppi di esclusione ai quali
è assegnato ciascun canale. I numeri evidenziati in rosso nella riga inferiore di questo campo
indicano i gruppi di esclusione ai quali appartiene il canale.
• Se il livello dell'attenuazione impostato è diverso da –∞ dB, i numeri vengono evidenziati
in arancione.
Per un canale per cui è stata attivata la funzione Mute Safe (pagina 79), un indicatore "S"
emetterà luce verde nell'estremità destra della riga inferiore.
STEP
1.
Nell'area di accesso alle funzioni premere il pulsante CH JOB.
2.
Premere il pulsante MUTE GROUP nel menu CH JOB.
3.
Utilizzare i pulsanti Mute Group Master (Master gruppo esclusione) nella finestra
DCA/MUTE GROUP ASSIGN MODE per selezionare il gruppo di esclusione al quale
assegnare i canali.
4.
Premere il tasto [SEL] per i canali di ingresso/uscita da utilizzare (sono consentite
selezioni multiple).
Area di accesso
alle funzioni Menu
CH JOB

Channel Job (Operazione canale)
Manuale di riferimento
77
Finestra DCA/MUTE GROUP ASSIGN MODE
(MODALITÀ DI ASSEGNAZIONE GRUPPO DCA/ESCLUSIONE)
In questa finestra è possibile selezionare i canali che verranno assegnati a ciascun gruppo
di esclusione.
1
Pulsanti DCA GROUP ASSIGN/MUTE GROUP ASSIGN
Consentono di passare dalla finestra DCA GROUP ASSIGN alla finestra
MUTE GROUP ASSIGN e viceversa.
2
Campo di assegnazione del gruppo di esclusione
In questa area sono visualizzati i canali assegnati al gruppo di esclusione
attualmente selezionato.
Con questa finestra visualizzata, premere il tasto [SEL] per il canale che si desidera
assegnare al gruppo di esclusione. Il canale verrà assegnato al gruppo di esclusione
e il fader sullo schermo per quel canale diventerà di colore rosso. Se si desidera
rimuovere il canale dal gruppo, premere di nuovo lo stesso tasto [SEL].
Se è attivato il pulsante MUTE SAFE, in questo campo sono visualizzati i canali
destinati al blocco dell'esclusione, ossia che verranno esclusi dai gruppi di esclusione.
La procedura operativa per l'applicazione o l'annullamento del blocco dell'esclusione
ai canali è la stessa utilizzata per l'assegnazione o la rimozione dei canali da un gruppo
di esclusione. I fader sullo schermo dei canali assegnati diventano di colore verde.
3
NAME EDIT
Consente di modificare il nome del gruppo di esclusione attualmente selezionato.
Quando si preme questo pulsante viene visualizzata la finestra con la tastiera
che consente di immettere o modificare il testo.
Il nome del gruppo di esclusione viene visualizzato sul pulsante di selezione del
gruppo di esclusione.
4
Pulsante di selezione dei gruppi di esclusione
Consente di selezionare il gruppo di esclusione che si desidera assegnare.
5
Pulsante MUTE GROUP MASTER
Consente di attivare o disattivare il gruppo di esclusione corrispondente.
6
Manopola DIMMER LEVEL (LIVELLO ATTENUATORE)
Consente di impostare il livello dell'attenuatore per il gruppo di esclusione
corrispondente quando la funzione di attenuazione è abilitata.
NOTA
• Nel caso dei modelli CL3/CL1, i fader che non esistono su questi modelli non verranno
visualizzati.
• Se il livello dell'attenuazione impostato è diverso da -∞ dB e il pulsante MUTE GROUP MASTER
corrispondente è attivato, questo pulsante viene evidenziato in arancione.
7
Pulsante CLEAR ALL
Consente di cancellare tutti i canali assegnati al gruppo di esclusione attualmente
selezionato.
8
Pulsante MUTE SAFE
Utilizzare questo pulsante per escludere temporaneamente un canale specifico da
tutti i gruppi di esclusione. Nel campo di assegnazione del gruppo di esclusione
sono visualizzati i canali temporaneamente esclusi dai gruppi di esclusione. Per ulteriori
informazioni sul blocco dell'esclusione, vedere "Uso della funzione Mute Safe" a pagina 79.
9
Pulsante CLOSE
Consente di chiudere la finestra.
Selezione dei gruppi di esclusione a cui assegnare un canale specifico
2
6
5
4
38
7
1
9
STEP
1.
Premere il tasto [SEL] dei canali di ingresso e uscita che si desidera utilizzare.
2.
Premere una delle manopole nella sezione SELECTED CHANNEL.
3.
Utilizzare i pulsanti di selezione dei gruppi di esclusione nella schermata
SELECTED CHANNEL VIEW per selezionare i gruppi di esclusione ai quali verrà
assegnato il canale attualmente selezionato. (sono consentite selezioni multiple).
Schermata SELECTED
CHANNEL VIEW Campo
DCA/MUTE

Channel Job (Operazione canale)
Manuale di riferimento
78
Uso dei gruppi di esclusione
Per controllare i gruppi di esclusione, è possibile utilizzare i pulsanti MUTE GROUP MASTER
nella finestra MUTE GROUP ASSIGN (ASSEGNAZIONE GRUPPO ESCLUSIONE).
Potrebbe inoltre risultare conveniente assegnare a un tasto USER DEFINED la funzione
Mute On/Off (Attivazione/Disattivazione esclusione) per un gruppo di esclusione 1 - 8.
Assegnazione dei gruppi di esclusione ai tasti USER DEFINED
NOTA
La finestra USER SETUP consente di limitare le funzionalità disponibili all'utente, nonché
configurare le impostazioni a livello di sistema. Questa finestra contiene diverse pagine,
a cui è possibile accedere utilizzando i tab situati nella parte inferiore della finestra.
Attivazione/disattivazione dei gruppi di esclusione con
itastiUSERDEFINED
Per escludere un gruppo di esclusione, premere il tasto USER DEFINED a cui è stata
assegnata la funzione di attivazione/disattivazione dell'esclusione.
Il LED del tasto USER DEFINED si illuminerà e tutti i canali appartenenti al gruppo di
esclusione selezionato verranno esclusi. A questo punto il tasto [ON] dei canali esclusi
lampeggerà. È possibile attivare più tasti USER DEFINED per escludere più gruppi
di esclusione.
Per annullare l'esclusione di un gruppo di esclusione, premere il tasto USER DEFINED
illuminato.
NOTA
Anche se un canale è assegnato a un gruppo di esclusione, non verrà influenzato dalle
operazioni del tasto USER DEFINED se il tasto [ON] per quel canale era già disattivato all'inizio.
Annullamento temporaneo dell'esclusione di un canale
È possibile annullare temporaneamente l'esclusione di un canale nel gruppo di esclusione.
STEP
1.
Nell'area di accesso alle funzioni premere il pulsante SETUP.
2.
Premere il pulsante USER SETUP in alto a sinistra nella schermata SETUP.
3.
Nella finestra USER SETUP premere il tab USER DEFINED KEYS.
4.
Premere il pulsante per il tasto USER DEFINED a cui si desidera assegnare la funzione
Mute On/Off.
5.
Scegliere "MUTE MASTER" nella colonna FUNCTION e scegliere "MUTE GROUP x",
dove "x" è il numero del gruppo di esclusione, nella colonna PARAMETER 1.
6.
Quando si preme il pulsante OK, la funzione di attivazione/disattivazione dell'esclusione
verrà assegnata al tasto USER DEFINED selezionato al punto 4.
Finestra USER DEFINED KEY SETUP
(CONFIGURAZIONE TASTI DEFINITI DALL'UTENTE)
Schermata SETUP Finestra USER SETUP
(CONFIGURAZIONE UTENTE)

Channel Job (Operazione canale)
Manuale di riferimento
79
Uso della funzione Mute Safe
I canali specifici appartenenti a un gruppo di esclusione possono essere esclusi
temporaneamente dalle operazioni dei gruppi di esclusione (Mute Safe). I canali impostati
su Mute Safe non saranno influenzati quando si esclude un gruppo di esclusione al quale
appartiene il canale selezionato.
NOTA
Il tasto [SEL] del canale impostato per la funzione Mute Safe si illuminerà e il fader sullo schermo
corrispondente al canale verrà evidenziato in verde. È possibile annullare lo stato Mute Safe
premendo nuovamente un tasto [SEL] illuminato per spegnerlo.
Uso della funzione di annullamento temporaneo dell'esclusione
Se uno dei pulsanti master del gruppo di esclusione su un canale è ON, premere il tasto [ON] per
quel canale per annullarne temporaneamente l'esclusione. Tuttavia, in modalità anteprima,
qualsiasi operazione durante l'esclusione con pressione del tasto [ON] sarà disattivata.
Uso della funzione Recall Safe
La funzione "Recall Safe" esclude solo parametri/canali specifici (gruppi DCA) dalle
operazioni di richiamo. A differenza della funzione Focus Recall (Richiamo messa a fuoco)
(pagina 102), che è possibile applicare alle singole scene, le impostazioni per la funzione
Recall Safe vengono applicate globalmente a tutte le scene.
NOTA
• La semplice selezione di un parametro al punto 4 non determina l'abilitazione della funzione
Recall Safe. Per attivare o disattivare Recall Safe, è necessario effettuare l'operazione descritta
al punto 5.
• Le impostazioni bus e Channel Link (pagina 82) non sono soggette a Recall Safe.
Verranno sempre riprodotte nella scena richiamata.
Ciò significa che se si abilita la funzione Recall Safe per uno dei canali compresi in un gruppo
di collegamento o in uno dei due canali impostati su stereo, le impostazioni dei parametri per quel
canale possono essere diverse da quelle degli altri canali. In questi casi, il parametro applicabile
verrà ricollegato automaticamente al successivo utilizzo.
È possibile applicare a livello globale la funzione Recall Safe ai collegamenti di canali utilizzando
il parametro Global.
• È possibile utilizzare la funzione Recall Safe insieme alla funzione Focus Recall (
pagina 102
).
I canali o i parametri esclusi dalle operazioni di richiamo mediante Focus Recall o Recall Safe
non verranno richiamati.
• Se si esegue un'operazione di richiamo mentre si tiene premuto un tasto [SEL], è possibile
abilitare temporaneamente le impostazioni Recall Safe per il canale corrispondente per la durata
di tale operazione.
STEP
1.
Nell'area di accesso alle funzioni premere il pulsante CH JOB.
2.
Premere il pulsante MUTE GROUP nel menu CH JOB.
3.
Premere il pulsante MUTE SAFE nella finestra DCA/MUTE GROUP ASSIGN MODE.
4.
Premere un tasto [SEL] per i canali che si desidera escludere dai gruppi di esclusione
(sono consentite selezioni multiple).
Finestra DCA/MUTE GROUP ASSIGN
MODE (MODALITÀ DI ASSEGNAZIONE
GRUPPO DCA/ESCLUSIONE)
Menu
CH JOB
STEP
1.
Nell'area di accesso alle funzioni premere il pulsante CH JOB.
2.
Premere il pulsante RECALL SAFE nel menu CH JOB.
3.
Premere il tasto [SEL] per il canale o il gruppo DCA che sarà interessato dalle operazioni
di Recall Safe.
4.
Utilizzare il pulsante di selezione del parametro di blocco nella finestra RECALL
SAFE MODE per selezionare la destinazione delle operazioni di Recall Safe.
5.
Per abilitare la funzione Recall Safe per il canale selezionato, attivare il pulsante SAFE. Se
è stato selezionato un gruppo DCA, attivare il pulsante LEVEL/ON o il pulsante ALL.
6.
Per attivare la funzione Recall Safe per i parametri globali, attivare i pulsanti del campo
GLOBAL RECALL SAFE (BLOCCA RICHIAMO GLOBALE).
7.
Una volta configurate le impostazioni necessarie, premere il pulsante CLOSE
per chiudere la finestra. Eseguire quindi l'operazione di richiamo.
Area di accesso
alle funzioni Menu CH
JOB

Channel Job (Operazione canale)
Manuale di riferimento
80
Finestra RECALL SAFE MODE
1
Pulsante CLEAR ALL/SET ALL
Il pulsante CLEAR ALL disattiva contemporaneamente le funzioni Recall Safe
(attualmente impostata per i singoli canali) e la funzione Global Recall Safe.
Il pulsante SET ALL attiva (abilita) queste funzioni contemporaneamente.
NOTA
Se si preme il pulsante CLEAR ALL, la funzione Recall Safe viene disattivata temporaneamente.
Tuttavia, i parametri interessati dalla funzione Recall Safe non cambieranno.
2
Sezione di visualizzazione dei canali Safe
Indica i canali attualmente impostati su Recall Safe.
3
Pulsante SET BY SEL
Consente di utilizzare i tasti [SEL] del pannello per selezionare i canali su cui avrà effetto
la funzione Recall Safe. Attivare questo pulsante, quindi premere il tasto [SEL] per
il canale a cui si desidera applicare la funzione Recall Safe. La funzione Recall Safe
verrà attivata. Premere nuovamente lo stesso tasto [SEL] per deselezionare il canale.
4
Sezione di visualizzazione GLOBAL RECALL SAFE
Indica i parametri e i rack che saranno interessati dalla funzione Recall Safe per tutte
le scene. Premere questa sezione per aprire la finestra GLOBAL RECALL SAFE.
Questi pulsanti corrispondono ai parametri riportati di seguito.
NOTA
Se è stato selezionato un rack GEQ o Premium di tipo Dual, è possibile applicare la
funzione Recall Safe singolarmente ai rack A e B. Per altri rack, verrà collegata
l'impostazione per i rack A e B.
5
Pulsante di selezione dei canali
Consente di selezionare il canale per il quale si desidera configurare la funzione Recall Safe.
NOTA
Il passaggio da un canale a un altro utilizzando questo pulsante non influisce sulla selezione del
canale nel pannello superiore.
6
Visualizzazione del canale selezionato
In questa area sono indicati l'icona, il numero, il colore e il nome del canale attualmente
selezionato.
1
3
5
9
2 4
6
7 0A8
Tutti i parametri di questi canali sono interessati dalla funzione Recall Safe.
Alcuni parametri di questi canali sono influenzati dalla funzione Recall Safe.
La funzione Recall Safe è stata annullata per questi canali.
HA /PAT CH
(ASSEGNA-
ZIONE/HA)
INPUT PATCH (ASSEGNAZIONE
INGRESSO) Tutte le assegnazioni degli ingressi
OUTPUT PATCH
(ASSEGNAZIONE USCITA) Tutte le assegnazioni delle uscite
CASCADE IN Impostazioni CASCADE IN PATCH e CASCADE IN ATT
CASCADE OUT Impostazioni CASCADE OUT PATCH
INPUT NAME (NOME
INGRESSO) Tutti i nomi dei canali di ingresso
OUTPUT NAME (NOME USCITA) Tutti i nomi dei canali di uscita
HA (Head Amplifier) Tutti i dispositivi I/O e i parametri correlati a HA per i
preamplificatori esterni
CUSTOM FADER BANK (BANCO
DI FADER PERSONALIZZATO) Impostazioni dei banchi di fader personalizzati
RACK
GEQ RACK (RACK GEQ)
EFFECT RACK (RACK EFFETTI)
PREMIUM RACK
Applicare la funzione Recall Safe (Blocca richiamo)
singolarmente ai rack GEQ 1 - 16, Effect 1 - 8
e Premium 1 - 8.
BUS SETUP
(CONFIGU-
RAZIONE
BUS)
MIX
Imposta la funzione Recall Safe (Blocca richiamo) per MIX
1-24 nella finestra BUS SETUP. Questa impostazione viene
applicata a una coppia di canali (un canale con
numerazione dispari e uno con numerazione pari).
MATRIX
Imposta la funzione Recall Safe (Blocca richiamo) per
MATRIX 1-8 nella finestra BUS SETUP. Questa
impostazione viene applicata a una coppia di canali
(un canale con numerazione dispari e uno con
numerazione pari).
SURROUND SETUP
(CONFIGURAZIONE
SURROUND) Impostazioni della modalità surround.
OTHERs
(ALTRO)
CH LINK (COLLEGAMENTO
CANALE) Tutte le impostazioni del gruppo di collegamenti dei canali
MUTE GROUP NAME (NOME
GRUPPO ESCLUSIONE) Tutti i nomi del gruppo di esclusione
FADER BANK SELECT
(SELEZIONE BANCO FADER) Stato di selezione FADER BANK, stato di assegnazione
MASTER FADER

Channel Job (Operazione canale)
Manuale di riferimento
81
7
Pulsante APPLY TO ALL INPUT (APPLICA A TUTTI I CANALI DI INGRESSO)
(solo per canali di ingresso)
Attivare questo pulsante per applicare la selezione dei parametri per Recall Safe
di un solo canale di ingresso a tutti gli altri canali di ingresso.
Attivare il pulsante per applicare la funzione Recall Safe agli stessi parametri
per tutti i canali di ingresso.
8
Pulsante APPLY TO ALL OUTPUT (APPLICA A TUTTI I CANALI DI USCITA)
(visualizzato solo per i canali di uscita)
Attivare questo pulsante per applicare la selezione dei parametri per Recall Safe
di un solo canale di uscita a tutti gli altri canali di uscita.
Attivare il pulsante per applicare la funzione Recall Safe agli stessi parametri per
tutti i canali di uscita.
9
Pulsante di selezione del parametro Safe (esclusi i gruppi DCA)
Consente di selezionare i parametri Recall Safe per il canale selezionato.
L'indicazione del pulsante varia a seconda del tipo di canale.
• Canale di ingresso
NOTA
I canali ST IN non dispongono dei pulsanti INSERT, INSERT PATCH e DIRECT OUT.
•Canale MIX
• Canale MATRIX
•Canale STEREO
•Canale MONO
Se la funzione Recall Safe è attivata per i parametri globali, i pulsanti di selezione
del parametro di blocco del canale selezionato si illumineranno nel colore verde,
come mostrato di seguito.
Questa figura indica che i parametri INPUT PATCH, INSERT PATCH e DIRECT OUT sono
stati impostati su Safe mediante le impostazioni del parametro Global per INPUT PATCH.
Allo stesso modo, se si attivano i parametri Global per INPUT NAME, OUTPUT PATCH
e OUTPUT NAME, i parametri Safe corrispondenti di ciascun canale verranno evidenziati
in verde. I pulsanti sullo schermo e i parametri corrispondenti possono essere applicati
ai canali seguenti:
Nome pulsante Parametro corrispondente Canale di
ingresso
Canale
MIX
Canale
MATRIX
Canale
STEREO/
MONO
WITH MIX SEND Livello di mandata al bus MIX O
WITH MATRIX
SEND
Livello di mandata al bus MATRIX
O
ALL
*1
Tutti i parametri O O O O
HA Impostazioni correlate
al preamplificatore O
HPF Impostazioni HPF O
EQ Impostazioni EQ O O O O
DYNA 1 Impostazioni dinamiche 1 O O O O
DYNA 2 Impostazioni dinamiche 2 O
MIX SEND Livello di mandata al bus MIX O
MATRIX SEND Livello di mandata al bus MATRIX O O O
FADER Impostazioni del fader O O O O
CH ON Impostazioni tasto [ON] O O O O
TO ST Stato di attivazione/disattivazione
dell'assegnazione al bus STEREO,
PAN e così via OO
MONO Stato di attivazione/disattivazione
dell'assegnazione al bus MONO OO
INPUT PATCH
(ASSEGNAZIONE
INGRESSO)
Impostazioni di assegnazione
degli ingressi O
DIGITAL GAIN Impostazioni del guadagno digitale O

Channel Job (Operazione canale)
Manuale di riferimento
82
*1. L'impostazione predefinita è ALL on.
*2. I canali ST IN non supportano questi pulsanti.
*3. Quando questi pulsanti vengono attivati, le impostazioni memorizzate per il gruppo DCA sono destinate
a RECALL SAFE. Le impostazioni per DCA 1-16 vengono effettuate contemporaneamente. Le impostazioni sono
collegate in base al collegamento canale per la scena corrente quando vengono effettuate le impostazioni.
9
Pulsante di selezione del parametro Safe (DCA)
Per ogni gruppo DCA, consente di selezionare i parametri per cui è attivata la funzione
Recall Safe. Se il pulsante ALL è attivato, tutti i parametri master DCA saranno interessati
dalle operazioni di Recall Safe. Se LEVEL/ON è attivato, il livello master DCA e lo stato
attivato/disattivato saranno interessati dalle operazioni di Recall Safe. Se NAME
è attivato, la funzione Recall Safe verrà applicata al nome del gruppo DCA. Sebbene
sia possibile attivare sia il pulsante LEVEL/ON sia il pulsante NAME, verranno entrambi
disattivati se si attiva il pulsante ALL.
0
Pulsante SAFE (esclusi i gruppi DCA)
Quando questo pulsante è attivato, la funzione Recall Safe verrà abilitata per
il canale selezionato.
NOTA
Anche se un parametro viene selezionato con il pulsante Safe Parameter Select, la funzione
Recall Safe non sarà abilitata se questo pulsante è disattivato.
A
Pulsante CLOSE
Consente di chiudere la finestra.
Funzione Channel Link
Channel Link è una funzione che consente di collegare il funzionamento di parametri quali
fader ed EQ tra i canali di ingresso e di uscita. Due o più canali collegati sono denominati
"gruppo di collegamento". Non esiste alcun limite al numero di gruppi di collegamento che
è possibile creare o al numero e alle combinazioni di canali che è possibile includere in questi
gruppi di collegamento. È possibile selezionare i tipi di parametri da collegare per ciascun
gruppo di collegamento. I canali di ingresso e di uscita, tuttavia, non possono coesistere nello
stesso gruppo di collegamento.
È possibile selezionare i parametri da collegare tra i seguenti.
Per un canale di ingresso:
• Impostazioni del preamplificatore
• Impostazioni del guadagno digitale
• Impostazioni HPF
• Impostazioni EQ
• Impostazioni dinamiche 1
• Impostazioni dinamiche 2
• Impostazioni di attivazione dell'inserimento e punto di inserimento
• Impostazioni per l'attivazione, il livello e il punto di uscita diretta
• Impostazioni dei livelli di mandata e PRE/POST (PRIMA/DOPO) dei segnali inviati
ai bus MIX
• Stato di attivazione/disattivazione dei segnali inviati ai bus MIX
• Impostazioni dei livelli di mandata e PRE/POST (PRIMA/DOPO) dei segnali inviati
ai bus MATRIX
• Stato di attivazione/disattivazione dei segnali inviati ai bus MATRIX
• Operazioni dei fader
• Operazioni del tasto [ON]
• Impostazione TO STEREO/MONO
• Impostazione DELAY
• Impostazione DCA GROUP ASSIGN
• Impostazioni MUTE GROUP ASSIGN
Per un canale di uscita:
• Impostazioni EQ
• Impostazioni delle dinamiche
• Impostazioni di attivazione dell'inserimento e punto di inserimento
• Impostazioni dei livelli di mandata e PRE/POST dei segnali inviati ai bus MATRIX
*1
• Stato di attivazione/disattivazione dei segnali inviati ai bus MATRIX
*1
• Operazioni dei fader
• Operazioni del tasto [ON]
• Impostazione TO STEREO/MONO
*1
• Impostazione DCA GROUP ASSIGN
• Impostazioni MUTE GROUP ASSIGN
*1 Canale MATRIX non applicabile
INSERT Attivazione/disattivazione
inserimento O
*2
OOO
INSERT PATCH Impostazioni assegnazione
inserimento O
*2
OOO
DIRECT OUT Impostazioni di uscita diretta O
*2
MIX ON Attivazione/disattivazione mandata
a MIX O
MATRIX ON Attivazione/disattivazione mandata
a MATRIX OO O
DELAY Impostazioni del delay O
NAME Nome canale O O O O
OUTPUT PATCH
(ASSEGNAZIONE
USCITA)
Impostazioni di assegnazione
delle uscite OOO
BAL Impostazioni del parametro
BALANCE OO
(solo STEREO)
DCA ASSIGN
*3
Impostazioni memorizzate nel
gruppo DCA O OOO
MUTE ASSIGN
(ASSEGNAZIONE
ESCLUSIONE)
Impostazioni memorizzate nel
gruppo MUTE O OOO
Nome pulsante Parametro corrispondente Canale di
ingresso
Canale
MIX
Canale
MATRIX
Canale
STEREO/
MONO

Channel Job (Operazione canale)
Manuale di riferimento
83
Collegamento dei canali di ingresso desiderati
In questa sezione viene descritto come collegare parametri specifici dei canali di ingresso.
NOTA
Le impostazioni di collegamento dei canali vengono salvate come parte della scena.
NOTA
• È possibile accedere alla finestra CH LINK MODE premendo, quindi rilasciando
contemporaneamente i tasti [SEL] di due o più canali che saranno collegati.
• Quando si preme il tasto [SEL] per un canale appartenente a un gruppo di collegamento per fare
in modo che si illumini, i tasti [SEL] di tutti i canali appartenenti allo stesso gruppo di collegamento
lampeggiano.
• Se si collega un canale di ingresso a un canale ST IN, i parametri che non esistono
per il canale ST IN verranno ignorati.
Finestra CH LINK MODE (canali di ingresso)
È possibile visualizzare i canali di ingresso collegati e specificare i parametri
che verranno collegati.
1
Campo di visualizzazione dei canali di ingresso
Quando si crea un gruppo di collegamento, vengono evidenziati i canali di ingresso
corrispondenti. Se esistono due o più gruppi di collegamento, ciascun gruppo
viene visualizzato in un colore diverso. Premere questo campo per aprire la finestra
CH LINK SET. È anche possibile collegare i canali di ingresso in questa finestra.
NOTA
• Le parti sinistra e destra del canale ST IN sono sempre collegate.
• Nel caso dei modelli CL3 e CL1, i fader che non esistono su questi modelli non
verranno visualizzati.
2
Indicatore di collegamento
Se viene selezionato un canale di ingresso appartenente a un gruppo di collegamento,
viene mostrato il gruppo di collegamento associato. Nei campi LINK PARAMETER
e SEND PARAMETER sono mostrate le impostazioni dei collegamenti.
Se si tiene premuto il tasto [SEL] di un canale di ingresso che non appartiene ad
alcun gruppo di collegamento, l'indicatore di collegamento mostra il gruppo di
collegamento che verrà creato successivamente. Nei campi LINK PARAMETER
e SEND PARAMETER sono mostrate le impostazioni del gruppo di collegamento
visualizzato precedentemente.
STEP
1.
Nell'area di accesso alle funzioni premere il pulsante CH JOB.
2.
Premere il pulsante CH LINK nel menu CH JOB.
3.
Per collegare i canali, tenere premuto il tasto [SEL] per il canale di ingresso di
origine del collegamento e premere il tasto [SEL] per il canale di destinazione
del collegamento.
4.
Utilizzare i pulsanti del campo LINK PARAMETERS nella finestra CH LINK MODE per
selezionare i parametri che verranno collegati. Sono consentite selezioni multiple.
5.
Se sono stati attivati i pulsanti MIX ON, MIX SEND, MATRIX ON o MATRIX SEND al
punto 4, utilizzare i pulsanti del campo SEND PARAMETERS per specificare i bus per
i quali si desidera collegare le operazioni (sono consentite selezioni multiple).
Area di accesso
alle funzioni Menu CH
JOB
5
2
3
1
4

Channel Job (Operazione canale)
Manuale di riferimento
84
3
Campo LINK PARAMETERS
Utilizzare i pulsanti in questo campo per selezionare i parametri che si desidera collegare.
Questa operazione può essere effettuata in modo indipendente per ciascun gruppo
di collegamento.
Nella tabella riportata di seguito sono elencati i parametri che è possibile selezionare
nel campo LINK PARAMETERS.
NOTA
• Se si collegano Dynamics 1 o 2 per due o più canali di ingresso, i valori dei parametri saranno
collegati, ma le origini key-in non sono collegate e possono essere impostate per ciascun canale.
Il comportamento dei segnali key-in è collegato in unità di 8ch*. Per informazioni dettagliate
sulle dinamiche, vedere "EQ e dinamiche" (pagina 64).
* Unità di 8ch fa riferimento a Ch 1-8/Ch 9-16/Ch 17-24/Ch 25-32/Ch 33-40/Ch 41-48/Ch 49-56/Ch 57-64/
Ch 65-72/ST IN 1L-ST IN 4R/ST IN 5L-ST IN 8R.
• Se si attiva il pulsante EQ o il pulsante DYNAMICS 1/2, verranno collegate anche le operazioni
di richiamo della libreria.
• L'impostazione di guadagno analogico del preamplificatore e l'operazione del fader saranno
collegate e manterranno la stessa differenza di livello relativa tra i canali.
• Nelle impostazioni di inserimento, i parametri per Insert 1 e Insert 2 sono selezionati insieme.
4
Campo SEND PARAMETERS
Se sono stati attivati i pulsanti MIX ON, MIX SEND, MATRIX ON o MATRIX SEND
nel campo LINK PARAMETERS, utilizzare i pulsanti di questo campo per specificare
i bus di destinazione della mandata.
NOTA
Se nel campo SEND PARAMETERS non è selezionato alcun elemento, l'attivazione/
disattivazione della mandata e il livello di mandata non saranno collegati.
5
Pulsante INPUT/OUTPUT
Utilizzare questo pulsante per passare dalla schermata dei canali di ingresso
alla schermata dei canali di uscita e viceversa.
Operazioni dei collegamenti di canali
• Collegamento di tre o più canali
Tenere premuto il tasto [SEL] dell'origine del collegamento e successivamente premere
il tasto [SEL] di ciascun canale di ingresso che si desidera aggiungere al gruppo
di collegamento.
• Aggiunta di un nuovo canale a un gruppo di collegamento esistente
Tenere premuto qualsiasi tasto [SEL] all'interno del gruppo e premere il tasto [SEL] che si
desidera aggiungere al gruppo di collegamento.
NOTA
Se il canale di ingresso di destinazione del collegamento è già assegnato a un altro gruppo
di collegamento, la relativa assegnazione al gruppo precedente verrà annullata e il canale
verrà aggiunto al nuovo gruppo assegnato.
• Rimozione di un canale da un gruppo di collegamento
Tenere premuto un tasto [SEL] registrato nello stesso gruppo di collegamento e premere
il tasto [SEL] del canale da rimuovere.
• Modifica del bilanciamento di livello tra canali che appartengono allo stesso
gruppo di collegamento
Tenendo premuto il tasto [SEL] del canale collegato desiderato, regolare il valore
del parametro. È anche possibile rimuovere temporaneamente tutti i canali collegati
dallo stesso gruppo di collegamento. Questa opzione può risultare utile se si desidera
modificare parametri collegati l'uno all'altro mantenendo le stesse differenze di livello.
Ad esempio, nel caso di parametri quali il fader e il guadagno analogico del
preamplificatore. I valori del fader e del guadagno analogico del preamplificatore
non saranno collegati mentre si tiene premuto il tasto [SEL]. Non è tuttavia possibile
annullare temporaneamente questo collegamento durante la fase di "fading" di
una scena richiamata.
HA
Impostazioni del preamplificatore
Tuttavia, per dispositivi wireless, il parametro GAIN
(GUADAGNO) del lato ricevitore non è incluso.
HPF Impostazioni HPF
DIGITAL GAIN Impostazioni del guadagno digitale
EQ Impostazioni EQ
DYNAMICS 1, 2 Impostazioni dinamiche 1 e 2
INSERT Impostazioni di inserimento
DIRECT OUT Impostazioni di uscita diretta
MIX SEND Livelli di mandata dei segnali inviati ai bus MIX
MIX ON Stato di attivazione/disattivazione dei segnali inviati
ai bus MIX
MATRIX SEND Livelli di mandata dei segnali inviati ai bus MATRIX
MATRIX ON Stato di attivazione/disattivazione dei segnali inviati
ai bus MATRIX
FADER Operazioni del fader
DCA Assegnazione del gruppo DCA
CH ON Attivazione/disattivazione del canale
MUTE Assegnazioni dei gruppi di esclusione
TO STEREO Stato di attivazione/disattivazione dei segnali inviati
ai bus STEREO/MONO
DELAY Impostazioni del delay dei canali
MIX 1-24 Bus MIX 1-24
MTRX 1-8 Bus MATRIX 1-8

Channel Job (Operazione canale)
Manuale di riferimento
85
Finestra CH LINK MODE (canali di uscita)
È possibile visualizzare i canali di uscita collegati e specificare i parametri che verranno
collegati.
1
Campo di visualizzazione dei canali di uscita
Quando si crea un gruppo di collegamento, vengono evidenziati i canali di
uscita corrispondenti. Se esistono due o più gruppi di collegamento, ciascun gruppo
viene visualizzato in un colore diverso. Premere questo campo per aprire la finestra
CH LINK SET. È anche possibile collegare i canali di uscita in questa finestra.
NOTA
Nel caso dei modelli CL3 e CL1, i fader che non esistono su questi modelli non
verranno visualizzati.
2
Indicatore di collegamento
Se viene selezionato un canale di uscita appartenente a un gruppo di collegamento,
viene mostrato il gruppo di collegamenti associato. Nei campi LINK PARAMETER
e SEND PARAMETER sono mostrate le impostazioni dei collegamenti.
Se si tiene premuto il tasto [SEL] di un canale di uscita che non appartiene ad alcun
gruppo di collegamento, l'indicatore di collegamento mostra il gruppo di collegamento
che verrà creato successivamente. Nei campi LINK PARAMETER e SEND PARAMETER
sono mostrate le impostazioni del gruppo di collegamento visualizzato
precedentemente.
3
Campo LINK PARAMETER (PARAMETRO COLLEGAMENTO)
Utilizzare i pulsanti in questo campo per selezionare i parametri che si desidera collegare.
Questa operazione può essere effettuata in modo indipendente per ciascun gruppo
di collegamento.
Nella tabella riportata di seguito sono elencati i parametri che è possibile selezionare
nel campo LINK PARAMETER.
*1 Canale MATRIX non applicabile
NOTA
• Se si collegano dinamiche per due o più canali di ingresso, i valori dei parametri vengono
collegati, mentre le origini key-in no, di conseguenza possono essere impostate per ciascun
canale. Il comportamento dei segnali key-in è collegato in unità di 8ch*. Per informazioni
dettagliate sulle dinamiche, vedere "EQ e dinamiche" (pagina 64).
* Unità di 8ch fa riferimento a MIX 1 - MIX 8/MIX 9 - MIX 16/MIX 17 - MIX 24/MATRIX 1 - MATRIX 8.
• Se si attiva il pulsante EQ o il pulsante DYNAMICS, verranno collegate anche le operazioni
di richiamo della libreria.
• Nelle impostazioni di inserimento, i parametri per Insert 1 e Insert 2 sono selezionati insieme.
4
Campo SEND PARAMETER
Se sono stati attivati i pulsanti di mandata MATRIX ON o MATRIX nel campo
LINK PARAMETER, utilizzare i pulsanti in questo campo per specificare i bus
di destinazione della mandata.
NOTA
Se nel campo SEND PARAMETER non è selezionato alcun elemento, l'attivazione/disattivazione
della mandata e il livello di mandata non saranno collegati.
5
Pulsante INPUT/OUTPUT
Utilizzare questo pulsante per passare dalla schermata dei canali di ingresso
alla schermata dei canali di uscita e viceversa.
5
2
3
1
4
EQ Impostazioni EQ
DYNAMICS Impostazioni delle dinamiche
INSERT Impostazioni di inserimento
MATRIX SEND Livelli di mandata dei segnali inviati ai bus MATRIX *1
MATRIX ON Stato di attivazione/disattivazione dei segnali inviati ai bus MATRIX *1
FADER Operazioni dei fader
CH ON Attivazione/disattivazione del canale
TO STEREO Stato di attivazione/disattivazione dei segnali inviati ai bus
STEREO/MONO *1
DCA Assegnazione del gruppo DCA
MUTE Assegnazioni dei gruppi di esclusione
MTRX 1-8 Bus MATRIX 1-8

Channel Job (Operazione canale)
Manuale di riferimento
86
Operazioni dei collegamenti di canali
• Collegamento di tre o più canali
Tenere premuto il tasto [SEL] dell'origine del collegamento e successivamente premere il tasto
[SEL] di ciascun canale di uscita che si desidera aggiungere al gruppo di collegamento.
• Aggiunta di un nuovo canale a un gruppo di collegamento esistente
Tenere premuto qualsiasi tasto [SEL] all'interno del gruppo e premere il tasto [SEL] che si
desidera aggiungere al gruppo di collegamento.
NOTA
Se il canale di uscita di destinazione del collegamento è già assegnato a un altro gruppo
di collegamento, la relativa assegnazione al gruppo precedente verrà annullata e il canale
verrà aggiunto al nuovo gruppo assegnato.
• Rimozione di un canale da un gruppo di collegamento
Tenere premuto un tasto [SEL] registrato nello stesso gruppo di collegamento e premere
il tasto [SEL] del canale da rimuovere.
• Modifica del bilanciamento di livello tra canali che appartengono allo stesso
gruppo di collegamento
Tenendo premuto il tasto [SEL] del canale collegato desiderato, regolare il valore
del parametro. È anche possibile rimuovere temporaneamente tutti i canali collegati
dallo stesso gruppo di collegamento. Questa opzione può risultare utile se si desidera
modificare parametri collegati l'uno all'altro mantenendo le stesse differenze di livello.
I valori del fader non saranno collegati mentre si tiene premuto il tasto [SEL].
Non è tuttavia possibile annullare temporaneamente questo collegamento durante
la fase di "fading" di una scena richiamata.
Finestra CH LINK SET (MODALITÀ COPIA CANALE)
Visualizzata quando si preme il campo di visualizzazione dei canali nella finestra
CH LINK MODE. È anche possibile collegare i canali in questa finestra.
1
Pulsante di selezione dei canali
Consente di selezionare un canale che si desidera collegare. Il canale di ingresso
selezionato sarà indicato in blu, il canale di uscita selezionato sarà indicato in arancione
e il carattere alfabetico che indica il gruppo di collegamento verrà visualizzato
per i canali collegati.
2
Pulsanti LINK
Collegare il canale selezionato in
1
.
3
Pulsante UNLINK
Consente di annullare il collegamento selezionato in
1
.
4
UNSELECT ALL
Consente di deselezionare tutti i canali selezionati.
5
Pulsante CLOSE
Consente di chiudere la finestra.
NOTA
Se si utilizzano le impostazioni CL5 su CL3/CL1 o le impostazioni CL3 su CL1, i pulsanti
verranno visualizzati con il segno X se assegnati a canali che non esistono su quel modello.
1
2 3 5 4
Quando si seleziona un canale Quando si collegano i canali

Channel Job (Operazione canale)
Manuale di riferimento
87
Operazioni di copia, spostamento o inizializzazione
di un canale
È possibile copiare o spostare i parametri di missaggio tra canali o ripristinare le
impostazioni predefinite dei parametri di uno specifico canale.
Copia dei parametri di un canale
È possibile copiare le impostazioni dei parametri di missaggio di un canale in un altro canale.
Quando si esegue l'operazione di copia, le impostazioni sovrascrivono i parametri
della destinazione della copia.
È possibile eseguire la copia tra le combinazioni di canali riportate di seguito.
• Tra canali di ingresso
• Tra il canale STEREO L/R (STEREO S/D) e il canale MONO
• Tra canali MIX
• Tra canali MATRIX
Finestra CH COPY MODE (MODALITÀ COPIA CANALE)
Questa finestra consente di copiare le impostazioni del canale.
1
Campo SOURCE CH (CANALE DI ORIGINE)
Consente di visualizzare il canale di origine della copia. Con questa finestra visualizzata,
premere un tasto [SEL] nel pannello superiore per selezionare un canale. Il canale
selezionato sarà evidenziato in questo campo. Per riselezionare il canale di origine
della copia, premere questo campo.
STEP
1.
Nell'area di accesso alle funzioni premere il pulsante CH JOB.
2.
Premere il pulsante COPY nel menu CH JOB.
3.
Premere un tasto [SEL] per selezionare il canale di origine della copia.
4.
Premere il tasto [SEL] per il canale di destinazione della copia (sono consentite
selezioni multiple).
5.
Se è stato selezionato un canale MIX/MATRIX come origine della copia, utilizzare
i pulsanti nel campo COPY TARGET per selezionare i parametri da copiare.
6.
Premere il pulsante COPY per eseguire la copia.
Area di accesso
alle funzioni Menu
CH JOB
1 4 2 3
Prima della selezione Dopo la selezione

Channel Job (Operazione canale)
Manuale di riferimento
88
Se l'origine della copia è un canale MIX/MATRIX,
vengono visualizzati i pulsanti per consentire la selezione
dei parametri da copiare.
Se questi pulsanti sono attivati, vengono copiati
i parametri riportati di seguito:
• Pulsante MODULE PARAMETERS
Parametri del modulo di canale selezionato
• Pulsante WITH MIX SEND/WITH MATRIX SEND (CON
MANDATA A MIX/CON MANDATA A MATRICE)
Parametri SEND dei segnali inviati al canale selezionato
2
Campo DESTINATION CHs
Consente di visualizzare il canale di destinazione della
copia. Quando si specifica l'origine della copia,
è possibile selezionare un canale di destinazione della
copia (sono consentite selezioni multiple) premendo
il relativo tasto [SEL] sul pannello. Questo campo verrà
evidenziato. Se si desidera annullare tutti i canali di
destinazione della copia selezionati, premere il
campo DESTINATION CHs.
NOTA
Nel caso dei modelli CL3/CL1, i fader che non esistono su questi modelli non verranno
visualizzati.
3
Pulsante COPY
Esegue l'operazione di copia. Dopo avere selezionato il canale di origine e i canali
di destinazione della copia, premere questo pulsante per eseguire l'operazione di copia.
4
Pulsante CLOSE
Premere questo pulsante per chiudere la finestra e tornare alla schermata precedente.
Spostamento dei parametri di un canale
Le impostazioni di uno specifico canale di ingresso possono essere spostate in un diverso
canale di ingresso. Quando si esegue un'operazione di spostamento, la numerazione dei
canali tra l'origine e la destinazione dello spostamento si sposterà in avanti o indietro di
un'unità.
È possibile spostare le impostazioni tra le combinazioni di canali riportate di seguito.
• Tra canali di ingresso
• Tra canali ST IN
STEP
1.
Nell'area di accesso alle funzioni premere il pulsante CH JOB.
2.
Premere il pulsante MOVE nel menu CH JOB.
3.
Premere un tasto [SEL] per selezionare il canale di origine dello spostamento.
4.
Premere il tasto [SEL] per il canale di destinazione dello spostamento.
5.
Per eseguire lo spostamento, premere il pulsante MOVE.
1 2 3 4 5
1 5 2 3 4
Spostamento di un'unità
Spostamento
Menu
CH JOB
Area di accesso
alle funzioni

Channel Job (Operazione canale)
Manuale di riferimento
89
Finestra CH MOVE MODE (MODALITÀ COPIA CANALE)
1
Campo SOURCE CH (CANALE DI ORIGINE)
Consente di visualizzare il canale di origine dello spostamento. Con questa finestra
visualizzata, premere un tasto [SEL] nel pannello superiore per selezionare un canale
di ingresso. Il canale selezionato sarà evidenziato in questo campo. Se si desidera
selezionare di nuovo il canale di origine dello spostamento, premere questo campo.
2
Campo DESTINATION CH (CANALE DI DESTINAZIONE)
Consente di visualizzare il canale di destinazione dello spostamento. Quando si specifica
l'origine dello spostamento, è possibile selezionare il canale di ingresso di destinazione
dello spostamento premendo il relativo tasto [SEL] sul pannello. Se il canale di
destinazione dello spostamento è selezionato, questo campo sarà evidenziato.
Per modificare il canale di destinazione dello spostamento, premere il tasto [SEL]
per il canale di ingresso desiderato. Se si desidera annullare tutti i canali di destinazione
dello spostamento selezionati, premere il campo DESTINATION CH.
NOTA
Nel caso dei modelli CL3/CL1, i fader che non esistono su questi modelli non
verranno visualizzati.
3
Pulsante MOVE
Consente di eseguire un'operazione di spostamento. Dopo avere selezionato i canali
di origine e di destinazione dello spostamento, le impostazioni dei canali passano
dall'origine alla destinazione dello spostamento. Le impostazioni di tutti i canali
tra l'origine e la destinazione dello spostamento verranno spostate di un canale
nella direzione dell'origine dello spostamento.
4
Pulsante CLOSE
Premere questo pulsante per chiudere la finestra e tornare alla schermata precedente.
1 2
3
4

Channel Job (Operazione canale)
Manuale di riferimento
90
Inizializzazione dei parametri di un canale
È possibile ripristinare i parametri di un canale sullo stato inizializzato. Questa operazione
può essere eseguita su qualsiasi canale.
NOTA
Dopo l'inizializzazione, il campo TARGET CHs risulterà vuoto, ossia privo di alcuna selezione.
Finestra CH DEFAULT MODE (MODALITÀ PREDEFINITA CANALE)
Consente di inizializzare i parametri.
1
Campo TARGET CHs (CANALI DESTINAZIONE)
Indica il canale selezionato per l'inizializzazione. Con questa finestra visualizzata,
premere un tasto [SEL] nel pannello superiore per selezionare un canale di ingresso.
Sono consentite selezioni multiple. Nel campo vengono indicati i canali selezionati.
Premere nuovamente lo stesso tasto [SEL] per deselezionare il canale.
NOTA
• Se si preme questo campo con un canale selezionato, tutti i canali selezionati
saranno deselezionati.
• Nel caso dei modelli CL3/CL1, i fader che non esistono su questi modelli non
verranno visualizzati.
2
Pulsante DEFAULT
Dopo avere selezionato il canale, premere questo pulsante per eseguire l'operazione
di inizializzazione.
3
Pulsante CLOSE
Premere questo pulsante per chiudere la finestra e tornare alla schermata precedente.
STEP
1.
Nell'area di accesso alle funzioni premere il pulsante CH JOB.
2.
Premere il pulsante DEFAULT nel menu CH JOB.
3.
Premere il tasto [SEL] dei canali da inizializzare, in modo che si illumini
(sono consentite selezioni multiple).
4.
Premere il pulsante DEFAULT per eseguire l'inizializzazione.
Menu
CH JOB
Area di accesso
alle funzioni
1
3
2

Channel Job (Operazione canale)
Manuale di riferimento
91
Informazioni sulla funzione Mix Minus
La funzione Mix Minus consente di rimuovere il segnale di un canale specifico da quelli inviati
ai bus MIX/MATRIX. È possibile utilizzare questa funzione per inviare con rapidità segnali
di monitoraggio a un musicista o a un annunciatore semplicemente rimuovendone il
segnale audio.
NOTA
La funzione Mix Minus è una scelta rapida delle impostazioni e non una procedura di alternanza
delle modalità. Pertanto, anche dopo aver utilizzato questa funzione, è ancora possibile
modificare i parametri nella finestra.
NOTA
Per accedere alla finestra a comparsa MIX MINUS, è anche possibile premere il pulsante
CH JOB nell'area di accesso alle funzioni e quindi premere il pulsante MIX MINUS.
STEP
1.
Tenere premuto il tasto [SEL] e premere contemporaneamente il tasto del bus
MIX/MATRIX nella sezione SELECTED CHANNEL.
2.
Verrà visualizzata la finestra a comparsa MIX MINUS.
3.
Per rimuovere un altro canale di ingresso, premere il tasto [SEL] corrispondente.
4.
Se necessario, selezionare un bus nel campo DESTINATION.
Non è possibile selezionare un bus FIXED.
5.
Premere il pulsante OK per impostare i parametri come segue:
• Il livello di mandata dei segnali inviati dai canali di ingresso selezionati viene
ridotto a -∞ dB.
• Il livello di mandata dei segnali inviati da tutti gli altri canali di ingresso viene impostato
sul valore nominale (0,0 dB).
• L'invio al bus di destinazione è attivato e il punto di invio è impostato su POST.
• Per i canali di ingresso stereo, il livello di mandata del segnale inviato da entrambi
i canali è impostato su -∞ dB.

Memoria scena
Manuale di riferimento
92
Memoria scena
Nelle console della serie CL è possibile assegnare un nome a un set di parametri di
missaggio e impostazioni di assegnazione delle porte di ingresso/uscita, nonché
memorizzare le impostazioni di missaggio come una "scena" per poterle richiamare
successivamente dalla memoria.
A ogni scena è assegnato un numero compreso tra 000 e 300. La scena numero 000
è in sola lettura e viene utilizzata per inizializzare i parametri di missaggio. Le scene
dal numero 001 a 300 sono scene scrivibili.
Ogni scena contiene la posizione dei fader del pannello superiore e lo stato del tasto [ON],
oltre ai parametri riportati di seguito.
• Assegnazione delle porte di ingresso/uscita
• Impostazioni bus
• Impostazioni del preamplificatore
• Impostazioni EQ
• Impostazioni dinamiche 1 e 2
• Impostazioni del rack (GEQ/effetto/Premium Rack)
• Impostazioni pan/bilanciamento
• Impostazioni di inserimento/uscita diretta
• Stato di attivazione/disattivazione e livello di mandata dei segnali inviati ai bus MIX
• Stato di attivazione/disattivazione e livello di mandata dei segnali inviati ai bus MATRIX
• Impostazioni dei gruppi DCA
• Impostazioni dei gruppi di esclusione
• Impostazioni di collegamento dei canali
Il numero della scena attualmente selezionata viene visualizzato nel campo SCENE dell'area
di accesso alle funzioni.
Campo SCENE
È possibile premere il campo SCENE per accedere alla finestra SCENE LIST, in cui
è possibile visualizzare e modificare impostazioni più dettagliate per la scena.
1
Numero scena
Indica il numero della scena attualmente selezionata. Quando si seleziona un nuovo
numero di scena, il numero lampeggerà. Il lampeggiamento indica che il numero
di scena visualizzato è diverso dal numero di scena attualmente caricato.
2
Simbolo R (READ ONLY) (SOLA LETTURA)/Simbolo di protezione
Le scene di sola lettura sono indicate dal simbolo R (READ ONLY) qui visualizzato.
Le scene protette da scrittura sono indicate dal simbolo di protezione.
3
Titolo della scena
Indica il titolo della scena attualmente selezionata.
4
Simbolo E (EDIT)
Questo simbolo viene visualizzato quando si modificano i parametri di missaggio per
la scena attualmente caricata.
Questo simbolo indica che è necessario eseguire l'operazione di memorizzazione se
si desidera conservare le modifiche apportate.
NOTA
Non è possibile memorizzare dati in un numero di scena per il quale è visualizzato il simbolo
di protezione o il simbolo R.
Memorizzazione e richiamo di scene
Per memorizzare le impostazioni di missaggio correnti come una scena in memoria
e richiamarla successivamente, è possibile utilizzare i tasti nella sezione SCENE MEMORY/
MONITOR (MEMORIA SCENE/MONITORAGGIO) del pannello superiore oppure la finestra
SCENE LIST (ELENCO SCENE).
Memorizzazione di una scena
Uso dei tasti nella sezione SCENE MEMORY/MONITOR
4
3
2 21
STEP
1.
Utilizzare i controlli del pad del pannello superiore o i pulsanti dello schermo
sensibile al tocco per impostare i parametri di missaggio desiderati.
2.
Utilizzare i tasti [INC]/[DEC] della sezione SCENE MEMORY per selezionare il
numero della scena di destinazione della memorizzazione.
3.
Premere il tasto [STORE] della sezione SCENE MEMORY.
4.
Assegnare un titolo o un commento alla scena nella finestra SCENE STORE come
desiderato.
5.
Premere il tasto [STORE] della sezione SCENE MEMORY o il pulsante STORE posto
nella parte inferiore della finestra SCENE STORE.
6.
Premere il pulsante OK nella finestra di dialogo STORE CONFIRMATION per eseguire
l'operazione di memorizzazione.
Finestra SCENE STORE
Tasti [INC]/[DEC] della sezione
SCENE MEMORY

Memoria scena
Manuale di riferimento
93
NOTA
• Se si tiene premuto uno dei tasti [INC]/[DEC] della sezione SCENE MEMORY, il numero
della scena aumenterà o diminuirà in modo continuo.
• Se si premono contemporaneamente i tasti [INC] e [DEC] della sezione SCENE MEMORY,
nel campo SCENE verrà nuovamente indicato il numero della scena attualmente caricata.
• È possibile configurare le impostazioni in modo che la finestra di dialogo di conferma
memorizzazione non venga visualizzata (pagina 213). In questo caso, una sola pressione
del tasto [STORE] nella sezione SCENE MEMORY determina la normale visualizzazione della
finestra SCENE STORE e un'ulteriore pressione dello stesso tasto determina l'esecuzione
dell'operazione di memorizzazione. In alternativa, è possibile premere il tasto [STORE] della
sezione SCENE MEMORY due volte di seguito in rapida successione per eseguire l'operazione
di memorizzazione senza che venga visualizzata la finestra SCENE STORE.
Finestra SCENE STORE
1
Campo SCENE TITLE
Premere questo campo per selezionarlo, quindi immettere un titolo per la scena
(massimo 16 caratteri).
2
Campo COMMENT (COMMENTO)
Premere questo campo per selezionarlo, quindi immettere un commento per la scena.
È possibile utilizzare il commento come promemoria per ciascuna scena
(massimo 32 caratteri).
NOTA
Per informazioni dettagliate sull'immissione del testo, vedere il capitolo sull'immissione dei nomi
nel Manuale di istruzioni fornito separatamente.
Uso della finestra SCENE LIST
NOTA
• È possibile selezionare più numeri di scena come destinazione della memorizzazione.
A tale scopo, premere il pulsante MULTI SELECT per attivarlo, quindi ruotare una manopola
multifunzione. In alternativa, ruotare la manopola multifunzione tenendola premuta.
• Se sono state selezionate più scene come destinazione delle memorizzazione, gli stessi
contenuti verranno memorizzati in tutti i numeri di scena selezionati. Ciò risulta utile quando
si desidera creare più varianti basate sulle stesse impostazioni di missaggio.
• È anche possibile utilizzare i tasti [INC]/[DEC] della sezione SCENE MEMORY per selezionare
i numeri di scena.
1 2
STEP
1.
Utilizzare i controller nel pannello superiore o i pulsanti sullo schermo sensibile
al tocco per impostare i parametri di missaggio desiderati.
2.
Premere il campo SCENE nell'area di accesso alle funzioni.
3.
Ruotare una delle manopole multifunzione per selezionare il numero della
scena di destinazione della memorizzazione.
4.
Premere il pulsante STORE nella finestra SCENE LIST.
5.
Assegnare il titolo o il commento desiderato alla scena.
6.
Premere il pulsante STORE posizionato nella parte inferiore della finestra
SCENE STORE (MEMORIZZAZIONE SCENA).
7.
Premere il pulsante OK nella finestra di dialogo STORE CONFIRMATION
(CONFERMA MEMORIZZAZIONE) per eseguire la procedura di memorizzazione.

Memoria scena
Manuale di riferimento
94
Finestra SCENE LIST
In questa finestra è possibile eseguire diverse operazioni correlate alle scene.
La finestra verrà visualizzata quando si premere il campo SCENE.
1
Elenco scene
In questa area sono elencati diversi dati sulle scene memorizzate.
2
Pulsanti NO/TITLE (NUMERO/TITOLO)
Premere questi pulsanti per ordinare le scene elencate in base al numero o al titolo.
Premete più volte lo stesso pulsante per passare dall'ordine crescente all'ordine
decrescente e viceversa.
3
Numero scena
Indica il numero di scena.
4
Titolo della scena
Indica il titolo della scena. Premere questo pulsante per visualizzare la finestra
SCENE TITLE EDIT, in cui è possibile modificare il titolo.
5
Simbolo R (READ ONLY)/Simbolo di protezione
Per le scene di sola lettura viene visualizzato un simbolo "R", mentre per le scene
protette da scrittura viene visualizzata l'icona di protezione (lucchetto).
Per abilitare/disabilitare l'impostazione di protezione di una scena, premere il simbolo R
o quello di protezione della scena selezionata. Premendo ripetutamente il simbolo di
protezione (lucchetto) o il simbolo R (sola lettura) si potrà visualizzare o nascondere
il simbolo corrispondente.
• Simbolo di protezione (lucchetto)
Non sarà possibile sovrascrivere la scena.
• Simbolo R (READ ONLY)
La scena non verrà solo protetta, ma sarà impossibile sovrascriverla con file caricati
da un'unità flash USB. È possibile applicare l'impostazione di protezione solo alle scene
con numeri consecutivi, iniziando dalla scena #001.
• Nessun simbolo
Non verrà protetta alcuna scena.
NOTA
Il simbolo R per il numero di scena 000 non può essere disabilitato.
6
Scena corrente
La scena attualmente selezionata (ovvero la scena corrente) è evidenziata in blu
nell'elenco. Se si preme un altro numero di scena nell'elenco, l'elenco scorrerà
e la scena selezionata diventerà quella corrente.
7
Manopola SCENE SELECT (SELEZIONE SCENA)
Per selezionare una scena, utilizzare le manopole multifunzione. È possibile visualizzare
il numero della scena attualmente selezionata immediatamente sotto la manopola
SCENE SELECT. È possibile selezionare più scene consecutive premendo e ruotando
la manopola multifunzione.
8
Pulsante MULTI SELECT
È possibile selezionare più scene consecutive attivando questo pulsante e ruotando
la manopola multifunzione.
9
Pulsante LAST SCENE
Consente di selezionare la scena richiamata più di recente.
0
Pulsante SCENE STORE
Premere questo pulsante per visualizzare la finestra SCENE STORE, in cui è possibile
assegnare un nome a una scena e memorizzarla.
A
Pulsante STORE UNDO (ANNULLA MEMORIZZAZIONE)
Consente di annullare l'operazione di memorizzazione. Questo pulsante è disponibile
solo subito dopo aver eseguito un'operazione di sovrascrittura o memorizzazione.
NOTA
• Il pulsante STORE UNDO è disponibile solo subito dopo aver sovrascritto o memorizzato una
scena.
• È inoltre possibile assegnare la funzione del pulsante STORE UNDO a un tasto USER DEFINED
(pagina 215).
B
Tab per il passaggio da una pagina a un'altra
Consente di modificare le pagine visualizzate a destra della finestra SCENE LIST.
C
Pulsante PREVIEW (ANTEPRIMA)
Premere questo tasto per selezionare la modalità PREVIEW che consente di visualizzare
e modificare le impostazioni di una scena nella schermata e nel pannello senza influire
sull'elaborazione del segnale della scena corrente.
7
2
3
5
4
8
B9>A
6
C1

Memoria scena
Manuale di riferimento
95
Richiamo di una scena
Uso dei tasti nella sezione SCENE MEMORY/MONITOR
Uso della finestra SCENE LIST
Finestra SCENE LIST
1
Pulsante RECALL SCENE
Consente di richiamare la scena attualmente selezionata.
2
Pulsante RECALL UNDO (ANNULLA RICHIAMO)
Consente di annullare l'operazione di richiamo. Questo pulsante è disponibile
solo subito dopo aver eseguito un'operazione di richiamo.
NOTA
• È inoltre possibile assegnare la funzione del pulsante RECALL UNDO a un tasto
USER DEFINED (pagina 215).
• È anche possibile utilizzare i messaggi MIDI (Program Change) per richiamare le scene
(pagina 186).
STEP
1.
Utilizzare i tasti [INC]/[DEC] della sezione SCENE MEMORY per selezionare
il numero della scena che si desidera richiamare.
2.
Premere il tasto SCENE MEMORY [RECALL].
3.
Premere il pulsante OK per eseguire il richiamo.
STEP
1.
Premere il campo SCENE nell'area di accesso alle funzioni.
2.
Ruotare una delle manopole multifunzione per selezionare il numero della scena
da richiamare.
3.
Premere il pulsante RECALL nella finestra SCENE LIST.
4.
Premere il pulsante OK per eseguire il richiamo.
12

Memoria scena
Manuale di riferimento
96
Uso di tasti USER DEFINED per la funzione di richiamo
È possibile utilizzare i tasti USER DEFINED per richiamare una scena selezionata premendo
un solo tasto o per spostarsi tra le scene. A tale scopo, è necessario in primo luogo assegnare
un'operazione di richiamo scena a un tasto USER DEFINED. È possibile assegnare
a un tasto USER DEFINED le operazioni di richiamo riportate di seguito.
•INC RECALL
Consente di richiamare immediatamente la scena con il numero che segue
la scena attualmente caricata.
• DEC RECALL (RICHIAMA PRECEDENTE)
Consente di richiamare immediatamente la scena con il numero che precede la scena
attualmente caricata.
NOTA
Se non esiste alcuna scena memorizzata con il numero che precede o segue la scena
attualmente caricata, verrà richiamato il numero di scena più vicino in cui è memorizzata
una scena.
• DIRECT RECALL (RICHIAMO DIRETTO)
Consente di richiamare direttamente il numero di scena assegnato al tasto
USER DEFINED. Quando si preme un tasto USER DEFINED a cui è assegnata
questa funzione, la scena assegnata viene richiamata immediatamente.
STEP
1.
Nell'area di accesso alle funzioni premere il pulsante SETUP.
2.
Premere il pulsante USER SETUP in alto a sinistra nella schermata SETUP.
3.
Nella finestra USER SETUP premere il tab USER DEFINED KEYS.
4.
Premere il pulsante corrispondente al tasto USER DEFINED a cui si desidera
assegnare una funzione.
5.
Nella colonna FUNCTION selezionare "SCENE".
6.
Consente di selezionare la funzione da assegnare.
• Per assegnare la funzione INC RECALL o DEC RECALL
Scegliere "INC RECALL" o "DEC RECALL" nella colonna PARAMETER 1 (PARAMETRO 1).
• Per assegnare la funzione DIRECT RECALL
Scegliere "DIRECT RECALL" nella colonna PARAMETER 1 e scegliere "SCENE #xxx"
(dove xxx è il numero della scena) nella colonna PARAMETER 2.
7.
Una volta configurate le impostazioni necessarie, premere il pulsante OK
per chiudere la finestra.
8.
Premere il tasto USER DEFINED a cui si desidera assegnare una funzione di richiamo.
Finestra USER SETUP
(CONFIGURAZIONE UTENTE)
Schermata SETUP
Finestra USER DEFINED KEY SETUP

Memoria scena
Manuale di riferimento
97
Modifica delle memorie scene
In questa sezione viene illustrato come ordinare le scene memorizzate, come modificarne
i titoli e come copiarle e incollarle.
Ordinamento e modifica dei titoli delle memorie scene
Finestra SCENE LIST
1
Pulsante Sort (Ordina)
L'elenco verrà ordinato nel modo seguente, in base all'intestazione di colonna premuta.
•NO.
Elenco ordinato in base al numero di scena.
•TITLE
Elenco disposto in ordine numerico/alfabetico in base al titolo.
•COMMENT
Elenco disposto in ordine numerico/alfabetico in base al commento.
•TIME STAMP
Consente di ordinare l'elenco in base alla data di creazione.
NOTA
Premendo di nuovo la stessa posizione, è possibile modificare il criterio di ordinamento
(crescente o decrescente).
2
Protetto da scrittura
Indica lo stato attivato o disattivato della protezione da scrittura. Premere questo
pulsante per proteggere la scena da scrittura. Viene visualizzata un'icona con un
lucchetto. Per annullare la protezione da scrittura, premere di nuovo il pulsante.
3
Campo TITLE
Premere questo campo per aprire la finestra SCENE TITLE EDIT (MODIFICA TITOLO
SCENA), in cui è possibile immettere il titolo della scena. È possibile modificare
i titoli in questa finestra.
4
Campo COMMENT (COMMENTO)
Premere questo campo per aprire la finestra SCENE COMMENT EDIT
(MODIFICA COMMENTO SCENA), in cui è possibile immettere i commenti per la scena.
È possibile modificare i commenti in questa finestra.
5
Campo STATUS
Gli indicatori di questo campo indicano lo stato di impostazione delle funzioni di
collegamento FOCUS, FADE TIME (DURATA FADE), PLAYBACK (PLAYBACK LINK)
e funzioni GPI (General Purpose Interface). (La funzione di collegamento Playback Link
consente di riprodurre una song desiderata per una durata di tempo specificata dopo
il richiamo di una scena.)
6
Campo TIME STAMP
Indica la data e l'ora in cui è stata memorizzata la scena.
7
Campo CURRENT SETTING
Consente di specificare il contenuto che verrà salvato dall'operazione di memorizzazione
della scena successiva. Le modifiche effettuate qui verranno applicate immediatamente
alla console della serie CL.
8
Tab
Consentono di passare da un elemento all'altro. È possibile utilizzare i tab per spostarsi
tra i quattro campi nella metà destra della finestra (COMMENT/FOCUS/FADE TIME/
PLAYBACK LINK).
STEP
1.
Premere il campo SCENE nell'area di accesso alle funzioni.
2.
Premere il tab COMMENT nella parte inferiore della finestra SCENE LIST.
3.
Per selezionare una scena, ruotare una delle manopole multifunzione nel
pannello superiore.
4.
Modificare la scena.
7
8
4
5
6
1 11 2
3

Memoria scena
Manuale di riferimento
98
Modifica della memoria scene
Le scene archiviate nella memoria scene possono essere copiate e incollate in altri numeri
di scena oppure cancellate. È possibile modificare le memorie scene utilizzando i pulsanti
visualizzati nella parte superiore della finestra SCENE LIST.
1
Pulsante COPY (COPIA)
Premere questo pulsante per copiare la scena nella memoria buffer.
2
Pulsante PASTE
Premere questo pulsante per sovrascrivere la scena selezionata con la scena
nella memoria buffer.
3
Pulsante CLEAR
Premere questo pulsante per cancellare la scena selezionata.
4
Pulsante CUT
Premere questo pulsante per eliminare al scena selezionata e copiarla nella
memoria buffer.
5
Pulsante INSERT
Premere questo pulsante per inserire la scena copiata nella memoria buffer
in corrispondenza del numero di scena selezionato. I numeri delle scene
successive verranno incrementati di uno.
6
Pulsante UNDO
Consente di annullare la più recente operazione di copia, incolla, cancellazione,
taglio o inserimento in memoria e di ripristinare lo stato precedente.
Operazioni di copia e incolla di una scena
È possibile copiare una scena nella memoria buffer per poi incollarla in un numero
di scena diverso.
NOTA
La funzione Global Paste consente di copiare le impostazioni di un canale o di un parametro
della scena corrente e di incollare i dati in una qualsiasi scena singola o multipla presente
in memoria (pagina 99).
NOTA
• Tenere presente che se si copia o si taglia un'altra scena prima dell'operazione Incolla, la scena
appena copiata o tagliata sovrascriverà la scena presente nella memoria buffer.
• Non è possibile selezionare più scene come origine della copia.
• È possibile selezionare più scene di destinazione dell'operazione Incolla. A tale scopo,
premere il pulsante MULTI SELECT per attivarlo, quindi ruotare una manopola multifunzione.
In alternativa, ruotare la manopola multifunzione tenendola premuta. In questo caso, lo stesso
contenuto verrà incollato in tutte le scene selezionate.
• È inoltre possibile inserire una scena copiata (pagina 99).
• Se nella memoria buffer non è stato copiato alcun dato, il pulsante PASTE non sarà disponibile.
Cancellazione di una scena
NOTA
• È possibile selezionare più scene da cancellare. A tale scopo, premere il pulsante
MULTI SELECT per attivarlo, quindi ruotare una manopola multifunzione. In alternativa,
ruotare la manopola multifunzione tenendola premuta.
• Non è possibile cancellare scene in sola lettura o protette da scrittura.
1 2 3 4 5 6
STEP
1.
Premere il campo SCENE nell'area di accesso alle funzioni.
2.
Ruotare una delle manopole multifunzione per selezionare il numero di scena di
origine della copia, quindi premere il pulsante COPY nella finestra SCENE LIST.
3.
Premere il pulsante OK nella finestra di dialogo CONFIRMATION per eseguire
la copia.
4.
Ruotare una delle manopole multifunzione per selezionare il numero di scena
di destinazione della copia, quindi premere il pulsante PASTE.
5.
Premere il pulsante OK nella finestra di dialogo CONFIRMATION per eseguire
l'operazione Incolla.
STEP
1.
Premere il campo SCENE nell'area di accesso alle funzioni.
2.
Ruotare una delle manopole multifunzione per selezionare il numero di scena che
si desidera cancellare, quindi premere il pulsante CLEAR nella finestra SCENE LIST.
3.
Premere il pulsante OK nella finestra di dialogo CONFIRMATION per eseguire
l'operazione di cancellazione.

Memoria scena
Manuale di riferimento
99
Taglio di una scena
In questa sezione viene descritto come tagliare una scena.
Quando si taglia una scena, i numeri delle scene successive verranno ridotti di conseguenza.
È possibile incollare o inserire una scena tagliata nella posizione desiderata. Per tagliare
una scena, ordinare l'elenco scene in base al numero di scena.
NOTA
• Non è possibile tagliare scene in sola lettura o protette da scrittura.
• Tenere presente che se si copia o si taglia un'altra scena prima dell'inserimento o dell'operazione
Incolla, la scena appena copiata o tagliata sovrascriverà la scena presente nella memoria buffer.
Inserimento di una scena
È possibile inserire una scena copiata nella memoria buffer nella posizione di una scena
desiderata. Per inserire una scena, ordinare l'elenco scene in base al numero di scena.
NOTA
• Se si selezionano più scene come destinazione dell'inserimento, la stessa scena verrà inserita
il numero di volte selezionato.
• Se nella memoria buffer non è stato copiato nulla, il pulsante INSERT non è disponibile.
• Il pulsante INSERT non è disponibile anche quando l'operazione di inserimento comporta
l'aumento del numero di scene memorizzate oltre le 300.
• Quando si inserisce una scena, quelle memorizzate nei numeri successivi a tale posizione
verranno aggiornate e il relativo numero verrà aumentato in base al numero di scene inserite.
Uso della funzione Global Paste
(Incolla impostazioni globali)
"Global Paste" è una funzione che consente di copiare e incollare le impostazioni per il canale
o il parametro desiderato dalla scena corrente ai dati della scena in memoria. Sono consentite
selezioni multiple. Si tratta di un metodo comodo per applicare a più scene già memorizzate
le modifiche apportate alla scena corrente.
NOTA
La funzione Global Paste risulta disponibile per un utente se il parametro SCENE LIST STORE/
SORT (MEMORIZZAZIONE/ORDINAMENTO ELENCO SCENE) è attivato nelle rispettive
impostazioni di livello utente.
NOTA
• Mentre i dati vengono incollati, viene visualizzata una barra di avanzamento.
• Durante l'operazione Incolla viene visualizzato il pulsante STOP. Premere il pulsante STOP
per annullare l'operazione. In questo caso, verrà incollata solo parte dei dati e non sarà possibile
annullare l'operazione.
• Non è possibile selezionare parametri diversi per canali diversi.
STEP
1.
Premere il campo SCENE nella finestra SCENE LIST dell'area di accesso alle funzioni.
2.
Ruotare una delle manopole multifunzione per selezionare il numero di scena che
si desidera tagliare, quindi premere il pulsante CUT nella finestra SCENE LIST.
3.
Premere il pulsante OK nella finestra di dialogo CONFIRMATION per eseguire
l'operazione di taglio.
4.
Se si desidera, è possibile incollare (pagina 98) o inserire la scena tagliata
(copiata nella memoria buffer).
STEP
1.
Premere il campo SCENE nell'area di accesso alle funzioni.
2.
Copiare (pagina 98) o tagliare la scena da inserire.
3.
Ruotare una delle manopole multifunzione per selezionare il numero di scena
di destinazione dell'inserimento, quindi premere il pulsante SCENE LIST.
4.
Premere il pulsante OK nella finestra di dialogo CONFIRMATION per eseguire
l'operazione di inserimento.
STEP
1.
Premere il campo SCENE nell'area di accesso alle funzioni.
2.
Premere il pulsante GLOBAL PASTE nella finestra SCENE LIST.
3.
Utilizzare i tab nella finestra GLOBAL PASTE per selezionare l'elemento da copiare.
4.
Premere il tasto [SEL] sul pannello superiore per selezionare il canale di origine della
copia, quindi premere il pulsante nella finestra per selezionare un parametro.
5.
Utilizzare le manopole multifunzione 7 e 8 per selezionare l'intervallo delle scene
di destinazione della funzione Incolla.
6.
Premere il pulsante PASTE per eseguire l'operazione Incolla.
Finestra GLOBAL PASTEFinestra SCENE LIST

Memoria scena
Manuale di riferimento
100
Finestra GLOBAL PASTE
1
Pulsante SET BY SEL
Attivare questo pulsante per aggiungere un canale utilizzando il tasto [SEL]
corrispondente.
2
Pulsante CLEAR ALL/SET ALL (CANCELLA TUTTO/IMPOSTA TUTTO)
Il pulsante CLEAR ALL (CANCELLA TUTTO) cancella tutti i canali selezionati.
Il pulsante SET ALL (IMPOSTA TUTTO) seleziona tutti i canali simultaneamente.
NOTA
Nel caso dei modelli CL3/CL1, i fader che non esistono su questi modelli non verranno
visualizzati.
3
Campo SEND PARAMETER (PARAMETRO MANDATA)
È possibile selezionare tale campo per aprire schermata SEND PARAMETER. Nella
schermata SEND PARATMER, impostare se attivare la funzione Global Paste (Incolla
impostazioni globali) per la selezione bus e il livello mandata.
4
Tab
Consentono di passare da un elemento all'altro.
•Tab INPUT
Selezionare un canale di ingresso nell'area superiore sinistra e i relativi parametri nell'area
inferiore sinistra.
È possibile selezionare i parametri elencati di seguito.
*1. I parametri per Insert 1 e Insert 2 sono selezionati insieme.
*2. Le impostazioni sono collegate in base al collegamento canale per la scena corrente quando vengono
effettuate le impostazioni.
•Tab OUTPUT
Selezionare un canale di uscita nell'area superiore sinistra e i relativi parametri nell'area
inferiore sinistra.
È possibile selezionare i parametri elencati di seguito.
1
4
2
3
ALL Tutti i parametri canale di ingresso
INPUT PATCH Impostazioni di assegnazione degli ingressi
NAME Nome, icona e colore del canale
HA Impostazioni relative al preamplificatore assegnato al canale di ingresso
corrispondente
DELAY Impostazioni del delay di ingresso
HPF Impostazioni HPF
DIGITAL GAIN Impostazioni relative al guadagno digitale per il canale di ingresso
corrispondente
EQ Impostazioni EQ
DYNA 1 Impostazioni di dinamica 1 (inclusi KEY IN SOURCE e KEY IN FILTER)
DYNA 2 Impostazioni di dinamica 2 (compresa KEY IN SOURCE)
MIX SEND Impostazioni per livello di mandata, pan e PRE/POST (PRIMA/DOPO)
del segnale inviato a un bus MIX
MATRIX SEND Impostazioni per livello di mandata, pan e PRE/POST (PRIMA/DOPO)
del segnale inviato a un bus MATRIX
FADER Livello fader
CH ON Stato di attivazione/disattivazione dei tasti [ON]
INSERT
*1
Stato di attivazione/disattivazione dell'inserimento e punto di inserimento
INSERT PATCH
*1
Impostazioni per l'assegnazione insert-in/out
DIRECT OUT Impostazioni per l'attivazione/disattivazione, il livello, il punto di uscita diretta
e l'assegnazione
MIX ON Attivazione/disattivazione mandata a un bus MIX
MATRIX ON Attivazione/disattivazione mandata a un bus MATRIX
TO STEREO Impostazioni per modalità, stato di attivazione/disattivazione TO ST/TO LCR,
CSR, pan/bilanciamento
MONO Attivazione/disattivazione TO MONO
DCA ASSIGN
*2
Impostazioni memorizzate nel gruppo DCA
MUTE ASSIGN
*2
Impostazioni memorizzate nel gruppo MUTE
ALL Tutti i parametri del canale di uscita
OUTPUT PATCH Impostazioni di assegnazione delle uscite
NAME Nome, icona e colore del canale
EQ Impostazioni EQ

Memoria scena
Manuale di riferimento
101
*1. I parametri per Insert 1 e Insert 2 sono selezionati insieme.
*2. Le impostazioni sono collegate in base al collegamento canale per la scena corrente quando vengono
effettuate le impostazioni.
• Scheda BUS SETUP (CONFIGURAZIONE BUS)
È possibile selezionare i seguenti parametri.
•Tab RACK
Consente di scegliere tra GEQ RACK, EFFECT RACK o PREMIUM RACK. È possibile
selezionare un singolo rack per ciascun effetto utilizzato in modo Dual.
•Tab PATCH/OTHERs
È possibile selezionare i parametri elencati di seguito.
*1. In modalità PREVIEW le modifiche effettuate in CL Editor non vengono applicate immediatamente.
Verranno applicate dopo la disattivazione della modalità PREVIEW.
•Tab DCA
È possibile selezionare ALL, LEVEL/ON o NAME. Se è selezionato ALL, verranno copiati
tutti i parametri dei canali. Se si seleziona LEVEL/ON, verranno copiati il livello master
e lo stato di attivazione/disattivazione del canale DCA. Se si seleziona NAME, verrà
copiato il nome del gruppo DCA. È possibile selezionare singolarmente i canali
di origine della copia per ciascun gruppo DCA 1-16.
Per DCA, sebbene sia possibile attivare sia il pulsante LEVEL/ON sia il pulsante NAME,
verranno entrambi disattivati se si attiva il pulsante ALL.
DYNA 1 Impostazioni dinamica 1 (inclusi KEY IN SOURCE e KEY IN FILTER)
INSERT
*1
Stato di attivazione/disattivazione dell'inserimento e punto di inserimento
INSERT PATCH
*1
Impostazioni per l'assegnazione insert-in/out
FADER Livello fader
CH ON Stato di attivazione/disattivazione dei tasti [ON]
TO ST/BAL Impostazioni per modalità, stato di attivazione/disattivazione TO ST/TO LCR,
CSR, pan/bilanciamento (solo MIX 1-24)
MONO Stato di attivazione/disattivazione TO MONO (solo MIX 1-24)
MATRIX SEND Impostazioni per livello di mandata, pan e PRE/POST (PRIMA/DOPO)
del segnale inviato a un bus MATRIX
MATRIX ON Attivazione/disattivazione mandata a un bus MATRIX
WITH SEND FROM
SOURCE CHs
Parametri SEND del segnale di origine mandata che verrà inviato
a un canale
DCA ASSIGN
*2
Impostazioni memorizzate nel gruppo DCA
MUTE ASSIGN
*2
Impostazioni memorizzate nel gruppo MUTE
MIX1/2 - 23/24
Imposta la funzione Recall Safe (Blocca richiamo) per MIX 1-24 nella finestra
BUS SETUP. Questa impostazione viene applicata a una coppia di canali
(un canale con numerazione dispari e uno con numerazione pari).
MATRIX1/2 - 7/8
Imposta la funzione Recall Safe (Blocca richiamo) per MATRIX 1-8 nella
finestra BUS SETUP. Questa impostazione viene applicata a una coppia di
canali (un canale con numerazione dispari e uno con numerazione pari).
SURROUND
SETUP
(CONFIGURAZIO
NE SURROUND)
Impostazioni della modalità surround.
INPUT PATCH
(ASSEGNAZIONE
INGRESSO)
Tutte le assegnazioni del canale di ingresso, di insert-in/out e di uscita diretta
OUTPUT PATCH Tutte le assegnazioni del canale di uscita, di insert-in/out e di uscita diretta
INPUT NAME I nomi, le icone e i colori per tutti i canali di ingresso
OUTPUT NAME I nomi, le icone e i colori per tutti i canali di uscita
HA Impostazioni per guadagno analogico, stato di attivazione/disattivazione
dell'alimentazione phantom e compensazione del guadagno
Pulsante CH LINK Impostazioni di collegamento dei canali
MUTE GROUP
NAME Impostazione del nome del gruppo di esclusione
CUSTOM FADER
BANK
*1
Impostazioni dei banchi di fader personalizzati
CASCADE IN Impostazioni CASCADE IN PATCH e CASCADE IN ATT
CASCADE OUT Impostazioni CASCADE OUT PATCH

Memoria scena
Manuale di riferimento
102
Uso della funzione Focus Recall
"Focus Recall" consente di specificare i parametri che verranno aggiornati quando si
richiama una scena. Ad esempio, questa funzione è utile quando si desidera richiamare
solo le impostazioni del canale di ingresso di una determinata scena.
NOTA
Nella console della serie CL è inoltre disponibile una funzione definita "Recall Safe"
(Blocca richiamo), opposta alla funzione Focus, che consente di escludere canali e parametri
specifici dalle operazioni di richiamo. Tuttavia, mentre la funzione Focus Recall è specificata
per ogni singola scena, le impostazioni Recall Safe vengono applicate a tutte le scene.
NOTA
• Il campo FOCUS consente di configurare le impostazioni per la funzione Focus. I pulsanti
disponibili in questo campo corrispondono all'elenco scene visualizzato sul lato sinistro
della finestra SCENE LIST.
• Le scene per cui è impostata la funzione Focus sono indicate da "FOCUS" nel campo STATUS
della finestra SCENE LIST.
• È possibile utilizzare la funzione Focus insieme alla funzione Recall Safe. I canali o i parametri
esclusi dalle operazioni di richiamo mediante Focus Recall o Recall Safe non verranno richiamati.
• Per FOCUS RECALL, il parametro NAME viene incluso nell'indicatore DCA.
Finestra FOCUS RECALL
Consente di impostare i parametri che verranno richiamati.
1
Pulsante CLEAR ALL
Consente di cancellare tutte le impostazioni.
2
Sezione di visualizzazione dei canali Focus
Indica il canale di destinazione per un'operazione di richiamo. Questo campo
ha lo stesso aspetto della finestra RECALL SAFE.
3
Pulsante SET BY SEL
Attivare questo pulsante per aggiungere un canale utilizzando il tasto [SEL]
corrispondente. Per aggiungere canali come destinazione, attivare questo pulsante,
quindi premere i tasti [SEL] corrispondenti per i canali da aggiungere.
NOTA
Nel caso dei modelli CL3/CL1, i canali che non esistono su questi modelli non
verranno visualizzati.
STEP
1.
Premere il campo SCENE nell'area di accesso alle funzioni.
2.
Premere il tab FOCUS nella parte inferiore della finestra SCENE LIST.
3.
Nella finestra SCENE LIST premere il pulsante SET per la scena da impostare.
4.
Per configurare le impostazioni, attenersi alla procedura a partire dal punto 3
in "Uso della funzione Recall Safe" (pagina 79).
5.
Se si desidera annullare le limitazioni specificate in modo che tutti i parametri
possano essere richiamati, attivare il pulsante ALL.
6.
Richiamare una scena per la quale sono state configurate le impostazioni Focus Recall.
Campo SCENE Finestra SCENE LIST
3
8
6
5
9
1
24
7
0
Tutti i parametri di questi canali sono influenzati dalla funzione Recall.
Alcuni parametri di questi canali sono influenzati dalla funzione Recall.
La funzione Recall è stata annullata per questi canali.

Memoria scena
Manuale di riferimento
103
4
Sezione di visualizzazione FOCUS PARAMETER
Indica i parametri e i rack che saranno interessati dalle operazioni di richiamo
per ciascuna scena. Le procedure e i contenuti sono gli stessi della finestra
RECALL SAFE MODE (pagina 80).
5
Pulsante di selezione dei canali
Consente di selezionare il canale per il quale si desidera configurare la funzione
Focus Recall.
NOTA
Il passaggio da un canale a un altro utilizzando questo pulsante non influisce sulla selezione
del canale nel pannello superiore.
6
Visualizzazione del canale selezionato
In questa area sono indicati l'icona, il numero, il colore e il nome del canale
attualmente selezionato.
7
Pulsante APPLY TO ALL INPUT (APPLICA A TUTTI I CANALI DI INGRESSO)
(solo per canali di ingresso)
Attivare questo pulsante per applicare la selezione dei parametri per Focus Recall
di un solo canale di ingresso a tutti gli altri canali di ingresso.
Questo pulsante può risultare utile per applicare la funzione Focus Recall agli
stessi parametri per tutti i canali di ingresso.
8
Pulsante di selezione dei parametri Recall
Consente di selezionare i parametri Focus Recall per il canale selezionato.
Consente di selezionare i parametri per ciascun canale che saranno interessati dalle
operazioni di richiamo. È possibile effettuare la stessa procedura eseguita nella
finestra RECALL SAFE (pagina 80).
NOTA
• Se il pulsante DCA ASSIGN è attivato, i parametri assegnati ai gruppi DCA (1-16) per il canale
selezionato sono destinati a FOCUS RECALL. Le impostazioni per DCA 1-16 vengono effettuate
contemporaneamente.
• Le impostazioni del pulsante DCA ASSIGN sono collegate in base al collegamento canale
per la scena.
9
Pulsante FOCUS
Consente di attivare/disattivare la funzione Focus Recall.
0
Pulsante CLOSE
Consente di chiudere la finestra.
Utilizzo della funzione Fade
La funzione "Fade" consente di modificare progressivamente i fader di canali
e gruppi DCA specifici con nuovi valori per una durata specificata quando si richiama
una scena. Le impostazioni della funzione Fade vengono eseguite in modo indipendente
per ogni scena.
NOTA
• Le scene per le quali sono state configurate le impostazioni di fading sono indicate da "FADE"
nel campo STATUS della finestra SCENE LIST.
• Le impostazioni della funzione di fading possono essere applicate singolarmente anche
se i fader sono collegati dalla funzione Channel Link.
• È possibile interrompere un effetto fade tenendo premuto un tasto [SEL] mentre si interrompe
il movimento del fader corrispondente.
• Se si richiama la stessa scena mentre i fader si muovono, i fader di tutti i canali o gruppi DCA
passeranno immediatamente alle relative posizioni di destinazione.
STEP
1.
Premere il campo SCENE nell'area di accesso alle funzioni.
2.
Premere il tab FADE TIME nella parte inferiore della finestra SCENE LIST.
3.
Nella finestra SCENE LIST premere il pulsante SET per la scena da impostare.
4.
Premere i tasti [SEL] dei canali o dei gruppi DCA per selezionare i canali o i gruppi
DCA a cui verrà applicato l'effetto Fade. Sono consentite selezioni multiple.
5.
Per regolare il tempo di fading, utilizzare la manopola multifunzione.
6.
Premere il pulsante OK per chiudere la finestra FADE TIME.
7.
Premere il pulsante FADE nella finestra SCENE LIST per attivare la funzione Fade.
8.
Richiamare una scena per la quale è stata attivata la funzione Fade.
I fader si muoveranno subito dopo l'operazione di richiamo e raggiungeranno
i valori della scena richiamata per la durata di fade specificata.
Finestra SCENE LIST
(Campo FADE TIME)
Campo SCENE

Memoria scena
Manuale di riferimento
104
Finestra SCENE LIST (campo FADE TIME)
1
Pulsante SET (IMPOSTA)
Premere questo pulsante per aprire la finestra FADE TIME in cui è possibile selezionare
un canale per il quale si desidera utilizzare la funzione di fading e specificare la durata
di fading, ovvero l'intervallo di tempo durante il quale il fader raggiungerà il nuovo
valore.
2
Pulsante FADE
Consente di abilitare o disabilitare la funzione Fade per ogni scena.
3
Schermata FADE TIME
In questa area viene indicata la durata di fade specificata per ogni scena.
4
Campo CURRENT SETTING
Consente di specificare il contenuto che verrà salvato dall'operazione di memorizzazione
della scena successiva. Le modifiche effettuate qui verranno applicate immediatamente
alla console della serie CL.
Finestra FADE TIME
È possibile selezionare i canali a cui verrà applicata la funzione di fading e regolarne
la durata. Per visualizzare la finestra, premere il pulsante SET nel campo FADE TIME
della finestra SCENE LIST.
1
Campo di visualizzazione dei canali
I canali o i gruppi DCA a cui viene applicata la funzione Fade sono evidenziati.
Per selezionare i canali o i gruppi DCA ai quali è applicata la funzione Fade, premere
i tasti [SEL] per i canali o i gruppi DCA. Premere nuovamente lo stesso tasto [SEL]
per deselezionare il canale.
2
Manopola FADE TIME
Consente di impostare la durata di fading. È possibile regolare i valori mediante
le manopole multifunzione.
L'intervallo è compreso tra 0,0 e 60,0 secondi.
NOTA
La durata di fading verrà utilizzata per tutti i canali e i gruppi DCA selezionati nel campo di
visualizzazione dei canali.
3
Pulsante SET ALL
Premere questo pulsante per applicare l'effetto Fade a tutti i fader della scena.
4
Pulsante CLEAR ALL
Premere questo pulsante per annullare la funzione di fading per tutti i fader della scena.
NOTA
Nel caso dei modelli CL3/CL1, i fader che non esistono su questi modelli non verranno visualizzati.
2
1
3
4
2
34
1

Memoria scena
Manuale di riferimento
105
Uscita di un segnale di controllo a un dispositivo
esterno collegato con richiamo della scena (GPI OUT)
È possibile trasmettere un segnale di controllo a un dispositivo esterno collegato al
connettore GPI della console della serie CL quando si richiama una scena specifica.
Procedere come indicato di seguito.
NOTA
Per ulteriori informazioni sulle impostazione GPI OUT, vedere "Uso di GPI OUT" a pagina 259.
Finestra SCENE LIST (campo GPI OUT)
1
Pulsanti di selezione del segnale di controllo di uscita
Specificano il segnale di controllo emesso da ciascun GPI OUT.
Premendo ripetutamente un pulsante, verranno alternate le seguenti funzioni.
•---- (OFF)...........................................Non viene trasmesso alcun dato.
•TRIGGER.......................................... Un trigger sarà trasmesso al richiamo
della scena.
•TALLY (SENSORE DI LIVELLO)......Un tally (sensore di livello) sarà trasmesso
al richiamo della scena.
2
Campo CURRENT SETTING
Consente di specificare il contenuto che verrà salvato dall'operazione di memorizzazione
della scena successiva. Le modifiche effettuate qui verranno applicate immediatamente
alla console della serie CL.
STEP
1.
Premere il campo SCENE nell'area di accesso alle funzioni.
2.
Premere il tab GPI OUT nella parte inferiore della finestra SCENE LIST.
3.
Per ciascuna scena, viene specificato il segnale di controllo che si desidera emettere
a ciascuna porta GPI OUT.
4.
Richiamare la scena per la quale si desidera emettere segnali GPI OUT.
Finestra SCENE LIST
(Campo GPI OUT)
2
1

Memoria scena
Manuale di riferimento
106
Riproduzione di un file audio collegato
al richiamo di una scena
È anche possibile specificare un file audio che si desidera riprodurre da un'unità flash USB
quando viene richiamata una scena specifica. Questa opzione può risultare utile se si
desidera riprodurre automaticamente un suono con effetti o BGM in una scena specifica.
NOTA
• Salvare i file audio da riprodurre nella cartella SONGS all'interno della cartella YPE. Se si salvano
questi file nella directory principale o in altre cartelle, non sarà possibile specificarli per
la riproduzione. Quando si riproduce un file audio, il percorso nella schermata TITLE LIST
(ELENCO TITOLI) indicherà \YPE\SONGS\.
• Non è possibile riprodurre file audio durante la registrazione o in pausa di registrazione.
• Un file audio specificato verrà riprodotto una volta sola, indipendentemente dalle impostazioni
della modalità di riproduzione.
• I nomi dei file audio devono essere composti da otto caratteri e da un'estensione di tre caratteri.
Se si modifica il nome file dopo aver specificato il file da riprodurre oppure si elimina o copia
più volte il file, in rari casi il file specificato potrebbe diventare irriconoscibile.
NOTA
• Una volta richiamata una scena e in attesa del termine del tempo di offset, nell'area
di accesso alle funzioni viene visualizzato un conto alla rovescia.
• Se è in corso la riproduzione di un'altra song mentre viene richiamata una scena, la riproduzione
della song verrà interrotta quando viene richiamata la scena, indipendentemente
dall'impostazione del tempo di offset.
Finestra SCENE LIST (campo PLAYBACK LINK)
1
Pulsante PLAY
Consente di impostare lo stato di attivazione/disattivazione della funzione Playback Link
per ogni scena.
2
Pulsante di selezione song
Premere questo pulsante per aprire la finestra SONG SELECT nella quale è possibile
selezionare una song e impostare il tempo di offset, ovvero il tempo che trascorre
dal richiamo della scena fino all'avvio della riproduzione. Inoltre, il titolo della song
selezionata verrà visualizzato sul pulsante.
3
Visualizzazione del tempo di offset
Indica l'intervallo di tempo compreso tra il richiamo della scena e l'avvio della
riproduzione del file audio specificato. Impostare il tempo di offset nella
finestra SONG SELECT.
4
Campo CURRENT SETTING
Consente di specificare il contenuto che verrà salvato dall'operazione di memorizzazione
della scena successiva. Le modifiche effettuate qui verranno applicate immediatamente
alla console della serie CL.
STEP
1.
Collegare un'unità flash USB che contiene file audio al connettore USB.
2.
Premere il campo SCENE nell'area di accesso alle funzioni.
3.
Premere il tab PLAYBACK LINK nella parte inferiore della finestra SCENE LIST.
4.
Premere il pulsante di selezione della song per una scena a cui si desidera collegare
il file audio.
5.
Premere file nell'elenco nella finestra SONG SELECT o utilizzare le manopole
multifunzione per selezionare un file che si desidera collegare a una scena.
6.
Utilizzare la manopola multifunzione corrispondente per impostare l'offset,
ovvero il tempo che trascorre fino all'inizio della riproduzione del file audio.
7.
Premere il pulsante OK.
8.
Premere il pulsante PLAY per attivare il collegamento al file audio.
9.
Richiamare una scena a cui è stato collegato un file audio.
Finestra SCENE LIST
(Campo PLAYBACK LINK
(COLLEGAMENTO PLAYBACK))
4
3
2
1

Memoria scena
Manuale di riferimento
107
Finestra SONG SELECT
È possibile selezionare un file audio da collegare alla scena e configurare il tempo di offset.
La finestra verrà visualizzata quando si premere il pulsante di selezione song.
1
Pulsante di modifica directory
Premere questo pulsante per spostarsi al livello immediatamente superiore della cartella.
NOTA
Non è possibile passare a livelli superiori \YPE\SONGS\.
2
Indicatore PATH
In questa area viene indicato il percorso di directory corrente. Viene mostrato solo
il livello \YPE\SONGS\.
3
Pulsanti di commutazione SONG TITLE/FILE NAME
Consentono di passare dall'elenco dei titoli delle song all'elenco dei nomi file e viceversa.
4
Pulsante dell'elenco SONG TITLE
5
Pulsante dell'elenco ARTIST
Premere questi pulsanti per ordinare l'elenco dei file audio (al livello di directory
corrente), rispettivamente, in base al titolo della song e al nome dell'artista.
6
List
Visualizza il nome della cartella o del file audio, il nome dell'artista e la durata
del file audio. È possibile selezionare un file audio premendo il nome della cartella
odelfileaudio.
7
Manopola OFFSET
È possibile utilizzare la manopola multifunzione 8 per impostare l'intervallo di
tempo compreso tra il richiamo della scena e l'avvio della riproduzione del file audio.
Il valore di offset può essere regolato in un intervallo compreso tra 0,0 e 99,0 secondi,
in incrementi di 0,5 secondi.
8
Manopola di scorrimento
Utilizzare la manopola multifunzione per scorrere l'elenco.
7
1
8
2 3
4
5
6

Memoria scena
Manuale di riferimento
108
Uso della modalità Preview
La modalità anteprima consente di visualizzare o modificare le impostazioni di una scena
memorizzata senza influire sull'elaborazione del segnale della scena corrente. Quando
si richiama una scena in questa modalità, le impostazioni della scena appena richiamata
saranno visualizzate nel pannello della console della serie CL, ma l'elaborazione del segnale
della scena corrente resterà com'era prima del richiamo. Anche se si modificano e si salvano
le impostazioni come nuova scena o tramite sovrascrittura, l'elaborazione del segnale della
scena corrente resterà com'era prima del richiamo. Durante un'esecuzione, può essere
comodo utilizzare questa modalità per controllare il contenuto della scena successiva
che si intende richiamare oppure per apportare modifiche minori a una scena e quindi
memorizzarla.
NOTA
• La modalità PREVIEW si applica a tutti i parametri inclusi nella memoria scene, tutti i parametri
inclusi nelle funzioni INPUT PATCH e OUTPUT PATCH e ai parametri dell'HA.
• Le funzioni RECALL SAFE e FOCUS RECALL sono abilitate in modalità PREVIEW.
Funzioni in modalità PREVIEW
La scena corrente verrà modificata dalle operazioni esterne e software seguenti.
• CL Editor
•StageMix
• MIDI Rx
• GPI IN
Allo stesso modo, le modifiche per la scena corrente verranno implementate ai seguenti
componenti software e dispositivi esterni.
• CL Editor
• StageMix
• MIDI Tx
•GPI OUT
Gli indicatori indicano lo stato dell'elaborazione del segnale per la scena corrente.
Viene attivata la funzione Playback Link per richiamare la scena corrente.
In caso di collegamento a cascata, le unità master e slave opereranno in modo indipendente.
Non si verificherà alcun collegamento in modalità PREVIEW.
Le funzioni elencate di seguito non potranno essere utilizzate in modalità PREVIEW.
• Sincronizzare con CL Editor
• Cambiamento di utenti
• Modifica del livello utente
• Caricamento/salvataggio di funzioni
• Modifiche al segnale di attivazione
• Operazioni USER DEFINED KEY
• Operazioni USER DEFINED KNOB
• Modifica o visualizzazione del monitor (MONITOR, CUE, OSCILLATOR, TALKBACK)
• Modifica o visualizzazione delle impostazioni di Nuendo Live
• Modifica o visualizzazione del registratore
• Modifica delle impostazioni DANTE SETUP o DANTE PATCH
•FADE TIME
• Riproduzione o registrazione di EFFECT FREEZE
• Clock e Tap Tempo MIDI per gli effetti
• Misurazione interna per Premium Effects (GR per DynamicEQ e Portico 5043; VU per Opt-
2A, U76 e Buss Comp 369)
Inoltre, non è possibile accedere alla modalità PREVIEW mentre si effettuano le operazioni
indicate di seguito.
• Operazioni Incolla di una scena o di un'impostazione EQ
• Esecuzione della funzione Incolla globale
• Sincronizzazione con CL Editor
• Salvataggio/caricamento di un file
NOTA
I titoli di scena visualizzati in StageMix saranno cambiati nei titoli utilizzati durante l'operazione
di memorizzazione su una console della serie CL utilizzata in modalità PREVIEW.
STEP
1.
Premere il tasto [PREVIEW]. In alternativa, premere il pulsante PREVIEW
nella finestra SCENE LIST.
2.
Utilizzare i tasti [INC]/[DEC], le manopole multifunzione o le manopole
[TOUCH AND TURN] nella sezione SCENE MEMORY per utilizzare la manopola
SCENE SELECT nella finestra SCENE LIST, quindi selezionare il numero della scena
da richiamare.
3.
Premere il tasto SCENE MEMORY [RECALL]. In alternativa, premere il pulsante
RECALL SCENE nella finestra SCENE LIST. Per eseguire l'operazione di richiamo,
premere il pulsante OK.
4.
Se si desidera, utilizzare i controlli del pannello per modificare le impostazioni.
5.
Se si desidera memorizzare le modifiche apportate al punto 4, selezionare il numero
di scena con il quale si desidera memorizzare la scena e premere il pulsante
SCENE MEMORY [STORE]. In alternativa, premere il pulsante SCENE STORE
nella finestra SCENE LIST.
6.
Una volta completate le operazioni di visualizzazione o modifica delle impostazioni
della scena, premere il tasto PREVIEW. In alternativa, premere il pulsante PREVIEW
nella finestra SCENE LIST.

Funzioni Monitor (Monitoraggio) e Cue (Segnale di attivazione)
Manuale di riferimento
109
Funzioni Monitor (Monitoraggio)
e Cue (Segnale di attivazione)
La funzione Monitor consente di monitorare diverse uscite mediante le cuffie o i monitor su
campo breve. Sotto il pad anteriore della console della serie CL si trova un jack PHONES OUT
che emette sempre il segnale di origine del monitoraggio selezionato. Assegnando i canali
MONITOR OUT L/R/C ai jack di uscita desiderati, è anche possibile monitorare lo stesso
segnale tramite altoparlanti esterni.
È possibile selezionare come sorgente di monitoraggio i segnali riportati di seguito.
• Segnale di uscita del canale STEREO
• Segnale di uscita del canale MONO
• Segnale di uscita canale STEREO + MONO
• Segnale di ingresso canali OMNI IN 1-2, 3-4, 5-6, 7-8 (per il monitoraggio di
ciascuna coppia di due canali)
• Segnale di uscita RECORDER PLAYBACK
• Una combinazione di un massimo di otto segnali di uscita dei canali MIX, MATRIX,
STEREO o MONO, dei segnali di uscita RECORDER PLAYBACK e dei segnali di
ingresso OMNI IN 1-2, 3-4, 5-6, 7-8.
La funzione del segnale di attivazione consente di controllare un singolo canale/gruppo DCA
selezionato monitorandolo temporaneamente tramite MONITOR OUT o PHONES. Quando si
preme il tasto [CUE] sul pannello superiore, il segnale di attivazione del canale o gruppo DCA
corrispondente viene inviato come uscita di monitoraggio dalla porta di uscita selezionata. C'è
anche la funzione Solo (Assolo). Fate riferimento a pagina 121.
NOTA
Il segnale di attivazione viene inviato alla stessa destinazione di uscita del segnale di
monitoraggio. Per questo motivo, se si disattiva la funzione di monitoraggio, il segnale
di attivazione non verrà più inviato agli altoparlanti di monitoraggio collegati. Il segnale
di attivazione verrà tuttavia sempre inviato al jack di uscita PHONES.
Nel diagramma riportato di seguito viene mostrato il flusso del segnale di attivazione/
monitoraggio.
• MONITOR SELECT (SELEZIONE MONITORAGGIO)
Consente di selezionare la sorgente di monitoraggio.
• METER
Consente di rilevare e visualizzare il livello del segnale di monitoraggio o del segnale
di attivazione.
• DIMMER (ATTENUATORE)
Consente di attenuare il segnale di monitoraggio o di attivazione in base
a un valore fisso.
CUE(A)
CUE(A)
CUE(A) L
CUE(A) LOGIC
CUE(A)
CUE(A)
CUE(A)
CUE(A) L CUE(A)
CUE(A) LOGIC
CUE(A)
CUE(A) OUT
LEVEL
CUE(A)
CUE(A) R
CUE(A)
CUE(A) OUT
LEVEL
CUE(A)
CUE(A)
CUE(A) OUT L
CUE(A) OUT R
CUE(A) R
CUE(A)
CUE(A)
CUE(A)
CUE(A) L
CUE(A) R
MAXTRIX OUT
1-6, 7-8(CUE B L,R)
MAXTRIX OUT
1-6, 7-8(CUE B L,R)
CUE(A) L
CUE(A) R
CUE(A) OUT L
CUE(A) OUT R

Funzioni Monitor (Monitoraggio) e Cue (Segnale di attivazione)
Manuale di riferimento
110
• MONITOR LEVEL (LIVELLO MONITORAGGIO)
Consente di regolare il livello di uscita dei canali MONITOR OUT L/R/C.
Se PHONES LEVEL LINK (COLLEGAMENTO LIVELLO CUFFIE) è attivo, questa
impostazione influirà inoltre sul livello relativo al jack PHONES OUT.
• MONITOR FADER (FADER MONITORAGGIO)
Utilizzare il fader STEREO MASTER o MONO MASTER per regolare il livello di uscita
dei canali MONITOR OUT L/R/C. MONITOR FADER è posizionato in serie con
MONITOR LEVEL. Se PHONES LEVEL LINK è attivo, questa impostazione influirà
inoltre sul livello relativo al jack PHONES OUT.
•ON (On/off)
Consente di attivare o disattivare la funzione di monitoraggio.
•DELAY (Delay monitoraggio)
Consente di ritardare i segnali di monitoraggio. La funzione Delay è disabilitata
se vengono emessi i segnali di attivazione.
• PHONES LEVEL (LIVELLO CUFFIE)
Consente di regolare il livello di uscita dedicato del jack PHONES Out.
• PHONES LEVEL LINK (funzione Collegamento livello cuffie)
Se questa funzione è attivata, la manopola MONITOR LEVEL consente di regolare
il livello dei segnali inviati al jack PHONES OUT.
• CUE INTERRUPTION (funzione Interruzione segnale di attivazione)
Se questa funzione è attivata, quando si preme il tasto [CUE] sul pannello superiore,
il segnale di attivazione del canale o gruppo DCA corrispondente viene inviato come
uscita di monitoraggio dalla porta di uscita selezionata. Come impostazione predefinita,
questa funzione è attivata.
Disattivarla se non si desidera inviare i segnali di attivazione agli altoparlanti
di monitoraggio.
Uso della funzione Monitor
In questa sezione viene illustrato come selezionare la sorgente di monitoraggio desiderata
e come monitorarla dal jack PHONES OUT o dagli altoparlanti di monitoraggio esterni.
NOTA
È inoltre possibile assegnare ai tasti USER DEFINED le operazioni di attivazione/disattivazione
del monitoraggio, la selezione della sorgente di monitoraggio e le operazioni di attivazione/
disattivazione dell'attenuatore (pagina 215).
STEP
1.
Collegare il sistema di monitoraggio ai jack OMNI OUT (USCITA OMNI)
o 2TR OUT DIGITAL (USCITA DIGITALE 2TR) del pannello posteriore. Per eseguire
il monitoraggio tramite le cuffie, collegare le cuffie al jack PHONES OUT sotto
il pannello frontale.
2.
Nell'area di accesso alle funzioni premere il pulsante MONITOR.
3.
Premere il pulsante di visualizzazione MONITOR o il campo METER nella
schermata MONITOR.
4.
Utilizzare i pulsanti di selezione della sorgente nella schermata MONITOR
per selezionare la sorgente di monitoraggio.
5.
Premere uno dei pulsanti MONITOR OUT PATCH (L/C/R) nel campo METER
per specificare una porta come destinazione di uscita per i segnali di
monitoraggio L, R e C (sono consentite selezioni multiple).
6.
Attivare il pulsante OUTPUT per abilitare il monitoraggio.
7.
Per regolare il livello di monitoraggio, utilizzare la manopola MONITOR LEVEL
nella sezione SCENE MEMORY/MONITOR del pannello superiore.
8.
Configurare le impostazioni desiderate per attenuazione, delay e mono.
Schermata MONITOR

Funzioni Monitor (Monitoraggio) e Cue (Segnale di attivazione)
Manuale di riferimento
111
Schermata MONITOR
Nella schermata MONITOR il campo MONITOR consente di controllare le impostazioni
di monitoraggio correnti e attivare/disattivare la funzione di monitoraggio.
1
Pulsante di visualizzazione MONITOR
Quando si preme questo pulsante, viene visualizzata la finestra MONITOR,
in cui è possibile configurare impostazioni di monitoraggio dettagliate.
2
Campo SOURCE SELECT (SELEZIONE SORGENTE)
Consente di selezionare la sorgente di monitoraggio. Se in questo campo è stato
selezionato DEFINE (DEFINIZIONE), accedere alla finestra MONITOR per specificare
il canale di origine.
3
Campo DIMMER
In questo campo è possibile configurare le impostazioni della funzione Dimmer,
che consente di attenuare temporaneamente i segnali di monitoraggio.
• Manopola DIMMER LEVEL
Consente di regolare il livello di attenuazione dei segnali di monitoraggio quando
è attivato l'attenuatore.
• Pulsante DIMMER ON (ATTIVAZ. ATTENUATORE)
Attivare questo pulsante per consentire l'uso dell'attenuatore per il segnale
di monitoraggio.
4
Campo MONITOR FADER
Consente di impostare e visualizzare il fader di monitoraggio per regolare il livello
di monitoraggio.
• Manopola MONITOR FADER LEVEL
Consente di regolare il livello del fader del monitoraggio. Se si preme questa manopola,
sarà possibile utilizzare le manopole multifunzione nella sezione Centralogic per regolare
il livello.
•Schermata FADER ASSIGN
In questa area viene visualizzato il tipo attualmente assegnato al fader di monitoraggio.
Di seguito sono elencate le assegnazioni degli indicatori.
•---- .......................................... Nessuna assegnazione
•MASTER A ............................ Solo Master A
•MASTER A+ .......................... Master A, Master B e banco di fader personalizzato
•MASTER B ............................ Solo master B
•MASTER B+ .......................... Master B e banco di fader personalizzato
•CUSTOM................................ Un solo fader nel banco di fader personalizzato
•CUSTOMs.............................. Più fader nel banco di fader personalizzato
5
Campo Meter
Indica il livello di uscita dei canali Monitor Out L, R e C. Premere questo campo
per aprire la finestra MONITOR.
6
Pulsante MONITOR OUTPUT
Consente di attivare o disattivare l'uscita del monitoraggio.
7
Pulsante PHONES LEVEL LINK
Se questo pulsante è attivato, la manopola MONITOR FADER LEVEL consente di regolare
il livello dei segnali inviati al jack PHONES OUT.
8
Pulsante MONO MONITOR
Attivare questo pulsante per impostare i segnali di monitoraggio su mono.
1
6
7
8
2 3 4 5

Funzioni Monitor (Monitoraggio) e Cue (Segnale di attivazione)
Manuale di riferimento
112
Finestra MONITOR
È possibile configurare impostazioni di monitoraggio dettagliate. Questa schermata viene
visualizzata quando si preme il pulsante di visualizzazione MONITOR o il campo METER
nella schermata MONITOR.
Campo SOURCE SELECT
Consente di selezionare il segnale di origine per il bus MONITOR.
1
Pulsanti di selezione della sorgente
Selezionare una delle voci riportate di seguito come sorgente del segnale
che verrà inviato al bus MONITOR.
Campo DIMMER
In questo campo è possibile configurare le impostazioni della funzione Dimmer, che consente
di attenuare temporaneamente i segnali di monitoraggio.
2
Manopola DIMMER
Consente di regolare il livello di attenuazione dei segnali di monitoraggio quando
la funzione Dimmer è attivata.
3
Pulsante DIMMER ON/OFF
Consente di attivare o disattivare la funzione Dimmer.
4
Manopola TALKBACK DIMMER
Consente di regolare il livello di attenuazione del segnale di monitoraggio
quando è attivato il talkback.
5
Indicatore TALKBACK ON
Indica lo stato di attivazione o disattivazione del talkback.
6
Pulsante PHONES LEVEL LINK
Consente di collegare il livello del segnale del jack PHONES OUT al livello del segnale
di monitoraggio. Attivare questo pulsante per regolare il livello dei segnali inviati al
jack PHONES OUT utilizzando la manopola MONITOR FADER LEVEL
0
o il fader
A
a cui è stata assegnata la funzione di questa manopola.
NOTA
Se il pulsante PHONES LEVEL LINK è attivato, utilizzare la manopola MONITOR LEVEL
e il fader del monitor, nonché la manopola PHONES LEVEL per regolare il livello di monitoraggio
quando il monitoraggio viene eseguito mediante le cuffie.
7
Pulsante CUE INTERRUPTION
Premere questo pulsante per interrompere il segnale di monitoraggio tramite il segnale
di attivazione. Se questo pulsante è attivato e la funzione Cue è abilitata, il segnale di
attivazione viene inviato all'uscita di monitoraggio. Come impostazione predefinita,
questa funzione è attivata. Se non si desidera inviare il segnale di attivazione all'uscita
di monitoraggio, disattivare questo pulsante.
8
Pulsante MONO MONITOR
Attivare questo pulsante per impostare i segnali dell'uscita di monitoraggio su mono.
9
Pulsante MONITOR OUTPUT
Consente di attivare/disattivare l'uscita di monitoraggio. Quando questo pulsante
è attivato, la sorgente di monitoraggio selezionata in
1
viene inviata alla destinazione
di uscita
E
.
NOTA
Il jack di uscita PHONES emetterà sempre il segnale di monitoraggio, indipendentemente dallo
stato di attivazione o disattivazione del pulsante OUTPUT.
STEREO L/R Segnali del canale STEREO L/R
MONO (C) Segnale del canale MONO
LCR Segnali del canale STEREO L/R + MONO
OMNI 1-2 - 7-8 Segnali 1 - 8 dei jack OMNI IN (per due canali)
PB OUT Segnali PLAYBACK OUT del registratore
DEFINE Segnali selezionati nel campo ASSIGN
9
D
E
F
1
24 7
3B
6 8
5A0C

Funzioni Monitor (Monitoraggio) e Cue (Segnale di attivazione)
Manuale di riferimento
113
Campo MONITOR FADER
0
Manopola MONITOR FADER LEVEL
Indica il livello di monitoraggio. Premere questa manopola per regolare il livello
di monitoraggio mediante la manopola multifunzione. In alternativa, premere il
tasto Bank Select [STEREO] nella sezione Centralogic, quindi utilizzare il fader
di monitoraggio per regolare il livello.
A
Indicatore FADER ASSIGN
Indica i fader a cui è assegnato il livello di monitoraggio. Di seguito sono elencate
le assegnazioni degli indicatori.
Campo MONITOR DELAY
Questo campo consente di specificare l'impostazione del delay di monitoraggio in base
al quale viene ritardato il segnale di monitoraggio.
B
Pulsante AUTO BYPASS
Attivare questo pulsante per ignorare automaticamente il delay di monitoraggio
quando il segnale di attivazione è attivato.
C
Manopola MONITOR DELAY
Indica il tempo di delay attualmente specificato. Il valore in millisecondi è indicato
sopra la manopola, mentre il valore del tempo di delay nelle unità attualmente
selezionate e il tipo di scala attualmente selezionato sono indicati sotto. Tuttavia,
se la scala è impostata su ms (millisecondi), il valore del tempo di delay non viene
visualizzato sopra la manopola.
Premere questa manopola per controllare il livello mediante le manopole multifunzione.
Campo Meter
Indica il livello di uscita di monitoraggio.
D
Indicatori
Questo campo mostra il livello di uscita dei canali L/R/C di monitoraggio.
E
Pulsante MONITOR OUT PATCH
Premere questo pulsante per aprire la finestra PORT SELECT, in cui è possibile selezionare
una porta di uscita da assegnare ai canali L/R/C di uscita monitoraggio.
NOTA
• È possibile specificare le porte di uscita solo per MONITOR OUT L e R ed eseguire
il monitoraggio mediante due altoparlanti.
• Se non si è specificata alcuna porta di uscita per MONITOR OUT C, la selezione del pulsante
MONO (C) o LCR come sorgente di monitoraggio determinerà la distribuzione automatica
del segnale del canale MONO ai canali MONITOR OUT L/R.
F
Campo ASSIGN
Se si è selezionato DEFINE nel campo SOURCE SELECT, sarà possibile utilizzare il campo
ASSIGN per specificare più sorgenti di monitoraggio. Nella tabella riportata di seguito
vengono illustrate le sorgenti di monitoraggio che è possibile selezionare nel campo
ASSIGN.
NOTA
È possibile selezionare un massimo di otto sorgenti di monitoraggio nel campo ASSIGN. Se si
selezionano otto sorgenti di monitoraggio, non sarà possibile effettuare altre selezioni. Disattivare
i pulsanti delle sorgenti non necessarie.
MASTER A Solo fader MASTER A
MASTER A+ Fader MASTER A, MASTER B e banco di fader personalizzato
MASTER B Solo fader MASTER B
MASTER B+ MASTER B e banco di fader personalizzato
CUSTOM Un solo fader nel banco di fader personalizzato
CUSTOMs Più fader nel banco di fader personalizzato
DANTE 1-64 Canali di uscita 1-64 alla rete audio
OMNI1-8 Jack OMNI OUT 1-8
DIGI OUT L/R Jack DIGITAL OUT sull'unità CL
SLOT1-1 - SLOT3-16 Canali di uscita 1-16 di una scheda I/O installata negli slot 1-3
MIX 1-24 Segnali di uscita dei canali MIX 1-24
MTRX 1-8 Segnali di uscita dei bus MATRIX 1 - 8
STEREO Segnali di uscita del canale STEREO L/R
MONO (C) Segnale di uscita del canale MONO
OMNI 1-2 - OMNI 7-8 Segnali di ingresso dei jack OMNI IN 1 - 8 (per due
canali)
PB OUT Segnali PLAYBACK OUT del registratore

Funzioni Monitor (Monitoraggio) e Cue (Segnale di attivazione)
Manuale di riferimento
114
Schermata MONITOR (campo Monitor
in modalità Surround)
Se si imposta un bus sulla modalità Surround in BUS SETUP, il campo Monitor
nella schermata MONITOR avrà l'aspetto illustrato di seguito.
1
Pulsante di visualizzazione SURROUND MONITOR
Quando si preme questo pulsante, viene visualizzata la finestra SURROUND MONITOR,
in cui è possibile configurare impostazioni di monitoraggio surround dettagliate.
2
Campo SOURCE SELECT
Consente di selezionare la sorgente di monitoraggio surround. Se 2CH MONITOR
è stato selezionato in questo campo, utilizzare la finestra SURROUND MONITOR
per specificare il canale di origine.
3
Campo Speaker Mute
È possibile escludere singolarmente ogni altoparlante sottoposto a monitoraggio.
4
Campo DOWNMIX
Selezionare in quale campo eseguire downmix.
•Pulsante STEREO
Downmix in modalità stereo.
•Pulsante MONO
Downmix in modalità mono.
5
Campo Meter
Mostra gli indicatori per il segnale surround monitorato. Il layout degli indicatori
equivale a quello impostato nella schermata SURROUND SETUP.
Finestra SURROUND MONITOR (Modalità Surround)
È possibile configurare impostazioni di monitoraggio surround dettagliate. Se la modalità
Surround è impostata per le impostazioni bus in BUS SETUP, questa finestra viene
visualizzata quando si preme il pulsante di visualizzazione MONITOR o il campo METER
nella schermata MONITOR.
1
Campo SOURCE SELECT
Selezionare una delle voci riportate di seguito come sorgente surround che verrà inviata
al bus MONITOR.
2
Pulsante MONITOR SOURCE SETUP
Utilizzare questo pulsante per aprire la schermata MONITOR SOURCE SETUP. Impostare
le sorgenti e i nomi per EXT 5.1 - 1-3 (EXTERNAL SURROUND) ed EXT ST - 1-4
(EXTERNAL STEREO).
1
2 3 54
MIX1-6 Segnali surround nel mix corrente
EXT5.1-1-3 Segnali surround impostati in MONITOR SOURCE SETUP (3 canali)
2CH MONITOR Segnali stereo impostati in MONITOR SOURCE SETUP
7
6
5
1
342

Funzioni Monitor (Monitoraggio) e Cue (Segnale di attivazione)
Manuale di riferimento
115
3
Campo DOWNMIX
Selezionare in quale campo eseguire downmix.
•Pulsante STEREO
Downmix in modalità stereo.
•Pulsante MONO
Downmix in modalità mono.
4
Pulsante DOWNMIX SETUP
Utilizzare questo pulsante per aprire la schermata DOWNMIX SETUP.
Impostare i parametri per i downmix.
5
Campo Meter
Mostra gli indicatori per il segnale surround monitorato. Il layout degli indicatori
equivale a quello impostato nella schermata SURROUND SETUP.
6
Campo Speaker Mute
È possibile escludere singolarmente ogni altoparlante sottoposto a monitoraggio.
7
Pulsante SOLO
Attiva la funzione solo per gli altoparlanti di monitoraggio. Se attivati, tutti i pulsanti
degli altoparlanti nel campo di esclusione altoparlanti sono attivati. In questo momento,
se si preme uno dei pulsanti degli altoparlanti, solo questo pulsante rimane attivo, gli
altri si spengono. Se si preme un pulsante altoparlante diverso, gli altri si spengono.
NOTA
Se si passa alla modalità Surround, l'assegnazione per l'uscita di monitoraggio può essere
impostata nella schermata OUTPUT PORT e non in questa schermata. (Vedere a pagina 62.)
Schermata MONITOR SOURCE SETUP
Premere il pulsante MONITOR SOURCE SETUP nella schermata SURROUND MONITOR
per aprire questa schermata.
1
Campo NAME
Premere questo pulsante per aprire la schermata PATCH/NAME (con il tab NAME
selezionato). Immettere il nome della sorgente nella schermata con la tastiera.
2
Campo PATCH
Premere questo pulsante per aprire la schermata PATCH/NAME
(con il tab PATCH selezionato). Selezionare la porta da assegnare.
21
1

Funzioni Monitor (Monitoraggio) e Cue (Segnale di attivazione)
Manuale di riferimento
116
Schermata DOWNMIX SETUP
Premere il pulsante DOWNMIX SETUP nella schermata SURROUND MONITOR per
aprire questa schermata. Il layout dei canali equivale a quello impostato nella schermata
SURROUND SETUP.
1
Campo del canale di uscita
Consente di selezionare il canale di uscita. È possibile utilizzare i pulsanti L e R per
attivare o disattivare ciascuno di essi.
2
Campo dei parametri downmix
Consente di impostare i parametri downmix di ciascun canale e i monitoraggi
del canale master.
3
Pulsante APPLY TO MIX1-6 TO STEREO
Premere questo pulsante per applicare i parametri downmix per i canali monitor
impostati ai parametri downmix per il canale principale (MIX1-6 to STEREO).
Uso della funzione del segnale di attivazione
Informazioni sui gruppi di segnali di attivazione
I segnali di attivazione nella console della serie CL possono essere suddivisi nei quattro
gruppi riportati di seguito.
1
Gruppo INPUT CUE
Questo gruppo è costituito dai segnali di attivazione dei canali di ingresso. Per abilitare
la funzione Cue per questo gruppo, premere il tasto [CUE] per qualsiasi canale
di ingresso.
NOTA
Se i canali di ingresso o ST IN sono assegnati alla sezione Centralogic, è anche possibile
utilizzare i tasti [CUE] nella sezione Centralogic per abilitare la funzione Cue per questo gruppo.
2
Gruppo DCA CUE
Questo gruppo è costituito dai segnali di attivazione dei gruppi DCA. Per attivare
il segnale di attivazione per questo gruppo, assegnare i gruppi DCA nella sezione
Centralogic e premere un tasto [CUE] nella sezione Centralogic.
3
2
1
Tasto [CUE] canale di ingresso
Tasto [CUE] nella sezione Centralogic
(quando si utilizzano i gruppi DCA)

Funzioni Monitor (Monitoraggio) e Cue (Segnale di attivazione)
Manuale di riferimento
117
3
Gruppo OUTPUT CUE
Questo gruppo è costituito dai segnali di attivazione dei canali di uscita. Per attivare
o disattivare la funzione Cue per questo gruppo, premere il tasto [CUE] nella sezione
Master o assegnare i canali MATRIX alla sezione Centralogic e premere il tasto [CUE]
nella sezione Centralogic.
NOTA
Se i canali STEREO/MONO sono assegnati alla sezione Centralogic, è anche possibile utilizzare
i tasti [CUE] nella sezione Centralogic per abilitare il segnale di attivazione per questo gruppo.
4
Gruppo Other CUE
Si tratta dei segnali di attivazione utilizzati mediante i pulsanti
visualizzati sullo schermo sensibile al tocco. Questo gruppo
viene abilitato se si attiva il pulsante CUE in una finestra
EFFECT o PREMIUM, oppure se si attiva il pulsante KEY IN CUE
nella finestra DYNAMICS 1. Questo gruppo viene disabilitato
automaticamente quando si esce dalla finestra
corrispondente.
NOTA
Non è possibile attivare contemporaneamente il monitoraggio dei segnali di attivazione tra gruppi
differenti. Normalmente, ha la priorità il gruppo a cui appartiene il tasto [CUE] premuto per ultimo
(o un pulsante CUE/KEY IN CUE sullo schermo), mentre i tasti [CUE] del gruppo selezionato
in precedenza vengono disattivati.
Se, tuttavia, si passa da un gruppo di segnali di attivazione all'altro in un ordine specifico, verrà
ripristinato lo stato dei tasti [CUE] del gruppo selezionato in precedenza quando il segnale
di attivazione corrente viene annullato.
Nella figura riportata di seguito viene
illustrato l'ordine di priorità dei tasti
[CUE]. Se dopo aver spostato gruppi
dal livello inferiore al livello superiore
si annulla il segnale di attivazione per
il gruppo superiore, verrà ripristinato lo
stato precedente del tasto [CUE] del
gruppo immediatamente successivo.
Se ad esempio si scambiano gruppi
nell'ordine del gruppo OUTPUT
CUE gruppo DCA CUE gruppo
INPUT CUE gruppo Other CUE,
sarà possibile disattivare i tasti [CUE]
(pulsanti CUE/KEY IN CUE) per
ripristinare successivamente lo stato
del tasto [CUE] del gruppo
selezionato in precedenza.
Tasto [CUE] nella sezione Master
Tasto [CUE] nella sezione Centralogic
(quando si utilizza il canale MIX
oMATRIX)
Pulsante CUE sullo
schermo
Gruppo Other CUE
Gruppo INPUT CUE
Gruppo DCA CUE
Gruppo OUTPUT CUE

Funzioni Monitor (Monitoraggio) e Cue (Segnale di attivazione)
Manuale di riferimento
118
Uso della funzione Cue
In questa sezione viene illustrato come utilizzare il tasto [CUE] per un canale
o un gruppo DCA per monitorare i segnali di attivazione.
NOTA
Il segnale di attivazione viene inviato alla stessa destinazione di uscita del segnale
di monitoraggio. Per questo motivo, se si disattiva la funzione di monitoraggio, il segnale
di attivazione non verrà inviato agli altoparlanti monitor collegati. I segnali di attivazione, tuttavia,
verranno sempre emessi dal jack PHONES OUT sotto il pannello anteriore, indipendentemente
dall'impostazione di attivazione/disattivazione della funzione Monitor. Per informazioni dettagliate
sulla funzione Monitor, vedere "Uso della funzione Monitor" (pagina 110).
NOTA
• Il segnale di attivazione viene inviato all'uscita del monitor e ai jack PHONES Out
indipendentemente dallo stato di attivazione o disattivazione del pulsante CUE OUTPUT.
Tuttavia, il segnale di attivazione non verrà più inviato all'uscita del monitor se si disattiva
CUE INTERRUPTION. Il segnale di attivazione viene sempre trasmesso al jack PHONES Out,
indipendentemente dall'impostazione di CUE INTERRUPTION.
• Se si utilizzano i pulsanti di selezione del bus MIX/MATRIX nella finestra SENDS ON FADER,
è possibile premere nuovamente il pulsante selezionato per attivare il segnale di attivazione
per il canale MIX/MATRIX corrispondente (pagina 45).
• Se si desidera collegare le operazioni del segnale di attivazione e le operazioni di selezione
dei canali, aprire la finestra USER SETUP, scegliere il tab PREFERENCE, quindi attivare
e attivare [CUE] [SEL] LINK (pagina 214).
• È anche possibile assegnare la funzione del pulsante CLEAR CUE a un tasto USER DEFINED
(pagina 215).
• Se PHONES LEVEL LINK (pagina 111) nella schermata MONITOR è attivo, è possibile utilizzare
le manopole MONITOR LEVEL e PHONES LEVEL per regolare il livello del segnale
di attivazione quando il monitoraggio viene eseguito mediante le cuffie.
• Per regolare il livello alla porta di destinazione di uscita del segnale di attivazione, regolare
il guadagno della porta di uscita assegnata.
• Se si attiva il tasto [CUE] o il pulsante CUE sul display, viene visualizzato l'indicatore CUE
nell'area di accesso alle funzioni che indica il livello di uscita CUE. Nella parte superiore
dell'indicatore del segnale di attivazione viene visualizzata un'abbreviazione per il gruppo o il
pulsante CUE attualmente attivo. Di seguito è illustrato il significato delle abbreviazioni
visualizzate per gli indicatori di attivazione.
STEP
1.
Nell'area di accesso alle funzioni premere il pulsante MONITOR.
2.
Premere il pulsante di visualizzazione CUE o il campo INPUT/DCA/OUTPUT CUE
nella schermata MONITOR.
3.
Utilizzare il pulsante CUE MODE nella schermata CUE per specificare cosa accade
quando vengono attivati più tasti [CUE] all'interno dello stesso gruppo CUE.
4.
Utilizzare i pulsanti e le manopole del campo INPUT CUE/DCA CUE/OUTPUT CUE
per specificare la posizione e il livello di uscita per ciascun gruppo CUE.
5.
Premere uno dei pulsanti CUE OUT PATCH (L/R) nel campo METER per specificare
una porta come destinazione di uscita per i segnali di attivazione L e R (sono
consentite selezioni multiple).
6.
Premere il tasto [CUE] del canale o del gruppo DCA da monitorare per attivarlo.
7.
Per regolare il livello del segnale Cue, utilizzare la manopola [MONITOR LEVEL]
nella sezione SCENE MEMORY/MONITOR del pannello superiore.
8.
Per annullare il segnale di attivazione, premere nuovamente il tasto [CUE]
attualmente attivo. Per cancellare tutte le selezioni Cue, premere il pulsante
CLEAR CUE nel campo Meter.
Schermata MONITOR
IN Gruppo INPUT CUE
DCA Gruppo DCA CUE
OUT Gruppo OUTPUT CUE
EFFECT Pulsante CUE nelle finestre EFFECT e PREMIUM RACK
(Gruppi Other CUE)
KEY IN Pulsante KEY IN CUE nella finestra DYNAMICS1
(Gruppi Other CUE)
REC/PB
Pulsante RECORDER INPUT CUE (ATTIVAZIONE INGRESSO
REGISTRATORE) o PLAYBACK OUT CUE (ATTIVAZIONE
USCITA RIPRODUZIONE)
(Altri gruppi CUE)
Indicatore CUE

Funzioni Monitor (Monitoraggio) e Cue (Segnale di attivazione)
Manuale di riferimento
119
• Se CUE è impostato su due canali, l'indicatore CUE viene visualizzato come mostrato di seguito.
Schermata MONITOR
Il campo CUE della schermata MONITOR consente di controllare le impostazioni correnti
del segnale di attivazione e di attivare o disattivare quest'ultimo.
1
Pulsante di visualizzazione CUE
Quando si preme questo pulsante, viene visualizzata la finestra CUE, in cui è possibile
configurare impostazioni dettagliate del segnale di attivazione.
2
Pulsanti CUE MODE
Consentono di selezionare la modalità di attivazione. È possibile selezionare la modalità
MIX CUE, in cui tutti i canali selezionati verranno attivati, oppure la modalità LAST CUE,
in cui verranno attivati solo i canali selezionati più di recente.
3
Sezione INPUT/DCA/OUTPUT CUE
Indica le impostazioni per il segnale di attivazione di ingresso, DCA e di uscita. Premere
questo campo per aprire la finestra CUE.
4
Pulsante CUE OUTPUT
Consente di attivare o disattivare l'uscita del segnale di attivazione.
5
Pulsante CLEAR CUE
Consente di annullare contemporaneamente tutte le selezioni correlate al segnale
di attivazione. Se è stata selezionata la modalità MIX CUE, tutti i canali selezionati
verranno cancellati.
CUE A&B
Solo CUE A Solo CUE B
14
5
2 3

Funzioni Monitor (Monitoraggio) e Cue (Segnale di attivazione)
Manuale di riferimento
120
Finestra CUE
È possibile configurare impostazioni dettagliate per il segnale di attivazione. Questa finestra
viene visualizzata quando si preme il campo INPUT/DCA/OUTPUT CUE.
1
Pulsanti CUE MODE
Consentono di selezionare una delle due modalità di attivazione seguenti:
•MIX CUE
Tutti i canali selezionati vengono missati e monitorati.
•LAST CUE
Viene monitorato solo il canale selezionato più di recente.
NOTA
Se si passa dalla modalità MIX CUE alla modalità LAST CUE nella sezione CUE MODE,
tutte le selezioni correlate al segnale di attivazione verranno annullate.
Campo INPUT CUE
Questo campo consente di configurare impostazioni correlate al segnale di attivazione
del canale di ingresso.
2
Pulsante di selezione del punto di attivazione
Consente di impostare il punto di attivazione su PFL (subito prima del fader),
AFL (subito dopo il fader) o POST PAN (subito dopo il PAN).
NOTA
Se si attiva il pulsante POST PAN, non sarà più possibile monitorare i segnali inviati al bus MONO
da un canale di ingresso impostato sulla modalità LCR.
3
Manopola PFL TRIM
Indica i livelli di monitoraggio quando PFL è selezionato. È possibile regolare il livello
utilizzando la manopola multifunzione.
È possibile regolare i livelli di monitoraggio nell'intervallo compreso tra -30dB e +20dB.
Campo DCA CUE
Questa sezione consente di configurare impostazioni correlate al segnale di attivazione DCA.
4
Pulsante di selezione del punto di attivazione
Consente di impostare il punto di attivazione per il gruppo DCA su PRE PAN
(subito prima del PAN), o POST PAN (subito dopo il PAN).
5
Manopola DCA TRIM
Indica il livello di monitoraggio dei segnali di attivazione da un gruppo DCA. È possibile
regolare il livello utilizzando la manopola multifunzione.
È possibile regolare i livelli di monitoraggio nell'intervallo compreso tra -30dB e +20dB.
6
Pulsante UNITY
Attivare questo pulsante per monitorare i segnali allo stesso livello di volume ottenuto
quando il livello master per ciascun gruppo DCA era impostato su 0 dB (guadagno
unitario).
Campo OUTPUT CUE (PORTA DI USCITA)
Questa sezione consente di effettuare impostazioni correlate al segnale di attivazione
del canale di uscita.
7
Pulsante di selezione del punto di attivazione
Consente di impostare il punto di attivazione per il canale di uscita su PFL (subito prima
del fader), o AFL (subito dopo il fader).
8
Manopola PFL TRIM
Indica i livelli di monitoraggio quando PFL è selezionato. È possibile regolare
il livello utilizzando la manopola multifunzione.
È possibile regolare i livelli di monitoraggio nell'intervallo compreso tra -30dB e +20dB.
Campo Meter
9
Indicatore ACTIVE CUE
Si illumina per indicare il tipo di segnale di attivazione attualmente monitorato
(ingresso: blu, DCA: giallo, uscita: arancione).
0
Pulsante CLEAR CUE
Consente di annullare contemporaneamente tutte le selezioni correlate al segnale
di attivazione.
NOTA
Se si preme l'indicatore CUE nell'area di accesso alle funzioni, tutte le selezioni correlate
al segnale di attivazione verranno annullate.
A
Sezione Meter
Questo campo mostra il livello di uscita dei canali L/R del segnale di attivazione.
F
E
G
I
BA74
D>965 8
12
3
C
H

Funzioni Monitor (Monitoraggio) e Cue (Segnale di attivazione)
Manuale di riferimento
121
B
Pulsante CUE OUTPUT
Consente di attivare o disattivare l'uscita del segnale di attivazione.
C
Manopola CUE LEVEL
Indica il livello di uscita dell'uscita del segnale di attivazione. È possibile regolare
i valori mediante le manopole multifunzione.
D
Pulsante CUE OUT PATCH
Premere questo pulsante per aprire la finestra PORT SELECT, in cui è possibile selezionare
una porta di uscita da assegnare ai canali L/R di uscita del segnale di attivazione.
Campo FADER CUE RELEASE
Spostare il fader del canale con segnale di attivazione per impostare la funzione
FADER CUE RELEASE per il rilascio del segnale di attivazione.
E
Pulsante ON
Consente di attivare e disattivare la funzione FADER CUE RELEASE.
F
Manopola THRESHOLD
Consente di impostare il valore del fader per il rilascio del segnale di attivazione.
Se il valore del fader supera il valore impostato con questa manopola, il segnale
di attivazione viene rilasciato.
Campo SOLO (Assolo)
Determina i parametri della funzione Solo.
Con la funzione Solo, sarà trasmesso solo il segnale del canale di ingresso/uscita o DCA per
il quale il tasto [CUE] è attivato da MIX, MATRIX e STEREO su ciascun bus. Tutti gli altri canali
o DCA sono esclusi.
G
Pulsante di elenco a discesa SOLO SAFE
Quando viene premuto il pulsante di elenco a discesa SOLO SAFE, viene visualizzata la
finestra a comparsa SOLO SAFE (che specifica i canali assolo non esclusi).
In quest'area è possibile specificare i canali che verranno esclusi dalle operazioni Solo.
(è possibile selezionare più canali). I canali selezionati in questo campo non verranno
esclusi quando viene attivata la modalità SOLO. Conviene utilizzare questa funzione se,
ad esempio, si desidera evitare che determinati canali vengano accidentalmente
impostati in modalità SOLO, ad esempio i canali STEREO principali o i canali MIX che
inviano i segnali a un registratore esterno.
DANTE 1-64 Canali di uscita 1-64 alla rete audio
OMNI1-8 Jack OMNI OUT 1-8
DIGI OUT L/R Jack DIGITAL OUT sull'unità CL
SLOT1-1 - SLOT3-16 Canali di uscita 1-16 di una scheda I/O installata negli slot 1-3

Funzioni Monitor (Monitoraggio) e Cue (Segnale di attivazione)
Manuale di riferimento
122
H
Pulsante SOLO ON (ATTIVAZIONE SOLO)
Attiva o disattiva la procedura Solo. Verrà visualizzata una finestra a comparsa in cui
viene richiesto di confermare la procedura Solo. Premere il pulsante OK per eseguire la
procedura Solo. Il pulsante si illumina e la modalità SOLO verrà abilitata. Per utilizzare la
funzione Solo, assicurarsi che il pulsante sia attivato, quindi attivare il tasto [CUE] del
canale o del DCA desiderato. Solo il canale o il DCA corrispondente verrà trasmesso ai
bus e ai jack di uscita; gli altri canali e gruppi DCA verranno esclusi. Lo stesso segnale
sarà inoltre emesso dai jack MONITOR OUT (USCITA DI MONITORAGGIO) e CUE OUT
(USCITA SEGNALE DI ATTIVAZIONE).
Quando si preme questo pulsante, il pulsante MONITOR nell'area di accesso alle
funzioni lampeggerà come illustrato.
NOTA
Se si attiva il tasto [CUE] di un canale di uscita, il segnale verrà trasmesso solo al bus
corrispondente.
Per disattivare la funzione Solo, premere nuovamente il pulsante SOLO ON.
NOTA
Se si preme il tasto [LAST CUE] (ULTIMO SEGNALE DI ATTIVAZIONE) per passare dalla
modalità CUE LAST alla modalità MIX (o viceversa), tutti i segnali di CUE (Solo)
precedentemente attivati saranno annullati.
Campo CUE B
I
Pulsante USE MATRIX 7/8 AS CUE B
Quando viene premuto questo pulsante, i canali 7 e 8 sul bus MATRIX vengono
combinati e utilizzati come un CUE a due canali.
Schermata CUE (configurazione di CUE B)
Quando viene premuto il pulsante USE MATRIX 7/8 AS CUE B, viene visualizzata una
finestra di conferma a comparsa. Se si preme il pulsante OK, la schermata si espande ed è
possibile configurare le impostazioni CUE A/B.
1
Pulsante USE MATRIX 7/8 AS CUE B
Quando viene premuto questo pulsante per disattivarlo, la funzione CUE sarà solo un
singolo canale.
Campo CUE A
Configura le impostazioni per CUE A.
Se il pulsante di commutazione CH/REMOTE (
2
) è su “CH”, l'attivazione del pulsante CUE
MODE sarà collegata a CUE A/B.
In modalità Surround, un pulsante SOLO 5.1 viene aggiunto al campo CUE MODE.
2
1
3
Campo CUE A
CUE OPERATION
(OPERAZIONE
ATTIVAZIONE DEL
SEGNALE)
Campo MODE
(MODALITÀ)
Campo CUE B

Funzioni Monitor (Monitoraggio) e Cue (Segnale di attivazione)
Manuale di riferimento
123
Campo CUE B
Configura le impostazioni per CUE B.
Se il pulsante di commutazione CH/REMOTE (
2
) è su “CH”, l'attivazione del pulsante CUE
MODE sarà collegata a CUE A/B.
Campo CUE OPERATION MODE (MODALITÀ OPERAZIONE ATTIVAZIONE
DEL SEGNALE)
2
Pulsanti di commutazione CH/REMOTE
In questa sezione viene illustrato come utilizzare una funzione CUE a due canali.
Ad esempio, se un operatore vuole utilizzare due funzioni CUE separate, è possibile
impostarle separatamente in un segnale di monitoraggio auricolare e in un segnale
monitor da terra. Se un operatore vuole usare una funzione CUE a due canali,
selezionare “CH.” Selezionare le impostazioni CUE SETTINGS (IMPOSTAZIONI SEGNALE
DI ATTIVAZIONE) desiderate per ciascun canale. È possibile selezionare da A, B o A+B.
Per usare una funzione CUE ciascuno per la console e CL Editor/StageMix, selezionare
“REMOTE.” La console è impostata su CUE A, mentre CL Editor/StageMix è impostato
su CUE B.
NOTA
Quando si seleziona “REMOTE”, il dispositivo su cui è attivata la funzione CUE e le destinazioni
corrispondenti sono indicati nella tabella qui di seguito.
3
Pulsante CUE SETTINGS (IMPOSTAZIONI SEGNALE DI ATTIVAZIONE)
Utilizzare questo pulsante per aprire la schermata CUE SETTINGS.
1
Pulsante CUE A ALL
Premere questo pulsante per impostare tutti i canali visualizzati nella schermata solo su
CUE A. Tuttavia, se la scheda selezionata è INPUT, tutti i canali di ingresso sono impostati
solo su CUE A.
2
Pulsante CUE ALL B
Premere questo pulsante per impostare tutti i canali visualizzati nella schermata solo su
CUE B. Tuttavia, se la scheda selezionata è INPUT, tutti i canali di ingresso sono impostati
solo su CUE B.
3
Pulsante di commutazione A/B
Utilizzare questo pulsante per attivare/disattivare A e B. Tuttavia, non è possibile
disattivarli entrambi contemporaneamente.
4
Scheda
Pulsanti per selezionare l'operazione di modifica desiderata.
NOTA
Se la funzione ALTERNATE (ALTERNATIVO) è assegnata a un tasto USER DEFINED (TASTO
DEFINITO DALL'UTENTE) e si preme il tasto [CUE] mentre è attiva la funzione ALTERNATE, le
impostazioni dei canali passeranno tra A
B
A+B ogni volta che il tasto viene premuto.
Dispositivo Destinazione
Console CUE A
Console collegata a cascata CUE A
MIDI CUE B
CL Editor CUE B
StageMix CUE B
GPI CUE A
1
4
3
2

Funzioni Monitor (Monitoraggio) e Cue (Segnale di attivazione)
Manuale di riferimento
124
Schermata MONITOR (quando si usa CUE B)
Quando vene attivata la funzione CUE B mediante le impostazioni, il campo CUE nella
schermata MONITOR avrà l'aspetto illustrato di seguito.
In modalità Surround, il campo CUE avrà l'aspetto illustrato di seguito.
Schermata MONITOR (campo CUE in modalità Surround)
Se si imposta un bus sulla modalità Surround in BUS SETUP, il campo CUE nella
schermata MONITOR avrà l'aspetto illustrato di seguito.
1
5.1. Pulsante SOLO
Utilizzato per impostare il segnale di attivazione solo per i canali di ingresso da utilizzare
nel mix canali 5.1. Uscite, PLAYBACK OUT ed EFFECT non possono avere un segnale
di attivazione.
Schermata CUE (modalità Surround)
Se si imposta un bus sulla modalità Surround in BUS SETUP, la schermata MONITOR, in cui
è possibile configurare impostazioni dettagliate del segnale di attivazione, avrà l'aspetto
illustrato di seguito.
1
5.1. Pulsante SOLO
5.1 SOLO si applica solo ai canali di uscita. Uscite, PLAYBACK OUT ed EFFECT
non possono avere un segnale di attivazione.
1
1

Talkback e oscillatore
Manuale di riferimento
125
Talkback e oscillatore
La funzione di talkback invia il segnale di un microfono collegato al jack TALKBACK al
bus desiderato. Questa funzione viene utilizzata principalmente per trasmettere istruzioni
dall'operatore o tecnico del suono agli esecutori e allo staff. Se necessario, è anche possibile
utilizzare un microfono collegato a un jack INPUT sul dispositivo I/O o al jack OMNI IN
sull'unità CL per il talkback.
Le console della serie CL sono inoltre dotate di un oscillatore in grado di trasmettere un'onda
sinusoidale o il rumore rosa al bus desiderato per consentire il controllo dei dispositivi esterni
o il test della risposta acustica dell'ambiente.
Nel diagramma riportato di seguito viene illustrato il flusso dei segnali del talkback
e dell'oscillatore.
Uso del talkback
La funzione di talkback invia il segnale (in ingresso dai jack di ingresso) al bus desiderato.
NOTA
• Il PAD verrà attivato o disattivato internamente quando il guadagno del preamplificatore
viene regolato tra +17 dB e +18 dB.
• Tenere presente che potrebbe prodursi del rumore in caso di differenza tra l'impedenza di uscita
positiva e negativa del dispositivo esterno collegato al connettore di ingresso quando si utilizza
l'alimentazione phantom.
• È inoltre possibile assegnare la funzione di attivazione/disattivazione del talkback o di una
modifica ASSIGN a un tasto USER DEFINED. In questo caso, è possibile selezionare
un'operazione di blocco o di sblocco (la funzione verrà abilitata solo durante la pressione
del tasto) (pagina 215).
• Quando il talkback è attivato, è possibile utilizzare l'attenuatore talkback per ridurre i livelli
di monitoraggio che non riguardano il segnale di talkback (pagina 112).
CUE(A)
MATRIX
(USE 7-8
AS CUE B)
STEP
1.
Nell'area di accesso alle funzioni premere il pulsante MONITOR.
2.
Premere il pulsante di visualizzazione TALKBACK o il campo ASSIGN
nella schermata MONITOR.
3.
Collegare un microfono al jack TALKBACK del pannello anteriore e ruotare
la manopola TALKBACK GAIN per regolare la sensibilità di ingresso del microfono.
4.
Premere un pulsante nel campo ASSIGN della finestra TALKBACK per specificare
i bus a cui si desidera inviare il segnale di talkback. Sono consentite selezioni
multiple.
5.
Per abilitare il talkback, premere il pulsante TALKBACK ON.
Schermata MONITOR

Talkback e oscillatore
Manuale di riferimento
126
Schermata MONITOR
Nella schermata MONITOR il campo TALKBACK consente di controllare le impostazioni
di talkback correnti e attivare o disattivare il talkback.
1
Pulsanti di visualizzazione TALKBACK
Quando si preme questo pulsante, viene visualizzata la schermata TALKBACK,
in cui è possibile configurare impostazioni dettagliate correlate al talkback.
2
Campo TALKBACK IN
•Indicatore +48V................................. Indica lo stato di attivazione/disattivazione
dell'alimentazione phantom a +48V fornita
al jack TALKBACK.
•Indicatore del livello di ingresso..... Indica il livello dei segnali dopo il guadagno
di ingresso nel jack TALKBACK.
3
Campo INPUT TO TALKBACK
• Pulsante di assegnazione INPUT TO TALKBACK
.................................... Premere il pulsante per aprire la finestra
PORT SELECT, in cui è possibile assegnare
una porta di ingresso desiderata al talkback.
Il nome della porta selezionata verrà
visualizzato sul pulsante.
•Manopola INPUT GAIN..................... Consente di impostare il guadagno di
input della porta selezionata.
•Indicatore del livello di ingresso..... Indica il livello dei segnali dopo il guadagno
di input.
4
Campo TALKBACK ASSIGN (ASSEGNAZIONE TALKBACK)
Un indicatore si illumina per indicare la destinazione di uscita del segnale di talkback
attualmente selezionata.
5
Pulsante TALKBACK ON
Consente di attivare o disattivare il talkback.
Finestra TALKBACK
È possibile configurare impostazioni dettagliate correlate al talkback. Questa finestra
viene visualizzata quando si preme il pulsante di visualizzazione TALKBACK nella
schermata MONITOR.
Campo TALKBACK IN
Questo campo consente di configurare le impostazioni per il jack TALKBACK
sul pannello anteriore.
1
Pulsante +48V
Consente di attivare o disattivare l'alimentazione phantom (+48V) fornita
al jack TALKBACK.
2
Indicatore di livello TALKBACK
Indica il livello di ingresso del microfono collegato al jack TALKBACK.
Campo INPUT TO TALKBACK
Questo campo consente di inoltrare un segnale da un microfono (collegato a un jack di
ingresso normale) al talkback. Se si desidera utilizzare un jack di ingresso diverso dal jack
TALKBACK come ingresso supplementare per il talkback, selezionare qui una porta
di ingresso e impostare il livello di ingresso.
1 2 3 4 5
1
2
3 4 6 8 975
0
A

Talkback e oscillatore
Manuale di riferimento
127
3
Pulsante di assegnazione INPUT TO TALKBACK
Premere questo pulsante per aprire la finestra PORT SELECT nella quale è possibile
selezionare una porta di ingresso.
4
Pulsante +48V
Questo pulsante consente di attivare/disattivare l'alimentazione phantom (+48V)
fornita alla porta di ingresso selezionata.
NOTA
Se non è selezionata alcuna porta di ingresso, questo pulsante non viene visualizzato.
5
Manopola ANALOG GAIN
Indica il valore del guadagno analogico per la porta di ingresso selezionata. Premere
questa manopola per controllare il livello mediante le manopole multifunzione.
6
Indicatore di livello
Indica il livello di ingresso di un microfono collegato alla porta di ingresso selezionata.
7
Pulsante GC
Consente di attivare/disattivare la funzione di compensazione guadagno (funzione
di correzione del guadagno). Il pulsante viene visualizzato se viene assegnato il jack
di ingresso di un dispositivo I/O.
8
Indicatore di livello
Indica il livello dopo la compensazione del guadagno. Viene visualizzato
se viene assegnato il jack di ingresso di un dispositivo I/O.
9
Pulsante TALKBACK ON/OFF
Consente di attivare o disattivare il talkback. Quando il talkback è attivato, il segnale
proveniente dal jack INPUT selezionato come jack TALKBACK viene emesso al bus della
destinazione di mandata.
Campo ASSIGN
0
Pulsanti di selezione dei canali
Questi pulsanti consentono di selezionare un canale a cui viene inviato il segnale
di talkback.
A
Pulsante CLEAR ALL
Premere questo pulsante per cancellare tutte le selezioni.
Uso della funzione oscillatore
È possibile inviare un'onda sinusoidale o il rumore rosa dall'oscillatore interno al bus desiderato.
STEP
1.
Nell'area di accesso alle funzioni premere il pulsante MONITOR.
2.
Premere il pulsante di visualizzazione OSCILLATOR o il campo ASSIGN nella
schermata MONITOR.
3.
Premere un pulsante del campo OSCILLATOR MODE nella finestra OSCILLATOR per
selezionare il tipo di segnale che si desidera trasmettere.
4.
Utilizzare le manopole e i pulsanti nel campo del parametro per regolare i parametri
dell'oscillatore.
5.
Premere un pulsante nel campo ASSIGN per specificare i canali di ingresso o i bus
a cui si desidera inviare il segnale dell'oscillatore. Sono consentite selezioni multiple.
6.
Premere il pulsante OUTPUT per abilitare l'oscillatore.
Schermata MONITOR

Talkback e oscillatore
Manuale di riferimento
128
Schermata MONITOR
Nella schermata MONITOR il campo OSCILLATOR (OSCILLATORE) consente di controllare
le impostazioni dell'oscillatore correnti e attivare o disattivare la funzione dell'oscillatore.
1
Pulsante di visualizzazione OSCILLATOR
Quando si preme questo pulsante, viene visualizzata la schermata OSCILLATOR,
in cui è possibile configurare impostazioni dettagliate correlate all'oscillatore.
2
Campo OSCILLATOR LEVEL
Indica la frequenza e il livello dell'oscillatore attualmente selezionato. Un indicatore
in questo campo mostra il livello di uscita dell'oscillatore. Premere la manopola LEVEL
per regolare il livello dell'oscillatore mediante la manopola multifunzione.
3
Campo OSCILLATOR MODE
Indica la modalità dell'oscillatore attualmente selezionata. Premendo ripetutamente
il pulsante MODE, verranno alternate le modalità.
4
Campo OSCILLATOR ASSIGN (ASSEGNAZIONE OSCILLATORE)
Un indicatore si illumina per mostrare la destinazione di uscita dell'oscillatore
attualmente selezionata (bus o canali di ingresso). Utilizzare i tab sulla sinistra
per selezionare i canali o i bus da visualizzare.
NOTA
Nel caso dei modelli CL3/CL1, i canali che non esistono su questi modelli non
verranno visualizzati.
5
Pulsante OSCILLATOR OUTPUT
Consente di attivare o disattivare l'oscillatore.
Finestra OSCILLATOR
È possibile effettuare impostazioni dettagliate per l'oscillatore. Questa finestra viene
visualizzata quando si preme il pulsante di visualizzazione OSCILLATOR nella
schermata MONITOR.
1
Pulsanti OSCILLATOR MODE
Selezionare una delle quattro modalità operative seguenti quando l'oscillatore
viene attivato:
2
Campo Parameter (Parametro)
Consente di impostare i parametri dell'oscillatore. I controller e le relative funzioni
in questo campo variano a seconda della modalità selezionata.
Modalità = SINE WAVE
•Manopola LEVEL..... Indica il livello di uscita dell'onda sinusoidale. È possibile
regolare il valore mediante la manopola multifunzione.
•Manopola FREQ ...... Indica la frequenza dell'onda sinusoidale. È possibile
regolare il valore mediante la manopola multifunzione.
1
3
2
54
SINE WAVE Un'onda sinusoidale verrà emessa in modo continuo.
SINE WAVE 2CH Verranno emesse separatamente due onde sinusoidali di
frequenza diversa.
PINK NOISE Verrà emesso del rumore rosa in modo continuo.
BURST NOISE Viene inviato a intermittenza il rumore rosa.
21
5
4
3

Talkback e oscillatore
Manuale di riferimento
129
Modalità = SINE WAVE 2CH
•Manopola LEVEL (ODD/L) .....Indica il livello di uscita dell'onda sinusoidale sul lato
ODD/L. È possibile regolare il valore mediante
la manopola multifunzione.
•Manopola FREQ (ODD/L).......Indica la frequenza dell'onda sinusoidale sul lato
ODD/L. È possibile regolare il valore mediante
la manopola multifunzione.
•Manopola LEVEL (EVEN/R)...Indica il livello di uscita dell'onda sinusoidale sul lato
EVEN/R. È possibile regolare il valore mediante
la manopola multifunzione.
•Manopola FREQ (EVEN/R).....Indica la frequenza dell'onda sinusoidale sul lato
EVEN/R. È possibile regolare il valore mediante
la manopola multifunzione.
Per impostazione predefinita, ODD(L) è impostato su 1kHz e EVEN(R) su 400Hz.
In questo momento, sono presenti due indicatori (L e R).
Modalità = PINK NOISE
•Manopola LEVEL.... Indica il livello di uscita del rumore rosa. È possibile regolare
il valore mediante la manopola multifunzione.
•Manopola HPF........ Indica la frequenza di taglio del filtro passa-alto che elabora
il rumore rosa. È possibile regolare il valore mediante la
manopola multifunzione. Utilizzare il pulsante sotto la manopola
per attivare o disattivare il filtro passa-alto.
•Manopola LPF.........Indica la frequenza di taglio del filtro passa-basso che elabora
il rumore rosa. È possibile regolare il valore mediante la
manopola multifunzione. Utilizzare il pulsante sotto la manopola
per attivare o disattivare il filtro passa-basso.
Modalità = BURST NOISE
• Manopole LEVEL, HPF e LPF
....................Come per la modalità PINK NOISE.
•WIDTH ...................Indica la durata del rumore emesso a intermittenza. È possibile
regolare il valore mediante la manopola multifunzione.
•INTERVAL .............Indica la durata del silenzio tra i segnali di rumore. È possibile
regolare il valore mediante la manopola multifunzione.
3
Sezione ASSIGN
Consente di selezionare un canale a cui verrà inviato il segnale dell'oscillatore. Premere
uno dei tre tab di seguito per selezionare il tipo di canali visualizzato, quindi premere
i pulsanti per i canali desiderati. Sono consentite selezioni multiple. L'indicatore
"ASSIGNED" si illumina di verde per un tab contenente una selezione.
Se la modalità è impostata su SINE WAVE 2CH, il segnale viene emesso sul lato dispari
(ODD(L)) o pari (EVEN(R)) del canale selezionato. Ad esempio, il segnale impostato
su ODD(L) viene emesso in MIX1, mentre il segnale impostato su EVEN(R) viene
emesso in MIX2.
Se si preme il pulsante CLEAR ALL, verranno disattivate tutte le selezioni.
NOTA
Nel caso dei modelli CL3/CL1, i canali che non esistono su questi modelli non
verranno visualizzati.
4
Sezione Meter
Indica il livello di uscita dell'oscillatore.
5
Pulsante OSCILLATOR OUTPUT
Consente di attivare o disattivare l'oscillatore. Se si attiva questo pulsante, il segnale
dell'oscillatore verrà inviato al canale di ingresso o al bus selezionato nella sezione
ASSIGN. Premendo nuovamente il tasto, l'oscillatore verrà disattivato.
INTERVAL
WIDTH
Livello
Ora
Uscita rumore rosa
Attivare il pulsante BURST NOISE.

Indicatori
Manuale di riferimento
130
Indicatori
In questo capitolo viene illustrata la schermata METER (INDICATORE) che mostra
gli indicatori del livello di ingresso e uscita per tutti i canali e le operazioni correlate
al meter bridge MBCL facoltativo.
Operazioni nella schermata METER
Nella schermata METER è possibile visualizzare i livelli di ingresso e uscita di tutti i canali
presenti nella schermata, nonché modificare i punti di misurazione dell'indicatore di livello,
ovvero i punti nel percorso dei segnali in cui viene rilevato il livello. Per accedere alla
schermata METER, premere il campo METER nell'area di accesso alle funzioni.
Tab INPUT/OUTPUT/RTA
Utilizzare i tab per alternare tra le schermate INPUT METER, OUTPUT METER e RTA.
Schermata INPUT METER
In questa schermata vengono visualizzati gli indicatori e i fader per tutti i canali di ingresso.
NOTA
Nel caso dei modelli CL3/CL1, i canali che non esistono su questi modelli non
verranno visualizzati.
Schermata OUTPUT METER
In questa schermata vengono visualizzati gli indicatori e i fader per tutti i canali di uscita.

Indicatori
Manuale di riferimento
131
Visualizzazione dell'indicatore e del livello del fader
In questa area vengono visualizzati l'indicatore e il fader per ciascun canale.
1
Numero canale
Indica il numero del canale.
2
Indicatore di saturazione Σ
Si illumina per indicare la saturazione del segnale in un punto del canale.
3
Indicatore OVER
Si illumina per indicare la saturazione del segnale nella sezione di ingresso del canale.
4
Indicatori
Indica il livello di ingresso o uscita del canale.
5
Fader
Il livello del canale è indicato dalla posizione del fader e da un valore numerico (in dB)
visibile immediatamente sotto il fader. Se il tasto [ON] del canale è disattivato, il fader
diventa grigio.
NOTA
Premere qualsiasi parte dell'area dell'indicatore per assegnare il banco di fader corrispondente
alla sezione Centralogic.
Visualizzazione del fader Centralogic
In questa area viene visualizzato il livello dei fader attualmente impostati nella sezione
Centralogic.
Campo METERING POINT
Selezionare una delle voci riportate di seguito come punto di misurazione in cui verrà
rilevato il livello. Il punto di misurazione per l'indicatore di livello può essere specificato
in modo indipendente per i canali di ingresso e quelli di uscita.
Per INPUT METER
•PRE GC .................Subito prima di GAIN
COMPENSATION
•PRE D.GAIN ..........Subito prima di DIGITAL GAIN
•POST D. GAIN.......Subito dopo DIGITAL GAIN
•PRE FADER...........Subito prima del fader
(Subito prima di INPUT DELAY)
•POST ON...............Subito dopo il tasto [ON]
Per OUTPUT METER
•PRE EQ .................Subito prima dell'equalizzatore
•PRE FADER...........Subito prima del fader
•POST ON...............Subito dopo il tasto [ON]
NOTA
Nella console CL3 o CL1 il punto di misurazione dei canali di uscita avrà effetto anche
sul meter bridge facoltativo (MBCL).
Pulsante PEAK HOLD
Attivare questo pulsante per mantenere l'indicazione del livello di picco su
ciascun indicatore. Disattivare questo pulsante per cancellare l'indicazione del
picco. L'attivazione o la disattivazione del pulsante PEAK HOLD avrà effetto sui
canali di ingresso e di uscita e sul meter bridge MBCL Se il pulsante viene
disattivato, l'indicazione del livello di picco memorizzata verrà cancellata.
NOTA
È inoltre possibile assegnare la funzione di attivazione/disattivazione del pulsante PEAK HOLD
a un tasto USER DEFINED (pagina 215).
1
4
5
2
3
Quando il tasto [ON] per il canale 7 è attivato
e il tasto [ON] per il canale 8 è disattivato

Indicatori
Manuale di riferimento
132
Pulsante SHOW SEND LEVEL
Se si passa alla modalità SENDS ON FADER quando questo pulsante
è attivato, il colore e la posizione dei fader nella schermata INPUT METER
mostrano il tipo di bus di destinazione della mandata, il livello di mandata a
quel bus e lo stato di attivazione/disattivazione.
Per INPUT METER
Colore del fader
Il colore del canale equivale a quello del bus MIX/MATRIX attualmente selezionato
(SEND MASTER).
La posizione del fader è il livello del segnale inviato al bus.
Il fader diventa grigio se si disattiva il pulsante SEND o il canale.
Per OUTPUT METER
Solo il fader per il segnale inviato dal bus MIX al bus MATRIX cambia colore.
Schermata RTA METER
Si tratta della schermata dell'analizzatore in tempo reale. I risultati dell'analisi di frequenza
per la sorgente selezionata sono mostrati nella banda di 1/6 di ottava (61 bande).
1
Grafico di risposta della frequenza
Un grafico di un'analisi di frequenza viene mostrata nella banda di 1/6 di ottava.
2
Pulsanti di selezione della sorgente
Utilizzare questi pulsanti per specificare il canale di uscita di cui si desidera visualizzare la
risposta della frequenza.
3
Display OVER
I dati che superano 0 dB vengono mostrati come l'indicatore OVER.
4
Visualizzazione del mirino
Vengono visualizzati il livello e la frequenza in corrispondenza del punto toccato
sul grafico.
2
3
5
7
6
1
4

Indicatori
Manuale di riferimento
133
5
Pulsante CUE OVERRIDE
Se questo pulsante viene attivato, il segnale di attivazione impostato nella schermata
CUE viene inviato all'analizzatore in tempo reale e viene visualizzata un'analisi.
• Se CUE MODE è impostato su MIX CUE, l'analisi di frequenza viene eseguita su
un segnale costituito da un mix di tutti i canali selezionati nella schermata CUE.
• Se CUE MODE è impostato su 5.1 SOLO, il segnale viene trattato come LAST CUE.
In altre parole, l'analisi di frequenza viene eseguita sul segnale POST ON del canale
di ingresso.
• Se CUE è impostato su due canali, i pulsanti verranno visualizzati come mostrato di
seguito.
6
Campo BALLISTICS
• Pulsante BALLISTICS
L'attivazione di questo switch consente di rendere più rapido il decadimento nel grafico.
• Pulsante di commutazione FAST/SLOW
Utilizzare questo pulsante per impostare la velocità di decadimento (FAST/SLOW).
7
Pulsante HOLD
Premere questo pulsante per trattenere il grafico che visualizza la risposta di frequenza.
Schermata METER (modalità Surround)
Se si imposta un bus sulla modalità Surround in BUS SETUP, la schermata METER
avrà l'aspetto illustrato di seguito.
1
Pulsante MONITOR
Indicatori per MIX1-6. Il layout per L R C LFE Ls e Rs equivale a quello impostato
nella schermata SURROUND SETUP.
2
Pulsante di selezione SURROUND METER
Consente di selezionare gli indicatori visualizzati nell'area di accesso alle funzioni.
•MIX1-6
Sorgente per MIX1-6.
• MONITOR
Sorgente selezionata in SURROUND MONITOR. Per 2CH MONITOR, il layout
rimane 5.1, ma con indicatori solo per L e R.
GEQ RACK 1-16 OUT 32
EFFECT RACK 1-8 OUT 16
CH 1-72{64,48} POST EQ 72{64,48}
ST IN 1L-8R POST EQ 16
MIX1-24 POST EQ 24
RTA
STEREO L,R,MONO(C) POST EQ 3
MATRIX 1-6,7-8(CUE B L,R) POST EQ 8
MIX OUT 1-24 24
STEREO OUT L,R,MONO(C) 3
MATRIX OUT 1-6,7-8(CUE B L,R) 8
CUE(A) OUT L,R 2
RTA
1 2

Indicatori
Manuale di riferimento
134
Schermata METER (INDICATORE) (quando si usa la funzione CUE
a due canali)
1
CUE
Indicatori per CUE A e CUE B.
Schermata dell'area di accesso alle funzioni
Se si imposta un bus sulla modalità Surround in BUS SETUP, la schermata METER
nell'area di accesso alle funzioni avrà l'aspetto illustrato di seguito.
Le specifiche di visualizzazione sono le seguenti.
• L'indicatore per il segnale SURROUND viene mostrato sul lato sinistro, mentre quello
per il segnale STEREO viene mostrato sul lato destro. Il layout per L R C LFE Ls e Rs
equivale a quello impostato nella schermata SURROUND SETUP.
Quando è in funzione il segnale di attivazione
• EFFECT CUE viene mostrato sul lato destro, come al solito.
• Il display 5.1 SOLO CUE viene aggiornato sul lato sinistro. Se tuttavia CUE MODE
è impostato su 5.1 SOLO, nessun segnale di attivazione se non 5.1 SOLO CUE
èpossibile.
• Premere l'area di visualizzazione CUE (o 5.1 SOLO) per cancellare il segnale
di attivazione, come al solito.
Uso di un meter bridge MBCL (facoltativo)
nella console CL3 o CL1
Se un meter bridge (MBCL) facoltativo è stato installato sulla console CL3 o CL1, sarà sempre
possibile visualizzare i livelli di uscita dei canali MIX, MATRIX, STEREO, MONO e CUE, come
nella sezione METER di CL5.
Gli indicatori dell'unità MBCL mostrano i livelli di uscita del canale MIX e del canale MATRIX
in incrementi di 12 segmenti (OVER, -3dB, -6dB, -9dB, -12dB, -15dB, -18dB, -24dB, -30dB,
-40dB, -50dB, -60dB).
È possibile selezionare il punto di misurazione, ovvero il punto in cui viene rilevato il livello, tra
le opzioni riportate di seguito. Per informazioni su come modificare il punto di misurazione,
vedere "Operazioni nella schermata METER" a pagina 130.
•PRE EQ .................Subito prima dell'equalizzatore
•PRE FADER...........Subito prima del fader
•POST ON...............Subito dopo il tasto [ON]
1

EQ grafico, Equalizzatore parametrico, effetti e PREMIUM RACK
Manuale di riferimento
135
EQ grafico, Equalizzatore parametrico,
effetti e PREMIUM RACK
In questo capitolo viene illustrato come utilizzare l'EQ grafico, l'equalizzatore parametrico,
gli effetti e il Premium Rack incorporati.
Informazioni sul rack virtuale
Le console della serie CL consentono di utilizzare l'EQ grafico (abbreviato successivamente
in "GEQ"), l'equalizzatore parametrico (abbreviato successivamente in "PEQ") e gli effetti/
processori per la modifica dei segnali. È possibile utilizzare due tipi di GEQ: 31BandGEQ,
che consente di regolare liberamente trentuno bande (aree di frequenza), e Flex15GEQ,
che consente di regolare quindici delle trentuno bande disponibili. 8Band PEQ consente
di regolare liberamente 8 bande (aree di frequenza) e dispone di un filtro passa-alto,
di un filtro passa-basso e di 3 filtri passa banda.
È inoltre possibile utilizzare 54 tipi di effetti diversi. Le console della serie CL dispongono
di Premium Rack che si avvale della tecnologia VCM. Questa tecnologia consente
di modellare i circuiti analogici su un livello di componenti per riprodurre fedelmente
incredibili suoni analogici. Il Premium Rack offre sette tipi di processori.
Per utilizzare un GEQ, un PEQ, un effetto o un Premium Rack, è necessario montare il GEQ,
il PEQ, l'effetto o il Premium Rack in ciascun rack virtuale e assegnare l'ingresso e l'uscita di
questo rack al percorso del segnale desiderato. In altre parole, è come se si fosse installato
un processore di segnali o un dispositivo di effetti in un rack reale e utilizzato cavi per
collegarlo. È possibile montare un'istanza GEQ o PEQ in ciascuno dei sedici rack 1-16
ed EFFECT, un'istanza rack di effetti in ciascuno degli otto rack 1-8 e un'istanza
Premium Rack in ciascuno degli otto rack 1-8.
È possibile utilizzare fino a due canali di ingresso e uscita per ciascun rack. (Se tuttavia
la console "31BandGEQ" è montata in un rack, sarà disponibile un solo canale di ingresso
e uscita per ciascun rack).
Nella figura seguente viene illustrato il flusso di segnali dai rack virtuali.
NOTA
• Oltre ai rack virtuali per GEQ, PEQ, effetti e Premium Rack, sulla console CL sono disponibili
rack per montare un dispositivo I/O (ad esempio una serie R) o preamplificatori esterni
(Yamaha AD8HR, SB168-ES e così via). Per informazioni dettagliate, vedere "Dispositivi I/O
e preamplificatori esterni" a pagina 167.
• Con CL V1.7 e versioni successive, è possibile utilizzare il tasto [SEL] per scambiare canali
nelle finestre a comparsa EFFECT, GEQ e PREMIUM RACK.
Se si preme il tasto [SEL] nel pannello superiore della finestra a comparsa EFFECT mentre
si utilizza il parametro effetti consente di passare alla finestra dell'effetto inserito in quel canale.
Lo stesso vale per le finestre a comparsa GEQ e PREMIUM RACK. È anche possibile passare
dalla finestra a comparsa EFFECT alla finestra a comparsa GEQ o PREMIUM RACK.
Gli elementi indicati di seguito cambiano in base al canale di destinazione.
• Visualizzazione del canale selezionato nell'area di accesso alle funzioni
• Canale utilizzato nel CL Editor sincronizzato
Se non esistono impostazioni di inserimento su un canale selezionato, viene visualizzata
una finestra di dialogo di notifica.
MATRIX INSERT 1,2 IN 1-6,7-8(CUE B L,R)
MATRIX 1-6,7-8
(CUE B L,R)
MATRIX 1-6,7-8
(CUE B L,R)

EQ grafico, Equalizzatore parametrico, effetti e PREMIUM RACK
Manuale di riferimento
136
Operazioni con rack virtuale
In questa sezione viene illustrato come montare un GEQ, un PEQ o un effetto nel rack virtuale
e come assegnare l'ingresso e l'uscita del rack.
NOTA
• Ai punti 6 e 8 è possibile configurare le impostazioni in modo che la finestra di dialogo
di conferma non venga visualizzata (pagina 214).
• Il tipo di GEQ, PEQ o effetto montato in ciascun rack, le impostazioni dei parametri e
quelle relative all'origine d'ingresso e alla destinazione di uscita vengono salvate come
parte della scena.
Schermata VIRTUAL RACK
1
Tab del rack
Consentono di selezionare il tipo di rack che si desidera visualizzare sullo schermo.
Scegliere tra GEQ 1-8, GEQ 9-16 (rack GEQ), EFFECT (rack effetti) o PREMIUM
(Premium Rack).
2
Pulsante RACK MOUNT
Premere questo pulsante per aprire la finestra RACK MOUNTER, nella quale è possibile
selezionare il tipo di rack da montare.
3
Pulsante SAFE (BLOCCA)
Consente di attivare o disattivare la funzione Recall Safe (Blocca richiamo) per il rack.
Se questo pulsante è attivato per un rack, il contenuto e i parametri di questo rack
non cambieranno quando viene richiamata una scena. Per ulteriori informazioni
su Recall Safe, vedere "Uso della funzione Recall Safe" a pagina 79.
Le impostazioni Recall Safe di ciascun rack non mantengono le assegnazioni di ingresso/
uscita di tale rack. È necessario configurare le impostazioni Recall Safe per l'assegnazione
sul canale di origine di ingresso o di destinazione di uscita.
STEP
1.
Nell'area di accesso alle funzioni premere il pulsante RACK.
2.
Nella parte superiore della finestra VIRTUAL RACK, premere il tab GEQ 1-8,
GEQ 9-16 o EFFECT.
3.
Per montare un GEQ, un PEQ o un effetto nel rack, premere il pulsante
RACK MOUNT associato a quel rack.
4.
Utilizzare i pulsanti nel campo MODULE SELECT (SELEZIONE MODULO) della
finestra RACK MOUNTER per selezionare gli elementi che si desidera montare
e premere il pulsante OK.
5.
Premere il pulsante INPUT PATCH.
6.
Nella finestra CH SELECT selezionare la sorgente di ingresso, quindi premere
il pulsante OK.
7.
Premere il pulsante OUTPUT PATCH.
8.
Nella finestra CH SELECT selezionare la destinazione di uscita, quindi premere
il pulsante OK.
Area di accesso
alle funzioni Finestra VIRTUAL RACK
23 4 6 5
1
23 4 56
1

EQ grafico, Equalizzatore parametrico, effetti e PREMIUM RACK
Manuale di riferimento
137
4
Pulsante INPUT PATCH
Se il tipo è EFFECT, verranno visualizzati due pulsanti (L/R). Se il tipo è Flex15GEQ
o 8BandPEQ, verranno visualizzati due pulsanti (A/B). Se il tipo è 31BandGEQ,
verrà visualizzato un solo pulsante.
Premere questo pulsante per aprire la finestra CH SELECT (SELEZIONE CANALE), nella
quale è possibile selezionare il percorso del segnale assegnato all'ingresso del rack.
Di seguito sono riportate le categorie e i canali selezionabili.
•OUT CH ....................................MIX 1-24, MATRIX 1-8
*1
•ST/MONO .................................STEREO L/R, MONO
*1
•INSERT 1 OUT 1-32 .................CH1-32
*1
•INSERT 1 OUT 33-64 ...............CH33-64
*1
•INSERT 1 OUT 65-72 ...............CH65-72
*1
•INSERT 1 OUT MIX/MATRIX....MIX 1-24, MATRIX 1-8
•INSERT 1 OUT ST/MONO........STEREO L/R, MONO
•INSERT 2 OUT 1-32 .................CH1-32
*1
•INSERT 2 OUT 33-64 ...............CH33-64
*1
•INSERT 2 OUT 65-72 ...............CH65-72
*1
•INSERT 2 OUT MIX/MATRIX....MIX 1-24, MATRIX 1-8
•INSERT 2 OUT ST/MONO........STEREO L/R, MONO
*1. Non visualizzato per GEQ 9-16 RACK.
NOTA
• Nel caso dei modelli CL3/CL1, i canali che non esistono su questi modelli non verranno
visualizzati.
• Nel caso di un GEQ o PEQ, la relativa assegnazione a insert-in o insert-out determina
l'assegnazione automatica dell'altro punto di assegnazione allo stesso rack. Verrà inoltre
attivata automaticamente la modalità di inserimento. Se si disattiva l'insert-out o l'insert-in di
un GEQ o PEQ, l'altro punto di assegnazione verrà disattivato automaticamente e allo stesso
tempo verrà disattivata automaticamente anche la modalità di inserimento.
• Per gli effetti, se si seleziona "DYNAMICS&EQ" per EFFECT TYPE, l'operazione equivale
a quella per GEQ riportata in precedenza.
• Nel caso di PREMIUM RACK, l'operazione equivale a quella per GEQ riportata in precedenza.
• Per ulteriori informazioni su insert-in/out, vedere "Inserimento di un dispositivo esterno in un
canale" a pagina 23.
5
Pulsante OUTPUT PATCH
Se il tipo è EFFECT, verranno visualizzati due pulsanti (L/R). Se il tipo è Flex15GEQ
o 8BandPEQ, verranno visualizzati due pulsanti (A/B). Se il tipo è 31BandGEQ,
verrà visualizzato un solo pulsante.
Premere questo pulsante per aprire la finestra CH SELECT, nella quale è possibile
selezionare il percorso del segnale assegnato all'uscita del rack.
Di seguito sono riportate le categorie e i canali selezionabili.
•CH1-32................................... CH1-32
*1
•CH33-64................................. CH33-64
*1
•CH65-72................................. CH65-72
*1
•INSERT 1 IN 1-32 .................. CH1-32
*1
•INSERT 1 IN 33-64 ................ CH33-64
*1
•INSERT 1 IN 65-72 ................ CH65-72
*1
•INSERT 1 IN MIX/MATRIX .... MIX 1-24, MATRIX 1-8
•INSERT 1 IN ST/MONO......... STEREO L/R, MONO
•INSERT 2 IN 1-32 .................. CH1-32
*1
•INSERT 2 IN 33-64 ................ CH33-64
*1
•INSERT 2 IN 65-72 ................ CH65-72
*1
•INSERT 2 IN MIX/MATRIX .... MIX 1-24, MATRIX 1-8
•INSERT 2 IN ST/MONO......... STEREO L/R, MONO
*1. Non visualizzato per GEQ 9-16 RACK.
NOTA
• Nel caso dei modelli CL3/CL1, i canali che non esistono su questi modelli non
verranno visualizzati.
• Se si utilizzano le impostazioni CL5 su CL3/CL1 o le impostazioni CL3 su CL1, i pulsanti
verranno visualizzati con il segno X se assegnati a canali che non esistono su quel modello.

EQ grafico, Equalizzatore parametrico, effetti e PREMIUM RACK
Manuale di riferimento
138
6
Contenitore rack
Indica il contenuto del rack. Il contenitore varia in base al tipo di rack selezionato
nella finestra RACK MOUNTER.
• Se non è montato alcun elemento:
Premere in questa area per aprire la finestra RACK MOUNTER, nella quale è possibile
selezionare il GEQ o l'effetto che verrà montato nel rack.
• Se è montato un 31BandGEQ:
Questa sezione presenta le impostazioni per ciascuna banda, lo stato di attivazione/
disattivazione del GEQ e i livelli di ingresso/uscita. Premere in questa area per aprire
la finestra EDIT GEQ (MODIFICA GEQ), nella quale è possibile modificare le impostazioni
del GEQ.
• Se è montato un Flex15GEQ:
In questa area vengono presentate le impostazioni per ciascuna banda, lo stato
di attivazione/disattivazione del GEQ e i livelli di ingresso e uscita per A e B
rispettivamente. Premere questa area per aprire la finestra GEQ EDIT, nella
quale è possibile modificare le impostazioni GEQ per A e B.
• Se è montato 8BandPEQ:
In questa area sono indicate la risposta di frequenza EQ, lo stato di attivazione/
disattivazione del PEQ e i livelli di ingresso e uscita rispettivamente per A e B. Premere
in questa area per aprire la finestra PEQ EDIT (MODIFICA PEQ), nella quale è possibile
modificare le impostazioni del GEQ per A e B.
• Se è montato un effetto (solo rack EFFECT):
In questa area vengono presentati il tipo di effetto, il numero di ingressi e uscite, lo stato
di attivazione/disattivazione del bypass e i livelli di ingresso/uscita. Premere questa area
per aprire la finestra EFFECT EDIT, nella quale è possibile modificare le impostazioni
dell'effetto.
• Se è montato 16ch Automixer (GEQ rack 1-8):
• Se è montato 8ch Automixer (GEQ rack 1-4):
Premere questa area per aprire la finestra AUTOMIXER EDIT, nella quale
è possibile modificare le impostazioni dell'automixer.

EQ grafico, Equalizzatore parametrico, effetti e PREMIUM RACK
Manuale di riferimento
139
7
Indicatore di collegamento
Indica che un rack con numero dispari e un rack con numero pari del 31BandGEQ,
A e B del Flex15GEQ o A e B dell'8BandPEQ sono collegati tra loro.
Finestra RACK MOUNTER
Consente di montare un GEQ, un PEQ o un effetto nel rack. Questa finestra viene visualizzata
se si preme il pulsante RACK MOUNT nella finestra VIRTUAL RACK.
1
Numero rack
Indica il numero del rack selezionato.
2
Rack virtuale
In questa area viene indicato il GEQ o l'effetto selezionato mediante i pulsanti
MODULE SELECT (SELEZIONE MODULO).
3
Campo MODULE SELECT
Consente di selezionare il GEQ o l'effetto che verrà montato nel rack. Tali pulsanti
hanno le funzioni riportate di seguito.
•Pulsante BLANK (VUOTO)......Consente di rimuovere il GEQ o l'effetto attualmente
montato nel rack, svuotandolo.
•Pulsante 31BandGEQ .............Consente di montare un 31BandGEQ nel rack.
•Pulsante Flex15GEQ ...............Consente di montare un Flex15GEQ nel rack.
•Pulsante 8BandPEQ................Consente di montare un 8BandPEQ nel rack.
• Pulsante EFFECT (solo per rack EFFECT)
...........................Consente di montare un effetto nel rack.
• Pulsante 16ch Automixer (solo GEQ rack 1)
...........................Consente di montare un automixer 16 canali nel rack.
• Pulsante 8ch Automixer (solo GEQ rack 1)
...........................Consente di montare un automixer 8 canali nel rack.
NOTA
• L'assegnazione di ingressi/uscite sarà annullata se l'elemento montato nel rack viene cambiato.
• L'Automixer a 16 canali viene utilizzato nei da 1 a 8, mentre l'Automixer a 8 canali viene utilizzato
nei rack da 1 a 4.
4
Pulsante CANCEL (ANNULLA)
Consente di annullare le modifiche apportate nella finestra RACK MOUNTER
edichiudere la finestra.
5
Pulsante OK
Consente di applicare le modifiche apportate nella finestra RACK MOUNTER
edichiudere la finestra.
NOTA
Si noti che se si rimuove un GEQ, un PEQ o un effetto precedentemente montato in un rack e si
chiude la finestra RACKMOUNTER, tutte le modifiche alle impostazioni dei parametri per il GEQ,
il PEQ o l'effetto verranno annullate. Qualora la finestra non sia ancora stata chiusa, è possibile
ripristinare le impostazioni montando nuovamente lo stesso GEQ, PEQ o effetto.
Operazioni con l'EQ grafico
Le console della serie CL consentono di montare un GEQ nei rack GEQ 1-16 e di assegnarlo
all'insert-out e all'insert-in di un canale di ingresso (solo rack GEQ 1-8), a un canale MIX/
MATRIX o a un canale STEREO/MONO. È anche possibile montarla in rack EFFECT 1-8
(FX 1-8) e assegnarlo all'insert-out/in di un canale di ingresso, di un canale MIX/MATRIX
o di un canale STEREO/MONO. Il guadagno di ogni banda può essere regolato tramite i fader
e i tasti [ON] della sezione Centralogic.
Sono disponibili i seguenti due tipi di GEQ.
31BandGEQ
Si tratta di un equalizzatore grafico mono a 31 bande.
Ciascuna banda ha una larghezza di 1/3 di ottava,
l'intervallo regolabile di guadagno è pari a ±15 dB
ed è possibile regolare il guadagno di tutte le
trentuno bande.
Qualora in un rack venga montato un 31BandGEQ,
per tale rack sarà possibile utilizzare un unico canale
di ingresso e uscita.
Flex15GEQ
Si tratta di un equalizzatore grafico mono a 15 bande.
Ciascuna banda ha una larghezza di 1/3 di ottava
e l'intervallo regolabile di guadagno è pari a ±15 dB.
Il Flex15GEQ consente di regolare il guadagno per
quindici qualsiasi delle stesse trentuno bande del
31 Band GEQ (dopo aver utilizzato fino a quindici
bande di regolazione, non sarà possibile regolare il guadagno di un'altra banda fino a quando
una banda regolata in precedenza non viene reimpostata sull'azzeramento).
Il rack per cui viene selezionato Flex15GEQ sarà dotato di due unità Flex15GEQ (indicate
rispettivamente come "A" e "B") montate e prevederà due canali di ingresso e uscita.
7
43 5
21
43 5
21
INPUT
31BandGEQ
OUTPUT
Rack
INPUT
Flex15GEQ (B)
Flex15GEQ (A)
OUTPUT
Rack

EQ grafico, Equalizzatore parametrico, effetti e PREMIUM RACK
Manuale di riferimento
140
Inserimento di un GEQ in un canale
In questa sezione viene illustrato come inserire un GEQ nel canale selezionato per l'uso.
NOTA
• Se si utilizza un'origine stereo, sarà possibile montare un Flex15GEQ oppure due unità
31BandGEQ in rack adiacenti con numeri pari e dispari. Ciò consentirà di collegare le due
unità GEQ in un passaggio successivo.
• Nel campo GEQ del rack è possibile visualizzare i livelli di ingresso e uscita del GEQ.
• Per informazioni dettagliate sulle operazioni relative al GEQ, vedere la sezione seguente
"Uso dell'unità 31BandGEQ" a pagina 141 o "Uso dell'unità Flex15GEQ" a pagina 142.
Finestra GEQ EDIT
NOTA
Le finestre del 31BandGEQ e del Flex15GEQ sono pressoché identiche. Tuttavia, il Flex15GEQ
consente di visualizzare individualmente due unità GEQ (A e B) montate in un unico rack.
1
Tab di selezione rack
Consente di selezionare fra GEQ 1-8 e GEQ 9-16. Per un rack in cui viene montato
un Flex15GEQ, i tab saranno divisi in xA e xB (x è il numero del rack).
2
Pulsante INPUT (INGRESSO)
Premere questo pulsante per aprire la finestra CH SELECT, nella quale è possibile
selezionare la sorgente di ingresso del rack. La procedura operativa è identica
a quella utilizzata per il pulsante INPUT nel campo GEQ.
3
Pulsante OUTPUT (USCITA)
Premere questo pulsante per aprire la finestra CH SELECT, nella quale è possibile
selezionare la destinazione di uscita del rack. La procedura operativa è identica
a quella utilizzata per il pulsante OUTPUT nel campo GEQ.
4
Pulsante RACK LINK
Premere questo pulsante per aprire la finestra RACK LINK, in cui è possibile collegare
le unità GEQ adiacenti.
Nel caso di un 31BandGEQ, le unità GEQ verranno collegate in rack adiacenti
con numeri pari e dispari. Nel caso di un Flex15GEQ, le unità GEQ(A) e GEQ(B)
verranno collegate nello stesso rack.
•Pulsante GEQ x
y ("x" e "y" rappresentano il numero del rack o il numero del rack
e il carattere alfabetico A o B)
I parametri di "x" verranno copiati in "y" e quindi collegati.
•Pulsante GEQ y
x
I parametri di "y" verranno copiati in "x" e quindi collegati.
• Pulsante RESET BOTH (REIMPOSTA ENTRAMBI)
I parametri di entrambi (x e y) verranno inizializzati e quindi collegati.
•Pulsante CANCEL
Consente di annullare il collegamento e di chiudere la finestra.
NOTA
Il pulsante RACK LINK viene visualizzato solo se è possibile effettuare il
collegamento. Quando si collegano unità GEQ, nel campo GEQ viene
visualizzato un simbolo per indicare lo stato di collegamento.
5
Pulsante FLAT
Consente di riportare tutte le bande del GEQ selezionato a 0 dB.
6
Pulsante GEQ ON/OFF
Consente di attivare o disattivare il GEQ attualmente selezionato.
STEP
1.
Fare riferimento ai punti 1-8 in "Operazioni con rack virtuale" (pagina 136)
per montare un GEQ in un rack e impostarne la sorgente di ingresso e
la destinazione di uscita.
2.
Nel campo GEQ, premere il contenitore rack in cui è stato montato il GEQ.
3.
Se si utilizza una sorgente stereo, premere il pulsante RACK LINK per collegare
le due unità GEQ.
4.
Premere il pulsante GEQ ON/OFF per attivare il GEQ.
2 3 4 5 6
1

EQ grafico, Equalizzatore parametrico, effetti e PREMIUM RACK
Manuale di riferimento
141
Per la finestra GEQ EDIT (31BandGEQ, Flex15GEQ)
1
Pulsante RTA
Attivare questo pulsante per visualizzare un grafico della risposta di frequenza
sull'equalizzatore.
2
Pulsante HOLD
Premere questo pulsante per mantenere il picco del grafico che visualizza RTA.
Uso dell'unità 31BandGEQ
Per controllare l'unità 31BandGEQ verranno utilizzati i fader 1-8 e i tasti [ON] della
sezione Centralogic.
NOTA
• Quando un fader della sezione Centralogic si trova nella posizione centrale (piana), il tasto [ON]
corrispondente si spegne. Questo indica che la banda corrispondente non verrà modificata. Se
il fader viene alzato o abbassato anche leggermente, il tasto [ON] si illuminerà per indicare che
tale banda è stata modificata. Se si preme un tasto [ON] illuminato per spegnerlo, la banda
corrispondente tornerà immediatamente allo stato piano.
• Con CL versione 2.0 o successive, premendo nuovamente il tasto [ON] di questa banda si
ripristina il valore del guadagno modificato. In questo modo, il confronto risulta facile e rapido.
Se tuttavia il tasto [ON] di questa banda è spento e si preme il tasto [ON] del fader di una banda
di frequenza diversa, il valore del guadagno modificato verrà annullato e ripristinato su ± 0dB.
• Se si passa alla visualizzazione di un'altra schermata o di un altro rack, le assegnazioni dei fader
nella sezione Centralogic verranno annullate in modo forzato. Se tuttavia si visualizza
nuovamente lo stesso rack, i fader si sposteranno automaticamente sul gruppo di bande
controllato in precedenza.
• Quando si chiude la finestra GEQ EDIT, i pulsanti nel campo FADER ASSIGN verranno
disattivati automaticamente.
Finestra GEQ EDIT (31BandGEQ)
1
Grafico EQ
Indica la risposta approssimativa del 31BandGEQ corrente.
2
Fader
Indicano l'intensità di enfasi/taglio per ciascuna banda del 31BandGEQ. I valori effettivi
vengono riportati nelle caselle numeriche sottostanti.
È possibile controllare i fader mediante la funzione TOUCH AND TURN (TOCCO E
ATTIVAZIONE) L'area di un fader toccato diventa rosa come mostrato di seguito.
STEP
1.
Nel rack del campo GEQ, premere il contenitore del rack in cui è montato
31BandGEQ.
2.
Premere il pulsante GEQ ON/OFF per attivare il 31BandGEQ.
3.
Premere uno dei pulsanti nel campo FADER ASSIGN per selezionare il gruppo
di bande che verrà controllato.
4.
Utilizzare i fader nella sezione Centralogic per regolare la banda selezionata.
5.
Dopo aver configurato le impostazioni, disattivare i pulsanti nel campo
FADER ASSIGN.
2
1
1
2
3
4

EQ grafico, Equalizzatore parametrico, effetti e PREMIUM RACK
Manuale di riferimento
142
3
Campo FADER ASSIGN (ASSEGNAZIONE FADER)
In questo campo è possibile selezionare il gruppo di bande che verrà controllato
dai fader della sezione Centralogic. I pulsanti del campo FADER ASSIGN corrispondono
ai gruppi di bande riportati di seguito.
Se si preme uno di questi pulsanti, i fader per le bande selezionate sullo schermo
diventeranno bianchi e verranno visualizzati i numeri dei fader corrispondenti nella
sezione Centralogic. È ora possibile utilizzare i fader della sezione Centralogic per
controllare le bande.
NOTA
L'operazione appena descritta può essere eseguita anche se la sezione Centralogic è bloccata.
Se si disattiva il pulsante nel campo FADER ASSIGN, verrà ripristinato lo stato di blocco.
4
Pulsanti degli strumenti
Consentono di copiare le impostazioni 31BandGEQ attualmente visualizzate nel GEQ
di un altro rack oppure di inizializzare le impostazioni. Per informazioni dettagliate su
come utilizzare i pulsanti degli strumenti, vedere "Uso dei pulsanti degli strumenti"
nel manuale di istruzioni fornito separatamente.
NOTA
• Solo le impostazioni 31BandGEQ che non utilizzano più di 15 bande possono essere copiate
in un Flex15GEQ.
• È possibile memorizzare e richiamare le impostazioni GEQ in qualsiasi momento utilizzando
la libreria dedicata.
Uso dell'unità Flex15GEQ
Per controllare il Flex15GEQ si utilizzano i fader 1-8 e i tasti [ON] della sezione Centralogic.
Nel rack in cui viene montato un Flex15GEQ verranno visualizzate le informazioni per due
unità GEQ (A e B) nella finestra VIRTUAL RACK.
NOTA
Se si monta un Flex15GEQ, due unità 31BandGEQ mono verranno collocate in un unico rack.
Sarà tuttavia possibile regolare solo un massimo di quindici bande per ciascuna unità.
NOTA
• Il tasto [ON] si illumina ogni volta che si alza o abbassa un fader, anche di un minimo. Ciò indica
che la banda corrispondente verrà modificata.
• Per riportare rapidamente in posizione di azzeramento una banda enfatizzata o tagliata, premere
il tasto [ON] corrispondente nella sezione Centralogic per spegnerlo.
• Con CL versione 2.0 o successive, premendo nuovamente il tasto [ON] di questa banda si
ripristina il valore del guadagno modificato. In questo modo, il confronto risulta facile e rapido.
Se tuttavia il tasto [ON] di questa banda è spento e si preme il tasto [ON] del fader di una banda
di frequenza diversa, il valore del guadagno modificato verrà annullato e ripristinato su ± 0dB.
• Se si passa alla visualizzazione di un'altra schermata, le assegnazioni dei fader nella sezione
Centralogic verranno annullate in modo forzato. Se tuttavia si visualizza nuovamente lo stesso
rack, il gruppo di bande controllato in precedenza verrà assegnato automaticamente ai fader.
• Quando si chiude la finestra GEQ, i pulsanti nel campo FADER ASSIGN vengono disattivati
automaticamente.
Finestra GEQ EDIT (Flex 15GEQ)
Questa finestra è identica a quella dell'unità 31BandGEQ, fatta eccezione per la
casella dei parametri AVAILABLE BANDS che indica il numero in tempo reale di bande
aggiuntive (massimo 15) che possono essere controllate nell'unità GEQ corrente.
Per un rack in cui è montata un'unità Flex15GEQ, i tab di selezione rack sono suddivisi
in xA e xB (dove x è il numero del rack).
20-100 Le otto bande 20,0 Hz--100 Hz
63-315 Le otto bande 63,0 Hz--315 Hz
200-1 k Le otto bande 200 Hz--1,00 kHz
630-3,15 k Le otto bande 630 Hz--3,15 kHz
2 k-10 k Le otto bande 2,00 kHz-10,0 kHz
4 k-20 k Le otto bande 4,00 kHz-20,0 kHz
STEP
1.
Premere il contenitore rack in cui è stato montato Flex15GEQ.
2.
Premere il pulsante GEQ ON/OFF per attivare il Flex15GEQ.
3.
Premere uno dei pulsanti nel campo FADER ASSIGN per selezionare il gruppo
di bande che verrà controllato.
4.
Utilizzare i fader nella sezione Centralogic per regolare la banda selezionata.
5.
Dopo aver configurato le impostazioni, disattivare i pulsanti nel campo FADER ASSIGN.

EQ grafico, Equalizzatore parametrico, effetti e PREMIUM RACK
Manuale di riferimento
143
Operazioni con l'equalizzatore parametrico
Oltre all'equalizzatore a 4 bande standard, le console della serie CL dispongono
di un equalizzatore parametrico a 8 bande (PEQ) montabile su rack. È possibile montare
l'unità PEQ in rack GEQ 1-16 e assegnarlo all'insert-out/in di un canale di ingresso (solo
rack GEQ 1-8), di un canale MIX/MATRIX o di un canale STEREO/MONO. È anche possibile
montarla in rack EFFECT 1-8 (FX 1-8) e assegnarlo all'insert-out/in di un canale di ingresso,
di un canale MIX/MATRIX o di un canale STEREO/MONO. Il guadagno di ogni banda può
essere regolato tramite i fader e i tasti [ON] della sezione Centralogic. È disponibile il tipo
di PEQ seguente.
8BandPEQ
Si tratta di un equalizzatore parametrico mono a 8 bande. Sono inoltre disponibili filtri
passa-alto, passa-basso e passa-banda.
È possibile montare in un rack due unità 8BandPEQ (indicate rispettivamente come "A" e "B"),
pertanto è possibile utilizzare due canali di ingresso e uscita per ciascun rack.
Inserimento di un PEQ in un canale
In questa sezione viene illustrato come inserire un PEQ nel canale selezionato per l'utilizzo.
NOTA
• Nel campo GEQ o EFFECT è possibile visualizzare i livelli di ingresso e uscita del PEQ nel rack.
• Per informazioni dettagliate sulle operazioni con il PEQ, fare riferimento alla sezione "Finestra
PEQ EDIT" (pagina 143).
Finestra PEQ EDIT
1
Grafico PEQ
Mostra i valori dei parametri per il PEQ e il filtro.
2
Pulsante INPUT
Premere questo pulsante per aprire la finestra CH SELECT, nella quale è possibile
selezionare la sorgente di ingresso del rack. La procedura operativa è identica
a quella utilizzata per il pulsante INPUT nel campo GEQ.
3
Pulsante OUTPUT (USCITA)
Premere questo pulsante per aprire la finestra CH SELECT, nella quale è possibile
selezionare la destinazione di uscita del rack. La procedura operativa è identica
a quella utilizzata per il pulsante OUTPUT nel campo GEQ.
4
Pulsante LIBRARY
Premere questo pulsante per aprire la finestra della libreria PEQ.
5
Pulsante DEFAULT
Premere questo pulsante per ripristinare l'impostazione predefinita del parametro.
STEP
1.
Fare riferimento ai punti 1-8 in "Operazioni con rack virtuale" (pagina 136) per
montare un PEQ in un rack e impostarne la sorgente di ingresso e la destinazione
di uscita.
2.
Nel rack del campo GEQ o del campo EFFECT premere il contenitore rack in
cui è montato il PEQ.
3.
Se si utilizza una sorgente stereo, premere il pulsante RACK LINK per collegare
le due unità PEQ.
4.
Premere il pulsante PEQ ON/OFF per attivare il PEQ.
5
E
F
4 31 2 76 8
D
B
0
9
A
C

EQ grafico, Equalizzatore parametrico, effetti e PREMIUM RACK
Manuale di riferimento
144
6
Pulsante COPY
Tutte le impostazioni dei parametri dell'equalizzatore saranno copiate nella
memoria buffer.
7
Pulsante PASTE
Premere questo pulsante per incollare le impostazioni copiate dalla memoria buffer
all'equalizzatore corrente. Se nella memoria buffer non sono stati copiati dati validi,
non verrà eseguita alcuna operazione.
8
Pulsante COMPARE (CONFRONTA)
Premere questo pulsante per invertire le impostazioni dell'equalizzatore correnti con
i dati memorizzati nella memoria buffer. Se nella memoria buffer non sono stati
copiati dati validi, non verrà eseguita alcuna operazione.
9
Pulsante RACK LINK
Premere questo pulsante per aprire la finestra RACK LINK, in cui è possibile collegare
unità PEQ adiacenti.
Nel caso di un'unità 8BandPEQ, PEQ (A) e PEQ (B) verranno collegati nello stesso rack.
•Pulsante GEQ x
y ("x" e "y" rappresentano il numero del rack o il numero
del rack e il carattere alfabetico A o B)
I parametri di "x" verranno copiati in "y" e quindi collegati.
•Pulsante GEQ y
x
I parametri di "y" verranno copiati in "x" e quindi collegati.
• Pulsante RESET BOTH (REIMPOSTA ENTRAMBI)
I parametri di entrambi (x e y) verranno inizializzati e quindi collegati.
•Pulsante CANCEL
Consente di annullare il collegamento e di chiudere la finestra.
NOTA
Il pulsante RACK LINK viene visualizzato solo se è possibile effettuare il collegamento. Quando
si collegano unità RACK, nel campo GEQ viene visualizzato un simbolo per indicare lo stato
di collegamento.
0
Pulsante PEQ ON/OFF
Consente di attivare o disattivare il PEQ attualmente selezionato.
A
Pulsante PEQ FLAT
Premere questo pulsante per reimpostare i parametri GAIN di tutte le bande del PEQ
su 0 dB.
Tutti i pulsanti ON per i filtri passa-alto, passa-basso e passa-banda verranno disattivati.
Tutti i valori degli altri parametri verranno mantenuti e non reimpostati.
B
Indicatori del livello IN/OUT del PEQ
Indicano il livello di picco dei segnali prima e dopo il PEQ.
C
Tab di selezione rack
Consente di selezionare tra GEQ 1-8, GEQ 9-16 o EFFECT 1-8. Per un rack in cui
è montato un 8BandPEQ, i tab sono suddivisi in xA e xB (x è il numero del rack).
NOTA
Per informazioni dettagliate su come utilizzare i pulsanti, vedere "Uso dei pulsanti
degli strumenti" nel manuale di istruzioni fornito separatamente.
D
Pulsante RTA
Attivare questo pulsante per visualizzare un grafico della risposta di frequenza
sull'equalizzatore.
E
Pulsante HOLD
Premere questo pulsante per mantenere il picco del grafico che visualizza RTA.
F
Pulsante di selezione del tipo di equalizzatore
Consente di commutare il tipo di EQ selezionando PRECISE, AGGRESSIVE, SMOOTH
oLEGACY.
È possibile selezionare i seguenti tipi di EQ.
PRECISE
Questo tipo di EQ fornisce “precisione” e “controllabilità”. Può essere
utilizzato per regolare con precisione i punti desiderati, per una risposta
flessibile alle varie necessità della produzione musicale. I filtri di shelving
alto/basso dispongono di parametri "Q" che permettono la regolazione delle
caratteristiche Knee.
AGGRESSIVE
Questo tipo di EQ fornice caratteristiche di "effetti musicali". Consente di
creare suoni grintosi diventando così uno strumento essenziale per
l'espressione artistica.
SMOOTH
Un tipo di EQ che garantisce una "qualità del suono morbida". Consente di
creare melodie naturali senza modifiche significative all'atmosfera del suono
originale.
LEGACY
Questo è il tipo di EQ standard presente nei mixer digitali Yamaha classici,
quali i modelli PM1D e PM5D. Sul lato sinistro del grafico EQ, è possibile
passare da TYPE I (un algoritmo utilizzato nei precedenti mixer digitali
Yamaha) a TYPE II (un algoritmo che riduce l'interferenza tra le bande)
eviceversa.

EQ grafico, Equalizzatore parametrico, effetti e PREMIUM RACK
Manuale di riferimento
145
Finestra PEQ EDIT (8PEQ)
1
Pulsante BYPASS
È possibile ignorare ogni banda.
Quando il pulsante BYPASS è attivato, le manopole Q, FREQUENCY e GAIN per quella
banda diventano grigie.
2
Pulsante HPF/LPF NOTCH
Premere questo pulsante per passare alla schermata per l'utilizzo dei filtri passa-alto,
pasa-basso e passa-banda.
3
Manopole di impostazione dei parametri dell'equalizzatore
Indicano i parametri Q, FREQUENCY e GAIN per le bande da 1 a 8. È possibile utilizzare
la manopola [TOUCH AND TURN] per regolare questo valore.
Finestra PEQ EDIT (HPF/LPF NOTCH)
1
Pulsante di selezione dell'attenuazione
Sono disponibili quattro tipi di filtro passa-alto e filtro passa-basso. Questo pulsante
consente di commutare l'attenuazione per ottava tra -24 dB/ott, -18dB/ott, -12 dB/ott
e -6dB/ott.
2
Pulsante 8PEQ
Premere questo pulsante per passare alla schermata per l'utilizzo del PEQ a 8 bande.
3
Manopola di frequenza HPF/LPF
Questa manopola consente di regolare la frequenza HPF/LPF.
4
Pulsante ON
È disponibile un pulsante ON per il filtro passa-alto, passa-basso e per ognuno
dei tre filtri passa-banda.
5
Manopola Q del filtro passa-banda
Consente di regolare il Q del filtro passa-banda.
6
Manopola della frequenza del filtro passa-banda
Consente di regolare la frequenza del filtro passa-banda.
313
2
1
56565 4 4 4 6
2
3
4
3
1 1
4

EQ grafico, Equalizzatore parametrico, effetti e PREMIUM RACK
Manuale di riferimento
146
Informazioni sulla funzione AUTOMIXER
La funzione Automixer è inclusa di serie nelle unità della serie CL. La funzione automixer
consente di cercare i microfoni abilitati e di ottimizzare automaticamente la distribuzione del
guadagno per impieghi come i discorsi senza script. In questo modo, è possibile mantenere
il guadagno del sistema uniforme in più microfoni, evitando che il tecnico debba eseguire
regolazioni costanti dei fader.
Principio di funzionamento dell'automixer
Con il sistema per discorsi Dugan utilizzato nella funzione Automixer, è possibile regolare
automaticamente il guadagno automix per un massimo di 16 microfoni utilizzati per i discorsi.
Le funzioni del sistema per discorsi Dugan variano da quelle di un limiter o di un controller
automatico dei livelli. Quando parlano più persone, il tecnico può regolare ciascun livello
utilizzando il fader nel modo consueto. Anche se non parla nessuno, il sistema cerca l'audio
del microfono e distribuisce automaticamente il guadagno. Pertanto, i fader possono essere
lasciati alzati.
Inserimento dell'automixer nel post-fader dei canali
In questa sezione viene illustrato come montare un automixer in un rack virtuale e come
inserire l'ingresso e l'uscita dell'automixer nel post-fader (POST ON) (DOPO IL TASTO ON)
dei canali (esclusi i canali ST IN). Per informazioni dettagliate sulle operazioni con la funzione
Automixer, vedere "Uso della funzione Automixer".
Uso della funzione Automixer
Visualizzazione dei canali
Per i canali da 1 a 8 e da 9 a 16 vengono visualizzati l'indicatore del guadagno di missaggio
automatico per ciascun canale e le impostazioni manuali (giallo), automatiche (verde)
e di esclusione (rosso).
Se si seleziona l'area dei canali 1-8 o 9-16, il canale visualizzato per il campo di controllo
passerà a 1-8 o 9-16.
(per l'automixer a 8 canali, vengono visualizzati soli i canali 1-8).
Quando 1 persona parla su più microfoni Quando 2 persone parlano su più microfoni
Quando 1 persona parla, il guadagno
sul microfono in uso viene aumentato
immediatamente e il guadagno su tutti gli altri
microfoni viene ridotto. Lo stesso si verifica
anche se parla un'altra persona.
Se 2 persone parlano contemporaneamente,
il guadagno viene distribuito automaticamente,
in modo che il guadagno totale sia uniforme
su entrambi i microfoni, e il guadagno sul
microfono rimanente viene ridotto.
Guadagno (dB)
in Automix
Audio ingresso
microfono (dB)
Guadagno (dB)
in Automix
Audio ingresso
microfono (dB)
STEP
1.
Fare riferimento ai punti 1-8 in "Operazioni con rack virtuale" (pagina 136)
per montare l'automixer nel rack 1 e impostarne la sorgente di ingresso
e la destinazione di uscita.
2.
Vedere "Inserimento di un dispositivo esterno in un canale" a pagina 23 per inserire
l'automixer nel post-fader (campo POST ON).
Campo principale
Campo di controllo
canali

EQ grafico, Equalizzatore parametrico, effetti e PREMIUM RACK
Manuale di riferimento
147
Campo di controllo canali
Ciascun canale è sempre in modalità manuale, automatica o di esclusione. L'indicatore della
modalità del canale abilitata lampeggia. Per selezionare una modalità, premere il pulsante
relativo a tale modalità oppure premere il pulsante PRESET nel campo principale.
1
Indicatore di livello
Si illumina in verde quando l'audio si trova a livello ottimale per il missaggio automatico.
NOTA
• Se l'indicatore di livello lampeggia, aumentare il guadagno di input.
• Se l'indicatore di livello si illumina in rosso, ridurre il guadagno di input.
2
Indicatore di misurazione
Vi sono tre modalità di visualizzazione. Premere i pulsanti indicatori nel campo
principale per passare da una modalità all'altra.
NOTA
Gli indicatori in genere devono essere impostati nella modalità di guadagno.
3
weight (peso)
Consente di regolare la sensibilità di correlazione tra i canali di ingresso. Quando
non è presente alcun ingresso, regolare l'impostazione del peso in modo che tutti gli
indicatori del guadagno di missaggio automatico si trovino sullo stesso livello. Se si
percepisce del rumore vicino a un microfono, ad esempio il rumore causato dalla ventola
del computer o di un condizionatore d'aria, è possibile eliminare il rumore riducendo
l'impostazione del peso per quel canale.
Per modificare le impostazioni del peso del canale, utilizzare la manopola
[TOUCH AND TURN] per regolare il dispositivo di scorrimento relativo.
L'automixer consente di calcolare il rapporto del livello di ingresso per canali specifici per
tutti i missaggi di ingresso nel gruppo. Nell'esempio riportato di seguito viene illustrato
il meccanismo di controllo del peso.
Quando si aumenta l'impostazione del peso in un canale
• Il valore visualizzato dall'indicatore del guadagno di missaggio automatico per
il canale aumenta, mentre i valori per gli altri canali diminuiscono.
• I canali con valori di impostazione del peso elevati ricevono un guadagno del
missaggio automatico più alto rispetto agli altri canali.
Quando si riduce l'impostazione del peso in un canale
• Il valore visualizzato dall'indicatore del guadagno di missaggio automatico per
il canale diminuisce, mentre i valori per gli altri canali aumentano.
• Quando si parla su più microfoni contemporaneamente, risulta difficile distinguerli.
4
gruppo
Ciascun canale può essere assegnato a tre gruppi (a/b/c).
Questa funzione group è pratica per i seguenti impieghi.
• Utilizzo di più sale: assegnare i microfoni in ciascuna sala ai relativi gruppi e utilizzare
un automixer diverso per ognuno.
• Pan stereo: assegnare i microfoni distribuiti a sinistra, destra e al centro ai
gruppi a, b e c per mantenere un campo stereo stabile.
5
override (sostituzione)
Se si attiva il pulsante OVERRIDE nel campo principale, il canale passerà alla modalità
manuale o di esclusione in base alle impostazioni configurate per il pulsante Override
di quel canale.
• Quando il pulsante Override del canale è attivato, il canale passerà alla modalità
manuale quando il pulsante OVERRIDE del campo principale viene attivato.
• Quando il pulsante Override del canale è disattivato, il canale passerà alla modalità
di esclusione quando il pulsante OVERRIDE del campo principale viene attivato.
• Quando il pulsante OVERRIDE del campo principale è attivato, il canale torna
alla modalità precedente.
La funzione Override è pratica quando il moderatore di una discussione di gruppo
desidera controllare il sistema.
Per modificare le impostazioni, seguire le istruzioni riportate di seguito.
1.
Attivare il pulsante Override sul canale del moderatore.
2.
Disattivare il pulsante Override su tutti gli altri canali.
3.
Attivare il pulsante OVERRIDE nel campo principale, in base alle necessità.
gain (guadagno) Consente di visualizzare il guadagno
per l'automixer. Verde
input (ingresso) Consente di visualizzare il livello
di ingresso. Giallo
output (uscita) Consente di visualizzare il livello
di uscita. Blu
8
5
3
7
6
4
2
1

EQ grafico, Equalizzatore parametrico, effetti e PREMIUM RACK
Manuale di riferimento
148
6
Numero canale
Consente di visualizzare il numero e il nome del canale da inserire.
7
man/auto/mute (manuale/automatico/esclusione)
Consentono di alternare le modalità man/auto/mute.
man: consente di trasmettere l'audio senza modificare il guadagno. Questa modalità
è utilizzata per cantare con un microfono.
auto: consente di attivare l'automixer. Questa modalità è utilizzata per le conversazioni.
mute: consente di escludere i canali.
8
preset
Consente di selezionare la modalità del canale (man/auto/mute) quando si preme
il pulsante PRESET nel campo principale. Il pulsante Preset si illumina quando
un preset viene programmato per un canale.
Campo principale
1
OVERRIDE/PRESET/MUTE
Consentono di configurare le impostazioni per ciascun gruppo (a/b/c) selezionato
nel campo di controllo dei canali. Viene visualizzato solo il gruppo selezionato.
• OVERRIDE
Quando si preme questo pulsante, i canali in cui il pulsante Override è attivo eseguirà
il fade-in su 0 dB (guadagno unità). Tutti i canali con il pulsante Override disattivato
verranno esclusi.
• PRESET
Quando si preme questo pulsante, ciascun canale passa alla modalità indicata dal
pulsante di modalità (man/auto/esclusione) accanto all'indicatore preset acceso.
•MUTE
Quando si preme questo pulsante, tutti i canali eseguiranno immediatamente la
dissolvenza (0,5 secondi).
2
indicatori
Consente di commutare l'indicatore di misurazione nel campo di controllo canali.
Consente di alternare guadagno, ingresso e uscita ad ogni pressione del pulsante.
NOTA
Gli indicatori in genere devono essere impostati nella modalità di guadagno.
3
reset
Consente di inizializzare le impostazioni dell'automixer.
Modifica degli effetti interni
Gli effetti interni disponibili nelle console della serie CL possono essere montati nei rack
EFFECT 1-8 e assegnati all'uscita di un canale di uscita o all'ingresso di un canale di ingresso
oppure inseriti in un canale. Per ciascun effetto montato in un rack, è possibile scegliere
tra uno dei 54 tipi disponibili.
Con le impostazioni predefinite, i segnali provenienti dai canali MIX 17-24 vengono immessi
nei rack 1-8 e da questi vengono emessi nei canali ST IN 1-8 (L/R).
NOTA
Alcuni tipi di effetto possono essere montati solo nei rack 1, 3, 5 o 7.
Per utilizzare un effetto interno tramite mandata e ritorno, assegnare l'uscita di un canale MIX
all'ingresso dell'effetto e l'uscita dell'effetto a un canale di ingresso. In questo caso, il canale
di uscita corrispondente viene utilizzato come canale master per la mandata effetti, mentre il
canale d'ingresso viene utilizzato come canale di ritorno effetti.
In alternativa è possibile assegnare l'ingresso e l'uscita dell'effetto interno all'insert-out/in
del canale desiderato (ad eccezione del canale ST IN), in modo che l'effetto venga inserito
all'interno di quel canale.
Gli effetti interni rientrano in due categorie, effetti "tipo STEREO" (2-in/2-out) che elaborano
in modo indipendente i segnali di ingresso del canale di sinistra e di destra ed effetti "tipo MIX"
(1-in/2-out) che combinano i due canali prima di elaborarli.
Se i segnali vengono assegnati a entrambi gli ingressi sinistro e destro di un effetto, il modo
in cui i canali di sinistra/destra vengono elaborati dipenderà dalla selezione del tipo di effetto
Stereo oppure Mix, come illustrato di seguito.
1
32
OUTPUT PATCH
INPUT PATCH
EFFECT
EFFECT
EFFECT
EFFECT
Rack 2
Rack 7
Rack 8
Uscita del canale
di uscita
Ingresso del
canale d'ingresso
Rack 1
EFFECT
Insert-out del canale
desiderato*
Insert-in del canale
desiderato*
* Esclusione di un canale ST IN

EQ grafico, Equalizzatore parametrico, effetti e PREMIUM RACK
Manuale di riferimento
149
Effetti di tipo STEREO
Effetti di tipo MIX
Se un segnale viene assegnato a un solo ingresso di un effetto a due ingressi, verrà elaborato
come mono-in/stereo-out indipendentemente dalla selezione del tipo di effetto Stereo o Mix.
Si noti tuttavia che ciò non si applica a COMP276, COMP276S, COMP260, COMP260S,
EQUALIZER601 e OPENDECK.
Utilizzo di un effetto interno tramite mandata e ritorno
In questa sezione viene illustrato come utilizzare un bus MIX come bus di mandata effetti e un
canale ST IN come canale di ritorno effetti, in modo che l'effetto possa essere utilizzato in una
configurazione mandata e ritorno.
NOTA
• Se si desidera utilizzare un bus MIX come bus di mandata effetti, selezionare "VARI"
(VARIABILE) come tipo di bus. In questo modo sarà possibile regolare il livello
di mandata separatamente per ciascun canale di ingresso.
• Per utilizzare l'ingresso di un effetto in stereo, è opportuno assegnare il bus MIX di destinazione
della mandata a stereo. Per informazioni dettagliate sulle assegnazioni dei bus, vedere
apagina 57.
NOTA
• Se si utilizza un'origine stereo, assegnare i segnali L/R dei canali MIX stereo agli ingressi L/R
del rack.
• Se si utilizza l'uscita dell'effetto in stereo, assegnare l'ingresso R del canale ST IN selezionato
al punto 3 all'uscita R del rack.
• È possibile selezionare più di una destinazione di uscita per l'effetto.
• Per ulteriori informazioni sull'impostazione dei parametri degli effetti, vedere "Modifica dei
parametri degli effetti interni" a pagina 150.
Regolazione del livello di mandata dell'effetto di un canale di ingresso
Nel campo TO MIX/TO MATRIX della schermata OVERVIEW premere e selezionare
la manopola TO MIX SEND LEVEL per il bus MIX impostato come sorgente di ingresso
per il rack ed utilizzare la manopola multifunzione per regolare il livello di mandata
del segnale inviato da ciascun canale al bus MIX.
NOTA
• Se viene visualizzato un bus MATRIX nel campo TO MIX/TO MATRIX, utilizzare il tasto
[MIX 1-16] o il tasto [MIX 17-24/MATRIX] nella sezione SELECTED CHANNEL per selezionare il
bus MIX alla sorgente di ingresso del rack.
• Quando si regola il livello di mandata dell'effetto, assicurarsi che il livello di mandata dal canale
ST IN selezionato come destinazione di uscita per il rack al bus MIX corrispondente sia impostato
su 0. Se il livello di mandata viene alzato, l'uscita dell'effetto ritornerà all'ingresso dello stesso
effetto, causando probabilmente oscillazione.
• Se si preme di nuovo la manopola, verrà visualizzata la finestra MIX SEND (MANDATA MIX)
(8ch) per il bus MIX di destinazione della mandata. Questa finestra contiene gli switch di
attivazione/disattivazione per i segnali inviati da ciascun canale al bus corrispondente e consente
di selezionare il punto di mandata (PRE o POST) (pagina 44).
STEP
1.
Seguire i punti 1-3 illustrati in "Operazioni con rack virtuale" (pagina 136)
per montare un effetto in un rack.
2.
Premere il pulsante INPUT PATCH L nella finestra VIRTUAL RACK e selezionare
un canale MIX come sorgente di ingresso del rack (pagina 136).
3.
Premere il pulsante OUTPUT PATCH L nella finestra VIRTUAL RACK e selezionare
l'ingresso L di un canale ST IN come destinazione di uscita del rack (pagina 136).
4.
Regolare il livello di mandata da ciascun canale nel campo TO MIX/TO MATRIX
nella schermata OVERVIEW.
5.
Regolare il livello master della mandata dell'effetto del canale MIX selezionato
come sorgente di ingresso per il rack.
6.
Regolare il livello di ritorno dell'effetto del canale ST IN selezionato come
destinazione di uscita del rack.
INPUT L EFFECT L L RETURN
INPUT R EFFECT R R RETURN
INPUT L L RETURN
INPUT R EFFECT R RETURN
L RETURN
EFFECT R RETURN
INPUT L
o R

EQ grafico, Equalizzatore parametrico, effetti e PREMIUM RACK
Manuale di riferimento
150
Regolazione del livello master della mandata dell'effetto
Per regolare il canale MIX specificato come sorgente di ingresso per il rack, richiamarlo
nella sezione Centralogic e apportare le regolazioni desiderate utilizzando il fader.
Impostare il livello più alto possibile evitando che il segnale post-effetto raggiunga il punto
di overload.
NOTA
I livelli di ingresso e uscita dell'effetto vengono visualizzati dagli indicatori di ingresso/uscita in
alto a destra nella finestra EFFECT EDIT.
Regolazione del livello di ritorno dell'effetto
Per regolare il livello di ritorno dell'effetto, richiamare il canale ST IN specificato come
destinazione di uscita per il rack nella sezione Centralogic, quindi apportare le
regolazioni desiderate utilizzando il fader.
Inserimento di un effetto interno in un canale
In questa sezione viene illustrato come inserire un effetto in un canale assegnando l'ingresso/
uscita dell'effetto interno all'ingresso/uscita del canale desiderato (ad eccezione di un canale
ST IN). Per informazioni dettagliate sulla modifica dei parametri degli effetti, vedere
"Modifica dei parametri degli effetti interni".
NOTA
• Se si effettua l'inserimento in un effetto che gestisce una sorgente stereo, assegnare l'insert-out/
insert-in del canale R all'ingresso e all'uscita R dell'effetto seguendo la stessa procedura illustrata
al punto 3.
• Per ulteriori informazioni su come utilizzare la finestra INSERT/DIRECT OUT, vedere
"Inserimento di un dispositivo esterno in un canale" (pagina 23).
• I livelli prima e dopo l'effetto vengono visualizzati dagli indicatori di ingresso e uscita nella
parte superiore destra nella finestra EFFECT EDIT.
• Regolare il livello del master di mandata effetti e i parametri dell'effetto in modo che il segnale
non raggiunga il punto di overload durante la fase ingresso o uscita dell'effetto.
Modifica dei parametri degli effetti interni
In questa sezione viene illustrato come cambiare il tipo di effetto e modificare i parametri.
Nel rack in cui è montato un effetto verranno visualizzate le informazioni riportate nella
finestra VIRTUAL RACK.
1
Titolo/tipo di effetto
In questo campo vengono visualizzati il titolo dell'effetto, il nome del tipo utilizzati
e un grafico. Viene inoltre mostrato il numero dei canali di ingresso/uscita (1 IN/2 OUT
o 2 IN/2 OUT) di questo effetto.
2
Indicatori di ingresso/uscita
Indicano il livello dei segnali prima e dopo l'effetto.
STEP
1.
Seguire i punti 1-3 illustrati in "Operazioni con rack virtuale" (pagina 136)
per montare un effetto in un rack.
2.
Premere il pulsante INPUT PATCH L nella finestra VIRTUAL RACK e selezionare
l'insert-out per uno dei canali come sorgente di ingresso del rack (pagina 136).
3.
Premere il pulsante OUTPUT PATCH L nella finestra VIRTUAL RACK e selezionare
l'insert-in dello stesso canale come destinazione di uscita del rack (pagina 136).
4.
Utilizzare i tasti di selezione dei banchi nella sezione Centralogic per accedere
alla schermata OVERVIEW per il canale in cui si è inserito l'effetto.
5.
Premere il campo INSERT/DIRECT OUT nella schermata OVERVIEW.
6.
Nella finestra a comparsa INSERT/DIRECT OUT attivare il pulsante INSERT ON/OFF
per il canale in cui è stato inserito l'effetto.
7.
Visualizzare nuovamente la finestra EFFECT EDIT e selezionare il tipo di effetto,
quindi modificare i parametri relativi.
8.
Tramite il fader del canale selezionato come destinazione di uscita del rack
al punto 3, regolare il livello nel modo appropriato.
STEP
1.
Premere il contenitore rack in cui è stato montato l'effetto che si desidera
modificare.
2.
Per modificare il tipo di effetto, premere il campo del tipo di effetto nella
finestra EFFECT EDIT e selezionare il tipo di effetto nella finestra EFFECT TYPE.
3.
Premere una manopola nel campo dei parametri dell'effetto della finestra
EFFECT EDIT per effettuare una selezione, quindi ruotare la manopola
multifunzione per modificare i parametri relativi.
4.
Modificare le impostazioni nel campo dei parametri speciali secondo necessità.
1 2

EQ grafico, Equalizzatore parametrico, effetti e PREMIUM RACK
Manuale di riferimento
151
Finestra EFFECT EDIT
Consente di regolare i parametri degli effetti.
NOTA
Per informazioni dettagliate sui parametri di ciascun tipo di effetto, vedere l'elenco dati alla fine
del presente manuale.
1
Pulsanti INPUT L/R
Premere questo pulsante per aprire la finestra CH SELECT.
2
Pulsanti OUTPUT L/R
Premere questo pulsante per aprire la finestra CH SELECT.
3
Campo dei tipi di effetto
In questo campo vengono visualizzati il titolo dell'effetto, il nome del tipo utilizzati e un
grafico. Viene inoltre mostrato il numero dei canali di ingresso/uscita (1 IN/2 OUT
o 2 IN/2 OUT) di questo effetto. Premere questo campo per aprire la finestra
EFFECT TYPE, nella quale è possibile selezionare il tipo di effetto.
NOTA
• È inoltre possibile modificare il tipo di effetto richiamando un'impostazione della libreria.
• I tipi di effetto "HQ.PITCH" (PITCH HIGH QUALITY) e "FREEZE" (BLOCCO) possono essere
utilizzati solo nei rack 1, 3, 5 o 7. Inoltre, anche copiando questi due tipi di effetti non sarà possibile
incollarli nei rack 2, 4, 6 o 8.
4
Pulsante EFFECT CUE (ATTIVAZIONE EFFETTO)
Consente di monitorare il segnale di attivazione per l'uscita dell'effetto attualmente
visualizzato. Questa funzione Cue è valida solo mentre è visualizzata questa schermata.
L'attivazione viene annullata automaticamente quando si passa a una schermata diversa.
NOTA
Se la modalità CUE è impostata su MIX CUE, verrà eseguito il monitoraggio di tutti i canali per
cui il tasto CUE è attivato. Se tuttavia viene attivato il pulsante EFFECT CUE, verrà eseguito
il monitoraggio solo del segnale di uscita dell'effetto. (i tasti [CUE] attivati fino a quel momento
verranno temporaneamente ignorati).
Il monitoraggio dei segnali di attivazione non supporta CUE B.
5
Campo dei parametri speciali
In questo campo vengono presentati particolari parametri specifici di alcuni tipi
di effetti.
7
6
0
1
A
8
3 24 5
9

EQ grafico, Equalizzatore parametrico, effetti e PREMIUM RACK
Manuale di riferimento
152
TEMPO
Questo campo viene visualizzato se si seleziona un effetto di tipo tempo
o di tipo modulazione.
• Pulsante MIDI CLK
Se si attiva questo pulsante, il parametro BPM (battute
al minuto) dell'effetto verrà impostato in modo da
corrispondere al tempo dell'orologio di temporizzazione
MIDI in ingresso dalla porta MIDI.
PLAY/REC (RIPRODUCI/REGISTRA)
Questo campo viene visualizzato quando è selezionato FREEZE come tipo di effetto.
•Pulsanti PLAY/REC
Consentono di effettuare la registrazione
(campionamento) e la riproduzione quando si utilizza
l'effetto blocco (Freeze). Per le operazioni dettagliate,
vedere "Uso dell'effetto blocco" a pagina 155.
SOLO
Questo campo viene visualizzato quando M.BAND DYNA
o M.BAND COMP. è selezionato come tipo di effetto.
• Pulsanti HIGH/MID/LOW
Consentono il passaggio solo della banda di frequenza
selezionata (sono consentite più selezioni).
• Indicatori di riduzione del guadagno
Indicano la quantità di riduzione del guadagno
per ciascuna banda.
Indicatore di riduzione guadagno
Questo campo viene visualizzato quando è selezionato
Comp276/276S oppure Comp260/260S come tipo di effetto.
• Indicatori di riduzione del guadagno
Indicano la quantità di riduzione del guadagno applicata
dal compressore.
Tipo
Questo campo viene visualizzato quando Equalizer601
è selezionato come tipo di effetto.
•Tipo
Consentono di selezionare uno dei due tipi di equalizzatore
che forniscono effetti diversi.
DRIVE emula le modifiche nella risposta di frequenza dei circuiti analogici, creando
un suono distorto che migliora le caratteristiche di suono analogico tramite aggiunta
di distorsione.
CLEAN emula le modifiche nella risposta di frequenza tipiche dei circuiti analogici,
creando un suono chiaro e non distorto intrinsecamente digitale.
•Pulsante FLAT
Questo pulsante consente di riportare a 0 dB il guadagno di tutte le bande.
6
Pulsante BYPASS
Consente di bypassare (ignorare) temporaneamente l'effetto.
7
Indicatori di ingresso/uscita
Indicano il livello dei segnali prima e dopo l'effetto.
8
Campo dei parametri degli effetti
In quest'area vengono presentati i parametri relativi al tipo di effetto attualmente
selezionato. Se si preme una manopola in questo campo, sarà possibile utilizzare le
manopole multifunzione per controllare la riga orizzontale di manopole corrispondente.
È inoltre possibile effettuare regolazioni fini mantenendo premuta una manopola
eruotandola.
9
Manopola MIX BAL.
Consente di regolare il bilanciamento tra il suono originale e quello degli effetti inclusi
nel segnale di uscita dall'effetto. Se si preme questa manopola per selezionarla,
è possibile regolarla utilizzando la manopola multifunzione corrispondente. Se si sta
utilizzando l'effetto tramite mandata/ritorno, impostarlo su 100% (solo suono di effetti).
0
Pulsanti degli strumenti
Consentono di copiare le impostazioni degli effetti attualmente visualizzate nell'effetto
di un altro rack oppure inizializzare le impostazioni. Per informazioni dettagliate su come
utilizzare i pulsanti degli strumenti, vedere "Uso dei pulsanti degli strumenti" nel
manuale di istruzioni fornito separatamente.
NOTA
È possibile memorizzare le impostazioni degli effetti e richiamarle in qualsiasi momento
utilizzando la libreria effetti.
A
Tab di selezione rack
I tab consentono di alternare EFFECT 1-8.

EQ grafico, Equalizzatore parametrico, effetti e PREMIUM RACK
Manuale di riferimento
153
Uso della funzione Tap Tempo
"Tap tempo" è una funzione che consente di specificare il tempo di ritardo di un effetto delay
o la velocità di modulazione di un effetto modulazione battendo su un tasto all'intervallo
desiderato. La funzione Tap Tempo può essere utilizzata per gli effetti di tipo delay
e modulazione nei quali è incluso il parametro BPM e per specificare il tempo di ritardo o la
velocità di modulazione. Per utilizzare la funzione Tap (Battuta), è necessario assegnare la
funzione Tap Tempo a un tasto USER DEFINED, quindi utilizzare tale tasto.
NOTA
Per informazioni dettagliate sui parametri di ciascun tipo di effetto, vedere l'elenco dati alla fine
del presente manuale.
Assegnazione della funzione Tap Tempo a un tasto USER DEFINED
NOTA
• Se nella colonna PARAMETER 1 della finestra USER DEFINED KEY SETUP si specifica
"CURRENT PAGE", è possibile utilizzare la funzione Tap Tempo per l'effetto attualmente
visualizzato (rack).
• Se si specifica "RACK x" (x=1-8) nella colonna PARAMETER 1 della finestra USER DEFINED
KEY SETUP, è possibile utilizzare la funzione Tap Tempo solo per un effetto specifico (rack).
• Per ulteriori informazioni sui tasti USER DEFINED, vedere "Tasti USER DEFINED" a pagina 215.
STEP
1.
Nell'area di accesso alle funzioni premere il pulsante SETUP.
2.
Premere il pulsante USER SETUP in alto a sinistra nella schermata SETUP.
3.
Premere il tab USER DEFINED KEYS nella finestra USER SETUP.
4.
Nella pagina USER DEFINED KEYS premere il pulsante per il tasto USER DEFINED
a cui si desidera assegnare la funzione Tap Tempo.
5.
Selezionare "TAP TEMPO" nella colonna FUNCTION (FUNZIONE), selezionare
"CURRENT PAGE" (PAGINA CORRENTE) nella colonna PARAMETER 1
(PARAMETRO 1) della finestra USER DEFINED KEY SETUP (CONFIGURAZIONE
TASTI DEFINITI DALL'UTENTE) e premere il pulsante OK.
Finestra USER SETUP
(CONFIGURAZIONE UTENTE)
Schermata SETUP
Finestra USER DEFINED KEY SETUP
(CONFIGURAZIONE TASTI DEFINITI
DALL'UTENTE)
Pagina USER DEFINED KEYS

EQ grafico, Equalizzatore parametrico, effetti e PREMIUM RACK
Manuale di riferimento
154
Uso della funzione Tap Tempo
Verrà calcolato l'intervallo medio (BPM) di pressione del tasto USER DEFINED e tale
valore verrà applicato al parametro BPM.
NOTA
• Se il valore medio non è compreso nell'intervallo compreso tra 20 e 300 BPM, verrà ignorato.
• Se si attiva il pulsante MIDI CLK nel campo dei parametri speciali, il valore del parametro BPM
cambierà in base al tempo dell'orologio di temporizzazione MIDI ricevuto dalla porta MIDI.
NOTA
• Se la finestra a comparsa EFFECT EDIT utilizzata per impostare TAP TEMPO è aperta, questa
finestra a comparsa non viene visualizzata.
• Con CL V3.0 e versioni successive, anche il valore di delay (msec) viene mostrato nella finestra
a comparsa.
STEP
1.
Nell'area di accesso alle funzioni premere il pulsante RACK.
2.
Premere il tab EFFECT nella finestra VIRTUAL RACK.
3.
Premere il contenitore rack in cui è stato montato l'effetto che si desidera
controllare.
4.
Premere il campo del tipo di effetto nella finestra EFFECT EDIT.
5.
Nella finestra EFFECT TYPE selezionare un tipo di effetto che includa un
parametro BPM.
6.
Impostare il parametro SYNC su ON nel campo dei parametri effetti.
7.
Al tempo desiderato, premere ripetutamente il tasto USER DEFINED a cui
è assegnata la funzione Tap Tempo per impostare il parametro BPM.
ab c
L'intervallo medio verrà applicato al parametro.
(la media tra a, b e c)
Primo
battito
Secondo
battito
Terzo
battito
Quarto
battito
Finestra a comparsa Tap
Tempo

EQ grafico, Equalizzatore parametrico, effetti e PREMIUM RACK
Manuale di riferimento
155
Sincronizzazione di effetti e tempo
Alcuni effetti della serie CL possono essere sincronizzati con il tempo. Sono disponibili
due tipi di effetto: effetti di tipo delay ed effetti di tipo modulazione Per gli effetti di tipo delay,
la durata del delay cambierà in base al tempo. Per gli effetti di tipo modulazione, la frequenza
del segnale di modulazione cambierà in base al tempo.
Parametri relativi alla sincronizzazione del tempo
I cinque parametri riportati di seguito sono correlati alla sincronizzazione del tempo.
1) SYNC (SINCRONIZZAZIONE) 2) NOTE (NOTA) 3) TEMPO 4) DELAY 5) FREQ.
SYNC: ..............................Consente l'attivazione o la disattivazione della sincronizzazione
del tempo.
NOTE e TEMPO: .............Parametri di base per la sincronizzazione del tempo.
DELAY e FREQ.: ..............DELAY è la durata del delay e FREQ. è la frequenza del segnale
di modulazione. Influiscono direttamente sul modo in cui il suono
dell'effetto cambierà. DELAY è relativo solo agli effetti di tipo delay
e FREQ. è relativo solo agli effetti di tipo modulazione.
Modalità di correlazione dei parametri
La sincronizzazione del tempo calcola il valore DELAY (o FREQ.)
*a
dai valori TEMPO
eNOTE.
Turn SYNC ON
Change NOTE DELAY (o FREQ.) verrà impostato
In questo caso il valore DELAY (o FREQ.) viene calcolato come indicato di seguito.
DELAY (o FREQ.) = NOTE x 4 x (60/TEMPO)
Change TEMPO DELAY (o FREQ.) verrà impostato
In questo caso il valore DELAY o FREQ. viene calcolato come indicato di seguito.
DELAY = NOTE x 4 x (60/TEMPO) sec
FREQ. = (TEMPO/60)/(NOTE x 4) Hz
Esempio 1: quando SYNC=ON, DELAY=250 ms, TEMPO=120, si modifica NOTE
dall’ottava alla quarta nota
DELAY= nuovo NOTE x 4 x (60/TEMPO)
= (1/4) x 4 x (60/120)
= 0,5 (sec)
= 500 ms
In questo modo, DELAY passerà da 250 ms a 500 ms.
Esempio 2: quando SYNC=ON, DELAY=250 ms, NOTE=ottava nota, si modifica
TEMPO da 120 a 121
DELAY= NOTE x 4 x (60/nuovo TEMPO)
= (1/8) x 4 x (60/121)
= 0,2479 (sec)
= 247,9 (ms)
In questo modo, TEMPO passerà da 250 ms a 247,9 ms.
*a Per i risultati del calcolo si utilizzano valori arrotondati.
Caratteristiche particolari del parametro TEMPO
Il parametro TEMPO presenta le seguenti caratteristiche che lo differenziano dagli
altri parametri.
• Valore condiviso con tutti gli effetti (questo tuttavia vale solo se SYNC è attivato e se il
pulsante MIDI CLK è attivato con l'ingresso del clock MIDI configurato sul jack MIDI IN.)
• Non è possibile memorizzarlo o richiamarlo dalla libreria degli effetti. È invece possibile
memorizzarlo e richiamarlo da una scena.
Questo significa che il valore di TEMPO può non essere necessariamente lo stesso
quando viene richiamato un effetto rispetto a quando l'effetto è stato memorizzato. Di seguito
è riportato un esempio.
Memorizzare l'effetto: TEMPO=120 Impostare TEMPO su 60 TEMPO=60
Richiamare l'effetto: TEMPO=60
In genere quando si modifica il parametro TEMPO, DELAY (o FREQ.) viene reimpostato
di conseguenza. Tuttavia se DELAY (o FREQ.) sono stati modificati, l'effetto avrà un suono
diverso quando viene richiamato rispetto a quando è stato memorizzato. Per evitare che
l'effetto cambi in questo modo tra il momento di memorizzazione e quello del richiamo, la serie
CL non aggiorna il valore di DELAY (o FREQ.) quando viene richiamato un effetto, anche se
TEMPO non è più lo stesso di quando l'effetto è stato memorizzato.
* Il parametro NOTE viene calcolato in base ai seguenti valori.
Uso dell'effetto blocco
In questa sezione viene illustrato come utilizzare il tipo di effetto "FREEZE", che offre la
funzionalità di un campionatore semplice. Selezionando questo tipo di effetto, è possibile
effettuare operazioni nella schermata per registrare (campionare) e riprodurre un suono.
NOTA
I tipi di effetti "FREEZE" e "HQ.PITCH" possono essere utilizzati solo nei rack 1, 3, 5 o 7.
NOTA
• La barra nella finestra EFFECT EDIT indicherà lo stato di avanzamento corrente della
registrazione. Trascorso un tempo prestabilito, i pulsanti si disattivano automaticamente.
• È possibile regolare i parametri nella finestra EFFECT EDIT per configurare impostazioni
dettagliate relative al tempo di registrazione, alla modalità di avvio della registrazione e alla
modalità di riproduzione del campione registrato. Per informazioni dettagliate sui parametri,
vedere l'elenco dati alla fine del presente manuale.
STEP
1.
Nell'area di accesso alle funzioni premere il pulsante RACK.
2.
Premere il tab EFFECT nella finestra VIRTUAL RACK.
3.
Premere il contenitore effetti nel rack 1, 3, 5 o 7.
4.
Premere il campo del tipo di effetto nella finestra EFFECT EDIT per aprire la
finestra EFFECT TYPE, quindi selezionare "FREEZE".
5.
Per iniziare la registrazione (campionamento), premere il pulsante REC, quindi
il pulsante PLAY.
6.
Per riprodurre il campione registrato, premere il pulsante PLAY.
= 1/48
= 3/16
= 1/24
= 1/4
= 1/16
= 3/8
= 1/12
= 1/2 = 3/4
= 3/32 = 1/8
= 1/1 = 2/1
= 1/6

EQ grafico, Equalizzatore parametrico, effetti e PREMIUM RACK
Manuale di riferimento
156
• Il contenuto campionato verrà cancellato se si registra un altro campione, si modifica l'effetto
o si spegne l'unità CL.
Finestra EFFECT EDIT (quando è selezionato FREEZE)
Se si seleziona il tipo di effetto "FREEZE", nel campo dei parametri speciali verranno
visualizzati un pulsante PLAY, un pulsante REC e una barra di avanzamento.
1
Pulsante PLAY (RIPRODUCI)
2
Pulsante REC (REGISTRAZIONE)
3
Barra di avanzamento
NOTA
Anziché cambiare tipo di effetto, è anche possibile richiamare le impostazioni che utilizzano il
tipo di effetto "FREEZE" dalla libreria effetti.
Uso del Premium Rack
Oltre all'equalizzatore grafico e agli effetti interni, la serie CL offre i processori "Premium Rack"
che sono in grado di emulare fedelmente tanto i processori analogici tradizionali selezionati
quanto i processori di nuova concezione. Il Premium Rack si avvale della tecnologia VCM
che consente di modellare i circuiti analogici a livello di componente per riprodurre con
eccezionale fedeltà i suoni analogici più incredibili.
Il Premium Rack offre otto tipi di processori.
Uso del Premium Rack
La procedura per configurare le assegnazioni I/O per il rack è identica a quella per
il rack effetti (pagina 148).
NOTA
• Se si effettua l'inserimento in un processore che gestisce una sorgente stereo, assegnare l'insert-
out e l'insert-in del canale R all'ingresso e all'uscita R del processore seguendo la stessa
procedura illustrata i punti 5 e 6.
• Per informazioni dettagliate sulla modifica dei parametri, fare riferimento alla sezione successiva
"Modifica dei parametri del Premium Rack".
• Regolare il guadagno digitale e i parametri del processore in modo che il segnale non
raggiunga il punto di overload durante la fase ingresso o uscita del processore.
Nome Panoramica
Portico 5033 In grado di modellare un equalizzatore analogico a 5 bande RND.
Portico 5043 In grado di modellare un compressore/limitatore analogico RND.
U76 In grado di modellare un compressore/limitatore tradizionale tipico.
Opt-2A In grado di modellare un compressore classico a valvole termoioniche (tipo ottico).
EQ-1A In grado di modellare un equalizzatore tradizionale classico a valvole termoioniche
di tipo passivo.
Dynamic EQ
Equalizzatore di nuova concezione che offre un guadagno dinamicamente
modificabile e consente di controllare la quantità di taglio/enfasi in relazione al
livello di ingresso.
Buss Comp 369 In grado di modellare un compressore/limitatore anni '70 con circuiti discreti.
MBC4 Compressore a quattro bande con controlli intuitivi
132
STEP
1.
Nell'area di accesso alle funzioni premere il pulsante RACK.
2.
Nella parte superiore della finestra VIRTUAL RACK, premere il tab PREMIUM.
3.
Per montare un Premium Rack nel rack, premere il pulsante RACK MOUNT per tale rack
nel campo PREMIUM RACK.
4.
Selezionare il processore da montare e il metodo di montaggio nel campo
MODULE SELECT della finestra PREMIUM RACK MOUNTER e premere il pulsante OK.
5.
Premere il pulsante INPUT PATCH L (INGRESSO SINISTRA) per aprire la finestra
CH SELECT e selezionare la sorgente di ingresso.
6.
Premere il pulsante OUTPUT PATCH L per aprire la finestra CH SELECT e selezionare
l'insert-in dello stesso canale come destinazione di uscita.
7.
Utilizzare i tasti di selezione dei banchi nella sezione Centralogic per selezionare il canale
in cui è stato inserito l'effetto.
8.
Premere il campo INSERT/DIRECT OUT nella schermata OVERVIEW.
9.
Nella finestra a comparsa INSERT/DIRECT OUT attivare il pulsante INSERT ON/OFF per il
canale in cui è stato inserito il processore.
10.
Regolare i parametri del processore.
11.
Tramite il fader del canale selezionato come destinazione di uscita del rack al punto 6,
regolare il livello nel modo appropriato.
Finestra PREMIUM RACK
MOUNTER
Finestra VIRTUAL RACK
(Campo PREMIUM RACK)

EQ grafico, Equalizzatore parametrico, effetti e PREMIUM RACK
Manuale di riferimento
157
Montaggio di un processore
Esistono due modi per montare ciascun processore:
•DUAL .....................Il processore viene utilizzato per due canali mono.
•STEREO ................Il processore viene utilizzato per un canale stereo.
I pulsanti DUAL e STEREO indicano la quantità di unità di spazio rack occupate
dal processore Premium Rack.
Il tipo U76 occupa due unità di spazio rack. Gli altri processori occupano una unità di spazio
rack. Se si monta un processore Premium Rack da due unità di spazio nel rack, non sarà
possibile montare alcun altro processore sotto a tali unità di spazio rack. Non è inoltre
possibile montare un processore da due unità in rack con numeri pari.
Modifica dei parametri del Premium Rack
Ciascuna finestra Premium Rack include gli elementi riportati di seguito:
1
Pulsante ASSIST
Premere questo pulsante per indicare i numeri delle manopole multifunzione
che controllano ciascun parametro.
2
Pulsante LIBRARY
Premere questo pulsante per visualizzare la finestra Library per ciascun Premium Rack.
3
Pulsante DEFAULT
Consente di ripristinare l'impostazione predefinita dei parametri.
4
Campo di accesso alle manopole multifunzione
Indica il nome e il valore dei parametri assegnati alle manopole multifunzione.
Per passare al controllo dei parametri, premere la manopola nella finestra.
NOTA
• Se il pulsante ASSIST è attivato, sarà possibile identificare facilmente i parametri attualmente
disponibili per la modifica e i parametri che saranno disponibili per la modifica dopo
la rispettiva selezione.
• È possibile regolare il parametro in incrementi più piccoli tenendo premuta una manopola
multifunzione e ruotandola.
Portico 5033
Portico 5033 è un processore che emula un equalizzatore analogico a 5 bande sviluppato da
Rupert Neve Designs (RND). L'equalizzatore 5033EQ è caratterizzato da una risposta al
controllo di tono unica. L'unità ha ereditato la storia e le caratteristiche del modello "1073",
acclamato come uno dei migliori dispositivi sviluppati da Rupert Neve. La tecnologia VCM di
Yamaha ha modellato l'equalizzatore nei minimi dettagli, incluso il trasformatore di ingresso/
uscita progettato da Rupert Neve in persona. Il risultato è un modello di processore che
produce suoni di eccezionale qualità musicale, anche se bypassato. La risposta offre effetti
unici. Ad esempio, tagliando l'impostazione del parametro Lo la gamma inferiore si ridurrà
in larghezza mentre aumentando l'impostazione del parametro Hi la gamma desiderata
verrà enfatizzata senza fastidio per l'udito.
1 2 3
1
2
8
7
3
4
5
6

EQ grafico, Equalizzatore parametrico, effetti e PREMIUM RACK
Manuale di riferimento
158
1
Pulsante ALL BYPASS
Consente di attivare o disattivare il bypass dell'equalizzatore. Anche nello stato
bypassato il segnale attraverserà i trasformatori di ingresso/uscita e il
circuito dell'amplificatore.
2
Manopola TRIM
Consente di regolare il guadagno di ingresso dell'effetto.
3
Manopole della frequenza LF/LMF/MF/HMF/HF
Consentono di regolare la frequenza di ciascuna banda.
4
Manopole del guadagno LF/LMF/MF/HMF/HF
Consentono di regolare la quantità di enfasi o taglio per ciascuna banda.
5
Manopole Q LMF/MF/HMF
Consentono di regolare il valore Q (gradualità) di ciascuna banda. Quanto maggiore
è il valore Q, tanto più stretta sarà la gamma in cui è possibile il controllo del guadagno
per la banda.
6
Pulsante IN LMF/MF/HMF
Consente di attivare o disattivare l'EQ LMF/MF/HMF rispettivamente.
7
Pulsante IN LF/HF
Consente di attivare o disattivare l'EQ LF e HF contemporaneamente.
8
Grafico
Indica la funzione di risposta dell'equalizzatore grafico.
Portico 5043
Portico 5043, come Portico 5033, è un processore che emula il compressore analogico RND.
Il compressore 5043 effettivo è dotato dello stesso trasformatore di ingresso/uscita
dell'equalizzatore 5033 e offre tonalità ed effetti naturali di qualità analogica. Consente
di ottenere un'ampia varietà di risultati dalla compressione estrema al suono naturale
ed è idoneo per un vasta gamma di sorgenti audio dalle percussioni alla voce.
La caratteristica principale del modello è la possibilità di commutare il tipo di riduzione
del guadagno. È possibile scegliere tra un circuito di tipo FF (Feed-Forward), attualmente
di uso più comune, e un circuito di tipo FB (Feed-Back) comunemente utilizzato nei
compressori vintage. Ciò consente di creare suoni con svariate caratteristiche appropriati
per ogni applicazione.
1
Pulsante IN
Consente di attivare o disattivare il bypass del compressore. Quando il compressore
è bypassato, l'indicatore del pulsante è disattivato. Tuttavia, anche se il compressore
è bypassato, il segnale attraverserà il trasformatore di ingresso/uscita e il circuito
dell'amplificatore.
2
Indicatore INPUT
Indica il livello del segnale di ingresso.
In modalità DUAL viene visualizzato un indicatore, mentre in modalità STEREO
vengono visualizzati due indicatori.
3
Pulsante FB
Consente di commutare il metodo di riduzione del guadagno dal circuito FF
(Feed Forward, controllo in avanti) al circuito FB (Feed Back, controllo indietro).
Il pulsante si illumina quando è selezionato il circuito FB.
Il circuito FF viene utilizzato nei compressori più moderni. Questo tipo è utilizzato
quando si desidera applicare una compressione costante mantenendo comunque
un colore tonale coerente.
Il circuito FB viene utilizzato nei compressori vintage. Questo tipo è ideale quando
si desidera applicare una compressione omogenea aggiungendo un timbro del
suono caratteristico di questo tipo di dispositivi.
4
Indicatore GAIN REDUCTION (RIDUZIONE GUADAGNO)
Indica il livello di riduzione del guadagno.
5
Manopola THRESHOLD (SOGLIA)
Consente di regolare il livello di soglia a cui inizia l'applicazione della compressione.
6
Manopola RATIO
Consente di regolare il rapporto di compressione. Se si ruota la manopola in senso
orario fino al limite, l'unità funzionerà come limitatore.
7
Manopola ATTACK
Consente di regolare il tempo di attacco del compressore.
1324
56789

EQ grafico, Equalizzatore parametrico, effetti e PREMIUM RACK
Manuale di riferimento
159
8
Manopola RELEASE (RILASCIO)
Consente di regolare il tempo di rilascio del compressore.
9
Manopola GAIN (GUADAGNO)
Consente di regolare il guadagno di uscita.
U76
Il processore U76 emula un compressore vintage molto diffuso utilizzato in un'ampia varietà
di situazioni. Questo processore non offre il parametro di soglia presente nei compressori
convenzionali. Invece, l'intensità di compressione è determinata dal bilanciamento tra
guadagno d'ingresso e guadagno di uscita. L'impostazione "All mode" (modalità tutto) del
parametro RATIO consente di generare un suono intensamente compresso tipico di questo
modello. Produce un carattere tonale aggressivo con una ricca aggiunta di armonici.
1
Manopola INPUT
Consente di regolare il livello d'ingresso. Al crescere del livello d'ingresso aumenterà
la compressione applicata.
2
Manopola ATTACK
Consente di regolare il tempo di attacco del compressore. Ruotare completamente
la manopola in senso orario per impostare il tempo di attacco più rapido.
3
Manopola RELEASE (RILASCIO)
Consente di regolare il tempo di rilascio del compressore. Ruotare completamente
la manopola in senso orario per impostare il tempo di rilascio più rapido.
4
Pulsanti di commutazione RATIO
Utilizzare questi cinque pulsanti per impostare il rapporto di compressione.
Maggiore è il numero del pulsante e maggiore sarà l'incremento del rapporto di
compressione. Premendo il pulsante ALL viene selezionata la modalità Tutto in cui il
RAPPORTO diverrà massimo e verrà applicata una compressione decisa con un tempo
di rilascio più rapido, generando un suono aggressivo distorto in modo sostanziale.
5
Pulsanti di commutazione METER
Consentono di commutare la visualizzazione degli indicatori.
•GR.................Indica la quantità di riduzione del guadagno applicata dal compressore.
•+4/+8.............Ciascun indicatore utilizza -18 dB come livello di riferimento del segnale
di uscita e indica "0VU" come valore del livello di riferimento
incrementato di +4 dB o +8 dB.
•OFF...............Disattiva la visualizzazione degli indicatori.
6
Manopola OUTPUT
Consente di regolare il livello di uscita.
Se l'entità di riduzione del guadagno è stata regolata modificando la manopola INPUT,
si modificherà anche il livello del volume udibile. In questo caso, utilizzare questa
manopola OUTPUT per regolare il livello del volume.
Opt-2A
Il processore Opt-2A emula un modello tradizionale molto diffuso di compressori ottici
a valvole. Per controllare il livello, utilizza componenti ottici come una cella CdS e un pannello
EL per applicare una compressione omogenea, con bellissimi armonici di gamma alta
generati dalla distorsione delle valvole con suoni caldi, per un suono elegante e sofisticato.
1
Manopola GAIN
Consente di regolare il livello di uscita.
2
Manopola PEAK REDUCTION
Consente di regolale la quantità di compressione del segnale.
3
Manopola RATIO
Consente di regolare il rapporto di compressione.
4
Manopola METER SELECT (SELEZIONE INDICATORE)
Consente di commutare la visualizzazione degli indicatori.
GAIN REDUCTION indica la quantità di riduzione del guadagno applicata
dal compressore.
Con un valore di -18 dB come livello di riferimento del segnale di uscita, le impostazioni
OUTPUT +10 e OUTPUT +4 causeranno la visualizzazione del valore "0VU" sull'indicatore
rispettivamente per il valore +10 dB o +4 dB di differenza dal livello di riferimento.
21
3645
2134

EQ grafico, Equalizzatore parametrico, effetti e PREMIUM RACK
Manuale di riferimento
160
EQ-1A
Il processore EQ-1A emula un famoso equalizzatore tradizionale di tipo passivo.
È caratterizzato da uno stile di funzionamento unico e consente di enfatizzare
e attenuare (tagliare) singolarmente ciascuna delle due gamme di frequenze (alta e bassa).
La risposta di frequenza è del tutto diversa da quella di un equalizzatore convenzionale
poiché produce un carattere unico tipico di questo modello. I circuiti di ingresso/uscita e le
valvole termoioniche producono un carattere tonale estremamente musicale e ben bilanciato.
1
Switch IN
Consente di attivare o disattivare il processore.
Quando lo switch è disattivato, il segnale bypasserà la sezione di filtraggio ma
attraverserà il trasformatore di ingresso/uscita e i circuiti dell'amplificatore.
2
Manopola LOW FREQUENCY (BASSA FREQUENZA)
Consente di regolare la frequenza del filtro per la gamma bassa.
3
Manopola (LOW) BOOST (ENFASI BASSA)
Consente d'impostare l'entità di enfasi applicata alla banda di frequenza specificata
dalla manopola LOW FREQUENCY.
4
Manopola (LOW) ATTEN (ATTENUAZIONE BASSA)
Consente d'impostare l'entità di attenuazione applicata alla banda di frequenza
specificata dalla manopola LOW FREQUENCY.
5
Manopola BAND WIDTH (LARGHEZZA BANDA)
Consente d'impostare la larghezza della banda di frequenza controllata dal filtro per
la gamma alta.
Ruotando la manopola verso destra (Broad, larga), la banda si allargherà e il livello
di picco si ridurrà. Ciò influisce solo sulla risposta dell'enfasi.
6
Manopola HIGH FREQUENCY (ALTA FREQUENZA)
Consente di regolare la frequenza del filtro per la gamma alta. Ciò influisce solo sulla
risposta dell'enfasi.
7
Manopola (HIGH) BOOST (ENFASI ALTA)
Consente d'impostare l'entità di enfasi applicata alla banda di frequenza specificata
dalla manopola HIGH FREQUENCY.
8
Manopola (HIGH) ATTEN (ATTENUAZIONE ALTA)
Consente d'impostare l'entità di attenuazione applicata alla banda di frequenza
specificata dalla manopola ATTEN SEL (SELEZIONE ATTENUAZIONE).
9
Manopola (HIGH) ATTEN SEL
Consente di commutare la gamma di frequenza attenuata dalla manopola ATTEN.
Dynamic EQ
Il tipo Dynamic EQ è un nuovissimo equalizzatore che non emula alcun modello specifico
di equalizzatore. La catena laterale dispone di un filtro che estrae la stessa banda di
frequenza dell'equalizzatore. Questo consente di applicare l'equalizzatore nello stesso modo
in cui un compressore o un expander verrebbe applicato a una regione specifica di frequenze,
causando una variazione dinamica del guadagno dell'equalizzatore solo quando una regione
specifica di frequenze del segnale d'ingresso diventa troppo alta o troppo bassa. Potrebbe
ad esempio essere utilizzato come de-esser su un suono vocale, in modo da applicare
l'equalizzatore a una specifica banda di frequenze solo quando le consonanti sibilanti o ad
alta frequenza raggiungono livelli sgradevoli conservando un suono naturale che non degradi
il carattere tonale originale. Sono disponibili due processori Dynamic EQ a banda completa
in grado di elaborare un'ampia gamma di sorgenti audio.
1
Pulsante BAND ON/OFF (ATTIVA/DISATTIVA BANDA)
Consente di attivare o disattivare ciascuna banda.
2 61
3 4 5 7 8 9
82 A
4
3
1
9
0
6
5
7B
C

EQ grafico, Equalizzatore parametrico, effetti e PREMIUM RACK
Manuale di riferimento
161
2
Pulsante SIDECHAIN CUE (ATTIVAZIONE CATENA LATERALE)
Attivare questo pulsante per effettuare il monitoraggio del segnale della catena laterale
inviato al bus CUE. Il grafico quindi indicherà la risposta dei filtri della catena laterale.
3
Pulsante SIDECHAIN LISTEN (ASCOLTO CATENA LATERALE)
Attivare questo pulsante per inviare il segnale della catena laterale (collegata alle
dinamiche) al bus (ad esempio STEREO o MIX/MATRIX) a cui è inviato il segnale di
inserimento canale. Il grafico quindi indicherà la risposta dei filtri della catena laterale.
4
Pulsanti FILTER TYPE (TIPO FILTRO)
Consentono di commutare il tipo degli equalizzatori del bus principale e dei filtri della
catena laterale. Equalizzatori del bus principale e filtri della catena laterale saranno
collegati come riportato di seguito.
5
Manopola FREQUENCY
Consente d'impostare la banda di frequenza controllata dall'equalizzatore e dal filtro
della catena laterale.
6
Manopola Q
Consente d'impostare il valore Q (gradualità) dell'equalizzatore e del filtro della catena
laterale.
Ruotando la manopola in senso orario, la gamma di frequenza a cui verranno applicati
l'equalizzatore e il filtro della catena laterale si allarga.
7
Manopola THRESHOLD
Consente di specificare il livello di soglia a cui il processore inizierà ad avere effetto.
8
Manopola RATIO
Consente di impostare il rapporto enfasi/taglio relativo al segnale d'ingresso.
Ruotando la manopola in senso orario si imposta il rapporto su enfasi, mentre ruotando
in senso antiorario si imposta su taglio. Ruotare totalmente la manopola in una delle
direzioni per produrre l'effetto massimo.
9
Pulsanti ATTACK/RELEASE (ATTACCO/RILASCIO)
Consentono di selezionare una delle tre impostazioni del tempo di attacco/rilascio per la
compressione o l'enfasi.
Selezionare FAST (RAPIDO) per avere un attacco e un rilascio più rapidi. Selezionare
SLOW (LENTO) per avere un attacco più rapido e un rilascio più lento. Selezionare AUTO
per regolare automaticamente il tempo di attacco/rilascio in base alle gamme di
frequenza.
0
Pulsanti MODE
Consentono di specificare se il processore viene attivato quando il segnale della catena
laterale supera il valore di soglia (SUPERIORE) o quando il livello non raggiunge il valore
di soglia (INFERIORE).
A
Indicatore EQ GAIN (GUADAGNO EQ)
Indica il guadagno dell'equalizzatore dinamicamente modificabile.
B
Indicatore THRESHOLD
Indica il livello del segnale della catena laterale in relazione al livello di soglia.
C
Area grafico
Consente di visualizzare la risposta dell'equalizzatore.
Nella maggioranza dei casi, in quest'area vengono visualizzati il grafico dell'EQ di
riferimento che indica frequenza e intensità e il grafico dell'EQ dinamico che indica
le risposte dell'EQ variabili dinamicamente.
Se SIDECHAIN CUE o SIDECHAIN LISTEN è attivato, in quest'area viene visualizzata
la risposta del filtro della catena laterale.
FILTER TYPE
(Low Shelf) (Bell) (Hi Shelf)
Main EQ (EQ principale) Low Shelf
(shelving basso) Bell (Campana) Hi Shelf
(shelving alto)
Sidechain filter
(Filtro di catena laterale) LPF BPF HPF
Grafico EQ dinamico
Grafico di riferimento
Grafico del filtro della catena laterale

EQ grafico, Equalizzatore parametrico, effetti e PREMIUM RACK
Manuale di riferimento
162
Buss Comp 369
Buss Comp 369 emula un compressore bus standard impiegato negli studi di registrazione
e nelle stazioni televisive fin dagli anni '80. È in grado di produrre una compressione naturale
e omogenea che non interferisce con l'espressione nel segnale sorgente, in contrasto con
la compressione più aggressiva dell'U76. Buss Comp 369 include un compressore e un
limitatore. È possibile utilizzare le funzioni singolarmente o insieme, in base alle diverse
esigenze. Inoltre, i sofisticati armonici generati dai trasformatori audio sui circuiti di ingresso/
uscita e l'amplificatore discreto di Classe A aggiungono profondità e unità alla qualità audio.
Montaggio STEREO
Montaggio DUAL
1
INPUT ADJUST
Consente di regolare il guadagno di ingresso. Il guadagno di uscita è collegato
per cambiare nella direzione opposta, per evitare modifiche al volume pass-through
(il volume quando COMP IN e LIMIT IN sono disattivati). Ad esempio, se INPUT ADJUST
è +5 dB, il guadagno di ingresso sarà +5 dB e quello di uscita -5 dB.
Per informazioni su come utilizzare INPUT ADJUST, vedere di seguito.
• Se il livello del segnale di ingresso inviato agli effetti è troppo basso per raggiungere
la soglia, aumentare il guadagno di ingresso.
• Regolare la qualità del suono modificando il livello di ingresso inviato ai circuiti
di ingresso (trasformatore audio e amplificatore di Classe A).
Struttura INPUT ADJUST
2
LINK (montaggio STEREO)
Collegamento stereo attivato/disattivato
3
COMP IN
Compressore attivato/disattivato
4
COMP THRESHOLD
Soglia del compressore. Il valore che cambia è collegato a INPUT ADJUST.
5
COMP RECOVERY
Tempo di rilascio del compressore. I tempi di rilascio per a1 (auto 1) e a2 (auto 2)
cambiano automaticamente. a1: cambia automaticamente tra 100 ms e 2 sec.
a2: cambia automaticamente tra 50 ms e 5 sec.
31
8>AB C
42567
1
9>AB C
43567
dBFSdBFS
COMP THRESHOLDLIMIT THRESHOLD
Buss Comp 369
COMPRESSOR/LIMITER SECTION
INPUT
CIRCUIT
OUTPUT
CIRCUIT
OUTPUT GAININPUT GAIN
INPUT ADJUST
COMPRESSOR LIMITER
OUT
OUT
IN IN
Poiché vi sono modifiche sostanziali nella soglia, i valori visualizzati
modificati vengono collegati. Le condizioni interne di COMPRESSOR/
LIMITER SECTION non cambiano.
Collegamento inverso

EQ grafico, Equalizzatore parametrico, effetti e PREMIUM RACK
Manuale di riferimento
163
6
COMP GAIN
Guadagno del compressore. Applicato prima del limitatore.
7
COMP RATIO
Rapporto del compressore
8
METER SELECT (montaggio STEREO)
Consente di selezionare la sorgente del segnale per l'indicatore. È possibile scegliere
tra IN (livello di ingresso), GR (riduzione del guadagno) e OUT (livello di uscita).
Quando si cambia sorgente, il design dell'indicatore cambia come segue: VU/GR/VU.
Quando "METER" è IN
Quando "METER" è GR
Quando "METER" è OUT
9
VU SELECT (montaggio DUAL)
Consente di selezionare la sorgente del segnale per l'indicatore VU. È possibile
selezionare tra livello di ingresso e livello di uscita.
0
LIMIT IN
Limitatore attivato/disattivato
A
LIMIT ATTACK
Tempo di attacco del limitatore. FAST: 2 ms, SLOW: 4 ms
B
LIMIT THRESHOLD
Soglia del limitatore. Il valore che cambia è collegato a INPUT ADJUST.
C
LIMIT RECOVERY
Tempo di rilascio del limitatore. I tempi di rilascio per a1 (auto 1) e a2 (auto 2) cambiano
automaticamente. a1: cambia automaticamente tra 100 ms e 2 sec. a2: cambia
automaticamente tra 50 ms e 5 sec.
8
8
8

EQ grafico, Equalizzatore parametrico, effetti e PREMIUM RACK
Manuale di riferimento
164
MBC4
Questo compressore a quattro bande di alta qualità utilizza la tecnologia VCM e dispone di
un'interfaccia utente (GUI, Graphical User Interface) che offre visibilità e utilizzabilità. Tutti i
vantaggi della resa musicale dei compressori analogici sono stati incorporati nel circuito di
riduzione del guadagno dell'MBC4. Questa impostazione consente di controllare facilmente
la dinamica mantenendo l'immagine audio. È anche possibile usare il display grafico per
manipolare visivamente l'immagine audio.
1
GAIN LINE (LINEA GUADAGNO)
Questa linea orizzontale rossa indica il parametro GAIN per ciascuna banda.
2
MAXIMUM GR GUIDELINE (LINEA GUIDA RIDUZIONE MASSIMA GUADAGNO)
Questa linea orizzontale arancione è una linea guida per la riduzione massima del
guadagno. Questa è solo una linea guida e non una limitazione per la riduzione massima
del guadagno.
3
GR ZONE (ZONA RIDUZIONE GUADAGNO)
Questa area rossa cambia a seconda della quantità di riduzione del guadagno per
ciascuna banda.
4
CROSSOVER LINE (LINEA CROSSOVER)
Queste linee verticali indicano i parametri CROSSOVER per ciascuna banda.
5
CROSSOVER ZONE (ZONA CROSSOVER)
Queste aree, del colore della banda, cambiano in base al parametro CROSSOVER per
ciascuna banda.
6
CROSSOVER RANGE (INTERVALLO CROSSOVER)
Questa barra orizzontale del colore della banda indica l'intervallo del parametro
CROSSOVER per ciascuna banda.
7
CROSSOVER BAND WIDTH (LARGHEZZA BANDA CROSSOVER)
Questa barra orizzontale del colore della banda cambia in base al parametro
CROSSOVER per ciascuna banda.
8
Indicatore INPUT (INGRESSO)
Indica il livello del segnale di ingresso.
In DUAL viene visualizzato un indicatore, mentre in STEREO vengono visualizzati due
indicatori.
9
Indicatore OUTPUT (USCITA)
Indica il livello del segnale di uscita.
In DUAL viene visualizzato un indicatore, mentre in STEREO vengono visualizzati due
indicatori.
1
GAIN (GUADAGNO)
Consente di regolare il guadagno di uscita per ciascuna banda.
2
THRESH (SOGLIA)
Consente di regolare il livello di soglia a cui inizia l'applicazione della compressione per
ciascuna banda. Questo valore è indicato anche da un marker di colore rosso nell'
0
indicatore INPUT.
3
RATIO (RAPPORTO)
Consente di regolare il rapporto di compressione per ciascuna banda.
9
8
4123 756
9
8
7
B
A
D
>
C
6
4
3
2
1
5

EQ grafico, Equalizzatore parametrico, effetti e PREMIUM RACK
Manuale di riferimento
165
4
ATTACK (ATTACCO)
Consente di regolare il tempo di attacco del compressore per ciascuna banda.
5
RELEASE (RILASCIO)
Consente di regolare il tempo di rilascio del compressore per ciascuna banda.
6
Manopola LINK (COLLEGAMENTO)
Collega e regola le quattro bande per il parametro selezionato. Tuttavia, se un
parametro in una qualsiasi area di frequenza raggiunge il valore massimo o minimo,
l'operazione di collegamento viene disattivata. I parametri che è possibile collegare o
regolare sono visualizzati in colori di bande come indicato di seguito.
7
CROSSOVER
Consente di regolare la frequenza di crossover quando si divide l'intervallo di frequenza
in bande multiple.
8
Pulsante CUE
Consente di monitorare l'uscita di banda corrispondente per ciascuna banda. Quando il
pulsante CUE è attivato, cambia nel colore indicato di seguito.
Se il pulsante IN è disattivato, viene monitorato l'audio non compresso. È possibile
attivare contemporaneamente i pulsanti CUE per più bande.
9
Manopola MASTER GAIN (GUADAGNO MASTER)
Consente di regolare il guadagno per il segnale di uscita finale.
0
Indicatore INPUT (INGRESSO)
Indica il livello di ingresso dei segnali audio inviati a ciascuna banda.
A
Manopola KNEE (CURVA)
Consente di regolare la curva di compressione.
B
Pulsante IN
Consente di attivare o disattivare ciascuna banda. Quando questo pulsante è disattivato,
il colore della banda per l'area selezionata cambia nel colore grigio come indicato di
seguito.
Inoltre, quando questo pulsante è disattivato, il campo COMPRESSOR (COMPRESSORE)
per la banda selezionata diventa grigio.
È possibile regolare ciascun parametro anche quando questo pulsante è disattivato.
C
Pulsante FLAVOUR
Consente di commutare il tipo di compressore tra funzionamento VCA accurato e
funzionamento OPTO naturale.
D
Pulsante HARMONICS (ARMONICHE)
Consente di attivare/disattivare il circuito analogico che emula gli armonici naturali.

EQ grafico, Equalizzatore parametrico, effetti e PREMIUM RACK
Manuale di riferimento
166
Uso delle librerie EQ grafico, EQ parametrico,
effetti e Premium Rack
Libreria GEQ/PEQ
Utilizzare la libreria GEQ o PEQ per memorizzare e richiamare le impostazioni relative.
Tutte le unità GEQ e PEQ utilizzate nella console della serie CL possono utilizzare
la libreria GEQ o PEQ. Sebbene nella libreria GEQ siano disponibili due tipi, 31BandGEQ
e Flex15GEQ, è possibile richiamare elementi di tipi diversi. Tuttavia, solo le impostazioni
31BandGEQ che utilizzano meno di 15 bande possono essere richiamate su un'unità
Flex15GEQ.
È possibile richiamare 200 elementi dalla libreria. Il numero 000 è un preset di sola
lettura, mentre gli altri numeri della libreria possono essere letti o scritti liberamente.
Per richiamare un elemento dalla libreria GEQ, premere il pulsante LIBRARY posto
nella parte superiore della finestra GEQ EDIT.
Analogamente, per richiamare un elemento dalla libreria PEQ, premere il pulsante LIBRARY
nella parte superiore della finestra PEQ EDIT.
NOTA
• Le operazioni di memorizzazione e richiamo vengono eseguite su singole unità GEQ.
Per un rack, è possibile memorizzare e richiamare due unità Flex15GEQ o 8BandPEQ
in modo indipendente come A e B.
• Per accedere alla finestra GEQ EDIT o PEQ EDIT, premere il contenitore rack nel campo GEQ.
Libreria effetti
Utilizzare la "libreria effetti" per memorizzare e richiamare le impostazioni degli effetti.
È possibile richiamare 199 elementi dalla libreria effetti. Gli elementi della libreria 1-27
sono preset di sola lettura e corrispondono, rispettivamente, ai tipi di effetto 1-27.
I rimanenti numeri della libreria possono essere letti o scritti liberamente.
Per richiamare un elemento dalla libreria effetti, premere il pulsante LIBRARY nella
parte superiore della finestra EFFECT EDIT.
Libreria Premium Rack
È possibile utilizzare la libreria Premium Rack per memorizzare e richiamare le impostazioni
Premium Rack. La libreria contiene 101 elementi (numerati da 000 a 100). L'elemento 000
è un preset. Tutti gli elementi della libreria, ad eccezione dell'elemento 000, possono essere
letti e scritti liberamente.
Per richiamare un elemento dalla libreria Premium Rack, premere il pulsante LIBRARY posto
nella parte superiore della finestra per il tipo corrispondente.

Dispositivi I/O e preamplificatori esterni
Manuale di riferimento
167
Dispositivi I/O e preamplificatori esterni
In questo capitolo viene descritto come utilizzare un dispositivo I/O o un preamplificatore
esterno collegato alla console della serie CL. Prima di continuare, utilizzare DANTE SETUP
per specificare i dispostivi I/O che verranno montati. Per informazioni dettagliate, vedere
"Montaggio di un dispositivo I/O nella rete audio Dante" a pagina 251.
Uso di un dispositivo I/O
Le console della serie CL consentono di controllare in modalità remota i parametri dei
canali di un dispositivo I/O (come ad esempio un prodotto della serie Rio) collegato al
connettore Dante.
Assegnazione del dispositivo I/O
Di seguito viene illustrato come assegnare a una rete audio Dante un dispositivo I/O collegato
al connettore Dante.
Schermata I/O DEVICE (pagina DANTE PATCH)
1
Elenco dei dispositivi I/O
Visualizza l'ID e il nome del modello dei dispositivi I/O.
Premere questo pulsante per accedere alla finestra OUTPUT PATCH, in cui è possibile
specificare l'assegnazione delle porte di uscita dalla console ai dispositivi I/O. Se nella
rete audio Dante non è presente alcun dispositivo configurato in precedenza, verrà
visualizzato un indicatore giallo "VIRTUAL" nella parte inferiore sinistra di quel
dispositivo. Se alcuni dispositivi nella rete appartengono a un tipo di dispositivo diverso,
ma condividono lo stesso ID, verrà visualizzato un indicatore rosso "CONFLICT" sul lato
sinistro, sotto il dispositivo. Se più dispositivi condividono lo stesso ID, verrà visualizzato
un indicatore giallo "DUPLICATE" sul lato destro, sotto il dispositivo.
2
Pulsante DANTE SETUP
Premere questo pulsante per aprire la finestra DANTE SETUP, in cui è possibile
configurare diverse impostazioni per la rete audio.
3
Pulsante DANTE INPUT PATCH (ASSEGNA INGRESSO DANTE)
Premere questo pulsante per aprire la finestra DANTE INPUT PATCH, in cui è possibile
selezionare i 64 canali di ingresso dal dispositivo I/O alla console.
4
Pulsante OUTPUT PORT SETUP
Premere questo pulsante per accedere al tab PATCH VIEW 1 della finestra OUTPUT PORT,
in cui è possibile scegliere i 64 canali di uscita dalle porte di uscita della console
ai dispositivi I/O.
STEP
1.
Collegamento di console della serie CL e di dispositivi I/O
2.
Nell'area di accesso alle funzioni premere il pulsante I/O DEVICE.
3.
Nella parte superiore della schermata I/O DEVICE premere il tab DANTE PATCH.
4.
Nella schermata I/O DEVICE, premere il pulsante DANTE INPUT PATCH (pagina
DANTE PATCH).
5.
Premere il pulsante AUTO SETUP.
Se si desidera modificare le singole associazioni, premere il pulsante di selezione
della porta.
6.
Nella schermata I/O DEVICE premere il dispositivo (pagina DANTE PATCH).
7.
Premere il pulsante di selezione della porta nella finestra OUTPUT PATCH.
8.
Nella schermata PORT SELECT (SELEZIONE PORTE) selezionare la porta di uscita.
1
2
3
4

Dispositivi I/O e preamplificatori esterni
Manuale di riferimento
168
Finestra DANTE INPUT PATCH
Viene visualizzata quando si preme il pulsante DANTE INPUT PATCH nella schermata
I/O DEVICE (pagina DANTE PATCH). Specificare i 64 canali di ingresso dai dispositivi I/O
alla console.
1
Pulsante LIBRARY
Consente di memorizzare o richiamare le impostazioni DANTE INPUT PATCH
in o dalla libreria. Nella libreria è possibile memorizzare dieci set di impostazioni.
2
Pulsante AUTO SETUP
Verrà rilevato lo stato di collegamento del dispositivo I/O corrente e l'assegnazione
dell'ingresso alla console verrà eseguita automaticamente in base all'ordine in cui
il dispositivo è registrato nel relativo elenco.
Quando si preme questo pulsante, viene visualizzata una finestra di dialogo a comparsa
in cui viene richiesto di confermare l'esecuzione dell'assegnazione automatica. Premere
il pulsante OK per eseguire l'assegnazione automatica. In alternativa, premere CANCEL
per tornare alla schermata precedente.
3
Pulsanti di selezione della porta
Premere questo pulsante per aprire la finestra PORT SELECT.
Nella riga superiore del pulsante vengono visualizzati l'ID del
dispositivo Dante (esadecimale) e il numero del canale (decimale).
Nella riga inferiore del pulsante sono visualizzati i primi otto caratteri
dell'etichetta del canale (etichetta del canale audio Dante) per ciascuna porta.
Se non è stata effettuata alcuna assegnazione, nella riga superiore è indicato "---"
e nella riga inferiore non è indicato nulla.
NOTA
• Se è stato collegato un dispositivo diverso da un dispositivo I/O supportato dalla serie CL,
nella riga superiore del pulsante sono riportate le prime quattro lettere dell'etichetta del
dispositivo, un trattino "-" e il numero del canale (decimale).
• Se è montata una console della serie CL, nella riga superiore dei pulsanti verrà visualizzato
"CL#X" (dove X è il numero ID dell'unità CL montata).
• Se non è stata specificata alcuna etichetta del canale audio Dante, nella riga inferiore verrà
visualizzato un valore uguale al numero del canale.
• È possibile impostare l'etichetta del canale audio Dante utilizzando il software Audinate
"Dante Controller". Per informazioni aggiornate, visitare il sito Web Pro Audio di Yamaha.
http://www.yamahaproaudio.com/
Finestra PORT SELECT (SELEZIONE PORTA)
Visualizzata quando si preme il pulsante di selezione della porta nella finestra DANTE INPUT
PATCH o OUTPUT PATCH. Quando si modifica un'assegnazione, selezionare la porta I/O.
1
Elenco di selezione categoria
Consente di selezionare il dispositivo I/O contenente la porta di ingresso che
si desidera assegnare.
2
Pulsanti di selezione della porta
Consentono di selezionare la porta di ingresso.
3
Pulsante CLOSE
Consente di completare le impostazioni e chiudere la finestra.
1 2
3
2
31

Dispositivi I/O e preamplificatori esterni
Manuale di riferimento
169
Finestra OUTPUT PATCH
Visualizzata quando si preme il dispositivo nella schermata I/O DEVICE
(pagina DANTE PATCH). Impostare l'assegnazione di uscita.
1
Pulsanti di selezione della porta
Premere uno dei pulsanti per aprire la finestra a comparsa PORT SELECT.
Controllo remoto di un'unità della serie R
In questa sezione viene descritto come controllare in modalità remota un'unità della serie R
collegata al connettore Dante.
Schermata I/O DEVICE (pagina I/O)
1
Pulsanti di commutazione visualizzazione
Premere uno di questi pulsanti per visualizzare il dispositivo I/O corrispondente.
Se si tiene premuto il pulsante, tutti i LED del dispositivo I/O corrispondente
lampeggeranno.
Per ulteriori informazioni sull'indicazione VIRTUAL/CONFLICT/DUPLICATE visualizzata
sotto questo pulsante, fare riferimento a (1) a P.167, "Elenco dei dispositivi I/O".
2
Visualizzazione del nome del modello/ID
Vengono visualizzati l'ID, il nome del modello e la versione del dispositivo I/O.
Se il pulsante WITH RECALL è attivato nella schermata REMOTE HA SELECT, viene
visualizzato "w/RECALL". Se lo switch +48V MASTER per il dispositivo montato è attivato,
viene visualizzato "+48V MASTER".
3
Pulsante DANTE SETUP
Premere questo pulsante per aprire la finestra DANTE SETUP, in cui è possibile
configurare diverse impostazioni per la rete audio.
4
Indicatori SYSTEM/SYNC
Vengono visualizzati messaggi di errore, avviso e informativi. Per informazioni
dettagliate sui messaggi, vedere l'elenco a pagina 271.
STEP
1.
Nella parte superiore della schermata I/O DEVICE premere il tab I/O per visualizzare
la schermata I/O DEVICE (pagina I/O).
2.
Premere il rack su cui è montato il dispositivo I/O dotato di preamplificatore.
3.
Per controllare in modalità remota il preamplificatore del dispositivo I/O, aprire
la schermata I/O DEVICE HA.
4.
Per controllare un preamplificatore in modalità remota da un canale di ingresso,
premere una manopola nella sezione SELECTED CHANNEL per visualizzare
la schermata SELECTED CHANNEL VIEW.
5.
Premere il campo GAIN/PATCH del canale da regolare. Viene visualizzata
la finestra GAIN/PATCH.
6.
Controllare il preamplificatore del dispositivo I/O nella finestra GAIN/PATCH.
7.
Una volta configurate le impostazioni necessarie, premere il simbolo "x" per
chiudere la finestra.
8.
Premere il rack nel quale è montato il dispositivo I/O sul lato OUTPUT.
9.
Impostare la porta di uscita nella finestra OUTPUT PATCH, in base alle necessità.
Fare riferimento al punto 7 in "Assegnazione del dispositivo I/O
" (pagina 167).
1
1 2
4
3

Dispositivi I/O e preamplificatori esterni
Manuale di riferimento
170
Visualizzazione del preamplificatore
Vengono mostrate le impostazioni del preamplificatore del dispositivo I/O. Premere questa
area per aprire la finestra I/O DEVICE HA, in cui è possibile configurare impostazioni
dettagliate del preamplificatore.
Se si preme il tasto [SEL] di un canale di ingresso, la porta corrispondente si accende
(non si accende per le console della serie CL esterne).
5
Manopola ANALOG GAIN
Indica l'impostazione del guadagno analogico. Questa schermata è in sola lettura
e il valore non è modificabile.
6
Indicatore +48V
Indica lo stato di attivazione o disattivazione dell'alimentazione phantom (+48V)
per ciascuna porta.
7
Indicatore OVER
Avvisa l'utente in caso di saturazione del segnale di ingresso.
8
Indicatore HPF
Indica lo stato di attivazione o disattivazione del filtro passa-alto per ciascuna porta.
Schermata INPUT
Mostra le impostazioni di ingresso dei dispositivi I/O non assegnati a REMOTE HA ASSIGN.
Se si preme il tasto [SEL] di un canale di ingresso, la porta corrispondente si accende
(non si accende per le console della serie CL esterne).
Schermata OUTPUT
Mostra le impostazioni di uscita del dispositivo I/O. Premere per accedere alla finestra
OUTPUT PATCH, in cui è possibile configurare le impostazioni per il dispositivo I/O.
Se si preme il tasto [SEL] di un canale di uscita, la porta corrispondente si accende
(non si accende per le console della serie CL esterne).
Schermata RMio64-D
Consente di visualizzare il pannello RMio64-D. È possibile premere i pulsanti per modificare
le impostazioni.
1
Indicatore MADI SRC ON
Pulsante MADI SRC ON
Consente di attivare e disattivare il convertitore della frequenza di campionamento (SRC).
2
Indicatore MADI SRC WCLK IN
Pulsante MADI SRC WCLK IN
Utilizzare questo pulsante per selezionare se utilizzare (indicatore attivato) o meno
(indicatore disattivato) l'ingresso del wordclock dal jack MADI WCLK IN FOR SRC sul
pannello posteriore dell'unità RMio64-D come clock standard per il convertitore della
frequenza di campionamento.
3
Indicatore MADI INPUT RATE Fs 44.1kHz
Indicatore MADI INPUT RATE Fs 48kHz
Consente di rilevare automaticamente e di indicare se il segnale di ingresso MADI
è 44,1 o 48 kHz. Entrambi gli indicatori rimangono spenti in assenza di un segnale
di ingresso MADI valido.
4
Indicatore MADI INPUT RATE 1Fs
Indicatore MADI INPUT RATE 2Fs
Indicatore MADI INPUT RATE 4Fs
Pulsante MADI INPUT RATE 1Fs/2Fs/4Fs
Consente di selezionare 1Fs (1x), 2Fs (2x) o 4Fs (4x) in base alla frequenza di ingresso
MADI. Ad esempio, se il segnale di ingresso MADI è 192 kHz (4x 48 kHz), verificare
che l'indicatore MADI INPUT RATE Fs 48kHz sia acceso, quindi selezionare "4Fs".
NOTA
Quando "2Fs" è selezionato, l'unità rileva automaticamente la frequenza di frame (48 kHz/
96 kHz) del segnale di ingresso MADI.
6
8
5
7
5421 3
6
9
87

Dispositivi I/O e preamplificatori esterni
Manuale di riferimento
171
5
Stato MADI STATUS INPUT
Stato MADI STATUS OUTPUT
Consente di visualizzare informazioni relative ai segnali di ingresso e uscita MADI
(frequenza di frame/numero di canali).
6
Indicatore WORD CLOCK WCLK IN
Indicatore WORD CLOCK MADI
Indicatore WORD CLOCK DANTE
Pulsanti WORD CLOCK WCLK IN/MADI/DANTE
Consente di selezionare la sorgente del wordclock.
7
Indicatore WORD CLOCK Fs
Indica la frequenza del wordclock a cui funziona l'unità. Lampeggia quando
non è sincronizzato.
8
Indicatore EXTERNAL CONTROL
Questo indicatore si accende in presenza di un parametro valido utilizzabile
esclusivamente esternamente da parte di un controllo remoto.
Per informazioni dettagliate sui parametri utilizzabili dal controllo remoto,
vedere "Controllo remoto" nel Manuale di istruzioni dell'unità RMio64-D.
9
Pulsante OUTPUT PATCH
Premere questo pulsante per accedere alla finestra OUTPUT PATCH, in cui è possibile
configurare le impostazioni della porta di uscita per l'unità RMio64-D.
Schermata RSio64-D
1
CARD NAME
Indica i nomi delle schede installate negli slot 1-4. Se non è installata alcuna scheda,
verrà
visualizzato "----".
2
IN/OUT PORT
Indica il numero di porte di ingresso e uscita per le schede installate negli slot 1-4.
Se non è installata alcuna scheda verrà visualizzato "--".
WCLK IN
Consente di utilizzare il segnale del wordclock dal connettore WORD CLOCK IN
sul pannello posteriore dell'unità RMio64-D. Gli indicatori lampeggiano in assenza
di un ingresso del wordclock valido.
MADI Consente di utilizzare il wordclock del segnale di ingresso MADI. Gli indicatori
lampeggiano in assenza di un ingresso del wordclock valido.
DANTE Consente di utilizzare il wordclock della rete Dante.
15243B
0A67 8 9

Dispositivi I/O e preamplificatori esterni
Manuale di riferimento
172
3
Indicatori SLOT 1-4LOCK
Indica lo stato del word clock per gli slot 1-4. Se il word clock funziona correttamente,
l'indicatore è verde.
4
Indicatori SRC SLOT 1-4
Indicano lo stato della funzione SRC (Sampling Rate Converter) per gli slot 1-4.
NOTA
Utilizzare gli switch DIP SRC WCLK dell'unità RSio64-D per impostare il clock SRC inviato alla
scheda Mini-YGDAI inserita nello slot.
5
Pulsanti SRC SLOT 1-4
Utilizzati per attivare/disattivare la funzione SRC sia in ingresso che in uscita per
ciascuno slot.
6
Pulsante di selezione WORD CLOCK
Utilizzato per selezionare la sorgente del word clock per l'unità RSio64-D.
• Indicatore WORD CLOCK WCLK IN
• Indicatore WORD CLOCK SLOT1 1/2
• Indicatore WORD CLOCK DANTE
Indica la sorgente del word clock per l'unità RSio64-D.
*1 Quando lampeggia, viene utilizzato l'ingresso/uscita del word clock Dante
*3
.
*2 Se si sta utilizzando MY8-AEB, impostare lo switch AERSVD della scheda su RSVD.
*3 Se si desidera modificare la frequenza del wordclock Dante, utilizzare Dante Controller.
7
Pulsante CURRENT PATTERN
Se si preme questo pulsante, sull'unità RSio64-D viene visualizzato il pattern di
instradamento attualmente selezionato. Se si commuta il pattern di instradamento
dell'unità RSio64-D, la modifica viene applicata in 3 secondi.
Off Non è stata inserita alcuna scheda nello slot. Oppure nello slot è stata inserita una
scheda non supportata.
Verde
(acceso)
LOCK
Indica che un clock sincronizzato con la sorgente del clock selezionata tramite il tasto
di selezione [WORD CLOCK] viene ricevuto dalla scheda. Se allo slot corrispondente
viene connesso un dispositivo esterno, l'input/output tra il dispositivo e l'unità RSio64-D
si verificherà correttamente. Se la frequenza di campionamento è simile, lo stato può
essere visualizzato anche in assenza di sincronizzazione.
Verde
(lampeggiante)
SYNC
ERRORE
Indica che dalla scheda viene ricevuto un clock valido che però non è sincronizzato con
la sorgente del clock selezionata tramite il tasto di selezione [WORD CLOCK]. Se allo
slot corrispondente viene connesso un dispositivo esterno, non si potrà verificare alcun
input/output tra il dispositivo e l'unità RSio64-D. Attivare la funzione SRC per il canale
di ingresso/uscita corretto.
Rosso
(acceso)
UNLOCK
Nessun clock valido in ingresso dalla scheda. Se allo slot corrispondente viene
connesso un dispositivo esterno, non si potrà verificare alcun input/output tra il
dispositivo e l'unità RSio64-D.
Rosso
(lampeggiante)
WRONG
WORD
CLOCK
La frequenza della sorgente di clock selezionata tramite il tasto di selezione [WORD
CLOCK] non è compresa nell'intervallo operativo di frequenza della scheda inserita
nello slot. Impostare la frequenza della sorgente del clock su un valore compreso
nell'intervallo operativo della scheda oppure attivare la funzione [SRC]. Per una scheda
analogica, se si attiva la funzione [SRC], viene impostata la frequenza di 48kHz
integrata nell'unità RSio64-D.
Off SRC disattivato.
Verde
(acceso): SRC è attivato e il clock selezionato con gli switch DIP SRC WCLK sull'unità RSio64-D
viene ricevuto correttamente.
Rosso
(acceso)
SRC è attivato ma il clock ricevuto non è corretto. Il clock selezionato con gli switch DIP
SRC WCLK dell'unità RSio64-D non viene ricevuto correttamente o non è compreso
nell'intervallo operativo consentito. Disattivare la funzione SRC o modificare le
impostazioni dello switch DIP.
WCLK IN
Si illumina quando viene utilizzato il segnale del wordclock dal connettore
WORD CLOCK IN sul pannello posteriore dell'unità RSio64-D.
Lampeggia
*1
se non viene immesso un wordclock valido.
SLOT1 1/2
Si illumina quando viene utilizzato il word clock per i canali 1/2 dello slot 1
per l'unità RSio64-D. Lampeggia
*1
se non viene immesso un wordclock
valido. Quando si utilizza MY8-AEB
*2
, viene utilizzato il word clock per
i canali 7/8.
DANTE
Si illumina quando viene utilizzato il word clock per la rete Dante
*3
. (Se non
è stato immesso alcun segnale Dante valido, il modulo Dante interno
genererà un clock).

Dispositivi I/O e preamplificatori esterni
Manuale di riferimento
173
8
Pulsante USER PATTERN
Premere questo pulsante per visualizzare la finestra di configurazione del pattern utente
di instradamento dell'audio dell'unità RSio64-D. Selezionare le porte di uscita desiderate
di slot e Dante.
NOTA
È anche possibile commutare l'assegnazione da uno slot all'altro (inclusa l'assegnazione dello
stesso slot). Tuttavia, non è possibile commutare l'assegnazione da Dante a Dante.
9
Pulsante OUTPUT PATCH
Premere questo pulsante per visualizzare la finestra OUTPUT PATCH, in cui è possibile
configurare i 64 canali Dante di uscita dalla console all'unità RSio64-D.
0
Indicatore POWER INT
Indica lo stato dell'alimentazione AC IN dell'unità RSio64-D. Se l'interruttore di
alimentazione è spento, non viene fornita alcuna alimentazione AC IN e l'indicatore
non si illumina.
A
Indicatore POWER EXT
Indica lo stato dell'alimentazione EXT DC INPUT dell'unità RSio64-D. Se l'alimentazione
è attiva, questo indicatore è acceso. Lo stato dello switch di alimentazione non influisce
su questo indicatore.
B
Indicatore dello stato di controllo
Indica lo stato di controllo del dispositivo.
Funzione di controllo dei preamplificatori dei
dispositivi di terze parti aggiunta
Ora è possibile controllare dalla console i preamplificatori dei dispositivi di terze parti
supportati. È possibile controllare un preamplificatore registrando i dispositivi supportati nella
finestra DANTE SETUP.
NOTA
In modalità PREVIEW le modifiche effettuate ai parametri dei preamplificatori dalla console non
vengono applicate al dispositivo.
È possibile attivare/disattivare la funzione "WITH RECALL" nella finestra REMOTE HA ASSIGN.
È possibile memorizzare/richiamare le librerie di scena e caricare/salvare i file.
È possibile registrare fino a 8 dispositivi, incluse le unità della serie R. Inoltre, è possibile
registrare un dispositivo con lo stesso ID unità come dispositivo già registrato, anche per le
unità della serie R. È possibile modificare in anticipo i parametri dei preamplificatori, anche
quando non viene stabilita una connessione con il dispositivo da controllare.
È possibile controllare i seguenti parametri.
1
Attivazione/disattivazione dell'alimentazione phantom dei preamplificatori (+ 48V)
2
Quantità di guadagno del preamplificatore
3
Attivazione/disattivazione del filtro passa-alto del preamplificatore
Ricerca del dispositivo da controllare
Connessione al dispositivo
Sincronizzazione con il dispositivo
Il dispositivo può essere controllato
Individuato un dispositivo da controllare, ma non è stato
possibile stabilire la connessione
1
2
3

Dispositivi I/O e preamplificatori esterni
Manuale di riferimento
174
NOTA
L'indicatore sul lato destro del rack indica lo stato di controllo del dispositivo.
È possibile eseguire le operazioni riportate di seguito dai canali di ingresso assegnati al
dispositivo di destinazione:
• Memorizzazione/richiamo della input channel library (libreria dei canali di ingresso)
• Attività relative ai canali (collegamento di canali, ecc.)
• Controlli del preamplificatore a livello utente (solo quando si utilizza il preamplificatore da
un canale di ingresso)
• AG-DG LINK
NOTA
Non è possibile eseguire questa operazione sui dispositivi che non supportano
Gain Compensation (compensazione del guadagno).
Finestra I/O DEVICE HA
Viene visualizzata quando si preme il rack nel quale è montato il dispositivo I/O sul
lato preamplificatore. In questa finestra è possibile controllare in modalità remota il
preamplificatore del dispositivo I/O dalla console della serie CL utilizzando le manopole
e i pulsanti sullo schermo oppure le manopole multifunzione.
1
+48V MASTER
Indica lo stato di attivazione/disattivazione dell'alimentazione phantom principale
del dispositivo I/O. L'attivazione o la disattivazione viene eseguita sul dispositivo
I/O stesso.
2
Pulsante +48V
Consente di attivare/disattivare l'alimentazione phantom di ciascun canale.
3
Manopola GAIN (GUADAGNO)
Indica il guadagno del preamplificatore sul dispositivo I/O. Per regolare il valore,
premere la manopola per selezionarla e utilizzare le manopole multifunzione.
L'indicatore di livello posto a destra della manopola indica il livello di ingresso della
porta corrispondente.
4
Pulsante GC
Consente di attivare o disattivare la funzione Gain Compensation che mantiene costante
il livello del segnale nella rete audio.
5
Manopola FREQUENCY/Pulsante HPF
Questi controller consentono di attivare o disattivare il filtro passa-alto incorporato nel
preamplificatore del dispositivo I/O e di regolarne la frequenza di taglio. Se si preme la
manopola FREQUENCY per selezionarla, sarà possibile regolarla tramite la manopola
multifunzione corrispondente.
6
Tab di commutazione della porta visualizzata
Consentono di cambiare la porta visualizzata nella finestra I/O DEVICE HA.
Ricerca del dispositivo da controllare
Connessione al dispositivo
Sincronizzazione con il dispositivo
Il dispositivo può essere controllato
Individuato un dispositivo da controllare, ma
non è stato possibile stabilire la connessione
2
3
4
5
6
7
8
1

Dispositivi I/O e preamplificatori esterni
Manuale di riferimento
175
7
Pulsante GC ALL ON/Pulsante GC ALL OFF
Attivare o disattivare la funzione di compensazione guadagno per tutti i canali
contemporaneamente.
8
Indicatore GC
Indica il valore di guadagno fisso inviato alla rete audio se la funzione di compensazione
guadagno è attivata.
Controllo in modalità remota dai canali di ingresso
Per controllare in modalità remota il preamplificatore del dispositivo I/O da un canale
di ingresso della console della serie CL, utilizzare la finestra GAIN/PATCH per il canale per
il quale eseguire il controllo.
Controllo remoto di un amplificatore
In questa sezione viene descritto come controllare in modalità remota un'unità AMP collegata
al connettore Dante.
Schermata I/O DEVICE (pagina AMP)
1
Pulsanti di commutazione visualizzazione
Premere uno di questi pulsanti per visualizzare il dispositivo I/O corrispondente.
Per ulteriori informazioni sull'indicazione VIRTUAL/CONFLICT/DUPLICATE visualizzata
sotto questo pulsante, fare riferimento a
1
a P.167, "Elenco dei dispositivi I/O".
2
Visualizzazione del nome del modello/ID
Vengono visualizzati l'ID, il nome del modello e la versione del dispositivo I/O.
3
Pulsante DANTE SETUP (CONFIGURAZIONE DANTE)
Premere questo pulsante per aprire la finestra DANTE SETUP, in cui è possibile
configurare diverse impostazioni per la rete audio.
STEP
1.
Nella parte superiore della schermata I/O DEVICE, premere il tab AMP.
2.
Nella schermata I/O DEVICE premere il dispositivo I/O (pagina AMP).
3.
Impostare la porta di uscita nella finestra OUTPUT PATCH, in base alle necessità.
Fare riferimento al punto 7 in "Assegnazione del dispositivo I/O
" (pagina 167).
1 2
3

Dispositivi I/O e preamplificatori esterni
Manuale di riferimento
176
Controllo remoto di un'unità WIRELESS
In questa sezione viene descritto come controllare in modalità remota un'unità WIRELESS
collegata al connettore Dante.
NOTA
La serie CL V4 supporta i seguenti due prodotti:
• Shure ULXD4Q
• Shure ULXD4D
Per entrambi i prodotti, utilizzare la versione V1.6.6 o successiva sia per il ricevitore che per il microfono.
Non è possibile utilizzare il modo SPLIT nella modalità di rete Dante. Utilizzare le Impostazioni della
serie CL. Notare anche che non è consentito il funzionamento in remoto se si utilizza la connessione
REDUNDANT (RIDONDANTE) ed è attiva la rete SECONDARY (SECONDARIO).
Schermata I/O DEVICE (pagina WIRELESS)
1
Pulsanti di commutazione visualizzazione
Premere uno di questi pulsanti per visualizzare il dispositivo I/O corrispondente. Se si
tiene premuto il pulsante, tutti i LED del dispositivo I/O corrispondente lampeggeranno.
Per ulteriori informazioni sull'indicazione VIRTUAL/CONFLICT/DUPLICATE visualizzata
sotto questo pulsante, fare riferimento a
1
a P.167, "Elenco dei dispositivi I/O."
2
Visualizzazione del nome del modello/ID
Vengono visualizzati l'ID, il nome del modello e la versione del dispositivo I/O.
3
Pulsante DANTE SETUP (CONFIGURAZIONE DANTE)
Premere questo pulsante per aprire la finestra DANTE SETUP, in cui è possibile
configurare diverse impostazioni per la rete audio.
Display Shure ULXD4Q/ULXD4D
NOTA
Il numero dei canali varia in base al modello.
1
Nome canale
Indica il nome del canale impostato sul ricevitore. Vengono visualizzati solo i primi 4
caratteri.
2
Frequency
Indica la frequenza attualmente impostata per il segnale RF.
3
Manopola RX.GAIN
Consente di visualizzare il guadagno del ricevitore. Questa schermata è in sola lettura e
il valore non è modificabile.
4
Indicatore OL
Si illumina quando il livello del segnale audio del ricevitore raggiunge il punto di
overload.
5
Indicatore MUTE
Indica lo stato di esclusione (attivazione/disattivazione) del segnale audio per il
ricevitore.
STEP
1.
Nella parte superiore della schermata I/O DEVICE, premere il tab WIRELESS.
2.
Nella schermata I/O DEVICE premere il dispositivo I/O (pagina WIRELESS).
3.
Impostare la porta di uscita nella finestra OUTPUT PATCH, in base alle necessità.
Fare riferimento al punto 7 in "Assegnazione del dispositivo I/O
" (pagina 167).
1 2
3
1
2
3
5
6
7
4
8

Dispositivi I/O e preamplificatori esterni
Manuale di riferimento
177
6
Indicatore del segnale RF (frequenza radio)
Visualizza delle barre che indicano il livello del segnale RF. Un indicatore di antenna
attiva viene mostrato sul lato destro. Indica l'antenna attivata accendendosi.
NOTA
Per ulteriori informazioni sulla relazione tra il numero di barre e l'effettiva potenza del segnale RF,
fare riferimento al manuale di Shure.
7
Indicatore di carica della batteria
Visualizza delle barre che indicano l'autonomia restante della batteria.
NOTA
Per ulteriori informazioni sulla relazione tra il numero di barre e il tempo massimo di operazione,
fare riferimento al manuale di Shure.
8
Indicatore dello stato di controllo
Indica lo stato di controllo del dispositivo.
NOTA
Quando è possibile eseguire il controllo lato ricevitore, i valori di parametro del ricevitore vengono
inviato alla console.
Schermo WIRELESS DEVICE (Dispositivo wireless)
Questa schermata viene visualizzata quando si seleziona il dispositivo desiderato nella
schermata I/O DEVICE (DISPOSITIVO I/O) (pagina WIRELESS). Consente di impostare il
nome del canale e HA. Se il dispositivo è offline, non sarà possibile effettuare le impostazioni.
Quando il dispositivo è online, vengono applicate le impostazioni del dispositivo.
1
Pulsante del nome del canale
Premere questo pulsante per visualizzare la schermata NAME (Nome) per impostare i
nomi di canale lato ricevitore. Il valore massimo impostabile è 8 caratteri.
2
Frequency
Indica la frequenza attualmente impostata per il segnale RF.
NOTA
Per cambiare la frequenza del segnale RF, modificarla direttamente nel dispositivo wireless.
3
Manopola GAIN (GUADAGNO)
Consente di impostare il guadagno HA del ricevitore. Per regolare il valore, toccare lo
schermo, quindi premere la manopola per selezionarla e utilizzare le manopole
multifunzione. L'indicatore di livello situato a destra della manopola indica il livello
di ingresso.
4
Pulsante MUTE (ESCLUDI)
Esclude il segnale audio.
5
Indicatore del segnale RF (frequenza radio)
Visualizza delle barre che indicano il livello del segnale RF. Un indicatore di antenna
attiva viene mostrato sul lato destro. Indica l'antenna attivata accendendosi.
6
Indicatore di carica della batteria
Visualizza delle barre che indicano l'autonomia restante della batteria.
NOTA
Per ulteriori informazioni sulla relazione tra il numero di barre e il tempo massimo di operazione,
fare riferimento al manuale di Shure.
Ricerca del dispositivo da controllare
Connessione al dispositivo
Sincronizzazione con il dispositivo
Il dispositivo può essere controllato
Individuato un dispositivo da controllare, ma non è stato
possibile stabilire la connessione
2
1
3
4
5
6

Dispositivi I/O e preamplificatori esterni
Manuale di riferimento
178
Uso di un preamplificatore esterno
Se una scheda I/O (quale una scheda MY16-ES64) supporta il protocollo remoto di un
preamplificatore esterno nello slot della console CL, sarà possibile controllare in modalità
remota dalla console CL alcuni parametri del preamplificatore esterno (Yamaha SB168-ES
o AD8HR), quali lo stato di attivazione/disattivazione dell'alimentazione phantom (+48 V),
il guadagno e il filtro passa-alto.
Per informazioni dettagliate sulle impostazioni della scheda I/O, vedere il manuale di istruzioni
della scheda I/O.
Collegamento della console della serie CL a un'unità AD8HR
Per controllare in modalità remota l'unità AD8HR dalla console della serie CL, installare una
scheda EtherSound MY16-ES64 nello slot 1 dell'unità CL, quindi utilizzare un cavo Ethernet
per collegare l'unità CL all'unità NAI48-ES. Utilizzare quindi un cavo RS422 D-sub a 9 pin per
collegare il connettore HA REMOTE dell'unità NAI48-ES al connettore HA REMOTE 1
dell'unità AD8HR. Questo collegamento consente di controllare in modalità remota
l'unità AD8HR dalla console della serie CL.
Per trasmettere segnali audio (in ingresso nell'unità AD8HR) alla console della serie CL,
utilizzare un cavo AES/EBU D-sub a 25-pin per collegare il connettore DIGITAL OUT A (o B)
nell'unità AD8HR al connettore AES/EBU nell'unità NAI48-ES. I segnali verranno inviati
o ricevuti tra l'unità NAI48-ES e la console della serie CL tramite la scheda MY16-ES64.
In alternativa, è possibile utilizzare una connessione a "margherita" per controllare
in modalità remota più unità AD8HR contemporaneamente. A tale scopo, collegare
il connettore HA REMOTE 2 dell'unità AD8HR al connettore HA REMOTE 1 della seconda
unità AD8HR. Se si utilizza NAI48-ES, è possibile collegare fino a sei unità AD8HR. In questo
caso, per inviare i segnali audio dell'unità AD8HR alla console della serie CL, installare due
schede MY16-EX sull'unità CL in modo che ogni slot sull'unità CL accetti fino a 16 segnali del
canale. Utilizzare quindi un cavo AES/EBU D-sub a 25-pin per collegare ogni coppia del terzo
e dei successivi AD8HR a ciascun connettore AES/EBU.
CL5
AD8HR 1
NAI48-ES
AD8HR 2
AD8HR 3
MY16-EXMY16-EX MY16- ES64
DIGITAL OUT
Connettore A
DIGITAL OUT
Connettore A
Connettore
DIGITAL
OUT A
Connettore HA REMOTE
Connettore HA REMOTE 1
Connettore HA REMOTE 2
Fino a sei unità
Segnale audio
Segnale remoto
Connettore HA REMOTE 2
Connettore HA REMOTE 2
Connettore HA REMOTE 1
Connettore HA REMOTE 1

Dispositivi I/O e preamplificatori esterni
Manuale di riferimento
179
Collegamento della console della serie CL a un'unità
SB168-ES
Per controllare in modalità remota l'unità SB168-ES dalla console della serie CL, installare
una scheda EtherSound MY16-ES64 nello slot 1 dell'unità CL, quindi utilizzare un cavo
Ethernet per collegare la console CL all'unità SB168-ES. Questo collegamento consente
di controllare in modalità remota l'unità SB168-ES dalla console della serie CL.
In alternativa, è possibile utilizzare una connessione a margherita o ad anello e installare due
schede di espansione MY16-EX negli slot dell'unità CL per controllare in remoto fino a tre
unità SB168-ES contemporaneamente.
NOTA
I dati del controllo remoto verranno ricevuti e trasmessi solo allo slot 1 della console della
serie CL.
Rete con connessione a margherita
Connessione ad anello
NOTA
Per informazioni sulla configurazione delle schede MY16-ES64/MY16-EX e della rete
EtherSound, vedere il Manuale di istruzioni dell'unità SB168-ES.
SB168-ES
SB168-ES
SB168-ES
MY16-
ES64 MY16-
EX MY16-
EX
CL5
OUT
Segnale audio
Segnale remoto
IN
OUT
IN
IN
OUT
SB168-ES
SB168-ES
SB168-ES
CL5
MY16-
ES64 MY16-
EX MY16-
EX
Segnale audio
Segnale remoto
OUT
IN
OUT
IN
IN
OUT
OUT

Dispositivi I/O e preamplificatori esterni
Manuale di riferimento
180
Controllo remoto di un preamplificatore esterno
È possibile controllare in modalità remota un preamplificatore esterno collegato tramite
MY16-ES64 o NAI48-ES dalla console della serie CL. Per informazioni dettagliate su
come collegare una console della serie CL con preamplificatore esterno, vedere "Uso di un
preamplificatore esterno" a pagina 178 e il Manuale di istruzioni del preamplificatore esterno.
Schermata VIRTUAL RACK (pagina EXTERNAL HA)
1
Campo EXTERNAL HA
Visualizza lo stato del preamplificatore esterno collegato.
2
ID/Nome modello/+48V master
In quest'area vengono visualizzate le informazioni relative all'HA esterno montato
nel rack. Il numero ID viene assegnato automaticamente nell'ordine dei dispositivi
collegati, da 1 a 6. In questo campo è inoltre possibile visualizzare lo stato di attivazione/
disattivazione dell'alimentazione phantom principale.
3
Rack virtuali
Sono presenti fino a sei rack in cui è possibile montare unità HA esterne controllabili in
modalità remota. Se si monta un preamplificatore esterno, in questo campo vengono
indicate le relative impostazioni (GAIN, stato di attivazione/disattivazione
dell'alimentazione phantom e filtro passa-alto). Premere un rack per aprire la
finestra EXTERNAL HA relativa a tale rack.
4
Pulsante EXTERNAL HA PORT SELECT (SELEZIONE PORTA HA ESTERNO)
Premere questo pulsante per visualizzare la finestra HA PORT SELECT, in cui è possibile
impostare la porta di ingresso per il preamplificatore esterno montato nel rack.
STEP
1.
Collegare la console della serie CL a un preamplificatore esterno.
2.
Nell'area di accesso alle funzioni premere il pulsante RACK.
3.
Nella parte superiore della schermata VIRTUAL RACK, premere il tab EXTERNAL HA.
4.
Premere il pulsante EXTERNAL HA PORT SELECT del rack corrispondente nella
schermata VIRTUAL RACK (pagina EXTERNAL HA).
5.
Utilizzare i pulsanti PORT SELECT nella finestra EXTERNAL HA PORT SELECT
per selezionare le porte di ingresso a cui è collegata l'uscita audio del
preamplificatore esterno.
6.
Premere il pulsante CLOSE per chiudere la finestra EXTERNAL HA PORT SELECT.
7.
Nella schermata VIRTUAL RACK (pagina EXTERNAL HA), premere il rack in cui
è montato il preamplificatore esterno che si desidera controllare.
8.
Controllare il preamplificatore esterno in modalità remota nella finestra
EXTERNAL HA.
Schermata VIRTUAL RACK
(pagina EXTERNAL HA)
2 3 4
1
5 6

Dispositivi I/O e preamplificatori esterni
Manuale di riferimento
181
NOTA
Se un preamplificatore esterno è collegato a uno degli slot della console della serie CL,
è necessario specificare manualmente una porta di ingresso appropriata. Se l'impostazione
è errata, il preamplificatore esterno non verrà rilevato in modo corretto nel momento in cui le
porte di ingresso vengono assegnate ai canali di ingresso.
5
Pulsanti di commutazione VIEW
Consentono di passare dalla visualizzazione del rack virtuale SB168-ES a AD8HR
e viceversa. Selezionare la visualizzazione appropriata per il dispositivo collegato.
6
Pulsanti di commutazione COMM PORT
Consentono di specificare se il preamplificatore sterno collegato allo slot sarà controllato
in modalità remota. Selezionare "SLOT1" per controllare il preamplificatore esterno
in modalità remota.
Finestra EXTERNAL HA PORT SELECT
Consente di selezionare la porta di ingresso per il preamplificatore esterno. Visualizzare la
finestra premendo il pulsante EXTERNAL HA PORT SELECT nella schermata I/O DEVICE
(pagina EXTERNAL HA).
1
Pulsanti PORT SELECT
Consentono di specificare le porte di ingresso a cui viene collegato
il preamplificatore esterno.
Finestra EXTERNAL HA
Consente di controllare in remoto il preamplificatore esterno. Visualizzare la finestra
premendo il rack virtuale nella schermata I/O DEVICE (pagina EXTERNAL HA).
1
+48V MASTER
Se è collegato un preamplificatore esterno, lo stato di attivazione/disattivazione
dell'alimentazione phantom principale verrà visualizzato in questo punto
(l'impostazione di attivazione/disattivazione viene eseguita sul preamplificatore
esterno stesso).
2
Pulsante +48V
Consente di attivare/disattivare l'alimentazione phantom di ciascun canale.
3
Manopola GAIN (GUADAGNO)
Indica il guadagno dell'HA esterno. Se si preme e si seleziona la manopola GAIN,
è possibile regolare il guadagno utilizzando le manopole multifunzione 1-8. L'indicatore
di livello posto a destra della manopola indica il livello di ingresso della porta
corrispondente.
4
Manopola FREQUENCY/Pulsante HPF
Questi controller consentono di attivare o disattivare il filtro passa-alto incorporato nel
preamplificatore esterno e di regolarne la frequenza di taglio. Se si preme la manopola
FREQUENCY per selezionarla, sarà possibile regolarla tramite la manopola multifunzione
corrispondente.
5
Tab di selezione rack
Questi tab consentono di cambiare il rack visualizzato nella finestra EXTERNAL HA.
NOTA
• Se si collega un'unità AD8HR aggiuntiva, verrà utilizzata l'impostazione per tale unità AD8HR.
Le manopole e i pulsanti vengono visualizzati nella finestra EXTERNAL HA anche se non
è collegata un'unità AD8HR consentendo di creare e memorizzare una scena anche senza
alcuna unità AD8HR collegata.
• I messaggi di errore relativi all'unità SB168-ES non verranno visualizzati. Non sarà inoltre
possibile impostare i parametri EtherSound. Utilizzare AVS-ESMonitor per queste funzioni.
1
2
3
5
1
4

Dispositivi I/O e preamplificatori esterni
Manuale di riferimento
182
Controllo di un preamplificatore esterno in modalità remota
dai canali di ingresso su una console della serie CL
Sarà possibile utilizzare il preamplificatore esterno nello stesso modo in cui si utilizza il
preamplificatore su un dispositivo I/O o una console della serie CL. Per informazioni
dettagliate sulla finestra GAIN/PATCH, vedere "Impostazioni HA (preamplificatore)"
apagina 31.
STEP
1.
Utilizzare i tasti Bank Select nella sezione Centralogic per accedere alla schermata
OVERVIEW contenente il canale per il preamplificatore che si desidera controllare.
2.
Premere il campo HA/PHASE del canale di cui si desidera regolare il preamplificatore
esterno.
3.
Premere il pulsante PATCH nella finestra GAIN/PATCH e selezionare la porta
di ingresso assegnata al preamplificatore esterno.
4.
Controllare in modalità remota il preamplificatore esterno nella finestra
GAIN/PATCH.
Schermata
OVERVIEW Finestra GAIN/PATCH

MIDI
Manuale di riferimento
183
MIDI
In questo capitolo viene illustrato come trasmettere messaggi MIDI da un dispositivo esterno
alla console della serie CL per controllare i parametri di quest'ultima e come inviare messaggi
MIDI dalla console della serie CL quando si utilizza l'unità.
Nella figura riportata di seguito è contenuto un esempio di collegamento dei connettori
MIDI IN/OUT per la trasmissione e la ricezione di messaggi MIDI.
Funzionalità MIDI sulla console della serie CL
Sulla console della serie CL è possibile utilizzare MIDI per eseguire le operazioni riportate
di seguito.
Trasmissione e ricezione di Program Change
Quando si esegue un evento specifico (richiamo libreria scene/effetti) sulla console della
serie CL, è possibile trasmettere a un dispositivo esterno un messaggio Program Change
(un numero assegnato all'evento). Al contrario, è possibile eseguire l'evento corrispondente
quando si riceve un messaggio Program Change da un dispositivo esterno.
Trasmissione e ricezione di Control Change
Quando si esegue un evento specifico (utilizzo di fader, manopole o tasti) sulla console
della serie CL, è possibile trasmettere il messaggio di Control Change corrispondente a un
dispositivo esterno. Al contrario, è possibile eseguire eventi quando si ricevono messaggi di
Control Change da un dispositivo esterno. In questo modo è possibile registrare operazioni
di fader e tasti su un sequencer MIDI o su un altro dispositivo esterno e riprodurle in seguito.
Trasmissione e ricezione di Parameter Change (SysEx)
Quando si eseguono eventi specifici (utilizzo di fader, manopole o tasti, modifiche alle
impostazioni utente o di sistema), è possibile trasmettere messaggi SysEx (esclusivi di
sistema) "Parameter Change" a un dispositivo esterno. Al contrario, è possibile eseguire
eventi quando si ricevono messaggi di Parameter Change da un dispositivo esterno.
Utilizzando questa funzionalità, le operazioni dell'unità CL possono essere registrate
e riprodotte su un sequencer MIDI o altro dispositivo esterno. Inoltre, le modifiche alle
impostazioni utente e di sistema possono essere ricevute ed eseguite da un'altra console CL.
NOTA
Come porta utilizzata per trasmettere e ricevere messaggi MIDI, è possibile selezionare
i connettori MIDI IN/OUT del pannello posteriore oppure una scheda I/O installata nello slot 1.
Tutte le funzionalità descritte in questa sezione saranno disponibili sulla porta selezionata.
Impostazioni MIDI di base
È possibile selezionare il tipo di messaggi MIDI che la console della serie CL
trasmette e riceve, la porta MIDI utilizzata e il canale MIDI.
NOTA
• Per informazioni dettagliate sulle operazioni Program Change, vedere la sezione seguente "Uso
dei program change per richiamare scene ed elementi della libreria" a pagina 186.
• Per informazioni dettagliate sull'utilizzo dei messaggi Control Change, vedere la sezione "Uso di
control change per controllare i parametri" a pagina 188.
CL5
MIDI OUTMIDI INMIDI OUTMIDI IN
Dispositivo esterno
STEP
1.
Nell'area di accesso alle funzioni premere il pulsante SETUP.
2.
Premere il pulsante MIDI/GPI al centro della schermata SETUP.
3.
Premere il tab MIDI SETUP nella schermata MIDI/GPI.
4.
Premere il pulsante di selezione della porta per la trasmissione (Tx) o la ricezione
(Rx) nella pagina MIDI SETUP.
5.
Nella finestra MIDI SETUP (CONFIGURAZIONE MIDI) per la selezione della porta
selezionare il tipo e il numero di porta che trasmetterà o riceverà i messaggi MIDI,
quindi premere il pulsante OK.
6.
Premere il pulsante di selezione del canale nella pagina MIDI SETUP.
7.
Nella finestra MIDI SETUP per la selezione del canale selezionare il canale
che trasmetterà o riceverà i messaggi MIDI, quindi premere il pulsante OK.
8.
Nella pagina MIDI SETUP attivare/disattivare la trasmissione/ricezione di ciascun
messaggio MIDI.
Schermata SETUP Schermata MIDI/GPI
(pagina MIDI SETUP)

MIDI
Manuale di riferimento
184
Schermata MIDI/GPI (pagina MIDI SETUP)
È possibile selezionare il tipo di messaggi MIDI che verranno trasmessi e ricevuti,
nonché scegliere la porta che verrà utilizzata.
1
Campo PORT/CH (PORTA/CANALE)
Consente di selezionare la porta e il canale MIDI che verranno utilizzati per trasmettere
e ricevere messaggi MIDI.
•Tx PORT/Tx CH (MIDI di trasmissione/CANALE di trasmissione)
Premere questi pulsanti per aprire le finestre nelle quali
è possibile selezionare rispettivamente una porta
e il canale MIDI per trasmettere i messaggi MIDI.
•Rx PORT/Rx CH.................... Premere questi pulsanti per aprire le finestre nelle quali
è possibile selezionare rispettivamente una porta
e il canale MIDI per ricevere messaggi MIDI.
NOTA
Quando si trasmettono o si ricevono messaggi di Parameter Change, il numero del canale
specificato in questo campo viene utilizzato come numero del dispositivo (numero che identifica
l'unità di trasmissione o di ricezione).
2
Campo PROGRAM CHANGE
Consente di attivare o disattivare la trasmissione e la ricezione dei messaggi
Program Change MIDI.
•Tx...................... Consente di attivare/disattivare la trasmissione di Program Change.
•Rx...................... Consente di attivare/disattivare la ricezione di Program Change.
•ECHO................ Consente di attivare o disattivare l'uscita eco dei messaggi Program
Change (se questa funzione è attiva, i messaggi Program Change
ricevuti da un dispositivo esterno saranno ritrasmessi
senza modifiche).
3
Campo PROGRAM CHANGE MODE (MODALITÀ PROGRAM CHANGE)
Consente di selezionare la modalità di trasmissione/ricezione di Program Change.
•
SINGLE (SINGOLO)
.. Se questo pulsante è attivato, i Program Change verranno
trasmessi e ricevuti su un singolo canale MIDI (modalità Single).
•MULTI ........................ Se questo pulsante è attivato, i Program Change verranno
trasmessi/ricevuti su più canali MIDI (modalità Multi).
•OMNI.......................... Se questo pulsante è attivato, i Program Change su tutti i canali
MIDI vengono ricevuti in modalità Single La ricezione e
trasmissione in modalità Multi e la trasmissione in modalità
Single sono disabilitate.
•BANK (BANCO) ........ Se questo pulsante è attivato, i messaggi di selezione banco
possono essere trasmessi e ricevuti in modalità Single
(i messaggi di selezione consentono di cambiare il gruppo
di messaggi Program Change da utilizzare).
4
Campo CONTROL CHANGE
Consente di attivare o disattivare la trasmissione e la ricezione dei messaggi
di Control Change MIDI.
•Tx (Trasmissione)..... Consente di attivare/disattivare la trasmissione di
Control Change.
•Rx (Ricezione) .......... Consente di attivare/disattivare la ricezione di Control Change.
•ECHO......................... Consente di attivare o disattivare l'uscita eco dei messaggi
di Control Change (se questa funzione è attiva, i messaggi
di Control Change ricevuti da un dispositivo esterno saranno
ritrasmessi senza modifiche).
5
Campo CONTROL CHANGE MODE (MODALITÀ CONTROL CHANGE)
Questo campo consente di selezionare la modalità di trasmissione/ricezione
per Control Change.
•Pulsante NRPN......... Se questo pulsante è attivato, i parametri di missaggio
dell'unità CL vengono trasmessi e ricevuti come messaggi
NRPN su un canale MIDI (modalità NRPN).
•Pulsante TABLE ....... Se questo pulsante è attivato, i parametri di missaggio
dell'unità CL vengono trasmessi e ricevuti come messaggi
Control Change su un canale MIDI (modalità TABLE).
6
Campo PARAMETER CHANGE
Consente di attivare o disattivare la trasmissione/ricezione dei messaggi SysEx
(esclusivi di sistema). Si tratta di messaggi speciali utilizzati per controllare il
parametro della console CL.
•Tx............................... Consente di attivare/disattivare la trasmissione Parameter
Change.
•Rx .............................. Consente di attivare/disattivare la ricezione di Parameter
Change.
•ECHO......................... Consente di attivare o disattivare l'uscita eco dei messaggi di
Parameter Change. Se questa funzione è attivata, i messaggi
Parameter Change ricevuti da un dispositivo esterno saranno
ritrasmessi senza modifiche.
7
Campo OTHER COMMAND
Consente di attivare o disattivare l'uscita eco di altri messaggi MIDI (se questa funzione
è attiva, gli altri messaggi MIDI ricevuti da un dispositivo esterno saranno ritrasmessi
senza modifiche).
1
2
4
6
7
3
5

MIDI
Manuale di riferimento
185
Finestra MIDI SETUP (per la selezione della porta)
Consente di selezionare la porta che verrà utilizzata per trasmettere e ricevere messaggi
MIDI. La finestra viene visualizzata quando si preme il pulsante di selezione della porta per la
trasmissione (Tx) o la ricezione (Rx) nel campo PORT/CH.
1
Campo TERMINAL (TERMINALE)
Consente di selezionare la porta che trasmetterà o riceverà i messaggi MIDI.
È possibile selezionare uno degli elementi riportati di seguito.
2
Campo PORT NO. (N. PORTA)
Se si seleziona SLOT 1 nel campo TERMINAL, scegliere un numero di porta da 1 a 8
in questo campo. Il numero di porte disponibili varia in base alla scheda installata.
La scheda attualmente disponibile è valida solo per la porta 1.
3
Pulsante OK
Consente di confermare le impostazioni e di chiudere la finestra.
Finestra MIDI SETUP (per la selezione del canale)
Questa riga del parametro consente di specificare i canali MIDI per la trasmissione e la
ricezione di messaggi MIDI. Questa finestra viene visualizzata quando si preme il pulsante
di selezione del canale nel campo PORT/CH.
1
Campo CH
Consente di selezionare CH1-CH16 come canale che trasmetterà o riceverà
messaggi MIDI.
2
Pulsante OK
Consente di confermare le impostazioni e di chiudere la finestra.
NONE
(NESSUNA) Non verrà utilizzata alcuna porta.
MIDI Connettori MIDI IN (Rx) e OUT (Tx) sul pannello posteriore
SLOT1 Scheda che supporta la trasmissione seriale e viene installata nello
slot 1 del pannello posteriore.
1 2
3
1
2

MIDI
Manuale di riferimento
186
Uso dei program change per richiamare scene
ed elementi della libreria
Con la console della serie CL è possibile assegnare un evento specifico (richiamo di una
scena o richiamo di una libreria effetti) a ogni numero di Program Change, per cui quando
questo evento viene eseguito sulla console CL, verrà trasmesso un messaggio Program
Change del numero corrispondente a un dispositivo esterno. Al contrario, è possibile eseguire
l'evento corrispondente quando si riceve un messaggio Program Change da un dispositivo
esterno.
NOTA
Le assegnazioni dei numeri di programma sono memorizzate come impostazioni per l'intero
sistema e non per singole scene.
Schermata MIDI/GPI (pagina PROGRAM CHANGE)
Nella pagina PROGRAM CHANGE è possibile specificare in che modo i Program Change
verranno trasmessi e ricevuti, nonché scegliere l'evento (richiamo scena o richiamo libreria
effetti) che verrà assegnato a ogni numero di programma.
1
Campo PROGRAM CHANGE
Consente di attivare o disattivare trasmissione e ricezione di Program Change. Questa
impostazione è collegata alla sezione PROGRAM CHANGE della pagina MIDI SETUP.
•Tx..................Se questo pulsante è attivo, i messaggi Program Change corrispondenti
saranno trasmessi quando vengono eseguiti gli eventi nell'elenco.
•Rx .................Se questo pulsante è attivo, gli eventi corrispondenti saranno eseguiti
quando vengono ricevuti i messaggi Program Change.
•ECHO............Se questo pulsante è attivo, i messaggi Program Change ricevuti da un
dispositivo esterno saranno trasmessi senza modifiche.
2
Campo PROGRAM CHANGE MODE (MODALITÀ PROGRAM CHANGE)
Consente di selezionare la modalità di trasmissione/ricezione di Program Change.
Questa impostazione è collegata alla sezione PROGRAM CHANGE MODE della
pagina MIDI SETUP.
• Modalità Multi (quando il pulsante MULTI è attivato):
Verranno trasmessi e ricevuti i Program Change di tutti i canali MIDI. Il canale
di trasmissione/ricezione specificato nella pagina MIDI SETUP verrà ignorato.
Quando si riceve un Program Change, verranno eseguiti l'evento assegnato al
canale MIDI corrispondente e il numero di programma nell'elenco.
Quando si esegue un evento specifico su una console della serie CL, viene trasmesso
il Program Change del numero di programma corrispondente sul canale MIDI indicato
nell'elenco (se un evento viene assegnato a più di un numero di programma su più
canali MIDI/più numeri di programma, viene trasmesso solo il numero di programma
più basso su ciascun canale MIDI).
STEP
1.
Collegare la console della serie CL a un dispositivo esterno.
2.
Come descritto in "Impostazioni MIDI di base" (pagina 183), selezionare le porte
e i canali MIDI che verranno utilizzati per trasmettere e ricevere messaggi program
change.
3.
Premere il tab PROGRAM CHANGE nella schermata MIDI/GPI.
4.
Nella pagina PROGRAM CHANGE attivare o disattivare la trasmissione/ricezione
di Program Change, selezionare la modalità di trasmissione/ricezione e impostare
l'uscita eco.
5.
Per modificare l'assegnazione dell'evento per ciascun numero di programma,
premere l'evento corrispondente nell'elenco e selezionare un tipo di evento
la destinazione di richiamo.
Schermata MIDI/GPI
(Pagina PROGRAM CHANGE)
1
4
5
6
2
3

MIDI
Manuale di riferimento
187
• Modalità Single (quando il pulsante SINGLE è attivato):
Verranno trasmessi e ricevuti solo i Program Change dei canali di trasmissione (Tx)
e di ricezione (Rx) specificati nella pagina MIDI SETUP. Quando si riceve un messaggio
Program Change sul canale Rx, viene eseguito l'evento assegnato a quel numero
di programma del canale corrispondente nell'elenco.
Quando si esegue l'evento specificato sulla console della serie CL, viene trasmesso
il Program Change del numero di programma corrispondente sul canale Tx indicato
nell'elenco. Quando un evento è assegnato a più di un numero di programma sullo
stesso canale, viene trasmesso il numero di programma più basso.
• Quando il pulsante OMNI è attivato in modalità SINGLE:
Verranno ricevuti i Program Change di tutti i canali MIDI. Tuttavia, indipendentemente
dal canale MIDI ricevuto, viene eseguito l'evento assegnato al numero di programma
corrispondente del canale Rx. L'attivazione del pulsante OMNI non modifica
l'operazione per la trasmissione dei Program Change.
• Quando il pulsante BANK è in modalità SINGLE
L'indicazione CH nell'elenco diventa BANK (numero di banco) ed è possibile trasmettere
e ricevere i messaggi di selezione banco (Control Change 0, 32) e i messaggi
Program Change. Questa funzione può essere utile quando si desidera controllare
più di 128 eventi su un solo canale MIDI.
Quando si ricevono messaggi di selezione banco e successivamente messaggi
Program Change (in quest'ordine) sul canale Rx, viene eseguito l'evento assegnato
a tale numero di banco e di programma nell'elenco.
Quando si esegue un evento specificato sulla console della serie CL, vengono trasmessi
sul canale Tx i messaggi di selezione banco e Program Change per il numero di banco
e il numero di programma assegnati all'evento. Se lo stesso evento viene assegnato più
di una volta nell'elenco, verranno trasmessi il numero di banco e il numero di
programma più bassi.
NOTA
• In modalità Multi le impostazioni dei pulsanti OMNI e BANK vengono ignorate.
• Se il pulsante BANK è attivato e si riceve solo un Program Change su un canale MIDI applicabile,
verrà utilizzato solo l'ultimo numero di banco selezionato.
• Se il pulsante BANK è attivato, è possibile attivare contemporaneamente il pulsante OMNI.
In questo caso, vengono ricevuti i messaggi di selezione banco e i Program Change di tutti
i canali MIDI.
3
List
Questo elenco riporta l'evento (richiamo scena o richiamo libreria) assegnato a ciascun
canale MIDI o numero di Program Change MIDI. Nell'elenco sono presenti gli elementi
indicati di seguito.
•CH/BANK...............Se è visualizzato "CH", la colonna indica il canale MIDI (1-16) sul
quale i Program Change vengono trasmessi/ricevuti. Se la
trasmissione e la ricezione di Program Change avviene in
modalità Single e il pulsane BANK è attivato, verrà etichettato
"BANK" e il valore numerico di questa colonna corrisponderà
al numero di banco (1-128).
•NO..........................Indica il numero di programma da 1 a 128.
• PROGRAM CHANGE EVENT
.........................Indica il tipo/numero/titolo dell'evento assegnato a ciascun canale
(numero di banco) o numero di programma. Premere una singola
area di visualizzazione eventi per accedere alla finestra MIDI
PROGRAM CHANGE, nella quale è possibile selezionare
l'evento da assegnare.
4
Manopola di scorrimento
Premere questa manopola per scorrere l'elenco verso l'alto o verso il basso mediante
la manopola multifunzione.
5
Pulsante CLEAR ALL
Premere questo pulsante per cancellare tutti gli eventi dall'elenco.
6
Pulsante INITIALIZE ALL (INIZIALIZZA TUTTO)
Premere questo pulsante per ripristinare tutte le assegnazioni degli eventi presenti
nell'elenco al relativo stato di default.
Finestra MIDI PROGRAM CHANGE (PROGRAM CHANGE MIDI)
È possibile specificare l'evento assegnato a ciascun numero di programma. Questa
finestra viene visualizzata premendo l'elenco nella pagina PROGRAM CHANGE
della schermata MIDI/GPI.
1 2 3
4

MIDI
Manuale di riferimento
188
1
Campo TYPE
Consente di selezionare il tipo di evento.
Nella tabella riportata di seguito vengono elencati gli eventi che è possibile selezionare.
2
Campo DESTINATION
Consente di selezionare la scena o l'elemento della libreria da richiamare. Se nel campo
TYPE è selezionato EFFECT o PREMIUM RACK, verrà visualizzato il numero del rack.
Se è selezionato SCENE, sarà riportato - - - e non è utilizzato.
3
Campo LIBRARY NUMBER/LIBRARY TITLE
Consente di scegliere la libreria che si desidera richiamare.
Se nel campo TYPE è selezionato SCENE o EFFECT, viene visualizzato il titolo della
libreria. Se è selezionato PREMIUM RACK, viene visualizzato il numero della libreria.
4
Pulsante OK
Consente di confermare le impostazioni e di chiudere la finestra.
Uso di control change per controllare i parametri
È possibile utilizzare i messaggi Control Change MIDI per controllare eventi specifici
(operazioni con fader/manopole, operazioni di attivazione/disattivazione tasti [ON] e così via)
sulla console della serie CL. Questa funzionalità consente di registrare operazioni con fader
e tasti su un sequencer MIDI o su un altro dispositivo esterno e riprodurre questi dati in
seguito.
È possibile utilizzare i Control Change per controllare gli eventi nei due modi riportati
di seguito.
Utilizzo dei Control Change
Questo metodo utilizza Control Change tipici (numeri 1-31, 33-95, 102-119). È possibile
assegnare liberamente un evento a ciascun numero di controllo.
Utilizzo di NRPN (Non Registered Parameter Number)
Questo metodo utilizza un tipo particolare di messaggi di Control Change denominato NRPN.
NRPN utilizza i numeri di Control Change 99 e 98 per specificare i valori MSB (Most
Significant Byte - byte più significativo) e LSB (Least Significant Byte - byte meno significativo)
del numero di parametro e i messaggi di Control Change del numero di controllo 6 (o 6 e 38)
trasmessi successivamente per indicare il valore di tale parametro.
L'evento assegnato a ciascuna combinazione di MSB e LSB è definito in precedenza
e non può essere modificato.
NOTA
Per informazioni dettagliate sugli eventi assegnati ai messaggi NRPN, vedere l'elenco dati
alla fine del presente manuale.
NOTA
Le assegnazioni dei numeri di controllo sono memorizzate come impostazioni per l'intero sistema
e non per singole scene.
NO ASSIGN (NESSUNA
ASSEGNAZIONE) Nessuna assegnazione
SCENE (SCENA) Operazioni di richiamo della memoria scene
EFFECT Operazioni di richiamo della libreria effetti
PREMIUM RACK Operazioni di richiamo per la libreria Premium Rack corrispondente
STEP
1.
Collegare la console della serie CL a un dispositivo esterno.
2.
Come descritto in "Impostazioni MIDI di base" (pagina 183), selezionare le porte
e i canali MIDI che verranno utilizzati per trasmettere e ricevere messaggi control
change.
3.
Premere il tab CONTROL CHANGE nella schermata MIDI/GPI.
4.
Attivare o disattivare la trasmissione/ricezione di Control Change, selezionare
la modalità di trasmissione/ricezione e impostare l'uscita eco.
5.
Per modificare l'assegnazione dell'evento per ciascun numero di controllo, premere
l'evento corrispondente nell'elenco e selezionare un tipo di evento la destinazione
di richiamo.
Schermata MIDI/GPI
(pagina CONTROL CHANGE)

MIDI
Manuale di riferimento
189
Schermata MIDI/GPI (pagina CONTROL CHANGE)
È possibile specificare in che modo i Control Change verranno trasmessi e ricevuti, nonché
specificare l'evento (operazione con fader/manopole, attivazione/disattivazione tasto [ON]
e così via) che verrà assegnato a ogni numero di controllo.
1
Campo CONTROL CHANGE
Consente di attivare o disattivare la trasmissione/ricezione di Control Change e di
specificare se i Control Change verranno emessi con effetto eco. Questa impostazione
è collegata al campo CONTROL CHANGE della pagina MIDI SETUP.
•Pulsante Tx ...........................Consente di attivare o disattivare la trasmissione
di Control Change.
•Pulsante Rx...........................Consente di attivare o disattivare la ricezione
di Control Change.
•Pulsante ECHO..................... Consente di scegliere se i messaggi di Control Change
in ingresso verranno emessi con effetto eco dalla porta
di trasmissione MIDI.
2
Campo CONTROL CHANGE MODE (MODALITÀ CONTROL CHANGE)
Questo campo consente di selezionare la modalità di trasmissione/ricezione per Control
Change. Questa impostazione è collegata al campo CONTROL CHANGE MODE della
pagina MIDI SETUP.
• Modalità NRPN (quando il pulsante NRPN è attivato):
I vari parametri di missaggio della console della serie CL vengono trasmessi e ricevuti
su un singolo canale MIDI come messaggi NRPN. Se si seleziona questo modalità,
le assegnazioni dell'elenco saranno ignorate.
• Modalità TABLE (quando il pulsante TABLE è attivato):
I vari parametri di missaggio della console della serie CL vengono trasmessi e ricevuti su
un singolo canale MIDI come messaggi Control Change in base alle assegnazioni
dell'elenco.
NOTA
Il canale su cui vengono trasmessi e ricevuti i Control Change è specificato nel campo PORT/CH
della pagina MIDI SETUP (pagina 184).
3
List
Questo elenco riporta l'evento (operazione con fader/manopole, attivazione/
disattivazione tasto [ON] e così via) assegnato a ciascun numero di controllo.
•NO..........................Indica il numero di controllo. È possibile utilizzare i numeri
di controllo 1-31, 33-95 e 102–119.
• CONTROL CHANGE EVENT
.........................Indica e consente di selezionare il tipo di evento assegnato
a ciascun numero di controllo. Quando si preme un evento,
verrà visualizzata la finestra MIDI CONTROL CHANGE, in cui
è possibile modificare l'assegnazione dei numeri di controllo.
4
Pulsante CLEAR ALL
Premere questo pulsante per cancellare tutte le assegnazioni degli eventi presenti
nell'elenco.
5
Pulsante INITIALIZE ALL
Premere questo pulsante per ripristinare tutte le assegnazioni degli eventi
presenti nell'elenco al relativo stato di default.
6
Manopola di scorrimento
Consente di scorrere il contenuto dell'elenco. È possibile utilizzare le manopole
multifunzione corrispondenti per regolare il valore.
1
6
4
5
2
3

MIDI
Manuale di riferimento
190
Finestra MIDI CONTROL CHANGE
Questa finestra viene visualizzata premendo qualsiasi evento nella pagina
CONTROL CHANGE. In questa finestra è possibile specificare l'evento assegnato
a ciascun numero di controllo.
1
Campo MODE (MODALITÀ)
Consente di selezionare il tipo di evento.
2
Campo PARAMETER 1/2 (PARAMETRO 1/2)
Insieme al campo MODE, questo campo consente di specificare il tipo di evento.
3
Pulsante OK
Consente di confermare le impostazioni e di chiudere la finestra.
NOTA
• L'elenco visualizzato è lo stesso per tutti i modelli della serie CL. Nelle console CL3/CL1,
sul display verrà indicato "Cannot Assign!" (Impossibile assegnare) se si specifica un parametro
che non esiste su quel modello.
• Se la modalità NRPN è selezionata come modalità di trasmissione/ricezione dei control change,
le impostazioni in questa finestra saranno ignorate.
• Per informazioni dettagliate sugli eventi che è possibile assegnare ai Control Change,
vedere l'elenco dati alla fine del presente manuale.
Utilizzo di parameter change per controllare
i parametri
Sulla console della serie CL è possibile utilizzare un tipo di messaggi esclusivi del sistema
definito "Parameter Change" per controllare eventi specifici (operazioni con fader/manopole,
operazioni di attivazione/disattivazione dei tasti [ON], impostazioni utente e di sistema e così
via) come alternativa all'utilizzo dei messaggi Control Change o NRPN.
Per informazioni dettagliate sui Parameter Change che è possibile trasmettere e ricevere,
vedere l'elenco dati alla fine del presente manuale.
NOTA
• I Parameter Change comprendono un "numero di dispositivo" che indica il dispositivo di
trasmissione o di ricezione. Il canale di trasmissione (Tx) e di ricezione (Rx) specificati nella
pagina MIDI SETUP vengono utilizzati come numero di dispositivo.
• Se il numero di dispositivo incluso nel Parameter Change trasmesso non corrisponde
a quello della console CL che lo riceve, il messaggio verrà ignorato.
• Non attivare la trasmissione/ricezione di Parameter Change e Control Change
contemporaneamente. In caso contrario, verrà trasmessa una gran quantità di dati attraverso
la porta MIDI che potrebbe causare overflow o altri problemi.
12
3
STEP
1.
Collegare la console della serie CL a un dispositivo esterno.
2.
Come descritto in "Impostazioni MIDI di base" (pagina 183), selezionare le porte
e i canali MIDI (numero di dispositivo) che verranno utilizzati per trasmettere
e ricevere messaggi Parameter Change.
3.
Utilizzare i pulsanti Tx e Rx nel campo PARAMETER CHANGE della pagina MIDI
SETUP per attivare la trasmissione/ricezione dei Parameter Change.

Registratore
Manuale di riferimento
191
Registratore
In questo capitolo sono illustrate le funzionalità e l'utilizzo del registratore.
Informazioni sul registratore di memoria USB
La console della serie CL è dotata di una funzione di registratore di memoria USB che
consente di registrare in modo semplice segnali audio interni in un'unità di memoria flash
USB o di riprodurre file audio in un unità di memoria USB.
Come formato file per la registrazione, la console della serie CL supporta MP3
(MPEG-1 Audio Layer-3). Per la riproduzione, sono supportati i file MP3, WMA (Windows
Media Audio) e AAC (MPEG-4 AAC). DRM (Digital Rights Management) invece non
è supportato.
Utilizzando il registratore di memoria USB, l'uscita dal bus STEREO o da un bus MIX può
essere registrato in un'unità di memoria flash USB oppure è possibile riprodurre la musica
di sottofondo o gli effetti sonori salvati nell'unità di memoria flash USB tramite un canale
di ingresso assegnato.
Flusso di segnale per il registratore di memoria USB
* CL3: INPUT1-64, CL1: INPUT1-48
NOTA
• Non è possibile eseguire contemporaneamente registrazione e riproduzione.
• Il segnale in fase di registrazione non può essere immesso su un canale INPUT.
Assegnazione dei canali all'ingresso
e all'uscita del registratore
Procedere come segue per assegnare i canali desiderati all'ingresso e all'uscita del
registratore di memoria USB. È possibile assegnare qualsiasi canale di uscita o l'uscita diretta
di un canale INPUT all'ingresso del registratore ed è possibile assegnare l'uscita del
registratore a qualsiasi canale di ingresso.
NOTA
• Il registratore di memoria USB esegue registrazioni e riproduzione sempre in stereo. Se si
desidera registrare in modalità mono, con lo stesso segnale per destra e sinistra, è necessario
assegnare entrambi gli ingressi del registratore allo stesso canale.
• Non è possibile assegnare più canali all'uscita del registratore.
• Ai punti 4 e 8 se si seleziona un canale a cui è già assegnata un'altra porta, verrà visualizzata
una finestra di dialogo con la richiesta di confermare la modifica di assegnazione. Premere
il pulsante OK nella finestra di dialogo.
• Nel caso dei modelli CL3/CL1, i canali che non esistono su questi modelli non verranno
visualizzati.
MIX1-24
MATRIX1-8
STEREO L/R
MONO
INPUT1-72*
DIRECT OUT
RECORDER
INPUT PLAYBACK
OUT INPUT1-72*
ST IN 1L1R-8L8R
L
R
L
R
USB,
registratore
di memoria
STEP
1.
Nell'area di accesso alle funzioni, premere il pulsante RECORDER (REGISTRATORE).
2.
Premere il tab USB nella schermata RECORDER.
3.
Premere il pulsante RECORDER INPUT L o R (INGRESSO REGISTRATORE D/S).
4.
Utilizzare l'elenco delle categorie e i pulsanti di selezione delle porte nella
finestra CH SELECT per selezionare il canale da assegnare all'ingresso del
registratore di memoria USB.
5.
Una volta completata l'assegnazione del canale, premere il pulsante CLOSE (CHIUDI).
6.
Assegnare nello stesso modo un canale all'altro ingresso.
7.
Premere il pulsante PLAYBACK OUTPUT L o R (USCITA RIPRODUZIONE D/S).
8.
Utilizzare l'elenco delle categorie e i pulsanti di selezione del canale nella
finestra CH SELECT per selezionare il canale da assegnare all'uscita del
registratore di memoria USB.
9.
Una volta completata l'assegnazione del canale, premere il pulsante CLOSE (CHIUDI).
10.
Assegnare nello stesso modo un canale all'altra uscita.
Schermata RECORDER

Registratore
Manuale di riferimento
192
Schermata RECORDER (quando si seleziona il tab USB)
In questa schermata è possibile assegnare segnali all'ingresso e uscita del registratore
di memoria USB ed eseguire operazioni di registrazione e playback.
1
Pulsanti RECORDER INPUT L/R (INGRESSO REGISTRATORE D/S)
Premere questi pulsanti per aprire la finestra CH SELECT, nella quale è possibile
selezionare i segnali assegnati ai canali di ingresso D/S del registratore.
2
Manopola RECORDER INPUT GAIN
Consente di impostare il livello dell'ingresso del segnale al registratore.
3
Pulsante RECORDER INPUT CUE (ATTIVAZIONE INGRESSO REGISTRATORE)
Quando questo pulsante è attivato, è possibile monitorare l'ingresso del segnale
nel registratore.
NOTA
Non è possibile attivare contemporaneamente questo pulsante e il pulsane
PLAYBACK OUTPUT CUE (CUE USCITA RIPRODUZIONE).
Il monitoraggio dei segnali di attivazione non supporta CUE B.
4
Indicatori
Indicano il livello dei segnali in ingresso nel registratore.
5
Pulsanti PLAYBACK OUTPUT L/R (USCITA RIPRODUZIONE D/S)
Premere questi pulsanti per aprire la finestra CH SELECT, nella quale è possibile
selezionare i segnali assegnati ai canali di uscita destra/sinistra del registratore per
la riproduzione.
6
Manopola PLAYBACK OUTPUT GAIN
Consente di impostare il livello dell'uscita del segnale al registratore.
7
Pulsante PLAYBACK OUTPUT CUE
Premere questo pulsante per monitorare l'uscita del segnale dal registratore.
NOTA
Non è possibile attivare contemporaneamente questo pulsante e il pulsante
RECORDER INPUT CUE.
Il monitoraggio dei segnali di attivazione non supporta CUE B.
8
Indicatori
Indicano il livello dei segnali in uscita dal registratore.
Finestra CH SELECT
Questa finestra viene visualizzata premendo il pulsante RECORDER INPUT L o R
oppure PLAYBACK OUTPUT L o R.
1
Elenco delle categorie
Consente di selezionare il tipo di canale.
2
Pulsante di selezione dei canali
Consente di selezionare i canali che saranno assegnati agli ingressi e alle uscite
del registrare di memoria USB. I canali che possono essere assegnati agli ingressi
e alle uscite sono diversi.
Canali che possono essere assegnati agli ingressi del registratore
•MIX 1-24................................. Canale MIX 1-24
•MTRX 1-8............................... Canali MATRIX 1-8
•ST L/R.................................... Canale STEREO D/S
•ST L+C................................... Canale STEREO L missato con il canale MONO (C)
•ST R+C .................................. Canale STEREO R missato con il canale MONO (C)
•MONO.................................... Canale MONO
•CH1-72................................... Uscita diretta di un canale INPUT 1-72
Canali che possono essere assegnati alle uscite del registratore
•CH1-72................................... Canali di ingresso 1-72
•STIN 1L/1R-STIN 8L/8R........ Canali ST IN 1-8L/R
1 2 3 4 8765
2
1
2
1

Registratore
Manuale di riferimento
193
NOTA
Nel caso dei modelli CL3/CL1, i canali che non esistono su questi modelli non
verranno visualizzati.
Registrazione dell'audio in un'unità di memoria
flash USB
È possibile registrare il segnale dei canali di uscita desiderati come file audio (MP3) nell'unità
di memoria flash USB inserita nel connettore USB a destra del display.
NOTA
• Il campo FREE SIZE (DIM. MEMORIA LIBERA) indica la quantità di memoria disponibile
nell'unità di memoria flash USB.
• Il segnale registrato non verrà emesso dai jack di uscita del registratore (PLAYBACK OUT,
USCITA RIPRODUZIONE).
• L'indicatore di livello nella schermata RECORDER mostra il livello del segnale prima e dopo
il registratore. Se necessario, utilizzare la manopola GAIN (GUADAGNO) nel campo
RECORDER INPUT (INGRESSO REGISTRATORE) per regolare il livello di ingresso
nel registratore. L'utilizzo della manopola GAIN non influisce sul livello del segnale emesso
su altre porte dal canale di uscita corrispondente.
• Nello stato predefinito, il file audio registrato verrà salvato nella cartella SONGS all'interno
della cartella YPE dell'unità di memoria flash USB. È tuttavia possibile specificare una cartella
appartenente a un livello al di sotto della cartella SONGS.
• Al file registrato verranno assegnati un titolo e un nome file predefiniti, che sarà possibile
modificare in seguito.
Schermata RECORDER (quando si seleziona il tab USB)
Campo TRANSPORT (TRASPORTO)
Questo campo consente di controllare la registrazione e la riproduzione di una song.
1
Song corrente
Indica il numero di traccia, il titolo e il nome dell'artista della song attualmente
selezionata. I seguenti indicatori saranno visualizzati durante la riproduzione
o la registrazione.
2
Visualizzazione del tempo trascorso
Indica il tempo di riproduzione trascorso della song corrente durante la riproduzione
e il tempo di registrazione trascorso durante la registrazione.
3
Visualizzazione del tempo rimanente
Indica il tempo di riproduzione rimanente della song corrente durante la riproduzione
e il tempo di registrazione disponibile durante la registrazione.
4
Formato della song corrente
Indica il formato file e il bit rate della song corrente (il file in riproduzione).
STEP
1.
Per informazioni sull'assegnazione dei canali all'ingresso/uscita del registratore,
vedere "Assegnazione dei canali all'ingresso e all'uscita del registratore"
apagina 191.
2.
Collegare un'unità di memoria flash USB con capacità disponibile sufficiente al
connettore USB.
3.
Per monitorare il segnale registrato, alzare il fader per i canali assegnati all'ingresso
del registratore.
4.
Premere il pulsante REC RATE (VELOCITÀ REGISTRAZIONE) nella parte inferiore
destra della schermata RECORDER, quindi selezionare un bit rate per il file audio
registrato.
5.
Premere il pulsante REC (
-
) che si trova nella parte inferiore della schermata.
6.
Per avviare la registrazione, premere il pulsante PLAY/PAUSE ( ) nella parte
inferiore della schermata.
7.
Per interrompere la registrazione, premere il pulsante STOP (
).
8.
Per ascoltare il contenuto registrato, procedere nel modo seguente.
8-1.
Premere il pulsante PLAY/PAUSE (ESEGUI/PAUSA) ( ) per riprodurre
la registrazione.
8-2.
Per arrestare il playback, premere il pulsante STOP (
).
1
2
3 4A0987 5 6
L'unità è attualmente in riproduzione. L'unità è già in registrazione.

Registratore
Manuale di riferimento
194
5
Pulsante REC RATE
Consente di cambiare la velocità di registrazione.
È possibile selezionare 96 kbps, 128 kbps o 192 kbps. Frequenze di bit superiori
migliorano la qualità audio ma aumentano la dimensione dei dati.
NOTA
La frequenza del word clock utilizzata dalla console della serie CL verrà selezionata
automaticamente come frequenza di campionamento del file audio.
6
Pulsante di commutazione visualizzazione
Consente di visualizzare e nascondere i campi RECORDER INPUT/PLAYBACK OUTPUT
nella parte inferiore dell'elenco di song.
7
Pulsante REW (RIAVVOLGIMENTO)
Consente di spostare il punto di riproduzione all'inizio della song corrente e di
interrompere la riproduzione. Se il punto di riproduzione si trova già all'inizio,
verrà spostato all'inizio della song precedente selezionata per la riproduzione.
Se il punto di riproduzione non si trova all'inizio della song corrente, tenere premuto
questo pulsante per almeno due secondi per eseguire il rewind il punto di riproduzione.
Se si utilizza questo pulsante durante la riproduzione, la riproduzione riprende dal punto
in corrispondenza del quale è stato rilasciato il pulsante.
8
Pulsante STOP (ARRESTA)
Il registratore passerà dalla modalità di riproduzione/registrazione/stand-by
registrazione alla modalità di arresto.
9
Pulsante PLAY (RIPRODUCI)
Consente di cambiare la modalità del registratore come segue:
Modalità di arresto
Modalità di riproduzione, quindi avvio della riproduzione dall'inizio
della song corrente.
Modalità di riproduzione
Modalità pausa di riproduzione
Modalità pausa di riproduzione
Modalità di riproduzione, quindi avvio della
riproduzione dal punto di pausa.
Modalità standby registrazione
Modalità registrazione
Modalità di registrazione
Modalità di registrazione-pausa
Modalità pausa di registrazione
Modalità di registrazione, quindi avvio della
registrazione dal punto di pausa.
0
Pulsante FF (AVANZAMENTO VELOCE)
Consente di sposare il punto di riproduzione all'inizio della song successiva
contrassegnata con il segno di spunta PLAY.
L'indicatore di pausa del pulsante PLAY/PAUSE ( ) si accende.
A
Pulsante REC
Consente di attivare la modalità standby di registrazione del registratore.
NOTA
È inoltre possibile assegnare la funzione di ciascun pulsante a un tasto USER DEFINED
(pagina 215).
Struttura di directory di un'unità di memoria flash USB
Quando si collega un'unità di memoria flash USB al connettore USB, vengono create
automaticamente una cartella YPE e una cartella SONGS all'interno di YPE nella directory
principale dell'unità di memoria flash USB.
I file creati con operazioni di registrazione verranno salvati nella cartella SONGS
o nella cartella correntemente selezionata sotto quel livello.
Song
(file audio)
Cartella Songs
Cartella YPE
Directory principale

Registratore
Manuale di riferimento
195
Riproduzione di file audio da un'unità
di memoria flash USB
È possibile riprodurre i file audio salvati nell'unità di memoria flash USB. Oltre ai file registrati
nella console della serie CL, è possibile riprodurre anche file copiati dal computer nell'unità
di memoria flash USB.
I tre tipi di formato file riproducibili sono MP3 (MPEG-1 Audio Layer-3), WMA (Windows Media
Audio) e AAC (MPEG-4 AAC). Le frequenze di campionamento riproducibili sono 44,1 kHz
e 48 kHz. Gli intervalli di bit rate supportati sono compresi tra 64 kbps e 320 kbps.
NOTA
• Se si desidera eseguire la riproduzione di un file audio, è necessario salvarlo nella cartella
SONGS all'interno della cartella YPE o in una cartella creata al di sotto della cartella SONGS.
I file presenti in altre cartelle e i file di formati non supportati non vengono riconosciuti.
• La console della serie CL riconosce solo nomi file che non superano i 64 caratteri a byte singolo.
Se un nome file risulta più lungo, il file desiderato potrebbe non essere riprodotto correttamente.
• In una singola directory è possibile gestire fino a 300 song. È possibile gestire fino
a 64 sottodirectory.
NOTA
• Anche se la frequenza di campionamento utilizzata dalla console della serie CL è diversa da
quella del file audio in riproduzione, la funzione SRC (Sampling Rate Converter, convertitore
frequenza di campionamento) convertirà automaticamente la frequenza in modo che
la riproduzione del file risulti corretto.
• Se il pulsante REPEAT è attivato, la riproduzione continuerà finché non viene arrestata.
Schermata RECORDER
Elenco dei titoli
Questo elenco consente di eseguire operazioni relative a song e directory salvate nell'unità
di memoria flash USB.
1
Song selezionata
La song attualmente selezionata verrà visualizzata in una cornice blu.
2
Indicatore di stato
Mostra un simbolo che indica se il file attualmente selezionato è in riproduzione
oinpausa.
: in riproduzione, : in pausa
3
Numero di traccia
Indica il numero di file nell'elenco dei titoli.
STEP
1.
Collegare un'unità di memoria flash USB che contiene file audio al connettore USB.
2.
Nell'area di accesso alle funzioni, premere il pulsante RECORDER (REGISTRATORE).
3.
È possibile utilizzare l'icona di modifica directory nella schermata RECORDER
e l'icona della cartella nel campo No. per visualizzare un elenco del contenuto
della cartella che comprende il file desiderato.
4.
Utilizzare la manopola multifunzione o premere il nome file sullo schermo
per selezionare il file desiderato.
5.
Premere il pulsante nel campo PLAY MODE per selezionare la modalità
di riproduzione.
6.
Se è stato attivato il pulsante REPEAT al punto 5, premere il segno di spunta PLAY
per ciascuna song da riprodurre.
7.
Premere il pulsante PLAY/PAUSE ( ) per riprodurre la song.
8.
Per interrompere la riproduzione, premere il pulsante STOP (
).
6 7 8 9
3 5 4 1
2
A
0
CB

Registratore
Manuale di riferimento
196
4
Sottodirectory
Indica il numero di traccia di ciascuna song, il nome della directory di livello superiore
e se è presente una sottodirectory (nel caso in cui sia stata selezionata la directory).
•Livello superiore.......Premere questo pulsante per spostare verso l'alto la directory
che si trova a un livello superiore rispetto a quello corrente.
•Sottodirectory..........Premere questo pulsane per passare alla sottodirectory
corrispondente.
NOTA
• Se si seleziona una cartella in questo modo, questa verrà automaticamente selezionata
come destinazione della registrazione.
• Le cartelle che è possibile selezionare sono limitate alla cartella SONGS all'interno della cartella
YPE e a quelle che si trovano sotto la cartella SONGS.
5
Segno di spunta PLAY
Consente di selezionare più file che saranno riprodotti consecutivamente.
6
Manopola SELECT
Utilizzare la manopola multifunzione per selezionare una song.
7
Pulsante NOW PLAYING
Premere questo pulsante per selezionare sempre la song attualmente in riproduzione
nell'elenco.
8
Pulsanti MOVE UP/MOVE DOWN (SPOSTA SU/GIÙ)
Consentono di modificare l'ordine delle song selezionate nell'elenco.
9
Pulsanti di commutazione visualizzazione
Consentono di passare dalla visualizzazione SONG TITLE (TITOLO SONG)
alla visualizzazione FILE NAME (NOME FILE) e viceversa nell'elenco.
0
Pulsante SAVE LIST
Consente di salvare l'ordine dell'elenco di titoli corrente e le impostazioni del segno
di spunta PLAY sotto forma di playlist.
A
Pulsante RELOAD (RICARICAMENTO)
Consente di caricare la playlist salvata più recentemente. Utilizzare questo pulsane
per ripristinare lo stato precedente della playlist corrente che si sa modificando.
Campo PLAY MODE (MODALITÀ DI RIPRODUZIONE)
Consente di impostare il metodo di riproduzione della song attualmente selezionata.
B
Pulsante SINGLE
Se questo pulsante è attivo, il registratore si arresterà al termine della riproduzione della
song corrente. Se questo pulsante è disattivato, sul registratore verrà riprodotta la song
successiva nell'elenco al termine della riproduzione della song corrente.
C
Pulsante REPEAT (RIPETIZIONE)
Se questo pulsante è attivo, al termine della riproduzione della song corrente, sul
registratore verrà riprodotta la prima song nell'elenco contrassegnata con un il segno
di spunta PLAY (a meno che nessuna delle song successive sia contrassegnata con un
segno di spunta PLAY).
Se questo pulsante è disattivato, il registratore si arresterà al termine della riproduzione
della song corrente (a meno che non siano presenti song successive contrassegnate
con un segno di spunta PLAY). Viene selezionato uno dei seguenti metodi
di riproduzione in base alle impostazioni di attivazione/disattivazione del
pulsante SINGLE e del pulsante REPEAT.
Modifica dell'elenco dei titoli
È possibile modificare l'ordine dei file audio riportati nell'elenco dei titoli e modificare titoli
o nomi degli artisti.
NOTA
• Se il titolo o il nome dell'artista contiene caratteri che non possono essere visualizzati, questi
caratteri verranno convertiti in ? per la visualizzazione.
• Il titolo e il nome dell'artista possono essere modificati solo per i file audio in formato MP3.
Pulsante
SINGLE Pulsante
REPEAT Modalità
Attivato Attivato La song correntemente selezionata verrà eseguita ripetutamente
fin quando la riproduzione non viene arrestata.
Attivato Disattivato La song correntemente selezionata verrà eseguita una sola volta.
Disattivato Attivato
Le song con il segno di spunta PLAY selezionato sono riprodotte in
ordine, iniziando dalla song attualmente selezionata, quindi vengono
riprodotte di nuovo dalla prima song nell'elenco dei titoli. La song
correntemente selezionata verrà eseguita ripetutamente fin quando
la riproduzione non viene arrestata.
Disattivato Disattivato Le song con il segno di spunta PLAY selezionato vengono riprodotte in
ordine, iniziando dalla song attualmente selezionata. La riproduzione
si arresta dopo che è stata riprodotta l'ultima song nell'elenco dei titoli.
STEP
1.
Collegare un'unità di memoria flash USB contenente i file audio al connettore USB.
2.
Nell'area di accesso alle funzioni, premere il pulsante RECORDER (REGISTRATORE).
3.
Premere il pulsante No. e l'icona di modifica directory nella schermata RECORDER
per visualizzare un elenco del contenuto della cartella che comprende il file
desiderato.
4.
Se si desidera modificare un titolo nell'elenco dei titoli, premere il pulsane
SONG TITLE/FILE NAME EDIT (MODIFICA TITOLO SONG/NOME FILE). Se si
desidera modificare il nome dell'artista, premere il pulsante ARTIST EDIT
(MODIFICA ARTISTA).
5.
Modificare il titolo o il nome dell'artista, quindi premere il pulsante OK.
6.
Se necessario, utilizzare il pulsante SONG TITLE/FILE NAME SORT (ORDINA
TITOLI SONG/NOMI FILE), il pulsante ARTIST SORT (ORDINA ARTISTI) e i pulsanti
MOVE UP/MOVE DOWN nella schermata per modificare l'ordine dell'elenco
dei titoli.
7.
Al termine della modifica, premere il pulsante SAVE LIST (SALVA ELENCO)
per salvare le modifiche.

Registratore
Manuale di riferimento
197
Schermata RECORDER (quando si seleziona il tab USB)
1
Pulsante SONG TITLE/FILE NAME EDIT (MODIFICA TITOLO SONG/NOME FILE)
Consente di modificare il titolo della song selezionata nell'elenco.
2
Pulsante ARTIST EDIT (MODIFICA ARTISTA)
Consente di modificare il nome dell'artista della song selezionato nell'elenco.
NOTA
È possibile immettere fino a 128 caratteri a byte singolo (64 caratteri a doppio byte) sia per il titolo
che per il nome dell'artista. Se non è possibile visualizzare completamente il titolo, scorrerlo
in orizzontale.
3
Pulsante SONG TITLE/FILE NAME SORT
Consente di disporre l'elenco dei titoli in ordine alfabetico.
4
Pulsante ARTIST SORT (ORDINA ARTISTI)
Consente di disporre l'elenco degli artisti in ordine alfabetico.
5
Pulsante SAVE LIST
Consente di salvare l'ordine dell'elenco e le impostazioni del segno di spunta PLAY
sotto forma di playlist su un'unità di memoria flash USB.
6
Pulsante SONG TITLE/FILE NAME (TITOLO SONG/NOME FILE)
Consente di selezionare il titolo della song o il nome file da visualizzare nel campo
SONG TITLE/FILE NAME.
Registrazione o riproduzione su un computer
mediante DAW
Se si prevede di aggiungere un software DAW, ad esempio Steinberg Nuendo, a una
rete audio che include una console CL e dispositivi I/O, sarà necessario utilizzare
il driver DVS (Dante Virtual Soundcard). Il driver DVS funge da interfaccia audio e rende
possibile la trasmissione dei segnali tra un software DAW e una rete audio che include una
console della serie CL e dispositivi I/O. In questo modo sarà possibile effettuare registrazioni
multitraccia di esecuzioni dal vivo o utilizzare registrazioni dal vivo effettuate il giorno
precedente per un soundcheck virtuale.
In questa sezione viene illustrata la procedura per l'aggiunta del software DAW a una
rete audio.
Dispositivi e software richiesti
• Console della serie CL e dispositivi I/O
• Un computer (Windows o Mac) dotato di una porta Ethernet in grado di supportare una
rete GbE (Giga-bit Ethernet) e il software DAW
• Un commutatore di rete compatibile con GbE
•Cavo CAT5e
• Driver DVS (Dante Virtual Soundcard)
• Software di controllo Dante Controller
NOTA
• Per utilizzare il driver DVS (Dante Virtual Soundcard), è necessario disporre di un ID di licenza.
Un foglio con il token DVS necessario per acquisire l'ID di licenza è incluso nel pacchetto delle
unità CL.
• Le informazioni più recenti su DVS (Dante Virtual Soundcard) e Dante Controller sono disponibili
al sito Web riportato di seguito.
http://proaudio.yamaha.co.jp
3 4
2
5
6
1

Registratore
Manuale di riferimento
198
Impostazioni wordclock
In una rete Dante, il dispositivo master fornisce un wordclock accurato ad altri dispositivi sulla
rete. Se il dispositivo master viene rimosso dalla rete o danneggiato, un secondo dispositivo
ne sostituisce automaticamente le funzioni di clock master.
Per applicare questa impostazione, nell'area di accesso alle funzioni, premere il pulsante
SETUP, quindi il pulsante WORD CLOCK/SLOT SETUP per accedere alla finestra
corrispondente.
Configurazione di DVS (Dante Virtual Soundcard)
Installare Dante Virtual Soundcard (DVS)
e Dante Controller sul computer che si
desidera utilizzare per la registrazione audio.
Definire le seguenti impostazioni prima di
attivare DVS.
• Collegare la porta di rete compatibile con
GbE del computer a un commutatore di rete
compatibile con GbE.
• Configurare il computer per ottenere
un indirizzo IP automaticamente.
(È l'impostazione predefinita).
• Impostare il formato audio.
(Esempio: 48 kHz, 24 bit)
• Impostare la latenza Dante (impostare
un valore elevato per assicurare la stabilità
quando si utilizzano più canali).
• Nelle impostazioni avanzate, selezionare
il numero di canali da utilizzare per la
registrazione e la riproduzione (il valore
predefinito è 8 x 8).
NOTA
Per ulteriori informazioni sulle impostazioni del driver ASIO (Windows), vedere il Manuale
dell'utente di Dante Virtual Soundcard.
Impostazioni di Dante Accelerator
Dopo avere montato una scheda Dante Accelerator sul computer, installare il driver
Dante Accelerator ed eseguire le seguenti impostazioni. Per ulteriori informazioni sulla
modalità di istallazione del driver, fare riferimento alla Guida all'installazione del driver.
• Utilizzare un cavo di rete per collegare il jack Dante sulla scheda Dante Accelerator alla
rete Dante, quindi collegare la porta di rete del computer alla stessa rete.
• Configurare il computer al fine di ottenere automaticamente un indirizzo IP
(impostazione predefinita).
NOTA
Per ulteriori informazioni sulla selezione di un computer per il controllo remoto da una console
della serie CL, vedere "Specifica di DVS o Dante Accelerator" in "Pulsante di selezione del
metodo di impostazione = SPECIFIED IP ADDRESS" a pagina 202.
V3.7 e versioni precedenti
V3.7

Registratore
Manuale di riferimento
199
Configurazione di Dante Controller
Collegare la porta di rete sul computer a un commutatore di rete compatibile con GbE.
Configurare il computer al fine di ottenere automaticamente un indirizzo IP
(impostazione predefinita).
È necessario completare le impostazioni seguenti per Dante Controller.
• Per la registrazione multitraccia, assegnare i segnali audio dal dispositivo I/O a DVS
o alla scheda Dante Accelerator.
• Per il soundcheck virtuale: assegnare i segnali audio in modo che vengano trasmessi
dal computer alla rete audio Dante e quindi ai canali della console CL.
(pagina 168).
Nell'esempio riportato di seguito vengono indicate le impostazioni di Dante Controller quando
i canali da 1 a 16 di un dispositivo I/O vengono assegnati a DVS.
In questo caso, sarà necessario cambiare le impostazioni DANTE INPUT PATCH della
console della serie CL a seconda che si stia eseguendo la registrazione o la riproduzione
multitraccia. Se sono stati salvati set di impostazioni diversi in DANTE INPUT PATCH
LIBRARY (pagina 168), sarà possibile passare da uno all'altro.
NOTA
Per ulteriori informazioni sul funzionamento e sulle impostazioni di Dante Controller, vedere
il relativo manuale.
Configurazione del software DAW
È necessario completare le impostazioni del driver del software DAW. È necessario
completare le impostazioni del driver del software DAW. Nella finestra delle
impostazioni del dispositivo, selezionare "Dante Virtual Soundcard-ASIO" ("Dante" per Mac)
o "Yamaha AIC128-D" come scheda audio (o driver audio) utilizzato per l'ingresso/uscita.
Alcuni software DAW richiedono l'assegnazione interna per il driver e il software DAW.
Per ulteriori informazioni, vedere il manuale del software DAW.
Configurazione di Nuendo Live
Se si installa il software "Yamaha Console Extension” per collegare Nuendo Live a una
console e quindi si avvia Nuendo Live e si crea un nuovo progetto, vengono create
automaticamente le tracce corrispondenti al numero di canali specificato in DVS. Inoltre,
le tracce assumono automaticamente i colori e i nomi dei canali specificati sulla console
della serie CL.
Registrazione e riproduzione audio
Al termine delle impostazioni del driver nel software DAW, sarà possibile procedere
con la registrazione e la riproduzione audio.
Per la registrazione multitraccia, assegnare le porte di ingresso per le tracce del
software DAW alle porte che ricevono i segnali audio dai dispositivi I/O.
Per un soundcheck virtuale è necessario indirizzare i segnali audio registrati ai canali
di ingresso sulla console CL. A tal fine, utilizzare Dante Controller per assegnare
i segnali in modo che vengano trasmessi dal software DAW ai canali DANTE 1-64 sulla
console CL. Successivamente, potrebbe risultare utile memorizzare due set di impostazioni
DANTE INPUT PATCH all'interno della libreria: uno per la trasmissione dei segnali audio dai
dispositivi I/O e un secondo set per la trasmissione dei segnali audio dal software DAW.
In questo modo sarà possibile passare da un'impostazione di assegnazione all'altra senza
avviare il Dante Controller. Inoltre, sarà possibile assegnare un canale specifico, ad esempio
un canale vocale, al dispositivo I/O da monitorare durante un soundcheck virtuale.

Registratore
Manuale di riferimento
200
Uso della console CL con Nuendo Live
Le console della serie CL possono funzionare il modo integrato con il software
DAW Steinberg Nuendo Live.
Il software "Yamaha Console Extension" che integra la serie CL e Nuendo Live possono
essere installati sul computer in uso, in modo da utilizzare Nuendo Live dalla console
della serie CL ed eseguire facilmente le operazioni per la registrazione multitraccia.
Di seguito viene illustrato come utilizzare Nuendo Live dalle console della serie CL.
Preparazione del progetto
Per configurare le seguenti impostazioni, vedere "Registrazione o riproduzione su un
computer mediante DAW" a pagina 197.
• Configurazione di DVS (Dante Virtual Soundcard)
• Configurazione di Dante Controller
• Configurazione di Nuendo Live
Registrazione in un progetto
Schermata RECORDER (quando si seleziona il tab Nuendo Live)
1
Campo visualizzazione degli indicatori Nuendo
Consente di visualizzare il livello dei canali Nuendo Live.
2
Pulsante PEAK CLEAR (CANCELLAZIONE PICCO)
Consente di cancellare i livelli di picco indicati dalla funzione di memorizzazione picco.
3
Campo Marker list
Consente di elencare le informazioni del marker registrate nel progetto Nuendo Live
corrente.
I marker possono essere selezionati tramite l'elenco sullo schermo oppure utilizzando
le manopole multifunzione.
Quando si preme questo campo, verrà visualizzata una finestra con tastiera che consente
di modificare le informazioni sul marker.
4
Pulsante SETUP di Nuendo Live
Specificare il dispositivo che verrà utilizzato dalla console per la comunicazione quando
si utilizza Nuendo Live (pagina 201).
5
Pulsante DANTE INPUT PATCH
Premere il pulsante per accedere alla finestra DANTE INPUT PATCH (pagina 168).
6
Schermata informazioni di posizione
Consente di visualizzare le informazioni sulla posizione corrente del progetto
Nuendo Live. È possibile premere il pulsante sulla destra per modificare il formato
di visualizzazione ora.
STEP
1.
Nell'area di accesso alle funzioni, premere il pulsante RECORDER (REGISTRATORE).
2.
Premere il tab Nuendo Live in alto a destra nella schermata RECORDER.
3.
Per avviare la registrazione utilizzare il pulsante EASY RECORDING.
4.
Al termine della registrazione, premere il pulsante di blocco registrazione, quindi
il pulsante STOP.
Schermata RECORDER
(quando si seleziona il tab
Nuendo Live)
1
6
3
2
4
5
HEDCBA0987
I
F
G

Registratore
Manuale di riferimento
201
Campo TRANSPORT (TRASPORTO)
Consente di utilizzare il trasporto di Nuendo Live.
7
Pulsante GO TO PROJECT START (VAI A INIZIO PROGETTO)
Consente di riportare la posizione all'inizio del progetto.
8
Pulsante GO TO PREVIOUS MARKER (VAI A MARKER PRECEDENTE)
Consente di riportare la posizione al marker precedente.
9
Pulsante GO TO NEXT MARKER (VAI A MARKER SUCCESSIVO)
Consente di portare la posizione al marker successivo.
0
Pulsante GO TO PROJECT END (VAI A FINE PROGETTO)
Consente di portare la posizione alla fine del progetto.
A
Pulsante CYCLE (CICLO)
Consente di attivare/disattivare la ripetizione del progetto.
B
Pulsante STOP (ARRESTA)
Consente di arrestare la riproduzione/registrazione del progetto.
C
Pulsante PLAY (RIPRODUCI)
Consente di avviare la riproduzione del progetto.
D
Pulsante REC (REGISTRAZIONE)
Consente di avviare/arrestare la registrazione del progetto.
E
Pulsante RECORDING EASY (REGISTRAZIONE ASSOLO)
Consente di avviare immediatamente la registrazione di tutte le tracce.
Quando si preme questo pulsante, si passa all'ultima posizione di registrazione, tutte
le tracce vengono impostate sulla modalità di registrazione, la registrazione viene
avviata, viene visualizzato il pannello di registrazione e il pannello viene bloccato.
La registrazione sarà avviata in modo retroattivo.
(Impostazione predefinita: 10 secondi)
F
Pulsante ADD MARKER
Consente di aggiungere un marker al progetto nella posizione corrente.
G
Pulsante RECALL LINK
Specifica se un marker verrà creato al richiamo di una scena. Quando la funzione
è attiva, il pulsante si illumina.
H
Pulsante di Record lock (Blocco registrazione)
Attiva/disattiva il blocco dello stato di registrazione. In tal modo si evita che
la registrazione venga accidentalmente bloccata durante l'esecuzione.
NOTA
Le funzioni trasporto possono essere controllate anche dai tasti USER DEFINED (pagina 215).
I
Schermata informativa su DVS
Mostra l'etichetta del dispositivo del driver DVS selezionato.
Specifica di DVS o Dante Accelerator
Prima di continuare, utilizzare DANTE SETUP per specificare i dispostivi I/O che
verranno montati. Per informazioni dettagliate, vedere "Montaggio di un dispositivo I/O nella
rete audio Dante" a (pagina 251).
NOTA
• È possibile specificare DVS o Dante Accelerator nella finestra NUENDO LIVE SETUP.
• Tuttavia, non selezionare lo stesso DVS o Dante Accelerator da più console della serie CL.
Finestra NUENDO LIVE SETUP
In questa finestra specificare il dispositivo che verrà utilizzato dalla console per
la comunicazione quando si utilizza Nuendo Live.
STEP
1.
Nella schermata Nuendo Live, premere il pulsante NUENDO Live SETUP.
2.
Nella schermata NUENDO LIVE SETUP, premere il pulsante di selezione del metodo
di impostazione.
3.
Utilizzare la manopola [TOUCH AND TURN] per configurare le impostazioni.
4.
Una volta configurate le impostazioni necessarie, premere il pulsante OK per
chiudere la finestra.
1

Registratore
Manuale di riferimento
202
1
Pulsanti di selezione del metodo di configurazione
Consentono di scegliere uno dei seguenti metodi tramite cui specificare DVS
o Dante Accelerator.
•NO ASSIGN...........................Non assegnato
•DVS ........................................ Consente di selezionare un driver DVS dall'elenco
dei dispositivi
•SPECIFIED IP ADDRESS ..... Quando si utilizza Dante Accelerator, consente
di specificare l'indirizzo IP del computer.
Selezione del metodo di configurazione con il pulsante DVS
Per effettuare una selezione in un elenco dei dispositivi I/O nella rete audio Dante,
premere il pulsante DVS per visualizzare il campo DEVICE LIST (ELENCO DISPOSITIVI).
1
DEVICE LIST
Consente di visualizzare un elenco dei dispositivi I/O nella rete audio Dante.
Nell'elenco scegliere il dispositivo DVS da utilizzare con Nuendo Live.
2
Manopola di selezione DEVICE LIST
Utilizzare la manopola multifunzione per scegliere il dispositivo DVS desiderato.
Pulsante di selezione del metodo di impostazione =
SPECIFIED IP ADDRESS
Quando si utilizza Dante Accelerator, specificare l'indirizzo IP del computer nel campo
SPECIFIED IP ADDRESS. Poiché l'indirizzo IP di Dante Accelerator è diverso da quello
utilizzato da Yamaha Console Extension, è necessario specificare manualmente l'indirizzo IP.
1
Manopole IP ADDRESS
Per specificare l'indirizzo IP, utilizzare le manopole multifunzione.
NOTA
• Specificare l'indirizzo IP del computer su cui è in esecuzione Nuendo Live.
• Impostare l'indirizzo di tale computer nell'intervallo compreso tra 169.254.0.0 e 169.254.255.255,
quindi impostare la subnet mask su 255.255.0.0.
• Per il computer su cui è installato Dante Accelerator, è necessario che la porta Dante di
Dante Accelerator e la porta Ethernet del computer siano collegate alla stessa rete.
Vedere la figura riportata di seguito.
1
2
1
Computer SW
(Primary)
SW
(Secondary)
Ethernet
Dante Accelerator P
S
CL Dante
P
S

Registratore
Manuale di riferimento
203
NOTA
• A seconda della versione del firmware, è possibile che Dante Accelerator non supporti le reti
ridondanti. Per verificare se la versione del firmware Dante Accelerator in uso supporta le reti
ridondanti, visitare il seguente sito Web.
http://www.yamahaproaudio.com/
Riproduzione di un progetto multitraccia
NOTA
Se si salvano le impostazioni DANTE INPUT PATCH in una libreria, risulterà semplice cambiare
le impostazioni della console delle serie CL (pagina 168).
STEP
1.
Premere il pulsante DANTE INPUT PATCH nella schermata RECORDER
(pagina Nuendo Live).
2.
Nella finestra DANTE INPUT PATCH premere il pulsante PORT SELECT della porta alla
quale assegnare il segnale da Nuendo Live.
3.
Nell'elenco sulla sinistra della finestra PORT SELECT, selezionare il DVS in uso
con Nuendo Live, quindi selezionare la porta a cui assegnarlo.
4.
Premere il pulsante + nella parte superiore della finestra per cambiare la porta,
quindi assegnare una porta DVS allo stesso modo.
5.
Una volta configurate le impostazioni necessarie, premere il pulsante CLOSE
per uscire dalla finestra.
6.
Per chiudere la finestra DANTE INPUT PATCH, premere il simbolo "x" nella
parte superiore destra.
7.
Nella schermata Nuendo Live, premere il pulsante START (AVVIA).
8.
Utilizzare i canali per emettere il suono.
9.
Per interrompere la riproduzione, premere il pulsante STOP.
Schermata RECORDER
(quando si seleziona il tab Nuendo Live)
Finestra DANTE INPUT PATCH
(ASSEGNA INGRESSO DANTE)
Finestra PORT SELECT

Setup
Manuale di riferimento
204
Setup
Informazioni sulla schermata SETUP
La schermata SETUP consente di configurare vari parametri applicabili all'intera console CL.
Nell'area di accesso alle funzioni, premere il pulsante SETUP per accedere alla schermata
SETUP. La schermata contiene gli elementi indicati di seguito.
Campo CURRENT USER (UTENTE CORRENTE)
Questo campo consente di effettuare diverse impostazioni correlate all'utente.
1
Pulsante USER SETUP
Premere questo pulsante per aprire la finestra USER SETUP, nella quale è possibile
configurare varie impostazioni per ciascun utente.
2
Pulsante CURRENT USER
Premere questo pulsante per aprire la finestra LOG IN (CONNESSIONE), nella
quale è possibile cambiare gli utenti connessi.
3
Pulsante COMMENT EDIT (MODIFICA COMMENTO)
Premere questo pulsante per aprire la finestra COMMENT EDIT, nella quale è possibile
inserire dei commenti che verranno visualizzati nell'area dei commenti.
4
Pulsante PASSWORD CHANGE (MODIFICA PASSWORD)
Premere questo pulsante per aprire la finestra PASSWORD CHANGE, in cui è possibile
modificare la password.
5
Pulsante SAVE KEY (SALVA CHIAVE)
Premere questo pulsante per aprire la finestra SAVE KEY, nella quale è possibile
sovrascrivere (salvare) la nuova chiave di autenticazione utente (pagina 211).
Campo STORAGE (MEMORIZZAZIONE)
In questo campo è possibile creare, salvare o caricare una chiave di autenticazione utente.
6
Pulsante CREATE USER KEY (CREA CHIAVE UTENTE)
Premere questo pulsante per aprire la finestra CREATE USER KEY, nella quale è possibile
creare una nuova chiave di autenticazione utente.
7
Pulsante SAVE/LOAD
Premere questo pulsante per aprire la finestra SAVE/LOAD, nella quale è possibile salvare
o caricare le chiavi di autenticazione utente e i file relativi alla console.
Campo SYSTEM SETUP (CONFIGURAZIONE SISTEMA)
In questo campo è possibile configurare varie impostazioni applicabili alla console della serie CL.
8
Pulsante MASTER +48 V
Consente di attivare o disattivare l'alimentazione phantom principale a +48 V della
console. Se il pulsante è disattivato, l'alimentazione phantom principale a +48 V
è disattivata per tutti i preamplificatori.
NOTA
Se il pulsante è disattivato, l'alimentazione phantom non verrà erogata anche se il pulsante +48 V
per ciascun canale è attivato.
9
Pulsante WORD CLOCK/SLOT SETUP
Premere questo pulsante per aprire la finestra a comparsa WORD CLOCK/SLOT SETUP
(CONFIGURAZIONE SLOT), nella quale è possibile configurare le impostazioni del word
clock e varie impostazioni per ciascuno slot.
0
Pulsante CASCADE (CASCATA)
Premere questo pulsante per aprire la finestra CASCADE, nella quale è possibile
configurare le impostazioni di assegnazione per le connessioni in cascata.
A
Pulsante OUTPUT PORT (PORTA USCITA)
Premere questo pulsante per aprire la finestra OUTPUT PORT (PORTA DI USCITA),
in cui è possibile configurare le impostazioni per la porta di uscita.
B
Pulsante MIDI/GPI
Premere questo pulsante per aprire la finestra MIDI/GPI, in cui è possibile configurare
le impostazioni MIDI e GPI.
C
Pulsante DANTE SETUP (CONFIGURAZIONE DANTE)
Premere questo pulsante per aprire la finestra DANTE SETUP. Nella finestra
è possibile effettuare varie impostazioni per la rete audio: ID console, funzionalità
SECONDARY PORT, bit rate audio, latenza, ID e tipo del dispositivo DANTE, per
dispositivi controllati mediante la schermata I/O RACK.
1 6 72543
8
F
G
9
C
A
0
H
D
B
I J K
E

Setup
Manuale di riferimento
205
Campo BUS SETUP (CONFIGURAZIONE BUS)
Questo campo consente di effettuare varie impostazioni correlate al bus.
D
Pulsante BUS SETUP (CONFIGURAZIONE BUS)
Premere questo pulsante per aprire la finestra BUS SETUP, in cui è possibile configurare
varie impostazioni correlate ai bus MIX/MATRIX.
E
Schermata SURROUND SETUP
Premere questo pulsante per visualizzare la schermata SURROUND SETUP. In questa
schermata è possibile variare la modalità delle impostazioni del bus da Stereo
a Surround. Se viene impostata la modalità Stereo, le impostazioni del bus per MIX1-6
sono visualizzate in grigio. Se si preme il pulsante 5.1 SURROUND per passare alla
modalità Surround, è possibile configurare le impostazioni del bus per MIX1-6.
Assegnare i canali a MIX 1 - 6 per l'uscita surround. È possibile premere il pulsante APPLY
per aprire la finestra di dialogo CONFIRMATION. Premere il pulsante OK per impostare
il bus in modalità Surround.
NOTA
• Quando si passa dalla modalità Stereo alla modalità Surround, i segnali per MIX1/2, 3/4
e 5/6 vengono impostati su MONO x2.
• Quando si passa dalla modalità Surround alla modalità Stereo, i segnali per MIX1/2, 3/4
e 5/6 rimangono impostati su MONO x2.
• Quando si passa dalla modalità Stereo alla modalità Surround, gli inserimenti STEREO
e MONO(C) sono disattivati.
Per la modalità Stereo
Per la modalità Surround

Setup
Manuale di riferimento
206
Se si imposta la modalità Surround, la schermata BUS SETUP avrà l'aspetto illustrato
di seguito.
Pulsante DATE/TIME (DATA/ORA)
Premere questo pulsante per aprire la finestra DATE/TIME, in cui è possibile configurare
la data e l'ora.
Pulsante NETWORK (RETE)
Premere questo pulsante per aprire la finestra NETWORK, in cui è possibile configurare
l'indirizzo di rete.
Campo indicatori
In questo campo vengono visualizzate varie informazioni sulla console.
F
Indicatore BATTERY (BATTERIA)
Indica lo stato della batteria interna.
NOTA
Se la batteria è esaurita verrà visualizzata l'indicazione LOW o NO. In questo caso, contattare
immediatamente il rivenditore locale Yamaha o un centro di assistenza Yamaha elencato alla fine del
manuale di istruzioni (documento separato) per richiedere la sostituzione della batteria di backup.
G
Indicatore POWER SUPPLY (ALIMENTATORE)
Indica l'alimentatore attualmente in funzione.
•INT .........................Interno
•EXT ........................PW800
H
Indicazione della versione
Indica il numero di versione della CPU principale, della CPU sub e del modulo DANTE.
Pulsante CONSOLE LOCK (BLOCCO CONSOLE)
Premendo questo pulsante verrà eseguita la funzione di blocco della console. Se la password
della console è stata impostata, premendo questo pulsante si aprirà la finestra
AUTHORIZATION (AUTORIZZAZIONE). Per eseguire la funzione di blocco della console,
immettere la password corretta.
Se la password della console non è ancora stata impostata, premendo questo pulsante
verrà eseguita immediatamente la funzione di blocco della console.
Campo CONTRAST/BRIGHTNESS (CONTRASTO/LUMINOSITÀ)
Questo campo consente di impostare il contrasto e la luminosità dello schermo LCD.
I
Pulsanti BANK A/BANK B (BANCO A/BANCO B)
Consentono di selezionare un banco in cui salvare le impostazioni di luminosità
e contrasto. È possibile salvare due diverse impostazioni nei banchi A e B e,
se necessario, passare da un banco all'altro.
J
Manopola CONTRAST NAME (NOME CONTRASTO)
Consente di regolare il contrasto dei display dei nomi dei canali.
K
Manopola BRIGHTNESS NAME (LUMINOSITÀ NOME)
Consente di regolare la luminosità del display dei nomi dei canali.
Manopola BRIGHTNESS CH COLOR (LUMINOSITÀ COLORE CANALE)
Consente di regolare il bilanciamento della luminosità del colore del canale
e del display dei nomi dei canali.
Manopola BRIGHTNESS SCREEN (LUMINOSITÀ SCHERMO)
Consente di regolare la luminosità del display.
Manopola BRIGHTNESS PANEL (LUMINOSITÀ PANNELLO)
Consente di regolare la luminosità dei LED del pannello.
Manopola BRIGHTNESS LAMP (LUMINOSITÀ SPIA)
Consente di regolare la luminosità della lampada collegata al connettore LAMP.
Impostazioni utente
Le impostazioni User Level consentono di limitare i parametri utilizzabili da ciascun utente
o di modificare le impostazioni delle chiavi USER DEFINED (DEFINITE DALL'UTENTE)
e le impostazioni relative alle preferenze per ciascun utente. È possibile memorizzare le
impostazioni per ciascun utente come "chiave di autenticazione utente" interna alla console
o su un'unità di memoria flash USB, il che consente di cambiare le impostazioni utente
facilmente. Ciò può essere utile nelle seguenti situazioni.
• È possibile evitare operazioni errate o non previste.
• È possibile limitare la gamma di funzionalità utilizzabili da tecnici esterni
(tecnici ospiti).
• In situazioni in cui si alternano più operatori, è possibile bloccare le impostazioni
di uscita ecc. per evitare operazioni indesiderate.
• È possibile passare facilmente dalle preferenze di un operatore a quelle di un altro
operatore.

Setup
Manuale di riferimento
207
Tipi di utenti e chiavi di autenticazione utente
Esistono tre tipi di utenti, come indicato di seguito. Per utilizzare la console della serie CL,
è necessario accedere come utente.
•Administrator.... L'amministratore della console CL può utilizzarne tutte le
funzionalità. Nella console viene memorizzato un unico set
di impostazioni dell'amministratore. L'amministratore può creare
chiavi di autenticazione per altri utenti.
•
Guest
...... Un account Guest può utilizzare solo le funzionalità autorizzate
dall'amministratore. Nella console viene memorizzato un unico set
di impostazioni Guest.
•User ........Un account User può utilizzare solo le funzionalità autorizzate
dall'amministratore. Le impostazioni dell'utente vengono salvate
internamente o in un'unità di memoria flash USB come chiavi di
autenticazione utente. È possibile salvare più set di impostazioni User
(fino a dieci nella memoria interna) con diversi nomi utente.
Un account User con privilegi di Power User (Utente esperto) può creare
e modificare chiavi di autenticazione utente con uno specifico livello utente.
Quando un utente esegue l'accesso, vengono applicate le relative impostazioni utente.
Le impostazioni utente includono le informazioni riportate di seguito.
• Password (tranne che per gli utenti Guest)
• Impostazioni User Level (tranne che per gli utenti Administrator)
• Preferenze
• Tasti USER DEFINED
• Manopole USER DEFINED
• Encoder assegnabili
• Banco di fader personalizzato
• Fader MASTER
Di seguito sono riportati i privilegi assegnati a ciascun utente.
Impostazione della password dell'amministratore
Con le impostazioni originali di fabbrica, la password per l'account Administrator non
è impostata, il che significa che chiunque può accedere con privilegi di amministratore
ed eseguire tutte le operazioni. Se si desidera limitare le operazioni di altri utenti,
è necessario specificare una password Administrator.
NOTA
• La password può essere composta da un massimo di otto caratteri. Se le due password immesse
corrispondono, la password dell'account Administrator verrà impostata.
• Per informazioni dettagliate sull'immissione di una password, vedere il capitolo "Immissione
dei nomi" nel Manuale di istruzioni fornito separatamente.
Creazione di una chiave di autenticazione utente
È possibile creare una chiave di autenticazione utente e salvarla su un'unità di memoria flash
USB o nella memoria interna della console. Una chiave di autenticazione utente può essere
creata solo da un account Administrator o Power User. Il livello utente può essere specificato
quando si crea la chiave di autenticazione ma le impostazioni della chiave USER DEFINED
e le impostazioni relative alle preferenze saranno acquisite dall'utente che ha attualmente
eseguito l'accesso.
NOTA
• È possibile salvare dieci chiavi nella memoria interna della console.
• Il nome di un file della chiave di autenticazione utente verrà specificato come nome utente
corrente e la sua posizione come root directory.
Utente che ha eseguito
l'accesso
Modifica dei dati di
configurazione
utente, come le
preferenze e i tasti
USER DEFINED
Modifica delle
impostazioni
User Level
Imposta-
zione
password
Modifica
dei
commenti
Chiave di autenticazione
utente
Creazione
nuove Sovrascrittura-
salvataggio
Administrator
Disponibile
(può modificare le
impostazioni per gli
utenti Administrator
e Guest).
Disponibile
(non può modificare il
livello utente, mentre
l'amministratore può
sempre eseguire tutte
le operazioni. Può
modificare le
impostazioni per
gli utenti Guest).
Disponibile - Disponibile -
User
Power user
Disponibile Disponibile Disponibile Disponibile Disponibile Disponibile
Normal User
(Utente
normale)
(utente senza
privilegi
Power User)
Disponibile N/D
(solo visualizzazione) Disponibile Disponibile -
Disponibile
(escluse le
impostazioni
User Level)
Guest
Disponibile N/D
(solo visualizzazione) - Disponibile - -
STEP
1.
Nell'area di accesso alle funzioni premere il pulsante SETUP.
2.
Nella schermata SETUP premere il pulsante PASSWORD CHANGE.
3.
Nella finestra con tastiera immettere la password nel campo NEW PASSWORD
(NUOVA PASSWORD), quindi immettere la stessa password nel campo RE-ENTER
PASSWORD (IMMETTERE NUOVAMENTE LA PASSWORD) per la verifica, quindi
premere il pulsante OK.
Schermata SETUP Finestra con tastiera

Setup
Manuale di riferimento
208
Finestra CREATE USER KEY
1
USER NAME (NOME UTENTE)
Consente di visualizzare il nome utente. Premere quest'area per accedere a una finestra
con una tastiera nella quale è possibile specificare un nome utente di massimo
otto caratteri.
2
COMMENT (COMMENTO)
Consente di visualizzare un commento sull'utente. Premere quest'area per accedere
a una finestra con una tastiera nella quale è possibile specificare un commento
di massimo 32 caratteri.
3
PASSWORD
Consente di specificare una password. Premere quest'area per accedere a una finestra
con una tastiera nella quale è possibile specificare una password di massimo
otto caratteri.
4
POWER USER
Indica se all'utente corrente sono concessi privilegi di Power User.
5
ACCESS PERMISSION (PERMESSO DI ACCESSO)
Queste impostazioni consentono di specificare la serie di operazioni che l'utente può
eseguire. Per ulteriori informazioni su ciascun elemento, vedere pagina 211.
NOTA
Nel caso dei modelli CL3/CL1, i fader che non esistono su questi modelli non verranno
visualizzati.
STEP
1.
Per creare una chiave di autenticazione utente su un'unità di memoria flash USB,
collegare un'unità di memoria flash USB al connettore USB.
2.
Nell'area di accesso alle funzioni premere il pulsante SETUP.
3.
Nella schermata SETUP premere il pulsante CREATE USER KEY
(CREA CHIAVE UTENTE).
4.
Nella finestra CREATE USER KEY (CREA CHIAVE UTENTE) una volta specificato nome
utente, commento, password, attivazione/disattivazione dei privilegi Power User
e diritti utente, premere il pulsante CREATE (CREA).
5.
Se si desidera creare una chiave di autenticazione utente nella memoria interna
della console, premere un pulsante nel campo CREATE TO INTERNAL STORAGE
nella finestra CREATE KEY. Se si desidera creare una chiave di autenticazione utente
sulla propria unità di memoria flash USB, premere il pulsante PATH nel campo
CREATE TO USB STORAGE.
6.
Premere il pulsante CREATE TO (CREA IN).
7.
Premere il pulsante OK nella finestra di dialogo di conferma.
Schermata SETUP Finestra CREATE USER KEY
Finestra CREATE KEY
1
2 3 4
5

Setup
Manuale di riferimento
209
Accesso
Per utilizzare la console della serie CL, è necessario accedere come utente
Administrator, Guest o User.
Le impostazioni utente per gli utenti Administrator e Guest vengono salvate nella console.
Tuttavia, per accedere come User è necessario selezionare una chiave salvata nella console
stessa o collegare l'unità di memoria flash USB sulla quale è stata salvata una chiave di
autenticazione utente. Se si utilizza una chiave di autenticazione utente su un'unità di
memoria flash USB, si continuerà come utente che ha eseguito l'accesso anche se l'unità
di memoria flash USB viene rimossa dopo avere eseguito l'accesso. Se si utilizza una chiave
di autenticazione utente su un'unità di memoria flash USB, si continuerà come utente che
ha eseguito l'accesso anche se l'unità di memoria flash USB viene rimossa dopo avere
eseguito l'accesso.
NOTA
Se si spegne e riaccende l'unità, in genere viene eseguito l'avvio della console con lo stato
di accesso attivo prima dello spegnimento. Se è stata assegnata una password utente, sarà
necessario specificare la password. Se si annulla l'immissione, verrà eseguito un accesso
in modo forzato come Guest.
Accesso come Administrator
NOTA
• Se non è stata impostata la password per l'utente Administrator, verrà effettuato direttamente
l'accesso al passo 3 quando si preme il pulsante LOGIN. Se è stata impostata la password, viene
visualizzata una finestra con una tastiera, in cui è possibile digitare la password.
• Se la password immessa non è corretta, nella parte inferiore della schermata sarà visualizzato il
messaggio "WRONG PASSWORD".
Accesso come Guest
Accesso come User
Per eseguire l'accesso come User, sarà necessario utilizzare una chiave di autenticazione
utente salvata nella console o su un'unità di memoria flash USB. Se si utilizza un'unità
di memoria flash USB, è anche possibile eseguire l'accesso con una chiave di
autenticazione utente creata su una console della serie CL diversa.
Memorizzato nella console con una chiave di autenticazione utente
STEP
1.
Nell'area di accesso alle funzioni premere il pulsante SETUP.
2.
Nella schermata SETUP premere il pulsante CURRENT USER (UTENTE CORRENTE).
3.
Nella finestra LOGIN (ACCESSO) premere il pulsante ADMINISTRATOR
(AMMINISTRATORE).
4.
Immettere la password e premere il pulsante OK.
Schermata SETUP Finestra LOGIN
STEP
1.
Nell'area di accesso alle funzioni premere il pulsante SETUP.
2.
Nella schermata SETUP premere il pulsante CURRENT USER (UTENTE CORRENTE).
3.
Nella finestra LOGIN premere il pulsante GUEST, quindi il pulsante LOGIN.
STEP
1.
Nell'area di accesso alle funzioni premere il pulsante SETUP.
2.
Nella schermata SETUP premere il pulsante CURRENT USER (UTENTE CORRENTE).
3.
Nel campo LOAD FROM INTERNAL STORAGE (CARICA DA MEMORIA INTERNA)
della finestra LOGIN, scegliere la chiave di autenticazione utente con sui si desidera
effettuare l'accesso, quindi premere il pulsante LOGIN.
4.
Immettere la password e premere il pulsante OK.
Schermata SETUP Finestra LOGIN

Setup
Manuale di riferimento
210
NOTA
• Se non è stata impostata la password, verrà effettuato direttamente l'accesso al passo 3 quando
si preme il pulsante LOGIN.
• Se la password immessa non è corretta, nella parte inferiore della schermata sarà visualizzato
il messaggio "WRONG PASSWORD".
Memorizzato nell'unità di memoria flash USB con una chiave di autenticazione utente
NOTA
• Se non è stata impostata la password, verrà effettuato direttamente l'accesso al passo 6 quando
si preme il pulsante LOAD.
• Se la password immessa non è corretta, nella parte inferiore della schermata sarà visualizzato
il messaggio "WRONG PASSWORD".
• Se è stata selezionata una chiave di autenticazione utente creata su una diversa console della
serie CL, verrà visualizzata una finestra con una tastiera, che consente di specificare la password
Administrator per la console della serie CL utilizzata. (Se le password Administrator sono
identiche, questa finestra non sarà visualizzata.) Quando si immette la password Administrator
corretta, viene visualizzata un'altra finestra con tastiera, in cui è possibile digitare la password per
l'utente selezionato. Se si salva di nuovo la chiave di autenticazione utente, la volta successiva
non verrà richiesta la password per l'account Administrator. Vedere "Modifica di una chiave di
autenticazione utente" a pagina 211.
• Per ulteriori informazioni sul caricamento dei file dall'unità di memoria flash USB, vedere
"Caricamento di un file di testo da un'unità di memoria flash USB" a pagina 233.
Modifica della password
Procedere come segue per modificare la password per l'utente attualmente connesso.
L'account Guest non dispone di una password.
NOTA
Se, dopo avere modificato la password, si esegue la disconnessione dalla console senza
salvare la chiave di autenticazione utente, la password modificata verrà ignorata.
STEP
1.
Collegare l'unità di memoria flash USB al connettore USB.
2.
Nell'area di accesso alle funzioni premere il pulsante SETUP.
3.
Nella schermata SETUP premere il pulsante CURRENT USER (UTENTE CORRENTE).
4.
Nel campo LOAD FROM USB STORAGE (CARICA DA MEMORIA USB) della
finestra LOGIN premere il pulsante (LOAD .CLU FILE) (CARICA FILE .CLU).
5.
Nella finestra SAVE/LOAD scegliere una chiave di autenticazione utente con la quale
eseguire l'accesso.
6.
Premere il pulsante LOAD (CARICA).
7.
Immettere la password e premere il pulsante OK.
Schermata SETUP Finestra LOGIN
Finestra LOGIN Finestra SAVE/LOAD
STEP
1.
Nell'area di accesso alle funzioni premere il pulsante SETUP.
2.
Nella schermata SETUP premere il pulsante PASSWORD CHANGE.
3.
Nella finestra con tastiera immettere la password corrente e premere il pulsante OK.
4.
Immettere la nuova password nel campo NEW PASSWORD, quindi immettere la
stessa password nel campo RE-ENTER PASSWORD per la verifica, quindi premere
il pulsante OK.
5.
Per informazioni su come sovrascrivere la chiave di autenticazione utente,
vedere "Modifica di una chiave di autenticazione utente" a pagina 211.

Setup
Manuale di riferimento
211
Modifica di una chiave di autenticazione utente
Se è stato eseguito l'accesso come User, è possibile modificare le chiavi USER DEFINED, le
impostazioni relative alle preferenze, i commenti e la password e salvarli nella propria chiave
di autenticazione utente. Se è stato eseguito l'accesso come Power User, è anche possibile
modificare il livello utente.
NOTA
• Se è stato eseguito l'accesso come Power User, è anche possibile modificare il livello utente.
• Se è stata caricata una chiave di autenticazione utente da un'unità di memoria flash USB,
premere il pulsante SAVE KEY prima di rimuovere l'unità di memoria flash USB. Se si rimuove
l'unità di memoria flash USB prima di premere il pulsante, caricare di nuovo la chiave
di autenticazione utente.
Modifica del livello utente
È possibile visualizzare o modificare il livello utente.
•Administrator................L'utente Administrator non dispone di un'impostazione del
livello utente, ma può modificare l'impostazione del livello
utente dell'account Guest.
•Guest.............................L'utente Guest può visualizzare l'impostazione dl livello
utente dell'account Guest, ma non può modificarla.
•Normal User..................Un utente normale può visualizzare l'impostazione del livello
utente del proprio account User, ma non può modificarla.
•
Power User
...................Un utente Power User può visualizzare e modificare
il proprio account User.
STEP
1.
Eseguire l'accesso come User e modificare i tasti USER DEFINED (pagina 215)
e le impostazioni relative alle preferenze (pagina 213).
2.
Chiudere la finestra USER SETUP.
3.
Nella schermata SETUP premere il pulsante SAVE KEY (SALVA CHIAVE).
4.
Nella finestra SAVE KEY scegliere il pulsante destinazione di salvataggio, quindi
il pulsante SAVE TO (SALVA IN).
5.
Se è stata selezionata la stessa posizione come chiave di autenticazione utente,
premere il pulsante OK nella finestra di dialogo con la richiesta di conferma per
la sovrascrittura di tale chiave di autenticazione utente.
Schermata SETUP Finestra SAVE KEY
STEP
1.
Nell'area di accesso alle funzioni premere il pulsante SETUP.
2.
Nella schermata SETUP premere il pulsante USER SETUP.
3.
Nella finestra USER SETUP premere il tab USER LEVEL (LIVELLO UTENTE).
(Se si è eseguito l'accesso come Administrator, premere il pulsante FOR GUEST
per passare alla pagina USER LEVEL for GUEST (LIVELLO UTENTE di GUEST)).
4.
Specificare il livello utente premendo il pulsante per ciascun elemento che sarà
autorizzato.
5.
Dopo avere configurato le impostazioni necessarie, chiudere la finestra
e premere il pulsante SETUP nell'area di accesso alle funzioni.
Schermata SETUP Finestra USER SETUP
(CONFIGURAZIONE UTENTE)

Setup
Manuale di riferimento
212
Finestra USER SETUP (CONFIGURAZIONE UTENTE) (pagina USER
LEVEL (LIVELLO UTENTE))
1
CH OPERATION (OPERAZIONE CANALE)
Questo campo consente di specificare, per ciascun canale, le operazioni che saranno
consentite per i canali di ingresso, i canali di uscita e i gruppi DCA. Le impostazioni
saranno applicate al canale attualmente selezionato. Le impostazioni dei canali
attualmente selezionati verranno visualizzate sotto la sezione CH OPERATION. Utilizzare
i tasti [SEL] (SELEZIONE) del pannello o il campo Selected Channel (Canale selezionato)
nell'area di accesso alle funzioni per selezionare il canale di cui si desidera configurare
le impostazioni.
Il tipo di pulsanti visualizzato dipende dal canale o dal gruppo selezionato.
•Canale INPUT..................... [HA], [PROCESSING], [FADER/ON]
•Canale MIX/MATRIX .......... [WITH SEND], [PROCESSING], [FADER/ON]
•Canale STEREO/MONO .... [PROCESSING], [FADER/ON]
•Gruppo DCA....................... [DCA MASTER], [DCA GROUP ASSIGN]
•HA....................................... Consente di limitare le operazioni dell'HA assegnato
a quel canale.
•PROCESSING (ELABORAZIONE)
...................................... Consente di limitare le operazioni di tutti i parametri
di elaborazione segnali per il canale (tranne il fader,
il tasto [ON] e il livello di mandata).
•FADER/ON.......................... Consente di limitare l'utilizzo del fader, del tasto [ON]
e del livello di mandata del canale.
•WITH SEND........................ Consente di limitare l'uso dei parametri di mandata di
tale canale
(From MIX, From MATRIX).
•DCA MASTER .................... Consente di limitare l'uso del fader del gruppo DCA,
ON/OFF e ICON/COLOR/NAME di tale canale.
•DCA GROUP ASSIGN........ Consente di limitare le modifiche all'assegnazione del
gruppo DCA.
•SET BY SEL (IMPOSTA CON TASTO SEL)
..........................Se questo pulsante è attivo, è possibile premere il tasto
[SEL] sul pannello di un canale per abilitare o disabilitare
le limitazioni operative sopra indicate per tale canale.
2
CURRENT SCENE (SCENA CORRENTE)
Consente di specificare le operazioni eseguibili sulla memoria della scena corrente.
•INPUT PATCH/NAME (ASSEGNAZIONE INGRESSO/NOME)
......................... Consente di limitare le operazioni per l'assegnazione
di canali di ingresso e i nomi.
•OUTPUT PATCH/NAME (ASSEGNAZIONE USCITA/NOME)
......................... Consente di limitare le operazioni per l'assegnazione
di canali di uscita e i nomi.
•BUS SETUP (CONFIGURAZIONE BUS)
......................... Consente di limitare le operazioni per la configurazione
dei bus.
• GEQ RACK/EFFECT RACK/PREMIUM RACK (RACK GEQ/RACK EFFETTI/
RACK PREMIUM)
.......................... Consente di limitare le operazioni per i rack. Premere in
questa area per aprire la finestra RACK USER LEVEL
(LIVELLO UTENTE RACK), nella quale è possibile
impostare questa limitazione.
Non verranno comunque applicate limitazioni all'utilizzo
del pulsante MIDI CLK (CLOCK MIDI) visualizzato per gli
effetti di tipo delay e modulazione o del pulsante PLAY/
REC (RIPRODUCI/REGISTRA) visualizzato per l'effetto
FREEZE (BLOCCA).
• MUTE GROUP ASSIGN/MASTER (ASSEGNAZIONE/MASTER GRUPPO ESCLUSIONE)
......................... Consente di limitare le operazioni per l'assegnazione di
gruppi di esclusione e master di gruppi di esclusione.
NOTA
Nel caso dei modelli CL3/CL1, i fader che non esistono su questi modelli non verranno visualizzati.
3
SCENE LIST (ELENCO SCENE)
Consente di specificare le operazioni che è possibile svolgere sulle memorie della scena.
• Operazioni STORE/SORT (MEMORIZZA/ORDINA)
• Operazioni RECALL (RICHIAMA)
4
LIBRARY LIST (ELENCO LIBRERIE)
Consente di specificare le operazioni che è possibile svolgere sulle librerie.
• Operazioni STORE/CLEAR (MEMORIZZA/CANCELLA)
• Operazioni RECALL (RICHIAMA)
3
4
1
8
2
6
7
5

Setup
Manuale di riferimento
213
5
FILE LOAD (CARICAMENTO FILE)
Consente di specificare i tipi di file che è possibile caricare dall'unità di memoria flash
USB. La chiave di autenticazione utente contiene il livello utente, le chiavi USER DEFINED
e le impostazioni delle preferenze. Gli altri dati vengono salvati in un file "ALL". Il file
"ALL" include anche le impostazioni USER SETUP dell'amministratore e dell'ospite.
• USER SETUP (chiavi USER DEFINED e impostazioni delle preferenze)
• SYSTEM SETUP/MONITOR SETUP (CONFIGURAZIONE SISTEMA/
CONFIGURAZIONE MONITOR)
• CURRENT SCENE (SCENA CORRENTE)
• SCENE LIST (ELENCO SCENE)
• LIBRARY LIST (ELENCO LIBRERIE)
6
MONITOR SETUP (CONFIGURAZIONE MONITOR)
Consente di specificare le operazioni di configurazione monitor che è possibile
effettuare.
• OSCILLATOR (OSCILLATORE)
• TALKBACK
• SOLO (ASSOLO)
7
SYSTEM SETUP (CONFIGURAZIONE SISTEMA)
Consente di specificare le operazioni di configurazione del sistema che è possibile
effettuare.
• MIXER SETUP (CONFIGURAZIONE MIXER)
• OUTPUT PORT
•MIDI/GPI
• DANTE SETUP
NOTA
• Il contenuto limitato al pulsante DANTE SETUP è illustrato di seguito.
• Modifica di CONSOLE ID (ID CONSOLE)
• Modifica dell'impostazione SECONDARY PORT
• Modifica del controllo delle modifiche DANTE PATCH (ASSEGNAZIONE DANTE)
(THIS CONSOLE o DANTE CONTROLLER)
• Modifica di BIT DEPTH
• Modifica di LATENCY
• Modifica di DEVICE MOUNT
• Modifica di REMOTE HA ASSIGN
• Modifica dell'assegnazione degli ingressi Dante
• Modifica dell'assegnazione delle uscite Dante
• Modifica della Libreria di assegnazione degli ingressi Dante (modifica di memorizzazione,
richiamo, cancellazione, nome libreria).
• Se un'operazione è limitata, verrà visualizzato il messaggio "This Operation is Not Allowed".
(Operazione non consentita) nella parte inferiore della schermata.
• Come impostazione predefinita, questa funzione è disattivata (nessuna limitazione).
8
Pulsante SET ALL/CLEAR ALL (IMPOSTA TUTTO/CANCELLA TUTTO)
Consente di impostare/cancellare tutti gli elementi.
Preferenze
Procedere come segue per configurare varie impostazioni dell'ambiente operativo della
console QL, quali il metodo di visualizzazione delle finestre e il collegamento delle operazioni
di attivazione/disattivazione del tasto [SEL]. Queste impostazioni vengono modificate per
l'utente attualmente connesso ma se l'accesso viene eseguito come Administrator, sarà
possibile modificare anche le impostazioni dell'account Guest.
NOTA
Se si è eseguito l'accesso come Administrator, è anche possibile attivare il pulsante FOR GUEST
per accedere alla pagina PREFERENCE for Guest e definire le impostazioni delle preferenze per
l'utente Guest.
Finestra USER SETUP (pagina PREFERENCE)
1
Campo STORE/RECALL (MEMORIZZA/RICHIAMA)
Consente di attivare o disattivare le opzioni correlate alle operazioni di memorizzazione/
richiamo della scena.
STEP
1.
Nell'area di accesso alle funzioni premere il pulsante SETUP.
2.
Nella schermata SETUP premere il pulsante USER SETUP.
3.
Nella finestra USER SETUP premere il tab PREFERENCE.
4.
Per configurare le impostazioni delle preferenze, utilizzare i pulsanti presenti
nella schermata.
5.
Dopo avere configurato le impostazioni necessarie, chiudere la finestra e premere
il pulsante SETUP nell'area di accesso alle funzioni.
1
2
3
4
5

Setup
Manuale di riferimento
214
• STORE CONFIRMATION (CONFERMA MEMORIZZAZIONE)
• RECALL CONFIRMATION (CONFERMA RICHIAMO)
Se questi pulsanti ON sono attivati, verrà visualizzato un messaggio di richiesta
di conferma quando si esegue rispettivamente un'operazione di memorizzazione
odirichiamo.
2
Campo PATCH
Consente di attivare o disattivare le opzioni correlate alle operazioni di assegnazione.
• PATCH CONFIRMATION (CONFERMA ASSEGNAZIONE)
Se questo pulsante ON è attivato, verrà visualizzato un messaggio di conferma quando
si modifica un'assegnazione di ingresso o uscita.
• STEAL PATCH CONFIRMATION (CONFERMA MODIFICA ASSEGNAZIONE)
Se questo pulsante ON è attivato, verrà visualizzato un messaggio di conferma quando
si modifica un'assegnazione di ingresso o uscita che è stata già assegnata a una porta.
3
Campo LOCALE SETUP (CONFIGURAZIONE IMPOSTAZIONI LOCALI)
Consente di selezionare la lingua utilizzata nei file di Help. Selezionare "IT" per
visualizzare i file dell'Help in italiano.
4
Campo ERROR MESSAGE (MESSAGGIO ERRORE)
Consente di specificare se determinati messaggi di errore devono essere visualizzati.
• DIGITAL I/O ERROR (ERRORE I/O DIGITALE)
Se questo pulsante è attivo, viene visualizzato un messaggio di errore quando si verifica
un errore I/O audio digitale.
• MIDI I/O ERROR (ERRORE I/O MIDI)
Se questo pulsante è attivo, viene visualizzato un messaggio di errore quando si verifica
un errore I/O MIDI.
5
Campo PANEL OPERATION (UTILIZZO PANNELLO)
Consente di effettuare impostazioni per le opzioni relative all'utilizzo del pannello.
• AUTO CHANNEL SELECT (SELEZIONE AUTOMATICA CANALE)
Consente di specificare se verrà selezionato il canale corrispondente quando si utilizza
il fader o il tasto [ON] del canale. È possibile impostare questo parametro separatamente
per INPUT (canali di ingresso) e OUTPUT (canali di uscita).
•[CUE]
[SEL] LINK (COLLEGAMENTO SEGNALE ATTIVAZ./SEL)
Consente di specificare se la selezione del canale deve essere collegata alle operazioni
del segnale di attivazione. Se il pulsante LINK è attivato, saranno selezionati i canali
per i quali sono state eseguite le operazioni di attivazione del segnale.
•[FADER BANK]
[SEL] LINK (COLLEGAMENTO SEGNALE BANCO DI FADER/SEL.)
Consente di specificare se la selezione del canale è collegata alla selezione del banco
fader. È possibile impostare questo parametro separatamente per INPUT (canali di
ingresso), OUTPUT (canali di uscita) e CUSTOM (banco fader personalizzato).
Se il pulsante LINK è attivato e si seleziona il banco fader corrispondente, verrà
selezionato il canale nel banco selezionato più recentemente e il relativo tasto [SEL]
si illumina.
• IDENTIFY I/O RACK PORT BY [SEL] (IDENTIFICA PORTA RACK I/O DA SEL.)
Consente di determinare se abilitare una funzione che consente di identificare la porta
del dispositivo I/O collegata a un canale premendo il tasto [SEL] per tale canale.
Se questo pulsante ON è attivato, premendo un tasto [SEL] sul pannello l'indicatore del
segnale lampeggerà per la porta del dispositivo I/O assegnato al canale corrispondente
mediane le impostazioni INPUT PATCH/OUTPUT PATCH (ASSEGNAZIONE INGRESSO/
ASSEGNAZIONE USCITA).
• POPUP APPEARS WHEN KNOB(S) PRESSED (VISUALIZZARE UNA FINESTRA
QUANDO SI PREMONO I KNOB)
Consente di specificare se in seguito alla pressione di una manopola nella sezione
SELECTED CHANNEL (CANALE SELEZIONATO) del pannello mentre è aperta la
schermata SELECTED CHANNEL VIEW (VISTA CANALE SELEZIONATO), verrà visualizzata
una finestra (1ch). Se il pulsante ON è attivato, ogni volta che si preme una manopola
verrà aperta (o chiusa) una finestra (1ch).
NOTA
Se si preme la manopola SEND (MANDATA) o PAN, viene visualizzata una finestra (8ch).
• GAIN KNOB FUNCTION (FUNZIONE MANOPOLA GUADAGNO)
Consente di determinare cosa accade quando si utilizza la manopola GAIN
(GUADAGNO) nella sezione SELECTED CHANNEL (CANALE SELEZIONATO) nel
pannello. Quando il pulsante ANALOG GAIN (GUADAGNO ANALOGICO) è attivato,
è possibile regolare il guadagno analogico sul preamplificatore esterno. Quando
il pulsante DIGITAL GAIN (GUADAGNO DIGITALE) è attivato, è possibile regolare
il guadagno digitale sulla console.
• SCENE UP/DOWN (SCENA SU/GIÙ)
Consente di specificare il comportamento dei tasti SCENE MEMORY [INC]/[DEC]
(MEMORIA SCENA [AUMENTA]/[RIDUCI]) quando vengono utilizzati nelle finestre
SCENE (SCENA).
Quando il pulsante SCENE +1/–1 è attivo, premere il tasto [INC] o [DEC] per
incrementare o diminuire il numero di scene.
Quando il pulsante LIST UP/DOWN (ELENCO SU/GIÙ) è attivo, premere il tasto [INC]
o [DEC] per scorrere l'elenco verso l'alto o verso il basso.
• LIST ORDER (ORDINE ELENCO)
Consente di specificare l'ordine in cui vengono visualizzati le memorie della scena
e gli elementi della libreria nell'elenco.
Quando il pulsante NORMAL (NORMALE) è attivo, l'elenco viene visualizzato in ordine
numerico crescente. Quando il pulsante REVERSE (INVERSO) è attivo, l'elenco viene
visualizzato in ordine numerico decrescente.
• NAME DISPLAY (VISUALIZZAZIONE NOME)
Consente di specificare il contenuto della visualizzazione dei nomi nella sezione
Channel Strip.
Quando il pulsante NAME ONLY (SOLO NOME) è illuminato, vengono visualizzati
il nome e il numero del canale.
Selezionare GR METER (INDICATORE RIDUZIONE GUADAGNO) per visualizzare
i valori GR e quelli del livello dei fader.
Selezionare ENCODER INFO per visualizzare le informazioni di una funzione assegnata
alla manopola GAIN/PAN/ASSIGN nell'area dei fader del canale. Questa opzione
corrisponde a quella FULL FUNCTION di CL versione 1.7 o precedente.
NOTA
• Sul display del nome dei canali è ora possibile visualizzare il valore di riduzione del guadagno
di DYNAMICS 1 e 2 e altre informazioni.
• Inoltre, se un canale è disattivato in modalità SENDS ON FADER, il nome del canale verrà
evidenziato.
• La funzione GR Meters consente di visualizzare con facilità il movimento della riduzione
del guadagno.

Setup
Manuale di riferimento
215
Tasti USER DEFINED
In questa sezione viene illustrato come assegnare le funzioni desiderate ai tasti
USER DEFINED nella sezione USER DEFINED KEYS (TASTI DEFINITI DALL'UTENTE)
del pannello superiore e come premere questi tasti per eseguire la funzione definita.
Se è stato eseguito l'accesso come User, è anche possibile configurare le impostazioni dei
tasti USER DEFINED per l'utente. Se si è eseguito l'accesso come Administrator, è anche
possibile configurare le impostazioni dei tasti USER DEFINED per l'account Guest.
NOTA
Per ulteriori informazioni sulle funzioni da assegnare e sui relativi parametri, vedere "Funzioni che
possono essere assegnate a tasti USER DEFINED (definiti dall'utente)" a pagina 217.
NOTA
• Se è stato eseguito l'accesso come Administrator, è anche possibile attivare il pulsante
FOR GUEST per accedere alla pagina USER DEFINED KEYS for Guest e definire
le impostazioni del tasto USER DEFINED per l'utente Guest.
• I sedici pulsanti nella pagina USER DEFINED KEYS corrispondono ai tasti USER DEFINED
[1]-[16] sul pannello superiore. Il nome della funzione o il parametro assegnato a ciascun tasto
viene visualizzato a destra del pulsante corrispondente. Se al pulsante non è assegnato alcun
elemento, viene visualizzata un'indicazione "---".
• L'elenco visualizzato nella finestra USER DEFINED KEY SETUP è lo stesso per tutti
i modelli della serie CL.
Nelle console CL3/CL1, sul display verrà indicato "Cannot Assign!" (Impossibile assegnare) se si
specifica un parametro che non esiste su quel modello.
• Se non sono presenti parametri per il tasto USER DEFINED registrato, non viene effettuata
alcuna operazione quando si preme il tasto.
Uso della funzione Alternate (Alternativo)
Se si assegna la funzione Alternate (ALTERNATE FUNCTION) a un tasto USER DEFINED,
sarà possibile attivare o disattivare i parametri azionando le manopole nella sezione
SELECTED CHANNEL (CANALE SELEZIONATO) tenendo contemporaneamente
premuto il tasto USER DEFINED.
Viene attivata la modalità Alternate della console quando si tiene premuto il tasto
USER DEFINED al quale è assegnata la funzione Alternate (il tasto si illumina).
La funzione Alternate include due opzioni: LATCH (BLOCCA) e UNLATCH (SBLOCCA).
•UNLATCH..............La modalità Alternate (Alternata) si attiva solo quando si tiene
premuto il tasto USER DEFINED.
•LATCH ...................Ad ogni pressione del tasto USER DEFINED, la modalità viene
attivata o disattivata. Non è necessario tenere premuto il tasto.
NOTA
• Se si seleziona LATCH per la funzione Alternate, la console disabilita la funzione Alternate
quando si passa dalla schermata OVERVIEW alla schermata SELECTED CHANNEL VIEW
e viceversa o quando si apre una finestra.
• In modalità Alternate, "ALT" sarà visualizzato nel campo del nome utente dell'area di accesso
alle funzioni.
Indicatore GR meter
Display evidenziato
- Il canale è disattivato nella modalità
SENDS ON FADER.
- Il canale è assegnato a un gruppo DCA
e il tasto [ON] di tale DCA è disattivato.
- Il canale è assegnato a un gruppo di
esclusione e il master di tale gruppo di
esclusione è attivato.
STEP
1.
Nell'area di accesso alle funzioni, premere il pulsante SETUP.
2.
Nella schermata SETUP premere il pulsante USER SETUP.
3.
Nella finestra USER SETUP premere il tab USER DEFINED KEYS
(TASTI DEFINITI DALL'UTENTE).
4.
Premere il pulsante corrispondente al tasto USER DEFINED a cui si desidera
assegnare una funzione.
5.
Nel campo FUNCTION (FUNZIONE) della finestra USER DEFINED KEY SETUP
(CONFIGURAZIONE TASTI DEFINITI DALL'UTENTE) selezionare la funzione
che si desidera assegnare.
6.
Se la funzione selezionata comprende dei parametri, premere il campo
PARAMETER 1 o 2 per spostare il riquadro e selezionare allo stesso modo
i parametri 1 e 2.
7.
Premere il pulsante OK per chiudere la finestra USER DEFINED KEY SETUP.
8.
Per eseguire una funzione assegnata, premere il tasto USER DEFINED [1]-[16]
corrispondente sul pannello.
Schermata USER SETUP
(pagina USER DEFINED KEYS) Finestra USER DEFINED KEY SETUP
(CONFIGURAZIONE TASTI DEFINITI
DALL'UTENTE)

Setup
Manuale di riferimento
216
In modalità Alternate le seguenti manopole cambiano funzione.
• Manopola [GAIN]
Ruotare la manopola per regolare il valore di guadagno digitale. Se DIGITAL GAIN
è stato selezionato per HA KNOB FUNCTION (FUNZIONE MANOPOLA
PREAMPLIFICATORE) nella pagina PREFERENCE della finestra USER SETUP, ruotare
questa manopola per regolare il valore di guadagno analogico del preamplificatore.
• Manopola [MIX/MATRIX] (MISSAGGIO/MATRICE)
Ruotare questa manopola per passare da PRE a POST e viceversa per il segnale di
mandata corrispondente. Premere questa manopola per attivare o disattivare il segnale
di mandata.
• Manopola [HPF] (FILTRO PASSA ALTO)
Premere questa manopola per attivare o disattivare il filtro passa-alto.
• Manopola [DYNAMICS 1] (DINAMICA 1)
Premere questa manopola per attivare o disattivare DYNAMICS 1.
• Manopola [DYNAMICS 2] (DINAMICA 2)
Premere questa manopola per attivare o disattivare DYNAMICS 2.
• Tasto [CUE] (SEGNALE DI ATTIVAZIONE)
Ogni volta che il pulsante viene premuto, l'impostazione CUE (SEGNALE DI
ATTIVAZIONE) del canale cambia come indicato di seguito: A
B
A+B.
NOTA
In modalità Alternate, tutte le manopole nella sezione SELECTED CHANNEL diverse da quelle
elencate sopra saranno disabilitate.
Passaggio da un banco all'altro per le impostazioni
dei tasti USER DEFINED
È possibile registrare le impostazioni dei tasti USER DEFINED (16 tasti per le console
della serie CL) su un massimo di quattro banchi.
Per selezionare un banco, utilizzare i quattro pulsanti BANK SELECT a sinistra.
Il nome del banco selezionato viene visualizzato sul lato a destra in basso dell'area di
accesso alle funzioni.
Per cancellare il contenuto del banco selezionato, è possibile premere il pulsante CLEAR ALL
sul lato superiore destro.

Setup
Manuale di riferimento
217
Funzioni che possono essere assegnate a tasti
USER DEFINED (definiti dall'utente)
FUNZIONE
PARAMETRO 1 PARAMETRO 2 Descrizione
NO ASSIGN - - Nessuna assegnazione.
FUNZIONE
ALTERNATE
LATCH - Attiva o disattiva la FUNZIONE ALTERNATE a ogni
pressione.
Si spegne quando si passa a un altro banco.
UNLATCH - Passa alla FUNZIONE ALTERNATE solo se premuto.
Si spegne quando si passa a un altro banco.
AUTOMIXER
group a OVERRIDE ON -
Applica l'assolvenza ai canali nel gruppo a quando
il pulsante Override è attivato finché il livello non
scende a 0 dB (guadagno unità). L'audio viene
escluso per tutti i canali se il pulsante è disattivato.
group a PRESET ON - Commuta i canali nel gruppo a alla modalità indicata
dal pulsante di modalità (man/auto/mute) accanto
all'indicatore preset acceso.
group b OVERRIDE ON -
Applica l'assolvenza ai canali nel gruppo b quando
il pulsante Override è attivato finché il livello non
scende a 0 dB (guadagno unità). L'audio viene
escluso per tutti i canali se il pulsante è disattivato.
group b PRESET ON - Commuta i canali nel gruppo b alla modalità indicata
dal pulsante di modalità (man/auto/mute) accanto
all'indicatore preset acceso.
group c OVERRIDE ON -
Applica l'assolvenza ai canali nel gruppo c quando
il pulsante Override è attivato finché il livello non
scende a 0 dB (guadagno unità). L'audio viene
escluso per tutti i canali se il pulsante è disattivato.
group c PRESET ON - Commuta i canali nel gruppo c alla modalità indicata
dal pulsante di modalità (man/auto/mute) accanto
all'indicatore preset acceso.
BRIGHTNESS BANK CHANGE - Consente di alternare le impostazioni di luminosità
memorizzate in A e B.
CH ON SPECIFIC CH *4) Cambia il CH ON/OFF.
CH SELECT
INC -Consente di aumentare o diminuire il numero
del canale selezionato.
DEC
SPECIFIC CH *1) Seleziona un canale dall'elenco 1).
CUE
OUTPUT - Consente di attivare/disattivare CUE.
CLEAR CUE
A Cancella il segnale di attivazione per CUE A.
B Cancella il segnale di attivazione per CUE B.
A+B Cancella il segnale di attivazione per CUE A e CUE B.
SPECIFIC CH *2) ATTIVAZIONE del canale selezionato dall'elenco 2).
CUE MODE (MODALITÀ
SEGNALE ATTIVAZIONE)
A
Passa a CUE MODE (MODALITÀ SEGNALE
ATTIVAZIONE) per CUE A. In modalità Surround,
alterna MIX, LAST e 5.1 SOLO a ogni pressione. Se
impostato su MIX, la spia è spenta. Se impostato su
LAST, la spia è accesa. Se impostato su 5.1 SOLO, la
spia lampeggia.
BPassa a CUE MODE (MODALITÀ SEGNALE
ATTIVAZIONE) per CUE B.
CUE INTERRUPTION - Consente di attivare/disattivare la funzione
CUE INTERRUPTION.
FADER CUE RELEASE - Consente di attivare e disattivare la funzione
FADER CUE RELEASE.
CUE
INPUT CUE POINT
(PUNTO DI ATTIVA-
ZIONE INGRESSO)
AConsente di selezionare il punto di attivazione del
canale di ingresso per CUE A o CUE B. Passa da PFL
(subito prima del fader), a AFL (subito dopo il fader)
e POST PAN (subito dopo il PAN) a ogni pressione.
B
DCA CUE POINT
(PUNTO DI ATTIVA-
ZIONE DCA)
AConsente di selezionare il punto di attivazione DCA
per CUE A o CUE B. Passa da PRE PAN (subito prima
del PAN), a POST PAN (subito dopo il PAN) a ogni
pressione.
B
OUTPUT CUE POINT
(PUNTO DI ATTIVA-
ZIONE USCITA)
AConsente di selezionare il punto di attivazione del
canale di uscita per CUE A o CUE B. Passa da PFL
(subito prima del fader) a AFL (subito dopo il fader) a
ogni pressione.
B
CUE SETTING (SEGNALE
DI ATTIVAZIONE)
APer CUE A o CUE B, tenere premuto il tasto [CUE] per
passare le impostazioni CUE del canale selezionato su
A o B e per attivare CUE.
B
A+B Tenere premuto il tasto [CUE] per passare le
impostazioni CUE del canale selezionato su A e B
e per attivare CUE.
DANTE INPUT
PATCH LIB DIRECT RECALL LIBRARY #000-#010
Consente di richiamare direttamente il numero
desiderato della libreria DANTE INPUT PATCH.
Tuttavia, non funziona durante il richiamo di
una scena.
DCA ROLL-
OUT LAST DCA SEL - Consente di eseguire il roll-out o di rimuovere
il gruppo DCA selezionato.
DCA1 -
:-
DCA16 -
EDITOR CON-
TROL
MASTER -
Visualizza la schermata corrispondente dell'Editor CL.
SENDS ON FADER -
OVERVIEW
CH 1-16 {CL5/CL3/CL1}
CH17-32 {CL5/CL3/CL1}
CH33-48 {CL5/CL3/CL1}
CH49-64 {CL5/CL3}
CH65-72 {CL5}
ST IN
MIX1-16
MIX17-24
MATRIX
STEREO/MONO
DCA
CUSTOM FADER BANK
(BANCO DI FADER PER-
SONALIZZATO)
A1 {CL5/CL3/CL1}
A2 {CL5/CL3}
A3 {CL3}
B1 {CL5/CL3/CL1}
FUNZIONE
PARAMETRO 1 PARAMETRO 2 Descrizione

Setup
Manuale di riferimento
218
EDITOR CON-
TROL
CUSTOM FADER BANK
(BANCO DI FADER PER-
SONALIZZATO)
B2 {CL3/CL1}
Visualizza la schermata corrispondente dell'Editor CL.
B3 {CL1}
B4 {CL1}
C1 {CL5}
C2 {CL5}
C3 {CL5}
C4 {CL5}
C5 {CL5}
C6 {CL5}
SELECTED CHANNEL -
LIBRARY
DYNAMICS LIBRARY
INPUT EQ LIBRARY
OUTPUT EQ LIBRARY
EFFECT LIBRARY
GEQ LIBRARY
INPUT CH LIBRARY
OUTPUT CH LIBRARY
(Libreria canale di uscita)
PEQ LIBRARY
PREMIUM RACK
LIBRARY
Portico5033 LIBRARY
Portico5043 LIBRARY
U76 LIBRARY
Opt-2A LIBRARY
EQ-1A LIBRARY
DynamicEQ LIBRARY
Buss Comp 369
LIBRARY
MBC4 LIBRARY
PATCH EDITOR
INPUT PATCH
OUTPUT PATCH
INPUT INSERT PATCH
OUTPUT INSERT
PATCH
DIRECT OUT PATCH
PATCH/LIST
RACK EDITOR
RACK
GEQ 1-16
EFFECT 1-8
PREMIUM 1A
PREMIUM 1B
:
PREMIUM 8A
PREMIUM 8B
METER INPUT METER
OUTPUT METER
GROUP/LINK
DCA GROUP
MUTE GROUP
CHANNEL LINK
OUTPUT CHANNEL
LINK
FUNZIONE
PARAMETRO 1 PARAMETRO 2 Descrizione
EFFECT
BYPASS
SCENE
SCENE MEMORY
Attiva/disattiva BYPASS per ogni RACK. Illuminato
se attivo.
RECALL SAFE
FADE TIME
(DURATA FADE)
FOCUS RECALL
EFFECT RACK 1-8
(Rack effetti 1-8) -
PREMIUM RACK 1A -
PREMIUM RACK 1B -
:-
PREMIUM RACK 8A -
PREMIUM RACK 8B -
FADER BANK
SNAPSHOT --
Consente di scattare una foto delle impostazioni del
banco per tutti i blocchi A, B e C (tenere premuto il
tasto per due secondi o più) o di visualizzare l'ultimo
banco di cui è stata scattata una foto (premere e
rilasciare il tasto entro due secondi).
GAIN KNOB
FUNCTION LATCH -
Attiva/disattiva la funzione della manopola GAIN
(ANALOG GAIN/DIGITAL GAIN, GUADAGNO
ANALOGICO/GUADAGNO DIGITALE). Si illumina
quando è selezionato DIGITAL GAIN.
Si spegne quando si passa a un altro banco.
UNLATCH -
Assegnare la funzione della manopola GAIN
(ANALOG GAIN/DIGITAL GAIN) a DIGITAL GAIN
solo quando è mantenuto premuto.
* Se tuttavia la funzione GAIN KNOB FUNCTION
è impostato su DIGITAL GAIN nella schermata
PREFERENCE (PREFERENZE), rimarrà illuminata
fino alla successiva pressione.
Si spegne quando si passa a un altro banco.
GEQ FREQ
BANK
INC -Aggiunge o rimuove un banco di frequenza nella
schermata GEQ EDIT.
DEC
GPI OUT LATCH PORT1-PORT5
Attiva/disattiva la funzione GPI OUT. Illuminato
se attivo.
UNLATCH Attiva GPI OUT solo se premuto.
HELP - -
Consente di aprire e chiudere la finestra HELP
(GUIDA). Se si utilizzano i controller sul pannello
(tranne i fader) o i controller sullo schermo, mentre
si tiene premuto questo tasto, verranno visualizzate
le informazioni correlate.
HOME SELECTED CH VIEW - Consente di visualizzare la schermata SELECTED
CHANNEL VIEW.
OVERVIEW - Consente di visualizzare la schermata OVERVIEW.
TOGGLE - Ogni volta che si preme il tasto viene visualizzata la
schermata SELECTED CHANNEL VIEW o la schermata
OVERVIEW.
METER PEAK HOLD ON - Attivare o disattiva la funzione di mantenimento
picco dell'indicatore. Illuminato se attivo.
SURROUND METER -
Per la modalità Surround, alterna il contenuto da
visualizzare negli indicatori dell'area di accesso alle
funzioni. La spia è spenta per MIX 1-6 e accesa per
SURROUND MONITOR.
FUNZIONE
PARAMETRO 1 PARAMETRO 2 Descrizione

Setup
Manuale di riferimento
219
MIDI
PROGRAM CHANGE PGM 1-128
Esegue la trasmissione del messaggio MIDI
corrispondente.
Per NOTE ON, si spegne quando si passa a un
altro banco.
CONTROL CHANGE CC 1-31, 33-95,
102-119
NOTE ON
NOTE ON C-2 (0)
:
NOTE ON G 8 (127)
MONITOR
OUTPUT - Consente di attivare o disattivare l'uscita del monitor.
SELECTED CH ASSIGN -
Mentre si tiene premuto questo tasto, premere un
tasto SEL di un canale MIX o MATRIX per attivare
o disattivare l'assegnazione. Nel frattempo, il LED
[SEL] sarà illuminato se l'assegnazione è attiva
o spento se non attiva.
Viene memorizzata l'impostazione di assegnazione
eseguita mentre si tiene premuto questo tasto.
Se si preme di nuovo il tasto, viene richiamata
l'impostazione memorizzata. Le impostazioni
possono essere memorizzate in più tasti per facilitare
il passaggio rapido tra le impostazioni.
Si spegne quando si passa a un altro banco.
DIMMER ON - Consente l'uso dell'attenuatore per il segnale di
monitoraggio.
SOURCE SELECT
STEREO L/R
Consente di richiamare il segnale selezionato
sul monitor.
MONO (C)
LCR
PB OUT
OMNI1-2
OMNI3-4
OMNI5-6
OMNI7-8
DEFINE
SURROUND SOURCE
SELECT *6) Consente di richiamare il segnale selezionato
sul monitor Surround.
SURROUND DOWNMIX STEREO MONO Quando questa funzione è disattivata (spia spenta),
l'impostazione passa al monitor 5.1.
SURROUND SPEAKER
SOLO
Quando questa funzione è attivata (spia accesa),
viene visualizzata la schermata SURROUND
MONITOR. Quando questa funzione è disattivata
(spia spenta), la schermata SURROUND MONITOR
si chiude.
L, R, C, Ls, Rs, LFE
Questa funzionalità è uguale alla funzione SPEAKER
MUTE nella schermata SURROUND MONITOR.
Quando il pulsante SOLO è attivato, funziona
come un tasto SOLO.
MUTE
MASTER
MUTE GROUP 1
-Consente di attivare o disattivare MUTE GROUP
MASTER.
:
MUTE GROUP 8
ALL MUTE - Attivare/disattiva tutte le impostazioni MUTE GROUP
MASTER contemporaneamente.
FUNZIONE
PARAMETRO 1 PARAMETRO 2 Descrizione
NUENDO LIVE
TRANSPORT
GO TO PROJECT
START
Consente di utilizzare le funzioni trasporto
di Nuendo Live.
GO TO PREV MARKER
REWIND
FAST FORWARD
GO TO NEXT MAR-
KER
TRANSPORT
GO TO PROJECT END
Consente di utilizzare le funzioni trasporto
di Nuendo Live.
CYCLE
STOP
START
REC
EASY RECORDING
PEAK CLEAR - Azzera gli indicatori dei picchi della schermata
Nuendo Live.
ADD MARKER - Questa funzione consente di eseguire ADD MARKER
di NUENDO Live.
OSCILLATOR OSCILLATOR ON - Consente di attivare/disattivare l'oscillatore.
SELECTED CH ASSIGN -
Mantenendo premuto questo tasto, premere un tasto
SEL di un canale per attivare o disattivare
l'assegnazione. Nel frattempo, il LED [SEL] sarà
illuminato se l'assegnazione è attiva o spento
se non attiva.
Si spegne quando si passa a un altro banco.
DIRECT ASSIGN *1) Assegna l'oscillatore al canale selezionato
dall'elenco 1).
PAGE
CHANGE
BOOKMARK -
Consente di memorizzare la schermata
correntemente visualizzata (tenere premuto il tasto
per almeno due secondi) o di visualizzare l'ultima
schermata memorizzata (premere e rilasciare il tasto
entro due secondi). È possibile memorizzare anche
le finestre a comparsa. Nel caso di un rack, viene
memorizzato anche il numero del rack.
BOOKMARK with "SEL" - Memorizza il BOOKMARK precedentemente descritto
con l'aggiunta dello stato SEL.
PREVIOUS PAGE - Visualizza la pagina precedente/successiva.
NEXT PAGE
CLOSE POPUP - Consente di chiudere la finestra visualizzata.
RECORDER TRANSPORT
PLAY/PAUSE, STOP,
FF/NEXT,
REW/PREVIOUS, REC Funzioni di trasporto del registratore.
AUTO REC
Funzione di scelta rapida per STOP REC PLAY.
La registrazione verrà avviata in un'unica azione. Se
viene eseguita durante la registrazione, il file in corso
di registrazione verrà prima chiuso e quindi la
registrazione continuerà con un nuovo file.
REC & START Consente di avviare immediatamente la registrazione
senza inserire la modalità record-ready.
FUNZIONE
PARAMETRO 1 PARAMETRO 2 Descrizione

Setup
Manuale di riferimento
220
RECORDER DIRECT PLAY
NO ASSIGN Il file audio specificato verrà riprodotto dall'inizio
una volta sola.
I file audio da riprodurre devono essere salvati nella
cartella SONGS all'interno della cartella YPE. Notare
che non sarà possibile specificare un file che è stato
salvato nella directory principale o in un'altra cartella.
Quando si esegue il playback, il percorso nella
schermata TITLE LIST (ELENCO TITOLI) verrà
modificato in \YPE\SONGS\.
(TITLE 1)
:
SCENE
INC RECALL - Consente di richiamare la scena con il numero
successivo.
DEC RECALL
(RICHIAMA PREC.) -Consente di richiamare la scena con il numero
precedente.
DIRECT RECALL SCENE #000-#300 Consente di richiamare direttamente la scena con
il numero specificato.
RECALL UNDO - Consente di eseguire un'operazione di RECALL UNDO
(ANNULLA RICHIAMO).
STORE UNDO - Consente di eseguire un'operazione di STORE UNDO
(ANNULLA MEMORIZZAZIONE).
INC - Consente di selezionare la scena con il numero
successivo.
DEC -
Consente di selezionare la scena con il numero
precedente.
RECALL - Questa funzione consente di richiamare la scena
correntemente selezionata.
STORE - Consente di memorizzare le impostazioni correnti.
SEND MODE MIX1-16/MIX17-24,
MTRX -
Quando è selezionato INPUT o ST IN, consente di
commutare la funzione degli encoder di mandata
della sezione Selected Channel fra TO MIX1-16,
TO MIX17-24, MATRIX.
SENDS ON
FADER
MIX1-MIX24
NORMAL/WITH CUE
Questa funzione alterna la normale attivazione/
disattivazione della funzione (NORMAL) e di quella
dei segnali di attivazione (WITH CUE). Con l'opzione
WITH CUE, i segnali di attivazione verranno abilitati
se è stata selezionata la modalità SENDS ON FADER
o se si cambia modalità mentre questa è attiva.
Inoltre, con l'opzione WITH CUE, i segnali di
attivazione di tutti i canali di uscita saranno annullati
se si disattiva la modalità SENDS ON FADER.
MTRX 1-MTRX 8
MIX ON FADER
MATRIX ON FADER
SENDS ON FADER
SET BY SEL
+48V
-
Tenere premuto questo tasto e premere SEL
per attivarlo/disattivarlo.
Nel frattempo, il LED [SEL] sarà illuminato se attivato,
o spento se disattivato.
Se è selezionato [PRE SEND] (PRE MANDATA),
la modalità "SEND ON FADER" (MANDATA SU
FADER) si attiverà mantenendo premuto il tasto [SEL].
Premere SEL per spostarsi tra auto/man se
è selezionato [AUTOMIXER AUTO/MAN]. Si spegne
quando si passa a un altro banco.
Ø
INSERT ON
DIRECT OUT ON
PRE SEND
TO STEREO
TO MONO
TO LCR
GAIN COMPENSATION
AUTOMIXER AUTO/
MAN
FUNZIONE
PARAMETRO 1 PARAMETRO 2 Descrizione
SET DEFAULT
VALUE --
Premere e tenere premuto questo tasto, quindi
premere una delle seguenti manopole sul pannello
per ripristinarne il valore predefinito: una manopola
nella sezione SELECTED CHANNEL, una manopola
nella schermata SELECTED CHANNEL VIEW o una
manopola nella sezione Centralogic.
Si spegne quando si passa a un altro banco.
SET NOMI-
NAL VALUE --
Mentre si tiene premuto questo stato, premere un
tasto [SEL] per impostare il fader del canale sul livello
nominale. È inoltre possibile premere la manopola nel
campo SEND della schermata SELECTED CHANNEL
VIEW per impostare il livello di mandata sul livello
nominale.
Si spegne quando si passa a un altro banco.
SOLO
(ASSOLO) SOLO ON (ATTIVA-
ZIONE ASSOLO) -Consente di attivare o disattivare la modalità Solo
(Assolo)
SURROUND
PAN
L ON
*5) In modalità Surround, è utilizzato per attivare
o disattivare l'assegnazione del bus per il canale
selezionato nell'elenco 5).
R ON
C ON
LFE ON
Ls ON
Rs ON
SURROUND
PAN
PANNING L
*5) In modalità Surround, è utilizzato per impostare
l'hard pan per il canale selezionato nell'elenco 5).
PANNING R
PANNING Front Center
PANNING Ls
PANNING Rs
PANNING Back
PANNING Side L
*5) In modalità Surround, è utilizzato per impostare
l'hard pan per il canale selezionato nell'elenco 5).
PANNING Side R
PANNING Center
SURROUND
PAN PANNING TOGGLE *5)
In modalità Surround, è utilizzato per alternare le
impostazioni dell'hard pan per il canale selezionato
nell'elenco 5).
A ogni pressione, l'impostazione viene modificata
nell'ordine seguente: Center
L
Front Center
R
Side R
Rs
Back, Ls
Side L
(Center).
TALKBACK
TALKBACK ON
LATCH Consente di attivare o disattivare TALKBACK.
UNLATCH Se premuto consente di attivare TALKBACK.
Si spegne quando si passa a un altro banco.
SELECTED CH ASSIGN -
Mentre si tiene premuto questo tasto, premere
un tasto SEL di un canale OUTPUT per attivare
o disattivare l'assegnazione. Nel frattempo, il LED
[SEL] sarà illuminato se l'assegnazione è attiva
o spento se non attiva.
Viene memorizzata l'impostazione di assegnazione
eseguita mentre si tiene premuto questo tasto.
Se si preme di nuovo il tasto, viene richiamata
l'impostazione memorizzata. Le impostazioni
possono essere memorizzate in più tasti per facilitare
il passaggio rapido tra le impostazioni.
Si spegne quando si passa a un altro banco.
FUNZIONE
PARAMETRO 1 PARAMETRO 2 Descrizione

Setup
Manuale di riferimento
221
*1) CL5: CH1-CH72, CL3: CH1-CH64, CL1: CH1-CH48, ST IN 1L-ST IN 8R, MIX1-MIX24, MTRX1-MTRX8, ST L,
ST R, MONO
*2) CL5: CH1-CH72, CL3: CH1-CH64, CL1: CH1-CH48, ST IN 1-ST IN 8, MIX1-MIX24, MTRX1-MTRX8, STEREO,
MONO(C)
*3) MIX1-MIX24, MTRX1-MTRX8, ST L, ST R, MONO
*4) CL5: CH1-CH72, CL3: CH1-CH64, CL1: CH1-CH48, ST IN 1-ST IN 8, MIX1-MIX24, MTRX1-MTRX8, STEREO,
MONO(C), DCA1-DCA16
*5) SELECTED CH, CL5: CH1-CH72, CL3: CH1-CH64, CL1: CH1-CH48, ST IN 1L-ST IN 8R
*6) MIX1-6, EXT5.1 1, EXT5.1 2, EXT5.1 3, EXT ST 1, EXT ST 2, EXT ST 3, EXT ST 4, MIX1/2, MIX3/4, MIX5/6,
MIX7/8, MIX9/10, MIX11/12, MIX13/14, MIX15/16, MIX17/18, MIX19/20, MIX21/22, MIX23/24, MATRIX1/2,
MATRIX3/4, MATRIX5/6, MATRIX7/8 , STEREO, MONO, PB OUT
TALKBACK
DIRECT ASSIGN *3)
Con questo tasto premuto è possibile eseguire
le seguenti operazioni:
- Attivare/disattivare l'assegnazione del canale
selezionato nell'elenco 3).
In questo momento, il display LED ha l'aspetto
seguente.
- Se il canale è assegnato, il LED è acceso.
In caso contrario, il LED è spento.
DIRECT ASSIGN WITH
ON *3)
Con questo tasto premuto è possibile eseguire
le seguenti operazioni:
- Le assegnazioni diverse da quelle per il canale
selezionato nell'elenco 3) vengono rimosse.
- Se viene assegnato un canale e, nello stesso tempo,
TALKBACK è attivato, TALKBACK viene disattivato
e l'assegnazione del canale viene rimossa.
- In caso contrario, TALKBACK e l'assegnazione del
canale sono attivati.
In questo momento, il display LED ha l'aspetto
seguente.
- Se viene assegnato un canale e, nello stesso tempo,
TALKBACK è attivato, il LED è acceso.
- In caso contrario, il LED è spento.
TAP TEMPO
CURRENT PAGE - Utilizzare la funzione Tap Tempo nella schermata
visualizzata.
EFFECT RACK 1-8
(Rack effetti 1-8)
WITH POPUP Utilizzare la funzione Tap Tempo per l'effetto
specificato. Se WITH POPUP è selezionato, viene
visualizzata la schermata Tap Tempo. Se WITHOUT
POPUP è selezionato, la schermata Tap Tempo non
viene visualizzata.
WITHOUT POPUP
USER
DEFINED
KEYS BANK SELECT
BANK A Se selezionato, la spia del tasto corrispondente
si accende.
BANK B Se selezionato, la spia del tasto corrispondente
si accende.
BANK C Se selezionato, la spia del tasto corrispondente
si accende.
BANK D Se selezionato, la spia del tasto corrispondente
si accende.
PREVIOUS BANK Passa al banco precedente. Se il banco corrente
è BANK A, passa a BANK D.
NEXT BANK Passa al banco successivo. Se il banco corrente
è BANK D, passa a BANK A.
FUNZIONE
PARAMETRO 1 PARAMETRO 2 Descrizione

Setup
Manuale di riferimento
222
Manopole USER DEFINED
In questa sezione viene illustrato come assegnare le funzioni desiderate alle manopole
USER DEFINED nella sezione USER DEFINED KNOBS (MANOPOLE DEFINITE
DALL'UTENTE) del pannello superiore e come premere queste manopole per eseguire
la funzione definita.
Se è stato eseguito l'accesso come User, è anche possibile configurare le impostazioni delle
manopole USER DEFINED per l'utente. Se si è eseguito l'accesso come Administrator,
è anche possibile configurare le impostazioni delle manopole USER DEFINED per
l'account Guest.
NOTA
Per ulteriori informazioni sulle funzioni da assegnare e sui relativi parametri, vedere "Funzioni che
possono essere assegnate a manopole USER DEFINED (definite dall'utente)" a pagina 223.
NOTA
• Se è stato eseguito l'accesso come Administrator, è anche possibile attivare il pulsante
FOR GUEST per accedere alla pagina USER DEFINED KNOBS e ASSIGNABLE ENCODER
for Guest e definire le impostazioni delle manopole USER DEFINED per l'utente Guest.
• Le quattro manopole nella pagina USER DEFINED KNOBS e ASSIGNABLE ENCODER
corrispondono alle manopole USER DEFINED [1]-[4] sul pannello superiore. Il nome della
funzione o il parametro assegnato a ciascuna manopola viene visualizzato a destra del pulsante
corrispondente. Se al pulsante non è assegnato alcun elemento, viene visualizzata
un'indicazione "---".
• L'elenco visualizzato nella finestra USER DEFINED KNOB SETUP è lo stesso per tutti i
modelli della serie CL.
Nelle console CL3/CL1, sul display verrà indicato "Cannot Assign!" (Impossibile assegnare)
se si specifica un parametro che non esiste su quel modello.
• Se non sono presenti parametri per la manopola USER DEFINED registrata, non viene effettuata
alcuna operazione quando si utilizza la manopola.
Informazioni su TOUCH AND TURN
(TOCCO E ATTIVAZIONE)
La funzione TOUCH AND TURN è assegnata alla manopola USER
DEFINED [4] per impostazione predefinita. Se questa funzione viene
assegnata a una delle manopole USER DEFINED, è possibile premere la
manopola desiderata sullo schermo sensibile al tocco, quindi utilizzare la
manopola USER DEFINED per utilizzare immediatamente la manopola
sullo schermo specifica.
A questo punto, intorno alla manopola nello schermo sensibile al tocco appare un
riquadro rosa a indicare che è possibile utilizzare la manopola.
STEP
1.
Nell'area di accesso alle funzioni, premere il pulsante SETUP.
2.
Nella schermata SETUP premere il pulsante USER SETUP.
3.
Nella finestra USER SETUP premere il tab USER DEFINED KNOBS
(MANOPOLE DEFINITE DALL'UTENTE).
4.
Premere il pulsante corrispondente alla manopola USER DEFINED a cui si
desidera assegnare una funzione.
5.
Nella finestra USER DEFINED KNOB SETUP verificare che il campo FUNCTION
(FUNZIONE) sia racchiuso da un riquadro, quindi selezionare la funzione
da assegnare.
6.
Se la funzione selezionata comprende dei parametri, premere il campo
PARAMETER 1 o 2 per spostare il riquadro e selezionare allo stesso modo
i parametri 1 e 2.
7.
Premere il pulsante OK per chiudere la finestra USER DEFINED KNOB SETUP.
8.
Per eseguire una funzione assegnata, premere la manopola USER DEFINED [1]-[4]
corrispondente sul pannello.
Schermata USER SETUP
(Pagina USER DEFINED KNOBS) Finestra USER DEFINED KNOB SETUP

Setup
Manuale di riferimento
223
Funzioni che possono essere assegnate a manopole
USER DEFINED (definite dall'utente)
Funzione
PARAMETRO 1 PARAMETRO 2
NO ASSIGN - -
AUTOMIXER WEIGHT *1)
BRIGHTNESS
LAMP -
PANEL -
SCREEN -
CH COLOR -
NAME -
CUE
INPUT PFL TRIM A
B
DCA TRIM A
B
OUTPUT PFL TRIM A
B
CUE LEVEL -
DIRECT OUT LEVEL LEVEL *14)
DYNAMICS (DINAMICHE) 1
THRESHOLD *2)
RANGE *4)
RATIO *2)
ATTACK
HOLD *4)
DECAY
RELEASE
*2)OUTGAIN
KNEE
WIDTH *13)
DYNAMICS (DINAMICHE) 2
THRESHOLD
*4)
RATIO
FREQUENCY
ATTACK
RELEASE
OUTGAIN
KNEE
WIDTH
EFFECT
Visualizza il numero dell'EFFECT RACK
(1-8) per l'operazione di destinazione
nonché il nome dell'EFFECT TYPE mon-
tato o del GEQ/PEQ TYPE *a).
Visualizza i nomi dei 32 parametri
per l'EFFECT TYPE *b). Visualizza
"----" se è montato un GEQ/PEQ.
EQ
ATT
*2)
LOW Q
LOW FREQUENCY
LOW GAIN
LOW MID Q
LOW MID FREQUENCY
LOW MID GAIN
HIGH MID Q
HIGH MID FREQUENCY
HIGH MID GAIN
HIGH Q
HIGH FREQUENCY
HIGH GAIN
EXTERNAL HA GAIN1-GAIN8 *10)
HPF FREQUENCY *4)
I/O DEVICE GAIN1-GAIN32 *11)
INPUT DELAY DELAY TIME *3)
INPUT GAIN ANALOG GAIN *4)
DIGITAL GAIN
MIDI CONTROL CHANGE
CTRL 1-CTRL 31 -
CTRL 33-CTRL 95 -
CTRL 102-CTRL 119 -
MONITOR
DIMMER LEVEL -
TALKBACK DIMMER LEVEL -
MONITOR DELAY -
MONITOR FADER -
OSCILLATOR
LEVEL -
FREQUENCY -
LEVEL(EVEN) -
FREQUENCY(EVEN) -
HPF -
LPF -
WIDTH -
INTERVAL -
OUTPUT LEVEL LEVEL *6)
OUTPUT PORT DELAY TIME *12)
GAIN
PREMIUM RACK
Visualizza il numero di PREMIUM RACK
(1A-8B) per l'operazione
corrispondente, nonché il nome
del PROCESSOR montato *a).
Visualizza i nomi dei 64 parametri
per il PROCESSOR *b).
Funzione
PARAMETRO 1 PARAMETRO 2

Setup
Manuale di riferimento
224
*1) SELECTED CH, Automixer ch1-16
*2) SELECTED CH, CL5: CH1-CH72, CL3: CH1-CH64, CL1: CH1-CH48, ST IN 1-ST IN 8, MIX1-MIX24,
MTRX1-MTRX8, STEREO, MONO (C)
*3) SELECTED CH, CL5: CH1-CH72, CL3: CH1-CH64, CL1: CH1-CH48, ST IN 1L-ST IN 8R
*4) SELECTED CH, CL5: CH1-CH72, CL3: CH1-CH64, CL1: CH1-CH48, ST IN 1-ST IN 8
*5) SELECTED CH, CL5: CH1-CH72, CL3: CH1-CH64, CL1: CH1-CH48, ST IN 1L-ST IN 8R, MIX1-MIX24
*6) MIX1-MIX24, MTRX1-MTRX8, ST L, ST R, MONO
*7) SELECTED CH, CL5: CH1-CH72, CL3: CH1-CH64, CL1: CH1-CH48, ST IN 1L-ST IN 8R, MIX1-MIX24, ST L,
ST R, MONO
*10) # 1-# 6
*11) REMOTE HA #1-#8
*12) DANTE 1-DANTE64, OMNI 1-OMNI 8, SLOT1 1-SLOT1 16, SLOT2 1-SLOT2 16, SLOT3 1-SLOT3 16,
DIGITAL OUT L, DIGITAL OUT R
*13) SELECTED CH, MIX1-MIX24, MTRX1-MTRX8, STEREO, MONO (C)
*14) SELECTED CH, CL5: CH1-CH72, CL3: CH1-CH64, CL1: CH1-CH48
*a) Se non è montato nel RACK, verrà visualizzato "----".
*b) Se non sono presenti parametri, verrà visualizzato "----".
RECORDER INPUT GAIN -
OUTPUT GAIN -
SCENE SELECT -
TO MIX LEVEL MIX1-MIX24 *3)
TO MATRIX LEVEL MTRX1-MTRX8 *7)
TO MIX PAN MIX1/2-MIX23/24 *3)
TO MATRIX PAN MATRIX1/2-MATRIX7/8 *7)
TO ST/MONO PAN/BAL *5)
CSR
TOUCH AND TURN - -
Funzione
PARAMETRO 1 PARAMETRO 2

Setup
Manuale di riferimento
225
Encoder assegnabili
È possibile assegnare la funzione desiderata alla manopola GAIN/PAN/ASSIGN
(GUADAGNO/PAN/ASSEGNAZIONE) sul fader strip di ciascun canale e controllare
la funzione mediante la manopola. Per ulteriori informazioni sulle funzioni da assegnare
e sui relativi parametri, vedere "Funzioni che possono essere assegnate agli encoder
assegnabili" a pagina 226.
NOTA
• Se è stato eseguito l'accesso come Administrator, è anche possibile attivare il pulsante
FOR GUEST per accedere alla pagina USER DEFINED KNOBS e ASSIGNABLE ENCODER
for Guest e definire le impostazioni delle manopole assegnabili per l'utente Guest.
• SELECTED SEND è l'impostazione predefinita. Se SELECTED SEND è selezionato, è possibile
utilizzare gli encoder assegnabili per regolare il livello di mandata sul canale MIX/MATRIX
selezionato per SENDS ON FADER (MANDATE SU FADER) nell'area di accesso alle funzioni.
• I tasti CL3 e CL1 hanno solo un tasto [GAIN/PAN/ASSIGN], pertanto
la funzione di tutte le manopole GAIN/PAN/ASSIGN cambierà
contemporaneamente. Su CL5, è possibile cambiare la funzione della
manopola nel blocco A (lato sinistro) e nel blocco C/nella sezione
fader master (lato destro) separatamente utilizzando i tasti
corrispondenti [GAIN/PAN/ASSIGN].
• Questa assegnazione non si applica alle manopole multifunzione nella
sezione Centralogic, poiché tali manopole sono utilizzate per controllare
i parametri sullo schermo.
STEP
1.
Nell'area di accesso alle funzioni, premere il pulsante SETUP.
2.
Nella schermata SETUP premere il pulsante USER SETUP.
3.
Nella finestra USER SETUP premere il tab USER DEFINED KNOBS.
4.
Premere il pulsante nel campo ASSIGNABLE ENCODER (ENCODER ASSEGNABILE)
nella pagina USER DEFINED KNOB.
5.
Nella finestra ASSIGNABLE ENCODER SETUP (CONFIGURAZIONE ENCODER
ASSEGNABILE), selezionare la funzione che si desidera assegnare.
6.
Premere il pulsante OK per chiudere la finestra ASSIGNABLE ENCODER SETUP.
7.
Premere ripetutamente il tasto [GAIN/PAN/ASSIGN] sul pannello superiore
per selezionare ASSIGN (ASSEGNA).
8.
Utilizzare la manopola GAIN/PAN/ASSIGN su ciascun channel strip.
Schermata USER SETUP
(pagine USER DEFINED
KNOBS e ASSIGNABLE
ENCODER)
Finestra ASSIGNABLE
ENCODER SETUP

Setup
Manuale di riferimento
226
Funzioni che possono essere assegnate
agli encoder assegnabili
*1 L'impostazione delle preferenze e lo stato della funzione ALTERNATE determineranno se è impostato su
guadagno analogico o guadagno digitale.
*2 Verrà selezionata la destinazione della mandata target della funzione Sends On Fader.
*3 Lo stato della funzione ALTERNATE determinerà se la rotazione dell'encoder commuterà l'impostazione PRE/
POST della mandata corrispondente o attiverà/disattiverà la mandata corrispondente se premuto.
*4 Lo stato della funzione ALT determinerà se premendo l'encoder verrà attivato/disattivato il filtro passa alto.
*5 Lo stato della funzione ALTERNATE determinerà se premendo l'encoder verrà attivato/disattivato DYNAMICS 1.
*6 Lo stato della funzione ALTERNATE determinerà se premendo l'encoder verrà attivato/disattivato DYNAMICS 2.
*7 Lo stato della funzione ALTERNATE determinerà se accendendo l'encoder si passerà a F/R.
*8 Lo stato della funzione ALTERNATE determinerà se accendendo l'encoder si passerà a L/R.
PAN
GUADA-
GNO ASSEGNA-
ZIONE
Funzione
PARAMETRO 1 PARAMETRO 2
O PAN/BALANCE PAN
BAL
O ANALOG GAIN A.GAIN *1
O DIGITAL GAIN D.GAIN *1
ONO ASSIGN (NESSUNA
ASSEGNAZIONE) (Non viene
visualizzato nulla.)
O SELECTED SEND
MIX1-MTRX8
Dipende dallo
stato
*2
OMIX1 SEND MIX1 *3
OMIX2 SEND MIX2 *3
OMIX3 SEND MIX3 *3
OMIX4 SEND MIX4 *3
OMIX5 SEND MIX5 *3
OMIX6 SEND MIX6 *3
OMIX7 SEND MIX7 *3
OMIX8 SEND MIX8 *3
OMIX9 SEND MIX9 *3
O MIX10 SEND MIX10 *3
O MIX11 SEND MIX11 *3
O MIX12 SEND MIX12 *3
O MIX13 SEND MIX13 *3
O MIX14 SEND MIX14 *3
O MIX15 SEND MIX15 *3
O MIX16 SEND MIX16 *3
O MIX17 SEND MIX17 *3
O MIX18 SEND MIX18 *3
O MIX19 SEND MIX19 *3
O MIX20 SEND MIX20 *3
O MIX21 SEND MIX21 *3
O MIX22 SEND MIX22 *3
O MIX23 SEND MIX23 *3
O MIX24 SEND MIX24 *3
OMATRIX1 SEND MTRX1 *3
OMATRIX2 SEND MTRX2 *3
OMATRIX3 SEND MTRX3 *3
OMATRIX4 SEND MTRX4 *3
OMATRIX5 SEND MTRX5 *3
OMATRIX6 SEND MTRX6 *3
OMATRIX7 SEND MTRX7 *3
OMATRIX8 SEND MTRX8 *3
OHPF FREQUENCY HPF *4
O DYNAMICS1 THRESHOLD THRE1 *5
O DYNAMICS2 THRESHOLD THRE2 *6
O DIGITAL GAIN D.GAIN
OEQ ATT ATT
OINPUT DELAY DELAY
Le unità di misura
sono m, ms, ft e fr.
Nessuna descrizione
per i campioni.
ODIRECT OUT LEVEL D.OUT
O SURROUND L-R PAN L/R *7
O SURROUND F-R PAN F/R *8
O SURROUND ROUND PAN L/R e F/R
O SURROUND DIV DIV
O SURROUND LFE LFE
PAN
GUADA-
GNO ASSEGNA-
ZIONE
Funzione
PARAMETRO 1 PARAMETRO 2

Setup
Manuale di riferimento
227
Funzioni della manopola GAIN/PAN/ASSIGN
(encoder assegnabile)
In CL V1.7 e versioni successive, le funzioni seguenti sono state aggiunte alla modalità
SENDS ON FADER.
Quando si utilizzano i tasti [GAIN/PAN/ASSIGN] sul pannello
superiore per selezionare ASSIGN
Utilizzare gli encoder assegnabili per regolare il livello dei canali.
Indicazione del display dei nomi dei canali
Quando si utilizzano i tasti [GAIN/PAN/ASSIGN] sul pannello
superiore per selezionare PAN
Utilizzare gli encoder assegnabili per regolare PAN mandato dai canali al bus MIX/MATRIX
(bus impostato per la mandata stereo nella schermata BUS SETUP).
Indicazione del display dei nomi dei canali
Banco di fader personalizzato
I gruppi che organizzano i canali instradati ai fader del pannello superiore sono denominati
"banchi di fader".
Sono presenti gruppi di canali di ingresso e uscita, oltre a banchi di fader personalizzati.
Questi consentono di selezionare varie combinazioni di canali, a prescindere dal tipo.
In questa sezione è spiegato come configurare un banco di fader personalizzato.
NOTA
• Se è stato eseguito l'accesso come Administrator, è anche possibile attivare il pulsante
FOR GUEST per accedere alla pagina CUSTOM FADER BANK/MASTER FADER for Guest
e definire le impostazioni per il banco di fader personalizzato per l'utente Guest.
• È anche possibile premere i pulsanti di assegnazione del fader per assegnare i canali ai fader.
Livelli del canale
Eseguire la regolazione con l'encoder assegnabile.
Livello di mandata al bus MIX/MATRIX
Eseguire la regolazione con il fader sul pannello superiore.
PAN mandato dal canale al bus MIX/MATRIX
Eseguire la regolazione con l'encoder assegnabile.
Livello di mandata al bus MIX/MATRIX
Eseguire la regolazione con il fader sul pannello superiore.
STEP
1.
Nell'area di accesso alle funzioni premere il pulsante SETUP.
2.
Nella schermata SETUP premere il pulsante USER SETUP.
3.
Nella finestra USER SETUP premere il tab CUSTOM FADER.
4.
Utilizzare i tasti di selezione banco per richiamare le impostazioni di fader nel
pannello superiore per i canali da aggiungere al banco di fader personalizzato.
5.
Nella pagina CUSTOM FADER BANK/MASTER FADER, premere il pulsante
Bank Select per il banco di fader personalizzato che si desidera configurare.
6.
Nel campo FADER premere il pulsante di selezione relativo al fader da configurare.
7.
Premere un tasto [SEL] sul pannello superiore per assegnare un canale al numero
di fader selezionato al punto 6.
8.
Per assegnare i canali ad altri fader, ripetere i passaggi da 5 a 7.
Finestra USER SETUP
(pagina CUSTOM FADER BANK/
MASTER FADER)

Setup
Manuale di riferimento
228
Schermata USER SETUP
(Pagina CUSTOM FADER BANK/MASTER FADER)
Campo CUSTOM FADER BANK/MASTER FADER
1
Pulsanti di selezione banco
Consentono di selezionare un banco di fader personalizzato al quale assegnare
un gruppo di canali.
Il numero e il nome di banchi di fader personalizzati varia in base al modello di console.
CL5:
A1, A2, B1, C1, C2, C3, C4, C5, C6
CL3:
A1, A2, A3, B1, B2
CL1:
A1, B1, B2, B3, B4
2
Pulsante MASTER
Premere questo pulsante per impostare i canali che saranno controllati dai fader
nella sezione fader master.
3
Indicatori di blocco
Visualizzano la grafica del blocco del pannello superiore e i fader che sono
la destinazione corrente per la modifica.
La grafica varia in base al modello di console.
CL5:
A (16 fader), B, C, MASTER
CL3:
A (16 fader), B, MASTER
CL1:
A (8 fader), B, MASTER
Campo FADER
4
Pulsante di selezione fader
Consente di selezionare il fader di destinazione. Premere questo pulsante per
selezionarlo, quindi premere i tasti [SEL] sul pannello superiore per aggiungere
i canali corrispondenti al banco di fader selezionato.
5
Pulsante di selezione dell'assegnazione fader
Consente di aprire la finestra di selezione dell'assegnazione fader nella quale
è possibile modificare il canale assegnato al fader.
6
Pulsante CLEAR ALL (CANCELLA TUTTO)
Consente di cancellare tutta l'assegnazione del banco di fader corrente. Premendo
questo pulsante verrà visualizzata una finestra di dialogo di conferma. Premere OK
per cancellare l'assegnazione. In caso contrario, premere CANCEL (ANNULLA) per
tornare alla schermata precedente senza modificare l'impostazione.
Fader master
È possibile impostare i canali che saranno controllati dai due fader nella sezione fader master.
NOTA
Se è stato eseguito l'accesso come Administrator, è anche possibile attivare il pulsante
FOR GUEST per accedere alla pagina CUSTOM FADER BANK/MASTER FADER for Guest
e definire le impostazioni del fader master per l'utente Guest.
1
2
6
4
3
5
STEP
1.
Nell'area di accesso alle funzioni, premere il pulsante SETUP.
2.
Nella schermata SETUP premere il pulsante USER SETUP.
3.
Nella finestra USER SETUP premere il tab CUSTOM FADER.
4.
Nella pagina CUSTOM FADER BANK/MASTER FADER premere il pulsante MASTER.
5.
Nel campo FADER premere il pulsante numerico relativo al fader da configurare.
6.
Premere un tasto [SEL] sul pannello superiore per assegnare un canale al numero
di fader selezionato al punto 5.
Finestra USER SETUP (pagina CUSTOM
FADER BANK/MASTER FADER)

Setup
Manuale di riferimento
229
Funzioni dei banchi di fader personalizzati
Le impostazioni dei banchi di fader personalizzati possono essere memorizzate/richiamate
per le singole scene.
Le impostazioni dei banchi di fader personalizzati sono memorizzate nei dati delle scene
in aree separate per ciascun modello.
NOTA
Le impostazioni dei banchi di fader personalizzati sono diverse nei vari modelli e non sono
compatibili. Ad esempio, le impostazioni dei banchi di fader personalizzati incluse nelle scene
memorizzate in CL5 non possono essere riprodotte se la stessa scena viene richiamata in CL3
o CL1. È necessario creare e memorizzare le impostazioni dei banchi di fader personalizzati
in CL3 e CL1.
Precauzioni durante il caricamento dei dati della console
In V2.0 e versioni successive, le impostazioni dei banchi di fader personalizzati non sono
incluse nelle impostazioni utente, ma nei dati delle scene. Le impostazioni dei banchi di fader
personalizzati che vengono richiamate variano a seconda dell'utente connesso, del tipo di
dati caricati e della versione. Tenere presente i seguenti punti:
• Se si caricano i dati della console del tipo ALL come amministratore, vengono richiamate
le impostazioni dei banchi di fader personalizzati per l'Administrator salvato.
Se si caricano i dati ALL come utente Guest o di altro tipo, vengono richiamate
le impostazioni dei banchi di fader personalizzati per la scena corrente salvata.
• Se si caricano i dati ALL salvati in CL V1.70 o versioni precedenti, poiché le scene non
includono le impostazioni dei banchi di fader personalizzati, tali impostazioni per la scena
corrente al momento dell'esecuzione del caricamento vengono applicati a tutte le scene.
Pertanto, prima di caricare i dati ALL, si consiglia di cambiare utente per selezionare
l'impostazione desiderata dei banchi di fader personalizzati oppure di abilitare Recall Safe
per il banco di fader personalizzato.
Console Lock (Blocco console)
È possibile bloccare temporaneamente le operazioni della console per impedire azioni
indesiderate. Questa impostazione disattiva completamente le operazioni del pannello, per
cui i controller non possono essere azionati da movimenti accidentali né da terze parti non
autorizzate mentre ad esempio l'operatore fa una pausa.
Se è stata impostata una password per l'utente correntemente collegato, questa password
verrà utilizzata per la funzione Console Lock. Quando la funzione Console Lock è abilitata,
verrà visualizzata la schermata CONSOLE LOCK e tutti i controller (tranne la manopola
MONITOR LEVEL (LIVELLO MONITORAGGIO)) diventeranno inutilizzabili.
NOTA
• Se si è dimenticata la password, vedere "Inizializzazione dell'unità alle impostazioni di fabbrica
dell'unità" a pagina 265.
• L'account Guest non può impostare una password.
• Anche quando la console è bloccata, il controllo da un dispositivo esterno tramite MIDI
o CL Editor funzionerà normalmente.
Blocco della console
CL5
Console CL5
Richiamo Memori-
zzazione Memori-
zzazione Memori-
zzazione
Richiamo Richiamo
CL3 CL1
Console CL3 Console CL1
Impostazioni dei banchi di fader personalizzati
STEP
1.
Nell'area di accesso alle funzioni, premere il pulsante SETUP.
2.
Nella schermata SETUP premere il pulsante CONSOLE LOCK.
3.
Se è stato eseguito l'accesso come utente per cui è impostata una password,
immettere la password per l'utente.
4.
Premere il pulsante OK per attivare la funzione Console Lock.

Setup
Manuale di riferimento
230
Sblocco della console
NOTA
Se è stato eseguito l'accesso come utente per cui non è impostata alcuna password,
la console verrà sbloccata quando si tocca lo schermo CONSOLE LOCK.
Selezione dell'immagine della schermata CONSOLE LOCK
Se un file di immagine è stato salvato in un'unità di memoria flash USB, è possibile
visualizzare l'immagine sulla schermata CONSOLE LOCK.
Nella finestra SAVE/LOAD (SALVA/CARICA), specificare il file di immagine che si desidera
visualizzare e caricarlo dall'unità di memoria flash USB. Per ulteriori informazioni sul
caricamento dei file dall'unità di memoria flash USB, vedere "Caricamento di un file di testo
da un'unità di memoria flash USB" a pagina 233.
NOTA
Il formato del file di immagine supportato è BMP in 800 x 600 pixel e 16/24/32 bit, che sarà
convertito in 16 bit per la visualizzazione.
Salvataggio e caricamento di dati di configurazione
in e da un'unità di memoria flash USB
È possibile collegare un'unità di memoria flash USB disponibile in commercio al connettore
USB situato sul lato destro della schermata e salvare le impostazioni interne e le chiavi di
autenticazione utente della console della serie CL nell'unità di memoria flash USB o caricarle
direttamente dall'unità di memoria flash USB.
ATTENZIONE
Viene visualizzata l'indicazione ACCESS (ACCESSO) nell'area di accesso alla funzione durante
l'accesso ai dati (salvati, caricati o eliminati). In questa fase, non scollegare la porta USB né
spegnere l'unità CL, poiché ciò potrebbe danneggiare i dati presenti sull'unità di memoria flash.
NOTA
• Il funzionamento è garantito solo per unità di memoria flash USB.
• È stato verificato il funzionamento di unità di memoria flash USB con capacità fino a 32 GB.
Tuttavia, ciò non garantisce necessariamente il funzionamento di tutte le unità di memoria flash
USB. Sono supportati i formati FAT16 e FAT32. Un'unità di memoria flash USB con capacità di
4 GB o superiore sarà formattata in FAT32 e un'unità di memoria flash USB con capacità di 2 GB
o inferiore sarà formattata in FAT16.
Funzionamento di base
STEP
1.
Premere la schermata CONSOLE LOCK.
2.
Se è stato eseguito l'accesso come utente per cui è impostata una password,
immettere la password per l'utente, quindi premere il pulsante OK.
Schermata SETUP
STEP
1.
Nell'area di accesso alle funzioni premere il pulsante SETUP.
2.
Nella schermata SETUP premere il pulsante SAVE/LOAD.
3.
Salvare/caricare/modificare i dati.
Schermata SETUP

Setup
Manuale di riferimento
231
Finestra SAVE/LOAD
L'elenco visualizzerà i file e le directory secondarie salvate.
1
Pulsante COPY (COPIA)
Consente di copiare un file in un buffer di memoria (un'area di archiviazione temporanea).
2
Pulsante PASTE
Consente di incollare il file copiato in un buffer di memoria.
3
Pulsante DELETE (ELIMINA)
Elimina il file selezionato.
NOTA
È possibile eliminare solo una directory vuota. In caso contrario, viene visualizzato il messaggio
"Directory Not Empty!".
4
Pulsante MAKE DIR (CREA DIRECTORY)
Consente di creare una nuova directory.
5
PATH (PERCORSO)
Indica il nome della directory corrente. Premere il pulsante freccia per spostarsi al livello
immediatamente superiore. Se la directory corrente è al livello più alto, il pulsante freccia
è visualizzato in grigio.
6
VOLUME NAME/FREE SIZE (NOME VOLUME/DIM. MEMORIA LIBERA)
Indica il nome del volume e la quantità di spazio libero sull'unità di memoria flash USB.
Se l'unità di memoria flash USB è protetta da scrittura, nel campo VOLUME NAME
verrà riportato un simbolo di protezione.
7
Elenco dei file
In quest'area vengono elencati i file e le sottodirectory salvati nell'unità di memoria flash
USB. La riga evidenziata indica il file selezionato per le operazioni.
L'elenco di file contiene gli elementi indicati di seguito. Se si preme il nome di un
elemento, l'elemento verrà visualizzato in arancione e l'elenco verrà ordinato in base
a tale elemento. Ogni volta che si preme il nome dell'elemento, verrà alternato
l'ordinamento crescente con quello decrescente.
•FILE NAME.....................................Indica il nome del file o della directory e mostra
un'icona che ne indica il tipo.
•COMMENT .....................................In questo campo è visualizzato il commento
aggiunto al file di impostazioni della console CL.
È possibile premere quest'area per aprire una
finestra con tastiera che consente di immettere un
commento per il file.
•READ ONLY (SOLA LETTURA) ....Un simbolo di blocco in questa colonna indica che
il file corrispondente è protetto. È possibile
premere quest'area per attivare o disattivare
l'impostazione di protezione.
Non è possibile sovrascrivere i file protetti.
•TYPE (TIPO)...................................Indica il tipo di file.
ALL (TUTTI): file contenente le impostazioni interne CL
KEY (CHIAVE): chiave di autenticazione utente
XML: file di Help
BMP: file di immagine bitmap
MP3: file MP3
[DIR]: directory
NOTA
• Se la versione del formato di file è precedente alla V1.70, nella
seconda riga di questo campo viene visualizzato "old" (obsoleto). È
possibile caricare i dati anche se appare “old”.
• Se la versione della console è V2 o successiva, è possibile caricare
dati di qualsiasi versione.
•TIME STAMP ..............Indica la data e l'ora dell'ultima modifica del file.
8
Manopola di selezione file
Consente di selezionare un file dall'elenco di file. Per utilizzare questa manopola
è possibile utilizzare la manopola multifunzione.
9
Pulsante SAVE
Consente di salvare tutte le impostazioni interne della console CL insieme (pagina 232).
0
Pulsante LOAD
Consente di caricare il file di impostazioni selezionato dell'unità CL (pagina 233).
A
Pulsante CREATE USER KEY
Consente di creare una chiave di autenticazione utente (pagina 207).
B
Pulsante FORMAT (FORMATTA)
Consente di inizializzare l'unità di memoria flash USB (pagina 236).
Se si verifica un sovraccarico di corrente sulla porta USB, questo pulsante viene sostituito
da un pulsante USB REMOUNT (RIMONTAGGIO USB). Premere questo pulsante per
rimontare un'unità di memoria flash USB (pagina 237).
C
Pulsante WITH DANTE SETUP (CON CONFIGURAZIONE DANTE) e RACK I/O
Se il pulsante è disattivato, le impostazioni DANTE SETUP e dispositivo I/O nonché
quelle del wordclock saranno omesse se si carica il file di impostazioni.
1 2 3 45 6
7
8 9 0 A BC

Setup
Manuale di riferimento
232
NOTA
Le impostazioni DANTE SETUP, SECONDARY PORT (PORTA SECONDARIA) e CONSOLE ID
(ID CONSOLE) non cambiano anche se il pulsante "WITH DANTE SETUP E RACK I/O" è attivo.
Salvataggio dei dati interni della console CL su un'unità
di memoria flash USB
Tutti i dati interni della console della serie CL possono essere salvati in un'unità di memoria
flash USB come file di impostazioni. Il file salvato avrà l'estensione ".CLF".
Schermata SAVE SELECT (SALVA SELEZIONE)
1
Campo TYPE
Consente di specificare i tipi di dati da salvare. La vista del campo TYPE varia in base
al tab selezionato.
•Tab ALL
Questo pulsante consente di selezionate tutti gli elementi.
•Tab SCENE
Questo pulsante consente di selezionare memorie scene.
• Tab INPUT/OUTPUT
Nella tabella riportata di seguito vengono elencati tutti gli elementi che è possibile
selezionare.
• Scheda EFFECT/GEQ
Nella tabella riportata di seguito vengono elencati tutti gli elementi che è possibile
selezionare.
•Scheda PREMIUM
Nella tabella riportata di seguito vengono elencati tutti gli elementi che è possibile
selezionare.
STEP
1.
Nella finestra SAVE/LOAD premere il pulsante SAVE.
2.
Nella schermata SAVE SELECT selezionare i dati da salvare, il tipo di dati
e la destinazione di salvataggio.
3.
Nella schermata SAVE SELECT premere il pulsante SAVE.
4.
Immettere un nome file e il commento.
5.
Premere il pulsante SAVE per eseguire l'operazione di salvataggio.
1
47654
23
Pulsante Contenuto dati
IN CH LIB Libreria canali di ingresso
OUT CH LIB Libreria canali di uscita
IN EQ LIB Libreria EQ di ingresso
OUT EQ LIB Libreria EQ di uscita
DYNA LIB Libreria dinamiche
Pulsante Contenuto dati
EFFECT LIB Libreria effetti
GEQ LIB Libreria GEQ
8PEQ LIB Libreria 8Band PEQ
Pulsante Contenuto dati
5033 LIB Libreria Portico 5033
5043 LIB Libreria Portico 5043
U76 LIB Libreria U76
Opt-2A LIB Libreria Opt-2A
EQ-1A LIB Libreria EQ-1A
DynaEQ LIB Libreria DynamicEQ
BussComp LIB Libreria Buss Comp 369
MBC4 LIB Libreria MBC4

Setup
Manuale di riferimento
233
•Scheda SETUP
Nella tabella riportata di seguito vengono elencati tutti gli elementi che è possibile
selezionare.
NOTA
Quando gli elementi della porta di uscita vengono salvati singolarmente, le assegnazioni
dei canali per la porta non verranno salvate. Per evitare questo problema, salvare la scena
contenente l'assegnazione di ingresso/uscita anche per l'assegnazione dei canali.
2
Campo SOURCE (ORIGINE)
Indica i dati interni della console della serie CL.
3
Campo DESTINATION (DESTINAZIONE)
Indica la destinazione di salvataggio.
4
Manopola di selezione dati
Questa manopola consente di selezionare i dati mostrati nel campo.
5
Pulsante MULTI SELECT
Premere questo pulsante per eseguire una selezione contenente più dati.
6
Pulsante SELECT ALL
Premere questo pulsante per selezionare tutti gli elementi.
7
Pulsante CLEAR ALL
Premere questo pulsante per cancellare tutte le selezioni.
NOTA
• Per selezionare una directory diversa come destinazione di salvataggio, nella finestra
SAVE/LOAD premere un'icona di directory oppure premere il pulsante freccia nel campo PATH.
• Se si sovrascrive o viene salvato un file con lo stesso nome nella stessa cartella, una finestra
di dialogo chiederà di confermare la sovrascrittura.
• È possibile immettere un commento di un massimo di 32 caratteri.
• È possibile immettere un nome file di oltre otto caratteri. Tuttavia, il nome dell'unità, il nome del
percorso e il nome file non possono essere costituiti da più di 256 caratteri. Se si supera questo
limite, non sarà possibile salvare il file, a seconda della lunghezza del nome file. Se questa
indicazione di errore viene visualizzata nella parte inferiore della schermata, accorciare il nome
file e tentare di salvare nuovamente il file.
Caricamento di un file di testo da un'unità di memoria
flash USB
Procedere come segue per caricare un file di impostazioni CL (estensione .CLF) dall'unità
di memoria flash USB nella console della serie CL.
È possibile seguire la stessa procedura per caricare i file seguenti nonché i file
di impostazioni.
ATTENZIONE
Alcuni dati possono contenere impostazioni che causano la trasmissione di segnali da parte
della console subito dopo il caricamento dei dati. Prima del caricamento, spegnere i dispositivi
collegati alla console della serie CL e/o abbassare il volume in modo che non ci siano problemi
anche nel caso in cui venga emesso un segnale dalla console CL.
NOTA
• Al termine del caricamento del file, la finestra che ne indica l'avanzamento e il tipo di dati verrà
chiusa. Anche se si annulla l'operazione durante l'esecuzione, i dati convertiti fino al momento
dell'annullamento verranno comunque caricati.
• Alcuni dati di impostazione potrebbero non essere caricati, in base all'impostazione
USER LEVEL attiva durante l'operazione di caricamento.
Pulsante Contenuto dati
MIXER SETUP Configurazione mixer
OUTPUT PORT Porta di uscita
MONITOR CUE/MONITOR/OSCILLATOR/TALKBACK
MIDI SETUP Configurazione MIDI
MIDI PGM Program change MIDI
MIDI CTL Control change MIDI
Dante In Patch Libreria di assegnazione degli ingressi Dante
Estensione Tipo Contenuto del file
.CLF ALL (TUTTI) File di impostazioni interno della console CL
.CLU KEY Chiave di autenticazione utente della console CL
.XML XML File XML per la visualizzazione dell'Help
.TXT TESTO File di testo per la visualizzazione della Guida
.BMP BMP File di immagine per la visualizzazione nella schermata
CONSOLE LOCK (formato bitmap non compresso, 256 o più colori)
STEP
1.
Per selezionare il file da caricare, premere il nome del file desiderato nell'elenco
nella finestra SAVE/LOAD oppure ruotare la manopola [TOUCH AND TURN].
2.
Se si desidera salvare le impostazioni DANTE SETUP e correlate al dispositivo I/O
nel file delle impostazioni CL (file con estensione .CLF) e le impostazioni del
wordclock da applicare alla console CL, premere il pulsante WITH DANTE
SETUP AND I/O DEVICE per attivarlo.
3.
Nella finestra SAVE/LOAD premere il pulsante LOAD.
4.
Nella schermata LOAD SELECT, selezionare i dati da caricare, il tipo di dati
e la destinazione di caricamento.
5.
Premete il pulsante LOAD per caricare il file selezionato.

Setup
Manuale di riferimento
234
Schermata LOAD SELECT (CARICA SELEZIONE)
1
Campo TYPE
Indica il tipo di dati da caricare. La visualizzazione varia in base al tab selezionato.
NOTA
La versione della console al momento in cui sono stati salvati i dati è visualizzata in alto a destra.
Se non sono stati salvati dati, verrà visualizzato il messaggio "NO DATA" (Nessun dato). Se sono
stati salvati dei dati ma non è possibile stabilire la versione, verrà visualizzato "later than V4.00"
(successiva a V4.00).
•Tab ALL
Questo pulsante consente di selezionate tutti gli elementi.
•Tab SCENE
Questo pulsante consente di selezionare memorie scene.
• Tab INPUT/OUTPUT
Nella tabella riportata di seguito vengono elencati tutti gli elementi che è possibile
selezionare.
• Scheda EFFECT/GEQ
Nella tabella riportata di seguito vengono elencati tutti gli elementi che è possibile
selezionare.
•Scheda PREMIUM
Nella tabella riportata di seguito vengono elencati tutti gli elementi che è possibile
selezionare.
•Scheda SETUP
Nella tabella riportata di seguito vengono elencati tutti gli elementi che è possibile
selezionare.
NOTA
Quando gli elementi della porta di uscita vengono caricati singolarmente, le assegnazioni dei
canali per la porta non verranno applicate. Per evitare questo problema, caricare e richiamare
la scena contenente l'assegnazione di ingresso/uscita per l'assegnazione dei canali.
Pulsante Contenuto dati
IN CH LIB Libreria canali di ingresso
OUT CH LIB Libreria canali di uscita
IN EQ LIB Libreria EQ di ingresso
OUT EQ LIB Libreria EQ di uscita
DYNA LIB Libreria dinamiche
1
47654
23
Pulsante Contenuto dati
EFFECT LIB Libreria effetti
GEQ LIB Libreria GEQ
8PEQ LIB Libreria 8Band PEQ
Pulsante Contenuto dati
5033 LIB Libreria Portico 5033
5043 LIB Libreria Portico 5043
U76 LIB Libreria U76
Opt-2A LIB Libreria Opt-2A
EQ-1A LIB Libreria EQ-1A
DynaEQ LIB Libreria DynamicEQ
BussComp LIB Libreria Buss Comp 369
MBC4 LIB Libreria MBC4
Pulsante Contenuto dati
MIXER SETUP Configurazione mixer
OUTPUT PORT Porta di uscita
MONITOR CUE/MONITOR/OSCILLATOR/TALKBACK
MIDI SETUP Configurazione MIDI
MIDI PGM Program change MIDI
MIDI CTL Control change MIDI
Dante In Patch Libreria di assegnazione degli ingressi Dante

Setup
Manuale di riferimento
235
•Tab ADMIN
Nella tabella riportata di seguito vengono elencati tutti gli elementi che è possibile
selezionare.
2
Campo SOURCE
In quest'area sono riportati i dati salvati nell'unità di memoria flash USB.
3
Campo DESTINATION
Indica la destinazione di caricamento.
4
Manopola di selezione dati
Questa manopola consente di selezionare i dati mostrati nel campo.
5
Pulsante MULTI SELECT
Premere questo pulsante per eseguire una selezione contenente più dati.
6
Pulsante SELECT ALL
Premere questo pulsante per selezionare tutti gli elementi.
7
Pulsante CLEAR ALL
Premere questo pulsante per cancellare tutte le selezioni.
Modifica dei file salvati nell'unità di memoria flash USB
Procedere come segue per eseguire operazioni di modifica quali l'ordinamento di file
e directory nell'unità di memoria flash USB, la modifica di nomi file o commenti, operazioni
di copia e incolla.
Ordinamento dei file
Per ordinare i file, premere una delle intestazioni "FILE NAME", "COMMENT", "READ ONLY",
"FILE TYPE" o "TIME STAMP" nella parte superiore di ciascuna colonna nella finestra SAVE/
LOAD. L'elenco verrà ordinato nel modo seguente, in base all'intestazione di colonna
premuta.
1
FILE NAME
Consente di ordinare l'elenco in base all'ordine numerico/alfabetico dei nomi file.
2
COMMENT
Consente di ordinare l'elenco in base all'ordine numerico/alfabetico dei commenti.
3
READ ONLY
Consente di ordinare l'elenco secondo lo stato di protezione da scrittura attivato/
disattivato.
4
TYPE
Consente di ordinare l'elenco secondo il tipo di file.
5
TIME STAMP
Consente di ordinare l'elenco in base alla data e all'ora di aggiornamento.
NOTA
Premendo di nuovo la stessa posizione, è possibile modificare la direzione (ordine crescente
o decrescente) in cui è ordinato l'elenco.
Modifica di nomi file/commenti
NOTA
Non è possibile modificare il nome file o il commento di un file protetto da scrittura.
Tipo Contenuto dati
ADMIN PREF PREFERENCE (per l'amministratore)
ADMIN UDEF USER DEFINED KEYS/USER DEFINED KNOBS
(per l'amministratore)
ADMIN FADER CUSTOM FADER BANK (per l'amministratore)
GUEST PREF PREFERENCE (per l'utente Guest)
GUEST UDEF USER DEFINED KEYS/USER DEFINED KNOBS
(per l'utente Guest)
GUEST FADER CUSTOM FADER BANK (per l'utente Guest)
GUEST LEVEL USER LEVEL (per l'utente Guest)
STEP
1.
Nella finestra SAVE/LOAD premere il campo FILE NAME o COMMENT di ciascun file.
2.
Immettere un nome file o un commento nella finestra con tastiera e premere
il pulsante RENAME (RINOMINA) o SET (IMPOSTA).
1 2 3 4 5

Setup
Manuale di riferimento
236
Operazioni di copia e incolla di un file
Procedere come segue per copiare un file nella memoria buffer per poi incollarlo con un nome
file diverso.
NOTA
Non è possibile utilizzare un nome file già esistente quando si incolla un file.
Eliminazione di un file
NOTA
Non è possibile eliminare un file protetto.
Creazione di una directory
NOTA
Non è possibile creare una directory utilizzando un nome di directory esistente.
Formattazione di un'unità di memoria flash USB
Procedere come segue per formattare un'unità di memoria flash USB.
Un'unità di memoria flash USB con capacità di 4 GB o superiore sarà formattata in FAT32
e un'unità di memoria flash USB con capacità di 2 GB o inferiore sarà formattata in FAT16.
STEP
1.
Ruotare la manopola multifunzione per selezionare il file di origine della copia,
quindi premere il pulsante COPY nella finestra SAVE/LOAD.
2.
Premere l'icona di directory o il pulsante freccia nel campo PATH per spostare
la directory nella quale si desidera incollare il file.
3.
Premere il pulsante PASTE (INCOLLA).
4.
Immettere il nome del file e premere il pulsante PASTE.
STEP
1.
Ruotare la manopola multifunzione per selezionare un file da eliminare,
quindi premere il pulsante DELETE nella finestra SAVE/LOAD.
2.
Per eseguire l'operazione di eliminazione, premere il pulsante OK.
STEP
1.
Premere l'icona di directory o il pulsante freccia nel campo PATH della finestra
SAVE/LOAD per modificare la directory.
2.
Premere il pulsante MAKE DIR.
3.
Immettere il nome della directory da creare e premere il pulsante MAKE (CREA).
STEP
1.
Nell'area di accesso alle funzioni premere il pulsante SETUP.
2.
Nella schermata SETUP premere il pulsante SAVE/LOAD.
3.
Nella finestra SAVE/LOAD premere il pulsante FORMAT.
4.
Immettere un nome di volume e premere il pulsante FORMAT.
5.
Per eseguire l'operazione di formattazione, premere il pulsante OK.
Finestra SAVE/LOAD

Setup
Manuale di riferimento
237
Ripristino dopo picco da sovracorrente a livello della
porta USB
Anche se il collegamento con il dispositivo USB è stato interrotto a causa del sovraccarico
di corrente a livello della porta USB, è adesso possibile utilizzare di nuovo il dispositivo USB
senza spegnere e riaccendere la console.
Procedura di ripristino
Dopo avere rimosso la causa del sovraccarico di corrente a livello della porta USB, premere la
posizione che mostra "USB REMOUNT" (RIMONTAGGIO USB) dal pulsante FORMAT
(FORMATTA) della finestra SAVE/LOAD.
Funzione per rimontare le unità flash USB aggiunta
Se l'unità flash USB non è stata montata, il pulsante FORMAT viene sostituito dal pulsante
USB REMOUNT. Premere questo pulsante per montare un'unità flash USB. Utilizzare questo
pulsante se l'unità flash USB non viene riconosciuta dopo che è stata rimossa e reinserita.
Impostazioni di wordclock e slot
Con l'espressione "wordclock" si indica l'orologio che fornisce la base di temporizzazione
per l'elaborazione del segnale audio digitale. Per inviare e ricevere segnali audio digitali tra
i dispositivi, questi ultimi devono essere sincronizzati con lo stesso wordclock. Se i segnali
audio digitali vengono trasferiti senza avere eseguito la sincronizzazione, i dati potrebbero
non essere trasmessi o ricevuti in modo corretto e nel segnale potrebbe essere presente
un disturbo, anche se le frequenze di campionamento sono identiche.
Nello specifico, è necessario innanzitutto decidere quale dispositivo trasmetterà il word clock
di riferimento per l'intero sistema (word clock master), quindi impostare gli altri dispositivi
(word clock slave) affinché siano sincronizzati con quello principale.
Se si desidera utilizzare una console della serie CL come word clock slave sincronizzato con il
word clock fornito da un dispositivo esterno, sarà necessario specificare la sorgente clock
appropriata (porta di acquisizione del word clock).
In questa sezione viene illustrato come selezionare la sorgente clock che verrà utilizzata
dalla console della serie CL.
STEP
1.
Nell'area di accesso alle funzioni, premere il pulsante SETUP.
2.
Nel campo SYSTEM SETUP della schermata SETUP premere il pulsante
WORD CLOCK/SLOT SETUP.
3.
Nel campo MASTER CLOCK SELECT della finestra WORD CLOCK/SLOT SETUP
selezionare una sorgente clock.
4.
Premere il simbolo "x" nella parte superiore destra per chiudere la finestra.
Schermata SETUP Finestra WORD CLOCK/SLOT SETUP

Setup
Manuale di riferimento
238
Finestra WORD CLOCK/SLOT SETUP
Campo MASTER CLOCK SELECT (SELEZIONE CLOCK MASTER)
1
Display della frequenza del clock master
Indica la frequenza (44,1 kHz o 48 kHz) del clock master correntemente selezionato.
Se l'unità non è sincronizzata con il clock master, verrà visualizzata l'indicazione
"UNLOCK" (SBLOCCA).
NOTA
• Se è stato specificato il pull-up/down della frequenza di
campionamento nell'applicazione Dante Controller, in quest'area
viene indicata la variazione della frequenza di campionamento
come valore percentuale, ad esempio –4,0%, –0,1%, +0,1% e +4,1667%.
• Per modificare il clock master se è stato specificato il pull-up/down della frequenza di
campionamento, disattivare il pull-up/down in Dante Controller, modificare il clock master,
quindi specificare di nuovo il pull-up/down.
2
Pulsanti di selezione del master clock
Utilizzare questi pulsanti per selezionare la sorgente clock che si desidera impostare
come wordclock master fra le opzioni riportate di seguito:
• INT 48 k
• INT 44,1 k
Il clock interno alla console CL (frequenza di campionamento 48 kHz o 44,1 kHz) sarà la
sorgente clock.
• WORD CLOCK IN (INGRESSO WORDCLOCK)
Il wordclock fornito dal jack WORD CLOCK IN sul pannello posteriore della console verrà
utilizzato come sorgente clock.
• DANTE 48 k
• DANTE 44,1 k
Il wordclock fornito dal jack Dante sul pannello posteriore della console verrà utilizzato
come sorgente clock.
NOTA
Con CL V2.03 e versioni successive, se si inizializza la console alle impostazioni di fabbrica,
il valore predefinito per il wordclock è impostato su DANTE 48k. Ciò consente di sincronizzare
il wordclock anche quando si utilizzano più console CL e QL con le impostazioni predefinite.
•SLOT 1-3
Il wordclock fornito tramite una scheda I/O digitale installata in uno slot della console
verrà utilizzato come sorgente clock. Il wordclock può essere selezionato a coppie
per ciascuno slot.
3
Indicatore dello stato del clock
Indica lo stato della console come master o slave nella rete audio Dante.
NOTA
Quando è visualizzata l'indicazione e il wordclock specificato non
è sincronizzato con un dispositivo che funge da master Dante, l'audio potrebbe venire escluso.
4
Display dello stato del clock
Indica lo stato di sincronizzazione con il clock master per ciascuna sorgente clock.
Di seguito viene illustrato ciascun indicatore:
• LOCKED (azzurro)
Indica che l'ingresso proviene da un clock sincronizzato con la sorgente clock
selezionata. Se al connettore o allo slot corrispondente viene connesso un dispositivo
esterno, l'ingresso/uscita tra il dispositivo e la console della serie CL si verificherà
correttamente. Se la frequenza di campionamento è simile, lo stato può essere
visualizzato anche in assenza di sincronizzazione.
• LOCKED, BUT NOT SYNC'ED (BLOCCO; SENZA SINCRONIA) (giallo)
Indica che l'ingresso proviene da un clock valido, ma non è sincronizzato con la sorgente
clock selezionata. Se al connettore corrispondente viene connesso un dispositivo
esterno, l'ingresso/uscita tra il dispositivo e la console della serie CL non potrà
verificarsi correttamente.
• SRC ON (SRC ATTIVO) (verde)
Si tratta di uno stato speciale che si applica soltanto a SLOT1-3. Indica che l'SCR
(convertitore della frequenza di campionamento) è abilitato per il canale
corrispondente. Ciò significa che anche in assenza di sincronizzazione, l'ingresso/
uscita con la console della serie CL funzionerà normalmente.
• UNLOCKED (NON BLOCCATO) (rosso)
Nessun clock valido in ingresso. Se al connettore corrispondente viene connesso
un dispositivo esterno, l'ingresso/uscita tra il dispositivo e la console della serie CL
non potrà verificarsi correttamente.
3
1
5
2
4
7
6
8
Master
Slave

Setup
Manuale di riferimento
239
• UNKNOWN (SCONOSCIUTO) (nero)
Indica che non è possibile rilevare lo stato del clock perché non è collegato alcun
dispositivo esterno o perché non esiste un ingresso da un clock valido. Sarà possibile
selezionare il connettore/slot, ma la sincronizzazione non riuscirà fino a quando non
viene stabilita una connessione valida.
NOTA
• Se l'indicatore del clock selezionato non diventa di colore azzurro, accertarsi che il dispositivo
esterno sia collegato correttamente e impostato per trasmettere i dati di clock.
• La modifica delle impostazioni del wordclock potrebbe produrre dei disturbi sui jack di uscita.
Per proteggere il sistema di altoparlanti, accertarsi di aver disattivato il volume degli amplificatori
prima di modificare l'impostazione del wordclock.
• Se si tenta di selezionare un canale (per cui è attivato il convertitore SRC) come sorgente
word clock, verrà visualizzato un messaggio che avvisa della disattivazione del convertitore
della frequenza di campionamento.
Campo SLOT SETUP
In questo campo è possibile configurare varie impostazioni correlate agli slot MY situati
sul pannello posteriore della console.
5
Nome scheda
Indica il tipo della scheda installata nello slot. Se non è installata alcuna scheda,
verrà visualizzato "----".
6
Pulsanti SRC
La funzione SRC (Sampling Rate Converter, convertitore della frequenza di
campionamento) può essere attivata o disattivata per uno slot in cui sia installata una
scheda MY (MY8-AE96S) che dispone della funzione SRC. Se è installata una scheda
diversa o se non è installata alcuna scheda, non verrà visualizzato alcun pulsante SRC.
7
Display FREQUENCY (FREQUENZA)
Indica la frequenza di campionamento dei segnali d'ingresso, se la scheda installata è in
grado di rilevare il substato dei segnali d'ingresso, come ad esempio una scheda AES/
EBU. Se è installata una scheda diversa o se non è installata alcuna scheda, verrà
visualizzato "----".
8
Display EMPHASIS STATUS (STATO ENFASI)
Presenta informazioni sull'enfasi dei segnali d'ingresso, se la scheda installata è in
grado di rilevare il substato dei segnali d'ingresso, come ad esempio una scheda
AES/EBU. Se è installata una scheda diversa o se non è installata alcuna scheda,
verrà visualizzato "----".
Uso dei collegamenti in cascata
L'utilizzo di più console della serie CL oppure di una console CL e di una console di missaggio
esterna (ad esempio una console Yamaha PM5D) collegate in cascata consente la
condivisione dei bus fra i dispositivi. Ciò può rivelarsi utile se si desidera utilizzare
un mixer esterno per aumentare il numero di ingressi.
In questa sezione vengono illustrati i collegamenti in cascata e il relativo funzionamento,
utilizzando un esempio in cui vengono collegate due unità CL in una configurazione
acascata.
Informazioni sui collegamenti in cascata
Per collegare in cascata due console della serie CL, è necessario prima installare due schede
I/O digitali negli slot appropriati, quindi collegare le porte di uscita dell'unità di mandata
(slave della cascata) alle porte d'ingresso dell'unità ricevente (master della cascata).
Nell'illustrazione che segue viene riportato un esempio in cui vengono installate tre schede
I/O digitali a otto canali per ciascuna unità nell'unità CL slave della cascata e nell'unità CL
master della cascata. Quindi i jack DIGITAL OUT (USCITA DIGITALE) dell'unità di invio
vengono collegati ai jack DIGITAL IN (INGRESSO DIGITALE) dell'unità ricevente.
In questo esempio, è possibile condividere fino a ventiquattro bus scelti tra bus MIX 1-24,
MATRIX 1-8, STEREO (L/R) (sinistra/destra), MONO (C) (centro) e CUE (SEGNALE
DI ATTIVAZIONE) (L/R) e i segnali mixati trasmessi dall'unità CL master della cascata.
(Se si utilizzano tre schede I/O digitali a sedici canali, sarà possibile condividere tutti i bus tra
i dispositivi). Quando vengono configurate le impostazioni richieste per lo slave della cascata
e il master della cascata, i segnali del bus dello slave della cascata verranno inviati tramite lo
slot ai bus del master della cascata, mentre i segnali combinati di entrambi i bus verranno
emessi dal master della cascata. Se la funzione Cascade Link è attivata, le operazioni
specificate o le modifiche dei parametri effettuate su una delle console della serie CL verranno
applicate anche all'altra console CL.
È necessario specificare le assegnazioni dei bus per ciascuno slot o canale su ciascuna
unità CL. La procedura riportata di seguito viene fornita separatamente per lo slave
della cascata e il master della cascata.
CL BCL A
DIGITAL
OUT DIGITAL
IN
Segnali audio
delle unità A + B
Segnali audio
dell'unità A
Scheda I/O digitale
(slave della cascata) (master della cascata)

Setup
Manuale di riferimento
240
NOTA
• In modalità Surround, è impossibile utilizzare l'uscita in cascata su bus MIX 1-6. Inoltre, se si
è selezionato 5.1 SOLO in modalità CUE, non è possibile monitorare CUE dallo slave della
cascata al master della cascata.
• Se si intende collegare in cascata l'unità CL e l'unità PM5D, è possibile utilizzare l'unità CL come
slave della cascata impostando il parametro CASCADE IN PORT SELECT (SELEZIONE PORTA
INGRESSO CASCATA) dell'unità PM5D su uno slot. Verranno tuttavia collegati in cascata solo
i segnali audio mentre non sarà possibile collegare i segnali di controllo.
• È inoltre possibile utilizzare una scheda AD/DA per eseguire collegamenti in cascata con
un mixer analogico.
• Non esiste alcun limite al numero di unità che possono essere collegate in cascata, tuttavia
il delay del segnale sullo slave della cascata aumenterà con l'aumentare del numero di unità
provenienti dal master della cascata.
Operazioni su un'unità CL slave della cascata
NOTA
• Non è possibile assegnare due o più bus alla stessa porta di uscita. Se viene selezionata
una porta a cui è già stato assegnato un percorso di segnali, l'assegnazione precedente
verrà annullata.
• I segnali di controllo per la funzione Cascade Link e i messaggi MIDI non possono condividere
la stessa porta. Se si seleziona una porta già specificata per la trasmissione/ricezione
di messaggi MIDI, una finestra di dialogo chiederà se si desidera annullare le
impostazioni esistenti.
Finestra CASCADE (pagina CASCADE OUT PATCH)
È possibile selezionare lo slot e la porta di uscita per ciascun bus.
1
Pulsanti OUT PATCH (sezione CASCADE OUT PATCH)
Consentono di selezionare la porta di uscita per i collegamenti in cascata per ciascuno
dei bus MIX 1-24, MATRIX 1-8, STEREO L/R, MONO e CUE L/R. Premere il pulsante
per aprire la finestra PORT SELECT nella quale è possibile selezionare una porta.
2
Pulsanti CASCADE LINK
Utilizzati per selezionare il numero di operazioni da collegare quando si effettuano dei
collegamenti a cascata tra le console della serie CL. Sono consentite selezioni multiple.
•DCA 1-8
Verranno collegati i seguenti parametri correlati a DCA 1-8.
• DCA livello 1-8
• DCA attivazione/disattivazione 1-8
• DCA segnale di attivazione 1-8
• DCA 1-8 DCA MUTE TARGET (destinazioni dei gruppi di esclusione DCA)
NOTA
Anche se la modalità di attivazione è LAST CUE, il segnale di attivazione per il DCA di
destinazione verrà ricevuto contemporaneamente da tutte le console collegate in cascata.
•DCA 9-16
Verranno collegati i seguenti parametri correlati a DCA 9-16.
• DCA livello 9-16
• DCA attivazione/disattivazione 9-16
• DCA segnale di attivazione 9-16
• DCA 9-16 DCA MUTE TARGET (destinazioni dei gruppi di esclusione DCA)
STEP
1.
Nell'area di accesso alle funzioni, premere il pulsante SETUP.
2.
Nel campo SYSTEM SETUP della schermata SETUP premere il pulsante CASCADE.
3.
Nella finestra CASCADE premere il tab CASCADE OUT PATCH.
4.
Nella pagina CASCADE OUT PATCH premere il pulsante OUT PATCH per il bus
al quale si desidera assegnare la porta.
5.
Utilizzare l'elenco di selezione dello slot e i pulsanti di selezione della porta
per selezionare lo slot e le porte di uscita da assegnare, quindi premere
il pulsante CLOSE.
6.
Utilizzare il campo CASCADE COMM PORT, selezionare la porta da cui verranno
trasmessi e ricevuti i segnali di controllo per la funzione cascade link.
7.
Utilizzare i pulsanti CASCADE LINK MODE per selezionare gli elementi che
si desidera collegare.
3
1
2
4

Setup
Manuale di riferimento
241
NOTA
Anche se la modalità di attivazione è LAST CUE, il segnale di attivazione per il DCA di
destinazione verrà ricevuto contemporaneamente da tutte le console collegate in cascata.
• MUTE MASTER
Collega ON/OFF (Att./Disatt.) per i master di esclusione.
NOTA
Le impostazioni della funzione Dimmer non sono collegate. Configurare singolarmente queste
impostazioni per ogni console.
• SENDS ON FADER
Collega il funzionamento della modalità SENDS ON FADER.
• Modalità SENDS ON FADER
• Il bus di destinazione della mandata
• CUE
Verranno collegati i parametri e gli eventi correlati al segnale di attivazione riportati
di seguito.
• Attivazione/disattivazione del segnale di attivazione
• Modalità Cue (MIX CUE o LAST CUE, 5.1 SOLO)
NOTA
In modalità 5.1 SOLO, non viene effettuato alcun collegamento se per la console di
destinazione a cascata è impostata la modalità Stereo.
• Impostazioni relative al punto del segnale di attivazione per canali di ingresso
e di uscita.
• Solo mute
NOTA
Il funzionamento assolo viene utilizzato per tutte le console in cascata (MASTER e SLAVE).
•OTHERS
Saranno collegati i seguenti parametri.
• Operazioni di richiamo di una scena
• Operazioni di memorizzazione di una scena
• Modifica dei titoli delle scene
• Operazioni DIMMER (ATTENUATORE) (finestra MONITOR)
• Operazioni correlate ai LED del pannello e alla luminosità del display (finestra SETUP)
3
Pulsanti CASCADE COMM PORT (MODALITÀ COMUNICAZIONE CASCATA)
Consentono di specificare la porta di comunicazione utilizzata per la trasmissione
e la ricezione delle informazioni sul collegamento, quando operazioni quali l'attivazione
e la memorizzazione/richiamo della scena verranno collegate alle console della serie CL
in una connessione in cascata.
•NONE (NESSUNA)........Nessuna operazione di collegamento
•MIDI................................Verrà utilizzata la porta MIDI
•SLOT1............................Verrà utilizzata SLOT1
4
Tab
Consentono di alternare la visualizzazione tra le pagine (CASCADE IN PATCH, CASCADE
IN ATT e CASCADE OUT PATCH).
Finestra PORT SELECT
Premere il pulsante OUT PATCH per aprire questa finestra.
1
Elenco di selezione degli slot
Questo elenco consente di selezionare gli slot 1-3.
2
Pulsanti di selezione della porta
Consentono di selezionare la porta dello slot selezionato.
2
1

Setup
Manuale di riferimento
242
Finestra CASCADE (pagina CASCADE IN ATT)
1
Manopole ATT (GUADAGNO)
Consentono di visualizzare i valori dell'attenuatore (da - 96 dB a 0,0 dB) per i segnali di
ingresso a cascata. È possibile modificare questi valori utilizzando le manopole
multifunzione 1-8 nella sezione Centralogic o la manopola [TOUCH AND TURN].
NOTA
È possibile utilizzare queste manopole come SUB IN con un livello di ingresso regolabile.
In questo modo è possibile raggruppare i segnali delle altre console in un bus, senza
utilizzare ingressi e bus.
Operazioni sull'unità CL master della cascata
NOTA
• È possibile assegnare la stessa porta di ingresso a due o più bus.
• I segnali di controllo per la funzione Cascade Link e i messaggi MIDI non possono
condividere la stessa porta. Se si seleziona una porta già specificata per la trasmissione/
ricezione di messaggi MIDI, una finestra di dialogo chiederà se si desidera annullare
le impostazioni esistenti.
1
STEP
1.
Nell'area di accesso alle funzioni, premere il pulsante SETUP.
2.
Nel campo SYSTEM SETUP della schermata SETUP premere il pulsante CASCADE.
3.
Nella finestra CASCADE premere il tab CASCADE IN PATCH.
4.
Nella pagina CASCADE IN PATCH premere il pulsante IN PATCH per il bus al quale
si desidera assegnare la porta.
5.
Nella schermata PORT SELECT utilizzare l'elenco di selezione dello slot e i pulsanti
di selezione della porta per selezionare lo slot e le porte di ingresso da assegnare,
quindi premere il pulsante CLOSE.
6.
Come descritto al punto 6 della sezione "Operazioni su un'unità CL slave della
cascata" (pagina 240), nel campo CASCADE LINK PORT, selezionare la porta da cui
verranno trasmessi e ricevuti i segnali di controllo per la funzione cascade link.
7.
Come descritto al punto 7 della sezione "Operazioni su un'unità CL slave della
cascata" (pagina 240), nel campo CASCADE COMM LINK selezionare lo stesso
elemento come lo slave della cascata.

Setup
Manuale di riferimento
243
Impostazioni di base per i bus MIX e MATRIX
Procedere come segue per modificare le impostazioni di base dei bus MIX e MATRIX,
ad esempio il passaggio da stereo a mono e la selezione del punto di mandata da cui verrà
inviato il segnale proveniente da un canale di ingresso. Le impostazioni configurate nella
procedura riportata di seguito vengono salvate come parte della scena.
Finestra BUS SETUP
È possibile eseguire diverse impostazioni per i bus MIX e MATRIX.
1
Pulsanti di commutazione SIGNAL TYPE (TIPO SEGNALE)
Consentono di specificare il modo in cui vengono elaborati i segnali per ogni coppia
di bus adiacenti. Selezionare STEREO (segnale stereo) o MONOx2 (segnale mono x 2).
2
Pulsanti di selezione del tipo di bus/punto di mandata (solo bus MIX)
Per ogni coppia di bus adiacenti è possibile selezionare il tipo di bus e (per il tipo VARI)
il punto di mandata. Questi pulsanti corrispondono ai parametri riportati di seguito.
3
Pulsanti di selezione del punto di mandata (solo bus MATRIX)
Consentono di selezionare il punto di mandata prima del fader dal canale di ingresso.
Questi pulsanti corrispondono ai parametri riportati di seguito.
STEP
1.
Nell'area di accesso alle funzioni premere il pulsante SETUP.
2.
Nella schermata SETUP premere il pulsante BUS SETUP.
3.
Utilizzare i tab nella finestra BUS SETUP per selezionare il bus MIX o MATRIX.
4.
Utilizzare i pulsanti di commutazione SIGNAL TYPE (TIPO SEGNALE) per specificare
se ciascun bus deve funzionare come bus STEREO (i parametri principali saranno
collegati per due bus adiacenti con numeri pari/dispari) oppure MONOx2 (utilizzati
come due canali mono).
5.
Utilizzare i pulsanti di selezione del tipo di bus/punto di mandata per selezionare
il tipo di bus e la posizione da cui verrà inviato il segnale del canale d'ingresso.
6.
Attivare o disattivare i pulsanti nel campo PAN LINK in base alle necessità.
Schermata SETUP Finestra BUS SETUP
(CONFIGURAZIONE BUS)
Pulsante Tipo di bus Punto di mandata pre-fader
VARI [PRE EQ] VARI Subito prima
dell'equalizzatore
VARI [PRE FADER] VARI Subito prima del fader
FIXED FIXED ---
Pulsante Punto di mandata pre-fader
PRE EQ Subito prima dell'equalizzatore
PRE FADER Subito prima del fader
1 42 1 43
55
Pagina MIX 1-16 Pagina MIX BUS 17-24/MATRIX BUS

Setup
Manuale di riferimento
244
4
Pulsante PAN LINK (COLLEGAMENTO PAN)
Questo pulsante viene visualizzato se SIGNAL TYPE è impostato su STEREO
eseèimpostato VARI. Se il pulsante è attivato, le impostazioni del pan dei segnali
inviati dai canali d'ingresso ai due bus corrispondenti verranno collegate alle
impostazioni del pan del bus STEREO.
5
Tab
I tab consentono di alternare i bus MIX e MATRIX.
Attivazione o disattivazione dell'intera
alimentazione phantom
NOTA
L'impostazione +48V MASTER non incide sugli ingressi dei rack esterni come gli ingressi DANTE
(dispositivi I/O). Ogni rack è dotato di uno switch +48V MASTER la cui impostazione incide sul
funzionamento del rack.
Regolazione della luminosità dello schermo
sensibile al tocco, dei LED, della visualizzazione
dei nomi dei canali e delle spie
Per specificare la luminosità dello schermo sensibile al tocco, dei LED del pannello superiore,
dei display dei nomi dei canali e delle spie collegate ai connettori LAMP del pannello
posteriore, procedere come illustrato di seguito. È possibile salvare due diverse impostazioni
di luminosità nei banchi A e B e, se necessario, passare da un banco all'altro rapidamente.
NOTA
È inoltre possibile assegnare questo parametro a un tasto USER DEFINED (DEFINITO
DALL'UTENTE) e premere tale tasto per alternare l'utilizzo dei banchi A e B.
Schermata SETUP (campo di impostazione luminosità)
1
Pulsanti BANK A/B (BANCO A/B)
Consentono di passare da un'impostazione della luminosità all'altra.
Campo CONTRAST (CONTRASTO)
2
NAME
Consente di regolare il contrasto dei caratteri per la visualizzazione dei nomi
deicanalinel pannello superiore.
Campo BRIGHTNESS (LUMINOSITÀ)
3
NAME
Consente di regolare la luminosità per la visualizzazione dei nomi dei canali
sul pannello superiore.
Viene modificata anche la luminosità di CH COLOR. Per regolare la luminosità di
CH COLOR dopo avere impostato la luminosità del display dei nomi, utilizzare
la manopola CH COLOR.
STEP
1.
Nell'area di accesso alle funzioni premere il pulsante SETUP (CONFIGURA)
per accedere alla schermata corrispondente.
2.
Al centro della schermata SETUP, premere il pulsante ON o OFF nel campo
+48V MASTER.
Se il pulsante è disattivato, l'alimentazione phantom non verrà erogata anche se
il pulsante +48V di un canale di ingresso del jack OMNI o TALKBACK IN è attivato.
Schermata SETUP
STEP
1.
Nell'area di accesso alle funzioni premere il pulsante SETUP.
2.
Nel campo situato nella parte destra della riga inferiore della schermata SETUP,
premere il pulsante BANK A o BANK B.
3.
Utilizzare la manopola multifunzione per regolare la luminosità di ogni elemento.
1 2 3 4 5 6 7

Setup
Manuale di riferimento
245
4
CH COLOR
Consente di regolare la luminosità dei colori dei canali sul pannello superiore.
In tal modo è possibile applicare una regolazione relativa solo alla luminosità del
colore del canale senza modificare la luminosità del display dei nomi dei canali.
5
SCREEN
Consente di regolare la luminosità dello schermo sensibile al tocco.
Se la luminosità è impostata su un livello inferiore a 2, al successivo avvio dell'unità CL
la luminosità verrà impostata su 2, per consentire di poter vedere lo schermo.
6
PANEL
Consente di regolare la luminosità dei LED del pannello superiore. Qualora sull'unità
CL3/CL1 sia installato il meter bridge MBCL opzionale, l'impostazione di questa
manopola avrà effetto anche sui LED del meter bridge.
NOTA
Se è stata connessa l'unità AD8HR, verrà modificata anche la luminosità dei LED
dell'unità AD8HR.
7
LAMP
Consente di regolare la luminosità delle spie collegate ai jack LAMP del pannello
posteriore.
Impostazione di data/ora del clock interno
In questa sezione viene illustrato come impostare la data e l'ora del clock interno dell'unità CL
e come selezionare il formato di visualizzazione della data e dell'ora. La data e l'ora qui
indicate influiranno sul timestamp (data/ora) utilizzato quando viene salvata una scena.
Finestra DATE/TIME
Premere il pulsante DATE/TIME nella schermata SETUP per aprire questa finestra.
1
DATE
Consente di specificare la data del clock interno.
2
TIME
Consente di specificare l'ora del clock interno.
3
FORMAT (FORMATO)
Consente di specificare il formato in cui verranno visualizzate la data e l'ora
del clock interno.
È possibile scegliere tra i seguenti formati di visualizzazione.
•Data
MM/DD/YYYY (mese/giorno/anno)
DD/MM/YYYY (giorno/mese/anno)
YYYY/MM/DD (anno/mese/giorno)
•Ora
24Hours (24 ore) (ore visualizzate nell'intervallo da 0 a 23)
12Hours (12 ore) (ore visualizzate negli intervalli da 0am a 11am e da 0pm a 11pm)
Impostazione dell'indirizzo di rete
In questa sezione viene illustrato come impostare l'indirizzo di rete richiesto quando
si utilizza il connettore NETWORK (RETE) sulla console della serie CL per collegarla
auncomputer Windows.
Se si intende collegare la console della serie CL al computer con una connessione uno-a-uno,
si consiglia di utilizzare i valori di default riportati di seguito.
Indirizzo IP:
192.168.0.128
Indirizzo gateway:
192.168.0.1
Subnet mask:
255.255.255.0
Assicurarsi che l'indirizzo IP e l'indirizzo del gateway non corrispondano ai rispettivi indirizzi
di altri dispositivi presenti nella rete.
NOTA
• Le impostazioni di rete possono essere modificate solo dall'amministratore.
• Per i dettagli sulle impostazioni relative alla connessione a una rete LAN, vedere la guida
di installazione dell'Editor CL.
STEP
1.
Nell'area di accesso alle funzioni premere il pulsante SETUP.
2.
Premere il pulsante DATE/TIME posizionato nella parte inferiore della
schermata SETUP.
3.
Nel campo FORMAT della finestra DATE/TIME, premere i pulsanti MODE
(MODALITÀ) più volte per selezionare il formato di visualizzazione per la data
el'ora.
4.
Utilizzare le manopole multifunzione 1-6 nel pannello superiore per specificare
la data e l'ora correnti.
5.
Dopo aver configurato le impostazioni, premere il pulsante OK.
1 2 3
STEP
1.
Nell'area di accesso alle funzioni, premere il pulsante SETUP.
2.
Premere il pulsante NETWORK posizionato nella parte inferiore della
schermata SETUP.
3.
Premere una manopola nella schermata NETWORK per selezionarla e utilizzare
le manopole multifunzione nella sezione Centralogic per specificare l'indirizzo.
4.
Dopo aver configurato le impostazioni, premere il pulsante OK.
5.
Riavviare la console della serie CL.

Setup
Manuale di riferimento
246
Finestra NETWORK
1
IP ADDRESS (INDIRIZZO IP)
Consente di specificare un indirizzo che identifica un singolo dispositivo su Internet
o nell'ambito di una rete LAN.
2
GATEWAY ADDRESS (INDIRIZZO GATEWAY)
Consente di specificare un indirizzo che identifica un dispositivo (gateway)
di conversione dei dati tra differenti supporti o protocolli per consentire
la comunicazione all'interno della rete.
3
SUBNET MASK (MASCHERA DI SOTTORETE)
All'interno dell'indirizzo IP utilizzato nella rete, consente di definire i bit utilizzati per
l'indirizzo di rete che contraddistingue la rete.
4
MAC ADDRESS (INDIRIZZO MAC)
Indica l'indirizzo MAC (Machine Access Control, controllo accesso macchina) che
identifica un host all'interno di una rete. Questo indirizzo è in sola lettura e non
è modificabile.
5
UNIT NAME (Nome unità)
Consente di impostare il nome da visualizzare nella rete.
6
PIN per MonitorMix
Imposta il PIN (una password numerica a 4 cifre) da inserire quando si utilizza
l'applicazione MonitorMix per il collegamento a una console serie CL. MonitorMix è
un'applicazione iOS che i musicisti possono utilizzare sul palco per regolare il
bilanciamento dei monitor.
È possibile memorizzare un PIN con tutte e quattro le cifre vuote. In questo caso, con
MonitorMix non è richiesta l'autenticazione tramite PIN. Tuttavia, non è possibile
lasciare vuote solo le cifre 1, 2 o 3 del PIN.
NOTA
Il connettore NETWORK presente sulle console della serie QL trasmette i dati tramite
linea 100BASE-TX (velocità di trasmissione: 100 Mbps massimo) o 10BASE-T
(velocità di trasmissione: 10 Mbps massimo).
Impostazione della rete audio Dante
È possibile utilizzare la console della serie CL per configurare le impostazioni per la rete audio
Dante sia per la console stessa sia per i dispositivi I/O connessi al connettore Dante della
console della serie CL. In questa sezione viene illustrato come configurare le impostazioni
per la rete audio Dante.
1
2
3
4
6
5
STEP
1.
Nell'area di accesso alle funzioni premere il pulsante SETUP per accedere
alla schermata corrispondente.
2.
Nel campo DANTE nella parte centrale della schermata, premere il pulsante
DANTE SETUP (CONFIGURAZIONE DANTE) per aprire la finestra corrispondente.
3.
Premere il tab SETUP nella parte inferiore della finestra DANTE SETUP.
Schermata SETUP Finestra DANTE SETUP

Setup
Manuale di riferimento
247
Finestra DANTE SETUP (pagina SETUP)
1
Indicatori STATUS
Indicano lo stato di funzionamento della console della serie CL e della rete Dante.
2
Pulsanti di selezione CONSOLE ID (ID CONSOLE)
Consentono d'impostare gli ID per le console della serie CL.
Se alla rete sono connesse cinque o più unità CL e si desidera non assegnare gli ID ad
alcune delle unità, premere il pulsante OFF di ciascuna delle unità per disattivare l'ID.
3
Pulsanti di selezione SECONDARY PORT (PORTA SECONDARIA)
Consentono di specificare la modalità di configurazione della rete audio Dante.
4
Pulsante CANCEL (ANNULLA)
Quando si modificano le impostazioni CONSOLE ID o SECONDARY PORT, è possibile
premere questo pulsante per annullare le modifiche apportate.
5
Pulsante APPLY
Dopo avere modificato le impostazioni CONSOLE ID o SECONDARY PORT, premere
questo pulsante per applicare le modifiche apportate.
6
Pulsanti di selezione BIT
Consentono di impostare la profondità di bit rate su 24 bit o 32 bit.
•24 bit.................. Utilizzare questa impostazione quando si trasmettono e ricevono
dati da un'unità della serie Rio. Quando si utilizza un sistema
della serie CL, in genere si utilizza questa impostazione.
•32 bit.................. Questa impostazione risulta efficace quando si trasmettono
e ricevono dati da almeno 25 bit (quando si utilizza la
compensazione del guadagno o a cascata), ma la quantità di dati
trasmessi aumenta del 20-30% rispetto all'impostazione a 24 bit.
7
Pulsanti di selezione LATENCY
Consentono di impostare la latenza della rete audio Dante su 0,25 ms, 0,5 ms, 1,0 ms,
2,0 ms o 5,0 ms.
L'impostazione della latenza varia a seconda del metodo di connessione e della
dimensione della rete. Per informazioni dettagliate, vedere "Impostazione della latenza
della rete audio Dante" a pagina 248.
8
Pulsanti di selezione DANTE PATCH (ASSEGNAZIONE DANTE)
Se il pulsante THIS CONSOLE è selezionato, le impostazioni DANTE INPUT PATCH
e DANTE OUTPUT PATCH possono essere modificate dalla console della serie CL.
Se il pulsante DANTE CONTROLLER è selezionato, non sarà possibile modificare
le impostazioni di assegnazione Dante. È possibile utilizzare questi pulsanti
indipendentemente dallo stato dei pulsanti di selezione DANTE PATCH BY su
altre console della serie CL/QL in rete.
9
Pulsante PREFERRED MASTER
Se questo pulsante è attivato, viene data maggiore priorità allo stato della console
come master nella rete audio Dante.
Se questo pulsante è disattivato, viene data minore priorità allo stato della console come
master nella rete audio Dante.
• Se questo pulsante è attivato per una sola console CL, tale console diventa master.
• Se questo pulsante è attivato per più console CL, solo una console diventa master.
• Se questo pulsante è disattivato per tutte le console CL, diventa master un'unità tra tutti
i dispositivi Dante, inclusi quelli I/O.
NOTA
• Le impostazioni condivise con il dispositivo I/O (BIT/LATENCY/W.CLOCK) riportano le
impostazioni della console della serie CL in cui CONSOLE ID (ID CONSOLE) è impostato su #1.
• Se DANTE CONTROLLER è selezionato nella sezione DANTE PATCH e si tenta di modificare
l'assegnazione Dante o le impostazioni correlate, viene visualizzato il messaggio "This Operation
is Not Allowed" (Operazione non consentita) nella parte inferiore della schermata.
• Le informazioni sulle assegnazioni DANTE vengono applicate al dispositivo se il file di
impostazioni CL (estensione file .CLF) viene caricato nelle seguenti condizioni. In caso contrario,
le informazioni non vengono applicate e verrà mantenuto lo stato corrente.
• Nella finestra SAVE/LOAD (pagina 230), il pulsante WITH DANTE SETUP AND I/O DEVICE
èattivo.
• Il pulsante di selezione CONSOLE ID 1, 2, 3 o 4 è attivo.
• Il pulsante THIS CONSOLE dei pulsanti di selezione DANTE PATCH BY è attivo.
• In CL V2.03 e versioni successive, quando vengono inizializzate le impostazioni, incluse quelle
della rete audio Dante, o viene installato un aggiornamento del firmware, viene attivata
l'impostazione Preferred Master (Master preferito). Questa impostazione non viene modificata
quando si modificano le impostazioni della console o quando si riavvia la console. Può essere
disattivata utilizzando Dante Controller, se necessario. Se questa impostazione predefinita viene
utilizzata per modificare le impostazioni di wordclock CL o QL per elementi diversi da Dante,
a tale console viene data priorità come clock master per la rete Dante per evitare errori di
sincronizzazione del clock. Inoltre, è possibile utilizzare Dante Controller per specificare
chiaramente il master attivando Preferred Master solo per il dispositivi che sarà sempre in
esecuzione (l'impostazione sarà disattivata per tutti gli altri dispositivi).
4
1
23
9
87
5
6

Setup
Manuale di riferimento
248
Attivazione e disattivazione di CONSOLE ID
eSECONDARYPORT
Finestra DANTE SETUP (pagina SETUP)
Il pulsante attivo è visualizzato in rosso.
Una volta applicate le impostazioni della rete audio Dante, viene ripristinato l'aspetto originale
del pulsante selezionato.
NOTA
• Se si sta modificando l'impostazione SECONDARY PORT, sarà necessario modificare il metodo
di connessione tra la console della serie CL e i dispositivi I/O. Se ad esempio le connessioni
utilizzate per l'impostazione REDUNDANT rimangono invariate quando si modifica
l'impostazione DAISY CHAIN, non sarà possibile inviare o ricevere l'audio. Assicurarsi di
scollegare i cavi prima di modificare l'impostazione.
• Le impostazioni CONSOLE ID e SECONDARY PORT non cambiano anche se si inizializza
la console della serie CL.
• Quando CONSOLE ID è OFF o impostato su 2, 3 o 4 per una console della serie CL, il valore
BIT/LATENCY della console non cambia anche se BIT/LATENCY è stato modificato nella finestra
DANTE SETUP per la console della serie CL all'interno di una rete per la quale CONSOLE ID
è impostato su 1.
• Quando CONSOLE ID è impostato su OFF, il campo DANTE PATCH BY è fisso su
"DANTE CONTROLLER". Inoltre, l'assegnazione non può essere modificata nella
finestra DANTE INPUT PATCH.
• Quando CONSOLE ID è impostato su OFF, tutti i dispositivi montati saranno "virtuali".
È possibile modificare HA GAIN e altre impostazioni per le unità della serie R, tuttavia la notifica
delle impostazioni non sarà inviata al dispositivo. Si tratta della stessa condizione di quando
i dispositivi non sono collegati.
Impostazione della latenza della rete audio Dante
L'impostazione di una latenza appropriata per i segnali trasmessi sulla rete audio Dante varia
a seconda del metodo di connessione e della dimensione della rete. In questa sezione viene
illustrato come impostare una latenza appropriata in base al metodo di connessione dei
dispositivi abilitati Dante connessi alla console della serie CL.
Relazione tra switch e numero di hop (spaziature tra i ripetitori)
L'impostazione di una latenza appropriata per i segnali trasmessi sulla rete audio Dante varia
a seconda del numero di hop nella rete. Un hop equivale alla distanza tra un router (switch)
e il successivo. Il numero di hop viene contato a partire dal dispositivo master fino al
dispositivo più distante (presumendo che tutti i dispositivi siano collegati in serie).
Con il termine switch si intendono gli hub di commutazione, nonché gli switch incorporati nelle
console della serie CL e nei dispositivi I/O. Impostare il valore della latenza in base al numero
di hop. Nella tabella riportata di seguito vengono illustrate le impostazioni della latenza tipiche
in base al numero di hop.
NOTA
• A seconda delle condizioni della rete, è consigliabile aumentare il valore della latenza anche
se il numero di hop è piccolo.
• In caso di problemi, selezionare 5,0 ms per determinare se le impostazioni della latenza sono
la causa del problema.
STEP
1.
Nella finestra DANTE SETUP (pagina SETUP), selezionare CONSOLE ID
e SECONDARY PORT.
2.
Premere il pulsante APPLY.
3.
Nella finestra per confermare la modifica, premere il pulsante OK.
Numero di hop Latenza (ms)
Fino a 3 0,25
Fino a 5 0,5
Fino a 10 1,0
Fino a 20 2,0
21 o più (o se si verifica un problema) 5,0

Setup
Manuale di riferimento
249
Esempi di connessioni e di impostazioni della latenza
Connessioni a margherita
Semplice 64-in/48-out
Connessioni a margherita
Le console FOH e monitor condividono 64 ingressi/48 uscite.
Connessioni ridondanti
Semplice 64-in/48-out
Connessioni ridondanti
Le console FOH e monitor condividono 64 ingressi/48 uscite.
3
3
2
2
11
3 hop = 0,25 ms 3 hop = 0,25 ms
4
2
11
3
3
2
4 hop = 0,5 ms 3 hop = 0,25 ms
3
4
12
4 hop = 0,5 ms
3
4
12
4 hop = 0,5 ms

Setup
Manuale di riferimento
250
Connessioni a margherita
HA (preamplificatore) remoto a 256 canali (dimensione massima)
Connessioni ridondanti
Due console della serie CL condividono un HA remoto a 256 canali (dimensione massima)
9
8
7
6
5
4
3
2
2
3
4
11
9 hop = 1,0 ms 4 hop = 0,5 ms
4
5
3
2
1
5 hop = 0,5 ms

Setup
Manuale di riferimento
251
Montaggio di un dispositivo I/O nella rete audio Dante
Di seguito viene illustrato come selezionare i dispositivi I/O sulla rete audio Dante per montarli
e utilizzarli. È possibile montare un massimo di 24 unità per una console della serie CL.
Finestra DANTE SETUP (pagina DEVICE MOUNT)
1
Pulsante CLEAR ALL
Consente di cancellare tutti i dispositivi I/O nell'elenco impostati su stato non montato.
2
Pulsante REFRESH (AGGIORNA)
Consente di aggiornare l'elenco visualizzato dei dispositivi I/O nella rete audio Dante.
3
Pulsanti di selezione dei dispositivi I/O
Premere uno dei pulsanti per visualizzare la finestra DEVICE SELECT (SELEZIONE
DISPOSITIVO). Nella riga superiore del pulsante viene visualizzata l'etichetta del
dispositivo. Nella riga inferiore del pulsante viene visualizzato il nome del modello
e il numero di ingressi e uscite. Se non è stato montato alcun dispositivo, nella
riga superiore è indicato "---" e nella riga inferiore non è indicato nulla.
Per ulteriori informazioni sull'indicazione VIRTUAL/CONFLICT/DUPLICATE
(VIRTUALE/CONFLITTO/DUPLICA) visualizzata sotto questi pulsanti, vedere
"Elenco dei dispositivi I/O" a P.167 (1).
Finestra DANTE SETUP
1
Pulsanti di selezione del metodo di configurazione
Scegliere uno dei metodi riportati di seguito per montare il dispositivo I/O.
•NO ASSIGN........................ Non montato
•DEVICE LIST...................... Consente di selezionare e montare un dispositivo
nell'elenco
•SUPPORTED DEVICE ....... Consente di selezionare e montare un dispositivo
supportato
•DVS..................................... Consente di immettere un'etichetta di dispositivo
ed eseguire il montaggio (solo per DVS)
•MANUAL............................. Consente di immettere un'etichetta di dispositivo
ed eseguire il montaggio
STEP
1.
Premere il tab DEVICE MOUNT nella parte inferiore della finestra DANTE SETUP.
2.
Premete il pulsante di selezione del dispositivo I/O.
3.
Nella finestra DEVICE SELECT premere il pulsante di selezione del metodo
di impostazione.
4.
Utilizzare la manopola [TOUCH AND TURN] per configurare le impostazioni.
5.
Una volta configurate le impostazioni necessarie, premere il pulsante OK
per chiudere la finestra.
1 2
3
1

Setup
Manuale di riferimento
252
Selezione del metodo di configurazione con il pulsante DEVICE LIST
(ELENCO DISPOSITIVI)
Per eseguire il montaggio scegliendo uno dei dispositivi I/O nella rete audio Dante, premere
il pulsante DEVICE LIST per visualizzare il campo DEVICE LIST.
1
DEVICE LIST
Consente di visualizzare un elenco dei dispositivi I/O nella rete audio Dante.
Nell'elenco scegliere il dispositivo I/O da montare.
2
Manopola di selezione DEVICE LIST
Utilizzare la manopola [TOUCH AND TURN] per selezionare il dispositivo I/O
che si desidera montare.
3
Manopole INPUT/OUTPUT
Utilizzare le manopole [TOUCH AND TURN] per specificare il numero di ingressi e uscite
nella rete audio Dante. Se il dispositivo I/O selezionato è supportato dalla serie CL,
gli ingressi e le uscite verranno immesse e visualizzate automaticamente.
Selezione del metodo di configurazione con il pulsante
SUPPORTED DEVICE (DISPOSITIVO SUPPORTATO)
Se si desidera selezionare e montare un dispositivo I/O supportato dalla serie CL, premere il
pulsante SUPPORTED DEVICE per visualizzare il campo SUPPORTED DEVICE. Queste
impostazioni possono essere definite anche se non si è connessi a una rete audio Dante.
1
DEVICE TYPE (TIPO DISPOSITIVO)
Questa area mostra un elenco dei tipi di dispositivo I/O supportati dalla serie CL.
Nell'elenco scegliere il tipo di dispositivo I/O da montare.
2
Manopola di selezione DEVICE TYPE
Utilizzare la manopola [TOUCH AND TURN] per selezionare il tipo di dispositivo I/O
che si desidera montare.
3
Indicazione del dispositivo I/O
Questa area mostra il dispositivo I/O selezionato.
Nella riga superiore viene visualizzato il pannello frontale del dispositivo I/O.
Nella riga inferiore viene visualizzato il nome del modello e il numero di ingressi e uscite.
4
Manopola UNIT ID (ID UNITÀ)
Utilizzare le manopole [TOUCH AND TURN] per specificare il valore UNIT ID.
Sull'indicatore viene visualizzato UNIT ID.
1
2
3
1
2
3
4

Setup
Manuale di riferimento
253
NOTA
• Se è presente un solo dispositivo I/O, impostare il valore UNIT ID del dispositivo su "1".
• Se sono collegati più dispositivi, assegnare gli ID in modo da non creare conflitti tra i dispositivi.
• Per i dispositivi non appartenenti alla serie R, è possibile che dispositivi di modelli diversi
vengano assegnati allo stesso ID come unità di serie R o come modello di dispositivo diverso.
Tuttavia, poiché il valore UNIT ID è visualizzato nella schermata delle porte di ingresso/uscita dei
dispositivi I/O, si consiglia di evitare la sovrapposizione degli ID, quando possibile, per consentire
di distinguere le diverse unità.
• Se si dispone di un dispositivo con UNIT ID o etichetta che non può essere modificata
dal pannello o dalla schermata di modifica (ad esempio, la scheda Dante-MY16-AUD
o Dante Accelerator) e si desidera utilizzare tale dispositivo come SUPPORTED DEVICE,
è necessario modificarne l'etichetta utilizzando Dante Controller.
• Un dispositivo I/O viene riconosciuto come SUPPORTED DEVICE se si assegna ad esso
l'etichetta del dispositivo come indicato di seguito.
Y###-**********
# è un valore esadecimale a tre cifre contenente numeri compresi tra 0 e 9 e caratteri maiuscoli
dalla A alla F (000-FFF)
* indica qualsiasi carattere desiderato (è possibile utilizzare un carattere alfabetico maiuscolo
o minuscolo, un valore numerico o un trattino ( - ))
• Se si sta controllando la console CL da un'unità della serie R, si consiglia di impostare la modalità
START UP MODE dell'unità su "REFRESH". È preferibile utilizzare l'impostazione "REFRESH"
in quanto l'esclusione dell'audio verrà annullata una volta completata la sincronizzazione con le
unità CL con l'impostazione di sistema per REMOTE HA ASSIGN impostata su "WITH RECALL".
Se si utilizza l'impostazione "RESUME", l'esclusione dell'audio verrà annullata e l'unità verrà
avviata con le impostazioni di cui è stato eseguito il backup dall'unità della serie R. Ciò potrebbe
produrre un audio imprevisto.
• Una singola console CL è in grado di controllare il preamplificatore di un massimo di otto
unità della serie R.
Se sono collegate nove o più unità della serie R, è possibile suddividere il controllo del
preamplificatore tra più console CL oppure evitare di specificare il valore REMOTE HA ASSIGN
per le unità della serie R di cui non è necessario controllare il preamplificatore e utilizzarle
impostando START UP MODE su "RESUME".
Selezione del metodo di configurazione con il pulsante DVS o MANUAL
Per immettere l'etichetta di un dispositivo I/O e montarlo, premere il pulsante DVS o MANUAL
per accedere al campo DVS/MANUAL.
1
DEVICE LABEL (ETICHETTA DISPOSITIVO)
Visualizza l'etichetta del dispositivo I/O immessa dalla tastiera.
2
Manopole INPUT/OUTPUT
Utilizzare le manopole [TOUCH AND TURN] per specificare il numero di ingressi
euscitenella rete audio Dante.
3
Tastiera per l'immissione dell'etichetta del dispositivo
Utilizzare questa tastiera per immettere l'etichetta del dispositivo I/O.
NOTA
• Se il dispositivo I/O è un dispositivo DVS, premere il pulsante DVS per montarlo.
• Se DEVICE LABEL viene lasciata vuota, viene montato automaticamente il primo DVS rilevato.
• Se l'etichetta del dispositivo immessa viene rilevata automaticamente, le impostazioni della
manopola INPUT/OUTPUT vengono ignorate e viene specificato il numero di ingressi
e uscite valutato.
1
3
2

Setup
Manuale di riferimento
254
Impostazioni REMOTE HA
Di seguito viene illustrato come selezionare uno dei diversi dispositivi HA sulla rete audio
Dante per montarlo e utilizzarlo. È possibile montare un massimo di 8 unità per una
console della serie CL.
Finestra DANTE SETUP (pagina REMOTE HA)
1
Pulsante CLEAR ALL
Consente di eliminare tutti i dispositivi HA nell'elenco impostati su stato non montato.
2
Pulsante REFRESH (AGGIORNA)
Consente di aggiornare l'elenco visualizzato dei dispositivi HA nella rete audio Dante.
3
Pulsanti di selezione dei dispositivi HA
Premere uno di questi pulsanti per visualizzare la finestra REMOTE HA SELECT. Nella riga
superiore del pulsante viene visualizzata l'etichetta del dispositivo. Nella riga inferiore del
pulsante viene visualizzato il nome del modello e il numero di ingressi e uscite. Se non
è stato montato alcun dispositivo, nella riga superiore è indicato "---" e nella riga
inferiore non è indicato nulla.
Per ulteriori informazioni sull'indicazione VIRTUAL/CONFLICT/DUPLICATE
(VIRTUALE/CONFLITTO/DUPLICA) visualizzata sotto questi pulsanti, vedere
Elenco dei dispositivi I/O a P.167 (1).
Finestra REMOTE HA SELECT
1
DEVICE LIST
Mostra un elenco dei dispositivi HA nella rete audio Dante.
2
Pulsante WITH RECALL
Se questo pulsante è attivato, le impostazioni salvate nella console della serie CL
verranno applicate al dispositivo HA quando viene avviata la console della serie CL
e quando viene richiamata una scena.
3
Manopola di selezione DEVICE LIST
Utilizzare la manopola [TOUCH AND TURN] per selezionare il dispositivo HA che
si desidera montare.
NOTA
• Non specificare "WITH RECALL" se un dispositivo HA è condiviso da più console della serie CL
e le impostazioni sono già state definite su una console della serie CL diversa.
• L'HA di un dispositivo può anche essere controllato da una console della serie CL non impostata
su "WITH RECALL".
STEP
1.
Premere il tab REMOTE HA ASSIGN nella parte inferiore della finestra DANTE SETUP.
2.
Premere un pulsante di selezione del dispositivo HA per accedere alla finestra
REMOTE HA SELECT.
3.
Selezionare il dispositivo HA da montare e premere il pulsante OK.
Se si modifica l'impostazione premendo il pulsante WITH RECALL, viene visualizzata
una finestra di dialogo di conferma. Premere il pulsante OK.
13 2
1
3
2

Setup
Manuale di riferimento
255
Visualizzazione dello stato del dispositivo
È possibile utilizzare lo schermo sensibile al tocco per verificare lo stato di un'unità della serie
CL o R collegata (ad eccezione di Ro8-D) o lo stato di Dante. Per verificare lo stato di un'unità
serie R dalla console, questa deve essere assegnata a REMOTE HA (PREAMPLIFICATORE
REMOTO) in DANTE SETUP (CONFIGURAZIONE DANTE).
Serie CL
Nel campo SETUP (CONFIGURAZIONE) della finestra DANTE SETUP sono mostrati
gli indicatori di stato della console della serie CL e della rete Dante.
Serie R
Nel campo I/O della schermata I/O DEVICE (DISPOSITIVO I/O) sono mostrati gli indicatori
di stato delle unità della serie R e della rete Dante.
Per il firmware antecedente al supporto per V1.60, l'indicazione della versione sarà di colore
giallo e l'indicatore sarà spento.
Messaggi
Vengono visualizzati messaggi di errore, avviso e informativi.
I messaggi vengono anche visualizzati nel campo Dante Controller Error Status
(Stato dell'errore di Dante Controller).
Ogni indicatore si illumina o lampeggia come descritto di seguito:
Nessuna
segnalazione Spento
Acceso L'indicatore resta acceso in modo costante.
Lampeggiante L'indicatore continua a lampeggiare.
Lampeggiante x2 L'indicatore lampeggia due volte ciclicamente.
Lampeggiante x3 L'indicatore lampeggia tre volte ciclicamente.

Setup
Manuale di riferimento
256
Messaggi di errore
Gli indicatori SYSTEM (SISTEMA) rimangono accesi/lampeggiano ciclicamente come
riportato di seguito finché il problema non viene risolto.
Se è necessaria assistenza, contattare il centro di assistenza Yamaha indicato nel Manuale
di istruzioni di CL5/CL3/CL1.
Messaggi di avvertenza
Gli indicatori rimangono accesi/lampeggiano ciclicamente finché il problema non viene risolto.
Se l'indicatore verde [SYNC] non è acceso, il wordclock del dispositivo non è definito.
Se l'indicatore verde lampeggia, l'unità funziona come wordclock master.
Se l'indicatore verde si illumina, l'unità funziona come wordclock slave e si sta sincronizzando
con il wordclock.
Indicatori [SYSTEM] Significato Soluzione possibile
Si è verificato un errore
interno.
Il dispositivo è guasto. Per la
riparazione rivolgersi al rivenditore
Yamaha.
L'impostazione dell'indirizzo
MAC è stata compromessa
e non è possibile alcuna
comunicazione mediante
Dante.
La memoria interna è stata
danneggiata.
Se il problema persiste dopo che
START UP MODE è stato
reimpostato su RESUME e l'unità è
stata riaccesa, rivolgersi al
rivenditore Yamaha.
L'ID UNITÀ non è univoco. Impostare un numero ID UNITÀ
univoco per la rete Dante.
Gli switch DIP non sono
impostati in modo corretto.
Controllare le impostazioni degli
switch DIP e impostarle in modo
corretto.
Limite del numero di flusso
per Dante superato.
Esaminare l'instradamento della
rete Dante.
Lampeggiante x2
Lampeggiante x3
Lampeggiante x3
Illuminato
Illuminato
lampeggiante
Lampeggiante
Illuminato
Indicatori [SYNC] Significato Soluzione possibile
Il wordclock non è impostato
in modo corretto.
Impostare il wordclock master e la
frequenza di campionamento in
modo corretto sul dispositivo nativo
CL5/CL1 o in Dante Controller.
Il circuito della rete Dante
è danneggiato.
Assicurarsi che i cavi Ethernet non
siano rimossi o si sia verificato un
corto circuito.
La rete Dante non è collegata
correttamente. Impossibile
trovare altri dispositivi Dante.
Assicurarsi che i cavi Ethernet
siano collegati correttamente.
Indicatori [SYNC] Significato Soluzione possibile
È collegato un dispositivo
non compatibile con GbE.
Se l'audio è trasmesso sulla rete
Dante, utilizzare il dispositivo
compatibile con GbE.
Il connettore SECONDARY
(SECONDARIO) gestisce le
comunicazioni durante il
funzionamento di una rete
ridondante.
Controllare il circuito collegato
al connettore PRIMARY
(PRINCIPALE).
Lampeggiante
Lampeggiante x2
Lampeggiante x3
Illuminato
Illuminato
o lampeggiante
Lampeggiante
Illuminato
olampeggiante

Setup
Manuale di riferimento
257
Messaggi informativi
Gli indicatori resteranno accesi/lampeggianti ciclicamente per riportare lo stato.
Se l'indicatore [SYNC] arancione è spento, l'unità funziona correttamente.
Se l'indicatore verde [SYNC] non è acceso, il wordclock del dispositivo non è definito.
Utilizzo di GPI (General Purpose Interface)
È possibile utilizzare il connettore GPI (General Purpose Interface) del pannello posteriore
come connettore di ingresso/uscita. Questo connettore è dotato di cinque porte GPI IN
(INGRESSO GPI) e cinque porte GPI OUT (USCITA GPI). Ad esempio lo si potrà utilizzare
un interruttore esterno per controllare u parametri interni della console della serie CL o per
cambiare le scene. Al contrario, le modifiche delle operazioni e delle scene sulla console della
serie CL possono inviare segnali di controllo a un dispositivo esterno.
Per informazioni dettagliate su come inviare i segnali di controllo a un dispositivo esterno
quando si cambia scena, vedere "Uscita di un segnale di controllo a un dispositivo esterno
collegato con richiamo della scena (GPI OUT)" a pagina 105.
Uso di GPI IN
È possibile utilizzare le porte GPI IN del connettore GPI per controllare i parametri della
console della serie CL da un dispositivo esterno. Ad esempio, è possibile utilizzare
un dispositivo esterno per attivare/disattivare il talkback della console della serie CL,
o per attivare la funzione Tap Tempo (Battuta tempo), o ancora cambiare scene.
Si è verificata un'anomalia
sul circuito collegato al
connettore SECONDARY
durante il funzionamento di
una rete ridondante.
Controllare il circuito collegato al
connettore SECONDARY.
Indicatori [SYNC] Significato Soluzione possibile
Sincronizzazione della rete
Dante
Attendere il completamento
dell'avvio o della sincronizzazione
dell'unità. L'operazione potrebbe
richiedere fino a 45 secondi.
In attesa di ricevere i dati di
Impostazione
Utilizzare REMOTE HA ASSIGN
nel sistema per la sincronizzazione
con una console o R Remote
impostato su “WITH RECALL.”
Per una console serie R con START
UP MODE impostato su
REFRESH, dopo l'avvio sia
l'ingresso che l'uscita sono esclusi
fino a che non si ricevono i dati di
impostazione.
Per una singola console serie R,
non impostare “WITH RECALL” da
più console.
Il dispositivo funziona
correttamente come
wordclock master.
Ciò indica che il dispositivo
funziona come wordclock master.
Il dispositivo funziona
correttamente come slave
wordclock.
Indica che il dispositivo funziona
come slave wordclock e si sta
sincronizzando con il wordclock.
Lampeggiante
x2
Illuminato
olampeggiante
Illuminato
Lampeggiante
Illuminato
STEP
1.
Collegare un dispositivo esterno al connettore GPI della console della serie CL.
2.
Nell'area di accesso alle funzioni, premere il pulsante SETUP.
3.
Nella schermata SETUP premere il pulsante MIDI/GPI.
4.
Nella schermata MIDI/GPI premere il tab GPI.
5.
Specificare il POLARITY MODE per ciascuna porta a seconda delle specifiche
del dispositivo esterno in uso.
6.
Per assegnare la funzione o il parametro che si desidera controllare, premere
il pulsante della finestra GPI IN SETUP.
7.
In ogni campo della finestra GPI IN SETUP selezionare funzione e parametro
desiderati, quindi premere il pulsante OK.
Schermata SETUP Schermata MIDI/GPI

Setup
Manuale di riferimento
258
NOTA
• Se viene selezionata l'operazione di blocco, la funzione passerà da attiva a inattiva ogni volta che
viene immesso un trigger dallo switch esterno. In tal caso è consigliabile utilizzare un tipo
di switch esterno senza blocco.
• Se viene selezionata l'operazione di sblocco, la funzione diventerà attiva solo nel momento
in cui il segnale proveniente dal dispositivo esterno si trova a livello basso o alto. In tal caso
è consigliabile utilizzare un tipo di switch esterno senza blocco oppure con blocco a seconda
delle esigenze.
• Le impostazioni della pagina GPI e della schermata MIDI/GPI vengono applicate a tutte le scene
e possono essere salvate come dati di SETUP.
Schermata MIDI/GPI (pagina GPI)
1
Indicatore di stato GPI IN
Indica lo stato di tensione in ingresso dalla porta GPI IN.
2
Pulsante di selezione POLARITY MODE
Questo pulsante consente di selezionare la polarità delle porta GPI IN.
............... (Low active) Quando si utilizza un parametro di tipo on/off,
esso diventerà attivo quando lo switch viene collegato a terra.
............... (High active) Quando si controlla un parametro di tipo on/off, esso
diventerà attivo quando lo switch è aperto oppure se la tensione
immessa è a livello alto.
3
Pulsante GPI IN SETUP
Questo pulsante indica il nome della funzione attualmente selezionata o del parametro.
Premere questo pulsante per visualizzare la finestra GPI IN SETUP.
NOTA
Gli elementi che è possibile selezionare nella finestra GPI IN SETUP sono gli stessi disponibili
per i tasti USER DEFINED (pagina 215).
4
Pulsante di selezione dell'attributo di commutazione
Consente di selezionare l'attributo di commutazione. Ogni volta che si preme il
pulsante, la relativa indicazione alternerà LATCH (BLOCCO) e UNLATCH (SBLOCCO).
................. È selezionato LATCH (switch che si attiva/disattiva ad
ogni pressione).
................. È selezionato UNLATCH (switch attivato solo quando è premuto
e disattivato se viene rilasciato).
4
1
2
3

Setup
Manuale di riferimento
259
Uso di GPI OUT
Le porte GPI OUT del connettore GPI OUT permettono di controllare un dispositivo
esterno mediante operazioni eseguite sulla console della serie CL.
Schermata MIDI/GPI (pagina GPI)
1
Indicatore di stato GPI OUT
Indica lo stato di tensione in uscita da ciascuna porta GPI OUT.
2
Pulsante di selezione POLARITY MODE
Questo pulsante consente di selezionare la polarità delle porta GPI OUT.
............... (Low active) Collegato a terra quando la porta GPI OUT è attiva.
............... (High active) Aperto quando la porta GPI OUT è attiva.
STEP
1.
Collegare un dispositivo esterno al connettore GPI della console della serie CL.
2.
Nell'area di accesso alle funzioni, premere il pulsante SETUP.
3.
Nella schermata SETUP premere il pulsante MIDI/GPI.
4.
Nella schermata MIDI/GPI premere il tab GPI.
5.
Specificare il POLARITY MODE per ciascuna porta a seconda delle specifiche
del dispositivo esterno in uso.
6.
Per assegnare una funzione o il parametro che si desidera controllare, premere
il pulsante della finestra GPI OUT SETUP.
7.
In ogni campo della finestra GPI OUT SETUP selezionare funzione e parametro
desiderati, quindi premere il pulsante OK.
Schermata SETUP Schermata MIDI/GPI
234
1

Setup
Manuale di riferimento
260
3
Pulsante GPI OUT SETUP
Questo pulsante indica il nome della funzione attualmente selezionata o del parametro.
Premere questo pulsante per visualizzare la finestra GPI OUT SETUP.
È possibile assegnare le seguenti funzioni.
4
Pulsante TEST
Quando un pulsante TEST è attivato, diventerà attiva anche la porta GPI OUT
corrispondente e verrà emesso un segnale di controllo.
Utilizzo di FADER START (AVVIO FADER)
Configurare le impostazioni FADER START se si desidera collegare un dispositivo alla
porta GPI OUT per utilizzarlo insieme alle operazioni fader.
Funzione PARAMETRO 1 PARAMETRO 2 Descrizione
NO ASSIGN
(NESSUNA
ASSEGNAZIONE)
- - Nessuna assegnazione
CUE ACTIVE
(SEGNALE DI
ATTIVAZIONE
ATT IVO )
CUE ON - Attivare il tasto [CUE] del canale
selezionato
DCA ONLY - Attivare il tasto DCA [CUE]
INPUT ONLY - Attivare il tasto [CUE] di un canale
di ingresso
OUTPUT ONLY - Attivare il tasto [CUE] di un canale
di uscita
DANTE REDUNDANCY
IND.
PRIMARY Questa funzione si attiva quando
l'unità opera sulla rete audio
Dante principale con una
connessione a stella
(rete di ridondanza).
SECONDARY Questa funzione si attiva quando
l'unità opera sulla rete audio
Dante secondaria con una
connessione a stella (rete
di ridondanza).
IND. GPI IN
ACTIVE
SPECIFIC PORT PORTA 1 - PORTA 5 Funzione assegnata alla
porta 1-5 GPI IN attivata
POWER ON - - L'alimentazione della console
della serie CL è accesa
USER DEF.
IND. KEY ACTIVE
SPECIFIC
NUMBER
TASTO USER
DEFINED 1-TASTO
USER DEFINED 16
Funzione assegnata al tasto
USER DEFINED attivata
STEP
1.
Collegare un dispositivo esterno al connettore GPI della console della serie CL.
2.
Nell'area di accesso alle funzioni, premere il pulsante SETUP.
3.
Nella schermata SETUP premere il pulsante MIDI/GPI.
4.
Nella schermata MIDI/GPI premere il tab FADER START.
5.
Per ciascuna porta GPI OUT, è necessario specificare il canale che determina l'utilizzo
del dispositivo esterno e il tipo di operazione.
Schermata SETUP Schermata MIDI/GPI

Setup
Manuale di riferimento
261
Schermata MIDI/GPI (pagina FADER START)
1
Pulsante CLEAR ALL
Consente di annullare tutte le selezioni.
Campo OUTPUT DESTINATION (DESTINAZIONE USCITA)
2
Pulsanti GPI OUT1-GPI OUT5
Consente di selezionare la porta GPI OUT per la quale si desidera configurare
le impostazioni.
3
Indicatore fader
Indica il tipo di fader selezionato. Utilizzare i tasti [SEL] sul pannello per selezionare
un fader.
NOTA
Nel caso dei modelli CL3/CL1, i canali che non esistono su questi modelli non verranno
visualizzati.
Campo THRESHOLD
4
UPSTROKE/DOWNSTROKE
Specificano il livello della soglia per l'emissione di un segnale di trigger. Verrà emesso un
segnale di trigger se il fader supera il livello UPSTROKE, o se scende al di sotto del livello
DOWNSTROKE. È possibile utilizzare le manopole multifunzione per regolare questo
valore.
NOTA
• I valori THRESHOLD specificati dalle manopole UPSTROKE/DOWNSTROKE sono comuni a tutti
i canali (fader) e a tutte le porte GPI OUT. Tuttavia, è possibile selezionare individualmente il canale
(fader) per ciascuna porta GPI OUT.
• Il valore UPSTROKE sarà valido solo se il MODE è impostato su FADER START, mentre il valore
DOWNSTROKE sarà valido solo se il MODE è impostato su FADER STOP. Se il MODE
è impostato su FADER TALLY, i valori UPSTROKE e DOWNSTROKE saranno validi.
Campo MODE (MODALITÀ)
In quest'area è possibile selezionare la modalità dell'operazione fader che rappresenterà il
trigger per l'emissione di un segnale dalla porta GPI OUT.
È possibile scegliere tra le seguenti modalità fader.
5
FADER START
Un segnale di controllo (segnale trigger) di 250 msec verrà emesso quando il fader
del canale selezionato si sposta verso l'alto tramite il livello UPSTROKE specificato
(da –∞ a +10,0 dB) da un punto situato al di sotto.
6
FADER STOP (ARRESTO FADER)
Un segnale di controllo (segnale trigger) di 250 msec verrà emesso quando il fader del
canale selezionato raggiunge il livello DOWNSTROKE specificato (da –∞ a +10,0 dB).
7
FADER TALLY (SENSORE DI LIVELLO FADER)
Un segnale di controllo (segnale trigger) di 250 msec verrà emesso quando il fader
del canale selezionato si sposta verso l'alto tramite il livello UPSTROKE specificato
(da –∞ a +10,0 dB) da un punto situato al di sotto. Questo segnale di controllo
verrà mantenuto fino a quando il fader raggiunge il livello DOWNSTROKE specificato
(da –∞ a +10,0 dB) o finché la porta GPI OUT non riceve un altro trigger. Questo segnale
di controllo verrà mantenuto fino a quando il fader raggiunge il livello DOWNSTROKE
specificato (da –∞ a +10,0 dB) o finché la porta GPI OUT non riceve un altro trigger.
8
NO ASSIGN (NESSUNA ASSEGNAZIONE)
L'uso del fader sul canale selezionato non determina l'emissione di alcun segnale.
3
2
8 5 6 7
4
1

Setup
Manuale di riferimento
262
L'illustrazione che segue mostra come cambia il segnale di uscita da GPI PORT quando
viene utilizzato un fader in ciascuna delle modalità fader. In questo esempio, l'UPSTROKE
nel campo THRESHOLD è impostato su –60.00, mentre il DOWNSTROKE su –∞.
(Il funzionamento illustrato si riferisce a quando viene selezionato come polarità
della porta GPI OUT. Se la polarità è , la polarità del segnale di uscita sarà invertita).
NOTA
Se il livello è alto, il segnale di uscita della porta verrà aperto. Se il dispositivo di ricezione richiede
un livello alto, sarà possibile ottenerlo dal pin di alimentazione +5V. Tuttavia ciò implica una
limitazione sul flusso corrente; per ulteriori informazioni, vedere le specifiche degli I/O di controllo
in Elenco dati CL (alla fine del manuale).
FADER
START
FADER
TALLY
FADER
STOP
250 msec
250 msec

Funzione Help (Guida)
Manuale di riferimento
263
Funzione Help (Guida)
È possibile visualizzare i file della Guida (estensione file .xml) forniti da Yamaha.
Per informazioni aggiornate sui file della Guida, visitare il sito Web Pro Audio di Yamaha.
http://www.yamahaproaudio.com/
Inoltre, utilizzando uno degli editor di testo disponibili in commercio o il "Blocco note" incluso
in Microsoft Windows, è possibile creare un file di testo (con estensione .txt) e visualizzarlo
sulla console*.
* Yamaha non accetta alcuna responsabilità per eventuali danni derivanti dall'utilizzo di file
della Guida creati da terzi, ovvero non Yamaha.
Caricamento di un file di Help/di testo da
un'unità di memoria flash USB
NOTA
Nella memoria interna della console viene memorizzato un file di Help per una sola lingua. Una
volta caricato, il file di Help viene conservato nella memoria interna anche quando l'unità
è spenta. La prima volta che si preme il pulsante HELP per visualizzare il file della Guida dopo
avere acceso l'unità, il caricamento del file della Guida dalla memoria interna richiede del tempo.
Se si preme il pulsante HELP al termine del caricamento dei dati, viene immediatamente
visualizzato il file della Guida.
NOTA
Per impostazione predefinita, il set dei codici di carattere del file di testo verrà rilevato come
UTF-8. Tuttavia, aggiungendo una riga con codici [ISO-8859-1] o [Shift_JIS] all'inizio del file,
è possibile imporre il riconoscimento del file utilizzando tale set dei codici di carattere. È possibile
specificare il set dei codici di carattere nel momento in cui si utilizza l'editor di testo per salvare il
file di testo.
La funzione Help (Guida) consente la visualizzazione dei seguenti file di testo (set codici
carattere/lingue).
• File di testo scritti nel set di codici ISO-8859-1 (inglese, tedesco, francese, spagnolo, ecc.)
• File di testo scritti nel set dei codici di carattere Shift_JIS (giapponese)
• File di testo delle suddette lingue scritti nel set dei codici di carattere UTF-8
Visualizzazione della Guida
Uso nella finestra HELP
È possibile utilizzare la manopola multifunzione o i pulsanti sullo schermo per accedere
alla finestra HELP.
• Ruotare le manopole multifunzione 1 e 2.
.............Consente di effettuare lo scorrimento dell'area dell'indice
asinistra.
• Ruotare le manopole multifunzione 3 - 8.
.............Consente di effettuare lo scorrimento dell'area principale a destra.
• Pressione di un collegamento (testo sottolineato) nel testo
.............Consente di effettuare lo scorrimento fino alla destinazione
collegata.
•Pressione di un collegamento della finestra (posizione con il simbolo
e testo
sottolineato)
.............Consente di chiudere la finestra HELP e aprire la finestra
corrispondente.
• Pressione del pulsante..... Consente di effettuare lo scorrimento fino al capitolo
che precede la posizione attualmente visualizzata.
• Pressione del pulsante..... Consente di tornare alla voce precedente
nella cronologia di collegamenti selezionati.
• Pressione del pulsante..... Consente di passare alla voce successiva
nella cronologia di collegamenti selezionati.
STEP
1.
Salvare il file della Guida fornito da Yamaha o un file di testo creato dall'utente
sull'unità flash USB.
2.
Nell'area di accesso alle funzioni premere il pulsante SETUP.
3.
Nella schermata SETUP premere il pulsante SAVE/LOAD (SALVA/CARICA).
4.
Per selezionare il file di Help/di testo che si desidera caricare, premere su uno dei file
di Help/di testo nell'elenco della finestra SAVE/LOAD o ruotare la manopola
multifunzione nella sezione Centralogic.
5.
Premere il pulsante LOAD (CARICA).
6.
Premere il pulsante OK nella finestra di dialogo di conferma per caricare il file.
Finestra SAVE/LOAD
STEP
1.
Caricare il file di Help o il file di testo dall'unità di memoria flash USB.
2.
Nell'area di accesso alle funzioni, premere il pulsante (Guida).
3.
Per chiudere la finestra HELP, premere il pulsante (Help) nell'area di accesso
alle funzioni oppure il simbolo "x" nella finestra HELP.

Funzione Help (Guida)
Manuale di riferimento
264
Utilizzo di tasti USER DEFINED per richiamare
direttamente la Guida
Assegnazione della funzione Help ai tasti USER DEFINED
Richiamo della finestra HELP utilizzando solo un tasto definito
dall'utente
Premere il tasto definito dall'utente a cui è stata assegnata la funzione Help. Verrà visualizzata
la finestra HELP. Per chiudere la finestra, premere di nuovo il tasto definito dall'utente al quale
è assegnata la funzione Help.
Richiamo diretto della Guida per un controller specifico del pannello
Mantenendo premuto il tasto definito dall'utente a cui è stata assegnata la funzione Help,
premere (o ruotare) il controller del pannello per cui si desidera richiamare la Guida.
Se è disponibile la spiegazione per il controller, verrà visualizzata la voce della Guida
corrispondente.
Per chiudere la finestra, premere di nuovo il tasto definito dall'utente al quale è assegnata
la funzione Help.
NOTA
• I controller del pannello (diversi dai fader e la manopola MONITOR LEVEL) non funzioneranno
fino a quando si tiene premuto il tasto definito dall'utente a cui è stata assegnata la funzione Help.
• Se esistono più spiegazioni per lo stesso controller, è possibile ripetere i passi sopra descritti per
visualizzarle in successione.
Richiamo diretto della Guida per un controller specifico nel display LCD
Mantenendo premuto il tasto definito dall'utente a cui è stata assegnata la funzione Help,
premere (o ruotare) il controller sullo schermo del display per cui si desidera richiamare
la Guida. Se è disponibile la spiegazione per il controller, verrà visualizzata la voce della
Guida corrispondente.
Per chiudere la finestra, premere di nuovo il tasto definito dall'utente al quale è assegnata
la funzione Help.
NOTA
• I controller sullo schermo non funzioneranno finché si mantiene premuto il tasto USER DEFINED
a cui è stata assegnata la funzione Help.
• Se esistono più spiegazioni per lo stesso controller, è possibile ripetere i passi sopra descritti per
visualizzarle in successione.
STEP
1.
Caricare il file della Guida dall'unità flash USB.
2.
Nell'area di accesso alle funzioni premere il pulsante SETUP.
3.
Premere il pulsante USER SETUP in alto a sinistra nella schermata SETUP.
4.
Premere il tab USER DEFINED KEYS nella finestra USER SETUP.
5.
Nella pagina USER DEFINED KEYS premere il pulsante corrispondente al tasto USER
DEFINED a cui si desidera assegnare la funzione Help.
6.
Nella colonna FUNCTION (FUNZIONE) scegliere "HELP" e premere il pulsante OK.
7.
Premere il simbolo "x" per chiudere la pagina USER DEFINED KEYS.
8.
Nell'area di accesso alle funzioni premere il pulsante SETUP per chiudere
la schermata corrispondente.
Schermata SETUP Finestra USER SETUP
(pagina USER DEFINED KEYS)

Altre funzioni
Manuale di riferimento
265
Altre funzioni
In questo capitolo vengono illustrate varie funzioni delle console della serie CL non
descritte in altri capitoli.
Inizializzazione dell'unità alle impostazioni
di fabbrica dell'unità
Se si verifica un errore nella memoria interna della console CL o se si è dimenticata
la password e non è quindi possibile utilizzare l'unità, è possibile utilizzare la procedura
riportata di seguito per inizializzare la memoria interna.
L'inizializzazione della memoria interna può esser eseguita in due modi diversi,
come riportato di seguito.
INITIALIZE ALL MEMORIES (INIZIALIZZA TUTTE LE MEMORIE)
Verranno ripristinate le impostazioni di fabbrica dell'intera memoria, memorie scene
elibrerieincluse.
INITIALIZE CURRENT MEMORIES (INIZIALIZZA MEMORIE CORRENTI)
Verranno ripristinate le impostazioni di fabbrica del contenuto della memoria, fatta eccezione
per memorie scene e librerie.
ATTENZIONE
L'inizializzazione della memoria interna comporta la cancellazione di tutto il contenuto della
memoria! Eseguire l'operazione riportata di seguito solo se si è assolutamente sicuri di voler
cancellare l'intera memoria.
Tuttavia, le impostazioni in DANTE SETUP non verranno inizializzate. Per inizializzare queste
impostazioni, vedere "Inizializzazione delle impostazioni della console e della rete audio Dante"
a pagina 269.
NOTA
• Non premere alcun pulsante fino al termine dell'inizializzazione.
• Al termine dell'inizializzazione, è possibile continuare selezionando un altro menu
invece di premere il pulsante EXIT (ESCI).
Regolazione del punto di rilevamento dello schermo
sensibile al tocco (funzione Calibration, Calibrazione)
Procedere come illustrato di seguito per allineare correttamente le posizioni del display LCD
e dello schermo sensibile al tocco.
NOTA
• Se non è possibile avviare la calibrazione premendo il pulsante TOUCH SCREEN
CALIBRATION, utilizzare i tasti SCENE MEMORY [INC]/[DEC] per selezionare
TOUCH SCREEN CALIBRATION, quindi premere il tasto [STORE] per avviare la procedura.
• Per impostare i punti di rilevamento in modo preciso, premere il cursore a croce dalla posizione
e nella postura in cui si utilizza normalmente l'unità.
• Al termine dell'inizializzazione, è possibile continuare selezionando un altro menu invece
di premere il pulsante EXIT.
STEP
1.
Accendere l'unità CL tenendo premuto il tasto SCENE MEMORY [STORE] sul pannello.
2.
Nella schermata del menu di avvio, selezionare il metodo di inizializzazione.
3.
Premere il pulsante INITIALIZE (INIZIALIZZA) nella finestra di dialogo in cui viene
chiesto di confermare l'inizializzazione.
4.
Premere il pulsante OK nella finestra di dialogo di conferma per avviare
l'inizializzazione.
5.
Un messaggio indicherà il completamento del processo di inizializzazione.
Premere il pulsante EXIT nella schermata del menu di avvio.
Schermata del menu di avvio
STEP
1.
Accendere l'unità CL tenendo premuto il tasto SCENE MEMORY [STORE] sul pannello.
2.
Nella schermata del menu di avvio premere il pulsante TOUCH SCREEN
CALIBRATION (CALIBRAZIONE SCHERMO SENSIBILE AL TOCCO).
3.
Premere il pulsante START (AVVIO) nella schermata TOUCH SCREEN
CALIBRATION MODE (MODALITÀ DI CALIBRATURA SCHERMO SENSIBILE
AL TOCCO).
4.
Premere il pulsante OK nella finestra di dialogo di conferma per avviare
la calibratura.
5.
Nella schermata viene visualizzato un cursore a croce (per un totale di tre volte).
Premere in ciascuna posizione in cui viene visualizzato.
6.
Premere il pulsante EXIT nella schermata del menu di avvio per avviare l'unità CL
con la normale modalità operativa.
Schermata del menu di avvio
Schermata TOUCH SCREEN CALIBRATION MODE (MODALITÀ
DI CALIBRAZIONE SCHERMO SENSIBILE AL TOCCO)

Altre funzioni
Manuale di riferimento
266
Regolazione dei fader (funzione Calibration)
A seconda dell'ambiente in cui viene utilizzata la console della serie CL, è possibile che si
verifichino discordanze nel movimento dei fader motorizzati. È possibile utilizzare la funzione
di calibrazione per correggere tali discordanze.
NOTA
Verrà eseguita in modo semi-automatico la calibrazione per i fader nella sezione Centralogic
e nella sezione Master. Questa finestra viene visualizzata anche se viene rilevato un problema
nelle impostazioni del fader durante l'avvio dell'unità CL.
NOTA
• I fader per cui è stato rilevato un problema all'avvio saranno già selezionati al passo 3.
• Se viene visualizzato il pulsante RESTART, la calibratura non è riuscita. Premere il pulsante
RESTART per ripetere la calibratura.
• Al termine dell'inizializzazione, è possibile continuare selezionando un altro menu invece
di premere il pulsante EXIT.
Regolazione fine del guadagno di input e uscita
(funzione Calibration)
Se necessario, è possibile effettuare regolazioni fini del guadagno di ingresso e uscita.
NOTA
• Se si preme il pulsante RESET ALL (REIMPOSTA TUTTO) presente in ogni schermata,
tutte le impostazioni nella schermata verranno impostate su 0 dB.
L'impostazione di fabbrica è 0 dB.
• Al termine dell'inizializzazione, è possibile continuare selezionando un altro menu invece
di premere il pulsante EXIT.
STEP
1.
Accendere l'unità CL tenendo premuto il tasto SCENE MEMORY [STORE]
sul pannello.
2.
Nella schermata del menu di avvio premere il pulsante FADER CALIBRATION
(CALIBRAZIONE FADER).
3.
Premere il tasto [SEL] per selezionare i fader che si desidera calibrare.
4.
Premere il pulsante START nella schermata FADER CALIBRATION MODE
(MODALITÀ CALIBRATURA FADER).
5.
Premere il pulsante OK nella finestra di dialogo di conferma.
6.
Ciascuno dei fader specificati si sposterà su –∞ (tutto in basso). Se le posizioni del
fader non sono corrette, spostarle manualmente su –∞ (tutto in basso).
7.
Dopo avere regolato la posizione dei fader, premere il pulsante NEXT (AVANTI).
8.
Ripetere i punti da 6 a 7 per regolare le tre posizioni dei fader su 20 dB, 0 dB, +10 dB
(tutto in alto).
Quando la regolazione della posizione +10 dB è terminata, avrà inizio la calibratura.
9.
Al termine della calibratura, premere il pulsante APPLY (APPLICA).
10.
Premere il pulsante EXIT nella schermata del menu di avvio per avviare l'unità CL con
la normale modalità operativa.
Schermata del menu di avvio
STEP
1.
Accendere l'unità CL tenendo premuto il tasto SCENE MEMORY [STORE]
sul pannello.
2.
Nel campo MODE SELECT (SELEZIONE MODALITÀ) nella schermata del menu
di avvio premere il pulsante relativo all'elemento che si desidera regolare.
3.
Premere una manopola presente sullo schermo per selezionarla, quindi utilizzare
la manopola multifunzione corrispondente per regolare il valore.
4.
Premere il pulsante EXIT nella schermata del menu di avvio per avviare l'unità CL
con la normale modalità operativa.
Schermata del menu di avvio

Altre funzioni
Manuale di riferimento
267
• INPUT PORT TRIM (regolazione fine del guadagno di input analogico)
Accedere alla finestra INPUT PORT TRIM ed effettuare la regolazione fine del
guadagno della porta d'ingresso analogico specificata con variazioni di 0,1 dB.
• OUTPUT PORT TRIM (regolazione fine del guadagno della porta di uscita)
Accedere alla finestra OUTPUT PORT TRIM ed effettuare la regolazione fine del
guadagno della porta di uscita analogica specificata con variazioni di 0,01 dB.
• SLOT OUTPUT TRIM (regolazione fine del guadagno delle porte di uscita dello slot)
Accedere alla finestra SLOT OUTPUT TRIM ed effettuare la regolazione fine del
guadagno delle porte di uscita dello slot specificato con variazioni di 0,01 dB.

Altre funzioni
Manuale di riferimento
268
Regolazione del colore dei canali
(funzione di calibrazione)
Se necessario, è possibile regolare i colori dei canali. Regolare i colori dei canali uno alla volta.
NOTA
• Nel caso dei modelli CL3/CL1, i canali che non esistono
su questi modelli non verranno visualizzati.
• Non è possibile regolare più di un canale
contemporaneamente.
• Il pulsante APPLY viene visualizzato solo se vengono
modificati i valori RGB.
• Per riportare tutti gli indicatori di colore dei canali alle
impostazioni predefinite di fabbrica, premere il
pulsante RESET ALL.
• Al termine dell'inizializzazione, è possibile continuare
selezionando un altro menu invece di premere il pulsante EXIT.
Regolazione della luminosità del display dei nomi
dei canali
Se necessario, è possibile regolare la luminosità del display dei nomi dei canali.
NOTA
In alternativa, è possibile continuare ad utilizzare l'unità selezionando un menu diverso invece
di premere il pulsante EXIT.
STEP
1.
Accendere l'unità CL tenendo premuto il tasto SCENE MEMORY [STORE] sul pannello.
2.
Nella schermata del menu di avvio premere il pulsante LED COLOR CALIBRATION
(CALIBRAZIONE COLORE LED).
3.
Utilizzare un tasto [SEL] nel pannello superiore per selezionare l'indicatore del quale
si desidera regolare il colore.
4.
Premere uno dei pulsanti dei colori nella schermata CHANNEL COLOR CALIBRATION
MODE (MODALITÀ CALIBRAZIONE COLORE CANALE) per selezionare il colore
desiderato.
5.
Per confrontare il colore dell'indicatore del canale selezionato con il colore degli altri
indicatori di canale (per cui i tasti [SEL] sono disattivati), utilizzare le manopole
multifunzione 6, 7 e 8 per regolare il colore.
6.
Una volta completata la regolazione del colore, premere il pulsante APPLY sul lato
destro della schermata per confermare la modifica.
7.
Premere il pulsante EXIT nella schermata del menu di avvio per avviare l'unità CL con
la normale modalità operativa.
Schermata CHANNEL COLOR
CALIBRATION MODE
STEP
1.
Accendere l'unità CL tenendo premuto il tasto SCENE MEMORY [STORE] sul pannello.
2.
Nella schermata del menu di avvio premere il pulsante LED COLOR CALIBRATION.
3.
Premere il tasto [CUE] o [ON] del canale per cui si desidera regolare la luminosità.
Se si preme il tasto [CUE], la luminosità aumenta, mentre se si preme il tasto [ON],
diminuisce.
4.
Una volta completata la regolazione della luminosità, premere il pulsante APPLY sul lato
destro della schermata per confermare la modifica.
5.
Premere il pulsante EXIT nella schermata del menu di avvio per avviare l'unità CL con
la normale modalità operativa.

Altre funzioni
Manuale di riferimento
269
Regolazione del contrasto dei display dei nomi
dei canali
Se necessario, è possibile regolare il contrasto del display dei nomi dei canali.
NOTA
• Il pulsante APPLY viene visualizzato solo se viene modificata l'impostazione.
• In alternativa, è possibile continuare ad utilizzare l'unità selezionando un menu diverso invece
di premere il pulsante EXIT.
Inizializzazione delle impostazioni della console
e della rete audio Dante
È possibile inizializzare Dante con le impostazione di fabbrica quando si verifica un errore
sulla rete audio Dante.
ATTENZIONE
Al momento dell'inizializzazione, tutte le impostazioni della console, comprese quelle
della rete audio Dante salvate precedentemente in memoria, andranno perse.
Scollegare la rete audio Dante prima dell'inizializzazione.
STEP
1.
Accendere l'unità CL tenendo premuto il tasto SCENE MEMORY [STORE] sul pannello.
2.
Nella schermata del menu di avvio premere il pulsante LED COLOR CALIBRATION.
3.
Tenere premuto un tasto [SEL] sul pannello e ruotare la manopola multifunzione 1 nella
sezione Centralogic.
Se si ruota la manopola verso sinistra, viene attenuato il contrasto di tutti i canali.
Se la si ruota verso destra, viene aumentato il contrasto di tutti i canali.
4.
Se si desidera regolare un canale con contrasto diverso da quello degli altri canali, tenere
premuto il tasto [SEL] del canale desiderato e premere il tasto [CUE] o il tasto [ON]
corrispondente.
Se si preme il tasto [CUE], il contrasto aumenta, mentre se si preme il tasto [ON], diminuisce.
5.
Una volta completata la regolazione del contrasto, premere il pulsante APPLY sul lato
destro della schermata per confermare la modifica.
6.
Premere il pulsante EXIT nella schermata del menu di avvio per avviare l'unità CL con
la normale modalità operativa.
STEP
1.
Tenendo premuto il tasto SCENE MEMORY [STORE] e il tasto [INC] del pannello,
accendere l'unità CL.
2.
Un messaggio indicherà il completamento del processo di inizializzazione.
Premere il pulsante CLOSE.

Altre funzioni
Manuale di riferimento
270
Procedura di aggiornamento modificata per il
firmware NAME SUB CPU
La procedura di aggiornamento del firmware NAME SUB CPU per la console CL da un'unità
flash USB è stata modificata. Se viene visualizzata la seguente finestra, è stata attivata la
modalità di aggiornamento del firmware NAME SUB CPU della console. Per ulteriori
informazioni su questa operazione, fare riferimento a "CL5/CL3/CL1 Firmware Update Guide".
Non spegnere la console durante l'esecuzione dell'aggiornamento.
Per uscire da questa modalità, premere il pulsante CANCEL.
Funzione di aggiornamento del firmware Dante
aggiunta
Se viene visualizzata la seguente finestra, è stata attivata la modalità di aggiornamento del
firmware del modulo Dante. Per ulteriori informazioni su questa operazione, fare riferimento
a "CL5/CL3/CL1 Firmware Update Guide".
Non spegnere la console durante l'esecuzione dell'aggiornamento.
Per uscire da questa modalità, premere il pulsante CANCEL.

Messaggi di avviso/errore
Manuale di riferimento
271
Messaggi di avviso/errore
Messaggio Significato
5.1SOLO : Only input cue is enabled.
(5.1SOLO : Sono impostati solo i segnali
di attivazione in ingresso.)
Se in modalità Surround, è possibile monitorare il segnale di
attivazione in ingresso solo del canale di ingresso quando CUE
MODE è impostato su 5.1 SOLO. (Si è tentato di monitorare il segnale
di attivazione di un altro canale.)
xxx Parameters Copied. Il parametro xxx è stato copiato nel buffer della copia.
xxx Parameters Initialized.
(xxx parametri inizializzati) Il parametro xxx è stato inizializzato
xxx Parameters Pasted.
(xxx parametri incollati) Il parametro xxx è stato incollato dal buffer di copia.
xxx Parameters Swapped with Copy
Buffer. (Parametri xxx scambiati con
il buffer di copia)
Il parametro xxx è stato scambiato con il contenuto del buffer
della copia.
ALTERNATE FUNCTION: Turned off! ALTERNATE FUNCTION è stata disattivata.
Cannot Assign!
Nella finestra a comparsa USER DEFINED KEYS della serie CL3/CL1
si è tentato di modificare un elemento che non può essere modificato
per tale modello.
Cannot Bookmark This Popup. Impossibile aggiungere ai segnalibri questa finestra a comparsa.
Cannot Mount This Type of Device in
This Position.
Si è tentato di installare un dispositivo specifico in una posizione in cui
non può essere installato.
Cannot Open This Page. Impossibile aprire questa finestra.
Cannot Paste to Different Parameter
Type! Impossibile incollare il parametro in un tipo diverso.
Cannot Paste! Impossibile incollare la stringa di caratteri.
Cannot Recall! Impossibile richiamare una memoria o una libreria delle scene.
Cannot Select This Channel. (Impossibile
selezionare questo canale)
Si è tentato di selezionare un canale che non è possibile utilizzare
a causa del livello utente o di altri motivi.
Cannot Store! (Impossibile
memorizzare) Impossibile memorizzare una memoria o una libreria delle scene.
Cannot Undo! Si è premuto il pulsante UNDO quando la funzione di annullamento
non era disponibile.
Channel Copied. Le impostazioni del canale sono state copiate.
Channel Moved. Le impostazioni di canale sono state spostate.
Channel Returned to Default Settings. Sono state ripristinate le impostazioni predefinite per il canale.
Console initialized due to memory
mismatch.
Tutti i dati sono stati inizializzati in quanto i dati nella memoria di
backup interna sono andati persi a causa di un aggiornamento o di un
errore della batteria di backup o per altri motivi. Contattare il centro
assistenza Yamaha indicato alla fine del Manuale di istruzioni
(documento separato).
Corrupted data fixed! I dati sono stati corretti.
Couldn't Access File. Per qualche motivo non è possibile accedere al file nell'unità flash
USB.
Couldn't Write File. Impossibile salvare il file nell'unità flash USB.
Current User Changed. [xxx] L'utente corrente è stato modificato in [xxx].
DANTE audio resource overflow. Le risorse audio non sono sufficienti sulla rete audio Dante.
DANTE Connection Error! I collegamenti principali e secondari sono errati nei collegamenti
a margherita.
DANTE is not working by GIGA bit. La rete GIGA bin non funziona sulla rete audio Dante.
DANTE is working at Secondary. La rete audio Dante funziona su una porta secondaria.
DANTE module Error! Si è verificato un errore in un modulo Dante.
DANTE switched to secondary port.
(DANTE è passata sulla porta
secondaria.)
Viene utilizzata solo SECONDARY PORT (Porta secondaria) benché
si stia utilizzando una console serie CL attraverso una connessione
ridondante.
DCA ROLL-OUT : DCA members
scrolling.
(DCA ROLL-OUT: scorrimento
membri DCA.)
In modalità DCA ROLL-OUT, il contenuto nel blocco viene scorso da
sinistra a destra.
Different File Format! Some Data was
not Loaded. Sono stati caricati dati in un formato non supportato.
Directory Not Empty! Si è tentato di eliminare una directory, ma il tentativo non è riuscito
perché alcuni file sono rimasti nella directory.
Editor: Data Framing Error!
Editor: Data Overrun! Sono stati scambiati segnali non validi con CL Editor.
Editor: Rx Buffer Full! Sono stati ricevuti troppi dati nella porta di ingresso di CL Editor.
Editor: Tx Buffer Full! Sono stati inviati troppi dati dalla porta di uscita di CL Editor.
EFFECT CUE: Turned Off. CUE è stato rifiutato perché si è passati dalla finestra a comparsa
EFFECT o Premium Rack a una schermata diversa.
Error occurred at Secondary Port. Il cavo di rete di una porta secondaria ridondante è stato scollegato.
External HA Connection Conflict!
I dati del preamplificatore esterno non possono essere richiamati
perché lo stato delle connessioni a tale preamplificatore è cambiato da
quando la scena è stata memorizzata.
External Power Supply is Cut Off! L'alimentazione PW800 (EXT) collegata alla console della serie CL ha
smesso di funzionare.
Fader Bank Snapshot is Done. È stata scattata un'istantanea delle attuali impostazioni dei banchi.
File Access is Busy! L'operazione non è stata ancora eseguita perché era in corso
l'accesso all'unità flash USB.
File Already Exists! L'unità flash USB contiene già un file o una directory con lo stesso
nome di quella che si sta tentando di salvare, rinominare o creare.
File Error [xx]! (Errore file) Errore interno di accesso al file.
File Protected! Impossibile eseguire la sovrascrittura in quanto il file nell'unità di
memoria flash USB è protetto da scrittura.
Flash Memory Initializing Finished. L'inizializzazione della memoria è stata completata.
Help File Not Found! Il file di Help non è stato caricato.
Illegal Address! Le impostazioni dell'indirizzo IP o dell'indirizzo del Gateway non sono
valide.
Illegal DIP Switch Setting. Le impostazioni degli switch DIP della serie R non sono valide.
Messaggio Significato

Messaggi di avviso/errore
Manuale di riferimento
272
Illegal MAC Address! Cannot Use
Ethernet.
Impossibile effettuare la comunicazione tramite il connettore
NETWORK in quanto l'impostazione dell'indirizzo MAC è stata
danneggiata.
Contattare il centro assistenza Yamaha indicato alla fine del Manuale
di istruzioni (documento separato).
Illegal MAC Address! L'indirizzo MAC non è valido.
Illegal Storage Format! Impossibile accedere al file nell'unità di memoria flash USB perché il
formato non è valido o non è supportato.
Internal Power Supply is Cut Off! L'alimentazione interna (INT) ha smesso di funzionare oppure si
è verificato un altro problema. Contattare il centro assistenza Yamaha
indicato alla fine del Manuale di istruzioni (documento separato).
Internal Power Supply is Turned On. L'alimentazione interna (INT) è stata avviata normalmente.
Invalid value (Valore non valido) Il PIN dell'applicazione MonitorMix impostato su una console serie CL
deve essere una password numerica a 4 cifre.
KEY IN CUE: Turned Off. KEY IN CUE è stato rifiutato perché si è passati dalla finestra
a comparsa DYNAMICS 1 di un canale di ingresso a una schermata
diversa.
LIBRARY #xxx is Empty! Non è stato memorizzato alcun dato nella libreria #xxx che si è tentato
di richiamare.
Loading Aborted. Il caricamento dall'unità di memoria flash USB è stato interrotto.
Loading Finished. Il caricamento dall'unità di memoria flash USB è stato completato.
Low Battery! La batteria di backup è scarica.
Maximum Number of Audio Files
Exceeded!
Il numero di song che è possibile gestire tramite il registratore della
memoria USB è stato superato.
Memory Error. La memoria di backup della serie R è danneggiata.
MIDI: Data Framing Error!
MIDI: Data Overrun! La porta di ingresso MIDI sta ricevendo un segnale inappropriato.
MIDI: Rx Buffer Full!
(Buffer di ricezione pieno) Sono stati ricevuti troppi dati nella porta di ingresso MIDI.
MIDI: Tx Buffer Full! Sono stati trasmessi troppi dati dalla porta di uscita MIDI.
Monitor Assignment is Restricted to
Max. 8 Sources!
La funzione Monitor Define (Definizione monitoraggio) consente la
selezione di un massimo di otto sorgenti, ma si è tentato di
assegnarne più di otto.
No Access From Recorder! Nella schermata RECORDER non è possibile spostarsi a un livello
superiore a \YPE\SONGS\.
No Channel Selected. Non è stato selezionato alcun canale di copia-origine nella schermata
GLOBAL PASTE.
No Copy Item Selected. Nella schermata GLOBAL PASTE si è tentato di incollare un elemento
senza averlo prima selezionato.
No Corresponding Help Items. La sezione corrispondente non è stata trovata nel file di Help.
No ID3 Tag exists. You can not edit. Il file musicale non può essere modificato in quanto è privo di tag ID3.
No Response from External HA. Nessuna risposta dal dispositivo AD8HR esterno.
No Response from I/O DEVICE. I dispositivi I/O non rispondono.
Operating as the word clock master. Questa console è il clock master.
Messaggio Significato
Page Bookmarked. La schermata o finestra a comparsa corrente è stata aggiunta ai
segnalibri.
Parameter out of range! Alcuni dati potrebbero non essere caricati a causa della mancata
corrispondenza dei parametri.
Password Changed. La password è stata modificata.
PlayBack Failed: Recorder is Busy!
(Playback non riuscito: registratore
occupato)
Impossibile riprodurre il collegamento al file audio in quanto è in corso
la registrazione.
PLAYBACK OUT CUE: Turned Off. CUE è stato annullato per PLAYBACK OUT in quanto si è passati
dalla schermata RECORDER a un'altra schermata.
Please use Dante Controller. Le impostazioni Dante Patch della console non sono valide.
Please wait, Dante patch is proceeding
now. Si è tentato di apportare una modifica nella schermata DANTE PATCH
in un momento in cui non era possibile effettuare l'assegnazione.
Power Supply Fan has Malfunctioned! La ventola di raffreddamento dell'alimentazione interna ha smesso
di funzionare. Contattare il centro assistenza Yamaha indicato alla fine
del Manuale di istruzioni (documento separato).
PREVIEW Mode: Cannot Use This
Function.
L'operazione è stata ignorata in quanto questa funzione non
può essere utilizzata durante l'anteprima.
PREVIEW Mode: Disabled L'anteprima è stata disabilitata.
PREVIEW Mode: Enabled L'anteprima è stata abilitata.
Processing Aborted. L'elaborazione è stata interrotta.
Recorder Busy: Operation Aborted! L'operazione del pulsante è stata annullata in quanto è necessario
tempo per l'elaborazione del registratore.
RECORDER: CODEC Error [0x%08X] ! Nella schermata RECORDER si è verificato un errore codec.
RECORDER IN CUE: Turned Off. CUE è stato annullato per RECORDER IN in quanto si è passati
dalla schermata RECORDER a un'altra schermata.
Re-Enter Password! Al momento della specifica della password dell'utente, la password
non è stata immessa una seconda volta.
REMOTE: Data Framing Error!
REMOTE: Data Overrun! Segnali non validi sono stati trasmessi al connettore remoto.
REMOTE: Rx Buffer Full! Sono stati ricevuti troppi dati sul connettore remoto.
REMOTE: Tx Buffer Full! Sono stati inviati troppi dati dal connettore remoto.
Removed from the Channel Link group. Il canale è stato rimosso dal gruppo di collegamenti.
Saving Aborted. Il salvataggio nell'unità di memoria flash USB è stato interrotto.
Saving Finished. Il salvataggio nell'unità di memoria flash USB è stato completato.
SCENE #xxx is Empty!
Non è stato memorizzato alcun dato nella scena che si è tentato
di richiamare oppure i dati sono stati danneggiati e pertanto non
possono essere richiamati.
SCENE #xxx is Protected! Si è tentato di sovrascrivere (memorizzare) una scena protetta.
SCENE #xxx is Read Only! Si è tentato di sovrascrivere (memorizzare) una scena in sola lettura.
Scene Playback Link Canceled! Il collegamento per la riproduzione audio della scena è stato
annullato.
Messaggio Significato

Messaggi di avviso/errore
Manuale di riferimento
273
SLOT x: Data Framing Error!
SLOT x: Data Overrun! Sono stati trasmessi segnali non validi alla porta di ingresso SLOT x.
SLOT x: Rx Buffer Full! Sono stati ricevuti troppi dati nella porta di ingresso SLOT x.
SLOT x: Tx Buffer Full! Sono stati trasmessi troppi dati dalla porta di uscita SLOT x.
Some Song Files Are Unidentified.
Alcune song non sono state identificate. Le song che non sono
state specificate possono essere utilizzate per DIRECT PLAY
o SCENE PLAY BACK LINK.
Song File Not Found! Il file specificato per SCENE LINK o DIRECT PLAY e assegnato
a una chiave USER DEFINED non esiste.
STAGEMIX: Data Framing Error!
STAGEMIX: Data Overrun! Sono stati scambiati segnali non validi con StageMix.
STAGEMIX: Rx Buffer Full!
(REMOTE: buffer di ricezione pieno) Sono stati ricevuti troppi dati nella porta di ingresso StageMix.
STAGEMIX: Tx Buffer Full!
(REMOTO: buffer di trasmissione pieno) Sono stati trasmessi troppi dati dalla porta di uscita StageMix.
STEREO Mode : Cannot Use This
Function. Impossibile utilizzare questa funzione in modalità Stereo.
STEREO MODE ON. La console è passata alla modalità Stereo.
Storage Full! Impossibile salvare il file in quanto lo spazio sull'unità di memoria flash
USB non è sufficiente.
Storage Not Found! Impossibile riconoscere l'unità di memoria flash USB.
Storage Not Ready! Impossibile eseguire l'accesso in quanto l'unità di memoria flash USB
non è pronta.
SURROUND Mode: Cannot Use This
Function. Impossibile utilizzare questa funzione in modalità Surround.
SURROUND MODE ON. La console è passata alla modalità Surround.
Sync Error! [xxx] La console della serie CL non è sincronizzata con il segnale [xxx].
Tap Operation Ignored. L'operazione Tap è stata ignorata in quanto il pulsante TAP TEMPO
non è visualizzato nella schermata.
Target device is in WGM Mode.
Operation Denied.
(L'elenco dei dispositivi di destinazione è
in modalità WGM.
Operazione non consentita.)
Si è tentato di utilizzare RMio64-D quando RMio64-D è in modalità
WGM (RMio64-D in funzione come membro del gruppo di lavoro
NUAGE).
This Operation is Not Allowed.
(Operazione non consentita)
Questa operazione è stata ignorata in quanto l'utente corrente non
dispone delle autorizzazioni necessarie.
This Operation is Not Allowed in This
View. Questa funzione non è consentita in questa schermata.
Too Large File! Loading Failed.
(File troppo grande. Caricamento non
riuscito.)
Impossibile eseguire il caricamento in quanto il file bitmap è troppo
grande. La dimensione di file massima supportata è 307.256 Byte.
Impossibile eseguire il caricamento in quanto il file bitmap è troppo
grande. La dimensione di file massima supportata è 1024 kilobyte.
Too Many Bands Used! Cannot
Compare.
La copia di 31BandGEQ e il relativo confronto con Flex15GEQ non
è riuscita in quanto nell'origine della copia sono incluse 15 bande.
Messaggio Significato
Too Many Bands Used! Cannot Paste to
Flex15GEQ.
L'operazione di copia e incolla di 31BandGEQ in Flex15GEQ non
è riuscita in quanto nell'origine della copia sono incluse 15 bande.
Total Slot Power Capability Exceeded! Il consumo elettrico delle schede I/O installate negli slot ha superato
il valore nominale.
Unassigned Encoder. L'operazione è stata ignorata in quanto nessun parametro
corrisponde alla manopola utilizzata.
Unit Fan has Malfunctioned La ventola della console della serie R non ha funzionato
correttamente.
Unit ID Duplicated! Il valore UNIT ID è duplicato nella rete audio Dante.
Unsupported File Format! Il formato del file che si è tentato di caricare dall'unità di memoria
flash USB non è supportato.
USB Currently Active for Recorder
function! Le operazioni Save o Load non sono disponibili in quanto è in corso la
registrazione o la riproduzione con il registratore della memoria USB.
USB Currently Active for SAVE or LOAD! Impossibile utilizzare il registratore in quanto è in corso il salvataggio
o il caricamento della memoria della scena del mixer o dei dati della
libreria dall'unità di memoria flash USB.
USB Memory Busy: Recorder Stopped! La registrazione/riproduzione è stata interrotta in quanto è necessario
tempo per l'elaborazione dell'unità di memoria flash USB.
USB Memory Full! Impossibile salvare la playlist RECORDER in quanto lo spazio libero
sull'unità di memoria flash USB non è sufficiente.
USB Memory Full! Recorder Stopped.
L'elaborazione del registratore è stata interrotta in quanto la capacità
dell'unità di memoria flash USB si è esaurita durante il funzionamento
del registratore della memoria USB.
USB Memory is Protected! L'impostazione Protect dell'unità di memoria flash USB è attivata.
USB Memory Unmounted! Recorder
Stopped.
L'elaborazione del registratore è stata interrotta in quanto l'unità di
memoria flash USB è stata scollegata durante il funzionamento del
registratore della memoria USB.
USB over current Error! Disconnect USB
device.
Il dispositivo USB è stato scollegato a causa dell'eccessiva corrente
USB.
USER DEFINED KEY BANK CHANGED [x]. Il banco per USER DEFINED KEY è passato a [x]. (x è A, B, C o D).
Version Changed. All Memories were
Initialized.
La memoria attuale è stata inizializzata quando è stata aggiornata
la versione.
Version mismatch. Le versioni di questa console e della console della serie R
non corrispondono.
Word Clock Error! Recorder Stopped! Il registratore è stato interrotto in quanto la sincronizzazione
con l'orologio è andata persa.
Wrong Audio File Format! Il formato del file audio non è valido.
Wrong Password! (Password non
corretta) La password immessa non è corretta.
Wrong Word Clock! Impossibile eseguire la sincronizzazione della console della serie CL
in quanto l'origine selezionata da MASTER CLOCK SELECT nella
schermata WORD CLOCK non è appropriata.
You Cannot Create User Key. L'utente corrente non dispone delle autorizzazioni necessarie per la
creazione di una chiave di autenticazione utente.
Messaggio Significato

Appendici
Manuale di riferimento
274
Indice
Numeri
8BandPEQ .................................................. 143
A
Assegnazione................................................ 18
Assegnazione ingressi .................................. 19
AUTOMIXER............................................... 146
Automixer .................................................... 146
B
Banco di fader personalizzato..................... 227
C
Calibrazione ................................ 265, 266, 268
Canale, colore ....................................... 30, 268
Canali di ingresso.......................................... 28
Canali, libreria............................................ 54
Indicazione del nome e dell'icona
del canale .................................................. 29
Canali, libreria ......................................... 54, 63
Channel Job (Operazione canale)................. 71
Channel Link, funzione.................................. 82
Clock interno ............................................... 245
Collegamenti in cascata .............................. 239
Colori dei canali........................................... 245
Compensazione guadagno ........................... 37
Console Lock............................................... 229
Control change
parametri di controllo............................... 188
Cue
Uso .......................................................... 118
D
Dante, rete audio................................... 18, 246
DAW............................................................ 197
DCA, gruppo.................................................. 71
Dinamiche ............................................... 64, 67
Librerie....................................................... 70
Display dei nomi.......................................... 244
Dispositivi I/O .............................................. 167
E
Effetti interni ................................................ 148
Effetto.......................................................... 135
Librerie..................................................... 166
Encoder assegnabili..................................... 225
EQ.................................................................. 64
Librerie ....................................................... 70
EQ grafico............................................ 135, 139
Librerie ..................................................... 166
Esclusione, gruppo ........................................ 76
F
Fade, funzione ............................................. 103
Fader master................................................ 228
File audio
(collegato al richiamo di una scena) ........... 106
Finestra BUS SETUP
(CONFIGURAZIONE BUS) ........................ 243
Focus Recall, funzione................................. 102
Funzione Solo (Assolo)................................ 121
Funzioni che possono essere assegnate
agli encoder assegnabili ............................. 226
G
Global Paste, funzione................................... 99
GPI............................................................... 257
Guadagno ...................................................... 31
Guadagno analogico.................................. 31
H
HA (Head Amplifier)....................................... 31
Help (Guida), funzione................................. 263
I
Impostazioni di fabbrica ............................... 265
Indicatori ...................................................... 130
Indirizzo di rete............................................. 245
Ingresso, canali
Invio a un bus MIX/MATRIX....................... 42
Invio al bus STEREO/MONO ..................... 37
Ingresso, delay............................................... 47
Inizializzazione............................................. 265
Inserimento .................................................... 23
L
LED.............................................................. 244
Libreria ......................................................... 186
Librerie ................................................... 70, 166
Luminosità spia............................................ 244
M
MATRIX, bus ......................................... 59, 243
MBCL (opzione)........................................... 134
Messaggi di avviso/errore............................ 271
Meter bridge (facoltativo)............................. 134
METER, schermata ..................................... 130
MIDI............................................................. 183
MIX MINUS.................................................... 91
MIX, bus ...................................................... 243
MIX, canali
Bus MATRIX, invio a.................................. 59
Invio al bus STEREO/MONO..................... 57
MIX/MATRIX, bus.......................................... 42
Monitoraggio........................................ 109, 110
N
Nuendo Live ................................................ 200
O
Operazioni di copia, spostamento o
inizializzazione di un canale......................... 87
Oscillatore............................................ 125, 127
Output Delay.................................................. 62
OVERVIEW, schermata ................................ 14
P
Preamplificatore............................................. 31
Preamplificatori esterni ........................ 167, 178
Preferenze ................................................... 213
PREMIUM RACK......................................... 156
Premium Rack
Librerie..................................................... 166
Uso .......................................................... 156
PREVIEW, modalità .................................... 108
Program change
operazione di richiamo............................. 186
R
Rack virtuale................................................ 135
operazioni ................................................ 136
Recall Safe, funzione..................................... 79
Riquadro rosa (TOUCH AND TURN) .......... 222
S
Scene
Modifica ..................................................... 97
Schema delle funzioni ..................................... 4
Schermata SURROUND SETUP
(CONFIGURAZIONE SURROUND) .......... 205
Schermo sensibile al tocco.......................... 244
Segnale di attivazione ......................... 109, 116
SELECTED CHANNEL VIEW, schermata ...... 7
SELECTED CHANNEL, sezione..................... 6
Setup........................................................... 204
SETUP, schermata...................................... 204
Sezione Centralogic ...................................... 13
Sincronizzazione di effetti e tempo.............. 155
Slot .............................................................. 237
STEREO/MONO, bus.............................. 37, 57
STEREO/MONO, canali
Bus MATRIX, invio a ................................. 59
Surround...................................................... 114
T
Talkback...................................................... 125
Titoli, elenco ................................................ 196
TOUCH AND TURN.................................... 222
U
USB, registratore di memoria...................... 191
Canali, assegnazione .............................. 191
USB, unità di memoria
Formattazione ......................................... 236
USB, unità di memoria flash
Caricamento di un file.............................. 233
Dati di configurazione, salvataggio
e caricamento.......................................... 230
File audio, riproduzione ........................... 195
File di Help/di testo
caricamento............................................. 263
Registrazione .......................................... 193
Uscita diretta ................................................. 26
Uscita, canali................................................. 55
Indicazione del nome
e dell'icona del canale ............................... 56
Libreria canali ............................................ 63
Uscite, assegnazione .................................... 20
USER DEFINED, manopole........................ 222
Funzioni che possono essere assegnate..... 223
USER DEFINED, tasti................................. 215
Funzioni che possono essere assegnate..... 217
Richiamo della Guida .............................. 264
Utente, impostazioni.................................... 206

EN
Table of Contents
EQ Library List.................................................................... 2
DYNAMICS Library List ...................................................... 3
Dynamics Parameters......................................................... 5
Effect Type List.................................................................... 7
Effects Parameters.............................................................. 8
Premium Rack Processor Parameters ................................ 20
Parameters That Can Be Assigned to
Control Changes ............................................................. 23
NRPN Parameter Assignments .......................................... 26
Mixing Parameter Operation Applicability........................... 30
MIDI Data Format ............................................................... 36
Input/output characteristics................................................. 43
Electrical Characteristics .................................................... 45
Mixer Basic Parameters...................................................... 46
Pin Assignment Chart......................................................... 47
MIDI Implementation Chart................................................. 48
Data List

Data List
2
EQ Library List
• Libraries created by the user also include type parameters
and BYPASS parameters (ON/OFF) for each band.
• The type parameter for all read-only presets is “LEGACY
(TYPE1).”
#Title Parameter
LOW L-MID H-MID HIGH
01 Bass Drum 1
PEAKING PEAKING PEAKING H.SHELF
G+3.5 dB -3.5 dB 0.0 dB +4.0 dB
F100 Hz 265 Hz 1.06 kHz 5.30 kHz
Q1.25 10.0 0.90 -
02 Bass Drum 2
PEAKING PEAKING PEAKING LPF
G+8.0 dB -7.0 dB +6.0 dB ON
F80.0 Hz 400 Hz 2.50 kHz 12.5 kHz
Q1.4 4.5 2.2 -
03 Snare Drum 1
PEAKING PEAKING PEAKING H.SHELF
G-0.5 dB 0.0 dB +3.0 dB +4.5 dB
F132 Hz 1.00 kHz 3.15 kHz 5.00 kHz
Q1.25 4.5 0.11 -
04 Snare Drum 2
L.SHELF PEAKING PEAKING PEAKING
G+1.5 dB -8.5 dB +2.5 dB +4.0 dB
F180 Hz 335 Hz 2.36 kHz 4.00 kHz
Q- 10.0 0.70 0.10
05 Tom-tom 1
PEAKING PEAKING PEAKING PEAKING
G+2.0 dB -7.5 dB +2.0 dB +1.0 dB
F212 Hz 670 Hz 4.50 kHz 6.30 kHz
Q1.4 10.0 1.25 0.28
06 Cymbal
L.SHELF PEAKING PEAKING H.SHELF
G-2.0 dB 0.0 dB 0.0 dB +3.0 dB
F106 Hz 425 Hz 1.06 kHz 13.2 kHz
Q- 8.0 0.90 -
07 High Hat
L.SHELF PEAKING PEAKING H.SHELF
G-4.0 dB -2.5 dB +1.0 dB +0.5 dB
F95.0 Hz 425 Hz 2.80 kHz 7.50 kHz
Q-0.501.0 -
08 Percussion
L.SHELF PEAKING PEAKING H.SHELF
G-4.5 dB 0.0 dB +2.0 dB 0.0 dB
F100 Hz 400 Hz 2.80 kHz 17.0 kHz
Q- 4.5 0.56 -
09 E. Bass 1
L.SHELF PEAKING PEAKING H.SHELF
G-7.5 dB +4.5 dB +2.5 dB 0.0 dB
F35.5 Hz 112 Hz 2.00 kHz 4.00 kHz
Q-5.04.5-
10 E. Bass 2
PEAKING PEAKING PEAKING H.SHELF
G+3.0 dB 0.0 dB +2.5 dB +0.5 dB
F112 Hz 112 Hz 2.24 kHz 4.00 kHz
Q0.10 5.0 6.3 -
11 Syn. Bass 1
PEAKING PEAKING PEAKING H.SHELF
G+3.5 dB +8.5 dB 0.0 dB 0.0 dB
F85.0 Hz 950 Hz 4.00 kHz 12.5 kHz
Q0.10 8.0 4.5 -
12 Syn. Bass 2
PEAKING PEAKING PEAKING H.SHELF
G+2.5 dB 0.0 dB +1.5 dB 0.0 dB
F125 Hz 180 Hz 1.12 kHz 12.5 kHz
Q1.6 8.0 2.2 -
13 Piano 1
L.SHELF PEAKING PEAKING H.SHELF
G-6.0 dB 0.0 dB +2.0 dB +4.0 dB
F95.0 Hz 950 Hz 3.15 kHz 7.50 kHz
Q-8.00.90-
14 Piano 2
PEAKING PEAKING PEAKING H.SHELF
G+3.5 dB -8.5 dB +1.5 dB +3.0 dB
F224 Hz 600 Hz 3.15 kHz 5.30 kHz
Q5.6 10.0 0.70 -
15 E. G. Clean
PEAKING PEAKING PEAKING H.SHELF
G+2.0 dB -5.5 dB +0.5 dB +2.5 dB
F265 Hz 400 Hz 1.32 kHz 4.50 kHz
Q0.18 10.0 6.3 -
16 E. G. Crunch 1
PEAKING PEAKING PEAKING PEAKING
G+4.5 dB 0.0 dB +4.0 dB +2.0 dB
F140 Hz 1.00 kHz 1.90 kHz 5.60 kHz
Q8.0 4.5 0.63 9.0
17 E. G. Crunch 2
PEAKING PEAKING PEAKING H.SHELF
G+2.5 dB +1.5 dB +2.5 dB 0.0 dB
F125 Hz 450 Hz 3.35 kHz 19.0 kHz
Q8.0 0.40 0.16 -
18 E. G. Dist. 1
L.SHELF PEAKING PEAKING H.SHELF
G+5.0 dB 0.0 dB +3.5 dB 0.0 dB
F355 Hz 950 Hz 3.35 kHz 12.5 kHz
Q-9.010.0-
19 E. G. Dist. 2
L.SHELF PEAKING PEAKING H.SHELF
G+6.0 dB -8.5 dB +4.5 dB +4.0 dB
F315 Hz 1.06 kHz 4.25 kHz 12.5 kHz
Q- 10.0 4.0 -
20 A. G. Stroke 1
PEAKING PEAKING PEAKING H.SHELF
G-2.0 dB 0.0 dB +1.0 dB +4.0 dB
F106 Hz 1.00 kHz 1.90 kHz 5.30 kHz
Q0.90 4.5 3.5 -
#Title Parameter
LOW L-MID H-MID HIGH
21 A. G. Stroke 2
L.SHELF PEAKING PEAKING H.SHELF
G-3.5 dB -2.0 dB 0.0 dB +2.0 dB
F300 Hz 750 Hz 2.00 kHz 3.55 kHz
Q-9.04.5-
22 A. G. Arpeg. 1
L.SHELF PEAKING PEAKING PEAKING
G-0.5 dB 0.0 dB 0.0 dB +2.0 dB
F224 Hz 1.00 kHz 4.00 kHz 6.70 kHz
Q-4.54.50.125
23 A. G. Arpeg. 2
L.SHELF PEAKING PEAKING H.SHELF
G0.0 dB -5.5 dB 0.0 dB +4.0 dB
F180 Hz 355 Hz 4.00 kHz 4.25 kHz
Q-7.04.5-
24 Brass Sec.
PEAKINGPEAKINGPEAKINGPEAKING
G-2.0 dB -1.0 dB +1.5 dB +3.0 dB
F90.0 Hz 850 Hz 2.12 kHz 4.50 kHz
Q2.8 2.0 0.70 7.0
25 Male Vocal 1
PEAKINGPEAKINGPEAKINGPEAKING
G-0.5 dB 0.0 dB +2.0 dB +3.5 dB
F190 Hz 1.00 kHz 2.00 kHz 6.70 kHz
Q0.11 4.5 0.56 0.11
26 Male Vocal 2
PEAKING PEAKING PEAKING H.SHELF
G+2.0 dB -5.0 dB -2.5 dB +4.0 dB
F170 Hz 236 Hz 2.65 kHz 6.70 kHz
Q0.11 10.0 5.6 -
27 Female Vo. 1
PEAKINGPEAKINGPEAKINGPEAKING
G-1.0 dB +1.0 dB +1.5 dB +2.0 dB
F118 Hz 400 Hz 2.65 kHz 6.00 kHz
Q0.18 0.45 0.56 0.14
28 Female Vo. 2
L.SHELF PEAKING PEAKING H.SHELF
G-7.0 dB +1.5 dB +1.5 dB +2.5 dB
F112 Hz 335 Hz 2.00 kHz 6.70 kHz
Q-0.160.20-
29 Chorus & Harmo
PEAKINGPEAKINGPEAKINGPEAKING
G-2.0 dB -1.0 dB +1.5 dB +3.0 dB
F90.0 Hz 850 Hz 2.12 kHz 4.50 kHz
Q2.8 2.0 0.70 7.0
30 Total EQ 1
PEAKING PEAKING PEAKING H.SHELF
G-0.5 dB 0.0 dB +3.0 dB +6.5 dB
F95.0 Hz 950 Hz 2.12 kHz 16.0 kHz
Q7.0 2.2 5.6 -
31 Total EQ 2
PEAKING PEAKING PEAKING H.SHELF
G+4.0 dB +1.5 dB +2.0 dB +6.0 dB
F95.0 Hz 750 Hz 1.80 kHz 18.0 kHz
Q7.0 2.8 5.6 -
#Title Parameter
LOW L-MID H-MID HIGH

Data List
3
DYNAMICS Library List
32 Total EQ 3
L.SHELF PEAKING PEAKING H.SHELF
G+1.5 dB +0.5 dB +2.0 dB +4.0 dB
F67.0 Hz 850 Hz 1.90 kHz 15.0 kHz
Q- 0.28 0.70 -
33 Bass Drum 3
PEAKING PEAKING PEAKING PEAKING
G+3.5 dB -10.0 dB +3.5 dB 0.0 dB
F118 Hz 315 Hz 4.25 kHz 20.0 kHz
Q2.0 10.0 0.40 0.40
34 Snare Drum 3
L.SHELF PEAKING PEAKING PEAKING
G0.0 dB +2.0 dB +3.5 dB 0.0 dB
F224 Hz 560 Hz 4.25 kHz 4.00 kHz
Q-4.52.80.10
35 Tom-tom 2
L.SHELF PEAKING PEAKING H.SHELF
G-9.0 dB +1.5 dB +2.0 dB 0.0 dB
F90.0 Hz 212 Hz 5.30 kHz 17.0 kHz
Q- 4.5 1.25 -
36 Piano 3
PEAKING PEAKING PEAKING H.SHELF
G+4.5 dB -13.0 dB +4.5 dB +2.5 dB
F100 Hz 475 Hz 2.36 kHz 10.0 kHz
Q8.0 10.0 9.0 -
37 Piano Low
PEAKING PEAKING PEAKING H.SHELF
G-5.5 dB +1.5 dB +6.0 dB 0.0 dB
F190 Hz 400 Hz 6.70 kHz 12.5 kHz
Q10.0 6.3 2.2 -
38 Piano High
PEAKING PEAKING PEAKING PEAKING
G-5.5 dB +1.5 dB +5.0 dB +3.0 dB
F190 Hz 400 Hz 6.70 kHz 5.60 kHz
Q10.0 6.3 2.2 0.10
39 Fine-EQ Cass
L.SHELF PEAKING PEAKING H.SHELF
G-1.5 dB 0.0 dB +1.0 dB +3.0 dB
F75.0 Hz 1.00 kHz 4.00 kHz 12.5 kHz
Q-4.51.8-
40 Narrator
PEAKING PEAKING PEAKING H.SHELF
G-4.0 dB -1.0 dB +2.0 dB 0.0 dB
F106 Hz 710 Hz 2.50 kHz 10.0 kHz
Q4.0 7.0 0.63 -
#Title Parameter
LOW L-MID H-MID HIGH
#Title Type Parameter Value
1Gate GATE
Threshold (dB) -26
Range (dB) -56
Attack (ms) 0
Hold (ms) 2.56
Decay (ms) 331
2Ducking DUCKING
Threshold (dB) -19
Range (dB) -22
Attack (ms) 93
Hold (ms) 1.20 S
Decay (ms) 6.32 S
3A. Dr. BD GATE
Threshold (dB) -11
Range (dB) -53
Attack (ms) 0
Hold (ms) 1.93
Decay (ms) 400
4A. Dr. SN GATE
Threshold (dB) -8
Range (dB) -23
Attack (ms) 1
Hold (ms) 0.63
Decay (ms) 238
5De-Esser DE-ESSER
Threshold (dB) -8
Frequency (kHz) 2.00
Type HPF
Q1.6
6Comp COMPRESSOR
Threshold (dB) -8
Ratio ( :1) 2.5
Attack (ms) 30
Out gain (dB) 0.0
Knee 2
Release (ms) 250
7Expand EXPANDER
Threshold (dB) -23
Ratio ( :1) 1.7
Attack (ms) 1
Out gain (dB) 3.5
Knee 2
Release (ms) 70
8Compander (H)COMPANDER-H
Threshold (dB) -10
Ratio ( :1) 3.5
Attack (ms) 1
Out gain (dB) 0.0
Width (dB) 6
Release (ms) 250
9Compander (S)COMPANDER-S
Threshold (dB) -8
Ratio ( :1) 4
Attack (ms) 25
Out gain (dB) 0.0
Width (dB) 24
Release (ms) 180
10 A. Dr. BD COMPRESSOR
Threshold (dB) -24
Ratio ( :1) 3
Attack (ms) 9
Out gain (dB) 5.5
Knee 2
Release (ms) 58
11 A. Dr. BD COMPANDER-H
Threshold (dB) -11
Ratio ( :1) 3.5
Attack (ms) 1
Out gain (dB) -1.5
Width (dB) 7
Release (ms) 192
12 A. Dr. SN COMPRESSOR
Threshold (dB) -17
Ratio ( :1) 2.5
Attack (ms) 8
Out gain (dB) 3.5
Knee 2
Release (ms) 12
13 A. Dr. SN EXPANDER
Threshold (dB) -23
Ratio ( :1) 2
Attack (ms) 0
Out gain (dB) 0.5
Knee 2
Release (ms) 151
14 A. Dr. SN COMPANDER-S
Threshold (dB) -8
Ratio ( :1) 1.7
Attack (ms) 11
Out gain (dB) 0.0
Width (dB) 10
Release (ms) 128
15 A. Dr. Tom EXPANDER
Threshold (dB) -20
Ratio ( :1) 2
Attack (ms) 2
Out gain (dB) 5.0
Knee 2
Release (ms) 749
16 A. Dr. OverTop COMPANDER-S
Threshold (dB) -24
Ratio ( :1) 2
Attack (ms) 38
Out gain (dB) -3.5
Width (dB) 54
Release (ms) 842
17 E. B. Finger COMPRESSOR
Threshold (dB) -12
Ratio ( :1) 2
Attack (ms) 15
Out gain (dB) 4.5
Knee 2
Release (ms) 470
#Title Type Parameter Value

Data List
4
* At fs=44.1 kHz
18 E. B. Slap COMPRESSOR
Threshold (dB) -12
Ratio ( :1) 1.7
Attack (ms) 6
Out gain (dB) 4.0
Knee hard
Release (ms) 133
19 Syn. Bass COMPRESSOR
Threshold (dB) -10
Ratio ( :1) 3.5
Attack (ms) 9
Out gain (dB) 3.0
Knee hard
Release (ms) 250
20 Piano1 COMPRESSOR
Threshold (dB) -9
Ratio ( :1) 2.5
Attack (ms) 17
Out gain (dB) 1.0
Knee hard
Release (ms) 238
21 Piano2 COMPRESSOR
Threshold (dB) -18
Ratio ( :1) 3.5
Attack (ms) 7
Out gain (dB) 6.0
Knee 2
Release (ms) 174
22 E. Guitar COMPRESSOR
Threshold (dB) -8
Ratio ( :1) 3.5
Attack (ms) 7
Out gain (dB) 2.5
Knee 4
Release (ms) 261
23 A. Guitar COMPRESSOR
Threshold (dB) -10
Ratio ( :1) 2.5
Attack (ms) 5
Out gain (dB) 1.5
Knee 2
Release (ms) 238
24 Strings1 COMPRESSOR
Threshold (dB) -11
Ratio ( :1) 2
Attack (ms) 33
Out gain (dB) 1.5
Knee 2
Release (ms) 749
25 Strings2 COMPRESSOR
Threshold (dB) -12
Ratio ( :1) 1.5
Attack (ms) 93
Out gain (dB) 1.5
Knee 4
Release (ms) 1.35 s
#Title Type Parameter Value
26 Strings3 COMPRESSOR
Threshold (dB) -17
Ratio ( :1) 1.5
Attack (ms) 76
Out gain (dB) 2.5
Knee 2
Release (ms) 186
27 BrassSection COMPRESSOR
Threshold (dB) -18
Ratio ( :1) 1.7
Attack (ms) 18
Out gain (dB) 4.0
Knee 1
Release (ms) 226
28 Syn. Pad COMPRESSOR
Threshold (dB) -13
Ratio ( :1) 2
Attack (ms) 58
Out gain (dB) 2.0
Knee 1
Release (ms) 238
29 SamplingPerc COMPANDER-S
Threshold (dB) -18
Ratio ( :1) 1.7
Attack (ms) 8
Out gain (dB) -2.5
Width (dB) 18
Release (ms) 238
30 Sampling BD COMPRESSOR
Threshold (dB) -14
Ratio ( :1) 2
Attack (ms) 2
Out gain (dB) 3.5
Knee 4
Release (ms) 35
31 Sampling SN COMPRESSOR
Threshold (dB) -18
Ratio ( :1) 4
Attack (ms) 8
Out gain (dB) 8.0
Knee hard
Release (ms) 354
32 Hip Comp COMPANDER-S
Threshold (dB) -23
Ratio ( :1) 20
Attack (ms) 15
Out gain (dB) 0.0
Width (dB) 15
Release (ms) 163
33 Solo Vocal1 COMPRESSOR
Threshold (dB) -20
Ratio ( :1) 2.5
Attack (ms) 31
Out gain (dB) 2.0
Knee 1
Release (ms) 342
#Title Type Parameter Value
34 Solo Vocal2 COMPRESSOR
Threshold (dB) -8
Ratio ( :1) 2.5
Attack (ms) 26
Out gain (dB) 1.5
Knee 3
Release (ms) 331
35 Chorus COMPRESSOR
Threshold (dB) -9
Ratio ( :1) 1.7
Attack (ms) 39
Out gain (dB) 2.5
Knee 2
Release (ms) 226
36 Click Erase EXPANDER
Threshold (dB) -33
Ratio ( :1) 2
Attack (ms) 1
Out gain (dB) 2.0
Knee 2
Release (ms) 284
37 Announcer COMPANDER-H
Threshold (dB) -14
Ratio ( :1) 2.5
Attack (ms) 1
Out gain (dB) -2.5
Width (dB) 18
Release (ms) 180
38 Limiter1 COMPANDER-S
Threshold (dB) -9
Ratio ( :1) 3
Attack (ms) 20
Out gain (dB) -3.0
Width (dB) 90
Release (ms) 3.90 s
39 Limiter2 COMPRESSOR
Threshold (dB) 0
Ratio ( :1) ∞
Attack (ms) 0
Out gain (dB) 0.0
Knee hard
Release (ms) 319
40 Total Comp1 COMPRESSOR
Threshold (dB) -18
Ratio ( :1) 3.5
Attack (ms) 94
Out gain (dB) 2.5
Knee hard
Release (ms) 447
41 Total Comp2 COMPRESSOR
Threshold (dB) -16
Ratio ( :1) 6
Attack (ms) 11
Out gain (dB) 6.0
Knee 1
Release (ms) 180
#Title Type Parameter Value

Data List
5
Dynamics Parameters
Dynamics Parameters are the following types.
GATE
A gate attenuates signals below a set THRESHOLD level by a specified amount (RANGE).
DUCKING
Ducking is commonly used for voice-over applications in which the background music level is
reduced automatically when an announcer speaks.
When the KEY IN source signal level exceeds the specified THRESHOLD, the output level is
attenuated by a specified amount (RANGE).
Input channels Output channels
DYNAMIC section 1 DYNAMIC section 2 DYNAMIC section 1
Type
GATE COMPRESSOR COMPRESSOR
DUCKING COMPANDER-H
(Compander Hard) EXPANDER
COMPRESSOR COMPANDER-S
(Compander Soft) COMPANDER-H
(Compander Hard)
EXPANDER DE-ESSER COMPANDER-S
(Compander Soft)
Parameter Range Description
THRESHOLD (dB) -72 to 0 (73 points) This determines the level at which the gate
effect is applied.
RANGE (dB) -∞, -69 to 0 (71 points) This determines the amount of attenuation
when the gate closes.
ATTACK (ms) 0-120 (121 points) This determines how fast the gate opens when
the signal exceeds the threshold level.
HOLD (ms) 44.1kHz: 0.02 ms - 2.13 sec
48kHz: 0.02 ms - 1.96 sec (160 points)
This determines how long the gate stays open
once the trigger signal has fallen below the
threshold.
DECAY (ms) 44.1kHz: 6 ms - 46.0 sec
48kHz: 5 ms - 42.3 sec (160 points)
This determines how fast the gate closes once
the hold time has expired. The value is
expressed as the duration required for the level
to change by 6 dB.
Input Level Time Time
Output Level
Input Level
Output Level
• I/O Characteristics • Time Series Analysis
RANGE
THRESHOLD
THRESHOLD RANGE
Input Signal Output Signal
ATTACK DECAY
HOLD
Parameter Range Description
THRESHOLD (dB) -54 to 0 (55 points) This determines the level of trigger signal
(KEY IN) required to activate ducking.
RANGE (dB) -70 to 0 (71 points) This determines the amount of attenuation
when ducking is activated.
ATTACK (ms) 0-120 (121 points) This determines how soon the signal is ducked
once the ducker has been triggered.
HOLD (ms) 44.1kHz: 0.02 ms - 2.13 sec
48kHz: 0.02 ms - 1.96 sec (160 points)
This determines how long ducking remains
active once the trigger signal has fallen below
the THRESHOLD level.
DECAY (ms) 44.1kHz: 6 ms - 46.0 sec
48kHz: 5 ms - 42.3 sec (160 points)
This determines how soon the ducker returns
to its normal gain once the trigger signal level
drops below the threshold. The value is
expressed as the duration required for the level
to change by 6 dB.
Input Level Time Time
Output Level
Input Level
Output Level
• I/O Characteristics • Time Series Analysis
RANGE
THRESHOLD
THRESHOLD RANGE
Input Signal Output Signal
ATTACK DECAY
HOLD

Data List
6
COMPRESSOR
The COMP processor attenuates signals above a specified THRESHOLD by a specified
RATIO.
The COMP processor can also be used as a limiter, which, with a RATIO of ∞:1, reduces the
level to the threshold. This means that the limiter's output level never actually exceeds the
threshold.
EXPANDER
An expander attenuates signals below a specified THRESHOLD by a specified RATIO.
Parameter Range Description
THRESHOLD (dB) -54 to 0 (55 points) This determines the level at which
compression is applied.
RATIO
1.0:1, 1.1:1, 1.3:1, 1.5:1, 1.7:1, 2.0:1,
2.5:1, 3.0:1, 3.5:1, 4.0:1, 5.0:1, 6.0:1,
8.0:1, 10:1, 20:1, ∞:1 (16 points)
This determines the amount of compression,
that is, the change in output signal level
relative to change in input signal level.
ATTACK (ms) 0-120 (121 points)
This determines how soon the signal will be
compressed once the compressor has been
triggered.
RELEASE (ms) 44.1kHz: 6 ms - 46.0 sec
48kHz: 5 ms - 42.3 sec (160 points)
This determines how soon the compressor
returns to its normal gain once the trigger
signal level drops below the threshold. The
value is expressed as the duration required for
the level to change by 6 dB.
OUT GAIN (dB) 0.0 to +18.0 (181 points) This sets the compressor's output signal level.
KNEE Hard, 1-5 (6 points)
This determines how compression is applied
at the threshold. For higher knee settings,
compression is applied gradually as the signal
exceeds the specified threshold, creating a
more natural sound.
Input Level Time Time
Output Level
Input Level
Output Level
• I/O Characteristics
(KNEE= hard,
OUT GAIN= 0.0dB)
• Time Series Analysis
(RATIO= ∞:1)
RATIO
THRESHOLD
THRESHOLD
Input Signal Output Signal
ATTACK RELEASE
Parameter Range Description
THRESHOLD (dB) -54 to 0 (55 points) This determines the level of input signal
required to trigger the expander.
RATIO
1.0:1, 1.1:1, 1.3:1, 1.5:1, 1.7:1, 2.0:1,
2.5:1, 3.0:1, 3.5:1, 4.0:1, 5.0:1, 6.0:1,
8.0:1, 10:1, 20:1, ∞:1 (16 points) This determines the amount of expansion.
ATTACK (ms) 0-120 (121 points)
This determines how soon the expander
returns to its normal gain once the trigger
signal level exceeds the threshold.
RELEASE (ms) 44.1kHz: 6 ms - 46.0 sec
48kHz: 5 ms - 42.3 sec (160 points)
This determines how soon the signal is
expanded once the signal level drops below
the threshold. The value is expressed as the
duration required for the level to change by 6
dB.
OUT GAIN (dB) 0.0 to +18.0 (181 points) This sets the expander's output signal level.
KNEE Hard, 1-5 (6 points)
This determines how expansion is applied at
the threshold. For higher knee settings,
expansion is applied gradually as the signal
exceeds the specified threshold, creating a
more natural sound.
Input Level Time Time
Output Level
Input Level
Output Level
• I/O Characteristics
(KNEE= hard,
OUT GAIN= 0.0dB)
• Time Series Analysis
(RATIO= ∞:1)
RATIO
THRESHOLD
THRESHOLD
Input Signal Output Signal
ATTACK RELEASE

Data List
7
COMPANDER HARD (COMPANDER-H), COMPANDER SOFT (COMPANDER-S)
The hard and soft companders combine the effects of the compressor, expander and limiter.
The companders function differently at the following levels:
1 0 dB and higher ..................................Functions as a limiter.
2 Exceeding the threshold ....................Functions as a compressor.
3 Below the threshold and width ..........Functions as an expander.
The hard compander has an expansion ratio of 5:1, while the soft compander has an
expansion ratio of 1.5:1. The expander is essentially turned off when the width is set to
maximum. The compressor has a fixed knee setting of 2.
* The gain is automatically adjusted according to the ratio and threshold values, and can be increased by up to 18 dB.
* The OUT GAIN parameter enables you to compensate for the overall level change caused by the compression and
expansion processes.
DE-ESSER
This detects and compresses only the sibilants and other high-frequency consonants of the
vocal.
Effect Type List
Parameter Range Description
THRESHOLD (dB) -54 to 0 (55 points) This determines the level at which compression is
applied.
RATIO
1.0:1, 1.1:1, 1.3:1, 1.5:1, 1.7:1, 2.0:1,
2.5:1, 3.0:1, 3.5:1, 4.0:1, 5.0:1, 6.0:1,
8.0:1, 10:1, 20:1 (15 points) This determines the amount of compression.
ATTACK (ms) 0-120 (121 points)
This determines how soon the signal is compressed or
expanded once the compander has been triggered.
RELEASE (ms) 44.1kHz: 6 ms - 46.0 sec
48kHz: 5 ms - 42.3 sec (160 points)
This determines how soon the compressor or
expander returns to the normal gain once the trigger
signal level drops below or exceeds the threshold
respectively. The value is expressed as the duration
required for the level to change by 6 dB.
OUT GAIN (dB) -18.0 to 0.0 (181 points) This sets the compressor's output signal level.
WIDTH (dB) 1-90 (90 points) This determines how far below the threshold
expansion will be applied. The expander is activated
when the level drops below the threshold and width.
Parameter Range Description
THRESHOLD -54 to 0 (55 points) Threshold level at which the de-esser effect is applied.
FREQUENCY 1kHz-12.5kHz (45 points) Cutoff frequency of the filter used to detect the high
frequencies.
TYPE HPF, BPF Type of filter used to detect the frequency band.
Q10.0-0.10 (41 points) Q (steepness) of the filter when TYPE is BPF.
0dB
Input Level
Output Level
WIDTH
THRESHOLD
Title Type Description
REV-X Hall REV-X HALL New reverb algorithm that delivers dense and rich reverberation, smooth decay,
and provides a spaciousness and depth that enhances the original sound.
Choose from three types depending on your location and needs: REV-X HALL,
REV-X ROOM, and REV-X PLATE.
REV-X Room REV-X ROOM
REV-X Plate REV-X PLATE
Reverb Hall REVERB HALL Concert hall reverberation simulation with gate
Reverb Room REVERB ROOM Room reverberation simulation with gate
Reverb Stage REVERB STAGE Reverb designed for vocals, with gate
Reverb Plate REVERB PLATE Plate reverb simulation with gate
Stereo Reverb ST REVERB Stereo reverb
Early Ref. EARLY REF. Early reflections without the subsequent reverb
Gate Reverb GATE REVERB Gated early reflections
Reverse Gate REVERSE GATE Gated reverse early reflections
Mono Delay MONO DELAY Simple mono delay
Stereo Delay STEREO DELAY Simple stereo delay
Mod.Delay MOD.DELAY Simple repeat delay with modulation
Delay LCR DELAY LCR 3-tap (left, center, right) delay
Echo ECHO Stereo delay with crossed left/right feedback
Chorus CHORUS Chorus
Flange FLANGE Flanger
Symphonic SYMPHONIC Proprietary Yamaha effect that produces a richer and more complex modulation
than normal chorus
Phaser PHASER 16-stage stereo phase shifter
Dyna.Flange DYNA.FLANGE Dynamically controlled flanger
Dyna.Phaser DYNA.PHASER Dynamically controlled phase shifter
HQ. Pitch HQ.PITCH Mono pitch shifter, producing stable results
Dual Pitch DUAL PITCH Stereo pitch shifter
Tremolo TREMOLO Tremolo
Auto Pan AUTO PAN Auto-panner
Rotary ROTARY Rotary speaker simulation
Ring Mod. RING MOD. Ring modulator
Mod.Filter MOD.FILTER Modulated filter
Dyna.Filter DYNA.FILTER Dynamically controlled filter
Rev+Chorus REV+CHORUS Reverb and chorus in parallel
RevChorus REVCHORUS Reverb and chorus in series
Rev+Flange REV+FLANGE Reverb and flanger in parallel
RevFlange REVFLANGE Reverb and flanger in series
Rev+Sympho. REV+SYMPHO. Reverb and symphonic in parallel
RevSympho. REVSYMPHO. Reverb and symphonic in series
RevPan REVPAN Reverb and auto-pan in series
Delay+Er. DELAY+ER. Delay and early reflections in parallel
DelayEr.DELAYER. Delay and early reflections in series

Data List
8
Effects Parameters
REV-X HALL, REV-X ROOM, REV-X PLATE
Newly-developed two input, two output reverb algorithm. Delivers dense and rich
reverberation, smooth decay, and provides a spaciousness and depth that enhances the
original sound. Choose from three types depending on your location and needs: REV-X
HALL, REV-X ROOM, and REV-X PLATE.
REVERB HALL, REVERB ROOM, REVERB STAGE, REVERB PLATE
One input, two output hall, room, stage, and plate reverb simulations, all with gates.
Delay+Rev DELAY+REV Delay and reverb in parallel
DelayRev DELAYREV Delay and reverb in series
DistDelay DISTDELAY Distortion and delay in series
Multi Filter MULTI FILTER 3-band parallel filter (24 dB/octave)
Freeze FREEZE Simple sampler
Distortion DISTORTION Distortion
Amp Simulate AMP SIMULATE Guitar amp simulation
Comp276 COMP276 This compressor emulates the characteristics of an analog compressor that has
become a sought-after classic in recording studios.
Comp276S COMP276S This is a stereo model of COMP276.
Comp260 COMP260 This compressor emulates the characteristics of a compressor/limiter of the latter
1970s that has become a sought-after classic for live SR.
Comp260S COMP260S This is a stereo model of the COMP260.
Equalizer601 EQUALIZER601 This equalizer emulates the characteristics of an analog equalizer of the 1970s. It
can be used to obtain a sense of drive.
OpenDeck OPENDECK This is a tape saturation effect that emulates the tape compression produced by
two open-reel tape recorders: a recording deck and a reproduction deck.
M.Band Dyna. M.BAND DYNA. Multi-band dynamics processor
M.Band Comp M.BAND COMP Multi-band compressor
Title Type Description
Parameter Range Description
REV TIME 0.28-27.94 s *1
*1. These values are for when the effect type is REV-X HALL and the ROOM SIZE=28. The range will differ depending
on the effect type and ROOM SIZE setting.
Reverb time
INI. DLY 0.0-120.0 ms Initial delay before reverb begins
HI. RATIO 0.1-1.0 High-frequency reverb time ratio
LO. RATIO 0.1-1.4 Low-frequency reverb time ratio
LO.FREQ 22.0 Hz-18.0 kHz Frequency point for LO.RATIO setting
DIFF. 0-10 Reverb diffusion (left-right reverb spread)
ROOM SIZE 0-28 Size of room
DECAY 0-53 Gate closing speed
HPF THRU, 22.0 Hz-8.00 kHz High-pass filter cutoff frequency
LPF 1.00 kHz-18.0 kHz, THRU Low-pass filter cutoff frequency
Parameter Range Description
REV TIME 0.3-99.0 s Reverb time
INI. DLY 0.0-500.0 ms Initial delay before reverb begins
HI. RATIO 0.1-1.0 High-frequency reverb time ratio
LO. RATIO 0.1-2.4 Low-frequency reverb time ratio
DIFF. 0-10 Reverb diffusion (left-right reverb spread)
DENSITY 0-100% Reverb density
E/R DLY 0.0-100.0 ms Delay between early reflections and reverb
E/R BAL. 0-100% Balance of early reflections and reverb
(0% = all reverb, 100% = all early reflections)
HPF THRU, 21.2 Hz-8.00 kHz High-pass filter cutoff frequency
LPF 50.0 Hz-16.0 kHz, THRU Low-pass filter cutoff frequency
GATE LVL OFF, -60 to 0 dB Level at which gate kicks in
ATTACK 0-120 ms Gate opening speed
HOLD *1
*1. 0.02 ms-2.13 s (fs=44.1 kHz), 0.02 ms-1.96 s (fs=48 kHz)
Gate open time
DECAY *2
*2. 6.0 ms-46.0 s (fs=44.1 kHz), 5.0 ms-42.3 s (fs=48 kHz)
Gate closing speed

Data List
9
STEREO REVERB
Two input, two output stereo reverb.
EARLY REF.
One input, two output early reflections.
GATE REVERB, REVERSE GATE
One input, two output early reflections with gate, and early reflections with reverse gate.
MONO DELAY
One input, one output basic repeat delay.
STEREO DELAY
Two input, two output basic stereo delay.
Parameter Range Description
REV TIME 0.3-99.0 s Reverb time
REV TYPE Hall, Room, Stage, Plate Reverb type
INI. DLY 0.0-100.0 ms Initial delay before reverb begins
HI. RATIO 0.1-1.0 High-frequency reverb time ratio
LO. RATIO 0.1-2.4 Low-frequency reverb time ratio
DIFF. 0-10 Reverb diffusion (left-right reverb spread)
DENSITY 0-100% Reverb density
E/R BAL. 0-100% Balance of early reflections and reverb
(0% = all reverb, 100% = all early reflections)
HPF THRU, 21.2 Hz-8.00 kHz High-pass filter cutoff frequency
LPF 50.0 Hz-16.0 kHz, THRU Low-pass filter cutoff frequency
Parameter Range Description
TYPE S-Hall, L-Hall, Random,
Revers, Plate, Spring Type of early reflection simulation
ROOMSIZE 0.1-20.0 Reflection spacing
LIVENESS 0-10 Early reflections decay characteristics (0 = dead, 10 = live)
INI. DLY 0.0-500.0 ms Initial delay before reverb begins
DIFF. 0-10 Reflection diffusion (left-right reflection spread)
DENSITY 0-100% Reflection density
ER NUM. 1-19 Number of early reflections
FB GAIN -99 to +99% Feedback gain
HI. RATIO 0.1-1.0 High-frequency feedback ratio
HPF THRU, 21.2 Hz-8.00 kHz High-pass filter cutoff frequency
LPF 50.0 Hz-16.0 kHz, THRU Low-pass filter cutoff frequency
Parameter Range Description
TYPE Type-A, Type-B Type of early reflection simulation
ROOMSIZE 0.1-20.0 Reflection spacing
LIVENESS 0-10 Early reflections decay characteristics (0 = dead, 10 = live)
INI. DLY 0.0-500.0 ms Initial delay before reverb begins
DIFF. 0-10 Reflection diffusion (left-right reflection spread)
DENSITY 0-100% Reflection density
HI. RATIO 0.1-1.0 High-frequency feedback ratio
ER NUM. 1-19 Number of early reflections
FB GAIN -99 to +99% Feedback gain
HPF THRU, 21.2 Hz-8.00 kHz High-pass filter cutoff frequency
LPF 50.0 Hz-16.0 kHz, THRU Low-pass filter cutoff frequency
Parameter Range Description
DELAY 0.0-2730.0 ms Delay time
FB. GAIN -99 to +99% Feedback gain (plus values for normal-phase feedback, minus values for
reverse-phase feedback)
HI. RATIO 0.1-1.0 High-frequency feedback ratio
HPF THRU, 21.2 Hz-8.00 kHz High-pass filter cutoff frequency
LPF 50.0 Hz-16.0 kHz, THRU Low-pass filter cutoff frequency
SYNC OFF/ON Tempo parameter sync on/off
NOTE *1
*1. (Maximum value depends on the tempo
setting)
Used in conjunction with TEMPO to determine DELAY
Parameter Range Description
DELAY L 0.0-1350.0 ms Left channel delay time
DELAY R 0.0-1350.0 ms Right channel delay time
FB. G L -99 to +99% Left channel feedback (plus values for normal-phase feedback, minus
values for reverse-phase feedback)
FB. G R -99 to +99% Right channel feedback (plus values for normal-phase feedback, minus
values for reverse-phase feedback)
HI. RATIO 0.1-1.0 High-frequency feedback ratio
HPF THRU, 21.2 Hz-8.00 kHz High-pass filter cutoff frequency
LPF 50.0 Hz-16.0 kHz, THRU Low-pass filter cutoff frequency
SYNC OFF/ON Tempo parameter sync on/off
NOTE L *1
*1. (Maximum value depends on the tempo setting)
Used in conjunction with TEMPO to determine left channel DELAY
NOTE R *1 Used in conjunction with TEMPO to determine right channel DELAY

Data List
10
MOD. DELAY
One input, two output basic repeat delay with modulation.
DELAY LCR
One input, two output 3-tap delay (left, center, right).
ECHO
Two input, two output stereo delay with crossed feedback loop.
CHORUS
Two input, two output chorus effect.
Parameter Range Description
DELAY 0.0-2725.0 ms Delay time
FB. GAIN -99 to +99% Feedback gain
HI. RATIO 0.1-1.0 High-frequency feedback ratio
FREQ. 0.05-40.00 Hz Modulation speed
DEPTH 0-100% Modulation depth
WAVE Sine/Tri Modulation waveform
HPF THRU, 21.2 Hz-8.00 kHz High-pass filter cutoff frequency
LPF 50.0 Hz-16.0 kHz, THRU Low-pass filter cutoff frequency
SYNC OFF/ON Tempo parameter sync on/off
DLY.NOTE *1
*1. (Maximum value depends on the tempo setting)
Used in conjunction with TEMPO to determine DELAY
MOD.NOTE *2
*2.
Used in conjunction with TEMPO to determine FREQ
Parameter Range Description
DELAY L 0.0-2730.0 ms Left channel delay time
DELAY C 0.0-2730.0 ms Center channel delay time
DELAY R 0.0-2730.0 ms Right channel delay time
FB. DLY 0.0-2730.0 ms Feedback delay time
LEVEL L -100 to +100% Left channel delay level
LEVEL C -100 to +100% Center channel delay level
LEVEL R -100 to +100% Right channel delay level
FB. GAIN -99 to +99% Feedback gain (plus values for normal-phase feedback, minus values for
reverse-phase feedback)
HI. RATIO 0.1-1.0 High-frequency feedback ratio
HPF THRU, 21.2 Hz-8.00 kHz High-pass filter cutoff frequency
LPF 50.0 Hz-16.0 kHz, THRU Low-pass filter cutoff frequency
SYNC OFF/ON Tempo parameter sync on/off
NOTE L *1
*1. (Maximum value depends on the tempo setting)
Used in conjunction with TEMPO to determine left channel DELAY
NOTE C *1 Used in conjunction with TEMPO to determine center channel DELAY
NOTE R *1 Used in conjunction with TEMPO to determine right channel DELAY
NOTE FB *1 Used in conjunction with TEMPO to determine feedback DELAY
Parameter Range Description
DELAY L 0.0-1350.0 ms Left channel delay time
DELAY R 0.0-1350.0 ms Right channel delay time
FB.DLY L 0.0-1350.0 ms Left channel feedback delay time
FB.DLY R 0.0-1350.0 ms Right channel feedback delay time
FB. G L -99 to +99% Left channel feedback gain (plus values for normal-phase feedback, minus
values for reverse-phase feedback)
FB. G R -99 to +99% Right channel feedback gain (plus values for normal-phase feedback,
minus values for reverse-phase feedback)
LR FBG -99 to +99% Left to right channel feedback gain (plus values for normal-phase feedback,
minus values for reverse-phase feedback)
RL FBG -99 to +99% Right to left channel feedback gain (plus values for normal-phase feedback,
minus values for reverse-phase feedback)
HI. RATIO 0.1-1.0 High-frequency feedback ratio
HPF THRU, 21.2 Hz-8.00 kHz High-pass filter cutoff frequency
LPF 50.0 Hz-16.0 kHz, THRU Low-pass filter cutoff frequency
SYNC OFF/ON Tempo parameter sync on/off
NOTE L *1
*1. (Maximum value depends on the tempo setting)
Used in conjunction with TEMPO to determine left channel DELAY
NOTE R *1 Used in conjunction with TEMPO to determine right channel DELAY
NOTE FBL *1 Used in conjunction with TEMPO to determine left channel feedback
DELAY
NOTE FBR *1 Used in conjunction with TEMPO to determine right channel feedback
DELAY
Parameter Range Description
FREQ. 0.05-40.00 Hz Modulation speed
AM DEPTH 0-100% Amplitude modulation depth
PM DEPTH 0-100% Pitch modulation depth
MOD. DLY 0.0-500.0 ms Modulation delay time
WAVE Sine, Tri Modulation waveform
SYNC OFF/ON Tempo parameter sync on/off
NOTE *1
*1.
Used in conjunction with TEMPO to determine FREQ
LSH F 21.2 Hz-8.00 kHz Low shelving filter frequency
LSH G -12.0 to +12.0 dB Low shelving filter gain
EQ F 100 Hz-8.00 kHz EQ (peaking type) frequency
EQ G -12.0 to +12.0 dB EQ (peaking type) gain
EQ Q 10.0-0.10 EQ (peaking type) bandwidth
HSH F 50.0 Hz-16.0 kHz High shelving filter frequency
HSH G -12.0 to +12.0 dB High shelving filter gain

Data List
11
FLANGE
Two input, two output flange effect.
SYMPHONIC
Two input, two output symphonic effect.
PHASER
Two input, two output 16-stage phaser.
DYNA.FLANGE
Two input, two output dynamically controlled flanger.
Parameter Range Description
FREQ. 0.05-40.00 Hz Modulation speed
DEPTH 0-100% Modulation depth
MOD. DLY 0.0-500.0 ms Modulation delay time
FB. GAIN -99 to +99% Feedback gain (plus values for normal-phase feedback, minus values for
reverse-phase feedback)
WAVE Sine, Tri Modulation waveform
SYNC OFF/ON Tempo parameter sync on/off
NOTE *1
*1.
Used in conjunction with TEMPO to determine FREQ
LSH F 21.2 Hz-8.00 kHz Low shelving filter frequency
LSH G -12.0 to +12.0 dB Low shelving filter gain
EQ F 100 Hz-8.00 kHz EQ (peaking type) frequency
EQ G -12.0 to +12.0 dB EQ (peaking type) gain
EQ Q 10.0-0.10 EQ (peaking type) bandwidth
HSH F 50.0 Hz-16.0 kHz High shelving filter frequency
HSH G -12.0 to +12.0 dB High shelving filter gain
Parameter Range Description
FREQ. 0.05-40.00 Hz Modulation speed
DEPTH 0-100% Modulation depth
MOD. DLY 0.0-500.0 ms Modulation delay time
WAVE Sine, Tri Modulation waveform
SYNC OFF/ON Tempo parameter sync on/off
NOTE *1
*1.
Used in conjunction with TEMPO to determine FREQ
LSH F 21.2 Hz-8.00 kHz Low shelving filter frequency
LSH G -12.0 to +12.0 dB Low shelving filter gain
EQ F 100 Hz-8.00 kHz EQ (peaking type) frequency
EQ G -12.0 to +12.0 dB EQ (peaking type) gain
EQ Q 10.0-0.10 EQ (peaking type) bandwidth
HSH F 50.0 Hz-16.0 kHz High shelving filter frequency
HSH G -12.0 to +12.0 dB High shelving filter gain
Parameter Range Description
FREQ. 0.05-40.00 Hz Modulation speed
DEPTH 0-100% Modulation depth
FB. GAIN -99 to +99% Feedback gain (plus values for normal-phase feedback, minus values for
reverse-phase feedback)
OFFSET 0-100 Lowest phase-shifted frequency offset
PHASE 0.00-354.38 degrees Left and right modulation phase balance
STAGE 2, 4, 6, 8, 10, 12, 14, 16 Number of phase shift stages
SYNC OFF/ON Tempo parameter sync on/off
NOTE *1
*1.
Used in conjunction with TEMPO to determine FREQ
LSH F 21.2 Hz-8.00 kHz Low shelving filter frequency
LSH G -12.0 to +12.0 dB Low shelving filter gain
HSH F 50.0 Hz-16.0 kHz High shelving filter frequency
HSH G -12.0 to +12.0 dB High shelving filter gain
Parameter Range Description
SOURCE INPUT, MIDI Control source: input signal or MIDI Note On velocity
SENSE 0-100 Sensitivity
DIR. UP, DOWN Upward or downward frequency change
DECAY *1
*1. 6.0 ms-46.0 s (fs=44.1 kHz), 5.0 ms-42.3 s (fs=48 kHz)
Decay speed
OFFSET 0-100 Delay time offset
FB.GAIN -99 to +99% Feedback gain (plus values for normal-phase feedback, minus values for
reverse-phase feedback)
LSH F 21.2 Hz-8.00 kHz Low shelving filter frequency
LSH G -12.0 to +12.0 dB Low shelving filter gain
EQ F 100 Hz-8.00 kHz EQ (peaking type) frequency
EQ G -12.0 to +12.0 dB EQ (peaking type) gain
EQ Q 10.0-0.10 EQ (peaking type) bandwidth
HSH F 50.0 Hz-16.0 kHz High shelving filter frequency
HSH G -12.0 to +12.0 dB High shelving filter gain

Data List
12
DYNA.PHASER
Two input, two output dynamically controlled phaser.
HQ.PITCH
One input, two output high-quality pitch shifter.
DUAL PITCH
Two input, two output pitch shifter.
TREMOLO
Two input, two output tremolo effect.
Parameter Range Description
SOURCE INPUT, MIDI Control source:
input signal or MIDI Note On velocity
SENSE 0-100 Sensitivity
DIR. UP, DOWN Upward or downward frequency change
DECAY *1
*1. 6.0 ms-46.0 s (fs=44.1 kHz), 5.0 ms-42.3 s (fs=48 kHz)
Decay speed
OFFSET 0-100 Lowest phase-shifted frequency offset
FB.GAIN -99 to +99% Feedback gain (plus values for normal-phase feedback, minus values for
reverse-phase feedback)
STAGE 2, 4, 6, 8, 10, 12, 14, 16 Number of phase shift stages
LSH F 21.2 Hz-8.00 kHz Low shelving filter frequency
LSH G -12.0 to +12.0 dB Low shelving filter gain
HSH F 50.0 Hz-16.0 kHz High shelving filter frequency
HSH G -12.0 to +12.0 dB High shelving filter gain
Parameter Range Description
PITCH -12 to +12 semitones Pitch shift
FINE -50 to +50 cents Pitch shift fine
DELAY 0.0-1000.0 ms Delay time
FB. GAIN -99 to +99% Feedback gain (plus values for normal-phase feedback, minus values for
reverse-phase feedback)
MODE 1-10 Pitch shift precision
SYNC OFF/ON Tempo parameter sync on/off
NOTE *1
*1. (Maximum value depends on the tempo setting)
Used in conjunction with TEMPO to determine DELAY
Parameter Range Description
PITCH 1 -24 to +24 semitones Channel #1 pitch shift
FINE 1 -50 to +50 cents Channel #1 pitch shift fine
LEVEL 1 -100 to +100% Channel #1 level (plus values for normal phase, minus values for reverse
phase)
PAN 1 L63 to R63 Channel #1 pan
DELAY 1 0.0-1000.0 ms Channel #1 delay time
FB. G 1 -99 to +99% Channel #1 feedback gain (plus values for normal-phase feedback, minus
values for reverse-phase feedback)
MODE 1-10 Pitch shift precision
PITCH 2 -24 to +24 semitones Channel #2 pitch shift
FINE 2 -50 to +50 cents Channel #2 pitch shift fine
LEVEL 2 -100 to +100% Channel #2 level (plus values for normal phase, minus values for reverse
phase)
PAN 2 L63 to R63 Channel #2 pan
DELAY 2 0.0-1000.0 ms Channel #2 delay time
FB. G 2 -99 to +99% Channel #2 feedback gain (plus values for normal-phase feedback, minus
values for reverse-phase feedback)
SYNC OFF/ON Tempo parameter sync on/off
NOTE 1 *1
*1. (Maximum value depends on the tempo setting)
Used in conjunction with TEMPO to determine Channel #1 delay
NOTE 2 *1 Used in conjunction with TEMPO to determine Channel #2 delay
Parameter Range Description
FREQ. 0.05-40.00 Hz Modulation speed
DEPTH 0-100% Modulation depth
WAVE Sine, Tri, Square Modulation waveform
SYNC OFF/ON Tempo parameter sync on/off
NOTE *1
*1.
Used in conjunction with TEMPO to determine FREQ
LSH F 21.2 Hz-8.00 kHz Low shelving filter frequency
LSH G -12.0 to +12.0 dB Low shelving filter gain
EQ F 100 Hz-8.00 kHz EQ (peaking type) frequency
EQ G -12.0 to +12.0 dB EQ (peaking type) gain
EQ Q 10.0-0.10 EQ (peaking type) bandwidth
HSH F 50.0 Hz-16.0 kHz High shelving filter frequency
HSH G -12.0 to +12.0 dB High shelving filter gain

Data List
13
AUTOPAN
Two input, two output autopanner.
ROTARY
One input, two output rotary speaker simulator.
RING MOD.
Two input, two output ring modulator.
MOD.FILTER
Two input, two output modulation filter.
DYNA.FILTER
Two input, two output dynamically controlled filter.
Parameter Range Description
FREQ. 0.05-40.00 Hz Modulation speed
DEPTH 0-100% Modulation depth
DIR. *1
*1. LR, LR, LR, Tu r n L, Tur n R
Panning direction
WAVE Sine, Tri, Square Modulation waveform
SYNC OFF/ON Tempo parameter sync on/off
NOTE *2
*2.
Used in conjunction with TEMPO to determine FREQ
LSH F 21.2 Hz-8.00 kHz Low shelving filter frequency
LSH G -12.0 to +12.0 dB Low shelving filter gain
EQ F 100 Hz-8.00 kHz EQ (peaking type) frequency
EQ G -12.0 to +12.0 dB EQ (peaking type) gain
EQ Q 10.0-0.10 EQ (peaking type) bandwidth
HSH F 50.0 Hz-16.0 kHz High shelving filter frequency
HSH G -12.0 to +12.0 dB High shelving filter gain
Parameter Range Description
ROTATE STOP, START Rotation stop, start
SPEED SLOW, FAST Rotation speed
(see SLOW and FAST parameters)
SLOW 0.05-10.00 Hz SLOW rotation speed
FAST 0.05-10.00 Hz FAST rotation speed
DRIVE 0-100 Overdrive level
ACCEL 0-10 Acceleration at speed changes
LOW 0-100 Low-frequency filter
HIGH 0-100 High-frequency filter
Parameter Range Description
SOURCE OSC, SELF Modulation source: oscillator or input signal
OSC FREQ 0.0-5000.0 Hz Oscillator frequency
FM FREQ. 0.05-40.00 Hz Oscillator frequency modulation speed
FM DEPTH 0-100% Oscillator frequency modulation depth
SYNC OFF/ON Tempo parameter sync on/off
FM NOTE *1
*1.
Used in conjunction with TEMPO to determine FM FREQ
Parameter Range Description
FREQ. 0.05-40.00 Hz Modulation speed
DEPTH 0-100% Modulation depth
PHASE 0.00-354.38 degrees Left-channel modulation and right-channel modulation phase difference
TYPE LPF, HPF, BPF Filter type: low pass, high pass, band pass
OFFSET 0-100 Filter frequency offset
RESO. 0-20 Filter resonance
LEVEL 0-100 Output level
SYNC OFF/ON Tempo parameter sync on/off
NOTE *1
*1.
Used in conjunction with TEMPO to determine FREQ
Parameter Range Description
SOURCE INPUT, MIDI Control source:
input signal or MIDI Note On velocity
SENSE 0-100 Sensitivity
DIR. UP, DOWN Upward or downward frequency change
DECAY *1
*1. 6.0 ms-46.0 s (fs=44.1 kHz), 5.0 ms-42.3 s (fs=48 kHz)
Filter frequency change decay speed
TYPE LPF, HPF, BPF Filter type: low pass, high pass, band pass
OFFSET 0-100 Filter frequency offset
RESO. 0-20 Filter resonance
LEVEL 0-100 Output level

Data List
14
REV+CHORUS
One input, two output reverb and chorus effects in parallel.
REVCHORUS
One input, two output reverb and chorus effects in series.
REV+FLANGE
One input, two output reverb and flanger effects in parallel.
REVFLANGE
One input, two output reverb and flanger effects in series.
Parameter Range Description
REV TIME 0.3-99.0 s Reverb time
INI. DLY 0.0-500.0 ms Initial delay before reverb begins
HI. RATIO 0.1-1.0 High-frequency reverb time ratio
DIFF. 0-10 Diffusion (spread)
DENSITY 0-100% Reverb density
REV/CHO 0-100% Reverb and chorus balance
(0% = all reverb, 100% = all chorus)
HPF THRU, 21.2 Hz-8.00 kHz High-pass filter cutoff frequency
LPF 50.0 Hz-16.0 kHz, THRU Low-pass filter cutoff frequency
FREQ. 0.05-40.00 Hz Modulation speed
AM DEPTH 0-100% Amplitude modulation depth
PM DEPTH 0-100% Pitch modulation depth
MOD. DLY 0.0-500.0 ms Modulation delay time
WAVE Sine, Tri Modulation waveform
SYNC OFF/ON Tempo parameter sync on/off
NOTE *1
*1.
Used in conjunction with TEMPO to determine FREQ
Parameter Range Description
REV TIME 0.3-99.0 s Reverb time
INI. DLY 0.0-500.0 ms Initial delay before reverb begins
HI. RATIO 0.1-1.0 High-frequency reverb time ratio
DIFF. 0-10 Diffusion (spread)
DENSITY 0-100% Reverb density
REV.BAL 0-100% Reverb and chorused reverb balance
(0% = all chorused reverb, 100% = all reverb)
HPF THRU, 21.2 Hz-8.00 kHz High-pass filter cutoff frequency
LPF 50.0 Hz-16.0 kHz, THRU Low-pass filter cutoff frequency
FREQ. 0.05-40.00 Hz Modulation speed
AM DEPTH 0-100% Amplitude modulation depth
PM DEPTH 0-100% Pitch modulation depth
MOD. DLY 0.0-500.0 ms Modulation delay time
WAVE Sine, Tri Modulation waveform
SYNC OFF/ON Tempo parameter sync on/off
NOTE *1
*1.
Used in conjunction with TEMPO to determine FREQ
Parameter Range Description
REV TIME 0.3-99.0 s Reverb time
INI. DLY 0.0-500.0 ms Initial delay before reverb begins
HI. RATIO 0.1-1.0 High-frequency reverb time ratio
DIFF. 0-10 Diffusion (spread)
DENSITY 0-100% Reverb density
REV/FLG 0-100% Reverb and flange balance
(0% = all reverb, 100% = all flange)
HPF THRU, 21.2 Hz-8.00 kHz High-pass filter cutoff frequency
LPF 50.0 Hz-16.0 kHz, THRU Low-pass filter cutoff frequency
FREQ. 0.05-40.00 Hz Modulation speed
DEPTH 0-100% Modulation depth
MOD. DLY 0.0-500.0 ms Modulation delay time
FB. GAIN -99 to +99% Feedback gain (plus values for normal-phase feedback, minus values for
reverse-phase feedback)
WAVE Sine, Tri Modulation waveform
SYNC OFF/ON Tempo parameter sync on/off
NOTE *1
*1.
Used in conjunction with TEMPO to determine FREQ
Parameter Range Description
REV TIME 0.3-99.0 s Reverb time
INI. DLY 0.0-500.0 ms Initial delay before reverb begins
HI. RATIO 0.1-1.0 High-frequency reverb time ratio
DIFF. 0-10 Diffusion (spread)
DENSITY 0-100% Reverb density
REV.BAL 0-100% Reverb and flanged reverb balance
(0% = all flanged reverb, 100% = all reverb)
HPF THRU, 21.2 Hz-8.00 kHz High-pass filter cutoff frequency
LPF 50.0 Hz-16.0 kHz, THRU Low-pass filter cutoff frequency
FREQ. 0.05-40.00 Hz Modulation speed
DEPTH 0-100% Modulation depth
MOD. DLY 0.0-500.0 ms Modulation delay time
FB. GAIN -99 to +99% Feedback gain (plus values for normal-phase feedback, minus values for
reverse-phase feedback)
WAVE Sine, Tri Modulation waveform
SYNC OFF/ON Tempo parameter sync on/off
NOTE *1
*1.
Used in conjunction with TEMPO to determine FREQ

Data List
15
REV+SYMPHO.
One input, two output reverb and symphonic effects in parallel.
REVSYMPHO.
One input, two output reverb and symphonic effects in series.
REVPAN
This is a 1-in/2-out series-connected reverb and auto-pan effect.
DELAY+ER.
One input, two output delay and early reflections effects in parallel.
Parameter Range Description
REV TIME 0.3-99.0 s Reverb time
INI. DLY 0.0-500.0 ms Initial delay before reverb begins
HI. RATIO 0.1-1.0 High-frequency reverb time ratio
DIFF. 0-10 Diffusion (spread)
DENSITY 0-100% Reverb density
REV/SYM 0-100% Reverb and symphonic balance
(0% = all reverb, 100% = all symphonic)
HPF THRU, 21.2 Hz-8.00 kHz High-pass filter cutoff frequency
LPF 50.0 Hz-16.0 kHz, THRU Low-pass filter cutoff frequency
FREQ. 0.05-40.00 Hz Modulation speed
DEPTH 0-100% Modulation depth
MOD. DLY 0.0-500.0 ms Modulation delay time
WAVE Sine, Tri Modulation waveform
SYNC OFF/ON Tempo parameter sync on/off
NOTE *1
*1.
Used in conjunction with TEMPO to determine FREQ
Parameter Range Description
REV TIME 0.3-99.0 s Reverb time
INI. DLY 0.0-500.0 ms Initial delay before reverb begins
HI. RATIO 0.1-1.0 High-frequency reverb time ratio
DIFF. 0-10 Diffusion (spread)
DENSITY 0-100% Reverb density
REV.BAL 0-100% Reverb and symphonic reverb balance
(0% = all symphonic reverb, 100% = all reverb)
HPF THRU, 21.2 Hz-8.00 kHz High-pass filter cutoff frequency
LPF 50.0 Hz-16.0 kHz, THRU Low-pass filter cutoff frequency
FREQ. 0.05-40.00 Hz Modulation speed
DEPTH 0-100% Modulation depth
MOD. DLY 0.0-500.0 ms Modulation delay time
WAVE Sine, Tri Modulation waveform
SYNC OFF/ON Tempo parameter sync on/off
NOTE *1
*1.
Used in conjunction with TEMPO to determine FREQ
Parameter Range Description
REV TIME 0.3-99.0 s Reverb time
INI. DLY 0.0-500.0 ms Initial delay before reverb begins
HI. RATIO 0.1-1.0 High-frequency reverb time ratio
DIFF. 0-10 Diffusion (spread)
DENSITY 0-100% Reverb density
REV.BAL 0-100% Reverb and panned reverb balance (0% = all panned reverb, 100% = all
reverb)
HPF THRU, 21.2 Hz-8.00 kHz High-pass filter cutoff frequency
LPF 50.0 Hz-16.0 kHz, THRU Low-pass filter cutoff frequency
FREQ. 0.05-40.00 Hz Modulation speed
DEPTH 0-100% Modulation depth
DIR. *1
*1. LR, LR, LR, Turn L, Turn R
Panning direction
WAVE Sine, Tri, Square Modulation waveform
SYNC OFF/ON Tempo parameter sync on/off
NOTE *2
*2.
Used in conjunction with TEMPO to determine FREQ
Parameter Range Description
DELAY L 0.0-1000.0 ms Left channel delay time
DELAY R 0.0-1000.0 ms Right channel delay time
FB. DLY 0.0-1000.0 ms Feedback delay time
FB. GAIN -99 to +99% Feedback gain (plus values for normal-phase feedback, minus values for
reverse-phase feedback)
HI. RATIO 0.1-1.0 High-frequency feedback ratio
DLY/ER 0-100% Delay and early reflections balance (0% = all delay, 100% = all early
reflections)
HPF THRU, 21.2 Hz-8.00 kHz High-pass filter cutoff frequency
LPF 50.0 Hz-16.0 kHz, THRU Low-pass filter cutoff frequency
TYPE S-Hall, L-Hall, Random,
Revers, Plate, Spring Type of early reflection simulation
ROOMSIZE 0.1-20.0 Reflection spacing
LIVENESS 0-10 Early reflections decay characteristics (0 = dead, 10 = live)
INI. DLY 0.0-500.0 ms Initial delay before reverb begins
DIFF. 0-10 Diffusion (spread)
DENSITY 0-100% Reflection density
ER NUM. 1-19 Number of early reflections
SYNC OFF/ON Tempo parameter sync on/off
NOTE L *1
*1. (Maximum value depends on the tempo setting)
Used in conjunction with TEMPO to determine left channel DELAY
NOTE R *1
Used in conjunction with TEMPO to determine right channel DELAY
NOTE FB *1 Used in conjunction with TEMPO to determine feedback DELAY

Data List
16
DELAYER.
One input, two output delay and early reflections effects in series.
DELAY+REV
One input, two output delay and reverb effects in parallel.
DELAYREV
One input, two output delay and reverb effects in series.
Parameter Range Description
DELAY L 0.0-1000.0 ms Left channel delay time
DELAY R 0.0-1000.0 ms Right channel delay time
FB. DLY 0.0-1000.0 ms Feedback delay time
FB. GAIN -99 to +99% Feedback gain (plus values for normal-phase feedback, minus values for
reverse-phase feedback)
HI. RATIO 0.1-1.0 High-frequency feedback ratio
DLY.BAL 0-100% Delay and early reflected delay balance
(0% = all early reflected delay, 100% = all delay)
HPF THRU, 21.2 Hz-8.00 kHz High-pass filter cutoff frequency
LPF 50.0 Hz-16.0 kHz, THRU Low-pass filter cutoff frequency
TYPE S-Hall, L-Hall, Random,
Revers, Plate, Spring Type of early reflection simulation
ROOMSIZE 0.1-20.0 Reflection spacing
LIVENESS 0-10 Early reflections decay characteristics (0 = dead, 10 = live)
INI. DLY 0.0-500.0 ms Initial delay before reverb begins
DIFF. 0-10 Diffusion (spread)
DENSITY 0-100% Reflection density
ER NUM. 1-19 Number of early reflections
SYNC OFF/ON Tempo parameter sync on/off
NOTE L *1
*1. (Maximum value depends on the tempo setting)
Used in conjunction with TEMPO to determine left channel DELAY
NOTE R *1 Used in conjunction with TEMPO to determine right channel DELAY
NOTE FB *1 Used in conjunction with TEMPO to determine feedback DELAY
Parameter Range Description
DELAY L 0.0-1000.0 ms Left channel delay time
DELAY R 0.0-1000.0 ms Right channel delay time
FB. DLY 0.0-1000.0 ms Feedback delay time
FB. GAIN -99 to +99% Feedback gain (plus values for normal-phase feedback, minus values for
reverse-phase feedback)
DELAY HI 0.1-1.0 High-frequency feedback ratio
DLY/REV 0-100% Delay and reverb balance
(0% = all delay, 100% = all reverb)
HPF THRU, 21.2 Hz-8.00 kHz High-pass filter cutoff frequency
LPF 50.0 Hz-16.0 kHz, THRU Low-pass filter cutoff frequency
REV TIME 0.3-99.0 s Reverb time
INI. DLY 0.0-500.0 ms Initial delay before reverb begins
REV HI 0.1-1.0 High-frequency reverb time ratio
DIFF. 0-10 Diffusion (spread)
DENSITY 0-100% Reverb density
SYNC OFF/ON Tempo parameter sync on/off
NOTE L *1 Used in conjunction with TEMPO to determine left channel DELAY
NOTE R *1 Used in conjunction with TEMPO to determine right channel DELAY
NOTE FB *1 Used in conjunction with TEMPO to determine feedback DELAY
*1. (Maximum value depends on the tempo setting)
Parameter Range Description
DELAY L 0.0-1000.0 ms Left channel delay time
DELAY R 0.0-1000.0 ms Right channel delay time
FB. DLY 0.0-1000.0 ms Feedback delay time
FB. GAIN -99 to +99% Feedback gain (plus values for normal-phase feedback, minus values for
reverse-phase feedback)
DELAY HI 0.1-1.0 High-frequency feedback ratio
DLY.BAL 0-100% Delay and delayed reverb balance
(0% = all delayed reverb, 100% = all delay)
HPF THRU, 21.2 Hz-8.00 kHz High-pass filter cutoff frequency
LPF 50.0 Hz-16.0 kHz, THRU Low-pass filter cutoff frequency
REV TIME 0.3-99.0 s Reverb time
INI. DLY 0.0-500.0 ms Initial delay before reverb begins
REV HI 0.1-1.0 High-frequency reverb time ratio
DIFF. 0-10 Diffusion (spread)
DENSITY 0-100% Reverb density
SYNC OFF/ON Tempo parameter sync on/off
NOTE L *1
*1. (Maximum value depends on the tempo setting)
Used in conjunction with TEMPO to determine left channel DELAY
NOTE R *1 Used in conjunction with TEMPO to determine right channel DELAY
NOTE FB *1 Used in conjunction with TEMPO to determine feedback DELAY
Parameter Range Description

Data List
17
DISTDELAY
One input, two output distortion and delay effects in series.
MULTI FILTER
Two input, two output 3-band multi-filter (24 dB/octave).
FREEZE
One input, two output basic sampler.
DISTORTION
One input, two output distortion effect.
Parameter Range Description
DST TYPE DST1, DST2, OVD1,
OVD2, CRUNCH Distortion type (DST = distortion, OVD = overdrive)
DRIVE 0-100 Distortion drive
MASTER 0-100 Master volume
TONE -10 to +10 Tone control
N. GATE 0-20 Noise reduction
SYNC OFF/ON Tempo parameter sync on/off
DLY.NOTE *1
*1. (Maximum value depends on the tempo
setting)
Used in conjunction with TEMPO to determine DELAY
MOD.NOTE *2
*2.
Used in conjunction with TEMPO to determine FREQ
DELAY 0.0-2725.0 ms Delay time
FB. GAIN -99 to +99% Feedback gain (plus values for normal-phase feedback, minus values for
reverse-phase feedback)
HI. RATIO 0.1-1.0 High-frequency feedback ratio
FREQ. 0.05-40.00 Hz Modulation speed
DEPTH 0-100% Modulation depth
DLY.BAL 0-100% Distortion and delay balance
(0% = all distortion, 100% = all delayed distortion)
Parameter Range Description
TYPE 1 LPF, HPF, BPF Filter 1 type: high pass, low pass, band pass
FREQ. 1 28.0 Hz-16.0 kHz Filter 1 frequency
LEVEL 1 0-100 Filter 1 level
RESO. 1 0-20 Filter 1 resonance
TYPE 2 LPF, HPF, BPF Filter 2 type: high pass, low pass, band pass
FREQ. 2 28.0 Hz-16.0 kHz Filter 2 frequency
LEVEL 2 0-100 Filter 2 level
RESO. 2 0-20 Filter 2 resonance
TYPE 3 LPF, HPF, BPF Filter 3 type: high pass, low pass, band pass
FREQ. 3 28.0 Hz-16.0 kHz Filter 3 frequency
LEVEL 3 0-100 Filter 3 level
RESO. 3 0-20 Filter 3 resonance
Parameter Range Description
REC MODE MANUAL, INPUT In MANUAL mode, recording is started by pressing the REC and PLAY
buttons. In INPUT mode, Record-Ready mode is engaged by pressing the
REC button, and actual recording is triggered by the input signal.
REC DLY -1000 to +1000 ms Recording delay.
For plus values, recording starts after the trigger is received. For minus
values, recording starts before the trigger is received.
PLY MODE MOMENT, CONTI.,
INPUT
In MOMENT mode, the sample plays only while the PLAY button is
pressed. In CONT mode, playback continues once the PLAY button has
been pressed. The number of times the sample plays is set using the LOOP
NUM parameter. In INPUT mode, playback is triggered by the input signal.
TRG LVL -60 to 0 dB Input trigger level (i.e., the signal level required to trigger recording or
playback)
TRG MASK 0-1000 ms Once playback has been triggered, subsequent triggers are ignored for the
duration of the TRG MASK time.
START *1
*1. 0.0-5941.0 ms (fs=44.1 kHz), 0.0 ms-5458.3 ms (fs=48 kHz)
Playback start point in milliseconds
END *1 Playback end point in milliseconds
LOOP *1 Loop start point in milliseconds
LOOP
NUM 0-100 Number of times the sample plays
PITCH -12 to +12 semitones Playback pitch shift
FINE -50 to +50 cents Playback pitch shift fine
MIDI TRG OFF, C1-C6, ALL The PLAY button can be triggered by using MIDI Note on/off messages.
START
[SAMPLE] 0-131000 Playback start point in samples
END
[SAMPLE] 0-131000 Playback end point in samples
LOOP
[SAMPLE] 0-131000 Loop start point in samples
Parameter Range Description
DST TYPE DST1, DST2, OVD1,
OVD2, CRUNCH Distortion type (DST = distortion, OVD = overdrive)
DRIVE 0-100 Distortion drive
MASTER 0-100 Master volume
TONE -10 to +10 Tone control
N. GATE 0-20 Noise reduction

Data List
18
AMP SIMULATE
One input, two output guitar amp simulator.
COMP276
This effect emulates the characteristics of analog compressors that are widely used in
recording studios. It produces a thick, strong frame sound suitable for drums and bass. You
can control two monaural channels independently.
COMP276S
This effect emulates the characteristics of analog compressors that are widely used in
recording studios. It produces a thick, strong frame sound suitable for drums and bass. You
can link and control the L and R channel parameters.
COMP260
This effect emulates the characteristics of mid 70's compressors/limiters that are the standard
for live SR. You can control two monaural channels independently. You can also link several
parameters via stereo links.
COMP260S
This effect emulates the characteristics of mid 70's compressors/limiters that are the standard
for live SR. You can link and control the L and R channel parameters.
Parameter Range Description
AMP TYPE *1
*1. STK-M1, STK-M2, THRASH, MIDBST, CMB-PG, CMB-VR, CMB-DX, CMB-TW, MINI, FLAT
Guitar amp simulation type
DST TYPE DST1, DST2, OVD1,
OVD2, CRUNCH Distortion type (DST = distortion, OVD = overdrive)
DRIVE 0-100 Distortion drive
MASTER 0-100 Master volume
BASS 0-100 Bass tone control
MIDDLE 0-100 Middle tone control
TREBLE 0-100 High tone control
N. GATE 0-20 Noise reduction
CAB DEP 0-100% Speaker cabinet simulation depth
EQ F 100 Hz-8.00 kHz EQ (peaking type) frequency
EQ G -12.0 to +12.0 dB EQ (peaking type) gain
EQ Q 10.0-0.10 EQ (peaking type) bandwidth
Parameter Range Description
INPUT 1 -180 to 0 dB Adjusts the CH1 input level
OUTPUT 1 -180 to 0 dB Adjusts the CH1 output gain
RATIO 1 2:1, 4:1, 8:1, 12:1, 20:1 Ratio for CH1 compressor
ATTACK 1 0.022-50.4 ms Attack time of CH1 compressor
RELEASE1 10.88-544.22 ms Release time of CH1 compressor
MAKE UP1 OFF, ON Automatically corrects output gain reduction when CH1 compressor is
applied
SIDEHPF1 OFF, ON When the HPF in the side chain of the CH1 compressor is turned on, the
compression applied to the low range will be weakened, thus emphasizing
the low range.
INPUT 2 -180 to 0 dB Adjusts the CH2 input level
OUTPUT 2 -180 to 0 dB Adjusts the CH2 output gain
RATIO 2 2:1, 4:1, 8:1, 12:1, 20:1 Ratio of CH2 compressor
ATTACK 2 0.022-50.4 ms Attack time of CH2 compressor
RELEASE2 10.88-544.22 ms Release time of CH2 compressor
MAKE UP2 OFF, ON Automatically corrects output gain reduction when the CH2 compressor is
applied
SIDEHPF2 OFF, ON When the HPF in the side chain of the CH2 compressor is turned on, the
compression applied to the low range will be weakened, thus emphasizing
the low range.
Parameter Range Description
INPUT -180 to 0 dB Adjusts the input level
OUTPUT -180 to 0 dB Adjusts the output gain
RATIO 1:2, 4:1, 8:1, 12:1, 20:1 Ratio of the compressor
ATTACK 0.022-50.4 ms Attack time of the compressor
RELEASE 10.88-544.22 ms Release time of the compressor
MAKE UP OFF, ON Automatically corrects output gain reduction when the compressor is
applied
SIDE HPF OFF, ON When the HPF in the side chain of the compressor is turned on, the
compression applied to the low range will be weakened, thus emphasizing
the low range.
Parameter Range Description
THRE.1 -60 to 0.0 dB Threshold of CH compressor
KNEE1 SOFT, MEDIUM, HARD Knee of CH1 compressor
ATTACK1 0.01-80.0 ms Attack time of CH1 compressor
RELEASE1 6.2-999 ms Release time of CH1 compressor
RATIO1 1.0-500, ∞ Ratio for CH1 compressor
OUTPUT1 -20 to 40 dB Adjusts the CH1 output gain
THRE.2 -60 to 0.0 dB Threshold of CH2 compressor
KNEE2 SOFT, MEDIUM, HARD Knee of CH2 compressor
ATTACK2 0.01-80.0 ms Attack time of CH2 compressor
RELEASE2 6.2-999 ms Release time of CH2 compressor
RATIO2 1.0-500, ∞ Ratio of CH2 compressor
OUTPUT2 -20 to 40 dB Adjusts the CH2 output gain
ST LINK OFF, ON Links CH1 and CH2 as a stereo pair. THRE., KNEE, ATTACK, RELEASE, and
RATIO parameters are linked; OUTPUT parameter is not linked
Parameter Range Description
THRE. -60 to 0.0 dB Threshold of the compressor
KNEE SOFT, MEDIUM, HARD Knee of the compressor
ATTACK 0.01-80.0 ms Attack time of the compressor
RELEASE 6.2-999 ms Release time of the compressor
RATIO 1.0-500, ∞ Ratio of the compressor
OUTPUT -20 to 40 dB Adjusts the output gain

Data List
19
EQUALIZER601
This effect emulates the characteristics of 70's analog equalizers. Re-creating the distortion
of typical analog circuits will add drive to the sound.
OPENDECK
It emulates the tape compression created by two open reel tape recorders (a recording deck
and a playback deck). You can change the sound quality by adjusting various elements, such
as the deck type, tape quality, playback speed, etc.
M.BAND DYNA.
Two input, two output 3-band dynamically controlled processor, with individual solo and gain
reduction metering for each band.
Parameter Range Description
LO TYPE HPF-2/1, LSH-1/2 Type of EQ1
LO F 16.0 Hz to 20.0 kHz Cut-off frequency of EQ1
LO G -18.0 to +18.0 dB Gain of EQ1
MID1 Q 0.50-16.0 Q of EQ2
MID1 F 16.0 Hz to 20.0 kHz Center frequency of EQ2
MID1 G -18.0 to +18.0 dB Gain of EQ2
MID2 Q 0.50-16.0 Q of EQ3
MID2 F 16.0 Hz to 20.0 kHz Center frequency of EQ3
MID2 G -18.0 to +18.0 dB Gain of EQ3
INPUT -18.0 to +18.0 dB Input gain
OUTPUT -18.0 to +18.0 dB Output gain
MID3 Q 0.50-16.0 Q of EQ4
MID3 F 16.0 Hz to 20.0 kHz Center frequency of EQ4
MID3 G -18.0 to +18.0 dB Gain of EQ4
MID4 Q 0.50-16.0 Q of EQ5
MID4 F 16.0 Hz to 20.0 kHz Center frequency of EQ5
MID4 G -18.0 to +18.0 dB Gain of EQ5
HI TYPE LPF-2/1, HSH-1/2 Type of EQ6
HI F 16.0 Hz to 20.0 kHz *1
*1. 16.0 Hz to 20.0 kHz (LPF-1, LPF-2), 1.0 kHz to 20.0 kHz (HSH-1, HSH-2)
Cut-off frequency of EQ6
HI G -18.0 to +18.0 dB Gain of EQ6
LO SW OFF, ON Switches EQ1 on/off
MID1 SW OFF, ON Switches EQ2 on/off
MID2 SW OFF, ON Switches EQ3 on/off
MID3 SW OFF, ON Switches EQ4 on/off
MID4 SW OFF, ON Switches EQ5 on/off
HI SW OFF, ON Switches EQ6 on/off
TYPE CLEAN, DRIVE
Selects the equalizer type.
The CLEAN equalizer provides non-distorted, clear, typical digital sound,
emulating variations in frequency response in the analog circuits. The
DRIVE equalizer provides distorted, driven sound that enhances analog
flavor, emulating changes in frequency response in the analog circuits.
Parameter Range Description
REC DEC Swss70, Swss78, Swss85,
Amer70 Selects the recording deck type
REC LVL -96.0 to +18.0 dB Adjusts the input level of the recording deck. As you raise the level, tape
compression is generated, which narrows the dynamic range and distorts
the sound.
REC HI -6.0 to +6.0 dB Adjusts the high range gain of the recording deck
REC BIAS -1.00 to +1.00 Adjusts the bias of the recording deck
REPR DEC Swss70, Swss78, Swss85,
Amer70 Selects the playback deck type
REPR LVL -96.0 to +18.0 dB Adjusts the output level of the playback deck
REPR HI -6.0 to +6.0 dB Adjusts the high range gain of the playback deck
REPR LO -6.0 to +6.0 dB Adjusts the low range gain of the playback deck
MAKE UP Off, On When you adjust the REC LVL, the REPR LVL reflects the change,
maintaining the relative output level. You can change the amount of
distortion without changing the output level.
TP SPEED 15ips, 30ips Selects the tape speed
TP KIND Old, New Selects the tape type
Parameter Range Description
L-M XOVER 21.2 Hz-8.00 kHz Crossover frequency between the low and mid bands
M-H XOVER 21.2 Hz-8.00 kHz Crossover frequency between the mid and high bands
SLOPE -6 dB, -12 dB Filter slope
LOW GAIN -12.0 dB to +12.0 dB Low band gain
MID GAIN -12.0 dB to +12.0 dB Mid band gain
HI. GAIN -12.0 dB to +12.0 dB High band gain
TOTAL -72.0 dB to +12.0 dB Overall gain
CEILING -6.0 dB to 0.0 dB, OFF Restricts the output so that it will not exceed the specified level
CMP.THRE -24.0 dB to 0.0 dB Threshold of the compressor
CMP.RAT 1:1 to 20:1 Ratio of the compressor
CMP.ATK 0-120 ms Attack time of the compressor
CMP.REL *1 Release time of the compressor
CMP.KNEE 0-5 Knee of the compressor
CMP.BYP OFF/ON Bypasses the compressor
EXP.THRE -54.0 dB to -24.0 dB Threshold of the expander
EXP.RAT 1:1 to 5:1 Ratio of the expander
EXP.REL *1 Release time of the expander
EXP.BYP OFF/ON Bypasses the expander
LIM.THRE -12.0 dB to 0.0 dB Threshold of the limiter

Data List
20
M.BAND COMP
Two input, two output 3-band compressor, with individual solo and gain reduction metering for
each band.
Premium Rack Processor Parameters
Portico5033
This models an analog 5-band EQ made by the RND company.
Portico5043
This models an analog compressor/limiter made by the RND company.
LIM.ATK 0-120 ms Attack time of the limiter
LIM.REL *1 Release time of the limiter
LIM.KNEE 0-5 Knee of the limiter
LIM.BYP OFF/ON Bypasses the limiter
PRESENCE -10 to +10 Positive (+) values lower the threshold of the high band and raise the
threshold of the low band. Negative (-) values do the opposite. If this is
set to 0, the high, mid, and low bands will be affected in the same way.
LOOKUP 0.0-100.0 ms Lookup delay
MAKE UP OFF/ON Automatically adjusts the output level
*1. 6.0 ms-46.0 s (fs=44.1 kHz), 5.0 ms-42.3 s (fs=48 kHz)
Parameter Range Description
L-M XOVER 21.2 Hz-8.00 kHz Crossover frequency between the low and mid bands
M-H XOVER 21.2 Hz-8.00 kHz Crossover frequency between the mid and high bands
SLOPE -6 dB, -12 dB Filter slope
LOW GAIN -12.0 dB to +12.0 dB Low band gain
MID GAIN -12.0 dB to +12.0 dB Mid band gain
HI. GAIN -12.0 dB to +12.0 dB High band gain
TOTAL -72.0 dB to +12.0 dB Overall gain
CEILING -6.0 dB to 0.0 dB, OFF Restricts the output so that it will not exceed the specified level
LOW THRE -54.0 dB to 0.0 dB Threshold of the low band compressor
LOW RAT 1:1 to 20:1 Ratio of the low band compressor
LOW ATK 0-120 ms Attack time of the low band compressor
LOW REL *1
*1. 6.0 ms-46.0 s (fs=44.1 kHz), 5.0 ms-42.3 s (fs=48 kHz)
Release time of the low band compressor
LOW KNEE 0-5 Knee of the low band compressor
LOW BYP OFF/ON Bypasses the low band compressor
MID THRE -54.0 dB to 0.0 dB Threshold of the mid band compressor
MID RAT 1:1 to 20:1 Ratio of the mid band compressor
MID ATK 0-120 ms Attack time of the mid band compressor
MID REL *1 Release time of the mid band compressor
MID KNEE 0-5 Knee of the mid band compressor
MID BYP OFF/ON Bypasses the mid band compressor
HI. THRE -54.0 dB to 0.0 dB Threshold of the high band compressor
HI. RAT 1:1 to 20:1 Ratio of the high band compressor
HI. ATK 0-120 ms Attack time of the high band compressor
HI. RAT *1 Release time of the high band compressor
HI. KNEE 0-5 Knee of the high band compressor
HI. BYP OFF/ON Bypasses the high band compressor
LOOKUP 0.0-100.0 ms Lookup delay
MAKE UP OFF/ON Automatically adjusts the output level
Parameter Range Description
Parameter Range Description
ALL BYPASS OFF, ON Turns bypass on/off for the EQ. Even in the bypassed state, the signal will
pass through the input/output transformers and the amp circuit.
TRIM -12.0 to 12.0 dB Input gain
LF FREQ 30.00 to 300.0 Hz Center frequency of the LF band
LF GAIN -12.0 to 12.0 dB Gain of the LF band
LMF IN OFF, ON Switches the LMF band on/off
LMF Q 0.70 to 5.00 Q of the LMF band
LMF FREQ 50.00 to 400.0 Hz Center frequency of the LMF band
LMF GAIN -12.0 to 12.0 dB Gain of the LMF band
MF IN OFF, ON Switches the MF band on/off
MF Q 0.70 to 5.00 Q of the MF band
MF FREQ 330.0 to 2500 Hz Center frequency of the MF band
MF GAIN -12.0 to 12.0 dB Gain of the MF band
HMF IN OFF, ON Switches the HMF band on/off
HMF Q 0.70 to 5.00 Q of the HMF band
HMF FREQ 1.80k to 16.0k Hz Center frequency of the HMF band
HMF GAIN -12.0 to 12.0 dB Gain of the HMF band
LF/HF IN OFF, ON Switches the LF/HF bands on/off
HF FREQ 2.50k to 25.0k Hz Center frequency of the HF band
HF GAIN -12.0 to 12.0 dB Gain of the HF band
Parameter Range Description
IN OFF, ON Turns bypass on/off for the compressor. When bypassed, the button will
be unlit. However even in the bypassed state, the signal will pass through
the input/output transformers and the amp circuit.
FB OFF, ON Switches between feed-forward type and feed-back type
THRESHOLD -50.0 to 0.0 dB Threshold level
RATIO 1.10 : 1 to 28.9 : 1, LIMIT Compression ratio
ATTACK 20 to 75 ms Attack time
RELEASE 100 ms to 2.50 sec Release time
GAIN -6.0 to 20.0 dB Output level

Data List
21
U76
This models a well-known vintage compressor/limiter used in a wide range of situations.
Opt-2A
This processor emulates a well-known vintage model of vacuum tube opto compressor.
EQ-1A
This processor emulates a vintage EQ that's considered a classic example of a passive EQ.
Dynamic EQ
This is a newly developed equalizer that dynamically changes the EQ gain in response to the
input signal, controlling the amount of EQ cut or boost in a way similar to a compressor or
expander.
Buss Comp 369
Parameter Range Description
INPUT -96.0 to 0.0 dB Input level
OUTPUT -96.0 to 0.0 dB Output level
ATTACK 5.50 to 0.10 ms Attack time of the compressor. Turning this all the way to the right
produces the fastest attack.
RELEASE 1100.0 to 56.4 ms Release time of the compressor. Turning this all the way to the right
produces the fastest release.
RATIO ALL, 4, 8, 12, 20 Switches the compression ratio. Pressing ALL produces the strongest
effect.
METER OFF, +4, +8, GR Switches the meter display
Parameter Range Description
GAIN -56.0 dB to 40.0 dB Output level
PEAK REDUCTION -48.0 dB to 48.0 dB Amount of gain reduction
RATIO 2.00 to 10.00 Compression ratio
METER SELECT
OUTPUT+10,
GAIN REDUCTION,
OUTPUT+4 Switches the meter display
Parameter Range Description
LOW FREQUENCY 20, 30, 60, 100 Hz Frequency range of the low range filter
(LOW) BOOST 0.0 to 10.0 Boost amount of the low range filter
(LOW) ATTEN 0.0 to 10.0 Attenuation amount of the low range filter
HIGH FREQUENCY 3k, 4k, 5k, 8k, 10k, 12k, 16k Hz Frequency range of the high range filter
(HIGH) BOOST 0.0 to 10.0 Boost amount of the high range filter
(HIGH) BAND WIDTH 0.0 to 10.0 Band width of the high range filter
(HIGH) ATTEN SEL 5k, 10k, 20k Hz Frequency range attenuated by the high range filter
(HIGH) ATTEN 0.0 to 10.0 Attenuation amount of the high range filter
IN OFF, ON Turns the processor on/off. If this is off, the filter section
will be bypassed, but the signal will pass through the
input/output transformers and the amp circuit.
Parameter Range Description
BAND ON/OFF OFF, ON Turns the corresponding band on/off
SIDECHAIN CUE OFF, ON If this is on, the sidechain signal that controls the dynamics will
be sent to the CUE bus for monitoring.
SIDECHAIN LISTEN OFF, ON If this is on, the sidechain signal that is linked to the dynamics
will be output to the bus (such as the STEREO bus or a MIX/
MATRIX bus) to which the inserted channel is being sent.
FILTER TYPE Low Shelf, Bell, Hi Shelf Switches the type of equalizer and sidechain filter
FREQUENCY 20.0 to 20.0k Hz Frequency controlled by the equalizer and sidechain filter
Q 15.0 to 0.50 Q of the equalizer and sidechain filter
THRESHOLD -80.0 to 10.0 dB Threshold value at which processing begins to apply
RATIO ∞ : 1 to 1 : 1.50 Sets the boost/cut ratio relative to the input signal
MODE BELOW, ABOVE Specifies whether the processor will operate when the
sidechain signal exceeds the threshold setting (ABOVE) or
when it falls below the threshold setting (BELOW)
ATTACK/RELEASE FAST, SLOW, AUTO Attack time/release time for when compression or boost is
applied
Parameter Range Description
INPUT ADJUST -15.0 to +15.0dB
Input gain. However, the output gain is also linked so that there
is no change in the pass-through volume. For example, if
INPUT ADJUST is +5dB, the input gain is +5dB and the output
gain is -5dB.
LINK ON, OFF Stereo link function (STEREO only)
METER IN, GR, OUT Meter switch (STEREO only)
VU IN, OUT Meter switch (DUAL only)
COMP IN ON, OFF Compressor on/off
COMP RATIO 1.5:1, 2:1, 3:1, 4:1, 6:1 Ratio of the compressor
COMP GAIN 0.0 to +20.0dB Compressor gain
COMP RECOVERY 100ms, 400ms, 800ms,
1500ms, a1, a2
Compressor release. The release times for a1 (auto 1) and a2
(auto 2) change automatically. a1: Changes automatically
between 100 ms and 2 sec. a2: Changes automatically
between 50 ms and 5 sec.
COMP THRESHOLD -40 to -5dBFS Threshold of the compressor
LIMIT IN ON, OFF Limiter on/off
LIMIT ATTACK FAST, SLOW Attack time of the limiter FAST: 2 ms, SLOW: 4 ms
LIMIT RECOVERY 50ms, 100ms, 200ms,
800ms, a1, a2
Limiter release. The release times for a1 (auto 1) and a2 (auto
2) change automatically. a1: Changes automatically between
100 ms and 2 sec. a2: Changes automatically between 50 ms
and 5 sec.
LIMIT THRESHOLD -16 to -5 dBFS Threshold of the limiter

Data List
22
MBC4
Automixer Parameters
Parameter Range Description
LOW CROSSOVER 20 to 500Hz Crossover frequency between the low and low mid bands
MID CROSSOVER 80 to 10kHz Crossover frequency between the low mid and high mid bands
HIGH CROSSOVER 1k to 15kHz Crossover frequency between the low high mid and high
bands
LOW GAIN -18.0dB to 12.0dB Low band gain
LOW THRESHOLD -80.0dB to 0.0dB Threshold of low band
LOW RATIO 1.0:1 to 20.0:1 Ratio of low band
LOW ATTACK 0.1 to 120ms Attack time of low band
LOW RELEASE 5 to 1000ms Release time of low band
LOW COMP IN ON, OFF Switches the compressor of low band on/off
LOW CUE ON ON, OFF If this is on, the low band signal will be sent to the CUE bus for
monitoring.
LOW MID GAIN -18.0dB to 12.0dB Low mid band gain
LOW MID
THRESHOLD -80.0dB to 0.0dB Threshold of low mid band
LOW MID RATIO 1.0:1 to 20.0:1 Ratio of low mid band
LOW MID ATTACK 0.1ms to 120ms Attack time of low mid band
LOW MID RELEASE 5ms to 1000ms Release time of low mid band
LOW MID COMP IN ON, OFF Switches the compressor of low mid band on/off
LOW MID CUE ON ON, OFF If this is on, the low mid band signal will be sent to the CUE bus
for monitoring.
HIGH MID GAIN -18.0dB to 12.0dB High mid band gain
HIGH MID
THRESHOLD -80.0dB to 0.0dB Threshold of high mid band
HIGH MID RATIO 1.0:1 to 20.0:1 Ratio of high mid band
HIGH MID ATTACK 0.1ms to 120ms Attack time of high mid band
HIGH MID RELEASE 5ms to 1000ms Release time of high mid band
HIGH MID COMP IN ON, OFF Switches the compressor of high mid band on/off
HIGH MID CUE ON ON, OFF If this is on, the high mid band signal will be sent to the CUE
bus for monitoring.
HIGH GAIN -18.0dB to 12.0dB High band gain
HIGH THRESHOLD -80.0dB to 0.0dB Threshold of high band
HIGH RATIO 1.0:1 to 20.0:1 Ratio of high band
HIGH ATTACK 0.1ms to 120ms Attack time of high band
HIGH RELEASE 5ms to 1000ms Release time of high band
HIGH COMP IN ON, OFF Switches the compressor of high band on/off
HIGH CUE ON ON, OFF If this is on, the high band signal will be sent to the CUE bus for
monitoring.
MASTER GAIN -18.0dB to 12.0dB Master gain
KNEE HARD, 1, 2, 3, SOFT Knee of compressor
FLAVOUR VCA, OPTO Compressor type
HARMONICS ON, OFF Switches the harmonics on/off
LINK GAIN - Links and controls the gain of the four bands
LINK THRESHOLD - Links and controls the threshold of the four bands
LINK RATIO - Links and controls the ratio of the four bands
LINK ATTACK - Links and controls the attack time of the four bands
LINK RELEASE - Links and controls the release time of the four bands
Parameter Range Description
Group a, b, c Channel control field group
Override OFF, ON Turns on/off overriding of the channel control field
ChMode man, auto, mute Channel control field mode (man/auto/mute)
ChModePreset man, auto, mute Preset setting of the channel control field
Weight -100 to 15 Relative sensitivity among input channels in the channel
control field
MeterType gain, input, output Meter type of the master field
MasterOverride OFF, ON Turns on/off overriding of the master field
MasterMute OFF, ON Turns on/off the mute setting of the master field
Gain 0 to 127 Automixer gain displayed for each channel when the meter
button of the master field is set to “gain”
InputLevel 0 to 127 Input level displayed for each channel when the meter button
of the master field is set to “input”
OutputLevel 0 to 127 Output level displayed for each channel when the meter
button of the master field is set to “output”
PostWeightingFilter 0 to 127 Level indicator of the channel control field
Parameter Range Description

Data List
23
Parameters That Can Be Assigned to Control Changes
Mode Parameter 1 Parameter 2
NO ASSIGN — —
BALANCE OUTPUT MIX 1-MIX 24
MATRIX 1-MATRIX 8
STEREO L-STEREO R
CH ON
INPUT CH 1-CH 72*1
STIN1L-STIN8R
OUTPUT MIX 1-MIX 24
MATRIX 1-MATRIX 8
STEREO L-MONO(C)
CUE
OUTPUT —
CUE MODE —
SURROUND CUE MODE —
FADER CUE RELEASE ON —
INPUT CUE POINT —
DCA CUE POINT —
OUTPUT CUE POINT —
DCA UNITY —
OUTPUT LEVEL H —
OUTPUT LEVEL L —
ACTIVE CUE —
CLEAR CUE —
SPECIFIC CH
CH 1-CH 72*1
STIN1L-STIN8R
MIX 1-MIX 24
MATRIX 1-MATRIX 8
STEREO L-MONO(C)
DCA 1-DCA16
DCA
ON
DCA 1-DCA 16FADER H
FADER L
DIRECT OUT ON CH 1-CH 72*1
EFFECT
BYPASS
RACK1-8MIX BALANCE
PARAM 1 H - PARAM 32 L
FADER H
INPUT CH 1-CH 72*1
STIN1L-STIN8R
OUTPUT MIX 1-MIX 24
MATRIX 1-MATRIX 8
STEREO L-MONO(C)
FADER L
INPUT CH 1-CH 72*1
STIN1L-STIN8R
OUTPUT MIX 1-MIX 24
MATRIX 1-MATRIX 8
STEREO L-MONO(C)
GEQ
ON A GEQ RACK1-GEQ RACK16
EFFECT RACK1- EFFECT
RACK8
ON B
GAIN 1A-GAIN 31A
GAIN 1B-GAIN 31B
INPUT ATT INPUT CH 1-CH 72*1
STIN1L-STIN8R
INPUT DYNAMICS1
ON
CH 1-CH 72*1
STIN1L-STIN8R
ATTACK
THRESHOLD
RANGE
HOLD H
HOLD L
DECAY/RELEASE H
DECAY/RELEASE L
RATIO
KNEE
GAIN H
GAIN L
INPUT DYNAMICS2
ON
CH 1-CH 72*1
STIN1L-STIN8R
ATTACK
THRESHOLD
RELEASE H
RELEASE L
RATIO/TYPE
GAIN H
GAIN L/Q
KNEE/WIDTH
FILTER FREQ
INPUT EQ
ON
CH 1-CH 72*1
STIN1L-STIN8R
LOW Q
LOW FREQ
LOW GAIN
LOW MID Q
LOW MID FREQ
LOW MID GAIN
HIGH MID Q
HIGH MID FREQ
HIGH MID GAIN
HIGH Q
HIGH FREQ
HIGH GAIN
LPF ON
LOW TYPE
HIGH TYPE
INPUT HPF ON CH 1-CH 72*1
STIN1L-STIN8R
FREQ
INSERT
INPUT CH 1-CH 72*1
OUTPUT MIX 1-MIX 24
MATRIX 1-MATRIX 8
STEREO L-MONO(C)
Mode Parameter 1 Parameter 2

Data List
24
LCR
ON CH 1-CH 72*1
STIN1L-STIN8R
MIX 1-MIX 24
CSR
MIX/MATRIX SEND
MIX 1 ON - MIX24 ON
CH 1-CH 72*1
STIN1L-STIN8R
MATRIX 1 ON - MATRIX 8 ON
MIX 1 POINT - MIX 24 POINT
MATRIX 1 POINT - MATRIX 8 POINT
MIX 1 H - MIX24H
MATRIX1 H - MATRIX8 H
MIX 1 L - MIX24L
MATRIX1 L - MATRIX8 L
MIX 1/2 PAN - MIX 23/24 PAN
MATRIX1/2 PAN - MATRIX7/8 PAN
MIX TO MATRIX
MATRIX 1 POINT - MATRIX 8 POINT
MIX 1-MIX 24
MATRIX 1 ON - MATRIX 8 ON
MATRIX 1 LEVEL H - MATRIX 8 LEVEL H
MATRIX 1 LEVEL L - MATRIX 8 LEVEL L
MATRIX 1/2 PAN - MATRIX 7/8 PAN
MIX TO STEREO
TO STEREO ON
MIX 1-MIX 24TO MONO ON
PAN
MONITOR
OUTPUT —
SOURCE SELECT
DEFINE ASSIGN
MIX 1-MIX 24
MATRIX 1-MATRIX 8
STEREO L-MONO(C)
OMNI 1-2-OMNI 7-8
PB OUT
DIMMER ON
—
PHONES LEVEL LINK
CUE INTERRUPTION
MONO MONITOR
MONITOR FADER H
MONITOR FADER L
DELAY AUTO BYPASS
DELAY ON
MUTE MASTER ON MASTER 1-MASTER 8
OUTPUT ATT OUTPUT MIX1-MIX24
MATRIX1-MATRIX8
STEREO L-MONO(C)
OUTPUT DYNAMICS1
ON
MIX 1-MIX 24
MATRIX 1-MATRIX 8
STEREO L-MONO(C)
ATTACK
THRESHOLD
RELEASE H
RELEASE L
RATIO
GAIN H
GAIN L
KNEE/WIDTH
Mode Parameter 1 Parameter 2
OUTPUT EQ
ON
MIX 1-MIX 24
MATRIX 1-MATRIX 8
STEREO L-MONO(C)
LOW Q
LOW FREQ
LOW GAIN
LOW MID Q
LOW MID FREQ
LOW MID GAIN
HIGH MID Q
HIGH MID FREQ
HIGH MID GAIN
HIGH Q
HIGH FREQ
HIGH GAIN
LOW TYPE
HIGH TYPE
LOW HPF ON
HIGH LPF ON
PAN/BALANCE INPUT CH 1-CH 72*1
STIN1L-STIN8R
PEQ
A/B LINK
GEQ RACK 1A-16B
EFFECT RACK 1A-8B
ON
BAND1 BYPASS
BAND1 GAIN H
BAND1 GAIN L
BAND1 FREQ
BAND1 Q
BAND2 BYPASS
BAND2 GAIN H
BAND2 GAIN L
BAND2 FREQ
BAND2 Q
BAND3 BYPASS
BAND3 GAIN H
BAND3 GAIN L
BAND3 FREQ
BAND3 Q
BAND4 BYPASS
BAND4 GAIN H
Mode Parameter 1 Parameter 2

Data List
25
PEQ
BAND4 GAIN L
GEQ RACK 1A-16B
EFFECT RACK 1A-8B
BAND4 FREQ
BAND4 Q
BAND5 BYPASS
BAND5 GAIN H
BAND5 GAIN L
BAND5 FREQ
BAND5 Q
BAND6 BYPASS
BAND6 GAIN H
BAND6 GAIN L
BAND6 FREQ
BAND6 Q
BAND7 BYPASS
BAND7 GAIN H
BAND7 GAIN L
BAND7 FREQ
BAND7 Q
BAND8 BYPASS
BAND8 GAIN H
BAND8 GAIN L
BAND8 FREQ
BAND8 Q
HPF ON
HPF FREQ
HPF SLOPE
LPF ON
LPF FREQ
LPF SLOPE
NOTCH A ON
NOTCH A FREQ H
NOTCH A FREQ L
NOTCH A Q
NOTCH B ON
NOTCH B FREQ H
NOTCH B FREQ L
NOTCH B Q
NOTCH C ON
NOTCH C FREQ H
NOTCH C FREQ L
NOTCH C Q
PHASE INPUT CH 1-CH 72*1
STIN1L-STIN8R
PREMIUM EFFECT A BYPASS RACK1-8
PARAM 1 H - PARAM 64 L
PREMIUM EFFECT B BYPASS RACK1-8
PARAM 1 H - PARAM 64 L
Mode Parameter 1 Parameter 2
RECALL SAFE ON
CH 1-CH 72*1
STIN1L-STIN8R
MIX 1-MIX 24
MATRIX 1-MATRIX 8
STEREO L-MONO(C)
GEQ RACK 1A-16B
EFFECT RACK 1A-8B
PREMIUM RACK 1A-8B
DCA 1-DCA16
STEREO TO MATRIX
MATRIX 1 POINT - MATRIX 8 POINT
STEREO L-MONO(C)
MATRIX 1 ON - MATRIX 8 ON
MATRIX 1 LEVEL H - MATRIX 8 LEVEL H
MATRIX 1 LEVEL L - MATRIX 8 LEVEL L
MATRIX 1/2 PAN - MATRIX 7/8 PAN
SURROUND MONITOR
SOURCE SELECT
—
2CH MONITOR ASSIGN
DOWNMIX
SURROUND SPEAKER SOLO
SURROUND SPEAKER L
SURROUND SPEAKER R
SURROUND SPEAKER C
SURROUND SPEAKER LFE
SURROUND SPEAKER Ls
SURROUND SPEAKER Rs
SURROUND PAN
LR PAN
SELECTED CH
CH 1-CH 72*1
STIN1L-STIN8R
FR PAN
FR PAN REVERSE
DIV
L ON
R ON
C ON
LFE ON
Ls ON
Rs ON
LFE LEVEL H
LFE LEVEL L
TO MONO ON CH 1-CH 72*1
STIN1L-STIN8R
TO STEREO ON CH 1-CH 72*1
STIN1L-STIN8R
*1. CL3: CH1-CH64, CL1: CH1-CH48
Mode Parameter 1 Parameter 2

Data List
26
NRPN Parameter Assignments
Parameter From (HEX) To (HEX)
FADER
INPUT 0000 0057
MIX1-20, MATRIX,
STEREO LR 0060 007D
INPUT to MIX9-16 LEVEL
MIX9 SEND 007E 00D5
MIX10 SEND 00DE 0135
MIX11 SEND 013E 0195
MIX12 SEND 019E 01F5
MIX13 SEND 01FE 0255
MIX14 SEND 025E 02B5
MIX15 SEND 02BE 0315
MIX16 SEND 031E 0375
INPUT to MATRIX1 - 4
LEVEL
MATRIX1 SEND 037E 03D5
MATRIX2 SEND 03DE 0435
MATRIX3 SEND 043E 0495
MATRIX4 SEND 049E 04F5
MIX1-20, STEREO LR to
MATRIX LEVEL
MATRIX1 SEND 04FE 0513
MATRIX2 SEND 0514 0529
MATRIX3 SEND 052A 053F
MATRIX4 SEND 0540 0555
MATRIX5 SEND 0556 056B
MATRIX6 SEND 056C 0581
MATRIX7 SEND 0582 0597
MATRIX8 SEND 0598 05AD
ON
INPUT 05B6 060D
MIX1-20, MATRIX,
STEREO LR 0616 0633
INPUT to MIX9-16 ON
MIX9 SEND 0634 068B
MIX10 SEND 0694 06EB
MIX11 SEND 06F4 074B
MIX12 SEND 0754 07AB
MIX13 SEND 07B4 080B
MIX14 SEND 0814 086B
MIX15 SEND 0874 08CB
MIX16 SEND 08D4 092B
INPUT to MATRIX1-4 ON
MATRIX1 SEND 0934 098B
MATRIX2 SEND 0994 09EB
MATRIX3 SEND 09F4 0A4B
MATRIX4 SEND 0A54 0AAB
MIX1-20, STEREO LR to
MATRIX ON
MATRIX1 SEND 0AB4 0AC9
MATRIX2 SEND 0ACA 0ADF
MATRIX3 SEND 0AE0 0AF5
MATRIX4 SEND 0AF6 0B0B
MATRIX5 SEND 0B0C 0B21
MATRIX6 SEND 0B22 0B37
MATRIX7 SEND 0B38 0B4D
MATRIX8 SEND 0B4E 0B63
MIX1-8 to STEREO ON MIX TO ST 0B64 0B6B
PHASE INPUT 0B6C 0BC3
INSERT ON
INPUT 0BCC 0C13
MIX1-20, MATRIX,
STEREO LR 0C2C 0C49
INPUT to MIX9-16 PRE/
POST
MIX9 SEND 0C4A 0CA1
MIX10 SEND 0CAA 0D01
MIX11 SEND 0D0A 0D61
MIX12 SEND 0D6A 0DC1
MIX13 SEND 0DCA 0E21
MIX14 SEND 0E2A 0E81
MIX15 SEND 0E8A 0EE1
MIX16 SEND 0EEA 0F41
INPUT to MATRIX1-4
PRE/POST
MATRIX1 SEND 0F4A 0FA1
MATRIX2 SEND 0FAA 1001
MATRIX3 SEND 100A 1061
MATRIX4 SEND 106A 10C1
INPUT57-64 to MIX1-8
LEVEL
MIX1 SEND 10CA 10D1
MIX2 SEND 10D2 10D9
MIX3 SEND 10DA 10E1
MIX4 SEND 10E2 10E9
MIX5 SEND 10EA 10F1
MIX6 SEND 10F2 10F9
MIX7 SEND 10FA 1101
MIX8 SEND 1102 1109
INPUT57-64 to
MATRIX5-8 LEVEL
MATRIX5 SEND 110A 1111
MATRIX6 SEND 1112 1119
MATRIX7 SEND 111A 1121
MATRIX8 SEND 1122 1129
INPUT57-64 to MIX1-8
ON
MIX1 SEND 112A 1131
MIX2 SEND 1132 1139
MIX3 SEND 113A 1141
MIX4 SEND 1142 1149
MIX5 SEND 114A 1151
MIX6 SEND 1152 1159
MIX7 SEND 115A 1161
MIX8 SEND 1162 1169
INPUT57-64 to
MATRIX5-8 ON
MATRIX5 SEND 116A 1171
MATRIX6 SEND 1172 1179
MATRIX7 SEND 117A 1181
MATRIX8 SEND 1182 1189
INPUT57-64 to MIX1-8
PRE/POST
MIX1 SEND 118A 1191
MIX2 SEND 1192 1199
MIX3 SEND 119A 11A1
MIX4 SEND 11A2 11A9
MIX5 SEND 11AA 11B1
MIX6 SEND 11B2 11B9
MIX7 SEND 11BA 11C1
MIX8 SEND 11C2 11C9
INPUT57-64 to
MATRIX5-8 PRE/POST
MATRIX5 SEND 11CA 11D1
MATRIX6 SEND 11D2 11D9
MATRIX7 SEND 11DA 11E1
MATRIX8 SEND 11E2 11E9
Parameter From (HEX) To (HEX)
INPUT57-64 EQ LOW TYPE 11EA 11F1
HIGH TYPE 11F2 11F9
INPUT57-64 HPF FREQ 11FA 1201
INPUT57-64 to MIX1/2-
7/8 PAN
MIX1/2 1202 1209
MIX3/4 120A 1211
MIX5/6 1212 1219
MIX7/8 121A 1221
INPUT57-64 to
MATRIX5/6, 7/8 PAN
MATRIX5/6 1222 1229
MATRIX7/8 122A 1231
INPUT57-64 to STEREO ON 1232 1239
INPUT57-64 RECALL
SAFE ON 123A 1241
INPUT57-64 to MONO ON 1242 1249
INPUT49-64
DYNAMICS1
RATIO 124A 1259
KNEE/WIDTH 125A 1269
GAIN 126A 1279
INPUT49-64
DYNAMICS2
reserved 127A 1289
FILTER FREQ 128A 1299
INPUT65-72, STIN5-8
RECALL SAFE ON 129A 12A9
EQ INPUT, MIX1-20,
MATRIX, STEREO LR
ON 1304 1381
LOW Q 1382 13FF
LOW FREQ 1400 147D
LOW GAIN 147E 14FB
LOW MID Q 14FC 1579
LOW MID FREQ 157A 15F7
LOW MID GAIN 15F8 1675
HIGH MID Q 1676 16F3
HIGH MID FREQ 16F4 1771
HIGH MID GAIN 1772 17EF
HIGH Q 17F0 186D
HIGH FREQ 186E 18EB
HIGH GAIN 18EC 1969
ATT 196A 19C1
HPF ON 19E8 1A65
LPF ON 1A66 1AE3
INPUT DYNAMICS1
ON 1AE4 1B3B
ATTACK 1B44 1B9B
THRESHOLD 1BA4 1BFB
RANGE 1C04 1C5B
HOLD 1C64 1CBB
DECAY/RELEASE 1CC4 1D1B
INPUT DYNAMICS2 ON 1D24 1DA1
MIX1-20, MATRIX,
STEREO LR DYNAMICS1
ATTACK 1DA2 1E1F
THRESHOLD 1E20 1E9D
RELEASE 1E9E 1F1B
RATIO 1F1C 1F99
GAIN 1F9A 2017
KNEE/WIDTH 2018 2095
PAN/BALANCE INPUT 2096 20ED
Parameter From (HEX) To (HEX)

Data List
27
INPUT to MIX9/10-15/16
PAN
MIX9/10 20F6 214D
MIX11/12 2156 21AD
MIX13/14 21B6 220D
MIX15/16 2216 226D
INPUT to MATRIX1/2,
3/4 PAN
MATRIX1/2 2276 22CD
MATRIX3/4 22D6 232D
MIX1-20, STEREO LR to
MATRIX PAN
MATRIX1/2 2336 234B
MATRIX3/4 234C 2361
MATRIX5/6 2362 2377
MATRIX7/8 2378 238D
MIX1-8 to STEREO PAN MIX TO ST 238E 2395
BALANCE MIX1-20, MATRIX,
STEREO LR 2396 23B3
MIX, STEREO LR, MONO
to MATRIX PRE/POST
MATRIX1 SEND 23B4 23CE
MATRIX2 SEND 23D0 23EA
MATRIX3 SEND 23EC 2406
MATRIX4 SEND 2408 2422
MATRIX5 SEND 2424 243E
MATRIX6 SEND 2440 245A
MATRIX7 SEND 245C 2476
MATRIX8 SEND 2478 2492
MIX21-24, MONO to
MATRIX ON
MATRIX1 SEND 2494 2498
MATRIX2 SEND 249A 249E
MATRIX3 SEND 24A0 24A4
MATRIX4 SEND 24A6 24AA
MATRIX5 SEND 24AC 24B0
MATRIX6 SEND 24B2 24B6
MATRIX7 SEND 24B8 24BC
MATRIX8 SEND 24BE 24C2
INPUT65-72, STIN5-8 to
MIX1-8 LEVEL
MIX1 SEND 24C4 24D3
MIX2 SEND 24D4 24E3
MIX3 SEND 24E4 24F3
MIX4 SEND 24F4 2503
MIX5 SEND 2504 2513
MIX6 SEND 2514 2523
MIX7 SEND 2524 2533
MIX8 SEND 2534 2543
INPUT65-72, STIN5-8 to
MIX1-8 ON
MIX1 SEND 2544 2553
MIX2 SEND 2554 2563
MIX3 SEND 2564 2573
MIX4 SEND 2574 2583
MIX5 SEND 2584 2593
MIX6 SEND 2594 25A3
MIX7 SEND 25A4 25B3
MIX8 SEND 25B4 25C3
Parameter From (HEX) To (HEX)
INPUT65-72, STIN5-8 to
MIX1-8 PRE/POST
MIX1 SEND 25C4 25D3
MIX2 SEND 25D4 25E3
MIX3 SEND 25E4 25F3
MIX4 SEND 25F4 2603
MIX5 SEND 2604 2613
MIX6 SEND 2614 2623
MIX7 SEND 2624 2633
MIX8 SEND 2634 2643
INPUT65-72, STIN5-8 to
MIX1/2-7/8 PAN
MIX1/2 2644 2653
MIX3/4 2654 2663
MIX5/6 2664 2673
MIX7/8 2674 2683
EFFECT RACK1-8
BYPASS 26B4 26BB
MIX BALANCE 26BC 26C3
PARAM1 26C4 26CB
PARAM2 26CC 26D3
PARAM3 26D4 26DB
PARAM4 26DC 26E3
PARAM5 26E4 26EB
PARAM6 26EC 26F3
PARAM7 26F4 26FB
PARAM8 26FC 2703
PARAM9 2704 270B
PARAM10 270C 2713
PARAM11 2714 271B
PARAM12 271C 2723
PARAM13 2724 272B
PARAM14 272C 2733
PARAM15 2734 273B
PARAM16 273C 2743
PARAM17 2744 274B
PARAM18 274C 2753
PARAM19 2754 275B
PARAM20 275C 2763
PARAM21 2764 276B
PARAM22 276C 2773
PARAM23 2774 277B
PARAM24 277C 2783
PARAM25 2784 278B
PARAM26 278C 2793
PARAM27 2794 279B
PARAM28 279C 27A3
PARAM29 27A4 27AB
PARAM30 27AC 27B3
PARAM31 27B4 27BB
PARAM32 27BC 27C3
Parameter From (HEX) To (HEX)
GEQ RACK1A-3B
ON 27C4 27C9
GAIN1 27CA 27CF
GAIN2 27D0 27D5
GAIN3 27D6 27DB
GAIN4 27DC 27E1
GAIN5 27E2 27E7
GAIN6 27E8 27ED
GAIN7 27EE 27F3
GAIN8 27F4 27F9
GAIN9 27FA 27FF
GAIN10 2800 2805
GAIN11 2806 280B
GAIN12 280C 2811
GAIN13 2812 2817
GAIN14 2818 281D
GAIN15 281E 2823
GAIN16 2824 2829
GAIN17 282A 282F
GAIN18 2830 2835
GAIN19 2836 283B
GAIN20 283C 2841
GAIN21 2842 2847
GAIN22 2848 284D
GAIN23 284E 2853
GAIN24 2854 2859
GAIN25 285A 285F
GAIN26 2860 2865
GAIN27 2866 286B
GAIN28 286C 2871
GAIN29 2872 2877
GAIN30 2878 287D
GAIN31 287E 2883
FADER MIX21-24, MONO 28E4 28E8
INPUT1-56, STIN1-4 to
MIX1-8 LEVEL
MIX1 SEND 28EA 2929
MIX2 SEND 292A 2969
MIX3 SEND 296A 29A9
MIX4 SEND 29AA 29E9
MIX5 SEND 29EA 2A29
MIX6 SEND 2A2A 2A69
MIX7 SEND 2A6A 2AA9
MIX8 SEND 2AAA 2AE9
INPUT1-56, STIN1-4 to
MATRIX5-8 LEVEL
MATRIX5 SEND 2AEA 2B29
MATRIX6 SEND 2B2A 2B69
MATRIX7 SEND 2B6A 2BA9
MATRIX8 SEND 2BAA 2BE9
Parameter From (HEX) To (HEX)

Data List
28
MIX21-24, MONO to
MATRIX LEVEL
MATRIX1 SEND 2BEA 2BEE
MATRIX2 SEND 2BF0 2BF4
MATRIX3 SEND 2BF6 2BFA
MATRIX4 SEND 2BFC 2C00
MATRIX5 SEND 2C02 2C06
MATRIX6 SEND 2C08 2C0C
MATRIX7 SEND 2C0E 2C12
MATRIX8 SEND 2C14 2C18
ON MIX21-24, MONO 2C2A 2C2E
INPUT1-56, STIN1-4 to
MIX1-8 ON
MIX1 SEND 2C30 2C6F
MIX2 SEND 2C70 2CAF
MIX3 SEND 2CB0 2CEF
MIX4 SEND 2CF0 2D2F
MIX5 SEND 2D30 2D6F
MIX6 SEND 2D70 2DAF
MIX7 SEND 2DB0 2DEF
MIX8 SEND 2DF0 2E2F
INPUT1-56, STIN1-4 to
MATRIX5-8 ON
MATRIX5 SEND 2E30 2E6F
MATRIX6 SEND 2E70 2EAF
MATRIX7 SEND 2EB0 2EEF
MATRIX8 SEND 2EF0 2F2F
MIX9-24 to STEREO ON MIX TO ST 2F36 2F45
INSERT MIX21-24, MONO 2F46 2F4A
INPUT1-56, STIN1-4 to
MIX1-8 PRE/POST
MIX1 SEND 2F4C 2F8B
MIX2 SEND 2F8C 2FCB
MIX3 SEND 2FCC 300B
MIX4 SEND 300C 304B
MIX5 SEND 304C 308B
MIX6 SEND 308C 30CB
MIX7 SEND 30CC 310B
MIX8 SEND 310C 314B
INPUT1-56, STIN1-4 to
MATRIX5-8 PRE/POST
MATRIX5 SEND 314C 318B
MATRIX6 SEND 318C 31CB
MATRIX7 SEND 31CC 320B
MATRIX8 SEND 320C 324B
DCA13-16 ON 324C 324F
FADER 3252 3255
BALANCE MIX21-24 (,MONO) 3258 325C
MIX21-24, MONO EQ
ON 325E 3262
LOW Q 3264 3268
LOW FREQ 326A 326E
LOW GAIN 3270 3274
LOW MID Q 3276 327A
LOW MID FREQ 327C 3280
LOW MID GAIN 3282 3286
HIGH MID Q 3288 328C
HIGH MID FREQ 328E 3292
HIGH MID GAIN 3294 3298
HIGH Q 329A 329E
HIGH FREQ 32A0 32A4
HIGH GAIN 32A6 32AA
Parameter From (HEX) To (HEX)
MIX21-24, MONO EQ HPF ON 32AC 32B0
LPF ON 32B2 32B6
INPUT1-56, STIN1-4 EQ LOW TYPE 3440 347F
HIGH TYPE 3480 34BF
MIX, MATRIX, STEREO
LR, MONO EQ
LOW TYPE 34C0 34E2
HIGH TYPE 34E4 3506
INPUT65-72, STIN5-8 EQ LOW TYPE 3508 3517
HIGH TYPE 3518 3527
INPUT65-72, STIN5-8
HPF FREQ 3528 3537
DIRECT OUT INPUT65-
72 ON 3538 353F
INPUT65-72, STIN5-8 to
MATRIX5-8 LEVEL
MATRIX5 SEND 3540 354F
MATRIX6 SEND 3550 355F
MATRIX7 SEND 3560 356F
MATRIX8 SEND 3570 357F
INPUT65-72, STIN5-8 to
MATRIX5-8 ON
MATRIX5 SEND 3580 358F
MATRIX6 SEND 3590 359F
MATRIX7 SEND 35A0 35AF
MATRIX8 SEND 35B0 35BF
INPUT65-72, STIN5-8 to
MATRIX5-8 PRE/POST
MATRIX5 SEND 35C0 35CF
MATRIX6 SEND 35D0 35DF
MATRIX7 SEND 35E0 35EF
MATRIX8 SEND 35F0 35FF
INPUT65-72, STIN5-8 to
MATRIX5/6, 7/8 PAN
MATRIX5/6 3600 360F
MATRIX7/8 3610 361F
MONITOR
SURROUND MONITOR
FADER 3620 3620
SPEAKER MUTE
SOLO 3621 3621
SPEAKER MUTE L 3622 3622
SPEAKER MUTE R 3623 3623
SPEAKER MUTE C 3624 3624
SPEAKER MUTE LFE 3625 3625
SPEAKER MUTE Ls 3626 3626
SPEAKER MUTE Rs 3627 3627
INPUT1-56, STIN1-4 HPF FREQ 3640 367F
MIX21-24, MONO
DYNAMICS1
ON 3680 3684
ATTACK 3686 368A
THRESHOLD 368C 3690
RELEASE 3692 3696
RATIO 3698 369C
GAIN 369E 36A2
KNEE/WIDTH 36A4 36A8
INPUT1-56, STIN1-4 to
MIX1/2-7/8 PAN
MIX1/2 36AA 36E9
MIX3/4 36EA 3729
MIX5/6 372A 3769
MIX7/8 376A 37A9
INPUT1-56, STIN1-4 to
MATRIX5/6, 7/8 PAN
MATRIX5/6 37AA 37E9
MATRIX7/8 37EA 3829
Parameter From (HEX) To (HEX)
MIX21-24, MONO to
MATRIX1/2-7/8 PAN
MATRIX1/2 382A 382E
MATRIX3/4 3830 3834
MATRIX5/6 3836 383A
MATRIX7/8 383C 3840
MIX9-24 to STEREO PAN MIX TO ST 3842 3851
GEQ RACK4A-6B
ON 3852 3857
GAIN1 3858 385D
GAIN2 385E 3863
GAIN3 3864 3869
GAIN4 386A 386F
GAIN5 3870 3875
GAIN6 3876 387B
GAIN7 387C 3881
GAIN8 3882 3887
GAIN9 3888 388D
GAIN10 388E 3893
GAIN11 3894 3899
GAIN12 389A 389F
GAIN13 38A0 38A5
GAIN14 38A6 38AB
GAIN15 38AC 38B1
GAIN16 38B2 38B7
GAIN17 38B8 38BD
GAIN18 38BE 38C3
GAIN19 38C4 38C9
GAIN20 38CA 38CF
GAIN21 38D0 38D5
GAIN22 38D6 38DB
GAIN23 38DC 38E1
GAIN24 38E2 38E7
GAIN25 38E8 38ED
GAIN26 38EE 38F3
GAIN27 38F4 38F9
GAIN28 38FA 38FF
GAIN29 3900 3905
GAIN30 3906 390B
GAIN31 390C 3911
LCR INPUT1-64, STIN1-4,
MIX1-16
ON 3912 3969
CSR 396A 39C1
DIRECT OUT INPUT1-64 ON 39C2 3A01
INPUT1-56, STIN1-4 TO
STEREO ON 3A02 3A41
DCA1-12 ON 3A42 3A4D
FADER 3A4E 3A59
MUTE MASTER ON 3A5A 3A61
RECALL SAFE ON 3A66 3B05
Parameter From (HEX) To (HEX)

Data List
29
HA
EXTERNAL GAIN1 3B06 3B0B
INPUT GAIN 1 3B0F 3B15
EXTERNAL GAIN2 3B16 3B1B
INPUT GAIN 2 3B1F 3B25
EXTERNAL GAIN3 3B26 3B2B
INPUT GAIN 3 3B2F 3B35
EXTERNAL GAIN4 3B36 3B3B
INPUT GAIN 4 3B3F 3B45
EXTERNAL GAIN5 3B46 3B4B
INPUT GAIN 5 3B4F 3B55
EXTERNAL GAIN6 3B56 3B5B
INPUT GAIN 6 3B5F 3B65
EXTERNAL GAIN7 3B66 3B6B
INPUT GAIN 7 3B6F 3B75
EXTERNAL GAIN8 3B76 3B7B
INPUT GAIN 8 3B7F 3B85
EXTERNAL +48V 1 3B86 3B8B
INPUT +48V 1 3B8F 3B95
EXTERNAL +48V 2 3B96 3B9B
INPUT +48V 2 3B9F 3BA5
EXTERNAL +48V 3 3BA6 3BAB
INPUT +48V 3 3BAF 3BB5
EXTERNAL +48V 4 3BB6 3BBB
INPUT +48V 4 3BBF 3BC5
EXTERNAL +48V 5 3BC6 3BCB
INPUT +48V 5 3BCF 3BD5
EXTERNAL +48V 6 3BD6 3BDB
INPUT +48V 6 3BDF 3BE5
EXTERNAL +48V 7 3BE6 3BEB
INPUT +48V 7 3BEF 3BF5
EXTERNAL +48V 8 3BF6 3BFB
INPUT +48V 8 3BFF 3C05
EXTERNAL HPF1 3C06 3C0B
INPUT HPF1 3C0F 3C15
EXTERNAL HPF2 3C16 3C1B
INPUT HPF2 3C1F 3C25
EXTERNAL HPF3 3C26 3C2B
INPUT HPF3 3C2F 3C35
EXTERNAL HPF4 3C36 3C3B
INPUT HPF4 3C3F 3C45
EXTERNAL HPF5 3C46 3C4B
INPUT HPF5 3C4F 3C55
EXTERNAL HPF6 3C56 3C5B
INPUT HPF6 3C5F 3C65
EXTERNAL HPF7 3C66 3C6B
INPUT HPF7 3C6F 3C75
EXTERNAL HPF8 3C76 3C7B
INPUT HPF8 3C7F 3C85
INPUT1-56, STIN1-4 TO
MONO ON 3C86 3CC5
MIX1-16 TO MONO ON 3CC6 3CD5
Parameter From (HEX) To (HEX)
SLOT OUT DELAY
ON 3CD6 3D05
TIME HIGH 3D06 3D35
TIME LOW 3D36 3D65
OMNI OUT DELAY
ON 3D66 3D6D
TIME HIGH 3D76 3D7D
TIME LOW 3D86 3D8D
DIGITAL OUT DELAY
ON 3D96 3D97
TIME HIGH 3D98 3D99
TIME LOW 3D9A 3D9B
INPUT1-48, STIN1-4
DYNAMICS1
RATIO 3D9C 3DD3
KNEE/WIDTH 3DD4 3E0B
GAIN 3E0C 3E43
INPUT1-48, STIN1-4
DYNAMICS2
reserved 3E44 3E7B
FILTER FREQ 3E7C 3EB3
GEQ RACK7A-8B
ON 3EB4 3EB7
GAIN1 3EB8 3EBB
GAIN2 3EBC 3EBF
GAIN3 3EC0 3EC3
GAIN4 3EC4 3EC7
GAIN5 3EC8 3ECB
GAIN6 3ECC 3ECF
GAIN7 3ED0 3ED3
GAIN8 3ED4 3ED7
GAIN9 3ED8 3EDB
GAIN10 3EDC 3EDF
GAIN11 3EE0 3EE3
GAIN12 3EE4 3EE7
GAIN13 3EE8 3EEB
GAIN14 3EEC 3EEF
GAIN15 3EF0 3EF3
GAIN16 3EF4 3EF7
GAIN17 3EF8 3EFB
GAIN18 3EFC 3EFF
GAIN19 3F00 3F03
GAIN20 3F04 3F07
GAIN21 3F08 3F0B
GAIN22 3F0C 3F0F
GAIN23 3F10 3F13
GAIN24 3F14 3F17
GAIN25 3F18 3F1B
GAIN26 3F1C 3F1F
GAIN27 3F20 3F23
GAIN28 3F24 3F27
GAIN29 3F28 3F2B
GAIN30 3F2C 3F2F
GAIN31 3F30 3F33
Parameter From (HEX) To (HEX)
MIX, MATRIX, STEREO
LR, MONO EQ ATT 3F34 3F56
INPUT65-72, STIN5-8 TO
STEREO ON 3F58 3F67
INPUT65-72, STIN5-8,
MIX17-24 TO MONO ON 3F68 3F7F
LCR IN65-72, STIN5-8,
MIX17-24
ON 3F80 3F97
CSR 3F98 3FAF
INPUT65-72, STIN5-8
DYNAMICS1
RATIO 3FB0 3FBF
KNEE/WIDTH 3FC0 3FCF
GAIN 3FD0 3FDF
INPUT65-72, STIN5-8
DYNAMICS2
reserved 3FE0 3FEF
FILTER FREQ 3FF0 3FFF
Parameter From (HEX) To (HEX)

Data List
30
Mixing Parameter Operation Applicability
This table indicates which settings affect the behavior of each input channel and output channel parameter.
It also indicates whether or not they can be linked as stereo, and whether or not they are relevant to the RECALL SAFE, GLOBAL PASTE, and USER LEVEL settings, and a channel library.
Input channels
Parameter Stereo*1 CHANNEL LINK RECALL SAFE, FOCUS RECALL, GLOBAL PASTE*8
USER LEVEL Channel
Library
ALL Parameter Select button
HA
Gain O*10 HA*10 O HA, GLOBAL HA HA O
Gain Compensation O HA O HA, GLOBAL HA HA O
+48V O HA, GLOBAL HA HA O
Phase O HA, GLOBAL HA HA O
AG-DG Link O HA O HA, GLOBAL HA HA O
Digital Gain O*10 DIGITAL GAIN*10 O DIGITAL GAIN HA O
Name, Icon, Color O INPUT NAME, GLOBAL INPUT NAME INPUT NAME O
Input Patch O INPUT PATCH, GLOBAL INPUT PATCH INPUT PATCH
LR-MONO
SELECT * ST IN channels only OALL INPUT TO ST INPUT PROCESSING O
Insert1,
Insert2
Out Patch O INPUT INSERT PATCH, GLOBAL INPUT PATCH INPUT PATCH
In Patch O INPUT INSERT PATCH, GLOBAL INPUT PATCH INPUT PATCH
+48V, Gain, Gain Compensation INPUT INSERT PATCH, GLOBAL HA HA
On INPUT INSERT O INPUT INSERT INPUT PROCESSING O
Point INPUT INSERT O INPUT INSERT INPUT PROCESSING O
Direct Out
Out Patch O INPUT DIRECT OUT, GLOBAL INPUT PATCH INPUT PATCH
On, Level DIRECT OUT O INPUT DIRECT OUT INPUT PROCESSING O
Point DIRECT OUT O INPUT DIRECT OUT INPUT PROCESSING O
HPF O INPUT HPF O INPUT HPF INPUT PROCESSING O
Att O INPUT EQ O INPUT EQ INPUT PROCESSING O
EQ O INPUT EQ O INPUT EQ INPUT PROCESSING O
Dynamics1
Key-In Source O INPUT DYNA1 INPUT PROCESSING
Key-In Filter O INPUT DYNAMICS1 O INPUT DYNA1 INPUT PROCESSING O
Others O INPUT DYNAMICS1 O INPUT DYNA1 INPUT PROCESSING O
Dynamics2 Key-In Source O INPUT DYNA2 INPUT PROCESSING
Others O INPUT DYNAMICS2 O INPUT DYNA2 INPUT PROCESSING O
To Mix
On O INPUT MIX ON*2 OINPUT MIX ON*7 INPUT FADER/ON*4 O
Level O INPUT MIX SEND*2 OINPUT MIX SEND*7 INPUT FADER/ON*4 O
Pan/Balance O*11 OINPUT MIX SEND*7 INPUT FADER/ON*4 O
Pre/Post O INPUT MIX SEND*2 OINPUT MIX SEND*7 INPUT PROCESSING*4 O
Surround
Pan O INPUT MIX SEND INPUT PROCESSING O
Divergence O O INPUT MIX SEND INPUT PROCESSING O
LFE O O INPUT MIX SEND INPUT PROCESSING O

Data List
31
*1 These parameters can be linked between L and R of ST IN channels 1-8.
*2 Applies to parameters for which the MIX channel 1-24 individual Send Parameter setting and the item in the table are both enabled.
*3 Applies to parameters for which the MATRIX channel 1-8 individual Send Parameter setting and the item in the table are both enabled.
*4 These parameters are available if “FADER/ON” or “PROCESSING” for the Send source channel is set to ON. At that time, “WITH SEND” for the Send destination channel must also be set to ON.
*5 Applicable to parameters that function only when ALL is selected.
*6 Applicable only to On/Off.
*7 Valid when they are set for either the Send source channel or Send destination channel.
*8 Settings marked GLOBAL in this table apply to all channels; these settings are GLOBAL RECALL SAFE, FOCUS PARAMETER, and GLOBAL PASTE for PATCH/NAME.
*9 Applies to ALL only when using GLOBAL PASTE, and only to ON/OFF.
*10 Operates differentially
*11 Balance only
*14 Applicable to parameters only when ALL is selected.
To Matrix
On O INPUT MATRIX ON*3 OINPUT MATRIX ON*7 INPUT FADER/ON*4 O
Level O INPUT MATRIX SEND*3 OINPUT MATRIX SEND*7 INPUT FADER/ON*4 O
Pan/Balance O*11 OINPUT MATRIX SEND*7 INPUT FADER/ON*4 O
Pre/Post O INPUT MATRIX SEND*3 OINPUT MATRIX SEND*7 INPUT PROCESSING*4 O
DELAY ms O*10 INPUT DELAY*10 O INPUT DELAY INPUT PROCESSING O
ON O INPUT DELAY O INPUT DELAY INPUT PROCESSING O
To Stereo O TO STEREO O INPUT TO ST INPUT PROCESSING O
To Mono O TO STEREO O INPUT TO MONO INPUT PROCESSING O
Pan/balance O*11 O INPUT TO ST INPUT FADER/ON O
Pan Mode O O*5 INPUT PROCESSING O
LCR
On O TO STEREO O *5 INPUT PROCESSING O
CSR O TO STEREO O *5 INPUT PROCESSING O
Mode O TO STEREO O *5 INPUT PROCESSING O
On O INPUT CH ON O INPUT CH ON INPUT FADER/ON O
Fader O*10 INPUT FADER*10 O INPUT FADER INPUT FADER/ON O
Mute Assign O INPUT MUTE O INPUT MUTE ASSIGN MUTE GROUP ASSIGN O
DCA Assign O INPUT DCA O INPUT DCA ASSIGN DCA GROUP ASSIGN O
Fade Time, On O*6 O*9 STORE O*6
Channel Link O GLOBAL CH LINK
Cue O
Key In Cue
Mute Safe O
Recall Safe O EACH PARAMETER
Focus Recall O EACH PARAMETER
Global Paste O
Parameter Stereo*1 CHANNEL LINK RECALL SAFE, FOCUS RECALL, GLOBAL PASTE*8
USER LEVEL Channel
Library
ALL Parameter Select button

Data List
32
MIX Channels
*4 These parameters are available if “FADER/ON” or “PROCESSING” for the Send source channel is set to ON. At that time, “WITH SEND” for the Send destination channel must also be set to ON.
*5 Applicable to parameters that function only when ALL is selected.
*6 Applicable only to On/Off.
*7 Valid when they are set for either the Send source channel or Send destination channel.
*8 Settings marked GLOBAL in this table apply to all channels; these settings are GLOBAL RECALL SAFE, FOCUS PARAMETER, and GLOBAL PASTE for PATCH/NAME.
Parameters
Linked for
a stereo
pair
CHANNEL LINK
RECALL SAFE, FOCUS RECALL, GLOBAL PASTE *8, *12
USER LEVEL Channel
Library
ALL Parameter Select button
Name, Icon, Color O MIX NAME, GLOBAL OUTPUT NAME OUTPUT NAME O
Output Patch O MIX OUTPUT PATCH, GLOBAL OUTPUT PATCH OUTPUT PATCH
Insert1,
Insert2
Out Patch O MIX INSERT PATCH, GLOBAL OUTPUT PATCH OUTPUT PATCH
In Patch O MIX INSERT PATCH, GLOBAL OUTPUT PATCH OUTPUT PATCH
+48V, Gain, Gain Compensation O MIX INSERT PATCH, GLOBAL HA MIX PROCESSING
On O INSERT O MIX INSERT MIX PROCESSING O
Point O INSERT O MIX INSERT MIX PROCESSING O
Att O EQ O MIX EQ MIX PROCESSING O
EQ O EQ O MIX EQ MIX PROCESSING O
Dynamics1 Key-In Source O MIX DYNA1 MIX PROCESSING
Others O DYNAMICS O MIX DYNA1 MIX PROCESSING O
To Matrix
On O TO MATRIX ON O MIX MATRIX ON*7 MIX FADER/ON*4 O
Level O*13 TO MATRIX SEND O MIX MATRIX SEND*7 MIX FADER/ON*4 O
Pan/Balance O TO MATRIX SEND O MIX MATRIX SEND*7 MIX FADER/ON*4 O
Pre/Post O TO MATRIX SEND O MIX MATRIX SEND*7 MIX PROCESSING*4 O
To Stereo O TO STEREO O MIX TO ST MIX PROCESSING O
To Mono O TO STEREO O MIX MONO MIX PROCESSING O
Pan/Balance O*11 O MIX TO ST, TO ST/BAL (GLOBAL PASTE ONLY) MIX FADER/ON O
LCR
On O TO STEREO O *5 MIX PROCESSING O
CSR O TO STEREO O *5 MIX PROCESSING O
Mode O TO STEREO O *5 MIX PROCESSING O
On O CH ON O MIX CH ON MIX FADER/ON O
Fader O FADER O MIX FADER MIX FADER/ON O
From Input
On O WITH MIX SEND, WITH SEND FROM SOURCE CHs WITH MIX SEND*4
Level O WITH MIX SEND, WITH SEND FROM SOURCE CHs WITH MIX SEND*4
Pan/Balance O*11 WITH MIX SEND, WITH SEND FROM SOURCE CHs WITH MIX SEND*4
Pre/Post O WITH MIX SEND, WITH SEND FROM SOURCE CHs WITH MIX SEND*4
Mute Assign O MUTE O MIX MUTE ASSIGN MUTE GROUP ASSIGN O
DCA Assign O DCA O MIX DCA ASSIGN DCA GROUP ASSIGN O
Fade Time, On O*6 O*9 STORE O*6
Channel Link O GLOBAL CH LINK
Cue O
Mute Safe O
Recall Safe O EACH PARAMETER
Focus Recall O EACH PARAMETER
Global Paste O

Data List
33
*9 Applies to ALL only when using GLOBAL PASTE, and only to ON/OFF.
*11 Balance only
*12 For GLOBAL PASTE, the MIX, MATRIX, STEREO, and MONO settings of each channel will be set in common as the OUTPUT.
*13 Linked only for stereo MATRIX
*14 Applicable to parameters only when ALL is selected.
MATRIX Channels
*4 These parameters are available if “FADER/ON” or “PROCESSING” for the Send source channel is set to ON. At that time, “WITH SEND” for the Send destination channel must also be set to ON.
*5 Applicable to parameters that function only when ALL is selected.
*6 Applicable only to On/Off.
Parameters
Linked for
a stereo
pair
CHANNEL LINK
RECALL SAFE, FOCUS RECALL, GLOBAL PASTE *8, *12
USER LEVEL Channel
Library
ALL Parameter Select button
Name, Icon, Color O MATRIX NAME,GLOBAL OUTPUT NAME OUTPUT NAME O
Output Patch O MATRIX OUTPUT PATCH, GLOBAL OUTPUT PATCH OUTPUT PATCH
Insert1, Insert2
Out Patch O MATRIX INSERT PATCH, GLOBAL OUTPUT PATCH OUTPUT PATCH
In Patch O MATRIX INSERT PATCH, GLOBAL OUTPUT PATCH OUTPUT PATCH
+48V, Gain, Gain
Compensation O MATRIX INSERT PATCH, GLOBAL HA MATRIX PROCESSING
On O INSERT O MATRIX INSERT MATRIX PROCESSING O
Point O INSERT O MATRIX INSERT MATRIX PROCESSING O
Att O EQ O MATRIX EQ MATRIX PROCESSING O
EQ O EQ O MATRIX EQ MATRIX PROCESSING O
Dynamics1 Key-In Source O MATRIX DYNA1 MATRIX PROCESSING
Others O DYNAMICS O MATRIX DYNA1 MATRIX PROCESSING O
To Matrix
On TO MATRIX ON
Level TO MATRIX SEND
Pan/Balance TO MATRIX SEND
Pre/Post TO MATRIX SEND
Balance O O MATRIX BAL, TO ST/BAL (GLOBAL PASTE ONLY) MATRIX FADER/ON O
On O CH ON O MATRIX CH ON MATRIX FADER/ON O
Fader O FADER O MATRIX FADER MATRIX FADER/ON O
From Input
From Mix
From Stereo/Mono
On O WITH MATRIX SEND, WITH SEND FROM SOURCE CHs WITH MATRIX SEND*4
Level O WITH MATRIX SEND, WITH SEND FROM SOURCE CHs WITH MATRIX SEND*4
Pan/Balance O*11 WITH MATRIX SEND, WITH SEND FROM SOURCE CHs WITH MATRIX SEND*4
Pre/Post O WITH MATRIX SEND, WITH SEND FROM SOURCE CHs WITH MATRIX SEND*4
Mute Assign O MUTE O MATRIX MUTE ASSIGN MUTE GROUP ASSIGN O
DCA Assign O DCA O MATRIX DCA ASSIGN DCA GROUP ASSIGN O
Fade Time, On O*6 O*9 STORE O*6
Channel Link O GLOBAL CH LINK
Cue O
Mute Safe O
Recall Safe O EACH PARAMETER
Focus Recall O EACH PARAMETER
Global Paste O

Data List
34
*7 Valid when they are set for either the Send source channel or Send destination channel.
*8 Settings marked GLOBAL in this table apply to all channels; these settings are GLOBAL RECALL SAFE, FOCUS PARAMETER, and GLOBAL PASTE for PATCH/NAME.
*9 Applies to ALL only when using GLOBAL PASTE, and only to ON/OFF.
*11 Balance only
*12 For GLOBAL PASTE, the MIX, MATRIX, STEREO, and MONO settings of each channel will be set in common as the OUTPUT.
*14 Applicable to parameters only when ALL is selected.
STEREO, MONO Channels
*4 These parameters are available if “FADER/ON” or “PROCESSING” for the Send source channel is set to ON. At that time, “WITH SEND” for the Send destination channel must also be set to ON.
*5 Applicable to parameters that function only when ALL is selected.
*6 Applicable only to On/Off.
*7 Valid when they are set for either the Send source channel or Send destination channel.
*8 Settings marked GLOBAL in this table apply to all channels; these settings are GLOBAL RECALL SAFE, FOCUS PARAMETER, and GLOBAL PASTE for PATCH/NAME.
*9 Applies to ALL only when using GLOBAL PASTE, and only to ON/OFF.
*12 For GLOBAL PASTE, the MIX, MATRIX, STEREO, and MONO settings of each channel will be set in common as the OUTPUT.
*14 Applicable to parameters only when ALL is selected.
Parameter
Linked for
a stereo
pair
RECALL SAFE, FOCUS RECALL, GLOBAL PASTE *8, *12
USER LEVEL Channel
Library
ALL Parameter Select button
Name, Icon, Color O STEREO, MONO NAME, GLOBAL OUTPUT NAME OUTPUT NAME O
Output Patch O STEREO, MONO OUTPUT PATCH, GLOBAL OUTPUT PATCH OUTPUT PATCH
Insert1, Insert2
Out Patch O STEREO, MONO INSERT PATCH, GLOBAL OUTPUT PATCH OUTPUT PATCH
In Patch O STEREO, MONO INSERT PATCH, GLOBAL OUTPUT PATCH OUTPUT PATCH
+48V, Gain, Gain
Compensation STEREO, MONO INSERT PATCH, GLOBAL HA STEREO, MONO PROCESSING
On O O STEREO, MONO INSERT STEREO, MONO PROCESSING O
Point O O STEREO, MONO INSERT STEREO, MONO PROCESSING O
Att O O STEREO, MONO EQ STEREO, MONO PROCESSING O
EQ O O STEREO, MONO EQ STEREO, MONO PROCESSING O
Dynamics1 Key-In Source O STEREO, MONO DYNA1 STEREO, MONO PROCESSING
Others O O STEREO, MONO DYNA1 STEREO, MONO PROCESSING O
To Matrix
On O O STEREO, MONO MATRIX ON*7 STEREO, MONO FADER/ON*4 O
Level O*13 OSTEREO, MONO MATRIX SEND*7 STEREO, MONO FADER/ON*4 O
Pan/Balance O O STEREO, MONO MATRIX SEND*7 STEREO, MONO FADER/ON*4 O
Pre/Post O O STEREO, MONO MATRIX SEND*7 STEREO, MONO PROCESSING*4 O
Balance O O STEREO, MONO BAL, TO ST/BAL (GLOBAL PASTE ONLY) STEREO, MONO FADER/ON O
On O O STEREO, MONO CH ON STEREO, MONO FADER/ON O
Fader O O STEREO, MONO FADER STEREO, MONO FADER/ON O
Mute Assign O O STEREO, MONO MUTE ASSIGN MUTE GROUP ASSIGN O
DCA Assign O O STEREO, MONO DCA ASSIGN DCA GROUP ASSIGN O
Fade Time, On O*6 O*9 STORE O*6
Cue O
Mute Safe O
Recall Safe, Focus Recall, Global Paste O

Data List
35
DCA
*9 Applies to ALL only when using GLOBAL PASTE, and only to ON/OFF.
BUS SETUP
SURROUND BUS
MUTE
Parameters RECALL SAFE, FOCUS RECALL, GLOBAL PASTE USER LEVEL
ALL Parameter Select button
Name, Icon, Color O DCA NAME DCA MASTER
On O DCA LEVEL/ON DCA MASTER
Fader O DCA LEVEL/ON DCA MASTER
Fade Time, On O *9 STORE
Input DCA Assign DCA GROUP ASSIGN
Parameters RECALL SAFE, FOCUS RECALL, GLOBAL PASTE USER LEVEL
ALL Parameter Select button
Stereo/Mono, Bus Type, Pan
Link MIX 1/2, …, MATRIX 7/8 BUS SETUP
Parameters RECALL SAFE, FOCUS RECALL, GLOBAL PASTE USER LEVEL
ALL Parameter Select button
Stereo/Mono, Bus Type, Pan
Link SURROUND SETUP BUS SETUP
Parameters RECALL SAFE USER LEVEL
ALL
Name O MUTE GROUP MASTER
On MUTE GROUP MASTER
Dimmer MUTE GROUP MASTER
MUTE Assign MUTE GROUP ASSIGN

Data List
36
MIDI Data Format
This section explains the format of the data that the CL series
is able to understand, send, and receive.
1 CHANNEL MESSAGE
1.1 NOTE OFF (8n)
Reception
These messages are echoed to MIDI OUT if [OTHER COMMAND ECHO] is ON.
They are received if [Rx CH] matches, and used to control effects.
1.2 NOTE ON (9n)
Reception
These messages are echoed to MIDI OUT if [OTHER COMMAND ECHO] is ON.
They are received if [Rx CH] matches, and used to control effects.
1.3 CONTROL CHANGE (Bn)
Two types of CONTROL CHANGE can be transmitted and received; [NRPN]
(Non-Registered Parameter Numbers) and freely-assigned [TABLE] (1CH x 110)
messages. Select either [TABLE] or [NRPN].
Reception
These messages are echoed to MIDI OUT if [CONTROL CHANGE ECHO] is ON.
If [TABLE] is selected, these messages are received when [CONTROL CHANGE Rx]
is ON and [Rx CH] matches, and will control parameters according to the settings
of the [CONTROL CHANGE EVENT LIST]. For the parameters that can be
assigned, refer to “Parameters That Can Be Assigned to Control Changes”
(page 23).
If [NRPN] is selected, these messages are received when [CONTROL CHANGE Rx]
is ON and the [Rx CH] matches; the four messages NRPN control number (62h,
63h) and DATA ENTRY control number (06h, 26h) are used to control the
specified parameter.
Transmission
If [TABLE] is selected, and if [CONTROL CHANGE Tx] is ON when you operate a
parameter that is assigned in the [CONTROL CHANGE EVENT LIST], these
messages will be transmitted on the [Tx CH] channel. For the parameters that can
be assigned, refer to “Parameters That Can Be Assigned to Control Changes”
(page 23).
If [NRPN] is selected, and if [CONTROL CHANGE Tx] is ON when you operate a
specified parameter, the four messages NRPN control number (62h, 63h) and
DATA ENTRY control number (06h, 26h) are transmitted on the [Tx CH] channel.
For the parameters that can be assigned, refer to “Parameters That Can Be
Assigned to Control Changes” (page 23).
CONTROL CHANGE messages are not used for transmission to CL Editor because
there is no guarantee that the contents of the assignment tables will match.
(PARAMETER CHANGE messages are always used.)
CONTROL CHANGE numbers 0 and 32 are for selecting banks.
If [TABLE] is selected
Equation for converting a Control Value to parameter data
paramSteps = paramMax-paramMin + 1;
add = paramWidth / paramSteps;
mod = paramWidth-add * paramSteps;
curValue = paramSteps * add + mod / 2;
(1) If the assigned parameter has fewer than 128 steps
paramWidth = 128; rxValue = Control value;
(2) If the assigned parameter has 128 or more but less than 16,384 steps
paramWidth = 16384;
(2-1) When High and Low data is received
rxValue = Control value(High) * 128 + Control value(Low);
(2-2) When only Low data is received
rxValue = (curValue & 16256) + Control value(Low);
(2-3) When only High data is received
rxValue = Control value(High) * 128 + (curValue & 127);
(3) If the assigned parameter has 16,384 or more but less than 2,097,152
steps
paramWidth = 2097152;
(3-1) When High, Middle, and Low data is received
rxValue = Control value(High) * 16384 + Control value(Middle) * 128 + Control value(Low);
(3-2) When only Low data is received
rxValue = (curValue & 2097024) + Control value(Low);
(3-3) When only Middle data is received
rxValue = (curValue & 2080895) + Control value(Middle) * 128;
(3-4) When only High data is received
rxValue = (curValue & 16383) + Control value(High) * 16384;
(3-5) When only Middle and Low data is received
rxValue = (curValue & 2080768) + Control value(Middle) * 128 + Control value(Low);
(3-6) When only High and Low data is received
rxValue = (curValue & 16256) + Control value(High) * 16384 + Control value(Low);
(3-7) When only High and Middle data is received
rxValue = (curValue & 127) + Control value(High) * 16384 + Control value(Middle) * 128;
if ( rxValue > paramWidth)
rxValue = paramWidth;
param = ( rxValue-mod / 2) / add;
If [NRPN] is selected
1.4 PROGRAM CHANGE (Cn)
Reception
If [PROGRAM CHANGE ECHO] is ON, bank select messages will also be echoed
from MIDI OUT.
If SINGLE CH is selected, these messages are received if [PROGRAM CHANGE Rx]
is ON and the [Rx CH] matches. However if [OMNI] is ON, these messages are
received regardless of the channel. When these messages are received, scene
memory, effect library and premium rack library are recalled according to the
settings of the [PROGRAM CHANGE EVENT LIST].
Transmission
If [PROGRAM CHANGE Tx] is ON, these messages are transmitted according to
the [PROGRAM CHANGE Table] settings when scene memory, effect library and
premium rack library are recalled.
If SINGLE CH is selected, these messages are transmitted on the [Tx CH] channel.
If the recalled scene memory, effect library and premium rack library have been
assigned to more than one PROGRAM NUMBER, the lowest-numbered
PROGRAM NUMBER for each MIDI channel will be transmitted.
PROGRAM CHANGE messages are not used for transmission to CL Editor because
there is no guarantee that the contents of the assignment tables will match.
(PARAMETER CHANGE messages are always used.)
You can choose either MULTI MIDI CH or SINGLE CH.
If SINGLE is selected
You can choose the Rx CH, OMNI CH, and Tx CH.
You can choose whether a bank select message will be added.
A bank of up to 16 can be specified.
If MULTI is selected
The Rx and Tx channels will be the same.
The assignment table will use the settings for each MIDI channel. Bank select
messages will not be added.
You can make settings for up to sixteen MIDI channels.
STATUS 1000nnnn 8n Note off message
DATA 0nnnnnnn nn Note number
0vvvvvvv vv Velocity (ignored)
STATUS 1001nnnn 9n Note on message
DATA 0nnnnnnn nn Note number
0vvvvvvv vv Velocity (1-127:on, 0:off)
STATUS 1011nnnn Bn Control change
DATA 00 Control number (00)
0vvvvvvv vv Control Value (0-127)
STATUS 1011nnnn Bn Control change
DATA 20 Control number (32)
0vvvvvvv vv Control Value (0-127)
STATUS 1011nnnn Bn Control change
DATA 0nnnnnnn nn Control number (1-5, 7-31, 33-37, 38-95,
102-119) *
0vvvvvvv vv Control Value (0-127)
* Numbers 0, 32, and 96-101 cannot be used.
* Control number 6, 38 can be used.
STATUS 1011nnnn Bn Control change
DATA 01100010 62 NRPN LSB
0vvvvvvv vv Parameter number LSB
STATUS 1011nnnn Bn Control change *
DATA 01100011 63 NRPN MSB
0vvvvvvv vv Parameter number MSB
STATUS 1011nnnn Bn Control change *
DATA 00000110 06 Data entry MSB
0vvvvvvv vv Parameter data MSB
STATUS 1011nnnn Bn Control change *
DATA 00100110 26 Data entry LSB
0vvvvvvv vv Parameter data LSB
* The STATUS byte of the second and subsequent messages need not
be added during transmission.
Reception must occur correctly whether or not the status byte is
omitted.
STATUS 1100nnnn Cn Program change
DATA 0nnnnnnn nn Program number (0-127)

Data List
37
2 SYSTEM REALTIME MESSAGE
2.1 SONG SELECT (F3)
Reception
Select the track number shown in the TITLE LIST screen of the USB memory
recorder.
2.2 TIMING CLOCK (F8)
Reception
This message is used to control effects. This message is transmitted twenty-four
times per quarter note.
Echoing of this message depends on the OTHER item in the ECHO settings.
2.3 ACTIVE SENSING (FE)
Reception
Once this message has been received, MIDI communication will be initialized
(e.g., Running Status will be cleared) if no message is received for an interval of
400 ms.
This message is not subject to echoing.
2.4 SYSTEM RESET (FF)
Reception
When this message is received, MIDI communication will be initialized (e.g.,
Running Status will be cleared).
This message is not subject to echoing.
3 SYSTEM EXCLUSIVE MESSAGE
3.1 MMC
< MMC STOP >
Reception
If the [DEVICE NO.] matches or is 7F, receives this message and stops.
< MMC PLAY >
Reception
If the [DEVICE NO.] matches or is 7F, receives this message and starts playback.
< MMC DEFERED PLAY >
Reception
If the [DEVICE NO.] matches or is 7F, receives this message and starts playback.
< MMC RECORD STROBE >
Reception
If the [DEVICE NO.] matches or is 7F, receives this message, and if stopped, starts
recording.
< MMC PAUSE >
Reception
If the [DEVICE NO.] matches or is 7F, receives this message, and if playing, pauses.
3.2 BULK DUMP
This message is used to send or receive the contents of various memories stored
within the unit.
The basic format is as follows.
The CL series console uses the following data types for a bulk dump.
*1) 0-300 Scene Number (0 Request Only),
*2) 1-199 Input EQ Library Number (1-40 Request Only)
*3) 1-199 Output EQ Library Number (1-3 Request Only)
*4) 1-199 Dynamics Library Number (1-41 Request Only)
*5) 0-199 GEQ Library Number (0 Request Only)
*6) 1-199 Effect Library Number (1-27 Request Only)
*7) 512-583 Input 1-72,
*8) 584-599 STIN 1L-8R,
*9) 768-791 MIX 1-24,
*10) 1024-1031 MATRIX 1-8,
*11) 1280-1282 STEREO L-C,
*12) 512-530 GEQ 1-19, 531-538 EFFECT GEQ 1-8,
*13) 0-199 8BandPEQ Library Number (0 Request Only)
*14) 512-519 EFFECT 1-8,
*15) 512 Current Data,
*16) 768 Current Data with Recall Safe,
*17) 8192 Store Undo Data, 8193 Recall Undo Data, 8194 Clear Undo Data,
*18) 0-199 Input CH Library Number (0 Request Only),
*19) 0-199 Output CH Library Number (0 Request Only),
*20) 512-527 Premium Rack 1A, 1B, 2A, … 8A, 8B
*21) 0-100 Each Premium Effect Library Number (0 Request Only)
*22) 1536-1607 Input 1-72 (for Dynamics2),
*23) 1608-1623 STIN 1L-8R (for Dynamics2),
*24) 0-10 Dante Input Patch Library Number (0 Request Only)
Data is lost when you write to the preset library.
The unique header (Model ID) identifies whether the device is a CL series.
To calculate the check sum, add the bytes starting with the byte after BYTE
COUNT (LOW) and ending with the byte before CHECK SUM, take the binary
complement, and set bit 7 to 0.
CHECK SUM = (-sum)&0x7F
Bulk Dumps can be received at any time, and can be transmitted at any time
when a Bulk Dump Request is received.
A Bulk Dump is transmitted on the [Rx CH] channel in response to a Bulk Dump
Request.
STATUS 11110011 F3 Song select
Song number 0sssssss ss Song number (0-127)
STATUS 11111000 F8 Timing clock
STATUS 11111110 FE Active sensing
STATUS 11111111 FF System reset
STATUS 11110000 F0 System exclusive message
ID No. 01111111 7F Real time System exclusive
Device ID 0ddddddd dd Destination (00-7E, 7F:all call)
COMMAND 00000110 06 Machine Control Command(MCC) sub-id
00000001 01 Stop(MCS)
EOX 11110111 F7 End of exclusive
STATUS 11110000 F0 System exclusive message
ID No. 01111111 7F Real time System exclusive
Device ID 0ddddddd dd Destination (00-7E, 7F:all call)
COMMAND 00000110 06 Machine Control Command(MCC) sub-id
00000010 02 Play(MCS)
EOX 11110111 F7 End of exclusive
STATUS 11110000 F0 System exclusive message
ID No. 01111111 7F Real time System exclusive
Device ID 0ddddddd dd Destination (00-7E, 7F:all call)
COMMAND 00000110 06 Machine Control Command(MCC) sub-id
00000011 03 Deferred Play(MCS)
EOX 11110111 F7 End of exclusive
STATUS 11110000 F0 System exclusive message
ID No. 01111111 7F Real time System exclusive
Device ID 0ddddddd dd Destination (00-7E, 7F:all call)
COMMAND 00000110 06 Machine Control Command(MCC) sub-id
00000110 06 Record strobe
EOX 11110111 F7 End of exclusive
STATUS 11110000 F0 System exclusive message
ID No. 01111111 7F Real time System exclusive
Device ID 0ddddddd dd Destination (00-7E, 7F:all call)
COMMAND 00000110 06 Machine Control Command(MCC) sub-id
00001001 09 Pause(MCS)
EOX 11110111 F7 End of exclusive
Command rx/tx Function
F0 43 0n 3E cc cc 19 mm ... mm dd
dd ... ee F7
rx/tx BULK DUMP DATA
F0 43 2n 3E 19 mm ... mm dd dd F7 rx BULK DUMP REQUEST
Module Name(mm) Data Number(dd)
SCENE LIB “SCENE___” *1) *15) *16) *17)
INPUT EQ LIB “INEQ____” *2) *7) *8)
OUTPUT EQ LIB “OUTEQ___” *3) *9) *10) *11)
Dynamics LIB “DYNA____” *4) *7) *8) *9) *10) *11) *22) *23)
INPUT CH LIB “INCHNNL_” *18) *7) *8)
OUTPUT CH LIB “OUTCHNNL” *19) *9) *10) *11)
GEQ LIB “GEQ_____” *5) *12)
8BandPEQ LIB “8PEQ____” *13)
EFFECT LIB “EFFECT__” *6) *14)
Premium Effect “PEFFECT_” *20)
Portico5033 LIB “P5033___” *21)
Portico5043 LIB “P5043___” *21)
U76 LIB “U76_____” *21)
Opt-2A LIB “OPT-2A__” *21)
EQP-1A LIB “EQ-1A___” *21)
DynamicEQ LIB “DYNAEQ__” *21)
Buss Comp 369 LIB “BSCMP369” *21)
MBC4 LIB “MBC4____” *21)
Dante Input Patch LIB “DANTEIN_” *24)
Mixer Setup “MIXERSET” Fix (512)
Outport Setup “OUT_PORT” Fix (512)
Monitor Setup “MONITOR_” Fix (512)
MIDI Setup “MIDI_SET” Fix (512)
Lib Number “LIB_NUM_” Fix (512)
Program Change Table “PRGMCHG_” Fix (512)
Control Change Table “CTRLCHG_” Fix (512)
Preference (Current) “PREF_CUR” Fix (512)
Preference (Admin) “PREF_ADM” Fix (512)
Preference (Guest) “PREF_GST” Fix (512)
User Defined Keys (Current) “UDEF_CUR” Fix (512) include Knob, Encoder
User Defined Keys (Admin) “UDEF_ADM” Fix (512) include Knob, Encoder
User Defined Keys (Guest) “UDEF_GST” Fix (512) include Knob, Encoder
Custom Fader Bank (Current) “CFAD_CUR” Fix (512)
Custom Fader Bank (Admin) “CFAD_ADM” Fix (512)
Custom Fader Bank (Guest) “CFAD_GST” Fix (512)
User Level (Current) “UKEY_CUR” Fix (512)
User Level (Guest) “UKEY_GST” Fix (512)
Module Name(mm) Data Number(dd)

Data List
38
In the data portion, seven words of 8-bit data are converted into eight words of
7-bit data.
[Conversion from actual data to bulk data]
d[0-6]: actual data
b[0-7]: bulk data
b[0] = 0;
for( I=0; I<7; I++){
if( d[I]&0x80){
b[0] |= 1<<(6-I);
}
b[I+1] = d[I]&0x7F;
}
[Recovery from bulk data to actual data]
d[0-6]: actual data
b[0-7]: bulk data
for( I=0; I<7; I++){
b[0] <<= 1;
d[I] = b[I+1]+(0x80&b[0]);
}
3.3 PARAMETER CHANGE
Reception
This message is echoed if [PARAMETER CHANGE ECHO] is ON.
This message is received if [PARAMETER CHANGE Rx] is ON and [Rx CH] matches
the Device number included in the SUB STATUS. When a PARAMETER CHANGE is
received, the specified parameter will be controlled. When a PARAMETER
REQUEST is received, the current value of the specified parameter will be
transmitted as a PARAMETER CHANGE with its Device Number as the [Rx CH].
Transmission
If [PARAMETER CHANGE Tx] is ON, and you edit a parameter for which
CONTROL CHANGE transmission has not been enabled, a PARAMETER CHANGE
will be transmitted with the [Tx CH] as its device number.
In response to a PARAMETER REQUEST, a PARAMETER CHANGE will be
transmitted with [Rx CH] as its device number.
4 PARAMETER CHANGE details
4.1 CURRENT SCENE, SETUP, BACKUP, USER SETUP
4.1.1 Format (PARAMETER CHANGE)
Reception
Data will be received when [PARAMETER CHANGE Rx] is on and the Device
number of both [Rx CH] and SUB STATUS match.
The data will be echoed when [PARAMETER CHANGE ECHO] is on.
The corresponding parameter will be changed immediately the data is received.
Transmission
Data will be transmitted with the [Device Number] in [Tx CH] when [PARAMETER
CHANGE Tx] is on and the parameter is not registered on the [CONTROL
CHANGE EVENT LIST].
4.1.2 Format (PARAMETER REQUEST)
Reception
Data will be received when [PARAMETER CHANGE Rx] is on and the Device
number of both [Rx CH] and SUB STATUS match.
The data will be echoed when [PARAMETER CHANGE ECHO] is on.
The corresponding parameter will be changed via PARAMETER CHANGE
immediately the data is received.
4.1.3 Data category
4.2 FUNCTION CALL - LIBRARY STORE, RECALL -
4.2.1 Format (PARAMETER CHANGE)
Reception
Data will be received when [PARAMETER CHANGE Rx] is on and the Device
number of both [Rx CH] and SUB STATUS match.
The data will be echoed when [PARAMETER CHANGE ECHO] is on.
The corresponding parameter will be changed immediately the data is received.
Transmission
Data will be transmitted with the [Device Number] (MIDI CH) in [Tx CH] when
[PARAMETER CHANGE Tx] is on.
4.2.2 Function Name
Command rx/tx Function
F0 43 1n 3E 19 ... F7
RARAMETER CHANGE
rx/tx CL series native parameter change
F0 43 3n 3E 19 ... F7
PARAMETER REQUEST
rx/tx CL series native parameter request
STATUS 11110000 F0 System exclusive message
ID No. 01000011 43 Manufacturer's ID number (YAMAHA)
SUB STATUS 0001nnnn 1n n=0-15 (Device number=MIDI Channel)
GROUP ID 00111110 3E Digital mixer
MODEL ID 00011001 19 CL Series
DATA Category 0ccccccc cc
DATA 0eeeeeee eh Element no High.
0eeeeeee el Element no Low.
0iiiiiii ih Index no High.
0iiiiiii il Index no Low.
0ccccccc ch Channel no High.
0ccccccc cl Channel no Low.
0ddddddd dd Data
::
EOX 11110111 F7 End of exclusive
STATUS 11110000 F0 System exclusive message
ID No. 01000011 43 Manufacturer's ID number (YAMAHA)
SUB STATUS 0011nnnn 3n n=0-15 (Device number=MIDI Channel)
GROUP ID 00111110 3E Digital mixer
MODEL ID 00011001 19 CL Series
DATA Category 0ccccccc cc
DATA 0eeeeeee eh Element no High.
0eeeeeee el Element no Low.
0iiiiiii ih Index no High.
0iiiiiii il Index no Low.
0ccccccc ch Channel no High.
0ccccccc cl Channel no Low.
EOX 11110111 F7 End of exclusive
Data Category Name
0x01 00000001 Current Scene /Setup/Backup/
User Setup Data
STATUS 11110000 F0 System exclusive message
ID No. 01000011 43 Manufacturer's ID number (YAMAHA)
SUB STATUS 0001nnnn 1n n=0-15 (Device number=MIDI Channel)
GROUP ID 00111110 3E Digital mixer
MODEL ID 00011001 19 CL Series
DATA CATEGORY 00000000 00 OTHER DATA
FUNCTION NAME 01001100 “L” (ASCII CODE)
01101001 “i” (ASCII CODE)
01100010 “b” (ASCII CODE)
0fffffff ff (ASCII CODE)
0fffffff ff (ASCII CODE)
0fffffff ff (ASCII CODE)
0fffffff ff (ASCII CODE)
0fffffff ff (ASCII CODE)
MODULE NAME 0mmmmmmm mm (ASCII CODE)
0mmmmmmm mm (ASCII CODE)
0mmmmmmm mm (ASCII CODE)
0mmmmmmm mm (ASCII CODE)
0mmmmmmm mm (ASCII CODE)
0mmmmmmm mm (ASCII CODE)
0mmmmmmm mm (ASCII CODE)
0mmmmmmm mm (ASCII CODE)
DATA 0nnnnnnn nh Number High
0nnnnnnn nl Number Low
0ccccccc ch Channel High
0ccccccc cl Channel Low
EOX 11110111 F7 End of exclusive
Function Name
Store “LibStr__”
Recall “LibRcl__”
Unknown Factor Store “LibUnStr”
Unknown Factor Recall “LibUnRcl”
Store Undo (only Score) “LibStrUd”
Recall Undo (only Scene) “LibRclUd”

Data List
39
4.2.3 Module Name
*1) 0:CH1 - 71:CH72
72:ST IN 1L - 87:ST IN 8R
*2) 256:MIX 1 - 279:MIX 24
*3) 512:MATRIX 1 - 519: MATRIX 8
*4) 1024:STEREO L - 1026:STEREO C
*5) 512: will be used if the recalling or storing data is only one.
*6) 0: GEQ1A, 1: GEQ1B, 2: GEQ2A, ... 36: GEQ19A, 37:GEQ19B
38: EFFECT GEQ1A, 39: EFFECT GEQ1B,
40: EFFECT GEQ2A, ... 52: EFFECT GEQ8A, 53: EFFECT GEQ8B
*7) 0:Effect1- 7:Effect8
*8) 1280:CH1 - 1351:CH72
1352:ST IN 1L - 1367:ST IN 8R
*9) 0: Premium Rack 1A, 1: Premium Rack 1B,
2: Premium Rack 2A, ... 14: Premium Rack 8A, 15: Premium Rack 8B
4.3 FUNCTION CALL - LIBRARY EDIT -
4.3.1 Format (PARAMETER CHANGE)
Reception
Data will be received when [PARAMETER CHANGE Rx] is on and the Device
number of both [Rx CH] and SUB STATUS match.
The data will be echoed when [PARAMETER CHANGE ECHO] is on.
The corresponding memory/library will be changed immediately the data is
received.
Transmission
PARAMETER CHANGE will be sent in reply to Request.
If [PARAMETER CHANGE ECHO] is on, the message will be sent as it is.
4.3.2 Function Name
4.3.3 Module Name
Module Name
Scene “SCENE___”
Input EQ “INEQ____”
Output EQ “OUTEQ___”
Dynamics “DYNA____”
Input CH “INCHNNL_”
Output CH “OUTCHNNL”
GEQ “GEQ_____”
8BandPEQ “8PEQ____”
Effect “EFFECT__”
Portico5033 “P5033___”
Portico5043 “P5043___”
U76 “U76_____”
Opt-2A “OPT-2A__”
EQP-1A “EQ-1A___”
Dynamic EQ “DYNAEQ__”
Buss Comp 369 “BSCMP369”
MBC4 “MBC4____”
Dante Input Patch “DANTEIN_”
Function Number Channel*1) tx/rx
“LibStr__” SCENE 1-300 *5) tx/rx
INPUT EQ LIB 41-199 *1) tx/rx
OUTPUT EQ LIB 4-199 *2) *3) *4) tx/rx
Dynamics LIB 42-199 *1) *2) *3) *4) *8) tx/rx
INPUT CH LIB 1-199 *1) tx/rx
OUTPUT CH LIB 1-199 *2) *3) *4) tx/rx
GEQ LIB 1-199 *6) tx/rx
8BandPEQ LIB 1-199 *6) tx/rx
EFFECT LIB 28-199 *7) tx/rx
Premium Effect LIB 1-100 *9) tx/rx
Dante Input Patch LIB 1-10 *5) tx/rx
“LibUnStr” SCENE 1-300 0 tx
INPUT EQ LIB 41-199 0 tx
OUTPUT EQ LIB 4-199 0 tx
Dynamics LIB 42-199 0 tx
INPUT CH LIB 1-199 0 tx
OUTPUT CH LIB 1-199 0 tx
GEQ LIB 1-199 0 tx
8BandPEQ LIB 1-199 0 tx
EFFECT LIB 28-199 0 tx
Premium Effect LIB 1-100 0 tx
Dante Input Patch LIB 1-10 0 tx
“LibRcl__” SCENE 0-300 *5) tx/rx
INPUT EQ LIB 1-199 *1) tx/rx
OUTPUT EQ LIB 1-199 *2) *3) *4) tx/rx
Dynamics LIB 1-199 *1) *2) *3) *4) *8) tx/rx
INPUT CH LIB 0-199 *1) tx/rx
OUTPUT CH LIB 0-199 *2) *3) *4) tx/rx
GEQ LIB 0-199 *6) tx/rx
8BandPEQ LIB 1-199 *6) tx/rx
EFFECT LIB 1-199 *7) tx/rx
Premium Effect LIB 0-100 *9) tx/rx
Dante Input Patch LIB 0-10 *5) tx/rx
“LibUnRcl” SCENE 0 *5) tx
INPUT EQ LIB 0 *1) tx
OUTPUT EQ LIB 0 *2) *3) *4) tx
Dynamics LIB 0 *1) *2) *3) *4) *8) tx
INPUT CH LIB 0 *1) tx
OUTPUT CH LIB 0 *2) *3) *4) tx
GEQ LIB 0 *6) tx
8BandPEQ LIB 0 *6) tx
EFFECT LIB 0 *7) tx
Premium Effect LIB 0 *9) tx
Dante Input Patch LIB 0 *5) tx
“LibStrUd” SCENE 0 0
“LibRclUd” SCENE 0 0
STATUS 11110000 F0 System exclusive message
ID No. 01000011 43 Manufacturer's ID number (YAMAHA)
SUB STATUS 0001nnnn 1n n=0-15 (Device number=MIDI Channel)
GROUP ID 00111110 3E Digital mixer
MODEL ID 00011001 19 CL Series
DATA CATEGORY 00000000 00 OTHER DATA
FUNCTION NAME 01001100 “L” (ASCII CODE)
01101001 “i” (ASCII CODE)
01100010 “b” (ASCII CODE)
0fffffff ff (ASCII CODE)
Function Number Channel*1) tx/rx 0fffffff ff (ASCII CODE)
0fffffff ff (ASCII CODE)
0fffffff ff (ASCII CODE)
0fffffff ff (ASCII CODE)
MODULE NAME 0mmmmmmm mm (ASCII CODE)
0mmmmmmm mm (ASCII CODE)
0mmmmmmm mm (ASCII CODE)
0mmmmmmm mm (ASCII CODE)
0mmmmmmm mm (ASCII CODE)
0mmmmmmm mm (ASCII CODE)
0mmmmmmm mm (ASCII CODE)
0mmmmmmm mm (ASCII CODE)
DATA 0sssssss sh number -source start High
0sssssss sl number -source start Low
0eeeeeee eh number -source end High
0eeeeeee el number -source end Low
0ddddddd dh number -destination start High
0ddddddd dl number -destination to start Low
EOX 11110111 F7 End of exclusive
Function Name
Copy “LibCpy__”
Paste “LibPst__”
Clear “LibClr__”
Cut “LibCut__”
Insert “LibIns__”
Edit Undo “LibEdtUd”
Module Name Function
SCENE LIB “SCENE___” Copy, Paste, Clear, Cut, Insert, EditUndo
INPUT EQ LIB “INEQ____” Clear Only
OUTPUT EQ LIB “OUTEQ___” Clear Only
Dynamics LIB “DYNA____” Clear Only
INPUT CH LIB “INCHNNL_” Clear Only
OUTPUT CH LIB “OUTCHNNL” Clear Only
GEQ LIB “GEQ_____” Clear Only
8BandPEQ LIB “8PEQ____” Clear Only
EFFECT LIB “EFFECT__” Clear Only
Portico5033 LIB “P5033___” Clear Only
Portico5043 LIB “P5043___” Clear Only
U76 LIB “U76_____” Clear Only
Opt-2A LIB “OPT-2A__” Clear Only
EQP-1A LIB “EQ-1A___” Clear Only
DynamicEQ LIB “DYNAEQ__” Clear Only
Buss Comp 369 LIB “BSCMP369” Clear Only
MBC4 LIB “MBC4____” Clear Only
Dante Input Patch LIB “DANTEIN_” Clear Only

Data List
40
4.4 FUNCTION CALL - LIBRARY ATTRIBUTE -
4.4.1 Format (PARAMETER CHANGE)
Reception
Data will be received when [PARAMETER CHANGE Rx] is on and the Device
number of both [Rx CH] and SUB STATUS match.
The data will be echoed when [PARAMETER CHANGE ECHO] is on.
When the message is received, the title of the specified memory/library will be
edited.
Transmission
PARAMETER CHANGE will be sent in reply to Request.
If [PARAMETER CHANGE ECHO] is on, the message will be sent as it is.
4.4.2 Format (PARAMETER REQUEST)
Reception
The PARAMETER CHANGE will be sent with Device number [Rx CH] immediately
the data is received.
4.4.3 Module Name
4.5 EXIST LIBRARY RANGE
4.5.1 Format (PARAMETER CHANGE)
Transmission
When CL series receives Library Exist request command from outside, the answer
will be sent back with the following Parameter change.
This packet shows smallest library number range that exists and not read only.
Top number is requested number or more.
-Example-
SCENE is stored 5,6,7,10,100 and 101
Request Number: 0
Data : Valid, Top Number : 5, End Number 7
Request Number: 8
Data : Valid, Top Number : 10, End Number 10
Request Number: 11
Data : Valid, Top Number : 100, End Number 101
Request Number: 102
Data : Invalid, Top Number : 0, End Number 0
STATUS 11110000 F0 System exclusive message
ID No. 01000011 43 Manufacturer's ID number (YAMAHA)
SUB STATUS 0001nnnn 1n n=0-15 (Device number=MIDI Channel)
GROUP ID 00111110 3E Digital mixer
MODEL ID 00011001 19 CL Series
DATA CATEGORY 00000000 00 OTHER DATA
FUNCTION NAME 01001100 “L” (ASCII CODE)
01101001 “i” (ASCII CODE)
01100010 “b” (ASCII CODE)
01000001 “A” (ASCII CODE)
01110100 “t” (ASCII CODE)
01110010 “r” (ASCII CODE)
01100010 “b” (ASCII CODE)
01110100 “t” (ASCII CODE)
MODULE NAME 0mmmmmmm mm (ASCII CODE)
0mmmmmmm mm (ASCII CODE)
0mmmmmmm mm (ASCII CODE)
0mmmmmmm mm (ASCII CODE)
0mmmmmmm mm (ASCII CODE)
0mmmmmmm mm (ASCII CODE)
0mmmmmmm mm (ASCII CODE)
0mmmmmmm mm (ASCII CODE)
DATA 0nnnnnnn nh Scene/Library number High
0nnnnnnn nl Scene/Library number Low
0eeeeeee eh Element High
0eeeeeee el Element Low
0iiiiiii ih Index High
0iiiiiii il Index Low
0ccccccc ch Channel High
0ccccccc cl Channel Low
0000dddd dd Data28~31bit
0ddddddd dd Data21~27bit
0ddddddd dd Data14~20bit
0ddddddd dd Data7~13bit
0ddddddd dd Data0~6bit
EOX 11110111 F7 End of exclusive
STATUS 11110000 F0 System exclusive message
ID No. 01000011 43 Manufacturer's ID number (YAMAHA)
SUB STATUS 0011nnnn 3n n=0-15 (Device number=MIDI Channel)
GROUP ID 00111110 3E Digital mixer
MODEL ID 00011001 19 CL Series
DATA CATEGORY 00000000 00 OTHER DATA
FUNCTION NAME 01001100 “L” (ASCII CODE)
01101001 “i” (ASCII CODE)
01100010 “b” (ASCII CODE)
01000001 “A” (ASCII CODE)
01110100 “t” (ASCII CODE)
01110010 “r” (ASCII CODE)
01100010 “b” (ASCII CODE)
01110100 “t” (ASCII CODE)
MODULE NAME 0mmmmmmm mm (ASCII CODE)
0mmmmmmm mm (ASCII CODE)
0mmmmmmm mm (ASCII CODE)
0mmmmmmm mm (ASCII CODE)
0mmmmmmm mm (ASCII CODE)
0mmmmmmm mm (ASCII CODE)
0mmmmmmm mm (ASCII CODE)
0mmmmmmm mm (ASCII CODE)
DATA 0nnnnnnn nh Scene/Library number High
0nnnnnnn nl Scene/Library number Low
0eeeeeee eh Element High
0eeeeeee el Element Low
0iiiiiii ih Index High
0iiiiiii il Index Low
0ccccccc ch Channel High
0ccccccc cl Channel Low
EOX 11110111 F7 End of exclusive
Module Name Number
SCENE LIB “SCENE___” 0-300 (0:response only)
INPUT EQ LIB “INEQ____” 1-200 (1-40:response only)
OUTPUT EQ LIB “OUTEQ___” 1-200 (1-3:response only)
Dynamics LIB “DYNA____” 1-200 (1-41:response only)
INPUT CH LIB “INCHNNL_” 0-200 (0:response only)
OUTPUT CH LIB “OUTCHNNL” 0-200 (0:response only)
GEQ LIB “GEQ_____” 0-200 (0:response only)
8BandPEQ LIB “8PEQ____” 0-199 (0:response only)
EFFECT LIB “EFFECT__” 1-200 (1-27:response only)
Portico5033 LIB “P5033___” 0-100 (0:response only)
Portico5043 LIB “P5043___” 0-100 (0:response only)
U76 LIB “U76_____” 0-100 (0:response only)
Opt-2A LIB “OPT-2A__” 0-100 (0:response only)
EQP-1A LIB “EQ-1A___” 0-100 (0:response only)
DynamicEQ LIB “DYNAEQ__” 0-100 (0:response only)
Buss Comp 369 LIB “BSCMP369” 0-100 (0:response only)
MBC4 LIB “MBC4____” 0-100 (0:response only)
Dante Input Patch LIB “DANTEIN_” 0-10 (0:response only)
STATUS 11110000 F0 System exclusive message
ID No. 01000011 43 Manufacturer's ID number (YAMAHA)
SUB STATUS 0001nnnn 1n n=0-15 (Device number=MIDI Channel)
GROUP ID 00111110 3E Digital mixer
MODEL ID 00011001 19 CL Series
DATA CATEGORY 00000000 00 OTHER DATA
FUNCTION NAME 01001100 “L” (ASCII CODE)
01101001 “i” (ASCII CODE)
01100010 “b” (ASCII CODE)
01000101 “E” (ASCII CODE)
01111000 “x” (ASCII CODE)
01101001 “i” (ASCII CODE)
01110011 “s” (ASCII CODE)
01110100 “t” (ASCII CODE)
MODULE NAME 0mmmmmmm mm (ASCII CODE)
0mmmmmmm mm (ASCII CODE)
0mmmmmmm mm (ASCII CODE)
0mmmmmmm mm (ASCII CODE)
0mmmmmmm mm (ASCII CODE)
0mmmmmmm mm (ASCII CODE)
0mmmmmmm mm (ASCII CODE)
0mmmmmmm mm (ASCII CODE)
DATA 0sssssss ss Data Status ( 0:Invalid data,1:Valid Data )
0nnnnnnn nh Request Number High
0nnnnnnn nl Request Number Low
0ttttttt th Top Number High
0ttttttt tl Top Number Low
0eeeeeee eh End Number High
0eeeeeee el End Number Low
EOX 11110111 F7 End of exclusive
Module Name Number

Data List
41
4.5.2 Format (PARAMETER REQUEST)
Reception
The PARAMETER CHANGE will be sent with Device number [Rx CH] immediately
the data is received.
4.5.3 Module Name
4.6 FUNCTION CALL - COLLECTION STORE -
4.6.1 Format (PARAMETER CHANGE)
Transmission
Data will be transmitted with the [Device Number] in [Tx CH] when [PARAMETER
CHANGE Tx] is on.
4.6.2 Function Name
4.6.3 Module Name
4.7 FUNCTION CALL - MODULE -
4.7.1 Format (PARAMETER CHANGE)
Reception
Data will be received when [PARAMETER CHANGE Rx] is on and the Device
number of both [Rx CH] and SUB STATUS match.
The data will be echoed when [PARAMETER CHANGE ECHO] is on.
The corresponding effect will function immediately the data is received
(depending on the effect type).
4.7.2 Module Name
This will not work when the Effect Type is different.
STATUS 11110000 F0 System exclusive message
ID No. 01000011 43 Manufacturer's ID number (YAMAHA)
SUB STATUS 0011nnnn 3n n=0-15 (Device number=MIDI Channel)
GROUP ID 00111110 3E Digital mixer
MODEL ID 00011001 19 CL Series
DATA CATEGORY 00000000 00 OTHER DATA
FUNCTION NAME 01001100 “L” (ASCII CODE)
01101001 “i” (ASCII CODE)
01100010 “b” (ASCII CODE)
01000101 “E” (ASCII CODE)
01111000 “x” (ASCII CODE)
01101001 “i” (ASCII CODE)
01110011 “s” (ASCII CODE)
01110100 “t” (ASCII CODE)
MODULE NAME 0mmmmmmm mm (ASCII CODE)
0mmmmmmm mm (ASCII CODE)
0mmmmmmm mm (ASCII CODE)
0mmmmmmm mm (ASCII CODE)
0mmmmmmm mm (ASCII CODE)
0mmmmmmm mm (ASCII CODE)
0mmmmmmm mm (ASCII CODE)
0mmmmmmm mm (ASCII CODE)
DATA 0nnnnnnn nh Request Number High
0nnnnnnn nl Request Number Low
EOX 11110111 F7 End of exclusive
Module Name Number
SCENE LIB “SCENE___” 1-300
INPUT EQ LIB “INEQ____” 41-200
OUTPUT EQ LIB “OUTEQ___” 4-200
Dynamics LIB “DYNA____” 42-200
INPUT CH LIB “INCHNNL_” 1-200
OUTPUT CH LIB “OUTCHNL” 1-200
GEQ LIB “GEQ_____” 1-200
8BandPEQ LIB “8PEQ____” 1-199
EFFECT LIB “EFFECT__” 55-200
Portico5033 LIB “P5033___” 1-100
Portico5043 LIB “P5043___” 1-100
U76 LIB “U76_____” 1-100
Opt-2A LIB “OPT-2A__” 1-100
EQP-1A LIB “EQ-1A___” 1-100
DynamicEQ LIB “DYNAEQ__” 1-100
Buss Comp 369 LIB “BSCMP369” 1-100
MBC4 LIB “MBC4____” 1-100
Dante Input Patch LIB “DANTEIN_” 1-10
STATUS 11110000 F0 System exclusive message
ID No. 01000011 43 Manufacturer's ID number (YAMAHA)
SUB STATUS 0001nnnn 1n n=0-15 (Device number=MIDI Channel)
GROUP ID 00111110 3E Digital mixer
MODEL ID 00011001 19 CL Series
DATA CATEGORY 00000000 00 OTHER DATA
FUNCTION NAME 01001100 “C” (ASCII CODE)
01101001 “o” (ASCII CODE)
01100010 “l” (ASCII CODE)
01010101 “U” (ASCII CODE)
01101110 “n” (ASCII CODE)
01010011 “S” (ASCII CODE)
01110100 “t” (ASCII CODE)
01110010 “r” (ASCII CODE)
MODULE NAME 0mmmmmmm mm (ASCII CODE)
0mmmmmmm mm (ASCII CODE)
0mmmmmmm mm (ASCII CODE)
0mmmmmmm mm (ASCII CODE)
0mmmmmmm mm (ASCII CODE)
0mmmmmmm mm (ASCII CODE)
0mmmmmmm mm (ASCII CODE)
0mmmmmmm mm (ASCII CODE)
DATA 0nnnnnnn nh Number High
0nnnnnnn nl Number Low
0ccccccc ch Channel High
0ccccccc cl Channel Low
EOX 11110111 F7 End of exclusive
Function Number tx/rx
“ColUnStr” Setup 0 tx
User Defined Key 0 tx
Program Change 0 tx
Control Change 0 tx
Module Name
Mixer Setting “MIXERSET”
Outport Setting “OUT_PORT”
Monitor Setting “MONITOR_”
MIDI Setting “MIDI_SET”
Lib Number “LIB_NUM_”
Program Change Table “PRGMCHG_”
Control Change Table “CTRLCHG_”
Preference (Current) “PREF_CUR”
Preference (Admin) “PREF_ADM”
Preference (Guest) “PREF_GST”
User Defined Keys (Current) “UDEF_CUR”
User Defined Keys (Admin) “UDEF_ADM”
User Defined Keys (Guest) “UDEF_GST”
Custom Fader Bank (Current) “CFAD_CUR”
Custom Fader Bank (Admin) “CFAD_ADM”
Custom Fader Bank (Guest) “CFAD_GST”
User Level (Current) “UKEY_CUR”
User Level (Guest) “UKEY_GST”
STATUS 11110000 F0 System exclusive message
ID No. 01000011 43 Manufacturer's ID number (YAMAHA)
SUB STATUS 0001nnnn 1n n=0-15 (Device number=MIDI Channel)
GROUP ID 00111110 3E Digital mixer
MODEL ID 00011001 19 CL Series
DATA CATEGORY 00000000 00 OTHER DATA
FUNCTION NAME 01001101 “M”
01101111 “o”
01100100 “d”
01000110 “F”
01111000 “x”
01010100 “T”
01110010 “r”
01100111 “g”
MODULE NAME 0mmmmmmm mm (ASCII CODE)
0mmmmmmm mm (ASCII CODE)
0mmmmmmm mm (ASCII CODE)
0mmmmmmm mm (ASCII CODE)
0mmmmmmm mm (ASCII CODE)
0mmmmmmm mm (ASCII CODE)
0mmmmmmm mm (ASCII CODE)
0mmmmmmm mm (ASCII CODE)
DATA 0eeeeeee ee Effect number (0:RACK1-7:RACK8)
0ppppppp pp Release:0, Press:1
EOX 11110111 F7 End of exclusive
Module Name Number
Freeze Play button “FRZPLAY_” 0:RACK1, 2:RACK3, 4:RACK5, 6:RACK7
Freeze Record button “FRZREC__” 0:RACK1, 2:RACK3, 4:RACK5, 6:RACK7
Module Name

Data List
42
4.8 FUNCTION CALL - CHANNEL -
4.8.1 Pair ON/OFF Trigger Format (PARAMETER CHANGE)
Reception
Data will be received when [PARAMETER CHANGE Rx] is on and the Device
number of both [Rx CH] and SUB STATUS match.
The data will be echoed when [PARAMETER CHANGE ECHO] is on.
4.8.2 Module Name
*1) 0:CH1 - 71:CH72
256:MIX 1 - 279:MIX 24
512:MATRIX 1-519:MATRIX 8
4.9 LEVEL METER DATA
4.9.1 Format (PARAMETER CHANGE)
When transmission is enabled by receiving Request for Level Meter, the
corresponding metering data will be sent in every 50 millisecond for 10 seconds.
If metering information is expected to be continuously sent, Request is needed to
be sent in at least every 10 seconds.
Reception
The data will be echoed when [PARAMETER CHANGE ECHO] is on.
Transmission
When transmission is enabled by receiving Request, the corresponding metering
data will be sent in constant interval for a given period of time (The interval and
time will vary depending on devices).
When rebooted or port setting is changed, the transmission will be disabled.
When [PARAMETER CHANGE ECHO] is on, the message will be sent as it is.
4.9.2 Format (PARAMETER REQUEST)
Reception
Data will be received when [PARAMETER CHANGE Rx] is on and the Device
number of both [Rx CH] and SUB STATUS match.
The data will be echoed when [PARAMETER CHANGE ECHO] is on.
The corresponding metering data will be sent via [Rx CH] in constant interval for
a given period of time (The interval and time will vary depending on devices).
If this is received with an Address UL = 0x7F, transmission of all meter data will
stop (will be disabled) immediately.
Transmission
When [PARAMETER CHANGE ECHO] is on, the message will be sent as it is.
STATUS 11110000 F0 System exclusive message
ID No. 01000011 43 Manufacturer's ID number (YAMAHA)
SUB STATUS 0001nnnn 1n n=0-15 (Device number=MIDI Channel)
GROUP ID 00111110 3E Digital mixer
MODEL ID 00011001 19 CL Series
DATA CATEGORY 00000000 00 OTHER DATA
FUNCTION NAME 01000011 “C”
01101000 “h”
01101100 “l”
01010000 “P”
01101001 “i”
01110010 “r”
01000011 “C”
01110000 “p”
MODULE NAME 0mmmmmmm mm (ASCII CODE)
0mmmmmmm mm (ASCII CODE)
0mmmmmmm mm (ASCII CODE)
0mmmmmmm mm (ASCII CODE)
0mmmmmmm mm (ASCII CODE)
0mmmmmmm mm (ASCII CODE)
0mmmmmmm mm (ASCII CODE)
0mmmmmmm mm (ASCII CODE)
DATA 0sssssss sh Source Channel Number H *1)
0sssssss sl Source Channel Number L *1)
0ddddddd dh Destination Channel Number H *1)
0ddddddd dl Destination Channel Number L *1)
EOX 11110111 F7 End of exclusive
Module Name
Pair On (with Copy) “PAIRONCP”
Pair On (with Reset Both) “PAIRONRS”
Pair Off “PAIROFF_”
STATUS 11110000 F0 System exclusive message
ID No. 01000011 43 Manufacturer's ID number (YAMAHA)
SUB STATUS 0001nnnn 1n n=0-15 (Device number=MIDI Channel)
GROUP ID 00111110 3E Digital mixer
MODEL ID 00011001 19 CL Series
DATA CATEGORY 00100001 21 REMOTE LEVEL METER
DATA 0mmmmmmm mm ADDRESS UL
0mmmmmmm mm ADDRESS LU
0mmmmmmm mm ADDRESS LL
0ddddddd dd Data1
::
EOX 11110111 F7 End of exclusive
STATUS 11110000 F0 System exclusive message
ID No. 01000011 43 Manufacturer's ID number (YAMAHA)
SUB STATUS 0011nnnn 3n n=0-15 (Device number=MIDI Channel)
GROUP ID 00111110 3E Digital mixer
MODEL ID 00011001 19 CL Series
DATA CATEGORY 00100001 21 REMOTE LEVEL METER
DATA 0mmmmmmm mm ADDRESS UL
0mmmmmmm mm ADDRESS LU
0mmmmmmm mm ADDRESS LL
0ccccccc ch Count H
0ccccccc cl Count L
EOX 11110111 F7 End of exclusive

Data List
43
Input/output characteristics
ANALOG INPUT CHARACTERISTICS
*1. Sensitivity is the lowest level that will produce an output of +4dBu (1.23V) or the nominal
output level when the unit is set to maximum gain. (all faders and level controls are
maximum position.)
*2. XLR-3-31 type connectors are balanced. (1= GND, 2= HOT, 3= COLD)
* In these specifications, 0dBu= 0.775 Vrms.
* All input AD converters are 24bit linear, 128times oversampling.
* +48V DC ( phantom power ) is supplied to ONI IN (1-8) and TALKBACK XLR type
connectors via each individual software controlled switches.
ANALOG OUTPUT CHARACTERISTICS
*1. XLR-3-32 type connectors are balanced. (1= GND, 2= HOT, 3= COLD)
*2. PHONES stereo phone jack is unbalanced. (Tip= LEFT, Ring= RIGHT, Sleeve= GND)
*3. There are switches inside the body to preset the maximum output level.
*4. The position of the level control is 10dB lowered from Max.
* In these specifications, 0dBu= 0.775 Vrms.
* All output DA converters are 24bit, 128times oversampling.
DIGITAL INPUT & OUTPUT CHARACTERISTICS
DIGITAL OUTPUT CHARACTERISTICS
*1. Channel Status of DIGITAL OUT
*2. XLR-3-32 type connectors are balanced. (1= GND, 2= HOT, 3= COLD)
Input
Terminals GAIN
Actual
Load
Impedance
For Use
With
Nominal
Input Level
Connector
Sensitivity
*1 Nominal Max. before
clip
OMNI IN
1-8
+66dB
7.5kΩ
50-600Ω
Mics &
600Ω
Lines
-82dBu
(61.6μV)
-62dBu
(0.616mV)
-42dBu
(6.16mV) XLR-3-31 type
(Balanced)*2
-6dB -10dBu
(245mV)
+10dBu
(2.45V)
+30dBu
(24.5V)
TALKBACK
+64dB
10kΩ
50-600Ω
Mics &
600Ω
Lines
-70dBu
(0.245mV)
-60dBu
(0.775mV)
-40dBu
(7.75mV) XLR-3-31 type
(Balanced)*2
+20dB -26dBu
(38.8mV)
-16dBu
(0.123V)
+4dBu
(1.23V)
Output
Terminals
Actual
Source
Impedanc
e
For Use
With
Nominal
GAIN
SW*3
Output Level
Connector
Nominal Max. before
clip
OMNI
OUT 1-8 75Ω 600Ω
Lines
+24dB
(default)
+4dBu
(1.23V)
+24dBu
(12.3V) XLR-3-32 type
(Balanced)*1
+18dB -2dBu
(616mV)
+18dBu
(6.16V)
PHONES 15Ω
8Ω
Phones -75mW*4 150mW Stereo Phone Jack
(TRS)
(Unbalanced)*2
40Ω
Phones -65mW*4 150mW
Terminal Format Data
length Level Audio Connector
Primary/
Secondary Dante 24bit or
32bit
1000Base
-T
64ch Input/64ch Output
@48kHz EtherCON Cat5e
Terminal Format Data
Length Level Connector
DIGITAL
OUT*1 AES/EBU AES/EBU Professional Use 24bit RS422 XLR-3-32 type (Balanced)*2
Byte Bit Field Name Fixed/Variable Data Description
0
0 Block Format
fixed
1 professional use
1Mode 0 audio
2-4 Emphasis 0x4 off
5 Fs Lock 0 lock
6-7 Sampling Frequency variable
0x0 others
0x3 32 kHz
0x2 44.1 kHz
0x1 48 kHz
10-3 Channel Mode fixed 0x1 2ch mode
4-7 Users Bit Management 0x0 -
20-2 Use of AUX fixed 0x1 24 bits Audio Data
3-7 Source 0x00 -
3 0-7 Multi Channel fixed 0x00 -
4
0-1 Digital Audio Reference Signal fixed 0x0 -
2- 0
3-6 Sampling Frequency variable 0x0 others
7 Sampling Frequency Scan Flag fixed 0 -

Data List
44
I/O SLOT (1-3) CHARACTERISTICS
Each I/O Slot accepts a mini-YGDAI card. Only Slot1 has a serial interface.
CONTROL I/O CHARACTERISTICS
*1. Input pin: TTL level, w/ internal pull-up (47kΩ)
Output pin: Open drain output (Vmax=12V, maximum sink current/pin=75mA)
Power supply pin: Output voltage Vp=5V, Max. output current Imax=300mA
*2. 4 pin=+12V, 3 pin=GND, Lamp rating 5W. Voltage control by software.
Terminal Format Level Connector
MIDI IN MIDI - DIN Connector 5P
OUT MIDI - DIN Connector 5P
WORD
CLOCK
IN - TTL/75Ω terminated BNC Connector
OUT - TTL/75Ω BNC Connector
GPI (5IN/5OUT) - - D Sub Connector 15P
(Female)*1
NETWORK IEEE802.3 10BASE-T/100Base-TX RJ-45
LAMP (CL5: x3, CL3:
x2, CL1: x1) -0V-12V*2 XLR-4-31 type*2
USB HOST USB 2.0 - USB A Connector (Female)
DC POWER INPUT - - JL05 Connector
METER (CL3/CL1 only) - - D Sub Connector 9P
(Female)

Data List
45
Electrical Characteristics
All faders are nominal when measured. Output impedance of signal generator:150ohms
Frequency Response. Fs= 44.1 kHz or 48 kHz @20 Hz-20 kHz, referenced to
the nominal output level @1 kHz
Total Harmonic Distortion. Fs= 44.1 kHz or 48 kHz
* Total Harmonic Distortion is measured with a 18 dB/octave filter @80 kHz
Hum & Noise. Fs= 44.1 kHz or 48 kHz, EIN= Equivalent Input Noise
* Hum & Noise are measured with A-weight filter.
Dynamic Range. Fs= 44.1 kHz or 48 kHz
* Dynamic Range are measured with A-weight filter.
Sampling Frequency
Input Output RL Conditions Min. Typ. Max. Unit
OMNI IN 1-8 OMNI OUT 1-8 600 Ω GAIN: +66dB -1.5 0.0 0.5 dB
PHONES 8 Ω -3.0 0.0 0.5
Input Output RL Conditions Min. Typ. Max. Unit
OMNI IN 1-8 OMNI OUT 1-8 600 Ω +4 dBu @20 Hz-20 kHz, GAIN: +66dB 0.1
%
+4 dBu @20 Hz-20 kHz, GAIN: -6dB 0.05
Internal OSC
OMNI OUT 1-8 600 Ω Full Scale Output @1 kHz 0.02
PHONES 8 Ω Full Scale Output @1 kHz, PHONES Level
Control: Max. 0.2
Input Output RL Conditions Min. Typ. Max. Unit
OMNI IN 1-8 OMNI OUT 1-8 600 Ω
Rs= 150 Ω, GAIN: +66dB
Master fader at nominal level and one
Ch fader at nominal level.
-128
EIN
dBu
-62
Rs= 150 Ω, GAIN: -6dB
Master fader at nominal level and one
Ch fader at nominal level. -84 -79
All INPUTs OMNI OUT 1-8 600 Ω Rs= 150 Ω, GAIN: -6dB
Master fader at nominal level and all
OMNI IN 1-8 in faders at nominal level. -70
- OMNI OUT 1-8 600 Ω Residual Output Noise, ST Master Off -88
-PHONES 8 Ω
Residual Output Noise, PHONES Level
Control Min. -88
Input Output RL Conditions Min. Typ. Max. Unit
OMNI IN 1-8 OMNI OUT 1-8 600 Ω AD + DA, GAIN: -6dB 108 dB
- OMNI OUT 1-8 600 Ω DA Converter 112 dB
Parameter Conditions Min. Typ. Max. Unit
External Clock
Frequency
Range
Fs= 44.1 kHz
Fs= 45.9375 kHz (44.1 kHz +4.1667%)
Fs= 44.1441 kHz (44.1 kHz +0.1%)
Fs= 44.0559 kHz (44.1 kHz -0.1%)
Fs= 42.336 kHz (44.1 kHz -4.0%) -200 +200 ppm
Fs= 48 kHz
Fs= 50 kHz (48 kHz +4.1667%)
Fs= 48.048 kHz (48 kHz +0.1%)
Fs= 47.952 kHz (48 kHz -0.1%)
Fs= 46.080 kHz (48 kHz -4.0%)
Jitter of PLL DIGITAL IN Fs= 44.1 kHz
DIGITAL IN Fs= 48 kHz 10 ns
Internal Clock
Frequency Word Clock : Int 44.1 kHz 44.1 kHz
Word Clock : Int 48 kHz 48
Accuracy Word Clock : Int 44.1 kHz -50 +50 ppm
Word Clock : Int 48 kHz
Jitter Word Clock : Int 44.1 kHz 4.429 ns
Word Clock : Int 48 kHz 4.069

Data List
46
Mixer Basic Parameters
Libraries
Input Function
Output Function
Output Port
Processor
Name Number Total
Scene Memory Preset 1 + User 300 301
Input CH Library Preset 1 + User 199 200
Output CH Library Preset 1 + User 199 200
Input EQ Library Preset 40 + User 159 199
Output EQ Library Preset 3 + User 196 199
Dynamics Library Preset 41 + User 158 199
Effect Library Preset 27 + User 172 199
GEQ Library Preset 1 + User 199 200
Premium Rack Library
Portico5033
Portico5043
U76
Opt-2A
EQ-1A
Dynamic EQ
Buss Comp 369
MBC4
Preset 1 + User 199 200
Dante Input Patch Library Preset 1 + User 10 11
Function Parameter
Phase Normal/Reverse
Digital Gain -96 dB to +24 dB
L,R-MONO L-MONO/R-MONO/LR-MONO/STEREO IN
HPF Slope= -12dB/Oct, -6dB/Oct
Frequency= 20 Hz to 600 Hz
Attenuator -96 dB to 0 dB
4 Band
Equalizer
Frequency= 20 Hz to 20 kHz
Gain= -18 dB to +18 dB
Q= 0.10 to 10.0
Low Shelving (Low Band)
High Shelving, LPF (High Band)
PRECISE, AGGRESSIVE, SMOOTH, LEGACY(Type I/Type
II)
Insert Insert Point: Pre EQ/Pre Fader/Post On
Direct Out Direct Out Point: Pre HPF/Pre EQ/Pre Fader/Post On
Dynamics 1
Type: Gate/Ducking/Comp/Expander
Threshold=Gate: -72 dB to 0 dB
Others: -54 dB to 0 dB
Ratio= 1:1 to ∞:1
Attack= 0 msec to 120 msec
Hold= 48 kHz: 0.02 msec to 1.96 sec
44.1 kHz: 0.02 msec to 2.13 sec
Dynamics 1
Decay= 48 kHz: 5 msec to 42.3 sec
44.1 kHz: 6 msec to 46.1 sec
Releace= 48 kHz: 5 msec to 42.3 sec
44.1 kHz: 6 msec to 46.1 sec
Range= Gate: -∞ dB to 0 dB
Ducking: -70 dB to 0 dB
Gain= 0.0 dB to +8dB
Knee= Hard to 5 (soft)
Key In: Self Pre EQ/Self Post EQ/Mix Out21-24
Ch1-STIN8R (8ch block)
Key In Filter: HPF/LPF/BPF
Dynamics2
Type: Comp/De-Esser/Compander H/Compander S
Threshold= -54 dB to 0 dB
Ratio= 1:1 to ∞:1
Compander: 1:1 to 20:1
Attack= 0 msec to 120 msec
Release= 48 kHz: 5 msec to 42.3 sec
44.1 kHz: 6 msec to 46.1 sec
Gain= -18 dB to 0 dB, 0 dB to +18 dB
Knee= Hard to 5 (soft)
Key In: Self Pre EQ/Self Post EQ/Mix Out21-24
Ch1-STIN8R (8ch block)
Width= 1 dB to 90 dB
Frequency= 1.0 KHz to 12.5KHz
TYPE= HPF, BPF
Q= 0.10 to 10.0
Fader Level: 1024 steps, ∞, -138 dB to +10 dB
On On/Off
Pan/Balance Position L63 to R63
Pan Mode: Pan/Balance
DCA Group 16 Groups
Mute Group 8 Groups
Mix Send
24 sends
Fix/Variable can be set each two mixes
(Surround Pan can be set 1 to 6 mixes)
Mix Send Point: Pre EQ/Pre Fader/Post On
Level: 1024 steps, ∞, -138 dB to +10 dB
(Position L63 to R63, R63 to F63 for Surround)
Matrix Send
8 Sends
Matrix Send Point: Pre EQ/Pre Fader/Post On
Level: 1024 steps, ∞, -138 dB to +10 dB
LCR Pan CSR= 0% to 100%
DELAY 0 ms to 1000 msec
Function Parameter
Attenuator -96 dB to 0 dB
Function Parameter
4 Band
Equalizer
Frequency= 20 Hz to 20 kHz
Gain= -18 dB to +18 dB
Q= 0.10 to 10.0
Low Shelving (Low Band)
High Shelving, LPF (High Band)
PRECISE, AGGRESSIVE, SMOOTH, LEGACY(Type I/Type
II)
Insert Insert Point: Pre EQ/Pre Fader/Post On
Dynamics 1
Type: Comp/Expander/Compander H/Compander S
Threshold= -54 dB to 0 dB
Ratio= 1:1 to ∞:1
Compander: 1:1 to 20:1
Attack= 0 msec to 120 msec
Release= 48 kHz: 5 msec to 42.3 sec
44.1 kHz: 6 msec to 46.1 sec
Gain= -18 dB to 0 dB, 0 dB to +18 dB
Knee= Hard to 5 (soft)
Key In: Self Pre EQ/Self Post EQ/Mix Out21-24 MIX24/
MTRX1-8/STIN LR/MONO(C) (8ch block)
Width= 1 dB to 90 dB
Fader Level: 1024 steps, ∞, -138 dB to +10 dB
On On/Off
Pan/Balance Position L63 to R63
DCA Group 16 Groups
Mute Group 8 Groups
Mix to Matrix
Stereo to Matrix
Matrix Send Point: Pre Fader/Post On
Level: 1024 steps, ∞, -138 dB to +10 dB
Oscillator Level= 0 to -96dB (1 dB step)
On/Off= Software control
Function Parameter
Out Port Delay 0 msec to 1000 msec
Out Port Phase Normal/Reverse
Gain -96 to +24 dB
Function Parameter
GEQ 31 bands x 16(24) or 15 bands x 32(48) systems
PEQ (8 bands PEQ + 3 notchs + HPF, LPF) x 32(48) systems
AUTOMIXER 8(16) channels
Effects Stereo In/Stereo Out multi effector x 8 systems
Premium Rack
Parameter Stereo(Dual) In/Stereo(Dual) Out Premium Rack x
8systems
Function Parameter

Data List
47
Pin Assignment
DC POWER INPUT GPI METER (CL3/CL1 only)
Pin Signal Name Pin Signal Name
1+24V13GND
2+24V14GND
3+24V15GND
4+24V16GND
5+24V17GND
6+24V18GND
7+24V19CAUTION(+)
8 +24V 20 CAUTION(-)
9 +24V 21 DETECT A
10 GND 22 DETECT B
11 GND 23 DETECT GND
12 GND Frame GND
1
2
3
4
5
6789
10111213
14
15
16
17181920
21
22
23
Pin Signal Name Pin Signal Name
1GPO19GPO2
2GPO310GPO4
3GPO511GND
4GND12GND
5 +5V 13 +5V
6 GPI114GPI2
7 GPI315GPI4
8GPI5
91011
8123
15
Pin Signal Name Pin Signal Name
1 RESET 6 +3.3LD
2 SDA 7 +3.3LD
3 DGND 8 LDGND
4SCL9LDGND
5+3.3D
1
6
5
9

Data List
48
M IDI Implementation Chart
2102 .raM 1 :etaD] elosnoC gnixiM latigiD [ AHAMAY
Model: CL5/CL3/CL1 MIDI Implementation Chart Version: 1.0
Function... Transmitted Recognized Remarks
Basic
Channel
Default
Changed
1–16
1–16
1–16
1–16 Memorized
Mode
Default
Messages
Altered
X
X
**************
1, 3
X
X
Memorized
Note
Number True Voice 0–127
X
0–127
X
Velocity Note On
Note Off
O 9nH, v=0,127
X
O 9nH, v=1-127
OEffect Control
After
Touch
Key’s
Ch’s
X
X
X
X
Pitch
Bend XX
Control
Change
0,32
6,38
98,99
1-31,33-95, 102-
119
O
O
O
O
O
O
O
O
Bank Select
Data Entry
NRPN LSB,MSB
Assignable Cntrl
Prog
Change :True#
O 0–127
**************
O 0–127
0–300 Assignable
2*,1* O1* OevisulcxE metsyS
Common
:Song Pos.
:Song Sel.
:Tune
X
X
X
X
O
X
Recorder Control
System
Real Time
:Clock
:Commands
X
X
O
XEffect Control
Aux
Messages
:All Sound Off
:Reset All Cntrls
:Local ON/OFF
:All Notes OFF
:Active Sense
:Reset
X
X
X
X
X
X
X
X
X
X
O
O
Notes *1 Bulk Dump/Request and Parameter Change/Request.
*2 MMC
Mode 1: OMNI ON, POLY
Mode 3: OMNI OFF, POLY
Mode 2: OMNI ON, MONO
Mode 4: OMNI OFF, MONO
O: Yes
X: No

© 2012 Yamaha Corporation
Published 06/2016 LB-E0
Manual Development Group
Yamaha Downloads
http://download.yamaha.com
Yamaha Pro Audio global website
http://www.yamahaproaudio.com/
