York Avc Air Handler Technical Guide 1169507 YTG A 1114

2015-09-09

: York Avc-Air-Handler-Technical-Guide york-avc-air-handler-technical-guide-811889 york pdf

Open the PDF directly: View PDF PDF.
Page Count: 12

FOR DISTRIBUTION USE ONLY - NOT TO BE USED AT POINT OF RETAIL SALE
1169507-YTG-A-1114
TECHNICAL GUIDE
SINGLE PIECE ECM
AIR HANDLERS
FOR USE WITH SPLIT-SYSTEM
AIR CONDITIONERS & HEAT PUMPS
MODELS: AHV18 THRU 60
Due to continuous product improvement,
specifications are subject to change without notice.
Visit us on the web at:
www.upgnet.com and www.york.com
Additional rating information can be found at:
www.ahridirectory.org
WARRANTY
Standard 5-year limited parts warranty.
Extended 10-year limited parts warranty when product is
registered online within 90 days of purchase for replace-
ment or closing for new home construction.
ISO 9001
Certified Quality
Management System
DESCRIPTION
The AHV Air Handler line offers the ultimate in comfort, sound and
application flexibility. This unit may be used for upflow, downflow, hori-
zontal right, or horizontal left applications. No special kits are required
to install this deluxe product.036-21047-001 Rev. A (4/00)
Air handlers are shipped with “Flex-coils” without a factory installed
metering device. Flex coil models allow these coils to be used with R-22
or R-410A for added flexibility to meet refrigerant choices. An orifice
metering device or a R-410A TXV should be installed in the field to
meet your system requirements.
FEATURES
Thermostatic Expansion Valve - Provides the ultimate refrigerant
control required for today’s high efficient product. The UPG bolt-on TXV
provides easy installation to convert the air handler to the required
refrigerant, which is a true bolt-on design that does not require brazing
to replace or install.
Rust-proof Plastic Drain Pans - The vertical and horizontal drain
pans in these units are made of a fiberglass reinforced thermoset poly-
mer that will not rust or compromise stability at high temperatures.
Insulated Cabinet - All air handler cabinets are thermally insulated
with 3/4” foil faced insulation to prevent sweating.
Factory Sealed - Achieves 2% or less total airflow leakage rate at
duct leakage test conditions for system airflow verification.
Durable Finish Inside and Out - Air handler casings are made of
pre-painted galvanized steel which provides a better paint to steel bond
that resists corrosion and rust creep. All internal coil sheet metal parts
are made of G60 galvanized or prepainted G30 galvanized steel.
Filters - All models have internal filter racks provided for use with 1”
thick standard size filters.
Electric Heat Kits - The 6HK series of field installed electric heat kits
are available for installation friendly and easy service applications.
These 6HK kits have heat capacities from 2 kW to 25 kW to meet the
application requirements.
ECM Variable Speed Motor - Designed for efficient, quiet operation
with added indoor comfort control. With the use of a humidistat, the sys-
tem will monitor the humidity in the home and automatically keep the
desired humidity level in both winter and summer seasons. The ECM
motor utilizes only 24% of the energy used by standard blower motors
to reduce your overall heating and cooling costs.
The climate comfort system allows dealer to customize comfort settings
based on regional location.
Communications - These models may be connected as part of a
communications system using a 4-wire connection bus.
2Johnson Controls Unitary Products
1169507-YTG-A-1114
DIMENSIONS & DUCT CONNECTION DIMENSIONS
J
D
Blower
Compartment
Service
Disconnect
Panel
Drain Pan Connections
for Horizontal Applications
Refrigerant
Connections Drain Connections
for Upflow
Applications
7-11/32”
B
A
K
C
1-1/2”
Top Outlet
Dimensions
Filter
Access
20-5/16” E
Bottom Inlet
Dimensions
13”
F
A024-001
Dimensions
Models
Dimensions Wiring Knockouts Refrigerant
Connections
Line Size
ABC DEF JK
Height Width Depth Power Control Liquid Vapor
AHV18B3X(H,T)21 46” 17 1/2”
21 1/2”
16 1/2” 13-29/32" 16 1/2”
7/8" (1/2")1
1-3/8"(1")
1-23/32" (1-1/4")
7/8" (1/2") 3/8"
3/4"
AHV24B3X(H,T)21 46” 17 1/2” 16 1/2” 13-29/32" 16 1/2”
AHV30B3X(H,T)21 46” 17 1/2” 16 1/2” 13-29/32" 16 1/2”
AHV36C3X(H,T)21 52” 21” 21 1/2” 17-13/32" 20”
AHV42D3X(H,T)21 57’ 24 1/2” 26” 20-29/32" 23-1/2”
7/8"AHV48D3X(H,T)21 57” 24 1/2” 26” 20-29/32" 23-1/2”
AHV60D3X(H,T)21 57” 24 1/2” 26” 20-29/32" 23-1/2”
1. Actual size (Conduit size).
COIL TECHNICAL DATA
Models Application Refrig.
Conn. Types Face Area
(Sq. Ft.) Rows
Deep Fins
Per In. Coil Size Tube
Geometry Tube
Dia. Fin
Type
AHV18B3X(H,T)21 Cooling /Heat Pump Sweat 3.4 2 14 (2) 14 x 17.5 1 x 0.866 3/8 Enhanced
AHV24B3X(H,T)21 Cooling /Heat Pump Sweat 3.9 3 12 (2) 16 x 17.5 1 x 0.866 3/8 Enhanced
AHV30B3X(H,T)21 Cooling /Heat Pump Sweat 3.9 3 12 (2) 16 x 17.5 1 x 0.866 3/8 Enhanced
AHV36C3X(H,T)21 Cooling /Heat Pump Sweat 4.9 3 12 (2) 20 x 17.5 1 x 0.866 3/8 Enhanced
AHV42D3X(H,T)21 Cooling /Heat Pump Sweat 5.4 3 12 (2) 22 x 17.5 1 x 0.866 3/8 Enhanced
AHV48D3X(H,T)21 Cooling /Heat Pump Sweat 5.8 3 11 (2) 24 x 17.5 1 x 0.866 3/8 Enhanced
AHV60D3X(H,T)21 Cooling /Heat Pump Sweat 6.8 3 12 (2) 28 x 17.5 1 x 0.866 3/8 Enhanced
Johnson Controls Unitary Products 3
1169507-YTG-A-1114
COOLING CAPACITY1
Models Rated CFM2Entering Air
Dry/Wet Bulb (°F)
MBH@ Evap. Temp. and Corresponding R-410A Pressure (°F/PSIG)
35/107.9 40/118.9 45/130.7 50/143.3
AHV18B
610
85/72 37.9 33.7 28.3 23.3
80/67 31.8 27 22.5 17.6
75/62 26.4 21.5 16.7 11.6
70/57 20.7 18.4 15.8 13.5
850
85/72 49.7 43.2 36.9 28.4
80/67 42.1 35.1 28.8 22.5
75/62 33.7 28 21.4 14.7
70/57 26.5 23.8 20.3 16.9
AHV24B
585
85/72 38.7 34.4 30.1 24.7
80/67 33.6 28.9 23.9 18.9
75/62 27.2 22.7 17.8 12.8
70/57 21.2 18.6 16.2 13.7
795
85/72 50.8 45.2 38.4 32.0
80/67 43.7 36.8 31 24.0
75/62 35.7 29.5 23.1 16.1
70/57 27.9 24.5 21 17.6
985
85/72 64.9 54 45.6 37.8
80/67 52.3 44.6 36.9 28.4
75/62 42.2 35.2 26.8 19.3
70/57 33.6 29.6 25.4 21.4
AHV30B
585
85/72 38.7 34.4 30.1 24.7
80/67 33.6 28.9 23.9 18.9
75/62 27.2 22.7 17.8 12.8
70/57 21.2 18.6 16.2 13.7
795
85/72 50.8 45.2 38.4 32.0
80/67 43.7 36.8 31 24.0
75/62 35.7 29.5 23.1 16.1
70/57 27.9 24.5 21 17.6
985
85/72 64.9 54 45.6 37.8
80/67 52.3 44.6 36.9 28.4
75/62 42.2 35.2 26.8 19.3
70/57 33.6 29.6 25.4 21.4
AHV36C
730
85/72 49.3 45.2 38.3 31.4
80/67 43 37.3 31 24.0
75/62 34.7 28.8 22.8 16.2
70/57 26.8 23.4 20.4 16.9
855
85/72 59.1 51 44.1 36.5
80/67 49.3 42.4 35.4 27.6
75/62 39.9 33.1 26.1 18.2
70/57 31.1 26.9 23.5 19.7
1000
85/72 65.2 59.5 51.2 41.3
80/67 56.4 48.3 39.9 31.3
75/62 45.8 38.1 29.7 20.8
70/57 35.7 31.2 26.9 22.6
1190
85/72 67.5 65.9 59.8 48.7
80/67 64.9 56.7 46.2 35.7
75/62 53.5 43.2 34.1 24.0
70/57 41.4 36.6 31.5 26.2
For notes see Page 4.
4Johnson Controls Unitary Products
1169507-YTG-A-1114
AHV42D
820
85/72 56.6 51.1 42.8 35.6
80/67 48.6 41.1 34.8 27.6
75/62 39.4 33 26 18.3
70/57 30.5 26.6 23.1 19.6
1000
85/72 65.7 61 52.7 42.9
80/67 58 49.6 41.1 32.1
75/62 46.7 38.9 30.4 21.8
70/57 36.4 31.6 27.6 23.3
1180
85/72 67.9 71.4 60.2 48.8
80/67 65.6 56.9 47.1 37.1
75/62 53.8 45.2 34.7 24.6
70/57 42.2 37.1 31.9 27.0
1385
85/72 69.4 81 68 57.2
80/67 77.1 65.4 54.1 41.6
75/62 62.1 51 39.8 28.1
70/57 48.1 42.5 36.8 30.6
AHV48D
1000
85/72 69 59.8 51.3 41.5
80/67 56.5 48.2 39.7 29.9
75/62 45.1 36.8 28.3 18.9
70/57 34.4 31 26.8 22.5
1195
85/72 79.5 69.7 59.9 48.6
80/67 65.2 55.5 45.5 34.9
75/62 52.2 42.5 32.6 21.8
70/57 40.1 36.1 31.1 26.2
1385
85/72 90 78.1 66 54.5
80/67 73.5 62.7 51.3 38.7
75/62 59.2 48.2 36.9 24.0
70/57 45.2 41 35.4 29.7
1600
85/72 102.2 90 74.3 60.4
80/67 83.6 70.6 57.2 43.1
75/62 66.1 54 41.2 27.0
70/57 50.7 46.1 39.8 33.4
AHV60D
1190
85/72 83.6 73.7 62.9 51.6
80/67 68.2 58.4 48.4 37.1
75/62 54.9 45.3 34.8 23.9
70/57 42.2 37.3 31.9 26.9
1390
85/72 95.9 84.1 71.9 58.8
80/67 79.2 67.4 54.4 41.6
75/62 62.4 51.2 39.7 26.9
70/57 48 42.5 36.8 30.6
1565
85/72 106.3 94.2 78.5 63.5
80/67 87.6 73.9 60.2 45.9
75/62 69.3 56.8 43.5 29.7
70/57 53.1 46.9 40.5 34.1
1835
85/72 122.1 107.1 90.9 72.6
80/67 100.2 85.9 69.8 51.8
75/62 79.7 65.3 49.8 32.9
70/57 60.8 54.1 46.4 38.7
1. Actual capacity varies with the outdoor AC or HP that is used with the system.
2. Airflow is calculated for each system tonnage.
COOLING CAPACITY1 (Continued)
Models Rated CFM2Entering Air
Dry/Wet Bulb (°F)
MBH@ Evap. Temp. and Corresponding R-410A Pressure (°F/PSIG)
35/107.9 40/118.9 45/130.7 50/143.3
Johnson Controls Unitary Products 5
1169507-YTG-A-1114
APPLICATION FACTORS - RATED CFM VS. ACTUAL CFM
% Of Rated Airflow (CFM) 80% 90% 100% 110% 120%
Capacity Factor 0.96 0.98 1.00 1.02 1.03
PHYSICAL & ELECTRICAL DATA - COOLING ONLY
ECM MODELS
Models AHV18B AHV24B AHV30B AHV36C AHV42D AHV48D AHV60D
Blower - Diameter x Width 10 x 8 10 x 8 10 x 8 11 x 10 11 x 10 11 x 10 11 x 10
Motor HP 1/3 HP 1/3 HP 1/3 HP 1/2 HP 1/2 HP 3/4 HP 3/4 HP
Nominal RPM 1050 1050 1050 1050 1050 1050 1050
Voltage 208/230 208/230 208/230 208/230 208/230 208/230 208/230
Full Load Amps @230V 2.3 2.3 2.3 3.2 3.2 4.9 4.9
Filter 1
Type DISPOSABLE OR PERMANENT
Size 16 x 20 x 1 16 x 20 x 1 16 x 20 x 1 20 x 20 x 1 22 x 20 x 1 22 x 20 x 1 22 x 20 x 1
Permanent Type Kit 1PF0601BK 1PF0601BK 1PF0601BK 1PF0602BK 1PF0603BK 1PF0603BK 1PF0603BK
Shipping /
Operating Weight (lbs.) 116/104 121/106 121/106 153/138 169/151 172/154 175/157
1. Field supplied.
KW & MBH CONVERSIONS - FOR TOTAL POWER INPUT REQUIREMENT
For a power distribution voltage that is different than the provided nominal voltage, multiply the kW and MBH data from the table by the conversion factor in the following
table.
DISTRIBUTION POWER NOMINAL VOLTAGE CONVERSION FACTOR
208V 240V 0.75
220V 240V 0.84
230V 240V 0.92
ELECTRICAL DATA - COOLING ONLY
Models Motor FLA1Minimum Circuit Ampacity MOP2Minimum Wire
Size (AWG)3
208V 230V 208V 230V
AHV18B, AHV24B, AHV30B 2.7 2.3 3.4 2.9 15 14
AHV36C, AHV42D 3.6 3.2 4.5 4.0 15 14
AHV48D, AHV60D 5.3 4.9 6.6 6.1 15 14
1. FLA = Full Load Amps.
2. MOP = Maximum Overcurrent Protection device; must be HACR type circuit breaker or time delay fuse.
3. 75C, copper wire only. If wire other than non-plated, 75C ambient, copper wire is used, consult applicable tables of the NEC and local codes..
ELECTRICAL HEAT: MINIMUM FAN SPEED1
Heater Kit Models2,3 Nom. kW
@240V
Air Handler Models
AHV18B AHV24B AHV30B AHV36C AHV42D AHV48D AHV60D
6HK(0,1)6500206 2.4kW Low (D) Low (D) Low (D) Low (D) Low (D) Low (D) Low (D)
6HK(0,1)6500506 4.8kW Low (D) Low (D) Low (D) Low (D) Low (D) Low (D) Low (D)
6HK(0,1)6500806 7.7kW Med-Low (C) Low (D) Low (D) Low (D) Low (D) Low (D) Low (D)
6HK(0,1)6501006
6HK06501025 9.6kW Med-Low (C) Low (D) Low (D) Low (D) Low (D) Low (D) Low (D)
6HK(1,2)6501306 12.5kW - Med-Low (C) Med-Low (C) Low (D) Low (D) Low (D) Low (D)
6HK(1,2)6501506
6HK06501525 14.4kW - Med-Low (C) Med-Low (C) Med-Low (C) Low (D) Low (D) Low (D)
6HK(1,2)6501806
6HK06501825 17.3kW - - - Med-Low (C) Med-Low (C) Low (D) Low (D)
6HK(1,2)6502006
6HK16502025 19.2kW - - - Med-High (B) Med-High (B) Low (D) Low (D)
6HK(1,2)6502506
6HK16502525 24kW------Low (D)
1. The referenced letter in this table is for the heat jumper tap.
2. (0,1) - 0 = no circuit breaker OR 1 = with circuit breaker.
3. (1,2) - 1 = with circuit breaker, no breaker jumper bar OR 2 = with circuit breaker & breaker jumper bar.
6Johnson Controls Unitary Products
1169507-YTG-A-1114
ELECTRIC HEAT PERFORMANCE DATA: 208/230-1-60 & 208/230-3-60
Heater
Models1,2 Nominal kW
@240V
Total Heat3kW Staging
kW MBH W1 Only W1 + W2
208V 230V 208V 230V 208V 230V 208V 230V
1PH
6HK(0,1)6500206 2.4 1.8 2.2 6.2 7.5 1.8 2.2 1.8 2.2
6HK(0,1)6500506 4.8 3.6 4.4 12.3 15.0 3.6 4.4 3.6 4.4
6HK(0,1)6500806 7.7 5.8 7.1 19.7 24.1 5.8 7.1 5.8 7.1
6HK(0,1)6501006 9.6 7.2 8.8 24.6 30.1 7.2 8.8 7.2 8.8
6HK(1,2)6501306 12.5 9.4 11.5 32.0 39.2 3.1 3.8 9.4 11.5
6HK(1,2)6501506 14.4 10.8 13.2 36.9 45.1 3.6 4.4 10.8 13.2
6HK(1,2)6501806 17.3 13.0 15.9 44.3 54.2 6.5 7.9 13.0 15.9
6HK(1,2)6502006 19.2 14.4 17.6 49.2 60.2 7.2 8.8 14.4 17.6
6HK(1,2)6502506 24.0 18.0 22.0 61.5 75.2 7.2 8.8 18.0 22.0
3PH
6HK06501025 9.6 7.2 8.8 24.6 30.1 7.2 8.8 7.2 8.8
6HK06501525 14.4 10.8 13.2 36.9 45.1 10.8 13.2 10.8 13.2
6HK06501825 17.3 13.0 15.9 44.3 54.2 13.0 15.9 13.0 15.9
6HK16502025 19.2 14.4 17.6 49.2 60.2 7.2 8.8 14.4 17.6
6HK16502525 24.0 18.0 22.0 61.5 75.2 9.0 11.0 18.0 22.0
1. (0,1) - 0 = no circuit breaker OR 1 = with circuit breaker.
2. (1,2) - 1 = with circuit breaker, no breaker jumper bar OR 2 = with circuit breaker & breaker jumper bar.
3. For different power distributions, see conversion table on Page 5.
ELECTRICAL DATA FOR SINGLE SOURCE POWER SUPPLY - 208/230-1-60
Air Handler
Models
Heater
Models1,2
Heater
Amps
@240V
Field Wiring
Min. Circuit Ampacity MOP.3Min Wire Size (AWG)4
208V 230V 208V 230V 208V 230V
AHV18B
6HK(0,1)6500206 10.0 14.2 15.4 15 20 12 12
6HK(0,1)6500506 20.0 25.0 27.9 30 30 10 10
6HK(0,1)6500806 32.0 38.0 42.9 40 45 8 8
6HK(0,1)6501006 40.0 46.7 52.9 50 60 8 6
AHV24B
AHV30B
6HK(0,1)6500206 10.0 14.2 15.4 15 20 12 12
6HK(0,1)6500506 20.0 25.0 27.9 30 30 10 10
6HK(0,1)6500806 32.0 38.0 42.9 40 45 8 8
6HK(0,1)6501006 40.0 46.7 52.9 50 60 8 6
6HK(1,2)6501306 52.0 59.7 67.9 60 70 6 4
6HK(1,2)6501506 60.0 68.4 77.9 70 80 4 4
AHV36C
AHV42D
6HK(0,1)6500206 10.0 15.3 16.5 20 20 12 12
6HK(0,1)6500506 20.0 26.2 29.0 30 30 10 10
6HK(0,1)6500806 32.0 39.2 44.0 40 45 8 8
6HK(0,1)6501006 40.0 47.8 54.0 50 60 8 6
6HK(1,2)6501306 52.0 60.8 69.0 70 70 6 4
6HK(1,2)6501506 60.0 69.5 79.0 70 80 4 4
6HK(1,2)6501806 72.0 82.5 94.0 90 100 3 3
6HK(1,2)6502006 80.0 91.2 104.0 100 110 3 3
AHV48D
6HK(0,1)6500206 10.0 17.5 18.6 20 20 12 12
6HK(0,1)6500506 20.0 28.3 31.1 30 35 10 8
6HK(0,1)6500806 32.0 41.3 46.1 45 50 8 8
6HK(0,1)6501006 40.0 50.0 56.1 50 60 8 6
6HK(1,2)6501306 52.0 63.0 71.1 70 80 6 4
6HK(1,2)6501506 60.0 71.6 81.1 80 90 4 4
6HK(1,2)6501806 72.0 84.6 96.1 90 100 4 3
6HK(1,2)6502006 80.0 93.3 106.1 100 110 3 2
For notes see Page 7.
Johnson Controls Unitary Products 7
1169507-YTG-A-1114
AHV60D
6HK(0,1)6500206 10.0 17.5 18.6 20 20 12 12
6HK(0,1)6500506 20.0 28.3 31.1 30 35 10 8
6HK(0,1)6500806 32.0 41.3 46.1 45 50 8 8
6HK(0,1)6501006 40.0 50.0 56.1 50 60 8 6
6HK(1,2)6501306 52.0 63.0 71.1 70 80 6 4
6HK(1,2)6501506 60.0 71.6 81.1 80 90 4 4
6HK(1,2)6501806 72.0 84.6 96.1 90 100 4 3
6HK(1,2)6502006 80.0 93.3 106.1 100 110 3 2
6HK(1,2)6502506 100.0 115.0 131.1 125 150 2 1/0
1. (0,1) - 0 = no circuit breaker OR 1 = with circuit breaker.
2. (1,2) - 1 = with circuit breaker, no breaker jumper bar OR 2 = with circuit breaker & breaker jumper bar.
3. MOP = Maximum Overcurrent Protection device; must be HACR type circuit breaker or time delay fuse.
4. Stated sizes are for 75°C, copper wire only. If wire other than non-plated, 75°C ambient, copper wire is used, consult applicable tables of the NEC and local codes.
ELECTRICAL DATA FOR SINGLE SOURCE POWER SUPPLY - 208/230-1-60
Air Handler
Models
Heater
Models1,2
Heater
Amps
@240V
Field Wiring
Min. Circuit Ampacity MOP.3Min Wire Size (AWG)4
208V 230V 208V 230V 208V 230V
ELECTRICAL DATA FOR SINGLE SOURCE POWER SUPPLY - 208/230-3-60
Air Handler Models Heater
Models
Heater
Amps
@ 240V
Field Wiring
Min. Circuit Ampacity MOP1Min. Wire Size (AWG)2
208V 230V 208V 230V 208V 230V
AHV24B
AHV30B
6HK06501025 23.1 28.4 31.8 30 35 10 8
6HK06501525 34.6 40.9 46.1 45 50 8 8
AHV36C
AHV42D
6HK06501025 23.1 29.5 32.9 30 35 10 8
6HK06501525 34.6 42.0 47.3 45 50 8 8
6HK06501825 41.6 49.6 56.0 50 60 8 6
6HK16502025346.2 54.6 61.8 60 70 6 6
AHV48D
6HK06501025 23.1 31.7 35.0 35 35 8 8
6HK06501525 34.6 44.1 49.4 45 50 8 8
6HK06501825 41.6 51.7 58.1 60 60 6 6
6HK16502025346.2 56.7 63.9 60 70 6 6
AHV60D
6HK06501025 23.1 31.7 35.0 35 35 8 8
6HK06501525 34.6 44.1 49.4 45 50 8 8
6HK06501825 41.6 51.7 58.1 60 60 6 6
6HK16502025346.2 56.7 63.9 60 70 6 6
6HK16502525357.7 69.1 78.3 70 80 4 4
1. MOP = Maximum Overcurrent Protection device; must be HACR type circuit breaker or time delay fuse.
2. Stated sizes are for 75°C, copper wire only. If wire other than non-plated, 75°C ambient, copper wire is used, consult applicable tables of the NEC and local codes..
3. The 20kW and 25kW heater models (6HK16502025 and 6HK16502525) come with circuit breakers standard. Single source power MCA and MOP requirements are
given here only for reference if used with field installed single point power modification.
8Johnson Controls Unitary Products
1169507-YTG-A-1114
TYPICAL APPLICATIONS ACCESSORIES
Refer to Price Manual for specific model numbers where not shown.
TXV Kits - TXV kits are available for “Flex-coil” applications and con-
verting R-22 to R-410A or as a service replacement. All kits are bolt-on
and require no brazing to install.
Electric Heaters - 6HK models shown under electrical data include
sequential operation and temperature dual limit switches for safe, effi-
cient operation. Circuit breakers are provided where shown.
LIMITATIONS
These units must be wired and installed in accordance with all national
and local safety codes.
Voltage limits are as follows:
Airflow must be within the minimum and maximum limits approved for
electric heat, evaporator coils and outdoor units.
ELECTRICAL DATA FOR MULTI-SOURCE POWER SUPPLY: 208/230-1-60
Air
Handlers
Models
Heater
Models
Total
Heater
Amps
@240
V
Min. Circuit Ampacity MOP1Min. Wire Size (AWG)2
208V 230V 208V 230V 208V 230V
Circuit Circuit Circuit
1st32nd 3rd 1st32nd 3rd 1st32nd 3rd 1st32nd 3rd 1st32nd 3rd 1st32nd 3rd
AHV24B
AHV30B
6HK16501306 52.0 22.2 37.6 24.6 43.3 – 25 40 – 25 45 – 10 8 – 10 8
6HK16501506 60.0 25.1 43.3 27.9 50.0 – 30 45 – 30 50 – 10 8 – 10 8
AHV36C
AHV42D
6HK16501306 52.0 23.3 37.6 25.7 43.3 – 25 40 – 30 45 – 10 8 – 10 8
6HK16501506 60.0 26.2 43.3 29.0 50.0 – 30 45 – 30 50 – 10 8 – 10 8
6HK16501806 72.0 43.5 39.0 49.0 45.0 – 45 40 – 50 45 –88–88–
6HK16502006 80.0 47.8 43.3 54.0 50.0 – 50 45 – 60 50 –88–68–
AHV48D
6HK16501306 52.0 25.4 37.6 27.8 43.3 – 30 40 – 30 45 – 10 8 – 10 8
6HK16501506 60.0 28.3 43.3 31.1 50.0 – 30 45 – 35 50 – 10 8–88–
6HK16501806 72.0 45.6 39.0 51.1 45.0 – 50 40 – 60 45 –88–68–
6HK16502006 80.0 49.9 43.3 56.1 50.0 – 50 45 – 60 50 –88–68–
AHV60D
6HK16501306 52.0 25.4 37.6 27.8 43.3 – 30 40 – 30 45 – 10 8 – 10 8
6HK16501506 60.0 28.3 43.3 31.1 50.0 – 30 45 – 35 50 – 10 8–88–
6HK16501806 72.0 45.6 39.0 51.1 45.0 – 50 40 – 60 45 –88–68–
6HK16502006 80.0 49.9 43.3 56.1 50.0 – 50 45 – 60 50 –88–68–
6HK16502506 100.0 49.9 43.3 21.7 56.1 50.0 25.0 50 45 25 60 50 25 8 8 10 6 8 10
1. MOP = Maximum Overcurrent Protection device; must be HACR type circuit breaker or time delay fuse.
2. Stated sizes are for 75°C, copper wire only. If wire other than non-plated, 75°C ambient, copper wire is used, consult applicable tables of the NEC and local codes.
3. 1st Circuit includes the blower motor amps.
ELECTRICAL DATA FOR MULTI-SOURCE POWER SUPPLY: 208/230-3-60
Air Handler
Models Heater
Models
Total Heater
Amps
@ 240V
Min. Circuit Ampacity MOP1 Min. Wire Size (AWG)2
208V 230V 208V 230V 208V 230V
Circuit Circuit Circuit
1st32nd 1st32nd 1st32nd 1st32nd 1st32nd 1st32nd
AHV36C
AHV42D 6HK16502025 46.2 29.5 25.0 32.9 28.9 30 25 35 30 10 10 8 10
AHV48D 6HK16502025 46.2 31.7 25.0 35.0 28.9 35 25 35 30 8 10 8 10
AHV60D 6HK16502025 46.2 31.7 25.0 35.0 28.9 35 25 35 30 8 10 8 10
6HK16502525 57.7 37.9 31.3 42.2 36.1 40 35 45 40 8888
1. MOP = Maximum Overcurrent Protection device; must be HACR type circuit breaker or time delay fuse.
2. Stated sizes are for 75°C, copper wire only. If wire other than non-plated, 75°C ambient, copper wire is used, consult applicable tables of the NEC and local codes.
3. 1st Circuit includes the fan motor.
UPFLOW
HORIZONTAL RIGHT
HORIZONTAL LEFT
HEAT
HEAT
HEAT
DOWNFLOW
HEAT
Air Handler Voltage 1Normal Operating Voltage
Range
1. Rated in accordance with ARI Standard 110, utilization range “A”.
208/230-1-60 187-253
Johnson Controls Unitary Products 9
1169507-YTG-A-1114
TYPICAL THERMOSTAT CONNECTION
Cooling Models with and without Electric Heat Wiring
* Optional dehumidification humidistat switch contacts open on humidity rise.
NOTES:
1. “Y/Y2” Thermostat wire must be connected for full CFM and applications requiring 60 second blower off delay for SEER enhancement.
2. Remove humidistat jumper on air handler control board.
3. For heat pump applications - set AC/HP jumper on air handler control board to the HP position.
TYPICAL THERMOSTAT WIRING FOR 2-STAGE
HEAT PUMP WITH ECM BLOWER MOTOR
* Optional dehumidification humidistat switch contacts open on humidity rise.
NOTES:
1. “Y/Y2” Thermostat wire must be connected for full CFM and applications
requiring 60 second blower off delay for SEER enhancement.
2. Set humidistat jumper to “YES” if using humidistat or communicating control.
3. For heat pump applications - set AC/HP jumper on air handler control board
to the HP position.
AIR HANDLER WITH COMMUNICATING
AC OR HP
Air Handler Control Wiring
Typical A/C - Cooling only Applications
THERMOSTAT AIR HANDLER
BOARD 1 - STAGE
AIR CONDITIONING
RR
G
Y
W1
W2
C
G
W1
W2
Y
C
Y/Y2
Y1
O
HUM
COM
HUMIDISTAT
THERMOSTAT AIR HANDLER
BOARD 1 - STAGE
AIR CONDITIONING
RR
G
Y
W1
W2
C
G
W1
W2
Y
C
Y/Y2
Y1
O
HUM
COM
HUMIDISTAT
Air Handler Control Wiring
Typical A/C with Electric Heat Applications
FIGURE 1: Air Handler with Communicating AC or HP
A+
R
C
B-
A+
R
C
B-
A+
R
C
B-
R
G
Y/Y2
Y1
W2
W1
O
HUM
COM
Touch Screen
Communicating
Control
Air Handler
Communicating
Control
Air Conditioner/Heat Pump
Communicating Control
10 Johnson Controls Unitary Products
1169507-YTG-A-1114
AIR FLOW DATA (CFM)
1
High/Low Speed Cooling and Heat Pump CFM
Cool Tap ADJ Tap2AHV18 AHV24 AHV30 AHV36
High Low High Low High Low High Low
A B 805 523 1035 673 1150 748 1380 897
B B 690 449 920 598 1035 673 1208 794
A A 700 455 900 585 1000 650 1200 780
B A 600 390 800 520 900 585 1050 690
A C 630 410 810 527 900 585 1080 702
C B 575 374 776 506 920 598 1035 673
B C 540 351 720 468 810 527 945 621
D B 460 299 633 414 805 523 863 564
C A 500 325 675 440 800 520 900 585
D A 400 260 550 360 700 455 750 490
C C 450 293 608 396 720 468 810 527
D C 360 234 495 324 630 410 675 441
Cool Tap ADJ Tap2AHV42 AHV48 AHV60
High Low High Low High Low
A B 1610 1047 1840 1196 2070 1346
B B 1495 972 1668 1093 1811 1179
A A 1400 910 1600 1040 1800 1170
B A 1300 845 1450 950 1575 1025
A C 1260 819 1440 936 1620 1053
C B 1380 897 1495 972 1668 1081
B C 1170 761 1305 855 1418 923
D B 1265 822 1323 863 1570 1024
C A 1200 780 1300 845 1450 940
D A 1100 715 1150 750 1365 890
C C 1080 702 1170 761 1305 846
D C 990 644 1035 675 1229 801
High/Low Speed Heat CFM
Heat Tap ADJ Tap2AHV18 AHV24 AHV30 AHV36
High Low High Low High Low High Low
A Any 850 650 1100 740 1100 740 1360 900
B Any 700 600 960 650 960 650 1150 770
C Any 550 550 830 600 830 600 1000 630
D Any 400 400 580 550 580 550 720 550
Heat Tap ADJ Tap2AHV42 AHV48 AHV60
High Low High Low High Low
A Any 1550 950 1775 1000 2000 1150
B Any 1350 800 1600 850 1840 1050
C Any 1150 670 1360 750 1570 950
D Any 900 550 1170 600 1370 830
1. All CFMs are shown at 0.3" w.c.external static pressure. These units have variable-speed ECM motors that automatically adjust to provide constant CFM from
0.0" to 0.4" wc. external static pressure. From 0.4" to 0.8" external static pressure, CFM is reduced by 2% per 0.1" static pressure. Operation of these units on duct
systems with external static pressure greater than 0.8" is not recommended.
At some settings, airflow may be lower than what is required to operate an airflow switch on certain models of electronic air cleaners. Consult the instructions for
the electronic air cleaner for further details.
Data is for 208V or 230V.
2. The ADJ "D" tap should not be used.
Johnson Controls Unitary Products 11
1169507-YTG-A-1114
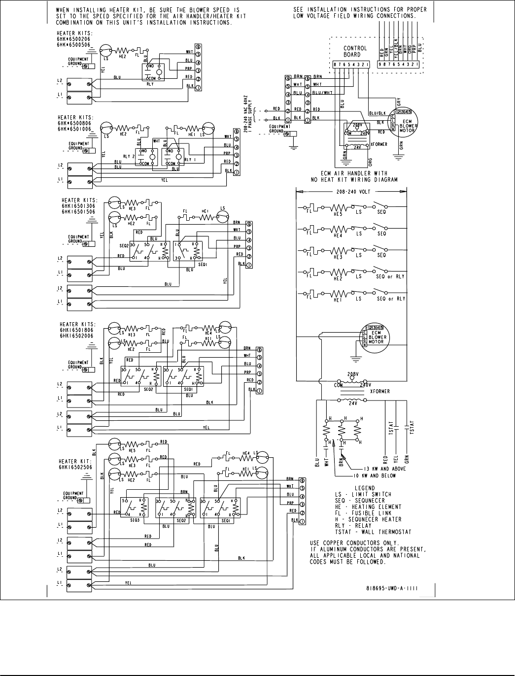
WIRING DIAGRAMS
WIRING DIAGRAM - SINGLE PHASE HEAT KITS
1
2
3
4
5
6
L2
L1
L2
L1
HE1
HE2
LS
LS
HE3
LS
H
HH
H
FL
FL
FL
5
4
3
13
1
SEQ2
SEQ1
RED
EQUIPMENT
GROUND
YEL
BLU
BLK
BLK
RED
RED
YEL
BRN
WHT
BLU
PRP
BLU
BLU
BLU
BLU
1
2
3
4
5
6
L2
L1
L2
L1
HE1
HE2
LS
LS
HE3
LS
H
H
FL
FL
FL
5
4
3
1
SEQ2 SEQ1
RED
EQUIPMENT
GROUND
YEL
RED
YEL
BLK
RED
RED
BLK
BRN
WHT
BLU
PRP
BLU
RED
BLU
BLU
1
2
3
4
5
6
L2
L1
HE2
LS FL
RLY 2 RLY 1 RED
EQUIPMENT
GROUND
YEL
BLK
BLU
YEL
WHT
BLU
PRP
BLU
BLU
BLU
1
2
3
4
5
6
L2
L1
L2
L1
HE1
HE2
LS
LS
HE3
LS
H
H
H
H
FL
FL
FL
5
4
3
1
4
5
SEQ3 SEQ1
RED
EQUIPMENT
GROUND
BLU
BLK
BLK
RED
RED
BRN
WHT
BLU
PRP
BLU
BLU
H
H
5
4
3
1
SEQ2
BLU
L2
L1
BLU
HE5
LS FL HE4 LS
FL
BRN
RED
BLK
BLK
BLU
YEL
YEL
RED
RED
RED
HE4 LS
FL
H
H
5
4
3
1
BLU
BLK
BLU
HE1 LS
FL
BLU
WHT
1
2
3
4
5
6
L2
L1
RLY
RED
EQUIPMENT
GROUND
YEL
BLK
WHT
BLU
PRP
BLU
BLU
HE2
LS FL
WHEN INSTALLING HEATER KIT, BE SURE THE BLOWER SPEED IS
SET TO THE SPEED SPECIFIED FOR THE AIR HANDLER/HEATER KIT
COMBINATION ON THIS UNIT'S INSTALLATION INSTRUCTIONS.
HEATER KITS:
6HK*6500206
6HK*6500506
HEATER KITS:
6HK*6500806
6HK*6501006
HEATER KITS:
6HK16501306
6HK16501506
HEATER KITS:
6HK16501806
6HK16502006
HEATER KIT:
6HK16502506
24V
240V
COM
208V
XFORMER
HE1 LS
FL
HE2 LS
FL
HE3 LS
FL
HE4 LS
FL
HE5 LS
FL
SEQ or RLY
SEQ
SEQ
SEQ
SEQ or RLY
RED
GRN
BLU
WHT
BRN
USE COPPER CONDUCTORS ONLY.
IF ALUMINUM CONDUCTORS ARE PRESENT,
ALL APPLICABLE LOCAL AND NATIONAL
CODES MUST BE FOLLOWED.
SEE INSTALLATION INSTRUCTIONS FOR PROPER
LOW VOLTAGE FIELD WIRING CONNECTIONS.
LEGEND
LS - LIMIT SWITCH
SEQ - SEQUNECER
HE - HEATING ELEMENT
FL - FUSIBLE LINK
H - SEQUNECER HEATER
RLY - RELAY
TSTAT - WALL THERMOSTAT
H
H
H
H
H
H
COM
NO
NO NO
COM COM
818695-UWD-A-1111
208-240 VOLT
13 KW AND ABOVE
10 KW AND BELOW
ECM
BLOWER
MOTOR
C
L
G
N
12345
YEL
EQUIPMENT
GROUND
1
2
3
4
5
6
BLK
RED
{
208-240 VAC 60HZ
1 PHASE SUPPLY
24V
240V
ECM
BLOWER
MOTOR
COM
208V
XFORMER
BLK
RED
BLU
BRN
WHT
GRN
C
L
G
N
12345
RED
BLK
GRY
ECM AIR HANDLER WITH
NO HEAT KIT WIRING DIAGRAM
GRN
9 8 7 6 5 4 3 2 1
8 7 6 5 4 3 2 1
BLU
PRP
ORG
WHT
BRN
YEL/BLK
YEL
GRN
RED
BLU/BLK
BLU
ORG
1
2
3
4
5
6
BLK
RED
BLU/WHT
BRN
WHT
CONTROL
BOARD
TSTAT
TSTAT
Subject to change without notice. Published in U.S.A. 1169507-YTG-A-1114
Copyright © 2014 by Johnson Controls, Inc. All rights reserved. Supersedes: 824755-YTG-D-0913
York International Corp.
5005 York Drive
Norman, OK 73069
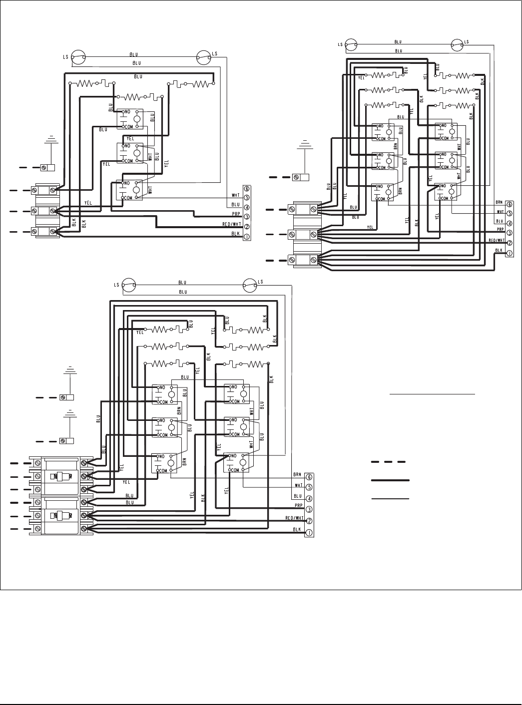
WIRING DIAGRAM - 3 PHASE HEAT KITS
HEATER KITS:
6HK06501025
6HK06501525
HEATER KITS:
6HK06501825
HEATER KITS:
6HK16502025
6HK16502525
COMPONENT CODES
GND – EQUIPMENT GROUND
FL – FUSIBLE LINK
HE – HEATING ELEMENT
LS – LIMIT SWITCH
REL – RELAY
FIELD POWER WIRING
(208/230V)
FACTORY WIRING
(208/230V)
FACTORY WIRING
LOW VOLTAGE
L1
L2
L3
L1
L2
L3
GND
GND
GND
GND
L1
L2
L3
L1
L2
L3
REL1
REL2
REL3
REL4
REL5
REL6
HE1
HE6 HE5
HE4HE3
HE2 FL
FL
FL
FL
FL
FL
REL1
REL2
REL3
HE1HE3 HE2FL
FL FL
REL1
REL2
REL3
REL4
REL5
REL6
HE1
HE6 HE5
HE4
HE3
HE2 FL
FL
FL
FL
FL
FL

Navigation menu