User manual

ZXSDRR8984E
4PathRemoteRadioUnit
ProductDescription
Version:V1.0
ZTECORPORATION
No.55,Hi-techRoadSouth,ShenZhen,P .R.China
Postcode:518057
Tel:+86-755-26771900
Fax:+86-755-26770801
URL:http://support.zte.com.cn
E-mail:800@zte.com.cn

LEGALINFORMATION
Copyright©2016ZTECORPORATION.
Thecontentsofthisdocumentareprotectedbycopyrightlawsandinternationaltreaties.Anyreproductionor
distributionofthisdocumentoranyportionofthisdocument,inanyformbyanymeans,withoutthepriorwritten
consentofZTECORPORATIONisprohibited.Additionally,thecontentsofthisdocumentareprotectedby
contractualcondentialityobligations.
Allcompany,brandandproductnamesaretradeorservicemarks,orregisteredtradeorservicemarks,ofZTE
CORPORATIONoroftheirrespectiveowners.
Thisdocumentisprovided“asis”,andallexpress,implied,orstatutorywarranties,representationsorconditions
aredisclaimed,includingwithoutlimitationanyimpliedwarrantyofmerchantability,tnessforaparticularpurpose,
titleornon-infringement.ZTECORPORATIONanditslicensorsshallnotbeliablefordamagesresultingfromthe
useoforrelianceontheinformationcontainedherein.
ZTECORPORATIONoritslicensorsmayhavecurrentorpendingintellectualpropertyrightsorapplications
coveringthesubjectmatterofthisdocument.ExceptasexpresslyprovidedinanywrittenlicensebetweenZTE
CORPORATIONanditslicensee,theuserofthisdocumentshallnotacquireanylicensetothesubjectmatter
herein.
ZTECORPORATIONreservestherighttoupgradeormaketechnicalchangetothisproductwithoutfurthernotice.
UsersmayvisittheZTEtechnicalsupportwebsitehttp://support.zte.com.cntoinquireforrelatedinformation.
TheultimaterighttointerpretthisproductresidesinZTECORPORATION.
RevisionHistory
RevisionNo.RevisionDateRevisionReason
R1.02016-06-06Firstedition
SerialNumber:SJ-20150330163204-001
PublishingDate:2016-06-06(R1.0)
SJ-20150330163204-001|2016-06-06(R1.0)ZTEProprietaryandCondential

Contents
AboutThisManual.........................................................................................I
Chapter1FCCStatement..........................................................................1-1
Chapter2ProductPositioningandFeatures..........................................2-1
2.1Positioning.........................................................................................................2-1
2.2Highlights..........................................................................................................2-2
Chapter3ProductStructure.....................................................................3-1
3.1HardwareStructure............................................................................................3-1
3.2LogicalArchitecture............................................................................................3-2
3.3SoftwareArchitecture.........................................................................................3-2
Chapter4OperationandMaintenanceSystem.......................................4-1
4.1NetworkArchitecture..........................................................................................4-1
4.2Function............................................................................................................4-2
Chapter5ProductFeatures......................................................................5-1
Chapter6NetworkTopologies..................................................................6-1
6.1StarNetworkArchitecture...................................................................................6-1
6.2ChainNetworkArchitecture.................................................................................6-1
Chapter7TechnicalSpecications..........................................................7-1
7.1PhysicalSpecications.......................................................................................7-1
7.2PerformanceSpecications.................................................................................7-1
7.3PowerConsumptionSpecications......................................................................7-1
7.4ReliabilitySpecications.....................................................................................7-2
Chapter8EnvironmentalSpecications..................................................8-1
8.1PowerSupplySpecications...............................................................................8-1
8.2OperationalEnvironment....................................................................................8-1
8.3StorageEnvironment..........................................................................................8-2
Glossary..........................................................................................................I
I
SJ-20150330163204-001|2016-06-06(R1.0)ZTEProprietaryandCondential

Thispageintentionallyleftblank.
II
SJ-20150330163204-001|2016-06-06(R1.0)ZTEProprietaryandCondential

AboutThisManual
Purpose
Thismanualdescribesthefeatures,architecture,specications,networkarchitecture,and
operationandmaintenanceoftheZXSDRR8984E.
IntendedAudience
Thismanualisintendedfor:
lNetworkplanningengineers
lSoftwaredebugengineers
lSystemmaintenanceengineers
WhatIsinThisManual
Thismanualcontainsthefollowingchapters.
Chapter1,FCCStatementDescribestheFCCstatementrelatedtothe
device.
Chapter2,ProductPositioningandHighlightsDescribesthepositioningandhighlightsofthe
ZXSDRR8984E.
Chapter3,ProductStructureDescribesthehardwarestructureandsoftware
structureoftheZXSDRR8984E.
Chapter4,OperationandMaintenanceSystemDescribestheoperationandmaintenancesystem
oftheZXSDRR8984E.
Chapter5,ProductFeaturesDescribesthefeaturesoftheZXSDRR8984E.
Chapter6,NetworkT opologiesDescribesthetypicalnetworktopologiesofthe
ZXSDRR8984E.
Chapter7,TechnicalSpecicationsDescribesthetechnicalspecicationsofthe
ZXSDRR8984E.
Chapter8,EnvironmentalSpecicationsDescribestheenvironmentalspecicationsofthe
ZXSDRR8984E.
I
SJ-20150330163204-001|2016-06-06(R1.0)ZTEProprietaryandCondential

Thispageintentionallyleftblank.
II
SJ-20150330163204-001|2016-06-06(R1.0)ZTEProprietaryandCondential

Chapter1
FCCStatement
Note:
ThisequipmenthasbeentestedandfoundtocomplywiththelimitsforaClassAdigital
device,pursuanttoPart15oftheFCCRules.Theselimitsaredesignedtoprovide
reasonableprotectionagainstharmfulinterferencewhentheequipmentisoperatedin
acommercialenvironment.Thisequipmentgenerates,uses,andcanradiateradio
frequencyenergyand,ifnotinstalledandusedinaccordancewiththeinstructionmanual,
maycauseharmfulinterferencetoradiocommunications.Operationofthisequipment
inaresidentialareaislikelytocauseharmfulinterferenceinwhichcasetheuserwillbe
requiredtocorrecttheinterferenceathisownexpense.
Note:
Operationofthisequipmentinaresidentialareaislikelytocauseharmfulinterferencein
whichcasetheuserwillberequiredtocorrecttheinterferenceathisownexpense.
Note:
FCCRadiationExposureStatement:ThisequipmentcomplieswithFCCradiation
exposurelimitssetforthforanuncontrolledenvironment.Thisequipmentshouldbe
installedandoperatedwithminimumdistance18.9cmbetweentheradiator&yourbody.
1-1
SJ-20150330163204-001|2016-06-06(R1.0)ZTEProprietaryandCondential

ZXSDRR8984EProductDescription
Thispageintentionallyleftblank.
1-2
SJ-20150330163204-001|2016-06-06(R1.0)ZTEProprietaryandCondential

Chapter2
ProductPositioningand
Features
TableofContents
Positioning.................................................................................................................2-1
Highlights...................................................................................................................2-2
2.1Positioning
TheZXSDRR8984E,anRRUdevelopedbyZTE,supportsthesingle-modeOFDMMIMO
AccessPoint4-path4-carriertechnology,andisusedtoconstructindoorandoutdoor
macronetworksandllcoverageholes.ForthepositioningoftheZXSDRR8984Eina
radionetwork,seeFigure2-1.Here,theyellowRRUistheZXSDRR8984E.
Figure2-1PositioningoftheZXSDRR8984EinaNetwork
SystemDescription
UEUserequipment.
BBUAchievesGPSsynchronization,control,andbasebandprocessing.
RRUTransmitsandreceivessignals.
corenetworkIP-basedcorenetwork,whichislocatedbetweenanOFDMMIMO
AccessPointnetworkandothernetworks.Ontheuserplane,
thecorenetworkisconnectedtoanOFDMMIMOAccessPoint
networkthroughtheSGW.Onthecontrolplane,thecorenetwork
isconnectedtoanOFDMMIMOAccessPointnetworkthrough
theMME.
2-1
SJ-20150330163204-001|2016-06-06(R1.0)ZTEProprietaryandCondential

ZXSDRR8984EProductDescription
2.2Highlights
ThehighlightsoftheZXSDRR8984Eareasfollows:
lUnitedplatform
TheZXSDRR8984EisdevelopedbasedontheuniedSDRplatform,whichsupports
asmoothevolutiontothenewtechnologiesinthefuture,andprotectstheoperators'
investmenttothemaximumextent.
lGreenandenergysaving
àSmallissizeandlightinweight,theZXSDRR8984EisacompactRRU.
àUsesmultipleefcientpowerampliertechnologies,forexample,CFR,DPD,
andDoherty,andusesenergy-savingtechnologies,forexample,poweramplier
voltageadjustment,decreasingthepowerconsumption.
àUsesnaturalheatdissipationwithoutnoise.Comparedwithtraditionaldissipation
usingairconditioners,itdecreasesthepowerconsumptionandsavescoston
electricity.
lMultiplecarriersandMIMO.
àSupportsupto4×20MHzbandwidthforOFDMMIMOAccessPoint.Increases
thesystemcapacitybyusingtheCAtechnologyandrealizesexibleusageof
frequencyresources.
àIncreasesthefrequencyusageandimprovesuserexperiencebyusingtheMIMO
technology.
lHighpower
Supportsupto0.64W(4×160mw)outputpower,satisfyingpowerrequirementsin
large-capacityandlarge-coveragescenarios.
2-2
SJ-20150330163204-001|2016-06-06(R1.0)ZTEProprietaryandCondential

Chapter3
ProductStructure
TableofContents
HardwareStructure....................................................................................................3-1
LogicalArchitecture....................................................................................................3-2
SoftwareArchitecture.................................................................................................3-2
3.1HardwareStructure
Figure3-1showsanexternalviewoftheZXSDRR8984E.
Figure3-1ExternalView
3-1
SJ-20150330163204-001|2016-06-06(R1.0)ZTEProprietaryandCondential

ZXSDRR8984EProductDescription
3.2LogicalArchitecture
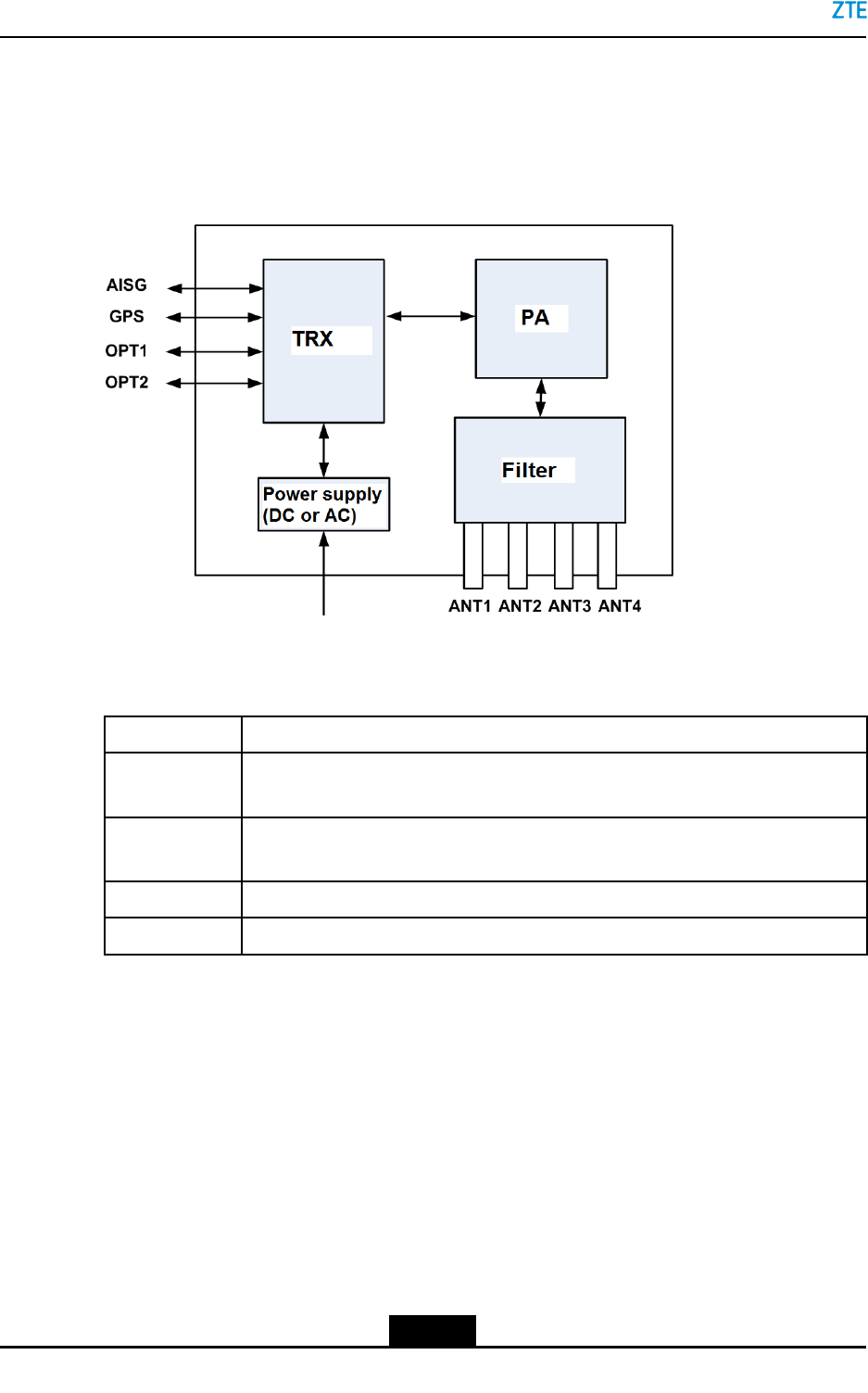
TheZXSDRR8984Eiscomposedofatransceiver,apoweramplier,aduplexlter,anda
powersupplymodule.ForthelogicalarchitectureoftheZXSDRR8984E,seeFigure3-2.
Figure3-2LogicalArchitecture
Foradescriptionofthemodules,refertoTable3-1.
Table3-1ModuleDescriptions
ModuleFunction
TransceiverImplementsdigitalIF,RFsignaltransmissionandreception,control,clock,power
control,andpoweramplierfunctions.
PoweramplierAmpliesdownlinkRFsignalsandoutputRFsignalstoduplexlters,and
implementstheLNAfunctionforfourreceptionpaths.
FilterCombinesandltersRFsignals.
PowersupplyProvidespowerforthesystem.
3.3SoftwareArchitecture
ForthesoftwarearchitectureoftheZXSDRR8984E,seeFigure3-3.
3-2
SJ-20150330163204-001|2016-06-06(R1.0)ZTEProprietaryandCondential

Chapter3ProductStructure
Figure3-3SoftwareArchitecture
ForadescriptionofthesoftwarearchitectureoftheZXSDRR8984E,refertoT able3-2.
Table3-2SoftwareArchitectureDescriptions
SoftwareDescription
RFManagementImplementstheRFmanagementfunction,includingRFcontroland
RFpathmanagement.
OAMProvidesanoperationandmaintenanceadaptorinterface.
Implementsthefollowingoperationandmaintenancefunctions:
congurationmanagement,versionmanagement,performance
management,testmanagement,securitymanagement,diagnosis
testing,systemcontrol,andcommunicationprocessing.
OSSUsestheSDRplatformarchitecture.
Implementsschedulingmanagement,memorymanagement,and
timermanagement.
BSPProvidesboard-basedpackages.
Usestheunitedarchitecture.Usestheunitedinterfacetoconnect
theupperlayer.
OSManageshardwareandsoftwareresourcesofthesystem.
3-3
SJ-20150330163204-001|2016-06-06(R1.0)ZTEProprietaryandCondential

ZXSDRR8984EProductDescription
Thispageintentionallyleftblank.
3-4
SJ-20150330163204-001|2016-06-06(R1.0)ZTEProprietaryandCondential

Chapter4
OperationandMaintenance
System
TableofContents
NetworkArchitecture..................................................................................................4-1
Function.....................................................................................................................4-2
4.1NetworkArchitecture
TheOAMfortheZXSDRR8984Ecanbeimplementedeitherlocallyorremotely.
RemoteMaintenanceMode
Inthismode,theNetNumenU31providestheoperationandmaintenanceoftheZXSDR
R8984Eremotely.TheNetNumenU31isconnectedtotheZXSDRR8984Ethrougha
transmissionnetworkandaBBU,seeFigure4-1.
Figure4-1RemoteMaintenanceMode
Inremotemaintenancemode,thenetworkmanagementsystemisconnectedtoNEs
throughtheTCP/IPprotocol.Onenetworkmanagementsystemcanmaintainmultiple
basestations.
LocalMaintenanceMode
TheLocalMaintenanceT erminal(LMT),whichisinstalledonaPC,isphysicallyconnected
tothedebuginterfaceoftheZXSDRR8984EthroughanEthernetcabletoperform
operationandmaintenanceontheZXSDRR8984E,seeFigure4-2.
4-1
SJ-20150330163204-001|2016-06-06(R1.0)ZTEProprietaryandCondential

ZXSDRR8984EProductDescription
Figure4-2LocalMaintenanceMode
Thelocalmaintenancemodeisusedtomaintainasinglebasestation.
4.2Function
TheGUIoftheNetNumenN31networkmanagementsystemispresentedintheformof
topology,andinformationabouteachNEinthenetworkcanbeviewedontheGUI.Auser
canselectanNEtobemaintained,andviewdetailedperformancedata,alarminformation,
andcongurationdataoftheNE.Operationandmaintenancecanbeperformedona
certaintypeofNEsthroughtherelevanttopology.Itsmainfunctionsareasfollows:
lCongurationmanagement
Itenablesuserstoadd,query,delete,andmodifythephysicalandradioresource
dataofbasestations,andcheckdataconsistency.Bothdynamicandstaticdata
congurationsaresupported.
lSecuritymanagement
Itensuresthatonlyauthorizeduserscanperformrelevantcommandgroupoperations.
lPerformancemanagement
Itenablesuserstoimplementperformanceanalysis,calltracing,andsignalingtracing.
lVersionmanagement
Itenablesuserstoviewtherunningsoftwareandhardwareversionsthroughthe
networkmanagementsystem,throughwhichsoftwarecanbedownloadedand
upgraded.
lFaultmanagement
Itincludestwoparts:alarmmanagementanddiagnostictest.Itperformscentralized
monitoringofrunningstatusofbasestationsandcollectsabnormalinformation
aboutboardsandlinksinrealtime.Thisfunctionmakesitconvenientforoperation
andmaintenancepersonneltoperformanalysis,makedecision,andimplement
maintenanceandrepair.
4-2
SJ-20150330163204-001|2016-06-06(R1.0)ZTEProprietaryandCondential

Chapter5
ProductFeatures
TheZXSDRR8984Esupportsthefollowingfeatures:
lSupports10MHz,15MHz,and20MHzbandwidthcongurationsforOFDMMIMO
AccessPoint
lOperatingfrequencybandof5150MHz-5250MHz
lFourOFDMMIMOAccessPointTx/RxpathsandMIMO
lDownlink/uplinktimeslotconguration
lRGPSbackhaultechnology
lRETantennas
lOFDMMIMOAccessPointIranduptofour-levelZXSDRR8984Ecascading
5-1
SJ-20150330163204-001|2016-06-06(R1.0)ZTEProprietaryandCondential

ZXSDRR8984EProductDescription
Thispageintentionallyleftblank.
5-2
SJ-20150330163204-001|2016-06-06(R1.0)ZTEProprietaryandCondential

Chapter6
NetworkTopologies
TableofContents
StarNetworkArchitecture...........................................................................................6-1
ChainNetworkArchitecture........................................................................................6-1
6.1StarNetworkArchitecture
Inastarnetwork,theBBUisdirectlyconnectedtoeachZXSDRR8984E,andZXSDR
R8984Edevicesareenddevices.Inthisnetworkarchitecture,bothmaintenanceand
engineeringareeasy.Signalsareprocessedbyfewernodes,andthereliabilityishigh,
seeFigure6-1.
Figure6-1StarNetworkArchitecture
6.2ChainNetworkArchitecture
Achainnetworkisapplicabletostrip-shapedareaswithlesspopulationdensity,where
opticalberscanbeeasilydeployed,seeFigure6-2.
6-1
SJ-20150330163204-001|2016-06-06(R1.0)ZTEProprietaryandCondential

ZXSDRR8984EProductDescription
Figure6-2ChainNetworkArchitecture
6-2
SJ-20150330163204-001|2016-06-06(R1.0)ZTEProprietaryandCondential

Chapter7
TechnicalSpecications
TableofContents
PhysicalSpecications...............................................................................................7-1
PerformanceSpecications........................................................................................7-1
PowerConsumptionSpecications............................................................................7-1
ReliabilitySpecications.............................................................................................7-2
7.1PhysicalSpecications
ForthephysicalspecicationsoftheZXSDRR8984E,refertoT able7-1.
Table7-1PhysicalSpecications
ItemSpecication
Dimensions(HxWxD)425mmx300mmx150mm
Volume<19L
Weight<19kg
7.2PerformanceSpecications
FortheperformancespecicationsoftheZXSDRR8984E,refertoTable7-2.
Table7-2PerformanceSpecications
ItemSpecication
Operatingfrequencyband5150MHz-5250MHz
Operatingfrequencyinterval100kHz
TOC4×160mw
Receiversensitivity–101.5dBm
Carriershift±0.05ppm
7.3PowerConsumptionSpecications
ForthepowerconsumptionspecicationsoftheZXSDRR8984E,refertoT able7-3.
7-1
SJ-20150330163204-001|2016-06-06(R1.0)ZTEProprietaryandCondential

ZXSDRR8984EProductDescription
Table7-3TypicalPowerConsumption
SlotRatioTypicalPowerConsumption
DL:UL=2:2110W
DL:UL=3:1120W
7.4ReliabilitySpecications
ForthereliabilityspecicationsoftheZXSDRR8984E,refertoTable7-4.
Table7-4ReliabilitySpecications
ItemSpecication
ProtectionratingIP66
ProtectionmodeDie-castingshellstructure
MTBF>180000h
MTTR<60min
7-2
SJ-20150330163204-001|2016-06-06(R1.0)ZTEProprietaryandCondential

Chapter8
EnvironmentalSpecications
TableofContents
PowerSupplySpecications......................................................................................8-1
OperationalEnvironment............................................................................................8-1
StorageEnvironment..................................................................................................8-2
8.1PowerSupplySpecications
ForthepowersupplyspecicationsoftheZXSDRR8984E,refertoT able8-1.
Table8-1PowerSupplySpecications
ItemSpecication
DC–48VDC(range:–57Vto–37V)
8.2OperationalEnvironment
ClimaticEnvironment
ItemSpecication
Temperature–40℃to+55℃
Relativehumidity4%–100%
Maximumtemperaturechangerate0.5℃/min
Airpressure54kPa–106kPa
Maximumsolarradiation1120W/m2
CondensationAllowed
Precipitation(rain,snow,andhail)Allowed
HumiditySurfacehumidityallowed
FreezingandfrostAllowed
8-1
SJ-20150330163204-001|2016-06-06(R1.0)ZTEProprietaryandCondential

ZXSDRR8984EProductDescription
Note:
Whentheenvironmenttemperatureisabove40degreescelsius,itisprohibitedtotouch
theequipmentsurfacetoavoidscald.Ifitisrequiredtomovetheequipment,rstpower
offtheequipmentandwaittilltheequipmentsurfaceiscool.
BiologicalEnvironment
ItemSpecication
PlantsMoldandfungusallowed
AnimalsRodentsandotheranimalsthatmaydamagetheproductallowed,except
termites
ChemicallySubstance
ItemSpecication
SaltfogAllowed
8.3StorageEnvironment
TheZXSDRR8984Emustbestoredwithpackaginginprotectedlocationstoensurethat
thedevicecanoperateproperlyafterbeinginstalled.
ClimaticEnvironment
ItemSpecication
Temperature–50℃to+70℃
Relativehumidity5%–100%
Maximumtemperaturechangerate1℃/min
Airpressure70kPa–106kPa
Maximumsolarradiation1120W/m2
CondensationAllowed
Precipitation(rain,snow,andhail)Allowed
HumiditySurfacehumidityallowed
FreezingandfrostAllowed
8-2
SJ-20150330163204-001|2016-06-06(R1.0)ZTEProprietaryandCondential

Chapter8EnvironmentalSpecications
BiologicalEnvironment
ItemSpecication
PlantsMoldandfungusallowed
AnimalsRodentsandotheranimalsthatmaydamagetheproductallowed,except
termites
ChemicallySubstance
ItemSpecication
SaltfogAllowed
8-3
SJ-20150330163204-001|2016-06-06(R1.0)ZTEProprietaryandCondential

ZXSDRR8984EProductDescription
Thispageintentionallyleftblank.
8-4
SJ-20150330163204-001|2016-06-06(R1.0)ZTEProprietaryandCondential

Glossary
BBU
-BaseBandUnit
BSP
-BoardSupportPackage
CA
-CarrierAggregation
CFR
-CrestFactorReduction
DL
-DownLink
DPD
-DigitalPre-Distortion
GPS
-GlobalPositioningSystem
IF
-intermediateFrequency
IP
-InternetProtocol
Ir
-RadioInterface
LMT
-LocalMaintenanceTerminal
LNA
-LowNoiseAmplier
MIMO
-Multiple-InputMultiple-Output
MME
-MobilityManagementEntity
MTBF
-MeanTimeBetweenFailures
MTTR
-MeanTimeToRecovery
OAM
-Operation,AdministrationandMaintenance
I
SJ-20150330163204-001|2016-06-06(R1.0)ZTEProprietaryandCondential

ZXSDRR8984EProductDescription
OS
-OperatingSystem
OSS
-OperationSupportSubsystem
PC
-PersonalComputer
RF
-RadioFrequency
RGPS
-RemoteGPS
RRU
-RemoteRadioUnit
SDR
-SoftwareDenedRadio
SGW
-ServingGateway
TCP
-TransmissionControlProtocol
TOC
-T opofCabinet
UE
-UserEquipment
UL
-Uplink
II
SJ-20150330163204-001|2016-06-06(R1.0)ZTEProprietaryandCondential