ZTE WF 600T Series Sb 2000 Manual 20130620
User Manual: ZTE sb-2000 manual-20130620
Open the PDF directly: View PDF
.
Page Count: 64

SB Series
USER MANUAL
PURE SINE WAVE INVERTER / CHARGER COMBI
WITH SHARING / SUPPORT / GENERATOR

Inverter / Charger COMBI
1
Contents
1
Important Safety Instructions……………………………………………………………
3
1-1
Warnings And Symbols……………………………………………………………
3
1-2
Use For Intended Purpose General Safety Precautions………………………
3
1-3
Other Safety Notes And Installation Precautions………………………………
4
1-4
Warning Regarding The Use Of Batteries………………………………………
4
2
Functional Characteristics Introduction………………………………………………
5
2-1
System…………………………………………………….………………………..
5
2-2
Electrical Performance…………………………………………………………….
6
2-3
Mechanical Drawing……………………………………………………………….
8
2-4
LCD Panel Mechanical Drawing…………………………………………………
9
3
How It Works……………………………………………………………………………….
9
3-1
Battery Charger Introduction……………………………………………………..
9
3-2
Inverter Introduction……………………………………………………………….
12
3-3
Operation Modes…………………………………………………………………..
12
3-4
Equalization Batteries…....………………………………………………………..
19
4
Operation……………………………………………………………………………………
24
4-1
Power “ON” ……………...………………………………………………………...
24
4-2
Power “OFF………………………………………………………………………...
24
4-3
Selectable “CHR. Power ON” mode……………………………………………..
24
4-4
Protections………………………………………………………………………….
24
5
Installation And Maintenance……………………………………………………………
24
5-1
Unpacking...……………………………………...………………………………..
25
5-2
Front Panel...……………………………………...……………………………….
25
5-3
Move the LCD Control Panel Place..………...………………………………..
34

Inverter / Charger COMBI
2
5-4
Rear Panel...……………………………………...………………………………..
38
5-5
Installation Drawing...……………………………………...……………………...
39
6
LCD Remote Control Panel – Display & Setup...………………..……………………
40
6-1
LCD Panel Indications…………………………………………………………….
40
6-2
LCD Rear View Introduction……………………………………………………...
43
6-3
Startup Sequence and Standby Status………………………………………….
46
6-4
Setup Menu – Operation and Instructions Entering Setup Menu…………….
47
7
RS-232 Communication and Operation...……………………………………………..
53
7-1
Operation of RS-232 serial port………………………………………………….
53
7-2
Example of the RS232 Operation………………………………………………..
54
8
Trouble Shooting…………………………………………………………………………..
63
8-1
Fault Indicator………………………………………………………………………
63
8-2
Warranty…………………………………………………………………………….
64

Inverter / Charger COMBI
3
1 Important Safety Instructions
1.1 Warnings And Symbols
Safety instructions and warnings are marked in this manual by the following
pictograms:
Supplementary information on operating the device.
CAUTION
Safety instruction: Failure to observe this instruction can cause material
damage and impair the function of the device.
CAUTION
Safety instruction relating to a danger from an electrical current or voltage.
Failure to observe this instruction can cause material damage and personal
injury and impair the function of the device.
WARNING!
SAVE THESE INSTRUCTIONS – This manual contains important
instructions that should be followed during installation and maintenance of
the Combi unit.
1.2 Use For Intended Purpose General Safety Precautions
The Combi unit is constructed as per the applicable safety-technical guidelines.
- For the charging of lead acid batteries and the supply of users attached to these
batteries, in permanent systems.
- For the conversion of a DC voltage from a battery to and AC voltage.
- Connected to a dedicated double pole circuit breaker and earth leakage switch.
- With a fuse, protection the wiring between Combi unit and battery.
- In a technical correct condition.
- Do not expose the Combi unit to rain, snow, spray or dust. To reduce the risk of fire
hazard, do not cover or obstruct the ventilation openings and. do not install the
Combi unit in a zero-clearance compartment.
- To avoid the risk of fire and electric shock, make sure that the existing wiring is in
good electrical condition; and that the wire size is not undersized.
Do not operate the Combi unit with damaged or substandard wiring.
- Depending on the use, the AC output of the Combi unit may require user installed
breaker or fusing. For telecom use, a GFCI has not been provided. The Combi unit
incorporates standard AC short circuit protection.
- The following precautions should be taken when working on the Inverter Charger:
Remove watches, rings, or other metal objects.
Use tools with insulated handles.
Wear rubber gloves and boots.

Inverter / Charger COMBI
4
1.3 Other Safety Notes And Installation Precautions
- Upon receipt, examine the shipment box for damage. Notify the carrier immediately,
before opening, if damage is evident.
- Do not operate near water or in excessive humidity.
- Do not open or disassemble the Combi unit, warranty may be voided.
- The DC and AC side connections should be firm and tight.
- Grounding: Reliable grounding of rack-mounted equipment should be maintained.
- Do not drop a metal tool on the battery. The resulting spark or short-circuit on the
battery or on the other electrical part may cause an explosion.
- Wiring: Adequate input power must be supplied to the Combi unit for proper use;
correct wiring sizes must be ensured.
- Do not operate the Combi unit close to combustible gas or open fire.
- Temperature: The Combi unit should be operated in an ambient temperature range
of -20 to 40°C or else the output efficiency may be affected. Air flow to the Combi
unit must not be restricted.
- In case of fire, you must use the fire extinguisher which is appropriate for electrical
equipment.
- Short circuiting or reversing polarity will lead to serious damage to batteries, Combi
unit and the wiring. Fuses between the batteries and the Combi unit can not prevent
damage caused by reversed polarity and the warranty will be void.
- Do not work on Combi unit or system if it is still connected to a power source. Only
allow changes in your electrical system to be carried out by qualified electricians.
- Check the wiring and connections at least once a year. Defects such as loose
connections, burned cables etc. must be corrected immediately.
- Do not touch the equipment when wet or if your hands are clammy.
- The Combi unit products are not for applications in any medical equipment intended.
The cabinet of the Combi unit must not be opened. There are no serviceable
parts inside the cabinet. Only qualified, authorized and trained electrician
installers are authorized to open the connection compartment.
1.4 Warning Regarding The Use Of Batteries
Excessive battery discharge and/or high charging voltage can cause serious damage to
batteries. Do not exceed the recommended limits of discharge level of your batteries.
Avoid short circuiting batteries, as this may result in explosion and fire hazard.
Installation of the batteries and adjustments of the Combi unit should only be undertaken
by authorized personnel!

Inverter / Charger COMBI
5
2 Functional Characteristics Introduction
2.1 System
The SB Series is a Combi inverter / charger system, designed with advanced power
electronic and digital signal processor technology offering the following features:
- The Combi unit is equipped with a self diagnosis microprocessor that is able to
identify and show all failure messages on the LED/LCD display, with associated
visual/audio alarms.
- Can use parallel with the grid AC.
- Battery charger current 100A max. @12VDC / 50A max. @24VDC
- Pure sine wave output to operate higher-end electronic equipment 5A max second
charger.
- Equalization function for the batteries.
- Built in 25A rated bypass switch
- Power sharing functions
- Intelligent software for power management
- Hard-wire connection model option
- Loading and temperature controlled cooling fan
- Fan aging, failure, disconnection and blockage alarm
- Local and remote management and control
- RS-232 and CAN Bus communication
- CAN Bus LCD remote control panel
- By a dry contact terminal
- Advanced protection features :
DC input over/under voltage protection
Internal over temperature, battery over temperature and heat sink over temperature
DC input reverse polarity protection (Fuse)
Inverter AC output overload protection
Inverter AC output short circuit protection
AC input short circuit protection: Breaker (30Amp)
AC input under voltage protection

Inverter / Charger COMBI
6
2.2 Electrical Performance
SB-2000 Inverter / Charger Specification
Electrical
Specification
Model No.
Input
Characteristics
Item
SB2000-112
SB2000-124
SB2000-212
SB2000-224
Nominal Voltage
12 VDC
24 VDC
12 VDC
24 VDC
Input Voltage Range
10.5 ~ 16 VDC
21 ~ 32 VDC
10.5 ~ 16 VDC
21 ~ 32 VDC
Input Over-Voltage
Protection
15 ~ 16 VDC
30 ~ 32 VDC
15 ~ 16 VDC
30 ~ 32 VDC
Input Under-Voltage
Protection
10.5 ~ 11.5 VDC
21 ~ 23 VDC
10.5 ~ 11.5 VDC
21 ~ 23 VDC
No Load Current
5 A
2.5 A
5 A
2.5 A
Stand-By Current
1.5 A
0.75 A
1.5 A
0.75 A
Output
Characteristics
Continuous Output
Power(Resistive
load)
2000 W
Surge Power
(Resistive load)
Load 101%~115% (3 Min)
4000 W
Frequency
47 ~ 63 Hz +/- 0.01% (User-selectable)
Output Voltage
115 VAC (100~120 VAC)+/-5%
230 VAC (200~240 VAC)+/-3%
Efficiency (Full
Load)
>84% (At DC 12V)
>86% (At DC 24V)
>85% (At DC 12V)
>88% (At DC 24V)
Short-Circuit
Protection
Yes , Ipk
Output Waveform
Pure Sine Wave (THD < 5%)
Pure Sine Wave (THD < 3%)
AC Input /
Output Terminal
AC Input
50 A MAX.
AC Output
50 A MAX.
INV. AC Output
25 A MAX.
Protection
DC Input Protection
Over / Under Voltage, Reverse Polarity (Internal Fuse)
AC Output
Protection
Short-Circuit, Overload
AC Input Protection
30 Amp Circuit Breaker
Temperature
protection
Shutdown
Battery Temperature
protection
By a RJ-11 connector to battery Temperature sensor
AC Input
Characteristics
Nominal Voltage /
Frequency
115 VAC / 60Hz
230 VAC / 50Hz
Input Voltage Range
90 ~ 130 VAC
180 ~ 260 VAC
Input Frequency
Range
47 ~ 63 Hz
Nominal Current
15A
7.4A

Inverter / Charger COMBI
7
Electrical
Specification
Model No.
Efficiency (Full Load)
>85%
>87%
Power Factor
Correction(PFC)
>0.98 (40% Load)
>0.98 (40% Load)
DC Output
Characteristics
Charging Current
Range
20 ~ 100A
10~50A
20 ~ 100A
10~50A
Second Charger
Output
5A , 3-Stage Battery Chargers
Max. Output Voltage
14.8 VDC
29.6 VDC
14.8 VDC
29.6 VDC
Battery Temperature
Compensation
-25 mV per ℃
-50 mV per ℃
-25 mV per ℃
-50 mV per ℃
Bulk Voltage
14.4 V
28.8 V
14.4 V
28.8 V
Absorption Voltage
14.4 V
28.8 V
14.4 V
28.8 V
Float Voltage
13.5 V
27 V
13.5 V
27 V
Note. Charger Voltage @Battery Type Setting “Standard”, Temperature@ 25℃
Equalization
Characteristics
Max. output Voltage
16VDC
32VDC
16VDC
32VDC
Max. output Current
10A
5A
10A
5A
Signal and
Control
LCD Panel
2 Lines LCD Panel with keypad for navigation and Red / Orange / Green LED
Remote Control
Terminal
Controls the inverter ON / OFF operation
Dry Contact Terminal
By a relay
Bypass Relay
Relay Specification
25 Amp / 250 VAC
Operating
Temperature
Range
Full Load
-25 ℃ ~ 40 ℃
Power de-rating
50 W / ℃, 41~60 ℃
Storage
-30 ℃~70 ℃
Operating
Humidity Range
0~93% Non-condensing
Fan Operation
and Indicator
Failure Indication
Buzzer alarm
Switches On/ Off
The fan does operate in load and internal temperature control related PWM
variable speed control
Power Sharing
Function
Sharing Mode
Inverter mode / Charger mode / Power sharing (Generator mains support
function / Power support ) / Charger Sharing
AC Input Current
10 ~ 50A(User-selectable)
3 ~ 25A (User-selectable)
Model No.
Ground Relay
Ground relay included for connection of neutral of inverter to ground only at inverter mode.
Standard disable
Model No.
Mechanical
Specification
Size (W x H x D)
13.03”x6.14”x18.3” (331mmX156mmX465mm)
Weight
10.5 Kg (23.1 Lbs)
Safety and EMS
Safety Standards
Meet EN60950-1
EMC Standards
FCC Class A
EN55022:1998+A1:2000+A2:2003 Class A
EN55024:1997+A1:2001+A2:2003
EN61000-3-2:2006 Class A
EN61000-3-3:1995+A1:2001

Inverter / Charger COMBI
8
2.3 Mechanical Drawings

Inverter / Charger COMBI
9
SB Series Inverter / Charger Combi Ordering Information
Model
Number
Input
Voltage
Output Voltage
Frequency
Range
AC Input
Charger
Nominal
Range
Current Max.
voltage Max.
SB2000-112
12 VDC
110VAC
100~120 VAC
47~63 Hz
90 ~ 130 VAC
100A
14.8 VDC
SB2000-124
24 VDC
110VAC
100~120 VAC
47~63 Hz
90 ~ 130 VAC
50A
29.6VDC
SB2000-212
12 VDC
230VAC
200~240 VAC
47~63 Hz
180 ~ 260 VAC
100A
14.8 VDC
SB2000-224
24 VDC
230VAC
200~240 VAC
47~63 Hz
180 ~ 260 VAC
50A
29.6VDC
2.4 LCD Panel Mechanical Drawing:
3 How It Works
This chapter describes the various applications of the Combi unit series from COTEK.
The Combi unit is a battery charger, a pure sine wave inverter and an AC transfer system in
one compact enclosure. The three-step Plus charging method guarantees that the batteries
are always charged 100% The pure sine wave inverter assures that the AC output voltage is
perfectly reliable even when limited external AC power is available. External AC power can be
supplied by a public grid or a generator. DC power can be delivered by charged batteries.
3.1 Battery Charger Introduction
The built-in battery charger is electronically controlled. It is designed for optimal
recharging of both wet cell, gel cell and AGM deep cycle batteries. Battery charging is
accomplished in three automatic stages: BULK, ABSORPTION and FLOAT. With an
external AC source connected, the Combi unit charger also serves the functions of an
AC to DC converter to supply DC loads which are connected to the battery. Simple,
automatic operation is made possible by the microprocessor that is the brain of the
inverter/charger Combination. In most cases, the unit is left on and no attention or
maintenance is required.

Inverter / Charger COMBI
10
Fig 1: Three step charge system
3.1.1 Three step Plus charge system
See fig 1. The first step of the three step Plus charge system is the BULK phase,
in which the output current of the charger is 100%, and the greater part of the
capacity of the battery is rapidly charged. The current charges the batteries and
gradually the voltage rises to the absorption voltage of 14.4V (12V models) or
28.8V (24V models) @ 25°C / 77°F.
The duration of this phase depends on the ration of battery to charger capacity,
and naturally also on the degree to which the batteries were discharged to begin
with.
The bulk phase is followed by the absorption phase. Absorption charging starts
when the voltage on the batteries has reached 14.4V (12V models) / 28.8V (24V
models) @ 25°C / 77°F, and ends when the battery is completely full. Battery
voltage remains constant at 14.25V (12V models) / 28.5V (24V models) @ 25°C
/ 77°F throughout this stage, and the charge current depends on the degree to
which the battery was initially discharged, the battery type, the ambient
temperature, and so on. With a wet cell battery this stage lasts some four hours,
with gel and AGM around three. Once the battery is 100% full, the charger
automatically switches over to the float phase. (see Fig 12.)
During the float phase the Combi unit switches to 13.5V (12V models) or 27
(24V models) @ 25°C / 77°F and stabilizes this voltage to maintain the batteries
in an optimum condition. Connected DC-loads are powered directly by the
charger. If the load is higher than charger capacity, the required additional power
comes from the battery, which will be progressively discharged until the charger

Inverter / Charger COMBI
11
automatically switches back to the bulk phase. Once consumption decreases,
the charger goes back to normal operation of the three-step charge system.
As the Combi unit is equipped with a three-step Plus charge system, the
batteries can also remain connected to the Combi unit in winter. One hour every
12 days the charger automatically switches to absorption to keep the battery
running properly and prolong its life span. The three-step Plus charge system is
also safe for all the connected equipment.
3.1.2 Temperature compensated charging
The Combi unit is delivered with a battery temperature sensor. By installing this
battery temperature sensor the charge voltages are automatically adapted for
deviating temperatures.
Fig 2 : Temperature compensated charging
See fig 2. When the battery temperature is low, the charge voltage increases.
On the other hand, when the battery temperature is high, the charge voltage is
decreased. Over charge and gassing are prevented this way. This will extend
the life of your batteries.
3.1.3 Connection of a second battery
The Combi unit is equipped with second charge output which can be used to
give a maintenance charge to a small battery set like a starter battery Maximum
output current: 5 Amps.
Output voltage:14.4V @ 12V Model , 28.8V @ 24V Model , three-step, user can
set ON or OFF.

Inverter / Charger COMBI
12
3.2 Inverter Introduction
3.2.1 General
The inverter provides voltage and frequency regulated AC power from a battery
bank. Fast acting electronic circuits protect the inverter against extreme
overloads, low and high battery voltage , overheating and short circuit of the
inverter.
Considerable momentary surge power is available for starting-up electric motors.
A built in power saving feature can reduce battery power consumption when the
inverter is unloaded.
3.2.2 Power saving mode (selectable)
In the inverter mode the Combi unit has a built-in automatic power saving feature
that reduces battery power consumption when no load is present on the “INV.
AC output”. Response from idle is instant, eight modes can be set by means of
DIP-switches or LCD remote control.
3.3 Operation Modes
The Combi unit is not just a Combination of an inverter and a battery charger. It has
many additional features which can be used to increase the total available AC power,
even when external AC power is limited.
3.3.1 Basic operation
When there is no external “AC input” power available, the inverter of the Combi
unit provides AC power on the “INV. AC output” output from the batteries. There
is no AC power available on the “AC output”. See fig 3
Fig 3 : Inverter mode
When external AC power comes available, the transfer relay switches on. See fig
4. Both outputs as well as the battery charger are supplied by the external AC
power. The batteries are recharged now.

Inverter / Charger COMBI
13
Fig 4 : Charger mode
3.3.2 Transfer Switch And Connector on The Front
The Combi unit has two AC-outputs available:
- INV. AC output: The “INV. AC output” output switches between the AC-input
and the output of the inverter. The AC input has the highest priority. In
principle, AC-power is always available on this output. However during a
switchover the loads connected to this output are not supplied with AC-
power for a very short period of time (short break). It is the ideal output for
loads that need AC-power permanently like personal computers, interior
lighting and the refrigerator.
- AC output: This output is always internally connected to the AC-input. It is
therefore only available when an external AC-source like shore power, a
generator or an outlet is present. Larger loads like a hot water boiler, electric
cooking appliance or washing machine should be connected to this output .
See fig 5.
Fig 5 : AC Input / Output contact

Inverter / Charger COMBI
14
3.3.3 Power sharing function (selectable)
If the available power at the AC-input is limited, and the load connected to the
AC output increases, the external AC circuit breaker may trip if nothing is done.
To avoid this, the Combi unit can automatically reduce the battery charger output,
and thus the AC power consumption. This Power sharing feature constantly
senses the incoming AC current which is used to supply both the battery charger
and the appliances connected to the AC outputs.
The Power Sharing level should be set to match the value of the external circuit
breaker, which protects the incoming AC power. For instance, when the external
AC power is limited by a 10A circuit breaker or fuse, the Power Sharing level
must be set to 10A.
Fig 6 : Power Sharing Function I
Here the Power Sharing level is set to a 10 Amps while the AC outputs consume
a total of 2 + 5 = 7 Amps. This means that only 10 – 7 = 3 Amps is left over for
charging. With 12V batteries 230 VAC this will result in a maximum charge current
of approx. 45A DC.
The Power Sharing level can be set by means of the DIP-switches or LCD remote
control locally on the Combi unit
When the total connected AC load reaches the level of the Power Sharing setting
(10A), there will be no power left over to charge the battery. This means that the
charge current of the Combi unit will be reduced to 0A. See fig 7.

Inverter / Charger COMBI
15
Fig 7 : Power Sharing Function II
3.3.4 Generator function (selectable)
If the demand for AC power still increases, the external AC circuit breaker may
still trip if nothing is done. This problem can be solved by the Generator function.
If the total demand for energy exceeds the maximum external power supply,
energy can be added to the “AC outputs” and “INV.AC Output” by means of the
inverter. This appliance can be automatically connected in parallel with the
external power supply.
Fig 8 : Generator Function
See fig 8. Here the AC-input is still limited to 10 Amps. This is not enough to
supply the total load (6 + 11A = 17A) connected to the AC outputs.
When the Generator function is enabled, the inverter will supply the remaining
17 – 10 = 7A. This means that the restricted amount of external AC power will be
compensated by energy which is stored in the batteries.
Later, when the AC load has dropped below the setting of the Power sharing

Inverter / Charger COMBI
16
function again, the battery charger of the Combi unit will commence to recharge
the batteries.
For safety unit the transfer relay is immediately switched off when
incoming AC power fails in operation so that there will never be a high
voltage on the shore cable inlet when it is not connected.
3.3.5 Support function (selectable)
As explained above, when the Generator function is enabled, the inverter will
operate in parallel with the external AC power source. This means that energy
from the batteries is added to the AC-output only. Under no circumstance AC
power from the inverter can be fed back into the AC grid. This may mean that in
some situations the use of the Generator / Support function is not allowed.
Please acquaint yourself with local regulations on this issue. Never use the
Generator function if this is not allowed!
Even if the use of the Generator function is not allowed, it is still possible to
supply more energy than the external AC sourced can deliver This can be
achieved by using the support function.
Fig 9: Support function
See fig 9. The AC input is still limited to 6Amps. This is not enough to supply the
total load (6 + 9A = 15A) connected to the AC outputs.
Now when the support function is enabled, the transfer relay will open. When
opened, the external power source will deliver 6Amps to supply the load
connected to the “AC output” output only, while the inverter will deliver 9Amps for
the load connected to the “INV. AC output” .
If the power consumption of the “AC output” output exceeds the
setting of the support function, the external AC fuse or circuit breaker
will still trip

Inverter / Charger COMBI
17
3.3.6 Support and Generator function (selectable)
If user will support function and generator function both simultaneously enable.
The Combi unit inverter will operate in parallel with the external AC power
source, and when not enough to supply the total load connected to the “AC
output” and “INV. AC output”. The transfer relay will open.
Fig 10 : Generator and support function
See fig 10. The AC input is still limited to 6 Amps. If the demand for AC power
still increases, the external AC circuit breaker may still trip. The inverter will
automatically to compensated by energy which is stored in the batteries.
But when AC power still increases. This is not enough to the total load ( 7 + 9A =
16A ) connected to the AC outputs. The transfer relay will open.
3.3.7 Charger sharing (selectable)
The Combi unit used “CHR.mode” startup. When external AC power comes
available, the transfer relay switches ON. The Combi unit is constantly senses
the AC power current witch is used to supply both the battery charger and the
load Connected to the AC output.
Fig 11 : Charger Sharing

Inverter / Charger COMBI
18
See fig 11. The AC input is still limited to 10Amps. Supply the total load ( 5 + 2A =
7A ) connected to the AC outputs. That only 10 – 7A = 3Amps is left over or
sharing, if the AC outputs load increases more 10 Amps. The transfer relay will
open.
When opened, the AC power will deliver 5 Amps to supply the load connected to
the “AC output” only. But the inverter not to supply 2Amps load connected to the
“INV. AC output”.
As explained above operation must will sharing function enable.
Fig 12. Charge characteristic of the three – step plus charging method. (@25℃ / 77℉)
3.3.8 Summary of the power sharing
Function
What is it used for ?
Sharing
The sharing level should be set to match the value of the external circuit
breaker, then to protects the incoming AC power.
Generator
Then AC input not enough to supply the total load connected to the AC
outputs. The appliance can be automatically compensated by energy which is
stored in the batteries.
Support
When AC input not enough to supply the total load connected to the AC
outputs, the transfer relay will open.
Charger
When external AC power comes available. The Combi unit to charge batteries
only.

Inverter / Charger COMBI
19
Transfer External AC
Iac current AC INV. AC Charge Charge Relay Circuit breaker
limited Output (I1) Output (I2) Current (I3) (Selectable)
00A 9A 0A 0A 200A OPEN OK
12A 4A MAX. 20~100A 0A COLSE
NG
(I1+I2+I3>6A)
00A 9A 0A 0A 200A OPEN OK
11A 2A 3A 45A 0A CLOSE OK
11A 5A 0A 0A 0A CLOSE OK
11A 6A 0A 0A 0A CLOSE
NG
(I1+I2+I3>6A)
00A 9A 0A 0A 200A OPEN OK
11A 2A 3A 45A 0A CLOSE OK
16A 9A 0A 0A 200A CLOSE OK
17A 9A 0A 0A 200A CLOSE
NG
(I1+I2+I3>15A)
00A 9A 0A 0A 200A OPEN OK
11A 2A 3A 45A 0A CLOSE OK
11A 9A 0A 0A 200A OPEN OK
17A 9A 0A 0A 200A OPEN NG (I1>6A)
00A 9A 0A 0A 200A OPEN OK
11A 2A 3A 45A 0A CLOSE OK
16A 9A 0A 0A 200A CLOSE OK
17A 9A 0A 0A 200A OPEN NG (I1>6A)
00A 9A 0A 0A 0A OPEN OK
12A 4A MAX. 20~100A 0A CLOSE
NG
(I1+I2+I3>6A)
00A 9A 0A 0A 0A OPEN OK
11A 2A 3A 45A 0A CLOSE OK
16A 9A 0A 0A 0A OPEN OK
17A 9A 0A 0A 0A OPEN NG (I1>6A)
1
X
X
1
6 Amps
1
1
1
0
6 Amps
0
X
X
1
6 Amps
1
0
1
0
6 Amps
1
1
0
0
6 Amps
0
X
X
0
6 Amps
1
0
0
0
6 Amps
Selectable Function
AC input
AC Output (LOAD)
Battery current (Approx.)
Sharing
Support
Generator
Charger
Synchronizatio
n
Discharger
Note. “0” is Disable / “1” is Enable / “X” is Don’t care / Current @Batteries 12VDC , 230VAC Model

Inverter / Charger COMBI
20
3.4 Equalization Batteries
3.4.1 Construction of Battery Cells: A Lead Acid battery consists of a number of 2 V
nominal cells (actual voltage of the cell is 2.105 V) that are connected in series e.g. a
12 V nominal battery will have six, 2 V nominal cells in series (actual voltage of the 6
cells will be 2.105 x 6 = 12.63 V). Each 2 V nominal cell in this battery consists of an
independent enclosed compartment that has Positive and Negative Plates (also
called Electrodes) dipped in electrolyte that is composed of diluted Sulphuric Acid –
solution of 33.5% v/v Sulphuric Acid and water. In a fully charged battery, the
Positive Plate is in the form of Lead Dioxide, the Negative Plate is in the form of
Sponge Lead and the Sulphuric Acid in the electrolyte has the maximum
concentration of 33.5% v/v .
3.4.2 Electrical power in the Lead Acid Battery is produced by reversible electro-
chemical reactions as follows:
- During discharging, the Sulphuric Acid in the electrolyte reacts with the Positive
and Negative plates resulting in conversion of the active materials in both the two
plates (Lead Dioxide on the Positive plate and Sponge Lead on the Negative
plate) to soft Lead Sulfate crystals. At the same time, electrons are released that
create the electrical current that flows to the load. The concentration of Sulphuric
Acid in the electrolyte is reduced as the battery gets discharged (the electrolyte
becomes pure water when the battery is fully discharged).
- During charging, reverse electrochemical reactions take place. Under the
influence of the charging voltage fed to the battery by the external battery charger
/ charge controller, electrons are fed back to the battery and the soft Lead Sulfate
crystals at the Positive and Negative Plates are converted back to Lead Dioxide
at the Positive Plate and Sponge Lead at the Negative Plate and the
concentration of Sulphuric Acid is restored (will revert to 33.5% v/v when the
battery is fully charged).
3.4.3 Gassing during Charging: During charging, the battery is required to be charged in
a controlled manner in the final Absorption Stage (2.4 V per cell at 25 º C / 77 º F or
14.4 V for a 12 V battery at 25 º C / 77 º F) that restores the last 20% to 30% of the
capacity. On successful completion of this stage of charging, the Lead Sulfate at the
Positive and Negative Plates should have fully converted back to Lead Dioxide at the
Positive Plate and Sponge Lead at the Negative Plate. Any further charging at this
voltage or higher than this voltage results in electrolysis of water in the electrolyte to
Hydrogen and Oxygen and this undesirable condition contributes to waste of energy.
This process is known as "gassing". Gassing is also produced during the timed
Equalization Stage when the battery is intentionally overcharged (2.5 to 2.7 V per
cell / 15 to 16 V for 12 V batteries) to equalize the cells and remove stratification.

Inverter / Charger COMBI
21
3.4.4 Necessity for Equalizing Batteries: For proper health and long life of a Lead Acid
battery, it is required to undergo an Equalization Stage during the charging process
to prevent / reduce the following undesirable effects:
- Sulfation: If the charging process is not complete due to the inability of the
charger to provide the required voltage levels or if the battery is left uncharged
for a long duration of time, the Lead Sulfate crystals on the Positive and Negative
plates that are formed during discharging / self discharge are not fully converted
back to Lead Dioxide on the Positive plate and Sponge Lead on the Negative
plate and get hardened and are difficult to dislodge through normal charging.
These crystals are non conducting and hence, introduce increased internal
resistance in the battery. This increased internal resistance introduces internal
voltage drop during charging and discharging. Voltage drop during charging
results in overheating and undercharging and formation of more Lead Sulfate
crystals. Voltage drop on discharging results in overheating and excessive
voltage drop in the terminal voltage of the battery. Overall, this results in poor
performance of the battery. To dislodge these hardened Lead Sulfate crystals,
some chargers are designed to detect a sulfated condition at the start of the
charging process and go through an initial De-sulfation Mode that sends high
frequency, high voltage pulses at the natural oscillation frequency of the crystals
to dislodge the hardened crystals. Sulfation may also be reduced partially by the
stirring / mixing action of the electrolyte due to gassing and bubbling because of
intentional overcharging during the Equalization Stage.
3.4.5 Electrolyte Stratification: Electrolyte stratification can occur in all types of flooded
batteries. As the battery is discharged and charged, the concentration of acid
becomes higher at the bottom of the cell and becomes lower at the top of the cell.
The low acid concentration reduces capacity at the top of the plates, and the high
acid concentration accelerates corrosion at the bottom of the plates and shortens the
battery life. Stratification can be minimized by the Equalization Stage by raising the
charging voltage so that the increased gassing and bubbling agitates / stirs the
electrolyte and ensures that the electrolyte has uniform concentration from top to
bottom. The stirring action also helps to break up any Lead Sulfate crystals, which
may remain after normal charging.
3.4.6 Unequal charging of cells: During normal charging, temperature and chemical
imbalances prevent some cells from reaching full charge. As a battery is discharged,
the cells with the lower voltage will be drained further than the cells at the higher
voltage. When recharged, the cells with the higher voltage will be fully charged
before the cells with the lower voltage. The more a battery is cycled, the more cell
voltage separation takes place. In a healthy battery, all the individual cells will have
the same voltage and same specific gravity. If there is a substantial difference in the

Inverter / Charger COMBI
22
cell voltages (0.2 V or more) and in the specific gravities (0.015 or more) of the
individual cells, the cells will require equalization. Equalizing batteries helps to bring
all the cells of a battery to the same voltage. During the Equalization Stage, fully
charged cells will dissipate the charging energy by gassing while incompletely
charged cells continue to charge.
3.4.7 Equalization Stage: Normally, only the vented / wet cell / flooded batteries are
equalized. Some sealed AGM batteries may be equalized if recommended by the
manufacturer (e.g. Life Line brand of sealed, AGM batteries). The Equalization Stage
is carried out only after completion of the Bulk and Absorption Stages. During the
Equalization Stage, the battery is intentionally held above the Gassing Voltage for a
specified period of time that is normally proportional to the depth of discharge of the
battery or to the AH capacity of the battery.
- Recommendations of the battery manufacturer are to be followed for equalizing
the batteries as the equalization voltage, time and frequency will depend upon
the specific design of the battery. The Equalization Voltage will normally be in
the region of 2.5 to 2.7 V per cell at 25 º C / 77 º F e.g. 15 to 16 V for 12 V
batteries and 30 to 32 V for 24 V batteries. As a guide, a heavily used flooded
battery may need to be equalized once per month and a battery in light duty
service, every two to four months.(See fig13)
Fig 13. Equalization stage (@12V battery)
3.4.8 The Table below gives the Absorption, Float and Equalization voltage settings for
common batteries used :

Inverter / Charger COMBI
23
Battery
Type
Inverter
Voltage
Bulk
Voltage
Absorption
Voltage
Float
Voltage
Equalization
Voltage
Gel
12 VDC
14.1VDC
14.1VDC
13.6VDC
NOTE!
24 VDC
28.2VDC
28.2VDC
27.2VDC
NOTE!
Flooded
12 VDC
14.6VDC
14.6VDC
13.4VDC
15.5VDC
24 VDC
29.2VDC
29.2VDC
26.8VDC
31VDC
AGM 1
(Lifeline brand)
12 VDC
14.3VDC
14.3VDC
13.1VDC
15.5VDC
24 VDC
28.6VDC
28.6VDC
26.2VDC
31VDC
AGM 2
(East Penn/Deka/
Discover/Trojan brand )
12 VDC
14.5VDC
14.5VDC
13.5VDC
NOTE!
24 VDC
29VDC
29VDC
27VDC
NOTE!
Custom*
(To be selected by the
customer based on the
manufacturers’
recommendations, if
available)
12 VDC
12~16VDC
12~16VDC
12~16VDC
12~16VDC
24 VDC
24~32VDC
24~32VDC
24~32VDC
24~32VDC
*User can be setting the custom function voltage, but must use LCD Panel(See 6.4.4 for more
information).
NOTE! Gel and the AGM 2 Group (East Penn/ Deka
/Discover/Trojan brand) batteries are not equalized.
Hence, their Equalization Voltages are same as the
Absorption Voltages
When using the Custom setting, the Equalization voltage setting should
not allow voltage lower than the Absorption Voltage setting. Also, the
Equalization Voltage setting should not allow a setting higher than 2-volts (for
12V systems), or 4-volts (for 24V systems) above the Absorb Voltage setting.
3.4.9 Calculation of Equalization Charge Current: The Equalization Charge Current
should be a relatively low current of around 1% of the charge current of the battery.
Such a low current prevents an overcharge condition that results in excessive
gassing and excessive loss of water. Also the equalization charge current should
preferably be a variable value that is automatically set by the microcontroller as a
function of the degree of charge of the battery.
NOTE! Equalization Current is related to the charge current capacity of the
battery and is normally calculated at 1% of the charge current of the battery.
Hence, We has provided for the user to input the charge current capacity of
the battery being used.(See 6.4.4)
3.4.10 Calculation of Absorption and Equalization Times: Equalization is required to
be carried out after completion of the Bulk and Absorption Stages. It is preferred that
the time periods for the Absorption and Equalization Stages be proportional to the
discharged state of the battery. A more discharged battery will take longer time in the
Absorption and Equalization Stages. The discharged state of the battery will be
proportional to the time the charger remains in the Bulk Stage. Hence, a software
timer may be used to measure the time the charger is in the Bulk Stage and then
calculate and set the Absorption Stage and Equalization Stage Timers. Let the time

Inverter / Charger COMBI
24
taken in the Bulk Stage be designated by “Bulk Timer” and the calculated Absorption
Time by “Absorption Timer and the Equalization time by “Equalization Timer”. One of
the recommended logics for calculations is as follows(See Fig 13):
- Absorption Timer = 0.5 x Bulk Timer
- Equalization Timer = Absorption Timer + 1 Hour if T1 < 2 Hours, or
- Equalization Timer = Absorption Timer + 2 Hours if 2< T1 < 4 Hours, or
- Equalization Timer = Absorption Timer + 4 Hours if T1 > 4 Hours
4 Operation
4.1 Power “ON”
You use the remote control panel, and press the ON / OFF button on the front.
After switching on expect a five till ten second delay before the Combi unit activated.
If AC power is available on the AC input and within the specified limits, the Combi unit
will switch to Charger Mode and will commence to charge the batteries. At the same time
the internal transfer relay will pass the AC power to the AC output “INV. AC output”.
If the AC power from the external AC-source is unavailable or outside the specified limits,
the unit will come on as an inverter. Inverter overload protection, built-in idle mode
circuitry, transfer switching, sharing and battery charger regulation will all function
automatically.
4.2 Power “OFF”
Move the main switch to the “OFF” position to switch off the Combi unit. Or can you use
remote control panel, press the on/off button delay three second on the remote control
panel. The Combi unit stops and all the indicators go off. The “INV. AC output” is
disconnected and will become powerless.
WARNING!
Power OFF the Combi unit not cut off the connection to the batteries or the
AC-source. Therefore the “AC output” output is still active.
4.3 Selectable “CHR. Power ON” mode
When the main switch is set to the “ON” position, then to press LCD remote control
panel “ON / OFF” button. You can to setting change the “CHR. Power ON” mode. The
Combi unit is only able to work as a charger. This means that the inverter mode is
disabled. This setting is useful if you want to keep your batteries charged and maintained
in case you are away i.e. in the winter time. Now your batteries are spared when the
incoming AC-source fails in operation.See Chapter 6 for detailed operation instructions
of the remote panel.

Inverter / Charger COMBI
25
4.4 Protections
The Combi unit is protected against overload, short circuit, overheating and under and
over voltage. The user can detect failures from the remote control panels by means of
the indicators .See chapter 8 for explanation of this readout.
5 Installation And Maintenance
During installation and commissioning of the Combi unit, the Safety Guidelines & Measures
are applicable at all times. See chapter 1 of this manual.
5.1 Unpacking
In addition to the Combi unit the delivery includes:
- a battery temperature sensor.
- user’s manual.
After unpacking, check the contents for possible damage. Do not use the product if it is
damaged. If in doubt, contact your supplier.
Check from the identification label whether the battery voltage is the same as the DC-
input voltage of the Combi unit (e.g. 24V battery set for a 24V input voltage). Also check
that the AC output voltage and output power of the Combi unit satisfies loading
requirements.
5.2 Front Panel
5.2.1 AC Input Breaker: (reference ①)
The AC input circuit breaker protects the Combi unit from overload. When an
overload or shirt circuit condition occurs, the circuit breaker trips and disconnects
the incoming AC power input. To reset it, push the circuit breaker button. The
cause of tripping should be ascertained and corrected before the unit is reset.

Inverter / Charger COMBI
26
5.2.2 Hard-Wire Installation (AC wiring connections terminal): (reference ②)
The AC wiring compartment is located on the front panel. Remove the AC wiring
compartment cover to gain access to the AC terminal.
WARNING!
Before you connect AC wiring to the terminals of compartment cover,
ensure to check the label in the compartment for correct
connections. Wrong connection will damage the Combi unit.
- AC input and AC output terminal
- Connect AC output and AC input wiring to the inverter terminals
Please use the following information as your reference:
Terminal
Wire color
AC Current
inch
A.W.G
AC Output
Line (L)
Black
20~25A
2
14
Neutral (N)
White
25~30A
3.5
12
AC Input
Line (L)
Brown
30~40A
5.5
10
Neutral (N)
Blue
40~55A
8
8
INV.
AC Output
Line (L)
Red
55~70
14
6
Neutral (N)
Yellow
Chassis Ground
Green / Yellow or
Bare copper
26~32 feet /
AWG# 12~14
Note. Please double check and review all the connections to
ensure that the wires are connected to the correct terminals and
that the connections are tight.
5.2.3 Chassis Ground: (reference ③)
WARNING!
The ground wire offers protection only if the cabinet of the Combi
unit is connected to the safety ground. Connect the chassis ground
terminal to the hull or the chassis.

Inverter / Charger COMBI
27
Refer to local regulations on these issues!
For safety purposes the neutral conductor (N) of the AC output must be
connected to the earth (PE / GND) when the Combi unit is in inverter operation.
When utility power is available on the AC input, and the Combi unit is in charger
mode, this connection must be disabled again.
In some applications automatic connection between the neutral conductor (N)
and earth (PE / GND) is not required or acceptable. Therefore the automatic
connection between the neutral conductor (N) and earth (PE / GND) is disabled
by default. (see fig 5.)
5.2.4 DIP Switch Setting: (reference④)
The Combi unit is provided with two groups of DIP-switches to adjust the
apparatus according to the specifications of the electrical installation. The DIP-
switches are located in the front panel.
SWA
A1
A2
A3
Setting
A4
Setting
A5
A6
Setting
A7
Setting
A8
Setting
0
0
0
Disable
0
50Hz
0
0
100V
0
OFF
0
ON
1
0
0
Pow40W
1
60Hz
200V
1
ON
1
ON
0
1
0
Pow80W
1
0
110V
1
1
0
Pow100W
220V
0
0
1
Pow120W
0
1
115V
1
0
1
Pow160W
230V
0
1
1
Pow180W
1
1
120V
1
1
1
Pow220W
240V
Power Saving
Frequency
Output Voltage
Ground Relay
Reset
Power Saving: If you want to setting the Combi unit to power saving mode, to reduction
consumption from the batteries. This means when it detects a load that is
above setting value, it output power automatically on. By adjust DIP switch
SWA1,SWA2 and SWA3. Default is “Disable”.
Frequency: If you want to setting the Combi unit output power frequency of the inverter. By
adjust DIP switch SWA4. Default is “60Hz”@110VAC Model / “50Hz”@230VAC
Model .
Output Voltage: If you want to setting the Combi unit output power voltage of the inverter. By
adjust DIP switch SWA5 and SWA6.
Ground Relay: The function allows you to connect the Neutral conductor of the Combi unit to
the Safety Ground automatically when the Combi unit is working as an inverter.
This means if you to set adjust the DIP switch SWA7 to “ON”. The internal
Neutral of the inverter connected to the Safety Ground when the Combi unit is
working as an inverter and disconnected when incoming AC input power is
applied. Default is “OFF”.
Reset: If you want will the Combi unit reset to default set value of the DIP switch. By adjust DIP
switch SWA8.

Inverter / Charger COMBI
28
SWB
B1
Setting
B2
Setting
B3
B4
Setting
B5
Setting
B6
B7
Setting
B8
Setting
0
Disable
0
Disable
0
0
6A
10A
0
Disable
0
0
Gel
0
COMBI
1
Enable
1
Enable
1
0
10A
15A
1
Enable
0
1
Flooded
Mode
0
1
16A
25A
1
0
AGM1
1
CHR
1
1
25A
30A
1
1
AGM2
Mode
Support
Generator
0
@110VAC
Battery Type Selection
Power ”ON”
Mode
Selection
@230VAC
@110VAC
Sharing Current Limit
Power Sharing
DIP switch SWB3 and SWB4 to setting sharing current limit in 6A min.
! But user can to use LCD panel setting the current in 3A min.
Support: If you want to disable or enable the support function. See 3.3.5 for more information.
Default is “Enable”.
Generator: If you want to disable or enable the generator function. See 3.3.4 for more
information. Default is “Enable”.
Sharing Current Limit: If you want to setting limit the AC input current, Default is “6A”@230VAC
Model / “10A”@110VAC Model. See 3.3.3 for more information.
Sharing:If you want to disable or enable power sharing function. Default is “Enable”. See
3.3.3 for more information.
Battery Type Selection: The factory setting for the battery type is optimal for most
installations. In some applications however, it is desirable to change
this setting. Adjust the Combi unit to the applied batteries by
adjusting DIP switches SWB6 and SWB7. Default is “Standard”. .
Wrong adjustment can cause damage to your batteries which is not
covered by the warranty. The setting for traction battery should never
be used with a battery bank that consists of 2V GEL cells!
Battery Type
Stage
Gel
Flooded
AGM 1
AGM 2
@12VDC
@24VDC
@12VDC
@24VDC
@12VDC
@24VDC
@12VDC
@24VDC
Bulk Voltage
14.1VDC
28.2VDC
14.6VDC
28.2VDC
14.3VDC
28.6VDC
14.5VDC
29VDC
Absorption Voltage
14.1VDC
28.2VDC
14.6VDC
28.2VDC
14.3VDC
28.6VDC
14.5VDC
29VDC
Float Voltage
13.6VDC
27.2VDC
13.4VDC
26.8VDC
13.1VDC
26.2VDC
13.5VDC
27VDC
Power ”ON” Mode Selection: If want to use “COMBI Mode” or “CHR Mode” to startup of the
Combi unit. By adjusting DIP switches SWB8. Default is “COMBI
Mode”.
NOTE!
When after adjusting DIP switches must will the Combi unit re-start.

Inverter / Charger COMBI
29
5.2.5 5A Charger: (reference ⑤)
The Combi unit has a second charge output switch can be used to give a
maintenance charge to a small battery.
Characteristics introduction
Battery maximum charger current: 5Amps
Battery maximum charger voltage: 14.4VDC @ 12V / 28.8VDC @ 24V
Battery charger status: three – step
Charger enable / Disable user selectable
5.2.6 DC Input Connection: (reference ⑥)
Follow the instructions to connect the battery cables to the DC input terminals of
the Combi unit. The cables should be as short as possible (less than 6 feet / 1.8
meters ideally) so that they can handle the required current in accordance with
the Electrical Codes and Regulations. The size of the cable should be thick
enough to limit the voltage drop to less than 2% when carrying the maximum
input current to prevent frequent low-input voltage warnings, and shutdown. UVP
(Under Voltage Protection) warning may result if there is excessive voltage drop
across the DC cables between the batteries and the Combi unit. Increasing your
DC cable size will help improve the situation.
Batteries are capable of providing very large currents in case of short circuit. In
case there is a short circuit in the cable run between the batteries and the input
terminals of the Combi unit, it will result in overheating / melting of the cables
and consequent risk of fire and injury, To prevent possibility of this hazard, use
Very Fast Acting DC Fuse in line with the positive cable. The fuse should be as
close to the positive battery terminal as possible. Use Busman ANN series fuses
( will also require Fuse Block 4164) or equivalent.
The following sizes of cables and fuses are recommended for up to 6 ft. distance
between the batteries and the Combi unit. (Applies to both 120 VAC and 230
VAC versions):
Model No
Wire AWG
Inline Fuse
SB2000-112 / 212
# 2 / 0
250 A
SB2000-124 / 224
# 1 / 0
125 A
Connect DC input terminals to 12V / 24V battery or other DC power source.
[ + ] is positive, [ - ] is negative. Reverse polarity connection can blow the
internal fuse and may damage the Combi unit permanently.
WARNING!
Make sure that all the DC connections are tight (torque to 9 – 10
ft-lbs, 11.7 - 13 Nm). Loose connections could result in
overheating and can be a potential hazard.

Inverter / Charger COMBI
30
WARNING!
The recommended inline fuse should be installed as close to the
battery positive terminal as possible failure to use a fuse on the
“+” cable running between the Combi unit and battery may cause
damage to the cable / Combi unit and will void warranty
Also, only use high quality copper wire and keep the cable length short which
is as maximum of 3 – 6 feet.

Inverter / Charger COMBI
31
5.2.7 Remote control green terminal: (reference ⑦)
1.) Before installing the functions of the Combi unit, ensure the Combi unit to
turn off.
2.) Use 20 ~ 24 #AWG wire to connect the remote control terminals.
3.) Remote control ON / OFF Combi unit setup status :
NOTE: At one time, only one remote function should used to control the
Combi unit. The maximum voltage value is 60VDC in the ENB.
5.2.8 Dry Contact Green Terminal: (reference ⑧)
Dry contact terminals may be connected to a Form C relay for “FAULT” indication.
When “FAULT” occurs are provided with two sets of alarm contacts.
NOTE: Fault conditions include Input under/over voltage, Output
Short Circuit, Over Temperature, Over-load and, Fan Failure.

Inverter / Charger COMBI
32
Specifications of the Relay
Maximum
Voltage
Load
Contact Rating
Number of
operations
Operating/Storage
Temperature
N.O.
N.C.
250 VAC
Resistive
1 A
100,000
-30℃~75℃
250 VAC
Resistive
1 A
24 VDC
Resistive
1 A
24 VDC
Resistive
1 A
5.2.9 Remote Control Of The Phone Jack On The Front Panel: (reference ⑨)
1.) BAT. TEMP. Port : The Combi unit is delivered with a battery temperature
sensor. When the battery temperature is high, the charge
voltage is automatically decreased.
Pin Num.
Signal Description
Pin Num.
1
Not used
1
2
GND
2
3
Batteries temperature sensor
3
4
GND
4
5
+5V
5
6
Not used
6

Inverter / Charger COMBI
33
2.) RS-232 Port : Serial port monitoring and control through computer interface.
Combi unit
Computer
PIN Num.
Signal Description
Signal Description
PIN Num.
1
Not used
Not used
1
2
GND
RXD
2
3
RXD
TXD
3
4
TXD
DTR
4
5
Not used
GND
5
6
Not used
DSR
6
RTS
7
CTS
8
Not used
9
The connection between this Combi unit and the computer is as follows :
3.) LCM Port : Connection for LCD remote control panel, can you setting and
display the Combi unit operation status.
Combo
unit
RXD
TXD
GND
Computer
RXD
RTS
GND
DTR
DSR
TXD
CTS

Inverter / Charger COMBI
34
LCD Remote Control Panel
Combi unit
PIN Num.
Signal Description
PIN Num.
1
CANH
1
2
CANL
2
3
PON
3
4
VCC-
4
5
VCC+
5
6
DIS
6
7
5VS-
7
8
5VS+
8
The cables should be as short as possible (less than 32.8 feet / 10 meters ) so
that they can handle the signal.
4.) CANⅠand CANⅡ Port : At present has not used, the reservation may
make the parallel use in the future.
5.) Ethernet Port : The user can use RJ-45 cable line to connect to this
port to manage and control the COMBI unit through
SNMP.
NOTE:
Ethernet function at user option and can be purchased upon request.
5.2.10 Reset : Press the reset button when the Ethernet is not working normally.
5.3 Move The LCD Remote Control Panel Place:
5.3.1 How remove the LCD remote control panel
User can remove LCD remote control panel on the Combi unit. And can fixed in
the operation convenient place or is position. As followers fig.
Step 1. Loosening the screw in the front of the Combi unit, then will plastic pushes
forward. Remove the front.
(1)
(2)

Inverter / Charger COMBI
35
Step 2. Loosening the screw in the top of the Combi unit, then first will the top
plastic push front way. Remove the top plastic.
(1)
(2)
(3)
(4)
Step 3. Loosening the screw in the lcd remote control panel of the Combi unit,
then remove the LCD remote control panel, and will the cable wire taking in the
rear.The cable wire can fixed in the “RJ-45 fixed Position” connector.
(1)
(2)

Inverter / Charger COMBI
36
(3)
(4)
5.3.2 Combination the Combi unit
In remove LCD remote control panel after on the Combi unit. You must
Combination the Combi unit. As followers fig.
Step 1. Will lock in the top head sheet iron takes down, and will the LCD remote
control panel hole cap. Loosening the screw.
(1)
(2)
Step 2. Will the top plastic Combination in the Combi unit on the front, and
make sure that all the screw are tight.
(1)
(2)

Inverter / Charger COMBI
37
Step 3. Will the front plastic Combination in the Combi unit on the top, and
make sure that all the screw are tight.
5.3.3 Installation LCD remote control panel
User can be installation the LCD remote control panel in anywhere, and you
can using the LCD remote panel to control the Combi unit(see Chapter 6). The
cable wire you can reference 5.2.9 of the LCM PORT( the wire less than 32.8
feet / 10 meters). As followers fig.

Inverter / Charger COMBI
38
5.4 Rear Panel:
Rear Panel View
FAN ventilation grille (1) ~ (2): The fans behind the ventilation grilles provides cooling.
DOT NOT obstruct these vents!
- Maintenance:
5.4.1 Make sure that the fan vents are not blocked.
5.4.2 Use a vacuum cleaner to remove any dust from the fan area.
5.4.3 When cleaning the case or rear panel, use a soft, dry cloth, only. If the case or
rear panel is very dirty, use a neutral, non-abrasive detergent. Do not use alcohol
or ammonia based solutions.
5.4.4 Regular service, and relocation of the Combi unit, should be performed by a
qualified service technician.
5.4.5 Avoid spilling liquid on the Combi unit.

Inverter / Charger COMBI
39
5.5 Installation Drawing
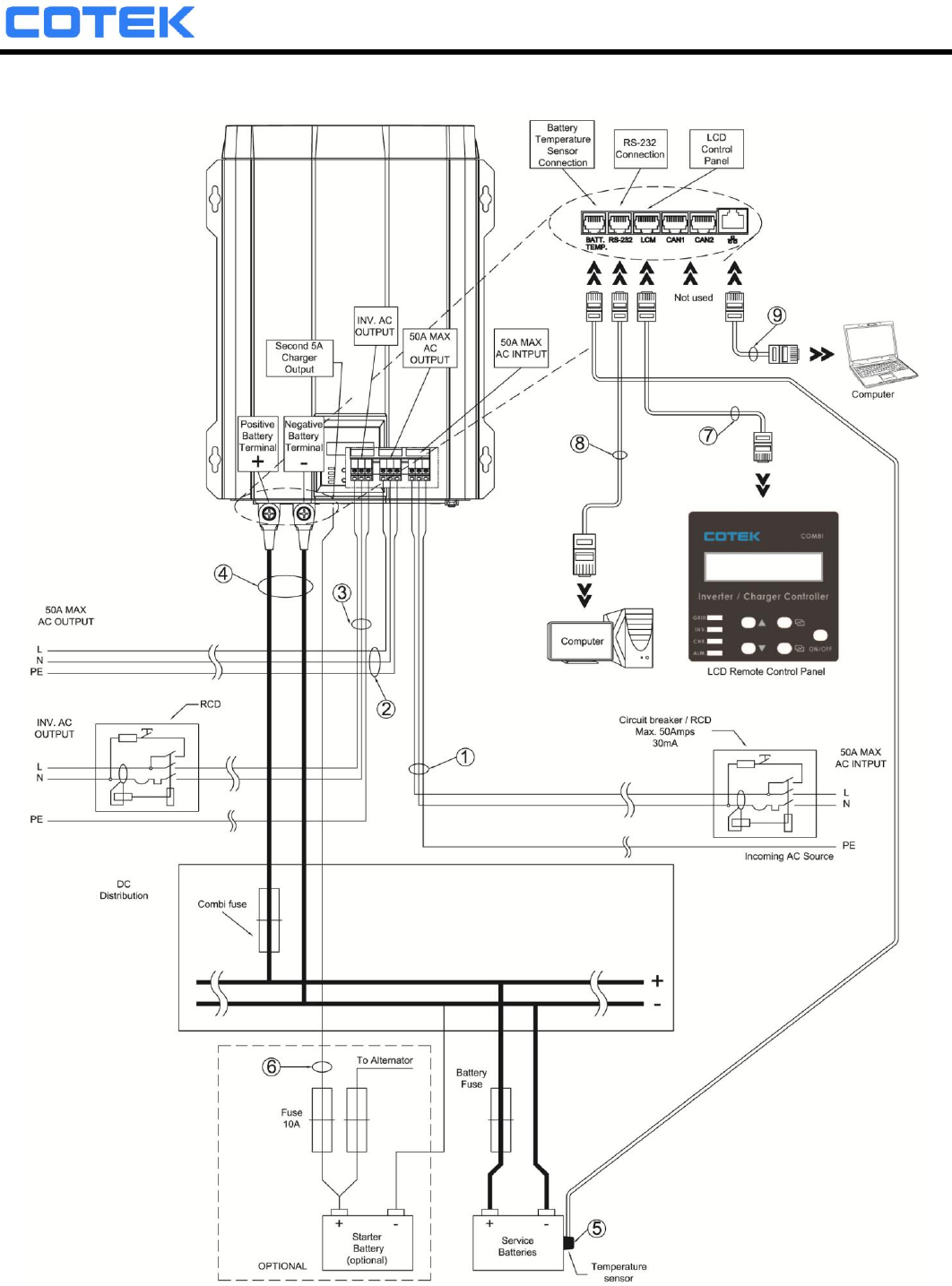
This schematic is to illustrate the general placement of the Combi unit a circuit. It is not meant to provide detailed
wiring instructions for any particular electrical installation.
Fig 14. Installation Drawing

Inverter / Charger COMBI
40
5.5.1 Wiring instructions for one Combi unit (stand alone operation)
See fig 13.
1.) See reference ①. Connect the external AC-source to the AC-input of the
Combi unit. Integrate a fuse (value depending on the used wire diameter
with a maximum of 50Amps) and a Residual Current Device (RCD) into this
wiring.
2.) See reference ②. Connect the AC-output POWER of the Combi unit to the
power distribution group.
3.) See reference ③. Connect the INV. AC output of the Combi unit to the INV.
AC output distribution group. Integrate a Residual Current Device (RCD)
into this wiring.
4.) See reference ④. Run the DC-cables between the batteries and the
Combi unit. Connect the red cable to the plus (+) connection, the black
cable to the minus (–) connection.
5.) See reference ⑤. Attach the temperature sensor to the battery and run the
cable into the Combi unit.
6.) Option: if you want to make use of the possibility to give a maintenance
charge to a small battery set (like a starter battery), run a AWG14 red cable
with a fuse holder between the positive pole of the starter battery and
Combi unit. reference ⑥. Fix the cable with an insulated fasten to the
“+5A”connection. Integrate a 10 Amps fuse in this wire. The negative pole
of this battery must be connected to the negative pole of the service battery.
7.) See reference ⑦. If you want to install the LCD remote control panel, run
the communication cable between the Combi unit and the panel.
NOTE!
The Combi unit can also be operated without the LCD remote
control panel connected.
8.) See reference ⑧. If you want to install a computer. To monitoring and
control the Combi unit.
9.) See reference ⑨. The user can use RJ-45 cable line to connect to this
port and manage it through remote to control the Combi unit.
6 LCD Remote Control Panel – Display & Setup
6.1 LCD Panel Indications
6.1.1 Press the ON / OFF button on the front. The Combi unit starts working normally.
After switching on expect a five till ten second delay. The Combi unit will be
operating in normal condition when either of the following messages are
displayed on the LCD panel screen :

Inverter / Charger COMBI
41
6.1.2 LED Indications :
- AC GRID: Displays incoming AC input status.
AC Input
LED Status
AC input ON
Green
AC input OFF
OFF
- Inverter: Displays the Combi unit working in the “Inverter mode” statues.
DC-AC Inverter
LED Status
Inverter AC Power OK
Green
Inverter AC Power Not Good
Red
- Charger: Displays the Combi unit working in the “Charger mode “ status.
Bypass
LED Status
Charger OK
Green
Charger Not Good
OFF
- ALARM: Displays the Combi unit status of the Failure Alarm.
Alarm
LED Status
Over / Under Alarm
/ FAN Alarm
Orange
Set alarm in the inverter to
operate normally
OFF
NOTE. For instructions on setting the alarm, see details in Section 6.3.3
6.1.3 LCD Remote Control Panel Selection Buttons :
- Function of Various Buttons :
Function <Up>: You can use the “up” button to scroll through the menus. or
to select the value for set up under setting mode.

Inverter / Charger COMBI
42
Function <Down>: You can use the “Down” button to scroll through the
menus or to select the value for set up under setting
mode.
Function <Page Up>: You can use the “Page Up” button to scroll through
the menus.
Function <Page Down>: You can use the “Page Down” button to scroll
through the menus.
Function <Enter Setup Menu>: Press the button longer than 2 seconds,
The Combi unit will change to “Select
Menu” which appears on the LCD screen
for the user to set functions.
Function <Enter>: Confirms a selection or value.
Function <ON / OFF>: The Combi unit can be activated by the button.
Press “ON / OFF” button, the Combi unit to startup.
If you want to turn OFF the Combi unit. Press the
“ON / OFF” button longer than 3 seconds.
6.1.4 LCD Display: Displays Combi unit operational status (See also section 6.3 for
detailed).
6.2 LCD Rear View Introduction

Inverter / Charger COMBI
43
6.2.1 Jump (reference ①)
The “J1 jump” is placed inside the remote controller and it is to indicate either
“Return Override Function” or ‘Ignition Lockout Function”
- J1 jump “open” – Return Override Function
- J2 jump “short” – Ignition Lockout Function
Note.
The “J1” jump default mode is “short”.
6.2.2 Green Terminal (reference ②)
PIN
Function
1
ALM
2
CTL
3
-ENB
4
-VCC
- ALM (PIN1)
When the Combi unit has the warning or the protection produce,
simultaneously this “ALM” pin will changing output to 5 Volt / 10mA control
signal to provides the user.

Inverter / Charger COMBI
44
- CTL (PIN2)
User can be use this “CTL” pin to force the Combi unit to turn ON or turn OFF,
and the function must with the “J1” jump coordination use (see 6.2.1).
* J1 jump is “open” : Turn OFF the Combi unit. When have a power
provision the “CTL” pin, then the Combi unit to turn ON.
If the power havn’t provision the “CTL” pin, this time the
Combi unit to turn ON. As follows shows :
J1 Jump
“CTL” Input Voltage
Combi Unit
Open
5 ~ 60 VDC
Turn ON
0 V
Turn OFF
* J1 jump is “short” : Turn ON the Combi unit. When have a power provision
the “CTL” pin, then the Combi unit to turn OFF. If the
power havn’t provisions the “CTL” pin, this times the
Combi unit to turn ON. As follows shows :
J1 Jump
“CTL” Input Voltage
Combi Unit
Short
5 ~ 60 VDC
Turn OFF
0 V
Turn ON
- -ENB (PIN3)
User can be this “-ENB” pin to control the Combi unit to turn ON or turn OFF.
WARNING!
To turn “ON” the combi unit by operating the –ENB function of
LCD Panel, the combi inverter cannot be turn OFF by any others
operations, only if to turn the MAIN SWITCH “OFF”.
- -Vcc (PIN4)
This is LCD remote control panel ground
This is LCD remote control panel ground, and with battery
negative (-) is different.

Inverter / Charger COMBI
45
6.3 Startup Sequence and Standby Status
6.3.1 Once turn on the Combi unit. The LCD display shows “System startup please
wait”, then checks the Combi unit. Status flow is as follows:

Inverter / Charger COMBI
46
6.4 Setup Menu – Operation and Instructions Entering Setup Menu:
Press Button longer than 2 seconds. The Combi unit, enters the select Menus
consisting of four layers:
(1)Select Menu Heading: (2)Select Menu :
(3)Select Menu Item: (4)Setting Value:

Inverter / Charger COMBI
47
6.4.1 Select Menu Heading:
The manual is used to show the status of the running Combi unit. The user can
make selections by switching on <UP> or <DOWN>
-
Ig = xx.x →Display the Grid O/P current.
Vg = xxx.x →Display GRID O/P voltage
FQ = xx.x →Display the Grid frequency
W = xxx →Display the Grid O/P Power.
-
Ib = xxx →Display the current status of Battery :
“Ib = -xxx” to indicate the value of discharging current in discharge mode.
”Ib = xxx ” to indicate the value of charging current in charge mode.
℃ = xx.x →Display “BAT. Temp.” to indicate the ambient temperature.
Vb = xx.x →Display the charge or discharge voltage of the battery.
→Displays the status of charging cycle: BULK, ABSORPTION or FLOAT
:BULK Phase.
:ABSORPTION Phase.
:FLOAT Phase.
-
Ii = xx.x →Display the INV output current.
Vi = xxx.x →Display the INV output voltage.
FQ = xx.x →Display the INV frequency.
W = xx.x →Display the INV output power.
6.4.2 Change Run Mode :
Combi / Charger mode control, when the Combi unit there is no external AC
power available, the inverter will provides AC power, and when there is external
AC power available, the Combi unit can constantly senses the incoming AC
current which is used to supply both the battery charger and the appliances
connected the AC output. This functions on the setting of “Combi power ON”.
(See also section 3.3.3 for detailed)

Inverter / Charger COMBI
48
If you want to charge you batteries only and you do not want to start the inverter
function when incoming AC fails. Then the function must be setting of “CHR
power ON”. (Charger See also section 3.3.7 for detailed)
6.4.3 P. S. Mode Param
Power sharing mode parameter control. Setting the Combi unit “ Sharing /
Support / Generator “ function of the enable or disable, and setting the AC input
current limited.
Iac setup : Setting the available power at the AC input current limited. To
protect the incoming AC input current from overload.
Default : 10A @ 110VAC model / 3A @ 230VAC model
Setting range : 10 ~ 50A @ 110VAC model / 3 ~ 25A @ 230 VAC model
Power sharing : Setting the Combi unit “Sharing / Support / Generator
“ function of the enable or disable. When set the function have display on the
LCD screen. Mean the function enable. When no have appears on the LCD
screen is disable.
Default = Disable.
Setting range: Disable / GEN. / SUPP. / SUPP. GEN. / SHAR. / SHAR. GEN.
/ SHAR. SUPP. / SHAR. SUPP. GEN.
6.4.4 Another Parm :
Press button before of enters, the “Another Parm” menus.
To access the settings menu contents a level password must be provided. For
increased protection certain sensitive parameters are protected by a level
password than an authorized operator must provide.
User interface
1. LCD contrast : Sets the LCD screen contrast.
Default = 50%
Setting range = 0% ~ 100%
2. LCD Auto-off : Sets the LCD screen backlight auto off timer.
Default = 120 seconds
Setting range = 0 ~ 250 seconds.
3. Buzzer setting : Sets the LCD remote control panel internal buzzer
sound ON / OFF. When set the function have appears on the LCD
screen. The buzzer will occurs “Beep” sounds.
Default = MSG, Alert, SHDN
Setting range = Disable / SHDN / Alert / Alert, SHDN / MSG / MSG,
SHDN / MSG, Alert / MSG, Alert, SHDN

Inverter / Charger COMBI
49
Menu
Status
Buzzer
MSG
Power on or push keypad
ON
Alert
Fan fail or UV alarm or overload alarm or OT alarm
ON
SHDN
OVP or UVP or OLP or OTP
ON
Disable
Any
OFF
4. Alert Setting: When alert occurs, the Combi unit internal dry contact relay
will open / close. (see details in section 5.2.8)
Default = Alert, SHDN
Setting Range = Disable / SHDN / Alert / Alert, SHDN
Menu
Status
Relay
Alert
Fan fail or UV alarm or Overload alarm
ON
SHDN
OVP or UVP or OLP or OTP
ON
Disable
Any
OFF
5. Shutdown retry: when the Combi unit occurs OVP shutdown or UVP
shutdown or overload or short circuit shutdown, anyway. The Combi unit
can be automatically restart, and should according to setting value.
Default = 5
Setting range: Disable ~ 15
6. INV. OFF delay: When external AC power incoming available, the
transfer relay switch turn ON. If the external AC power cutoff, the transfer
relay will open. When opened, the external power source the supply the
load connected to the “AC output “ only, the inverter will deliver current
for the load connected to the “INV. AC power”. However this time will to
consumption by energy switch is stored in the batteries. So, when
external AC power cutoff. The Combi unit can be automatically power
OFF, and should according the setting timing.
Default = Disable
Setting range: Disable ~ 10Min
7. Language : The Combi unit have different language be provided
selectable.
Default = English
Setting: English / Italian / Spanish / French / German
8. New password: This option allows to change the current password. To
set the new password digits use the <Up> and <Down> keys.
Maximum password length = 4 word
Factory setting = 0000
9. Iac setup switch: when the External AC power is connected, the system
will automatically constrain at the lowest value of AC input current, at the
same time, the LCD display will show “Iac setup: xxA” message on the
screen so that the Users may change the constrained value of AC current
randomly . The system allows the Users to set up the value within 60 sec.
if the time passed, the system will resume automatically and back to the
system previous setting.
Default = Disable
Setting: Enable / Disable

Inverter / Charger COMBI
50
I/P Parameter :
1. OVP Setting: Setting Combi unit the Over Voltage Protection (OVP) and
shutdown on the inverter operate.
Default = 16 VDC @ 12V Model, 32 VDC @ 24V Model
Model
Setting value range
12 V
15 VDC ~ 16 VDC
24 V
30 VDC ~ 32 VDC
2. OVP Recovery: When the dc input voltage is higher than the OVP
setting, the Combi unit shuts-down; once the input voltage falls below
the set OVP value, the Combi unit will automatically restart.
Default = 14.5 VDC @ 12V Model, 29 VDC @ 24V Model
Model
Setting value range
12 V
13.5 VDC ~ 14.5 VDC
24 V
27 VDC ~ 29 VDC
3. UVP Setting: Setting the Combi unit Under Voltage Protection (UVP)
and Shutdown on the inverter operate.
Default= 10.5 @ 12V Model, 21 VDC @ 24V Model
Model
Setting value range
12 V
10.5 VDC ~ 11.5 VDC
24 V
21 VDC ~ 23 VDC
4. UVP Recovery: When the DC input voltage is below the set UVP value
The Combi unit shuts-down; Once the input voltage rises Above the set
UVP value, the Combi unit will automatically Restart.
Default= 12.5VDC @ 12V Model, 25 VDC @ 24V Model
Model
Setting value range
12 V
12.5 VDC ~ 13.5 VDC
24 V
25 VDC ~ 27 VDC
5. UV Alarm: Setting Under Voltage (UV) alarm. When the input voltage is
lower than the set value, the Combi unit will sound “beep” to remind that
the unit is going to shutdown. At the meantime, the contact in the internal
Dry Contact Relay will open / close. (See details in Section 5.2.8)
Default= 10.5 VDC @ 12 V Model, 21 VDC @ 24 V Model
Model
Setting value range
12 V
10.5 VDC ~ 11.5 VDC
24 V
21 VDC ~ 23 VDC
NOTE!
The value of voltage set for the “UV Alarm” should be equal to or
higher than the value set for “UVP” or else the unit will shutdown
without any audible warning.
O/P Parameters:
1. O/P Voltage: Setting the Combi unit output voltage on the inverter
operate.
Default= 110 VAC @110 V Model, 230 VAC @ 230 V Model

Inverter / Charger COMBI
51
Model
Setting value range
110 V
100 VAC ~ 120 VAC
230 V
200 VAC ~ 240 VAC
2. O/P Frequency: Setting the Combi unit output frequency on the inverter
operate.
Default= 60 Hz @ 110 V Model, 50 Hz @ 230 V Model.
Model
Setting value range
110 V
47 Hz ~ 63 Hz
230 V
47 Hz ~ 63 Hz
3. Sync Frequency: If a generator with distorted. Output waveform (too low
frequency) is used as AC source. The allowed frequency window for the
incoming AC power can be enlarged.
Example1: AC input = 230 VAC / 50Hz, User setting Value= 7Hz
When the Combi unit “Output frequency” is within The Range
of 43 Hz~57 Hz, the internal transfer relay will close. When the
output frequency is less than 43 Hz or more than 57 Hz, the
internal transfer relay will still open.
Example2: When user setting Value= Disable,the Combi unit “Output
frequency” is within The Range of 47 Hz~63 Hz, the internal
transfer relay will close.
Default= 7Hz
Model
Setting value range
110 V
Disable ~ 7 Hz
230 V
Disable ~ 7 Hz
4. Overload Alarm: Sets the overload alarm. When the Combi unit output
power is higher than the set value, the Combi unit will sound “beep” to
remind that the unit is going to shutdown. At the same time, the internal
Dry Contact Relay will open/close. (See details in Section 5.2.8)
Default= 100%
Setting range= 50%~110%
5. Saving Level: Setting the Combi unit to power saving to reduction
consumption from the batteries.(level setting refer See 5.2.10)
Default = Disable
Setting range = Disable ~ 7
6. Saving Interval: When the Combi unit in working for the power saving
mode. And the Combi unit must to sensitive. This time the Combi unit
must to AC output (LOAD) sensitive load. When the load increases more
than set value of the power saving level, the Combi unit of awaking on
the output power automatically. However, to the load sensitive time. The
Combi unit can be adjust on the power saving interval.
Default = 2.0 Seconds
Setting range = 0.1S ~ 2.0S
7. Ground Relay: Setting the Combi unit ground relay allows you to connect
the Neutral. (See details in section 5.2.3)
Default = OFF
Setting range = ON / OFF

Inverter / Charger COMBI
52
Charge parameter :
1. Ibat setup: When external AC power comes available. The battery
charger are supplied by the external AC power. The batteries are
recharged now. However, the charger current can be adjust on the “Ibat
setup”.
Default = 50.0 A @12V model / 25.0A @24V model
Model
Setting value range
12 V
20.0A ~ 100A
24 V
10.0A ~ 50.0A
2. Second charger : The Combi unit can be used to give a maintenance
charge to a small battery.
The second charger output current 5A maximum.
Users can be set turn ON or turn OFF on the charger power output.
Default = ON
Setting range = ON / OFF
3. Max. Bulk timer: The Combi unit is a three – step plus charging method
and guarantees that the batteries are always charged 100%. This three
automatic stages: BULK, ABSORPTION and FLOAT. The first step of the
three plus charge system is the BULK phase. The Combi unit can be
adjust on the phase timer.(See details in fig 12)
Default = 8 hours
Setting range = 8 ~ 18 hours
4. Battery type: Users can be setting for the battery type.
(see details in section 5.2.10)
Default = Gel
Setting range = Gel / Flooded / AGM 1 / AGM 2 / Customer.
be used with a battery bank that consists of 2V GEL cells!
Battery Type
Stage
Gel
Flooded
AGM 1
AGM 2
@12VDC
@24VDC
@12VDC
@24VDC
@12VDC
@24VDC
@12VDC
@24VDC
Bulk Voltage
14.1VDC
28.2VDC
14.6VDC
28.2VDC
14.3VDC
28.6VDC
14.5VDC
29VDC
Absorption Voltage
14.1VDC
28.2VDC
14.6VDC
28.2VDC
14.3VDC
28.6VDC
14.5VDC
29VDC
Float Voltage
13.6VDC
27.2VDC
13.4VDC
26.8VDC
13.1VDC
26.2VDC
13.5VDC
27VDC
Battery Type
Stage
Customer
@12VDC
@24VDC
Vbulk CTM
14.0 ~ 15.0VDC
28.0 ~ 30.0VDC
Vabs CTM
14.0 ~ 15.0VDC
28.0 ~ 30.0VDC
Vfloat CTM
13.0 ~ 14.0VDC
26.0 ~ 28.0VDC
To be selected by the customer on the manufacturers’ recommendations, if
available.
5. RST to default: The Combi unit you can restore all the factory settings.
Select the items “RST to default “ and press <Enter> .The screen “ON”
appears on the display. press <Enter> to restore the factory settings.

Inverter / Charger COMBI
53
7 RS-232 Communication and Operation
7.1 Operation of RS-232 serial port :
7.1.1 See reference 5.2.9. If you want to install a the computer, run the communication
cable between Combi unit and the computer. Connect the RS-232 port to front
on the Combi unit. However you can be remote control and monitoring to the
Combi unit.
7.1.2 The RS232 interface of this unit employs ASCII code to implement the
asynchronous serial transmission control.
The byte structure is START-BIP – 8 BIT DATA-STOP BIT.
Baud rate: 9600.
7.1.3 Coupled with PC software application port. Operation is as detailed in Section 7-
2.
7.2 Example of the RS232 Operation:
7.2.1 RS-232 command:
Command format:
This unit uses high-level language commands with a CR (0DH) as the end of the
command. The system would interpret and execute the command only after
these two characters are received. After the unit execute the command, it would
send a response string to the computer. The response string is as follows:
= > CR : Command executed successfully
? > CR : Command error, not accepted
! > CR : Command correct but execution error (e.g. parameters out of range).
If the command needs any information from the unit, the unit would send the
information back to the computer (with CR ) and then send the response string
to the computer.
7.2.2 Command format:
This unit supports the following command format.
There should always be a CR (0DH) appended to the command while sending
the command to this unit.
1.) Users can be the command to control the Combi unit to turn ON or turn
OFF.
Format : Power <value>
Example : A space (ASCII code 20H) is needed between power and
<value>
<value> can be one of the following.
“0” : Power OFF
“1” : Power ON
2.) Users can be the command to query the Combi unit output frequency of the
inverter.
Format : FRQ?
After “Enter”, the unit’s “Output Frequency” appears on the PC screen.

Inverter / Charger COMBI
54
3.) Users can be the command to query the Combi unit output voltage of the
inverter.
Format: VINV?
After “Enter”, the unit’s “Output Voltage” appears on the PC screen.
4.) Users can be the command to query the Combi unit output current of the
inverter.
Format: IINV?
After “Enter”, the unit’s “Output Current” appears on the PC screen.
5.) Users can be the command to query the Combi unit status.
Format: STA?
After “Enter”, the unit’s working status will appears on the PC screen. As
follows status on behalf of the Combi unit
Bit
Binary code
ASC II Code
Status on behalf
S
0
0
Power turn off
1
128
Power turn on
T
0
0
Battery no high voltage
1
64
Battery high voltage
U
0
0
Battery no low voltage
1
32
Battery low voltage
V
0
0
Temperature normal
1
16
Temperature failure
W
0
0
Fan normal
1
8
Fan failure
X
0
0
No power saving
1
4
power saving mode
Y
0
0
No overload or short circuit
1
2
overload or short circuit
Z
0
0
Battery no under voltage alarm
1
1
Battery under voltage alarm
6.) Users can be the command to query the Combi unit AC input of the grid
power.
Format: VGRID?
After “Enter”, the unit’s “AC input voltage” appears on the PC screen.
7.) Users can be the command to query the Combi unit AC input of the grid
current.
Format: IGRID?
After “Enter”, the unit’s “AC input current” appears on the PC screen.
8.) Users can be the command to query the Combi unit DC input voltage of
the battery.
Format: VBAT?
After “Enter”, the unit’s “DC input voltage” appears on the PC screen.
9.) Users can be the command to query the Combi unit DC input current of the
battery.
Format: IBAT?
After “Enter”, the unit’s “DC input voltage” appears on the PC screen.

Inverter / Charger COMBI
55
10.) Users can be the command to query the Combi unit contact temperature
sensor on the battery.
Format: TBAT?
After “Enter”, the unit’s “Battery Temperature” appears on the PC screen.
11.) Users can be the command to query the Combi unit internal temperature.
Format: TENIR?
After “Enter”, the unit’s “Internal Temperature” appears on the PC screen.
12.) Users can be the command to query the Combi unit output power of the
inverter.
Format: PINV?
After “Enter”, the unit’s “Output Power” appears on the PC screen.
13.) Users can be the command to query the Combi unit AC input of the grid
power.
Format: PGRID?
After “Enter”, the unit’s “AC input power” appears on the PC screen.
14.) Users can be the command to query the Combi unit model number.
Format: Model?
After “Enter”, the unit’s “Model Number” appears on the PC screen.
15.) Users can be the command to reset default the Combi unit .
Format: RST?
After “Enter”, the unit’s will reset to default.
7.2.3 Command for accessing Setup Menus and adjusting values:
1.) Select the Setup Menus with the help of Function Codes:
Format : FUNC <Function Code>
After “Enter”, the Setup Menu for the Function Code will be called.
The <Function Code>= 0~33, as follows:
Function
Code
Setting Menu
Function
Code
Setting Menu
0
LCD_Contrast
18
OVP Setting
1
LCD_Auto-off
19
OVP Recovery
2
Not used
20
UVP Setting
3
Buzzer Setting
21
UVP Recovery
4
Alert Setting
22
UV Alarm
5
Shutdown Retry
23
O/P Voltage
6
Sync Frequency
24
O/P Frequency
7
Battery Type
25
Ibat Setup
8
Saving Level
26
EE_SWLed
9
Ground Relay
27
SN[0]
10
Second Charger(5A)
28
SN[1]
11
Change Run Mode
29
Not use
12
Power Sharing Mode Parameter
30
EE_Vbulk_CTM
13
Inv Off Delay
31
EE_Vabs_CTM
14
Overload load Alarm
32
EE_Vfloat_CTM
15
Saving Interval
33
EE_Veq_CTM
16
Iac Setup
34
EE_Teq_CTM
17
Max. Bulk Timer
35
EnEq

Inverter / Charger COMBI
56
1. Command to query the functions No :
Format: FUNC?
After “Enter”, the unit’s “Function Code” appears on the PC screen.
2. Command to query the set value of the function :
Format: SETT?
After “Enter”, the existing set value of the function appears on the PC
screen.
3. Command to set or adjust the value of the function :
Format: SETT <value>
After “Enter”, the new value of the function is set choose the <value> of
the function as follows:
FUNC 0: LCD Contrast
SETT <Value>
Default
0 ~ 100
50%
FUNC 1: LCD Auto-off
SETT<Value>
Default
0 ~ 250
120 S
FUNC 3: Buzzer Setting
SETT <Value>
Buzzer (Beep sound)
Default
0
Disable
7
1
SHDN
2
Alert
3
Alert , SHDN
4
MSG
5
MSG , SHDN
6
MSG , Alert
7
MSG , Alert , SHDN
FUNC 4: Alert Setting
SETT <Value>
Alert
Default
0
Disable
3
1
SHDN
2
Alert
3
Alert, SHDN

Inverter / Charger COMBI
57
FUNC 5: Shutdown Retry
SETT <Value>
Default
0 ~ 15
5
FUNC 6: Sync Frequency
SETT <Value>
Default
Disable ~ 70 @10=1Hz
7.0Hz <70>
FUNC 7: Battery Type
SETT <Value>
Type
Default
0
Gel
0
1
Flooded
2
AGM 1
3
AGM 2
FUNC 8: Saving Level
SETT <Value>
LOAD
Default
0
Disable
0
1
>40W
2
>80W
3
>100W
4
>120W
5
>160W
6
>180W
7
>220W
FUNC 9: Ground Relay
SETT <Value>
Relay
Default
0
OFF
0
1
ON
FUNC 10: Second Charger
SETT <Value>
5A Output
Default
0
OFF
1
1
ON
FUNC 11:Change Run Mode
SETT <Value>
Mode
Default
0
CHR. Power ON
3
3
COMBI Power ON

Inverter / Charger COMBI
58
FUNC 12: P. S. Mode Parameter
SETT <Value>
Power Sharing Mode
Default
0
Disable
0
1
GEN.
2
SUPP.
3
SUPP. , GEN.
4
SHAR.
5
SHAR. , GEN.
6
SHAR. , SUPP.
7
SHAR. , SUPP. , GEN.
FUNC 13: Inv Off Delay
SETT<Value>
Default
0 ~ 100 @10=1 min
5.0 min <50>
FUNC 14: Overload Alarm
SETT<Value>
Default
50 ~ 110
100%
FUNC 15: Saving Interval
SETT <Value>
Default
1 ~ 20 @10=1 sec
2.0 sec <20>
FUNC 16: Iac Setup
SETT <Value>
Default
Model
100 ~ 500 @10=1 A
10.0A <100>
SB2000-112
SB2000-124
30 ~ 250@10=1 A
3.0A <30>
SB2000-212
SB2000-224
FUNC 17: Max. Bulk Timer
SETT <Value>
Default
8 ~ 180 @10=1 Hour
8.0 Hr <80>
FUNC 18: OVP Setting
SETT <Value>
Default
Model
1500 ~ 1600 @100=1V
16.0V <1600>
SB2000-112
SB2000-212
3000 ~ 3200 @100=1V
32.0V <3200>
SB2000-124
SB2000-224

Inverter / Charger COMBI
59
FUNC 19: OVP Recovery
SETT <Value>
Default
Model
1350 ~ 1450 @100=1V
14.5V <1450>
SB2000-112
SB2000-212
2700 ~ 2900 @100=1V
29.0V <2900>
SB2000-124
SB2000-224
FUNC 20: UVP Setting
SETT <Value>
Default
Model
1050 ~ 1150 @100=1V
10.5V <1050>
SB2000-112
SB2000-212
2100 ~ 2300 @100=1V
21.0V <2100>
SB2000-124
SB2000-224
FUNC 21: UVP Recovery
SETT<Value>
Default
Model
1250 ~ 1350 @100=1V
12.5V <1250>
SB2000-112
SB2000-212
2500 ~ 2700 @100=1V
25.0V <2500>
SB2000-124
SB2000-224
FUNC 22: UV Alarm
SETT <Value>
Default
Model
1050 ~ 1150 @100=1V
10.5V <1050>
SB2000-112
SB2000-212
2100 ~ 2300 @100=1V
21.0V <2100>
SB2000-124
SB2000-224
FUNC 23: O/P Voltage
SETT <Value>
Default
Model
1000 ~ 1200 @100=1V
110V <1100>
SB2000-112
SB2000-124
2000 ~ 2400 @100=1V
230V <2300>
SB2000-212
SB2000-224
FUNC 24: O/P Frequency
SETT <Value>
Default
Model
470 ~ 630 @10=1Hz
60Hz <600>
SB2000-112
SB2000-124
470 ~ 630 @10=1Hz
50Hz <500>
SB2000-212
SB2000-224

Inverter / Charger COMBI
60
FUNC 25: Ibat Setup
SETT <Value>
Default
Model
200 ~ 1000 @10=1A
50.0A <500>
SB2000-112
SB2000-212
100 ~ 500 @10=1A
25.0A <250>
SB2000-124
SB2000-224
FUNC 26: After “Enter”, will the combi unit dip switch (on the front) set value
appears on the PC screen.
FUNC 27: After “Enter”, will the combi unit series number [0] appears on the PC
screen.
FUNC 28: After “Enter”, will the combi unit series number [1] appears on the PC
screen.
FUNC 30: Bulk-stage voltage setting
SETT <Value>
Default
Model
1400 ~ 1500 @100=1V
14.5V <1450>
SB2000-112
SB2000-212
2800 ~ 3000 @100=1V
29.0V <2900>
SB2000-124
SB2000-224
FUNC 31: Absorption-stage voltage setting
SETT <Value>
Default
Model
1400 ~ 1500 @100=1V
14.5V <1450>
SB2000-112
SB2000-212
2800 ~ 3000 @100=1V
29.0V <2900>
SB2000-124
SB2000-224
FUNC 32: Float-stage voltage setting
SETT <Value>
Default
Model
1300 ~ 1400 @100=1V
13.5V <1350>
SB2000-112
SB2000-212
2600 ~ 2800 @100=1V
27.0V <2700>
SB2000-124
SB2000-224
FUNC 33: Equalization-stage voltage setting
SETT <Value>
Default
Model
1400 ~ 1600 @100=1V
14.5V <1450>
SB2000-112
SB2000-212
2800 ~ 3200 @100=1V
29.0V <2900>
SB2000-124
SB2000-224

Inverter / Charger COMBI
61
FUNC 34: Equalization-stage timer setting
SETT<Value>
Default
10 ~ 1200 @100=1 Hr
8 Hr <80>
FUNC 35: Equalization-stage Enable / Disable setting
SETT <Value>
Power Sharing Mode
Default
0
Disable
0
1
Enable.
2.) Select the “REHTY Menus” with the help of Function Codes:
Format : FUNC <Function Code>
After “Enter”, the Setup Menu for the Function Code will be called.
The <Function Code>= 0~17, as follows:
Function
Code
REHTY Menus
Function
Code
REHTY Menus
0
Power output W/H
9
Short time
1
Power output Time
10
Heat sink temp. fail time
2
Power input W/H
11
Environment temp. fail time
3
Power input Time
12
Battery Max. voltage
4
Charging AH
13
Battery Min. voltage
5
Charging Time
14
Battery OVP time
6
DisCharging AH
15
Battery UVP time
7
DisCharging Time
16
Battery OTP time
8
OLP time
17
Charging cycle
1. Users can be the command to query the Functions No:
Format : FUNC?
After “Enter”, the unit’s “Function Code” appears on the PC screen.
2. Users can be the command to query the Combi unit history data :
Format : REHTY
After “Enter”, the Combi unit history data of the function appears on the
PC screen.
3.) Select the “REUDF/WRUDF Menus” with the help of Function Codes:
Format : FUNC <Function Code>
After “Enter”, the Setup Menu for the Function Code will be called.
The <Function Code>= 0~31, as follows:
Function
Code
Setting Menu
Function
Code
Setting Menu
0
UserDef[0]
16
UserDef[16]
1
UserDef[1]
17
UserDef[17]
2
UserDef[2]
18
UserDef[18]
3
UserDef[3]
19
UserDef[19]
4
UserDef[4]
20
UserDef[20]
5
UserDef[5]
21
UserDef[21]

Inverter / Charger COMBI
62
6
UserDef[6]
22
UserDef[22]
7
UserDef[7]
23
UserDef[23]
8
UserDef[8]
24
UserDef[24]
9
UserDef[9]
25
UserDef[25]
10
UserDef[10]
26
UserDef[26]
11
UserDef[11]
27
UserDef[27]
12
UserDef[12]
28
UserDef[28]
13
UserDef[13]
29
UserDef[29]
14
UserDef[14]
30
UserDef[30]
15
UserDef[15]
31
UserDef[31]
1. Users can be the command to query the Functions No :
Format: FUNC?
After “Enter”, the unit’s “Function Code” appears on the PC screen.
2. Users if want to read the Combi unit set value. This setting value defers
to the user meaning to do set. can be the command to read the Combi
unit set value:
Format: REUDF
After “Enter”, the existing set value will appears on the PC screen.
3. Users if want to set a word to the Combi unit by means. can be the
command to set value of the Function:
Format: WRUDF <value>
The value maximum is two words only.
After “Enter”, the new value will save of the Combi unit.
8. Trouble Shooting
8.1 Fault Indicators
WARNING:
Do not open or disassemble the Combi unit. Attempting to service the unit
may cause risk of electrical shock or fire.If a failure occurs, the origin of the
failure is displayed by means of the LCD remote control panel LEDS and
display.
Mode
Problems and Symptoms
Possible Cause
Solutions
XX
No output and LCD none Illuminating
a. The Combi unit not working
The Combi unit power
switch turn off
Check the on/off switch of the
LCD panel
b. DC input battery error
Damage or voltage
error of the battery
Check and Confirmation of the
voltage to the battery
c. DC input terminal none
voltage of the Combi unit
DC fuse is blown
Investigate the cause of the
failure and replace the fuse.
LCD panel “Alarm LED” Indicators red lamp
a. LCD panel appears
“Overload alert”
The Combi unit is load
with than 100%, but
the inverter still on.
Reduce the connected load by
switching off some equipment.
b. LCD panel appears
The battery voltage is
Check the batteries.

Inverter / Charger COMBI
63
“UV alert”
running too low, but
the inverter still on.
The inverter will switch off if the
battery voltage stays low.
Combi
No AC power output
a. LCD panel appears
“OLP shutdown” and
“Inverter LED” solid red.
Short circuit , wiring
error. over loading.
Check AC wiring for short
circuit .
Reduce load.
b. LCD Panel appears “OVP
Shutdown” and “Inverter
LED” solid red.
Over dc input voltage
(OVP)
Check dc input voltage and
reduce the voltage
c. LCD Panel appears
“UVP Shutdown” and
“Inverter LED” solid red.
Low dc input voltage.
(UVP)
Recharge to the battery. Check
connections and cables wire.
d. LCD Panel appears
“ENIR TEMP. shutdown” or
“H.S. TEMP. shutdown” or
“BAT. TEMP. shutdown”
and “Inverter LED” solid
red.
Over Thermal
shutdown. (OTP)
Improve ventilation. Make sure
ventilation, grilles / slots of the
Combi unit are not obstructed.
Lower ambient temperature.
Charger
No charge current to the batteries
a. LCD panel display none
charge current.
Bypass relay not to
close
Check frequency of the Combi
unit setting and AC input both
same
b. LCD panel “Charger LED”
and “ AC Grid LED” not
illuminating.
Not AC input power
Check AC input terminal
connections, and to the make
sure external AC input or AC
circuit breaker is OK.
c. To restart the Combi unit
always.
DC input terminal no
connections to the
batteries
Check the DC input terminal.
8.2 Warranty
We guarantee this product against defects in materials and workmanship for a period of 24
months from the date of purchase and will repair or replace any defective Combi units if you
directly returned them to us with postage paid.
Please note that Cotek is only responsible for ensuring our products are operational before
delivering. This warranty will be considered void if the unit has been misused, altered, or
accidentally damaged. Cotek is not liable for anything that occurs as a result of the user’s fault.
No. 33, Rong Hsin Rd., Pa Teh City, Tao Yuan County, Taiwan
Phone:886-3-3661581 FAX:886-3-3676029
E-mail:sales@cotek.com.tw http:// www.cotek.com.tw