Zebra Technologies XWING1 XWING1 User Manual Manual
Zebra Technologies Corporation XWING1 Manual
Manual

MPA Project Document 70-147018-01 REV A
Copyright 2011 Motorola Solutions, Inc.
20110307-A
i
Confidential Material – Disclosure Strictly Prohibited.
Title:
XWING1 Users Guide
Description/Abstract/Synopsis:
The purpose of this document is to provide a user’s and integrator’s guide
targeted for module integrators
Motorola Solutions
Document Number:
Agile Released Revision #: Document Status:
In Progress
70-XXXXXX-01
[ ] – Released Version
MPA Document Number:
0
[ ] – Next Release In Process
NA Division: Sub-team:
[ ] – Document Obsolete
Working Revision:
XXXXX-
MCD RF-SYS
Obsolete Document Replaced By:
Last Updated: 06/17/2011 Document Type:
SPEC / IG
N/A
Confidentiality Statement:
Classification: N/A
[ x ] - Contains Motorola Solutions partner NDA related material (Disclosure requires a three-
way NDA.)
Partner Name Agreement Number
[x] - For Motorola Solutions Internal Use Only
[ ] - Disclosure allowed under Motorola Solutions NDA Only
[x] - Does or may contain Motorola Solutions patentable property
*** Direct this document’s disclosure inquires to (Job Title):
TNT Archive Location/Path: Agile
Current Owner:
Giovanni Ritieni
Authors / Contributors:
Kevin Lamb

MPA Project Document 70-147018-01 REV A
Copyright 2011 Motorola Solutions, Inc.
20110307-A
ii
Confidential Material – Disclosure Strictly Prohibited.
Revision History
Rev # Author Date Notes
0.00 RITIENI 100422 Initial Revision
Supporting or Reference Documentation
MPA or Motorola Solutions
Document Number Title

MPA Project Document 70-147018-01 REV A
Copyright 2011 Motorola Solutions, Inc.
20110307-A
iii
Confidential Material – Disclosure Strictly Prohibited.
Release Signatures Required
Divisional Role Motorola Solutions Associate
Copyright Information
No part of this document may be reproduced, stored in or introduced into a retrieval system, or
transmitted in any form or by any means (electronic, mechanical, photocopying, recording, or
otherwise) for any purposes, without the express written permission of Motorola Solutions, Inc.
Motorola Solutions, Inc. may have patents, patent applications, trademarks, copyrights, or other
intellectual property rights covering subject matter in this document. Except as expressly
provided in any written license agreement from Motorola Solutions, Inc., the furnishing of this
document does not give you any express or implied rights to these patents, trademarks,
copyrights, or other intellectual property.
© 2011 Motorola Solutions, Incorporated. All rights reserved.

MPA Project Document 70-147018-01 REV A
Copyright 2011 Motorola Solutions, Inc.
20110307-A
iv
Confidential Material – Disclosure Strictly Prohibited.
• Federal Communication Commission Interference Statement
This equipment has been tested and found to comply with the limits for a
Class B digital device, pursuant to Part 15 of the FCC Rules. These limits
are designed to provide reasonable protection against harmful interference
in a residential installation. This equipment generates, uses and can radiate
radio frequency energy and, if not installed and used in accordance with the
instructions, may cause harmful interference to radio communications.
However, there is no guarantee that interference will not occur in a particular
installation. If this equipment does cause harmful interference to radio or
television reception, which can be determined by turning the equipment off
and on, the user is encouraged to try to correct the interference by one of
the following measures:
- Reorient or relocate the receiving antenna.
- Increase the separation between the equipment and receiver.
- Connect the equipment into an outlet on a circuit different from that
to which the receiver is connected.
- Consult the dealer or an experienced radio/TV technician for help.
FCC Caution: Any changes or modifications not expressly approved by the
party responsible for compliance could void the user's authority to operate
this equipment.
This device complies with Part 15 of the FCC Rules. Operation is subject to
the following two conditions: (1) This device may not cause harmful
interference, and (2) this device must accept any interference received,
including interference that may cause undesired operation.
IMPORTANT NOTE:
FCC Radiation Exposure Statement:
This equipment complies with FCC radiation exposure limits set forth for an
uncontrolled environment. This equipment should be installed and operated
with minimum distance 20cm between the radiator & your body.
This transmitter must not be co-located or operating in conjunction with any
other antenna or transmitter.
Operations in the 5.15-5.25GHz band are restricted to indoor usage only.

MPA Project Document 70-147018-01 REV A
Copyright 2011 Motorola Solutions, Inc.
20110307-A
v
Confidential Material – Disclosure Strictly Prohibited.
This device is intended only for OEM integrators under the following
conditions:
1) The antenna must be installed such that 20 cm is maintained between
the antenna and users, and
2) The transmitter module may not be co-located with any other
transmitter or antenna,
3) For all products market in US, OEM has to limit the operation channels
in CH1 to CH11 for 2.4G band by supplied firmware programming tool.
OEM shall not supply any tool or info to the end-user regarding to
Regulatory Domain change.
As long as 3 conditions above are met, further transmitter test will not be
required. However, the OEM integrator is still responsible for testing their
end-product for any additional compliance requirements required with this
module installed
IMPORTANT NOTE: In the event that these conditions can not be met (for
example certain laptop configurations or co-location with another transmitter),
then the FCC authorization is no longer considered valid and the FCC ID
can not be used on the final product. In these circumstances, the OEM
integrator will be responsible for re-evaluating the end product (including the
transmitter) and obtaining a separate FCC authorization.
• End Product Labeling
This transmitter module is authorized only for use in device where the
antenna may be installed such that 20 cm may be maintained between the
antenna and users. The final end product must be labeled in a visible area
with the following: “Contains FCC ID: UZ7XWING1”.
• Manual Information To the End User
The OEM integrator has to be aware not to provide information to the end
user regarding how to install or remove this RF module in the user’s manual
of the end product which integrates this module.
The end user manual shall include all required regulatory
information/warning as show in this manual.

MPA Project Document 70-147018-01 REV A
Copyright 2011 Motorola Solutions, Inc.
20110307-A
vi
Confidential Material – Disclosure Strictly Prohibited.
Industry Canada statement:
This device complies with RSS-210 of the Industry Canada Rules. Operation is
subject to the following two conditions: (1) This device may not cause harmful
interference, and (2) this device must accept any interference received, including
interference that may cause undesired operation.
Ce dispositif est conforme à la norme CNR-210 d'Industrie Canada applicable
aux appareils radio exempts de licence. Son fonctionnement est sujet aux deux
conditions suivantes: (1) le dispositif ne doit pas produire de brouillage
préjudiciable, et (2) ce dispositif doit accepter tout brouillage reçu, y compris un
brouillage susceptible de provoquer un fonctionnement indésirable.
IMPORTANT NOTE:
Radiation Exposure Statement:
This equipment complies with IC radiation exposure limits set forth for an
uncontrolled environment. This equipment should be installed and operated with
minimum distance 20cm between the radiator & your body.
Caution:
(i) the device for operation in the band 5150-5250 MHz is only for indoor use to
reduce the potential for harmful interference to co-channel mobile satellite
systems;
(ii) the maximum antenna gain permitted for devices in the bands 5250-5350
MHz and 5470-5725 MHz shall comply with the e.i.r.p. limit; and
(iii) the maximum antenna gain permitted for devices in the band 5725-5825 MHz
shall comply with the e.i.r.p. limits specified for point-to-point and non point-to-
point operation as appropriate.
(iv) Users should also be advised that high-power radars are allocated as primary
users (i.e. priority users) of the bands 5250-5350 MHz and 5650-5850 MHz and
that these radars could cause interference and/or damage to LE-LAN devices.

MPA Project Document 70-147018-01 REV A
Copyright 2011 Motorola Solutions, Inc.
20110307-A
vii
Confidential Material – Disclosure Strictly Prohibited.
NOTE IMPORTANTE:
Déclaration d'exposition aux radiations:
Cet équipement est conforme aux limites d'exposition aux rayonnements IC
établies pour un environnement non contrôlé. Cet équipement doit être installé et
utilisé avec un minimum de 20 cm de distance entre la source de rayonnement et
votre corps.
Avertissement:
Le guide d’utilisation des dispositifs pour réseaux locaux doit inclure des
instructions précises sur les restrictions susmentionnées, notamment :
(i) les dispositifs fonctionnant dans la bande 5 150-5 250 MHz sont réservés
uniquement pour une utilisation à l’intérieur afin de réduire les risques de
brouillage préjudiciable aux systèmes de satellites mobiles utilisant les mêmes
canaux;
(ii) le gain maximal d’antenne permis pour les dispositifs utilisant les bandes 5
250-5 350 MHz et 5 470-5 725 MHz doit se conformer à la limite de p.i.r.e.;
(iii) le gain maximal d’antenne permis (pour les dispositifs utilisant la bande 5
725-5 825 MHz) doit se conformer à la limite de p.i.r.e. spécifiée pour
l’exploitation point à point et non point à point, selon le cas.
(iv) De plus, les utilisateurs devraient aussi être avisés que les utilisateurs de
radars de haute puissance sont désignés utilisateurs principaux (c.-à-d., qu’ils
ont la priorité) pour les bandes 5 250-5 350 MHz et 5 650-5 850 MHz et que ces
radars pourraient causer du brouillage et/ou des dommages aux dispositifs LAN-
EL.

MPA Project Document 70-147018-01 REV A
Copyright 2011 Motorola Solutions, Inc.
20110307-A
viii
Confidential Material – Disclosure Strictly Prohibited.
(The user manual of transmitter devices equipped with detachable antennas shall
contain the following information in a conspicuous location: )
This device has been designed to operate with an antenna having a maximum
gain of 5dBi. Antenna having a higher gain is strictly prohibited per regulations of
Industry Canada. The required antenna impedance is 50 ohms.
Under Industry Canada regulations, this radio transmitter may only operate using
an antenna of a type and maximum (or lesser) gain approved for the transmitter
by Industry Canada. To reduce potential radio interference to other users, the
antenna type and its gain should be so chosen that the equivalent isotropically
radiated power (e.i.r.p.) is not more than that necessary for successful
communication.
(Le manuel d'utilisation de dispositifs émetteurs équipés d'antennes amovibles
doit contenir les informations suivantes dans un endroit bien en vue:)
Ce dispositif a été conçu pour fonctionner avec une antenne ayant un gain
maximal de 5dBi. Une antenne à gain plus élevé est strictement interdite par les
règlements d'Industrie Canada. L'impédance d'antenne requise est de 50 ohms.
Conformément à la réglementation d'Industrie Canada, le présent émetteur radio
peutfonctionner avec une antenne d'un type et d'un gain maximal (ou inférieur)
approuvé pourl'émetteur par Industrie Canada. Dans le but de réduire les risques
de brouillage radioélectriqueà l'intention des autres utilisateurs, il faut choisir le
type d'antenne et son gain de sorte que lapuissance isotrope rayonnée
équivalente (p.i.r.e.) ne dépasse pas l'intensité nécessaire àl'établissement d'une
communication satisfaisante.

MPA Project Document 70-147018-01 REV A
Copyright 2011 Motorola Solutions, Inc.
20110307-A
ix
Confidential Material – Disclosure Strictly Prohibited.
This device is intended only for OEM integrators under the following
conditions: (For module device use)
1) The antenna must be installed such that 20 cm is maintained between the
antenna and users, and
2) The transmitter module may not be co-located with any other transmitter or
antenna,
3) For all products market in Canada, OEM has to limit the operation channels in
CH1 to CH11 for 2.4G band by supplied firmware programming tool. OEM
shall not supply any tool or info to the end-user regarding to Regulatory
Domain change.
As long as 3 conditions above are met, further transmitter test will not be
required. However, the OEM integrator is still responsible for testing their end-
product for any additional compliance requirements required with this module
installed.
Cet appareil est conçu uniquement pour les intégrateurs OEM dans les conditions
suivantes: (Pour utilisation de dispositif module)
1) L'antenne doit être installée de telle sorte qu'une distance de 20 cm est respectée
entre l'antenne et les utilisateurs, et
2) Le module émetteur peut ne pas être coïmplanté avec un autre émetteur ou
antenne,
3) Pour tous les produits vendus au Canada, OEM doit limiter les fréquences de
fonctionnement CH1 à CH11 pour bandes de fréquences 2.4G grâce aux outils de
microprogrammation fournis. OEM ne doit pas fournir d'outil ou d'informations à
l'utilisateur final en ce qui concerne le changement de réglementation de domaine.
Tant que les 3 conditions ci-dessus sont remplies, des essais supplémentaires sur
l'émetteur ne seront pas nécessaires. Toutefois, l'intégrateur OEM est toujours
responsable des essais sur son produit final pour toutes exigences de conformité
supplémentaires requis pour ce module installé.

MPA Project Document 70-147018-01 REV A
Copyright 2011 Motorola Solutions, Inc.
20110307-A
x
Confidential Material – Disclosure Strictly Prohibited.
• IMPORTANT NOTE:
In the event that these conditions can not be met (for example certain laptop
configurations or co-location with another transmitter), then the Canada
authorization is no longer considered valid and the IC ID can not be used on
the final product. In these circumstances, the OEM integrator will be
responsible for re-evaluating the end product (including the transmitter) and
obtaining a separate Canada authorization.
NOTE IMPORTANTE:
Dans le cas où ces conditions ne peuvent être satisfaites (par exemple pour
certaines configurations d'ordinateur portable ou de certaines co-localisation
avec un autre émetteur), l'autorisation du Canada n'est plus considéré
comme valide et l'ID IC ne peut pas être utilisé sur le produit final. Dans ces
circonstances, l'intégrateur OEM sera chargé de réévaluer le produit final (y
compris l'émetteur) et l'obtention d'une autorisation distincte au Canada.
• End Product Labeling
This transmitter module is authorized only for use in device where the
antenna may be installed such that 20 cm may be maintained between the
antenna and users. The final end product must be labeled in a visible area
with the following: “Contains IC: 109AN-XWING1”.
Plaque signalétique du produit final
Ce module émetteur est autorisé uniquement pour une utilisation dans un
dispositif où l'antenne peut être installée de telle sorte qu'une distance de
20cm peut être maintenue entre l'antenne et les utilisateurs. Le produit final
doit être étiqueté dans un endroit visible avec l'inscription suivante: "Contient
des IC: 109AN-XWING1".

MPA Project Document 70-147018-01 REV A
Copyright 2011 Motorola Solutions, Inc.
20110307-A
xi
Confidential Material – Disclosure Strictly Prohibited.
• Manual Information To the End User
The OEM integrator has to be aware not to provide information to the end
user regarding how to install or remove this RF module in the user’s manual
of the end product which integrates this module.
The end user manual shall include all required regulatory information/warning
as show in this manual.
Manuel d'information à l'utilisateur final
L'intégrateur OEM doit être conscient de ne pas fournir des informations à
l'utilisateur final quant à la façon d'installer ou de supprimer ce module RF dans
le manuel de l'utilisateur du produit final qui intègre ce module.
Le manuel de l'utilisateur final doit inclure toutes les informations réglementaires
requises et avertissements comme indiqué dans ce manuel.

MPA Project Document 70-147018-01 REV A
Copyright 2011 Motorola Solutions, Inc.
20110307-A
12
Confidential Material – Disclosure Strictly Prohibited.
Table of Contents
1. INTRODUCTION 13
1.1. BACKGROUND 13
1.2. GENERAL NOTE 13
1.3. PURPOSE 13
1.4. PART NUMBERS 13
1.4. KEY FEATURES AND STANDARDS SUPPORTED 13
1.4.1. WLAN 13
1.4.2. BLUETOOTH 14
2. ARCHITECTURE 15
2.1. SYSTEM ARCHITECTURE 15
2.2. BLOCK DIAGRAM 15
2.3. WLAN 16
2.3.1. HOST COMMUNICATIONS 16
2.3.2. WLAN MAC 16
2.3.3. WLAN BASEBAND PROCESSOR 16
2.4. BLUETOOTH 16
3. SIGNAL DESCRIPTIONS 19
3.1. SIGNAL DESCRIPTIONS 19
Table of Figures
Figure 1 - Block Diagram 15
Table of Tables
Table 1 - Module Part Numbers and Description .......................................................... 13
Table 2 – Signal Descriptions........................................................................................ 19

MPA Project Document DOC #
XWING1 Users Guide
Copyright 2011 Motorola Solutions, Inc.
20110307-A
13 of 20
Confidential Material – Disclosure Strictly Prohibited.
1. Introduction
1.1. Background
XWING1 is a radio module that will provide Wireless Local Area Network (WLAN),
features to target MPA2 Motorola Solutions’ EMS products.
1.2. General Note
This is a living document. Some descriptions are based on the current phase of the
XW1 module design program. Changes to this document will occur without direct
notification to its users. Users who wish to have the latest information should co-
ordinate with the module team leader. The terms “preferred” and “recommend” are
used throughout this document. Preferred can be thought of as a “nice-to-have” or “in-
good practice”. The term “recommendation” should be taken as a stronger
implementation guideline where if not implemented performance degradation may occur.
1.3. Purpose
The purpose of this document is to provide a theory of ops and block diagram targeted
for module developers and product
1.4. Part Numbers
Part Number SKU
21-130752-01 3.3V VIO configuration
Diversity with WLAN and BT on
SHARED RF paths
Table 1 - Module Part Numbers and Description
1.4. Key Features and Standards supported
The XWING1 uses Texas Instrument WiLink 6.0 - WL1273 Single-Chip WLAN/BT/FM
Device (SoC) The XWING1 exploits only the WLAN and BT features. The 1273 has the
following feature sets:
1.4.1. WLAN
• WLAN Dual Band 802.11 a/b/g/n (MCS7-0, 20MHz Channel Bandwidth)
• WLAN MAC Baseband Processor and RF transceiver which is IEEE802.11a/b/g and IEEE802.11n
PICS compliant
Optimized for ultra low current consumption in all operating modes including extremely low power
modes

MPA Project Document DOC #
XWING1 Users Guide
Copyright 2011 Motorola Solutions, Inc.
20110307-A
14 of 20
Confidential Material – Disclosure Strictly Prohibited.
Accepts 19.2, 26, 38.4, 52-MHz reference clock Inputs for easy integration into cellular handsets
IEEE Std 802.11d,e,h,i,k,r,s PICS compliant
Supports Cisco Client eXtensions (CCX) standard
Supports serial debug interface
Supports Secure Digital Input/Output (SDIO) Serial Peripheral Interface (SPI) Host Interfaces
Medium-Access Controller (MAC)
– Embedded ARM™ Central Processing Unit (CPU)
– Hardware-Based Encryption/Decryption Using 64-, 128-, and 256-Bit WEP, TKIP or AES Keys,
– Supports requirements for Wireless Fidelity (Wi-Fi) Protected Access (WPA and WPA2.0) and IEEE
Std 802.11i [Includes Hardware-Accelerated Advanced-Encryption Standard (AES)]
– Designed to Work With IEEE Std 802.1x for Virtual Private Network (VPN) Solutions
Baseband Processor
– IEEE Std 802.11n single-stream data rates (MCS0-7) and SGI support
2.4/5.0 GHz Radio
– Digital Radio Processor (DRP) implementation
– Internal LNA
– Supports : IEEE Std 802.11a, 802.11b, 802.11g, 802.11b/g and 802.11n
1.4.2. Bluetooth
Bluetooth 1.1, 1.2, 2.0+EDR and 2.1+EDR specification compliant (Lisbon release) - up to HCI level.
BT Enhanced Data Rate (2 and 3 Mbps)
Enhanced host interfaces (UART, btSPI)
Very low power consumption
On-chip Embedded radio
– Integrated 2.4 GHz RF transceiver
– All digital PLL transmitter with digitally controlled oscillator
– Near zero IF architecture
– On-chip TX/RX switch
– Support for Class-1.5 applications
Embedded ARM Microprocessor System
– High rate four wire UART HCI (H4) and Three Wire UART HCI (H5)
– Automatic clock-detection mechanism
Flexible PCM and I
2
S interfaces: full flexibility for data order, sampling and positioning
Temperature detection and compensation mechanism ensures minimal variation in the RF
performance over the entire temperature range
TI-proprietary low-power scan achieves paging and inquiry scans at 1/3 normal power.
Digital Radio Processor (DRP) single-ended 50 I/O for easy RF interfacing
Patch trap mechanism and reserved RAM enables easy bug fixes
Advance Audio Interfaces and capabilities
– A2DP support
– A2DP internal loopback
– Wide-Band Speech support
– On board SBC encoder/decoder - offloads host for A2DP and WideBand speech processing

MPA Project Document DOC #
XWING1 Users Guide
Copyright 2011 Motorola Solutions, Inc.
20110307-A
15 of 20
Confidential Material – Disclosure Strictly Prohibited.
2. Architecture
2.1. System Architecture
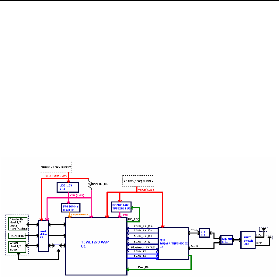
The XWING1’s fundamental design is based on the Texas Instrument WiLink 6.0
(WL1273) reference design. The XW1 contains the TI1273, a FEM, a high-accuracy
low phase-noise 26MHz TXCO, a LBPF, a LB/HB Diplexer and a SPDT RF switch used
for transmit and receive antenna selection diversity. It contains level translators to
interface the 1.8V chipset to 3.3V MPA2 architecture. It also contain a switching mode
power supply for ANA 1.8V and a LDO for DIG 1.8V. The design has been made such
that the BOM can be configured to support 1.8V architectures as well.
2.2. Block Diagram
Figure 1 - Block Diagram

MPA Project Document DOC #
XWING1 Users Guide
Copyright 2011 Motorola Solutions, Inc.
20110307-A
16 of 20
Confidential Material – Disclosure Strictly Prohibited.
2.3. WLAN
2.3.1. Host Communications
The WLAN core requires a total of eight (8) dedicated signals in order to communicate
to the host processor. The WLAN core is enabled via the WL_EN signal (1) and
communicates to the host processor via SDIO (6) with an additional interrupt signal
WL_IRQ(1).
2.3.1.1. Hardware Interface
The interface between the host and the XW1 Module is a standard SDIO interface (see
SDIO spec version 2.0), supporting maximum clock rate of 25MHz.
2.3.2. WLAN MAC
The TI1273 MAC implements the IEEE standard 802.11 MAC via an
Embedded ARM™
Central Processing Unit (CPU)
– Hardware-Based Encryption/Decryption Using 64-, 128-, and 256-Bit WEP, TKIP or AES Keys,
– Supports requirements for Wireless Fidelity (Wi-Fi) Protected Access (WPA and WPA2.0) and IEEE
Std 802.11i [Includes Hardware-Accelerated Advanced-Encryption Standard (AES)]
– Designed to Work With IEEE Std 802.1x for Virtual Private Network (VPN) Solutions
2.3.3. WLAN Baseband Processor
The TI1273 baseband processor is situated between the on-chip MAC and radio.
IEEE
Std 802.11n single-stream data rates (MCS0-7) and SGI support
2.3.4. RF Architecture
2.3.4.1. XW1 WLAN RF Paths
The XWING1 expands upon the Texas Instrument WiLink 6.0 (WL1273) reference
design to accommodate the MPA2’s WLAN diversity requirements. The XW1 module
has tightly integrated some additions / deviations to this reference design. The 5GHz
BPF has been replaced by a diplexer and the combined 2.4/5GHz RF path is switched
between two RF ports. This solution provides transmit and receive antenna-selection-
diversity between two dual-band RF ports.
2.4. Bluetooth
2.4.1. Host Communications

MPA Project Document DOC #
XWING1 Users Guide
Copyright 2011 Motorola Solutions, Inc.
20110307-A
17 of 20
Confidential Material – Disclosure Strictly Prohibited.
The Bluetooth subsystem requires nine (9) connections to the host in order for full
operation, including PCM (4), High-Speed UART (4) and BT_GPS_FM_EN (1) , which
shall be connected to the host to enable the Bluetooth IP. It should also be noted that
an additional line from the WL1283 can be used for debug purposes, namely
BT_UART_DBG.
2.4.1.1. Hardware Interface
2.4.1.1.1. HCI UART Transport layers
The HCI UART Supports 4-wire UART interface to host. Supports most baud rates for
all fast clock frequencies, up to a maximum of 4Mbps. Default baud rate after power up
is 115.kkbps with a deviation of +1.5%, -2.5%, until baud is changed via a vendor
specific command.
o BT_GPS_FM_TX
o BT_GPS_FM_RX
o BT_GPS_FM_RTS
o BT_GPS_FM_CTS
2.4.1.1.2. PCM Audio
PCM audio interface to the host uses the following signals:
In Slave mode, input frequencies up to 16MHz supported. In master mode, the TI1283
can generate any clock frequency between 64KHz and 4.096MHz.
o BT_PCM_OUT
o BT_PCM_IN
o BT_PCM_SYNC
o BT_PCM_CLK
The BT Audio Codec has a fully dedicated programmable serial port
o Two voice channels
o Supports Master/slave modes
o u-law, a-law, linear and transparent coding schemes
o Long and short frames
o Different data sizes, order and positions
o UDI profile
o High rate PCM
2.4.2. Power Class
XW1 supports up to Power Class 1.5 Operation.

MPA Project Document DOC #
XWING1 Users Guide
Copyright 2011 Motorola Solutions, Inc.
20110307-A
18 of 20
Confidential Material – Disclosure Strictly Prohibited.
2.1.
Power Sub System
The XW1 3.3V only BOM requires one external voltage source : VBAT=3.3V nominal.
The VBAT is used to supply voltage to the SoC, FEM, the LDO, SMPS, and the
antenna selection level translator. The SMPS supplies an internal 1.8V to the SoC.
The LDO supplies an internal 1.8V that is used to supply the Soc Digital circuits,
digital level translators and power to the 26MHz TCXO.
2.2. Internal Clock Frequencies
The XW1 has on-module TCXO operating at 26MHz
2.2.1. WLAN
WLAN has an Zero-IF architecture and thus the LO operates at ~10GHz that is divided
by 2 for 5G Band operation and divided by 4 for 2.4GHz Band operation.
2.2.2. BT
The TCXO is used to produce the relevant BT channel, between 2.402G to 2.480GHz.
The ADPLL produces the frequencies between 4.804GHz to 4.96GHz, which divided by
2 to provide the BT frequencies.

MPA Project Document DOC #
XWING1 Users Guide
Copyright 2011 Motorola Solutions, Inc.
20110307-A
19 of 20
Confidential Material – Disclosure Strictly Prohibited.
3. Signal Descriptions
3.1. Signal Descriptions
Listed below are the pin numbers and signals on the XW1 module.
GEN = General (No specific function), PWR= Power Supply, ANA= Analog
Table 2 – Signal Descriptions
TI WL1273 Pin Definition
Power Ball
I/O
type
VBAT B6, B7 I
VBAT2X C16 I
VIO_Host
B19, C18, C19, U16, U17,
V16,V17 I
GND
A1~A22, B3, B4, B5, B8~B11,
B13~B17, B20~B22, C1~C14,
C20~C22, D3, D22, E1~E3, E22,
F3, F6~F17, F22, G1, G6~G17,
G22, H1, H6~H17, H22, J1~J3,
J6~J17, J22, K1, K3, K6~K17,
K21,
K22, L1~L3, L6~L17, L20~L22,
M1,
M6~M17, M22, N1, N6~N17, N22,
P1~P3, P6~P17, P22, R1,
R20~R22, T1, T22, U1~U8, U11,
U12, U14, U15, U18, U20~U22,
V1~V3, V8, V11~V15, V18, V21,
V22, W1~W22, N2, N3, M2, M3,
T2, T3, R2, R3
NC
G20, F20, K2, G2, G3, H2, H3,
E20, U10, E21, D20, D21, K20,
U13,
Test point J21, B18
Serial Host Interfaces Ball
I/O
type
SDIO_CLK M20 I
SDIO_CMD N21 I/O
SDIO_DAT0 P20 I/O

MPA Project Document DOC #
XWING1 Users Guide
Copyright 2011 Motorola Solutions, Inc.
20110307-A
20 of 20
Confidential Material – Disclosure Strictly Prohibited.
SDIO_DAT1 N20 I/O
SDIO_DAT2 P21 I/O
SDIO_DAT3 M21 I/O
WLAN_IRQ_HOST T20 O
Misc Interfaces Ball
I/O
type
UARTSIN F21 I
UARTSOUT G21 O
SLEEP_CLK B12 I
For Test Purpose Ball
I/O
type
WL_UART_DBG C17 I/O
RF1 (SECONDARY
RFPORT) B2 I/O
RF2 (PRIMARY RF
PORT) D2 I/O
WL_EN_HOST C15 I
BT_EN_BGA U9 I
BT *** F2 I/O
General Purpose Pins Ball
I/O
type
WLAN_ACTIVITY_HOST
J20 O
COEX_STATUS_HOST H20 I
BT_PRIORITY_HOST H21 I
BT_FUNC2_BGA V9 I
BT_FUNC5_BGA V10 O
PCM Ball
I/O
type
BT_PCM_CLK_BGA V4 I/O
BT_PCM_SYNC_BGA V5 I/O
BT_PCM_IN_BGA V6 I/O
BT_PCM_OUT_BGA V7 I/O
BT UART Ball
I/O
type
BT_UART_TXD_BGA U19 I/O
BT_UART_RTS_BGA V19 I/O
BT_UART_RXD_BGA V20 I/O
BT_UART_CTS_BGA T21 I/O