eco power design ECOEWI 2.4 GHz Transceiver User Manual EWI Module

eco power design llc 2.4 GHz Transceiver EWI Module

Contents

Manual r1

EcoPowerDesignEWIUsermanual2.4GHzIEEEStd.802.15.4™TransceiverModule
2.4GHzIEEEStd.802.15.4TM5dBmRFTransceiverModule  APPLICATIONS  •  IEEE 802.15.4 systems  •  ZigBee® systems  •  Industrial monitoring and control  •  Home and building automation  •  Automatic Meter Reading  •  Low-power wireless sensor networks  •  Set-top boxes and remote controls  • Consumer electronics   KEY FEATURES  •  State-of-the-art selectivity/co-existence  •  Adjacent channel rejection: 49 dB  •  Alternate channel rejection: 54 dB  •  Excellent link budget (103dB)  •  400 m Line-of-sight range  •  Extended temp range (-40 to +125°C)  •  Wide supply range: 1.8 V – 3.8 V  •  Extensive IEEE 802.15.4 MAC hardware support to offload the microcontroller  •  AES-128 security module  •  CC2420 interface compatibility mode   Low Power  •  RX (receiving frame, -50 dBm) 18.5 mA  •  TX 33.6 mA @ +5 dBm  •  TX 25.8 mA @ 0 dBm  •  <1µA in power down  Radio  •  IEEE 802.15.4 compliant DSSS baseband modem with 250 kbps data rate  •  Excellent receiver sensitivity (-98 dBm)  •  Programmable output power up to +5 dBm  •  RF frequency range 2394-2507 MHz  • Suitable for systems targeting compliance with US radio frequency regulations, •  FCC CFR47 Part 15   Microcontroller Support  •  Digital RSSI/LQI support  •  Automatic clear channel assessment for CSMA/CA  • Automatic CRC  •  768 bytes RAM for flexible buffering and security processing  •  Fully supported MAC security  •  4 wire SPI  •  Interrupt generator  •  Frame filtering and processing engine  • Random number generator FIGURE1:PinDiagram GND J2‐6RESETˉˉˉˉˉˉˉˉˉˉˉ J2‐5ENABLE J2‐4INT J2‐3SI J2‐2SCK J2‐1J1‐1 GNDJ1‐2 GNDJ1‐3 3V3J1‐4 NCJ1‐5 CSˉˉˉJ1‐6 SOANT
 Table of Contents 1.0DEVICEOVERVIEW42.0CIRCUITDESCRIPTION83.0REGULATORYAPPROVAL124.0ELECTRICALCHARACTERISTICS14
1.0 Device Overview TheEWImoduleisa2.4GHzIEEEStd.802.15.4™compliant,surfacemountmodulewithintegratedcrystal,internalvoltageregulator,matchingcircuitry,andamonopole“whip”antenna.TheEWImoduleoperatesinthenon‐licensed2.4GHzfrequencyband.TheintegratedmoduledesignfreestheintegratorfromextensiveRFandantennadesign,andregulatorycompliancetesting,allowingquickertimetomarket.TheEWImodulehasreceivedregulatoryapprovalsformodulardevicesintheUnitedStates(FCC).ModularapprovalremovestheneedforexpensiveRFandantennadesign,andallowstheendusertoplacetheEWImoduleinsideafinishedproductandnotrequireregulatorytestingforanintentionalradiator(RFtransmitter).FIGURE11:EWIblockdiagramEWIIEEEStd.802.15.4™Module1.1 Interface Description  Figure1‐1showsasimplifiedblockdiagramoftheEWImodule.ThemoduleisbasedontheTexasInstrumentCC2520IEEE802.15.4TM2.4GHzRFTransceiverIC.Themoduleinterfacestomanypopularmicrocontrollersviaa4‐wireserialSPIinterface,interrupt,enable,Reset,powerandground,asshowninFigure1‐2.Table1‐1providesthepindescriptions.DatacommunicationswiththeEWImodulearedocumentedinthe“CC2520DATASHEET2.4GHZIEEE802.15.4/ZIGBEE®RFTRANSCEIVER”(SWRS068DECEMBER2007).RefertotheCC2520DataSheetforspecificserialinterfaceprotocolandregisterdefinitions.CC2520Monopole“whip”AntennaInterface DigitalI/OSPIPower32MHzCrystalPowerMgmntMACPhy
TABLE11:PinDescriptionPinSymbolTypeDescriptionJ2‐6 GND Power GroundJ2‐5 RESETˉˉˉˉˉˉˉˉˉˉˉ DI GlobalhardwareResetpinJ2‐4 ENABLE DI Externalwake‐uptriggerJ2‐3 INT DO InterruptpintomicrocontrollerJ2‐2 SI DI SerialinterfacedatainputJ2‐1 SCK DI SerialinterfaceclockJ1‐6 SO DO SerialinterfacedataoutputfromCC2520J1‐5 CSˉˉˉ DI SerialinterfaceenableJ1‐4 NC ‐‐ NoconnectionJ1‐3 3V3 Power PowersupplyJ1‐2 GND Ground GroundJ1‐1 GND Ground GroundLegend:Pintypeabbreviation:D=Digital,I=Input,O=OutputFIGURE12:MicrocontrollertoEWIModuleInterfaceMicrocontrollerCC2520
1.2 Mounting Details TheEWIisasurfacemountablemodule.ModuledimensionsareshowninFigure1‐3.ThemodulePrintedCircuitBoard(PCB)is0.032"thickwith0.1inconnectionpinsasshowninfig1‐3.Figure1‐4isarecommendedhostPCBfootprintfortheEWI.TheEWIhasamonopole“whip”antenna.Forthebestperformance,followthemountingdetailsshowninFigure1‐5.Itisrecommendedthatthemodulebemountedwithnometallicstructuresintheareamarkedinfig1‐5FIGURE13:ModuleDetails FIGURE14:RecommendedPCBFootprint
FIGURE15:MountingDetails
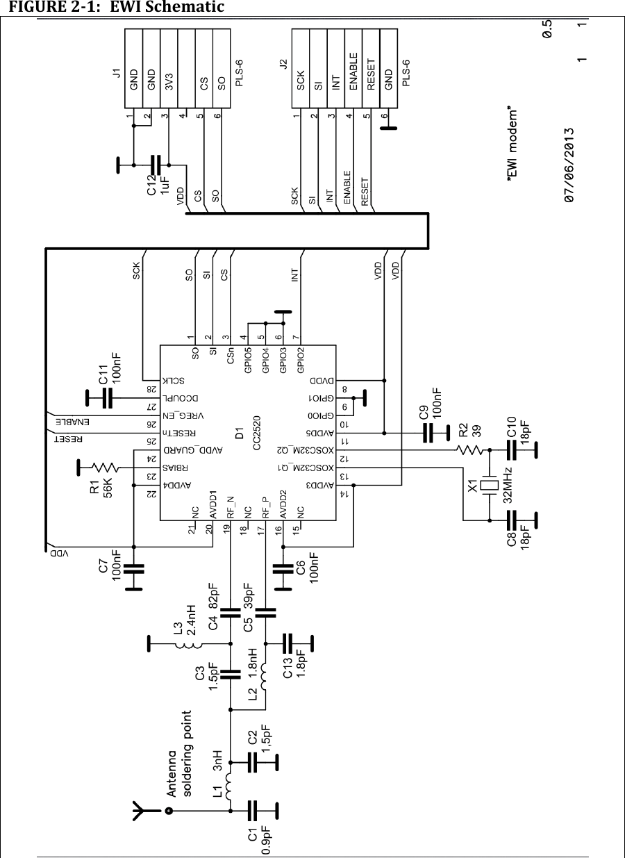
2.0 Circuit Description TheEWIisacomplete2.4GHzIEEEStd.802.15.4™compliantsurfacemountmodulewithintegratedcrystal,internalvoltageregulator,matchingcircuitry,andamonopole“whip”antenna.TheEWImoduleinterfacestomanypopularmicrocontrollersviaa4‐wireserialSPIinterface,interrupt,wake,Reset,powerandground.DatacommunicationswiththeEWImodulearedocumentedinthe“CC2520DATASHEET2.4GHZIEEE802.15.4/ZIGBEE®RFTRANSCEIVER”(SWRS068DECEMBER2007).RefertotheCC2520DataSheetforspecificserialinterfaceprotocolandregisterdefinitions.  2.1 Schematic AschematicdiagramofthemoduleisshowninFigure2‐1andtheBillofMaterials(BOM)isshowninTable2‐1.TheEWImoduleisbasedontheTexasInstrumentsCC2520IEEE802.15.4™2.4GHzRFTransceiverIC(U1).TheserialI/O(SCK,SI,SOandCS),RESET,ENABLEandINTpinsarebroughtouttothemodulepins.Crystal,X1,isa32MHzresonatorwithafrequencytoleranceof±10ppm@25°CtomeettheIEEEStd.802.15.4symbolratetoleranceof±40ppm.
FIGURE21:EWISchematic
TABLE21:EWIBillOfMaterialRefDescriptionManufacturer(alt.Manuf.)PartNumber(alt.Part.No.)C1 Capacitor04020.9pFNP0JohansonTechnology(Murata)500R07S0R9BV4S(GJM1555C1HR90BB01D)C2 Capacitor04021.5pFNP0JohansonTechnology(Murata)500R07S1R5BV4S(GJM1555C1H1R5CB01D)C12 Capacitor04021uFX5R Murata GRM155R60J105KE19C3 Capacitor04021.5pFNP0 Murata GRM1555C1H1R5CZ01C13 Capacitor04021.8pFNP0 Murata GRM1555C1H1R8CZ01C8 Capacitor040215pFNP0 Murata GRM1555C1H150JZ01C10 Capacitor040215pFNP0 Murata GRM1555C1H150JZ01C5 Capacitor040239pFNP0 Murata GRM1555C1H390JZ01C4 Capacitor040282pFNP0 Murata GRM1555C1H820JZ01C6 Capacitor0402100nFX5R Murata GRM155R61A104KA01C7 Capacitor0402100nFX5R Murata GRM155R61A104KA01C9 Capacitor0402100nFX5R Murata GRM155R61A104KA01C11 Capacitor0402100nFX5R Murata GRM155R61A104KA01J1ConnectorPLS‐6,6pin2.54mmpitch  J2ConnectorPLS‐6,6pin2.54mmpitch  D1 TransceiverIEEE802.15.4 TI CC2520RHDTL1 Inductor04023nHJohansonTechnology(Murata)L‐07C3N0SV6S(LQG15HN3N0S02D)L2 Inductor04021.8nHJohansonTechnology(Murata)L‐07C1N8SV6S(LQG15HN1N8S02D)L3 Inductor04022.4nHJohansonTechnology(Murata)L‐07C2N4SV6S(LQG15HN2N4S02D)R2 Resistor0402395% any R1 Resistor040256k1% any X132MHzresonator,8pF,80Ohm,10ppm(25C),15ppm(temperaturerange),‐40...+85C,3.2x2.5mm SJKSJK‐7U‐32.000‐08‐10‐60‐C‐158pF,10ppm(25C),‐40...+85C,3.2x2.5mm PDI C332000XFAD08XX8pF,50ppm(25C),‐40...+125C,3.2x2.5mm PDI C332000XFCS08RX
2.2 Printed Circuit Board TheMRF24J40MBmoduleprintedcircuitboardisconstructedwithFR4material,fourlayersand0.032inchesthick.ThelayersareshowninFigure2‐2throughFigure2‐6.ThestackupofthePCBisshowninFigure2‐7. FIGURE22:TopSilkScreen FIGURE23:TopCopper FIGURE 2-4: Bottom Copper  2.3 Monopole “whip” Antenna  TheEWIhasamonopole“whip”antenna.Thegroundandpowerplanesunderthecomponentsserveasacounterpoisetothe“whip”antenna.AdditionalgroundplaneonthehostPCBwillsubstantiallyenhancetheperformanceofthemodule.Forbestperformance,placethemoduleonthehostPCBfollowingtherecommendationsinSection1.2“MountingDetails”.Thedesigngoalwastocreateacompact,low‐costantennawiththebestradiationpattern.Figure2‐9showsthesimulationdrawingandFigure2‐10andFigure2‐11showthe2Dand3Dradiationpatterns,respectively.Asshownbytheradiationpatterns,theperformanceoftheantennaisdependantupontheorientationofthemodule.Figure2‐12showstheimpedancesimulationandFigure2‐13showstheSWRsimulation.ThediscretematchingcircuitrymatchestheimpedanceoftheantennawiththeCC2520transceiverIC.
3.0 Regulatory Approval TheEWImodulehasreceivedregulatoryapprovalsformodulardevicesintheUnitedStates.ModularapprovalallowstheendusertoplacetheEWImoduleinsideafinishedproductandnotrequireregulatorytestingforanintentionalradiator(RFtransmitter),providednochangesormodificationsaremadetothemodulecircuitry.Changesormodificationscouldvoidtheuser’sauthoritytooperatetheequipment.TheendusermustcomplywithalloftheinstructionsprovidedbytheGrantee,whichindicateinstallationand/oroperatingconditionsnecessaryforcompliance.Theintegratormaystillberesponsiblefortestingtheendproductforanyadditionalcompliancerequirementsrequiredwiththismodule,installed(forexample:digitaldeviceemission,PCperipheralrequirements,etc.)inthespecificcountrythattheenddevicewillbemarketed.AnnexFoftheIEEEStd.802.15.4documenthasagoodsummaryofregulatoryrequirementsinvariouscountriesconcerningIEEEStd.802.15.4devices.ThestandardcanbedownloadedfromtheIEEEStandardswebpage:http://standards.ieee.org/getieee802/802.15.html.Refertothespecificcountryradioregulationsfordetailsonregulatorycompliance. 3.1 United States TheEWImodulehasreceivedFederaöCommunicationsCommission(FCC)CFR47Telecommunications,Part15SubpartC“IntentionalRadiators”15.247andmodularapprovalinaccordancewithFCCPublicNoticeDA00‐1407Released:June26,2000,Part15UnlicensedModularTransmitterApproval.TheEWImodulecanbeintegratedintoafinishedproductwithoutobtainingsubsequentandseparateFCCapprovals.TheEWImodulehasbeenlabeledwithitsownFCCIDnumber,andiftheFCCIDisnotvisiblewhenthemoduleisinstalledinsideanotherdevice,thentheoutsideofthefinishedproductintowhichthemoduleisinstalledmustalsodisplayalabelreferringtotheenclosedmodule.Thisexteriorlabelcanusewordingsuchasthefollowing:ContainsTransmitterModuleFCCID:OA3EWI‐or‐ContainsFCCID:OA3EWIThisdevicecomplieswithPart15oftheFCCRules.Operationissubjecttothefollowingtwoconditions:(1)thisdevicemaynotcauseharmfulinterference,and(2)thisdevicemustacceptanyinterferencereceived,includinginterferencethatmaycauseundesiredoperation.ThisequipmenthasbeentestedandfoundtocomplywiththelimitsforaClassBdigitaldevice,pursuanttopart15oftheFCCRules.Theselimitsaredesignedtoprovidereasonableprotectionagainstharmfulinterferenceinaresidentialinstallation.Thisequipmentgenerates,usesandcanradiateradiofrequencyenergy,andifnotinstalledandusedinaccordancewiththeinstructions,maycauseharmfulinterferencetoradiocommunications.However,thereisnoguaranteethat
interferencewillnotoccurinaparticularinstallation.Ifthisequipmentdoescauseharmfulinterferencetoradioortelevision reception,whichcanbedeterminedbyturningtheequipmentoffandon,theuserisencouragedtotrytocorrecttheinterferencebyoneormoreofthefollowingmeasures:‐Reorientorrelocatethereceivingantenna.‐Increasetheseparationbetweentheequipmentandreceiver.‐Connecttheequipmentintoanoutletonacircuitdifferentfromthattowhichthereceiverisconnected.‐Consultthedealeroranexperiencedradio/TVtechnicianforhelp.    3.1.1 EWI Settings  TomeettheFCCrequirements,thefollowingsettingsmustbeobservedbytheintegrator:•TheEWItransmitpowersetting(RFCON30x203)cannotexceed‐1.9dB.•Onlychannels11through25maybeselected(RFCON00x200). 3.1.2 RF Exposure AlltransmittersregulatedbyFCCmustcomplywithRFexposurerequirements.OETBulletin65“EvaluatingCompliancewithFCCGuidelinesforHumanExposuretoRadioFrequencyElectromagneticFields”providesassistanceindeterminingwhetherproposedorexistingtransmittingfacilities,operationsordevicescomplywithlimitsforhumanexposuretoRadioFrequency(RF)fieldsadoptedbytheFederalCommunicationsCommission(FCC).Thebulletinoffersguidelinesandsuggestionsforevaluatingcompliance.Ifappropriate,compliancewithexposureguidelinesformobileandunlicenseddevicescanbeaccomplishedbytheuseofwarninglabelsandbyprovidinguserswithinformationconcerningminimumseparationdistancesfromtransmittingstructuresandproperinstallationofantennas.ThefollowingstatementmustbeincludedasaCAUTIONstatementinmanualsandOEMproductstoalertusersofFCCRFexposurecompliance:TosatisfyFCCRFexposurerequirementsformobileandbasestationtransmissiondevices,aseparationdistanceof20cmormoreshouldbemaintainedbetweentheantennaofthisdeviceandpersonsduringoperation.Toensurecompliance,operationatcloserthanthisdistanceisnotrecommended.Theantenna(s)usedforthistransmittermustnotbeco‐locatedoroperatinginconjunctionwithanyotherantennaortransmitter.IftheEWImoduleisusedinaportableapplication(antennaislessthan20cmfrompersonsduringoperation),theintegratorisresponsibleforperformingSpecificAbsorptionRate(SAR)testinginaccordancewithFCCrules2.1091.3.1.3  Helpful Web Sites FederalCommunicationsCommission(FCC):http://www.fcc.gov
4.0 Electrical Characteristics TABLE41:RecommendedOperatingConditionsParametersMinTypMaxUnitsAmbientOperatingTemperature ‐40  125 °CSupplyVoltageforRF,AnalogandDigitalCircuits 1.8  3.8 VSupplyVoltageforDigitalI/O    InputHighVoltage   80% ofVDDInputLowVoltage 30%   ofVDDTABLE42:CurrentConsumptionTA=25°C,VDD=3.0V,fc=2440MHzifnothingelsestated.AllparametersmeasuredonTexasInstruments’CC2520EM2.1referencedesignwith50ΩloadParameterConditionMinTypMaxUnitsReceivecurrentWaitforsyncTA=‐40to125°C,VDD=1.8to3.8V,fc=2394to2507MHzWaitforsync,Low‐currentRXsettingRecevingframe,‐50dBminputlevel22.324.8 26.318.818.8mAmAmAmATransmitcurrent0dBmsetting+5dBmsettingTA=‐40to125°C,VDD=1.8to3.8V,fc=2394to2507MHz25.828.833.637.2 37.5mAmAmAActiveModecurrentXOSCon,digitalregulatoron.TA=‐40to125°C,VDD=1.8to3.8V,fc=2394to2507MHz 1.6 1.9 2.6mAmALPM1current XOSCoff,digitalregulatoron.Stateretention.TA=‐40to125°C,VDD=1.8to3.8V,fc=2394to2507MHz 175 250  1000µAµALPM2current XOSCoff,digitalregulatoroff.Nostateretention.TA=‐40to125°C,VDD=1.8to3.8V,fc=2394to2507MHz 30 120 4.5nAµA
TABLE43:ReceiverACCharacteristicsTA=25°C,VDD=3.0V,fc=2440MHzifnothingelsestated.AllparametersmeasuredonTexasInstruments’CC2520EM2.1referencedesignwith50Ωload.ParameterConditionMinTypMaxUnitsReceiversensitivity[2]requires‐85dBmTA=‐40to125°C,VDD=1.8to3.8V,fc=2394to2507MHz‐99 ‐98 ‐95 ‐88 dBmSaturation [2]requires‐20dBm6dBm  InterfererRejectionWantedsignal3dBabovethesensitivitylevel,802.15.4modulatedinterfererat802.15.4channels: ±5MHzfromwantedsignal.[2]requires0dB ±10MHzfromwantedsignal.[2]requires30dB ±20MHzorabove.Wantedsignalat‐82dBm. 49 54 55dBdBdBMaximumSpuriousEmissionConductedmeasurementina50Ωsingleendedload.ComplieswithEN300328,EN300440class2,FCCCFR47,Part15andARIBSTD‐T‐6630–1000MHz1–12.75GHz<‐80 ‐56dBmdBmFrequencyerrortoleranceInputlevelis3dBabovesensitivitylevel. +/‐400 kHzIIP3   ‐24 dBmTABLE44:TransmitterACCharacteristicsParameterConditionMinTypMaxUnitsOutputpowerNote:toreducetheoutputpowervariationovertemperature,itissuggestedthatdifferent0dBmsetting+5dBmsettingTA=‐40to85°C,VDD=2.0to3.8V,fc=2394to2507MHzTA=‐40to85°C,VDD=1.8to3.8V,‐3 1 52 5 7‐3  8dBmdBmdBm
settingsareusedatdifferenttemperatures.Theon‐chiptemperaturesensorcanbeusedforthispurpose.Pleaseseesection5.11formoreinformation.Largestspuriousemissionatmaximumoutputpower.TexasInstrumentsCC2520EMreferencedesigncomplieswithEN300328,EN300440,FCCCFR47Part15andARIBSTDT‐66.Transmiton2480MHzunderFCCat+5dBmissupportedbyduty‐cycling,orbyreducingoutputpower.ThepeakconductedspuriousemissionmightviolateETSIandFCCrestrictedbandlimitsatfrequenciesbelow1GHz.AllradiatedspuriousemissionsarewithinthelimitsofETSI/FCC/ARIB.Applicationsthatmustpassconductedrequirementsaresuggestedtouseasimple50fc=2394to2507MHzTA=‐40to125°C,VDD=2.0to3.8V,fc=2394to2507MHzTA=‐40to125°C,VDD=1.8to3.8V,fc=2394to2507MHz25MHz–1GHz(outsiderestrictedbands)25MHz–1GHz(withinFCCrestrictedbands)47‐74,87.5‐118,174‐230,470‐862MHz(ETSIrestrictedbands)1800MHz‐1900MHz(ETSIrestrictedband)5150MHz‐5300MHz(ETSIrestrictedband)At2483.5MHzandabove(FCCrestrictedband)fc=2480MHz,+5dBmfc=2480MHz,0dBmAt2·RFand3·RF(FCCrestrictedband)‐4  8‐6  8‐9  8 ‐40 ‐53 ‐42 ‐56 ‐54 ‐37 ‐41 ‐54dBmdBmdBmdBmdBmdBmdBmdBmdBmdBmdBm
ΩhighpassfilterbetweenmatchingnetworkandRFconnector.ErrorVectorMagnitude(EVM)[2]requiresmax.35%.Measuredasdefinedby[2]. +5dBmsetting.fc=IEEE802.15.4channels 0dBmsetting.fc=IEEE802.15.4channels62%%

Navigation menu