u blox 2AGQN4NNN Cellular Module User Manual SARA R4 series System Integration Manual
u-blox AG Cellular Module SARA R4 series System Integration Manual
u blox >
Contents
User Manual

SARA-R4 series
Size-optimized LTE Cat M1 modules
System Integration Manual
Abstract
This document describes the features and the system integration of
SARA-R4 series cellular modules.
These modules are a complete, cost efficient and performance
optimized LTE Cat M1 solution in the compact SARA form factor.
www.u-blox.com
UBX-16029218 - R03

SARA-R4 series - System Integration Manual
UBX-16029218 - R03
Page 2 of 94
Document Information
Title
SARA-R4 series
Subtitle
Size-optimized LTE Cat M1 modules
Document type
System Integration Manual
Document number
UBX-16029218
Revision and date
R03
24-May-2017
Disclosure restriction
Product Status
Corresponding content status
Functional Sample
Draft
For functional testing. Revised and supplementary data will be published later.
In Development /
Prototype
Objective Specification
Target values. Revised and supplementary data will be published later.
Engineering Sample
Advance Information
Data based on early testing. Revised and supplementary data will be published later.
Initial Production
Early Prod. Information
Data from product verification. Revised and supplementary data may be published later.
Mass Production /
End of Life
Production Information
Final product specification.
This document applies to the following products:
Name
Type number
Firmware version
PCN reference
Product Status
SARA-R404M
SARA-R404M-00B-00
K0.0.00.00.07.03
UBX-17016454
Engineering Sample
SARA-R410M
SARA-R410M-01B-00
L0.0.00.00.01
UBX-17013995
Prototype
u-blox reserves all rights to this document and the information contained herein. Products, names, logos and designs described herein may in
whole or in part be subject to intellectual property rights. Reproduction, use, modification or disclosure to third parties of this document or
any part thereof without the express permission of u-blox is strictly prohibited.
The information contained herein is provided “as is” and u-blox assumes no liability for the use of the information. No warranty, either
express or implied, is given, including but not limited, with respect to the accuracy, correctness, reliability and fitness for a particular purpose
of the information. This document may be revised by u-blox at any time. For most recent documents, please visit www.u-blox.com.
Copyright © 2017, u-blox AG
u-blox® is a registered trademark of u-blox Holding AG in the EU and other countries. Microsoft and Windows are either registered
trademarks or trademarks of Microsoft Corporation in the United States and/or other countries. All other registered trademarks or
trademarks mentioned in this document are property of their respective owners.

SARA-R4 series - System Integration Manual
UBX-16029218 - R03 Preface
Page 3 of 94
Preface
u-blox Technical Documentation
As part of our commitment to customer support, u-blox maintains an extensive volume of technical
documentation for our products. In addition to our product-specific technical data sheets, the following manuals
are available to assist u-blox customers in product design and development.
AT Commands Manual: This document provides the description of the AT commands supported by the
u-blox cellular modules.
System Integration Manual: This document provides the description of u-blox cellular modules’ system
from the hardware and the software point of view, it provides hardware design guidelines for the optimal
integration of the cellular modules in the application device and it provides information on how to set up
production and final product tests on application devices integrating the cellular modules.
Application Note: These documents provide guidelines and information on specific hardware and/or
software topics on u-blox cellular modules. See Related documents for a list of Application Notes related to
your Cellular Module.
How to use this Manual
The SARA-R4 series System Integration Manual provides the necessary information to successfully design and
configure the u-blox cellular modules.
This manual has a modular structure. It is not necessary to read it from the beginning to the end.
The following symbols are used to highlight important information within the manual:
An index finger points out key information pertaining to module integration and performance.
A warning symbol indicates actions that could negatively impact or damage the module.
Questions
If you have any questions about u-blox Cellular Integration:
Read this manual carefully.
Contact our information service on the homepage http://www.u-blox.com/
Technical Support
Worldwide Web
Our website (http://www.u-blox.com/) is a rich pool of information. Product information, technical documents
can be accessed 24h a day.
By E-mail
Contact the closest Technical Support office by email. Use our service pool email addresses rather than any
personal email address of our staff. This makes sure that your request is processed as soon as possible. You will
find the contact details at the end of the document.
Helpful Information when Contacting Technical Support
When contacting Technical Support, have the following information ready:
Module type (SARA-R404M) and firmware version
Module configuration
Clear description of your question or the problem
A short description of the application
Your complete contact details

SARA-R4 series - System Integration Manual
UBX-16029218 - R03 Contents
Page 4 of 94
Contents
Preface ................................................................................................................................ 3
Contents .............................................................................................................................. 4
1 System description ....................................................................................................... 7
1.1 Overview .............................................................................................................................................. 7
1.2 Architecture .......................................................................................................................................... 8
1.3 Pin-out ................................................................................................................................................. 9
1.4 Operating modes ................................................................................................................................ 12
1.5 Supply interfaces ................................................................................................................................ 14
1.5.1 Module supply input (VCC) ......................................................................................................... 14
1.5.2 Generic digital interfaces supply output (V_INT) ........................................................................... 16
1.6 System function interfaces .................................................................................................................. 17
1.6.1 Module power-on ....................................................................................................................... 17
1.6.2 Module power-off ....................................................................................................................... 18
1.6.3 Module reset ............................................................................................................................... 20
1.7 Antenna interface ............................................................................................................................... 21
1.7.1 Antenna RF interface (ANT) ......................................................................................................... 21
1.7.2 Antenna detection interface (ANT_DET) ...................................................................................... 22
1.8 SIM interface ...................................................................................................................................... 22
1.8.1 SIM interface ............................................................................................................................... 22
1.8.2 SIM detection interface ............................................................................................................... 22
1.9 Data communication interfaces .......................................................................................................... 23
1.9.1 UART interface ............................................................................................................................ 23
1.9.2 USB interface............................................................................................................................... 25
1.9.3 DDC (I2C) interface ...................................................................................................................... 26
1.10 General Purpose Input/Output ........................................................................................................ 26
1.11 Reserved pins (RSVD) ...................................................................................................................... 26
1.12 System features............................................................................................................................... 27
1.12.1 Network indication ...................................................................................................................... 27
1.12.2 Antenna supervisor ..................................................................................................................... 27
1.12.3 Dual stack IPv4/IPv6 ..................................................................................................................... 27
1.12.4 TCP/IP and UDP/IP ....................................................................................................................... 27
1.12.5 FTP .............................................................................................................................................. 27
1.12.6 HTTP ........................................................................................................................................... 28
1.12.7 Firmware update Over AT (FOAT) ................................................................................................ 28
1.12.8 Firmware update Over The Air (FOTA) ......................................................................................... 28
1.12.9 Power saving ............................................................................................................................... 28
2 Design-in ..................................................................................................................... 30
2.1 Overview ............................................................................................................................................ 30
2.2 Supply interfaces ................................................................................................................................ 31

SARA-R4 series - System Integration Manual
UBX-16029218 - R03 Contents
Page 5 of 94
2.2.1 Module supply (VCC) .................................................................................................................. 31
2.2.2 Generic digital interfaces supply output (V_INT) ........................................................................... 41
2.3 System functions interfaces ................................................................................................................ 42
2.3.1 Module power-on (PWR_ON) ...................................................................................................... 42
2.3.2 Module reset (RESET_N) .............................................................................................................. 43
2.4 Antenna interface ............................................................................................................................... 44
2.4.1 Antenna RF interface (ANT) ......................................................................................................... 44
2.4.2 Antenna detection interface (ANT_DET) ...................................................................................... 51
2.5 SIM interface ...................................................................................................................................... 53
2.5.1 Guidelines for SIM circuit design.................................................................................................. 53
2.5.2 Guidelines for SIM layout design ................................................................................................. 57
2.6 Data communication interfaces .......................................................................................................... 58
2.6.1 UART interface ............................................................................................................................ 58
2.6.2 USB interface............................................................................................................................... 63
2.6.3 DDC (I2C) interface ...................................................................................................................... 65
2.7 General Purpose Input/Output ............................................................................................................ 65
2.8 Reserved pins (RSVD) .......................................................................................................................... 66
2.9 Module placement.............................................................................................................................. 66
2.10 Module footprint and paste mask ................................................................................................... 67
2.11 Thermal guidelines .......................................................................................................................... 68
2.12 Schematic for SARA-R4 series module integration ........................................................................... 69
2.12.1 Schematic for SARA-R4 series modules ........................................................................................ 69
2.13 Design-in checklist .......................................................................................................................... 70
2.13.1 Schematic checklist ..................................................................................................................... 70
2.13.2 Layout checklist ........................................................................................................................... 71
2.13.3 Antenna checklist ........................................................................................................................ 71
3 Handling and soldering ............................................................................................. 72
3.1 Packaging, shipping, storage and moisture preconditioning ............................................................... 72
3.2 Handling ............................................................................................................................................. 72
3.3 Soldering ............................................................................................................................................ 73
3.3.1 Soldering paste............................................................................................................................ 73
3.3.2 Reflow soldering ......................................................................................................................... 73
3.3.3 Optical inspection ........................................................................................................................ 74
3.3.4 Cleaning ...................................................................................................................................... 74
3.3.5 Repeated reflow soldering ........................................................................................................... 75
3.3.6 Wave soldering............................................................................................................................ 75
3.3.7 Hand soldering ............................................................................................................................ 75
3.3.8 Rework ........................................................................................................................................ 75
3.3.9 Conformal coating ...................................................................................................................... 75
3.3.10 Casting ........................................................................................................................................ 75
3.3.11 Grounding metal covers .............................................................................................................. 75
3.3.12 Use of ultrasonic processes .......................................................................................................... 75
4 Approvals .................................................................................................................... 76

SARA-R4 series - System Integration Manual
UBX-16029218 - R03 Contents
Page 6 of 94
4.1 Product certification approval overview ............................................................................................... 76
4.2 US Federal Communications Commission notice ................................................................................. 77
4.2.1 Safety warnings review the structure ........................................................................................... 77
4.2.2 Declaration of Conformity ........................................................................................................... 77
4.2.3 Modifications .............................................................................................................................. 78
5 Product testing ........................................................................................................... 82
5.1 u-blox in-series production test ........................................................................................................... 82
5.2 Test parameters for OEM manufacturer .............................................................................................. 83
5.2.1 “Go/No go” tests for integrated devices ...................................................................................... 83
5.2.2 RF functional tests ....................................................................................................................... 83
Appendix .......................................................................................................................... 85
A Migration between SARA-R4 and SARA-G3 ............................................................. 85
A.1 Overview ............................................................................................................................................ 85
A.2 Pin-out comparison between SARA-R4 and SARA-G3 ......................................................................... 87
A.3 Schematic for SARA-R4 and SARA-G3 integration .............................................................................. 89
B Glossary ...................................................................................................................... 90
Related documents........................................................................................................... 92
Revision history ................................................................................................................ 93
Contact .............................................................................................................................. 94

SARA-R4 series - System Integration Manual
UBX-16029218 - R03 System description
Page 7 of 94
1 System description
1.1 Overview
The SARA-R4 series comprises LTE Cat M1 modules supporting data transmission in the miniature SARA LGA
form-factor (26.0 x 16.0 mm, 96-pin), that allows an easy integration in compact designs and a seamless drop-in
migration from u-blox cellular module families.
SARA-R4 series modules are form-factor compatible with u-blox LISA, LARA and TOBY cellular module families
and are pin-to-pin compatible with u-blox SARA-N, SARA-G and SARA-U cellular module families. This facilitates
migration from the u-blox NB-IoT, GSM/GPRS, CDMA, UMTS/HSPA and other LTE modules, maximizes customers
investments, simplifies logistics, and enables very short time-to-market.
The modules are ideal for LPWA applications with low to medium data throughput rates, as well as devices that
require long battery lifetimes, such as connected health, smart metering, smart cities and wearables.
SARA-R4 series includes the following modules:
SARA-R404M single-band modules designed primarily to operate in North America on Verizon network
SARA-R410M-01B quad-band modules designed primarily to operate in North America on AT&T network
LTE Cat M1 supports vehicular handover capability and delivers the technology necessary to enable the use of
the modules in applications such as vehicle, asset and people tracking where mobility is a pre-requisite. Other
applications where the module is well suited include and are not limited to: smart home, security systems,
industrial monitoring and control.
SARA-R4 series modules support data communication with a throughput of 375 kb/s.
Table 1 summarizes the main features and interfaces of SARA-R4 series modules.
Module
Region
Bands
Interfaces
Audio
Features
Grade
3GPP Release Baseline
3GPP LTE category
LTE FDD Bands
UART
USB 2.0
SDIO
DDC (I2C)
GPIOs
Analog audio
Digital audio
Power Saving Mode
eDRX
Antenna supervisor
Jamming detection
Embedded TCP/UDP stack
Embedded HTTP, FTP
Dual stack IPv4/IPv6
FW update over the air (FOTA)
Standard
Professional
Automotive
SARA-R404M
USA
13
M1
13
●
●
○
○
●
○
●
○
●
○
●
●
●
●
SARA-R410M-01B
N. America
13
M1
2,4
5,12
●
●
○
○
●
○
●
○
●
○
●
●
●
●
● = supported by all product versions
○ = supported by future product versions
Table 1: SARA-R4 series main features summary

SARA-R4 series - System Integration Manual
UBX-16029218 - R03 System description
Page 8 of 94
Table 2 reports a summary of cellular radio access technologies characteristics and features of the modules.
Item
SARA-R4 Series
Protocol stack release
3GPP Release 13
Frequency Division Duplex (FDD)
Half-Duplex
Operating band
SARA-R404M modules:
Band 13 (750 MHz)
SARA-R410M-01B modules:
Band 12 (700 MHz)
Band 5 (850 MHz)
Band 4 (1700 MHz)
Band 2 (1900 MHz)
Power class
Power Class 3 (23 dBm)
Data rate
LTE category M1, up to 375 kb/s DL/UL
Table 2: SARA-R4 series characteristics summary
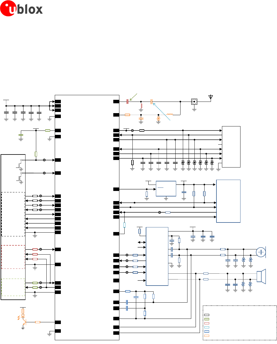
1.2 Architecture
Figure 1 summarizes the internal architecture of SARA-R4 series modules.
Memory
V_INT (I/O)
RF
transceiver
Cellular
BaseBand
Processor
ANT
VCC (Supply)
USB
DDC (I2C)
SIM card detection
SIM
UART
Power-On
Reset
GPIO
Antenna detection
Switch
PA
19.2 MHz
Power
Management
Filter
Figure 1: SARA-R4 series modules simplified block diagram

SARA-R4 series - System Integration Manual
UBX-16029218 - R03 System description
Page 9 of 94
1.3 Pin-out
Table 3 lists the pin-out of the SARA-R4 series modules, with pins grouped by function.
Function
Pin Name
Pin No
I/O
Description
Remarks
Power
VCC
51, 52, 53
I
Module supply input
VCC supply circuit affects the RF performance and
compliance of the device integrating the module with
applicable required certification schemes.
See section 1.5.1 for functional description / requirements.
See section 2.2.1 for external circuit design-in.
GND
1, 3, 5, 14,
20-22, 30, 32,
43, 50, 54, 55,
57-61, 63-96
N/A
Ground
GND pins are internally connected each other.
External ground connection affects the RF and thermal
performance of the device.
See section 1.5.1 for functional description.
See section 2.2.1 for external circuit design-in.
V_INT
4
O
Generic digital
interfaces supply
output
V_INT = 1.8 V (typical) generated by internal regulator
when the module is switched on, outside the low power
PSM deep sleep mode.
Test-Point for diagnostic access is recommended.
See section 1.5.2 for functional description.
See section 2.2.2 for external circuit design-in.
System
PWR_ON
15
I
Power-on input
Internal 200 k pull-up resistor.
See section 1.6.1 for functional description.
See section 2.3.1 for external circuit design-in.
RESET_N
18
I
External reset input
Internal pull-up resistor to V_INT.
Test-Point for diagnostic access is recommended.
See section 1.6.3 for functional description.
See section 2.3.2 for external circuit design-in.
Antenna
ANT
56
I/O
Primary antenna
Main Tx / Rx antenna interface.
50 nominal characteristic impedance.
Antenna circuit affects the RF performance and application
device compliance with required certification schemes.
See section 1.7 for functional description / requirements.
See section 2.4 for external circuit design-in.
ANT_DET
62
I
Antenna detection
ADC for antenna presence detection function
See section 1.7.2 for functional description.
See section 2.4.2 for external circuit design-in.
SIM
VSIM
41
O
SIM supply output
VSIM = 1.8 V / 3 V output as per the connected SIM type.
See section 1.8 for functional description.
See section 2.5 for external circuit design-in.
SIM_IO
39
I/O
SIM data
Data input/output for 1.8 V / 3 V SIM
Internal 4.7 k pull-up to VSIM.
See section 1.8 for functional description.
See section 2.5 for external circuit design-in.
SIM_CLK
38
O
SIM clock
3.25 MHz clock output for 1.8 V / 3 V SIM
See section 1.8 for functional description.
See section 2.5 for external circuit design-in.
SIM_RST
40
O
SIM reset
Reset output for 1.8 V / 3 V SIM
See section 1.8 for functional description.
See section 2.5 for external circuit design-in.

SARA-R4 series - System Integration Manual
UBX-16029218 - R03 System description
Page 10 of 94
Function
Pin Name
Pin No
I/O
Description
Remarks
UART
RXD
13
O
UART data output
1.8 V output, Circuit 104 (RXD) in ITU-T V.24,
for AT commands, data communication, FOAT.
See section 1.9.1 for functional description.
See section 2.6.1 for external circuit design-in.
TXD
12
I
UART data input
1.8 V input, Circuit 103 (TXD) in ITU-T V.24,
for AT commands, data communication, FOAT.
Internal active pull-up to V_INT.
See section 1.9.1 for functional description.
See section 2.6.1 for external circuit design-in.
CTS
11
O
UART clear to send
output
1.8 V output, Circuit 106 (CTS) in ITU-T V.24.
See section 1.9.1 for functional description.
See section 2.6.1 for external circuit design-in.
RTS
10
I
UART ready to send
input
1.8 V input, Circuit 105 (RTS) in ITU-T V.24.
Internal active pull-up to V_INT.
See section 1.9.1 for functional description.
See section 2.6.1 for external circuit design-in.
DSR
6
O
UART data set ready
output
1.8 V, Circuit 107 in ITU-T V.24.
See section 1.9.1 for functional description.
See section 2.6.1 for external circuit design-in.
RI
7
O
UART ring indicator
output
1.8 V, Circuit 125 in ITU-T V.24.
See section 1.9.1 for functional description.
See section 2.6.1 for external circuit design-in.
DTR
9
I
UART data terminal
ready input
1.8 V, Circuit 108/2 in ITU-T V.24.
Internal active pull-up to V_INT.
See section 1.9.1 for functional description.
See section 2.6.1 for external circuit design-in.
DCD
8
O
UART data carrier
detect output
1.8 V, Circuit 109 in ITU-T V.24.
See section 1.9.1 for functional description.
See section 2.6.1 for external circuit design-in.
USB
VUSB_DET
17
I
USB detect input
VBUS (5 V typical) USB supply generated by the host must
be connected to this input pin to enable the USB interface.
Test-Point for diagnostic / FW update access is recommended
See section 1.9.2 for functional description.
See section 2.6.2 for external circuit design-in.
USB_D-
28
I/O
USB Data Line D-
USB interface for AT commands, data communication,
FOAT, FW update by u-blox dedicated tool and diagnostic.
90 nominal differential impedance (Z0)
30 nominal common mode impedance (ZCM)
Pull-up or pull-down resistors and external series resistors as
required by the USB 2.0 specifications [4] are part of the
USB pin driver and need not be provided externally.
Test-Point for diagnostic / FW update access is recommended.
See section 1.9.2 for functional description.
See section 2.6.2 for external circuit design-in.
USB_D+
29
I/O
USB Data Line D+
USB interface for AT commands, data communication,
FOAT, FW update by u-blox dedicated tool and diagnostic.
90 nominal differential impedance (Z0)
30 nominal common mode impedance (ZCM)
Pull-up or pull-down resistors and external series resistors as
required by the USB 2.0 specifications [4] are part of the
USB pin driver and need not be provided externally.
Test-Point for diagnostic / FW update access is recommended.
See section 1.9.2 for functional description.
See section 2.6.2 for external circuit design-in.

SARA-R4 series - System Integration Manual
UBX-16029218 - R03 System description
Page 11 of 94
Function
Pin Name
Pin No
I/O
Description
Remarks
DDC
SCL
27
O
I2C bus clock line
1.8 V open drain, for communication with I2C-slave devices.
Internal pull-up to V_INT: external pull-up is not required.
See section 1.9.3 for functional description.
See section 2.6.3 for external circuit design-in.
SDA
26
I/O
I2C bus data line
1.8 V open drain, for communication with I2C-slave devices.
Internal pull-up to V_INT: external pull-up is not required.
See section 1.9.3 for functional description.
See section 2.6.3 for external circuit design-in.
GPIO
GPIO1
16
I/O
GPIO
1.8 V GPIO with alternatively configurable functions.
See section 1.10 for functional description.
See section 2.7 for external circuit design-in.
GPIO2
23
I/O
GPIO
1.8 V GPIO with alternatively configurable functions.
See section 1.10 for functional description.
See section 2.7 for external circuit design-in.
GPIO3
24
I/O
GPIO
1.8 V GPIO with alternatively configurable functions.
See section 1.10 for functional description.
See section 2.7 for external circuit design-in.
GPIO4
25
I/O
GPIO
1.8 V GPIO with alternatively configurable functions.
See section 1.10 for functional description.
See section 2.7 for external circuit design-in.
GPIO5
42
I/O
GPIO
1.8 V GPIO with alternatively configurable functions.
See section 1.10 for functional description.
See section 2.7 for external circuit design-in.
GPIO6
19
I/O
GPIO
1.8 V GPIO with alternatively configurable functions.
See section 1.10 for functional description.
See section 2.7 for external circuit design-in.
Reserved
RSVD
33
N/A
Reserved pin
This pin can be connected to GND.
See sections 1.11 and 2.8
RSVD
2, 31, 34-37,
44-49
N/A
Reserved pin
Leave unconnected.
See sections 1.11 and 2.8
Table 3: SARA-R4 series module pin definition, grouped by function

SARA-R4 series - System Integration Manual
UBX-16029218 - R03 System description
Page 12 of 94
1.4 Operating modes
SARA-R4 series modules have several operating modes. The operating modes are defined in Table 4 and
described in detail in Table 5, providing general guidelines for operation.
General Status
Operating Mode
Definition
Power-down
Not-Powered Mode
VCC supply not present or below operating range: module is switched off.
Power-Off Mode
VCC supply within operating range and module is switched off.
Normal Operation
Deep-Sleep Mode
RTC runs with 32 kHz reference internally generated.
Active Mode
Module processor core runs with 19.2 MHz reference generated by the internal oscillator
Connected Mode
RF Tx/Rx data connection enabled and processor core runs with 19.2 MHz reference.
Table 4: SARA-R4 series modules operating modes definition
Mode
Description
Transition between operating modes
Not-Powered
Module is switched off.
Application interfaces are not accessible.
When VCC supply is removed, the modules enter not-powered mode.
When in not-powered mode, the module can enter power-off mode
applying VCC supply (see 1.6.1).
Power-Off
Module is switched off: normal shutdown by an
appropriate power-off event (see 1.6.2).
Application interfaces are not accessible.
The modules enter power-off mode from active mode when the host
processor implements a proper switch-off procedure, by sending the
AT+CPWROFF command or by using the PWR_ON pin (see 1.6.2).
When in power-off mode, the modules can be switched on by the host
processor using the PWR_ON input pin (see 1.6.1).
When in power-off mode, the modules enter not-powered mode by
removing VCC supply.
Deep-Sleep
Only the internal 32 kHz reference is active.
The RF section and the application interfaces are
temporarily disabled and switched off: the
module is temporarily not ready to communicate
with an external device by means of the
application interfaces as configured to reduce
the current consumption.
The module enters the low power deep sleep
mode (entering the Power Saving Mode defined
in 3GPP Rel.13) whenever possible, if power
saving configuration is enabled by AT+CPSMS
command (see SARA-R4 series AT Commands
Manual [2]), reducing current consumption (see
1.12.9).
Power saving configuration is not enabled by
default; it can be enabled by AT+CPSMS (see
the SARA-R4 series AT Commands Manual [2]).
The modules automatically switch from the active mode to low power
deep sleep mode whenever possible, upon expiration of “Active
Timer”, entering in the Power Saving Mode defined in 3GPP Rel.13, if
power saving configuration is enabled (see 1.12.9 and the SARA-R4
series AT Commands Manual [2], AT+CPSMS command).
When in low power deep sleep mode, the module switches on to the
active mode upon expiration of “Periodic Update Timer” according to
the Power Saving Mode defined in 3GPP Rel.13 (see 1.12.9 and the
SARA-R4 series AT Commands Manual [2], AT+CPSMS command), or it
can be switched on to the active mode by the host processor using the
PWR_ON input pin (see section 1.6.1).
Active
Module is switched on with application
interfaces enabled or not suspended: the
module is ready to communicate with an
external device by means of the application
interfaces unless power saving configuration is
enabled by AT+CPSMS (see SARA-R4 series AT
Commands Manual [2]).
The modules enter active mode from power-off mode when the host
processor implements a proper switch-on procedure by using the
PWR_ON pin (see 1.6.1).
The modules enter active mode from low power deep sleep mode
upon expiration of “Periodic Update Timer” (see 1.12.9), or when the
host processor implements a proper switch-on procedure by using the
PWR_ON pin (see 1.6.1).
The modules enter power-off mode from active mode when the host
processor implements a proper switch-off procedure (see 1.6.2).
The modules automatically switch from active to low power deep sleep
mode whenever possible, if power saving is enabled (see 1.12.9).
The module switches from active to connected-mode when a RF Tx/Rx
data connection is initiated or when RF Tx/Rx activity is required due to
a connection previously initiated.
The module switches from connected to active mode when a RF Tx/Rx
data connection is terminated or suspended.

SARA-R4 series - System Integration Manual
UBX-16029218 - R03 System description
Page 13 of 94
Mode
Description
Transition between operating modes
Connected
RF Tx/Rx data connection is in progress.
The module is prepared to accept data signals
from an external device.
When a data connection is initiated, the module enters connected
mode from active mode.
Connected-mode is suspended if Tx/Rx data is not in progress. In such
cases the module automatically switches from connected to active
mode and then, if power saving configuration is enabled by the
AT+CPSMS command, the module automatically switches to low
power deep sleep mode whenever possible. Vice-versa, the module
wakes up from low power deep sleep mode to active mode and then
connected mode if RF Tx/Rx activity is necessary.
When a data connection is terminated, the module returns to the
active-mode.
Table 5: SARA-R4 series modules operating modes description
Figure 2 describes the transition between the different operating modes.
If power saving is enabled,
and Active Timer is expired
•Upon expiration of the
Periodic Update Timer
•Using PWR_ON pin
Incoming/outgoing data
or other dedicated device
network communication
No RF Tx/Rx in progress,
Communication dropped
Remove VCC
Switch ON:
•PWR_ON
Not
powered
Power off
ActiveConnected Deep Sleep
Switch OFF:
•AT+CPWROFF
•PWR_ON
Apply VCC
Figure 2: SARA-R4 series modules operating modes transitions

SARA-R4 series - System Integration Manual
UBX-16029218 - R03 System description
Page 14 of 94
1.5 Supply interfaces
1.5.1 Module supply input (VCC)
The modules must be supplied via the three VCC pins that represent the module power supply input.
During operation, the current drawn by the SARA-R4 series modules through the VCC pins can vary by several
orders of magnitude, depending on the operating mode and state (as described in sections 1.5.1.2, 1.5.1.3 and
1.5.1.4).
It is important that the supply source is able to support the average current consumption occurring during a LTE
transmission at maximum RF power level.
1.5.1.1 VCC supply requirements
Table 6 summarizes the requirements for the VCC modules supply. See section 2.2.1 for suggestions to properly
design a VCC supply circuit compliant with the requirements listed in Table 6.
The supply circuit affects the RF compliance of the device integrating SARA-R4 series modules
with applicable required certification schemes as well as antenna circuit design. Compliance is
guaranteed if the requirements summarized in the Table 6 are fulfilled.
Item
Requirement
Remark
VCC nominal voltage
Within VCC normal operating range:
3.20 V min. / 4.20 V max
RF performance is guaranteed when VCC voltage is inside
the normal operating range limits.
RF performance may be affected when VCC voltage is
outside the normal operating range limits, though the
module is still fully functional until the VCC voltage is
inside the extended operating range limits.
VCC voltage during
normal operation
Within VCC extended operating range:
3.00 V min. / 4.30 V max
VCC voltage must be above the extended operating range
minimum limit to switch-on the module.
The module may switch-off when the VCC voltage drops
below the extended operating range minimum limit.
Operation above VCC extended operating range is not
recommended and may affect device reliability.
VCC average current
Support with adequate margin the highest averaged
VCC current consumption value in connected-mode
conditions specified in SARA-R4 Data Sheet [1]
The maximum average current consumption can be
greater than the specified value according to the actual
antenna mismatching, temperature and supply voltage.
Section 1.5.1.2 describes current consumption profiles in
connected-mode.
VCC peak current
Support with adequate margin the highest peak VCC
current consumption value in Tx connected-mode
conditions specified in SARA-R4 Data Sheet [1]
The maximum peak Tx current consumption can be
greater than the specified value according to the actual
antenna mismatching, temperature and supply voltage.
Section 1.5.1.2 describes current consumption profiles in
connected-mode.
VCC voltage ripple
during LTE Tx
Noise in the supply pins has to be minimized
High supply voltage ripple values during RF transmissions
in connected-mode directly affect the RF compliance with
the applicable certification schemes.
Table 6: Summary of VCC modules supply requirements

SARA-R4 series - System Integration Manual
UBX-16029218 - R03 System description
Page 15 of 94
1.5.1.2 VCC current consumption in connected-mode
During an LTE Category M1 connection, the SARA-R4 series modules transmit and receive in half duplex mode.
The current consumption depends on output RF power, which is always regulated by the network (the current
base station) sending power control commands to the module. These power control commands are logically
divided into a slot of 0.5 ms (time length of one Resource Block), thus the rate of power change can reach a
maximum rate of 2 kHz.
Figure 3 shows an example of SARA-R4 modules’ current consumption profile versus time in connected-mode:
transmission is enabled for one sub-frame (1 ms) according to LTE Category M1 half duplex connected-mode.
Detailed current consumption values can be found in SARA-R4 series Data Sheet [1].
Time
[ms]
Current [mA]
Current consumption value
depends on TX power and
actual antenna load
1 Slot
1 Resource Block
(0.5 ms) 1 LTE Radio Frame
(10 ms)
0
300
200
100
500
400
Figure 3: VCC current consumption profile versus time during LTE Cat M1 half duplex connection
1.5.1.3 VCC current consumption in low power deep sleep mode (power saving enabled)
The power saving configuration is by default disabled, but it can be enabled using the AT+CPSMS command (see
SARA-R4 series AT Commands Manual [2] and section 1.12.9).
When power saving is enabled, the module automatically enters the PSM low power deep sleep mode whenever
possible, reducing current consumption down to a steady value in the µA range: only the RTC runs with internal
32 kHz reference clock frequency.
Detailed current consumption values can be found in SARA-R4 series Data Sheet [1].

SARA-R4 series - System Integration Manual
UBX-16029218 - R03 System description
Page 16 of 94
1.5.1.4 VCC current consumption in active mode (power saving disabled)
The active mode is the state where the module is switched on and ready to communicate with an external device
by means of the application interfaces (as the USB or the UART serial interface). The module processor core is
active, and the 19.2 MHz reference clock frequency is used.
If power saving configuration is disabled, as it is by default (see SARA-R4 series AT Commands Manual [2],
+CPSMS AT command for details), the module does not automatically enter the PSM low power deep sleep
mode whenever possible: the module remains in active mode. Otherwise, if the power saving configuration is
enabled, the module enters PSM low power deep sleep mode whenever possible (see section 1.12.9).
Figure 4 illustrates a typical example of the module current consumption profile when the module is in active
mode. In such case, the module is registered with the network and, while active-mode is maintained, the
receiver is periodically activated to monitor the paging channel for paging block reception.
Detailed current consumption values can be found in SARA-R4 series Data Sheet [1].
ACTIVE MODE
Paging period
Time [s]
Current [mA]
Time [ms]
Current [mA]
RX
Enabled
0
100
0
100
Figure 4: VCC current consumption profile with power saving disabled and module registered with the network: active-mode is
always held and the receiver is periodically activated to monitor the paging channel for paging block reception
1.5.2 Generic digital interfaces supply output (V_INT)
The V_INT output pin of the SARA-R4 series modules is generated by the module internal power management
circuitry when the module is switched on and it is not in the low power deep sleep mode. The typical operating
voltage is 1.8 V, whereas the current capability is specified in the SARA-R4 series Data Sheet [1]. The V_INT
voltage domain can be used in place of an external discrete regulator as a reference voltage rail for external
components.

SARA-R4 series - System Integration Manual
UBX-16029218 - R03 System description
Page 17 of 94
1.6 System function interfaces
1.6.1 Module power-on
When the SARA-R4 series modules are in the not-powered mode (i.e. the VCC module supply is not applied),
they can be switched on as follows:
Rising edge on the VCC input pins to a valid voltage level, and then a low logic level has to be held at the
PWR_ON input pin for a valid time.
When the SARA-R4 series modules are in the power-off mode (i.e. switched off) or in the PSM low power mode,
with a valid VCC supply applied, they can be switched on as follows:
Low pulse on the PWR_ON pin for a valid time period
The PWR_ON input pin is equipped with an internal active pull-up resistor. Detailed electrical characteristics with
voltages and timings are described in SARA-R4 series Data Sheet [1].
Figure 5 shows the module switch-on sequence from the not-powered mode, describing the following phases:
The external power supply is applied to the VCC module pins
The PWR_ON pin is held low for a valid time
All the generic digital pins of the module are tri-stated until the switch-on of their supply source (V_INT).
The internal reset signal is held low: the baseband core and all the digital pins are held in the reset state.
When the internal reset signal is released, any digital pin is set in a proper sequence from the reset state to
the default operational configured state. The duration of this pins’ configuration phase differs within generic
digital interfaces and the USB interface due to host / device enumeration timings (see section 1.9.2).
The module is fully ready to operate after all interfaces are configured.
VCC
PWR_ON
RESET_N
V_INT
Internal Reset
System State
BB Pads State
Internal Reset → Operational Operational
Tristate / Floating
Internal
Reset
OFF
ON
Start of interface
configuration
Module interfaces
are configured
Start-up
event
Figure 5: SARA-R4 series switch-on sequence description
The Internal Reset signal is not available on a module pin, but the host application can monitor the V_INT
pin to sense the start of the SARA-R4 series module switch-on sequence.
Before the switch-on of the generic digital interface supply source (V_INT) of the module, no voltage
driven by an external application should be applied to any generic digital interface of the module.
Before the SARA-R4 series module is fully ready to operate, the host application processor should not
send any AT command over the AT communication interfaces (USB, UART) of the module.

SARA-R4 series - System Integration Manual
UBX-16029218 - R03 System description
Page 18 of 94
1.6.2 Module power-off
SARA-R4 series can be properly switched off by:
AT+CPWROFF command (see SARA-R4 series AT Commands Manual [2]). The current parameter settings are
saved in the module’s non-volatile memory and a proper network detach is performed.
Low pulse on the PWR_ON pin for a valid time period (see SARA-R4 series Data Sheet [1]).
An abrupt under-voltage shutdown occurs on SARA-R4 series modules when the VCC module supply is
removed. If this occurs, it is not possible to perform the storing of the current parameter settings in the module’s
non-volatile memory or to perform the proper network detach.
It is highly recommended to avoid an abrupt removal of the VCC supply during SARA-R4 series modules
normal operations.
An abrupt hardware shutdown occurs on SARA-R4 series modules when a low level is applied on RESET_N pin.
In this case, the current parameter settings are not saved in the module’s non-volatile memory and a proper
network detach is not performed.
It is highly recommended to avoid an abrupt hardware shutdown of the module by forcing a low level on
the RESET_N input pin during module normal operation: the RESET_N line should be set low only if reset
or shutdown via AT commands fails or if the module does not reply to a specific AT command after a time
period longer than the one defined in the SARA-R4 series AT Commands Manual [2].
Figure 6 describes the SARA-R4 series modules switch-off sequence started by means of the AT+CPWROFF
command, allowing storage of current parameter settings in the module’s non-volatile memory and a proper
network detach, with the following phases:
When the +CPWROFF AT command is sent, the module starts the switch-off routine.
The module replies OK on the AT interface: the switch-off routine is in progress.
At the end of the switch-off routine, all the digital pins are tri-stated and all the internal voltage regulators
are turned off, including the generic digital interfaces supply (V_INT).
Then, the module remains in switch-off mode as long as a switch on event does not occur (e.g. applying a
proper low level to PWR_ON), and enters not-powered mode if the supply is removed from the VCC pins.
VCC
PWR_ON
RESET_N
V_INT
Internal Reset
System State
BB Pads State Operational
OFF
Tristate / Floating
ON
Operational → Tristate
AT+CPWROFF
sent to the module
OK
replied by the module
VCC can be
removed
Figure 6: SARA-R4 series switch-off sequence by means of AT+CPWROFF command
The Internal Reset signal is not available on a module pin, but the application can monitor the V_INT pin
to sense the end of the switch-off sequence.
The duration of each phase in the SARA-R4 series modules’ switch-off routines can largely vary depending
on the application / network settings and the concurrent module activities.

SARA-R4 series - System Integration Manual
UBX-16029218 - R03 System description
Page 19 of 94
Figure 7 describes the SARA-R4 series modules switch-off sequence started by means of the PWR_ON input pin,
allowing storage of current parameter settings in the module’s non-volatile memory and a proper network
detach, with the following phases:
A low pulse with appropriate time duration (see SARA-R4 series Data Sheet [1]) is applied at the PWR_ON
input pin.
At the end of the switch-off routine, all the digital pins are tri-stated and all the internal voltage regulators
are turned off, including the generic digital interfaces supply (V_INT).
Then, the module remains in power-off mode as long as a switch on event does not occur (e.g. applying a
proper low level to the PWR_ON input ), and enters not-powered mode if the supply is removed from the
VCC pins.
VCC
PWR_ON
RESET_N
V_INT
Internal Reset
System State
BB Pads State
OFF
Tristate / Floating
ON
Operational -> Tristate
Operational
0 s
~2.5 s
~5 s
The module starts
the switch-off routine
VCC can be
removed
Figure 7: SARA-R4 series switch-off sequence by means of PWR_ON pin
The Internal Reset signal is not available on a module pin, but the application can monitor the V_INT pin
to sense the end of the switch-off sequence.
The duration of each phase in the SARA-R4 series modules’ switch-off routines can largely vary depending
on the application / network settings and the concurrent module activities.

SARA-R4 series - System Integration Manual
UBX-16029218 - R03 System description
Page 20 of 94
1.6.3 Module reset
SARA-R4 series modules can be properly reset (rebooted) by:
AT+CFUN command (see SARA-R4 series AT Commands Manual [2]).
In the case listed above an “internal” or “software” reset of the module is executed: the current parameter
settings are saved in the module’s non-volatile memory and a proper network detach is performed.
An abrupt hardware shutdown occurs on SARA-R4 series modules when a low level is applied on RESET_N input
pin for a valid time period. In this case, the current parameter settings are not saved in the module’s non-volatile
memory and a proper network detach is not performed. Then, the module remains in power-off mode as long
as a switch on event does not occur applying a proper low level to the PWR_ON input.
It is highly recommended to avoid an abrupt hardware shutdown of the module by forcing a low level on
the RESET_N input during modules normal operation: the RESET_N line should be set low only if reset or
shutdown via AT commands fails or if the module does not provide a reply to a specific AT command
after a time period longer than the one defined in the SARA-R4 series AT Commands Manual [2].
The RESET_N input pin is equipped with an internal pull-up to the V_INT supply. Detailed electrical
characteristics with voltages and timings are described in SARA-R4 series Data Sheet [1].

SARA-R4 series - System Integration Manual
UBX-16029218 - R03 System description
Page 21 of 94
1.7 Antenna interface
1.7.1 Antenna RF interface (ANT)
SARA-R4 series modules provide an RF interface for connecting the external antenna. The ANT pin represents
the primary RF input/output for transmission and reception of LTE RF signals.
The ANT pin has a nominal characteristic impedance of 50 and must be connected to the primary Tx / Rx
antenna through a 50 transmission line to allow proper RF transmission and reception.
1.7.1.1 Antenna RF interfaces requirements
Table 7 summarizes the requirements for the antenna RF interface. See section 2.4.1 for suggestions to properly
design antennas circuits compliant with these requirements.
The antenna circuits affect the RF compliance of the device integrating SARA-R4 series modules
with applicable required certification schemes (for more details see section 4). Compliance is
guaranteed if the antenna RF interface requirements summarized in Table 7 are fulfilled.
Item
Requirements
Remarks
Impedance
50 nominal characteristic impedance
The impedance of the antenna RF connection must match the 50
impedance of the ANT port.
Frequency
Range
See the SARA-R4 series Data Sheet [1]
The required frequency range of the antenna connected to ANT port
depends on the operating bands of the used cellular module and the
used mobile network.
Return Loss
S11 < -10 dB (VSWR < 2:1) recommended
S11 < -6 dB (VSWR < 3:1) acceptable
The Return loss or the S11, as the VSWR, refers to the amount of
reflected power, measuring how well the antenna RF connection
matches the 50 characteristic impedance of the ANT port.
The impedance of the antenna termination must match as much as
possible the 50 nominal impedance of the ANT port over the
operating frequency range, reducing as much as possible the amount
of reflected power.
Efficiency
> -1.5 dB ( > 70% ) recommended
> -3.0 dB ( > 50% ) acceptable
The radiation efficiency is the ratio of the radiated power to the power
delivered to antenna input: the efficiency is a measure of how well an
antenna receives or transmits.
The radiation efficiency of the antenna connected to the ANT port
needs to be enough high over the operating frequency range to
comply with the Over-The-Air (OTA) radiated performance
requirements, as Total Radiated Power (TRP) and the Total Isotropic
Sensitivity (TIS), specified by applicable related certification schemes.
Maximum Gain
According to radiation exposure limits
The power gain of an antenna is the radiation efficiency multiplied by
the directivity: the gain describes how much power is transmitted in
the direction of peak radiation to that of an isotropic source.
The maximum gain of the antenna connected to ANT port must not
exceed the herein stated value to comply with regulatory agencies
radiation exposure limits. For additional info see sections 4.2.2.
Input Power
> 24 dBm ( > 0.25 W )
The antenna connected to the ANT port must support with adequate
margin the maximum power transmitted by the modules.
Table 7: Summary of Tx/Rx antenna RF interface requirements

SARA-R4 series - System Integration Manual
UBX-16029218 - R03 System description
Page 22 of 94
1.7.2 Antenna detection interface (ANT_DET)
The antenna detection is based on ADC measurement. The ANT_DET pin is an Analog to Digital Converter
(ADC) provided to sense the antenna presence.
The antenna detection function provided by ANT_DET pin is an optional feature that can be implemented if the
application requires it. The antenna detection is forced by the +UANTR AT command. See the SARA-R4 series AT
Commands Manual [2] for more details on this feature.
The ANT_DET pin generates a DC current (for detailed characteristics see the SARA-R4 series Data Sheet [1]) and
measures the resulting DC voltage, thus determining the resistance from the antenna connector provided on the
application board to GND. So, the requirements to achieve antenna detection functionality are the following:
an RF antenna assembly with a built-in resistor (diagnostic circuit) must be used
an antenna detection circuit must be implemented on the application board
See section 2.4.2 for antenna detection circuit on application board and diagnostic circuit on antenna assembly
design-in guidelines.
1.8 SIM interface
1.8.1 SIM interface
SARA-R4 series modules provide high-speed SIM/ME interface including automatic detection and configuration
of the voltage required by the connected SIM card or chip.
Both 1.8 V and 3 V SIM types are supported. Activation and deactivation with automatic voltage switch from
1.8 V to 3 V are implemented, according to ISO-IEC 7816-3 specifications. The VSIM supply output provides
internal short circuit protection to limit start-up current and protect the SIM to short circuits.
The SIM driver supports the PPS (Protocol and Parameter Selection) procedure for baud-rate selection, according
to the values determined by the SIM card or chip.
1.8.2 SIM detection interface
The GPIO5 pin is configured as an external interrupt to detect the SIM card mechanical / physical presence. The
pin is configured as input with an internal active pull-down enabled, and it can sense SIM card presence only if
properly connected to the mechanical switch of a SIM card holder as described in section 2.5:
Low logic level at GPIO5 input pin is recognized as SIM card not present
High logic level at GPIO5 input pin is recognized as SIM card present
For more details see SARA-R4 series AT Commands Manual [2], +UGPIOC, +CIND and +CMER AT commands.

SARA-R4 series - System Integration Manual
UBX-16029218 - R03 System description
Page 23 of 94
1.9 Data communication interfaces
SARA-R4 series modules provide the following serial communication interface:
UART interface: Universal Asynchronous Receiver/Transmitter serial interface available for the communication
with a host application processor (AT commands, data communication, FW update by means of FOAT). See
section 1.9.1.
USB interface: Universal Serial Bus 2.0 compliant interface available for the communication with a host
application processor (AT commands, data communication, FW update by means of the FOAT feature), for
FW update by means of the u-blox dedicated tool and for diagnostic. See section 1.9.2.
DDC interface: I2C bus compatible interface available for the communication with u-blox GNSS positioning
chips or modules and with external I2C devices. See section 1.9.3.
1.9.1 UART interface
1.9.1.1 UART features
The UART interface is a 9-wire 1.8 V unbalanced asynchronous serial interface available on all the SARA-R4 series
modules, supporting:
AT command mode
1
Data mode and Online command mode1
Multiplexer protocol functionality
FW upgrades by means of the FOAT feature (see 1.12.7)
The UART is available only if the USB is not enabled as AT command / data communication interface:
UART and USB cannot be concurrently used for this purpose.
UART interface provides RS-232 functionality conforming to the ITU-T V.24 Recommendation [5], with CMOS
compatible signal levels: 0 V for low data bit or ON state, and 1.8 V for high data bit or OFF state (for detailed
electrical characteristics see SARA-R4 series Data Sheet [1]), providing:
data lines (RXD as output, TXD as input),
hardware flow control lines (CTS as output, RTS as input),
modem status and control lines (DTR as input, DSR as output, DCD as output, RI as output).
SARA-R4 series modules are designed to operate as cellular modems, i.e. as the data circuit-terminating
equipment (DCE) according to the ITU-T V.24 Recommendation [5]. A host application processor connected to
the module through the UART interface represents the data terminal equipment (DTE).
UART signal names of the cellular modules conform to the ITU-T V.24 Recommendation [5]: e.g. TXD line
represents data transmitted by the DTE (host processor output) and received by the DCE (module input).
SARA-R4 series modules’ UART interface is by default configured in AT command mode: the module waits for
AT command instructions and interprets all the characters received as commands to execute. All the
functionalities supported by SARA-R4 series modules can be in general set and configured by AT commands:
AT commands according to 3GPP TS 27.007 [6], 3GPP TS 27.005 [7], 3GPP TS 27.010 [8]
u-blox AT commands (for the complete list and syntax see the SARA-R4 series AT Commands Manual [2])
1
For the definition of the interface data mode, command mode and online command mode see SARA-R4 series AT Commands Manual [1]

SARA-R4 series - System Integration Manual
UBX-16029218 - R03 System description
Page 24 of 94
Flow control handshakes are supported by the UART interface and can be set by appropriate AT commands (see
SARA-R4 series AT Commands Manual [2], &K, \Q AT commands): hardware flow control (over the RTS / CTS
lines), software flow control (XON/XOFF), or none flow control.
Hardware flow control is enabled by default.
The default baud rate is 115200 b/s, while the default frame format is 8N1 (8 data bits, No parity, 1 stop bit: see
Figure 8). Baud rates can be configured by AT command (see SARA-R4 series AT Commands Manual [2]).
The automatic baud rate detection and the automatic frame format recognition are not supported.
D0 D1 D2 D3 D4 D5 D6 D7
Start of 1-Byte
transfer
Start Bit
(Always 0)
Possible Start of
next transfer
Stop Bit
(Always 1)
t
bit
= 1/(Baudrate)
Normal Transfer, 8N1
Figure 8: Description of UART 8N1 frame format (8 data bits, no parity, 1 stop bit)
1.9.1.2 UART signals behavior
At the module switch-on, before the UART interface initialization (as described in the power-on sequence
reported in Figure 5), each pin is first tri-stated and then is set to its relative internal reset state. At the end of the
boot sequence, the UART interface is initialized, the module is by default in active-mode, and the UART interface
is enabled as AT commands interface.
The configuration and the behavior of the UART signals after the boot sequence are described below. See
section 1.4 for definition and description of module operating modes referred to in this section.
RXD signal behavior
The module data output line (RXD) is set by default to the OFF state (high level) at UART initialization. The
module holds RXD in the OFF state until the module transmits some data.
TXD signal behavior
The module data input line (TXD) is set by default to the OFF state (high level) at UART initialization. The TXD
line is then held by the module in the OFF state if the line is not activated by the DTE: an active pull-up is enabled
inside the module on the TXD input.
CTS signal behavior
The module hardware flow control output (CTS line) is set to the ON state (low level) at UART initialization.
If the hardware flow control is enabled, as it is by default, the CTS line indicates when the UART interface is
enabled (data can be received): the module drives the CTS line to the ON state or to the OFF state when it is
either able or not able to accept data from the DTE over the UART.
The CTS hardware flow control setting can be changed by AT commands (for more details, see SARA-R4 series
AT Commands Manual [2], AT&K, AT\Q AT commands).

SARA-R4 series - System Integration Manual
UBX-16029218 - R03 System description
Page 25 of 94
RTS signal behavior
The hardware flow control input (RTS line) is set by default to the OFF state (high level) at UART initialization.
The module then holds the RTS line in the OFF state if the line is not activated by the DTE: an active pull-up is
enabled inside the module on the RTS input.
If the HW flow control is enabled, as it is by default, the module monitors the RTS line to detect permission from
the DTE to send data to the DTE itself. If the RTS line is set to the OFF state, any on-going data transmission
from the module is interrupted until the RTS line changes to the ON state.
The module behavior according to the RTS hardware flow control status can be configured by AT commands
(for more details, see the SARA-R4 series AT Commands Manual [2], AT&K, AT\Q, AT+IFC AT commands).
1.9.1.3 UART multiplexer protocol
SARA-R4 series modules include multiplexer functionality as per 3GPP TS 27.010 [8], on the UART physical link.
This is a data link protocol which uses HDLC-like framing and operates between the module (DCE) and the
application processor (DTE) and allows a number of simultaneous sessions over the used physical link (UART): the
user can concurrently use AT interface on one MUX channel and data communication on another MUX channel.
The following virtual channels are defined:
Channel 0: Multiplexer control
Channel 1 – 5: AT commands / data connection
1.9.2 USB interface
1.9.2.1 USB features
SARA-R4 series modules include a High-Speed USB 2.0 compliant interface with 480 Mb/s maximum data rate,
representing the main interface for transferring high speed data with a host application processor, supporting:
AT command mode
2
Data mode and Online command mode2
FW upgrades by means of the FOAT feature (see 1.12.7)
FW upgrades by means of the u-blox dedicated tool
Trace log capture (diagnostic purpose)
The module itself acts as a USB device and can be connected to a USB host such as a Personal Computer or an
embedded application microprocessor equipped with compatible drivers.
The USB_D+/USB_D- lines carry USB serial bus data and signaling according to the Universal Serial Bus Revision
2.0 specification [4], while the VUSB_DET input pin senses the VBUS USB supply presence (nominally 5 V at the
source) to detect the host connection and enable the interface. Neither the USB interface, nor the whole module
is supplied by the VUSB_DET input, which senses the USB supply voltage and absorbs few microamperes.
The USB interface is available as AT command / data communication interface only if an external valid USB
VBUS supply voltage (5.0 V typical) is applied at the VUSB_DET input of the module since the switch-on
of the module, and then held during normal operations. In this case, the UART will be not available.
The USB interface is controlled and operated with:
AT commands according to 3GPP TS 27.007 [6], 3GPP TS 27.005 [7]
u-blox AT commands (for the complete list and syntax see SARA-R4 series AT Commands Manual [2])
2
For the definition of the interface data mode, command mode and online command mode see SARA-R4 series AT Commands Manual [2]

SARA-R4 series - System Integration Manual
UBX-16029218 - R03 System description
Page 26 of 94
The USB interface of SARA-R4 series modules can provide the following USB functions:
AT commands and data communication
Diagnostic log
The USB profile of SARA-R4 series modules identifies itself by the following VID (Vendor ID) and PID (Product ID)
combination, included in the USB device descriptor according to the USB 2.0 specifications [4].
VID = 0x05C6
PID = 0x90B2
1.9.3 DDC (I2C) interface
The I2C interface is not supported by “00” and “01” product versions.
1.10 General Purpose Input/Output
SARA-R4 series modules include six pins (GPIO1-GPIO6) which can be configured as General Purpose
Input/Output or to provide custom functions via u-blox AT commands (for more details see the SARA-R4 series
AT Commands Manual [2], +UGPIOC, +UGPIOR, +UGPIOW AT commands), as summarized in Table 8.
Function
Description
Default GPIO
Network status indication
Network status: registered / data transmission, no service
--
SIM card detection
SIM card physical presence detection
GPIO5
Module status indication
Module switched off or in PSM low power deep sleep mode,
versus active or connected mode
--
General purpose input
Input to sense high or low digital level
--
General purpose output
Output to set the high or the low digital level
GPIO4
Pin disabled
Tri-state with an internal active pull-down enabled
GPIO1, GPIO2,
GPIO3, GPIO6
Table 8: SARA-R4 series GPIO custom functions configuration
1.11 Reserved pins (RSVD)
SARA-R4 series modules have pins reserved for future use, marked as RSVD: they can all be left unconnected on
the application board.

SARA-R4 series - System Integration Manual
UBX-16029218 - R03 System description
Page 27 of 94
1.12 System features
1.12.1 Network indication
GPIOs can be configured by the AT command to indicate network status (for further details see section 1.10 and
the SARA-R4 series AT Commands Manual [2]):
No service (no network coverage or not registered)
Registered / Data call enabled (RF data transmission / reception)
1.12.2 Antenna supervisor
The antenna detection function provided by the ANT_DET pin is based on an ADC measurement as optional
feature that can be implemented if the application requires it. The antenna supervisor is forced by the +UANTR
AT command (see the SARA-R4 series AT Commands Manual [2] for more details).
The requirements to achieve antenna detection functionality are the following:
an RF antenna assembly with a built-in resistor (diagnostic circuit) must be used
an antenna detection circuit must be implemented on the application board
See section 1.7.2 for detailed antenna detection interface functional description and see section 2.4.2 for
detection circuit on application board and diagnostic circuit on antenna assembly design-in guidelines.
1.12.3 Dual stack IPv4/IPv6
SARA-R4 series support both Internet Protocol version 4 and Internet Protocol version 6 in parallel.
For more details about dual stack IPv4/IPv6 see the SARA-R4 series AT Commands Manual [2].
1.12.4 TCP/IP and UDP/IP
SARA-R4 series modules provide embedded TCP/IP and UDP/IP protocol stack: a PDP context can be configured
established and handled via the data connection management packet switched data commands.
SARA-R4 series modules provide Direct Link mode to establish a transparent end-to-end communication with an
already connected TCP or UDP socket via serial interfaces (USB, UART). In Direct Link mode, data sent to the
serial interface from an external application processor is forwarded to the network and vice-versa.
For more details on embedded TCP/IP and UDP/IP functionalities see SARA-R4 series AT Commands Manual [2].
1.12.5 FTP
SARA-R4 series provide embedded File Transfer Protocol (FTP) services. Files are read and stored in the local file
system of the module.
FTP files can also be transferred using FTP Direct Link:
FTP download: data coming from the FTP server is forwarded to the host processor via USB / UART serial
interfaces (for FTP without Direct Link mode the data is always stored in the module’s Flash File System)
FTP upload: data coming from the host processor via USB / UART serial interface is forwarded to the FTP
server (for FTP without Direct Link mode the data is read from the module’s Flash File System)
When Direct Link is used for a FTP file transfer, only the file content pass through USB / UART serial interface,
whereas all the FTP commands handling is managed internally by the FTP application.
For more details about embedded FTP functionalities see SARA-R4 series AT Commands Manual [2].

SARA-R4 series - System Integration Manual
UBX-16029218 - R03 System description
Page 28 of 94
1.12.6 HTTP
SARA-R4 series modules provide the embedded Hyper-Text Transfer Protocol (HTTP) services via AT commands
for sending requests to a remote HTTP server, receiving the server response and transparently storing it in the
module’s Flash File System (FFS).
For more details about embedded HTTP functionalities see the SARA-R4 series AT Commands Manual [2].
1.12.7 Firmware update Over AT (FOAT)
This feature allows upgrading of the module firmware over the AT interface, using AT commands.
The +UFWUPD AT command enables a code download to the device from the host via the Xmodem protocol.
The +UFWINSTALL AT command then triggers a reboot, and upon reboot initiates a firmware installation on the
device via a special boot loader on the module. The bootloader first authenticates the downloaded image, then
installs it, and then reboots the module.
Firmware authenticity verification is performed via a security signature. The firmware is then installed,
overwriting the current version. In case of power loss during this phase, the boot loader detects a fault at the
next wake-up, and restarts the firmware installation. After completing the upgrade, the module is reset again
and wakes-up in normal boot.
For more details about Firmware update Over AT procedure, see the SARA-R4 series AT Commands Manual [2],
+UFWUPD AT command.
1.12.8 Firmware update Over The Air (FOTA)
This feature allows upgrading the module firmware over the air interface.
For more details about Firmware update Over The Air procedure see SARA-R4 series AT Commands Manual [2],
+UFWINSTALL AT command.
1.12.9 Power saving
The power saving configuration is by default disabled, but it can be enabled using the AT+CPSMS command (for
the complete description of the AT+CPSMS command, see the SARA-R4 series AT Commands Manual [2]).
When power saving is enabled, the module automatically enters the low power deep sleep mode whenever
possible, reducing current consumption (see section 1.5.1.3 and SARA-R4 series Data Sheet [1]).
For the definition and the description of SARA-R4 series modules operating modes, including the events forcing
transitions between the different operating modes, see the section 1.4.
1.12.9.1 Functionality
The SARA-R4 series modules achieve the low power deep sleep mode by powering down all the Hardware
components with the exception of the 32 kHz reference internally generated.
From the host application point of view, the USB/UART ports will not be available during low power deep
sleep mode, as the SARA-R4 module will act as if the SARA-R4 module is in Power-Off mode.
1.12.9.2 Timers and Network Interaction
The SARA-R4 series modules goes in low power deep sleep mode entering in the Power Saving Mode (PSM)
defined in 3GPP Release 13.
Two timers have been specified on the PSM Signaling: the “Periodic Update Timer” and “Active Timer”.
The “Active Timer” is the time defined by the network where the SARA-R4 series module will keep listening for
any active operation, during this time the SARA-R4 series module is in Active mode.

SARA-R4 series - System Integration Manual
UBX-16029218 - R03 System description
Page 29 of 94
The “Periodic Update Timer” is the Extended Tracking Area Update (TAU) used by the SARA-R4 series module to
periodically notify the network of its availability.
The SARA-R4 series module requests the PSM by including the “Active Timer” with the desired value in the
Attach, TAU or Routing Area Update (RAU) messages. The “Active Timer” is the time the module listens to the
Paging Channel after having transitioned from connected to active mode. When the “Active Timer” expires, the
module enters PSM low power deep sleep mode.
SARA-R4 series module can also request an extended “Periodic Update Timer” value to remain in PSM low
power deep sleep mode for longer than the original “Periodic Update Timer” broadcasted by the network.
The grant of PSM is a negotiation between SARA-R4 series module and the attached network: the network
accepts PSM by providing the actual value of the “Active Timer” (and “Periodic Update Timer”) to be used in the
Attach/TAU/RAU accept procedure. The maximum duration, including “Periodic Update Timer”, is about 413
days. The SARA-R4 series module enters PSM low power deep sleep mode only after “Active Timer” expires.
PSM low power deep sleep mode
(periodic update timer)
Connected mode: Data Tx / Rx
Active mode
(active timer)
Time
Current
Figure 9: Description of the PSM timing
1.12.9.3 AT Commands
The module uses the +CPSMS AT command with its defined parameters to request PSM timers to the network.
See the SARA-R4 series AT Commands Manual [2] for details of the +CPSMS operation and features.
1.12.9.4 Host Application
The PSM low power deep sleep mode implementation allows the SARA-R4 series module to help extend the
battery life of the application.
The Host Application should be aware the SARA-R4 series module is PSM capable.
The host application needs to configure any available GPIO by means of AT commands (refer to GPIO
section of SARA-R4 series AT Commands Manual [2]) to get the notification when the module has
entered into PSM low power deep sleep mode.
If the host application receives an event that needs to be reported by the SARA-R4 series module
interrupting the PSM low power deep sleep mode, it can be done so by setting the module into Active
mode using the appropriate power-on event (see 1.6.1).
From the host application point of view, the SARA-R4 module will look as it is in Power-Off mode.
1.12.9.5 Normal Operation
The Host Application can force the SARA-R4 series module to transition from PSM low power deep sleep mode
to Active mode by using the Power Up procedure specified in section 1.6.1.
Host application should be aware that transitioning from low power deep sleep mode to active mode will
make the SARA-R4 series module to consume same amount of power as in Active-Mode shortening the
battery life of the host application.

SARA-R4 series - System Integration Manual
UBX-16029218 - R03 Design-in
Page 30 of 94
2 Design-in
2.1 Overview
For an optimal integration of SARA-R4 series modules in the final application board follow the design guidelines
stated in this section.
Every application circuit must be properly designed to guarantee the correct functionality of the relative
interface, however a number of points require high attention during the design of the application device.
The following list provides a rank of importance in the application design, starting from the highest relevance:
1. Module antenna connection: ANT and ANT_DET pins.
Antenna circuit directly affects the RF compliance of the device integrating a SARA-R4 series module with
applicable certification schemes. Follow the suggestions provided in the relative section 2.4 for schematic
and layout design.
2. Module supply: VCC and GND pins.
The supply circuit affects the RF compliance of the device integrating a SARA-R4 series module with
applicable required certification schemes as well as antenna circuit design. Very carefully follow the
suggestions provided in the relative section 2.2.1 for schematic and layout design.
3. USB interface: USB_D+, USB_D- and VUSB_DET pins.
Accurate design is required to guarantee USB 2.0 high-speed interface functionality. Carefully follow the
suggestions provided in the relative section 2.6.2 for schematic and layout design.
4. SIM interface: VSIM, SIM_CLK, SIM_IO, SIM_RST pins.
Accurate design is required to guarantee SIM card functionality reducing the risk of RF coupling. Carefully
follow the suggestions provided in the relative section 2.5 for schematic and layout design.
5. System functions: RESET_N , PWR_ON pins.
Accurate design is required to guarantee that the voltage level is well defined during operation. Carefully
follow the suggestions provided in the relative section 2.3 for schematic and layout design.
6. Other digital interfaces: UART, I2C, GPIOs and Reserved pins.
Accurate design is required to guarantee proper functionality and reduce the risk of digital data frequency
harmonics coupling. Follow the suggestions provided in sections 2.6.1, 2.6.2, 2.6.3, 2.7 and 2.8 for
schematic and layout design.
7. Other supplies: V_INT generic digital interfaces supply.
Accurate design is required to guarantee proper functionality. Follow the suggestions provided in the
corresponding section 2.2.2 for schematic and layout design.
It is recommended to follow the specific design guidelines provided by each manufacturer of any external
part selected for the application board integrating the u-blox cellular modules.

SARA-R4 series - System Integration Manual
UBX-16029218 - R03 Design-in
Page 31 of 94
2.2 Supply interfaces
2.2.1 Module supply (VCC)
2.2.1.1 General guidelines for VCC supply circuit selection and design
All the available VCC pins have to be connected to the external supply minimizing the power loss due to series
resistance.
GND pins are internally connected. Application design shall connect all the available pads to solid ground on the
application board, since a good (low impedance) connection to external ground can minimize power loss and
improve RF and thermal performance.
SARA-R4 series modules must be sourced through the VCC pins with a proper DC power supply that should
meet the following prerequisites to comply with the modules’ VCC requirements summarized in Table 6.
The proper DC power supply can be selected according to the application requirements (see Figure 10) between
the different possible supply sources types, which most common ones are the following:
Switching regulator
Low Drop-Out (LDO) linear regulator
Rechargeable Lithium-ion (Li-Ion) or Lithium-ion polymer (Li-Pol) battery
Primary (disposable) battery
Main Supply
Available?
Battery
Li-Ion 3.7 V
Linear LDO
Regulator
Main Supply
Voltage > 5V?
Switching Step-Down
Regulator
No, portable device
No, less than 5 V
Yes, greater than 5 V
Yes, always available
Figure 10: VCC supply concept selection
The switching step-down regulator is the typical choice when the available primary supply source has a nominal
voltage much higher (e.g. greater than 5 V) than the operating supply voltage of SARA-R4 series. The use of
switching step-down provides the best power efficiency for the overall application and minimizes current drawn
from the main supply source. See section 2.2.1.2 for specific design-in.
The use of an LDO linear regulator becomes convenient for a primary supply with a relatively low voltage (e.g.
less or equal than 5 V). In this case the typical 90% efficiency of the switching regulator diminishes the benefit
of voltage step-down and no true advantage is gained in input current savings. On the opposite side, linear
regulators are not recommended for high voltage step-down as they dissipate a considerable amount of energy
in thermal power. See section 2.2.1.3 for specific design-in.
If SARA-R4 series modules are deployed in a mobile unit where no permanent primary supply source is available,
then a battery will be required to provide VCC. A standard 3-cell Li-Ion or Li-Pol battery pack directly connected
to VCC is the usual choice for battery-powered devices. During charging, batteries with Ni-MH chemistry
typically reach a maximum voltage that is above the maximum rating for VCC, and should therefore be avoided.
See sections 2.2.1.4, 2.2.1.5, 2.2.1.7 and 2.2.1.8 for specific design-in.
Keep in mind that the use of rechargeable batteries requires the implementation of a suitable charger circuit
which is not included in the modules. The charger circuit has to be designed to prevent over-voltage on VCC
pins, and it should be selected according to the application requirements: a DC/DC switching charger is the
typical choice when the charging source has an high nominal voltage (e.g. ~12 V), whereas a linear charger is

SARA-R4 series - System Integration Manual
UBX-16029218 - R03 Design-in
Page 32 of 94
the typical choice when the charging source has a relatively low nominal voltage (~5 V). If both a permanent
primary supply / charging source (e.g. ~12 V) and a rechargeable back-up battery (e.g. 3.7 V Li-Pol) are available
at the same time as possible supply source, then a proper charger / regulator with integrated power path
management function can be selected to supply the module while simultaneously and independently charging
the battery. See sections 2.2.1.7 and 2.2.1.8 for specific design-in.
An appropriate primary (not rechargeable) battery can be selected taking into account the maximum current
specified in SARA-R4 series Data Sheet [1] during connected-mode, considering that primary cells might have
weak power capability. See section 2.2.1.5 for specific design-in.
The usage of more than one DC supply at the same time should be carefully evaluated: depending on the supply
source characteristics, different DC supply systems can result as mutually exclusive.
The selected regulator or battery must be able to support with adequate margin the highest averaged current
consumption value specified in the SARA-R4 series Data Sheet [1].
The following sections highlight some design aspects for each of the supplies listed above providing application
circuit design-in compliant with the module VCC requirements summarized in Table 6.
2.2.1.2 Guidelines for VCC supply circuit design using a switching regulator
The use of a switching regulator is suggested when the difference from the available supply rail source to the
VCC value is high, since switching regulators provide good efficiency transforming a 12 V or greater voltage
supply to the typical 3.8 V value of the VCC supply.
The characteristics of the switching regulator connected to VCC pins should meet the following prerequisites to
comply with the module VCC requirements summarized in Table 6:
Power capability: the switching regulator with its output circuit must be capable of providing a voltage
value to the VCC pins within the specified operating range and must be capable of delivering to VCC pins
the maximum current consumption occurring during transmissions at the maximum power, as specified in
the SARA-R4 series Data Sheet [1].
Low output ripple: the switching regulator together with its output circuit must be capable of providing a
clean (low noise) VCC voltage profile.
High switching frequency: for best performance and for smaller applications it is recommended to select a
switching frequency ≥ 600 kHz (since L-C output filter is typically smaller for high switching frequency). The
use of a switching regulator with a variable switching frequency or with a switching frequency lower than
600 kHz must be carefully evaluated since this can produce noise in the VCC voltage profile and therefore
negatively impact the LTE modulation spectrum performance.
PWM mode operation: it is preferable to select regulators with Pulse Width Modulation (PWM) mode.
While in connected-mode, the Pulse Frequency Modulation (PFM) mode and PFM/PWM modes transitions
must be avoided to reduce noise on VCC voltage profile. Switching regulators can be used that are able to
switch between low ripple PWM mode and high ripple PFM mode, provided that the mode transition occurs
when the module changes status from the active-mode to connected-mode. It is permissible to use a
regulator that switches from the PWM mode to the burst or PFM mode at an appropriate current threshold.

SARA-R4 series - System Integration Manual
UBX-16029218 - R03 Design-in
Page 33 of 94
Figure 11 and Table 9 show an example of a high reliability power supply circuit, where the module VCC input is
supplied by a step-down switching regulator capable of delivering maximum current with low output ripple and
with fixed switching frequency in PWM mode operation greater than 1 MHz.
12V
C2C1
VCC
EN
PG
VSW
GND
8
91
4
2
D1 R1
R2
L1
U1 BST
FB 5
SARA-R4
52 VCC
53 VCC
51 VCC
GND
3V8
C6 C7 C8
PGND
C4
C3 C5
11
10 C9
Figure 11: Example of high reliability VCC supply application circuit using a step-down regulator
Reference
Description
Part Number - Manufacturer
C1
10 µF Capacitor Ceramic X7R 50 V
Generic manufacturer
C2
10 nF Capacitor Ceramic X7R 16 V
Generic manufacturer
C3
22 nF Capacitor Ceramic X7R 16 V
Generic manufacturer
C4
22 µF Capacitor Ceramic X5R 25 V
Generic manufacturer
C5
22 µF Capacitor Ceramic X5R 25 V
Generic manufacturer
C6
15 pF Capacitor Ceramic C0G 0402 5% 50 V
Generic manufacturer
C7
68 pF Capacitor Ceramic C0G 0402 5% 50 V
Generic manufacturer
C8
10 nF Capacitor Ceramic X7R 16 V
Generic manufacturer
C9
100 nF Capacitor Ceramic X7R 16 V
Generic manufacturer
D1
Schottky Diode 30 V 2 A
MBR230LSFT1G - ON Semiconductor
L1
4.7 µH Inductor 20% 2 A
SLF7045T-4R7M2R0-PF - TDK
R1
470 k Resistor 0.1 W
Generic manufacturer
R2
150 k Resistor 0.1 W
Generic manufacturer
U1
Step-Down Regulator 1 A 1 MHz
TS30041 - Semtech
Table 9: Components for high reliability VCC supply application circuit using a step-down regulator

SARA-R4 series - System Integration Manual
UBX-16029218 - R03 Design-in
Page 34 of 94
2.2.1.3 Guidelines for VCC supply circuit design using a Low Drop-Out linear regulator
The use of a linear regulator is suggested when the difference from the available supply rail source and the VCC
value is low. The linear regulators provide high efficiency when transforming a 5 VDC supply to a voltage value
within the module VCC normal operating range.
The characteristics of the Low Drop-Out (LDO) linear regulator connected to VCC pins should meet the following
prerequisites to comply with the module VCC requirements summarized in Table 6:
Power capabilities: the LDO linear regulator with its output circuit must be capable of providing a voltage
value to the VCC pins within the specified operating range and must be capable of delivering to VCC pins
the maximum current consumption occurring during a transmission at the maximum Tx power, as specified
in SARA-R4 series Data Sheet [1].
Power dissipation: the power handling capability of the LDO linear regulator must be checked to limit its
junction temperature to the maximum rated operating range (i.e. check the voltage drop from the max input
voltage to the minimum output voltage to evaluate the power dissipation of the regulator).
Figure 12 and the components listed in Table 10 show an example of a power supply circuit, where the VCC
module supply is provided by an LDO linear regulator capable of delivering the required current, with proper
power handling capability.
It is recommended to configure the LDO linear regulator to generate a voltage supply value slightly below the
maximum limit of the module VCC normal operating range (e.g. ~4.1 V for the VCC, as in the circuits described
in Figure 12 and Table 10). This reduces the power on the linear regulator and improves the thermal design of
the circuit.
5V
C1 R1
IN OUT
ADJ
GND
5
81
3
4
C2R2
R3
U1
EN
SARA-R4 series
52 VCC
53 VCC
51 VCC
GND
C4
C3 C5 C6
Figure 12: Example of high reliability VCC supply application circuit using an LDO linear regulator
Reference
Description
Part Number - Manufacturer
C1
1 µF Capacitor Ceramic X5R 6.3 V
Generic manufacturer
C2
22 µF Capacitor Ceramic X5R 25 V
Generic manufacturer
C3
15 pF Capacitor Ceramic C0G 50 V
Generic manufacturer
C4
68 pF Capacitor Ceramic C0G 50 V
Generic manufacturer
C5
10 nF Capacitor Ceramic X7R 16 V
Generic manufacturer
C6
100 nF Capacitor Ceramic X7R 16 V
Generic manufacturer
R1
47 k Resistor 0.1 W
Generic manufacturer
R2
41 k Resistor 0.1 W
Generic manufacturer
R3
10 k Resistor 0.1 W
Generic manufacturer
U1
LDO Linear Regulator 1.0 A
AP7361 – Diodes Incorporated
Table 10: Components for high reliability VCC supply application circuit using an LDO linear regulator

SARA-R4 series - System Integration Manual
UBX-16029218 - R03 Design-in
Page 35 of 94
2.2.1.4 Guidelines for VCC supply circuit design using a rechargeable Li-Ion or Li-Pol battery
Rechargeable Li-Ion or Li-Pol batteries connected to the VCC pins should meet the following prerequisites to
comply with the module VCC requirements summarized in Table 6:
Maximum pulse and DC discharge current: the rechargeable Li-Ion battery with its related output circuit
connected to the VCC pins must be capable of delivering the maximum current occurring during a
transmission at maximum Tx power, as specified in SARA-R4 series Data Sheet [1]. The maximum discharge
current is not always reported in the data sheets of batteries, but the maximum DC discharge current is
typically almost equal to the battery capacity in Amp-hours divided by 1 hour.
DC series resistance: the rechargeable Li-Ion battery with its output circuit must be capable of avoiding a
VCC voltage drop below the operating range summarized in Table 6 during transmit bursts.
2.2.1.5 Guidelines for VCC supply circuit design using a primary (disposable) battery
The characteristics of a primary (non-rechargeable) battery connected to VCC pins should meet the following
prerequisites to comply with the module VCC requirements summarized in Table 6:
Maximum pulse and DC discharge current: the non-rechargeable battery with its related output circuit
connected to the VCC pins must be capable of delivering the maximum current consumption occurring
during a transmission at maximum Tx power, as specified in SARA-R4 series Data Sheet [1]. The maximum
discharge current is not always reported in the data sheets of batteries, but the max DC discharge current is
typically almost equal to the battery capacity in Amp-hours divided by 1 hour.
DC series resistance: the non-rechargeable battery with its output circuit must be capable of avoiding a
VCC voltage drop below the operating range summarized in Table 6 during transmit bursts.
2.2.1.6 Additional guidelines for VCC supply circuit design
To reduce voltage drops, use a low impedance power source. The series resistance of the power supply lines
(connected to the modules’ VCC and GND pins) on the application board and battery pack should also be
considered and minimized: cabling and routing must be as short as possible to minimize power losses.
Three pins are allocated to VCC supply. Several pins are designated for GND connection. It is recommended to
properly connect all of them to supply the module to minimize series resistance losses.
To reduce voltage ripple and noise, improving RF performance especially if the application device integrates an
internal antenna, place the following bypass capacitors near the VCC pins:
68 pF capacitor with Self-Resonant Frequency in the 800/900 MHz range (e.g. Murata GRM1555C1H680J),
to filter EMI in the low cellular frequency bands
15 pF capacitor with Self-Resonant Frequency in the 1800/1900 MHz range (as Murata GRM1555C1H150J),
to filter EMI in the high cellular frequency bands
10 nF capacitor (e.g. Murata GRM155R71C103K), to filter digital logic noise from clocks and data sources
100 nF capacitor (e.g. Murata GRM155R61C104K), to filter digital logic noise from clocks and data sources
10 µF capacitor (or greater), to avoid undershoot and overshoot at the start and end of RF Tx
A suitable series ferrite bead can be properly placed on the VCC line for additional noise filtering if required by
the specific application according to the whole application board design.

SARA-R4 series - System Integration Manual
UBX-16029218 - R03 Design-in
Page 36 of 94
C2
GND
C5
SARA-R4 series
52
VCC
53
VCC
51
VCC
C1
3V8
C3 C4
Figure 13: Suggested schematic for the VCC bypass capacitors to reduce ripple / noise on supply voltage profile
Reference
Description
Part Number - Manufacturer
C1
68 pF Capacitor Ceramic C0G 0402 5% 50 V
GRM1555C1H680JA01 - Murata
C2
15 pF Capacitor Ceramic C0G 0402 5% 50 V
GRM1555C1H150JA01 - Murata
C3
10 nF Capacitor Ceramic X7R 0402 10% 16 V
GRM155R71C103KA01 - Murata
C4
100 nF Capacitor Ceramic X7R 0402 10% 16 V
GRM155R71C104KA01 - Murata
C5
10 µF Capacitor Ceramic X5R 0603 20% 6.3 V
GRM188R60J106ME47 - Murata
Table 11: Suggested components to reduce ripple / noise on VCC
The necessity of each part depends on the specific design, but it is recommended to provide all the bypass
capacitors described in Figure 13 / Table 11 if the application device integrates an internal antenna.
ESD sensitivity rating of the VCC supply pins is 1 kV (HBM according to JESD22-A114). Higher protection
level can be required if the line is externally accessible on the application board, e.g. if accessible battery
connector is directly connected to the supply pins. Higher protection level can be achieved by mounting
an ESD protection (e.g. EPCOS CA05P4S14THSG varistor) close to accessible point.
2.2.1.7 Guidelines for external battery charging circuit
SARA-R4 series modules do not have an on-board charging circuit. Figure 14 provides an example of a battery
charger design, suitable for applications that are battery powered with a Li-Ion (or Li-Polymer) cell.
In the application circuit, a rechargeable Li-Ion (or Li-Polymer) battery cell, that features proper pulse and DC
discharge current capabilities and proper DC series resistance, is directly connected to the VCC supply input of
the module. Battery charging is completely managed by the Battery Charger IC that, from a USB power source
(5.0 V typ.), charges as a linear charger the battery, in three phases:
Pre-charge constant current (active when the battery is deeply discharged): the battery is charged with a
low current
Fast-charge constant current: the battery is charged with the maximum current, configured by the value
of an external resistor
Constant voltage: when the battery voltage reaches the regulated output voltage, the Battery Charger IC
starts to reduce the current until the charge termination is done. The charging process ends when the
charging current reaches the value configured by an external resistor or when the charging timer reaches the
factory set value
Using a battery pack with an internal NTC resistor, the Battery Charger IC can monitor the battery temperature
to protect the battery from operating under unsafe thermal conditions.
The Battery Charger IC, as linear charger, is more suitable for applications where the charging source has a
relatively low nominal voltage (~5 V), so that a switching charger is suggested for applications where the
charging source has a relatively high nominal voltage (e.g. ~12 V, see the following section 2.2.1.8 for specific
design-in).

SARA-R4 series - System Integration Manual
UBX-16029218 - R03 Design-in
Page 37 of 94
C5C3 C6
GND
SARA-R4 series
52 VCC
53 VCC
51 VCC
USB
Supply
θ
U1
PG
STAT2
STA1
VDD
C1
5V0
THERM
Vss
Vbat
Li-Ion/Li-Pol
Battery Pack
D1
B1
C2
Li-Ion/Li-Polymer
Battery Charger IC
D2
PROG
R1
C4
Figure 14: Li-Ion (or Li-Polymer) battery charging application circuit
Reference
Description
Part Number - Manufacturer
B1
Li-Ion (or Li-Polymer) battery pack with 470 NTC
Generic manufacturer
C1, C2
1 µF Capacitor Ceramic X7R 16 V
Generic manufacturer
C3
15 pF Capacitor Ceramic C0G 0402 5% 50 V
GRM1555C1H150JA01 - Murata
C4
68 pF Capacitor Ceramic C0G 0402 5% 50 V
GRM1555C1H680JA01 - Murata
C5
10 nF Capacitor Ceramic X7R 0402 10% 16 V
GRM155R71C103KA01 - Murata
C6
100 nF Capacitor Ceramic X7R 0402 10% 16 V
GRM155R71C104KA01 - Murata
D1, D2
Low Capacitance ESD Protection
CG0402MLE-18G - Bourns
R1
10 k Resistor 0.1 W
Generic manufacturer
U1
Single Cell Li-Ion (or Li-Polymer) Battery Charger IC
MCP73833 - Microchip
Table 12: Suggested components for Li-Ion (or Li-Polymer) battery charging application circuit
2.2.1.8 Guidelines for external battery charging and power path management circuit
Application devices where both a permanent primary supply / charging source (e.g. ~12 V) and a rechargeable
back-up battery (e.g. 3.7 V Li-Pol) are available at the same time as possible supply source should implement a
suitable charger / regulator with integrated power path management function to supply the module and the
whole device while simultaneously and independently charging the battery.
Figure 15 reports a simplified block diagram circuit showing the working principle of a charger / regulator with
integrated power path management function. This component allows the system to be powered by a permanent
primary supply source (e.g. ~12 V) using the integrated regulator which simultaneously and independently
recharges the battery (e.g. 3.7 V Li-Pol) that represents the back-up supply source of the system: the power path
management feature permits the battery to supplement the system current requirements when the primary
supply source is not available or cannot deliver the peak system currents.
A power management IC should meet the following prerequisites to comply with the module VCC requirements
summarized in Table 6:
High efficiency internal step down converter, compliant with the performances specified in section 2.2.1.2
Low internal resistance in the active path Vout – Vbat, typically lower than 50 m
High efficiency switch mode charger with separate power path control

SARA-R4 series - System Integration Manual
UBX-16029218 - R03 Design-in
Page 38 of 94
GND
Power path management IC
VoutVin
θ
Li-Ion/Li-Pol
Battery Pack
GND
System
12 V
Primary
Source
Charge
controller
DC/DC converter
and battery FET
control logic
Vbat
Figure 15: Charger / regulator with integrated power path management circuit block diagram
Figure 16 and the components listed in Table 13 provide an application circuit example where the MPS MP2617
switching charger / regulator with integrated power path management function provides the supply to the
cellular module while concurrently and autonomously charging a suitable Li-Ion (or Li-Polymer) battery with
proper pulse and DC discharge current capabilities and proper DC series resistance according to the rechargeable
battery recommendations described in section 2.2.1.4.
The MP2617 IC constantly monitors the battery voltage and selects whether to use the external main primary
supply / charging source or the battery as supply source for the module, and starts a charging phase accordingly.
The MP2617 IC normally provides a supply voltage to the module regulated from the external main primary
source allowing immediate system operation even under missing or deeply discharged battery: the integrated
switching step-down regulator is capable to provide up to 3 A output current with low output ripple and fixed
1.6 MHz switching frequency in PWM mode operation. The module load is satisfied in priority, then the
integrated switching charger will take the remaining current to charge the battery.
Additionally, the power path control allows an internal connection from battery to the module with a low series
internal ON resistance (40 m typical), in order to supplement additional power to the module when the current
demand increases over the external main primary source or when this external source is removed.
Battery charging is managed in three phases:
Pre-charge constant current (active when the battery is deeply discharged): the battery is charged with a
low current, set to 10% of the fast-charge current
Fast-charge constant current: the battery is charged with the maximum current, configured by the value
of an external resistor to a value suitable for the application
Constant voltage: when the battery voltage reaches the regulated output voltage (4.2 V), the current is
progressively reduced until the charge termination is done. The charging process ends when the charging
current reaches the 10% of the fast-charge current or when the charging timer reaches the value configured
by an external capacitor
Using a battery pack with an internal NTC resistor, the MP2617 can monitor the battery temperature to protect
the battery from operating under unsafe thermal conditions.
Several parameters as the charging current, the charging timings, the input current limit, the input voltage limit,
the system output voltage can be easily set according to the specific application requirements, as the actual
electrical characteristics of the battery and the external supply / charging source: proper resistors or capacitors
have to be accordingly connected to the related pins of the IC.

SARA-R4 series - System Integration Manual
UBX-16029218 - R03 Design-in
Page 39 of 94
C10 C13
GND
C12C11 C14
SARA-R4 series
52 VCC
53 VCC
51 VCC
+
Primary
Source
R3
U1
EN
ILIM
ISET
TMR
AGND
VIN
C2C1
12V
NTC
PGND
SW
SYS
BAT
C4
R1
R2
D1
θ
Li-Ion/Li-Pol
Battery Pack
B1
C5
Li-Ion/Li-Polymer Battery
Charger / Regulator with
Power Path Managment
VCC
C3 C6
L1
BST
D2
VLIM
R4
R5
C7 C8
Figure 16: Li-Ion (or Li-Polymer) battery charging and power path management application circuit
Reference
Description
Part Number - Manufacturer
B1
Li-Ion (or Li-Polymer) battery pack with 10 k NTC
Various manufacturer
C1, C5, C6
22 µF Capacitor Ceramic X5R 1210 10% 25 V
GRM32ER61E226KE15 - Murata
C2, C4, C11
100 nF Capacitor Ceramic X7R 0402 10% 16 V
GRM155R61A104KA01 - Murata
C3
1 µF Capacitor Ceramic X7R 0603 10% 25 V
GRM188R71E105KA12 - Murata
C7, C13
68 pF Capacitor Ceramic C0G 0402 5% 50 V
GRM1555C1H680JA01 - Murata
C8, C14
15 pF Capacitor Ceramic C0G 0402 5% 25 V
GRM1555C1E150JA01 - Murata
C10
330 µF Capacitor Tantalum D_SIZE 6.3 V 45 m
T520D337M006ATE045 - KEMET
C12
10 nF Capacitor Ceramic X7R 0402 10% 16 V
GRM155R71C103KA01 - Murata
D1, D2
Low Capacitance ESD Protection
CG0402MLE-18G - Bourns
R1, R3, R5
10 k Resistor 0402 5% 1/16 W
RC0402JR-0710KL - Yageo Phycomp
R2
1.0 k Resistor 0402 5% 0.1 W
RC0402JR-071K0L - Yageo Phycomp
R4
22 k Resistor 0402 5% 1/16 W
RC0402JR-0722KL - Yageo Phycomp
L1
1.2 µH Inductor 6 A 21 m 20%
7447745012 - Wurth
U1
Li-Ion/Li-Polymer Battery DC/DC Charger / Regulator
with integrated Power Path Management function
MP2617 - Monolithic Power Systems (MPS)
Table 13: Suggested components for Li-Ion (or Li-Polymer) battery charging and power path management application circuit
2.2.1.9 Guidelines for VCC supply layout design
Good connection of the module VCC pins with DC supply source is required for correct RF performance.
Guidelines are summarized in the following list:
All the available VCC pins must be connected to the DC source
VCC connection must be as wide as possible and as short as possible
Any series component with Equivalent Series Resistance (ESR) greater than few milliohms must be avoided
VCC connection must be routed through a PCB area separated from RF lines / parts, sensitive analog signals
and sensitive functional units: it is good practice to interpose at least one layer of PCB ground between the
VCC track and other signal routing
Coupling between VCC and digital lines, especially USB, must be avoided.
The tank bypass capacitor with low ESR for current spikes smoothing described in section 2.2.1.6 should be
placed close to the VCC pins. If the main DC source is a switching DC-DC converter, place the large
capacitor close to the DC-DC output and minimize VCC track length. Otherwise consider using separate
capacitors for DC-DC converter and module tank capacitor

SARA-R4 series - System Integration Manual
UBX-16029218 - R03 Design-in
Page 40 of 94
The bypass capacitors in the pF range described in Figure 13 and Table 11 should be placed as close as
possible to the VCC pins, where the VCC line narrows close to the module input pins, improving the RF
noise rejection in the band centered on the Self-Resonant Frequency of the pF capacitors. This is highly
recommended if the application device integrates an internal antenna
Since VCC input provide the supply to RF Power Amplifiers, voltage ripple at high frequency may result in
unwanted spurious modulation of transmitter RF signal. This is more likely to happen with switching DC-DC
converters, in which case it is better to select the highest operating frequency for the switcher and add a
large L-C filter before connecting to the SARA-R4 series modules in the worst case
Shielding of switching DC-DC converter circuit, or at least the use of shielded inductors for the switching
DC-DC converter, may be considered since all switching power supplies may potentially generate interfering
signals as a result of high-frequency high-power switching.
If VCC is protected by transient voltage suppressor to ensure that the voltage maximum ratings are not
exceeded, place the protecting device along the path from the DC source toward the module, preferably
closer to the DC source (otherwise protection functionality may be compromised)
2.2.1.10 Guidelines for grounding layout design
Good connection of the module GND pins with application board solid ground layer is required for correct RF
performance. It significantly reduces EMC issues and provides a thermal heat sink for the module.
Connect each GND pin with application board solid GND layer. It is strongly recommended that each GND
pad surrounding VCC pins have one or more dedicated via down to the application board solid ground layer
The VCC supply current flows back to main DC source through GND as ground current: provide adequate
return path with suitable uninterrupted ground plane to main DC source
It is recommended to implement one layer of the application board as ground plane as wide as possible
If the application board is a multilayer PCB, then all the board layers should be filled with GND plane as
much as possible and each GND area should be connected together with complete via stack down to the
main ground layer of the board. Use as many vias as possible to connect the ground planes
Provide a dense line of vias at the edges of each ground area, in particular along RF and high speed lines
If the whole application device is composed by more than one PCB, then it is required to provide a good and
solid ground connection between the GND areas of all the different PCBs
Good grounding of GND pads also ensures thermal heat sink. This is critical during connection, when the
real network commands the module to transmit at maximum power: proper grounding helps prevent
module overheating.

SARA-R4 series - System Integration Manual
UBX-16029218 - R03 Design-in
Page 41 of 94
2.2.2 Generic digital interfaces supply output (V_INT)
2.2.2.1 Guidelines for V_INT circuit design
SARA-R4 series provide the V_INT generic digital interfaces 1.8 V supply output, which can be mainly used to:
Indicate when the module is switched on (as described in sections 1.6.1, 1.6.2)
Pull-up SIM detection signal (see section 2.5 for more details)
Supply voltage translators to connect 1.8 V module generic digital interfaces to 3.0 V devices (e.g. see 2.6.1)
Enable external voltage regulators providing supply for external devices,
Do not apply loads which might exceed the limit for maximum available current from V_INT supply (see
the SARA-R4 series Data Sheet [1]) as this can cause malfunctions in internal circuitry.
V_INT can only be used as an output: do not connect any external supply source on V_INT.
ESD sensitivity rating of the V_INT supply pin is 1 kV (Human Body Model according to JESD22-A114).
Higher protection level could be required if the line is externally accessible and it can be achieved by
mounting an ESD protection (e.g. EPCOS CA05P4S14THSG varistor array) close to the accessible point.
It is recommended to provide direct access to the V_INT pin on the application board by means of an
accessible test point directly connected to the V_INT pin.

SARA-R4 series - System Integration Manual
UBX-16029218 - R03 Design-in
Page 42 of 94
2.3 System functions interfaces
2.3.1 Module power-on (PWR_ON)
2.3.1.1 Guidelines for PWR_ON circuit design
SARA-R4 series PWR_ON input is equipped with an internal active pull-up resistor; an external pull-up resistor is
not required and should not be provided.
If connecting the PWR_ON input to a push button, the pin will be externally accessible on the application
device. According to EMC/ESD requirements of the application, an additional ESD protection should be provided
close to the accessible point, as described in Figure 17 and Table 14.
ESD sensitivity rating of the PWR_ON pin is 1 kV (Human Body Model according to JESD22-A114). Higher
protection level can be required if the line is externally accessible on the application board, e.g. if an
accessible push button is directly connected to PWR_ON pin, and it can be achieved by mounting an ESD
protection (e.g. EPCOS CA05P4S14THSG varistor) close to the accessible point.
An open drain or open collector output is suitable to drive the PWR_ON input from an application processor, as
described in Figure 17.A compatible push-pull output of an application processor can also be used. In any case,
take care to set the proper level in all the possible scenarios to avoid an inappropriate module switch on or
switch off.
SARA-R4 series
15 PWR_ON
Power-on
push button
ESD
Open
Drain
Output
Application
Processor
SARA-R4 series
15 PWR_ON
TP TP
Figure 17: PWR_ON application circuits using a push button and an open drain output of an application processor
Reference
Description
Remarks
ESD
CT0402S14AHSG - EPCOS
Varistor array for ESD protection
Table 14: Example ESD protection component for the PWR_ON application circuit
It is recommended to provide direct access to the PWR_ON pin on the application board by means of an
accessible test point directly connected to the PWR_ON pin.
2.3.1.2 Guidelines for PWR_ON layout design
The power-on circuit (PWR_ON) requires careful layout since it is the sensitive input available to switch on and
switch off the SARA-R4 series modules. It is required to ensure that the voltage level is well defined during
operation and no transient noise is coupled on this line, otherwise the module might detect a spurious power-on
request.

SARA-R4 series - System Integration Manual
UBX-16029218 - R03 Design-in
Page 43 of 94
2.3.2 Module reset (RESET_N)
2.3.2.1 Guidelines for RESET_N circuit design
SARA-R4 series RESET_N is equipped with an internal pull-up; an external pull-up resistor is not required.
If connecting the RESET_N input to a push button, the pin will be externally accessible on the application device.
According to EMC/ESD requirements of the application, an additional ESD protection device (e.g. the EPCOS
CA05P4S14THSG varistor) should be provided close to accessible point on the line connected to this pin, as
described in Figure 18 and Table 15.
ESD sensitivity rating of the RESET_N pin is 1 kV (HBM according to JESD22-A114). Higher protection
level can be required if the line is externally accessible on the application board, e.g. if an accessible push
button is directly connected to the RESET_N pin, and it can be achieved by mounting an ESD protection
(e.g. EPCOS CA05P4S14THSG varistor) close to accessible point.
An open drain output is suitable to drive the RESET_N input from an application processor, as described in
Figure 18. A compatible push-pull output of an application processor can also be used. In any case, take care to
set the proper level in all the possible scenarios to avoid an inappropriate module switch off.
SARA-R4 series
18 RESET_N
Power-on
push button
ESD
Open
Drain
Output
Application
Processor
SARA-R4 series
18 RESET_N
TP TP
Figure 18: RESET_N application circuits using a push button and an open drain output of an application processor
Reference
Description
Remarks
ESD
Varistor for ESD protection
CT0402S14AHSG - EPCOS
Table 15: Example of ESD protection component for the RESET_N application circuits
If the external reset function is not required by the customer application, the RESET_N input pin can be
left unconnected to external components, but it is recommended providing direct access on the
application board by means of an accessible test point directly connected to the RESET_N pin.
2.3.2.2 Guidelines for RESET_N layout design
The RESET_N circuit require careful layout due to the pin function: ensure that the voltage level is well defined
during operation and no transient noise is coupled on this line, otherwise the module might detect a spurious
reset request. It is recommended to keep the connection line to RESET_N pin as short as possible.

SARA-R4 series - System Integration Manual
UBX-16029218 - R03 Design-in
Page 44 of 94
2.4 Antenna interface
SARA-R4 series modules provide an RF interface for connecting the external antenna: the ANT pin represents the
RF input/output for RF signals transmission and reception.
The ANT pin has a nominal characteristic impedance of 50 and must be connected to the physical antenna
through a 50 transmission line to allow proper transmission / reception of RF signals.
2.4.1 Antenna RF interface (ANT)
2.4.1.1 General guidelines for antenna selection and design
The antenna is the most critical component to be evaluated. Designers must take care of the antenna from all
perspective at the very start of the design phase when the physical dimensions of the application board are
under analysis/decision, since the RF compliance of the device integrating SARA-R4 series modules with all the
applicable required certification schemes depends on antenna’s radiating performance.
LTE antennas are typically available in the types of linear monopole or PCB antennas such as patches or ceramic
SMT elements.
External antennas (e.g. linear monopole)
o External antennas basically do not imply physical restriction to the design of the PCB where the SARA-R4
series module is mounted.
o The radiation performance mainly depends on the antennas. It is required to select antennas with
optimal radiating performance in the operating bands.
o RF cables should be carefully selected to have minimum insertion losses. Additional insertion loss will be
introduced by low quality or long cable. Large insertion loss reduces both transmit and receive radiation
performance.
o A high quality 50 RF connector provides proper PCB-to-RF-cable transition. It is recommended to
strictly follow the layout and cable termination guidelines provided by the connector manufacturer.
Integrated antennas (e.g. patch-like antennas):
o Internal integrated antennas imply physical restriction to the design of the PCB:
Integrated antenna excites RF currents on its counterpoise, typically the PCB ground plane of the device
that becomes part of the antenna: its dimension defines the minimum frequency that can be radiated.
Therefore, the ground plane can be reduced down to a minimum size that should be similar to the
quarter of the wavelength of the minimum frequency that has to be radiated, given that the orientation
of the ground plane relative to the antenna element must be considered.
As numerical example, the physical restriction to the PCB design can be considered as following:
Frequency = 750 MHz Wavelength = 40 cm Minimum GND plane size = 10 cm
o Radiation performance depends on the whole PCB and antenna system design, including product
mechanical design and usage. Antennas should be selected with optimal radiating performance in the
operating bands according to the mechanical specifications of the PCB and the whole product.
o It is recommended to select a custom antenna designed by an antennas’ manufacturer if the required
ground plane dimensions are very small (e.g. less than 6.5 cm long and 4 cm wide). The antenna design
process should begin at the start of the whole product design process
o It is highly recommended to strictly follow the detailed and specific guidelines provided by the antenna
manufacturer regarding correct installation and deployment of the antenna system, including PCB layout
and matching circuitry
o Further to the custom PCB and product restrictions, antennas may require tuning to obtain the required
performance for compliance with all the applicable required certification schemes. It is recommended to

SARA-R4 series - System Integration Manual
UBX-16029218 - R03 Design-in
Page 45 of 94
consult the antenna manufacturer for the design-in guidelines for antenna matching relative to the
custom application
In both of cases, selecting external or internal antennas, these recommendations should be observed:
Select an antenna providing optimal return loss (or V.S.W.R.) figure over all the operating frequencies.
Select an antenna providing optimal efficiency figure over all the operating frequencies.
Select an antenna providing appropriate gain figure (i.e. combined antenna directivity and efficiency figure)
so that the electromagnetic field radiation intensity do not exceed the regulatory limits specified in some
countries (e.g. by FCC in the United States, as reported in the section 4.2.2).
2.4.1.2 Guidelines for antenna RF interface design
Guidelines for ANT pin RF connection design
Proper transition between ANT pad and the application board PCB must be provided, implementing the
following design-in guidelines for the layout of the application PCB close to the ANT pad:
On a multilayer board, the whole layer stack below the RF connection should be free of digital lines
Increase GND keep-out (i.e. clearance, a void area) around the ANT pad, on the top layer of the application
PCB, to at least 250 µm up to adjacent pads metal definition and up to 400 µm on the area below the
module, to reduce parasitic capacitance to ground, as described in the left picture in Figure 19
Add GND keep-out (i.e. clearance, a void area) on the buried metal layer below the ANT pad if the top-layer
to buried layer dielectric thickness is below 200 µm, to reduce parasitic capacitance to ground, as described
in the right picture in Figure 19
Min.
250 µm
Min. 400 µm GND
ANT
GND clearance
on very close buried layer
below ANT pad
GND clearance
on top layer
around ANT pad
Figure 19: GND keep-out area on top layer around ANT pad and on very close buried layer below ANT pad
Guidelines for RF transmission line design
Any RF transmission line, such as the ones from the ANT pad up to the related antenna connector or up to the
related internal antenna pad, must be designed so that the characteristic impedance is as close as possible to
50 .
RF transmission lines can be designed as a micro strip (consists of a conducting strip separated from a ground
plane by a dielectric material) or a strip line (consists of a flat strip of metal which is sandwiched between two
parallel ground planes within a dielectric material). The micro strip, implemented as a coplanar waveguide, is the
most common configuration for printed circuit board.

SARA-R4 series - System Integration Manual
UBX-16029218 - R03 Design-in
Page 46 of 94
Figure 20 and Figure 21 provide two examples of proper 50 coplanar waveguide designs. The first example of
RF transmission line can be implemented in case of 4-layer PCB stack-up herein described, and the second
example of RF transmission line can be implemented in case of 2-layer PCB stack-up herein described.
35 µm
35 µm
35 µm
35 µm
270 µm
270 µm
760 µm
L1 Copper
L3 Copper
L2 Copper
L4 Copper
FR-4 dielectric
FR-4 dielectric
FR-4 dielectric
380 µm 500 µm500 µm
Figure 20: Example of 50 coplanar waveguide transmission line design for the described 4-layer board layup
35 µm
35 µm
1510 µm
L2 Copper
L1 Copper
FR-4 dielectric
1200 µm 400 µm400 µm
Figure 21: Example of 50 coplanar waveguide transmission line design for the described 2-layer board layup
If the two examples do not match the application PCB stack-up the 50 characteristic impedance calculation
can be made using the HFSS commercial finite element method solver for electromagnetic structures from Ansys
Corporation, or using freeware tools like AppCAD from Agilent (www.agilent.com) or TXLine from Applied
Wave Research (www.mwoffice.com), taking care of the approximation formulas used by the tools for the
impedance computation.
To achieve a 50 characteristic impedance, the width of the transmission line must be chosen depending on:
the thickness of the transmission line itself (e.g. 35 µm in the example of Figure 20 and Figure 21)
the thickness of the dielectric material between the top layer (where the transmission line is routed) and the
inner closer layer implementing the ground plane (e.g. 270 µm in Figure 20, 1510 µm in Figure 21)
the dielectric constant of the dielectric material (e.g. dielectric constant of the FR-4 dielectric material in
Figure 20 and Figure 21)
the gap from the transmission line to the adjacent ground plane on the same layer of the transmission line
(e.g. 500 µm in Figure 20, 400 µm in Figure 21)
If the distance between the transmission line and the adjacent GND area (on the same layer) does not exceed 5
times the track width of the micro strip, use the “Coplanar Waveguide” model for the 50 calculation.

SARA-R4 series - System Integration Manual
UBX-16029218 - R03 Design-in
Page 47 of 94
Additionally to the 50 impedance, the following guidelines are recommended for transmission lines design:
Minimize the transmission line length: the insertion loss should be minimized as much as possible, in the
order of a few tenths of a dB,
Add GND keep-out (i.e. clearance, a void area) on buried metal layers below any pad of component present
on the RF transmission lines, if top-layer to buried layer dielectric thickness is below 200 µm, to reduce
parasitic capacitance to ground,
The transmission lines width and spacing to GND must be uniform and routed as smoothly as possible: avoid
abrupt changes of width and spacing to GND,
Add GND stitching vias around transmission lines, as described in Figure 22,
Ensure solid metal connection of the adjacent metal layer on the PCB stack-up to main ground layer,
providing enough vias on the adjacent metal layer, as described in Figure 22,
Route RF transmission lines far from any noise source (as switching supplies and digital lines) and from any
sensitive circuit (as USB),
Avoid stubs on the transmission lines,
Avoid signal routing in parallel to transmission lines or crossing the transmission lines on buried metal layer,
Do not route microstrip lines below discrete component or other mechanics placed on top layer
An example of proper RF circuit design is reported in Figure 22. In this case, the ANT pin is directly connected to
SMA connectors by means of proper 50 transmission lines, designed with proper layout.
Figure 22: Example of circuit and layout for antenna RF circuits on application board
Guidelines for RF termination design
The RF termination must provide a characteristic impedance of 50 as well as the RF transmission line up to the
RF termination, to match the characteristic impedance of the ANT port.
However, real antennas do not have perfect 50 load on all the supported frequency bands. Therefore, to
reduce as much as possible performance degradation due to antennas mismatch, the RF termination must
provide optimal return loss (or V.S.W.R.) figure over all the operating frequencies, as summarized in Table 7.
SARA module
SMA
connector

SARA-R4 series - System Integration Manual
UBX-16029218 - R03 Design-in
Page 48 of 94
If an external antenna is used, the antenna connector represents the RF termination on the PCB:
Use suitable a 50 connector providing proper PCB-to-RF-cable transition.
Strictly follow the connector manufacturer’s recommended layout, for example:
o SMA Pin-Through-Hole connectors require GND keep-out (i.e. clearance, a void area) on all the layers
around the central pin up to annular pads of the four GND posts, as shown in Figure 22
o U.FL surface mounted connectors require no conductive traces (i.e. clearance, a void area) in the area
below the connector between the GND land pads.
Cut out the GND layer under the RF connector and close to buried vias, to remove stray capacitance and
thus keep the RF line 50 , e.g. the active pad of UFL connector needs to have a GND keep-out (i.e.
clearance, a void area) at least on first inner layer to reduce parasitic capacitance to ground.
If an integrated antenna is used, the RF terminations are represented by the integrated antenna. The following
guidelines should be followed:
Use an antenna designed by an antenna manufacturer, providing the best possible return loss (or V.S.W.R.).
Provide a ground plane large enough according to the relative integrated antenna requirements. The ground
plane of the application PCB can be reduced down to a minimum size that must be similar to one quarter of
wavelength of the minimum frequency that has to be radiated. As numerical example,
Frequency = 750 MHz Wavelength = 40 cm Minimum GND plane size = 10 cm
It is highly recommended to strictly follow the detailed and specific guidelines provided by the antenna
manufacturer regarding correct installation and deployment of the antenna system, including PCB layout
and matching circuitry.
Further to the custom PCB and product restrictions, the antenna may require a tuning to comply with all the
applicable required certification schemes. It is recommended to consult the antenna manufacturer for the
design-in guidelines for the antenna matching relative to the custom application.
Additionally, these recommendations regarding the antenna system placement must be followed:
Do not place the antenna within closed metal case.
Do not place the antenna in close vicinity to end user since the emitted radiation in human tissue is limited
by regulatory requirements.
Place the antenna far from sensitive analog systems or employ countermeasures to reduce EMC issues.
Take care of interaction between co-located RF systems since the LTE transmitted power may interact or
disturb the performance of companion systems.

SARA-R4 series - System Integration Manual
UBX-16029218 - R03 Design-in
Page 49 of 94
Examples of antennas
Table 16 lists some examples of possible internal on-board surface-mount antennas.
Manufacturer
Part Number
Product Name
Description
Taoglas
PA.710.A
Warrior
GSM / WCDMA / LTE SMD Antenna
698..960 MHz, 1710..2170 MHz, 2300..2400 MHz, 2490..2690 MHz
40.0 x 6.0 x 5.0 mm
Taoglas
PA.711.A
Warrior II
GSM / WCDMA / LTE SMD Antenna
Pairs with the Taoglas PA.710.A Warrior for LTE MIMO applications
698..960 MHz, 1710..2170 MHz, 2300..2400 MHz, 2490..2690 MHz
40.0 x 6.0 x 5.0 mm
Taoglas
PCS.06.A
Havok
GSM / WCDMA / LTE SMD Antenna
698..960 MHz, 1710..2170 MHz, 2500..2690 MHz
42.0 x 10.0 x 3.0 mm
Antenova
SR4L002
Lucida
GSM / WCDMA / LTE SMD Antenna
698..960 MHz, 1710..2170 MHz, 2300..2400 MHz, 2490..2690 MHz
35.0 x 8.5 x 3.2 mm
Table 16: Examples of internal surface-mount antennas
Table 17 lists some examples of possible internal off-board PCB-type antennas with cable and connector.
Manufacturer
Part Number
Product Name
Description
Taoglas
FXUB63.07.0150C
GSM / WCDMA / LTE PCB Antenna with cable and U.FL
698..960 MHz, 1575.42 MHz, 1710..2170 MHz, 2400..2690 MHz
96.0 x 21.0 mm
Taoglas
FXUB66.07.0150C
Maximus
GSM / WCDMA / LTE PCB Antenna with cable and U.FL
698..960 MHz, 1390..1435 MHz, 1575.42 MHz, 1710..2170 MHz,
2400..2700 MHz, 3400..3600 MHz, 4800..6000 MHz
120.2 x 50.4 mm
Taoglas
FXUB70.A.07.C.001
GSM / WCDMA / LTE PCB MIMO Antenna with cables and U.FL
698..960 MHz, 1575.42 MHz, 1710..2170 MHz, 2400..2690 MHz
182.2 x 21.2 mm
Ethertronics
5001537
Prestta
GSM / WCDMA / LTE PCB Antenna with cable
698..960 MHz, 1710..2170 MHz, 2300..2400 MHz, 2500..2690 MHz
80.0 x 18.0 mm
EAD
FSQS35241-UF-10
SQ7
GSM / WCDMA / LTE PCB Antenna with cable and U.FL
690..960 MHz, 1710..2170 MHz, 2500..2700 MHz
110.0 x 21.0 mm
Table 17: Examples of internal antennas with cable and connector

SARA-R4 series - System Integration Manual
UBX-16029218 - R03 Design-in
Page 50 of 94
Table 18 lists some examples of possible external antennas.
Manufacturer
Part Number
Product Name
Description
Taoglas
GSA.8827.A.101111
Phoenix
GSM / WCDMA / LTE adhesive-mount antenna with cable and SMA(M)
698..960 MHz, 1575.42 MHz, 1710..2170 MHz, 2490..2690 MHz
105 x 30 x 7.7 mm
Taoglas
TG.30.8112
GSM / WCDMA / LTE swivel dipole antenna with SMA(M)
698..960 MHz, 1575.42 MHz, 1710..2170 MHz, 2400..2700 MHz
148.6 x 49 x 10 mm
Taoglas
MA241.BI.001
Genesis
GSM / WCDMA / LTE MIMO 2in1 adhesive-mount combination antenna
waterproof IP67 rated with cable and SMA(M)
698..960 MHz, 1710..2170 MHz, 2400..2700 MHz
205.8 x 58 x 12.4 mm
Laird Tech.
TRA6927M3PW-001
GSM / WCDMA / LTE screw-mount antenna with N-type(F)
698..960 MHz, 1710..2170 MHz, 2300..2700 MHz
83.8 x Ø 36.5 mm
Laird Tech.
CMS69273
GSM / WCDMA / LTE ceiling-mount antenna with cable and N-type(F)
698..960 MHz, 1575.42 MHz, 1710..2700 MHz
86 x Ø 199 mm
Laird Tech.
OC69271-FNM
GSM / WCDMA / LTE pole-mount antenna with N-type(M)
698..960 MHz, 1710..2690 MHz
248 x Ø 24.5 mm
Laird Tech.
CMD69273-30NM
GSM / WCDMA / LTE ceiling-mount MIMO antenna with cables & N-type(M)
698..960 MHz, 1710..2700 MHz
43.5 x Ø 218.7 mm
Pulse Electronics
WA700/2700SMA
GSM / WCDMA / LTE clip-mount MIMO antenna with cables and SMA(M)
698..960 MHz,1710..2700 MHz
149 x 127 x 5.1 mm
Table 18: Examples of external antennas

SARA-R4 series - System Integration Manual
UBX-16029218 - R03 Design-in
Page 51 of 94
2.4.2 Antenna detection interface (ANT_DET)
2.4.2.1 Guidelines for ANT_DET circuit design
Figure 23 and Table 19 describe the recommended schematic / components for the antenna detection circuit
that must be provided on the application board and for the diagnostic circuit that must be provided on the
antenna’s assembly to achieve primary and secondary antenna detection functionality.
Application Board
Antenna Cable
SARA-R4 series
56
ANT
62
ANT_DET
R1
C1 D1
L1
C2
J1
Z0= 50 ΩZ0= 50 ΩZ0= 50 ohm
Antenna Assembly
R2
C4
L3
Radiating
Element
Diagnostic
Circuit
GND
L2
C3
Figure 23: Suggested schematic for antenna detection circuit on application board and diagnostic circuit on antenna assembly
Reference
Description
Part Number - Manufacturer
C1
27 pF Capacitor Ceramic C0G 0402 5% 50 V
GRM1555C1H270J - Murata
C2,
33 pF Capacitor Ceramic C0G 0402 5% 50 V
GRM1555C1H330J - Murata
D1
Very Low Capacitance ESD Protection
PESD0402-140 - Tyco Electronics
L1
68 nH Multilayer Inductor 0402 (SRF ~1 GHz)
LQG15HS68NJ02 - Murata
R1
10 k Resistor 0402 1% 0.063 W
RK73H1ETTP1002F - KOA Speer
J1,
SMA Connector 50 Through Hole Jack
SMA6251A1-3GT50G-50 - Amphenol
C4
22 pF Capacitor Ceramic C0G 0402 5% 25 V
GRM1555C1H220J - Murata
L3
68 nH Multilayer Inductor 0402 (SRF ~1 GHz)
LQG15HS68NJ02 - Murata
R2
15 k Resistor for Diagnostic
Various Manufacturers
Table 19: Suggested components for antenna detection circuit on application board and diagnostic circuit on antennas assembly
The antenna detection circuit and diagnostic circuit suggested in Figure 23 and Table 19 are here explained:
When antenna detection is forced by the +UANTR AT command, the ANT_DET pin generates a DC current
measuring the resistance (R2) from the antenna connector (J1) provided on the application board to GND.
DC blocking capacitors are needed at the ANT pin (C2) and at the antenna radiating element (C4) to
decouple the DC current generated by the ANT_DET pin.
Choke inductors with a Self Resonance Frequency (SRF) in the range of 1 GHz are needed in series at the
ANT_DET pin (L1) and in series at the diagnostic resistor (L3), to avoid a reduction of the RF performance of
the system, improving the RF isolation of the load resistor.
Resistor on the ANT_DET path (R1) is needed for accurate measurements through the +UANTR AT
command. It also acts as an ESD protection.
Additional components (C1 and D1 in Figure 23) are needed at the ANT_DET pin as ESD protection.
Additional high pass filter (C3 and L2 in Figure 23) is provided at the ANT pin as ESD immunity improvement
The ANT pin must be connected to the antenna connector by means of a transmission line with nominal
characteristics impedance as close as possible to 50 .

SARA-R4 series - System Integration Manual
UBX-16029218 - R03 Design-in
Page 52 of 94
The DC impedance at RF port for some antennas may be a DC open (e.g. linear monopole) or a DC short to
reference GND (e.g. PIFA antenna). For those antennas, without the diagnostic circuit of Figure 23, the measured
DC resistance is always at the limits of the measurement range (respectively open or short), and there is no mean
to distinguish between a defect on antenna path with similar characteristics (respectively: removal of linear
antenna or RF cable shorted to GND for PIFA antenna).
Furthermore, any other DC signal injected to the RF connection from ANT connector to radiating element will
alter the measurement and produce invalid results for antenna detection.
It is recommended to use an antenna with a built-in diagnostic resistor in the range from 5 k to 30 k
to assure good antenna detection functionality and avoid a reduction of module RF performance. The
choke inductor should exhibit a parallel Self Resonance Frequency (SRF) in the range of 1 GHz to improve
the RF isolation of load resistor.
For example:
Consider an antenna with built-in DC load resistor of 15 k. Using the +UANTR AT command, the module
reports the resistance value evaluated from the antenna connector provided on the application board to GND:
Reported values close to the used diagnostic resistor nominal value (i.e. values from 13 k to 17 k if a
15 k diagnostic resistor is used) indicate that the antenna is properly connected.
Values close to the measurement range maximum limit (approximately 50 k) or an open-circuit
“over range” report (see SARA-R4 series AT Commands Manual [2]) means that that the antenna is not
connected or the RF cable is broken.
Reported values below the measurement range minimum limit (1 k) highlights a short to GND at antenna
or along the RF cable.
Measurement inside the valid measurement range and outside the expected range may indicate an improper
connection, damaged antenna or wrong value of antenna load resistor for diagnostic.
Reported value could differ from the real resistance value of the diagnostic resistor mounted inside the
antenna assembly due to antenna cable length, antenna cable capacity and the used measurement method.
If the antenna detection function is not required by the customer application, the ANT_DET pin can be
left not connected and the ANT pin can be directly connected to the antenna connector by means of a
50 transmission line as described in Figure 22.
2.4.2.2 Guidelines for ANT_DET layout design
The recommended layout for the antenna detection circuit to be provided on the application board to achieve
the antenna detection functionality, implementing the recommended schematic described in Figure 23 and Table
19, is explained here:
The ANT pin have to be connected to the antenna connector by means of a 50 transmission line,
implementing the design guidelines described in section 2.4.1 and the recommendations of the SMA
connector manufacturer.
DC blocking capacitor at ANT pins (C2, C3) has to be placed in series to the 50 RF line.
The ANT_DET pin has to be connected to the 50 transmission line by means of a sense line.
Choke inductor in series at the ANT_DET pin (L1) has to be placed so that one pad is on the 50
transmission line and the other pad represents the start of the sense line to the ANT_DET pin.
The additional components (R1, C1 and D1) on the ANT_DET line have to be placed as ESD protection.

SARA-R4 series - System Integration Manual
UBX-16029218 - R03 Design-in
Page 53 of 94
2.5 SIM interface
2.5.1 Guidelines for SIM circuit design
Guidelines for SIM cards, SIM connectors and SIM chips selection
The ISO/IEC 7816, the ETSI TS 102 221 and the ETSI TS 102 671 specifications define the physical, electrical and
functional characteristics of Universal Integrated Circuit Cards (UICC), which contains the Subscriber
Identification Module (SIM) integrated circuit that securely stores all the information needed to identify and
authenticate subscribers over the LTE network.
Removable UICC / SIM card contacts mapping is defined by ISO/IEC 7816 and ETSI TS 102 221 as follows:
Contact C1 = VCC (Supply) It must be connected to VSIM
Contact C2 = RST (Reset) It must be connected to SIM_RST
Contact C3 = CLK (Clock) It must be connected to SIM_CLK
Contact C4 = AUX1 (Auxiliary contact) It must be left not connected
Contact C5 = GND (Ground) It must be connected to GND
Contact C6 = VPP (Programming supply) It can be left not connected
Contact C7 = I/O (Data input/output) It must be connected to SIM_IO
Contact C8 = AUX2 (Auxiliary contact) It must be left not connected
A removable SIM card can have 6 contacts (C1, C2, C3, C5, C6, C7) or 8 contacts, also including the auxiliary
contacts C4 and C8. Only 6 contacts are required and must be connected to the module SIM interface.
Removable SIM cards are suitable for applications requiring a change of SIM card during the product lifetime.
A SIM card holder can have 6 or 8 positions if a mechanical card presence detector is not provided, or it can
have 6+2 or 8+2 positions if two additional pins relative to the normally-open mechanical switch integrated in
the SIM connector for the mechanical card presence detection are provided. Select a SIM connector providing
6+2 or 8+2 positions if the optional SIM detection feature is required by the custom application, otherwise a
connector without integrated mechanical presence switch can be selected.
Solderable UICC / SIM chip contact mapping (M2M UICC Form Factor) is defined by ETSI TS 102 671 as:
Case Pin 8 = UICC Contact C1 = VCC (Supply) It must be connected to VSIM
Case Pin 7 = UICC Contact C2 = RST (Reset) It must be connected to SIM_RST
Case Pin 6 = UICC Contact C3 = CLK (Clock) It must be connected to SIM_CLK
Case Pin 5 = UICC Contact C4 = AUX1 (Aux.contact) It must be left not connected
Case Pin 1 = UICC Contact C5 = GND (Ground) It must be connected to GND
Case Pin 2 = UICC Contact C6 = VPP (Progr. supply) It can be left not connected
Case Pin 3 = UICC Contact C7 = I/O (Data I/O) It must be connected to SIM_IO
Case Pin 4 = UICC Contact C8 = AUX2 (Aux. contact) It must be left not connected
A solderable SIM chip has 8 contacts and can also include the auxiliary contacts C4 and C8 for other uses, but
only 6 contacts are required and must be connected to the module SIM card interface as described above.
Solderable SIM chips are suitable for M2M applications where it is not required to change the SIM once installed.

SARA-R4 series - System Integration Manual
UBX-16029218 - R03 Design-in
Page 54 of 94
Guidelines for single SIM card connection without detection
A removable SIM card placed in a SIM card holder has to be connected to the SIM card interface of SARA-R4
series modules as described in Figure 24, where the optional SIM detection feature is not implemented.
Follow these guidelines to connect the module to a SIM connector without SIM presence detection:
Connect the UICC / SIM contacts C1 (VCC) to the VSIM pin of the module.
Connect the UICC / SIM contact C7 (I/O) to the SIM_IO pin of the module.
Connect the UICC / SIM contact C3 (CLK) to the SIM_CLK pin of the module.
Connect the UICC / SIM contact C2 (RST) to the SIM_RST pin of the module.
Connect the UICC / SIM contact C5 (GND) to ground.
Provide a 100 nF bypass capacitor (e.g. Murata GRM155R71C104K) on SIM supply line, close to the relative
pad of the SIM connector, to prevent digital noise.
Provide a bypass capacitor of about 22 pF to 47 pF (e.g. Murata GRM1555C1H470J) on each SIM line, very
close to each related pad of the SIM connector, to prevent RF coupling especially in case the RF antenna is
placed closer than 10 - 30 cm from the SIM card holder.
Provide a very low capacitance (i.e. less than 10 pF) ESD protection (e.g. Tyco PESD0402-140) on each
externally accessible SIM line, close to each relative pad of the SIM connector. ESD sensitivity rating of the
SIM interface pins is 1 kV (HBM). So that, according to EMC/ESD requirements of the custom application,
higher protection level can be required if the lines are externally accessible on the application device.
Limit capacitance and series resistance on each SIM signal to match the SIM requirements (27.7 ns is the
maximum allowed rise time on clock line, 1.0 µs is the maximum allowed rise time on data and reset lines).
SARA-R4 series
41
VSIM
39
SIM_IO
38
SIM_CLK
40
SIM_RST
SIM CARD
HOLDER
C
5
C
6
C
7
C
1
C
2
C
3
SIM Card
Bottom View
(contacts side)
C1
VPP (C6)
VCC (C1)
IO (C7)
CLK (C3)
RST (C2)
GND (C5)
C2 C3 C5
J1
C4 D1 D2 D3 D4
C
8
C
4
Figure 24: Application circuits for the connection to a single removable SIM card, with SIM detection not implemented
Reference
Description
Part Number - Manufacturer
C1, C2, C3, C4
47 pF Capacitor Ceramic C0G 0402 5% 50 V
GRM1555C1H470JA01 - Murata
C5
100 nF Capacitor Ceramic X7R 0402 10% 16 V
GRM155R71C104KA01 - Murata
D1, D2, D3, D4
Very Low Capacitance ESD Protection
PESD0402-140 - Tyco Electronics
J1
SIM Card Holder, 6 p, without card presence switch
Various manufacturers, as C707 10M006 136 2 - Amphenol
Table 20: Example of components for the connection to a single removable SIM card, with SIM detection not implemented

SARA-R4 series - System Integration Manual
UBX-16029218 - R03 Design-in
Page 55 of 94
Guidelines for single SIM chip connection
A solderable SIM chip (M2M UICC Form Factor) has to be connected the SIM card interface of SARA-R4 series
modules as described in Figure 25.
Follow these guidelines to connect the module to a solderable SIM chip without SIM presence detection:
Connect the UICC / SIM contacts C1 (VCC) to the VSIM pin of the module.
Connect the UICC / SIM contact C7 (I/O) to the SIM_IO pin of the module.
Connect the UICC / SIM contact C3 (CLK) to the SIM_CLK pin of the module.
Connect the UICC / SIM contact C2 (RST) to the SIM_RST pin of the module.
Connect the UICC / SIM contact C5 (GND) to ground.
Provide a 100 nF bypass capacitor (e.g. Murata GRM155R71C104K) at the SIM supply line close to the
relative pad of the SIM chip, to prevent digital noise.
Provide a bypass capacitor of about 22 pF to 47 pF (e.g. Murata GRM1555C1H470J) on each SIM line, to
prevent RF coupling especially in case the RF antenna is placed closer than 10 - 30 cm from the SIM lines.
Limit capacitance and series resistance on each SIM signal to match the SIM requirements (27.7 ns is the
maximum allowed rise time on clock line, 1.0 µs is the maximum allowed rise time on data and reset lines).
SARA-R4 series
41
VSIM
39
SIM_IO
38
SIM_CLK
40
SIM_RST
SIM CHIP
SIM Chip
Bottom View
(contacts side)
C1
VPP (C6)
VCC (C1)
IO (C7)
CLK (C3)
RST (C2)
GND (C5)
C2 C3 C5
U1
C4
2
8
3
6
7
1
C1 C5
C2 C6
C3 C7
C4 C8
8
7
6
5
1
2
3
4
Figure 25: Application circuits for the connection to a single solderable SIM chip, with SIM detection not implemented
Reference
Description
Part Number - Manufacturer
C1, C2, C3, C4
47 pF Capacitor Ceramic C0G 0402 5% 50 V
GRM1555C1H470JA01 - Murata
C5
100 nF Capacitor Ceramic X7R 0402 10% 16 V
GRM155R71C104KA01 - Murata
U1
SIM chip (M2M UICC Form Factor)
Various Manufacturers
Table 21: Example of components for the connection to a single solderable SIM chip, with SIM detection not implemented

SARA-R4 series - System Integration Manual
UBX-16029218 - R03 Design-in
Page 56 of 94
Guidelines for single SIM card connection with detection
An application circuit for the connection to a single removable SIM card placed in a SIM card holder is described
in Figure 26, where the optional SIM card detection feature is implemented.
Follow these guidelines connecting the module to a SIM connector implementing SIM presence detection:
Connect the UICC / SIM contacts C1 (VCC) to the VSIM pin of the module.
Connect the UICC / SIM contact C7 (I/O) to the SIM_IO pin of the module.
Connect the UICC / SIM contact C3 (CLK) to the SIM_CLK pin of the module.
Connect the UICC / SIM contact C2 (RST) to the SIM_RST pin of the module.
Connect the UICC / SIM contact C5 (GND) to ground.
Connect one pin of the normally-open mechanical switch integrated in the SIM connector (as the SW2 pin in
Figure 26) to the GPIO5 input pin, providing a weak pull-down resistor (e.g. 470 k, as R2 in Figure 26).
Connect the other pin of the normally-open mechanical switch integrated in the SIM connector (SW1 pin in
Figure 26) to V_INT 1.8 V supply output by means of a strong pull-up resistor (e.g. 1 k, as R1 in Figure 26)
Provide a 100 nF bypass capacitor (e.g. Murata GRM155R71C104K) at the SIM supply line (VSIM), close to
the related pad of the SIM connector, to prevent digital noise.
Provide a bypass capacitor of about 22 pF to 47 pF (e.g. Murata GRM1555C1H470J) on each SIM line
(VSIM, SIM_CLK, SIM_IO, SIM_RST), very close to each related pad of the SIM connector, to prevent RF
coupling especially in case the RF antenna is placed closer than 10 - 30 cm from the SIM card holder.
Provide a low capacitance (i.e. less than 10 pF) ESD protection (e.g. Tyco Electronics PESD0402-140) on each
externally accessible SIM line, close to each related pad of the SIM connector: ESD sensitivity rating of SIM
interface pins is 1 kV (HBM according to JESD22-A114), so that, according to the EMC/ESD requirements of
the custom application, higher protection level can be required if the lines are externally accessible.
Limit capacitance and series resistance on each SIM signal to match the requirements for the SIM interface
(27.7 ns = max allowed rise time on SIM_CLK, 1.0 µs = max allowed rise time on SIM_IO and SIM_RST).
SARA-R4 series
41
VSIM
39
SIM_IO
38
SIM_CLK
40
SIM_RST
4
V_INT
42
GPIO5
SIM CARD
HOLDER
C
5
C
6
C
7
C
1
C
2
C
3
SIM Card
Bottom View
(contacts side)
C1
VPP (C6)
VCC (C1)
IO (C7)
CLK (C3)
RST (C2)
GND (C5)
C2 C3 C5
J1
C4
SW1
SW2
D1 D2 D3 D4 D5 D6
R2
R1
C
8
C
4
TP
Figure 26: Application circuit for the connection to a single removable SIM card, with SIM detection implemented
Reference
Description
Part Number - Manufacturer
C1, C2, C3, C4
47 pF Capacitor Ceramic C0G 0402 5% 50 V
GRM1555C1H470JA01 - Murata
C5
100 nF Capacitor Ceramic X7R 0402 10% 16 V
GRM155R71C104KA01 - Murata
D1 – D6
Very Low Capacitance ESD Protection
PESD0402-140 - Tyco Electronics
R1
1 k Resistor 0402 5% 0.1 W
RC0402JR-071KL - Yageo Phycomp
R2
470 k Resistor 0402 5% 0.1 W
RC0402JR-07470KL- Yageo Phycomp
J1
SIM Card Holder
6 + 2 positions, with card presence switch
Various Manufacturers,
CCM03-3013LFT R102 - C&K Components
Table 22: Example of components for the connection to a single removable SIM card, with SIM detection implemented

SARA-R4 series - System Integration Manual
UBX-16029218 - R03 Design-in
Page 57 of 94
2.5.2 Guidelines for SIM layout design
The layout of the SIM card interface lines (VSIM, SIM_CLK, SIM_IO, SIM_RST may be critical if the SIM card is
placed far away from the SARA-R4 series modules or in close proximity to the RF antenna: these two cases
should be avoided or at least mitigated as described below.
In the first case, the long connection can cause the radiation of some harmonics of the digital data frequency as
any other digital interface. It is recommended to keep the traces short and avoid coupling with RF line or
sensitive analog inputs.
In the second case, the same harmonics can be picked up and create self-interference that can reduce the
sensitivity of LTE receiver channels whose carrier frequency is coincidental with harmonic frequencies. It is
strongly recommended to place the RF bypass capacitors suggested in Figure 24 near the SIM connector.
In addition, since the SIM card is typically accessed by the end user, it can be subjected to ESD discharges. Add
adequate ESD protection as suggested to protect module SIM pins near the SIM connector.
Limit capacitance and series resistance on each SIM signal to match the SIM specifications. The connections
should always be kept as short as possible.
Avoid coupling with any sensitive analog circuit, since the SIM signals can cause the radiation of some harmonics
of the digital data frequency.

SARA-R4 series - System Integration Manual
UBX-16029218 - R03 Design-in
Page 58 of 94
2.6 Data communication interfaces
2.6.1 UART interface
2.6.1.1 Guidelines for UART circuit design
Providing the full RS-232 functionality (using the complete V.24 link)
If RS-232 compatible signal levels are needed, two different external voltage translators can be used to provide
full RS-232 (9 lines) functionality: e.g. using the Texas Instruments SN74AVC8T245PW for the translation from
1.8 V to 3.3 V, and the Maxim MAX3237E for the translation from 3.3 V to RS-232 compatible signal level.
If a 1.8 V Application Processor (DTE) is used and complete RS-232 functionality is required, then the complete
1.8 V UART interface of the module (DCE) should be connected to a 1.8 V DTE, as described in Figure 27.
TxD
Application Processor
(1.8V DTE)
RxD
RTS
CTS
DTR
DSR
RI
DCD
GND
SARA-R4
(1.8V DCE)
12 TXD
9DTR
13 RXD
10 RTS
11 CTS
6DSR
7RI
8DCD
GND
0ΩTP
0ΩTP
0ΩTP
0ΩTP
Figure 27: UART interface application circuit with complete V.24 link in DTE/DCE serial communication (1.8V DTE)
If a 3.0 V Application Processor (DTE) is used, then it is recommended to connect the 1.8 V UART interface of the
module (DCE) by means of appropriate unidirectional voltage translators using the module V_INT output as
1.8 V supply for the voltage translators on the module side, as described in Figure 28.
4V_INT
TxD
Application Processor
(3.0V DTE)
RxD
RTS
CTS
DTR
DSR
RI
DCD
GND
SARA-R4
(1.8V DCE)
12 TXD
9DTR
13 RXD
10 RTS
11 CTS
6DSR
7RI
8DCD
GND
1V8
B1 A1
GND
U1
B3A3
VCCBVCCA
Unidirectional
Voltage Translator
C1 C2
3V0
DIR3
DIR2 OE
DIR1
VCC
B2 A2
B4A4
DIR4
1V8
B1 A1
GND
U2
B3A3
VCCBVCCA
Unidirectional
Voltage Translator
C3 C4
3V0
DIR1
DIR3 OE
B2 A2
B4A4
DIR4
DIR2
TP
0ΩTP
0ΩTP
0ΩTP
0ΩTP
Figure 28: UART interface application circuit with complete V.24 link in DTE/DCE serial communication (3.0 V DTE)
Reference
Description
Part Number - Manufacturer
C1, C2, C3, C4
100 nF Capacitor Ceramic X7R 0402 10% 16 V
GRM155R61A104KA01 - Murata
U1, U2
Unidirectional Voltage Translator
SN74AVC4T7743 - Texas Instruments
Table 23: Component for UART application circuit with complete V.24 link in DTE/DCE serial communication (3.0 V DTE)
3
Voltage translator providing partial power down feature so that the DTE 3.0 V supply can be also ramped up before V_INT 1.8 V supply

SARA-R4 series - System Integration Manual
UBX-16029218 - R03 Design-in
Page 59 of 94
Providing the TXD, RXD, RTS, CTS and DTR lines only (not using the complete V.24 link)
If the functionality of the DSR, DCD and RI lines is not required, or the lines are not available:
Leave DSR, DCD and RI lines of the module floating, with a test-point on DCD
If RS-232 compatible signal levels are needed, two different external voltage translators (e.g. Maxim MAX3237E
and Texas Instruments SN74AVC4T774) can be used. The Texas Instruments chips provide the translation from
1.8 V to 3.3 V, while the Maxim chip provides the translation from 3.3 V to RS-232 compatible signal level.
Figure 29 describes the circuit that should be implemented as if a 1.8 V Application Processor (DTE) is used,
given that the DTE will behave properly regardless DSR input setting.
TxD
Application Processor
(1.8V DTE)
RxD
RTS
CTS
DTR
DSR
RI
DCD
GND
SARA-R4
(1.8V DCE)
12 TXD
9DTR
13 RXD
10 RTS
11 CTS
6DSR
7RI
8DCD
GND
0 Ω
0 Ω
TP
TP
0 Ω
0 Ω
TP
TP
Figure 29: UART interface application circuit with partial V.24 link (6-wire) in the DTE/DCE serial communication (1.8 V DTE)
If a 3.0 V Application Processor (DTE) is used, then it is recommended to connect the 1.8 V UART interface of the
module (DCE) by means of appropriate unidirectional voltage translators using the module V_INT output as
1.8 V supply for the voltage translators on the module side, as described in Figure 30, given that the DTE will
behave properly regardless DSR input setting.
4V_INT
TxD
Application Processor
(3.0V DTE)
RxD
RTS
CTS
DTR
DSR
RI
DCD
GND
SARA-R4
(1.8V DCE)
12 TXD
9DTR
13 RXD
10 RTS
11 CTS
6DSR
7RI
8DCD
GND
0 Ω
0 Ω
TP
TP
0 Ω
0 Ω
TP
TP
1V8
B1 A1
GND
U1
B3A3
VCCBVCCA
Unidirectional
Voltage Translator
C1 C2
3V0
DIR3
DIR2 OE
DIR1
VCC
B2 A2
B4A4
DIR4
1V8
B1 A1
GND
U2
VCCBVCCA
Unidirectional
Voltage Translator
C3
3V0
DIR1
OE
B2 A2
DIR2 C4
Figure 30: UART interface application circuit with partial V.24 link (6-wire) in DTE/DCE serial communication (3.0 V DTE)
Reference
Description
Part Number - Manufacturer
C1, C2, C3, C4
100 nF Capacitor Ceramic X7R 0402 10% 16 V
GRM155R61A104KA01 - Murata
U1
Unidirectional Voltage Translator
SN74AVC4T7744 - Texas Instruments
U2
Unidirectional Voltage Translator
SN74AVC2T2454 - Texas Instruments
Table 24: Component for UART application circuit with partial V.24 link (6-wire) in DTE/DCE serial communication (3.0 V DTE)
4
Voltage translator providing partial power down feature so that the DTE 3.0 V supply can be also ramped up before V_INT 1.8 V supply

SARA-R4 series - System Integration Manual
UBX-16029218 - R03 Design-in
Page 60 of 94
Providing the TXD, RXD, RTS and CTS lines only (not using the complete V.24 link)
If the functionality of the DSR, DCD, RI and DTR lines is not required in, or the lines are not available:
Connect the module DTR input to GND using a 0 series resistor, since it may be useful to set DTR active if
not specifically handled (see SARA-R4 series AT Commands Manual [1], &D, S0, +CSGT, +CNMI AT
commands)
Leave DSR, DCD and RI lines of the module floating, with a test-point on DCD
If RS-232 compatible signal levels are needed, the Maxim MAX13234E voltage level translator can be used. This
chip translates voltage levels from 1.8 V (module side) to the RS-232 standard.
If a 1.8 V Application Processor is used, the circuit should be implemented as described in Figure 31.
TxD
Application Processor
(1.8V DTE)
RxD
RTS
CTS
DTR
DSR
RI
DCD
GND
SARA-R4
(1.8V DCE)
12 TXD
9DTR
13 RXD
10 RTS
11 CTS
6DSR
7RI
8DCD
GND
0ΩTP
0ΩTP
0ΩTP
0ΩTP
Figure 31: UART interface application circuit with partial V.24 link (5-wire) in the DTE/DCE serial communication (1.8V DTE)
If a 3.0 V Application Processor (DTE) is used, then it is recommended to connect the 1.8 V UART interface of the
module (DCE) by means of appropriate unidirectional voltage translators using the module V_INT output as
1.8 V supply for the voltage translators on the module side, as described in Figure 32.
4V_INT
TxD
Application Processor
(3.0V DTE)
RxD
RTS
CTS
DTR
DSR
RI
DCD
GND
SARA-R4 series
(1.8V DCE)
12 TXD
9DTR
13 RXD
10 RTS
11 CTS
6DSR
7RI
8DCD
GND
1V8
B1 A1
GND
U1
B3A3
VCCBVCCA
Unidirectional
Voltage Translator
C1 C2
3V0
DIR3
DIR2 OE
DIR1
VCC
B2 A2
B4A4
DIR4
TP
0ΩTP
0ΩTP
0ΩTP
TP
Figure 32: UART interface application circuit with partial V.24 link (5-wire) in DTE/DCE serial communication (3.0 V DTE)
Reference
Description
Part Number - Manufacturer
C1, C2
100 nF Capacitor Ceramic X7R 0402 10% 16 V
GRM155R61A104KA01 - Murata
U1
Unidirectional Voltage Translator
SN74AVC4T7745 - Texas Instruments
Table 25: Component for UART application circuit with partial V.24 link (5-wire) in DTE/DCE serial communication (3.0 V DTE)
5
Voltage translator providing partial power down feature so that the DTE 3.0 V supply can be also ramped up before V_INT 1.8 V supply

SARA-R4 series - System Integration Manual
UBX-16029218 - R03 Design-in
Page 61 of 94
Providing the TXD and RXD lines only (not using the complete V24 link)
If the functionality of the CTS, RTS, DSR, DCD, RI and DTR lines is not required in the application, or the lines
are not available, then:
Connect the module RTS input line to GND or to the CTS output line of the module: since the module
requires RTS active (low electrical level) if HW flow-control is enabled (AT&K3, which is the default setting)
Connect the module DTR input line to GND using a 0 series resistor, because it is useful to set DTR active
if not specifically handled (see SARA-R4 series AT Commands Manual [2], &D, S0, +CSGT, +CNMI AT
commands)
Leave DSR, DCD and RI lines of the module floating, with a test-point on DCD
If RS-232 compatible signal levels are needed, the Maxim MAX13234E voltage level translator can be used. This
chip translates voltage levels from 1.8 V (module side) to the RS-232 standard.
If a 1.8 V Application Processor (DTE) is used, the circuit that should be implemented as described in Figure 33
TxD
Application Processor
(1.8V DTE)
RxD
RTS
CTS
DTR
DSR
RI
DCD
GND
SARA-R4
(1.8V DCE)
12 TXD
9DTR
13 RXD
10 RTS
11 CTS
6DSR
7RI
8DCD
GND
0ΩTP
0ΩTP
0ΩTP
TP
Figure 33: UART interface application circuit with partial V.24 link (3-wire) in the DTE/DCE serial communication (1.8V DTE)
If a 3.0 V Application Processor (DTE) is used, then it is recommended to connect the 1.8 V UART interface of the
module (DCE) by means of appropriate unidirectional voltage translators using the module V_INT output as
1.8 V supply for the voltage translators on the module side, as described in Figure 34.
4V_INT
TxD
Application Processor
(3.0V DTE)
RxD
DTR
DSR
RI
DCD
GND
SARA-R4
(1.8V DCE)
12 TXD
9DTR
13 RXD
6DSR
7RI
8DCD
GND
1V8
B1 A1
GND
U1
VCCBVCCA
Unidirectional
Voltage Translator
C1 C2
3V0
DIR1
DIR2 OE
VCC
B2 A2
RTS
CTS
10 RTS
11 CTS
TP
0ΩTP
0ΩTP
0ΩTP
TP
Figure 34: UART interface application circuit with partial V.24 link (3-wire) in DTE/DCE serial communication (3.0 V DTE)
Reference
Description
Part Number - Manufacturer
C1, C2
100 nF Capacitor Ceramic X7R 0402 10% 16 V
GRM155R61A104KA01 - Murata
U1
Unidirectional Voltage Translator
SN74AVC2T2456 - Texas Instruments
Table 26: Component for UART application circuit with partial V.24 link (3-wire) in DTE/DCE serial communication (3.0 V DTE)
6
Voltage translator providing partial power down feature so that the DTE 3.0 V supply can be also ramped up before V_INT 1.8 V supply

SARA-R4 series - System Integration Manual
UBX-16029218 - R03 Design-in
Page 62 of 94
Additional considerations
If a 3.0 V Application Processor (DTE) is used, the voltage scaling from any 3.0 V output of the DTE to the
corresponding 1.8 V input of the module (DCE) can be implemented as an alternative low-cost solution, by
means of an appropriate voltage divider. Consider the value of the pull-up integrated at the input of the module
(DCE) for the correct selection of the voltage divider resistance values. Make sure that any DTE signal connected
to the module is tri-stated or set low when the module is in power-down mode and during the module power-
on sequence (at least until the activation of the V_INT supply output of the module), to avoid latch-up of circuits
and allow a proper boot of the module (see the remark below).
Moreover, the voltage scaling from any 1.8 V output of the cellular module (DCE) to the corresponding 3.0 V
input of the Application Processor (DTE) can be implemented by means of an appropriate low-cost non-inverting
buffer with open drain output. The non-inverting buffer should be supplied by the V_INT supply output of the
cellular module. Consider the value of the pull-up integrated at each input of the DTE (if any) and the baud rate
required by the application for the appropriate selection of the resistance value for the external pull-up biased by
the application processor supply rail.
Do not apply voltage to any UART interface pin before the switch-on of the UART supply source (V_INT),
to avoid latch-up of circuits and allow a proper boot of the module. If the external signals connected to
the cellular module cannot be tri-stated or set low, insert a multi channel digital switch (e.g. TI
SN74CB3Q16244, TS5A3159, or TS5A63157) between the two-circuit connections and set to high
impedance before V_INT switch-on.
ESD sensitivity rating of UART interface pins is 1 kV (Human Body Model according to JESD22-A114).
Higher protection level could be required if the lines are externally accessible and it can be achieved by
mounting an ESD protection (e.g. EPCOS CA05P4S14THSG varistor array) close to accessible points.
2.6.1.2 Guidelines for UART layout design
The UART serial interface requires the same consideration regarding electro-magnetic interference as any other
digital interface. Keep the traces short and avoid coupling with RF line or sensitive analog inputs, since the
signals can cause the radiation of some harmonics of the digital data frequency.

SARA-R4 series - System Integration Manual
UBX-16029218 - R03 Design-in
Page 63 of 94
2.6.2 USB interface
2.6.2.1 Guidelines for USB circuit design
The USB_D+ and USB_D- lines carry the USB serial data and signaling. The lines are used in single ended mode
for full speed signaling handshake, as well as in differential mode for high speed signaling and data transfer.
USB pull-up or pull-down resistors and external series resistors on USB_D+ and USB_D- lines as required by the
USB 2.0 specification [4] are part of the module USB pins driver and do not need to be externally provided.
The USB interface of the module is enabled only if a valid voltage is detected by the VUSB_DET input (see the
SARA-R4 series Data Sheet [1]). Neither the USB interface, nor the whole module is supplied by the VUSB_DET
input: the VUSB_DET senses the USB supply voltage and absorbs few microamperes.
Routing the USB pins to a connector, they will be externally accessible on the application device. According to
EMC/ESD requirements of the application, an additional ESD protection device with very low capacitance should
be provided close to accessible point on the line connected to this pin, as described in Figure 35 and Table 27.
The USB interface pins ESD sensitivity rating is 1 kV (Human Body Model according to JESD22-A114F).
Higher protection level could be required if the lines are externally accessible and it can be achieved by
mounting a very low capacitance (i.e. less or equal to 1 pF) ESD protection (e.g. Tyco Electronics
PESD0402-140 ESD protection device) on the lines connected to these pins, close to accessible points.
The USB pins of the modules can be directly connected to the USB host application processor without additional
ESD protections if they are not externally accessible or according to EMC/ESD requirements.
D+
D-
GND
29 USB_D+
28 USB_D-
GND
USB DEVICE
CONNECTOR
VBUS
D+
D-
GND
29 USB_D+
28 USB_D-
GND
USB HOST
PROCESSOR
SARA-R4 series SARA-R4 series
VBUS 17 VUSB_DET
17 VUSB_DET
D1 D2 D3 C1 C1
Figure 35: USB Interface application circuits
Reference
Description
Part Number - Manufacturer
C1
100 nF Capacitor Ceramic X7R 0402 10% 16 V
GRM155R61A104KA01 - Murata
D1, D2, D3
Very Low Capacitance ESD Protection
PESD0402-140 - Tyco Electronics
Table 27: Component for USB application circuits
If the USB interface pins are not used, they can be left unconnected on the application board, but it is
recommended providing accessible test points directly connected to VUSB_DET, USB_D+, USB_D- pins.

SARA-R4 series - System Integration Manual
UBX-16029218 - R03 Design-in
Page 64 of 94
2.6.2.2 Guidelines for USB layout design
The USB_D+ / USB_D- lines require accurate layout design to achieve reliable signaling at the high speed data
rate (up to 480 Mb/s) supported by the USB serial interface.
The characteristic impedance of the USB_D+ / USB_D- lines is specified by the Universal Serial Bus Revision 2.0
specification [4]. The most important parameter is the differential characteristic impedance applicable for the
odd-mode electromagnetic field, which should be as close as possible to 90 differential. Signal integrity may
be degraded if PCB layout is not optimal, especially when the USB signaling lines are very long.
Use the following general routing guidelines to minimize signal quality problems:
Route USB_D+ / USB_D- lines as a differential pair
Route USB_D+ / USB_D- lines as short as possible
Ensure the differential characteristic impedance (Z0) is as close as possible to 90
Ensure the common mode characteristic impedance (ZCM) is as close as possible to 30
Consider design rules for USB_D+ / USB_D- similar to RF transmission lines, being them coupled differential
micro-strip or buried stripline: avoid any stubs, abrupt change of layout, and route on clear PCB area
Figure 36 and Figure 37 provide two examples of coplanar waveguide designs with differential characteristic
impedance close to 90 and common mode characteristic impedance close to 30 . The first transmission line
can be implemented in case of 4-layer PCB stack-up herein described, the second transmission line can be
implemented in case of 2-layer PCB stack-up herein described.
35 µm
35 µm
35 µm
35 µm
270 µm
270 µm
760 µm
L1 Copper
L3 Copper
L2 Copper
L4 Copper
FR-4 dielectric
FR-4 dielectric
FR-4 dielectric
350 µm 400 µm400 µm350 µm400 µm
Figure 36: Example of USB line design, with Z0 close to 90 and ZCM close to 30 , for the described 4-layer board layup
35 µm
35 µm
1510 µm
L2 Copper
L1 Copper
FR-4 dielectric
740 µm 410 µm410 µm740 µm410 µm
Figure 37: Example of USB line design, with Z0 close to 90 and ZCM close to 30 , for the described 2-layer board layup

SARA-R4 series - System Integration Manual
UBX-16029218 - R03 Design-in
Page 65 of 94
2.6.3 DDC (I2C) interface
2.6.3.1 Guidelines for DDC (I2C) circuit design
DDC (I2C) interface is not supported by “00” and “01” product versions.
2.7 General Purpose Input/Output
2.7.1.1 Guidelines for GPIO circuit design
A typical usage of SARA-R4 series modules’ GPIOs can be the following:
Network indication provided over GPIO1 pin (see Figure 38 / Table 28 below)
SIM card detection provided over GPIO5 pin (see Figure 26 / Table 22 in section 2.5)
SARA-R4 series
GPIO1
R1
R3
3V8
Network Indicator
R2
16
DL1
T1
Figure 38: Application circuit for network indication provided over GPIO1
Reference
Description
Part Number - Manufacturer
R1
10 k Resistor 0402 5% 0.1 W
Various manufacturers
R2
47 k Resistor 0402 5% 0.1 W
Various manufacturers
R3
820 Resistor 0402 5% 0.1 W
Various manufacturers
DL1
LED Red SMT 0603
LTST-C190KRKT - Lite-on Technology Corporation
T1
NPN BJT Transistor
BC847 - Infineon
Table 28: Components for network indication application circuit
Use transistors with at least an integrated resistor in the base pin or otherwise put a 10 k resistor on the
board in series to the GPIO of SARA-R4 series modules.
Do not apply voltage to any GPIO of the module before the switch-on of the GPIOs supply (V_INT), to
avoid latch-up of circuits and allow a proper module boot. If the external signals connected to the module
cannot be tri-stated or set low, insert a multi channel digital switch (e.g. TI SN74CB3Q16244, TS5A3159,
TS5A63157) between the two-circuit connections and set to high impedance before V_INT switch-on.
ESD sensitivity rating of the GPIO pins is 1 kV (Human Body Model according to JESD22-A114).
Higher protection level could be required if the lines are externally accessible and it can be achieved by
mounting an ESD protection (e.g. EPCOS CA05P4S14THSG varistor array) close to accessible points.
If the GPIO pins are not used, they can be left unconnected on the application board.
2.7.1.2 Guidelines for general purpose input/output layout design
The general purpose inputs / outputs pins are generally not critical for layout.

SARA-R4 series - System Integration Manual
UBX-16029218 - R03 Design-in
Page 66 of 94
2.8 Reserved pins (RSVD)
SARA-R4 series modules have pins reserved for future use, marked as RSVD. All the RSVD pins are to be left
unconnected.
2.9 Module placement
An optimized placement allows a minimum RF line’s length and closer path from DC source for VCC.
Make sure that the module, analog parts and RF circuits are clearly separated from any possible source of
radiated energy. In particular, digital circuits can radiate digital frequency harmonics, which can produce Electro-
Magnetic Interference that affects the module, analog parts and RF circuits’ performance. Implement proper
countermeasures to avoid any possible Electro-Magnetic Compatibility issue.
Make sure that the module, RF and analog parts / circuits, and high speed digital circuits are clearly separated
from any sensitive part / circuit which may be affected by Electro-Magnetic Interference, or employ
countermeasures to avoid any possible Electro-Magnetic Compatibility issue.
Provide enough clearance between the module and any external part: clearance of at least 0.4 mm per side is
recommended to let suitable mounting of the parts.
The heat dissipation during continuous transmission at maximum power can significantly raise the
temperature of the application base-board below the SARA-R4 series modules: avoid placing temperature
sensitive devices close to the module.

SARA-R4 series - System Integration Manual
UBX-16029218 - R03 Design-in
Page 67 of 94
2.10 Module footprint and paste mask
Figure 39 and Table 29 describe the suggested footprint (i.e. copper mask) and paste mask layout for SARA
modules: the proposed land pattern layout reflects the modules’ pins layout, while the proposed stencil
apertures layout is slightly different (see the F’’, H’’, I’’, J’’, O’’ parameters compared to the F’, H’, I’, J’, O’ ones).
The Non Solder Mask Defined (NSMD) pad type is recommended over the Solder Mask Defined (SMD) pad type,
implementing the solder mask opening 50 µm larger per side than the corresponding copper pad.
The recommended solder paste thickness is 150 µm, according to application production process requirements.
K
M1
M1
M2
E G H’ J’ E
ANT pin
B
Pin 1
K
G
H’
J’
A
D
D
O’
O’
L N L
I’
F’
F’
K
M1
M1
M2
E G H’’ J’’ E
ANT pin
B
Pin 1
K
G
H’’
J’’
A
D
D
O’’
O’’
L N L
I’’
F’’
F’’
Stencil: 150
µm
Figure 39: SARA-R4 series modules suggested footprint and paste mask (application board top view)
Parameter
Value
Parameter
Value
Parameter
Value
A
26.0 mm
G
1.10 mm
K
2.75 mm
B
16.0 mm
H’
0.80 mm
L
2.75 mm
C
3.00 mm
H’’
0.75 mm
M1
1.80 mm
D
2.00 mm
I’
1.50 mm
M2
3.60 mm
E
2.50 mm
I’’
1.55 mm
N
2.10 mm
F’
1.05 mm
J’
0.30 mm
O’
1.10 mm
F’’
1.00 mm
J’’
0.35 mm
O’’
1.05 mm
Table 29: SARA-R4 series modules suggested footprint and paste mask dimensions
These are recommendations only and not specifications. The exact copper, solder and paste mask
geometries, distances, stencil thicknesses and solder paste volumes must be adapted to the specific
production processes (e.g. soldering etc.) of the customer.

SARA-R4 series - System Integration Manual
UBX-16029218 - R03 Design-in
Page 68 of 94
2.11 Thermal guidelines
The module operating temperature range is specified in SARA-R4 series Data Sheet [1].
The most critical condition concerning module thermal performance is the uplink transmission at maximum
power (data upload in connected-mode), when the baseband processor runs at full speed, radio circuits are all
active and the RF power amplifier is driven to higher output RF power. This scenario is not often encountered in
real networks (for example, see the Terminal Tx Power distribution for WCDMA, taken from operation on a live
network, described in the GSMA TS.09 Battery Life Measurement and Current Consumption Technique [10]);
however the application should be correctly designed to cope with it.
During transmission at maximum RF power the SARA-R4 series modules generate thermal power that may
exceed 0.5 W: this is an indicative value since the exact generated power strictly depends on operating condition
such as the actual antenna return loss, the transmitting frequency band, etc. The generated thermal power must
be adequately dissipated through the thermal and mechanical design of the application.
The spreading of the Module-to-Ambient thermal resistance (Rth,M-A) depends on the module operating
condition. The overall temperature distribution is influenced by the configuration of the active components
during the specific mode of operation and their different thermal resistance toward the case interface.
The Module-to-Ambient thermal resistance value and the relative increase of module temperature will
differ according to the specific mechanical deployments of the module, e.g. application PCB with different
dimensions and characteristics, mechanical shells enclosure, or forced air flow.
The increase of the thermal dissipation, i.e. the reduction of the Module-to-Ambient thermal resistance, will
decrease the temperature of the modules’ internal circuitry for a given operating ambient temperature. This
improves the device long-term reliability in particular for applications operating at high ambient temperature.
Recommended hardware techniques to be used to improve heat dissipation in the application:
Connect each GND pin with solid ground layer of the application board and connect each ground area of
the multilayer application board with complete thermal via stacked down to main ground layer.
Provide a ground plane as wide as possible on the application board.
Optimize antenna return loss, to optimize overall electrical performance of the module including a decrease
of module thermal power.
Optimize the thermal design of any high-power components included in the application, such as linear
regulators and amplifiers, to optimize overall temperature distribution in the application device.
Select the material, the thickness and the surface of the box (i.e. the mechanical enclosure) of the
application device that integrates the module so that it provides good thermal dissipation.
Beside the reduction of the Module-to-Ambient thermal resistance implemented by proper application hardware
design, the increase of module temperature can be moderated by proper application software implementation:
Enable power saving configuration using the AT+CPSMS command
Enable module connected-mode for a given time period and then disable it for a time period enough long to
properly mitigate temperature increase.

SARA-R4 series - System Integration Manual
UBX-16029218 - R03 Design-in
Page 69 of 94
2.12 Schematic for SARA-R4 series module integration
2.12.1 Schematic for SARA-R4 series modules
Figure 40 is an example of a schematic diagram where a SARA-R4 series module “00” or “01” product version is
integrated into an application board, using all the available interfaces and functions of the module.
3V8
GND
10uF 10nF
SARA-R4 series
52 VCC
53 VCC
51 VCC
68pF
SDA
SCL
26
27
RSVD GND
18 RESET_N
Application
Processor
Open
drain
output
15 PWR_ON
Open
drain
output
TP
TP
12 TXD
13 RXD
8DCD
10 RTS
11 CTS
9DTR
6DSR
7RI
TP
TP
TXD
RXD
DCD
RTS
CTS
DTR
DSR
RI
1.8 V DTE
GND GND
USB 2.0 host
D-
D+
28 USB_D-
29 USB_D+
VBUS 17 VUSB_DET
TP
TP
GND GND
0Ω
0Ω
0Ω
0Ω
47pF
SIM Card Holder
CCVCC (C1)
CCVPP (C6)
CCIO (C7)
CCCLK (C3)
CCRST (C2)
GND (C5)
47pF 47pF 100nF
41VSIM
39SIM_IO
38SIM_CLK
40SIM_RST
47pF
SW1
SW2
4V_INT
42GPIO5
470k ESD ESD ESD ESD ESD ESD
1k
TP
V_INT
3V8
Network
Indicator
62ANT_DET
10k
27pF ESD
82nH
56
Connector External
antenna
33pF
ANT
TP
0Ω
39nH
15pF
19
25
24
23
16
GPIO6
GPIO4
GPIO3
GPIO2
GPIO1
15pF100nF
Figure 40: Example of schematic diagram to integrate a SARA-R4 module using all available interfaces

SARA-R4 series - System Integration Manual
UBX-16029218 - R03 Design-in
Page 70 of 94
2.13 Design-in checklist
This section provides a design-in checklist.
2.13.1 Schematic checklist
The following are the most important points for a simple schematic check:
DC supply must provide a nominal voltage at VCC pin within the operating range limits.
DC supply must be capable of supporting the highest averaged current consumption values in
connected-mode, as specified in the SARA-R4 series Data Sheet [1].
VCC voltage supply should be clean, with very low ripple/noise: provide the suggested bypass capacitors,
in particular if the application device integrates an internal antenna.
Do not apply loads which might exceed the limit for maximum available current from V_INT supply.
Check that voltage level of any connected pin does not exceed the relative operating range.
Provide accessible test points directly connected to the following pins of the SARA-R4 series modules:
V_INT, PWR_ON and RESET_N for diagnostic purpose.
Capacitance and series resistance must be limited on each SIM signal to match the SIM specifications.
Insert the suggested pF capacitors on each SIM signal and low capacitance ESD protections if accessible.
Check UART signals direction, as the modules’ signal names follow the ITU-T V.24 Recommendation [5].
Capacitance and series resistance must be limited on each high speed line of the USB interface.
If the USB is not used, provide accessible test points directly connected to the USB interface (VUSB_DET,
USB_D+ and USB_D- pins).
Use transistors with at least an integrated resistor in the base pin or otherwise put a 10 k resistor on
the board in series to the GPIO when those are used to drive LEDs.
Provide proper precautions for EMC / ESD immunity as required on the application board.
Do not apply voltage to any generic digital interface pin of SARA-R4 series modules before the switch-
on of the generic digital interface supply source (V_INT).
All unused pins can be left unconnected.

SARA-R4 series - System Integration Manual
UBX-16029218 - R03 Design-in
Page 71 of 94
2.13.2 Layout checklist
The following are the most important points for a simple layout check:
Check 50 nominal characteristic impedance of the RF transmission line connected to the ANT port
(antenna RF interface).
Ensure no coupling occurs between the RF interface and noisy or sensitive signals (SIM signals,
high-speed digital lines such as USB, and other data lines).
Optimize placement for minimum length of RF line.
Check the footprint and paste mask designed for SARA-R4 series module as illustrated in section 2.10.
VCC line should be wide and as short as possible.
Route VCC supply line away from RF line / part and other sensitive analog lines / parts.
The VCC bypass capacitors in the picoFarad range should be placed as close as possible to the VCC pins,
in particular if the application device integrates an internal antenna.
Ensure an optimal grounding connecting each GND pin with application board solid ground layer.
Use as many vias as possible to connect the ground planes on multilayer application board, providing a
dense line of vias at the edges of each ground area, in particular along RF and high speed lines.
Keep routing short and minimize parasitic capacitance on the SIM lines to preserve signal integrity.
USB_D+ / USB_D- traces should meet the characteristic impedance requirement (90 differential and
30 common mode) and should not be routed close to any RF line / part.
2.13.3 Antenna checklist
Antenna termination should provide 50 characteristic impedance with V.S.W.R at least less than 3:1
(recommended 2:1) on operating bands in deployment geographical area.
Follow the recommendations of the antenna producer for correct antenna installation and deployment
(PCB layout and matching circuitry).
Ensure compliance with any regulatory agency RF radiation requirement, as reported in section 4.2.2 for
products marked with the FCC.
Ensure high isolation between the cellular antenna and any other antennas or transmitters present on
the end device.

SARA-R4 series - System Integration Manual
UBX-16029218 - R03 Handling and soldering
Page 72 of 94
3 Handling and soldering
No natural rubbers, no hygroscopic materials or materials containing asbestos are employed.
3.1 Packaging, shipping, storage and moisture preconditioning
For information pertaining to SARA-R4 series reels / tapes, Moisture Sensitivity levels (MSD), shipment and
storage information, as well as drying for preconditioning, see the SARA-R4 series Data Sheet [1] and the u-blox
Package Information Guide [15].
3.2 Handling
The SARA-R4 series modules are Electro-Static Discharge (ESD) sensitive devices.
Ensure ESD precautions are implemented during handling of the module.
Electrostatic discharge (ESD) is the sudden and momentary electric current that flows between two objects at
different electrical potentials caused by direct contact or induced by an electrostatic field. The term is usually
used in the electronics and other industries to describe momentary unwanted currents that may cause damage
to electronic equipment.
The ESD sensitivity for each pin of SARA-R4 series modules (as Human Body Model according to JESD22-A114F)
is specified in the SARA-R4 series Data Sheet [1].
ESD prevention is based on establishing an Electrostatic Protective Area (EPA). The EPA can be a small working
station or a large manufacturing area. The main principle of an EPA is that there are no highly charging materials
near ESD sensitive electronics, all conductive materials are grounded, workers are grounded, and charge build-up
on ESD sensitive electronics is prevented. International standards are used to define typical EPA and can be
obtained for example from International Electrotechnical Commission (IEC) or American National Standards
Institute (ANSI).
In addition to standard ESD safety practices, the following measures should be taken into account whenever
handling the SARA-R4 series modules:
Unless there is a galvanic coupling between the local GND (i.e. the work table) and the PCB GND, then the
first point of contact when handling the PCB must always be between the local GND and PCB GND.
Before mounting an antenna patch, connect ground of the device.
When handling the module, do not come into contact with any charged capacitors and be careful when
contacting materials that can develop charges (e.g. patch antenna, coax cable, soldering iron,…).
To prevent electrostatic discharge through the RF pin, do not touch any exposed antenna area. If there is
any risk that such exposed antenna area is touched in non ESD protected work area, implement proper ESD
protection measures in the design.
When soldering the module and patch antennas to the RF pin, make sure to use an ESD safe soldering iron.

SARA-R4 series - System Integration Manual
UBX-16029218 - R03 Handling and soldering
Page 73 of 94
3.3 Soldering
3.3.1 Soldering paste
"No Clean" soldering paste is strongly recommended for SARA-R4 series modules, as it does not require
cleaning after the soldering process has taken place. The paste listed in the example below meets these criteria.
Soldering Paste: OM338 SAC405 / Nr.143714 (Cookson Electronics)
Alloy specification: 95.5% Sn / 3.9% Ag / 0.6% Cu (95.5% Tin / 3.9% Silver / 0.6% Copper)
95.5% Sn / 4.0% Ag / 0.5% Cu (95.5% Tin / 4.0% Silver / 0.5% Copper)
Melting Temperature: 217 °C
Stencil Thickness: 150 µm for base boards
The final choice of the soldering paste depends on the approved manufacturing procedures.
The paste-mask geometry for applying soldering paste should meet the recommendations in section 2.10.
The quality of the solder joints on the connectors (“half vias”) should meet the appropriate IPC
specification.
3.3.2 Reflow soldering
A convection type-soldering oven is strongly recommended for SARA-R4 series modules over the infrared
type radiation oven. Convection heated ovens allow precise control of the temperature and all parts will be
heated up evenly, regardless of material properties, thickness of components and surface color.
Consider the ”IPC-7530 Guidelines for temperature profiling for mass soldering (reflow and wave) processes”,
published 2001.
Reflow profiles are to be selected according to the following recommendations.
Failure to observe these recommendations can result in severe damage to the device!
Preheat phase
Initial heating of component leads and balls. Residual humidity will be dried out. Note that this preheat phase
will not replace prior baking procedures.
Temperature rise rate: max 3 °C/s If the temperature rise is too rapid in the preheat phase it may cause
excessive slumping.
Time: 60 – 120 s If the preheat is insufficient, rather large solder balls tend to be
generated. Conversely, if performed excessively, fine balls and large
balls will be generated in clusters.
End Temperature: 150 - 200 °C If the temperature is too low, non-melting tends to be caused in
areas containing large heat capacity.
Heating/ reflow phase
The temperature rises above the liquidus temperature of 217 °C. Avoid a sudden rise in temperature as the
slump of the paste could become worse.
Limit time above 217 °C liquidus temperature: 40 - 60 s
Peak reflow temperature: 245 °C
Cooling phase
A controlled cooling avoids negative metallurgical effects (solder becomes more brittle) of the solder and
possible mechanical tensions in the products. Controlled cooling helps to achieve bright solder fillets with a good
shape and low contact angle.
Temperature fall rate: max 4 °C/s

SARA-R4 series - System Integration Manual
UBX-16029218 - R03 Handling and soldering
Page 74 of 94
To avoid falling off, modules should be placed on the topside of the motherboard during soldering.
The soldering temperature profile chosen at the factory depends on additional external factors like choice of
soldering paste, size, thickness and properties of the base board, etc.
Exceeding the maximum soldering temperature and the maximum liquidus time limit in the
recommended soldering profile may permanently damage the module.
Preheat Heating Cooling
[°C] Peak Temp. 245°C [°C]
250 250
Liquidus Temperature
217 217
200 200
40 - 60 s
End Temp.
max 4°C/s
150 - 200°C
150 150
max 3°C/s
60 - 120 s
100 Typical Leadfree 100
Soldering Profile
50 50
Elapsed time [s]
Figure 41: Recommended soldering profile
The modules must not be soldered with a damp heat process.
3.3.3 Optical inspection
After soldering the SARA-R4 series modules, inspect the modules optically to verify that the module is properly
aligned and centered.
3.3.4 Cleaning
Cleaning the modules is not recommended. Residues underneath the modules cannot be easily removed with a
washing process.
Cleaning with water will lead to capillary effects where water is absorbed in the gap between the baseboard
and the module. The combination of residues of soldering flux and encapsulated water leads to short circuits
or resistor-like interconnections between neighboring pads. Water will also damage the sticker and the ink-
jet printed text.
Cleaning with alcohol or other organic solvents can result in soldering flux residues flooding into the two
housings, areas that are not accessible for post-wash inspections. The solvent will also damage the sticker
and the ink-jet printed text.
Ultrasonic cleaning will permanently damage the module, in particular the quartz oscillators.
For best results use a "no clean" soldering paste and eliminate the cleaning step after the soldering.

SARA-R4 series - System Integration Manual
UBX-16029218 - R03 Handling and soldering
Page 75 of 94
3.3.5 Repeated reflow soldering
Only a single reflow soldering process is encouraged for boards with a module populated on it.
3.3.6 Wave soldering
Boards with combined through-hole technology (THT) components and surface-mount technology (SMT) devices
require wave soldering to solder the THT components. Only a single wave soldering process is encouraged for
boards populated with the modules.
3.3.7 Hand soldering
Hand soldering is not recommended.
3.3.8 Rework
Rework is not recommended.
Never attempt a rework on the module itself, e.g. replacing individual components. Such actions
immediately terminate the warranty.
3.3.9 Conformal coating
Certain applications employ a conformal coating of the PCB using HumiSeal® or other related coating products.
These materials affect the HF properties of the cellular modules and it is important to prevent them from flowing
into the module.
The RF shields do not provide 100% protection for the module from coating liquids with low viscosity, therefore
care is required in applying the coating.
Conformal Coating of the module will void the warranty.
3.3.10 Casting
If casting is required, use viscose or another type of silicon pottant. The OEM is strongly advised to qualify such
processes in combination with the cellular modules before implementing this in the production.
Casting will void the warranty.
3.3.11 Grounding metal covers
Attempts to improve grounding by soldering ground cables, wick or other forms of metal strips directly onto the
EMI covers is done at the customer's own risk. The numerous ground pins should be sufficient to provide
optimum immunity to interferences and noise.
u-blox gives no warranty for damages to the cellular modules caused by soldering metal cables or any
other forms of metal strips directly onto the EMI covers.
3.3.12 Use of ultrasonic processes
The cellular modules contain components which are sensitive to Ultrasonic Waves. Use of any Ultrasonic
Processes (cleaning, welding etc.) may cause damage to the module.
u-blox gives no warranty against damages to the cellular modules caused by any Ultrasonic Processes.

SARA-R4 series - System Integration Manual
UBX-16029218 - R03 Approvals
Page 76 of 94
4 Approvals
For the complete list and specific details regarding the certification schemes approvals, see SARA-R4 series
Data Sheet [1], or please contact the u-blox office or sales representative nearest you.
4.1 Product certification approval overview
Product certification approval is the process of certifying that a product has passed all tests and criteria required
by specifications, typically called “certification schemes” that can be divided into three distinct categories:
Regulatory certification
o Country specific approval required by local government in most regions and countries, such as:
CE (Conformité Européenne) marking for European Union
FCC (Federal Communications Commission) approval for United States
Industry certification
o Telecom industry specific approval verifying the interoperability between devices and networks:
GCF (Global Certification Forum), partnership between European device manufacturers and
network operators to ensure and verify global interoperability between devices and networks
PTCRB (PCS Type Certification Review Board), created by United States network operators to ensure
and verify interoperability between devices and North America networks
Operator certification
o Operator specific approval required by some mobile network operator, such as:
AT&T network operator in United States
Verizon Wireless network operator in United States
Even if SARA-R4 series modules are approved under all major certification schemes, the application device that
integrates SARA-R4 series modules must be approved under all the certification schemes required by the specific
application device to be deployed in the market.
The required certification scheme approvals and relative testing specifications differ depending on the country or
the region where the device that integrates SARA-R4 series modules must be deployed, on the relative vertical
market of the device, on type, features and functionalities of the whole application device, and on the network
operators where the device must operate.
Check the appropriate applicability of the SARA-R4 series module’s approvals while starting the
certification process of the device integrating the module: the re-use of the u-blox cellular module’s
approval can significantly reduce the cost and time to market of the application device certification.
The certification of the application device that integrates a SARA-R4 series module and the compliance of
the application device with all the applicable certification schemes, directives and standards are the sole
responsibility of the application device manufacturer.
SARA-R4 series modules are certified according to all capabilities and options stated in the Protocol
Implementation Conformance Statement document (PICS) of the module. The PICS, according to the 3GPP TS
36.521-2 [12] and 3GPP TS 36.523-2 [13], is a statement of the implemented and supported capabilities and
options of a device.
The PICS document of the application device integrating SARA-R4 series modules must be updated from
the module PICS statement if any feature stated as supported by the module in its PICS document is not
implemented or disabled in the application device. For more details regarding the AT commands settings
that affect the PICS, see the SARA-R4 series AT Commands Manual [1].
Check the specific settings required for mobile network operators approvals as they may differ from the
AT commands settings defined in the module as integrated in the application device.

SARA-R4 series - System Integration Manual
UBX-16029218 - R03 Approvals
Page 77 of 94
4.2 US Federal Communications Commission notice
United States Federal Communications Commission (FCC) IDs:
u-blox SARA-R404M cellular modules: XPY2AGQN1NNN
u-blox SARA-R410M cellular modules: XPY2AGQN4NNN
4.2.1 Safety warnings review the structure
Equipment for building-in. The requirements for fire enclosure must be evaluated in the end product
The clearance and creepage current distances required by the end product must be withheld when the
module is installed
The cooling of the end product shall not negatively be influenced by the installation of the module
Excessive sound pressure from earphones and headphones can cause hearing loss
No natural rubbers, hygroscopic materials, or materials containing asbestos are employed
4.2.2 Declaration of Conformity
This device complies with Part 15 of the FCC rules. Operation is subject to the following two conditions:
this device may not cause harmful interference
this device must accept any interference received, including interference that may cause undesired operation
Radiofrequency radiation exposure Information: this equipment complies with radiation exposure
limits prescribed for an uncontrolled environment for fixed and mobile use conditions. This
equipment should be installed and operated with a minimum distance of 20 cm between the
radiator and the body of the user or nearby persons. This transmitter must not be co-located or
operating in conjunction with any other antenna or transmitter except as authorized in the
certification of the product.
The gain of the system antenna(s) used for the SARA-R4 series modules (i.e. the combined
transmission line, connector, cable losses and radiating element gain) must not exceed the value
specified in the FCC Grant for mobile and fixed or mobile operating configurations:
o SARA-R404M modules:
o 13 dBi in 750 MHz, i.e. LTE FDD-13 band
o SARA-R410M modules:
o 3.67 dBi in 700 MHz, i.e. LTE FDD-12 band
o 4.10 dBi in 850 MHz, i.e. LTE FDD-5 band
o 6.74 dBi in 1700 MHz, i.e. LTE FDD-4 band
o 7.12 dBi in 1900 MHz, i.e. LTE FDD-2 band
o

SARA-R4 series - System Integration Manual
UBX-16029218 - R03 Approvals
Page 78 of 94
4.2.3 Modifications
The FCC requires the user to be notified that any changes or modifications made to this device that are not
expressly approved by u-blox could void the user's authority to operate the equipment.
Manufacturers of mobile or fixed devices incorporating the SARA-R4 series modules are
authorized to use the FCC Grants of the SARA-R4 series modules for their own final products
according to the conditions referenced in the certificates.
The FCC Label shall in the above case be visible from the outside, or the host device shall bear a
second label stating:
"Contains FCC ID: XPY2AGQN1NNN" resp.
"Contains FCC ID: XPY2AGQN4NNN" resp.
IMPORTANT: Manufacturers of portable applications incorporating the SARA-R4 series modules
are required to have their final product certified and apply for their own FCC Grant related to the
specific portable device. This is mandatory to meet the SAR requirements for portable devices.
Changes or modifications not expressly approved by the party responsible for compliance could
void the user's authority to operate the equipment.
Additional Note: as per 47CFR15.105 this equipment has been tested and found to comply with
the limits for a Class B digital device, pursuant to part 15 of the FCC Rules. These limits are
designed to provide reasonable protection against harmful interference in a residential
installation. This equipment generates, uses and can radiate radio frequency energy and, if not
installed and used in accordance with the instructions, may cause harmful interference to radio
communications. However, there is no guarantee that interference will not occur in a particular
installation. If this equipment does cause harmful interference to radio or television reception,
which can be determined by turning the equipment off and on, the user is encouraged to try to
correct the interference by one or more of the following measures:
o Reorient or relocate the receiving antenna
o Increase the separation between the equipment and receiver
o Connect the equipment into an outlet on a circuit different from that to which the receiver
is connected
o Consultant the dealer or an experienced radio/TV technician for help

SARA-R4 series - System Integration Manual
UBX-16029218 - R03 Approvals
Page 79 of 94
4.3 Innovation, Science and Economic Development Canada notice
ISED Canada (formerly known as IC - Industry Canada) Certification Numbers:
u-blox SARA-R410M cellular modules: 8595A-2AGQN4NNN
4.3.1 Declaration of Conformity
This device complies with Part 15 of the FCC rules and with the ISED Canada licence-exempt RSS standard(s).
Operation is subject to the following two conditions:
this device may not cause harmful interference
this device must accept any interference received, including interference that may cause undesired operation
Radiofrequency radiation exposure Information: this equipment complies with radiation exposure
limits prescribed for an uncontrolled environment for fixed and mobile use conditions. This
equipment should be installed and operated with a minimum distance of 20 cm between the
radiator and the body of the user or nearby persons. This transmitter must not be co-located or
operating in conjunction with any other antenna or transmitter except as authorized in the
certification of the product.
The gain of the system antenna(s) used for the SARA-R4 series modules (i.e. the combined
transmission line, connector, cable losses and radiating element gain) must not exceed the value
stated in the IC Grant for mobile and fixed or mobile operating configurations:
o SARA-R410M modules:
3.67 dBi in 700 MHz, i.e. LTE FDD-12 band
4.10 dBi in 850 MHz, i.e. LTE FDD-5 band
6.74 dBi in 1700 MHz, i.e. LTE FDD-4 band
7.12 dBi in 1900 MHz, i.e. LTE FDD-2 band
4.3.2 Modifications
The ISED Canada requires the user to be notified that any changes or modifications made to this device that are
not expressly approved by u-blox could void the user's authority to operate the equipment.
Manufacturers of mobile or fixed devices incorporating the SARA-R4 series modules are
authorized to use the ISED Canada Certificates of the SARA-R4 series modules for their own final
products according to the conditions referenced in the certificates.
The ISED Canada Label shall in the above case be visible from the outside, or the host device shall
bear a second label stating:
"Contains IC: 8595A-2AGQN4NNN" resp.
Innovation, Science and Economic Development Canada (ISED) Notices
This Class B digital apparatus complies with Canadian CAN ICES-3(B) / NMB-3(B).
Operation is subject to the following two conditions:
o this device may not cause interference
o this device must accept any interference, including interference that may cause undesired
operation of the device

SARA-R4 series - System Integration Manual
UBX-16029218 - R03 Approvals
Page 80 of 94
Radio Frequency (RF) Exposure Information
The radiated output power of the u-blox Cellular Module is below the Innovation, Science and
Economic Development Canada (ISED) radio frequency exposure limits. The u-blox Cellular
Module should be used in such a manner such that the potential for human contact during
normal operation is minimized.
This device has been evaluated and shown compliant with the ISED RF Exposure limits under
mobile exposure conditions (antennas are greater than 20 cm from a person's body).
This device has been certified for use in Canada. Status of the listing in the ISED’s REL (Radio
Equipment List) can be found at the following web address:
http://www.ic.gc.ca/app/sitt/reltel/srch/nwRdSrch.do?lang=eng
Additional Canadian information on RF exposure also can be found at the following web
address: http://www.ic.gc.ca/eic/site/smt-gst.nsf/eng/sf08792.html
IMPORTANT: Manufacturers of portable applications incorporating the SARA-R410M modules are
required to have their final product certified and apply for their own Industry Canada Certificate
related to the specific portable device. This is mandatory to meet the SAR requirements for
portable devices.
Changes or modifications not expressly approved by the party responsible for compliance could
void the user's authority to operate the equipment.
Avis d'Innovation, Sciences et Développement économique Canada (ISDE)
Cet appareil numérique de classe B est conforme aux normes canadiennes CAN ICES-3(B) /
NMB-3(B).
Son fonctionnement est soumis aux deux conditions suivantes:
o cet appareil ne doit pas causer d'interférence
o cet appareil doit accepter toute interférence, notamment les interférences qui peuvent
affecter son fonctionnement
Informations concernant l'exposition aux fréquences radio (RF)
La puissance de sortie émise par l’appareil de sans fil u-blox Cellular Module est inférieure à la
limite d'exposition aux fréquences radio d'Innovation, Sciences et Développement économique
Canada (ISDE). Utilisez l’appareil de sans fil u-blox Cellular Module de façon à minimiser les
contacts humains lors du fonctionnement normal.
Ce périphérique a été évalué et démontré conforme aux limites d'exposition aux fréquences
radio (RF) d'ISDE lorsqu'il est installé dans des produits hôtes particuliers qui fonctionnent dans
des conditions d'exposition à des appareils mobiles (les antennes se situent à plus de 20
centimètres du corps d'une personne).
Ce périphérique est homologué pour l'utilisation au Canada. Pour consulter l'entrée
correspondant à l’appareil dans la liste d'équipement radio (REL - Radio Equipment List) d'ISDE
rendez-vous sur:
http://www.ic.gc.ca/app/sitt/reltel/srch/nwRdSrch.do?lang=fra
Pour des informations supplémentaires concernant l'exposition aux RF au Canada rendez-vous
sur: http://www.ic.gc.ca/eic/site/smt-gst.nsf/fra/sf08792.html
IMPORTANT: les fabricants d'applications portables contenant les modules SARA-R4 series doivent
faire certifier leur produit final et déposer directement leur candidature pour une certification FCC
ainsi que pour un certificat ISDE Canada délivré par l'organisme chargé de ce type d'appareil
portable. Ceci est obligatoire afin d'être en accord avec les exigences SAR pour les appareils
portables.
Tout changement ou modification non expressément approuvé par la partie responsable de la
certification peut annuler le droit d'utiliser l'équipement.

SARA-R4 series - System Integration Manual
UBX-16029218 - R03 Approvals
Page 81 of 94

SARA-R4 series - System Integration Manual
UBX-16029218 - R03 Product testing
Page 82 of 94
5 Product testing
5.1 u-blox in-series production test
u-blox focuses on high quality for its products. All units produced are fully tested automatically in production
line. Stringent quality control process has been implemented in the production line. Defective units are analyzed
in detail to improve the production quality.
This is achieved with automatic test equipment (ATE) in production line, which logs all production and
measurement data. A detailed test report for each unit can be generated from the system. Figure 42 illustrates
typical automatic test equipment (ATE) in a production line.
The following typical tests are among the production tests.
Digital self-test (firmware download, Flash firmware verification, IMEI programming)
Measurement of voltages and currents
Adjustment of ADC measurement interfaces
Functional tests (serial interface communication, SIM card communication)
Digital tests (GPIOs and other interfaces)
Measurement and calibration of RF characteristics in all supported bands (such as receiver S/N verification,
frequency tuning of reference clock, calibration of transmitter and receiver power levels, etc.)
Verification of RF characteristics after calibration (i.e. modulation accuracy, power levels, spectrum, etc. are
checked to ensure they are all within tolerances when calibration parameters are applied)
Figure 42: Automatic test equipment for module tests

SARA-R4 series - System Integration Manual
UBX-16029218 - R03 Product testing
Page 83 of 94
5.2 Test parameters for OEM manufacturer
Because of the testing done by u-blox (with 100% coverage), an OEM manufacturer does not need to repeat
firmware tests or measurements of the module RF performance or tests over analog and digital interfaces in their
production test.
However, an OEM manufacturer should focus on:
Module assembly on the device; it should be verified that:
o Soldering and handling process did not damage the module components
o All module pins are well soldered on device board
o There are no short circuits between pins
Component assembly on the device; it should be verified that:
o Communication with host controller can be established
o The interfaces between module and device are working
o Overall RF performance test of the device including antenna
Dedicated tests can be implemented to check the device. For example, the measurement of module current
consumption when set in a specified status can detect a short circuit if compared with a “Golden Device” result.
In addition, module AT commands can be used to perform functional tests on digital interfaces (communication
with host controller, check SIM interface, GPIOs, etc.) or to perform RF performance tests (see the following
section 5.2.2 for details).
5.2.1 “Go/No go” tests for integrated devices
A “Go/No go” test is typically to compare the signal quality with a “Golden Device” in a location with excellent
network coverage and known signal quality. This test should be performed after data connection has been
established.
These kinds of test may be useful as a “go/no go” test but not for RF performance measurements.
This test is suitable to check the functionality of communication with host controller, SIM card as well as power
supply. It is also a means to verify if components at antenna interface are well soldered.
5.2.2 RF functional tests
The overall RF functional test of the device including the antenna can be performed with basic instruments such
as a spectrum analyzer (or an RF power meter) and a signal generator with the assistance of AT+UTEST
command over AT command user interface.
The AT+UTEST command provides a simple interface to set the module to Rx or Tx test modes ignoring the LTE
signaling protocol. The command can set the module into:
transmitting mode in a specified channel and power level in all supported modulation schemes and bands
receiving mode in a specified channel to returns the measured power level in all supported bands
See the SARA-R4 series AT Commands Manual [2] and the End user test Application Note [14], for the
AT+UTEST command syntax description and detail guide of usage.

SARA-R4 series - System Integration Manual
UBX-16029218 - R03 Product testing
Page 84 of 94
This feature allows the measurement of the transmitter and receiver power levels to check component assembly
related to the module antenna interface and to check other device interfaces from which depends the RF
performance.
To avoid module damage during transmitter test, a proper antenna according to module
specifications or a 50 termination must be connected to the ANT port.
To avoid module damage during receiver test, the maximum power level received at the ANT port
must meet module specifications.
The AT+UTEST command sets the module to emit RF power ignoring LTE signaling protocol. This emission
can generate interference that can be prohibited by law in some countries. The use of this feature is
intended for testing purpose in controlled environments by qualified user and must not be used during
the normal module operation. Follow instructions suggested in u-blox documentation. u-blox assumes no
responsibilities for the inappropriate use of this feature.
Figure 43 illustrates a typical test setup for such RF functional test.
Application Board
SARA-R4 series
ANT
Application
Processor
AT
commands
Cellular
antenna
Spectrum
Analyzer
or
Power
Meter
IN
Wideband
antenna
TX
Application Board
SARA-R4 series
Application
Processor
AT
commands Signal
Generator
OUT
Wideband
antenna
RX
ANT
Cellular
antenna
Figure 43: Setup with spectrum analyzer or power meter and signal generator for radiated measurements

SARA-R4 series - System Integration Manual
UBX-16029218 - R03 Appendix
Page 85 of 94
Appendix
A Migration between SARA-R4 and SARA-G3
A.1 Overview
SARA-G3 and SARA-R4 series cellular modules have exactly the same SARA form factor (26.0 x 16.0 mm LGA)
with exactly the same 96-pin layout as described in Figure 44, so that the modules can be alternatively mounted
on a single application board using exactly the same copper mask, solder mask and paste mask.
64 63 61 60 58 57 55 54
22 23 25 26 28 29 31 32
11
10
8
7
5
4
2
1
21
19
18
16
15
13
12
43
44
46
47
49
50
52
53
33
35
36
38
39
41
42
65 66 67 68 69 70
71 72 73 74 75 76
77 78
79 80
81 82
83 84
85 86 87 88 89 90
91 92 93 94 95 96
CTS
RTS
DCD
RI
V_INT
V_BCKP
GND
RSVD
RESET_N
RSVD
PWR_ON
RXD
TXD
3
20
17
14
9
6
24 27 30
51
48
45
40
37
34
5962 56
GND
GND
DSR
DTR
GND
RSVD
GND
GND
RXD_AUX
TXD_AUX
EXT32K
GND
RSVD
32K_OUT
RSVD
RSVD
RSVD
GND
GND
GND
RSVD
RSVD
RSVD
RSVD
GND
VCC
VCC
RSVD
RSVD
RSVD
SIM_CLK
SIM_IO
VSIM
SIM_DET
VCC
RSVD
RSVD
SIM_RST
RSVD
RSVD
GND
GND
GND
GND
GND
GND
GND
GND
GND
RSVD
ANT
SARA-G300
SARA-G310
Top View
Pin 65-96: GND
64 63 61 60 58 57 55 54
22 23 25 26 28 29 31 32
11
10
8
7
5
4
2
1
21
19
18
16
15
13
12
43
44
46
47
49
50
52
53
33
35
36
38
39
41
42
65 66 67 68 69 70
71 72 73 74 75 76
77 78
79 80
81 82
83 84
85 86 87 88 89 90
91 92 93 94 95 96
CTS
RTS
DCD
RI
V_INT
V_BCKP
GND
RSVD
RESET_N
GPIO1
PWR_ON
RXD
TXD
3
20
17
14
9
6
24 27 30
51
48
45
40
37
34
5962 56
GND
GND
DSR
DTR
GND
RSVD
GND
GND
RXD_AUX
TXD_AUX
RSVD
GND
GPIO2
GPIO3
SDA
SCL
GPIO4
GND
GND
GND
SPK_P
MIC_BIAS
MIC_GND
MIC_P
GND
VCC
VCC
RSVD
I2S_TXD
I2S_CLK
SIM_CLK
SIM_IO
VSIM
SIM_DET
VCC
MIC_N
SPK_N
SIM_RST
I2S_RXD
I2S_WA
GND
GND
GND
GND
GND
GND
GND
GND
GND
ANT_DET
ANT
SARA-G340
SARA-G350
Top View
Pin 65-96: GND
64 63 61 60 58 57 55 54
22 23 25 26 28 29 31 32
11
10
8
7
5
4
2
1
21
19
18
16
15
13
12
43
44
46
47
49
50
52
53
33
35
36
38
39
41
42
65 66 67 68 69 70
71 72 73 74 75 76
77 78
79 80
81 82
83 84
85 86 87 88 89 90
91 92 93 94 95 96
CTS
RTS
DCD
RI
V_INT
RSVD
GND
GPIO6
RESET_N
GPIO1
PWR_ON
RXD
TXD
3
20
17
14
9
6
24 27 30
51
48
45
40
37
34
5962 56
GND
GND
DSR
DTR
GND
VUSB_DET
GND
GND
USB_D-
USB_D+
RSVD
GND
GPIO2
GPIO3
SDA
SCL
GPIO4
GND
GND
GND
RSVD
RSVD
RSVD
RSVD
GND
VCC
VCC
RSVD
RSVD
RSVD
SIM_CLK
SIM_IO
VSIM
GPIO5
VCC
RSVD
RSVD
SIM_RST
RSVD
RSVD
GND
GND
GND
GND
GND
GND
GND
GND
GND
ANT_DET
ANT
SARA-R4
Top View
Pin 65-96: GND
Figure 44: SARA-G3 series and SARA-R4 series and modules pad layout and pin assignment
SARA modules are also form-factor compatible with the u-blox LISA, LARA and TOBY cellular module families:
although each has a different form factor, the footprints for the TOBY, LISA, SARA and LARA modules have
been developed to ensure layout compatibility.
With the u-blox “nested design” solution, any TOBY, LISA, SARA or LARA module can be alternatively mounted
on the same space of a single “nested” application board as described in Figure 45. Guidelines in order to
implement a nested application board, description of the u-blox reference nested design and comparison
between TOBY, LISA, SARA and LARA modules are provided in the Nested Design Application Note [18].
LISA cellular module
LARA cellular module
SARA cellular module
Nested application board
TOBY cellular module
Figure 45: TOBY, LISA, SARA, LARA modules’ layout compatibility: all modules are accommodated on the same nested footprint

SARA-R4 series - System Integration Manual
UBX-16029218 - R03 Appendix
Page 86 of 94
Figure 31 summarizes the interfaces provided by SARA-G3 and SARA-R4 series modules.
Modules
Power
Antenna
System
SIM
Serial
Audio
Other
Module supply input
RTC supply I/O
1.8 V supply Output
Antenna RF I/O
Rx diversity input
Antenna detection
Power-on input
Reset input
32 kHz input
32 kHz output
1.8 V / 3.0 V SIM
SIM detection
1.8 V UART
1.8 V UART AUX
1.8 V SPI
USB 2.0
1.8 V DDC
Analog audio I/O
1.8 V digital audio
13/26 MHz output
1.8 V GPIOs
Network indication
GNSS supply enable
GNSS Tx data ready
GNSS RTC sharing
SARA-G300/G310 series
•
•
•
•
•
•
•
•
•
•
•
•
SARA-G340/G350 series
•
•
•
•
•
•
•
•
•
•
•
•
•
•
•
•
•
•
•
SARA-R4 series
•
•
•
•
•
•
•
•
•
•
F
F
•
•
F
F
F
F = supported by future product versions
Table 30: Summary of SARA-R4 and SARA-G3 series modules interfaces

SARA-R4 series - System Integration Manual
UBX-16029218 - R03 Appendix
Page 87 of 94
A.2 Pin-out comparison between SARA-R4 and SARA-G3
SARA-G3
SARA-R4
Pin No
Pin Name
Description
Pin Name
Description
Remarks for migration
1
GND
Ground
GND
Ground
2
V_BCKP
RTC Supply I/O
RSVD
Reserved
RTC supply not available on
SARA-R4 series modules
3
GND
Ground
GND
Ground
4
V_INT
Interfaces Supply Out
Output characteristics:
1.8 V typ, 70 mA max
V_INT
Interfaces Supply Out
Output characteristics:
1.8 V typ, 70 mA max
No functional difference
5
GND
Ground
GND
Ground
6
DSR
UART DSR Output
1.8 V, Driver strength: 6 mA
DSR
UART DSR Output
1.8 V, Driver strength: 2 mA
No functional difference
7
RI
UART RI Output
1.8 V, Driver strength: 6 mA
RI
UART RI Output
1.8 V, Driver strength: 2 mA
No functional difference
8
DCD
UART DCD Output
1.8 V, Driver strength: 6 mA
DCD
UART DCD Output
1.8 V, Driver strength: 2 mA
No functional difference
9
DTR
UART DTR Input
1.8 V, Internal pull-up: ~33 k
DTR
UART DTR Input
1.8 V, Internal pull-up: ~100 k
No functional difference
10
RTS
UART RTS Input
1.8 V, Internal pull-up:~58 k
RTS
UART RTS Input
1.8 V, Internal pull-up: ~100 k
No functional difference
11
CTS
UART CTS Output
1.8 V, Driver strength: 6 mA
CTS
UART CTS Output
1.8 V, Driver strength: 2 mA
No functional difference
12
TXD
UART Data Input
1.8 V, Internal pull-up:~18 k
TXD
UART Data Input
1.8 V, Internal pull-up: ~100 k
No functional difference
13
RXD
UART Data Output
1.8 V, Driver strength: 6 mA
RXD
UART Data Output
1.8 V, Driver strength: 2 mA
No functional difference
14
GND
Ground
GND
Ground
15
PWR_ON
Power-on Input
No internal pull-up
L-level: -0.10 V – 0.65 V
H-level: 2.00 V – 4.50 V
ON L-level time:
5 ms min
OFF L-level pulse time: Not Available
PWR_ON
Power-on Input
200 k internal pull-up
L-level: -0.30 V – 0.35 V
H-level: 1.17 V – 2.10 V
ON L-level pulse time:
0.15 s min – 3.2 s max
OFF L-level pulse time: 1.5 s min
On SARA-R4 series, the
module is powered on
applying a low pulse on the
PWR_ON pin.
PWR_ON pin can be used to
power off SARA-R4 series
modules
16
GPIO1 / RSVD
1.8 V GPIO / Reserved
Default: Pin disabled
Driver strength: 6 mA
GPIO1
1.8 V GPIO
Default: Pin disabled
Driver strength: 2 mA
No functional difference
17
RSVD
Reserved
VUSB_DET
USB Detect Input
5 V, Supply detection
USB detection instead of
Reserved available on
SARA-R4 series
18
RESET_N
Reset signal
Internal diode & pull-up
L-level: -0.30 V – 0.30 V
H-level: 2.00 V – 4.70 V
Reset L-level pulse time:
50 ms min (SARA-G350/G340)
3 s min (SARA-G300/G310)
RESET_N
Reset signal
37 k internal pull-up
L-level: -0.30 V – 0.35 V
H-level: 1.17 V – 2.10 V
Reset L-level pulse time:
10 s min
On SARA-R4 series, a low
level on the RESET_N line
triggers an abrupt hardware
shutdown of the module
19
RSVD
Reserved
GPIO6
1.8 V GPIO
GPIO available instead of
Reserved on SARA-G3 series
20-22
GND
Ground
GND
Ground
23
GPIO2 / RSVD
1.8 V GPIO / Reserved
Default: GNSS supply enable
Driver strength: 6 mA
GPIO2
1.8 V GPIO
Default: Pin disabled
Driver strength: 2 mA
No functional difference
24
GPIO3 /
32K_OUT
1.8 V GPIO / 32 kHz Output
Default: GNSS data ready
Driver strength: 5 mA
GPIO3
1.8 V GPIO
Default: Pin disabled
Driver strength: 2 mA
No functional difference
25
GPIO4 / RSVD
1.8 V GPIO / Reserved
Default: GNSS RTC sharing
Driver strength: 6 mA
GPIO4
1.8 V GPIO
Default: Output/Low
Driver strength: 2 mA
No functional difference
26
SDA / RSVD
I2C Data I/O / Reserved
1.8 V, open drain, no internal pull-up
SDA
I2S Data I/O
1.8 V, open drain, internal pull-up
No functional difference
27
SCL / RSVD
I2C Clock Output / Reserved
1.8 V, open drain, no internal pull-up
SCL
I2C Clock Output
1.8 V, open drain, internal pull-up
No functional difference

SARA-R4 series - System Integration Manual
UBX-16029218 - R03 Appendix
Page 88 of 94
SARA-G3
SARA-R4
Pin No
Pin Name
Description
Pin Name
Description
Remarks for migration
28
RXD_AUX
Aux UART Data Out
1.8 V
USB_D-
USB Data I/O (D-)
High-Speed USB 2.0
USB instead of Auxiliary
UART on SARA-R4 series
29
TXD_AUX
Aux UART Data In
1.8 V
USB_D+
USB Data I/O (D+)
High-Speed USB 2.0
USB instead of Auxiliary
UART on SARA-R4 series
30
GND
Ground
GND
Ground
31
RSVD / EXT32K
Reserved / 32 kHz Input
RSVD
Reserved
No functional difference
32
GND
Ground
GND
Ground
33
RSVD
Reserved, to be connected to GND
RSVD
Reserved, can be connected to GND
No functional difference
34
I2S_WA / RSVD
I2S Word Alignment / Reserved
1.8 V
RSVD
Reserved
Reserved on SARA-R4 series
modules
35
I2S_TXD / RSVD
I2S Data Output / Reserved
1.8 V
RSVD
Reserved
Reserved on SARA-R4 series
modules
36
I2S_CLK / RSVD
I2S Clock / Reserved
1.8 V
RSVD
Reserved
Reserved on SARA-R4 series
modules
37
I2S_RXD / RSVD
I2S Data Input / Reserved
1.8 V
RSVD
Reserved
Reserved on SARA-R4 series
modules
38
SIM_CLK
SIM Clock Output
SIM_CLK
SIM Clock Output
No functional difference
39
SIM_IO
SIM Data I/O
SIM_IO
SIM Data I/O
No functional difference
40
SIM_RST
SIM Reset Output
SIM_RST
SIM Reset Output
No functional difference
41
VSIM
SIM Supply Output
VSIM
SIM Supply Output
No functional difference
42
SIM_DET
SIM Detection Input
1.8 V
GPIO5
SIM Detection Input
1.8 V
No functional difference
43
GND
Ground
GND
Ground
44
SPK_P / RSVD
Analog Audio Out (+) / Reserved
RSVD
Reserved
Reserved on SARA-R4 series
modules
45
SPK_N / RSVD
Analog Audio Out (-) / Reserved
RSVD
Reserved
Reserved on SARA-R4 series
modules
46
MIC_BIAS / RSVD
Microphone Supply Out / Reserved
RSVD
Reserved
Reserved on SARA-R4 series
modules
47
MIC_GND / RSVD
Microphone Ground / Reserved
RSVD
Reserved
Reserved on SARA-R4 series
modules
48
MIC_N / RSVD
Analog Audio In (-) / Reserved
RSVD
Reserved
Reserved on SARA-R4 series
modules
49
MIC_P / RSVD
Analog Audio In (+) / Reserved
RSVD
Reserved
Reserved on SARA-R4 series
modules
50
GND
Ground
GND
Ground
51-53
VCC
Module Supply Input
Normal op. range:
3.35 V – 4.5 V
Extended op. range:
3.00 V – 4.5 V
VCC
Module Supply Input
Normal op. range:
3.2 V – 4.2 V
Extended op. range:
3.0 V – 4.3 V
No functional difference
54-55
GND
Ground
GND
Ground
56
ANT
RF Antenna I/O
ANT
RF Antenna I/O
No functional difference
57-61
GND
Ground
GND
Ground
62
ANT_DET / RSVD
Antenna Detection Input / Reserved
ANT_DET
Antenna Detection Input
No functional difference
63-96
GND
Ground
GND
Ground
Table 31: SARA-R4 and SARA-G4 series modules pin assignment with remarks for migration
For further details regarding the characteristics, capabilities, usage or settings applicable for each interface
of the cellular modules, see the SARA-R4 series Data Sheet [1], the SARA-G3 series Data Sheet [16], the
SARA-G3 / SARA-U2 series System Integration Manual [17], the SARA-R4 series AT Commands Manual [2]
and the Nested Design Application Note [18].

SARA-R4 series - System Integration Manual
UBX-16029218 - R03 Appendix
Page 89 of 94
A.3 Schematic for SARA-R4 and SARA-G3 integration
Figure 46 shows an example of schematic diagram where a SARA-R3 or a SARA-G3 series module can be
integrated into the same application board, using all the available interfaces and functions of the modules. The
different mounting options for the external parts are highlighted in different colors as described in the legend,
according to the interfaces supported by the relative modules.
TXD
RXD
RTS
CTS
DTR
DSR
RI
DCD
GND
12 TXD
9DTR
13 RXD
10 RTS
11 CTS
6DSR
7RI
8DCD
GND
3V8
GND
330µF 10nF100nF 56pF
SARA-R4 / SARA-G3
52 VCC
53 VCC
51 VCC
+
100µF
2V_BCKP
GND GND
GND
RTC
back-up
1.8V UART DTE
1.8V UART DTE
16 RSVD / GPIO1
3V8
Network
Indicator
18 RESET_N
Application
Processor
Open
Drain
Output
15 PWR_ON
100k
Open
Drain
Output
TXD
RXD
29 TXD_AUX / USB_D+
28 RXD_AUX / USB_D-
0Ω
0Ω
TP
TP
15pF
33 RSVD
V_BCKP
TP
TP
47pF
SIM Card
Connector
CCVCC (C1)
CCVPP (C6)
CCIO (C7)
CCCLK (C3)
CCRST (C2)
GND (C5)
47pF 47pF 100nF
41VSIM
39SIM_IO
38SIM_CLK
40SIM_RST
47pF
SW1
SW2
4V_INT
42SIM_DET / GPIO5
470k ESD ESD ESD ESD ESD ESD
56
ANT
62ANT_DET
10k 82nH
33pF Connector
27pF ESD
External
Antenna
1k
TP
u-blox 1.8V
GNSS Receiver
4.7k
OUTIN
GND
LDO Regulator
SHDN
RSVD / SDA
RSVD / SCL
4.7k
3V8 1V8_GPS
SDA2
SCL2
32K_OUT / GPIO3
RSVD / GPIO4
TxD1
EXTINT0
26
27
24
25
47k
VCC
RSVD / GPIO2 23
V_INT
BCLK
LRCLK
10µF1µF
Audio Codec
SDIN
SDOUT
SDA
SCL
36RSVD / I2S_CLK
34RSVD / I2S_WA
35RSVD / I2S_TXD
37RSVD / I2S_RXD
19RSVD / GPIO6 MCLK
IRQn
10k
100nF
VDD
Speaker
OUTP
OUTN
Microphone
MICBIAS 1µF 2.2k
1µF
1µF
MICLN
MICLP
MICGND
2.2k
ESD ESD
V_INT
EMI
EMI
27pF27pF
EMI
EMI
ESD ESD
27pF27pF
31EXT32K / RSVD
0Ω
49RSVD / MIC_P
2.2k
2.2k 2.2k
48RSVD / MIC_N
2.2k
10uF
46RSVD / MIC_BIAS
47RSVD / MIC_GND
100nF
100nF
44RSVD / SPK_P
45RSVD / SPK_N
V_INT
VBUS
D+
D-
GND
17 RSVD / VUSB_DET
GND
USB 2.0 Host
0Ω
0Ω
0Ω
0Ω
0Ω
TP
TP
TP
0Ωfor SARA-G300 / SARA-G310
Mount for SARA-G300 / SARA-G310 modules
Mount for SARA-G340 / SARA-G350 modules
Mount for SARA-R4 modules
Mount for SARA-G3 modules
Mount for SARA-G340 / SARA-G350 / SARA-R4 modules
Mount for SARA-G3 and SARA-R4 modules
LEGEND
+
0Ω
0Ω
0Ω
TP
TP
15pF
39nH
0Ωfor SARA-G3 modules
0Ω
TP
TP 0Ω
0Ω
0Ω
TP
TP
0Ω
TP
MCLK
SDA
SCL
Figure 46: Example of complete schematic diagram to integrate SARA-R4 modules and SARA-G3 modules on the same
application board, using all the available interfaces / functions of the modules

SARA-R4 series - System Integration Manual
UBX-16029218 - R03 Appendix
Page 90 of 94
B Glossary
3GPP
3rd Generation Partnership Project
8-PSK
8 Phase-Shift Keying modulation
16QAM
16-state Quadrature Amplitude Modulation
64QAM
64-state Quadrature Amplitude Modulation
ACM
Abstract Control Model
ADC
Analog to Digital Converter
AP
Application Processor
ASIC
Application-Specific Integrated Circuit
AT
AT Command Interpreter Software Subsystem, or attention
BAW
Bulk Acoustic Wave
CSFB
Circuit Switched Fall-Back
DC
Direct Current
DCE
Data Communication Equipment
DDC
Display Data Channel interface
DL
Down-Link (Reception)
DRX
Discontinuous Reception
DSP
Digital Signal Processing
DTE
Data Terminal Equipment
ECM
Ethernet networking Control Model
EDGE
Enhanced Data rates for GSM Evolution
EMC
Electro-Magnetic Compatibility
EMI
Electro-Magnetic Interference
ESD
Electro-Static Discharge
ESR
Equivalent Series Resistance
E-UTRA
Evolved Universal Terrestrial Radio Access
FDD
Frequency Division Duplex
FEM
Front End Module
FOAT
Firmware Over AT commands
FOTA
Firmware Over The Air
FTP
File Transfer Protocol
FW
Firmware
GND
Ground
GNSS
Global Navigation Satellite System
GPIO
General Purpose Input Output
GPRS
General Packet Radio Service
GPS
Global Positioning System
HBM
Human Body Model
HSIC
High Speed Inter Chip
HSDPA
High Speed Downlink Packet Access
HSUPA
High Speed Uplink Packet Access
HTTP
HyperText Transfer Protocol
HW
Hardware
I/Q
In phase and Quadrature
I2C
Inter-Integrated Circuit interface
I2S
Inter IC Sound interface
IP
Internet Protocol
LDO
Low-Dropout
LGA
Land Grid Array

SARA-R4 series - System Integration Manual
UBX-16029218 - R03 Appendix
Page 91 of 94
LNA
Low Noise Amplifier
LPDDR
Low Power Double Data Rate synchronous dynamic RAM memory
LTE
Long Term Evolution
M2M
Machine-to-Machine
MBIM
Mobile Broadband Interface Model
MIMO
Multi-Input Multi-Output
N/A
Not Applicable
N.A.
Not Available
NCM
Network Control Model
OEM
Original Equipment Manufacturer device: an application device integrating a u-blox cellular module
OTA
Over The Air
PA
Power Amplifier
PCM
Pulse Code Modulation
PCN / IN
Product Change Notification / Information Note
PCS
Personal Communications Service
PFM
Pulse Frequency Modulation
PMU
Power Management Unit
PWM
Pulse Width Modulation
QPSK
Quadrature Phase Shift Keying
RF
Radio Frequency
RMII
Reduced Media Independent Interface
RNDIS
Remote Network Driver Interface Specification
RSE
Radiated Spurious Emission
RTC
Real Time Clock
SAW
Surface Acoustic Wave
SDIO
Secure Digital Input Output
SIM
Subscriber Identification Module
SMS
Short Message Service
SRF
Self Resonant Frequency
SSL
Secure Socket Layer
TBD
To Be Defined
TCP
Transmission Control Protocol
TDD
Time Division Duplex
TDMA
Time Division Multiple Access
TIS
Total Isotropic Sensitivity
TP
Test-Point
TRP
Total Radiated Power
UART
Universal Asynchronous Receiver-Transmitter
UDP
User Datagram Protocol
UICC
Universal Integrated Circuit Card
UL
Up-Link (Transmission)
UMTS
Universal Mobile Telecommunications System
USB
Universal Serial Bus
VCO
Voltage Controlled Oscillator
VoLTE
Voice over LTE
VSWR
Voltage Standing Wave Ratio
Wi-Fi
Wireless Local Area Network (IEEE 802.11 short range radio technology)
WLAN
Wireless Local Area Network (IEEE 802.11 short range radio technology)
WWAN
Wireless Wide Area Network (GSM / UMTS / LTE cellular radio technology)

SARA-R4 series - System Integration Manual
UBX-16029218 - R03 Related documents
Page 92 of 94
Related documents
[1] u-blox SARA-R4 series Data Sheet, u-blox Document UBX-16024152
[2] u-blox SARA-R4 series AT Commands Manual, Docu No UBX-17003787
[3] u-blox EVK-R4xx User Guide
[4] Universal Serial Bus Revision 2.0 specification, http://www.usb.org/developers/docs/usb20_docs/
[5] ITU-T Recommendation V.24 - 02-2000 - List of definitions for interchange circuits between Data Terminal
Equipment (DTE) and Data Circuit-terminating Equipment (DCE),
http://www.itu.int/rec/T-REC-V.24-200002-I/en
[6] 3GPP TS 27.007 - AT command set for User Equipment (UE)
[7] 3GPP TS 27.005 - Use of Data Terminal Equipment - Data Circuit terminating; Equipment (DTE - DCE)
interface for Short Message Service (SMS) and Cell Broadcast Service (CBS)
[8] 3GPP TS 27.010 - Terminal Equipment to User Equipment (TE-UE) multiplexer protocol
[9] I2C-bus specification and user manual - Rev. 5 - 9 October 2012 - NXP Semiconductors,
http://www.nxp.com/documents/user_manual/UM10204.pdf
[10] GSM Association TS.09 - Battery Life Measurement and Current Consumption Technique,
http://www.gsma.com/newsroom/wp-content/uploads/TS.09_v9.0.pdf
[11] 3GPP TS 36.521-1 - Evolved Universal Terrestrial Radio Access; User Equipment conformance specification;
Radio transmission and reception; Part 1: Conformance Testing
[12] 3GPP TS 36.521-2 - Evolved Universal Terrestrial Radio Access (E-UTRA); User Equipment conformance
specification; Radio transmission and reception; Part 2: Implementation Conformance Statement (ICS)
[13] 3GPP TS 36.523-2 - Evolved Universal Terrestrial Radio Access (E-UTRA) and Evolved Packet Core (EPC);
User Equipment conformance specification; Part 2: Implementation Conformance Statement (ICS)
[14] u-blox End user test Application Note, Docu No UBX-13001922
[15] u-blox Package Information Guide, Docu No UBX-14001652
[16] u-blox SARA-G3 series Data Sheet, Docu No UBX-13000993
[17] u-blox SARA-G3 / SARA-U2 series System Integration Manual, Docu No UBX- 13000995
[18] u-blox Nested Design Application Note, Docu No UBX-16007243
Some of the above documents can be downloaded from u-blox web-site (http://www.u-blox.com/).

SARA-R4 series - System Integration Manual
UBX-16029218 - R03 Revision history
Page 93 of 94
Revision history
Revision
Date
Name
Status / Comments
R01
31-Jan-2017
sfal
Initial release for SARA-R4 series modules
R02
05-May-2017
sfal / sses
Updated supported features and characteristics
Extended document applicability to SARA-R410M-01B product version
R03
24-May-2017
sses
Updated supported features and electrical characteristics

SARA-R4 series - System Integration Manual
UBX-16029218 - R03 Contact
Page 94 of 94
Contact
For complete contact information visit us at http://www.u-blox.com/
u-blox Offices
North, Central and South America
u-blox America, Inc.
Phone: +1 703 483 3180
E-mail: info_us@u-blox.com
Regional Office West Coast:
Phone: +1 408 573 3640
E-mail: info_us@u-blox.com
Technical Support:
Phone: +1 703 483 3185
E-mail: support_us@u-blox.com
Headquarters
Europe, Middle East, Africa
u-blox AG
Phone: +41 44 722 74 44
E-mail: info@u-blox.com
Support: support@u-blox.com
Asia, Australia, Pacific
u-blox Singapore Pte. Ltd.
Phone: +65 6734 3811
E-mail: info_ap@u-blox.com
Support: support_ap@u-blox.com
Regional Office Australia:
Phone: +61 2 8448 2016
E-mail: info_anz@u-blox.com
Support: support_ap@u-blox.com
Regional Office China (Beijing):
Phone: +86 10 68 133 545
E-mail: info_cn@u-blox.com
Support: support_cn@u-blox.com
Regional Office China (Chongqing):
Phone: +86 23 6815 1588
E-mail: info_cn@u-blox.com
Support: support_cn@u-blox.com
Regional Office China (Shanghai):
Phone: +86 21 6090 4832
E-mail: info_cn@u-blox.com
Support: support_cn@u-blox.com
Regional Office China (Shenzhen):
Phone: +86 755 8627 1083
E-mail: info_cn@u-blox.com
Support: support_cn@u-blox.com
Regional Office India:
Phone: +91 80 4050 9200
E-mail: info_in@u-blox.com
Support: support_in@u-blox.com
Regional Office Japan (Osaka):
Phone: +81 6 6941 3660
E-mail: info_jp@u-blox.com
Support: support_jp@u-blox.com
Regional Office Japan (Tokyo):
Phone: +81 3 5775 3850
E-mail: info_jp@u-blox.com
Support: support_jp@u-blox.com
Regional Office Korea:
Phone: +82 2 542 0861
E-mail: info_kr@u-blox.com
Support: support_kr@u-blox.com
Regional Office Taiwan:
Phone: +886 2 2657 1090
E-mail: info_tw@u-blox.com
Support: support_tw@u-blox.com