u blox NINAB1 Bluetooth module NINAB1 User Manual NINA B1 series
u-blox AG Bluetooth module NINAB1 NINA B1 series
u blox >
User Manual

NINA-B1 series
Stand-alone Bluetooth low energy
modules
Data Sheet
Abstract
This technical data sheet describes the NINA-B1 series stand-alone
Bluetooth low energy modules. With embedded Bluetooth low
energy profiles and services, these modules are tailored for OEMs
who wish to embed their own application on top of the available
BLE stack and/or to embed Bluetooth services/attributes on top of
the integrated software stack and tools using ARM mbed IDE.
www.u-blox.com
UBX-15019243 - R05

NINA-B1 series - Data Sheet
UBX-15019243 - R05 Early Production Information Page 2 of 35
Document Information
Title
NINA-B1 series
Subtitle
Stand-alone Bluetooth low energy modules
Document type
Data Sheet
Document number
UBX-15019243
Revision and date
R05
17-Jun-2016
Document status
Early Production Information
Document status explanation
Objective Specification
Document contains target values. Revised and supplementary data will be published later.
Advance Information
Document contains data based on early testing. Revised and supplementary data will be published later.
Early Production Information
Document contains data from product verification. Revised and supplementary data may be published later.
Production Information
Document contains the final product specification.
This document applies to the following products:
Product name
Type number
ROM/FLASH version
PCN / IN reference
NINA-B111
NINA-B111-00B-00
1.0.0
TBD
NINA-B112
NINA-B112-00B-00
1.0.0
TBD
u-blox reserves all rights to this document and the information contained herein. Products, names, logos and designs described herein may in
whole or in part be subject to intellectual property rights. Reproduction, use, modification or disclosure to third parties of this document or
any part thereof without the express permission of u-blox is strictly prohibited.
The information contained herein is provided “as is” and u-blox assumes no liability for the use of the information. No warranty, either
express or implied, is given, including but not limited, with respect to the accuracy, correctness, reliability and fitness for a particular purpose
of the information. This document may be revised by u-blox at any time. For most recent documents, visit www.u-blox.com.
Copyright © 2016, u-blox AG.
u-blox® is a registered trademark of u-blox Holding AG in the EU and other countries. ARM® is the registered trademark of ARM Limited in
the EU and other countries.

NINA-B1 series - Data Sheet
UBX-15019243 - R05 Early Production Information Contents
Page 3 of 35
Contents
Contents .............................................................................................................................. 3
1 Functional description .................................................................................................. 6
1.1 Overview .............................................................................................................................................. 6
1.2 Product features ................................................................................................................................... 6
1.3 Block diagram ....................................................................................................................................... 7
1.3.1 NINA-B111 .................................................................................................................................... 7
1.3.2 NINA-B112 .................................................................................................................................... 7
1.4 Product description ............................................................................................................................... 7
1.5 AT command support ........................................................................................................................... 8
1.6 Supported features ............................................................................................................................... 8
2 Interfaces ...................................................................................................................... 9
2.1 Power management ............................................................................................................................. 9
2.1.1 Module supply input (VCC) ........................................................................................................... 9
2.1.2 Digital I/O interfaces reference voltage (VCC_IO) ........................................................................... 9
2.2 RF antenna interfaces ........................................................................................................................... 9
2.2.1 2.4 GHz Bluetooth low energy (ANT) ............................................................................................. 9
2.2.2 Near Field Communication (NFC) ................................................................................................... 9
2.3 System functions .................................................................................................................................. 9
2.3.1 Module power-on ......................................................................................................................... 9
2.3.2 Module power-off ....................................................................................................................... 10
2.3.3 Standby mode ............................................................................................................................. 10
2.3.4 Sleep mode ................................................................................................................................. 10
2.3.5 Module reset ............................................................................................................................... 10
2.3.6 Real Time Counter (RTC) ............................................................................................................. 11
2.4 Serial interfaces .................................................................................................................................. 11
2.4.1 Asynchronous serial interface (UART)........................................................................................... 11
2.4.2 Serial peripheral interface (SPI) ..................................................................................................... 11
2.4.3 I2C interface................................................................................................................................. 11
2.5 GPIO ................................................................................................................................................... 12
2.6 Analog interfaces ................................................................................................................................ 12
2.6.1 ADC ............................................................................................................................................ 12
2.6.2 Comparator................................................................................................................................. 12
2.6.3 Low power comparator ............................................................................................................... 12
2.6.4 Analog pin options ...................................................................................................................... 13
2.7 NINA-B11x firmware features ............................................................................................................. 13
2.7.1 System status signals ................................................................................................................... 13
2.7.2 System control signals ................................................................................................................. 13
2.7.3 UART signals ............................................................................................................................... 13
3 Pin definition .............................................................................................................. 14
3.1 Pin assignment ................................................................................................................................... 14
3.2 Pin assignment in the NINA-B11x firmware ......................................................................................... 16

NINA-B1 series - Data Sheet
UBX-15019243 - R05 Early Production Information Contents
Page 4 of 35
4 Electrical specifications .............................................................................................. 18
4.1 Absolute maximum ratings ................................................................................................................. 18
4.1.1 Maximum ESD ratings ................................................................................................................. 18
4.2 Operating conditions .......................................................................................................................... 18
4.2.1 Operating temperature range ...................................................................................................... 18
4.2.2 Supply/Power pins ....................................................................................................................... 19
4.2.3 Current consumption .................................................................................................................. 19
4.2.4 RF performance ........................................................................................................................... 19
4.2.5 RESET_N pin ................................................................................................................................ 20
4.2.6 Digital pins .................................................................................................................................. 20
5 Mechanical specifications .......................................................................................... 21
6 Qualification and approvals ...................................................................................... 22
6.1 Compliance with the RoHS directive ................................................................................................... 22
6.2 European Union regulatory compliance .............................................................................................. 22
6.3 Safety Compliance .............................................................................................................................. 22
6.4 FCC and IC Compliance ...................................................................................................................... 22
6.4.1 IC compliance.............................................................................................................................. 22
6.4.2 Conformité aux norms d´IC ......................................................................................................... 22
6.4.3 FCC statement ............................................................................................................................ 23
6.4.4 Labeling requirements for end product ........................................................................................ 24
6.4.5 FCC and IC IDs ............................................................................................................................ 24
6.5 NCC Taiwan compliance ..................................................................................................................... 24
6.5.1 Taiwan NCC Warning Statement ................................................................................................. 24
6.5.2 NINA-B111 labeling requirements for end product ...................................................................... 25
6.5.3 NINA-B112 labeling requirements for end product ...................................................................... 25
6.6 Bluetooth qualification information .................................................................................................... 25
7 Antennas ..................................................................................................................... 26
Approved antennas list ........................................................................................................................... 26
7.1 ................................................................................................................................................................ 26
8 Product handling ........................................................................................................ 28
8.1 Packaging ........................................................................................................................................... 28
8.1.1 Reels ........................................................................................................................................... 28
8.1.2 Tapes .......................................................................................................................................... 28
8.2 Moisture sensitivity levels .................................................................................................................... 30
8.3 Reflow soldering ................................................................................................................................. 30
8.4 ESD precautions .................................................................................................................................. 30
9 Labeling and ordering information ........................................................................... 31
9.1 Product labeling .................................................................................................................................. 31
9.2 Explanation of codes........................................................................................................................... 31
9.3 Ordering information .......................................................................................................................... 32
Appendix .......................................................................................................................... 33

NINA-B1 series - Data Sheet
UBX-15019243 - R05 Early Production Information Contents
Page 5 of 35
A Glossary ...................................................................................................................... 33
Related documents........................................................................................................... 34
Revision history ................................................................................................................ 34
Contact .............................................................................................................................. 35

NINA-B1 series - Data Sheet
UBX-15019243 - R05 Early Production Information Functional description
Page 6 of 35
1 Functional description
1.1 Overview
The NINA-B1 stand-alone Bluetooth low energy (Bluetooth Smart) module is a compact module with very low
power consumption and is suitable for applications using coin cell batteries. The Bluetooth low energy stack is
embedded in the module. This module is offered in professional grade for applications such as health care, asset
tracking, connected cities, home automation, smart energy, manufacturing and telematics. It offers Apple iOS
and Google Android connectivity for applications requiring this. The NINA-B1 embeds firmware with the u-blox
Serial Port Service for replacing serial cables or accessing UART devices using Bluetooth low energy technology.
The NINA-B1 is tailored for those who wish to embed a customer developed application and/or Bluetooth
services/attributes on top of the integrated software stack and tools. The NINA-B1 is a stand-alone product with
no additional hardware required. Additional sensors such as temperature sensor, accelerometers, LEDs etc., can
be connected directly to the module. The NINA-B1 sample code package includes sample projects for accessing
the LEDs, temperature sensor, accelerometers etc., on the application board.
The modules are fully Bluetooth qualified and provide global modular approval. They are also compliant with
safety and medical standards.
1.2 Product features
Table 1: NINA-B1 series main features summary

NINA-B1 series - Data Sheet
UBX-15019243 - R05 Early Production Information Functional description
Page 7 of 35
1.3 Block diagram
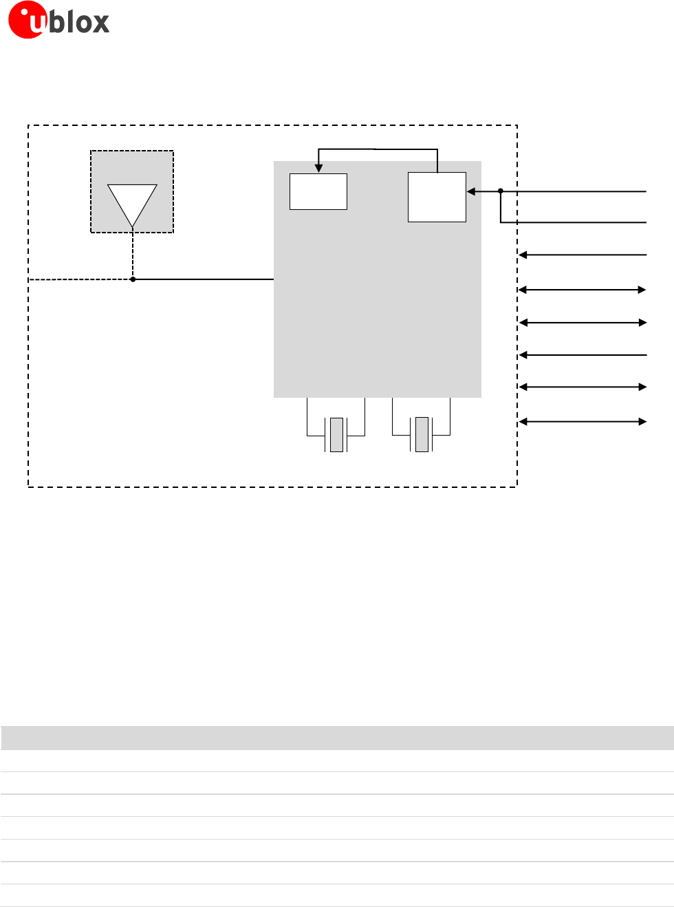
Figure 1: Block diagram of NINA-B1
1.3.1 NINA-B111
The NINA-B111 modules do not use the internal antenna and thus the PCB has been trimmed to allow for a
smaller module (10.0 x 10.6 mm). Instead of an internal antenna, the RF signal is available at a module pin for
routing to an external antenna or antenna connector.
1.3.2 NINA-B112
The NINA-B112 modules use an integrated antenna mounted on the PCB (10.0 x 14.0 mm). The RF signal pin is
not connected to any signal path.
1.4 Product description
Item
NINA-B111
NINA-B112
Bluetooth version
4.2
4.2
Band support
2.4 GHz, 40 channels
2.4 GHz, 40 channels
Maximum conducted output power
+4 dBm
+4 dBm
Maximum radiated output power (EIRP)
+7 dBm (with approved antennas)
+6 dBm
Sensitivity
-95 dBm
-95 dBm
Data rate
1 Mbps GFSK
1 Mbps GFSK
Module size
10.0x10.6 mm
10.0x14.0 mm
Table 2: NINA-B1 series characteristics summary
32.768 kHz
Integrated
Antenna
1.7 – 3.6 V (VCC_IO)
External Reset
UART
SPI
ADC
NFC
Bluetooth Low Energy
RF Transceiver
with
Integrated Stacks
Application
Processor
Memory
32 MHz
DC/DC
/LDO
System
power
1.3 V
ANT-pin
1.7 – 3.6 V (VCC)
(NINA-B111)
(NINA-B112)
GPIO(s)

NINA-B1 series - Data Sheet
UBX-15019243 - R05 Early Production Information Functional description
Page 8 of 35
1.5 AT command support
You can configure NINA-B1 modules through u-blox s-center toolbox software using AT commands. The
s-center evaluation software is available free of charge and can be downloaded from the u-blox website.
1.6 Supported features
Feature
Description
BLE v4.2 stack
Embedded Bluetooth low energy stack for next generation Bluetooth solutions.
GATT based services
The u-blox Low Energy Serial Port Service as well as generic GATT server and GATT client services.
NINA-B11x firmware
Includes the u-blox Serial Port Service and allows configuration of the module using AT commands sent over
the UART interface.
Firmware update Over The
Air (FOTA)
Firmware module update over a wireless connection using BLE.
Firmware update Over AT
command (FOAT)
Firmware module update over AT command interfaces (UART).
The feature can be enabled and configured using AT commands.
Power saving
The NINA-B1 series modules support different power saving modes. The power saving configuration is by
default disabled, but it can be enabled and configured using AT commands. See section 2.3 and the NINA-B1
series System Integration Manual [1] for more information on the different power saving modes.
Battery monitor
Can be used to read the voltage of the VCC pin and will automatically issue warnings and/or power-down
the module if the voltage is too low.
Android connectivity
Supports Bluetooth low energy connections with Android devices (Android 4.3 & higher)
iOS connectivity
Supports Bluetooth low energy connections with iOS devices
Table 3: NINA-B1 main supported features

NINA-B1 series - Data Sheet
UBX-15019243 - R05 Early Production Information Interfaces
Page 9 of 35
2 Interfaces
2.1 Power management
2.1.1 Module supply input (VCC)
The NINA-B1 series uses an integrated DC/DC converter to transform the supply voltage presented at the VCC
pin into a stable system voltage. Due to this, the NINA-B1 modules are compatible for use in battery powered
designs.
2.1.2 Digital I/O interfaces reference voltage (VCC_IO)
All modules in the u-blox NINA series provide an additional voltage supply input for setting the I/O voltage level.
On the NINA-B1 series modules, the I/O voltage level is the same as the supply voltage and VCC_IO is internally
connected to the supply input. Therefore only a single supply voltage is needed for NINA-B1, which makes it
ideal for battery powered designs.
This may not be the case for modules in the NINA series that will be released in the future. A design that
should be pin compatible with other NINA-series modules should keep the VCC and VCC_IO supply rails
separate.
2.2 RF antenna interfaces
2.2.1 2.4 GHz Bluetooth low energy (ANT)
The two NINA-B1 model versions have their own 2.4 GHz antenna solutions respectively:
The NINA-B111 modules provide an antenna pin (ANT) with a nominal characteristic impedance of 50
Ω. This pin can be connected to an on-board antenna or antenna connector using a controlled
impedance trace. See the NINA-B1 series System Integration Manual [1] for more information.
The NINA-B112 modules use an integrated antenna solution; no additional components are required.
The ANT pin is internally disconnected on these models.
2.2.2 Near Field Communication (NFC)
The NINA-B1 series modules include a Near Field Communication interface, capable of operating as a 13.56 MHz
NFC tag at a bit rate of 106 kbps. As an NFC tag, data can be read from or written to the NINA-B1 modules
using an NFC reader; however the NINA-B1 modules are not capable of reading other tags or initiating NFC
communications. Two pins are available for connecting to an external NFC antenna: NFC1 and NFC2. See the
NINA-B1 series System Integration Manual [1] for more information and NFC antenna design considerations.
2.3 System functions
The NINA-B1 series modules are power efficient devices capable of operating in different power saving modes
and configurations. Different sections of the module can be powered off when not needed and complex wake
up events can be generated from different external and internal inputs. The radio part of the module operates
independently from the CPU.
The two main power saving modes are:
Standby mode
Sleep mode
Depending on the application, the module should spend most of its time in sleep mode to conserve battery life.
2.3.1 Module power-on
NINA-B1 modules can be switched on in one of the following ways and this will cause the module to reboot:
Rising edge on the VCC pin to a valid supply voltage

NINA-B1 series - Data Sheet
UBX-15019243 - R05 Early Production Information Interfaces
Page 10 of 35
Issuing a reset of the module
A wake up event from sleep mode to active mode can be issued by:
Changing the state of any digital I/O pin, may be enabled /disabled for each pin.
If waking up from standby mode, an event can also be issued by:
The on-board Real Time Counter (RTC)
A programmable digital or analog sensor event. For example, rising voltage level on an analog
comparator pin
2.3.2 Module power-off
There is no dedicated pin to power off the NINA-B1 modules. You can configure any GPIO pin to enter or exit
the sleep mode (see section 2.3.4), which essentially powers down the module.
An under-voltage (brown-out) shutdown occurs on NINA-B1 modules when the VCC supply drops below the
operating range minimum limit. If this occurs, it is not possible to store the current parameter settings in the
module’s non-volatile memory. An over-temperature and under-temperature shutdown can be enabled on
NINA-B1 modules, and is initiated if the temperature measured within the module is outside operating
conditions. The temperature is measured by an integrated temperature sensor in the radio chip. For more details
see the NINA-B1 series System Integration Manual [1].
2.3.3 Standby mode
Standby mode is one of the power saving modes in NINA-B1 modules that essentially powers down the module
but keeps the system RAM intact and allows for a few low power digital interfaces (including SPI) and analog
functions to run continuously. It also allows for more complex, autonomous power-up events including periodic
RTC events and radio events.
The following events can be used to bring the module out of the standby mode:
External wake-up events
Internal wake-up events from RTC, radio, NFC and so on
Analog or digital sensor event (programmable voltage level or edge detection)
During standby mode, the module is clocked at 32 kHz, which is generated by an internal 32 kHz crystal
oscillator.
2.3.4 Sleep mode
Sleep mode is the deepest power saving mode of NINA-B1 modules. During sleep mode, all functionality is
stopped to ensure minimum power consumption. The module needs an external event in order to wake up from
sleep mode.
The following events can be used to wake up the module out of the sleep mode:
External event on a digital pin
External event on a low power comparator pin
Detection of NFC field
When using the NINA-B11x firmware, the module can be manually switched on or off with proper storage of
current settings using the UART DSR pin.
The module can be programmed to latch the digital values present at its GPIO pins during sleep. The module will
keep the values latched, and a change of state on any of these pins will trigger a wake up to active mode.
The module will always reboot after waking up from the sleep mode; however different sections of the RAM can
be configured to remain intact during and after going into the sleep mode.
2.3.5 Module reset
NINA-B1 modules can be reset in one of the following ways:

NINA-B1 series - Data Sheet
UBX-15019243 - R05 Early Production Information Interfaces
Page 11 of 35
Low level on the RESET_N input pin, normally high with internal pull-up. This causes an “external” or
“hardware” reset of the module. The current parameter settings are not saved in the module’s
non-volatile memory and a proper network detach is not performed.
Using the AT+CPWROFF command. This causes an “internal” or “software” reset of the module. The
current parameter settings are saved in the module’s non-volatile memory and a proper network detach
is performed.
2.3.6 Real Time Counter (RTC)
A key system feature available on the module is the Real Time Counter. This counter can generate multiple
interrupts and events to the CPU and radio as well as internal and external hardware blocks. These events can be
precisely timed ranging from microseconds up to hours, and allows for periodic BLE advertising events etc.,
without involving the main CPU. The RTC can be operated in power-on and standby modes.
2.4 Serial interfaces
NINA-B1 modules provide the following serial communication interfaces:
1x UART interface: 4-wire unbalanced asynchronous serial interface used for AT commands interface,
data communication and firmware upgrades using the FOAT feature.
3x SPI interfaces: Up to three serial peripheral interfaces can be used simultaneously.
2x I2C interfaces: Inter-Integrated Circuit (I2C) interface for communication with digital sensors.
All digital interface pins on the module are shared between the digital and analog interfaces and GPIOs.
Any function can be assigned to any pin that is not already occupied.
2.4.1 Asynchronous serial interface (UART)
The UART interface supports hardware flow control and baud-rates up to 1 Mbps. Other characteristics of the
UART interface are listed below:
Data lines (RXD as input, TXD as output) and hardware flow control lines (CTS as input, RTS as output)
are provided.
Hardware flow control or no flow control (default) is supported.
Power saving indication available on the hardware flow control output (CTS line): The line is driven to
the OFF state when the module is not ready to accept data signals.
Programmable baud-rate generator allows most industry standard rates, as well as non-standard rates
up to 1 Mbps.
Frame format configuration:
o 8 data bits
o Even or no-parity bit
o 1 stop bit
Default frame configuration is 8N1, meaning eight (8) data bits, no (N) parity bit, and one (1) stop bit.
2.4.2 Serial peripheral interface (SPI)
NINA-B1 supports up to 3 Serial Peripheral Interfaces that can operate in both master and slave mode with a
maximum serial clock frequency of 8 MHz in both master and slave modes. The SPI interfaces use 4 signals:
SCLK, MOSI, MISO and CS. When using the SPI interface in master mode, it is possible to use GPIOs as
additional Chip Select (CS) signals to allow addressing of multiple slaves.
2.4.3 I2C interface
The Inter-Integrated Circuit interfaces can be used to transfer or receive data on a 2-wire bus network. The
NINA-B1 modules can operate as both master and slave on the I2C bus using both standard (100 kbps) and fast
(400 kbps) transmission speeds. The interface uses the SCL signal to clock instructions and data on the SDL
signal.

NINA-B1 series - Data Sheet
UBX-15019243 - R05 Early Production Information Interfaces
Page 12 of 35
2.5 GPIO
The NINA-B1 modules are versatile concerning pin-out. If un-configured, there will be 19 GPIO pins in total and
no analog or digital interfaces. All digital interfaces or functions must then be allocated to a GPIO pin before use.
7 out of the 19 GPIO pins are analog enabled thus they can have an analog function allocated to them. In
addition to the serial interfaces, Table 4 shows the number of digital and analog functions that can be assigned
to a GPIO pin.
This list is not final, and functions may be added or removed without notice.
Function
Description
Default
NINA
pin
Configurable
GPIOs
General purpose input
Digital input with configurable edge detection and interrupt generation
Any
General purpose output
Digital output with configurable drive strength, pull-up, pull-down, open-
source, open-drain and/or slew rate
Any
Pin disabled
Pin is disconnected from input buffers and output drivers.
All*
Any
Timer/ counter
High precision time measurement between two pulses/ Pulse counting with
interrupt/event generation
Any
Interrupt/ Event trigger
Interrupt/event trigger to the software application/ Wake up event
Any
ADC input
8/10/12-bit analog to digital converter
Any analog
Analog comparator input
Compare two voltages, capable of generating wake-up events and
interrupts
Any analog
PWM output
Output complex pulse width modulation waveforms
Any
Connection status indication
Indicates if a BLE connection is maintained
BLUE**
Any
* = If left unconfigured ** = If using u-blox NINA-B11x firmware
Table 4: GPIO custom functions configuration
2.6 Analog interfaces
7 out of the 19 digital GPIOs can be multiplexed to analog functions. The following analog functions are
available for use:
1x 8-channel ADC
1x Analog comparator*
1x Low-power analog comparator*
*Only one of the comparators can be used simultaneously.
2.6.1 ADC
The Analog to Digital Converter (ADC) can sample up to 200 kHz using different inputs as sample triggers. It
supports 8/10/12-bit resolution. Any of the 8 analog inputs can be used both as single-ended inputs and as
differential pairs for measuring the voltage across them. The ADC supports full 0 V to VCC input range.
2.6.2 Comparator
The comparator compares voltages from any analog pin with different references as shown in Table 5. It
supports full 0 V to VCC input range and can generate different software events to the rest of the system.
2.6.3 Low power comparator
The low-power comparator operates in the same way as the normal comparator, with some reduced
functionality. It can be used during sleep mode as a wake up source.

NINA-B1 series - Data Sheet
UBX-15019243 - R05 Early Production Information Interfaces
Page 13 of 35
2.6.4 Analog pin options
Table 5 shows the supported connections of the analog functions.
An analog pin may not be simultaneously connected to multiple functions.
Table 5: Possible uses of analog pin
2.7 NINA-B11x firmware features
This section describes the available features when using the u-blox NINA-B11x firmware. For additional
information, see the u-blox Short Range AT Commands Manual [3].
2.7.1 System status signals
The RED, GREEN and BLUE pins are used to signal the system status according to Table 6. They are active low
and are intended to be routed to an RGB LED.
Mode
Status
RGB LED Color
GREEN
BLUE
RED
Data mode
IDLE
Green
LOW
HIGH
HIGH
Command mode
IDLE
Orange
LOW
HIGH
LOW
Data mode, Command mode
CONNECTING*
Purple
HIGH
LOW
LOW
Data mode, Command mode
CONNECTED*
Blue
HIGH
HIGH
LOW
* = LED flashes on data activity
Table 6: System status indication
2.7.2 System control signals
The following input signals can be used to control the system.
RESET_N is used to reset the system, see section 2.3.5.
SWITCH_1 is used to enter the bootloader or to restore the UART serial settings to their default values.
SWITCH_2 can be used to open a BLE connection to a peripheral device.
If both SWITCH_1 and SWITCH_2 are driven low during start up, the system will restore all settings to
their factory defaults.
2.7.3 UART signals
In addition to the normal RXD, TXD, CTS, and RTS signals, the NINA-B11x firmware adds the DSR and DTR pins
to the UART interface. Note that they are not used as originally intended, but to control the state of the NINA
module. Depending on the current configuration, the DSR can be used to:
Enter command mode
Disconnect and/or toggle connectable status
Enable/disable the rest of the UART interface
Enter/wake up from sleep mode
Analog function
Can be connected to
ADC single-ended input
Any analog pin or VCC
ADC differential input
Any analog pin or VCC pair
Comparator IN+
Any analog pin
Comparator IN-
Pin 24 or 25, VCC, 1.2 V, 1.8 V, 2.4 V
Low-power comparator IN+
Any analog pin
Low-power comparator IN-
Pin 24 or 25, 1/16 to 15/16 VCC in steps of 1/16 VCC

NINA-B1 series - Data Sheet
UBX-15019243 - R05 Early Production Information Pin definition
Page 14 of 35
3 Pin definition
3.1 Pin assignment
The pin-out described in Figure 2 below is an example pin-out that shows the module in an unconfigured state.
Alternatively, if you use the u-blox NINA-B11x firmware, refer to the pin-out in section 3.2.
A = Analog function capable pin
Figure 2: NINA-B1 series pin assignment (top view)
All digital or analog functions described in this data sheet may be freely assigned to any GPIO pin. Analog
functions are limited to analog capable pins. Signals marked red in Figure 2 are not freely assignable but
locked to a specific pin.
GPIO pins 16, 17, 18 and 20 are connected to pins located close to the radio part of the RF chip. It is
recommended to avoid using these pins for high speed digital interfaces or sinking/sourcing large currents
through them. Doing so may affect RF performance.
Do not apply an NFC field to the NFC pins when they are configured as GPIOs as it can cause
permanent damage to the module. When driving different logic levels on these pins in GPIO mode, a
small current leakage will occur. Ensure that they are set to the same logic level before entering into any
power saving modes. See section 4.2.6 for more information.

NINA-B1 series - Data Sheet
UBX-15019243 - R05 Early Production Information Pin definition
Page 15 of 35
No.
Name
I/O
Description
nRF52 pin
Remarks
1
GPIO_1
I/O
General purpose I/O
P0.08
2
GPIO_2
I/O
General purpose I/O
P0.11
3
GPIO_3
I/O
General purpose I/O
P0.12
4
GPIO_4
I/O
General purpose I/O
P0.13
5
GPIO_5
I/O
General purpose I/O
P0.14
6
GND
-
Ground
7
GPIO_7
I/O
General purpose I/O
P0.16
8
SWO/GPIO_8
I/O
Serial Wire debug trace data output
P0.18
May be used as a GPIO
9
VCC_IO
I
Module I/O level voltage input
Must be connected to VCC on NINA-
B1
10
VCC
I
Module supply voltage input
1.7-3.6 V range
11
SWDCLK
I
Serial Wire Debug port clock signal
12
GND
-
Ground
13
ANT
I/O
Tx/Rx antenna interface
50 Ω nominal characteristic
impedance, only used with NINA-
B111 modules
14
GND
-
Ground
15
SWDIO
I/O
Serial Wire Debug port data signal
16
GPIO_16
I/O
Analog function enabled GPIO
P0.28
Pin is analog capable, use as low
drive, low frequency GPIO only
17
GPIO_17
I/O
Analog function enabled GPIO
P0.29
Pin is analog capable, use as low
drive, low frequency GPIO only
18
GPIO_18
I/O
Analog function enabled GPIO
P0.30
Pin is analog capable, use as low
drive, low frequency GPIO only
19
RESET_N
I/O
System reset input
P0.21
Active low
20
GPIO_20
I/O
General purpose I/O
P0.31
Low drive, low frequency I/O only
21
GPIO_21
I/O
General purpose I/O
P0.07
22
GPIO_22
I/O
General purpose I/O
P0.06
23
GPIO_23
I/O
Analog function enabled GPIO
P0.05
Pin is analog capable
24
GPIO_24
I/O
Analog function enabled GPIO
P0.02
Pin is analog capable
25
GPIO_25
I/O
Analog function enabled GPIO
P0.03
Pin is analog capable
26
GND
-
Ground
27
GPIO_27
I/O
Analog function enabled GPIO
P0.04
Pin is analog capable
28
NFC1/GPIO_28
I/O
NFC pin 1 (default)
P0.09
May be used as a GPIO
29
NFC2/GPIO_29
I/O
NFC pin 2 (default)
P0.10
May be used as a GPIO
30
GND
-
Ground
Table 7: NINA-B1 series pin-out

NINA-B1 series - Data Sheet
UBX-15019243 - R05 Early Production Information Pin definition
Page 16 of 35
3.2 Pin assignment in the NINA-B11x firmware
The pin-out as shown in Figure 3 describes the pin configuration used in the u-blox NINA-B11x firmware.
A = Analog function capable pin
Figure 3: NINA-B1 series pin assignment (top view) while using u-blox NINA-B11x firmware
It is required to follow this pin layout when using the u-blox NINA-B11x firmware. No
additional interfaces can be added.
Do not apply an NFC field to the NFC pins when they are configured as GPIOs as it can cause
permanent damage to the module. When driving different logic levels on these pins in GPIO mode, a
small current leakage will occur, ensure that they are set to the same logic level before entering into any
power saving modes. See section 4.2.6 for more information.

NINA-B1 series - Data Sheet
UBX-15019243 - R05 Early Production Information Pin definition
Page 17 of 35
No.
Name
I/O
Description
Remarks
1
RED
O
RED system status signal
Active low, should be routed to an RGB LED
2
GPIO_2
I/O
General purpose I/O
3
GPIO_3
I/O
General purpose I/O
4
GPIO_4
I/O
General purpose I/O
5
GPIO_5
I/O
General purpose I/O
6
GND
-
Ground
7
GREEN/SWITCH_1
I/O
This signal is multiplexed:
GREEN: System status signal.
SWITCH_1: Enter bootloader, restore
UART serial settings.
Active low.
GREEN: Should be routed to an RGB LED.
SWITCH_1: Can be held low during reset and released
during/after boot to either enter bootloader or restore
serial settings. See section 2.7 for more information.
8
BLUE
O
BLUE system status signal
Active low, should be routed to an RGB LED
9
VCC_IO
I
Module I/O level voltage input
Must be connected to VCC on NINA-B1
10
VCC
I
Module supply voltage input
1.7-3.6 V range
11
RSVD
-
RESERVED pin
Leave unconnected
12
GND
-
Ground
13
ANT
I/O
Tx/Rx antenna interface
50 Ω nominal characteristic impedance, only used
with NINA-B111 modules
14
GND
-
Ground
15
RSVD
-
RESERVED pin
Leave unconnected
16
UART_DTR
O
UART data terminal ready signal
Used to indicate system status
17
UART_DSR
I
UART data set ready signal
Used to change system modes
18
SWITCH_2
I
Connect to peripheral device
Active low, see section 2.7 for more information
19
RESET_N
I
External system reset input
Active low
20
UART_RTS
O
UART request to send control signal
Used only when hardware flow control is enabled
21
UART_CTS
I
UART clear to send control signal
Used only when hardware flow control is enabled
22
UART_TXD
O
UART data output
23
UART_RXD
I
UART data input
Pin is analog capable
24
GPIO_24
I/O
General purpose I/O
Pin is analog capable
25
GPIO_25
I/O
General purpose I/O
Pin is analog capable
26
GND
-
Ground
27
GPIO_27
I/O
Analog function enabled GPIO
Pin is analog capable
28
NFC1/GPIO_28
I/O
NFC pin 1 (default)
May be used as a GPIO
29
NFC2/GPIO_29
I/O
NFC pin 2 (default)
May be used as a GPIO
30
GND
-
Ground
Table 8: NINA-B1 series NINA-B11x firmware pin-out

NINA-B1 series - Data Sheet
UBX-15019243 - R05 Early Production Information Electrical specifications
Page 18 of 35
4 Electrical specifications
Stressing the device above one or more of the ratings listed in the Absolute maximum rating
section may cause permanent damage. These are stress ratings only. Operating the module at
these or at any conditions other than those specified in the Operating conditions section of this
document should be avoided. Exposure to absolute maximum rating conditions for extended
periods may affect device reliability.
Operating condition ranges define those limits within which the functionality of the device is guaranteed.
Where application information is given, it is advisory only and does not form part of the specification.
4.1 Absolute maximum ratings
Symbol
Description
Condition
Min
Max
Unit
VCC
Module supply voltage
Input DC voltage at VCC pin
-0.3
3.9
V
V_DIO
Digital pin voltage
Input DC voltage at any digital I/O pin
-0.3
3.9
V
P_ANT
Antenna power
Input RF power at antenna pin
+10
dBm
Table 9: Absolute maximum ratings
The product is not protected against overvoltage or reversed voltages. If necessary, voltage
spikes exceeding the power supply voltage specification, given in table above, must be limited
to values within the specified boundaries by using appropriate protection devices.
4.1.1 Maximum ESD ratings
Parameter
Min
Typical
Max
Unit
Remarks
ESD sensitivity for all pins except ANT pin
4
kV
Human body model according to JEDEC JS001
750
V
Charged device model according to JESD22-C101
Table 10: Maximum ESD ratings
NINA-B1 series modules are Electrostatic Sensitive Devices and require special precautions while
handling. See section 8.4 for ESD handling instructions.
4.2 Operating conditions
Unless otherwise specified, all operating condition specifications are at an ambient temperature of 25°C
and a supply voltage of 3.0 V.
Operation beyond the specified operating conditions is not recommended and extended
exposure beyond them may affect device reliability.
4.2.1 Operating temperature range
Parameter
Min
Max
Unit
Storage temperature
-40
+85
°C
Operating temperature
-40
+85
°C
Table 11: Temperature range

NINA-B1 series - Data Sheet
UBX-15019243 - R05 Early Production Information Electrical specifications
Page 19 of 35
4.2.2 Supply/Power pins
Symbol
Parameter
Min
Typ
Max
Unit
VCC
Input supply voltage
1.7
3.0
3.6
V
t_RVCC
Supply voltage rise time
60
ms
VCC_ripple
VCC input noise peak to peak, 10 - 100 KHz
100
mV
VCC input noise peak to peak, 100 KHz - 1 MHz
50
mV
VCC input noise peak to peak, 1 - 3 MHz
25
mV
VCC_IO
I/O reference voltage
VCC
V
Table 12: Input characteristics of voltage supply pins
4.2.3 Current consumption
Table 13 shows the typical current consumption of a NINA-B1 module, independent of the firmware used.
Mode
Condition
Typical
Peak
Sleep
No clocks running, no RAM data retention
300 nA
Sleep
No clocks running, 64 kB RAM data retention
620 nA
Standby
RTC and 64 kB RAM data retention. System running on 32.768 kHz clock from crystal.
2.2 µA
Active
CPU running benchmarking tests @ 64 MHz clock speed, all interfaces idle
3.7 mA
Active
Radio RX only
5.4 mA
Active
Radio TX only, +0dBm output power
5.3 mA
Table 13: Module VCC current consumption
Table 14 shows the current consumption during some typical use cases when using the NINA-B11x firmware:
Mode
Condition
Average
Peak
Active
Advertising 1s periods with +4 dBm output power and 31 bytes payload, CPU and UART
interface is running
1.8 mA
12 mA
Standby
Advertising 1s periods with +4 dBm output power and 31 bytes payload
26 µA
9.3 mA
Standby
One advertisement event (4.7 ms), +4 dBm output power and 31 bytes payload
3.4 mA
9.3 mA
Active
Connected as peripheral, connection events 30 ms periods, +4 dBm output power and 0 bytes
payload, CPU and UART interface is running
1.8 mA
9.2 mA
Standby
Connected as peripheral, connection events 30 ms periods, +4 dBm output power and 0 bytes
payload
140 µA
9.2 mA
Sleep
UART DSR pin is used to enter sleep mode. No RAM retention
300 nA
2.6 mA
Table 14: Current consumption during typical use cases
4.2.4 RF performance
Parameter
Test condition
Min
Typ
Max
Unit
Receiver input sensitivity
Conducted at 25 °C
-95
dBm
Output power
Conducted at 25 °C
+4
+6
dBm
Table 15: RF performance

NINA-B1 series - Data Sheet
UBX-15019243 - R05 Early Production Information Electrical specifications
Page 20 of 35
4.2.5 RESET_N pin
Pin name
Parameter
Min
Typ
Max
Unit
Remarks
RESET_N
Low-level input
0
0.3*VCC
V
Internal pull-up resistance
13
kΩ
RESET duration
55
ms
Time taken to release a pin reset.
Table 16: RESET_N pin characteristics
4.2.6 Digital pins
Pin name
Parameter
Min
Typ
Max
Unit
Remarks
Any digital
pin
Input characteristic:
Low-level input
0
0.3*VCC
V
Input characteristic:
high-level input
0.7*VCC
0
V
Output characteristic:
Low-level output
0
0.4
V
Normal drive strength
0
0.4
V
High drive strength
Output characteristic:
High-level output
VCC-0.4
VCC
V
Normal drive strength
VCC-0.4
VCC
V
High drive strength
GPIO_28,
GPIO_29
Leakage current
2
10
µA
When driven to different logic levels
Table 17: Digital pin characteristics

NINA-B1 series - Data Sheet
UBX-15019243 - R05 Early Production Information Mechanical specifications
Page 21 of 35
5 Mechanical specifications
Figure 4: NINA-B111 module dimensions
Figure 5: NINA-B112 module dimensions

NINA-B1 series - Data Sheet
UBX-15019243 - R05 Early Production Information Qualification and approvals
Page 22 of 35
6 Qualification and approvals
6.1 Compliance with the RoHS directive
The NINA-B1 series modules comply with the "Directive 2011/65/EU of the European Parliament and
the Council on the Restriction of Use of certain Hazardous Substances in Electrical and Electronic
Equipment" (RoHS).
No natural rubbers, hygroscopic materials, or materials containing asbestos are employed.
6.2 European Union regulatory compliance
The NINA-B1 series modules conform to the product specifications listed in Table 18. See the NINA-B1
Declaration of Conformity [4] for more information.
Category
Standard
R&TTE Directive 1999/5/EC
Effective use of frequency spectrum
EN 300 328 V1.9.1
EN 302 291-1
EN 302 291-2
EMC
EN 301 489-1
EN 301 489-3
EN 301 489-17
Health and safety
EN 60950
Medical Electrical Equipment
EN 60601-1-2
Prevention (RoHS Article 4.1)
EN 50581
Table 18: NINA-B1 ETSI conformity
6.3 Safety Compliance
In order to fulfill the safety standard EN 60950-1, the NINA-B1 series modules must be supplied with a Class-2
Limited Power Source.
6.4 FCC and IC Compliance
6.4.1 IC compliance
This device complies with Industry Canada license-exempt RSS standard(s).
Operation is subject to the following two conditions:
1. This device may not cause interference, and
2. This device must accept any interference, including interference that may cause undesired operation of
the device.
Under Industry Canada regulations, this radio transmitter may only operate using an antenna of a type and
maximum (or lesser) gain approved for the transmitter by Industry Canada. To reduce potential radio
interference to other users, the antenna type and its gain should be chosen in such a way that the equivalent
isotropically radiated power (e.i.r.p.) is not more than that is necessary for successful communication.
This equipment complies with IC RSS-102 radiation exposure limits set forth for an uncontrolled environment.
This equipment should be installed and operated with a minimum distance of 20 cm between the radiator and
your body.
6.4.2 Conformité aux norms d´IC
Cet appareil est conforme à la(aux) norme(s) RSS sans licence d’Industry Canada.

NINA-B1 series - Data Sheet
UBX-15019243 - R05 Early Production Information Qualification and approvals
Page 23 of 35
Son utilisation est soumise aux deux conditions suivantes:
1. Cet appareil ne doit pas causer d’interférences et
2. il doit accepter toutes interférences reçues, y compris celles susceptibles d’avoir des effets indésirables
sur son fonctionnement.
Conformément aux réglementations d’Industry Canada, cet émetteur radio ne peut fonctionner qu’à l’aide
d’une antenne dont le type et le gain maximal (ou minimal) ont été approuvés pour cet émetteur par Industry
Canada. Pour réduire le risque d’interférences avec d’autres utilisateurs, il faut choisir le type d’antenne et son
gain de telle sorte que la puissance isotrope rayonnée équivalente (p.i.r.e) ne soit pas supérieure à celle requise
pour obtenir une communication satisfaisante.
Cet équipement respecte les limites d’exposition aux rayonnements IC RSS-102 définies pour un environnement
non contrôlé. Il doit être installé et utilisé en maintenant une distance minimum de 20 cm entre le radiateur et
votre corps.
6.4.3 FCC statement
This device complies with Part 15 of the FCC Rules. Operation is subject to the following two conditions:
1. This device may not cause harmful interference, and
2. This device must accept any interference received, including interference that may cause undesired
operation.
This equipment has been tested and found to comply with the limits for a Class B digital device, pursuant
to Part 15 of the FCC Rules. These limits are designed to provide reasonable protection against harmful
interference in a residential installation. This equipment generates, uses and can radiate radio frequency
energy and, if not installed and used in accordance with the instructions, may cause harmful interference
to radio communications. However, there is no guarantee that the interference will not occur in a
particular installation. If this equipment does cause harmful interference to radio or television reception,
which can be determined by turning the equipment off and on, the user is encouraged to try to correct
the interference by one or more of the following measures:
Reorient or relocate the receiving antenna
Increase the separation between the equipment and receiver
Connect the equipment into an outlet on a circuit different from that to which the receiver is
connected.
Consult the dealer or an experienced radio/TV technician for help.
The NINA-B1 series modules are for OEM integrations only. The end-user product will be professionally installed
in such a manner that only the authorized antennas are used.
For NINA-B111 an external antenna connector (U.FL. connector) reference design (see the NINA-B1 series System
Integration Manual [1]) is available and must be followed to comply with the NINA-B1 FCC/IC modular approval.
Any changes or modifications NOT explicitly APPROVED by u-blox could cause the module to cease to comply
with FCC rules part 15, and thus void the user's authority to operate the equipment.
6.4.3.1 Cautions
Any changes or modifications could cause the module to cease to comply with
FCC rules part 15 and thus void the user's authority to operate the equipment.
§15.407 statement; in case of absence of information to transmit or operational failure, the
NINA-B1 module will automatically discontinue transmission.

NINA-B1 series - Data Sheet
UBX-15019243 - R05 Early Production Information Qualification and approvals
Page 24 of 35
6.4.4 Labeling requirements for end product
For an end product using the NINA-B1 modules there must be a label containing, at least, the following
information:
This device contains
FCC ID: XPYNINAB1
IC: 8595A-NINAB1
The label must be affixed on an exterior surface of the end product such that it will be visible upon inspection in
compliance with the modular approval guidelines developed by the FCC.
In accordance with 47 CFR § 15.19, the end product shall bear the following statement in a conspicuous
location on the device:
"This device complies with Part 15 of the FCC Rules.
Operation is subject to the following two conditions;
(1) This device may not cause harmful interference, and
(2) This device must accept any interference received, including interference that may cause undesired
operation."
When the device is so small or for such use that it is not practicable to place the statement above on it, the
information shall be placed in a prominent location in the instruction manual or pamphlet supplied to the user
or, alternatively, shall be placed on the container in which the device is marketed.
In case, where the final product will be installed in locations where the end-user is not able to see the FCC ID
and/or this statement, the FCC ID and the statement shall also be included in the end-product manual.
6.4.5 FCC and IC IDs
Model
FCC ID
IC ID
NINA-B111
XPYNINAB1
8595A-NINAB1
NINA-B112
XPYNINAB1
8595A-NINAB1
Table 19: FCC and IC IDs for different models of the NINA-B1 series modules
6.5 NCC Taiwan compliance
6.5.1 Taiwan NCC Warning Statement
經型式認證合格之低功率射頻電機,非經許可,公司、商號或使用者均不得擅自變更頻率、 加大功率
或變更原設計之特性及功能。
低功率射頻電機之使用不得影響飛航安全及干擾合法通信;經發現有干擾現象時,應立即停用,並改
善至無干擾時方得繼續使用。前項合法通信,指依電信法規定作業之無線電通信。低功率射頻電機須
忍受合法通信或工業、科學及醫療用電波輻射性電機設備之干擾。
Statement translation:
Without permission granted by the NCC, any company, enterprise, or user is not allowed to change
frequency, enhance transmitting power or alter original characteristic as well as performance to a
approved low power radio-frequency devices.
The low power radio-frequency devices shall not influence aircraft security and interfere legal
communications; If found, the user shall cease operating immediately until no interference is achieved.
The said legal communications means radio communications is operated in compliance with the
Telecommunications Act. The low power radio-frequency devices must be susceptible with the
interference from legal communications or ISM radio wave radiated devices.

NINA-B1 series - Data Sheet
UBX-15019243 - R05 Early Production Information Qualification and approvals
Page 25 of 35
6.5.2 NINA-B111 labeling requirements for end product
When a product containing a NINA-B111 module is placed on the Taiwanese market, the product must be
affixed with a label or marking containing at least the following information:
Any similar wording that expresses the same meaning may be used. The marking must be visible for inspection.
6.5.3 NINA-B112 labeling requirements for end product
When a product containing a NINA-B112 module is placed on the Taiwanese market, the product must be
affixed with a label or marking containing at least the following information:
Any similar wording that expresses the same meaning may be used. The marking must be visible for inspection.
6.6 Bluetooth qualification information
The NINA-B1 series modules have been qualified according to the Bluetooth 4.2 specification.
The NINA-B1 series modules are Bluetooth listed with Declaration ID TBD. For an end product with NINA-B1
integrated no further qualification is required. If the end product will be Bluetooth listed the QD IDs listed in
Table 20 shall be included in the end product listing.
Product type
QD ID
Listing Date
TBD
TBD
Table 20: NINA-B1 Bluetooth QD ID
內含發射器模組: CCXXXXYYyyyZzW
內含發射器模組: CCXXXXYYyyyZzW

NINA-B1 series - Data Sheet
UBX-15019243 - R05 Early Production Information Antennas
Page 26 of 35
7 Antennas
This chapter gives an overview of the different external antennas that can be used together with the module.
This radio transmitter IC: 8595A-NINAB1 has been approved by Industry Canada to operate with
the antenna types listed below with the maximum permissible gain and required antenna
impedance for each antenna type indicated. Antenna types not included in this list, having a gain
greater than the maximum gain indicated for that type, are strictly prohibited for use with this
device.
Cet émetteur radio IC: 8595A-NINAB1 été approuvé par Industry Canada pour fonctionner avec les
types d’antenne énumérés ci-dessous avec le gain maximum autorisé et l’impédance nécessaire
pour chaque type d’antenne indiqué. Les types d’antenne ne figurant pas dans cette liste et ayant
un gain supérieur au gain maximum indiqué pour ce type-là sont strictement interdits d’utilisation
avec cet appareil.
7.1 Approved antennas list
#
Antenna name
Manufacturer
Comment
Gain [dBi]
1
u-blox internal antenna
ProAnt
SMD PIFA antenna on NINA-B112
+3
2
FlatWhip-2400
ProAnt
Monopole,
SMA/RSMA
+3
3
InSide-2400
ProAnt
Patch,
10cm cable/U.FL
+3
4
Ex-IT 2400
-SMA 28-001
-RP-SMA 28-001
-MHF 28-001
ProAnt
Monopole,
SMA
RSMA
10 cm cable/U.FL
+3

NINA-B1 series - Data Sheet
UBX-15019243 - R05 Early Production Information
Page 27 of 35
#
Antenna name
Manufacturer
Comment
Gain [dBi]
5
Ex-IT 2400
-SMA 70-002
-RP-SMA 70-002
ProAnt
Monopole,
SMA
RSMA
+3
6
GW26.0111.HT
Taoglas
Single-band monopole antenna
+3
Table 21: List of antennas that are approved for use with NINA-B1

NINA-B1 series - Data Sheet
UBX-15019243 - R05 Early Production Information Product handling
Page 28 of 35
8 Product handling
8.1 Packaging
The NINA-B1 series modules are delivered as hermetically sealed, reeled tapes to enable efficient production,
production lot set-up and tear-down. For more information about packaging, see the u-blox Package
Information Guide [2].
8.1.1 Reels
NINA-B1 modules are deliverable in quantities of 500 pieces on a reel. The reel types for the NINA-B1 modules
are provided in Table 22 and detailed information about the reel types are described in u-blox Package
Information Guide [2].
Model
Reel Type
NINA-B111
B
NINA-B112
A
Table 22: Reel types for different models of the NINA-B1 series
8.1.2 Tapes
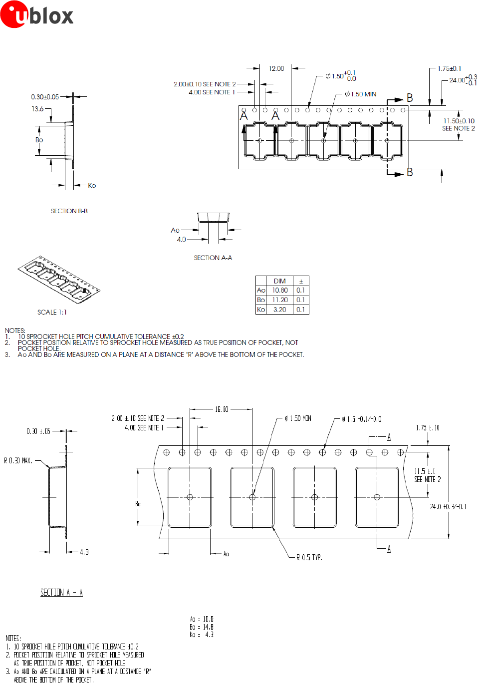
Figure 6 and Figure 7 shows the position and orientation of the NINA-B1 modules as they are delivered on tape.
The dimensions of the tapes are specified in Figure 8 and Figure 9.
Figure 6: Orientation of NINA-B111 modules on tape
Figure 7: Orientation of NINA-B112 modules on tape
Feed direction
Feed direction

NINA-B1 series - Data Sheet
UBX-15019243 - R05 Early Production Information Product handling
Page 29 of 35
Figure 8: NINA-B111 tape dimensions
Figure 9: NINA-B112 tape dimensions

NINA-B1 series - Data Sheet
UBX-15019243 - R05 Early Production Information Product handling
Page 30 of 35
8.2 Moisture sensitivity levels
The NINA-B1 series modules are Moisture Sensitive Devices (MSD) in accordance with the
IPC/JEDEC specification.
The Moisture Sensitivity Level (MSL) relates to the required packaging and handling precautions. The NINA-B1
series modules are rated at MSL level 4. For more information regarding moisture sensitivity levels, labeling and
storage, see the u-blox Package Information Guide [2].
For MSL standards, see IPC/JEDEC J-STD-020, which can be downloaded from www.jedec.org.
8.3 Reflow soldering
Reflow profiles are to be selected according to u-blox recommendations. See NINA-B1 series System Integration
Manual [1] for more information.
Failure to observe these recommendations can result in severe damage to the device.
8.4 ESD precautions
The NINA-B1 series modules contain highly sensitive electronic circuitry and are Electrostatic
Sensitive Devices (ESD). Handling the NINA-B1 series modules without proper ESD protection
may destroy or damage them permanently.
The NINA-B1 series modules are electrostatic sensitive devices (ESD) and require special ESD precautions typically
applied to ESD sensitive components. Section 4.1.1 provides the maximum ESD ratings of the NINA-B1 series
modules.
Proper ESD handling and packaging procedures must be applied throughout the processing, handling and
operation of any application that incorporates the NINA-B1 series module. The ESD precautions should be
implemented on the application board where the module is mounted as described in the NINA-B1 series System
Integration Manual [1].
Failure to observe these recommendations can result in severe damage to the device.

NINA-B1 series - Data Sheet
UBX-15019243 - R05 Early Production Information Labeling and ordering information
Page 31 of 35
9 Labeling and ordering information
9.1 Product labeling
The labels of the NINA-B1 series modules include important product information as described in this section.
Figure 10 illustrates the label of all the NINA-B1 series modules, which includes u-blox logo, production lot,
product type number and certification numbers (if applicable).
Figure 10: Location of product type number on the NINA-B1 series module label
Reference
Description
1
Date of unit production (year/week)
2
Product version
3
Product name
Table 23: NINA-B1 series label description
9.2 Explanation of codes
Three different product code formats are used. The Product Name is used in documentation such as this data
sheet and identifies all u-blox products, independent of packaging and quality grade. The Ordering Code
includes options and quality, while the Type Number includes the hardware and firmware versions. Table 24
below details these three different formats:
Format
Structure
Product Name
PPPP-TGVV
Ordering Code
PPPP -TGVV-TTQ
Type Number
PPPP -TGVV-TTQ-XX
Table 24: Product code formats
Table 25 explains the parts of the product code.
3
1
2

NINA-B1 series - Data Sheet
UBX-15019243 - R05 Early Production Information Labeling and ordering information
Page 32 of 35
Code
Meaning
Example
PPPP
Form factor
NINA
TG
Platform (Technology and Generation)
T – Dominant technology, For example, W: Wi-Fi, B: Bluetooth
G - Generation
B1: Bluetooth Generation 1
VV
Variant based on the same platform; range [00…99]
11: default mounting, with antenna pin
TT
Major Product Version
00: first revision
Q
Quality grade
A: Automotive
B: Professional
C: Standard
B: professional grade
XX
Minor product version (not relevant for certification)
Default value is 00
Table 25: Part identification code
9.3 Ordering information
Ordering Code
Product
NINA-B111-00B
NINA-B1 module with antenna pin
NINA-B112-00B
NINA-B1 module with internal antenna
Table 26: Product ordering codes

NINA-B1 series - Data Sheet
UBX-15019243 - R05 Early Production Information Appendix
Page 33 of 35
Appendix
A Glossary
Abbreviation
Definition
ADC
Analog to Digital Converter
BLE
Bluetooth Low Energy
BPF
Band Pass Filter
CTS
Clear To Send
ESD
Electro Static Discharge
FCC
Federal Communications Commission
FOAT
Firmware update Over AT-command
GATT
Generic ATTribute profile
GPIO
General Purpose Input/Output
IC
Industry Canada
I2C
Inter-Integrated Circuit
MCU
Micro Controller Unit
MSD
Moisture Sensitive Device
SPI
Serial Peripheral Interface
UART
Universal Asynchronous Receiver/Transmitter
Table 27: Explanation of abbreviations used

NINA-B1 series - Data Sheet
UBX-15019243 - R05 Early Production Information Related documents
Page 34 of 35
Related documents
[1] NINA-B1 Series System Integration Manual, document number UBX-15026175
[2] u-blox Package Information Guide, document number UBX-14001652
[3] u-blox Short Range AT Commands Manual, document number UBX-14044127
[4] NINA-B1 Declaration of Conformity, document number UBX-XXXXXX
For regular updates to u-blox documentation and to receive product change notifications, register on our
homepage (http://www.u-blox.com).
Revision history
Revision
Date
Name
Status / Comments
R01
5-Nov-2015
ajoh, fbro
Initial release.
R02
22-Feb-2016
ajoh
In Figure 1, replaced GPIO(s) with NFC. Modified Figure 2. Added a new section for NFC
(section 2.2.2) and included pin description for NFC in Table 7 and Table 8. Added Real
Time Counter section (section 2.3.6). Modified sections 2.4.2, 2.5, and 2.6. Split the pin-
out section into mbed/platform (section 3.1) and SPA (section 3.2) and updated these
sections. Updated Figure 2. Updated NINA-B112 radio performance. Updated
mechanical dimensions (section 5). Modified the number of pieces on a reel to 500 in
section 8.1.1.
R03
19-Apr-2016
ajoh
Modified the supported Serial peripheral interface (section 2.4.2).
R04
17-Jun-2016
ajoh, fbro,
mhan, kgom
Renamed Serial Port Application as NINA-B11x firmware. Updated the pin-out (section
3), added extra information about NFC pins and added section 2.7. Switched places of
DSR and DTR pins in B11x firmware pin-out, updated system functions text (section 2.3),
added measurements to electrical specifications (section 4), and a few minor changes.
Included figures for tape orientation and tape dimensions in section 8.1.2. Added
approved antennas list (Table 21).
Document status changed to Advance Information.
R05
09-Aug-2016
ajoh
Updated Sections 6 and 7, document status changed to Early Production Information.

NINA-B1 series - Data Sheet
UBX-15019243 - R05 Early Production Information Contact
Page 35 of 35
Contact
For complete contact information visit us at www.u-blox.com.
u-blox Offices
North, Central and South America
u-blox America, Inc.
Phone: +1 703 483 3180
E-mail: info_us@u-blox.com
Regional Office West Coast:
Phone: +1 408 573 3640
E-mail: info_us@u-blox.com
Technical Support:
Phone: +1 703 483 3185
E-mail: support_us@u-blox.com
Headquarters
Europe, Middle East, Africa
u-blox AG
Phone: +41 44 722 74 44
E-mail: info@u-blox.com
Support: support@u-blox.com
Asia, Australia, Pacific
u-blox Singapore Pte. Ltd.
Phone: +65 6734 3811
E-mail: info_ap@u-blox.com
Support: support_ap@u-blox.com
Regional Office Australia:
Phone: +61 2 8448 2016
E-mail: info_anz@u-blox.com
Support: support_ap@u-blox.com
Regional Office China (Beijing):
Phone: +86 10 68 133 545
E-mail: info_cn@u-blox.com
Support: support_cn@u-blox.com
Regional Office China (Chongqing):
Phone: +86 23 6815 1588
E-mail: info_cn@u-blox.com
Support: support_cn@u-blox.com
Regional Office China (Shanghai):
Phone: +86 21 6090 4832
E-mail: info_cn@u-blox.com
Support: support_cn@u-blox.com
Regional Office China (Shenzhen):
Phone: +86 755 8627 1083
E-mail: info_cn@u-blox.com
Support: support_cn@u-blox.com
Regional Office India:
Phone: +91 80 4050 9200
E-mail: info_in@u-blox.com
Support: support_in@u-blox.com
Regional Office Japan (Osaka):
Phone: +81 6 6941 3660
E-mail: info_jp@u-blox.com
Support: support_jp@u-blox.com
Regional Office Japan (Tokyo):
Phone: +81 3 5775 3850
E-mail: info_jp@u-blox.com
Support: support_jp@u-blox.com
Regional Office Korea:
Phone: +82 2 542 0861
E-mail: info_kr@u-blox.com
Support: support_kr@u-blox.com
Regional Office Taiwan:
Phone: +886 2 2657 1090
E-mail: info_tw@u-blox.com
Support: support_tw@u-blox.com